Panasonic Nnsd297S Service Manual ManualsLib Makes It Easy To Find Manuals Online!
2014-12-11
: Panasonic Panasonic-Nnsd297S-Service-Manual-120889 panasonic-nnsd297s-service-manual-120889 panasonic pdf
Open the PDF directly: View PDF
.
Page Count: 31

© 2007 Panasonic Home Appliances Microwave
Oven (Shanghai) Co., Ltd. All rights reserved.
Unauthorized copying and distribution is a violation
of law.
NN-SD297S
NN-SD277S
NN-SD277B
NN-SD277W
NN-SA247S
NN-P295WFX
NN-S255WFX
NN-S245WFX
APH(USA)
CPH(CANADA)
Microwave Oven
Please file and use this manual together with the service manual for Model NN-S262SF (Order
No.SIMMC0203005C1)
ORDER NO.PHAMOS0705024A1
E2

2
NN-SD297S / NN-SD277S / NN-SD277B / NN-SD277W / NN-SA247S / NN-P295WFX / NN-S255WFX / NN-S245WFX

3
NN-SD297S / NN-SD277S / NN-SD277B / NN-SD277W / NN-SA247S / NN-P295WFX / NN-S255WFX / NN-S245WFX

1 SCHEMATIC DIAGRAM 5
1.1. APH (NN-SD297S, SD277S/B/W) 5
1.2. CPH (NN-SD297S, SD277S/B/W , P295WFX) 6
1.3. CPH (NN-SA247S, S255WFX, S245WFX) 7
2 MEASUREMENTS AND ADJUSTMENTS 8
2.1. Adjustment of primary latch switch, secondary latch switch
and short switch. 8
2.2. Measurement of microwave output 8
3 PROCEDURE FOR MEASURING MICROWAVE ENERGY
LEAKAGE 9
3.1. Equipment 9
3.2. Procedure for measuring radiation leakage 9
3.3. Record keeping and notification after measurement 9
3.4. At least once a year, have the radiation monitor checked
for calibration by its manufacturer. 10
4 SIMPLE WAY OF H.V. INVERTER/MAGNETRON
TROUBLESHOOTING 11
5 H.V.INVERTER BOARD MAIN PARTS LIST (F606Y8M00AP)
11
6 EXPLODED VIEW AND PARTS LIST 12
6.1. EXPLODED VIEW 12
6.2. PARTS LIST 13
6.3. DOOR ASSEMBLY 15
6.4. ESCUTCHEON BASE ASSEMBLY 16
6.5. PACKING AND ACCESSORIES 20
6.6. WIRING MATERIALS 21
7 DIGITAL PROGRAMMER CIRCUIT 22
7.1. NN-SD297S APH/CPH 22
7.2. NN-P295WFX CPH 24
7.3. NN-SD277 APH/CPH, NN-S255WFX CPH 26
7.4. NN-SA247S CPH, S245WFX CPH 28
7.5. PARTS LIST 30
CONTENTS
Page Page
4
NN-SD297S / NN-SD277S / NN-SD277B / NN-SD277W / NN-SA247S / NN-P295WFX / NN-S255WFX / NN-S245WFX

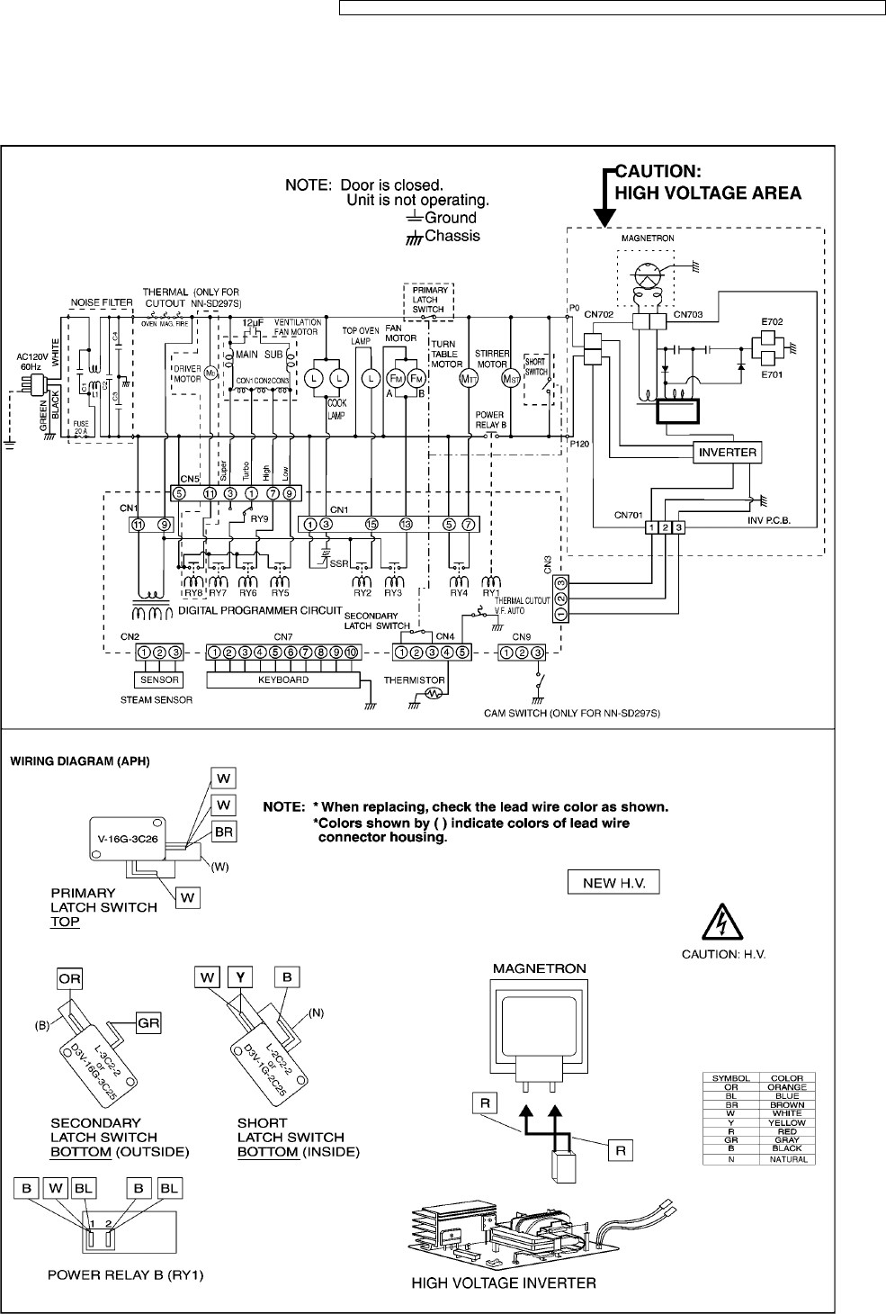
1 SCHEMATIC DIAGRAM
1.1. APH (NN-SD297S, SD277S/B/W)
5
NN-SD297S / NN-SD277S / NN-SD277B / NN-SD277W / NN-SA247S / NN-P295WFX / NN-S255WFX / NN-S245WFX

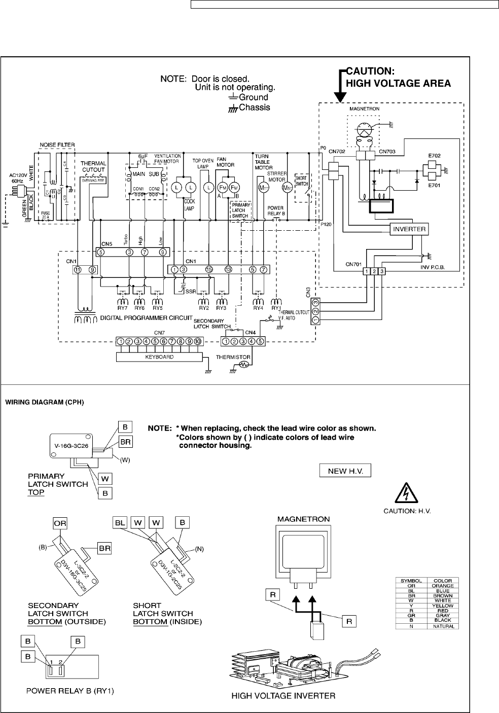
1.2. CPH (NN-SD297S, SD277S/B/W, P295WFX)
6
NN-SD297S / NN-SD277S / NN-SD277B / NN-SD277W / NN-SA247S / NN-P295WFX / NN-S255WFX / NN-S245WFX

1.3. CPH (NN-SA247S, S255WFX, S245WFX)
7
NN-SD297S / NN-SD277S / NN-SD277B / NN-SD277W / NN-SA247S / NN-P295WFX / NN-S255WFX / NN-S245WFX

2.1. Adjustment of primary latch
switch, secondary latch switch
and short switch.
1. Mount the Primary latch switch, the Secondary latch switch
and the short switch to the door hook assembly as shown in
ILL.
NOTE:
No specific individual adjustments during
installation of the Primary latch switch, Secondary
latch switch or Short switch to the door hook are
required.
2. When mounting the door hook assembly to the oven
assembly, adjust the door hook assembly by moving it in
the direction of the arrows in the illustration so that the oven
door will not have any play in it. Check for play in the door
by pulling the door assembly. Make sure that the latch keys
move smoothly after adjustment is completed. Completely
tighten the screws holding the door hook assembly to the
oven assembly.
3. Reconnect the short switch and check the continuity of the
monitor circuit and all latch switches again by following the
component test procedures.
2.2. Measurement of microwave
output
The output power of the magnetron can be determined by
performing IEC standard test procedures. However,due to the
complexity of IEC test procedures, it is recommended to test
the magnetron using the simple method outlined below.
Necessary Equipment:
*1 liter beaker *Glass thermometer
*Wrist watch or stopwatch
NOTE:
Check the line voltage under load.Low voltage will
lower the magnetron output. Take the temperature
readings and heating time as accurately as possible.
1. Fill the beaker with exactly one liter of tap water.Stir the
water using the thermometer and record the water’s
temperature. (recorded as T1).
2. Place the beaker on the center of glass tray.
Set the oven for High power and heat it for exactly one
minute.
3. Stir the water again and read the temperature of the water.
(recorded as T2).
4. The normal temperature rise at High power level for each
model is as shown in table.
TABLE (1L-1min.test)
RATED OUTPUT TEMPERATURE RISE
1100W Min. 16.9°F(9.4°C)
1200W Min. 18.5°F(10.3°C)
2 MEASUREMENTS AND ADJUSTMENTS
8
NN-SD297S / NN-SD277S / NN-SD277B / NN-SD277W / NN-SA247S / NN-P295WFX / NN-S255WFX / NN-S245WFX

NOTE:
The U.S. Government standard is 5 mW/cm2while in the
customer’s home. 2mW/cm2stated here is our own
voluntary standard. (1mW/cm2for Canada)
3.1. Equipment
•
••
•
Electromagnatic radiation monitor
•
••
•
Glass thermometer 212°F or 100°C
•
••
•
600cc glass beaker
3.2. Procedure for measuring
radiation leakage
Note before measuring.
•
••
•
Do not exceed meter full scale deflection. Leakage monitor
should initially be set to the highest scale.
•
••
•
To prevent false readings the test probe should be held by
the grip portion of the handle only and moved along the
shaded area in Figure no faster than 1 inch/sec
(2.5cm/sec).
•
••
•
Leakage with the outer panel removed ...... less than
5mW/cm2.
•
••
•
Leakage for a fully assembled oven with door normally
closed ...... less than 2mW/cm 2(1mW/cm 2for Canada).
•
••
•
Leakage for a fully assembled oven [Before the latch switch
(primary) is interrupted] while pulling the door ...... less than
2mW/cm 2.
1. Pour 275 ± 15cc (9ozss± 1/2oz) of 20°C ± 5°C (68° ± 9°F)
water in a beaker which is graduated to 600cc, and place in
the center of the oven.
2. Set the radiation monitor to 2450MHz and use it following
the manufacturer´s recommended test procedure to assure
correct results.
3. When measuring the leakage, always use the 2 inch (5cm)
spacer supplied with the probe.
4. Tap the start pad or set the timer and with the magnetron
oscillating, measure the leakage by holding the probe
perpendicular to the surface being measured.
3.2.1. Measurement with the outer panel
removed.
Whenever you replace the magnetron, measure for radiation
leakage before the outer panel is installed and after all
necessary components are replaced or adjusted. Special care
should be taken in measuring around the magnetron.
3.2.2. Measurements with a fully
assembled oven.
After all components, including outer panel are fully assembled,
measure for radiation leakage around the door periphery, the
door viewing window, the exhaust opening, control panel and
air inlet openings.
3.3. Record keeping and
notification after measurement
•
••
•
After any adjustment or repair to a microwave oven, a
leakage reading must be taken. Record this leakage
reading on the repair ticket even if it is zero.
A copy of this repair ticket and the microwave leakage
reading should be kept by repair facility.
•
••
•
Should the radiation leakage be more than 2 mW/cm2
(1mW/cm2for Canada) after determining that all parts are in
good condition, functioning properly, and genuine
replacement parts as listed in this manual have been used,
immediately notify PSTC, PSC or PCI.
3 PROCEDURE FOR MEASURING MICROWAVE ENERGY
LEAKAGE
9
NN-SD297S / NN-SD277S / NN-SD277B / NN-SD277W / NN-SA247S / NN-P295WFX / NN-S255WFX / NN-S245WFX

3.4. At least once a year, have the
radiation monitor checked for
calibration by its
manufacturer.
10
NN-SD297S / NN-SD277S / NN-SD277B / NN-SD277W / NN-SA247S / NN-P295WFX / NN-S255WFX / NN-S245WFX

4 SIMPLE WAY OF H.V. INVERTER/MAGNETRON
TROUBLESHOOTING
Purpose:
Simple way (3/37 seconds rule) of identifying whether it’s Magnetron, Inverter, or others.
Set-up:
The unit under question is connected through the Ammeter as shown below.
Procedure:
Follow the matrix table below to identify the problem source.
Note:
Do not replace both Inverter board and Magnetron simultaneously and automatically without going through this
procedure.
Power will: Ammeter reading is: To do: Remedy:
Shut off in 37 seconds
after “Start”.
1. Between 0.5A and 1.0A. Check and repair open magnetron circuit Open magnetron wiring between Inverter
and magnetron terminal.
2. Between 1.0A and 2.0A. Check continuity of D702 in Inverter PCB.
1. D702 shorted Replace H.V.Inverter(F606Y8M00AP)
2. D702 is OK Replace magnetron
Shut off in 3 seconds
after “Start”
1. Less than 0.5A Check open circuit: Latch Switch, DPC,
Power Relay and CN701
Replace defective component(s), or
correct switch, cables and connectors.
5 H.V.INVERTER BOARD MAIN PARTS LIST
(F606Y8M00AP)
Ref. No. Part No. Part Name & Description Pcs/Set Remarks
DB701 B0FBBS000001 BRIDGE DIODE 120A, 600V
L701 F50206G00AP CHOKE COIL 1
Q701 B1JAGV000015 TRANSISTOR SI 11000V
T701 A609A8M00AP H.V. TRANSFORMER 1(INCLUDING D701,D702,C706,C707)
C701 ECWF5284N300 CAPACITOR 10.28µF/500V
C702 ECWF2455N644 CAPACITOR 14.5µF/250V
11
NN-SD297S / NN-SD277S / NN-SD277B / NN-SD277W / NN-SA247S / NN-P295WFX / NN-S255WFX / NN-S245WFX

6 EXPLODED VIEW AND PARTS LIST
6.1. EXPLODED VIEW
12
NN-SD297S / NN-SD277S / NN-SD277B / NN-SD277W / NN-SA247S / NN-P295WFX / NN-S255WFX / NN-S245WFX

6.2. PARTS LIST
NOTE:
1. When ordering replacement part(s), please use part number(s) shown in this part list.
Do not use description of the part.
2. Important safety notice:
Components identified by mark have special characteristics important for safety.
When replacing any of these components, use only manufacture’s specified parts.
Ref. No. Part No. Part Name & Description Pcs/Set Remarks
1F00205H00AP CAUTION LABEL 1APH
1F00067600CP CAUTION LABEL 1CPH
2F00336Z20AP FUSE LABEL 1
3F110D6Z00SAP CABINET BODY(U) 1SD297S APH
3F110D6Z00SCP CABINET BODY(U) 1SD297S CPH
3F110D8Q00BAP CABINET BODY(U) 1SD277S APH/CPH,SD277B APH/CPH,SA247S CPH
3F110D8Q00HAP CABINET BODY(U) 1SD277W APH/CPH,P295WFX CPH, S255WFX CPH,S245WFX CPH
4F100D6Z00AP BASE PLATE (U) 1SD297S APH/CPH,P295WFX CPH
4F100D6Z80AP BASE PLATE (U) 1EXCEPT SD297S APH/CPH & P295WFX CPH
5F201A6F10AP OVEN(U) 1
6F20115H00AP COVER 1
7F21314Y00XN PULLY SHAFT 1
8F290D5Q00AP ROLLER RING(U) 1
10 E393C6Z00AP DOOR HOOK (U) 1APH
10 E393C6Z00CP DOOR HOOK (U) 1CPH
14 F40016Z00AP FAN MOTOR A 1FOR INVERTER (U) COOLING
15 F40085H00AP FAN BLADE 1FOR INVERTER (U) COOLING
16 F40256Z80AP ORIFICE 1
17 F401W6Z00AP BLOWER MOTOR (U) 1SD297S APH/CPH,SD277 APH/CPH,P295WFX CPH
17 F401W6Z60AP BLOWER MOTOR (U) 1SA247S CPH,S255WFX CPH,S245WFX CPH
18 F42486Z00AP FAN CASE C 1
20 F42505H00AP SIROCCO FAN C 1
21 F42676Z80AP FAN MOTOR B 1FOR MAGNETRON COOLING
22 F601L6F00AP SENSOR (BU) 1SD297S APH/CPH,SD277 APH/CPH,P295WFX CPH
23 F40246Z00AP EXHAUST GUIDE A 1
24 F44775H00AP EXHAUST GUIDE 1
25 F20025H00AP RACK SUPPORT 4
26 F65856Z00AP INVERTER BRACKET 1
27 F62386Z00AP WASHER 1
28 F62386F00AP WASHER 1
32 F100T5H00APG BACK PLATE(BU) 1
33 F400B6Z00AP FILTER (U) 2
34 F400K5H00APG EXHAUST ADAPTER 1
35 F63175H00SAP LAMP HOLDER 1SD297S APH
35 F63176F00SAP LAMP HOLDER 1SD297S CPH
35 F63175H10BAP LAMP HOLDER 1SD277S APH/CPH,SD277B APH/CPH,SA247S CPH
35 F63175H10HAP LAMP HOLDER 1SD277W APH/CPH,P295WFX CPH, S255WFX CPH,S245WFX CPH
36 F64375H00AP GLASS PLATE 1
37 F41576Z00APG FAN INSTALLATION PLATE 2
38 F42176Z00APG COVER PLATE 1
39 F42205H00APG COVER PLATE B 1
40 F607V6Z00APG LAMP COVER (U) 1
41 F61846Z00AP GROUNDING PLATE 1
42 F60405H00AP LAMP MEMBRANE 1
43 F61446Z00AP STIRRER MOTOR 1
44 F20155H00AP STIRRER 1
45 F20165H00AP ANTENNA SUPPORT 1
46 F60305H00AP INCANDESCENT LAMP 1
47 F60305H00AP INCANDESCENT LAMP 2EXCEPT SD297S APH/CPH & P295WFX CPH
48 F61525H00AP SOCKET 1
49 F61525H00AP SOCKET 2EXCEPT SD297S APH/CPH & P295WFX CPH
50 F67536Z00AP HALOGEN LAMP 2SD297S APH/CPH,P295WFX CPH
51 F61456F20AP THERMAL CUTOUT 1
13
NN-SD297S / NN-SD277S / NN-SD277B / NN-SD277W / NN-SA247S / NN-P295WFX / NN-S255WFX / NN-S245WFX

Ref. No. Part No. Part Name & Description Pcs/Set Remarks
52 F61456N60AP THERMAL CUTOUT 3
53 F606Y8M00AP H.V.INVERTER (U) 1
54 2M261-M32KLP MAGNETRON 1APH
54 2M261-M32JP MAGNETRON 1CPH
55 F62308F00AP FUSE 120A/125V
56 F400B6Z20AP CARBON FILTER (U) 1
57 F692Y8F20AP NOISE FILTER(U) 1
58 F82605H00AP NOISE FILTER BRACKET 1
59 F66986Z30AP MOTOR CAPACITOR 1SD297S APH/CPH,SD277 APH/CPH,P295WFX CPH
59 F66986Z80AP MOTOR CAPACITOR 1SA247S CPH,S255WFX CPH,S245WFX CPH
60 F63266Z80AP TURNTABLE MOTOR 1
61 F900C6Z80AP AC CORD W/PLUG 1APH
61 F900C6Z80CP AC CORD W/PLUG 1CPH
62 F90804W00AP CANOE CLIP 1FOR COVER
63 F101V6Z20SAP VENT GRILLE (U) 1SD277S APH/CPH
63 F101V6Z30BAP VENT GRILLE (U) 1SD277B APH/CPH
63 F101V6Z30HAP VENT GRILLE (U) 1SD277W APH/CPH,S255WFX CPH
63 F101V6F10BAP VENT GRILLE (U) 1SA247S CPH
63 F101V6F10HAP VENT GRILLE (U) 1S245WFX CPH
64 F48436Z00APG INHALE GUIDE A 1
69 F01725H00AP CAUTION LABEL 1
70 F00565H00AP CAUTION LABEL 1
72 F00725H00AP CAUTION LABEL 1
73 F03346Z20AP MENU LABEL 1SD297S APH,SD277S/B/W APH
73 F03346Z20CP MENU LABEL 1SD297S CPH,SD277S/B/W CPH
74 F66396F00AP MOTOR INSTALLATION BRACKET 1SD297S APH/CPH,P295WFX CPH
75 F63266F00AP DRIVE MOTOR 1SD297S APH/CPH,P295WFX CPH
76 F11736F00AP SPRING 2SD297S APH/CPH,P295WFX CPH
77 F11196F00SAP VENT GRILLE OSTENTATIOUS COVER 1SD297S APH/CPH
77 F11196Z00HAP VENT GRILLE OSTENTATIOUS COVER 1P295WFX CPH
78 F11206F00APG VENT GRILLE INSTALLATION
BRACKET
1SD297S APH/CPH,P295WFX CPH
79 F11176F00SAP VENT GRILLE 1SD297S APH/CPH
79 F11176Z00HAP VENT GRILLE 1P295WFX CPH
80 F48236F00AP CAM 1SD297S APH/CPH,P295WFX CPH
81 F48246Z00AP SHAFT 1SD297S APH/CPH,P295WFX CPH
82 F111B6F00APG BACKSTOP AU 2SD297S APH/CPH,P295WFX CPH
83 F111C6F00APG BACKSTOP BU 1SD297S APH/CPH,P295WFX CPH
84 J61415G10XN MICRO SWITCH 1SD297S APH/CPH,P295WFX CPH
85 F101V6Z00SAP VENT GRILLE (U) 1SD297S APH/CPH
85 F101V6Z00HAP VENT GRILLE (U) 1P295WFX CPH
86 F90356Z00AP AC CORD FIXING PLATE 1
87 A66135H00AP BRACKET A 3
88 F04468Q00AP FUNCTION LABEL 1SD297S APH
88 F04468Q00CP FUNCTION LABEL 1SD297S CPH
88 F04466Z20AP FUNCTION LABEL 1SD277S/B/W APH
88 F04466Z20CP FUNCTION LABEL 1SD277S/B/W CPH
91 F01956F10AP CAUTION LABEL 1SD297S APH
91 F01956F10CP CAUTION LABEL 1SD297S CPH,P295WFX CPH
92 F40316Z00APG AIR BAFFLE C 1SD297S APH/CPH,SD277* APH/CPH,P295WFX CPH
93 F00067C50AP CAUTION LABEL 1APH
93 F00067C50CP CAUTION LABEL 1CPH
94 F62315G10XN FUSE HOLDER 1
95 XTC4+12BC SCREW 4EXCEPT SD277B APH/CPH
95 XTC4+12BB SCREW 4SD277B APH/CPH
96 TCTTH4+10BCB SCREW 3SD277S APH/CPH,SD277B APH/CPH,SA247S CPH
96 TCTTH4+10BC SCREW 3SD277W APH/CPH,S255WFX CPH,S245WFX CPH
97 XTC4+10AFZ SCREW 1SD297S APH/CPH
97 XTC4+10AFC SCREW 1P295WFX CPH
98 XTTFA4+8BFZ SCREW 2SD297S APH/CPH
98 XTTFA4+8BCR SCREW 2P295WFX CPH
14
NN-SD297S / NN-SD277S / NN-SD277B / NN-SD277W / NN-SA247S / NN-P295WFX / NN-S255WFX / NN-S245WFX

6.3. DOOR ASSEMBLY
Ref. No. Part No. Part Name & Description Pcs/Set Remarks
D1 F3018-1200 DOOR KEY A 1
D2 F302A8Q00SAP DOOR A (U) 1SD297S APH/CPH
D2 F302A8Q50HAP DOOR A (U) 1P295WFX CPH
D2 F302A8Q10SAP DOOR A (U) 1SD277S APH/CPH
D2 F302A8Q10BAP DOOR A (U) 1SD277B APH/CPH
D2 F302A8Q10HAP DOOR A (U) 1SD277W APH/CPH,S255WFX CPH
D2 F302A8Q90SCP DOOR A (U) 1SA247S CPH
D2 F302A8Q90HCP DOOR A (U) 1S245WFX CPH
D3 F302K5H00AP DOOR E (U) 1
D4 F30215G10XN DOOR KEY SPRING 1
D5 F30855H00AP DOOR C 1
D6 F31455H00AP DOOR SCREEN A 1
D7 F02459660AP DHHS LABEL 1APH
D7 F04114180CP HC LABEL 1CPH
15
NN-SD297S / NN-SD277S / NN-SD277B / NN-SD277W / NN-SA247S / NN-P295WFX / NN-S255WFX / NN-S245WFX

6.4. ESCUTCHEON BASE ASSEMBLY
6.4.1. NN-SD297S APH/CPH
Ref. No. Part No. Part Name & Description Pcs/Set Remarks
E1 F603L8Q00AP D.P.CIRCUIT (AU) 1SD297S APH
E1 F603L8Q00CP D.P.CIRCUIT (AU) 1SD297S CPH
E2 F603Y6Z00AP D.P.CIRCUIT (DU) 1SD297S APH
E2 F603Y6Z00CP D.P.CIRCUIT (DU) 1SD297S CPH
E3 F800L8Q00SAP ESCUTCHEON BASE (U) 1SD297S APH/CPH
E4 F66166Z00AP FLAT CABLE 1SD297S APH/CPH
E5 F82988Q00SAP BUTTON 1SD297S APH/CPH
E6 F891P6F00SAP DOOR OPENING BUTTON (U) 1SD297S APH/CPH
E7 F82566F00AP DOOR OPENING LEVER 1SD297S APH/CPH
E8 F80375950AP COOK BUTTON SPRING 2
E10 F81278Q00APG BACK PANEL 1SD297S APH/CPH
E11 F83928P00KAP DIAL 2SD297S APH/CPH
E14 F80098P00AP LED COVER A 2SD297S APH/CPH
E15 F00078Q00SAP NAME PLATE 1SD297S APH
E15 F00078Q00SCP NAME PLATE 1SD297S CPH
E16 XTWFNE4+12P SCREW 2SD297S APH/CPH
16
NN-SD297S / NN-SD277S / NN-SD277B / NN-SD277W / NN-SA247S / NN-P295WFX / NN-S255WFX / NN-S245WFX

6.4.2. NN-P295WFX CPH
Ref. No. Part No. Part Name & Description Pcs/Set Remarks
E21 F603L8Q50CP D.P.CIRCUIT (AU) 1P295WFX CPH
E22 F603Y6Z00CP D.P.CIRCUIT (DU) 1P295WFX CPH
E23 F800L6Z00HCP ESCUTCHEON BASE (U) 1P295WFX CPH
E24 F66166Z00AP FLAT CABLE 1P295WFX CPH
E25 F82986Z00HAP BUTTON 1P295WFX CPH
E26 F891P6Z00HAP DOOR OPENING BUTTON 1P295WFX CPH
E27 F82566F00AP DOOR OPENING LEVER 1P295WFX CPH
E28 F80375950AP COOK BUTTON SPRING 2
E30 F81276F00APG BACK PANEL 1P295WFX CPH
E35 F00078Q50HCP NAME PLATE 1P295WFX CPH
E36 XTWFNE4+12PW SCREW 2P295WFX CPH
17
NN-SD297S / NN-SD277S / NN-SD277B / NN-SD277W / NN-SA247S / NN-P295WFX / NN-S255WFX / NN-S245WFX

6.4.3. NN-SD277S/B/W APH, NN-SD277S/B/W CPH
Ref. No. Part No. Part Name & Description Pcs/Set Remarks
E41 F603L8Q10AP D.P.CIRCUIT (AU) 1SD277S/B/W APH
E41 F603L8Q10CP D.P.CIRCUIT (AU) 1SD277S/B/W CPH
E43 F800L8Q10SAP ESCUTCHEON BASE (U) 1SD277S APH
E43 F800L8Q10SCP ESCUTCHEON BASE (U) 1SD277S CPH
E46 F891P6Z20SAP DOOR OPENING BUTTON (U) 1SD277S APH/CPH
E46 F80726Z30BAP DOOR OPENING BUTTON 1SD277B APH/CPH
E46 F80726Z30HAP DOOR OPENING BUTTON 1SD277W APH/CPH
E47 F82566F00AP DOOR OPENING LEVER 1SD277S/B/W APH,SD277S/B/W CPH
E48 F80375950AP COOK BUTTON SPRING 1
E49 F630Y8Q10SAP MEMBRANE SWITCH (U) 1SD277S APH
E49 F630Y8Q10SCP MEMBRANE SWITCH (U) 1SD277S CPH
E49 F630Y8Q10BAP MEMBRANE SWITCH (U) 1SD277B APH
E49 F630Y8Q10BCP MEMBRANE SWITCH (U) 1SD277B CPH
E49 F630Y8Q10HAP MEMBRANE SWITCH (U) 1SD277W APH
E49 F630Y8Q10HCP MEMBRANE SWITCH (U) 1SD277W CPH
E50 F81276Z20APG BACK PANEL 1SD277S/B/W APH,SD277S/B/W CPH
E51 F803G8Q10BAP POP-UP DIAL (U) 1SD277S/B APH,SD277S/B CPH
E51 F803G8Q10HAP POP-UP DIAL (U) 1SD277W APH,SD277W CPH
E52 F80186Z20AP BACKSTOP 1SD277S/B/W APH,SD277S/B/W CPH
E53 F80346Z30BAP ESCUTCHEON BASE 1SD277B APH/CPH
E53 F80346Z30HAP ESCUTCHEON BASE 1SD277W APH/CPH
E55 F00078Q10SAP NAME PLATE 1SD277S APH
E55 F00078Q10SCP NAME PLATE 1SD277S CPH
E55 F00078Q10BAP NAME PLATE 1SD277B APH
E55 F00078Q10BCP NAME PLATE 1SD277B CPH
E55 F00078Q10HAP NAME PLATE 1SD277W APH
E55 F00078Q10HCP NAME PLATE 1SD277W CPH
E56 XTWFNE4+12P SCREW 2SD277S APH/CPH,SD277B APH/CPH
E56 XTWFNE4+12PW SCREW 2SD277W APH/CPH
18
NN-SD297S / NN-SD277S / NN-SD277B / NN-SD277W / NN-SA247S / NN-P295WFX / NN-S255WFX / NN-S245WFX

6.4.4. NN-SA247S CPH, S255WFX CPH, S245WFX CPH
Ref. No. Part No. Part Name & Description Pcs/Set Remarks
E61 F603L8Q60CP D.P.CIRCUIT (AU) 1S255WFX CPH
E61 F603L8Q90CP D.P.CIRCUIT (AU) 1SA247S CPH,S245WFX CPH
E63 F800L8Q90SCP ESCUTCHEON BASE (U) 1SA247S CPH
E64 F80025H00AP ESCUTCHEON B 1SA247S CPH,S245WFX CPH
E66 F80725H00SAP DOOR OPENING BUTTON 1SA247S CPH
E66 F80726Z30HAP DOOR OPENING BUTTON 1S255WFX CPH
E66 F80725H10HAP DOOR OPENING BUTTON 1S245WFX CPH
E67 F82566F00AP DOOR OPENING LEVER 1S255WFX CPH
E67 F82565H00AP DOOR OPENING LEVER 1SA247S CPH,S245WFX CPH
E68 F80375950AP COOK BUTTON SPRING 1
E69 F630Y8Q90BCP MEMBRANE SWITCH (U) 1SA247S CPH
E69 F630Y6Z60HCP MEMBRANE SWITCH (U) 1S255WFX CPH
E69 F630Y8Q90HCP MEMBRANE SWITCH (U) 1S245WFX CPH
E70 F81276Z60APG BACK PLATE 1S255WFX CPH
E70 F81275H00APG BACK PLATE 1SA247S CPH,S245WFX CPH
E73 F80346Z60HAP ESCUTCHEON BASE 1S255WFX CPH
E73 F80345H10HAP ESCUTCHEON BASE 1S245WFX CPH
E75 F00078Q90SCP NAME PLATE 1SA247S CPH
E75 F00078Q60HCP NAME PLATE 1S255WFX CPH
E75 F00078Q90HCP NAME PLATE 1S245WFX CPH
E76 XTWFNE4+12P SCREW 2SA247S CPH
E76 XTWFNE4+12PW SCREW 2S255WFX CPH,S245WFX CPH
19
NN-SD297S / NN-SD277S / NN-SD277B / NN-SD277W / NN-SA247S / NN-P295WFX / NN-S255WFX / NN-S245WFX

6.5. PACKING AND ACCESSORIES
Ref. No. Part No. Part Name & Description Pcs/Set Remarks
P1 F00038Q00AP INSTRUCTION MANUAL 1SD297S APH
P1 F00038Q00CP INSTRUCTION MANUAL 1SD297S CPH
P1 F00038Q10AP INSTRUCTION MANUAL 1SD277S/B/W APH
P1 F00038Q10CP INSTRUCTION MANUAL 1SD277S/B/W CPH
P1 F00038Q50CP INSTRUCTION MANUAL 1P295SFX CPH
P1 F00038Q60CP INSTRUCTION MANUAL 1S255WFX CPH
P1 F00038Q90CP INSTRUCTION MANUAL 1SA247S CPH,S245WFX CPH
P2 F01028Q00SAP PACKING CASE ,PAPER 1SD297S APH
P2 F01028Q00SCP PACKING CASE ,PAPER 1SD297S CPH
P2 F01028Q10SAP PACKING CASE ,PAPER 1SD277S APH
P2 F01028Q10SCP PACKING CASE ,PAPER 1SD277S CPH
P2 F01028Q10BAP PACKING CASE ,PAPER 1SD277B APH
P2 F01028Q10BCP PACKING CASE ,PAPER 1SD277B CPH
P2 F01028Q10HAP PACKING CASE ,PAPER 1SD277W APH
P2 F01028Q10HCP PACKING CASE ,PAPER 1SD277W CPH
P2 F01028Q50HCP PACKING CASE ,PAPER 1P295WFX CPH
P2 F01028Q60HCP PACKING CASE ,PAPER 1S255WFX CPH
P2 F01028Q90SCP PACKING CASE ,PAPER 1SA247S CPH
P2 F01028Q90HCP PACKING CASE ,PAPER 1S245WFX CPH
P3 F01045H00AP UPPER FILLER 1SD297S APH/CPH,P295WFX CPH, SA247S CPH,S245WFX CPH
P3 F01046Z20AP UPPER FILLER 1SD277S/B/W APH,SD277S/B/W CPH,S255WFX CPH
P4 F01055H00AP LOWER FILLER 1SD297S APH/CPH,P295WFX CPH, SA247S CPH,S245WFX CPH
P4 F01056Z20AP LOWER FILLER 1SD277S/B/W APH,SD277S/B/W CPH,S255WFX CPH
P5 F01066Z20AP P.E.BAG 1
P6 F01075H00AP DOOR SHEET 1
P7 A06015H00AP COOKING TRAY 1
P8 F01175H00AP TRAY PACKING B 1EXCEPT SA247S CPH & S245WFX CPH
P9 F01485H00AP REINFORCE BRACKET 2
P10 F01085H00AP TRAY PACKING 1
P11 F01925H00AP SHEET 2
P12 F06025H00AP OVEN RACK 1
P13 F02185H00AP PROTECTOR PACKING 1
P14 F03138Q00AP INSTALLATION INSTRUCTION 1APH
20
NN-SD297S / NN-SD277S / NN-SD277B / NN-SD277W / NN-SA247S / NN-P295WFX / NN-S255WFX / NN-S245WFX

Ref. No. Part No. Part Name & Description Pcs/Set Remarks
P14 F03138Q00CP INSTALLATION INSTRUCTION 1CPH
P15 F04318Q00AP UPPER-CABINET TEMPLATE 1APH
P15 F04318Q00CP UPPER-CABINET TEMPLATE 1CPH
P16 F011F6Z00AP ATTACHMENT 1
P17 F04845V10AP FILTER PURCHASE NOTICE 1APH
P18 F04458Q00SCP OVERLAY 1SD297S CPH
P18 F04458Q10SCP OVERLAY 1SD277S CPH
P18 F04458Q10BCP OVERLAY 1SD277B CPH
P18 F04458Q10HCP OVERLAY 1SD277W CPH
P18 F04456Z00HCP OVERLAY 1P295WFX CPH
P18 F04456F20BCP OVERLAY 1SA247S CPH
P18 F04456Z60HCP OVERLAY 1S255WFX CPH
P18 F04456F20HCP OVERLAY 1S245WFX CPH
P19 F011G6Z00AP ATTACHMENT B 1
33 F400B6Z00AP FILTER (U) 2
6.6. WIRING MATERIALS
Ref. No. Part No. Part Name & Description Pcs/Set Remarks
W1 F030A6Z00AP LEAD WIRE HARNESS 1SD297S APH
W1 F030A6Z00CP LEAD WIRE HARNESS 1SD297S CPH,P295WFX CPH
W1 F030A6Z20AP LEAD WIRE HARNESS 1SD277S/B/W APH
W1 F030A6Z20CP LEAD WIRE HARNESS 1SD277S/B/W CPH
W1 F030A6Z60CP LEAD WIRE HARNESS 1S255WFX CPH
W1 F030A6Y90CP LEAD WIRE HARNESS 1SA247S CPH,S245WFX CPH
W2 F030E5H00AP H.V.LEAD WIRE 1APH
W2 F030E5H00CP H.V.LEAD WIRE 1CPH
W3 F03536F00AP LEAD WIRE HARNESS U 1(INCLUDING CABEL CONNECTOR CN4)
W4 F03556Z00AP LEAD WIRE HARNESS 1SD297S APH/CPH,P295WFX CPH (INCLUDING SOCKET)
W4 F03556Z20AP LEAD WIRE HARNESS 1EXCEPT SD297S APH/CPH,P295WFX CPH
21
NN-SD297S / NN-SD277S / NN-SD277B / NN-SD277W / NN-SA247S / NN-P295WFX / NN-S255WFX / NN-S245WFX

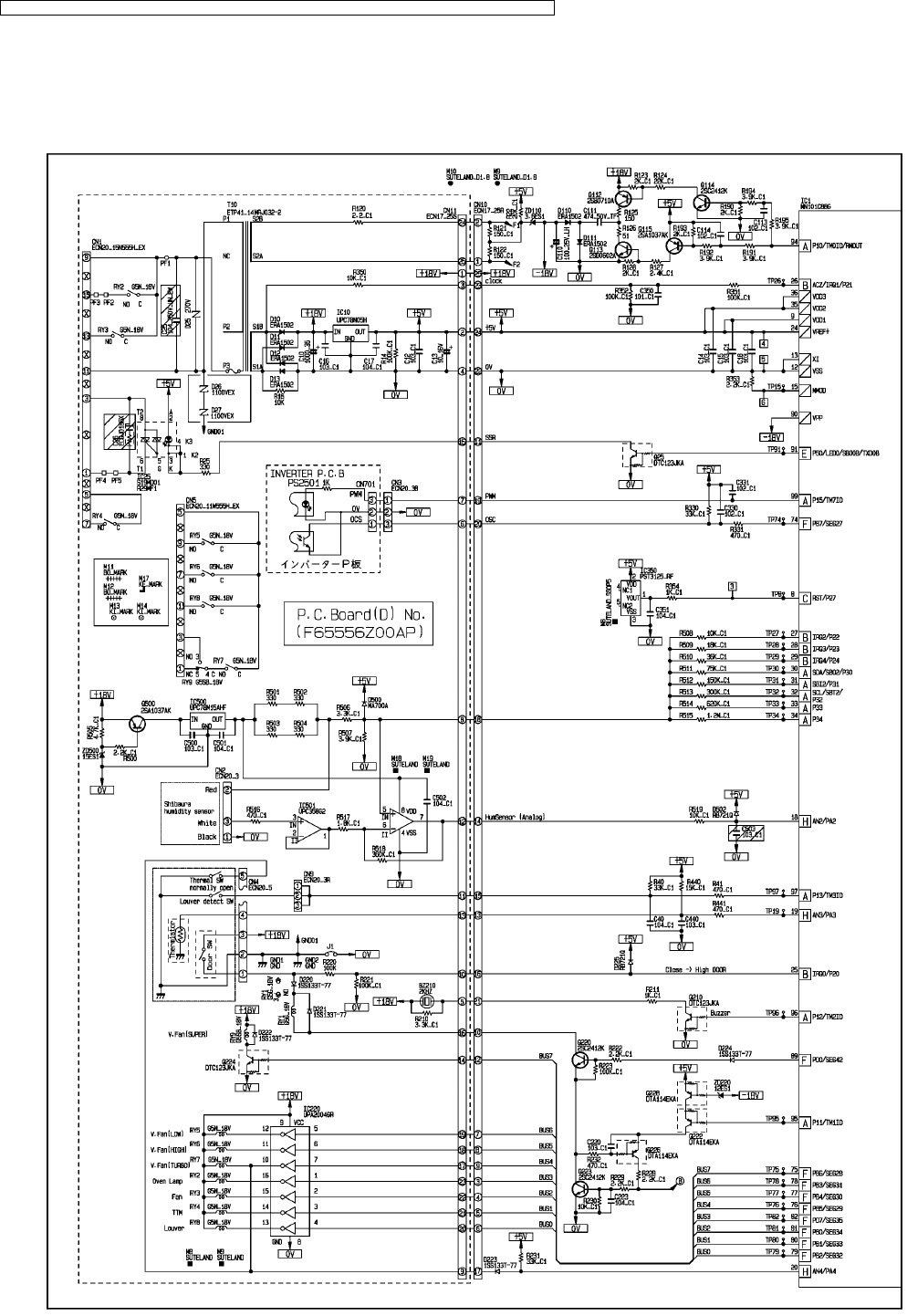
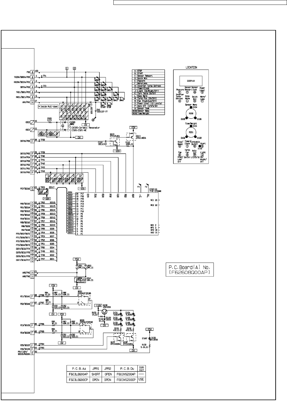
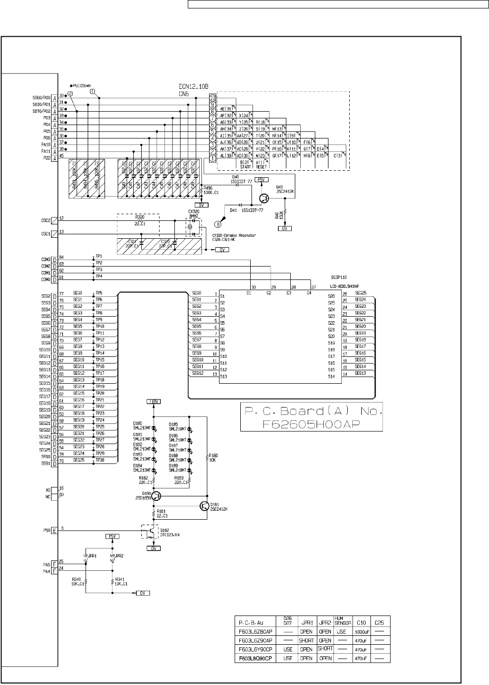
7 DIGITAL PROGRAMMER CIRCUIT
7.1. NN-SD297S APH/CPH
22
NN-SD297S / NN-SD277S / NN-SD277B / NN-SD277W / NN-SA247S / NN-P295WFX / NN-S255WFX / NN-S245WFX

23
NN-SD297S / NN-SD277S / NN-SD277B / NN-SD277W / NN-SA247S / NN-P295WFX / NN-S255WFX / NN-S245WFX

7.2. NN-P295WFX CPH
24
NN-SD297S / NN-SD277S / NN-SD277B / NN-SD277W / NN-SA247S / NN-P295WFX / NN-S255WFX / NN-S245WFX

25
NN-SD297S / NN-SD277S / NN-SD277B / NN-SD277W / NN-SA247S / NN-P295WFX / NN-S255WFX / NN-S245WFX

7.3. NN-SD277 APH/CPH, NN-S255WFX CPH
26
NN-SD297S / NN-SD277S / NN-SD277B / NN-SD277W / NN-SA247S / NN-P295WFX / NN-S255WFX / NN-S245WFX

27
NN-SD297S / NN-SD277S / NN-SD277B / NN-SD277W / NN-SA247S / NN-P295WFX / NN-S255WFX / NN-S245WFX

7.4. NN-SA247S CPH, S245WFX CPH
28
NN-SD297S / NN-SD277S / NN-SD277B / NN-SD277W / NN-SA247S / NN-P295WFX / NN-S255WFX / NN-S245WFX

29
NN-SD297S / NN-SD277S / NN-SD277B / NN-SD277W / NN-SA247S / NN-P295WFX / NN-S255WFX / NN-S245WFX

7.5. PARTS LIST
7.5.1. NN-SD297S APH/CPH
Ref. No. Part No. Part Name & Description Pcs/Set Remarks
BZ210 L0DDEA000014 BUZZER 12.0KHz
C110 ECEA1EKS101I AL CHEM CAPACITOR 1100µF/25V
C111 ECQV1H474JL2 CAPACITOR 10.47µF/50V
C10 AECETK1V102B AL CHEM CAPACITOR 11000µF/35V
C13 AECETS1C220B AL CHEM CAPACITOR 122µF/16V
CX320 EFOEC8004A4 CERAMIC RESONATOR 18.0MHz
DISP A2BB00000150 VACUUM FLUORESCENCE DISPLAY 1
DISP HOLDER F66176Z00AP LCD HOLDER 1
F64578P00AP DIFFUSION SHEET 1
D40,D41,D220-D222 MA2C19600E DIODE 5
D10-D13,D110,D111 B0EAKT000025 DIODE 6
D224,D500,D502 MA2C700A0F DIODE 3
D130-D133 AE3294UBCA7 LED 4
IC1 MN101C88ADA L.S.I. 1
IC10 C0CAADG00060 IC 1
IC25 B3PAC0000060 IC 1
IC220 B1HBGFF00007 IC 1
IC350 C0EBH0000264 IC 1
IC501 C0ABBA000230 IC 1
IC550 C0CAALG00023 IC 1
Q130 B1BAAJ000003 TRANSISTOR 1
D25 D4EAY271A036 ZENER RESISTOR 1270V
D26,D27 D4EAY112A036 ZENER RESISTOR 21100V (CPH)
RY1 K6B1AZA00005 POWER RELAY 118V
RY2-RY8 K6B1AZA00011 POWER RELAY 7
RY9 K6B1CZA00004 POWER RELAY 1
T10 G4C4AAD00006 LOW VOLTAGE TRANSFORMER 1120V
RE80,RE81 EVEJ1HF2224B REVOLVING ENCODER 2
SW40-SW47,SW49-SW56 EVQ11L05R SWITCH 16
ZD110 B0BA3R500006 ZENER DIODE 1
ZD130,ZD220 B0BA01100004 ZENER DIODE 2
ZD500 B0BA01400009 ZENER DIODE 1
7.5.2. NN-P295WFX CPH
Ref. No. Part No. Part Name & Description Pcs/Set Remarks
BZ210 L0DDEA000014 BUZZER 12.0KHz
C110 ECEA1EKS101I AL CHEM CAPACITOR 1100µF/25V
C111 ECQV1H474JL2 CAPACITOR 10.47µF/50V
C10 AECETK1V102B AL CHEM CAPACITOR 11000µF/35V
C13 AECETS1C220B AL CHEM CAPACITOR 122µF/16V
CX320 EFOEC8004A4 CERAMIC RESONATOR 18.0MHz
DISP A2BB00000150 VACUUM FLUORESCENCE DISPLAY 1
DISP HOLDER F66176Z00AP LCD HOLDER 1
D41,D220-D223 MA2C19600E DIODE 5
D10-D13,D110,D111 B0EAKT000025 DIODE 6
D224,D500,D502 MA2C700A0F DIODE 3
IC1 MN101C88ADF L.S.I. 1
IC10 C0CAADG00060 IC 1
IC25 B3PAC0000060 IC 1
IC220 B1HBGFF00007 IC 1
IC350 C0EBH0000264 IC 1
IC501 C0ABBA000230 IC 1
IC550 C0CAALG00023 IC 1
D25 D4EAY271A036 ZENER RESISTOR 1270V
D26,D27 D4EAY112A036 ZENER RESISTOR 21100V (CPH)
RY1 K6B1AZA00005 POWER RELAY 118V
RY2-RY8 K6B1AZA00011 POWER RELAY 7
RY9 K6B1CZA00004 POWER RELAY 1
T10 G4C4AAD00006 LOW VOLTAGE TRANSFORMER 1120V
SW1-SW4,SW6-SW8,SW11-SW35 EVQ11L05R SWITCH 32
ZD110 B0BA3R500006 ZENER DIODE 1
ZD220 B0BA01100004 ZENER DIODE 1
ZD500 B0BA01400009 ZENER DIODE 1
30
NN-SD297S / NN-SD277S / NN-SD277B / NN-SD277W / NN-SA247S / NN-P295WFX / NN-S255WFX / NN-S245WFX

7.5.3. NN-SD277* APH/CPH,S255WFX CPH
Ref. No. Part No. Part Name & Description Pcs/Set Remarks
BZ210 L0DDEA000014 BUZZER 12.0KHz
C110 ECEA1EKS101I AL CHEM CAPACITOR 1100µF/25V
C111 ECQV1H474JL2 CAPACITOR 10.47µF/50V
C10 AECETK1V102B AL CHEM CAPACITOR 11000µF/35V
C13 AECETS1C220B AL CHEM CAPACITOR 122µF/16V
CX320 EFOEC8004A4 CERAMIC RESONATOR 18.0MHz
DISP A2BB00000150 VACUUM FLUORESCENCE DISPLAY 1
DISP HOLDER F66176Z00AP LCD HOLDER 1
D41,D220-D223 MA2C19600E DIODE 5
D10-D13,D110,D111 B0EAKT000025 DIODE 6
D224 MA2C700A0F DIODE 1
D500,D502 MA2C700A0F DIODE 2SD277* APH/CPH
IC1 MN101C88ADE L.S.I. 1SD277* APH/CPH
IC1 MN101C88ADF L.S.I. 1S255WFX CPH
IC10 C0CAADG00060 IC 1
IC25 B3PAC0000060 IC 1
IC220 B1HBGFF00007 IC 1
IC350 C0EBH0000264 IC 1
IC501 C0ABBA000230 IC 1SD277* APH/CPH
IC550 C0CAALG00023 IC 1SD277* APH/CPH
D25 D4EAY271A036 ZENER RESISTOR 1270V
D26,D27 D4EAY112A036 ZENER RESISTOR 21100V (CPH)
RY1 K6B1AZA00005 POWER RELAY 118V
RY2-RY7 K6B1AZA00011 POWER RELAY 6
RY9 K6B1CZA00004 POWER RELAY 1SD277* APH/CPH
T10 G4C4AAD00006 LOW VOLTAGE TRANSFORMER 1120V
RE80 EVEJ1HF2224B REVOLVING ENCODER 1SD277* APH/CPH
VZ490 D3BB6103A006 VARISTOR 1S255WFX CPH
ZD110 B0BA3R500006 ZENER DIODE 1
ZD220 B0BA01100004 ZENER DIODE 1
ZD500 B0BA01400009 ZENER DIODE 1SD277* APH/CPH
7.5.4. NN-SA247S CPH,S245WFX CPH
Ref. No. Part No. Part Name & Description Pcs/Set Remarks
BZ210 L0DDEA000014 BUZZER 12.0KHz
C584 AECETS1C100B AL CHEM CAPACITOR 110µF/16V
C10 AECETK1V471B AL CHEM CAPACITOR 1470µF/35V
CX320 EFOEC8004A4 CERAMIC RESONATOR 18.0MHz
DISP110 L5AAAFD00025 VACUUM FLUORESCENCE DISPLAY 1
DISP HOLDER F66175E40AP LCD HOLDER 1
F67525E40XN DIFFUSION SHEET 1
D40,D41,D220,D221,D584 MA2C19600E DIODE 5
D10-D13 B0EAKT000025 DIODE 4
D585 MA2C700A0F DIODE 1
IC1 MN101C54CHP L.S.I. 1
IC10 C0CAADG00060 IC 1
IC25 B3PAC0000060 IC 1
IC220 B1HBGFF00007 IC 1
Q180 B1BAAJ000003 TRANSISTOR 1
D25 D4EAY271A036 ZENER RESISTOR 1270V
D26,D27 D4EAY112A036 ZENER RESISTOR 21100V
RY1 K6B1AZA00005 POWER RELAY 118V
RY2-RY7 K6B1AZA00011 POWER RELAY 6
T10 G4C4AAD00006 LOW VOLTAGE TRANSFORMER 1120V
VZ490 D3BB6103A006 VARISTOR 1
31
NN-SD297S / NN-SD277S / NN-SD277B / NN-SD277W / NN-SA247S / NN-P295WFX / NN-S255WFX / NN-S245WFX
05/07
S-8Q0, S-8Q1
S-8Q5, S-8Q6
S-8Q9
Printed in China