Paxar 656 636 Users Manual 656v30
656 636 to the manual 11a06fa8-31b0-452f-81a9-0a5a39b48ce9
2015-02-06
: Paxar Paxar-656-636-Users-Manual-517399 paxar-656-636-users-manual-517399 paxar pdf
Open the PDF directly: View PDF
.
Page Count: 115 [warning: Documents this large are best viewed by clicking the View PDF Link!]

Users Manual
Model 656 / 636
PAXAR Systems Group
Manual Edition 3.0
18 February 2002
Manual Part Number 351398

ii • Users Manual Model 656/636
This page intentionally blank

Users Manual Model 656/636 • iii
Contents
Scope 1
Introduction ...............................................................................................................................1
Safety Issues / Warnings 1
Caution ......................................................................................................................................1
Warranty Information 2
Customer Responsibility 3
Location of Printer.....................................................................................................................3
AC Power Line ..........................................................................................................................4
Unpacking.................................................................................................................................. 4
Inventory of Components ..........................................................................................................5
Printer Setup 6
Installing the Stacker .................................................................................................................6
Fuse Configuration ....................................................................................................................7
P.C. Board Installation...............................................................................................................7
TCB Dip Switch S2 Settings .....................................................................................................8
Installing the Power Cord ..........................................................................................................8
Installing the PC Interface Cable...............................................................................................9
Installing the PC Software......................................................................................................... 9
Product Description 10
Printer Description................................................................................................................... 10
Personal Computer Specifications...........................................................................................11
Unit Specification ....................................................................................................................11
Printer Operation 13
Installing Ink Ribbon ............................................................................................................... 13
Loading Stock..........................................................................................................................14
Butt Splice ...............................................................................................................................15
Web Guide Adjustment ...........................................................................................................15
Print Head Open / Close .......................................................................................................... 16
Control Panel Operation 17
Printer Controls........................................................................................................................17
Indicator Lights........................................................................................................................19
Front Panel Menu Functions.................................................................................................... 20

iv • Users Manual Model 656/636
LCD Display............................................................................................................................21
Display Modes .........................................................................................................................23
Maintenance / Adjustments 29
Print Head Handling ................................................................................................................29
Print Head Cleaning.................................................................................................................30
Print Head Replacement ..........................................................................................................31
Print Head Adjustment.............................................................................................................32
Registration Sensor Adjustment ..............................................................................................33
Stock out Adjustment...............................................................................................................37
Knife Square Adjustment.........................................................................................................37
Stacker Adjustments ................................................................................................................38
Stock Feed Adjustment............................................................................................................38
Mechanical Adjustment Of Feed Roller Pressure (Blue Roller)..............................................39
Mechanical Adjustment of Stock Sense - Mark Light Receiver..............................................39
Electrical Connections 41
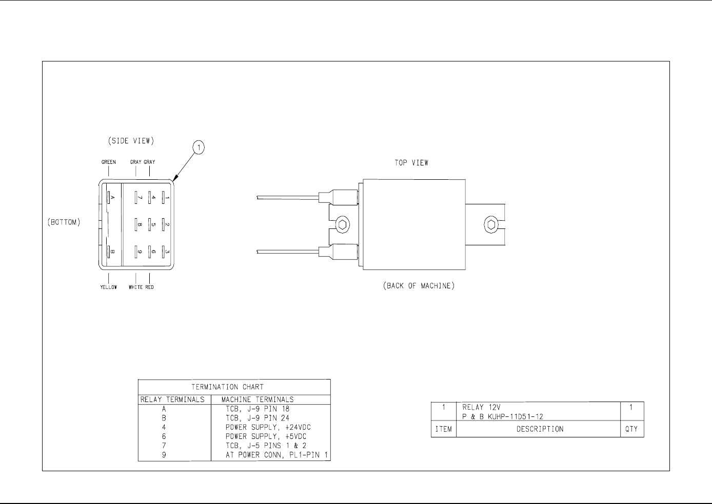
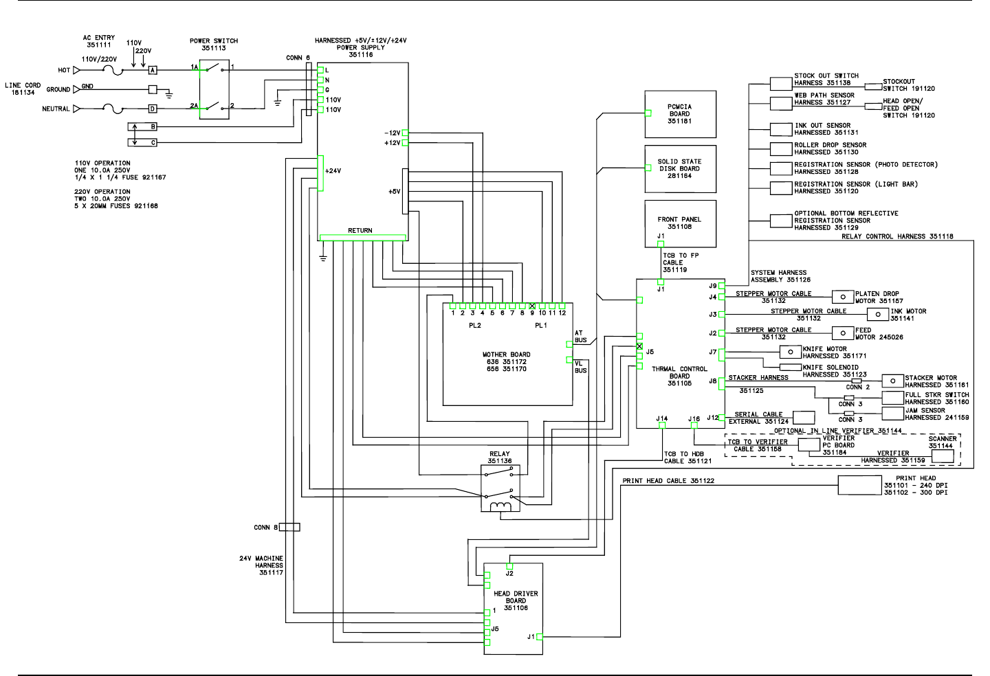
Machine Wiring .......................................................................................................................41
Relay Assembly .......................................................................................................................42
Electrical System Schematic....................................................................................................43
Motherboard Power Connectors ..............................................................................................44
Electrical Trouble Shooting 45
Power Up / Sign On / Communications...................................................................................45
Stock / Ink Advance.................................................................................................................47
Print .........................................................................................................................................49
Cut / Stack................................................................................................................................51
Electrical Trouble Shooting / Machine Set Up Sequence........................................................52
Mechanical Trouble Shooting 53
Stock ........................................................................................................................................53
Ink............................................................................................................................................55
Print .........................................................................................................................................56
Knife ........................................................................................................................................57
Mechanical Trouble Shooting Sequence .................................................................................59
Lubrication Procedure .............................................................................................................59
Appendix A 60
Error Messages ........................................................................................................................60
Appendix B 61
Software Upgrade Chip Placement Positions ..........................................................................61
Appendix C 64
Ink and Stock Transfer Types..................................................................................................64
Appendix D 67
Knife MFG Guideline..............................................................................................................67

Users Manual Model 656/636 • v
Assembly Drawings 71
Unwind Assembly Drawing .................................................................................................... 72
Unwind Parts List ....................................................................................................................73
Web Guide / Light Bar Assembly Drawing.............................................................................74
Web Guide / Light Bar Parts List ............................................................................................75
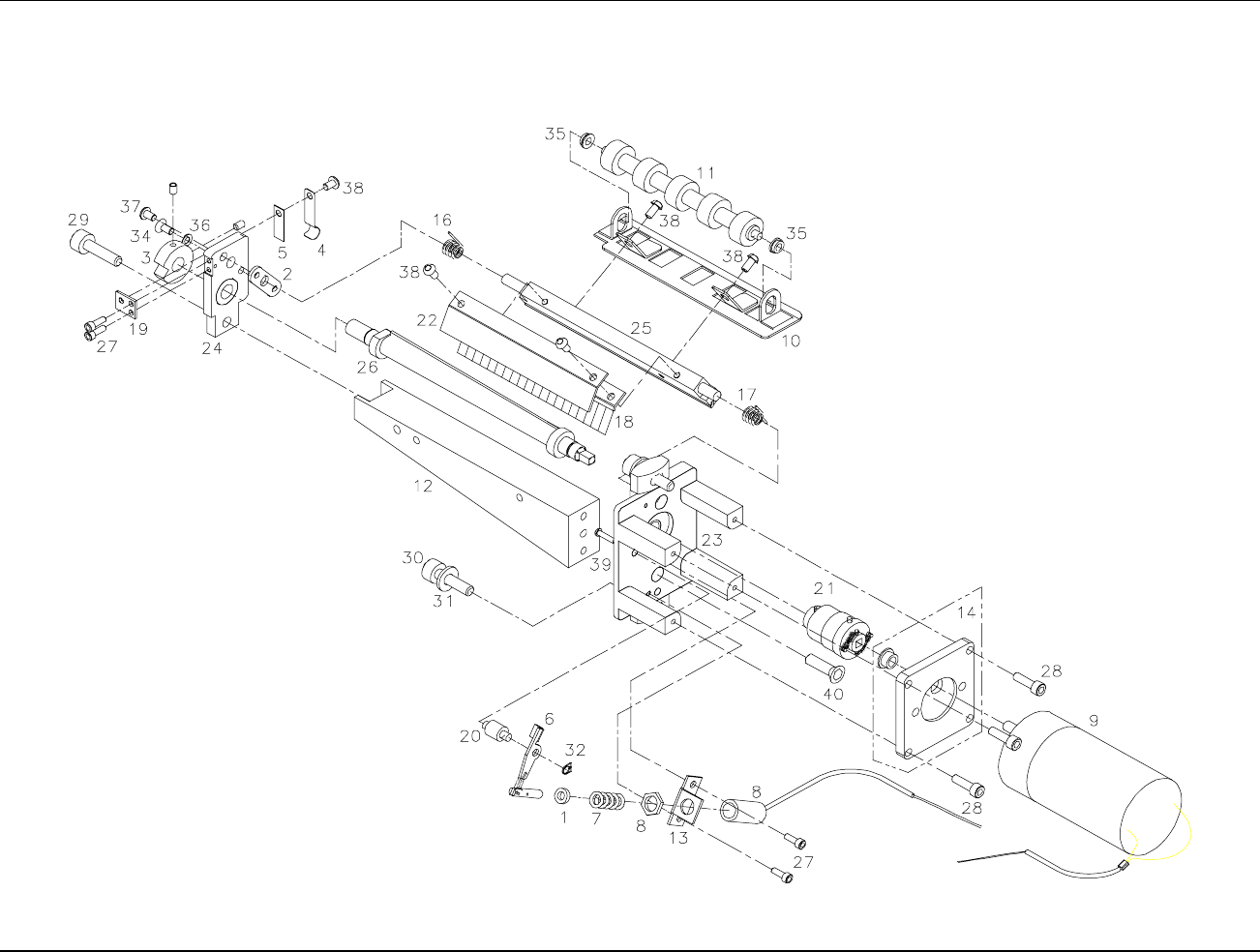
Drive Assembly Drawing ........................................................................................................ 76
Drive Parts List........................................................................................................................ 77
Printhead Assembly Drawing .................................................................................................. 78
Printhead Parts List.................................................................................................................. 79
Ink Unwind / Rewind Assembly..............................................................................................80
Ink Unwind / Rewind Parts List ..............................................................................................81
Ink Rewind Arbor Assembly...................................................................................................82
Ink Rewind Arbor Parts List.................................................................................................... 83
Feed & Ink Drive Assembly....................................................................................................84
Feed & Ink Drive Parts List.....................................................................................................85
Timing Belt Threading Diagram..............................................................................................86
Timing Belt Parts List..............................................................................................................87
Ink Turn Roller Assembly ....................................................................................................... 88
Ink Turn Roller Parts List........................................................................................................89
Knife Assembly Drawing ........................................................................................................ 90
Knife Parts List........................................................................................................................ 91
Stacker Assembly Drawing .....................................................................................................92
Stacker Parts List ..................................................................................................................... 93
Rewind Assembly Drawing..................................................................................................... 94
Rewind Parts List..................................................................................................................... 95
Stock Out Sensor Assembly Drawing ..................................................................................... 96
Stock Out Sensor Parts List .....................................................................................................97
Optional Stackers 98
4.25” Stacker Specifications....................................................................................................99
Optional 4.25” Pick-up Assembly .........................................................................................100
Optional 4.25” Pick-up Parts List.......................................................................................... 101
Optional 4.25” Stacker Assembly.......................................................................................... 102
Optional 4.25” Stacker Parts List .......................................................................................... 103
Optional Down Stacker Assembly Drawing (Part 1)............................................................. 104
Optional Down Stacker Parts List (Part 1) ............................................................................105
Optional Down Stacker Assembly Drawing (Part 2)............................................................. 106
Optional Down Stacker Parts List (Part 2) ............................................................................107
Optional Down Stacker Assembly Drawing (Part 3)............................................................. 108
Optional Down Stacker Parts List (Part 3) ...........................................................................109

Users Manual Model 656/636 Scope • 1
Scope
Introduction
This user manual was arranged for the person who is going to operate this machine.
The information is arranged in the order that is needed to install and operate the
machine. It starts with general information, then to unpacking the carton, installing
the ink ribbon and stock, printer operation, control panel operation, and finally care
and maintenance of the unit.
We at PAXAR hope that you will come to appreciate the efforts and quality which
have gone into producing your PAXAR 656 / 636 Printer and wish to remind you
that you are our number one priority. We welcome any constructive comments or
criticisms so that we may continue to offer you the best printer in the industry for
years to come.
Safety Issues / Warnings
Caution
This machine has some pinch points. All of these areas have been well guarded and
it is recommended that the safety features of this machine are never altered or
defeated.

2 • Warranty Information Users Manual Model 656/636
Warranty Information
Limited Warranty
PAXAR Systems Group, Division of PAXAR Corporation, extends the following
warranties to the original purchaser of a PAXAR 656 / 636 which has been installed
and operated using recommended procedures and operating conditions.
Parts
Parts found defective in material or workmanship will be replaced at no charge for a
period of six months following the machine's shipment date. Parts damaged by
negligence, abuse, or normal wear are not covered. PAXAR 656 / 636 parts classed
as normal wear items include print heads, feed and platen rollers, and knife blades.
Service
Service to replace defective parts as defined above, shall be provided at no charge
for a period of six months following the shipment date.
When ordering machines and supplies in the U.S.A., reference all correspondence to
the address below.
PAXAR Corporation
One Wilcox Street
Sayre, Pa. 18840
Call: 1-800-96PAXAR or (570) 888-6641
Fax: (570) 888-5230
For spare parts, requests for service or technical support
Paxar Service Group
170 Monarch Lane
Miamisburg, OH 45342
Call: (800) 543-6650
Fax: (937) 865-2092 for Warranty Parts
Fax: (937) 865-2707 or (937) 865-6605 for Customer Parts Orders
For parts and service in other countries please contact your local PAXAR supplier.
PAXAR Apparel Identification Systems Group reserves the right to incorporate any
modifications or improvements in the machine system and machine specifications
which it considers necessary and does not assume any obligation to make said
changes in equipment previously sold.

Users Manual Model 656/636 Customer Responsibility • 3
Customer Responsibility
Location of Printer
The printer weighs approximately 57 Lbs (~26Kg) and requires a table of sufficient
quality and strength to handle this load while the printer is operating. PAXAR
recommends an industrial type work table having the approximate dimensions of 96"
wide to 30" deep to 32" high. Refer to Figure 1a.
Figure 1a Recommended workstation layout.
The location of the PAXAR 656 / 636 printer should be based on human factors.
The printer should be located in an area which maintains optimum flow of your
product while providing for the operator’s comfort. PAXAR has taken significant
steps to ensure that the operator controls and operations are easily accessible. This
goal can only be met, however, if the printer is also located with human factors in
mind. These include the height of the printer, the space around the printer, and the
accessibility to the printer.
The PAXAR 656 / 636 printer is a high resolution thermal printer. While PAXAR
has designed the printer to be reasonably quiet, it is recommended to location the
printer in an area where printing and cutting repetitious noise is acceptable.
The unit should always be operated with the cover closed to minimize the amount of
dust and dirt in the machine.

4 • Customer Responsibility Users Manual Model 656/636
AC Power Line
PAXAR requires that the electric service be 10 Amps @ 110VAC or 10 Amps @
220VAC. This will allow the computer and any additional support or service
equipment to be plugged into the same service.
Any electrical service which is supplying a PAXAR printer or peripheral equipment
connected to a PAXAR printer should follow standard electrical code practices
including proper grounding and neutral requirements.
The PAXAR printer was designed to operate in an industrial setting for extended
period of time; however, the printer is controlled by a microprocessor which is very
sensitive to brownouts or power spikes. For this reason as well as the minimum
recommended current supply, PAXAR recommends that a separate “clean” service
be installed or reserved for the exclusive use of the PAXAR printer and it’s
peripherals.
Unpacking
The PAXAR printer is shipped in a large cardboard box which may be difficult to
move by hand.
DO NOT REMOVE THE PRINTER FROM THE CRATE OR UNPACK IN
THE SHIPPING / RECEIVING DEPARTMENT.
NOTE: Unpacking in the shipping/receiving department is not recommended for
the following reasons. First: The cardboard carton in which your PAXAR printer
was shipped allows the printer to be moved with a forklift, forkcart or hand cart.
Because of the weight of the printer, it is easier and safer to use one of these
devices to move the printer to its intended installation location. Second: Leaving
the printer in the carton while it is being moved within your facility will help to
protect the printer during any movements to this new location. Once the printer has
reached its intended location you should begin the unpacking process.
Open the printer from the top of the box (See Figure 1b). Do not cut deep into the
carton as there are items located just under the top. Remove the items located on the
top insert. Remove the top insert. Lift the printer onto the table with the two
banding straps. Remove the two straps and the plastic from the printer. Inspect the
machine for shipping damage. If obvious damage is discovered, contact PAXAR for
further instructions - in the U.S.A. at 570-888-9116. In other countries please
contact your local PAXAR supplier. Once you are satisfied that there was no
obvious shipping damage to the printer, the printer can now be lifted to its intended
location.

Users Manual Model 656/636 Customer Responsibility • 5
In some cases, a double box has been used to ship your printer.
Figure 1b Shipping Carton.
Save the shipping materials to relocate the unit or return to factory for service.
Inventory of Components
The following list shows the additional parts (pieces) which should be included in
your PAXAR 656 / 636 shipping container. If anything is missing, notify PAXAR
immediately - in the U.S.A. at 570-888-9116. In other countries please contact your
local PAXAR supplier.
- PAXAR 656 / 636 "User's Manual"
- Tool kit
- A quick-disconnect power cord
- Optional IC card for custom Logos or additional fonts that were special ordered.
(in the back of the manual)
- Stacker assembly
- Optional software ordered to drive the printer.
- A serial communications cable
NOTE: Some of the above parts may be inside of the envelope which contains the
tool kit.
PAXAR 656 / 636 TOOL KIT (#351390)
241149 Anti-Static Gloves (2)
921309 Hex Key Set
921316 3/16" Long Ball Driver
181301 2.5mm Ball Driver
301156 Chip Removal Tool
351398 656 / 636 Users Manual

6 • Printer Setup Users Manual Model 656/636
Printer Setup
Installing the Stacker
Remove the stacker from the separate packaging. Remove the packaging from
around the stacker and save with the rest of the printer packing supplies.
Swing open the top cover to the printer. Locate the large knob and two round pins
on the right hand side of the printer. Loosen the knob enough to allow the stacker to
slide between the printer housing and the knob. The stacker will rest on the two
pins. Slide the stacker to the back until it contacts the up-right frame. Tighten the
knob. Adjusting the stacker is covered later.
Install the stacker up-right rails. Remove one of the thumb screws. Insert the thumb
screw through the mating hole in the up-right rail assembly. Thread the thumb
screw into the mounting block. Repeat the above procedure for the other thumb
screw.
There is a harness and connector leading from the back of the stacker that plugs into
the center connector on the last PC board. The connector and plug are polarized.
Rotate the plug until the polarized plug and connector align and push them together.

Users Manual Model 656/636 Printer Setup • 7
Fuse Configuration
The main fuse(s) on the Paxar 656 / 636 are located inside the AC power entry
receptacle. The entry has a fuse drawer that holds the fuse(s) and selects the
appropriate line voltage. If the number in the window DOES NOT match the AC
line intended to be supplied to the printer, DO NOT plug the power cord in. Re
configure as follows:
1) Using a flat blade screw driver, open the AC entry by lifting the tab just above the
voltage indicator window.
2) Remove the red fuse drawer.
3) Remove all fuses and the fuse jumper if it is present.
4) Insert into the fuse drawer the correct number and style of fuses and fuse jumper
for your application.
Configuration Number One: Line voltage between the range of
90 - 132VAC @ 50 - 60Hz
1) Install one 921167 - 10.0A 250V Fast Acting 1/4 x 1 1/4"
2) Install one Fuse Jumper
See Figure FUSE1
Configuration Number Two: Line voltage between the range of 180 -
265VAC @ 50 - 60Hz
1) Install two 921168 10.0A 250V Fast Acting 5 x 20MM
NOTE: The fuse jumper must be removed to install both 5 x
20mm fuses.
The fuses must be between points A and B as shown not B and C.
See Figure FUSE2
4) Reinsert the fuse drawer into the AC entry with the desired voltage up.
5) Close the AC entry and verify the correct voltage is now visible.
P.C. Board Installation
Install P.C. Boards as follows:

8 • Printer Setup Users Manual Model 656/636
Memory Card Option Board (350016) - Slot 5 (from back)
Diskless Rom Bd. (281164) - Slot 4
Thermal Control Bd. (351105) - Slot 2
Head Control Bd. (351106) - Slot 1
TCB Dip Switch S2 Settings
TCB DIP SWITCH S2 SETTINGS
1 DPI OFF = 240 ON = 300
2 DPI (Undefined) OFF = Default ON =
3 MACHINE TYPE OFF = 656 ON = 636
4 MACHINE TYPE (Undefined) OFF = Default ON =
5 JAM SENSOR OFF = not installed ON = installed
6 UNDEFINED OFF = Default ON =
7 UNDEFINED OFF = Default ON =
8 UNDEFINED OFF = Default ON =
Installing the Power Cord
A power cord is shipped with each printer. The cord for 110 volt printers, will use
the standard three prong plug used in the U.S.A. A 220 volt printer and other 110
volt configurations must have the receptacle end of the connector removed and the
proper plug installed. It is the customers responsibility to have the plug and
alteration work done by a certified electrician. Paxar supplies printers to many
countries with many variations. Therefore we leave this to the customer to make the
proper selection for their country.

Users Manual Model 656/636 Printer Setup • 9
Installing the PC Interface Cable
The 656 / 636 requires a 9-pin RS232 cable. This cable is provided with the printer.
If the cable was not found it can be order from PAXAR (Part no. 351124).
The male end of the cable should be connected to the 9-pin D-shell female connector
that is located on the right side of the printer. The female end of the cable is made to
fit a 9-pin male RS232 connector on the back of the PC.
Installing the PC Software
The software to drive the Paxar family of printers is covered in separate
documentation. The "Formatter" software to create formats by the customer for the
Paxar 656 / 636 printer is a Windows application. The original software "Selfform"
will not create formats for the 656 / 636. The new "Formatter" package is capable of
making formats for all Paxar control printers.
The original DOS version of "PCMate" has been updated to drive the 656 / 636
printer. PCMate DOS version 3.05 or later needs to be used.
The printer is also capable of operating directly from a mainframe when using the
RS232 interface and Paxar's PCL command language.

10 • Product Description Users Manual Model 656/636
Product Description
Printer Description
The PAXAR MODEL 656 / 636 THERMAL PRINTER (Figure 2) is an electronic
printer that can print on Fabric Tapes, Card Stock, Heat Seal Stock and Pressure
Sensitive roll stocks. This printer interfaces to a computer or a main frame system
that allows the customer to print computer input or even design a label with
PAXAR’S PCMate Plus's "FORMATTER" program. This printer can generate a
complete label printed on one side.
• Design your own labels on a PC
• Computer interface = IBM Compatible
• Mainframe direct interface
• RS232 9 Pin D shell female Serial interface connector
Figure 2 PAXAR MODEL 656 / 636 LABEL PRINTER

Users Manual Model 656/636 Product Description • 11
Personal Computer Specifications
This specification describes the hardware and application software requirements for
the Personal Computer that is connected to the PAXAR 656 / 636 Printer.
The PAXAR 656 / 636 Printer uses a DOS Version of PCMate or a Windows
version of “PcMate Plus / Formatter ”. These applications create the tag or label
formats (layouts) then fill and transfer data to the printer through the serial port of
the computer.
“PcMate Plus / Formatter ” Requires the following;
- IBM® PC or compatible
- Microsoft Windows® 95 or higher (Including Win 2000, ME, and NT)
- 16 Megabytes RAM (minimum) - 32 Megabytes recommended
- 50 Megabytes (minimum) free disk space
- Pentium or Pentium Type processor - 200 Mhz or higher
- 3-1/2" floppy drive
Refer to your specific software package for proper installation procedures.
Unit Specification
Print
method:
Narrow web thermal transfer or thermal direct one sided printer
Speed - up to 7 IPS (177.8mm/second)
Label Size Max: up to 5.125" (130.2mm) web x up to 7" (177.8 mm) feed cut and stacked up to 14.0"
(355.6mm) feed w/ rewind
Min: 1" (25.4mm) web x 1" (25.4mm) feed
Print Area Max: up to 5" (127mm) web x up to 13.875" (352.4 mm) feed
Min: None
Resolution 240 DPI x 240 DPI standard domestic
300 DPI x 300 DPI standard internationally
Fonts Two scalable fonts resident: condensed, standard, and bold typefaces, upper and lower case
4pt up to 96pt (300 DPI), 6pt up to 96pt (240 DPI)
all rotations 0°, 90°, 180°, 270°
Logos No restriction on number or size per tag (up to maximum image area)
all rotations 0°, 90°, 180°, 270°
Care
Symbols
Full International Set
.200" (5.1mm) x .200" (5.1mm) (240 DPI) (4 care symbols per 1" (25.4mm))
.156" (3.9mm) x .187" (4.8mm) (300 DPI) (5 care symbols per 1" (25.4mm))
All rotations 0°, 90°, 180°, 270°
Justification Left, Right, and Center field selectable
Stock Support for blank or pre-printed fabrics, blank or pre-printed card stock and die cut blank or
pre-printed pressure sensitive
Interface PAXAR PCL via RS232 serial port - 9 pin D-shell
Verifier serial port - 8 pin MicroDin

12 • Product Description Users Manual Model 656/636
Control
Panel
Push-button printer function with 2 Line x 24 Character International LCD Backlit Display
Dimensions 16.0" (406.4 mm) high x 27" (685.8 mm) wide
including stacker x 18.5" (469.9mm) deep
Weight 57 Lbs. ( 26Kg.)
Electrical 90-132 / 180-265 VAC 50-60Hz 10Amp Switch selectable
Temperature 41°F (5°C) to 104°F (40°C)
Humidity 5% to 90% non-condensing
Other
Features
- Downloading of information while machine is operating
- Sequenced Fields
- Time/Date Stamping
- Life Counts
- Operator adjustable: strobe, cut position, print position, baud rate, and buffer size
- Error Detection of: stock out, ink out, print head open, guard open, full stacker, and print head
over-temperature
- Display: labels left to print in a batch, batch ID, total life inches, total life cuts
- Self Diagnostics
- Missed sense mark detection and correction
- Slot, Notches, Hole or Reflective registration detection
Ink Ribbon PAXAR standard thermal colors and widths
Options - VL70 Barcode Verifier System
- Rewind Unit (110V or 220V)
- Reflective Sensor (Back of Web Only)
- PCMate
- SELFFORM
- Spare Parts Kit
- International Hardware Kit

Users Manual Model 656/636 Printer Operation • 13
Printer Operation
Installing Ink Ribbon
NOTE: WHEN THIS MACHINE IS TURNED ON FOR THE FIRST TIME,
A PAXAR FIELD ENGINEER MUST BE PRESENT.
Figure 2
(Threading path)
The ink ribbon comes pre-packaged in a plastic bag. For best results, leave the ink
ribbon wrapped in this bag until you are ready to use it in the printer. Use the
procedure and diagram below for loading the ink.
1) Unwrap the ink ribbon and put it on the ink-ribbon supply arbor (Figure 2) by
pressing it on to the arbor when the three slots are lined up.
2) Make sure the ink ribbon comes off the roll in the direction shown below and is
threaded as illustrated (see Figure 2).
NOTE: A new ink ribbon has a leader which makes it easier to use when threading
the ribbon through the print area.
3) Put an empty ink-ribbon take-up core on the ink-ribbon take-up arbor. The ink
take-up core must be at least as wide as the ink supply. The tape on the supply
roll of ink will be used to fasten the leader to the core.
4) Advance the ink until the leader starts to wrap around the take-up core.
5) Lower the take-up arbor into place. You will have to rotate the ink arbor as the
swing arm is returned to the drive roller to keep excess slack ink from between
the print head and the take up roller.
NOTE: Make sure that the ink-ribbon take-up core and the ink-ribbon supply roll
are against the edge guide plate so that the ink ribbon tracks straight through the
print station.

14 • Printer Operation Users Manual Model 656/636
Loading Stock
Ink Take-up
Stock out
Decurler
FIGURE 3 STOCK THREADING
LOADING STOCK FOR THE FIRST TIME
1) Slide the outboard stock guide to a position wider than the roll of stock to be
loaded. Set the stock roll core over the outboard guide and slide the roll to the
back guide. Move the outboard stock guide in until it contacts the stock roll.
2) Remove the tape or pull the glued end of the stock loose from the supply roll of
stock. Pull off about 2 feet (.5 m) of stock to thread it through the printer.
NOTE: If the material was glued to the core, cut off all material that has glue on
any surface.
3) Open the print head by pressing the release lever.
4) Open the web guide just before the print head platen roller to a width wider than
the stock to be used.
5) With the cover in the up position, slide the leading edge of the stock through the
lower guide that also contains the sensor system. Keep the stock to the back of
the printer as the unit is a back justified printer.
6) As the stock exits the sensor area, continue to slide the stock through the
print station. At this point you may need to direct the edge of the stock
below the ink drive roller.
7) With the feed roller open, slide the stock through the two feed rollers, aux. feed
and through the knife into the stacker approximately 1/2 to 3/4 of an inch.
8) Check that the stock is still to the back of the printer.
9) Adjust the front web guide, just in back of the platen roller, until it just misses the
front guide. This is to allow for the slight tolerance variation in the stock.
10) Close the feed roller and the print head station.
11) Rewind any loose stock onto the supply roll.

Users Manual Model 656/636 Printer Operation • 15
Butt Splice
NOTE: DO NOT RUN BUTT SPLICES THROUGH THE PRINT STATION
The PAXAR 656 / 636 has been designed with the operators need to change supplies
quickly in mind. Re threading the stock is quicker than butt splicing. If you have
determined a butt splice is necessary, tape the free end of the new stock roll & the
free end still in the printer together. Make sure you have determined how the new
roll will go on the printer to prevent any twist in the stock.
Following the procedure previously outlined, load new supply roll onto the printer.
Remove all slack by rotating the supply roll counterclockwise. Advance splice
beyond the print station. This can best be accomplished by using the stock feed
function switch combination (see push button description in Control Panel section).
NOTE: Whenever stock of a different type or width is put on the printer, a sample
run should be performed. If the print quality is acceptable, you can immediately
begin your production run. If the print quality needs to be optimized, refer to the
Setup Procedures and perform the procedure needed to make the necessary
improvement.
Web Guide Adjustment
The Paxar 656 / 636 printer has been designed with the operators needs in mind.
Therefore there are only two web guides in the printer that may need to be changed
as the width of the rolls change for formats. Neither of these adjustments require a
tool. Guide adjustments have already been covered in the stock loading procedure.
The first guide is on the roll support bar. The front guide must be slid to the back of
the printer to hold the supply roll against the back guide plate. Place your thumb
against the round stub close to the support bar. Push the guide until it firmly
contacts the front of the supply roll. This will hold the supply against the back
guide. This completes the adjustment for this guide.
The second guide is located just to the left of the print head and platen roller. This
guide must be set close to the front edge of the card stock but must not pinch the
edges. If the guide is too tight, the card stock will have rolled up edges. To move
this guide place your finger to the inside or the guide opposite the guide pressure
screw and pull to widen the opening. To close down the opening, place your thumb
against the side of the pressure screw to slid the guide in.
NOTE: THE BACK EDGE OF THE WEB GUIDES HAVE BEEN FACTORY
SET. CHECK THAT THE FORMAT HAS BEEN MADE CORRECTLY BEFORE
MAKING FURTHER ADJUSTMENTS.
There are two independent adjustments and one fixed back guide. The one fixed
back guide is opposite the platen roller guide. This has been located to control the
edge of the stock to the first dot on the print head. This location is critical to Paxar's
Formatter software. Do not adjust this guide with out consulting a Paxar service
engineer.
The adjustable back guide is located on the back of the stock support bar. This
guide is moved by loosening the button head screw located to left of the support bar.
Loosen the screw and slide the forward or back as needed. The ideal location is to
measure from the front of the plate 31/32" (24.6mm) back to the housing.

16 • Printer Operation Users Manual Model 656/636
The only other adjustment for the back of the web is the back stacker up-right rail.
To move the location of the up-right loosen the knob under the stacker and slide the
unit in or out as needed. The up-right rail should be located approx. 1/16" (1.5mm)
to the back of the label or tag as it enters the stacker.
Print Head Open / Close
The print head module is to be opened and closed for threading the stock and ink.
The unit must also be opened to clean the head and for print head replacement.
Later in the manual, under separate heading, cleaning and replacement will be
covered.
The print head has an interlock switch that prevents the printer from running with
the head in the open position. If the head is open the display will read GUARD
OPEN. Both the top cover and head use the same command.
WARNING: DO NOT TOUCH THE PRINT HEAD WITHOUT WEARING THE
ANTI-STATIC GLOVES AND THE STATIC WRIST STRAP.
To open the print head for threading supplies, press the lower portion of the latch
(see figure ). The head mount plate will hinge from the back to swing open.
Figure Print Head Open / Closed
To close the head mount plate, move the head down while depressing the latch.
When the mount plate swings past the top of the latch release

Users Manual Model 656/636 Control Panel Operation • 17
Control Panel Operation
Printer Controls
Start
- Starts the printer
- ON LINE light must be GREEN
(Batches downloaded to be printed)
Feed
- FEED and START must both be used
- Feed will stop when the buttons are released
- Labels between the head and knife will be cut and stacked as finished
labels
- Stock moves through in one continuos strip
- Stock moves through without printing
- Ink will not advance, ink save on the 656 / 636 will automatically be
activated.
- The print head must latched in the down position.
Test
- TEST and START must both be used

18 • Control Panel Operation Users Manual Model 656/636
- Test will stop when the buttons are released
- Labels between the head and knife will be cut and stacked as finished
labels
- Stock moves through in one continuos strip
- Stock moves through with test pattern printing
- The ink will advance with the stock.
- The print head must be latched in the down position.
Stop
- The stop button will stop the printer at the end of the current label being
printed.

Users Manual Model 656/636 Control Panel Operation • 19
Indicator Lights
The Paxar 656 / 636 has three Indicator lights. These lights are used along with the
LCD display to tell the operator the current status of the printer.
On Line
OFF
- Has not been powered on.
- Is in it's power - up sequence.
- Failed the system test
After Power Up Sequence:
- Printer is running.
ORANGE
- System is operational
- Ready for batches to be downloaded
GREEN
- batches to print, ready to start
Sensor
GREEN = "C" SENSOR
- Printer is stopped, - light is on, - sensor is setting over a web sensor
mark
- Flashing light while the printer is running, - the sensor is in-line with
the registration HOLES
ORANGE = REFLECTIVE SENSOR
- Flashing light while the printer is running, - the sensor is in-line with
the registration PRINTED MARKS
Error
ORANGE
- System inter-lock triggered, display for error.

20 • Control Panel Operation Users Manual Model 656/636
Front Panel Menu Functions
Ready For Batches ÎPrint Reports ÎSetup ÎLife Counts ÎProtected Features
ÐÐÐ Ð
Last Verifier Scan Print Position Label Counter Set Date / Time
ÐÐÐ Ð
Verifier History Cut Position Total Labels Change Password
ÐÐÐ Ð
Verifier Setup Cutter Enable /
Disable
Total Inches Change Language
ÐÐ Ð
Clear Verifier Scan
Memory
Adjust Strobe Verifier Enable /
Disable
Ð
Change Emulation
Mode
Ð
Change Ink
Transfer Type
Ð
Checkout Format

Users Manual Model 656/636 Control Panel Operation • 21
LCD Display
The LCD display is a 2 line, 24 character, with back lighting feature for easy
readability. The first line of the display in most cases will be a prompt or question.
the second line is the response.
Diagnostic Tests
During power up the following tests and screens will be displayed.
ENGLISH ONLY VXX.XX
DIAGNOSTIC TEST 1
This screen is displayed during the Control Panel test.
This screen will be displayed while the Front Panel is initializing and waiting for the
TCB response. The top line will display the FRONT PANEL code version and the
machine language (ENGLISH,GERMAN,SPANISH ETC). For example if German
were the second language installed the screen would look as follows:
GERMAN / ENGLISH VXX.XX
DIAGNOSTIC TEST 1
The code will check the functionality of the LED's and the display. Each state of
the LED's will be checked - (red, green, amber and off). The code will check the
LCD display by writing a character to the display, checking for communications and
then reading the character back and comparing with the code. If an error occurs, the
code will halt the diagnostic test and blink the ERROR LED.
The keypad is also checked during DIAGNOSTIC TEST 1. Each key is tested to
see if it is stuck on. If a fault condition is detected, the test is halted and the screen
will display the first error key found with the following display:
(BUTTON NAME) KEY STUCK
DIAGNOSTIC TEST 1
The (BUTTON NAME) will be one of the push button names on the front panel -
START, FEED, TEST, STOP, EXIT, MODE, <YES, NO>, OR ENTER.
When the code has finished the above tests, the code will attempt to communicate
with the Control Board (TCB). If all tests are complete and no errors detected, then
the system will go to DIAGNOSTIC TEST 2 and display the TCB code version.
CONTROLLER VXX . XX
DIAGNOSTIC TEST 2
This screen should be displayed once the TCB has requested signon from the Front
Panel and the system is waiting for the AT to complete its initialization.

22 • Control Panel Operation Users Manual Model 656/636
HOME SCREEN
READY FOR BATCHES
IMAGER VXX . XX
OR
BATCH ID QTY
PCL001 000000010
When the printer is powered up and all initializations are complete, and if there are
no Batches to print, the HOME screen will be “READY FOR BATCHES" and the
A.T. code version number (IMAGER VXX.XX) will be displayed.
When at the "READY FOR BATCHES" screen, and the HOST is mapping, the
screen will display :
BUILDING IMAGE
IMAGER VXX . XX
When at the "READY FOR BATCHES" screen and there are no batches and the
"ENTER" key is held down the screen will display the last batch printed (if any).
LAST BATCH WAS XXXXXXX
IMAGER VXX . XX
When there are Batches to be printed the HOME screen will be "BATCH ID QTY"
screen, the Batch ID / Batch Qty screen will display the currently cutting batch ID
and labels left to cut.
If the printer is performing a FEED or a TEST pattern this screen will show
"FEEDING" or "PRINTING TEST PATTERN" respectively on line two.
PAXAR 656/240
IMAGER VXX . XX
This is the MACHINE ID screen. This screen shows the machine model - (656 or
636) and the print head type - (240DPI or 300 DPI). This screen will momentarily
appear whenever the EXIT / Up arrow is pressed, and there are batches to be printed.
After this momentary display, the "HOME" screen is again displayed.
Pressing the MODE / Down Arrow key will take the user to the next screen.
Pressing the EXIT / Up Arrow key will take the user back to the HOME screen.

Users Manual Model 656/636 Control Panel Operation • 23
Display Modes
There are four (4) main mode levels which are selected and modified using the
following function keys:
Use the MODE ↓ key to move through the main mode screens shown below:
PRESS ENTER FOR
PRINT REPORTS
PRESS ENTER FOR
SETUP
PRESS ENTER FOR
LIFE COUNTS
PRESS ENTER FOR
PROTECTED FEATURES
Use the EXIT ↑ to move to the HOME screens.
Print Report Mode
Use the Mode ↓ key to move to the following screen.
PRESS ENTER FOR
PRINT REPORTS
Use the Enter ↵ key to enter this mode.
PRESS ENTER TO
PRINT LAST VERIFIER SCAN
This is the first screen under Reporting features. This screen will appear if
a verifier is connected to the printer. This screen allows the user to print the
last scan report.
Prints the failure cause for the last bad barcode scan.

24 • Control Panel Operation Users Manual Model 656/636
PRESS ENTER TO
PRINT VERIFIER HISTORY
This screen follows the PRINT LAST VERIFIER SCAN screen if a verifier
is connected to the printer. This screen allows the user to print history
report of the scanner reads.
Prints a report of the history of barcode scan quality.
PRESS ENTER TO
PRINT VERIFIER SETUP
This screen follows the PRINT VERIFIER HISTORY REPORT screen if a
verifier is connected to the printer. This screen allows the user to print a
verifier report containing verifier setup information.
Prints a report of all verifier current settings.
ENTER TO CLEAR
VERIFIER SCAN MEMORY
This screen follows the BARCODE VERIFIER ON screen if there is a
verifier connected to the printer. This screen allows the user to clear the
scan history memory in the verifier.
Pressing ENTER clears the verifier scan history.
Pressing the MODE ↓ key will take the user to the Strobe adjust screen.
Pressing the EXIT ↑ key will take the user back to the HOME screen.
Setup Mode
Use the Mode ↓ key to move to the following screen.
PRESS ENTER FOR
SETUP
Use the Enter ↵ key to enter this mode.
CHANGE PRINT
PRINT: 0 NEW PRINT: + 2
For 300 and 240 dpi machines = .016" increments.
Use the <YES key to decrease the number and the > NO key to increase
the number.
Adjustment from - 9 to + 10. Zero is the middle of the range
Use the Enter ↵ key to save the new value

Users Manual Model 656/636 Control Panel Operation • 25
Use the Mode ↓ key to move to the following screen.
CHANGE THE CUT
CUT: 0 NEW CUT: -2
Each increment for 300 dpi machine = .026"
Each increment for 240 dpi machine = .025"
Use the <YES key to decrease the number and the > NO key to increase
the number.
Adjustment from - 9 to + 10. Zero is the middle of the range
Use the Enter ↵ key to save the new value
CUTTER IS DISABLED
PRESS ENTER TO ENABLE
This screen allows the operator to turn the cutter ON or OFF.
Press the Enter ↵ key, this will toggle between the enable / disable mode.
The screen will display the cutter status on the first line.
The knife motor will continue to run. If the printer is used in the rewind
mode only, the knife motor plug may be disconnected.
CHANGE STROBE
STROBE: 0 NEW STROBE: +2
0 = Recommended center position, adjustable to ± 7 settings.
Use the <YES key to decrease the number and the > NO key to increase
the number.
Use the Enter ↵ key to save the value and move to the next number.
Recommend cleaning the head, adjusting head tangent and setting head
pressure before changing this strobe setting.
EMULATION MODE:630
NEW EMULATION MODE:650
This screen follows the STROBE ADJUST screen. This screen allows the
selection of an emulation mode. The 656 / 636 is capable of emulating
other PAXAR printers. When in this mode, the 656 / 636 will produce PCL
tags as close as possible to the tags produced by the printer being emulated.
Formats designed for the 656 / 636 can not be printed on the older printers,
but formats designed for the older printers emulated by the 656 / 636 can be
printed on the 656 / 636 printer.
Compatibility Notes:
• If the dpi of the 656 / 636 printer does not match the emulating printers
dpi, then certain field types such as barcodes, logos, care symbols will
not be the exact size of the fields printed on the older printer.

26 • Control Panel Operation Users Manual Model 656/636
• The 650 printer is center justified, meaning the web is centered under
the printhead. The 656 / 636 is a back justified printer, meaning the
web is to the back of the printer. This will not cause a discrepancy
unless the web of the stock does not match the web defined in the
format.
• The verifier will be setup to a specific setting when a verifier is
present. The verifier can be disabled from the front panel.
The <YES / >NO buttons are used to change the emulation.
Pressing ENTER will change the current emulator mode to the new
emulator mode.
Pressing the MODE/Down Arrow key will take the user to the next screen.
Pressing the EXIT/Up Arrow key will take the user back to the HOME
screen.
TRANSFER TYPE:052
NEW TRANSFER TYPE:000
This screen follows the EMULATION MODE screen. This screen allows
the selection of a ink and stock TRANSFER TYPE. See appendix C for
details of ink and stock combinations.
The <YES / >NO buttons are used to increment or decrement each digit.
Pressing ENTER will advance to the next digit. After changing the last
digit, pressing ENTER will change the current transfer type to the new
transfer type. Enter all three digits - including the leading zero.
Pressing the MODE/Down Arrow key will take the user to the next screen.
Pressing the EXIT/Up Arrow key will take the user back to the HOME
screen.
PRESS ENTER TO
PRINT CHECKOUT FORMAT
This screen follows the TRANSFER TYPE screen. This screen allows the
printing of a checkout format.
Pressing ENTER will print the checkout format.
Pressing the MODE/Down Arrow key will take the user to the next screen.
Pressing the EXIT/Up Arrow key will take the user back to the HOME
screen.
Life Counters Mode
Use the Mode ↓ key to move to the following screen.
PRESS ENTER FOR
LIFE COUNTS

Users Manual Model 656/636 Control Panel Operation • 27
Use the Enter ↵ key to enter this mode.
Use the Mode ↓ key to move to the following screens.
LABEL COUNTER:0000000000
ENTER TO RESET
Used to count labels for a work period (example, a shift )
Enter will reset the count to "0".
TOTAL LABELS PRODUCED
0000000000
Non resettable counter.
TOTAL STOCK INCHES
0000000000
Non resettable counter.
Use the EXIT ↑ to move to the HOME screens.
Protected Mode
Use the Mode ↓ key to move to the following screen.
PRESS ENTER FOR
PROTECTED FEATURES
Use the Enter ↵ key to enter this mode.
ENTER PASSWRD (4 DIGITS)
PASSWORD 0
The Protected Feature screen will appear as shown.
Use the <YES key to decrease the number and the > NO key to increase the
number.
Use the Enter ↵ key to save the value and move to the next number.
The password is (4) numbers.
If an incorrect password is entered, the screen will display
INVALID, PRESS ENTER
PASSWORD XXXX

28 • Control Panel Operation Users Manual Model 656/636
If password is correct, the Mode ↓ key will go to the next screen.
CHANGE DATE/TIME
01/04/95 08:55 AM
Use the < YES / >NO buttons to increment through numbers.
All 10 digits can be changed and also the A will toggle between A and P.
The date is always in the MONTH / DAY / YEAR format and the time is
always in the 12 hr AM / PM format.
Use enter to move to the next digit or to the AM / PM field.
Use the Mode ↓ key to save new time and date and move to the next
screen.
CHANGE PASSWORD (4 DIGITS)
NEW WORD 0
Use the < YES / >NO buttons to increment through numbers.
Use enter to move to the next digit.
Final enter saves new password.
PRESS ENTER
FOR 2ND LANGUAGE
Use Enter ↵ to toggle between ENGLISH and 2ND LANGUAGE.
Note: Pressing the TEST button and the MODE button at the same time
will toggle the second language from any screen.
OR
If no second language available the screen will display as follows:
NO 2ND LANGUAGE
AVAILABLE
Use the Mode ↓ key to move to the following screen.
VERIFIER IS ENABLED
PRESS ENTER TO DISABLE
Use Enter ↵ to toggle between ENABLED and DISABLE for the verifier.
Use the EXIT ↑ to move to the HOME screens.

Users Manual Model 656/636 Maintenance / Adjustments • 29
Maintenance / Adjustments
Print Head Handling
Warning
Print heads can be damaged easily, and are subject to premature failure if not
cleaned on a regular basis. Please follow the procedures carefully to help ensure
print head life and print quality.
Thermal print heads are very sensitive and must be handled with care to help ensure
longer print head life. Because print heads may be damaged through a number of
ways, Paxar has developed the following procedures;
Handling
Static discharge is very detrimental to thermal print heads. To avoid contacting
print heads with a static charge, follow these simple procedures:
- All print heads should be kept in original anti-static bags until they are
placed in the machine.
- The 656 / 636 printer is supplied with an anti-static wrist strap. Locate
the strap - it must be worn at all times when handling the print heads.
- Do not touch any terminals extending from the print head or the print line.
- Anti-static gloves are provided with your machine upon installation and
extras may be ordered from Paxar. These gloves must be worn at all
times when handling the print head. If an anti-static glove is not
available, make absolutely certain to thoroughly wash and dry your
hands before handling the print head. Oils from your hands can
contaminate the print line and quickly destroy the printing elements.

30 • Maintenance / Adjustments Users Manual Model 656/636
Print Head Cleaning
CAUTION: TURN OFF THE POWER TO THE PRINTER BEFORE
STARTING ANY CLEANING.
NEVER REMOVE THE HEAD FROM THE PRINTER EXCEPT FOR
REPLACEMENT.
The Anti-static wrist strap (which must contact the skin and be
tight) and anti-static gloves must be worn at all times when
handling a print head to avoid damaging the print head.
Supplies:
- Always use clean supplies when cleaning the head.
- Never use anything abrasive to the head.
- NEVER use anything metallic on or near the printhead.
- Alcohol and a cotton swab are the recommended items to use when cleaning the
printhead.
RECOMMEND PAXAR "MASTER CLEANING KIT" # 921338
Procedure:
-The Printhead should be cleaned every two to four hours of continuous usage. A
good cleaning of the print head after eight to twelve hours of continuous usage
should be done. This cleaning must be done with the print head in the printer.
- Apply a liberal amount of alcohol to a swab.
- Rub the swab across the print line of the printhead to remove the build-up.
- The platen roller and feed rollers should also be cleaned with alcohol to remove ink
and card dust build-up.

Users Manual Model 656/636 Maintenance / Adjustments • 31
Print Head Replacement
NEVER REMOVE THE PRINT HEAD FROM THE PRINTER EXCEPT
FOR REPLACEMENT.
TURN OFF THE POWER TO THE PRINTER BEFORE STARTING ANY
ELECTRONIC COMPONENT REPLACEMENT.
NOTE: The Anti-static wrist strap (which must contact the skin and be tight) and
anti-static gloves must be worn at all times when handling a print head to avoid
damaging the print head.
1) Review the Printhead Handling Procedure Sheet packaged with each print head to
determine if any procedures have changed before beginning this procedure.
2) Remove the ink from the machine for easy print head removal.
3) Unplug the ribbon cable that runs to the print head. Unplug the cable by firmly,
but gently pulling it out.
4) Back the print head pressure screws off counterclockwise as far as possible.
5) Place your hand (with static gloves on) underneath the print line of the print head
and push up to release the locator pins on the heat sink, while pulling the print
head to the right of the machine. This will remove the print head assembly from
the mount plate. You may need to "help" the print head out by pushing on the
heat sink with your left hand.
6) Remove the two print head mount screws located on the top of the print head
with a 2.5mm ball driver.
7) Remove the old printhead carefully from the heat sink.
8) Place the new print head into the heat sink. Check to see that the new printhead
sits square in the heat sink and that there is no end play. If there is end play, or
the head does not seat properly, the heat sink guide will need adjustment.
9) Replace the two print head lock screws. Be sure that the head is resting flat on
the heat sink before tightening these screws.
10) Replace the print head assembly in the printer, making sure that the pin at the
back of the heat sink goes into the hole in the mount plate. Make sure that the
guide pins insert into both the front and back grooves.
11) Reconnect the print head cable, making sure that the connector is seated tightly.
NOTE: If the cable is not connected correctly, the print head will be destroyed when
the machine is powered on. Check to see that the cable is tight by observing
from underneath the print head. The ribbon cable connector should be inside of
the black connector located on the print head.
12) Replace the ink and double check your work. Power the machine on and make
sure that no adverse effects are noted. As a final test of the print head installation,
run a test pattern to check the print quality. You should observe an even grid of
chevrons. If you do not see such a grid, you may wish to reference the topic of
print head tangent adjustment.

32 • Maintenance / Adjustments Users Manual Model 656/636
Print Head Adjustment
Tangent
Proper print head tangent is perhaps the most important adjustment to make. A
printhead which is not properly adjusted will result in poor print quality, poor heat
dissipation and possible ink wrinkling problems. When the machine was
manufactured, the print head was adjusted to the proper tangent point on the platen
roller, however, with print head replacements the tangent point for the new print
head may change. It is necessary to understand how to properly adjust the printhead.
Clean Platen Roller
You may determine if the printhead has been adjusted properly by performing a test
pattern as documented elsewhere in this manual. A properly adjusted print head will
produce an even grid of chevrons when the test pattern is performed. Before
making any judgments as to the quality of the printhead, it is absolutely
necessary to ensure that the platen roller and the printhead is clean of all
debris. Clean the platen roller located immediately beneath the print head with a
clean cloth and a small amount of alcohol. Be careful not to damage the platen roller
while cleaning. If the roller is worn, replace the roller.
Print Head Pressure Setting
The print head pressure setting is very important. Keep the lightest setting possible.
This will improve print head life while maintaining quality print.
The printer has been factory set. Further adjustment of pressure adjusting screw
should be minimal.
If readjustment is required, proceed as follows: Power on the printer. Remove the
ink and card stock from the printer. With the print head open, turn the pressure
screw counterclockwise until it does not contact the printhead mount plate, it should
slide freely back and forth. Close the print head. Slide the pressure screw until it sits
directly over the center of the web. Turn the pressure screw clockwise until it makes
contact with the head mount plate plus 1/2 turn to add pressure. As the web width
changes adjust the pressure screw accordingly.
Download the proper format for the stock that is loaded. Press start. The print quality
should be acceptable if the pressure screw is properly positioned.
Once the print quality is acceptable, start to back off the screw until the print begins
to fail. Once the print is starting to fail, increase the pressure by 4 clicks. Minimum
pressure should be used when running narrow webs, wide webs require slightly
greater pressure. Additional print quality will be obtained by adjustments of the
Tangent point, (see Print Head Tangent Point)
If you are unable to correctly adjust the screw for good print, call for service.

Users Manual Model 656/636 Maintenance / Adjustments • 33
Squaring the Print Head
If the test pattern, printed on a wide web (4" (100mm) plus), is lighter on one edge
than the other, it is possible that the printhead is out of square. This can be detected
by looking at the front edge of the print head in reference to the printhead holder.
To remedy this problem, power off the machine and remove the print head as
outlined in the print head installation information. The printhead adjustment plate
has been manufactured so when properly adjusted the head will be square. The
printhead holder has a locator plate that must be slide up snug against the printhead
mount plate. Install the head and it should be square to the web.
Print Head Tangent Point
The print head pressure adjustment must be done with the head pressure set light.
Turn the pressure screw counterclockwise. Run a test pattern to determine the
adjustment required.
If the entire test pattern is broken up, the printhead is probably not adjusted to the
proper tangent point. To adjust the tangent point loosen the two print head lock
screws one half turn with a 2.5mm ball driver provided in your spare parts kit. Do
not remove the print head from the printer.
Once the screws have been loosened, use the adjustment thumb screw to move the
head forward and backwards. Since the adjustment is very precise, do not turn the
thumb screw more than 1/4 of a turn before running another test pattern to determine
if you are adjusting the print head in the proper direction. Tighten the two mount
screws (Do not over tighten). Run a test pattern again to determine further
adjustment required.
Once you have restored a smooth even test pattern, re-tighten the two print head
mount screws (Do not over tighten) and run one last test pattern.
Registration Sensor Adjustment
Adjusting Print Sensor Position
If you are running sense mark material with a hole or slot for registration:
- Open the feed roller and print head.
- Move the stock by hand in the feed direction until the registration desired is in the
slot window for the pickup sensor.
- Close both the feed and print head.
- Slide the top sensor assembly using the sensor handle while looking at the
registration index sensor. When the light turns on, and stays on, the sensor is over
the registration hole.
If your machine stops, for no apparent reason, while it is in the middle of printing a
batch of tickets, you may be missing sense marks (three consecutive tickets in which
a sense mark was not found). Check for the following:
- The front panel will display a screen indicating that there has been a missed
sensor error.

34 • Maintenance / Adjustments Users Manual Model 656/636
- Check that the front web guides have been positioned properly - both on the
supply roll and in front of the print roller.
- Check that the feed roller pressure has been set equally across the roller.
- Check to see that the print head pressure has been set properly.
- Repeat the sensor alignment procedure.
Cleaning Print Sensor
When print registration, in reference to sense mark, becomes inconsistent or erratic
the Sensor and Light Bar may need to be cleaned.
Supplies:
- Always use clean supplies when cleaning the sensor and light bar.
- Never use anything abrasive to the sensor and light bar.
- NEVER use an alcohol based solution when cleaning the sensor or light bar.
- Dry air or a cotton swab are the PAXAR recommended items to use when cleaning
the sensor and light bar.
Sensor Trim Pots
Your 656 / 636 printer is equipped with several sensors used to detect the status of
the printer and its supplies. While these sensors are calibrated at the time your
printer is manufactured, there may be times when re-calibration is required. Re
calibration times are indicated in the troubleshooting section.
The following guidelines indicate the proper procedure used to calibrate the sensors.
A voltmeter is highly recommended for this procedure, however the Bank of Lights
will provide an estimation of sensor performance until peak performance can be
achieved with a voltmeter.
Suggestion: clean all optical sensors prior to adjustment as dust and debris will
adversely effect their performance.

Users Manual Model 656/636 Maintenance / Adjustments • 35
R48 R50 R51 R49 R47 R54R52
11 12 13 18 16 8 10
14 17
3
21
22
9
4
J9 J1
DIP Switch
Thermal Controller Board as viewed from back of
p
rinter
12345678
10. +5VDC ok
9. 24V enable
8. RESERVED
7. Headlift Sensor
6. Full Stack Sensor
5. RESERVED
4. Opt. Reflective Sensor
3. Registration Sensor
2. Bottom Ink Sensor
1. Top Ink Sensor
Bank of
Lights
+5VDC
GND
NOTICE:
All test point voltage measurements including sensor adjustments should be made on the DC scale
with the black lead of the meter connected to the ground test point 22. Care should be taken to
ensure that meter leads do not short against unintentional test points throughout the measurement
procedures.
Hole / Slot Index Registration Sensor
Sensor Blocked Sensor Not Blocked
Test Point: TP13 TP13
Adjustment Pot R51 R51
#3 Light Status: On Off
Desired Voltage: > 3.50 VDC < 0.75 VDC
The Hole / Slot Registration Sensor in conjunction with the light bar allows the printer to register to
preprinted media. The low level is the more crucial of the two adjustments. Note that the same pot is
used for both adjustments and a compromise value must be achieved. Begin by removing the stock
from the sensor path. Measure the low voltage throughout the mechanical travel of the sensor by
sliding it inboard and outboard. The voltage at all points should not vary more than 0.75VDC. If it
does the sensor slide bar and or the light bar must be mechanically aligned (see Hole / Slot Index
Registration Sensor Mechanical Adjustment below). Once this is achieved find the web location
where the low voltage is the highest and adjust the pot until the reading is 0.75VDC or less. Now
block the sensor path with the media you intend to run. The high level should be greater than 3.5VDC
at all points of the sensor’s travel.
Hole / Slot Index Registration Sensor Mechanical Adjustment:
There are two areas that can be adjusted to correct the voltage readings. The upper sensor square bar
may be loosened from the back of the printer and rotated. The second adjustment is to loosen the light
bar mount screws and move the bar in the web direction. When the light bar screws are retightened be
careful not to over tighten and brake the light bar PC board.

36 • Maintenance / Adjustments Users Manual Model 656/636
Reflective Index Registration Sensor
Sensor on Plain Stock;
Not on Mark
Sensor Directly on
Mark
Test Point: TP8 TP8
Adjustment Pot R47 R47
#4 Light Status: On Off
Desired Voltage: > 3.50 VDC < 0.75 VDC
The Optional Reflective Registration Sensor, if installed, allows the printer to
register to preprinted media by detecting a black mark. Begin by placing the stock
so that the black mark is not in the sensor's sight path and adjust the pot until the
high value is achieved. Then place the stock so that the black mark is directly in
front of the sensor's sight path and adjust until the low level is met. The low level is
the more crucial of the two adjustments.
NOTE: The same pot is used for both adjustments and a compromise value must be
achieved.
Film Out Sensor / Top Ink Sensor
Sensor Blocked Sensor Not Blocked
Test Point: TP12 TP12
Adjustment Pot R50 R50
#1 Light Status: On Off
Desired Voltage: > 3.50 VDC < 0.75 VDC
The Film Out Sensor allows the printer to monitor the availability of ink. Begin by
blocking the sensor with the ink intended for use and adjust the pot until the high
value is achieved. Then remove the ink from the sensor and adjust until the low
level is met. The low level is the more crucial of the two adjustments.
NOTE: The same pot is used for both adjustments and a compromise value must be
achieved.
Bottom Ink Sensor
Sensor Blocked Sensor Not Blocked
Test Point: TP16 TP16
Adjustment Pot R49 R49
#2 Light Status: On Off
Desired Voltage: > 3.50 VDC < 0.75 VDC
The Bottom Ink Sensor is not available at this time and is reserved for future
expansion.

Users Manual Model 656/636 Maintenance / Adjustments • 37
Headlift Sensor
Sensor Blocked Sensor Not Blocked
Test Point: TP18 TP18
Adjustment Pot R52 R52
#7 Light Status: On Off
Desired Voltage: > 3.50 VDC < 0.75 VDC
The Headlift Sensor allows the printer to register the platen roller on 656 printers.
Begin by rotating the platen roller until the flag is blocking the sensor. The platen
roller has been slotted to accept a regular screwdriver on the front of the machine to
assist in this operation. Adjust the pot until the high value is achieved. Then rotate
the platen roller until the flag is no longer blocking the sensor. Adjust the pot until
the low level is met. The low level is the more crucial of the two adjustments.
NOTE: The same pot is used for both adjustments and a compromise value must be
achieved.
Full Stacker Sensor - Jam Sensor
Sensor Blocked Sensor Not Blocked
Test Point: TP11 TP11
Adjustment Pot R48 R48
#6 Light Status: On Off
Desired Voltage: > 3.50 VDC < 0.75 VDC
The Full Stacker Sensor allows the printer to detect a full load of labels in the
stacker. The stack full condition will be detected by a switch and will stop the
machine when the stacker is full. The Jam Sensor feature will detect each cut label
as it leaves the cutter. If a cut fails to occur, the machine will stop. To adjust the
jam sensor, block the sensor and adjust the pot until the high value is achieved.
Remove the block from the sensor and adjust the pot until the low level is met. The
low level is the more crucial of the two adjustments.
NOTE: The same pot is used for both adjustments and a compromise value must be
achieved.
Stock out Adjustment
The stock out sensor has been set at the factory, however for some stocks it may be
necessary to adjust the sensor to detect stock out. With a full roll of stock loaded in
the machine, run the printer and observe how far behind the stock (to the left of the
stock) the stock out wire rod is located. This should be between 1/4 and 1/2 inch (6
to 12mm) behind the running stock. If not, loosen the set screw and rotate the wire
to the acceptable distance and re tighten.
Knife Square Adjustment
The knife has an adjustment to square the cut to the stock. To make the adjustment,
loosen the two cap screws, one on top of the knife and one below the knife, using the
3/16 ball driver in the tool kit. Move the knife in the direction desired to square the
cut and re tighten.

38 • Maintenance / Adjustments Users Manual Model 656/636
Stacker Adjustments
The stacker has four adjustments which can be made without a tool to accommodate
different types of stocks.
Stock Length Adjustment
Loosen the two thumb screws at the base of the stacker uprights and slide the
uprights to a position that allows the cut tag or label to hang over the last belt roller
approximately 1/4" (6mm). Re tighten.
Stock Width Adjustment
Loosen the two thumb screws behind the stacker uprights and adjust the stacker
upright nearest to the operator to the desired stock width position. Re tighten.
Stacker Angle Adjustment
Loosen the lever located on the side of the stacker assemble nearest the operator and
adjust the angle of the stacker with a few cut labels in the stacker so that there is a
slight gap under the last label as it hangs over the last belt drive roller. Re tighten.
Stacker Full Adjustment
The sensor on the inboard stack up right is used to stop the printer when the stack is
full. A thumb screw adjustment is provided to set the stack height. Warning, some
stock materials can not be stacked to the full height of the stacker because of
excessive weight.
Stock Feed Adjustment
When changing stock type, the stock feed should be readjusted. This is important to
reduce any slip for too light an adjustment and reduce excessive roller wear for too
tight an adjustment. To adjust, loosen the two top set screws using the 5/64 Allen
key in the kit. With the new stock in the drive roller, fully close the stock feed lever
(rotate fully counter-clockwise). Tighten both set screws until there is slight pressure
on the stock. Run the one inch pull format and adjust the set screws an equal amount
based on the results. If the one inch label measures less than one inch, tighten
(clockwise) each screw slightly and repeat the measurement. It the one inch label
exceeds one inch, loosen (counter-clockwise) the tension on both set screws equally.
As a final check for stock feed balance between in board and outboard, the inboard
edge of the stock should be 31/32" (24.6mm) from the main vertical support plate of
the printer. To move the stock inboard, away from the operator, loosen the inboard
set screw slightly. This can be done while running the unit. To move the stock
outboard, toward the operator, loosen the outboard set screw slightly.

Users Manual Model 656/636 Maintenance / Adjustments • 39
Mechanical Adjustment Of Feed Roller Pressure (Blue
Roller)
General
The blue rubber pressure roller is supported by an eccentric shaft mounted in
bearings located in vertical slots in the front and rear mounting plates of the drive
module. These bearings are supported by compression springs and controlled by set
screws located in the top of the bearing mounts.
Adjustment Procedure:
1) Release eccentric control lever and remove stock.
2) Using a piece of the same stock being run as a "feeler" gauge, adjust set-screws
until "feeler" gauge just slides between rollers evenly across width of rollers with
pressure eccentric lever closed.
3) Release pressure and rethread. Further equally adjust set-screws (2) clockwise
1/2 - 3/4 of a turn. Close pressure lever.
4) Operate machine. Minor adjustments can now be made to the set-screws to cause
stock to run 31/32" (24.6mm) from upright frame.
Mechanical Adjustment of Stock Sense - Mark Light
Receiver
General
The receiver for light from the LED emissions bar for stock registration is mounted
on a square shaft directly above the web guide plate assembly, just prior to the print
module. Although this bar is factory adjusted prior to shipment, it may be necessary
to readjust the bar to assure proper light reception.
Adjustment Procedure:
1) Remove machine rear cover.
2) Slide receiver block to the rear of the square bar.
3) Thread pre punched stock through web guide and adjust outer guide to lightly
touch outer edge of stock.
4) Move stock until pre punched hole is visible in slot above LED bar.
5) Slide receiver block out until it is located approximately over the hole. (accurate
adjustment forward and back can be accomplished when printer is electrically
activated.)

Users Manual Model 656/636 Electrical Connections • 41
Electrical Connections
Machine Wiring
Red
Red
Brown
Brown Brown
Orange
Orange
Orange
Orange
Orange
Gray
Gray
Orange
THERMAL CONTROL BOARD
HEAD DRIVER BOARD
REAR VIEW OF 656
Power
Black

42 • Electrical Connections Users Manual Model 656/636
Relay Assembly
351136
Part #

Users Manual Model 656/636 Electrical Connections • 43
Electrical System Schematic

44 • Electrical Connections Users Manual Model 656/636
Motherboard Power Connectors
The power supply connector on any PC / XT or PC / AT compatible motherboard is
made up of dual six-pin male connectors. Two female connectors from the power
supply plug directly onto these male connectors. The following diagrams illustrates
the proper method of attaching the connectors.
Ensure that all of the black wires are located next to each other in the center of the
two connectors (as shown in the diagram below), and that the clamps on the back
side of the connectors ate secured along the PCB header. All pins should be covered.
Warning: Connecting the power supply incorrectly may cause irreversible
(unwarranted) damage! Ensure that the power is turned off before connecting the
power supply. Make certain that the 115 / 230VAC fuse drawer is in the correct
position.

Users Manual Model 656/636 Electrical Trouble Shooting • 45
Electrical Trouble Shooting
Power Up / Sign On / Communications
Problem Probable Cause Corrective Action
Machine fails to power up with no
light present in the AC power
switch.
1) Incorrect power amplitude. 1) Confirm that the AC entry is
configured for the line voltage
intended to be applied to the
machine. Failure to do so can
damage the machine's internal
power supply. Refer to the "Fuse
Configuration".
2) Lack of power to machine. 2) Check that both ends of the power
cord are plugged in securely.
2A) Confirm that the outlet the
machine is plugged into has power.
3) Missing or blown fuse(s) 3) Check that the fuse(s) located
inside the AC entry are present and
intact. Replace as needed. Refer to
the "Fuse Configuration".
Machine fails to power up with light
present in the AC power switch.
1) Unconnected cable / connector
inside machine.
1) Power off and remove the power
cord from the AC entry. Remove
the back cover and inspect the
cables and connectors to and from
the power supply. Refer to the
"Electrical System Schematic".
2) Thermal Control Board unplugged
from the Mother Board
2) Power off and remove the power
cord from the AC entry. Remove
the back cover and reseat the
Thermal Control Board.
Front panel displays no text or
nothing at all.
1) Front panel cable unplugged. 1) Power off and remove the power
cord from the AC entry. Remove
the back cover and inspect the
cable and connectors to and from
the front panel. Refer to the
"Electrical System Schematic".

46 • Electrical Trouble Shooting Users Manual Model 656/636
Problem Probable Cause Corrective Action
Front panel does not complete
diagnostics test 2.
1) One or more PC board(s)
unplugged from the Mother Board.
1) Power off and remove the power
cord from the AC entry. Remove
the back cover and reseat the
offending board.
2) Relay unplugged or faulty. 2) Power off and remove the power
cord from the AC entry. Remove
the back cover and inspect the
cables and connectors to and from
the relay. Refer to the "Electrical
System Schematic" and "Relay
Assembly".
3) PCMCIA cartridge not inserted
correctly in optional PCMCIA
slot.
3) Insert a PCMCIA cartridge with
the arrow up and towards the front
of the machine so that the ejector
button pops out.
Machine does not receive batches. 1) Serial communications cable loose
or unconnected.
1) Check and secure both ends of the
serial cable with the thumbscrews.
2) Machine not powered on or has
not completed diagnostics tests.
2) Power machine on and wait until
machine displays "Ready for
batches". Re download data.
3) Data sent to wrong printer. 3) In PCMate change to the printer
the data is intended to be sent.
4) Configuration incorrect in
PCMate.
4) Re configure PCMate for Paxar
PCL printer as per your PCMate
manual.
5) Faulty Thermal Control Board. 5) Replace Thermal Control Board.
6) Jumpers not configured correctly. 6) Contact Paxar Service.

Users Manual Model 656/636 Electrical Trouble Shooting • 47
Stock / Ink Advance
Problem Probable Cause Corrective Action
Stock does not advance when the
start button is depressed.
1) No batches to be printed. 1) Download batch (if batch
downloaded uses the same format
as a previously downloaded batch
the machine with start
automatically).
2) An interlock condition exists. 2) Determine the number and type of
interlock(s) by reading the front
panel display. As each is corrected
the number of errors will decrease
(Example "Error 910 Stock Out"
reload stock).
3) Feed motor unplugged or faulty. 3) Check feed motor cable and or
replace feed motor.
4) Thermal Control Board unplugged
or faulty.
4) Check Thermal Control Board /
AT board connection and or
replace Thermal Control Board.
5) Feed roller not gripping stock. 5) Adjust the feed pressure. Refer to
"Mechanical Adjustment Of Feed
Roller Pressure".
6) Feed rollers bound. 6) With power off check that all
rollers turn freely.
7) Stock bound. 7) With the print head and feed open
check that the stock will pull
through the printer with little to no
resistance.

48 • Electrical Trouble Shooting Users Manual Model 656/636
Problem Probable Cause Corrective Action
Ink does not advance when the start
button is depressed.
1) No batches to be printed. 1) Download batch (if batch
downloaded uses the same format
as a previously downloaded batch
the machine with start
automatically).
2) An interlock condition exists. 2) Determine the number and type of
interlock(s) by reading the front
panel display. As each is corrected
the number of errors will decrease
(Example "Error 910 Stock Out"
reload stock).
3) Ink motor unplugged or faulty. 3) Check ink motor cable and or
replace ink motor.
4) Thermal Control Board unplugged
or faulty.
4) Check Thermal Control Board /
AT board connection and or
replace Thermal Control Board.
5) Ink roller bound. 5) With power off check that all
rollers and arbors turn freely.
6) Ink bound. 6) With the print head open check
that the ink will pull through the
printer with little to no resistance.

Users Manual Model 656/636 Electrical Trouble Shooting • 49
Print
Problem Probable Cause Corrective Action
Machine advances stock but does not
print.
1) Stock registration sensor miss
aligned.
1) Adjust sensor position so that the
sensor light on the front panel
flashes as a sense slot or hole
passes under the sensor.
2) Miss adjusted print head position. 2) Set print head position. Refer to
"Print Head Tangent Point".
3) Miss adjusted print head pressure. 3) Set print head pressure. Refer to
"Print Head Pressure Setting".
4) Print head cable unconnected or
faulty.
4) Power off the machine and
reinsert the offending connector
or replace cable.
5) Print head faulty. 5) Replace print head.
6) Head Driver Board unplugged or
faulty.
6) Check Head Driver Board / AT
board connection and or replace
Head Driver Board.
Machine stops after ever third label. 1) Stock registration sensor miss
aligned.
1) Adjust sensor position so that the
sensor light on the front panel
flashes as a sense slot or hole
passes under the sensor.
2) Stock registration sensor
uncalibrated.
2) Using TP13 and R51 on the
Thermal Control Board re
calibrate the sensor. Refer to
"Sensor Trim Pots".
Print registration is off in the feed
direction.
1) Feed pressure setting is off. 1) Set feed pressure. Refer to
"Mechanical Adjustment Of Feed
Roller Pressure".
2) Print position is incorrect. 2) Enter the setup menu and readjust
the print setting as needed.
3) Field(s) position incorrect in the
format.
3) Using formatter check and
readjust the field(s) position(s) as
needed.
4) Bound platen roller. 4) Check that the platen roller turns
freely on it's shaft. If it does not
replace it.

50 • Electrical Trouble Shooting Users Manual Model 656/636
Problem Probable Cause Corrective Action
Print registration is off in the web
direction.
1) Machine incorrectly threaded. 1) Check and rethread the media as
needed. Refer to "Loading
Stock".
2) Web guides incorrectly adjusted. 2) Check and adjust as needed. Refer
to "Web Guide Adjustment".
3) Unwind incorrectly adjusted. 3) Check and adjust as needed. Refer
to "Web Guide Adjustment".
4) Incorrect DIP switch settings on
the Thermal Control Board.
4) Check and reset DIP switches as
needed. Refer to "TCB Dip
Switch S2 Settings".
Print contrast is too light or dark. 1) Incorrect strobe setting selected in
the format.
1) Using Formatter check and adjust
the strobe setting according to the
media and ink being used.
2) Incorrect strobe setting in the
machine setup.
2) Enter the setup menu and readjust
the strobe as needed.
3) Miss adjusted print head position. 3) Set print head position. Refer to
"Print Head Tangent Point".
4) Miss adjusted print head pressure. 4) Set print head pressure. Refer to
"Print Head Pressure Setting".
Voids in print image in the feed
direction.
1) Ink miss aligned with format. 1) Adjust ink position on the arbors
to achieve full ink coverage over
all fields on the format.
2) Print head dirty. 2) Power off the machine clean the
print head and platen. Refer to
"Print Head Cleaning".
3) Faulty print head. 3) After cleaning head and running
the test pattern to confirm that a
void still exists, replace the print
head.
4) Miss adjusted print head position. 4) Set print head position. Refer to
"Print Head Tangent Point".
5) Miss adjusted print head pressure. 5) Set print head pressure. Refer to
"Print Head Pressure Setting".
6) Worn platen roller. 6) Replace platen roller.
Machine continually stops with an
erroneous interlock condition.
1) Sensor uncalibrated. 1) Determine which sensor and re-
calibrate as needed. Refer to
"Sensor Trim Pots".
2) Sensor position miss adjusted. 2) Determine which sensor and
relocate accordingly.
3) Ink sensor type (light / dark)
incorrect in the format for the ink
type being used.
3) Either change the ink or the ink
type in the format.

Users Manual Model 656/636 Electrical Trouble Shooting • 51
Cut / Stack
Problem Probable Cause Corrective Action
Machine fails to cut labels (the rotary
knife does not rotate).
1) The cut is disabled in the setup
menu.
1) Enable the knife in the setup menu
via the front panel..
2) Knife cable unconnected. 2) Power off and remove the power
cord from the AC entry. Remove
the back cover and inspect the
cable and connector to the knife
module. Refer to the "Electrical
System Schematic".
3) Knife jammed causing auto
resetting fuse to trip on the
Thermal Control Board.
3) Remove cause of jam at the knife.
4) Faulty knife motor. 4) Replace the knife motor.
5) Faulty knife motor drive circuit on
the Thermal Control Board.
5) Replace the Thermal Control
Board.
The stacker fails to run. 1) The stacker cable is unconnected. 1) Power off and insert the stacker
cable in the stacker port on the
Thermal Control Board.
2) Faulty stacker motor. 2) Replace the stacker motor.
3) Stacker jammed causing auto
resetting fuse to trip on the
Thermal Control Board.
3) Remove cause of jam at the
stacker.
3) Faulty stacker motor drive circuit
on the Thermal Control Board.
3) Replace the Thermal Control
Board.

52 • Electrical Trouble Shooting Users Manual Model 656/636
Electrical Trouble Shooting / Machine Set Up Sequence
If the printer is mechanically operable, proceed as follows:
1) Power off the printer, remove the media and ink and thoroughly clean it from the
unwind to the stacker using alcohol and a clean soft cloth. The print head should
be cleaned as per the Print Head Cleaning instructions section in the manual.
2) Load a full roll of an average width media and ink on the printer.
3) Power on the printer. After passing diagnostics test one and two the front panel
will display READY FOR BATCHES.
4) Arrow down to the setup mode and press enter. Set the print, cut, and strobe to 0.
5) From the host PC download a batch of 1000 labels using the 6X6 setup format 92.
6) Adjust as needed the print head position and then pressure for optimum print
quality. Refer to the Print Head Adjustment section in the manual. If the machine
will not pull stock for this step refer to step number seven.
7) Adjust the feed pressure to pull 11.0" +- .032" of media. Refer to the Stock Feed
Adjustment section in the manual. After the machine is pulling the correct amount
of media, measure the distance between the top of the media and the tracking line.
This distance must be .5" +- .032" through out the label. If it is not, first check and
adjust as needed the unwind core guide, and the web guide, then if needed adjust
the feed pressure from side to side until it is. Re-verify that the label is 11.0" in
length. If the print quality is inadequate refer back to step number six.
8) Using two consecutive labels back to back check the squareness of the cut. Adjust
the knife module as needed referring to the Knife Square Adjustment section in
the manual.
9) Using the front panel adjust the physical cut to be 1.0" +- .032" from the cut line
on the label. The machine is now ready for production formats at which time the
operator should need only to adjust the print, cut, and strobe via the front panel.
NOTE: If the machine is used to print on multiple media types the print head may
need to be adjusted for optimum print quality on each media as they are ran.

Users Manual Model 656/636 Mechanical Trouble Shooting • 53
Mechanical Trouble Shooting
Stock
Problem Probable Cause Corrective Action
Stock will not roll or jumps 1) Incorrect adjustment of unwind
web guides
1) Be sure stock roll is as flat as
possible and does not extend over
core.
2) Adjust rear web guide to 31/32"
(24.6mm) from case surface to
guide surface touching roll.
3) Adjust outer web guide to touch
stock roll but not pinch the roll.
Machine fails to stop at end of roll. 1) Incorrect adjustment of stock-out
switch trigger arm.
1) Adjust stock-out switch arm to
approximately 3/4" (19mm) from
back side of stock when threaded
through machine.
Stock does not pull smoothly through
printhead module.
1) Web guide in sensor plate
incorrectly adjusted.
1) Adjust moveable web guide to
touch outer edge of stock with rear
edge touching rear web guide. Do
not pinch.
2) Stock is slipping in drive or drive
pressure is uneven.
2) Remove stock from drive rollers.
Using a piece of stock the same
thickness as the stock being run as
a "feeler" gauge, adjust set screws
in drive endplates clockwise until
"feeler" gauge barely slides
between rollers with pressure lever
closed. Rotate set screws
clockwise an additional 1/2 - 3/4
turn. Rethread and operate. Minor
adjustment can now be made to
cause stock to run 31/32"
(24.6mm) from upright frame.

54 • Mechanical Trouble Shooting Users Manual Model 656/636
Problem Probable Cause Corrective Action
Cracks or craze marks appear on face
of finished labels.
1) Incorrect adjustment of decurler. 1) Move decurler turn-bar toward
unwind end of machine until
cracks no longer appear.
NOTE: Stock-out switch rod may
have to be readjusted after moving
decurler.
Stock jams in bridge blade rollers or
knife area.
1) Knife mounted bridge blade too
close to stationary bridge blade.
1) Loosen screws in upper knife
securing bridge blade roller
assembly and slide up (holes in
blade are slotted) until rollers just
contact stock. Tighten screws.
2) Knife not cutting full width of
stock.
2) Loosen knife shear adjustment
screws and move outer end of
knife until full cut is accomplished.
3) Stacker not operating or nip rollers
not turning.
3) Check stacker connection to
access port. Be sure nip roller is
free to rotate and moves easily in
the bearing slots.
Will not stack. 1) Stacker not operating. 1) See step 3 above.
2) Stacker position on machine too
far forward so labels go under rear
stacker rail.
2) Loosen stacker mounting knob
and move stacker toward rear of
machine - tighten.
3) Incorrect rail position or stacker
bed angle.
3) Using a cut label, position stacker
rails so that approximately 3/8"
(9.5mm) overhangs the second
grooved roller. Loosen quick-turn
handle on stacker clamp and raise
or lower stacker bed until opening
between 1st label overhang and
belt surface will allow entry of
next label.
Knife will not cut or partial cut 1) Incorrect pre-load on clutch pawl. 1) With back cover removed and
power off - operate solenoid by
hand. When lever is moved, clutch
pawl should move counter-
clockwise about 1/32" (0.79mm)
with the "pac-man" in home
position. If not - loosen "pac-man"
set screws and readjust "pac-man"
to stop with spring in detent.
2) Partial cut 2) Loosen shear adjustment screws
and move outer end of knife until
full cut is obtained.

Users Manual Model 656/636 Mechanical Trouble Shooting • 55
Ink
Problem Probable Cause Corrective Action
Ink wrinkles or will not pull
smoothly.
1) Incorrect adjustment of unwind
roller brake resistance.
1) Adjust knurled knob clockwise as
far as possible without breaking
ink or stalling ink motor. Do not
bottom adjustment knob.
Replacement of fiber brake disc
may be required if printer has
high hours.
2) Unwind roller and ink take-up
roller misaligned.
2) Align rear edge of ink with rear of
print area (allow approximately
1/8" (3mm) overlap). Loosen
thumb cap screw on ink out
sensor mount plate and adjust
until it touches rear of ink roll on
unwind arbor. Lock slide rewind
core toward rear of printer until it
just contacts plate.
3) Ink buildup on turn bar(s). 3) Clean with alcohol.
4) Incorrect ink width. 4) Use an ink width no wider than
stock being printed. This is
especially critical when using a
narrow web with cut down
rollers.
Ink rolls loosely on take-up roller. 1) Take-up roller not turning. 1) Check that roller swing arm (rear
of printer) is not binding and
Roundthane™ belt is not broken
or slips excessively.
2) Take-up core binding on locator
plate.
2) Move core .015" - .030" (.38mm -
.76mm) away from plate.
3) Take-up core not contacting ink
drive roller.
3) Assure that take-up roll is not
binding on locator plate and
swing arm moves freely.
4) Take-up roller too full. 4) Remove used ink roll. It is
designed to hold only 1 full roll.

56 • Mechanical Trouble Shooting Users Manual Model 656/636
Print
Problem Probable Cause Corrective Action
Poor print - uneven or no print
(mechanical). Also see electrical
trouble shooting.
1) Incorrect printhead pressure
adjustment.
1) Remove stock and ink. Close
printhead. Release pressure (2
knurled knobs). Readjust
pressure by turning knob(s)
clockwise until they just contact
printhead plate. Reinstall stock
and ink. Turn adjusters
clockwise approximately 1/8 turn
(5 clicks of knob). As machine
operates, increase pressure (2-3
clicks at a time) until best print is
obtained. Narrow webs will
require less pressure on front
adjuster. If print is still poor,
loosen (2) M3 cap screws visible
on outer edges of printhead
carrier. Adjust tangent point to
optimum print by rotating M3
screw in top center of printhead
plate. Lock in place with 2 outer
M3 cap screws.
2) Broken ink. 2) Replace ink and readjust (see INK
trouble shooting).
3) Ink not rewinding. 3) Readjust (see INK trouble
shooting).

Users Manual Model 656/636 Mechanical Trouble Shooting • 57
Knife
Problem Probable Cause Corrective Action
Double Cuts, extra knife cycle 1) Solenoid sticking in 1) Check proper assembly of washers.
Clean plunger with alcohol and
completely dry.
2) Worn Trip Arm on Clutch
actuator.
2) Replace Actuator
3) Worn Stop roll pin on clutch 3) Replace Clutch if not solved above.
Skips cut, double length label 1) Solenoid did not pull in 1) Check gap on the trip arm to clutch body
must be about .040 inches. If too large,
solenoid has less force. Check
assembly of spring and washers. Use
latest engineering assembly procedure.
Clean Solenoid.
2) Trip arm sticking on clutch roll
pin.
2) Check for burr on trip arm catching on
clutch stop roll pin. File off burr on
clutch roll pin and/or replace trip arm.
3) Low voltage to solenoid 3) Check power supply voltage for 12 and
24 volts
4) Weak solenoid driver 4) Substitute TCB. Change back if not
solved.
5) Bad Solenoid 5) Unusual, but replace Solenoid and
adjust.
Noisy Rattle when not cutting but
motor turning
1) Packman not visibly homing 1) Adjust Packman to center the home
location of the packman to the quiet
location. If the knife still does not
home, clean knife cams and lubricate.
If still does not home, replace blades. If
still does not home, replace clutch.
2) Packman homing ok but noisy. 2) Adjust Packman to center the home
location of the packman to the quiet
location .
3) Dirty Clutch 3) Clean clutch and one drop of light oil.
4) Packman slipping 4) Order improved set screws with multiple
points that bite better to shaft.
5) Bad Motor Gear Box 5) Replace Knife Motor

58 • Mechanical Trouble Shooting Users Manual Model 656/636
Problem Probable Cause Corrective Action
Knife stops during cut in stock 1) Check life of blades 1) If warn and dull, may stall in stock. If
life is greater than 2 million, replace
blades.
2) Clean cams and lubricate 2) Make sure oiler is on knife. Instruct
Operator to oil weekly. Make sure oil
is available.
3) Clutch worn out and can’t stay
engaged
3) Replace Clutch
Slight Long and Short Tags 1) Sticking Solenoid 1) Check gap on the trip arm to clutch body
must be about .040 inches. If too large,
solenoid has less force. Check
assembly of spring and washers. Use
latest engineering assembly procedure.
Clean Solenoid.
2) Sticking Trip Arm to Clutch Roll
Pin
2) Check for burr on trip arm catching on
clutch stop roll pin. File off burr on
clutch roll pin and/or replace trip arm.
3) Clutch has trouble picking up 3) Clean clutch and replace if not solved
Stock popping in front of knife 1) Slow knife rotation 1) Worn out blades create too much load
for motor and knife slows down too
much during cut. Replace Blades.
2) Clutch has trouble engaging and
stock runs into blades
2) Clean clutch and replace if not solved.
Knife does not cycle 1) Solenoid not engaging 1) Trip knife solenoid by hand to see if
knife cycles. If cycles and cuts, check
cable to solenoid, check solenoid
adjustments and assembly, check gap
and replace solenoid if necessary.
2) Knife Motor Broken 2) Replace Knife Motor, good for 10
million labels by spec
3) Clutch total failure 3) Unlikely, but change if necessary
4) Solenoid Drive circuit failure 4) Replace Cable or TCB
5) Knife motor not cycling 5) Replace Cable or TCB
Continuous Knife cycling 1) Solenoid stuck in 1) Clean and adjust solenoid.
2) Circuit stuck on 2) Unplug solenoid wires from knife
module connector and should stop
cutting. If it does stop cutting, replace
TCB.
3) Very bad trip arm to stop pin on
clutch
3) Unusual, but file roll pin and replace trip
arm.

Users Manual Model 656/636 Mechanical Trouble Shooting • 59
Mechanical Trouble Shooting Sequence
If the printer is electrically operable, proceed as follows:
1) Open printhead and drive pressure roller and remove stock.
2) Adjust unwind inner web guide to 31/32" (24.6mm) per instructions (See
Printer Operation - Web Guide Adjustment).
3) Take a short (2-3") (50-75mm) piece of stock you wish to run and adjust the drive
module pressure per instructions (See Maintenance / Adjustments - Stock
Feed Adjustments).
4) Rethread machine, close drive module pressure handle. Close print module.
Release pressure on printhead adjustment knobs. Operate printer and fine tune
drive module pressure until web tracks at 31/32" (24.6mm) from back edge to
center frame.
5) Open drive pressure module, remove stock and ink and readjust print module
pressure per instructions (See Maintenance / Adjustments - Print Head
Adjustments).
6) Reinstall stock and ink, operate and make any further adjustments (sense-mark,
stock-out arm, stacker etc) per trouble shooting section of manual.
Lubrication Procedure
General
The 636 / 656 series printers are factory equipped with either composition bearings
not requiring lubrication or pre-lubricated bronze bearings. The one exception is the
rub cams on either end of the rotary knife. Periodic cleaning of the printer and
removal of dust will greatly enhance the length of the time the printer will function.
Cam - Lubrication Procedure
1) Clean dust and residue from cams (using alcohol or other suitable solvent) daily,
or approximately every 100K cuts. Use any good quality general purpose grease
(not oil). Apply with cotton swab or other non-metallic device.
2) If lubrication is omitted, knife will squeak and draw attention to required
lubrication.
Composition (Iglide) Bearings
1) If field replacement of an assembly fitted with an Iglide bearing is performed, a
single drop of spindle oil should be applied to assist in bearing break-in.
2) If, after long use, an Iglide bearing starts to "squeak", disassemble the component
containing the bearing and lightly abrade the shaft surface. Clean the bearing
(dust or old oil) with alcohol, re lubricate with 1 drop of light oil and reassemble.
No other printer lubrication should be required in normal use.

60 • Appendix A Users Manual Model 656/636
Appendix A
Error Messages
On the Machine's detection of errors/error, the displays will show
the first error encountered and allow the displaying of any other errors
with the "<" and ">" keys, which "Scroll" through additional errors if any.
ERROR SCREENS:
The screen advances to next error with each depression of the ">" key
The screen retreats to prior error with each depression of the "<" key
ERROR MESSAGE ERROR NUMBER
"1/10 ERRORS" 901
"STOCKOUT"
"1/10 ERRORS" 904
"INK OUT"
"1/10 ERRORS" 910
"HEAD OR FEED OPEN"
"1/10 ERRORS" 701
"MISSED SENSE MARK"
"1/10 ERRORS" 903
"DOOR OPEN"
"1/10 ERRORS" 902
"STACK FULL"
"1/10 ERRORS" 404
"HEAD OVTEMP
"1/10 ERRORS" 912
"VERIFIER HALT"
"1/10 ERRORS 911
"SYS ERRORS"
"1/10 ERRORS" 913
"DOWN LOAD ERR"

Users Manual Model 656/636 Appendix B • 61
Appendix B
Software Upgrade Chip Placement Positions
Thermal Control Board P/N 351105
(Use chip removal tool p/n. 351156 for square I.C.'s)
THERMAL CONTROL BOARD, Upgradeable software I.C.'s include U16 and U53.
Align angled corners of chip with socket and arrow denotes pin #1 or dimple on chip.

62 • Appendix B Users Manual Model 656/636
Diskless Rom Board P/N 281164
DISKLESS ROM BOARD, Upgradeable software I.C.'s include U12, U16, and U20.
Position new I.C.'s in same orientation as pictured above.
SWITCH POSITIONS, SW1: 1 and 6 = OFF, 2 thru 5 = ON,
SW2: 1 thru 4 = ON
Head Driver Board P/N 351106
(Use chip removal tool p/n. 351156 for square I.C.'s)
HEAD DRIVER BOARD, Upgradeable software I.C.'s include U1, U2, U8, and U18.

Users Manual Model 656/636 Appendix B • 63
Align angled corners of chip with socket and arrow denotes pin #1 or dimple on chip.
Front Panel Board P/N 351108
(Use chip removal tool p/n. 351156 for square I.C.'s)
FRONT PANEL BOARD, Upgradeable software for FPNL x.x
Align angled corners of chip with socket and arrow denotes pin #1 or dimple on chip.

64 • Appendix C Users Manual Model 656/636
Appendix C
Ink and Stock Transfer Types
Value Transfer Type
051 Heat Seal & SD-1111 Ink
052 Topcoated card stock & TT-3111 Ink
053 Topcoated card stock & TT-1111 Ink
054 Topcoated card stock & HR-3111 Ink
055 Topcoated card stock & HR-1111 Ink
056 Topcoated Card Stock & TW-1111 Ink
057 Topcoated card stock & TW-1151 Ink
058 Pressure Sensitive & TT-3111 Ink
059 Pressure Sensitive Thermal Receptive & TT-1111 Ink
060 Pressure Sensitive Thermal Receptive & TW-1111 Ink
061 Pressure Sensitive & TW-1151 Ink
062 Pressure Sensitive & HR-3111 Ink
063 Uncoated Tag Stock & TT-3111 Ink
064 Uncoated Tag Stock & TT-1111 Ink
065 Uncoated Tag Stock & HR-3111 Ink
066 Uncoated Tag Stock & HR-1111 Ink
067 Uncoated Tag Stock & TW-1111 Ink
068 Uncoated Tag Stock & TW-1151 Ink
069 Fabric 2800 & TT-1111 Ink
070 Fabric 2800 & HR-3111 Ink
071 Fabric 2800 & TT-3111 Ink
072 Fabric 2800 & HC-3111 Ink
073 Fabric 2800 & HR-1111 Ink

Users Manual Model 656/636 Appendix C • 65
Value Transfer Type
074 Fabric 2795 & TT-1111 Ink
075 Fabric 2795 & HR-3111 Ink
076 Fabric 2795 & TT-3111 Ink
077 Fabric 2795 & HC-3111 Ink
078 Fabric 2795 & HR-1111 Ink
078 Fabric 2395 & CL-1111 Ink
078 Fabric 2495 & CL-1111 Ink
078 Fabric 4000 & CL-1111 Ink
079 Coated Tag Stock & HR-4111 Ink
080 Pressure Sensitive & HR-4111 Ink
081 Uncoated Tag Stock & HR-4111 Ink
082 Fabric 2800 & HR-4111 Ink
083 Fabric 2795 & HR-4111 Ink
084 New Pressure Sensitive (no xfer) & TT-3111 Ink
085 New Pressure Sensitive (no xfer) & TT-1111 Ink
086 New Pressure Sensitive (no xfer) & TW-1111 Ink
087 New Pressure Sensitive (no xfer) & TW-1151 Ink
088 New Pressure Sensitive (no xfer) & HR-1111 Ink
089 New Pressure Sensitive (no xfer) & HR-3111 Ink
090 New Pressure Sensitive (no xfer) & HR-4111 Ink
091 Coated Tag Stock & GP-1111 Ink
092 Uncoated Tag Stock & GP-1111 Ink
093 New Pressure Sensitive (no xfer) & GP-1111 Ink
094 2800 Fabric & GP-1111 Ink
095 2795 Fabric & GP-1111 Ink
096 2795 Fabric & CT-1111 Ink
097 4800 Fabric & CT-1111 Ink
116 591SST Fabric & CT-1111 Ink

66 • Appendix C Users Manual Model 656/636
Value Transfer Type
117 591SST/601SST Fabrics & CT-1114 Ink
118 601SST Fabric & CT-1111 Ink
119 591SST/601SST Fabrics & CT-1115 Ink
120 591SST/601SST Fabrics & CT-1117 Ink
121 591SST Fabric & CT-1112 Ink
122 601SST Fabric & CT-1112 Ink

Users Manual Model 656/636 Appendix D • 67
Appendix D
Knife MFG Guideline
Solenoid Trigger Setting
+.000
-.020
1. After the clutch and actuator is mounted to the knife, attach the solenoid assembly to the inside
support using two 6-32 x 3/8 cap screws, flat washers, and lock washers. Make sure the plunger
moves freely and does not bind. Motor and faceplate must be mounted also.
2. Check the gap between the actuator and the top of the pin on the clutch as shown in drawing.
The plunger should be pushed in to make the measurement.
Other hints if there is still a problem:
• If the gap is greater then .047”, an old solenoid bracket is being used. Replace (P/N 357003) or
slot the bracket.
• If plunger binds, the solenoid is not parallel with the base of the bracket that mounts to the knife
support, and/or the actuator slot is bottoming out on the roll pins that are on the plunger. Make
adjustment or replace the bracket.

68 • Appendix D Users Manual Model 656/636
• Torsion Spring should be at an angle of 60±2°. Lay the spring over the drawing below to see if
the spring is made properly.
• Plunger pins should be centered on shaft. If either pin is loose DO NOT use the plunger. The
pins should be checked before installing.
• (Rev 3) Replace both roll pins on all reworked assemblies.
• (Rev 4) Effective 3/3/97 a large nylon washer will be added between the coil pin and the c-clip
on the plunger. To install, the c-clip has to be removed, then put the large washer on the
plunger and push it down against the coil pin. While holding it in that location, re-install the c-
clip. Now the Small nylon washer and spring can be put on the plunger and inserted into the
solenoid.

Users Manual Model 656/636 Appendix D • 69
• There should be a .010-.020 gap (for roller clutch only) between the two clutch pieces.
• (Test on the solenoid test box.) The knife must cut both fabric and card stock. The solenoid
should operate on both the high and low settings.
• Excessive motor drag must be minimal at start/stop and while running. Replace or repair
problem component. On old knife assemblies, there are bronze bushings in outer support. They
may be causing a bind. Ream bushing and retest. (Do not ream if it is a roller bearing.)
• (Rev 1) Pre-load setting adjustment. While motor is running, not while cutting, loosen set
screws on “pac-man” and rotate the rotary blade clockwise, mark the stopping position on the
“pac-man”, rotate counterclockwise, mark the “pac-man”, then rotate the blade to the middle of
the two marks and tighten the set screws.
• (Rev 2) All new knife assemblies have a blue clutch. The clutch outer race bushing has an I.D.
of .500 and the 2 extension springs are .012 dia wire.
• (Rev 2) The 2 extension springs on all rebuilt clutches must have the .009 dia. wire springs
replaced with .012 wire springs.
• (Rev 5) Replace Knife Actuator 357020, if it is worn or if there is a “bulge” at the 90-degree
bend.
• (Rev 6) Changed feeler gauge tolerance from .047 MIN

Users Manual Model 656/636 Assembly Drawings • 71
Assembly Drawings

72 • Assembly Drawings Users Manual Model 656/636
Unwind Assembly Drawing

Users Manual Model 656/636 Assembly Drawings • 73
Unwind Parts List
Item Part # Description Qty
1 353001
353005
Guide, Unwind Rear
Optional Unwind backer plate (not
shown)
1
1
2 353002 Bracket, Unwind 1
3 353003 Guide, Unwind Front 1
4 990089 10:32 x 1/4 Button Head 1
5 990170 5/16:18 x 3/4 Cap Screw 1
6 990277 5/16” Bellville Washer 1
7 990439 .340 x .740 Nylon Washer 1

74 • Assembly Drawings Users Manual Model 656/636
Web Guide / Light Bar Assembly Drawing

Users Manual Model 656/636 Assembly Drawings • 75
Web Guide / Light Bar Parts List
Item Part # Description Qty
1 188008 T-Nut 1
2 351120 Light Bar Harnessed 1
3 354006 Bracket, Web Guide Sensor 1
4 354003 Web Guide Outer 1
5 354001 Plate, Web Guide Mount 1
6 928012 Spring 1
7 990066 8:32 x 1/4 Button Head 2
8 990091 10:32 x 1/2 Button Head 1
9 990438 1:72 x .188 Cap Screw 2

76 • Assembly Drawings Users Manual Model 656/636
Drive Assembly Drawing

Users Manual Model 656/636 Assembly Drawings • 77
Drive Parts List
Item Part # Description Qty
1 196052 Idler Pulley Bushing 1
2 244024 Feed Knob/SS 1
3 354002 Bridge Plate, Web 1
4 354004 Bridge Blade, Lower 1
5 354008A Gear, Idler 1
6 354009A Gear, Driven 1
7 354014 Driven Roller, Molded 1
8 354017 Shaft, Idler Gear 1
9 354021 Eccentric Shaft 1
10 354092 Support, Rear Drive Assembly 1
11 354093 Support, Front Drive Assembly 1
12 354094 Roller, Drive Assembly 1
13 354095 Roller, Tape Assembly 1
14 355018 Support, Knife/Drive/Print 1
15 990023 6-32 x ½” Flat Head Screw 1
16 990090 10-32 x 3/8” Button Head Screw 4
17 990120 ¼-20 x ½” Cap Screw 5
18 990416 ¼-20 x ½” Flat Head Screw 1

78 • Assembly Drawings Users Manual Model 656/636
Printhead Assembly Drawing

Users Manual Model 656/636 Assembly Drawings • 79
Printhead Parts List
Item Part # Description Qty Item Part # Description Qty
1 355004 Shaft, Eccentric (PRT) 1 21 990015 6-32UNC-2A X .25 Cap Screw 2
2 355083 Roller, Molded Printhead 1 22 990028 6-32UNC-2A X .38 Fl Hd Screw 1
3 355008 Spring, Torsion Printhead 1 23 990037 #6 Washer 2
4 355018 Support, Drive/Knife/Print 1 24 990047 8-32UNC-2A X .125 Cap Screw 1
5 355032 Plate, Printhead Mount 1 25 990066 8-32UNC-2A X .25 Btn Hd Screw 4
6 355033 Adjustment Plate, Printhead 1 26 990492 3M X 8M Dowel Pin 1
7 355031 Holder, Printhead 1 27 999041 1/4 X 5/16 X 1/4 Fl Iglide 1
8 355034 Shaft, Adjustment 1 28 990250 3/16 X 2.00 Dowel 1
9 355035 Pressure Adjuster 1 29 989976 #6 Star Washer 2
10 355037 Pin, Pivot 1 30 990016 6-32UNC-2A X .38 Cap Screw 2
11 355038 Knob Clip 1 31 999051 3/16 X 5/16 X 5/16 Bushing 1
12 355039 Static Brush 1 32 990444 3M X14 Cap Screw 2
13 355040 Block, Head Adjust 1 33 990120 1/4-20UNC-2A X .50 Cap Screw 5
14 355041 Shield, Static 1 34 355097 Ink Motor Assembly 1
15 355042 Plate, Locator Printhead 1 35 351102 Printhead 300DPI 1
16 355094 Adjuster, Printhead Assy 1 351101 Printhead 240 DPI
17 357011 Static Brush 1
18 355092 Support, Inner Printhead Assy 1
19 355093 Support, Outer Printhead Assy 1
20 356020 Roller, Molded Ink 1

80 • Assembly Drawings Users Manual Model 656/636
Ink Unwind / Rewind Assembly

Users Manual Model 656/636 Assembly Drawings • 81
Ink Unwind / Rewind Parts List
Item Part # Description Qty Item Part # Description Qty
1 356010 Shaft Lock 2 17 990251 1/8 x 1/2" Dowel Pin 1
2 990042 8-32 x 3/13" Set Screw 2 18 990133 1/4-20 x 3/4" Flat Head Screw 1
3 990490 Spring 2 19 990122 1/4-20 x 3/4" Cap Screw 1
4 999009 5/16" Thrust Bearing 2 20 376016 Bearing Housing 1
5 356053 Unwind Shaft 1 21 999002 Bearing 2
6 376087 Arbor Assembly 1 22 376023 Bearing Spacer 1
7 376003 Ink Arbor Guide 2 23 376025 Bearing Spacer 1
8 516113 Ink Guide 1 24 991018 Internal Snap Ring 1
9 376088 Arbor Unwind Assembly 1 25 376024 Bearing Spacer 1
10 990083 10-32 x 3/4" Cap Screw 1 26 990019 6-32 x 1/4" Button Head Screw 4
11 990313 #10 Thumb Cap 1 27 376022 Sprocket Altered 1
12 376026 Unwind Fiber Spacer 1 28 376014 Adapter Ink Sprocket 1
13 356016 Shaft, Foil Bracket 1 29 990102 #10 SAE Washer 1
14 376048 Disc Brake 1 30 990091 10-32 x 1/2" Button Head Screw 1
15 376017 Hub Rewind 1 31 990058 8-32 x 1/4" Set Screw 1
16 376029 Shaft, Rewind 1

82 • Assembly Drawings Users Manual Model 656/636
Ink Rewind Arbor Assembly
Field Retrofit Kit

Users Manual Model 656/636 Assembly Drawings • 83
Ink Rewind Arbor Parts List
Item Part # Description Qty
1 356010 Lock Spring Pressure 1
2 --------- No Longer Used --
3 991036 Compression Spring 1
4 999009 5/16 Thrust Bearing 1
5 376087 Arbor Assembly 1
6 376048 Unwind Fiber Spacer 1
7 356191 Fixed Rewind Shaft Assembly 1
8 356192 Front Bearing Housing Assembly 1
9 991038 ¾” Serrated Bellville Washer 1
10 356193 Rear Bearing Housing Assembly 1
11 991037 .047” Steel Shim 1
12 356108 42T Timing Belt Pulley 1
13 990134 ¼-20 x ¼ Button Head 1
14 990434 ¼” External Tooth Washer 1

84 • Assembly Drawings Users Manual Model 656/636
Feed & Ink Drive Assembly

Users Manual Model 656/636 Assembly Drawings • 85
Feed & Ink Drive Parts List
Item Part # Description Qty
15 990111 10-32 x ¾” Flat Head Screw 6
16 356106 Offset Plate 2
17 990451 1 9/16 Stand-Off 3
18 351141 Ink Motor 1
19 245026 Feed Motor 1
20 990081 10-32 x ½” Cap Screw 12
21 194023 1 3/8 Stand-Off 3
22 284025 14 Tooth Pulley 2
N/A 356109 Ink Timing Belt (85 Tooth) 1
N/A 356110 300dpi Feed Timing Belt (60
Tooth)
1
N/A 356026 240dpi Feed Timing Belt (57
Tooth)
1

86 • Assembly Drawings Users Manual Model 656/636
Timing Belt Threading Diagram

Users Manual Model 656/636 Assembly Drawings • 87
Timing Belt Parts List
Item Part
Number
Qty Description
23A 356109 1 85T Timing Belt Double Sided
(First 100 units only)
23B 356111 1 65T Timing Belt Double Sided
(101 +)
23C 356195 1 20T Idler Pulley w/ Bronze Bushing
(First 100 units only)
24A 356110 1 60T Timing Belt (300dpi)
24B 356026 1 57T Timing Belt (240dpi)
Not Shown

88 • Assembly Drawings Users Manual Model 656/636
Ink Turn Roller Assembly

Users Manual Model 656/636 Assembly Drawings • 89
Ink Turn Roller Parts List
Item Part
Number
Qty Description
25 376086 1 Turn Bar Assembly
26 990416 1 ¼-20 x ¼” Flat Head
27 356105 1 Turn Bar Bracket
28 990121 1 ¼-20 x 5/8” Cap Screw
29 354090 1 636/656 Feed Assembly
(Only inner support bracket shown)

90 • Assembly Drawings Users Manual Model 656/636
Knife Assembly Drawing

Users Manual Model 656/636 Assembly Drawings • 91
Knife Parts List
Item Part
Number
Qty Description Item Part
Number
Qty Description
1 197003 1 #10 Washer 21 357019K 1 Clutch, Square Drive
2 197308 1 Adjuster, Knife 22 357018 1 Knife Guard
3 197311 1 Cam, Knife Homing 23 357091 1 Bracket, Inner Knife Assembly
4 197312 1 Spring, Cam 24 357092 1 Bracket, Outer Knife Assembly
5 197313 1 Plate, Spring Cam 25 357093 1 Knife, Stationary
6 357020 1 Actuator, Knife 26 357094 1 Knife Rotary
7 197317 1 Compression Spring 27 990016 2 6:32 x 3/8 Cap Screw
8 351123 1 Knife Solenoid Harness 28 990082 4 10:32 x 5/8 Cap Screw
9 517099 1 Knife Motor Assembly 29 990120 5 1/4:20 x 1/2 Cap Screw
10 354005 1 Upper Bridge Blade 30 990123 2 1/4:20 x 1 Cap Screw
11 354013 1 Molded Idler Roller 31 990102 2 #10 SAE Washer
12 355018 1 Support, Knife/Drive/Print 32 990261 1 3/16 Snap Ring
13 357003 1 Mount, Solenoid 33 990449 3 M3 x 6 Cap Screw
14 357021K 1 Adapter, Knife Motor 34 999055 1 8:32 x3/8 Flat Head
15 357005 1 Clutch Adapter w/ 8:32 x 1/4 SS 35 999099 2 3/16 x 5/16 x 1/4 Flanged Bushing
16 357006 1 Spring, Torsion Front (Natural
Finish)
36 989978 1 #8 Star Washer
17 357007 1 Spring, Torsion Rear (Red Finish) 37 990065 1 8:32 x 3/8 Button Head
18 357011 1 Static Brush 38 990066 4 8:32 x 1/4 Button Head
19 357013 1 Mount, Cam Stop 39 990019 1 6:32 x 1/4 Button Head
20 357016 1 Standoff, Solenoid Arm 40 990122 1 1/4:20 x 3/4 Flat Head
41 999097 1 Flanged Bushing (Inc. w/
357021k)

92 • Assembly Drawings Users Manual Model 656/636
Stacker Assembly Drawing

Users Manual Model 656/636 Assembly Drawings • 93
Stacker Parts List
Item Part
Number
Qty Description Item Part
Number
Qty Description
1 144034 1 Feed Lock Knob 23 358092 1 Roller, Stacker Assembly
2 184002 1 Thumb Screw Lock 24 358094 1 Roller, Stacker Support Assembly
3 188008 1 Stacker T-Nut 25 989979 1 10:32 x 1 Set Screw
4 358023 1 Knob Assembly 26 990006 2 4:40 x 1/4 Cap Screw
5 247035 1 Drive Pulley 27 990037 2 #6 SAE Washer
6 351160 1 Full Stacker Switch Harness 28 990042 4 8:32 x 3/16 Set Screw
7 351161 1 Stacker Motor Harnessed 29 990079 1 10:32 x 1/4 Cap Screw
8 358001 1 Stacker Support 30 990080 2 10:32 x 3/8 Cap Screw
9 358091 1 Stacker Base Assembly 31 990085 2 10:32 x 1-1/4 Cap Screw
10 358004 1 Stacker Lock 32 990090 1 10:32 x 3/8 Button Head
11 358006 1 Rail, Rear Stacker 33 990313 3 #10 Thumb Screw
12 358007 1 Rail, Front Stacker 34 990369 2 1/8” Collar
13 358008 2 Roller, Idler 35 990446 2 .188 x .500 x 8:32 Shoulder Screw
14 358010 1 Shaft, Roller 36 990450 2 .375 Round Spacer
15 358011 4 Pivot, Idler Roller 37 990641 2 6:32 Wing Nut
16 358012 1 Plate, Stacker Locator (not shown) 38 999044 2 .313 x .437 x .375 Flanged
Bushing
17 358013 1 Trip Rod 39 999100 4 3/16 x 5/16 x 1/8 Flanged Bearing
18 358015 2 Roller Support 40 990102 2 #10 SAE Washer
19 358016 1 Shaft, Roller 41 351125 1 Stacker Harness
20 358017 1 Spring, Trip Rod 42 990533 1 Tie Down
21 358018 1 1/5P 40T Timing Belt 43 990513 1 Wire Tie
22 358021
358019
15
15
O’Ring (long) “X” = 3.1875
O’Ring (short) “X” = 2.1875
44 358005 2 Pressure Roller
45 358020 1 Label Side Support

94 • Assembly Drawings Users Manual Model 656/636
Rewind Assembly Drawing

Users Manual Model 656/636 Assembly Drawings • 95
Rewind Parts List
Item Part
Number
Qty Description Item Part
Number
Qty Description
1 112033 1 Shaft, 6x6 rewind 19 112037 1 support, shaft bearing
2 112035 1 Key, 1/8 x 1/8 x 3/8 20 990090 2 10:32 x 3/8 btn hd screw
3 923009 1 10" roll disc 21 351161 1 Stacker motor harnessed
4 111032 4 Rubber feet 22 111201 1 Cover
5 990054 4 8:32 x 1 cap screw 23 111030 1 Upright
6 111029 1 Base 24 999147 1 1/2 x 5/8 x 3/4 bushing
7 990374 3 1/2" collar 25 111027 1 Decurler roller assy
8 112028 1 Driven disc 26 990264 2 3/8" snap ring
9 112032 1 Friction disc 27 112034 1 Decurler shaft
10 112030 1 Drive disc 28 111025 2 Hub, 3" rewind insert
11 999118 1 1/2 x 5/8 x 1 1/4 bushing 29 989974 3 8:32 x 3/8 cap screw
12 112005 1 28t 1/5p timing belt pulley 30 351183 1 6x6 rewind motor harness (not
shown)
13 990091 2 10:32 x 1/2 btn hd screw 31 923010 1 10" roll disc (not shown)
14 197078 1 12t 1/5p timing belt pulley 32 990026 6 6:32 x 3/4 fh screw (not shown)
15 990465 1 comp. spring 33 923014 2 Roll unwind disc hub (not shown)
16 112031 1 Timing belt 67t 1/5p 34 251136 1 Bushing, Strain Relief (not shown)
17 112036 1 EAR motor insulation
18 999121 1 1/2 x 3/4 x 1/2 bushing

96 • Assembly Drawings Users Manual Model 656/636
Stock Out Sensor Assembly Drawing

Users Manual Model 656/636 Assembly Drawings • 97
Stock Out Sensor Parts List
Item Part
Number
Qty Description
1 191120 1 Stock Out Micro Switch
2 351145 1 Mount Stock Out Switch
3 331149 1 Shaft Stock Out Switch
4 351150 1 Arm Stock Out Switch
5 351151 1 Rod Actuator Stock out
6 989973 2 4-40 x .50 Cap Screw
7 990024 1 6-32 x .125 Set Screw
8 990255 1 3/16 x 3/4 Dowel Pin
9 990261 1 3/16 Snap Ring
10 990456 2 8-32 x .50 Flat Head Screw
11 999098 1 3/16 x 1/4 x 3/8 Bushing

98 • Optional Stackers Users Manual Model 656/636
Optional Stackers

Users Manual Model 656/636 Optional Stackers • 99
4.25” Stacker Specifications
• 4.25” Web x 1 ¾” Feed
• Will work on 636, 656 & 676
• Old machines may require the knife strut to be replaced with one that has a mount hole – Part number 355018.
• Fabric and heat seal only - not for pressure sensitive or tags.
• Stack height dependent on material size and weight. (may not reach full stacker height)
• Jam sensor will require relocating the LED to the center position for the 676 and back set of holes for the 636 & 656.
• If changing from standard stacker to 4.25” stacker - the knife guard must be changed to match the stacker being used.

100 • Optional Stackers Users Manual Model 656/636
Optional 4.25” Pick-up Assembly

Users Manual Model 656/636 Optional Stackers • 101
Optional 4.25” Pick-up Parts List
Item Part # Description Qty Item Part # Description Qty
1 378286 Base Plate Assy 1 14 990401 Rivet 2
2 378287 Pressure Roller Assy 4 15 990261 3/16” Snap Ring 2
3 378208 Roller Center Drive 1 16 990016 6-32 Cap Screw 12
4 378213 Pick-Up Roller 1 17 990020 6-32 Button Hd. Screw 8
5 378211 Roller Idler 2 18 990019 6-32 Button Hd. Screw 4
6 378204 Sensor Mount Upper 1 19 378216 Sensor Mount Lower (Not Shown) 1
7 378131 Side Frame Rear Stacker 1 20 371133 Jam Sensor Harness (Not Shown) 1
8 378119 Side Frame Near Stacker 1 21 990124 ¼-20 Cap Screw 1
9 378129 Support Pick-Up Roller 2 22 990315 ¼ Thumb Screw Cap 1
10 378207 Roller Shaft 2 23 188014 Static Brush (Not Shown) 1
11 378203 Sensor Lock 2 24 991032 Small Conveyor Belt (Not Shown) 4
12 378126 Support Roller 2 25 991028 Large Conveyor Belt (Not Shown) 20
13 378201 Pick-Up Pressure Roller 1

102 • Optional Stackers Users Manual Model 656/636
Optional 4.25” Stacker Assembly

Users Manual Model 656/636 Optional Stackers • 103
Optional 4.25” Stacker Parts List
Item Part # Description Qty Item Part # Description Qty
1 378205 Plate Stacker Support 1 17 990028 6-32 Flat Hd. Screw 4
2 378288 Rear Side Frame Assy 1 18 990079 10-32 Cap Screw 2
3 378289 Front Side Frame Assy 1 19 990313 #10 Thumb Screw Knob 4
4 378212 Drive Roller 1 20 990641 #6 Wing Nut 1
5 378214 Drive Shaft 1 21 990037 #6 Washer 1
6 378130 Rail Slide Bracket 2 22 990080 10-32 Cap Screw 2
7 378209 Mount Stacker Rail 1 23 990262 ¼” Snap Ring 1
8 378210 Base Stacker Rail 1 24 990019 6-32 Button Hd. Screw 2
9 38215 Stacker Upright Front 1 25 990369 1/8” Collar 2
10 378035 Stacker Upright Rear 1 26 184002 Web Guide Thumb Screw 1
11 378046 Belt Guard 1 27 351125 Stacker Harness (NS) 1
12 351161 Stacker Motor Harnessed 1 28 351160 Full Stacker Harn. (NS) 1
13 284022 Pulley Drive Belt 2 29 371133 Jam Sensor Harn. (NS) 1
14 188008 “T” Nut 4 30 358018 Timing Belt (NS) 1
15 990081 10-32 Cap Screw 2 31 990006 4-40 Cap Screw 2
16 990102 #10 Washer 2

104 • Optional Stackers Users Manual Model 656/636
Optional Down Stacker Assembly Drawing (Part 1)

Users Manual Model 656/636 Optional Stackers • 105
Optional Down Stacker Parts List (Part 1)
Item Part # Description Qty Item Part # Description Qty
1 168089 Rear Stacker Frame Assembly 1 15 168082 Pulley Assembly 28T 2
2 168088 Front Stacker Frame Assembly 1 16 168083 Pulley Assembly 12T 1
3 168026 Mounting Bracket 1 17 990401 3/16 x 3/8 Rivet 2
4 168002 Post Spacer 2 18 990051 8-32 Cap Screw 4
5 168025 Main Drive Roller 1 19 990090 10-32 Button Hd. Screw 2
6 168024 Pick-Up Roller 1 20 990020 6-32 Button Hd. Screw 8
7 168017 Roller Bracket Support 2 21 990019 6-32 Button Hd. Screw 4
8 168087 Pressure Roller Assembly 4 22 990261 3/16 Snap Ring 2
9 168029 Plate Motor Mount 1 23 990102 #10 Washer 2
10 351161 Stacker Motor Harnessed 1 24 990081 10-32 Cap Screw 2
11 168021 Sensor Mount Lower 1 25 991059 Timing Belt 61T (Not Shown) 2
12 168022 Sensor Mount Upper 1 26 990088 10-32 Flat Hd. Screw 2
13 168001 Plate Sensor Cover 2 27 928012 Spring 3
14 168007 Motor Shaft Extension 1

106 • Optional Stackers Users Manual Model 656/636
Optional Down Stacker Assembly Drawing (Part 2)

Users Manual Model 656/636 Optional Stackers • 107
Optional Down Stacker Parts List (Part 2)
Item Part # Description Qty Item Part # Description Qty
1 168031 Rear Support Stacker 1 13 990092 10-32 Button Hd. Screw 2
2 168086 Front Stacker Support Assy 1 14 990729 Nylon Washer 2
3 168018 Guide Label 1 15 990053 8-32 Cap Screw 1
4 168027 Platform Slide 1 16 990314 #8 Thumb Cap 1
5 168033 Platform Slide Plate 1 17 191120 Micro Switch (Not Shown) 1
6 168014 Post Stacker Mount 4 18 168039 Label Platform 1 ¼” (Not Shown) 1
7 188008 “T” Nut 2 19 168040 Label Platform 1 5/8” (Not Shown) 1
8 990103 #10 Hex Nut 2 20 168041 Label Platform 1 7/8” (Not Shown) 1
9 990072 8-32 Flat Hd. Screw 4 21 351125 Stacker Harness (Not Shown) 1
10 990090 10-32 Button Hd. Screw 2 22 371133 Jam Sensor Harness (Not Shown) 1
11 990067 #8 Flat Washer 4 23 989973 4-40 Cap Screw (Not Shown) 2
12 990065 8-32 Button Hd. Screw 4

108 • Optional Stackers Users Manual Model 656/636
Optional Down Stacker Assembly Drawing (Part 3)

Users Manual Model 656/636 Optional Stackers • 109
Optional Down Stacker Parts List (Part 3)
Item Part # Description Qty Item Part # Description Qty
1 168084 Clutch Assy 1 17 991058 Spring 1
2 168013 Tamper Slide Block 1 18 990065 8-32 Button Hd. Screw 1
3 168012 Tamper Support 1 19 989978 #8 Star Washer 3
4 168034 Tamper Mount Bracket 1 20 990081 10-32 Cap Screw 2
5 168028 Tamper 2 21 990066 8-32 Button Hd. Screw 1
6 168036 Static Brush 1 22 990051 8-32 Cap Screw 6
7 168008 Tamper Link 1 23 990314 #8 Thumb Screw Cap 2
8 168085 Mounting Bracket Assy 1 24 990263 5/16 “E” Snap Ring 1
9 168016 Solenoid Mtg. Bracket 1 25 990325 3/16 “E” Snap Ring 1
10 168035 Spring Return Bracket 1 26 990067 #8 Washer 2
11 168038 Bracket Label Stop 1 27 990050 8-32 Cap Screw 2
12 168037 Rod Label Stop 1 28 990315 #10 Thumb Screw Cap 2
13 168006 Tamper Pivot Pin 1 29 990261 3/16 Snap Ring 2
14 188008 “T” Nut 2 30 990091 10-32 Button Hd. Screw 2
15 197315 Solenoid Actuator Arm 1 31 990066 8-32 Button Hd. Screw 5
16 168045 Stand-off Solenoid Arm 1 32 168032 Cover (Not Shown) 1