Pb Heat Gas Boiler Users Manual Pinnacle_Manual
Gas Boiler to the manual 70b47322-6146-4c37-b37e-3f40ff0a641f
2015-02-06
: Pb-Heat Pb-Heat-Gas-Boiler-Users-Manual-517490 pb-heat-gas-boiler-users-manual-517490 pb-heat pdf
Open the PDF directly: View PDF
.
Page Count: 47

Pinnacle®
Gas Boilers
Peerless®
Stainless Steel
Installation,
Operation &
Maintenance
Manual
– Do not store or use gasoline or other
flammable vapors and liquids in the vicinity
of this or any other appliance.
– WHAT TO DO IF YOU SMELL GAS
•Do not try to light any appliance.
•Do not touch any electrical switch;
do not use any phone in your building.
•Immediately call your gas supplier from
a neighbor’s phone. Follow the gas
supplier’s instructions.
•If you cannot reach your gas supplier,
call the fire department.
– Installation and service must be performed
by a qualified installer, service agency or
the gas supplier.
If the information in this manual is not
followed exactly, a fire or explosion may
result causing property damage, personal
injury or loss of life.
WARNING
As an ENERGY STA R ®Partner, PB Heat, LLC has
determined that this product meets the ENERGY STA R ®
guidelines for energy efficiency.

USING THIS MANUAL 1
A. INSTALLATION SEQUENCE . . . . . . . . . . . . .1
B. SPECIAL ATTENTION BOXES . . . . . . . . . . . .1
1. PREINSTALLATION 2
A. GENERAL . . . . . . . . . . . . . . . . . . . . . . . . . . . .2
B. CODES & REGULATIONS . . . . . . . . . . . . . . .2
C. ACCESSIBILITY CLEARANCES . . . . . . . . . . .2
D. COMBUSTION AND VENTILATION AIR . . . .2
E. PLANNING THE LAYOUT . . . . . . . . . . . . . . . .2
2. BOILER SET-UP 4
A. GENERAL . . . . . . . . . . . . . . . . . . . . . . . . . . . .4
B. WALL HUNG BOILERS . . . . . . . . . . . . . . . . . .4
C. FLOOR MOUNTED BOILERS . . . . . . . . . . . . .4
3. WATER PIPING AND CONTROLS 5
A. GENERAL . . . . . . . . . . . . . . . . . . . . . . . . . . . .5
B. OPERATING PARAMETERS . . . . . . . . . . . . . .5
C. SYSTEM COMPONENTS . . . . . . . . . . . . . . . .5
D. SYSTEM PIPING . . . . . . . . . . . . . . . . . . . . . . .8
E. FREEZE PROTECTION . . . . . . . . . . . . . . . . . .8
F. SPECIAL APPLICATIONS . . . . . . . . . . . . . . .14
4. GAS PIPING 16
A. GENERAL . . . . . . . . . . . . . . . . . . . . . . . . . . .16
B. FUEL LINE SIZING . . . . . . . . . . . . . . . . . . . .16
C. GAS SUPPLY PIPING INSTALLATION . . . . .16
D. GAS SUPPLY PIPING – OPERATION . . . . . .17
E. MAIN GAS VALVE – OPERATION . . . . . . . .18
5. VENTING, INLET AIR & CONDENSATE 19
A. GENERAL . . . . . . . . . . . . . . . . . . . . . . . . . . .19
B. APPROVED MATERIALS FOR EXHAUST
VENT AND INLET AIR PIPE . . . . . . . . . . . . .19
C. EXHAUST VENT / AIR INLET PIPE
LOCATION . . . . . . . . . . . . . . . . . . . . . . . . . .19
D. EXHAUST VENT AND INLET AIR PIPE
SIZING . . . . . . . . . . . . . . . . . . . . . . . . . . . . .20
E. EXHAUST VENT AND AIR INLET PIPE
INSTALLATION . . . . . . . . . . . . . . . . . . . . . . .21
F. EXHAUST TAPPING FOR VENT
SAMPLE . . . . . . . . . . . . . . . . . . . . . . . . . . . .25
G. CONDENSATE DRAIN INSTALLATION . . . .25
H. BOILER REMOVAL FROM COMMON
VENTING SYSTEM . . . . . . . . . . . . . . . . . . .25
6. ELECTRICAL 26
A. WIRING . . . . . . . . . . . . . . . . . . . . . . . . . . . . .26
B. SEQUENCE OF OPERATION . . . . . . . . . . . .26
C. SAFETY INTERLOCKS . . . . . . . . . . . . . . . . .28
D. CONTROL FUNCTIONS . . . . . . . . . . . . . . . .28
7. START-UP PROCEDURES 30
A. COMPLETING THE INSTALLATION . . . . . . .30
B. LIGHTING/OPERATING INSTRUCTIONS . . .31
C. CHECK-OUT PROCEDURE . . . . . . . . . . . . . .32
8. TROUBLESHOOTING 33
A. SHUT-DOWN . . . . . . . . . . . . . . . . . . . . . . . .33
B. BOILER FAULT CODES . . . . . . . . . . . . . . . .33
9. MAINTENANCE 35
A. GENERAL (WITH BOILER IN USE) . . . . . . .35
B. WEEKLY (WITH BOILER IN USE) . . . . . . . . .35
C. ANNUALLY (BEFORE START OF
HEATING SEASON) . . . . . . . . . . . . . . . . . . .35
10. BOILER DIMENSIONS & RATINGS 36
A. BOILER DIMENSIONS . . . . . . . . . . . . . . . . .36
11. REPAIR PARTS 39
APPENDIX A. WHAT’S NEW WITH THE
P125 CONTROL BOARD 41
A. ADVANTAGES OF THE P125
CONTROL BOARD . . . . . . . . . . . . . . . . . . . .41
B. P125 CONTROL BOARD QUICK
REFERENCE . . . . . . . . . . . . . . . . . . . . . . . . .41
C. P125 CONTROL BOARD VS. WHA
CONTROL BOARD COMPARISON . . . . . . .42
TABLE OF CONTENTS
TABLE OF CONTENTS

1
A. INSTALLATION SEQUENCE
Follow the installation instructions provided in this
manual in the order shown. The order of these
instructions has been set in order to provide the installer
with a logical sequence of steps that will minimize
potential interferences and maximize safety during
boiler installation.
B. SPECIAL ATTENTION BOXES
Throughout this manual you will see special attention
boxes intended to supplement the instructions and make
special notice of potential hazards. These categories
mean, in the judgment of PB Heat, LLC:
Indicates special attention is needed, but not directly
related to potential personal injury or property
damage.
NOTICE
Indicates a condition or hazard which will or can
cause minor personal injury or property damage.
CAUTION
DANGER
Indicates a condition or hazard which will cause
severe personal injury, death or major property
damage.
USING THIS MANUAL
USING THIS MANUAL
Indicates a condition or hazard which may cause
severe personal injury, death or major property
damage.
WARNING

2
A. GENERAL
1. Pinnacle boilers are supplied completely assembled
as packaged boilers. The package should be
inspected for damage upon receipt and any damage
to the unit should be reported to the shipping
company and wholesaler. This boiler should be
stored in a clean, dry area.
2. Carefully read these instructions and be sure to
understand the function of all connections prior to
beginning installation. Contact your PB Heat, LLC
Representative for help in answering questions.
3. This boiler must be installed by a qualified
contractor. The boiler warranty may be voided if the
boiler is not installed correctly.
4. A hot water boiler installed above radiation or as
required by the Authority having jurisdiction, must be
provided with a low water fuel cut-off device either as
part of the boiler or at the time of installation.
5. This boiler can be installed at high altitudes above
5,000 feet elevation with no burner adjustments. For
boilers equipped for firing liquefied petroleum (LP)
gas at elevations above 7,000 feet contact the factory.
B. CODES & REGULATIONS
1. Installation and repairs are to be performed in strict
accordance with the requirements of state and local
regulating agencies and codes dealing with boiler
and gas appliance installation.
2. In the absence of local requirements the following
should be followed.
a. ASME Boiler and Pressure Vessel Code, Section
IV - "Heating Boilers"
b. ASME Boiler and Pressure Vessel Code, Section
VI - Recommended Rules for the Care and
Operation of Heating Boilers"
c. ANSI Z223.1/NFPA 54 - "National Fuel Gas Code"
d. ANSI/NFPA 70 - "National Electrical Code"
e. ANSI/NFPA 211 - "Chimneys, Fireplaces, Vents
and Solid Fuel Burning Appliances"
3. Where required by the authority having jurisdiction,
the installation must conform to the Standard for
Controls and Safety Devices for Automatically Fired
Boilers, ANSI/ASME CSD-1.
C. ACCESSIBILITY CLEARANCES
1. The Pinnacle boiler is certified for closet installations
with zero clearance to combustible construction. In
addition, it is design certified for use on combustible
floors.
2. Refer to Figure 1.1 and Figure 1.2 for the
recommended clearance to allow for reasonable
access to the boiler. Local codes or special
conditions may require greater clearances.
D. COMBUSTION AND VENTILATION AIR
1. The Pinnacle boiler is designed only for operation
with combustion air piped from outside (sealed
combustion). PVC pipe must be supplied between
the air inlet connection at the rear of the boiler
through an outside wall.
2. No additional combustion or ventilation air is
required for this appliance.
3. Refer to Section 5 of this manual, Venting, for
specific instructions for piping combustion air.
E. PLANNING THE LAYOUT
1. Prepare sketches and notes showing the layout of the
boiler installation to minimize the possibility of
interferences with new or existing equipment, piping,
venting and wiring.
2. The following sections of this manual should be
reviewed for consideration of limitations with
respect to:
a. Water Piping: Section 3
b. Fuel Piping: Section 4
c. Venting: Section 5
d. Air Intake Piping: Section 5
e. Condensate Removal: Section 5
f. Electrical Wiring: Section 6
PREINSTALLATION
1. PREINSTALLATION
Do not install this boiler on carpeting.
DANGER
Liquefied Petroleum (LP) Gas or Propane is heavier
than air and, in the event of a leak, may collect in low
areas such as basements or floor drains. The gas
may then ignite resulting in a fire or explosion.
WARNING

3
PREINSTALLATION
Do not install this boiler where gasoline or other
flammable liquids or vapors are stored or are in use.
WARNING
This boiler is certified as an indoor appliance. Do not
install this boiler outdoors or locate where it will be
exposed to freezing temperatures.
WARNING
Figure 1.1: Accessibility Clearances – Floor Standing Units
Figure 1.2: Accessibility Clearances – Wall Hung Units

4
A. GENERAL
1. Pinnacle boilers are to be installed in an area with a
floor drain or in a suitable drain pan. Do not install
any boiler where leaks or relief valve discharge will
cause property damage.
2. This boiler is not intended to support external piping.
All venting and other piping should be supported
independently of the boiler.
3. Install this boiler level to prevent condensate from
backing up inside the boiler.
B. WALL HUNG BOILERS
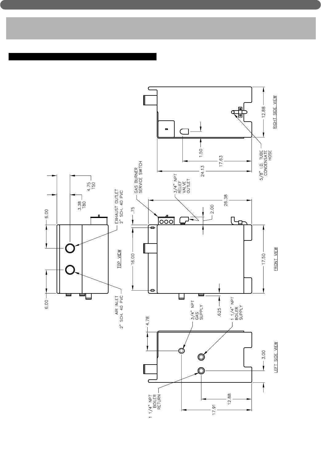
1. The PI-T50 and PI-T80 Boilers are provided with
slots for wall mounting and feet for floor mounting.
Refer to Figure 10.1 in this manual for dimensions &
locations.
2. If wall mounted, the boiler must be attached to a
wall that provides adequate support for the boiler.
3. Use a minimum of 1/4" threaded fasteners for
supporting the boiler. Do not mount the boiler to
wall board only.
4. Be sure to adequately support the boiler while
installing external piping. Be sure to pipe condensate
to a suitable drain or condensate pump.
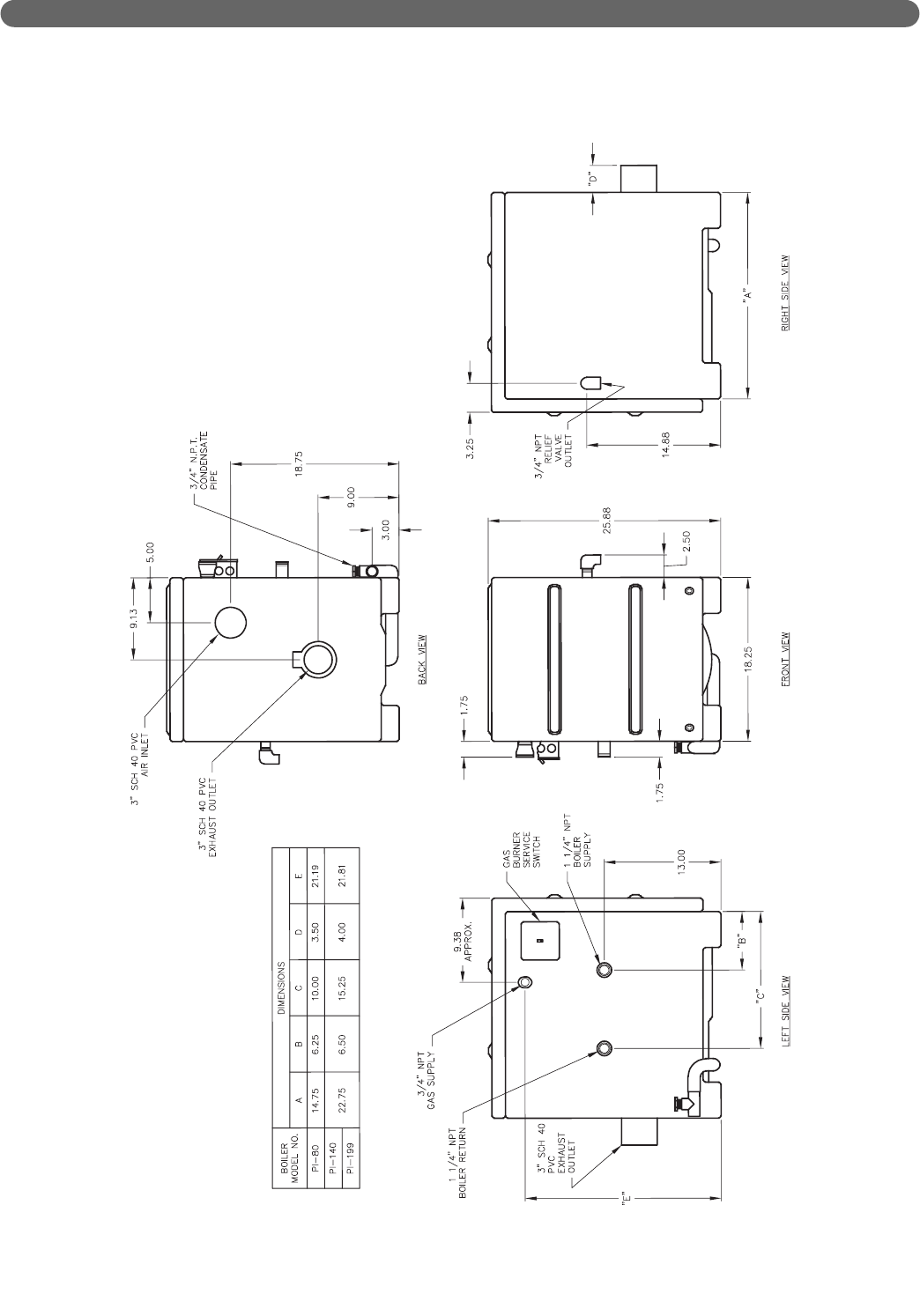
C. FLOOR MOUNTED BOILERS
1. PI-80, PI-140, and PI-199 boilers are designed for
floor mounting. The PI-80 can be wall mounted
using the optional boiler stand available through
your PB Heat, LLC distributor (Part Number 91439).
2. The boiler stand may used for floor mounting of the
PI-140 and PI-199 boilers.
2. BOILER SET-UP
BOILER SET-UP
This boiler is must be installed level to prevent
condensate from backing up inside the boiler.
CAUTION
Make sure the boiler is adequately supported. Do not
install this boiler on drywall unless adequately
supported by wall studs.
WARNING

A. GENERAL
1. The water supply and return piping of this appliance
are to be sized according to system requirements. Do
not use piping smaller than the boiler connections.
2. In hydronic systems where sediment may exist,
install a strainer device in the boiler return piping to
prevent large particles and pipe scale from entering
the boiler heat exchanger coil. Use a large mesh
screen in the strainer.
3. Install this boiler so that the gas ignition system
components are protected from water (dripping,
spraying, etc.) during appliance operation and
service (circulator replacement, condensate trap
cleaning, control replacement, etc.).
B. OPERATING PARAMETERS
1. The Pinnacle boiler is designed to operate in a closed
loop hydronic system at approximately 15 psi. A
pressure limit in the boiler header will prevent the
unit from operating if the pressure drops below 10
psi. This is to keep the appliance from operating in
the event of a system leak or other condition in which
water is not flowing through the heat exchanger.
2. Table 3.1 shows minimum water flow rates for
Pinnacle boilers. If a glycol solution is to be used,
contact the factory for minimum flow rates.
C. SYSTEM COMPONENTS
1. Figure 3.1 shows the symbol key for piping diagrams
in this section. The following are brief descriptions of
system components.
2. Pressure/Temperature Gauge: A combination
pressure/temperature gauge is provided with each
Pinnacle boiler to be mounted in the piping from the
boiler supply to the system. Most local codes require
this gauge.
3. Air Elimination: Any closed loop hydronic system in
which the Pinnacle boiler is installed must have an
air elimination device. As the system water is heated,
dissolved oxygen and carbon dioxide will separate
from the liquid. An air elimination device (such as a
TACO 430 Series Air Scoop with automatic air vent)
is required to remove the dissolved gasses from the
system preventing corrosion in the piping system and
eliminating system noise.
4. Expansion Tank: An expansion tank (such as a Bell &
Gossett Series HFT) is required to provide room for
expansion of the heating medium (water or glycol
solution). Consult the expansion tank manufacturer's
instructions for specific information regarding
installation. The expansion tank is to be sized for the
required system volume and capacity. In addition, be
sure that the expansion tank is sized based on the
proper heating medium. Glycol solutions may expand
more than water for a similar temperature rise.
5. Y-Type Strainer: In older systems where a significant
amount of sediment may be present, it may be
necessary to install a Y-type strainer. The strainer
should be checked often and cleaned during the first
few months of operation to assure that sediment
does not reach the heat exchanger and clog the
passages. Use a large mesh screen in the strainer.
6. Flow Control Valve: Flow control valves such as the
TACO Flo-Chek or Bell & Gossett Flo-Control™ are
used to prevent gravity circulation by incorporating a
check valve with a weighted disc.
7. Pressure Reducing Valve: A pressure reducing valve,
such as the Bell & Gossett B-38 or a TACO #329, is
used in a hydronic system to automatically feed
water to the system whenever pressure in the system
drops below the pressure setting of the valve. These
valves should not be used on glycol systems unless
close supervision of the glycol solution is practiced.
8. Back Flow Preventer: A back flow preventer (check
valve) is required by some jurisdictions to prevent
the hydronic system water from backing up into the
city water supply. This is especially important on
systems in which glycol solution is used as the
heating medium.
3. WATER PIPING AND CONTROLS
WATER PIPING AND CONTROLS
Table 3.1 – Minimum Flow Rate and Water Volume
Boiler
Model
Total Water
Volume-Gallon (Liter)
Minimum Flow
Rate-GPM (LPM)
PI-T50 0.50 (1.89) 2 (7.6)
PI-T80 0.63 (2.40) 4 (15.2)
PI-80 0.63 (2.40) 4 (15.2)
PI-140 0.93 (3.50) 6 (22.7)
PI-199 1.13 (4.26) 8 (30.3)
Use only inhibited propylene glycol solutions which
are specifically formulated for hydronic systems.
Unlike automotive antifreeze, solutions for hydronic
applications contain corrosion inhibitors that will
protect system components from premature failure
due to corrosion.
CAUTION
Use only inhibited propylene glycol solutions which
are specifically formulated for hydronic systems.
Ethylene glycol is toxic and may cause an
environmental hazard if a leak or spill occurs.
WARNING
5

6
9. Pressure Relief Valve: The boiler pressure relief valve
is factory installed into the right side boiler manifold
(inside the jacket). Pipe the discharge of the relief
valve to within 12" of the floor and close to a floor
drain. Provide piping that is the same size or larger
than the relief valve outlet.
10. Circulator: The boiler circulator is to be sized to
overcome the pressure drop of the system while
providing the flow required by the boiler.
a. If the boiler is piped in a secondary loop of a
primary/secondary heating system, the circulator
will need only to overcome the resistance of the
boiler and any fittings in that loop.
b. The circulator should be sized based on the net
output of the boiler. The Table 3.2 shows the
Boiler Output as reported to the Hydronics
Institute division of GAMA. These values are
based on a pickup factor of 1.15.
WATER PIPING AND CONTROLS
Table 3.2 – Boiler Inputs and Outputs
Boiler
Model
Boiler Input
(Btu/hr [kW])
Net I=B=R Output
(Btu/hr [kW])
PI-T50 50,000 (14.7) 40,000 (11.7)
PI-T80 80,000 (23.4) 64,000 (18.8)
PI-80 80,000 (23.4) 64,000 (18.8)
PI-140 140,000 (41.0) 112,000 (32.8)
PI-199 199,000 (58.3) 159,000 (46.6)
Figure 3.1: Piping Symbol Key
Pipe the discharge of the relief valve as close as
possible to the floor and away from high traffic areas.
Pipe the discharge to a floor drain. Failure to do so
may result in personal injury and/or property damage.
CAUTION

7
c. The required flow rate can be calculated based
on the design temperature difference from the
return to the supply of the boiler. For a PI-T80
with a design temperature difference of 20°F the
calculation is as follows:
d. Table 3.3 shows the pressure drop (in feet of
water) for a flow rate which gives a 20°F
temperature difference for each boiler model.
e. The boiler pressure drop for various flow rates
can be determined by using Figure 3.2, the
Pinnacle Circulator Sizing Graph.
f. Table 3.4 gives the recommended circulators for
a boiler on a secondary loop with water as the
heating medium.
g. Special consideration must be given if anti-freeze is
to be used as a heating medium. Propylene glycol
has a higher viscosity than water therefore the
system pressure drop will be higher.
10. Indirect Water Heater: An indirect water heater
should be piped in a dedicated zone. It consists of a
water tank that is heated by boiler water passing
through an internal coil. Examples of indirect water
heating are shown in the System Piping subsection
of this Section.
WATER PIPING AND CONTROLS
The circulator sizing given is for primary/secondary
installations only. The system circulators must be
sized based on the flow and pressure drop
requirements of the system.
NOTICE
Output 64,000
= = 6.4 GPM
∆T x 500 20 x 500
Required Flow =
Table 3.3 – Flow Rate and Pressure Drop
Boiler
Model
Flow Rate
(GPM [LPM])
Pressure Drop
(Feet [meters])
PI-T50 4.0 (15.1) 4.5 (1.22)
PI-T80 6.4 (24.2) 5.0 (1.52)
PI-80 6.4 (24.2) 5.0 (1.52)
PI-140 11.2 (42.4) 8.0 (2.44)
PI-199 15.9 (60.2) 13.0 (4.02)
Table 3.4 – Recommended Circulators
Boiler
Model
TACO
Circulator Grundfos Circulator
PI-T50 006 UPS 15-58FC SPD-1
PI-T80 007 UPS 15-58FC SPD-2
PI-80 007 UPS 15-58FC SPD-2
PI-140 0010 UPS 15-58FC SPD-3
PI-199 0011 UP 26-64F

8
D. SYSTEM PIPING
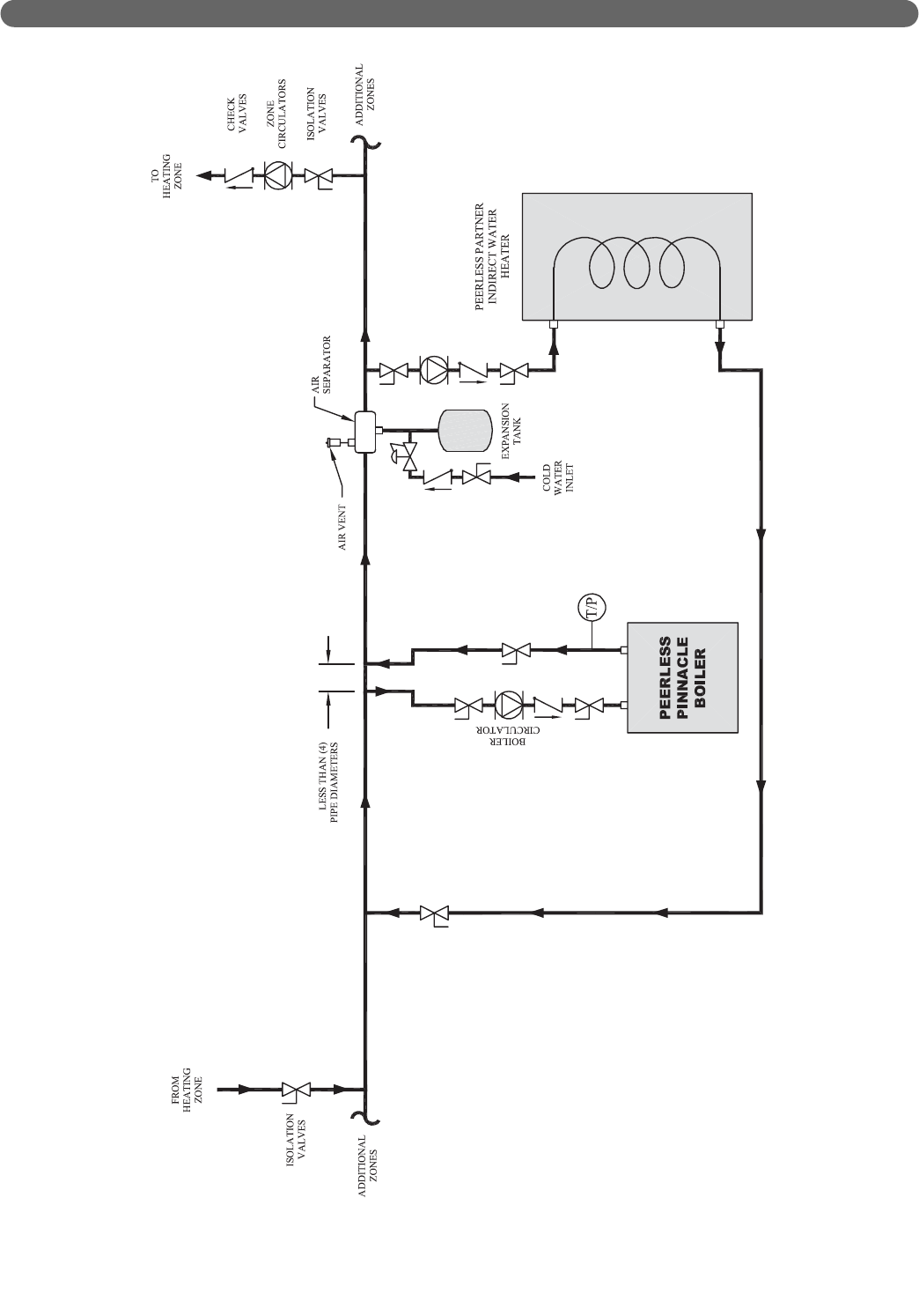
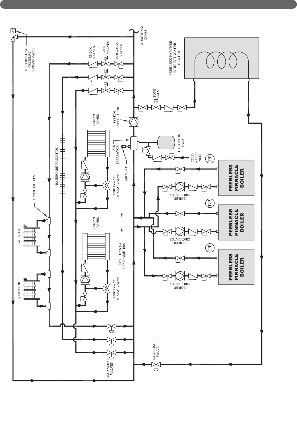
1. Figure 3.3 shows a single boiler with two zones. In
this application, the Peerless Partner indirect water
heater and the single heating zone require similar
water temperature.
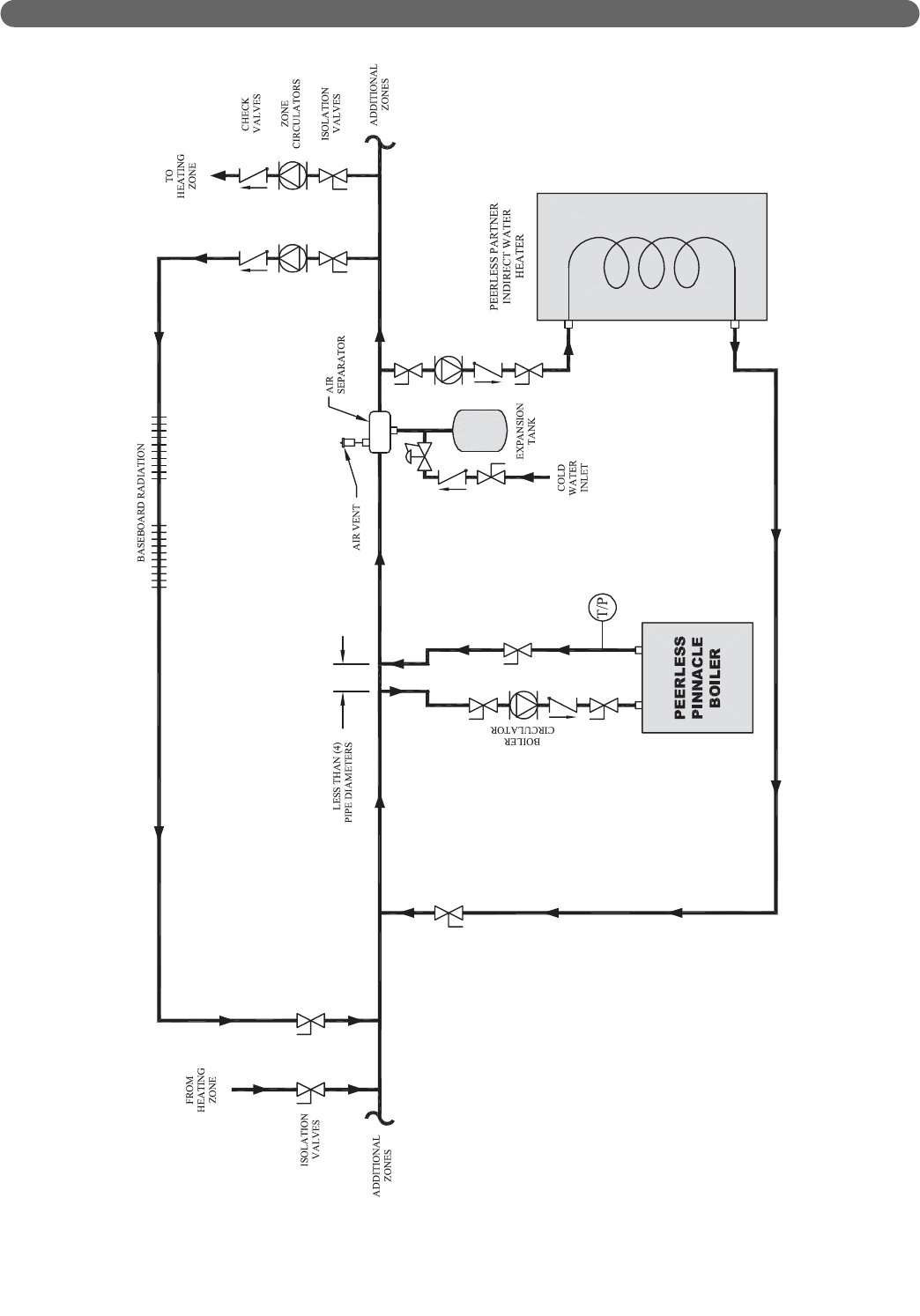
2. Figure 3.4 shows an additional zone in which
baseboard radiation is the heat load. This zone also
requires water temperatures similar to the indirect
water heater.
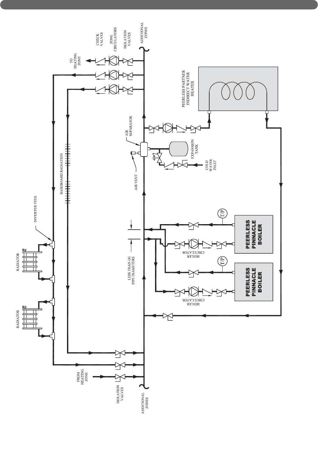
3. Figure 3.5 shows diverter tees used in combination
with conventional hydronic radiators on an
additional zone. A second boiler is also added to the
system. Notice that the boilers are piped in parallel
on the secondary loop. It is important that the
common headers are sized to match the system
piping. Smaller headers may result in flow
fluctuations through the boilers.
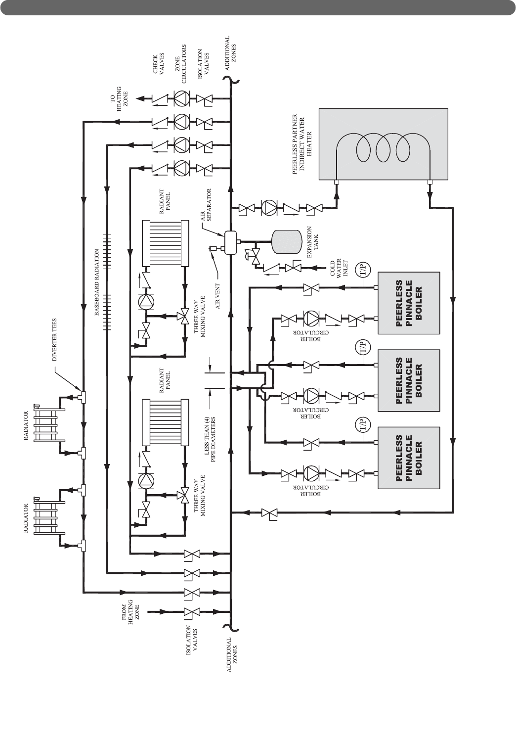
4. Figure 3.6 shows a system in which several different
types of loads and multiple boilers are shown. This
system illustrates how different temperature zones
can be supplied from the same source by mixing
down the temperature using a three way mixing
valve. Radiant flooring typically requires much lower
temperatures than baseboard radiation and indirect
water heating. Notice that a third boiler is included in
this system.
5. Figure 3.7 shows zone valves used in place of zone
circulators. Notice that this system utilizes reverse
return piping which makes it easier to balance the
system. If the heating zones are very different in
length, the balancing valves on the return side of
each loop are required.
E. FREEZE PROTECTION
1. Glycol for hydronic applications is specially
formulated for this purpose. It includes inhibitors
which prevent the glycol from attacking metallic
system components. Make certain that the system
fluid is checked for the correct glycol concentration
and inhibitor level.
2. Use only inhibited propylene glycol solutions of up
to 50% by volume. Ethylene glycol is toxic and can
chemically attack gaskets and seals used in hydronic
systems.
3. The antifreeze solution should be tested at least once
per year and as recommended by the antifreeze
manufacturer.
WATER PIPING AND CONTROLS
0
1
2
3
4
5
6
7
8
9
10
11
12
13
14
15
16
17
18
19
20
21
3 4 5 6 7 8 9 10 11 12 13 14 15 16 17 18 19 20 21 22
Flow Rate (GPM)
Pressure Drop (Feet of Head)
PI-T50
PI-T80/80
PI-140
PI-199
Figure 3.2: Pinnacle Circulator Sizing Graph

9
Figure 3.3: One Boiler, Primary/Secondary with Two Zones (Zone Circulator)
WATER PIPING AND CONTROLS

10
Figure 3.4: One Boiler, Primary/Secondary with Three Zones (Zone Circulator)
WATER PIPING AND CONTROLS

11
Figure 3.5: Two Boilers, Primary/Secondary with Four Zones (Zone Circulator)
WATER PIPING AND CONTROLS

12
Figure 3.6: Three Boilers, Primary/Secondary with Five Zones (Zone Circulator)
WATER PIPING AND CONTROLS

13
WATER PIPING AND CONTROLS
Figure 3.7: Three Boilers, Primary/Secondary with Four Zones (Zone Valves)

14
Antifreeze solutions expand more than water. For example, a
50% by volume solution expands 4.8% for a 148°F
temperature rise while water expands about 3% for the same
temperature increase. Allowance for this expansion must be
considered in sizing expansion tanks and related components.
4. The flow rate in systems utilizing glycol solution
should be increased compared with a water system
to compensate for increased heating capacity.
5. Due to increased flow rate and fluid viscosity the
circulator head requirement will increase. Contact the
pump manufacturer to correctly size the circulator for
a particular application based on the glycol
concentration and heating requirements.
6. A strainer, sediment trap, or some other means for
cleaning the piping system must be provided. It
should be located in the return line upstream of the
boiler and must be cleaned frequently during the
initial operation of the system. Glycol solution is
likely to remove mill scale from new pipe in new
installations.
7. Glycol solution is expensive and leaks should be
avoided. Weld or solder joints should be used where
possible and threaded joints should be avoided.
Make up water should not be added to the system
automatically when a glycol solution is used. Adding
make-up water may significantly dilute the system.
8. Check local regulations to see if systems containing
glycol solutions must include a back-flow preventer
or require that the glycol system be isolated from the
water supply.
9. Do not use galvanized pipe in glycol systems.
10. Use water that is low in mineral content and make
sure there are no petroleum products in the solution.
11. Mix solution at room temperature.
12. Do not use a chromate treatment.
13. Do not use glycol solution in a system that may
reach temperatures above 250°F.
14. Refer to Technical Topics, #2a published by the
Hydronics Institute Division of GAMA for further
glycol system considerations.
F. SPECIAL APPLICATIONS
1. If the boiler is used in conjunction with a chilled
medium system, pipe the chiller in a separate
secondary loop.
a. Assure that the boiler circulator is disabled during
chiller operation so chilled water does not enter
the boiler.
b. Install a flow control valve (spring check valve) to
prevent gravity flow through the boiler.
c. See figure 3.8 for recommended system piping.
2. For boilers connected to heating coils in a forced air
system where they may be exposed to chilled air
circulation, install flow control valves or other
automatic means to prevent gravity circulation of the
boiler water during cooling cycles. See figure 3.9 for
illustration.
WATER PIPING AND CONTROLS

15
WATER PIPING AND CONTROLS
Figure 3.8: Boiler in conjunction with a Chilled Water System
Figure 3.9: Boiler Connected to a Heating Coil in a Forced Air System

16
GAS PIPING
A . GENERAL
1. All fuel piping to the boiler is to be in accordance
with local codes. In the absence of local regulations
refer to the National Fuel Gas Code, ANSI
Z223.1/NFPA 54.
2. Size and install piping to provide a supply of gas
sufficient to meet the maximum demand of all
appliances supplied by the piping.
B. FUEL LINE SIZING
1. The rate of gas to be provided to the boiler can be
determined by the following:
Obtain the gas heating value from the gas supplier.
2. As an alternative use Table 4.1 which uses typical
heating values for natural gas and liquefied
petroleum (LP) gas.
3. Table 4.2 shows the maximum flow capacity of
several pipe sizes based on 0.3" of pressure drop.
a. The values shown are based on a gas specific
gravity of 0.60 (Typical for natural gas).
b. Multiply the capacities listed by the factors
indicated in Table 5.3 for gas with a specific
gravity other than 0.60 to obtain the corrected
capacity.
4. The gas piping to the boiler must be a minimum of
3/4" pipe. The boiler is supplied with a 3/4" NPT x
1/2" NPT bell reducer. Do not remove the reducer.
5. Size and install the gas supply piping for no more
than 0.5 inches of water pressure drop between the
gas regulator and the boiler.
C. GAS SUPPLY PIPING INSTALLATION
1. Do not install any piping directly over or in front of
the boiler. Locate the drop pipe adjacent to the
boiler.
4. GAS PIPING
Boiler Input Rate
Gas Heating Value
Input Rate (ft³/hr)=(Btu/hr)
(Btu/ft³)
Boiler
Model
Gas Input Rate* (ft³/hr)
Natural Gas LP Gas
PI-T50 50 20
PI-T80 80 32
PI-80 80 32
PI-140 140 56
PI-199 199 79
*Natural gas input rates are based on 1000 Btu/ft³, LP
input rates are based on 2500 Btu/ft³.
Pipe
Length
(Feet)
3/4" NPT
Pipe
1" NPT
Pipe
1-1/4"
NPT
Pipe
1-1/2"
NPT
Pipe
10 278 520 1,050 1,600
20 190 350 730 1,100
30 152 285 590 890
40 130 245 500 760
50 115 215 440 670
60 105 195 400 610
The values are based on a specific gravity of 0.60 (typical
for natural gas). See Table 4.3 for capacity correction
factors for gases with other specific gravities.
Table 4.1: Gas Input Rates
Table 4.2: Maximum Capacity of Pipe (CFH) for a
Pressure Drop of 0.3" of Water
Table 4.3: Maximum Capacity Correction Factors
for Specific Gravity other than 0.60
Specific
Gravity 0.50 0.55 0.60 0.65 0.70 0.75
Correction
Factor 1.10 1.04 1.00 0.96 0.93 0.90
Specific
Gravity 0.80 0.85 0.90 1.00 1.10 1.20
Correction
Factor 0.87 0.84 0.82 0.78 0.74 0.71
Specific
Gravity 1.30 1.40 1.50 1.60 1.70 1.80
Correction
Factor 0.68 0.66 0.63 0.61 0.59 0.58

17
2. Install a sediment trap as shown in Figure 4.1. Be
sure to allow clearance from the floor for removal of
the pipe cap.
3. Install a ground joint union between the sediment
trap and the boiler to allow service of the appliance.
4. Install a service valve as shown in Figure 4.1 to allow
the gas supply to be interrupted for service.
5. Maintain a minimum distance of 10 feet between the
gas pressure regulator and the boiler.
6. Check all gas piping for leaks prior to placing the
boiler in operation. Use an approved gas detector,
non-corrosive leak detection fluid, or other leak
detection method. If leaks are found, turn off all gas
flow and repair as necessary.
7. Figure 4.2 and 4.3 are illustrations of the gas shutoff
valve for the Pinnacle Boiler. This valve is to be used
in addition to the gas service valve shown
in Figure 4.1.
D. GAS SUPPLY PIPING - OPERATION
1. The gas line must be properly purged of air to allow
boiler to operate. Failure to do so may result in
burner ignition problems.
2. Table 4.4 shows the maximum and minimum supply
pressure to the boiler.
a. Gas pressure below the minimum pressure may
result in burner ignition problems.
b. Gas pressure above the maximum may result in
damage to the gas valve.
GAS PIPING
Do not subject the gas valve to more than 1/2 psi
(13.5" W.C.) of pressure. Doing so may damage the
gas valve.
CAUTION
Use a pipe joint sealing compound that is resistant to
liquefied petroleum gas. A non-resistant compound
may lose sealing ability in the presence of this gas,
resulting in a gas leak. Gas leaks may potentially
cause an explosion or fire.
WARNING
When checking for leaks, do not use matches,
candles, open flames or other methods that provide
an ignition source. This may ignite a gas leak
resulting in a fire or explosion.
WARNING
Figure 4.1: Gas Supply Piping – Sediment Trap
Figure 4.2: PI-80/PI-140/PI-199
Gas Valve Shut Off
Figure 4.3: PI-T50/PI-T80 Gas Valve Shut Off

18
3. To check the gas supply pressure on the gas valve:
a. Turn off the power at the service switch.
b. Turn off the gas shutoff valve.
c. Using a flat screwdriver, turn the screw inside the
inlet pressure tap fitting (see figure 4.4 and 4.5)
one turn counterclockwise.
d. Attach the manometer tube to the pressure tap
fitting.
e. Open the gas shutoff valve and start the boiler.
f. Read and record the gas pressure while the boiler
is firing.
g. Turn off the boiler and gas shutoff valve
h. Remove the manometer tube from the pressure
tap fitting and turn the screw to close the internal
valve.
i. Turn on the gas shutoff valve and boiler service
switch.
4. All gas piping must be leak tested prior to placing the
boiler in operation.
a. If the leak test pressure requirement is higher
than the maximum inlet pressure noted in Table
4.4, the boiler must be isolated from the gas
supply piping system.
b. If the gas valve is exposed to pressures exceeding
13.5" of water, the gas valve must be replaced.
5. Install the boiler such that the gas ignition system
components are protected from water (dripping,
spraying, rain, etc) during operation and service
(circulator replacement, condensate trap cleanout,
and control replacement, etc).
E. MAIN GAS VALVE - OPERATION
1. Figure 4.4 shows an illustration of the gas valve/venturi
assembly for the Pinnacle PI-T50 and PI-T80 and
Figure 4.5 shows an illustration of the gas valve/venturi
assembly for the PI-80, PI-140, and PI-199.
a. The throttle screw on either of these valves
should not be adjusted without a means to
measure carbon monoxide (CO) and carbon
dioxide (CO²) emissions.
b. For both gas valve arrangements, turning the
throttle screw clockwise will decrease the gas flow
(decreasing CO²) and turning it counterclockwise
will increase the gas flow (increasing CO²).
c. The recommended CO²settings are given in
Table 4.5. In no case should the boiler be
allowed to operate with CO emissions in excess
of 150 ppm.
2. Refer to Section 5, Venting for information on
obtaining vent samples from this boiler.
GAS PIPING
Do not adjust the throttle screw without monitoring
the carbon dioxide (CO²) and carbon monoxide (CO)
in the vent pipe. Vent CO emissions above 400 ppm
are in excess of most safety standards.
WARNING
Gas
Type
Pressure (inches of water)
Minimum Maximum
Natural 3.7 13.5
LP 3.7 13.5
Table 4.4: Maximum and Minimum Fuel Pressure
Gas Type
Firing
Rate Vent CO²Vent CO
Natural Low 8-1/2% to 9-1/2% < 50 ppm
High 8-1/2% to 9-1/2% < 100 ppm
LP Low 9-1/2% to 10-1/2% < 50 ppm
High 9-1/2% to 10-1/2% < 100 ppm
Table 4.5: Recommended Vent CO²Settings
Figure 4.4: Gas Valve/Venturi PI-T50/PI-T80
Figure 4.5: Gas Valve/Venturi PI-80, PI-140, PI-199

19
A. GENERAL
1. Install the boiler venting system in accordance with
these instructions and with the National Fuel Gas
Code, ANSI Z223.1/NFPA 54, CAN/CGA B149,
and/or applicable provisions of local building codes.
2. This boiler is a direct vent appliance and is listed as a
Category IV appliance with Underwriters
Laboratories, Inc.
B. APPROVED MATERIALS FOR EXHAUST
VENT AND INTAKE AIR PIPE
1. Use only Non Foam Core venting material. The
following materials are approved for use as vent pipe
for this boiler:
a. Non Foam Core PVC (Polyvinyl Chloride) Pipe
conforming to ASTM D-1784 Class 12454-B
(formerly designated Type 1, Grade 1).
b. Non Foam Core CPVC (Chlorinated Polyvinyl
Chloride) Pipe conforming to ASTM D-1784
Class 23447-B (formerly designated Type IV,
Grade 1).
c. Non Foam Core ABS (Acrylonitrile-Butadiene-
Styrene) Pipe conforming to ASTM D3965
Class 3-2-2-2-2.
2. Cellular foam core piping may be used on air inlet
piping only. Never use cellular foam core material for
exhaust piping.
C. EXHAUST VENT / AIR INTAKE PIPE
LOCATION
1. Determine exhaust vent location:
a. The vent piping for this boiler is approved for
zero clearance to combustible construction.
b. See Figure 5.1 for an illustration of clearances for
location of exit terminals of direct-vent venting
systems.
c. This boiler vent system shall terminate at least 3
feet (0.9 m) above any forced air intake located
within 10 ft (3 m). Note: this does not apply to
the combustion air intake of a direct-vent
appliance.
d. Provide a minimum of 1 foot distance from any
door, operable window, or gravity intake into any
building.
e. Provide a minimum of 1 foot clearance from the
bottom of the exit terminal above the expected
snow accumulation level. Snow removal may be
necessary to maintain clearance.
f. Provide 4 feet horizontal clearance from electrical
meters, gas meters, gas regulators, and relief
equipment. In no case shall the exit terminal be
above or below the aforementioned equipment
unless the 4 foot horizontal distance is
maintained.
g. Do not locate the exit terminal over public
walkways where condensate could drip and/or
freeze and create a nuisance or hazard.
h. When adjacent to a public walkway, locate exit
terminal at least 7 feet above grade.
i. Do not locate the exit termination directly under
roof overhangs to prevent icicles from forming.
j. Provide 3 feet clearance from the inside corner
of adjacent walls.
2. Determine air intake pipe location.
a. Provide 1 foot clearance from the bottom of the
air inlet pipe and the level of maximum snow
accumulation. Snow removal may be necessary
to maintain clearances.
b. Do not locate air intake pipe in a parking area
where machinery may damage the pipe.
c. Maximum distance between air intake and
exhaust vent is 6 feet (1.8 m). Minimum distance
between exhaust vent and air intake on single
Pinnacle is 8" (0.2 m) center-to-center. Minimum
distance between vents and intakes on multiple
Pinnacles is 8" (0.2 m) center-to-center. See
Figure 5.2.
VENTING, INLET AIR AND CONDENSATE
5. VENTING, INLET AIR AND CONDENSATE
This vent system will operate with a positive
pressure in the pipe. Do not connect vent connectors
serving appliances vented by natural draft into any
portion of mechanical draft systems operating under
positive pressure.
WARNING
Follow these venting instructions carefully. Failure to
do so may result in severe personal injury, death, or
substantial property damage.
WARNING
Do not use Foam Core Pipe in any portion of the
exhaust piping from this boiler. Use of Foam Core
Pipe may result in severe personal injury, death, or
substantial property damage.
WARNING

20
VENTING, INLET AIR AND CONDENSATE
D. EXHAUST VENT AND INTAKE AIR PIPE
SIZING
1. For the PI-T50 and PI-T80 Boilers the exhaust vent
and air intake pipes should be 2" Schedule 40 or 80.
2. For the PI-80, PI-140, PI-199 the exhaust vent and
air intake pipes should be 3" Schedule 40 or 80.
3. The total combined equivalent length of exhaust
vent and intake air pipe should not exceed 85 feet.
a. The equivalent length of elbows, tees, and other
fittings are listed in Table 5.1.
b. For example: If the exhaust vent has two 90°
elbows and 10 feet of PVC pipe we will
calculate:
Exhaust Vent Pipe Equivalent Length = (2x5)+10=20 feet
Further, if the intake air pipe has two 90° elbows,
one 45° elbow and 10 feet of PVC pipe, the
following calculation applies:
Air Intake Pipe Equivalent Length = (2x5)+3+10=23 feet
Finally, if a concentric vent kit is used we find:
Total Combined Equivalent Length = 20+23+3=46 feet
Therefore, the total combined equivalent length
is 46 feet which is well below the maximum of
85 feet.
c. The intake air pipe and the exhaust vent are
intended to penetrate the same wall or roof of
the building.
d. Effort should be made to keep a minimum
difference in equivalent length between the air
intake pipe and the exhaust vent.
Figure 5.1: Location of exit terminals of mechanical draft and direct-vent venting systems.
(Reference: National Fuel Gas Code ANSI Z223.1/NFPA 54 2002).
Fitting Description Equivalent Length
Elbow, 90°, Short Radius 5
Elbow, 45°, Short Radius 3
Coupling 0
Air Intake Tee 0
Concentric Vent Kit 3
V1000 & V500 Vent Kit 0
Table 5.1: Fitting Equivalent Length Table
Figure 5.2: Multiple Pinnacle Vent Spacing

21
4. The minimum combined equivalent length is 16
equivalent feet.
5. The maximum combined equivalent length can be
extended by increasing the diameter of the vent
pipe. However, the transitions should begin a
minimum of 15 equivalent feet from the boiler.
a. Transitions should always be made in vertical
sections of pipe to prevent the condensate from
pooling in the vent pipe.
b. Use a 3" x 2" reducing coupling to transition from
the PI-T50 and PI-T80 boiler connections to a 3"
vent.
c. Use a 4" x 3" reducing coupling to transition from
the PI-80, PI-140, and PI-199 boiler connections
to 4" vent.
d. The maximum equivalent length for the
increased diameter vent pipes is 125 feet.
e. If the transition occurs at a distance greater than
15 equivalent feet from the boiler, the maximum
equivalent length will be reduced. See Table 5.2.
Standard Vent Pipe is 2” and Oversized Vent
Pipe is 3” for PI-T50 and PI-T80. Standard Vent
Pipe is 3” and Oversized Vent Pipe is 4” for PI-
80 through PI-199.
E. EXHAUST VENT AND AIR INTAKE PIPE
INSTALLATION
1. On the PI-T50 and PI-T80 the 2" exhaust vent
connection is located on the top, right side of the
boiler and the air intake is on the top, left side. See
Figure 10.1. The air intake connection is intended
for a slip fit. No sealant or adhesive is required.
2. On the PI-80, PI-140, and PI-199 Boilers the 3”
exhaust vent connection is located on the rear of the
boiler and the air intake is higher and toward the left
side when the boiler is viewed from the front. See
Figure 10.2. The air intake connection is intended for
a slip fit. No sealant or adhesive is required.
3. Use only solid PVC, CPVC, or ABS schedule 40 or
80 pipe. FOAM CORE PIPING IS NOT APPROVED.
4. Remove all burrs and debris from joints and fittings.
5. All joints must be properly cleaned, primed, and
cemented. Use only cement and primer approved for
use with the pipe material. Cement must conform to
ASTM D2564 for PVC or CPVC pipe and ASTM
D2235 for ABS pipe.
6. Horizontal lengths of exhaust vent must slope back
towards the boiler not less than ¼" per foot to allow
condensate to drain from the vent pipe. If the vent
pipe must be piped around an obstacle that causes a
low point in the pipe, a drain pipe must be
connected to allow condensate to drain.
7. All piping must be fully supported. Use pipe hangers
at a minimum of 4 foot intervals to prevent sagging
of the pipe where condensate may form.
8. Do not use the boiler to support any piping.
9. A screened straight coupling is provided with the
boiler for use as an outside exhaust termination.
10. A screened inlet air tee is provided with the boiler to
be used as an outside intake termination.
11. The following are optional intake air/exhaust vent
terminations available from your PB Heat, LLC
distributor for use with Pinnacle boilers.
12. Refer to Figure 5.3 to 5.10 for sidewall venting and
Figures 5.11 to 5.14 for vertical venting.
VENTING, INLET AIR AND CONDENSATE
Description
Stock
Code
2" PVC Concentric Vent Termination Kit 91469
3" PVC Concentric Vent Termination Kit 91403
2" Stainless Steel Vent Termination Kit 91465
3" Stainless Steel Vent Termination Kit 91402
4" Stainless Steel Vent Termination Kit 91401
Table 5.3: Vent Termination Kits
All joints of positive pressure vent systems must be
sealed completely to prevent leakage of flue products
into the living space.
WARNING
Transition
Point
(ft from
boiler)
TEL of
Standard 2”
or 3” Vent
Pipe (ft)
TEL of
Oversized 3”
or 4” Vent
Pipe (ft)
Maximum
TEL of all
Vent Pipe (ft)
15 30 95 125
20 40 77-1/2 117-1/2
25 50 60-1/2 110-1/2
30 60 43 103
35 70 26 96
40 80 8-1/2 88-1/2
None 85 085
Table 5.2: Maximum Equivalent Vent Length for
Oversized Vent Pipe
TEL = Total Equivalent Length

22
VENTING, INLET AIR AND CONDENSATE
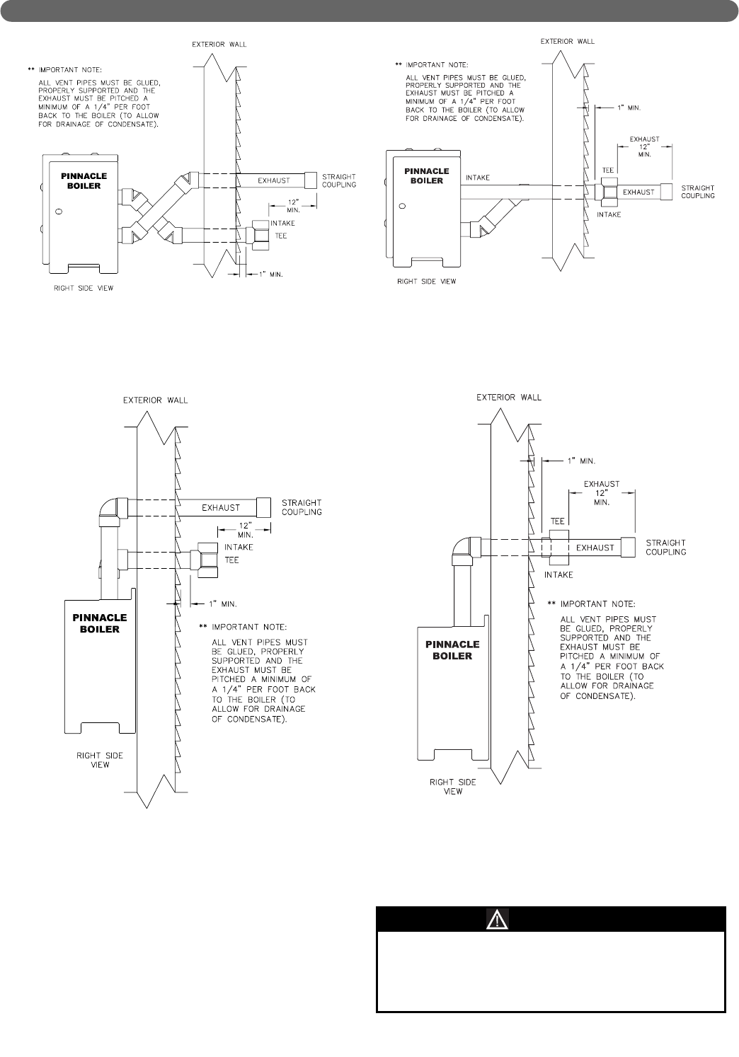
Figure 5.3: PI-80, PI-140, and PI-199 Sidewall
Venting with 3" Pipe (Exhaust
Termination at Higher Elevation than
Air Intake).
Figure 5.5: PI-80, PI-140, PI-199 Sidewall Venting
with 3" Pipe (Air Intake and Exhaust on
the same Elevation).
Figure 5.4: PI-T50 & PI-T80 Sidewall Venting with
2" Pipe (Exhaust Termination at Higher
Elevation than Air Intake).
Figure 5.6: PI-T50 & PI-T80 Sidewall Venting with
2" Pipe (Air Intake and Exhaust on the
same Elevation).
All exhaust vent pipes must be glued, properly
supported, and pitched at a minimum of ¼" per foot
back to the boiler. Failure to do so may result in severe
personal injury, death, or substantial property damage.
WARNING

23
VENTING, INLET AIR AND CONDENSATE
Figure 5.7: PI-80, PI-140, PI-199 Sidewall Venting
with 3" Pipe (3" Vent Kit).
Figure 5.9: PI-80, PI-140, PI-199 Sidewall Venting
with 3" Pipe (Concentric Vent Kit).
Figure 5.10: PI-T50 & PI-T80 Sidewall Venting with
2" Pipe (Concentric Vent Kit).
All exhaust vent pipes must be glued, properly
supported, and pitched at a minimum of ¼" per foot
back to the boiler. Failure to do so may result in
severe personal injury, death, or substantial property
damage.
WARNING
Figure 5.8: PI-T50 & PI-T80 Sidewall Venting with
2" Pipe (2" Vent Kit).

24
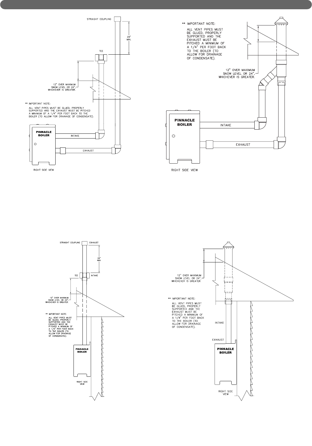
VENTING, INLET AIR AND CONDENSATE
Figure 5.11: PI-80, PI-140, PI-199 Vertical
Venting with 3" Pipe.
Figure 5.13: PI-80, PI-140, PI-199 Vertical
Venting with 3" Pipe (Concentric
Vent Kit).
Figure 5.12: PI-T50 & PI-T80 Vertical Venting
with 2" Pipe.
Figure 5.14: PI-T50 & PI-T80 Vertical Venting
with 2" Pipe (Concentric Vent Kit).

25
F. EXHAUST TAPPING FOR VENT SAMPLE
To obtain a combustion sample a hole must be drilled in
the exhaust vent pipe just above the first elbow at the
outlet of the boiler.
a. Drill a 21/64" diameter hole in the vent pipe just
above the first elbow.
b. Tap the hole with a 1/8" NPT Pipe Tap.
c. Take combustion samples through the tapped
hole.
d. Thread a standard 1/8" NPT Pipe Plug into the
hole.
G. CONDENSATE DRAIN INSTALLATION
1. This boiler is a high efficiency unit that produces
condensate. The condensate must be drained from
the unit.
2. The white hose under the unit is a condensate trap
which prevents products of combustion from exiting
the boiler through the condensate drain.
3. The black plastic 3/4" NPT fitting at the left rear
corner of the boiler is intended for connection to
plastic piping. Do not block vent hole at the top of
the fitting.
4. Slope the condensate drain piping down away from
the unit into a floor drain or condensate pump.
Check with local codes or ordinances to
determine if the condensate must first be
neutralized before running it to a drain.
5. Do not route the condensate piping through
unheated spaces that may reach freezing
temperatures.
6. Use only plastic piping for the condensate drain line.
Metal pipes will corrode and cause blockage of the
condensate drain.
7. To allow for proper drainage on large horizontal
runs, a second line vent may be required and the
required tubing size may increase to 1" I.D.
8. A condensate removal pump is required if the boiler
is below the drain.
H. BOILER REMOVAL FROM COMMON
VENTING SYSTEM
1. At the time of removal of an existing boiler from a
common venting system, follow these steps with
each appliance that remains connected. These steps
are to be completed while all components which
remain connected to the common venting system are
not in operation.
a. Seal any unused openings in the common
venting system.
b. Visually inspect the venting system for proper size
and horizontal pitch. Verify there is no blockage
or restriction, leakage, corrosion, and other
deficiencies which could cause an unsafe
condition.
c. Where practical, close all building doors and
windows, including interior doors between the
space in which the appliances that remain
connected to the common venting system are
located and other areas of the building.
d. Turn on any clothes dryers and any appliance
not connected to the common venting system.
Turn on any exhaust fans, such as range hoods
and bathroom exhaust fans, at their maximum
speed. (Do not operate a summer exhaust fan).
e. Close fireplace dampers.
f. Place the appliance being inspected in operation.
Follow the lighting instructions and adjust the
thermostat so that the appliance operates
continuously.
g. Test for spillage at the draft hood relief opening
after 5 minutes of main burner operation. Use
the flame of a match or candle, or smoke from a
cigarette, cigar, or pipe.
h. After it has been determined that each appliance
remaining connected to the common venting
system properly vents when tested as outlined
above, return doors, windows, exhaust fans,
fireplace dampers and any other gas-burning
appliance to their previous condition of use.
i. Any improper operation of the common venting
system should be corrected so that the
installation conforms with the National Fuel Gas
Code, ANSI Z223.1/NFPA 54 and/or CAN/CGA
B149.
j. The common venting system should be resized to
approach the minimum size determined by using
the appropriate tables located in the National
Fuel Gas Code, ANSI Z223.1/NFPA 54, "Sizing
of Category I Venting."
VENTING, INLET AIR AND CONDENSATE
Make sure the condensate drain piping is below the
level of the boiler to prevent condensate from filling
up the combustion chamber and damaging the boiler.
CAUTION

26
ELECTRICAL
Install all electrical wiring in accordance with the National
Electrical Code, ANSI/NFPA 70, and local requirements.
A. WIRING
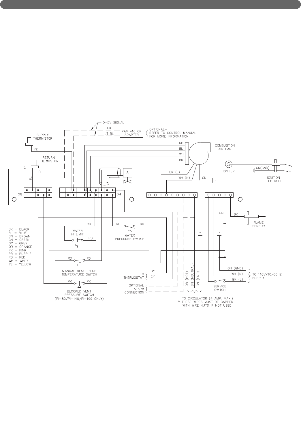
1. Refer to Figures 6.1 for connecting the power supply
to the boiler.
2. Connect boiler to a 110 volt, single phase, 60 hertz
electrical supply line with a fused disconnect switch.
The boiler is fused for a load of 6.3 amperes.
3. The boiler electrical connection is located on the left
side of the boiler in the junction box which houses
the service switch.
4. Wire the burner service switch in the hot line to the
boiler as shown in Figure 6.1.
5. Make sure to maintain correct polarity on the
incoming power supply wires. If polarity is reversed,
the boiler control will not sense the main burner
flame.
6. Connect the ground wire from the incoming power
supply to the green ground screw in the junction
box. Also, the boiler ground should be connected to
this screw.
7. Figure 6.1 shows connections to system circulator.
a) The maximum current load for the circulator
circuit is 4.0 amperes.
b) For loads greater than 4.0 amps, isolate the
circulator using a switching relay.
c) An example of this wiring using a Honeywell R845A
relay is shown in Figure 6.2
8. The thermostat connections are shown in Figure 6.1
or 6.2. The setting for the thermostat anticipator is
0.56 amps.
9. The boiler control board and factory wiring are
shown in figure 6.3.
B. SEQUENCE OF OPERATION
1. System Power-Up:
a) When power is first applied to the boiler, the
control will initially run through a self-diagnostic
routine. The interface unit shows the system
supply temperature.
b) Next, it will power the combustion air fan for a 10
second purge cycle.
c) Finally the combustion air shuts down and if there
is no call for heat the control board enters a
standby mode.
2. Heating Cycle:
a) When the thermostat calls for heat (closing the
contact between the two gray [TT] wires) and the
boiler control senses a supply temperature lower
than the set point by more than the differential,
the boiler initiates a heating cycle.
b) The control then powers the combustion air fan
at the speed prescribed for the particular boiler
model and performs a 6 second pre-purge of the
combustion chamber.
c) 0.5 second before the pre-purge is complete
power is applied to the spark igniter.
d) Once the pre-purge cycle is complete, the fan
speed decreases to the programmed ignition
speed.
6. ELECTRICAL
This unit when installed must be electrically
grounded in accordance with the requirements of the
authority having jurisdiction or, in the absence of
such requirements, with the current edition of the
National Electrical Code, ANSI/NFPA 70.
NOTICE
Figure 6.1: Wiring Connections to Boiler
Junction Box
Figure 6.2: Wiring Circulator with R845A
Switching Relay

27
ELECTRICAL
e) The main gas valve is then energized to allow
gas to mix with the combustion air.
f) If the main flame is not detected in 5 seconds,
the gas valve closes and the combustion fan goes
into post-purge. Otherwise, the combustion fan
stays at the ignition speed for the length of the
flame stabilization period. (10 to 25 seconds).
g) After the flame stabilization period is complete,
the combustion air fan ramps down to its low fire
setting. Then the boiler will begin to modulate
depending on the supply temperature to
maintain the set point temperature.
h) As the supply temperature approaches the set
point, the combustion control will reduce the
input rate. The supply temperature will continue
to climb to about 7°F above the boiler set point
before it cycles off.
i) The differential is applied from this point. For
example if the boiler set point is at 180°F with a
10°F differential, the supply temperature will
reach 187°F before shutting down. It will not
re-start until the supply temperature drops below
177°F.
Figure 6.3: Boiler Control Board Wiring Schematic

28
C. SAFETY INTERLOCKS
1. Low Water Pressure Limit Switch: This boiler is
intended to operate at pressures exceeding 10 psig. If
the water pressure drops to below 10 psig, there is a
water pressure limit switch that interrupts boiler
operation and displays the message "PR0" on the
interface unit. The combustion air fan completes a
post-purge in this event. Once the low water pressure
condition is corrected the boiler will reinitiate a
heating cycle if there remains a call for heat.
2. High Water Temperature Limit Switch: The boiler is
equipped with a limit switch that will interrupt the
heating cycle and execute a post-purge if the water
temperature increases to above the limit set point of
225°F.
3. High Flue Temperature Limit Switch: The high flue
temperature limit switch will interrupt the heating
cycle if it senses flue gas temperatures above 210°F.
4. Blocked Vent Pressure Limit Switch: This switch
prevents the boiler from operating if the vent
pressure exceeds 2 inches of water column. This will
prevent the boiler from operating if the vent pipe is
blocked.
D. CONTROL FUNCTIONS
1. This Pinnacle boiler is equipped with a P125 Control
Board. This control board with display module has
the following functions:
a. Shows the boiler supply (outlet) water
temperature on the LED Display as default.
b. Allows user to adjust the supply water set point,
the set point differential, and change the display
mode between Fahrenheit and Celsius.
c. Provides Error and Fault Codes on the LED
Display.
d. Shows the actual supply and return
temperatures, fan speed, flame signal (µA), boiler
circulator status, boiler set point, total power on
hours, boiler on hours, and the number of cycles.
e. Allows manual control of the firing rate using the
Service Mode.
2. Default Display: Under normal operating conditions
the default display shows the temperature of the
water supply (boiler outlet) to the system. This may
be displayed in Fahrenheit or Celsius according to
user preferences.
3. Program Functions: By using the S3 "Program" key,
the settings shown in Table 6.1 may be programmed.
a. To access the menu, press and hold the S3
"Program" key on the display module.
b. The control will enter the Supply Set Point
selection.
i. The display will alternately show "C" and
then the current set point temperature.
ii. The set point may be adjusted by using the
S1/- (to decrease) or S2/+ (to increase) keys
on the display module.
c. Pressing the S3 "Program" key again will advance
to the next adjustable value, Set Point
Differential, and the display will alternate
between: "Ch" and the programmed value:
i. The differential adjustment is the difference
between the temperature that the boiler shuts
down (high) and the temperature at which it
re-starts (low).
ii. The differential may be set to values between
5°F (3°C) and 30°F (17°C) in 1°F increments.
iii. The boiler will always shut down at a
temperature 7°F (4°C) above the set point.
The differential temperature is then applied to
this value.
iv. The set point differential may be adjusted by
using the S1/- (to decrease) or S2/+ (to
increase) keys on the display module.
d. Pressing the S3 "Program" key again will advance
to the next adjustable value. The display will read
"de" and alternate with numerical value. This
value is not applicable to the Pinnacle boiler.
e. Finally, by pressing the S3 "Program" key again,
the display will advance to the Measurement
Units selection. The display will alternate
between "t" and either "F" or "C" depending on
the units selected. This value may be changed by
using the S1/- or S2/+ keys on the display
module.
f. Pressing the S3 "Program" key once more will
exit the program mode and again display the
supply temperature.
ELECTRICAL
Table 6.1: Program Functions
Description
Alternating
Display
Character Allowable Range
Supply Set Point C50°F to 201°F
(10°C to 94°C)
Set Point Differential Ch 5°F to 30°F
(3°C to 17°C)
Not Applicable de
Measurement Units tC or F

ELECTRICAL
4. Error Codes: The LED Display will display error codes
if the boiler is in a temporary fault condition. Table 8.1
shows Error Codes and descriptions. In some cases, if
the temporary fault is not corrected within 60 seconds
the controller will go into a Fault Code.
5. Fault Codes: A Fault Code indicates the controller is
locked-out. Press the S4 "Reset" button to resume
operation after repairing the problem. Table 8.2
shows Fault Codes for this control.
6. Status Menu: The status menu, as shown in Table
6.3, allows the installer to display the current boiler
supply (outlet) temperature, return (inlet
temperature), fan speed, flame signal (µA), boiler
circulator status, boiler set point, total power on
hours, boiler on hours, and the number of cycles.
a. To access this menu press and hold the S4
"Reset" key on the display module for 3 seconds.
b. The display will alternate between "d1" and the
value of the supply temperature.
c. To scroll through the other status codes, simply
press S4 "Reset", again.
d. To exit this menu, press the S3 "Program" key.
7. Service Mode: The Pinnacle boiler can be operated
in Service Mode to allow the installer to manually set
the fan speed/input rate of the boiler.
a. To enter service mode, press and hold the S2/+
key and the S3 "Program" key simultaneously.
b. The display will alternately display "SER" and the
fan speed in RPMs ÷ 10. As default, the fan
speed will start at the ignition fan speed (this
value is listed in Section 10, Dimensions and
Ratings, for each boiler size).
c. The fan speed can be adjusted by using the S1/-
key (to decrease speed) or S2/+ key (to increase
speed) on the display module.
d. The fan speed will stay in this mode for 10
minutes or until the boiler reaches 7 degrees
above the set point temperature.
e. To exit the Service Mode, press the S1/- or S2/+
keys simultaneously.
8. Installer Menu: The Pinnacle boiler can be
programmed to be controlled by an external
analog input controlling set point temperature or
fan speed. In addition, it can be programmed for
a 6 minute step modulation sequence.
a. To enter the installer menu, press and hold the
S3 "Program" key and S4 "Reset" key
simultaneously for 3 seconds. The display will
show a blinking "000."
b. Use the S1/- and S2/+ keys to change the display
to read 125. Press the S3 "Program" key to enter
the installer menu. (The control will shut down
the boiler if it is in operation.) The display will
alternate between 1 and a value of either 0 or 1.
c. Table 6.4 shows the Parameter numbers and
Functions. Press S3 "Program" to advance
through the parameters and use the S1/- and
S2/+keys to change the function values. Do not
change to external input without external
input device installed!
d. To exit the Installer Menu, press and hold the S4
“Reset” key for 3 seconds.
Table 6.3: Status Menu
Status
Code Description
d1 Supply (Outlet) Temperature (F or C)
d2 Return (Inlet) Temperature (F or C)
d3 Fan Speed (rpm ÷ 10) [ex. 200 = 2000 rpm]
d4 Flame Signal (µA)
d5 Boiler Circulator Status (0 = Off, 1 = On)
d6 Boiler Set Point (F or C)
d7 Power On Time (Hrs ÷ 1000) [ex. 0.1 = 100 hrs]
d8 Boiler On Time (Hrs ÷ 1000)
d9 Boiler Cycles (n ÷ 1000)
Table 6.4: Installer Menu
Parameter
No. Function
10 = Internal Control
1 = External Input from 0-10 volt adapter
20 = External Temperature Input
1 = External Fan Speed Input
30 = Step Modulation Disabled
1 = Step Modulation Enabled
Figure 6.4: Display Module
29

30
A. COMPLETING THE INSTALLATION
1. Confirm that all water, gas and electricity are
turned off.
2. Verify that water piping, venting, gas piping and
electrical wiring and components are installed
properly and where applicable in accordance with
manufacturers' instructions. Be sure that the boiler is
installed in accordance with this manual and good
engineering practice.
3. Fill the boiler and system with water, making certain
to vent all air from each high point in the system.
Open each vent in the system until all air is released
and water begins to be discharged, and then close
the vent.
4. The pressure reducing valve on the fill line will
typically allow the system to be filled and pressurized
to 12 PSI. Consult the manufacturer's instructions for
operation of the valve and expansion tank.
5. Check joints and fittings throughout the system and
repair as required.
6. Connect a manometer at or near the service valve to
the boiler.
7. Confirm that the gas supply pressure to the boiler is
between the minimum and maximum values for the
gas being used. These values can be found in Table
4.4 of Section 4.
8. If a full supply pressure test is required, isolate the
boiler and gas valve before performing the pressure
test. If the supply pressure is too high or too low,
contact the fuel gas supplier.
9. Turn on electricity and gas to the boiler. Check to see
if the LED display is lit. The combustion air fan will
begin a 5 second purge cycle and then the control
will go into Standby Mode.
10. Adjust set point temperatures and differential
temperatures by pressing and holding the S3,
"Program" key for 3 seconds.
a) The control will enter the Supply Set Point
selection.
b) The display will alternately show "C" and then
the current set point temperature.
c) The set point may be adjusted by using the S1/-
(to decrease) or S2/+ (to increase) keys on the
display module.
d) Pressing the S3 "Program" key again will advance
to the next adjustable value, Set Point Differential
and the display will alternate between.
e) The differential adjustment is the difference
between the temperature at which the boiler
shuts down (high) and the temperature at which
it re-starts (low).
f) The differential may be set to values between 5°F
(3°C) and 30°F (17°C) in 1°F increments.
g) The boiler will always shut down at a
temperature 7°F (4°C) above the set point. The
differential temperature is then applied to this
value.
h) The set point differential may be adjusted by
using the S1/- (to decrease) or S2/+ (to increase)
keys on the display module.
i) Pressing the S3 "Program" key again will advance
to the next adjustable value. The display will read
"de" and alternate with numerical value. This
value is not applicable to the Pinnacle boiler.
j) Finally, by pressing the S3 "Program" key again,
the display will advance to the Measurement
Units selection. The display will alternate
between "t" and either "F" or "C" depending on
the units selected. This value may be changed by
using the S1/- or S2/+ keys on the display
module.
11. Light the boiler by following the Lighting/Operating
instructions in this section. The initial ignition may
fail several times before the gas piping is completely
purged of air.
12. Use the sequence of operation description and
Figure 6.3, Control Board Wiring Schematic to
follow light off and shutdown sequences and to assist
in diagnosing problems. If the boiler does not
function properly, consult Section 8,
Troubleshooting.
7. START-UP PROCEDURES
START-UP PROCEDURES

31
B. LIGHTING AND OPERATING
PROCEDURES
START-UP PROCEDURES
FOR YOUR SAFETY READ BEFORE OPERATING
OPERATING INSTRUCTIONS
TO TURN OFF GAS TO APPLIANCE
A. This appliance does not have a pilot. It is equipped
with an ignition device which automatically lights the
burner. Do not try to light the burner by hand.
B. BEFORE OPERATING smell all around the appliance
area for gas. Be sure to smell next to the floor
because some gas is heavier than air and will settle
on the floor.
WHAT TO DO IF YOU SMELL GAS
•Do not try to light any appliance.
•Do not touch any electric switch; do not use any
phone in your building.
•Immediately call your gas supplier from a neighbor’s
phone. Follow the gas suppliers’ instructions.
•If you cannot reach your gas supplier, call the
fire department.
C. Use only your hand to turn the gas control knob. Never
use tools. If the handle will not turn by hand, don’t try
to repair it, call a qualified service technician. Force or
attempted repair may result in a fire or explosion.
D. Do not use this appliance if any part has been under
water. Immediately call a qualified service technician to
inspect the appliance and to replace any part of the
control system and any gas control which has been
under water.
11. STOP! Read the safety information above.
12. Set the thermostat to lowest setting.
13. Turn off all electric power to the appliance.
14. This appliance is equipped with an ignition device
which automatically lights the burner. Do not try to light
the burner by hand.
15. Remove front cover.
16. Turn gas shutoff valve clockwise to “off”. Handle will be
vertical, do not force.
17. Wait five (5) minutes to clear out any gas. If you then
smell gas, STOP! Follow “B” in the safety information
above on this label. If you don’t smell gas, go to next
step.
18. Turn gas shutoff valve counterclockwise to “on”.
Handle will be horizontal
19. Install Front Cover.
10. Turn on all electric power to appliance.
11. Set thermostat to desired setting.
12. If the appliance will not operate, follow the instructions
“To Turn Off Gas To Appliance” and call your service
technician or gas supplier.
1. Set the thermostat to lowest setting.
2. Turn off all electric power to the appliance if service is
to be performed.
3. Remove front cover.
4. Turn gas shutoff valve clockwise to “off”. Handle will be
vertical. Do not force.
5. Install front cover.
WARNING: If you do not follow these instructions exactly, a fire or explosion may
result, causing property damage, personal injury or loss of life.

32
C. CHECK-OUT PROCEDURE
1. After starting the boiler, be certain that all controls
are working properly. Check to be sure that the
boiler will shut down when the water temperature
reaches the control board set point.
2. To check operation of the ignition system safety shut-
off features:
a) Turn off gas supply.
b) Set thermostat or controller above room
temperature to call for heat.
c) The boiler should perform 3 attempts at ignition
before going into lock-out.
d) Turn gas supply on.
e) Reset by pushing S4 "Reset" key.
f) Observe boiler operation through one complete
cycle.
3. Turn off the automatic fill to the boiler and drain
some water to drop the system pressure below 10
psig. Verify that the display module reads "PRO"
after 5 seconds and does not allow the boiler to
operate. Close the boiler drain and turn on the
automatic fill valve.
4. Low Water Cut-Off (if used) - Consult the
manufacturer's instructions for the low water cut-off
operational check procedure.
5. Check the system to assure that there are no leaks or
overfilling problems which may cause excessive
make up water to be added. Make up water may
cause liming in the boiler and corrosion in ferrous
system parts.
6. Check the expansion tank and automatic fill valve (if
used) to confirm that they are operating correctly. If
either of these components causes high pressure in
the system, the boiler relief valve will weep or open,
allowing fresh water to enter the system.
7. Check the condensate drain hose (and pump if
installed) and make sure all condensate is being
removed from heat exchanger.
8. Review operation with end-user.
9. Complete the Warranty Card and submit it to PB
Heat.
10. Hang the Installation, Operation, and Maintenance
Manual in an accessible position near the boiler.
START-UP PROCEDURES

33
A. BOILER ERROR
1. When an error condition occurs the controller will
display an error code on the display module.
2. These error codes and several suggested corrective
actions are included in Table 8.1.
3. In the case of E00, E13, and E14 this error, if
uncorrected, will go into a fault condition as
described is Paragraph B.
B. BOILER FAULT
1. When a fault condition occurs the controller will
illuminate the red "fault" indication light and display
a fault code in the format "F##" on the display
module.
2. Note the fault code and refer to Table 8.2 for an
explanation of the fault code along with several
suggestions for corrective actions.
3. Press the reset key to clear the fault and resume
operation. Be sure to observe the operation of the
unit to prevent a recurrence of the fault.
8. TROUBLESHOOTING
TROUBLESHOOTING
If overheating occurs or the gas supply fails to shut
off, do not turn off electrical power to the circulating
pump. This may aggravate the problem and increase
the likelihood of boiler damage. Instead, shut off the
gas supply to the boiler at the gas service valve.
CAUTION
This appliance has wire function labels on all internal
wiring. Observe the position of each wire before
removing it. Wiring errors may cause improper and
dangerous operation. Verify proper operation after
servicing.
CAUTION
DANGER
When servicing or replacing components that are in
direct contact with the boiler water, be certain that:
●●There is no pressure in the boiler. (Pull the
release on the relief valve. Do not depend on
the pressure gauge reading).
●●The boiler water is not hot
●●The electrical power is off
When servicing or replacing any components of this
boiler be certain that:
●●The gas is off.
●●All electrical power is disconnected
WARNING
Do not use this appliance if any part has been under
water. Improper or dangerous operation may result.
Contact a qualified service technician immediately to
inspect the boiler and to repair or replace any part of
the boiler which has been under water.
WARNING
Code Description Duration Corrective Action
E00 High Limit Exceeded 50 Sec.
1. Check circulation pump operation.
2. Assure that there is adequate flow through the boiler by
accessing the status menu and assuring that there is less
than a 50°F rise from the return thermistor to the supply
thermistor.
3. Replace switch if faulty.
E13
Combustion Fan Speed Low.
The boiler combustion air fan speed
less than 70% of expected.
60 Sec.
1. Check the combustion air fan wiring.
2. Replace the combustion air fan.
3. Replace the control board.
E14
Combustion Fan Speed High.
The boiler combustion air fan speed
is more than 130% of expected.
60 Sec.
1. Check the combustion air fan wiring.
2. Replace the combustion air fan.
3. Replace the control board.
PRO Water Pressure Switch Open Until Corrected
1. Assure that the system pressure is above 10 psig.
2. Check for leaks in the system piping.
3. Check the switch operation by applying a jumper. (If the
switch is not functioning properly replace it.)
FLu Blocked Vent Pressure Switch Open Until Corrected
1. Assure that the vent is not blocked.
2. Check the switch operation by applying a jumper. (If the
switch is not functioning properly replace it.)
Table 8.1: P125 Control Board Error Codes

34
Fault
Code Description Corrective Action
F00 High Limit Exceeded.
1. Check circulation pump operation.
2. Assure that there is adequate flow through the boiler by accessing the status menu
and confirming that there is less than a 50°F rise from the return thermistor to the
supply thermistor.
3. If gray thermostat wires are being used, disconnect them and jump them together.
If F00 code can be reset check thermostat circuit for short circuit or stray voltage.
4. Check supply temperature reading on LED display. Replace High Limit Switch if
supply temperature is below 210°F.
5. Temporarily jump out Water Pressure Switch. If F00 code can be reset check wiring
harness and connections. If wiring harness is okay replace Water Pressure Switch.
F01 Vent Temperature Limit Exceeded.
1. Push the red reset button on the switch.
2. Check the flue temperature during operation using a combustion analyzer.
3. Replace the switch if faulty.
F02 Interrupted or Shorted
Supply (Outlet) Thermistor.
1. Check the electrical connection to the thermistor on the outlet manifold.
2. Replace thermistor if necessary.
F03 Interrupted or Shorted
Return (Inlet) Thermistor.
1. Check the electrical connection to the thermistor on the inlet manifold.
2. Replace thermistor if necessary.
F05 Supply (Outlet)
Temperature exceeded 230°F.
1. Check circulation pump operation.
2. Assure that there is adequate flow through the boiler by accessing the status menu
and confirming that there is less than a 50°F rise from the return thermistor to the
supply thermistor.
F06 Return (Inlet) Temperature
exceeded 230°F.
1. Check circulation pump operation.
2. Assure that there is adequate flow through the boiler by accessing the status menu
and confirming that there is less than a 50°F rise from the return thermistor to the
supply thermistor.
F09
No flame detected – The boiler will make three
attempts at ignition before the control goes into
this lockout condition.
1. Watch the igniter through the observation window provided.
2. If there is no spark, check the spark electrode for the proper ¼" gap.
3. Remove any corrosion from the spark electrode.
4. If there is a spark but no flame, check the gas supply to the boiler.
5. If there is a flame, check the flame sensor.
F10
Loss of Flame Signal – The boiler will relight 4
times before the control goes into this lockout
condition.
1. Check the gas pressure to the gas valve while the unit is in operation.
2. Assure that the flame is stable when lit.
3. Check to see if the green light on the display module is out while the boiler
is running.
4. If the green light doesn't come on or goes off during operation check the flame
signal on the status menu.
5. If the signal reads less than 1 microampere, clean the flame sensor.
6. If the sensor continues to read low, replace it.
F11
False Flame Signal – The boiler will lock out if
it senses a flame signal when there should be
none present.
1. Turn the gas off to the unit at the service valve.
2. If the flame signal is still present replace the flame rod.
3. If the flame signal is not present after turning off the gas supply, check
the gas valve electrical connection.
4. If there is no power to the gas valve, remove the valve and check for obstruction
in the valve seat or replace the gas valve.
5. Turn the gas on at the service valve after corrective action is taken.
F13
Combustion Fan Speed Low – The boiler will
lock out if it senses that the fan speed is less than
70% of expected for more than 60 seconds.
1. Check the combustion air fan wiring.
2. Replace the combustion air fan.
3. Replace the control board.
F14
Combustion Fan Speed High – The boiler will
lock out if the fan speed is more than 130% of
expected for more than 60 seconds.
1. Check the combustion air fan wiring.
2. Replace the combustion air fan.
3. Replace the control board.
F18 Gas Valve Error
1. Make sure the connector is correctly connected to the gas valve.
2. Check the electrical wiring from the valve to the control board.
3. Replace the gas valve.
4. Replace control board.
F30 Watchdog Call factory for further assistance.
F31 Parameter Memory Call factory for further assistance.
F32 Parameter Memory Write Error Call factory for further assistance.
F33 Programming Error Call factory for further assistance.
NC
Neutral Fault – Boiler locks out if it senses
a voltage drop or power feedback on the
neutral wire.
1. Check for adequate supply voltage.
2. Check for power feedback on the neutral wire.
Table 8.2: P125 Control Board Fault Codes
TROUBLESHOOTING

35
A. GENERAL (WITH BOILER IN USE)
General boiler observation can be performed by the
owner. If any potential problems are found, a qualified
installer or service technician/agency must be notified.
1. Remove any combustible materials, gasoline and
other flammable liquids and substances that generate
flammable vapors from the area where the boiler is
contained.
2. Observe general boiler conditions (unusual noises,
vibrations, etc.)
3. Observe operating temperature and pressure on the
combination gauge located in the supply piping on
the left side of the boiler. Boiler pressure should
never be higher than 5 psi below the rating shown
on the safety relief valve (25 psig maximum for a 30
psig rating). Boiler temperature should never be
higher than 240° F.
4. Check for water leaks in boiler and system piping.
5. Smell around the appliance area for gas. If you smell
gas, follow the procedure listed in the Lighting
Operating Instructions to shut down appliance in
Section 7, Start-Up Procedure Part B.
B. WEEKLY (WITH BOILER IN USE)
1. Flush float-type low-water cut-off (if used) to remove
sediment from the float bowl as stated in the
manufacturer’s instructions.
C. ANNUALLY (BEFORE START OF
HEATING SEASON)
1. Check boiler room floor drains for proper
functioning.
2. Check function of the safety relief valve by
performing the following test:
a. Check valve piping to determine that it is
properly installed and supported.
b. Check boiler operating temperature and pressure.
c. Lift the try lever on the safety relief valve to the
full open position and hold it for at least five
seconds or until clean water is discharged.
d. Release the try lever and allow the valve to close.
If the valve leaks, operate the lever two or three
times to clear the valve seat of foreign matter. It
may take some time to determine if the valve has
shut completely.
e. If the valve continues to leak, it must be replaced
before the boiler is returned to operation.
f. Check that operating pressure and temperature
have returned to normal.
g. Check again to confirm that valve has closed
completely and is not leaking.
3. Test low-water cut-off (if used) as described by the
manufacturer.
4. Test limit as described in Section 7, Part C, “Check-
Out Procedure”.
5. Test function of ignition system safety shut-off
features as described in Section 7, Part C, “Check-
Out Procedure”.
6. Remove the top/front jacket panel and inspect for
any foreign debris that may have entered through air
inlet vent.
7. Inspect burner for deterioration. Replace if necessary.
8. With boiler in operation check that condensate is
dripping from drain hose. Check for any restriction in
condensate drain line.
a. CONDENSATE CLEANING INSTRUCTIONS:
1. Turn the thermostat down or off so the
Pinnacle will not cycle and then follow the
steps below.
a. Close manual gas shutoff valve.
b. Disconnect the condensate piping from the
outside connection (not from the Pinnacle)
so flow can be observed.
c. Block the air flow in the exhaust by
temporarily plugging the exhaust from the
outside vent.
9. MAINTENANCE
The following annual inspection must be performed
by a qualified service technician.
CAUTION
When servicing or replacing components, be
absolutely certain that the following conditions are
met:
●●Water, gas and electricity are off.
●●The boiler is at room temperature.
●●There is no pressure in the boiler.
DANGER
MAINTENANCE

36
d. Disconnect the white, red, blue, and black
connection from the Molex on the
combustion blower. (Refer to Control
Wiring Schematic, Figure 6.3.) This will
cause the fan to run at 100% which will
then blow out any sediment that has
accumulated in the condensate line. (This
process should only take a few minutes.)
e. The unit should now be ready to restart.
2. Before restarting the Pinnacle follow the
steps below:
a. Reconnect the Molex connection and
unblock the vent. (IMPORTANT: MAKE
SURE EXHAUST VENT IS NO
LONGER BLOCKED!)
b. Open the manual gas shutoff valve and
reset the thermostats.
c. Observe the boiler function to make sure
you see a condensate flow.
d. If you do not observe a condensate flow,
repeat the above procedure.
3. If the problem is not corrected at this point, it
is possible that there is a material deposit
problem. Follow the Coil Cleaning instructions
(Section b) included in this section to dissolve
deposits and clean condensate line.
b. COMBUSTION CHAMBER COIL CLEANING
INSTRUCTIONS
Before beginning this procedure, you must have
on hand the following items:
– a nylon or brass brush (not steel)
– "Rydlyme" (recommended for best results)
(available online www.rydlyme.com) or
"CLR" (available at most hardware stores)
1. Shut the Pinnacle down by using the
following steps:
a. Close the manual gas shutoff valve, shut
down the unit and wait for the unit to be
cool to the touch.
b. Disconnect the condensate piping from the
outside connections (not from the Pinnacle
side) so the flow can be observed.
c. Remove the (4) screws on the 1/2" NPT
connector on the gas valve.
d. Remove the (6) 10mm nuts from the
burner plate assembly to access the coils.
e. Pull the entire burner plate assembly
towards you, while removing or pushing
aside any wiring to allow the removal of
the assembly.
2. Using a spray bottle filled with the
recommended product "Rydlyme" or "CLR",
spray liberally on the coils, making sure the
solution penetrates and funnels down through
the condensate hose. If the condensate hose
is blocked, let the chemical penetrate for at
least 15 minutes or until it drains.
3. Use the nylon or brass brush (do not use
steel) and scrub coils to remove any buildup,
then vacuum the derbis from the coils.
4. Spray the coils with clear water, making sure
to confine the spray to the area being cleaned
(try to avoid betting the back ceramic wall of
the unit wet). Flush the combustion chamber
with fresh water. At this point, the Pinnacle
should be ready to power back up.
5. Before powering up the Pinnacle follow the
steps below:
a. Reinstall the burner assembly.
b. Replace the (6) 10mm nuts to the burner
plate.
c. Reconnect the wiring.
d. Replace the (4) screws on the 1/2" NPT
connector on the gas valve. Turn the gas
back on. (IMPORTANT: CHECK FOR
GAS LEAKS)
It is extremely important to make sure the exhaust
vent is not longer blocked. Failure to do so may
result in personal injury or death.
DANGER
MAINTENANCE

37
e. Reset thermostats (IMPORTANT: MAKE
SURE EXHAUST VENT IS NO
LONGER BLOCKED!)
f. Turn the Pinnacle back on** and observe
condensate flow.
g. Reconnect the condensate piping to the
outside connection.
**NOTE: When firing the boiler the first few times you
may experience some fluttering of the gas
burner that may result in a flame lockout.
This is normal and will require you to re-cycle
the unit until this clears up. This is caused
by water still present in the combustion
chamber.
9. Inspect exhaust vent and air inlet vents for proper
support and joint integrity. Repair as necessary. Refer
to Section 5, VENTING.
10. Inspect exhaust vent and air inlet vent terminations
for obstructions.
It is extremely important that you check for leaks
when reconnecting the gas valve and make sure the
exhaust vent is no longer blocked. Failure to do so
may result in severe personal injury or death.
DANGER
Leaks in the vent system will cause products of
combustion to enter structure (vent system operates
under positive pressure).
WARNING
MAINTENANCE

38
A. BOILER DIMENSIONS
1. Figure 10.1 shows the dimensions of the PI-T50 and
PI-T80.
10. BOILER DIMENSIONS & RATINGS
BOILER DIMENSIONS & RATINGS
Figure 10.1: PI-T50/PI-T80 Dimensions

39
2. Figure 10.2 shows the dimensions of the PI-80,
PI-140 and PI-199.
BOILER DIMENSIONS & RATINGS
Figure 10.2: PI-80/PI-140/PI-199 Dimensions

40
Boiler
Model Input Btu/hr
DOE Heating
Capacity³
Btu/hr
Net I=B=R
Rating¹’²
Btu/hr
Seasonal
Efficiency³
AFUE %
Shipping
Weight
Lbs.
PI-T50 18,000 to 50,000 16,000 to 46,000 40,000 92 58
PI-T80 19,000 to 80,000 17,000 to 74,000 64,000 92 58
PI-80 27,000 to 80,000 25,000 to 74,000 64,000 92 75
PI-140 46,000 to 140,000 43,000 to 129,000 112,000 92 101
PI-199 66,000 to 199,000 61,000 to 183,000 159,000 92 111
Boiler
Model
Fan Speed – RPM
High Fire Ignition Low Fire
PI-T50 3200 3000 1250
PI-T80 4700 3000 1200
PI-80 4600 4600 2000
PI-140 4300 2000 1400
PI-199 6000 3745 2100
Table 10.1: Boiler Ratings
Table 10.2: Combustion Air Fan Speed
1. Net I=B=R ratings are based on an allowance of 1.15.
2. Consult factory before selecting a boiler for installations having unusual piping and pickup requirements, such as
intermittent system operation, extensive piping systems, etc.
3. Heating Capacity and Annual Fuel Utilization Efficiency (AFUE) ratings are based on U.S. Government Testing.
Note: These values are subject to change without notice.
BOILER DIMENSIONS & RATINGS
Boiler
Model
Supply &
Return Conn.
(NPT)
Relief Valve
Outlet
(NPT)
Gas Supply
Conn.
(NPT)
Air Inlet &
Vent Conn.
(Sch 40 PVC)
Condensate
Drain Pipe
(NPT)
PI-T50 1-1/4" 3/4" 3/4" 2" 3/4"
PI-T80 1-1/4" 3/4" 3/4" 2" 3/4"
PI-80 1-1/4" 3/4" 3/4" 3" 3/4"
PI-140 1-1/4" 3/4" 3/4" 3" 3/4"
PI-199 1-1/4" 3/4" 3/4" 3" 3/4"
Table 10.3: Connection Sizes

41
REPAIR PARTS
11. REPAIR PARTS

42
REPAIR PARTS

43
A. ADVANTAGES OF THE P125 CONTROL
BOARD
1. Temperature displays in Fahrenheit or Celsius.
2. Improved troubleshooting by status display of:
a. Actual Supply and Return Temperatures
b. Flame Signal
c. Fan Speed
3. Service Mode allows installers to manually control
the firing rate for easy set up.
4. Available Software that allows the installer to access
status information and fault history from a PC.
5. Optional Interface Module that allows the boiler to
be operated with a 0-10 volt analog input signal
from a modulating controller (such as Tekmar 265,
263, and BTC MPA) for features such as:
a. Outdoor Reset Control.
b. Dual temperature set points for space heating
and indirect hot water demands.
c. Modulating Sequencing for up to three boilers.
The Pavilion 410 is an external control that allows
the boiler to be controlled with a 0-5 volt analog
input signal. An interface module is not necessary.
The Pavilion 410 provides features a. and b. (above).
B. P125 CONTROL BOARD QUICK
REFERENCE
1. Press and hold the S3 “Program” key to make
changes to:
a. Set Point Temperature
b. Set Point Differential
c. Temperature Display Units
Scroll through to Exit
2. Press and hold S4 "Reset" key to display the status of:
a. Supply Temperature
b. Return Temperature
c. Fan Speed
d. Flame Signal
e. Boiler Circulator Status
f. Boiler Set Point
g. Power On Time
h. Number of Cycles
Press the S3 “Program” key to exit.
3. Press and hold the S2/+ and the S3 “Program” keys
simultaneously to enter “Service Mode.” Press S1/-
or S2/+ to change the fan speed. (Note: The service
mode will cause the boiler to run even if there is no
call for heat. The limits will, however, shut down the
unit if the temperature exceeds the set point.
WHAT’S NEW WITH THE P125 CONTROL BOARD
Figure A.1: Pinnacle P125 Board Display Module
APPENDIX A. WHAT’S NEW WITH THE
P125 CONTROL BOARD

44
C. P125 CONTROL BOARD VS. WHA
CONTROL BOARD COMPARISON
Figure A.2: Comparative Control Board Sequence of Operation
WHAT’S NEW WITH THE P125 CONTROL BOARD

Pinnacle®
Gas Boilers
Peerless®
Stainless Steel
Installation,
Operation &
Maintenance
Manual
TO THE INSTALLER:
This manual is the property of the owner and must
be affixed near the boiler for future reference.
TO THE OWNER:
This boiler should be inspected annually by a
Qualified Service Agency.
PI8008 R11 (9/06-5M)
Printed in U.S.A.
©2006 WEB-3
MH27745
CONTROLS
HI Division
of gama
ASME
PB HEAT, LLC
P.O. BOX 447 • NEW BERLINVILLE, PA 19545-0447
PeerlessBoilers.com