100000098 Water Heater Service Manual (for Printer) 9 2008
2013-04-23
: Pdf 100000098 Water Heater Service Manual 9-2008 100000098_Water_Heater_Service_Manual_9-2008 Rinnai Water Heaters
Open the PDF directly: View PDF
.
Page Count: 90

Tankless Water Heater
Service Manual
V Series
R42e .................... REU-V1616W
C42e .................... REU-V1616WC
R53e .................... REU-V2020W
C53e .................... REU-V2020WC
R70e .................... REU-V2526W
R85e .................... REU-V2532W
C85e .................... REU-V2532WC
R85ePLUS ........... REU-V2532WD
C85ePLUS ........... REU-V2532WCD
R98e .................... REU-V3237W
C98e .................... REU-V3237WC
R98eASME .......... REU-V3237W-ASME
C98eASME .......... REU-V3237WC-ASME
Trade Name Model Trade Name Model
R53i ..................... REU-V2520FFU
C53i ..................... REU-V2520FFUC
R53i ..................... REU-V2520FFUD
C53i ..................... REU-V2520FFUCD
R85i ..................... REU-V2532FFU
C85i ..................... REU-V2532FFUC
R85iPLUS ............ REU-V2532FFUD
C85iPLUS ............ REU-V2532FFUCD
R98i ..................... REU-V3237FFU
C98i ..................... REU-V3237FFUC
R98iASME ........... REU-V3237FFU-ASME
C98iASME ........... REU-V3237FFUC-ASME
R50LSi ................. REU-VA2019FFUD
R75LSi ................. REU-VA2528FFUD
R75LSi ................. REU-VA2528FFUD(A)
R94LSi ................. REU-VA2535FFUD
R98LSi ................. REU-VA3237FFU
R98LSiASME ...... REU-VA3237FFU-ASME
V53e .................... REU-VAM1620W
R63LSe ................ REU-VA2024WD
R75LSe ................ REU-VA2528WD
R75LSe ................ REU-VA2528WD(A)
R94LSe ................ REU-VA2535WD
R98LSe ................ REU-VA3237W
R98LSeASME ..... REU-VA3237W-ASME
VA Series
Trade Name Model Trade Name Model

Rinnai Water Heater Service Manual 2
Table of Contents
General Information .................................................. 3
Specifications ........................................................ 4, 5
Schematic Diagrams ............................................. 6, 7
Fault Isolation ....................................................... 8-10
Electrical Diagnostic Points
R/C42e, R/C53e, ............................................ 11, 12
R70e, R/C85e(PLUS),
R/C53i(PLUS), R/C85i(PLUS) ........................ 13, 14
R/C98e(ASME), R/C98i(ASME) ...................... 15, 16
V53e, R63LSe ................................................. 17, 18
R50LSi, R75LSe, R75LSi, R94LSe, R94LSi ... 19, 20
R98LSe(ASME), R98LSi(ASME) .................... 21, 22
Wire Diagrams
R/C42e, R/C53e .................................................... 23
R70e, R/C85e(PLUS) ............................................ 24
R/C53i(PLUS), R/C85i(PLUS)............................... 25
R/C98e(ASME), R/C98i(ASME) ............................ 26
V53e, R63LSe ....................................................... 27
R50LSi, R75LSe, R75LSi, R94LSe, R94LSi ......... 28
R98LSe(ASME), R98LSi(ASME) .......................... 29
Flushing the Heat Exchanger ................................. 30
Component Replacement Instructions
Gas Control Assembly
R/C42e, R/C53e, V53e, R63LSe .................... 31, 32
R/C53i(PLUS), R70e, R/C85e(PLUS),
R/C85i(PLUS), R50LSi, R75LSe, R75LSi,
R94LSe, R94LSi ............................................. 33, 34
R/C98e(ASME), R/C98i(ASME),
R98LSe(ASME), R98LSi(ASME) .................... 35, 36
Fan
R/C42e, R/C53e, V53e, R63LSe .......................... 37
R70e, R/C85e(PLUS), R75LSe, R94LSe ............. 38
R/C53i(PLUS), R/C85i(PLUS),
R50LSi, R75LSi, R94LSi ....................................... 39
R/C98e(ASME), R/C98i(ASME),
R98LSe(ASME), R98LSi(ASME) .......................... 40
PC Board
R/C42e, R/C53e .................................................... 41
V53e, R63LSe ....................................................... 42
R/C53i(PLUS), R70e, R/C85e(PLUS),
R/C85i(PLUS), R50LSi, R75LSe, R75LSi,
R94LSe, R94LSi ............................................... 43-45
R/C98e(ASME), R/C98i(ASME),
R98LSe(ASME), R98LSi(ASME) .......................... 46
Water Flow Control Assembly
R/C42e, R/C53e .............................................. 47, 48
V53e, R63LSe ................................................. 49, 50
R/C53i(PLUS), R50LSi, R75LSe, R75LSi ....... 51, 52
R/C85e(PLUS), R/C85i(PLUS),
R94LSe, R94LSi .............................................. 53, 54
R/C98e(ASME), R/C98i(ASME),
R98LSe(ASME), R98LSi(ASME) .......................... 55
Heat Exchanger
R/C42e, R/C53e, V53e, R63LSe ...................... 56-58
R70e, R75LSe .................................................. 59-61
R/C85e(PLUS), R94LSe .................................. 62-64
R/C53i(PLUS), R75LSi ..................................... 65-68
R/C85i(PLUS), R94LSi ..................................... 69-73
R/C98e(ASME), R98LSe(ASME) ..................... 74-75
R/C98i(ASME), R98LSi(ASME) ....................... 76-78
Gas Pressure Setting Procedure ..................... 79, 80
Manifold Pressure Settings .............................. 81, 82
Dip Switches ...................................................... 83, 84
Key to Trade Names in this Manual:
R/C Indicates both the residential and
commercial versions. R/C42e includes
R42e and C42e.
(PLUS) Indicates that the Designer Plus models are
included. R/C85ePLUS includes R85e,
C85e, and R85ePLUS. On the side of the
water heater, the trade name includes a “D”,
as in R85De.
(ASME) Indicates that the ASME models are
included. R98LSe(ASME) includes the
R98LSe and R98LSeASME.

3 Rinnai Water Heater Service Manual
General Information
Safety Definitions
This is the safety alert symbol. This symbol alerts you to potential hazards that can kill or hurt you and
others.
Indicates an imminently hazardous situation which, if not avoided, will result in death or
serious injury.
Indicates a potentially hazardous situation which, if not avoided, could result in death or
serious injury.
Indicates a potentially hazardous situation which, if not avoided, could result in minor or
moderate injury. It may also be used to alert against unsafe practices.
DANGER
CAUTION
WARNING
Recommended Tools
• Volt/Ohm/Amp meter with test probes
• Digital manometer or U tube type manometer with 14 inch water column (W.C.) scale, a hose and two 1/8 inch
taps
• assorted wrenches including a 3/16 Allen wrench
• assorted screw drivers
• leak solution or leak detector
• Teflon tape
Using this Manual
Repairs should be performed by a qualified service technician.
The following information can be referenced for additional information.
• Operation and Installation Manual
• Hot Water System Design Manual
• Technical Sheets
• Technical Bulletins
Technical Support
Technicians are available to assist in servicing issues. Contact Rinnai Technical Services at 1-800-621-9419.
WARNING
There are a number of live tests that are required when fault finding this product. Extreme care should be used at
all times to avoid contact with energized components inside the water heater. Before checking for resistance
readings disconnect the power source to the unit and isolate the item from the circuit (unplug it).
If any of the original wire as supplied with the appliance must
be replaced, it must be replaced with type 18 AWG wire or its
equivalent.
Label all wires prior to disconnection when
servicing controls. Wiring errors can cause
improper and dangerous operation.
CAUTION

Rinnai Water Heater Service Manual 4
Specifications
Trade Name Model Max. BTU Min. BTU Max Flow [1]
gal/min (liters/min)
Temperature Range
C42e REU-V1616WC 120,000
17,100 (NG)
17,800 (LP) 4.2 (16) 120 - 185 ºF (49-85 ºC)
C53e REU-V2020WC 150,000
19,000 (NG)
20,200 (LP) 5.3 (20) 120 - 185 ºF (49-85 ºC)
C85e REU-V2532WC 199,000 15,000 8.5 (32) 98 - 185 ºF (37-85 ºC)
C85ePLUS REU-V2532WCD 199,000 15,000 8.5 (32) 98 - 185 ºF (37-85 ºC)
C98e REU-V3237WC 237,000 19,000 9.8 (37) 98 - 185 ºF (37-85 ºC)
C98eASME REU-V3237WC-ASME 237,000 19,000 9.8 (37) 98 - 185 ºF (37-85 ºC)
V Series - Commercial - Outdoor
Trade Name Model Max. BTU Min. BTU Max Flow [1]
gal/min (liters/min)
Temperature Range
C53i REU-V2520FFUC 180,000 15,000 5.3 (20) 120 - 185 ºF (49-85 ºC)
C53iPLUS REU-V2520FFUCD 180,000 15,000 5.3 (20) 120 - 185 ºF (49-85 ºC)
C85i REU-V2532FFUC 180,000 15,000 8.5 (32) 98 - 185 ºF (37-85 ºC)
C85iPLUS REU-V2532FFUCD 180,000 15,000 8.5 (32) 98 - 185 ºF (37-85 ºC)
C98i REU-V3237FFUC 237,000 19,000 9.8 (37) 98 - 185 ºF (37-85 ºC)
C98iASME REU-V3237FFUC-ASME 237,000 19,000 9.8 (37) 98 - 185 ºF (37-85 ºC)
V Series - Commercial - Indoor
Trade Name Model Max. BTU Min. BTU Max Flow [1]
gal/min (liters/min)
Temperature Range
R42e REU-V1616W 120,000
17,100 (NG)
17,800 (LP) 4.2 (16) 98 - 140 ºF (37-60 ºC)
R53e REU-V2020W 150,000
19,000 (NG)
20,200 (LP) 5.3 (20) 98 - 140 ºF (37-60 ºC)
R70e REU-V2526W 199,000 15,000 7.0 (26) 98 - 140 ºF (37-60 ºC)
R85e REU-V2532W 199,000 15,000 8.5 (32) 98 - 140 ºF (37-60 ºC)
R85ePLUS REU-V2532WD 199,000 15,000 8.5 (32) 98 - 140 ºF (37-60 ºC)
R98e REU-V3237W 237,000 19,000 9.8 (37) 98 - 140 ºF (37-60 ºC)
R98eASME REU-V3237W-ASME 237,000 19,000 9.8 (37) 98 - 140 ºF (37-60 ºC)
V Series - Residential - Outdoor
[1] Minimum activation flow is approximately 0.6 gallons/minute (2.3 liters/min)
Trade Name Model Max. BTU Min. BTU Max Flow [1]
gal/min (liters/min)
Temperature Range
R53i REU-V2520FFU 180,000 15,000 5.3 (20) 98 - 140 ºF (37-60 ºC)
R53iPLUS REU-V2520FFU 180,000 15,000 5.3 (20) 98 - 140 ºF (37-60 ºC)
R85i REU-V2532FFU 180,000 15,000 8.5 (32) 98 - 140 ºF (37-60 ºC)
R85iPLUS REU-V2532FFUD 180,000 15,000 8.5 (32) 98 - 140 ºF (37-60 ºC)
R98i REU-V3237FFU 237,000 19,000 9.8 (37) 98 - 140 ºF (37-60 ºC)
R98iASME REU-V3237FFU-ASME 237,000 19,000 9.8 (37) 98 - 140 ºF (37-60 ºC)
V Series - Residential - Indoor

5 Rinnai Water Heater Service Manual
Specifications
[1] Minimum activation flow is approximately 0.6 gallons/minute (2.3 liters/min)
[2] Max temperature is 160 ºF (71 ºC) with the MCC-91 controller for commercial and hydronic applications only.
[3] Max temperature is 185 ºF (85 ºC) with the MCC-91 controller for commercial and hydronic applications only.
Trade Name Model Max. BTU Min. BTU Max Flow [1]
gal/min (liters/min)
Temperature Range
R63LSe REU-VA2024WD-US 150,000
21,500 (NG)
20,600 (LP) 6.3 (24) 98 - 140 ºF (37-60 ºC) [2]
R75LSe REU-VA2528WD(A)-US 180,000 15,000 7.5 (28) 98 - 140 ºF (37-60 ºC) [2]
R94LSe REU-VA2535WD-US 199,000 15,000 9.4 (35) 98 - 140 ºF (37-60 ºC) [3]
R98LSe REU-VA3237W-US 237,000 19,000 9.8 (37) 98 - 140 ºF (37-60 ºC) [3]
R98LSeASME REU-VA3237W-ASME 237,000 19,000 9.8 (37) 98 - 140 ºF (37-60 ºC) [3]
R75LSe REU-VA2528WD-US 199,000 15,000 7.5 (28) 98 - 140 ºF (37-60 ºC) [2]
VA Series (LS Series) - Residential or Commercial - Outdoor
Trade Name Model Max. BTU Min. BTU Max Flow [1]
gal/min (liters/min)
Temperature Range
R50LSi REU-VA2019FFUD-US 150,000 15,000 5.0 (19) 98 - 140 ºF (37-60 ºC) [2]
R75LSi
REU-VA2528FFUD(A)-
US 180,000 15,000 7.5 (28) 98 - 140 ºF (37-60 ºC) [2]
R94LSi REU-VA2535FFUD-US-N 199,000 15,000 9.4 (35) 98 - 140 ºF (37-60 ºC) [3]
R98LSi REU-VA3237FFU-US 237,000 19,000 9.8 (37) 98 - 140 ºF (37-60 ºC) [3]
R98LSiASME REU-VA3237FFU-ASME 237,000 19,000 9.8 (37) 98 - 140 ºF (37-60 ºC) [3]
R75LSi REU-VA2528FFUD-US 199,000 15,000 7.5 (28) 98 - 140 ºF (37-60 ºC) [2]
R94LSi REU-VA2535FFUD-US-P 190,000 15,000 9.4 (35) 98 - 140 ºF (37-60 ºC) [3]
VA Series (LS Series) - Residential or Commercial - Indoor
Trade Name Model Max. BTU Min. BTU Max Flow [1]
gal/min (liters/min)
Temperature Range
V53e REU-VAM1620W-US 120,000
19,000 (NG)
20,200 (LP) 5.3 (20) 98 - 140 ºF (37-60 ºC)
VA Series - Residential - Outdoor

Rinnai Water Heater Service Manual 6
Schematic Diagrams
Outdoor Model
(NOT PRESENT ON
ALL MODELS)
(LOCATED ON BRACKET NEAR
FAN ON SOME MODELS)
(NOT PRESENT ON
ALL MODELS)

7 Rinnai Water Heater Service Manual
Schematic Diagrams
Indoor Model
(NOT PRESENT ON
ALL MODELS)
(NOT PRESENT ON
ALL MODELS)
(LOCATED ON BRACKET NEAR
FAN ON SOME MODELS)

Rinnai Water Heater Service Manual 8
Fault Isolation
The Rinnai water heater has the ability to check its own operation continuously. If a fault occurs, an error code
will flash on the display of the remote controller. This assists with diagnosing the fault and may enable you to
overcome a problem without a service call.
Some of the checks below may need to be done by a qualified service technician. Call a
service technician for any remedy that involves gas or electricity. Call a service
technician if you have any doubt or reservation about performing the remedy yourself.
WARNING
Accessing Operating Information
To display the most recent error codes press and hold the “On/Off” button for 2 seconds. While holding the “On/
Off” button press the ▲ button. The last 9 error codes will flash one after the other. To exit this mode press the
“On/Off” and ▲ button as before.
To display the water flow through the water heater press and hold the ▲ button for 2 seconds and without
releasing the ▲ button press the “On/Off” button.
To display the outlet water temperature press and hold the ▼ button for 2 seconds and without releasing the ▼
button press the “On/Off” button.
Models MC-91 and MCC-91
1. Water Flow Begins.
• Water Flow Sensor sends pulses to the PC
Board.
• PC Board senses flow greater than 0.6 GPM
(approximate).
• Firing Sequence begins.
2. Firing Sequence.
• PC Board monitors inlet/outlet water
temperature, temperature set point, and water
flow rate.
• Combustion fan energized. Purges combustion
chamber.
• Spark igniter begins sparking.
• Gas control valve opens to minimum fire rate.
• Flame rod proves ignition.
• Spark igniter stops sparking.
3. Normal Operation.
• PC Board monitors flame rod, fan motor
frequency, outlet water temperature, controller
temperature set point and water flow rate.
• Gas control valve modulates gas input to
required firing rate.
• Combustion fan speed is adjusted for the
required firing rate.
• Water flow control valve is adjusted as needed.
4. Shut-down Sequence.
• PC Board senses flow rate less than 0.5 gpm
(approximate).
• Gas control valve closes.
• Water flow control valve resets to standby
position.
• Combustion fan runs for a short period of time
at low speed.
5. Standby Mode.
• PC Board monitors water temperature and
remote controls.
• Freeze protection is activated as needed.
Operation

9 Rinnai Water Heater Service Manual
Fault Isolation
Code Fault Remedy
02 No burner operation during
freeze protection mode
Service Call
03 Power interruption during
Bath Fill (Water will not flow
when power returns).
Turn off all hot water taps. Press ON/OFF twice.
10 Air Supply or Exhaust
Blockage
Ensure Rinnai approved venting materials are being used.
Check that nothing is blocking the flue inlet or exhaust.
Check all vent components for proper connections.
Ensure vent length is within limits.
Ensure condensation collar was installed correctly.
Verify dip switches are set properly.
Check fan for blockage.
11 No Ignition Check that the gas is turned on at the water heater, gas meter, or cylinder.
Ensure gas type and pressure is correct.
Ensure gas line, meter, and/or regulator is sized properly.
Bleed all air from gas lines.
Verify dip switches are set properly.
Ensure appliance is properly grounded.
Disconnect EZConnect or MSA controls to isolate the problem.
Ensure igniter is operational.
Check igniter wiring harness for damage.
Check gas solenoid valves for open or short circuits.
Remove burner cover and ensure all burners are properly seated.
Remove burner plate and inspect burner surface for condensation or debris.
12 Flame Failure Check that the gas is turned on at the water heater and gas meter. Check for
obstructions in the flue outlet.
Ensure gas line, meter, and/or regulator is sized properly.
Ensure gas type and pressure is correct.
Bleed all air from gas lines.
Ensure proper Rinnai venting material was installed.
Ensure condensation collar was installed properly.
Ensure vent length is within limits.
Verify dip switches are set properly.
Ensure appliance is properly grounded.
Disconnect keypad.
Disconnect EZConnect or MSA controls to isolate the problem.
Check power supply for loose connections.
Check power supply for proper voltage and voltage drops.
Ensure flame rod wire is connected.
Remove flame rod and check for carbon build-up; clean with sand paper or emery
cloth.
Disconnect and reconnect all wiring harnesses on unit and PC board.
Check all components for electrical short.
Check gas solenoid valves for open or short circuits.
Remove burner plate and inspect burner surface for condensation or debris.

Rinnai Water Heater Service Manual 10
14 Thermal Fuse Check gas type of unit and ensure it matches gas type being used.
Check for restrictions in air flow around unit and vent terminal.
Check for low water flow in a circulating system causing short-cycling.
Ensure dip switches are set to the proper position.
Check for foreign materials in combustion chamber and/or exhaust piping.
Check heat exchanger for cracks and/or separations.
Check heat exchanger surface for hot spots which indicate blockage due to scale build-
up. Refer to instructions in manual for flushing heat exchanger.
Measure resistance of safety circuit.
Ensure high fire and low fire manifold pressure is correct.
Check for improper conversion of product.
16 Over Temperature
Warning
Check for restrictions in air flow around unit and vent terminal.
Check for low water flow in a circulating system causing short-cycling.
Check for foreign materials in combustion chamber and/or exhaust piping.
Check for clogged heat exchanger.
32 Outgoing Water
Temperature Sensor
Fault
Check sensor wiring for damage.
Measure resistance of sensor.
Clean sensor of scale build-up.
Replace sensor.
33 Heat Exchanger
Outgoing Temperature
Sensor Fault
Check sensor wiring for damage.
Measure resistance of sensor.
Clean sensor of scale build-up.
Replace sensor.
34 Combustion Air
Temperature Sensor
Fault
Check for restrictions in air flow around unit and vent terminal.
Check sensor wiring for damage.
Measure resistance of sensor.
Clean sensor of scale build-up.
Ensure fan blade is tight on motor shaft and is in good condition.
Replace sensor.
52 Modulating Solenoid
Valve Signal Abnormal
Check modulating gas solenoid valve wiring harness for loose or damaged terminals.
Measure resistance of valve coil.
61 Combustion Fan
Failure
Ensure fan will turn freely.
Check wiring harness to motor for damaged and/or loose connections.
Measure resistance of motor winding.
65 Water Flow Control
Fault
The water flow control valve has failed to close during the bath fill function. Immediately
turn off the water and discontinue the bath fill function. Contact a state qualified or
licensed contractor to service the appliance.
71 SV0, SV1, SV2, and
SV3 Solenoid Valve
Circuit Fault
Check wiring harness to all solenoids for damage and/or loose connections.
Measure resistance of each solenoid valve coil.
72 Flame Sensing Device
Fault
Ensure flame rod is touching flame when unit fires.
Check all wiring to flame rod for damage.
Remove flame rod and check for carbon build-up; clean with sand paper or emery cloth.
Check inside burner chamber for any foreign material blocking flame at flame rod.
Measure micro amp output of sensor circuit with flame present.
Replace flame rod.
LC Scale Build-up in Heat
Exchanger (when
checking maintenance
code history, “00” is
substituted for “LC”)
Flush heat exchanger. Refer to instructions in manual.
Replace heat exchanger.
NOTE: The LC code is the only code that will allow the unit to keep running. The
display will alternate between the LC code and the temperature setting. The controller
will continue to beep. The LC code will reset if power is turned off and then on.
No
code
Nothing happens when
water flow is activated.
Clean inlet water supply filter.
On new installations ensure hot and cold water lines are not reversed.
Check for bleed over. Isolate unit from building by turning off hot water line to building.
Isolate the circulating system if present. Open your pressure relief valve; if water is
flowing, there is bleed over in your plumbing.
Ensure you have at least the minimum flow rate required to fire unit.
Ensure turbine spins freely.
Measure the resistance of the water flow control sensor.
Code Fault Remedy
Fault Isolation

11 Rinnai Water Heater Service Manual
Electrical Diagnostic Points
Wire Color Voltage Resistance Connector No. Pin No.’s
(TR) Transformer
Black - White 90 - 100 VAC 51-63 ohms F9 1 ~ 2
Blue - Brown 108 - 132 VAC 51-63 ohms F7 1 ~ 3
(SV1, SV2, SV3, POV) Gas Valve and Modulating Solenoids
(Main) Pink - Black
80 - 100 VDC 1.7 - 2 K ohms
E1 1 ~ 2
(SV1) Black - Blue E2 2 ~ 3
(SV2) Black - Yellow E3 2 ~ 4
(POV) Pink - Pink 2 - 15 VDC 67 - 81 ohms C2 3 ~ 4
(M) Water Flow Servo
Red - Blue 11 - 13 VDC 22 - 26 ohms B1 9 ~ 10
Gray - Brown 4 - 6 VDC N/A B1 5 ~ 7
Gray - Yellow N/A N/A B1 5 ~ 8
Gray - Orange 11 - 14 VDC N/A B1 5 ~ 6
NOTE: At the B connector on the PCB: gray wire turns to black, orange wire turns to red
(QS) Water Flow Sensor
Black - Red 11 - 13 VDC 5.5 - 6.2 K ohms B3 5 ~ 6
Yellow - Black 4 - 7 VDC 1 - 1.4 mega ohms B3 1 ~ 5
Bypass Flow Control (only on R/C85e, R/C85ePLUS, R/C85i, R/C85iPLUS)
Brown - White
2 - 6 VDC
(unit in operating
mode)
15 - 35 K ohms G1
4 ~ 5
Orange - White 2 ~ 5
Yellow - White 1 ~ 5
Red - White/Ground 3 ~ 5
(IG) Ignition System
Gray - Gray 90 - 100 VAC N/A F1 1 ~ 2
(FM) Combustion Fan Motor
Red - Black 6 - 45 VDC N/A A1 1 ~ 2
White - Black 5 - 10 VDC 9.2 - 9.4 K ohms A1 2 ~ 4
Yellow - Black 11 ~ 13 VDC 3.5 - 3.9 K ohms A1 2 ~ 3
With the meter set on hertz scale, 60-350 hertz should be across the red and yellow wires at
terminals 2 and 3.
R/C42e, R/C53e

Rinnai Water Heater Service Manual 12
Electrical Diagnostic Points
Wire Color Voltage Resistance Connector No. Pin No.’s
Thermal Fuse / Overheat Switch
Red - Red 12 VDC below 1 ohm B - C B6 ~ C1
Flame Rod
Place one lead of the meter to the flame rod and the other to ground. With the unit running, 5-150
VAC should be read. Set the meter to the µ amp scale and series the meter in line with the flame
rod. Proper flame circuit should read 1 µ amp or greater. If not, then remove the flame rod and
check for carbon and damage.
Thermistors
Check all thermistors by inserting meter leads into each end of the thermistor plug. Set the meter to
the 20 K ohm scale and read resistance. Applying heat to the thermistor bulb should decrease the
resistance. Applying ice to the thermistor bulb should increase the resistance. Typical resistance
values are: 11.4-14 K ohm for 59°F; 6.4-7.8 K ohm for 86°F; 3.6-4.5 K ohm for 113°F; 2.2-2.7 K ohm
for 140°F; 0.6-0.8 K ohm for 221°F
Outgoing Water Thermistor
White - White see above B B3 ~ B4
Heat Exchanger Temperature Thermistor
White - White see above B B3 ~ B12
Surge Protector
Blue - Brown 108 - 132 VAC N/A F4 1 ~ 2
Blue - Brown 108 - 132 VAC N/A F3 1 ~ 3
With the power off, check the continuity through the surge protector. Check by placing one meter
lead on the top pin #1 and bottom pin #2. Check by placing one meter lead on the top pin #3 and
bottom pin #1. If there is continuity across both sets of points, then the surge protector is good.
Controller
Terminals D1 10 - 13 VDC
digital 1.5 - 1.9 K ohms D 1 ~ 3
Frost Protection
There are electrical heating elements mounted at different points to protect the water heater from
freezing.
heaters located on the hot water outlet line 26 - 30 ohms
heater located on heat exchanger piping 81 - 86 ohms
heater located on water flow sensor 16 - 19 ohms
Amp fuses
There are two inline 3 amp glass fuses. Remove the fuse and check continuity through it. If there is
continuity then the fuse is good.
R/C42e, R/C53e

13 Rinnai Water Heater Service Manual
Electrical Diagnostic Points
R70e, R/C85e(PLUS),
R/C53i(PLUS), R/C85i(PLUS)
Wire Color Voltage Resistance Connector No. Pin No.’s
(TR) Transformer
Black - White 90 - 100 VAC 51-63 ohms F9 1 ~ 2
Blue - Brown 108 - 132 VAC 51-63 ohms F7 1 ~ 3
(SV1, SV2, SV3, POV) Gas Valve and Modulating Solenoids
(Main) Pink - Black
80 - 100 VDC
E1 1 ~ 2
(SV1) Black - Yellow E2 2 ~ 3
(SV2) Black - Blue E3 2 ~ 4
(SV3) Black - Brown E4 2 ~ 5
(POV) Pink - Pink 2 - 15 VDC 67 - 81 ohms C2 3 ~ 4
(M) Water Flow Servo
Red - Blue 11 - 13 VDC 22 - 26 ohms B 9 ~ 10
Gray - Brown 4 - 6 VDC N/A B 5 ~ 7
Gray - Yellow N/A N/A B 5 ~ 8
Gray - Orange 11 - 14 VDC N/A B 5 ~ 6
NOTE: At the B connector on the PCB: gray wire turns to black, orange wire turns to red
(QS) Water Flow Sensor
Black - Red 11 - 13 VDC 5.5 - 6.2 K ohms B 5 ~ 6
Yellow - Black 4 - 7 VDC 1 - 1.4 mega ohms B 1 ~ 5
Bypass Flow Control (only on R/C85e, R/C85ePLUS, R/C85i, R/C85iPLUS)
Brown - White
2 - 6 VDC
(unit in operating
mode)
15 - 35 K ohms G1
4 ~ 5
Orange - White 2 ~ 5
Yellow - White 1 ~ 5
Red - White/Ground 3 ~ 5
(IG) Ignition System
Gray - Gray 90 - 100 VAC N/A F8 1 ~ 2
(FM) Combustion Fan Motor
Red - Black 6 - 45 VDC N/A A1 1 ~ 2
White - Black 5 - 10 VDC 9.2 - 9.4 K ohms A1 2 ~ 4
Yellow - Black 11 ~ 13 VDC 3.5 - 3.9 K ohms A1 2 ~ 3
With the meter set on hertz scale, 60-350 hertz should be across the red and yellow wires at
terminals 2 and 3.
1.7 - 2 K ohms

Rinnai Water Heater Service Manual 14
Electrical Diagnostic Points
Wire Color Voltage Resistance Connector No. Pin No.’s
Thermal Fuse / Overheat Switch
Red - Red 12 VDC below 1 ohm B - C B6 ~ C1
Flame Rod
Place one lead of the meter to the flame rod and the other to ground. With the unit running, 5-150
VAC should be read. Set the meter to the µ amp scale and series the meter in line with the flame
rod. Proper flame circuit should read 1 µ amp or greater. If not, then remove the flame rod and
check for carbon and damage.
Thermistors
Check all thermistors by inserting meter leads into each end of the thermistor plug. Set the meter to
the 20 K ohm scale and read resistance. Applying heat to the thermistor bulb should decrease the
resistance. Applying ice to the thermistor bulb should increase the resistance. Typical resistance
values are: 11.4-14 K ohm for 59°F; 6.4-7.8 K ohm for 86°F; 3.6-4.5 K ohm for 113°F; 2.2-2.7 K ohm
for 140°F; 0.6-0.8 K ohm for 221°F
Outgoing Water Thermistor
White - White see above B B3 ~ B4
Heat Exchanger Temperature Thermistor
White - White see above B B3 ~ B12
Surge Protector
Blue - Brown 108 - 132 VAC N/A F6 1 ~ 2
Blue - Brown 108 - 132 VAC N/A F7 1 ~ 3
With the power off, check the continuity through the surge protector. Check by placing one meter
lead on the top pin #1 and bottom pin #2. Check by placing one meter lead on the top pin #3 and
bottom pin #1. If there is continuity across both sets of points, then the surge protector is good.
Controller
Terminals D1 10 - 13 VDC
digital 1.5 - 1.9 K ohms D 1 ~ 3
Frost Protection
There are electrical heating elements mounted at different points to protect the water heater from
freezing.
heaters located on the hot water outlet line 26 - 30 ohms
heater located on heat exchanger piping 81 - 86 ohms
heater located on water flow sensor 16 - 19 ohms
Amp fuses
There are two inline 3 amp glass fuses. Remove the fuse and check continuity through it. If there is
continuity then the fuse is good.
R70e, R/C85e(PLUS),
R/C53i(PLUS), R/C85i(PLUS)

15 Rinnai Water Heater Service Manual
Electrical Diagnostic Points
R/C98e(ASME),
R/C98i(ASME)
Wire Color Voltage Resistance Connector No. Pin No.’s
(SV1, SV2, SV3, POV) Gas Valve and Modulating Solenoids
(Main) Pink - Black
11 - 13 VDC 24 - 28 ohms
F1 4 ~ 5(F)
(SV1) Black - Red F2 3 ~ 4(F)
(SV2) Black - Orange F3 2 ~ 4(F)
(SV3) Black - Yellow F4 1 ~ 4(F)
(POV) Orange - Orange 3 - 15 VDC 67 - 81 ohms E2 3 ~ 4(E)
(M) Water Flow Servo
Red - Blue 11 - 13 VDC N/A G6 5 ~ 6(G)
Gray - Brown (closed
position)
below 1 VDC Limiter On G6 8 ~ 11(G)
4 - 6 VDC Limiter Off
Gray - Yellow (open
position)
below 1 VDC Limiter On G6 7 ~ 11(G)
4 - 6 VDC Limiter Off
NOTE: At the G connector on the PCB: gray wire turns to black
(QS) Water Flow Sensor
Black - Red 11 - 13 VDC N/A G3 9 ~ 15(G)
Yellow - Black 4 - 7 VDC N/A G3 11 ~ 15(G)
Bypass Flow Control
Brown - White
2 - 6 VDC
(unit in operating
mode)
15 - 35 K ohms H1
1(H) ~ 9(G)
Orange - White 3(H) ~ 9(G)
Yellow - White 4(H) ~ 9(G)
Red - White/Ground 2(H) ~ 9(G)
NOTE: At the G connector on the PCB: white wire turns to red
Gray - Gray 90 - 100 VAC N/A C1 1 ~ 2(C)
(FM) Combustion Fan Motor
Red - Black 6 - 45 VDC N/A B1 1 ~ 2(B)
White - Black 5 - 10 VDC N/A B1 2 ~ 4(B)
Yellow - Black 11 ~ 13 VDC N/A B1 2 ~ 3(B)
With the meter set on hertz scale, 17-460 hertz should be across the white and black wires at
terminals 2 and 4.
(IG) Ignition System

Rinnai Water Heater Service Manual 16
Electrical Diagnostic Points
R/C98e(ASME),
R/C98i(ASME)
Wire Color Voltage Resistance Connector No. Pin No.’s
Thermal Fuse
Blue - Red 12 VDC below 1 ohm E6 10(G) ~ 1(E)
Overheat Switch
Blue - Red 12 VDC below 1 ohm F1 N/A
Flame Rod
Place one lead of the meter to the flame rod and the other to ground. With the unit running, 5-150
VAC should be read. Set the meter to the µ amp scale and series the meter in line with the flame
rod. Proper flame circuit should read 1 µ amp or greater. If not, then remove the flame rod and
check for carbon build-up. Clean with sand paper or emery cloth.
Thermistors
Check all thermistors by inserting meter leads into each end of the thermistor plug. Set the meter to
the 20 K ohm scale and read resistance. Applying heat to the thermistor bulb should decrease the
resistance. Applying ice to the thermistor bulb should increase the resistance. Typical resistance
values are: 11.4-14 K ohm for 59°F; 6.4-7.8 K ohm for 86°F; 3.6-4.5 K ohm for 113°F; 2.2-2.7 K ohm
for 140°F; 0.6-0.8 K ohm for 221°F
Outgoing Water Thermistor
White - White see above G5 12 ~ 13(G)
Heat Exchanger Temperature Thermistor
White - White see above G4 4 ~ 13(G)
Surge Protector
Black - White 108 - 132 VAC N/A D1 1 ~ 2(D)
Black - White 108 - 132 VAC N/A D2
With the power off, check the continuity through the surge protector. Check by placing one meter
lead on the top pin #1 and bottom pin #2. Check by placing one meter lead on the top pin #2 and
bottom pin #1. If there is continuity across both sets of points, then the surge protector is good.
Controller
Black - Black 10 - 13 VDC
digital N/A A1 1 ~ 3(A)
Frost Protection
White - White 120 VAC * 150 ohms D4 N/A
White - White 60 VAC * 360 ohms D5 N/A
White - White 60 VAC* 360 ohms D6 N/A
Amp fuses
There are two inline 3 amp glass fuses. Remove the fuse and check continuity through it. If there is
continuity then the fuse is good.
* only when Frost Sensing Switch (D3) is ON

17 Rinnai Water Heater Service Manual
Electrical Diagnostic Points
V53e, R63LSe
Wire Color Voltage Resistance Connector No. Pin No.’s
(SV1, SV2, SV3, POV) Gas Valve and Modulating Solenoids
(Main) Pink - Black
11 - 13 VDC
37 - 43 ohms F5 8 ~ 9
(SV1) Black - Blue 35 - 41 ohms F6 9 ~ 10
(SV2) Black - Yellow 37 - 43 ohms F7 9 ~ 11
(POV) Pink - Pink 2 - 15 VDC 67 - 81 ohms F3 3 ~ 4
(M) Water Flow Servo
Red - Blue 11 - 13 VDC 22 - 28 ohms E5 9 ~ 8
Gray - Brown 4 - 6 VDC N/A E5 4 ~ 5
Gray - Yellow N/A N/A E5 4 ~ 6
NOTE: At the E connector on the PCB: gray wire turns to black
(QS) Water Flow Sensor
Black - Red 11 - 13 VDC 5.5 - 6.2 K ohms E2 3 ~ 4
Yellow - Black 4 - 7 VDC 1 - 1.4 mega ohms E2 1 ~ 4
(IG) Ignition System
Gray - Gray 90 - 110 VAC N/A B1 1 ~ 2
(FM) Combustion Fan Motor
Red - Black 6 - 45 VDC N/A D1 1 ~ 2
White - Black 5 - 10 VDC 9.2 - 9.4 K ohms D1 4 ~ 2
Yellow - Black 11 ~ 13 VDC 3.5 - 3.9 K ohms D1 3 ~ 2
With the meter set on hertz scale, 60-420 hertz should be across the white and black wires at
terminals 2 and 4.

Rinnai Water Heater Service Manual 18
Wire Color Voltage Resistance Connector No. Pin No.’s
Thermal Fuse / Overheat Switch
Red - White 12 VDC below 1 ohm E6 F1 E5 ~ F1
Flame Rod
Place one lead of the meter to the flame rod and the other to ground. With the unit running, 5-150
VAC should be read. Set the meter to the µ amp scale and series the meter in line with the flame
rod. Proper flame circuit should read 1 µ amp or greater. If not, then remove the flame rod and
check for carbon and damage.
Thermistors
Check all thermistors by inserting meter leads into each end of the thermistor plug. Set the meter to
the 20 K ohm scale and read resistance. Applying heat to the thermistor bulb should decrease the
resistance. Applying ice to the thermistor bulb should increase the resistance. Typical resistance
values are: 11.4-14 K ohm for 59°F; 6.4-7.8 K ohm for 86°F; 3.6-4.5 K ohm for 113°F; 2.2-2.7 K ohm
for 140°F; 0.6-0.8 K ohm for 221°F
Outgoing Water Thermistor
White - White see above E4 2 ~ 3
Heat Exchanger Temperature Thermistor
Pink - White see above E3 2 ~ 10
Surge Protector
Black - White 108 - 132 VAC N/A C2 1 ~ 3
Black - White 108 - 132 VAC N/A C1
With the power off, check the continuity through the surge protector. Check by placing one meter
lead on the top pin #1 and bottom pin #3. Check by placing one meter lead on the top pin #3 and
bottom pin #1. If there is continuity across both sets of points, then the surge protector is good.
Controller
Terminals A1 10 - 13 VDC 1.5 - 3.0 K ohms A 1 ~ 3
Frost Protection
heaters located on the hot water outlet line 180 - 207 ohms
heater located on heat exchanger piping 156 - 180 ohms
heater located on water flow sensor 24 - 28 ohms
Amp fuses
There are two inline 3 amp glass fuses. Remove the fuse and check continuity through it. If there is
continuity then the fuse is good.
Electrical Diagnostic Points
V53e, R63LSe

19 Rinnai Water Heater Service Manual
Electrical Diagnostic Points
R50LSi, R75LSe, R75LSi,
R94LSe, R94LSi
Wire Color Voltage Resistance Connector No. Pin No.’s
(SV1, SV2, SV3, POV) Gas Valve and Modulating Solenoids
(Main) Pink - Black
11 - 13 VDC 36.8 - 44.8 ohms
H5 6 ~ 7
(SV1) Black - Yellow H6 5 ~ 6
(SV2) Black - Blue H7 4 ~ 6
(SV3) Black - Brown H8 3 ~ 6
(POV) Pink - Pink 2 - 15 VDC 67 - 81 ohms H3 9 ~ 10
(M) Water Flow Servo
Red - Blue 11 - 13 VDC 22 - 26 ohms F7 9 ~ 10
Gray - Brown 4 - 6 VDC N/A F7 5 ~ 7
Gray - Yellow N/A N/A F7 5 ~ 8
NOTE: At the F connector on the PCB: gray wire turns to black, orange wire turns to red
(QS) Water Flow Sensor
Black - Red 11 - 13 VDC 5.5 - 6.2 K ohms F2 1 ~ 3
Yellow - Black 4 - 7 VDC 1 - 1.4 mega ohms F2 2 ~ 3
Bypass Flow Control (only on R94LSe and R94LSi)
Brown - White
2 - 6 VDC
(unit in operating
mode)
15 - 35 K ohms G1
1 ~ 5
Orange - White 2 ~ 5
Yellow - White 3 ~ 5
Red - White/Ground 4 ~ 5
(IG) Ignition System
Gray - Gray 90 - 110 VAC N/A C1 1 ~ 2
(FM) Combustion Fan Motor
Red - Black 6 - 45 VDC N/A E1 1 ~ 2
White - Black 5 - 10 VDC 9.2 - 9.4 K ohms E1 2 ~ 4
Yellow - Black 11 ~ 13 VDC 3.5 - 3.9 K ohms E1 2 ~ 3
With the meter set on hertz scale, 60-420 hertz should be across the red and yellow wires at
terminals 2 and 4.

Rinnai Water Heater Service Manual 20
Electrical Diagnostic Points
Wire Color Voltage Resistance Connector No. Pin No.’s
Thermal Fuse / Overheat Switch
Red - Red 11 - 13 VDC below 1 ohm F6 H1 F6 ~ H12
Flame Rod
Place one lead of the meter to the flame rod and the other to ground. With the unit running, 5-150
VAC should be read. Set the meter to the µ amp scale and series the meter in line with the flame
rod. Proper flame circuit should read 1 µ amp or greater. If not, then remove the flame rod and
check for carbon and damage.
Thermistors
Check all thermistors by inserting meter leads into each end of the thermistor plug. Set the meter to
the 20 K ohm scale and read resistance. Applying heat to the thermistor bulb should decrease the
resistance. Applying ice to the thermistor bulb should increase the resistance. Typical resistance
values are: 11.4-14 K ohm for 59°F; 6.4-7.8 K ohm for 86°F; 3.6-4.5 K ohm for 113°F; 2.2-2.7 K ohm
for 140°F; 0.6-0.8 K ohm for 221°F
Outgoing Water Thermistor
White - White see above F5 3 ~ 4
Heat Exchanger Temperature Thermistor
Pink - White see above F4 3 ~ 11
Orange - White see above F3 3 ~ 12
Surge Protector
Black - White 108 - 132 VAC N/A D2 1 ~ 3
Blue - Brown 108 - 132 VAC N/A D1 1 ~ 3
With the power off, check the continuity through the surge protector. Check by placing one meter
lead on the top pin #1 and bottom pin #3. Check by placing one meter lead on the top pin #3 and
bottom pin #1. If there is continuity across both sets of points, then the surge protector is good.
Controller
Terminals B1 10 - 13 VDC 1.5 - 3.0 K ohms B 1 ~ 3
Frost Protection
There are electrical heating elements mounted at different points to protect the water heater from
freezing.
heaters located on the hot water outlet line 180 - 207 ohms
heater located on heat exchanger piping 156 - 180 ohms
heater located on water flow sensor 24 - 28 ohms
Amp fuses
There are two inline 3 amp glass fuses. Remove the fuse and check continuity through it. If there is
continuity then the fuse is good.
Intake Air Thermistor (only on R50LSi, R75LSi, R94LSi)
R50LSi, R75LSe, R75LSi,
R94LSe, R94LSi

21 Rinnai Water Heater Service Manual
Electrical Diagnostic Points
R98LSe(ASME),
R98LSi(ASME)
Wire Color Voltage Resistance Connector No. Pin No.’s
(SV1, SV2, SV3, POV) Gas Valve and Modulating Solenoids
(Main) Pink - Black
11 - 13 VDC
24 - 28 ohms H3 6 ~ 7
(SV1) Black - Red H4 5 ~ 6
(SV2) Black - Orange H5 4 ~ 6
(SV3) Black - Yellow H6 3 ~ 6
(POV) Orange - Orange 2 - 15 VDC 67 - 81 ohms H2 9 ~ 10
(M) Water Flow Servo
Red - Blue 11 - 13 VDC 22 - 28 ohms F5 9 ~ 10
Gray - Brown 4 - 6 VDC N/A F5 5 ~ 7
Gray - Yellow N/A N/A F5 5 ~ 8
NOTE: At the F connector on the PCB: gray wire turns to black
(QS) Water Flow Sensor
Black - Red 11 - 13 VDC 5.5 - 6.2 K ohms F2 1 ~ 3
Yellow - Black 4 - 7 VDC 1 - 1.4 mega ohms F2 2 ~ 3
Bypass Flow Control
Brown - White
2 - 6 VDC
(unit in operating
mode)
15 - 35 K ohms G1
1 ~ 5
Orange - White 2 ~ 5
Yellow - White 3 ~ 5
Red - White/Ground 4 ~ 5
(IG) Ignition System
Gray - Gray 90 - 110 VAC N/A C1 1 ~ 2
(FM) Combustion Fan Motor
Red - Black 6 - 45 VDC N/A E1 1 ~ 2
White - Black 5 - 10 VDC 9.2 - 9.4 K ohms E1 2 ~ 4
Yellow - Black 11 ~ 13 VDC 3.5 - 3.9 K ohms E1 2 ~ 3
With the meter set on hertz scale, 60-420 hertz should be across the red and yellow wires at
terminals 2 and 4.
37 - 43 ohms
37 - 43 ohms
37 - 43 ohms

Rinnai Water Heater Service Manual 22
Electrical Diagnostic Points
Wire Color Voltage Resistance Connector No. Pin No.’s
Thermal Fuse / Overheat Switch
Red - White 11 - 13 VDC below 1 ohm F6 H1 F6 ~ H12
Flame Rod
Place one lead of the meter to the flame rod and the other to ground. With the unit running, 5-150
VAC should be read. Set the meter to the µ amp scale and series the meter in line with the flame
rod. Proper flame circuit should read 1 µ amp or greater. If not, then remove the flame rod and
check for carbon and damage.
Thermistors
Check all thermistors by inserting meter leads into each end of the thermistor plug. Set the meter to
the 20 K ohm scale and read resistance. Applying heat to the thermistor bulb should decrease the
resistance. Applying ice to the thermistor bulb should increase the resistance. Typical resistance
values are: 11.4-14 K ohm for 59°F; 6.4-7.8 K ohm for 86°F; 3.6-4.5 K ohm for 113°F; 2.2-2.7 K ohm
for 140°F; 0.6-0.8 K ohm for 221°F
Outgoing Water Thermistor
White - White see above F4 3 ~ 4
Heat Exchanger Temperature Thermistor
Pink - White see above F3 3 ~ 11
Surge Protector
Black - White 108 - 132 VAC N/A D2 1 ~ 3
Blue - Brown 108 - 132 VAC N/A D1 1 ~ 3
With the power off, check the continuity through the surge protector. Check by placing one meter
lead on the top pin #1 and bottom pin #3. Check by placing one meter lead on the top pin #3 and
bottom pin #1. If there is continuity across both sets of points, then the surge protector is good.
Controller
Terminals B1 10 - 13 VDC 1.5 - 3.0 K ohms B 1 ~ 3
Frost Protection
There are electrical heating elements mounted at different points to protect the water heater from
freezing. Voltage through this circuit should be 120 VAC.
heater located on the hot water outlet line 335 - 385 ohms
heater located on heat exchanger piping 156 - 180 ohms
heater located on water flow sensor 335 - 385 ohms
Amp fuses
There are two inline 3 amp glass fuses. Remove the fuse and check continuity through it. If there is
continuity then the fuse is good.
R98LSe(ASME),
R98LSi(ASME)

23 Rinnai Water Heater Service Manual
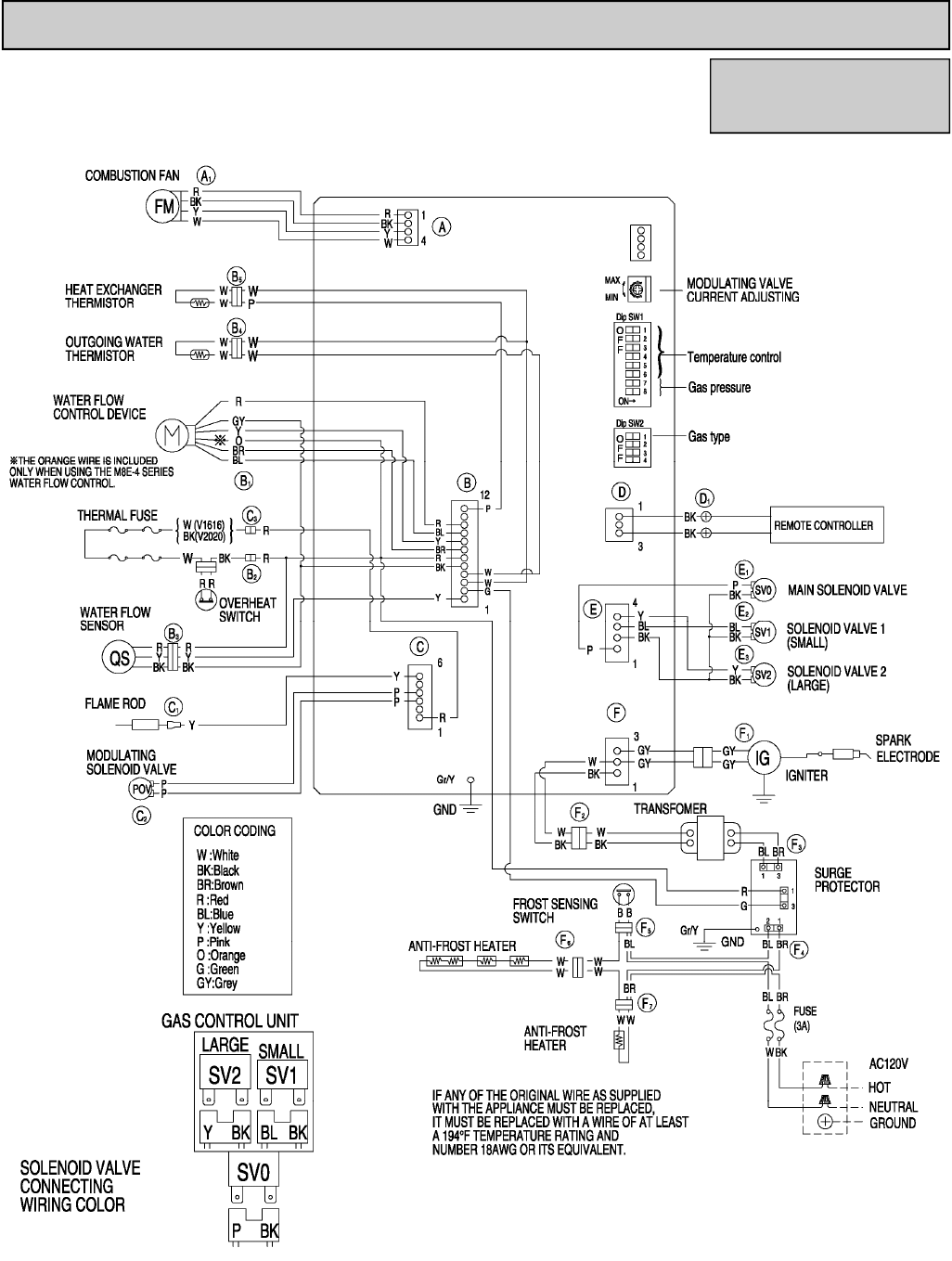
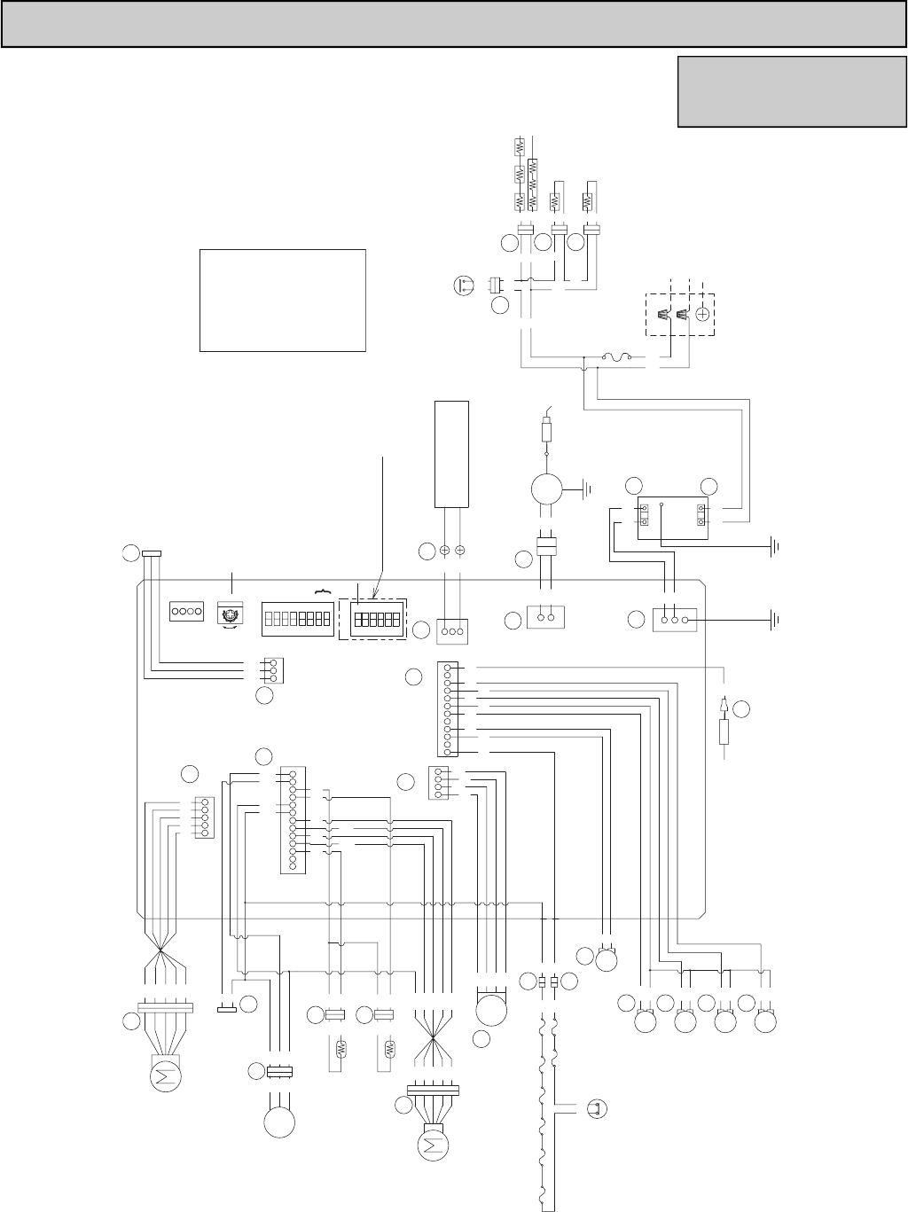
Wiring Diagram
R/C42e, R/C53e

Rinnai Water Heater Service Manual 24
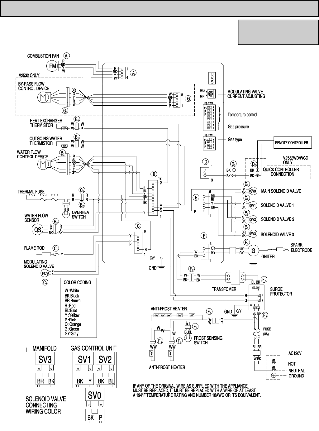
Wiring Diagram
R70e, R/C85e(PLUS)

25 Rinnai Water Heater Service Manual
Wiring Diagram
R/C53i(PLUS),
R/C85i(PLUS)

Rinnai Water Heater Service Manual 26
Wiring Diagram
R/C98i(ASME),
R/C98e(ASME)

27 Rinnai Water Heater Service Manual
D
C
1
2
B
W
Y
BK
R
4
1
GY
GY
D
1
FM
W
Y
BK
R
B
1
IG
GY
GY
ELECTRODE
SPARK
IGNITER
COMBUSTION FAN
REMOTE CONTROLLER
A
1
BK
BK
MODULATING VALVE
CURRENT ADJUSTING
Gas pressure
3
MAX
A
1
2
Dip SW1
3
8
7
6
5
4
1
2
3
4
O
F
F
Dip SW2
MIN
113
E
WBK
WYR
BR
Y
BL
R
P
1
F
12
14
BL
BR
(CN10)
(CN5)
(CN3)
(CN4)
(CN2)
(CN1)
RP
PYPBL
BKY
T
HERMAL FUSES
R
BL
WR
OVERHEAT
SWITCH
F
2
F
1
MODULATING
SOLENOID VALVE
POV
F
3
P
P
F
4
Y
FLAME ROD
F
5
SV1
F
7
F
6
SV0
Y
BK
SV2
BK
P
BL
BK
MAIN SOLENOID VALVE
SOLENOID VALVE 1
SOLENOID VALVE 2
(SMALL)
(LARGE)
SURGE
PROTECTOR
3
1
BR
BL
G/Y
C
2
W
BK
1
3
GND
FUSE
(3A)
BK
W
W
W
C
5
W
W
ANTI-FROST HEATER
BLBL
C
3
FROST SENSING
SWITCH
W
W
WW
C
4
ANTI-FROST HEATER
E
2
Y
R
BK
R
Y
BK
E
4
W
W
E
3
W
W
W
P
W
W
OUTGOING WATER
THERMISTOR
HEAT EXCHANGER
OUTGOING WATER
THERMISTOR
QS
WATER FLOW
SENSOR
E
5
BL
R
BR
Y
GY
WATER FLOW
CONTROL DEVICE
R
BL
BR
Y
GY
G
G
R
FREEZE PROTECTION
OPTION
V021CAV021CA
HOT
NEUTRAL
HOT
NEUTRAL
GROUND
COLOR CODINGCOLOR CODING
G/Y
C
1
E
1
5
6
GND
Spare Parts Only
R :Red
O :Orange
Y :Yellow
G :Green
BL:Blue
GY:Grey
W :White
P :Pink
BK:Black
BR:Brown
E
6
GND
V53e, R63LSe
Wiring Diagram

Rinnai Water Heater Service Manual 28
Wiring Diagram
R50LSi, R75LSe, R75LSi,
R94LSe, R94LSi
COLOR CODING
W :White
BK:Black
BR:Brown
R :Red
BL:Blue
Y :Yellow
P :Pink
O :Orange
G :Green
GY:Gray
1
3
BR
3
1
B
1
2
O
F
F
Dip SW1
3
8
7
6
5
4
F
5
W
W
B
1
BK
BK
MIN
MAX
MODULATING VALVE
CURRENT ADJUSTING
Gas pressure
F
4
W
W
W
P
W
W
OUTGOING WATER
THERMISTOR
HEAT EXCHANGER
THERMISTOR
Y
BR
O
R
W
BRROYW
BKRW
for REU-EZC
(Optional)
1
13
WATER FLOW
SENSOR
BK
F
2
Y
RR
Y
BK
QS
BY-PASS FLOW
CONTROL DEVICE
YBKR
FREEZE PROTECTION
OPTION
G
W
W
W
O
F
3
WW
O
P
BL
R
BR
Y
GY
WATER FLOW
CONTROL DEVICE
R
BL
BR
Y
GY
G
R
AIR TEMPERATURE
THERMISTOR
R
BL BR
Y
INDOOR MODEL ONLY
COMBUSTION FAN
FM R
BK
Y
W
E
1
W
41
YBK R
BY-PASS SERVO MODEL ONLY
1
1
THERMAL FUSES
R
R
OVERHEAT
SWITCH
H
2
H
1
MODULATING
SOLENOID VALVE
POV
H
3
P
P
H
4
Y
FLAME ROD
H
5
SV1
H
7
H
6
SV0
BL
BK
SV2
BK
P
Y
BK
MAIN SOLENOID VALVE
SOLENOID VALVE 1
SOLENOID VALVE 2
F
6
YBR
BLBKP
P
(CN2)
YP
R
12 1
SOLENOID VALVE 3
H
8
BR
BK
SV3
GY
C
1
IG
GY
GY
IGNITER GND
GY
SURGE
PROTECTOR
3
1
BR
BL
G/Y
D
2
W
BK
1
3
GND
FUSE
(3A)
BKW
W
BLBL
D
4
ANTI-FROST HEATER
AC120VAC120V
HOT
NEUTRAL
HOT
NEUTRAL
GROUND
G/Y
D
1
GND
D
5
ANTI-FROST HEATER
BLBL
D
3
FROST SENSING
SWITCH
W
BL
REMOTE CONTROLLER
SPARK
ELECTRODE
5
4
Spare Parts Only
Gas type
1
2
3
O
F
F
Dip SW2
6
A
C
D
E
F
G
H
F
1
G
1
(CN3)
(CN4)
(CN1)
(CN12)
(CN5)
(CN7)
(CN9)
5
3
R
R
F
7
(W) (W)

29 Rinnai Water Heater Service Manual
Wiring Diagram
R98LSe(ASME),
R98LSi(ASME)
A
3
1
W
3
1
B
1
2
O
F
F
Dip SW1
3
8
7
6
5
4
F
4
W
W
B
1
BK
BK
MIN
MAX
MODULATING VALVE
CURRENT ADJUSTING
Gas pressure
F
3
W
W
W
P
W
W
OUTGOING WATER
WATER THERMISTOR
HEAT EXCHANGER
WATER THERMISTOR
Y
BR
O
R
WBRROYW
BKRW
for REU-EZC
(Optional)
1
13
WATER FLOW
SENSOR
BK
F
2
Y
RR
Y
BK
QS
BY-PASS FLOW
CONTROL DEVICE
YBKR
FREEZE PROTECTION
(OPTIONAL)
G
WWP
BL
R
BR
Y
GY
W
ATER FLOW
CONTROL DEVICE
R
BL
BR
Y
GY
G
R
R
BL BR
Y
COMBUSTION FAN
FM
R
BK
Y
W
E
1
W
4 1
YBKR
1
1
MODULATING
SOLENOID VALVE
POV
H
2
O
O
H
7
Y
FLAME ROD
H
3
SV1
H
5
H
4
SV0
O
BK
SV2
BK
P
R
BK
MAIN SOLENOID VALVE
SOLENOID VALVE 1
(CENTER)
SOLENOID VALVE 2
(LEFT)
YY
OBKO
O
(CN2)
RP
W
12 1
SOLENOID VALVE 3
(RIGHT)
H
6
Y
BK
SV3
GY
C
1
IG
GY
GY
IGNITER GND
GY
FUSE
(3A)
BK
W
AC120VAC120V
HOT
NEUTRAL
HOT
NEUTRAL
GROUND
GND
BK
REMOTE CONTROLLER
SPARK
ELECTRODE
5
4
Spare Parts Only
Gas type
1
2
3
O
F
F
Dip SW2
6
C
D
E
F
G
H
F
1
G
1
(CN3)
(CN4)
(CN1)
(CN12)
(CN5)
(CN7)
(CN9)
5
3
D
2
D
1
1
WBK
WBK
G/Y
SURGE
PROTECTOR
GND
R
W
RR
H
1
F
6
THERMAL FUSES
OVERHEAT
SWITCH
R
W
COLOR CODING
W :White
BK:Black
BR:Brown
R :Red
BL:Blue
Y :Yellow
P :Pink
O :Orange
G :Green
GY:Gray
BL BL
W
W
W
W
W
W
ANTI-FROST
HEATER
D
5
D
3
FROST SENSING
SWITCH
W
W
D
6
W
W
D
4
W
W
W
W
W
1
F
5
A
1
1
G/Y

Rinnai Water Heater Service Manual 30
An “LC” or “00” error code indicates the unit is beginning to lime up and must be flushed. Failure to flush the
appliance will cause damage to the heat exchanger. Damage caused by lime build-up is not covered by the unit’s
warranty. After flushing, reset the LC fault code by turning off the power to the unit and turning the power back
on.
Rinnai
Water Heater
Pressure Relief Valve
3/4" Ball Valve
3/4" Union
Check Valve
S
Pressure Regulator
Circulating Pump
Solenoid Valve
Boiler Drain Valve
KEY
GasSuppl
y
V1
V3
V2
V4
H1
H2
H3
Circulating Pump
5gallonpailof virgin,food
grade, white vinegar (or virgin,
food grade, citric acid).
ColdWaterLine
HotWaterLine
n-line
Filter
I
1. Disconnect electrical power to the water heater.
2. Close the shutoff valves on both the hot water and cold
water lines (V3 and V4).
3. Connect pump outlet hose (H1) to the cold water line at
service valve V2.
4. Connect drain hose (H3) to service valve V1.
5. Pour approximately 4 gallons of virgin, food grade, white
vinegar or citric acid into pail.
6. Place the drain hose (H3) and the hose (H2) to the pump
inlet into the cleaning solution.
7. Open both service valves (V1 and V2) on the hot water and
cold water lines.
8. Operate the pump and allow the cleaning solution to
circulate through the water heater for at least 45 minutes.
9. Turn off the pump.
10. Rinse the cleaning solution from the water heater as follows:
a. Remove the free end of the drain hose (H3) from the pail.
b. Close service valve, (V2), and open shutoff valve, (V4).
Do not open shutoff valve, (V3).
c. Allow water to flow through the water heater for 5 minutes
d. Close service valve, (V1), and open shutoff valve, (V3).
11. Disconnect all hoses.
12. With (V4) closed, remove the in-line filter at the cold water
inlet and clean out any residue. Place filter back into unit
and open (V4).
13. Restore electrical power to the water heater.
Flushing the Heat Exchanger

31 Rinnai Water Heater Service Manual
R/C42e, R/C53e, V53e, R63LSe
Gas Control Assembly
Component Replacement Instructions
Ignition line
Six screws
Three screws
Cable tie
1. Turn off the gas supply.
2. Turn off the 120 V power supply.
3. Remove four screws securing the front panel. Remove front panel.
4. Move aside the ignition line by pulling it out from the clear plastic tubing. (Figure 1)
5. Remove the six screws that attach the gas manifold to the combustion chamber (part of the heat
exchanger assembly). (Figure 1)
6. Remove the three screws that attach the gas manifold to the gas valve. Pull out the gas manifold.
(Figure 1)
Figure 1
7. Remove the screw on the gas valve holding the cable tie.
8. Remove the 3 screws attaching the gas connection to the underneath side of the water heater.
(Figure 2)
Figure 2
Gas connection
attached with 3 screws
Regulator screw access
9. Pull the gas connection down to disconnect it from the gas control assembly.
10. Pull out the gas control assembly. Remove the wire harness from the 4 solenoids.

Rinnai Water Heater Service Manual 32
Component Replacement Instructions
Figure 4
Circular gaskets
black / blue (small solenoid)
black / yellow (large solenoid)
SV0 black / pink
POV pink / pink
(connector not shown)
Figure 3
WARNING Failure to correctly assemble the components according to these instructions
may result in a gas leak or explosion.
11. Install the gas valve and attach the wire harness
to the 4 solenoids. (Figure 3)
12. Install the gas connection with 3 screws.
13. Replace the two circular gaskets (included in kit)
in the gas valve. Make sure that the ribbed side
faces toward the manifold and that the flat side
faces toward the gas valve. (Figure 4)
14. Start the three screws that attach the gas
manifold to the gas valve. Tighten the six screws
that hold the gas manifold to the combustion
chamber. Finish tightening the three screws that
hold the gas manifold to the gas valve.
15. Attach ignition line.
16. Perform the Gas Pressure Setting Procedure.
R/C42e, R/C53e, V53e, R63LSe
Gas Control Assembly

33 Rinnai Water Heater Service Manual
Component Replacement Instructions
Ignition line
Six screws
Wire harness connector
PC Board (dip switches)
Three screws
1. Turn off the gas supply.
2. Turn off the 120 V power supply.
3. Remove four screws securing the front panel. Remove front panel.
4. Pull out wire harness connector at the gas manifold assembly. See Figure 1.
5. Move aside the ignition line by pulling it out from the clear plastic tubing.
6. Remove the six screws that attach the gas manifold to the combustion chamber (part of the heat
exchanger assembly).
7. Remove the three screws that attach the gas manifold to the gas valve. Pull out the gas manifold.
Figure 1
8. Remove the four screws attaching the gas connection to the underneath side of the water heater.
See Figure 2.
Figure 2 Gas connection attached with 4 screws
Regulator screw access
9. Pull the gas connection down to disconnect it from the gas control assembly.
10. Pull out the gas control assembly. Remove the wire harness from the 4 solenoids.
11. Replace the O-ring (included in kit) where the assembly attaches to the gas connection. Make sure
the old O-ring is removed and discarded. Install the new gas control assembly.
WARNING Failure to correctly assemble the components according to these instructions
may result in a gas leak or explosion.
Gas Control Assembly R/C53i(PLUS), R70e, R/C85e(PLUS), R/C85i(PLUS),
R50LSi, R75LSe, R75LSi, R94LSe, R94LSi

Rinnai Water Heater Service Manual 34
Component Replacement Instructions
13. Install the gas manifold using 2 new packings (included in kit) between the manifold and the heat
exchanger. Replace the two circular gaskets (included in kit) in the gas valve. Make sure that the
ribbed side faces toward the manifold and that the flat side faces toward the gas valve. (Figure 5).
14. Start the three screws that attach the gas manifold to the gas valve. Tighten the six screws that hold
the gas manifold to the combustion chamber. Finish tightening the three screws that hold the gas
manifold to the gas valve.
15. Attach wiring harness connector (black & brown wires) to the gas manifold.
16. Attach ignition line.
17. Perform the Gas Pressure Setting Procedure.
SV2 black / blue SV1 black / yellow
SV0 black / pink
POV pink / pink
(connector not shown)
Figure 3
12. Attach wire harness to the 4 solenoids as shown in Figure 3 below.
Figure 4 Figure 5
Circular gaskets in gas
valve
Upper packing
Lower packing
(U shaped)
Gas Control Assembly R/C53i(PLUS), R70e, R/C85e(PLUS), R/C85i(PLUS),
R50LSi, R75LSe, R75LSi, R94LSe, R94LSi

35 Rinnai Water Heater Service Manual
Component Replacement Instructions
R/C98e(ASME), R/C98i(ASME),
R98LSe(ASME), R98LSi(ASME)
Gas Control Assembly
1. Turn off the gas supply.
2. Turn off the 120 V power supply.
3. Remove four screws securing the front panel.
Remove front panel.
4. On indoor models, remove the bracket holding
the controller (1 screw). (Figure 1)
5. Move aside the ignition line by pulling it out from
the clear plastic tubing. (Figure 1)
6. Remove the 5 screws that attach the gas
manifold to the combustion chamber (part of the
heat exchanger assembly). (Figure 2)
7. Remove the 2 screws that attach the gas
manifold to the gas valve. These screws are
machine screws and must be used at these
locations. (Figure 2)
8. Pull out the gas manifold and remove the
connector at the ignitor at the left side of the gas
manifold.
9. Remove the 3 screws attaching the gas
connection to the underneath side of the water
heater. (Figure 3)
10. Remove the screw attaching the gas valve to the
rear of the case.
11. Pull the gas connection down to disconnect it
from the gas control assembly.
Bracket screw
Figure 1
(indoor models)
Water line connections
Figure 2
5 screws
(gas manifold)
2 machine screws
(gas valve)
Figure 3
Regulator
screw
access
Gas connection
attached with 3 screws

Rinnai Water Heater Service Manual 36
Component Replacement Instructions
R/C98e(ASME), R/C98i(ASME),
R98LSe(ASME), R98LSi(ASME)
Gas Control Assembly
Figure 5
black / orange
orange / orange
Figure 4
WARNING Failure to correctly assemble the components according to these instructions
may result in a gas leak or explosion.
12. Pull out the gas control assembly. Remove the
wire harness from the 2 solenoids.
13. Install the gas valve and attach the wire harness
to the 2 solenoids. (Figure 4)
14. Install the gas connection with 3 screws.
15. Replace the circular gasket (included in kit) in the
gas valve. Make sure that the ribbed side faces
toward the manifold and that the flat side faces
toward the gas valve. (Figure 5)
16. Start the 2 screws that attach the gas manifold to
the gas valve. Tighten the 5 screws that hold the
gas manifold to the combustion chamber. Finish
tightening the 2 screws that hold the gas manifold
to the gas valve.
17. Attach ignition line.
18. On indoor models, install the bracket with the
controller.
19. Perform the Gas Pressure Setting Procedure.
Gasket

37 Rinnai Water Heater Service Manual
Component Replacement Instructions
R/C42e, R/C53e, V53e, R63LSe
Fan
1. Turn off the gas supply.
2. Turn off the 120 V power supply.
3. Turn off the water supply.
4. Remove four screws securing the front panel.
Remove front panel.
5. On the V53e and R63LSe, remove the screws
(3) holding the bracket with the surge protector.
(Figure 1)
6. Disconnect the wire harness at the fan
assembly. (Figure 2)
7. On the V53e and R63LSe, remove the screw
attaching the bracket with the ignitor to the
bottom of the burner case. (Figure 2)
8. Remove the three screws attaching the fan sub
-assembly to the fan casing. (Figure 3)
9. Pull out the fan sub-assembly.
10. Install the new fan sub-assembly and tighten
with three screws.
11. On the V53e and R63LSe, install the bracket
with the ignitor with one screw.
12. Attach the wire harness to the fan assembly
(white, yellow, black, red wires).
13. On the V53e and R63LSe, install the bracket
with the surge protector with three screws.
14. Install front panel using 4 screws.
15. Turn on water supply, power supply, and gas
supply.
Figure 1
2 screws at bottom
Figure 3
3 screws
Figure 2
1 screw
Wire Harness Connector

Rinnai Water Heater Service Manual 38
Component Replacement Instructions
R70e, R/C85e(PLUS),
R75LSe, R94LSe
Fan
1. Turn off the gas supply.
2. Turn off the 120 V power supply.
3. Turn off the water supply.
4. Remove four screws securing the front panel. Remove front panel.
5. Disconnect wire harness at the fan assembly. Disconnect the air temperature thermistor (two white
wires) at the connection with the white and orange wires within the wire bundle.
6. Pull out the harness attached to the solenoid on the manifold to make room to pull out the fan as-
sembly.
7. Remove the two screws that attach the fan assembly to the bottom of the burner.
8. Pull out the fan assembly.
9. Install the fan assembly by inserting the tab on the fan assembly into the slot at the base of the heat
exchanger and attaching with two screws.
10. Attach the wire harness to the solenoid on the gas manifold (brown, black wires).
11. Attach the wire harness to the fan assembly (white, yellow, black, red wires).
12. Attach the air temperature thermistor (white, white wires) to the wire harness.
13. Install front panel using 4 screws.
14. Turn on water supply, power supply, and gas supply.
Two screws
Wire harness connection
on the fan assembly
Solenoid on
the manifold
Figure 1

39 Rinnai Water Heater Service Manual
Component Replacement Instructions
R/C53i(PLUS), R/C85i(PLUS),
R50LSi, R75LSi, R94LSi
Fan
1. Turn off the gas supply.
2. Turn off the 120 V power supply.
3. Turn off the water supply.
4. Remove four screws securing the front panel. Remove front panel.
5. Disconnect wire harness at the fan assembly. Disconnect the air temperature thermistor (two white
wires) at the connection with the white and orange wires within the wire bundle.
6. Pull out the harness attached to the solenoid on the manifold to make room to pull out the fan as-
sembly.
7. Loosen the ducting from the fan assembly by pinching open the metal clamp.
8. Remove the two screws that attach the fan assembly to the bottom of the burner.
9. Pull out the fan assembly.
10. Install the fan assembly by inserting the tab on the fan assembly into the slot at the base of the heat
exchanger and attaching with two screws.
11. Push ducting over fan assembly inlet and secure with metal clamp.
12. Attach the wire harness to the solenoid on the gas manifold (brown, black wires).
13. Attach the wire harness to the fan assembly (white, yellow, black, red wires).
14. Attach the air temperature thermistor (white, white wires) to the wire harness.
15. Install front panel using 4 screws.
16. Turn on water supply, power supply, and gas supply.
2 screws
Wire harness connection
on the fan assembly
Solenoid on the manifold
Wire harness bundle
(air temperature
thermistor connection to
orange / white wires)
Ducting and
metal clamp
Figure 1
Water outlet
connection
water flow servo
assembly
connection

Rinnai Water Heater Service Manual 40
Component Replacement Instructions
R/C98e(ASME), R/C98i(ASME),
R98LSe(ASME), R98LSi(ASME)
Fan
1. Turn off the gas supply.
2. Turn off the 120 V power supply.
3. Turn off the water supply.
4. Remove four screws securing the front panel.
Remove front panel.
5. On indoor models, remove the bracket holding
the controller (1 screw). (Figure 1)
6. Disconnect the wire harness at the fan
assembly. (Figure 2)
7. Remove the three screws attaching the fan
motor to the fan casing. (Figure 3)
8. Pull out the fan motor.
9. Install the new fan motor and tighten with three
screws.
10. Attach the wire harness to the fan assembly
(white, yellow, black, red wires).
11. On indoor models, install the bracket with the
remote controller.
12. Install front panel using 4 screws.
13. Turn on water supply, power supply, and gas
supply.
3 screws
Figure 2
Wire Harness Connector
Bracket screw
Figure 1
(indoor models)

41 Rinnai Water Heater Service Manual
Component Replacement Instructions
R/C42e, R/C53e
PC Board
1. Turn off the gas supply.
2. Turn off the 120 V power supply.
3. Turn off the water supply.
4. Remove four screws securing the front panel.
Remove front panel.
5. Remove the plastic guard covering the front of the
PC board.
6. Remove the controller connections.
7. Remove the screws securing the grounding cables.
8. If a surge protector with terminals is installed, then
remove this board by removing two screws. This
board should be re-installed on the replacement PC
board.
9. Remove the two screws at the top and bottom of the
PC board.
10. Pull out the PC board, remove plastic cover, and
remove the connections.
11. Adjust dip switches on the new PC board.
Switches 1-8 (SW1): Configure the dip switches the
same as on the original PC board. If necessary,
refer to the Dip Switch section or to the Operation
and Installation Manual for more information on
these dip switches.
Switches 1-4 (SW2): Configure according to the
table.
12. Attach connections and plastic cover.
13. Insert PC board and attach with two screws.
14. Attach the grounding cables with screws.
15. Attach connections for the controller.
16. Perform the Gas Pressure Setting Procedure.
Figure 1
SW1
SW2
Burner test point
Potentiometer
SW2 setup
OFF position for models prior to these serial
numbers: (on these units, the front panel
does not have an “R” or “C” trade name,
unless the front panel has been replaced)
V1616W, V1616WC 06.02-000001
V2020W, V2020WC 05.07-000001
V2532W, V2532WC 05.05-117257
V2532FFU, V2532FFUC 05.05-117257
V2520FFU, V2520FFUC 05.05-109539
V2526W 05.05-110434
ON position for other models, serial numbers
1 OFF - Propane Gas
ON - Natural Gas
2
3 OFF position
4 OFF - Residential Models
ON - Commercial Models
Grounding cables
Screw
Screw
Surge protector
board with
terminals

Rinnai Water Heater Service Manual 42
Component Replacement Instructions
V53e, R63LSe
PC Board
1. Turn off the gas supply.
2. Turn off the 120 V power supply.
3. Turn off the water supply.
4. Remove four screws securing the front panel.
Remove front panel.
5. Remove the screw connecting the PC board to the
back of the water heater casing.
6. Pull out the PC board and remove the connections.
7. Adjust dip switches on the new PC board.
Replacement PC boards have an additional bank of
6 dip switches. Adjust as follows:
Switches 1-8 (SW1): Configure the dip switches the
same as on the original PC board. If necessary,
refer to the Dip Switch section or to the Operation
and Installation Manual for more information on
these dip switches.
Switches 1-6 (SW2): Configure according to the
diagrams below based on your model and gas
type.
8. Attach connections and insert PC board. Insert the
tab on the PC board into the hole in the bottom of
the case. Attach with one screw.
9. Perform the Gas Pressure Setting Procedure.
Figure 1 Screw
SW1
SW2
Burner test point
Potentiometer
Switch No.
F
O
F
5
6
4
3
ON
1
2
Switch No.
F
O
F
5
6
4
3
ON
1
2
Propane (LPG) Natural Gas (NG)
SW2 setup for R63LSe
Switch No.
F
O
F
5
6
4
3
ON
1
2
Switch No.
F
O
F
5
6
4
3
ON
1
2
Propane (LPG) Natural Gas (NG)
SW2 setup for V53e

43 Rinnai Water Heater Service Manual
1. Turn off the gas supply.
2. Turn off the 120 V power supply.
3. Turn off the water supply.
4. Remove four screws securing the front panel.
Remove front panel.
5. Remove the plastic guard covering the front of the
PC board.
6. Remove the controller connections.
7. If a surge protector with terminals is installed, then
remove this board by removing two screws. This
board should be re-installed on the replacement PC
board.
8. Remove the two screws at the top and bottom of the
PC board.
9. Pull out the PC board, remove plastic cover, and
remove the connections.
10. Adjust dip switches on the new PC board.
11. Attach connections and plastic cover.
12. Insert PC board and attach with two screws.
13. If a surge protector with terminals was installed on
the original PC board, remove it and install it on the
new PC board. See Figure 1.
14. Attach connections for the remote controller.
15. Attach plastic guard.
16. Perform the Gas Pressure Setting Procedure.
Figure 1
Screw
Screw
Remote controller
terminals
(NOT for 120 V power)
If these 2 terminals are
present then this is a
surge protector board
with terminals to
connect freeze
protection solenoid
valves and should be
installed with the new
PC board.
Attached with 2 screws
Component Replacement Instructions
R/C53i(PLUS), R70e, R/C85e(PLUS), R/C85i(PLUS),
R50LSi, R75LSe, R75LSi, R94LSe, R94LSi
PC Board
Switches 1-8 (SW1): Configure the dip switches the
same as on the original PC board. If necessary,
refer to the Dip Switch section or to the Operation
and Installation Manual for more information on
these dip switches.
V Series (R70e, R/C85e, R/C53i, R/C85i)
Switches 1-4 (SW2): Configure according to the
table.
VA Series (R50LSi, R75LSe, R94LSe, R75LSi,
R94LSi)
Switches 1-6 (SW2):
Replacement PC boards for the VA series have an
additional bank of 6 dip switches. Configure
according to the diagrams based on your model and
gas type.

Rinnai Water Heater Service Manual 44
Component Replacement Instructions
OFF position for models prior to these serial
numbers: (on these units, the front panel
does not have an “R” or “C” trade name,
unless the front panel has been replaced)
V1616W, V1616WC 06.02-000001
V2020W, V2020WC 05.07-000001
V2532W, V2532WC 05.05-117257
V2532FFU, V2532FFUC 05.05-117257
V2520FFU, V2520FFUC 05.05-109539
V2526W 05.05-110434
ON position for other models, serial numbers
1 OFF - Propane Gas
ON - Natural Gas
2
3 OFF position
4 OFF - Residential Models
ON - Commercial Models
SW2 setup for V Series (R70e, R/C85e, R/C53i, R/C85i)
R/C53i(PLUS), R70e, R/C85e(PLUS), R/C85i(PLUS),
R50LSi, R75LSe, R75LSi, R94LSe, R94LSi
PC Board

45 Rinnai Water Heater Service Manual
Switch No.
F
O
F
5
6
4
3
ON
1
2
Switch No.
F
O
F
5
6
4
3
ON
1
2
Switch No.
F
O
F
5
6
4
3
ON
1
2
Switch No.
F
O
F
5
6
4
3
ON
1
2
Switch No.
F
O
F
5
6
4
3
ON
1
2
Switch No.
F
O
F
5
6
4
3
ON
1
2
Propane (LPG) Natural Gas (NG)
SW2 setup for R94LSi
(REU-VA2535FFUD-US)
(REU-VA2535FFUD-UC)
Switch No.
F
O
F
5
6
4
3
ON
1
2
Switch No.
F
O
F
5
6
4
3
ON
1
2
Switch No.
F
O
F
5
6
4
3
ON
1
2
Switch No.
F
O
F
5
6
4
3
ON
1
2
VA Series (R50LSi, R75LSe, R94LSe, R75LSi, R94LSi)
Component Replacement Instructions
R/C53i(PLUS), R70e, R/C85e(PLUS), R/C85i(PLUS),
R50LSi, R75LSe, R75LSi, R94LSe, R94LSi
PC Board
Switch No.
F
O
F
5
6
4
3
ON
1
2
Switch No.
F
O
F
5
6
4
3
ON
1
2
Switch No.
F
O
F
5
6
4
3
ON
1
2
Switch No.
F
O
F
5
6
4
3
ON
1
2
Switch No.
F
O
F
5
6
4
3
ON
1
2
Switch No.
F
O
F
5
6
4
3
ON
1
2
Propane (LPG) Natural Gas (NG)
SW2 setup for R50LSi
(REU-VA2019FFUD-US)
Propane (LPG) Natural Gas (NG)
SW2 setup for R75LSi
(REU-VA2528FFUD-US)
Propane (LPG) Natural Gas (NG)
SW2 setup for R75LSe
(REU-VA2535WD-US)
Propane (LPG) Natural Gas (NG)
SW2 setup for R50LSi
(REU-VA2019FFUD-UC)
Propane (LPG) Natural Gas (NG)
SW2 setup for R75LSi
(REU-VA2528FFUD-UC)
Propane (LPG) Natural Gas (NG)
SW2 setup for R75LSe
(REU-VA2535WD-UC)
Propane (LPG) Natural Gas (NG)
SW2 setup for R94LSe
(REU-VA2535WD-US)
(REU-VA2535WD-UC)
NOTE: The diagrams below are for the -UC models of the R50LSi, R75LSi, and R75LSe.

Rinnai Water Heater Service Manual 46
Component Replacement Instructions
R/C98e(ASME), R/C98i(ASME),
R98LSe(ASME), R98LSi(ASME)
PC Board
1. Turn off the gas supply.
2. Turn off the 120 V power supply.
3. Remove four screws securing the front panel.
Remove front panel.
4. Remove the surge protector (2 screws)
5. Remove the 2 screws connecting the PC
board to the water heater casing.
6. Pull out the PC board and remove the
connections.
7. Adjust dip switches on the new PC board.
8. Attach connections and insert PC board.
Attach with 2 screws.
9. Attach the surge protector with 2 screws.
10. Perform the Gas Pressure Setting
Procedure.
Figure 1 Screw
SW1
SW2
Burner test point
Potentiometer
Surge
protector
Screw
Switches 1-8 (SW1):
Configure the dip switches the same as on the
original PC board. If necessary, refer to the
Dip Switch section or to the Operation and
Installation Manual for more information on
these dip switches.
Switches 1-4 (SW2) or Switches 1-6 (SW2):
Configure according to the diagrams based on
your model and gas type.
Propane (LPG) Natural Gas (NG)
SW2 setup for R98LSi
Switch No.
F
O
F
5
6
4
3
ON
1
2
Switch No.
F
O
F
5
6
4
3
ON
1
2
Propane (LPG) Natural Gas (NG)
SW2 setup for R98LSe
Switch No.
F
O
F
5
6
4
3
ON
1
2
Switch No.
F
O
F
5
6
4
3
ON
1
2
Switch No.
F
O
F
4
3
ON
1
2
Switch No.
F
O
F
4
3
ON
1
2
Propane (LPG) Natural Gas (NG)
SW2 setup for R98e, R98i
Switch No.
F
O
F
4
3
ON
1
2
Switch No.
F
O
F
4
3
ON
1
2
Propane (LPG) Natural Gas (NG)
SW2 setup for C98e, C98i

47 Rinnai Water Heater Service Manual
Component Replacement Instructions
R/C42e, R/C53e
Water Flow Control Assembly
1. Turn off the gas supply.
2. Turn off the 120 V power supply.
3. Turn off the water supply. Drain all water from the appliance.
4. Remove four screws securing the front panel. Remove front panel.
5. Remove 2 screws and bracket at the water flow assembly. The bracket can be left on the water line.
Pull out the water line. (Figure 1)
6. Remove the 3 screws attaching the water inlet to the underneath side of the water heater.
(Figure 2).
Remove the water flow assembly
Figure 1
Due to design changes, the new valve may appear different than the installed valve in
color, size, and in the number of wires in the harness connections.
NOTICE
Water inlet
Figure 2
2 screws and bracket
(water flow assembly)

Rinnai Water Heater Service Manual 48
R/C42e, R/C53e
Water Flow Control Assembly
Component Replacement Instructions
Assemble
A.water flow sensor harness (black/yellow/red wires)
B.remove water flow servo harness (red/blue/brown/yellow/gray or red/blue/brown/orange/yellow/
gray wires)
C.heating element
7. Pull out the water flow servo assembly and disconnect the cable harnesses. (Figure 3)
8. Place the new water flow assembly inside the water heater and attach the cable harnesses.
9. Replace the O-ring on the water inlet (included in kit). Attach the water flow assembly through the
bottom of the compartment to the water inlet using 3 screws. The shorter screw can be installed first
to connect the water flow assembly to the bottom of the compartment. Then install the 2 longer
screws through the water inlet.
10. Replace the O-ring on the water line (included in kit). Attach the water line to the water flow
assembly with 2 screws and bracket.
11. Install the front panel using 4 screws. Turn on the water supply, power supply, and gas supply.
12. Open a hot water tap and ensure there are no leaks at the water heater.
Figure 3
water flow servo
connector
heating element
connector
water flow sensor
connector

49 Rinnai Water Heater Service Manual
Component Replacement Instructions
V53e, R63LSe
Water Flow Control Assembly
1. Turn off the gas supply.
2. Disconnect the 120 V power supply.
3. Turn off the water supply. Drain all water from the appliance.
4. Remove four screws securing the front panel. Remove front panel.
5. Remove the bracket holding the surge protector.
6. Remove 2 screws and 1 bracket at the water flow assembly. Pull out the water line. (Figure 1)
7. Remove the 3 screws attaching the water inlet to the underneath side of the water heater.
(Figure 2).
Remove the water flow assembly
Water inlet
Figure 2
Figure 1
2 screws and bracket
(water flow assembly)
bracket with surge
protector

Rinnai Water Heater Service Manual 50
Component Replacement Instructions
Assemble
a. water flow sensor harness (black/yellow/red wires)
b. remove water flow servo harness (red/blue/brown/yellow/gray or red/blue/brown/orange/yellow/
gray wires) at the water flow assembly
c. heating element
8. Pull out the water flow servo assembly and disconnect the cable harnesses. (Figure 3)
9. Place the new water flow assembly inside the water heater and attach the cable harnesses.
10. Replace the O-ring on the water inlet (included in kit). (Figure 4) Attach the water flow assembly
through the bottom of the compartment to the water inlet using 3 screws. The shorter screw can be
installed first to connect the water flow assembly to the bottom of the compartment. Install the 2
longer screws through the water inlet.
11. Replace the O-ring on the water line (included in kit). Attach the water line to the water flow
assembly with 2 screws and bracket.
12. Install the bracket with the surge protector.
13. Install the front panel using 4 screws.
14. Turn on the water supply, power supply, and gas supply.
15. Open a hot water tap and ensure there are no leaks at the water heater.
Figure 3
water flow sensor
harness
heating element
water flow servo
harness
O-ring
Figure 4
V53e, R63LSe
Water Flow Control Assembly

51 Rinnai Water Heater Service Manual
Component Replacement Instructions
R/C53i(PLUS), R50LSi,
R75LSe, R75LSi
Water Flow Control Assembly
1. Turn off the gas supply.
2. Turn off the 120 V power supply.
3. Turn off the water supply. Drain all water from the appliance.
4. Remove four screws securing the front panel. Remove front panel.
5. Remove 1 screw and bracket at the water flow assembly. The bracket can be left on the water line.
Pull out the water line. (Figure 1)
6. Remove the 4 screws attaching the water inlet to the underneath side of the water heater.
(Figure 2).
Remove the water flow assembly
Figure 1
Due to design changes, the new valve may appear different than the installed valve in
color, size, and in the number of wires in the harness connections.
NOTICE
Water inlet
Figure 2
1 screw and bracket
(water flow assembly)

Rinnai Water Heater Service Manual 52
Component Replacement Instructions
R/C53i(PLUS), R50LSi,
R75LSe, R75LSi
Water Flow Control Assembly
Assemble
A.water flow sensor harness (black/yellow/red wires)
B.water flow servo harness (red/blue/brown/yellow/gray or red/blue/brown/orange/yellow/gray wires)
C.heating element
7. Pull out the water flow servo assembly and disconnect the cable harnesses. (Figure 3)
8. Place the new water flow assembly inside the water heater and attach the cable harnesses.
9. Replace the O-ring on the water inlet (included in kit). Attach the water flow assembly through the
bottom of the compartment to the water inlet using 4 screws. The 2 shorter screws can be installed
first to connect the water flow assembly to the bottom of the compartment. Then install the 2 longer
screws through the water inlet.
10. Replace the O-ring on the water line (included in kit). Attach the water line to the water flow
assembly with 1 screw and bracket.
11. Install the front panel using 4 screws.
12. Turn on the water supply, power supply, and gas supply.
13. Open a hot water tap and ensure there are no leaks at the water heater.
Figure 3
water flow servo connector
heating element
connector water flow sensor
connector

53 Rinnai Water Heater Service Manual
Component Replacement Instructions
R/C85e(PLUS), R/C85i(PLUS),
R94LSe, R94LSi
Water Flow Control Assembly
1. Turn off the gas supply.
2. Turn off the 120 V power supply.
3. Turn off the water supply. Drain all water from the appliance.
4. Remove four screws securing the front panel. Remove front panel.
Remove Fan Assembly (Figure 1)
5. Disconnect wire harness at the fan assembly. Disconnect the air temperature thermistor (two white wires) at
the connection with the white and orange wires within the wire bundle.
6. Pull out the harness attached to the solenoid on the manifold to make room to pull out the fan assembly.
7. Remove the 2 screws that attach the fan assembly to the bottom of the burner.
8. On indoor models, loosen the ducting from the fan assembly by pinching open the metal clamp.
9. Pull out the fan assembly.
10. Remove 2 screws and 2 brackets at the water
flow servo assembly. The brackets can be
left on the water lines. Pull out the water
lines.
Remove the water flow assembly (Figure 2)
2 screws Wire harness connection
on the fan assembly
Solenoid on the manifold
Wire harness bundle
(connection to orange /
white wires)
Ducting and
metal clamp
(indoor models
only)
Figure 1
Due to design changes, the new valve may appear different than the installed valve in
color, size, and in the number of wires in the harness connections.
NOTICE
Water flow
servo assembly
connections
Figure 2

Rinnai Water Heater Service Manual 54
Component Replacement Instructions
R/C85e(PLUS), R/C85i(PLUS),
R94LSe, R94LSi
Water Flow Control Assembly
11. Remove the 4 screws attaching the water inlet to the
underneath side of the water heater.
a. water flow sensor harness (black/yellow/red wires)
b. bypass servo assembly harness (white/red/yellow/orange/brown wires)
c. water flow servo harness (red/blue/brown/yellow/gray or red/blue/brown/orange/yellow/gray wires)
d. heating element
12. Disconnect the cable harnesses (Figure 4):
Assemble
13. Pull out the water flow servo assembly and bypass servo assembly.
14. Remove 2 screws in order to separate the bypass servo assembly
from the water flow servo assembly. (Figure 5)
15. Replace the O-ring (included in kit) between the water flow servo assembly and the bypass servo assembly.
Attach the new water flow servo assembly to the bypass servo assembly with 2 screws.
16. Place inside the water heater and attach the cable harnesses.
17. Replace the O-ring on the water inlet (included in kit). Attach the water flow assembly to the water inlet using
4 screws. The 2 shorter screws can be installed first to connect the water flow assembly to the bottom of the
compartment. Then install the 2 longer screws through the water inlet.
18. Replace the O-ring on the water lines (included in kit). Attach the two water lines to the bypass servo
assembly with 1 screw each.
19. Install the fan assembly by inserting the tab on the fan assembly into the slot at the base of the heat
exchanger and attaching with two screws.
20. On indoor models, push the ducting over the fan assembly inlet and secure with the metal pinch clamp.
21. Attach the wire harness to the fan assembly (white, yellow, black, red wires).
22. Install the front panel using 4 screws.
23. Turn on the water supply, power supply, and gas supply.
24. Open a hot water tap and ensure there are no leaks at the water heater.
Figure 5
Water inlet
Figure 3
water flow servo
connector
heating element
connector
water flow sensor
connector
water flow servo
connector
Figure 4

55 Rinnai Water Heater Service Manual
Component Replacement Instructions
R/C98e(ASME), R/C98i(ASME),
R98LSe(ASME), R98LSi(ASME)
Water Flow Control Assembly
1. Turn off the gas supply.
2. Turn off the 120 V power supply.
3. Turn off the water supply. Drain all water from the
appliance.
4. Remove four screws securing the front panel. Remove
front panel.
5. Remove 2 screws and 2 brackets at the water flow
servo assembly. Pull out the water lines. (Figure 1)
6. Remove the water flow sensor and the heating
element. (Figure 1)
7. Remove the 4 screws attaching the water inlet to the
underneath side of the water heater. (Figure 2)
8. Pull out the water flow servo assembly and bypass
servo assembly. Remove the wire harness from the
water servo valve. (Figure 3)
9. Remove 2 screws in order to separate the bypass
servo assembly from the water flow servo assembly.
(Figure 3)
10. Replace the O-ring (included in kit) between the water
flow servo assembly and the bypass servo assembly.
Attach the new water flow servo assembly to the
bypass servo assembly with 2 screws.
11. Attach the wire harness to the water servo valve.
12. Place inside the water heater.
13. Attach the water flow assembly to the water inlet using
4 screws. The 2 shorter screws can be installed first to
connect the water flow assembly to the bottom of the
compartment. Install the 2 longer screws through the
water inlet.
14. Insert the heating element and attach the water flow
sensor.
15. Replace the O-ring on the water lines (included in kit).
Attach the two water lines to the bypass servo
assembly with 1 screw each.
16. Install the front panel using 4 screws.
17. Turn on the water supply, power supply, and gas
supply.
18. Open a hot water tap and ensure there are no leaks at
the water heater.
Figure 2
Water
inlet
Figure 1
Water
lines
Water flow
sensor
Heating
element
Figure 3
Bypass
servo
Water flow
servo
Screws (2)
Wire harness

Rinnai Water Heater Service Manual 56
Component Replacement Instructions
R/C42e, R/C53e, V53e, R63LSe
Heat Exchanger
1. Turn off the gas supply.
2. Turn off the 120 V power supply.
3. Turn off the water supply. Drain all water
from the appliance.
4. Remove four screws securing the front
panel. Remove front panel.
5. On the V53e and R63LSe, remove the
screws (3) holding the bracket with the
surge protector. (Figure 1)
6. Disconnect the wire harness at the fan
assembly. (Figure 2)
7. On the V53e and R63LSe, remove the
screw attaching the bracket with the ignitor
to the bottom of the burner case. (Figure
2)
8. Remove screws and brackets securing the
water line connections. (Figure 1)
9. Remove the 6 screws that attach the gas
manifold to the combustion chamber (part
of the heat exchanger assembly). (Figure
1)
10. Remove the 3 screws that attach the gas
manifold to the gas valve. These screws
are machine screws and must be used at
these locations. (Figure 1)
11. Pull out the gas manifold.
Figure 2
1 screw
Wire Harness Connector
Figure 1
6 screws
(gas manifold)
3 machine screws
(gas valve)
Water Connections Bracket

57 Rinnai Water Heater Service Manual
Component Replacement Instructions
R/C42e, R/C53e, V53e, R63LSe
Heat Exchanger
12. Remove the clips and screws (5 for the
V53e and R/C42; 6 for the R/C53 and
R63LSe) attaching the burner cover plate
to the combustion chamber. (Figure 3)
13. Remove the 2 screws attaching the burner
to the heat exchanger. Pull out the burner.
(Figure 3)
14. Remove the wire harness attachments -
sensors, heating elements, fusible link
brackets. Ensure that the small O-ring at
the thermistor is removed.
15. Remove the 4 screws connecting the heat
exchanger to the casing. (Figures 4 and 5)
16. Pull out the assembly. Remove the
brackets on the side and back holding the
fusible link. Disconnect the red wire to the
overheat switch from the rest of the wire
harness in order to slide off the fusible link.
17. Remove the fan assembly (4 screws) and
install it on the new heat exchanger.
18. Remove the flue outlet (7 screws) and
install it on the new heat exchanger.
19. Install the largest O-ring (included in kit)
over the water outlet tube and the smaller
O-ring (included in kit) over the water inlet
tube. (Figure 1)
20. Install the fusible link onto the new heat
exchanger. Connect the red wire to the
wire harness.
21. Attach brackets at the back and side
holding the fusible link.
22. Install the 4 screws at the top and bottom
of the heat exchanger to the casing.
(Figures 4 and 5)
23. Insert the burner and place the burner
cover plate into position. Attach the burner
cover plate first with screws (5 for the V53e
and R/C42; 6 for the R/C53 and R63LSe)
and then attach the burner with 2 screws.
(Figure 3)
Figure 3 Burner
cover plate
Screws attaching
burner
Figure 4 Top attachment screws
Figure 5 Bottom attachment screws

Rinnai Water Heater Service Manual 58
Component Replacement Instructions
R/C42e, R/C53e, V53e, R63LSe
Heat Exchanger
24. Make sure that the black gaskets
(Figure 6) are intact on the gas control
assembly. Make sure that the ribbed
side faces toward the manifold and that
the flat side faces toward the gas valve.
25. Attach the gas manifold with 3 machine
screws at the gas control assembly.
(Figure 1)
26. Attach the gas manifold with 6 screws at
heat exchanger. (Figure 1)
27. Connect wire harness attachments.
Replace the O-ring (included in kit) at
the thermistor.
28. Install the bracket with the ignitor.
(Figure 2)
29. Attach the ignition line at the burner
cover plate.
30. Attach the wire harness to the fan
assembly (white, yellow, black, red
wires).
31. Attach the brackets to the water line
connections. (Figure 1)
32. On the V53e and R63LSe, install the
bracket with the surge protector (3
screws). (Figure 1)
33. Install the front panel using 4 screws.
34. Turn on the water supply, power supply,
and gas supply.
35. Check for gas leaks.
Figure 6
Black
gaskets

59 Rinnai Water Heater Service Manual
Component Replacement Instructions
R70e, R75LSe
Heat Exchanger
1. Turn off the gas supply.
2. Turn off the 120 V power supply.
3. Turn off the water supply. Drain all water
from the appliance.
4. Remove four screws securing the front panel.
Remove front panel.
Remove Fan Assembly (Figure 2)
5. Disconnect wire harness at the fan assembly.
Disconnect the air temperature thermistor
(two white wires) at the connection with the
white and orange wires within the wire
bundle.
6. Pull out the harness attached to the solenoid
on the manifold to make room to pull out the
fan assembly.
7. Remove the 2 screws that attach the fan
assembly to the bottom of the burner.
8. Pull out the fan assembly.
9. Remove 1 screw from the water outlet
bracket. Remove the bracket by rotating and
moving it up toward the bend in the tube
where the diameter is smaller.
10. Remove 1 screw and 1 bracket at the water
flow servo assembly.
Figure 1
Fan Assembly
Gas Manifold
Burner cover
plate
PC Board
Gas Control
Valve
Figure 2
Wire
harness
connection
Solenoid 2 screws
Figure 3
Water outlet
connection
Water flow servo
assembly connection
Disconnect Water Lines (Figure 3)

Rinnai Water Heater Service Manual 60
Component Replacement Instructions
R70e, R75LSe
Heat Exchanger
Disconnect PC Board (Figure 4)
11. Remove 1 screw connecting the PC
Board to the heat exchanger assembly.
12. Remove the 6 screws that attach the gas
manifold to the combustion chamber
(part of the heat exchanger assembly).
13. Remove the 3 screws that attach the gas
manifold to the gas valve. These screws
are machine screws and must be used at
these locations.
14. Pull out the ignition line and remove the
gas manifold.
Remove Gas Manifold (Figure 4)
15. Remove the 8 screws attaching the burner cover plate to the combustion chamber. Move the cover plate to
the side. It is not necessary to disconnect the wire harness from the burner cover plate.
16. Remove the 2 screws attaching the burner to the heat exchanger. Pull out the burner.
17. Unscrew the ignition line connection. (Figure 5)
18. Remove the wire harness attachments - sensors, heating elements, fusible link brackets. Ensure that the
small O-ring in the thermistor is removed. (Figure 6)
19. Remove 3 screws behind the fan. (Figure 7)
20. Remove 2 screws above the exhaust. Pull assembly from the unit. (Figure 8)
Disconnect Wire Harness Attachments and Screws Holding the Heat Exchanger
Ignition line
6 screws (gas manifold)
PC Board screw
3 machine screws
(gas valve)
Figure 4
Ignition line
connection
8 screws
(burner cover plate)
2 screws (burner)
Figure 5
Remove Burner and Burner Cover Plate (Figure 5)
Figure 8
2 screws
Figure 7
3 screws

61 Rinnai Water Heater Service Manual
Component Replacement Instructions
R70e, R75LSe
Heat Exchanger
21. Install the largest O-ring (included in kit) over the water outlet tube and the two smaller O-rings (included in kit)
over the bypass servo tubes. (Figure 3)
22. Remove any other attached items and install on the new heat exchanger.
23. Install the new heat exchanger using 2 screws above the exhaust and 3 screws behind the fan. (Figures 7, 8)
Connect Pressure Tube and Wire Harness Attachments
24. Connect wire harness attachments.
25. Connect the pressure tube.
26. Attach the ignition line connection with 1 screw.
Install Burner and Burner Cover Plate (Figure 5)
27. Replace the combustion chamber packing (included in kit) removing any residue from old packing. Insert the
burner and place the burner cover plate into position. Attach the burner cover plate first with 8 screws and
then attach the burner with 2 screws.
Install Gas Manifold and Connect PC Board
28. Make sure that the two black packings (Figure 9) are intact on the gas control
assembly. Make sure that the ribbed side faces toward the manifold and that
the flat side faces toward the gas valve. Attach the gas manifold with 3
machine screws at the gas control assembly. Replace the lower and upper
packings (included in kit) for the manifold plate removing any residue.
29. Attach the gas manifold with 6 screws at heat exchanger.
30. Attach the ignition line at the burner cover plate.
31. Attach the PC Board to the heat exchanger with 1 screw.
Connect Water Lines (Figure 3)
32. Attach the water outlet line and bracket with 1 screw.
33. Attach the line to the water flow servo assembly with 1 screw and 1 bracket.
Install Fan Assembly (Figure 2)
34. Install the fan assembly by inserting the tab on the fan assembly into the slot at the base of the heat
exchanger and attaching with two screws.
35. Attach the wire harness to the solenoid on the gas manifold (brown, black wires).
36. Attach the wire harness to the fan assembly (white, yellow, black, red wires).
37. Attach the air temperature thermistor (white, white wires) to the wire harness.
38. Install the front panel using 4 screws.
39. Turn on the water supply, power supply, and gas supply.
40. Check for gas leaks.
Figure 9
WARNING Failure to correctly assemble the components according to these instructions
may result in a gas leak or explosion.
Installation

Rinnai Water Heater Service Manual 62
Component Replacement Instructions
R/C85e(PLUS), R94LSe
Heat Exchanger
1. Turn off the gas supply.
2. Turn off the 120 V power supply.
3. Turn off the water supply. Drain all water
from the appliance.
4. Remove four screws securing the front panel.
Remove front panel.
Remove Fan Assembly (Figure 2)
5. Disconnect wire harness at the fan assembly.
Disconnect the air temperature thermistor
(two white wires) at the connection with the
white and orange wires within the wire
bundle.
6. Pull out the harness attached to the solenoid
on the manifold to make room to pull out the
fan assembly.
7. Remove the 2 screws that attach the fan
assembly to the bottom of the burner.
8. Pull out the fan assembly.
9. Remove 1 screw from the water outlet
bracket. Remove the bracket by rotating and
moving it up toward the bend in the tube
where the diameter is smaller.
10. Remove 2 screws and 2 brackets at the
bypass servo assembly.
Fan Assembly
Gas Manifold
Burner cover
plate
PC Board
Gas Control
Valve
Figure 1
Wire
harness
connection
Solenoid
Figure 2
2 screws
Figure 3
Water outlet
connection
Bypass servo assembly
connections
Disconnect Water Lines (Figure 3)

63 Rinnai Water Heater Service Manual
Component Replacement Instructions
R/C85e(PLUS), R94LSe
Heat Exchanger
Disconnect PC Board (Figure 4)
11. Remove 1 screw connecting the PC
Board to the heat exchanger
assembly.
12. Remove the 6 screws that attach the
gas manifold to the combustion
chamber (part of the heat exchanger
assembly).
13. Remove the 3 screws that attach the
gas manifold to the gas valve. These
screws are machine screws and must
be used at these locations.
Remove Gas Manifold (Figure 4)
14. Pull out the ignition line and remove the gas manifold.
15. Remove the 8 screws attaching the burner cover plate to the combustion chamber. Move the cover
plate to the side. It is not necessary to disconnect the wire harness from the burner cover plate.
16. Remove the 2 screws attaching the burner to the heat exchanger. Pull out the burner.
17. Unscrew the ignition line connection. (Figure 5)
18. Remove the wire harness attachments - sensors, heating elements, fusible link brackets. Ensure
that the small O-ring in the thermistor is removed. (Figure 6)
19. Remove 3 screws behind the fan. (Figure 7)
Disconnect Wire Harness Attachments and Screws Holding the Heat Exchanger
Ignition line
6 screws (gas manifold)
PC Board screw
3 machine screws
(gas valve)
Figure 4
Ignition line
connection
8 screws
(burner cover plate)
2 screws (burner)
Figure 5
Remove Burner and Burner Cover Plate (Figure 5)
Figure 8
2 screws
Figure 7
3 screws

Rinnai Water Heater Service Manual 64
Component Replacement Instructions
R/C85e(PLUS), R94LSe
Heat Exchanger
20. Remove 2 screws above the exhaust. Pull assembly from the unit. (Figure 8)
21. Install the largest O-ring (included in kit) over the water outlet tube and the two smaller O-rings (included in kit)
over the bypass servo tubes. (Figure 3)
22. Remove any other attached items and install on the new heat exchanger.
Connect Pressure Tube and Wire Harness Attachments
23. Install the new heat exchanger using 2 screws above the exhaust and 3 screws behind the fan. (Figures 7, 8)
24. Connect wire harness attachments.
Install Burner and Burner Cover Plate (Figure 5)
25. Connect the pressure tube. Attach the ignition line connection with 1 screw.
Install Gas Manifold and Connect PC Board
26. Replace the combustion chamber packing (included in kit) removing any
residue from old packing. Insert the burner and place the burner cover plate
into position. Attach the burner cover plate first with 8 screws and then attach
the burner with 2 screws.
27. Make sure that the two black packings (Figure 9) are intact on the gas control
assembly. Make sure that the ribbed side faces toward the manifold and that
the flat side faces toward the gas valve. Attach the gas manifold with 3
machine screws at the gas control assembly. Replace the lower and upper
packings (included in kit) for the manifold plate removing any residue.
Connect Water Lines (Figure 3)
28. Attach the gas manifold with 6 screws at heat exchanger.
29. Attach the ignition line at the burner cover plate.
Install Fan Assembly (Figure 2)
30. Attach the PC Board to the heat exchanger with 1 screw.
31. Attach the water outlet line and bracket with 1 screw.
32. Attach the two lines to the bypass servo assembly with 1 screw and 1 bracket for each line.
33. Install the fan assembly by inserting the tab on the fan assembly into the slot at the base of the heat
exchanger and attaching with two screws.
34. Attach the wire harness to the solenoid on the gas manifold (brown, black wires).
35. Attach the wire harness to the fan assembly (white, yellow, black, red wires).
36. Attach the air temperature thermistor (white, white wires) to the wire harness.
37. Install the front panel using 4 screws. Turn on the water supply, power supply, and gas supply. Check for gas
leaks.
Figure 9
WARNING Failure to correctly assemble the components according to these instructions
may result in a gas leak or explosion.
Installation

65 Rinnai Water Heater Service Manual
Component Replacement Instructions
R/C53i(PLUS), R75LSi
Heat Exchanger
1. Turn off the gas supply.
2. Turn off the 120 V power supply.
3. Turn off the water supply. Drain all water
from the appliance.
4. Remove four screws securing the front panel.
Remove front panel.
2 screws
Wire harness connection
on the fan assembly
Solenoid on the manifold
Wire harness bundle
(air temperature
thermistor connection to
orange / white wires)
Ducting and
metal clamp
Remove Fan Assembly (Figure 2)
5. Disconnect wire harness at the fan assembly.
Disconnect the air temperature thermistor
(two white wires) at the connection with the
white and orange wires within the wire
bundle.
6. Pull out the harness attached to the solenoid
on the manifold to make room to pull out the
fan assembly.
7. Remove the 2 screws that attach the fan
assembly to the bottom of the burner.
8. Loosen the ducting from the fan assembly by
pinching open the metal clamp.
9. Pull out the fan assembly.
10. Remove 1 screw from the water outlet bracket. Remove the bracket by rotating and moving it up
toward the bend in the tube where the diameter is smaller.
11. Remove the screw and bracket at the water flow servo assembly.
12. Remove 1 screw connecting the PC Board to the heat exchanger assembly.
Disconnect Water Lines and PC Board (Figure 2)
Fan Assembly
Gas Manifold
Burner cover
plate
PC Board
Gas Control
Valve
Figure 1
Figure 2
Water outlet
connection
water flow servo
assembly
connection
PC board screw

Rinnai Water Heater Service Manual 66
Component Replacement Instructions
R/C53i(PLUS), R75LSi
Heat Exchanger
Ignition line
6 screws (gas manifold)
PC Board screw
3 machine screws
(gas valve)
13. Remove the 6 screws that attach the gas manifold to the combustion chamber (part of the heat exchanger
assembly).
14. Remove the 3 screws that attach the gas manifold to the gas valve. These screws are machine screws and
must be used at these locations.
15. Pull out the ignition line and remove the gas manifold.
Remove Gas Manifold (Figure 3)
16. Remove the 8 screws attaching the burner cover plate to the combustion chamber. Move the cover plate to
the side. It is not necessary to disconnect the wire harness from the burner cover plate.
17. Remove the 2 screws attaching the burner to the heat exchanger. Pull out the burner.
18. Disconnect the pressure tube from the heat exchanger and unscrew the ignition line connection.
Pressure tube
Ignition line
connection
8 screws
(burner cover plate)
2 screws (burner)
Figure 3
Figure 4
Remove Burner and Burner Cover Plate (Figure 4)

67 Rinnai Water Heater Service Manual
Component Replacement Instructions
R/C53i(PLUS), R75LSi
Heat Exchanger
19. Remove the wire harness attachments - sensors, heating elements, fusible link brackets. Ensure
that the small O-ring in the thermistor is removed.
Disconnect Wire Harness Attachments
Remove Heat Exchanger and Air Intake/Exhaust
20. Remove 8 screws connecting the assembly to the water heater casing assembly. (Figures 6a, 6b)
Separate the Heat Exchanger from the Air Intake/Exhaust
21. Pull out the assembly. Remove 3 brackets on the side and back holding the fusible link.
22. Remove the 9 screws at the cover plate over the air intake passage. (Figure 7)
23. Remove the 4 screws attaching the heat exchanger to the air intake/exhaust assembly. (Figure 8)
24. Pull apart the heat exchanger and air intake/exhaust assembly. (Figure 9)
25. Remove 4 screws attaching the bracket on top of the heat exchanger. Pull off the bracket. (Figure
10)
4 screws
(bracket)
9 screws
(cover plate)
Figure 7
4 screws
Figure 8
Figure 9
Figure 10
At right and left upper corners of water heater Near fan assembly location
2 screws 2 screws
Figure 6b
1 screw
3 screws
Figure 6a
WARNING Failure to correctly assemble the components according to these instructions
may result in a gas leak or explosion.

Rinnai Water Heater Service Manual 68
Component Replacement Instructions
R/C53i(PLUS), R75LSi
Heat Exchanger
26. Install the O-ring (included in kit) over the water outlet tube and the O-ring (included in kit) over the water flow
servo tube. (Figure 2)
27. Install the bracket over the replacement heat exchanger. Push evenly on both sides of the bracket. Attach
with four screws. (Figure 10)
Combine the Heat Exchanger and the Air Intake/Exhaust Assembly
28. Push the heat exchanger into the air intake/exhaust assembly. Attach with four screws. (Figure 8)
29. Attach the cover plate over the air intake passage with 9 screws. (Figure 7)
Install Heat Exchanger and Air Intake/Exhaust Assembly (Figures 6a, 6b)
30. Attach the fusible link to the back (2 brackets) and side (1 bracket). Slide the assembly into the casing
assembly and attach with 8 screws starting at the top of the water heater.
Connect Pressure Tube and Wire Harness Attachments
31. Connect wire harness attachments. (Figure 5)
32. Connect the pressure tube. Attach the ignition line connection with 1 screw. (Figure 4)
Install Burner and Burner Cover Plate (Figure 4)
33. Replace the combustion chamber packing (included in kit) removing any residue from old packing. Insert the
burner and place the burner cover plate into position. Attach the burner cover plate first with 8 screws and
then attach the burner with 2 screws.
Install Gas Manifold and Connect PC Board
34. Make sure that the two black packings (Figure 11) are intact on the gas control
assembly. Make sure that the ribbed side faces toward the manifold and that
the flat side faces toward the gas valve. Attach the gas manifold with 3
machine screws at the gas control assembly. Replace the lower and upper
packings (included in kit) for the manifold plate removing any residue.
35. Attach the gas manifold with 6 screws at heat exchanger.
36. Attach the ignition line at the burner cover plate.
37. Attach the PC Board to the heat exchanger with 1 screw.
Connect Water Lines (Figure 2)
38. Attach the water outlet line and bracket with 1 screw.
39. Attach the two lines to the bypass servo assembly with 1 screw and 1 bracket for each line.
Install Fan Assembly (Figure 2)
40. Install the fan assembly by inserting the tab on the fan assembly into the slot at the base of the heat
exchanger and attaching with two screws.
41. Push the ducting over the fan assembly exit and secure with the metal pinch clamp.
42. Attach the wire harness to the solenoid on the gas manifold (brown, black wires).
43. Attach the wire harness to the fan assembly (white, yellow, black, red wires).
44. Attach the air temperature thermistor (white, white wires) to the wire harness.
45. Install the front panel using 4 screws.
46. Turn on the water supply, power supply, and gas supply.
47. Check for gas leaks.
Figure 11
Install Packings and Bracket

69 Rinnai Water Heater Service Manual
Component Replacement Instructions
R/C85i(PLUS), R94LSi
Heat Exchanger
1. Turn off the gas supply.
2. Turn off the 120 V power supply.
3. Turn off the water supply. Drain all water
from the appliance.
4. Remove four screws securing the front panel.
Remove front panel.
Remove Fan Assembly (Figure 2)
5. Disconnect wire harness at the fan assembly.
Disconnect the air temperature thermistor
(two white wires) at the connection with the
white and orange wires within the wire
bundle.
6. Pull out the harness attached to the solenoid
on the manifold to make room to pull out the
fan assembly.
7. Remove the 2 screws that attach the fan
assembly to the bottom of the burner.
8. Loosen the ducting from the fan assembly by
pinching open the metal clamp.
9. Pull out the fan assembly.
Fan Assembly
Gas Manifold
Burner cover
plate
PC Board
Gas Control
Valve
Figure 1
2 screws Wire harness connection
on the fan assembly
Solenoid on the manifold
Wire harness bundle
(air temperature
thermistor connection to
orange / white wires)
Ducting and
metal clamp
Figure 2

Rinnai Water Heater Service Manual 70
Component Replacement Instructions
R/C85i(PLUS), R94LSi
Heat Exchanger
Disconnect PC Board (Figure 4)
10. Remove 1 screw from the water outlet bracket. Remove the bracket by rotating and moving it up
toward the bend in the tube where the diameter is smaller.
11. Remove 2 screws and 2 brackets at the bypass servo assembly.
Disconnect Water Lines (Figure 3)
12. Remove 1 screw connecting the PC Board to the heat exchanger assembly.
Remove Gas Manifold (Figure 4)
13. Remove the 6 screws that attach the gas manifold to the combustion chamber (part of the heat
exchanger assembly).
14. Remove the 3 screws that attach the gas manifold to the gas valve. These screws are machine
screws and must be used at these locations.
15. Pull out the ignition line and remove the gas manifold.
Figure 3
Water outlet
connection
Bypass servo
assembly
connections
Ignition line
6 screws (gas manifold)
PC Board screw
3 machine screws
(gas valve)
Figure 4

71 Rinnai Water Heater Service Manual
Component Replacement Instructions
R/C85i(PLUS), R94LSi
Heat Exchanger
Remove Burner and Burner Cover Plate (Figure 5)
16. Remove the 8 screws attaching the burner cover plate to the combustion chamber. Move the cover
plate to the side. It is not necessary to disconnect the wire harness from the burner cover plate.
17. Remove the 2 screws attaching the burner to the heat exchanger. Pull out the burner.
Disconnect Gas Line and Wire Harness Attachments
18. Disconnect the pressure tube from the heat exchanger and unscrew the ignition line connection.
(Figure 5)
19. Remove the wire harness attachments - sensors, heating elements, fusible link brackets. Ensure
that the small O-ring in the thermistor is removed. (Figure 6)
Pressure tube
Ignition line
connection
8 screws
(burner cover plate)
2 screws (burner)
Figure 5
Brackets for
fusible link
Sensors
Heating
elements
Figure 6
Thermistor

Rinnai Water Heater Service Manual 72
Component Replacement Instructions
R/C85i(PLUS), R94LSi
Heat Exchanger
Remove Heat Exchanger and Air Intake/Exhaust
20. Remove 8 screws connecting the assembly to the water heater casing assembly. (Figures 7a, 7b)
Separate the Heat Exchanger from the Air Intake/Exhaust
21. Pull out the assembly. Remove 3 brackets on the side and back holding the fusible link.
22. Remove the 9 screws at the cover plate over the air intake passage. (Figure 8)
23. Remove the 4 screws attaching the heat exchanger to the air intake/exhaust assembly. (Figure 9)
24. Pull apart the heat exchanger and air intake/exhaust assembly. (Figure 10)
25. Remove 4 screws attaching the bracket on top of the heat exchanger. Pull off the bracket. (Figure 11)
At right and left upper corners of water heater Near fan assembly location
4 screws
(bracket)
9 screws
(cover plate)
Figure 8
4 screws
Figure 9
Figure 10
Figure 11
26. Install the largest O-ring (included in kit) over the water outlet tube and the two smaller O-rings (included in kit)
over the bypass servo tubes. (Figure 3)
27. Install the bracket over the replacement heat exchanger. Push evenly on both sides of the bracket. Attach
with four screws. (Figure 11)
2 screws 2 screws
Figure 7b
1 screw
3 screws
Figure 7a
WARNING Failure to correctly assemble the components according to these instructions
may result in a gas leak or explosion.
Install Packings and Bracket

73 Rinnai Water Heater Service Manual
Component Replacement Instructions
R/C85i(PLUS), R94LSi
Heat Exchanger
Combine the Heat Exchanger and the Air Intake/Exhaust
28. Push the heat exchanger into the air intake/exhaust assembly. Attach with four screws. (Figure 9)
29. Attach the cover plate over the air intake passage with 9 screws. (Figure 8)
Install Heat Exchanger and Air Intake/Exhaust Assembly (Figures 7a, 7b)
30. Attach the fusible link to the back (2 brackets) and side (1 bracket). Slide the assembly into the
casing assembly and attach with 8 screws starting at the top of the water heater.
Connect Pressure Tube and Wire Harness Attachments
31. Connect wire harness attachments. (Figure 6)
32. Connect the pressure tube.
33. Attach the ignition line connection with 1 screw. (Figure 5)
Install Burner and Burner Cover Plate (Figure 5)
34. Replace the combustion chamber packing (included in kit) removing any residue from old packing. Insert the
burner and place the burner cover plate into position. Attach the burner cover plate first with 8 screws and
then attach the burner with 2 screws.
Install Gas Manifold and Connect PC Board (Figure 4)
35. Make sure that the two black packings (Figure 12) are intact on the gas control
assembly. Make sure that the ribbed side faces toward the manifold and that
the flat side faces toward the gas valve. Attach the gas manifold with 3
machine screws at the gas control assembly. Replace the lower and upper
packings (included in kit) for the manifold plate removing any residue.
36. Attach the gas manifold with 6 screws at heat exchanger.
37. Attach the ignition line at the burner cover plate.
Connect Water Lines (Figure 3)
38. Attach the PC Board to the heat exchanger with 1 screw.
39. Attach the water outlet line and bracket with 1 screw.
40. Attach the two lines to the bypass servo assembly with 1 screw and 1 bracket for each line.
Install Fan Assembly (Figure 2)
41. Install the fan assembly by inserting the tab on the fan assembly into the slot at the base of the heat
exchanger and attaching with two screws.
42. Push the ducting over the fan assembly exit and secure with the metal pinch clamp.
43. Attach the wire harness to the solenoid on the gas manifold (brown, black wires).
44. Attach the wire harness to the fan assembly (white, yellow, black, red wires).
45. Attach the air temperature thermistor (white, white wires) to the wire harness.
46. Install the front panel using 4 screws.
47. Turn on the water supply, power supply, and gas supply.
48. Check for gas leaks.
Figure 12

Rinnai Water Heater Service Manual 74
Component Replacement Instructions
R/C98e(ASME), R98LSe(ASME)
Heat Exchanger
1. Turn off the gas supply.
2. Turn off the 120 V power supply.
3. Turn off the water supply. Drain all water
from the appliance.
4. Remove four screws securing the front
panel. Remove front panel.
5. Disconnect wire harness at the fan
assembly, the electrical connections to
the 3 solenoid valves, and the ignition
line.
6. Remove 3 screws and brackets securing
the water line connections. (Figure 1)
7. Remove the 5 screws that attach the gas
manifold to the combustion chamber
(part of the heat exchanger assembly).
(Figure 1)
8. Remove the 2 screws that attach the gas
manifold to the gas valve. These screws
are machine screws and must be used at
these locations. (Figure 1)
9. Pull out the gas manifold and remove the
connector at the ignitor at the left side of
the gas manifold.
10. Remove the 9 screws attaching the
burner cover plate to the combustion
chamber. (Figure 2)
11. Remove the 2 screws attaching the
burner to the heat exchanger. Pull out
the burner. (Figure 2)
12. Remove the wire harness attachments -
sensors, heating elements, fusible link
brackets. Ensure that the small O-ring at
the thermistor is removed.
13. Remove the 4 screws connecting the
heat exchanger to the casing. (Figure 3)
14. Pull out the assembly. Remove the
brackets on the side and back holding
the fusible link. Slide off the fusible link.
9 screws
(burner cover plate)
2 screws
(burner)
Figure 2
Water line connections
Figure 1
5 screws
(gas manifold)
2 machine screws
(gas valve)
Figure 3 Bottom screws
Top screws

75 Rinnai Water Heater Service Manual
Component Replacement Instructions
R/C98e(ASME), R98LSe(ASME)
Heat Exchanger
15. Remove the fan assembly (4 screws) and install
it on the new heat exchanger. (Figure 4)
16. Remove the flue outlet (6 screws) and install it
on the new heat exchanger. (Figure 5)
17. Install the largest O-ring (included in kit) over the
water outlet tube and the two smaller O-rings
(included in kit) over the water inlet tubes.
(Figure 4)
18. Slide the fusible link between the water outlet
and inlet tubes and onto the new heat
exchanger. (Figure 4)
19. Attach brackets at the back and side holding the
fusible link.
20. Install the 4 screws at the top and bottom of the
heat exchanger to the casing. (Figure 3)
21. Insert the burner and place the burner cover
plate into position. Attach the burner cover plate
first with 9 screws and then attach the burner
with 2 screws. (Figure 2)
22. Replace the electrode gasket. (Figure 6)
23. Make sure that the black gasket (Figure 7) is
intact on the gas control assembly. Make sure
that the ribbed side faces toward the manifold
and that the flat side faces toward the gas valve.
Replace the lower and upper gaskets (included
in kit) for the manifold plate removing any
residue. (Figure 8)
24. Attach the electrical connector to the ignitor on
the manifold and attach the gas manifold with 2
machine screws at the gas control assembly.
(Figure 1)
25. Attach the gas manifold with 5 screws at heat
exchanger. (Figure 1)
26. Connect wire harness attachments.
27. Attach the ignition line at the burner cover plate.
28. Attach the 3 electrical connectors to the solenoid
valves.
29. Attach the wire harness to the fan assembly
(white, yellow, black, red wires).
30. Attach the brackets to the water line connections.
(Figure 1)
31. Install the front panel using 4 screws. Turn on
the water supply, power supply, and gas supply.
Check for gas leaks.
Figure 7
Gasket
Figure 8
Gaskets
Figure 6
Electrode
Gasket
Figure 4
4 locations
Water
outlet tube
Water inlet
tubes
Figure 5

Rinnai Water Heater Service Manual 76
Component Replacement Instructions
R/C98i(ASME), R98LSi(ASME)
Heat Exchanger
1. Turn off the gas supply.
2. Turn off the 120 V power supply.
3. Turn off the water supply. Drain all water
from the appliance.
4. Remove four screws securing the front
panel. Remove front panel.
5. Remove the bracket holding the
controller (1 screw). (Figure 1)
6. Disconnect wire harness at the fan
assembly, the electrical connections to
the 3 solenoid valves, and the ignition
line.
7. Remove 3 screws and brackets securing
the water line connections. (Figure 2)
8. Remove the 5 screws that attach the gas
manifold to the combustion chamber
(part of the heat exchanger assembly).
(Figure 2)
9. Remove the 2 screws that attach the gas
manifold to the gas valve. These screws
are machine screws and must be used at
these locations. (Figure 2)
10. Pull out the gas manifold and remove the
connector at the ignitor at the left side of
the gas manifold.
11. Remove the 9 screws attaching the
burner cover plate to the combustion
chamber. (Figure 3)
12. Remove the 2 screws attaching the
burner to the heat exchanger. Pull out
the burner. (Figure 3)
13. Remove the wire harness attachments -
sensors, heating elements, fusible link
brackets. Ensure that the small O-ring at
the thermistor is removed.
Bracket screw
Figure 1
9 screws
(burner cover plate)
2 screws
(burner)
Figure 3
Water line connections
Figure 2
5 screws
(gas manifold)
2 machine screws
(gas valve)

77 Rinnai Water Heater Service Manual
Component Replacement Instructions
R/C98i(ASME), R98LSi(ASME)
Heat Exchanger
14. Remove the 3 screws at the seal plate at
the top of the water heater. Remove the
seal plate and gasket. (Figure 4)
15. Remove flue outlet vent (4 screws).
(Figure 5)
16. Remove the 4 screws connecting the
heat exchanger to the back of the casing.
(Figure 6)
17. Pull out the assembly. (It is hooked on
brackets in the casing.) Remove the
brackets on the side and back holding
the fusible link. Slide off the fusible link.
18. Remove the fan assembly (4 screws)
and install it on the new heat exchanger.
(Figure 7)
19. Install the largest O-ring (included in kit)
over the water outlet tube and the two
smaller O-rings (included in kit) over the
water inlet tubes. (Figure 7)
20. Slide the fusible link between the water
outlet and inlet tubes and onto the new
heat exchanger. (Figure 7)
21. Attach brackets at the back and side
holding the fusible link. Install the heat
exchanger hooking it on the brackets in
the back.
22. Install the 4 screws at the top and bottom
of the heat exchanger to the back of the
casing. (Figure 6)
23. Install the flue outlet vent (4 screws) and
seal plate (3 screws) and gasket at the
top of the water heater. (Figures 4 and 5)
Figure 4 Figure 5
Figure 7
Figure 6
Top left screw Top right screw
Bottom screws
4 locations
Water outlet tube Water inlet tubes

Rinnai Water Heater Service Manual 78
Component Replacement Instructions
R/C98i(ASME), R98LSi(ASME)
Heat Exchanger
24. Insert the burner and place the burner
cover plate into position. Attach the
burner cover plate first with 9 screws and
then attach the burner with 2 screws.
(Figure 3)
25. Replace the electrode gasket. (Figure 8)
26. Make sure that the black gasket (Figure
9) is intact on the gas control assembly.
Make sure that the ribbed side faces
toward the manifold and that the flat side
faces toward the gas valve. Replace the
lower and upper gaskets (included in kit)
for the manifold plate removing any
residue. (Figure 10)
27. Attach the electrical connector to the
ignitor on the manifold and attach the gas
manifold with 2 machine screws at the
gas control assembly. (Figure 2)
28. Attach the gas manifold with 5 screws at
heat exchanger. (Figure 2)
29. Connect wire harness attachments.
30. Attach the ignition line at the burner
cover plate.
31. Attach the 3 electrical connectors to the
solenoid valves.
32. Attach the wire harness to the fan
assembly (white, yellow, black, red
wires).
33. Attach the brackets to the water line
connections. (Figure 2)
34. Install the front panel using 4 screws.
35. Turn on the water supply, power supply,
and gas supply.
36. Check for gas leaks.
Figure 9
Gasket
Figure 10 Gaskets
Figure 8 Electrode Gasket

79 Rinnai Water Heater Service Manual
Gas Pressure Setting Procedure
1. Remove the front panel (four screws).
2. Calibrate the low fire and high fire settings as
follows:
A. Remove the allen head plug and attach the
manometer to the burner test point located
on the gas control. (Figure 1, 2, or 3)
CAUTION
Do not touch the areas at or near the heat
exchanger or combustion chamber. These areas
become very hot and could cause burns.
Models R70e, R75LSe, R/C85e, R94LSe,
R50LSi, R/C53i, R75LSi, R/C85i, R94LSi
Figure 2 Potentiometer (POT)
Burner test point Dip switches (SW1)
Models R/C42e, R/C53e, V53e, R63LSe
Burner test point Dip switches (SW1)
Figure 1 Potentiometer (POT)
Potentiometer (POT)
Burner test point Dip switches (SW1)
Figure 3
Models R/C98e, R98LSe, R/C98i, R98LSi

Rinnai Water Heater Service Manual 80
Figure 5
Forced Low
Switch No.
F
O
F
8
5
7
6
4
3
ON
1
2
Figure 6
Forced High
Switch No.
F
O
F
8
5
7
6
4
3
ON
1
2
Figure 7
Normal
Switch No.
F
O
F
8
5
7
6
4
3
ON
1
2
Figure 4
Access plug
B. Turn on the gas supply.
C. Turn on the power supply.
D. Flow water through the water heater at the
maximum flow rate obtainable. (At least 3
gallons per minute is recommended.)
E. Move No. 7 dip switch of the SW1 bank to the
ON position to calibrate “Forced Low”
combustion. (Figure 5)
F. Check the burner test point pressure.
G. Remove the rubber access plug (Figure 4) and
adjust the regulator screw on the modulating
valve to obtain the correct low fire manifold
pressure. Refer to the table for your gas type,
model, and altitude. Install rubber access plug.
H. Move No. 7 and No. 8 dip switches of the SW1
bank to the ON position to calibrate “Forced
High” combustion. (Figure 6)
I. Check the burner test point pressure.
J. Adjust the high pressure Potentiometer (POT)
(Figure 1, 2, or 3) on the PC Board to obtain the
correct high fire manifold pressure. Refer to the
table for your gas type, model, and altitude.
K. Move No. 7 and No. 8 back to the OFF position
to return the appliance to “Normal” combustion.
(Figure 7)
L. Close hot water taps.
M. Turn off gas supply and 120 V power supply.
N. Remove manometer and re-install allen head
plug.
O. Turn on the gas supply and 120 V power
supply.
P. Operate the unit and check for gas leaks.
3. Install the front panel using four screws.
Gas Pressure Setting Procedure

81 Rinnai Water Heater Service Manual
Manifold Gas Pressure Settings
V Series - Outdoor
Altitude High Fire Low Fire
less than 5000 ft
(1524 m) 3.5 0.73
6000 ft (1829 m) 3.4 0.71
7000 ft (2134 m) 3.3 0.69
8000-10000 ft
(2438 - 3048 m) 3.2 0.67
R42e,C42e Altitude High Fire Low Fire
less than 2000 ft
(610 m) 3.3 0.72
3000 ft (914 m) 3.0 0.65
4000 ft (1219 m) 2.7 0.58
5000 ft (1524 m) 2.3 0.50
Natural Gas Propane Gas
R53e,C53e Altitude High Fire Low Fire
less than 2000 ft
(610 m) 3.7 0.74
3000 ft (914 m) 3.5 0.71
4000 ft (1219 m) 3.4 0.68
5000-10000 ft
(1524 - 3048 m) 3.2 0.64
Altitude High Fire Low Fire
less than 2000 ft
(610 m) 3.5 0.74
R85e(PLUS),
C85e(PLUS)
Altitude High Fire Low Fire
less than 2000 ft
(610 m) 5.1 0.88
3000 ft (914 m) 4.8 0.83
4000 ft (1219 m) 4.5 0.78
5000 ft (1524 m) 4.3 0.73
6000 ft (1829 m) 4.2 0.72
7000-10000 ft
(2134 - 3048 m) 4.1 0.71
Altitude High Fire Low Fire
less than 10000 ft
(3048 m) 3.4 0.56
R70e Altitude High Fire Low Fire
less than 10000 ft
(3048 m) 3.4 0.56
Altitude High Fire Low Fire
less than 10000 ft
(3048 m) 5.1 0.88
R98e(ASME),
C98e(ASME)
Altitude High Fire Low Fire
less than 2000 ft
(610 m) 2.8 0.66
3000 ft (914 m) 2.7 0.63
4000 ft (1219 m) 2.6 0.60
5000 ft (1524 m) 2.4 0.57
6000 ft (1829 m) 2.3 0.54
7000 ft (2134 m) 2.2 0.52
8000-10000 ft
(2438 - 3048 m) 2.1 0.50
Altitude High Fire Low Fire
less than 2000 ft
(610 m) 3.8 0.80
3000 ft (914 m) 3.6 0.75
4000 ft (1219 m) 3.3 0.69
5000 ft (1524 m) 3.1 0.64
6000-10000 ft
(1829 - 3048 m) 3.0 0.63

Revised 10/7/2009 Rinnai Water Heater Service Manual 82
Manifold Gas Pressure Settings
V Series - Indoor
Natural Gas Propane Gas
R53i(PLUS),
C53i(PLUS),
R85i(PLUS),
C85i(PLUS)
Altitude High Fire Low Fire
less than 10000 ft
(3048 m) 3.7 0.77
Altitude High Fire Low Fire
less than 2000 ft
(610 m) 4.2 0.93
3000 ft (914 m) 4.0 0.90
4000 ft (1219 m) 3.9 0.86
5000 ft (1524 m) 3.7 0.82
6000 ft (1829 m) 3.7 0.82
7000 ft (2134 m) 3.6 0.80
8000 ft (2438 m) 3.6 0.80
9000 ft (2743 m) 3.4 0.79
10000 ft (3048 m) 3.2 0.75
R98i(ASME),
C98i(ASME)
Altitude High Fire Low Fire
less than 2000 ft
(610 m) 3.0 0.67
3000 ft (914 m) 2.8 0.64
4000 ft (1219 m) 2.7 0.60
5000-10000 ft
(1524 - 3048 m) 2.5 0.56
Altitude High Fire Low Fire
less than 2000 ft
(610 m) 3.7 0.83
3000 ft (914 m) 3.5 0.78
4000 ft (1219 m) 3.3 0.73
5000 ft (1524 m) 3.0 0.67
VA Series
Manifold Gas Pressure Settings
V53e (REU-VAM1620W) using NATURAL GAS
Dip Switch Setting Altitude Max Rate inches W.C. Min Rate inches W.C.
#2 OFF, #3 OFF 0-2000 ft (0-610 m) 2.5 0.73
#2 OFF, #3 ON 2001-5200 ft (610-1585 m) 2.4 0.7
#2 ON, #3 OFF 5201-7700 ft (1585-2277 m) 2.4 0.7
#2 ON, #3 ON 7701-10200 ft (2277-3109 m) 2.4 0.9
V53e (REU-VAM1620W) using PROPANE GAS
Dip Switch Setting Altitude Max Rate inches W.C. Min Rate inches W.C.
#2 OFF, #3 OFF 0-2000 ft (0-610 m) 2.4 0.75
#2 OFF, #3 ON 2001-5200 ft (610-1585 m) 2.2 0.9
#2 ON, #3 OFF 5201-7700 ft (1585-2277 m) 2.0 0.8
#2 ON, #3 ON 7701-10200 ft (2277-3109 m) 2.0 0.7

83 Rinnai Water Heater Service Manual Revised 10/7/2009
VA Series
Manifold Gas Pressure Settings
R63LSe (REU-VA2024W) using NATURAL GAS
Dip Switch Setting Altitude Max Rate inches W.C. Min Rate inches W.C.
#2 OFF, #3 OFF 0-2000 ft (0-610 m) 1.7 0.53
#2 OFF, #3 ON 2001-5200 ft (610-1585 m) 1.6 0.4
#2 ON, #3 OFF 5201-7700 ft (1585-2277 m) 1.5 0.5
#2 ON, #3 ON 7701-10200 ft (2277-3109 m) 1.5 0.5
R63LSe (REU-VA2024W) using PROPANE GAS
Dip Switch Setting Altitude Max Rate inches W.C. Min Rate inches W.C.
#2 OFF, #3 OFF 0-2000 ft (0-610 m) 2.4 0.61
#2 OFF, #3 ON 2001-5200 ft (610-1585 m) 2.0 0.7
#2 ON, #3 OFF 5201-7700 ft (1585-2277 m) 2.0 0.7
#2 ON, #3 ON 7701-10200 ft (2277-3109 m) 1.8 0.8
R63LSe2 - REU-VA2024W(A) using NATURAL GAS
Dip Switch Setting Altitude Max Rate inches W.C. Min Rate inches W.C.
#2 OFF, #3 OFF 0-2000 ft (0-610 m) 2.0 0.56
#2 OFF, #3 ON 2001-5200 ft (610-1585 m) 1.7 0.55
#2 ON, #3 OFF 5201-7700 ft (1585-2277 m) 1.7 0.70
#2 ON, #3 ON 7701-10200 ft (2277-3109 m) 1.5 0.70
R63LSe2 - REU-VA2024W(A) using PROPANE GAS
Dip Switch Setting Altitude Max Rate
inches W.C. Min Rate
inches W.C.
#2 OFF, #3 OFF 0-2000 ft (0-610 m) 3.0 0.88
#2 OFF, #3 ON 2001-5200 ft (610-1585 m) 2.8 0.90
#2 ON, #3 OFF 5201-7700 ft (1585-2277 m) 2.7 1.00
#2 ON, #3 ON 7701-10200 ft (2277-3109 m) 2.7 0.80

Revised 10/7/2009 Rinnai Water Heater Service Manual 84
Manifold Gas Pressure Settings
VA Series
R50LSi (REU-VA2019FFU)
MAX VENT
(Dip Switch #1 is OFF) MIN VENT
(Dip Switch #1 is ON)
Dip Switch
Setting Altitude Max Rate
inches W.C. Min Rate
inches W.C. Max Rate
inches W.C. Min Rate
inches W.C.
#2 OFF, #3 OFF 0-2000 ft (0-610 m) 2.0 0.52 2.0 0.52
#2 OFF, #3 ON 2001-5200 ft (610-1585 m) 1.7 0.7 1.8 0.7
#2 ON, #3 OFF 5201-7700 ft (1585-2277 m) 1.7 0.7 1.7 0.7
#2 ON, #3 ON 7701-10200 ft (2277-3109 m) 1.8 0.9 1.8 0.9
R75LSi (REU-VA2528FFU),
R94LSi (REU-VA2535FFU) MAX VENT
(Dip Switch #1 is OFF) MIN VENT
(Dip Switch #1 is ON)
Dip Switch
Setting Altitude Max Rate
inches W.C. Min Rate
inches W.C. Max Rate
inches W.C. Min Rate
inches W.C.
#2 OFF, #3 OFF 0-2000 ft (0-610 m) 3.3 0.52 3.3 0.52
#2 OFF, #3 ON 2001-5200 ft (610-1585 m) 2.8 0.5 2.8 0.6
#2 ON, #3 OFF 5201-7700 ft (1585-2277 m) 2.4 0.5 2.4 0.5
#2 ON, #3 ON 7701-10200 ft (2277-3109 m) 2.1 0.5 2.1 0.5
R75LSi(A) (REU-VA2528FFU(A))
using NATURAL GAS MAX VENT
(Dip Switch #1 is OFF)
Dip Switch
Setting Altitude Max Rate
inches W.C. Min Rate
inches W.C. Max Rate
inches W.C. Min Rate
inches W.C.
#2 OFF, #3 OFF 0-2000 ft (0-610 m) 2.7 0.52 2.7 0.52
#2 OFF, #3 ON 2001-5200 ft (610-1585 m) 2.8 0.5 2.8 0.5
#2 ON, #3 OFF 5201-7700 ft (1585-2277 m) 2.4 0.5 2.4 0.5
#2 ON, #3 ON 7701-10200 ft (2277-3109 m) 2.1 0.5 2.1 0.5
MIN VENT
(Dip Switch #1 is ON)
using
NATURAL GAS
using
NATURAL GAS
R75LSe (REU-VA2528W), R94LSe (REU-VA2535W) using NATURAL GAS
Dip Switch Setting Altitude Max Rate
inches W.C. Min Rate
inches W.C.
#2 OFF, #3 OFF 0-2000 ft (0-610 m) 3.3 0.56
#2 OFF, #3 ON 2001-5200 ft (610-1585 m) 3.3 0.7
#2 ON, #3 OFF 5201-7700 ft (1585-2277 m) 3.3 0.9
#2 ON, #3 ON 7701-10200 ft (2277-3109 m) 3.1 0.7
R75LSe(A) (REU-VA2528W(A)) using NATURAL GAS
Dip Switch Setting Altitude Max Rate
inches W.C. Min Rate
inches W.C.
#2 OFF, #3 OFF 0-2000 ft (0-610 m) 2.9 0.56
#2 OFF, #3 ON 2001-5200 ft (610-1585 m) 3.3 0.7
#2 ON, #3 OFF 5201-7700 ft (1585-2277 m) 3.3 0.9
#2 ON, #3 ON 7701-10200 ft (2277-3109 m) 3.1 0.7

85 Rinnai Water Heater Service Manual
Manifold Gas Pressure Settings
VA Series
R50LSi (REU-VA2019FFU) MAX VENT
(Dip Switch #1 is OFF) MIN VENT
(Dip Switch #1 is ON)
Dip Switch
Setting Altitude Max Rate
inches W.C. Min Rate
inches W.C. Max Rate
inches W.C. Min Rate
inches W.C.
#2 OFF, #3 OFF 0-2000 ft (0-610 m) 3.2 0.92 3.2 0.92
#2 OFF, #3 ON 2001-5200 ft (610-1585 m) 3.1 1.0 3.0 1.1
#2 ON, #3 OFF 5201-7700 ft (1585-2277 m) 2.8 0.9 2.8 1.1
#2 ON, #3 ON 7701-10200 ft (2277-3109 m) 2.8 1.1 2.8 1.4
R75LSi (REU-VA2528FFU),
R94LSi (REU-VA2535FFU)
MAX VENT
(Dip Switch #1 is OFF) MIN VENT
(Dip Switch #1 is ON)
Dip Switch
Setting Altitude Max Rate
inches W.C. Min Rate
inches W.C. Max Rate
inches W.C. Min Rate
inches W.C.
#2 OFF, #3 OFF 0-2000 ft (0-610 m) 5.0 0.92 5.0 0.92
#2 OFF, #3 ON 2001-5200 ft (610-1585 m) 3.3 1.0 3.4 1.0
#2 ON, #3 OFF 5201-7700 ft (1585-2277 m) 3.4 1.1 3.4 1.2
#2 ON, #3 ON 7701-10200 ft (2277-3109 m) 3.2 1.1 3.2 1.1
R75LSi(A) (REU-VA2528FFU(A))
using PROPANE GAS
MAX VENT
(Dip Switch #1 is OFF)
Dip Switch
Setting Altitude Max Rate
inches W.C. Min Rate
inches W.C. Max Rate
inches W.C. Min Rate
inches W.C.
#2 OFF, #3 OFF 0-2000 ft (0-610 m) 4.4 0.92 4.4 0.92
#2 OFF, #3 ON 2001-5200 ft (610-1585 m) 3.3 1.0 3.4 1.0
#2 ON, #3 OFF 5201-7700 ft (1585-2277 m) 3.4 1.1 3.4 1.2
#2 ON, #3 ON 7701-10200 ft (2277-3109 m) 3.2 1.1 3.2 1.1
MIN VENT
(Dip Switch #1 is ON)
using
PROPANE GAS
using
PROPANE GAS
R75LSe (REU-VA2528W), R94LSe (REU-VA2535W) using PROPANE GAS
Dip Switch Setting Altitude Max Rate
inches W.C. Min Rate
inches W.C.
#2 OFF, #3 OFF 0-2000 ft (0-610 m) 5.1 0.88
#2 OFF, #3 ON 2001-5200 ft (610-1585 m) 4.0 1.1
#2 ON, #3 OFF 5201-7700 ft (1585-2277 m) 4.0 0.9
#2 ON, #3 ON 7701-10200 ft (2277-3109 m) 4.0 0.9
R75LSe(A) (REU-VA2528W(A)) using PROPANE GAS
Dip Switch Setting Altitude Max Rate
inches W.C. Min Rate
inches W.C.
#2 OFF, #3 OFF 0-2000 ft (0-610 m) 4.2 0.88
#2 OFF, #3 ON 2001-5200 ft (610-1585 m) 4.0 1.1
#2 ON, #3 OFF 5201-7700 ft (1585-2277 m) 4.0 0.9
#2 ON, #3 ON 7701-10200 ft (2277-3109 m) 4.0 0.9

Rinnai Water Heater Service Manual 86
Manifold Gas Pressure Settings
VA Series
R98LSe (REU-VA3237W) using NATURAL GAS
Dip Switch Setting Altitude Max Rate
inches W.C. Min Rate
inches W.C.
#2 OFF, #3 OFF 0-2000 ft (0-610 m) 2.8 0.65
#2 OFF, #3 ON 2001-5200 ft (610-1585 m) 2.5 0.7
#2 ON, #3 OFF 5201-7700 ft (1585-2277 m) 2.5 0.7
#2 ON, #3 ON 7701-10200 ft (2277-3109 m) 2.5 0.7
R98LSe (REU-VA3237W) using PROPANE GAS
Dip Switch Setting Altitude Max Rate
inches W.C. Min Rate
inches W.C.
#2 OFF, #3 OFF 0-2000 ft (0-610 m) 3.8 0.80
#2 OFF, #3 ON 2001-5200 ft (610-1585 m) 3.0 0.80
#2 ON, #3 OFF 5201-7700 ft (1585-2277 m) 3.0 0.80
#2 ON, #3 ON 7701-10200 ft (2277-3109 m) 3.0 0.80
R98LSi (REU-VA3237FFU) MAX VENT
(Dip Switch #1 is OFF) MIN VENT
(Dip Switch #1 is ON)
Dip Switch
Setting Altitude Max Rate
inches W.C. Min Rate
inches W.C. Max Rate
inches W.C. Min Rate
inches W.C.
#2 OFF, #3 OFF 0-2000 ft (0-610 m) 3.0 0.67 3.0 0.67
#2 OFF, #3 ON 2001-5200 ft (610-1585 m) 2.7 0.7 2.7 0.7
#2 ON, #3 OFF 5201-7700 ft (1585-2277 m) 2.7 0.8 2.7 0.8
#2 ON, #3 ON 7701-10200 ft (2277-3109 m) 2.5 1.7 2.5 1.2
using
NATURAL GAS
R98LSi (REU-VA3237FFU) MAX VENT
(Dip Switch #1 is OFF) MIN VENT
(Dip Switch #1 is ON)
Dip Switch
Setting Altitude Max Rate
inches W.C. Min Rate
inches W.C. Max Rate
inches W.C. Min Rate
inches W.C.
#2 OFF, #3 OFF 0-2000 ft (0-610 m) 3.7 0.83 3.7 0.83
#2 OFF, #3 ON 2001-5200 ft (610-1585 m) 2.9 0.83 2.9 0.83
#2 ON, #3 OFF 5201-7700 ft (1585-2277 m) 3.0 0.83 3.0 0.9
#2 ON, #3 ON 7701-10200 ft (2277-3109 m) 2.8 0.83 2.8 1.2
using
PROPANE GAS

87 Rinnai Water Heater Service Manual
0-2000 ft
(0-610 m)
2001-5200 ft
(610-1585 m)
5201-7700 ft
(1585-2347 m)
7701-10200 ft
(2347-3109 m)
#2: OFF #2: OFF #2: ON #2: ON
#3: OFF #3: ON #3: OFF #3: ON
Dip Switch Settings
1
OFF - “Long Flue”
ON - “Short Flue” and Outdoor Models
2 ON position
3 OFF position
4 OFF position
5 OFF position
6 OFF position
7
8
OFF position - Used for low fire and high fire
settings. Refer to the gas pressure setting
procedure.
V Series
SW1 Bank SW2 Bank
VA Series (for -UC models refer to the next page)
SW1 Bank SW2 Bank (present on replacement PC boards only)
OFF - V53e, R63LSe, R75LSe, R75LSi,
R94LSe, R94LSi, R98LSe(ASME),
R98LSi(ASME)
ON - R50LSi
OFF - V53e, R63LSe, R94LSe, R94LSi,
R98LSe(ASME), R98LSi(ASME)
ON - R50LSi, R75LSe, R75LSi
OFF - R63LSe, R75LSe, R75LSi, R94LSe,
R94LSi, R98LSe(ASME),
R98LSi(ASME)
ON - R50LSi, V53e
1 OFF - Propane Gas
ON - Natural Gas
2 OFF - Outdoor model
ON - Indoor model
3
4
5
6 OFF position
“Long flue” is defined as:
0 elbows and length is greater than 21 ft
1 elbow and length is greater than 15 ft
2 elbows and length is greater than 9 ft
1
OFF - “Long Flue”
ON - “Short Flue” and Outdoor Models
2
Settings dependent on altitude
3
4 OFF - if using MC-91 controller
ON - if using MC-45 controller
5
OFF - 120ºF default temperature without a
controller
ON - 140ºF default temperature without a
controller
6 OFF position
7 OFF position - Used for low fire and high fire
settings. Refer to the gas pressure setting
procedure.
8
“Long flue” is defined as:
0 elbows and length is greater than 21 ft
1 elbow and length is greater than 15 ft
2 elbows and length is greater than 9 ft
OFF position for models prior to these serial
numbers: (on these units, the front panel
does not have an “R” or “C” trade name,
unless the front panel has been replaced)
V1616W, V1616WC 06.02-000001
V2020W, V2020WC 05.07-000001
V2532W, V2532WC 05.05-117257
V2532FFU, V2532FFUC 05.05-117257
V2520FFU, V2520FFUC 05.05-109539
V2526W 05.05-110434
ON position for other models, serial numbers
1 OFF - Propane Gas
ON - Natural Gas
2
3 OFF position
4 OFF - Residential Models
ON - Commercial Models

Rinnai Water Heater Service Manual 88
Dip Switch Settings
0-2000 ft
(0-610 m)
2001-5200 ft
(610-1585 m)
5201-7700 ft
(1585-2347 m)
7701-10200 ft
(2347-3109 m)
#2: OFF #2: OFF #2: ON #2: ON
#3: OFF #3: ON #3: OFF #3: ON
OFF - R63LSe, R75LSe, R75LSi, R94LSe,
R94LSi, R98LSe(ASME),
R98LSi(ASME)
ON - R50LSi, V53e
VA Series (-UC Models)
SW1 Bank SW2 Bank (present on replacement PC boards only)
1 OFF - Propane Gas
ON - Natural Gas
2 OFF - Outdoor model
ON - Indoor model
3
4 OFF position
5 OFF position
6 OFF position
1
OFF - “Long Flue”
ON - “Short Flue” and Outdoor Models
2
Settings dependent on altitude
3
4 OFF - if using MC-91 controller
ON - if using MC-45 controller
5
OFF - 120ºF default temperature without a
controller
ON - 140ºF default temperature without a
controller
6
OFF - 120ºF maximum temperature without an
MCC-91 controller
ON - 140ºF maximum temperature without an
MCC-91 controller
7 OFF position - Used for low fire and high fire
settings. Refer to the gas pressure setting
procedure.
8
“Long flue” is defined as:
0 elbows and length is greater than 21 ft
1 elbow and length is greater than 15 ft
2 elbows and length is greater than 9 ft
If the model name on the side of the water heater ends with “-UC” (ex. “REU-VA2535FFUD-UC”), then these units
have a default maximum temperature of 120º F (49º C) and an option to increase the maximum temperature to
140 ºF (60 ºC). Temperature settings from 125-140 ºF (52-60 ºC) are available by setting dip switch 6 to ON in
the SW1 bank of 8 dip switches. Other dip switch positions may be defined differently than for the non -UC
models.

89 Rinnai Water Heater Service Manual
Notes

© 2008 Rinnai America Corporation
100000098
9/2008
Rinnai’s other fine products Rinnai America Corporation
103 International Drive
Peachtree City, GA 30269
TOLL FREE: 1-800-621-9419
FAX: 678-829-1666
www.rinnai.us
Direct Vent Furnaces
• High Efficiency
• Cool-to-the-touch Cabinet
• Blower Included
• Vent Terminal A Included
• 556 and 1004 Models Available in Beige, White and Silver
• Gas Conversion Kit Included
Hydronic Air Handler
• Designed for Use with Rinnai Systems
• Domestic Hot Water Priority
• Optional Programmable Thermostat
• Zero Clearance to Combustibles
• Accommodates Standard Cased-Coils
Direct-Vent Fireplace, RHFE-750ETR
• Up to 83% AFUE Energy Efficiency
• Zero-Clearance Installation
• Available in Four Options of Fronts
• Remotes and Fan Included
• Gas Conversion Kit Available
Tankless Water Heaters
• Residential and Commercial Applications
• Continuous Hot Water
• Up to 9.8 GPM
• High Energy Efficiency
• Propane or Natural Gas
• Internal or External Installation
• Digital Temperature Control
• Small, Compact Design
Register your product at www.rinnairegistration.com
or call 1-866-RINNAI1 (746-6241)