1000264490 Catalog 1
1000447356-Catalog 1000447356-Catalog 1000447356-Catalog B5 unilog cesco-content
1000447355-Catalog 1000447355-Catalog 1000447355-Catalog B5 unilog cesco-content
88618-Catalog 88618-Catalog 88618-Catalog B5 unilog cesco-content
2016-10-06
: Pdf 1000264490-Catalog 1 1000264490-Catalog_1 B5 unilog
Open the PDF directly: View PDF .
Page Count: 362 [warning: Documents this large are best viewed by clicking the View PDF Link!]

Electronic relays and controls
The whole assortment for monitoring and
controlling devices
Catalog | June 2016
1 ABB | Catalog Electronic relays and controls 2016 | 2CDC 110 004 C0210

2CDC 110 004 C0210 | Catalog Electronic relays and controls 2016 | ABB 2
Electronic relays and controls
News
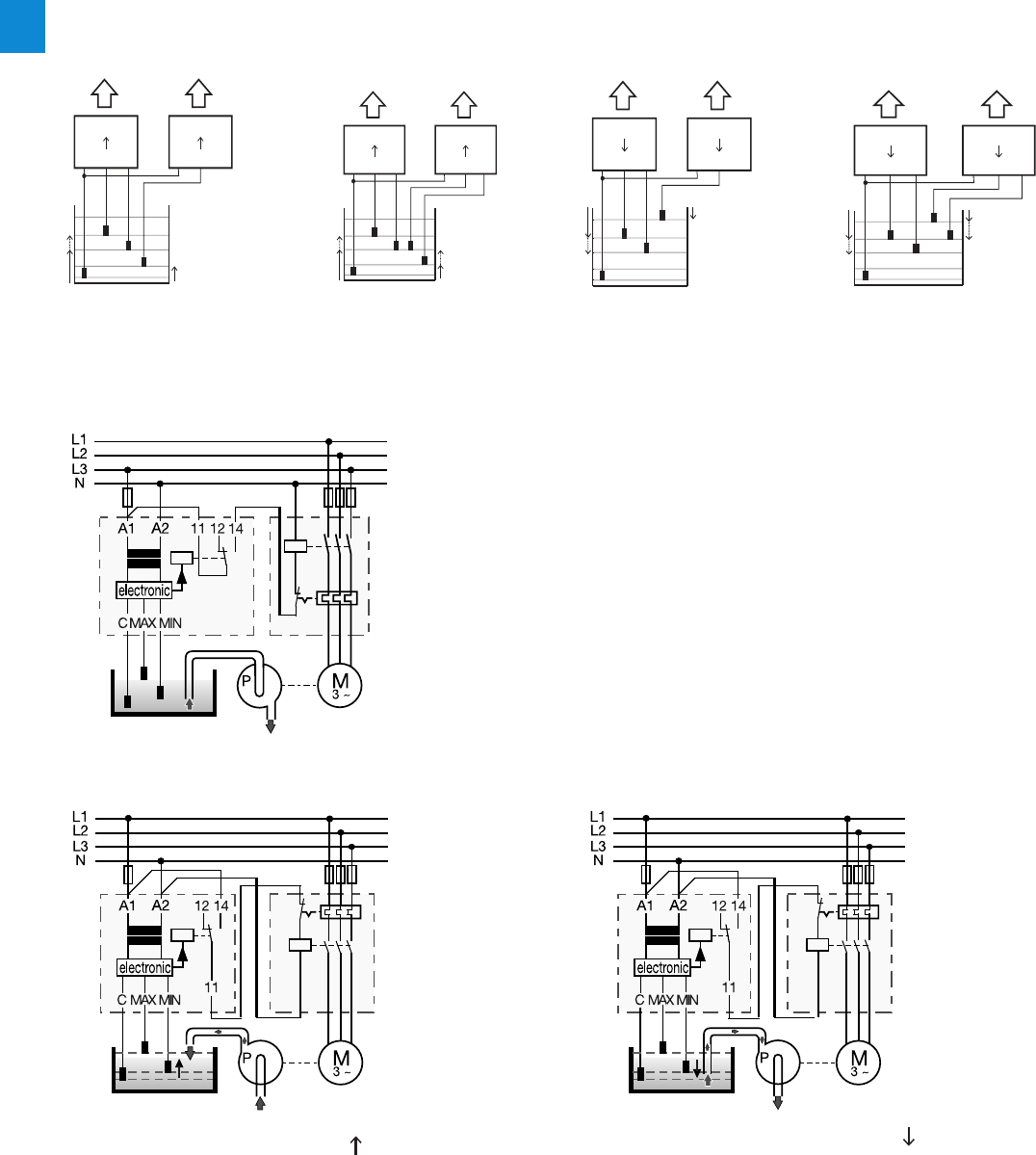
Liquid level monitoring relays in new housing
ABB’s liquid level monitoring relays are used for regulation and control of liquid levels and
ratios of mixtures of conductive fluids. The assortment includes single function and multifunc-
tional devices which can be used for overflow, dry-running protection of pumps, filling and
draining applications as well as max. and min. level alarm. A range of accessories like different
electrodes complete the offer.
The new housing provides two different connection terminals: The proven double-chamber
cage connection terminals and the Easy Connect Technology with Push-in terminals.
The slim line of interface relays and optocouplers
The pluggable interface relays and optocouplers of the CR-S Range are used for electrical
isolation, amplification and signal matching between the electronic controlling, e.g. PLC, iPC or
field bus systems and the sensor / actuator level. The CR-S Range combines the flexibility of a
modular system and the ability of switching high currents on a small footprint thus can be used
in applications where space saving is essential.
Short form catalog
The smaller brother of this binder. It includes all necessary information to select a product.
The smaller brother of this binder. It includes all necessary information to select a product.
Universal Motor Controller UMC100.3 now available with additional analog temperature
module A111
The intelligent ABB Motor Controllers for motor protection, motor control, fieldbus and Eth-
ernet communication and fault diagnosis. Due to the benefits it provides, the UMC is used
worldwide in many segments and in Projects with several thousand motor controllers. Beside
the proven UMC100 the new UMC100.3 offers even more capabilities like 24 V DC or
110-220 V AC/DC supply voltage and fieldbus communication interfaces. Different modules
like the newest analog and temperature module AI111 extend the functional scope.

3 ABB | Catalog Electronic relays and controls 2016 | 2CDC 110 004 C0210
Electronic relays and controls
Further marketing tools and technical data
Rail brochure
Selected products of the elec-
tronic timers and measuring
and monitoring relays comply
to the latest rail standards
NF F 16-101/102, EN 45545,
EN 50155 and more standards
which are relevant for railway
applications.
Selection app
Finding the right product within
a large product range could be
a difficult task. Electronic relays
and controls selection tool will
help you quickly and easily
select your products in few
easy steps.
Android version iOS version
tronic timers and measuring
to the latest rail standards
which are relevant for railway

1
5
3
7
2
6
4
2CDC 110 004 C0210 | Catalog Electronic relays and controls 2016 | ABB 4
Electronic relays and controls
Table of contents
Electronic timers 1/1
Measuring and monitoring relays 2/1
Primary switch mode power supplies 3/1
Analog signal converters, serial data converters 4/1
Interface relays and optocouplers 5/1
Logic relays 6/1
Index 7/1

5 ABB | Catalog Electronic relays and controls 2016 | 2CDC 110 004 C0210
Approvals and marks for the world market
Overview
ABB low-voltage switching devices are developed and produced in accordance with the applicable regulations as stated in the international IEC publica-
tions, the European EN specifications and the national VDE standards.
In most countries, low-voltage switching devices are produced according to such regulations under the responsibility of the manufacturers. This is why the
devices are not subject to further approval. However, for those devices which are intended for use in household or for public use our customers can reque-
st test reports of our internal laboratory for presentation to the various qualified local organizations. In other countries, approvals are prescribed by law.
For devices installed in ships, an approval issued by independent shipping companies, such as the GL, are demanded by the maritime insurance
companies.
Marks of conformity and examples of approvals (device-dependent)
International
CB scheme K
The CB (Certification Body) Scheme is a
system designed to facilitate international
trade by establishing mutual acceptance
of test reports among participating safety
certification organizations (the National Cer-
tification Bodies) in more than 30 countries.
The CB Scheme was established by the
International
Electrotechnical Committee for Conformity
Testing to Standards for Electrical
Equipment (IECEE).
Europe
Conformité Européen (CE) a
All devices which comply with the European
low voltage directive and which are intended
for sale within the European Union must
have the CE sign applied. All products in this
catalog are CE marked.
The CE sign must not be confused with a
certificate of quality issued by the EU. It is
solely used to confirm that the respective
product complies with the applicable
European directives *). The CE sign is part
of an administrative procedure to guarantee
free movement of goods within the Europe-
an Community.
*) Directives:
Low Voltage Directive 2006/95/EC
EMC Directive 2004/108/EC
Machinery Directive 98/37/EEC
Verband der Elektrotechnik
Elektronik Informationstechnik
(VDE) J
Applicable for technical instruments covered
by the German Gerätesicherheitsgesetz
(GSG) as well as for single parts and electri-
cal wiring devices.
Berufsgenossenschaft
der Feinmechanik und
Elektrotechnik (BGFE) M
The BG-PRÜFZERT sign is a voluntary
safety mark, awarded by the BGFE following
successful safety testing.
Explosion protection (EX) I
Explosion protection acc. to
Directive 94/9/EG (ATEX 100a)
Swiss insurance institution
(SUVA) Q
Department accident prevention suvaPRO
Germanischer Lloyd (GL) C
Shipping approval
Lloyds Register P
Shipping approval
Russia
In Russia, low-voltage switching devices are
subject to certification and have to be provi-
ded with a sign.
Eurasian Conformity R
EAC certification is mandatory for many pro-
ducts. This certification is based on a safety
test (IEC standards with Russia-
specific deviations) and an EMC test.
Russian Maritime Register of
Shipping RMRS L
Shipping approval
Australia, New Zealand
RCM Mark b
The RCM Mark certifies compliance with the
Australian EMC requirements. The Mark is
also recognized in New Zealand.
China
CCC (China Compulsory
Certification) E
In China the CCC certification mark is a
compulsory certification mark in the field of
safety and quality for products sold on the
Chinese market.
North America
Canadian and US standards are more or
less equivalent but considerably differ from
the IEC and VDE regulations.
USA
Underwriters Laboratories (UL)
Listing B
Released for installation in systems and for
sale as individual component in the USA.
Recognition G
Released for installation in systems, if the
respective system has been completely
mounted and wired by qualified personnel.
Canada
Canadian Standards
Association (CSA) F
USA and Canada
The combined UL signs for the USA and
Canada are recognized by the authorities of
both countries. Devices with this certificate
meet the requirements of both countries.
Listing A
Recognition H

2CDC 110 004 C0210 | Catalog Electronic relays and controls 2016 | ABB 6
Find Electronic relays and controls product information and
documentation on our web page
The following steps will guide you to the documentation and product search section of the Electronic relays and controls portfolio on www.ABB.com.
Enter http://new.abb.com/low-voltage/products/electronicrelays in your internet browser.
You will be redirected to the following page:
Latest information about the Electronic relays and controls product range could be found in the Highlights section.
In the lower area of the web page you can find the Our offering section.
The assortment of the Electronic relays and controls range is listed here as shown in the screenshot below:
Select the register of the relevant product group to see all the products related to the product group.
Choose a product range from which you want to see the documentation or from which you want to choose a specific product.
In this example the CT-S range from the register Electronic timers has been selected as shown on the screenshot.

7 ABB | Catalog Electronic relays and controls 2016 | 2CDC 110 004 C0210
Find Electronic relays and controls product information and
documentation on our web page
You will be redirected to the following page:
Latest information about the Electronic relays and controls product range could be found in the Highlights sections.
In the lower area of the web page you can find the Products and documents section.
The functions to choose a product or a document are listed here as in the screenshot below:
To search for a product continue on page 9.
To search for documentation continue on page 10.

2CDC 110 004 C0210 | Catalog Electronic relays and controls 2016 | ABB 8
Find Electronic relays and controls product information and
documentation on our web page
How to find the right product
Click on Filters to see the different search attributes for the selected product range.
The filter section will be expanded as shown below.
The different product filters are shown.
Click on the filter attribute to continue the product search process.
In this example Output has been chosen.
In the right part mark the corresponding check box to narrow down the search. You can also select several check boxes.
Click on Apply to submit your filter.
The search results are now listed according to your selection.
Proceed this approach with different filters until the right product is listed.
Click on the product in the Result section to get the dedicated product information listed in your browser.

9 ABB | Catalog Electronic relays and controls 2016 | 2CDC 110 004 C0210
Find Electronic relays and controls product information and
documentation on our web page
How to find the right documentation
Click on Documents to see the different types of documentation for the product.
The document section will be expanded as shown below.
On the left side select the type of document related to the product. In the example Popular documents has been selected.
In the right area click on the document related to the product.
The document is opened or downloaded, depending on the individual browser settings.
2CDC 110 004 C0210 | Catalog Electronic relays and controls 2016 | ABB 10
Electronic relays and controls catalog 2016
Notes

1
11 ABB | Catalog Electronic relays and controls 2016 | 2CDC 110 004 C0210
Electronic timers
Product group picture

1
2CDC 110 004 C0210 | Catalog Electronic relays and controls 2016 | ABB 12
Electronic timers
Table of contents
Electronic timers
Electronic timers 12
Type selection 13
Approvals and marks 14
CT-D range 16
Benefits and advantages 17
Ordering details 18
Connection diagrams 19
Technical data 20
Technical diagrams, Wiring notes, Dimensional drawings 22
CT-E range 24
Benefits and advantages 25
Ordering details 26
Connection diagrams 28
Connection diagrams, Technical diagrams 29
Technical data 30
Wiring notes, Dimensional drawings 32
CT-S range 34
Benefits and advantages 35
Ordering details - multifunctional 37
Ordering details - singlefunctional 38
Ordering details - Accessories 39
Connection diagrams 40
Technical data 42
Technical diagrams 45
Wiring notes, Dimensional drawings 46
Electronic timers 47
Timing functions 47

1
13 ABB | Catalog Electronic relays and controls 2016 | 2CDC 110 004 C0210
Electronic timers
Type selection
CT-S the high-performance rangeCT-E the econimic rangeCT-D range in modular DIN rail
housing
multifunctional single-functional multifunctional single-functional multifunctional single-functional
Timing function CT-D CT-E CT-S
A ON-delay CT-MFD CT-ERD CT-MFE,
CT-MKE
CT-ERE, CT-EKE
CT-MVS, CT-MFS,
CT-MBS, CT-WBS
CT-ERS
B OFF-delay CT-MFD CT-AHD CT-MFE CT-AHE,
CT-ARE, CT-AKE
CT-MVS, CT-MFS,
CT-MBS
CT-APS,
CT-AHS, CT-ARS
AB ON- and OFF-delay
CT-MVS, CT-MXS,
CT-MFS, CT-MBS
CA Impulse-ON CT-MFD CT-V WD CT-MFE,
CT-MKE
CT-VWE
CT-MVS, CT-MFS,
CT-MBS, CT-WBS
CB Impulse-OFF CT-MFD CT-AWE
CT-MVS, CT-MFS,
CT-MBS
CE Impulse-ON and OFF
CT-MXS
DA Flasher starting with ON CT-MFD CT-EBD CT-MFE,
CT-MKE
CT-MFS, CT-MBS,
CT-WBS
DB Flasher staring with OFF CT-MFD CT-MFE,
CT-MKE
CT-EBE
CT-MFS, CT-MBS,
CT-WBS
DE Flasher starting with ON or
OFF
CT-MVS
ED Pulse generator starting with
ON or OFF
CT-TGD
CT-MXS
H Pulse former CT-MFD CT-MFE
CT-MVS, CT-MFS,
CT-MBS
F Star-delta change-over CT-SDD,
CT-SAD
CT-SDS
FC Star-delta change-over with
impulse
CT-SDE
CT-MVS.2x,
CT-MFS, CT-MBS
FA Star-delta change-over
twice ON-delayed
CT-YDE
A+ AC BC G
further functions
(depending on device)
CT-MVS, CT-MXS,
CT-MFS, CT-MBS,
CT-WBS
– Time ranges: 7 (0.05 s - 100 h)
– CT-SDD, CT-SAD: (0.05 s - 10 min)
– Wide and multi ranges of control sup-
ply voltage
– 1 or 2 c/o contacts
– CT-SDD, CT-SAD: 2 n/o contacts
– Control inputs: voltage-related trig-
gering, polarized, capable of switch-
ing a parallel load
– Multifunction devices:
8 (0.05 s - 100 h)
Single-function devices:
0.05-1 s, 0.1-10 s, 0.3-30 s, 3-300
s, 0.3-300 min
– Wide, single and dual ranges of con-
trol supply voltage
– 1 c/ o contact
CT-SDE: 1 n/o contact and 1 n/c
contact
CT-MKE, CT-EKE, CT-AKE: 1 thyristor
– voltage-related triggering, polarized
CT-MFE, CT-AHE, CT-AWE:
with auxiliary voltage
– 10 (0.05 s - 300 h)
CT-ARS, CT-SDS: 7 (0.05 s- 10 min)
– Wide, single and multi ranges of con-
trol supply voltage
– 1 or 2 c/o contacts
CT-MVS.21, CT-MFS, CT-MBS:
2nd c/o contact selectable as inst.
contact
CT-SDS: 2 n/o contacts
– voltage-related triggering, non-polar-
ized, capable of switching a parallel
load
CT-MFS, CT-MBS, CT-AHS:
volt-free triggering
A detailed explanation of the different timing functions can be found at “Timing functions” on page 47.

1
2CDC 110 004 C0210 | Catalog Electronic relays and controls 2016 | ABB 14
Electronic timers
Approvals and marks
CT-D CT-E CT-S
AUL508, CAN/CA
C22.2 No. 14
All All All
KCB Scheme All except:
CT-MFD.21, CT-ERD.22, CT-AHD.22,
CT-TGD.22, CT-SDD.22, CT-SAD.22
All except:
CT-MKE, CT-EKE, CT-AKE
All
REAC All All All
ECCC All All except:
CT-MKE, CT-EKE, CT-AKE
All
LRMRS All except:
CT-SDD.22, CT-SAD.22
All All
CGermanischer Lloyd -All All available
Pending for: CT-ARS.11
aCommunauté
Européenne
All All All
bRCM All available
Pending for:
CT-MFD.21, CT-ERD.22, CT-AHD.22,
CT-TGD.22, CT-SDD-22. CT-SAD.22
All All

1
15 ABB | Catalog Electronic relays and controls 2016 | 2CDC 110 004 C0210
CT-D range
Product group picture

1
2CDC 110 004 C0210 | Catalog Electronic relays and controls 2016 | ABB 16
CT-D range
Table of contents
CT-D Range
CT-D range 16
Benefits and advantages 17
Ordering details 18
Connection diagrams 19
Technical data 20
Technical diagrams, Wiring notes, Dimensional drawings 22

1
17 ABB | Catalog Electronic relays and controls 2016 | 2CDC 110 004 C0210
CT-D range
Benefits and advantages
Operating controls
1 LEDs for status indication
U - green LED: V control supply voltage applied
W timing
R, R1, R2 - yellow LED: V output relay energized
2 Time range adjustment
3 Fine adjustment of the time delay
4 Preselection of the timing function
multifunctional single-functional
Direct reading scales
Direct setting of the time delay without any additional
calculation provides accurate time delay adjustment.
LEDs for status indication
All actual operational states are displayed by front-face LEDs,
thus simplifying commissioning and troubleshooting.
Switching currents
The CT-D range timers allow an output load of up to 6 A on
devices with 1 c/o contact and up to 5 A on devices with
2c/o contacts.
Connection terminals
Wide terminal spacing allows connection of wires:
2 x 1.5 mm² (2 x 16 AWG) with wire end ferrules or 2 x 2.5
mm² (2 x 14 AWG) without ferrules.
Width 17.5 mm
With their width of 17.5 mm only, the CT-D range timers are
ideally suited for installation in distribution panels.
17.5 mm
Characteristics
– Diversity:
– 2 multifunction timers
– 10 single-function timers
– Control supply voltages:
– Wide range: 12-240 V AC/DC
– Multi range: 24-48 V DC, 24-240 V AC
– 7 time ranges from 0.05 s to 100 h or
4 time ranges from 0.05 s to 10 min
– Width of only 17.5 mm
– Light-grey housing in RAL 7035
– Devices with:
1 c/o contact (250 V / 6 A) or 2 c/o contacts (250 V / 5 A)
Control input: voltage-related triggering, polarized,
capable of switching parallel loads
– Approvals / Marks (partly pending, details see “Approvals
and marks” on page 14)
– A, K1), E, , L / a, b
1) Only for devices with 1 c/o (SPDT) contact
Benefits
4
2
3
1
2
3
2CDC 253 066 F0006
2CDC 253 132 F0006
2CDC 253 033 F0004
2CDC 253 021 F0004
1
1
2
2
3
3
4
4

1
2CDC 110 004 C0210 | Catalog Electronic relays and controls 2016 | ABB 18
CT-D range
Ordering details
Synonyms
used expression alternative expression(s) used expression alternative expression(s)
1 c/o contact SPDT voltage-related wet / non-floating
2 c/o contacts DPDT volt-free dry / floating
2CDC 251 089 F0006
2CDC 251 091 F0006
CT-MFD.12
CT-ERD.22
Further documentation CT-D
electronic timers on www.abb.com
1) Functions: ON-delay, OFF-delay with auxiliary voltage, Impulse-ON, Impulse-OFF with auxiliary voltage,
Flasher starting with ON, Flasher starting with OFF, Pulse former
2) ON and OFF times adjustable independently: 2 x 7 time ranges 0.05 s - 100 h
3) Transition time 50 ms fixed
4) Transition time adjustable
Description
The CT-D range in MDRC design with a width of only 17.5 mm fits into all domestic
installation and distribution panels.
The CT-D range represents a link between industry and the installation types. For maxi-
mum flexibility in operation, 10 single-function as well as 2 multifunction devices with 7
timing functions are available. The devices offer 4 or 7 time ranges from 0.05 seconds up
to 100 hours. Their wide input range allows the use in applications worldwide.
Ordering details
Timing
function
Rated
control
supply
voltage
Time
ranges
Con-
trol
input
Output Type Order code Price
1 pce
Weight
(1 pce)
kg (lb)
Multi1) 24-240 V AC
24-48 V DC 7 (0.05 s -
100 h) 1 c/o CT-M FD.12 1SVR500020R0000 0.060
(0.132)
Multi1) 12-240
VAC/DC 7 (0.05 s -
100 h) 2 c/o CT-MFD.21 1SVR500020R1100 0.065
(0.143)
ON-delay
24-240 V AC
24-48 V DC
7 (0.05 s -
100 h)
-1 c/o CT-ERD.12 1SVR500100R0000 0.060
(0.132)
-2 c/o CT-ERD.22 1SVR500100R0100 0.065
(0.143)
OFF-delay
1 c/o CT-AHD.12 1SVR500110R0000 0.060
(0.132)
2 c/o CT-AHD.22 1SVR500110R0100 0.065
(0.143)
Impulse-
ON -
1 c/o
CT-V WD.12 1SVR500130R0000
0.060
(0.132)
Flasher
starting
with ON -CT-EBD.12 1SVR500150R0000
Pulse
generator 2×7 (0.05
s - 100 h)
CT-TGD.12
2) 1SVR500160R0000 0.060
(0.132)
2 c/o
CT-TGD.22
2) 1SVR500160R0100 0.065
(0.143)
Star-delta
change-
over
4 (0.05 s -
10min)
-
2 c/o
CT-SDD.22
3) 1SVR500211R0100 0.065
(0.143)
-
CT-SAD.22
4) 1SVR500210R0100
Control input with voltage-related triggering
- no triggering

1
19 ABB | Catalog Electronic relays and controls 2016 | 2CDC 110 004 C0210
CT-MFD.21 CT-MFD.12 A CT-ERD.12
B CT-AHD.22
A1
A1
28
28
26
26
A2
18 16 Y1/B1
A2
15
25
1816
15
25
Y1/
B1
2CDC 252 113 F0b06
A1
A1
28
28
26
26
A2
18 16 Y1/B1
A2
15
25
1816
15
25
Y1/
B1
2CDC 252 116 F0b06
A1
A1
28
28
26
26
A2
18 16
A2
15 25
25
1816
15
2CDC 252 115 F0b06
A CT-ERD.22
B CT-AHD.12 CA CT-VWD.12 DA CT-EBD.12
ED CT-TGD.22
A1
A1
28
18
26
16
A2
18 16 Y1/B1
A2
15
15
2826
25
25
Y1/
B1
2CDC 252 118 F0b06
A1
A1
A2 18 28
17
17
28 18 A2
2CDC 252 160 F0b06
ED CT-TGD.12 F CT-SDD.22 F CT-SAD.22
A1
A1
18
18
16
16
A2
A2
15
15
Y1/B1
Y1/
B1
2CDC 252 114 F0b06
A1
A1
18
18
16
16
A2
A2
15
15
2CDC 252 177 F0b05
A1
A1
18
18
16
16
A2
A2
15
15
Y1/B1
Y1/
B1
2CDC 252 117 F0b06
A1
A1
18
18
16
16
A2
A2
15
15
2CDC 252 179 F0b05
A1
A1
18
18
16
16
A2
A2
15
15
2CDC 252 180 F0b05
A1
A1
18
18
16
16
A2
A2
15
15
Y1/B1
Y1/
B1
2CDC 252 119 F0b06
A1
A1
A2 18 28
17
17
28 18 A2
2CDC 252 160 F0b06
CT-D range
Connection diagrams
A1-A2 Supply:
12-240 V AC/DC
A1-Y1/B1 Control input
15-16/18 1. c/o contact
25-26/28 2. c/o contact
A1-A2 Supply:
24-48 V DC or
24-240 V AC
A1-Y1/B1 Control input
15-16/18 1. c/o contact
A1-A2 Supply:
24-48 V DC or
24-240 V AC
A1-Y1/B1 Control input
15-16/18 1. c/o contact
A1-A2 Supply:
24-48 V DC or
24-240 V AC
A1-Y1/B1 Control input
15-16/18 1. c/o contact
A1-A2 Supply:
24-48 V DC or
24-240 V AC
15-16/18 1. c/o contact
25-26/28 2. c/o contact
A1-A2 Supply:
24-48 V DC or
24-240 V AC
A1-Y1/B1 Control input
15-16/18 1. c/o contact
25-26/28 2. c/o contact
A1-A2 Supply:
24-48 V DC or
24-240 V AC
A1-Y1/B1 Control input
15-16/18 1. c/o contact
25-26/28 2. c/o contact
A1-A2 Supply:
24-48 V DC or
24-240 V AC
17-18 1. n/o contact
(star contactor)
17-28 2. n/o contact
(delta contactor)
A1-A2 Supply:
24-48 V DC or
24-240 V AC
17-18 1. n/o contact
(star contactor)
17-28 2. n/o contact
(delta contactor)
A1-A2 Supply:
24-48 V DC or
24-240 V AC
15-16/18 1. c/o contact
A1-A2 Supply:
24-48 V DC or
24-240 V AC
15-16/18 1. c/o contact
A1-A2 Supply:
24-48 V DC or
24-240 V AC
15-16/18 1. c/o contact

1
2CDC 110 004 C0210 | Catalog Electronic relays and controls 2016 | ABB 20
CT-D range
Technical data
Data at Ta = 25 °C and rated values, unless otherwise indicated
CT-D with 1 c/o
contact
CT-D with 2 c/o
contacts
CT-MFD.21
Input circuit - Supply circuit
Rated control supply voltage Us24-240 V AC / 24-48 V DC 12-240 V AC/DC
Rated control supply voltage US tolerance -15...+10 %
Rated frequency DC or 50/60 Hz
Frequency range AC 47-63 Hz
Typical current / power consumption see data sheet
Power failure buffering time min. 20 ms
Release voltage > 10 % of the minimum rated control supply voltage Us
Input circuit - Control circuit
Control input, control function A1-Y1/B1 start timing external
Kind of triggering voltage-related triggering
Resistance to reverse polarity yes
Parallel load / polarized yes / yes
Maximum cable length to the control inputs 50 m - 100 pF/m
Minimum control pulse length 20 ms
Control voltage potential see rated control supply voltage
Current consumption of the control input see data sheet
Timing circuit
Time ranges 7 time ranges 0.05 s - 100 h 1.) 0.05-1 s 2.) 0.5-10 s 3.) 5-100 s 4.) 0.5-10 min
5.) 5-100 min 6.) 0.5-10 h 7.) 5-100 h
4 time ranges 0.05 s - 10 min (CT-SDD, CT-SAD) 1.) 0.05-1 s 2.) 0.5-10 s 3.) 5-100 s 4.) 0.5-10 min
Recovery time < 50 ms
Accuracy within the rated control supply voltage tolerance t < 0.005 % / V
Accuracy within the temperature range t < 0.06 % / °C
Repeat accuracy (constant parameters) t < ± 0.5 %
Setting accuracy of time delay IEC/EN 61812-1 ± 10% of full-scale value
Star-delta transition time CT-SDD / CT-SAD fixed 50 ms /
adjustable: 20 ms, 30 ms, 40 ms, 50 ms, 60 ms, 80 ms or 100 ms
Star-delta transition time tolerance CT-SDD / CT-SAD ±3 ms
Indication of operational states
Control supply voltage / timing U: green LED V: control supply voltage applied
W: timing
Relay energized (1 c/o contact /
2 c/o contacts or inst. contact)
R: yellow LED V: output relay energized
Operating elements and controls
Adjustment of the time range front-face rotary switch, direct reading scales
Fine adjustment of the time value front-face potentiometer
Preselection of the timing function at multifunction devices front-face rotary switch, direct reading scales
Adjustment of the transition time CT-SAD front-face potentiometer
Output circuit
Kind of output 15-16/18 Relay, 1 c/o contact -
15-16/18; 25-26/28 -Relay, 2 c/o contacts
17-18; 17-28 Relay, 2 n/o contacts (CT-SDD, CT-SAD)
Contact material AgNi alloy, Cd free
Rated operational voltage Ue250 V
Minimum switching voltage / minimum switching current 12 V / 100 mA
Maximum switching voltage / maximum switching current 250 V AC / 6 A 250 V AC / 5 A
Rated operational current Ie
(IEC/EN 60947-5-1 )
AC-12 (resistive) at 230 V 6 A 5 A
AC-15 (inductive) at 230 V 3 A 3 A n/o: 3 A n/c: 0.75 A
DC-12 (resistive) at 24 V 6 A 5 A
DC-13 (inductive) at 24 V 2 A 2 A 1 A
AC rating (UL 508) utilization category (Control Circuit Rating Code) B 300 n/o: B 300 n/c: C 300
max. rated operational voltage 300 V AC
Maximum continuous thermal current at B300 5 A n/o: 5 A
Maximum continuous thermal current at C300 -n/c: 2.5 A
max. making/breaking apparent power at B300 3600 VA / 360 VA n/o: 3600/360 VA
max. making/breaking apparent power at C300 -n/c: 1800/180 VA
Mechanical lifetime 30 x 106 switching cycles
Electrical lifetime 0.1 x 106 switching cycles
Max. fuse rating to achieve short-circuit protection
(IEC/EN 60947-5-1)
n/c contact 6 A fast-acting
n/o contact 10 A fast-acting 6 A fast-acting

1
21 ABB | Catalog Electronic relays and controls 2016 | 2CDC 110 004 C0210
CT-D range
Technical data
CT-D with 1 c/o
contact
CT-D with 2 c/o
contacts
CT-MFD.21
General data
Mean time between failures (MTBF) on request
Duty time 100%
Dimensions (W x H x D) 17.5 x 70 x 58 mm
(0.69 x 2.76 x 2.28 in)
17.5 x 80 x 58 mm
(0.69 x 3.15 x 2.28 in)
Weight see ordering details
Mounting DIN rail (IEC/EN 60715), snap-mounting without any tool
Mounting position any
Minimum distance to other units horizontal / vertical no / no
Degree of protection housing / terminals IP50 / IP20
Electrical connection
Wire size
fine-strand with(out) wire end ferrule
2 x 0.5-1.5 mm2 (2 x 20-16 AWG)
1 x 0.5-2.5 mm2 (1 x 20-14 AWG)
rigid 2 x 0.5-1.5 mm2 (2 x 20-16 AWG)
1 x 0.5-4 mm2 (1 x 20-12 AWG)
Stripping length 7 mm (0.28 in)
Tightening torque 0.5-0.8 Nm (4.43-7.08 lb.in)
Environmental data
Ambient temperature range operation / storage -20 ... +60 °C / -40 ... +85 °C
Climatic class IEC/EN 60068-2-30 3K3
Relative humidity range 25-85%
Shock (half-sine) IEC/EN 60068-2-27 150 m/s2, 11 ms
Isolation data
Rated impulse withstand voltage Uimp
between all isolated circuits
IEC/EN 60664-1 type test: 4 kV; 1.2/50 µs
Pollution category IEC/EN 60664-1 3
Overvoltage category IEC/EN 60664-1 III
Rated insulation voltage Uiinput circuit / output circuit 300 V
output circuit 1 / output circuit 2 not available 300 V 300 V
Basic insulation (IEC/EN 61140) input circuit / output circuit 300 V
Protective separation
(IEC/EN 61140, EN 50178)
input circuit / output circuit 250 V
Power-frequency withstand voltage test
(test voltage)
between all isolated circuits routine test: 2.5 kV; 50 Hz; 1 s
type test: 2.5 kV; 50 Hz; 60 s
Standards
Product standard IEC/EN 61812-1
Low Voltage Directive 2006/95/EC
EMC Directive 2004/108/EC
RoHS Directive 2011/6 5/EC
Electromagnetic compatibility
Interference immunity to IEC/EN 61000-6-1, IEC/EN 61000-6-2
electrostatic discharge
IEC/EN 61000-4-2
Level 3 (6 kV / 8 kV)
radiated, radio-frequency, electromagnetic field
IEC/EN 61000-4-3
Level 3 (10 V / m)
electrical fast transient / burst
IEC/EN 61000-4-4
Level 3 (2 kV / 5 kHz)
surge
IEC/EN 61000-4-5
Level 4 (2 kV L-L)
conducted disturbances, induced by radio-frequency fields IEC/EN 61000-4-6
Level 3 (10 V)
Interference emission IEC/EN 61000-6-3, IEC/EN 61000-6-4
high-frequency radiated IEC/CISPR 22, EN 55022 Class B
high-frequency conducted IEC/CISPR 22, EN 55022 Class B
Product certifications and declarations see “Approvals and marks” on page 14.

1
2CDC 110 004 C0210 | Catalog Electronic relays and controls 2016 | ABB 22
CT-D range
Technical diagrams, Wiring notes, Dimensional drawings
CT-D.2x CT-D.2x
Derating factor F
for inductive AC load
Contact lifetime
DC current [A]
resistive load
DC voltage [V]
2CDC 252 121 F0206
AC current [A]
resistive load
AC voltage [V]
2CDC 252 122 F0206
Switching current [A]
250 V
resistive load
Switching cycles
2CDC 252 123 F0206
cos ϕ
0.5
0.1 0.2 0.3 0.40.5 0.60.7 0.80.9 1.0
0.6
0.7
0.8
0.9
1.0
Derating factor F
2CDC 252 124 F0206
CT-D.1x CT-D.1x
AC load (resistive) DC load (resistive)
Technical diagrams
Load limit curves
DC current [A]
resistive load
DC voltage [V]
2CDC 252 045 F0207
AC current [A]
resistive load
AC voltage [V]
2CDC 252 044 F0207
0.69“
2.76“
0.2“
2.28“
1.71“
1.77“
17,5
70
5
58
43,4
45
2CDC 252 131 F0b06
0.69“
17,5
3.15“80
0.2“
5
2.28“
1.71“
58
43,4
1.77“45
2CDC 252 130 F0b06
CT-D devices with 1 c/o contact or 2 n/o contacts CT-D devices with 2 c/o contacts
Dimensional drawings
L(+)
N(-)
A1 Y1/B1
A2
2CDC 252 102 F0b06
Wiring notes for devices with control input
A parallel load to the control input is possible
dimensions in mm

1
23 ABB | Catalog Electronic relays and controls 2016 | 2CDC 110 004 C0210
CT-E range
Product group picture

1
2CDC 110 004 C0210 | Catalog Electronic relays and controls 2016 | ABB 24
CT-E range
Table of contents
CT-E Range
CT-E range 24
Benefits and advantages 25
Ordering details 26
Connection diagrams 28
Connection diagrams, Technical diagrams 29
Technical data 30
Wiring notes, Dimensional drawings 32

1
25 ABB | Catalog Electronic relays and controls 2016 | 2CDC 110 004 C0210
CT-E range
Benefits and advantages
Characteristics
– Diversity:
– 2 multifunction timers
– 56 single-function timers
– Control supply voltages:
– Dual range: 24 V AC/DC
– Single range: 110-130 V AC, 220-240 V AC
– Wide range: 24-240 V AC/DC (CT-MFE)
– Time ranges
– 5 single ranges: 0.05-1 s, 0.1-10 s, 0.3-30 s, 3-300 s,
0.3-30 min
– 8 time ranges: 0.05 s - 100 h (CT-MFE)
– Devices with 1 c/o (SPDT) contact (250 V / 4 A) or
solid-state output for high switching frequencies (thyristor
0.8 A)
– Approvals / Marks (details see “Approvals and marks” on
page 14)
– A, C, R, K, E, L / a, b
1 LEDs for status indication
U - green LED: V control supply voltage applied
R2: red LED: V output relay energized
2 Time range adjustment (only multifunctional devices)
3 Fine adjustment of the time delay
4 Preselection of the timing function (only multifunctional devices)
Operating controls
Direct reading scales
Direct setting of the time delay without any additional
calculation provides accurate time delay adjustment.
LEDs for status indication
All actual operational states are displayed by front-face LEDs,
thus simplifying commissioning and troubleshooting.
Connection screws in M3 (Pozidrive 1)
Easy and fast tightening and release of the connection screws
with pozidrive, pan- or crosshead screwdriver.
Solid-state output
Devices with solid-state output are the perfect solution for
high operation cycles.
4
1
2
3
Benefits
2CDC 252 166 F0005
ALA1
A1
AL
1SVC 110 000 F0508
1SVC 110 000 F0500
1SVC 110 000 F0506
2CDC 252 166 F0005
1
1
2
2
3 4
4
3
Synonyms
used expression alternative expression(s) used expression alternative expression(s)
1 c/o contact SPDT voltage-related wet / non-floating
2 c/o contacts DPDT volt-free dry / floating

1
2CDC 110 004 C0210 | Catalog Electronic relays and controls 2016 | ABB 26
CT-E range
Ordering details
Further documentation CT-E
electronic timers on www.abb.com
1SVR 550 029 F81001SVR 550 111 F1100
CT-MFE
CT-AHE
1) Functions: ON-delay, OFF-delay with auxiliary voltage, Impulse-ON, Flasher starting with ON, Flasher starting with OFF,
Pulse former
2) without auxiliary voltage, True Off-delay timer
Description
The CT-E range with its excellent price/performance ratio offers an ideal solution for serial
applications. 56 single-function devices with 5 different time ranges as well as 2 multifunction
timers with 6 functions and 8 time ranges offer the highest possible flexibility for almost every
application. For high operating cycles, contact-free CT-E timers with solid-state output are
available.
Ordering details
Timing
function
Rated con-
trol supply
voltage
Time
ranges
Con-
trol
Input
Output Type Order code Price
1 pce
Weight
(1 pce)
kg (lb)
Multi 1) 24-240 VAC/DC 8 (0.05 s -
100 h) 1 c/o CT-MFE 1SVR550029R8100 0.08 (0.18)
ON-delay
24 V AC/DC,
220-240 V AC
0.1-10 s
-
1 c/o CT-ERE
1SVR550107R1100
0.08 (0.18)
0.3-30 s 1SVR550107R4100
3-300 s 1SVR550107R2100
0.3-30 min 1SVR550107R5100
110-130 V AC
0.1-10 s
-
1SVR550100R1100
0.3-30 s 1SVR550100R4100
3-300 s 1SVR550100R2100
0.3-30 min 1SVR550100R5100
OFF-delay
24 VAC/DC
0.1-10 s
1 c/o CT-AHE
1SV R550118R1100
0.08 (0.18)
0.3-30 s 1SVR550118R4100
3-300 s 1SVR550118R2100
110-130 V AC
0.1-10 s 1SV R550110R1100
0.3-30 s 1SVR550110R4100
3-300 s 1SVR550110R2100
220-240 V AC
0.1-10 s 1SV R550111R110 0
0.3-30 s 1SV R550111R410 0
3-300 s 1SV R550111R210 0
OFF-delay2)
24 V AC/DC,
220-240 V AC
0.1-10 s
-1 c/o CT-ARE
1SVR550127R1100
0.08 (0.18)
0.3-30 s 1SVR550127R4100
110-130 V AC 0.1-10 s 1SVR550120R1100
0.3-30 s 1SVR550120R4100
Impulse-ON
24 V AC/DC,
220-240 V AC
0.1-10 s
-1 c/o CT-VWE
1SVR550137R1100
0.08 (0.18)
0.3-30 s 1SVR550137R4100
3-300 s 1SVR550137R2100
110-130 V AC
0.1-10 s 1SVR550130R1100
0.3-30 s 1SVR550130R4100
3-300 s 1SVR550130R2100
Impulse-
OFF2)
24VAC/DC
0.05-1 s -1 c/o CT-AWE
1SVR550158R3100
0.08 (0.18)110-130 V AC 1SVR550150R3100
220-240 V AC 1SVR550151R3100
Control input with voltage-related triggering
- no triggering

1
27 ABB | Catalog Electronic relays and controls 2016 | 2CDC 110 004 C0210
CT-E range
Ordering details
Further documentation CT-E
electronic timers on www.abb.com
1SVR 550 029 F81001SVR 550 111 F1100
CT-MFE
CT-AHE
1) Functions: ON-delay, OFF-delay with auxiliary voltage, Impulse-ON, Flasher starting with ON, Flasher starting with OFF,
Pulse former
2) without auxiliary voltage, True Off-delay timer
Description
The CT-E range with its excellent price/performance ratio offers an ideal solution for serial
applications. 56 single-function devices with 5 different time ranges as well as 2 multifunction
timers with 6 functions and 8 time ranges offer the highest possible flexibility for almost every
application. For high operating cycles, contact-free CT-E timers with solid-state output are
available.
Ordering details
Timing
function
Rated con-
trol supply
voltage
Time
ranges
Con-
trol
Input
Output Type Order code Price
1 pce
Weight
(1 pce)
kg (lb)
Multi 1) 24-240 VAC/DC 8 (0.05 s -
100 h) 1 c/o CT-MFE 1SVR550029R8100 0.08 (0.18)
ON-delay
24 V AC/DC,
220-240 V AC
0.1-10 s
-
1 c/o CT-ERE
1SVR550107R1100
0.08 (0.18)
0.3-30 s 1SVR550107R4100
3-300 s 1SVR550107R2100
0.3-30 min 1SVR550107R5100
110-130 V AC
0.1-10 s
-
1SVR550100R1100
0.3-30 s 1SVR550100R4100
3-300 s 1SVR550100R2100
0.3-30 min 1SVR550100R5100
OFF-delay
24 VAC/DC
0.1-10 s
1 c/o CT-AHE
1SV R550118R1100
0.08 (0.18)
0.3-30 s 1SVR550118R4100
3-300 s 1SVR550118R2100
110-130 V AC
0.1-10 s 1SV R550110R1100
0.3-30 s 1SVR550110R4100
3-300 s 1SVR550110R2100
220-240 V AC
0.1-10 s 1SV R550111R110 0
0.3-30 s 1SV R550111R410 0
3-300 s 1SV R550111R210 0
OFF-delay2)
24 V AC/DC,
220-240 V AC
0.1-10 s
-1 c/o CT-ARE
1SVR550127R1100
0.08 (0.18)
0.3-30 s 1SVR550127R4100
110-130 V AC 0.1-10 s 1SVR550120R1100
0.3-30 s 1SVR550120R4100
Impulse-ON
24 V AC/DC,
220-240 V AC
0.1-10 s
-1 c/o CT-VWE
1SVR550137R1100
0.08 (0.18)
0.3-30 s 1SVR550137R4100
3-300 s 1SVR550137R2100
110-130 V AC
0.1-10 s 1SVR550130R1100
0.3-30 s 1SVR550130R4100
3-300 s 1SVR550130R2100
Impulse-
OFF2)
24VAC/DC
0.05-1 s -1 c/o CT-AWE
1SVR550158R3100
0.08 (0.18)110-130 V AC 1SVR550150R3100
220-240 V AC 1SVR550151R3100
Control input with voltage-related triggering
- no triggering

1
2CDC 110 004 C0210 | Catalog Electronic relays and controls 2016 | ABB 28
2CDC 252 152 F0005
A1
A1
A2
15
15
16
16 18 A2
18
Y1
2CDC 252 153 F0005
A1 B1
16 18 A2
A2 16 18
A1 15
15
B1
2CDC 252 154 F0005
A1
A1
A2 16 18
15
15 Y1
16 18 A2
2CDC 252 155 F0005
A1
A2 16 18
B1 15
15A1 B1
1816 A2
CT-MFE A CT-ERE B CT-ARE
B CT-AHE 1)
15 A1
A1
A2 B1 16 18
15
B1
18 16 A2
2CDC 252 156 F0b05
15 A1
A1
A2 16 18
15
18 16 A2
2CDC 252 157 F0b05
15 Y1 A1
A1
A2 16 18
15
18 16 A2
2CDC 252 158 F0b05
CA CT-VWE CB CT-AWE CB CT-AWE 1)
2CDC 252 159 F0005
15 B1A1
A1 B1 15
1816
A2 16 18
A2
DB CT-EBE
FA CT-YDE FC CT-SDE FC CT-SDE
2CDC 252 160 F0005
15 B1A1
A1
A2 B1 16 18
15
1816 A2
2CDC 252 161 F0005
15 B1A1
A1
A2 B1 16 18
15
1816 A2
2CDC 252 162 F0005
15A1
A1
A2 16 18
15
1816 A2
2CDC 252 165 F0005
X2
A1
A2
U
X1A1
X4X3 A2
CT-MKE
Device without aux. voltage Device with aux. voltage
Device: 1SVR 550 217 R4100 Devices: 1SVR 550 210 R4100,
1SVR 550 212 R4100
CT-E range
Connection diagrams
A1-A2 Supply:
24-240VAC/DC
A1-Y1 Control input
15-16/18 c/o contact
A1-A2 Supply: 220-240 V AC
or 110-130 V AC
A1-B1 Supply: 24 V AC/DC
15-16/18 c/o contact
A1-A2 Supply: 220-240 V AC
A1-B1 Supply: 24 V AC/DC
15-16 n/c contact
15-18 n/o contact
with common contact
A1-A2 Supply: 110-130 V AC
or 380-415 V AC
15-16 n/c contact
15-18 n/o contact
with common contact
A1-A2 Supply: 220-240 V AC
or 110-130 V AC
A1-B1 Supply: 24 V AC/DC
15-16/18 c/o contact
A1-A2 Supply: 220-240 V AC
or 110-130 V AC
A1-B1 Supply: 24 V AC/DC
15-16/18 c/o contact
A1-A2 Supply: 220-240 V AC
or 110-130 V AC
A1-B1 Supply: 24 V AC/DC
15-16/18 c/o contact
A1-A2 Supply: 220-240 V AC or
110-130 V AC
A1-B1 Supply: 24 V AC/DC
15-16/18 c/o contact
A1-A2 Supply: 24-240 V AC/DC
A1-A2 Thyristor
X1-X4 Timing function adjustment
X2-X4 Timing function adjustment
X3-X4 Time range adjustment
(Details see function diagrams)
A1-A2 Supply: 24 V AC/DC
or 110-240 V AC or
220-240 VAC
A1-Y1 Control input
15-16/18 c/o contact
A1-A2 Supply: 24 V AC/DC
or 110-240 V AC or
220-240 VAC
A1-Y1 Control input
15-16/18 c/o contact
A1(+)-A2(-) Supply: 24 V AC/DC
or 110-240 V AC or
220-240 VAC
15-16/18 c/o contact
1) “Wiring notes, Dimensional drawings” on page 32

1
29 ABB | Catalog Electronic relays and controls 2016 | 2CDC 110 004 C0210
2CDC 252 166 F0005
ALA1
A1
AL
2CDC 252 167 F0005
ALA1
A1
Y2
A2 AL
A2Y2
A CT-EKE B CT-AKE
220 V 50 Hz AC1
360 cycles/h
300
200
100
80
60
50
40
30
20
10
1 2 4 6 10
I A
V
U
2CDC 252 193 F0205
0,1 0,2 0,5
cos ϕ
F
2CDC 252 192 F0205
0,5
0,1 0,2 0,3 0,4 0,5 0,6 0,7 0,8 0,9 1,0
0,6
0,7
0,8
0,9
1,0
300
200
100
80
60
50
40
30
20
10
1 2 4 6 10
I A
V
U
2CDC 252 194 F0205
0,1 0,2 0,5
4 3 2 1
105
2
3
4
N
I A
5
8
9
106
5 6 7 8
2CDC 252 034 F0208
AC load (resistive) DC load (resistive)
Technical diagrams
Load limit curves
Derating factor F for inductive AC load Contact lifetime
CT-E range
Connection diagrams, Technical diagrams
A1-AL Supply: 24-240
V AC/DC
A1-AL Thyristor
A1-AL Supply: 24-240 V AC
A1-AL Thyristor
Y2-A2 Control input

1
2CDC 110 004 C0210 | Catalog Electronic relays and controls 2016 | ABB 30
CT-E range
Technical data
Technical data
Data at Ta = 25 °C and rated values, unless otherwise indicated
CT-E (relays) CT-E (solid-state)
Input circuit - Supply circuit
Rated control supply voltage UsA1-A2, A1-AL 24-240 V AC/DC
A1-A2, A1-A L 24-240 V AC
A1-A2 110-130 V AC -
A1-A2 220-240 V AC -
A1-A2 380-415 V AC -
A1-B1 24 V AC/DC -
Rated control supply voltage Us tolerance -15...+10 %
Rated frequency AC/DC versions DC or 50/60 Hz
AC versions 50/60 Hz
Typical current / power consumption 24-240 V AC/DC, 24-240 V AC approx. 1.0-2.0 VA/W
110-130 V AC, 220-240 V AC approx. 2.0 VA -
380-415 V AC approx. 3.0 VA -
24 V AC/DC approx. 1.0 VA/W -
Minimum energizing time
CT-ARE, CT-AWE w/o aux. voltage
200 ms -
Current consumption while timing -≤ 2 mA (24-60 V AC/DC)
≤ 8 mA (60-240 V AC/DC)
(CT-AKE only AC)
Input circuit - Control circuit
Kind of triggering voltage-related triggering -
Control input, Control function A1-Y1 start timing external -
Parallel load / polarized no / yes 1) -
Minimum control pulse length 20 ms -
Control voltage potential see rated control supply voltage -
Timing circuit
Time ranges
1 of 5 time ranges per single-function device
0.05-1 s / 0.1-10 s / 0.3-30 s / 3-300 s / 0.3-30 min
8 time ranges 0.05 s - 100 h (CT-MFE) 1.) 0.05-1 s
3.) 5-100 s
5.) 0.5-10 min
7.) 0.5-10 h
2.) 0.5-10 s
4.) 50-1000 s
6.) 5-100 min
8.) 5-100 h
-
2 time ranges 0.1-300 s (CT-MKE) -1.) 0.1-10 s
2.) 3-300 s
Recovery time <50 ms
CT-ARE: <200 ms
CT-AWE, CT-SDE: <400 ms
CT-YDE: <500 ms
CT-EKE: <50 ms
CT-MKE: <100 ms
CT-AKE: <300 ms
Accuracy within the rated control supply voltage tolerance t < 0.5 % / V
Accuracy within the temperature range t < 0.1 % / °C
CT-MFE: t <0.06 % / °C -
Repeat accuracy (constant parameters) t < 1 %
Star-delta transition time CT-YDE / CT-SDE 50 ms / 30 ms -
Output circuit
Kind of output 15-16/18 Relay, 1 c/o contact -
CT-SDE: 15-16, 15-18 1 n/c, 1 n/o contact with common
contact
A1-A2. A1-A L -Thyristor
Contact material AgCdO -
Rated operational voltage UeIEC/EN 60947-1 250 V
Maximum switching voltage 250 V AC, 250 V DC
Rated operational current Ie
(IEC/EN 60947-5-1)
AC-12 (resistive) at 230 V 4 A -
AC-15 (inductive) at 230 V 3 A -
DC-12 (resistive) at 24 V 4 A -
DC-13 (inductive) at 24 V 2 A -
1) CT-MFE: yes / no

1
31 ABB | Catalog Electronic relays and controls 2016 | 2CDC 110 004 C0210
CT-E (relays) CT-E (solid-state)
AC rating (UL 508) Utilization category (Control Circuit Rating Code) B 300 -
max. rated operational voltage 300 V AC -
Maximum continuous thermal current at B300 5 A -
max. making/breaking apparent power at B300 3600 VA / 360 VA -
Mechanical lifetime 30 x 106 switching cycles -
Electrical lifetime at AC-12, 230 V, 4 A 0.1 x 106 switching cycles -
Max. fuse rating to achieve short-circuit
protection (IEC/EN 60947-5-1)
n/c contact 10 A fast-acting, CT-ARE: 5 A -
n/o contact 10 A fast-acting, CT-ARE: 5 A -
Minimum load current -CT-MKE: 20 mA
CT-EKE, CT-AKE: 10 mA
Maximum load current -CT-MKE: 0.8 A at Ta = 20 °C
CT-EKE, CT-AKE: 0.7 A
Load current reduction / Derating -10 mA/°C
Maximum surge current -CT-MKE: ≤ 20 A for t ≤ 20 ms
CT-EKE, CT-AKE: ≤ 15 A
Voltage drop in connected state -≤ 3 V
Cable length between solid-state timer
and connected load at 50 Hz and a
cable capacity of 100 pF/m :
at 24 V AC -220 m / 22 nF
at 42 V AC -100 m / 10 nF
at 60 V AC -65 m / 6.5 nF
at 110 V AC -50 m / 5 nF
at 240 V AC -22 m / 2.2 nF
General data
Duty time 100%
Dimensions (W x H x D) 22.5 x 78 x 78.5 mm (0.886 x 3.07 x 3.09 in)
Weight approx. 80 g (0.176 lb)
Mounting DIN rail (IEC/EN 60715)
Mounting position any
Minimum distance to other units horizontal / vertical no / no
Degree of protection housing / terminals IP50 / IP20
Electrical connection
Wire size fine-strand with wire end ferrule 2 x 0.75-1.5 mm2 (2 x 18-16 AWG)
fine-strand without wire end ferrule 2 x 1-1.5 mm2 (2 x 18-16 AWG)
rigid 2 x 0.75-1.5 mm2 (2 x 18-16 AWG)
Stripping length 10 mm (0.39 in)
Tightening torque 0.6-0.8 Nm (5.31-7.08 lb.in)
Environmental data
Ambient temperature ranges operation / storage -20...+60 °C / -40...+85 °C
Damp heat IEC/EN 60068-2-30 24 h cycle, 55 °C, 93 % rel., 96 h
Operational reliability IEC/EN 60068-2-6 6 g
Mechanical resistance IEC/EN 60068-2-6 10 g
Isolation data
Rated impulse withstand voltage Uimp
between all isolated circuits
IEC/EN 60664-1 type test: 4 kV; 1.2/50 µs -
Pollution category IEC/EN 60664-1 3
Overvoltage category IEC/EN 60664-1 III
Power-frequency withstand voltage (test
voltage) between all isolated circuits
routine test: 2.5 kV; 50 Hz; 1 s
type test: 2.5 kV; 50 Hz; 60 s
-
Basic insulation (IEC/EN 61140) input circuit / output circuit 300 V -
Rated insulation voltage Uiinput circuit / output circuit 300 V (supply up to 240 V) -
500 V (supply up to 440 V) -
Test voltage between all isolated circuits routine test 2.5 kV, 50 Hz, 1 s -
Standards
Product standard IEC 61812-1, EN 61812-1 + A11, DIN VDE 0435 Teil 2021
Low Voltage Directive 2006/95/EC
EMC Directive 2004/108/EC
Electromagnetic compatibility
Interference immunity to IEC/EN 61000-6-2
electrostatic discharge
IEC/EN 61000-4-2
Level 3 (6 kV / 8 kV)
radiated, radio-frequency
electromagnetic field
IEC/EN 61000-4-3
Level 3 (10 V/m)
electrical fast transient / burst
IEC/EN 61000-4-4
Level 3 (2 kV / 5 kHz)
surge
IEC/EN 61000-4-5
Level 4 (2 kV L-L)
conducted disturbances, induced by radio-
frequency fields
IEC/EN 61000-4-6
Level 3 (10 V)
Interference emission IEC/EN 61000-6-4
Product certifications and declarations see “Approvals and marks” on page 14.
CT-E range
Technical data

1
2CDC 110 004 C0210 | Catalog Electronic relays and controls 2016 | ABB 32
CT-E range
Wiring notes, Dimensional drawings
3.48“
3.19“
3.09“
.886“
3.07“
88,5
81
78,5
78
22,5
2CDC 252 189 F0b05
A1 Y1
A2
I
I
I
2CDC 252 200 F0b05
U
A1
A2
Y1
2CDC 252 199 F0b05
U
Dimensional drawing Dimensions in mm
Wiring notes
for single-function devices with control contact (CT-AHE, CT-AWE with auxiliary voltage)
I
I
A1
A2
Y1
I
2CDC 252 198 F0b05
U A1 Y1
A2
2CDC 252 201 F0b05
U

1
33 ABB | Catalog Electronic relays and controls 2016 | 2CDC 110 004 C0210
CT-S range
Product group picture

1
2CDC 110 004 C0210 | Catalog Electronic relays and controls 2016 | ABB 34
CT-S range
Table of contents
CT-S Range
CT-S range 34
Benefits and advantages 35
Ordering details - multifunctional 37
Ordering details - singlefunctional 38
Ordering details - Accessories 39
Connection diagrams 40
Technical data 42
Technical diagrams 45
Wiring notes, Dimensional drawings 46
Timing functions 47

1
35 ABB | Catalog Electronic relays and controls 2016 | 2CDC 110 004 C0210
CT-S range
Benefits and advantages
Characteristics
– Diversity:
– 8 multifunction timers
– 11 single-function timers
– Control supply voltages:
– Multi range: 24-48 V DC, 24-240 V AC
– Wide range: 24-240 V AC/DC
– Single range: 380-440 V AC
– Innovative connection technology
– Double-chamber cage connection terminals
– Easy Connect Technology
– Devices with:
– 1 or 2 c/o (SPDT) contacts
– 2nd c/o contact can be selected as instantaneous contact 1)
– Remote potentiometer connection 1)
– Control input with volt-free or voltage-related triggering e.g. to start timing, pause timing
– Extended operating temperature range down to -40 °C 1)
– Sealable transparent cover for protection against unauthorized changes of time values
– Integrated marker label
– Approvals / Marks (partly pending, details see “Approvals and marks” on page 14)
– A, C, , E, K, L / a, b
1) selected devices
1 2nd contact as an instantaneous contact
2 Preselection of the time range
3 Indication of operational states
U/T: V control supply voltage applied / W timing
R: V Output relay energized
4 Fine adjustment of time delay
4 Preselection of timing function
Marker label
Operating controls
4
1
2
3
5
6

1
2CDC 110 004 C0210 | Catalog Electronic relays and controls 2016 | ABB 36
LEDs for status indication
All actual operational states are displayed by front-face LEDs,
thus simplifying commissioning and troubleshooting.
Integrated marker label
Integrated marker labels allow the product to be marked
quickly and simply. No additional marker labels are required.
Sealable transparent cover
Protection against unauthorized changes of time and
threshold values. Available as an accessory.
Snap-On housing
Tool-free DIN rail installation and deinstallation of the
electronic timer.
CT-S range
Benefits and advantages
Easy Connect Technology
Tool-free wiring and excellent vibration resistance. Push-in
terminals provide connection of wires up to 2 x 0.5 - 1.5 mm²
(2 x 20 -16 AWG), rigid or fine-strand with or without wire
end ferrules. The extended type designators for products with
push-in terminals are indicated by a P following the extended
type designator e.g. CT-xxS.xxP.
Double-chamber cage connection terminals
Double-chamber cage connection terminals provide
connection of wires up to 2 x 0.5-2.5 mm² (2 x 20-14 AWG)
rigid or fine-strand, with or without wire end ferrules. Potential
distribution does not require additional terminals. The
extended type designators for products with double-chamber
cage connection terminals are indicated by a S following the
extended type designator e.g. CT-xxS.xxS.
Time range preselection and fine adjustment
Direct assignment of the preselected time range to the fine
adjustment potentiometer scale by multicolor scales.
Higher utility class
The Easy Connect Technology provides excellent vibra-
tion resistance with gas tight push-in terminals – the right
solution for harsh environment. Selected products of the
electronic timers and measuring and monitoring relays comply
to the latest rail standards NF F 16-101/102, EN 45545, EN
50155 and more standards which are relevant for railway
applications. Find more inforamtion in the rail brochure
2CDC110084B0201.
1
2
3
4
6
5
7
8
4
2CDC 253 035 F0011
2CDC 253 026 F0011
2CDC 253 025 F0011
2CDC 252 006 F0012
2CDC 255 006 S0011
2CDC 253 007 F0012
2CDC 253 013 F0013
2
1 3 7
6 8
5

1
37 ABB | Catalog Electronic relays and controls 2016 | 2CDC 110 004 C0210
CT-S range
Ordering details - multifunctional
2CDC 251 024 V0011
CT-MVS.21P
2CDC 251 023 V0011
CT-MBS.22P
Description
The high-performance CT-S range in ABB’s new S-range housing offers two different types
of connection terminals and is ideally suited for universal use. Two different connection
technologies are available:
– Double-chamber cage connection terminals
– Easy Connect Technology
Accessories:
The CT-S range offers the possibility of using accessories such as a remote potentiometer to
adjust the time delay or a sealable, transparent cover to protect against unauthorized changes.
of time and threshold values.
Ordering details
Timing
function
Rated
control
supply
voltage
Time
ranges
Control
input
Output Type Order code Price
1 pce
Weight
(1 pce)
kg (lb)
Multi 5)
24- 240 VAC/DC
10 (0.05 s -
300 h) 2 c/o
CT-MVS.21S
1) 2) 3) 1SVR730020R0200 0.148
(0.326)
CT-MVS.21P
1) 2) 3) 1SVR740020R0200 0.136
(0.30)
24-48 VDC,
24-240 VAC
CT-MVS.22S 1SVR730020R3300 0.142
(0.313)
CT-MVS.22P 1SVR740020R3300 0.131
(0.289)
380-440 VAC
CT-MVS.23S 1SVR730021R2300 0.144
(0.317)
CT-MVS.23P 1SVR740021R2300 0.133
(0.293)
Multi 6) 24-48 VDC,
24-240 VAC 10 (0.05 s -
300 h) 1 c/o
CT-M VS.12S 1SVR730020R3100 0.107
(0.236)
CT-M VS.12P 1SVR740020R3100 0.102
(0.225)
Multi 7) 24-48 VDC,
24-240 VAC 2×10 (0.05 s -
300 h) 2 c/o
CT- MXS.22S 4)1SVR730030R3300 0.142
(0.313)
CT-MXS.22P 4) 1SVR740030R3300 0.131
(0.289)
Multi 8)
24- 240 VAC/DC 10 (0.05 s -
300 h) / 2 c/o
CT-MFS.21S
1) 2) 3) 1SVR730010R0200 0.145
(0.32)
CT-MFS.21P
1) 2) 3) 1SVR740010R0200 0.133
(0.293)
24-48 V DC,
24-240 V AC 10 (0.05 s -
300 h) / 2 c/o
CT-MBS.22S 2) 3) 1SVR730010R3200 0.14
(0.309)
CT-MBS.22P 2) 3) 1SVR740010R3200 0.129
(0.284)
Multi 9) 24-48 V DC,
24-240 V AC 10 (0.05 s -
300 h) -2 c/o
CT-WBS.22S 1SVR730040R3300 0.123
(0.271)
CT-WBS.22P 1SVR740040R3300 0.115
(0.254)
1) Extended temperature range -40 °C
2) Remote potentiometer connection
3) 2nd c/o contact selectable as instantaneous contact
4) 2 remote potentiometer connections
5) Functions: ON-delay, OFF-delay with auxiliary voltage, Impulse-ON, Impulse-OFF with auxiliary voltage, Symmetrical ON- and
OFF-delay, Flasher starting with ON or OFF, Star-delta change-over with impulse, Pulse former, Accumulative ON-delay, ON/
OFF-function
6) Functions: ON-delay, OFF-delay with auxiliary voltage, Impulse-ON, Impulse-OFF with auxiliary voltage, Symmetrical ON- and
OFF-delay, Flasher starting with ON or OFF, Pulse former, Accumulative ON-delay, ON/OFF-function
7) Functions: Select function via DIP switches behind the marker label on the front of the unit, asymmetrical ON- and OFF-delay,
Impulse-ON/OFF, Pulse generator starting with ON or OFF, Single pulse generator, ON/OFF-function
8) Functions: ON-delay, OFF-delay with auxiliary voltage, Impulse-ON, Impulse-OFF with auxiliary voltage, Symmetrical ON- and
OFF-delay, Flasher starting with ON, Flasher starting with OFF, Star-delta change-over with impulse, Pulse former, ON/OFF-
function
9) Functions: Flasher starting with ON, Flasher starting with OFF, Impulse-ON, ON-delay, fixed impulse with adjustable time delay,
Adjustable impulse with fixed time delay, ON/OFF-function
Control input with voltage-related triggering
Control input with volt-free triggering
/ two control input with volt-free triggering
- no triggering
S: screw connection
P: push-in / easy connect
Further documentation CT-S
electronic timers on www.abb.com

1
2CDC 110 004 C0210 | Catalog Electronic relays and controls 2016 | ABB 38
CT-S range
Ordering details - singlefunctional
Timing
function
Rated con-
trol supply
voltage
Time
ranges
Con-
trol
input
Output Type Order code Price
1 pce
Weight
(1 pce)
kg (lb)
ON-delay
24-240 VAC/DC
10 (0.05 s -
300 h)
-2 c/o
CT-ERS.21S1) 1SVR730100R0300 0.13
(0.287)
CT-ERS.21P1) 1SVR740100R0300 0.121
(0.267)
24-48 V DC,
24-240 V AC
CT-ERS.22S 1SVR730100R3300 0.121
(0.267)
CT-ERS.22P 1SVR740100R3300 0.113
(0.249)
24-48 V DC,
24-240 V AC -1 c/o
CT-ERS.12S 1SVR730100R3100 0.10 6
(0.234)
CT-ERS.12P 1SVR740100R3100 0.101
(0.222)
OFF-delay
24-240 V AC/DC
10 (0.05 s -
300 h)
2 c/o
CT-APS.21S1) 1SVR730180R0300 0.146
(0.322)
CT-APS.21P1) 1SVR740180R0300 0.125
(0.276)
24-48 V DC,
24-240 V AC
CT-APS.22S 1SVR730180R3300 0.138
(0.304)
CT-APS.22P 1SVR740180R3300 0.127
(0.28)
1 c/o
CT-APS.12S 1SVR730180R3100 0.109
(0.24)
CT-APS.12P 1SVR740180R310 0 0.103
(0.227)
24-48 V DC,
24-240 V AC 10 (0.05 s -
300 h) 2 c/o
CT-AHS.22S 1SVR730110R3300 0.136
(0.30)
CT-AHS.22P 1SVR740110R33 00 0.125
(0.276)
OFF-delay5) 24-240
VAC/DC 7 (0.05 s -
10 min)
-1 c/o
CT-ARS.11S 1SVR730120R3100 0.10 6
(0.234)
CT-ARS.11P 1SV R740120R3100 0.10
(0.22)
-2 c/o
CT-ARS.21S 1SVR730120R3300 0.124
(0.273)
CT-ARS.21P 1SVR740120R330 0 0.115
(0.254)
Star-delta
change-over6)
24-48 V DC,
24-240 V AC
7 (0.05 s -
10 min) -2 n/o
CT-SDS.22S 1SVR730210R3300 0.114
(0.251)
CT-SDS.22P 1SVR740210R3300 0.108
(0.238)
380-440 V AC
CT-SDS.23S 1SVR730211R2300 0.118
(0.26)
CT-SDS.23P 1SVR740211R2300 0.112
(0.247)
2CDC 251 030 V0011
CT-ERS.21P
2CDC 251 033 V0011
CT-AHS.22P
2CDC 251 040 V0011
CT-SDS.23P
1) Extended temperature range -40 °C
2) Remote potentiometer connection
3) 2nd c/o contact selectable as instantaneous contact
4) 2 remote potentiometer connections
5) Without auxiliary voltage
6) 50 ms transition time S: screw connection
P: push-in / easy connect
Control input with voltage-related triggering
Control input with volt-free triggering
/ two control input with volt-free triggering
- no triggering
Further documentation CT-S
electronic timers on www.abb.com

1
39 ABB | Catalog Electronic relays and controls 2016 | 2CDC 110 004 C0210
CT-S range
Ordering details - Accessories
Marker label 29.6 x 44.5 mm
Marker label with scale 0-10
48.5 x 44.5 mm
Sealable transparent cover for
CT-S in new housing
MT-x50B
30 mm adapters
2CDC 252 042 F0009 1SFC 151 139 V0001
2CDC 252 043 F02092CDC 252 044 F0209
2CDC 255 006 S0011
Remote potentiometer
50 k ±20 % - 0.2 , degree of protection IP66
Material Diameter
in mm
Type Order code Price
1 piece
Pack.-
unit
pieces
Weight
1piece
g / oz
Plastic, black 22.5 MT-150B 1SFA611410R1506 10.040
Plastic, chrome 22.5 MT-250B 1SFA611410R2506 10.040
Metal, chrome 22.5 MT-350B 1S FA611410R350 6 10.048
30 mm adapter for attaching the potentiometer 22 mm in 30 mm mounting hole
Marker label
Material Type Order code Price
1 piece
Pack.-
unit
pieces
Weight
1piece
g / oz
Plastic, black KA1-8029 1SFA616920R8029 1
Metal, chrome KA1-8030 1SFA616920R8030 1
Caption Type Order code Price
1 piece
Pack.-
unit
pieces
Weight
1piece
g / oz
Symbol (see illustration) SK 615 562-87
GJD6155620R0087
10.002
Scale 0 - 10 SK 615 562-88
GJD6155620R0088
10.002
Scale 0 - 30 MA16-1060
1SFA611940R10 60
10.002
Accessories for CT-S in new housing (1SVR7...)
Description Type Order code Price
1 piece
Pack.-
unit
pieces
Weight
1piece
g / oz
Adapter for screw mounting AD P.01 1SVR430029R0100 10.018 (0.040)
Sealable transparent cover COV.11 1SVR730005R0100 10.004 (0.009)
Marker label for devices w/o DIP switches MAR.01 1SVR366017R0100 10 0.001 (0.002)
Marker label for devices with DIP switches MAR.12 1SVR730006R0000 10 0.001 (0.002)
Accessories for CT-S in old housing (1SVR4...)
Description Type Order code Price
1 piece
Pack.-
unit
pieces
Weight
1piece
g / oz
Adapter for screw mounting AD P.01 1SVR430029R0100 10.018 (0.040)
Sealable transparent cover COV.01 1SVR430005R0100 10.004 (0.009)
Marker label for devices w/o DIP switches MAR.01 1SVR366017R0100 10 0.001 (0.002)
Marker label for devices with DIP switches MAR.02 1SVR430043R0000 10 0.001 (0.002)
Data sheet remote potentiometer

1
2CDC 110 004 C0210 | Catalog Electronic relays and controls 2016 | ABB 40
CT-MVS.21 CT-MVS.22 CT-MVS.12
CT-MXS.22
2CDC 252 002 F0b06
A1
A1
Y1/
B1 15
A2 16 18
15
Z2
18 16 A2
Y1/B1 Z1
25 21
28 24 26 22
21
25
26 28
22 24
A1
A1
Y1/
B1 15 25
A2 16 18 26 28
15
28 26
25
18 16 A2
Y1/B1
2CDC 252 003 F0b06
A1
A1
Y1/
B1 15
A2 16 18
15 Y1/B1
18 16 A2
2CDC 252 004 F0b06
A1
A1
Y1/
B1 15 25
A2 16 18 26 28
15
Z2
28 26 Y1/B1
25
18 16 A2
Z3 Z1
2CDC 252 005 F0b06
A1
A1
Y1/
B1 15 25
A2 16 18 26 28
15
28 26
25
18 16 A2
Y1/B1
2CDC 252 003 F0b06
CT-MVS.23
A1
A1 15 21
25
A2 16 18 26 28
22 24
15
Z2
28 26
24 22 Y1
Z1
18 16 A2
X1
25 21
2CDC 252 006 F0b06
A1
A1 15 21
25
A2 16 18 26 28
22 24
15
Z2
28 26
24 22 Y1
Z1
18 16 A2
25 21
2CDC 252 007 F0b06
A1
A1 15 25
A2 16 18 26 28
15
28 26
25
18 16 A2
2CDC 252 008 F0b06
CT-MFS.21 CT-MBS.22 CT-WBS.22
A CT-ERS.21
A1
A1 15
A2 16 18
15
18 16
28 26
A2
25
25
26 28
2CDC 252 009 F0b06
A1
A1
A2 16 18
15
15
18 16 A2
2CDC 252 010 F0b06
A CT-ERS.22 A CT-ERS.12
A1
A1 15
A2 16 18
15
18 16
28 26
A2
25
25
26 28
2CDC 252 009 F0b06
CT-S range
Connection diagrams
A1-A2 Supply: 24-240 VAC/DC
A1-Y1/B1 Control input
15-16/18 1. c/o contact
25-26/28 2. c/o contact
21-22/24 2. c/o contact as
instantaneous contact
Z1-Z2 Remote potentiometer
connection
A1-A2 Supply: 24-240 VAC/DC
15-16/18 1. c/o contact
25-26/28 2. c/o contact
21-22/24 2. c/o contact as
instantaneous contact
Y1-Z2 Control input
X1-Z2 Control input
Z1-Z2 Remote potentiometer
connection
A1-A2 Supply: 24-48 V DC
or 24-240 V AC
15-16/18 1. c/o contact
25-26/28 2. c/o contact
21-22/24 2. c/o contact as
instantaneous
contact
Y1-Z2 Control input
Z1-Z2 Remote
potentiometer
connection
A1-A2 Supply: 24-48 V DC
or 24-240 V AC
15-16/18 1. c/o contact
25-26/28 2. c/o contact
A1-A2 Supply: 24-240 VAC/DC
15-16/18 1. c/o contact
25-26/28 2. c/o contact
A1-A2 Supply: 24-48 V DC
or 24-240 V AC
15-16/18 1. c/o contact
25-26/28 2. c/o contact
A1-A2 Supply: 24-48 V DC
or 24-240 V AC
15-16/18 1. c/o contact
A1-A2 Supply: 24-48 V DC
or 24-240 V AC
A1-Y1/B1 Control input
15-16/18 1. c/o contact
25-26/28 2. c/o contact
Z1-Z2 Remote
potentiometer
connection
Z3-Z2 Remote
potentiometer
connection
A1-A2 Supply: 224-48 VDC
or 24-240 V AC
A1-Y1/B1 Control input
15-16/18 1. c/o contact
25-26/28 2. c/o contact
A1-A2 Supply: 380-440VAC
A1-Y1/B1 Control input
15-16/18 1. c/o contact
25-26/28 2. c/o contact
A1-A2 Supply: 24-48 V DC
or 24-240 V AC
A1-Y1/B1 Control input
15-16/18 1. c/o contact

1
41 ABB | Catalog Electronic relays and controls 2016 | 2CDC 110 004 C0210
B CT-APS.21 B CT-APS.22 B CT-AHS.22
B CT-ARS.11
A1
Y1/
B1 A1 15 25
A2 16 18 26 28
15
Y1/B1
2628
25
18 16 A2
2CDC 252 011 F0b06
A1
A1 15 25
A2 16 18 26 28
15
Z2
2628
25
18 16 A2
Y1
2CDC 252 013 F0b06
15A1
A1
A2 16 18
15
18 16 A2
2CDC 252 014 F0b06
A1
Y1/
B1 A1
A2 16 18
15
15 Y1/B1
18 16 A2
2CDC 252 012 F0b06
B CT-APS.12
A1
A1 15 25
A2 16 18 26 28
15
2628
25
18 16 A2
2CDC 252 015 F0b06
B CT-ARS.21 F CT-SDS.22
A1
A1
A2 18 28
17
17
18 28 A2
2CDC 252 016 F0b06
F CT-SDS.23
A1
Y1/
B1 A1 15 25
A2 16 18 26 28
15
Y1/B1
2628
25
18 16 A2
2CDC 252 011 F0b06
A1
A1
A2 18 28
17
17
18 28 A2
2CDC 252 016 F0b06
CT-S range
Connection diagrams
A1-A2 Supply: 24-240 V AC/DC
A1-Y1/B1 Control input
15-16/18 1. c/o contact
25-26/28 2. c/o contact
A1-A2 Supply: 24-240 V AC/DC
15-16/18 1. c/o contact
25-26/28 2. c/o contact
A1-A2 Supply: 24-48 V DC or
24-240 V AC
17-18 1. n/o contact
17-28 2. n/o contact
A1-A2 Supply: 380-440 V AC
17-18 1. n/o contact
17-28 2. n/o contact
A1-A2 Supply: 24-48 V DC or
24-240 V AC
A1-Y1/B1 Control input
15-16/18 1. c/o contact
25-26/28 2. c/o contact
A1-A2 Supply: 24-48 V DC or
24-240 V AC
A1-Y1/B1 Control input
15-16/18 1. c/o contact
A1-A2 Supply: 24-240 V AC/DC
15-16/18 1. c/o contact
A1-A2 Supply: 24-48 V DC or
24-240 V AC
Y1-Z2 Control input
15-16/18 1. c/o contact
25-26/28 2. c/o contact

1
2CDC 110 004 C0210 | Catalog Electronic relays and controls 2016 | ABB 42
Data at Ta = 25 °C and rated values, unless otherwise indicated
CT-S
Input circuit - Supply circuit
Rated control supply voltage UsCT-xxx.x1 24-240 V AC/DC
CT-xxx.x2 24-48 V DC, 24-240 V AC
CT-xxx.x3 380-440 V AC
CT-xxx.x4 110-240 V AC
CT-xxx.x5 220-240 V AC
CT-xxx.x6 24 V AC/DC
CT-xxx.x7 100-127 V AC or 110 V DC
CT-xxx.x8 200-240V AC/DC
Rated control supply voltage US tolerance -15...+10 %
Rated frequency DC or 50/60 Hz
Frequency range AC 47-63 Hz
Typical current / power consumption depending on device, see data sheet
Power failure buffering time 24 V DC min. 15 ms
230/400 V AC min. 20 ms
Minimum energizing time 100 ms (CT-ARS)
Formatting time 1) 5 min (CT-ARS)
Input circuit - Control circuit
Kind of triggering CT-MVS, CT-MXS, CT-APS voltage-related triggering
Control input, Control function A1-Y1/B1 start timing external
Parallel load / polarized yes / no
Maximum cable length to the control input 50 m - 100 pF/m
Minimum control pulse length 20 ms
Control voltage potential see rated control supply voltage
Current consumption of the control input 24 V DC 1.2 mA
230 V AC 8 mA
400 V AC 6 mA
Kind of triggering CT-MFS, CT-MBS, CT-AHS volt-free triggering
Control input, Control function Y1-Z2 start timing external
X1-Z2 pause timing / accumulative functions (CT-MFS)
Maximum switching current in the control circuit 1 mA
Maximum cable length to the control input 50 m - 100 pF/m
Minimum control pulse length 20 ms
No-load voltage at the control inputs 10-40 V DC
Remote potentiometer
Remote potentiometer connections, Resistance value Z1-Z2 50 kΩ (CT-MFS, CT-MBS, CT-MVS.21, CT-MXS)
Z3-Z2 50 kΩ (CT-MXS)
Maximum cable length to remote potentiometer 2 x 25 m, shielded with 100 pF/m
Shield connection Z2
Timing circuit
Time ranges 10 time ranges 0.05 s - 300 h
1.) 0.05-1 s 2.) 0.15-3 s 3.) 0.5-10 s 4.) 1.5-30 s 5.) 5-100 s
6.) 15-300 s 7.) 1.5-30 min 8.) 15-300 min 9.) 1.5-30 h 10.) 15-300 h
7 time ranges 0.05 s - 10 min (CT-SDS,
CT-ARS)
1.) 0.05-1 s 2.) 0.15-3 s 3.) 0.5-10 s
4.) 1.5-30 s 5.) 5-100 s 6.) 15-300 s 7.) 0.5-10 min
Recovery time 24-240 V AC/DC < 50 ms
24-48 V DC, 24-240 V AC < 80 ms
380-440 V AC < 60 ms
Accuracy within the rated control supply voltage tolerance t < 0.004 % / V
Accuracy within the temperature range t < 0.03 % / °C
Repeat accuracy (constant parameters) < ±0.2 %
Star-delta transition time fixed 50 ms (CT-SDS, CT-MBS, CT-MFS, CT-MVS.2x)
Star-delta transition time tolerance ±2 ms
CT-S range
Technical data
1) prior to first commisioning and after a six-month stop in operation

1
43 ABB | Catalog Electronic relays and controls 2016 | 2CDC 110 004 C0210
CT-S range
Technical data
Indication of operational states
Control supply voltage / timing U/T: green LED V: control supply voltage applied / W: timing
Control supply voltage U: green LED V: control supply voltage applied
Relay state R, R1, R2: yellow LED V: output relay energized
Output circuit
Kind of output 15-16/18 relay, 1 c/o contact
15-16/18; 25-26/28 relay, 2 c/o contacts
15-16/18; 25(21)-26(22)/28(24) relay, 2 c/o contacts, 2nd c/o contact selectable as inst. contact
17-18; 17-28 relay, 2 n/o contacts (CT-SDS)
Contact material Cd-free, on request
Rated operational voltage UeIEC/EN 60947-1 250 V
Minimum switching voltage / minimum switching current 12 V / 10 mA
Maximum switching voltage / maximum switching current see load limit curves
Rated operational current Ie
(IEC/EN 60947-5-1 )
AC-12 (resistive) at 230 V 4 A
AC-15 (inductive) at 230 V 3 A
DC-12 (resistive) at 24 V 4 A
DC-13 (inductive) at 24 V 2 A (CT-ARS; 1.5 A)
AC rating (UL 508) Utilization category (Control Circuit Rating Code) B 300
max. rated operational voltage 300 V AC
Maximum continuous thermal current at B300 5 A
max. making/breaking apparent power at B300 3600 VA / 360 VA
Mechanical lifetime 30 x 106 switching cycles
Electrical lifetime at AC-12, 230 V, 4 A 0.1 x 106 switching cycles
Max. fuse rating to achieve short-circuit protection
(IEC/EN 60947-5-1)
n/c contact 6 A fast-acting
n/o contact 10 A fast-acting
General data 2)
MTBF on request
Duty time 100%
Dimensions (W x H x D) product dimensions 22.5 x 85.6 x 103.7 mm (0.89 x 3.37 x 4.08 in)
packaging dimensions 97 x 109 x 30 mm (3.82 x 4.29 x 1.18 in)
Weight depending on device, see ordering details
Mounting DIN rail (IEC/EN 60715), snap-on mounting without any tool
Mounting position any
Minimum distance to other units vertical / horizontal not necessary / not necessary
Material of housing UL 94 V-0
Degree of protection housing / terminals IP50 / IP20
Electrical connection 2)
Screw connection technology Easy Connect Technology
(Push-in)
Wire size fine-strand with(out) wire end
ferrule
1 x 0.5-2.5 mm2 (1 x 20-14 AWG)
2 x 0.5-1.5 mm2 (2 x 20-16 AWG)
2 x 0.5-1.5 mm2 (2 x 20-16 AWG)
rigid 1 x 0.5-4 mm2 (1 x 20-12 AWG)
2 x 0.5-2.5 mm2 (2 x 20-14 AWG)
2 x 0.5-1.5 mm2 (2 x 20-16 AWG)
Stripping length 8 mm (0.32 in)
Tightening torque 0.6-0.8 Nm (5.31-7.08 lb.in) -
2) Data for all references 1SVR 730 xxx xxx and 1SVR 740 xxx xxx. For devices with 1SVR 430 xxx xxx please refer to the data sheet.

1
2CDC 110 004 C0210 | Catalog Electronic relays and controls 2016 | ABB 44
CT-S range
Technical data
Environmental data
Ambient temperature ranges operation / storage -25...+60 °C / -40...+85 °C,
-40...+60 °C / -40...+85 °C (CT-MVS.21, CT-MFS.21, CT-ERS.21,
CT-APS.21)
Damp heat (cyclic) (IEC/EN 60068-2-30) 6 x 24 h cycle, 55 °C, 95 % RH
Vibration, sinusoidal (IEC/EN 60068-2-6) functioning 40 m/s2, 10-58/60-150 Hz
resistance 60 m/s2, 10-58/60-150 Hz, 20 cycles
Vibration, seismic (IEC/EN 60068-3-3) functioning 20 m/s2
Shock, half-sine (IEC/EN 60068-2-27) functioning 100 m/s2, 11 ms, 3 shocks/direction
resistance 300 m/s2 , 11 ms, 3 shocks/direction
Isolation data CT-S with 1 c/o CT-S with 2 c/o
Rated insulation voltage Uiinput circuit / output circuit 500 V
output circuit 1 / output circuit 2 not available 300 V
Rated impulse withstand voltage Uimp between all isolated circuits
(IEC/EN 60664-1)
type test: 4 kV; 1.2/50 µs
Power-frequency withstand voltage (test voltage) between all isolated
circuits
routine test: 2.0 kV; 50 Hz; 1 s
type test: 2.0 kV; 50 Hz; 60 s
Basic insulation (IEC/EN 61140) input circuit / output circuit 500 V
Protective separation
(IEC/EN 61140; EN 50178)
input circuit / output circuit 250 V
Pollution degree IEC/EN 60664-1 3
Overvoltage category IEC/EN 60664-1 III
Standards
Product standard IEC 61812-1, EN 61812-1 + A11, DIN VDE 0435 part 2021
Low Voltage Directive 2006/95/EC
EMC Directive 2004/108/EC
RoHS Directive 2011/6 5/EC
Electromagnetic compatibility
Interference immunity to IEC/EN 61000-6-1, IEC/EN 61000-6-2
electrostatic discharge IEC/EN 61000-4-2 Level 3, 6 kV / 8 kV
radiated, radio-frequency
electromagnetic field
IEC/EN 61000-4-3 Level 3, 10 V/m (1 GHz) 3 V/m (2 GHz) 1 V/m (2.7 GHz)
electrical fast transient / burst IEC/EN 61000-4-4 Level 3, 2 kV / 5 kHz
surge IEC/EN 61000-4-5 Level 4, 2 kV A1-A2
conducted disturbances, induced by
radio-frequency fields
IEC/EN 61000-4-6 Level 3, 10 V
harmonics and interharmonics IEC/EN 61000-4-13 Class 3
Interference emission IEC/EN 61000-6-3, IEC/EN 61000-6-4
high-frequency radiated IEC/CISPR 22, EN 55022 Class B
high-frequency conducted IEC/CISPR 22, EN 55022 Class B
Product certifications and declarations see “Approvals and marks” on page 14.

1
45 ABB | Catalog Electronic relays and controls 2016 | 2CDC 110 004 C0210
CT-S range
Technical diagrams
AC load (resistive) DC load (resistive)
Technical diagrams
Load limit curves
Derating factor F for inductive AC load Contact lifetime
DC current [A]
resistive load
DC voltage [V]
2CDC 252 150 F0206
cos ϕ
0.5
0.1 0.2 0.3 0.40.5 0.60.7 0.80.9 1.0
0.6
0.7
0.8
0.9
1.0
Derating factor F
2CDC 252 124 F0206
AC current [A]
resistive load
AC voltage [V]
2CDC 252 149 F0206
Switching current [A]
250 V
resistive load
Switching cycles
2CDC 252 148 F0206

1
2CDC 110 004 C0210 | Catalog Electronic relays and controls 2016 | ABB 46
CT-S range
Wiring notes, Dimensional drawings
2CDC 252 188 F0b05
100
102
109,5 4.31“ 22,5
.886“
78 3.07“
4.02“
3.94“
L(+)
N(-)
A1 Y1
Z2
X1
A2
2CDC 252 101 F0b06
L(+)
N(-)
A1 Y1/B1
A2
2CDC 252 102 F0b06
L(+)
L(+)
N(-)
L(-)
A1 Y1/B1
A2
2CDC 252 103 F0b06
L(+)
N(-)
A1 Z1
Z2
Z3
A2
2CDC 252 104 F0b06
L(+)
+V
N(-)
0 V
A1 Y1
Z2A2
2CDC 252 105 F0b06
Wiring notes
Remote potentiometer
Control inputs
(volt-free triggering)
Control inputs
(voltage-related triggering)
Triggering of the control inputs (volt-free)
with a proximity switch (3 wire)
The control input Y1/B1 is triggered with electric potential against A2. It is pos-
sible to use the control supply voltage from terminal A1 or any other voltage
within the rated control supply voltage range.
113.4 4.47”
22.5 0.89”
85.6 3.37”
103.7 4.08”
105.9 4.17”
2CDC 252 009 F0011
1SVR 430 xxx xxx 1SVR 730 xxx xxx, 1SVR 740 xxx xxx
Dimensional drawing Dimensions in mm

1
47 ABB | Catalog Electronic relays and controls 2016 | 2CDC 110 004 C0210
Electronic timers
Timing functions
ON-delay
Supply
Output
t
This function requires continuous control supply voltage for timing.
Timing begins when control supply voltage is applied. When the selected
time delay is complete, the output relay energizes. If control supply voltage is
interrupted, the output relay de-energizes and the time delay is reset.
ON-delay
accumulative
Supply
2nd instanteous
contact
Output
Control input
tt2
t1
t1 + t2 = t
This function requires continuous control supply voltage for timing. Timing
begins when control supply voltage is applied. When the selected time delay is
complete, the output relay energizes. Timing can be paused by closing control
input. The elapsed time t1 is stored and continues from this time value when the
control input is re-opened.
If control supply voltage is interrupted, the output relay de-energizes and the
time delay is reset.
OFF-delay
with auxiliary
voltage
Supply
Output
Cont
rol input
tt
<
This function requires continuous control supply voltage for timing. If control
input is closed, the output relay energizes immediately. If control input is opened,
the time delay starts. When the selected time delay is complete, the output relay
de-energizes.
If control input recloses before the time delay is complete, the time delay is reset
and the output relay does not change state. Timing starts again when control
input A1-Y1/B1 re-opens. If control supply voltage is interrupted, the output relay
de-energizes and the time delay is reset.
OFF-delay
without
auxiliary
voltage
Supply
Output
t
The OFF-delay function without auxiliary voltage does not require continuous
control supply voltage for timing.
Applying control supply voltage, energizes the output relay. If control supply
voltage is interrupted, the OFF-delay starts. When timing is complete, the output
relay de-energizes. If control supply voltage is re-applied before the time delay is
complete, the time delay is reset and the output relay remains energized. Control
supply voltage must be applied for the minimum energizing time (200 ms), for
proper operation.
OFF-delay
with auxiliary
voltage (Delay
on break)
Supply
2nd instanteous
contact
Output
Control input
Control input
t1 t2
t1 + t2 = t
t
This function requires continuous control supply voltage for timing. If control
input is closed, the output relay energizes immediately. If control input is opened,
the time delay starts. When the selected time delay is complete, the output relay
de- energizes.
If control input closes before the time delay is complete, the time delay is reset
and the output relay does not change state. Timing starts again when control
input reopens.
Pause timing / Accumulative OFF-delay: Timing can be paused by closing control
input X1-Z2. The elapsed time t1 is stored and continues from this time value
when X1-Z2 is re-opened.
This can be repeated as often as required.
If control supply voltage is interrupted, the output relay de-energizes and the
time delay is reset.
Impulse-ON
(interval)
Supply
Output
t< t
This function requires continuous control supply voltage for timing. The
output relay energizes immediately when control supply voltage is applied and
de-energizes after the set pulse time is complete. If control supply voltage is
interrupted, the output relay de-energizes and the time delay is reset.
On delay functions A
OFF delay functions B
Impulse-ON functions CA
For a detailed overview of product specific timing functions please refer to the corresponding data sheet.

1
2CDC 110 004 C0210 | Catalog Electronic relays and controls 2016 | ABB 48
Electronic timers
Timing functions
Flasher starting
with ON
Supply
Output
t t
Applying control supply voltage starts timing with symmetrical ON & OFF times.
The cycle starts with an ON time first.
If control supply voltage is interrupted, the output relay de-energizes and the
time delay is reset.
Flasher with
reset starting
with ON
Supply
Control input
Output
2nd contact
instantaneous
t t t t
Applying control supply voltage starts timing with symmetrical ON & OFF times.
The cycle starts with an ON time first.
The time delay can be reset by closing control input. Opening control input
starts the timer pulsing again with symmetrical ON & OFF times. If control
supply voltage is interrupted, the output relay de-energizes and the time delay
is reset.
Flasher starting
with OFF
Supply
Output
t t
Applying control supply voltage starts timing with symmetrical ON & OFF times.
The cycle starts with an OFF time first. If control supply voltage is interrupted,
the output relay de-energizes and the time delay is reset.
Flasher with
reset starting
with OFF
Supply
Control input
Output
2nd contact
instantaneous
t t t t
Applying control supply voltage starts timing with symmetrical ON & OFF
times. The cycle starts with an OFF time first. The time delay can be reset by
closing control input. Opening control input starts the timer pulsing again with
symmetrical ON & OFF times. If control supply voltage is interrupted, the output
relay de-energizes and the time delay is reset.
Flasher starting
with ON or OFF
Supply
Control input
Output
2nd contact
instantaneous
t t t t
Applying control supply voltage starts timing with symmetrical ON / OFF times.
If the control input is open during supply voltage is connected the cycle starts
with an ON time first. If the control input is closed during supply voltage is
connected the cycle starts with an OFF time first.
Impulse-OFF
Supply
Output
Cont
rol input
tt
This function requires continuous control supply voltage for timing. The output
relay energizes immediately when the control input is de-energized and the
output de-energizes after the set pulse time is complete. If control supply voltage
is interrupted, the output relay de-energizes and the time delay is reset.
Impulse-OFF
without auxiliary
voltage
Supply
Output
t
This function does not require continuous control supply voltage for timing.
If control supply voltage is interrupted, the output relay energizes and the OFF
time starts. When timing is complete, the output relay de-energizes. If control
supply voltage is re-applied before the time delay is complete, the time delay is
reset and the output relay de-energizes. Control supply voltage must be applied
for the minimum energizing time (200 ms), for proper operation.
Impulse-OFF
with auxiliary
voltage (Trailing
edge interval)
Supply
2nd instanteous
contact
Output
Control input
Control input
t
t1 t2
t1 + t2 = t
This function requires continuous control supply voltage for timing. If control
supply voltage is applied, opening control input energizes the output relay
immediately and starts timing. When the selected pulse time is complete, the
output relay de-energizes.
Closing control input, before the time delay is complete, de-energizes the output
relay and resets the time delay. If control supply voltage is interrupted, the output
relay de-energizes and the time delay is reset.
Impulse-OFF functions CB
Impuls-ON and Impulse-OFF functions CE
Flasher starting with ON functions DA
Flasher starting with OFF functions DB
Flasher starting with ON or OFF functions DE
Impulse-ON
and impulse-
OFF
Supply
Output
Cont
rol input
<t1
t1 t2
This function requires continuous control supply voltage for timing. If control
supply voltage is applied, closing control input energizes the output relay
immediately and starts the pulse time t1. When t1 is complete, the output
relay de-energize. Re-opening control input energizes the output relay
immediately and starts the pulse time t2. When t2 is complete, the output relay
de-energizes. t1 and t2 are independently adjustable. If control input changes
state before the pulse time is complete, the output relay de-energizes and
the pulse time is reset. If control input changes state again, the interrupted
pulse time restarts. If control supply voltage is interrupted, the output relay
de-energizes and the time delay is reset.

1
49 ABB | Catalog Electronic relays and controls 2016 | 2CDC 110 004 C0210
Pulse former
(single shot)
Supply
Cont
rol input
Output
t t
This function requires continuous control supply voltage for timing. Closing
control input energizes the output relay immediately and starts timing.
Operating the control input during the time delay has no effect. When the
selected ON time is complete, the output relay de-energizes. After the ON
time is complete, it can be restarted by closing control input. If control supply
voltage is interrupted, the output relay de-energizes and the time delay is reset.
ON- and OFF-
delay
Supply
Output
This function requires continuous control supply voltage for timing . Closing the
control input the ON delay starts. After the ON delay time is elapsed the output
energizes. Opening the control input let the OFF delays time start. When the OFF
delay time is elapsed the output de-energizes again. Operating the control input
during timing will reset the respective timing function.
Symmetrical
ON- and OFF-
delay
Supply
2nd instanteous
contact
Output
Control input
t1 t1t2 <t2
This function requires continuous control supply voltage for timing. Closing
control input starts the ON-delay time t1. When timing is complete, the output
relay energizes. Opening control input starts the OFF-delay time t2. When the
OFF-delay t2 is complete, the output relay de-energizes. If control input opens
before the ON-delay t1 is complete, the time delay is reset and the output relay
remains de-energized. If control input closes before the OFF-delay time t2 is
complete, the time delay is reset and the output relay remains energized.
Asymmetrical
ON- and OFF-
delay
Supply
Output
Cont
rol input
t1 t1t2 <t2
This function requires continuous control supply voltage for timing. Closing
control input starts the ON-delay t1. When timing is complete, the output relay
energizes. Opening control input starts the OFF-delay t2. When the OFF-delay
is complete, the output relay de-energizes. The ON-delay and OFF-delay are
independently adjustable.
If control input opens before the ON-delay is complete (<t1), the time delay is
reset and the output relay remains de-energized. If control input closes before
the OFF-delay is complete (<t2), the time delay is reset and the output relay
remains energized. If control supply voltage is interrupted, the output relay
de-energizes and the time delay is reset
Single-pulse
generator,
starting with
OFF
Supply
Cont
rol input
Output
t1 t2 t1 t2
This function requires continuous control supply voltage for timing. Applying
control supply voltage, or, if control supply voltage is already applied, opening
control input energizes the output relay after the OFF time t1 is complete. When
the following ON time t2 is complete, the output relay de-energizes. The ON
& OFF times are independently adjustable. Closing control input with control
supply voltage applied, de-energizes the output relay and resets the time delay.
If control supply voltage is interrupted, the output relay de-energizes and the
time delay is reset.
Fixed
impulse with
adjustable
time delay
Supply
Output
t1 t2 <t1
This function requires continuous control supply voltage for timing. The time
delay t1 starts when control supply voltage is applied. When t1 is complete, the
output relay energizes for the fixed impulse time t2 of 500 ms.
If control supply voltage is interrupted, the time delay is reset. The output relay
does not change state.
Adjustable
impulse with
fixed time
delay
Supply
Output
t1
t2 t2 <t1
This function requires continuous control supply voltage for timing. Applying
control supply voltage starts the fixed time delay t2 of 500 ms. When t2 is
complete, the output relay energizes and the selected pulse time t1 starts.
When t1 is complete, the output relay de-energizes. If control supply voltage is
interrupted, the pulse time is reset. The output relay does not change state.
Pulse former H
Single-pulse former EC
Impulse with delay AC
ON- and OFF-delay AB
Electronic timers
Timing functions

1
2CDC 110 004 C0210 | Catalog Electronic relays and controls 2016 | ABB 50
Electronic timers
Timing functions
FC Star-delta
change-over
with impulse
function
Supply
Output
1
Output
2
t1 t2 t1 = adjusted starting time
t2 = transition time (50 ms)
This function requires continuous control supply voltage for timing
. Applying control supply voltage energizes the star contactor
connected to output 1 and begins the set starting time t1. When
the starting time is complete, the first output de energizes the star
contactor.
Now, the fixed transition time t2 of 50 ms starts.
When the transition time is complete, the second ouput energizes the
delta contactor. The delta contactor remains energized as long as
control supply voltage is applied.
FStar-delta
change-over
(Star-delta
starting)
Supply
Output
1
Output
2
t1 t2 t1 = adjusted starting time
t2 = transition time (50 ms)
This function requires continuous control supply voltage for timing.
Applying control supply voltage, energizes the star contactor and
begins the set starting time t1. When the starting time is complete,
the first output contact de-energizes the star contactor. When the
transition time t2 is complete, the second output contact energizes
the delta contactor. The delta contactor remains energized as long
as control supply voltage is applied.
FStar-delta
change-over
Supply
Output
1
Output
2
t1 t2 t1 = adjusted starting time
t2 = transition time (50 ms)
Applying control supply voltage energizes the star contactor and
begins the set starting time. When the starting time is complete the
star contactor de-energizes. Now, the fix transition time starts. When
the transition time is complete, the delta contactor energizes.
GON/OFF
function
Supply
Output
Time sector ≠ 300 hTime sector = 300 h
This function is used for test purposes during commissioning and
troubleshooting.
If the selected max. value of the time range is smaller than 300 h (front-
face potentiometer “Time sector” ≠ 300 h), applying control supply
voltage energizes the output relay immediately. Interrupting control
supply voltage, de-energizes the output relay.
If the selected max. value of the time range is 300 h (front-face
potentiometer “Time sector” = 300 h) and control supply voltage is
applied the output relay does not energize.
ED Pulse
generator,
starting with
the ON or
OFF time
(Recycling
unequal
times, ON or
OFF first)
Supply
Cont
rol input
Output
t1t1
t2t2
This function requires continuous control supply voltage for timing.
Applying control supply voltage, with open control input, starts timing
with an ON time first. Applying control supply voltage, with closed
control input, starts timing with an OFF time first. If control supply
voltage is interrupted, the output relay de-energizes and the time delay
is reset.
Further functions

2
51 ABB | Catalog Electronic relays and controls 2016 | 2CDC 110 004 C0210
Measuring and monitoring relays
Product group picture

2
2CDC 110 004 C0210 | Catalog Electronic relays and controls 2016 | ABB 52
Measuring and monitoring relays
Table of contents
Measuring and monitoring relays
Measuring and monitoring relays ......................................................... 52
Current and voltage monitoring relays, single-phase ............................. 60
Three-phase monitoring relays ............................................................ 78
Grid feeding monitoring relays -
Voltage and frequency monitoring functions ....................................... 100
Insulation monitoring relays for unearthed supply systems .................. 110
Motor load monitoring relays ............................................................. 124
Thermistor motor protection relays .................................................... 136
Temperature monitoring relays ........................................................... 150
Liquid level monitors and controls...................................................... 162
General technical data, Accessories, Current transformers ................. 173

2
53 ABB | Catalog Electronic relays and controls 2016 | 2CDC 110 004 C0210
Measuring and monitoring relays
Benefits and advantages
–
Only 22.5 mm wide housing
– Output contacts: 1 c/o
contact or 1 n/o contact
– One supply voltage range
– One monitoring function
– Cost-efficient solution for
OEM applications
– Preset monitoring ranges
– Only 22.5 mm wide housing
– Output contacts: 1 or 2 c/o (SPDT) con-
tacts
– One supply voltage range or supplied by
measuring circuit
– Setting and operation via front-face
operating controls
– Adjustment of threshold values and
switching hysteresis via direct reading
scale
– Integrated and snap-fitted front-face
marker
– Snap-on housing: The relays can be
placed on a DIN rail tool-free - just snap
it on or remove it tool-free
– Sealable transparent cover (accessory)
– 45 mm wide housing
– Output contacts: 2 c/o (SPDT) contacts
– Continuous voltage range (24-240 V AC/DC)
or single-supply
– Setting and operation via front-face operat-
ing controls
– Adjustment of threshold values and switch-
ing hysteresis via direct reading scale
– Adjustable time delays
– Integrated and snap-fitted front-face marker
label
– Sealable transparent cover (accessory)
CM-N range: Multifunctional CM-S range:
Universal and multifunctional
CM-E range: Economy
ABB‘s measuring and monitoring relays in a new housing
Easy Connect Technology
New options:
Additionally to the existing well established screw connections
a new innovative connection technology can be offered: Easy
Connect Technology with push-in terminals.
Tool-free wiring:
The push-in terminals can be wired with rigid or fine stranded
wires with wire end ferrules totally tool-free. The connection
direction is exactly the same as the screw version.
Higher utility class:
The Easy Connect Technology provides excellent vibration
resistance with gas tight push-in terminals – the right solution
for harsh environment.
Extended features
Flammability:
The plastic housing material used meets the requirements for
the highest flammability class. (UL94 V-0 rated)
Look and feel:
The new housing fits perfectly with ABB’s control products
offer.
Benefits at a glance

2
2CDC 110 004 C0210 | Catalog Electronic relays and controls 2016 | ABB 54
Double-chamber cage connection terminals
Double-chamber cage connection terminals provide connec-
tion of wires up to 2 x 0.5-2.5 mm² (2 x 20-14 AWG) rigid or
fine-strand, with or without wire end ferrules. Potential dis-
tribution does not require additional terminals. The extended
type designators for products with double-chamber cage con-
nection terminals are indicated by a S following the extended
type designator e.g. CM-xxS.xxS.
LED‘s for status indication
All actual operational states are displayed by front-face LEDs,
thus simplifying commissioning and troubleshooting.
Integrated marker label
Integrated marker labels allow the product to be marked
quickly and simply. No additional marker labels are required.
Sealable transparent cover
Protection against unauthorized changes of time and thresh-
old values. Available as an accessory.
Snap-On housing
Tool-free DIN rail installation and deinstallation of the monitor-
ing relay.
Measuring and monitoring relays
Benefits and advantages
2CDC 253 011 F0003 1SVC 110 000 F0506
2CDC 253 026 F0011
2CDC 253 025 F0011
2CDC 252 006 F0012
2CDC 255 006 S0011
2CDC 253 007 F0012
Higher utility class
The Easy Connect Technology provides excellent vibration
resistance with gas tight push-in terminals – the right solu-
tion for harsh environment. Selected products of the elec-
tronic timers and measuring and monitoring relays comply
to the latest rail standards NF F 16-101/102, EN 45545,
EN 50155 and more standards which are relevant for rail-
way applications. Find more inforamtion in the rail brochure
2CDC110084B0201.
Safety
The “real distance” is hidden.
The clearance and the creepage distances of our products
exceed international standards and substantially increase the
safety of our products.
Easy Connect Technology
Tool-free wiring and excellent vibration resistance. Push-in
terminals provide connection of wires up to 2 x 0.5 - 1.5 mm²
(2 x 20 -16 AWG), rigid or fine-strand with or without wire
end ferrules. The extended type designators for products with
push-in terminals are indicated by a P following the extended
type designator e.g. CM-xxS.xxP.
1
1
3
3
4
4
5 7
7
5
68
6
2
2
8
2CDC 253 013 F0013
8

2
55 ABB | Catalog Electronic relays and controls 2016 | 2CDC 110 004 C0210
Measuring and monitoring relays
Assortment overview
v
Single-phase current and voltage monitoring Three-phase monitoring
Motor load monitoring
Current monitoring
– Monitoring of motor current consumption
– Monitoring of lighting installations and heating circuits
– Monitoring of transportation equipment overload
– Monitoring of locking devices, electromechanical brake
gear and locked rotors
See „Ordering details - Current monitoring relays“ on page
64.
Voltage monitoring
– Speed monitoring of DC motors
– Monitoring of battery voltages and other supply networks
See “Ordering details - Voltage monitoring relays” on page
66.
– Voltage monitoring of mobile three-phase equipment
– Protection of personnel and installations against phase
reversal
– Monitoring of the supply voltage of machines and installa-
tions
– Protection of equipment against damage caused by un-
stable supply voltage
– Switching to emergency or auxiliary supply
– Protection of motors against damage caused by unbal-
anced phase voltages and phase loss
See “Ordering details - Singlefunctional” on page 82 or
“Ordering details - Multifunctional” on page 84.
Grid feeding monitoring relays
V, f
L1
L2
L3
N
The CM-UFx range monitors all voltage and frequency pa-
rameters in a grid and ensures the safe feeding of decentral
produced eletrical energy into the grid.
– Monitoring of the voltage with up to 2 thresholds for
over- and undervoltage
– Monitoring of the frequency with up to 2 thresholds for
over- and underfrequency
– ROCOF (rate of change of frequency) and vector shift
detection
– In compliance with several local standards
See „Ordering and selection“ on page 104.
CM-LWN monitoring relays load states of single- and
three-phase asynchronous motors.
– Detection of V-belt breaking
– Motor protection against overload
– Monitoring of filters for clogging
– Protection of pumps against dry running
– Detection of high pressure in conduit systems
– Monitoring for dulling blades in sawing and cutting
machines
See “Ordering details” on page 126.

2
2CDC 110 004 C0210 | Catalog Electronic relays and controls 2016 | ABB 56
Measuring and monitoring relays
Assortment overview
Insulation monitoring
– Monitoring of electrically isolated supply mains for insula-
tion resistance failure
– Detection of initial faults
– Protection against earth faults
See “Ordering details” on page 116.
ϑ
Thermistor motor protection
– Protection of motors against thermal overload, e. g.
caused by insufficient cooling, heavy load starting condi-
tions, undersized motors, etc.
– Protection of pumps against dry running
– Protection against container overflow
– Control of liquid levels
– Detection of leaks
– Control of mixing ratios
See “Ordering details” on page 166.
Liquid level monitoring and control
ϑ
Temperature monitoring
– Motor and system protection
– Control panel temperature monitoring
– Frost monitoring
– Temperature limits for process variables, e.g. in the
packing or electroplating industry
– Control of systems and machines like heating,
air-conditioning and ventilation systems, solar collectors,
heat pumps or hot water supply systems
– Monitoring of servomotors with KTY sensors
– Bearing and gear oil monitoring
– Coolant monitoring
See “Ordering details” on page 154.
Acquisition, messaging and regulation of temperatures of
solid, liquid and gaseous media in processes and machines
See “Ordering details” on page 140.
CM-MSE and CM-MSS provide full protection of motors
with integrated PTC resistor sensors.

2
57 ABB | Catalog Electronic relays and controls 2016 | 2CDC 110 004 C0210
Measuring and monitoring relays
Approvals and marks
existing
pending
Current and voltage monitoring,
single-phase Three-phase monitoring
Approvals
CM-SRS.1xS/P
CM-SRS.2xS
CM.SRS.MS/P
CM-SFS.2S/P
CM-ESS.1xS/P
CM-ESS.2xS
CM-ESS.MS/P
CM- EFS.2S/P
CM-PBE
CM-PVE
CM-PFE
CM-PFS.S/P
CM-PSS.x1S/P
CM-PVS.x1S/P
CM-PVS.81S/P
CM-PAS.x1S/P
CM-MPS.x1S/P
CM-MPS.x3S/P
CM-MPN.52S/P
CM-MPN.62S/P
CM-MPN.72S/P
AUL 508, CAN/CSA C22.2 No.14
CGL
REAC
KCB scheme
ECCC
LRMRS
Rail applications 1)
Marks
aCE
bRCM
existing
pending
Insulation monitoring
relays for ungrounded
supply mains
Motor load
monitoring
Tempera-
ture
monitoring
Grid feeding
monitoring
relays
Approvals
CM-IWS.2S/P
CM-IWS.1S/P
CM-IWN.1S/P
CM-IWN.4,5,6.S/P
CM-IVN.S/P
CM-LWN
CM-TCS.xxS/P
C512
C513
CM-UFD.M22
CM-UFD.M31
CM-UFD.M33
CM-UFD.M34
AUL 508, CAN/CSA C22.2 No.14
CGL
REAC
KCB scheme
ECCC
LRMRS
Rail applications 1)
CEI 0-21
G59/3 LV + G83/2, G59/3 HV
VDE-AR-N 4105
„Erzeugungsanlagen am
Niederspannungsnetz“
BDEW „Erzeugungsanlagen am
Mittelspannungsnetz“
DRRG standard of DEWA
Marks
aCE
bRCM
1) Applicable in rail application following the latest standards for rail applications: NF F 16-101/102 (I2/F2 classified), EN 45545 (Hazard Level 3), DIN 5510, EN 50155,
IEC 60571. Further information is available in our rail segment brochure 2CDC110084B0201.

2
2CDC 110 004 C0210 | Catalog Electronic relays and controls 2016 | ABB 58
Measuring and monitoring relays
Approvals and marks
existing
pending Thermistor motor protection Liquid level
monitoring
Approvals
CM-MSE
CM-MSS.x1S/P
CM-MSS.12S/P
CM-MSS.13S/P
CM-MSS.22S/P
CM-MSS.23S/P
CM-MSS.32S/P
CM-MSS.33S/P
CM-ENE MIN
CM-ENE MAX
CM-ENS.xxS/P
AUL 508, CAN/CSA C22.2 No.14
CGL
REAC
III (2) G D, PTB 02 ATEX 3080
KCB scheme
ECCC
LRMRS
IATE X
TDNV
Marks
aCE
bRCM

2
59 ABB | Catalog Electronic relays and controls 2016 | 2CDC 110 004 C0210
Current and voltage monitoring relays, single-phase
Product group picture

2
2CDC 110 004 C0210 | Catalog Electronic relays and controls 2016 | ABB 60
Current and voltage monitoring relays, single-phase
Table of contents
Current and voltage monitoring relays, single-phase
Current and voltage monitoring relays, single-phase 60
Benefits and advantages 61
Operating controls 62
Selection table - Current monitoring relays 63
Ordering details - Current monitoring relays 64
Selection table - Voltage monitoring relays 65
Ordering details - Voltage monitoring relays 66
Function diagrams 67
Connection diagrams, DIP switches 70
Technical data - Current monitoring relays 72
Technical data - Voltage monitoring relays 74

2
61 ABB | Catalog Electronic relays and controls 2016 | 2CDC 110 004 C0210
Current and voltage monitoring relays, single-phase
Benefits and advantages
Characteristics current and voltage monitoring relays
– Monitoring of DC and AC currents: 3 mA to 15 A 1)
– Monitoring of DC and AC voltages from 3-600 V
– TRMS measuring principle
– One device includes 3 measuring ranges
– One device includes 4 measuring ranges: 3-30 V; 6-60 V;
30-300 V; 60-600 V
– Over- and undercurrent monitoring1)
– Over- and undervoltage monitoring1)
– ON or OFF-delay configurable1)
– Open- or closed-circuit principle configurable1)
– Threshold values for >U and/or <U adjustable1)
– Latching function configurable1)
– Thresholds for >I and/or <I adjustable1)
– Fixed hysteresis of 5 %1)
– Start-up delay Tv adjustable 0; 0.1-30 s1)
– Tripping delay Tv adjustable 0; 0.1-30 s1)
– 1 x 2 c/o contacts (common signal) or 2 x 1 c/o contact
(separate signals for >I and <I) configurable 1)
– 1 x 2 c/o contacts (common signal) or 2 x 1 c/o contact
(separate signals for >U and <U) configurable1)
– 22.5 mm width
– 3 LEDs for the indication of operational states
– Approvals / Marks
A C R K E L 2) / a b
1) depending on device
2) Applicable in rail application following the latest standards for rail applications:
NF F 16-101/102 (I2/F2 classified), EN 45545 (Hazard Level 3), DIN 5510, EN 50155, IEC 60571.
Further information is available in our rail segment brochure 2CDC110084B0201.
Current monitoring, single-phase
The ABB current monitoring relays CM-SRS.xx
reliably monitor the occurence of currents that
exceed or fall below the selected threshold value.
The functions overcurrent or undercurrent monitor-
ing can be preselected. Single- and multifunction
devices for the monitoring of direct or alternating
currents from 3 mA to 15 A are available.
Current window monitoring (Imin, Imax)
The window monitoring relay CM-SFS.2x is avail-
able if the application requires the simultaneous
monitoring of over- and undercurrents.
Voltage monitoring, single-phase
The ABB voltage monitoring relays CM-SRS.xx
are used to monitor direct and alternating voltages
within a range of 3-600 V. Over- or undervoltage
detection can be preselected.
Voltage window monitoring (Umin, Umax)
For the simultaneous detection of over- and under-
voltages, the window monitoring relay CM-EFS.2
can be used.
2CDC 251 056 V0011
2CDC 251 059 V0011

2
2CDC 110 004 C0210 | Catalog Electronic relays and controls 2016 | ABB 62
Current and voltage monitoring relays, single-phase
Operating controls
2CDC 253 018 F00132CDC 253 014 F0013
4
1
2
3
5
1 Adjustment of the threshold value >I for overcurrent
2 Adjustment of the threshold value <I for undercurrent
3 Indication of operational states
U/T: green LED – control supply voltage/timing
R: yellow LED – relay status
I: red LED – over- / undercurrent
4 Adjustment of the tripping delay TV
5 Adjustment of the start-up delay TS
6 DIP switches (see DIP switch functions on page 2/20)
A ON-delay
B OFF-delay
g Closed-circuit principle
h Open-circuit principle
f Latching function activated
e Latching function not activated
i 2x1 c/o (SPDT) contact
j 1x2 c/o (SPDT) contacts
1 Adjustment of the threshold value >U for overvoltage
2 Adjustment of the threshold value <U for undervoltage
3 Indication of operational states
U/T: green LED – control supply voltage/timing
R: yellow LED – relay status
U: red LED – over- / undervoltage
4 Adjustment of the tripping delay TV
5 Adjustment of the measuring range
6 DIP switches (see DIP switch functions on page 2/20)
A ON-delay
B OFF-delay
g Closed-circuit principle
h Open-circuit principle
f Latching function activated
e Latching function not activated
i 2x1 c/o (SPDT) contact
j 1x2 c/o (SPDT) contacts
4
1
2
3
5
Current monitoring relays
Voltage monitoring relays

2
63 ABB | Catalog Electronic relays and controls 2016 | 2CDC 110 004 C0210
Order number
1SVR730840R0200
1SVR740840R0200
1SVR730841R0200
1SVR740841R0200
1SVR730841R1200
1SVR740841R120 0
1SVR730840R0300
1SVR730841R0300
1SVR730841R1300
1SVR730840R0400
1SVR740840R0400
1SVR730841R0400
1SVR740841R0400
1SVR730841R1400
1SVR740841R1400
1SVR730840R0500
1SVR730841R0500
1SVR730841R1500
1SVR730840R0600
1SVR740840R0600
1SVR730840R0700
1SVR730760R0400
1SVR740760R0400
1SVR730760R0500
Type
CM-SRS.11S
CM-SR S.11P
CM-SR S.11S
CM-SR S.11P
CM-SR S.11S
CM-SR S.11P
CM-SRS.12S
CM-SRS.21S
CM-SRS.21P
CM-SRS.21S
CM-SRS.21P
CM-SRS.21S
CM-SRS.21P
CM-SRS.22S
CM-SRS.M1S
CM-SRS.M1P
CM-SRS.M2S
CM-SFS.21S
CM-SFS.21P
CM-SFS.22S
Rated control supply voltage US
24 - 240 V AC/DC
110 - 130 V AC
220 - 240 V AC
Measuring ranges AC/DC
3 - 30 mA
10 - 100 mA
0.1 - 1 A
0.3 - 1.5 A
1 - 5 A
3 - 15 A
Monitoring function
Over- or undercurrent
Window current monitoring
Latching
sel sel sel sel sel sel
Open circuit or closed circuit principle
sel sel sel sel sel sel
Timing functions for tripping delay
ON delay, 0.1 - 30 s
adj adj adj adj adj adj adj adj adj adj adj adj
ON or OFF delay, 0.1 - 30 s
sel sel sel
Output
c/o contact 111111111222222222222222
Connection type
Push-in terminals
Double-chamber cage connection terminals
adj: adjustable
sel: selectable
Current and voltage monitoring relays, single-phase
Selection table - Current monitoring relays

2
2CDC 110 004 C0210 | Catalog Electronic relays and controls 2016 | ABB 64
Description
The CM range current monitoring relays protect single-phase mains (DC or AC) from over- and
undercurrent from 3 mA to 15 A.
Ordering details
Description Type Order code Price
1 pce
Weight
(1 pce)
kg (lb)
See “Selection table - Current monitoring relays” on page
63.
CM-SRS.11S
1SVR730840R0200 0.145 (0.320)
1SVR730841R0200 0.161 (0.355)
1SVR730841R1200 0.161 (0.355)
CM-SRS.11P
1SVR740840R0200 0.137 (0.302)
1SVR740841R0200 0.153 (0.337)
1SVR740841R120 0 0.153 (0.337)
CM-SRS.12S
1SVR730840R0300 0.137 (0.302)
1SVR730841R0300 0.168 (0.370)
1SVR730841R1300 0.168 (0.370)
CM-SRS.21S
1SVR730840R0400 0.152 (0.335)
1SVR730841R0400 0.179 (0.395)
1SVR730841R1400 0.179 (0.395)
CM-SRS.21P
1SVR740840R0400 0.141 (0.311)
1SVR740841R0400 0.168 (0.370)
1SVR740841R1400 0.168 (0.370)
CM-SRS.22S
1SVR730840R0500 0.144 (0.399)
1SVR730841R0500 0.181 (0.399)
1SVR730841R1500 0.181 (0.399)
CM-SRS.M1S 1SVR730840R0600 0.153 (0.337)
CM-SRS.M1P 1SVR740840R0600 0.142 (0.313)
CM-SRS.M2S 1SVR730840R0700 0.155 (0.342)
CM-SFS.21S 1SVR730760R0400 0.150 (0.331)
CM-SFS.21P 1SVR740760R0400 0.139 (0.306)
CM-SFS.22S 1SVR730760R0500 0.158 (0.348)
2CDC 251 054 V0011
2CDC 251 056 V0011
CM-SRS.22S
CM-SFS.22P
S: screw connection
P: push-in connection
Further documentation single-phase
monitoring relays on www.abb.com
Current and voltage monitoring relays, single-phase
Ordering details - Current monitoring relays

2
65 ABB | Catalog Electronic relays and controls 2016 | 2CDC 110 004 C0210
Current and voltage monitoring relays, single-phase
Selection table - Voltage monitoring relays
Order number
1SVR730830R0300
1SVR740830R0300
1SVR730831R0300
1SVR740831R0300
1SVR730831R1300
1SVR740831R1300
1SVR730830R0400
1SVR740830R0400
1SVR730831R0400
1SVR740831R0400
1SVR730831R1400
1SVR740831R1400
1SVR730830R0500
1SVR740830R0500
1SVR730750R0400
1SVR740750R0400
Type
CM-ESS.1S
CM-ESS.1P
CM-ESS.1S
CM-ESS.1P
CM-ESS.1S
CM-ESS.1P
CM-ESS.2S
CM-ESS.2P
CM-ESS.2S
CM-ESS.2P
CM-ESS.2S
CM-ESS.2P
CM-ESS.MS
CM-ESS.MP
CM-EFS.2S
CM-EFS.2P
Rated control supply voltage US
24 - 240 V AC/DC
110 - 130 V AC
220 - 240 V AC
Measuring ranges AC/DC
3 - 30 V
6 - 60 V
30 - 300 V
60 - 600 V
Monitoring function
Over- or undervoltage
Windows voltage monitoring
Latching
sel sel sel sel
Open circuit or closed circuit principle
sel sel sel sel
Timing functions for tripping delay
ON delay, 0.1 - 30 s
adj adj adj adj adj adj adj adj
ON or OFF delay, 0.1 - 30 s
sel sel
Output
c/o contact 1 1 1 1 112222222222
Connection type
Push-in terminals
Double-chamber cage connection terminals
adj: adjustable
sel: selectable

2
2CDC 110 004 C0210 | Catalog Electronic relays and controls 2016 | ABB 66
Current and voltage monitoring relays, single-phase
Ordering details - Voltage monitoring relays
Description
The CM range voltage monitoring relays provide reliable monitoring of voltages as well as de-
tection of phase loss in single-phase mains.
Ordering details
Description Type Order code Price
1 pce
Weight
(1 pce)
kg (lb)
See “Selection table - Voltage monitoring relays” on page
65.
CM-ESS.1S
1SVR730830R0300 0.135 (0.298)
1SVR730831R0300 0.164 (0.362)
1SVR730831R1300 0.164 (0.362)
CM-ESS.1P
1SVR740830R0300 0.126 (0.278)
1SVR740831R0300 0.155 (0.342)
1SVR740831R1300 0.155 (0.342)
CM-ESS.2S
1SVR730830R0400 0.153 (0.337)
1SVR730831R0400 0.181 (0.399)
1SVR730831R1400 0.181 (0.399)
CM-ESS.2P
1SVR740830R0400 0.142 (0.313)
1SVR740831R0400 0.170 (0.375)
1SVR740831R1400 0.170 (0.375)
CM-ESS.MS 1SVR730830R0500 0.154 (0.340)
CM-ESS.MP 1SVR740830R0500 0.143 (0.320)
CM-EFS.2S 1SVR730750R0400 0.157 (0.346)
CM-EFS.2P 1SVR740750R0400 0.146 (0.322)
2CDC 251 060 V00112CDC 251 059 V0011
CM-ESS.MP
CM-EFS.2
S: screw connection
P: push-in connection
Further documentation single-phase
monitoring relays on www.abb.com

2
67 ABB | Catalog Electronic relays and controls 2016 | 2CDC 110 004 C0210
Function diagrams - CM-SRS.1
Overcurrent monitoring b
Undercurrent monitoring a
Function diagrams - CM-SRS.2
Overcurrent monitoring b
Undercurrent monitoring a
A1-A2
11-14 (15-18)
11-12 (15-16)
Threshold
Hysteresis
Measured value
green LED
red LED
yellow LED
2CDC 252 208 F0205
A1-A2
11-14 (15-18)
11-12 (15-16)
Threshold
Hysteresis
Measured value
green LED
red LED
yellow LED
2CDC 252 209 F0205
A1-A2
11-14 (15-18)
11-12 (15-16)
21-24 (25-28)
21-22 (25-26)
Threshold
Hysteresis
Measured value
green LED
red LED
yellow LED
2CDC 252 210 F0205
TV < TV
A1-A2
11-14 (15-18)
11-12 (15-16)
21-24 (25-28)
21-22 (25-26)
Threshold
Hysteresis
Measured value
green LED
red LED
yellow LED
2CDC 252 211 F0205
TV < TV
Function diagrams - CM-SRS.M
Overcurrent monitoring b without latching e
Overcurrent monitoring b with latching f
Undercurrent monitoring a without latching e
Undercurrent monitoring b with latching f
A1-A2
11-14 (15-18)
11-12 (15-16)
21-24 (25-28)
21-22 (25-26)
11-14 (15-18)
11-12 (15-16)
21-24 (25-28)
21-22 (25-26)
closed
open
Threshold
Hysteresis
Measured value
green LED
red LED
yellow LED
2CDC 252 212 F0205
TS
green LED
red LED
yellow LED
Open-circuit principle
Closed-circuit principle
TV < TV
A1-A2
11-14 (15-18)
11-12 (15-16)
21-24 (25-28)
21-22 (25-26)
11-14 (15-18)
11-12 (15-16)
21-24 (25-28)
21-22 (25-26)
open
closed
Threshold
Hysteresis
Measured value
green LED
red LED
yellow LED
2CDC 252 214 F0205
TS
green LED
red LED
yellow LED
Open-circuit principle
Closed-cir
cuit principle
TV < TV
TS
Reset
A1-A2
11-14 (15-18)
11-12 (15-16)
21-24 (25-28)
21-22 (25-26)
11-14 (15-18)
11-12 (15-16)
21-24 (25-28)
21-22 (25-26)
closed
open
Threshold
Hysteresis
Measured value
green LED
red LED
yellow LED
2CDC 252 213 F0205
TS
green LED
red LED
yellow LED
Open-circuit principle
Closed-circuit principle
TV < TV
A1-A2
11-14 (15-18)
11-12 (15-16)
21-24 (25-28)
21-22 (25-26)
11-14 (15-18)
11-12 (15-16)
21-24 (25-28)
21-22 (25-26)
closed
open
Threshold
Hysteresis
Measured value
green LED
red LED
yellow LED
2CDC 252 215 F0205
TS
green LED
red LED
yellow LED
Open-circuit principle
Closed-cir
cuit principle
TV < TV
TS
Reset
If the measured value exceeds resp. drops below the adjusted threshold value, the output relay(s) energize(s): on the CM-SRS.1
immediately, on the CM-SRS.2 after the set tripping delay TV. If the measured value exceeds resp. drops below the threshold
value plus resp. minus the adjusted hysteresis, the output relay(s) de-energize(s). The hysteresis is adjustable within a range of
3-30 % of the threshold value.
If the measured value exceeds resp. drops below the adjusted threshold value before the set start-up delay TS is complete, the
output relays do not change their actual state. If the measured value exceeds resp. drops below the adjusted threshold value
when TS is complete, the tripping delay TV starts. If TV is complete and the measured value is still exceeding resp. below the
threshold value plus resp. minus the set hysteresis, the output relays energize h / de-energize g.
If the measured value exceeds resp. drops below the threshold value minus resp. plus the set hysteresis and the latching func-
tion is not activated e, the output relays de-energize h / energize g. With activated latching function f the output relays
remain energized h and de-energize only, when the supply voltage is interrupted / the output relays remain de-energized g
and energize only, when the supply voltage is switched off and then again switched on = Reset.
The hysteresis is adjustable within a range of 3-30 % of the threshold value.
Current and voltage monitoring relays, single-phase
Function diagrams

2
2CDC 110 004 C0210 | Catalog Electronic relays and controls 2016 | ABB 68
Current and voltage monitoring relays, single-phase
Function diagrams
Function diagrams - CM-ESS.1
Overvoltage monitoring d
Undervoltage monitoring c
Function diagrams - CM-ESS.2
Overvoltage monitoring d
Undervoltage monitoring c
A1-A2
11-14 (15-18)
11-12 (15-16)
Threshold
Hysteresis
Measured value
green LED
red LED
yellow LED
2CDC 252 208 F0205
A1-A2
11-14 (15-18)
11-12 (15-16)
Threshold
Hysteresis
Measured value
green LED
red LED
yellow LED
2CDC 252 209 F0205
A1-A2
11-14 (15-18)
11-12 (15-16)
21-24 (25-28)
21-22 (25-26)
Threshold
Hysteresis
Measured value
green LED
red LED
yellow LED
2CDC 252 210 F0205
TV < TV
A1-A2
11-14 (15-18)
11-12 (15-16)
21-24 (25-28)
21-22 (25-26)
Threshold
Hysteresis
Measured value
green LED
red LED
yellow LED
2CDC 252 211 F0205
TV < TV
OFF-delayed B current window monitoring with parallel
switching c/o contacts j:
If the measured value exceeds resp. drops below the adjusted
threshold value when the set start-up delay TS is complete,
the output relays energize h / de-energize g, when B is
configured, and remain in this position during the set tripping
delay TV. If the measured value exceeds resp. drops below the
threshold value plus resp. minus the fixed hysteresis (5%) and
the latching function is not activated e, the tripping delay TV
starts. After completion of TV, the output relays de-energize
h / energize g, provided that the latching function is not
activated e. With activated latching function f the out-
put relays remain energized h and de-energize only, when
the supply voltage is interrupted / the output relays remain
de-energized g and energize only, when the supply voltage
is switched off and then again switched on = Reset. When
i is adjusted on the device, the functionality is equivalent
to the one described above. There is only to consider that in
this case, instead of both output relays, only one output relay
each will be switched.
“>I“ = 1115-1216/1418 ; “<I“ = 2125-2226/2428
Function diagrams - CM-SFS.2
Current window monitoring 1x2 c/o contact j
ON-delayed A without latching f
Current window monitoring 1x2 c/o contact j
OFF-delayed B without latching e
Further function diagrams see data sheet.
A1-A2
11-14 (15-18)
11-12 (15-16)
21-24 (25-28)
21-22 (25-26)
11-14 (15-18)
11-12 (15-16)
21-24 (25-28)
21-22 (25-26)
open
closed
Threshold
max
Hysteresis
green LED
red LED
yellow LED
2CDC 252 216 F0205
T
S
green LED
red LED
yellow LED
Open-circuit principle
Closed-cir
cuit principle
T
V
< T
V
Hysteresis
Measured value
Threshold
min
A1-A2
11-14 (15-18)
11-12 (15-16)
21-24 (25-28)
21-22 (25-26)
11-14 (15-18)
11-12 (15-16)
21-24 (25-28)
21-22 (25-26)
open
closed
Thresholdmax
Hysteresis
green LED
red LED
yellow LED
2CDC 252 217 F0205
TS
green LED
red LED
yellow LED
Open-circuit principle
Closed-circuit principle
TV TV
Hysteresis
Measured value
Thresholdmin
ON-delayed A current window monitoring with parallel
switching c/o contacts j:
If the measured value exceeds resp. drops below the adjusted
threshold value before the set start-up delay TS is complete,
the output relays do not change their actual state.
If the measured value exceeds resp. drops below the adjusted
threshold value when TS is complete, the tripping delay TV
starts, when A is configured. If TV is complete and the mea-
sured value is still exceeding resp. below the threshold value
minus resp. plus the fixed hysteresis (5%), the output relays
energize h /de-energize g.
If the measured value exceeds resp. drops below the thresh-
old value plus resp. minus the hysteresis and the latching
function is not activated f, the output relays de-energize h
/ energize g. With activated latching function e the output
relays remain energized h and de-energize only, when the
supply voltage is interrupted / the output relays remain de-
energized g and energize only, when the supply voltage is
switched off and then again switched on = Reset.
Depending on the configuration, the voltage monitoring relays CM-ESS.1 and CM-ESS.2 can be used for over- d or undervolt-
age monitoring c in single-phase AC and/or DC systems. The voltage to be monitored (measured value) is applied to terminals
B-C. The devices work according the open-circuit principle. If the measured value exceeds resp. drops below the adjusted
threshold value, the output relay(s) energize(s): on the CM-ESS.1 immediately, on the CM-ESS.2 after the set tripping delay
TV. If the measured value exceeds resp. drops below the threshold value plus resp. minus the adjusted hysteresis, the output
relay(s) de-energize(s). The hysteresis is adjustable within a range of 3-30 % of the threshold value.

2
69 ABB | Catalog Electronic relays and controls 2016 | 2CDC 110 004 C0210
If the measured value exceeds resp. drops below the adjusted threshold value, the tripping delay TV starts. If TV is complete
and the measured value is still exceeding resp. below the threshold value plus resp. minus the set hysteresis, the output relays
energize h / de-energize g.
If the measured value exceeds resp. drops below the threshold value plus resp. minus the set hysteresis and the latching func-
tion is not activated e, the output relays de-energize h / energize g. With activated latching function f the output relays
remain energized h and de-energize only, when the supply voltage is interrupted / the output relays remain de-energized g
and energize only, when the supply voltage is switched off and then again switched on = Reset. The hysteresis is adjustable
within a range of 3-30 % of the threshold value.
Function diagrams - CM-ESS.M
Overvoltage monitoring d without latching eUndervoltage monitoring c without latching e
Undervoltage monitoring c without latching f
A1-A2
11-14 (15-18)
11-12 (15-16)
21-24 (25-28)
21-22 (25-26)
11-14 (15-18)
11-12 (15-16)
21-24 (25-28)
21-22 (25-26)
open
closed
Threshold
Hysteresis
Measured value
green LED
red LED
yellow LED
2CDC 252 228 F0205
< TV
green LED
red LED
yellow LED
Open-circuit principle
Closed-cir
cuit principle
TV < TV
A1-A2
11-14 (15-18)
11-12 (15-16)
21-24 (25-28)
21-22 (25-26)
11-14 (15-18)
11-12 (15-16)
21-24 (25-28)
21-22 (25-26)
open
closed
Threshold
Hysteresis
Measured value
green LED
red LED
yellow LED
2CDC 252 230 F0205
green LED
red LED
yellow LED
Open-circuit principle
Closed-cir
cuit principle
TV < TV
Reset
< TV
A1-A2
11-14 (15-18)
11-12 (15-16)
21-24 (25-28)
21-22 (25-26)
11-14 (15-18)
11-12 (15-16)
21-24 (25-28)
21-22 (25-26)
closed
open
Threshold
Hysteresis
Measured value
green LED
red LED
yellow LED
2CDC 252 229 F0205
green LED
red LED
yellow LED
Open-circuit principle
Closed-cir
cuit principle
TV < TV
< TV
A1-A2
11-14 (15-18)
11-12 (15-16)
21-24 (25-28)
21-22 (25-26)
11-14 (15-18)
11-12 (15-16)
21-24 (25-28)
21-22 (25-26)
closed
open
Threshold
Hysteresis
Measured value
green LED
red LED
yellow LED
2CDC 252 231 F0205
green LED
red LED
yellow LED
Open-circuit principle
Closed-cir
cuit principle
TV < TV
Reset
< TV
ON-delayed A voltage window monitoring with parallel switching c/o contacts j:
If the measured value exceeds resp. drops below the adjusted threshold value, the tripping de-
lay TV starts, when A is configured. If TV is complete and the measured value is still exceeding
resp. below the threshold value minus resp. plus the fixed hysteresis (5%), the output relays
energize h /de-energize g.
If the measured value exceeds resp. drops below the threshold value plus resp. minus the
hysteresis and the latching function is not activated e, the output relays de-energize h /
energize g. With activated latching function e the output relays remain energized h and
de-energize only, when the supply voltage is interrupted / the output relays remain de-ener-
gized g and energize only, when the supply voltage is switched off and then again switched
on = Reset.
Voltage window monitoring 1x2 c/o contact j
ON-delayed A without latching e
Voltage window monitoring 1x2 c/o contact j
OFF-delayed B without latching e
Further function diagrams see data sheet.
A1-A2
11-14 (15-18)
11-12 (15-16)
21-24 (25-28)
21-22 (25-26)
11-14 (15-18)
11-12 (15-16)
21-24 (25-28)
21-22 (25-26)
open
closed
Threshold
max
Hysteresis
green LED
red LED
yellow LED
2CDC 252 232 F0205
green LED
red LED
yellow LED
Open-circuit principle
Closed-cir
cuit principle
T
V
< T
V
Hysteresis
Measured value
Threshold
min
< T
V
A1-A2
11-14 (15-18)
11-12 (15-16)
21-24 (25-28)
21-22 (25-26)
11-14 (15-18)
11-12 (15-16)
21-24 (25-28)
21-22 (25-26)
closed
open
Thresholdmax
Hysteresis
green LED
red LED
yellow LED
2CDC 252 233 F0205
green LED
red LED
yellow LED
Open-circuit principle
Closed-cir
cuit principle
TV TV
Hysteresis
Measured value
Thresholdmin
Current and voltage monitoring relays, single-phase
Function diagrams
OFF-delayed B voltage window monitoring with parallel switching c/o contacts j:
If the measured value exceeds resp. drops below the adjusted threshold value, the output
relays energize h / de-energize g, when B is configured, and remain in this position during
the set tripping delay TV.
If the measured value exceeds resp. drops below the threshold value plus resp. minus the
fixed hysteresis (5%) and the latching function is not activated e, the tripping delay TV starts.
After completion of TV, the output relays de-energize h / energize g, provided that the latch-
ing function is not activated e. With activated latching function e the output relays remain
energized h and de-energize only, when the supply voltage is interrupted / the output relays
remain de-energized g and energize only, when the supply voltage is switched off and then
again switched on = Reset.
When i is adjusted on the device, the functionality is equivalent to the one described above.
There is only to consider that in this case, instead of both output relays, only one output relay
each will be switched.
“>U“ = 1115-1216/1418 ; “<U“ = 2125-2226/2428
Overvoltage monitoring d with latching f

2
2CDC 110 004 C0210 | Catalog Electronic relays and controls 2016 | ABB 70
A1 A2
A1 11
15
B1 B2 B3
A2
1115
1216 1418
14
18
12
16
C
B1 B2 B3
C
2CDC 252 204 F0005
Connection diagram CM-SRS.1, CM-SRS.2
A1 A2
2125
2226 2428
A1 11
15
21
25
B1 B2 B3
24
28
22
26
A2
1115
1216 1418
1418 1216 C
B1 B2 B3
C
2CDC 252 205 F0005
A1 A2
2125
2226 2428
A1 11
15
21
25
B1 B2 B3
2428 2226 A2
1115
1216 1418
1418 1216 C
B1 B2 B3
C
2CDC 252 205 F0005
Connection diagram CM-SRS.M
A1 A2
2125
2226 2428
A1 1115 2125
B1 B2 B3
2428 2226 A2
1115
1216 1418
1418 1216 C
B1 B2 B3
C
2CDC 252 205 F0005
Connection diagram CM-SFS.2
2CDC 252 272 F0005
DIP switch functions CM-SRS.1, CM-SRS.2
1ON
OFF
Undercurrent monitoring
Overcurrent monitoring
OFF = Default
closed
open
Position
41
23
ON
OFF
I
I
2CDC 252 273 F0005
DIP switch functions CM-SRS.M
closed
open
2x1 c/o
1x2 c/o
Position
41
23
ON
OFF
2CDC 252 274 F0005
DIP switch function CM-SFS.2
closed
open V
V
Position
41
23
ON
OFF
2CDC 252 276 F0005
DIP switch functions CM-ESS.M
A1 A2
2125
2226 2428
A1 1115 2125
B
24
28
22
26
A2
1115
1216 1418
1418 1216 C
B
C
2CDC 252 207 F0005
Connection diagram CM-ESS.M
Current and voltage monitoring relays, single-phase
Connection diagrams, DIP switches
A1-A2 Control supply voltage
B1-C Measuring range 1: 3-30 mA or 0.3-1.5 A
B2-C Measuring range 2: 10-100 mA or 1-5 A
B3-C Measuring range 3: 0.1-1 A or 3-15 A
1115-1216/1418
2125-2226/2428
Output contacts - open-circuit principle
A1-A2 Control supply voltage
B1-C Measuring range 1: 3-30 mA or 0.3-1.5 A
B2-C Measuring range 2: 10-100 mA or 1-5 A
B3-C Measuring range 3: 0.1-1 A or 3-15 A
1115-1216/1418
2125-2226/2428
Output contacts - open- or
closed circuit principle
A1-A2 Control supply voltage
B1-C Measuring range 1: 3-30 mA or 0.3-1.5 A
B2-C Measuring range 2: 10-100 mA or 1-5 A
B3-C Measuring range 3: 0.1-1 A or 3-15 A
1115-1216/1418
2125-2226/2428
Output contacts - open- or
closed circuit principle
A1-A2 Control supply voltage
B-C Measuring ranges AC/DC:
3-30 V; 6-60 V
30-300 V; 60-600 V
1115-1216/1418
2125-2226/2428
Output contacts - open- or
closed circuit principle
1ON
OFF
Undercurrent monitoring
Overcurrent monitoring
2ON
OFF
Closed-circuit principle
Open-circuit principle
3ON
OFF
Latching function activated
Latching function not activated
OFF = Default
1ON
OFF
Undervoltage monitoring
Overvoltage monitoring
2ON
OFF
Closed-circuit principle
Open-circuit principle
3ON
OFF
Latching function activated
Latching function not activated
OFF = Default
1ON
OFF
OFF-delay
ON-delay
2ON
OFF
Closed-circuit principle
Open-circuit principle
3ON
OFF
Latching function activated
Latching function not activated
4ON
OFF
2x1 c/o contact
1x2 c/o contacts
OFF = Default

2
71 ABB | Catalog Electronic relays and controls 2016 | 2CDC 110 004 C0210
closed
open
2x1 c/o
1x2 c/o
Position 4123
ON
OFF
2CDC 252 274 F0005
DIP switch functions CM-EFS.2
A1 A2
2125
2226 2428
A1 1115 2125
B
24
28
22
26
A2
1115
1216 1418
1418 1216 C
B
C
2CDC 252 207 F0005
Connection diagram CM-EFS.2
A1 A2
A1 11
15
B
A2
1115
1216 1418
14
18
12
16
C
B
C
2CDC 252 206 F0005
Connection diagram CM-ESS.1, CM-ESS.2
A1 A2
2125
2226 2428
A1 11
15
21
25
B
24
28
22
26
A2
1115
1216 1418
1418 1216 C
B
C
2CDC 252 207 F0005
2CDC 252 275 F0005
DIP switch functions CM-ESS.1, CM-ESS.2
Current and voltage monitoring relays, single-phase
Connection diagrams, DIP switches
A1-A2 Control supply voltage
B-C Measuring ranges AC/DC:
3-30 V; 6-60 V; 30-300 V; 60-600 V
1115-1216/1418
2125-2226/2428
Output contacts - open-circuit principle
A1-A2 Control supply voltage
B-C Measuring ranges AC/DC:
3-30 V; 6-60 V; 30-300 V;
60-600 V
1115-1216/1418
2125-2226/2428
Output contacts - open-
or closed circuit principle
1ON
OFF
Undervoltage monitoring
Overvoltage monitoring
OFF = Default
1ON
OFF
ON-delay
OFF-delay
2ON
OFF
Closed-circuit principle
Open-circuit principle
3ON
OFF
Latching function activated
Latching function not activated
4ON
OFF
2x1 c/o contact
1x2 c/o contacts
OFF = Default

2
2CDC 110 004 C0210 | Catalog Electronic relays and controls 2016 | ABB 72
Current monitoring relays, single-phase
Technical data - Current monitoring relays
Type CM-SRS.1 CM-SRS.2 CM-SRS.M CM-SFS.2
Input circuit - Supply circuit A1-A2
Rated control supply voltage UsA1-A2 110-130 V AC
A1-A2 220-240 V AC
A1-A2 24-240 V AC/DC
Rated control supply voltage Us tolerance -15...+10 %
Rated frequency AC versions 50/60 Hz
AC/DC versions 50/60 Hz or DC
Current / power consumption see data sheets
Power failure buffering time 20 ms
Transient overvoltage protection Varistors
Input circuit - Measuring circuit B1/B2/B3-C
Monitoring function over- or undercurrent monitoring
configurable
over- and under-
current monitoring
Measuring method True RMS measuring principle
Measuring inputs CM-SxS.x1 CM-SxS.x2
Terminal connection B1-C B2-C B3-C B1-C B2-C B3-C
Measuring ranges AC/DC 3-30 mA 10-100 mA 0.1-1 A 0.3-1.5 A 1-5 A 3-15 A 2)
Input resistance 3.3 1 0.1 0.05 0.01 0.0025
Pulse overload capacity t < 1 s 500 mA 1 A 10 A 15 A 50 A 100 A
Continous capacity 50 mA 150 mA 1.5 A 2 A 7 A 17 A
Threshold value(s) adjustable within the indicated measuring range
Setting accuracy of threshold value 10 %
Hysteresis related to the threshold value 3-30 % adjustable 5 % fixed
Measuring signal frequency range DC / 15 Hz - 2 kHz
Rated measuring signal frequency range DC / 50-60 Hz
Maximum response time AC: 80 ms / DC: 120 ms
Accuracy within the control supply voltage tolerance U 0.5 %
Accuracy within the temperature range U 0.06 % / °C
Timing circuit
Start-up delay TSnone 0 or 0.1-30 s adjustable
Tripping delay TVnone 0 or 0.1-30 s adjustable
Repeat accuracy (constant parameters) 0.07 % of full scale
Accuracy within the control supply voltage tolerance -t 0.5 %
Accuracy within the temperature range -t 0.06 % / °C
Indication of operational states
Control supply voltage U/T: green LED V: control supply voltage applied,
X: start-up delay TS active,
W: tripping delay TV active
Measured value I: red LED V: overcurrent,
W: undercurrent
Relay status R: yellow LED V: relay energized, no latching function
Z: relay energized, active latching function
Y: relay de-energized, active latching function
Output circuits 11(15)-12(16)/14(18), 21(25)-22(26)/24(28) - Relays
Kind of output 1 c/o contact 2 c/o contacts 1x2 c/o contacts
or 2x1 c/o contact
configurable
Operating principle open-circuit principle 1)
open- or closed-circuit principle configurable
1)
Contact material AgNi
Rated operational voltage UeIEC/EN 60947-1 250 V
Minimum switching voltage / minimum switching current 24 V / 10 mA
Maximum switching voltage / maximum switching current 250 V AC / 4 A AC
Rated operational current Ie
(IEC/EN 60947-5-1)
AC-12 (resistive) at 230 V 4 A
AC-15 (inductive) at 230 V 3 A
DC-12 (resistive) at 24 V 4 A
DC-13 (inductive) at 24 V 2 A
AC rating
(UL 508)
Utilization category
(Control Circuit Rating Code)
B 300
max. rated operational voltage 300 V AC
max. continuous thermal current at B 300 5 A
max. making/breaking apparent power
(Make/Break) at B 300
3600/360 VA
Mechanical lifetime 30x106 switching cycles
Electrical lifetime (AC-12, 230 V, 4 A) 0.1x106 switching cycles
Max. fuse rating to achieve short-circuit
protection
n/c contact 6 A fast-acting 10 A fast-acting 6 A fast-acting
n/o contact 10 A fast-acting
1) Open-circuit principle: output relay energizes if the measured value exceeds b / falls below a the adjusted threshold value
Closed-circuit principle: output relay de-energizes if measured value exeeds b / falls below a the adjusted threshold value
2) In case of measured currents > 10 A, lateral spacing has to be min. 10 mm

2
73 ABB | Catalog Electronic relays and controls 2016 | 2CDC 110 004 C0210
Type CM-SRS.1 CM-SRS.2 CM-SRS.M CM-SFS.2
General data
MTBF on request
Duty time 100%
Dimensions
(W x H x D)
product dimensions 22.5 x 85.6 x 103.7 mm (0.89 x 3.37 x 4.08 in)
packaging dimensions 97 x 109 x 30 mm (3.82 x 4.29 x 1.18 in)
Weight net weight depending on device, see ordering details
gross weight depending on device, see ordering details
Mounting DIN rail (IEC/EN 60715), snap-on mounting without any tool
Mounting position any
Minimum distance to other units 10 mm (0.39 in) at measured current > 10 A 2)
Material of housing UL 94 V-0
Degree of protection housing / terminals IP50 / IP20
Electrical connection
Wire size Screw connection technology Easy Connect Technology (Push-in)
fine-strand with(out) wire end ferrule 1 x 0.5-2.5 mm2 (1 x 20-14 AWG)
2 x 0.5-1.5 mm2 (2 x 20-16 AWG)
2 x 0.5-1.5 mm2 (2 x 20-16 AWG)
rigid 1 x 0.5-4 mm2 (1 x 20-12 AWG)
2 x 0.5-2.5 mm2 (2 x 20-14 AWG)
2 x 0.5-1.5 mm2 (2 x 20-16 AWG)
Stripping length 8 mm (0.32 in)
Tightening torque 0.6-0.8 Nm (5.31-7.08 lb.in) -
Environmental data
Ambient temperature range operation /
storage
-20...+60 °C / -40...+85 °C
Damp heat (IEC 60068-2-30) 55 °C, 6 cycles
Vibration (sinusoidal) (IEC/EN 60255-21-1) Class 2
Shock (IEC/EN 60255-21-2) Class 2
Isolation data
Rated insulation voltage
(VDE 0110, IEC 60947-1,
IEC/EN 60255-5)
supply /
measuring circuit / output
600 V
supply / output 1/2 250 V
Rated impulse withstand
voltage Uimp (IEC/EN 60947-1,
IEC/EN 60255-5)
supply /measuring
circuit / output
6 kV 1.2/50 µs
supply / output 1/2 4 kV 1.2/50 µs
Pollution degree (VDE 0110, IEC 664, IEC/EN 60255-5) 3
Overvoltage category (VDE 0110, IEC 664, IEC/EN 60255-5) III
Standards
Product standard IEC/EN 60255-1, IEC/EN 60255-27, EN 50178
Low Voltage Directive 2006/95/EC
EMC Directive 2004/108/EC
Electromagnetic compatibility
Interference immunity to IEC/EN 61000-6-2
electrostatic discharge IEC/EN 61000-4-2 Level 3
radiated, radio-frequency,
electromagnetic field
IEC/EN 61000-4-3 Level 3
electrical fast transient / burst IEC/EN 61000-4-4 Level 3
surge IEC/EN 61000-4-5 Level 3
conducted disturbances, induced by
radio-frequency fields
IEC/EN 61000-4-6 Level 3
Interference emission IEC/EN 61000-6-3
high-frequency radiated IEC/CISPR 22; EN 55022 Class B
high-frequency conducted IEC/CISPR 22; EN 55022 Class B
Current monitoring relays, single-phase
Technical data - Current monitoring relays

2
2CDC 110 004 C0210 | Catalog Electronic relays and controls 2016 | ABB 74
Voltage monitoring relays, single-phase
Technical data - Voltage monitoring relays
Type CM-ESS.1 CM-ESS.2 CM-ESS.M CM-EFS.2
Input circuit - Supply circuit A1-A2
Rated control supply voltage UsA1-A2 110-130 V AC
A1-A2 220-240 V AC
A1-A2 24-240 V AC/DC
Rated control supply voltage Us tolerance -15...+10 %
Rated frequency AC versions 50/60 Hz
AC/DC versions 50/60 Hz or DC
Current / power consumption see data sheet
Power failure buffering time 20 ms
Transient overvoltage protection Varistors
Input circuit - Measuring circuit B-C
Monitoring function over- or undervoltage monitoring
configurable
over- and
undervoltage
monitoring
configurable
Measuring method True RMS measuring principle
Measuring
inputs
CM-ExS
Terminal connection B-C B-C B-C B-C
Measuring range AC/DC 3-30 V 6-60 V 30-300 V 60-600 V
Input resistance 600 k600 k600 k600 k
Pulse overload capacity t < 1 s 800 V 800 V 800 V 800 V
Continous capacity 660 V 660 V 660 V 660 V
Threshold value(s) adjustable within the indicated measuring range
Setting accuracy of threshold value 10 %
Hysteresis related to the threshold value 3-30 % adjustable 5 % fixed
Measuring signal frequency range DC / 15 Hz - 2 kHz
Rated measuring signal frequency range DC / 50-60 Hz
Maximum response time AC: 80 ms / DC: 120 ms
Accuracy within the control supply voltage tolerance U 0.5 %
Accuracy within the temperature range U 0.06 % / °C
Transient overvoltage protection Varistors
Timing circuit
Delay time TVnone 0 or 0.1-30 s adjustable
Repeat accuracy (constant parameters) 0.07 % of full scale
Accuracy within the control supply voltage tolerance -t 0.5 %
Accuracy within the temperature range -t 0.06 % / °C
Indication of operational states
Control supply voltage U/T: green LED V: control supply voltage applied
W: tripping delay TV active
Measured value U: red LED V: overvoltage,
W: undervoltage
Relay status R: yellow LED V: relay energized, no latching function
Z: relay energized, active latching function
Y: relay de-energized, active latching function
Output circuits
Kind of output 1 c/o contact 2 c/o contacts 1x2 c/o contacts or
2x1 c/o contact
configurable
Operating principle open-circuit principle 1) open- or closed-circuit principle
configurable 1)
Contact material AgNi
Rated operational voltage UeIEC/EN 60947-1 250 V
Minimum switching voltage / minimum switching current 24 V / 10 mA
Maximum switching voltage / maximum switching current 250 V AC / 4 A AC
Rated operational current
Ie (IEC/EN 60947-5-1)
AC-12 (resistive) at 230 V 4 A
AC-15 (inductive) at 230 V 3 A
DC-12 (resistive) at 24 V 4 A
DC-13 (inductive) at 24 V 2 A
AC rating
(UL508)
Utilization category (Control Circuit Rating Code)
B 300
max. rated operational voltage 300 V AC
max. continuous thermal current at B 300 5 A
max. making/breaking apparent power
(Make/Break) at B 300
3600/360 VA
Mechanical lifetime 30x106 switching cycles
Electrical lifetime AC-12, 230 V, 4 A 0.1x10 6 switching cycles
Max. fuse rating to achieve short-
circuit protection
n/c contact 6 A fast-acting 10 A fast-acting 6 A fast-acting
n/o contact 10 A fast-acting

2
75 ABB | Catalog Electronic relays and controls 2016 | 2CDC 110 004 C0210
Voltage monitoring relays, single-phase
Technical data - Voltage monitoring relays
1) Open-circuit principle: output relay energizes if the measured value exceeds d / falls below c the adjusted threshold value
Closed-circuit principle: output relay de-energizes if measured value exeeds d / falls below c the adjusted threshold value
Type CM-ESS.1 CM-ESS.2 CM-ESS.M CM-EFS.2
General data
MTBF on request
Duty time 100%
Dimensions (W x H x D) product dimensions 22.5 x 85.6 x 103.7 mm (0.89 x 3.37 x 4.08 in)
packaging dimensions 97 x 109 x 30 mm (3.82 x 4.29 x 1.18 in)
Weight net weight depending on device, see ordering details
gross weight depending on device, see ordering details
Mounting DIN rail (IEC/EN 60715), snap-on mounting without any tool
Mounting position any
Minimum distance to other units vertical / horizontal not necessary / not necessary
Material of housing UL 94 V-0
Degree of protection housing / terminals IP50 / IP20
Environmental data
Ambient temperature ranges operation -20...+60 °C
storage -40...+85 °C
Damp heat, cyclic (IEC/EN 60068-2-30) 55 °C, 6 cycle
Vibration, sinusoidal (IEC/EN 60255-21-1) Class 2
Shock (IEC/EN 60255-21-2) Class 2
Electrical connection
Wire size Screw connection technology Easy Connect Technology (Push-in)
fine-strand with(out) wire end ferrule 1 x 0.5-2.5 mm2 (1 x 20-14 AWG)
2 x 0.5-1.5 mm2 (2 x 20-16 AWG)
2 x 0.5-1.5 mm2 (2 x 20-16 AWG)
rigid 1 x 0.5-4 mm2 (1 x 20-12 AWG)
2 x 0.5-2.5 mm2 (2 x 20-14 AWG)
2 x 0.5-1.5 mm2 (2 x 20-16 AWG)
Stripping length 8 mm (0.32 in)
Tightening torque 0.6-0.8 Nm (5.31-7.08 lb.in) -
Isolation data
Rated insulation voltage
(VDE 0110, IEC 60947-1, IEC/EN
60255-5)
supply / measuring
circuit / output
600 V
supply / output 1/2 250 V
Rated impulse withstand voltage Uimp
(IEC/EN 60947-1, IEC/EN 60255-5)
supply / measuring
circuit / output
6 kV 1.2/50 µs
supply / output 1/2 4 kV 1.2/50 µs
Pollution degree (VDE 0110, IEC 664, IEC/EN 60255-5) 3
Overvoltage category (VDE 0110, IEC 664, IEC/EN 60255-5) III
Standards
Product standard IEC/EN 60255-1, IEC/EN 60255-27, EN 50178
Low Voltage Directive 2006/95/EC
EMC Directive 2004/108/EC
Electromagnetic compatibility
Interference immunity to IEC/EN 61000-6-2
electrostatic discharge IEC/EN 61000-4-2 Level 3
radiated, radio-frequency,
electromagnetic field
IEC/EN 61000-4-3 Level 3
electrical fast transient / burst IEC/EN 61000-4-4 Level 3
surge IEC/EN 61000-4-5 Level 3
conducted disturbances, induced by
radio-frequency fields
IEC/EN 61000-4-6 Level 3
Interference emission IEC/EN 61000-6-3
high-frequency radiated IEC/CISPR 22; EN 55022 Class B
high-frequency conducted IEC/CISPR 22; EN 55022 Class B

2
2CDC 110 004 C0210 | Catalog Electronic relays and controls 2016 | ABB 76
Current and voltage monitoring relays, single-phase
Notes

2
77 ABB | Catalog Electronic relays and controls 2016 | 2CDC 110 004 C0210
Three-phase monitoring relays
Product group picture

2
2CDC 110 004 C0210 | Catalog Electronic relays and controls 2016 | ABB 78
Three-phase monitoring relays
Table of contents
Three-phase monitoring relays
Three-phase monitoring relays 78
Benefits and advantages, Applications 79
Operating controls 80
Selection table - Singlefunctional 81
Ordering details - Singlefunctional 82
Selection table - Multifunctional 83
Ordering details - Multifunctional 84
Function diagrams 85
Connection diagrams 89
DIP switches, Rotary switches 90
Technical data 91

2
79 ABB | Catalog Electronic relays and controls 2016 | 2CDC 110 004 C0210
Extended functionality
ABB’s new generation of three-phase monitoring relays fea-
ture additional functions making the application field for the
devices considerably larger.
Selectable phase sequence monitoring
The phase sequence monitoring can be switched off by
means of a rotary switch or a DIP switch. This enables moni-
toring of three-phase mains where phase sequence is not rel-
evant for the application, for example in case of motors with
forward and reverse rotation, heating applications, etc.
Automatic phase sequence correction
The automatic phase sequence correction is activated by
means of a DIP switch. With activated phase sequence
correction, it is ensured that for any non-fixed or portable
equipment, e.g. construction machinery, the correct phase
sequence is always applied to the input terminals of the load.
For details regarding the wiring, please see function descrip-
tion / diagrams.
Structure of the type designation
CM-_ _ x.yz
x: width of enclosure
y: Control supply voltage / measuring range
1110, 115, 120, 127 V supply systems (phase-
neutral)
2220, 230, 240 V supply systems (phase-neutral)
3200, 208, 220, 230, 240, 257, 260 V supply sys-
tems (phase-phase)
4440, 460 V supply systems (phase-phase)
5480, 500 V supply systems (phase-phase)
6575, 600 V supply systems (phase-phase)
7660, 690 V supply systems (phase-phase)
8200, 400 V supply systems (phase-phase)
z: Rated frequency / output circuit
150/60 Hz – 1x2 c/o
250/60 Hz – 1x2 or 2x1 c/o
350/60/400 Hz – 1x2 oder 2x1 c/o
Three-phase monitoring relays
Benefits and advantages, Applications
Phase unbalance monitoring
If the supply by the three-phase system is unbalanced due to
uneven distribution of the load, the motor will convert a part of
the energy into reactive power. This energy gets lost unex-
ploited; also the motor is exposed to higher thermal stress.
Other thermal protection devices fail to dete ct continuing
unbalances which can lead to damage or destruction of the
motor. The CM range three-phase monitors with phase unbal-
ance monitoring can reliably detect this critical situation.
Phase sequence
Changing the phase sequence during operation or a wrong
phase sequence prior to startup causes a change of the rota-
tional direction of the connected device. Generators, pumps
or fans rotate in the wrong direction and the installation is no
longer working properly. Especially for moveable equipment,
such as construction machinery, phase sequence detection
prior to the startup process is highly reasonable.
Phase loss
In case of phase loss, undefined stats of the installation are
likely to occur. E.g. the startup process of motors is disturbed.
All three-phase monitors of the ABB CM range detect a phase
loss as soon as the voltage of one phase drops below 60% of
its nominal value.
Voltage monitoring
All electric devices can be damaged when operated continu-
ously in a network with out-of-range voltages. For example,
safe starting is not ensured in case of undervoltage. Also,
the switching state of a contactor is not clearly defined when
operated in a „forbidden“ voltage range. This can lead to un-
defined states of the installtion and cause damage or destruc-
tion of valuable parts.
Characteristics of the CM range three-phase monitors
– Adjustable phase unbalance threshold value 1)
– Adjustable ON-delay/OFF-delay time 1)
– Dual frequency measuring 50/60 Hz
– Powered by the measuring circuit
– 1 n/o contact, 1 or 2 c/o contacts
– LEDs for the indication of operational states
– Multifunctional and single-functional devices
– Phase failure detection
– Phase sequence monitoring 1)
– Over- and undervoltage monitoring (fixed or adjustable)1)
–
Wide-range operating voltage guarantees world-wide operation
–
Approvals / Marks
A C R K E 2) / a b
1) depending on device type
2) Applicable in rail application following the latest standards for rail applications: NF
F 16-101/102 (I2/F2 classified), EN 45545 (Hazard Level 3), DIN 5510, EN 50155,
IEC 60571. Further information is available in our rail segment brochure
2CDC110084B0201.

2
2CDC 110 004 C0210 | Catalog Electronic relays and controls 2016 | ABB 80
Three-phase monitoring relays
Operating controls
4
1
2
3
5
1 Adjustment of the hysteresis >U for overvoltage
2 Adjustment of the threshold value <U for undervoltage
3 Indication of operational states
R/T: red LED – Relay status / timing
F1: yellow LED – Fault message
F2: yellow LED – Fault message
4 Adjustment of the threshold value Asym. for phase unbalance
5 Adjustment of the tripping delay Tv
6 DIP switches (see DIP switch functions on page 2/40)
A ON-delay
B OFF-delay
l Phase sequence monitoring deactivated
k Phase sequence monitoring activated
m Phase sequence correction activated
n Phase sequence correction deactivated
i 2x1 c/o (SPDT) contact
j 1x2 c/o (SPDT) contacts
1 Adjustment of the hysteresis >U for overvoltage
2 Adjustment of the threshold value Asym. for phase unbalance
3 Indication of operational states
R/T: red LED – Relay status / timing
F1: yellow LED – Fault message
F2: yellow LED – Fault message
4 Adjustment of the tripping delay Tv
5 Adjustment of the hysteresis <U for undervoltage
6 DIP switches (see DIP switch functions on page 2/40)
A ON-delay
B OFF-delay
l Phase sequence monitoring deactivated
k Phase sequence monitoring activated
m Phase sequence correction activated
n Phase sequence correction deactivated
i 2x1 c/o (SPDT) contact
j 1x2 c/o (SPDT) contacts
1
3
2
4
5
6
S-Range Housing
N-Range Housing
2CDC 253 017 F00132CDC 253 016 F0013

2
81 ABB | Catalog Electronic relays and controls 2016 | 2CDC 110 004 C0210
Three-phase monitoring relays
Selection table - Singlefunctional
Order number
1SVR550881R9400
1SVR550882R9500
1SVR550870R9400
1SVR550871R9500
1SVR550824R9100
1SVR730824R9300
1SVR740824R9300
1SVR730784R2300
1SVR740784R2300
1SVR730784R3300
1SVR740784R3300
1SVR730794R1300
1SVR730794R1300
1SVR730794R3300
1SVR740794R3300
1SVR730794R2300
1SVR740794R2300
1SVR730774R1300
1SVR740774R1300
1SVR730774R3300
1SVR740774R3300
Rated control supply voltage Us
Type
CM-PBE
CM-PBE
CM-PVE
CM-PVE
CM-PFE
CM-PFS.S
CM-PFS.P
CM-PSS.31S
CM-PSS.31P
CM-PSS.41S
CM-PSS.41P
CM-PVS.31S
CM-PVS.31P
CM-PVS.41S
CM-PVS.41P
CM-PVS.81S
CM-PVS.81P
CM-PAS.31S
CM-PAS.31P
CM-PAS.41S
CM-PAS.41P
Phase to phase
160-300 V AC
200-400 V AC
200-500 V AC
208-440 V AC
300-500 V AC
320-460 V AC
380 V AC
380-440 V AC
400 V AC
Phase to Neutral
185-265 V AC
220-240 V AC
Rated frequency
50/60 Hz
Suitable for monitoring
Single-phase mains
Three-phase mains
Monitoring function
Phase failure
Phase sequence sel sel sel sel sel sel sel sel sel sel
Automatic phase sequence correction
Overvoltage
Undervoltage
Unbalance
Neutral 1)
Thresholds fix fix fix fix fix fix fix fix fix fix fix fix fix
adj adj adj adj adj adj adj adj
Timing functions for tripping delay
ON delay fix fix sel sel sel sel
On and OFF delay fix fix fix fix fix
adj adj adj adj adj adj adj adj adj adj
Connection type
Push-in terminals
Double-chamber cage connection terminals
adj: adjustable
sel: selectable
fix: fixed
1) The external conductor voltage towards the neutral conductor is measured.

2
2CDC 110 004 C0210 | Catalog Electronic relays and controls 2016 | ABB 82
Three-phase monitoring relays
Ordering details - Singlefunctional
Description
The three-phase monitoring relays are designed for use in three-phase mains for monitoring
the phase parameters like phase sequence, phase failure, over- and undervoltage as well as
phase unbalance.
Ordering details
Characteristics Type Order code Price
1 pce
Weight
(1 pce)
kg (lb)
See “Selection table - Singlefunctional” on page 81.
CM-PBE 1SVR550881R9400 0.08 (0.17)
CM-PBE 1SVR550882R9500 0.08 (0.17)
CM-PVE 1SVR550870R9400 0.08 (0.17)
CM-PVE 1SVR550871R9500 0.08 (0.17)
CM-PFE 1SVR550824R9100 0.08 (0.17)
CM-PFE.2 1SVR550826R9100 0.067 (0.147)
Ordering details
Characteristics Type Order code Price
1 pce
Weight
(1 pce)
kg (lb)
See “Selection table - Singlefunctional” on page 81.
CM-PFS.S 1SVR730824R9300 0.127 (0.280)
CM-PFS.P 1SVR740824R 9300 0.119 (0.262)
CM-PSS.31S 1SVR730784R2300 0.132 (0.291)
CM-PSS.31P 1SVR740784R2300 0.123 (0.271)
CM-PSS.41S 1SVR730784R3300 0.132 (0.291)
CM-PSS.41P 1SVR740784R3300 0.123 (0.271)
CM-PVS.31S 1SVR730794R1300 0.141 (0.311)
CM-PVS.31P 1SVR740794R1300 0.132 (0.291)
CM-PVS.41S 1SVR730794R3300 0.139 (0.306)
CM-PVS.41P 1SVR740794R3300 0.131 (0.289)
CM-PVS.81S 1SVR730794R2300 0.136 (0.300)
CM-PVS.81P 1SVR740794R2300 0.128 (0.282)
CM-PAS.31S 1SVR730774R1300 0.133 (0.293)
CM-PAS.31P 1SVR740774R1300 0.124 (0.273)
CM-PAS.41S 1SVR730774R3300 0.132 (0.291)
CM-PAS.41P 1SVR740774R 3300 0.123 (0.271)
S: screw connection
P: push-in connection
2CDC 251 063 V0011 2CDC 251 064 V0011
2CDC 251 064 V0011
CM-PAS.31P
CM-PSS.41P
CM-PBE
Further documentation three-phase
monitoring relays on www.abb.com

2
83 ABB | Catalog Electronic relays and controls 2016 | 2CDC 110 004 C0210
Three-phase monitoring relays
Selection table - Multifunctional
adj: adjustable
sel: selectable
Order number
1SVR730885R1300
1SVR740885R1300
1SVR730885R3300
1SVR740885R3300
1SVR730884R1300
1SVR740884R1300
1SVR730884R3300
1SVR740884R3300
1SVR730885R4300
1SVR740885R4300
1SVR730884R4300
1SVR740884R4300
1SVR750487R8300
1SVR760487R8300
1SVR750488R8300
1SVR760488R8300
1SVR750489R8300
1SVR760489R8300
Rated control supply voltage Us
Type
CM-M P S .11S
CM-M P S .11P
CM-MPS.21S
CM-MPS.21P
CM-MPS.31S
CM-MPS.31P
CM-MPS.41S
CM-MPS.41P
CM-MPS.23S
CM-MPS.23P
CM-MPS.43S
CM-MPS.43P
CM-MPN.52S
CM-MPN.52P
CM-MPN.62S
CM-MPN.62P
CM-MPN.72S
CM-MPN.72P
Phase to Phase
160-300 V AC
300-500 V AC
350-580 V AC
450-720 V AC
530-820 V AC
Phase to Neutral
90-170 V AC
180-280 V AC
Rated frequency
50/60 Hz
50/60/400 Hz
Suitable for monitoring
Single-phase mains
Three-phase mains
Monitoring function
Phase failure
Phase sequence sel sel sel sel sel sel sel sel
adj adj adj adj adj adj adj adj adj adj
Automatic phase sequence correction
adj adj adj adj adj adj adj adj adj adj
Overvoltage
Undervoltage
Unbalance
Neutral 1) 2) 2) 2) 2) 2) 2)
Thresholds
adj adj adj adj adj adj adj adj adj adj adj adj adj adj adj adj adj adj
Timing functions for tripping delay
On and OFF delay
adj adj adj adj adj adj adj adj adj adj adj adj adj adj adj adj adj adj
Connection type
Push-in terminals
Double-chamber cage connection terminals
1) The external conductor voltage towards the neutral conductor is measured.
2) Interrupted neutral monitoring

2
2CDC 110 004 C0210 | Catalog Electronic relays and controls 2016 | ABB 84
Three-phase monitoring relays
Ordering details - Multifunctional
Ordering details
Characteristics Type Order code Price
1 pce
Weight
(1 pce)
kg (lb)
See “Selection table - Multifunctional” on page 83.
CM-MPS.11S 1SVR730885R1300 0.148 (0.326)
CM-MPS.11P 1SV R74 0 885R130 0 0.137 (0.302)
CM-MPS.21S 1SVR730885R3300 0.146 (0.322)
CM-MPS.21P 1SVR740885R330 0 0.135 (0.298)
CM-MPS.31S 1SVR730884R1300 0.142 (0.313)
CM-MPS.31P 1SVR740884R1300 0.133 (0.293)
CM-MPS.41S 1SVR730884R3300 0.140 (0.309)
CM-MPS.41P 1SVR740884R3300 0.132 (0.291)
CM-MPS.23S 1SVR730885R4300 0.149 (0.328)
CM-MPS.23P 1SVR740885R4300 0.138 (0.304)
CM-MPS.43S 1SVR730884R4300 0.148 (0.327)
CM-MPS.43P 1SVR740884R4300 0.137 (0.302)
CM-MPN.52S 1SVR750487R8300 0.230 (0.507)
CM-MPN.52P 1SVR760487R8300 0.226 (0.498)
CM-MPN.62S 1SVR750488R8300 0.229 (0.505)
CM-MPN.62P 1SVR760488R8300 0.225 (0.496)
CM-MPN.72S 1SVR750489R8300 0.224 (0.494)
CM-MPN.72P 1SVR760489R8300 0.220 (0.485)
2CDC 251 065 V0011
2CDC 251 062 V0011
CM-MPS.23P
CM-MPN.52P
S: screw connection
P: push-in connection
Further documentation three-phase
monitoring relays on www.abb.com

2
85 ABB | Catalog Electronic relays and controls 2016 | 2CDC 110 004 C0210
Three-phase monitoring relays
Function diagrams
L1, L2, L3, N
13-14
L1, L2, L3, N L1, L2, L3, NL1, L2, L3, NL1, L2, L3, NL1, L2
L3
N
ts
L1, L2, N
L3
tv
L2, L3, N
L1
<tsts<tv
2CDC 252 045 F0203
R: yellow LED
Measuring value
ts = Start-up delay fixed 500 ms
tv = Tripping delay fixed 150 ms
L1, L2, L3
13-14
L1, L2, L3 L1, L2, L3 L1, L2, L3 L1, L2, L3L1, L2
L3
ts
L1, L2
L3
tv
L1, L2
L3
<tsts<tv
2CDC 252 046 F0203
R: yellow LED
Measuring value
ts = Start-up delay fixed 500 ms
tv = Tripping delay fixed 150 ms
Function diagrams - Phase failure detection CM-PBE
with
neutral
without
neutral
Function diagrams - Phase failure, under- / overvoltage detection CM-PVE
with
neutral
without
neutral
L1, L2, L3, N
13-14
Umax
Umax - 5 %
Umin + 5 %
Umin
tststs
tvtv
<ts<tv
2CDC 252 047 F0203
R: yellow LED
Measuring value
ts = Start-up delay fixed 500 ms
tv = Tripping delay fixed 500 ms
L1, L2, L3
13-14
Umax
Umax - 5 %
Umin + 5 %
Umin
tsts
ts
tvtv
<ts<tv
2CDC 252 048 F0203
R: yellow LED
Measuring value
ts = Start-up delay fixed 500 ms
tv = Tripping delay fixed 500 ms
If all phases (and the neutral) are present, the output relay
energizes after the start-up delay ts is complete. If a phase
failure occurs, the tripping delay tv starts. When timing is com-
plete, the output relay de-energizes. As soon as the voltage
returns to the tolerance range, timing of ts starts. When timing
is complete, the output relay re-energizes automatically. The
yellow LED glows when the output relay is energized.
If all phases (and the neutral) are present with correct voltage,
the output relay energizes after the start-up delay ts is com-
plete. If the voltage exceeds or falls below the fixed threshold
value or if a phase failure occurs, the tripping delay tv starts.
When timing is complete, the output relay de-energizes. As
soon as the voltage returns to the tolerance range, timing of
ts starts. When timing is complete, the output relay re-ener-
gizes automatically. The yellow LED glows when the output
relay is energized.
Function diagram - Phase failure detection, phase sequence monitoring CM-PFE
L1, L2, L3
11-12
11-14
L1, L2, L3 L1, L2, L3 L1, L2, L3L1, L3, L2 L1, L2
L3
tstvtstvts
2CDC 252 061 F0208
R: yellow LED
Measuring value
ts = Start-up delay fixed 500 ms
tv = Tripping delay fixed 500 ms
If all phases are present with the correct phase sequence, the
output relay energizes after the start-up delay ts is complete. If
a phase failure or a phase sequence error occurs, the trip-
ping delay tv starts. When timing is complete, the output relay
de-energizes. The yellow LED glows when the output relay is
energized.
In case of motors which continue running with only two
phases, the CM-PFE detects phase failure if the reverse fed
voltage is less than 60 % of the originally applied voltage.
ATTENTION
If several CM-PFS units are placed side by side and the control supply voltage is higher than 415 V, spacing of at least 10 mm has to be kept
between the individual units.
Function diagram - Phase failure detection, phase sequence monitoring CM-PFS
L1, L2, L3
11-12
11-14
21-22
21-24
L1, L2, L3 L1, L2, L3 L1, L2, L3 L1, L2, L3L1, L3, L2 L1, L2 L1
L3 L2, L3ts
2CDC 252 013 F0208
R: yellow LED
Measuring value
ts = start-up delay fixed 500 ms
If all phases are present with the correct phase sequence, the
output relay energizes after the start-up delay ts is complete. If
a phase failure or a phase sequence error occurs, the output
relay de-energizes instantaneous. The yellow LED glows when
the output relay is energized.
In case of motors which continue running with only two
phases, the CM-PFS detects phase failure if the reverse fed
voltage is less than 60 % of the originally applied voltage.

2
2CDC 110 004 C0210 | Catalog Electronic relays and controls 2016 | ABB 86
Three-phase monitoring relays
Function diagrams
K1
K1
K1
K3 H1
L1
L2
L3
N
16
28
A1
25
26
15
18
K2
A2
A1
A2
K1
K1
K1
K3 H1
L1
L2
L3
N
16
28
A1
25
26
15
18
K2
A2
A1
A2
-K3
L1
-F1
1
2
95
96
97
98
L2
3
4
L3
5
6
1
2
3
4
5
6
-K2
-F2
1
2
3
4
5
6
1
3
5
2
4
6
M
3 ~
W1
V1
U1
-M1
2CDC 252 087 F0b0
7
CM-PSS.xx, CM-PVS.xx, CM.PAS.xx, CM-MPS.xx, CM-MPN.xx
Phase sequence monitoring and phase failure detection
Applying control supply voltage begins the fixed start-up delay
tS. When tS is complete and all phases are present with cor-
rect voltage, the output relays energize and the yellow LED
R/T glows.
Phase sequence monitoring
If phase sequence monitoring is activated, the output relays
de- energize as soon as a phase sequence error occurs. The
fault is displayed by alternated flashing of the LEDs F1 and
F2. The output relays re-energize automatically as soon as the
phase sequence is correct again.
Phase failure detection
The output relays de-energize instantaneous if a phase failure
occurs. The fault is indicated by lightning of LED F1 and flash-
ing of LED F2. The output relays re-energize automatically as
soon as the voltage returns to the tolerance range.
25-26
25-28
L1, L2, L3
15-16
15-18
L1, L2, L3 L1, L2, L3 L1, L2, L3 L1, L2, L3L1, L3, L2 L1, L2 L1
L3 L2, L3ts
2CDC 252 094 F0207
F1: red LED
F2: red LED
R/T: yellow LED
Measuring value
ts = start-up delay fixed 200 ms
L1, L2, L3
15-16
15-18
tS2
tS1 tS1
L1, L2, L3L1, L2, L3 L1, L3, L2L1, L2
L3
25-26
25-28
tS2
2CDC 252 085 F0207
F1: red LED
F2: red LED
R/T: yellow LED
Measuring value
tS1 = start-up delay of R1 fixed 250 ms
t
S2
= start-up delay of R2 fixed 200 ms
CM-MPS.x3, CM-MPN.x2
Automatic phase sequence correction
This function can be selected only if phase sequence moni-
toring is activated k and operating mode 2x1 c/o (SPDT)
contact j is selected.
Applying control supply voltage begins the fixed start-up
delay tS1. When tS1 is complete and all phases are present with
correct voltage, output relay R1 energizes. Output relay R2
energizes when the fixed start-up delay tS2 is complete and all
phases are present with correct phase sequence. Output relay
R2 remains de-energized if the phase sequence is incorrect.
If the voltage to be monitored exceeds or falls below the set
threshold values for phase unbalance, over- or undervoltage
or if a phase failure occurs, output relay R1 de-energizes and
the LEDs F1 and F2 indicate the fault.
Output relay R2 is responsive only to a false phase sequence.
In conjunction with a reversing contactor combination, this
enables an automatic correction of the rotation direction. See
circuit diagrams on the right.
CM-MPS.11, CM-MPS.21, CM-MPS.23
Interrupted neutral monitoring
The interruption of the neutral in the main to be monitored is
detected by means of phase unbalance evaluation.
Determined by the system, in case of unloaded neutral, i.e.
symmetrical load between all three phases, it may happen
that an interruption of the neutral will not be detected.
If the star point is displaced by asymmetrical load in the
three-phase main, an interrupted neutral will be detected.
Control circuit diagram
(K1 = CM-MPS.23)
Control circuit diagram
(K1 = CM-MPS.43 or CM-MPN.xx)
Power circuit diagram
Displacement of the star point
2CDC 253 008 F0014
2CDC 253 009 F0014

2
87 ABB | Catalog Electronic relays and controls 2016 | 2CDC 110 004 C0210
ON-delay A, 2x1 c/o contact i
OFF-delay B, 2x1 c/o contact i
OFF-delay B, 1x2 c/o contacts j
ON-delay A, 1x2 c/o contacts j
CM-PSS.xx1), CM-PVS.xx2), CM-MPS.xx2), CM-MPN.xx2)
Over- and undervoltage monitoring j
Applying control supply voltage begins the fixed start-up
delay tS. When tS is complete and all phases are present with
correct voltage and with correct phase sequence, the output
relays energize and the yellow LED R/T glows.
Type of tripping delay = ON-delay
If the voltage to be monitored exceeds or falls below the
fixed1) or set2) threshold value, the output relays de-energize
after the set tripping delay tV is complete. The LED R/T flashes
during timing and turns off as soon as the output relays de-
energize.
The output relays re-energize automatically as soon as the
voltage returns to the tolerance range, taking into account a
fixed hysteresis of 5 % and the LED R/T glows.
Type of tripping delay = OFF-delay
If the voltage to be monitored exceeds or falls below the
fixed1) or set2) threshold value, the output relays de-energize
instantaneously and the LED R/T turns off.
As soon as the voltage returns to the tolerance range, tak-
ing into account a fixed hysteresis of 5 %, the output relays
re-energize automatically after the set tripping delay tV is
complete. The LED R/T flashes during timing and turns steady
when timing is complete.
L1, L2, L3
15-16
15-18
25-26
25-28
> U
> U - 5 %
< U + 5 %
< U
ts<tv
<tv
tv
2CDC 252 007 F0207
F1: red LED
F2: red LED
R/T: yellow LED
Measuring value
ts = start-up delay fixed 200 ms
tv = adjustable tripping delay
L1, L2, L3
15-16
15-18
25-26
25-28
> U
> U - 5 %
< U + 5 %
< U
tstvtv
<tv
2CDC 252 006 F0207
F1: red LED
F2: red LED
R/T: yellow LED
Measuring value
ts = start-up delay fixed 200 ms
tv = adjustable tripping delay
CM-MPS.x3, CM-MPN.x2
Over- and undervoltage monitoring i
Applying control supply voltage begins the fixed start-up
delay tS. When tS is complete and all phases are present with
correct voltage and with correct phase sequence, the output
relays energize. The yellow LED R/T glows as long as at least
one output relay is energized.
Type of tripping delay = ON-delay
If the voltage to be monitored exceeds or falls below the set
threshold value, output relay R1 (overvoltage) or output relay
R2 (undervoltage) de-energizes after the set tripping delay tV
is complete. The LED R/T flashes during timing.
The corresponding output relay re-energizes automatically as
soon as the voltage returns to the tolerance range, taking into
account a fixed hysteresis of 5 %.
Type of tripping delay = OFF-delay
If the voltage to be monitored exceeds or falls below the set
threshold value, output relay R1 (overvoltage) or output relay
R2 (undervoltage) de-energizes instantaneously.
As soon as the voltage returns to the tolerance range, taking
into account a fixed hysteresis of 5 %, the corresponding out-
put relay re-energizes automatically after the set tripping delay
tV is complete. The LED R/T flashes during timing.
L1, L2, L3
15-16
15-18
> U
> U - 5 %
< U + 5 %
< U
tstvtv
<tv
25-26
25-28
2CDC 252 090 F0207
F1: red LED
F2: red LED
R/T: yellow LED
Measuring value
ts = start-up delay fixed 200 ms
tv = adjustable tripping delay
25-26
25-28
L1, L2, L3
15-16
15-18
> U
> U - 5 %
< U + 5 %
< U
ts<tv
<tv
tv
2CDC 252 091 F0207
F1: red LED
F2: red LED
R/T: yellow LED
Measuring value
ts = start-up delay fixed 200 ms
tv = adjustable tripping delay
Three-phase monitoring relays
Function diagrams

2
2CDC 110 004 C0210 | Catalog Electronic relays and controls 2016 | ABB 88
Three-phase monitoring relays
Function diagrams
CM-PAS.xx, CM-MPS.xx, CM-MPN.xx
Phase unbalance monitoring
Applying control supply voltage begins the fixed start-up
delay tS. When tS is complete and all phases are present with
correct voltage and with correct phase sequence, the output
relays energize and the yellow LED R/T glows.
Type of tripping delay = ON-delay
If the voltage to be monitored exceeds or falls below the
set phase unbalance threshold value, the output relays de-
energize after the set tripping delay tV is complete. The LED
R/T flashes during timing and turns off as soon as the output
relays de-energize.
The output relays re-energize automatically as soon as the
voltage returns to the tolerance range, taking into account a
fixed hysteresis of 20 % and the LED R/T glows.
Type of tripping delay = OFF-delay
If the voltage to be monitored exceeds or falls below the set
phase unbalance threshold value, the output relays de-ener-
gize instantaneously and the LED R/T turns off.
As soon as the voltage returns to the tolerance range, taking
into account a fixed hysteresis of 20 %, the output relays
re-energize automatically after the set tripping delay tV is
complete. The LED R/T flashes during timing and turns steady
when timing is complete. 25-26
25-28
L1, L2, L3
15-16
15-18
ts<tv
<tv
tv
L1, L2, L3 L1, L2
L3
2CDC 252 093 F0207
F1: red LED
F2: red LED
R/T: yellow LED
Measuring value
Unbalance
Unbalance - Hysteresis
Unbalance + Hysteresis
Unbalance
ts = start-up delay fixed 200 ms
tv = adjustable tripping delay
L1, L2, L3
15-16
15-18
L1, L2, L3 L1, L2
L3
tstvtv
<tv
25-26
25-28
2CDC 252 092 F0207
F1: red LED
F2: red LED
R/T: yellow LED
Measuring value
Unbalance
Unbalance - Hysteresis
Unbalance + Hysteresis
Unbalance
ts = start-up delay fixed 200 ms
tv = adjustable tripping delay
OFF-delay B
ON-delay A
CM-PSS.xx, CM-PSV.xx, CM-PAS.xx, CM-MPS.xx, CM-MPN.xx
LED functions
Function
R/ T:
yellow LED
F1:
red LED
F2:
red LED
Control supply voltage applied,
output relay energized V- -
Tripping delay tV active W- -
Phase failure -V W
Phase sequence -W alternating
Overvoltage -V-
Undervoltage - - V
Phase unbalance -V V
Interruption of the neutral -V W
Adjustment error 1) W W W
1) Possible misadjustments of the front-face operating controls:
Overlapping of the threshold values: An overlapping of the threshold values is
given, if the threshold value for overvoltage is set to a smaller value than the
threshold value for undervoltage.
DIP switch 3 = OFF and DIP switch 4 = ON: Automatic phase sequence
correction is activated and selected operating mode is 1x2 c/o contacts
DIP switch 2 and 4 = ON: Phase sequence detection is deactivated and the
automatic phase sequence correction is actived
CM-PSS.xx, CM-PSV.xx, CM-PAS.xx, CM-MPS.xx, CM-MPN.xx
Type of tripping delay
The type of tripping delay A / B can be adjusted via a
rotary (CM-PxS.xx) or a DIP switch (CM-MPx.xx).
Switch position ON-delay A:
In case of a fault, the de-energizing of the output relays and
the respective fault message are suppressed for the adjusted
tripping delay tV.
Switch position OFF-delay B:
In case of a fault, the output relays de-energize instanta-
neously and a fault message is displayed and stored for the
length of the adjusted tripping delay tV. Thereby, also momen-
tary undervoltage conditions are recognized.

2
89 ABB | Catalog Electronic relays and controls 2016 | 2CDC 110 004 C0210
Three-phase monitoring relays
Connection diagrams
1SVC 110 000 F0117
Connection diagram CM-PFE
Connection diagram CM-PFS
L1 L2
282526
18
L3
L3 15
16 18 26 28
25L2L1
16 15
2CDC 252 037 F0b08
Connection diagram
CM-PVS.x1, CM-PSS.x1, CM-PAS.x1
L1 L2
282615 25
L3
L3 15
16 18 26 28
25L2L1
16 18
2CDC 252 038 F0b08
Connection diagram CM-MPN.x2
1SVC 110 000 F 0118
L1, L2, L3, (N) Control supply voltage = Measuring voltage
13-14 Output contact - closed-circuit principle
L1, L2, L3 Control supply voltage
= Measuring voltage
15-16/18
25-26/28
Output contact -
closed-circuit principle
L1, L2, L3 Control supply voltage =
Measuring voltage
1115-1216 /1418
2125-2226/2428
Output contact - closed-
circuit principle
L1, L2, L3, (N) Control supply voltage = Measuring voltage
15-16/18
25-26/28
Output contact - closed-circuit principle
L1, L2, L3, (N) Control supply voltage = Measuring voltage
15-16/18
25-26/28
Output contact - closed-circuit principle
L1, L2, L3 Control supply voltage =
Measuring voltage
15-16/18
25-26/28
Output contact - closed-
circuit principle
L1, L2, L3 Control supply voltage =
Measuring voltage
11-12/14 Output contact - closed-
circuit principle
Connection diagrams CM-PBE, CM-PVE
with neutral without neutral
L1
N
L2
282526
18
L3
L3 15
16 18 26 28
25L2
N
L1
16 15
2CDC 252 036 F0b08
L1 L2
282526
18
L3
L3 15
16 18 26 28
25L2L1
16 15
2CDC 252 037 F0b08
Connection diagram
CM-MPS.11, CM-MPS.21, CM-MPS.23
Connection diagram
CM-MPS.31, CM-MPS.41, CM-MPS.43
2CDC 252 038 F0b08 2CDC 252 037 F0b08 1SVC 110 000 F 0112
1SVC 110 000 F 0113
2CDC 252 036 F0b08
2CDC 252 037 F0b08

2
2CDC 110 004 C0210 | Catalog Electronic relays and controls 2016 | ABB 90
Three-phase monitoring relays
DIP switches, Rotary switches
Rotary switch "Function" CM-PSS
ON-delay
with phase sequence monitoring
OFF-delay
with phase sequence monitoring
ON-delay
without phase sequence monitoring
OFF-delay
without phase sequence monitoring
Rotary switch "Function" CM-PVS
ON-delay
with phase sequence monitoring
OFF-delay
with phase sequence monitoring
ON-delay
without phase sequence monitoring
OFF-delay
without phase sequence monitoring
Position 1 2
ON
OFF
2CDC 252 040 F0b08
Position 4 1 2 3
ON
OFF
2CDC 252 041 F0b0
8
DIP switch functions
CM-MPS.x3 and CM-MPN.x2
1Timing function 2Phase sequence monitoring
ON
OFF
ON-delayed
OFF-delayed
ON
OFF
deactivated
activated
3Operating principle of output 4Phase sequence correction
ON
OFF
2x1 c/o contact
1x2 c/o contact
ON
OFF
activated
deactivated
DIP switch functions
CM-MPS.x1
1Timing function 2Phase sequence monitoring
ON
OFF
ON-delayed
OFF-delayed
ON
OFF
deactivated
activated
Output relay R1 is responsive to overvoltage, output relay R2 is responsive
to undervoltage. In case of other faults, both output relays react
synchronously.

2
91 ABB | Catalog Electronic relays and controls 2016 | 2CDC 110 004 C0210
Three-phase monitoring relays
Technical data
Type CM-PBE 1) CM-PBE CM-PVE 1) CM-PVE CM-PFE CM-PFS
Supply circuit = measuring circuit L1-L2-L3-N L1-L2-L3 L1-L2-L3-N L1-L2-L3 L1-L2-L3
Rated control supply voltage US = measuring voltage 3x380-
440 V AC,
220-240
VAC
3x380-
440 V AC
3x320-
460 V AC,
185-265
VAC
3x320-
460 V AC
3x208-
440 V AC
3x200-
500 V AC
Power consumption approx. 15 VA
Rated control supply voltage US tolerance -15...+15 % -15...+10 % -10...+10 % -15...+10 %
Rated frequency 50/60 Hz 50/60 Hz (-10...+10 %) 50/60 Hz
Duty time 100 %
Measuring circuit L1-L2-L3-N L1-L2-L3 L1-L2-L3-N L1-L2-L3 L1-L2-L3
Monitoring functions phase failure
phase sequence ----
over- / undervoltage --- -
neutral ----
Measuring ranges 3x380-440
V AC, 220-
240 V AC
3x380-
440 V AC
3x320-
460 V AC,
185-265
VAC
3x320-
460 V AC
3x208-
440 V AC
3x200-
500 V AC
Thresholds Umin 0.6 x UN fixed
185 V /
320 V
fixed
320 V
0.6 x UN
Umax fixed
265 V /
460 V
fixed
460 V
Hysteresis related to the threshold value fixed 5 %
(release value = 0.65 x UN)
fixed 5 % -
Measuring voltage frequency 50/60 Hz (-10 %...+10 %) 50/60 Hz
Response time 40 ms 80 ms 500 ms
Accuracy within the rated control supply voltage tolerance -U 0.5 %
Accuracy within the temperature range -U 0.06 % / °C
Timing circuit
Start-up delay tSfixed 500 ms (20 %) fixed 500 ms
Tripping tVfixed 150 ms
(20 %)
at over-/ undervoltage
fixed 500 ms (20 %)
fixed 500
ms
-
Indication of operational states
Relay status R: yellow LED V Output relay energized
Fault message F: red LED Only CM-PFS: V Phase failure / V Phase sequence error
Output circuits 13-14 11-12/14
1115-1216 / 1418,
2125-2226 / 2428
Kind of output 1 n/o contact 1 c/o
contact
2 c/o
contacts
Operating principle closed-circuit principle 2)
Contact material AgCdO AgNi allow,
Cd free
Rated operational voltage Ue IEC/EN 60947-1 250 V 250 V AC
Minimum switching voltage / Minimum switching current - / -
Maximum switching voltage 250 V AC, 250 V DC
Rated operational current Ie
(IEC/EN 60947-5-1)
AC-12 (resistive) 230 V 4 A
AC-15 (inductive) 230 V 3 A
DC-12 (resistive) 24 V 4 A
DC-13 (inductive) 24 V 2 A
Mechanical lifetime 30 x 106 switching cycles
Electrical lifetime (AC-12, 230 V, 4 A) 0.1 x 106 switching cycles
Max. fuse rating to achieve
short-circuit protection
n/c contact 10 A fast-acting 6 A fast-
acting
n/o contact 10 A fast-acting
AC rating
(UL 508)
Utilization category (Control Circuit Rating Code) B 300, CM-PFS: B300, pilot duty general purpose (250 V, 4 A, cos phi 0.75)
max. rated operational voltage 300 V AC
max. continuous thermal current at B 300 5 A
max. making/breaking apparent power at B 300 3600/360 VA
1) Device with neutral monitoring: The external conductor voltage towards the neutral conductor is measured.
2) Closed-circuit principle: Output relay is de-energized if the measured value exceeds/drops below the adjusted threshold.

2
2CDC 110 004 C0210 | Catalog Electronic relays and controls 2016 | ABB 92
Type CM-PBE 1) CM-PBE CM-PVE 1) CM-PVE CM-PFE CM-PFS
General data
Dimensions (W x H x D) 22.5 x 78 x 78.5 mm (0.89 x 3.07 x 3.09 in)
CM-PFS: 22.5 x 78 x 100 mm (0.89 x 3.07 x 3.94 in)
Weight see data sheet
Mounting DIN rail (IEC/EN 60715)
Mounting position any
Degree of protection housing / terminals IP50 / IP20
Electrical connection
Wire size fine-strand with wire end ferrule 2 x 0.75-1.5 mm² (2 x 18-16 AWG)
Same as
CM-PSS.31,
see page 2/44.
fine-strand without wire end ferrule 2 x 1-1.5 mm² (2 x 18-16 AWG)
rigid 2 x 0.75-1.5 mm² (2 x 18-16 AWG)
Stripping length 10 mm (0.39 in)
Same as
CM-PSS.31,
see page 2/44.
Tightening torque 0.6-0.8 Nm
Environmental data
Ambient temperature range operation / storage -20..+60 °C / -40...+85 °C
Environmental testing (IEC 68-2-30) 24 h cycle time, 55 °C, 93 % rel., 96 h -
Operational reliability (IEC 68-2-6) 6 g -
Mechanical resistance (IEC 68-2-6) 10 g -
Climatic category IEC/EN 60721-3-3 -3K3
Damp heat, cyclic IEC/EN 60068-2-30 CM-PFS: 6 x 24 h cycle, 55 °C, 95 % RH
Vibration, sinusoidal IEC/EN 60255-21-1 -Class 2
Shock IEC/EN 60255-21-2 -Class 2
Isolation data
Rated insulation voltage Ui
(IEC/EN 60947-1, IEC/EN 60664-1)
between supply,
measuring and output
circuits
400 V -
supply circuit /
output circuit
-600 V
output circuit 1 /
output circuit 2
-300 V
Rated impulse withstand voltage Uimp
between all isolated circuits
(VDE 0110, IEC 664)
4 kV / 1.2 - 50 µs -
supply circuit / output
circuit
-6 kV
output circuit 1 /
output circuit 2
-4 kV
Basic insulation for rated control
supply voltage (IEC/EN 60664-1)
supply circuit / output
circuit
-600 V AC
Protective seperation
(IEC/EN 61140, EN 50178)
supply circuit / output
circuit
-n/a
Test voltage (routine test) 2.5 kV, 50 Hz, 1 min. -
supply circuit /
output circuit
-2.5 kV, 50
Hz, 1 min.
output circuit 1 /
output circuit 2
-2.5 kV, 50
Hz, 1 min.
Pollution degree (IEC/EN 60664-1) 3
Overvoltage category (IEC/EN 60664-1) III
Standards
Product standard IEC 255-6, EN 60255-6, CM-PFS: IEC/EN 60255-1, IEC/EN 60255-27, EN 50178
Low Voltage Directive 2006/95/EC
EMC Directive 2004/108/EC
RoHS Directive CM-PFS: 2011/65/EC
Electromagnetic compatibility
Interference immunity to EN 61000-6-2, CM-PFS: EN 61000-6-1, EN 61000-6-2
electrostatic discharge IEC/EN 61000-4-2 Level 3 - 6 kV/ 8 kV
radiated, radio-frequency,
electromagnetic field
IEC/EN 61000-4-3 Level 3 - 10 V/m (1 GHz) / 3 V/m (2 GHz) / 1 V/m (2.7 GHz)
electrical fast transient / burst IEC/EN 61000-4-4 Level 3 - 2 kV / 5 kHz
surge IEC/EN 61000-4-5 Level 4 - 2 kVL-L
conducted disturbances, induced
by radio-frequency fields
IEC/EN 61000-4-6 Level 3 - 10 V
voltage dips, short interruptions
and voltage variations
IEC/EN 61000-4-11 -Class 3
harmonics and interharmonics IEC/EN 61000-4-13 -Class 3
Interference emission EN 61000-6-4, CM-PFS: EN 61000-6-3, EN 61000-6-4
high-frequency radiated
IEC/CISPR 22, EN 55022
Class B
high-frequency conducted
IEC/CISPR 22, EN 55022
Class B
1) Device with neutral monitoring: The external conductor voltage towards the neutral conductor is measured.
Three-phase monitoring relays
Technical data

2
93 ABB | Catalog Electronic relays and controls 2016 | 2CDC 110 004 C0210
Three-phase monitoring relays
Technical data
Type CM-PSS.31 CM-PSS.41 CM-PVS.31 CM-PVS.41 CM-PVS.81 CM-PAS.31
CM-PAS.41
Input circuit = Measuring circuit L1, L2, L3
Rated control supply voltage US = measuring voltage 3x380 V AC 3x400 V AC 3x160-
300V AC
3x300-
500V AC
3x200-
400V AC
3x160-
300VAC
3x300-
500 V AC
Rated control supply voltage US tolerance -15...+10 %
Rated frequency 50/60 Hz
Frequency range 45-65 Hz
Typical current / power consumption 25 mA /
18VA
(380 V AC)
25 mA /
18VA
(400 V AC)
25 mA /
10VA
(230 V AC)
25 mA /
18VA
(400 V AC)
19 mA /
10VA
(300 V AC)
25 mA /
10VA
(230 V AC)
25 mA
/18VA
(400 V AC)
Measuring circuit L1, L2, L3
Monitoring functions Phase failure
Phase sequence can be switched off
Automatic phase sequence
correction
-------
Over- / undervoltage - -
Phase unbalance -----
Neutral -------
Measuring range Overvoltage 3x418 V AC 3x440 V AC 3x220-
300 V AC
3x420-
500 V AC
3x300-
400 V AC
- -
Undervoltage 3x342 V AC 3x360 V AC 3x160-
230 V AC
3x300-
380 V AC
3x210-
300 V AC
- -
P h a s e
unbalance
-----2-25 % of average
of phase voltages
Thresholds Overvoltage fixed adjustable within measuring range - -
Undervoltage fixed adjustable within measuring range - -
Phase unbalance
(switch-off value)
-----adjust. within meas.
range
Hysteresis related to
the threshold value
Over- / undervoltage fixed 5 % -
Phase unbalance -----fixed 20 %
Rated frequency of the measuring signal 50/60 Hz
Frequency range of the measuring signal 45-65 Hz
Maximum measuring cycle time 100 ms
Accuracy within the rated control supply voltage tolerance
U 0.5 %
Accuracy within the temperature range U 0.06 % / °C
Measuring method True RMS
Timing circuit
Start-up delay tSfixed 200 ms
Tripping delay tVON- or OFF-delay
0; 0.1-30 s adjustable
ON- delay
0; 0.1-30 s adjustable
Repeat accuracy (constant parameters) ----< 0.2 % - -
Accuracy within the rated control supply voltage tolerance
t 0.5 %
Accuracy within the temperature range t 0.06 % / °C
Indication of operational states 1 yellow LED, 2 red LED's
Details see function
description / -diagrams
Details see operating mode and
function description / -diagrams
Details see function
description / -diagrams
Output circuits 15-16/18, 25-26/28
Kind of output relay, 2 x 1 c/o contact
Operating principle closed-circuit principle 1)
Contact material AgNi alloy, Cd free
Rated operational voltage Ue IEC/EN 60947-1 250 V
Minimum switching power 24 V / 10 mA
Maximum switching voltage see “Load limit curves” on page 173
1) Closed-circuit principle: Output relay(s) de-energize(s) if measured value exceeds or falls below the adjusted threshold value

2
2CDC 110 004 C0210 | Catalog Electronic relays and controls 2016 | ABB 94
Three-phase monitoring relays
Technical data
Type CM-PSS.31 CM-PSS.41 CM-PVS.31 CM-PVS.41 CM-PVS.81 CM-PAS.31
CM-PAS.41
Rated operational current Ie
(IEC/EN 60947-5-1)
AC-12 (resistive)
230 V 4 A
AC-15 (inductive) 230 V
3 A
DC-12 (resistive) 24 V 4 A
DC-13 (inductive) 24 V
2 A
AC rating (UL 508) Utilization category (Control
Circuit Rating Code)
B 300
max. rated operational voltage 300 V AC
max. continuous thermal
current at B 300
5 A
max. making/breaking
apparent power at B 300
3600/360 VA
Mechanical lifetime 30 x 106 switching cycles
Electrical lifetime (AC-12, 230 V, 4 A) 0.1 x 106 switching cycles
Max. fuse rating to achieve
short-circuit protection
n/c contact 6 A fast-acting
n/o contact 10 A fast-acting
General data
MTBF on request
Duty time 100%
Dimensions
(W x H x D)
product dimensions 22.5 x 85.6 x 103.7 mm (0.89 x 3.37 x 4.08 in)
packaging dimensions 97 x 109 x 30 mm (3.82 x 4.29 x 1.18 in)
Weight depending on device, see ordering details
Mounting DIN rail (IEC/EN 60715), snap-on mounting without any tool
Mounting position any
Minimum distance to other
units
horizontal 10 mm (0.39 in) in case of continuous measuring voltages
> 400 V > 400 V > 220 V > 400 V -> 220 V > 400 V
Material of housing UL 94 V-0
Degree of protection housing / terminals IP50 / IP20
Electrical connection
Wire size Screw connection technology Easy Connect Technology (Push-in)
fine-strand with(out) wire end
ferrule
1 x 0.5-2.5 mm2 (1 x 20-14 AWG)
2 x 0.5-1.5 mm2 (2 x 20-16 AWG)
2 x 0.5-1.5 mm2 (2 x 20-16 AWG)
rigid 1 x 0.5-4 mm2 (1 x 20-12 AWG)
2 x 0.5-2.5 mm2 (2 x 20-14 AWG)
2 x 0.5-1.5 mm2 (2 x 20-16 AWG)
Stripping length 8 mm (0.32 in)
Tightening torque 0.6-0.8 Nm (5.31-7.08 lb.in) -
Environmental data
Ambient temperature ranges operation / storage -25...+60 °C / -40...+85 °C
Damp heat (IEC 60068-2-30) 55 °C, 6 cycles
Climatic category 3K3
Vibration (sinusoidal) (IEC/EN 60255-21-1) Class 2
Shock (IEC/EN 60255-21-2) Class 2
Isolation data
Rated insulation
voltage Ui
input circuit / output circuit 600 V
output circuit 1 / output circuit 2
300 V
Rated impulse withstand voltage
Uimp (VDE 0110, IEC/EN 60664)
input circuit 6 kV; 1.2/50 µs
output circuit 4 kV; 1.2/50 µs
Test voltage between all isolated circuits (routine test)
2.5 kV, 50 Hz, 1 s
Basic insulation input circuit / output circuit 600 V
Protective separation (VDE 0106
part 101 and 101/A, IEC/EN 1140)
input circuit /
output circuit
-
Pollution degree (VDE 0110, IEC/EN 60664) 3
Overvoltage category (VDE 0110, IEC 60664) III
Standards
Product standard IEC/EN 60255-6, EN 50178
Low Voltage Directive 2006/95/EC
EMC directive 2004/108/EC
RoHS directive 2011/6 5/EC
Electromagnetic compatibility
Interference immunity to EN 61000-6-1, EN 61000-6-2
electrostatic discharge IEC/EN 61000-4-2 Level 3 (6 kV / 8 kV)
radiated, radio-frequency,
electromagnetic field
IEC/EN 61000-4-3 Level 3 (10 V/m)
electrical fast transient /
burst
IEC/EN 61000-4-4 Level 3 (2 kV / 2 kHz)
surge IEC/EN 61000-4-5 Level 4 (2 kV L-L)
conducted disturbances,
induced by radio-
frequency fields
IEC/EN 61000-4-6 Level 3 (10 V)
Interference emission EN 61000-6-3, EN 61000-6-4
high-frequency radiated
IEC/CISPR 22, EN 55022
Class B
high-frequency conducted
IEC/CISPR 22, EN 55022
Class B

2
95 ABB | Catalog Electronic relays and controls 2016 | 2CDC 110 004 C0210
Three-phase monitoring relays
Technical data
Type CM -MPS.11 CM-MPS.21 CM-MPS.31 CM-MPS.41
Input circuit = Measuring circuit L1, L2, L3, N L1, L2, L3
Rated control supply voltage US = measuring voltage 3x90-170 V AC 3x180-280 V AC 3x160-300 V AC 3x300-500 V AC
Rated control supply voltage US tolerance -15...+10 %
Rated frequency 50/60 Hz
Frequency range 45-65 Hz
Typical current / power consumption 25 mA / 10 VA
(115 V AC)
25 mA / 18 VA
(230 V AC)
25 mA / 10 VA
(230 V AC)
25 mA / 18 VA
(400 V AC)
Measuring circuit L1, L2, L3, N L1, L2, L3
Monitoring functions Phase failure
Phase sequence can be switched off
Automatic phase sequence correction ----
Over- / undervoltage
Phase unbalance
Interrupted neutral - -
Measuring range Overvoltage 3x120-170 V AC 3x240-280 V AC 3x220-300 V AC 3x420-500 V AC
Undervoltage 3x90-130 V AC 3x180-220 V AC 3x160-230 V AC 3x300-380 V AC
Phase unbalance 2-25 % of average of phase voltages
Thresholds Overvoltage adjustable within measuring range
Undervoltage adjustable within measuring range
Phase unbalance (switch-off value) adjustable within measuring range
Hysteresis related to the
threshold value
Over- / undervoltage fixed 5 %
Phase unbalance fixed 20 %
Rated frequency of the measuring signal 50/60 Hz
Frequency range of the measuring signal 45-65 Hz
Maximum measuring cycle time 100 ms
Accuracy within the rated control supply voltage tolerance U 0.5 %
Accuracy within the temperature range U 0.06 % / °C
Measuring method True RMS
Timing circuit
Start-up delay tSfixed 200 ms
Tripping delay tVON- or OFF-delay 0; 0.1-30 s adjustable
Accuracy within the rated control supply voltage tolerance t 0.5 %
Accuracy within the temperature range t 0.06 % / °C
Indication of operational states Details see function description / -diagrams
Output circuits 15-16/18, 25-26/28
Kind of output relay, 1 x 2 c/o contacts
Operating principle closed-circuit principle 1)
Contact material AgNi alloy, Cd free
Rated operational voltage Ue (IEC/EN 60947-1) 250 V
Minimum switching power 24 V / 10 mA
Maximum switching voltage see “Load limit curves” on page 173
Rated operational current Ie
(IEC/EN 60947-5-1)
AC-12 (resistive) 230 V 4 A
AC-15 (inductive) 230 V 3 A
DC-12 (resistive) 24 V 4 A
DC-13 (inductive) 24 V 2 A
AC rating (UL 508) Utilization category
(Control Circuit Rating Code)
B 300
max. rated operational voltage 300 V AC
max. continuous thermal current at B 300
5 A
max. making/breaking
apparent power at B 300
3600/360 VA
Mechanical lifetime 30 x 106 switching cycles
Electrical lifetime (AC-12, 230 V, 4 A) 0.1 x 106 switching cycles
Max. fuse rating to achieve short-circuit
protection
n/c contact 6 A fast-acting
n/o contact 10 A fast-acting
1) Closed-circuit principle: Output relay(s) de-energize(s) if measured value exceeds or falls below the adjusted threshold value

2
2CDC 110 004 C0210 | Catalog Electronic relays and controls 2016 | ABB 96
Type CM -MPS.11 CM-MPS.21 CM-MPS.31 CM-MPS.41
General data
MTBF on request
Duty time 100%
Dimensions (W x H x D) product dimensions 22.5 x 85.6 x 103.7 mm (0.89 x 3.37 x 4.08 in)
packaging dimensions 97 x 109 x 30 mm (3.82 x 4.29 x 1.18 in)
Weight Screw connection technology Easy Connect Technology (Push-in)
net weight depending on device, see ordering details
gross weight depending on device, see ordering details
Mounting DIN rail (IEC/EN 60715), snap-on mounting without any tool
Mounting position any
Minimum distance to other units horizontal 10 mm (0.39 in) in case of continuous measuring voltages
> 120 V > 240 V > 220 V > 400 V
Material of housing UL 94 V-0
Degree of protection housing / terminals IP50 / IP20
Electrical connection
Wire size Screw connection technology Easy Connect Technology (Push-in)
fine-strand with(out) wire end ferrule 1 x 0.5-2.5 mm2 (1 x 20-14 AWG)
2 x 0.5-1.5 mm2 (2 x 20-16 AWG)
2 x 0.5-1.5 mm2 (2 x 20-16 AWG)
rigid 1 x 0.5-4 mm2 (1 x 20-12 AWG)
2 x 0.5-2.5 mm2 (2 x 20-14 AWG)
2 x 0.5-1.5 mm2 (2 x 20-16 AWG)
Stripping length 8 mm (0.32 in)
Tightening torque 0.6-0.8 Nm (5.31-7.08 lb.in) -
Environmental data
Ambient temperature ranges operation / storage -25...+60 °C / -40...+85 °C
Damp heat (IEC 60068-2-30) 55 °C, 6 cycles
Climatic category 3K3
Vibration (sinusoidal) (IEC/EN 60255-21-1) Class 2
Shock (IEC/EN 60255-21-2) Class 2
Isolation data
Rated insulation voltage
Ui
input circuit / output circuit 600 V
output circuit 1 / output circuit 2 300 V
Rated impulse withstand voltage Uimp
(VDE 0110, IEC/EN 60664)
input circuit 6 kV; 1.2/50 µs
output circuit 4 kV; 1.2/50 µs
Test voltage between all isolated circuits (routine test) 2.5 kV, 50 Hz, 1 s
Basic insulation input circuit / output circuit 600 V
Protective separation (VDE 0106 part
101 and 101/A, IEC/EN 61140)
input circuit / output
circuit
yes -
Pollution degree (VDE 0110, IEC/EN 60664) 3
Overvoltage category (VDE 0110, IEC 60664) III
Standards
Product standard IEC/EN 60255-1, EN 50178
Low Voltage Directive 2006/95/EC
EMC directive 2004/108/EC
RoHS directive 2011/6 5/EC
Electromagnetic compatibility
Interference immunity to EN 61000-6-1, EN 61000-6-2
electrostatic discharge IEC/EN 61000-4-2 Level 3 (6 kV / 8 kV)
radiated, radio-frequency,
electromagnetic field
IEC/EN 61000-4-3 Level 3 (10 V/m)
electrical fast transient / burst IEC/EN 61000-4-4 Level 3 (2 kV / 2 kHz)
surge IEC/EN 61000-4-5 Level 4 (2 kV L-N) Level 4 (2 kV L-L)
conducted disturbances,
induced by radio-frequency fields
IEC/EN 61000-4-6 Level 3 (10 V)
harmonics and interharmonics IEC/EN 61000-4-13 Class 3
Interference emission EN 61000-6-3, EN 61000-6-4
high-frequency radiated
IEC/CISPR 22, EN 55022
Class B
high-frequency conducted
IEC/CISPR 22, EN 55022
Class B
Three-phase monitoring relays
Technical data

2
97 ABB | Catalog Electronic relays and controls 2016 | 2CDC 110 004 C0210
Three-phase monitoring relays
Technical data
Type CM-MPS.23 CM-MPS.43 CM-MPN.52 CM-MPN.62 CM-MPN.72
Input circuit = Measuring circuit L1, L2, L3, N L1, L2, L3
Rated control supply voltage US = measuring voltage 3x180-280
V AC
3x300-500
V AC
3x350-580
V AC
3x450-720
V AC
3x530-820
V AC
Rated control supply voltage US tolerance -15...+10 %
Rated frequency 50/60/400 Hz 50/60 Hz
Frequency range 45-440 Hz 45-65 Hz
Typical current / power consumption 5 mA / 4 VA
(230 V AC)
5 mA / 4 VA
(400 V AC)
29 mA / 41 VA
(480 V AC)
29 mA / 52 VA
(600 V AC)
29 mA / 59 VA
(690 V AC)
Measuring circuit L1, L2, L3, N L1, L2, L3
Monitoring functions Phase failure
Phase sequence can be switched off
Automatic phase sequence correction configurable
Over- / undervoltage
Phase unbalance
Interrupted neutral ----
Measuring range Overvoltage 3x240-280
V AC
3x420-500
V AC
3x480-580
V AC
3x600-720
V AC
3x690-820
V AC
Undervoltage 3x180-220
V AC
3x300-380
V AC
3x350-460
V AC
3x450-570
V AC
3x530-660
V AC
Phase unbalance 2-25 % of average of phase voltages
Thresholds Overvoltage adjustable within measuring range
Undervoltage adjustable within measuring range
Phase unbalance (switch-off value) adjustable within measuring range
Hysteresis related to
the threshold value
Over- / undervoltage fixed 5 %
Phase unbalance fixed 20 %
Rated frequency of the measuring signal 50/60/400 Hz 50/60 Hz
Frequency range of the measuring signal 45-440 Hz 45-65 Hz
Maximum measuring cycle time 100 ms
Accuracy within the rated control supply voltage tolerance U 0.5 %
Accuracy within the temperature range U 0.06 % / °C
Measuring method True RMS
Timing circuit
Start-up delay tS and tS2 fixed 200 ms
Start-up delay tS1 fixed 250 ms
Tripping delay tVON- or OFF-delay 0; 0.1-30 s adjustable
Accuracy within the rated control supply voltage tolerance t 0.5 %
Accuracy within the temperature range t 0.06 % / °C
Indication of operational states Details see function description / -diagrams
Output circuits 15-16/18, 25-26/28
Kind of output relay, 2 x 1 or 1 x 2 c/o contacts configurable
Operating principle closed-circuit principle 1)
Contact material AgNi alloy, Cd free
Rated operational voltage Ue IEC/EN 60947-1 250 V
Minimum switching power 24 V / 10 mA
Maximum switching voltage see “Load limit curves” on page 173
Rated operational current Ie
(IEC/EN 60947-5-1)
AC-12 (resistive) 230 V 4 A
AC-15 (inductive) 230 V 3 A
DC-12 (resistive) 24 V 4 A
DC-13 (inductive) 24 V 2 A
AC rating (UL 508) Utilization category
(Control Circuit Rating Code)
B 300
max. rated operational voltage 300 V AC
max. continuous thermal current at B 300 5 A
max. making/breaking apparent power at B 300
3600/360 VA
Mechanical lifetime 30 x 106 switching cycles
Electrical lifetime (AC-12, 230 V, 4 A) 0,1 x 106 switching cycles
Max. fuse rating to achieve short-
circuit protection
n/c contact 6 A fast-acting 10 A fast-acting
n/o contact 10 A fast-acting
1) Closed-circuit principle: Output relay(s) de-energize(s) if measured value exceeds or falls below the adjusted threshold value

2
2CDC 110 004 C0210 | Catalog Electronic relays and controls 2016 | ABB 98
Three-phase monitoring relays
Technical data
Type CM-MPS.23 CM-MPS.43
CM-MPN.52
CM-MPN.62 CM-MPN.72
General data
MTBF on request
Duty time 100%
Dimensions (W x H x D) product dimensions 22.5 x 85.6 x 103.7 mm (0.89 x 3.37 x 4.08 in)
packaging dimensions 97 x 109 x 30 mm (3.82 x 4.29 x 1.18 in)
Weight depending on device, see ordering details
Mounting DIN rail (IEC/EN 60715), snap-on mounting without any tool
Mounting position any
Minimum distance to other units vertical / horizontal not necessary / not necessary
Material of housing UL 94 V-0
Degree of protection housing / terminals IP50 / IP20
Electrical connection
Wire size Screw connection technology Easy Connect Technology (Push-in)
fine-strand with(out) wire end ferrule 1 x 0.5-2.5 mm2 (1 x 20-14 AWG)
2 x 0.5-1.5 mm2 (2 x 20-16 AWG)
2 x 0.5-1.5 mm2 (2 x 20-16 AWG)
rigid 1 x 0.5-4 mm2 (1 x 20-12 AWG)
2 x 0.5-2.5 mm2 (2 x 20-14 AWG)
2 x 0.5-1.5 mm2 (2 x 20-16 AWG)
Stripping length 8 mm (0.32 in)
Tightening torque 0.6-0.8 Nm (5.31-7.08 lb.in) -
Environmental data
Ambient temperature ranges operation / storage -25...+60 °C / -40...+85 °C
Damp heat (IEC 60068-2-30) 55 °C, 6 cycles
Climatic category 3K3
Vibration (sinusoidal) (IEC/EN 60255-21-1) Class 2
Shock (IEC/EN 60255-21-2) Class 2
Isolation data
Rated insulation voltage Uiinput circuit / output
circuit
600 V 1000 V
output circuit 1 / 2 300 V
Rated impulse withstand voltage Uimp
(VDE 0110, IEC/EN 60664)
input circuit 6 kV; 1.2/50 µs 8 kV; 1.2/50 µs
output circuit 4 kV; 1.2/50 µs
Test voltage (routine
test) between
isolated output circuits 2.5 kV, 50 Hz, 1 s
input circuit and isolated output circuits 2.5 kV, 50 Hz, 1 s 4 kV, 50 Hz, 1 s
Basic insulation input circuit / output circuit 600 V 1000 V
Protective separation (VDE 0106 part
101 and 101/A, IEC/EN 61140)
input circuit /
output circuit
-
Pollution degree (VDE 0110, IEC/EN 60664) 3
Overvoltage category (VDE 0110, IEC 60664) III
Standards
Product standard IEC/EN 60255-1, EN 50178
Low Voltage Directive 2006/95/EC
EMC directive 2004/108/EC
RoHS directive 2011/6 5/EC
Electromagnetic compatibility
Interference immunity to EN 61000-6-1, EN 61000-6-2
electrostatic discharge IEC/EN 61000-4-2 Level 3 (6 kV / 8 kV)
radiated, radio-frequency,
electromagnetic field
IEC/EN 61000-4-3 Level 3 (10 V/m)
electrical fast transient / burst IEC/EN 61000-4-4 Level 3 (2 kV / 2 kHz)
surge IEC/EN 61000-4-5 Level 4 (2 kV
L- N )
Level 4 (2 kV L-L)
conducted disturbances, induced by
radio-frequency fields
IEC/EN 61000-4-6 Level 3 (10 V)
harmonics and interharmonics IEC/EN 61000-4-13 Class 3
Interference emission EN 61000-6-3, EN 61000-6-4
high-frequency radiated IEC/CISPR 22, EN 55022 Class B
high-frequency conducted IEC/CISPR 22, EN 55022 Class B

2
99 ABB | Catalog Electronic relays and controls 2016 | 2CDC 110 004 C0210
Grid feeding monitoring relays -
Voltage and frequency monitoring functions
Product group picture

2
2CDC 110 004 C0210 | Catalog Electronic relays and controls 2016 | ABB 100
Grid feeding monitoring relays -
Voltage and frequency monitoring functions
Table of contents
Grid feeding monitoring relays - Voltage and frequency
monitoring functions
Grid feeding monitoring relays -
Voltage and frequency monitoring functions 100
Benefits and advantages, operating controls 101
Applications 102
Applications, connection diagram 103
Ordering and selection 104
Technical data - CM-UFD.Mxx 105

2
101 ABB | Catalog Electronic relays and controls 2016 | 2CDC 110 004 C0210
Grid feeding monitoring relays -
Voltage and frequency monitoring functions
Benefits and advantages, operating controls
Characteristics for all CM-UFD devices
– Monitoring of voltage and frequency in single- and three-
phase mains 2-wire, 3-wire or 4-wire
– Over- and undervoltage, 10 minutes average value as well
as over- and underfrequency monitoring
– Two-level threshold settings for over-/undervoltage and
frequency
– Multiline, backlit LCD display
– All threshold values adjustable as absolute values
– True RMS measuring principle
– High measurement accuracy
– 3 control inputs for remote trip, feedback signal, and
external signal
– Interrupted neutral detection
– Error memory for up to 99 entries (incl. cause of error,
measured value, relative timestamp)
– Test function
– Password setting protection
– 3 c/o (SPDT) contacts
– LEDs for the indication of operational states
Characteristics CM-UFD.M22
– ROCOF
(rate of change of frequency) monitoring configurable
– Third party certificate confirming accordance with CEI 0-21
– Pre-setting according to CEI 0-21
Characteristics CM-UFD.M31
– ROCOF (rate of change of frequency) monitoring and vec-
tor shift detection configurable
– Third party certificate confirming accordance with
VDE-AR-N 4105 and BDEW
– Pre-settings according to VDE-AR-N 4105 and BDEW
Characteristics CM-UFD.M33
– ROCOF (rate of change of frequency) monitoring and vec-
tor shift detection configurable
– Factory certificate confirming accordance with Engineering
Recommendation G59 Issue 3 - September 2013; Engi-
neering Recommendation G83 Issue 2 - December 2012
– Pre-setting according to G59/3 LV + G83/2 HV
– UL 508, CAN/CSA C22.2 No.14
Characteristics CM-UFD.M34
– ROCOF (rate of change of frequency) monitoring and vec-
tor shift detection, configurable
– Pre-setting according to DRRG standard of DEWA
1
2
3
1 Display
R1 R2 R3 - relay status; in this case R3 is de-energized
FB - status feedback loop Y0-Y1; in this case FB is closed
EXT – status input external signal; in this case input is closed
REM – status remote trip input; in this case input is closed
2 Indication of operational states
U/T: green LED – supply voltage applied / flashing = timing active
F: red LED - failure
3 Keypad
ESC: escape / return to previous menu
^: up / value increase
∨: down / value decrease
OK: enter / confirm selection
CM-UFD.Mxx
2CDC 253 020 F0013

2
2CDC 110 004 C0210 | Catalog Electronic relays and controls 2016 | ABB 102
Grid feeding monitoring relays -
Voltage and frequency monitoring functions
Applications
Example of single-phase application - CM-UFD.M31
L1
N
K1
6 A
10 A 10 A 10 A
K2
Y0
Y2
3438 Y3
3236
2428
2226
1418
1216 Y1
A2
A1 2125
1115 3135 L3L2L1 N
Public grid
Inverter(s)
Generator(s)
Control input 1, feedback loop for switching device 1
Control input 2, feedback loop for switching device 2
Control input 3 (e.g. for remote trip)
Switching device 1 of the section switch
Switching device 2 of the section switch
where applicable,
a transformer
2CDC 252 006 F0213
Example of three-phase application - CM-UFD.M31
L1
L2
L3
N
K1
6 A
K2
Y0
Y2
3438 Y3
3236
2428
2226
1418
1216 Y1
A2
A1 2125
1115 3135 L3L2L1 N
Public grid
Inverter(s)
Generator(s)
Control input 1, feedback loop for switching device 1
Control input 2, feedback loop for switching device 2
Control input 3 (e.g. for remote trip)
Switching device 1 of the section switch
Switching device 2 of the section switch
where applicable,
a transformer
2CDC 252 007 F0213
Example of three-phase application CM-UFD.M22
A1
14 11 12 24 21 22 34 31 32
18 15 16 28 25 26 38 35 36
A2 Y1 L1 L2 L3 NY2 Y3 Y0
ESC
OK
CM-UFD
U/T
F
230 V AC
24 V DC
24 V DC
LN
L1 N
L+
L+IN L-IN
L+OUTL-OUT
L-
CP-E 24/X
CP-B 24/X
L1 L2 L3 N
G
1
8
7
9
11
12
13
10
4
2
3
6
5
Example of single-phase application CM-UFD.M22
A1
14 11 12 24 21 22 34 31 32
18 15 16 28 25 26 38 35 36
A2 Y1 L1 L2 L3 NY2 Y3 Y0
ESC
OK
CM-UFD
U/T
F
230 V AC
24 V DC
24 V DC
LN LN
L1 N
L+
L+IN L-IN
L+OUTL-OUT
L-
CP-E 24/X
CP-B 24/
X
G
13
12
11
9
7
10
1
4
2
3
6
5
2CDC 252 004 F0014
2CDC 252 003 F0014
1. Main circuit breaker DG or DGL
2. DDI: Automatic circuit breaker or contactor equipped with low voltage coil and
motor for automatic closure
3. Auxiliary contact of DDI, necessary for realizing the feedback function (compul-
sory for CM-UFD.M22)
4. DDI short-circuit protection
5. Generator and/or inverter
6. Generator (DDG)
7. Protection fuse for the measuring circuit of the CM-UFD.M22 (optional)
8. Shunt trip coil for feedback function (P>20 kW). This coil can control DG/DGL or
DDG devices
9. Control supply voltage for CM-UFD.M22 (SPI) and tripping device (DDI)*
10. Device protection fuse for the CM-UFD.M22
11. Primary switch mode power supply unit CP-E (230 V AC / 24 V DC) for the buf-
fer module CP-B*
12. Ultra-capacitor based buffer module CP-B (24 V DC in/out)
13. Wire protection fuse for the output of the buffer module CP-B
* In accordance to CEI 0-21 regulation, in case of loss of control supply voltage it’s asked to guarantee, at least for 5 seconds, the functionality
of the CM-UFD.M22, the operability of the DDI and when present the command coil for operating the redundancy device. This function has to
be realized by external buffer or UPS devices.

2
103 ABB | Catalog Electronic relays and controls 2016 | 2CDC 110 004 C0210
Grid feeding monitoring relays -
Voltage and frequency monitoring functions
Applications, connection diagram
Example of single-phase application - CM-UFD.M33
L1
N
K1
6 A
10 A 10 A 10 A
K2
Y0
Y2
3438 Y3
3236
2428
2226
1418
1216 Y1
A2
A1 2125
1115 3135 L3L2L1 N
2CDC 252 005 F0014
Example of three-phase application - CM-UFD.M33
L1
L2
L3
N
K1
6 A
K2
10 A 10 A 10 A
Y0
Y2
3438 Y3
3236
2428
2226
1418
1216 Y1
A2
A1 2125
1115 3135 L3L2L1 N
2CDC 252 006 F0014
Control input 1, feedback loop for switching device 1
Control input 2, feedback loop for switching device 2
Control input 3 (e.g. for remote trip)
Switching device 1 of the section switch
Switching device 2 of the section switch
Inverter(s) / generator(s)
Transformer (if applicable)
Public grid
Control input 1, feedback loop for switching device 1
Control input 2, feedback loop for switching device 2
Control input 3 (e.g. for remote trip)
Switching device 1 of the section switch
Switching device 2 of the section switch
Inverter(s) / generator(s)
Transformer (if applicable)
Public grid
A1 A2 Y1 Y2 Y3 Y0 L1 L2 L3 N
24 21 22121114
28 25 26 38 35 36161518
CM-UFD
U/T
F
34 31 32
ESC
OK
Test
2CDC 253 007 F0014
A1-A2
L1, L2, L3, N
Y1-Y0
Y2-Y0
Y3-Y0
1115-1216/1418
2125-2226/2428
3135-3236/3438
Control supply voltage Us
Measuring inputs
Control input 1: Feedback from switching device 1
Control input 2: Feedback from switching device 2
Control input 3: Remote trip, suppress Y1, suppress Y2
,
suppress Y1/Y2 or suppress vector shift detection
Output relay 1: Relay for tripping switching device 1
of the section switch, closed-circuit principle
Output relay 2: Relay for tripping switching device 2
of the section switch, closed-circuit principle
Output relay 3: Closing command for circuit breaker
motor, configuration possibilities: closed-circuit
principle, open-circuit principle, disabled or
synchronous with R1/R2
Electrical connection - CM-UFD.Mxx

2
2CDC 110 004 C0210 | Catalog Electronic relays and controls 2016 | ABB 104
Grid feeding monitoring relays -
Voltage and frequency monitoring functions
Ordering and selection
Order number
1SVR560730R3400
1SVR560730R3401
1SVR560730R3402
1SVR560730R3403
Type
CM-UFD.M22
CM-UFD.M31
CM-UFD.M33
CM-UFD.M34
Rated control supply voltage Us
24-240 V AC/DC
Standard
VDE AR-N 4105, BDEW
G59/3; G83/2
CEI 0-21
DRRG standard of DEWA
Rated frequency
DC or 50 Hz
DC or 50/60 Hz
Suitable for monitoring
Single-phase mains
Three-phase mains
Monitoring function
Over-/undervoltage
Over-/underfrequency
ROCOF (rate of change of frequency)
10 minutes average value
Vector shift
Thresholds adj adj adj adj
Description
The grid feeding monitoring relays CM-UFD.Mxy are designed to monitor the voltage and the
frequency of the public low voltage or medium voltage grid. Whenever the measured values
are not within the range of the adjusted threshold values, the CM-UFD.Mxy causes tripping of
the section switch (consisting of 1 or 2 switching devices according to the applicable stan-
dard). This tripping disconnects the power generation such as photovoltaic systems, wind
turbines, block-type thermal power stations from the grid.
Ordering details
Rated control supply
voltage = measuring
voltage
Standard Type Order code Price
1 pce
Weight
(1 pce)
kg (lb)
24-240 VAC/DC CEI 0-21: 2014-09 +
CEI 0-21, V1: 2014-1 CM-UFD.M22 1SVR560730R3400 0.225
(0.496)
24-240 VAC/DC VDE-AR-N 4105 and BDEW CM-UFD.M31 1SVR560730R3401 0.225
(0.496)
24-240 VAC/DC G59/3; G83/2 CM-UFD.M33 1SVR560730R3402 0.304
(0.670)
24-240 VAC/DC DRRG standard of DEWA CM-UFD.M34 1SVR560730R3403 0.306
(0.675)
2CDC 251 005 S0013
CM-UFD.Mxy
Further documentation grid feeding
monitoring relays on www.abb.com

2
105 ABB | Catalog Electronic relays and controls 2016 | 2CDC 110 004 C0210
Grid feeding monitoring relays -
Voltage and frequency monitoring functions
Technical data - CM-UFD.Mxx
Technical data
Data at Ta = 25 °C and rated values, unless otherwise indicated
Type CM-UFD.M22 CM-UFD.M31 CM-UFD.M33
Input circuit - Supply circuit
Rated control supply voltage Us 24-240 V AC/DC
Rated control supply voltage Us tolerance -15…+10 %
Rated frequency DC or 50 Hz DC or 50/60 Hz
Frequency range AC 40-60 Hz 40-70 Hz
Typical current / power consumption 24 V DC 64 mA / 1.5 W
230 V AC 6.4 mA / 1.5 VA
External fusing (necessary) 6 A gG (gL) or cirucit breaker 6 A with B characteristic or 6 A Class CC
(acc. to UL-requirements)
Power failure buffering time 200 ms, according to LVFRT (Low Voltage Fault Ride Through)
Measuring circuit
Monitoring functions overvoltage 10-min average (>UAV) adjustable,
1.00-1.30 * Us
in 0.01*Us steps
threshold adjustable, 1.000-1.300 * Un
in 0.005 * Un steps
overvoltage (>U1) adjustable,
1.00-1.20 * Us
in 0.01*Us steps
threshold adjustable, 1.000-1.300 * Un
in 0.005 * Un steps
overvoltage (>U2) -threshold adjustable, 1.000-1.300 * Un
in 0.005 * Un steps
undervoltage (<U1) adjustable,
0.05-1.00 * Us
in 0.01*Us steps
threshold adjustable, 0.100-1.000 * Un
in 0.005 * Un steps
undervoltage (<U2) adjustable,
0.05-1.00 * Us
in 0.01*Us steps
threshold adjustable, 0.100-1.000 * Un
in 0.005 * Un steps
overfrequency (>F1) adjustable,
50.0-54.0 Hz
in 0.1 Hz steps
threshold adjustable, 50.00-65.00 Hz
in 0.01 Hz steps
underfrequency (<F2) adjustable,
46.0-50.0 Hz
in 0.1 Hz steps
threshold adjustable, 50.00-65.00 Hz
in 0.01 Hz steps
overfrequency (>F1) adjustable,
50.0-54.0 Hz
in 0.1 Hz steps
threshold adjustable, 45.00-60.00 Hz
in 0.01 Hz steps
underfrequency (<F2) adjustable,
46.0-50.0 Hz
in 0.1 Hz steps
threshold adjustable, 45.00-60.00 Hz
in 0.01 Hz steps
ROCOF adjustable,
0.1-1.0 Hz/s,
in 0.1 Hz/s steps
threshold adjustable, 0.100-5.000 Hz
in 0.005 Hz steps
vector shift threshold adjustable, 2.0-40.0 ° in 0.1 ° steps
interrupted neutral conductor enabled if a measuring principle with interrupted neutral conductor is
selected
Measuring ranges voltage (4-wire system L1, L2, L3-N) 0-312 V AC 0-317 V AC
(3-wire system L1,L2,L3) 0-540 V AC 0-550 V AC
(2-wire system L-N) 0-312 V AC 0-317 V AC
frequency 40-60 Hz 40-70 Hz
Rated frequency of the measuring signal 50 Hz 50/60 Hz
Accuracy of measurements voltage ≤ 2 % ≤ 0.5 % ± 0.5 V
frequency ± 20 mHz ± 20 mHz
delay times ≤ 5 % ± 20 ms ≤ 0.1 % ± 20 ms
Accuracy within the temperature range ΔU ≤ 0.02 %/°C
Hysteresis related to the
threshold value
overvoltage 10-min average -adjustable, 0.1-10.0 % in 0.1 % steps
overvoltage 0.95-0.97 * Usadjustable, 0.5-10.0 % in 0.1 % steps
undervoltage 1.03-1.05 * Usadjustable, 0.5-10.0 % in 0.1 % steps
overfrequency 0.997-0.999 * fnadjustable, 0.05-4.00 Hz in 0.01 Hz steps
underfrequency 1.001-1.003 * fnadjustable, 0.05-4.00 Hz in 0.01 Hz steps
Reaction time acc. CEI 0-21 chapter A.4.3 CM-UFD.M22: adjustable, 0.05-600.00 s in 0.05 s steps, ±3 % ±20 ms
for: Overvoltage 2, Undervoltage 1, Undervoltage 2, Overfrequency 1,
Overfrequency 2, Underfrequency 1, Underfrequency 2
Measuring cycle ROCOF 640 ms at 50 Hz adjustable, 4-50 periods

2
2CDC 110 004 C0210 | Catalog Electronic relays and controls 2016 | ABB 106
Grid feeding monitoring relays -
Voltage and frequency monitoring functions
Technical data - CM-UFD.Mxx
Type CM-UFD.M22 CM-UFD.M31 CM-UFD.M33
Control circuits
Number 3
Type of triggering volt-free triggering, signal source Y0
Function of the control inputs Y1-Y0 Control input 1 DDI feedback, trip and
release monitoring
times adjustable
feedback from switching device 1
Y2-Y0 Control input 2 External signal feedback from switching device 2
Y3-Y0 Control input 3 Remote trip remote trip; suppression of Y1, Y2, Y1/Y2 or
vector shift detect.
Electrical isolation from supply voltage yes
from the measuring circuit no
from the relay outputs yes
Max. switching current in the control circuit 6 mA
No-load voltage at the control inputs (V0-V1, V2, V3) 22-26 V DC
Minimum control pulse length 20 ms
Max. cable length at the control inputs (unshielded) 10 m
Timing functions
Start-up delay, R1 (prior to first grid connection or re-connection after
interruption)
adjustable,
1.00-600.00 s
in 0.05 s steps
-
Restart delay, R1
adjustable,
0.05-600.00 s
in 0.05 s steps
-
Start-up delay, R2 (prior to first grid connection or re-connection after
interruption)
1 s, fixed -
ON-delay, R3 adjustable,
0.00-10.00 s
in 0.05 s steps
-
ON-time, R3 adjustable,
0.05-10.00 s
in 0.05 s steps
-
Trip window, feedback loop Y1 adjustable,
0.05-0.50 s
in 0.05 s steps
-
Release window, feedback loop Y1 adjustable,
0.50-600.00 s
in 0.05 s steps
-
Tripping delays adjustable,
0.05-600.00 s
in 0.05 s steps
-
ROCOF error time -
Switch-on delay (prior to first grid connection or reconnection after
interruption)
-adjustable, 0.05-600.00 s in 0.01 s steps
Tripping delay overvoltage 10-min average (>UAV) - < 3 s
overvoltage (>U1, >U2) -adjustable, 0.00-600.00 s in 0.01 s steps;
+50 ms / -0 ms
undervoltage (<U1, <U2)
overfrequency (>F1, >F2)
underfrequency (<F1, <F2)
ROCOF
vector shift -< 50 ms
interrupted neutral conductor < 150 ms
Error time ROCOF -adjustable, 0.5-600.00s in 0.01 s steps
vector shift -adjustable, 0.5-600.00s in 0.01 s steps
Trip window (feedback loops Y1-Y0, Y2-Y0) -adjustable, 0.05-0.50 s in 0.01 s steps
Release window (feedback loops Y1-Y0, Y2-Y0) -adjustable, 0.50-600.00 s in 0.01 s steps
Time error within the temperature range -Δt ≤ 0.01 %
User interface - Indication of operational states
Control supply voltage applied / timing U/T LED green on / flashing
Fault message FLED red on
For details see the message on the display
User interface - Display
Back light on press any button
off switch-off delay adjustable, 10-600 s (default 10 s)
Operating temperature range of the display clearly visible -20…+60 °C
Resolution 112 x 64 pixel
Display size 36 x 22 mm
User interface - Operating elements
4 push-buttons for menu navigation, setting and entering

2
107 ABB | Catalog Electronic relays and controls 2016 | 2CDC 110 004 C0210
Grid feeding monitoring relays -
Voltage and frequency monitoring functions
Technical data - CM-UFD.Mxx
Type CM-UFD.M22 CM-UFD.M31 CM-UFD.M33
Output circuits
Kind of outputs 11-12/14 (15-16/18) 1st c/o (SPDT) contact, tripping relay for switching device 1 (DDI)
21-22/24 (25-26/28) 2nd c/o (SPDT) contact, tripping relay for switching device 2 (DG)
31-32/34 (35-36/38) 3rd c/o (SPDT) contact, closing command for breaker motor
Operating principle 11-12 /14 closed-circuit principle
21-22/24 open- or closed-circuit
principle configurable
closed-circuit principle
31-32/34 open-circuit, closed-circuit, disabled or
synchronous with R1/R2 configurable
Contact material AgNi alloy, Cd-free
Rated operational voltage UeIEC/EN 60947-1 250 V 300 V
Minimum switching voltage / minimum switching current 24 V / 10 mA
Maximum switching voltage / maximum switching current see load limit curves
Rated operational current Ie
(IEC/EN 60947-5-1)
AC-12 (resisitive) at 230 V 4 A
AC-15 (inductive) at 230 V 3 A
DC-12 (resistive) at 24 V 4 A
DC-13 (inductive) at 24 V 2 A
Mechanical lifetime 30 x 106 switching cycles
Electrical lifetime at AC12, 230 V AC, 4 A 50 x 103 switching cycles
Maximum fuse rating to achieve short-circuit protection n/c contact 10 A fast-acting 10 A fast-acting or circuit breaker 10 A with B
characteristic
n/o contact 10 A fast-acting 10 A fast-acting or circuit breaker 10 A with B
characteristic
Maximum closing current (short time) t < 20 ms 30 A
t < 80 ms 17 A
Conventional thermal current Ith IEC/EN 60947-1 5 A
General data
MTBF on request
Repeat accuracy (constant parameters) < ±0.5 %
Duty time 100 %
Dimensions (W x H x D) product dimensions 108 x 90 x 67 mm (4.25 x 3.54 x 2.64 in)
packaging dimensions 121 x 99 x 71 mm (4.76 x 3.90 x 2.80 in)
Weight net weight 0.306 kg (0.675 lb)
gross weight 0.360 kg (0.794 lb)
Material of housing PA666FR
Mounting DIN rail (IEC/EN 60715) TH 35-7.5 and TH 35-15, snap-on mounting
without any tool
Mounting position any
Minimum distance to other units horizontal / vertical not necessary
Degree of protection housing / terminals IP20
Electrical connection
Wire size fine-strand with wire end ferrulle 1 x 0.25-4 mm² (1 x 24-12 AWG), 2 x 0.25-0.75 mm² (2 x 24-18 AWG)
fine-strand without wire end ferrule
1 x 0.2-4 mm² (1 x 24-12 AWG), 2 x 0.2-1.5 mm² (2 x 24-16 AWG)
rigid 1 x 0.2-6 mm² (1 x 24-10 AWG), 2 x 0.2-1.5 mm² (2 x 24-16 AWG)
Stripping length 8 mm (0.31 in)
Tightening torque 0.5-0.6 Nm (4.4 -5.3 lb.in)
Environmental data
Ambient temperature ranges operation -20...+60 °C
storage -20...+80 °C
Climatic class (EN 50178) 3K5 (w/o condensation, w/o icing)
Damp heat, cyclic (IEC/EN 60068-2-30) 6 x 24 h cycle, 55 °C, 95 % RH
Vibration, sinusoidal (IEC/EN 60255-21-1) Class 2
Shock (IEC/EN 60255-21-2) Class 2

2
2CDC 110 004 C0210 | Catalog Electronic relays and controls 2016 | ABB 108
Grid feeding monitoring relays -
Voltage and frequency monitoring functions
Technical data - CM-UFD.Mxx
Type CM-UFD.M22 CM-UFD.M31 CM-UFD.M33
Isolation data
Rated insulation voltage Ui
(IEC/EN 60947-1, IEC/EN 60664-1)
supply/measuring/output circuits 600 V
output 1/output 2/output 3 300 V
Rated impulse withstand voltage Uimp
(IEC/EN 60947-1, IEC/EN 60664-1)
supply/measuring/output circuits 6 kV; 1.2/50 μs
output 1/output 2/output 3 4 kV; 1.2/50 μs
Basic insulation acc. rated control
supply voltage (IEC/EN 60664-1)
supply/measuring/output circuits 600 V
output 1/output 2/output 3 300 V
Protective separation acc. rated
voltage (IEC/EN 61140)
supply/measuring/output circuits 250 V
output 1/output 2/output 3 250 V
Test voltage, routine test
(IEC/EN 60255-5)
supply/measuring/output circuits 2.2 kV, 50 Hz, 1 s
output 1/output 2/output 3 2.2 kV, 50 Hz, 1 s
Test voltage, type test (CEI 0-21) supply/measuring /output circuits 5 kV, 50 Hz, 1 s -
output 1/output 2/output 3 4 kV, 50 Hz, 1 s -
Pollution degree (IEC/EN 60664-1) 3
Overvoltage category (IEC/EN 60664-1) III
Overvoltage category according to CEI 0-21 IV -
Standard
Product standard IEC/EN 60255-1
Electrical safety --UL 508, CAN/CSA
C22.2 No.14
Application standards
CEI 0-21: 2012-06 + CEI
0-21; V1: 2012-12 + A70
Terna
VDE-AR-N 4105: 2011-08;
BDEW, June 2008
“Technische Richtlinie –
Erzeugungsanlagen am
Mittelspannungsnetz”
including supplementary
provisions of January 2013
Engineering
Recommendation G59 Issue
3 - September 2013;
Engineering
Recommendation G83 Issue
2 - December 2012
Low Voltage Directive 2006/95/EC
EMC Directive 2004/108/EC
RoHS Directive 2011/65/EC
Electromagnetic compatibility
Interference immunity to IEC/EN 61000-6-1, IEC/EN 61000-6-2
electrostatic discharge IEC/EN 61000-4-2 Level 3 (6 kV / 8 kV)
radiated, radio-frequency, electromagnetic
field
IEC/EN 61000-4-3 Level 3, 10 V/m
electrical fast transient/burst IEC/EN 61000-4-4 Level 3, 2 kV / 5 kHz
surge IEC/EN 61000-4-5 Level 3, installation class 3, supply and
measuring input 1 kV L-L, 2 kV L-earth
conducted disturbances, induced by radio-
frequency fields
IEC/EN 61000-4-6 Level 3, 10 V
voltage dips, short interruptions and
voltage variations
IEC/EN 61000-4-11 Class 3
harmonics and interharmonics IEC/EN 61000-4-13 Class 3
Interference emission IEC/EN 61000-6-3, IEC/EN 61000-6-4
high-frequency radiated
IEC/CISPR 22, EN 55022
Class B
high-frequency conducted
IEC/CISPR 22, EN 55022
Class B

2
109 ABB | Catalog Electronic relays and controls 2016 | 2CDC 110 004 C0210
Insulation monitoring relays for unearthed supply systems
Product group picture

2
2CDC 110 004 C0210 | Catalog Electronic relays and controls 2016 | ABB 110
Insulation monitoring relays for unearthed supply systems
Table of contents
Insulation monitoring relays for unearthed supply systems
Insulation monitoring relays for unearthed supply systems 110
Benefits and advantages 111
Benefits and advantages, Applications 112
Operating controls 113
Insulation monitoring in IT systems 114
Selection table 115
Ordering details 116
Operating state indication, Connection diagrams, DIP switches 117
Technical data - CM-IWx 118
Technical data CM-IVN 121

2
111 ABB | Catalog Electronic relays and controls 2016 | 2CDC 110 004 C0210
Insulation monitoring relays for unearthed supply systems
Benefits and advantages
Insulation monitoring relays for unearthed pure AC
systems:
Characteristics CM-IWS.1
– For monitoring the insulation resistance of unearthed IT
systems up to Un = 250VAC and 300VDC
– According to IEC/EN 61557-8
– Rated control supply voltage 24-240 V AC/DC
– Prognostic measuring principle with superimposed square
wave signal
–
One measuring range 1-100 kΩ
–
1 c/o (SPDT) contact, closed-circuit principle
– Precise adjustment by front-face operating controls in 1 kΩ
steps
–
Interrupted wire detection
–
Fault storage / latching configurable by control input
–
Screw connection technology or Easy Connect Technology avail-
able
–
Housing material for highest fire protection classification
UL 94 V-0
–
Tool-free mounting on DIN rail as well as demounting
– 22.5 or 45 mm width
– 3 LEDs for status indication
Characteristics CM-IWN.1
– For monitoring the insulation resistance of unearthed IT
systems up to Un= 400 V AC and 600 V DC
– According to IEC/EN 61557-8
– Rated control supply voltage 24-240 V AC/DC
– Prognostic measuring principle with superimposed square
wave signal
–
Two measuring ranges 1-100 kΩ and 2-200 kΩ
–
Precise adjustmemt of the measuring value in 1 or 2 k
W
steps
– One (1 x 2 c/o) or two (2 x 1 c/o) threshold values Ran1/ R1
(warning) and Ran2/R2 (prewarning) configurable1)
– Precise adjustment of the threshold values in 1 kΩ steps
(R1) and 2kΩ steps (R2)
– Interrupted wire detection configurable
– Non-volatile fault storage configurable
– Open- or closed-circuit principle configurable
– Screw connection technology or Easy Connect Technology
available
– Housing material for highest fire protection classification
UL 94 V-0
– Tool-free mounting on DIN rail as well as demounting
– 45 mm (1.77 in) width
– 3 LEDs for status indication
1) R2 only active with 2 x 1 c/o configuration
Insulation monitoring relays for unearthed AC, DC
or mixed AC/DC systems:
2CDC 251 017 V0012
2CDC 251 009 V0012
2CDC 251 020 V0012
CM-IWS.2
CM-IWS.1 CM-IWN
Characteristics CM-IWS.2
– For monitoring the insulation resistance of unearthed IT
systems up to Un = 400 V AC
– According to IEC/EN 61557-8
– Rated control supply voltage 24–240 V AC/DC
– Measuring principle with superimposed DC voltage
– One measuring range 1-100 kΩ
– Fault storage / latching configurable by control input
– Precise adjustment by front-face operating controls in 1 kΩ
steps
– Screw connection technology or Easy Connect Technology
available
– Housing material for highest fire protection classification
UL 94 V-0
– Tool-free mounting on DIN rail as well as demounting
– 1 c/o (SPDT) contact, closed-circuit principle
– 22.5 mm (0.89 in) width
– 3 LEDs for the indication of operational states
Characteristics CM-IWN.4,5,6
Follows in parts the standard of IEC/EN 61557-8 (see data
sheet for details):
– For monitoring the insulation resistance of unearthed IT
systems up to Un= 400 V AC and 600 V DC
– Specifically for applications with high system leakage
capacitances
– Rated control supply voltage 24-240 V AC/DC
– Prognostic measuring principle with superimposed square
wave signal
–
Two measuring ranges 1-100 kΩ and 2-200 kΩ
–
Precise adjustmemt of the measuring value in 1 or 2 k
W
steps
– One (1 x 2 c/o) or two (2 x 1 c/o) threshold values Ran1/ R1
(warning) and Ran2/R2 (prewarning) configurable1)
– Precise adjustment of the threshold values in 1 kΩ steps
(R1) and 2kΩ steps (R2)
– Interrupted wire detection configurable
– Non-volatile fault storage configurable
– Open- or closed-circuit principle configurable
– Screw connection technology or Easy Connect Technology
available
– Housing material for highest fire protection classification
UL 94 V-0
– Tool-free mounting on DIN rail as well as demounting
– 45 mm (1.77 in) width
– 3 LEDs for status indication
1) R2 only active with 2 x 1 c/o configuration

2
2CDC 110 004 C0210 | Catalog Electronic relays and controls 2016 | ABB 112
Insulation monitoring relays for unearthed supply systems
Benefits and advantages, Applications
Application / monitoring function CM-IWx
The CM-IWx serve to monitor insulation resistance in un-
earthed IT AC systems, IT AC sytems with galvanically con-
nected DC circuits, or unearthed IT DC systems. The insula-
tion resistance between system lines and system earth is
measured. If this falls below the adjustable threshold values,
the output relay(s) energize or de-energize. The CM-IWS.x
can monitor control circuits (single-phase) and main circuits
(3-phase). Supply systems with voltages Un= 0-400 V AC
(45-65 Hz), Un=0-250 V AC (15-400 Hz) or 0-300 V DC can
be directly connected. For systems with voltages above 400 V
AC the insulation monitoring relay with or without the coupling
unit CM-IVN can be used.
Application / monitoring function CM-IWN.x
The CM-IWN.x serves to monitor insulation resistance in
unearthed IT AC systems, IT AC systems with galvanically
connected DC circuits, or unearthed IT DC systems. The
insulation resistance between system lines and system earth
is measured. If this falls below the adjustable threshold val-
ues, the output relays switch into the fault state. The device
can monitor control circuits (single-phase) and main circuits
(3-phase). Supply systems with voltages Un = 0-400 V AC
(15-400 Hz) or 0-600 V DC can be directly connected to the
measuring inputs and their insulation resistance being moni-
tored. For systems with voltages above 400 V AC and 600 V
DC the coupling unit CM-IVN can be used for the expansion
of the CM-IWN.x voltage range.
Expansion of assortment for the requirements of
decentral eletrical energy sources
ABB‘s insulation monitoring relays from the CM-IWN range
provide higher system leakage capacitances. This expanded
product range covers the requirements of decentral eletrical
sources.
The range of system leakage capacitances is 20 - 2000 µF.
Application / monitoring function CM-IVN
The coupling unit CM-IVN is designed to extend the nominal
voltage range of the insulation monitoring relay CM-IWN.1
up to 690 V AC and 1000 V DC. The coupling unit can be
connected to the system to be monitored by means of the
terminals VL+ and VL-. The terminal Vw has to be connected
to the earth potential. The terminals L+, V1+, L-, V1-, VS and
VE have to be connected to the CM-IWN.1 as shown in the
connection diagrams below. Supply systems with voltages Un
= 0-690 V AC (15-400 Hz) or 0-1000 V DC can be connected.
Measuring principle CM-IWS.2
A superimposed DC measuring signal is used for measure-
ment. From the superimposed DC measuring voltage and its
resultant current the value of the insulation resistance of the
system to be monitored is calculated.
Measuring principle CM-IWN.x, CM-IWS.1
A pulsating measuring signal is fed into the system to be
monitored and the insulation resistance is calculated. This
pulsating measuring signal alters its form depending on the
insulation resistance and system leakage capacitance. From
this altered form the change in the insulation resistance is
forecast. When the forecast insulation resistance corresponds
to the insulation resistance calculated in the next measure-
ment cycle and is smaller than the set threshold value, the
output relay de-energizes. This measuring princiiple is also
suitable for the detection of symmetrical insulation faults.

2
113 ABB | Catalog Electronic relays and controls 2016 | 2CDC 110 004 C0210
Insulation monitoring relays for unearthed supply systems
Operating controls
4
1
2
3
1 Test and reset button
2 Configuration and setting
Front-face rotary switches for threshold value adjustment:
R.1 for R1 tens figures:
0, 10, 20, 30, 40, 50, 60, 70, 80, 90 kΩ in ten kΩ steps
R.2 for R1 units figures:
1, 2, 3, 4, 5, 6, 7, 8, 9, 10 kΩ in one kΩ steps
3 Indication of operational states
U: green LED - control supply voltage
F: red LED - fault message
R: yellow LED - relay status
4 Marker label for devices without DIP switches
1 Front-face rotary switches to adjust the threshold value:
R1.1 for R1 tens figure:
0, 10, 20, 30, 40, 50, 60, 70, 80, 90 kΩ in ten kΩ steps
R1.2 for R1 units figure:
1, 2, 3, 4, 5, 6, 7, 8, 9, 10 kΩ in one kΩ steps
R2.1 for R2 tens figure:
0, 20, 40, 60, 80, 100, 120, 140, 160, 180 kΩ in twenty kΩ steps
R2.2 for R2 units figure:
2, 4, 6, 8, 10, 12, 14, 16, 18, 20 kΩ in two kΩ steps
2 Test and reset button
3 Indication of operational states
U: green LED – control supply voltage
F1: red LED – fault message
F2: yellow LED – relay status
4 DIP switches (see DIP switch functions)
1
2
3
4
2CDC 253 021 F00132CDC 253 015 F0013

2
2CDC 110 004 C0210 | Catalog Electronic relays and controls 2016 | ABB 114
Insulation monitoring relays for unearthed supply systems
Insulation monitoring in IT systems
L1
L2
L3
N
PE
M
A1 11 S2 S3
21 S1
L+ V
12 14
A2
V1-
V1+
22 24 L- K
Consumer
3~
w
CM-IWN.x
In electricity supply systems, an earthing system defines the electrial potential of the conductors relative to that of
the earth’s conductive surface. The choice of earthing system has implications for the safety and electromagnetic
compatibility of the power supply. Note that regulations for earthing (grounding) systems vary considerably among
different countries.
The international standard IEC 60364 distinguishes three families of earthing arrangements, using the two-letter codes TN, TT
and IT.
The first letter indicates the connection between earth and the power-supply equipment (generator or transformer):
T: direct connection of a point with earth (Latin: terra)
I: no point is connected with earth (insulation), except perhaps via a high impendance
The second letter indicates the connection between earth and the electrical device being supplied:
T: direct connection of a point with earth
N: direct connection to neutral at the origin of installation,
which is connected to the earth
IT supply systems
The IT system is supplied either by an isolation transformer or a voltage source, such as battery or a generator.
In this system no active conductor is directly connected to earth potential. The advantage of this is that only a small fault cur-
rent can flow in case of an insulation fault. This current is essentially caused by the leakage capacitance of the system.
The fuse of the system or MCB does not respond, thus maintaining the voltage supply and therefore operation even in case of
a phase-to-earth fault.
The high reliability of an IT system is guaranteed thanks to continous insulation monitoring.
The insulation monitoring device recognizes insulation faults as they develop, and immediately reports that the value has fallen
below the minimum. This prevents operational interruptions caused by a second more severe insulation fault.

2
115 ABB | Catalog Electronic relays and controls 2016 | 2CDC 110 004 C0210
Insulation monitoring relays for unearthed supply systems
Selection table
Order number
1SVR730670R0200
1SVR740670R 020 0
1SVR730660R0100
1SVR74066 0R0100
1SVR750660R0200
1SVR760660R0200
1SVR750660R0300
1SVR760660R0300
1SVR750660R0400
1SVR760660R0400
1SVR750660R0500
1SVR760660R0500
Type
CM-IWS.2S
CM-IWS.2P
CM-IWS.1S
CM-IWS.1P
CM-IW N .1S
CM-IW N .1P
CM-IWN.4S
CM-IWN.4P
CM-IWN.5S
CM-IWN.5P
CM-IWN.6S
CM-IWN.6P
Rated control supply voltage Us
24 - 240 VAC/DC
Measuring voltages
250 V AC (L-PE)
400 V AC (L-PE)
690 V AC (L-PE) 1) 1) 1) 1) 1) 1) 1) 1)
300 V DC (L-PE)
600 V DC (L-PE)
1000 V DC (L-PE) 1) 1) 1) 1) 1) 1) 1) 1)
Measuring range
1 - 100 kΩ
2 - 200 kΩ
System leakage capacitance, max.
10 μF
20 μF
500 μF
1000 μF
2000 μF
Output
1 c/o
1 x 2 c/o or 2 x 1 c/o
Operating principle
Open-circuit principle
Open- or closed-circuit principle adjustable
Test
Front-face button or control input
Reset
Front-face button or control input
Fault storage / latching configurable
Non volatile storage configurable
Interrupted wire detection
Threshold values configurable 111122222222
Connection type
Push-in terminals
Double-chamber cage connection terminals
1) With coupling unit CM-IVN screw version CM-IVN.S: 1SVR750669R9400
push-in version CM-IVN.P: 1SVR760669R9400

2
2CDC 110 004 C0210 | Catalog Electronic relays and controls 2016 | ABB 116
Insulation monitoring relays for unearthed supply systems
Ordering details
Description
The CM-IWx serves to monitor insulation resistance in accordance with IEC 61557-8 in
unearthed IT AC systems, IT AC systems with galvanically connected DC circuits, or IT DC
systems.
The devices are able to monitor control circuits (single-phase) and main circuits (3-phase).
Ordering details
Rated control
supply voltage
= measuring
voltage
Nominal
voltage
Un of the
distribution
system to be
monitored
System
leakage
capaci-
tance,
max.
Adjust-
ment range
of the
specified
response
value Ran
(threshold)
Type Order code Price
1 pce
Weight
(1 pce)
kg (lb)
24-240 VAC/DC
0-250 VAC /
0-300 VDC
10 µF 1-100 k W
CM-IWS.1S 1SVR730660R0100 0.148 (0.326)
CM-IWS.1P 1SVR74066 0R0100 0.137 (0.302)
0-400 VAC
CM-IWS.2S 1SVR730670R0200 0.141 (0.311)
CM-IWS.2P 1SV R740670R 0200 0.130 (0.287)
0-400 VAC /
0-600 VDC
20 µF
1-100kW
2-200kW
CM-IWN.1S 1SVR750660R0200 0.241 (0.531)
CM-IWN.1P 1SVR760660R0200 0.217 (0.478)
500 µF
CM-IWN.4S 1SVR750660R0300 0.241 (0.531)
CM-IWN.4P 1SVR760660R0300 0.217 (0.478)
1000 µF
CM-IWN.5S 1SVR750660R0400 0.241 (0.531)
CM-IWN.5P 1SVR760660R0400 0.217 (0.478)
2000 µF
CM-IWN.6S 1SVR750660R0500 0.241 (0.531)
CM-IWN.6P 1SVR760660R0500 0.217 (0.478)
Ordering details - Coupling unit
Rated control supply voltage
= measuring voltage
Nominal voltage
Un of the distribu-
tion system to be
monitored
Type Order code Price
1 pce
Weight
(1 pce)
kg (lb)
Passive device, no control supply
voltage needed 0-690 VAC /
0-1000 VDC
CM-IVN.S 1SVR750669R9400 0.179 (0.395)
CM-IVN.P 1SVR760669R9400 0.165
(0.364)
2CDC 251 017 V0012 2CDC 251 009 V0012
2CDC 251 020 V0012
2CDC 252 027 V0012
CM-IWS.2
CM-IWS.1
CM-IWN.1
CM-IVN
S: screw connection
P: push-in connection
Further documentation insulation
monitoring relays on www.abb.com

2
117 ABB | Catalog Electronic relays and controls 2016 | 2CDC 110 004 C0210
Operational state LED U
(green)
LED F
(red)
LED R
(yellow)
Start-up WOFF OFF
No fault VOFF 1)
Prewarning VWW
Insulation fault (below threshold value)
V V 1)
KE/w wire interruption V U 1)
L+/L- wire interruption during
system start-up / test function
W
/ X T1)
System leakage capacitance too
high / invalid measurement result V T 1)
Internal system fault 1) X1)
Setting fault 2) WWW
Test function XOFF 1)
No fault after fault storage 3) V4) X
Operational state LED U
(green)
LED F
(red)
LED R
(yellow)
Start-up WOFF OFF
No fault VOFF V
Insulation fault (below threshold value)
V V OFF
Invalid measuring result V T OFF
KE/w wire interruption (only
CM-IWS.1) V U OFF
CM-IWS.1: System leakage
capacitance too high / invalid
measurement result
X X OFF
CM-IWS.2: Invalid measurement
result V T OFF
Internal system fault OFF XOFF
Test function XOFF OFF
No fault after fault storage 3) V4) X
LEDs, status information and fault messages CM-IWN.x LEDs, status information and fault messages CM-IWS.x
Insulation monitoring relays for unearthed supply systems
Operating state indication, Connection diagrams, DIP switches
Connection diagram CM-IWS.2
A1
S1 S2 S3
11
w
L
A2
w
A1
R < w
A2
L
14 12
12 14
11
2CDC 252 102 F0009
Connection diagram CM-IWS.1
Connection diagram CM-IWN.1, 4, 5, 6 Connection diagram CM-IVN
A1
S1 S2 S3
KE11
w
L-L+
A2
KE
w
L-
A1
R <
w
A2
L+
14 12
12 14
11
2CDC 252 103 F0009
VE Connection to CM-IWN.x - w
VS Connection to CM-IWN.x - VS
L+ Connection to CM-IWN.x - L+
V1+ Connection to CM-IWN.x - V1+
L- Connection to CM-IWN.x - L-
V1- Connection to CM-IWN.x - V1-
VL+
VL-
Measuring circuit / Measuring input
Connection to the system
VwMeasuring circuit / Measuring input
Connection to earth
A1-A2
Control supply voltage
S1-S3
Remote test
S2-S3
Remote reset
L+, L–
Measuring circuit/input, system connection
w, KE
Measuring circuit/input, earth connections
1-12/14
Output relay, closed-circuit principle
A1-A2
Control supply voltage
S1-S3
Remote test
S2-S3
Remote reset
L
Measuring circuit/input, system connection
w
Measuring circuit/input, earth connections
11-12/14
Output relay, closed-circuit principle
A1-A2 Control supply voltage
S1-S3 Remote test
S2-S3 Remote reset
L+, L–
Measuring circuit/input, system connection
w, KE
Measuring circuit/input, earth connections
VS, V1+, V1
Connections for the coupling unit (if used)
11-12/14
Output relay 1, open- or closed-circuit principle
21-22/24
Output relay 2, open- or closed-circuit principle
2CDC 252 104 F0009
2CDC 252 010 F0013
A1 11 S2 S3
21 S1
w
L+ VS
12 14
A2
V1-
V1+
KE w
L-
A1
R < w
A2
L+
22 24 L- KE
12 14
11
22 24
21
VL
+
VL
-
VL
-
VL+
V
w
L-
L+
L+
VE
V1-
L-
V1-
V1+
V1+
VS
ON OFF (default)
DIP switch 1
Operating
principle of the
output relays
Closed-circuit principle g
If closed-circuit principle is selected, the output relays de-
energize in case a fault is occuring. In non-fault state the
relays are energized.
Open-circuit principle h
If open-circuit principle is selected, the output relays
energize in case a fault is occuring. In non-fault state the
relays are de-energized.
DIP switch 2
Non-volatile fault
storage
Fault storage activated (latching) f
If the fault storage function is activated, the output relays
remain in tripped position until a reset is done either by the
front-face button or by the remote reset connection S2-S3.
This function is non-volatile.
Fault storage de-activated (non latching) e
If the fault storage function is de-activated, the output
relays switch back to their original position as soon as the
insulation fault no longer exists.
DIP switch 3
Interrupted wire
detection
Interrupted wire detection activated u
With this configuration, the CM-IWN.1 monitoring relays
the wires connected to w and KE for interruptions.
Interrupted wire detection de-activated v With this
configuration the interrupted wire detection is de-
activated.
DIP switch 4
2 x 1 c/o,
1 x 2 c/o
2 x 1 c/o (SPDT) contact i
If operating principle 2 x 1 c/o contact is selected, the
output relay R1 (11-12/14) reacts to threshold value R1
(final switch-off) and the output relay R2 (21-22/24) reacts
to threshold value R2 (prewarning)
1 x 2 c/o (SPDT) contacts j
If operating principle 1 x 2 c/o contacts is selected, both
output relays R1 (11-12/14) and R2 (21-22/24) react
synchronously to threshold value R1. Settings of the
threshold value R2 have no effect on the operation.
2CDC 252 050 F0b09
Position
41
23
ON
OFF
iufg
he
v
j
DIP switches of
CM-IWN.1, 4, 5, 6
1) Depending on the configuration.
2) Possible faulty setting: The threshold value for final switch-off is set at a higher value than the threshold value for prewarning
3) The device has triggered after an insulation fault. The fault has been stored and the insulation resistance has returned to a higher value than the threshold value plus hysteresis.
4) Depending on the fault

2
2CDC 110 004 C0210 | Catalog Electronic relays and controls 2016 | ABB 118
Insulation monitoring relays for unearthed supply systems
Technical data - CM-IWx
*in combination with CM-IVN ±1.5 k
Data at Ta = 25 °C and rated values, unless otherwise indicated
CM-IWS.2 CM-IWS.1 CM-IWN.1, 4, 5, 6
Input circuit - Supply circuit A1 - A2
Rated control supply voltage Us24-240 V AC/DC
Rated control supply voltage tolerance -15...+10 %
Typical current / power consumption 24 V DC 30 mA / 0.7 VA 35 mA / 0.9 VA 55 mA / 1.3 VA
115 V AC 12 mA / 1.4 VA 17 mA / 2.0 VA 20 mA / 2.3 VA
230 V AC 12 mA / 2.8 VA 14 mA / 3.2 VA 15 mA / 3.5 VA
Rated frequency fsDC or 15-400 Hz
Frequency range AC 13.5-440 Hz
Power failure buffering time min. 20 ms
Input circuit - Measuring circuit L, wL+, L-, w, KE L+, L-, w, KE
Monitoring function insulation resistance monitoring of IT systems
Measuring principle superimposed DC
voltage
prognostic measuring principle with
superimposed square wave signal
Nominal voltage Un of the distribution system to be monitored 0-400 V AC 0-250 V AC /
0-300 V DC
0-400 V AC /
0-600 V DC
Voltage range of the distribution system to be monitored 0-460 V AC
(tolerance +15 %)
0-287.5 V AC /
0-345 V DC
(tolerance +15 %)
0-460 V AC /
0-690 V DC
(tolerance +15 %)
Rated frequency fN of the distribution system to be monitored 50-60 Hz DC or 15-400 Hz DC or 15-400 Hz
System leakage capacitance Cemax. 10 µF CM-IWN.1: 20 µF
CM-IWN.4: 500 µF
CM-IWN.5 1000 µF
CM-IWN.6: 2000 µF
Tolerance of the rated frequency fN45-65 Hz 13.5-440 Hz 13.5-440 Hz
Extraneous DC voltage Ufg (when connected to an AC system) max. none 290 V DC 460 V DC
Number of possible response / threshold values 1 2
Adjustment range of the specified response value Ran
(threshold)
min.-max. 1-100 –
min.-max. R1 –1-100 k
min.-max. R2 –2-200 k (activated /
de-activated by DIP-
switch)
Adjustment resolution 1 k
R1 1 k1 k
R2 –2 k
Tolerance of the adjusted threshold value /
Relative percentage uncertainty A
at -5...+45 °C, Un = 0-115 %, Us = 85-110 %, fN, fs, Ce = 1µF
at 1-10 k
W
R
F±0.5 k–
at 10-100 k
W
R
F±6 % –
at 1-15 k
W
R
F–±1 k*
at 15-200 k
W
R
F–±8 %
Hysteresis related to the threshold value 25 %; min. 2 k
Internal impedance Ziat 50 Hz 135 k100 k155 k
Internal DC resistance Ri185 k115 k185 k
Measuring voltage Um15 V 22 V 24 V
Tolerance of measuring voltage Um+10 %
Measuring current Immax. 0.1 mA 0.3 mA 0.15 mA
Response time tan
pure AC system 0.5 x Ran and Ce = 1 µF max. 10 s
DC system or AC system with connected rectifiers –max. 15 s
Repeat accuracy (constant parameters) < 0.1 % of full scale
Accuracy of R
a
(measured value) within the rated control supply voltage tolerance
< 0.05 % of full scale
Accuracy of Ra (measured value) within the
operation temperature range
at 1-10 k RF5 W / K
at 10-100 k RF0.05 % / K –
at 10-200 k RF–0.05 % / K
Transient overvoltage protection (w - terminal) Z-diode avalanche diode
Input circuit - Control circuits S1 - S2 - S3
Control inputs - volt free S1-S3 remote test
S2-S3 remote reset
Maximum switching current in the control circuit 1 mA
Maximum cable length to the control inputs 50 m - 100 pF/m [164 ft - 30.5 pF/ft]
Minimum control pulse length 150 ms
No-load voltage at the control input ≤ 24 V ± 5 % ≤ 24 V DC
Indication of operational states
Control supply voltage LED U (green)
Fault message LED F (red)
Relay status LED R (yellow)

2
119 ABB | Catalog Electronic relays and controls 2016 | 2CDC 110 004 C0210
Insulation monitoring relays for unearthed supply systems
Technical data - CM-IWx
CM-IWS.2 CM-IWS.1 CM-IWN.1, 4, 5, 6
Output circuits
Kind of output relay, 1 c/o (SPDT) contact 2 x 1 or 1 x 2 c/o
(SPDT) contacts
configurable
Operating principle closed-circuit principle 1) open- or closed
circuit principle 1)
configurable
Contact material AgNi alloy, Cd free
Rated voltage (VDE 0110, IEC 60947-1) 250 V AC / 300 V DC
Min. switching voltage / Min. switching current 24 V / 10 mA
Max. switching voltage / Max. switching current see data sheet
Rated operational current Ie (IEC/EN 60947-
5-1)
AC-12 (resistive) at 230 V 4 A
AC-15 (inductive) at 230 V 3 A
DC-12 (resistive) at 24 V 4 A
DC-13 (inductive) at 24 V 2 A
AC rating (UL 508) Utilization category
(Control Circuit Rating Code)
B 300, pilot duty general purpose (250 V, 4 A, cos φ 0.75)
max. rated operational voltage
250 V AC
max. continuous thermal
current at B 300
4 A
max. making/breaking
apparent power at B 300
3600/360 VA
Mechanical lifetime 30 x 106 switching cycles
Electrical lifetime (AC-12, 230 V, 4 A) 0.1 x 106 switching cycles
Max. fuse rating to achieve short-circuit protection n/c contact 6 A fast-acting
n/o contact 10 A fast-acting
Conventional thermal current Ith (IEC/EN 60947-1) 4 A
General data
Duty time 100 %
Dimensions (W x H x D)
product dimension 22.5 x 85.6 x 103.7 mm
(0.89 x 3.37 x 4.08 in)
45 x 85.6 x 103.7 mm
(0.89 x 3.37 x 4.08 in)
packaging dimenesion 97 x 109 x 30 mm (3.82 x 4.29 x 1.18 in) 97 x 109 x 30 mm
(3.82 x 4.29 x 1.18 in)
Weight net weight CM-IWS.2P:
0.130 kg (0.287 lb)
CM-IWS.2S:
0.141 kg (0.311 lb)
CM-IWS.1P:
0.137 kg (0.302 lb)
CM-IWS.1S:
0.148 kg (0.326 lb)
CM-IWN.xP:
0.217 kg (0.478 lb)
CM-IWN.xS:
0.241 kg (0.531 lb)
gross weight CM-IWS.2P:
0.155 kg (0.342 lb)
CM-IWS.2S:
0.166 kg (0.366 lb)
CM-IWS.1P:
0.162 kg (0.357 lb)
CM-IWS.1S:
0.173 kg (0.381 lb)
CM-IWN.xP:
0.246 kg (0.542 lb)
CM-IWN.xS:
0.270 kg (0.595 lb)
Mounting DIN rail (IEC/EN 60715), snap-on mounting without any tool
Mounting position any
Minimum distance to other units vertical not necessary
horizontal 10 mm (0.39 in)
at Un > 240 V
not necessary 10 mm (0.39 in)
at Un > 400 V
Material of housing UL 94 V-0
Degree of protection housing / terminal IP50 / IP20
Electrical connection
Screw connection technology Easy Connect Technology
(Push-in)
Wire size fine-strand with(out) wire end
ferrule
1 x 0.5-2.5 mm2 (1 x 20-14 AWG)
2 x 0.5-1.5 mm2 (2 x 20-16 AWG)
2 x 0.5-1.5 mm2 (2 x 20-16 AWG)
rigid 1 x 0.5-4 mm2 (1 x 20-12 AWG)
2 x 0.5-2.5 mm2 (2 x 20-14 AWG)
2 x 0.5-1.5 mm2 (2 x 20-16 AWG)
Stripping length 8 mm (0.32 in)
Tightening torque 0.6-0.8 Nm (5.31-7.08 lb.in)
Environmental data
Ambient temperature ranges
operation / storage / transport
-25...+60 °C/-40...+85 °C/-40...+85 °C
Climatic category IEC/EN 60721-3-3 3K5 (no condensation, no ice formation)
Damp heat, cyclic IEC/EN 60068-2-30 6 x 24 h cycle, 55 °C, 95 % RH
Vibration, sinusoidal IEC/EN 60255-21-1 Class 2
Shock, half-sine IEC/EN 60255-21-2 Class 2
1) Closed-circuit principle: Output relay(s) de-energize(s) if a fault is occuring
Open-circuit principle: Output relay(s) energize(s) if a fault is occuring

2
2CDC 110 004 C0210 | Catalog Electronic relays and controls 2016 | ABB 120
Insulation monitoring relays for unearthed supply systems
Technical data - CM-IWx
CM-IWS.2 CM-IWS.1 CM-IWN.1, 4, 5, 6
Isolation data
Rated impulse withstand voltage Uimp between
all isolated circuits
(IEC/EN 60947-1, IEC/EN 60664-1, VDE 0110-1)
supply / measuring circuit 6 kV
supply / output circuit 6 kV
measuring / output circuit 6 kV
output 1 / output circuit 2 4 kV
Pollution degree (IEC/EN 60664-1, VDE 0110-1)
3
Overvoltage category (IEC/EN 60664-1, VDE 0110-1) III
Rated insulation voltage Ui
(IEC/EN 60947-1, IEC/EN 60664-1, VDE 0110-1)
supply / measuring circuit 400 V 300 V 600 V
supply / output circuit 300 V
supply / measuring circuit 400 V 300 V 600 V
output 1 / output circuit 2 --300 V
Basis isolation for rated control supply voltage
(IEC/EN 60664-1, VDE 0110-1)
supply / measuring circuit 400 V AC / 300 V DC 250 V AC / 300 V DC 400 V AC / 600 V DC
supply / output circuit 250 V AC / 300 V DC
measuring / output circuit 400 V AC / 300 V DC 250 V AC / 300 V DC 400 V AC / 600 V DC
output 1 / output 2 250 V AC / 300 V DC
Protective separation (IEC/EN 61140) supply / output circuit 250 V AC / 250 V DC
supply / measuring circuit 250 V AC / 250 V DC
measuring / output circuit 250 V AC / 250 V DC
Test voltage between all isolated circuits,
routine test (IEC/EN 60255-5, IEC/EN 61010-1)
supply / output circuit 2.32 kV, 50 Hz, 2 s
supply / measuring circuit 2.32 kV, 50 Hz, 2 s
measuring / output circuit 2.2 kV, 50 Hz, 1 s 2.53 kV, 50 Hz, 1 s
Standards
CM-IWS, CM-IWN.1 CM-IWN.4/5/6
Product standard IEC/EN 61557-1, IEC/EN 61557-8,
IEC/EN 60255-1, EN 50178
IEC/EN 60255-1,
EN 50178
Other standards EN 50178
Low Voltage Directive 2006/95/EC
EMC Directive 2004/108/EC
RoHS Directive 2011/6 5/EC
Electromagnetic compability
Interference immunity to IEC/EN 61000-6-1, IEC/EN 61000-6-2, IEC/EN 61326-2-4
electrostatic discharge IEC/EN 61000-4-2 Level 3, 6 kV / 8 kV
radiated, radio-frequency, electromagnetic field
IEC/EN 61000-4-3 Level 3, 10 V/m (1 GHz) / 3 V/m (2 GHz) / 1 V/m (2.7 GHz)
electrical fast transient/burst IEC/EN 61000-4-4 Level 3, 2 kV / 5 kHz
surge IEC/EN 61000-4-5 Level 3, installation class 3, supply circuit and measuring circuit
1 kV L-L, 2 kV L-earth
conducted disturbances, induced by
radio-frequency fields
IEC/EN 61000-4-6 Level 3, 10 V
voltage dips, short interruptions and
voltage variations
IEC/EN 61000-4-11 Class 3
harmonics and interharmonics IEC/EN 61000-4-13 Class 3
Interference emissions IEC/EN 61000-6-3, IEC/EN 61000-6-4
high-frequency radiated IEC/CISPR 22, EN 55022 Class B
high-frequency conducted IEC/CISPR 22, EN 55022 Class B

2
121 ABB | Catalog Electronic relays and controls 2016 | 2CDC 110 004 C0210
Insulation monitoring relays for unearthed supply systems
Technical data CM-IVN
Input circuit - Measuring circuit VL+, VL-, Vw
Function
expansion of the nominal voltage range of the insulation monitoring relay
CM-IWN to 690 V AC or 1000 V DC, max. length of connection cable 40 cm
Measuring principle see CM-IWN
Nominal voltage Un of the distribution system to be monitored 0-690 V AC / 0-1000 V DC
Voltage range of the distribution system to be monitored 0-793.5 V AC / 0-1150 V DC (tolerance +15 %)
Rated frequency fN of the distribution system to be monitored DC or 15-400 Hz
Tolerance of the rated frequency fN13.5-440 Hz
System leakage capacitance Cemax. identical to that of the insulation monitoring relay used
Extraneous DC voltage Ufg (when
connected to an AC system)
max. 793.5 V DC
Tolerance of the adjusted threshold value /
Relative percentage uncertainty A at
-5...+ 45 °C, U
n
= 0-115 %, U
s
= 85-110 %, f
N
, f
s
, C
e
= 1 μF
at 1-15 kΩ RF±1.5 kΩ
at 15-200 kΩ RF±8 %
Internal impedance Ziat 50 Hz 195 kΩ
Internal DC resistance Ri200 kΩ
Measuring voltage Um24 V
Tolerance of measuring voltage Um +10 %
Measuring current Im0.15 mA
General data
MTBF on request
Duty time 100 %
Dimensions (W x H x D) 45 x 78 x 100 mm (1.78 x 3.07 x 3.94 in)
Weight gross weight 0.200 kg (0.441 lb)
net weight 0.169 kg (0.373 lb)
Mounting DIN rail (IEC/EN 60715), snap-on mounting without any tool
Mounting position any
Minimum distance to other units vertical not necessary
horizontal 10 mm (0.39 in) at Un > 600 V
Degree of protection IP50 / IP20
Electrical connection
Wire size fine-strand with(out) wire
end ferrule
2 x 0.75-2.5 mm² (2 x 18-14 AWG)
rigid 2 x 0.5-4 mm² (2 x 20-12 AWG)
Stripping length 7 mm (0.28 in)
Tightening torque 0.6-0.8 Nm (5.31-7.08 lb.in)
Max. length of connection cable to CM-IWN 40 cm
Environmental data
Ambient temperature ranges operation / storage / transport -25...+60 °C / -40...+85 °C / -40...+85 °C
Climatic category IEC/EN 60721-3-3 3K5 (no condensation, no ice formation)
Damp heat, cyclic IEC/EN 60068-2-30 6 x 24 h cycle, 55 °C, 95 % RH
Vibration, sinusoidal IEC/EN 60255-21-1 Class 2
Shock, half-sine IEC/EN 60255-21-2 Class 2
Isolation data
Rated impulse withstand voltage Uimp between all
isolated circuits
(IEC/EN 60947-1, IEC/EN 60664-1,VDE 0110-1)
input circuit / PE 8 kV
Pollution degree (IEC/EN 60664-1, VDE 0110-1) 3
Overvoltage category (IEC/EN 60664-1, VDE 0110-1) III
Rated insulation voltage Ui
(IEC/EN 60947-1, IEC/EN 60664-1,VDE 0110-1)
input circuit / PE 1000 V
Test voltage between all isolated circuits, routine test
(IEC/EN 60255-5, IEC/EN 61010-1)
input circuit / PE 3.3 kV, 50 Hz, 1 s
Standards
Product standard IEC/EN 61557-1, IEC/EN 61557-8, IEC/EN 60255-1, EN 50178
Other standards EN 50178
Low Voltage Directive 2006/95/EC
EMC Directive 2004/108/EC
RoHS Directive 2011/6 5/EC
Electromagnetic compability
Interference immunity to IEC/EN 61000-6-1, IEC/EN 61000-6-2, IEC/EN 61326-2-4
electrostatic discharge IEC/EN 61000-4-2 Level 3, 6 kV / 8 kV
radiated, radio-frequency,
electromagnetic field
IEC/EN 61000-4-3 Level 3, 10 V/m (1 GHz) / 3 V/m (2 GHz) / 1 V/m (2.7 GHz)
electrical fast transient/burst IEC/EN 61000-4-4 Level 3, 2 kV / 5 kHz
surge IEC/EN 61000-4-5 Level 3, installation class 3, supply circuit
and measuring circuit 1 kV L-L, 2 kV L-earth
conducted disturbances, induced by
radio-frequency fields
IEC/EN 61000-4-6 Level 3, 10 V
voltage dips, short interruptions and
voltage variations
IEC/EN 61000-4-11 Level 3
harmonics and interharmonics IEC/EN 61000-4-13 Level 3
Interference emission IEC/EN 61000-6-3, IEC/EN 61000-6-4
high-frequency radiated IEC/CISPR 22, EN 50022 Class B
high-frequency conducted IEC/CISPR 22, EN 50022 Class B

2
2CDC 110 004 C0210 | Catalog Electronic relays and controls 2016 | ABB 122
Insulation monitoring relays for unearthed supply systems
Notes

2
123 ABB | Catalog Electronic relays and controls 2016 | 2CDC 110 004 C0210
Motor load monitoring relays
Product picture

2
2CDC 110 004 C0210 | Catalog Electronic relays and controls 2016 | ABB 124
Motor load monitoring relays
Table of contents
Motor load monitoring relays
Motor load monitoring relays 124
Fields of application 125
Ordering details 126
Technical information 127
Technical data 128
Benefits and advantages 131
Technical data 132

2
125 ABB | Catalog Electronic relays and controls 2016 | 2CDC 110 004 C0210
Motor load monitoring relays
Fields of application
N
L3
L2
L1
K1
UVW
M 3~
50-60 Hz
N
L1
K1
U1 U2
M 1~
50-60 Hz
N
L3
L2
L1
K1
UVW
M 3~
~
~
50-60 Hz 110-500 V, 15-400 Hz
N
L3
L2
L1
K1
UVW
M 3~
l
k
L
K
50-60 Hz
N
L1
K1
U1 U2
M 1~
l
k
L
K
50-60 Hz
L3
L2
L1
K1
UVW
M 3~
DC AC
110-240 V 15-400 Hz
The motor load monitor relay monitors the load states of
single-phase and three-phase asynchronous motors.
The evaluation of the phase angle between current and volt-
age allows a very precise monitoring of the load states.
Compared with other conventional measuring principles
Main applications
– Pump monitoring
– Dry-running protection (underload)
– Closed valves (overload)
– Pipe break (overload)
– Heating, air-conditioning, ventilation
– Monitoring of filter pollution
– V-belt breakage (underload)
– Closed shutters/valves (overload)
– Air ventilating volume
– Agitating machines
– High consistency within the tank (overload)
– Pollution of the tank (overload)
– Transport/Conveyance
– Congested conveyor belts (overload)
– Jamming of belts (overload)
– Material accumulation in spiral conveyors (overload)
– Lifting platforms
– Machine installation
– Wear of tools, e.g. worn saw blades in circular saws,
etc. (overload)
– Tool breakage (underload)
– V-belt drives (breakage underload)
(e.g. pressure transducers, current measurement), cos ϕ
monitoring is a more precise and economical alternative.
The motor is used as a sensor for its own load status.
Wiring examples (for motor currents 20 A)
Filter pollution
V-belt monitoring
Dry-running protection
Pump control
Ventilator monitoring
Filter pollution
Wiring examples (for motor
currents 20 A)
1SVC 110 000 F 0131
1SVC 110 000 F 0132
1SVC 110 000 F 0133
1SVC 110 000 F 01311SVC 110 000 F 0132
1SVC 110 000 F 0133
1SVC 110 000 F 0470
1SVC 110 000 F 0473 1SVC 110 000 F 0471
1SVC 110 000 F 0472
Detected fault - installation is
switched off
Starting time delay
Detected fault - installation is
switched off
Starting time delay
Starting time delay Detected fault - installation is
switched off
Starting time delay Detected fault - installation is
switched off
Response delay Response delay

2
2CDC 110 004 C0210 | Catalog Electronic relays and controls 2016 | ABB 126
Motor load monitoring relays
Ordering details
Characteristics
– Pump monitoring
– Under- and overload monitoring cos ϕ in one unit
– Adjustable starting delay 0.3-30 s
– Direct measurement of currents up to 20 A
– Adjustable response time delay 0.2-2 s
– Single-phase or three-phase monitoring
– 2 x 1 c/o contact, closed-circuit principle
– 3 LEDs for status indication
4
1
2
3
5
7
1 Starting delay „Time S“
2 Response delay „Time R“
3 Threshold for load limit cos ϕmax
4 Threshold for load limit cos ϕmin
5 Reset button
6 Indication of operational states
U: green LED – control supply voltage
cos ϕmax: red LED – cos ϕmax exceeded
cos ϕmin: red LED – below cos ϕmin
7 Marker label
2CDC 253 010 F0013
Description
The CM-LWN monitors the motor load of single-phase and three-phase asynchronous motors.
The evaluation of the phase angle between current and voltage (cos ϕ monitoring) allows a
very precise monitoring of the motor load status.
Ordering details
Rated control supply
voltage
Current range Type Order code Price
1 pce
Weight
(1 pce)
kg (lb)
24-240 VAC/DC
0.5-5 A
CM-LWN
1SVR450335R0000 0.30 (0.66)
110-130 VAC 1SVR450330R0000 0.30 (0.66)
220-240 VAC 1SVR450331R0000 0.30 (0.66)
380-440 VAC 1SVR450332R0000 0.30 (0.66)
480-500 VAC 1SVR450334R0000 0.30 (0.66)
24-240 VAC/DC
2-20 A
1SVR450335R0100 0.30 (0.66)
110-130 VAC 1SVR450330R0100 0.30 (0.66)
220-240 VAC 1SVR450331R0100 0.30 (0.66)
380-440 VAC 1SVR450332R0100 0.30 (0 .66)
480-500 VAC 1SVR450334R0100 0.30 (0.66)
Current transformers “Ordering details - CM-CT current transformers” on page 177”
1SVR 450 335 F0100
CM-LWN
Further documentation motor load
monitoring relays on www.abb.com

2
127 ABB | Catalog Electronic relays and controls 2016 | 2CDC 110 004 C0210
Motor load monitoring relays
Technical information
The CM-LWN module monitors the load status of inductive loads.
The primary application is the monitoring of single- or three-phase asynchronous motors (squirrel cage) under varying load
conditions. The measuring principle is based on the evaluation of the phase shift (ϕ) between the voltage and the current in one
phase.
The phase difference is nearly inversely proportional to the load. Therefore, cos ϕ, measured relatively from 0 to 1, measures
the relationship of effective power to apparent power. A value towards 0 indicates low load and a value towards 1 indicates
high load.
Threshold values can be set individually for cos ϕmax and cos ϕmin If the set threshold value is reached, a LED lights up and the
relay is de-energized.
If cos ϕ returns to the acceptable limits (taking into account the hysteresis), the relay is reset to its original state and the LED
flashes permanently to indicate the occurrence of the trip event. This message can be deleted using the reset button or by
switching off the supply.
A time delay (Time S) of 0.3 to 30 s can be set for the starting phase of the motor. It is also possible to set a response delay
time (Time R) of 0.2 to 2 s to suppress unwanted tripping due to unavoidable short load changes during normal operation.
To guarantee correct operation of the response delay (Time R), the adjusted value for cos ϕmax has to be higher than the value
for cos ϕmin plus the hysteresis. Consequently, the overload and underload indication must not be active at the same time.
Due to the internal electrical isolation of the supply circuit and the measuring circuit, it is also possible to use the device in sys-
tems with different supply voltages.
T
S
T
S
T
R
T
R
T
R
Function diagram - CM-LWN
A1-A2 Rated control supply voltage
L1/K-L1/L Measuring current
L1/K-L2-L3 Measuring voltage
15-16/18 Output contacts - underload (cos ϕmin)
25-26/28 Output contacts - overload (cos ϕmax)
closed-circuit principle
Connection diagram CM-LWN
1SVC 110 000 F0130
2CDC 252 105 F0004
A1-A2
Current in L1
con ϕmax
hysteresis
con ϕmin
15-18
15-16
25-28
25-26
Reset button
Red LED - cos ϕmin
Red LED - cos ϕmax

2
2CDC 110 004 C0210 | Catalog Electronic relays and controls 2016 | ABB 128
Motor load monitoring relays
Technical data
Type CM-LWN
Input circuit - Supply circuit A1-A2
Rated control supply voltage Us - power
consumption
A1-A2 24-240 V AC/DC approx. 8.4 VA/W
A1-A2 110-130 V AC approx. 3.6 VA
A1-A2 220-240 V AC approx. 3.6 VA
A1-A2 380-440 V AC approx. 3.6 VA
A1-A2 480-500 V AC approx. 3.6 VA
Rated control supply voltage Us tolerance -15 %...+10 %
Rated frequency AC versions 50-60 Hz
AC/DC versions 15-400 Hz or DC
Duty time 100 %
Measuring circuit L1/L-L1/K-L2-L3
Monitoring function Motor load monitoring by cos ϕ
Voltage range L1/K-L2-L3 110-500 V AC single-phase or three-phase
Current range L1/L-L1/K 0.5-5 A version 2-20 A version
Permissible overload of current input 25 A for 3 s 100 A for 3 s
Thresholds cos ϕmin and cos ϕmax adjustable from 0 to 1
Hysteresis (related to phase angle ϕ in °) 4°
Frequency of measuring voltage 15-400 Hz
Response time 300 ms
Timing circuits indication of over- and undervoltage fault
Start-up time (Time S) 0.3-30 s, adjustable
Response delay (Time R) 0.2-2 s, adjustable
Accuracy within the rated control supply voltage tolerance t 0.5 %
Accuracy within the temperature range t 0.06 % / °C
Indication of operational states
Control supply voltage U: green LED
below cos ϕmin cos ϕmin: red LED
cos ϕmax exceeded cos ϕmax: red LED
Output circuits 15-16/18, 25-26/28
Kind of output 2 x 1 c/o contact
Operational principle closed-circuit principle 1)
Contact material AgCdO
Rated voltage (VDE 0110, IEC 664-1, IEC 947-1) 250 V
Max. switching voltage 400 V AC, 300 V DC
Rated operational current Ie (IEC/EN 60947-1) AC-12 (resistive) 230 V 4 A
AC-15 (inductive) 230 V 3 A
DC-12 (resistive) 24 V 4 A
DC-13 (inductive) 24 V 2 A
AC rating (UL 508) Utilization category (Control Circuit Rating Code) B 300
max. rated operational voltage 300 V AC
max. continuous thermal current at B 300 5 A
max. making/breaking apparent power at B 300 3600/360 VA
Mechanical lifetime 30 x 106 switching cycles
Electrical lifetime at AC-12, 230 V, 4 A 0.1 x 106 switching cycles
Max. fuse rating to achieve short-circuit
protection
n/c / n/o contact 10 A fast-acting / 10 A fast-acting
General data
Dimensions (W x H x D) 45 mm x 78 mm x 100 mm (1.77 inch x 3.07 inch x 3.94 inch)
Mounting position any
Degree of protection housing / terminals IP50 / IP20
Ambient temperature range operation / storage -25...+65 °C / -40...+85 °C
Mounting DIN rail (IEC/EN 60715)
Electrical connection
Wire size fine-strand with wire end ferrule 2 x 2.5 mm2 (2 x 14 AWG)
Standards
Product standard IEC 255-6, EN 60255-6
Low Voltage Directive 2006/95/EC
EMC Directive 2004/108/EC, 91/263/EEC, 92/31/EEC, 93/68/EEC, 93/67/EEC
Electromagnetic compatibility EN 61000-6-2, EN 61000-6-4
electrostatic discharge IEC/EN 61000-4-2 Level 3 (6 kV / 8 kV)
radiated, radio-frequency, electromagnetic field IEC/EN 61000-4-3 Level 3 (10 V/m)
electrical fast transient / burst IEC/EN 61000-4-4 Level 3 (2 kV / 5 kHz)
surge IEC/EN 61000-4-5 Level 4 (2 kV L-L)
conducted disturbances, induced by radio-frequency fields
IEC/EN 61000-4-6 Level 3 (10 V)
Operational reliability (IEC 68-2-6) 5 g
Mechanical resistance (IEC 68-2-6) 10 g
Environmental testing (IEC 68-2-30) 24 h cycle time, 55 °C, 93 % rel., 96 h
Isolation data
Rating (HD 625.1 S1, VDE 0110, IEC 664-1, IEC 60255-5)
Rated insulation voltage between supply- , measuring- and output circuit 250 V, 400 V, 500 V depending on the version
Rated impulse withstand voltage between all isolated circuits 4 kV / 1.2 - 50 µs
Test voltage between all isolated circuits 2,5 kV, 50 Hz, 1 min.
Pollution category 3
Overvoltage category III
1) Open-circuit principle: Output relay is energized if the measured value exceeds/drops below the adjusted threshold.
Closed-circuit principle: Output relay is de-energized if the measured value exceeds/drops below the adjusted threshold.

2
129 ABB | Catalog Electronic relays and controls 2016 | 2CDC 110 004 C0210
Motor control and protection
Product group picture

2
2CDC 110 004 C0210 | Catalog Electronic relays and controls 2016 | ABB 130
Motor control and protection
Table of contents
Motor control and protection
Benefits and advantages 131
Technical data 132

2
131 ABB | Catalog Electronic relays and controls 2016 | 2CDC 110 004 C0210
Motor control and protection
Benefits and advantages
Motor protection
– Overload, underload
– Overvoltage, undervoltage
– Blocked rotor, low / high current
– Phase failure, imbalance, phase sequence
– Earth leakage
– Thermistor protection
– Limitation of starts per time
– One single version with integrated measuring system cov-
ers the rated motor current from 0.24 to 63 A
Motor control
– Integrated and easy to parametrize motor starter functions
like direct, reverse, star-delta,...
– Additionally free programmable logic for application spe-
cific control functions
– Expansion modules DX111, DX122 for more I/Os
– Expansion modules VI150, VI155 for 3-phase voltage
measuring
– Analog and temperature module AI111
Motor diagnostics
– Quick and comprehensive access to all relevant data via
fieldbus and/or operator panel
– Current, thermal load
– Phase voltages
– Power factor
– Energy
Communication
– Communication-independent basic device
– Freely selectable fieldbus protocol with FieldBusPlug
– Profibus DP
– DeviceNet
– Modbus RTU
– Ethernet Modbus TCP
– Profinet
Typical application segments
– Oil & gas
– Cement
– Paper
– Mining
– Steel
– Chemical industry
UMC100.3 is a flexible, modular and expandable motor management system for constant-speed low-voltage range motors.
It's most important tasks include motor protection, prevention of plant standstills and the reduction of down time. This is made
possible by early information relating to possible motor problems which avoids unplanned plant standstills. Even if a motor
trips, quick diagnosis of the cause of the fault serves to reduce downtime.
UMC100.3 combines in a very compact unit:
Further information
UMC Catalog 2CDC 190 022 C0206
UMC Brochure 2CDC 135 011 B0203

2
2CDC 110 004 C0210 | Catalog Electronic relays and controls 2016 | ABB 132
Motor control and protection
Technical data
Basic device UMC100.3
Main power
Voltage max 1000 V AC
Frequency 45…65 Hz
Rated motor current 0.24…63 A, without accessories
Higher currents with external transformer
Tripping classes 5E, 10E, 20E, 30E, 40E in accordance with EN/IEC 60947-4-1
Short-circuit protection Separate fuse on network side
Control unit
Supply voltage 24 V DC, 110-240 V AC/DC
Inputs 6 digital inputs 24 V DC
1 PTC input
Outputs 3 digital relay outputs
1 digital transistor output
Expansion modules
The UMC100.3 can be expanded with maximum 4 expanstion modules: One digital expansion module DX111 or
DX122, one module VI150 or VI155 and 2 analog modules AI111.
Communication takes place via a simple two-wire line. The maximum distance allowed between the UMC100.3
and the expansion module is 3m.
Digital expansion modules DX111 / DX122
Expands the UMC100.3 to include additional digital inputs and outputs and an analog output
Supply voltage 24 V DC
Inputs DX111: 8 digital inputs 24 V DC
DX122 8 digital inputs 110/230 V AC
Outputs 4 digital relay outputs
1 analog output, 0/4…20 mA, / 0…10 V configurable
Voltage modules VI150/VI155
Voltage modules for determining phase voltages, power factor (cos j), active power, apparent power, energy,
harmonic content (THD)
VI150 for use in grounded networks
VI155 for use in grounded and ungrounded networks
Supply voltage 24 V DC
Voltage inputs L1, L2, L3
Rated voltage range 150 … 690 V AC
Outputs 1 digital relay output
Analog module AI111
Expand the UMC100.3 with analog and temperature inputs
Supply voltage 24 V DC
Inputs 0-10 V, 0/4-20 mA
PT100, PT1000, 2- or 3-wire connection
KTY83, KTY84, NTC

2
133 ABB | Catalog Electronic relays and controls 2016 | 2CDC 110 004 C0210
Motor control and protection
Technical data
Ethernet communication interfaces
Mounted in the MCC cable chamber; connection of 1 to 4 motor controllers UMC100.3 via simple cables
MTQ22 for Modbus TCP
PNQ22 for Profinet IO
UMC100-PAN control panel
Installation on the device or on the switching cabinet door
Graphics-enabled and backlit display, 3 LEDs for status indication
Freely configurable error messages
USB port for PC connection
Multilingual: German, English, French, Italian, Polish, Portuguese, Spanish, Russian
Fieldbus communication interfaces
Can be mounted direct on the UMC100.3 or separate in the cable chamber of the MCC.
Connection for standard fieldbus cables with 9-pole Sub-D (Profibus DP) or terminal blocks
PDP32 for Profibus DP
DNP31 for DeviceNet
MRP31 for Modbus RTU
CEM11 earth leakage sensors
Summation current transformer for connecting to a digital input
Mounting with bracket on DIN busbar or wall
Models
C E M11- F B P. 2 0 80 – 1.700 mA 20 mm Ø
CEM11-FBP.35 100 – 3.400 mA 35 mm Ø
C E M11- F B P. 6 0 120 – 6.800 mA 60 mm Ø
CEM11-FBP.120 300 – 13.600 mA 120 mm Ø
Current transformer CT4L / CT5L
Only required for rated motor currents >63 A
Linear transformer, 3-phase with terminal block, designed for connecting leads Cu 2.5 mm2

2
2CDC 110 004 C0210 | Catalog Electronic relays and controls 2016 | ABB 134
Motor control and protection
Notes

2
135 ABB | Catalog Electronic relays and controls 2016 | 2CDC 110 004 C0210
Thermistor motor protection relays
Product group picture

2
2CDC 110 004 C0210 | Catalog Electronic relays and controls 2016 | ABB 136
Thermistor motor protection relays
Table of contents
Thermistor motor protection relays
Thermistor motor protection relays 136
Benefits and advantages, Applications 137
Operating controls 138
Selection table CM-MSx range 139
Ordering details 140
Ordering details - PTC temperature sensors C011 141
Technical data - CM-MSS 142
Technical data - CM-MSE 145
Connection diagrams 147
Circuit diagram 148

2
137 ABB | Catalog Electronic relays and controls 2016 | 2CDC 110 004 C0210
Thermistor motor protection relays
Benefits and advantages, Applications
Direct temperature measuring
Generally, motor damages caused by overload or overheating
situations can be prevented in different ways. Compared to
the indirect temperature measuring which monitors the motor
current, the temperature inside the motor can be measured by
direct temperature measuring.
This enables direct control and evaluation of the following
operating conditions like:
– Heavy duty starting
– Increased switching frequency
– Single phase operation
– Phase unbalance
– High ambient temperature
– Insufficient cooling
– Breaking operation
Therefore the consequences from overheating like abrasion as
well as electrical failures can be prevented.
The direct measuring principle is carried out by a combination
of the thermistor motor protection relay and 3 PTC sensors
which are installed directly in the motor by the manufac-
turer. Those 3 PTC sensors are placed directly at the thermal
hotspots, the motor windings.
The thermistor motor protection relays of the CM-MSx range protect motors with
PTC sensors against high temperature. These sensors are incorporated in the
motor windings thus measuring the motor heat directly.
Monitoring the motor
The thermistor motor protection relay measures the resistance
of the PTC sensors which reflects the internal motor tempera-
ture permanently.
If the temperature in the motor windings rises excessively and
reaches the nominal response temperature (NRT), the therm-
istor motor protection relay detects this situation and the
output relay switches off.
By doing so the motor contactor gets triggered and switches
off the motor.
CM-MSS functionality video
Characteristics CM-MSS1)
– Different types of contacts available
– 1 x 2 c/o (SPDT) contacts
– 2 x 1 c/o (SPDT) contact
– 1 n/o and 1 n/c contact
– 1 or 2 measuring circuits
– Different types of reset functions
– Automatic
– Manual
– Remote
– Rated control supply voltages
– 24 V AC/DC
– 24-240 V AC/DC
– 110-130 V AC, 220-240 V AC
– Approvals / Marks
A C R K E I1) / a b
Characteristics CM-MSE
– Auto reset
– Connection of several sensors (max. 6 sensors
connected in series)
– Monitoring of bimetals
– 1 n/o contact
– Excellenct cost / performance ratio
Features 1)
– Additional functions:
– Dynamic interrupted wire detection
– Short-circuit monitoring of the sensor circuit
– Non-volatile fault storage
– Single or sum evaluation
– Easy configuration via DIP switches
– LEDs to distinguish between different failure causes
– Screw connection technology or EasyConnectTechnology
available
– Test/Reset button available
1) Depending on device the characteristics vary, for detailled overview see “Selection
table CM-MSx range” on page 139.

2
2CDC 110 004 C0210 | Catalog Electronic relays and controls 2016 | ABB 138
Thermistor motor protection relays
Operating controls
1 Test / Reset button
Reset - only possible if measured value < switch-on resistance
2 Indication of operational states with LEDs
U: green LED - Status indication of control supply voltage V
Control supply voltage applied
F: red LED - Fault message
R: yellow LED - Status indication of the output relay
3 Marker label / DIP switches (depending on device) e.g.
i Single evaluation 2 x 1 c/o (SPDT) contact
j Accumulative evaluation 1 x 2 c/o (SPDT) contacts
y Short-circuit detection de-activated
x Short-circuit detection activated
f Non-volatile fault storage activated
e Non-volatile fault storage de-activated
Remote
Reset Remote Reset
Remote
Test/Reset Remote Test/Reset
1
3
2
2CDC 253 001 F0015
Operational state U: green LED F: red LED R: yellow LED
Absence of control supply voltage OFF OFF OFF
Internal fault 2) OFF W W
Internal fault 2) XXX
Control supply voltage not within the tolerance range X V OFF
Short circuit V Y OFF
Interrupted wire
V Z OFF
Measuring circuit 2: Overtemperature V W OFF
Measuring circuit 1: Overtemperature V V OFF
Fault rectified but not confirmed V-- 1) X
Test function XOFF OFF
Change of configuration not confirmed VOFF X
No fault VOFF V
LEDs, status information and fault messages CM-MSS
1) Depending on the fault with the highest priority
2) Restart the device. If after restart the same fault is indicated, replace the device.

2
139 ABB | Catalog Electronic relays and controls 2016 | 2CDC 110 004 C0210
Thermistor motor protection relays
Selection table CM-MSx range
Order code
1SVR550805R9300
1SVR550800R9300
1SVR550801R9300
1SVR740720R1400
1SVR730720R1400
1SVR740700R0100
1SVR730700R0100
1SVR740700R2100
1SVR730700R2100
1SVR740722R1400
1SVR730722R1400
1SVR740700R0200
1SVR730700R0200
1SVR740700R2200
1SVR730700R2200
1SVR740712R1400
1SVR730712R1400
1SVR740712R 020 0
1SVR730712R0200
1SVR740712R2200
1SVR730712R2200
1SVR740712R1200
1SVR730712R1200
1SVR740712R1300
1SVR730712R1300
Type
CM-MSE
CM-MSE
CM-MSE
CM-M S S .11P
CM-M S S .11S
CM-MSS.12P
CM-MSS.12S
CM-MSS.13P
CM-MSS.13S
CM-MSS.21P
CM-MSS.21S
CM-MSS.22P
CM-MSS.22S
CM-MSS.23P
CM-MSS.23S
CM-MSS.31P
CM-MSS.31S
CM-MSS.32P
CM-MSS.32S
CM-MSS.33P
CM-MSS.33S
CM-MSS.41P
CM-MSS.41S
CM-MSS.51P
CM-MSS.51S
ATEX approval nn nn nnnnnnnnnn
Number of sensor circuits 1111111111111111111111122
Single or accumulative evaluation n n
Number of LEDs 3322223322223333333333
1 c/o (SPDT) contact nnnn
2 c/o (SPDT) contacts nnnn nnnnnn
1 n/o nnn
1 n/c and 1 n/o n n n n n n
2 x 1 c/o or 1 x 2 c/o contacts, configurable n n
Manual nnnnnnnnnnnnnn
Remote nnnnnnnnnnnnnn
Auto nnnnnnnnnnnn1) n1) n1) n1) n1) n1) n1) n1) n1) n1) n1) n1) n2) n2)
Test button nnnnnnnnnn
Short-circuit detection nn nnnnnn
Short-circuit detection, configurable nnnn
Dynamic interrupted wire detection nn nn nnnnnnnnnn
Non-volatile fault storage n n n n n n
Non-volatile fault storage, configurable nnnn
24 V AC n
110-130 V AC n
220-240 V AC n
24-240 V AC/DC nn nn nn nnnn
24 V AC/DC n n n n n n
110-130 V AC, 220-240 V AC n n n n n n
Push-in terminals nnnnnnnnnnn
Double-chamber cage connection terminals nnnnnnnnnnn
1) For automatic reset, connect terminals S1 to T2.
2) For automatic reset, connect Terminals S1 to 1T2/2T2.

2
2CDC 110 004 C0210 | Catalog Electronic relays and controls 2016 | ABB 140
Thermistor motor protection relays
Ordering details
Description
The thermistor motor protection relay CM-MSS monitors the winding temperature and thus
protects the motor from overheating, overload and insufficient cooling in accordance to the
product standard IEC 60947-8.
Ordering details CM-MSx
Characteristics Type Order code Price
1 pce
Weight
(1 pce)
kg (lb)
See “Selection table CM-MSx range” on page 139.
CM-MSE 1SVR550805R9300 0.11 (0. 24)
CM-MSE 1SVR550800R9300 0.11 (0.24)
CM-MSE 1SVR550801R9300 0.11 (0.24)
CM-MSS.11P 1SVR740720R1400 0.119 (0.263)
CM-MSS.11S 1SVR730720R1400 0.127 (0.280)
CM-MSS.12P 1SVR740700R0100 0.105 (0.231)
CM-MSS.12S 1SVR730700R0100 0.113 (0.249)
CM-MSS.13P 1SVR740700R2100 0.147 (0.324)
CM-MSS.13S 1SVR730700R2100 0.155 (0.342)
CM-MSS.21P 1SVR740722R1400 0.118 (0.26 0)
CM-MSS.21S 1SVR730722R1400 0.126 (0.278)
CM-MSS.22P 1SVR740700R0200 0.121 (0.267)
CM-MSS.22S 1SVR730700R0200 0.132 (0.291)
CM-MSS.23P 1SVR740700R2200 0.163 (0.359)
CM-MSS.23S 1SVR730700R2200 0.174 (0.384)
CM-MSS.31P 1SVR740712R1400 0.120 (0.265)
CM-MSS.31S 1SVR730712R1400 0.128 (0.282)
CM-MSS.32P 1SVR740712R0200 0.120 (0.265)
CM-MSS.32S 1SVR730712R0200 0.130 (0.287)
CM-MSS.33P 1SVR740712R2200 0.162 (0.357)
CM-MSS.33S 1SVR730712R2200 0.172 (0.379)
CM-MSS.41P 1SVR740712R1200 0.130 (0.287)
CM-MSS.41S 1SVR730712R1200 0.141 (0.311)
CM-MSS.51P 1SVR740712R130 0 0.135 (0.298)
CM-MSS.51S 1SVR730712R1300 0.145 (0.320)
2CDC 251 014 V0014 2CDC 251 013 V0014 2CDC 251 004 V0014
CM-MSS.51S
CM-MSS.41S
CM-MSS.12S
Further documentation thermistor
motor protection monitoring relays
on www.abb.com
S: screw connection
P: push-in connection

2
141 ABB | Catalog Electronic relays and controls 2016 | 2CDC 110 004 C0210
Thermistor motor protection relays
Ordering details - PTC temperature sensors C011
1SVC 110 000 F0531
Temperature sensor characteristics
Technical data
Characteristic data Sensor type C011
Cold-state resistance 50 -100 at 25 °C
Warm-state resistance ± 5 up to 6 K
of rated
response temperature TNF 10 000
Thermal time constant, sensor open 1) < 5 s
Permitted ambient temperature +180 °C
Rated response tempera-
ture tolerance TNF TNF
PTC resistance R
from -20 °C to TNF
- 20 K
PTC resistance R2) at PTC temperatures of:
TNF - TNF
(UPTC 2.5 V)
TNF + TNF
(UPTC 2.5 V)
TNF + 15 K
(UPTC 7.5 V )
70 5 °C
100
570 570 -
80 5 °C
90 5 °C
550 1330 4000
100 5 °C
110 5 °C
120 5 °C
130 5 °C
140 5 °C
150 5 °C
160 5 °C
170 7 °C 570 570 -
1) Not embedded in windings.
2) For triple temperature sensor take values x 3.
-20 °C
101
102
103
104
TNF
- 20
K
TNF - 5 K
TNF
TNF + 5 K
T
NF
+ 15
K
R
PTC
[]
TPTC [°C]
2CDC 252 068 F0208
1) Temperature sensor C011, standard
version acc. to DIN 44081
2) Triple temperature sensor C011-3
Description
The PTC temperature sensors (temperature-dependent with positive temperature coefficient)
are selected by the manufacturer of the motor depending on:
– the motor insulation class according to IEC/EN 60034-11,
– the special characteristics of the motor, such as the conductor cross-section of the wind-
ings, the permissible overload factor etc.
– special conditions prescribed by the user, such as the permissible ambient temperature,
risks resulting from locked rotor, extent of permitted overload etc.
One temperature sensor must be embedded in each phase winding. For instance, in case of
three-phase squirrel cage motors, three sensors are embedded in the stator windings. For
pole-changing motors with one winding (Dahlander connection), 3 sensors are also sufficient.
Pole-changing motors with two windings, however, require The sensors are suitable for em-
bedding in motor windings with rated operating voltages of up to 600 V AC. Conductor length:
500 mm per sensor. A 14 V varistor can be connected in parallel to protect the sensors from
overvoltage. Due to their characteristics, the thermistor motor protection relays can also be
used with PTC temperature sensors of other manufacturers which comply with DIN 44 081
and DIN 44 082 6 sensors.
If an additional warning is required before the motor is switched off, separate sensors for a
correspon dingly lower temperature must be embedded in the winding. They have to be con-
nected to a second control unit.
Ordering details CM-MSS accessories
Rated response
temperature TNF
Color coding Type Order code Price
1 pce
Weight
(1 pce)
kg (lb)
70 °C white-brown C011-701) GHC0110003R0001 0.02 (0.044)
80 °C white-white C011-801) GHC0110003R0002 0.02 (0.044)
90 °C green-green C011-9 01) GHC0110003R0003 0.02 (0.044)
100 °C red-red C 011-10 01) GHC0110003R0004 0.02 (0.044)
110 °C brown-brown C011-1101) GHC0110003R0005 0.02 (0.044)
120 °C gray-gray C 011-1201) GHC0110003R0006 0.02 (0.044)
130 °C blue-blue C011-1301) GHC0110003R0007 0.02 (0.044)
140 °C white-blue C011-1401) GHC0110003R0011 0.02 (0.044)
150 °C black-black C011-1501) GHC0110003R0008 0.02 (0.044)
160 °C blue-red C011-1601) GHC0110003R0009 0.02 (0.044)
170 °C white-green C011-1701) GHC0110003R0010 0.02 (0.044)
150 °C black-black C011-3 -1502) GHC0110033R0008 0.05 (0.11)
1) Temperature sensor C011, standard version acc. to DIN 44081
2) Triple temperature sensor C011-3

2
2CDC 110 004 C0210 | Catalog Electronic relays and controls 2016 | ABB 142
Thermistor motor protection relays
Technical data - CM-MSS
Technical data
Data at Ta = 25 °C and rated values, unless otherwise indicated
Supply circuit - Input circuit CM-MSS.x1 CM-MSS.x2 CM-MSS.x3
Rated control supply voltage Us A1-A2 24-240 V AC/DC 24 V AC/DC 220-240 V AC
A2-A3 --110-130 V AC
Rated control supply voltage Us tolerance -15...+10 %
Rated frequency 15-400 Hz 50-60 Hz
Electrical insulation between supply circuit and measuring circuit yes no yes
Power failure buffering time 20 ms
Supply circuit - Measuring circuit / Sensor circuit
Number of circuits 1 (CM-MSS.51: 2)
Sensor type PTC type A (DIN/EN 44081, DIN/EN 44082)
Max. total resistance of sensors connected in series, cold state < 750 W
Overtemperature
monitoring
switch-off resistance (relay de-energizes) 2.83 kW 1% (CM-MSS.12 /.13 /.22 /.23: 2.7 kW 5%)
switch-on resistance (relay energizes) 1.1 kW 1% (CM-MSS.12 /.13 /.22 /.23: 1.2 kW 5%)
Maximum voltage in sensor circuit 1.33 kW2.5 V
4 kW3.7 V
kW5.5 V
Maximum current in sensor circuit 3.7 mA
Maximum sensor cable length 2 x 100 m at 0.75 mm2, 2 x 400 m at 2.5 mm2
Accuracy within the rated control supply voltage tolerance 0.50 % (CM-MSS.12 /.13 /.22 /.23: 5 %)
Accuracy within the temperature range 0.01 %/K (CM-MSS.12 /.13 /.22 /.23: 0.5 %/K)
Repeat accuracy (constant parameters) on request
Reaction time of the safety function < 100 ms
Hardware fault tolerance (HFT) 0
Control circuit
Control function see “Selection table CM-MSx range” on page 139
Maximum no-load voltage 5.5 V
Max. current 0.6 mA (CM-MSS.12 /.13 /.22 /.23: 1.2 mA)
Maximum cable length 2 x 100 m at 0.75 mm², 2 x 400 m at 2.5 mm²
Indication of operational states
Control supply voltage ULED green
Relay status RLED yellow
Fault message FLED red
Output circuit
Kind of output see “Selection table CM-MSx range” on page 139
Operating principle closed-circuit principle
Contact material AgNi alloy, Cd free
Rated operational voltage Ue (IEC/EN 60947-1) 250 V AC
Minimum switching voltage / Minimum switching current 24 V / 10 mA
Maximum switching voltage / Maximum switching current see data sheet
Rated operating current Ie
(IEC/EN 60947-5-1)
AC-12 (resistive) at 230 V 4 A
AC-15 (inductive) at 230 V 3 A
DC-12 (resistive) at 24 V 4 A
DC-13 (inductive) at 24 V 2 A
AC Rating (UL 508)
utilization category (Control Circuit Rating Code)
B 300
maximum rated operational voltage
300 V AC
maximum continuous thermal current at B 300
5 A
maximum making/breaking apparent power at B 300
3600/360 VA
general purpose rating 250 V AC - 4 A
Mechanical lifetime 30 x 106 switching cycles
Electrical lifetime at AC12, 230 V AC, 4 A 0.1 x 106 switching cycles
Maximum fuse rating to achieve short-circuit
protection
n/c contact 10 A fast-acting (CM-MSS.12, CM-MSS.13, CM-MSS.51: 6 A)
n/o contact 10 A fast-acting

2
143 ABB | Catalog Electronic relays and controls 2016 | 2CDC 110 004 C0210
Thermistor motor protection relays
Technical data - CM-MSS
General data
MTBF on request
Duty time 100 %
Dimensions (W x H x D) product dimensions 22.5 x 85.6 x 103.7 mm (0.89 x 3.37 x 4.08 in)
packaging dimensions 97 x 109 x 30 mm (3.82 x 4.29 x 1.18 in)
Weight see “Ordering details” on page 140
Mounting DIN rail (IEC/EN 60715), snap-on mounting without any tool
Mounting position any
Minimum distance to other units vertical 10 mm (0.394 in) if switching current > 2 A
horizontal 10 mm (0.394 in) if switching current > 2 A
Material of housing UL 94 V-0
Degree of protection housing IP50
terminals IP20
Electrical connection Screw connection technology Easy Connect Technology (push-in)
Connection capacity fine-strand with(out) wire end
ferrule
1 x 0.5-2.5 mm2 (1 x 18-14 AWG)
2 x 0.5-1.5 mm2 (2 x 18-16 AWG)
2 x 0.5-1.5 mm2 (2 x 18-16 AWG)
rigid 1 x 0.5-4 mm2 (1 x 20-12 AWG)
2 x 0.5-2.5 mm2 (2 x 20-14 AWG)
2 x 0.5-1.5 mm2 (2 x 20-16 AWG)
Stripping length 8 mm (0.32 in)
Tightening torque 0.6-0.8 Nm (7.08 lb.in) -
Wire end ferrule according to DIN 46228-1-A,
DIN 46228-4-E
-
Environmental data
Ambient temperature ranges operation -25...+60 °C (-13...+140 °F)
storage -40...+85 °C (-40...+185 °F)
Damp heat, cyclic (IEC/EN 60068-2-30) 6 x 24 h cycle, 55 °C, 95 % RH
Climatic class (IEC/EN 60721-3-3) 3K5 (no condensation, no ice formation)
Vibration, sinusoidal (IEC/EN 60255-21-1) Class 2
Shock (IEC/EN 60255-21-2) Class 2
Isolation data
Rated insulation voltage
Ui (IEC/EN 60947-1,
IEC/EN 60664-1)
Supply circuit / Measuring circuit1) 300 V AC (CM-MSS.x2: n/a)
Supply circuit / Output circuits 300 V AC
Measuring circuit1) / Output circuits 300 V AC
Output circuit 1 / Output circuit 2 300 V AC
Rated impulse
withstand voltage
Uimp (IEC/EN 60947-1,
IEC/EN 60664-1)
Supply circuit / Measuring circuit1) 4 kV / 6 kV (CM-MSS.x2: n/a)
Supply circuit / Output circuits 4 kV / 6 kV
Measuring circuit1) / Output circuits 4 kV / 6 kV
Output circuit 1 / Output circuit 2 4 kV
Basic insulation
(IEC/EN 60664-1)
Supply circuit / Measuring circuit1) 600 V AC (CM-MSS.x2: n/a)
Supply circuit / Output circuits 600 V AC
Measuring circuit1) / Output circuits 600 V AC
Output circuit 1 / Output circuit 2 300 V AC
Test voltage, routine test
(IEC/EN 60255-27)
Supply circuit / Measuring circuit1) 2.5 kV, 50 Hz, 1 min. (CM-MSS.x2: n/a)
Supply circuit / Output circuits 2.5 kV, 50 Hz, 1 min.
Measuring circuit1) / Output circuits 2.5 kV, 50 Hz, 1 min.
Test voltage, type test
(IEC/EN 60255-27)
Supply circuit / Measuring circuit1) 6 kV / 1.2 - 50 μs (CM-MSS.x2: n/a)
Supply circuit / Output circuits 6 kV / 1.2 - 50 μs
Measuring circuit1) / Output circuits 6 kV / 1.2 - 50 μs
Output circuit 1 / Output circuit 2 6 kV / 1.2 - 50 μs
Protective separation
(IEC/EN 61140, EN 50178)
Supply circuit / Measuring circuit1) yes, up to 300 V
Supply circuit / Output circuits yes (CM-MSS.x2: n/a)
Measuring circuit1) / Output circuits yes
Output circuit 1 / Output circuit 2 no
Pollution degree (IEC/EN 60664-1) 3
Overvoltage category (IEC/EN 60664-1) III
1) Potential of measuring circuit = Potential of control circuit

2
2CDC 110 004 C0210 | Catalog Electronic relays and controls 2016 | ABB 144
Thermistor motor protection relays
Technical data - CM-MSS
Standards
Product standard EN 60947-5-1, EN 60947-8
Low Voltage Directive 2014/35/EC
EMC directive 2014/30/EC
ATEX directive 2014/34/EC (only ATEX variants “Selection table CM-MSx range” on page
139)
RoHS directive 2011/65/EC
Electromagnetic compatibility
Interference immunity to IEC/EN 61000-6-1, IEC/EN 61000-6-2
electrostatic discharge IEC/EN 61000-4-2 Level 3, 6 kV contact discharge, 8 kV air discharge
radiated, radio-frequency,
electromagnetic field
IEC/EN 61000-4-3 Level 3, 10 V/m (1 GHz), 3 V/m (2 GHz), 1 V/m (2.7 GHz)
electrical fast transient / burst IEC/EN 61000-4-4 Level 3, 2 kV / 5 kHz
surge IEC/EN 61000-4-5 Level 3, Installation class 3, supply circuit and measuring circuit 1 kV L-L,
2 kV L-N
conducted disturbances,
induced by radio-frequency
fields
IEC/EN 61000-4-6 Level 3, 0.15-80 MHz, 10 V, 80 % AM (1kHz)
voltage dips, short
interruptions and voltage
variations
IEC/EN 61000-4-11 Class 3
harmonics and interharmonics IEC/EN 61000-4-13 Class 3
Additional interference immunity according to product standard EN
60255-1 (reference on EN 60255-26_2011)
radiated, radio-frequency,
electromagnetic field
IEC/EN 61000-4-3 10 V/m (80 MHz - 3 GHz)
conducted disturbances,
induced by radio-frequency
fields
IEC/EN 61000-4-6 10 V at stated frequencies
damped oscillatory waves IEC/EN 61000-4-18 Signal lines, symmetric coupling: 1 kV peak voltage
Power supply, asymmetric coupling: 2.5 kV peak voltage
Interference emissions IEC/EN 61000-6-3, IEC/EN 61000-6-4
high-frequency radiated IEC/CISPR 22, EN 55022 Class B
high-frequency conducted IEC/CISPR 22, EN 55022 Class B
high-frequency radiated Germanischer Lloyd increased requirements in the emergency call frequency band

2
145 ABB | Catalog Electronic relays and controls 2016 | 2CDC 110 004 C0210
Thermistor motor protection relays
Technical data - CM-MSE
Technical data
Data at Ta = 25 °C and rated values, unless otherwise indicated
Supply circuit - Input circuit CM-MSE
Rated control supply voltage Us power consumption 1SVR550805R9300 24 V AC approx. 1.5 A
1SVR550800R9300 110-130 V AC approx. 1.5 A
1SVR550801R9300 220-240 V AC approx. 1.5 A
Rated control supply voltage Us tolerance -15...+10 %
Rated frequency 50-60 Hz
Measuring circuit
Monitoring function T1-T2 temperature monitoring by means of PTC sensors
Number of sensor circuits 1
Sensor circuit
Temperature threshold (relay de-energizes) 2.7-3.7 kW
Temperature hysteresis (relay energizes) 1.7-2.3 kW
Short-circuit threshold (relay de-energizes) <18 W
Short-circuit hysteresis (relay energizes) >45 W
Maximum total resistance of sensors connected in series (cold state) 1.5 kW
Maximum sensor cable length for short-circuit detection 2 x 100 m at 0.75 mm2, 2 x 400 m at 2.5 mm2
Response time <100 ms
Output circuit
Kind of output 13-14 1 n/o contact
Operational principle closed-circuit principle (output relay de-energizes if the measured
value exceeds/drops below the adjusted threshold)
Contact material AgCdO
Rated voltage VDE 0110, IEC 664-1, IEC 60947-1 250 V
Maximum switching voltage 250 V
Rated operating current Ie
(IEC/EN 60947-5-1)
AC-12 (resistive) at 230 V 4 A
AC-15 (inductive) at 230 V 3 A
DC-12 (resistive) at 24 V 4 A
DC-13 (inductive) at 24 V 2 A
AC Rating (UL 508) utilization category (Control Circuit Rating Code) B 300
maximum rated operational voltage 300 V AC
maximum continuous thermal current at B 300 5 A
maximum making/breaking apparent power at B 300
3600/360 VA
general purpose rating 250 V AC - 4 A
Mechanical lifetime 30 x 106 switching cycles
Electrical lifetime at AC12, 230 V AC, 4 A 0.1 x 106 switching cycles
Maximum fuse rating to achieve short-circuit
protection
n/c contact 10 A fast-acting
n/o contact 10 A fast-acting
General data
Dimensions (W x H x D) 22.5 x 78 x 78.5 mm (0.89 x 3.07 x 3.09 in)
Duty time 100 %
Weight approx. 0.11 kg (0.24 lb)
Mounting position any
Degree of protection housing / terminals IP50 / IP20
Ambient temperature range operation -20...+60 °C
storage -40...+85 °C
Mounting DIN rail (IEC/EN 60715)
Electrical connection
Wire size fine strand with wire end ferrule 2 x 1.5 mm2 (2 x 16 AWG)
fine strand without wire end ferrule 2 x 0.75-1.5 mm2 (2 x 18-16 AWG)
rigid 2 x 1-1.5 mm2 (2 x 18-16 AWG)
Stripping length 2 x 0.75-1.5 mm2 (2 x 18-16 AWG)
Tightening torque 0.6-0.8 Nm (5.31-7.08 lb.in)
Standards
Product standard IEC 255-6, EN 60255-6
Low Voltage Directive 2006/95/EC
EMC Directive 2004/108/EC, 91/263/EEC, 92/31/EEC, 93/68/EEC, 93/67/EEC
Electromagnetic compatibility
electrostatic discharge IEC/EN 61000-4-2 Level 3 (6 kV / 8 kV)
radiated, radio-frequency, electromagnetic field
IEC/EN 61000-4-3 Level 3 (10 V/m)
electrical fast transient /burst IEC/EN 61000-4-4 Level 3 (2 kV / 5 kHz)
surge IEC/EN 61000-4-5 Level 3/4 (1/2 kV)
conducted disturbances, induced by radio-
frequency fields
IEC/EN 61000-4-6 Level 3 (10 V)
Operational reliability (IEC 68-2-6) 6 g
Resistance to vibration (IEC 68-2-6) 10 g
Environmental testing (IEC 68-2-30) 24 h cycle time, 55 °C, 93 % rel., 96 h
Electromagnetic compatibility
Rated voltage between supply, measuring and output circuit 250 V
Rated impulse withstand voltage between all isolated circuits 4 kV / 1.2 - 50 μs
Test voltage between all isolated circuits 2.5 kV, 50 Hz, 1 min.
Pollution degree 3
Overvoltage category III

2
2CDC 110 004 C0210 | Catalog Electronic relays and controls 2016 | ABB 146
Thermistor motor protection relays
Notes

2
147 ABB | Catalog Electronic relays and controls 2016 | 2CDC 110 004 C0210
Thermistor motor protection relays
Connection diagrams
A1 13 21
T2 T1
14 22 A2
ϑ
T2
T1 A1 14
13 21
22
A2
A1 11 21
T2 T1
24 22 S1
14 12 A2
ϑ
T2
S1
T1 A1
A2 12
11 21
14 22 24
A1 11
T2 T1
14 12 A2
T2
T1 A1
A2 12
11
14
ϑ
A1
A3
11 21
T2 T1
14 12
24 22 S1
A2
S1
ϑ
T2
T1 A1 A3
A2 22
21
2412
11
14
A1
A3
11
T2 T1
14 12 A2
ϑ
T2
T1 A1 A3
A2 12
11
14
A1 11 21
1T1 1T2/2T2 2T1
24 22 S1
14 12 A2
ϑ ϑ
S1 S1
A1 11
12 14
21
22 24A2
1T1 A12T1
1T2/2T2 A21T2/2T2
A1
13
T2T1
14 A2
ϑ
T2
T1 A1
14
13
A2
A1 13 21
T2S1 T1
14 22 A2
ϑ
T2
T1 A1 14
13 21
22
A2
S1
CM-MSS.11, CM-MSS.21 CM-MSS.12 CM-MSS.13 CM-MSS.31
CM-MSS.22, CM-MSS.32,
CM-MSS.41
CM-MSS.23, CM-MSS.33 CM-MSS.51 CM-MSE
A1 – A2 Control supply voltage
13 – 14 n/o contact
21 – 22 n/c contact
T1 – T2 Measuring circuit
A1 – A2 Control supply voltage
220-240 V AC
A2 – A3 Control supply voltage
110-130 V AC
11 – 12/14 c/o contact
T1 – T2 Measuring circuit
A1 – A2 Control supply voltage
13 – 14 n/o contact
21 – 22 n/c contact
S1 – T2 Automatic reset
(jumpered)
T1 – T2 Measuring circuit
A1 – A2 Control supply
voltage 24 V AC/DC
11 – 12/14 1st c/o (SPDT)
contact
21 – 22/24 2nd c/o (SPDT)
contact
S1 – T2 Automatic reset
(jumpered)
T1 – T2 Measuring circuit
A1 – A2 Control
supply voltage
220-240 V AC
A2 – A3 Control supply
voltage 110-130
V AC
11 – 12/14 1st c/o (SPDT)
contact
21 – 22/24 2nd c/o (SPDT)
contact
S1 – T2 Automatic reset
(jumpered)
T1 – T2 Measuring
circuit
A1 – A2 Control
supply voltage
220-240 V AC
11 – 12/14 1st c/o (SPDT)
contact
21 – 22/24 2nd c/o (SPDT)
contact
S1 – 1T2/2T2 Automatic reset
(jumpered)
1T1 – 1T2/2T2 Measuring circuit 1
2T1 – 1T2/2T2 Measuring circuit 2
A1 – A2 Control supply voltage
24 V AC
T1-T2 Sensor circuit
13-14 Output contact -
Closed circuit principle
A1 – A2 Control supply voltage
11 – 12/14 c/o contact
T1 – T2 Measuring circuit
2CDC 252 018 F00142CDC 252 019 F0014
2CDC 252 021 F0014
2CDC 252 017 F0014
1SVC 110 000 F0140
2CDC 252 022 F0014
2CDC 252 020 F0014
2CDC 252 047 F0014

2
2CDC 110 004 C0210 | Catalog Electronic relays and controls 2016 | ABB 148
Thermistor motor protection relays
Circuit diagram
M 3~
V+
T2
T1
A1
µC
V-
t
A2
21
14
22
13
M 3~
V
+
T2
T1
A1
V-
t
A2
14
11
12
M 3~
V+
T2
T1
A1 or A3
V-
t
A2
14
11
12
M 3~
V+
T2
T1
A1
µC
V-
t
A2
S1
21
14
22
Reset
13
M 3~
V+
T2
T1
A1 or A3
V-
t
A2
S1
24
11
21
22
14
12
Reset
M 3~
V+
T2
T1
A1
V-
t
A2
S1
24
11
21
22
14
12
Reset
M 3~
V+
T2
T1
A1
µC
V-
t
A2
S1
24
11
21
22
14
12
Reset
M 3~
V
+
T2
T1
A1 or A3
µC
V-
t
A2
S1
24
11
21
22
14
12
Reset
M 3~
M 3~
V+
1T2/
2T2
2T1
1T1
A1
µC
V-
t
t
A2
S1
24
11
21
22
14
12
Reset
CM-MSS.11, CM-MSS.21
CM-MSS.31CM-MSS.23CM-MSS.22
CM-MSS.12 CM-MSS.13
CM-MSS.32, CM-MSS.41
CM-MSE
CM-MSS.33 CM-MSS.51
2CDC 252 023 F0014
2CDC 252 026 F00142CDC 252 015 F0014
1SVC 110 000 F0141
2CDC 252 029 F0014
2CDC 252 016 F0014
2CDC 252 027 F0014
2CDC 252 028 F0014
2CDC 252 024 F0014
2CDC 252 025 F0014

2
149 ABB | Catalog Electronic relays and controls 2016 | 2CDC 110 004 C0210
Temperature monitoring relays
Product group picture

2
2CDC 110 004 C0210 | Catalog Electronic relays and controls 2016 | ABB 150
Temperature monitoring relays
Table of contents
Temperature monitoring relays
Temperature monitoring relays 150
Benefits and advantages, Applications 151
Operating controls 152
Selection 153
Ordering details 154
Function diagrams 155
Overview, Functional description and diagrams 156
Connection diagrams, Resistance thermometer sensors 157
Technical data - CM-TCS.xx 158
Technical data - C51x 160

2
151 ABB | Catalog Electronic relays and controls 2016 | 2CDC 110 004 C0210
Temperature monitoring relays
Benefits and advantages, Applications
Characteristics CM-TCS
– Adjustable sensor type: PT100
– Functionality like overtemperature monitoring, under-
temperature monitoring, temperature window monitoring
configurable
– All configurations and adjustments by front-face operating
elements
– Precise adjustment with direct reading scales
– One or two threshold values
– Hysteresis 2...20 % adjustable
– Operating temperature range -40...+60 °C
– 1 x 2 c/o or 2 x 1 c/o configurable
– Open- or closed-circuit principle configurable
– Short-circuit monitoring and interrupted wire detection
– 22.5 mm (0.89 in) width
– LEDs for status indication
Characteristics C512 + C513
– Adjustable sensor types: PT100, PT1000, KTY83, KTY84,
NTC-B57227-K333-A1
– Measuring principle for 2-wire and 3-wire sensors
– Temperature monitor for 1-3 sensor circuits
– Adjustable over-, undertemperature monitoring or range
monitoring function
– 2 thresholds
– Hysteresis for both thresholds (1-99 Kelvin)
– Adjustable time delay from 0-999 s affects to both thresh-
olds
– Storage function selectable via external signal (Y1-Y2)
– Non volatile storage of parameter settings
– 1 n/o (for wire-break and short-circuit detection) and 2 c/o
– Multifunctional digital display
– 3 LEDs for status indication
– Open- or closed-circuit principle selectable
– 45 mm wide housing with 24 terminals
C513
– Temperature monitor for 1-3 sensor circuits
– In the 3-sensor version the status of the single sensors
is displayed if the temperature exceeds or falls below the
threshold. This way it can be easily determined which one
of the connected sensors has exceeded or dropped below
either one or both threshold values.
C512
– Temperature monitor for 1 sensor circuit
Functional description
The temperature monitoring relays CM-TCS monitor overtem-
perature, undertemperature, or temperatures between two
threshold values (window monitoring) with PT100 sensor. As
soon as the temperature falls below or exceeds the threshold
value the output relays change their positions according to
the configured functionality and the front-face LEDs display
the current status. Regardless of the selected configuration,
the device is monitoring its measuring circuit for interrupted
wires or short-circuits.
Overview
The temperature monitoring relays can be used for tempera-
ture measurement in solid, liquid and gaseous media. The
temperature is acquired by the sensor in the medium, evalu-
ated by the device and monitored to determine whether it is
within an operating range (range monitoring function) or has
exceeded or fallen below a threshold.

2
2CDC 110 004 C0210 | Catalog Electronic relays and controls 2016 | ABB 152
Temperature monitoring relays
Operating controls
4
1
2
3
5
1 Adjustment of the hysteresis for threshold value t1
2 Adjustment of the threshold value t1
3 Indication of operational states
U: green LED – status indication of control supply voltage
t: red LED – fault message, state of measuring input
R: yellow LED – status indication of the output relays
4 Adjustment of the hysteresis for threshold value t2
5 Adjustment of the threshold value t2
6 DIP switch functions / marker label (on page 2/104)
p Overtemperature monitoring
q Undertemperature monitoring
r Temperature window monitoring activated
s Temperature window monitoring de-activated
g Closed-circuit principle
h Open-circuit principle
i 2 x 1 c/o (SPDT) contact
j 1 x 2 c/o (SPDT) contacts
2CDC 253 019 F0013

2
153 ABB | Catalog Electronic relays and controls 2016 | 2CDC 110 004 C0210
Order number
1SVR 730 740 R9100
1SVR 740 740 R9100
1SVR 730 740 R0100
1SVR 740 740 R0100
1SVR 730 740 R9200
1SVR 740 740 R9200
1SVR 730 740 R0200
1SVR 740 740 R0200
1SVR 730 740 R9300
1SVR 740 740 R9300
1SVR 730 740 R0300
1SVR 740 740 R0300
1SAR 700 100 R0005
1SAR 700 100 R0010
1SAR 700 110 R0010
Type
CM-TCS.21S
CM-TCS.21P
CM-TCS.11S
CM-TCS.11P
CM-TCS.22S
CM-TCS.22P
CM-TCS.12S
CM-TCS.12P
CM-TCS.23S
CM-TCS.23P
CM-TCS.13S
CM-TCS.13P
C512-24
C512-W
C513-W
Rated control supply voltage Us
24 V AC/DC
24-240 V AC/DC
Technology
analogue
digital
Sensor circuits (2 or 3 wire)
number of temperature sensors 111111111111 113
number of thresholds 222222222222 223
Sensor type
PT100
PT100, KTY83, KTY84, NTC, PT1000
Measuring temperature range
-50...+50 °C
0...+100 °C
0...+200 °C
-50...+500 °C
Monitoring function
overtemperature
undertemperature
window temperature
Operating principle
open or closed principle
Output contacts
n/o
1 1 1
c/o
222222222222 222
Temperature monitoring relays
Selection

2
2CDC 110 004 C0210 | Catalog Electronic relays and controls 2016 | ABB 154
Description
The temperature monitoring relays of CM-TCS and C51x range are able to measure tempera-
tures of solids, liquids and gaseous media using different types of sensors. Overtemperature
and undertemperature monitoring as well as open- or closed-circuit principle is configurable
for all devices. As soon as the temperature falls below or exceeds the set threshold value the
output relays change their positions according to the configured functionality and the front-
face LED‘s display the current status.
Ordering details - Temperature monitoring relays C51x
Rated control
supply voltage
Measuring
range
Temperature
sensors
Type Order code Price
1 pce
Weight
(1 pce)
kg (lb)
24 VAC/DC
-50...+500 °C
PT100, PT1000, NTC,
KTY84, KTY83
C512-24 1SAR700100R0005 0.32 (0.71)
24-240 VAC/DC C512-W 1SAR700100R0010 0.33 (0.73)
24-240 VAC/DC C513-W 1SAR700110R0010 0.34 (0.75)
Ordering details - replaceable cover C51x
Use for Language Type Order code Price
5 pce
Weight
(1 pce)
kg (lb)
C512 German C512-D 1SVR700101R0100
C512 English C512-E 1SVR700102R0100
C513 German C513-D 1SVR700111R 010 0
C513 English C513-E 1SVR700112R0100
2CDC 251 031 V00121SVC 110 000 F0557
CM-TCS
C512, C513
Ordering details - Temperature monitoring relays CM-TCS
Rated control
supply voltage
Measuring
range
Temperature
sensors
Type Order code Price
1 pce
Weight
(1 pce)
kg (lb)
24-240 VAC/DC
-50...+50 °C
PT100
CM-TCS.11S 1SVR730740R0100 0.151 (0.333)
CM-TCS.11P 1SVR740740R0100 0.140 (0.309)
0...+100 °C CM-TCS.12S 1SV R730740R 0200 0.151 (0.333)
CM-TCS.12P 1SV R740740R0200 0.140 (0.309)
0...+200 °C CM-TCS.13S 1SVR730740R0300 0.151 (0.333)
CM-TCS.13P 1SV R740740R030 0 0.140 (0.309)
24 VAC/DC
-50...+50 °C CM-TCS.21S 1SVR730740R 9100 0.138 (0.304)
CM-TCS.21P 1SVR740740 R910 0 0.127 (0.280)
0...+100 °C CM-TCS.22S 1SVR730740R9200 0.138 (0.304)
CM-TCS.22P 1SVR740740R 920 0 0.127 (0.280)
0...+200 °C CM-TCS.23S 1SVR730740R9300 0.138 (0.304)
CM-TCS.23P 1SVR740740R 9300 0.127 (0.280)
Further documentation temperature
monitoring relays on www.abb.com
S: screw connection
P: push-in connection
Temperature monitoring relays
Ordering details

2
155 ABB | Catalog Electronic relays and controls 2016 | 2CDC 110 004 C0210
Temperature monitoring relays
Function diagrams
CM-TCS - Overtemperature monitoring, 1 x 2 c/o contacts j
Undertemperature monitoring, 1 x 2 c/o contacts j
Temperature window monitoring, 1 x 2 c/o contacts j
Temperature window monitoring, 2 x 1 c/o contact i
Undertemperature monitoring, 2 x 1 c/o contact i
Overtemperature monitoring, 2 x 1 c/o contact i
A1-A2
11-14
11-12
21-24
21-22
11-14
11-12
21-24
21-22
closed
open
Threshold ϑ1
Hysteresis
Measured value
U: green LED
ϑ: red LED
R: yellow LED
U: green LED
ϑ: red LED
R: yellow LED
Open-circuit principle
Closed-cir
cuit principle
A1-A2
11-14
11-12
21-24
21-22
11-14
11-12
21-24
21-22
closed
open
Hysteresis
Measured value
U: green LED
ϑ: red LED
R: yellow LED
U: green LED
ϑ: red LED
R: yellow LED
Open-circuit principle
Closed-cir
cuit principle
Threshold ϑ2
A1-A2
11-14
11-12
21-24
21-22
11-14
11-12
21-24
21-22
closed
open
Threshold ϑ1
Hysteresis
Measured value
Threshold ϑ2
Hysteresis
Open-circuit principle
U: green LED
ϑ: red LED
R: yellow LED
Closed-cir
cuit principle
U: green LED
ϑ: red LED
R: yellow LED
A1-A2
11-14
11-12
21-24
21-22
11-14
11-12
21-24
21-22
closed
open
Threshold ϑ1
Hysteresis
Measured value
Threshold ϑ2
Hysteresis
Open-circuit principle
U: green LED
ϑ: red LED
R: yellow LED
Closed-cir
cuit principle
U: green LED
ϑ: red LED
R: yellow LED
A1-A2
11-14
11-12
21-24
21-22
11-14
11-12
21-24
21-22
closed
open
Threshold ϑ1
Hysteresis
Measured value
Hysteresis
Threshold ϑ2
Open-circuit principle
U: green LED
ϑ: red LED
R: yellow LED
Closed-cir
cuit principle
U: green LED
ϑ: red LED
R: yellow LED
A1-A2
11-14
11-12
21-24
21-22
11-14
11-12
21-24
21-22
closed
open
Threshold ϑ1
Hysteresis
Measured value
Hysteresis
Threshold ϑ2
Open-circuit principle
U: green LED
ϑ: red LED
R: yellow LED
Closed-cir
cuit principle
U: green LED
ϑ: red LED
R: yellow LED
With this configuration, settings via t2 have no influence on the operating function (t2 disabled).
Open-circuit principle:
If the measured value is correct, the output relays remain de-energized when control supply voltage is applied. If the
measured value exceeds the adjusted threshold value t1, the output relays energize. If the measured value drops
again below the adjusted threshold value t1 minus the adjusted hysteresis, the output relays de-energize.
Closed-circuit principle:
The behavior is inverse to the one with open-circuit principle.
Open-circuit principle:
If the measured value is correct, the output relays remain de-energized when control supply voltage is applied. If the
measured value exceeds the adjusted threshold value t2, output relay R2 (prewarning) energizes. If the measured
value exceeds the adjusted threshold value t1, output relay R1 (final switch-off) energizes.
If the measured value drops again below the adjusted threshold value t1 minus the adjusted hysteresis, output relay
R1 (final switch-off) de-energizes. If the measured value drops below the adjusted threshold value t2 minus the
adjusted hysteresis, output relay R2 (prewarning) de-energizes.
Closed-circuit principle:
The behavior is inverse to the one with open-circuit principle.
2CDC 252 008 F0209
2CDC 252 009 F0209
With this configuration, settings via t1 have no influence on the operating function (t1 disabled).
Open-circuit principle:
If the measured value is correct, the output relays remain de-energized when control supply voltage is applied. If
the measured value drops below the adjusted threshold value t2, the output relays energize. If the measured value
exceeds again the adjusted threshold value t2 plus the adjusted hysteresis, the output relays de-energize.
Closed-circuit principle:
The behavior is inverse to the one with open-circuit principle.
Open-circuit principle:
If the measured value is correct, the output relays remain de-energized when control supply voltage is applied. If the
measured value drops below the adjusted threshold value t1, output relay R1 (prewarning) energizes. If the measured
value drops below the adjusted threshold value t2, output relay R2 (final switch-off) energizes.
If the measured value exceeds again the adjusted threshold value t2 plus the adjusted hysteresis, output relay R2
(final switch-off) de-energizes. If the measured value exceeds the adjusted threshold value t1 plus the adjusted
hysteresis, output relay R1 (prewarning) de-energizes.
Closed-circuit principle:
The behavior is inverse to the one with open-circuit principle.
2CDC 252 010 F02092CDC 252 011 F0209
Open-circuit principle:
If the measured value is correct, the output relays remain de-energized when control supply voltage is applied. If
the measured value exceeds the adjusted threshold value t1 or drops below the adjusted threshold value t2, the
output relays energize. If the measured value drops again below the adjusted threshold value t1 minus the adjusted
hysteresis or exceeds again the adjusted threshold value t2 plus the adjusted hysteresis, the output relays de-
energize.
Closed-circuit principle:
The behavior is inverse to the one with open-circuit principle.
Open-circuit principle:
If the measured value is correct, the output relays remain de-energized when control supply voltage is applied.
If the measured value exceeds the adjusted threshold value t1 or drops below the adjusted threshold value t2, output
relay R1 (> t1) or R2 (< t2) respectively energizes.
If the measured value drops again below the adjusted threshold value t1 minus the adjusted hysteresis or exceeds
again the adjusted threshold value t2 plus the adjusted hysteresis, output relay R1 (>t1) or R2 (<t2) respectively de-
energizes.
Closed-circuit principle:
The behavior is inverse to the one with open-circuit principle.
2CDC 252 012 F0209
2CDC 252 013 F0209

2
2CDC 110 004 C0210 | Catalog Electronic relays and controls 2016 | ABB 156
DIP switches CM-TCS
Position 4 1 2 3
ON
OFF
igrp
qs
h
j
ON OFF (default)
DIP switch 1
Monitoring
principle
Overtemperature monitoring p
If overtemperature monitoring is selected, the CM-TCS recognizes
temperatures above the selected threshold and trips the output relay
according to the selected operating principle.
Undertemperature monitoring q
If undertemperature monitoring is selected, the CM-TCS recognizes
temperatures below the selected threshold and trips the output relay
according to the selected operating principle.
DIP switch 2
Temperature
window
monitoring
Temperature window monitoring activated r
If temperature window monitoring is selected, the CM-TCS monitors
over- and undertemperature. If temperature window monitoring is
activated, DIP switch 1 is disabled.
Temperature window monitoring de-activated s
Temperature window monitoring is de-selected.
DIP switch 3
Operating principle
of the output relays
Closed-circuit principle g
If closed-circuit principle is selected, the output relays are energized.
They de-energize if a fault is occuring.
Open-circuit principle h
If open-circuit principle is selected, the output relays are deenergized.
They energize if a fault is occuring.
DIP switch 4
2 x 1 c/o contact,
1 x 2 c/o contacts
2 x 1 c/o (SPDT) contact i
If operating principle 2 x 1 c/o contact is selected, the output relay R1
(11-12/14) reacts to threshold value t1 and the output relay R2 (21-
22/24) reacts to threshold value t2.
1 x 2 c/o (SPDT) contacts j
If operating principle 1 x 2 c/o contacts is selected, both output relays
R1 (11-12/14) and R2 (21-22/24) react synchronously to one threshold
value.
Overtemperature monitoring: Settings of the threshold value t2 have
no effect on the operation.
Undertemperature monitoring: Settings of the threshold values t2
have no effect on the operation.
Characteristic curves of resistance sensors
-100 0 100 200 300 400 500
5000
4000
3000
2000
1000
0
NTC
KTY83 KTY84 PT1000
PT100
Resistance in
Temperature in °C
2CDC 252 076 F0207
t
t
t
Us
K1
K2
1
2
t
t
t
Us
K1
K2
1
2
t
t
t
Us
K2
K1
1
J
2
J
t
t
t
Us
K1
K2
1
2
tt
t
Us
K1
K2
1
2
t
t
Us
-Y1 Y2
K1
t
K2
1
2
1SVC 110 000 F0191
1SVC 110 000 F0192
1SVC 110 000 F0195
1SVC 110 000 F0196
t
t
t
Us
K2
K1
1
J
2
J
1SVC 110 000 F0193
1SVC 110 000 F0194
1SVC 110 000 F0197
Function principle with storage function - C512/C513
using overtemperature with closed-circuit principle as an
example
Range monitoring - C512/C513
Overtemperature - C512/C513
Undertemperature - C512/C513
Temperature monitoring relays
Overview, Functional description and diagrams
Functional description
Digital tripping devices
Once the temperature has reached the set threshold of υ1,
output relay K1 changes its switching state after the set
time delay t has elapsed (K2 reacts in the same way for υ2).
Function diagrams
Open-circuit principle
Open-circuit principle
Open-circuit principle
Closed-circuit principle
Closed-circuit principle
Closed-circuit principle
absolute limit
hysteresis

2
157 ABB | Catalog Electronic relays and controls 2016 | 2CDC 110 004 C0210
2-wire measurement
When using 2-wire temperature sensors the sensor resis-
tance and the wire resistance are added together.
The resulting systematic errors must be taken into account
when adjusting the tripping device.
A jumper must be connected between
the terminals T2 and T3.
The following table can be used for
PT100 sensors to determine the
temperature errors caused by the line
length.
When using resistance sensors with
two-wire connection a bridge must be
inserted between terminals T2 and T3.
Temperature monitoring relays
Connection diagrams, Resistance thermometer sensors
A2
A1
K1 15
16
18
K2 25
28
K3 33
34
26
Y2Y1
1T1
1T2
1T3
2T1
2T2
2T3
3T1
3T2
3T3
Memory
Ready
1
2
A2
A1
T1
K1 15
16
T2
T3
18
K2 25
28
K3 33
34
26
Y2Y1
Memory
Ready
1
2
2CDC 252 025 F0010
1SVC 110 000 F0202
1SVC 110 000 F0201
CM-TCS
C512 C513
Connection diagrams
Connection of resistance thermometer sensors
A1-A2 Control supply voltage
11-12/14 Output relay R1
21-22/24 Output relay R2
T1, T2, T3 Measuring input, connection PT100
A1-A2 Rated control suppy
voltage
15-16/18 Output contacts
25-26/28
33-34
T1-T3 Sensor connection
Y1-Y2 Connection for
storage bridge
A1-A2 Rated control suppy
voltage
15-16/18 Output contacts
25-26/28
33-34
1T1-1T3 Sensor connection 1
2T1-2T3 Sensor connection 2
3T1-3T3 Sensor connection 3
Y1-Y2 Connection for
storage bridge
A 11
12
1
T3
24
T2 T1
22
14 12 A2
T1 T2 T3 11 21
A1 A2 12 14 22 24
T2
PT100
T3
T1
Temperature error
(depending on the line length and conductor cross section
for PT100 sensors at an ambient temperature of 20 °C, in K)
Error caused by the line
The error resulting from the line resistance amounts to ap-
prox. 2.5 Kelvin/Ohm. If the resistance of the line is not
known and it is not possible to measure it, the error caused
by the line can be estimated using the following table.
3-wire measurement
To minimize the influence of the wire resistance, a three-wire
connection is usually used. By means of the additional wire
two measuring circuits are created.
One of these two circuits is used
for reference. This way, the tripping
device can calculate and take into
account the wire resistance auto-
matically.
Electrical isolation
Line length in m Wire size mm2
0.50 0.75 11.5
0
10
25
50
75
100
200
500
0.0
1.8
4.5
9.0
13.6
18.1
36.3
91.6
0.0
1.2
3.0
6.0
9.0
12.1
24.2
60.8
0.0
0.9
2.3
4.5
6.8
9.0
18.1
45.5
0.0
0.6
1.5
3.0
4.5
6.0
12.1
30.2
12 1411
T1
T2
T3
21
22
24
A1 A2
24 V AC/DC
2CDC 252 019 F0010
12 1411
T1
T2
T3
21
22
24
A1 A2
24-240 V AC/DC
2CDC 252 020 F0010
Electrical isolation
Protective searation acc. to IEC/EN 61140; EN 50178
T2
PT100
T3
T1

2
2CDC 110 004 C0210 | Catalog Electronic relays and controls 2016 | ABB 158
Temperature monitoring relays
Technical data - CM-TCS.xx
Type CM-TCS.11/12/13 CM-TCS.21/22/23
Input circuit
Rated control supply voltage UsA1-A2 24-240 V AC/DC 24 V AC/DC
Rated control supply voltage Us tolerance -15...+10 %
Typical current / power / consumption
24 V DC 33 mA / 0.8 VA 18 mA / 0.45 VA
115 V AC 12.5 mA / 1.5 VA n/a
230 V AC 13 mA / 2.9 VA n/a
Rated frequency AC 15-400 Hz 50/60 Hz
Frequency range AC 13.5-440 Hz 45-65 Hz
Power failure buffering time min. 20 ms
Measuring circuit T1, T2, T3
Sensor type PT100
Connection of the sensor 2-wire yes, jumper between T2-T3
3-wire yes, use terminal T1, T2, T3
Monitoring function overtemperature, undertemperature or window monitoring
Threshold values adjustable within the measuring
range
CM-TCS.x1 -50…+50 °C
CM-TCS.x2 0…+100 °C
CM-TCS.x3 0…+200 °C
Number of possible thresholds 2
Tolerance of the adjusted threshold value typ. ±5 % of the range end value
Hysteresis related to the threshold value 2-20 % of threshold value, min. 1 °C
Measuring principle continuous current
Typical current in the sensor circuit 0.8 mA
Maximum current in sensor circuit 0.9 mA
Interrupted wire detection yes, indicated via LED status
Short-circuit detection yes, indicated via LED status
Accuracy within the rated control supply voltage tolerance < 0.2 °C / or < 0.01 %/K
Accuracy within the temperature range < 0.2 °C / or < 0.01 %/K
Repeat accuracy (constant parameters) < 0.2 % of full scale
Maximum measuring cycle 320 ms
Output circuit
Kind of output 2 x 1 or 1 x 2 c/o (SPDT) contacts configurable
Operating principle open- or closed-circuit principle configurable 1)
Contact material AgNi alloy, Cd free
Rated operational voltage (IEC/EN 60947-1) 250 V AC / 300 V DC
Minimum switching voltage / Minimum switching current 24 V / 10 mA
Maximum switching voltage / Maximum switching current see ‘Load limit curves'
Rated operating current Ie
(IEC/EN 60947-1-5)
AC-12 (resistive) 230 V 4 A
AC-15 (inductive 230 V 3 A
DC-12 (resistive) 24 V 4 A
DC-13 (inductive) 24 V 2 A
AC Rating (UL508) utilization category B 300, pilot duty general purpose (250 V, 4 A, cos ϕ 0.75)
maximum rated operational voltage 250 V AC
maximum continuous thermal current at B 300 4 A
maximum making/breaking apparent power at
B 300
3600/360 VA
Mechanical lifetime 30 x 106 switching cycles
Electrical lifetime (AC-12, 230 V, 4 A) 0.1 x 106 switching cycles
Maximum fuse rating to achieve short-circuit
protection
n/c contact 6 A fast-acting
n/o contact 10 A fast-acting
Conventional thermal current Ith acc. IEC/EN 60947-1 4 A
General data
Dimensions (W x H x D) 22.5 x 85.6 x 103.7 mm (0.89 x 3.37 x 4.08 in)
Mounting position any
Screw connection technology Easy Connect Technology (push-in)
Weight net weight CM -TC S .1x 0.151 kg (0.333 lb) 0.140 kg (0.309 lb)
CM-TCS.2x 0.138 kg (0.304 lb) 0.127 kg (0.280 lb)
gross weight CM-TCS.1x 0.176 kg (0.388 lb) 0.165 kg (0.364 lb)
CM-TCS.2x 0.163 kg (0.360 lb) 0.152 kg (0.335 lb)
Degree of protection enclosure /
terminals
IP50 / IP20
Ambient temperature range operation -40...+60 °C
storage/transport -40...+85 °C
Mounting DIN rail (IEC/EN 60715), snap-on mounting without any tool
1) Closed-circuit principle: Output relay(s) de-energize(s) if measured value exceeds or falls below the adjusted threshold value

2
159 ABB | Catalog Electronic relays and controls 2016 | 2CDC 110 004 C0210
Temperature monitoring relays
Technical data - CM-TCS.xx
Type CM-TCS.11/12/13 CM-TCS.21/22/23
Electrical connection
Wire size Screw connection technology Easy Connect Technology (Push-in)
fine-strand without
wire end ferrule
A1, A2, 11, 12, 14, 21,
22, 24
1 x 0.5-2.5 mm² (1 x 20-14 AWG)
2 x 0.5-1.5 mm² (2 x 20-16 AWG)
2 x 0.5-1.5 mm² (2 x 20-16 AWG)
connection with lever
T1, T2, T3 1 x 0.2-2.5 mm² (1 x 24-14 AWG)
2 x 0.2-1.5 mm² (2 x 24-16 AWG)
2 x 0.2-1.5 mm² (2 x 24-16 AWG)
connection with lever
fine-strand with
wire end ferrule
A1, A2, 11, 12, 14, 21,
22, 24
1 x 0.5-2.5 mm² (1 x 20-14 AWG)
2 x 0.5-1.5 mm² (2 x 20-16 AWG)
2 x 0.5-1.5 mm² (2 x 20-16 AWG)
connection: push-in
T1, T2, T3 1 x 0.2-2.5 mm² (1 x 24-14 AWG)
2 x 0.2-1.5 mm² (2 x 24-16 AWG)
2 x 0.2-1.5 mm² (2 x 24-16 AWG)
insulated ferrule (DIN 46228-4-E):
connection: push-in
ferrule (DIN 46228-1-A):
< 0.5 mm², connection with lever
0.5 mm², connection: push-in
rigid A1, A2, 11, 12, 14, 21,
22, 24
1 x 0.5-4 mm² (1 x 20-12 AWG)
2 x 0.5-2.5 mm² (2 x 20-14 AWG)
2 x 0.5-1.5 mm² (2 x 20-16 AWG)
connection: push-in
T1, T2, T3 1 x 0.2-4 mm² (1 x 24-12 AWG)
2 x 0.2-2.5 mm² (2 x 24-14 AWG)
2 x 0.2-1.5 mm² (2 x 24-16 AWG)
< 0.5 mm², connection with lever
0.5 mm², connection: push-in
Stripping length 8 mm (0.32 in)
Tightening torque < 0.5 mm² 0.5 Nm (4.43 lb.in) -
0.5 mm² 0.6 - 0.8 Nm (5.31 - 7.08 lb.in) -
Standards
Product standard IEC/EN 60255-1, IEC/EN 60255-27, EN 50178
Low Voltage Directive 2006/95/EC
EMC Directive 2004/108/EC
RoHS Directive 2011/65/EC
Environmental data
Ambient temperature ranges
operation/storage/ transport
-40...+60°C/-40...+85°C/-40...+85°C
Climatic category 3K5 (no condensation, no ice formation)
Damp heat, cyclic 6 x 24 h cycle, 55 °C, 95 % RH
Vibration, sinusoidal Class 2
Shock Class 2
Isolation data
Rated impulse withstand voltage
Uimp between all isolated circuits
(IEC/EN 60947-1, IEC/EN 60664-1)
supply circuit / measuring circuit
4 kV -
supply circuit / output circuits
4 kV
measuring circuit / output circuits
4 kV
output circuit 1 / output circuit 2
4 kV
Pollution degree (IEC/EN 60664-1) 3
Overvoltage category (IEC/EN 60664-1) III
Rated insulation voltage Ui
(IEC/EN 60947-1, IEC/EN 60664-1)
supply circuit / measuring circuit
300 V -
supply circuit / output circuits
300 V
measuring circuit / output circuits
300 V
output circuit 1 / output circuit 2
300 V
Basis isolation for rated control supply
voltage
(IEC/EN 60664-1)
supply circuit / measuring circuit
250 V AC / 300 V DC -
supply circuit / output circuits
250 V AC / 300 V DC
measuring circuit / output circuits
250 V AC / 300 V DC
output circuit 1 / output circuit 2
250 V AC / 300 V DC
Protective separation (IEC/EN 61140,
EN 50178)
supply circuit / measuring circuit
250 V AC / 250 V DC -
supply circuit / output circuits
250 V AC / 300 V DC 250 V AC / 250 V DC
measuring circuit / output circuits
250 V AC / 300 V DC 250 V AC / 250 V DC
Test voltage between all isolated
circuits, routine test (IEC/EN 60255-5,
IEC/EN 61010-1)
supply circuit / measuring circuit
2.0 kV, 50 Hz, 1 s -
supply circuit / output circuits
2.0 kV, 50 Hz, 1 s
measuring circuit / output circuits
2.0 kV, 50 Hz, 1 s
Test voltage between all isolated circuits,
type test
(IEC/EN 60255-5)
supply circuit / measuring circuit
4.0 kV, 50 Hz, 1 s -
supply circuit / output circuits
4.0 kV, 50 Hz, 1 s
measuring circuit / output circuits
4.0 kV, 50 Hz, 1 s
Electromagnetic compatibility
Interference immunity to IEC/EN 61000-6-1, IEC/EN 61000-6-2, IEC/EN 61326-2-4
electrostatic discharge IEC/EN 61000-4-2 Level 3, 6 kV / 8 kV
radiated, radio-frequency, electromagnetic
field
IEC/EN 61000-4-3 Level 3, 10 V/m (1 GHz) / 3 V/m (2 GHz) / 1 V/m (2.7 GHz)
electrical fast transient/burst IEC/EN 61000-4-4 Level 3, 2 KV / 5 kHz
surge IEC/EN 61000-4-5 Level 3, installation class 3, supply circuit and measuring circuit 1 kV L-L, 2
kV L-earth
conducted disturbances, induced by
radio-frequency fields
IEC/EN 61000-4-6 Level 3, 10 V
voltage dips, short interruptions and
voltage variations
IEC/EN 61000-4-11 Class 3
harmonics and interharmonics IEC/EN 61000-4-13 Class 3
Interference emission EN 61000-6-3, EN 61000-6-4
high-frequency radiated IEC/CISPR 22, EN 55022 Class B
high-frequency conducted IEC/CISPR 22, EN 55022 Class B

2
2CDC 110 004 C0210 | Catalog Electronic relays and controls 2016 | ABB 160
Temperature monitoring relays
Technical data - C51x
Type C512 C513
Input circuit
Rated control supply voltage UsA1-A2 24 V AC/DC -
A1-A2 24-240 V AC/DC
Power consumption
AC < 7 VA
DC < 4 W
Rated control supply voltage US tolerance -15...+10 %
Rated frequency AC
Sensor circuit
Sensor type PT100, PT1000, KTY83, KTY84, NTC
Sensor current PT100 typ. 1 mA
PT1000, KTY83, KTY84, NTC typ. 0.2 mA
Wire-break detection yes (not for NTC)
Short-circuit detection yes
3-wire connection yes (2-wire connection of sensors with terminals T2 and T3 bridged)
Measuring circuit
Setting accuracy at Ta = 20 °C (T20)< ±2 K ± 1 digit
Accuracy within the temperature range 0.05 °C / °C deviation from T20
Response time 500 ms
Hysteresis settings temperature 1 1-99 kelvin
temperature 2 1-99 kelvin
Tripping delay 0-999 s
Output circuit
Kind of output 2 c/o + 1n/o 2 c/o + 1 n/o
Rated operating current Ie
(IEC/EN 60947-1-5)
AC-12 (resistive) 230 V n/a
AC-15 (inductive) 230 V 3 A
DC-12 (resistive) 24 V 1 A
DC-13 (inductive) 24 V 0.1 A
Mechanical lifetime 30 x 106 switching cycles
Electrical lifetime (AC-15 at 3 A) 0.1 x 105 switching cycles
Max. fuse rating to achieve short-circuit protection 4 A, operating class gL/gG
General data
Dimensions (W x H x D) 45 x 105.9 x 86 mm (1.77 x 4.17 x 3.39 in)
Tightening torque 0.8-1.2 Nm
Mounting position any
Degree of protection enclosure / terminals IP 40 / IP 20
Ambient temperature range operation -25...+60 °C
storage -40...+80 °C
Mounting DIN rail (IEC/EN 60715)
Electrical connection
Wire size rigid 1 x 4 mm² (1 x 12 AWG), 2 x 2.5 mm² (2 x 14 AWG)
fine-strand with wire end ferrule
1 x 2.5 mm² (1 x 14 AWG), 2 x 1.5 mm² (2 x 16 AWG)
Standards
Environmental conditions IEC 60721-3-3
Low Voltage Directive IEC 60947-5-1, VDE 0660
Electromagnetic compatibility Interference immunity EN 61000-6-2
Interferenece emission EN 61000-6-4
Vibration resistance (IEC 68-2-6) 5-26 Hz / 0.75 mm
Shock resistance (IEC 68-2-27) 15 g / 11 ms
Isolation data
Rated insulation voltage 300 V AC
Pollution degree 3

2
161 ABB | Catalog Electronic relays and controls 2016 | 2CDC 110 004 C0210
Liquid level monitors and controls
Product group picture

2
2CDC 110 004 C0210 | Catalog Electronic relays and controls 2016 | ABB 162
Liquid level monitors and controls
Table of contents
Liquid level monitors and controls
Liquid level monitors and controls 162
Benefits and advantages 163
Selection 165
Ordering details 166
Function diagrams 167
Connection diagrams 168
Cascading of several devices, application examples 169
Technical data - CM-ENE 170
Technical data - CM-ENS 171

2
163 ABB | Catalog Electronic relays and controls 2016 | 2CDC 110 004 C0210
Liquid level monitors and controls
Benefits and advantages
All CM-ENS devices
– Devices with wide rated control supply voltage
24-240 V AC/DC
– Cascadable
– High EMC immunity
– 3 LEDs for the indication of operational states
– Screw connection technology or EasyConnectTechnology
– Housing material for highest fire protection classification
UL 94 V-0
– Tool-free mounting and demounting on DIN rail
– 22.5 mm (0.89 in) width
ABB’s liquid level monitoring relays are the ideal solution to regulate and control liquid levels and ratios of
mixtures of conductive fluids. The assortment includes single- or multifunctional devices which can be
used for overflow protection, dry-running protection of pumps, filling and draining applications as well as
max. and min. level alarming.
Global availability
You will find ABB control products
in any application and corner of the
world. They are in skyscrapers or
windfarms, in offshore platforms
or industrial areas which power
the world. Approved by local and
international standards. We believe
in the strength of our brand and
products - which is supported by our
global service network to ensure your
peace of mind.
–Latest approvals supports your
installation complies to your local
standards
–The product can be used in all
installations in the world
–Giving you the confidence of
world-wide sourcing – no matter
where you build, install or operate
your equipment
Reliable in harsh
conditions
Our engineers thrive on the challenge
to develop products that need to
operate in the most difficult electrical,
mechanical and environmental
conditions. Our solutions protect your
application from overloads, network
irregularities, mechanical wear, and
environmental stresses ensuring
your peace of mind. When you buy
an ABB product, you buy extensive
environmental testing guarantee.
–High immunitiy against
electromagnetic disturbances due to
advanced measuring technology
–Operation in environment with high
vibrations
Improve installation
efficiency
In everything we do, we think of
the customer and the application
first. Our engineers constantly look
for ways to simplify the installation
process by developing innovative
product designs which facilitate
the product assembly and avoid
mounting errors. ABB product can
improve our customers’ productivity
and machinery quality.
–Simplified wiring even in case of
different cable diameters
–Easy to adjust via front-face
potentiometer
–Tool-free mounting and demounting
–Tool free installation due to
push-in technology
CM-ENS.1x
– Control of one or two liquid levels (min/max)
– Fill or drain function
– Adjustable response sensitivity 5-100 kΩ
CM-ENS.2x
– Control of one or two liquid levels (min/max)
– Fill (UP) or Drain (DOWN), adjustable via front-face
potentiometer
– Adjustable response sensitivity 0.1-1000 kΩ
CM-ENS.31
– Control of one or two liquid levels (min/max)
– Fill (UP) or Drain (DOWN), adjustable via front-face
potentiometer
– Adjustable response sensitivity 0.1-1000 kΩ
– Selectable ON- or OFF-delay
– 2 c/o (SPDT) contacts

2
2CDC 110 004 C0210 | Catalog Electronic relays and controls 2016 | ABB 164
6
7
5
4
30
20
10
10k
1k
Liquid level monitors and controls
Operating controls
CM-ENS.1x
CM-ENS.2x
CM-ENS.31
1 Indication of operational states with LEDs
U: green LED - Status indication of control supply voltage
V control supply voltage applied
R: yellow LED - Status indication of the output relays
V energized
MIN/MAX: yellow LED - Status indication of the electrodes
V MIN and MAX wet
W MIN wet
2 Adjustment of the response sensitivity
R: yellow LED - relay status
U: green LED - control supply voltage
3 Marker label
1 Adjustment of the function
Fill
Drain
2 Indication of operational states
U: green LED - Status indication of control supply voltage
V control supply voltage applied
R: yellow LED - Status indication of the output relays
V energized
MIN/MAX: yellow LED - Status indication of the electrodes
V MIN and MAX wet
W MIN wet
3 Adjustment of the response sensitivity range
4 Adjustment of the response sensitivity
5 Marker label
1 Adjustment of the time delay
2 Adjustment of the function
A ON-delayed Fill
A ON-delayed Drain
B OFF-delayed Fill
B OFF-delayed Drain
3 Indication of operational states
U: green LED - Status indication of control supply voltage
V control supply voltage applied
W time delay is running
R: yellow LED - Status indication of the output relays
V energized
MIN/MAX: yellow LED - Status indication of the electrodes
V MIN and MAX wet
W MIN wet
4 Adjustment of the response sensitivity range
5 Adjustment of the response sensitivity
Marker label
1
1
3
3
2
2
1
4
5
3
4
5
2
50
40
60
70
6
7
5
4
10k
1k

2
165 ABB | Catalog Electronic relays and controls 2016 | 2CDC 110 004 C0210
Liquid level monitors and controls
Selection
1SVR 550 855 R9500
1SVR 550 850 R9500
1SVR 550 851 R9500
1SVR 550 855 R9400
1SVR 550 850 R9400
1SVR 550 851 R9400
1SVR 730 850 R0100
1SVR 740 850 R0100
1SVR 730 850 R2100
1SVR 740 850 R2100
1SVR 730 850 R0200
1SVR 740 850 R0200
1SVR 730 850 R2200
1SVR 740 850 R2200
1SVR 730 850 R0300
1SVR 740 850 R0300
CM-ENE MIN
CM-ENE MIN
CM-ENE MIN
CM-ENE MAX
CM-ENE MAX
CM-ENE MAX
CM-ENS.11S
CM-ENS.11P
CM-ENS.13S
CM-ENS.13P
CM-ENS.21S
CM-ENS.21P
CM-ENS.23S
CM-ENS.23P
CM-ENS.31S
CM-ENS.31P
24-240 V AC/DC
24 V AC
110-130 V AC
220-240 V AC
Number of electrodes
(including ground reference) 2222223333333333
0-100 kOhm
5-100 kOhm adj adj adj adj
0.1-1000 kOhm adj adj adj adj adj adj
Dry running protection
Overflow protection
Liquid level control
Open-circuit principle
Closed-circuit principle
Open- or closed-circuit principle sel sel sel sel sel sel
0.1-10 s
n/o 111111
c/o (SPTD) 1111111122
Push-in terminals
Double-chamber cage connection terminals
adj: adjustable
sel: selectable

2
2CDC 110 004 C0210 | Catalog Electronic relays and controls 2016 | ABB 166
Liquid level monitors and controls
Ordering details
Ordering details
Characteristics Type Order code Price
1 pce
Weight
(1 pce)
kg (lb)
See “Selection” on page 181.
CM-ENS.11S 1SVR730850R0100 0.124 (0.273)
CM-ENS.11P 1SVR730850R2100 0.117 (0.258)
CM-ENS.13S 1SVR740850R0100 0.153 (0.337)
CM-ENS.13P 1SVR740850R2100 0.145 (0.320)
CM-ENS.21S 1SVR730850R0200 0.125 (0.276)
CM-ENS.21P 1SVR740850R0200 0.117 (0.258)
CM-ENS.23S 1SVR730850R2200 0.154 (0.340)
CM-ENS.23P 1SVR740850R 220 0 0.147 (0.324)
CM-ENS.31S 1SVR730850R0300 0.143 (0.315)
CM-ENS.31P 1SVR740850R0300 0.134 (0.295)
2CDC 251 004 V0015
1SVR 450 056 F6000
CM-ENS.3x
Bar electrode
Suitable for Not suitable for
spring water acids, bases chemically pure water ethylene glycol
drinking water liquid fertilizers fuel concentrated alcohol
sea water milk, beer, coffee oils paraffin
sewage non-concentrated alcohol explosive areas (liquid gas) lacquers
Liquid level monitoring relays are
Ordering details
Characteristics Type Order code Price
1 pce
Weight
(1 pce)
kg (lb)
See “Selection” on page 181.
CM-ENE MIN
1SVR550855R9500 0.15 (0.33)
1SVR550850R9500 0.15 (0.33)
1SVR550851R9500 0.15 (0.33)
CM-ENE MAX
1SVR550855R9400 0.15 (0.33)
1SVR550850R9400 0.15 (0.33)
1SVR550851R9400 0.15 (0.33)
1SVR 550 851 F9500
CM-ENE MIN
Further documentation liquid level
monitoring relays on www.abb.com
S: screw connection
P: push-in connection
Ordering details - Bar electrodes
Description Material no. Type Order code Price
1 pce
Weight
(1 pce)
kg (lb)
Compact support for 3 bar electrodes
-
CM-KH-3 1SVR450056R6000 0.06 (0.132)
Distance plate for 3 bar electrodes CM-AH-3 1SVR450056R7000 0.06 (0.132)
Counter nut for 1“ thread CM-GM-1 1SVR450056R8000 0.06 (0.132)
Length: 300 mm 1.4301 CM-SE-300 1SVR450056R0000 0.08 (0.176)
Length: 600 mm 1.4301 CM-SE-600 1SVR450056R0100 0.08 (0.176)
Length: 1000 mm 1.4301 CM-SE-1000 1SVR450056R0200 0.08 (0.176)
1SVC 110 000 F0478
Ordering details - Suspension electrodes
Description Material no. Type Order code Price Weight
(1 pce)
kg (lb)
CM-HE suspension electrode 1.4104 CM-HE 1SVR402902R0000 0.074 (0.163)
CM-HC suspension electrode 1.4104 CM-HC 1SVR402902R1000 0.09 (0.198)
CM-HCT supsension electrode
suitable for drink water 1.4301 CM-HCT 1SVR402902R2000 0.09 (0.198)
Suspension electrode
Description
The liquid level monitoring relay CM-ENS monitors and controls the liquid level and ratios of
mixtures of conductive fluids. It is used for filling and draining applications, to protect pumps
against dry-running, tanks against overflow and for signalization of the status of the monitored
liquid level.
1SVR 450 056 F6000

2
167 ABB | Catalog Electronic relays and controls 2016 | 2CDC 110 004 C0210
Liquid level monitors and controls
Function diagrams
Drain: CM-ENS.1x, CM-ENS.2x
Drain: CM-ENS.31
Fill: CM-ENS.2x
Fill: CM-ENS.31
A1-A2/A2-A3
max.
min.
11-14
11-12
Liquid level
U: green LED
R: yellow LED
MIN/MAX: yellow LED
A1-A2
11-14/21-24
11-12/21-22
11-14/21-24
11-12/21-22
max.
min.
At
t
tt
B
Liquid level
U/T: green LED
R: yellow LED
MIN/MAX: yellow LED
U/T: green LED
R: yellow LED
MIN/MAX: yellow LED
A1-A2/A2-A3
11-14
11-12
max.
min.
Liquid level
U: green LED
R: yellow LED
MIN/MAX: yellow LED
A1-A2
11-14/21-24
11-12/21-22
11-14/21-24
11-12/21-22
max.
min.
At
ttt
tt
B
Liquid level
U/T: green LED
R: yellow LED
MIN/MAX: yellow LED
U/T: green LED
R: yellow LED
MIN/MAX: yellow LED
2CDC 252 004 F00152CDC 252 002 F0015
2CDC 252 003 F00152CDC 252 001 F0015
CM-ENE MIN
CM-ENS
A1-A2
13-14
MIN
C
CM-ENE MAX
A1-A2
13-14
MIN
C
The liquid level relays CM-ENE MIN and CM-ENE MAX are used to monitor
levels of conductive liquids, for example in pump control systems for dry-
running or overflow monitoring.
The measuring principle is based on the occurring resistance change when
moisting single-pole electrodes. The single-pole electrodes (see also section
Accessories) are connected to the terminals C and MIN or MAX.
If the supply voltage is applied to A1-A2 and the electrodes are wet, the output
relay of the CM-ENE MIN is energized and the output relay of the CM-ENE MAX
is de-energized.
The output relay of the CM-ENE MIN de-energizes if the electrodes are no
longer wet. The output relay of the CM-ENE MAX energizes if the electrodes are
no longer wet.
1SVC 110 000 F 01511SVC 110 000 F 0152

2
2CDC 110 004 C0210 | Catalog Electronic relays and controls 2016 | ABB 168
Liquid level monitors and controls
Connection diagrams
A1–A2 Control supply voltage
11–12/14 1 c/o (SPDT) contact
CReference electrode
MAX Maximum level electrode
MIN Minimum level electrode
A1–A2 Control supply voltage
1115–1216/1418 1 c/o (SPDT) contact
2125-2226/2428 2nd c/o (SPDT) contact
CReference electrode
MAX Maximum level electrode
MIN Minimum level electrode
A1–A2 Control supply voltage
220-240 V AC
A3-A2 Control supply voltage
110-130 V AC
11–12/14 1 c/o (SPDT) contact
CReference electrode
MAX Maximum level electrode
MIN Minimum level electrode
A1 11
C
14 12 A2
MINMAX
MIN
12 14
11MAX
A1 A2
C
A1 11
15
C
14
18
12
16
A2
24
28
21
25
22
26
MINMAX
MIN
12
11 21
14 22 24
MAX
A1 A3 A2
C
A1 A311
C
14 12 A2
MINMAX
MIN
12 14
11MAX
A1 A3 A2
C
CM-ENS.11, CM-ENS.21
CM-ENS.31
CM-ENS.13, CM-ENS.23
2CDC 252 006 F00152CDC 252 007 F0015
2CDC 252 005 F0015
CM-ENE MIN
CM-ENE MAX
1SVC 110 000 F 0153
1SVC 110 000 F 0154
A1-A2 Rated control supply voltage
CReference electrode
MIN Minimum level
13-14 Output contact -open-circuit
principle
A1-A2 Rated control supply voltage
CReference electrode
MIN Maximum level
13-14 Output contact -open-circuit
principle

2
169 ABB | Catalog Electronic relays and controls 2016 | 2CDC 110 004 C0210
CM-ENS.1x
Liquid level control - drain
CM-ENS.2x, CM-ENS.31
Liquid level control - drain - selected function “ ” (Down)
1SVC 110 000 F01571SVC 110 000 F0161
1SVC 110 000 F0162
Application examples
Two devices in one tank
Several CM-ENS can be used in one tank. This extends the functionality with a pre-warning by two additional electrodes. In this
way, two additional alarm outputs for exceeding or dropping below the normal level can be implemented in addition to the filling
levels MAX and MIN.
CM-ENS.2x, CM-ENS.31
Liquid level control - fill - selected function “ ” (UP)
Liquid level monitors and controls
Cascading of several devices, application examples
Pump control
Device A
CMAX MINCMAX MIN
Device B
Alarm
Control pump
Alarm, empty
Fillling with alarm empty Filling with reserve pump Draining with alarm full Draining with reserve pump
2CDC 252 015 F0215
2CDC 252 016 F0215
2CDC 252 017 F0215
2CDC 252 018 F0215
Pump control
Device A
CMAX MINCMAX MIN
Device B
Reserve pump
Control pump
Reserve pump
for filling
Pump control
Device A
CMAX MINCMAX MIN
Device B
Alarm
Control pump
Alarm, full
Pump control
Device A
CMAX MINCMAX MIN
Device B
Reserve pump
Control pump
Reserve pump
for draining

2
2CDC 110 004 C0210 | Catalog Electronic relays and controls 2016 | ABB 170
Liquid level monitors and controls
Technical data - CM-ENE
Type CM-ENE MIN CM-ENE MAX
Supply circuit
Rated control supply voltage US -
power consumption
A1-A2 24 V AC approx. 1.5 VA
A1-A2 110-130 V AC approx. 1.2 VA
A1-A2 220-240 V AC approx. 1.4 VA
Rated control supply voltage US tolerance -15...+15 %
Rated frequency 50-60 Hz
Duty time 100 %
Measuring circuit MIN-C, MAX-C
Monitoring function dry-running protection overflow protection
Response sensitivity 0-100 k, not adjustable
Maximum electrode voltage 30 V AC
Maximum electrode current 1.5 mA
Electrode supply line max. cable capacity 3 nF
max. cable length 30 m
Timing circuit
Time delay -
Tripping delay fixed approx. 200 ms
Indication of operational states
Output relay energized R: yellow LED
Output circuits 13-14
Kind of output 1 n/o contact
Operational principle 1) open-circuit principle closed-circuit principle
Contact material AgCdO
Rated operational voltage Ue (IEC/EN 60947-1) 250 V
Mininimum switching voltage / minimum switching current - / -
Maximum switching voltage 250 V
Rated operational current Ie
(IEC/EN 60947-5-1)
AC-12 (resistive) 230 V 4 A
AC-15 (inductive) 230 V
3 A
DC-12 (resistive) 24 V 4 A
DC-13 (inductive) 24 V 2 A
AC rating (UL 508)
Utilization category (Control Circuit Rating Code)
B 300
max. rated operational voltage 300 V AC
max. continuous thermal current at B 300 5 A
max. making/breaking apparent power at B 300
3600/360 VA
Mechanical lifetime 30 x 106 switching cycles
Electrical lifetime (AC-12, 230 V, 4 A) 0.3 x 106 switching cycles
Max. fuse rating to achieve short-circuit
protection
n/c contact -
n/o contact 10 A fast-acting
General data
Dimensions (W x H x D) 22.5 x 78 x 78.5 mm (0.89 x 3.07 x 3.09 in)
Mounting position any
Degree of protection enclosure / terminals IP50 / IP20
Ambient temperature range operation / storage -20...+60 °C / -40...+85 °C
Mounting DIN rail (IEC/EN 60715)
Electrical connection
Wire size fine-strand with wire-end ferrule 2 x 0.75-1.5 mm2 (2 x 18-16 AWG)
fine-strand without wire-end ferrule 2 x 1-1.5 mm2 (2 x 18-16 AWG)
rigid 2 x 0.75-1.5 mm2 (2 x 18-16 AWG)
Stripping length 10 mm (0.39 inch)
Tightening torque 0.6-0.8 Nm
Standards
Product standard IEC 255-6, EN 60255-6
Low Voltage Directive 2006/95/EC
EMC Directive 2004/108/EC
Electromagnetic compatibility EN 61000-6-2, EN 61000-6-4
electrostatic discharge IEC/EN 61000-4-2 Level 3 (6 kV / 8 kV)
radiated, radio-frequency, electromagnetic field
IEC/EN 61000-4-3 Level 3 (10 V/m)
electrical fast transient / burst IEC/EN 61000-4-4 Level 3 (2 kV / 5 kHz)
surge IEC/EN 61000-4-5 Level 4 (2 kV L-L)
conducted disturbances, induced by radio-
frequency fields
IEC/EN 61000-4-6 Level 3 (10 V)
Resistance to vibration (IEC 68-2-6) 6 g
Mechanical resistance (IEC 68-2-6) 10 g
Isolation data
Rat. insulation volt. betw. supply, meas. & output circuit (VDE 0110, IEC 60947)
250 V
Rated impulse withstand voltage between all isolated circuits
(VDE 0110, IEC 664)
4 kV / 1.2-50 µs
Test voltage between all isolated circuits 2.5 kV, 50 Hz, 1 min.
Pollution category (VDE 0110, IEC 664, IEC 255-5) 3 / C
Overvoltage category (VDE 0110, IEC 664, IEC 255-5) III / C
Environmental testing (IEC 68-2-30) 24 h cycle time, 55 °C, 93 % rel., 96 h
1) Open-circuit principle: Output relay energizes if the measured value exceeds/drops below the adjusted threshold.
Closed-circuit principle: Output relay de-energizes if the measured value exceeds/drops below the adjusted threshold.

2
171 ABB | Catalog Electronic relays and controls 2016 | 2CDC 110 004 C0210
Liquid level monitors and controls
Technical data - CM-ENS
Type CM-ENS.1x CM-ENS.2x CM-ENS.31
Supply circuit
Rated control supply
voltage US
CM-ENS.11, CM-ENS.21, CM-ENS.31: A1-A2 24-240 V AC/DC
CM-ENS.13, CM-ENS.23: A1-A2 220-240 V AC
CM-ENS.13, CM-ENS.23: A3-A2 110-130 V AC
Rated control supply voltage US tolerance -15...+10 %
Rated frequency 50-60 Hz
Frequency range 47-63 Hz
Typical current / power consumption 24 V AC 25 mA / 0.6 W 25 mA / 0.6 W 25 mA / 0.6 W
110-130 V AC 20 mA / 2.6 VA 20 mA / 2.6 VA 8 mA / 1.1 VA
220-240 V AC 8.5 mA / 2.1 VA 8.5 mA / 2.1 VA 10 mA / 2.4 VA
24-240 V AC/DC 11 mA / 2.6 VA 11 mA / 2.6 VA 11 mA / 2.6 VA
Power failure buffering time min. 20 ms
Start-up time tsRange 5-100 kΩ max. 1.3 s - -
Range 0.1-1 kΩ -max. 900 ms
Range 1-10 kΩ -max. 900 ms
Range 10-100 kΩ -max. 1.3 s
Range 100-1000 kΩ -max. 6.3 s
Measuring circuit MAX-MIN-C
Sensor type electrode
Monitoring function fill or drain fill or drain, selectable
Measuring principle conductivity measurement
Number of electrodes 3
Response sensitivity adjustable: 5-100 kΩ adjustable: 0.1-1000 kΩ
Maximum electrode voltage 6 V AC
Maximum electrode current 1 mA 2 mA
max cable
capacity
max cable
lenght
max cable
capacity
max cable
lenght
max cable
capacity
max cable
lenght
Electrode supply line Range 5-100 kΩ 10 nF 100 m ----
Range 0.1-1 kΩ --200 nF 1000 m 200 nF 1000 m
Range 1-10 kΩ --200 nF 1000 m 200 nF 1000 m
Range 10-100 kΩ --20 nF 100 m 20 nF 100 m
Range 100-1000 kΩ --4 nF 20 m 4 nF 20 m
Max. measuring cycle Range 5-100 kΩ 1000 ms - -
Range 0.1-1 kΩ -700 ms
Range 1-10 kΩ -700 ms
Range 10-100 kΩ -1.1 s
Range 100-1000 kΩ -5 s
Timing circuit
Time delay -0.1-30 s, adjustable,
ON- or OFF-delay
Indication of operational states
Control supply voltage U: green LED
Output relay energized R: Yellow LED
Electrode / alarm status MAX/MIN: Yellow LED
Output circuits
Kind of output 1115-1216/1418 relay, 1 c/o (SPDT) contact relay, 1st c/o (SPDT)
contact
2115-2216/2418 -relay, 2nd c/o (SPDT)
contact
Operational principle open-circuit principle open- or closed-circuit principle (selectable)
Contact material AgNi alloy, Cd free
Rated operational voltage Ue IEC/EN 60947-1 250 V AC
Minimum switching voltage / minimum switching current 12 V / 10 mA
Maximum switchting voltage / Maximum switching current see data sheets
Rated operational current Ie (IEC/EN 60947-5-1) AC-12 (resistive) 230 V 4 A
AC-15 (inductive) 230 V
3 A
DC-12 (resistive) 24 V 4 A
DC-13 (inductive) 24 V
2 A
AC rating (UL 508) Utilization category (Control Circuit Rating Code) B 300, pilot duty general purpose (250 V, 4 A, cos ϕ 0.75)
max. rated operational voltage 300 V AC
max. continuous thermal current at B 300 5 A
max. making/breaking apparent power at B 300 3600/360 VA
Mechanical lifetime 10 x 106 switching cycles
Electrical lifetime (AC-12, 230 V, 4 A) 0.1 x 106 switching cycles
Max. fuse rating to achieve short-circuit protection
n/c / n/o contact 6 A / 10 A fast-acting 10 A / 10 A fast-acting
Conventional thermal current I
th
acc. IEC/EN 60947-1
4 A

2
2CDC 110 004 C0210 | Catalog Electronic relays and controls 2016 | ABB 172
Liquid level monitors and controls
Technical data - CM-ENS
Type CM-ENS.1x CM-ENS.2x CM-ENS.31
General data
MTBF on request
Duty time 100 %
Dimensions (W x H x D) product dimensions 22.5 x 85.6 x 103.7 mm (0.89 x 3.37 x 4.08 in)
packaging dimensions 30 x 97 x 109 mm (1.18 x 3.82 x 4.29 in)
Weight see „Ordering details“ on page <?>
Mounting position any
Minimum distance to other units CM-ENS.x1: not necessary
CM-ENS.x3: 10 mm if contact current > 2 A
Degree of protection housing / terminals IP50 / IP20
Material of housing UL 94 V-0
Mounting DIN rail (IEC/EN 60715), snap-on mounting without any tool
Electrical connection
Screw connection technology Easy Connect Technology (push-in)
Wire size fine-strand with(out)
wire end ferrule
1 x 0.5-2.5 mm² (1 x 20-14 AWG)
2 x 0.5-1.5 mm² (2 x 20-16 AWG)
2 x 0.5-1.5 mm² (2 x 20-16 AWG)
rigid 1 x 0.5-4 mm² (1 x 20-12 AWG)
2 x 0.5-2.5 mm² (2 x 20-14 AWG)
2 x 0.5-1.5 mm² (2 x 20-16 AWG)
Stripping length 8 mm (0.32 in)
Tightening torque 0.6 - 0.8 Nm (5.31 - 7.08 lb.in) -
Standards
Product standard IEC/EN 60255-1
Other standards EN 50178, IEC/EN 60204
Low Voltage Directive 2006/95/EC
RoHS Directive 2011/6 5/EC
EMC Directive 2004/108/EC
Environmental data
Ambient temperature ranges operation -25...+60 °C
storage -40...+85 °C
Damp heat, cyclic (IEC/EN 60068-2-30) 6 x 24 h cycle, 55 °C, 95 % RH
Climatic category (IEC/EN 60721-3-3) 3K5 (no condensation, no ice formation)
Vibration, sinusoidal (IEC/EN 60255-21-1) Class 2
Shock (IEC/EN 60255-21-2) Class 2
Isolation data
Rated impulse withstand voltage
Uimp between all isolated circuits
(IEC/EN 60947-1, IEC/EN 60664-1)
supply circuit / measuring circuit 4 kV
supply circuit / output circuits 4 kV
measuring circuit / output circuits 4 kV
output circuit 1 / output circuit 2 4 kV
Pollution degree (IEC/EN 60664-1) 3
Overvoltage category (IEC/EN 60664-1) III
Rated insulation voltage Ui
(IEC/EN 60947-1, IEC/EN 60664-1)
supply circuit / measuring circuit 300 V
supply circuit / output circuits 300 V
measuring circuit / output circuits 300 V
output circuit 1 / output circuit 2 300 V
Basis isolation for rated control
supply voltage (IEC/EN 60664-1)
supply circuit / measuring circuit 250 V AC / 300 V DC
supply circuit / output circuits 250 V AC / 300 V DC
measuring circuit / output circuits 250 V AC / 300 V DC
output circuit 1 / output circuit 2 250 V AC / 300 V DC
Protective separation
(IEC/EN 61140, EN 50178)
supply circuit / measuring circuit 250 V AC / 300 V DC
supply circuit / output circuits 250 V AC / 300 V DC
measuring circuit / output circuits 250 V AC / 300 V DC
Test voltage between all
isolated circuits, routine test
(IEC/EN 60255-5)
supply circuit / measuring circuit 2.0 kV, 50 Hz, 1 s
supply circuit / output circuits 2.0 kV, 50 Hz, 1 s
measuring circuit / output circuits 2.0 kV, 50 Hz, 1 s
Test voltage between all isolated
circuits, type test (IEC/EN 60255-5)
supply circuit / measuring circuit 2.0 kV, 50 Hz, 1 s
supply circuit / output circuits 2.0 kV, 50 Hz, 1 s
measuring circuit / output circuits 2.0 kV, 50 Hz, 1 s
Electromagnetic compatibility
Interference immunity to EN 61000-6-1, EN 61000-6-2, EN60255-26
electrostatic discharge IEC/EN 61000-4-2 Level 3 (6 kV / 8 kV)
radiated, radio-frequency,
electromagnetic field
IEC/EN 61000-4-3 Level 3 (10 V/m)
electrical fast transient / burst IEC/EN 61000-4-4 Level 3, 2 KV / 5 kHz
surge IEC/EN 61000-4-5 Level 3, installation class 3, supply circuit and measuring circuit 1 kV L-L,
2 kV L-earth
conducted disturbances,
induced by radio-frequency
fields
IEC/EN 61000-4-6 Level 3, 10 V
voltage dips, short interruptions
and voltage variations
IEC/EN 61000-4-11 Class 3
Interference emission IEC/EN 61000-6-3, IEC/EN 61000-6-4
high-frequency radiated IEC/CISPR 22, EN 55022 CM-ENS.x1: Class A, CM-ENS.x3: Class B
high-frequency conducted IEC/CISPR 22, EN 55022 CM-ENS.x1: Class A, CM-ENS.x3: Class B

2
173 ABB | Catalog Electronic relays and controls 2016 | 2CDC 110 004 C0210
DC load (resistive)AC load (resistive)
Contact lifetimeDerating factor F for inductive AC load
DC load (resistive)AC load (resistive)
CM-N (45 mm)
Load limit curves
CM-S (22.5 mm), CM-E (22.5 mm), CM-UFD.M22
Contact lifetimeDerating factor F for inductive AC load
cos ϕ
F
2CDC 252 192 F0205
0.5
0.1 0.2 0.3 0.4 0.5 0.6 0.7 0.8 0.9 1.0
0.6
0.7
0.8
0.9
1.0
300
200
100
80
60
50
40
30
20
10
1 2 4 6 10
I A
V
2CDC 252 193 F0205
V
0.1 0.2 0.5
300
200
100
80
60
50
40
30
20
10
1 2 4 6 10
I A
V
2CDC 252 194 F0205
V
0.1 0.2 0.5
cos ϕ
F
2CDC 252 192 F0205
0.5
0.1 0.2 0.3 0.4 0.5 0.6 0.7 0.8 0.9 1.0
0.6
0.7
0.8
0.9
1.0
1246 10
10
20
30
40
50
60
80
100
200
300
400
AC current [A]
resistive load
AC voltage [V]
2CDC 252 157 F0206
0.1 0.2 0.5
4321
10
5
10
4
10
6
5678
2CDC 252 156 F0206
Switching current [A]
Switching cycles
250 V AC
resistive load
Switching current [A]
250 V
resistive load
Switching cycles
2CDC 252 148 F0206
1246 10
10
20
30
40
50
60
80
100
200
300
400
0.1 0.2 0.5
AC current [A]
resistive load
AC voltage [V]
2CDC 252 158 F0206
General technical data, Accessories, Current transformers
Technical diagrams - CM-range
2CDC 252 194 F0205
2CDC 252 193 F02052CDC 252 148 F02062CDC 252 158 F0206
2CDC 252 192 F02052CDC 252 157 F02062CDC 252 192 F0205

2
2CDC 110 004 C0210 | Catalog Electronic relays and controls 2016 | ABB 174
General technical data, Accessories, Current transformers
Technical diagrams - CM-range
Load limit curves CM-UFD.M21
300
200
100
80
60
50
40
30
20
10
1 2 4 6 10
I A
V
U
0.1 0.2 0.5
resistive load
2CDC 252 010 F0212
AC load (resistive)
300
200
100
80
60
50
40
30
20
10
1 2 510
I A
V
U
0.1 0.2 0.5
resistive load
2CDC 252 011 F0212
DC load (resistive)
104
246810 12 14 16
105
106
107
Switching current [A]
250 V AC
resistive load
Switching cycles
2CDC 252 012 F0212
Contact lifetime

2
175 ABB | Catalog Electronic relays and controls 2016 | 2CDC 110 004 C0210
Dimensional drawing CM-UFD.Mxx
2CDC 252 008 F0013
90
3.54”
108 4.25”67 2.64”
General technical data, Accessories, Current transformers
Dimensional drawings
0.039
1SVC 110 000 F 0177
C512
C513
5 ... 6 mm / PZ2
0,8 ... 1,2 Nm
7 ... 10.3 lb·in
1 x 0,5 ... 4,0 mm²
2 x 0,5 ... 2,5 mm²
2 x 0,5 ... 1,5 mm²
1 x 0,5 ... 2,5 mm²
—
AWG2 x 20 ... 14
10
10
10
ab
cd
C512, C513 65 36 82,6 105,9
6
b
a
86
28,8
c
d
201
6
45
7,2
2,86
5,19
73x5,811
73x5,831
2CDC 252 288 F0005
1SVC 110 000 F0423
CM-S
22.5 mm
CM-N
45 mm
CM-E
22.5 mm
Measuring and monitoring relays CM range old housing
Measuring and monitoring relays CM range new housing
C512/C513
45 mm
CM-xxN 1SVR 750 xxx xxx, 1SVR 760 xxx xxx
45 mm
CM-xxS 1SVR 730 xxx xxx, 1SVR 740 xxx xxx
22.5 mm
Dimensions in mm
Temperature monitoring relays
2CDC 252 022 F0011
2CDC 252 010 F0011
114.5 4.51”
45.0 1.77”
85.6 3.37”
104.8 4.13”
107.0 4.21”
113.4 44.65”
22.5 0.89”
85.6 33.70”
103.7 40.83”
105.9 41.69”

2
2CDC 110 004 C0210 | Catalog Electronic relays and controls 2016 | ABB 176
2CDC 252 187 F000
5
4,5
62,5
60
10 11,5
22,5
.177”
2.46”
2.36”
.394”
.886”
.453”
20
3A11
8
.315”
.787”
2CDC 252 186 F0005
2CDC 252 185 F0005
22,5
68,5
7
3,5
.886”
2.70 ”
.138”
.275”
front-to-back
size 107
1SVC 110 000 F 0180
ADP.01
MAR.01
Sealable cover
COV.01
Sealable cover
COV.02
Accessories
General technical data, Accessories, Current transformers
Ordering details - CM-range accessories
Ordering details
Descrip-
tion
For type Width in
mm
for devices Type Order code Price
pce
Pkg
qty
Weight
(1 pce)
g (oz)
Adapter
for screw
mounting
CM-S
CM-S.S/P 22.5 A D P.01 1SVR430029R0100 118.4 (0.65)
CM-N
CM-N.S/P 45 A D P.0 2 1SVR440029R0100 136.7 (1.30)
Marker label
CM-S, CM-N
CM-S.S/P
CM-N.S/P
without DIP
switches MAR.01 1SVR366017R0100 10 0.19
(0.007)
CM-S, CM-N with DIP
switches MAR.02 1SVR430043R0000 10 0.13
(0.005)
CM-S.S/P
CM-N.S/P with DIP
switches MAR.12 1SVR730006R0000 10 0.152
(0.335)
Sealable
transparent
cover
CM-S 22.5 COV.01 1SVR430005R0100 15.2 (0.18)
CM-N 45 COV.02 1SVR440005R0100 17.7 (0. 27)
CM-S.S/P 22.5 COV.11 1SVR730005R0100 14.0 (0.129)
CM-N.S/P 45 COV.12 1SVR750005R0100 17 (0.247)

2
177 ABB | Catalog Electronic relays and controls 2016 | 2CDC 110 004 C0210
General technical data, Accessories, Current transformers
Ordering details - CM-CT current transformers
2CDC 251 002 F0005
2CDC 251 003 F0005
CM-CT
k
l
K-P
1
26
a
a
b
c
d
e
10,5 mm
12,5 mm
20,5 mm
25,5 mm
30,5 mm
0.41 inch
0.49 inch
0.81 inch
1.00 inch
1.20 inch
31 1.22“
6,5 0.26“
75,5 2.97“
78,5 3.09“
61 2.36“
48 1.89“
35 1.38“
a
b
c
d
e
b
c
d
e
40 1.57“
30 1.18“
47 1.85“
62 2.40“
60 2.36“
2CDC 252 153 F0b06
2CDC 251 159 F0b06
CM-CT
with mounted accessories
Plug-in current transformers CM-CT
– Without primary conductor though with foot angle, insulating protective cap and bar
fastening screws
– Primary / rated current from 50 A to 600 A
– Secondary current of 1 A or 5 A
– Class 1
Operating principle / circuit diagram Dimensional drawing
K/P1 k/S1
l/S2L/P2
load
2CDC 252 001 F0206
CM-CT-A
mounted on DIN rail
Ordering details
Rated primary
current
Secondary
current
Burden class Type Order code Price
pce
Weight
(1 pce)
g (oz)
50 A
1 A
1 VA / 1 CM-CT 50/1
1SVR450116R1000
0.31 (0.683)
75 A 1.5 VA / 1 CM-CT 75/1
1SV R450116R1100
0.31 (0.683)
100 A 2.5 VA / 1 CM-CT 100/1
1SVR450116R1200
0.276 (0.608)
150 A 2.5 VA / 1 CM-CT 150/1
1SVR450116R1300
0.32 (0.705)
200 A 2.5 VA / 1 CM-CT 200/1
1SVR450116R1400
0.222 (0.489)
300 A 5 VA / 1 CM-CT 300/1
1SV R450117R110 0
0.29 (0.639)
400 A 5 VA / 1 CM-CT 400/1
1SV R450117R1200
0.27 (0.595)
500 A 5 VA / 1 CM-CT 500/1
1SV R450117R130 0
0.29 (0.639)
600 A 5 VA / 1 CM-CT 600/1
1SV R450117R1400
0.24 (0.529)
50 A
5 A
1 VA / 1 CM-CT 50/5
1SVR450116R5000
0.3 (0.661)
75 A 1.5 VA / 1 CM-CT 75/5
1SVR450116R5100
0.31 (0.683)
100 A 2.5 VA / 1 CM-CT 100/5
1SVR450116R5200
0.31 (0.683)
150 A 2.5 VA / 1 CM-CT 150/5
1SVR450116R5300
0.28 (0.617)
200 A 5 VA / 1 CM-CT 200/5
1SVR450116R5400
0.29 (0.639)
300 A 5 VA / 1 CM-CT 300/5
1SV R450117R5100
0.252 (0.556)
400 A 5 VA / 1 CM-CT 400/5
1SVR450117R5200
0.26 (0.573)
500 A 5 VA / 1 CM-CT 500/5
1SV R450117R530 0
0.208 (0.459)
600 A 5 VA / 1 CM-CT 600/5
1SV R450117R540 0
0.21 (0.463)
Ordering details - Accessories
Description Type Order code Price
10 pces
Weight
(1 pce)
g (oz)
Snap-on fastener for DIN rail mounting of CM-CT CM-CT A 1SVR450118R1000 0.009 (0.02)

2
2CDC 110 004 C0210 | Catalog Electronic relays and controls 2016 | ABB 178
General technical data, Accessories, Current transformers
Notes

3
179 ABB | Catalog Electronic relays and controls 2016 | 2CDC 110 004 C0210
Primary switch mode power supplies
Product group picture

3
2CDC 110 004 C0210 | Catalog Electronic relays and controls 2016 | ABB 180
Primary switch mode power supplies
Table of contents
Primary switch mode power supplies
Primary switch mode power supplies 180
Table of contents 180
Overview 181
Approvals and marks 182
Selection table - Single-phase 183
Selection table - Three-phase 184
CP-D range 186
Table of contents 186
Ordering details 188
Technical data 189
Technical diagrams 193
Dimensional drawings 194
CP-E range 196
Table of contents 196
Benefits and advantages 197
Ordering details 198
Technical data 199
Technical diagrams, Wiring instructions 207
Technical diagrams, Dimensional drawings 208
CP-T range 210
Table of contents 210
Benefits and advantages 211
Ordering details 212
Technical data 213
Technical diagrams, Dimensional drawings 217
Technical diagrams 218
CP-C.1 range 220
Benefits and advantages 221
Ordering details 222
Technical data 223
Technical diagrams 226
Technical diagrams, Dimensional drawings 227
Technical diagrams 228
Redundancy units 229
Ordering details 229
Technical data 230
Dimensional drawings 234
CP-B range 236
Table of contents 236
Benefits and advantages 237
Ordering details 238
Technical data 239
Technical data, Technical diagrams 240
Dimensional drawings 241
Electronic protection devices EPD24 244
Table of contents 244
Ordering details 245
Technical data 246
Technical information 248
Approvals, Safety instructions 249
Installation guidelines 250

3
181 ABB | Catalog Electronic relays and controls 2016 | 2CDC 110 004 C0210
Primary switch mode power supplies
Overview
Modern power supply units are a vital component in most areas of energy management and automation technology. ABB as
your global partner in these areas pays the utmost attention to the resulting requirements. Innovation is the key to a substantial
enlargement of our power supply product program:
– Rated output voltages
12, 24, 48 V DC, adjustable
– Output currents 5, 10, 20, 40 A
– Power range
CP-E 120, 240, 480 W
CP-T: 120, 240, 480, 960 W
– High efficiency up to 90% (CP-E) /
93% (CP-T)
– Low power dissipation and
low heating
– Wide ambient temperature range
from -40 to +70 °C
– Rated output voltages
5, 12, 24 V DC, adjustable
– Output currents from
0.625 up to 10 A
– Power range from 15 up to 60 W
– High efficiency of up to 90 %
– Low power dissipation and
low heating
– Wide ambient temperature range
from -40 to +70 °C
– Ultra cap based buffer modules for
short time UPS systems
– Rated input voltage 24 V DC
– Rated currents 3, 10, 20 A
– Expandable with CP-B EXT.2 module
– LEDs for status indication
– High efficiency, higher than 90%
– Signaling and status outputs
– Buffer times at 100% load current
from 13 s to 38 s (depending on
device)
– Output voltages 12 and 24 V DC
– Output currents 0.42, 0.83, 1.3, 2.1,
2.5, 4.2 A
– Power range 10, 30, 60, 100 W
– Wide range input
100-240 V AC (90-264 V AC,
120-375 V DC)
– High efficiency of up to 89 %
– Low power dissipation and
low heating
– Heights of only 91 mm (3.583 in)
– Distribution panel design
– Rated output voltage 24 V DC,
adjustable
– Output current 5 A, 10 A and 20 A
– Typical efficiency of up to 94 %
– Power reserve design delivers up to
150 % of the nominal output current
– Signaling outputs for DC OK and
power reserve mode
– High power density leads to very
compact and small devices
CP-D range
Distribution panel design
CP-C.1 range
High-performance range
CP-E range up to 100 W
Economy range
CP-B range
Short time buffers
CP-E above 100 W Economy range
CP-T Three-phase range

3
2CDC 110 004 C0210 | Catalog Electronic relays and controls 2016 | ABB 182
Primary switch mode power supplies
Approvals and marks
CP-D CP-E CP-T CP-C.11) CP-B Redundancy units
AUL 508, CAN/CSA
C22.2 N o.107.1 All All All All -
HUL 1310, CAN/CSA
C22.2 No.223 (Class
2 Power Supply)
All except:
CP-D 24/4.2
All except:
CP-E 12/10.0, CP-E 24/5.0,
CP-E 24/10.0, CP-E 24/20.0,
CP-E 48/5.0, CP-E 48/10.0
- - -
HUL 60950, CAN/CSA
C22.2 No.60950 All All All -All except
CP-D RU
H
ANSI/ISA-12.12
(Class I, Div. 2,
hazardous locations)
CAN/CSA C22.2
No. 213
-All All - -
KCB Scheme All - - - All except
CP-D RU
REAC All All All All All except
CP-D RU
ECCC All All - - -
GB4943, GB9254,
GB17625.1 - - All - -
aCommunauté
Européenne All All All All All
bRCM All All All -
Available CP-A RU,
CP-D RU
Pending CP-A CM
1) CP-C.1 approvals pending

3
183 ABB | Catalog Electronic relays and controls 2016 | 2CDC 110 004 C0210
Primary switch mode power supplies
Selection table - Single-phase
Order number
1SVR427041R1000
1SVR427043R1200
1SVR427041R0000
1SVR427043R0100
1SVR427044R0200
1SVR427045R0400
1SVR427033R3000
1SVR427032R1000
1SVR427035R1000
1SVR427030R0000
1SVR427031R0000
1SVR427032R0000
1SVR427034R0000
1SVR427035R0000
1SVR427036R0000
1SVR427030R2000
1SVR427031R2000
1SVR427034R0000
1SVR427035R2000
1SVR360563R1001
1SVR360663R1001
1SVR360763R1001
Single-phase
CP-D CP-E CP-C.1
Rated output voltage 5 V DC
12 V DC
24 V DC
48 V DC
Rated output current 0.42 A
0.625 A
0.75 A
0.83 A
1.25 A
1.3 A
2.1 A
2.5 A
3 A
4.2 A
5 A
10 A
20 A
Rated output power 10 W
15 W
18 W
30 W
60 W
100 W
120 W
240 W
480 W
Rated input
voltage
100 - 240 V AC
115/230 V AC auto select
115 - 230 V AC
110 - 240 V AC
110 - 120 V AC
220 - 240 V AC
DC input
voltage range
120 - 370 V DC
90 - 375 V DC
210 - 370 V DC
90 - 300 V DC
Features Power reserve design
Adjustable output voltage
Integrated input fuse
Short circuit stable
Fold forward behavior (U/I)
Fold back behavior (hiccup)
Power factor correction
pas pas pas act pas act
Ambient temp. rating
-25°C (-40°C) to 70°C
Parallel connection 3 3 3 3 3 3 5 5 5
Serial connection 2 2 2 2 2 2 2 2 2

3
2CDC 110 004 C0210 | Catalog Electronic relays and controls 2016 | ABB 184
Primary switch mode power supplies
Selection table - Three-phase
Order number
1SVR427054R0000
1SVR427055R0000
1SVR427056R0000
1SVR427057R0000
1SVR427054R2000
1SVR427055R2000
1SVR427056R2000
Three-phase
CP-T
Rated output voltage 24 V DC
30.5 V DC
48 V DC
Rated output current 2.8 A
3 A
5 A
8 A
10 A
20 A
40 A
Rated output power 85 W
120 W
122 W
240 W
244 W
480 W
960 W
Rated input
voltage
85-132 V AC, 184-264 V AC
3 x 400 - 800 V AC
DC input
voltage range
18-32.4 V DC
480 - 820 V DC
Features Adjustable output voltage
Integrated input fuse
Short circuit stable
Fold forward behavior (U/I)
Fold back behavior (hiccup)
Power factor correction
Ambient temp. rating
-25°C (-40°C) to 70°C
Serial connection 222222
Suited for AS-Interfaces

3
185 ABB | Catalog Electronic relays and controls 2016 | 2CDC 110 004 C0210
CP-D range
Product group picture

3
2CDC 110 004 C0210 | Catalog Electronic relays and controls 2016 | ABB 186
CP-D range
Table of contents
CP-D range
CP-D range 186
Table of contents 186
Ordering details 188
Technical data 189
Technical diagrams 193
Dimensional drawings 194

3
187 ABB | Catalog Electronic relays and controls 2016 | 2CDC 110 004 C0210
2CDC 271 027 F0007
2CDC 276 032 F0007
2CDC 276 033 F0007
Characteristics
– Output voltages 12 V, 24 V DC
– Adjustable output voltages (devices > 10 W)
– Output currents
0.42 A / 0.83 A / 1.3 A / 2.1 A / 2.5 A / 4.2 A
– Power range 10 W, 30 W, 60 W, 100 W
–
Wide range input 100-240 V AC (90-264 V AC, 120-375 V DC)
– High efficiency of up to 89 %
– Low power dissipation and low heating
– Free convection cooling (no forced cooling with ventilators)
– Ambient temperature range during operation
-40 °C...+70 °C
– Open-circuit, overload and short-circuit stable
– Integrated input fuse
– U/I characteristic (fold-forward behaviour at overload – no
switch-off)
– LEDs for status indication
– Light-grey housing in RAL 7035
– Approvals / Marks (depending on device, partly pending):
A, H, R, E / a, b
Width and structural form
With their width between 18 to 90 mm only, the CP-D range
switch mode power supplies are ideally suited for installation
in distribution panels.
Wide range input
Optimised for world-wide applications: The CP-D power sup-
plies can be supplied with 90-264 V AC or 120-375 V DC.
Adjustable output voltage
The CP-D range types > 10 W feature a continuously adjust-
able output voltage. Thus, they can be optimally adapted to
the application, e.g. compensating the voltage drop caused
by a long line length.
Benefits
1
1
2
2
3
3
CP-D range
Benefits and advantages
4
1
2
3
5
1 OUTPUT ++/--: terminals - output
2 OUTPUT Adjust: potentiometer - adjustment of output voltage
3 Indication of operational states
DC ON: green LED - output voltage applied
DC LOW: red LED - output voltage too low
4 Circuit diagram
5 INPUT L, N: terminals - input

3
2CDC 110 004 C0210 | Catalog Electronic relays and controls 2016 | ABB 188
CP-D range
Ordering details
Description
The CP-D range of modular power supply units in MDRC design (modular DIN rail compo-
nents) is ideally suited for installation in distribution panels. This range offers devices with
output voltages of 12 V DC and 24 V DC at output currents of 0.42 A to 4.2 A. Thanks to a
high thermal efficiency corresponding to low power and heat dissipation, the devices can be
operated without forced cooling. All devices feature the U/I output characteristic (fold forward
behaviour). All power supply units in the CP-D range are approved according to all relevant
international standards.
Ordering details
Input voltage range Rated
output voltage /
current
Type Order code Price
1 pce
Weight
(1 pce)
kg (lb)
90-264 V AC/ 120-375 V DC 12 V DC / 0.83 A CP-D 12/0.83 1SVR427041R1000 0.06
(0.13)
90-264 V AC/ 120-375 V DC 12 V DC / 2.1 A CP-D 12/2.1 1SVR427043R1200 0.19
(0.41)
90-264 V AC/ 120-375 V DC 24 V DC / 0.42 A CP-D 24/0.42 1SVR427041R0000 0.06
(0.13)
90-264 V AC/ 120-375 V DC 24 V DC / 1.3 A CP-D 24/1.3 1SVR427043R0100 0.19
(0.41)
90-264 V AC/ 120-375 V DC 24 V DC / 2.5 A CP-D 24/2.5 1SVR427044R0200 0.25
(0.56)
90-264 V AC/ 120-375 V DC 24 V DC / 4.2 A CP-D 24/4.2 1SVR427045R0400 0.32
(0.71)
2CDC 271 024 F0007
2CDC 271 025 F0007
2CDC 271 028 F0007
CP-D 12/0.83, CP-D 24/0.42
CP-D 12/2.1, CP-D 24/1.3
CP-D 24/2.5
Further documentation CP-D
power supplies on www.abb.com

3
189 ABB | Catalog Electronic relays and controls 2016 | 2CDC 110 004 C0210
Data at Ta = 25 °C, Uin = 230 V AC and rated values, unless otherwise indicated
Type CP-D 12/0.83 CP-D 12/2.1
Input circuit - supply circuit L, N
Rated input voltage Uin 100-240 V AC
Input voltage range 90-264 V AC / 120-375 V DC
Frequency range AC 47-63 Hz
Typical input current /
typical power consumption
at 110 V AC 200 mA / 12.68 W 502 mA / 31.14 W
at 230 V AC 128.3 mA / 13.01 W 277 mA / 31.2 W
Inrush current limiting at 230 V AC 30 A (max. 3 ms) 50 A (max. 3 ms)
Power failure buffering time min. 30 ms
Internal input fuse 1 A slow-acting / 250 V AC 2 A slow-acting / 250 V AC
Power factor correction (PFC) no
Indication of operational states
Output voltage DC ON: green LED V: output voltage applied
DC LOW: red LED V: output voltage too low
Output circuit +, - ++, --
Rated output voltage 12 V DC
Tolerance of the output voltage ±1 %
Adjustment range of the output voltage -12-14 V DC
Rated output power 10 W 25 W
Rated output current IrTa 60 °C 0.83 A 2.1 A
Derating of the output current 60 °C < Ta 70 °C 2.5 %/°C
Maximum
deviation
with
load change statical max. 1 %
change of output voltage within the input voltage range max. 1 %
Control time < 1 ms
Starting time after applying the supply
voltage
at Ir1000 ms
Rise time at rated load typ. 1 ms
Residual ripple and switching peaks BW = 20 MHz 50 mV
Parallel connection yes, using CP-D RU
Series connection yes, to increase voltage
Resistance to reverse feed 18 V / 1 s
Output circuit - No-load, overload and short-circuit behaviour
Characteristic curve of output U/I characteristic curve
Short-circuit protection continuous short-circuit stability
Short-circuit behaviour continuation with output power limiting
Current limiting at short circuit typ. 1.4 A typ. 5.9 A
Overload protection output power limiting
Overvoltage protection 15-16.5 V DC
No-load protection continuous no-load stability
Starting of capacitive loads unlimited
General data
Efficiency typ. 78 % typ. 82 %
Duty time 100 %
Dimensions (W x H x D) 18 x 91 x 57.5 mm
(0.71 x 3.58 x 2.26 in)
53 x 91 x 57.5 mm
(2.09 x 3.58 x 2.26 in)
Weight 0.066 kg (0.13 lb) 0.196 kg (0.41 lb)
Material of housing plastic
Mounting DIN rail (IEC/EN 60715), snap-on mounting without any tool
Mounting position horizontal
Minimum distance to other units horizontal / vertical 25 mm / 25 mm (0.98 in / 0.98 in)
Degree of protection housing / terminals IP20 / IP20
Protection class II
CP-D range
Technical data

3
2CDC 110 004 C0210 | Catalog Electronic relays and controls 2016 | ABB 190
Data at Ta = 25 °C, Uin = 230 V AC and rated values, unless otherwise indicated
Type CP-D 12/0.83 CP-D 12/2.1
Electrical connection - Input circuit / Output circuit
Wire size fine-strand with wire end ferrule 0.2-1.5 mm2 (24-16 AWG) 0.2-2.5 mm2 (24-14 AWG)
rigid 0.2-2.5 mm2 (26-12 AWG) 0.2-2.5 mm2 (24-12 AWG)
Stripping length 4-5 mm (0.16-0.2 in) 7 mm (0.28 in)
Tightening torque 0.6 Nm (5 lb.in) 0.7 Nm (6 lb.in)
Environmental data
Ambient temperature range operation -40…+70 °C
rated load -40…+60 °C
storage -40…+85 °C
Damp heat (cyclic) (IEC/EN 60068-2-30) 4 x 24 cycles, 40 °C, 95 % RH
Vibration (sinusoidal) (IEC/EN 60068-2-6) 50 m/s2, 10 Hz - 2 kHz
Shock (half-sine) (IEC/EN 60068-2-27) 40 m/s2, 22 ms
Isolation data
Rated insulation voltage Uiinput circuit / output circuit 3 kV AC
Pollution degree 2
Overvoltage category (UL/IEC/EN 60950-1) ll
Standards
Product standard EN 61204
Low Voltage Directive 2006/95/EC
EMC Direcitve 2004/108/EC
Electrical safety UL 508, UL 60950-1, EN 60950-1
Protective low voltage SELV (EN 60950-1)
Electromagnetic compatibility
Interference immunity to EN 61000-6-2
electrostatic discharge IEC/EN 61000-4-2 Level 4 (4 kV / 8 kV) Level 4 (4 kV / 15 kV)
radiated, radio-frequency, electromagnetic field IEC/EN 61000-4-3 Level 3 (10 V/m)
electrical fast transient/burst IEC/EN 61000-4-4 Level 4 (4 kV)
surge IEC/EN 61000-4-5 Level 3 (2 kV L-L)
conducted disturbances, induced by radio-
frequency fields
IEC/EN 61000-4-6 Level 3 (10 V)
Interference emission EN 61000-6-3
high-frequency radiated IEC/CISPR 22, EN 55022 Class B
high-frequency conducted IEC/CISPR 22, EN 55022 Class B
“Approvals and marks” on page 182
CP-D range
Technical data

3
191 ABB | Catalog Electronic relays and controls 2016 | 2CDC 110 004 C0210
CP-D range
Technical data
Data at Ta = 25 °C, Uin = 230 V AC and rated values, unless otherwise indicated
Type CP-D 24/0.42 CP-D 24/1.3 CP-D 24/2.5 CP-D 24/4.2
Input circuit - supply circuit L, N
Rated input voltage Uin 100-240 V AC
Input voltage range 90-264 V AC /120-375 V DC
Frequency range AC 47-63 Hz
Typical input current /
typical power consumption
at 110 V AC
184 mA / 11.62 W 600 mA / 37.92 W 1120 mA / 69.3 W 1800 mA / 117.3 W
at 230 V AC 120.6 mA / 12 W
344 mA / 38.16 W
660 mA / 70.1 W
900 mA / 114.4 W
Inrush current limiting at 230 V AC 30 A (max. 3 ms) 50 A (max. 3 ms) 60 A (max. 3 ms)
Power failure buffering time min. 30 ms min. 60 ms
Internal input fuse 1 A slow-acting
/ 250 V AC
2 A slow-acting /
250 V AC
3.15 A slow-acting
/ 250VAC
Power factor correction (PFC) no
Indication of operational states
Output voltage DC ON: green LED V: output voltage applied
DC LOW: red LED V: output voltage too low
Output circuit +, - ++, --
Rated output voltage 24 V DC
Tolerance of the output voltage ±1 %
Adjustment range of the output voltage -24-28 V DC
Rated output power 10 W 30 W 60 W 100 W
Rated output current Ir
T
a
60 °C: 0.42 A T
a
60 °C: 1.3 A T
a
55 °C: 2.5 A T
a
60 °C: 4.2 A
Derating of the output current
60 °C < T
a
70 °C:
2.5 %/°C 60 °C < T
a
70 °C:
2.5 %/°C 55 °C < T
a
70 °C:
2.5 %/°C 60 °C < T
a
70 °C:
2.5 %/°C
Maximum
deviation
with
load change statical max. 1 %
change of output voltage within the input voltage range max. 1 %
Control time < 1 ms
Starting time after applying the supply voltage at Ir1000 ms
Rise time at rated load typ. 1 ms
Residual ripple and switching peaks BW = 20 MHz 50 mV
Parallel connection yes, using CP-D RU
Series connection yes, to increase voltage
Resistance to reverse feed 35 V / 1 s
Output circuit - No-load, overload and short-circuit behaviour
Characteristic curve of output U/I characteristic curve
Short-circuit protection continuous short-circuit stability
Short-circuit behaviour continuation with output power limiting
Current limiting at short circuit typ. 0.78 A typ. 4.2 A typ. 6.05 A typ. 11.5 A
Overload protection output power limiting
Overvoltage protection 30-33 V DC
No-load protection continuous no-load stability
Starting of capacitive loads unlimited
General data
Efficiency typ. 80 % typ. 83 % typ. 86 % typ. 89 %
Duty time 100 %
Dimensions (W x H x D)
18 x 91 x 57.5 mm
(0.71 x 3.58 x
2.26 in)
53 x 91 x 57.5 mm
(2.09 x 3.58 x
2.26 in)
71 x 91 x 57.5 mm
(2.80 x 3.58 x
2.26 in)
89.9 x 91 x 57,5 mm
(3.54 x 3.58 x
2.26 in)
Weight
0.066 kg (0.13 lb) 0.196 kg (0.41 lb) 0.252 kg (0.55 lb) 0.386 kg / (0.72 lb)
Material of housing plastic
Mounting DIN rail (IEC/EN 60715), snap-on mounting without any tool
Mounting position horizontal
Minimum distance to other units horizontal / vertical 25 mm / 25 mm (0.98 in / 0.98 in)
Degree of protection housing / terminals IP20 / IP20
Protection class II

3
2CDC 110 004 C0210 | Catalog Electronic relays and controls 2016 | ABB 192
CP-D range
Technical data
Data at Ta = 25 °C, Uin = 230 V AC and rated values, unless otherwise indicated
Type CP-D 24/0.42 CP-D 24/1.3 CP-D 24/2.5 CP-D 24/4.2
Electrical connection - Input circuit / Output circuit
Wire size fine-strand with wire end ferrule 0.2-1.5 mm2
(24-16 AWG)
0.2-2.5 mm2 (24-14 AWG)
rigid 0.2-2.5 mm2
(26-12 AWG)
0.2-2.5 mm2 (24-12 AWG)
Stripping length 4-5 mm (0.16-0.2 in) 7 mm (0.28 in)
Tightening torque 0.6 Nm (5 lb.in) 0.7 Nm (6 lb.in)
Environmental data
Ambient temperature range operation -40…+70 °C
rated load -40…+60 °C -40…+55 °C -40…+60 °C
storage -40…+85 °C
Damp heat (cyclic) (IEC/EN 60068-2-30) 4 x 24 cycles, 40 °C, 95 % RH
Vibration (sinusoidal) (IEC/EN 60068-2-6) 50 m/s2, 10 Hz - 2 kHz
Shock (half-sine) (IEC/EN 60068-2-27) 40 m/s2, 22 ms
Isolation data
Rated insulation voltage Uiinput circuit / output circuit 3 kV AC 4 kV AC 3 kV AC
Pollution degree 2
Overvoltage category (UL/IEC/EN 60950-1) ll
Standards
Product standard EN 61204
Low Voltage Directive 2006/95/EC
EMC Direcitve 2004/108/EC
Electrical safety UL 508, UL 60950-1, EN 60950-1
Protective low voltage SELV (EN 60950-1)
Electromagnetic compatibility
Interference immunity to EN 61000-6-2
electrostatic discharge IEC/EN 61000-4-2 Level 4
(4 kV / 8 kV)
Level 4
(4 kV / 15 kV)
Level 4
(4 kV / 8 kV)
radiated, radio-frequency, electromagnetic field IEC/EN 61000-4-3 Level 3 (10 V/m)
electrical fast transient/burst IEC/EN 61000-4-4 Level 4 (4 kV)
surge IEC/EN 61000-4-5 Level 3 (2 kV L-L)
conducted disturbances, induced by radio-
frequency fields
IEC/EN 61000-4-6 Level 3 (10 V)
Interference emission EN 61000-6-3
high-frequency radiated
IEC/CISPR 22, EN 55022
Class B
high-frequency conducted
IEC/CISPR 22, EN 55022
Class B
“Approvals and marks” on page 182

3
193 ABB | Catalog Electronic relays and controls 2016 | 2CDC 110 004 C0210
CP-D range
Technical diagrams
CP-D except CP-D 24/2.5 CP-D 24/2.5
CP-D 12/0.83 CP-D 12/2.1
CP-D 24/0.42 CP-D 24/1.3
CP-D 24/2.5 CP-D 24/4.2
Characteristic curve of output at Ta = 25 °C
-10 010203040506070
10
20
30
40
50
60
70
80
90
100
2CDC 272 018 F0207
P
out
[%]
T
a
[°C]
-10 010203040506070
10
20
30
40
50
60
70
80
90
100
P
out
[%]
T
a
[°C]
2CDC 272 018 F0207
0
1
0
2
3
4
5
6
7
8
9
10
11
12
2CDC 272 019 F0207
U
out
[V]
Iout [A]
0.50.25 0.751 1.25
0
1
0
2
3
4
5
6
7
8
9
10
11
12
2CDC 272 020 F0207
U
out
[V]
Iout [A]
0.5 11.5 22.5
34
3.5
0
2
0
4
6
8
10
12
14
16
18
20
22
24
2CDC 272 021 F0207
U
out
[V]
I
out
[A]
0.125 0.25 0.5 0.6250.375 0.8750.750
2
0
4
6
8
10
12
14
16
18
20
22
24
2CDC 272 022 F0207
U
out
[V]
I
out
[A]
0.5 11.5 22.5 3
0
2
0
4
6
8
10
12
14
16
18
20
22
24
2CDC 272 023 F0207
U
out
[V]
I
out
[A]
0.5 11.5 22.5
34
3.5
0
2
0
4
6
8
10
12
14
16
18
20
22
24
123456 87
2CDC 272 030 F0207
U
out
[V]
Iout [A]
Characteristic curve of temperature at rated output voltage

3
2CDC 110 004 C0210 | Catalog Electronic relays and controls 2016 | ABB 194
CP-D range
Dimensional drawings
CP-D 24/4.2
CP-D 12/2.1, CP-D 24/1.3
CP-D 24/2.5
CP-D 12/0.83, CP-D 24/0.42
Dimensional drawings dimensions in mm
18,0 [0.71”]
67,0 [2.64”]
44,5 [1.75”]
91,0 [3.58”]
32,1
[1.26”]
57,5 [2.26”]
49,0 [1.93”]
2CDC 272 011 F0b07
67,0 [2.64”]
44,5 [1.75”]
32,1
[1.26”]
57,5 [2.26”]
49,0 [1.93”]
91,0 [3.58”]
53,0 [2.09”]
2CDC 272 012 F0b07
67,0 [2.64”]
44,5 [1.75”]
32,1
[1.26”]
57,5 [2.26”]
49,0 [1.93”]
91,0 [3.58”]
71,0 [2.80”]
2CDC 272 013 F0b07
67,0 [2.64”]
44,5 [1.75”]
32,1
[1.26”]
57,5 [2.26”]
49,0 [1.93”]
91,0 [3.58”]
89,9 [3.54”]
2CDC 272 014 F0b07

3
195 ABB | Catalog Electronic relays and controls 2016 | 2CDC 110 004 C0210
CP-E range
Product group picture

3
2CDC 110 004 C0210 | Catalog Electronic relays and controls 2016 | ABB 196
CP-E range
Table of contents
CP-E range
CP-E range 196
Table of contents 196
Benefits and advantages 197
Ordering details 198
Technical data 199
Technical diagrams, Wiring instructions 207
Technical diagrams, Dimensional drawings 208

3
197 ABB | Catalog Electronic relays and controls 2016 | 2CDC 110 004 C0210
2CDC 276 008 F0006
2CDC 276 008 F0006
2CDC 271 006 F0003
2CDC 276 009 F0006
Characteristics
– Output voltages 5 V, 12 V, 24 V, 48 V DC
– Adjustable output voltages
– Output currents 0.625 A / 0.75 A / 1.25 A / 2.5 A / 3 A /
5 A / 10 A / 20 A
– Power range 15 W, 18 W, 30 W, 60 W, 120 W, 240 W, 480 W
– High efficiency of up to 90 %
– Low power dissipation and low heating
– Free convection cooling (no forced cooling with ventilators)
– Ambient temperature range during operation -40...+70 °C
– Open-circuit, overload and short-circuit stable
– Integrated input fuse
– U/I characteristic curve on devices > 18 W
(fold-forward behaviour at overload – no switch-off)
– Redundancy units offering true redundancy
– LED(s) for status indication
– Signalling output/contact for output voltage OK
Transistor on 24 V devices > 18 W and < 120 W
– Solid-state on 24 V devices 120 W
– Approvals / Marks
(depending on device, partly pending):
–A, H, R, E / a, b
Signalling output/contact
The CP-E range 24 V devices > 18 W offer an output/contact
for monitoring of the output voltage and remote diagnosis.
Wide range input
Optimised for world-wide applications: The CP-E power
supplies can be supplied within a wide range of AC or DC
voltage.
Adjustable output voltage
The CP-E range types feature a continuously adjustable
output voltage. Thus, they can be optimally adapted to the
application, e.g. compensating the voltage drop caused by a
long line length.
Redundancy units
For decoupling of parallelized power supply units 40 V.
Thus, true redundancy can be achieved.
Further information about redundancy unit on page 229.
Benefits
1
1
2
2
3
3
4
4
CP-E range
Benefits and advantages
4
1
2
3
5
1 INPUT L, N, PE: terminals - input
2 Circuit diagram
3 single/parallel: sliding switch - adjustment of single
or parallel operation
4 Indication of operational states
DC ON: green LED - green LED - output voltage OK
DC LOW: red LED - output voltage too low
5 OUTPUT L+, L+, L-, L-: terminals - output
OUTPUT Adjust: potentiometer - adjustment of output voltage

3
2CDC 110 004 C0210 | Catalog Electronic relays and controls 2016 | ABB 198
CP-E range
Ordering details
Description
This range offers types with output voltages from 5 V DC to 48 V DC at output currents of
0.625 A to 20 A. The high thermal efficiency of up to 90 %, corresponding to very low power
and heat dissipation, allows operation without forced cooling. The functionality has been en-
hanced while the number of different types has been considerably reduced.
Of course all power supplies of the CP-E range are approved in accordance with all relevant
international standards.
Ordering details - CP-E < 100 W
Input voltage range Rated output volt-
age / current
Type Order code Price
1 pce
Weight
(1 pce)
kg (lb)
90-264 V AC / 120-375 V DC 5 V DC / 3 A CP-E 5/3.0 1SVR427033R3000 0.15
(0.33)
85-264 V AC / 90-375 V DC 12 V DC / 2.5 A CP-E 12/2.5 1SVR427032R1000 0.29
(0.64)
90-132 V AC, 180-264 V AC /
210-375 V DC 12 V DC / 10 A CP-E 12/10.0 1SVR427035R1000 1.00
(2.20)
90-264 V AC / 120-375 V DC 24 V DC / 0.75 A CP-E 24/0.75 1SVR427030R0000 0.15
(0.33)
85-264 V AC / 90-375 V DC 24 V DC / 1.25 A CP-E 24/1.25 1SVR427031R0000 0.29
(0.64)
85-264 V AC / 90-375 V DC 24 V DC / 2.5 A CP-E 24/2.5 1SVR427032R0000 0.36
(0.79)
Ordering details - CP-E 120 W
Input voltage range Rated output volt-
age / current
Type Order code Price
1 pce
Weight
(1 pce)
kg (lb)
90-132 V AC, 180-264 V AC /
210-375VDC 24 V DC / 5 A CP-E 24/5.0 1SVR427034R0000 1.00
(2.20)
90-132 V AC, 180-264 V AC /
210-375VDC 24 V DC / 10 A CP-E 24/10.0 1SVR427035R0000 1.36
(3.01)
90-264 V AC / 120-375 V DC 24 V DC / 20 A CP-E 24/20.0 1SVR427036R0000 1.90
(4.18)
85-264 V AC / 90-375 V DC 48 V DC / 0.625 A CP-E 48/0.62 1SVR427030R2000 0.29
(0.64)
85-264 V AC / 90-375 V DC 48 V DC / 1.25 A CP-E 48/1.25 1SVR427031R2000 0.36
(0.79)
90-132 V AC, 180-264 V AC /
210-375VDC 48 V DC / 5 A CP-E 48/5.0 1SVR427034R2000 1.36
(3.01)
90-264 V AC / 120-375 V DC 48 V DC / 10 A CP-E 48/10.0 1SVR427035R2000 1.90
(4.19)
2CDC 271 013 F0006
2CDC 271 028 F0008
CP-E 12/2.5
CP-E 48/5.0
Further documentation CP-E
power supplies on www.abb.com

3
199 ABB | Catalog Electronic relays and controls 2016 | 2CDC 110 004 C0210
CP-E range
Technical data
Data at Ta = 25 °C, Uin = 230 V AC and rated values, unless otherwise indicated
Type CP-E 5/3.0 CP-E 12/2.5 CP-E 12/10.0
Input circuit L, N
Rated input voltage Uin 100-240 V AC 115 / 230 V AC
auto select
Input voltage range 90-264 V AC /
120-375 V DC
85-264 V AC /
90-375 V DC
90-132 V AC,
180-264 V AC /
210-375 V DC
Frequency range AC 47-63 Hz
Typical input current at 115 V AC 335 mA 560 mA 2.2 A
at 230 V AC 210 mA 330 mA 0.83 A
Typical power consumption 19.8 W 35.9 W 143 W
Inrush current limiting at 115 V AC 10 A (max. 3 ms) 20 A (max. 3 ms) 24 A (max. 5 ms)
at 230 V AC 18 A (max. 3 ms) 40 A (max. 3 ms) 48 A (max. 5 ms)
Discharge current input / output 0.25 mA
input / PE 3.5 mA
Power failure buffering time at 115 V AC min. 20 ms min. 20 ms min. 25 ms
at 230 V AC min. 75 ms min. 30 ms min. 30 ms
Internal input fuse 2 A slow-acting / 250 V AC 3.15 A slow-acting /
250 V AC
Power factor correction (PFC) no yes, passive, 0.7
Indication of operational states
Output voltage green LED OK: V:
output voltage OK
OUTPUT OK: V:
output voltage OK
OUTPUT OK: V:
output voltage OK
red LED LOW: V:
output voltage too low
-
OUTPUT LOW:
V
:
output voltage too low
Output circuit L+,L- L+, L+, L-, L-
Rated output voltage 5 V DC 12 V DC
Tolerance of the output voltage 0...+1 %
Adjustment range of the output voltage 4.5-5.75 V DC 12-14 V DC 11.4-14.5 V DC
Rated output power 15 W 30 W 120 W
Rated output current IrTa 60 °C 3.0 A 2.5 A 10 A
Derating of the output current 60 °C < Ta 70 °C 2.5 %/°C 2.5 %/°C
Maximum deviation with load change statical ±2 % ±0.5 % ±1 % (single mode)
±5 % (parallel mode)
change of output voltage within the
input voltage range
±1 % ±0.5 % ±0.5 %
Control time < 2 ms
Starting time after applying the supply voltage at Irmax. 1 s
with 3500 µF -max. 2 s -
with 7000 µF max. 1.5 s -max. 1.5 s
Rise time at rated load max. 150 ms
with 3500 µF -max. 500 ms -
with 7000 µF max. 500 ms -max. 500 ms
Fall time max. 150 ms
Residual ripple and switching peaks BW = 20 MHz 50 mV
Parallel connection yes, to enable redundancy configurable, to
increase power,up to 3
devices,
min. 0.1 Ir - max. 0.9 Ir
Series connection yes, to increase voltage yes, to increase
voltage, max. 2
devices
Resistance to reverse feed 1 s - max. 7.5 V DC 1 s - max.18 V DC max. 18 V DC
Output circuit - No-load, overload and short-circuit behaviour
Characteristic curve of output Hiccup-mode U/I characteristic curve
Short-circuit protection continuous short-circuit proof
Short-circuit behaviour Hiccup-mode continuation with output power limiting
Overload protection output power limiting
No-load protection continuous no-load stability
Starting of capacitive loads 7000 µF 3500 µF 7000 µF

3
2CDC 110 004 C0210 | Catalog Electronic relays and controls 2016 | ABB 200
CP-E range
Technical data
Data at Ta = 25 °C, Uin = 230 V AC and rated values, unless otherwise indicated
Type CP-E 5/3.0 CP-E 12/2.5 CP-E 12/10.0
General data
Power dissipation typ. 5 W typ. 5.6 W typ. 24 W
Efficiency typ. 75 % typ. 84 % typ. 84 %
Duty time 100 %
Dimensions (W x H x D) 22.5 x 90 x 114 mm
(0.89 x 3.54 x 4.49 in)
40.5 x 90 x 114 mm
(1.59 x 3.54 x 4.49 in)
63.2 x 123.6 x 123.6 mm
(2.49 x 4.87 x 4.87 in)
Weight 0.144 kg (0.317 lb) 0.287 kg (0.633 lb) 0.888 kg (1.958 lb)
Material of housing Plastic Metal
Mounting DIN rail (IEC/EN 60715), snap-on mounting without any tool
Mounting position horizontal
Minimum distance to other units horizontal / vertical 25 mm / 25 mm (0.98 in / 0.98 in)
Degree of protection housing / terminals IP20 / IP20
Protection class I
Electrical connection - input circuit / output circuit
Wire size fine-strand with wire end ferrule 0.2-2.5 mm2 (24-14 AWG)
0.2-4 mm² (24-11 AWG)
fine-strand without wire end ferrule
0.2-6 mm² (24-10 AWG)
rigid
Stripping length 6 mm (0.24 in) 8 mm (0.31 in)
Tightening torque input / output 0.6 Nm (5 lb.in) 1.0 Nm (9 lb.in) /
0.62 Nm (5.5 lb.in)
Environmental data
Ambient temperature range operation -20…+70 °C -40…+70 °C -35…+70 °C
rated load -20...+60 °C -40...+60 °C -35...+60 °C
storage -20…+85 °C -40…+85 °C -40…+85 °C
Damp heat (cyclic) (IEC/EN 60068-2-30) 95 RH, % without condensation
Vibration (sinusoidal) (IEC/EN 60068-2-6) 10-500 Hz, 2 G, along X, Y, Z each axis, 60 min. for each axis
Shock (half-sine) (IEC/EN 60068-2-27) 15 G, 11 ms, 3 axes, 6 faces, 3 times for each face
Isolation data
Rated insulation voltage Uiinput circuit / output circuit 3 kV AC
input / PE 1.5 kV AC
output / PE 0.5 kV AC; 0.71 kV DC
Pollution degree 2
Overvoltage category (UL/IEC/EN 60950-1) II
Standards
Product standard EN 61204-3
Low Voltage Directive 2006/95/EC
EMC directive 2004/108/EC
RoHS directive 2011/6 5/EC
Electrical safety EN 60950-1,
UL 60950-1, UL 508
EN 60950-1, UL 60950-1, UL 508,
EN 61558-1, EN 61558-2-17; EN 60204-1
Protective low voltage SELV (EN 60950)
Electromagnetic compatibility
Interference immunity to IEC/EN 61000-6-2
electrostatic discharge IEC/EN 61000-4-2 Level 4 (air discharge 15 kV / contact discharge 8 kV)
radiated, radio-frequency, electromagnetic
field
IEC/EN 61000-4-3 Level 3 (10 V/m)
electrical fast transient/burst IEC/EN 61000-4-4 Level 4 (4 kV / 2,5 kHz) Level 4 (4 kV / 5 kHz)
surge IEC/EN 61000-4-5 L-L Level 3 (2 kV) / L-PE Level 4 (4 kV)
conducted disturbances, induced by radio-
frequency fields
IEC/EN 61000-4-6 Level 3 (10 V)
power frequency magnetic fields IEC/EN 61000-4-8 Level 4 (30 A/m)
voltage dips, short interruptions and voltage
variations
IEC/EN 61000-4-11 dip: >95 % 10 ms / >30 % 500 ms
interruptions: >95 % 5000 ms
Interference emission IEC/EN 61000-6-3
high-frequency radiated IEC/CISPR 22, EN 55022 Class B
high-frequency conducted IEC/CISPR 22, EN 55022 Class B
limits for harmonic current emissions IEC/EN 61000-3-2 Class D Class A Class D
“Approvals and marks” on page 182

3
201 ABB | Catalog Electronic relays and controls 2016 | 2CDC 110 004 C0210
CP-E range
Technical data
Data at Ta = 25 °C, Uin = 230 V AC and rated values, unless otherwise indicated
Type CP-E 24/0.75 CP-E 24/1.25 CP-E 24/2.5
Input circuit L, N
Rated input voltage Uin 100-240 V AC
Input voltage range 90-264 V AC /
120-375 V DC
85-264 V AC /
90-375 V DC
Frequency range AC 47-63 Hz
Typical input current at 115 V AC 335 mA 560 mA 1060 mA
at 230 V AC 210 mA 330 mA 590 mA
Typical power consumption 22.8 W 36.7 W 69.2 W
Inrush current limiting at 115 V AC 10 A (max. 3 ms) 20 A (max. 3 ms) 20 A (max. 3 ms)
at 230 V AC 18 A (max. 3 ms) 40 A (max. 3 ms) 40 A (max. 3 ms)
Discharge current input / output 0.25 mA
input / PE 3.5 mA
Power failure buffering time at 115 V AC min. 20 ms min. 20 ms
at 230 V AC min. 75 ms min. 30 ms
Internal input fuse 2 A slow-acting / 250 V AC
Power factor correction (PFC) no
Indication of operational states
Output voltage green LED OK: V:
output voltage OK
OUTPUT OK: V: output voltage OK
red LED LOW: V:
output voltage too low
- -
Output circuit L+,L- L+, L+, L-, L-
Rated output voltage 24 V DC
Tolerance of the output voltage 0 ... +1 %
Adjustment range of the output voltage 21.6-28.8 V DC 24-28 V DC
Rated output power 18 W 30 W 60 W
Rated output current IrTa 60 °C 0.75 A 1.25 A 2.5 A
Derating of the output current 60 °C < Ta 70 °C 2.5 %/°C
Signalling output for output voltage OK DC OK -transistor
Maximum deviation with load change statical ±2 % ±0.5 %
change of output voltage within the
input voltage range
±1 % ±0.5 %
Control time < 2 ms
Starting time after applying the supply voltage at Irmax. 1 s
with 3500 µF -max. 2 s -
with 7000 µF max. 1.5 s -max. 1.5 s
Rise time at rated load max. 150 ms
with 3500 µF -max. 500 ms -
with 7000 µF max. 500 ms -max. 500 ms
Fall time max. 150 ms
Residual ripple and switching peaks BW = 20 MHz 50 mV
Parallel connection yes, to enable redundancy
Series connection yes, to increase voltage
Resistance to reverse feed 1 s - max. 35 V DC
Output circuit - No-load, overload and short-circuit behaviour
Characteristic curve of output Hiccup-mode U/I characteristic curve
Short-circuit protection continuous short-circuit proof
Short-circuit behaviour Hiccup-mode continuation with output power limiting
Overload protection output power limiting
No-load protection continuous no-load stability
Starting of capacitive loads 7000 µF 3500 µF 7000 µF

3
2CDC 110 004 C0210 | Catalog Electronic relays and controls 2016 | ABB 202
CP-E range
Technical data
Data at Ta = 25 °C, Uin = 230 V AC and rated values, unless otherwise indicated
Type CP-E 24/0.75 CP-E 24/1.25 CP-E 24/2.5
General data
Power dissipation typ. 4.45 W typ. 5.5 W typ. 8.8 W
Efficiency typ. 77 % typ. 86 % typ. 89 %
Duty time 100 %
Dimensions (W x H x D) 22.5 x 90 x 114 mm
(0.89 x 3.54 x 4.49 in)
40.5 x 90 x 114 mm
(1.59 x 3.54 x 4.49 in)
Weight 0.143 kg (0.315 lb) 0.270 kg (0.60 lb) 0.331 kg (0.73 lb)
Material of housing Plastic
Mounting DIN rail (IEC/EN 60715), snap-on mounting without any tool
Mounting position horizontal
Minimum distance to other units horizontal / vertical 25 mm / 25 mm (0.98 in / 0.98 in)
Degree of protection housing / terminals IP20 / IP20
Protection class I
Electrical connection - input circuit / output circuit
Wire size fine-strand with wire end ferrule 0.2-2.5 mm2 (24-14 AWG)
fine-strand without wire end ferrule
rigid
Stripping length 6 mm (0.24 in)
Tightening torque input / output 0.6 Nm (5 lb.in)
Environmental data
Ambient temperature range operation -20…+70 °C -40…+70 °C
rated load -20…+60 °C -40…+60 °C
storage -20…+85 °C -40…+85 °C
Damp heat (cyclic) (IEC/EN 60068-2-30) 95 % RH, without condensation
Vibration (sinusoidal) (IEC/EN 60068-2-6) 10-500 Hz, 2 G, along X, Y, Z each axis, 60 min. for each axis
Shock (half-sine) (IEC/EN 60068-2-27) 15 G, 11 ms, 3 axes, 6 faces, 3 times for each face
Isolation data
Rated insulation voltage Uiinput circuit / output circuit 3 kV AC
input / PE 1.5 kV AC
output / PE 0.5 kV AC; 0.71 kV DC
Pollution degree 2
Overvoltage category (UL/IEC/EN 60950-1) II
Standards
Product standard EN 61204-3
Low Voltage Directive 2006/95/EC
EMC directive 2004/108/EC
RoHS directive 2011/6 5/EC
Electrical safety
EN 50178, EN 60950-1,
UL 60950-1, UL 508
EN 60950-1, UL 60950-1, UL 508, EN 61558-1,
EN 61558-2-17; EN 60204-1
Protective low voltage SELV (EN 60950)
Electromagnetic compatibility
Interference immunity to IEC/EN 61000-6-2
electrostatic discharge IEC/EN 61000-4-2 Level 4 (air discharge 15 kV / contact discharge 8 kV)
radiated, radio-frequency, electromagnetic field IEC/EN 61000-4-3 Level 3 (10 V/m)
electrical fast transient/burst IEC/EN 61000-4-4 Level 4 (4 kV / 2.5 kHz) Level 4 (4 kV / 5 kHz)
surge IEC/EN 61000-4-5 L-L Level 3 (2 kV) / L-PE Level 4 (4 kV)
conducted disturbances, induced by radio-
frequency fields
IEC/EN 61000-4-6 Level 3 (10 V)
power frequency magnetic fields IEC/EN 61000-4-8 Level 4 (30 A/m)
voltage dips, short interruptions and voltage
variations
IEC/EN 61000-4-11 dip: >95 % 10 ms / >30 % 500 ms, interruptions: >95 % 5000 ms
Interference emission IEC/EN 61000-6-3
high-frequency radiated IEC/CISPR 22, EN 55022 Class B
high-frequency conducted IEC/CISPR 22, EN 55022 Class B
limits for harmonic current emissions IEC/EN 61000-3-2 Class D Class A
“Approvals and marks” on page 182

3
203 ABB | Catalog Electronic relays and controls 2016 | 2CDC 110 004 C0210
CP-E range
Technical data
Data at Ta = 25 °C, Uin = 230 V AC and rated values, unless otherwise indicated
Type CP-E 24/5.0 CP-E 24/10.0 CP-E 24/20.0
Input circuit L, N
Rated input voltage Uin 115 / 230 V AC auto select 115-230 V AC
Input voltage range 90-132 V AC,
180-264 V AC /
210-375 V DC
90-132 V AC,
180-264 V AC /
210-375 V DC
90-264 V AC,
120-375 V DC
Frequency range AC 47-63 Hz
Typical input current at 115 V AC 2.2 A 4.0 A 4.9 A
at 230 V AC 0.83 A 1.55 A 2.5 A
Typical power consumption 140 W 270 W 539 W
Inrush current limiting at 115 V AC 24 A (max. 5 ms) 30 A (max. 5 ms) 25 A (max. 5 ms)
at 230 V AC 48 A (max. 5 ms) 60 A (max. 5 ms) 50 A (max. 5 ms)
Discharge current input / output 0.25 mA
input / PE 3.5 mA
Power failure buffering time at 115 V AC min. 25 ms
at 230 V AC min. 30 ms
Internal input fuse 3.15 A slow-acting /
250 V AC
6.3 A slow-acting /
250 V AC
10 A slow-acting /
250VAC
Power factor correction (PFC) yes, passive, 0.7 yes, active
115 V AC: 0.99
230 V AC: 0.97
Indication of operational states
Output voltage green LED OUTPUT OK: V: output voltage OK
red LED OUTPUT LOW: V: output voltage too low
Output circuit L+, L+, L-, L-
Rated output voltage 24 V DC
Tolerance of the output voltage 0...+1 %
Adjustment range of the output voltage 22.5-28.5 V DC
Rated output power 120 W 240 W 480 W
Rated output current IrTa 60 °C 5 A 10 A -
Ta 55 °C --20 A
Derating of the output current
60 °C < T
a
70 °C
2.5 %/°C -
55 °C < T
a
70 °C
--2.5 %/°C
Signalling contact for output voltage OK 13-14 solid-state (max. 60 V DC, 0.3 A)
Minimum fuse rating to achieve short-circuit protection 13-14 60 V DC, 0.3 A fast-acting
Maximum deviation with load change statical ±1 % (single mode), ±5 % (parallel mode)
change of output voltage within
the input voltage range
±0.5 %
Control time < 2 ms
Starting time after applying the supply voltage at Irmax. 1 s
with 3500 µF max. 1.5 s - -
with 7000 µF -max. 1.5 s
Rise time at rated load max. 150 ms
with 3500 µF max. 500 ms - -
with 7000 µF -max. 500 ms
Fall time max. 150 ms
Residual ripple and switching peaks BW = 20 MHz 50 mV 100 mV
Parallel connection configurable, to increase power, up to 3 devices, min. 0.1 Ir - max. 0.9 Ir
Series connection yes, to increase voltage, max. 2 devices
Resistance to reverse feed max. 35 V DC
Output circuit - No-load, overload and short-circuit behaviour
Characteristic curve of output U/I characteristic curve
Short-circuit protection continuous short-circuit proof
Short-circuit behaviour continuation with output power limiting
Overload protection output power limiting
No-load protection continuous no-load stability
Starting of capacitive loads 3500 µF 7000 µF

3
2CDC 110 004 C0210 | Catalog Electronic relays and controls 2016 | ABB 204
CP-E range
Technical data
Data at Ta = 25 °C, Uin = 230 V AC and rated values, unless otherwise indicated
Type CP-E 24/5.0 CP-E 24/10.0 CP-E 24/20.0
General data
Power dissipation typ. 20 W typ. 35 W typ. 63 W
Efficiency typ. 86 % typ. 89 % typ. 89 %
Duty time 100 %
Dimensions (W x H x D)
63.2 x 123.6 x 123.6 mm
(2.49 x 4.87 x 4.87 in) 83 x 123.6 x 123.6 mm
(3.27 x 4.87 x 4.87 in) 175 x 123.6 x 123.6 mm
(6.89 x 4.87 x 4.87 in)
Weight 0.882 kg (1.945 lb) 1.334 kg (2.941 lb) 1.850 kg (4.079 lb)
Material of housing Metal
Mounting DIN rail (IEC/EN 60715), snap-on mounting without any tool
Mounting position horizontal
Minimum distance to other units horizontal / vertical 25 mm / 25 mm (0.98 in / 0.98 in)
Degree of protection housing / terminals IP20 / IP20
Protection class I
Electrical connection - input circuit / output circuit
Wire size fine-strand with wire end ferrule 0.2-4 mm² (24-11 AWG)
fine-strand without wire end
ferrule
0.2-6 mm² (24-10 AWG)
rigid
Stripping length 8 mm (0.31 in)
Tightening torque input / output 1.0 Nm (9 lb.in) / 0.62 Nm (5.5 lb.in)
Environmental data
Ambient temperature range operation -35…+70 °C -40…+70 °C
rated load -35…+60 °C -40…+60 °C -40…+55 °C
storage -40…+85 °C -40…+85 °C
Damp heat (cyclic) (IEC/EN 60068-2-30) 95 %RH, without condensation
Vibration (sinusoidal) (IEC/EN 60068-2-6) 10-500 Hz, 2 G, along X, Y, Z each axis, 60 min. for each axis
Shock (half-sine) (IEC/EN 60068-2-27) 15 G, 11 ms, 3 axes, 6 faces, 3 times for each face
Isolation data
Rated insulation voltage Uiinput circuit / output circuit 3 kV AC
input / PE 1.5 kV AC
output / PE 0.5 kV AC; 0.71 kV DC
signalling contact / PE 0.5 kV DC
Pollution degree 2
Overvoltage category (UL/IEC/EN 60950-1) II
Standards
Product standard EN 61204-3
Low Voltage Directive 2006/95/EC
EMC directive 2004/108/EC
RoHS directive 2011/6 5/EC
Electrical safety EN 60950-1, UL 60950-1, UL 508, EN 61558-1, EN 61558-2-17; EN
60204-1
Protective low voltage SELV (EN 60950)
Electromagnetic compatibility
Interference immunity to IEC/EN 61000-6-2
electrostatic discharge IEC/EN 61000-4-2 Level 4 (air discharge 15 kV / contact discharge 8 kV)
radiated, radio-frequency, electromagnetic
field
IEC/EN 61000-4-3 Level 3 (10 V/m)
electrical fast transient/burst IEC/EN 61000-4-4 Level 4 (4 kV / 5 kHz) Level 4 (4 kV / 2.5 kHz)
surge IEC/EN 61000-4-5 L-L Level 3 (2 kV) / L-PE Level 4 (4 kV)
conducted disturbances, induced by radio-
frequency fields
IEC/EN 61000-4-6 Level 3 (10 V)
power frequency magnetic fields IEC/EN 61000-4-8 Level 4 (30 A/m)
voltage dips, short interruptions and voltage
variations
IEC/EN 61000-4-11 dip: >95 % 10 ms / >30 % 500 ms
interruptions: >95 % 5000 ms
Interference emission IEC/EN 61000-6-3
high-frequency radiated IEC/CISPR 22, EN 55022 Class B
high-frequency conducted IEC/CISPR 22, EN 55022 Class B
limits for harmonic current emissions Class D
“Approvals and marks” on page 182

3
205 ABB | Catalog Electronic relays and controls 2016 | 2CDC 110 004 C0210
CP-E range
Technical data
Data at Ta = 25 °C, Uin = 230 V AC and rated values, unless otherwise indicated
Type CP-E 48/0.62 CP-E 48/1.25 CP-E 48/5.0 CP-E 48/10.0
Input circuit L, N
Rated input voltage Uin 100-240 V AC 115 / 230 V AC
auto select 115-230 V AC
Input voltage range 85-264 V AC /
90-375 V DC
90-132 V AC,
180-264 V AC /
210-375 V DC
90-264 V AC,
120-375 V DC
Frequency range AC 47-63 Hz
Typical input current at 115 V AC 560 mA 1060 mA 4.0 A 4.9 A
at 230 V AC 330 mA 590 mA 1.55 A 2.5 A
Typical power consumption 35.7 W 69.0 W 267 W 528 W
Inrush current limiting at 115 V AC 20 A (max. 3 ms) 20 A (max. 3 ms) 30 A (max. 5 ms) 25 A (max. 5 ms)
at 230 V AC 40 A (max. 3 ms) 40 A (max. 3 ms) 60 A (max. 5 ms) 50 A (max. 5 ms)
Discharge current input / output 0.25 mA
input / PE 3.5 mA
Power failure buffering time at 115 V AC min. 20 ms min. 25 ms min. 25 ms
at 230 V AC min. 30 ms
Internal input fuse 2 A slow-acting /
250 V AC
6.3 A slow-
acting /
250 V AC
10 A slow-
acting /
250 V AC
Power factor correction (PFC)
no yes, passive, 0.7
yes, active
115 V AC: 0.99
230 V AC: 0.97
Indication of operational states
Output voltage green LED OUTPUT OK: V: output voltage OK
red LED --OUTPUT LOW: V:
output voltage too low
Output circuit L+, L+, L-, L-
Rated output voltage 48 V DC
Tolerance of the output voltage 0...+1 %
Adjustment range of the output voltage 48-55 V DC 47-56 V DC
Rated output power 30 W 60 W 240 W 480 W
Rated output current IrTa 60 °C 0.625 A 1.25 A 5 A -
Ta 55 °C ---10 A
Derating of the output current 60 °C < Ta 70 °C 2.5 %/°C -
55 °C < Ta 70 °C ---2.5 %/°C
Signalling output for output voltage OK DC OK ----
Maximum deviation with load change statical ±0.5 % ±1 % (single mode)
±5 % (parallel mode)
change of output voltage within
the input voltage range ±0.5 % ±0.5 %
Control time < 2 ms
Starting time after applying the supply voltage at Irmax. 1 s
with 3500 µF max. 2 s ---
with 7000 µF -max. 1.5 s max. 1.5 s
Rise time at rated load max. 150 ms
with 3500 µF max. 500 ms ---
with 7000 µF -max. 500 ms max. 500 ms
Fall time max. 150 ms
Residual ripple and switching peaks BW = 20 MHz 50 mV 100 mV
Parallel connection
yes, to enable redundancy
configurable, to increase power,
up to 3 devices,
min. 0.1 Ir - max. 0.9 Ir
Series connection yes, to increase voltage yes, to increase voltage,
max. 2 devices
Resistance to reverse feed 1 s - max. 63 V DC
Output circuit - No-load, overload and short-circuit behaviour
Characteristic curve of output U/I characteristic curve
Short-circuit protection continuous short-circuit proof
Short-circuit behaviour continuation with output power limiting
Overload protection output power limiting
No-load protection continuous no-load stability
Starting of capacitive loads 3500 µF 7000 µF unlimited 7000 µF

3
2CDC 110 004 C0210 | Catalog Electronic relays and controls 2016 | ABB 206
CP-E range
Technical data
Data at Ta = 25 °C, Uin = 230 V AC and rated values, unless otherwise indicated
Type CP-E 48/0.62 CP-E 48/1.25 CP-E 48/5.0 CP-E 48/10.0
General data
Power dissipation typ. 4.9 W typ. 7.8 W typ. 32 W typ. 60 W
Efficiency typ. 86 % typ. 89 % typ. 90 %
Duty time 100 %
Dimensions (W x H x D)
40.5 x 90 x 114 mm
(1.59 x 3.54 x 4.49 in)
83 x 123.6 x
123.6 mm
(3.27 x 4.87 x
4.87 in)
175 x 123.6 x
123.6 mm
(6.89 x 4.87 x
4.87 in)
Weight
0.264 kg (0.582 lb) 0.316 kg (0.697 lb) 1.322 kg (2.915 lb) 1.839 kg (4.054 lb)
Material of housing Plastic Metal
Mounting DIN rail (IEC/EN 60715), snap-on mounting without any tool
Mounting position horizontal
Minimum distance to other units horizontal / vertical 25 mm / 25 mm (0.98 in / 0.98 in)
Degree of protection housing / terminals IP/20 / IP20
Protection class I
Electrical connection - input circuit / output circuit
Wire size fine-strand with wire end ferrule
0.2-2.5 mm² (24-14 AWG)
0.2-4 mm² (24-11 AWG)
fine-strand without wire end ferrule 0.2-6 mm² (24-10 AWG)
rigid
Stripping length 6 mm (0.24 in) 8 mm (0.31 in)
Tightening torque input / output 0.6 Nm (5 lb.in) 1.0 Nm (9 lb.in) / 0.62 Nm (5.5 lb.in)
Environmental data
Ambient temperature range operation -40…+70 °C
rated load -40…+60 °C -40…+55 °C
storage -40…+85 °C
Damp heat (cyclic) (IEC/EN 60068-2-30) 95 % RH, without condensation
Vibration (sinusoidal) (IEC/EN 60068-2-6) 10-500 Hz, 2 G, along X, Y, Z each axis, 60 min. for each axis
Shock (half-sine) (IEC/EN 60068-2-27) 15 G, 11 ms, 3 axes, 6 faces, 3 times for each face
Isolation data
Rated insulation voltage Uiinput circuit / output circuit 3 kV AC
input / PE 1.5 kV AC
output / PE 0.5 kV AC; 0.71 kV DC
Pollution degree 2
Overvoltage category (UL/IEC/EN 60950-1) II
Standards
Product standard EN 61204-3
Low Voltage Directive 2006/95/EC
EMC directive 2004/108/EC
RoHS directive 2011/6 5/EC
Electrical safety
EN 60950-1, UL 60950-1, UL 508, EN 61558-1, EN 61558-2-17; EN 60204-1
Protective low voltage SELV (EN 60950)
Electromagnetic compatibility
Interference immunity to IEC/EN 61000-6-2
electrostatic discharge IEC/EN 61000-4-2 Level 4 (air discharge 15 kV / contact discharge 8 kV)
radiated, radio-frequency, electromagnetic
field
IEC/EN 61000-4-3 Level 3 (10 V/m)
electrical fast transient/burst IEC/EN 61000-4-4 Level 4 (4 kV / 5 kHz) Level 4 (4 kV / 2.5 kHz)
surge IEC/EN 61000-4-5 L-L Level 3 (2 kV) / L-PE Level 4 (4 kV)
conducted disturbances, induced by radio-
frequency fields
IEC/EN 61000-4-6 Level 3 (10 V/m)
power frequency magnetic fields IEC/EN 61000-4-8 Level 4 (30 A/m)
voltage dips, short interruptions and voltage
variations
IEC/EN 61000-4-11 dip: >95 % 10 ms / >30 % 500 ms, interruptions: >95 % 5000 ms
Interference emission IEC/EN 61000-6-3
high-frequency radiated IEC/CISPR 22, EN 55022 Class B
high-frequency conducted IEC/CISPR 22, EN 55022 Class B
limits for harmonic current emissions Class A Class D
“Approvals and marks” on page 182

3
207 ABB | Catalog Electronic relays and controls 2016 | 2CDC 110 004 C0210
CP-E range
Technical diagrams, Wiring instructions
Uout [V]
I
out
[A]
1.25 1.35 1.45 1.55 1.65 1.75 1.85 1.95 2.05 2.15
2CDC 272 006 F0b07
U
out
[V]
Iout [A]
2.75 2.85 2.95 3.05 3.15 3.25 3.35 3.45 3.55 3.65
2CDC 272 007 F0b07
Uout [V]
I
out
[A]
2.8 2.9 3.0 3.1 3.2 3.3 3.4 3.5 3.6 3.7
1
3
5
7
9
11
13
15
2CDC 272 008 F0b07
U
out
[V]
Iout [A]
1.73 1.81 1.89 1.97 2.051.33 1.41 1.49 1.57 1.65
10
20
30
40
50
60
70
2CDC 272 010 F0b07
CP-E 24/1.25
CP-E 24/2.5
CP-E 12/2.5
CP-E 48/0.62 CP-E 48/1.25
U
out
[V]
Iout [A]
0.865 0.905 0.945 0.985 1.0250.6650.705 0.745 0.785 0.825
10
20
30
40
50
60
70
2CDC 272 009 F0b07
Uout [V]
I
out
[A]
46810141612
2
2
4
6
8
10
12
14
2CDC 272 005 F0b08
CP-E 12/10.0
U
out
[
V
]
Iout [A]
2345 786
1
4
8
12
16
20
24
28
2CDC 272 006 F0b08
CP-E 24/5.0
U
out
[
V
]
Iout [A]
46810141612
2
4
8
12
16
20
24
28
2CDC 272 007 F0b08
CP-E 24/10.0
U
out
[V]
Iout [A]
81216 20 28 3224
4
4
8
12
16
20
24
28
2CDC 272 008 F0b08
CP-E 24/20.0
CP-E 48/10.0CP-E 48/5.0
U
out
[V]
Iout [A]
2345 786
1
8
16
24
32
40
48
56
2CDC 272 009 F0b08
U
out
[
V
]
Iout [A]
46810141612
2
8
16
24
32
40
48
56
2CDC 272 010 F0b08
CP-E 24/1.25, CP-E 24/2.5
Output curve at Ta = 25 °C
Wiring instructions
DC OK
L-L-
DC OK
2CDC 272 017 F0207
Relay
RL > 700
5 V Signal
2.2 k
0.5 W
5.1 V
0.3 W

3
2CDC 110 004 C0210 | Catalog Electronic relays and controls 2016 | ABB 208
Temperature behaviour at Ta = 25 °C
CP-E range
Technical diagrams, Dimensional drawings
CP-E 12/10.0, CP-E 24/5.0
CP-E 5/3.0, CP-E 24/0.75 CP-E 12/2.5, CP-E 24/1.25, CP-E 48/0.62,
CP-E 24/2.5, CP-E 48/1.25, CP-E 24/10.0, CP-E 48/5.0
CP-E 24/20.0, CP-E 48/10.0
2CDC 272 015 F02112CDC 272 016 F0211
2CDC 272 017 F0211
2CDC 272 018 F0211
-35 60 70
10
20
30
40
50
60
70
80
90
100
P
out
[%]
Ta [°C]
-20 60 70
10
20
30
40
50
60
70
80
90
100
P
out
[%]
T
a
[°C]
-40 60 70
10
20
30
40
50
60
70
80
90
100
P
out
[%]
T
a
[°C]
-40 55 70
10
20
30
40
50
60
70
80
90
100
P
out
[%]
Ta [°C]
CP-E 5/3.0,
CP-E 24/0.75
CP-E 12/2.5,
CP-E 24/1.25,
CP-E 24/2.5,
CP-E 48/0.62,
CP-E 48/1.25
CP-E 12/10.0,
CP-E 24/5.0
CP-E 24/20.0,
CP-E 48/10.0
CP-E 24/10.0,
CP-E 48/5.0
175,0 [6.89“]
123,6 [4.87“]
116,6 [4.59“]
123,6 [4.87“] 83,0 [3.27“]
123,6 [4.87“]
63,2 [2.49“]
123,6 [4.87“]
2CDC 272 013 F0b08
22.5 0.89“
114 4.49“
90 3.54“
40.5 1.59”
90 3.54”
2CDC 272 021 F0011
2CDC 272 013 F008
Dimensional drawings dimensions in mm

3
209 ABB | Catalog Electronic relays and controls 2016 | 2CDC 110 004 C0210
CP-T range
Product group picture

3
2CDC 110 004 C0210 | Catalog Electronic relays and controls 2016 | ABB 210
CP-T range
Table of contents
CP-T range
CP-T range 210
Table of contents 210
Benefits and advantages 211
Ordering details 212
Technical data 213
Technical diagrams, Dimensional drawings 217
Technical diagrams 218

3
211 ABB | Catalog Electronic relays and controls 2016 | 2CDC 110 004 C0210
CP-T range
Benefits and advantages
Characteristics
– Rated output voltages 24 V, 48 V DC
– Output voltage adjustable via front-face rotary potentiom-
eter “OUTPUT Adjust”
– Rated output currents 5 A, 10 A, 20 A, 40 A
– Rated output powers 120 W, 240 W, 480 W, 960 W
– Three-phase operation (see derating note)
–
Two-phase operation (25 % derating possible, see derating note)
– Supply range 3x400–500 V AC (3x340–575VAC,
480–820 V DC)
– Typical efficiency of 93 %
– Low power dissipation and low heating
– Free convection cooling (no forced cooling with ventilators)
– Ambient temperature range during operation -40...+70 °C 1)
– Open-circuit, overload and short-circuit stable
– Integrated input fuse
– Redundancy unit CP-A RU offering true redundancy, avail-
able as accessory
– LEDs for status indication
– Signalling contact "13-14" (solid state) for output voltage
OK
– Approvals / marks (depending on device, partly pending):
–A, H, R, E / a , b
1) 480 W variants: -30...+70°C
Signalling output
The devices of the CP-T series offer a solid state output for
function monitoring and remote diagnostics.
Wide input range
Wide range input optimized for world-wide applications:
The CP-T power supplies can be used in 340 - 575 V AC or
480 - 820 V DC supply systems.
Adjustable output voltage
The CP-T range feature a continuously adjustable output volt-
age. Thus, they can be optimally adapted to the application,
e.g. compensating the voltage drop caused by a long line
length.
Benefits
1
1
2
2
2CDC 271 043 S0009
2CDC 271 043 S0009
4
1
2
3
5
1 Circuit diagram
2 Indication of operational states
DC ON: green LED - green LED - output voltage OK
DC LOW: red LED - output voltage too low
3 OUTPUT Adjust: potentiometer - adjustment of output voltage
4 single/parallel: sliding switch - adjustment
of single or parallel operation
5 Signalling contact
OUTPUT 13-14: terminals - signalling contact
A solid-state output indicates the error-free operation of the
output voltage.
OUTPUT L+, L+, L-, L-: terminals - output
7INPUT L1, L2, L3, PE: terminals - input
7

3
2CDC 110 004 C0210 | Catalog Electronic relays and controls 2016 | ABB 212
CP-T range
Ordering details
2CDC 271 043 S0009
2CDC 271 045 S0009
2CDC 271 047 S0009
CP-T 24/5.0
CP-T 24/10.0, CP-T 48/5.0
CP-T 24/20.0, CP-T 48/10.0
Description
The CP-T range of three-phase power supply units is the youngest member of ABB‘s power
supply family. In terms of design and functionality, the new range perfectly supplements the ex-
isting products and extends the range appropriately. The devices can be supplied with a three-
phase voltage as well as with two-phase mains. Here, ABB offers power supply units with 24 V
DC and 48 V DC outputs with 5 A, 10 A, 20 A and 40 A and efficiency of up to 92%. As in the
case of all products, they are designed for an ambient temperature of up to 70°C. All prod-
ucts can be supplied within an AC supply voltage range between 340 to 575VAC and a DC
supply voltage range between 480 to 820 V DC.
Ordering details
Input voltage range Rated
output voltage /
current
Type Order code Price
1 pce
Weight
(1 pce)
kg (lb)
340-575 V AC / 480-820 V DC 24 V DC / 5 A CP-T 24/5.0 1SVR427054R0000 0.80
(1.77)
340-575 V AC / 480-820 V DC 24 V DC / 10 A CP-T 24/10.0 1SVR427055R0000 1.05
(2.31)
340-575 V AC / 480-820 V DC 24 V DC / 20 A CP-T 24/20.0 1SVR427056R0000 1.75
(3.86)
340-575 V AC / 480-820 V DC 24 V DC / 40 A CP-T 24/40.0 1SVR427057R0000 3.20
( 7. 0 5 )
340-575 V AC / 480-820 V DC 48 V DC / 5 A CP-T 48/5.0 1SVR427054R2000 1.05
(2.31)
340-575 V AC / 480-820 V DC 48 V DC / 10 A CP-T 48/10.0 1SVR427055R2000 1.75
(3.86)
340-575 V AC / 480-820 V DC 48 V DC / 20 A CP-T 48/20.0 1SVR427056R2000 3.40
( 7. 5 0 )
Further documentation CP-T
power supplies on www.abb.com

3
213 ABB | Catalog Electronic relays and controls 2016 | 2CDC 110 004 C0210
CP-T range
Technical data
Data at Ta = 25 °C, Uin = 3 x 400 V AC and rated values, unless otherwise indicated
Type CP-T 24/5.0 CP-T 24/10.0 CP-T 24/20.0 CP-T 24/40.0
Input circuit L1, L2, L3
Rated input voltage Uin 3 x 400-500 V AC
Input voltage range 340-575 V AC
480-820 V DC
Frequency range AC 47-63 Hz
Typical input current 0.36 A 0.65 A 1.1 A 1.72 A
Typical power consumption 135 W 270 W 538 W 1058 W
Inrush current limiting 10 A 20 A 30 A
Power failure buffering time min. 20 ms min. 15 ms
Internal input fuse per phase 2 A / 600 V AC
T 3.15 A / 500 V AC
T 5 A / 500 V AC
Recommended backup fuse 3 pole miniature circuit breaker ABB Type S203
Power factor correction (PFC) Yes, passive
Discharge current towards PE < 3.5 mA
input / output < 0.25 mA
Indication of operational states
Output voltage OUTPUT OK: green LED output voltage OK
OUTPUT LOW: red LED output voltage too low
Output circuit L+, L+, L-, L-
Rated output voltage 24 V DC
Tolerance of the output voltage 0...+1 %
Adjustment range of the output voltage 22.5-28.5 V DC
Rated output power 120 W 240 W 480 W 960 W
Rated output current Ir Ta ≤ 60 °C 5 A 10 A 20 A 40 A
Derating of the output current 60 °C < Ta ≤ 70 °C 2.5 %/°C 3.5 %/°C
Signalling contact
for output voltage OK
13-14 solid state (max. 60 V DC, 0.3 A)
Threshold 17.6-19.4 V
Insulation voltage 500 V DC
Mininum fuse rating to achieve short-circuit protection 13-14 60 V DC, 0.3 A fast-acting
Maximum deviation with load change statical ±1 % ±1 % (single mode)
-±5 % (parallel mode)
change of output voltage
within the input voltage range
± 0.5 %
Control time at nominal load < 2 ms
Starting time after applying
the supply voltage
at Irmax. 1 s
with 3500 µF max. 1.5 s
Rise time at nominal load max. 150 ms
with 3500 µF max. 500 ms
Fall time max. 150 ms
Residual ripple and switching peaks BW = 20 MHz 100 mV 80 mV
Parallel connection not supported configurable, to increase power, up
to 2 devices, min. 0.1 Ir - max 0.9 Ir)
to increase power,
up to 2 devices,
min. 0.1 I
r
- max.
0.9 I
r
use active
current balancing
Series connection not supported yes, to increase voltage, max. 2 devices
Resistance to reverse feed approx. 35 V
Output circuit - No-load, overload and short-circuit behaviour
Characteristic curve of output combined U/I characteristic curve
and hiccup mode
U/I- or Hiccup-
mode adjustable
hiccup / fold
back behavior
Short-circuit protection continuous short-circuit proof
Short-circuit behaviour current limiting
Overload protection hiccup mode
No-load protection continuous no-load stability
Overtemperature protection yes, automatic recovery after temperature went down
Starting of capacitive loads 3500 µF 7000 µF 7000 µF 7000 µF

3
2CDC 110 004 C0210 | Catalog Electronic relays and controls 2016 | ABB 214
CP-T range
Technical data
Data at Ta = 25 °C, Uin = 3 x 400 V AC and rated values, unless otherwise indicated
Type CP-T 24/5.0 CP-T 24/10.0 CP-T 24/20.0 CP-T 24/40.0
General data
Efficiency typ. 89 % typ. 90 % typ. 92 %
Duty time 100%
Dimensions (W x H x D) 74.3 x 124 x
118.8 mm
(2.92 x 4.88 x
4.68 in)
89 x 124 x 118.8
mm
(3.5 x 4.88 x
4.68 in)
150 x 124 x
118.8 mm
(5.91 x 4.88 x
4.68 in)
275.8 x 124 x
118.8 mm
(10.86 x 4.88 x
4.68 in)
Weight 0.78 kg (1.72 lb)
1.045 kg (2.30 lb) 1.657 kg (3.653 lb) 3.275 kg (7.220 lb)
Material of housing Metal
Mounting DIN rail (IEC EN 60715), snap-on mounting without any tool
Mounting position horizontal
Minimum distance to other units horizontal / vertical 25 mm / 25 mm (0.98 in / 0.98 in)
Degree of protection housing / terminals IP20 / IP20
Protection class I
Electrical connection - input circuit / output circuit / signalling circuit
Wire size fine-strand with wire end ferrule 0.2-4 mm² (24-11 AWG)
fine-strand without wire end ferrule 0.2-6 mm² (24-10 AWG)
rigid 0.2-6 mm² (24-10 AWG)
Stripping length 8 mm (0.31 in)
Tightening torque input / output 1 Nm (9 lb.in) / 0.6 Nm (5.5 lb.in) 1 Nm (9 lb.in) /
1.8 Nm (15.6 lb.in)
Environmental data
Ambient temperature range operation -40...+70 °C -30…+70 °C -40...+70 °C
rated load -40...+60 °C -30…+60 °C -40...+60 °C
storage -40…+85 °C
Damp heat (cyclic) (IEC/EN 60068-2-30) 95 % without condensation
Vibration (sinusoidal) (IEC/EN 60068-2-6) 2 g, 10-500 Hz, 2G, each along X, Y, Z axes 60 min / cycle
Shock (half-sine) (IEC/EN 60068-2-27) 15 g, 11 ms, 3 axes, 6 faces, 3 times for each face
Isolation data
Rated insulation voltage Uiinput circuit / output circuit 3 kV AC
input / PE 1.5 kV AC
output / PE 0.5 kV AC; 0.71 kV DC
signalling output / PE 0.5 kV DC
Pollution degree 2
Standards
Product standard EN 61204-3
Low Voltage Directive 2006/95/EC
EMC directive 2004/108/EC
RoHS directive 2011/6 5/EC
Electrical safety
EN 60950-1, UL 60950-1, UL 508, EN 61558-1, EN 61558-2-17; EN 60204-1
Protective low voltage SELV
Electromagnetic compatibility
Interference immunity to IEC/EN 61000-6-2
electrostatic discharge IEC/EN 61000-4-2 Level 4 (air discharge 15 kV / contact discharge 8 kV)
radiated, radio-frequency, electromagnetic
field
IEC/EN 61000-4-3 Level 3 (10 V/m)
electrical fast transient/burst IEC/EN 61000-4-4 Level 4
(4 kV / 2.5 kHz)
Level 4 (4 kV / 5 kHz)
surge IEC/EN 61000-4-5 L-L Level 3 (2 kV) / L-PE Level 4 (4 kV)
conducted disturbances, induced by radio-
frequency fields
IEC/EN 61000-4-6 Level 3 (10 V)
power frequency magnetic fields IEC/EN 61000-4-8 Level 4 (30 A/m)
voltage dips, short interruptions and voltage
variations
IEC/EN 61000-4-11 dips: >95 % 0.5 ms / >30 % 0.5 ms, interruptions: >95 % 250 ms
Interference emission IEC/EN 61000-6-3
high-frequency radiated IEC/CISPR 22, EN 55022 Class B
high-frequency conducted IEC/CISPR 22, EN 55022 Class B
limits for harmonic current emissions IEC/EN 61000-3-2 Class A
“Approvals and marks” on page 182

3
215 ABB | Catalog Electronic relays and controls 2016 | 2CDC 110 004 C0210
CP-T range
Technical data
Data at Ta = 25 °C, Uin = 3 x 400 V AC and rated values, unless otherwise indicated
Type CP-T 48/5.0 CP-T 48/10.0 CP-T 48/20.0
Input circuit L1, L2, L3
Rated input voltage Uin 3 x 400-500 V AC
Input voltage range 340-575 V AC
480-820 V DC
Frequency range AC 47-63 Hz
Typical input current 0.65 A 1.1 A 1.72 A
Typical power consumption 264 W 535 W 1050 W
Inrush current limiting 20 A 30 A
Power failure buffering time min. 20 ms min. 15 ms
Internal input fuse per phase 2 A / 600 V AC T3.15 A / 500 V AC T 5 A / 500 V AC
Power factor correction (PFC) yes, passive
Discharge current towards PE < 3.5 mA
input / output < 0.25 mA
Indication of operational states
Output voltage OUTPUT OK: green LED output voltage OK
OUTPUT LOW: red LED output voltage too low
Output circuit L+, L+, L-, L-
Rated output voltage 48 V DC
Tolerance of the output voltage 0...+1 %
Adjustment range of the output voltage 47-56 V DC
Rated output power 240 W 480 W 960 W
Rated output current Ir Ta 60 °C 5 A 10 A 20 A
Derating of the output current 60 °C < Ta 70 °C 2.5 %/°C 3.5 %/°C
Maximum deviation with load change statical ±1 % (single mode)
± 5 % (parallel mode)
change of output voltage within the
input voltage range
±0.5 %
Control time at rated load < 2 ms
Starting time after applying the supply voltage at Irmax. 1 s
with 7000 µF max. 1.5 s
Rise time at rated load max. 150 ms
with 7000 µF max. 500 ms
Fall time max. 150 ms
Residual ripple and switching peaks BW = 20 MHz 100 mV 80 mV
Parallel connection configurable, to increase
power, up to 2 devices,
min. 0.1 Ir - max 0.9 Ir)
to increase power, up
to 2 devices, min. 0.1 Ir
- max. 0.9 Ir use active
current balancing
Series connection yes, to increase voltage, max. 2 devices
Resistance to reverse feed approx. 35 V approx. 63 V approx. 63 V
Output circuit - No-load, overload and short-circuit behaviour
Characteristic curve of output combined U/I and
hiccup mode
U/I or hiccup mode,
configurable
hiccup mode /
fold back behavior
Short-circuit protection continuous short-circuit proof
Short-circuit behaviour current limiting
Overload protection hiccup mode
No-load protection continuous no-load stability
Over temperature protection yes, automatic recovery after temperature went down
Starting of capacitive loads 7000 µF

3
2CDC 110 004 C0210 | Catalog Electronic relays and controls 2016 | ABB 216
CP-T range
Technical data
Data at Ta = 25 °C, Uin = 3 x 400 V AC and rated values, unless otherwise indicated
Type CP-T 48/5.0 CP-T 48/10.0 CP-T 48/20.0
General data
Efficiency typ. 91 % typ. 93 %
Duty time 100%
Dimensions (W x H x D) 89 x 124 x 118.8 mm
(3.5 x 4.88 x 4.68 in)
150 x 124 x 118.8 mm
(5.91 x 4.88 x 4.68 in)
275.8 x 124 x 118.8 mm
(10.86 x 4.88 x 4.68 in)
Weight 1.045 kg (2.30 lb) 1.657 kg (3.653 lb) 3.275 kg (7.22 lb)
Material of housing Metal
Mounting DIN rail (IEC EN 60715), snap-on mounting without any tool
Mounting position horizontal
Minimum distance to other units horizontal / vertical 25 mm / 25 mm (0.98 in / 0.98 in)
Degree of protection housing / terminals IP20 / IP20
Protection class I
Electrical connection - input circuit / output circuit
Wire size fine-strand with wire end ferrule 0.2-4 mm² (24-11 AWG) 0.2-4 mm² (24-11
AWG) / 0.5-10 mm²
(20-8 AWG)
fine-strand without wire end ferrule 0.2-6 mm² (24-10 AWG)
rigid
Stripping length 8 mm (0.31 in)
Tightening torque input / output 1 Nm (9 lb.in) / 0.6 Nm (5.5 lb.in) 1 Nm (9 lb.in) /
1.8 Nm (15.6 lb.in)
Environmental data
Ambient temperature range operation -40…+70 °C -30…+70 °C -40…+70 °C
rated load -40…+60 °C -30…+60 °C -40…+60 °C
storage -40…+85 °C -40…+85 °C -40…+85 °C
Damp heat (cyclic) (IEC/EN 60068-2-30) 95 % without condensation
Vibration (sinusoidal) (IEC/EN 60068-2-6) 10-500 Hz, 2G, each along X, Y, Z axes 6 min / cycle
Shock (half-sine) (IEC/EN 60068-2-27) 15G, 11 ms, 3 axes, 6 Faces, 3 times for each face
Isolation data
Rated insulation voltage Uiinput circuit / output circuit 3 kV AC
input / PE 1.5 kV AC
output / PE 0.5 kV AC; 0.71 kV DC
Pollution degree 2
Standards
Product standard EN 61204-3
Low Voltage Directive 2006/95/EC
EMC directive 2004/108/EC
RoHS directive 2011/6 5/EC
Electrical safety EN 60950-1, UL 60950-1, UL 508, EN 61558-1, EN 61558-2-16;
EN 60204-1
Protective low voltage SELV
Electromagnetic compatibility
Interference immunity to IEC/EN 61000-6-2
electrostatic discharge IEC/EN 61000-4-2 Level 4 (air discharge 15 kV / contact discharge 8 kV)
radiated, radio-frequency, electromagnetic
field
IEC/EN 61000-4-3 Level 3 (10 V/m)
electrical fast transient/burst IEC/EN 61000-4-4 Level 4 (4 kV / 5 kHz)
surge IEC/EN 61000-4-5 L-L Level 3 (2 kV) / L-PE Level 4 (4 kV)
conducted disturbances, induced by radio-
frequency fields
IEC/EN 61000-4-6 Level 3 (10 V)
power frequency magnetic fields IEC/EN 61000-4-8 Level 4 (30 A/m)
voltage dips, short interruptions and voltage
variations
IEC/EN 61000-4-11 dips: >95 % 0.5 ms / >30 % 0.5 ms
interruptions: >95 % 250 ms
Interference emission IEC/EN 61000-6-3
high-frequency radiated IEC/CISPR 22, EN 55022 Class B
high-frequency conducted IEC/CISPR 22, EN 55022 Class B
limits for harmonic current
emissions
IEC/EN 61000-3-2 Class A
“Approvals and marks” on page 182

3
217 ABB | Catalog Electronic relays and controls 2016 | 2CDC 110 004 C0210
CP-T range
Technical diagrams, Dimensional drawings
CP-T 24/5.0
CP-T 24/20.0 Hiccup mode
CP-T 48/10.0 U/I curve
CP-T 24/10.0
CP-T 24/40.0
CP-T 48/10.0 Hiccup mode
CP-T 24/20.0 U/I curve
CP-T 48/5.0
CP-T 48/20.0
CP-T 24/20.0, CP-T 48/10.0CP-T 24/10.0, CP-T 48/5.0 CP-T 24/40.0, CP-T 48/20.0
Output curve at Ta = 25 °C
CP-T 24/5.0
Dimensional drawings dimensions in mm
2CDC 272 032 F0x092CDC 272 035 F0x092CDC 272 038 F0x09
2CDC 272 033 F0x092CDC 272 027 F02112CDC 272 039 F0x09
2CDC 272 034 F0x092CDC 272 037 F0x092CDC 272 028 F0211
123456 78
4
8
12
16
20
24
28
U
out
[V]
Iout [A]
Hiccup mode
@ 3 x 400V supply
@ 3 x 500V supply
4812 16 20 24 28 32
4
8
12
16
20
24
28
U
out
[V]
Iout [A]
@ 3 x 400V supply
@ 3 x 500V supply
Hiccup mode
246810 12 14 16
8
16
24
32
40
48
56
U
out
[V]
Iout [A]
@ 3 x 400V supply
@ 3 x 500V supply
246810 12 14 16
4
8
12
16
20
24
28
U
out
[V]
Iout [A]
Hiccup mode
@ 3 x 400V supply
@ 3 x 500V supply
816 24 32 40 48 56 64
4
8
12
16
20
24
28
U
out
in V
72 80
Iout in A
Hiccup mode
after 2-5 s overload
U/I
@ 3 x 400 V supply
246810 12 14 16
8
16
24
32
40
48
56
U
out
[V]
Iout [A]
@ 3 x 400V supply
@ 3 x 500V supply
Hiccup mode
4812 16 20 24 28 32
4
8
12
16
20
24
28
U
out
[V]
Iout [A]
@ 3 x 400V supply
@ 3 x 500V supply
12345678
8
16
24
32
40
48
56
U
out
[V]
Iout [A]
Hiccup mode
@ 3 x 400V supply
@ 3 x 500V supply
4812 16 20 24 28 32
8
16
24
32
40
48
56
U
out
in V
36 40
Iout in A
Hiccup mode
after 2-5 s overload
U/I
@ 3 x 400 V supply
2CDC 272 021 F0009
2CDC 272 022 F0009
118,8 4,68‘‘
111,9 4,41‘‘
89 3,5‘‘
131 5,16‘‘
124 4,88‘‘
2CDC 272 023 F0009
118,8 4,68‘‘
111,9 4,41‘‘
150 5,91‘‘
131 5,16‘‘
124 4,88‘‘
2CDC 272 024 F0009
118.8 4.68‘‘
111.9 4.41‘‘
131 5.16‘‘
275.8 10.86‘‘
124 4.88‘‘
Technical diagrams, dimensions in mm

3
2CDC 110 004 C0210 | Catalog Electronic relays and controls 2016 | ABB 218
CP-T range
Technical diagrams
CP-T 24/40.0, CP-T 48/20.0 CP-T 24/20.0, CP-T 48/10.0
CP-T 24/5.0, CP-T 24/10.0, CP-T 48/5.0
Temperature curve at rated load
2CDC 272 026 F0211
2CDC 272 030 F0211
2CDC 272 025 F0211
-40 60 70
10
20
30
40
50
60
70
80
90
100
P
out
[%]
T
a
[°C]
-30 60 70
10
20
30
40
50
60
70
80
90
100
P
out
[%]
T
a
[°C]
-40 60 70
10
20
30
40
50
60
70
80
90
100
P
out
[%]
T
a
[°C]

3
219 ABB | Catalog Electronic relays and controls 2016 | 2CDC 110 004 C0210
CP-C.1 range
Product group picture

3
2CDC 110 004 C0210 | Catalog Electronic relays and controls 2016 | ABB 220
CP-C.1 range
Product group picture
CP-C.1
CP-C.1 range 220
Benefits and advantages 221
Ordering details 222
Technical data 223
Technical diagrams 226
Technical diagrams, Dimensional drawings 227
Technical diagrams 228

3
221 ABB | Catalog Electronic relays and controls 2016 | 2CDC 110 004 C0210
CP-C.1 range
Benefits and advantages
Characteristics
– Rated output voltage 24 V DC
– Power reserve design delivers up to 150 % at Ta ≤ 40 °C
– Output voltage adjustable via front-face rotary potentiometer
“OUTPUT Adjust”, 22.5-28.5 V
– Input voltage range 100-240 V AC, 90-300 V DC
– High efficiency
– Low power dissipation and low heating
– Free convection cooling (no forced cooling)
– Ambient temperature range during operation -25...+70 °C
– Open-circuit, overload and short-circuit stable
– Integrated input fuse
– DC OK - signaling output “13-14” (Relay),
Power reserve signaling output “I > IR (Transistor)
– Redundancy unit CP-A RU offering true redundancy, available
as accessory
– Approvals / Marks (depending on device, partly pending):
A, H, K SEMI F47 / a,
1 13-14: Relay output to signal output OK
2 I > IR: Power reserve transistor output
3 OUTPUT L+, L-: Output terminals
4 Indication of operational states
OUTPUT OK: Green LED
POWER RESERVE I > IR: Yellow LED
5 OUTPUT Adjust: Rotary potentiometer -
Adjustment of output voltage 22.5-28.5 V DC
Circuit diagram
7 INPUT L(+), N(-), o/PE: Input terminals
8 Side mounting screw holes for DIN rail adapter / lateral mounting
3
2
4
5
8
7
6
1
Power reserve
The primary switch mode power supply CP-C.1 is equipped
with a power reserve to handle particularly heavy loads for
example during the start-up of a process or a motor.
The CP-C.1 will deliver up to 50 % of the rated current to
secure the operation of the application also on heavy loads.
This status is indicated by the yellow LED giving a clear visual
status of the operation mode.
Signaling output
A signaling output relay is part of the CP-C.1 power supply.
A transistor output switches to show that the device is now
running on power reserve mode. This signaling could be used
as a way to communicate to a higher level control system e.g.
a PLC. The CP-C.1 includes an output relay to indicate the
status of the voltage (OUTPUT OK).
Depending on the logic of the higher level control system an
appropriate action is initiated by forwarding the signal. The
receptor of this signal could be a contactor, a signal tower or
an interface relay.
Benefits
Continuous operation
– Power reserve design to allow perfor-
mance with up to 50 % more current
– Redundancy setup of the application
possible to allow parallel operation
– Long lifetime
– High peak currents for switching on
capacitive loads are supported
Project cost reduction
– Up to 94 % efficiency saves money
for energy during operation
– Less need for external cooling in the
cabinet
– Small size to reduce space needed
in panel
Harsh environment
– Applicable in environments from
-25 to +70°C
– High MTBF values

3
2CDC 110 004 C0210 | Catalog Electronic relays and controls 2016 | ABB 222
CP-C.1 range
Ordering details
2CDC 271 003 F0014
2CDC 271 003 V0015
2CDC 271 004 V0015
CP-C.1 24/5.0
CP-C.1 24/10.0
CP-C.1 24/20.0
Further documentation CP-C.1
power supplies on www.abb.com
Description
The CP-C.1 power supplies are ABB’s high-performance and most advanced range. With
excellent efficiency, high reliability and innovative functionality it is prepared for the most
demanding industrial applications. These power supplies have up to 50 % integrated power
reserve and operate at an efficiency of up to 94 %. They are equipped with overheat protec-
tion and active power factor correction. Combinded with a broad AC and DC input range and
extensive worldwide approvals the CP-C.1 power supplies are the preferred choice for profes-
sional DC applications.
Ordering details - CP-C.1
Input voltage range Rated output volt-
age / current
Type Order code Price
1 pce
Weight
(1 pce)
kg (lb)
100-240 V AC, 90-300 V DC 24 V DC / 5 A CP-C.1 24/5.0 1SVR360563R1001 0.96
(2.11)
100-240 V AC, 90-300 V DC 24 V DC / 10 A CP-C.1 24/10.0 1SVR360663R1001 1.07
(2.35)
100-240 V AC, 90-300 V DC 24 V DC / 20 A CP-C.1 24/20.0 1SVR360763R1001 2.83
(6.23)

3
223 ABB | Catalog Electronic relays and controls 2016 | 2CDC 110 004 C0210
Data at Ta = 25 °C, Uin = 3 x 400 V AC and rated values, unless otherwise indicated
Type CP-C.1 24/5.0 CP-C.1 24/10.0 CP-C.1 24/20.0
Input circuit - supply circuit
Rated input voltage Uin 100-240 V AC
Input voltage range AC 85-264 V AC
DC 90-300V DC
Rated frequency DC, 50/60 Hz
Frequency range 45-65Hz
Typical power consumption 132 W 256 W 508 W
Typical input current at 115 V AC 1.1 A 2.3 A 4.6 A
at 230 V AC 0.6 A 1.2 A 2.3 A
Discharge current towards PE < 3.5 mA
Inrush current limiting cold state < 15 A < 20 A < 30 A
Hold-up time at 115 V AC min. 50 ms min. 40 ms min. 40 ms
at 230 V AC min. 50 ms min. 40 ms min. 40 ms
Internal input fuse
T4.0A, not exchangeable T6.3A, not exchangeable T12A, not exchangeable
Recommended backup fuse for wire protection at
1.5 mm2
1 pole miniature circuit breaker ABB type S 200
characteristic B or C
max. rating 16 A
Power factor correction (PFC) yes, active
Transient overvoltage protection yes, varistor
Indication of operational states
Output voltage LED ‘OUTPUT OK ‘ (green) ON 92 % adjusted Uout
Flashing 90 % adjusted Uout
Power reserve LED ‘I > IR’ yellow OFF I ≤ IR
ON I > IR
Output circuit - power output
Rated output voltage 24 V DC
Tolerance of the output voltage ± 1 %
Adjustment range of the output voltage 22.5-28.5 V DC
Rated output power 120 W 240 W 480 W
Rated output current Ir-25 °C < Ta < 70 °C 5.0 A 10.0 A 20.0 A
Reserve output current -25 °C < Ta < 40 °C 7.5 A continuously 15.0 A continuously 26.0 A continuously
Short-circuit current limit 7.6 A 15.5 A 27.7 A
Derating of the output current 60 °C < Ta < 70 °C 2.5 %/°C 3.5 %/°C
Deviation width
of output voltage
load change statical 10-90% < 1 %, class C acc. to IEC/EN 61204
dynamical 0-100% < 5%, class B acc. to IEC/EN 61204
change of input voltage within the input voltage range < 1 ms, class A acc. to IEC/EN 61204
Control time at rated load < 0.1 %, class A acc. to IEC/EN61204
Starting time after applying the supply voltage at rated load < 500 ms, class C acc. to IEC/EN 61204
Rise time at rated load < 10 ms
Fall time < 20 ms
Residual ripple and switching peaks BW = 20 MHz < 120 mVpp, class A acc. to IEC/EN 61204
Parallel connection yes, up to 5 devices, to enable redundancy and
to increase power, current not symmetrical
Series connection yes, max. 2 devices to increase voltage
Output circuit - No-load, overload and short-circuit behaviour
Characteristic curve of output U/I characteristic curve with power reserve
Short-circuit protection continuous short-circuit stability
Short-circuit behaviour current limiting
Resistance to reverse feed ≤ 35 V DC
Over temperature protection protection by switch off in case of overtemperature (thermal protection),
automatic restart
Overload protection constant current limitation
No-load protection continuous no-load stability
Starting of capacitive loads yes
Signalling outputs - OUTPUT OK signalling output
Type of output 13-14 relay, n/o contact
ON (contact closed) 92 % adjusted Uout
OFF (contact open) 90 % adjusted Uout
Contact ratings max. switching voltage / current 30 V AC - 0.5 A / 24 V DC - 1 A (resistive load)
min. switching voltage / current 5 V DC / 1 mA
Signalling outputs - POWER RESERVE signalling output
Type of output I > IRtransistor, short-circuit proof
Active / ON (closed) I > IR
OFF (open) I ≤ IR
Ratings voltage / current 24 V DC / ≤ 20 mA
CP-C.1 range
Technical data

3
2CDC 110 004 C0210 | Catalog Electronic relays and controls 2016 | ABB 224
Type CP-C.1 24/5.0 CP-C.1 24/10.0 CP-C.1 24/20.0
General data
Efficiency at rated output power up to 93 % up to 94 % up to 94 %
Power losses at rated output power 12 W 16 W 28 W
at 50% of rated output power 8 W 12 W 17 W
at no load < 3.6 W
Duty time 100 %
MTBF acc. to MIL 217 HDBK on request
Dimensions (W x H x D) 40.0 x 129.4 x 136.0
mm (1.575 x 5.094 x
5.354 in)
60.0 x 129.4 x 136.0
mm (2.36 x 5.094 x
5.354 in)
82.0 x 129.4 x 136.0
mm (3.23 x 5.094 x
5.354 in)
Weight “Ordering details” on page 222.
Minimum distance to other units horizontal / vertical max. 25 mm (0.98 in)
Degree of protection housing / terminals max. 25 mm (0.98 in)
Material of housing cover / housing shell / front zinc-coated sheet-steel / aluminium / plastic, PA6, V-0
Mounting DIN rail (EN 60715), snap-on mounting without any tool
Mounting position see data sheet
Degree of protection (IEC/EN 60529) enclosure / terminals IP20 / IP20
Protection class (EN 61140) I
Electrical connection - Input circuit, Output circuit, Signalling output
Wire size see data sheets
Stripping length see data sheets
Tightening torque see data sheets
Environmental data
Ambient temperature range operation -25…+70 °C (-13 ... +158 °F)
rated output power -25...+60 °C (-13 ... +140 °F)
storage -40…+85 °C (-40 ...+185 °F)
transport -40…+85 °C (-40 ...+185 °F)
Climatic category (IEC/EN 60721-3-1) storage 1K2 (-40...+85 °C / -40...+185 °F) -
Climatic category (IEC/EN 60721-3-2) transportation 2K2 (-40…+85 °C / -40...+185 °F) -
Climatic category (IEC/EN 60721-3-3) operation 3K3 (-25…+70 °C / -13 ... +158 °F)
Damp heat, cyclic (IEC/EN 60068-2-30) Test Db: 55°C, 2 cycles
Vibration, half-sine (IEC/EN 60068-2-6) Test Fc: 10-58 Hz, amplitude ±0.15 mm,
58-150 Hz, 2 g, 10 sweep cycles each axis
-
Shock, half-sine (IEC/EN 60068-2-27) Test Ea: 30 g, 6 ms, 3 pulses each axis, bump
20 g, 11 ms, 100 pulses each axis
-
Altitude without restriction 2000 m
Isolation data
Rated impulse withstand voltage
Uimp (EN 50178)
input circuit / output circuit 4 kV (1.2/50 µs)
input circuit / PE 4 kV (1.2/50 µs)
input circuit / relay contact 4 kV (1.2/50 µs)
output circuit / relay contact 0.5 kV (1.2/50 µs)
relay contact / PE 0.5 kV (1.2/50 µs)
output circuit / PE 0.5 kV (1.2/50 µs)
Rated insulation voltage
Ui (EN 50178)
input circuit / output circuit 300 V
input circuit / PE 300 V
input circuit / relay contact 300 V
output circuit / relay contact 50 V
relay contact / PE 50 V
output circuit / PE 50 V
Overvoltage category (EN 50178)
< 2000m III
2000…5000m II
< 2000m II
2000…5000m I
Pollution degree (IEC/EN 60950-1; EN 50178) 2
Test voltage, type test (IEC/EN 60950-1) input circuit / output circuit 4.24 kV DC
input circuit / PE 2.12 kV DC
relay contact / output circuit 0.707 kV DC
output circuit / PE 0.707 kV DC
Test voltage, routine test input circuit / output circuit 1.5 kV AC
input circuit / PE 1.5 kV AC
relay contact / output circuit 1.5 kV AC
output circuit / PE 0.5 kV DC
Protective separation (IEC/EN 60950-1) input circuit / output circuit Yes
input circuit / relay contact Yes
Standards
Product standard IEC/EN 61204
Low Voltage Directive 2014/35/EC
EMC Directive 2014/30/EC
RoHS directive 2011/6 5/EC
Electrical safety IEC/EN 60950-1
Industrial control equipment UL 508 / CSA 22.2 No 107.1
Electronic equipment for use in power installations EN 50178
Safety extra low voltage PELV (EN 50178)
Protective extra low voltage SELV (IEC/EN 60950-1)
Limitation of harmonic line currents IEC/EN 61000-3-2
CP-C.1 range
Technical data

3
225 ABB | Catalog Electronic relays and controls 2016 | 2CDC 110 004 C0210
Type CP-C.1 24/5.0 CP-C.1 24/10.0 CP-C.1 24/20.0
Electromagnetic compatibility
Low-voltage power supplies, d.c. output – Part 3:
Electromagnetic compatibility (EMC)
IEC/EN 61204-3
Interference immunity to IEC/EN 61000-6-1 and IEC/EN 61000-6-2
electrostatic discharge (ESD) IEC/EN 61000-4-2 Level 4, 8kV / 15 kV
radiated, radio-frequency, electromagnetic field IEC/EN 61000-4-3 Level 3, 10 V/m
electrical fast transient / burst IEC/EN 61000-4-4 Level 3, 2 kV Level 4, 4 kV Level 4, 4 kV
surge IEC/EN 61000-4-5 Level 3, L-N 2 kV , Level 4: L/N-PE 4 kV
conducted disturbances, induced by radio-
frequency fields
IEC/EN 61000-4-6 Level 3, 10 V
Testing and measurement techniques – Power
frequency magnetic field immunity test
IEC/EN 61000-4-8 30 A/m (A) 30 A/m (A) [1000 A/m
succesfull tested]
30 A/m (A)
damped oscillatory magnetic fields IEC/EN 61000-4-10 -Level 4, 30 A/m -
voltage dips, short interruptions and voltage
variations immunity tests
IEC/EN 61000-4-11 Class 3
voltage variations harmonics and interharmonics IEC/EN 61000-4-13 -Class 3 -
conducted, common mode disturbances in the
frequency range 0 Hz to 150 kHz
IEC/EN 61000-4-16 Level 3, 10 V -
Interference emission IEC/EN 61000-6-3 and IEC/EN 61000-6-4 IEC/EN 61000-6-4
limits for harmonic current emissions IEC/EN 61000-3-2 Class A
limitation of voltage changes ect. IEC/EN 61000-3-3 compliant -
Information technology equipment radio
disturbance characteristics limits and
methods of measurement
IEC/CISPR 22,
EN 55022
Class B Class A
industrial scientific and medical (ISM) radio-
frequency equipment electromagnetic
disturbance characteristics limits and
methods of measurement
IEC/CISPR 11, EN 55011 Class B Class A
Voltage sags SEMI F47 passed
Federal Communications Commission FCC15 compliant
CP-C.1 range
Technical data

3
2CDC 110 004 C0210 | Catalog Electronic relays and controls 2016 | ABB 226
CP-C.1 range
Technical diagrams
Efficiency diagrams CP-C.1 24/5.0
Efficiency diagrams CP-C.1 24/10.0
Efficiency [%]
Iout [A]
01234 7865
75.0
80.0
85.0
90.0
95.0
Efficiency [%]
I
out
[A]
1412
0246810
85.0
90.0
95.0
Power loss [W]
15
10
5
0
U
in
[VAC
]
85 230 250210
110 130 150 170 190
Power loss [W]
Uin [VAC
]
85
5
10
15
20
25
0
230 250210
110 130 150 170 190
Power loss [W]
I
out
[A]
0
15
10
5
1234 7865
0
Power loss [W]
Iout
[A]
1412
0246810
5
10
15
20
25
0
Efficiency [%]
Ta
[°C]
-25 -15 -5 5152535455
56
5
91.0
91.5
92.0
92.5
93.0
at 100% load
at 150% load
at 100% load
at 150% load
Efficiency [%]
T
a
[°C]
-25 -15 -5 5 15 25 35 45 55 65
92.0
92.5
93.0
93.5
94.0
94.5
Efficiency [%]
U
in
[VAC
]
230 250210
85 110 130 150 170 190
90.0
91.0
92.0
93.0
94.0
89.0
Efficiency [%]
Uin
[
VAC]
230 250210
85 110 130 150 170 190
92.5
93.0
93.5
94.0
94.5
92.0
2CDC 272 023 F0215
2CDC 272 007 F0215
2CDC 272 026 F02152CDC 272 010 F0215
2CDC 272 024 F02152CDC 272 008 F0215 2CDC 272 027 F02152CDC 272 011 F0215
2CDC 272 025 F02152CDC 272 009 F0215
Typical efficiency over output current
Typical efficiency over output current
Typical power loss over AC input voltage
Typical power loss over AC input voltage
Typical power loss over output current
Typical power loss over output current
Typical efficiency over ambient temperature
Typical efficiency over ambient temperature
Typical efficiency over AC input voltage
Typical efficiency over AC input voltage

3
227 ABB | Catalog Electronic relays and controls 2016 | 2CDC 110 004 C0210
Efficiency diagrams CP-C.1 24/20.0
Efficiency [%]
I
out
[A]
25201510
5
95.0
90.0
85.0
80.0
Power loss [
W
]
U
in
[VAC
]
85
30
35
40
25
230 250210
110 130 150 170 190
Power loss [W]
I
out
[A]
020 24
40
30
20
10
4812 16
0
at 100% load
at 150% load
Efficiency [%]
T
a
[°C]
-25 -15 -5 5 15 25 35 45 55 65
92.0
92.5
93.0
93.5
94.0
94.5
Efficiency [%]
Uin [VAC]
230 250210
85 110 130 150 170 190
92.5
93.0
93.5
94.0
94.5
92.0
91.5
2CDC 272 003 F0216
2CDC 272 007 F0216
2CDC 272 005 F02162CDC 272 008 F0216
2CDC 272 006 F0216
Typical efficiency over output current
Typical power loss over AC input voltage
Typical power loss over output current
Typical efficiency over ambient temperature
Typical efficiency over AC input voltage
CP-C.1 range
Technical diagrams, Dimensional drawings
Dimensional drawings dimensions in mm
129,8 [5.11”]
126,8 [4.99”]
137,3 [5.41”]
136,0 [5.35”]
144,8 [5.70”]
129,4 [5.09”]
60,0 [2.36”
]8
2,00 [3.23”]
129,4 [5.09”]
CP-C.1 24/5.0 CP-C.1 24/10.0 CP-C.1 24/20.0
129,4 [5.09”]
40,0 [1.57”]

3
2CDC 110 004 C0210 | Catalog Electronic relays and controls 2016 | ABB 228
at 24 V at 22.5 V at 28.5 V
Output current [A]
0
5
10
15
20
25
30
01234567
89
Output voltage [V]
Ambient temperature [°C]
0
1
2
3
4
5
6
7
8
-25-10 0
Power reserve
IR
10 20 30 40 50 60 70
Output current [A]
at 24 V at 22.5 V at 28.5 V
Output current [A]
0
5
10
15
20
25
30
024681012141
61
8
Output voltage [V]
Ambient temperature [°C]
0
2
4
6
8
10
12
14
16
-25 -10 0
Power reserve
I
R
10 20 30 40 50 60 70
Output current [A]
at 24 V at 22.5 V at 28.5 V
Output current [A]
0
5
10
15
20
25
30
04812162024283
23
4
Output voltage [V]
Ambient temperature [°C]
0
4
8
12
16
20
24
28
32
-25 -10 0
Power reserve
I
R
10 20 30 40 50 60 70
Output current [A]
2CDC 272 017 F0015
2CDC 272 020 F0015
2CDC 272 018 F00152CDC 272 021 F0015
2CDC 272 019 F00152CDC 272 022 F0015
CP-C.1 24/5.0
CP-C.1 24/5.0
CP-C.1 24/10.0
CP-C.1 24/10.0
CP-C.1 24/20.0
CP-C.1 24/20.0
CP-C.1 range
Technical diagrams
Characteristic curve of output at Ta = 25 °C
Characteristic curve of temperature at Uout = 24 V

3
229 ABB | Catalog Electronic relays and controls 2016 | 2CDC 110 004 C0210
Redundancy units
Ordering details
Description
Whenever the highest availability and reliability are the key requirement a true redundancy
setup of two power supplies is the solution which means two power supplies are connected
to a redundancy unit. In case one power supply fails, the other one keeps supplying the load.
Furthermore, even short-circuit in one power supply will not affect the other one which keeps
supplying the load. Additionally, the CP-A RU redundancy module can be equipped with a
control module (CP-A CM) to monitor both inputs for undervoltage and react accordingly by
switching an output relay.
Ordering details
Description Suitable for decoupling
of two 24 V DC power
supply units
Type Order code Price
1 pce
Weight
(1 pce)
kg (lb)
2 inputs each up to 20 A
and 1 output up to 40 A 40 V and 40 A CP-A RU 1SVR427071R0000 0.89
(1.96)
Control module for CP-A
RU redundancy units -CP-A CM 1SVR427075R0000 0.063
(0.14)
2 inputs each up to 2.5 A
and 1 output up to 5 A 35 V and < 5 A CP-RUD 1SVR423418R9000 0.15
(0.33)
2CDC 271 003 F0005
CP-A RU + CP-A CM
CP-A RU
CP-RUD
CP-D RU
2CDC 271 010 F0006
2CDC 271 006 F00032CDC 271 010 F0006
Ordering details - CP-D RU for decoupling of two CP-D power supply units
Input voltage
range
Rated input
current
Rated output voltage /
current
Type Order code Price Weight
(1 pce)
kg (lb)
9-35 V DC 2 x 5 A 24 V DC /
1 x 10 A CP-D RU 1SVR427049R0000 0.075
(0.16 5 )
Further documentation of
redundancy units on www.abb.com

3
2CDC 110 004 C0210 | Catalog Electronic relays and controls 2016 | ABB 230
Redundancy units
Technical data
Type CP-A RU CP-A RU
in combination with CP-A CM
Input circuit - Supply circuit (+/ -, +/ -)
Rated input voltage Uin 24 V DC
Input voltage range per channel 10-28 V DC 13-28 V DC
Rated input current Iin per channel 1-20 A
Maximum input current per channel 30 A for 300 s
Transient overvoltage protection yes
Output circuit (++/--)
Rated output voltage Uout 24 V DC
Voltage drop typ. 0.6 V, max. 0.9 V
Rated output current Iout 1-40 A
Output ratings per channel Ta = 60 °C 10-28 V DC / 40 A 13-28 V DC / 40 A
Ta = 70 °C 10-28 V DC / 30 A 13-28 V DC / 30 A
Derating 60 °C < Ta 70 °C 2.5 % per Kelvin temperature increase
Peak output current 60 A for 300 s
Resistance to reverse feed < 40 V
General data
Dimensions (W x H x D) 56.5 (60 1)) x 130 x 135.5 mm; (2.22 (2.36 1)) x 5.12 x 5.35 in)
Weight 0.89 kg (1.96 lb)
Minimum distance to other units horizontal / vertical 10 mm / 50 mm (0.39 in / 1.97 in)
Degree of protection housing / terminals IP20 / IP20
Material of housing housing shell / cover aluminium / zinc-coated sheet steel
Protection class III 2)
Mounting DIN rail (IEC/EN 60715)
Mounting position horizontal
Electrical connection - Input circuit / Output circuit
Wire size fine-strand with wire end ferrule 2.5-10 mm2 (14-8 AWG)
fine-strand without wire end ferrule 0.5-10 mm2 (20-8 AWG)
rigid 0.5-16 mm2 (20-6 AWG)
Stripping length 12 mm (0.47 in)
Tightening torque 1.2-1.5 Nm
Environmental data
Ambient temperature range operation -25...+70 °C
rated load -25...+60 °C (without derating)
storage -40...+85 °C
Damp heat (IEC/EN 60068-2-3) 93 % at 40 °C, no condensation
Climatic category (IEC/EN 60721) 3K3
Vibration (IEC/EN 60068-2-6)
Shock (IEC/EN 60068-2-27)
Isolation data
Insulation voltage between input / output / housing 500 V AC (routine test)
Pollution degree (EN 50178) 2
Standards
Product standard IEC/EN 61204
Low Voltage Directive 2006/95/EC
EMC Directive 2004/108/EC
Electrical safety EN 50178, EN 60950, UL 60950, UL 508
Electromagnetic compatibility
Interference immunity to IEC/EN 61000-6-2
electrostatic discharge IEC/EN 61000-4-2 Level 3 (air discharge ±8 kV, contact discharge ±6 kV)
radiated, radio-frequency, electromagnetic field IEC/EN 61000-4-3 Level 3 (10 V/m)
electrical fast transient / burst IEC/EN 61000-4-4 Level 3 (±2 kV)
surge IEC/EN 61000-4-5 Level 1 (±0.5 kV)
conducted disturbances, induced by radio-
frequency fields
IEC/EN 61000-4-6 Level 3 (10 V)
Interference emission IEC/EN 61000-6-3
high-frequency radiated IEC/CISPR 22 / EN 55022 Class B
high-frequency conducted IEC/CISPR 22 / EN 55022 Class B
1) incl. lateral screw
2) This device is designed for connection to a safety extra-low voltage source. If no safety extra-low voltage is used at the input side, the lateral screw can be used for grounding
of the housing (protection class I).
“Approvals and marks” on page 182

3
231 ABB | Catalog Electronic relays and controls 2016 | 2CDC 110 004 C0210
Type CP-A CM
Input circuit - Supply circuit
Rated input voltage Uin 24 V DC
Input voltage range 13-28 V DC
Rated input current at rated sense load and 24 V DC 120 mA
Power consumption at 24 V DC approx. 1 W
Measuring circuit 11-12/14, 21-22/24
Monitoring function undervoltage monitoring
Measuring voltage rated operational voltage
Thresholds 14-28 V
Hysteresis, related to the threshold value fix: 3-5 %
Accuracy, tolerance 10 % of full-scale value
Maximum measuring cycle 6 ms
Indication of operational states
Status of input 1 IN 1: green LED
: voltage at input 1 > than threshold 1 = no faults present
Status of input 2 IN 2: green LED
: voltage at input 2 > than threshold 2 = no faults present
Output status OUT: green LED : UOUT > 3 V = no faults present
Output circuit +, +, -
Kind of output relays, 2 x 1 c/o contact
Contact material AgNi
Operating principle closed-circuit principle
Rated operational voltage Ue (IEC/EN 60947-1, VDE 0110) 250 V
Minimum switching voltage / Minimum switching current 24 V / 10 mA
Maximum switching voltage / Maximum switching current 250 V / 1 A
Rated operational current Ie
(IEC/EN 60947-5-1)
AC-12 (resistive) at 230 V 1 A
AC-15 (inductive) at 230 V 1 A
DC-12 (resistive) at 24 V 1 A
DC-13 (inductive) at 24 V 1 A
Mechanical lifetime 30 x 106 switching cycles
Electrical lifetime 0.1 x 106 switching cycles
Rating according UL 508 General purpose (GP) 250 V AC 1 A
Maximum fuse rating to achieve
short-circuit protection
n/o contact 2 A, gL
n/c contact 2 A, gL
Sense output (+, +, -) 1 SVR 427 075 R0000
Sense output voltage 13-28 V DC
Sense output current 0.1 A
Maximum fuse rating For applications acc. UL the sense output shall be provided
with a listed DC fuse 3 A
General data
Duty time 100 %
Dimensions (W x H x D, when mounted) 56.5 x 54 x 24 mm (2.22 x 2.13 x 0.94 in)
Material of housing plastic
Weight 0.063 kg (0.14 lb)
Degree of protection housing / terminals IP20 / IP20
Protection class II
Mounting snap-on mounting, without any tool
Mounting position plugged onto the redundancy unit CP-A RU
Electrical conection
Wire size fine-strand with wire end ferrule 0.2-2.5 mm2 (24-14 AWG)
fine-strand without wire end ferrule
rigid 0.2-4 mm2 (24-12 AWG)
Stripping length 7.5 mm (0.3 in)
Tightening torque 0.4-0.6 Nm
Isolation data
Rated insulation voltage Ui (IEC/EN 60947-1, EN 50178, VDE 0160) 250 V
Rated impulse withstand voltage Uimp (type test) between all circuits
(IEC 664, VDE 0110)
2.5 kV
Power-frequency withstand voltage test (routine test) between all circuits 1.2 kV AC
Protective separation (EN 50178) between input and output yes
Pollution degree 2
Overvoltage category II
Environmental data
Ambient temperature range operation -25...+70 °C
storage -40...+85 °C
Damp heat (IEC/EN 60068-2-3) 93 %at 40 °C, no condensation
Climatic category (IEC/EN 60721) 3K3
Vibration (IEC/EN 60068-2-6)
Shock (IEC/EN 60068-2-27)
Redundancy units
Technical data

3
2CDC 110 004 C0210 | Catalog Electronic relays and controls 2016 | ABB 232
Type CP-RUD
Input circuit - Supply circuit A: U1+/-U ; B: U2+/-U
Rated input voltage Uin 24 V DC
Input voltage range 5-35 V DC
Rated input current Iin per channel 0.5-2.5 A
Maximum input current per channel 10 A for 300 s
Transient overvoltage protection no
Output circuit L+, L+, L+, L-, L-, L-
Rated output voltage Uout 24 V DC
Voltage drop typ. 0.6 V, max. 0.7 V
Rated output current Iout 0.5-5 A
Peak output current 20 A for 150 s
Resistance to reverse feed < 35 V
General data
Dimensions (W x H x D) 22.5 x 78 x 100 mm (0.89 x 3.07 x 4.02 in)
Weight 0.135 kg (0.30 lb)
Minimum distance to other units horizontal / vertical 10 mm / 10 mm (0.39 in / 0.39 in)
Degree of protection housing / terminals IP20 / IP20
Material of housing housing shell / cover plastic / plastic
Protection class -
Mounting DIN rail (IEC/EN 60715)
Mounting position horizontal
Electrical connection - Input circuit / Output circuit
Wire size fine-strand with wire end ferrule 2 x 0.75-2.5 mm2 (2 x 18-14 AWG)
fine-strand without wire end ferrule
rigid 2 x 0.5-4 mm2 (2 x 20-12 AWG)
Stripping length 7 mm (0.28 in)
Tightening torque 0.6-0.8 Nm
Environmental data
Ambient temperature range operation -20...+60 °C
rated load -20...+60 °C
storage -40...+85 °C
Damp heat (IEC/EN 60068-2-3) 93 % at 40 °C, no condensation
Climatic category (IEC/EN 60721) -
Vibration (IEC/EN 60068-2-6)
Shock (IEC/EN 60068-2-27)
Isolation data
Insulation voltage between input / output / housing -
Pollution degree (EN 50178) 2
Standards
Product standard
Low Voltage Directive 2006/95/EC
EMC Directive 2004/108/EC
Electrical safety EN 50178
Electromagnetic compatibility
Interference immunity to IEC/EN 61000-6-2
electrostatic discharge IEC/EN 61000-4-2 Level 3 (air discharge ±8 kV, contact discharge ±6 kV)
radiated, radio-frequency, electromagnetic field IEC/EN 61000-4-3 Level 3 (10 V/m)
electrical fast transient/burst IEC/EN 61000-4-4 Level 3 (2 kV)
surge IEC/EN 61000-4-5 Level 1 (0.5 kV)
conducted disturbances, induced by radio-
frequency fields
IEC/EN 61000-4-6 Level 3 (10 V)
Interference emission IEC/EN 61000-6-3
high-frequency radiated
IEC/CISPR 22 / EN 55022
Class B
high-frequency conducted
IEC/CISPR 22 / EN 55022
Class B
1) incl. lateral screw
2) This device is designed for connection to a safety extra-low voltage source. If no safety extra-low voltage is used at the input side, the lateral screw can be used for grounding
of the housing (protection class I).
Redundancy units
Technical data

3
233 ABB | Catalog Electronic relays and controls 2016 | 2CDC 110 004 C0210
Type CP-D RU
Input circuit - Supply circuit IN 1 + + -, IN 2 + + -
Rated input voltage Uin 24 V DC
Input voltage range 9-35 V DC
Rated input current Iin per channel 5 A
Maximum input current per channel 10 A for 300 s
Transient overvoltage protection no
Output circuit OUT + + +, - - -
Rated output voltage Uout 24 V DC
Voltage drop typ. 0.5 V
Rated output current Iout 10 A
Resistance to reverse feed < 35 V
General data
MTBF on request
Duty time 100 %
Dimensions (W x H x D) product dimensions 35 x 91 x 56.5 mm (1.38 x 3.58 x 2.22 in)
packaging dimensions 134 x 94 x 48 mm (5.28 x 3.70 x 1.89 in)
Weight net weight 0.075 kg (0.165 lb)
gross weight 0.130 kg (0.286 lb)
Material of housing plastic
Mounting DIN rail, snap-on mounting without any tool
Mounting position horizontal
Minimum distance to other units horizontal / vertical 25 mm (0.98 in) / 25 mm (0.98 in)
Electrical connection - Input circuit / Output circuit
Wire size fine-strand with (out)wire end ferrule 0.2-2.5 mm2 (24-14 AWG)
rigid 0.2-2.5 mm2 (24-12 AWG)
Stripping length 7.0 mm (0.28 in)
Tightening torque 0.67 Nm (6 Ib.in)
Environmental data
Ambient temperature range operation -40...+70 °C
storage -40...+85 °C
Relative humidity RH at 40 °C 20-95 %, no condensation
Vibration (IEC/EN 60068-2-6) Mounting by rail:
10-500 Hz, 2 G, along X, Y, Z each axis, 60 min for each axis
Shock (IEC/EN 60068-2-27) 15 G, 11 ms, 3 axis, 6 faces, 3 times for each face
Standards
Product standard IEC/EN 61204-3
Low Voltage Directive 2006/95/EC
EMC Directive 2004/108/EC
RoHS Directive 2011/6 5/EC
Electromagnetic compatibility
Interference immunity to EN 55024
electrostatic discharge IEC/EN 61000-4-2 Level 3, air discharge 8 kV, contact discharge 4 kV
radiated, radio-frequency, electromagnetic field IEC/EN 61000-4-3 Level 3, 10 V/m
electrical fast transient/burst IEC/EN 61000-4-4 Level 3, 2 kV / 5 kHz
conducted disturbances, induced by radio-frequency fields IEC/EN 61000-4-6 Level 3, 10 V
Interference emission EN 55022
high-frequency radiated IEC/CISPR 22 / EN 55022 Class B
high-frequency conducted IEC/CISPR 22 / EN 55022 Class B
Redundancy units
Technical data

3
2CDC 110 004 C0210 | Catalog Electronic relays and controls 2016 | ABB 234
CP-A CM
54 [2.13”]
56,5 [2.
22”]
24 [0
.94”]
2CDC 272 016 F0b07
2CDC 252 188 F0b05
100
102
109,5 [4.31“] 22,5
[.886“]
78 [3.07“]
[4.02“]
[3.94“]
CP-RUD
144,5 [5.69”] 60,0 [2.36”]
137,0 [5.39”]
130,0 [5.12”]
130,0 [5.12”]
56,5 [2.22”]
93,5 [3.68”]
90,0 [3.54”]
203,5 [8.01”]
200,0 [7.87”]
135,5 [5.33”]
130,0 [5.12”]
2CDC 272 015 F0b07
CP-A RU
144,5 [5.69”] 60,0 [2.36”]
137,0 [5.39”]
130,0 [5.12”]
130,0 [5.12”]
56,5 [2.22”]
93,5 [3.68”]
90,0 [3.54”]
203,5 [8.01”]
200,0 [7.87”]
135,5 [5.33”]
130,0 [5.12”]
2CDC 272 015 F0b07
2CDC272033F0010
CP-D RU
67.0 2.64”
44.5 1.75”
32.1
1.26”
57.5 2.26”
49.0 1.93”
91.0 3.58”
35.0 1.38”
+++---
O U T
+--+++
IN1IN2 IN2IN1
Redundancy units
Dimensional drawings

3
235 ABB | Catalog Electronic relays and controls 2016 | 2CDC 110 004 C0210
CP-B range
Product group picture

3
2CDC 110 004 C0210 | Catalog Electronic relays and controls 2016 | ABB 236
CP-B range
Table of contents
CP-B
CP-B range 236
Table of contents 236
Benefits and advantages 237
Ordering details 238
Technical data 239
Technical data, Technical diagrams 240
Dimensional drawings 241

3
237 ABB | Catalog Electronic relays and controls 2016 | 2CDC 110 004 C0210
1 Input terminals
SHUT-DOWN+, SHUT-DOWN-: Input signal terminals
INPUT OK, BUFFER STATUS, FAILURE: Signalling contact – terminals
L+IN, L-IN: Input voltage terminals
2 Indication of operational states
OPERATION: Buffer module in operation (standby or buffering)
INPUT OK: Input voltage applied
3 Output terminals
L+OUT, L-OUT, L-OUT: Output voltage terminals
CP-B range
Benefits and advantages
CP-B 24/3.0 CP-B 24/10.0 CP-B 24/20.0 CP-B EXT.2
Order code 1SVR427060R0300 1SVR427060R1000 1SVR427060R2000 1SVR427065R0000
Rated input voltage 24 V DC 24 V DC 24 V DC –
Rated current 3 A DC 10 A DC 20 A DC 3 A DC
Energy storage (min.) 1.000 Ws 10.000 Ws 8.000 Ws 2.000 Ws
Typical charging time
at load current
100 % 65 s 134 s 135 s
0 % 56 s 82 s 62 s
Typical
buffering time1)
at load current
100 % 13 s 38 s 15 s
50 % 28 s 76 s 30 s
25 % 66 s 140 s 60 s
10 % 148 s 380 s 150 s
1) buffering time ≈
Power supply systems have to be highly reliable in most areas of
energy management and automation technology.
Often batteries are used for supporting the supply system in
case of mains failures. Batteries have limited lifetimes depending
on environmental parameters and have to be maintained regu-
larly, which causes efforts and costs.
Using the latest ultra-capacitor technology, ABB offers an in-
novative and completely maintenance free new product for
buffering the 24VDC supply in case of interrupted mains on the
primary side of the switch mode power supply.
The CP-B range is an ultra-capacitor buffer energy storage for
power supply units which ensures a short term uninterrupted
power supply system. In case of a power loss, the energy stored
in the capacitor guarantees that the load is continually provided
up to several hundred seconds depending on the load current.
Characteristics
– 3 buffer modules for buffering 24 V DC:
CP-B 24/3.0 (3 A / 1 kWs1))
CP-B 24/10.0 (10 A / 10 kWs1))
CP-B 24/20.0 (20 A / 8 kWs1))
– CP-B 24/3.0 and CP-B 24/20.0 expandable
with additional extension module(s) CP-B EXT.2
(2 kWs1))
– LEDs for status indication
– Relay contacts for status messaging
– Very high backup times (e.g. with CP-B 24/10.0
up to 8 minutes at 1 A load current)
– Short charging times
– High efficiency, higher than 90%
– Wide temperature range
– DIN rail mountable, compact housing
– Extended temperature range -40...60 °C
Advantages in comparison to battery buffers:
– Maintenance free
– No deep discharge
– Temperature resistant
–A (UL508, CSA22.2 No 14), R approvals
1) internal energy buffer
energy storage x 0.9
current x output voltage
1
1
2
3

3
2CDC 110 004 C0210 | Catalog Electronic relays and controls 2016 | ABB 238
CP-B range
Ordering details
CP-B 24/10.0
L+IN L
-
IN
L+OUT L
-
OUT
max. 20 A
CP-C 24/20.0
LN
L+ L
-
max. 10
A
... ...
L+
L
-
L+
L
-
buffered unbuffered
load 1load nload 1load n
Example of application
Description
Ultra capacitor based buffer units of the CP-B range offer highest reliability also in harsh
enivronment. Due to the ultra-cap based technology the units are maintenance free, there will
be no deep discharge and these products offer a very wide operational ambient temperature
range.
CP-B range buffer units are an excellent solution to avoid voltage drops, for example in solar
applications.
Ordering details
Rated input voltage Rated current Type Order code Price
1 pce
Weight
(1 pce)
kg (lb)
24 V DC
3 A DC CP-B 24/3.0 1SVR427060R0300 0.55 (1.21)
10 A DC CP-B 24/10.0 1SVR427060R1000 2.10 (4.63)
20 A DC CP-B 24/20.0 1SVR427060R2000 2.20 (4.85)
2CDC 271 001 S00102CDC 271 002 S0010
2CDC 271 003 S0010
CP-B 24/3.0
CP-B 24/10.0
CP-B 24/20.0
Ordering details - Extension unit for CP-B 24/3.0 and CP-B 24/20.0
Rated voltage Voltage range Type Order code Price
1 pce
Weight
(1 pce)
kg (lb)
24 V DC 0-26.4 V DC CP-B EXT.2 1SVR427065R0000 1.00 (2.20)
Further documentation CP-B
power supplies on www.abb.com

3
239 ABB | Catalog Electronic relays and controls 2016 | 2CDC 110 004 C0210
CP-B range
Technical data
Type CP-B 24/3.0 CP-B 24/10.0 CP-B 24/20.0
Input circuit - Supply circuit L+IN L-IN
Rated input voltage Uin 24 V DC
Input voltage range 23.7-26.4 V DC 23.9-27 V DC 23.4-27.4 V DC
Minimum charging potential 23.7 V DC 23.9 V DC 23.4 V DC
Rated input current 3 A DC 10 A DC 20 A DC
Inrush current limiting 50 A / 1 ms 35 A / 2 ms 35 A / 2 ms
Transient overvoltage protection suppressor diode
varistor / suppressor diode varistor / suppressor diode
Internal input fuse (apparatus protection, not accessible) 4 A slow acting 15 A (FK2) 30 A (FK2)
Internal fuse capacitors circuit (not accessible) 25 A (FK2)
Kind of input SHUT-DOWN -control input control input
rated voltage -24 V DC 24 V DC
voltage range -6-45 V DC 6-45 V DC
Output circuit L+OUT L-OUT L-OUT
Rated output power 69 W 240 W 480 W
Rated output voltage Uout 24 V DC
Output voltage (buffer mode) 23.0 V DC 23.2 V DC 23.2 V DC
Tolerance of the output voltage +2...-10 %
Rated output current Ir Ta m 60 °C 3 A DC 10 A DC 20 A DC
Peak output current (fully loaded capacitors
required)
Ta m 60 °C 6 A DC (min. 1.5 s)
20 A DC (10 A power supply
+ 10 A CP-B, min. 1.5 s)
40 A DC (min. 1.5 s)
Control of limiting current -10.3 A DC 0.1A -
Shut-down if limiting current is exceeded -after 1.5 s -
Short-circuit protection (only via external fuse) no continuous short-circuit stability
Internal output fuse (not accessible) -15 A (FK2) -
Required external fuse 3.15 A slow acting 10 A slow acting 25 A slow acting
Current limiting at output circuit -1.05...1.2 x Ir-
Breaking capacity of output circuit t= 2.5 ms -24 V DC, 10 A -
Power failure buffering time 1) load-dependent, min.
13 s at 100 % load
load-dependent, min.
38 s at 100 % load
load-dependent, min.
15 s at 100 % load
Overload protection thermal protection
Kind of output INPUT OK n/o contact
BUFFER STATUS -n/o contact
FAILURE -c/o contact
Contact material Ag + Au-clad
Minimum switching voltage / Minimum switching current 5 V DC / 1 mA
Maximum switching voltage / Maximum switching current 50 V AC / 1.0 A, 30 V DC / 0.5 A
Mechanical lifetime 5 x 106 switching cycles
Electrical lifetime 0.1 x 106 switching cycles
Maximum fuse rating to achieve short-circuit protection
n/o or n/c contact 1.0 A AC / 0.5 A DC
General data
Maximum internal power consumption 7 W 20 W 40 W
Power consumption with unloaded output 0.75 W 3 W 1.6 W
Energy storage (min.) 1000 Ws 10000 Ws 8000 Ws
Typical charging time at load current 100 % 65 s 134 s 135 s
0 % 56 s 82 s 62 s
Typical buffering time at load current1) 100 % 13 s 38 s 15 s
50 % 28 s 76 s 30 s
25 % 66 s 140 s 60 s
10 % 148 s 380 s 150 s
Efficiency greater than 90 %
Dimensions (W x H x D) product dimensions 60 x 99 x 120 mm
(2.36 x 3.90 x 4.72 in)
116 x 170 x 147 mm
(4.57 x 6.69 x 5.79 in)
84 x 197 x 213 mm
(3.31 x 7.76 x 8.39 in)
Weight net weight 0.55 kg (1.21 lb) 2.1 kg (4.63 lb) 2.2 kg (4.85 lb)
Material cover / housing shell steel sheet powdered
Mounting DIN rail (IEC/EN 60715), snap-on mounting without any tool
Mounting position horizontal
Minimum distance to other units horizontal not necessary
vertical 40 mm (1.58 in) 80 mm (3.15 in)
Pollution degree 2
Degree of protection housing / terminal IP20
Protection class (IEC/EN 61140) III SELV / PELV (condition: power supply fulfills class III)
Electrical connection - Input circuit / Output circuit pull spring terminals pull spring terminals
pluggable screw type terminals
Wire size fine-strand with(out) wire end ferrule 0.08-1.0 mm²
(28-18 AWG)
0.08-1.5 mm²
(28-18 AWG)
0.2-4.0 mm²
(24-12 AWG)
rigid 0.08-1.5 mm²
(28-16 AWG)
0.08-4.0 mm²
(28-16 AWG)
0.2-6.0 mm²
(24-10 AWG)
Stripping length 6.0 mm (0.24 in) 7.0 mm (0.28 in)

3
2CDC 110 004 C0210 | Catalog Electronic relays and controls 2016 | ABB 240
CP-B range
Technical data, Technical diagrams
Type CP-B 24/3.0 CP-B 24/10.0 CP-B 24/20.0
Input circuit - Supply circuit L+IN L-IN
Signalling circuit
Wire size fine-strand with(out) wire end ferrule 0.08-1.0 mm² (28-18 AWG)
0.14-1.0 mm² (26-16 AWG)
rigid 0.08-1.5 mm² (28-16 AWG)
0.14-1.5 mm² (28-16 AWG)
Stripping length 6.0 mm (0.24 in) 7.0 mm (0.28 in)
Environmental data
Ambient temperature operation -40...+60 °C
storage -40...+60 °C
Standards
Product standard EN 50178
Low Voltage Directive 2006/95/EC
EMC Directive 2004/108/EC
RoHS Directive 2011/6 5 / E C
Electrical safety EN 50178, EN 60950, UL 508
Electromagnetic compatibility
Interference immunity to IEC/EN 61000-6-1, IEC/EN 61000-6-2
electrostatic discharge IEC/EN 61000-4-2 Level 3, 6 kV / 8 kV
radiated, radio-frequency, electromagnetic field IEC/EN 61000-4-3 Level 3, 10 V/m (27-1000 MHz) / Level 2, 3 V/m (1400-2700 MHz)
electrical fast transient/burst IEC/EN 61000-4-4 Level 3, 2(1) kV / 5 kHz
surge IEC/EN 61000-4-5 Level 1, 0.5 kV
conducted disturbances, induced by radio-
frequency fields
IEC/EN 61000-4-6 Level 3, 10 V (150 kHz-80 MHz)
voltage dips, short interruptions and voltage
variations
IEC/EN 61000-4-11 buffered by ultra-capacitors
Interference emission EN 61000-6-3, EN 61000-6-4
high-frequency radiated DIN EN 55011 B/C1
high-frequency conducted DIN EN 55011 B/C1
“Approvals and marks” on page 182
1) buffering time ≈ energy storage x 0.9
load current x output voltage
CP-B 24/3.0 CP-B 24/20.0
CP-B 24/10.0
Technical diagrams
Output curve at Ta = 25 °C
Caracteristic curve of the temperature at rated load Capacitor's life span over temperature
Iout [A]
0204060
-40
Ta [°C]
1.5
3.0
Normal application (up to
50 % buffer mode, 5 char
ging
and discharging cycles in
direct series)
Continuous charging and
discharging in direct series.
As this is not typical of a real
application, this should
be considered as theoretical
indication
I
out
[A]
0204060
-40
Ta [°C]
Normal application (up to
50 % buffer mode, 5 char
ging
and discharging cycles in
direct series)
Continuous charging and
discharging in direct series.
As this is not typical of a real
application, this should
be considered as theoretical
indication
5.0
7.5
10.0
I
out
[A]
0204060
-20
10
15
20
Ta [°C]
Normal application (up to
50 % buffer mode, 5 char
ging
and discharging cycles in
direct series)
Continuous charging and
discharging in direct series.
As this is not typical of a real
application, this should
be considered as theoretical
indication
302010
0
10
20
30
40
50
60
60
70
40 50
Temperature [°C]
Years
2CDC 272 028 F0210
2CDC 272 030 F0210
2CDC 272 029 F0210
2CDC 272 031 F0210

3
241 ABB | Catalog Electronic relays and controls 2016 | 2CDC 110 004 C0210
CP-B range
Dimensional drawings
Dimensions in mm and inches
CP-B 24/3.0
93 3.66
‘‘
60 2.36
‘‘
112
4.41
‘‘
119
4.69
‘‘
120
4.72
‘‘
99 3.90
‘‘
CP-B EXT.2
CP-B 24/10.0
93 3.66
‘‘
99 3.90
‘‘
60 2.36
‘‘
112
4.41
‘‘
119
4.69
‘‘
120
4.72
‘‘
163 6.42
‘‘
116 4.57
‘‘
170 6.69
‘‘
138 5.43
‘‘
147 5.79
‘‘
146 5.75
‘‘
CP-B 24/20.0
193 7.60
‘‘
196 7.72
‘‘
188 7.40
‘‘
213 8.39
‘‘
84 3.31
‘‘
197 7.76
‘‘
2CDC 272 037 F0010
2CDC 272 039 F0010
2CDC 272 036 F0010
2CDC 272 038 F0010

3
2CDC 110 004 C0210 | Catalog Electronic relays and controls 2016 | ABB 242
CP-B range
Technical data
Data at Ta = 25 °C and rated values, unless otherwise indicated
Type CP-B EXT 2.0
Extension circuit EXT+ EXT+ EXT- EXT-
Rated voltage 24 V DC
Voltage range 0-26.4 V DC
Rated current 3 A DC
Internal input fuse (apparatus protection, not accessible) 4 A slow acting (PTC)
Short-circuit protection via internal 3 A fuse
Overload protection only in combination with CP-B 24/3.0 or CP-B 24/20.0
Indication of operational states
status information and fault messages of the buffer module
apply
General data
Power consumption without load 0.5 W
Energy storage (min.) 2000 Ws
Dimensions (W x H x D) product dimensions 60 x 99 x 120 mm (2.36 x 3.90 x 4.72 in)
packaging dimensions 85 x 220 x 170 mm (3.35 x 8.66 x 6.69 in)
Weight net weight 1.00 kg (0.20 lb)
Material cover / housing shell steel sheet powdered
Mounting DIN rail (IEC/EN 60715), snap-on mounting without any tool
Mounting position horizontal
Minimum distance to other units horizontal not necessary
vertical 40 mm (1.58 in)
Pollution degree 2
Degree of protection housing / terminal IP20
Protection class (IEC/EN 61140) III SELV / PELV (condition: power supply fulfills class III)
Electrical connection - Extension circuit
Wire size fine-strand with(out) wire end ferrule 0.08-1.0 mm² (28-18 AWG)
rigid 0.08-1.5 mm² (28-16 AWG)
Stripping length 6.0 mm (0.24 in)
Signalling circuit
Wire size fine-strand with(out) wire end ferrule 0.08-1.0 mm² (28-18 AWG)
rigid 0.08-1.5 mm² (28-16 AWG)
Stripping length 6.0 mm (0.24 in)
Environmental data
Ambient temperature operation -40...+60 °C
storage -40...+60 °C
Vibration, sinusoidal based on IEC/EN 60068-2-6 1.5 mm, 3-57.55 Hz; 2 g, 57.55-500 Hz, 10 cycles
Shock, half-sine based on IEC/EN 60068-2-27 15 g, 11 ms, 3 axes, 6 faces, 3 times for each face
Standards
Product standard EN 50178
Low Voltage Directive 2006/95/EC
EMC Directive 2004/108/EC
RoHS Directive 2011/6 5/EC
Electrical safety EN 50178, EN 60950, UL 508
Electromagnetic compatibility
Interference immunity to IEC/EN 61000-6-1, IEC/EN 61000-6-2
electrostatic discharge IEC/EN 61000-4-2 Level 3, 6 kV / 8 kV
radiated, radio-frequency, electromagnetic field IEC/EN 61000-4-3
Level 3, 10 V/m (27-1000 MHz) / Level 2, 3 V/m (1400-2700 MHz)
electrical fast transient/burst IEC/EN 61000-4-4 Level 3, 2(1) kV / 5 kHz
surge IEC/EN 61000-4-5 Level 1, 0.5 kV
conducted disturbances, induced by radio-frequency
fields
IEC/EN 61000-4-6 Level 3, 10 V (150 kHz-80 MHz)
voltage dips, short interruptions and voltage variations IEC/EN 61000-4-11 buffered by ultra-capacitors
Interference emission EN 61000-6-3, EN 61000-6-4
high-frequency radiated DIN EN 55011 B/C1
high-frequency conducted DIN EN 55011 B/C1
“Approvals and marks” on page 182

3
243 ABB | Catalog Electronic relays and controls 2016 | 2CDC 110 004 C0210
Electronic protection devices EPD24
Product group picture

3
2CDC 110 004 C0210 | Catalog Electronic relays and controls 2016 | ABB 244
Electronic protection devices EPD24
Table of contents
Electronic protection devices EPD24
Electronic protection devices EPD24 244
Table of contents 244
Ordering details 245
Technical data 246
Technical information 248
Approvals, Safety instructions 249
Installation guidelines 250

3
245 ABB | Catalog Electronic relays and controls 2016 | 2CDC 110 004 C0210
Electronic protection devices EPD24
Ordering details
The protection devices EPD24 extend the ABB product range of Modular DIN rail components by
electronic overcurrent protection modules for selective protection of 24 V DC load circuits.
This protection is achieved by a combination of active electronic current limitation in the case of a
short circuit and an overload deactivation from 1.1 x In upwards.
If a fault occurs in a load circuit, the protection device EPD24 will detect this rapidly and reliably,
disable the power output transistor and hence interrupt the current flow in the defective circuit. The
maximum possible overcurrent is always limited to 1.3…1.8 times the selected rated current. An
activation of capacitive loads up to 20,000 μF is possible, deactivation only occurring in the case of
overloads or short circuits. Selective deactivation of the defective current circuit means undefined
error states and a complete system stop are prevented.
Features
– Selective load protection, one electronic tripping characteristic.
– Active current limitation for safe connection of capacitive loads up to 20,000 µF and on
overload/short circuit.
– Current ratings 0.5 A...12 A.
– Reliable overload disconnection with 1.1 x IN
– Manual ON/OFF button
– Clear status and failure indication through LED and integrated auxiliary contact.
– Integral fail-safe element adjusted to current rating.
– Width per unit only 12.5 mm.
– Rail mounting
– Ease of wiring through busbar LINE+ and 0 V as well as signal bars.
– UL- and CSA-approvals allow international use of the devices.
Ordering details
Ratedcurrent IN
A
bbn 40 16779 EAN Type Order code Price Pkg
qty
Weight
(1 pce)
kg (lb)
0.5 829960 EPD24-TB-101-0.5A 2CDE601101R2905 40.065
(1.433)
1829984 EPD24-TB-101-1A 2CDE601101R2001 40.065
(1.433)
2830003 EPD24-TB-101-2 A 2CDE601101R2002 40.065
(1.433)
3830027 EPD24-TB-101-3A 2CDE601101R2003 40.065
(1.433)
4830041 EPD24-TB-101-4A 2CDE601101R2004 40.065
(1.433)
6830065 EPD24-T B-101- 6A 2CDE601101R2006 40.065
(1.433)
8830089 EPD24-TB-101-8A 2CDE601101R2008 40.065
(1.433)
10 830102 EPD24-TB-101-10A 2CDE601101R2010 40.065
(1.433)
12 830126 EPD24-TB-101-12A 2CDE601101R2012 40.065
(1.433)
Ordering details
Description bbn 40
16779 EAN
Type Order code Price Pkg
qty
Weight
(1 pce)
kg (lb)
Busbars for LINE+ and 0 V,
grey insulation, length 500
mm 1)
830140 EPD-BB500 2CDE605100R0500 10 0.2
(0.441)
Signal Bars for aux. contacts,
grey insulation, length 21 mm 830164 EPD-SB21 2CDE605200R0021 10 0.4
(0.882)
1) Max. load with one line entry Imax = 50 A (recommended: mid line entry)
Max. load with two line entries Imax = 63 A
2CDC 051 001 S0010
EPD24-TB-101-3A

3
2CDC 110 004 C0210 | Catalog Electronic relays and controls 2016 | ABB 246
Electronic protection devices EPD24
Technical data
www.e-t-a.com
Elektronischer Sicherungsautomat ESX10-T
Installations- und Sicherheitshinweise
08/09(200110)
5- 47
5
LINE+ 1
LOAD+
2
0V 3
ESX10-TA-100
Ohne Signaleingang/-Ausgang
LINE+ 1
SF 23
IN 21
2LOAD+
0V 3
ESX10-TB-114
Mit Steuereingang IN+
(+DC 24 V)
Mit Statusausgang SF
(+24 V = Lastausgang EIN)
Normalzustand: SF +24 V = OK
Fehlerzustand: SF 0 V
LINE+ 1
SF 23
RE 22
2LOAD+
0V 3
ESX10-TB-124
Mit Reseteingang RE
(+DC 24 V ↓)
Mit Statusausgang SF
(+24 V = Lastausgang EIN)
Normalzustand: SF +24 V = OK
Fehlerzustand: SF 0 V
LINE+ 1
14
13
2LOAD+
0V 3
ESX10-TB-101
Ohne Signaleingang
Mit Meldeausgang F
(Einzelsignal, Schließer)
Normalzustand: 13-14 geschlossen
Fehlerzustand: 13-14 geöffnet
LINE+ 1
12
11
2LOAD+
0V 3
ESX10-TB-102
Ohne Signaleingang
Mit Meldeausgang F
(Einzelsignal, Öffner)
Normalzustand: 11-12 geöffnet
Fehlerzustand: 11-12 geschlossen
LINE+ 1
SF 23
RE 22
2LOAD+
0V 3
ESX10-TB-127
Mit Reseteingang RE
(+DC 24 V ↓)
Mit Statusausgang SF invertiert
(0 V = Lastausgang EIN)
Normalzustand: SF 0 V = OK
Fehlerzustand: SF +24 V
ESX10-T Signaleingänge / -ausgänge (Anschlussdiagramme)
Die Signalkontakte werden im Aus- oder Fehlerzustand gezeigt
ESX10-T Signaleingänge/-ausgänge (Anschlussdiagramme)
Wiring diagramm
EPD24-TB-101
without signal input
with signal output F
(Single signal, N/O)
Operating condition: 13-14 closed
Fault condition: 13-14 open
Operating data
Operating voltage UB24 V DC (18...32 V)
Current rating INfixed current ratings: 0.5, 1, 2, 3, 4, 6, 8, 10, 12 A
Closed current I0ON condition: typically 20...30 mA depending on signal output
Staus indication by means of Green:
unit is ON
load circuit / Power-MOSFET is switched on
Orange:
in the event of overload or short circuit until electronic
disconnection
Red:
unit electronically disconnected
load circuit/Power-MOSFET OFF
undervoltage (UB < 8 V)
after switch-on till the end of the delay period
OFF:
manually switched off or device is dead
potential-free auxiliary contact F
ON/OFF/ condition of switch
Load circuit
Load output Power-MOSFET switching output (high slide switch)
Overload disconnection typically 1.1 x IN (1.05...1.35 x IN)
Short-circuit current IK active current limitation
Trip time see time/current characteristics
For electronic disconnection typically 3 s at ILoad > 1.1 x IN
typically 100 ms...3 s at ILoad > 1.8 x IN
(or 1.5 x IN/1.3 x IN, )
Temperature disconnection internal temperature monitoring with electronic disconnection
Low voltage monitoring load output with hysteresis, no reset required:
load »OFF« at UB< 8 V
Starting delay tStart typically 0.5 sec after every switch-on and after applying UB
Disconnection of
load circuit
electronic disconnection
Free-wheeling circuit suitable external free-wheeling circuit to be used with inductive
load
Several load outputs must not be connected in parallel
Signal output
Electrical data potential-free auxiliary contact
max. 30 V DC/0.5 A, min. 10 V DC/10 mA
ON condition LED green voltage UB applied, switch is in ON position
no overload, no short circuit
OFF condition LED off device switched off (switch is in OFF position)
no voltage UB applied
Fault condition LED orange overload condition > 1.1 x IN up to electronic disconnection
Fault condition LED red electronic disconnection upon overload or short circuit
Device switched off with control signal (switch is in ON position)
Aux. contact single signal, make contact
contact open, terminal 13-14
Fault signal output fault conditions
no operating voltage UB
ON/OFF switch is in OFF position
red LED lighted (electronic disconnection)

3
247 ABB | Catalog Electronic relays and controls 2016 | 2CDC 110 004 C0210
Electronic protection devices EPD24
Technical data
General data
Fail-Safe element backup fuse for EPD24 not required because of the integral
redundant fail-safe element
Housing material moulded
Mounting symmetrical rail to EN 50022-35x7.5
Ambient temperature 0...+50 °C (without condensation, see EN 60204-1)
Storage temperature -20...+70 °C
Humidity 96 hrs/95 % RH/40 °C to IEC 60068-2-78, test Cab. climate class
3K3 to EN 60721
Vibration 3 g, test to IEC 60068-2-6 test Fc
Degree of protection housing: IP20 DIN 40050
terminals: IP20 DIN 40050
EMC
(EMC directive, CE logo)
emission: EN 61000-6-3
susceptibility: EN 61000-6-2
Isolations coordination
(IEC 60934)
0.5 kV/pollution degree 2
reinforced insulation in operating area
Dielectric strength max. 32 V DC (load circuit)
Isolation resistance (OFF condition) n/a, only electronic disconnection
Approvals/Declarations of conformity
UL 2367 Solid State Overcurrent Protectors
UL 1604, (class I, division 2, groups A, B, C, D)
UL 508
CSA C22.2 No. 213 (class I, division 2)
CSA C22.2 No. 142
CE logo
Dimensions (B x H x T) 12.5 x 80 x 83 mm
Weight approx. 65 g
Terminals Line+/LOAD+/0V
Screw terminals M4
Max. cable cross section flexible with wire end ferrule w/wo plastic sleeve 0.5 – 10 mm2
Multi-lead connection (2 identical cables) rigid/flexible 0.5 – 4 mm2
Flexible with wire end ferrule without plastic sleeve 0.5 – 2.5 mm2
Flexible with TWIN wire end ferrule with plastic sleeve 0.5 – 6 mm2
Wire stripping length 10 mm
Tightening torque (EN 60934) 1.5 – 1.8 Nm
Terminals aux. contacts
Screw terminals M3
Max. cable cross section flexible
with wire end ferrule w/wo plastic sleeve 0.25 - 2.5 mm2
Wire stripping length 8 mm
Tightening torque (EN 60934) 0.5 Nm
Table 1: voltage drop, current limitation, max. load current
current rating typically voltage drop active current max. load current at 100 % ON duty
INUON at INlimitation (typically) Tambient = 40 °C Tambient = 40 °C
0.5 A 70 mV 1.8 x IN0.5 A 0.5 A
1 A 80 mV 1.8 x IN1 A 1 A
2 A 130 mV 1.8 x IN2 A 2 A
3 A 80 mV 1.8 x IN3 A 3 A
4 A 100 mV 1.8 x IN4 A 4 A
6 A 130 mV 1.8 x IN6 A 5 A
8 A 120 mV 1.5 x IN8 A 7 A
10 A 150 mV 1.5 x IN10 A 9 A
12 A 180 mV 1.3 x IN12 A 10.8 A
Attention: when mounted side-by-side without convection the ERD24 should not carry more than 80 % of its rated load with 100 % ON duty due
to thermal effects.

3
2CDC 110 004 C0210 | Catalog Electronic relays and controls 2016 | ABB 248
Electronic protection devices EPD24
Technical information
Time/Current characteristic curve (Tambient = 25 °C)
The trip time is typically 3 s in the range between 1.1 and 1.8 x IN
1)
.
Electronic current limitation occurs at typically 1.8 x IN
1) which means that under all overload conditions (independent of the power sup-
ply and the resistance of the load circuit) the max. overload before disconnection will not exceed 1.8 x IN
1) times the current rating. Trip
time is between 100 ms and 3 sec (depending on overload or at short circuit).
Without this current limitation a considerably higher overload current would flow in the event of an overload or short circuit.
disconnection
typically 1.1 x IN
current limitation
typically 1.8 x IN
1)
IK
10000
1000
124
trip time in seconds
...times rated current
100
10
1
0.1
0.01
35
0
1.8 x IN1)
5
1) Current limitation typically 1.8 x IN at IN = 0.5 A...6 A
Current limitation typically 1.5 x IN at IN = 8 A or 10 A
Current limitation typically 1.3 x IN at IN = 12 A
Maximum cable lenghts
EPD24 reliably trips from 0 Ω up to max. circuit resistance Rmax.
Calculation of Rmax
Selected rating IN (A) 3 6
Operating voltage US (V DC) (= 80 % of 24 V) 2) 19.2 19.2
Trip current Iab = 1.25 x IN (A) (EPD24 trips after 3 s) 3.75 7.5 0
Rmax (Ω) = (UB/Iab) -0.050 5.07 2.51
2) Voltage drop of EPD24 and tolerance of trip point (typically 1.1 x IN = 1.05 ... 1.35 x IN) have been taken into account
Selection table for the incoming cable lengths with different cable cross-sections
Cable cross section A (mm2) 0.14 0.25 0.34 0.5 0.75 1.00 1.50
Cable length L (m) (= single length) cable resistance (Ω) = (ρ0 x 2 x L) / A 3)
5 1.27 0.71 0.52 0.36 0.24 0.18 0.12
10 2.54 1.42 1.05 0.71 0.47 0.36 0.24
15 3.81 2.14 1.57 1.07 0.71 0.53 0.36
20 5.09 2.85 2.09 1.42 0.95 0.71 0.47
25 6.36 3.56 2.62 1.78 1.19 0.89 0.59
30 7.63 4.27 3.14 2.14 1.42 1.07 0.71
35 8.90 4.98 3.66 2.49 1.66 1.25 0.83
40 10.17 5.70 4.19 2.85 1.90 1.42 0.95
45 11.44 6.41 4.71 3.20 2.14 1.60 1.07
50 12.71 7.12 5.24 3.56 2.37 1.78 1.19
75 19.07 10.68 7.8 5 5.34 3.56 2.67 1.78
100 25.34 14.24 10.47 7.12 4.75 3.56 2.37
125 31.79 17.8 0 13.09 8.90 5.93 4.45 2.97
150 38.14 21.36 15.71 10.68 7.12 5.34 3.56
175 44.50 24.92 18.32 12.46 8.31 6.23 4.15
200 50.86 28.48 20.94 14.24 9.49 7.12 4.75
225 57. 21 32.04 23.56 16.02 10.68 8.01 5.34
250 63.57 35.60 26.18 17. 8 0 11.87 8.90 5.93
3) Resistivity of copper ρ0 = 0.0178 (Ω x mm2)/m
Example 1: max. length for 1.5 mm2 and 3 A: 214 m
Example 2: max. length for 1.5 mm2 and 6 A: 106 m
Example 3: mixed wiring: (Control cabinet --- sensor/actuator level)
R1 = 40 m for 1.5 mm2 and R2 = 5 m for 0.25 mm2:
R1 = 0.95 Ω, R2 = 0.71 Ω, total (R1 + R2) = 1.66 Ω

3
249 ABB | Catalog Electronic relays and controls 2016 | 2CDC 110 004 C0210
Electronic protection devices EPD24
Approvals, Safety instructions
Please note
The user must ensure that the cable cross sections of the relevant load circuit are suitable for the current rating of the EPD24
used. Automatic start-up of machinery after shut down must be prevented (Machinery Directive 98/37/EG and EN 60204-1).
In the event of a short circuit or overload the load circuit will be disconnected electronically by the EPD24.
Information on UL approvals/CSA approvals
UL1604
UL File # E 339238
CSA C22.2 No. 213 (Class I, Division 2)
CSA File # 2305929
Operating Temperature Code T5
– This equipment is suitable for use in Class I, Division 2, Groups A, B, C and D or non-hazardous locations only
WARNING:
– Exposure to some chemicals may degrade the sealing properties of materials used in the following device: relay
Sealant Material:
– Generic Name: Modified diglycidyl ether of bisphenol A
– Supplier: Fine Polymers Corporation
– Type: Epi Fine 4616L-160PK
– Casing Material:
– Generic Name: Liquid Crystal Polymer
– Supplier: Sumitomo Chemical
– Type: E4008, E4009, or E6008
RECOMMENDATION:
– Periodically inspect the device named above for any degradation of properties and replace if degradation is found
WARNING – EXPLOSION HAZARD:
– Do not disconnect equipment unless power has been removed or the area is known to be non-hazardous
– Substitution of any components may impair suitability for Class I, Division 2
UL2367
Non-hazardous use - UL File # E 339236
UL 508
Non-hazardous use - UL File # E 149922
CSA C22.2 No. 14
CSA C22.2 No. 142 - CSA File # E 2305929
Class 2
Meets requirement for Class 2 current limitation (EPD24 ... -0,5 A/1 A/2 A/3 A)

3
2CDC 110 004 C0210 | Catalog Electronic relays and controls 2016 | ABB 250
Electronic protection devices EPD24
Installation guidelines
The EPD24 features an integral power distribution system.
The following wiring modes are possible with various pluggable current and signal busbars:
– LINE+ (24 V DC)
– 0 V
Caution: The electronic devices EPD24 require a 0 V connection
– Auxiliary contacts
Mounting procedure
Before wiring insert busbars into protector block. A maximum of 10 connection cycles are permissible using connecting bus-
bars.
Recommendation
After 10 units the busbars should be interrupted and receive a new entry live.
Table of length for busbars
(Order code 2CDE605100R0500)
No. of units 2345678910
Length of busbar (mm) ± 0.5 mm 22 34.5 47 59.5 72 84.5 97 109.5 122
12.5 x n = width of protector block
e. g. 12.5 x 5 = 62.5
insert busbars
and protection slides
to be flush with housing sides
insert signal
bars to be flush with
housing and place them
centrally over the contacts
LINE+ busbar
2CDE605100R0500
0 V busbar
2CDE605100R0500
signal bar
2CDE605200R0021
remove protection against
brush contact from bottom side
(12.5 x n)-3 = length of busbars ± 0.5
e. g. (12.5 x 5)-3 = 59.5 ± 0.5
insert protection against
brush contact
continuous busbar
500 mm length, cut

4
251 ABB | Catalog Electronic relays and controls 2016 | 2CDC 110 004 C0210
Analog signal converters
Product group picture

4
2CDC 110 004 C0210 | Catalog Electronic relays and controls 2016 | ABB 252
Analog signal converters
Table of contents
Analog signal converter
Analog signal converters 244
Table of contents 244
Overview 245
Overview 246
Analog signal converters - CC-E range 247
Benefits and advantages 247
Ordering details - Standard signal converters 248
Ordering details - Thermocouple converters 250
Ordering details - Measuring converters 251
DIP switch settings, Dimensional drawings 252
Wiring instructions 253
Technical data 254
Analog signal converters - CC-U range 257
Overview 257
Ordering details 259
Ordering details - Accessories 260
DIP switch settings 261
Wiring instructions 263
Technical information 264
Technical data 267
Technical diagr., Connection diagr., Dimensional drawings 270

4
253 ABB | Catalog Electronic relays and controls 2016 | 2CDC 110 004 C0210
Analog signal converters
Overview
existing
existing for some devices
pending
Approvals
CC-E/STD
CC-E I/I
CC-U/STD
CC-U/STDR
CC-E/RTD
CC-U/RTD
CC-E/TC
CC-U/TC
CC-U/TCR
CC-E/I
CC-E IAC/ILPO
CC-U/I
CC-U/V
AUL 508, CAN/CSA C22.2 No.14
AUL 1604 (Class I, Div 2, hazardous locations),
CAN/CSA C22.2 No.213
KCB scheme
ECCC
Marks
aCE
bC-Tick
– 8 different standard signal outputs on one device
– Input and output side universally configurable
– Also available with 2 threshold relay outputs
– Adjustment and operating elements on the front side
– Safe operation by electrical 3-way isolation
– Plug-in connecting terminals, unambiguously and clearly
marked
Conversion, measurement and separation of
– Standard signals
– Signals of RTD sensors (PT10, PT100, PT1000)
– Thermocouple signals
– TRMS values of currents and voltages
Characteristics
– The required input and output ranges can be configured
for all devices by means of directly accessible DIP switches
positioned on the side.
– Due to the wide input range of the gain and offset stages
all input signals between the minimum and the maximum
input value can be universally converted to all common
output signals.
– Devices for DC or AC (50/60 Hz) supply available.
– Universally configurable devices and single-function
devices
– Adjustment and operating elements on the front side
– Safe operation by electrical 3-way isolation
– Unambiguous and clear connecting terminal markings
Conversion, measurement and separation of
– Standard signals (0-5 V, 0-10 V, 0-20 mA, 4-20 mA)
– Temperature signals of RTD sensors (PT 100)
– Thermocouple signals (types J and K)
– Current measurement signals (0-5 A, 0-20 A AC/DC)
Characteristics of single-function devices
– No adjustment or balancing necessary.
Characteristics of universal devices
– The required input and output ranges can be configured by
means of directly accessible DIP switches positioned on
the side
– Gain adjustment of ±5 % by means of an adjustment
potentiometer on the front-side
– Offset adjustment of ±5 % by means of adjustment potenti-
ometers on the front-side
CC-E range CC-U range

4
2CDC 110 004 C0210 | Catalog Electronic relays and controls 2016 | ABB 254
Analog signal converters
Overview
Applications for analog signal processing and correct
solution using CC-E and CC-U converters
Nearly every process includes a control system that receives
data by means of analog signals and then evaluates the data
and sets the respective parameters correspondingly.
When transmitting analog signals numerous problems may
arise which can disturb or even block an ideal behavior of the
process.
Below we have listed some processing problems together
with the respective solutions to solve these problems:
Signal conversion
Sometimes the available signals cannot be processed by the
controller or the actuator. In this case, signal converters are
required to convert the input signal (or different input signals)
to the desired output signal.
Signal amplification
If long lines or high burdens have to be operated, it may be
necessary to amplify the signal. CC analog signal converters
require only low input power and provide high output power.
Thus, there are no restrictions for the converter's position on
the line, i.e. it can be used
– for signal refreshing (1) at the end of the line (low input
power)
– or for signal amplification (2) at the beginning of the line
(high output power).
Signal filtering
Particularly on long lines or in rough industrial environments
the signals are exposed to high electromagnetic interferences.
The frequency of the coupled interference signals may be in
the range of the common mains frequency (50 Hz) or even
much higher (in case of frequency converters). According to
the specific requirements, analog signal converters are avail-
able which provide reliable suppression of those interferences
by means of an input low-pass filter.
Signal separation
– Protection against overvoltage
The increased use of micro-electronics make controls
much more sensitive against overvoltages, resulting from
lightning discharges or switching processes. Suppression
diodes are incorporated in the input of the CC analog
signal converters which enable the converters to arrest
overvoltages with low energy level (resulting from switch-
ing processes) by themselves. The products furthermore
provide electrical isolation between input, output and
supply circuit for protection of the controller connected to
the output.
– Protection against ground loops
If components are used which refer to ground, the mea-
suring signals can be falsified by a so-called ground loop.
In this case, certain parts of the signal are transmitted
via earth and not via the analog transmission line, thus
causing incorrect evaluation of the signal. The electrical
isolation between the input and the output disconnects
these ground loops and thus enables correct signal
transmission.
0-10 V0-10 V
100 m 0-20 mA 100 m 4-20 mA
2CDC 282 013 F0206
Controller
e.g. AC500
Measuring sensor
Actuator
1.
Analog signal converter
(e.g. CC-E or CC-U)
2.
Analog signal converter
(e.g. CC-E or CC-U)

4
255 ABB | Catalog Electronic relays and controls 2016 | 2CDC 110 004 C0210
Analog signal converters - CC-E range
Benefits and advantages
CC-E/STD analog signal converter with 3-way electrical
isolation
– 2 universally configurable devices (type CC-E/STD)
– 2x10 single-function devices
– "Plug and Work", no adjustment of single-function devices
required
CC-E/RTD temperature signal converter for RTD sensors,
linearized with 3-way electrical isolation
– 2 universally configurable devices (type CC-E/RTD)
– 2x12 single-function devices
– Plug and Work", no adjustment of single-function devices
required
– Temperature signal converter for PT100 sensors
– 2- or 3-wire connection
CC-E/TC analog signal converter for thermocouple signals
of the types J and K with 3-way electrical isolation
– 2 universally configurable devices (type CC-E/TC)
– 2x6 single-function devices
– "Plug and Work", no adjustment of single-function devices
required
– Integrated cold-junction compensation
CC-E/I measuring converter for current signals 0-5 A,
0-20 A, AC/DC with 3-way electrical isolation
– 2 universally configurable devices (type CC-E/I)
– 2x6 single-function devices
– "Plug and Work", no adjustment of single-function devices
required
CC-E IAC/ILPO measuring converter without auxiliary
power for sinusoidal currents 0-1 A, 0-5 A, output 4-20
mA
– Measuring converter for sinusoidal currents (0-1 A, 0-5 A)
– Measuring range selection by front-face sliding switch
– 4-20 mA output current in proportion to input current
– no additional power supply required
CC-E range
– Universally configurable devices and single-function
devices
– Adjustment and operating elements on the front side
– Safe operation by electrical 3-way isolation
– Unambiguous and clear connecting terminal markings
Conversion, measurement and separation of
– Standard signals (0-5 V, 0-10 V, 0-20 mA, 4-20 mA)
– Temperature signals of RTD sensors (PT 100)
– Thermocouple signals (types J and K)
– Current measurement signals (0-5 A, 0-20 A AC/DC)
Characteristics of single-function devices
– No adjustment or balancing necessary.
Characteristics of universal devices
– The required input and output ranges can be configured by
means of directly accessible DIP switches positioned on
the side
– Gain adjustment of ±5 % by means of an adjustment
potentiometer on the front-side
– Offset adjustment of ±5 % by means of adjustment potenti-
ometers on the front-side
Loop-powered current/current isolator without external
power supply for analog current signals of 0-20 mA and
4-20 mA
– Electrical isolation between input and output
– Very low internal voltage drop 2.5 V
– Available with one or two independent channels
– Width only 18 mm (1 and 2 channels)
4
1
1
2
2
3
5
1 Terminals M, K, J, H, G
2 Terminal explanation
3 Adjustment of gain
4 Adjustment of offset
4 Indication of operational states
U - control supply voltage applied

4
2CDC 110 004 C0210 | Catalog Electronic relays and controls 2016 | ABB 256
Analog signal converters - CC-E range
Ordering details - Standard signal converters
1) B 1604 Class I, Div.2 (universal device)
2) CC-E-I/I-1 has 1 channel, CC-E-I/I-2 has 2 channels
Ordering details - Standard signal converters
Supply
voltage range
Input signal Output signal Type Order code Price
1 pce
Weight
(1 pce)
kg (lb)
24 V DC
0-5 V, 0-10V,
0-20mA,
4-20mA
0-5 V, 0-10 V,
0-20mA, 4-20 mA CC-E/STD1) 1SVR011700R0000 0.088
(0.19 4)
0-10 V
0-10 V CC-E V/V 1SVR011710R2100 0.083
(0.18 3)
0-20 mA CC-E V/I 1SVR011711R1600 0.084
(0.18 5)
4-20 mA CC-E V/I 1SVR011712R1700 0.084
(0.187)
0-20 mA
0-10 V CC-E I/V 1SVR011713R1000 0.082
(0.181)
0-20 mA CC-E I/I 1SVR 011714R110 0 0.084
(0.187)
4-20 mA CC-E I/I 1SVR011715R1200 0.084
(0.18 5)
4-20 mA
0-10 V CC-E I/V 1SVR011716R1300 0.084
(0.18 5)
0-20 mA CC-E I/I 1SVR011717R1400
4-20 mA CC-E I/I 1SV R011718R250 0 0.084
(0.187)
-10...+10 V -10...+10 V CC-E V/V 1SVR011719R2600 0.082
(0.181)
110-240 V AC
0-5 V, 0-10V,
0-20 mA,
4-20mA
0-5 V, 0-10 V,
0-20mA, 4-20 mA CC-E/STD 1SVR011705R210 0 0.090
(0.19 8 )
0-10 V
0-10 V CC-E V/V 1SVR011720R2300 0.096
(0.212)
0-20 mA CC-E V/I 1SVR011721R1000 0.087
(0.192)
4-20 mA CC-E V/I 1SVR011722R1100 0.091
(0.200)
0-20 mA
0-10 V CC-E I/V 1SVR011723R1200 0.091
(0.200)
0-20 mA CC-E I/I 1SVR011724R1300 0.088
(0.19 4)
4-20 mA CC-E I/I 1SVR011725R1400
4-20 mA
0-10 V CC-E I/V 1SVR011726R1500 0.096
(0.212)
0-20 mA CC-E I/I 1SVR011727R1600 0.087
(0.192)
4-20 mA CC-E I/I 1SV R011728R2700 0.088
(0.19 4)
loop powered
-10...+10 V -10...+10 V CC-E V/V 1SVR011729R2000 0.086
(0.19 0)
0-20 mA,
4-20mA 0-20 mA, 4-20 mA
CC-E I/I-12) 1SVR010200R1600 0.038
(0.084)
CC-E I/I-22) 1SVR010201R0300 0.044
(0.097)
2CDC 281 010 F00032CDC 281 001 F0003
2CDC 281 041 F0003
CC-E/I
CC-E V/V
CC-E I/I-2
Further documentation ana-
log signal converters CC-E on
www.abb.com

4
257 ABB | Catalog Electronic relays and controls 2016 | 2CDC 110 004 C0210
Analog signal converters - CC-E range
Ordering details - RTD converters
2CDC 281 004 F0003
CC-E/RTD
Ordering details - RTD converters
Supply
voltage range
Input signal Output signal Type Order code Price
1 pce
Weight
(1 pce)
kg (lb)
24 V DC
refer to table1) 0-10 V, 0-20 mA,
4-20mA CC-E/RTD2) 1SVR011701R2500 0.091
(0.200)
PT100
0...100°C
0-10 V CC-E RTD/V 1SVR011730R2500 0.084
(0.18 5)
0-20 mA CC-E RTD/I 1SVR011731R1200 0.086
(0.19 0)
4-20 mA CC-E RTD/I 1SVR011732R13 00
PT100
-50...+50°C
0-10 V CC-E RTD/V 1SVR011733R1400 0.083
(0.18 3)
0-20 mA CC-E RTD/I 1SVR011734R1500 0.084
(0.18 5)
4-20 mA CC-E RTD/I 1SVR011735R160 0 0.084
(0.187)
PT100
0...300°C
0-10 V CC-E RTD/V 1SVR011736R1700 0.084
(0.18 5)
0-20 mA CC-E RTD/I 1SVR011737R1000 0.084
(0.187)
4-20 mA CC-E RTD/I 1SVR011738R210 0 0.101
PT100
-50...+250°C
0-10 V CC-E RTD/V 1SVR011739R2200 0.084
(0.18 5)
0-20 mA CC-E RTD/I 1SVR011740R0700 0.084
(0.187)
4-20 mA CC-E RTD/I 1SVR011741R2400
110-240 V AC
refer to table1) 0-10 V, 0-20 mA,
4-20mA CC-E/RTD 1SVR011706R2200 0.093
(0.205)
PT100
0...100°C
0-10 V CC-E RTD/V 1SVR011788R2400 0.086
(0.19 0)
0-20 mA CC-E RTD/I 1SVR011789R2500 0.088
(0.19 4)
4-20 mA CC-E RTD/I 1SVR011790R 220 0 0.089
(0.19 6)
PT100
-50...+50°C
0-10 V CC-E RTD/V 1SVR011791R1700 0.087
(0.192)
0-20 mA CC-E RTD/I 1SVR011792R1000 0.089
(0.19 6)
4-20 mA CC-E RTD/I 1SVR011793R110 0
PT100
0...300°C
0-10 V CC-E RTD/V 1SVR011794R1200 0.087
(0.192)
0-20 mA CC-E RTD/I 1SVR011795R13 00 0.089
(0.19 6)
4-20 mA CC-E RTD/I 1SVR011796R1400
PT100
-50...+250°C
0-10 V CC-E RTD/V 1SVR011797R1500 0.086
(0.19 0)
0-20 mA CC-E RTD/I 1SVR011798R2600 0.089
(0.19 6)
4-20 mA CC-E RTD/I 1SVR011799R2700 0.088
(0.19 4)
1) Refer to “Technical data” on page 262.
2) B 1604 Class I, Div.2 (universal device)
Further documentation ana-
log signal converters CC-E on
www.abb.com

4
2CDC 110 004 C0210 | Catalog Electronic relays and controls 2016 | ABB 258
Analog signal converters - CC-E range
Ordering details - Thermocouple converters
2CDC 281 007 F0003
CC-E TC
Ordering details - Thermocouple Converters
Supply
voltage range
Input signal Output signal Type Order code Price
1 pce
Weight
(1 pce)
kg (lb)
24 V DC
thermocouple
types J and K
0-10 V, 0-20 mA,
4-20mA CC-E/TC1) 1SVR011702R260 0 0.089
(0.19 6)
type J
0...600°C
0-10 V CC-E TC/V 1SVR011750R0100 0.087
(0.192)
0-20 mA CC-E TC/I 1SVR011751R2600 0.084
(0.187)
4-20 mA CC-E TC/I 1SVR011752R2700 0.102
type K
0...1000°C
0-10 V CC-E TC/V 1SVR011753R2000 0.084
(0.18 5)
0-20 mA CC-E TC/I 1SVR011754R2100
4-20 mA CC-E TC/I 1SVR011755R2200 0.086
(0.19 0)
110-240 V AC
thermocouple
types J and K
0-10 V, 0-20 mA,
4-20mA CC-E/TC 1SVR011707R2300 0.088
(0.19 4)
type J
0...600°C
0-10 V CC-E TC/V 1SVR011760R0300 0.084
(0.187)
0-20 mA CC-E TC/I 1SVR011761R2000 0.088
(0.19 4)
4-20 mA CC-E TC/I 1SVR011762R210 0 0.1
(0.220)
type K
0...1000°C
0-10 V CC-E TC/V 1SVR011763R2200 0.086
(0.19 0)
0-20 mA CC-E TC/I 1SVR011764R2300 0.088
(0.19 4)
4-20 mA CC-E TC/I 1SVR01176 5R2400 0.086
(0.19 0)
1) B 1604 Class I, Div.2 (universal device)
Further documentation ana-
log signal converters CC-E on
www.abb.com

4
259 ABB | Catalog Electronic relays and controls 2016 | 2CDC 110 004 C0210
Analog signal converters - CC-E range
Ordering details - Measuring converters
Ordering details - Measuring Converters
Supply
voltage range
Input signal Output signal Type Order code Price
1 pce
Weight
(1 pce)
kg (lb)
24 V DC
0-5A, 0-20A,
AC/DC
0-10 V, 0-20 mA,
4-20mA CC-E/I1) 1SVR011703R2700 0.096
(0.212)
0-5 A, 0-20 A,
AC
0-10 V CC-E IAC/V 1SVR011770R0500 0.090
(0.19 8 )
0-20 mA CC-E IAC/I 1SVR011771R2200 0.092
(0.203)
4-20 mA CC-E IAC/I 1SVR011772R2300
0-5 A, 0-20 A,
DC
0-10 V
CC-E I
DC
/V
1SV R011773R240 0 0.092
(0.207)
0-20 mA CC-E IDC/I 1SVR011774R2500 0.091
(0.200)
4-20 mA CC-E IDC/I 1SVR 011775R260 0 0.093
(0.205)
110-240 V AC
0-5A, 0-20A,
AC/DC
0-10 V, 0-20 mA,
4-20mA CC-E/I 1SVR011708R0400 0.099
(0.218)
0-5 A, 0-20 A,
AC
0-10 V CC-E IAC/V 1SVR011780 R110 0 0.092
(0.203)
0-20 mA CC-E IAC/I 1SVR011781R0600 0.092
(0.207)
4-20 mA CC-E IAC/I 1SVR011782R0700 0.095
(0.209)
0-5 A, 0-20 A,
DC
0-10 V
CC-E I
DC
/V
1SVR011783R0000 0.093
(0.205)
0-20 mA
CC-E I
DC
/I
1SVR011784R0100 0.095
(0.209)
4-20 mA
CC-E I
DC
/I
1SV R011785R110 0
loop powered 0-1 A, 0-5 A, AC 4-20 mA
CC-E I
AC
/ILPO
2) 1SVR010203R0500 0.052
(0.115)
2CDC 281 018 F0004
CC-E IAC/ILPO
1) B 1604 Class I, Div.2 (universal device)
2) for sinusoidal currents
Further documentation ana-
log signal converters CC-E on
www.abb.com

4
2CDC 110 004 C0210 | Catalog Electronic relays and controls 2016 | ABB 260
Analog signal converters - CC-E range
DIP switch settings, Dimensional drawings
812 43 567
0...5 V
0...10 V
0...20 mA
4...20 mA
0...5 V
0...10 V
0...20 mA
4...20 mA
0...5 V
0...10 V
0...20 mA
4...20 mA
0...5 V
0...10 V
0...20 mA
4...20 mA
0...5 V
0...10 V
0...20 mA
4...20 mA
2CDC 282 001 F0204
Input Output
Switch
2CDC 282 002 F0204
ON
Legend
OFF
CC-E/STD, CC-E x/x (universal devices)
2CDC 282 003 F0204
OFF
Legend
no influence
ON
12 4356
0...300 °C
0...100 °C
0...500 °C
-50...+50 °C
-50...+250 °C
-50...+450 °C
High fail safe
Low fail safe
0...10 V
0-20 mA
4-20 mA
0-10 V
0-20 mA
4-20 mA
0-10 V
0-20 mA
4-20 mA
0-10 V
0-20 mA
4-20 mA
0-10 V
0-20 mA
4-20 mA
0-10 V
0-20 mA
4-20 mA
2CDC 282 006 F0208
Input Output
Switch
CC-E/RTD
2CDC 282 003 F0204
OFF
Legend
no influence
ON
12 4356
TC-J:
0...600 °C
TC-K:
0...1000 °C
High fail safe
Low fail safe
0...10 V
0...20 mA
4...20 mA
0...10 V
0...20 mA
4...20 mA
2CDC 282 007 F0208
Input Output Switch
CC-E/TC CC-E/I
Dimensional drawings
2CDC 282 002 F0204
ON
Legend
OFF
12 4356
I - DC
I - AC
I - AC
I - DC
I - AC
I - DC
0...10 V
0...20 mA
4...20 mA
2CDC 282 005 F0208
Input Output Switch
2CDC 282 011 F0204
Select input range by terminals
Input range 5 A
Connected lines
Used terminals
Terminal marking
Input range 20 A
Connected lines
Used terminals
Terminal marking
Input range selection - CC-E/I
CC-E/x CC-E IAC/ILPO, CC-E I/I
22.5
0,88 "
2CDC 282 011 F0b06
18
0.71"
2CDC 282 012 F0b06

4
261 ABB | Catalog Electronic relays and controls 2016 | 2CDC 110 004 C0210
CC-E/STD, CC-E x/x (universal devices)
2CDC 282 006 F0206
Burden
R 1.0 k
Burden
R 500
supply
CC-E/RTD
J
H
G
2CDC 282 007 F0206
Burden
R 1.0 k
Burden
R 500
supply
CC-E/TC
2CDC 282 008 F0206
Burden
R 1.0 k
Burden
R 500
supply
RL 500
UL
C
D
F
E
IN
IN
OUT
OUT
2CDC 282 003 F0205
Channel 1
input
0-20 mA or
4-20 mA
Channel 1
output
0-20 mA or
4-20 mA
J
H
G
20 A
5 A
A
C
D
F
V
I
K
-
M
+
+
-
+
-
IN OUT
I
2CDC 282 008 F0208
Burden
R 1.0 k
Burden
R 500
supply
RL 500
RL 500
UL
UL
C
D
F
E
A
B
H
G
IN
IN
IN
IN
OUT
OUT
OUT
OUT
2CDC 282 004 F0205
Channel 1
input
0-20 mA or
4-20 mA
Channel 2
input
0-20 mA or
4-20 mA
Channel 1
output
0-20 mA or
4-20 mA
Chanel 2
output
0-20 mA or
4-20 mA
CC-E I/I-1
CC-E I/I
2CDC 282 010 F0b06
CC-E IAC/ILPO
Analog signal converters - CC-E range
Wiring instructions
CC-E I/I-2

4
2CDC 110 004 C0210 | Catalog Electronic relays and controls 2016 | ABB 262
Analog signal converters - CC-E range
Technical data
Type CC-E/STD / CC-E x/x CC-E/RTD 3) CC-E/TC
Input circuits - Analog inputs J-G-H Current Voltage Temperature sensors Thermocouples
(IEC 584-1 and 2)
Input signal Standard signals PT100 TC.K, TC.J
Rated input range 0...20 mA /
4...20 mA
0...5 V /
0...10 V /
-10...+10 V
-50...+500 °C TC.K: 0...1000 °C,
TC.J: 0...600 °C
Limitation of input signals +55 mA ± 11 V
Influence of line resistance -< 0.01 %/< 0.5 % / 100
Gain adjustment range ± 5 % (universal devices)
Offset adjustment range ± 5 % (universal devices)
Input impedance 50 1 M- -
Suppression at 50 Hz --> 35 dB
Common-mode rejection -100 dB
Output circuits - Analog outputs D-F, A- C Current Voltage
Output signal 0-20 mA, 4-20 mA 0-5 V, 0-10 V
Output burden 500 1.0 K
Accuracy 1) ± 0.5 % of full-scale
Residual ripple < 0.5 %
Response time 200 µs 10 ms
Transmission frequency 2 kHz 80 Hz 2 Hz (up to -3 dB)
Reaction to input circuit interruption High fail safe: Output voltage > 115 % of
measuring range 2)
Low fail safe: Output voltage < -0.6 V, output
current = 0 mA
Supply circuits K-M DC versions AC versions
Supply voltage 24 V DC
110-240 V AC - 50/60 Hz
Supply voltage tolerance -15...+15 % -15...+10 %
Power consumption 1.5 W typ. 1.5 VA typ.
Indication of operational states
Rated control supply voltage USU: green LED
General data
Ambient temperature range operation / storage 0...+60 °C / -20...+80 °C
Temperature coefficient ± 500 ppm/°C
Degree of protection (DIN 40050) IP20
Mounting position ventilation slots on top and bottom
Mounting DIN rail (IEC/EN 60715), snap-on mounting
Electrical connection
Wire size rigid 0.2-4 mm2 (24-12 AWG)
fine-strand with(out) wire end ferrule 0.2-2.5 mm2 (24-14 AWG)
Stripping length 7 mm (0.28 inch)
Tightening torque 0.5 Nm (4.4 lb.in)
Electromagnetic compatibility
Interference immunity EN 61000-6-2
electrostatic discharge (ESD) IEC/EN 61000-4-2 Level 3 (±6 kV / ±8 kV)
electromagnetic field(HF radiation
resistance)
IEC/EN 61000-4-3 10 V/m
fast transients (Burst) IEC/EN 61000-4-4 Level 3 (±2 kV / 5 kH)
powerful impulses (Surge) IEC/EN 61000-4-5 ±2 kV / ±1 kV
HF line emission IEC/EN 61000-4-6 10 V
Interference emission EN 61000-6-4 Class B
Isolation data
Test voltage between all isolated circuits 2.5 kV AC
Rated insulation voltage ---
1) Includes non-linearity and factory setting, influenced by supply voltage and output load.
2) Only -/RTD and -/TC: Single-function devices respond with Low fail safe to input signal interruptions.
3) When connecting a 2-wire sensor, the terminals J and H have to be jumpered.
Approvals see “Overview” on page 253

4
263 ABB | Catalog Electronic relays and controls 2016 | 2CDC 110 004 C0210
Type CC-E I/I-1 / CC-E I/I-2
Input circuits - Analog inputs Current
Input current IIN 0-20 mA, 4-20 mA
Min. input current < 100 µA
Max. input current 50 mA1) (VIN < 18 V)
Input voltage UIN < 2.5 V + (IIN x RL)
Input voltage drop Ui< 2.5 V (20 mA, RL = 0 )
Max. input voltage 18 V1) (IIN < 50 mA)
Output circuits
Output current IOUT 0-20 mA, 4-20 mA
Output load RL0-500
Output voltage UOUT IOUT x RL
Residual ripple < 20 mVpp (500 , 20 mA)
Response time (0-100 %) < 15 ms (0-500 , 20 mA),
< 5 ms (500 q, 20 mA, 25 °C)
Accuracy 0.1 % of full-scale (20 mA)
Load influence (0-500 ) 0.05 % / 100 ,
-0.1 % / 100 (25 °C)
General data
Width of the enclosure 18 mm
Weight 1 channel approx. 0.037 kg (0.082 (0.181) lb)
2 channel approx. 0.044 (0.097) kg (0.097 lb)
Mounting position any
Degree of protection enclosure / terminals IP20 / IP20
Ambient temperature range operation / storage -25...+60 °C / -40...+85 °C
Temperature coefficient < 50 ppm / °C
Mounting DIN rail (IEC/EN 60715)
Electrical connection
Wire size rigid 0.2-4 mm2 (24-12 AWG)
fine-strand with(out) wire end ferrule 0.2-2.5 mm2 (24-14 AWG)
Stripping length 7 mm (0,28 inch)
Tightening torque 0.5 Nm (4.4 lb.in)
Standards
Product standard EN 50178
Low Voltage Directive 2006/95/EC
EMC Directive 2004/108/EC
Electromagnetic compatibility
Interference immunity EN 61000-6-2
electrostatic discharge (ESD) EN 61000-4-2 Level 3 (±6 kV / ±8 kV)
electromagnetic field (HF radiation
resistance)
EN 61000-4-3 10 V/m
fast transients (Burst) EN 61000-4-4 Level 3 (±2 kV / 5 kH)
powerful impulses (Surge) EN 61000-4-5 ±2 kV / ±1 kV
HF line emission EN 61000-4-6 10 V
magnetic fields EN 61000-4-8 30 A/m
Interference emission EN 61000-6-4
Radiated noise EN 55011 Class B
Operational reliability (EN 68-2-6) 4 g
Mechanical resistance (EN 68-2-6) 10 g
Environmental testing (IEC 68-2-30 Db) 24 h cycle, 55 °C, 93 % rel., 96 h
Isolation data
Insulation voltage input / output 500 Veff / 50 Hz
Insulation voltage between channels 5 kVeff / 50 Hz (device with 2 channels)
Pollution category 2
Overvoltage category II
1) The input parameters have to be limited to the indicated maximum values.
Approvals see “Overview” on page 253
Analog signal converters - CC-E range
Technical data

4
2CDC 110 004 C0210 | Catalog Electronic relays and controls 2016 | ABB 264
Analog signal converters - CC-E range
Technical data
Type CC-E/I CC-E IAC/ILPO
Input circuits - Analog inputs
J-G-H C-D
AC current DC current 2 meas. ranges selectable
Rated input range 0-5 A / 0-20 A 0-5 A / 0-20 A 0-1 A / 0-5 A / sinusoidal
Measuring frequency 50/60 Hz
Overload capacity of inputs input range 1 10 x INom (50 A) for max. 1 s 10 x INom (50 A) for max. 2 s
input range 2 10 x INom (200 A) for max. 1 s 10 x INom (200 A) for max. 2 s
Gain adjustment range ±5 % (universal devices) -
Offset adjustment range ±5 % (universal devices) -
Input impedance / resistance 5A : 65 m20 A : 2.5 m5 m
Output circuits - Analog outputs D-F Current A-C Voltage F-E passive current output in pro-
portion to input current
Output signal 0-20 mA /
4-20mA 0-10 V 4-20 mA
Output burden / load
500 1.0
12 V DC: 150 ,
24 V DC: 750
30 V DC: 1050
Accuracy 1) ± 2 % of full-scale
Offset adjustment range ±5 % (universal device) ± 5 %
Gain adjustment range ±5 % (universal device) ± 20 %
Residual ripple < 0.5 %
Response time 0.5 s 0.6 s
Transmission frequency DC or 50/60 Hz AC: 50/60 Hz
Reaction to input circuit interruption Low fail safe: output voltage
<200mV, output current < 400 µA -
Supply circuits K-M DC versions AC versions
Supply voltage 24 V DC 110-240 V AC
50/60 Hz 12-30 V DC
Supply voltage tolerance -15...+15 % -15...+10 % -
Power consumption typ 1.5 W typ 1.5 VA -
Indication of operational states
Supply voltage U: green LED -
General data
Ambient temperature range operation / storage 0...+60 °C / -20...+80 °C -20...+60 °C / -40...+80 °C
Temperature coefficient ± 500 ppm/°C 300 ppm/°C
Degree of protection (DIN 40050) IP20
Mounting position ventilation slots on top and bottom
Mounting DIN rail (IEC/EN 60715), snap-on mounting
Electrical connection
Wire size rigid 0.2-4 mm² (24-12 AWG)
fine-strand with(out) wire end ferrule 0.2-2.5 mm² (24-14 AWG)
Stripping length 7 mm (0.28 inch)
Tightening torque 0.5 Nm (4.4 lb.in)
Electromagnetic compatibility
Interference immunity EN 61000-6-2
electrostatic discharge (ESD) IEC/EN 61000-4-2 Level 3 (±6 kV / ±8 kV)
electromagnetic field (HF radiation resistance) IEC/EN 61000-4-3 10 V/m
fast transients (Burst) IEC/EN 61000-4-4 Level 3 (±2 kV / 5 kH)
powerful impulses (Surge) IEC/EN 61000-4-5 ±2 kV / ±1 kV
HF line emission IEC/EN 61000-4-6 10 V
Interference emission EN 61000-6-4 Class B
Isolation data
Test voltage (between all isolated circuits) 2.5 kV AC
Rated insulation voltage -250 V AC
1) Includes non-linearity and factory setting, influenced by supply voltage and output load.
Approvals see “Overview” on page 253

4
265 ABB | Catalog Electronic relays and controls 2016 | 2CDC 110 004 C0210
Analog signal converters - CC-U range
Overview
CC-U range
– 8 different standard signal outputs on one device
– Input and output side universally configurable
– Also available with 2 threshold relay outputs
– Adjustment and operating elements on the front side
– Safe operation by electrical 3-way isolation
– Plug-in connecting terminals, unambiguously and clearly
marked
Conversion, measurement and separation of
– Standard signals
– Signals of RTD sensors (PT10, PT100, PT1000)
– Thermocouple signals
– TRMS values of currents and voltages
Characteristics
– The required input and output ranges can be configured
for all devices by means of directly accessible DIP switches
positioned on the side.
– Due to the wide input range of the gain and offset stages
all input signals between the minimum and the maximum
input value can be universally converted to all common
output signals.
– Devices for DC or AC (50/60 Hz) supply available.
4
1
1
2
2
3
5
1 Terminals +, V/I+, V/I-, PW DC, IN, -
2 Terminal explanation
3 Adjustment of resistance value R1
4 Adjustment of hysteresis
4 Adjustment of resistance value R2
Adjustment of hysteresis
7 Indication of operational states
R1 yellow LED - resistance value R1
R2 yellow LED - resistance value R2
U green LED - supply voltage
8 Marker label
7
8

4
2CDC 110 004 C0210 | Catalog Electronic relays and controls 2016 | ABB 266
Analog signal converters - CC-U range
Overview
CC-U/STD universal signal converter with 3-way electrical
isolation
– More than 120 configurations possible
– Configurable output signal response on input voltage signal
interruption (low fail safe / high fail safe)
– Adjustment and operating elements on the front
– Short-circuit proof signal outputs
– Plug-in connecting terminals for inputs, outputs and supply
– Very fast signal transmission enables use in control sys-
tems
CC-U/STDR universal signal converter for standard
signals, with 2 threshold relay outputs and with 3-way
electrical isolation
– Standard signal converter with 7 setting ranges
– 2 threshold relay outputs with one c/o contact each
(threshold and respective hysteresis can be
adjusted independently from each other)
– Open-circuit or closed-circuit principle configurable by
means of a DIP switch
– 2 yellow LEDs for clear status indication of the output
relays
– Plug-in connecting terminals for inputs, outputs and supply
CC-U/RTD universal signal converter for PT10, PT100,
PT1000 temperature sensors (acc. to IEC 751 and JIS C
16041), linearized with 3-way electrical isolation)
– Configurable output signal response on input signal inter-
ruption (low / high fail safe)
– Adjustment and operating elements on the front-side
– Short-circuit proof signal outputs
– Plug-in connecting terminals for inputs, outputs and supply
– 2- or 3-wire connection
CC-U/TC universal signal converter for thermocouples
with 3-way electrical isolation
– Temperature signal converter for thermo-couples of the
types K, J, T, S, E, N, R, B
– Continuously adjustable voltage signal input 0-10 mV and
0-50 mV
– Differential temperature meas. possible (see “Wiring in-
structions” on page 271)
– Configurable output signal response on input signal inter-
ruption (low fail safe / high fail safe)
– Adjustment and operating elements on the front-side
– Short-circuit proof signal outputs
– Plug-in connecting terminals for inputs, outputs and supply
– Cold-junction compensation selectable
CC-U/TCR universal signal converter for thermocouples,
with 2 threshold relay outputs and 3-way electrical
isolation
– Temperature signal converter for thermocouples of the
types K, J, T, S
– 2 threshold relay outputs with one change-over contact
each (threshold and respective hysteresis can be adjusted
independently from each other)
– Open-circuit or closed-circuit principle configurable by
means of a DIP switch
– 2 yellow LEDs for clear status indication of the output
relays
– Plug-in connecting terminals for inputs, outputs and supply
– Integrated cold-junction compensation
CC-U/I universal measuring converter for RMS values of
0-1 A and 0-5 A, with 3-way electrical isolation
– RMS converter for current signals up to 1 A and up to 5 A
of any wave form (DC, DC with superimposed AC compo-
nents, pure sinusoidal, triangular, phase-angle controlled,
etc. in a measuring range of 0-600 Hz)
– Adjustment and operating elements on the front
– Short-circuit proof signal outputs
– Plug-in connecting terminals for inputs, outputs and supply
CC-U/V universal measuring converter for RMS values of
0-600 V, with 3-way electrical isolation
– RMS converter for voltage signals up to 600 V of any wave
form (DC, DC with superimposed AC components, pure
sinusoidal, triangular, phase-angle controlled, etc. in a
measuring range of 0-600 Hz)
– Adjustment and operating elements on the front
– Short-circuit proof signal outputs
– Plug-in connecting terminals for inputs, outputs and supply
1) Japanese standard

4
267 ABB | Catalog Electronic relays and controls 2016 | 2CDC 110 004 C0210
Analog signal converters - CC-U range
Ordering details
1) with relay output
2) for current RMS values
3) for voltage RMS values
Ordering details - RTD Converters
Supply volt-
age range
Input signal Output signal Type Order code Price
1 pce
Weight
(1 pce)
kg (lb)
24-48 V DC,
24VAC refer to table refer to table CC-U/RTD
1SVR040002R0500 0.126
(0.278)
110-240VAC,
100-300VDC 1SVR040003R0600 0.128
(0.282)
Ordering details - Standard Signal Converters
Supply volt-
age range
Input signal Output signal Type Order code Price
1 pce
Weight
(1 pce)
kg (lb)
24-48 V DC,
24VAC
refer to table
refer to table CC-U/STD
1SVR040000R1700 0.125
(0.276)
110-240 V AC,
100-300 V DC 1SVR040001R0400 0.126
(0.278)
24-48 V DC,
24V AC 2 c/o CC-U/
STDR1)
1SVR040010R0000 0.142
(0.313)
110-240 V AC,
100-300 V DC 1SVR040011R2500
2CDC 281 003 F0003
2CDC 281 005 F00032CDC 281 008 F00032CDC 281 012 F0003
CC-U/STDR
CC-U/RTD
CC-U/TC
CC-U/I
Ordering details - Thermocouple Converters
Supply volt-
age range
Input signal Output signal Type Order code Price
1 pce
Weight
(1 pce)
kg (lb)
24-48 V DC,
24V AC
refer to table
refer to table CC-U/TC
1SVR040004R0700 0.130
(0.287)
110-240 V AC,
100-300 V DC 1SVR040005R0000 0.128
(0.282)
24-48 V DC,
24V AC 2 c/o CC-U/TCR1)
1SVR040014R2000 0.14 5
(0.320)
110-240 V AC,
100-300 V DC 1SVR040015R2100
Ordering details - Measuring Converters
Supply volt-
age range
Input signal Output signal Type Order code Price
1 pce
Weight
(1 pce)
kg (lb)
24-48 V DC,
24V AC
refer to table refer to table
CC-U/I2)
1SVR040006R0100 0.128
(0.282)
110-240 V AC,
100-300 V DC 1SVR040007R0200 0.127
(0.280)
24-48 V DC,
24V AC CC-U/V3)
1SVR040008R1300 0.128
(0.282)
110-240 V AC,
100-300 V DC 1SVR040009R1400

4
2CDC 110 004 C0210 | Catalog Electronic relays and controls 2016 | ABB 268
Ordering details - Accessories
For type Width in mm Type Order code Price Pkg
qty
Weight
(1 pce)
g (oz)
CC-U 22.5 A D P. 01 1SVR430029R0100 118.4
(0.65)
CC-U MAR.01 1SVR366017R0100 10 0.19
(0.007)
CC-U 22.5 COV.01 1SVR430005R0100 15.2
(0.18)
Analog signal converters - CC-U range
Ordering details - Accessories
2CDC 252 187 F000
5
4,5
62,5
60
10 11,5
22,5
.177”
2.46”
2.36”
.394”
.886”
.453”
2CDC 252 185 F0005
22,5
68,5
7
3,5
.886”
2.70 ”
.138”
.275”
front-to-back
size 107
ADP.01
20
3A11
8
.315”
.787”
2CDC 252 186 F000
5
MAR.01
Sealable cover - COV.01

4
269 ABB | Catalog Electronic relays and controls 2016 | 2CDC 110 004 C0210
Analog signal converters - CC-U range
DIP switch settings
*) Detection of input voltage signal
interruptions:
If the input signal circuit is inter-
rupted, the output signal changes
to the adjusted minimum value (low
fail safe) or maximum value (high fail
safe).
If "No fail safe" is configured,
input signal interruptions are not
detected.
43215876
0...8 V
0...20 mA
4...20 mA
10...50 mA
20...4 mA
20...0 mA
0...50 mV
0...100 mV
0...250 mV
0...500 mV
0...1 V
0...5 V
-10...+10 V
0...125 mV
1...5 V
0...10 V
2... 10 V
-11...+11 V
10...0 V
100...0 mV
0...1 mA
-55...+55 mA
3...4
2...4
4...5
0...1
4...5
4...2
A...D
4...5
0...1
7...9
3...4
5...7
0
3...4
7...9
2
2...4
0
2
4...5
A...D
4...6
3
3
4
1
4
3
C
5
1
8
3
6
0
3
8
2
3
0
2
5
B
5
6
4
0
0
D
D
0
0
B...F
5...7
3...4
-
-
-
-
-
-
B...F
2CDC 282 019 F0203
Switch 1
Input
2.5...7.5 V
3.33...9.99 V
High fail safe *)
Gain Coarse
Type
Potentiometer
0...2.5 V
-22.5...+22.5 mV
-0.45...+0.45 mA
Low faile safe *)
No fail safe *)
12 4356
-10...-2 V
-5...-1 V
-8...0 V
-4...0 V
0...1 mA
0...20 mA
4...20 mA
0...10 mA
0...800 µA
0...8 mA
0...400 µA
125...625 µA
166...833 µA
2...10 mA
100...500 µA
0...666 µA
0...16 mA
0...5 V
0...10 V
1...5 V
2...10 V
-10...+10 V
-5...+5 V
-10...0 V
-5...0 V
0...8 V
0...4 V
2CDC 282 020 F0203
Switch 2
Output
1.25...6.25 V
0...6.66 V
-10...+3.33 V
-5...+1.66 V
-7.5...+2.5 V
-3.75...+1.25 V
1.66...8.33 V
-6.66...+6.66 V
-3.33...+3.33 V
0...0.5 mA
0...13.33 mA
2.5...12.5 mA
3.33...16.66 mA
0.2...1 mA
2CDC 282 003 F0204
OFF
Legend
no influence
ON
CC-U/STD CC-U/STDR with relay output
2CDC 282 003 F0204
OFF
Legend
no influence
ON
12 4356
0...10 V
0...5 V
0...1 V
-10...+10 V
1...5 V
0...20 mA
4...20 mA
2CDC 282 005 F0204
Switch
Input
Output
Closed-circuit principle
Open-circuit principle
*) Detection of input signal
interruptions:
If the input signal circuit
is interrupted, the output
signal changes to the
adjusted minimum value
(low fail safe) or maximum
value (high fail safe).
CC-U/RTD
2CDC 282 003 F0204
OFF
Legend
no influence
ON
12 4356124356
PT10
PT100
PT1000
0...500 °C
0...550 °C
0...600 °C
0...650 °C
0...700 °C
0...750 °C
0...800 °C
0...850 °C
0...50 °C
0...60 °C
0...70 °C
0...80 °C
0...90 °C
0...100 °C
0...200 °C
0...400 °C
0...300 °C
0...500 °C
0...10 °C
0...20 °C
0...30 °C
0...40 °C
0...50 °C
0...60 °C
F
E
D
C
B
A
9
8
F
E
B
A
9
8
3
1
2
0
8
3
2
1
0
0
-
-
2CDC 282 023 F0203
Type Range
Switch 1 Switch 2Input
Low fail safe *)
High fail safe *)
Gain
Coarse
12 4356
-10...-2 V
-5...-1 V
-8...0 V
-4...0 V
0...1 mA
0...20 mA
4...20 mA
0...10 mA
0...800 µA
0...8 mA
0...400 µA
125...625 µA
166...833 µA
2...10 mA
100...500 µA
0...666 µA
0...16 mA
0...5 V
0...10 V
1...5 V
2...10 V
-10...+10 V
-5...+5 V
-10...0 V
-5...0 V
0...8 V
0...4 V
2CDC 282 024 F0203
Switch 3
Output
1.25...6.25 V
0...6.66 V
-10...+3.33 V
-5...+1.66 V
-7.5...+2.5 V
-3.75...+1.25 V
1.66...8.33 V
-6.66...+6.66 V
-3.33...+3.33 V
0...0.5 mA
0...13.33 mA
2.5...12.5 mA
3.33...16.66 mA
0.2...1 mA

4
2CDC 110 004 C0210 | Catalog Electronic relays and controls 2016 | ABB 270
Analog signal converters - CC-U range
DIP switch settings
CC-U/I
2CDC 282 003 F0204
OFF
Legend
no influence
ON
12 4356
-10...-2 V
-5...-1 V
-8...0 V
-4...0 V
0...1 mA
0...20 mA
4...20 mA
0...10 mA
0...800 µA
0...8 mA
0...400 µA
125...625 µA
166...833 µA
2...10 mA
100...500 µA
0...666 µA
0...16 mA
0...5 V
0...10 V
1...5 V
2...10 V
-10...+10 V
-5...+5 V
-10...0 V
-5...0 V
0...8 V
0...4 V
2CDC 282 029 F0203
Switch
Output
1.25...6.25 V
0...6.66 V
-10...+3.33 V
-5...+1.66 V
-7.5...+2.5 V
-3.75...+1.25 V
1.66...8.33 V
-6.66...+6.66 V
-3.33...+3.33 V
0...0.5 mA
0...13.33 mA
2.5...12.5 mA
3.33...16.66 mA
0.2...1 mA
CC-U/V
2CDC 282 003 F0204
OFF
Legend
no influence
ON
12 4356
-10...-2 V
-5...-1 V
-8...0 V
-4...0 V
0...1 mA
0...20 mA
4...20 mA
0...10 mA
0...800 µA
0...8 mA
0...400 µA
125...625 µA
166...833 µA
2...10 mA
100...500 µA
0...666 µA
0...16 mA
0...5 V
0...10 V
1...5 V
2...10 V
-10...+10 V
-5...+5 V
-10...0 V
-5...0 V
0...8 V
0...4 V
2CDC 282 029 F0203
Switch
Output
1.25...6.25 V
0...6.66 V
-10...+3.33 V
-5...+1.66 V
-7.5...+2.5 V
-3.75...+1.25 V
1.66...8.33 V
-6.66...+6.66 V
-3.33...+3.33 V
0...0.5 mA
0...13.33 mA
2.5...12.5 mA
3.33...16.66 mA
0.2...1 mA
*) Detection of input signal
interruptions:
If the input signal circuit is interrupted, the output
signal changes to the adjusted minimum value (low
fail safe) or maximum value (high fail safe).
CC-U/TC
12 4356
-10...-2 V
-5...-1 V
-8...0 V
-4...0 V
0...1 mA
0...20 mA
4...20 mA
0...10 mA
0...800 µA
0...8 mA
0...400 µA
125...625 µA
166...833 µA
2...10 mA
100...500 µA
0...666 µA
0...16 mA
0...5 V
0...10 V
1...5 V
2...10 V
-10...+10 V
-5...+5 V
-10...0 V
-5...0 V
0...8 V
0...4 V
2CDC 282 017 F0208
Switch 3
Output
1.25...6.25 V
0...6.66 V
-10...+3.33 V
-5...+1.66 V
-7.5...+2.5 V
-3.75...+1.25 V
1.66...8.33 V
-6.66...+6.66 V
-3.33...+3.33 V
0...0.5 mA
0...13.33 mA
2.5...12.5 mA
3.33...16.66 mA
0.2...1 mA
2CDC 282 003 F0204
OFF
Legend
no influence
ON
12 4356124356
R
B
mV
N
K
J
T
S
E
0-100...900 °C
0-250...1350 °C
0-100...750 °C
0-100...400 °C
-150-0...400 °C
0-250...1550 °C
0-100...700 °C
0-200...1000 °C
0-100...650 °C
0-200...1300 °C
0-250...1350 °C
0-450...1700 °C
0-700...1750 °C
0-2...10 mV
0-10...50 mV
2CDC 282 010 F0204
Type Range
Switch 1 Switch 2Input
Low fail safe *)
High fail safe *)
CC-U/TCR with relay output
2CDC 282 003 F0204
OFF
Legend
no influence
ON
12 4356
S
J
K
T
0...240 °C
0...480 °C
0...1200 °C
0...250 °C
0...500 °C
0...1350 °C
-150...+120 °C
0...220 °C
0...400 °C
0...210 °C
0...380 °C
0...860 °C
0...1550 °C
2CDC 282 004 F0204
Type Range
SwitchInput
Output
Closed-circuit principle
Open-circuit principle

4
271 ABB | Catalog Electronic relays and controls 2016 | 2CDC 110 004 C0210
Pot.
G
H
J
2CDC 282 015 F0206
Burden
R 4.7 k
Burden
R 600
supply
+ 2.5 V
CC-U/STD
Analog signal converters - CC-U range
Wiring instructions
2CDC 282 016 F0206
Value R1
Value R2
Threshold Hysteresis
supply
CC-U/STDR with relay output
J
H
G
2CDC 282 017 F0206
Burden
R 4.7 k
Burden
R 600
supply
CC-U/RTD
2CDC 282 022 F0206
Burden
R 4.7 k
Burden
R 600
supply
CC-U/V
2CDC 282 021 F0206
Burden
R 4.7 k
Burden
R 600
supply
CC-U/I
2CDC 282 019 F0206
without cold-junction compensation:
switch SW2.2 = OFF
2CDC 282 018 F0206
Burden
R 4.7 k
Burden
R 600
supply
CC-U/TC
2CDC 282 020 F0206
Value R1
Value R2
Threshold Hysteresis
supply
CC-U/TCR with relay output

4
2CDC 110 004 C0210 | Catalog Electronic relays and controls 2016 | ABB 272
Adjustment range
OUT [%]
IN [%]
SW1.4 = +100 %
SW1.5 = +50 %
100
90
80
70
60
50
40
30
20
10
10 20 30 40 50 60 70 80 90 100
2CDC 282 018 F0203
Offset remote poti
SW1.6 = +22.5 %
Gain
“gain-coarse”
and
“gain-fine”
CC-U/STD
Analog signal converters - CC-U range
Technical information
Function diagrams
Switching points of the output relay depending on the input range,
configuration open-circuit principle
OUT
11-14
11-12
21-24
21-22
R1
R2
IN [%]
100
90
80
70
60
50
40
30
20
10
0
2CDC 282 021 F0203
Hysteresis R1
5-50 % of
threshold
value R1
Thr
eshold value R1
2-100 %
of input range
Thr
eshold value R2
2-100 %
of input range
Hysteresis R2
5-50 % of
threshold
value R2
Actual value
Switching points
21-24
21-22
11-14
11-12
R2
R1
2CDC 282 044 F0203
R1 Threshold value
R1 Hysteresis
R2 Hysteresis
R2 Threshold value
Input
Closed-circuit principle
21-24
21-22
11-14
11-12
R2
R1
2CDC 282 046 F0203
R1 Threshold value
R1 Hysteresis
R2 Hysteresis
R2 Threshold value
Input
Open-circuit principle
CC-U/STDR with relay output

4
273 ABB | Catalog Electronic relays and controls 2016 | 2CDC 110 004 C0210
Resistance of PT10, PT100 and PT1000 sensors depending on the temperature
PT1000
PT100
PT10
2CDC 282 022 F0203
Resistance []
Temperature [°C]
Characteristic curves
Analog signal converters - CC-U range
Technical information
CC-U/RTD
0...100 V
0...150 V
0...250 V
0...300 V
0...400 V
0...600 V
0...450 V
0...550 V
1
2
3
4
5
8
6
7
2CDC 282 012 F0204
Switch
position
Selecting input range by
front-face rotary switch
U(t) [V]
IN
Ueff
[V]
OUT [%]
0 50 100
300
0
-300
2CDC 282 030 F0203
Offset 20 %
Gain 15 %
resulting
RMS value
operating angle
Example of application
CC-U/V
Input range selection
RMS measurement and conversion of a phase-angle controlled voltage signal L1 = 230 V

4
2CDC 110 004 C0210 | Catalog Electronic relays and controls 2016 | ABB 274
Example of application
Analog signal converters - CC-U range
Technical information
JHG
JHG
5 A1 AC
5 A1 AC
2CDC 282 033 F0203
Select input range by terminals
Input range 1 A
Connected lines
Used terminals
Terminal marking
Input range 5 A
Connected lines
Used terminals
Terminal marking
Input range selection
RMS measurement and conversion of a current signal
I(t) [A]
IN [%]
OUT [%]
0 50 100
t
5
4
3
2
1
0
-1
-2
-3
-4
-5
2CDC 282 028 F0203
Offset 20 %
Gain
15 %
resulting
RMS value
Example of application
CC-U/I
Thermocouple voltages depending on the temperature
Typ T
Typ N
Typ K
Typ J
Typ E
Typ R
Typ S
Typ B
-250
-200
-150
-100
-50
0
50
100
150
200
250
300
350
400
450
500
550
600
650
700
750
800
850
900
950
1000
1050
1100
1150
1200
1250
1300
1350
1400
1450
1500
1550
1600
1650
1700
1750
1800
80000
75000
70000
65000
60000
55000
50000
45000
40000
35000
30000
25000
20000
15000
10000
5000
0
-5000
-10000
-15000
2CDC 282 026 F010
3
Temperatur [°C]
Thermoelement-Spannung [µV]
Characteristic curve
CC-U/TC
CC-U/TCR with relay output
Function diagrams
21-24
21-22
11-14
11-12
R2
R1
2CDC 282 044 F0203
R1 Threshold value
R1 Hysteresis
R2 Hysteresis
R2 Threshold value
Input
Closed-circuit principle
21-24
21-22
11-14
11-12
R2
R1
2CDC 282 046 F0203
R1 Threshold value
R1 Hysteresis
R2 Hysteresis
R2 Threshold value
Input
Open-circuit principle
Switching points of the output relay depending on the
input range, configuration open-circuit principle
Typ T
Typ J
Typ K
Typ S
IN [%]
100
0OUT
11-14
11-12
21-24
21-22
R1
R2
7000
6500
6000
5500
5000
4500
4000
3500
3000
2500
2000
1500
1000
500
0
-500
-1000
-1500
-275
-175
-75
25
125
225
325
425
525
625
725
825
925
1025
1125
1225
1325
1425
1525
1625
1725
1825
2CDC 282 027 F0203
Temperature [°C]
Thermocouple voltage [µV]
Threshold value
R2 = 400 °C
Release hysteresis
Threshold value
R1 = 1000 °C
Release hysteresis
Switching points

4
275 ABB | Catalog Electronic relays and controls 2016 | 2CDC 110 004 C0210
Analog signal converters - CC-U range
Technical data
Type CC-U/STD CC-U/RTD 3) CC-U/TC
Input circuits - Analog inputs J-G-H Current Voltage Potentio-
meter
Temperature sen-
sors
Thermocouples
(IEC 584-1 and 2)
Input signal 0-20 mA
4-20 mA
10-50 mA
0-1 mA
0-100 mV
0-1 V
0-5 V
1-5 V
0-10 V
2-10 V
± 10 V
470
-1M 2)
PT10, PT100,
PT1000
(IEL 751 and JICC
1604)
TC.K
TC.T
TC.E
TC.R
TC.J
TC.S
TC.N
TC.B
Limitation of input signals ± 55 mA ± 11 V - -
Rated input range ---
Max. temperature
adjustable:
6-60 °C for PT1000
50-500 °C for PT100
500-850 °C for PT10
refer to
temperature
specs. of individual
thermocouples
Influence of line resistance ---0.015 °C/< 0.01 % / 100
Gain adjustment range
(universal devices)
0.9-
110 mA
45 mV -
22 V
-see DIP switch settings
Offset adjustment range (universal devices) -137.5...+62.5 % ± 5 % ± 10 %
Input impedance for different ranges - -
without detection of input signal interruption 51 6 M3 G- -
with detection of input signal interruption 51 3.5 M9.5 G- -
Suppression at 50 Hz ---- > 40 dB
Common-mode rejection ---120 dB 105 dB
Output circuits - Analog outputs D - F, A- C Current Voltage
Output signal 0-20 mA, 4-20 mA
0-5 V, 1-5 V, 0-10 V, 2-10 V, ± 10 V
Output burden 600 4.7 K
Accuracy 1) ±0.1 % of full-scale ±0.2 % of full-scale ±0.1 % of full-scale
Residual ripple -< 0.15 % -
Response time 200 µs 10 ms 200 ms
Transmission frequency 1 kHz 80 Hz 2 Hz (to -3 dB)
Supply circuits K-M DC versions AC versions
Rated supply voltage 24-48 V DC 110-240 V AC
Supply voltage range 24-48 V DC / 24 V AC 110-240 V AC / 100-300 V DC
Supply voltage tolerance DC: -15...+15 % AC: -15...+10 %
Rated frequency 0 Hz or 50/60 Hz
Power consumption 2 W at 24 V DC 4.5 VA at 230 V AC
Indication of operational states
Supply voltage U: green LED
General data
Ambient temperature range operation / storage -20...+60 °C / -40...+80 °C
Temperature coefficient ±150 ppm/°C ±250 ppm/°C ±200 ppm/°C at
min. offset
±400 ppm/°C at
max. offset
Mounting position any
Mounting
DIN rail (IEC/EN 60715), snap-on mounting / screw mounting with adapter
Electrical connection
Wire size rigid plug-connector with screw terminals 0.2-2.5 mm2 (24-12 AWG)
fine-strand with(out) wire end ferrule plug-connector with screw terminals 0.2-2.5 mm2 (24-12 AWG)
Stripping length 7 mm (0.28 inch)
Tightening torque 0.4 Nm (3.5 ib.in)
Electromagnetic compatibility
Interference immunity EN 61000-6-2
electrostatic discharge (ESD) IEC/EN 61000-4-2 Level 3 (±6 kV / ±8 kV)
electromagnetic field (HF radiation resistance) IEC/EN 61000-4-3 10 V/m
fast transients (Burst) IEC/EN 61000-4-4 Level 3 (±2 kV / 5 kH)
powerful impulses (Surge) IEC/EN 61000-4-5 ±2 kV / ±1 kV
HF line emission IEC/EN 61000-4-6 10 V
Interference emission EN 61000-6-4 Class B
Isolation data
Isolation test (between all isolated circuits) 1.5 kV
Test voltage (between all isolated circuits) 1.5 kV / 50 Hz
1) Includes non-linearity and factory setting, influenced by supply voltage and output load.
2) Detection of an input signal break (fail safe) and resistance > 10 k results in a linearity of 0.2 %.
3) When connecting a 2-wire sensor, the terminals J and H have to be jumpered.
Approvals see “Overview” on page 253

4
2CDC 110 004 C0210 | Catalog Electronic relays and controls 2016 | ABB 276
Analog signal converters - CC-U range
Technical data
Type CC-U/STDR CC-U/TCR
Input circuits - Analog inputs J-H Current Voltage Thermocouples
(IEC584-1 and 2)
Measuring signal / input range 0-20 mA
4-20 mA
0-1 V /
1-5 V
0-10 /
±10 V
TC.K, TC.J
TC.T, TC.S
Input resistance approx.
50
approx.
1.5 M
Adjustable threshold 2-100 % of selected input range
Adjustable hysteresis 5-50 % of threshold
Repeat accuracy (constant parameters) ±0.5 % of full-scale
Output circuits - Relay outputs E-D-F, B-C-A Relay, 2 c/o contacts
Rated switching voltage 250 V AC
Rated switching current AC-12 (resistive) 230 V 4 A
AC-15 (inductive) 230 V 3 A
DC-12 (resistive) 24 V 4 A
DC-13 (inductive) 24 V 2 A
AC rating
(UL 508)
Utilization category (Control Circuit Rating Code)
B 300
max. rated operational voltage 300 V AC
max. continuous thermal current at B 300 5 A
max. making/breaking apparent power at B 300
3600/360 VA
Minimum switching voltage 12 V
Minimum switching current / power 10 mA / 0.6 VA (W)
Response time 10 ms
Mechanical lifetime 30 x 106 switching cycles
Electrical lifetime at AC-12, 230 V, 4 A 0.1 Mio. switching cycles
Supply circuits K-M DC versions AC versions
Rated supply voltage 24-48 V DC 110-240 V AC
Supply voltage range 24-48 V DC / 24 V AC 110-240 V AC / 100-300 V DC
Supply voltage tolerance DC: -15...+15 % AC: -15...+10 %
Rated frequency 0 Hz or 50/60 Hz
Power consumption 2 W at 24 V DC 4.5 VA at 230 V AC
Indication of operational states
Supply voltage U: green LED
1st / 2nd output relay energized R1: yellow LED / R2: yellow LED
General data
Ambient temperature range operation / storage -20...+60 °C / -40...+80 °C
Temperature coefficient ±300 ppm/°C
Mounting position any
Mounting
DIN rail (IEC/EN 60715), snap-on mounting / screw mounting with adapter
Electrical connection
Wire size rigid plug-connector with screw terminals 0.2-2.5 mm2 (24-12 AWG)
fine-strand with(out) wire end ferrule plug-connector with screw terminals 0.2-2.5 mm2 (24-12 AWG)
Stripping length 7 mm (0.28 inch)
Tightening torque 0.4 Nm (3.5 ib.in)
Electromagnetic compatibility
Interference immunity EN 61000-6-2
electrostatic discharge (ESD) IEC/EN 61000-4-2 Level 3 (±6 kV / ±8 kV)
electromagnetic field (HF radiation resistance) IEC/EN 61000-4-3 10 V/m
fast transients (Burst) IEC/EN 61000-4-4 Level 3 (±2 kV / 5 kH)
powerful impulses (Surge) IEC/EN 61000-4-5 ±2 kV / ±1 kV
HF line emission IEC/EN 61000-4-6 10 V
Interference emission EN 61000-6-4 Class B
Isolation data
Insulation voltage (between all isolated circuits) 2.5 kV
Test voltage (between all isolated circuits) 2.5 kV
1) When connecting a 2-wire sensor, the terminals J and H have to be jumpered.
Approvals see “Overview” on page 253

4
277 ABB | Catalog Electronic relays and controls 2016 | 2CDC 110 004 C0210
Analog signal converters - CC-U range
Technical data
Type CC-U/I CC-U/V
Input circuits - Analog inputs J-G-H any current signals,
RMS measurement
any voltage signals,
RMS measurement
Rated input range 0-1 A
0-5 A
0-100 V, 0-150V, 0-250 V
0-300 V, 0-400 V, 0-450 V
0-550 V, 0-600 V
Measuring frequency 0-600 Hz
Overload capacity of inputs input range 1 10 x INom (10 A) for max. 2 s -
input range 2 10 x INom (50 A) for max. 2 s -
Gain adjustment range ±15 %
Offset adjustment range ±20 %
Input impedance / resistance 1A: 60 m,
5 A: 12 m
> 800 k
Output circuits - Analog outputs D - F, A- C Current Voltage
Output signal 0-20 mA, 4-20 mA 0-5 V, 1-5 V, 0-10 V, 2-10 V, ± 10 V
Output load 600 4.7 K
Accuracy1) ±0.5 % of full-scale
Temperature coefficient ±250 ppm/°C max. ±300 ppm/°C max.
Residual ripple < 0.15 %
Response time 150 ms
Supply circuits K-M DC versions AC versions
Rated supply voltage 24-48 V DC 110-240 V AC
Supply voltage range 24-48 V DC, 24 V AC 110-240 V AC, 100-300 V DC
Supply voltage tolerance DC: -15...+15 % AC: -15...+10 %
Rated frequency 0 Hz or 50/60 Hz
Power consumption 2 W at 24 V DC 4.5 VA at 230 V AC
Indication of operational states
Supply voltage U: green LED
General data
Ambient temperature range operation / storage -20...+60 °C / -40...+80 °C
Mounting position any
Mounting
DIN rail (IEC/EN 60715), snap-on mounting / screw mounting with adapter
Electrical connection
Wire size rigid plug-connector with screw terminals 0.2-2.5 mm2 (24-12 AWG)
fine-strand with(out) wire end ferrule plug-connector with screw terminals 0.2-2.5 mm2 (24-12 AWG)
Stripping length 7 mm (0.28 inch)
Tightening torque 0.4 Nm (3.5 lb.in)
Standards
Product standard -
Low Voltage directive 2006/95/EC
EMC directive 2004/108/EC
RoHS directive 2011/6 5/EC
Electromagnetic compatibility
Interference immunity EN 61000-6-2
electrostatic discharge (ESD) IEC/EN 61000-4-2 Level 3 (±6 kV / ±8 kV)
electromagnetic field (HF radiation resistance) IEC/EN 61000-4-3 10 V/m
fast transients (Burst) IEC/EN 61000-4-4 Level 3 (±2 kV / 5 kH)
powerful impulses (Surge) IEC/EN 61000-4-5 ±2 kV / ±1 kV
HF line emission IEC/EN 61000-4-6 10 V
Interference emission EN 61000-6-4 Class B
Isolation data
Insulation voltage (between all isolated circuits) 1.5 kV
Test voltage (between all isolated circuits) 1.5 kV / 50 Hz
1) Includes non-linearity and factory setting, influenced by supply voltage and output load.
Approvals see “Overview” on page 253

4
2CDC 110 004 C0210 | Catalog Electronic relays and controls 2016 | ABB 278
Analog signal converters - CC-U range
Technical diagr., Connection diagr., Dimensional drawings
.039
2CDC 282 024 F0b06
J
DF
G
M
H
LK
AC
E
B
2CDC 282 023 F0b06
CC-U/x , CC-U/xR
2CDC 282 025 F0b0
6
1.0
0.9
0.8
0.7
0.6
0.5
F
0.1 0.2 0.3 0.4 0.5 0.6 0.7 0.8 0.9 1.0
cos
2CDC 282 014 F0b06
2CDC 282 026 F0b0
6
Dimensional drawings Dimensions in mm and inches
Connection diagram CC-U/x
Width 22.5 mm (0.89 in)
Technical diagrams
Load limit curves CC-U/xxR
Resistive AC load Resistive DC load
Derating curve

5
279 ABB | Catalog Electronic relays and controls 2016 | 2CDC 110 004 C0210
Interface relays and optocouplers
Product group picture

5
2CDC 110 004 C0210 | Catalog Electronic relays and controls 2016 | ABB 280
Interface relays and optocouplers
Table of contents
Interface Relays and Optocouplers
Interface relays and optocouplers 280
Benefits and advantages 281
Benefits and advantages, approvals 282
Pluggable interface relays 284
Table of contents 284
Socket types 285
Ordering details - CR-S range 286
Ordering details - CR-P range 287
Ordering details - CR-M range 288
Ordering details CR-P/M functional modules 291
Ordering details - CR-U range 292
Ordering details - CR-U accessories 293
Technical data - CR-P, CR-M, CR-U 294
Technical data, load limit curves - CR-P, CR-M, CR-U 296
Technical data - Sockets for CR-P and CR-M 297
Technical data - Sockets for CR-U 298
Technical data - CR-S range 299
Technical data - CR-S range sockets 300
Load limit curves 301
Connection diagrams, Dimensional drawings 302
Dimensional drawings 303
Boxed interface relays and optocouplers R600 range 306
Table of contents 306
Overview 307
Benefits and advantages 308
Boxed interface relays R600 range 309
Selection 309
Ordering details 311
Connection diagrams 313
Technical data 314
Dimensional drawings, Load limit curves 317
Boxed interface optocouplers R600 range 319
Selection 319
Ordering details 320
Connection diagrams, Dimensional drawings, Load limit curves 321
Technical data 322
Technical data, Dimensions 324

5
281 ABB | Catalog Electronic relays and controls 2016 | 2CDC 110 004 C0210
Interface relays and optocouplers
Benefits and advantages
– 2 different coil voltages
– DC versions: 12 V, 24 V, 48 V, 60 V, 110 V, 125V, 220 V
– AC versions: 24 V, 48 V, 110 V, 120 V, 230 V
– Output contacts
– 2 c/o contacts (12 A) or
– 3 c/o contacts (10 A) or
– 4 c/o contacts (6 A)
optionally equipped with gold contacts, LED and free
wheeling diode
– Integrated test button for manual actuation and locking of
the output contacts (blue = DC, orange = AC) that can be
removed if necessary
– With or without integrated LED
– Logical or standard sockets
– Cadmium-free contact material
– Width on socket: 27 mm
– Pluggable function modules
– Reverse polarity protection/Freewheeling diode
– LED indication
– RC elements
– Overvoltage protection
– 9 different coil voltages
– DC versions: 12 V, 24 V, 48 V, 110 V
– AC versions: 24 V, 48 V, 110 V, 120 V, 230 V
– Output contacts:
– 1 c/o contact (16 A) or
– 2 c/o contacts (8 A)
optionally equipped with gold contacts
– Logical or standard sockets
– Cadmium-free contact material
– Width of socket: 15.5 mm
– Pluggable function modules
– Reverse polarity protection/Freewheeling diode
– LED indication
– RC elements
– Overvoltage protection
– Standard slim relays (5 mm), optocouplers (5 mm), sockets
(6.2 mm) and accessories
– Combination of 9 different rated control supply voltages
possible:
DC versions: 5 V, 12 V, 24 V
AC/DC versions: 12 V, 24 V, 48 V, 60 V, 110 V, 230 V
– Output relay: 1 c/o (SPDT) contact (6 A), standard and
gold-plated
Output optocoupler: Transistor 100 mA - 48 V DC,
MOS-FET 2 A - 24 V DC, Triac 2 A - 240 V AC
– Cadmium-free contact material
– All sockets with LED
– Screw and spring connection terminals
– Jumper bar (red, black, blue), marker and separator avail-
able as accessories
– 12 different coil voltages
– DC versions: 12 V, 24 V, 48 V, 110 V, 125 V, 220 V
– AC versions: 24 V, 48 V, 60 V, 110 V, 120 V, 230 V
– Output contacts
– 2 c/o contacts (10 A) or
– 3 c/o contacts (10 A)
– Integrated test button for manual
actuation and locking of the output
contacts (blue = DC, orange = AC) that can be removed if
necessary
– With or without integrated LED
– Cadmium-free contact material
– Width on socket: 38 mm
– Pluggable function modules
– Reverse polarity protection/Freewheeling diode
– LED indication
– RC elements
– Overvoltage protection
– Multifunction time module
Slim relays and optocouplers CR-S Range
Pluggable universal relays CR-U
Pluggable pcb relays CR-P
Pluggable miniature relays CR-M

5
2CDC 110 004 C0210 | Catalog Electronic relays and controls 2016 | ABB 282
Interface relays and optocouplers
Benefits and advantages, approvals
– Boxed slim relays and optocouplers modules 6 mm or 12 mm
– 8 different rated control supply voltages:
DC versions: 5 V, 12 V, 24 V
AC/DC versions: 24 V, 48-60 V, 115 V, 230 V, 60-230 V
– Output relay: 1 n/c contact, 1 n/o contact, 1 c/o (SPDT) con-
tact, 2 c/o (SPDT) contacts
Output optocoupler: Transistor 100 mA - 58 V DC. MOS-FET
2 A / 5 A - 58 V DC, Triac 1 A / 2 A - 230 V AC
– Devices with output contacts protected by built in RC circuit,
which result in increased contact life
– Devices with leakage current protection on the input side
– All products with LED for the indication of the operational
state
– Screw or spring-type terminals
– Jumper bars and separator end section as accessories
R600 series interface relays and optocouplers
Approvals and marks
existing
pending Relays Sockets Modules
Approvals
CR-S
CR-P
CR-M
CR-U
R600
CR-S sockets
CR-PLS
CR-PSS
CR-PLC
CR-M..L..
CR-M..SS
CR-M..SF
CR-U..S
CR-U..E
CR-U..SM
CR-P/M
CR-U
Relays
Optocouplers
GANSI/UL 508 6)
cGCAN/CSA C22.2 No.14 1) 2) 3) 6)
FCAN/CSA C22.2 No.14
JVDE 8) 4) 8)
REAC
PLloyds Register 5)
ECCC
CQC
LRMRS 7) 7)
Marks
aCE
1) except CR-PLSx
2) except CR-M...LC
3) except CR-U3E
4) except 125 V DC devices
5) only devices with 4 c/o contacts
6) except CR-U61D, CR-U61DV
7) except 60 V and 125 V devices
8) only relays and sockets with screw terminals

5
283 ABB | Catalog Electronic relays and controls 2016 | 2CDC 110 004 C0210
Pluggable interface relays
Product group picture

5
2CDC 110 004 C0210 | Catalog Electronic relays and controls 2016 | ABB 284
Pluggable interface relays
Table of contents
Pluggable interface relays
Pluggable interface relays 284
Table of contents 284
Socket types 285
Ordering details - CR-S range 286
Ordering details - CR-P range 287
Ordering details - CR-M range 288
Ordering details CR-P/M functional modules 291
Ordering details - CR-U range 292
Ordering details - CR-U accessories 293
Technical data - CR-P, CR-M, CR-U 294
Technical data, load limit curves - CR-P, CR-M, CR-U 296
Technical data - Sockets for CR-P and CR-M 297
Technical data - Sockets for CR-U 298
Technical data - CR-S range 299
Technical data - CR-S range sockets 300
Load limit curves 301
Connection diagrams, Dimensional drawings 302
Dimensional drawings 303

5
285 ABB | Catalog Electronic relays and controls 2016 | 2CDC 110 004 C0210
Kinds of sockets
Standard sockets - Position of connecting terminals:
Coil connection (A1-A2) on lower socket side, contact
connections (n/o and n/c contacts) on the lower and upper
socket side.
Logical sockets - Position of connecting terminals:
Coil connection (A1-A2) on lower socket side, all contact
connections (common contacts, n/o and n/c contacts) on
upper socket side.
Details see connection diagrams
Kind of connecting terminals
CR-S Range
CR-M range
CR-P range
CR-P range
Screw type Spring type Fork type
Pluggable interface relays
Socket types
1 Socket
2 Pluggable function module
3 Interface relay
4 Holder
4 Marker label
1 Output contacts
2 Socket
3 Relay holder
4 Marker
4 Interface relay
6 LED green: Control supply voltage applied
7 Control supply voltage
1
2
3
4
4
4
3
2
1
4
6
7
1 Socket
2 Pluggable function module
3 Interface relay
4 Holder
1 Socket
2 Pluggable function module
3 Interface relay
4 Holder
11
22
33
4
4

5
2CDC 110 004 C0210 | Catalog Electronic relays and controls 2016 | ABB 286
Pluggable interface relays
Ordering details - CR-S range
Ordering details - CR-S range pluggable interface relays
Rated control
supply voltage
Outputs Contact
ratings
Type Order code Price Pkg
qty
Weight
(1 pce)
kg (lb)
5 V DC
1 c/o (SPDT)
standard
contacts 250 V, 6 A
CR-S005VDC1R 1SVR405501R1010
10 0.005
(0.011)
12 V DC CR-S012VDC1R 1SVR405501R2010
24 V DC CR-S024VDC1R 1SVR405501R3010
48 V DC CR-S048VDC1R 1SVR405501R4010
60 V DC CR-S060VDC1R 1SVR405501R5010
5 V DC
1 c/o (SPDT)
gold plated
contacts
12 V, 250 mA
(3W)1)
CR-S005VDC1RG 1SVR405501R1020
10 0.005
(0.011)
12 V DC CR-S012VDC1RG 1SVR405501R2020
24 V DC CR-S024VDC1RG 1SVR405501R3020
48 V DC CR-S048VDC1RG 1SVR405501R4020
60 V DC CR-S060VDC1RG 1SVR405501R5020
Ordering details - CR-S range pluggable optocoupler
Rated control
supply voltage
Outputs Type Order code Price Pkg
qty
Weight
(1 pce)
kg (lb)
24 V DC
Transistor, 100 mA - 48 V DC CR-S024VDC1TRA 1SVR405510R3050
10 0.004
(0.009)
MOS-FET, 2 A - 24 V DC CR-S024VDC1MOS 1SVR405510R3060
Triac, 2 A - 240 V AC CR-S024VDC1TRI 1SVR405510R3070
Ordering details - CR-S range complete interface relays (relay + socket)
Rated control
supply voltage
Outputs Contact
ratings
Type Order code Price Pkg
qty
Weight
(1 pce)
kg (lb)
24 V AC/DC
1 c/o (SPDT)
standard
contacts
250 V,
6 A
CR-S024VADC1CRS 1SVR405541R3110
10 0.03
(0.066)
CR-S024VADC1CRZ 1SVR405541R3210
110 V AC/DC CR-S110VADC1CRS 1SVR405541R6110
CR-S110VADC1CRZ 1SVR405541R6210
230 V AC/DC CR-S230VADC1CRS 1SVR405541R7110
CR-S230VADC1CRZ 1SVR405541R7210
24 V AC/DC
1 c/o (SPDT)
gold plated
contacts
12 V,
250 mA
(3W)1)
CR-S024VADC1CRGS 1SVR405541R3120
10 0.03
(0.066)
CR-S024VADC1CRGZ 1SVR405541R3220
110 V AC/DC CR-S110VADC1CRGS 1SVR405541R6120
CR-S110VADC1CRGZ 1SVR405541R6220
230 V AC/DC CR-S230VADC1CRGS 1SVR405541R7120
CR-S230VADC1CRGZ 1SVR405541R7220
1) If specified maximum values exceeded, the gold plating is destroyed. The maximum values of the standard contacts are then
valid.
Ordering details - CR-S range sockets
Rated control
supply voltage
Connection type Type Order code Price Pkg
qty
Weight
(1 pce)
kg (lb)
6-24 V DC Screw CR-S006/024VDC1SS 1SV R405521R1100
10 0.025
(0.055)
Spring CR-S006/024VDC1SZ 1SVR405521R1200
12-24 V AC/DC Screw CR-S012/024VADC1SS 1SVR405521R3100
Spring CR-S012/024VADC1SZ 1SVR405521R3200
48-60
V AC/DC
Screw CR-S048/060VADC1SS 1SVR405521R5100
Spring CR-S048/060VADC1SZ 1SVR405521R5200
110-125
V AC/DC
Screw CR-S110/125VADC1SS 1SVR405521R6100
Spring CR-S110/125VADC1SZ 1SVR405521R6200
220-240
V AC/DC
Screw CR-S220/240VADC1SS 1SVR405521R7100
Spring CR-S220/240VADC1SZ 1SVR405521R7200
Ordering details - CR-S range accessories
Version Type Order code Price Pkg
qty
Weight
(1 pce)
kg (lb)
Jumper bar 20 pole, blue color CR-SJB20-BLUE 1SVR405598R0700
10 0.008
(0.018)
Jumper bar 20 pole, red color CR-SJB20-RED 1SVR405598R0800
Jumper bar 20 pole, black color CR-SJB20-BLACK 1SVR405598R0900
Marker block CR-SM 1SNB041391R0610 10
0.0036
(0.0079)
Separator CR-SSEP 1SVR405599R0000 10 0.012
(0.026)
CR-S Interface relay
CR-S optocoupler
2CDC 291 005 S0014
2CDC 291 003 S0016
S = screw connection type
Z = spring connection type
Further documentation
CR-S Range on www.abb.com

5
287 ABB | Catalog Electronic relays and controls 2016 | 2CDC 110 004 C0210
Pluggable interface relays
Ordering details - CR-P range
Ordering details - CR-P range
Rated control
supply voltage
Outputs Contact
ratings
Type Order code Price Pkg
qty
Weight
(1 pce)
kg (lb)
12 V DC
1 c/o (SPDT) 250 V, 16 A
CR-P012DC1 1SVR405600R4000
10 0.014
(0.031)
24 V DC CR-P024DC1 1SVR405600R1000
48 V DC CR-P048DC1 1SVR405600R6000
110 V DC CR-P110DC1 1SVR405600R8000
24 V AC CR-P024AC1 1SVR405600R0000
48 V AC CR-P048AC1 1SVR405600R5000
110 V AC C R-P110AC1 1SVR405600R7000
120 V AC CR-P120AC1 1SVR405600R2000
230 V AC CR-P230AC1 1SVR405600R3000
12 V DC
2 c/o (SPDT) 250 V, 8 A
CR-P012DC2 1SVR405601R4000
10 0.014
(0.031)
24 V DC CR-P024DC2 1SVR405601R1000
48 V DC CR-P048DC2 1SVR405601R6000
110 V DC CR-P110DC2 1SVR405601R8000
24 V AC CR-P024AC2 1SVR405601R0000
48 V AC CR-P048AC2 1SVR405601R5000
110 V AC C R-P110AC2 1SVR405601R7000
120 V AC CR-P120AC2 1SVR405601R2000
230 V AC CR-P230AC2 1SVR405601R3000
Ordering details - Accessories
Version Connection
terminal
Type Order code Price Pkg
qty
Weight
(1 pce)
kg (lb)
Logical socket with protective
separation screw CR-PLS 1SVR405650R0000
10
0.045
(0.099)
Logical socket
screw CR-PLSx 1SVR405650R0100 0.043
(0.095)
spring CR-PLC 1SVR405650R0200 0.042
(0.093)
Standard socket screw CR-PSS 1SVR405650R1000 0.038
(0.084)
Plastic holder for socket CR-PH 1SVR405659R0000
10
0.002
(0.004)
Jumper bar for sockets with screw connection CR-PJ 1SVR405658R5000 0.018
(0.040)
Marker CR-PM 1SVR405658R0000 10 0.0002
(0.0004)
2CDC 291 004 F0007 2CDC 291 006 F0011
CR-PLS
CR-P
CR-PJ
2CDC 291 045 F0004
Ordering details - CR-P range with gold contacts
Rated control
supply voltage
Outputs Contact
ratings
Type Order code Price Pkg
qty
Weight
(1 pce)
kg (lb)
24 V DC
2 c/o (SPDT)
gold contact 250 V, 8 A
CR-P024DC2 1SVR405606R1000
10 0.014
(0.031)
24 V AC CR-P024AC2G 1SVR405606R0000
110 V AC C R-P110AC2G 1SVR405606R7000
230 V AC CR-P230AC2G 1SVR405606R3000
Further documentation
CR-P range on www.abb.com

5
2CDC 110 004 C0210 | Catalog Electronic relays and controls 2016 | ABB 288
Pluggable interface relays
Ordering details - CR-M range
Ordering details - CR-M range without LED
Rated control
supply voltage
Outputs Contact
ratings
Type Order code Price Pkg
qty
Weight
(1 pce)
kg (lb)
12 V DC
2 c/o (SPDT) 250 V, 12 A
CR-M012DC2 1SVR405611R4000
10 0.033
(0.073)
24 V DC CR-M024DC2 1SVR405611R1000
48 V DC CR-M048DC2 1SVR405611R6000
60 V DC CR-M060DC2 1SVR405611R4200
110 V DC CR-M110DC2 1SVR405611R8000
125 V DC CR-M125DC2 1SVR40 5611R8200
220 V DC CR-M220DC2 1SVR405611R9000
24 V AC CR-M024AC2 1SVR405611R0000
48 V AC CR-M048AC2 1SVR405611R5000
110 V AC CR-M110AC2 1SVR405611R7000
120 V AC CR-M120AC2 1SVR405611R2000
230 V AC CR-M230AC2 1SVR405611R3000
12 V DC
3 c/o (SPDT) 250 V, 10 A
CR-M012DC3 1SVR405612R4000
10 0.033
(0.073)
24 V DC CR-M024DC3 1SVR405612R1000
48 V DC CR-M048DC3 1SVR405612R6000
60 V DC CR-M060DC3 1SVR405612R4200
110 V DC CR-M110DC3 1SVR405612R8000
125 V DC CR-M125DC3 1SVR405612R8200
220 V DC CR-M220DC3 1SVR405612R9000
24 V AC CR-M024AC3 1SVR405612R0000
48 V AC CR-M048AC3 1SVR405612R5000
60 V AC CR-M060AC3 1SVR405612R5200
110 V AC CR-M110AC3 1SVR405612R7000
120 V AC CR-M120AC3 1SVR405612R2000
230 V AC CR-M230AC3 1SVR405612R3000
12 V DC
4 c/o (SPDT) 250 V, 6 A
CR-M012DC4 1SVR405613R4000
10 0.033
(0.073)
24 V DC CR-M024DC4 1SVR405613R1000
48 V DC CR-M048DC4 1SVR405613R6000
60 V DC CR-M060DC4 1SVR405613R4200
110 V DC CR-M110DC4 1SVR405613R8000
125 V DC CR-M125DC4 1SVR405613R8200
220 V DC CR-M220DC4 1SVR405613R9000
24 V AC CR-M024AC4 1SVR405613R0000
48 V AC CR-M048AC4 1SVR405613R5000
110 V AC CR-M110AC4 1SVR405613R7000
120 V AC CR-M120AC4 1SVR405613R2000
230 V AC CR-M230AC4 1SVR405613R3000
CR-M
2CDC 291 002 F0015

5
289 ABB | Catalog Electronic relays and controls 2016 | 2CDC 110 004 C0210
Pluggable interface relays
Ordering details - CR-M range
Ordering details - CR-M range with LED
Rated control
supply voltage
Outputs Contact
ratings
Type Order code Price Pkg
qty
Weight
(1 pce)
kg (lb)
12 V DC
2 c/o (SPDT) 250 V, 12 A
CR-M012DC2L 1SVR405611R4100
10 0.033
(0.073)
24 V DC CR-M024DC2L 1SVR405611R110 0
48 V DC CR-M048DC2L 1SVR405611R6100
60 V DC CR-M060DC2L 1SVR405611R4300
110 V DC CR-M110DC2L 1SVR405611R8100
125 V DC CR-M125DC2L 1SVR405611R8300
220 V DC CR-M220DC2L 1SVR405611R9100
24 V AC CR-M024AC2L 1SVR405611R0100
48 V AC CR-M048AC2L 1SV R405611R5100
110 V AC CR-M110AC2L 1SVR405611R7100
120 V AC CR-M120AC2L 1SVR405611R 2100
230 V AC CR-M230AC2L 1SVR405611R3100
12 V DC
3 c/o (SPDT) 250 V, 10 A
CR-M012DC3L 1SVR405612R4100
10 0.033
(0.073)
24 V DC CR-M024DC3L 1SVR405612R110 0
48 V DC CR-M048DC3L 1SVR405612R6100
60 V DC CR-M060DC3L 1SVR405612R4300
110 V DC CR-M110DC3L 1SVR405612R8100
125 V DC CR-M125DC3L 1SVR405612R8300
220 V DC CR-M220DC3L 1SVR405612R9100
24 V AC CR-M024AC3L 1SVR405612R0100
48 V AC CR-M048AC3L 1SVR405612R5100
110 V AC CR-M110AC3L 1SVR405612R7100
120 V AC CR-M120AC3L 1SVR405612R2100
230 V AC CR-M230AC3L 1SVR405612R3100
12 V DC
4 c/o (SPDT) 250 V, 6 A
CR-M012DC4L 1SVR405613R4100
10 0.033
(0.073)
24 V DC CR-M024DC4L 1SVR405613R1100
48 V DC CR-M048DC4L 1SVR405613R6100
60 V DC CR-M060DC4L 1SVR405613R4300
110 V DC CR-M110DC4L 1SVR405613R8100
125 V DC CR-M125DC4L 1SVR405613R8300
220 V DC CR-M220DC4L 1SVR405613R9100
24 V AC CR-M024AC4L 1SVR405613R0100
48 V AC CR-M048AC4L 1SVR405613R5100
110 V AC CR-M110AC4L 1SVR405613R7100
120 V AC CR-M120AC4L 1SVR405613R2100
230 V AC CR-M230AC4L 1SVR405613R3100
Ordering details - CR-M range with LED and free-wheeling diode
Rated control
supply voltage
Outputs Contact
ratings
Type Order code Price Pkg
qty
Weight
(1 pce)
kg (lb)
24 V DC 4 c/o (SPDT) 250 V, 6 A CR-M024DC4LD 1SVR40 5614R1100 10 0.033
(0.073)
Ordering details - CR-M range with gold contacts
Rated control
supply voltage
Outputs Contact
ratings
Type Order code Price Pkg
qty
Weight
(1 pce)
kg (lb)
24 V DC
4 c/o (SPDT) 250 V, 6 A
CR-M024DC4G 1SVR405618R1000
10 0.033
(0.073)
24 V AC CR-M024AC4G 1SVR405618R0000
110 V AC CR-M110AC4G 1SVR405618R7000
230 V AC CR-M230AC4G 1SVR405618R3000
CR-M
2CDC 291 002 F0015
Further documentation
CR-M range on www.abb.com

5
2CDC 110 004 C0210 | Catalog Electronic relays and controls 2016 | ABB 290
Pluggable interface relays
Ordering details - CR-M range
Rated control
supply voltage
Outputs Contact
ratings
Type Order code Price Pkg
qty
Weight
(1 pce)
kg (lb)
12 V DC
4 c/o (SPDT) 250 V / 6 A
CR-M012DC4LG 1SVR405618R4100
10 0.033
(0.073)
24 V DC CR-M024DC4LG 1SVR40 5618R110 0
48 V DC CR-M048DC4LG 1SVR405618R6100
60 V DC CR-M060DC4LG 1SVR405618R4300
110 V DC CR-M110DC4LG 1SVR405618R8100
125 V DC CR-M125DC4LG 1SVR405618R8300
220 V DC CR-M220DC4LG 1SVR405618R9100
24 V AC CR-M024AC4LG 1SVR405618R0100
10 0.033
(0.073)
48 V AC CR-M048AC4LG 1SVR405618R5100
110 V AC CR-M110AC4LG 1SVR405618R7100
120 V AC CR-M120AC4LG 1SVR405618R2100
230 V AC CR-M230AC4LG 1SVR405618R3100
Rated control
supply voltage
Outputs Contact
ratings
Type Order code Price Pkg
qty
Weight
(1 pce)
kg (lb)
12 V DC
4 c/o (SPDT)
CR-M012DC4LDG 1SVR405618R4400
10 0.033
(0.073)
24 V DC CR-M024DC4LDG 1SVR405618R1400
Ordering details - Accessories
Version Connection
terminal
Type Order code Price Pkg
qty
Weight
(1 pce)
kg (lb)
Logical socket for 2 c/o
screw
CR-M2LS 1SVR40 5651R1100
10
0.055
(0.121)
Logical socket for 3 c/o CR-M3LS 1SVR405651R2100 0.062
(0.137)
Logical socket for 2/4 c/o CR-M4LS 1SVR405651R3100 0.066
(0.146)
Logical socket for 2 c/o
spring
CR-M2LC 1SVR405651R1200 10
0.065
(0.143)
Logical socket for 2/4 c/o CR-M4LC 1SVR405651R3200 0.066
(0.146)
Standard socket for 2 c/o
screw
CR-M2SS 1SVR405651R1000
10
0.066
(0.146)
Standard socket for 3 c/o CR-M3SS 1SVR405651R2000 0.068
(0.150)
Standard socket for 2/4 c/o CR-M4SS 1SVR405651R3000 0.070
(0.154)
Standard socket for 2 c/o
fork type
CR-M2SF 1SVR405651R1300 10
0.040
(0.088)
Standard socket for 2/4 c/o CR-M4SF 1SVR405651R3300 0.048
(0.10 6)
Plastic holder CR-MH 1SVR405659R1000 10 0.003
(0.007)
Metal holder CR-MH1 1SVR405659R1100 10 0.0005
(0.001)
Jumper bar for sockets with screw
connection CR-MJ 1SVR405658R6000 10 0.029
(0.064)
Marker CR-MM 1SVR405658R1000 10 0.0005
(0.001)
2CDC 291 009 F00112CDC 291 005 F0007
CR-M4SS
CR-MJ
Ordering details – CR-M range with gold contacts and LED
Ordering details – CR-M range with gold contacts, LED and free-wheeling diode
CR-M
2CDC 291 002 F0015
Further documentation
CR-M range on www.abb.com

5
291 ABB | Catalog Electronic relays and controls 2016 | 2CDC 110 004 C0210
Pluggable interface relays
Ordering details CR-P/M functional modules
Ordering details - CR-P/M range
Rated control
supply voltage
Description Version Type Order code Price Pkg
qty
Weight
(1 pce)
kg (lb)
6-220 V DC
Diode -
Reverse
polarity
protection/free
wheeling diode
A1+, A2- CR-P/M 22 1SVR405651R0000 10 0.003
(0.007)
6-24 V DC Diode and
LED - Reverse
polarity
protection/free
wheeling diode
red, A1+, A2- CR-P/M 42 1SVR405652R0000
10 0.003
(0.007)
green, A1+, A2- CR-P/M 42V 1SVR405652R1000
24-60 V DC red, A1+, A2- CR-P/M 42B 1SVR405652R4000
green, A1+, A2- CR-P/M 42BV 1SVR405652R4100
110 V DC red, A1+, A2- CR-P/M 42C 1SVR405652R9000
green, A1+, A2- CR-P/M 42CV 1SVR405652R9100
6-24 V AC/DC
Spark
quenching
CR-P/M 52B 1SVR405653R0000
10 0.003
(0.007)
24-60 V AC/DC CR-P/M 52D 1SVR405653R4000
110 V AC/DC CR-P/M 52C 1SVR405653R1000
6-24 V AC/DC
Diode, LED and
reverse polarity
protection
red, for DC A1+,
A2- CR-P/M 62 1SVR405654R0000
10 0.003
(0.007)
green, for DC
A1+, A2- CR-P/M 62V 1SVR405654R1000
24-60 V AC/DC
red, for DC A1+,
A2- CR-P/M 62E 1SVR405654R4000
green, for DC
A1+, A2- CR-P/M 62EV 1SVR405654R4100
110 V DC
110-230 V AC
red, for DC A1+,
A2- CR-P/M 92 1SVR405654R0100
green, for DC
A1+, A2- CR-P/M 92V 1SVR405654R1100
6-24 V AC/DC
Varistor and
LED
Overvoltage
protection
red, for DC A1+,
A2- CR-P/M 62C 1SVR405655R0000
10 0.003
(0.007)
green, for DC
A1+, A2- CR-P/M 62CV 1SVR405655R1000
24-60 V AC/DC
red, for DC A1+,
A2- CR-P/M 62D 1SVR405655R4000
green, for DC
A1+, A2- CR-P/M 62DV 1SVR405655R4100
110 V DC
110-230 V AC
red, for DC A1+,
A2- CR-P/M 92C 1SVR405655R0100
green, for DC
A1+, A2- CR-P/M 92CV 1SVR405655R1100
24 V AC Overvoltage
protection
CR-P/M 72 1SVR405656R0000
10 0.002
(0.004)
115 V AC CR-P/M 72A 1SVR405656R1000
230 V AC CR-P/M 82 1SVR405656R2000
Connection diagrams
2CDC 292 013 F0005
CR-P/M 22
2CDC 292 014 F0005
CR-P/M 42, CR-P/M 42B,
CR-P/M 42C, CR-P/M 42V,
CR-P/M 42BV, CR-P/M 42CV
2CDC 292 015 F0005
CR-P/M 52B, CR-P/M 52C
CR-P/M 52D,
2CDC 292 016 F0005
CR-P/M 62, CR-P/M 62E,
CR-P/M 92, CR-P/M 62V,
CR-P/M 62EV, CR-P/M 92V
2CDC 292 017 F0005
CR-P/M 62C, CR-P/M 62D,
CR-P/M 92C, CR-P/M 62CV,
CR-P/M 62DV CR-P/M 92CV
2CDC 292 018 F0005
CR-P/M 72, CR-P/M 82
CR-P/M 72A,
CR-P/M ...
2CDC 291 005 S0011

5
2CDC 110 004 C0210 | Catalog Electronic relays and controls 2016 | ABB 292
Pluggable interface relays
Ordering details - CR-U range
Ordering details - CR-U range without LED
Rated control
supply voltage
Outputs Contact
ratings
Type Order code Price Pkg
qty
Weight
(1 pce)
kg (lb)
12 V DC
2 c/o (SPDT) 250 V, 10 A
CR-U012DC2 1SVR405621R4000
10 0.083
(0.183)
24 V DC CR-U024DC2 1SVR405621R1000
48 V DC CR-U048DC2 1SVR405621R6000
110 V DC CR- U110DC2 1SVR405621R8000
220 V DC CR-U220DC2 1SVR405621R9000
24 V AC CR-U024AC2 1SVR405621R0000
48 V AC CR-U048AC2 1SVR405621R5000
110 V AC C R-U110AC2 1SVR405621R7000
120 V AC CR-U120AC2 1SVR405621R2000
230 V AC CR-U230AC2 1SVR405621R3000
12 V DC
3 c/o (SPDT) 250 V, 10 A
CR-U012DC3 1SVR405622R4000
10 0.083
(0.183)
24 V DC CR-U024DC3 1SVR405622R1000
48 V DC CR-U048DC3 1SVR405622R6000
110 V DC CR-U110DC3 1SVR405622R8000
125 V DC CR-U125DC3 1SVR405622R8200
220 V DC CR-U220DC3 1SVR405622R9000
24 V AC CR-U024AC3 1SVR405622R0000
48 V AC CR-U048AC3 1SVR405622R5000
60 V AC CR-U060AC3 1SVR405622R5200
110 V AC C R-U110AC 3 1SVR405622R7000
120 V AC CR-U120AC3 1SVR405622R2000
230 V AC CR-U230AC3 1SVR405622R3000
Ordering details - CR-U range with LED
Rated control
supply voltage
Outputs Contact
ratings
Type Order code Price Pkg
qty
Weight
(1 pce)
kg (lb)
12 V DC
2 c/o (SPDT) 250 V, 10 A
CR-U012DC2L 1SVR405621R4100
10 0.083
(0.183)
24 V DC CR-U024DC2L 1SVR405621R1100
48 V DC CR-U048DC2L 1SVR405621R6100
110 V DC CR- U110DC2L 1SVR405621R8100
220 V DC CR-U220DC2L 1SVR405621R9100
24 V AC CR-U024AC2L 1SVR405621R0100
48 V AC CR-U048AC2L 1SVR405621R5100
110 V AC C R-U110AC2L 1SVR405621R7100
120 V AC CR-U120AC2L 1SVR405621R2100
230 V AC CR-U230AC2L 1SVR405621R3100
12 V DC
3 c/o (SPDT) 250 V, 10 A
CR-U012DC3L 1SVR405622R4100
10 0.083
(0.183)
24 V DC CR-U024DC3L 1SVR405622R1100
48 V DC CR-U048DC3L 1SVR405622R6100
110 V DC CR-U110DC3L 1SVR405622R8100
220 V DC CR-U220DC3L 1SVR405622R9100
24 V AC CR-U024AC3L 1SVR405622R0100
48 V AC CR-U048AC3L 1SVR405622R5100
110 V AC CR-U110AC3L 1SVR405622R7100
120 V AC CR-U120AC3L 1SVR405622R2100
230 V AC CR-U230AC3L 1SVR405622R3100
CR-U
CR-U2S
2CDC 291 047 F0004
2CDC 291 007 S0011
Ordering details - Accessories
Version Type Order code Price Pkg
qty
Weight
(1 pce)
kg (lb)
Socket for 2 c/o and module CR-U2S 1SVR405670R0000
10
Socket for 3 c/o and module CR-U3S 1SVR405660R0000
Socket for 3 c/o CR-U3E 1SVR405660R0100
Socket small for 2 c/o CR-U2SM 1SV R40 5670R110 0
Socket small for 3 c/o CR-U3SM 1SVR405660R1100
Holder for CR-U socket CR-UH 1SVR405669R0000
Further documentation
CR-U range on www.abb.com

5
293 ABB | Catalog Electronic relays and controls 2016 | 2CDC 110 004 C0210
Pluggable interface relays
Ordering details - CR-U accessories
Ordering details - CR-U range
Rated control
supply voltage
Description Version Type Order code Price Pkg
qty
Weight
(1 pce)
kg (lb)
6-220 V DC
Diode -
Reverse polarity
protection/free
wheeling diode
A1+, A2- CR-U 21 1SVR405661R0000 10 0.007
(0.015)
6-24 V DC
Diode and LED -
Reverse polarity
protection/free
wheeling diode
red, A1+, A2- CR-U 41 1SVR405662R0000
10 0.007
(0.015)
green, A1+, A2- CR-U 41V 1SVR405662R1000
24-60 V DC red, A1+, A2- CR-U 41B 1SVR405662R4000
green, A1+, A2- CR-U 41BV 1SVR405662R4100
110 V DC red, A1+, A2- CR-U 41C 1SVR405662R9000
green, A1+, A2- CR-U 41CV 1SVR405662R9100
6-24 V AC/DC
Spark
quenching
CR-U 51B 1SVR405663R0000
10 0.007
(0.015)
24-60 V AC/DC CR-U 51D 1SVR405663R4000
110 V AC/DC CR-U 51C 1SVR405663R1000
6-24 V AC/DC
Diode and LED
red, for DC A1+,
A2- CR-U 61 1SVR405664R0000
10 0.007
(0.015)
green, for DC
A1+, A2- CR-U 61V 1SVR405664R1000
24-60 V AC/DC
red, for DC A1+,
A2- CR-U 61E 1SVR405664R4000
green, for DC
A1+, A2- CR-U 61EV 1SVR405664R4100
110 V DC
110-230 V AC
red, for DC A1+,
A2- CR-U 91 1SVR405664R0100
green, for DC
A1+, A2- CR-U 91V 1SVR405664R1100
6-24 V AC/DC
Varistor and
LED
Overvoltage
protection
red, for DC A1+,
A2- CR-U 61C 1SVR405665R0000
10 0.007
(0.015)
green, for DC
A1+, A2- CR-U 61CV 1SVR405665R1000
24-60 V AC/DC
red, for DC A1+,
A2- CR-U 61D 1SVR405665R4000
green, for DC
A1+, A2- CR-U 61DV 1SVR405665R4100
110 V DC
110-230 V AC
red, for DC A1+,
A2- CR-U 91C 1SVR405665R0100
green, for DC
A1+, A2- CR-U 91CV 1SVR405665R1100
24 V AC Overvoltage
protection,
varistor
CR-U 71 1SVR405666R0000
10 0.007
(0.015)
115 V AC CR-U 71A 1SVR405666R1000
230 V AC CR-U 81 1SVR405666R2000
24-240 V AC/DC Multifunction
time module
pluggable onto
CR-U2S and
CR-U3S
CR-U T 1SVR405667R0000 10 0.014
(0.031)
CR-U...
2CDC 291 004 S0011 2CDC 291 032 F0005
CR-U T
Connection diagrams
2CDC 292 013 F0005
CR-U 21
2CDC 292 014 F0005
CR-U 41, CR-U 41B, CR-U 41C,
CR-U 41V, CR-U 41BV, CR-U 41CV
2CDC 292 015 F0005
CR-U 51B, CR-U 51C CR-U 51D
2CDC 292 016 F0005
CR-U 61, CR-U 61E, CR-U 91,
CR-U 61V, CR-U 61EV, CR-U 91V
2CDC 292 017 F0005
CR-U 61C, CR-U 61CV, CR-U 61D,
CR-U 61DV, CR-U 91C, CR-U 91CV
2CDC 292 018 F0005
CR-U 71, CR-U 71A , CR-U 81
All CR-U modules can be plugged onto sockets CR-U2S and CR-U3S.

5
2CDC 110 004 C0210 | Catalog Electronic relays and controls 2016 | ABB 294
Pluggable interface relays
Technical data - CR-P, CR-M, CR-U
Input circuit - coil data
Rated control
supply volt-
age US
Rated
frequency
Make voltage
(at20 °C)
Maximum-
voltage (at55
°C)
Break volt-
age
Rated power Coil re-
sistance
(at20°C)
Toleranceof
coil
resistance
DC coils 12 V DC - 8.4 V DC 30.6 V DC 0.1 US0.4-0.48 W 360 10%
24 V DC - 16.8 V DC 61.2 V DC 0.1 US0.4-0.48 W 1440 10%
48 V DC - 33.6 V DC 122.4 V DC 0.1 US0.4-0.48 W 5700 10%
110 V DC - 77 V DC 280 V DC 0.1 US0.4-0.48 W 25200 10%
AC coils 24 V AC 50 / 60 Hz 19.2 V AC 28.8 V AC 0.15 US0.75 VA 400 10%
48 V AC 50 / 60 Hz 38.4 V AC 57.6 V AC 0.15 US0.75 VA 1550 10%
110 V AC 50 / 60 Hz 88 V AC 132 V AC 0.15 US0.75 VA 8900 10%
120 V AC 50 / 60 Hz 96 V AC 144 V AC 0.15 US0.75 VA 10200 10%
230 V AC 50 / 60 Hz 184 V AC 276 V AC 0.15 US0.75 VA 38500 10%
CR-P range
CR-M range
Rated control
supply volt-
age US
Rated
frequency
Make voltage
(at20 °C)
Maximum
voltage (at55
°C)
Break volt-
age
Rated power Coil resis-
tance (at20
°C)
Tolerance of
coil
resistance
DC coils 12 V DC - 9.6 V DC 13.2 V DC 0.1 US0.9 W 160 10%
24 V DC - 19.2 DC 26.4 V DC 0.1 US0.9 W 640 10%
48 V DC - 38.4 V DC 52.8 V DC 0.1 US0.9 W 2600 10%
60 V DC - 48 V DC 66 V DC 0.1 US0.9 W 4000 10%
110 V DC - 88 V DC 121 V DC 0.1 US0.9 W 13600 10%
125 V DC -100 V DC 137.5 V DC 0.1 US0.9 W 16000 10%
220 V DC -176 V DC 242 V DC 0.1 US0.9 W 54000 10%
AC coils 24 V AC 50 / 60 Hz 19.2 V AC 26.4 V AC 0.2 US1.6 VA 158 10%
48 V AC 50 / 60 Hz 38.4 V AC 52.8 V AC 0.2 US1.6 VA 640 10%
60 V AC 50 / 60 Hz 48 V AC 66 V AC 0.2 US1.6 VA 930 10%
110 V AC 50 / 60 Hz 88 V AC 121 V AC 0.2 US1.6 VA 3450 10%
120 V AC 50 / 60 Hz 96 V AC 132 V AC 0.2 US1.6 VA 3770 10%
230 V AC 50 / 60 Hz 184 V AC 253 V AC 0.2 US1.6 VA 16100 10%
Rated control
supply volt-
age US
Rated
frequency
Make voltage
(at20 °C)
Maximum
voltage (at55
°C)
Break volt-
age
Rated power Coil re-
sistance
(at20°C)
Tolerance of
coil
resistance
DC coils 12 V DC -9.6 V DC 13.2 V DC 0.1 Us 1.5 W 110 10 %
24 V DC -19.2 V DC 26.4 V DC 0.1 Us 1.5 W 430 10 %
48 V DC -38.4 V DC 52.8 V DC 0.1 Us 1.5 W 1750 10 %
110 V DC -88.0 V DC 121.0 V DC 0.1 Us 1.5 W 9200 10 %
125 V DC -100 V DC 137.5 V DC 0.1 Us 1.5 W 11000 10 %
220 V DC -176.0 V DC 242.0 V DC 0.1 Us 1.5 W 37000 10 %
AC coils 24 V AC 50 / 60 Hz 19.2 V AC 26.4 V AC 0.15 US2.8 VA (50 Hz)
2.5 VA (60 Hz)
75 10 %
48 V AC 50 / 60 Hz 38.4 V AC 52.8 V AC 0.15 US2.8 VA (50 Hz)
2.5 VA (60 Hz)
305 10 %
60 V AC 50 / 60 Hz 48.0 V AC 66.0 V AC 0.15 US2.8 VA (50 Hz)
2.5 VA (60 Hz)
475 10 %
110 V AC 50 / 60 Hz 88.0 V AC 121.0 V AC 0.15 US2.8 VA (50 Hz)
2.5 VA (60 Hz)
1700 10 %
120 V AC 50 / 60 Hz 96.0 V AC 132.0 V AC 0.15 US2.8 VA (50 Hz)
2.5 VA (60 Hz)
1910 10 %
230 V AC 50 / 60 Hz 184.0 V AC 253.0 V AC 0.15 US2.8 VA (50 Hz)
2.5 VA (60 Hz)
7080 10 %
CR-U range

5
295 ABB | Catalog Electronic relays and controls 2016 | 2CDC 110 004 C0210
Type CR-P...1 CR-P...2 CR-M...2 CR-M...3 CR-M...4 CR-U...2 CR-U...3
Output circuit(s) 11-12/14 11-12 /14
21-22/24
11-12/14
21-22/24
11-12/14
21-22/24
31-32/34
11-12/14
21-22/24
31-32/34
41-42/44
11-12/14
31-32/34
11-12/14
21-22/24
31-32/34
Kind of output Relay, 1 c/o Relay, 2 c/o Relay, 2 c/o Relay, 3 c/o Relay, 4 c/o Relay, 2 c/o Relay, 3 c/o
Contact material AgNi
AgNi
AgNi/Au 5 µm
AgNi AgNi
AgNi
AgNi/Au 5 µm
AgNi
Rated operational voltage U
e
(VDE 0110, IEC 60947-1)
250 V
Minimum switching voltage 5 V 10 V (AgNi); 5 V (
AgNi/Au)
10 V
Maximum switching voltage DC 300 V DC 250 V DC
AC 440 V AC 250 V AC 440 V AC
Minimum switching current
5 mA (AgNi), 2 mA (AgNi/Au)
5 mA (AgNi) 5 mA (AgNi)
2 mA (AgNi/Au)
5 mA
Rated free air thermal current Ith 16 A 8 A 12 A 10 A 6 A 10 A
Rated
operational
current
(IEC 60947-
5-1)
AC-12 (resistive) 230 V 16 A 8 A 12 A 10 A 6 A 10 A
AC-15 (inductive) 230 V 1.5 A 1.5 A 1.5 A 1.5 A 1 A 1.5 A
AC-15 (inductive) 120 V 3 A 1.5 A 3 A
DC-12 (resistive) 24 V 16 A 8 A 12 A 10 A 6 A 10 A
DC-13 (inductive) 24 V 2.5 A 2 A 2.5 A 2.5 A 2 A 2 A
DC-13 (inductive) 120 V 0.22 A
DC-13 (inductive) 250 V 0.1 A
AC rating
(UL 508)
Utilization category (pilot duty)
(Contact rating code designation)
B300 B300 B300
max. rated operational voltage
300 V AC 300 V AC 300 V AC
Max. continuous thermal current
at utilization category
5 A 5 A 5 A 2.5 A 5 A
Max. making / breaking apparent
power at utilization category
3600 / 360 VA 3600 / 360 VA 1800 /
180VA 3600/360 VA
Utilization category (resistive)
(CSA22.2 No.14....)
16 A,
250VAC
8 A,
250VAC
10 A, 250VAC
12 A, 150VAC 6 A, 250VAC
10 A, 150VAC 5 A, 250VAC
10 A, 150VAC
10 A, 250 V AC (resistive +
single-phase)
DC rating *
(UL 508;
NEMA ICS-5)
Utilization category (pilot duty)
(Contact rating code designation)
R300
Max. rated operational voltage
300 V DC
Max. continuous thermal current
at utilization category
1 A
Max. making / breaking apparent
power at utilization category
28 VA
Utilization category (resistive)
(CSA22.2 No.14....) -
10 A, 24 V DC
-10 A, 28 V DC
Maximum making (inrush) current 30 A 15 A 24 A 20 A 12 A 20 A
Minimum switching power
0.3 W (AgNi), 0.05W(AgNi/Au)
0.3 W (AgNi), 0.1 W (AgNi/Au) 0.3 W
Maximum switching
(breaking) power
AC1 (resistive) 4000 VA 2000 VA 3000 VA 2500 VA 1500 VA 2500 VA
Contact resistance 100 m
Maximum operating
frequency
rated load AC-1
600 switching cycles/h 1200 switching cycles/h
without load 72000 switching cycles/h 18000 switching cycles/h 12000 switching cycles/h
Mechanical lifetime > 3 x 107 switching cycles > 2 x 107 switching cycles
Electrical lifetime electrical AC1
(resistive)
> 0.7 x 105
switching
cycles (16 A,
250 V)
> 105
switching
cycles (8 A,
250 V)
> 105 switching cycles
> 105 switching cycles
(12 A, 250 V)
(12 A, 250 V) (10 A, 250 V) (6 A, 250 V)
cos see reduction factor F
Response time typ. 7 ms typ. 13 ms (DC),10 ms (AC) typ. 18 ms (DC), 12 ms (AC)
Release time typ. 3 ms typ. 3 ms (DC), 8 ms (AC) typ. 7 ms (DC), 10 ms (AC)
Isolation data
Rated insulation voltage 400 V AC 250 V AC
Insulation class C250 / B400 C250 / B250 C250
Rated
impulse
withstand
voltage Uimp
between coil and contacts 5 kV AC 2.5 kV AC
between open contacts 1 kV AC 1.5 kV AC
between c/o (SPDT) contacts -2.5 kV AC 2.5 kV AC 2 kV AC 2 kV AC
Clearance between coil and contacts 10 mm 2.5 mm 1.6 mm 3 mm
Creepage distance between coil and contacts 10 mm 4 mm 3.2 mm 4.2 mm
Overvoltage category III III II III
Pollution degree 3 3 2 3
Pluggable interface relays
Technical data - CR-P, CR-M, CR-U
* Those ratings are based on different type tests but they are not covered by the cULus or CSA approvals.

5
2CDC 110 004 C0210 | Catalog Electronic relays and controls 2016 | ABB 296
Type CR-P...1 CR-P...2 CR-M...2 CR-M...3 CR-M...4 CR-U...2 CR-U...3
General data
Dimensions (W x H x D) when mounted 12.7 x 29 x 15.7 mm 21.2 x 27.5 x 35.6 mm 35 x 35 x 54.4 mm
Weight 14 g (0.031 lb) 35 g (0.077 lb) 83 g (0.18 lb)
Mounting on socket (see accessories)
Mounting position any
Degree of protection IP 67 IP 40
Electrical connection
Connection by socket
Environmental data
Ambient temperature range operation DC: -40...+85 °;
AC: -40...+70 °C DC: -40...+70 °; AC: -40...+55 °C
storage -40 ... +85 °C
Vibration resistance 10-150
Hz
n/o contact 10 g 5 g 5 g
n/c contact 10 g 5 g 5 g 5 g
Shock resistance n/o contact 30 g 20 g 10 g 10 g
n/c contact 30 g 20 g 5 g 10 g
Standards
Product standard IEC/EN 60255-23, IEC/EN
60664-1, IEC/EN 61810-1
IEC/EN 60255-23, IEC/EN 60810-1,
IEC/EN 61810-7 IEC/EN 60255-1
Low Voltage Directive 2006/95/EC
Load limit curves - Maximum switching power at resistive DC load
CR-P with 1 c/o contact CR-P with 2 c/o contacts CR-U with 2 and 3 c/o contacts
CR-M with 2 c/o contacts CR-M with 3 c/o contacts CR-M with 4 c/o contacts
2CDC 292 005 F0204
DC current [A]
DC voltage [V]
2CDC 292 010 F0204
DC current [A]
DC voltage [V]
1 = resistive load, T = 0 ms
2 = inductive load, T = 40 ms
2CDC 292 028 F0204
DC voltage [V]
DC current [A]
2CDC 292 015 F0204
DC current [A]
DC voltage [V]
1 = resistive load, T = 0 ms
2 = inductive load, T = 40 ms
2CDC 292 019 F0204
DC voltage [V]
DC current [A]
2CDC 292 023 F0204
DC voltage [V]
DC current [A]
Pluggable interface relays
Technical data, load limit curves - CR-P, CR-M, CR-U
Approvals see page 5/6.

5
297 ABB | Catalog Electronic relays and controls 2016 | 2CDC 110 004 C0210
Pluggable interface relays
Technical data - Sockets for CR-P and CR-M
Output circuits CR-PLS CR-PLS(x) CR-PSS CR-PLC CR-MxLS CR-MxSS CR-MxSF CR-MxLC
Output circuits 11-12/14, 21-22/24 11-12/14, 21-22/24, ...
Number of poles 22, 3 or 4 2 or 4
Rated voltage 250 V AC 300 V AC 250 V AC 250 V AC 300 V AC
Rated current 2 x 10 A1) 2 x 12 A1) 2 x 10 A1) 7 A 10 A
General data
Dimensions without holder and
module (L x W x H)
76 x 15.8 x
62 mm
(2.992 x 0.622
x 2.441 in)
78.5 x 15.5 x
61 mm
(3.011 x 0.610
x 2.402 in)
76 x 15.8 x
42.8 mm
(2.992 x 0.622
x 1.685 in)
97.5 x 16.3 x
45.2 mm
(3.839 x 0.642
x 1.780 in)
75 x 27.2 x
60.8 mm
(2.952 x 1.071
x 2.394 in)
75.2 x 27.2 x
42.6 mm
(2.961 x 1.071
x 1.677 in)
66.7 x 30.3 x
29 mm (2.626
x 1.193 x 1.142
in)
95 x 31 x
42.5 mm
(3.74 x 1.22 x
1.67 in)
Degree of protection terminals IP 20 B (EN 60529)
Temperature range operation -40...+70 °C -40...+85 °C -40...+70 °C -40...+70 °C -25...+85 °C
storage -40...+70 °C -40...+85 °C -40...+70 °C -40...+70 °C
Connection type screw connection spring
connection
screw connection fork type
screw
spring
connection
Maximum number of wires per
connecting terminal
22 (one per
connection
point)
2 - 2 (one per
connection
point)
Wire size rigid 2 x 2.5 mm2 (2 x 14 AWG) 2 x 1.5 mm2
(2 x 16 AWG)
0.2 - 1.5 mm
2
(24 x 16 AWG)
fine-strand 2 x 2.5 mm2 (2 x 14 AWG) 0.2-1.5 mm2
(24-16 AWG)
with wire end ferule 2 x 1.5 mm2 (2 x 16 AWG) 2 x 1.5 mm2 (2 x 16 AWG)
Stripping length -7 mm (0.28 in) - -
Tightening torque 0.6 Nm 0.8 Nm 0.6 Nm 0.6 Nm (5.31 lb.in)
Maximum
clamping
force
with 0.2 mm2---10 N ---10 N
with 1.5 mm2---40 N ---40 N
with wire end ferrule - ---> 40 N
Mounting DIN rail (IEC/EN 60715)
Material socket PA 6+GF - V2 PA 6+GF - V2
contacts CuZn33 CuZn33
contact surface 5 μ Ni
5 μ tinned
5 μ Ni 5 μ Ni 6 μ Ni 5 μ tinned
terminals 8 μ Ni
8 μ galvanized
8 μ Ni XCrNi Steel 8 μ Ni CCSC
combi screw M3 8.8 Steel, 5μ Ni -8.8 Steel, 5μ Ni -
Isolation data
Insulation voltage > 5 kV > 3 kV > 5 kV > 3 kV > 4 kV
Isolation between coil and
contacts
EN 61984 VDE 0106 /
101
EN 61984 -DIN EN
61140,
VDE 0140-1
Clearance and creepage distance EN 61984 DIN EN
60664-1
EN 61984 DIN EN 60664-1
Standards
Products standard EN 61984 EN 61984 - -
Low Voltage Directive 2006/95/EC 2006/95/EC
EMC Directive -2004/108/EC
1) Loads >10 A ( >12 A for CR-PLSx) require jumpering of terminal 11 with 21, 12 with 22, and 14 with 24

5
2CDC 110 004 C0210 | Catalog Electronic relays and controls 2016 | ABB 298
Pluggable interface relays
Technical data - Sockets for CR-U
Output circuits CR-U2S CR-U3S CR-U3E CR-UxSM
Output circuits 11-12/14, 21-22/24,...
Number of poles 2 3 2 or 3
Rated voltage 250 V AC 300 V AC 250 V
Rated current 10 A
General data
Dimensions without holder and
module (L x W x H)
75.3 x 37.3 x 26 mm
(2.965 x 1.469 x 1.024 in) 75.3 x 38.1 x 26 mm
(2.965 x 1.500 x 1.024 in) 70 x 38 x 26 mm
(2.756 x 1.496 x 1.024 in) 61.8 x 38.1 x 26 mm
(2.756 x 1.500 x 1.024 in)
Degree of protection terminals IP 20 B (EN 60529)
Temperature range operation -40...+70 °C -40...+85 °C -40...+70 °C
storage -40...+70 °C -40...+85 °C -40...+70 °C
Wire size rigid 2 x 2.5 mm2 (2 x 14 AWG)
fine-strand 2 x 2.5 mm2 (2 x 14 AWG)
with wire end ferule 2 x 1.5 mm2 (2 x 16 AWG)
Tightening torque 0.6 Nm 0.8 Nm 0.6 Nm
Mounting DIN rail (IEC/EN 60715)
Material socket PA 6+GF - V2
contacts CuZn33
contact surface 6 μ Ni 3 μ Ni
terminals 8 μ Ni
8 μ galvanized
10 μ Ni
combi screw M3 8.8 Steel, 5μ Ni Steel, 8 μ Ni
Isolation data
Insulation voltage > 2 kV
Isolation between coil and
contacts
EN 61984
Clearance and creepage distance EN 61984
Standards
Products standard EN 61984: 2001
Low Voltage Directive 2006/95/EC

5
299 ABB | Catalog Electronic relays and controls 2016 | 2CDC 110 004 C0210
Pluggable interface relays
Technical data - CR-S range
Rated control
supply
voltage Us
Make voltage
(at 23 °C)
Maxium
voltage
(at 55 °C)
Break voltage Rated power Coil
resistance
(at 23 °C)
Tolerance of
coil
resistance
CR-S005VDC1R(G) 5 V DC 3.75 V DC 7.5 V DC 0.25 V DC 170 mW 147 Ω ± 10 %
CR-S012VDC1R(G) 12 V DC 9 V DC 18 V DC 0.6 V DC 170 mW 848 Ω ± 10 %
CR-S024VDC1R(G) 24 V DC 18 V DC 36 V DC 1.2 V DC 170 mW 3390 Ω ± 15 %
CR-S048VDC1R(G) 48 V DC 36 V DC 72 V DC 2.4 V DC 210 mW 10600 Ω ± 15 %
CR-S060VDC1R(G) 60 V DC 45 V DC 90 V DC 3 V DC 210 mW 16600 Ω ± 15 %
Output circuits
Output circuits 11-12/14
Kind of output 1 c/o (SPDT)
Contact material AgSnO2 / AgSnO2/Au
Rated operational voltage Ue (IEC/EN 60947-1) 250 V AC
Minimum switching voltage 12 V DC
Maximum switching voltage 400 V AC / 125 V DC
Minimum switching current 100 mA (AgSnO2) / 10 mA (AgSnO2/Au)
Rated free air thermal current Ith 5 A
Rated operational current (IEC/EN 60947-5-1) AC12 (resistive) 230 V 6 A
AC15 (inductive) 230 V 1.5 A
AC15 (inductive) 120 V 3 A
DC12 (resistive) 24 V 6 A
DC13 (inductive) 24 V 1 A
DC13 (inductive) 120 V 0.22 A
DC13 (inductive) 250 V 0.11 A
AC rating (UL 508; NEMA ICS-5) Utilization category (pilot duty)
(Contact rating code designation)
B300
DC rating (UL 508; NEMA ICS-5) Utilization category (pilot duty)
(Contact rating code designation)
R300
Maximum making (inrush) current 15 A, 240 V AC
Minimum switching power 100 mA/12 V (AgSnO2) / 50 mW (AgSnO2/Au)
Maximum switching (breaking) power AC1 (resistive) 1500 VA, 250 V AC
Contact resistance 100 m (at 1 A/ 6 V DC)
Maximum operating frequency rated load AC1 360 switching cycles/h
without load 18000 switching cycles/h
Mechanical lifetime 1 x 107 switching cycles
Electrical lifetime AC1 (resistive) (n/c) 3 x 104 switching cycles (at +85 °C)
(n/o) 1 x 104 switching cycles (at +85 °C)
Response time 8 ms
Release time 4 ms
Isolation data
Rated insulation voltage 250 V AC
Rated impulse withstand voltage Uimp between coil and contacts 4000 V AC 1 min
between open contacts 1000 V AC 1 min
Clearance between coil and contacts 5.5 mm (0.217 in)
Creepage distance between coil and contacts 8 mm (0.315 in)
Overvoltage category III
Pollution degree 2
General data
Dimensions (W x H x D) 28 x 5 x 15 mm (1.102 x 0.196 x 0.590 in)
Weight 5 g (0.011 lb)
Mounting on socket
Mounting position any
Degree of protection RT II and RT III
Electrical connection
Connection by socket
Environmental data
Ambient temperature range operation -40...+85 °C
storage 0...+40 °C
Vibration resistance (10-150 Hz) n/o contact 10 Hz to 55 Hz 1mm DA
n/c contact 10 Hz to 55 Hz 1mm DA
Shock resistance n/o contact Functional 49 m/s² / Destructive 980 m/s²
n/c contact Functional 49 m/s² / Destructive 980 m/s²
Standards
Product standard IEC 61810-1
Low Voltage Directive 2006/95/EC

5
2CDC 110 004 C0210 | Catalog Electronic relays and controls 2016 | ABB 300
Pluggable interface relays
Technical data - CR-S range sockets
Input circuits CR-S 6-24 V CR-S 12-24 V CR-S 48-60 V CR-S 110-125 V CR-S
220-240 V
Rated control supply voltage Us6-24 V DC 2-24 V AC/DC 48-60 V AC/DC 110-125 V AC/DC 220-240 V AC/DC
Rated control supply voltage Us tolerance (0.8-1.2) Un(0.8-1.1) Un
Typical current 11-29 mA 11-16 mA 3.6-4.5 mA 3.6 mA 3.6 mA
Response time 8 ms
Release time 4 ms
Status device green LED
Protective circuit yes
Output circuits
Output circuits 11-12/14
Number of poles 1
Rated voltage 250 V AC
Rated current 6 A
General data for CR-S with screw connection terminal
Dimensions without holder (L x W x H) 88.3 x 6.3 x 70.9 mm (3.476 x 0.248 x 2.789 in)
Degree of protection (EN 60529) Degree of protection (EN 60529) IP20 (terminals)
Temperature range operation -40...+70 °C -40...+55 °C
storage 0...+40 °C
Connection type Screw
Maximum nuber of wires per connection terminal 2
Wire size rigid 1 x 2.5 mm² (1 x 14 AWG) ; 2 x 1.5 mm² (2 x 16 AWG)
fine-strand 1 x 2.5 mm² (1 x 14 AWG); 2 x 1.5 mm² (2 x 16 AWG)
with wire end ferule 1 x 2.5 mm² (1 x 14 AWG); 2 x 1.0 mm² (2 x 18 AWG)
Tightening torque 0.5 Nm (4.426 lb.in)
Stripping length 7 mm (0.276 in)
Mounting (IEC/EN 60715) DIN rail
Material socket PA6 +GF-V2
contacts CuZn36
contact surface 3 μ Ni/Sn
terminals CuZn40, 3 μ Ni
combi screw M3 Fe
General data for CR-S with spring connection terminal
Dimensions without holder (L x W x H) 88.3 x 6.3 x 70.9 mm (3.476 x 0.248 x 2.789 in)
Degree of protection (EN 60529) Degree of protection (EN 60529) IP20 (terminals)
Temperature range operation -40...+70 °C -40...+55 °C
storage 0...+40 °C
Connection type Spring
Maximum nuber of wires per connection terminal 1
Wire size 2.5 mm² (14 AWG) rigid, fine-strand and with wire end ferule
Stripping length 7 mm (0.276 in)
Mounting (IEC/EN 60715) DIN rail
Material socket PA6 +GF-V2
contacts CuZn36
contact surface 3 μ Ni/Sn
spring terminals SUS301
Isolation data
Isolation between coil and contacts 5000 V AC
Resistance to shock coil to contact 1000 M
Clearance and creepage distance IEC/EN 61984
Standards
Product stancard IEC/EN 61984: 2001
Low Voltage Directive 2006/95/EC
Load limit curves - Max. DC load breaking capacity Endurance curve
DC current (A)
DC voltage (V)
10
0.1
0.2
0.5
1
2
5
10
20 50 100 200
2CDC 292 012 F0214
Contact current (A)
Operations (*1000 ops)
0
5
10
50
100
1234 56
7
8
2CDC 292 013 F0214

5
301 ABB | Catalog Electronic relays and controls 2016 | 2CDC 110 004 C0210
Load limit curves - Electrical lifetime at resistive AC load
CR-P with 1 c/o contact CR-P with 2 c/o contacts CR-U with 2 and 3 c/o contacts
CR-M with 2 c/o contacts CR-M with 3 c/o contacts CR-M with 4 c/o contacts
2CDC 292 003 F0204
Switching cycles
Switching power [kVA]
2CDC 292 009 F0204
Switching cycles
Switching power [kVA]
2CDC 292 027 F0204
Switching cycles
Switching power [kVA]
2CDC 292 013 F0204
Switching cycles
Switching power [kVA]
2CDC 292 018 F0204
Switching cycles
Switching power [kVA]
2CDC 292 022 F0204
Switching cycles
Switching power [kVA]
Reduction factor F at inductive AC load
2CDC 292 004 F0204
Reduction factor
Power factor
2CDC 292 014 F0204
Reduction factor
Power factor Power factor
Reduction factor
2CDC 292 029 F0204
CR-P CR-M CR-U
Pluggable interface relays
Load limit curves

5
2CDC 110 004 C0210 | Catalog Electronic relays and controls 2016 | ABB 302
Connection diagrams
Dimensional drawings Dimensions in mm and inches
CR-M with 2 c/o contacts
CR-P with 1 c/o contact CR-M with 2 c/o contacts CR-M with 3 c/o contacts CR-U with 2 c/o contacts
CR-P with 2 c/o contacts CR-M with 4 c/o contacts CR-S CR-U with 3 c/o contacts
CR-U with 2 c/o contacts
CR-P
CR-S
CR-M with 3 c/o contacts
CR-M with 4 c/o contacts
CR-U with 3 c/o contacts
2CDC 292 001 F0004
2CDC 292 008 F0004
2CDC 292 002 F00042CDC 292 052 F0013
1 0.039
0.5 0.020
0.9
0.035
0.5 0.020
3.78 0.149
5.04 0.198
5 0.197
16.38 0.645
28 1.102
15 0.591
3.5 0.138
2CDC 292 011 F0004
2CDC 292 016 F0004
2CDC 292 020 F0004
2CDC 292 001 F0014
2CDC 292 001 F00152CDC 292 002 F00152CDC 292 003 F0015
2CDC 292 024 F00042CDC 292 030 F0004
2CDC 292 025 F0004
2CDC 292 026 F0004
Pluggable interface relays
Connection diagrams, Dimensional drawings

5
303 ABB | Catalog Electronic relays and controls 2016 | 2CDC 110 004 C0210
20.32
5.085.08
15.5
7.62
29.4
3.2
78.5
24
50
62
61
42.5
Pluggable interface relays
Dimensional drawings
Dimensions in mm and inches
Relay
Jumper
CR-PLS - screw connection
CR-PLSx - screw connection
CR-PSS - screw connection
2CDC 292 033 F0004
2CDC 292 053 F0013
2CDC 292 054 F0013
2CDC 292 003 F0014
2CDC 292 002 F0014
CR-PLC - spring connection
CR-PJ
62
51,2
29
15,8
7,5
76
20
10
Marker
Relay
Holder
Pluggable
function module
42.8
15,8
24
76
10
20
Marker
Holder
Relay
Pluggable
function module
2CDC 292 006 F0211
2CDC 292 007 F0211
7,62
97,5
25,9
20,32
5,08
5,08
24,4
16,3
33,8
43,5
34,4
1,5
10
10
R1
2
±0,2
15,5
±0,2
9x15 (=139,5)
141,5
+1
6
±0,2
2CDC 292 010 F0011
2CDC 292 012 F0011
Pluggable function
module
Holder
76.6 3.016
73.2 2.882
3.5 0.138
35.4 1.394
94.7 3.728
6.2 0.244
6.3 0.248
123.2 4.850
2.8 0.110
0.8 0.031
16.7 0.657
6.7 0.264
70.9 2.791
6.3 0.272
44.2 1.74
52 2.047
69.4 2.732
88.3 3.476
28 1.102
35.4 1.394
55.4 2.181
35.8 1.409
92.7 3.650
35.7 1.406
20.6 0.811
40.2 1.583
59.8 2.354
71.1 2.799
Spring socket for CR-S range interface relays
Jumper bar CR-S
Screw socket for CR-S range interface relays Separator for CR-S

5
2CDC 110 004 C0210 | Catalog Electronic relays and controls 2016 | ABB 304
Pluggable interface relays
Dimensional drawings
Dimensions in mm and inches
2CDC 292 081 F0004
CR-U2S - CR-U3S
CR-M2SS - CR-M3SS - CR-M4SS - screw connection
CR-M2LS - CR-M3LS - CR-M4LS - screw connection
CR-U3E
CR-UxSM
31
27 26
79,5
42,5
33,2
24
12,4
12,4
15
95
5,5
2CDC 292 006 F0005
30,3
66,7
35,4
29 max
19
CR-M2LC , CR-M4LC - spring connection
CR-MxSF - screw connection
CR-MJ
9 - M3
12 - M3
37,3 38,1
29,8 29,8
4
75,3
75,3
35,4
CR-U2S CR-U3S
27,2
27,2 27,2
75,2
35,4
24
42,6
Marker
Relay
Holder
Pluggable
function module
2CDC 292 008 F0011
29,1
24
42,6
75
60,8
27,2
27,2 27,2
75
35,4
Marker
Relay
Holder
Pluggable
function module
CR-M2LS CR-M3LS CR-M4LS
2CDC 292 004 F0211
2CDC 292 005 F0011
2CDC 292 003 F0211
11 - M3
27,8
38,1
26
61,8
4
35,4
27,8
38,1
CR-U2SM CR-U3SM
8 - M3
61,8
2CDC 292 009 F0011
246.8
1
9,5
10
R1
9 x 27.2 (=244,8)
27.2 ±0.2
6±0,2
2±0,2
2CDC 292 011 F0011

5
305 ABB | Catalog Electronic relays and controls 2016 | 2CDC 110 004 C0210
Boxed interface relays and optocouplers R600 range
Product group picture

5
2CDC 110 004 C0210 | Catalog Electronic relays and controls 2016 | ABB 306
Boxed interface relays and optocouplers R600 range
Table of contents
Boxed interface relays and optocouplers R600 range
IBoxed interface relays and optocouplers R600 range 306
Table of contents 306
Overview 307
Benefits and advantages 308
Boxed interface relays R600 range 309
Selection 309
Ordering details 311
Connection diagrams 313
Technical data 314
Dimensional drawings, Load limit curves 317
Boxed interface optocouplers R600 range 319
Selection 319
Ordering details 320
Connection diagrams, Dimensional drawings, Load limit curves 321
Technical data 322
Technical data, Dimensions 324

5
307 ABB | Catalog Electronic relays and controls 2016 | 2CDC 110 004 C0210
Boxed interface relays and optocouplers R600 range
Overview
ABB’s R600 range of boxed interface relays and optocouplers are used for
electrical isolation, amplification and signal matching between the control unit
and the sensor/actuator level. The space saving design and different connection
terminal possibilities optimize your panel installation.
The broad portfolio of R600 range offers the most suitable interface solution for
your application.
Easy to install
The R600 interface relays and optocouplers are easy to mount by snapping onto a
DIN-rail which is according to IEC/EN 60715.
Time saving wiring thanks to jumper bar.
Global availability
Applicable all over the world according to the highest standards. You will find R600
boxed interface relays and optocouplers in any application and every corner of the
world.
Space saving
Thanks to the 6 mm slim and 70 mm short housing, you maximize the foot print of
your panel. The 75 mm depth allows you use in a compact cabinet.
F H R a
Screw clamp module Spring clamp module

5
2CDC 110 004 C0210 | Catalog Electronic relays and controls 2016 | ABB 308
Boxed interface relays and optocouplers R600 range
Benefits and advantages
Complete product line
1 n/o, 1 n/c, 1 c/o, 2 c/o output configuration. Standard contact material for
switching high current signals as well as gold-plated contacts for reliable switching
of low current signals.
Optocoupler with transistor, MOS-FET and triac output for longer life-time, higher
reliability and quiet operation.
Screw and spring connection terminals.
Marine certification
R600 Range offers the LR approval, which allows usage of the boxed interface
relays and optocouplers in many applications around the marine segment. The
performance of the R600 Range has proven by successfully passing tests required
harshest conditions.
Safe operation
High resistance to vibration and shock thanks to the relay soldered inside of the
housing.
Wrong relay replacement or relay lose not possible .
Devices with immunity to the leakage currents.
Clear functioning status
Green LED for the status of the supply control voltage applied.
Leakage current protection
1 NO 1 SPDT
1 DPDT
Transistor MOS-FET Triac
1 NC

5
309 ABB | Catalog Electronic relays and controls 2016 | 2CDC 110 004 C0210
Boxed interface relays R600 range
Selection
Order number
1SNA645034R2300
1SNA645036R2500
1SNA645534R2500
1SNA645073R0000
1SNA645035R2400
1SNA645075R0000
1SNA645535R2600
1SNA645019R0400
1SNA645519R0600
1SNA645014R2700
1SNA645018R0300
1SNA645518R0500
1SNA645514R2100
1SNA645001R0300
1SNA645005R0700
1SNA645501R0500
1SNA645505R0100
1SNA645012R2500
1SNA645512R2700
1SNA645071R0000
1SNA645571R0000
1SNA645072R0000
1SNA645572R0000
1SNA645002R0400
1SNA645006R0000
1SNA645502R0600
1SNA645506R0200
1SNA645040R1500
1SNA645540R1700
1SNA645003R0500
1SNA645007R0100
1SNA645046R0700
1SNA645503R0700
1SNA645507R0300
1SNA645041R0200
1SNA645541R0400
1SNA645016R2100
1SNA645017R2200
1SNA645004R0400
1SNA645008R1200
1SNA645011R240 0
1SNA645504R0000
1SNA645508R1400
1SNA645511R 2600
1SNA645013R2600
1SNA645513R2000
1SNA645020R0100
1SNA645520R0300
Type
RB121P-5VDC
RB121PG-5VDC
RBR121P-5VDC
RB121-12VDC
RB121P-12VDC
RB121G-12VDC
RBR121P-12VDC
RB101R-24VUC
RBR101R-24VUC
RB111-24VUC
RB111R-24VUC
RBR111R-24V UC
RBR111-24V UC
RB121-24VUC
RB121G-24VUC
RBR121-24VUC
RBR121G-24VUC
RB122G-24VUC
RBR122G-24VUC
RB121-24VDC
RBR121-24VDC
RB121G-24VDC
RBR121G-24VDC
RB121-48-60VUC
RB121G-48-60VUC
RBR121-48-60VUC
RBR121G-48-60VUC
RB122G-48-60VUC
RBR122G-48-60VUC
RB121-115VUC
RB121G-115VUC
RB121R-115VUC
RBR121-115VUC
RBR121G-115VUC
RB122G -115VUC
RBR122G-115VUC
RB111-115VU C
RB111-230VU C
RB121-230VUC
RB121G-230VUC
RB121R-230VUC
RBR121-230VUC
RBR121G-230VUC
RBR121R-230VUC
RB122G-230VUC
RBR122G-230VUC
RB121-60-230VUC
RBR121-60-230VUC
Input voltage
5 V DC
12 V DC
24 V DC
48-60 V DC
115 V DC
230 V DC
60-230 V DC
24 V AC
48-60 V AC
115 V AC
230 V AC
60-230 V AC
Output rating
10 mA - 6 A
3 mA - 6 A
1 mA - 8 A
Output contacts
c/o 1111111 1111221111 1111 2 2 1111122 1111112211
n/o 1 1 1 1 1 1
n/c 1 1
Terminal type
Screw
Spring

5
2CDC 110 004 C0210 | Catalog Electronic relays and controls 2016 | ABB 310
Order number
1SNA645034R2300
1SNA645036R2500
1SNA645534R2500
1SNA645073R0000
1SNA645035R2400
1SNA645075R0000
1SNA645535R2600
1SNA645019R0400
1SNA645519R0600
1SNA645014R2700
1SNA645018R0300
1SNA645518R0500
1SNA645514R2100
1SNA645001R0300
1SNA645005R0700
1SNA645501R0500
1SNA645505R0100
1SNA645012R2500
1SNA645512R2700
1SNA645071R0000
1SNA645571R0000
1SNA645072R0000
1SNA645572R0000
1SNA645002R0400
1SNA645006R0000
1SNA645502R0600
1SNA645506R0200
1SNA645040R1500
1SNA645540R1700
1SNA645003R0500
1SNA645007R0100
1SNA645046R0700
1SNA645503R0700
1SNA645507R0300
1SNA645041R0200
1SNA645541R0400
1SNA645016R2100
1SNA645017R2200
1SNA645004R0400
1SNA645008R1200
1SNA645011R240 0
1SNA645504R0000
1SNA645508R1400
1SNA645511R 2600
1SNA645013R2600
1SNA645513R2000
1SNA645020R0100
1SNA645520R0300
Type
RB121P-5VDC
RB121PG-5VDC
RBR121P-5VDC
RB121-12VDC
RB121P-12VDC
RB121G-12VDC
RBR121P-12VDC
RB101R-24VUC
RBR101R-24VUC
RB111-24VUC
RB111R-24VUC
RBR111R-24V UC
RBR111-24V UC
RB121-24VUC
RB121G-24VUC
RBR121-24VUC
RBR121G-24VUC
RB122G-24VUC
RBR122G-24VUC
RB121-24VDC
RBR121-24VDC
RB121G-24VDC
RBR121G-24VDC
RB121-48-60VUC
RB121G-48-60VUC
RBR121-48-60VUC
RBR121G-48-60VUC
RB122G-48-60VUC
RBR122G-48-60VUC
RB121-115VUC
RB121G-115VUC
RB121R-115VUC
RBR121-115VUC
RBR121G-115VUC
RB122G -115VUC
RBR122G-115VUC
RB111-115VU C
RB111-230VU C
RB121-230VUC
RB121G-230VUC
RB121R-230VUC
RBR121-230VUC
RBR121G-230VUC
RBR121R-230VUC
RB122G-230VUC
RBR122G-230VUC
RB121-60-230VUC
RBR121-60-230VUC
Input voltage
5 V DC
12 V DC
24 V DC
48-60 V DC
115 V DC
230 V DC
60-230 V DC
24 V AC
48-60 V AC
115 V AC
230 V AC
60-230 V AC
Output rating
10 mA - 6 A
3 mA - 6 A
1 mA - 8 A
Output contacts
c/o 1111111 1111221111 1111 2 2 1111122 1111112211
n/o 1 1 1 1 1 1
n/c 1 1
Terminal type
Screw
Spring

5
311 ABB | Catalog Electronic relays and controls 2016 | 2CDC 110 004 C0210
Boxed interface relays R600 range
Ordering details
1 n/c contact: 250 V, 10 mA - 6 A, width 12 mm
Rated control
supply voltage
Connection
type
Particularities Type Order code Pkg
qty
Weight
(1 pc)
kg (lb)
24 V AC/DC
Screw
RC circuit parallel to
output contact
RB101R-24VUC 1SNA645019R0400 50.04
(0.088)
Spring
RBR101R-24VUC 1SNA645519R0600
1 n/o contact: 250 V, 10 mA - 6 A, width 6 mm
Rated control
supply voltage
Connection
type
Particularities Type Order code Pkg
qty
Weight
(1 pc)
kg (lb)
24 V AC/DC Screw RB111-24V UC 1SNA645014R2700
10 0.02
(0.044)
115 V AC/DC Screw RB111-115VUC 1SNA645016R2100
230 V AC/DC Screw RB111-230VUC 1SNA645017R2200
24 V AC/DC Spring RB R111-24VUC 1SNA645514R2100
1 n/o contact: 250 V, 10 mA - 6 A, width 12 mm
Rated control
supply voltage
Connection
type
Particularities Type Order code Pkg
qty
Weight
(1 pc)
kg (lb)
24 V AC/DC Screw RC circuit parallel to
output contact
RB111R-24VUC 1SNA645018R0300 50.04
(0.088)
Spring RBR111R-24VU C 1SNA645518R0500
1 c/o (SPDT) contact: 250 V, 10 mA - 6 A, width 6 mm
Rated control
supply voltage
Connection
type
Particularities Type Order code Pkg
qty
Weight
(1 pc)
kg (lb)
5 V DC Screw A1-A2 polarized RB121P-5VDC 1SNA645034R2300
10 0.02
(0.044)
12 V DC Screw A1-A2 polarized RB121P-12VDC 1SNA645035R2400
12 V DC Screw RB121-12VDC 1SNA645073R0000
24 V DC Screw RB121-24VDC 1SNA645071R0000
24 V AC/DC Screw RB121-24VUC 1SNA645001R0300
48-60 V AC/DC Screw RB121-48-60VUC 1SNA645002R0400
115 V AC/DC Screw RB121-115VUC 1SNA645003R0500
230 V AC/DC Screw RB121-230VUC 1SNA645004R0400
5 V DC Spring A1-A2 polarized RBR121P-5VDC 1SNA645534R2500
12 V DC Spring A1-A2 polarized RBR121P-12VDC 1SNA645535R2600
24 V DC Spring RBR121-24VDC 1SNA645571R0000
24 V AC/DC Spring RBR121-24VUC 1SNA645501R0500
48-60 V AC/DC Spring RBR121-48-60VUC 1SNA645502R0600
115 V AC/DC Spring RBR121-115VUC 1SNA645503R0700
230 V AC/DC Spring RBR121-230VUC 1SNA645504R0000
1 c/o (SPDT) contact: 250 V, 3 mA - 6 A, gold-plated contacts, width 6 mm
Rated control
supply voltage
Connection
type
Particularities Type Order code Pkg
qty
Weight
(1 pc)
kg (lb)
5 V DC Screw A1-A2 polarized RB121PG-5VDC 1SNA645036R2500
10 0.02
(0.044)
12 V DC Screw RB121G-12VDC 1SNA645075R0000
24 V DC Screw RB121G-24VDC 1SNA645072R0000
24 V AC/DC Screw RB121G-24VUC 1SNA645005R0700
48-60 V AC/DC Screw RB121G-48-60VUC 1SNA645006R0000
115 V AC/DC Screw RB121G-115VUC 1SNA645007R0100
230 V AC/DC Screw RB121G-230VUC 1SNA645008R1200
24 V DC Spring RBR121G-24VDC 1SNA645572R0000
24 V AC/DC Spring RBR121G-24VUC 1SNA645505R0100
48-60 V AC/DC Spring RBR121G-48-60VUC 1SNA645506R0200
115 V AC/DC Spring RBR121G-115VUC 1SNA645507R0300
230 V AC/DC Spring RBR121G-230VUC 1SNA645508R1400
R600 - 6 mm
2CDC 291 024 S0013
R600 - 12 mm
2CDC 291 013 S0013
Further documentation
R600 range on www.abb.com

5
2CDC 110 004 C0210 | Catalog Electronic relays and controls 2016 | ABB 312
Boxed interface relays R600 range
Ordering details
1 c/o (SPDT) contact: 250 V, 10 mA - 6 A, width 12 mm
Rated control
supply voltage
Connection
type
Particularities Type Order code Pkg
qty
Weight
(1 pc)
kg (lb)
60-230 V AC/DC Screw RB121-60-230VUC 1SNA645020R0100
50.04
(0.088)
115 V AC/DC Screw Leakage current protec-
tion, RC circuit parallel
to input
RB121R-115VUC 1SNA645046R0700
230 V AC/DC Screw RB121R-230VUC 1SNA645011R2400
60-230 V AC/DC Spring RBR121-60-230VUC 1SNA645520R0300
230 V AC/DC Spring Leakage current protec-
tion, RC circuit parallel
to input RBR121R-230VUC 1SNA645511R2600
2 c/o (SPDT) contacts: 250 V, 1 mA - 8 A, gold-plated contacts, width 12 mm
Rated control
supply voltage
Connection type Type Order code Pkg
qty
Weight
(1 pc)
kg (lb)
24 V AC/DC
Screw
RB122G-24VUC 1SNA645012R2500
50.04
(0.088)
48-60 V AC/DC
Screw
RB122G-48-60VUC 1SNA645040R1500
115 V AC/DC
Screw
RB122G -115VUC 1SNA645041R0200
230 V AC/DC
Screw
RB122G-230VUC 1SNA645013R2600
24 V AC/DC
Spring
RBR122G-24VUC 1SNA645512R2700
48-60 V AC/DC
Spring
RBR122G-48-60VUC 1SNA645540R1700
115 V AC/DC
Spring
RBR122G-115VUC 1SNA645541R0400
230 V AC/DC
Spring
RBR122G-230VUC 1SNA645513R2000
Ordering details - Accessories
Description Type Order code Pkg
qty
Weight
(1 pc)
kg (lb)
Jumper bar, 10 poles BJ612-10 1SNA290488R0100
10
0.05
(0.11)
Jumper bar, 20 poles BJ612-20 1SNA206754R0000 0.01
(0.022)
Separator end section SC612 1SNA290474R0200 0.05
(0.11)
Front marking blank cards, 100 pcs. RC610 1SNA233000R0100
Terminal marking blank cards, 100 pcs. RC65 1SNA232000R0000

5
313 ABB | Catalog Electronic relays and controls 2016 | 2CDC 110 004 C0210
Boxed interface relays R600 range
Connection diagrams
A1
A
2
S1
11S2
12
2CDC 292 030 F0013
A1
A
2
S1
14S2
13
2CDC 292 031 F0013
A1
A
2
S1
14
S2
13
2CDC 292 033 F0013
RB(R)101R - 24VUC RB(R)111-24VUC RB111-115VUC/230VUC
A1
A
2
S1
14S2
13
2CDC 292 035 F0013
A1
A
2
S1
11
S2
12 14
2CDC 292 036 F0013
A1
A
2
S1
11S2
12 14
2CDC 292 038 F0013
RB(R)111R-24VUC RB(R)121P(G)-5VDC/12VDC RB(R)121-12VDC/24VDC
A1
A
2
S1
11
S2
12 14
2CDC 292 039 F0013
A1
A
2
S1
11
S2
12 14
2CDC 292 040 F0013
A1
A
2
S1
11
S2
12 14
2CDC 292 042 F0013
RB(R)121(G)-24VUC RB(R)121(G)-48-60VUC/
115VUC/230VUC/60-230VUC
RB(R)121R-115VUC/230VUC
A1
A
2
S1 11 21
12 14 22 24
2CDC 292 043 F0013
A1
A
2
S1 11 21
12 14 22 24
2CDC 292 044 F0013
RB(R)122G-24VUC/48-60VUC RB(R)122G-115VUC/230VUC

5
2CDC 110 004 C0210 | Catalog Electronic relays and controls 2016 | ABB 314
Boxed interface relays R600 range
Technical data
RB(R)101R- RB(R)111R-
24VUC 24VUC
Input circuit
Rated control supply voltage Us24 V AC/DC
Rated control supply voltage Us
tolerance
DC -15 %, +20 %
AC -/+ 10 %
Rated frequency 50/60 Hz
Typical power consumption 0.24 W
Typical current 10 mA
Drop-out voltage at 20 °C 4.5 V
Indication of operational states
green LED
V: control supply voltage applied
Output circuit
Kind of output 11-12 relay, 1 n/c contact -
13-14 -relay, 1 n/o contact
Rated operational voltage U
e
(IEC/EN 60947-1)
250 V AC
Minimum switching voltage 12 V
Maximum switching voltage 250 V AC
Minimum switching current 10 mA
Rated free air thermal current Ith
6 A
Rated operational
current Ie
(IEC/EN 60947-5-1)
AC-12 (resistive) 230 V
6 A
AC-15 (inductive) 230 V
1.5 A
AC-15 (inductive) 120 V
3 A
DC-12 (resistive) 24 V
6 A
DC-13 (inductive) 24 V
1 A
DC-13 (inductive) 110 V
0.2 A
DC-13 (inductive) 220 V
0.1 A
AC rating (UL508;
NEMAICS-5)
Utilization category (pilot
duty)
B300
DC rating (UL508;
NEMAICS-5)
Utilization category (pilot
duty)
R300
Minimum switching power 0.6 W / 0.6 VA
Mechanical lifetime 1 x 107 switching cycles
Electrical lifetime at AC-15 1 x 105 switching cycles
Max. fuse rating to achieve short-circuit protection
6 A fast
Response time 5 ms
Release time 8 ms
RB(R)111-
24VUC 115VUC 230VUC
Input circuit
Rated control supply voltage Us24 V AC/DC 115 V AC/DC 230 V AC/DC
Rated control supply voltage Us
tolerance
DC -15 %, +20 % -15 %, +10 %
AC -/+ 10 %
Rated frequency 50/60 Hz
Typical power consumption 0.24 W 0.46 W 0.8 W
Typical current 10 mA 4 mA 3.5 mA
Drop-out voltage at 20 °C 4.5 V 17 V 27 V
Indication of operational states
green LED
V: control supply voltage applied
Output circuit
Kind of output 13-14 relay, 1 n/o contact
Rated operational voltage U
e
(IEC/EN 60947-1)
250 V AC
Minimum switching voltage 12 V
Maximum switching voltage 250 V AC
Minimum switching current 10 mA
Rated free air thermal current Ith 6 A
Rated operational
current Ie
(IEC/EN 60947-5-1)
AC-12 (resistive) 230 V
6 A
AC-15 (inductive) 230 V
1.5 A
AC-15 (inductive) 120 V
3 A
DC-12 (resistive) 24 V
6 A
DC-13 (inductive) 24 V
1 A
DC-13 (inductive) 110 V
0.2 A
DC-13 (inductive) 220 V
0.1 A
AC rating (UL508;
NEMAICS-5)
Utilization category
(pilot duty)
B300
DC rating (UL508;
NEMAICS-5)
Utilization category
(pilot duty)
R300
Minimum switching power 0.6 W / 0.6 VA
Mechanical lifetime 1 x 107 switching cycles
Electrical lifetime at AC-15 1 x 105 switching cycles
Max. fuse rating to achieve short-circuit protection
6 A fast
Response time 5 ms 6 ms 7 ms
Release time 8 ms 15 ms 15 ms

5
315 ABB | Catalog Electronic relays and controls 2016 | 2CDC 110 004 C0210
Boxed interface relays R600 range
Technical data
RB(R)121(P)(G)-
5VDC 12VDC 24VDC 24VUC 48-60VUC 115VUC 230VUC
Input circuit
Rated control supply voltage Us5 V DC 12 V DC 24 V DC 24 V AC/DC 48 V AC/DC 60 V AC/DC 115 V AC/DC
230 V AC/DC
Rated control supply voltage Us
tolerance
DC -15 %, +20 %
-15 %, +10 %
AC --/+ 10 %
Rated frequency -50/60 Hz
Typical power consumption 0.2 W 0.2 W 0.24 W 0.33 W 0.54 W 0.46 W 0.8 W
Typical current 40 mA 16 mA 10 mA 7 mA 9 mA 4 mA 3.5 mA
Drop-out voltage at 20 °C 1.2 V 2.2 V 4.5 V 8 V 8 V 17 V 27 V
Indication of operational states
green LED
V: control supply voltage applied
Output circuit
Kind of output 11-12 /14 relay, 1 c/o (SPDT) contact
Rated operational voltage U
e
(IEC/EN 60947-1)
250 V AC
Minimum switching voltage 12 V / gold-plated contacts: 5 V
Maximum switching voltage 250 V AC
Minimum switching current 10 mA / gold-plated contacts: 3 mA at 20 V
Rated free air thermal current Ith 6 A
Rated operational
current Ie
(IEC/EN 60947-5-1)
AC-12 (resistive) 230 V
6 A
AC-15 (inductive) 230 V
1.5 A
AC-15 (inductive) 120 V
3 A
DC-12 (resistive) 24 V
6 A
DC-13 (inductive) 24 V
1 A
DC-13 (inductive) 110 V
0.2 A
DC-13 (inductive) 220 V
0.1 A
AC rating (UL508;
NEMAICS-5)
Utilization category
(pilot duty)
B300
DC rating (UL508;
NEMAICS-5)
Utilization category
(pilot duty)
R300
Minimum switching power 0.6 W / 0.6 VA; gold plated contacts: 0.06 V / 0.06 VA
Mechanical lifetime 1 x 107 switching cycles
Electrical lifetime at AC-15 1 x 105 switching cycles
Max. fuse rating to achieve short-circuit protection
6 A fast
Response time 5 ms 5 ms 5 ms 5 ms 5 ms 6 ms 7 ms
Release time 8 ms 8 ms 8 ms 8 ms 8 ms 15 ms 16 ms
RB(R)121R-
115VUC 230VUC
Input circuit
Rated control supply voltage Us115 V AC/DC 230 V AC/DC
Rated control supply voltage Us
tolerance
DC -20%, +15% -10%, +15%
AC -/+ 10 %
Rated frequency 50/60 Hz
Typical power consumption 2 W 2.8 W
Typical current 18 mA 12 mA
Drop-out voltage at 20 °C 17 V 27 V
Indication of operational states
green LED
V: control supply voltage applied
Output circuit
Kind of output 11-12 /14 relay, 1 c/o (SPDT) contact
Rated operational voltage U
e
(IEC/EN 60947-1)
250 V AC
Minimum switching voltage 12 V
Maximum switching voltage 250 V AC
Minimum switching current 10 mA
Rated free air thermal current Ith 6 A
Rated operational
current Ie
(IEC/EN 60947-5-1)
AC-12 (resistive) 230 V
6 A
AC-15 (inductive) 230 V
1.5 A
AC-15 (inductive) 120 V
3 A
DC-12 (resistive) 24 V
6 A
DC-13 (inductive) 24 V
1 A
DC-13 (inductive) 110 V
0.2 A
DC-13 (inductive) 220 V
0.1 A
AC rating (UL508;
NEMAICS-5)
Utilization category
(pilot duty)
B300
DC rating (UL508;
NEMAICS-5)
Utilization category
(pilot duty)
R300
Minimum switching power 0.6 W / 0.6 VA
Mechanical lifetime 1 x 107 switching cycles
Electrical lifetime at AC-15 1 x 105 switching cycles
Max. fuse rating to achieve short-circuit protection
6 A fast
Response time 6 ms 7 ms
Release time 15 ms 16 ms

5
2CDC 110 004 C0210 | Catalog Electronic relays and controls 2016 | ABB 316
Boxed interface relays R600 range
Technical data
RB(R)122G
24 V UC 48-60 V UC 115 V UC 230 V UC
Input circuit
Rated control supply voltage Us24 V AC/DC 48 V AC/DC 60 V AC/DC 115 V AC/DC 230 V AC/DC
Rated control supply voltage Us
tolerance
DC -15 %, +20 % -15 %, +10 %
AC -/+ 10 %
Rated frequency 50/60 Hz
Typical power consumption 0.48 W 0.62 W 0.96 W 0.58 W 1.15 W
Typical current 20 mA 13 mA 16 mA 5 mA 5 mA
Drop-out at 20 °C 5.4 V 8.8 V 8.8 V V 20 V 10 V
Indication of operational states
green LED
V: control supply voltage applied
Output circuit
Kind of output 11-12 /14 relay, 1st c/o (SPDT) contact
21-22/24 relay, 2nd c/o (SPDT) contact
Rated operational voltage U
e
(IEC/EN 60947-1)
250 V AC
Minimum switching voltage 5 V
Maximum switching voltage 250 V DC - 250 V AC
Minimum switching current 1 mA
Rated free air thermal current Ith 8 A
Rated operational
current Ie
(IEC/EN 60947-5-1)
AC-12 (resistive) 230 V
8 A
AC-15 (inductive) 230 V
1.5 A
DC-12 (resistive) 24 V 8 A
DC-13 (inductive) 24 V
1 A
DC-13 (inductive) 110 V
0.2 A
DC-13 (inductive) 220 V
0.1 A
Minimum switching power 5 mW / 5 mVA
Mechanical lifetime 2 x 107 switching cycles
Electrical lifetime at AC-15 1 x 105 switching cycles
Max. fuse rating to achieve short-circuit protection
10 A fast
Response time 6 ms 10 ms 10 ms 6 ms 6 ms
Release time 10 ms 14 ms 14 ms 15 ms 15 ms
General technical data - Interface relays
RB RBR
General data
Material of housing UL 94 V0
Mounting DIN Rail
Degree of protection housing /
terminals
IP20 NEMA1
Electrical connection Screw terminal Spring-type terminal
Wire size fine-strand 0.22-2.5 mm² (24-14 AWG)
rigid 0.2-4 mm² (24-12 AWG) 0.2-2.5 mm² (24-14 AWG)
Stripping length 9 mm (0.354 in)
Tightening torque 0.4-0.6 Nm (3.5-5.3 lb.in) n/a
Environmental data
Ambient temperature ranges storage -40...+80 °C (-40...+176 °F)
operation -20...+70 °C (-4...+158 °F) 1)
Isolation data
Rated insulation voltage U
i250 V
Rated impulse withstand
voltage U
imp
input / output 4 kV
shock coil / output
4 kV
output / output 1 kV
Overvoltage category
III
Pollution degree
2
Standards
Product standards EN 60947-5-1
Low Voltage Directive 2014/35/EC
RoHS Directive 2011/6 5/EC
1) Over 55 °C, blocks have to be mounted on horizontal rail with 10 mm spacing between each block. For vertical rail mounting use temperature is 15 °C less decreased.

5
317 ABB | Catalog Electronic relays and controls 2016 | 2CDC 110 004 C0210
Boxed interface relays R600 range
Dimensional drawings, Load limit curves
Load limit curves
resistive
load
DC current [A]
DC voltage [V]
20
105
2
1
0.20.50.1
10
20
30
40
50
300
200
100
2CDC 292 002 F0212
DC current [A]
resistive
load
20
20
30
40
50
100
200
300
10
10
5
1
0.5
0.2
0.1 2
DC voltage [V]
2CDC 292 028 F0213
Versions with 1 n/o, 1 n/c or 1 c/o contact Versions with 2 c/o contacts
DC-12 AC-12 DC-13 AC -15
24 V 6 A 6 A 13 A
110/120 V 0.3 A 6 A 0.2 A 3 A
220/230 V 0.2 A 6 A 0.1 A 3 A
Dimensions
in mm and inches
70 2.76”
35 1.38”
67.5 2.66”
75 2.95”
2CDC 292 025 F0013
75 2.95”
67.5 2.66”
75 2.95”
37.5 1.48”
2CDC 292 026 F0013
Versions with screw terminals Versions with spring-type terminals

5
2CDC 110 004 C0210 | Catalog Electronic relays and controls 2016 | ABB 318
Boxed interface relays R600 range
Notes

5
319 ABB | Catalog Electronic relays and controls 2016 | 2CDC 110 004 C0210
Boxed interface optocouplers R600 range
Selection
Order number
1SNA645047R0000
1SNA645547R0200
1SNA645021R2600
1SNA645521R2000
1SNA645549R1400
1SNA645022R2700
1SNA645522R2100
1SNA645050R1700
1SNA645550R1100
1SNA645051R0400
1SNA645025R2200
1SNA645024R2100
1SNA645551R0600
1SNA645525R2400
1SNA645524R2300
1SNA645053R0600
1SNA645553R0000
1SNA645054R0700
1SNA645058R1300
1SNA645026R2300
1SNA645526R2500
1SNA645559R1600
1SNA645027R2400
1SNA645029R0600
1SNA645527R2600
1SNA645529R0000
1SNA645062R0700
1SNA645028R0500
Type
OBIC0100-5-12VDC
OBRIC0100-5-12VDC
OBIC0100-24VDC
OBRIC0100-24VDC
OBRIC0100-48-60VUC
OBIC0100-115-230
OBRIC0100-115-230
OBOC2000-5-12VDC
OBROC2000-5-12VDC
OBOC2000-24VDC
OBOC2000-24VUC
OBOC5000-24VDC
OBROC2000-24VDC
OBROC2000-24VUC
OBROC5000-24VDC
OBOC2000-48-60VUC
OBROC2000-48-60VUC
OBOC2000-115VUC
OBOC5000-115VUC
OBOC2000-230VUC
OBROC2000-230VUC
OBROC5000-230VUC
OBOA1000-24VDC
OBOA2000-24VDC
OBROA1000-24VDC
OBROA2000-24VDC
OBOA1000-115VUC
OBOA1000-230VUC
Input voltage
5-12 V DC
24 V DC
48-60 V DC
115-230 V DC
115 V DC
230 V DC
24 V AC
48-60 V AC
115-230 V AC
115 V AC
230 V AC
Output rating
100 mA
1 A
2 A
5 A
Output voltage
58 V DC
230 V AC
400 V AC
Terminal type
Screw
Spring

5
2CDC 110 004 C0210 | Catalog Electronic relays and controls 2016 | ABB 320
Boxed interface optocouplers R600 range
Ordering details
Transistor output, 58 V DC, 100 mA, width 6 mm
Rated control supply voltage Connection type Type Order code Pkg
qty
Weight
(1 pc)
kg (lb)
5 - 12 V DC
Screw
OBIC0100-5-12VDC 1SNA645047R0000
10 0.02
(0.044)
24 V DC
Screw
OBIC0100-24VDC 1SNA645021R2600
48 - 60 V AC/DC
Screw
OBIC0100-48-60VUC 1SNA645049R1200
115 - 230 V AC/DC
Screw
OBIC0100-115-230 1SNA645022R2700
5 - 12 V DC
Spring
OBRIC0100-5-12VDC 1SNA645547R0200
10 0.02
(0.044)
24 V DC
Spring
OBRIC0100-24VDC 1SNA645521R2000
48 - 60 V AC/DC
Spring
OBRIC0100-48-60VUC 1SNA645549R1400
115 - 230 V AC/DC
Spring
OBRIC0100-115-230 1SNA645522R2100
MOS-FET output, 58 V DC, 2 A, width 6 mm
Rated control supply voltage Connection type Type Order code Pkg
qty
Weight
(1 pc)
kg (lb)
5 - 12 V DC
Screw
OBOC2000-5-12VDC 1SNA645050R1700
10 0.02
(0.044)
24 V DC
Screw
OBOC2000-24VDC 1SNA645051R0400
24 V AC/DC
Screw
OBOC2000-24VUC 1SNA645025R2200
48 - 60 V AC/DC
Screw
OBOC2000-48-60VUC 1SNA645053R0600
115 V AC/DC
Screw
OBOC2000-115VUC 1SNA645054R0700
230 V AC/DC
Screw
OBOC2000-230VUC 1SNA645026R2300
5 - 12 V DC
Spring
OBROC2000-5-12VDC 1SNA645550R1100
10 0.02
(0.044)
24 V DC
Spring
OBROC2000-24VDC 1SNA645551R0600
24 V AC/DC
Spring
OBROC2000-24VUC 1SNA645525R2400
48 - 60 V AC/DC
Spring
OBROC2000-48-60VUC 1SNA645553R0000
230 V AC/DC
Spring
OBROC2000-230VUC 1SNA645526R2500
MOS-FET output, 58 V DC, 5 A, width 6 mm
Rated control supply voltage Connection type Type Order code Pkg
qty
Weight
(1 pc)
kg (lb)
24 V DC
Screw
OBOC5000-24VDC 1SNA645024R2100 10 0.02
(0.044)
115 V AC/DC
Screw
OBOC5000-115VUC 1SNA645058R1300
24 V DC
Spring
OBROC5000-24VDC 1SNA645524R2300 10 0.02
(0.044)
230 V AC/DC
Spring
OBROC5000-230VUC 1SNA645559R1600
Triac output, 400 V AC, 1 A, width 6 mm
Rated control supply voltage Connection type Type Order code Pkg
qty
Weight
(1 pc)
kg (lb)
24 V DC
Screw
OBOA1000-24VDC 1SNA645027R2400
10 0.03
(0.066)
115 V AC/DC
Screw
OBOA1000-115VUC 1SNA645062R0700
230 V AC/DC
Screw
OBOA1000-230VUC 1SNA645028R0500
24 V DC
Spring
OBROA1000-24VDC 1SNA645527R2600 10
Triac output, 230 V AC, 2 A, width 12 mm
Rated control supply voltage Connection type Type Order code Pkg
qty
Weight
(1 pc)
kg (lb)
24 V DC
Screw
OBOA2000-24VDC 1SNA645029R0600 50.03
(0.066)
24 V DC
Spring
OBROA2000-24VDC 1SNA645529R0000 5
Ordering details - Accessories
Description Type Order code Pkg
qty
Weight
(1 pc)
kg (lb)
Jumper bar, 10 poles BJ612-10 1SNA290488R0100
10
Jumper bar, 20 poles BJ612-20 1SNA206754R0000
Separator end section SC612 1SNA290474R0200
Front marking blank cards, 100 pcs. RC610 1SNA233000R0100
Terminal marking blank cards, 100 pcs. RC65 1SNA232000R0000
R600 - 6 mm
2CDC 291 024 S0013
R600 - 12 mm
2CDC 291 013 S0013

5
321 ABB | Catalog Electronic relays and controls 2016 | 2CDC 110 004 C0210
Boxed interface optocouplers R600 range
Connection diagrams
A1
A
2
S1
14 (-)
S2
13 (+)
2CDC 292 019 F0016
A
1
A
2
S1
14 (-)
S2
13 (+)
2CDC 292 017 F0016
A1
A
2
S1
14 (-)
S2
13 (+)
2CDC 292 018 F0016
OB(R)OC, OB(R)IC
except 5-12VDC versions
OB(R)IC0100-5-12VDC
OB(R)OC2000-5-12VDC
OB(R)OA

5
2CDC 110 004 C0210 | Catalog Electronic relays and controls 2016 | ABB 322
Boxed interface optocouplers R600 range
Technical data
OB(R)IC0100-...
5-12 V DC 24 V DC 48-60 V UC 115-23 0
Input circuit
Input voltage 5 V DC 12 V DC 24 V DC 48 V AC/DC 60 V AC/DC 115 V AC/DC
230 V AC/DC
Frequency -50/60 Hz
Input current 5 mA 9 mA 4 mA 4 mA 5 mA 7 mA (AC)
16 mA (DC)
11.5 mA (AC)
25 mA (DC)
Pull-in voltage 4 V 15 V 25 V 60 V AC /
70 V DC
Typ. switch-on time 10 µs 5 ms
Typ. switch-off time 500 µs 20 ms
Operating frequency 1000 Hz 20 Hz
Permissible leakage current 0.9 mA 1.0 mA 0.9 mA 1.6 mA
Output circuit 11(13+)- 14
Kind of output Transistor
Rated operational voltage
4.5-58 V DC
Minimum switching current 1 mA
Maximum switching current 100 mA
Leakage current at max. switching voltage < 50 µA
Rated operational
current Ie
(IEC/EN 60947-5-1)
DC-12 (resistive) 58 V
0.1 A
Residual voltage typical 1 V
maximum 1.3 V
Max. fuse rating to achieve short-circuit protection
100 mA fast
Isolation data
Rated insulation voltage U
i250 V
Rated impulse withstand voltage U
imp 2.5 kV
Overvoltage category
II
Pollution degree
2
OB(R)OC2000-...
5-12 V DC 24 V DC 24 V UC 48-60 V UC 115 V UC 230 V UC
Input circuit
Input voltage 5 V DC 12 V DC 24 V DC
24 V AC/DC
48 V AC/
DC
60 V AC/
DC
115 V AC/
DC
230 V AC/
DC
Frequency -50/60 Hz
Input current 5 mA 9 mA 5.4 mA 6.3 mA 4 mA 5.1 mA 4.2 mA 4 mA
Pull-in voltage 4 V 12 V 15 V 27 V 50 V 80 V
Typ. switch-on time 15 µs 30 µs 1 ms 5 ms 500 µs 1 ms
Typ. switch-off time 250 µs 400 µs 7 ms 20 ms 10 ms 15 ms
Operating frequency 2000 Hz 1000 Hz 60 Hz 20 Hz 50 Hz 35 Hz
Permissible leakage current 1 mA 0.8 mA 0.9mA 1 mA 0.3 mA
Output circuit 11(13+)- 14
Kind of output MOS-FET
Rated operational voltage
4.5-58 V DC
Minimum switching current 1 mA
Maximum switching current 2 A
Leakage current at max. switching voltage < 50 µA
Rated operational
current Ie
(IEC/EN 60947-5-1)
DC-12 (resistive) 58 V
2 A
Residual voltage typical 0.1 V
maximum 0.5 V
Max. fuse rating to achieve short-circuit protection
2 A ultra-fast
Isolation data
Rated insulation voltage U
i250 V
Rated impulse withstand voltage U
imp 2.5 kV
Overvoltage category
II
Pollution degree
2

5
323 ABB | Catalog Electronic relays and controls 2016 | 2CDC 110 004 C0210
Boxed interface optocouplers R600 range
Technical data
OB(R)OC5000-...
24VDC 115V U C 230VUC
Input circuit
Input voltage 24 V DC 115 V AC/DC 230 V AC/DC
Frequency -50/60 Hz
Input current 5.4 mA 4.2 mA 4 mA
Pull-in voltage 12 V 50 V 80 V
Typ. switch-on time 30 µs 500 µs 1 ms
Typ. switch-off time 400 µs 10 ms 15 ms
Operating frequency 1000 Hz 50 Hz 35 Hz
Permissible leakage current 0.8 mA 0.3 mA 0.3 mA
Output circuit 11(13+)- 14
Kind of output MOS-FET
Rated operational voltage
4.5-58 V DC
Minimum switching current 1 mA
Maximum switching current 5 A
Leakage current at max. switching voltage < 50 µA
Rated operational current
Ie (IEC/EN 60947-5-1)
DC-12 (resistive) 58 V
5 A
Residual voltage typical 0.1 V
maximum 0.5 V
Max. fuse rating to achieve short-circuit protection
6 A ultra-fast
Isolation data
Rated insulation voltage U
i250 V
Rated impulse withstand voltage U
imp 2.5 kV
Overvoltage category
II
Pollution degree
2
OB(R)OA1000-... OB(R)OA2000-...
24VDC 115VUC 230VUC 24VDC
Input circuit
Input voltage 24 V DC 115 V AC/DC 230 V AC/DC 24 V DC
Frequency -50/60 Hz -
Input current 3.6 mA 4.15 mA 4.6 mA 3.6 mA
Pull-in voltage 14 V 60 V 135 V 14 V
Typ. switch-on time 150 µs 2.2 ms 2.5 ms 150 µs
Typ. switch-off time 1 ms 18 ms 25 ms 1 ms
Operating frequency 500 Hz 25 Hz 20 Hz 500 Hz
Permissible leakage current 1 mA 1 mA
Output circuit 11(13+)- 14
Kind of output Triac Triac
Rated operational voltage
24-400 V AC 10-230 V AC
Minimum switching current 25 mA 25 mA
Maximum switching current 1 A 2 A
Leakage current at max. switching voltage < 500 µA < 500 µA
Rated operational
current Ie
(IEC/EN 60947-5-1)
AC-12 (resistive) 400 V
1 A -
AC-12 (resistive) 230 V
-2A
Residual voltage typical 1 V 1 V
maximum 1.6 V 1.6 V
Max. fuse rating to achieve short-circuit protection
4 A ultra-fast 4 A ultra-fast
Isolation data
Rated insulation voltage U
i400 V 230 V
Rated impulse withstand voltage U
imp 4 kV 4 kV
Overvoltage category
II II
Pollution degree
2 2

5
2CDC 110 004 C0210 | Catalog Electronic relays and controls 2016 | ABB 324
Boxed interface optocouplers R600 range
Technical data, Dimensions
General technical data - Optocouplers
OB OBR
General data
Material of housing UL 94 V0
Mounting DIN Rail
Degree of protection housing /
terminals
IP20 NEMA1
Electrical connection Screw terminal Spring-type terminal
Wire size fine-strand 0.22-2.5 mm² (24-14 AWG)
rigid 0.2-4 mm² (24-12 AWG) 0.2-2.5 mm² (24-14 AWG)
Stripping length 9 mm (0.354 in)
Tightening torque 0.4-0.6 Nm (3.5-5.3 lb.in) n/a
Environmental data
Ambient temperature ranges storage -40...+80 °C (-40...+176 °F)
operation -20...+70 °C (-4...+158 °F)
Standards
Product standards EN 60947-5-1
Low Voltage Directive 2014/35/EC
RoHS Directive 2011/65/EC
Dimensions
in mm and inches
70 2.76”
35 1.38”
67.5 2.66”
75
2.95”
2CDC 292 025 F0013
75 2.95”
67.5 2.66”
75 2.95”
37.5 1.48”
2CDC 292 026 F0013
Versions with screw terminals Versions with spring-type terminals

6
325 ABB | Catalog Electronic relays and controls 2016 | 2CDC 110 004 C0210
Logic relays
Product group picture

6
2CDC 110 004 C0210 | Catalog Electronic relays and controls 2016 | ABB 326
Logic relays
Table of contents
Logic relays
Logic relays 326
System overview 327
Approvals and marks 329
Ordering details - Stand alone logic relays 330
Ordering details - Expandable logic relays 331
Ordering details - Accessories 332
Ordering details - Display systems 333
Technical data 334
Dimensional drawings 348

6
327 ABB | Catalog Electronic relays and controls 2016 | 2CDC 110 004 C0210
Logic relays
System overview
1SVC 110 000 F 0554
S1
K1 S4
S5
K1 K2 T1
T1
T1
S6
Documentation (download from the internet)
Logic relay manual: 1SVC440795M0100
Remote display manual: 1SVC440795M2100
Display system manual: 1SVC440795M1100
Concept
CL range logic relays are suitable for small and medium-
sized control tasks and are able to substitute logic wiring in
a quick and simple manner.
They can be used for applications in control as well as for
timing functions, e.g.
– in buildings, lighting systems, air-conditioning systems,
general control functions,
– in small machines and systems or
– as stand-alone control module for small applications.
Steps to the application of CL range
– CL range can be used easily, rapidly and comfortably
without any time-consuming planning and programming.
– The user can discover the advantages and the benefit of
these logic relays in no time at all.
– CL range provides for the control statements according
to a simple circuit diagram.
– Setup, storage, simulation and documentation are per-
formed using the compact and user-friendly CL-SOFT
software (CL-LAS.PS002).
Software characteristics (CL-SOFT)
– Display on a PC monitor according to IEC, ANSI
– Different languages to choose from
– Easy installation on all Microsoft WindowsTM operating
systems
Logic links instead of wiring
Logic relays
– 8 or 12 digital inputs
– 4 or 6 digital relay outputs
– optionally with 4 or 8 transistor outputs
– 128 rungs
– 3 contacts as n/o or n/c contacts in series plus 1 coil
per rung
– optionally with 2 or 4 analog inputs (not 100-240 V AC
version)
– power flow display for checking the circuit diagram (de-
vices with display)
– expansions for local or remote level
– enclosure color RAL 7035
– DIN rail mounting
Display system
– useable as compact HMI logic relay
– fully graphic, backlit display module
– 12 digital inputs
– 4 digital relay outputs
– optionally with 4 transistor outputs
– 256 rungs
– 4 contacts as n/o or n/c contacts in series plus 1 coil
per rung
– optionally with 4 analog inputs (not 100-240 V AC ver-
sion)
– networking-compatible via CL-NET
– front panel mounting
– expansion for local
Remote display
– Remote display up to a distance of 5 m
– Illustration of text and status displays
– Remote adjustment via keypad
– Front panel mounting
Software
– 16 timing relays 0.01-99:59 h
– 16 counting relays for up-, down counting
– 8 weekly timer, 8 annual timers
– 16 analog value comparators
– 16 freely editable display texts
– 32 markers or auxiliary relays
Technical data overview

6
2CDC 110 004 C0210 | Catalog Electronic relays and controls 2016 | ABB 328
Logic relays
System overview
Power
9
8a
8b
3
4
6, 8b
5
7
1b1a
2 2
6, 8b
5
9
8a
8b
Power
2CDC 312 001 F0b08
1a Logic relay CL-LS..
1b Expandable logic relay CL-LM..
2 Power supply CP-D...
3 I/O expansion CL-LER.., CL-LET.. for logic relays CL-LM..
4 Coupler unit CL-LEC.. for remote expansion of logic relays CL-LM..
5 Memory module CL-LAS.MD003 for logic relays CL-LS.., CL-LM..
6 Connecting cable CL-LAS.TK001, CL-LAS.TK002 to connect PC
7 CL-LINK plug CL-LAS.TK011
to connect expansion to logic relays CL-LM..
8a Remote display connection module CL-LDC.S..
8b Connecting cable CL-LAD.TK007
to connect a remote displays to a logic relay
9 Display module CL-LDD..
Logic relays
Stand alone Expandable
2b
1
3
2a
5
4
2CDC 312 037 F0b07
Expansion of logic relays*
1 Logic relay CL-LM..
2 I/O expansion CL-LER.., CL-LET..
2a local expansion
2b remote expansion
3 Coupler unit CL-LEC.. for remote expansion of logic relays CL-LM..
4 CL-LINK plug CL-LAS.TK011 for expansion of logic relays CL-LM..
5 up to 30 m
* max. 1 expansion per logic relay
7
9
8
6
5
3
2
1
3
2
1
...
44
CL-NET
10
2CDC 312 025 F0b06
1
2
3
2CDC 312 027 F0b06
3
2
1
3
2
1
4
...
5 5
CL-NET
2CDC 312 026 F0b06
Stand alone with I/O module
Communication via CL-NET
1 Display CL-LDD..
2 Remote display connection module CL-LDC.S..
incl. connecting cable
3 Display base module CL-LDC.L..
1 Display module CL-LDD..
2 Display base module CL-LDC.LN..
3 Display I/O module CL-LDR.., CL-LDT..
4 Termination resistor CL-LAD.TK009
5 I/O expansion CL-LER.., CL-LET..
6 Coupler unit CL-LEC.. for remote expansion
7 Memory module CL-LAD.MD004 for display base module
8 Connecting cable CL-LAD.TK002, CL-LAD.TK003,
CL-LAD.TK004
9 Connecting cable CL-LAD.TK001, CL-LAD.TK011
to connect PC
10 CL-LINK plug CL-LAS.TK011
for expansion of logic relays CL-LM..
e.g. door of switchgear cabinet
Display system Compact HMI logic relay
1 Display CL-LDD..
2 Display base module CL-LDC.LN.. for CL-NET
3 Display I/O module CL-LDR.., CL-LDT..
4 Connecting cable CL-LAD.TK002,
CL-LAD.TK003, CL-LAD.TK004
5 Termination resistor CL-LAD.TK009

6
329 ABB | Catalog Electronic relays and controls 2016 | 2CDC 110 004 C0210
Logic relays
Approvals and marks
existing
pending Logic relays Expansions Display system
Accessories
Approvals
C L- L S R
C L- L S T
CL-LMR
C L- L M T
C L- L E R
C L- L E T
C L- L E C
CL-LDD
CL-LDC
CL-LDR
C L- L D T
C L- L A S
C L- L A D
BUL 1) 2)
FCAN/CSA C22.2 No.14 1) 2)
FCAN/CSA C22.2 No.213
(hazardous locations) 1) 2)
CGL 3) 4)
REAC
PLloyds Register 3) 4)
Marks
aCE
bC-Tick
1) not for: CL-LAS-PS002, CL-LAS.TD001, CL-LAS.FD001, CL-LAS.TK002, CL-LAS.TK011
2) not for: CL-LAD.TK006, CL-LAD.TK011, CL-LAD.FD002
3) not for: CL-LDC.SDC2, CL-LDC.SAC2, CL-LDC.LAC2, CL-LDC.LNAC2
4) not for: CL-LDR.16AC2

6
2CDC 110 004 C0210 | Catalog Electronic relays and controls 2016 | ABB 330
Logic relays
Ordering details - Stand alone logic relays
Ordering details - Logic relays stand alone
Rated opera-
tional voltage
Display
+
Keypad
Timer Input /
Output
Type Order code Price
1 pce
Weight
(1 pce)
kg (lb)
24 V AC
8 inputs / 4
relay outputs
CL-LSR.C12AC1 1SVR440712R0300
0.20 (0.44)
C L- L S R . CX12 A C1 1SVR440712R0200
100-240 V AC
C L- L S R .12 A C 2 1SVR440713R0100
C L- L S R . C 12 A C 2 1SVR440713R0300
C L- L S R . C X12 A C 2 1SVR440713R0200
12 V DC CL-LSR.C12DC1 1SVR440710R0300
C L- L S R . CX12 D C1 1SVR440710R0200
24 V DC
C L- L S R .12 D C 2 1SVR440711R0100
C L- L S R . C 12 D C 2 1SVR440711R03 00
C L- L S R . C X12 D C 2 1SVR440711R 0200
24 V DC 8 inputs /
4 transistor
outputs
C L- L S T. C 12 D C 2 1SVR440711R1300
C L- L S T. C X12 D C 2 1SVR440711R1200
Ordering details - Display modules
Rated operational
voltage
Description Type Order code Price
1 pce
Weight
(1 pce)
kg (lb)
-Graphic display 132 x 64
pixel CL-LDD.XK 1SVR440839R4500 0.14 (0.30)
-Graphic display 132 x 64
pixel, with keypad CL-LDD.K 1SVR440839R4400 0.13 (0.29)
24 V DC Module to displace the dis-
play from the logic relay, incl.
connecting cable CL-LAD.
TK007, 5m, lenght adaptable
CL-LDC.SDC2 1SVR440841R0000 0.16 (0.36)
100-240 V AC CL-LDC.SAC2 1SVR440843R0000 0.16 (0.36)
CL-LSR
CL-LST
CL-LDD.K
CL-LDC.S..
2CDC 281 034 F0006
2CDC 281 033 F0006
2CDC 281 028 F0006
2CDC 281 017 F0007

6
331 ABB | Catalog Electronic relays and controls 2016 | 2CDC 110 004 C0210
Logic relays
Ordering details - Expandable logic relays
Ordering details - Logic relays expandable
Rated
operational
voltage
Display
+
Keypad
Timer Input /
Output
Type Order code Price
1 pce
Weight (1 pce)
kg (lb)
24 V AC
12 inputs
/ 6 relay
outputs
CL-LMR.C18AC1 1SVR440722R0300
0.36 (0.79)
CL-LMR.CX18AC1 1SVR440722R0200
100-240 V AC CL-LMR.C18AC2 1SVR440723R0300
CL-LMR.CX18AC2 1SVR440723R0200
12 V DC CL-LMR.C18DC1 1SVR440720R0300
CL-LMR.CX18DC1 1SVR440720R0200
24 V DC CL-LMR.C18DC2 1SVR440721R0300
CL-LMR.CX18DC2 1SVR440721R0200
24 V DC 12 inputs,
8 transistor
outputs
CL-LMT.C20DC2 1SVR440721R1300 0.36 (0.79)
C L- L M T. C X 2 0 D C 2 1SVR440721R1200
Ordering details - Expansions
Rated opera-
tional voltage
Description Type Order code Price
1 pce
Weight (1 pce)
kg (lb)
-2 relay outputs C L- L E R . 2 O 1SVR440709R5000 0.07 (0.15)
100-240 V AC
12 inputs, 6 relay outputs
CL-LER.18AC2 1SVR440723R0000 0.26 (0.57)
24 V DC CL-LER.18DC2 1SVR440721R0000 0.22 (0.49)
24 V DC 12 inputs, 8 transistor
outputs CL-LET.20DC2 1SVR440721R1000 0.21 (0.46)
-
Coupler unit for remote
expansion with a distance
of up to 30 m
CL-LEC.CI000 1SVR440709R0000 0.07 (0.15)
CL-LER
CL-LEC
CL-LMR
2CDC 311 036 F0006
2CDC 311 037 F0007
2CDC 311 038 F0006

6
2CDC 110 004 C0210 | Catalog Electronic relays and controls 2016 | ABB 332
Logic relays
Ordering details - Accessories
Ordering details - CL-LA...
Description Type Order code Price
1 pce
Weight
(1 pce)
kg (lb)
Software for programming and control of CL
range devices. Installation CD-ROM for Micro-
soft WindowsTM.
CL-LAS.PS002 1SVR440799R8000 0.10
(0.21)
Memory module for logic relays
Memory size: 32 kB CL-LAS.MD003 1SVR440799R7000 0.02 (0.04
Cable with serial interface to connect PC and
logic relay. Length: 2 m C L- L A S .T K 0 0 1 1SVR440799R6000 0.10 (0.22)
Cable with USB interface to connect PC and
logic relay. Length: 2 m C L- L A S .T K 0 0 2 1SVR440799R6100 0.06 (0.13)
Cable for point-to-point connection of remote-
display connection module and logic relay,
length: 5m, adaptable
C L- L A D .T K 0 0 7 1SVR440899R6600 0.20 (0.44)
Fixing brackets for screw mounting of logic
relay, expansion, display base module C L- L A S . F D 0 0 1 1SVR440799R5000 0.01 (0.01)
Spare plug (CL-LINK) for connection of logic
relay to expansion C L- L A S .T K 0 11 1SVR440799R5100 0.10 (0.22)
Primary switch mode power supplies,
Rated input voltage: 100-240 V AC
Rated output voltage/current: 24 V DC / 0.42 A
CP-D 24/0.421) 1SVR427041R0000 0.06 (0.13)
Primary switch mode power supplies,
Rated input voltage: 100-240 V AC
Rated output voltage/current: 24 V DC / 1.3 A
CP-D 24/1.32) 1SVR427043R0100 0.19 (0.41)
1) replaces CL-LAS.SD001, technical data see chapter “Primary switch mode power supplies”
2) replaces CL-LAS.SD002, technical data see chapter “Primary switch mode power supplies”
CL-LAS.PS002
CL-LAS.MD003
CL-LAS.TK001
2CDC 311 012 F0007
2CDC 311 013 F0007 2CDC 311 014 F0007

6
333 ABB | Catalog Electronic relays and controls 2016 | 2CDC 110 004 C0210
Ordering details - Display systems
Rated opera-
tional voltage
Description Type Order code Price
1 pce
Weight
(1 pce)
kg (lb)
-
Display module
Graphic display 132 x 64
pixel
CL-LDD.XK 1SVR440839R4500 0.14 (0.30)
-
Display module
Graphic display 132 x 64
pixel, with keypad
CL-LDD.K 1SVR440839R4400 0.13 (0.29)
24 V DC Display base module CPU /
power supply
CL-LDC.LDC2 1SVR440821R0000
0.16 (0.36)
100-240 V AC CL-LDC.LAC2 1SVR440823R0000
24 V DC Display base module
CPU / power supply,
networking-compatible
( C L- N E T )
CL-LDC.LNDC2 1SVR440821R1000
0.17 (0.38)
100-240 V AC CL-LDC.LNAC2 1SVR440823R1000
100-240 V AC Display I/O module
12 inputs, 4 relay outputs
CL-LDR.16AC2 1SVR440853R0000
0.17 (0.38)
24 V DC CL-LDR.16DC2 1SVR440851R0000
24 V DC
Display I/O module
12 inputs, 4 relay outputs,
1 analog output
CL-LDR.17DC2 1SVR440851R2000 0.17 (0.38)
24 V DC
Display I/O module
12 inputs, 4 transistor
outputs
CL-LDT.16DC2 1SVR440851R1000 0.14 (0.30)
24 V DC
Display I/O module
12 inputs, 4 transistor out-
puts, 1 analog output
CL-LDT.17DC2 1SVR440851R3000 0.14 (0.30)
Logic relays
Ordering details - Display systems
CL-LDD.K
CL-LDC.LN..
2CDC 311 028 F00062CDC 311 031 F0006
Ordering details - CL-LAD...
Description Type Order code Price
1 pce
Weight
(1 pce)
kg (lb)
Memory module for display base modules
Memory size: 256 kB C L- L A D . M D 0 0 4 1SVR440899R7000 0.02 (0.03)
Cable with serial interface to connect PC and
display base module C L- L A D .T K 0 0 1 1SVR440899R6000 0.11 (0.23)
Cable with USB interface to connect PC and
display base module C L- L A D .T K 011 1SVR440899R6700
Network cable (CL-NET) to connect 2 display
base modules Length: 0.3 m C L- L A D .T K 0 0 2 1SVR440899R6100 0.05 (0.12)
Network cable (CL-NET) to connect 2 display
base modules Length: 0.8 m CL-LAD.TK003 1SVR440899R6200 0.07 (0.14)
Network cable (CL-NET) to connect 2 display
base modules Length: 1.5 m C L- L A D .T K0 0 4 1SVR440899R6300 0.08 (0.18)
Cable for point-to-point connection of remote
display connection modules and display base
module, length adaptable, Length: 5 m
CL-LAD.TK005 1SVR440899R6400 0.20 (0.44)
Cable for point-to-point connection of 2
display base modules, length adaptable.
Length: 5 m
C L- L A D .T K 0 0 6 1SVR440899R6500 0.12 (0.26)
Termination resistor, content: 2 pieces C L- L A D .T K0 0 9 1SVR440899R6900 0.01 (0.02)
Protective cover, transparent, for harsh envi-
ronmental conditions and application in the
food industry
C L- L A D . F D 0 0 1 1SVR440899R1000 0.03 (0.07)
Protective cover, transparent and sealable C L- L A D . F D 0 11 1SVR440899R2000 0.03 (0.07)
Assembly tool for mounting of display mod-
ules C L- L A D . F D 0 0 2 1SVR440899R3000
CL-LAD.MD004
CL-LAD.TK001
CL-LAD.TK002
2CDC 311 018 F0007
2CDC 311 019 F00072CDC 311 020 F0006

6
2CDC 110 004 C0210 | Catalog Electronic relays and controls 2016 | ABB 334
Logic relays
Technical data
Data at Ta = 25 °C and rated values, if nothing else indicated.
Type CL-LSR.C...12DC1 CL-LSR....12DC2
CL-LST.C...12DC2
CL-LSR.C...12AC1 CL-LSR...12AC2
Input circuit - supply circuit
Rated operational voltage Ue12 V DC 24 V DC 24 V AC 100-240 V AC
Rated operational voltage tolerance -15...+30 % -15...+20 % -15...+10 %
Operational voltage range 10.2-15.6 V DC 20.4-28.8 V DC 20.4-26.4 V AC 85-264 V AC
Rated frequency 0 Hz 50/60 Hz
Rated frequency tolerance -±5 %
Residual ripple 5 % -
Input current at 12 V DC typ. 140 mA ---
at 24 V DC -typ. 80 mA - -
at 24 V AC --typ. 200 mA -
at 115/120 V AC (60 Hz)
---typ. 40 mA
at 230/240 V AC (50 Hz)
---typ. 20 mA
Power failure buffering (IEC/EN 61131-2) 10 ms 20 ms
Power dissipation at 12 V DC typ. 2 W ---
at 24 V DC -typ. 2 W - -
at 24 V AC --typ 5 VA -
at 115/120 V AC ---typ. 5 VA
at 230/240 V AC ---typ. 5 VA
Type CL-LMR.C...18DC1 CL-LMR.C...18DC2
CL-LMT.C...20DC2
CL-LMR.C...18AC1 CL-LMR.C...18AC2
Input circuit - supply circuit
Rated operational voltage Ue12 V DC 24 V DC 24 V AC 100-240 V AC
Rated operational voltage tolerance -15...+30 % -15...+20 % -15...+10 %
Operational voltage range 10.2-15.6 V DC 20.4-28.8 V DC 20.4-26.4 V AC 85-264 V AC
Rated frequency 0 Hz 50/60 Hz
Rated frequency tolerance -±5 %
Residual ripple 5 % -
Input current at 12 V DC typ. 200 mA ---
at 24 V DC -typ. 140 mA - -
at 24 V AC --typ. 300 mA -
at 115/120 V AC (60 Hz)
---typ. 70 mA
at 230/240 V AC (50 Hz)
---typ. 35 mA
Power failure buffering (IEC/EN 61131-2) 10 ms 20 ms
Power dissipation at 12 V DC typ. 3.5 W ---
at 24 V DC -typ. 3.5 W - -
at 24 V AC --typ. 7 VA -
at 115/120 V AC ---typ. 10 VA
at 230/240 V AC ---typ. 10 VA
Type CL-LER.18DC2
CL-LET. 20DC2
CL-LER.18AC2
Input circuit - supply circuit
Rated operational voltage Ue24 V DC 100-240 V AC
Rated operational voltage tolerance -15...+20 % -15...+10 %
Operational voltage range 20.4-28.8 V DC 85-264 V AC
Rated frequency 0 Hz 50/60 Hz
Rated frequency tolerance -±5 %
Residual ripple 5 % -
Input current at 24 V DC typ. 140 mA -
at 115/120 V AC (60 Hz)
-typ. 70 mA
at 230/240 V AC (50 Hz)
-typ. 35 mA
Power failure buffering (IEC/EN 61131-2) 10 ms 20 ms
Power dissipation at 24 V DC typ. 3.4 W -
at 115/120 V AC -typ. 10 VA
at 230/240 V AC -typ. 10 VA

6
335 ABB | Catalog Electronic relays and controls 2016 | 2CDC 110 004 C0210
Logic relays
Technical data
Data at Ta = 25 °C and rated values, if nothing else indicated.
Type CL-LSR.C...12DC1 CL-LSR....12DC2
CL-LST.C...12DC2
CL-LSR.C...12AC1 CL-LSR.C...12AC2
Input circuit - Digital inputs 12 V DC 24 V DC 24 V AC 115 / 230 V AC
Number 8
Inputs can be used as analog inputs 2 (I7, I8) -
Indication of operational states LCD-Display (if existing)
Electrical isolation from voltage supply no
between digital inputs no
from the outputs yes
Rated operational
voltage Ue
12 V DC 24 V DC 24 V AC
Ue on „0“ signal 4 V DC (I1-I8) < 5 V DC (I1-I8) 0-6 V AC (sinusoidal) 0-40 V AC (sinusoidal)
Ue on „1“ signal 8 V DC (I1-I8) > 15 V DC (I1-I6),
> 8 V DC (I7, I8)
> 9.5 V DC,
14-26.4 V AC
(sinusoidal) (I1-I6),
> 7 V AC (sinusoidal)
( I 7, I 8 )
79-264 V AC
(sinusoidal)
Rated frequency -50-60 Hz
Input current
on „1“ signal
3.3 mA (at 12 V DC,
I1-I6),
1.1 mA (at 12 V DC,
I7, I8)
3.3 mA (at 24 V DC,
I6-I7),
2.2 mA (at 24 V DC,
I7, I8)
4 mA
(at 24 V AC, 50 Hz, I1-I6),
2 mA
(at 24 V AC, 50 Hz, I7,I8),
2 mA (at 24 V DC, I7, I8)
6x0.25 mA
(at 115 V AC, 60 Hz,
I1-I6),
6x0.5 mA
(at 230 V AC, 50 Hz,
I1-I6)
2x4 mA
(at 115 V AC, 60 Hz,
I7, I8),
2x6 mA
(at 230 V AC, 50 Hz,
I7, I8)
Time delay
from „0“ to „1“
debounce ON 20 ms 80 ms (at 50 Hz), 66 2/3 ms (at 60 Hz)
debounce OFF typ. 0.3 ms (I1-I6),
typ. 0.35 ms (I7, I8)
typ. 0,25 ms (I1-I8) 20 ms (at 50 Hz), 16 2/3 ms (at 60 Hz)
Time delay
from „1“ to „0“
debounce ON 20 ms 80 ms (at 50 Hz),
66 2/3 ms (at 60 Hz)
80 ms (at 50 Hz, I1-I6),
66 2/3 ms (at 60 Hz,
I1-I6)
160 ms (at 50 Hz, I7, I8),
150 ms (at 60 Hz, I7, I8)
debounce OFF typ. 0.3 ms (I1-I6),
typ. 0.15 ms (I7, I8)
-20 ms (at 50 Hz),
16 2/3 ms (at 60 Hz)
20 ms (at 50 Hz, I1-I6),
16 2/3 ms (at 60 Hz,
I1-I6)
100 ms (at 50 Hz, I7. I8),
100 ms (at 60 Hz, I7, I8)
Cable length (unshielded) 100 m - -
Maximum cable length per input -40 m 40 m (I1-I6),
100 m (I7, I8)
Frequency counter Number 2 (I3, I4) - -
counting frequency < 1 kHz - -
pulse shape square-wave - -
pulse / pause ratio 1:1 - -
Rapid counter inputs Number 2 (I1, I2) - -
counting frequency < 1 kHz - -
pulse shape square-wave - -
pulse / pause ratio 1:1 - -
Cable length (shielded) < 20 m - -
Input circuit - Analog inputs
Number 2 (I7, I8) -
Electrical isolation from voltage supply no -
from the digital inputs no -
from the outputs yes -
from PC interface,
memory
module, CL-NET,
C L- L I N K
no -
Input type DC voltage -
Signal range 0-10 V DC -
Resolution analog 0.01 V -
digital 0.01 V; 10 Bit (value 1-1023) -
Input impedance 11.2 k-
Accuracy of the
actual value
two CL devices ±3 % -
within one device ±2 %, ±0.12 V -
Conversion time
analog/digital
Input delay ON 20 ms -
Input delay OFF each cycle -
Input current < 1 mA -
Cable length (shielded) < 30 m -

6
2CDC 110 004 C0210 | Catalog Electronic relays and controls 2016 | ABB 336
Logic relays
Technical data
Data at Ta = 25 °C and rated values, if nothing else indicated.
Type CL-LMR.C...18DC1 CL-LMR.C...18DC2
CL-LMT.C...20DC2
CL-LMR.C...18AC1 CL-LMR.C...18AC2
Input circuit - Digital inputs 12 V DC 24 V DC 24 V AC 115 / 230 V AC
Number 12
Inputs can be used as analog inputs 4 (I7, I8, I11, I12) -
Indication of operational states LCD-Display (if existing)
Electrical isolation from voltage supply no
between digital inputs no
from the outputs yes
from PC interface,
memory module, CL-NET,
C L- L I N K
no yes
Rated operational
voltage Ue
12 V DC 24 V DC 24 V AC
Ue on „0“ signal 4 V DC (I1-I12) < 5 V DC
(I1-I12, R1-R12)
0-6 V AC (sinusoidal) 0-40 V AC (sinusoidal)
Ue on „1“ signal 8 V DC (I1-I12) > 15 V DC (I1-I6, I9, I10)
> 8 V DC (I7, I8, I11, I12)
> 9.5 V DC,
14-26.4 V AC
(sinusoidal) (I1-I6, I9, I10)
> 7 V AC (sinusoidal)
(I7,I8; I11, I12)
79-264 V AC
(sinusoidal)
Rated frequency -50-60 Hz
Input current
on „1“ signal
3.3 mA
(at 12 V DC, I1-I6, I9-I12),
1.1 mA
(at 12 V DC, I7, I8)
3.3 mA
(at 24 V DC, I1-I6, I9, I10),
2.2 mA
(at 24 V DC, I7, I8, I11, I12)
4 mA
(at 24 V AC, 50 Hz,
I1-I6, I9, I10),
2 mA
(at 24 V AC, 50 Hz,
I7, I8, I11, I12),
2 mA
(
at 24 V DC, I7, I8, I11, I12)
6x0.25 mA
(at 115 V AC, 60 Hz,
I1-I6),
6x0.5 mA
(at 230 V AC, 50 Hz,
I1-I6)
2x4 mA
(at 115 V AC, 60 Hz,
I7, I8),
2x6 mA
(at 230 V AC, 50 Hz,
I7, I8),
4x0.25 mA
(at 115 V AC, 60 Hz,
I9-I12),
4x0.5 mA
(at 230 V AC, 50 Hz,
I9-I12)
Time delay
from „0“ to „1“
debounce ON 20 ms 80 ms (at 50 Hz), 66 2/3 ms (at 60 Hz)
debounce OFF
typ. 0.3 ms (I1-I6, I9, I10),
typ. 0.35 ms (I7, I8, I11, I12)
typ. 0.25 ms 20 ms (at 50 Hz), 16 2/3 ms (at 60 Hz)
Time delay
from „1“ to „0“
debounce ON 20 ms 80 ms (at 50 Hz), 66 2/3 ms (at 60 Hz)
debounce OFF
typ. 0.4 ms (I1-I6, I9, I10),
typ. 0.35 ms (I7, I8, I11, I12)
-20 ms (at 50 Hz), 16 2/3 ms (at 60 Hz)
Cable length (unshielded) 100 m
Maximum cable length per input max. 40 m,
typ. 40 m (I9, I10)
typ. 40 m (I1-I6, I9-I12),
typ. 100 m (I7, I8)
Frequency counter number 2 (I3, I4) - -
counting frequency < 1 kHz - -
pulse shape square-wave - -
pulse / pause ratio 1:1 - -
Rapid counter inputs number 2 (I1, I2) - -
counting frequency < 1 kHz - -
pulse shape square-wave - -
pulse / pause ratio 1:1 - -
Cable length (shielded) < 20 m - -
Input circuit - Analog inputs
Number 4 (I7, I8, I11, I12) -
Electrical isolation from voltage supply no -
from the digital inputs no -
from the outputs yes -
from PC interface,
memory
module, CL-NET,
C L- L I N K
no -
Input type DC voltage -
Signal range 0-10 V DC -
Resolution analog 0.01 V -
digital 0.01 V; 10 Bit (value 1-1023) -
Input impedance 11.2 k-
Accuracy of the
actual value
two CL devices ±3 % -
within one device ±2 %, ±0.12 V -
Conversion time
analog/digital
Input delay ON 20 ms -
Input delay OFF each cycle -
Input current < 1 mA -
Cable length (shielded) < 30 m -

6
337 ABB | Catalog Electronic relays and controls 2016 | 2CDC 110 004 C0210
Logic relays
Technical data
Data at Ta = 25 °C and rated values, if nothing else indicated.
Type CL-LER.18DC2, CL-LET.20DC2 CL-LER.18AC2
Input circuit - Digital inputs 24 V DC 115 / 230 V AC
Number 12
Inputs can be used as analog inputs -
Indication of operational states -
Electrical isolation from voltage supply no
between digital inputs no
from the outputs yes
from PC interface,
memory
module, CL-NET,
C L- L I N K
no
Rated operational
voltage Ue
24 V DC
Ue on „0“ signal < 5 V DC (I1-I12, R1-R12) 0-40 V AC (sinusoidal)
Ue on „1“ signal -79-264 V AC (sinusoidal)
Rated frequency -50-60 Hz
Input current
on „1“ signal
3.3 mA (at 24 V DC, R1-R12) 12x0.25 mA (at 115 V AC, 60 Hz, R1-R12),
12x0.5 mA (at 230 V AC, 50 Hz, R1-R12)
Time delay
from „0“ to „1“
debounce ON 20 ms 80 ms (at 50 Hz, I1-I12, R1-R12),
66 2/3 ms (at 60 Hz, I1-I12, R1-R12)
debounce OFF typ. 0.25 ms (R1-R12) 20 ms (at 50 Hz, I1-I12, R1-R12),
16 2/3 ms (at 60 Hz, I1-I12, R1-R12)
Time delay
from „1“ to „0“
debounce ON 20 ms 80 ms (at 50 Hz, I1-I12, R1-R12),
66 2/3 ms (at 60 Hz, I1-I12, R1-R12)
debounce OFF -20 ms (at 50 Hz, I1-I12, R1-R12),
16 2/3 ms (at 60 Hz, I1-I12, R1-R12)
Cable length (unshielded) 100 m -
Maximum cable length per input -typ. 40 m (I1-I6, I9-I12, R1-R12),
typ. 100 m (I7, I8)

6
2CDC 110 004 C0210 | Catalog Electronic relays and controls 2016 | ABB 338
Logic relays
Technical data
Data at Ta = 25 °C and rated values, if nothing else indicated.
Type CL-LSR... CL-LMR...
CL-LER...
CL-LER.2O
Output circuit - Relay outputs
Number 462
Outputs in groups of 1 2
Parallel switching of outputs to increase capacity not permissible
Fusing of the output relay circuit-breaker B16 or fuse 8 A (slow-acting)
Electrical isolation from voltage supply yes
from the inputs yes
from PC interface, memory module,
C L- N E T, C L- L I N K
no
protective separation 300 V AC
basic isolation 600 V AC
Mechanical lifetime 10x106 switching cycles
Rung conventional thermal current (10 A UL) 8 A
recommended for load 12 V AC/DC > 500 mA
short-circuit proof cos = 1;
characteristic B16 at 600 A
16 A
short-circuit proof cos = 0,5 up to 0,7;
characteristic B16 at 900 A
16 A
Rated impulse withstand voltage Uimp
contact-coil
6 kV
Rated operational voltage Ue250 V AC
Rated insulation voltage Ui250 V AC
Protective separation (EN
50178)
between coil and contact 300 V AC
between two contacts 300V AC
Making capacity AC-15, 250 V AC, 3 A (600 ops./h) 300.000 switching cycles
DC13, L/R 150 ms, 24 V DC, 1 A
(500 ops./h)
200.000 switching cycles
Breaking capacity AC-15, 250 V AC, 3 A (600 ops./h) 300.000 switching cycles
DC13, L/R 150 ms, 24 V DC, 1 A
(500 ops./h)
200.000 switching cycles
Incandesent lamp load 1000 W at 230/240 V AC 25.000 switching cycles
500 W at 115/120 V AC 25.000 switching cycles
Fluorescent lamp load 10 x 58 W at 230/240 V AC
with electrical control gear
25.000 switching cycles
10 x 58 W at 230/240 V AC
uncompensated
25.000 switching cycles
1 x 58 W at 230/240 V AC
conventional compensated
25.000 switching cycles
Switching frequency mechanical operations 10x106
switching frequency 10 Hz
resistive load / lamp load 2 Hz
inductive load 0.5 Hz
UL/CSA
Continuous current at 240 V 10 A AC
Continuous current at 24 V 8 A DC
AC Utilization catagory (Control Circuit Rating
Codes)
B 300 Light Pilot Duty
max. rated operational voltage 300 V AC
max. continuous thermal current cos =
1 at B 300
5 A
max. making / breaking apparent power
(Make/Break) cos 1 at B 300
3600/360 VA
DC Utilization catagory (Control Circuit Rating
Codes)
R 300 Light Pilot Duty
max. rated operational voltage 300 V DC
max. continuous thermal current at R 300 1 A
max. making / breaking apparent power
(Make/Break) at R 300
28/28 VA

6
339 ABB | Catalog Electronic relays and controls 2016 | 2CDC 110 004 C0210
Logic relays
Technical data
Data at Ta = 25 °C and rated values, if nothing else indicated.
Type CL-LST... CL-LMT... CL-LET...
Output circuit - Transistor outputs
Number 4 8
Rated operational voltage Ue24 V DC
Operational voltage range 20.4-28.8 V DC
Residual ripple 5 %
Supply current on „0“ signal typ. 9 mA / max. 16 mA typ. 18 mA / max. 32 mA
on „1“ signal
typ. 12 mA / max. 22 mA
typ. 24 mA / max. 44 mA
Reverse voltage protection yes (Attention: If supply voltage is reversed, applying voltage at the
outputs, causes a short circuit.)
Electrical isolation from voltage supply yes
from the inputs yes
from PC interface, memory module,
C L- N E T, C L- L I N K
-
Rated operational current Ie on„1“ signal DC max. 0.5 A
Lamp load without Rv5 W
Residual current on „0“ signal per channel < 0.1 mA
Max. output voltage on „0“ signal at external load < 10 M2.5 V
on „1“ signal at Ie = 0.5 A U = Ue - 1 V
Short-circuit protection yes, thermal (analysis results from diagnosis input I16, I15; R15, R16)
Short-circuit tripping current for Ra 10 m0.7 A Ie 2 A per output
Total short-circuit current 8 A 16 A
Peak short-circuit current 16 A 32 A
Thermal tripping yes
Max. switching frequency with constant resistive load RL < 100 k
(depending on active channels and their load)
40.000 switching cycles/h
Parallel connection of outputs with resistive load, inductive load with
external
suppressor, combination within one group
group 1: Q1-Q4 group 1: Q1-Q4,
group 2: Q5-Q8
group 1: S1-S4, group
2: S5-S8
number of outputs max. 4
max. total current 2 A (Attention! Outputs must be actuated simultaneously and for the
same length of time.)
Indication of operational states of the outputs LCD-Display (if existing)
Inductive load1) without external suppressor
T0.95 = 1 ms,
R = 48 ,
L = 16 mH
utilization factor 0.25 g
duty time 100 %
max. switching frequency f = 0,5 Hz
(max. duty time = 50 %)
1500 switching cycles
DC13,
T0.95 = 72 ms,
R = 48 ,
L = 1.15 H
utilization factor 0.25 g
duty time 100 %
max. switching frequency f = 0,5 Hz
(max. duty time = 50 %)
1500 switching cycles
T0.95 = 15 ms,
R = 48 ,
L = 0.24 H
utilization factor 0.25 g
duty time 100 %
max. switching frequency f = 0,5 Hz
(max. duty time = 50 %)
1500 switching cycles
Inductive load1) with external suppressor
demand factor 1 g
duty time 100 %
max. switching frequency
max. duty time
depends on suppressor
1) For inductive loading, without external suppression of the transistor outputs, the following applies:
T0.95 = time in ms, until 95 % of the steady-state current is achieved. T0.95 3 × T0.65 = 3 × L/R.
Data transfer rate in the CL-NET network: bus lengths of 40 m and over only attainable with cables with additional cross-section and connection adapter.

6
2CDC 110 004 C0210 | Catalog Electronic relays and controls 2016 | ABB 340
Logic relays
Technical data
Data at Ta = 25 °C and rated values, if nothing else indicated.
Type CL-LSR..., CL-LST... CL-LMR... CL-LMT..
CL-LET.., CL-LER.18..
CL-LER.2O
CL-LEC.CI000
General data
Dimensions (W x H x D) 71.5 mm x 90 mm x
58 mm
(2.81 inch x 3.54 inch x
2.28 inch)
107.5 mm x 90 mm x
58 mm
(4.23 inch x 3.54 inch x
2.28 inch)
35.5 mm x 90 mm x
58 mm
(1.40 inch x 3.54 inch x
2.28 inch)
Weight 0.2 kg (0.44 lb) 0.3 kg (0.66 lb) 0.07 kg (0.15 lb)
Mounting DIN rail (IEC/EN 60715), 35 mm or screw mounting with fixing brackets
CL-LAS.FD001 (accessories)
Mounting position horizontal / vertical
Electrical connection
Wire size rigid 0.2-4 mm2 (22–12 AWG)
fine-strand with wire end
ferrule
0.2-2.5 mm2 (22–12 AWG)
Max. tightening torque 0.6 Nm
Environmental data
Ambient temperature range operation -25...+55 °C, cold acc. to IEC 60068-2-1, heat acc. to IEC 60068-2-2
storage -40...+70 °C
LCD-Display (clearly legible) 0...+55 °C
Condensation avoid condensation with suitable methods
Humidity, no condensation (IEC/EN 60068-2-30) 5-95 %
Air pressure (operation) 795-1080 hPa
Degree of protection (IEC/EN 60529) IP20
Vibration (IEC/EN 60068-2-6) 10-57 Hz (constant amplitude 0.15 mm), 57-150 Hz (constant
acceleration 2 g)
Shock resistance (half-sine 15 g / 11 ms) (IEC/EN 60068-2-27) 18 Shocks
Drop (IEC/EN 60068-2-31) height of fall 50 mm
Free fall, packaged (IEC/EN 60068-2-32) 1 m
Insulation data
Overvoltage category II
Pollution degree (DIN EN 60947) 2
Rating of air and creepage distances EN 50178, UL 508, CSA C22.2, No. 142
Insulation resistance EN 50178
Standards
Standards and directives EN 55011, EN 55022, IEC/EN 61000-4, IEC 60068-2-6, IEC 60068-2-27
Electromagnetic compatibility
Interference immunity
electrostatic discharge (ESD) IEC/EN 61000-4-2 Level 3 (air discharge 8 kV, contact discharge 6 kV)
electromag. field (HF radiation resistance) IEC/EN 61000-4-3 10 V/m
fast transients (Burst) IEC/EN 61000-4-4 Level 3 (supply cable 2 kV, signal lines 2 kV)
powerful impulses (Surge) IEC/EN 61000-4-5 supply cable symmetrical (AC) 2 kV,
Level 2 (supply cable symmetrical (DC) 0.5 kV)
HF line emission IEC/EN 61000-4-6 10 V
Interference suppression (EN 55011, EN 55022) class B
Real time clock
Back-up time see diagram -
Accuracy typ. ±5 (±0.5 h/year) -
Repeat accuracy of the time relay
Accuracy (from value) ±1 -
Resolution range „S“ 10 ms -
range „M:S“ 1 s -
range „H:M“ 1 min -
Retention behaviour
Write cycles of retention memory (minimum) 1.000.000 (106) -
180
200
160
140
120
100
80
60
40
20
0
55 ˚C
25 ˚C
01234567891011121314151617181920
Buffer time (hours)
2CDC 312 023 F0206
Operating time (years)
Technical diagram
Back-up time of the real time clock

6
341 ABB | Catalog Electronic relays and controls 2016 | 2CDC 110 004 C0210
Logic relays
Technical data
Data at Ta = 25 °C and rated values, if nothing else indicated.
Type CL-LDD...
Input circuit - Supply circuit
Power failure buffering (IEC/EN 61131-2) 10 ms
General data
Dimensions (W x H x D) with keypad:
86.5 x 86.5 x 21.5 mm (3.41 x 3.41 x 0.85 inch)
without keypad:
86.5 x 86.5 x 20 mm (3.41 x 3.41 x 0.79 inch)
Weight 0.13 kg (0.29 lb)
Mounting 2 x 22.5 mm, with 2 retainers screwed
Mounting position horizontal / vertical
Environmental data
Ambient temperature range operation -25...+55 °C (cold acc. to IEC 60068-2-1, heat acc. to IEC
60068-2-2)
storage -40...+70 °C
LCD-Display (clearly legible) -5...+50 °C,
-10...0 °C (with backlit / continuous operation)
Condensation avoid condensation with suitable methods
Humidity, no condensation (IEC/EN 60068-2-30) 5-95 %
Air pressure (operation) 795-1080 hPa
Degree of protection (IEC/EN 60529) IP65
Vibration (IEC/EN 60068-2-6) 10-57 Hz (constant amplitude 0.15 mm), 57-150 Hz (constant
acceleration 2 g)
Shock resistance (half-sine 15 g / 11 ms) (IEC/EN 60068-2-27) 18 Shocks
Drop (IEC/EN 60068-2-31) height of fall 50 mm
Free fall, packaged (IEC/EN 60068-2-32) 1 m
Insulation data
Pollution degree (DIN EN 60947) 3
Rating of air and creepage distances EN 50178, UL 508, CSA 22.2, No 142
Insulation resistance EN 50178
Standards
Standards and directives EN 61000-6-1, EN 61000-6-2, EN 61000-6-3, EN 61000-6-4,
IEC 60068-2-6, IEC 60068-2-27
Electromagnetic compatibility
Interference immunity
electrostatic discharge (ESD) IEC/EN 61000-4-2 Level 3 (air discharge 8 kV, contact discharge 6 kV)
electromag. field (HF radiation resistance) IEC/EN 61000-4-3 10 V/m
fast transients (Burst) IEC/EN 61000-4-4 Level 3 (supply cable 2 kV, signal lines 2 kV)
powerful impulses (Surge) IEC/EN 61000-4-5 Level 3 (supply cable symmetrical 2 kV, CL-LDC.L...AC2)
Level 2 (0.5 kV supply cable symmetrical, CL-LDC.L...AC2)
HF line emission IEC/EN 61000-4-6 10 V
Interference suppression (EN 55011, EN 55022) class B

6
2CDC 110 004 C0210 | Catalog Electronic relays and controls 2016 | ABB 342
Logic relays
Technical data
Data at Ta = 25 °C and rated values, if nothing else indicated.
Type
CL-LDC.SDC2 CL-LDC.SAC2 CL-LDC.LDC2 CL-LCD.LAC2
CL-LDC.LNDC2
CL-LDC.LNAC2
Input circuit - Supply circuit
Rated operational voltage Ue24 V DC 100-240 V AC 24 V DC 100-240 V AC 24 V DC 100-240 V AC
Rated operational voltage tolerance -15...+20 % -15...+10 % -15...+20 % -15...+10 % -15...+20 % -15...+10 %
Operational voltage range
20.4-28.8 V DC 85-264 V AC 20.4-28.8 V DC
85-264 V AC
20.4-28.8 V DC
85-264 V AC
Frequency 0 Hz 50/60 Hz 0 Hz 50/60 Hz 0 Hz 50/60 Hz
Frequency tolerance -± 5 % -± 5 % -± 5 %
Residual ripple 5 % - 5 % - 5 % -
Input current at 24 V DC typ. 185 mA -typ. 200 mA -typ. 200 mA -
at 115/120 V AC (60 Hz)
-typ. 90 mA -typ. 90 mA -typ. 90 mA
at 230/240 V AC (50 Hz)
-typ. 60 mA -typ. 60 mA -typ. 60 mA
Power failure buffering (IEC/EN 61131-2) 10 ms
Power dissipation at 24 V DC 1.5 W -3.4 W -3.4 W -
at 115/120 V AC -typ. 11 VA -typ. 11 VA -typ. 11 VA
at 230/240 V AC -typ. 15 VA -typ. 15 VA -typ. 15 VA
Network - point-to-point connection
Number of stations 1 -
Data transfer rate CL-LS..., CL-LM... 9.6 kBaud -
CL-LDD 19.2 kBaud -
Distance max. 5 m -
Electrical isolation to voltage supply yes -
to connected device yes -
Termination system spring-type terminal -
Network - CL-NET
Number of stations max. 1 -max. 8
Data transfer rate 6 m -1000 kBit/s
25 m -500 kBit/s
40 m -250 kBit/s
125 m -125 kBit/s
300 m -50 kBit/s
700 m -20 kBit/s
1000 m -10 kBit/s
Electrical isolation to voltage supply -yes
to inputs -yes
to outputs -yes
to PC interface,
memory module,
C L- N E T, C L- L I N K
-yes
Bus terminator (first and last station) -yes
Termination system -RJ45, 8 pole
General data
Dimensions (W x H x D) 75 x 58 x 36.2 mm
(2.95 x 2.28 x 1.43 inch)
107.5 x 90 x 30 mm
(4.23 x 3.54 x 1.18 inch)
Weight 0.164 kg (0.36 lb) 0.145 kg (0.32 lb)
Mounting plugged onto CL-LDD plugged onto CL-LDD or on DIN rail (IEC/EN 60715)
Mounting position
Electrical connection - Supply circuit
Wire size fine-strand with wire
end ferrule
0.2 mm2 / 2.5 mm2 (24-12 AWG)
rigid 0.2 mm2 / 4 mm2 (24-12 AWG)
Electrical connection - Data cable
Wire size fine-strand with wire
end ferrule
0.08 mm2 / 1.5 mm2 (28-12
AWG)
-0.2 mm2 / 2.5 mm2 (24-12
AWG)
rigid 0.08 mm2 / 2.5 mm2 (28-12
AWG)
-0.2 mm2 / 4 mm2 (24-12 AWG)
Environmental data
Ambient temperature range operation -25...+55 °C (cold acc. to IEC 60068-2-1, heat acc. to IEC 60068-2-2)
storage -40...+70 °C
Condensation avoid condensation with suitable methods
Humidity, no condensation (IEC/EN 60068-2-30) 5-95 %
Air pressure (operation) 795-1080 hPa
Degree of protection (IEC/EN 60529) IP20
Vibration (IEC/EN 60068-2-6) 10-57 Hz (constant amplitude 0.15 mm), 57-150 Hz (constant acceleration 2 g)

6
343 ABB | Catalog Electronic relays and controls 2016 | 2CDC 110 004 C0210
Logic relays
Technical data
Data at Ta = 25 °C and rated values, if nothing else indicated.
Type CL-LDC.
SDC2
CL-LDC.
SAC2
CL-LDC.
LDC2
CL-LCD.
LAC2
CL-LDC.
LNDC2
CL-LDC.
LNAC2
Shock (half-sine 15 g / 11 ms) (IEC/EN 60068-2-27) 18 Shocks
Drop (IEC/EN 60068-2-31) height of fall 50 mm
Free fall, packaged (IEC/EN 60068-2-32) 1 m
Insulation data
Degree of protection (DIN EN 60947) 2
Rating of air and creepage distances EN 50178, UL 508, CSA 22.2, No 142
Isolation resistance EN 50178
Standards
Standards and directives EN 61000-6-1, EN 61000-6-2, EN 61000-6-3, EN 61000-6-4, IEC 60068-2-6, IEC 60068-
2-27
Electromagnetical compatibility
Interference immunity
electrostatic discharge (ESD) IEC/EN 61000-4-2 Level 3 (air discharge 8 kV, contact discharge 6 kV)
electromag. field (HF radiation
resistance)
IEC/EN 61000-
4-3
10 V/m
fast transients (Burst) IEC/EN 61000-4-4 Level 3 (supply cable 2 kV, signal lines 2 kV)
powerful impulses (Surge) IEC/EN 61000-4-5 Level 3 (supply cable symmetrical 2 kV, CL-LDC.L...AC2)
Level 2 (1 kV supply cable
symmetrical)
Level 2 (0.5 kV supply cable symmetrical, CL-LDC.L...AC2)
HF line emission IEC/EN 61000-4-6 10 V
Interference suppression (EN 55011, EN 55022) class B
Real time clock
Back-up time -see diagram
Accuracy -typ. ± 5 s/day (± 0,5 h/year)
Repeat accuracy of the time relay
Accuracy (from value) -± 0.02 %
Resolution range „S“ -5 ms
range „M:S“ -1 s
range „H:M“ -1 min
Retention behaviour
Write cycles of retention memory (minimum) -1010 (read/ write cycles)
180
200
160
140
120
100
80
60
40
20
0
55 ˚C
25 ˚C
01234567891011121314151617181920
Buffer time (hours)
2CDC 312 023 F0206
Operating time (years)
Technical diagram
Back-up time of the real time clock

6
2CDC 110 004 C0210 | Catalog Electronic relays and controls 2016 | ABB 344
Logic relays
Technical data
Data at Ta = 25 °C and rated values, if nothing else indicated.
Type CL-LD...16DC2 CL-LD...17DC2 CL-LDR.16AC2
Input circuit - Digital inputs 24 V DC 115/230 V
Number 12
Inputs can be used as analog inputs 4 (I7, I8, I11, I12) -
Indication of operational states -LCD-Display (if existing)
Electrical isolation from supply voltage no
from digital inputs no
from the outputs yes
from PC interface, memory module,
C L- N E T, C L- L I N K
yes
Rated operational voltage Ue24 V DC -
Ue on „0“ signal < 5 V DC (I1-I6, I9, I10), < 8 V DC (I7, I8, I11, I12) 0-40 V AC (sinusoidal)
Ue on „1“ signal
> 15 V DC (I1-I6, I9, I10), > 8 V DC (I7, I8, I11, I12)
79-264 V AC
(sinusoidal)
Rated frequency 0 Hz 50-60 Hz
Input current on „1“ signal 3.3 mA (at 24 V DC, I1-I6, I9, I10),
2.2 mA (at 24 V DC, I7, I8, I11, I12)
12x0.2 mA (at 115 V AC,
60 Hz, I1-I12),
12x0.5 mA (at 230 V
AC, 50 Hz, I1-I12)
Time delay from „0“ to „1“ debounce ON 20 ms 10 ms (at 50 Hz),
100 ms (at 60 Hz)
debounce OFF typ. 0.1 ms (I1-I4), typ. 0.25 ms (I5-I12) 10 ms (at 50 Hz),
100 ms (at 60 Hz)
Time delay
from „1“ to „0“
debounce ON 20 ms 10 ms (at 50 Hz),
100 ms (at 60 Hz)
debounce OFF typ. 0.1 ms (I1-I4), typ. 0.4 ms (I5, I6, I9, I10),
typ. 0.2 ms (I7, I8, I11, I12)
10 ms (at 50 Hz),
100 ms (at 60 Hz)
Cable length (unshielded) 100 m -
Maximum cable length per input -typ. 60 m
Frequency counter number 4 (I1, I2, I3, I4) -
counting frequency < 3 kHz -
pulse shape square-wave -
pulse / pause ratio 1:1 -
Incremental counter number 2 (I1 + I2, I3 + I4) -
counting frequency < 3 kHz -
pulse shape square-wave -
signal offset 90° -
pulse / pause ratio 1:1 -
Rapid counter inputs number 4 (I1, I2, I3, I4) -
counting frequency < 3 kHz -
pulse shape square-wave -
pulse / pause ratio 1:1 -
Cable length (shielded) < 20 m -
Input circuit - Analog inputs
Number 4 (I7, I8, I11, I12) -
Electrical isolation to voltage supply no -
to digital inputs no -
to outputs yes -
to PC interface, memory modul,
C L- N E T, C L- L I N K
yes -
Input type DC voltage -
Signal range 0-10 V DC -
Resolution analog 0.01 V -
digital 0.01 V; 10 Bit (value 0-1023) -
Input impedance 11.2 k-
Accuracy of the actual value two CL-LD...
devices
± 3 % -
within one device ± 2 % -
Conversion time analog/digital each cycle -
Input current < 1 mA -
Cable length (shielded) < 30 m -

6
345 ABB | Catalog Electronic relays and controls 2016 | 2CDC 110 004 C0210
Logic relays
Technical data
Data at Ta = 25 °C and rated values, if nothing else indicated.
Type CL-LD...16DC2 CL-LD...17DC2 CL-LDR.16AC2
Output circuit - Analog outputs
Number - 1 -
Electrical separation from voltage supply -no -
from the digital inputs -no -
from the digital outputs -yes -
from PC interface, memory
module, CL-NET, CL-LINK
-yes -
Output type -DC voltage -
Signal range -0-10 V DC -
Max. output current -0.01 A -
Burden resistance -1 k-
Overload and short-circuit protection -yes -
Resolution analog -0.01 V DC -
digital -10 Bit, (value: 0-1023) -
Setting time -100 ms -
Accuracy -25...+55 °C -2 % -
25 °C -1 % -
Conversion time -each CPU cycle -
General data
Dimensions (W x H x D)
CL-LDR: 89 x 90 x 44 mm (3.5 x 3.54 x 1.73 inch)
CL-LDT (build-in): 89 x 90 x 25 mm (3.5 x 3.54 x 0.98
inch)
89 x 90 x 44 mm
(3.5 x 3.54 x 1.73 inch)
Weight
CL-LDR: 0.15 kg (0.33 lb) / CL-LDT: 014 kg (0.31 lb)
0.15 kg (0.33 lb)
Mounting snap-on power supply unit
Mounting position horizontal / vertical
Electrical connection
Wire size fine-strand with wire end ferrule 0.2 mm2 / 2.5 mm2 (24-12 AWG)
rigid 0.2 mm2 / 4 mm2 (24-12 AWG)
Electrical connection - Data cable
Wire size fine-strand with wire end ferrule 0.08 mm2 / 1.5 mm2 (28-12 AWG)
rigid 0.08 mm2 / 2.5 mm2 (28-12 AWG)
Environmental data
Ambient temperature range operation -25...+55 °C (cold acc. to IEC 60068-2-1, heat acc. to IEC 60068-2-2)
storage -40...+70 °C
Condensation avoid condensation with suitable methods
Humidity, no condensation (IEC/EN 60068-2-30) 5-95 %
Atmospheric pressure (operation) 795-1080 hPa
Degree of protection (IEC/EN 60529) IP20
Vibration (IEC/EN 60068-2-6) 10-57 Hz (constant amplitude 0.15 mm), 57-150 Hz (constant
acceleration 2 g)
Shock (half-sine 15 g / 11 ms) (IEC/EN 60068-2-27) 18 Shocks
Drop (IEC/EN 60068-2-31) height of fall 50 mm
Free fall, packaged (IEC/EN 60068-2-32) 1 m
Insulation data
Pollution degree 2
Rating of air and creepage distances EN 50178, UL 508, CSA C22.2, No. 142
Isolation resistance EN 50178
Standards
Standards and directives
EN 61000-6-1/-2/-3/-4, IEC/EN 61000-4, IEC 60068-2-6, IEC 60068-2-27
Electromagnetic compatibility
electrostatic discharge (ESD)
IEC/EN 61000-4-2
Level 3 (air discharge 8 kV, contact discharge 6 kV)
electromag. field (HF radiation res.)
IEC/EN 61000-4-3
10 V/m
fast transients (Burst)
IEC/EN 61000-4-4
Level 3 (supply cable 2 kV, signal cable 2 kV)
powerful impulses (Surge)
IEC/EN 61000-4-5
2 kV (supply cable symmetrical),
Level 2 (0.5 kV supply cable symmetrical)
HF line emission
IEC/EN 61000-4-6
10 V
Interference suppression (EN 55011, EN 55022) class B

6
2CDC 110 004 C0210 | Catalog Electronic relays and controls 2016 | ABB 346
Logic relays
Technical data
Data at Ta = 25 °C and rated values, if nothing else indicated.
Type CL-LDR...
Output circuit - Relay outputs
Number 4
Outputs in groups of -
Parallel switching of outputs to increase capacity not permissible
Fusing of the output relay circuit-breaker B16 or fuse 8 A (slow-acting)
Electrical isolation from voltage supply yes
from the inputs yes
from PC interface, memory module, CL-NET,
C L- L I N K
yes
protective separation 300 V AC
Basic isolation 600 V AC
Mechanical lifetime 10x106 switching cycles
Rung conventional thermal current (10 A UL) 8 A
recommended load 12 V AC/DC > 500 mA
short-circuit proof cos = 1;
characteristic B16 at 600 A
16 A
short-circuit proof cos = 0.5 up to 0.7;
characteristic B16 at 900 A
16 A
Rated impulse withstand voltage Uimp contact-coil 6 kV
Rated operational voltage Ue250 V AC
Rated insulation voltage Ui250 V AC
Protective separation (EN 50178) between coil and contact 300 V AC
between two contacts 300V AC
Making capacity AC-15, 250 V AC, 3 A (600 ops./h) 300.000 switching cycles
DC13, L/R 150 ms, 24 V DC, 1 A (500 ops./h) 200.000 switching cycles
Breaking capacity AC-15, 250 V AC, 3 A (600 ops./h) 300.000 switching cycles
DC13, L/R 150 ms, 24 V DC, 1 A (500 ops/h) 200.000 switching cycles
Incandesent lamp load 1000 W at 230/240 V AC 25.000 switching cycles
500 W at 115/120 V AC 25.000 switching cycles
Fluorescent lamp load 10 x 58 W at 230/240 V AC
with electrical control gear
25.000 switching cycles
10 x 58 W at 230/240 V AC
uncompensated
25.000 switching cycles
1 x 58 W at 230/240 V AC
conventional compensated
25.000 switching cycles
Switching frequency mechanical operations 10x106
switching frequency 10 Hz
resistive load / lamp load 2 Hz
inductive load 0.5 Hz
UL/CSA
Continuous current at 240 V 10 A AC
Continuous current at 24 V 8 A DC
AC Utilization category (Control Circuit Rating Codes) B 300 Light Pilot Duty
max. rated operational voltage 300 V AC
max. continuous thermal current cos j = 1 at B 300
5 A
max. making / breaking apparent power
(Make/Break) cos 1 at B 300
3600/360 VA
DC Utilization category (Control Circuit Rating Codes) R 300 Light Pilot Duty
max. rated operational voltage 300 V DC
max. continuous thermal current at R 300 1 A
max. making / breaking apparent power
(Make/Break) at R 300
28/28 VA

6
347 ABB | Catalog Electronic relays and controls 2016 | 2CDC 110 004 C0210
Logic relays
Technical data
Data at Ta = 25 °C and rated values, if nothing else indicated.
Type CL-LDT...
Output circuit - Transistor outputs
Number 4
Rated operational voltage Ue 24 V DC
Operational voltage range 20.4-28.8 V DC
Residual ripple -
Supply current on „0“ signal typ. 18 mA / max. 32 mA
on „1“ signal typ. 24 mA / max. 44 mA
Reverse voltage protection yes (Attention: If supply voltage is reversed,
applying voltage at the outputs, causes a short circuit.)
Electrical isolation from voltage supply yes
from the inputs yes
from PC interface, memory module,
C L- N E T, C L- L I N K
yes
Rated operational current Ie on„1“ signal DC max. 0.5 A
Lamp load without Rv5 W (Q1-Q4)
Residual current on „0“ signal per channel < 0.1 mA
Max. output voltage on „0“ signal at external load < 10 M2.5 V
on „1“ signal at Ie = 0.5 A U = Ue - 1 V
Short-circuit protection thermal (Q1-Q4), (analysis results from diagnosis input I16)
Short-circuit tripping current for Ra 10 m0.7 A Ie 2 A per output
Total short-circuit current 8 A
Peak short-circuit current 16 A
Thermal tripping yes
Max. switching frequency with constant resistive load RL < 100 k (depending on
active channels and their load)
40.000 switching cycles/h
Parallel connection of outputs with resistive load, inductive load with external
suppressor, combination within one group
group 1: Q1-Q4
number of outputs max. 4
max. total current 2 A (Attention! Outputs must be actuated simultaneously
and for the same length of time.)
Indication of operational states of the outputs LCD-Display (if existing)
Inductive load1) without external suppressor
T0.95 = 1 ms,
R = 48 ,
L = 16 mH
utilization factor 0.25 g
duty time 100 %
max. switching frequency f = 0,5 Hz
(max. duty time = 50 %)
1500 switching cycles
DC13,
T0.95 = 72 ms,
R = 48 ,
L = 1.15 H
utilization factor 0.25 g
duty time 100 %
max. switching frequency f = 0,5 Hz
(max. duty time = 50 %)
1500 switching cycles
T0.95 = 15 ms,
R = 48 ,
L = 0.24 H
utilization factor 0.25 g
duty time 100 %
max. switching frequency f = 0,5 Hz
(max. duty time = 50 %)
1500 switching cycles
Inductive load1) with external suppressor
demand factor 1 g
duty time 100 %
max. switching frequency max. duty time depends on suppressor
1) For inductive loading, without external suppression of the transistor outputs, the following applies:
T0.95 = time in ms, until 95 % of the steady-state current is achieved. T0.95 3 × T0.65 = 3 × L/R.
Data transfer rate in the CL-NET network: bus lengths of 40 m and over only attainable with cables with additional cross-section and connection adapter.

6
2CDC 110 004 C0210 | Catalog Electronic relays and controls 2016 | ABB 348
Logic relays
Dimensional drawings
90
102
110
71.5
M4
10.75 50
35.75
45
58
56.5
47.5
4.5
2CDC 312 011 F0b06
90
102
110
M4
107.5
75 16.25
16.25
45
58
56.5
47.5
4.5
2CDC 312 012 F0b06
CL-LSR, CL-LST CL-LMR, CL-LMT
CL-LDD
32 17
20 13.7
86.5
30
62
86.5
28.25 28.25
22.3
30
2CDC 312 018 F0b06
90
102
110
45
58
56.5
47.5
4.5
7.5
35.5
7.5
M4
2CDC 312 013 F0b06
CL-LER.2O
90
88.2
107.5
20 43.2
33.7
2CDC 312 014 F0b06
65.5
29.3 36.2
86.5
75
86.5
58
2CDC 312 015 F0b06
90
88.1 19 25
2CDC 312 016 F0b06
CL-LDC.S..
CL-LDR, CL-LDT
CL-LDD.K + CL-LDC.L.. +
(CL-LDR or CL-LDT)
Dimensional drawings dimensions in mm

7
349 ABB | Catalog Electronic relays and controls 2016 | 2CDC 110 004 C0210
Index
Alphanumerical
Type Page Type Page Type Page Type Page
Numbers
A
ADP.01 39
ADP.01 39
ADP.01 176
ADP.01 268
ADP.02 176
B
BJ612-10 312
BJ612-10 320
BJ612-20 312
BJ612-20 320
C
C011-100 140
C011-110 140
C011-120 140
C011-130 140
C011-140 140
C011-150 140
C011-160 140
C011-170 140
C011-3-150 140
C011-70 140
C011-80 140
C011-90 140
C512-24 154
C512-D 154
C512-E 154
C512-W 154
C513-D 154
C513-E 154
C513-W 154
CC-E I/I 256
CC-E I/I 256
CC-E I/I 256
CC-E I/I 256
CC-E I/I 256
CC-E I/I 256
CC-E I/I 256
CC-E I/I 256
CC-E I/I-1 256
CC-E I/I-2 256
CC-E I/V 256
CC-E I/V 256
CC-E I/V 256
CC-E I/V 256
CC-E IAC/I 258
CC-E IAC/I 258
CC-E IAC/I 259
CC-E IAC/I 259
CC-E IAC/ILPO 259
CC-E IAC/V 258
CC-E IAC/V 259
CC-E IDC/I 258
CC-E IDC/I 258
CC-E IDC/I 259
CC-E IDC/I 259
CC-E IDC/V 258
CC-E IDC/V 259
CC-E RTD/I 257
CC-E RTD/I 257
CC-E RTD/I 257
CC-E RTD/I 257
CC-E RTD/I 257
CC-E RTD/I 257
CC-E RTD/I 257
CC-E RTD/I 257
CC-E RTD/I 257
CC-E RTD/I 257
CC-E RTD/I 257
CC-E RTD/I 257
CC-E RTD/I 257
CC-E RTD/I 257
CC-E RTD/I 257
CC-E RTD/I 257
CC-E RTD/V 257
CC-E RTD/V 257
CC-E RTD/V 257
CC-E RTD/V 257
CC-E RTD/V 257
CC-E RTD/V 257
CC-E RTD/V 257
CC-E RTD/V 257
CC-E TC/I 258
CC-E TC/I 258
CC-E TC/I 258
CC-E TC/I 258
CC-E TC/I 258
CC-E TC/I 258
CC-E TC/I 258
CC-E TC/I 258
CC-E TC/V 258
CC-E TC/V 258
CC-E TC/V 258
CC-E TC/V 258
CC-E V/I 256
CC-E V/I 256
CC-E V/I 256
CC-E V/I 256
CC-E V/V 256
CC-E V/V 256
CC-E V/V 256
CC-E V/V 256
CC-E/I 259
CC-E/I1) 258
CC-E/RTD 257
CC-E/RTD 257
CC-E/STD 256
CC-E/STD 256
CC-E/TC 258
CC-E/TC1) 258
CC-U/I 267
CC-U/I 267
CC-U/RTD 267
CC-U/RTD 267
CC-U/STD 267
CC-U/STD 267
CC-U/STDR 267
CC-U/STDR 267
CC-U/TC 267
CC-U/TC 267
CC-U/TCR 267
CC-U/TCR 267
CC-U/V 267
CC-U/V 267
CL-LAD.FD001 333
CL-LAD.FD002 333
CL-LAD.FD011 333
CL-LAD.MD004 333
CL-LAD.TK001 333
CL-LAD.TK002 333
CL-LAD.TK003 333
CL-LAD.TK004 333
CL-LAD.TK005 333
CL-LAD.TK006 333
CL-LAD.TK007 332
CL-LAD.TK009 333
CL-LAD.TK011 333
CL-LAS.FD001 332
CL-LAS.MD003 332
CL-LAS.PS002 332
CL-LAS.TK001 332
CL-LAS.TK002 332
CL-LAS.TK011 332
CL-LDC.LAC2 333
CL-LDC.LDC2 333
CL-LDC.LNAC2 333
CL-LDC.LNDC2 333
CL-LDC.SAC2 330
CL-LDC.SDC2 330
CL-LDD.K 330
CL-LDD.K 333
CL-LDD.XK 330
CL-LDD.XK 333
CL-LDR.16AC2 333
CL-LDR.16DC2 333
CL-LDR.17DC2 333
CL-LDT.16DC2 333
CL-LDT.17DC2 333
CL-LEC.CI000 331
CL-LER.18AC2 331
CL-LER.18DC2 331
CL-LER.2O 331
CL-LET.20DC2 331
CL-LMR.C18AC1 331
CL-LMR.C18AC2 331
CL-LMR.C18DC1 331
CL-LMR.C18DC2 331
CL-LMR.CX18AC1 331
CL-LMR.CX18AC2 331
CL-LMR.CX18DC1 331
CL-LMR.CX18DC2 331
CL-LMT.C20DC2 331
CL-LMT.CX20DC2 331
CL-LSR.12AC2 330
CL-LSR.12DC2 330
CL-LSR.C12AC1 330
CL-LSR.C12AC2 330
CL-LSR.C12DC1 330
CL-LSR.C12DC2 330
CL-LSR.CX12AC1 330
CL-LSR.CX12AC2 330
CL-LSR.CX12DC1 330
CL-LSR.CX12DC2 330
CL-LST.C12DC2 330
CL-LST.CX12DC2 330
CM-AH-3 166
CM-CT 100/1 177
CM-CT 100/5 177
CM-CT 150/1 177
CM-CT 150/5 177
CM-CT 200/1 177
CM-CT 200/5 177
CM-CT 300/1 177
CM-CT 300/5 177
CM-CT 400/1 177
CM-CT 400/5 177
CM-CT 50/1 177
CM-CT 50/5 177
CM-CT 500/1 177
CM-CT 500/5 177
CM-CT 600/1 177
CM-CT 600/5 177
CM-CT 75/1 177
CM-CT 75/5 177
CM-CT A 177
CM-EFS.2P 66
CM-EFS.2S 66
CM-ENE MAX 166
CM-ENE MAX 166
CM-ENE MAX 166
CM-ENE MIN 166
CM-ENE MIN 166
CM-ENE MIN 166
CM-ENS.11P 166
CM-ENS.11S 166
CM-ENS.13P 166
CM-ENS.13S 166
CM-ENS.21P 166
CM-ENS.21S 166
CM-ENS.23P 166
CM-ENS.23S 166
CM-ENS.31P 166
CM-ENS.31S 166
CM-ESS.1P 66
CM-ESS.1P 66
CM-ESS.1P 66
CM-ESS.1S 66

7
2CDC 110 004 C0210 | Catalog Electronic relays and controls 2016 | ABB 350
Index
Alphanumerical
Type Page Type Page Type Page Type Page
CM-ESS.1S 66
CM-ESS.1S 66
CM-ESS.2P 66
CM-ESS.2P 66
CM-ESS.2P 66
CM-ESS.2S 66
CM-ESS.2S 66
CM-ESS.2S 66
CM-ESS.MP 66
CM-ESS.MS 66
CM-GM-1 166
CM-HC 166
CM-HCT 166
CM-HE 166
CM-IVN.P 116
CM-IVN.S 116
CM-IWN.1P 116
CM-IWN.1S 116
CM-IWN.4P 116
CM-IWN.4S 116
CM-IWN.5P 116
CM-IWN.5S 116
CM-IWN.6P 116
CM-IWN.6S 116
CM-IWS.1P 116
CM-IWS.1S 116
CM-IWS.2P 116
CM-IWS.2S 116
CM-KH-3 166
CM-LWN 126
CM-LWN 126
CM-LWN 126
CM-LWN 126
CM-LWN 126
CM-LWN 126
CM-LWN 126
CM-LWN 126
CM-LWN 126
CM-LWN 126
CM-MPN.52P 84
CM-MPN.52S 84
CM-MPN.62P 84
CM-MPN.62S 84
CM-MPN.72P 84
CM-MPN.72S 84
CM-MPS.11P 84
CM-MPS.11S 84
CM-MPS.21P 84
CM-MPS.21S 84
CM-MPS.23P 84
CM-MPS.23S 84
CM-MPS.31P 84
CM-MPS.31S 84
CM-MPS.41P 84
CM-MPS.41S 84
CM-MPS.43P 84
CM-MPS.43S 84
CM-MSE 140
CM-MSE 140
CM-MSE 140
CM-MSS.11P 140
CM-MSS.11S 140
CM-MSS.12P 140
CM-MSS.12S 140
CM-MSS.13P 140
CM-MSS.13S 140
CM-MSS.21P 140
CM-MSS.21S 140
CM-MSS.22P 140
CM-MSS.22S 140
CM-MSS.23P 140
CM-MSS.23S 140
CM-MSS.31P 140
CM-MSS.31S 140
CM-MSS.32P 140
CM-MSS.32S 140
CM-MSS.33P 140
CM-MSS.33S 140
CM-MSS.41P 140
CM-MSS.41S 140
CM-MSS.51P 140
CM-MSS.51S 140
CM-PAS.31P 82
CM-PAS.31S 82
CM-PAS.41P 82
CM-PAS.41S 82
CM-PBE 82
CM-PBE 82
CM-PFE 82
CM-PFE.2 82
CM-PFS.P 82
CM-PFS.S 82
CM-PSS.31P 82
CM-PSS.31S 82
CM-PSS.41P 82
CM-PSS.41S 82
CM-PVE 82
CM-PVE 82
CM-PVS.31P 82
CM-PVS.31S 82
CM-PVS.41P 82
CM-PVS.41S 82
CM-PVS.81P 82
CM-PVS.81S 82
CM-SE-1000 166
CM-SE-300 166
CM-SE-600 166
CM-SFS.21P 64
CM-SFS.21S 64
CM-SFS.22S 64
CM-SRS.11P 64
CM-SRS.11P 64
CM-SRS.11P 64
CM-SRS.11S 64
CM-SRS.11S 64
CM-SRS.11S 64
CM-SRS.12S 64
CM-SRS.12S 64
CM-SRS.12S 64
CM-SRS.21P 64
CM-SRS.21P 64
CM-SRS.21P 64
CM-SRS.21S 64
CM-SRS.21S 64
CM-SRS.21S 64
CM-SRS.22S 64
CM-SRS.22S 64
CM-SRS.22S 64
CM-SRS.M1P 64
CM-SRS.M1S 64
CM-SRS.M2S 64
CM-TCS.11P 154
CM-TCS.11S 154
CM-TCS.12P 154
CM-TCS.12S 154
CM-TCS.13P 154
CM-TCS.13S 154
CM-TCS.21P 154
CM-TCS.21S 154
CM-TCS.22P 154
CM-TCS.22S 154
CM-TCS.23P 154
CM-TCS.23S 154
CM-UFD.M22 104
CM-UFD.M31 104
CM-UFD.M33 104
CM-UFD.M34 104
COV.01 39
COV.01 176
COV.01 268
COV.02 176
COV.11 39
COV.11 176
COV.12 176
CP-A CM 229
CP-A RU 229
CP-B 24/10.0 238
CP-B 24/20.0 238
CP-B 24/3.0 238
CP-B EXT.2 238
CP-C.1 24/10.0 222
CP-C.1 24/20.0 222
CP-C.1 24/5.0 222
CP-D 12/0.83 188
CP-D 12/2.1 188
CP-D 24/0.42 188
CP-D 24/1.3 188
CP-D 24/2.5 188
CP-D 24/4.2 188
CP-D RU 229
CP-E 12/10.0 198
CP-E 12/2.5 198
CP-E 24/0.75 198
CP-E 24/1.25 198
CP-E 24/10.0 198
CP-E 24/2.5 198
CP-E 24/20.0 198
CP-E 24/5.0 198
CP-E 48/0.62 198
CP-E 48/1.25 198
CP-E 48/10.0 198
CP-E 48/5.0 198
CP-E 5/3.0 198
CP-RUD 229
CP-T 24/10.0 212
CP-T 24/20.0 212
CP-T 24/40.0 212
CP-T 24/5.0 212
CP-T 48/10.0 212
CP-T 48/20.0 212
CP-T 48/5.0 212
CR-M012DC2 288
CR-M012DC2L 289
CR-M012DC3 288
CR-M012DC3L 289
CR-M012DC4 288
CR-M012DC4L 289
CR-M012DC4LDG 290
CR-M012DC4LG 290
CR-M024AC2 288
CR-M024AC2L 289
CR-M024AC3 288
CR-M024AC3L 289
CR-M024AC4 288
CR-M024AC4G 289
CR-M024AC4L 289
CR-M024AC4LG 290
CR-M024DC2 288
CR-M024DC2L 289
CR-M024DC3 288
CR-M024DC3L 289
CR-M024DC4 288
CR-M024DC4G 289
CR-M024DC4L 289
CR-M024DC4LD 289
CR-M024DC4LDG 290
CR-M024DC4LG 290
CR-M048AC2 288
CR-M048AC2L 289
CR-M048AC3 288
CR-M048AC3L 289
CR-M048AC4 288
CR-M048AC4L 289
CR-M048AC4LG 290
CR-M048DC2 288
CR-M048DC2L 289
CR-M048DC3 288
CR-M048DC3L 289
CR-M048DC4 288
CR-M048DC4L 289
CR-M048DC4LG 290
CR-M060AC3 288

7
351 ABB | Catalog Electronic relays and controls 2016 | 2CDC 110 004 C0210
Index
Alphanumerical
Type Page Type Page Type Page Type Page
CR-M060DC2 288
CR-M060DC2L 289
CR-M060DC3 288
CR-M060DC3L 289
CR-M060DC4 288
CR-M060DC4L 289
CR-M060DC4LG 290
CR-M110AC2 288
CR-M110AC2L 289
CR-M110AC3 288
CR-M110AC3L 289
CR-M110AC4 288
CR-M110AC4G 289
CR-M110AC4L 289
CR-M110AC4LG 290
CR-M110DC2 288
CR-M110DC2L 289
CR-M110DC3 288
CR-M110DC3L 289
CR-M110DC4 288
CR-M110DC4L 289
CR-M110DC4LG 290
CR-M120AC2 288
CR-M120AC2L 289
CR-M120AC3 288
CR-M120AC3L 289
CR-M120AC4 288
CR-M120AC4L 289
CR-M120AC4LG 290
CR-M125DC2 288
CR-M125DC2L 289
CR-M125DC3 288
CR-M125DC3L 289
CR-M125DC4 288
CR-M125DC4L 289
CR-M125DC4LG 290
CR-M220DC2 288
CR-M220DC2L 289
CR-M220DC3 288
CR-M220DC3L 289
CR-M220DC4 288
CR-M220DC4L 289
CR-M220DC4LG 290
CR-M230AC2 288
CR-M230AC2L 289
CR-M230AC3 288
CR-M230AC3L 289
CR-M230AC4 288
CR-M230AC4G 289
CR-M230AC4L 289
CR-M230AC4LG 290
CR-M2LC 290
CR-M2LS 290
CR-M2SF 290
CR-M2SS 290
CR-M3LS 290
CR-M3SS 290
CR-M4LC 290
CR-M4LS 290
CR-M4SF 290
CR-M4SS 290
CR-MH 290
CR-MH1 290
CR-MJ 290
CR-MM 290
CR-P/M 22 291
CR-P/M 42 291
CR-P/M 42B 291
CR-P/M 42BV 291
CR-P/M 42C 291
CR-P/M 42CV 291
CR-P/M 42V 291
CR-P/M 52B 291
CR-P/M 52C 291
CR-P/M 52D 291
CR-P/M 62 291
CR-P/M 62C 291
CR-P/M 62CV 291
CR-P/M 62D 291
CR-P/M 62DV 291
CR-P/M 62E 291
CR-P/M 62EV 291
CR-P/M 62V 291
CR-P/M 72 291
CR-P/M 72A 291
CR-P/M 82 291
CR-P/M 92 291
CR-P/M 92C 291
CR-P/M 92CV 291
CR-P/M 92V 291
CR-P012DC1 287
CR-P012DC2 287
CR-P024AC1 287
CR-P024AC2 287
CR-P024AC2G 287
CR-P024DC1 287
CR-P024DC2 287
CR-P024DC2 287
CR-P048AC1 287
CR-P048AC2 287
CR-P048DC1 287
CR-P048DC2 287
CR-P110AC1 287
CR-P110AC2 287
CR-P110AC2G 287
CR-P110DC1 287
CR-P110DC2 287
CR-P120AC1 287
CR-P120AC2 287
CR-P230AC1 287
CR-P230AC2 287
CR-P230AC2G 287
CR-PH 287
CR-PJ 287
CR-PLC 287
CR-PLS 287
CR-PLSx 287
CR-PM 287
CR-PSS 287
CR-S005VDC1R 286
CR-S005VDC1RG 286
CR-S006/024VDC1SS 286
CR-S006/024VDC1SZ 286
CR-S012/024VADC1SS 286
CR-S012/024VADC1SZ 286
CR-S012VDC1R 286
CR-S012VDC1RG 286
CR-S024VADC1CRGS 286
CR-S024VADC1CRGZ 286
CR-S024VADC1CRS 286
CR-S024VADC1CRZ 286
CR-S024VDC1MOS 286
CR-S024VDC1R 286
CR-S024VDC1RG 286
CR-S024VDC1TRA 286
CR-S024VDC1TRI 286
CR-S048/060VADC1SS 286
CR-S048/060VADC1SZ 286
CR-S048VDC1R 286
CR-S048VDC1RG 286
CR-S060VDC1R 286
CR-S060VDC1RG 286
CR-S110/125VADC1SS 286
CR-S110/125VADC1SZ 286
CR-S110VADC1CRGS 286
CR-S110VADC1CRGZ 286
CR-S110VADC1CRS 286
CR-S110VADC1CRZ 286
CR-S220/240VADC1SS 286
CR-S220/240VADC1SZ 286
CR-S230VADC1CRGS 286
CR-S230VADC1CRGZ 286
CR-S230VADC1CRS 286
CR-S230VADC1CRZ 286
CR-SJB20-BLACK 286
CR-SJB20-BLUE 286
CR-SJB20-RED 286
CR-SM 286
CR-SSEP 286
CR-U 21 293
CR-U 41 293
CR-U 41B 293
CR-U 41BV 293
CR-U 41C 293
CR-U 41CV 293
CR-U 41V 293
CR-U 51B 293
CR-U 51C 293
CR-U 51D 293
CR-U 61 293
CR-U 61C 293
CR-U 61CV 293
CR-U 61D 293
CR-U 61DV 293
CR-U 61E 293
CR-U 61EV 293
CR-U 61V 293
CR-U 71 293
CR-U 71A 293
CR-U 81 293
CR-U 91 293
CR-U 91C 293
CR-U 91CV 293
CR-U 91V 293
CR-U T 293
CR-U012DC2 292
CR-U012DC2L 292
CR-U012DC3 292
CR-U012DC3L 292
CR-U024AC2 292
CR-U024AC2L 292
CR-U024AC3 292
CR-U024AC3L 292
CR-U024DC2 292
CR-U024DC2L 292
CR-U024DC3 292
CR-U024DC3L 292
CR-U048AC2 292
CR-U048AC2L 292
CR-U048AC3 292
CR-U048AC3L 292
CR-U048DC2 292
CR-U048DC2L 292
CR-U048DC3 292
CR-U048DC3L 292
CR-U060AC3 292
CR-U110AC2 292
CR-U110AC2L 292
CR-U110AC3 292
CR-U110AC3L 292
CR-U110DC2 292
CR-U110DC2L 292
CR-U110DC3 292
CR-U110DC3L 292
CR-U120AC2 292
CR-U120AC2L 292
CR-U120AC3 292
CR-U120AC3L 292
CR-U125DC3 292
CR-U220DC2 292
CR-U220DC2L 292
CR-U220DC3 292
CR-U220DC3L 292
CR-U230AC2 292
CR-U230AC2L 292
CR-U230AC3 292
CR-U230AC3L 292
CR-U2S 292
CR-U2SM 292
CR-U3E 292
CR-U3S 292
CR-U3SM 292

7
2CDC 110 004 C0210 | Catalog Electronic relays and controls 2016 | ABB 352
Index
Alphanumerical
Type Page Type Page Type Page Type Page
CR-UH 292
CT- MXS.22S 37
CT-AHD.12 18
CT-AHD.22 18
CT-AHE 26
CT-AHE 26
CT-AHE 26
CT-AHE 26
CT-AHE 26
CT-AHE 26
CT-AHE 26
CT-AHE 26
CT-AHE 26
CT-AHE 27
CT-AHE 27
CT-AHE 27
CT-AHE 27
CT-AHE 27
CT-AHE 27
CT-AHE 27
CT-AHE 27
CT-AHE 27
CT-AHS.22P 38
CT-AHS.22S 38
CT-APS.12P 38
CT-APS.12S 38
CT-APS.21P 38
CT-APS.21S 38
CT-APS.22P 38
CT-APS.22S 38
CT-ARE 26
CT-ARE 26
CT-ARE 26
CT-ARE 26
CT-ARE 27
CT-ARE 27
CT-ARE 27
CT-ARE 27
CT-ARS.11P 38
CT-ARS.11S 38
CT-ARS.21P 38
CT-ARS.21S 38
CT-AWE 26
CT-AWE 26
CT-AWE 26
CT-AWE 27
CT-AWE 27
CT-AWE 27
CT-EBD.12 18
CT-ERD.12 18
CT-ERD.22 18
CT-ERE 26
CT-ERE 26
CT-ERE 26
CT-ERE 26
CT-ERE 26
CT-ERE 26
CT-ERE 26
CT-ERE 26
CT-ERE 27
CT-ERE 27
CT-ERE 27
CT-ERE 27
CT-ERE 27
CT-ERE 27
CT-ERE 27
CT-ERE 27
CT-ERS.12P 38
CT-ERS.12S 38
CT-ERS.21P 38
CT-ERS.21S 38
CT-ERS.22P 38
CT-ERS.22S 38
CT-MBS.22P 37
CT-MBS.22S 37
CT-MFD.12 18
CT-MFD.21 18
CT-MFE 26
CT-MFE 27
CT-MFS.21P 37
CT-MFS.21S 37
CT-MVS.12P 37
CT-MVS.12S 37
CT-MVS.21P 37
CT-MVS.21S 37
CT-MVS.22P 37
CT-MVS.22S 37
CT-MVS.23P 37
CT-MVS.23S 37
CT-MXS.22P 37
CT-SAD.22 18
CT-SDD.22 18
CT-SDS.22P 38
CT-SDS.22S 38
CT-SDS.23P 38
CT-SDS.23S 38
CT-TGD.12 18
CT-TGD.22 18
CT-VWD.12 18
CT-VWE 26
CT-VWE 26
CT-VWE 26
CT-VWE 26
CT-VWE 26
CT-VWE 26
CT-VWE 27
CT-VWE 27
CT-VWE 27
CT-VWE 27
CT-VWE 27
CT-VWE 27
CT-WBS.22P 37
CT-WBS.22S 37
E
EPD24-TB-101-0.5A 245
EPD24-TB-101-10A 245
EPD24-TB-101-12A 245
EPD24-TB-101-1A 245
EPD24-TB-101-2A 245
EPD24-TB-101-3A 245
EPD24-TB-101-4A 245
EPD24-TB-101-6A 245
EPD24-TB-101-8A 245
EPD-BB500 245
EPD-SB21 245
K
KA1-8029 39
KA1-8030 39
M
MA16-1060 39
MAR.01 39
MAR.01 39
MAR.01 176
MAR.01 268
MAR.02 39
MAR.02 176
MAR.12 39
MAR.12 176
MT-150B 39
MT-250B 39
MT-350B 39
O
OBIC0100-115-230 320
OBIC0100-24VDC 320
OBIC0100-48-60VUC 320
OBIC0100-5-12VDC 320
OBOA1000-115VUC 320
OBOA1000-230VUC 320
OBOA1000-24VDC 320
OBOA2000-24VDC 320
OBOC2000-115VUC 320
OBOC2000-230VUC 320
OBOC2000-24VDC 320
OBOC2000-24VUC 320
OBOC2000-48-60VUC 320
OBOC2000-5-12VDC 320
OBOC5000-115VUC 320
OBOC5000-24VDC 320
OBRIC0100-115-230 320
OBRIC0100-24VDC 320
OBRIC0100-48-60VUC 320
OBRIC0100-5-12VDC 320
OBROA1000-24VDC 320
OBROA2000-24VDC 320
OBROC2000-230VUC 320
OBROC2000-24VDC 320
OBROC2000-24VUC 320
OBROC2000-48-60VUC 320
OBROC2000-5-12VDC 320
OBROC5000-230VUC 320
OBROC5000-24VDC 320
R
RB101R-24VUC 311
RB111-115VUC 311
RB111-230VUC 311
RB111-24VUC 311
RB111R-24VUC 311
RB121-115VUC 311
RB121-12VDC 311
RB121-230VUC 311
RB121-24VDC 311
RB121-24VUC 311
RB121-48-60VUC 311
RB121-60-230VUC 312
RB121G-115VUC 311
RB121G-12VDC 311
RB121G-230VUC 311
RB121G-24VDC 311
RB121G-24VUC 311
RB121G-48-60VUC 311
RB121P-12VDC 311
RB121P-5VDC 311
RB121PG-5VDC 311
RB121R-115VUC 312
RB121R-230VUC 312
RB122G-115VUC 312
RB122G-230VUC 312
RB122G-24VUC 312
RB122G-48-60VUC 312
RBR101R-24VUC 311
RBR111-24VUC 311
RBR111R-24VUC 311
RBR121-115VUC 311
RBR121-230VUC 311
RBR121-24VDC 311
RBR121-24VUC 311
RBR121-48-60VUC 311
RBR121-60-230VUC 312
RBR121G-115VUC 311
RBR121G-230VUC 311
RBR121G-24VDC 311
RBR121G-24VUC 311
RBR121G-48-60VUC 311
RBR121P-12VDC 311
RBR121P-5VDC 311
RBR121R-230VUC 312
RBR122G-115VUC 312
RBR122G-230VUC 312
RBR122G-24VUC 312
RBR122G-48-60VUC 312
RC610 312
RC610 320
RC65 312
RC65 320

7
353 ABB | Catalog Electronic relays and controls 2016 | 2CDC 110 004 C0210
Index
Alphanumerical
Type Page Type PageType Page
S
SC612 312
SC612 320
SK 615 562-87 39
SK 615 562-88 39

7
2CDC 110 004 C0210 | Catalog Electronic relays and controls 2016 | ABB 354
Index
Numerical
1SAR
1SAR700100R0005 .. C512-24 ...................................... 154
1SAR700100R0010 .. C512-W ....................................... 154
1SAR700110R0010 .. C513-W ....................................... 154
1SFA
1SFA611410R1506 .. MT-150B........................................ 39
1SFA611410R2506 .. MT-250B........................................ 39
1SFA611410R3506 .. MT-350B........................................ 39
1SFA611940R1060 .. MA16-1060 ................................... 39
1SFA616920R8029 .. KA1-8029 ...................................... 39
1SFA616920R8030 .. KA1-8030 ...................................... 39
1SNA
1SNA206754R0000 .. BJ612-20 .................................... 312
1SNA206754R0000 .. BJ612-20 .................................... 320
1SNA232000R0000 .. RC65 ........................................... 312
1SNA232000R0000 .. RC65 ........................................... 320
1SNA233000R0100 .. RC610 ......................................... 312
1SNA233000R0100 .. RC610 ......................................... 320
1SNA290474R0200 .. SC612 ......................................... 312
1SNA290474R0200 .. SC612 ......................................... 320
1SNA290488R0100 .. BJ612-10 .................................... 312
1SNA290488R0100 .. BJ612-10 .................................... 320
1SNA645001R0300 .. RB121-24VUC ............................. 311
1SNA645002R0400 .. RB121-48-60VUC ........................ 311
1SNA645003R0500 .. RB121-115VUC ........................... 311
1SNA645004R0400 .. RB121-230VUC ........................... 311
1SNA645005R0700 .. RB121G-24VUC........................... 311
1SNA645006R0000 .. RB121G-48-60VUC ..................... 311
1SNA645007R0100 .. RB121G-115VUC ......................... 311
1SNA645008R1200 .. RB121G-230VUC ......................... 311
1SNA645011R2400 .. RB121R-230VUC ......................... 312
1SNA645012R2500 .. RB122G-24VUC........................... 312
1SNA645013R2600 .. RB122G-230VUC ......................... 312
1SNA645014R2700 .. RB111-24VUC ............................. 311
1SNA645016R2100 .. RB111-115VUC ........................... 311
1SNA645017R2200 .. RB111-230VUC ........................... 311
1SNA645018R0300 .. RB111R-24VUC ........................... 311
1SNA645019R0400 .. RB101R-24VUC ........................... 311
1SNA645020R0100 .. RB121-60-230VUC ...................... 312
1SNA645021R2600 .. OBIC0100-24VDC ........................ 320
1SNA645022R2700 .. OBIC0100-115-230 ..................... 320
1SNA645024R2100 .. OBOC5000-24VDC ...................... 320
1SNA645025R2200 .. OBOC2000-24VUC ...................... 320
1SNA645026R2300 .. OBOC2000-230VUC .................... 320
1SNA645027R2400 .. OBOA1000-24VDC ...................... 320
1SNA645028R0500 .. OBOA1000-230VUC .................... 320
1SNA645029R0600 .. OBOA2000-24VDC ...................... 320
1SNA645034R2300 .. RB121P-5VDC ............................. 311
1SNA645035R2400 .. RB121P-12VDC ........................... 311
1SNA645036R2500 .. RB121PG-5VDC .......................... 311
1SNA645040R1500 .. RB122G-48-60VUC ..................... 312
1SNA645041R0200 .. RB122G-115VUC ......................... 312
1SNA645046R0700 .. RB121R-115VUC ......................... 312
1SNA645047R0000 .. OBIC0100-5-12VDC .................... 320
1SNA645049R1200 .. OBIC0100-48-60VUC ................... 320
1SNA645050R1700 .. OBOC2000-5-12VDC ................... 320
1SNA645051R0400 .. OBOC2000-24VDC ...................... 320
1SNA645053R0600 .. OBOC2000-48-60VUC ................. 320
1SNA645054R0700 .. OBOC2000-115VUC .................... 320
1SNA645058R1300
.. OBOC5000-115VUC .................... 320
1SNA645062R0700 .. OBOA1000-115VUC .................... 320
1SNA645071R0000 .. RB121-24VDC ............................. 311
1SNA645072R0000 .. RB121G-24VDC........................... 311
1SNA645073R0000 .. RB121-12VDC ............................. 311
1SNA645075R0000 .. RB121G-12VDC........................... 311
1SNA645501R0500 .. RBR121-24VUC ........................... 311
1SNA645502R0600 .. RBR121-48-60VUC ...................... 311
1SNA645503R0700 .. RBR121-115VUC ......................... 311
1SNA645504R0000 .. RBR121-230VUC ......................... 311
1SNA645505R0100 .. RBR121G-24VUC ........................ 311
1SNA645506R0200 .. RBR121G-48-60VUC ................... 311
1SNA645507R0300 .. RBR121G-115VUC ...................... 311
1SNA645508R1400 .. RBR121G-230VUC ...................... 311
1SNA645511R2600 .. RBR121R-230VUC ....................... 312
1SNA645512R2700 .. RBR122G-24VUC ........................ 312
1SNA645513R2000 .. RBR122G-230VUC ...................... 312
1SNA645514R2100 .. RBR111-24VUC ........................... 311
1SNA645518R0500 .. RBR111R-24VUC ........................ 311
1SNA645519R0600 .. RBR101R-24VUC ........................ 311
1SNA645520R0300 .. RBR121-60-230VUC .................... 312
1SNA645521R2000 .. OBRIC0100-24VDC ..................... 320
1SNA645522R2100 .. OBRIC0100-115-230 ................... 320
1SNA645524R2300 .. OBROC5000-24VDC .................... 320
1SNA645525R2400 .. OBROC2000-24VUC .................... 320
1SNA645526R2500 .. OBROC2000-230VUC .................. 320
1SNA645527R2600 .. OBROA1000-24VDC .................... 320
1SNA645529R0000 .. OBROA2000-24VDC .................... 320
1SNA645534R2500 .. RBR121P-5VDC........................... 311
1SNA645535R2600 .. RBR121P-12VDC ......................... 311
1SNA645540R1700 .. RBR122G-48-60VUC ................... 312
1SNA645541R0400 .. RBR122G-115VUC ...................... 312
1SNA645547R0200 .. OBRIC0100-5-12VDC .................. 320
1SNA645549R1400 .. OBRIC0100-48-60VUC ................ 320
1SNA645550R1100 .. OBROC2000-5-12VDC................. 320
1SNA645551R0600 .. OBROC2000-24VDC .................... 320
1SNA645553R0000 .. OBROC2000-48-60VUC ............... 320
1SNA645559R1600 .. OBROC5000-230VUC .................. 320
1SNA645571R0000 .. RBR121-24VDC ........................... 311
1SNA645572R0000 .. RBR121G-24VDC ........................ 311
1SNB041391R0610 .. CR-SM ........................................ 286
1SVR
1SVR010200R1600 .. CC-E I/I-1 .................................... 256
1SVR010201R0300 .. CC-E I/I-2 .................................... 256
1SVR010203R0500 .. CC-E IAC/ILPO ............................ 259
1SVR011700R0000 .. CC-E/STD ................................... 256
1SVR011701R2500 .. CC-E/RTD ................................... 257
1SVR011702R2600 .. CC-E/TC1) ................................... 258
1SVR011703R2700 .. CC-E/I1) ...................................... 258
1SVR011705R2100 .. CC-E/STD ................................... 256
1SVR011706R2200 .. CC-E/RTD ................................... 257
1SVR011707R2300 .. CC-E/TC...................................... 258
1SVR011708R0400 .. CC-E/I ......................................... 259
1SVR011710R2100 .. CC-E V/V ..................................... 256
1SVR011711R1600 .. CC-E V/I ...................................... 256
1SVR011712R1700 .. CC-E V/I ...................................... 256
1SVR011713R1000 .. CC-E I/V ...................................... 256
1SVR011714R1100 .. CC-E I/I ....................................... 256
1SVR011715R1200 .. CC-E I/I ....................................... 256
1SVR011716R1300 .. CC-E I/V ...................................... 256
1SVR011717R1400 .. CC-E I/I ....................................... 256
1SVR011718R2500 .. CC-E I/I ....................................... 256
1SVR011719R2600 .. CC-E V/V ..................................... 256
1SVR011720R2300 .. CC-E V/V ..................................... 256
1SVR011721R1000 .. CC-E V/I ...................................... 256
1SVR011722R1100 .. CC-E V/I ...................................... 256
1SVR011723R1200 .. CC-E I/V ...................................... 256
1SVR011724R1300 .. CC-E I/I ....................................... 256
1SVR011725R1400 .. CC-E I/I ....................................... 256
1SVR011726R1500 .. CC-E I/V ...................................... 256
1SVR011727R1600 .. CC-E I/I ....................................... 256
1SVR011728R2700 .. CC-E I/I ....................................... 256
1SVR011729R2000 .. CC-E V/V ..................................... 256
1SVR011730R2500 .. CC-E RTD/V ................................ 257
1SVR011731R1200 .. CC-E RTD/I ................................. 257
1SVR011732R1300 .. CC-E RTD/I ................................. 257
1SVR011733R1400 .. CC-E RTD/V ................................ 257
1SVR011734R1500 .. CC-E RTD/I ................................. 257
1SVR011735R1600 .. CC-E RTD/I ................................. 257
1SVR011736R1700 .. CC-E RTD/V ................................ 257
1SVR011737R1000 .. CC-E RTD/I ................................. 257
1SVR011738R2100 .. CC-E RTD/I ................................. 257
1SVR011739R2200 .. CC-E RTD/V ................................ 257
1SVR011740R0700 .. CC-E RTD/I ................................. 257
1SVR011741R2400 .. CC-E RTD/I ................................. 257
1SVR011750R0100 .. CC-E TC/V................................... 258
1SVR011751R2600 .. CC-E TC/I .................................... 258
1SVR011752R2700 .. CC-E TC/I .................................... 258
1SVR011753R2000 .. CC-E TC/V................................... 258
1SVR011754R2100 .. CC-E TC/I .................................... 258
1SVR011755R2200 .. CC-E TC/I .................................... 258
1SVR011760R0300 .. CC-E TC/V................................... 258
1SVR011761R2000 .. CC-E TC/I .................................... 258
1SVR011762R2100 .. CC-E TC/I .................................... 258
1SVR011763R2200 .. CC-E TC/V................................... 258
1SVR011764R2300 .. CC-E TC/I .................................... 258
1SVR011765R2400 .. CC-E TC/I .................................... 258
1SVR011770R0500 .. CC-E IAC/V ................................. 258
1SVR011771R2200 .. CC-E IAC/I ................................... 258
1SVR011772R2300 .. CC-E IAC/I ................................... 258
1SVR011773R2400 .. CC-E IDC/V ................................. 258
1SVR011774R2500 .. CC-E IDC/I .................................. 258
1SVR011775R2600 .. CC-E IDC/I .................................. 258
1SVR011780R1100 .. CC-E IAC/V ................................. 259
1SVR011781R0600 .. CC-E IAC/I ................................... 259
1SVR011782R0700 .. CC-E IAC/I ................................... 259
1SVR011783R0000 .. CC-E IDC/V ................................. 259
1SVR011784R0100 .. CC-E IDC/I .................................. 259
1SVR011785R1100 .. CC-E IDC/I .................................. 259
1SVR011788R2400 .. CC-E RTD/V ................................ 257
1SVR011789R2500 .. CC-E RTD/I ................................. 257
1SVR011790R2200 .. CC-E RTD/I ................................. 257
Order code Type Page Order code Type Page Order code Type Page

7
355 ABB | Catalog Electronic relays and controls 2016 | 2CDC 110 004 C0210
Index
Numerical
1SVR011791R1700 .. CC-E RTD/V ................................ 257
1SVR011792R1000 .. CC-E RTD/I ................................. 257
1SVR011793R1100 .. CC-E RTD/I ................................. 257
1SVR011794R1200 .. CC-E RTD/V ................................ 257
1SVR011795R1300 .. CC-E RTD/I ................................. 257
1SVR011796R1400 .. CC-E RTD/I ................................. 257
1SVR011797R1500 .. CC-E RTD/V ................................ 257
1SVR011798R2600 .. CC-E RTD/I ................................. 257
1SVR011799R2700 .. CC-E RTD/I ................................. 257
1SVR040000R1700 .. CC-U/STD ................................... 267
1SVR040001R0400 .. CC-U/STD ................................... 267
1SVR040002R0500 .. CC-U/RTD ................................... 267
1SVR040003R0600 .. CC-U/RTD ................................... 267
1SVR040004R0700 .. CC-U/TC ..................................... 267
1SVR040005R0000 .. CC-U/TC ..................................... 267
1SVR040006R0100 .. CC-U/I ......................................... 267
1SVR040007R0200 .. CC-U/I ......................................... 267
1SVR040008R1300 .. CC-U/V ....................................... 267
1SVR040009R1400 .. CC-U/V ....................................... 267
1SVR040010R0000 .. CC-U/STDR ................................. 267
1SVR040011R2500 .. CC-U/STDR ................................. 267
1SVR040014R2000 .. CC-U/TCR ................................... 267
1SVR040015R2100 .. CC-U/TCR ................................... 267
1SVR360563R1001 .. CP-C.1 24/5.0 ............................. 222
1SVR360663R1001 .. CP-C.1 24/10.0 ........................... 222
1SVR360763R1001 .. CP-C.1 24/20.0 ........................... 222
1SVR366017R0100 .. MAR.01 ......................................... 39
1SVR366017R0100 .. MAR.01 ......................................... 39
1SVR366017R0100 .. MAR.01 ....................................... 176
1SVR366017R0100 .. MAR.01 ....................................... 268
1SVR402902R0000 .. CM-HE ........................................ 166
1SVR402902R1000 .. CM-HC ........................................ 166
1SVR402902R2000 .. CM-HCT ...................................... 166
1SVR405501R1010 .. CR-S005VDC1R .......................... 286
1SVR405501R1020 .. CR-S005VDC1RG ........................ 286
1SVR405501R2010 .. CR-S012VDC1R .......................... 286
1SVR405501R2020 .. CR-S012VDC1RG ........................ 286
1SVR405501R3010 .. CR-S024VDC1R .......................... 286
1SVR405501R3020 .. CR-S024VDC1RG ........................ 286
1SVR405501R4010 .. CR-S048VDC1R .......................... 286
1SVR405501R4020 .. CR-S048VDC1RG ........................ 286
1SVR405501R5010 .. CR-S060VDC1R .......................... 286
1SVR405501R5020 .. CR-S060VDC1RG ........................ 286
1SVR405510R3050 .. CR-S024VDC1TRA ...................... 286
1SVR405510R3060 .. CR-S024VDC1MOS ..................... 286
1SVR405510R3070 .. CR-S024VDC1TRI ........................ 286
1SVR405521R1100 .. CR-S006/024VDC1SS ................. 286
1SVR405521R1200 .. CR-S006/024VDC1SZ .................. 286
1SVR405521R3100 .. CR-S012/024VADC1SS................ 286
1SVR405521R3200 .. CR-S012/024VADC1SZ ................ 286
1SVR405521R5100 .. CR-S048/060VADC1SS................ 286
1SVR405521R5200 .. CR-S048/060VADC1SZ ................ 286
1SVR405521R6100 .. CR-S110/125VADC1SS................ 286
1SVR405521R6200 .. CR-S110/125VADC1SZ ................ 286
1SVR405521R7100 .. CR-S220/240VADC1SS................ 286
1SVR405521R7200 .. CR-S220/240VADC1SZ ................ 286
1SVR405541R3110 .. CR-S024VADC1CRS .................... 286
1SVR405541R3120 .. CR-S024VADC1CRGS ................. 286
1SVR405541R3210 .. CR-S024VADC1CRZ .................... 286
1SVR405541R3220 .. CR-S024VADC1CRGZ .................. 286
1SVR405541R6110 .. CR-S110VADC1CRS .................... 286
1SVR405541R6120 .. CR-S110VADC1CRGS ................. 286
1SVR405541R6210 .. CR-S110VADC1CRZ .................... 286
1SVR405541R6220 .. CR-S110VADC1CRGZ .................. 286
1SVR405541R7110 .. CR-S230VADC1CRS .................... 286
1SVR405541R7120 .. CR-S230VADC1CRGS ................. 286
1SVR405541R7210 .. CR-S230VADC1CRZ .................... 286
1SVR405541R7220 .. CR-S230VADC1CRGZ .................. 286
1SVR405598R0700 .. CR-SJB20-BLUE ......................... 286
1SVR405598R0800 .. CR-SJB20-RED ........................... 286
1SVR405598R0900 .. CR-SJB20-BLACK ....................... 286
1SVR405599R0000 .. CR-SSEP ..................................... 286
1SVR405600R0000 .. CR-P024AC1 ............................... 287
1SVR405600R1000 .. CR-P024DC1 ............................... 287
1SVR405600R2000 .. CR-P120AC1 ............................... 287
1SVR405600R3000 .. CR-P230AC1 ............................... 287
1SVR405600R4000 .. CR-P012DC1 ............................... 287
1SVR405600R5000 .. CR-P048AC1 ............................... 287
1SVR405600R6000 .. CR-P048DC1 ............................... 287
1SVR405600R7000 .. CR-P110AC1 ............................... 287
1SVR405600R8000 .. CR-P110DC1 ............................... 287
1SVR405601R0000 .. CR-P024AC2 ............................... 287
1SVR405601R1000 .. CR-P024DC2 ............................... 287
1SVR405601R2000 .. CR-P120AC2 ............................... 287
1SVR405601R3000 .. CR-P230AC2 ............................... 287
1SVR405601R4000 .. CR-P012DC2 ............................... 287
1SVR405601R5000 .. CR-P048AC2 ............................... 287
1SVR405601R6000 .. CR-P048DC2 ............................... 287
1SVR405601R7000 .. CR-P110AC2 ............................... 287
1SVR405601R8000 .. CR-P110DC2 ............................... 287
1SVR405606R0000 .. CR-P024AC2G ............................ 287
1SVR405606R1000 .. CR-P024DC2 ............................... 287
1SVR405606R3000 .. CR-P230AC2G ............................ 287
1SVR405606R7000 .. CR-P110AC2G ............................ 287
1SVR405611R0000 .. CR-M024AC2 .............................. 288
1SVR405611R0100 .. CR-M024AC2L ............................ 289
1SVR405611R1000 .. CR-M024DC2 .............................. 288
1SVR405611R1100 .. CR-M024DC2L ............................ 289
1SVR405611R2000 .. CR-M120AC2 .............................. 288
1SVR405611R2100 .. CR-M120AC2L ............................ 289
1SVR405611R3000 .. CR-M230AC2 .............................. 288
1SVR405611R3100 .. CR-M230AC2L ............................ 289
1SVR405611R4000 .. CR-M012DC2 .............................. 288
1SVR405611R4100 .. CR-M012DC2L ............................ 289
1SVR405611R4200 .. CR-M060DC2 .............................. 288
1SVR405611R4300 .. CR-M060DC2L ............................ 289
1SVR405611R5000 .. CR-M048AC2 .............................. 288
1SVR405611R5100 .. CR-M048AC2L ............................ 289
1SVR405611R6000 .. CR-M048DC2 .............................. 288
1SVR405611R6100 .. CR-M048DC2L ............................ 289
1SVR405611R7000 .. CR-M110AC2 .............................. 288
1SVR405611R7100 .. CR-M110AC2L ............................ 289
1SVR405611R8000 .. CR-M110DC2 .............................. 288
1SVR405611R8100 .. CR-M110DC2L ............................ 289
1SVR405611R8200 .. CR-M125DC2 .............................. 288
1SVR405611R8300 .. CR-M125DC2L ............................ 289
1SVR405611R9000 .. CR-M220DC2 .............................. 288
1SVR405611R9100 .. CR-M220DC2L ............................ 289
1SVR405612R0000 .. CR-M024AC3 .............................. 288
1SVR405612R0100 .. CR-M024AC3L ............................ 289
1SVR405612R1000 .. CR-M024DC3 .............................. 288
1SVR405612R1100 .. CR-M024DC3L ............................ 289
1SVR405612R2000 .. CR-M120AC3 .............................. 288
1SVR405612R2100 .. CR-M120AC3L ............................ 289
1SVR405612R3000 .. CR-M230AC3 .............................. 288
1SVR405612R3100 .. CR-M230AC3L ............................ 289
1SVR405612R4000 .. CR-M012DC3 .............................. 288
1SVR405612R4100 .. CR-M012DC3L ............................ 289
1SVR405612R4200 .. CR-M060DC3 .............................. 288
1SVR405612R4300 .. CR-M060DC3L ............................ 289
1SVR405612R5000 .. CR-M048AC3 .............................. 288
1SVR405612R5100 .. CR-M048AC3L ............................ 289
1SVR405612R5200 .. CR-M060AC3 .............................. 288
1SVR405612R6000 .. CR-M048DC3 .............................. 288
1SVR405612R6100 .. CR-M048DC3L ............................ 289
1SVR405612R7000 .. CR-M110AC3 .............................. 288
1SVR405612R7100 .. CR-M110AC3L ............................ 289
1SVR405612R8000 .. CR-M110DC3 .............................. 288
1SVR405612R8100 .. CR-M110DC3L ............................ 289
1SVR405612R8200 .. CR-M125DC3 .............................. 288
1SVR405612R8300 .. CR-M125DC3L ............................ 289
1SVR405612R9000 .. CR-M220DC3 .............................. 288
1SVR405612R9100 .. CR-M220DC3L ............................ 289
1SVR405613R0000 .. CR-M024AC4 .............................. 288
1SVR405613R0100 .. CR-M024AC4L ............................ 289
1SVR405613R1000 .. CR-M024DC4 .............................. 288
1SVR405613R1100 .. CR-M024DC4L ............................ 289
1SVR405613R2000 .. CR-M120AC4 .............................. 288
1SVR405613R2100 .. CR-M120AC4L ............................ 289
1SVR405613R3000 .. CR-M230AC4 .............................. 288
1SVR405613R3100 .. CR-M230AC4L ............................ 289
1SVR405613R4000 .. CR-M012DC4 .............................. 288
1SVR405613R4100 .. CR-M012DC4L ............................ 289
1SVR405613R4200 .. CR-M060DC4 .............................. 288
1SVR405613R4300 .. CR-M060DC4L ............................ 289
1SVR405613R5000 .. CR-M048AC4 .............................. 288
1SVR405613R5100 .. CR-M048AC4L ............................ 289
1SVR405613R6000 .. CR-M048DC4 .............................. 288
1SVR405613R6100 .. CR-M048DC4L ............................ 289
1SVR405613R7000 .. CR-M110AC4 .............................. 288
1SVR405613R7100 .. CR-M110AC4L ............................ 289
1SVR405613R8000 .. CR-M110DC4 .............................. 288
1SVR405613R8100 .. CR-M110DC4L ............................ 289
1SVR405613R8200 .. CR-M125DC4 .............................. 288
1SVR405613R8300 .. CR-M125DC4L ............................ 289
1SVR405613R9000 .. CR-M220DC4 .............................. 288
1SVR405613R9100 .. CR-M220DC4L ............................ 289
1SVR405614R1100 .. CR-M024DC4LD .......................... 289
1SVR405618R0000 .. CR-M024AC4G ............................ 289
1SVR405618R0100 .. CR-M024AC4LG .......................... 290
1SVR405618R1000 .. CR-M024DC4G............................ 289
1SVR405618R1100 .. CR-M024DC4LG .......................... 290
1SVR405618R1400 .. CR-M024DC4LDG ....................... 290
1SVR405618R2100 .. CR-M120AC4LG .......................... 290
Order code Type Page Order code Type Page Order code Type Page

7
2CDC 110 004 C0210 | Catalog Electronic relays and controls 2016 | ABB 356
Index
Numerical
1SVR405618R3000 .. CR-M230AC4G ............................ 289
1SVR405618R3100 .. CR-M230AC4LG .......................... 290
1SVR405618R4100 .. CR-M012DC4LG .......................... 290
1SVR405618R4300 .. CR-M060DC4LG .......................... 290
1SVR405618R4400 .. CR-M012DC4LDG ....................... 290
1SVR405618R5100 .. CR-M048AC4LG .......................... 290
1SVR405618R6100 .. CR-M048DC4LG .......................... 290
1SVR405618R7000 .. CR-M110AC4G ............................ 289
1SVR405618R7100 .. CR-M110AC4LG .......................... 290
1SVR405618R8100 .. CR-M110DC4LG .......................... 290
1SVR405618R8300 .. CR-M125DC4LG .......................... 290
1SVR405618R9100 .. CR-M220DC4LG .......................... 290
1SVR405621R0000 .. CR-U024AC2 ............................... 292
1SVR405621R0100 .. CR-U024AC2L ............................. 292
1SVR405621R1000 .. CR-U024DC2............................... 292
1SVR405621R1100 .. CR-U024DC2L ............................. 292
1SVR405621R2000 .. CR-U120AC2 ............................... 292
1SVR405621R2100 .. CR-U120AC2L ............................. 292
1SVR405621R3000 .. CR-U230AC2 ............................... 292
1SVR405621R3100 .. CR-U230AC2L ............................. 292
1SVR405621R4000 CR-U012DC2............................... 292
1SVR405621R4100 .. CR-U012DC2L ............................. 292
1SVR405621R5000 .. CR-U048AC2 ............................... 292
1SVR405621R5100 .. CR-U048AC2L ............................. 292
1SVR405621R6000 .. CR-U048DC2............................... 292
1SVR405621R6100 .. CR-U048DC2L ............................. 292
1SVR405621R7000 .. CR-U110AC2 ............................... 292
1SVR405621R7100 .. CR-U110AC2L ............................. 292
1SVR405621R8000 .. CR-U110DC2............................... 292
1SVR405621R8100 .. CR-U110DC2L ............................. 292
1SVR405621R9000 .. CR-U220DC2............................... 292
1SVR405621R9100 .. CR-U220DC2L ............................. 292
1SVR405622R0000 .. CR-U024AC3 ............................... 292
1SVR405622R0100 .. CR-U024AC3L ............................. 292
1SVR405622R1000 .. CR-U024DC3............................... 292
1SVR405622R1100 .. CR-U024DC3L ............................. 292
1SVR405622R2000 .. CR-U120AC3 ............................... 292
1SVR405622R2100 .. CR-U120AC3L ............................. 292
1SVR405622R3000 .. CR-U230AC3 ............................... 292
1SVR405622R3100 .. CR-U230AC3L ............................. 292
1SVR405622R4000 .. CR-U012DC3............................... 292
1SVR405622R4100 .. CR-U012DC3L ............................. 292
1SVR405622R5000 .. CR-U048AC3 ............................... 292
1SVR405622R5100 .. CR-U048AC3L ............................. 292
1SVR405622R5200 .. CR-U060AC3 ............................... 292
1SVR405622R6000 .. CR-U048DC3............................... 292
1SVR405622R6100 .. CR-U048DC3L ............................. 292
1SVR405622R7000 .. CR-U110AC3 ............................... 292
1SVR405622R7100 .. CR-U110AC3L ............................. 292
1SVR405622R8000 .. CR-U110DC3............................... 292
1SVR405622R8100 .. CR-U110DC3L ............................. 292
1SVR405622R8200 .. CR-U125DC3............................... 292
1SVR405622R9000 .. CR-U220DC3............................... 292
1SVR405622R9100 .. CR-U220DC3L ............................. 292
1SVR405650R0000 .. CR-PLS ....................................... 287
1SVR405650R0100 .. CR-PLSx ..................................... 287
1SVR405650R0200 .. CR-PLC ....................................... 287
1SVR405650R1000 .. CR-PSS
....................................... 287
1SVR405651R0000 .. CR-P/M 22 .................................. 291
1SVR405651R1000 .. CR-M2SS .................................... 290
1SVR405651R1100 .. CR-M2LS .................................... 290
1SVR405651R1200 .. CR-M2LC .................................... 290
1SVR405651R1300 .. CR-M2SF .................................... 290
1SVR405651R2000 .. CR-M3SS .................................... 290
1SVR405651R2100 .. CR-M3LS .................................... 290
1SVR405651R3000 .. CR-M4SS .................................... 290
1SVR405651R3100 .. CR-M4LS .................................... 290
1SVR405651R3200 .. CR-M4LC .................................... 290
1SVR405651R3300 .. CR-M4SF .................................... 290
1SVR405652R0000 .. CR-P/M 42 .................................. 291
1SVR405652R1000 .. CR-P/M 42V ................................ 291
1SVR405652R4000 .. CR-P/M 42B ................................ 291
1SVR405652R4100 .. CR-P/M 42BV .............................. 291
1SVR405652R9000 .. CR-P/M 42C ................................ 291
1SVR405652R9100 .. CR-P/M 42CV .............................. 291
1SVR405653R0000 .. CR-P/M 52B ................................ 291
1SVR405653R1000 .. CR-P/M 52C ................................ 291
1SVR405653R4000 .. CR-P/M 52D ................................ 291
1SVR405654R0000 .. CR-P/M 62 .................................. 291
1SVR405654R0100 .. CR-P/M 92 .................................. 291
1SVR405654R1000 .. CR-P/M 62V ................................ 291
1SVR405654R1100 .. CR-P/M 92V ................................ 291
1SVR405654R4000 .. CR-P/M 62E ................................ 291
1SVR405654R4100 .. CR-P/M 62EV .............................. 291
1SVR405655R0000 .. CR-P/M 62C ................................ 291
1SVR405655R0100 .. CR-P/M 92C ................................ 291
1SVR405655R1000 .. CR-P/M 62CV .............................. 291
1SVR405655R1100 .. CR-P/M 92CV .............................. 291
1SVR405655R4000 .. CR-P/M 62D ................................ 291
1SVR405655R4100 .. CR-P/M 62DV .............................. 291
1SVR405656R0000 .. CR-P/M 72 .................................. 291
1SVR405656R1000 .. CR-P/M 72A ................................ 291
1SVR405656R2000 .. CR-P/M 82 .................................. 291
1SVR405658R0000 .. CR-PM ........................................ 287
1SVR405658R1000 .. CR-MM........................................ 290
1SVR405658R5000 .. CR-PJ ......................................... 287
1SVR405658R6000 .. CR-MJ ......................................... 290
1SVR405659R0000 .. CR-PH ......................................... 287
1SVR405659R1000 .. CR-MH ........................................ 290
1SVR405659R1100 .. CR-MH1 ...................................... 290
1SVR405660R0000 .. CR-U3S ....................................... 292
1SVR405660R0100 .. CR-U3E ....................................... 292
1SVR405660R1100 .. CR-U3SM .................................... 292
1SVR405661R0000 .. CR-U 21 ...................................... 293
1SVR405662R0000 .. CR-U 41 ...................................... 293
1SVR405662R1000 .. CR-U 41V .................................... 293
1SVR405662R4000 .. CR-U 41B .................................... 293
1SVR405662R4100 .. CR-U 41BV .................................. 293
1SVR405662R9000 .. CR-U 41C .................................... 293
1SVR405662R9100 .. CR-U 41CV .................................. 293
1SVR405663R0000 .. CR-U 51B .................................... 293
1SVR405663R1000 .. CR-U 51C .................................... 293
1SVR405663R4000 .. CR-U 51D .................................... 293
1SVR405664R0000 .. CR-U 61 ...................................... 293
1SVR405664R0100 .. CR-U 91 ...................................... 293
1SVR405664R1000 .. CR-U 61V .................................... 293
1SVR405664R1100 .. CR-U 91V .................................... 293
1SVR405664R4000 .. CR-U 61E .................................... 293
1SVR405664R4100 .. CR-U 61EV .................................. 293
1SVR405665R0000 .. CR-U 61C .................................... 293
1SVR405665R0100 .. CR-U 91C .................................... 293
1SVR405665R1000 .. CR-U 61CV .................................. 293
1SVR405665R1100 .. CR-U 91CV .................................. 293
1SVR405665R4000 .. CR-U 61D .................................... 293
1SVR405665R4100 .. CR-U 61DV .................................. 293
1SVR405666R0000 .. CR-U 71 ...................................... 293
1SVR405666R1000 .. CR-U 71A .................................... 293
1SVR405666R2000 .. CR-U 81 ...................................... 293
1SVR405667R0000 .. CR-U T ........................................ 293
1SVR405669R0000 .. CR-UH ........................................ 292
1SVR405670R0000 .. CR-U2S ....................................... 292
1SVR405670R1100 .. CR-U2SM .................................... 292
1SVR423418R9000 .. CP-RUD ...................................... 229
1SVR427030R0000 .. CP-E 24/0.75............................... 198
1SVR427030R2000 .. CP-E 48/0.62............................... 198
1SVR427031R0000 .. CP-E 24/1.25............................... 198
1SVR427031R2000 .. CP-E 48/1.25............................... 198
1SVR427032R0000 .. CP-E 24/2.5 ................................ 198
1SVR427032R1000 .. CP-E 12/2.5 ................................ 198
1SVR427033R3000 .. CP-E 5/3.0 .................................. 198
1SVR427034R0000 .. CP-E 24/5.0 ................................ 198
1SVR427034R2000 .. CP-E 48/5.0 ................................ 198
1SVR427035R0000 .. CP-E 24/10.0............................... 198
1SVR427035R1000 .. CP-E 12/10.0............................... 198
1SVR427035R2000 .. CP-E 48/10.0............................... 198
1SVR427036R0000 .. CP-E 24/20.0............................... 198
1SVR427041R0000 .. CP-D 24/0.42 .............................. 188
1SVR427041R1000 .. CP-D 12/0.83 .............................. 188
1SVR427043R0100 .. CP-D 24/1.3 ................................ 188
1SVR427043R1200 .. CP-D 12/2.1 ................................ 188
1SVR427044R0200 .. CP-D 24/2.5 ................................ 188
1SVR427045R0400 .. CP-D 24/4.2 ................................ 188
1SVR427049R0000 .. CP-D RU ..................................... 229
1SVR427054R0000 .. CP-T 24/5.0 ................................. 212
1SVR427054R2000 .. CP-T 48/5.0 ................................. 212
1SVR427055R0000 .. CP-T 24/10.0 ............................... 212
1SVR427055R2000 .. CP-T 48/10.0 ............................... 212
1SVR427056R0000 .. CP-T 24/20.0 ............................... 212
1SVR427056R2000 .. CP-T 48/20.0 ............................... 212
1SVR427057R0000 .. CP-T 24/40.0 ............................... 212
1SVR427060R0300 .. CP-B 24/3.0 ................................ 238
1SVR427060R1000 .. CP-B 24/10.0 .............................. 238
1SVR427060R2000 .. CP-B 24/20.0 .............................. 238
1SVR427065R0000 .. CP-B EXT.2 .................................. 238
1SVR427071R0000 .. CP-A RU...................................... 229
1SVR427075R0000 .. CP-A CM ..................................... 229
1SVR430005R0100 .. COV.01 .......................................... 39
1SVR430005R0100 .. COV.01 ........................................ 176
1SVR430005R0100 .. COV.01 ........................................ 268
1SVR430029R0100 .. ADP.01 .......................................... 39
1SVR430029R0100 .. ADP.01 .......................................... 39
1SVR430029R0100 .. ADP.01 ........................................ 176
1SVR430029R0100 .. ADP.01 ........................................ 268
1SVR430043R0000 .. MAR.02 ......................................... 39
Order code Type Page Order code Type Page Order code Type Page

7
357 ABB | Catalog Electronic relays and controls 2016 | 2CDC 110 004 C0210
1SVR430043R0000 .. MAR.02 ....................................... 176
1SVR440005R0100 .. COV.02 ........................................ 176
1SVR440029R0100 .. ADP.02 ........................................ 176
1SVR440709R0000 .. CL-LEC.CI000 ............................. 331
1SVR440709R5000 .. CL-LER.2O .................................. 331
1SVR440710R0200 .. CL-LSR.CX12DC1 ........................ 330
1SVR440710R0300 .. CL-LSR.C12DC1.......................... 330
1SVR440711R0100 .. CL-LSR.12DC2 ............................ 330
1SVR440711R0200 .. CL-LSR.CX12DC2 ........................ 330
1SVR440711R0300 .. CL-LSR.C12DC2.......................... 330
1SVR440711R1200 .. CL-LST.CX12DC2 ........................ 330
1SVR440711R1300 .. CL-LST.C12DC2 .......................... 330
1SVR440712R0200 .. CL-LSR.CX12AC1 ........................ 330
1SVR440712R0300 .. CL-LSR.C12AC1 .......................... 330
1SVR440713R0100 .. CL-LSR.12AC2 ............................ 330
1SVR440713R0200 .. CL-LSR.CX12AC2 ........................ 330
1SVR440713R0300 .. CL-LSR.C12AC2 .......................... 330
1SVR440720R0200 .. CL-LMR.CX18DC1 ....................... 331
1SVR440720R0300 .. CL-LMR.C18DC1 ......................... 331
1SVR440721R0000 .. CL-LER.18DC2 ............................ 331
1SVR440721R0200 .. CL-LMR.CX18DC2 ....................... 331
1SVR440721R0300 .. CL-LMR.C18DC2 ......................... 331
1SVR440721R1000 .. CL-LET.20DC2 ............................. 331
1SVR440721R1200 .. CL-LMT.CX20DC2 ........................ 331
1SVR440721R1300 .. CL-LMT.C20DC2 .......................... 331
1SVR440722R0200 .. CL-LMR.CX18AC1 ....................... 331
1SVR440722R0300 .. CL-LMR.C18AC1 ......................... 331
1SVR440723R0000 .. CL-LER.18AC2 ............................ 331
1SVR440723R0200 .. CL-LMR.CX18AC2 ....................... 331
1SVR440723R0300 .. CL-LMR.C18AC2 ......................... 331
1SVR440799R5000 .. CL-LAS.FD001 ............................. 332
1SVR440799R5100 .. CL-LAS.TK011 ............................. 332
1SVR440799R6000 .. CL-LAS.TK001 ............................. 332
1SVR440799R6100 .. CL-LAS.TK002 ............................. 332
1SVR440799R7000 .. CL-LAS.MD003 ............................ 332
1SVR440799R8000 .. CL-LAS.PS002 ............................ 332
1SVR440821R0000 .. CL-LDC.LDC2 .............................. 333
1SVR440821R1000 .. CL-LDC.LNDC2 ........................... 333
1SVR440823R0000 .. CL-LDC.LAC2 .............................. 333
1SVR440823R1000 .. CL-LDC.LNAC2 ........................... 333
1SVR440839R4400 .. CL-LDD.K .................................... 330
1SVR440839R4400 .. CL-LDD.K .................................... 333
1SVR440839R4500 .. CL-LDD.XK .................................. 330
1SVR440839R4500 .. CL-LDD.XK .................................. 333
1SVR440841R0000 .. CL-LDC.SDC2 ............................. 330
1SVR440843R0000 .. CL-LDC.SAC2 ............................. 330
1SVR440851R0000 .. CL-LDR.16DC2 ............................ 333
1SVR440851R1000 .. CL-LDT.16DC2 ............................ 333
1SVR440851R2000 .. CL-LDR.17DC2 ............................ 333
1SVR440851R3000 .. CL-LDT.17DC2 ............................ 333
1SVR440853R0000 .. CL-LDR.16AC2 ............................ 333
1SVR440899R1000 .. CL-LAD.FD001 ............................ 333
1SVR440899R2000 .. CL-LAD.FD011 ............................ 333
1SVR440899R3000 .. CL-LAD.FD002 ............................ 333
1SVR440899R6000 .. CL-LAD.TK001 ............................ 333
1SVR440899R6100 .. CL-LAD.TK002 ............................ 333
1SVR440899R6200 .. CL-LAD.TK003 ............................ 333
1SVR440899R6300 .. CL-LAD.TK004 ............................ 333
1SVR440899R6400 .. CL-LAD.TK005 ............................ 333
1SVR440899R6500 .. CL-LAD.TK006 ............................ 333
1SVR440899R6600 .. CL-LAD.TK007 ............................ 332
1SVR440899R6700 .. CL-LAD.TK011 ............................ 333
1SVR440899R6900 .. CL-LAD.TK009 ............................ 333
1SVR440899R7000 .. CL-LAD.MD004 ........................... 333
1SVR450056R0000 .. CM-SE-300 ................................. 166
1SVR450056R0100 .. CM-SE-600 ................................. 166
1SVR450056R0200 .. CM-SE-1000................................ 166
1SVR450056R6000 .. CM-KH-3 ..................................... 166
1SVR450056R7000 .. CM-AH-3 ..................................... 166
1SVR450056R8000 .. CM-GM-1 .................................... 166
1SVR450116R1000 .. CM-CT 50/1 ................................ 177
1SVR450116R1100 .. CM-CT 75/1 ................................ 177
1SVR450116R1200 .. CM-CT 100/1............................... 177
1SVR450116R1300 .. CM-CT 150/1............................... 177
1SVR450116R1400 .. CM-CT 200/1............................... 177
1SVR450116R5000 .. CM-CT 50/5 ................................ 177
1SVR450116R5100 .. CM-CT 75/5 ................................ 177
1SVR450116R5200 .. CM-CT 100/5............................... 177
1SVR450116R5300 .. CM-CT 150/5............................... 177
1SVR450116R5400 .. CM-CT 200/5............................... 177
1SVR450117R1100 .. CM-CT 300/1............................... 177
1SVR450117R1200 .. CM-CT 400/1............................... 177
1SVR450117R1300 .. CM-CT 500/1............................... 177
1SVR450117R1400 .. CM-CT 600/1............................... 177
1SVR450117R5100 .. CM-CT 300/5............................... 177
1SVR450117R5200 .. CM-CT 400/5............................... 177
1SVR450117R5300 .. CM-CT 500/5............................... 177
1SVR450117R5400 .. CM-CT 600/5............................... 177
1SVR450118R1000 .. CM-CT A ..................................... 177
1SVR450330R0000 .. CM-LWN...................................... 126
1SVR450330R0100 .. CM-LWN...................................... 126
1SVR450331R0000 .. CM-LWN...................................... 126
1SVR450331R0100 .. CM-LWN...................................... 126
1SVR450332R0000 .. CM-LWN...................................... 126
1SVR450332R0100 .. CM-LWN...................................... 126
1SVR450334R0000 .. CM-LWN...................................... 126
1SVR450334R0100 .. CM-LWN...................................... 126
1SVR450335R0000 .. CM-LWN...................................... 126
1SVR450335R0100 .. CM-LWN...................................... 126
1SVR500020R0000 .. CT-MFD.12 .................................... 18
1SVR500020R1100 .. CT-MFD.21 .................................... 18
1SVR500100R0000 .. CT-ERD.12..................................... 18
1SVR500100R0100 .. CT-ERD.22..................................... 18
1SVR500110R0000 .. CT-AHD.12 .................................... 18
1SVR500110R0100 .. CT-AHD.22 .................................... 18
1SVR500130R0000 .. CT-VWD.12 .................................... 18
1SVR500150R0000 .. CT-EBD.12..................................... 18
1SVR500160R0000 .. CT-TGD.12 .................................... 18
1SVR500160R0100 .. CT-TGD.22 .................................... 18
1SVR500210R0100 .. CT-SAD.22..................................... 18
1SVR500211R0100 .. CT-SDD.22 .................................... 18
1SVR550029R8100 .. CT-MFE ......................................... 26
1SVR550029R8100 .. CT-MFE ......................................... 27
1SVR550100R1100 .. CT-ERE .......................................... 26
1SVR550100R1100 .. CT-ERE .......................................... 27
1SVR550100R2100 .. CT-ERE .......................................... 26
1SVR550100R2100 .. CT-ERE .......................................... 27
1SVR550100R4100 .. CT-ERE .......................................... 26
1SVR550100R4100 .. CT-ERE .......................................... 27
1SVR550100R5100 .. CT-ERE .......................................... 26
1SVR550100R5100 .. CT-ERE .......................................... 27
1SVR550107R1100 .. CT-ERE .......................................... 26
1SVR550107R1100 .. CT-ERE .......................................... 27
1SVR550107R2100 .. CT-ERE .......................................... 26
1SVR550107R2100 .. CT-ERE .......................................... 27
1SVR550107R4100 .. CT-ERE .......................................... 26
1SVR550107R4100 .. CT-ERE .......................................... 27
1SVR550107R5100 .. CT-ERE .......................................... 26
1SVR550107R5100 .. CT-ERE .......................................... 27
1SVR550110R1100 .. CT-AHE ......................................... 26
1SVR550110R1100 .. CT-AHE ......................................... 27
1SVR550110R2100 .. CT-AHE ......................................... 26
1SVR550110R2100 .. CT-AHE ......................................... 27
1SVR550110R4100 .. CT-AHE ......................................... 26
1SVR550110R4100 .. CT-AHE ......................................... 27
1SVR550111R1100 .. CT-AHE ......................................... 26
1SVR550111R1100 .. CT-AHE ......................................... 27
1SVR550111R2100 .. CT-AHE ......................................... 26
1SVR550111R2100 .. CT-AHE ......................................... 27
1SVR550111R4100 .. CT-AHE ......................................... 26
1SVR550111R4100 .. CT-AHE ......................................... 27
1SVR550118R1100 .. CT-AHE ......................................... 26
1SVR550118R1100 .. CT-AHE ......................................... 27
1SVR550118R2100 .. CT-AHE ......................................... 26
1SVR550118R2100 .. CT-AHE ......................................... 27
1SVR550118R4100 .. CT-AHE ......................................... 26
1SVR550118R4100 .. CT-AHE ......................................... 27
1SVR550120R1100 .. CT-ARE ......................................... 26
1SVR550120R1100 .. CT-ARE ......................................... 27
1SVR550120R4100 .. CT-ARE ......................................... 26
1SVR550120R4100 .. CT-ARE ......................................... 27
1SVR550127R1100 .. CT-ARE ......................................... 26
1SVR550127R1100 .. CT-ARE ......................................... 27
1SVR550127R4100 .. CT-ARE ......................................... 26
1SVR550127R4100 .. CT-ARE ......................................... 27
1SVR550130R1100 .. CT-VWE ......................................... 26
1SVR550130R1100 .. CT-VWE ......................................... 27
1SVR550130R2100 .. CT-VWE ......................................... 26
1SVR550130R2100 .. CT-VWE ......................................... 27
1SVR550130R4100 .. CT-VWE ......................................... 26
1SVR550130R4100 .. CT-VWE ......................................... 27
1SVR550137R1100 .. CT-VWE ......................................... 26
1SVR550137R1100 .. CT-VWE ......................................... 27
1SVR550137R2100 .. CT-VWE ......................................... 26
1SVR550137R2100 .. CT-VWE ......................................... 27
1SVR550137R4100 .. CT-VWE ......................................... 26
1SVR550137R4100 .. CT-VWE ......................................... 27
1SVR550150R3100 .. CT-AWE ......................................... 26
1SVR550150R3100 .. CT-AWE ......................................... 27
1SVR550151R3100 .. CT-AWE ......................................... 26
1SVR550151R3100 .. CT-AWE ......................................... 27
1SVR550158R3100 .. CT-AWE ......................................... 26
1SVR550158R3100 .. CT-AWE ......................................... 27
1SVR550800R9300 .. CM-MSE ...................................... 140
Index
Numerical
Order code Type Page Order code Type Page Order code Type Page

7
2CDC 110 004 C0210 | Catalog Electronic relays and controls 2016 | ABB 358
1SVR550801R9300 .. CM-MSE ...................................... 140
1SVR550805R9300 .. CM-MSE ...................................... 140
1SVR550824R9100 .. CM-PFE ......................................... 82
1SVR550826R9100 .. CM-PFE.2 ...................................... 82
1SVR550850R9400 .. CM-ENE MAX .............................. 166
1SVR550850R9500 .. CM-ENE MIN ............................... 166
1SVR550851R9400 .. CM-ENE MAX .............................. 166
1SVR550851R9500 .. CM-ENE MIN ............................... 166
1SVR550855R9400 .. CM-ENE MAX .............................. 166
1SVR550855R9500 .. CM-ENE MIN ............................... 166
1SVR550870R9400 .. CM-PVE ........................................ 82
1SVR550871R9500 .. CM-PVE ........................................ 82
1SVR550881R9400 .. CM-PBE ........................................ 82
1SVR550882R9500 .. CM-PBE ........................................ 82
1SVR560730R3400 .. CM-UFD.M22............................... 104
1SVR560730R3401 .. CM-UFD.M31............................... 104
1SVR560730R3402 .. CM-UFD.M33............................... 104
1SVR560730R3403 .. CM-UFD.M34............................... 104
1SVR700101R0100 .. C512-D ....................................... 154
1SVR700102R0100 .. C512-E ........................................ 154
1SVR700111R0100 .. C513-D ....................................... 154
1SVR700112R0100 .. C513-E ........................................ 154
1SVR730005R0100 .. COV.11 .......................................... 39
1SVR730005R0100 .. COV.11 ........................................ 176
1SVR730006R0000 .. MAR.12 ......................................... 39
1SVR730006R0000 .. MAR.12 ....................................... 176
1SVR730010R0200 .. CT-MFS.21S .................................. 37
1SVR730010R3200 .. CT-MBS.22S .................................. 37
1SVR730020R0200 .. CT-MVS.21S .................................. 37
1SVR730020R3100 .. CT-MVS.12S .................................. 37
1SVR730020R3300 .. CT-MVS.22S .................................. 37
1SVR730021R2300 .. CT-MVS.23S .................................. 37
1SVR730030R3300 .. CT- MXS.22S ................................. 37
1SVR730040R3300 .. CT-WBS.22S.................................. 37
1SVR730100R0300 .. CT-ERS.21S................................... 38
1SVR730100R3100 .. CT-ERS.12S................................... 38
1SVR730100R3300 .. CT-ERS.22S................................... 38
1SVR730110R3300 .. CT-AHS.22S .................................. 38
1SVR730120R3100 .. CT-ARS.11S .................................. 38
1SVR730120R3300 .. CT-ARS.21S .................................. 38
1SVR730180R0300 .. CT-APS.21S................................... 38
1SVR730180R3100 .. CT-APS.12S................................... 38
1SVR730180R3300 .. CT-APS.22S................................... 38
1SVR730210R3300 .. CT-SDS.22S .................................. 38
1SVR730211R2300 .. CT-SDS.23S .................................. 38
1SVR730660R0100 .. CM-IWS.1S .................................. 116
1SVR730670R0200 .. CM-IWS.2S .................................. 116
1SVR730700R0100 .. CM-MSS.12S ............................... 140
1SVR730700R0200 .. CM-MSS.22S ............................... 140
1SVR730700R2100 .. CM-MSS.13S ............................... 140
1SVR730700R2200 .. CM-MSS.23S ............................... 140
1SVR730712R0200 .. CM-MSS.32S ............................... 140
1SVR730712R1200 .. CM-MSS.41S ............................... 140
1SVR730712R1300 .. CM-MSS.51S ............................... 140
1SVR730712R1400 .. CM-MSS.31S ............................... 140
1SVR730712R2200 .. CM-MSS.33S ............................... 140
1SVR730720R1400 .. CM-MSS.11S ............................... 140
1SVR730722R1400 .. CM-MSS.21S ............................... 140
1SVR730740R0100 .. CM-TCS.11S .............................. 154
1SVR730740R0200 .. CM-TCS.12S .............................. 154
1SVR730740R0300 .. CM-TCS.13S .............................. 154
1SVR730740R9100 .. CM-TCS.21S .............................. 154
1SVR730740R9200 .. CM-TCS.22S .............................. 154
1SVR730740R9300 .. CM-TCS.23S .............................. 154
1SVR730750R0400 .. CM-EFS.2S.................................... 66
1SVR730760R0400 .. CM-SFS.21S.................................. 64
1SVR730760R0500 .. CM-SFS.22S.................................. 64
1SVR730774R1300 .. CM-PAS.31S ................................. 82
1SVR730774R3300 .. CM-PAS.41S ................................. 82
1SVR730784R2300 .. CM-PSS.31S ................................. 82
1SVR730784R3300 .. CM-PSS.41S ................................. 82
1SVR730794R1300 .. CM-PVS.31S ................................. 82
1SVR730794R2300 .. CM-PVS.81S ................................. 82
1SVR730794R3300 .. CM-PVS.41S ................................. 82
1SVR730824R9300 .. CM-PFS.S .................................... 82
1SVR730830R0300 .. CM-ESS.1S ................................... 66
1SVR730830R0400 .. CM-ESS.2S ................................... 66
1SVR730830R0500 .. CM-ESS.MS .................................. 66
1SVR730831R0300 .. CM-ESS.1S ................................... 66
1SVR730831R0400 .. CM-ESS.2S ................................... 66
1SVR730831R1300 .. CM-ESS.1S ................................... 66
1SVR730831R1400 .. CM-ESS.2S ................................... 66
1SVR730840R0200 .. CM-SRS.11S ................................. 64
1SVR730840R0300 .. CM-SRS.12S ................................. 64
1SVR730840R0400 .. CM-SRS.21S ................................. 64
1SVR730840R0500 .. CM-SRS.22S ................................. 64
1SVR730840R0600 .. CM-SRS.M1S ................................ 64
1SVR730840R0700 .. CM-SRS.M2S ................................ 64
1SVR730841R0200 .. CM-SRS.11S ................................. 64
1SVR730841R0300 .. CM-SRS.12S ................................. 64
1SVR730841R0400 .. CM-SRS.21S ................................. 64
1SVR730841R0500 .. CM-SRS.22S ................................. 64
1SVR730841R1200 .. CM-SRS.11S ................................. 64
1SVR730841R1300 .. CM-SRS.12S ................................. 64
1SVR730841R1400 .. CM-SRS.21S ................................. 64
1SVR730841R1500 .. CM-SRS.22S ................................. 64
1SVR730850R0100 .. CM-ENS.11S ............................... 166
1SVR730850R0200 .. CM-ENS.21S ............................... 166
1SVR730850R0300 .. CM-ENS.31S ............................... 166
1SVR730850R2100 .. CM-ENS.11P ............................... 166
1SVR730850R2200 .. CM-ENS.23S ............................... 166
1SVR730884R1300 .. CM-MPS.31S ................................. 84
1SVR730884R3300 .. CM-MPS.41S ................................. 84
1SVR730884R4300 .. CM-MPS.43S ................................. 84
1SVR730885R1300 .. CM-MPS.11S ................................. 84
1SVR730885R3300 .. CM-MPS.21S ................................. 84
1SVR730885R4300 .. CM-MPS.23S ................................. 84
1SVR740010R0200 .. CT-MFS.21P .................................. 37
1SVR740010R3200 .. CT-MBS.22P .................................. 37
1SVR740020R0200 .. CT-MVS.21P .................................. 37
1SVR740020R3100 .. CT-MVS.12P .................................. 37
1SVR740020R3300 .. CT-MVS.22P .................................. 37
1SVR740021R2300 .. CT-MVS.23P .................................. 37
1SVR740030R3300 .. CT-MXS.22P .................................. 37
1SVR740040R3300 .. CT-WBS.22P.................................. 37
1SVR740100R0300 .. CT-ERS.21P................................... 38
1SVR740100R3100 .. CT-ERS.12P................................... 38
1SVR740100R3300 .. CT-ERS.22P................................... 38
1SVR740110R3300 .. CT-AHS.22P .................................. 38
1SVR740120R3100 .. CT-ARS.11P .................................. 38
1SVR740120R3300 .. CT-ARS.21P .................................. 38
1SVR740180R0300 .. CT-APS.21P................................... 38
1SVR740180R3100 .. CT-APS.12P................................... 38
1SVR740180R3300 .. CT-APS.22P................................... 38
1SVR740210R3300 .. CT-SDS.22P .................................. 38
1SVR740211R2300 .. CT-SDS.23P .................................. 38
1SVR740660R0100 .. CM-IWS.1P .................................. 116
1SVR740670R0200 .. CM-IWS.2P .................................. 116
1SVR740700R0100 .. CM-MSS.12P ............................... 140
1SVR740700R0200 .. CM-MSS.22P ............................... 140
1SVR740700R2100 .. CM-MSS.13P ............................... 140
1SVR740700R2200 .. CM-MSS.23P ............................... 140
1SVR740712R0200 .. CM-MSS.32P ............................... 140
1SVR740712R1200 .. CM-MSS.41P ............................... 140
1SVR740712R1300 .. CM-MSS.51P ............................... 140
1SVR740712R1400 .. CM-MSS.31P ............................... 140
1SVR740712R2200 .. CM-MSS.33P ............................... 140
1SVR740720R1400 .. CM-MSS.11P ............................... 140
1SVR740722R1400 .. CM-MSS.21P ............................... 140
1SVR740740R0100 .. CM-TCS.11P .............................. 154
1SVR740740R0200 .. CM-TCS.12P .............................. 154
1SVR740740R0300 .. CM-TCS.13P .............................. 154
1SVR740740R9100 .. CM-TCS.21P .............................. 154
1SVR740740R9200 .. CM-TCS.22P .............................. 154
1SVR740740R9300 .. CM-TCS.23P .............................. 154
1SVR740750R0400 .. CM-EFS.2P.................................... 66
1SVR740760R0400 .. CM-SFS.21P.................................. 64
1SVR740774R1300 .. CM-PAS.31P ................................. 82
1SVR740774R3300 .. CM-PAS.41P ................................. 82
1SVR740784R2300 .. CM-PSS.31P ................................. 82
1SVR740784R3300 .. CM-PSS.41P ................................. 82
1SVR740794R1300 .. CM-PVS.31P ................................. 82
1SVR740794R2300 .. CM-PVS.81P ................................. 82
1SVR740794R3300 .. CM-PVS.41P ................................. 82
1SVR740824R9300 .. CM-PFS.P ..................................... 82
1SVR740830R0300 .. CM-ESS.1P ................................... 66
1SVR740830R0400 .. CM-ESS.2P ................................... 66
1SVR740830R0500 .. CM-ESS.MP .................................. 66
1SVR740831R0300 .. CM-ESS.1P ................................... 66
1SVR740831R0400 .. CM-ESS.2P ................................... 66
1SVR740831R1300 .. CM-ESS.1P ................................... 66
1SVR740831R1400 .. CM-ESS.2P ................................... 66
1SVR740840R0200 .. CM-SRS.11P ................................. 64
1SVR740840R0400 .. CM-SRS.21P ................................. 64
1SVR740840R0600 .. CM-SRS.M1P ................................ 64
1SVR740841R0200 .. CM-SRS.11P ................................. 64
1SVR740841R0400 .. CM-SRS.21P ................................. 64
1SVR740841R1200 .. CM-SRS.11P ................................. 64
1SVR740841R1400 .. CM-SRS.21P ................................. 64
1SVR740850R0100 .. CM-ENS.13S ............................... 166
1SVR740850R0200 .. CM-ENS.21P ............................... 166
1SVR740850R0300 .. CM-ENS.31P ............................... 166
1SVR740850R2100 .. CM-ENS.13P ............................... 166
1SVR740850R2200 .. CM-ENS.23P ............................... 166
Index
Numerical
Order code Type Page Order code Type Page Order code Type Page

7
359 ABB | Catalog Electronic relays and controls 2016 | 2CDC 110 004 C0210
1SVR740884R1300 .. CM-MPS.31P ................................. 84
1SVR740884R3300 .. CM-MPS.41P ................................. 84
1SVR740884R4300 .. CM-MPS.43P ................................. 84
1SVR740885R1300 .. CM-MPS.11P ................................. 84
1SVR740885R3300 .. CM-MPS.21P ................................. 84
1SVR740885R4300 .. CM-MPS.23P ................................. 84
1SVR750005R0100 .. COV.12 ........................................ 176
1SVR750487R8300 .. CM-MPN.52S ................................ 84
1SVR750488R8300 .. CM-MPN.62S ................................ 84
1SVR750489R8300 .. CM-MPN.72S ................................ 84
1SVR750660R0200 .. CM-IWN.1S ................................. 116
1SVR750660R0300 .. CM-IWN.4S ................................. 116
1SVR750660R0400 .. CM-IWN.5S ................................. 116
1SVR750660R0500 .. CM-IWN.6S ................................. 116
1SVR750669R9400 .. CM-IVN.S .................................... 116
1SVR760487R8300 .. CM-MPN.52P ................................ 84
1SVR760488R8300 .. CM-MPN.62P ................................ 84
1SVR760489R8300 .. CM-MPN.72P ................................ 84
1SVR760660R0200 .. CM-IWN.1P ................................. 116
1SVR760660R0300 .. CM-IWN.4P ................................. 116
1SVR760660R0400 .. CM-IWN.5P ................................. 116
1SVR760660R0500 .. CM-IWN.6P ................................. 116
1SVR760669R9400 .. CM-IVN.P .................................... 116
2CDE
2CDE601101R2001 .. EPD24-TB-101-1A ....................... 245
2CDE601101R2002 .. EPD24-TB-101-2A ....................... 245
2CDE601101R2003 .. EPD24-TB-101-3A ....................... 245
2CDE601101R2004 .. EPD24-TB-101-4A ....................... 245
2CDE601101R2006 .. EPD24-TB-101-6A ....................... 245
2CDE601101R2008 .. EPD24-TB-101-8A ....................... 245
2CDE601101R2010 .. EPD24-TB-101-10A ..................... 245
2CDE601101R2012 .. EPD24-TB-101-12A ..................... 245
2CDE601101R2905 .. EPD24-TB-101-0.5A .................... 245
2CDE605100R0500 .. EPD-BB500 ................................. 245
2CDE605200R0021 .. EPD-SB21 ................................... 245
GHC
GHC0110003R0001 . C011-70 ...................................... 140
GHC0110003R0002 . C011-80 ...................................... 140
GHC0110003R0003 . C011-90 ...................................... 140
GHC0110003R0004 . C011-100 .................................... 140
GHC0110003R0005 . C011-110 .................................... 140
GHC0110003R0006 . C011-120 .................................... 140
GHC0110003R0007 . C011-130 .................................... 140
GHC0110003R0008 . C011-150 .................................... 140
GHC0110003R0009 . C011-160 .................................... 140
GHC0110003R0010 . C011-170 .................................... 140
GHC0110003R0011 . C011-140 .................................... 140
GHC0110033R0008 . C011-3-150 ................................. 140
GJD
GJD6155620R0087 .. SK 615 562-87 .............................. 39
GJD6155620R0088 .. SK 615 562-88 .............................. 39
Index
Numerical
Order code Type Page Order code Type Page Order code Type Page

7
2CDC 110 004 C0210 | Catalog Electronic relays and controls 2016 | ABB 360
Index
Numerical

Contact us
ABB STOTZ-KONTAKT GmbH
You can find the address of your local sales organisation
on the ABB homepage:
www.abb.com/contacts
> Low Voltage Products and Systems
Find out more about electronic relays and controls on:
http://new.abb.com/low-voltage/products/electronicrelays
DE ABB 2CDC 110 004 C0210 Rev C printed in Federal Republic of Germany (06/2016)
Note: We reserve the right to make technical changes or
modify the contents of this document without prior notice.
With regard to purchase orders, the agreed particulars shall
prevail. ABB AG does not accept any responsibility whatso-
ever for potential errors or possible lack of information in this
document.
We reserve all rights in this document and in the subject
matter and illustrations contained therein. Any reproduction,
disclosure to third parties or utilization of its contents – in
whole or in parts – is forbidden without prior written consent
of ABB AG.
Copyright © 2016 ABB
All rights reserved