Installation Directions
164819-Installationsheet 164819-InstallationSheet 164819-InstallationSheet B2 unilog cesco-content
97633-Installationsheet 97633-InstallationSheet 97633-InstallationSheet 783510 Batch7 unilog cesco-content
102202-Installationsheet 102202-InstallationSheet 102202-InstallationSheet 783510 Batch7 unilog cesco-content
56928-Installationsheet 56928-InstallationSheet 56928-InstallationSheet 783510 Batch7 unilog cesco-content
2016-07-29
: Pdf 1000419112-Installationsheet 1000419112-InstallationSheet B2 unilog
Open the PDF directly: View PDF
.
Page Count: 20

© 2013 Pentair Equipment Protection 89055732
Rev. E P/N 10-1008-121
PROAIR
Air Conditioner
Cr29 Model
INSTRUCTION MANUAL
© 2013 Pentair Equipment Protection 89055732
- 2 -
TABLE OF CONTENTS
RECEIVING THE AIR CONDITIONER ...........................................................................................................................................3
HANDLING AND TESTING THE AIR CONDITIONER ...................................................................................................................3
INSTALLATION INSTRUCTIONS ..................................................................................................................................................4
SYSTEM CONTROLS ....................................................................................................................................................................4
Level I Temperature Controller ................................................................................................................................................................. 4
Level II and III Temperature Controller ..................................................................................................................................................... 4
TECHNICAL INFORMATION .........................................................................................................................................................5
DESIGN DATA ............................................................................................................................................................................................. 5
DIMENSION DRAWING .............................................................................................................................................................................. 5
CR29 Models 2200-4000 BTU/Hr. (645-1172 Watt) ........................................................................................................................... 5
Mounting Gasket Kit .................................................................................................................................................................................. 6
Design Notes ...................................................................................................................................................................................... 6
Mounting Cutout Dimensions .................................................................................................................................................................... 6
Components List ........................................................................................................................................................................................ 7
Parts List .................................................................................................................................................................................................... 7
Wire Diagrams and schematics ................................................................................................................................................................ 8
Wire Diagram, Level 1, 2000 BTU ...................................................................................................................................................... 8
Wire Diagram, Level 1, 4000 BTU ...................................................................................................................................................... 9
Wire Diagram, Level II and III, 2000 BTU ......................................................................................................................................... 10
Wire Diagram, Level II and III, 4000 BTU ......................................................................................................................................... 12
TEMPERATURE CONTROL ........................................................................................................................................................14
PRINCIPLES OF OPERATION ....................................................................................................................................................14
MAINTENANCE ..........................................................................................................................................................................14
Compressor ............................................................................................................................................................................................. 14
Inlet Air Filter ........................................................................................................................................................................................... 14
How To Remove, Clean or Install a New Inlet Air Filter ......................................................................................................................... 14
Condenser and Evaporator Air Movers ................................................................................................................................................... 15
Refrigerant Loss ...................................................................................................................................................................................... 15
TROUBLE SHOOTING .................................................................................................................................................................16
Basic Air Conditioning Trouble Shooting Check List .............................................................................................................................. 16
Symptoms and Possible Causes: ............................................................................................................................................................ 17
WARRANTY ................................................................................................................................................................................18
RETURN AND REPAIR POLICY .................................................................................................................................................. 18
LIMITATION OF LIABILITY ..........................................................................................................................................................19

© 2013 Pentair Equipment Protection
89055732 - 3 -
RECEIVING THE AIR CONDITIONER
Inspect the air conditioner. Check for concealed damage that may have occurred during shipment. Look for dents,
scratches, loose assemblies, evidence of oil, etc. Damage evident upon receipt should be noted on the freight bill.
Damage should be brought to the attention of the delivering carrier -- NOT to Pentair Equipment Protection --
within 15 days of delivery. Save the carton and packing material and request an inspection. Then file a claim with
the delivering carrier.
Pentair Equipment Protection cannot accept responsibility for freight damages; however, we will assist you in any
way possible.
HANDLING AND TESTING THE AIR CONDITIONER
If the air conditioner has been in a horizontal position, be certain it is placed in an upright, vertical or mounting
position for a minimum of five (5) minutes before operating.
Do not attempt to operate the air conditioner while it is horizontal
or on its side, back or front. The refrigeration compressor is filled
with lubricating oil. This will cause permanent damage to the air
conditioner and also voids the warranty.
CAUTION
TEST FOR FUNCTIONALITY BEFORE MOUNTING THE AIR CONDITIONER TO THE ENCLOSURE.
Refer to the nameplate for proper electrical current requirements, and then connect the power cord to a properly
grounded power supply. Minimum circuit ampacity should be at least 125% of the amperage shown in the design
data section for the appropriate model. No other equipment should be connected to this circuit to prevent
overloading.
Operate the air conditioner for five (5) to ten (10) minutes. No excessive noise or vibration should be evident
during this run period. The condenser blower (ambient air), the evaporator blower (enclosure air), and the
compressor should be running.
Condenser air temperatures should be warmer than normal room temperatures within a few minutes.
The compressor is provided with automatic reset thermal overload protection. This thermo-switch is located
and mounted inside the plastic enclosure clipped to the compressor. The switch operates when the compressor
overheats due to clogged or dirty inlet air filter or if ambient air temperatures exceed nameplate rating or if
enclosure dissipated heat loads exceed the rated capacity of the air conditioner. The thermal overload switch will
actuate and stop compressor operation. The blowers will continue to operate and the compressor will restart
after it has cooled to within the thermal overload cut-in temperature setting.

© 2013 Pentair Equipment Protection 89055732
- 4 -
INSTALLATION INSTRUCTIONS
1. Inspect air conditioner and verify functionality before mounting the air conditioner, see HANDLING
AND TESTING THE AIR CONDITIONER on page 3.
2. Using the cutout dimensions shown in this manual, prepare the air “IN” and air “OUT” openings,
and mounting bolt hole pattern for the enclosure.
3. Using the gasket kit provided, install gaskets to air conditioner. See Mounting Gasket Kit on page
6 for proper location.
4. Mount air conditioner on enclosure using mounting bolts and washers provided to secure unit to
enclosure. Allow unit to remain upright for a minimum of five (5) minutes before starting. Caution!
Air conditioner must be in upright position during operation.
5. Refer to the top of the nameplate for electrical requirements. Connect the power cord to a properly
grounded power supply. Use of an extension cord is not recommended. Electrical circuit should be
fused with slow blow or HACR circuit breaker.
6. When the unit is equipped with an automatic temperature controller, the controller is preset at the
factory for your convenience and should not require adjustment.
SYSTEM CONTROLS
LEVEL I TEMPERATURE CONTROLLER
The Level I controller is located inside the air
conditioner. To adjust, disconnect power to the air
conditioner and open the front panel by loosening the
front panel screw. Refer to Figure 2 on page 7 to
locate the controller. Turn the controller adjustment
screw slot counter-clockwise to increase and clockwise
to decrease the temperature set point, see Figure 1.
The thermostat cooling set point is indicated by the
alignment of the adjustment screw slot with the dial
decal. After completing adjustment, close the front
panel and tighten the front panel screw. Restore power
to the air conditioner for operation.
LEVEL II AND III TEMPERATURE
CONTROLLER
The Level II and III controller mounted on the air
conditioner front panel is factory set for standard
operation. All operating parameters are programmable
for custom applications. Refer to the Level II and III
programming and Operating Instruction Manual,
10-1008-161.
Figure 1
Level I control

© 2013 Pentair Equipment Protection
89055732 - 5 -
TECHNICAL INFORMATION
DESIGN DATA
Model Voltage Hz Phase BTU/Hr @
131 F/131 F Amps @ 131
F/131 F BTU/Hr @
95 F/95 F Amps @
95 F/95 F
Max
Amb
Temp
°F/°C
Shipping
Weight
lb./kg
CR290216GXXX 115 50/60 12000/2200 7.4/7.4 1700/2000 7.0/6.0 131/55 98/44
CR290226GXXX 230 50/60 12500/2700 4.6/3.9 1900/2300 4.4/3.3 131/55 98/44
CR290416GXXX 115 50/60 13500/4000 13.5/13.5 2400/2800 10.7/9.6 131/55 118/54
CR290426GXXX 230 50/60 13500/4000 6.7/6.6 2400/2800 5.9/5.3 131/55 118/54
-XXX will be replaced with a three-digit number designating all desired options. Consult the factory for specific model numbers.
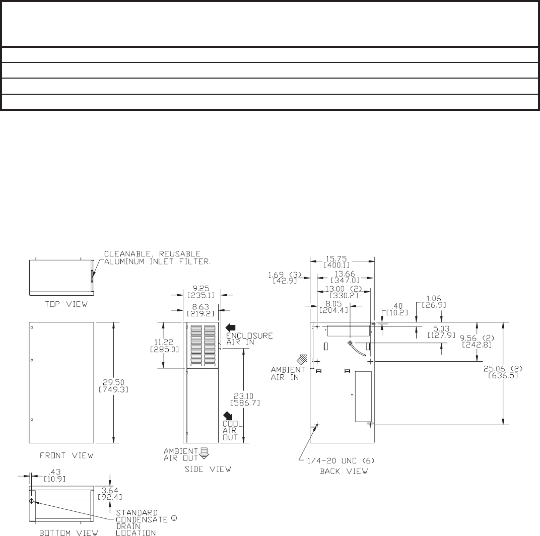
DIMENSION DRAWING
CR29 MODELS 22004000 BTU/HR. (6451172 WATT)

© 2013 Pentair Equipment Protection 89055732
- 6 -
MOUNTING GASKET KIT
DESIGN NOTES
1. Gasket kit included. Apply gasket to rear
of air conditioner before mounting on
enclosure.
2. Service cord terminated with
appropriate plug cap.
3. Millimeter dimensions [ ] are for
reference only; do not convert to inch
dimensions.
4. Allow at least 4 inch inlet and 6 inch
outlet clearance for proper ambient
air flow. Allow 20 inch above filter for
removal.
Mounting gasket kit part no. 29-4100-02 as applied to
rear of CR29.
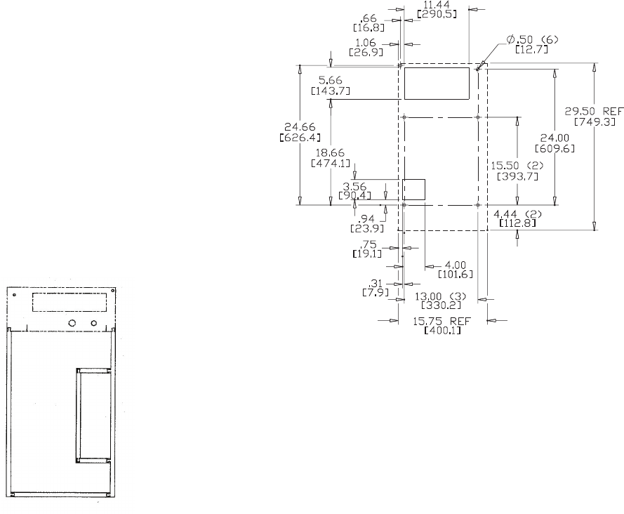
MOUNTING CUTOUT DIMENSIONS
1. DASHED LINES REPRESENT OUTSIDE OF AIR C
ONDITIONER
NOTE:
Cutout Instructions

© 2013 Pentair Equipment Protection
89055732 - 7 -
COMPONENTS LIST
Part Description 115 Volt
2200 115 Volt
4000 230 Volt
2700 230 Volt
4000
Blower, Condenser 29-4121-10 29-4121-10 29-4120-10 29-4120-10
Blower, Evaporator 29-4121-10 29-4121-10 29-4120-10 29-4120-10
Capacitor, Compressor N/A 10-1032-13 10-1032-09 10-1032-14
Compressor 10-1016-23 SP 10-1016-26 SP 10-1026-74 SP 10-1026-77 SP
Thermal Overload, Compressor 10-1007-19 10-1007-45 10-1007-57 10-1007-51
Filter, Air, Reusable 10-1000-32 10-1000-32 10-1000-32 10-1000-32
Thermostat, SPST, 55-100F 10-1061-16 10-1061-16 10-1061-16 10-1061-16
Mounting Gasket Kit 29-4100-02 29-4100-02 29-4100-02 29-4100-02
Relay, Compressor 10-1028-20 10-1028-14 10-1028-07 10-1028-15
Power Cord Consult factory Consult factory Consult factory Consult factory
PARTS LIST
Part Description Part No.
1Condenser Coil 29-4101-00
2Filter, drier, refrigerant 52-6028-00
3Compressor See Components List
4Hot Gas bypass valve
(CR29-04xx units only) 52-6027-11
5Evaporator coil 29-4102-00
6Inlet air filter,
reusable aluminum 10-1000-32
7Blower (115V)
Blower (230V) 29-4121-10
29-4120-10
8Compressor thermal
overload switch See Components List
9Capacitor, compressor
(CR29-04xx units only) See Components List
10 Capacitor, compressor
(CR29-0226 units only) See Components List
11 Terminal block 086912
12 Power cord Consult Factory
13 Temperature controller Consult Factory
14 Relay, compressor
(CR29-04xx units only) See Components List
15 Relay, compressor
(CR29-02xx units only) See Components List
16 Mounting gasket kit 29-4100-02
Figure 2

© 2013 Pentair Equipment Protection 89055732
- 8 -
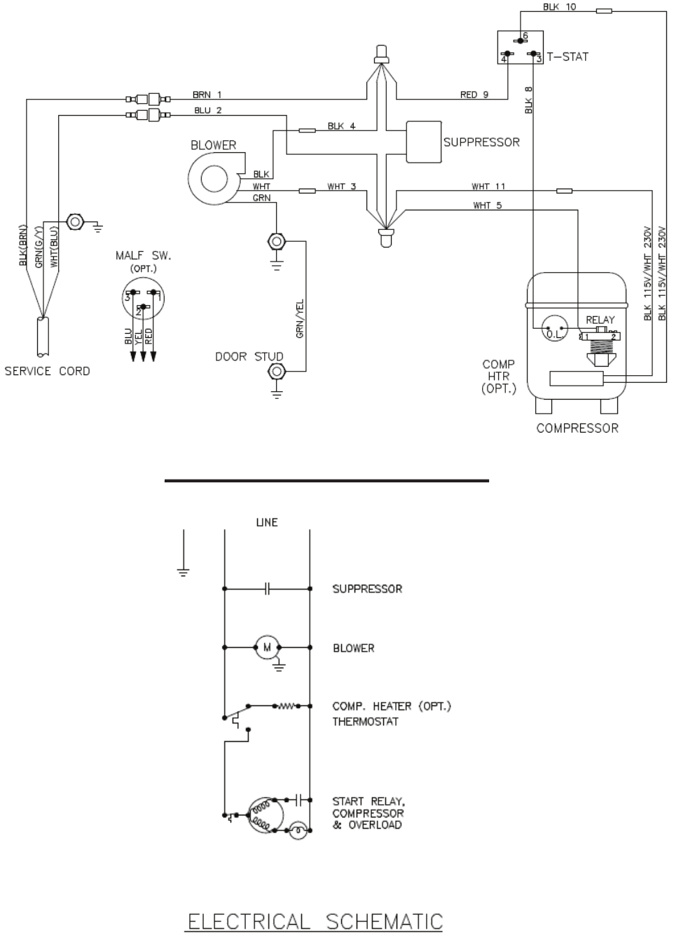
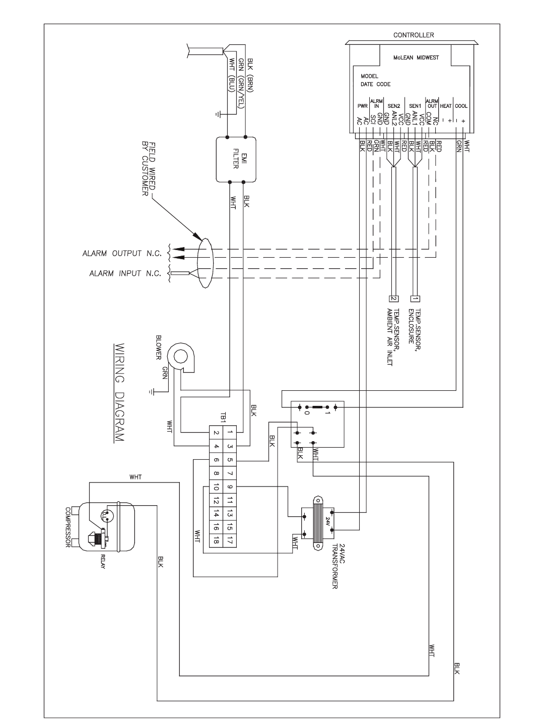
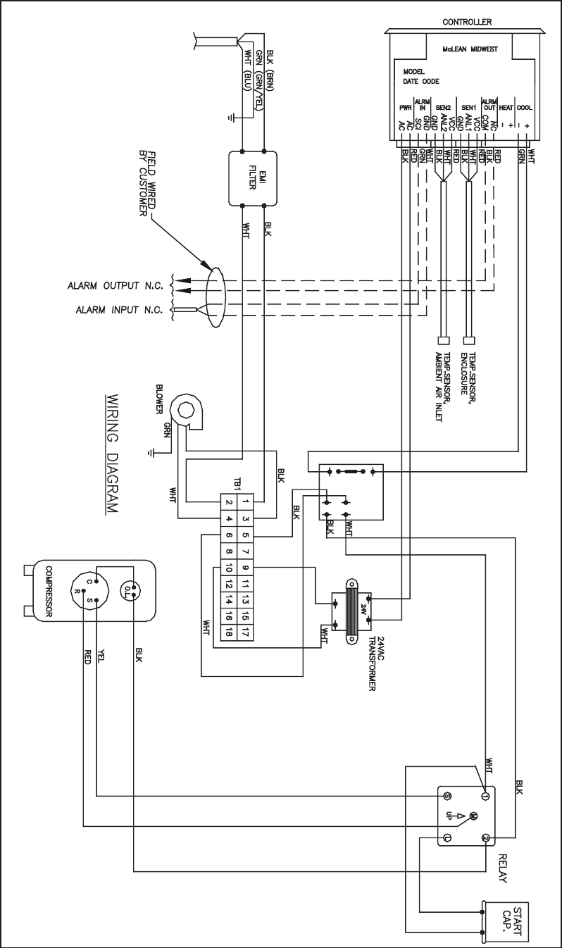
WIRE DIAGRAMS AND SCHEMATICS
WIRE DIAGRAM, LEVEL 1, 2000 BTU

© 2013 Pentair Equipment Protection
89055732 - 9 -
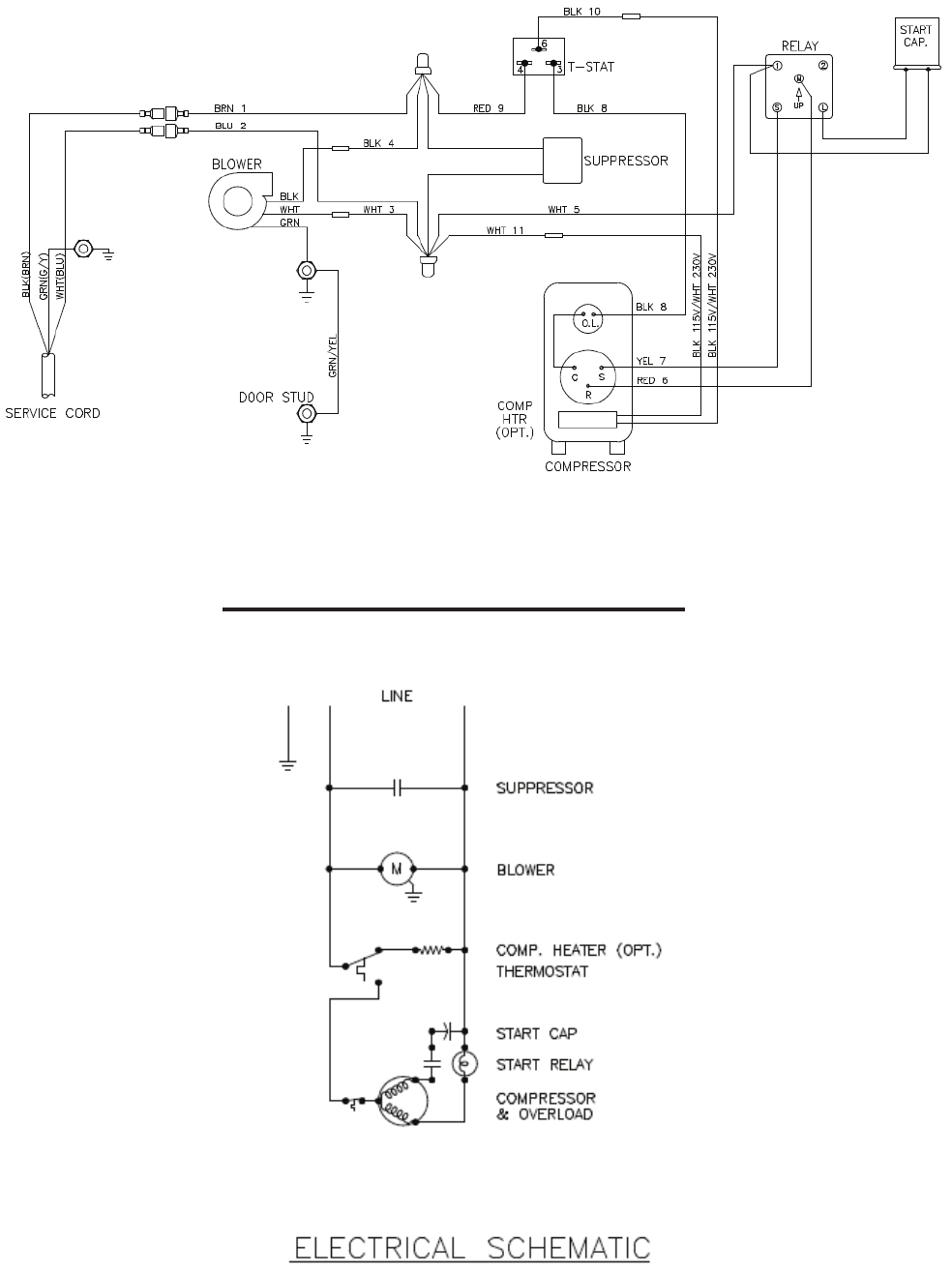
WIRE DIAGRAM, LEVEL 1, 4000 BTU
NOTE: For voltage, hertz, and options not shown in this manual, refer to the wiring diagram
attached to the unit.

© 2013 Pentair Equipment Protection 89055732
- 10 -
WIRE DIAGRAM, LEVEL II AND III, 2000 BTU

© 2013 Pentair Equipment Protection
89055732 - 11 -

© 2013 Pentair Equipment Protection 89055732
- 12 -
WIRE DIAGRAM, LEVEL II AND III, 4000 BTU
NOTE: For voltage, hertz, and options not shown in this manual, refer to the wiring diagram
attached to the unit.

© 2013 Pentair Equipment Protection
89055732 - 13 -
© 2013 Pentair Equipment Protection 89055732
- 14 -
TEMPERATURE CONTROL
The electromechanical thermostat is factory preset to 75 F/23 C. To change the temperature setting, refer to
SYSTEM CONTROLS on page 4.
PRINCIPLES OF OPERATION
If electrical power to the air conditioner is interrupted and reapplied immediately (within 3 to 5 seconds), the
compressor may not restart due to the high back pressure of the compressor. It takes a minimum of one (1)
minute after shut-down for the compressor suction and discharge pressures to equalize in order for the air
conditioner to restart.
Operating the air conditioner below the minimum ambient temperature or above the maximum ambient
temperatures indicated on the nameplate voids all warranties.
It is recommended that the warranty section of this manual be read in order to familiarize yourself with
parameters of restricted operation.
The moisture that the enclosure air can contain is limited. If moisture flows from the drain tube continuously this
can only mean that ambient air is entering the enclosure. Be aware that frequent opening of the enclosure’s door
admits humid air which the air conditioner must then dehumidify.
MAINTENANCE
COMPRESSOR
The compressor requires no maintenance. It is hermetically sealed, properly lubricated at the factory and should
provide years of satisfactory operating service.
Should the refrigerant charge be lost, recharging ports (access fittings) on the suction and discharge sides of the
compressor are provided for recharging and/or checking suction and discharge pressures.
Under no circumstances should the access fitting covers be loosened, removed or tampered with.
Breaking of seals on compressor access fittings during warranty period will void warranty on hermetic system.
Recharging ports are provided for the ease and convenience of reputable refrigeration repair service personnel
for recharging the air conditioner.
INLET AIR FILTER
Proper maintenance of the inlet air filter, located behind the front cover, will assure normal operation of the air
conditioner. If filter maintenance is delayed or ignored, the maximum ambient temperatures under which the unit
is designed to operate will be decreased.
If the compressor’s operating temperature increases above designed conditions due to a dirty or clogged filter
(or plugged condenser coil), the air conditioner’s compressor will stop operating due to actuation of the thermal
overload cut-out switch located on the compressor housing. As soon as the compressor temperature has dropped
to within the switch’s cut-in setting, the compressor will restart automatically. However the above condition will
continue to take place until the filter or coil has been cleaned. It is recommended that power to the air conditioner
be interrupted intentionally when abnormally high compressor operating temperature causes automatic shut-
down of the unit.
The above described shut-down is symptomatic of a clogged or dirty filter, thus causing a reduction in cooling air
flow across the surface of the compressor and condenser coil.
Do not run the air conditioner for extended periods of time with the filter removed. Particles of dust, lint, etc., can
plug the fins of the condenser coil which will give the same reaction as a plugged filter. The condenser coil is not
visible through the filter opening, so protect it with a filter.
Continued operation under the above conditions can and will damage and shorten compressor life. The air
conditioner is available with an easily removable inlet filter to facilitate necessary cleaning. There should be no
reason to neglect this necessary maintenance.
HOW TO REMOVE, CLEAN OR INSTALL A NEW INLET AIR FILTER

© 2013 Pentair Equipment Protection
89055732 - 15 -
RP aluminum washable air filters are designed to provide excellent filtering efficiency with a high dust holding
capacity and a minimum amount of resistance to air flow. Since they are constructed entirely of aluminum,
they are lightweight and easy to service. Optimum filter performance is maintained by recoating the filters
after washing with RP Super Filter Coat adhesive. To achieve maximum performance from your air handling
equipment, air filters should be cleaned on a regular basis.
The inlet air filter is located behind the right side panel. To access the filter, pull from slot on top cover. The filter
may now be cleaned or a new filter installed.
Cleaning Instructions:
1. Flush the filter with warm water from the exhaust side to the intake side. DO NOT USE CAUSTICS.
2. After flushing, allow filter to drain. Placing it with a corner down will assure complete drainage.
3. Recoat the filters with RP Super Filter Coat adhesive. When spraying filter do so from both sides
for maximum concentration of adhesive.
CONDENSER AND EVAPORATOR AIR MOVERS
Blower motor requires no maintenance. All bearings, shafts, etc. are lubricated for the life of the motor during
manufacturing.
If one of the condenser impeller motors (ambient impellers) should fail, it is not necessary to remove the air
conditioner from the cabinet or enclosure to replace the blower. The condenser blower is mounted on its own
bulkhead and is easily accessible by removing the front cover.
Operation of the air conditioner in areas containing airborne
caustics or chemicals can rapidly deteriorate filters, condenser
coils, blowers and motors, etc. Contact Pentair Equipment
Protection for special recommendations.
CAUTION
REFRIGERANT LOSS
Each air conditioner is thoroughly tested prior to leaving the factory to insure against refrigeration leaks. Shipping
damage or microscopic leaks not found with sensitive electronic refrigerant leak detection equipment during
manufacture may require repair or recharging of the system. This work should only be performed by qualified
professionals, generally available through a local, reputable air conditioning repair or service company.
Refer to the data on the nameplate which specifies the type of refrigerant and the charge size in ounces.
Before recharging, make sure there are no leaks and that the system has been properly evacuated into a deep
vacuum.

© 2013 Pentair Equipment Protection 89055732
- 16 -
TROUBLE SHOOTING
BASIC AIR CONDITIONING TROUBLE SHOOTING CHECK LIST
1. Check manufacturer’s nameplate located on the unit for correct power supply.
2. Turn on power to the unit. The evaporator (Enclosure or “COLD” air) blower should come on. Is
there airflow?
YES, proceed to step 3.
NO, possible problem:
• Open motor winding
• Stuck blower motor
• Obstructed wheels/blades
Repair or Replace
defective part
3. Check thermostat setting and adjust thermostat to the lowest setting. This should turn on the
condenser blower and compressor. Did condenser blower and compressor come on when the
thermostat was turned on?
YES, proceed to step 4.
NO, possible problem:
• Defective thermostat Replace part
4. Are both blowers and the compressor running? If not, the unit will not cool properly.
5. Check condenser (Ambient or “HOT” air) blower for airflow. Is there airflow?
YES, proceed to step 6.
NO, possible problem:
• Defective thermostat
• Open motor winding
• Stuck blower motor
• Obstructed wheels/blades
Repair or Replace
defective part
6. Carefully check the compressor for operation - motor should cause slight vibration, and the outer
case of the compressor should be warm. Is the compressor showing signs of this?
YES, wait 5 minutes, then proceed to step 7.
NO, possible problem:
• Defective thermostat
• Defective capacitor
• Defective overload
• Defective relay
Repair or Replace
defective part
7. Make sure the coils are clean. Then check evaporator “air in” and “air out” temperatures. If the
temperatures are the same:
• Possible loss of refrigerant
• Possible bad valves in the
compressor
Repair or Replace
defective part
8. To check for a bad thermostat, turn power off to the unit. Remove control box cover and place
both thermostat wires onto one terminal (replace control box cover for safety). This will bypass
the switch in the thermostat. Turn on the power. If both blowers and the compressor come on, the
thermostat needs to be replaced.

© 2013 Pentair Equipment Protection
89055732 - 17 -
SYMPTOMS AND POSSIBLE CAUSES:
SYMPTOM POSSIBLE CAUSE
Unit won’t cool
Blower not running
Compressor not running
Compressor runs, but has bad valves
Loss of refrigerant
Compressor tries to start but won’t run
Low line voltage at start. Should be +/-10% rated voltage.
Compressor motor stuck
Bad relay
Bad overload switch
Bad run/start capacitor
Unit blows breakers Undersized breaker/fuse or not time delayed
Short in system
Getting water in enclosure
Drain plugged
Drain tube kinked
Enclosure not sealed (allowing humidity in)
For additional technical support (amp draw, pressures, temperatures), contact Pentair
Equipment Protection at 800-896-2665.
© 2013 Pentair Equipment Protection 89055732
- 18 -
WARRANTY
Pentair Equipment Protection warrants that the Goods manufactured by Pentair Equipment Protection
will be free from defects in material and workmanship for a period of one (1) year from the date of
shipment by Pentair Equipment Protection, subject to the following conditions and exclusions:
A. Conditions. All Goods must be installed and operated according to the following specifications:
1. Maximum voltage variation no greater than plus or minus 10% of nameplate nominal rating;
2. Maximum frequency variation no greater than plus or minus 3 Hz. of nameplate nominal rating;
3. Must not exceed minimum and maximum stated temperatures on the nameplate;
4. Must not exceed (BTU/Hr) rating, including any heat sink as indicated on the nameplate;
5. Refrigerant bearing Goods must not be restarted for a period of one (1) minute after intentional or
accidental shut-off;
6. The filters (if applicable) must be cleaned regularly;
7. The Goods and any parts thereof must not be modified, unless prior written authorization is
received from Pentair Equipment Protection; and
8. All Goods must be installed and grounded in accordance with all relevant electrical and safety
codes, as well as the National Electric Code and OSHA rules and regulations.
9. All Goods must be installed in a stationery application, free of vibration.
A violation of any one of these conditions shall render the warranty hereunder void and of no effect.
B. Exclusions. This warranty shall be void if product is misapplied in any way or:
1. Buyer specified product is inappropriate for system or environment in which it is operating.
2. Pentair Equipment Protection product modified in any way without prior written authorization from
Pentair Equipment Protection.
3. Removal or modification of Pentair Equipment Protection label affixed to product without written
Pentair Equipment Protection approval.
Pentair Equipment Protection must be notified of a claim in writing not later than fourteen (14) days from
the date when Buyer has become aware of such occurrence, or where the defect is such that it may cause
damage, immediately, such notice containing a description of how the defect manifests itself. Failure to
provide such prompt notice to Pentair Equipment Protection shall result in forfeiture of Buyer’s rights
under this warranty.
In the event of a warranty claim, Buyer is to return defective goods to Pentair Equipment Protection in
accordance with Pentair Equipment Protection Return Policy. Warranty period for repaired goods remains
at 1 year from shipment of original goods. Pentair Equipment Protection sole obligation to Buyer under
this warranty will be, at Pentair Equipment Protection option:
A. Repair or replace Pentair Equipment Protection products or parts found to be defective in material or
workmanship.
B. Issue credit for the purchase price paid by Buyer relating to such defective Goods or part.
THIS WARRANTY CONSTITUTES THE ENTIRE WARRANTY WITH RESPECT TO THE GOODS AND IS IN
LIEU OF ALL OTHER WARRANTIES, EXPRESSED OR IMPLIED, INCLUDING ANY IMPLIED WARRANTY OF
MERCHANTABILITY AND IMPLIED WARRANTY OF FITNESS FOR A PARTICULAR PURPOSE.
RETURN AND REPAIR POLICY
Pentair Equipment Protection products that: (i) are made to order, (ii) have been modified by Buyer, (ii)
have special finishes, or (iv) are determined by Pentair Equipment Protection to constitute “custom”
products that cannot be returned to stock or resold to other Buyers, will not be accepted for return by
Pentair Equipment Protection.
All returns require a Return Material Authorization number (RMA #), regardless of reason for return,
whether it be for warranty or out of warranty repair. Returns without an RMA # will be refused by our
Receiving Department. An RMA # is valid for 60 days.
A. An RMA # will be issued by our Repair Department in Anoka, MN at 866-545-5252. Buyer should have
following information available at time of RMA request:
1. Complete Model Number, Serial Number and description of damaged unit being returned.
2. Original Buyer Purchase Order number and date product was received by Buyer.
3. Quantity to be returned and a brief description of failure for each unit, if different.
© 2013 Pentair Equipment Protection
89055732 - 19 -
4. Contact information of Buyer that must include: name of company, billing and shipping address,
phone, number, fax number, freight carrier and the name and phone number of a Buyer contact
who can elaborate on the claimed defect in detail.
5. Buyer must provide a Repair Purchase Order number for both warranty and out of warranty
repairs. The PO will not exceed 50% of a new unit. Buyer will be notified of repair charges that
exceed approved PO amount.
B. All returns to Pentair Equipment Protection must be securely packed, using original cartons if
possible. All returns must have the RMA number visible on the outside of the carton. Pentair
Equipment Protection is not responsible for material damaged in transit. Any refrigerant-bearing
Goods must be shipped upright for return.
C. Shipping cost for all non-warranty repairs is the responsibility of the sender and must be shipped
prepaid. Shipping costs for all warranty related repairs will be covered by Pentair Equipment
Protection provided the goods are returned using a Pentair Equipment Protection approved carrier.
If after diagnoses the product is determined by Pentair Equipment Protection not be covered under
warranty, Buyer will be responsible for all shipping charges and will be billed accordingly.
D. Non-warranty repairs are subject to a $75 minimum analysis fee. Analysis fee will be waived if Buyer
approves repair work. If approval is not received within 30 days, material will be scrapped and all
shipping expenses and corresponding analysis fees will be billed to Buyer.
E. At Buyer’s request, Failure Analysis can be provided by Pentair Equipment Protection for warrantable
goods at no charge. Failure analysis for non-warranty repairs are subject to a $100 per hour
Engineering charge plus any other incurred testing costs.
F. All returned merchandise must be sent to the following address: Pentair Equipment Protection, 2100
Hoffman Way, Anoka, MN 55303-1745.
G. Credit for accepted returns shall be at the original selling price or the current selling price, whichever
is lower, less the restocking charge indicated as follows:
1. Within 60 days of invoice date - 20% of applicable selling price.
2. Within 61-120 days of invoice date - 30% of applicable selling price.
3. Within 121-180 days of invoice date - 40% of applicable selling price.
4. Beyond 180 days - subject to individual review by Pentair Equipment Protection.
If product being returned for credit requires repair or modification, the cost of any labor or material
necessary to bring product into saleable condition will be deducted from credit. Buyer may not take credit
against returns without prior written Pentair Equipment Protection approval.
LIMITATION OF LIABILITY
Pentair Equipment Protection WILL NOT BE LIABLE UNDER ANY CIRCUMSTANCES FOR ANY
INCIDENTAL, CONSEQUENTIAL OR SPECIAL DAMAGES, INCLUDING WITHOUT LIMITATION ANY LOST
PROFITS OR LABOR COSTS, ARISING FROM THE SALE, USE OR INSTALLATION OF THE GOODS, FROM
THE GOODS BEING INCORPORATED INTO OR BECOMING A COMPONENT OF ANOTHER PRODUCT, FROM
ANY BREACH OF THIS AGREEMENT OR FROM ANY OTHER CAUSE WHATSOEVER, WHETHER BASED ON
WARRANTY (EXPRESSED OR IMPLIED) OR OTHERWISE BASED ON CONTRACT, OR ON TORT OR OTHER
THEORY OF LIABILITY, AND REGARDLESS OF ANY ADVICE OR REPRESENTATIONS THAT MAY HAVE
BEEN RENDERED BY Pentair Equipment Protection CONCERNING THE SALE, USE OR INSTALLATION OF
THE GOODS

© 2013 Pentair Equipment Protection 89055732
Rev. E P/N 10-1008-121
Pentair Equipment Protection
2100 Homan
Way
M
inneapolis, MN 55303 USA
+1.763.422.2211
+1.763.576.3200
PentairEquipmentProtection.com