Brochure
138621-Catalog 138621-Catalog 138621-Catalog B5 unilog cesco-content
162512-Attachment 162512-Attachment 162512-Attachment B5 unilog cesco-content
2016-09-04
: Pdf 1000473780-Brochure 1000473780-Brochure B4 unilog
Open the PDF directly: View PDF
.
Page Count: 116 [warning: Documents this large are best viewed by clicking the View PDF Link!]

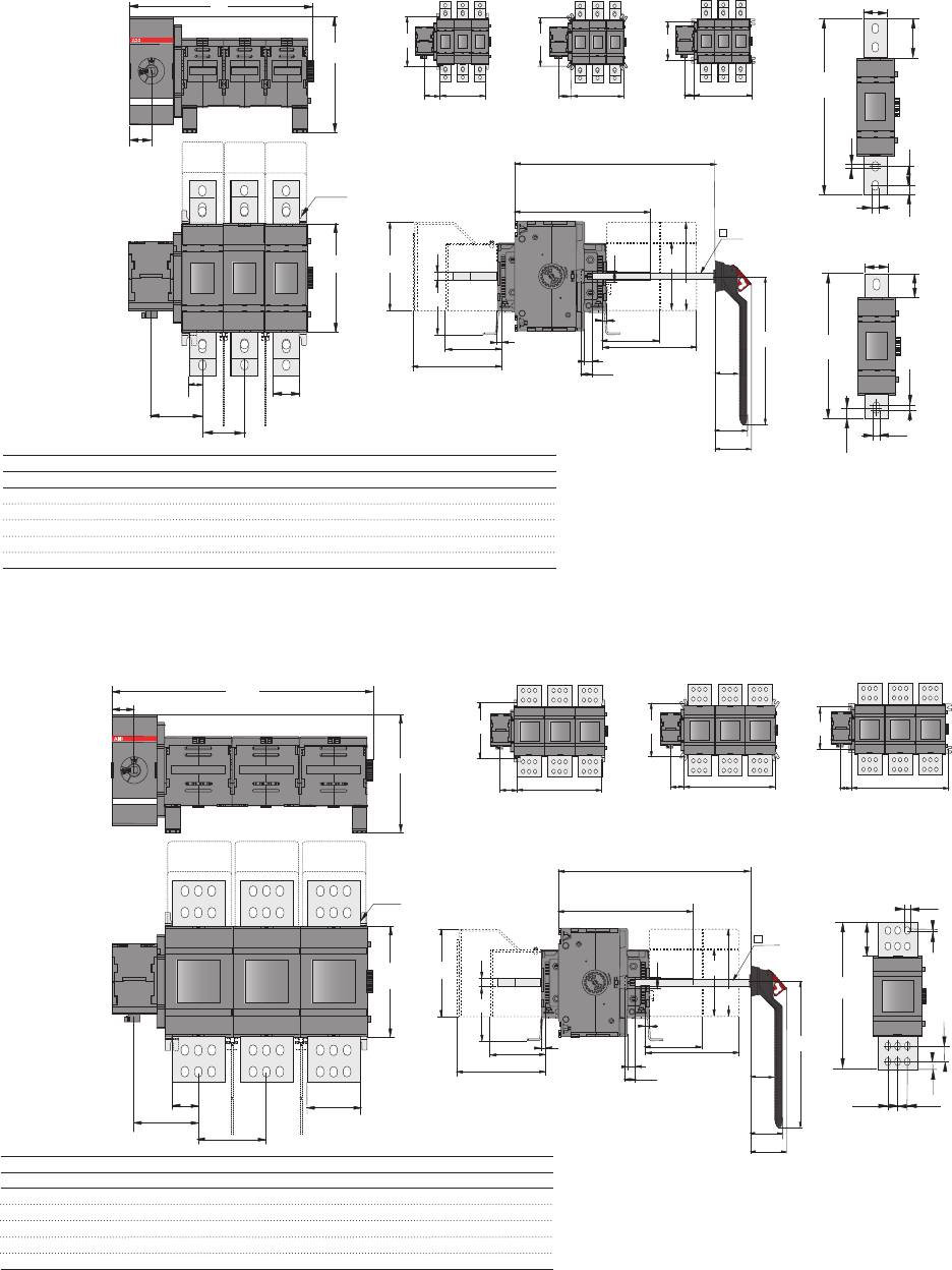
Switches
Switch-disconnectors
OT and OTM
Breakers and Switches

Switch-disconnectors | 1SCC301020C0201 | 3
Switch-disconnectors
OT16...4000 and OTM40...2500
Features
Product overview 4
High performance, compact solution 6
Technical data
Switch-disconnectors, IEC 8
Non fusible disconnect switches, UL/CSA 14
Motor operators, IEC 18
Type designation key
Type designation key 20
Ordering information
Front operated,switch-disconnectors, IEC 21
Front operated, non-fusible disconnect switches, UL/CSA 30
Side operated switch-disconnectors, IEC 33
Earthing switches, IEC 34
Motorized switch-disconnectors, IEC 36
Accessories
Selection overview 39
Ordering information, accessories
Optional handles and handle accessories 42
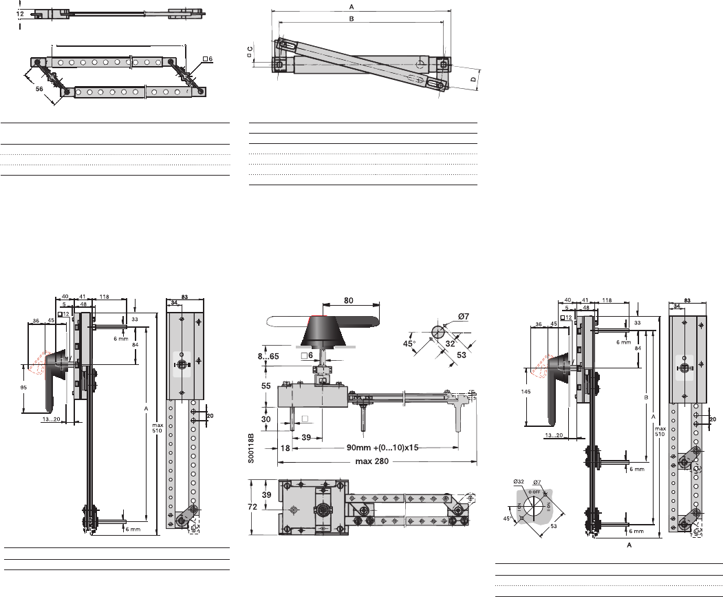
Shafts and shaft accessories 52
Auxiliary contacts 56
Fourth poles and neutral/earth links 60
Terminal shrouds 62
Mounting and locking accessories 64
Terminal clamps 65
Conversion kits 68
Mechanical and electrical interlocks 70
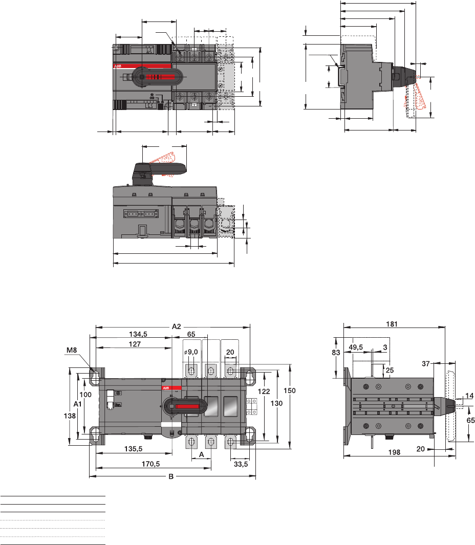
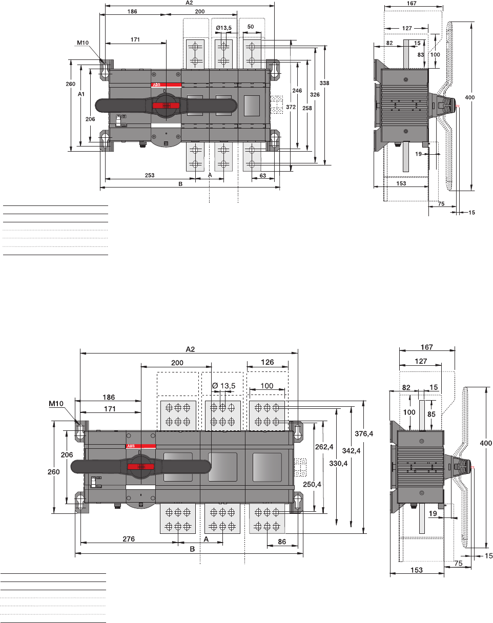
Dimension drawings
Front operated, switch-disconnectors, IEC and UL/CSA 72
Side operated switch-disconnectors, IEC 91
Earthing switches, IEC 93
Motorized switch-disconnectors, IEC 95
Accessories 99
Contact functions
ON and OFF-functions of main and auxiliary contacts 105
Index
Index 107

4 | 1SCC301020C0201 | Switch-disconnectors
Switch-disconnectors 16... 4000 Amperes
High performance, compact solution
Switch size 16 25 40 63 80 30 60 100 125 160 200 250 200 315 400 400 600 630 800 800 1000 1200 1250 1600 2000 2500 3200 4000
IEC lth [A] 25 32 40 63 80 115 125 160 200 250 315 400 630 800 1000 1250 1600 2000 2500 3200 4000
le /AC22A, 415V [A] 16 25 40 63 80 100 125 160 200 250 315 400 630 800 1000 1250 1600 2000 2500
le /AC23A, 415V [A] 16 20 23 45 75 80 90 160 200 250 315 400 630 800 1000 1250 1600
UL Ampere rating [A] 20 30 40 60 80 30 60 100 200 400 600 800 1200
*) Please consult us for UL 98 ratings above 1200 A
Accessories
Optional handles
Extended shafts
Legend plates
Auxiliary contacts
Fourth poles
N & PE terminals
Terminal shrouds
Connecting accessories
Conversion kits
Locking accessories
Motor operation
IEC OTM40F OTM160E OTM315E OTM630E OTM1000E OTM1600E OTM2000E
OTM63F OTM200E OTM400E OTM800E OTM1250E OTM2500E
OTM80F OTM250E
OTM100F
OTM125F
Switch size [A] 40 63 80 100 125 160 200 250 315 400 630 800 1000 1250 1600 2000 2500
Manual operation
IEC OT16F OT63F OT100F OT160EV OT315E OT630E OT1000E OT2000E OT3200E
OT25F OT80F OT125F OT200E OT400E OT800E OT1250E OT2500E OT4000E
OT40F OT250E OT1600E
UL 98 file # E101914 OT16F OT63F OT30F OT200U OT400U OT600U OT800U *)
UL 508 file # E63822 OT25F OT80F OT60F OT1200U
OT40F OT100F

Switch-disconnectors | 1SCC301020C0201 | 5
Switch size 16 25 40 63 80 30 60 100 125 160 200 250 200 315 400 400 600 630 800 800 1000 1200 1250 1600 2000 2500 3200 4000
IEC lth [A] 25 32 40 63 80 115 125 160 200 250 315 400 630 800 1000 1250 1600 2000 2500 3200 4000
le /AC22A, 415V [A] 16 25 40 63 80 100 125 160 200 250 315 400 630 800 1000 1250 1600 2000 2500
le /AC23A, 415V [A] 16 20 23 45 75 80 90 160 200 250 315 400 630 800 1000 1250 1600
UL Ampere rating [A] 20 30 40 60 80 30 60 100 200 400 600 800 1200
*) Please consult us for UL 98 ratings above 1200 A
Motor operation
IEC OTM40F OTM160E OTM315E OTM630E OTM1000E OTM1600E OTM2000E
OTM63F OTM200E OTM400E OTM800E OTM1250E OTM2500E
OTM80F OTM250E
OTM100F
OTM125F
Switch size [A] 40 63 80 100 125 160 200 250 315 400 630 800 1000 1250 1600 2000 2500
Manual operation
IEC OT16F OT63F OT100F OT160EV OT315E OT630E OT1000E OT2000E OT3200E
OT25F OT80F OT125F OT200E OT400E OT800E OT1250E OT2500E OT4000E
OT40F OT250E OT1600E
UL 98 file # E101914 OT16F OT63F OT30F OT200U OT400U OT600U OT800U *)
UL 508 file # E63822 OT25F OT80F OT60F OT1200U
OT40F OT100F

6 | 1SCC301020C0201 | Switch-disconnectors
Switch-disconnectors 16 to 4000 Amperes
High performance, compact solution
The most compact solution
Possible thanks to a uniquely short current path and a dou-
ble-sided spring construction combined with a small amount
of components. ABB’s switches therefore have a small foot-
print area, allowing installation in confined spaces.
Space savings mean cost reduction
Quick and perfect installation every time
– Base, door or DIN rail mounted
– Installation in any direction: horizontal, vertical or even at
the ceiling
– A wide variety of accessories to customize the installation
such as handles shafts, auxiliary contacts, cabling acces-
sories and additional power poles.
Flexibility to plan your installation
Switches from 16 to 125 Amperes can be snap-on or screw-
mounted and switches from 160 to 4000 Amperes have
adjustable feet that allow top or side mounting. Snap-on ac-
cessories available.
Easy to install

Switch-disconnectors | 1SCC301020C0201 | 7
High performance
ABB switch-disconnectors have a powerful construction and
quick-make/ quick-break operation features that enhance
performance.
Full Ith ratings can be used in both open air and enclosures.
There is no need of derating or increasing the size of the
enclosure.
AC switch-disconnectors have full AC-23A current ratings for
voltage levels up to 690/1000 V
Suitable for diverse applications
ABB's offering includes manual and motorized switches from
16 to 4000 Amperes.
ABB offers AC and DC rated switch-disconnectors suitable for
diverse applications such as machinery, power distribution,
switchboards, motor control centers or photovoltaic
installations.

8 | 1SCC301020C0201 | Switch-disconnectors
Technical data, IEC
Switch-disconnectors OT16...125 and OTM40…125
Size [A] / Switch type
Technical data according to IEC 60947-3 16 / OT16F 25 / OT25 40 / OT40F 63 / OT63F 80 / OT80F 100 / OT100F 125 / OT125F
Rated insulation voltage and rated operational voltage AC20/DC20 Pollution degree 3 V750 750 750 750 750 750 750
Dielectric strength 50 Hz 1min. kV 6 666666
Rated impulse withstand voltage kV 8 888888
Rated thermal current and rated operational current AC20/DC20 Ambient 40°C2) In open air A25 32 40 63 80 115 125
Ambient 40°C2) In enclosure A25 32 40 63 80 115 125
Ambient 60°C In enclosure A20 25 32 50 63 80 100
..with minimum conductor cross section Cu mm24 6 10 16 25 35 50
Rated operational current, AC-21A up to 415 V A16 25 40 63 80 100 125
440...690 V A16 25 40 63 80 100 125
Rated operational current, AC-22A up to 415 V A16 25 40 63 80 100 125
440...500 V A16 25 40 63 80 100 125
690 V A16 25 40 63 80 100 125
Rated operational current, AC-23A up to 415 V A16 20 23 63 75 80 90
440 V A16 20 23 63 65 65 78
500 V A16 20 23 45 58 60 70
690 V A10 11 12 20 20 40 50
Rated operational current / poles in series, DC-21A 24...48 V1) A16/1 25/1 32/1 63/1 80/1 100/1 125/1
110 V A16/2 25/2 32/2 63/2 80/2 100/2 125/2
220 V A16/3 25/3 32/3 63/4 80/4 100/4 125/4
440 V A16/4 16/4 16/4 16/4 16/4
500 V A16/4 16/4 16/4 16/4 16/4
750 V A16/8 25/8 32/8
Rated operational current / poles in series, DC-22A 24...48 V1) A16/1 25/1 32/1 63/1 80/1 100/1 125/1
110 V A16/2 25/2 32/2 63/2 80/2 100/2 125/2
220 V A16/3 25/3 32/4 45/4 45/4 63/4 80/4
440 V A10/4 10/4 10/4 10/4 10/4
750 V A16/8 25/8 25/8
Rated operational current / poles in series, DC-23A 24...48 V1) A16/1 25/1 32/1 63/1 80/1 100/1 125/1
110 V A16/2 25/2 32/2 63/2 80/2 100/2 125/2
220 V A16/4 25/4 32/4 45/4 45/4 63/4 63/4
440 V A10/4 10/4 10/4 10/4 10/4
750 V A16/8 16/8 16/8
Rated operational power, AC-23A (These values are given for 220...240 V kW 3 4 5.5 11 22 22 22
guidance and may vary acc. to the motor manufacturer) 400...415 V kW 7.5 911 22 37 37 45
440 V kW 7.5 911 22 37 37 45
500 V kW 7.5 911 22 37 37 45
690 V kW 7.5 911 15 18.5 37 45
Rated breaking capacity, AC-23A up to 415 V A128 160 184 360 640 640 720
440 V A128 160 184 360 448 520 624
500 V A128 160 184 360 464 480 560
690 V A80 88 96 160 160 320 40
Rated breaking capacity/poles in series, DC-23A 24...48 V A64/1 100/1 128/1 180/1 252/1 400/1 500/1
220 V A64/3 100/4 128/4 180/4 180/4 252/4 252/4
110 V A64/2 100/2 128/2 180/2 252/2 400/2 500/2
440 V A40/4 40/4 40/4 40/4 40/4
750 V A64/8 64/8 64/8
Rated conditional short-circuit current Ip (r.m.s.) and corresponding Ip (r.m.s.) 50 kA kA 6.5 6.5 6.5 13 13 16.5 16.5
max. allowed cut-off current îc . The cut-off current îc refers to values Max. OFA_ fuse size gG/aM ≤ 415 V A40/32 40/32 40/32 100/80 100/80 125/125 125/125
listed by fuse manufacturers (single phase test acc. to IEC60269) Ip(r.m.s.) 100 kA kA 17 17
Max. OFA_ fuse size gG/aM ≤ 500 V A100/80 100/80
Ip (r.m.s.) 10 k A kA 8.2 8.2
Max. OFA_ fuse size gG/aM ≤ 690 V A125/100 125/100
Ip(r.m.s.) 50 kA kA 4 4 4 11 11 10 10
Max. OFA_ fuse size gG/aM ≤ 690 V A25/16 25/16 25/16 80/63 80/63 63/63 63/63
Rated short-time withstand current r.m.s. -value Icw 690 V, 0.25 s kA
r.m.s. -value Icw 690 V, 1 s kA 0.5 0.5 0.5 11.5 2.5 2.5
Rated short circuit making capacity Peak value Icm 690 V/500 V kA 0.705 0.705 0.705 1.4 2.1 3.6 3.6
Rated capacitor power (The capacitor ratings are limited by the fuse link.) 400...415 V kVAr 6.5 10 15 25 30 40 50
Power loss / pole At rated operational current W0.3 0.6 1.6 2.8 4.5 4.0 6.3
Mechanical endurance Divide by two for operation cycles Oper. 20 000 20 000 20 000 20 000 20 000 20 000 20 000
Weight without accessories 3-pole kg 0.11 0.11 0.11 0.27 0.27 0.36 0.36
4-pole kg 0.15 0.15 0.15 0.35 0.35 0.50 0.50
Cable size Cu-wire size suitable for terminal clamps mm20.75...10 0.75...10 0.75...10 1.5...35 1.5...35 10...70 10...70
AWG 18-8 18-8 18-8 14-4 14-4 8-00 8-00
Terminal tightening torque Counter torque required Nm 0.8 0.8 0.8 2266
Operating torque 3-pole switch-disconnector Nm 1 111.2 1.2 2 2
1) Below 48 V, two poles in parallel up to OT80 are recommended particularly in polluted atmosphere. 2) Acc. to IEC 60947-1, § 6.1.1.

Switch-disconnectors | 1SCC301020C0201 | 9
Size [A] / Switch type
Technical data according to IEC 60947-3 16 / OT16F 25 / OT25 40 / OT40F 63 / OT63F 80 / OT80F 100 / OT100F 125 / OT125F
Rated insulation voltage and rated operational voltage AC20/DC20 Pollution degree 3 V750 750 750 750 750 750 750
Dielectric strength 50 Hz 1min. kV 6 666666
Rated impulse withstand voltage kV 8 888888
Rated thermal current and rated operational current AC20/DC20 Ambient 40°C2) In open air A25 32 40 63 80 115 125
Ambient 40°C2) In enclosure A25 32 40 63 80 115 125
Ambient 60°C In enclosure A20 25 32 50 63 80 100
..with minimum conductor cross section Cu mm24 6 10 16 25 35 50
Rated operational current, AC-21A up to 415 V A16 25 40 63 80 100 125
440...690 V A16 25 40 63 80 100 125
Rated operational current, AC-22A up to 415 V A16 25 40 63 80 100 125
440...500 V A16 25 40 63 80 100 125
690 V A16 25 40 63 80 100 125
Rated operational current, AC-23A up to 415 V A16 20 23 63 75 80 90
440 V A16 20 23 63 65 65 78
500 V A16 20 23 45 58 60 70
690 V A10 11 12 20 20 40 50
Rated operational current / poles in series, DC-21A 24...48 V1) A16/1 25/1 32/1 63/1 80/1 100/1 125/1
110 V A16/2 25/2 32/2 63/2 80/2 100/2 125/2
220 V A16/3 25/3 32/3 63/4 80/4 100/4 125/4
440 V A16/4 16/4 16/4 16/4 16/4
500 V A16/4 16/4 16/4 16/4 16/4
750 V A16/8 25/8 32/8
Rated operational current / poles in series, DC-22A 24...48 V1) A16/1 25/1 32/1 63/1 80/1 100/1 125/1
110 V A16/2 25/2 32/2 63/2 80/2 100/2 125/2
220 V A16/3 25/3 32/4 45/4 45/4 63/4 80/4
440 V A10/4 10/4 10/4 10/4 10/4
750 V A16/8 25/8 25/8
Rated operational current / poles in series, DC-23A 24...48 V1) A16/1 25/1 32/1 63/1 80/1 100/1 125/1
110 V A16/2 25/2 32/2 63/2 80/2 100/2 125/2
220 V A16/4 25/4 32/4 45/4 45/4 63/4 63/4
440 V A10/4 10/4 10/4 10/4 10/4
750 V A16/8 16/8 16/8
Rated operational power, AC-23A (These values are given for 220...240 V kW 3 4 5.5 11 22 22 22
guidance and may vary acc. to the motor manufacturer) 400...415 V kW 7.5 911 22 37 37 45
440 V kW 7.5 911 22 37 37 45
500 V kW 7.5 911 22 37 37 45
690 V kW 7.5 911 15 18.5 37 45
Rated breaking capacity, AC-23A up to 415 V A128 160 184 360 640 640 720
440 V A128 160 184 360 448 520 624
500 V A128 160 184 360 464 480 560
690 V A80 88 96 160 160 320 40
Rated breaking capacity/poles in series, DC-23A 24...48 V A64/1 100/1 128/1 180/1 252/1 400/1 500/1
220 V A64/3 100/4 128/4 180/4 180/4 252/4 252/4
110 V A64/2 100/2 128/2 180/2 252/2 400/2 500/2
440 V A40/4 40/4 40/4 40/4 40/4
750 V A64/8 64/8 64/8
Rated conditional short-circuit current Ip (r.m.s.) and corresponding Ip (r.m.s.) 50 kA kA 6.5 6.5 6.5 13 13 16.5 16.5
max. allowed cut-off current îc . The cut-off current îc refers to values Max. OFA_ fuse size gG/aM ≤ 415 V A40/32 40/32 40/32 100/80 100/80 125/125 125/125
listed by fuse manufacturers (single phase test acc. to IEC60269) Ip(r.m.s.) 100 kA kA 17 17
Max. OFA_ fuse size gG/aM ≤ 500 V A100/80 100/80
Ip (r.m.s.) 10 k A kA 8.2 8.2
Max. OFA_ fuse size gG/aM ≤ 690 V A125/100 125/100
Ip(r.m.s.) 50 kA kA 4 4 4 11 11 10 10
Max. OFA_ fuse size gG/aM ≤ 690 V A25/16 25/16 25/16 80/63 80/63 63/63 63/63
Rated short-time withstand current r.m.s. -value Icw 690 V, 0.25 s kA
r.m.s. -value Icw 690 V, 1 s kA 0.5 0.5 0.5 11.5 2.5 2.5
Rated short circuit making capacity Peak value Icm 690 V/500 V kA 0.705 0.705 0.705 1.4 2.1 3.6 3.6
Rated capacitor power (The capacitor ratings are limited by the fuse link.) 400...415 V kVAr 6.5 10 15 25 30 40 50
Power loss / pole At rated operational current W0.3 0.6 1.6 2.8 4.5 4.0 6.3
Mechanical endurance Divide by two for operation cycles Oper. 20 000 20 000 20 000 20 000 20 000 20 000 20 000
Weight without accessories 3-pole kg 0.11 0.11 0.11 0.27 0.27 0.36 0.36
4-pole kg 0.15 0.15 0.15 0.35 0.35 0.50 0.50
Cable size Cu-wire size suitable for terminal clamps mm20.75...10 0.75...10 0.75...10 1.5...35 1.5...35 10...70 10...70
AWG 18-8 18-8 18-8 14-4 14-4 8-00 8-00
Terminal tightening torque Counter torque required Nm 0.8 0.8 0.8 2266
Operating torque 3-pole switch-disconnector Nm 1 111.2 1.2 2 2
1) Below 48 V, two poles in parallel up to OT80 are recommended particularly in polluted atmosphere. 2) Acc. to IEC 60947-1, § 6.1.1.

10 | 1SCC301020C0201 | Switch-disconnectors
Technical data, IEC
Switch-disconnectors OT160...800 and OTM160…800
Size [A] / Switch type
Technical data according to IEC 60947-3 160 / OT160EV 200 / OT200E 250 / OT250E 315 / OT315E 400 / OT400E 630 / OT630E 800 / OT800E
Rated insulation voltage and rated operational voltage AC-20, DC-20 Pollution degree 3 V1 000 1 000 1 000 1 000 1 000 1 000 1 000
Dielectric strength 50 Hz 1min. kV 10 10 10 10 10 10 10
Rated impulse withstand voltage kV 12 12 12 12 12 12 12
Rated thermal current and rated operational current AC-20, DC-20 In open air A 200 200 250 315 400 630 800
in ambient 40 °C4) In enclosure A 160 200 250 315 400 630 800
...with minimum cable cross section Cu mm270 95 120 185 240 2x185 2x240
Rated operational current, AC-21A ≤ 500 V A200 200 250 315 400 630 800
690 V A160 200 250 315 400 630 800
1000 V A160 200 250 315 400 630 800
Rated operational current, AC-22A ≤ 500 V A200 200 250 315 400 630 800
690 V A160 200 250 315 400 630 800
1000 V A160 200 250 315 400 630 800
Rated operational current, AC-23A ≤ 500 V A160 200 250 315 400 630 800
690 V A160 200 250 315 400 630 800
1000 V A135 135 135 200 200 400 400
Rated operational current / poles in series, DC-21A1) 24...110 V A160/2 200/2 250/2 315/12) 400/12) 630/1 800/1
220 V A160/2 200/2 250/2 315/22) 400/22) 630/1 800/1
440 V A160/3 200/3 250/3 315/3 360/3 630/2 800/2
660 V A160/4 200/4 230/42) 315/4 360/4 630/42) 650/42)
Rated operational current / poles in series, DC-21B 800 V A160/5 200/5 250/5 315/5 400/5 600/5 600/5
1000 V A160/6 200/6 250/6 315/6 400/6 600/6 600/6
Rated operational power, AC-233) 230 V kW 48 60 75 100 132 200 250
400 V kW 80 110 140 160 220 355 450
415 V kW 88 110 145 180 230 355 450
500 V kW 112 132 170 220 280 400 560
690 V kW 144 200 250 315 400 630 800
Rated breaking capacity in category AC-23 ≤ 500 V A1 280 1 600 2 000 2 520 3 200 5 040 6 400
690 V A1 280 1 600 2 000 2 520 3 200 5 040 6 400
Rated conditional short-circuit current Ip (r.m.s.) and corresponding Ip (r.m.s.) 100 kA, 500 V kA 40.5 40.5 40.5 61.5 61.5 90 90
max. allowed cut-off current îc. The cut-off current îc refers to values Max. OFA_ fuse size gG/aM A315/315 315/315 315/315 500/450 500/450 800/1 000 800/1 000
listed by fuse manufacturers (single phase test acc. to IEC60269). Ip (r.m.s.) 80 kA, 690 V kA 40.5 40.5 40.5 59 59 83.5 83.5
Max. OFA_ fuse size gG/aM A355/315 355/315 355/315 500/500 500/500 800/1 000 800/1 000
Rated short-time withstand current r.m.s. value Icw ≤ 1000 V 0,15 s kA 15 15 15 31 31 38 38
≤ 1000 V 0,25 s kA 15 15 15 24 24 36 36
≤ 1000 V 1 s kA 8 8815 15 20 20
Rated short-time making capacity Peak value Icm ≤ 1000 V kA 30 30 30 65 65 80 80
Rated capacitor power when no initial charge on the capacitor The capacitor ratings are limited by 415 V kVAr 80 100 115 145 180 250 310
the fuse links 500 V kVAr 96 120 135 175 215 300 375
690 V kVAr 128 160 190 250 325 450 550
Power loss / pole With rated current W3.2 46.5 6.5 10 25 40
Mechanical endurance Divide by two for oper. cycles Oper. 20 000 20 000 20 000 16 000 16 000 10 000 10 000
Weight without accessories 3-pole switch kg 1.2 1.2 1.2 2.2 2.2 5.2 5.2
Terminal bolt size Metric thread diameter x length mm M8x25 M8x25 M8x25 M10x30 M10x30 M12x40 M12x40
Terminal tightening torque Counter torque required Nm 15-22 15-22 15-22 30-44 30-44 50-75 50-75
Operating torque 3-pole switch disconnector Nm 7 7716 16 27 27
1) Further ratings on request.
2) Category B.
3) These values are given for guidance and may vary acc. to the motor manufacturer.
4) Acc. to IEC 60947-1, § 6.1.1.

Switch-disconnectors | 1SCC301020C0201 | 11
Size [A] / Switch type
Technical data according to IEC 60947-3 160 / OT160EV 200 / OT200E 250 / OT250E 315 / OT315E 400 / OT400E 630 / OT630E 800 / OT800E
Rated insulation voltage and rated operational voltage AC-20, DC-20 Pollution degree 3 V1 000 1 000 1 000 1 000 1 000 1 000 1 000
Dielectric strength 50 Hz 1min. kV 10 10 10 10 10 10 10
Rated impulse withstand voltage kV 12 12 12 12 12 12 12
Rated thermal current and rated operational current AC-20, DC-20 In open air A 200 200 250 315 400 630 800
in ambient 40 °C4) In enclosure A 160 200 250 315 400 630 800
...with minimum cable cross section Cu mm270 95 120 185 240 2x185 2x240
Rated operational current, AC-21A ≤ 500 V A200 200 250 315 400 630 800
690 V A160 200 250 315 400 630 800
1000 V A160 200 250 315 400 630 800
Rated operational current, AC-22A ≤ 500 V A200 200 250 315 400 630 800
690 V A160 200 250 315 400 630 800
1000 V A160 200 250 315 400 630 800
Rated operational current, AC-23A ≤ 500 V A160 200 250 315 400 630 800
690 V A160 200 250 315 400 630 800
1000 V A135 135 135 200 200 400 400
Rated operational current / poles in series, DC-21A1) 24...110 V A160/2 200/2 250/2 315/12) 400/12) 630/1 800/1
220 V A160/2 200/2 250/2 315/22) 400/22) 630/1 800/1
440 V A160/3 200/3 250/3 315/3 360/3 630/2 800/2
660 V A160/4 200/4 230/42) 315/4 360/4 630/42) 650/42)
Rated operational current / poles in series, DC-21B 800 V A160/5 200/5 250/5 315/5 400/5 600/5 600/5
1000 V A160/6 200/6 250/6 315/6 400/6 600/6 600/6
Rated operational power, AC-233) 230 V kW 48 60 75 100 132 200 250
400 V kW 80 110 140 160 220 355 450
415 V kW 88 110 145 180 230 355 450
500 V kW 112 132 170 220 280 400 560
690 V kW 144 200 250 315 400 630 800
Rated breaking capacity in category AC-23 ≤ 500 V A1 280 1 600 2 000 2 520 3 200 5 040 6 400
690 V A1 280 1 600 2 000 2 520 3 200 5 040 6 400
Rated conditional short-circuit current Ip (r.m.s.) and corresponding Ip (r.m.s.) 100 kA, 500 V kA 40.5 40.5 40.5 61.5 61.5 90 90
max. allowed cut-off current îc. The cut-off current îc refers to values Max. OFA_ fuse size gG/aM A315/315 315/315 315/315 500/450 500/450 800/1 000 800/1 000
listed by fuse manufacturers (single phase test acc. to IEC60269). Ip (r.m.s.) 80 kA, 690 V kA 40.5 40.5 40.5 59 59 83.5 83.5
Max. OFA_ fuse size gG/aM A355/315 355/315 355/315 500/500 500/500 800/1 000 800/1 000
Rated short-time withstand current r.m.s. value Icw ≤ 1000 V 0,15 s kA 15 15 15 31 31 38 38
≤ 1000 V 0,25 s kA 15 15 15 24 24 36 36
≤ 1000 V 1 s kA 8 8815 15 20 20
Rated short-time making capacity Peak value Icm ≤ 1000 V kA 30 30 30 65 65 80 80
Rated capacitor power when no initial charge on the capacitor The capacitor ratings are limited by 415 V kVAr 80 100 115 145 180 250 310
the fuse links 500 V kVAr 96 120 135 175 215 300 375
690 V kVAr 128 160 190 250 325 450 550
Power loss / pole With rated current W3.2 46.5 6.5 10 25 40
Mechanical endurance Divide by two for oper. cycles Oper. 20 000 20 000 20 000 16 000 16 000 10 000 10 000
Weight without accessories 3-pole switch kg 1.2 1.2 1.2 2.2 2.2 5.2 5.2
Terminal bolt size Metric thread diameter x length mm M8x25 M8x25 M8x25 M10x30 M10x30 M12x40 M12x40
Terminal tightening torque Counter torque required Nm 15-22 15-22 15-22 30-44 30-44 50-75 50-75
Operating torque 3-pole switch disconnector Nm 7 7716 16 27 27
1) Further ratings on request.
2) Category B.
3) These values are given for guidance and may vary acc. to the motor manufacturer.
4) Acc. to IEC 60947-1, § 6.1.1.
Placing options of the operating mechanism for OT160EV...800
N
N N
At the end of
the switch
OT_03 or 04
N
N
N
Between
the poles
OT_12 or 22
N N
N
Side operated
types
OT_30 or 40,
OT_03 or 04

12 | 1SCC301020C0201 | Switch-disconnectors
Technical data, IEC
Switch-disconnectors OT1000...4000 and OTM1000...2500
Size [A] / Switch type
Technical data according to IEC 60947-3 1000 / OT1000E 1250 / OT1250E 1600 / OT1600E 2000 / OT2000E 2500 / OT2500E 3200 / OT3200E 4000/OT4000E
Rated insulation voltage and rated operational voltage AC20/DC20 Pollution degree 3 V1 000 1 000 1 000 1 000 1 000 1 000 1 000
Dielectric strength 50 Hz 1min. kV 10 10 10 10 10 10 10
Rated impulse withstand voltage kV 12 12 12 12 12 8 8
Rated thermal current and rated operational current AC20/DC20 Ambient 40°C1) In open air A1 000 1 250 1 600 2 000 2 500 3 200 3 800
Ambient 40°C1) In enclosure A1 000 1 250 1 600
..with minimum conductor cross section Cu mm22x300 2x400 2x500 3x500 4x500 4x1 000 5x1 000
Rated operational current, AC-21A up to 690 V A1 000 1 250 1 600 2 0002) 2 5002) 3 2002) 3 800
1000 V A1 000 1 250 1 600
Rated operational current, AC-22A up to 415 V A1 000 1 250 1 600 2 0002) 2 5002) 3 2002) 3 800
500 - 690 V A1 000 1 250 1 600 2 0002) 3) 2 5002) 3)
Rated operational current, AC-23A up to 500 V A1 000 1 250 1 250
690 V A1 000 1 250 1 250
Rated operational power, AC-23A (These values are given for 400...415 V kW 560 710 710
guidance and may vary acc. to the motor manufacturer) 440 V kW 630 800 800
500 V kW 710 900 900
690 V kW 1 000 1 200 1 200
Rated breaking capacity, AC-23A up to 500 V A10 000 10 000 10 000
690 V A10 000 10 000 10 000
Rated conditional short-circuit current Ip (r.m.s.) and corresponding Ip (r.m.s.) 80 kA kA 100 100 100
max. allowed cut-off current îc. The cut-off current îc refers to values Max. OFA_ fuse size gG/aM ≤ 415 V A1 250/1 250 1 250/1 250 1 250/1 250
listed by fuse manufacturers (single phase test acc. to IEC60269). Ip (r.m.s.) 100 kA kA 106 106 106
Max. OFA_ fuse size gG/aM ≤ 500 V A1 250/1 250 1 250/1 250 1 250/1 250
Rated short-time withstand current r.m.s. -value Icw 690 V, 0.25 s kA 50 50 50 80 80 60 60
690 V, 1 s kA 50 50 50 55 55
Rated short circuit making capacity Peak value Icm 690 V kA 1104) 1104) 110 4) 176 176 176 176
Max. distance from switch frame to mm 150 150 150 150 150 150 150
nearest busbar/cable support
Rated capacitor power when no initial charge on the capacitor The capacitor ratings are limited by 415 V kVAr 460 575 575
the fuse links 500 V kVAr 550 690 690
690 V kVAr 750 950 950
Power loss / pole At rated operational current W19 29 48 55 85 95 120
Mechanical endurance Divide by two for operation cycles Oper. 6 000 6 000 6 000 6 000 6 000 5 000 5 000
Weight without accessories 3-pole kg 14.1 14.1 15.2 22 22 24.7 28.9
4-pole kg 18 18 19.5 28 28 32.1 3 7.7
Terminal bolt size Metric thread diameter x length mm M12x50 M12x50 M12x60 M12x60 M12x60 M12x60 M12x60
Terminal tightening torque Counter torque required Nm 50...75 50...75 50...75 50...75 50...75 50...75 50...75
Operating torque 3-pole switch-disconnector Nm 65 65 65 65 65 65 65
1) Acc. to IEC60947-1, § 6.1.1.
2) IEC 947-3, utilization category B, infrequent operation.
3) Phase barriers or terminal shrouds must be used on both sides of the switch at voltages ≥ 500 V.
4) The value is 92 kA for 4-pole switch-disconnectors.

Switch-disconnectors | 1SCC301020C0201 | 13
Size [A] / Switch type
Technical data according to IEC 60947-3 1000 / OT1000E 1250 / OT1250E 1600 / OT1600E 2000 / OT2000E 2500 / OT2500E 3200 / OT3200E 4000/OT4000E
Rated insulation voltage and rated operational voltage AC20/DC20 Pollution degree 3 V1 000 1 000 1 000 1 000 1 000 1 000 1 000
Dielectric strength 50 Hz 1min. kV 10 10 10 10 10 10 10
Rated impulse withstand voltage kV 12 12 12 12 12 8 8
Rated thermal current and rated operational current AC20/DC20 Ambient 40°C1) In open air A1 000 1 250 1 600 2 000 2 500 3 200 3 800
Ambient 40°C1) In enclosure A1 000 1 250 1 600
..with minimum conductor cross section Cu mm22x300 2x400 2x500 3x500 4x500 4x1 000 5x1 000
Rated operational current, AC-21A up to 690 V A1 000 1 250 1 600 2 0002) 2 5002) 3 2002) 3 800
1000 V A1 000 1 250 1 600
Rated operational current, AC-22A up to 415 V A1 000 1 250 1 600 2 0002) 2 5002) 3 2002) 3 800
500 - 690 V A1 000 1 250 1 600 2 0002) 3) 2 5002) 3)
Rated operational current, AC-23A up to 500 V A1 000 1 250 1 250
690 V A1 000 1 250 1 250
Rated operational power, AC-23A (These values are given for 400...415 V kW 560 710 710
guidance and may vary acc. to the motor manufacturer) 440 V kW 630 800 800
500 V kW 710 900 900
690 V kW 1 000 1 200 1 200
Rated breaking capacity, AC-23A up to 500 V A10 000 10 000 10 000
690 V A10 000 10 000 10 000
Rated conditional short-circuit current Ip (r.m.s.) and corresponding Ip (r.m.s.) 80 kA kA 100 100 100
max. allowed cut-off current îc. The cut-off current îc refers to values Max. OFA_ fuse size gG/aM ≤ 415 V A1 250/1 250 1 250/1 250 1 250/1 250
listed by fuse manufacturers (single phase test acc. to IEC60269). Ip (r.m.s.) 100 kA kA 106 106 106
Max. OFA_ fuse size gG/aM ≤ 500 V A1 250/1 250 1 250/1 250 1 250/1 250
Rated short-time withstand current r.m.s. -value Icw 690 V, 0.25 s kA 50 50 50 80 80 60 60
690 V, 1 s kA 50 50 50 55 55
Rated short circuit making capacity Peak value Icm 690 V kA 1104) 1104) 110 4) 176 176 176 176
Max. distance from switch frame to mm 150 150 150 150 150 150 150
nearest busbar/cable support
Rated capacitor power when no initial charge on the capacitor The capacitor ratings are limited by 415 V kVAr 460 575 575
the fuse links 500 V kVAr 550 690 690
690 V kVAr 750 950 950
Power loss / pole At rated operational current W19 29 48 55 85 95 120
Mechanical endurance Divide by two for operation cycles Oper. 6 000 6 000 6 000 6 000 6 000 5 000 5 000
Weight without accessories 3-pole kg 14.1 14.1 15.2 22 22 24.7 28.9
4-pole kg 18 18 19.5 28 28 32.1 3 7.7
Terminal bolt size Metric thread diameter x length mm M12x50 M12x50 M12x60 M12x60 M12x60 M12x60 M12x60
Terminal tightening torque Counter torque required Nm 50...75 50...75 50...75 50...75 50...75 50...75 50...75
Operating torque 3-pole switch-disconnector Nm 65 65 65 65 65 65 65
1) Acc. to IEC60947-1, § 6.1.1.
2) IEC 947-3, utilization category B, infrequent operation.
3) Phase barriers or terminal shrouds must be used on both sides of the switch at voltages ≥ 500 V.
4) The value is 92 kA for 4-pole switch-disconnectors.
Placing options of the operating mechanism for OT1000...3200
N
N N
At the end of
the switch
OT_03 or 04
N
N
N
Between
the poles
OT_12 or 22
N N
N
Side operated
types
OT_30 or 40,
OT_03 or 04

14 | 1SCC301020C0201 | Switch-disconnectors
Technical data, UL/CSA
Non fusible disconnect switches OT16...100
Size [A] / Switch type
Technical data according to UL/CSA, AC ratings 20 / OT16F 30 / OT25F 40 / OT40F 60 / OT63F 80 / OT80F 30 / OT30F 60 / OT60F 100 / OT100F
Approvals1) 3 pole UL508 & IEC UL508 & IEC UL508 & IEC UL508 & IEC UL508 & IEC UL 98 & IEC UL 98 & IEC UL 98 & IEC
4 pole UL508 & IEC UL508 & IEC UL508 & IEC UL508 & IEC UL508 & IEC UL 98 & IEC UL 98 & IEC UL 98 & IEC
General purpose amp rating pf= 0.7...0.8 -40° to 40 °C A20 30 40 60 80 30 60 100
Max. oprerating voltage V600 600 600 600 600 600 600 600
Max. horsepower rating / motor FLA current pf= 0.4...0.5 240 V HP/A 5/15.2 7.5 / 22 .0 10/28.0 15/42.0 20/54.0 10/28.0 20/54.0 30/80.0
Three phase 480 V HP/A 10/14.0 15/21.0 20/27.0 30/40.0 40/52.0 20/27.0 40/52.0 50/65.0
600 V HP/A 10/11 20/22.0 25/ 27. 0 30/32.0 40/41.0 30/32.0 40/41.0 50/52.0
Single phase 120 V HP/A 1/16.0 1.5/20.0 2/24.0 2/24.0 2/24.0 2/24.0 3/34.0 5/56.0
240 V HP/A 2/13.2 3/18.7 5/30.8 7. 5 /4 0 .0 10/57.5 5/28.0 7. 5 /4 0 . 0 15/68.0
Short circuit rating with fuse Maximum fuse size A30 602) 30 602) 30 602) 100 150 100 150 60 150 150
Fuse type CC kA 10 10 10
Fuse type JkA 10 10 10 10 10 10 100 100 50 50 50
Fuse type TkA 10 10 10 10 10 10 100 100 50 50 50
Fuse type RK1 kA 10 10 10
Fuse type RK5 kA 55 555510 510 5
Fuse type LkA
Fuse type HkA 5 5
Maximum General Use, DC ratings
Current rating at 250 VDC A
at 600 VDC A
DC horsepower rating for 4-pole switch at 600 VDC HP
DC horsepower rating for 2-pole switch at 125 VDC HP
at 250 VDC HP
DC short circuit rating for 4-pole switch with circuit breaker kA
DC short circuit rating for 2-pole switch with circuit breaker at 250 VDC kA
with circuit breaker at 600 VDC kA
with class J fuse at 250 VDC kA
... with fuse size A
Endurances
Min. electrical endurance, pf. 0.75...0.8 oper. cycles 6 000 6 000 6 000 6 000 6 000 6 000 6 000 6 000
Mechanical endurance operations 20 000 20 000 20 000 20 000 20 000 20 000 20 000 20 000
Terminal lug kits integral integral integral integral integral integral integral integral
Wire range AWG 18-8 18-8 18-8 14-4 14-4 14-4 14-4 8-1/0
Torque Wire tightening lb.in 7 7718 18 55 55 55
Lug mounting
Technical data according to IEC 60947-3
Rated insulation voltage and rated operational voltage AC20/DC20 Pollution degree 3 V750 750 750 750 750 750 750 750
Dielectric strength 50 Hz 1min. kV 6 6666666
Rated impulse withstand voltage kV 8 8888888
Rated operational current, AC-22A up to 415 V A16 25 40 63 80 40 63 100
440...500 V A16 25 40 63 80 40 63 100
690 V A16 25 40 63 80 40 63 100
Rated operational current, AC-23A up to 415 V A16 20 23 45 75 40 63 80
440 V A16 20 23 45 65 40 63 65
500 V A16 20 23 45 58 40 63 60
690 V A10 11 12 20 20 40 40 40
Rated conditional short-circuit current Ip (r.m.s.) and corresponding Ip (r.m.s.) 50 kA kA 6.5 6.5 6.5 13 13 16.5 16.5 16.5
max. allowed cut-off current îc. The cut-off current îc refers to values Max. OFA_ fuse size gG/aM 415 V A40/32 40/32 40/32 100/80 100/80 125/125 125/125 125/125
listed by fuse manufacturers (single phase test acc. to IEC60269). Ip (r.m.s.) 10 k A kA 8.2 8.2 8.2
Max. OFA_ fuse size gG/aM 690 V A125/100 125/100 125/100
Ip (r.m.s.) 50 kA kA 4 4 4 11 11 10 10 10
Max. OFA_ fuse size gG/aM 690 V A25/16 25/16 25/16 80/63 80/63 63/63 63/63 63/63
At prospective SC-current 80 kA kA
Max. OFA_fuse size gG/aM 690 V A
Rated short-time withstand current r.m.s. -value Icw 690 V, 1 s kA 0.5 0.5 0.5 11.5 2.5 2.5 2.5
Rated short circuit making capacity Peak value Icm 690 V/500 V kA 0.705 0.705 0.705 1.4 2.1 3.6 3.6 3.6
Power loss / pole At rated operational current W0.3 0.6 1.6 2.8 4.5 0.7 1.6 4.0
Mechanical endurance Divide by two for operation cycles Oper. 20 000 20 000 20 000 20 000 20 000 20 000 20 000 20 000
Weight without accessories 3-pole kg 0.11 0.11 0.11 0.27 0.27 0.36 0.36 0.36
4-pole kg 0.15 0.15 0.15 0.35 0.35 0.50 0.50 0.50
1) UL Listed switches are also listed under CSA requirements
2) Fuse size 70A for RK5.

Switch-disconnectors | 1SCC301020C0201 | 15
Size [A] / Switch type
Technical data according to UL/CSA, AC ratings 20 / OT16F 30 / OT25F 40 / OT40F 60 / OT63F 80 / OT80F 30 / OT30F 60 / OT60F 100 / OT100F
Approvals1) 3 pole UL508 & IEC UL508 & IEC UL508 & IEC UL508 & IEC UL508 & IEC UL 98 & IEC UL 98 & IEC UL 98 & IEC
4 pole UL508 & IEC UL508 & IEC UL508 & IEC UL508 & IEC UL508 & IEC UL 98 & IEC UL 98 & IEC UL 98 & IEC
General purpose amp rating pf= 0.7...0.8 -40° to 40 °C A20 30 40 60 80 30 60 100
Max. oprerating voltage V600 600 600 600 600 600 600 600
Max. horsepower rating / motor FLA current pf= 0.4...0.5 240 V HP/A 5/15.2 7.5 / 22 .0 10/28.0 15/42.0 20/54.0 10/28.0 20/54.0 30/80.0
Three phase 480 V HP/A 10/14.0 15/21.0 20/27.0 30/40.0 40/52.0 20/27.0 40/52.0 50/65.0
600 V HP/A 10/11 20/22.0 25/ 27. 0 30/32.0 40/41.0 30/32.0 40/41.0 50/52.0
Single phase 120 V HP/A 1/16.0 1.5/20.0 2/24.0 2/24.0 2/24.0 2/24.0 3/34.0 5/56.0
240 V HP/A 2/13.2 3/18.7 5/30.8 7. 5 /4 0 .0 10/57.5 5/28.0 7. 5 /4 0 . 0 15/68.0
Short circuit rating with fuse Maximum fuse size A30 602) 30 602) 30 602) 100 150 100 150 60 150 150
Fuse type CC kA 10 10 10
Fuse type JkA 10 10 10 10 10 10 100 100 50 50 50
Fuse type TkA 10 10 10 10 10 10 100 100 50 50 50
Fuse type RK1 kA 10 10 10
Fuse type RK5 kA 55 555510 510 5
Fuse type LkA
Fuse type HkA 5 5
Maximum General Use, DC ratings
Current rating at 250 VDC A
at 600 VDC A
DC horsepower rating for 4-pole switch at 600 VDC HP
DC horsepower rating for 2-pole switch at 125 VDC HP
at 250 VDC HP
DC short circuit rating for 4-pole switch with circuit breaker kA
DC short circuit rating for 2-pole switch with circuit breaker at 250 VDC kA
with circuit breaker at 600 VDC kA
with class J fuse at 250 VDC kA
... with fuse size A
Endurances
Min. electrical endurance, pf. 0.75...0.8 oper. cycles 6 000 6 000 6 000 6 000 6 000 6 000 6 000 6 000
Mechanical endurance operations 20 000 20 000 20 000 20 000 20 000 20 000 20 000 20 000
Terminal lug kits integral integral integral integral integral integral integral integral
Wire range AWG 18-8 18-8 18-8 14-4 14-4 14-4 14-4 8-1/0
Torque Wire tightening lb.in 7 7718 18 55 55 55
Lug mounting
Technical data according to IEC 60947-3
Rated insulation voltage and rated operational voltage AC20/DC20 Pollution degree 3 V750 750 750 750 750 750 750 750
Dielectric strength 50 Hz 1min. kV 6 6666666
Rated impulse withstand voltage kV 8 8888888
Rated operational current, AC-22A up to 415 V A16 25 40 63 80 40 63 100
440...500 V A16 25 40 63 80 40 63 100
690 V A16 25 40 63 80 40 63 100
Rated operational current, AC-23A up to 415 V A16 20 23 45 75 40 63 80
440 V A16 20 23 45 65 40 63 65
500 V A16 20 23 45 58 40 63 60
690 V A10 11 12 20 20 40 40 40
Rated conditional short-circuit current Ip (r.m.s.) and corresponding Ip (r.m.s.) 50 kA kA 6.5 6.5 6.5 13 13 16.5 16.5 16.5
max. allowed cut-off current îc. The cut-off current îc refers to values Max. OFA_ fuse size gG/aM 415 V A40/32 40/32 40/32 100/80 100/80 125/125 125/125 125/125
listed by fuse manufacturers (single phase test acc. to IEC60269). Ip (r.m.s.) 10 k A kA 8.2 8.2 8.2
Max. OFA_ fuse size gG/aM 690 V A125/100 125/100 125/100
Ip (r.m.s.) 50 kA kA 4 4 4 11 11 10 10 10
Max. OFA_ fuse size gG/aM 690 V A25/16 25/16 25/16 80/63 80/63 63/63 63/63 63/63
At prospective SC-current 80 kA kA
Max. OFA_fuse size gG/aM 690 V A
Rated short-time withstand current r.m.s. -value Icw 690 V, 1 s kA 0.5 0.5 0.5 11.5 2.5 2.5 2.5
Rated short circuit making capacity Peak value Icm 690 V/500 V kA 0.705 0.705 0.705 1.4 2.1 3.6 3.6 3.6
Power loss / pole At rated operational current W0.3 0.6 1.6 2.8 4.5 0.7 1.6 4.0
Mechanical endurance Divide by two for operation cycles Oper. 20 000 20 000 20 000 20 000 20 000 20 000 20 000 20 000
Weight without accessories 3-pole kg 0.11 0.11 0.11 0.27 0.27 0.36 0.36 0.36
4-pole kg 0.15 0.15 0.15 0.35 0.35 0.50 0.50 0.50
1) UL Listed switches are also listed under CSA requirements
2) Fuse size 70A for RK5.

16 | 1SCC301020C0201 | Switch-disconnectors
Technical data, UL/CSA
Non fusible disconnect switches
OT200...1200U
Size [A] / Switch type
200 / OT200U 400 / OT400U 600 / OT600U 800 / OT800U 1200 / OT1200U5)
Approvals1) 2 pole UL 98 & IEC UL 98 & IEC UL 98 & IEC
3 pole UL 98 & IEC UL 98 & IEC UL 98 & IEC UL 98 & IEC UL 98 & IEC
4 pole UL 98 & IEC UL 98 & IEC UL 98 & IEC UL 98 & IEC UL 98 & IEC
Technical data according to UL/CSA AC Ratings
General purpose amp rating pf= 0.7...0.8 -40° to 40 °C A200 400 600 800 1200
Max. oprerating voltage V600 600 600 600 600
Max. horsepower rating / max. motor FLA current pf= 0.4...0.5 240 V HP/A 75/192.0 125/312.0 200/480.0 200/602
Three phase 480 V HP/A 150/180.0 250/302.0 450/515.0 500/590
600 V HP/A 200/192.0 350/336.0 500/472.0 500/472
Short circuit rating with fuse Fuse type JkA 200 65 100 100
Fuse type TkA 100
Fuse type RK5 kA 100
Fuse type LkA 100 100 100
Maximum fuse size A200 400 600 600 800 800 1200
Maximum General Use, DC ratings
Current rating at 250 VDC A200 400 600
at 600 VDC A100 200 200
DC horsepower rating for 4-pole switch at 600 VDC HP 50 50 -
DC horsepower rating for 2-pole switch at 125 VDC HP 20 40 -
at 250 VDC HP -50 50
DC short circuit rating for 4-pole switch with circuit breaker kA 10 10 10
DC short circuit rating for 2-pole switch with circuit breaker at 250 VDC kA 14 14 18
with circuit breaker at 600 VDC kA 10 10 10
with class J fuse at 250 VDC kA 100 100 100
... with fuse size A200 400 600
Endurances
Min. electrical endurance, pf. 0.75...0.8 oper. cycles 6 000 1 000 1 000 500 500
Mechanical endurance Divide by two for operation cycles operations 20 000 16 000 10 000 6 000 6 000
Terminal lug kits OZXA-200 OZXA-400 OZXA-800 OZXA-800 OZ X A-12 00
Wire range AWG 4-300MCM 2-600MCM 2x2-600MCM 2x2-600MCM 4x2-600MCM
Torque Wire tightening lb.in 275 375 500 500 500
Lug mounting lb.in 72 240 480 480 450-670
Technical data according to IEC 60947
Rated insulation voltage and rated operational voltage AC20/DC20 Pollution degree 3 V1 000 1 000 1 000 1000 1000
Dielectric strength 50 Hz, 1min. kV 10 10 10 10 10
Rated impulse withstand voltage kV 12 12 12 12 12
Rated operational current, AC-22A up to 415 V A250 400 800 1600 1600
440...500 V A250 400 800 1600 1600
690 V A250 400 800 1600 1600
Rated operational current, AC-23A up to 415 V A250 400 800 1250 1250
440 V A250 400 800 1250 1250
500 V A250 400 800 1250 1250
690 V A250 400 800 1250 1250
Rated conditional short-circuit current Ip (r.m.s.) and corresponding Ip (r.m.s.) 50 kA kA 35 50.5 71.5
max. allowed cut-off current îc. The cut-off current îc refers to values Max. OFA_ fuse size gG/aM 690 V A355/315 500/500 800/1 000
listed by fuse manufacturers (single phase test acc. to IEC60269) At prospective SC-current 80 kA kA 40.5 59 83.5
Max. OFA_fuse size gG/aM 690 V A355/315 500/500 800/1 000
Rated short-time withstand current r.m.s. -value Icw 690 V, 1 s kA 815 20 50 50
Rated short circuit making capacity Peak value Icm 500/690 V kA 30 65 80 1104) 1104)
Power loss / pole At rated operational current W6.5 10 40 29 48
Weight without accessories 3-pole kg 1.2 2.2 5.2 15.2 15.2
4-pole kg 1.5 2.8 6.4 19.5 19.5
Terminal bolt size Metric thread diameter x length mm M8x25 M10x30 M12x40 M12x50 M12x60
1) UL Listed switches are also listed under CSA requirements.
2) Max. distance between busbar support and switch terminal 70 mm.
3) IEC60947-3 category B.
4) The value is 92 kA for 4-pole switch disconnector.
5) Please consult us for UL 98 ratings above 1200 A.

Switch-disconnectors | 1SCC301020C0201 | 17
Size [A] / Switch type
200 / OT200U 400 / OT400U 600 / OT600U 800 / OT800U 1200 / OT1200U5)
Approvals1) 2 pole UL 98 & IEC UL 98 & IEC UL 98 & IEC
3 pole UL 98 & IEC UL 98 & IEC UL 98 & IEC UL 98 & IEC UL 98 & IEC
4 pole UL 98 & IEC UL 98 & IEC UL 98 & IEC UL 98 & IEC UL 98 & IEC
Technical data according to UL/CSA AC Ratings
General purpose amp rating pf= 0.7...0.8 -40° to 40 °C A200 400 600 800 1200
Max. oprerating voltage V600 600 600 600 600
Max. horsepower rating / max. motor FLA current pf= 0.4...0.5 240 V HP/A 75/192.0 125/312.0 200/480.0 200/602
Three phase 480 V HP/A 150/180.0 250/302.0 450/515.0 500/590
600 V HP/A 200/192.0 350/336.0 500/472.0 500/472
Short circuit rating with fuse Fuse type JkA 200 65 100 100
Fuse type TkA 100
Fuse type RK5 kA 100
Fuse type LkA 100 100 100
Maximum fuse size A200 400 600 600 800 800 1200
Maximum General Use, DC ratings
Current rating at 250 VDC A200 400 600
at 600 VDC A100 200 200
DC horsepower rating for 4-pole switch at 600 VDC HP 50 50 -
DC horsepower rating for 2-pole switch at 125 VDC HP 20 40 -
at 250 VDC HP -50 50
DC short circuit rating for 4-pole switch with circuit breaker kA 10 10 10
DC short circuit rating for 2-pole switch with circuit breaker at 250 VDC kA 14 14 18
with circuit breaker at 600 VDC kA 10 10 10
with class J fuse at 250 VDC kA 100 100 100
... with fuse size A200 400 600
Endurances
Min. electrical endurance, pf. 0.75...0.8 oper. cycles 6 000 1 000 1 000 500 500
Mechanical endurance Divide by two for operation cycles operations 20 000 16 000 10 000 6 000 6 000
Terminal lug kits OZXA-200 OZXA-400 OZXA-800 OZXA-800 OZ X A-12 00
Wire range AWG 4-300MCM 2-600MCM 2x2-600MCM 2x2-600MCM 4x2-600MCM
Torque Wire tightening lb.in 275 375 500 500 500
Lug mounting lb.in 72 240 480 480 450-670
Technical data according to IEC 60947
Rated insulation voltage and rated operational voltage AC20/DC20 Pollution degree 3 V1 000 1 000 1 000 1000 1000
Dielectric strength 50 Hz, 1min. kV 10 10 10 10 10
Rated impulse withstand voltage kV 12 12 12 12 12
Rated operational current, AC-22A up to 415 V A250 400 800 1600 1600
440...500 V A250 400 800 1600 1600
690 V A250 400 800 1600 1600
Rated operational current, AC-23A up to 415 V A250 400 800 1250 1250
440 V A250 400 800 1250 1250
500 V A250 400 800 1250 1250
690 V A250 400 800 1250 1250
Rated conditional short-circuit current Ip (r.m.s.) and corresponding Ip (r.m.s.) 50 kA kA 35 50.5 71.5
max. allowed cut-off current îc. The cut-off current îc refers to values Max. OFA_ fuse size gG/aM 690 V A355/315 500/500 800/1 000
listed by fuse manufacturers (single phase test acc. to IEC60269) At prospective SC-current 80 kA kA 40.5 59 83.5
Max. OFA_fuse size gG/aM 690 V A355/315 500/500 800/1 000
Rated short-time withstand current r.m.s. -value Icw 690 V, 1 s kA 815 20 50 50
Rated short circuit making capacity Peak value Icm 500/690 V kA 30 65 80 1104) 1104)
Power loss / pole At rated operational current W6.5 10 40 29 48
Weight without accessories 3-pole kg 1.2 2.2 5.2 15.2 15.2
4-pole kg 1.5 2.8 6.4 19.5 19.5
Terminal bolt size Metric thread diameter x length mm M8x25 M10x30 M12x40 M12x50 M12x60
1) UL Listed switches are also listed under CSA requirements.
2) Max. distance between busbar support and switch terminal 70 mm.
3) IEC60947-3 category B.
4) The value is 92 kA for 4-pole switch disconnector.
5) Please consult us for UL 98 ratings above 1200 A.
Placing options of the operating mechanism for OT200...1200
N
N N
At the end of
the switch
OT_03 or 04
N
N
N
Between
the poles
OT_12 or 22

18 | 1SCC301020C0201 | Switch-disconnectors
Technical data, IEC
Motor operators OTM40...2500
Size [A] / Switch type
Data for motor operator of switch-diconnectors, OTM according to IEC 60947 40…125 / OTM 160...250 / OTM 315…400 / OTM 600...800 / OTM 1000…2500 / OTM
Rated operational voltage UePollution degree 3 V AC/DC 110...240
50/60 Hz V AC 220...240 220...240 220...240 220...240
V DC 24
Operating voltage range 0.85...1.1 x U e0.85...1.1 x Ue0.85...1.1 x Ue0.85...1.1 x Ue0.85...1.1 x Ue
Operating time1) 90° I - 0, 0 - I 110...240 V AC/DC s0.5...1.0
24 V DC s0.6...1.3
220-240 VAC s0.5...1.0 0.5...1.0 0.5...1.5 1.0...2.0
Nominal current In1) 220-240 VAC A0,3 0,5 0,9 1,4
Current inrush1) 220-240 VAC A1,5 2,5 410
Overload fuse Type / In / Capacity 220-240 VAC mA T / 315 / H T / 500 / H T / 1000 / H T / 2000 / H
Size mm 5x20 5x20 5x20 5x20
Operating rate Max. continuous cycles / min 1 1110,5
Max. short-time ≤ 10 cycles cycles / min 10 10 10 10 5
Overvoltage category III III III III III
Rated impulse withstand voltage Uimp kV 4 4444
Dielectric strength 50 Hz 1 min. kV 1,5 1,5 1,5 1,5 1,5
Impulse command Min. impulse
duration ms 100 100 100 100 100
Terminals
Voltage supply wiring for UePE - N - L PE - N - L PE - N - L PE - N - L PE - N - L
Cross section solid/stranded mm21.5...2.5 1.5...2.5 1.5...2.5 1.5...2.5 1.5...2.5
Short-circuit protection device max.MCB/fuse size A16 16 16 16 16
Control terminal for the push -buttons C - I - O C - I - O C - I - O C - I - O C - I - O
Push-button control no SELV no SELV no SELV no SELV
Cross section solid/stranded mm21.5 - 2.5 1.5 - 2.5 1.5...2.5 1.5...2.5 1.5...2.5
Maximum cable length m100 100 100 100 100
Terminal for state information solid/stranded mm21,5
State information of locking no SELV no SELV no SELV no SELV
Common, voltage supply 11 3A/AC-1/250V
Handle attached or motor operator locked 14 3A/AC-1/250V
11-12-14 (C/O) cos=1 5A/250V 5A/250V 5A/250V 5A/250V
Locking motor operator 23-24 (NO) cos=1 5A/250V 5A/250V 5A/250V 5A/250V
Short-circuit protection device MCB type and size AC/2A C/2A C/2A C/2A C/2A
Protection degree (front panel) IP20 IP20 IP20 IP20 IP20
Operating temperature °C -25…+55 -25…+55 -25…+55 -25…+55 -25…+55
Transportation and storage temperature °C -40…+70 -40…+70 -40…+70 -40…+70 -40…+70
Max. altitude m2 000 2 000 2 000 2 000 2 000
1) Under nominal conditions.

Switch-disconnectors | 1SCC301020C0201 | 19
Size [A] / Switch type
Data for motor operator of switch-diconnectors, OTM according to IEC 60947 40…125 / OTM 160...250 / OTM 315…400 / OTM 600...800 / OTM 1000…2500 / OTM
Rated operational voltage UePollution degree 3 V AC/DC 110...240
50/60 Hz V AC 220...240 220...240 220...240 220...240
V DC 24
Operating voltage range 0.85...1.1 x U e0.85...1.1 x Ue0.85...1.1 x Ue0.85...1.1 x Ue0.85...1.1 x Ue
Operating time1) 90° I - 0, 0 - I 110...240 V AC/DC s0.5...1.0
24 V DC s0.6...1.3
220-240 VAC s0.5...1.0 0.5...1.0 0.5...1.5 1.0...2.0
Nominal current In1) 220-240 VAC A0,3 0,5 0,9 1,4
Current inrush1) 220-240 VAC A1,5 2,5 410
Overload fuse Type / In / Capacity 220-240 VAC mA T / 315 / H T / 500 / H T / 1000 / H T / 2000 / H
Size mm 5x20 5x20 5x20 5x20
Operating rate Max. continuous cycles / min 1 1110,5
Max. short-time ≤ 10 cycles cycles / min 10 10 10 10 5
Overvoltage category III III III III III
Rated impulse withstand voltage Uimp kV 4 4444
Dielectric strength 50 Hz 1 min. kV 1,5 1,5 1,5 1,5 1,5
Impulse command Min. impulse
duration ms 100 100 100 100 100
Terminals
Voltage supply wiring for UePE - N - L PE - N - L PE - N - L PE - N - L PE - N - L
Cross section solid/stranded mm21.5...2.5 1.5...2.5 1.5...2.5 1.5...2.5 1.5...2.5
Short-circuit protection device max.MCB/fuse size A16 16 16 16 16
Control terminal for the push -buttons C - I - O C - I - O C - I - O C - I - O C - I - O
Push-button control no SELV no SELV no SELV no SELV
Cross section solid/stranded mm21.5 - 2.5 1.5 - 2.5 1.5...2.5 1.5...2.5 1.5...2.5
Maximum cable length m100 100 100 100 100
Terminal for state information solid/stranded mm21,5
State information of locking no SELV no SELV no SELV no SELV
Common, voltage supply 11 3A/AC-1/250V
Handle attached or motor operator locked 14 3A/AC-1/250V
11-12-14 (C/O) cos=1 5A/250V 5A/250V 5A/250V 5A/250V
Locking motor operator 23-24 (NO) cos=1 5A/250V 5A/250V 5A/250V 5A/250V
Short-circuit protection device MCB type and size AC/2A C/2A C/2A C/2A C/2A
Protection degree (front panel) IP20 IP20 IP20 IP20 IP20
Operating temperature °C -25…+55 -25…+55 -25…+55 -25…+55 -25…+55
Transportation and storage temperature °C -40…+70 -40…+70 -40…+70 -40…+70 -40…+70
Max. altitude m2 000 2 000 2 000 2 000 2 000
1) Under nominal conditions.

20 | 1SCC301020C0201 | Switch-disconnectors
Explanation of the types OT16..125, OTM40…125
OT 16 F 4 N2
OTM 40 F 3 M 230V
1234567
Type designation key
1Brand
OT: ABB switch-disconnector brand
OTM: ABB motorized switch-disconnector brand
2Switch size
16...125: 16...125
3Mounting / Construction
F: Base and DIN-rail mounting
FT: Door mounting
FL: Base and DIN-rail mounting, extended terminals on both sides of the switch
FLA: Base and DIN-rail mounting, extended terminals on top side only
FLB: Base and DIN-rail mounting, extended terminals on bottom side only
M, ML: Installation switches for 45 mm standard opening, base and din-rail mounting
1Brand
OT: ABB switch-disconnector / non-fusible disconnect switch brand
OTM: ABB motorized switch-disconnector brand
2Switch size / Ampere rating
160…4000: 160 A…4000 A
3Mounting / Construction
E, EV: Front operated, base mounting, IEC
U: Front operated, base mounting, UL/CSA
ES, EVS: Side operated, base mounting, IEC
EM: Earthing switches, bottom mounted, IEC, the mechanism is turned
90 degrees for space saving
EP: Earthing switches, base mounted, IEC
4Number of poles and placing of the operating mechanism
03: 3-poles, operating mechanism at the left end of the switch
04: 4-poles, operating mechanism at the left end of the switch
12: 3-poles, operating mechanism between the poles
OT 400 E03 W P
OTM 400 E 3 M W 230C
12345678
4Number of poles
3: 3-poles
4: 4-poles
6: 6-poles
8: 8-poles
5Fourth pole
N2: Fourth pole, simultaneous function with the main contacts
6Construction
M: Motor operated
7Code for motor voltage in motor operated switches
230V: Motor voltage Ue = 220...240 VAC/DC
22: 4-poles, operating mechanism between the poles
30: 3-poles, operating mechanism at the right end of the switch
40: 4-poles, operating mechanism at the right end of the switch
2: 2-poles, motor operator at the left end of the switch
3: 3-poles, motor operator at the left end of the switch
4: 4-poles, motor operator at the left end of the switch
5Construction 1
M: Motor operated
6Construction 2
K: With direct mounted handle
W: With wide phase distance
7Code for motor voltage in motor operated switches
230V: Motor voltage Ue = 220...240 VAC/DC
230C: Motor voltage Ue = 220...240 VAC
8Construction 3
P: Handle included
Explanation of the types OT160…4000, OTM160…2500

Switch-disconnectors | 1SCC301020C0201 | 21
Switch-disconnectors, base and DIN-rail mounting, IEC
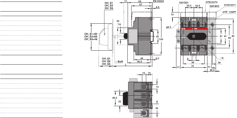
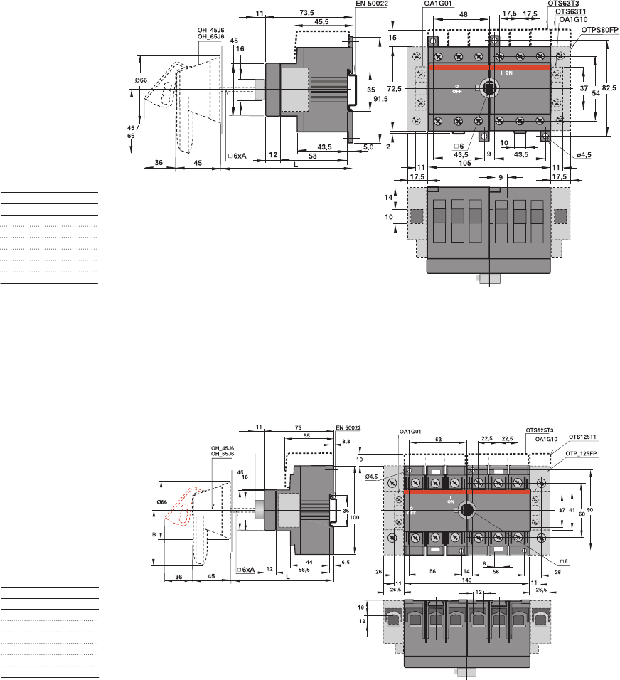
Including protected terminal clamps IP20, except OT125FL_ types.
The type and the ordering numbers are for one piece.
Rated
operat.
currents
Cable AC22A/
No. Ith cross AC23A Delivery Weight/
of (open) section 400V batch unit
poles [A] [mm2][A/A] Type Order number [pcs] [kg]
Shaft and handle need to be ordered separately
325 0.75...10 16/16 OT16F3 1SCA104811R1001 10 0.11
425 0.75...10 16/16 OT16F4N2 1SCA104829R1001 10 0.14
332 0.75...10 25/20 OT25F3 1SCA104857R1001 10 0.11
432 0.75...10 25/20 OT25F4N2 1SCA104886R1001 10 0.14
340 0.75...10 40/23 OT40F3 1SCA104902R1001 10 0.11
440 0.75...10 40/23 OT40F4N2 1SCA104932R1001 10 0.14
363 1.5...35 63/45 OT63F3 1SCA105332R1001 10 0.27
463 1.5...35 63/45 OT63F4N2 1SCA105365R1001 10 0.30
380 1.5...35 80/75 OT80F3 1SCA105798R1001 10 0.27
480 1.5...35 80/75 OT80F4N2 1SCA105413R1001 10 0.30
3115 10...70 100/80 OT100F3 1SCA105004R1001 10 0.36
4115 10...70 100/80 OT100F4N2 1SCA105018R1001 10 0.50
3125 10...70 125/90 OT125F3 1SCA105033R1001 10 0.36
4125 10...70 125/90 OT125F4N2 1SCA105051R1001 10 0.50
3125 125/90 OT125FL31) 1SCA112372R1001 10.43
3125 125/90 OT125FL A32) 1SCA114832R1001 10.43
3125 125/90 OT125FLB33) 1SCA114833R1001 10.43
1) Extended terminals on both sides of the switch
2) Extended terminals on top side only
3) Extended terminals on bottom side only
Ordering information
Front operated switch-disconnectors, IEC
OT16...40F3
OT63...80F3
OT100...125F3
OT125FLB3
Switch-disconnectors, base and DIN-rail mounting, IEC
Including a black knob handle and protected terminal clamps IP20. For standard 45 mm open-
ing. OT16…125M: padlockable in OFF-position with one padlock (bail dia 5 mm). The type and
order number are for one piece.
Number of Ith Cable cross Rated operat. currents Weight/
poles / (open) section AC21/AC22A/AC23A unit
modules [A] [mm2]≤415V [A/A/A] Type Order number [kg]
3/2 16 0.75…10 16/16/16 OT16M3 1SCA022497R0220 0.11
4/3 16 0.75…10 16/16/16 OT16M4 1SCA022497R0730 0.14
3/2 25 0.75…10 25/25/20 OT25M3 1SCA022497R0310 0.11
4/3 25 0.75…10 25/25/20 OT25M4 1SCA022497R0650 0.14
3/2 40 0.75…10 40/40/23 OT40M3 1SCA022497R0490 0.11
4/3 40 0.75…10 40/40/23 OT40M4 1SCA022497R0570 0.14
3/3 80 1.5…35 80/80/75 OT63ML3 1SCA022530R5770 0.27
4/4 80 1.5…35 80/80/75 OT63ML4 1SCA022530R6400 0.30
3/4 125 10…70 125/125/90 OT125M3 1SCA022429R9140 0.4
4/6 125 10…70 125/125/90 OT125M4 1SCA022429R9220 0.5
OT63...80M4
OT100...125M4

22 | 1SCC301020C0201 | Switch-disconnectors
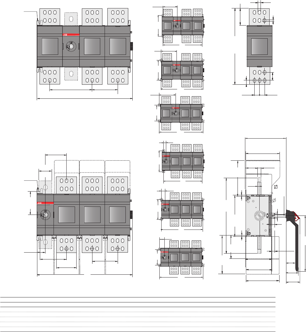
6- and 8-pole switch-disconnectors, base and DIN-rail mounting, IEC
Including protected terminal clamps, IP20.
Rated
operat.
currents
Cable AC22A/
Number Ith cross AC23A Units/ Weight/
of (open) section 400V type unit
poles [A] [mm2][A/A] Type Order number [pcs] [kg]
Shaft and handle need to be ordered separately
625 0.75...10 16/16 OT16F6 1SCA104834R1001 10.25
632 0.75...10 25/20 OT25F6 1SCA104880R1001 10.25
640 0.75...10 40/23 OT40F6 1SCA104936R1001 10.25
663 1.5...35 63/45 OT63F6 1SCA105379R1001 10.61
680 1.5...35 80/75 OT80F6 1SCA105427R1001 10.61
6115 10...70 100/80 OT100F6 1SCA105021R1001 10.81
6125 10...70 125/90 OT125F6 1SCA105057R1001 10.81
825 0.75...10 16/16 OT16F8 1SCA104836R1001 10.31
832 0.75...10 25/20 OT25F8 1SCA104882R1001 10.31
840 0.75...10 40/23 OT40F8 1SCA104938R1001 10.31
863 1.5...35 63/45 OT63F8 1SCA105381R1001 10.67
880 1.5...35 80/75 OT80F8 1SCA105429R1001 10.67
8115 10...70 100/80 OT100F8 1SCA105022R1001 11.10
8125 10...70 125/90 OT125F8 1SCA105059R1001 11.10
Ordering information
Front operated switch-disconnectors, IEC
OT16...40F6
OT63...80F8

Switch-disconnectors | 1SCC301020C0201 | 23
Ordering information
Front operated switch-disconnectors, IEC
Switch-disconnectors, door mounting, IEC
Include protected terminal clamps, IP20. The type and ordering numbers are for one piece.
Rated
operat.
currents
Cable AC22A/
Number Ith cross AC23A Delivery Weight/
of (open) section 400V batch unit
poles [A] [mm2][A/A] Type Order number [pcs] [kg]
Shaft and handle need to be ordered separately
325 0.75...10 16/16 OT16FT3 1SCA104838R1001 10 0.13
425 0.75...10 16/16 OT16FT4N2 1SCA105711R1001 10 0.16
332 0.75...10 25/20 OT25FT3 1SCA104884R1001 10 0.13
432 0.75...10 25/20 OT25F T4N2 1SCA104900R1001 10 0.16
340 0.75...10 40/23 OT40F T3 1SCA104940R1001 10 0.13
440 0.75...10 40/23 OT40F T4N2 1SCA104956R1001 10 0.16
363 1.5...35 63/45 OT63FT3 1SCA105382R1001 10 0.28
463 1.5...35 63/45 OT63FT4N2 1SCA105393R1001 10 0.35
380 1.5...35 80/75 OT80FT3 1SCA105431R1001 10 0.28
480 1.5...35 80/75 OT80FT4N2 1SCA105499R1001 10 0.35
3115 10...70 100/80 OT100FT3 1SCA105023R1001 10 0.40
4115 10...70 100/80 OT100FT4N2 1SCA105031R1001 10 0.54
3125 10...70 125/90 OT125FT3 1SCA105060R1001 10 0.40
4125 10...70 125/90 OT125FT4N2 1SCA105066R1001 10 0.54
OT16...40FT3
OT63...80FT3
OT100...125FT3

24 | 1SCC301020C0201 | Switch-disconnectors
Ordering information
Front operated switch-disconnectors, IEC
Switch-disconnectors, with pistol handle, base mounting, IEC
Including a black ON-OFF plastic handle and shaft as standard. The handle is IP65 protected,
padlockable in the OFF-position and with door interlock in the ON-position. The shaft can be
adjusted to different installation depths.
Rated operat.
currents
Number Ith AC22A/AC23A Units/ Weight/
of (open) 400V type unit
poles [A] [A/A] Type Order number [pcs] [kg]
3200 200/160 OT160EV03P 1SCA120514R1001 11.6
4200 200/160 OT160EV04P 1SCA120521R1001 12.0
3200 200/160 OT160EV12P 1SCA120529R1001 11.6
4200 200/160 OT160EV22P 1SCA120537R1001 12.0
3200 200/200 OT200E03P 1SCA022712R0800 11.6
4200 200/200 OT200E04P 1SCA022713R4930 12.0
3200 200/200 OT200E12P 1SCA022721R3990 11.6
4200 200/200 OT200E22P 1SCA022721R4020 12.0
3250 250/250 OT250E03P 1SCA022710R0100 11.6
4250 250/250 OT250E04P 1SCA022710R0520 12.0
3250 250/250 OT250E12P 1SCA022721R4110 11.6
4250 250/250 OT250E22P 1SCA022721R4290 12.0
3315 315/315 OT315E03P 1SCA022718R8510 13.1
4315 315/315 OT315E04P 1SCA022719R1730 13.7
3315 315/315 OT315E12P 1SCA022727R4190 13.1
4315 315/315 OT315E22P 1SCA022727R4270 13.7
3400 400/400 OT400E03P 1SCA022718R8780 13.1
4400 400/400 OT400E04P 1SCA022719R1810 13.7
3400 400/400 OT400E12P 1SCA022727R5750 13.1
4400 400/400 OT400E22P 1SCA022727R5830 13.7
3630 630/630 OT630E03P 1SCA022718R8940 16.3
3+N1) 630 630/630 OT630E03N3P 1SCA022779R4860 16.7
4630 630/630 OT630E04P 1SCA022719R2030 17.5
3630 630/630 OT630E12P 1SCA022753R4790 16.3
4630 630/630 OT630E22P 1SCA022753R4870 17. 5
3800 800/800 OT800E03P 1SCA022718R9410 16.3
3+N1) 800 800/800 OT800E03N3P 1SCA022779R4780 16.7
4800 800/800 OT800E04P 1SCA022719R2110 17.5
3800 800/800 OT800E12P 1SCA022753R5170 16.3
4800 800/800 OT800E22P 1SCA022753R5250 17. 5
1) Include a detachable neutral link integrated into the mechanism.
Shafts and handles included as standard
Suitable for switches Shaft Handle Terminal bolts
OT160EV…250_P OXP6X210 OHB65J6 M8x25
OT315…400_P OXP12X185 OHB95J12 M10x30
OT630…800_P OXP12 X185 OHB125J12 M12x40
OT315...400E03P
OT630...800E03P
OT630...800E04P
OT630...800E12P
OT630...800E22P

Switch-disconnectors | 1SCC301020C0201 | 25
Ordering information
Front operated switch-disconnectors, IEC
Switch-disconnectors, with pistol handle, base mounting, IEC
Including terminal bolt kit, a black ON-OFF plastic handle and shaft as standard. The handle
is IP65 protected, padlockable in the OFF-position and with door interlock in the ON-position.
The shaft can be adjusted to different installation depths.
Rated operat.
currents
Number Ith AC22A/AC23A Units/ Weight/
of (open) 400V type unit
poles [A] [A/A] Type Order number [pcs] [kg]
31000 1000/1000 OT1000E03P 1SCA022860R5930 117.0
3+N1) 1000 1000/1000 OT1000E03N3P 1SCA100761R1001 117.9
41000 1000/1000 OT1000E04P 1SCA022860R6150 119.5
31000 1000/1000 OT1000E12P 1SCA022871R5520 117. 0
41000 1000/1000 OT1000E22P 1SCA022871R5610 119.5
31250 1250/1250 OT1250E03P 1SCA022860R6230 117.0
3+N1) 1250 1250/1250 OT1250E03N3P 1SCA022865R7060 117.9
41250 1250/1250 OT1250E04P 1SCA022860R6310 119.5
31250 1250/1250 OT1250E12P 1SCA022871R5790 117. 0
41250 1250/1250 OT1250E22P 1SCA022871R5870 119.5
31600 1600/1250 OT1600E03P 1SCA022860R6580 119.0
3+N1) 16002) 1600/1250 OT1600E03N3P 1SCA022865R6920 119.9
41600 1600/1250 OT1600E04P 1SCA022860R6740 122.0
31600 1600/1250 OT1600E12P 1SCA022871R5950 119.0
41600 1600/1250 OT1600E22P 1SCA022871R6090 122.0
32000 2000/- OT2000E03P 1SCA108036R1001 142.0
3+N1) 20002) 2000/- OT2000E03N3P 1SCA108037R1001 142.0
42000 2000/- OT2000E04P 1SCA108038R1001 148.0
32000 2000/- OT2000E12P 1SCA108039R1001 142.0
42000 2000/- OT2000E22P 1SCA108041R1001 148.0
32500 2500/- OT2500E03P 1SCA104972R1001 142.0
3+N1) 25002) 2500/- OT2500E03N3P 1SCA108035R1001 142.0
42500 2500/- OT2500E04P 1SCA105140R1001 149.0
32500 2500/- OT2500E12P 1SCA104978R1001 142.0
42500 2500/- OT2500E22P 1SCA105156R1001 149.0
1) Include a detachable neutral link integrated into the mechanism.
2) Ith for N-pole =1250A
Shafts and handles included as standard
Suitable for switches Shaft Handle Terminal bolts
OT1000...1250_P OXP12X280 OH B274 J12 M12x50
OT1600_P OXP12X280 OH B274 J12 M12x60
OT2000…2500_P OXP12X280 OH B274 J12 M12x60
OT1000...1250E03P
OT1600E12P
OT1000...1250E22P
OT1600E04P
OT2000...2500E03P

26 | 1SCC301020C0201 | Switch-disconnectors
Ordering information
Front operated switch-disconnectors, IEC
Switch-disconnectors, base mounting, IEC
Including terminal bolt kit. In OT_P -types a black ON-OFF plastic handle and shaft as
standard. The handle is IP65 protected, padlockable in the OFF-position and with door
interlock in the ON-position. The shaft can be adjusted to different installation depths.
Rated operat.
Number Ith currents Units/ Weight/
of (open) AC21B/AC22B type unit
poles [A] 415V [A/A] Type Order number [pcs] [kg]
Handle and shat have to be ordered separately
23200 3200/3200 OT3200E02 1SCA128579R1001 122.3
33200 3200/3200 OT3200E03 1SCA128480R1001 129.7
43200 3200/3200 OT3200E04 1SCA128479R1001 137.1
23800 3800/3800 OT4000E02 1SCA128596R1001 125.4
33800 3800/3800 OT4000E03 1SCA124847R1001 133.9
43800 3800/3800 OT4000E04 1SCA124855R1001 142.7
The delivery includes the handle and the shaft
23200 3200/3200 OT3200E02P 1SCA128581R1001 123.0
33200 3200/3200 OT3200E03P 1SCA128481R1001 130.7
43200 3200/3200 OT3200E04P 1SCA128482R1001 138.1
23800 3800/3800 OT4000E02P 1SCA128595R1001 126.0
33800 3800/3800 OT4000E03P 1SCA124848R1001 134.9
43800 3800/3800 OT4000E04P 1SCA124856R1001 143.7
Shafts and handles included as standard
Suitable for switches Shaft Handle Terminal bolts
OT3200…4000E02...04 - - M12x60
OT3200…4000E02...04P OXP12X280 OHB274 J12 M12x60
OT3200...4000E02P
OT3200...4000E03P
OT3200...4000E04P

Switch-disconnectors | 1SCC301020C0201 | 27
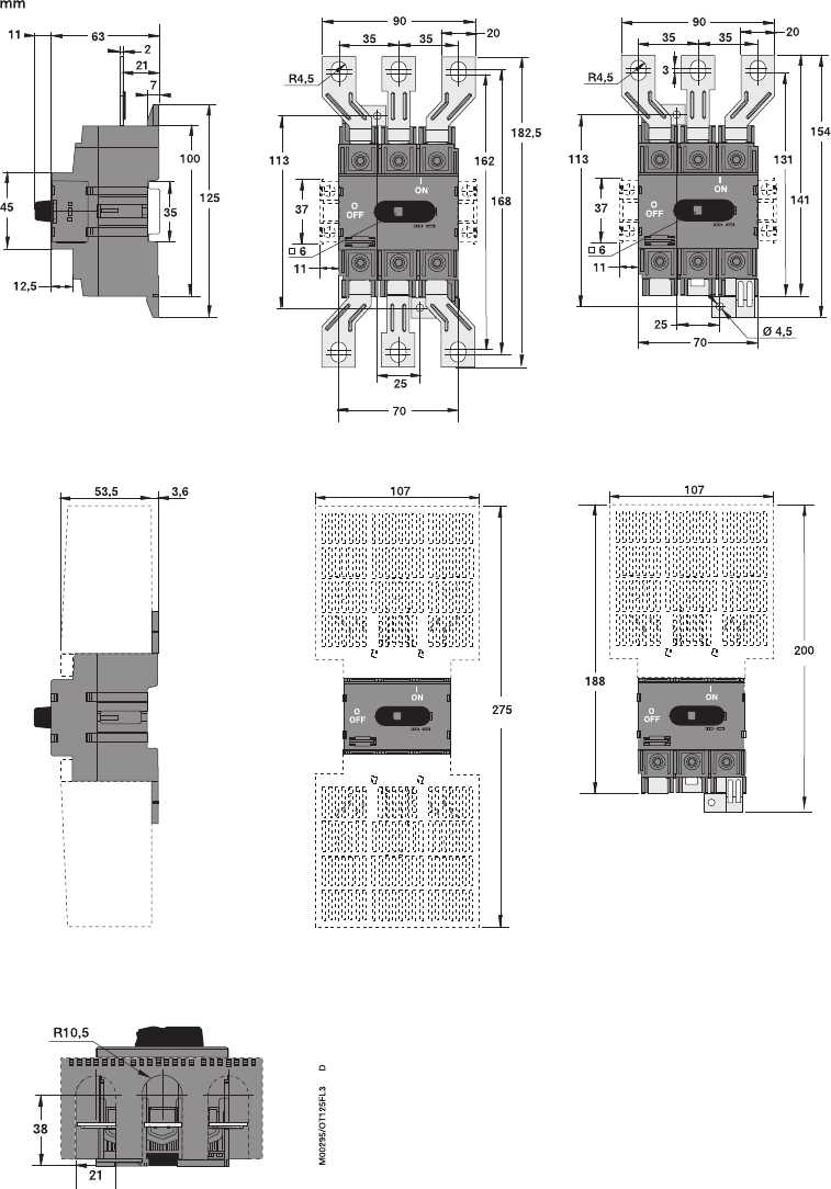
Ordering information
Front operated switch-disconnectors, IEC
Switch-disconnectors with direct mount handle, base mounting, IEC
Including a black Test-OFF-ON plastic handle and shaft as standard.
The handle is padlockable in the OFF-position.
Rated operat.
currents
Number Ith AC22A/AC23A Units/ Weight/
of (open) 400V type unit
poles [A] [A/A] Type Order number [pcs] [kg]
3200 200/160 OT160EV03K 1SCA120513R1001 11.5
4200 200/160 OT160EV04K 1SCA120520R1001 11.9
3200 200/200 OT200E03K 1SCA022763R4820 11.5
4200 200/200 OT200E04K 1SCA022763R4910 11.9
3250 250/250 OT250E03K 1SCA022763R5040 11.5
4250 250/250 OT250E04K 1SCA022763R5210 11.9
3315 315/315 OT315E03K 1SCA022763R5630 12.9
4315 315/315 OT315E04K 1SCA022763R5710 13.5
3400 400/400 OT400E03K 1SCA022763R5390 12.9
4400 400/400 OT400E04K 1SCA022763R5550 13.5
3630 630/630 OT630E03K 1SCA022779R4940 16.3
4630 630/630 OT630E04K 1SCA022779R5080 17.5
3800 800/800 OT800E03K 1SCA022779R5160 16.3
4800 800/800 OT800E04K 1SCA022779R5240 17. 5
31000 1000/1000 OT1000E03K 1SCA108353R1001 117. 5
41000 1000/1000 OT1000E04K 1SCA108355R1001 121.5
31250 1250/1250 OT1250E03K 1SCA108356R1001 117.5
41250 1250/1250 OT1250E04K 1SCA108357R1001 121.5
31600 1600/1250 OT1600E03K 1SCA108352R1001 118.5
41600 1600/1250 OT1600E04K 1SCA108358R1001 121.5
32000 2000/- OT2000E03K 1SCA108359R1001 142.3
42000 2000/- OT2000E04K 1SCA108362R1001 147.8
32500 2500/- OT2500E03K 1SCA108361R1001 142.3
42500 2500/- OT2500E04K 1SCA108363R1001 148.8
Shafts and handles included as standard
Suitable for switches Handle Terminal bolts
OT160EV…250_K OTV250EK M8x25
OT315…400_K OTV400EK M10x30
OT630…800_K OTV800EK M12x40
OT1000...1250_K OTV1000EK M12x50
OT1600_K OTV1000EK M12 X60
OT2000...2500_K OTV1000EK M12x60
OT160EV03K
OT200...250E03K
OT315...400E03K
OT630...800E03K
OT630...800E04K

28 | 1SCC301020C0201 | Switch-disconnectors
Switch-disconnectors with wide phase distance, base mounting, IEC
The phase barriers are mounted as standard. Including a black ON-OFF plastic handle and
shaft as standard. The handle is IP65 protected, padlockable in the OFF-position and with
door interlock in the ON-position. The shaft can be adjusted to different installation depths.
Rated operat.
currents
Number Ith AC22A/AC23A Units/ Weight/
of (open) 400V type unit
poles [A] [A/A] Type Order number [pcs] [kg]
3200 200/160 OT160EV03WP 1SCA120517R1001 11.8
4200 200/160 OT160EV04WP 1SCA120523R1001 12.2
3200 200/160 OT160EV12WP 1SCA120606R1001 11.8
4200 200/160 OT160EV22WP 1SCA120539R1001 12.2
3200 200/200 OT200E03WP 1SCA022744R2670 11.8
4200 200/200 OT200E04WP 1SCA022744R3130 12.2
3200 200/200 OT200E12WP 1SCA022744R2910 11.8
4200 200/200 OT200E22WP 1SCA022744R3300 12.2
3250 250/250 OT250E03WP 1SCA022744R3560 11.8
4250 250/250 OT250E04WP 1SCA022744R3810 12.2
3250 250/250 OT250E12WP 1SCA022745R0000 11.8
4250 250/250 OT250E22WP 1SCA022745R0180 12.2
3315 315/315 OT315E03WP 1SCA022809R8650 13.4
4315 315/315 OT315E04WP 1SCA022809R8900 14.0
3315 315/315 OT315E12WP 1SCA022809R9380 13.4
4315 315/315 OT315E22WP 1SCA022810R0900 14.0
3400 400/400 OT400E03WP 1SCA022809R8310 13.4
4400 400/400 OT400E04WP 1SCA022809R8810 14.0
3400 400/400 OT400E12WP 1SCA022809R9200 13.4
4400 400/400 OT400E22WP 1SCA022810R0570 14.0
Shafts and handles included as standard
Suitable for switches Shaft Handle Terminal bolts
OT200…250_P OXP6X210 OHB65J6 M8x25
OT315…400_P OXP12X185 OHB95J12 M10x30
Ordering information
Front operated switch-disconnectors, IEC
OT160EV04WP
OT200...250E04WP
OT160EV22WP
OT200...250E22WP

Switch-disconnectors | 1SCC301020C0201 | 29
Ordering information
Front operated switch-disconnectors, IEC
OT1000...1250E03W4P
OT1000...1250E03W8P
OT2000...2500E03W4
OT2000...2500E03W8
Switch-disconnectors with wide phase distance, base mounting, IEC
Including a black ON-OFF plastic handle and shaft as standard. The handle is IP65 protected,
padlockable in the OFF-position and with door interlock in the ON-position. The shaft is
adjustable for a range of installation depths.
Rated
operat.
currents
AC22A/
Number Ith AC23A Units/ Weight/
of (open) 400V type unit
poles [A] [A/A] Type Order number [pcs] [kg]
31000 1000/1000 OT1000E03W4P 1SCA022871R7310 119.8
41000 1000/1000 OT1000E04W4P 1SCA100762R1001 124.0
31000 1000/1000 OT1000E03W8P 1SCA022871R8110 122.0
31250 1250/1250 OT1250E03W4P 1SCA022866R1920 119.8
41250 1250/1250 OT1250E04W4P 1SCA022866R2220 124.0
31250 1250/1250 OT1250E03W8P 1SCA022871R8540 122.0
31600 1600/1250 OT1600E03W4P 1SCA022865R9860 122.0
41600 1600/1250 OT1600E04W4P 1SCA022866R1090 126.0
31600 1600/1250 OT1600E03W8P 1SCA022871R8970 124.0
32000 2000/- OT2000E03W4P 1SCA108042R1001 142.0
42000 2000/- OT2000E13W4P 1SCA109284R1001 148.0
32000 2000/- OT2000E03W8P 1SCA108045R1001 142.0
42000 2000/- OT2000E13W8P 1SCA109283R1001 148.0
32500 2500/- OT2500E03W4P 1SCA108047R1001 149.0
42500 2500/- OT2500E13W4P 1SCA109285R1001 149.0
32500 2500/- OT2500E03W8P 1SCA108049R1001 149.0
42500 2500/- OT2500E13W8P 1SCA109286R1001 149.0
W4 = Phase distance 140 mm
W8 = Phase distance 185 mm
Shafts and handles included as standard
Suitable for switches Shaft Handle Terminal bolts
OT1000...1250_P OXP12X280 OH B274 J12 M12X50
OT1600_P OXP12X280 OH B274 J12 M12X60
OT2000...2500_P OXP12X 280 OH B274 J12 M12X60

30 | 1SCC301020C0201 | Switch-disconnectors
Non-fusible disconnect switches, base/DIN-rail mounting and door mounting, UL/CSA
The type and ordering numbers are for one piece.
_F_ -types = base and DIN-rail mounting, _FT_ -types = door mounting
Number
of
poles
Ampere
rating
[A]
Horsepower rating Delivery
batch
[pcs]
Weight/
unit
[kg]
3-phase [HP]
Type Order number
240V 480V 600V
Shafts and handles need to be ordered separately.
320 510 10 OT16F3 1SCA104811R1001 10 0.11
420 510 10 OT16F4N2 1SCA104829R1001 10 0.14
320 510 10 OT16FT3 1SCA104838R1001 10 0.13
420 510 10 OT16F T4N2 1SCA105711R1001 10 0.16
330 7.5 15 20 OT25F3 1SCA104857R1001 10 0.11
430 7.5 15 20 OT25F4N2 1SCA104886R1001 10 0.14
330 7.5 15 20 OT25FT3 1SCA104884R1001 10 0.13
430 7.5 15 20 OT25FT4N2 1SCA104900R1001 10 0.16
340 10 20 25 OT40F3 1SCA104902R1001 10 0.11
440 10 20 25 OT40F4N2 1SCA104932R1001 10 0.14
340 10 20 25 OT40FT3 1SCA104940R1001 10 0.13
440 10 20 25 OT40FT4N2 1SCA104956R1001 10 0.16
360 15 30 30 OT63F3 1SCA105332R1001 10 0.27
460 15 30 30 OT63F4N2 1SCA105365R1001 10 0.30
360 15 30 30 OT63FT3 1SCA105382R1001 10 0.28
460 15 30 30 OT63FT4N2 1SCA105393R1001 10 0.35
380 20 40 40 OT80F3 1SCA105798R1001 10 0.27
480 20 40 40 OT80F4N2 1SCA105413R1001 10 0.30
380 20 40 40 OT80FT3 1SCA105431R1001 10 0.28
480 20 40 40 OT80FT4N2 1SCA105499R1001 10 0.35
330 10 20 30 OT30F3 1SCA105068R1001 10 0.36
430 10 20 30 OT30F4N2 1SCA108347R1001 10 0.50
360 20 40 40 OT60F3 1SCA105076R1001 10 0.36
460 20 40 40 OT60F4N2 1SCA108348R1001 10 0.50
3100 30 50 50 OT100F3 1SCA105004R1001 10 0.36
4100 30 50 50 OT100F4N2 1SCA105018R1001 10 0.50
Approvals:
- OT16...80: UL 508, CSA 22-2 # 14
- OT30...100: UL 98, CSA 22-2 # 4
- IEC 60947-3
Ordering information
Front operated, non-fusible disconnect switches, UL/CSA
OT16...40F3
OT63...80F3
OT30...100F3
OT16...40FT3
OT63...80FT3

Switch-disconnectors | 1SCC301020C0201 | 31
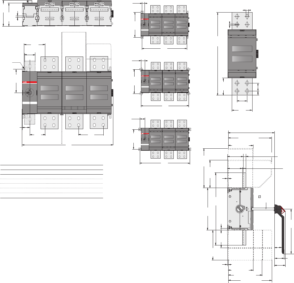
6- and 8-pole non-fusible disconnect switches, base/DIN-rail mounting, UL/CSA
Including protected terminal clamps, IP20.
Rated
operat.
currents
Cable AC22A/
Number Ith cross AC23A Units/ Weight/
of (open) section 400V type unit
poles [A] [mm2][A/A] Type Order number [pcs] [kg]
Shaft and handle need to be ordered separately
625 0.75...10 16/16 OT16F6 1SCA104834R1001 10.25
632 0.75...10 25/20 OT25F6 1SCA104880R1001 10.25
640 0.75...10 40/23 OT40F6 1SCA104936R1001 10.25
663 1.5...35 63/45 OT63F6 1SCA105379R1001 10.61
680 1.5...35 80/75 OT80F6 1SCA105427R1001 10.61
6115 10...70 100/80 OT100F6 1SCA105021R1001 10.81
6125 10...70 125/90 OT125F6 1SCA105057R1001 10.81
825 0.75...10 16/16 OT16F8 1SCA104836R1001 10.31
832 0.75...10 25/20 OT25F8 1SCA104882R1001 10.31
840 0.75...10 40/23 OT40F8 1SCA104938R1001 10.31
863 1.5...35 63/45 OT63F8 1SCA105381R1001 10.67
880 1.5...35 80/75 OT80F8 1SCA105429R1001 10.67
8115 10...70 100/80 OT100F8 1SCA105022R1001 11.10
8125 10...70 125/90 OT125F8 1SCA105059R1001 11.10
OT16...40F6
OT63...80F8
Ordering information
Front operated, non-fusible disconnect switches, UL/CSA

32 | 1SCC301020C0201 | Switch-disconnectors
Non-fusible disconnect switches, base mounting, UL/CSA
Number
of
poles
Ampere
rating*)
[A]
Horsepower rating
Type Order number
Units/
type
[pcs]
Weight/
unit
[kg]
3-phase [HP]
240V 480V 600V
Handle (NEMA 1, 3R, 12, IP65) and shaft have to be ordered separately
3200 75 150 200 OT200U03 1SCA022723R0220 11.6
4200 75 150 200 OT200U04 1SCA022723R0490 12.0
3200 75 150 200 OT200U12 1SCA022752R1890 11.6
4200 75 150 200 OT200U22 1SCA022741R8960 12.0
3400 125 250 350 OT400U03 1SCA022747R6490 13.0
4400 125 250 350 OT400U04 1SCA022748R1060 13.6
3400 125 250 350 OT400U12 1SCA022754R6450 13.0
4400 125 250 350 OT400U22 1SCA022762R7110 13.6
3600 200 450 500 OT600U03 1SCA022798R0730 16.2
4600 200 450 500 OT600U04 1SCA022800R1750 17.5
3600 200 450 500 OT600U12 1SCA022800R1830 16.2
4600 200 450 500 OT600U22 1SCA022800R2130 17. 5
3800 250 500 500 OT800U03 1SCA105635R1001 118
4800 250 500 500 OT800U04 1SCA105636R1001 121
3800 250 500 500 OT800U12 1SCA105637R1001 118
4800 250 500 500 OT800U22 1SCA105639R1001 121
31200 --OT1200U03 1SCA022860R6820 118
41200 --OT1200U04 1SCA022860R7040 121
31200 --OT1200U12 1SCA105659R1001 118
41200 --OT1200U22 1SCA105663R1001 121
Approvals:
- OT160...1200: UL 98, CSA 22-2 # 4
- IEC 60947-3
*) Please consult us for UL 98 rating above 1200 A
Recommended shafts and handles
Suitable for switches Shaft Handle Terminal bolts
OT200U_ OXP6X210 OHB65J6 M8x25
OT400U_ OXP12X185 OHB95J12 M10x30
OT600U_ OXP12X185 OHB125J12 M12x40
Ordering information
Front operated, non-fusible disconnect switches, UL/CSA
OT600U22P
OT800...1200U03P
OT200U03P OT400U03P
OT600U03P OT600U12P
OT600U04P

Switch-disconnectors | 1SCC301020C0201 | 33
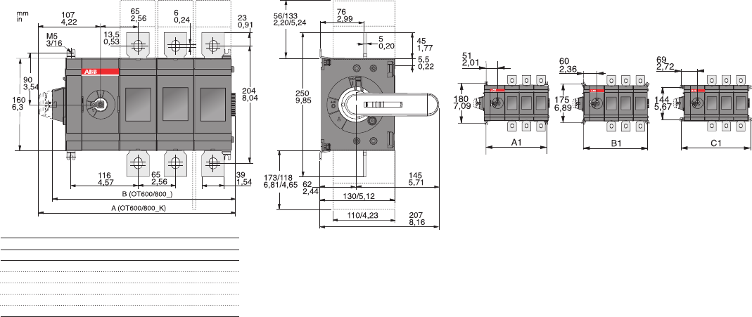
Side operated switch-disconnectors, base mounting, IEC
Rated
operat. currents
Number Ith AC22A/AC23A Units/ Weight/
of (open) 400V type unit
poles [A] [A/A] Type Order number [pcs] [kg]
Handle and shaft have to be ordered separately
3200 200/160 OT160EVS03 1SCA120563R1001 11.8
4200 200/160 OT160EVS04 1SCA120564R1001 12.2
3200 200/200 OT200ES03 1SCA022860R0200 11.8
4200 200/200 OT200ES04 1SCA022860R0540 12.2
3250 250/250 OT250ES03 1SCA022860R0890 11.8
4250 250/250 OT250ES04 1SCA022860R1010 12.2
3315 315/315 OT315ES03 1SCA022860R1270 13.4
4315 315/315 OT315ES04 1SCA022860R1510 14.0
3400 400/400 OT400ES03 1SCA022860R1780 13.4
4400 400/400 OT400ES04 1SCA022860R1940 14.0
3630 630/630 OT630ES03 1SCA022860R2240 17.0
4630 630/630 OT630ES04 1SCA022860R2410 18.2
3800 800/800 OT800ES03 1SCA022860R2670 17.0
4800 800/800 OT800ES04 1SCA022860R2830 18.2
Including a black Test-ON-OFF direct mounting plastic handle and shaft as standard
The handle is padlockable in the OFF-position.
3200 200/160 OT160EVS03K 1SCA120570R1001 11.9
4200 200/160 OT160EVS04K 1SCA120565R1001 12.3
3200 200/200 OT200ES03K 1SCA022860R0620 11.9
4200 200/200 OT200ES04K 1SCA022860R0710 12.3
3250 250/250 OT250ES03K 1SCA022860R0970 11.9
4250 250/250 OT250ES04K 1SCA022860R1190 12.3
3315 315/315 OT315ES03K 1SCA022860R1350 13.5
4315 315/315 OT315ES04K 1SCA022860R1600 14.1
3400 400/400 OT400ES03K 1SCA022860R1860 13.5
4400 400/400 OT400ES04K 1SCA022860R2080 14.1
3630 630/630 OT630ES03K 1SCA022860R2320 17.0
4630 630/630 OT630ES04K 1SCA022860R2590 18.4
3800 800/800 OT800ES03K 1SCA022860R2750 17. 2
4800 800/800 OT800ES04K 1SCA022860R2910 18.4
Terminal bolt kits included as standard
Suitable for switches Terminal bolts
OT160EV...250 M8x25
OT315...400 M10x30
OT630...800 M12x40
Ordering information
Side operated switch-disconnectors, IEC
OT630...800ES04
OT160EVS04K
OT200...250ES04K
OT630...800ES03K
OT630...800ES04K

34 | 1SCC301020C0201 | Switch-disconnectors
Earthing switches, bottom mounted, IEC
Number Icw / Icw / Icm Unit/ Weight/
of 1 s 0,25 s peak type unit
poles [kA] [kA] [kA] Type Order number [pcs] [kg]
The mechanism is turned 90 degrees for space saving
Including terminal bolt kit, a black OFF - plastic handle and shaft as standard. The handle is padlockable in OFF- and -position.
Icw / 1 s = 50 kA, Icm = 110 kA (peak)
350 50 110 OT1000EM03P 1SCA118937R1001 117. 5
450 50 92 OT1000EM04P 1SCA118950R1001 120.0
350 50 110 OT1250EM03P 1SCA115708R1001 117.5
450 50 92 OT1250EM04P 1SCA118949R1001 120.0
350 50 110 OT1600EM03P 1SCA115815R1001 119.5
450 50 92 OT1600EM04P 1SCA118948R1001 122.5
Icw / 1 s = 55 kA, Icw / 0,25 s = 80 kA, Icm = 176 kA (peak)
355 80 176 OT2000EM03P 1SCA118939R1001 142.5
455 80 176 OT2000EM04P 1SCA118947R1001 149.5
355 80 176 OT2500EM03P 1SCA115835R1001 142.5
455 80 176 OT2500EM04P 1SCA118946R1001 149.5
Earthing switches with wide phase distances, bottom mounted, IEC
Number Icw / Icw / Icm Unit/ Weight/
of 1 s 0,25 s peak type unit
poles [kA] [kA] [kA] Type Order number [pcs] [kg]
The mechanism is turned 90 degrees for space saving
Including terminal bolt kit, a black OFF - plastic handle and shaft as standard. The handle is padlockable in OFF- and -position.
W4=140mm, W8=185mm.
Icw / 1 s = 50 kA, Icm = 110 kA (peak)
350 50 110 OT1250EM03W4P 1SCA115805R1001 120.5
350 50 110 OT1250EM03W8P 1SCA115810R1001 122.5
450 50 92 OT1250EM04W4P 1SCA118940R1001 124.5
450 50 92 OT1250EM04W8P 1SCA118941R1001 126.5
350 50 110 OT1600EM03W4P 1SCA115822R1001 120.5
350 50 110 OT1600EM03W8P 1SCA115827R1001 122.5
450 50 92 OT1600EM04W4P 1SCA118942R1001 124.5
450 50 92 OT1600EM04W8P 1SCA118944R1001 126.5
Icw / 1 s = 55 kA, Icw / 0,25 s = 80 kA, Icm = 176 kA (peak)
355 80 176 OT2500EM03W4P 1SCA115840R1001 145.0
355 80 176 OT2500EM03W8P 1SCA115843R1001 147.0
455 80 176 OT2500EM04W4P 1SCA118943R1001 152.0
455 80 176 OT2500EM04W8P 1SCA118945R1001 154.0
Ordering information
Earthing switches, IEC
OT2000...2500EM03P
OT1000...1250EM03P

Switch-disconnectors | 1SCC301020C0201 | 35
Earthing switches, base mounted, IEC
Including terminal bolt kit, a black OFF - plastic handle and shaft as standard.
The handle is padlockable in OFF- and -position
Number Icw / Icw / Icm Unit/ Weight/
of 1 s 0,25 s peak type unit
poles [kA] [kA] [kA] Type Order number [pcs] [kg]
Icw / 1 s = 50 kA, Icm = 110 kA (peak)
350 50 110 OT1000EP03P 1SCA118451R1001 117.0
450 50 92 OT1000EP04P 1SCA118452R1001 119.5
350 50 110 OT1250EP03P 1SCA118453R1001 117.0
450 50 92 OT1250EP04P 1SCA118454R1001 119.5
350 50 110 OT1600EP03P 1SCA118455R1001 119.0
450 50 92 OT1600EP04P 1SCA118456R1001 122.0
Icw / 1 s = 55 kA, Icw / 0,25 s = 80 kA, Icm = 176 kA (peak)
355 80 176 OT2000EP03P 1SCA118457R1001 142.0
455 80 176 OT2000EP04P 1SCA118458R1001 149.0
355 80 176 OT2500EP03P 1SCA118459R1001 142.0
455 80 176 OT2500EP04P 1SCA118460R1001 149.0
Ordering information
Earthing switches, IEC
OT1600EP04P
OT1000...1250EP03P
OT2000...2500EP03P

36 | 1SCC301020C0201 | Switch-disconnectors
Motorized switch-disconnectors OTM, IEC
Including a handle for manual operation and tunnel terminals.
Type codes for motor voltage Ue =220...240 VAC/DC.
Rated current
Number
of
poles
Unit/
type
[pcs]
Weight/
unit
[kg]
AC-22A AC-23A
≤ 690V [A]
415/690V
[A] Type Order code
40 40/40 3OTM40F3M230V 1SCA122972R1001 11.13
63 63/40 3OTM63F3M230V 1SCA122971R1001 11.13
80 80/40 3OTM80F3M230V 1SCA122970R1001 11.13
100 80/40 3OTM100F3M230V 1SCA122969R1001 11.13
125 90/50 3OTM125F3M230V 1SCA122968R1001 11.13
40 40/40 4OTM40F4M230V 1SCA122977R1001 11.24
63 63/40 4OTM63F4M230V 1SCA122976R1001 11.24
80 80/40 4OTM80F4M230V 1SCA122975R1001 11.24
100 80/40 4OTM100F4M230V 1SCA122974R1001 11.24
125 90/50 4OTM125F4M230V 1SCA122973R1001 11.24
Handle included as standard
Suitable for switch disconnectors Handle+shaft kit
O T M4 0…12 5 OHB65D6CM
Ordering information
Motorized switch-disconnectors, IEC
OTM40...125F3M_
OTM40...125F4M_

Switch-disconnectors | 1SCC301020C0201 | 37
Ordering information
Motorized switch-disconnectors, IEC
Motorized switch-disconnectors OTM, IEC
Including a handle for manual operation, bolt kit with nut and washers for all terminals, male
connectors for control circuit and a handle and spare fuse storage clip. Type codes for motor
voltage Ue = 220...240 VAC or VAC/DC, see table below. IEC type with standard phase
distance.
Rated current Voltage Number Units/ Weight/
AC-22A/AC-23A Ueof type unit
≤ 690V [A] 220...240V poles Type Order number [pcs] [kg]
160/160 AC/DC 2OTM160E2M230V 1SCA121183R1001 14.3
160/160 AC 3OTM160E3M230C 1SCA115283R1001 14.6
160/160 AC 4OTM160E4M230C 1SCA115293R1001 15.0
200/200 AC/DC 2OTM200E2M230V 1SCA121184R1001 14.3
200/200 AC 3OTM200E3M230C 1SCA115284R1001 14.6
200/200 AC 4OTM200E4M230C 1SCA115292R1001 15.0
250/250 AC/DC 2OTM250E2M230V 1SCA121185R1001 14.3
250/250 AC 3OTM250E3M230C 1SCA115285R1001 14.6
250/250 AC 4OTM250E4M230C 1SCA115290R1001 15.0
315/315 AC/DC 2OTM315E2M230V 1SCA121189 R1001 17.7
315/315 AC 3OTM315E3M230C 1SCA115334R1001 18.4
315/315 AC 4OTM315E4M230C 1SCA115335R1001 19.0
400/400 AC/DC 2OTM400E2M230V 1SCA121199R1001 17.7
400/400 AC 3OTM400E3M230C 1SCA115333R1001 18.4
400/400 AC 4OTM400E4M230C 1SCA115336R1001 19.0
630/630 AC/DC 2OTM630E2M230V 1SCA121190R1001 111.6
630/630 AC 3OTM630E3M230C 1SCA115354R1001 117.4
630/630 AC 4OTM630E4M230C 1SCA115357R1001 118.9
800/800 AC/DC 2OTM800E2M230V 1SCA121197R1001 111.6
800/800 AC 3OTM800E3M230C 1SCA115355R1001 117.4
800/800 AC 4OTM800E4M230C 1SCA115356R1001 118.9
1000/1000 AC/DC 2OTM1000E2M230V 1SCA121396R1001 132.4
1000/1000 AC 3OTM1000E3M230C 1SCA115364R1001 137.0
1000/1000 AC 4OTM1000E4M230C 1SCA115368R1001 142.0
1250/1250 AC/DC 2OTM1250E2M230V 1SCA121193R1001 132.4
1250/1250 AC 3OTM1250E3M230C 1SCA115365R1001 137.0
1250/1250 AC 4OTM1250E4M230C 1SCA115367R1001 142.0
1600/1250 AC 3OTM1600E3M230C 1SCA115366R1001 139.0
1600/1250 AC 4OTM1600E4M230C 1SCA115369R1001 144.0
20001)/- AC/DC 2OTM2000E2M230V 1SCA121201R1001 132.4
20001)/- AC 3OTM2000E3M230C 1SCA115372R1001 147.0
20001)/- AC 4OTM2000E4M230C 1SCA115374R1001 155.0
25001)/- AC/DC 2OTM2500E2M230V 1SCA121195R1001 132.4
25001)/- AC 3OTM2500E3M230C 1SCA115373R1001 147.0
25001)/- AC 4OTM2500E4M230C 1SCA115375R1001 155.0
1) Category B, infrequent operation
Handle and bolt kits included as standard
Suitable for switch disconnectors Handle+shaft kit Bolt kit
OTM160…250 OTV250EMK M8x25
OTM315…400 OTV400EMK M10X30
OTM630…800 OTV800EMK M12X40
OTM1000…1250 OTV1000EMK M12X50
OTM1600…2500 OTV1000EMK M12X60
OTM315...400E3M_
OTM630...800E3M_
OTM1000...1250E3M_
OTM1600E3M_
OTM2000...2500EM_

38 | 1SCC301020C0201 | Switch-disconnectors
Ordering information
Motorized switch-disconnectors, IEC
OTM160...250E3WM_
Motorized switch-disconnectors OTM with wide phase distance, IEC
Including a handle for manual operation, bolt kit with nut and washers for all terminals, male
connectors for control circuit and a handle and spare fuse storage clip. Type codes for motor
voltage Ue = 220...240 VAC or VAC/DC, see table below.
Rated
current
AC-22A/ Voltage Number Units/ Weight/
AC-23A Ueof type unit
≤ 690V [A] 220...240V poles Type Order number [pcs] [kg]
160/160 AC/DC 2OTM160E2WM230V 1SCA121186R1001 14.3
160/160 AC 3OTM160E3WM230C 1SCA115286R1001 14.7
160/160 AC 4OTM160E4WM230C 1SCA115295R1001 15.1
200/200 AC/DC 2OTM200E2WM230V 1SCA121187R1001 14.3
200/200 AC 3OTM200E3WM230C 1SCA115288R1001 14.7
200/200 AC 4OTM200E4WM230C 1SCA115296R1001 15.1
250/250 AC/DC 2OTM250E2WM230V 1SCA121188R1001 14.3
250/250 AC 3OTM250E3WM230C 1SCA115289R1001 14.7
250/250 AC 4OTM250E4WM230C 1SCA115297R1001 15.1
Handle and bolt kits included as standard
Suitable for switch disconnectors Handle+shaft kit Bolt kit
OTM160…250 OTV250EMK M8x25
OTM160...250E4WM_

Switch-disconnectors | 1SCC301020C0201 | 39
I ON
FFO O
N
O
I
I ON
O OFF
FFO O
N
O
I
I ON
O OFF
N
O
I
I
O
O
F
F
N
O
I
I
O
O
F
F
6
5
4
4
5
9
8
11
6
12
3
13
10
7
2
5
5
23
4
3
4
7
8
7
6
5
5
1
1
S07096
Accessories
Selection overview
1 Switch-disconnector | 2 Extended shaft | 3 Terminal clamp | 4 Fourth pole, N- and PE-terminals | 5 Auxiliary contact | 6 Terminal shroud |
7 Shaft aligment ring | 8 Legend plate | 9 Selector type handle | 10 Handle knob | 11 Pistol type handle | 12 Conversion kit | 13 Labelling
accessories
OT16F...OT125F
OT16FT...OT125FT
1 Switch-disconnector | 2 Terminal clamp | 3 Fourth pole, N- and PE-terminals | 4 Auxiliary contact | 5 Terminal shroud | 6 Legend plate |
7 Selector type handle | 8 Pistol type handle
I ON
FFO O
N
O
I
I ON
O OFF
FFO O
N
O
I
I ON
O OFF
N
O
I
I
O
O
F
F
N
O
I
I
O
O
F
F
6
5
4
4
5
9
8
11
6
12
3
13
10
7
2
5
5
23
4
3
4
7
8
7
6
5
5
1
1
S07096

40 | 1SCC301020C0201 | Switch-disconnectors
1 Switch-disconnector | 2 Extended shaft | 3 Terminal clamp | 4 Fourth pole | 5 Module for auxiliary contact | 6 Auxiliary contact | 7 Terminal
shroud | 8 Pistol type handle | 9 Direct mounting type handle | 10 Detachable neutral link
OT160EV...OT1600
Accessories
Selection overview
OT2000...OT4000
1 Switch-disconnector | 2 Extended shaft | 3 Terminal clamp | 4 Fourth pole | 5 Module for auxiliary contact | 6 Auxiliary contact | 7 Terminal
shroud | 8 Pistol type handle | 9 Direct mounting type handle | 10 Detachable neutral link
S07305
5
6
10
1
4
9
8
2
7
3
4
5
6
9
7
8
S07094
2
3
3
10
1

Switch-disconnectors | 1SCC301020C0201 | 41
OTM160...OTM2500
1 Motorized switch-disconnector | 2 Terminal clamp | 3 Terminal shroud | 4 Auxiliary contact | 5 Storage for handle and fuses |
6 Detachable neutral link
1
2
4
3
S07047
6
5
Accessories
Selection overview
OTM40...OTM125
II
N
N
4
7
6
4
5
3
1
22
S07306
1 Motorized switch-disconnector | 2 Terminal clamp | 3 Terminal shroud | 4 Auxiliary contact | 5 Storage for handle and fuses |
6 Detachable neutral link | 7 Fourth pole

42 | 1SCC301020C0201 | Switch-disconnectors
Handle knobs, for base and DIN-rail mounted switches
Mounting directly to the switch, no shaft needed.
Handle Suitable Units/ Weight/
length for type unit
Colour [mm] switches Type Order number [pcs] [kg]
Padlockable in 0-position with one padlock with bail diameter 5 mm
Black 37 OT16…40F3/F4 OHBS12 1SCA108252R1001 10 0.01
Red 37 OT16…40F3/F4 OHRS12 1SCA108253R1001 10 0.01
Black 40 OT63...125F3/F4, OHBS2 1SCA109089R1001 10 0.01
OT16...40F6/F8
Black 40 OT63...125F3/F4, OHBS2/1 1SCA109090R1001 10.01
OT16...40F6/F8
Red 40 OT63...125F3/F4, OHRS2 1SCA108598R1001 10 0.01
OT16...40F6/F8
Red 40 OT63...125F3/F4, OHRS2/1 1SCA108599R1001 10.01
OT16...40F6/F8
Non-padlockable
Black 31 OT16...80F3/F4 OHBS1 1SCA109087R1001 10 0.01
Black 31 OT16...80F3/F4 OHBS1/1 1SCA109088R1001 10.01
Red 31 OT16...80F3/F4 OHRS1 1SCA109095R1001 10 0.01
Red 31 OT16...80F3/F4 OHRS1/1 1SCA109096R1001 10.01
Black 39 OT16...125F3/F4, OHBS3 1SCA108320R1001 10 0.01
OT16...40F6/F8
Black 39 OT16...125F3/F4, OHBS3/1 1SCA108319R1001 10.01
OT16...40F6/F8
Red 39 OT16...125F3/F4, OHRS3 1SCA108667R1001 10 0.01
OT16...40F6/F8
Red 39 OT16...125F3/F4, OHRS3/1 1SCA108688R1001 10.01
OT16...40F6/F8
Black 72 OT63...125F6/F8 OHBS9 1SCA108665R1001 10 0.01
Black 72 OT63...125F6/F8 OHBS9/1 1SCA108689R1001 10.01
Red 72 OT63...125F6/F8 OHRS9 1SCA108666R1001 10 0.01
Red 72 OT63...125F6/F8 OHRS9/1 1SCA108690R1001 10.01
Ordering information
Accessories – Handles
OHRS2
OHRS3
OHRS9
OHBS3
OHBS1
Handle type Shaft through the handle 45 mm cut-out enable*
OHBS1_ , OHRS1_ No Yes
OHBS12, OHRS12 Yes Yes
OHBS2_ , OHRS2_ No Yes
OHBS3_ , OHRS3_ No Yes
OHBS9_ , OHRS9_ No No
* in I-position the handle shall remain within the cut-out height

Switch-disconnectors | 1SCC301020C0201 | 43
Selector type handles, for base and DIN-rail mounted switches
For shaft diameter 6 mm, door drilling 22.5 mm.
The type and the ordering numbers are for one piece. Indication I-O and ON-OFF.
Suitable Delivery Weight/
for batch unit
Colour switches Type Order number [pcs] [kg]
IP54 handles, NEMA 1
Black OT16...80F OHBS1AH 1SCA102680R1001 150 0.05
Red-yellow OT16...80F OHYS1AH 1SCA105290R1001 150 0.05
Silver OT16...80F OHSS1AH 1SCA105274R1001 150 0.05
Grey OT16...80F OHGS1AH 1SCA105261R1001 150 0.05
Door interlock in ON-position
Black OT16...80F OHBS1AH1 1SCA105210R1001 150 0.05
Red-yellow OT16...80F OHYS1AH1 1SCA105291R1001 150 0.05
Silver OT16...80F OHSS1AH1 1SCA105275R1001 150 0.05
Grey OT16...80F OHGS1AH1 1SCA105262R1001 150 0.05
Padlockable with one padlock with bail diameter 5...6.3 mm
Black OT16...125F OHBS3AH 1SCA105234R1001 150 0.05
Red-yellow OT16...125F OHYS3AH 1SCA105325R1001 150 0.05
Silver OT16...125F OHSS3AH 1SCA105283R1001 150 0.05
Grey OT16...125F OHGS3AH 1SCA105270R1001 150 0.05
Padlockable with one padlock with bail diameter 5...6.3 mm, door interlock in ON-position
Black OT16...125F OHBS3AH1 1SCA105235R1001 150 0.05
Red-yellow OT16...125F OHYS3AH1 1SCA105326R1001 150 0.05
Silver OT16...125F OHSS3AH1 1SCA105284R1001 150 0.05
Grey OT16...125F OHGS3AH1 1SCA105271R1001 150 0.05
IP65 handles, NEMA 1, 3R, 12
Padlockable with max. 3 padlocks with bail diameter 5...8 mm, door interlock in ON-position, defeatable
Black OT16...125F OHBS2AJ 1SCA105213R1001 120 0.07
Red-yellow OT16...125F OHYS2AJ 1SCA105296R1001 120 0.07
Silver OT16...125F OHSS2AJ 1SCA105278R1001 120 0.07
Grey OT16...125F OHGS2AJ 1SCA105265R1001 120 0.07
Padlockable with max. 3 padlocks with bail diameter 5...8 mm, door interlock in ON-position
Black OT16...125F OHBS2AJ1 1SCA105215R1001 120 0.07
Red-yellow OT16...125F OHYS2AJ1 1SCA105297R1001 120 0.07
Silver OT16...125F OHSS2AJ1 1SCA105279R1001 120 0.07
Grey OT16...125F OHGS2AJ1 1SCA105266R1001 120 0.07
Selector type handle with metal hasp
IP65 handles, NEMA 1, 3R, 12
Padlockable with max. 3 padlocks, door interlock in the ON-position, defeatable
Black OT16...125F OHBS2AJEH 1SCA108230R1001 120 0.07
Padlockable with max. 3 padlocks, door interlock in the ON-position, non-defeatable
Black OT16...125F OHBS2AJ1EH 1SCA105217R1001 120 0.07
- Door interlocking in ON-position means that the door can not be opened, when the handle is in ON-position.
This can be defeated in IP65 types to allow authorized personnel access for inspection.
Ordering information
Accessories – Handles
OHBS2AJ_EH
OHYS3AH
OHYS2AJ
OHBS3AH
OHBS2AJ

44 | 1SCC301020C0201 | Switch-disconnectors
Selector type handles, for door mounted switches
Indication I-O and ON-OFF. No separate shaft needed.
The type and the ordering numbers are for one piece.
Suitable Units/ Weight/
for type unit
Colour switches Type Order number [pcs] [kg]
Snap-on mounting, door drilling 22,5 mm
No padlocking, IP54, NEMA 1
Black OT16...40FT OHBS1PH 1SCA105211R1001 150 0.05
Red-yellow OT16...40FT OHYS1PH 1SCA105294R1001 150 0.05
Silver OT16...40FT OHSS1PH 1SCA105276R1001 150 0.05
Grey OT16...40FT OHGS1PH 1SCA105263R1001 150 0.05
Padlockable with one padlock, IP54, NEMA 1
Black OT16...40FT OHBS3PH 1SCA105236R1001 150 0.05
Red-yellow OT16...40FT OHYS3PH 1SCA105327R1001 150 0.05
Silver OT16...40FT OHSS3PH 1SCA105285R1001 150 0.05
Grey OT16...40FT OHGS3PH 1SCA105272R1001 150 0.05
Padlockable with max. 3 padlocks, IP65, NEMA 1, 3R, 12
Black OT16...40FT OHBS2PJ 1SCA105231R1001 120 0.07
Red-yellow OT16...40FT OHYS2PJ 1SCA105322R1001 120 0.07
Silver OT16...40FT OHSS2PJ 1SCA105280R1001 120 0.07
Grey OT16...40FT OHGS2PJ 1SCA105268R1001 120 0.07
Screw mounting, hole distance 36 mm
No padlocking, IP54, NEMA 1
Black OT16...80FT OHBS1RH 1SCA105212R1001 150 0.05
Red-yellow OT16...80FT OHYS1RH 1SCA105295R1001 150 0.05
Silver OT16...80FT OHSS1RH 1SCA105277R1001 150 0.05
Grey OT16...80FT OHGS1RH 1SCA105264R1001 150 0.05
Padlockable with one padlock, IP54, NEMA 1
Black OT16...80FT OHBS3RH 1SCA105237R1001 150 0.05
Red-yellow OT16...80FT OHYS3RH 1SCA105328R1001 150 0.05
Silver OT16...80FT OHSS3RH 1SCA105286R1001 150 0.05
Grey OT16...80FT OHGS3RH 1SCA105273R1001 150 0.05
Padlockable with max. 3 padlocks, IP65, hole distance 36/48 mm, NEMA 1, 3R, 12
Black OT16...125FT OHBS2RJ 1SCA105232R1001 120 0.07
Red-yellow OT16...125FT OHYS2RJ 1SCA105323R1001 120 0.07
Silver OT16...125FT OHSS2RJ 1SCA105281R1001 120 0.07
Grey OT16...125FT OHGS2RJ 1SCA105269R1001 120 0.07
- Door interlocking in ON-position means that the door can not be opened, when the handle is in ON-position.
This can be defeated in IP65 types to allow authorized personnel access for inspection.
Ordering information
Accessories – Handles
OHYS3PH
OHYS2RJ
OHYS2PJ
OHBS3RH
OHBS3PH
OHBS2RJ
OHBS2PJ
OHYS3RH

Switch-disconnectors | 1SCC301020C0201 | 45
Round padlockable handles, for base and DIN-rail mounted switches
Padlockable in 0-position, max 3 padlocks with max 8 mm hasp diameter.
Indication I-O and ON-OFF
Suitable Delivery Weight/
for batch unit
Colour switches Type Order number [pcs] [kg]
One hole mounting handle, IP65, NEMA 4X outdoor, size 66x66
Black OT16...125F_ OZ331SPB 1SCA112983R1001 10 0.05
Red-yellow OT16...125F_ OZ331SPRY 1SCA113097R1001 10 0.05
IP67, IP69K, NEMA 4X, size 66x66
Black OT16...125F_ OZ331P67B 1SCA111427R1001 10 0.04
Red-yellow OT16...125F_ OZ331P67RY 1SCA111429 R1001 10 0.04
Handles with door coupling in ON-position, not defeatable, IP65, NEMA 4X, size 66x66
Shaft alignment ring for OZ371P_ handle, see page 54.
Black OT16...125F_ OZ371PB 1SCA111684R1001 10 0.05
Red-yellow OT16...125F_ OZ371PRY 1SCA111685R1001 10 0.05
Ordering information
Accessories – Handles
OZ331_B
OZ371PB
OZ331_RY

46 | 1SCC301020C0201 | Switch-disconnectors
Ordering information
Accessories – Handles
Pistol type handles, for base and DIN-rail mounted switches
IP65, NEMA 1, 3R, 12, padlockable with three padlocks in OFF-position, door interlock in
ON-position. Screw fixing from the back side of the handle. No screws on the front ensures
double insulation. The type and the ordering numbers are for one piece.
Handle Delivery Weight/
length batch unit
Colour [mm] Type Order number [pcs] [kg]
Suitable for switches OT16...125F, for shaft diameter 6 mm
Indication in types OHB and OHY: I-0, ON-OFF, in types OHG: I-0
Black 45 OHB45J6 1SCA022380R8770 100 0.10
Red-yellow 45 OHY45J6 1SCA022380R8930 100 0.10
Grey 45 OHG45J6 1SCA022380R8850 100 0.10
Suitable for switches OT160EV...250, for shaft diameter 6 mm
Indication in types OHB and OHY: I-0, ON-OFF, in types OHG: I-0
Black 65 OHB65J6 1SCA022380R9660 100 0.12
Red-yellow 65 OHY65J6 1SCA022380R9820 100 0.12
Grey 65 OHG65J6 1SCA022380R9740 100 0.12
Black 80 OHB80J6 1SCA022381R0240 100 0.14
Red-yellow 80 OHY80J6 1SCA022381R0410 100 0.14
Grey 80 OHG80J6 1SCA022381R0320 100 0.14
Indication: Test-OFF-ON/Test-0-I
Black 65 OHB65J6T 1SCA022399R8110 100 0.12
Red-yellow 65 OHY65J6T 1SCA022456R9540 100 0.12
Suitable for switches OT315...400, for shaft diameter 12 mm
Indication OHB and OHY: I-0, ON-OFF, in types OHG: I-0
Black 95 OHB95J12 1SCA022381R0830 90 0.16
Red-yellow 95 OHY95J12 1SCA022381R1050 90 0.16
Grey 95 OHG95J12 1SCA022381R0910 90 0.16
Indication: Test-OFF-ON/Test-0-I
Black 95 OHB95J12T 1SCA022736R1750 90 0.16
Red-yellow 95 OHY95J12T 1SCA022736R1910 90 0.16
Suitable for switches OT630...800, for shaft diameter 12 mm
Indication OHB and OHY: I-0, ON-OFF, in types OHG: I-0
Black 125 OHB125J12 1SCA022381R1560 90 0.17
Red-yellow 125 OHY125J12 1SCA022381R1720 90 0.17
Grey 125 OHG125J12 1SCA022381R1640 90 0.17
Black 145 OHB145J12 1SCA022381R2110 90 0.17
Red-yellow 145 OHY145J12 1SCA022381R2370 90 0.17
Grey 145 OHG145J12 1SCA132709R1001 90 0.17
Indication: Test-OFF-ON/Test-0-I
Black 125 OHB125J12T 1SCA022652R2220 90 0.17
Red-yellow 125 OHY125J12T 1SCA022652R2310 90 0.17
Black 145 OHB145J12T 1SCA022652R2570 90 0.17
Red-yellow 145 OHY145J12T 1SCA022652R2650 90 0.17
Black 175 OHB175J12T 1SCA022708R0740 90 0.18
Red-yellow 175 OHY175J12T 1SCA111508R1001 90 0.18
- Door interlocking in ON-position means that the door can not be opened, when the handle is in ON-position.
This can be defeated in IP65 types to allow authorized personnel access for inspection.
- NEMA 4, 4x pistol handles available on request.
- Handles padlockable in all positions available on request.
- Consult us for NEMA4/4X versions.
OHB_
OHY_
OHB_

Switch-disconnectors | 1SCC301020C0201 | 47
Ordering information
Accessories – Handles
Pistol type handles, for base and DIN-rail mounted switches
Padlockable with three padlocks in OFF-position, door interlock in ON-
position. Screw fixing from the back side of the handle. No screws on the front ensures double
insulation. The type and the ordering numbers are for one piece.
Handle Delivery Weight/
length batch unit
Colour [mm] Type Order number [pcs] [kg]
Suitable for switches OT1000...2500, for shaft diameter 12 mm, IP65, NEMA 1, 3R, 12
Indication OHB and OHY: I-0, ON-OFF
Black 2x150 OHB150J12P 1SCA022865R9430 50 0.17
Red-yellow 2x150 OHY150J12P 1SCA101586R1001 50 0.17
Black 2x200 OHB200J12P 1SCA022865R9510 50 0.40
Red-yellow 2x200 OHY200J12P 1SCA101587R1001 50 0.40
Indication: Test-OFF-ON/Test-0-I
Black 2x200 OHB200J12PT 1SCA106510R1001 50 0.40
Red-yellow 2x200 OHY200J12PT 1SCA111512R1001 50 0.04
Suitable for switches OT1000…2500, for shaft diameter 12 mm, NEMA 4X
Indication OHB and OHY: I-0, ON-OFF
Black 2x200 OHB200L12P 1SCA111564R1001 50 0.40
Red-yellow 2x200 OHY200L12P 1SCA111569R1001 50 0.40
Suitable for switches OT1000…4000, for shaft diameter 12 mm, IP65, NEMA 1, 3R, 12
Indication OHB and OHY: I-0, ON-OFF
Black 274 OHB274J12 1SCA115920R1001 25 0.54
Red-yellow 274 OHY274 J12 1SCA115919R1001 25 0.54
Black 330 OHB330J12 1SCA115922R1001 25 0.58
Red-yellow 330 OHY330J12 1SCA115921R1001 25 0.58
Indication: Test-OFF-ON/Test-0-I
Black 274 OHB274J12T 1SCA120250R1001 25 0.54
Black 330 OHB330J12T 1SCA120252R1001 25 0.58
- Door interlocking in ON-position means that the door can not be opened, when the handle is in ON-position.
This can be defeated in IP65 types to allow authorized personnel access for inspection.
- NEMA 4, 4x pistol handles available on request.
- Handles padlockable in all positions available on request.
OHB150/200J12P
OHB274/330J12

48 | 1SCC301020C0201 | Switch-disconnectors
Direct mount handles for base mounted switches
Includes a shaft and a mechanism cover. Indication Test-OFF-ON/Test-O-I.
Padlockable with three padlocks in OFF-position.
Handle Suitable Units/ Weight/
length for type unit
Colour [mm] switches Type Order number [pcs] [kg]
Black 65 OT160EV…250 OTV250EK 1SCA022763R2700 10.10
Red-yellow 65 OT160EV…250 OTVY250EK 1SCA022772R7910 10.10
Black 95 OT315…400 OTV400EK 1SCA022763R2960 10.20
Red-yellow 95 OT315…400 OTVY400EK 1SCA022772R7830 10.20
Black 125 OT630…800 OTV800EK 1SCA022804R6340 10.30
Red-yellow 125 OT630...800 OTVY800EK 1SCA022810R2780 10.30
Black 274 OT1000…4000 OTV1000EK 1SCA106608R1001 10.75
Black 2x200 OT1000...2500 OTV1000EPK 1SCA121085R1001 10.90
Metallic handles, for base mounted switches
Handle Suitable Units/ Weight/
length for type unit
Colour [mm] switches Type Order number [pcs] [kg]
For shaft diameter 12 mm, IP65, NEMA 1, 3R, 4, 4x, 12
Indication I-0, padlockable with 3 padlocks in OFF-position, door interlock in ON-position.
Black 320 OT1000…4000 YASDA35 1SCA104400R1001 10.80
- Door interlocking in ON-position means that the door can not be opened, when the handle is in ON-position.
This can be defeated in IP65 types to allow authorized personnel access for inspection.
Ordering information
Accessories – Handles
OTV400EK
OTV1000EK
OTV1000EPK
YASDA35

Switch-disconnectors | 1SCC301020C0201 | 49
Stainless steel handles, for base mounted switches
Stainless steel handles, indication I-O/ON-OFF, padlockable with 3 padlocks in the
OFF-position, door interlock in the ON-position, IP66 (NEMA 4X).
Handle Units/ Weight/
length type unit
Colour [mm] Type Order number [pcs] [kg]
For shaft diameter 6 mm
Grey 65 OHM65L6 1SCA022739R1070 10.73
For shaft diameter 12 mm
Grey 125 OHM125L12 1SCA022739R1150 10.76
Grey 175 OHM175L12 1SCA022739R1230 10.83
Grey 275 OHM275L12 1SCA022832R4840 10.96
Grey 2x200 OHM200L12P 1SCA104439R1001 12.00
Handles for side operated switch-disconnectors
For mounting on the side of the enclosure. Padlockable with three padlocks in the
OFF-position, door interlock in the ON-position, IP65. The position indications are rotated 90°.
Handle Units/ Weight/
length type unit
Colour [mm] Type Order number [pcs] [kg]
For shaft diameter 6 mm, IP65, Nema type 1, 3R, 12
Plastic handles, black and red-yellow: I-O/ON-OFF, grey: I-O.
Black 65 OHB65J6E00S 1SCA022382R9850 10.12
Red-yellow 65 OHY65J6E00S 1SCA022382R9930 10.12
Grey 65 OHG65J6E00S 1SCA022383R4510 10.12
Plastic handles, black and red-yellow: Test/I-O/ON-OFF, grey: Test/I-O.
Black 65 OHB65J6TE00S 1SCA109016R1001 10.12
Red-yellow 65 OHY65J6TE00S 1SCA022688R0140 10.12
Grey 65 OHG65J6TE00S 1SCA109014R1001 10.12
For shaft diameter 12 mm, IP65, Nema type 1, 3R, 12
Plastic handles, indication I-O/ON-OFF
Black 145 OHB145J12E00S 1SCA022679R9700 10.17
- Door interlocking in ON-position means that the door can not be opened, when the handle is in ON-position.
This can be defeated in IP65 types to allow authorized personnel access for inspection.
Ordering information
Accessories – Handles
OHM65L6
OHB65J6E00S
OHY65J6E00S

50 | 1SCC301020C0201 | Switch-disconnectors
Legend plates for selector type handles
Units/ Weight/
type unit
Colour Type Order number [pcs] [kg]
Plain plates for OH 1_ and OH 3_handles.
Black OPBS1 1SC A111519R1001 10.01
Yellow OPYS1 1SCA111528R1001 10.01
Silver OPSS1 1SCA111523R1001 10.01
Grey OPGS1 1SCA111563R1001 10.01
Plain plates for OH 2_ handles.
Black OPB2 1SCA022353R4110 10.01
Yellow OPY2 1SCA022353R4200 10.01
Silver OPS2 1SCA022353R4460 10.01
Grey OPG2 1SCA022353R4380 10.01
Printed plates for OH 1_ and OH3_ handles. Text: MAIN SWITCH.
Black OPBS1EN1 1SCA111520R1001 10.01
Yellow OPYS1EN1 1SCA111530R1001 10.01
Silver OPSS1EN1 1SCA111525R1001 10.01
Grey OPGS1EN1 1SCA111526 R1001 10.01
Printed plates for OH 2_ handles. Text: MAIN SWITCH.
Black OPB2EN1 1SCA022400R2070 10.01
Yellow OPY2EN1 1SCA022400R2740 10.01
Silver OPS2EN1 1SCA022400R2230 10.01
Grey OPG2EN1 1SCA022400R2310 10.01
Legend plates for pistol type handles
Units/ Weight/
type unit
Colour Text Type Order number [pcs] [kg]
Holder
Black OPB3 1SCA022679R3410 10.01
Yellow OPY3 1SCA022695R0450 10.01
Lettering plate suitable for holder
Silver Blanco OPX3 1SCA022679R3500 10.01
Silver Pääkytkin OPX3FI1 1SCA022695R0530 10.01
Silver Main Switch OPX3EN1 1SCA022695R0610 10.01
Silver Hauptschalter OPX3DE1 1SCA022695R0700 10.01
Silver Huvudbrytare OPX3SE1 1SCA022695R0880 10.01
Silver Customer`s own text OPX3/TEXT 1SCA022696R6370 10.01
Ordering information
Accessories – Legend plates
OPB2
OPB3
OPBS1
OPG2
OPG2EN1
OPS2
OPS2EN1
OPSS1EN1
OPB2EN1
OPBS1EN1

Switch-disconnectors | 1SCC301020C0201 | 51
Ordering information
Accessories – Label and handle accessories
Labelling accessories
Suitable for OT63F, OT80F, OT100F and OT125F. Suitable also for installation switches
OT63ML, OT125M_ and OT160M_.
Units/ Weight/
type unit
Description Type Order number [pcs] [kg]
Label carrier, snap-on fixing ST 1SCA022407R8210 10 0.01
Description label, in a sheet 250 labels ST-E 1SCA022407R8300 10.01
OTVS2
Pistol handle mounting kit for OT 100...125 FT_ switches
Pistol handle is not included
Black OT100...125FT_ OHZX6 1SCA022559R5670 10 0.01
Handle and spare fuse storage clip for motorized switches OTM_
OTM40...125, the handle can be stored in the handle storage clip OTVS0. The clip can be
fixed to a panel frame using the included adhesive tape. OTM160…2500, the handle and
two spare fuses can be stored in the OTVS1 and OTVS2. OTVS1 and OTVS2 can be installed
onto the left side of the motorized switch-disconnector OTM. Snap-on mounting, no tools
required. On OTM1000...2500E_, the size of the handle prevents the installation onto the
switch frame. However, the handle clip can be installed separately onto the panel frame and
the fuse holder clip onto the switch frame.
Units/ Weight/
Suitable for type type
switches Type Order number [pcs] [kg]
OTM40...125F OTVS0 1SCA117524R1001 10.02
OTM160...250E OTVS1 1SCA111413R1001 10.02
OTM315...800E OTVS2 1SCA111414R1001 10.04

52 | 1SCC301020C0201 | Switch-disconnectors
Ordering information
Accessories – Shafts
Shafts
The type and ordering numbers are for one piece
Shaft Delivery Weight/
length Hbatch unit
[mm] [mm] Type Order number [pcs] [kg]
For selector type handles, suitable for OT16...125F
Shaft diameter 6 mm
85 See OXS6X85 1SCA101647R1001 10 0.02
105 dimension OXS6X105 1SCA108043R1001 10 0.02
120 drawings OXS6X120 1SCA101654R1001 10 0.03
130 OXS6X130 1SCA101655R1001 10 0.03
160 OXS6X160 1SCA101656R1001 10 0.04
180 OXS6X180 1SCA101659R1001 10 0.04
250 OXS6X250 1SCA101660R1001 10 0.05
330 OXS6X330 1SCA101661R1001 10 0.05
For round padlockable type handles, suitable for OT16...125F
Shaft diameter 6 mm
60 See OX6X60 1SCA1114 59R1001 10 0.02
85 dimension OX6X85 1SCA111274R10 01 10 0.02
105 drawings OX6X105 1SCA111930R1001 10 0.02
115 OX6X115 1SCA111931R1001 10 0.03
130 OX6X130 1SCA111460R1001 10 0.03
155 OX6X155 1SCA111275R1001 10 0.04
200 OX6X200 1SCA111932R1001 10 0.04
300 OX6X300 1SCA111933R1001 10 0.05
For pistol type handles, suitable for OT16...125F
Shaft diameter 6 mm
150 See OXP6X150 1SCA022295R5600 10 0.05
170 dimension OXP6X170 1SCA108224R1001 10 0.05
265 drawings OXP6X265 1SCA108225R1001 10 0.08
400 OXP6X400 1SCA108226R1001 10 0.12
For pistol type handles, suitable for OT160EV...2501)
Shaft diameter 6 mm
130 109...174 OXP6X130 1SCA022057R0570 10 0.04
150 129...194 OXP6X150 1SCA022295R5600 10 0.05
161 140...205 OXP6X161 1SCA022067R1760 10 0.05
210 189...254 OXP6X210 1SCA022295R6080 10 0.06
290 269...334 OXP6X290 1SCA022042R6370 10 0.08
1) Longer shafts on request
OX6X_
OXP6X_
OXS6X_

Switch-disconnectors | 1SCC301020C0201 | 53
Ordering information
Accessories – Shafts
Shafts
The type and ordering numbers are for one piece
Shaft Delivery Weight/
length Hbatch unit
[mm] [mm] Type Order number [pcs] [kg]
For pistol type handles, suitable for OT315...400
Shaft diameter 12 mm
166 146...226 OXP12X166 1SCA022325R7100 10.20
185 165...245 OXP12X185 1SCA022325R6710 10.20
250 230...310 OXP12X250 1SCA022325R6980 10.28
280 260...340 OXP12X280 1SCA022137R5140 10.30
325 305...385 OXP12X325 1SCA022042R5810 10.36
395 375...455 OXP12X395 1SCA022042R5990 10.43
465 445...525 OXP12X465 1SCA022042R6020 10.51
535 515...595 OXP12X535 1SCA022042R6110 10.59
For pistol type handles, suitable for OT630...800
Shaft diameter 12 mm
250 230...345 OXP12X250 1SCA022325R6980 10.28
280 260...375 OXP12X280 1SCA022137R5140 10.30
325 305...420 OXP12X325 1SCA022042R5810 10.36
395 375...490 OXP12X395 1SCA022042R5990 10.43
465 445...560 OXP12X465 1SCA022042R6020 10.51
535 515...630 OXP12X535 1SCA022042R6110 10.59
For pistol type handles, suitable for OT1000…25001)
Shaft diameter 12 mm
250 221...350 OXP12X250 1SCA022325R6980 10.28
280 251...380 OXP12X280 1SCA022137R5140 10.30
325 296...425 OXP12X325 1SCA022042R5810 10.36
395 366...495 OXP12X395 1SCA022042R5990 10.43
465 436...565 OXP12X465 1SCA022042R6020 10.51
535 506...635 OXP12X535 1SCA022042R6110 10.59
For pistol type handles, suitable for OT3200...4000
Shaft diameter 12 mm
280 251...380 OXP12X280 1SCA022137R5140 10.30
325 296...425 OXP12X325 1SCA022042R5810 10.36
395 366...495 OXP12X395 1SCA022042R5990 10.43
465 436...565 OXP12X465 1SCA022042R6020 10.51
535 506...635 OXP12X535 1SCA022042R6110 10.59
1) Wide versions OT1000-2500W_: with shafts over 280 mm, shaft tube OXT20X210X must be used, see page 55
OXP12_

54 | 1SCC301020C0201 | Switch-disconnectors
Twisted shafts
Twisted shafts for pistol type handles, the shaft position is rotated 45 degrees.
The type and the ordering numbers are for one piece.
Shaft Delivery Weight/
length Hbatch unit
[mm] [mm] Type Order number [pcs] [kg]
For pistol type handles, suitable for OT16...125F
Shaft diameter 6 mm
150 See OXP6X150-45 1SCA022294R4400 10 0.05
170 dimension OXP6X170-45 1SCA108227R1001 10 0.05
265 drawings OXP6X265-45 1SCA108228R1001 10 0.08
400 OXP6X400-45 1SCA108229R1001 10 0.12
For pistol type handles, suitable for OT160EV...250
Shaft diameter 6 mm
130 109...174 OXP6X130-45 1SCA022355R9110 10 0.04
150 129...194 OXP6X150-45 1SCA022294R4400 10 0.05
210 189...254 OXP6X210-45 1SCA022294R4230 10 0.06
290 269...334 OXP6X290-45 1SCA022304R4290 10 0.08
For pistol type handles, suitable for OT315...400
Shaft diameter 12 mm
250 230...310 OXP12X250-45 1SCA022293R9400 10.28
280 260...340 OXP12X280-45 1SCA022382R0800 10.30
325 305...385 OXP12X325-45 1SCA022304R4450 10.36
395 445...525 OXP12X395-45 1SCA022749R0640 10.43
465 439...519 OXP12X465-45 1SCA022423R1770 10.51
535 515...595 OXP12X535-45 1SCA022723R2940 10.59
For pistol type handles, suitable for OT1000…2500
Shaft diameter 12 mm
250 226...355 OXP12X250-45 1SCA022293R9400 10.28
280 256...385 OXP12X280-45 1SCA022382R0800 10.30
325 301...430 OXP12X325-45 1SCA022304R4450 10.36
395 371...500 OXP12X395-45 1SCA022749R0640 10.43
465 441...570 OXP12X465-45 1SCA022423R1770 10.51
535 511...640 OXP12X535-45 1SCA022723R2940 10.59
For pistol type handles, suitable for OT3200...4000
Shaft diameter 12 mm
280 256...385 OXP12X280-45 1SCA022382R0800 10.30
325 301...430 OXP12X325-45 1SCA022304R4450 10.36
395 371...500 OXP12X395-45 1SCA022749R0640 10.43
465 441...570 OXP12X465-45 1SCA022423R1770 10.51
535 511...640 OXP12X535-45 1SCA022723R2940 10.59
Ordering information
Accessories – Shafts
OXP6X_-45
OXP12X_-45

Switch-disconnectors | 1SCC301020C0201 | 55
Shaft alignment ring
Improves the handle operation if a handle and a shaft have been poorly aligned.
The type and the ordering numbers are for one piece.
Delivery Weight/
batch unit
Colour Type Order number [pcs] [kg]
For pistol type handles OH_65...275J6...12
Black OHZX10 1SCA022661R3610 10 0.23
For selector type handles OH_1...3
Black OHZ X11 1SCA022708R3170 10 0.23
For round padlockable handle OZ371P_
Black OZG71 1SCA111686R1001 10 0.05
Extension ring for pistol type handles
Improves the handle operation if a handle and a shaft have been poorly aligned.
The type and the ordering numbers are for one piece.
Suitable Delivery Weight/
for batch unit
Colour handle Type Order number [pcs] [kg]
Black OHB_ OHZ X14 1SCA022851R6590 10.06
Shaft support for long shafts
The type and the ordering numbers are for one piece.
Suitable Delivery Weight/
for batch unit
switches Type Order number [pcs] [kg]
Shaft support
OT16...125 OETLZX58 1SCA022068R8220 10.10
Shaft tube
For switch-disconnectors with wide phase distance (140 mm or 185 mm). Supporting 12 mm shafts longer than 280 mm.
OT1000…2500 OXT20X210X 1SCA103684R1001 11.50
Ordering information
Accessories – Shaft accessories
OHZX10
OHZX14
S02194A
OXT20X210X
OHZX11
OETLZX58

56 | 1SCC301020C0201 | Switch-disconnectors
Auxiliary contact blocks, IP20, for OT16...125F/FT_ and OT16...125M_
Contact numbering according to EN 50013. The type and and the ordering numbers are for
one piece. Snap-on mounting to the side of the switch. Ith = 16A, cable cross section
max. 2 x 2.5 mm2. Early-break type OA1G10.
Suitable Delivery Weight/
for batch4) unit
switches Function Type Order number [pcs] [kg]
Mountable on left side, max. 2 pcs
OT16...125F_, FT_ 1NC OA1G01 1SCA022353R4890 10 0.03
OT16...125F_, FT_ 1NC OA1G01AU1) 1SCA022436R7830 10 0.03
Mountable on the right side, max. 2 pcs
OT16...125F_, FT_ 1NO OA1G10 1SCA022353R4970 10 0.03
OT16...125F_, FT_ 1NO OA1G10AU1) 1SCA022436R7910 10 0.03
Mountable on both sides, simultaneous function with the main contacts
OT16...40F_: max. 2NO+2NC, OT63...125F: max. 4NO+4NC3)
OT16...125F_ 1NO+1NC OA2G112) 1SCA022379R8100 10 0.03
Mountable on both sides, simultaneous function with the main contacts
Snap-on mounting to the switch, including a grey cover, IP 20, width 1/2 module.
OT16...125M: 3-pole switches max 2NO+2NC , 4-pole switches max 1NO+1NC.
OT16…40M_ 1NO+1NC OA1L11 1SCA022555R9870 10 0.04
OT63ML_ 1NO+1NC OA 2L11 1SCA022424R3190 10 0.04
OT125M _ 1NO+1NC OA3L11 1SCA022555R9950 10 0.04
1) Types _AU are gold plated for extremely difficult circumstances and low voltages.
2) Not mountable on the same side as the fourth pole.
3) Contact numbering: (83) (43) (53) 13 21 (61) (31) (71)
(84) (44) (54) 14 22 (62) (32) (72)
4) Auxiliary contacts OA1G_ are available in larger packing as well. A bulk package includes 50 switches.
Type number: add a suffix: /B, e.g. OA1G01/B.
- Early break type auxiliary contacts means that in the switches, the NO aux.contacts break before the main contacts open.
- Performance data of auxiliary contacts, see page 59.
- The contact timing: see the charts on page 105.
Ordering information
Accessories – Auxiliary contacts
OA1G_
OA2G11
22
21
1 nc
14
13
1 no
1NC
1NO

Switch-disconnectors | 1SCC301020C0201 | 57
Auxiliary contact blocks, IP20, for OT160EV…4000
Contact numbering according to EN 50013.
The type and and the ordering numbers are for one piece.
Delivery Weight/
batch2) unit
Function Type Order number [pcs] [kg]
Suitable for switches OT160EV…4000
1NO OA1G10 1SCA022353R4970 10 0.03
1NO OA1G10AU1) 1SCA022436R7910 10 0.03
1NC OA3G01 1SCA022456R7410 10 0.03
1NC OA3G01AU1) 1SCA022819R5260 10 0.03
Mounting under the mechanism cover
The "test" contacts operate in ON- and OFF-positions as well as when the handle is turned to TEST-position = 45 degrees over the OFF-
position. The "test indication" contacts operate only when the handle is turned to TEST-position. See the function table below. The OA1G10
(N.O.) or OA3G01 (N.C.) auxiliary contact blocks can be used as standard auxiliary contacts, "test" or "test indication" contacts. The desired
functions are achieved when an auxiliary contact block is installed in a specific place shown in the mounting instruction. In order to activate
the "test" and "test indication" features a handle with test function is required. See the optional handles, from page 46.
OT160EV...250: Max. 4 test contacts or 2 test contacts + 2 test indication contacts
OT315...800: Max. 4 test contacts + 4 test indication contacts
Switches with _K handle: 2+4 auxiliary contacts with _P handle: 4+4 auxiliary contacts
OT1000...4000: Max 4 test indication contacts + 6 test contacts + 2 early operation test contacts
The test contacts can be used as standard auxiliary contacts as well.
Aux./Test Test indication
Handle position Main contacts contacts N.O. contact N.O.
Function table of auxiliary contacts
Test open closed closed
0open open open
Iclosed closed open
Mounting on the left side of the switch
Max. 8 auxiliary contact blocks with the OEA28 module.
Ordering information
Accessories – Auxiliary contacts
OA1G10, OA3G01
22
21
1 nc
14
13
1 no
1NC
1NO
Module for auxiliary contacts with OT160EV…4000
Screw mounting to the left side of the switch.
Suitable Units/ Weight/
for type unit
switches Type Order number [pcs] [kg]
OT160EV…4000 OEA28 1SCA022714R8810 10.04
1) Types _AU are gold plated for extremely difficult circumstances and low voltages.
2) Auxiliary contacts OA1G_ are available in larger packing as well. A bulk package includes 50 switches.
Type number: add a suffix: /B, e.g. OA1G01/B.
- Early break type auxiliary contacts means that in the switches, the NO aux.contacts break before the main contacts open.
- Performance data of auxiliary contacts, see page 59.
- The contact timing: see the charts on page 105.
OEA28

58 | 1SCC301020C0201 | Switch-disconnectors
Auxiliary contacts, IP20, for OTM40...2500
Contact numbering according to EN 50013. The type and and the ordering numbers are for
one piece. Types _AU have gold plated contacts for harsh environments and low operat-
ing voltages. Auxiliary contacts are mountable on right side in types OTM40…2500 or under
mechanism cover in types OTM160…2500.
Suitable Delivery Weight/
for Protection batch unit
switches Function degree Type Order number [pcs] [kg]
OTM40…2500 1NO IP20 OA1G10 1SCA022353R4970 10 0.03
OT M40..125 1NC IP20 OA8G01 1SCA022744R2240 10 0.03
OTM160…2500 1NC IP20 OA3G01 1SCA022456R7410 10 0.03
OTM40…2500 1NO IP20 OA1G10AU 1SCA022436R7910 10 0.03
OTM160…2500 1NC IP20 OA3G01AU 1SCA022819R5260 10 0.03
Mounting on the right side OTM40…2500
OTM40…125: Maximum 2 auxiliary contact blocks, snap-on mounting
OTM160…2500: Maximum 2+2 auxiliary contact blocks (N.O. or N.C.), snap-on mounting.
Mounting under the mechanism cover, OTM160…2500:
The “test” contacts operate in ON- and OFF-positions as well as when the handle is turned to TEST-position =
45 degrees over the OFF-position. The “test indication” contacts operate only when the handle is turned to TEST-position. See the function
table below. The OA1G10 (N.O.) or OA3G01 (N.C.) auxiliary contact blocks can be used as standard auxiliary contacts, “test” or “test indi-
cation” contacts. The desired functions are achieved when an auxiliary contact block is installed in a specific place shown in the mounting
instruction.
Ordering information
Accessories – Auxiliary contacts
22
21
1 nc
14
13
1 no
1NC
1NO Handle Main Aux./Test Test indication
position contacts contacts N.O. contacts N.O.
Function table of OTM160…2500 auxiliary contacts
Test open closed closed
0open open open
Iclosed closed open
OTM 160...250 OTM315...400 OTM630...800 OTM 1000...2500
Maximum number of contact blocks, “Aux./test” contacts and “test indication” contacts under the mechanism cover of OTM160…2500
Maximum number of contact blocks 2446
Aux./Test contacts 2 - - 21)
Test indication contacts - 4 4 4
OA1G10, OA8G01, OA3G01
OA2G11
Auxiliary contacts, IP20, for OTM40...125, 3 pole switches
Contact numbering according to EN 50013. The type and and the ordering numbers are for
one piece.
Mountable on right side, simultaneous function with the main contacts
OTM40...125F3M_ 1NO+1NC IP20 OA2G11 1SCA022379R8100 10 0.03
1) Early operation test contact
- Early break type auxiliary contacts means that in the switches, the NO aux.contacts break before the main contacts open.
- Performance data of auxiliary contacts, see next page.
- The contact timing: see the charts on page 105.

Switch-disconnectors | 1SCC301020C0201 | 59
Performance data of auxiliary contacts according to IEC 60947-5-1
For OA1G_, OA2G_, OA3G_, OA8G_
AC15 DC12 DC13
Ue/[V] Ie/[A] Ue/[V] Ie/[A] P/[W] Ie/[A] P/[W]
230 624 10 240 250
400 472 4290 0.8 60
415 4125 2250 0.55 70
690 2250 0.55 140 0.27 70
440 0.1 44
For OA1G_, OA2G_, OA3G_, OA8G_
Ui/[V] 690
Uimp/[kV] 4
Pollution degree 3
Ith/[A] 16
Cable size 1...2 x 0.75...2.5 mm2
Maximum fuse 16A / gG
NEMA A600, R300, wire size: 18 - 14 AWG, 1(2)
Ordering information
Accessories – Auxiliary contacts

60 | 1SCC301020C0201 | Switch-disconnectors
Fourth poles, simultaneous function with the main contacts
Mountable on the side of the switch. The type and the ordering numbers are for one piece.
Suitable Delivery Weight/
for batch unit
switches Type Order number [pcs] [kg]
For OT switch-disconnectors
OT16...40F3 OTPS40FPN1*)1SCA105001R1001 10 0.03
OT16...40F3 OTPS40FPN2*)1SCA105000R1001 10 0.06
OT63...80F3 OTPS80FP 1SCA105461R1001 10 0.14
OT30F3, OT60F3, OT100F3, OT125F3 OTPS125FP 1SCA105099R1001 10 0.30
OT63ML3 OTPS63MLP 1SCA022530R6580 10 0.08
OT125M3 OTPS125MP 1SCA022436R9110 10 0.08
OT160M3 OTPS160MP 1SCA022325R7520 10.30
OT16...40FT3 OTPS40FDN1*)1SCA104999R1001 10 0.06
OT16...40FT3 OTPS40FDN2*)1SCA104998R1001 10 0.14
OT63...80FT3 OTPS80FD 1SCA105458R1001 50.30
OT100...125FT3 OTPS125FD 1SCA105096R1001 10.30
OT160 EV…250 OTZ250E 1SCA022735R9420 10 0.35
OT315…400 OTZ400E 1SCA022749R1960 10 0.59
OT630...800 OTZ800E 1SCA022807R5100 11.70
OT1000...1250 OTZ1250E 1SCA103765R1001 14.30
OT1600 OTZ1600E 1SCA100431R1001 14.54
OT2000…2500 OTZ2500E 1SCA107931R1001 14.30
OT3200...4000 OTZ4000E 1SCA128807R1001 18.40
For OTM motorized switch-disconnectors
OTM40 OTPS60FP 1SCA111009R1001 10 0.14
OTM63...125 OTPS125FP 1SCA105099R1001 10 0.30
Fourth poles, late-break and early-make
Mountable on the side of the switch. The type and the ordering numbers are for one piece.
Suitable Delivery Weight/
for batch unit
switches Type Order number [pcs] [kg]
For OT switch-disconnectors
OT16...40F3 OTPL40FP 1SCA105717R1001 10 0.03
OT63...80F3 OTPL80FP 1SCA105452R1001 10 0.06
OT100...125F3 OTPL125FP 1SCA105090R1001 10 0.14
OT16...40FT3 OTPL40FD 1SCA105716R1001 10 0.03
OT63...80FT3 OTPL80FD 1SCA105451R1001 10 0.06
OT100...125FT3 OTPL125FD 1SCA105088R1001 10 0.14
For OTM motorized switch-disconnectors
OTM40 OTPL60FP 1SCA111004R1001 10 0.14
OTM63...125 OTPL125FP 1SCA105090R1001 10 0.30
*) N1=On the left side of the switch
N2=On the right side of the switch
Ordering information
Accessories – Fourth poles
OTZ400E
OTZ800E
OTZ1250E
OTZ1600E
OTZ1500E

Switch-disconnectors | 1SCC301020C0201 | 61
Fixed neutral
Mountable on the side of the switch. The type and the ordering numbers are for one piece.
Suitable Delivery Weight/
for batch unit
switches Type Order number [pcs] [kg]
For OT switch-disconnectors
OT16...40F3 OTPN40FP 1SCA104997R1001 10 0.03
OT63...80F3 OTPN80FP 1SCA105457R1001 10 0.06
OT30F3, OT60F3, OT100F3, OT125F3 OTPN125FP 1SCA105094R1001 10 0.14
OT16...40FT3 OTPN40FD 1SCA105718R1001 10 0.03
OT63...80FT3 OTPN80FD 1SCA105456R1001 10 0.06
OT100...125FT3 OTPN125FD 1SCA105092R1001 10 0.14
For OTM motorized switch-disconnectors
OTM40 OTPN60FP 1SCA117606R1001 10 0.14
OTM63...125 OTPN125FP 1SCA105090R1001 10 0.30
Detachable neutral
Mountable on the side of the switch. The type and the ordering numbers are for one piece.
For OT switch-disconnectors
OT16...40F3 OTPD40FP 1SCA104994R1001 10 0.03
OT63...80F3 OTPD80FP 1SCA105445R1001 10 0.06
OT30F3, OT60F3, OT100F3, OT125F3 OTPD125FP 1SCA105083R1001 10 0.14
OT63...80FT3 OTPD80FD 1SCA105444R1001 10.06
Protective earth
Mountable on the side of the switch. The type and the ordering numbers are for one piece.
For OT switch-disconnectors
OT16...40F3 OTPE40FP 1SCA104995R1001 10 0.03
OT63...80F3 OTPE80FP 1SCA105448R1001 10 0.06
OT30F3, OT60F3, OT100F3, OT125F3 OTPE125FP 1SCA105128R1001 10 0.14
OT16...40FT3 OTPE40FD 1SCA109884R1001 10 0.03
OT63...80FT3 OTPE80FD 1SCA105446R1001 10 0.06
OT100...125FT3 OTPE125FD 1SCA105698R1001 10 0.14
For OTM motorized switch-disconnectors
OTM40 OTPE60FP 1SCA111016R1001 10 0.14
OTM63...125 OTPE125FP 1SCA105090R1001 10 0.30
Neutral links
Suitable Units/ Weight/
for Ith type unit
switches [A] Type Order number [pcs] [kg]
Detachable, mountable separately to the base plate
OT160EV...250/OTM160...250 250 OXN250 1SCA022752R9950 10.26
OT/OTM315...400 400 OXN400 1SCA022770R3060 10.70
OT/OTM630...800 800 OXN800T 1SCA022829R0840 10.96
OT/OTM1000…2500, OT3200...4000 1250 OXN1250T 1SCA104162R1001 12.20
Ordering information
Accessories – Neutral and earth terminals
OTPD40FP

62 | 1SCC301020C0201 | Switch-disconnectors
OTS125T3P
OTS125T3
Terminal shrouds for OT/OTM switches, snap-on mounting, transparent
The type and the ordering numbers are for one piece.
Suitable Delivery Weight/
for batch unit
switches Type Order number [pcs] [kg]
For 3-pole OT switches
OT16...40F3, -FT3 OTS40T3 1SCA105317R1001 10 0.01
OT63...80F3, -FT3 OTS63T3 1SCA022353R6750 10 0.01
OT100...125F3, FT3, OT125M3 OTS125T3 1SCA022379R9680 10 0.01
For 3-pole OT switches with terminal clamps OZXL1 or OZXT1
OT100...125F3 OTS125T3P 1SCA022491R9890 10 0.01
For 1 to 4-pole OT switches, shroud for single pole and for fourth pole
O T P_4 0 F_ OTS40T1 1SCA105314R1001 10 0.01
O T P_ 80 F_ OTS63T1 1SCA022353R6910 10 0.01
OTP_125F_, OTPS125MP OTS125T1 1SCA022379R9760 10 0.01
For 1 to 4-pole OT switches with terminal clamps OZXL1 or OZXT1, shroud for single pole and for fourth pole
OT100...125F_ OTS125T1P 1SCA022491R9970 10 0.01
For OTM motorized switch-disconnectors
OTM40…125, 3 pole OTS125T3 1SCA022379R9680 10 0.01
OTM40...125, for fourth pole OTS125T1 1SCA022379R9760 10 0.01
Ordering information
Accessories – Terminal shrouds
OTS40T1
OTS63T3
OTS40T3
OTS63T1
OTS125T1
OTS125T1P

Switch-disconnectors | 1SCC301020C0201 | 63
OTS400G1S
OTS800G1S
OTS1600G1L
OTS1600G1S
OTS2500G1L
OTS2500G1S
Terminal shrouds for OT/OTM switches, snap-on mounting, grey
Pack of single pole shrouds, IP3X. Transparent shrouds available on request.
Suitable Units/ Weight/
for type unit
switches Description Type Order number [pcs] [kg]
For 3-pole OT/OTM switches
OT160EV…250/OTM160...250 Long type OTS250G1L/3 1SCA022731R8150 30.09
OT160EV…250/OTM160...250 Short type OTS250G1S/3 1SCA022731R8310 30.06
OT/OTM315…400 Long type OTS400G1L/3 1SCA022736R8840 30.15
OT/OTM315…400 Short type OTS400G1S/3 1SCA022736R9060 30.09
OT/OTM630…800 Long type OTS800G1L/3 1SCA022776R7890 30.32
OT/OTM630…800 Short type OTS800G1S/3 1SCA022776R8190 30.17
OT/OTM1000...1600 Long type OTS1600G1L/3 1SCA022871R9510 30.60
OT/OTM1000...1600 Short type OTS1600G1S/3 1SCA022871R9600 30.40
OT/OTM2000…2500 Long type OTS2500G1L/3 1SCA107261R1001 31.00
OT/OTM2000…2500 Short type OTS2500G1S/3 1SCA107260R1001 30.50
OT3200...4000 Long type OTS4000G1L/3 1SCA129042R1001 31.0
OT3200...4000 Short type OTS4000G1S/3 1SCA129044R1001 31.2
For 4-pole OT/OTM switches
OT160EV…250/OTM160...250 Long type OTS250G1L/4 1SCA022731R8230 40.12
OT160EV…250/OTM160...250 Short type OTS250G1S/4 1SCA022731R8400 40.08
OT/OTM315…400 Long type OTS400G1L/4 1SCA022736R9490 40.20
OT/OTM315…400 Short type OTS400G1S/4 1SCA022736R9650 40.12
OT/OTM630…800 Long type OTS800G1L/4 1SCA022776R7970 40.42
OT/OTM630…800 Short type OTS800G1S/4 1SCA022776R8270 40.26
OT/OTM1000...1600 Long type OTS1600G1L/4 1SCA022871R9780 40.80
OT/OTM1000...1600 Short type OTS1600G1S/4 1SCA022871R9860 40.5
OT/OTM2000…2500 Long type OTS2500G1L/4 1SCA107262R1001 41.30
OT/OTM2000…2500 Short type OTS2500G1S/4 1SCA107271R1001 40.70
OT3200...4000 Long type OTS4000G1L/4 1SCA129043R1001 41.4
OT3200...4000 Short type OTS4000G1S/4 1SCA129045R1001 41.6
Ordering information
Accessories – Terminal shrouds
Terminal shrouds for terminal clamps
Snap-on mounting, transparent plastic, IP2X.
Suitable Units/ Weight/
for type unit
terminal clamps Type Order number [pcs] [kg]
OZXB2, 2L OZXB2K 1SCA022264R0010 30.05
OZXB3, 4 OZXB3K 1SCA022264R0440 30.20
OZXB5, 6 OZXB4K 1SCA022199R2850 30.24
OZ X B7, 7 L OZXB5K 1SCA022283R8040 30.13

64 | 1SCC301020C0201 | Switch-disconnectors
Phase separators
Grey plastic plate for maintaining 1" clearance between the phases without terminal shrouds.
Snap-on mounting.
Suitable Units/ Weight/
for type type
switches Type Order number [pcs] [kg]
OT600U, OT630...800E, 3- and 4-pole OTB800/6 1SCA022821R7760 60.35
OT1000…2500, 3- and 4-pole OTB1600/6 1SCA100768R1001 60.50
Phase barriers
The phase barriers designed for ABB Tmax T4-T5 MCCB’s can also be used for OT200...800
switch disconnectors. 3-pole switch disconnectors need 4 barriers and 4-pole switch
disconnectors need 6 barriers for full protection.
Cutting
width w
of the
Suitable Number Height phase Units/ Weight/
for of hbarrier type type
switches poles [mm] [mm] Type Order number [pcs] [kg]
OT160 EV…250 3100 55 PB100 low 1SDA054970R1 4
OT160 EV…250 3200 55 PB200 high 1SDA054972R1 4
OT160 EV…250 4100 55 PB100 low 1SDA054971R1 6
OT160 EV…250 4200 55 PB200 high 1SDA054973R1 6
OT315…400 3100 67 PB100 low 1SDA054970R1 4
OT315…400 3200 67 PB200 high 1SDA054972R1 4
OT315…400 4100 67 PB100 low 1SDA054971R1 6
OT315…400 4200 67 PB200 high 1SDA054973R1 6
OT600…800 3100 90 PB100 low 1SDA054970R1 4
OT600…800 3200 90 PB200 high 1SDA054972R1 4
OT600…800 4100 90 PB100 low 1SDA054971R1 6
OT600…800 4200 90 PB200 high 1SDA054973R1 6
DIN-rail mounting kit
For mounting a switch fuse into 35 mm DIN-rail
Suitable Units/ Weight/
for type type
switches Type Order number [pcs] [kg]
OT160EV...250E OSGZD1 1SCA115688R1001 10.20
Ordering information
Accessories – Mounting and locking accessories
Locking accessories
Suitable Units/ Weight/
for type unit
switches Type Order number [pcs] [kg]
Padlocking adapter
For a padlock with max. 3.5 mm bail.
OT100...125F and OT125M_ SA1 GJF1 101 903 R000 10.01
Door interlock bracket for pistol type handles
Prevents defeating the door interlock.
For pistol type handles OH_45...275 OHZX4 1SCA022467R2470 10.03

Switch-disconnectors | 1SCC301020C0201 | 65
Terminal clamp sets for Al- and Cu-cables Insulated versions
Suitable Cable cross Units/ Weight/
for section type unit
switches [mm2]Type Order number [pcs] [kg]
OT63...125, OTM40…125 16...50 Al, 2.5...50 Cu OZXT1**)1SCA022469R6310 30.05
OT100...125 16...120 Al/Cu OZXT2 1SCA022620R7200 30.21
OT100...125, OTM63…125 2x(16...50) Al/Cu OZXT3 1SCA022639R0720 30.21
Including 0.75...2.5 mm2 voltage sensing connection. Voltage sensing wires are not included
OTM40...125 16...50 Al/2.5...50 Cu OZXT6 1SCA122537R1001 30.06
Terminal clamp sets for Al- and Cu-cables
Suitable Cable cross Units/ Delivery Weight/
for section Suitable type batch unit
switches [mm2]shroud Type Order number [pcs] [pcs] [kg]
OT100...125/OTM40…125 10...70 OZX L1 1SCA022439R6770 310.14
OT100...125/OTM40…125 10...70 OZX L1/1 1SCA022469R6220 150 0.05
OZXB type Al/Cu connectors made of stainless steel
OT/OTM160EV...250 10...70 OTS250_L OZXB1L 1SCA022169R2030 310.15
OT/OTM160EV...250 10...70 OTS250_L OZXB1L/1 1SCA022194R0030 150 0.05
OT/OTM160EV...250 25...120 OZXB2K OZXB2 1SCA022119R7610 310.34
OT/OTM160EV...250 25...120 OZXB2K OZXB2/1 1SCA022194R0200 150 0.12
OT/OTM160EV...250 25...120 OZXB2K OZXB2L 1SCA022158R7750 310.43
OT/OTM160EV...250 25...120 OZXB2K OZXB2L/1 1SCA022194R0460 150 0.15
OT/OTM160EV...250 95...185 OTS250_L OZXB8 1SCA022744R1510 310.50
OT/OTM160EV...250 95...185 OTS250_L OZXB8/1 1SCA022744R1600 120 0.15
OT/OTM160EV...250 95...240 OTS250_L OZXB9 1SCA022750R3210 310.50
OT/OTM160EV...250 95...240 OTS250_L OZXB9/1 1SCA022750R3300 120 0.14
OT/OTM315...400 25...120 OZXB2K OZXB2L 1SCA022158R7750 310.43
OT/OTM315...400 25...120 OZXB2K OZXB2L/1 1SCA022194R0460 150 0.15
OT/OTM315...400 95…18 5 OZXB3K OZXB3 1SCA022136R8100 311.28
OT/OTM315...400 95…18 5 OZXB3K OZXB3/1 1SCA022194R0620 120 0.13
OT/OTM315...400 2x(95…185) OZXB3K OZXB4 1SCA022137R4760 311.71
OT/OTM315...400 2x(95…185) OZXB3K OZXB4/1 1SCA022194R0890 120 0.60
OT/OTM315...400 120...240 OZXB5K OZXB7 1SCA022185R0040 311.00
OT/OTM315...400 120...240 OZXB5K OZ XB7/1 1SCA022194R1430 120 0.34
OT/OTM315...400 120...240 OZXB5K OZXB7L 1SCA022185R7130 311.20
OT/OTM315...400 120...240 OZXB5K OZXB7L/1 1SCA022194R1600 120 0.39
OT/OTM315...400 95...185 OTS400_L OZXB8 1SCA022744R1510 310.50
OT/OTM315...400 95...185 OTS400_L OZXB8/1 1SCA022744R1600 120 0.15
OT/OTM315...400 95...240 OTS400_L OZXB9 1SCA022750R3210 310.50
OT/OTM315...400 95...240 OTS400_L OZXB9/1 1SCA022750R3300 120 0.14
OT/OTM630…800 120…300 OZXB4K OZXB5 1SCA022137R2470 312.22
OT/OTM630…800 120…300 OZXB4K OZXB5/1 1SCA022194R1010 120 0.80
OT/OTM630…800 2x(120…300) OZXB4K OZXB6 1SCA022137R4920 313.03
OT/OTM630…800 2x(120…300) OZXB4K OZXB6/1 1SCA022194R1270 120 1.00
**) In=63 A
- More information on Al/Cu terminal clamps, see the catalogue OZX1A GB.
- Included bolt sets:
OT 160EV...250, OZXE51, M8x25, 6 pcs/package
OT 315...400, OZXE54, M10x30, 6 pcs/package
OT 630...800, OZXE3, M12x40, 6 pcs/package
Ordering information
Accessories – Terminal clamps
OZXB1L OZXB2
OZXB2L OZXB3
OZXB4 OZXB7
OZXB8 OZXB9
OZXB5 OZXB6

66 | 1SCC301020C0201 | Switch-disconnectors
Terminal clamp sets for Al- and Cu-cables
Suitable Cable cross Units/ Delivery Weight/
for section Suitable type batch unit
switches [mm2]shroud Type Order number [pcs] [pcs] [kg]
OZXB type Al/Cu connectors made of stainless steel
OT/OTM1000...1600 9 5…18 5 OTS1600_L OZXB3 1SCA022136R8100 311.28
OT/OTM1000...1600 9 5…18 5 OTS1600_L OZXB3/1 1SCA022194R0620 120 0.13
OT/OTM1000...1600 2x(95…185) OTS1600_L OZXB4 1SCA022137R4760 311.71
OT/OTM1000...1600 2x(95…185) OTS1600_L OZXB4/1 1SCA022194R0890 120 0.60
OT/OTM1000...1600 120…300 OTS1600_L OZXB5 1SCA022137R2470 312.22
OT/OTM1000...1600 120…300 OTS1600_L OZXB5/1 1SCA022194R1010 120 0.80
OT/OTM1000...1600 2x(120…300) OTS1600_L OZXB6 1SCA022137R4920 313.03
OT/OTM1000...1600 2x(120…300) OTS1600_L OZXB6/1 1SCA022194R1270 120 1.00
OT/OTM1000...1600 120…240 OTS1600_L OZXB7L 1SCA022185R7130 311.20
OT/OTM1000...1600 120...240 OTS1600_L OZXB7L/1 1SCA022194R1600 120 0.39
OT/OTM2000…2500 95…18 5 OTS2500_L OZXB3 1SCA022136R8100 311.28
OT/OTM2000…2500 95…18 5 OTS2500_L OZXB3/1 1SCA022194R0620 120 0.13
OT/OTM2000…2500 2x(95…185) OTS2500_L OZXB4 1SCA022137R4760 311.71
OT/OTM2000…2500 2x(95…185) OTS2500_L OZXB4/1 1SCA022194R0890 120 0.60
OT/OTM2000…2500 120…300 OTS2500_L OZXB5 1SCA022137R2470 312.22
OT/OTM2000…2500 120…300 OTS2500_L OZXB5/1 1SCA022194R1010 120 0.80
OT/OTM2000…2500 2x(120…300) OTS2500_L OZXB6 1SCA022137R4920 313.03
OT/OTM2000…2500 2x(120…300) OTS2500_L OZXB6/1 1SCA022194R1270 120 1.00
OT/OTM2000…2500 120…240 OTS2500_L OZXB7L 1SCA022185R7130 311.20
OT/OTM2000…2500 120...240 OTS2500_L OZXB7L/1 1SCA022194R1600 120 0.39
OT3200...4000 95…18 5 OTS4000_L OZXB3 1SCA022136R8100 311.28
OT3200...4000 95…18 5 OTS4000_L OZXB3/1 1SCA022194R0620 120 0.13
OT3200...4000 2x(95…185) OTS4000_L OZXB4 1SCA022137R4760 310.43
OT3200...4000 2x(95…185) OTS4000_L OZXB4/1 1SCA022194R0890 120 0.60
OT3200...4000 120…300 OTS4000_L OZXB5 1SCA022137R2470 312.22
OT3200...4000 120…300 OTS4000_L OZXB5/1 1SCA022194R1010 120 0.80
OT3200...4000 2x(120…300) OTS4000_L OZXB6 1SCA022137R4920 313.03
OT3200...4000 2x(120…300) OTS4000_L OZXB6/1 1SCA022194R1270 120 1.00
OT3200...4000 120…240 OTS4000_L OZXB7L 1SCA022185R7130 311.20
OT3200...4000 120...240 OTS4000_L OZXB7L/1 1SCA022194R1600 120 0.39
Ordering information
Accessories – Terminal clamps
OZXR type Al/Cu connectors made of stainless steel and copper
OT160 EV…250 25...95 OTS250_L OZXR95 1SCA115530R1001 310.21
OT200…250 9 5…18 5 OTS250_L OZ XR185 1SCA115531R1001 310.45
OT315...400 2x(95…185) -OZXR2X185 1SCA115534R1001 310.66
OT315...400 185...300 -OZXR300 1SCA115533R1001 310.87
OT630...800 2x(185...300) -OZXR2X300 1SCA115535R1001 311.59
OT315...400 95...240 OTS400_L OZXR240 1SCA115532R1001 310.42
OZXP type Al/Cu connectors made of tin plated aluminium profile
OT160 EV…250 6...95 OTS250_L OZXP95 1SCA115539R1001 310.03
OT315...400 35...240 -OZXP240 1SCA115542R1001 310.27
OT630...800 2x(70...240) OTS800_L OZXP2X240 1SCA115544R1001 311.38
- More information on Al/Cu terminal clamps, see the catalogue OZX1A GB.
- Included bolt sets:
OT1000...1250, OZXE11, M12x50, 6 pcs/package
OT1600, OZXE14, M12x60, 6 pcs/package
OT2000.2500, OZXE14, M12x60, 12 pcs/package
OT3200...4000, OZXE14, M12x60, 24 pcs/package
OZXR95
OZXB3
OZXB4
OZXB5
OZXB6

Switch-disconnectors | 1SCC301020C0201 | 67
Ordering information
Accessories – Terminal clamps
Terminal clamp sets for Al- and Cu-cables for UL/CSA switches
Cable cross Units/ Weight/
section type unit
Description [mm2]Type Order number [pcs] [kg]
Terminal set Al/Cu 6X(2,5...35) OZXM2/1 1SCA101164R1001 1
Connector for power cable OZXP120 1SCA115540R1001 0.15
Connector for power cable OZXP150 1SCA115541R1001 0.174
Connector for power cable OZXP300 1SCA115543R1001 0.402
Connector for power cable OZXR70 1SCA115529 R1001 0.135
Terminal set OZXT6 1SCA122537R1001 0.08
OZXR70

68 | 1SCC301020C0201 | Switch-disconnectors
OTZW25 OTZW17
OTZW24
OTZW26
6 and 8-pole switch mechanism
Suitable Shaft Units/ Weight/
for distance type unit
switches [mm] Type Order number [pcs] [kg]
Parallel attachment for connecting two 3- or 4-pole switches
The switches work simultaneously. Mounting directly on the top of two switch-disconnectors, snap-on mounting. The switch size
is printed on stickers for the different switch sizes. The fourth pole or auxiliary contacts can be mounted on the outer side of the
combination.
OT16...40 OWP6D40 1SCA022865R4800 10.03
OT63...80 OWP6D80 1SCA022865R5010 10.03
OT100...125 OWP6D125 1SCA022865R5100 10.03
Attachment levers for connecting two 3- or 4-pole switches
Attachment levers provided with holes, enabling different shaft distances.
The combination switches can be mounted either horizontally or vertically. Two 3 or 4-pole switches needed.
OT16...40 45+(0...12)x15 OTZW8 1SCA022421R7600 10.17
OT63...80 60+(0...11)x15 OTZW8 1SCA022421R7600 10.17
OT100...125 75+(0...10)x15 OTZW8 1SCA022421R7600 10.17
Change-over switch mechanism
Two switches connected with a mechanism operating into I-O-II -positions.
Two 3 or 4-pole switches needed.
Change-over kits
The modular change-over switches can be built by adding a compact snap-on kit on the top of two switch-disconnectors. The kits do
not require any additional foot print area, only the height is increased 12 mm.
OT16…40 OXS6_, OXP6_ OWC6D40 1SCA022865R4550 10.03
OT63…80 OXS6_, OXP6_ OWC6D80 1SCA022865R4630 10.07
OT100...125 OXS6_, OXP6_ OWC6D125 1SCA104494R1001 10.09
Attachment levers
OT160EV...250 210+(0...18)x20 OTZW25 1SCA022778R6920 12.8
See the table of the handles and shafts included in the conversion kits on next page.
Ordering information
Accessories – Conversion kits for front operated switch
combinations
OWP6D40
OWC6D40
OWC6D125
OWP6D80
OWP6D125
OTZW8
By-pass switch mechanism
A combination of two switches in parallel with a third switch for change-over operation to by-
pass, for example, a breaker for maintenance. The by-pass attachment can be used together
with another combination attachment. Three 3 or 4-pole switches needed.
Suitable Shaft Units/ Weight/
for distance type unit
switches [mm] Type Order number [pcs] [kg]
OT16...125 Between 1 and 2: 90+(0...6)x15 OTZW17 1SCA022387R1620 10.88
Between 1 and 3: 90+(0...10)x15
OT160EV...250 Between 1 and 2: 210+(0...9)x20 OTZW26 1SCA022778R7060 13.3
Between 1 and 3: 250+(0...9)x20
Mechanical interlock mechanism
Prevents one switch from moving to ON-position, if the other is not in OFF-position. When
mounted upside down, prevents one switch from moving to OFF-position, if the other is not in
ON-position. (UPS-usage, make-before-break).
OT16...125 100 OTZW24 1SCA022639R5610 10.08
OT160...250 190 OTZW10 1SCA022431R5280 10.40
See the table of the handles and shafts included in the conversion kits on next page.

Switch-disconnectors | 1SCC301020C0201 | 69
I ONI ON
II ON II ON
O
OFF
O
OFF
Change-over switches Bypass switches
II
III
I
I
I II
II
I
I
II
II
Ordering information
Accessories – Conversion kits for front operated switch
combinations
The shafts and handles for conversion kits
Conversion
kit
type
To be
ordered
separately
Included in
conversion
kit delivery
The standard handle / shaft of
one of the combined switches can
be used
Shaft Handle Shaft Handle Shaft Handle
6 and 8-pole switches
OWP6D40 x (shaft dia 6 mm) OHBS1A_ ----
OWP6D80 x (shaft dia 6 mm) OHBS1A_ ----
OWP6D125 x (shaft dia 6 mm) OHBS1A_ ----
OWP6D40 x (shaft dia 6 mm) OHB45J6 ----
OWP6D80 x (shaft dia 6 mm) OHB45J6 ----
OWP6D125 x (shaft dia 6 mm) OHB45J6 ----
OTZW8 x x - - - -
Change-over switches
OWC6D40 x (shaft dia 6 mm) OHBS2AJE011 ----
OWC6D80 x (shaft dia 6 mm) OHBS2AJE011 ----
OWC6D125 x (shaft dia 6 mm) OHBS2AJE011 ----
OWC6D40 x (shaft dia 6 mm) OHB45J6E311 ----
OWC6D80 x (shaft dia 6 mm) OHB45J6E311 ----
OWC6D125 x (shaft dia 6 mm) OHB45J6E311 ----
OTZW25 - - x (2 pcs) OHB95J12E011 - -
By-pass switches
OTZW17 - - x (3 pcs) OHB80J6E011
OTZW26 - - x (3 pcs) OH B95 J12E011 - -
Mechanical interlock
OTZW24 - - - - x x
OTZW10 - - - - x x
Change-over switches
Bypass switches
Mechanical interlock
I ONI ON
II ON II ON
O
OFF
O
OFF
Change-over switches Bypass switches
II
III
I
I
I II
II
I
I
II
II
I II II I III
I ONI ON
II ON II ON
O
OFF
O
OFF
Change-over switches Bypass switches
II
III
I
I
I II
II
I
I
II
II
I II II I III
I ONI ON
II ON II ON
O
OFF
O
OFF
Change-over switches Bypass switches
II
III
I
I
I II
II
I
I
II
II
I II II I III
S01233A
S01233A
S00372A

70 | 1SCC301020C0201 | Switch-disconnectors
Mechanism interlock kits and electrical interlocks
OT160EV… 4000 switch-disconnectors can be interlocked in the OFF-position using padlocks
or a mechanical interlock kit mounted on the mechanism. The diameter of the lock bail can be
max 8 mm.
Suitable Units/ Weight/
for type unit
switches Type Order number [pcs] [kg]
Interlocking in the OFF-position
OT160 EV…250 OTZT1A 1SCA106522R1001 10.21
OT315…400 OTZT2A 1SCA106523R1001 10.57
OT600U, OT630…800E OTZT3A 1SCA106525R1001 10.75
OT800U, OT1000…4000 OTZT4A 1SCA106526R1001 11.15
Interlocking in the OFF- and ON-positions
OT160 EV…250 OTZT1L 1SCA106527R1001 10.21
OT315…400 OTZT2L 1SCA106529R1001 10.57
OT600U, OT630…800E OTZT3L 1SCA106530R1001 10.75
OT800U, OT1000…4000 OTZT4L 1SCA106531R1001 11.15
Mechanical interlock between OT earthing switch and OT1000…2500 switch-
disconnector or E-max / T7 breaker
The operation of both the earthing switch and the switch-disconnector / breaker into ON-
position at the same time is mechanically prevented by using two cables between the earthing
switch and main switch or breaker. Cable length 1370 mm.
Suitable Units/ Weight/
for type unit
switches Description Type Order number [pcs] [kg]
Mechanical interlock kit
OT1000…2500 OTZL4 1SCA116554R1001 10.5
Cable set
OT1000…2500, E-max/T7 Including 2 pcs
1370 mm long cables
-1SDA062127R1 10.2
Electrical interlock kit
Suitable Units/ Weight/
for type unit
switches Description Type Order number [pcs] [kg]
OT1000...2500E Locking in OFF-position OTZM4A 1SCA118510R1001 10.85
OT1000…2500E Locking in OFF- and
-position
OTZM4L 1SCA118511R1001 10.85
Ordering information
Accessories – Mechanical and electrical interlocks
OTZT1A
OT_EM_
+ OTZL4
S07059
OT switch +
OTZL4 or
Emax, T7
S07059
OTZT2A
OTZT3A
OTZL4

Switch-disconnectors | 1SCC301020C0201 | 71
Coils for OTZT_ and OTZM_ electrical interlocks
By installing a coil inside the housing of the interlock kit the switch can be interlocked
electrically in the OFF-position or both in the OFF- and ON-positions. The electrical interlock
works using the “closed circuit principle”, meaning that when the control voltage is not
connected to the coil. The switches provided with A-type interlocks cannot be turned to
the ON-position and switches with L-type interlocks cannot be turned to the ON- or OFF-
positions.
Suitable Units/ Weight/
for type unit
switches Type Order number [pcs] [kg]
AC coils
24 VAC, 60Hz PDAL2/24AC60Hz 1SCA111350R1001 10.15
110 VAC, 50Hz PDAL2/110AC50Hz 1SCA106543R1001 10.15
110 VAC, 60Hz PDAL2/110AC60Hz 1SCA107100R1001 10.15
120 VAC, 60 Hz PDAL2/120AC60Hz 1SCA111353R1001 10.15
208 VAC, 60Hz PDAL2/208AC60Hz 1SCA107101R1001 10.15
230 VAC, 50Hz PDAL2/230AC50Hz 1SCA107102R1001 10.15
240 VAC, 60Hz PDAL2/240AC60Hz 1SCA111356R1001 10.15
DC coils
24 VDC PDAL2/24DC 1SCA106542R1001 10.15
48 VDC PDAL2/48DC 1SCA107103R1001 10.15
60 VDC PDAL2/60DC 1SCA107104R1001 10.15
110 V DC PDAL2/110DC 1SCA107105R1001 10.15
125 VDC PDAL2/125DC 1SCA111338R1001 10.15
220 VDC PDAL2/220DC 1SCA112503R1001 10.15
Technical data for the coil
Operating voltage U = 0.7...1.1 x Un
Operating ambient temperature - 40°C...+65°C
Power consumption with AC 6.5 W
with DC 9 VA
Ordering information
Accessories – Electrical interlocks

72 | 1SCC301020C0201 | Switch-disconnectors
Dimension drawings
Front operated switch-disconnectors, IEC, UL/CSA
OT16...40F3, _F4
OT63...80F3, _F4
Shaft Handle Handle
OXS OH_S2 OH_S1
A/mm L min/max L min/max
85 107/126 93/110
105 127/146 113/130
120 142/161 128/145
130 152/171 138/155
160 182/201 168/185
180 202/221 188/205
250 272/291 258/275
330 352/371 338/355
M00157/OT16-40F3_F4 C
Shaft Handle
OX OZ331_P
A/mm L min/max
60 92/120
85 117/145
105 137/165
115 147/175
130 162/190
155 187/215
200 232/260
300 332/360
Shaft Handle Handle
OXS OH_S2 OH_S1
A/mm L min/max L min/max
85 107/126 93/110
105 127/146 113/130
120 142/161 128/145
130 152/171 138/155
160 182/201 168/185
180 202/221 188/205
250 272/291 258/275
330 352/371 338/355
M00157/OT16-40F3_F4 C
Shaft Handle
OX OZ331_P
A/mm L min/max
60 92/120
85 117/145
105 137/165
115 147/175
130 162/190
155 187/215
200 232/260
300 332/360
Shaft Handle Handle
OXS OH_S2 OH_S1
A/mm L min/max L min/max
85 123,5/142,5 109,5/126,5
105 143,5/162,5 129,5/146,5
120 158,5/177,5 144,5/161,5
130 168,5/187,5 154,5/171,5
160 198,5/217,5 184,5/201,5
180 218,5/237,5 204,5/221,5
250 288,5/307,5 274,5/291,5
330 368,5/387,5 354,5/371,5
Shaft Handle
OX OZ331_P
A/mm L min/max
60 108,5/136,5
85 133,5/161,5
105 153,5/181,5
115 163,5/191,5
130 178,5/206,5
155 203,5/231,5
200 248,5/276,5
300 348,5/376,5
M00161/OT63-80F3_F4 C
Shaft Handle Handle
OXS OH_S2 OH_S1
A/mm L min/max L min/max
85 123,5/142,5 109,5/126,5
105 143,5/162,5 129,5/146,5
120 158,5/177,5 144,5/161,5
130 168,5/187,5 154,5/171,5
160 198,5/217,5 184,5/201,5
180 218,5/237,5 204,5/221,5
250 288,5/307,5 274,5/291,5
330 368,5/387,5 354,5/371,5
Shaft Handle
OX OZ331_P
A/mm L min/max
60 108,5/136,5
85 133,5/161,5
105 153,5/181,5
115 163,5/191,5
130 178,5/206,5
155 203,5/231,5
200 248,5/276,5
300 348,5/376,5
M00161/OT63-80F3_F4 C

Switch-disconnectors | 1SCC301020C0201 | 73
Dimension drawings
Front operated switch-disconnectors, IEC, UL/CSA
OT30, 60, 100, 125F3, _F4
Shaft Handle Handle
OXS OH_S2 OH_S1
A/mm L min/max L min/max
85 127/139 113/123
105 147/159 133/143
120 162/174 148/158
130 172/184 158/168
160 202/214 188/198
180 222/234 208/218
250 292/304 278/288
330 372/384 358/368
Shaft Handle
OX OZ331_P
A/mm L min/max
60 112/133
85 137/158
105 157/178
115 167/188
130 182/203
155 207/228
200 252/273
300 352/373
M00166/OT100-125F3_4 D
Shaft Handle Handle
OXS OH_S2 OH_S1
A/mm L min/max L min/max
85 127/139 113/123
105 147/159 133/143
120 162/174 148/158
130 172/184 158/168
160 202/214 188/198
180 222/234 208/218
250 292/304 278/288
330 372/384 358/368
Shaft Handle
OX OZ331_P
A/mm L min/max
60 112/133
85 137/158
105 157/178
115 167/188
130 182/203
155 207/228
200 252/273
300 352/373
M00166/OT100-125F3_4 D

74 | 1SCC301020C0201 | Switch-disconnectors
Dimension drawings
Front operated switch-disconnectors, IEC, UL/CSA
OT16...40FT3, _FT4, door mounting
52
54
12
11 11
40
11
22
35
37
11
OA1G01
OTS40T3
OA1G10
27
5,7
5,4
OTPS40FDN2
13,4
36
36
43
43
3
ø3
OH_ S1=25
OH_ S2=34,5
OH_ S1=50
OH_ S2=65
OH_S1R
OH_ S2R
68 OH_ S1P_
OH_ S2P_
OH_ S1=25
OH_ S2=34,5
OH_ S1=50
OH_ S2=65
OTS40T1
40
M00160/OT16-40FT/ES B
door thickness
1...5 mm
OT63...80FT3, _FT4, door mounting

Switch-disconnectors | 1SCC301020C0201 | 75
Dimension drawings
Front operated switch-disconnectors, IEC, UL/CSA
OT100...125FT3, _FT4, door mounting

76 | 1SCC301020C0201 | Switch-disconnectors
Dimension drawings
Front operated switch-disconnectors, IEC
OT125FL3 and OT125FLA3

Switch-disconnectors | 1SCC301020C0201 | 77
Dimension drawings
Front operated switch-disconnectors, IEC
11 57 EN 50022
68
2,5
15
45
40
60
ø4,5
45
5
I
0
OA1L11
35
27
17
62
8,8
I
0
11 11
8,8
22
10
43,8
OT_M4
52
M00174/OT16-40M B
S01183A
90
91,4
57,4
62,5
11
45
43,5
82,5
43,5
17,5
79
13
OA2L11
17,5
10
8,8
17,5
Ø 4,5
5
54
EN50022
90
OT63ML
OT16...40M

78 | 1SCC301020C0201 | Switch-disconnectors
OT125M
Dimension drawings
Front operated switch-disconnectors, IEC
40
12
18
12
22,5 22,5 26
Ø 4,5
100 90
8,8 56
70 26,5
90
OA3L11
8
45
11
63
44
56,5
S01063A
EN50022
OT16...40F6, _F8
Shaft Handle Handle
OXS OH_S2 OH_S1
A/mm L min/max L min/max
85 110/120 124/136
105 130/140 144/156
120 145/155 159/171
130 155/165 169/181
160 185/195 199/211
180 205/215 219/231
250 275/285 289/301
330 355/365 369/381
Shaft Handle
OXS OZ331_P
A/mm L min/max
60 109/130
85 134/155
105 154/175
115 164/185
130 179/200
155 204/225
200 249/270
300 349/370
M00159/OT16-40F6_8 D
Shaft Handle Handle
OXS OH_S2 OH_S1
A/mm L min/max L min/max
85 110/120 124/136
105 130/140 144/156
120 145/155 159/171
130 155/165 169/181
160 185/195 199/211
180 205/215 219/231
250 275/285 289/301
330 355/365 369/381
Shaft Handle
OXS OZ331_P
A/mm L min/max
60 109/130
85 134/155
105 154/175
115 164/185
130 179/200
155 204/225
200 249/270
300 349/370
M00159/OT16-40F6_8 D

Switch-disconnectors | 1SCC301020C0201 | 79
OH_45J6, OH_65J6
A L
130 166...176
150 186...196
210 246...256
290 326...336
360 396...406
430 466...476
M00163/OT63-80F6 B
Dimension drawings
Front operated switch-disconnectors, IEC, UL/CSA
OT63...80F6, _F8
OH_45J6, OH_65J6
A L
130 166...176
150 186...196
210 246...256
290 326...336
360 396...406
430 466...476
M00163/OT63-80F6 B
OH_45J6, OH_65J6
A L
130 165...175
150 185...195
210 245...255
290 325...335
360 395...405
430 465...475
M00165/OT100-125F6 B
OT100...125F6, _F8
OH_45J6, OH_65J6
A L
130 165...175
150 185...195
210 245...255
290 325...335
360 395...405
430 465...475
M00165/OT100-125F6 B

80 | 1SCC301020C0201 | Switch-disconnectors
A2
114
A1
B2
109,5
B1 C1
84
C2
114
57
B
A
70 35
20 35
94
122
100
M5 10
33,5 3
25
150
70
14 min
189...254
(OXP 6x210)
45
6
65
83
12,5
6
OT160EV_/200E_/250E_
[mm] E11 E12 E13 E22
A 80 80 80 115
B 115,5 150,5 185,5 185,5
A1 90 125 160 160
A2 45 45 45 80
B1 106 141 141 176
B2 53 53 53 88
C1 120 155 190 190
C2 60 60 60 95
M00017/OT200_250E11_22 F
10
114
A1
109,5
B1
18
84
C1
25
10
Ø9
4
35
17,5
100
57
45
A
35 20
122
M5
34,6
33,5
25
150
70 189...254
14 min
45
3
6
( OXP 6x210)
65
83
12,5
6
66
OT160EV_/200E_/250E_
[mm] E01 E02 E03 E04
A 75,5 110,5 145,5 180,5
A1 55 90 125 160
B1 71 106 141 176
C1 85 120 155 190
M00011/S01843 OT200_250E01_04 F
OT160EV_P, OT200_P and OT250_P
Mechanism at the end of the switch
OT160EV_P, OT200_P and OT250_P
Mechanism between the poles
10
114
A1
109,5
B1
18
84
C1
25
10
Ø9
4
35
17,5
100
57
45
A
35 20
122
M5
34,6
33,5
25
150
70 189...254
14 min
45
3
6
( OXP 6x210)
65
83
12,5
6
66
OT160EV_/200E_/250E_
[mm] E01 E02 E03 E04
A 75,5 110,5 145,5 180,5
A1 55 90 125 160
B1 71 106 141 176
C1 85 120 155 190
M00011/S01843 OT200_250E01_04 F
A2
114
A1
B2
109,5
B1 C1
84
C2
114
57
B
A
70 35
20 35
94
122
100
M5 10
33,5 3
25
150
70
14 min
189...254
(OXP 6x210)
45
6
65
83
12,5
6
OT160EV_/200E_/250E_
[mm] E11 E12 E13 E22
A 80 80 80 115
B 115,5 150,5 185,5 185,5
A1 90 125 160 160
A2 45 45 45 80
B1 106 141 141 176
B2 53 53 53 88
C1 120 155 190 190
C2 60 60 60 95
M00017/OT200_250E11_22 F
Dimension drawings
Front operated switch-disconnectors, IEC

Switch-disconnectors | 1SCC301020C0201 | 81
A2
140
A1
B2
135
B1
C2
104
C1
25 48
Ø11
5
12,5
150
A
B
44
140
120
70
M5
185
40 4
32,5
20 min
85
165...245
(OXP 12x185)
45
12
95
126/51,5
22
6
0,24
M00018/OT315_400E11_22 E
OT315/400_
[mm] E11 E12 E13 E22
A 109 109 109 153
B 152 196 240 240
A1 122 166 210 210
A2 61 61 61 105
B1 140 184 228 228
B2 70 70 70 114
C1 158 202 246 246
C2 79 79 79 123
M00012_ES/OT315_400E01_04 E
OT315_...OT400_
[mm] E01 E02 E03 E04
A 103 147 191 235
B - 44 44 44
A1 140 140 140 140
A2 78 122 166 210
B1 135 135 135 135
B2 96 140 184 228
C1 104 104 104 104
C2 114 158 202 246
Dimension drawings
Front operated switch-disconnectors, IEC
OT315_P and OT400_P
Mechanism between the poles
OT315_P and OT400_P
Mechanism at the end of the switch
M00012_ES/OT315_400E01_04 E
OT315_...OT400_
[mm] E01 E02 E03 E04
A 103 147 191 235
B - 44 44 44
A1 140 140 140 140
A2 78 122 166 210
B1 135 135 135 135
B2 96 140 184 228
C1 104 104 104 104
C2 114 158 202 246
A2
140
A1
B2
135
B1
C2
104
C1
25 48
Ø11
5
12,5
150
A
B
44
140
120
70
M5
185
40 4
32,5
20 min
85
165...245
(OXP 12x185)
45
12
95
126/51,5
22
6
0,24
M00018/OT315_400E11_22 E
OT315/400_
[mm] E11 E12 E13 E22
A 109 109 109 153
B 152 196 240 240
A1 122 166 210 210
A2 61 61 61 105
B1 140 184 228 228
B2 70 70 70 114
C1 158 202 246 246
C2 79 79 79 123

82 | 1SCC301020C0201 | Switch-disconnectors
23,5
0,93
180
7,09
A1
32,5
1,28
175,2
6,90
B1
41,5
1,63
144
5,67
C1
32,5
1,28
65
2,56
13,5
0,53
90
3,54
160
6,30
180
7,07
88,5
3,48
65
2,56
39
1,54
A
198
7,80
6
0,24 20
0,79
M5
3/16
60,4
2,38 5
5,5
0,20
0,22
26
1,02
12
0,47
22
0,87
250
9,84
114
4,49
min 20
min 0,79
45
1,77
160...285
6,30...11,22
61,5 / 138,6
2,42 / 5,46
125
4,92
45
1,77
(OXP 12 x 185)
C00013_/13OT630_800_01_04 B /ES
OT630/800
[mm/in] E01 E02 E03 E04
A 136/5,35 201/7,91 266/10,47 331/13,03
A1 112/4,41 177/6,97 242/9,53 307/12,09
B1 130/5,12 195/7,68 260/10,24 325/12,80
C1 148/5,83 213/8,39 278/10,95 343/13,50
A1
ON
I
T
O
OFF
180
7,09
88,5
3,48
C1
ON
I
T
O
OFF
144
5,67
106,5
4,19
B1
ON
I
T
O
OFF
175
6,89
97,5
3,84
A
ON
I
T
O
OFF
13,5
0,53
6
0,24 20
0,79
198
7,80
39
1,54
160
6,30
180
7,09
95
3,74
65
2,56
90
3,54
65
2,56
65
2,56
130
5,12
M5
3/16
22
0,87
114
4,49
160...285
6,30...11,22 (OXP 12x185)
125
4,92
250
9,84
45
1,77
60,5
2,38
5
0,20
26
1,02
12
0,47
45
1,77
min 20
min 0,79
61,5/138,6
2,42/5,46
110,5
4,35
5,5
0,22
M00082/OT630-800_11_22 C /ES
OT630/800
[mm/in] E11 E12 E13 E22
A 201/7,91 266/10,47 331/13,03 331/13,03
A1 177/6,97 242/9,53 307/12,09 307/12,09
B1 195/7,68 260/10,24 325/12,80 325/12,80
C1 213/8,39 278/10,95 343/13,50 343/13,50
Dimension drawings
Front operated switch-disconnectors, IEC
OT630_P and OT800_P
Mechanism at the end of the switch
OT630_P and OT800_P
Mechanism between the poles
23,5
0,93
180
7,09
A1
32,5
1,28
175,2
6,90
B1
41,5
1,63
144
5,67
C1
32,5
1,28
65
2,56
13,5
0,53
90
3,54
160
6,30
180
7,07
88,5
3,48
65
2,56
39
1,54
A
198
7,80
6
0,24 20
0,79
M5
3/16
60,4
2,38 5
5,5
0,20
0,22
26
1,02
12
0,47
22
0,87
250
9,84
114
4,49
min 20
min 0,79
45
1,77
160...285
6,30...11,22
61,5 / 138,6
2,42 / 5,46
125
4,92
45
1,77
(OXP 12 x 185)
C00013_/13OT630_800_01_04 B /ES
OT630/800
[mm/in] E01 E02 E03 E04
A 136/5,35 201/7,91 266/10,47 331/13,03
A1 112/4,41 177/6,97 242/9,53 307/12,09
B1 130/5,12 195/7,68 260/10,24 325/12,80
C1 148/5,83 213/8,39 278/10,95 343/13,50
A1
ON
I
T
O
OFF
180
7,09
88,5
3,48
C1
ON
I
T
O
OFF
144
5,67
106,5
4,19
B1
ON
I
T
O
OFF
175
6,89
97,5
3,84
A
ON
I
T
O
OFF
13,5
0,53
6
0,24 20
0,79
198
7,80
39
1,54
160
6,30
180
7,09
95
3,74
65
2,56
90
3,54
65
2,56
65
2,56
130
5,12
M5
3/16
22
0,87
114
4,49
160...285
6,30...11,22 (OXP 12x185)
125
4,92
250
9,84
45
1,77
60,5
2,38
5
0,20
26
1,02
12
0,47
45
1,77
min 20
min 0,79
61,5/138,6
2,42/5,46
110,5
4,35
5,5
0,22
M00082/OT630-800_11_22 C /ES
OT630/800
[mm/in] E11 E12 E13 E22
A 201/7,91 266/10,47 331/13,03 331/13,03
A1 177/6,97 242/9,53 307/12,09 307/12,09
B1 195/7,68 260/10,24 325/12,80 325/12,80
C1 213/8,39 278/10,95 343/13,50 343/13,50

Switch-disconnectors | 1SCC301020C0201 | 83
mm
in
13,5
0,53
22,5
11
0,89 20
0,79
40
1,57 6
0,24
OT1000-1250E_
OT1000-1250X_
50
1,97
306
12,05
OT1600E_
OT1600X_
OT800U_
OT1200U_
372
14,65
0,43
3,27
83
122
4,80
82
3,23
116
4,57
206
8,11
189
7,44
A
50
1,97
M00136/OT800U-1600E G
M8
5/16
*)
*)
B
223,2
122
B1
8,79
4,80
176
135
C1
5,31
6,93
232
107
A1
4,21
9,13
176
55
C1
2,17
6,93
223,2
B1
8,79
1,65
42
232
27
A1
1,06
9,13
42
1,65
82
3,23
116
4,57
206
8,11
109
4,29
A
B
M8
5/16
50
1,97
*)
*)
*)N3 types
50
1,97
62,5
2,46
15
0,59
14
0,55
12
0,47
22
0,87
127
178
108
8
min 20
min 0,79
166,5 / 105
6,56 / 4,13 6
0,24
5
167
6,57
7,01
4,25
0,31
8
0,31
*)
167
6,57
251...380 (OXP12x280)
9,84...14,96
131,5
5,18
54
80
70
274
10,79
2,13
2,76
3,15
OT1000/1250/1600E_, OT800/1200U_
[mm/in] 01 02 03 04 11 12 13 22 03W4 04W4 03W8 04W8
A 174,50/6,87 254,50/10,02 334,50/13,17 414,50/16,32 254,50/10,02 334,50/13,17 414,50/16,32 414,50/16,32 454,50/17,89 594,50/23,41 544,50/21,44 729,50/28,72
B 80/3,15 80/3,15 80/3,15 80/3,15 80/3,15 80/3,15 140/5,51 140/5,51 185/7,28 185/7,28
A1 134/5,28 214/8,43 294/11,57 374/14,72 214/8,43 294/11,57 374/14,72 374/14,72 414/16,30 554/21,81 504/19,84 689/27,13
B1 164/6,46 244/9,61 324/12,76 404/15,91 244/9,61 324/12,76 404/15,91 404/15,91 444/17,48 584/22,99 534/21,02 719/28,31
C1 190/7,48 270/10,63 350/13,78 430/16,93 270/10,63 350/13,78 430/16,93 430/16,93 470/18,50 610/24,02 560/22,05 745/29,33
M00135/OT800U-1600E G
Dimension drawings
Front operated switch-disconnectors, IEC, UL/CSA
OT1000_P, OT1250_P, OT1600_P and OT800U_P, OT1200U_P
mm
in
13,5
0,53
22,5
11
0,89 20
0,79
40
1,57 6
0,24
OT1000-1250E_
OT1000-1250X_
50
1,97
306
12,05
OT1600E_
OT1600X_
OT800U_
OT1200U_
372
14,65
0,43
3,27
83
122
4,80
82
3,23
116
4,57
206
8,11
189
7,44
A
50
1,97
M00136/OT800U-1600E G
M8
5/16
*)
*)
B
223,2
122
B1
8,79
4,80
176
135
C1
5,31
6,93
232
107
A1
4,21
9,13
176
55
C1
2,17
6,93
223,2
B1
8,79
1,65
42
232
27
A1
1,06
9,13
42
1,65
82
3,23
116
4,57
206
8,11
109
4,29
A
B
M8
5/16
50
1,97
*)
*)
*)N3 types
50
1,97
62,5
2,46
15
0,59
14
0,55
12
0,47
22
0,87
127
178
108
8
min 20
min 0,79
166,5 / 105
6,56 / 4,13 6
0,24
5
167
6,57
7,01
4,25
0,31
8
0,31
*)
167
6,57
251...380 (OXP12x280)
9,84...14,96
131,5
5,18
54
80
70
274
10,79
2,13
2,76
3,15
OT1000/1250/1600E_, OT800/1200U_
[mm/in] 01 02 03 04 11 12 13 22 03W4 04W4 03W8 04W8
A 174,50/6,87 254,50/10,02 334,50/13,17 414,50/16,32 254,50/10,02 334,50/13,17 414,50/16,32 414,50/16,32 454,50/17,89 594,50/23,41 544,50/21,44 729,50/28,72
B 80/3,15 80/3,15 80/3,15 80/3,15 80/3,15 80/3,15 140/5,51 140/5,51 185/7,28 185/7,28
A1 134/5,28 214/8,43 294/11,57 374/14,72 214/8,43 294/11,57 374/14,72 374/14,72 414/16,30 554/21,81 504/19,84 689/27,13
B1 164/6,46 244/9,61 324/12,76 404/15,91 244/9,61 324/12,76 404/15,91 404/15,91 444/17,48 584/22,99 534/21,02 719/28,31
C1 190/7,48 270/10,63 350/13,78 430/16,93 270/10,63 350/13,78 430/16,93 430/16,93 470/18,50 610/24,02 560/22,05 745/29,33
M00135/OT800U-1600E G

84 | 1SCC301020C0201 | Switch-disconnectors
A
B
116
42
132
100
3,94
5,2
1,65
4,57
mm
in
*)
*)N3 types
*)
*)
*)
50
1,97
A1
232
27
1,06
9,14
55
C1
176
2,17
6,93
B1
223
42
8,79
1,65
232
9,14
153
6,02
A1
223
8,79
B1
168
6,61
176
6,93
181
7,13
C1
210
8,27 A
B
M00137/ OT2000_2500E01-04 D
M00138/ OT2000_2500E01-04 D
105
4,13
M8
5/16
M8
5/16
25
13,5/0,53
25 0,98
0,98
6
0,24
40
1,57
85
3,35
376,5
14,83
20
0,79
14
15
376
206
131,5
62,5
12
0,47
22
0,87
0,55
5,18
8,12
14,81
2,46 0,59
6
0,24
*)
167
6,57
167
6,57
251...380 (OXP12x280)
9,84...14,96
168/107,5
6,61/4,23
8
0,31
8
0,31
178
7,01
min 20
min 0,79
127
5
108
4,25
54
80
70
274
10,79
2,13
2,76
3,15
OT2000/2500E_
[mm/in] 01 02 03 04 11 12 13 22 03W4 04W4 03W8 04W8
A 126/4,96 126/4,96 126/4,96 126/4,96 126/4,96 126/4,96 140/5,51 140/5,51 185/7,28 185/7,28
B 220,5/8,68 346,5/13,64 472,5/18,60 598,5/23,56 346,5/13,64 472,5/18,60 598,5/23,56 598,5/23,56 500,5/19,70 640,5/25,22 590,5/23,25 775,5/30,53
A1 180/7,09 306/12,05 432/17,01 558/21,97 306/12,05 432/17,01 558/21,97 558/21,97 460/18,11 600/23,62 550/21,65 735/28,94
B1 210/8,27 336/13,23 462/18,19 588/23,15 336/13,23 462/18,19 588/23,15 588/23,15 490/19,29 630/24,80 580/22,83 765/30,12
C1 236/9,29 362/14,25 488/19,21 614/24,17 362/14,25 488/19,21 614/24,17 614/24,17 516/20,31 656/25,83 606/23,86 791/31,14
Dimension drawings
Front operated switch-disconnectors, IEC
OT2000_P and OT2500_P
A
B
116
42
132
100
3,94
5,2
1,65
4,57
mm
in
*)
*)N3 types
*)
*)
*)
50
1,97
A1
232
27
1,06
9,14
55
C1
176
2,17
6,93
B1
223
42
8,79
1,65
232
9,14
153
6,02
A1
223
8,79
B1
168
6,61
176
6,93
181
7,13
C1
210
8,27 A
B
M00137/ OT2000_2500E01-04 D M00138/ OT2000_2500E01-04 D
105
4,13
M8
5/16
M8
5/16
25
13,5/0,53
25 0,98
0,98
6
0,24
40
1,57
85
3,35
376,5
14,83
20
0,79
14
15
376
206
131,5
62,5
12
0,47
22
0,87
0,55
5,18
8,12
14,81
2,46 0,59
6
0,24
*)
167
6,57
167
6,57
251...380 (OXP12x280)
9,84...14,96
168/107,5
6,61/4,23
8
0,31
8
0,31
178
7,01
min 20
min 0,79
127
5
108
4,25
54
80
70
274
10,79
2,13
2,76
3,15
OT2000/2500E_
[mm/in] 01 02 03 04 11 12 13 22 03W4 04W4 03W8 04W8
A 126/4,96 126/4,96 126/4,96 126/4,96 126/4,96 126/4,96 140/5,51 140/5,51 185/7,28 185/7,28
B 220,5/8,68 346,5/13,64 472,5/18,60 598,5/23,56 346,5/13,64 472,5/18,60 598,5/23,56 598,5/23,56 500,5/19,70 640,5/25,22 590,5/23,25 775,5/30,53
A1 180/7,09 306/12,05 432/17,01 558/21,97 306/12,05 432/17,01 558/21,97 558/21,97 460/18,11 600/23,62 550/21,65 735/28,94
B1 210/8,27 336/13,23 462/18,19 588/23,15 336/13,23 462/18,19 588/23,15 588/23,15 490/19,29 630/24,80 580/22,83 765/30,12
C1 236/9,29 362/14,25 488/19,21 614/24,17 362/14,25 488/19,21 614/24,17 614/24,17 516/20,31 656/25,83 606/23,86 791/31,14

Switch-disconnectors | 1SCC301020C0201 | 85
ON
OFF
0
T
*)
*)
115
4,53
B
M8
50
1,97
133
5,24
42
1,65
A
87
3,43
*)N3 types
5/16
146
5,75
132
5,2
6
0,24
*)
5
0,20
5
0,20
245/9,65
141/5,55
223
8,79
156,5
6,16
90/3,54
85/3,35
15/0,59
20/0,79
OT3200
OT4000E_
410
16,15
240
9,45
10
0,39
170,5
6,72
100,5
3,96
141/5,55
193,5/7,62
240,5/9,47
274
10,79
80
3,15
12
0,47
54
2,13
70
2,76
9,89...14,97
251...380 (OXP12x280)
410
16,15
85
3,35
13,5
0,53
6
0,24
50
1,97
100
3,94
40/1,57
20/0,79
42
1,65
257
10,12
B1
ON
OFF
0
T
28
1,10
266
10,48
A1
ON
OFF
0
T
55
2,17
210
8,21
C1
ON
OFF
0
T
OT3200E_, 4000E_
[mm/in] 01 02 03 04 03W8 04W8
A 140/5,51 140/5,51 140/5,51 185/7,28 185/7,28
B 234/9,21 374/14,72 514/20,24 654/25,75 604/23,78 789/31,06
A1 195/7,68 335/13,19 475/18,70 615/24,21 565/22,24 750/29,53
B1 224/8,82 364/14,33 504/19,84 644/25,35 594/23,39 779/30,67
C1 250/9,84 390/15,35 530/20,87 670/26,38 805/31,69 619/24,37
M00421/OT3200_4000E01-04 E
Dimension drawings
Front operated switch-disconnectors, IEC
OT3200...4000E_

86 | 1SCC301020C0201 | Switch-disconnectors
M00019/OT400U01_04 E
OT400
[mm/in] U01 U02 U03 U04
A - 54/2,13 54/2,13 54/2,13
B 113/4,45 167/6,58 221/8,70 275/10,83
A1 140/5,51 140/5,51 140/5,51 140/5,51
A2 88/3,47 142/5,59 196/7,72 250/9,84
B1 135/5,32 135/5,32 135/5,32 135/5,32
B2 106/4,17 160/4,17 214/8,43 268/10,55
C1 104/4,09 104/4,09 104/4,09 104/4,09
C2 124/4,88 178/7,01 232/9,13 286/11,27
M00009/OT200U01_04 E
OT200
[mm/in] U01 U02 U03 U04
A - 43/1,69 43/1,69 43/1,69
B 83,5/3,24 126,5/4,98 169,5/6,67 212,5/8,37
A1 114/4,49 114/4,49 114/4,49 114/4,49
A2 63/2,48 106/4,17 149/5,87 192/7,56
B1 109,5/4,31 109,5/4,31 109,5/4,31 109,5/4,31
B2 79/3,11 122/4,80 165/6,50 208/8,19
C1 84/3,31 84/3,31 84/3,31 84/3,31
C2 93/3,66 136/5,35 179/7,05 222/8,74
Dimension drawings
Front operated switch-disconnectors, UL/CSA
OT400U_
OT200U_
M00009/OT200U01_04 E
OT200
[mm/in] U01 U02 U03 U04
A - 43/1,69 43/1,69 43/1,69
B 83,5/3,24 126,5/4,98 169,5/6,67 212,5/8,37
A1 114/4,49 114/4,49 114/4,49 114/4,49
A2 63/2,48 106/4,17 149/5,87 192/7,56
B1 109,5/4,31 109,5/4,31 109,5/4,31 109,5/4,31
B2 79/3,11 122/4,80 165/6,50 208/8,19
C1 84/3,31 84/3,31 84/3,31 84/3,31
C2 93/3,66 136/5,35 179/7,05 222/8,74
M00019/OT400U01_04 E
OT400
[mm/in] U01 U02 U03 U04
A - 54/2,13 54/2,13 54/2,13
B 113/4,45 167/6,58 221/8,70 275/10,83
A1 140/5,51 140/5,51 140/5,51 140/5,51
A2 88/3,47 142/5,59 196/7,72 250/9,84
B1 135/5,32 135/5,32 135/5,32 135/5,32
B2 106/4,17 160/4,17 214/8,43 268/10,55
C1 104/4,09 104/4,09 104/4,09 104/4,09
C2 124/4,88 178/7,01 232/9,13 286/11,27

Switch-disconnectors | 1SCC301020C0201 | 87
C00013_/13OT630_800_01_04 B
OT600
[mm/in] U01 U02 U03 U04
A 136/5,35 201/7,91 266/10,47 331/13,03
A1 112/4,41 177/6,97 242/9,53 307/12,09
B1 130/5,12 195/7,68 260/10,24 325/12,80
C1 148/5,83 213/8,39 278/10,95 343/13,50
Dimension drawings
Front operated switch-disconnectors, UL/CSA
OT600U_
Remark: Dimension drawings for types OT800U_...OT1200U_, see page 82
C00013_/13OT630_800_01_04 B
OT600
[mm/in] U01 U02 U03 U04
A 136/5,35 201/7,91 266/10,47 331/13,03
A1 112/4,41 177/6,97 242/9,53 307/12,09
B1 130/5,12 195/7,68 260/10,24 325/12,80
C1 148/5,83 213/8,39 278/10,95 343/13,50

88 | 1SCC301020C0201 | Switch-disconnectors
M00074/OT200E11_22W A
OT160EV_/200E_/250E_
[mm] E11W E12W E13W E22W
A 96 96 96 139
B 131,5 174,5 217,5 217,5
A1 114 114 114 114
A2 106 149 192 192
A3 53 53 53 96
B1 109,5 109,5 109,5 109,5
B2 122 165 208 208
B3 61 61 61 104
C1 84 84 84 84
C2 136 179 222 222
C3 68 68 68 111
M00073/OT200E01_04W A
OT160EV_/200E_/250E_
[mm] E01W E02W E03W E04W
A - 43 43 43
B 83,5 126,5 169,5 212,5
A1 114 114 114 114
A2 63 106 149 192
B1 109,5 109,5 109,5 109,5
B2 79 122 165 208
C1 84 84 84 84
C2 93 136 179 222
Dimension drawings
Front operated switch-disconnectors, IEC
OT160EV_WP, OT200_WP and OT250_WP
Mechanism at the end of the switch
OT160EV_WP, OT200_WP and OT250_WP
Mechanism between the poles
M00073/OT200E01_04W A
OT160EV_/200E_/250E_
[mm] E01W E02W E03W E04W
A - 43 43 43
B 83,5 126,5 169,5 212,5
A1 114 114 114 114
A2 63 106 149 192
B1 109,5 109,5 109,5 109,5
B2 79 122 165 208
C1 84 84 84 84
C2 93 136 179 222
M00074/OT200E11_22W A
OT160EV_/200E_/250E_
[mm] E11W E12W E13W E22W
A 96 96 96 139
B 131,5 174,5 217,5 217,5
A1 114 114 114 114
A2 106 149 192 192
A3 53 53 53 96
B1 109,5 109,5 109,5 109,5
B2 122 165 208 208
B3 61 61 61 104
C1 84 84 84 84
C2 136 179 222 222
C3 68 68 68 111

Switch-disconnectors | 1SCC301020C0201 | 89
M00019/OT400U/E01_04W/ES G
OT315/400
[mm] E01W E02W E03W E04W
A 113 167 221 275
A1 88 142 196 250
B1 106 160 214 268
C1 124 178 232 286
M00078/OT200_250E01_04K A
OT160EV_/200E_/250E_
[mm] E01K E02K E03K E04K
A - 35 35 35
B 75,5 110,5 145,5 180,5
A1 114 114 114 114
A2 55 90 125 160
B1 109,5 109,5 109,5 109,5
B2 71 106 141 176
C1 84 84 84 84
C2 85 120 155 190
OT315_WP and OT400_WP
Remark: Dimension drawings for types OT1000_W_P...OT2000_W_P, see pages 83 and 84
OT160EV_K, OT200_K and OT250_K
M00078/OT200_250E01_04K A
OT160EV_/200E_/250E_
[mm] E01K E02K E03K E04K
A - 35 35 35
B 75,5 110,5 145,5 180,5
A1 114 114 114 114
A2 55 90 125 160
B1 109,5 109,5 109,5 109,5
B2 71 106 141 176
C1 84 84 84 84
C2 85 120 155 190
M00019/OT400U/E01_04W/ES G
OT315/400
[mm] E01W E02W E03W E04W
A 113 167 221 275
A1 88 142 196 250
B1 106 160 214 268
C1 124 178 232 286
Dimension drawings
Front operated switch-disconnectors, IEC

90 | 1SCC301020C0201 | Switch-disconnectors
M00079/OT315_400E01_04K A
OT315_...OT400_
[mm] E01K E02K E03K E04K
A - 44 44 44
B 103 147 191 235
A1 140 140 140 140
A2 78 122 166 210
B1 135 135 135 135
B2 96 140 184 228
C1 104 104 104 104
C2 114 158 202 246
M00096/13*OT630-800_01-04K/ES A
OT630/800
[mm/in] E01K E02K E03K E04K
A 136/5,35 201/7,91 266/10,47 331/13,03
A1 112/4,41 177/6,97 242/9,53 307/12,09
B1 130/5,12 195/7,68 260/10,24 325/12,80
C1 148/5,83 213/8,39 278/10,95 343/13,50
OT315_K and OT400_K
OT630_K and OT800_K
Remark: OT1000...2500_K, see dimension drawings for switches from pages 83 and 84,
dimension drawings for direct mount handle OTV1000EK, see page 103
M00096/13*OT630-800_01-04K/ES A
OT630/800
[mm/in] E01K E02K E03K E04K
A 136/5,35 201/7,91 266/10,47 331/13,03
A1 112/4,41 177/6,97 242/9,53 307/12,09
B1 130/5,12 195/7,68 260/10,24 325/12,80
C1 148/5,83 213/8,39 278/10,95 343/13,50
M00079/OT315_400E01_04K A
OT315_...OT400_
[mm] E01K E02K E03K E04K
A - 44 44 44
B 103 147 191 235
A1 140 140 140 140
A2 78 122 166 210
B1 135 135 135 135
B2 96 140 184 228
C1 104 104 104 104
C2 114 158 202 246
Dimension drawings
Front operated switch-disconnectors, IEC

Switch-disconnectors | 1SCC301020C0201 | 91
Dimension drawings
Side operated switch-disconnectors, IEC
OFF
45,5
1,79 3
0,12
25
0,98
150
5,91
36,5
1,44
65
2,56
82
3,23
101,5
4
66
83/35,5
6
0,24
o
ON
O
F
F
70,5
2,78
35
1,38
Ø9
0,35
4
0,16 12
0,47
100
3,94
57
2,24 126
4,96
61,5
2,42 35
1,38 20
0,79
B (OT200/250_)
A (OT200/250_K)
34,6
M5
o
ON
O
F
F
B1
34
1,34
110
4,33
o
ON
O
F
F
41,5
1,63
84
3,31
C1
o
ON
O
F
F
26,5
1,04
114
4,49
A1
M00144/OT200-250ES01_-04_ A
OT160EV_/200E_/250E_, OT160EV_/200E/250E_K
[mm/in] ES01 ES02 ES03 ES04
A 128,5/5,06 163,5/6,44 198,5/7,82 233,5/9,2
B 111,5/4,39 146,5/5,77 181,5/7,15 216,5/8,53
A1 71,5/2,81 106,5/4,2 141,5/5,57 176,5/6,95
B1 86,5/3,41 121,5/4,79 156,5/6,16 191,5/7,54
C1 101,5/4 136,5/5,38 171,5/6,75 206,5/8,14
OT160EVS, OT200ES_ and OT250ES_
OFF
45,5
1,79 3
0,12
25
0,98
150
5,91
36,5
1,44
65
2,56
82
3,23
101,5
4
66
83/35,5
6
0,24
o
ON
O
F
F
70,5
2,78
35
1,38
Ø9
0,35
4
0,16 12
0,47
100
3,94
57
2,24 126
4,96
61,5
2,42 35
1,38 20
0,79
B (OT200/250_)
A (OT200/250_K)
34,6
M5
o
ON
O
F
F
B1
34
1,34
110
4,33
o
ON
O
F
F
41,5
1,63
84
3,31
C1
o
ON
O
F
F
26,5
1,04
114
4,49
A1
M00144/OT200-250ES01_-04_ A
OT160EV_/200E_/250E_, OT160EV_/200E/250E_K
[mm/in] ES01 ES02 ES03 ES04
A 128,5/5,06 163,5/6,44 198,5/7,82 233,5/9,2
B 111,5/4,39 146,5/5,77 181,5/7,15 216,5/8,53
A1 71,5/2,81 106,5/4,2 141,5/5,57 176,5/6,95
B1 86,5/3,41 121,5/4,79 156,5/6,16 191,5/7,54
C1 101,5/4 136,5/5,38 171,5/6,75 206,5/8,14
ON
O
OFF
104
4,1
52
2,05
C1
ON
O
OFF
135
5,32
43
1,69
B1
ON
O
OFF
34
1,34
140
5,51
A1
OFF
ON
60
2,36
4
0,16
32,5
1,28
185
7,29
45
1,77
95
3,74
104
4,1
140
5,51
79,5
3,13
126/51,5
6
0,24
ON
O
OFF
86
3,39 48
1,89
11
0,43
5
0,20
15
0,59
120
4,73
70
2,76
82
3,23 44
1,73 25
0,98
B (OT315/400_)
A (OT315/400_K)
155
6,11
43
1,69
M5
M00145/OT315-400ES01_-04_ A
OT315/400_, OT315/400_K
[mm/in] ES01 ES02 ES03 ES04
A 163/6,42 207/8,16 251/9,89 295/11,62
B 138/5,44 182/7,17 226/8,9 270/10,64
A1 95/3,74 139/5,48 183/7,21 227/8,94
B1 113/4,45 157/6,18 201/7,92 245/9,65
C1 131/5,16 175/6,89 219/8,63 263/10,36
OT315ES_ and OT400ES_
ON
O
OFF
104
4,1
52
2,05
C1
ON
O
OFF
135
5,32
43
1,69
B1
ON
O
OFF
34
1,34
140
5,51
A1
OFF
ON
60
2,36
4
0,16
32,5
1,28
185
7,29
45
1,77
95
3,74
104
4,1
140
5,51
79,5
3,13
126/51,5
6
0,24
ON
O
OFF
86
3,39 48
1,89
11
0,43
5
0,20
15
0,59
120
4,73
70
2,76
82
3,23 44
1,73 25
0,98
B (OT315/400_)
A (OT315/400_K)
155
6,11
43
1,69
M5
M00145/OT315-400ES01_-04_ A
OT315/400_, OT315/400_K
[mm/in] ES01 ES02 ES03 ES04
A 163/6,42 207/8,16 251/9,89 295/11,62
B 138/5,44 182/7,17 226/8,9 270/10,64
A1 95/3,74 139/5,48 183/7,21 227/8,94
B1 113/4,45 157/6,18 201/7,92 245/9,65
C1 131/5,16 175/6,89 219/8,63 263/10,36

92 | 1SCC301020C0201 | Switch-disconnectors
Dimension drawings
Side operated switch-disconnectors, IEC
M00147/OT600-800ES01_04 C
OT600/630/800_, OT600/630/800_K
[mm/in] ES01/US01 ES02/US02 ES03/US03 ES04/US04
A 211/8,31 276/10,87 341/13,43 406/16
B 186/7,33 251/9,89 316/12,45 381/15,01
A1 140/5,51 205/8,08 270/10,64 335/13,2
B1 158/6,22 223/8,79 288/11,34 353/13,91
C1 176/6,93 241/9,49 306/12,06 371/14,62
OT630ES_ and OT800ES_
M00147/OT600-800ES01_04 C
OT600/630/800_, OT600/630/800_K
[mm/in] ES01/US01 ES02/US02 ES03/US03 ES04/US04
A 211/8,31 276/10,87 341/13,43 406/16
B 186/7,33 251/9,89 316/12,45 381/15,01
A1 140/5,51 205/8,08 270/10,64 335/13,2
B1 158/6,22 223/8,79 288/11,34 353/13,91
C1 176/6,93 241/9,49 306/12,06 371/14,62

Switch-disconnectors | 1SCC301020C0201 | 93
Dimension drawings
Earthing switches, IEC
OT1000...1600EM_
306
50
50
11
13,5
22,5
OT1000-1250E_
50
83
372
40
20
13,5
6
OT1600E_
223
57 B1
176
44 C1
232
72 A1
A
42
220
25
97
B
50
206
M8
167 15
109,5
105
166,5
8
min 20
14
8
108 178
Ø 22 127
167
12
429...558
( OXP12x465 )
54
80
70
274
OT1000-1250E_: 223
OT1600E_: 256
M07012/M00348/OT1600EM03 B
OT1000/1250/1600EM_
[mm/in] 01 02 03 04 03W4 04W4 03W8 04W8
A 189,5/7,46 269,5/10,61 349,5/13,76 429,5/16,91 469,5/18,48 609,5/24,00 559,5/22,03 744,5/29,31
B 80/3,15 80/3,15 80/3,15 140/5,51 140/5,51 185/7,28 185/7,28
A1 50/1,97 130/5,12 210/8,27 290/11,42 330/12,99 470/18,50 420/16,54 605/23,82
B1 80/3,15 160/6,30 240/9,45 320/12,60 360/14,17 500/19,69 450/17,72 635/25,00
C1 106/4,17 186/7,32 266/10,47 346/13,62 386/15,20 526/20,71 476/18,74 661/26,02
306
50
50
11
13,5
22,5
OT1000-1250E_
50
83
372
40
20
13,5
6
OT1600E_
223
57 B1
176
44 C1
232
72 A1
A
42
220
25
97
B
50
206
M8
167 15
109,5
105
166,5
8
min 20
14
8
108 178
Ø 22 127
167
12
429...558
( OXP12x465 )
54
80
70
274
OT1000-1250E_: 223
OT1600E_: 256
M07012/M00348/OT1600EM03 B
OT1000/1250/1600EM_
[mm/in] 01 02 03 04 03W4 04W4 03W8 04W8
A 189,5/7,46 269,5/10,61 349,5/13,76 429,5/16,91 469,5/18,48 609,5/24,00 559,5/22,03 744,5/29,31
B 80/3,15 80/3,15 80/3,15 140/5,51 140/5,51 185/7,28 185/7,28
A1 50/1,97 130/5,12 210/8,27 290/11,42 330/12,99 470/18,50 420/16,54 605/23,82
B1 80/3,15 160/6,30 240/9,45 320/12,60 360/14,17 500/19,69 450/17,72 635/25,00
C1 106/4,17 186/7,32 266/10,47 346/13,62 386/15,20 526/20,71 476/18,74 661/26,02
376,5
85 6
13,5
40
20
25 25
A
220
42
M4
206
100
120
48
B
223
57 B1
176
44 C2
232
72 A1
167 15
109,5
107
168
8
min 20
14
8
108 178
Ø 22 127
167
12
429...558
( OXP12x465 )
54
80
70
274
257
M07013/M00349/OT2500EM03 B
OT2000/2500EM_
[mm/in] 01 02 03 04 03W4 04W4 03W8 04W8
A 235,5/9,27 361,5/14,23 487,5/19,19 613,5/24,15 515,5/20,30 655,5/25,81 605,5/23,84 790,5/31,12
B 126/4,96 126/4,96 126/4,96 140/5,51 140/5,51 185/7,28 185/7,28
A1 96/3,78 222/8,74 348/13,70 474/18,66 376/14,80 516/20,31 466/18,35 651/25,63
B1 126/4,96 252/9,92 378/14,88 504/19,84 406/15,98 546/21,50 496/19,53 681/26,81
C1 152/5,98 278/10,94 404/15,91 530/20,87 432/17,01 572/22,52 522/20,55 707/27,83
OT2000...2500EM_
376,5
85 6
13,5
40
20
25 25
A
220
42
M4
206
100
120
48
B
223
57 B1
176
44 C2
232
72 A1
167 15
109,5
107
168
8
min 20
14
8
108 178
Ø 22 127
167
12
429...558
( OXP12x465 )
54
80
70
274
257
M07013/M00349/OT2500EM03 B
OT2000/2500EM_
[mm/in] 01 02 03 04 03W4 04W4 03W8 04W8
A 235,5/9,27 361,5/14,23 487,5/19,19 613,5/24,15 515,5/20,30 655,5/25,81 605,5/23,84 790,5/31,12
B 126/4,96 126/4,96 126/4,96 140/5,51 140/5,51 185/7,28 185/7,28
A1 96/3,78 222/8,74 348/13,70 474/18,66 376/14,80 516/20,31 466/18,35 651/25,63
B1 126/4,96 252/9,92 378/14,88 504/19,84 406/15,98 546/21,50 496/19,53 681/26,81
C1 152/5,98 278/10,94 404/15,91 530/20,87 432/17,01 572/22,52 522/20,55 707/27,83

94 | 1SCC301020C0201 | Switch-disconnectors
13,5
0,53
22,5
11
0,89 20
0,79
40
1,57 6
0,24
OT1000-1250E_
50
1,97
306
12,05
OT1600E_
OT800U_
OT1200U_
372
14,65
0,43
3,27
83
42
1,65
82
3,23
116
4,57
206
8,11
109
4,29
A
B
M8
5/16
50
1,97
*)
*)
*)N3 types
50
1,97
mm
in
176
55
C1
2,17
6,93
223,2
B1
8,79
1,65
42
232
27
A1
1,06
9,13
62,5
2,46
15
0,59
14
0,55
12
0,47
22
0,87
127
178
108
8
min 20
min 0,79
166,5 / 105
6,56 / 4,13 6
0,24
5
167
6,57
7,01
4,25
0,31
8
0,31
*)
167
6,57
251...380 (OXP12x280)
9,84...14,96
131,5
5,18 54
80
70
274
10,79
2,13
2,76
3,15
M07010_OT1000_1600EP A
OT1000/1250/1600EP_
[mm/in] 01 02 03 04
A 174,50/6,87 254,50/10,02 334,50/13,17
B 80/3,15 80/3,15
A1 134/5,28 214/8,43 294/11,57 374/14,72
B1 164/6,46 244/9,61 324/12,76 404/15,91
C1 190/7,48 270/10,63 350/13,78 430/16,93
Dimension drawings
Earthing switches, IEC
OT1000...1600EP_
13,5
0,53
22,5
11
0,89 20
0,79
40
1,57 6
0,24
OT1000-1250E_
50
1,97
306
12,05
OT1600E_
OT800U_
OT1200U_
372
14,65
0,43
3,27
83
42
1,65
82
3,23
116
4,57
206
8,11
109
4,29
A
B
M8
5/16
50
1,97
*)
*)
*)N3 types
50
1,97
mm
in
176
55
C1
2,17
6,93
223,2
B1
8,79
1,65
42
232
27
A1
1,06
9,13
62,5
2,46
15
0,59
14
0,55
12
0,47
22
0,87
127
178
108
8
min 20
min 0,79
166,5 / 105
6,56 / 4,13 6
0,24
5
167
6,57
7,01
4,25
0,31
8
0,31
*)
167
6,57
251...380 (OXP12x280)
9,84...14,96
131,5
5,18
54
80
70
274
10,79
2,13
2,76
3,15
M07010_OT1000_1600EP A
OT1000/1250/1600EP_
[mm/in] 01 02 03 04
A 174,50/6,87 254,50/10,02 334,50/13,17
B 80/3,15 80/3,15
A1 134/5,28 214/8,43 294/11,57 374/14,72
B1 164/6,46 244/9,61 324/12,76 404/15,91
C1 190/7,48 270/10,63 350/13,78 430/16,93
mm
in
*)N3 types
A
B
116
42
132
100
3,94
5,2
1,65
4,57
*)
*)
50
1,97
105
4,13
M8
5/16
25
13,5/0,53
25
0,98
0,98
6
0,24
40
1,57
85
3,35
376,5
14,83
20
0,79
A1
232
27
1,06
9,14
55
C1
176
2,17
6,93
B1
223
42
8,79
1,65
14
15
376
206
131,5
62,5
12
0,47
22
0,87
0,55
5,18
8,12
14,81
2,46 0,59
6
0,24
*)
167
6,57
167
6,57
251...380 (OXP12x280)
9,84...14,96
168/107,5
6,61/4,23
8
0,31
8
0,31
178
7,01
min 20
min 0,79
127
5
108
4,25
54
80
70
274
10,79
2,13
2,76
3,15
M07011_OT2000_2500EP A
OT2000/2500EP_
[mm/in] 01 02 03 04
A 126/4,96 126/4,96 126/4,96
B 220,5/8,68 346,5/13,64 472,5/18,60 598,5/23,56
A1 180/7,09 306/12,05 432/17,01 558/21,97
B1 210/8,27 336/13,23 462/18,19 588/23,15
C1 236/9,29 362/14,25 488/19,21 614/24,17
OT2000...2500EP_
mm
in
*)N3 types
A
B
116
42
132
100
3,94
5,2
1,65
4,57
*)
*)
50
1,97
105
4,13
M8
5/16
25
13,5/0,53
25
0,98
0,98
6
0,24
40
1,57
85
3,35
376,5
14,83
20
0,79
A1
232
27
1,06
9,14
55
C1
176
2,17
6,93
B1
223
42
8,79
1,65
14
15
376
206
131,5
62,5
12
0,47
22
0,87
0,55
5,18
8,12
14,81
2,46 0,59
6
0,24
*)
167
6,57
167
6,57
251...380 (OXP12x280)
9,84...14,96
168/107,5
6,61/4,23
8
0,31
8
0,31
178
7,01
min 20
min 0,79
127
5
108
4,25
54
80
70
274
10,79
2,13
2,76
3,15
M07011_OT2000_2500EP A
OT2000/2500EP_
[mm/in] 01 02 03 04
A 126/4,96 126/4,96 126/4,96
B 220,5/8,68 346,5/13,64 472,5/18,60 598,5/23,56
A1 180/7,09 306/12,05 432/17,01 558/21,97
B1 210/8,27 336/13,23 462/18,19 588/23,15
C1 236/9,29 362/14,25 488/19,21 614/24,17

Switch-disconnectors | 1SCC301020C0201 | 95
M00276/OTM160-250E2_4 B
OTM160-250_M
[mm] E2 E3 E4
A 35 35 35
A1 118 118 118
A2 239 274 309
B 261 296 331
Dimension drawings
Motorized switch-disconnectors, IEC
OTM160...250E_M
M00276/OTM160-250E2_4 B
OTM160-250_M
[mm] E2 E3 E4
A 35 35 35
A1 118 118 118
A2 239 274 309
B 261 296 331
11 14
OTM
45
580 12 56
7
33,5
Ø4,5
40
52 22,5 26
60
90
65
116
99
83
100
35
6,5 44
35
EN50022
75
10
M00353/OTM30-125F_M B
65
12
160 ( 3-pole )
186,5 ( 4-pole )
12
16
74,5
-
PE N I0
L
+
C
Fuse Reset
14
OTM40...125F_M

96 | 1SCC301020C0201 | Switch-disconnectors
M07014/OTM160...250E_WM2_4 A
OTM160-250_M
[mm/in] E2W E3W E4W
A 43/1,69 43/1,69 43/1,69
A1 118/4,65 118/4,65 118/4,65
A2 255/10,05 298/11,74 341/13,43
B 277/10,91 320/12,61 363/14,3
OTM160...250E_WM
M07014/OTM160...250E_WM2_4 A
OTM160-250_M
[mm/in] E2W E3W E4W
A 43/1,69 43/1,69 43/1,69
A1 118/4,65 118/4,65 118/4,65
A2 255/10,05 298/11,74 341/13,43
B 277/10,91 320/12,61 363/14,3
M00278/OTM315-400E2_4 B
OTM315-400_M
[mm] E2 E3 E4
A 44 44 44
A1 136 136 136
A2 276 320 364
B 298 342 386
Dimension drawings
Motorized switch-disconnectors, IEC
OTM315...400E_M
M00278/OTM315-400E2_4 B
OTM315-400_M
[mm] E2 E3 E4
A 44 44 44
A1 136 136 136
A2 276 320 364
B 298 342 386

Switch-disconnectors | 1SCC301020C0201 | 97
M00282/OTM1000-1250E_M B
OTM1000-1250_M
[mm] E2 E3 E4
A 80 80 80
A1 230 230 230
A2 396,5 476,5 556,5
B 426,5 506,5 586,5
Dimension drawings
Motorized switch-disconnectors, IEC
OTM1000...1250E_M
M00282/OTM1000-1250E_M B
OTM1000-1250_M
[mm] E2 E3 E4
A 80 80 80
A1 230 230 230
A2 396,5 476,5 556,5
B 426,5 506,5 586,5
M00281/OTM630-800E2_4 B
OTM630-800_M
[mm] E2 E3 E4
A 65 65 65
A1 180 180 180
A2 329 394 459
B 350 415 480
OTM630...800E_M
M00281/OTM630-800E2_4 B
OTM630-800_M
[mm] E2 E3 E4
A 65 65 65
A1 180 180 180
A2 329 394 459
B 350 415 480

98 | 1SCC301020C0201 | Switch-disconnectors
M00283/OTM1600E_M B
OTM1600_M
[mm] E2 E3 E4
A 80 80 80
A1 230 230 230
A2 396,5 476,5 556,5
B 426,5 506,5 586,5
OTM1600E_M
M00283/OTM1600E_M B
OTM1600_M
[mm] E2 E3 E4
A 80 80 80
A1 230 230 230
A2 396,5 476,5 556,5
B 426,5 506,5 586,5
M00285/OTM2000_2500E_M B
OTM2000-2500_M
[mm] E2 E3 E4
A 126 126 126
A1 230 230 230
A2 488,5 614,5 740,5
B 518,5 644,5 770,5
Dimension drawings
Motorized switch-disconnectors, IEC
OTM2000...2500E_M
M00285/OTM2000_2500E_M B
OTM2000-2500_M
[mm] E2 E3 E4
A 126 126 126
A1 230 230 230
A2 488,5 614,5 740,5
B 518,5 644,5 770,5

Switch-disconnectors | 1SCC301020C0201 | 99
Dimension drawings
Handles
Handles for base and DIN-rail mounted switches
OH_S1A_, OH_S3A_ OH_S2A_
OH_S2R_OH_S1R_, OH_S3R_
Handles for door mounted switches (screw-mounting)
Handles for door mounted switches (snap-on mounting)
OH_S1P_, OH_S3P_ OH_S2P_
OH_S1R_
[mm]
OH_S3R_
[mm]
A31,5 37,5
OH_S1P_
[mm]
OH_S3P_
[mm]
A31,5 37,5
OH_S1A_
[mm]
OH_S3A_
[mm]
A31,5 37,5

100 | 1SCC301020C0201 | Switch-disconnectors
Dimension drawings
Handles
Plastic handles
Handle type Shaft diameter B
[mm]
Length L
[mm]
OH_45J6 645
OH_65J6 665
OH_80J6 680
OH_95J12 12 95
OH_125J12 12 125
OH_145J12 12 145
OH_175J12 12 175
OH_275J12 12 275
Door drilling for OH_ handles:
S00621A
Round padlockable handle OZ331P_ and OZ371P_
Handle type OZ331P_
[mm]
OZ371_
[mm]
A24 21
B3-10 4-5
Handle knobs
Handle type A B C
OHBS1, OHRS1 31 16 14
OHBS2, OHRS2 40 25 13
OHBS3, OHRS3 39 23 18
OHBS9, OHRS9 72 55 16
A
C
B

Switch-disconnectors | 1SCC301020C0201 | 101
Dimension drawings
Handles
M07015
S07015
Handle type Length L
[mm]
OH_274J12 274
OH_330J12 330
Handle type Length L
[mm]
OHB150J12P 300
OHB200J12P 400
M00134 / 13/OH-150-200J12P A
69,4
54 71
80
L
ø
Ø
31
Ø
5
45°
53
53
M00134
M00134 / 13/OH-150-200J12P A
69,4
54 71
80
L
ø
Ø
31
Ø
5
45°
53
53
Plastic handles
Door drilling for OHM_OHM_
Stainless steel handles
M00133/13OHM45-275L-A/KE00020
53
53
Ø31 Ø5
45
37 51
B
69
L
Ø
Handle type Shaft diameter B Lenght L
[mm] [mm]
OHM65L6 6 65
OHM125L12 12 125
OHM175L12 12 175
OHM275L12 12 275

102 | 1SCC301020C0201 | Switch-disconnectors
Dimension drawings
Handles, legend plate
Metallic handles Door drilling for YASDA_ :
Legend plate for pistol handles, OPB3, OPY3 and OPX3
YASDA_
[mm] YASDA35
A320
Minimum distance L between the hinge and the rotating shaft
S00374C
hinge
shaft
Sizes [A] Length L
[mm]
Handle type
OT16...125 75 OH_1, OH_2, OH_3
OT160...250_P 60 OH_65J_
OT315...400_P 95 OH_95J_
OT630...800_P 150 OH_125J_
OT1000...2500_P 274 OH_274J_
OT1000...2500_P 330 OH_330J_
OETL3150 220 YASDA7, 8
OETL3150 275 OH_275J12

Switch-disconnectors | 1SCC301020C0201 | 103
Electrical and mechanical interlock OTZT_
D
A
C
B
TYPE
OTZT1_
OTZT2_
OTZT3_
OTZT4_
A ( mm ) B ( mm ) C ( mm ) D ( mm )
69
81
86
88
82
102
110
110
122
152
201
258
35
52
65
84
M00350/OTZT1-4_ A
OTZT_
[mm] OTZT1_ OTZT2_ OTZT3_ OTZT4_
A69 81 86 88
B82 102 110 110
C122 152 201 258
D35 52 65 84
OTV1000EK
274
10,79
90
3,54
106
4,18 15
0,59
M07016
mm
in
Dimension drawings
Handles, interlocks and motor operator

104 | 1SCC301020C0201 | Switch-disconnectors
6 and 8-pole switches
OTZW8
A
S00114C
[mm] A
(min)
OT16...40F 45+(0...12)x15
OT63...80F 60+(0...11)x15
OT100...125F 75+(0...10)x15
Mechanical interlock
OTZW10, 24
OTZW10 OTZW24
A206 114
B190 100
C 6 6
D30 15
Dimension drawings
Conversion kits
S00119A
Change-over and by-pass switches
OTZW26
S00213A
OTZW25
A 210+(0...18)x20mm
OTZW26
A 210+(0...9)x20mm
B 210+(0...9)x20mm
A00213_B
OTZW25
A 210+(0...18)x20mm
OTZW26
A 210+(0...9)x20mm
B 210+(0...9)x20mm
A00213_B
OTZW25 OTZW17
6

Switch-disconnectors | 1SCC301020C0201 | 105
Contact functions
Handle indications
Handle indications and functions
– The handle indicates the position of the contacts with com-
plete reliability in all situations. If the contacts are welded
together, the handle does not reach the OFF-position but
remains between ON and OFF, maintaining the door inter-
lock and preventing padlocking.
– When operating the switch fuse to the Test-position with a
test handle the test auxiliary contacts change position. The
main contacts remain open.
ON and OFF-functions of main and auxiliary contacts OT16...125
Closing: 1. Main contacts close 2. NO auxiliary contacts close 3. NC auxiliary contacts open
Opening: 4. Main contacts open 5. NO auxiliary contacts open 6. NC auxiliary contacts close
ON and OFF-functions of main and auxiliary contacts
Main contacts
NO auxiliary contact
NC auxiliary contact
0˚ 30˚ 60˚90˚
= Contacts in closed position 0 I
= Contacts in closed position 0 I
OFF
O
ON
I
α
1.
2.
4.
6.
3.
5.
Auxiliary contact Contact configuration
OA1G10 1NO
OA1G01 1NC
OA2G11* 1NO+1NC
* Auxiliary contact OA2G11, simultaneous function with main contacts.
Main contacts
NO auxiliary contact
NC auxiliary contact
0˚ 30˚ 60˚90˚
OA1G10, OA1G01
OFF
O
ON
I
α
Main contacts
NO auxiliary contact
NC auxiliary contact
0˚ 30˚ 60˚90˚
OA1G10, OA1G01
OFF
O
ON
I
α
OT16...40
OT63...125
S00650A S00649A S00491A
Auxiliary contact OA2G11, simultaneous function with main contacts.

106 | 1SCC301020C0201 | Switch-disconnectors
Contact functions
1) OT1000...2500 only
ON and OFF-functions of main and auxiliary contacts OT160EV...4000
Contact Contact configuration
OA1G10 1NO
OA3G01 1NC
-45˚0˚ 30˚60˚90˚α
Test OFF
OON
I
Main contacts
NO test contacts
inside the mechanism
NO early operation
test contacts inside
the mechanism1)
NC test contacts inside
the mechanism
NC early operation test
contacts inside the
mechanism1)
NO test indication
contacts inside the
mechanism
NC test indication
contacts inside the
mechanism
NO auxiliary contacts
in the module on the
side of the switch
NC auxiliary contacts
in the module on the
side of the switch

Switch-disconnectors | 1SCC301020C0201 | 107
Index
Type Order number Description Page
-1SDA062127R1 Cable set for mechanical interlock 70
OA1G01 1SCA022353R4890 Auxiliary contact block 56
OA1G01AU 1SCA022436R7830 Auxiliary contact block 56
OA1G10 1SCA022353R4970 Auxiliary contact block 56
OA1G10 1SCA022353R4970 Auxiliary contact block 57
OA1G10 1SCA022353R4970 Auxiliary contact block 58
OA1G10AU 1SCA022436R7910 Auxiliary contact block 56
OA1G10AU 1SCA022436R7910 Auxiliary contact block 57
OA1G10AU 1SCA022436R7910 Auxiliary contact block 58
OA1L11 1SCA022555R9870 Auxiliary contact block 56
OA 2G11 1SCA022379R8100 Auxiliary contact block 56
OA 2G11 1SCA022379R8100 Auxiliary contact block 58
OA 2L11 1SCA022424R3190 Auxiliary contact block 56
OA3G01 1SCA022456R7410 Auxiliary contact block 57
OA3G01 1SCA022456R7410 Auxiliary contact block 58
OA3G01AU 1SCA022819R5260 Auxiliary contact block 57
OA3G01AU 1SCA022819R5260 Auxiliary contact block 58
OA3L11 1SCA022555R9950 Auxiliary contact block 56
OA8G01 1SCA022744R2240 Auxiliary contact block 58
OEA28 1SCA022714R8810 Module for auxiliary contacts 57
OETLZX58 1SCA022068R8220 Shaft support for long shaft 55
OHB125J12 1SCA022381R1560 Pistol type handle 46
OHB125J12T 1SCA022652R2220 Pistol type handle 46
OHB145J12 1SCA022381R2110 Pistol type handle 46
OHB145J12E00S 1SCA022679R9700 Pistol type handle 49
OHB145J12T 1SCA022652R2570 Pistol type handle 46
OHB150J12P 1SCA022865R9430 Pistol type handle 47
OHB175J12T 1SCA022708R0740 Pistol type handle 46
OHB200J12P 1SCA022865R9510 Pistol type handle 47
OHB200J12PT 1SCA106510R1001 Pistol type handle 47
OHB200L12P 1SCA111564R1001 Pistol type handle 47
OHB274J12 1SCA115920R1001 Pistol type handle 47
OHB274J12T 1SCA120250R1001 Pistol type handle 47
OHB330J12 1SCA115922R1001 Pistol type handle 47
OHB330J12T 1SCA120252R1001 Pistol type handle 47
OHB45J6 1SCA022380R8770 Pistol type handle 46
OHB65J6 1SCA022380R9660 Pistol type handle 46
OHB65J6E00S 1SCA022382R9850 Pistol type handle 49
OHB65J6T 1SCA022399R8110 Pistol type handle 46
OHB65J6TE00S 1SCA109016R1001 Pistol type handle 49
OHB80J6 1SCA022381R0240 Pistol type handle 46
OHB95J12 1SCA022381R0830 Pistol type handle 46
OHB95J12T 1SCA022736R1750 Pistol type handle 46
OHBS1 1SCA109087R1001 Handle knob 42
OHBS1/1 1SCA109088R1001 Handle knob 42
OHBS12 1SCA108252R1001 Handle knob 42
OHBS1AH 1SCA102680R1001 Selector type handle 43
OHBS1AH1 1SCA105210R1001 Selector type handle 43
OHBS1PH 1SCA105211R1001 Selector type handle 44
OHBS1RH 1SCA105212R1001 Selector type handle 44
OHBS2 1SCA109089R1001 Handle knob 42
OHBS2/1 1SCA109090R1001 Handle knob 42
Type Order number Description Page
OHBS2AJ 1SCA105213R1001 Selector type handle 43
OHBS2AJ1 1SCA105215R1001 Selector type handle 43
OHBS2AJ1EH 1SCA105217R1001 Selector type handle 43
OHBS2AJEH 1SCA108230R1001 Selector type handle 43
OHBS2PJ 1SCA105231R1001 Selector type handle 44
OHBS2RJ 1SCA105232R1001 Selector type handle 44
OHBS3 1SCA108320R1001 Handle knob 42
OHBS3/1 1SCA108319R1001 Handle knob 42
OHBS3AH 1SCA105234R1001 Selector type handle 43
OHBS3AH1 1SCA105235R1001 Selector type handle 43
OHBS3PH 1SCA105236R1001 Selector type handle 44
OHBS3RH 1SCA105237R1001 Selector type handle 44
OHBS9 1SCA108665R1001 Handle knob 42
OHBS9/1 1SCA108689R1001 Handle knob 42
OHG125J12 1SCA022381R1640 Pistol type handle 46
OHG145J12 1SCA132709R1001 Pistol type handle 46
OHG45J6 1SCA022380R8850 Pistol type handle 46
OHG65J6 1SCA022380R9740 Pistol type handle 46
OHG65J6E00S 1SCA022383R4510 Pistol type handle 49
OHG65J6TE00S 1SCA109014R1001 Pistol type handle 49
OHG80J6 1SCA022381R0320 Pistol type handle 46
OHG95J12 1SCA022381R0910 Pistol type handle 46
OHGS1AH 1SCA105261R1001 Selector type handle 43
OHGS1AH1 1SCA105262R1001 Selector type handle 43
OHGS1PH 1SCA105263R1001 Selector type handle 44
OHGS1RH 1SCA105264R1001 Selector type handle 44
OHGS2AJ 1SCA105265R1001 Selector type handle 43
OHGS2AJ1 1SCA105266R1001 Selector type handle 43
OHGS2PJ 1SCA105268R1001 Selector type handle 44
OHGS2RJ 1SCA105269R1001 Selector type handle 44
OHGS3AH 1SCA105270R1001 Selector type handle 43
OHGS3AH1 1SCA105271R1001 Selector type handle 43
OHGS3PH 1SCA105272R1001 Selector type handle 44
OHGS3RH 1SCA105273R1001 Selector type handle 44
OHM125L12 1SCA022739R1150 Stainless steel handle 49
OHM175L12 1SCA022739R1230 Stainless steel handle 49
OHM200L12P 1SCA104439R1001 Stainless steel handle 49
OHM275L12 1SCA022832R4840 Stainless steel handle 49
OHM65L6 1SCA022739R1070 Stainless steel handle 49
OHRS1 1SCA109095R1001 Handle knob 42
OHRS1/1 1SCA109096R1001 Handle knob 42
OHRS12 1SCA108253R1001 Handle knob 42
OHRS2 1SCA108598R1001 Handle knob 42
OHRS2/1 1SCA108599R1001 Handle knob 42
OHRS3 1SCA108667R1001 Handle knob 42
OHRS3/1 1SCA108688R1001 Handle knob 42
OHRS9 1SCA108666R1001 Handle knob 42
OHRS9/1 1SCA108690R1001 Handle knob 42
OHSS1AH 1SCA105274R1001 Selector type handle 43
OHSS1AH1 1SCA105275R1001 Selector type handle 43
OHSS1PH 1SCA105276R1001 Selector type handle 44
OHSS1RH 1SCA105277R1001 Selector type handle 44

108 | 1SCC301020C0201 | Switch-disconnectors
Type Order number Description Page
OHSS2AJ 1SCA105278R1001 Selector type handle 43
OHSS2AJ1 1SCA105279R1001 Selector type handle 43
OHSS2PJ 1SCA105280R1001 Selector type handle 44
OHSS2RJ 1SCA105281R1001 Selector type handle 44
OHSS3AH 1SCA105283R1001 Selector type handle 43
OHSS3AH1 1SCA105284R1001 Selector type handle 43
OHSS3PH 1SCA105285R1001 Selector type handle 44
OHSS3RH 1SCA105286R1001 Selector type handle 44
OHY125J12 1SCA022381R1720 Pistol type handle 46
OHY125J12T 1SCA022652R2310 Pistol type handle 46
OHY145J12 1SCA022381R2370 Pistol type handle 46
OHY145J12T 1SCA022652R2650 Pistol type handle 46
OHY150J12P 1SCA101586R1001 Pistol type handle 47
OHY175J12T 1SCA111508R1001 Pistol type handle 46
OHY200J12P 1SCA101587R1001 Pistol type handle 47
OHY200J12PT 1SCA111512R1001 Pistol type handle 47
OHY200L12P 1SCA111569R1001 Pistol type handle 47
OHY274J12 1SCA115919R1001 Pistol type handle 47
OHY330J12 1SCA115921R1001 Pistol type handle 47
OHY45J6 1SCA022380R8930 Pistol type handle 46
OHY65J6 1SCA022380R9820 Pistol type handle 46
OHY65J6E00S 1SCA022382R9930 Pistol type handle 49
OHY65J6T 1SCA022456R9540 Pistol type handle 46
OHY65J6TE00S 1SCA022688R0140 Pistol type handle 49
OHY80J6 1SCA022381R0410 Pistol type handle 46
OHY95J12 1SCA022381R1050 Pistol type handle 46
OHY95J12T 1SCA022736R1910 Pistol type handle 46
OHYS1AH 1SCA105290R1001 Selector type handle 43
OHYS1AH1 1SCA105291R1001 Selector type handle 43
OHYS1PH 1SCA105294R1001 Selector type handle 44
OHYS1RH 1SCA105295R1001 Selector type handle 44
OHYS2AJ 1SCA105296R1001 Selector type handle 43
OHYS2AJ1 1SCA105297R1001 Selector type handle 43
OHYS2PJ 1SCA105322R1001 Selector type handle 44
OHYS2RJ 1SCA105323R1001 Selector type handle 44
OHYS3AH 1SCA105325R1001 Selector type handle 43
OHYS3AH1 1SCA105326R1001 Selector type handle 43
OHYS3PH 1SCA105327R1001 Selector type handle 44
OHYS3RH 1SCA105328R1001 Selector type handle 44
OHZX10 1SCA022661R3610 Shaft alignment ring 55
OHZX11 1SCA022708R3170 Shaft alignment ring 55
OHZX14 1SCA022851R6590 Extension ring for pistol type handle 55
OHZX4 1SCA022467R2470 Door interlock bracket for pistol
type handles
64
OHZX6 1SCA022559R5670 Pistol handle mounting kit 51
OPB2 1SCA022353R4110 Legend plate 50
OPB2EN1 1SCA022400R2070 Legend plate 50
OPB3 1SCA022679R3410 Legend plate 50
OPBS1 1SCA111519 R1001 Legend plate 50
OPBS1EN1 1SCA111520R1001 Legend plate 50
OPG2 1SCA022353R4380 Legend plate 50
OPG2EN1 1SCA022400R2310 Legend plate 50
OPGS1 1SCA111563R1001 Legend plate 50
OPGS1EN1 1SCA111526R1001 Legend plate 50
OPS2 1SCA022353R4460 Legend plate 50
OPS2EN1 1SCA022400R2230 Legend plate 50
OPSS1 1SCA111523R1001 Legend plate 50
OPSS1EN1 1SC A111525R1001 Legend plate 50
Type Order number Description Page
OPX3 1SCA022679R3500 Legend plate 50
OPX3/TEXT 1SCA022696R6370 Legend plate 50
OPX3DE1 1SCA022695R0700 Legend plate 50
OPX3EN1 1SCA022695R0610 Legend plate 50
OPX3FI1 1SCA022695R0530 Legend plate 50
OPX3SE1 1SCA022695R0880 Legend plate 50
OPY2 1SCA022353R4200 Legend plate 50
OPY2EN1 1SCA022400R2740 Legend plate 50
OPY3 1SCA022695R0450 Legend plate 50
OPYS1 1SCA111528R1001 Legend plate 50
OPYS1EN1 1SCA111530R10 01 Legend plate 50
OSGZD1 1SCA115688R1001 DIN-rail mounting kit 64
OT1000E03K 1SCA108353R1001 Switch-disconnector 27
OT1000E03N3P 1SCA100761R1001 Switch-disconnector 25
OT1000E03P 1SCA022860R5930 Switch-disconnector 25
OT1000E03W4P 1SCA022871R7310 Switch-disconnector 29
OT1000E03W8P 1SCA022871R8110 Switch-disconnector 29
OT1000E04K 1SCA108355R1001 Switch-disconnector 27
OT1000E04P 1SCA022860R6150 Switch-disconnector 25
OT1000E04W4P 1SCA100762R1001 Switch-disconnector 29
OT1000E12P 1SCA022871R5520 Switch-disconnector 25
OT1000E22P 1SCA022871R5610 Switch-disconnector 25
OT1000EM03P 1SCA118937R1001 Earthing switch 34
OT1000EM04P 1SCA118950R1001 Earthing switch 34
OT1000EP03P 1SCA118451R1001 Earthing switch 35
OT1000EP04P 1SCA118452R1001 Earthing switch 35
OT100F3 1SCA105004R1001 Switch-disconnector 21
OT100F3 1SCA105004R1001 Non-fusible disconnect switch 30
OT100F4N2 1SCA105018R1001 Switch-disconnector 21
OT100F4N2 1SCA105018R1001 Non-fusible disconnect switch 30
OT100F6 1SCA105021R1001 Switch-disconnector 22
OT100F6 1SCA105021R1001 Non-fusible disconnect switch 31
OT100F8 1SCA105022R1001 Switch-disconnector 22
OT100F8 1SCA105022R1001 Non-fusible disconnect switch 31
OT100FT3 1SCA105023R1001 Switch-disconnector 23
OT100FT4N2 1SCA105031R1001 Switch-disconnector 23
OT1200U03 1SCA022860R6820 Non-fusible disconnect switch 32
OT1200U04 1SCA022860R7040 Non-fusible disconnect switch 32
OT1200U12 1SCA105659R1001 Non-fusible disconnect switch 32
OT1200U22 1SCA105663R1001 Non-fusible disconnect switch 32
OT1250E03K 1SCA108356R1001 Switch-disconnector 27
OT1250E03N3P 1SCA022865R7060 Switch-disconnector 25
OT1250E03P 1SCA022860R6230 Switch-disconnector 25
OT1250E03W4P 1SCA022866R1920 Switch-disconnector 29
OT1250E03W8P 1SCA022871R8540 Switch-disconnector 29
OT1250E04K 1SCA108357R1001 Switch-disconnector 27
OT1250E04P 1SCA022860R6310 Switch-disconnector 25
OT1250E04W4P 1SCA022866R2220 Switch-disconnector 29
OT1250E12P 1SCA022871R5790 Switch-disconnector 25
OT1250E22P 1SCA022871R5870 Switch-disconnector 25
OT1250EM03P 1SCA115708R1001 Earthing switch 34
OT1250EM03W4P 1SCA115805R1001 Earthing switch 34
OT1250EM03W8P 1SCA115810R1001 Earthing switch 34
OT1250EM04P 1SCA118949R1001 Earthing switch 34
OT1250EM04W4P 1SCA118940R1001 Earthing switch 34
OT1250EM04W8P 1SCA118941R1001 Earthing switch 34
OT1250EP03P 1SCA118453R1001 Earthing switch 35
OT1250EP04P 1SCA118454R1001 Earthing switch 35

Switch-disconnectors | 1SCC301020C0201 | 109
Type Order number Description Page
OT125F3 1SCA105033R1001 Switch-disconnector 21
OT125F4N2 1SCA105051R1001 Switch-disconnector 21
OT125F6 1SCA105057R1001 Switch-disconnector 22
OT125F6 1SCA105057R1001 Non-fusible disconnect switch 31
OT125F8 1SCA105059R1001 Switch-disconnector 22
OT125F8 1SCA105059R1001 Non-fusible disconnect switch 31
OT125FL3 1SCA112372R1001 Switch-disconnector 21
OT125FL A3 1SCA114832R1001 Switch-disconnector 21
OT125FLB3 1SCA114833R1001 Switch-disconnector 21
OT125FT3 1SCA105060R1001 Switch-disconnector 23
OT125FT4N2 1SCA105066R1001 Switch-disconnector 23
OT125M3 1SCA022429R9140 Switch-disconnector 21
OT125M4 1SCA022429R9220 Switch-disconnector 21
OT1600E03K 1SCA108352R1001 Switch-disconnector 27
OT1600E03N3P 1SCA022865R6920 Switch-disconnector 25
OT1600E03P 1SCA022860R6580 Switch-disconnector 25
OT1600E03W4P 1SCA022865R9860 Switch-disconnector 29
OT1600E03W8P 1SCA022871R8970 Switch-disconnector 29
OT1600E04K 1SCA108358R1001 Switch-disconnector 27
OT1600E04P 1SCA022860R6740 Switch-disconnector 25
OT1600E04W4P 1SCA022866R1090 Switch-disconnector 29
OT1600E12P 1SCA022871R5950 Switch-disconnector 25
OT1600E22P 1SCA022871R6090 Switch-disconnector 25
OT1600EM03P 1SCA115815R1001 Earthing switch 34
OT1600EM03W4P 1SCA115822R1001 Earthing switch 34
OT1600EM03W8P 1SCA115827R1001 Earthing switch 34
OT1600EM04P 1SCA118948R1001 Earthing switch 34
OT1600EM04W4P 1SCA118942R1001 Earthing switch 34
OT1600EM04W8P 1SCA118944R1001 Earthing switch 34
OT1600EP03P 1SCA118455R1001 Earthing switch 35
OT1600EP04P 1SCA118456R1001 Earthing switch 35
OT160EV03K 1SCA120513R1001 Switch-disconnector 27
OT160EV03P 1SCA120514R1001 Switch-disconnector 24
OT160EV03WP 1SCA120517R1001 Switch-disconnector 28
OT160EV04K 1SCA120520R1001 Switch-disconnector 27
OT160EV04P 1SCA120521R1001 Switch-disconnector 24
OT160EV04WP 1SCA120523R1001 Switch-disconnector 28
OT160EV12P 1SCA120529R1001 Switch-disconnector 24
OT160EV12WP 1SCA120606R1001 Switch-disconnector 28
OT160EV22P 1SCA120537R1001 Switch-disconnector 24
OT160EV22WP 1SCA120539R1001 Switch-disconnector 28
OT160EVS03 1SCA120563R1001 Side operated switch-disconnector 33
OT160EVS03K 1SCA120570R1001 Side operated switch-disconnector 33
OT160EVS04 1SCA120564R1001 Side operated switch-disconnector 33
OT160EVS04K 1SCA120565R1001 Side operated switch-disconnector 33
OT16F3 1SCA104811R1001 Switch-disconnector 21
OT16F3 1SCA104811R1001 Non-fusible disconnect switch 30
OT16F4N2 1SCA104829R1001 Switch-disconnector 21
OT16F4N2 1SCA104829R1001 Non-fusible disconnect switch 30
OT16F6 1SCA104834R1001 Switch-disconnector 22
OT16F6 1SCA104834R1001 Non-fusible disconnect switch 31
OT16F8 1SCA104836R1001 Switch-disconnector 22
OT16F8 1SCA104836R1001 Non-fusible disconnect switch 31
OT16FT3 1SCA104838R1001 Switch-disconnector 22
OT16FT3 1SCA104838R1001 Non-fusible disconnect switch 30
OT16F T4N2 1SCA105711R1001 Switch-disconnector 23
OT16F T4N2 1SCA105711R1001 Non-fusible disconnect switch 30
OT16M3 1SCA022497R0220 Switch-disconnector 21
Type Order number Description Page
OT16M4 1SCA022497R0730 Switch-disconnector 21
OT2000E03K 1SCA108359R1001 Switch-disconnector 27
OT2000E03N3P 1SCA108037R1001 Switch-disconnector 25
OT2000E03P 1SCA108036R1001 Switch-disconnector 25
OT2000E03W4P 1SCA108042R1001 Switch-disconnector 29
OT2000E03W8P 1SCA108045R1001 Switch-disconnector 29
OT2000E04K 1SCA108362R1001 Switch-disconnector 27
OT2000E04P 1SCA108038R1001 Switch-disconnector 25
OT2000E12P 1SCA108039R1001 Switch-disconnector 25
OT2000E13W4P 1SCA109284R1001 Switch-disconnector 29
OT2000E13W8P 1SCA109283R1001 Switch-disconnector 29
OT2000E22P 1SCA108041R1001 Switch-disconnector 25
OT2000EM03P 1SCA118939R1001 Earthing switch 34
OT2000EM04P 1SCA118947R1001 Earthing switch 34
OT2000EP03P 1SCA118457R1001 Earthing switch 35
OT2000EP04P 1SCA118458R1001 Earthing switch 35
OT200E03K 1SCA022763R4820 Switch-disconnector 27
OT200E03P 1SCA022712R0800 Switch-disconnector 24
OT200E03WP 1SCA022744R2670 Switch-disconnector 28
OT200E04K 1SCA022763R4910 Switch-disconnector 27
OT200E04P 1SCA022713R4930 Switch-disconnector 24
OT200E04WP 1SCA022744R3130 Switch-disconnector 28
OT200E12P 1SCA022721R3990 Switch-disconnector 24
OT200E12WP 1SCA022744R2910 Switch-disconnector 28
OT200E22P 1SCA022721R4020 Switch-disconnector 24
OT200E22WP 1SCA022744R3300 Switch-disconnector 28
OT200ES03 1SCA022860R0200 Side operated switch-disconnector 33
OT200ES03K 1SCA022860R0620 Side operated switch-disconnector 33
OT200ES04 1SCA022860R0540 Side operated switch-disconnector 33
OT200ES04K 1SCA022860R0710 Side operated switch-disconnector 33
OT200U03 1SCA022723R0220 Non-fusible disconnect switch 32
OT200U04 1SCA022723R0490 Non-fusible disconnect switch 32
OT200U12 1SCA022752R1890 Non-fusible disconnect switch 32
OT200U22 1SCA022741R8960 Non-fusible disconnect switch 32
OT2500E03K 1SCA108361R1001 Switch-disconnector 27
OT2500E03N3P 1SCA108035R1001 Switch-disconnector 25
OT2500E03P 1SCA104972R1001 Switch-disconnector 25
OT2500E03W4P 1SCA108047R1001 Switch-disconnector 29
OT2500E03W8P 1SCA108049R1001 Switch-disconnector 29
OT2500E04K 1SCA108363R1001 Switch-disconnector 27
OT2500E04P 1SCA105140R1001 Switch-disconnector 25
OT2500E12P 1SCA104978R1001 Switch-disconnector 25
OT2500E13W4P 1SCA109285R1001 Switch-disconnector 29
OT2500E13W8P 1SCA109286R1001 Switch-disconnector 29
OT2500E22P 1SCA105156R1001 Switch-disconnector 25
OT2500EM03P 1SCA115835R1001 Earthing switch 34
OT2500EM03W4P 1SCA115840R1001 Earthing switch 34
OT2500EM03W8P 1SCA115843R1001 Earthing switch 34
OT2500EM04P 1SCA118946R1001 Earthing switch 34
OT2500EM04W4P 1SCA118943R1001 Earthing switch 34
OT2500EM04W8P 1SCA118945R1001 Earthing switch 34
OT2500EP03P 1SCA118459R1001 Earthing switch 35
OT2500EP04P 1SCA118460R1001 Earthing switch 35
OT250E03K 1SCA022763R5040 Switch-disconnector 27
OT250E03P 1SCA022710R0100 Switch-disconnector 24
OT250E03WP 1SCA022744R3560 Switch-disconnector 28
OT250E04K 1SCA022763R5210 Switch-disconnector 27
OT250E04P 1SCA022710R0520 Switch-disconnector 24

110 | 1SCC301020C0201 | Switch-disconnectors
Type Order number Description Page
OT250E04WP 1SCA022744R3810 Switch-disconnector 28
OT250E12P 1SCA022721R4110 Switch-disconnector 24
OT250E12WP 1SCA022745R0000 Switch-disconnector 28
OT250E22P 1SCA022721R4290 Switch-disconnector 24
OT250E22WP 1SCA022745R0180 Switch-disconnector 28
OT250ES03 1SCA022860R0890 Side operated switch-disconnector 33
OT250ES03K 1SCA022860R0970 Side operated switch-disconnector 33
OT250ES04 1SCA022860R1010 Side operated switch-disconnector 33
OT250ES04K 1SCA022860R1190 Side operated switch-disconnector 33
OT25F3 1SCA104857R1001 Switch-disconnector 21
OT25F3 1SCA104857R1001 Non-fusible disconnect switch 30
OT25F4N2 1SCA104886R1001 Switch-disconnector 21
OT25F4N2 1SCA104886R1001 Non-fusible disconnect switch 30
OT25F6 1SCA104880R1001 Switch-disconnector 22
OT25F6 1SCA104880R1001 Non-fusible disconnect switch 31
OT25F8 1SCA104882R1001 Switch-disconnector 22
OT25F8 1SCA104882R1001 Non-fusible disconnect switch 31
OT25FT3 1SCA104884R1001 Switch-disconnector 23
OT25FT3 1SCA104884R1001 Non-fusible disconnect switch 30
OT25F T4N2 1SCA104900R1001 Switch-disconnector 23
OT25F T4N2 1SCA104900R1001 Non-fusible disconnect switch 30
OT25M3 1SCA022497R0310 Switch-disconnector 21
OT25M4 1SCA022497R0650 Switch-disconnector 21
OT30F3 1SCA105068R1001 Non-fusible disconnect switch 30
OT30F4N2 1SCA108347R1001 Non-fusible disconnect switch 30
OT315E03K 1SCA022763R5630 Switch-disconnector 27
OT315E03P 1SCA022718R8510 Switch-disconnector 24
OT315E03WP 1SCA022809R8650 Switch-disconnector 28
OT315E04K 1SCA022763R5710 Switch-disconnector 27
OT315E04P 1SCA022719R1730 Switch-disconnector 24
OT315E04WP 1SCA022809R8900 Switch-disconnector 28
OT315E12P 1SCA022727R4190 Switch-disconnector 24
OT315E12WP 1SCA022809R9380 Switch-disconnector 28
OT315E22P 1SCA022727R4270 Switch-disconnector 24
OT315E22WP 1SCA022810R0900 Switch-disconnector 28
OT315ES03 1SCA022860R1270 Side operated switch-disconnector 33
OT315ES03K 1SCA022860R1350 Side operated switch-disconnector 33
OT315ES04 1SCA022860R1510 Side operated switch-disconnector 33
OT315ES04K 1SCA022860R1600 Side operated switch-disconnector 33
OT3200E02 1SCA128579R1001 Switch-disconnector 26
OT3200E02P 1SCA128581R1001 Switch-disconnector 26
OT3200E03 1SCA128480R1001 Switch-disconnector 26
OT3200E03P 1SCA128481R1001 Switch-disconnector 26
OT3200E04 1SCA128479R1001 Switch-disconnector 26
OT3200E04P 1SCA128482R1001 Switch-disconnector 26
OT4000E02 1SCA128596R1001 Switch-disconnector 26
OT4000E02P 1SCA128595R1001 Switch-disconnector 26
OT4000E03 1SCA124847R1001 Switch-disconnector 26
OT4000E03P 1SCA124848R1001 Switch-disconnector 26
OT4000E04 1SCA124855R1001 Switch-disconnector 26
OT4000E04P 1SCA124856R1001 Switch-disconnector 26
OT400E03K 1SCA022763R5390 Switch-disconnector 27
OT400E03P 1SCA022718R8780 Switch-disconnector 24
OT400E03WP 1SCA022809R8310 Switch-disconnector 28
OT400E04K 1SCA022763R5550 Switch-disconnector 27
OT400E04P 1SCA022719R1810 Switch-disconnector 24
OT400E04WP 1SCA022809R8810 Switch-disconnector 28
OT400E12P 1SCA022727R5750 Switch-disconnector 24
Type Order number Description Page
OT400E12WP 1SCA022809R9200 Switch-disconnector 28
OT400E22P 1SCA022727R5830 Switch-disconnector 24
OT400E22WP 1SCA022810R0570 Switch-disconnector 28
OT400ES03 1SCA022860R1780 Side operated switch-disconnector 33
OT400ES03K 1SCA022860R1860 Side operated switch-disconnector 33
OT400ES04 1SCA022860R1940 Side operated switch-disconnector 33
OT400ES04K 1SCA022860R2080 Side operated switch-disconnector 33
OT400U03 1SCA022747R6490 Non-fusible disconnect switch 32
OT400U04 1SCA022748R1060 Non-fusible disconnect switch 32
OT400U12 1SCA022754R6450 Non-fusible disconnect switch 32
OT400U22 1SCA022762R7110 Non-fusible disconnect switch 32
OT40F3 1SCA104902R1001 Switch-disconnector 21
OT40F3 1SCA104902R1001 Non-fusible disconnect switch 30
OT40F4N2 1SCA104932R1001 Switch-disconnector 21
OT40F4N2 1SCA104932R1001 Non-fusible disconnect switch 30
OT40F6 1SCA104936R1001 Switch-disconnector 22
OT40F6 1SCA104936R1001 Non-fusible disconnect switch 31
OT40F8 1SCA104938R1001 Switch-disconnector 22
OT40F8 1SCA104938R1001 Non-fusible disconnect switch 31
OT40FT3 1SCA104940R1001 Switch-disconnector 23
OT40FT3 1SCA104940R1001 Non-fusible disconnect switch 30
OT40FT4N2 1SCA104956R1001 Switch-disconnector 23
OT40FT4N2 1SCA104956R1001 Non-fusible disconnect switch 30
OT40M3 1SCA022497R0490 Switch-disconnector 21
OT40M4 1SCA022497R0570 Switch-disconnector 21
OT600U03 1SCA022798R0730 Non-fusible disconnect switch 32
OT600U04 1SCA022800R1750 Non-fusible disconnect switch 32
OT600U12 1SCA022800R1830 Non-fusible disconnect switch 32
OT600U22 1SCA022800R2130 Non-fusible disconnect switch 32
OT60F3 1SCA105076R1001 Non-fusible disconnect switch 30
OT60F4N2 1SCA108348R1001 Non-fusible disconnect switch 30
OT630E03K 1SCA022779R4940 Switch-disconnector 27
OT630E03N3P 1SCA022779R4860 Switch-disconnector 24
OT630E03P 1SCA022718R8940 Switch-disconnector 24
OT630E04K 1SCA022779R5080 Switch-disconnector 27
OT630E04P 1SCA022719R2030 Switch-disconnector 24
OT630E12P 1SCA022753R4790 Switch-disconnector 24
OT630E22P 1SCA022753R4870 Switch-disconnector 24
OT630ES03 1SCA022860R2240 Side operated switch-disconnector 33
OT630ES03K 1SCA022860R2320 Side operated switch-disconnector 33
OT630ES04 1SCA022860R2410 Side operated switch-disconnector 33
OT630ES04K 1SCA022860R2590 Side operated switch-disconnector 33
OT63F3 1SCA105332R1001 Switch-disconnector 21
OT63F3 1SCA105332R1001 Non-fusible disconnect switch 30
OT63F4N2 1SCA105365R1001 Switch-disconnector 21
OT63F4N2 1SCA105365R1001 Non-fusible disconnect switch 30
OT63F6 1SCA105379R1001 Switch-disconnector 22
OT63F6 1SCA105379R1001 Non-fusible disconnect switch 31
OT63F8 1SCA105381R1001 Switch-disconnector 22
OT63F8 1SCA105381R1001 Non-fusible disconnect switch 31
OT63FT3 1SCA105382R1001 Switch-disconnector 23
OT63FT3 1SCA105382R1001 Non-fusible disconnect switch 30
OT63FT4N2 1SCA105393R1001 Switch-disconnector 23
OT63FT4N2 1SCA105393R1001 Non-fusible disconnect switch 30
OT63ML3 1SCA022530R5770 Switch-disconnector 21
OT63ML4 1SCA022530R6400 Switch-disconnector 21
OT800E03K 1SCA022779R5160 Switch-disconnector 27
OT800E03N3P 1SCA022779R4780 Switch-disconnector 24

Switch-disconnectors | 1SCC301020C0201 | 111
Type Order number Description Page
OT800E03P 1SCA022718R9410 Switch-disconnector 24
OT800E04K 1SCA022779R5240 Switch-disconnector 27
OT800E04P 1SCA022719R2110 Switch-disconnector 24
OT800E12P 1SCA022753R5170 Switch-disconnector 24
OT800E22P 1SCA022753R5250 Switch-disconnector 24
OT800ES03 1SCA022860R2670 Side operated switch-disconnector 33
OT800ES03K 1SCA022860R2750 Side operated switch-disconnector 33
OT800ES04 1SCA022860R2830 Side operated switch-disconnector 33
OT800ES04K 1SCA022860R2910 Side operated switch-disconnector 33
OT800U03 1SCA105635R1001 Non-fusible disconnect switch 32
OT800U04 1SCA105636R1001 Non-fusible disconnect switch 32
OT800U12 1SCA105637R1001 Non-fusible disconnect switch 32
OT800U22 1SCA105639R1001 Non-fusible disconnect switch 32
OT80F3 1SCA105798R1001 Switch-disconnector 21
OT80F3 1SCA105798R1001 Non-fusible disconnect switch 30
OT80F4N2 1SCA105413R1001 Switch-disconnector 21
OT80F4N2 1SCA105413R1001 Non-fusible disconnect switch 30
OT80F6 1SCA105427R1001 Switch-disconnector 22
OT80F6 1SCA105427R1001 Non-fusible disconnect switch 31
OT80F8 1SCA105429R1001 Switch-disconnector 22
OT80F8 1SCA105429R1001 Non-fusible disconnect switch 31
OT80FT3 1SCA105431R1001 Switch-disconnector 23
OT80FT3 1SCA105431R1001 Non-fusible disconnect switch 30
OT80FT4N2 1SCA105499R1001 Switch-disconnector 23
OT80FT4N2 1SCA105499R1001 Non-fusible disconnect switch 30
OTB1600/6 1SCA100768R1001 Phase separator 64
OTB800/6 1SCA022821R7760 Phase separator 64
OTM1000E2M230V 1SCA121396R1001 Motorized switch-disconnector 37
OTM1000E3M230C 1SCA115364R1001 Motorized switch-disconnector 37
OTM1000E4M230C 1SCA115368R1001 Motorized switch-disconnector 37
OTM100F3M230V 1SCA122969R1001 Motorized switch-disconnector 36
OTM100F4M230V 1SCA122974R1001 Motorized switch-disconnector 36
OTM1250E2M230V 1SCA121193R1001 Motorized switch-disconnector 37
OTM1250E3M230C 1SCA115365R1001 Motorized switch-disconnector 37
OTM1250E4M230C 1SCA115367R1001 Motorized switch-disconnector 37
OTM125F3M230V 1SCA122968R1001 Motorized switch-disconnector 36
OTM125F4M230V 1SCA122973R1001 Motorized switch-disconnector 36
OTM1600E3M230C 1SCA115366R1001 Motorized switch-disconnector 37
OTM1600E4M230C 1SCA115369R1001 Motorized switch-disconnector 37
OTM160E2M230V 1SCA121183R1001 Motorized switch-disconnector 37
OTM160E2WM230V 1SCA121186R1001 Motorized switch-disconnector 38
OTM160E3M230C 1SCA115283R1001 Motorized switch-disconnector 37
OTM160E3WM230C 1SCA115286R1001 Motorized switch-disconnector 38
OTM160E4M230C 1SCA115293R1001 Motorized switch-disconnector 37
OTM160E4WM230C 1SCA115295R1001 Motorized switch-disconnector 38
OTM2000E2M230V 1SCA121201R1001 Motorized switch-disconnector 37
OTM2000E3M230C 1SCA115372R1001 Motorized switch-disconnector 37
OTM2000E4M230C 1SCA115374R1001 Motorized switch-disconnector 37
OTM200E2M230V 1SCA121184R1001 Motorized switch-disconnector 37
OTM200E2WM230V 1SCA121187R1001 Motorized switch-disconnector 38
OTM200E3M230C 1SCA115284R1001 Motorized switch-disconnector 37
OTM200E3WM230C 1SCA115288R1001 Motorized switch-disconnector 38
OTM200E4M230C 1SCA115292R1001 Motorized switch-disconnector 37
OTM200E4WM230C 1SCA115296R1001 Motorized switch-disconnector 38
OTM2500E2M230V 1SCA121195R1001 Motorized switch-disconnector 37
OTM2500E3M230C 1SCA115373R1001 Motorized switch-disconnector 37
OTM2500E4M230C 1SCA115375R1001 Motorized switch-disconnector 37
OTM250E2M230V 1SCA121185R1001 Motorized switch-disconnector 37
Type Order number Description Page
OTM250E2WM230V 1SCA121188R1001 Motorized switch-disconnector 38
OTM250E3M230C 1SCA115285R1001 Motorized switch-disconnector 37
OTM250E3WM230C 1SCA115289R1001 Motorized switch-disconnector 38
OTM250E4M230C 1SCA115290R1001 Motorized switch-disconnector 37
OTM250E4WM230C 1SCA115297R1001 Motorized switch-disconnector 38
OTM315E2M230V 1SCA121189R1001 Motorized switch-disconnector 37
OTM315E3M230C 1SCA115334R1001 Motorized switch-disconnector 37
OTM315E4M230C 1SCA115335R1001 Motorized switch-disconnector 37
OTM400E2M230V 1SCA121199 R1001 Motorized switch-disconnector 37
OTM400E3M230C 1SCA115333R1001 Motorized switch-disconnector 37
OTM400E4M230C 1SCA115336R1001 Motorized switch-disconnector 37
OTM40F3M230V 1SCA122972R1001 Motorized switch-disconnector 36
OTM40F4M230V 1SCA122977R1001 Motorized switch-disconnector 36
OTM630E2M230V 1SCA121190R1001 Motorized switch-disconnector 37
OTM630E3M230C 1SCA115354R1001 Motorized switch-disconnector 37
OTM630E4M230C 1SCA115357R1001 Motorized switch-disconnector 37
OTM63F3M230V 1SCA122971R1001 Motorized switch-disconnector 36
OTM63F4M230V 1SCA122976R1001 Motorized switch-disconnector 36
OTM800E2M230V 1SCA121197R1001 Motorized switch-disconnector 37
OTM800E3M230C 1SCA115355R1001 Motorized switch-disconnector 37
OTM800E4M230C 1SCA115356R1001 Motorized switch-disconnector 37
OTM80F3M230V 1SCA122970R1001 Motorized switch-disconnector 36
OTM80F4M230V 1SCA122975R1001 Motorized switch-disconnector 36
OTPD125FP 1SCA105083R1001 Detachable neutral 61
OTPD40FP 1SCA104994R1001 Detachable neutral 61
OTPD80FD 1SCA105444R1001 Detachable neutral 61
OTPD80FP 1SCA105445R1001 Detachable neutral 61
OTPE125FD 1SCA105698R1001 Protective earth 61
OTPE125FP 1SCA105128R1001 Protective earth 61
OTPE125FP 1SCA105090R1001 Protective earth 61
OTPE40FD 1SCA109884R1001 Protective earth 61
OTPE40FP 1SCA104995R1001 Protective earth 61
OTPE60FP 1SCA111016R1001 Protective earth 61
OTPE80FD 1SCA105446R1001 Protective earth 61
OTPE80FP 1SCA105448R1001 Protective earth 61
OTPL125FD 1SCA105088R1001 Fourth pole 60
OTPL125FP 1SCA105090R1001 Fourth pole 60
OTPL125FP 1SCA105090R1001 Fourth pole 60
OTPL40FD 1SCA105716R1001 Fourth pole 60
OTPL40FP 1SCA105717R1001 Fourth pole 60
OTPL60FP 1SCA111004R1001 Fourth pole 60
OTPL80FD 1SCA105451R1001 Fourth pole 60
OTPL80FP 1SCA105452R1001 Fourth pole 60
OTPN125FD 1SCA105092R1001 Fixed neutral 61
OTPN125FP 1SCA105094R1001 Fixed neutral 61
OTPN125FP 1SCA105090R1001 Fixed neutral 61
OTPN40FD 1SCA105718R1001 Fixed neutral 61
OTPN40FP 1SCA104997R1001 Fixed neutral 61
OTPN60FP 1SCA117606R1001 Fixed neutral 61
OTPN80FD 1SCA105456R1001 Fixed neutral 61
OTPN80FP 1SCA105457R1001 Fixed neutral 61
OTPS125FD 1SCA105096R1001 Fourth pole 60
OTPS125FP 1SCA105099R1001 Fourth pole 60
OTPS125FP 1SCA105099R1001 Fourth pole 60
OTPS125MP 1SCA022436R9110 Fourth pole 60
OTPS160MP 1SCA022325R7520 Fourth pole 60
OTPS40FDN1 1SCA104999R1001 Fourth pole 60
OTPS40FDN2 1SCA104998R1001 Fourth pole 60

112 | 1SCC301020C0201 | Switch-disconnectors
Type Order number Description Page
OTPS40FPN1 1SCA105001R1001 Fourth pole 60
OTPS40FPN2 1SCA105000R1001 Fourth pole 60
OTPS60FP 1SCA111009R1001 Fourth pole 60
OTPS63MLP 1SCA022530R6580 Fourth pole 60
OTPS80FD 1SCA105458R1001 Fourth pole 60
OTPS80FP 1SCA105461R1001 Fourth pole 60
OTS125T1 1SCA022379R9760 Terminal shroud 62
OTS125T1 1SCA022379R9760 Terminal shroud 62
OTS125T1P 1SCA022491R9970 Terminal shroud 62
OTS125T3 1SCA022379R9680 Terminal shroud 62
OTS125T3 1SCA022379R9680 Terminal shroud 62
OTS125T3P 1SCA022491R9890 Terminal shroud 62
OTS1600G1L/3 1SCA022871R9510 Terminal shroud 63
OTS1600G1L/4 1SCA022871R9780 Terminal shroud 63
OTS1600G1S/3 1SCA022871R9600 Terminal shroud 63
OTS1600G1S/4 1SCA022871R9860 Terminal shroud 63
OTS2500G1L/3 1SCA107261R1001 Terminal shroud 63
OTS2500G1L/4 1SCA107262R1001 Terminal shroud 63
OTS2500G1S/3 1SCA107260R1001 Terminal shroud 63
OTS2500G1S/4 1SCA107271R1001 Terminal shroud 63
OTS250G1L/3 1SCA022731R8150 Terminal shroud 63
OTS250G1L/4 1SCA022731R8230 Terminal shroud 63
OTS250G1S/3 1SCA022731R8310 Terminal shroud 63
OTS250G1S/4 1SCA022731R8400 Terminal shroud 63
OTS4000G1L/3 1SCA129042R1001 Terminal shroud 63
OTS4000G1L/4 1SCA129043R1001 Terminal shroud 63
OTS4000G1S/3 1SCA129044R1001 Terminal shroud 63
OTS4000G1S/4 1SCA129045R1001 Terminal shroud 63
OTS400G1L/3 1SCA022736R8840 Terminal shroud 63
OTS400G1L/4 1SCA022736R9490 Terminal shroud 63
OTS400G1S/3 1SCA022736R9060 Terminal shroud 63
OTS400G1S/4 1SCA022736R9650 Terminal shroud 63
OTS40T1 1SCA105314R1001 Terminal shroud 62
OTS40T3 1SCA105317R1001 Terminal shroud 62
OTS63T1 1SCA022353R6910 Terminal shroud 62
OTS63T3 1SCA022353R6750 Terminal shroud 62
OTS800G1L/3 1SCA022776R7890 Terminal shroud 63
OTS800G1L/4 1SCA022776R7970 Terminal shroud 63
OTS800G1S/3 1SCA022776R8190 Terminal shroud 63
OTS800G1S/4 1SCA022776R8270 Terminal shroud 63
OTV1000EK 1SCA106608R1001 Direct mounting handle 48
OTV1000EPK 1SCA121085R1001 Direct mounting handle 48
OTV250EK 1SCA022763R2700 Direct mounting handle 48
OTV400EK 1SCA022763R2960 Direct mounting handle 48
OTV800EK 1SCA022804R6340 Direct mounting handle 48
OTVS0 1SCA117524R1001 Handle and spare fuse storage clip 51
OTVS1 1SCA111413R1001 Handle and spare fuse storage clip 51
OTVS2 1SCA111414R1001 Handle and spare fuse storage clip 51
OTVY250EK 1SCA022772R7910 Direct mounting handle 48
OTVY400EK 1SCA022772R7830 Direct mounting handle 48
OTVY800EK 1SCA022810R2780 Direct mounting handle 48
OTZ1250E 1SCA103765R1001 Fourth pole 60
OTZ1600E 1SCA100431R1001 Fourth pole 60
OTZ2500E 1SCA107931R1001 Fourth pole 60
OTZ250E 1SCA022735R9420 Fourth pole 60
OTZ4000E 1SCA128807R1001 Fourth pole 60
OTZ400E 1SCA022749R1960 Fourth pole 60
OTZ800E 1SCA022807R5100 Fourth pole 60
Type Order number Description Page
OTZL4 1SCA116554R1001 Mechanical interlock 70
OTZM4A 1SCA118510R1001 Electrical interlock kit 70
OTZM4L 1SCA118511R1001 Electrical interlock kit 70
OTZT1A 1SCA106522R1001 Mechanism and electrical interlock 70
OTZT1L 1SCA106527R1001 Mechanism and electrical interlock 70
OTZT2A 1SCA106523R1001 Mechanism and electrical interlock 70
OTZT2L 1SCA106529R1001 Mechanism and electrical interlock 70
OTZT3A 1SCA106525R1001 Mechanism and electrical interlock 70
OTZT3L 1SCA106530R1001 Mechanism and electrical interlock 70
OTZT4A 1SCA106526R1001 Mechanism and electrical interlock 70
OTZT4L 1SCA106531R1001 Mechanism and electrical interlock 70
OTZW10 1SCA022431R5280 Mechanical interlock mechanism 68
OTZW17 1SCA022387R1620 By-pass switch mechanism 68
OTZW24 1SCA022639R5610 Mechanical interlock mechanism 68
OTZW25 1SCA022778R6920 Change-over switch mechanism 68
OTZW26 1SCA022778R7060 By-pass switch mechanism 68
OTZW8 1SCA022421R7600 6 and 8-pole switch mechanism 68
OTZW8 1SCA022421R7600 6 and 8-pole switch mechanism 68
OTZW8 1SCA022421R7600 6 and 8-pole switch mechanism 68
OWC6D125 1SCA104494R1001 Change-over switch mechanism 68
OWC6D40 1SCA022865R4550 Change-over switch mechanism 68
OWC6D80 1SCA022865R4630 Change-over switch mechanism 68
OWP6D125 1SCA022865R5100 6 and 8-pole switch mechanism 68
OWP6D40 1SCA022865R4800 6 and 8-pole switch mechanism 68
OWP6D80 1SCA022865R5010 6 and 8-pole switch mechanism 68
OX6X105 1SCA111930R1001 Shaft 52
OX6X115 1SCA111931R1001 Shaft 52
OX6X130 1SCA111460R1001 Shaft 52
OX6X155 1SCA111275R1001 Shaft 52
OX6X200 1SCA111932R1001 Shaft 52
OX6X300 1SCA111933R1001 Shaft 52
OX6X60 1SCA111459R1001 Shaft 52
OX6X85 1SCA111274R1001 Shaft 52
OXN1250T 1SCA104162R1001 Neutral link 61
OXN250 1SCA022752R9950 Neutral link 61
OXN400 1SCA022770R3060 Neutral link 61
OXN800T 1SCA022829R0840 Neutral link 61
OXP12X166 1SCA022325R7100 Shaft 53
OXP12X185 1SCA022325R6710 Shaft 53
OXP12X250 1SCA022325R6980 Shaft 53
OXP12X250-45 1SCA022293R9400 Shaft 54
OXP12X280 1SCA022137R5140 Shaft 53
OXP12X280-45 1SCA022382R0800 Shaft 54
OXP12X325 1SCA022042R5810 Shaft 53
OXP12X325-45 1SCA022304R4450 Shaft 54
OXP12X395 1SCA022042R5990 Shaft 53
OXP12X395-45 1SCA022749R0640 Shaft 54
OXP12X465 1SCA022042R6020 Shaft 53
OXP12X465-45 1SCA022423R1770 Shaft 54
OXP12X535 1SCA022042R6110 Shaft 53
OXP12X535-45 1SCA022723R2940 Shaft 54
OXP6X130 1SCA022057R0570 Shaft 52
OXP6X130-45 1SCA022355R9110 Shaft 54
OXP6X150 1SCA022295R5600 Shaft 52
OXP6X150-45 1SCA022294R4400 Shaft 54
OXP6X161 1SCA022067R1760 Shaft 52
OXP6X170 1SCA108224R1001 Shaft 52
OXP6X170-45 1SCA108227R1001 Shaft 54

Switch-disconnectors | 1SCC301020C0201 | 113
Type Order number Description Page
OXP6X210 1SCA022295R6080 Shaft 52
OXP6X210-45 1SCA022294R4230 Shaft 54
OXP6X265 1SCA108225R1001 Shaft 52
OXP6X265-45 1SCA108228R1001 Shaft 54
OXP6X290 1SCA022042R6370 Shaft 52
OXP6X290-45 1SCA022304R4290 Shaft 54
OXP6X400 1SCA108226R1001 Shaft 52
OXP6X400-45 1SCA108229R1001 Shaft 54
OXS6X105 1SCA108043R1001 Shaft 52
OXS6X120 1SCA101654R1001 Shaft 52
OXS6X130 1SCA101655R1001 Shaft 52
OXS6X160 1SCA101656R1001 Shaft 52
OXS6X180 1SCA101659R1001 Shaft 52
OXS6X250 1SCA101660R1001 Shaft 52
OXS6X330 1SCA101661R1001 Shaft 52
OXS6X85 1SCA101647R1001 Shaft 52
OXT20X210X 1SCA103684R1001 Shaft support for long shaft 55
OZ331P67B 1SCA111427R10 01 Round padlockable handle 45
OZ331P67RY 1SCA111429R1001 Round padlockable handle 45
OZ331SPB 1SCA112983R1001 Round padlockable handle 45
OZ331SPRY 1SCA113097R1001 Round padlockable handle 45
OZ371PB 1SCA11168 4R1001 Round padlockable handle 45
OZ371PRY 1SCA111685R10 01 Round padlockable handle 45
OZG71 1SCA111686R1001 Shaft alignment ring 55
OZXB1L 1SCA022169R2030 Terminal clamp 65
OZXB1L/1 1SCA022194R0030 Terminal clamp 65
OZXB2 1SCA022119R7610 Terminal clamp 65
OZXB2/1 1SCA022194R0200 Terminal clamp 65
OZXB2K 1SCA022264R0010 Terminal shroud for terminal clamp 63
OZXB2L 1SCA022158R7750 Terminal clamp 65
OZXB2L/1 1SCA022194R0460 Terminal clamp 65
OZXB3 1SCA022136R8100 Terminal clamp 65
OZXB3 1SCA022136R8100 Terminal clamp 66
OZXB3/1 1SCA022194R0620 Terminal clamp 65
OZXB3/1 1SCA022194R0620 Terminal clamp 66
OZXB3K 1SCA022264R0440 Terminal shroud for terminal clamp 63
OZXB4 1SCA022137R4760 Terminal clamp 65
OZXB4 1SCA022137R4760 Terminal clamp 66
OZXB4/1 1SCA022194R0890 Terminal clamp 65
OZXB4/1 1SCA022194R0890 Terminal clamp 66
OZXB4K 1SCA022199R2850 Terminal shroud for terminal clamp 63
OZXB5 1SCA022137R2470 Terminal clamp 65
OZXB5 1SCA022137R2470 Terminal clamp 66
OZXB5/1 1SCA022194R1010 Terminal clamp 65
OZXB5/1 1SCA022194R1010 Terminal clamp 66
OZXB5K 1SCA022283R8040 Terminal shroud for terminal clamp 63
OZXB6 1SCA022137R4920 Terminal clamp 65
OZXB6 1SCA022137R4920 Terminal clamp 66
OZXB6/1 1SCA022194R1270 Terminal clamp 65
OZXB6/1 1SCA022194R1270 Terminal clamp 66
OZXB7 1SCA022185R0040 Terminal clamp 65
OZXB7/1 1SCA022194R1430 Terminal clamp 65
OZXB7L 1SCA022185R7130 Terminal clamp 65
OZXB7L 1SCA022185R7130 Terminal clamp 66
OZXB7L/1 1SCA022194R1600 Terminal clamp 65
OZXB7L/1 1SCA022194R1600 Terminal clamp 66
OZXB8 1SCA022744R1510 Terminal clamp 65
OZXB8/1 1SCA022744R1600 Terminal clamp 65
Type Order number Description Page
OZXB9 1SCA022750R3210 Terminal clamp 65
OZXB9/1 1SCA022750R3300 Terminal clamp 65
OZXL1 1SCA022439R6770 Terminal clamp 65
OZXL1/1 1SCA022469R6220 Terminal clamp 65
OZXM2/1 1SCA101164R1001 Terminal clamp 67
OZXP120 1SCA115540R1001 Terminal clamp 67
OZXP150 1SCA115541R1001 Terminal clamp 67
OZXP240 1SCA115542R1001 Terminal clamp 66
OZXP2X240 1SCA115544R1001 Terminal clamp 66
OZXP300 1SCA115543R1001 Terminal clamp 67
OZXP95 1SCA115539R1001 Terminal clamp 66
OZXR185 1SCA115531R1001 Terminal clamp 66
OZXR240 1SCA115532R1001 Terminal clamp 66
OZXR2X185 1SCA115534R1001 Terminal clamp 66
OZXR2X300 1SCA115535R1001 Terminal clamp 66
OZXR300 1SCA115533R1001 Terminal clamp 66
OZXR70 1SCA115529 R1001 Terminal clamp 67
OZXR95 1SCA115530R1001 Terminal clamp 66
OZXT1 1SCA022469R6310 Terminal clamp 65
OZXT2 1SCA022620R7200 Terminal clamp 65
OZXT3 1SCA022639R0720 Terminal clamp 65
OZXT4 1SCA022703R4630 Terminal clamp 65
OZXT6 1SCA122537R1001 Terminal clamp 67
PB100 low 1SDA054970R1 Phase barrier 64
PB100 low 1SDA054971R1 Phase barrier 64
PB100 low 1SDA054970R1 Phase barrier 64
PB100 low 1SDA054971R1 Phase barrier 64
PB100 low 1SDA054970R1 Phase barrier 64
PB100 low 1SDA054971R1 Phase barrier 64
PB200 high 1SDA054972R1 Phase barrier 64
PB200 high 1SDA054973R1 Phase barrier 64
PB200 high 1SDA054972R1 Phase barrier 64
PB200 high 1SDA054973R1 Phase barrier 64
PB200 high 1SDA054972R1 Phase barrier 64
PB200 high 1SDA054973R1 Phase barrier 64
PDAL2/110AC50Hz 1SCA106543R1001 Coil 71
PDAL2/110AC60Hz 1SCA107100R1001 Coil 71
PDAL2/110DC 1SCA107105R1001 Coil 71
PDAL2/120AC60Hz 1SCA111353R10 01 Coil 71
PDAL2/125DC 1SCA111338R1001 Coil 71
PDAL2/208AC60Hz 1SCA107101R1001 Coil 71
PDAL2/220DC 1SCA112503R1001 Coil 71
PDAL2/230AC50Hz 1SCA107102R1001 Coil 71
PDAL2/240AC60Hz 1SCA111356R1001 Coil 71
PDAL2/24AC60Hz 1SCA111350R1001 Coil 71
PDAL2/24DC 1SCA106542R1001 Coil 71
PDAL2/48DC 1SCA107103R1001 Coil 71
PDAL2/60DC 1SCA107104R1001 Coil 71
SA1 GJF1 101 903 R000 Padlocking adapter 64
ST 1SCA022407R8210 Label carrier 51
ST-E 1SCA022407R8300 Description label 51
YASDA35 1SCA104400R1001 Metallic handle 48

For your notes
114 | 1SCC301020C0201 | Switch-disconnectors

Contact us
Note: We reserve the right to make technical changes or
modify the contents of this document without prior notice.
With regard to purchase orders, the agreed particulars shall
prevail. ABB AG does not accept any responsibility whatsoever
for potential errors or possible lack of information in this document.
We reserve all rights in this document and in the subject matter
and illustrations contained therein. Any reproduction, disclosure
to third parties or utilization of its contents – in whole or in parts –
is forbidden without prior written consent of ABB AG.
Copyright © 2014 ABB
All rights reserved
You can find the address of your local sales organisation
on the ABB homepage:
www.abb.com/contacts
> Low Voltage Products and Systems
ABB Oy
Breakers and Switches
P.O. Box 622
FI-65101 Vaasa, Finland
Phone: +358 10 22 11
Fax: +358 10 22 45708
E-Mail: firstname.surname@fi.abb.com
www.abb.com
© Copyright ABB. Catalogue OT8GB 14-06, 1SCC301020C0201Producted by A&V Insinöörit Oy / Tekninen viestintä, Vaasa, Finland