MN04020003E Installation Directions
449623-Installationsheet 449623-InstallationSheet 449623-InstallationSheet 786685 Batch5 unilog cesco-content
104555-Installationsheet 104555-InstallationSheet 104555-InstallationSheet 786685 Batch10 unilog cesco-content
2014-10-17
: Pdf 104555-Installationsheet 104555-InstallationSheet Batch10 unilog
Open the PDF directly: View PDF .
Page Count: 204 [warning: Documents this large are best viewed by clicking the View PDF Link!]

M-Max™ Series Adjustable Frequency Drive
User Manual
Effective October 2013
Supersedes February 2013
M-Max Series Adjustable Frequency Drive
M-Max Series Adjustable Frequency Drive MN04020003E—October 2013 www.eaton.com i
Disclaimer of Warranties and Limitation of Liability
The information, recommendations, descriptions and safety notations in this document are
based on Eaton Corporation’s (“Eaton”) experience and judgment and may not cover all
contingencies. If further information is required, an Eaton sales office should be consulted.
Sale of the product shown in this literature is subject to the terms and conditions outlined
in appropriate Eaton selling policies or other contractual agreement between Eaton and
the purchaser.
THERE ARE NO UNDERSTANDINGS, AGREEMENTS, WARRANTIES, EXPRESSED OR
IMPLIED, INCLUDING WARRANTIES OF FITNESS FOR A PARTICULAR PURPOSE OR
MERCHANTABILITY, OTHER THAN THOSE SPECIFICALLY SET OUT IN ANY EXISTING
CONTRACT BETWEEN THE PARTIES. ANY SUCH CONTRACT STATES THE ENTIRE
OBLIGATION OF EATON. THE CONTENTS OF THIS DOCUMENT SHALL NOT BECOME
PART OF OR MODIFY ANY CONTRACT BETWEEN THE PARTIES.
In no event will Eaton be responsible to the purchaser or user in contract, in tort (including
negligence), strict liability or other-wise for any special, indirect, incidental or consequential
damage or loss whatsoever, including but not limited to damage or loss of use of equipment,
plant or power system, cost of capital, loss of power, additional expenses in the use of
existing power facilities, or claims against the purchaser or user by its customers resulting
from the use of the information, recommendations and descriptions contained herein. The
information contained in this manual is subject to change without notice.
Cover Photo: M-Max Series Drives
M-Max Series Adjustable Frequency Drive
ii M-Max Series Adjustable Frequency Drive MN04020003E—October 2013 www.eaton.com
Support Services
The goal of Eaton is to ensure your greatest possible satisfaction with the operation of our
products. We are dedicated to providing fast, friendly, and accurate assistance. That is why
we offer you so many ways to get the support you need. Whether it’s by phone, fax, or
e-mail, you can access Eaton’s support information 24 hours a day, seven days a week.
Our wide range of services is listed below.
You should contact your local distributor for product pricing, availability, ordering, expediting,
and repairs.
Web Site
Use the Eaton Web site to find product information. You can also find information on local
distributors or Eaton’s sales offices.
Web Site Address
www.eaton.com/electrical
EatonCare Customer Support Center
Call the EatonCare Support Center if you need assistance with placing an order, stock
availability or proof of shipment, expediting an existing order, emergency shipments, product
price information, returns other than warranty returns, and information on local distributors
or sales offices.
Voice: 877-ETN-CARE (877-386-2273) (8:00 a.m.–6:00 p.m. Eastern Time U.S. [UTC –5])
FAX: 800-752-8602
After-Hours Emergency: 800-543-7038
(6:00 p.m.–8:00 a.m. Eastern Time U.S. [UTC –5])
If you are in the U.S. or Canada, and have OI or PLC questions, you can take advantage of our
toll-free line for technical assistance with hardware and software product selection, system
design and installation, and system debugging and diagnostics. Technical support engineers
are available for calls during regular business hours.
Drives Technical Resource Center
Voice: 800-322-4986 or +1 828-651-0984 (8:00 a.m.–5:00 p.m. Central Time U.S. [UTC –6])
Fax: +1 920-262-6070
e-mail: TRCDrives@Eaton.com
For Customers in Europe, Contact:
Eaton Industries GmbH
Electrical Sector
After Sales Service
Hein-Moeller-Str. 7-11
D-53115 Bonn
Phone: +49 (0) 228 6 02-3640
Fax: +49 (0) 228 6 02-61400
Hotline: +49 (0) 180 5 223822
e-mail: AfterSalesEGBonn@Eaton.com
www.moeller.net/aftersales
M-Max Series Adjustable Frequency Drive
M-Max Series Adjustable Frequency Drive MN04020003E—October 2013 www.eaton.com iii
Table of Contents
SAFETY
Before Commencing the Installation . . . . . . . . . . . . . . . . . . . . . . . . . . . . . . . . . x
Definitions and Symbols . . . . . . . . . . . . . . . . . . . . . . . . . . . . . . . . . . . . . . . . . . xi
Hazardous High Voltage . . . . . . . . . . . . . . . . . . . . . . . . . . . . . . . . . . . . . . . . . . . xi
Warnings and Cautions . . . . . . . . . . . . . . . . . . . . . . . . . . . . . . . . . . . . . . . . . . . xi
ABOUT THIS MANUAL
Writing Conventions . . . . . . . . . . . . . . . . . . . . . . . . . . . . . . . . . . . . . . . . . . . . . 1
Abbreviations and Symbols . . . . . . . . . . . . . . . . . . . . . . . . . . . . . . . . . . . . . . . . 1
Input Supply Voltages . . . . . . . . . . . . . . . . . . . . . . . . . . . . . . . . . . . . . . . . . . . . 2
Units . . . . . . . . . . . . . . . . . . . . . . . . . . . . . . . . . . . . . . . . . . . . . . . . . . . . . . . . . . 2
M-MAX SERIES OVERVIEW
Notes on the Second MMX Upgrade . . . . . . . . . . . . . . . . . . . . . . . . . . . . . . . . . 3
Component Identification . . . . . . . . . . . . . . . . . . . . . . . . . . . . . . . . . . . . . . . . . . 4
Checking the Delivery . . . . . . . . . . . . . . . . . . . . . . . . . . . . . . . . . . . . . . . . . . . . 5
Nameplate Rating Data . . . . . . . . . . . . . . . . . . . . . . . . . . . . . . . . . . . . . . . . . . . 6
Catalog Number Selection . . . . . . . . . . . . . . . . . . . . . . . . . . . . . . . . . . . . . . . . . 7
Technical Data and Specifications . . . . . . . . . . . . . . . . . . . . . . . . . . . . . . . . . . . 9
Description of the M-Max . . . . . . . . . . . . . . . . . . . . . . . . . . . . . . . . . . . . . . . . . 13
Features . . . . . . . . . . . . . . . . . . . . . . . . . . . . . . . . . . . . . . . . . . . . . . . . . . . . . . . 13
Selection Criteria . . . . . . . . . . . . . . . . . . . . . . . . . . . . . . . . . . . . . . . . . . . . . . . . 15
Proper Use . . . . . . . . . . . . . . . . . . . . . . . . . . . . . . . . . . . . . . . . . . . . . . . . . . . . . 16
Maintenance and Inspection . . . . . . . . . . . . . . . . . . . . . . . . . . . . . . . . . . . . . . . 16
Storage . . . . . . . . . . . . . . . . . . . . . . . . . . . . . . . . . . . . . . . . . . . . . . . . . . . . . . . . 17
Charging DC Link Capacitors . . . . . . . . . . . . . . . . . . . . . . . . . . . . . . . . . . . . . . . 17
Service and Warranty . . . . . . . . . . . . . . . . . . . . . . . . . . . . . . . . . . . . . . . . . . . . . 17
ENGINEERING
Introduction . . . . . . . . . . . . . . . . . . . . . . . . . . . . . . . . . . . . . . . . . . . . . . . . . . . . 18
Electrical Power Network . . . . . . . . . . . . . . . . . . . . . . . . . . . . . . . . . . . . . . . . . 19
Safety and Switching . . . . . . . . . . . . . . . . . . . . . . . . . . . . . . . . . . . . . . . . . . . . . 21
EMC Measures . . . . . . . . . . . . . . . . . . . . . . . . . . . . . . . . . . . . . . . . . . . . . . . . . 22
Motor and Application . . . . . . . . . . . . . . . . . . . . . . . . . . . . . . . . . . . . . . . . . . . . 23
INSTALLATION
Introduction . . . . . . . . . . . . . . . . . . . . . . . . . . . . . . . . . . . . . . . . . . . . . . . . . . . . 26
Installation Instructions . . . . . . . . . . . . . . . . . . . . . . . . . . . . . . . . . . . . . . . . . . . 26
EMC Installation . . . . . . . . . . . . . . . . . . . . . . . . . . . . . . . . . . . . . . . . . . . . . . . . . 30
Electrical Installation . . . . . . . . . . . . . . . . . . . . . . . . . . . . . . . . . . . . . . . . . . . . . 32
OPERATION
Commissioning Checklist . . . . . . . . . . . . . . . . . . . . . . . . . . . . . . . . . . . . . . . . . . 50
Operational Hazard Warnings . . . . . . . . . . . . . . . . . . . . . . . . . . . . . . . . . . . . . . 51
Commissioning with Control Signal Terminals (Factory Setting) . . . . . . . . . . . . 52
ERROR AND WARNING MESSAGES
Introduction . . . . . . . . . . . . . . . . . . . . . . . . . . . . . . . . . . . . . . . . . . . . . . . . . . . . 56
M-Max Series Adjustable Frequency Drive
iv M-Max Series Adjustable Frequency Drive MN04020003E—October 2013 www.eaton.com
Table of Contents, continued
PARAMETERS
Control Unit . . . . . . . . . . . . . . . . . . . . . . . . . . . . . . . . . . . . . . . . . . . . . . . . . . . . 60
Parameter Menu (PAR) . . . . . . . . . . . . . . . . . . . . . . . . . . . . . . . . . . . . . . . . . . . 64
Operational Data Indicator (MON) . . . . . . . . . . . . . . . . . . . . . . . . . . . . . . . . . . . 127
Setpoint Input (REF) . . . . . . . . . . . . . . . . . . . . . . . . . . . . . . . . . . . . . . . . . . . . . 129
SERIAL INTERFACE (MODBUS RTU)
General Information About Modbus . . . . . . . . . . . . . . . . . . . . . . . . . . . . . . . . . 131
Communications in a Modbus Network . . . . . . . . . . . . . . . . . . . . . . . . . . . . . . 131
Modbus Parameters . . . . . . . . . . . . . . . . . . . . . . . . . . . . . . . . . . . . . . . . . . . . . 132
Modbus Process Data . . . . . . . . . . . . . . . . . . . . . . . . . . . . . . . . . . . . . . . . . . . . 137
APPENDIX A
Special Technical Data . . . . . . . . . . . . . . . . . . . . . . . . . . . . . . . . . . . . . . . . . . . . 142
Dimensions and Frame Sizes . . . . . . . . . . . . . . . . . . . . . . . . . . . . . . . . . . . . . . 148
PC Interface Card . . . . . . . . . . . . . . . . . . . . . . . . . . . . . . . . . . . . . . . . . . . . . . . 151
Mounting Frame for Fieldbus Connection . . . . . . . . . . . . . . . . . . . . . . . . . . . . . 153
PROFIBUS DP Fieldbus Interface Card . . . . . . . . . . . . . . . . . . . . . . . . . . . . . . . 157
Cables, Fuses and Disconnect Devices . . . . . . . . . . . . . . . . . . . . . . . . . . . . . . . 158
List of Parameters . . . . . . . . . . . . . . . . . . . . . . . . . . . . . . . . . . . . . . . . . . . . . . . 161
APPENDIX B
Door Panel Keypad Adapter System—Mounting Instructions . . . . . . . . . . . . . . 180
M-Max Series Adjustable Frequency Drive
M-Max Series Adjustable Frequency Drive MN04020003E—October 2013 www.eaton.com v
List of Figures
M-Max Frequency Converter . . . . . . . . . . . . . . . . . . . . . . . . . . . . . . . . . . . . . . . . . . . . . 3
Control Signal Terminals and Microswitches . . . . . . . . . . . . . . . . . . . . . . . . . . . . . . . . . 3
M-Max Series . . . . . . . . . . . . . . . . . . . . . . . . . . . . . . . . . . . . . . . . . . . . . . . . . . . . . . . . . 4
Scope of Supply . . . . . . . . . . . . . . . . . . . . . . . . . . . . . . . . . . . . . . . . . . . . . . . . . . . . . . . 5
Overview of the M-Max Device (FS1–FS3) . . . . . . . . . . . . . . . . . . . . . . . . . . . . . . . . . . 13
Overview of the M-Max Device (FS4 and FS5) . . . . . . . . . . . . . . . . . . . . . . . . . . . . . . . 13
Block Diagram, Elements of M-Max Frequency Inverters . . . . . . . . . . . . . . . . . . . . . . . 14
Selection Criteria . . . . . . . . . . . . . . . . . . . . . . . . . . . . . . . . . . . . . . . . . . . . . . . . . . . . . . 15
Drive System (PDS) . . . . . . . . . . . . . . . . . . . . . . . . . . . . . . . . . . . . . . . . . . . . . . . . . . . . 18
AC Power Networks with Grounded Center Point (TN-/TT Networks) . . . . . . . . . . . . . 19
EMC Environment and Category . . . . . . . . . . . . . . . . . . . . . . . . . . . . . . . . . . . . . . . . . . 22
Parallel Connection of Several Motors to One Frequency Inverter . . . . . . . . . . . . . . . . 23
Example of a Motor Ratings Plate . . . . . . . . . . . . . . . . . . . . . . . . . . . . . . . . . . . . . . . . . 24
Star and Delta Circuit Types . . . . . . . . . . . . . . . . . . . . . . . . . . . . . . . . . . . . . . . . . . . . . . 24
V/Hz-Characteristic Curve . . . . . . . . . . . . . . . . . . . . . . . . . . . . . . . . . . . . . . . . . . . . . . . 24
Bypass Motor Control (Example) . . . . . . . . . . . . . . . . . . . . . . . . . . . . . . . . . . . . . . . . . . 25
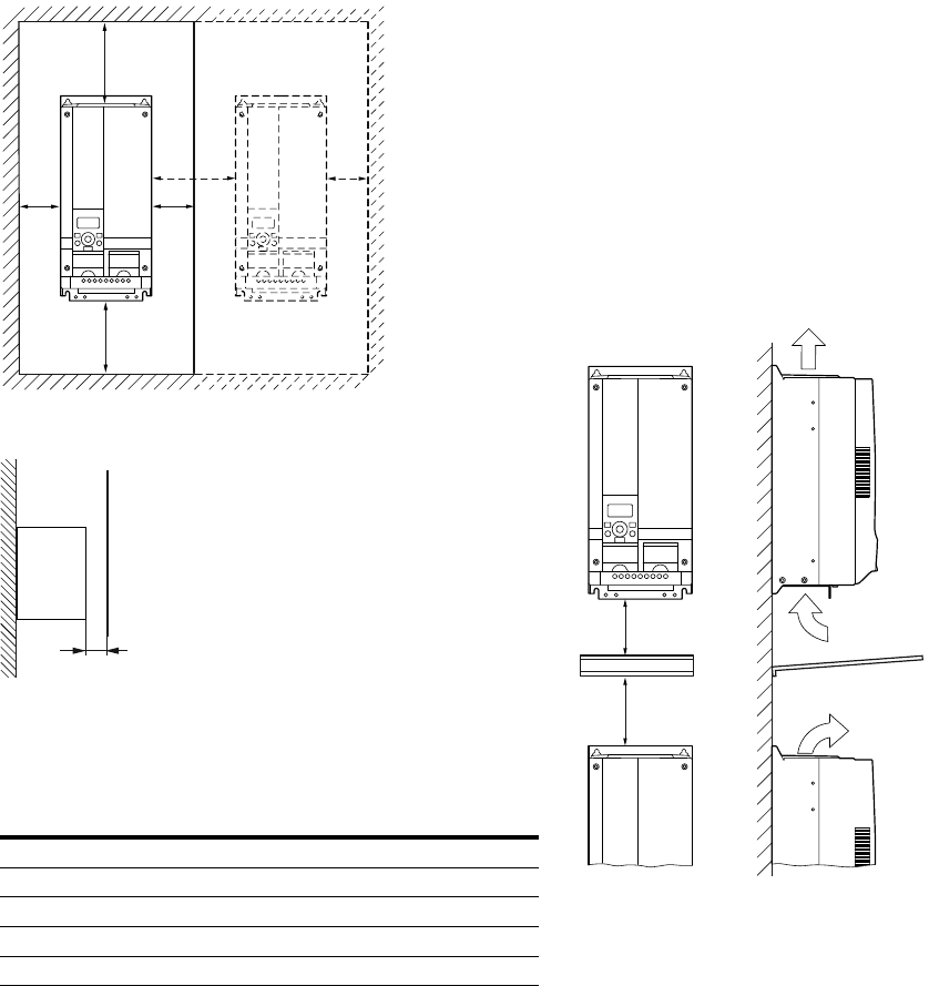
Mounting Position (FS1–FS3) . . . . . . . . . . . . . . . . . . . . . . . . . . . . . . . . . . . . . . . . . . . . . 26
Mounting Position (FS4 and FS5) . . . . . . . . . . . . . . . . . . . . . . . . . . . . . . . . . . . . . . . . . . 26
Air-Cooling Space . . . . . . . . . . . . . . . . . . . . . . . . . . . . . . . . . . . . . . . . . . . . . . . . . . . . . . 27
Minimum Clearance at the Front . . . . . . . . . . . . . . . . . . . . . . . . . . . . . . . . . . . . . . . . . . 27
Air-Baffle Due to Increased Circulation with Device Fan . . . . . . . . . . . . . . . . . . . . . . . . 27
Mounting Dimensions . . . . . . . . . . . . . . . . . . . . . . . . . . . . . . . . . . . . . . . . . . . . . . . . . . 28
Configuration for Mounting with Screws . . . . . . . . . . . . . . . . . . . . . . . . . . . . . . . . . . . . 28
Mounting Rail Conforming with IEC/EN 60715 . . . . . . . . . . . . . . . . . . . . . . . . . . . . . . . 29
Fastening to the Mounting Rail . . . . . . . . . . . . . . . . . . . . . . . . . . . . . . . . . . . . . . . . . . . 29
Demounting . . . . . . . . . . . . . . . . . . . . . . . . . . . . . . . . . . . . . . . . . . . . . . . . . . . . . . . . . . 29
Mounting the Cable Routing Plate and the Brackets . . . . . . . . . . . . . . . . . . . . . . . . . . . 29
EMC-Compliant Setup (Example: M-Max) . . . . . . . . . . . . . . . . . . . . . . . . . . . . . . . . . . . 31
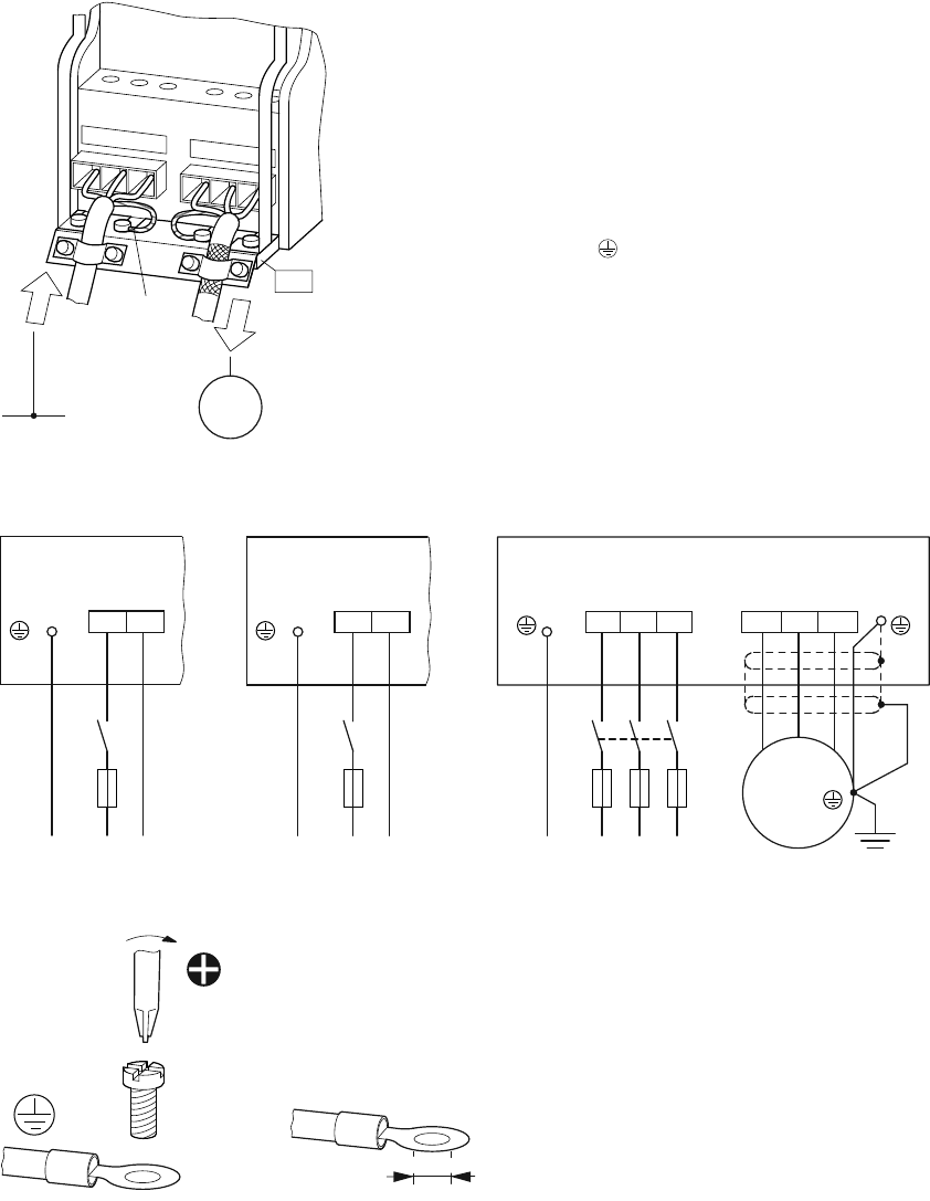
Three-Phase Input Connection . . . . . . . . . . . . . . . . . . . . . . . . . . . . . . . . . . . . . . . . . . . . 33
Connection to Power Section . . . . . . . . . . . . . . . . . . . . . . . . . . . . . . . . . . . . . . . . . . . . 33
Ground Connection . . . . . . . . . . . . . . . . . . . . . . . . . . . . . . . . . . . . . . . . . . . . . . . . . . . . 33
Connection in Power Section . . . . . . . . . . . . . . . . . . . . . . . . . . . . . . . . . . . . . . . . . . . . . 34
Screened Connection Cable . . . . . . . . . . . . . . . . . . . . . . . . . . . . . . . . . . . . . . . . . . . . . . 35
Connection with Twisted Cable Shielding . . . . . . . . . . . . . . . . . . . . . . . . . . . . . . . . . . . 35
Four-Core Shielded Motor Supply Cable . . . . . . . . . . . . . . . . . . . . . . . . . . . . . . . . . . . . 35
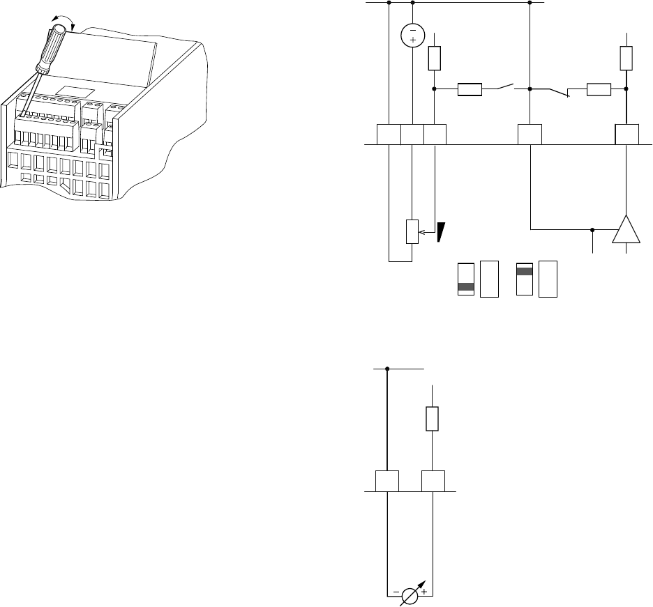
Position of Control Signal Terminals . . . . . . . . . . . . . . . . . . . . . . . . . . . . . . . . . . . . . . . . 38
Prevent the Shield from Becoming Unbraided . . . . . . . . . . . . . . . . . . . . . . . . . . . . . . . 38
Example for a Single-Side Connection (PES) to the Frequency Inverter . . . . . . . . . . . . 38
Example for an Insulated End of the Control Cable . . . . . . . . . . . . . . . . . . . . . . . . . . . . 38
Control Signal Terminals Assignments and Designations . . . . . . . . . . . . . . . . . . . . . . . 39
Microswitch Factory Settings . . . . . . . . . . . . . . . . . . . . . . . . . . . . . . . . . . . . . . . . . . . . 39
Control Signal Terminals (Digital and Analog Inputs/Outputs) . . . . . . . . . . . . . . . . . . . . 41
Analog Setpoint Inputs AI1 and AI2 . . . . . . . . . . . . . . . . . . . . . . . . . . . . . . . . . . . . . . . . 41
Analog Setpoint Value Signal, for Example, from a Superordinate Controller (PLC) . . . 41
Analog Output AO (Connection Examples) . . . . . . . . . . . . . . . . . . . . . . . . . . . . . . . . . . 42
M-Max Series Adjustable Frequency Drive
vi M-Max Series Adjustable Frequency Drive MN04020003E—October 2013 www.eaton.com
List of Figures, continued
Digital Inputs with Internal Supply Voltage . . . . . . . . . . . . . . . . . . . . . . . . . . . . . . . . . . 42
Digital Inputs with External Supply Voltage . . . . . . . . . . . . . . . . . . . . . . . . . . . . . . . . . . 42
Digital Inputs with Internal Supply Voltage (Negative Logic, Sink Type) . . . . . . . . . . . . 42
Digital Inputs with External Supply Voltage (Negative Logic, Sink Type) . . . . . . . . . . . . 43
Digital Output DO and Connection Examples . . . . . . . . . . . . . . . . . . . . . . . . . . . . . . . . 43
Connection Example and Operation of DO in Source and Sink Type . . . . . . . . . . . . . . 43
Relay Outputs with Connection Examples, Control Relay
with Suppressor Circuit . . . . . . . . . . . . . . . . . . . . . . . . . . . . . . . . . . . . . . . . . . . . . 44
Fixed Connection Cables at U >48V (Relay) . . . . . . . . . . . . . . . . . . . . . . . . . . . . . . . . . 44
Connection Terminals of the Serial Interface and Microswitch S4
(Bus Terminating Resistor) . . . . . . . . . . . . . . . . . . . . . . . . . . . . . . . . . . . . . . . . . . . 45
Two-Wire RS485 Connection . . . . . . . . . . . . . . . . . . . . . . . . . . . . . . . . . . . . . . . . . . . . . 45
MMX11...N_ Block Diagram . . . . . . . . . . . . . . . . . . . . . . . . . . . . . . . . . . . . . . . . . . . . . 46
MMX12...F_ Block Diagram . . . . . . . . . . . . . . . . . . . . . . . . . . . . . . . . . . . . . . . . . . . . . . 47
MMX32, MMX34 and MMX35 Block Diagram . . . . . . . . . . . . . . . . . . . . . . . . . . . . . . . 48
Operational Data Indicator (Operational) . . . . . . . . . . . . . . . . . . . . . . . . . . . . . . . . . . . . 53
Operation (RUN) via Control Signal Terminal (I/O) with
Left Rotating Field (REV) (for example, –12.34 Hz) . . . . . . . . . . . . . . . . . . . . . . . . 53
Start-Stop Command with Maximum Setpoint Value
Voltage, Acceleration Ramp 3s . . . . . . . . . . . . . . . . . . . . . . . . . . . . . . . . . . . . . . . . 54
Brief Instructions: Steps to the Motor Start . . . . . . . . . . . . . . . . . . . . . . . . . . . . . . . . . 55
Example of an Error Message (Undervoltage) . . . . . . . . . . . . . . . . . . . . . . . . . . . . . . . . 56
Example of an Alarm Message . . . . . . . . . . . . . . . . . . . . . . . . . . . . . . . . . . . . . . . . . . . 56
View of the Keypad with LCD Display, Function Keys
and Interface (LCD = Liquid Crystal Display) . . . . . . . . . . . . . . . . . . . . . . . . . . . . . 60
LCD Display (Areas) . . . . . . . . . . . . . . . . . . . . . . . . . . . . . . . . . . . . . . . . . . . . . . . . . . . . 61
Operational Data Indicator (Operational) . . . . . . . . . . . . . . . . . . . . . . . . . . . . . . . . . . . . 61
Parameter Menu (P1.1 = 1, Quick Configuration) . . . . . . . . . . . . . . . . . . . . . . . . . . . . . 64
Schematic Representation of Parameter Access . . . . . . . . . . . . . . . . . . . . . . . . . . . . . 64
Analog Inputs AI1 and AI2 . . . . . . . . . . . . . . . . . . . . . . . . . . . . . . . . . . . . . . . . . . . . . . . 68
Example of Scaled Analog Input Signals . . . . . . . . . . . . . . . . . . . . . . . . . . . . . . . . . . . . 69
Example of Scaled Analog Input Signals with Offset . . . . . . . . . . . . . . . . . . . . . . . . . . 69
Filter Time Constant . . . . . . . . . . . . . . . . . . . . . . . . . . . . . . . . . . . . . . . . . . . . . . . . . . . . 70
Digital Inputs for Source and Sink Type . . . . . . . . . . . . . . . . . . . . . . . . . . . . . . . . . . . . . 71
Control Logic Reaction to a Rising or Falling Edge
(Source Type, Sink Type) . . . . . . . . . . . . . . . . . . . . . . . . . . . . . . . . . . . . . . . . . . . . 71
DI1 (FWD) + DI2 = REV . . . . . . . . . . . . . . . . . . . . . . . . . . . . . . . . . . . . . . . . . . . . . . . . . 76
Example: Start Stop Impulse . . . . . . . . . . . . . . . . . . . . . . . . . . . . . . . . . . . . . . . . . . . . . 76
Analog Output AO . . . . . . . . . . . . . . . . . . . . . . . . . . . . . . . . . . . . . . . . . . . . . . . . . . . . . 77
Digital Outputs . . . . . . . . . . . . . . . . . . . . . . . . . . . . . . . . . . . . . . . . . . . . . . . . . . . . . . . . 78
Acceleration and Deceleration Time . . . . . . . . . . . . . . . . . . . . . . . . . . . . . . . . . . . . . . . 83
S-Formed Curve for Acceleration and Deceleration Ramps . . . . . . . . . . . . . . . . . . . . . 84
Automatic Restart After Error Message (Two Start Attempts) . . . . . . . . . . . . . . . . . . . 85
Motor Parameters from Ratings Plate . . . . . . . . . . . . . . . . . . . . . . . . . . . . . . . . . . . . . . 88
Circuits (Delta, Star) . . . . . . . . . . . . . . . . . . . . . . . . . . . . . . . . . . . . . . . . . . . . . . . . . . . . 88
Motor Cooling Power . . . . . . . . . . . . . . . . . . . . . . . . . . . . . . . . . . . . . . . . . . . . . . . . . . 92
Calculation of Motor Temperature . . . . . . . . . . . . . . . . . . . . . . . . . . . . . . . . . . . . . . . . . 92
M-Max Series Adjustable Frequency Drive
M-Max Series Adjustable Frequency Drive MN04020003E—October 2013 www.eaton.com vii
List of Figures, continued
Function Chart for OD (PID System Deviation) . . . . . . . . . . . . . . . . . . . . . . . . . . . . . . . 98
PID Controller, Actual Value Message FBV . . . . . . . . . . . . . . . . . . . . . . . . . . . . . . . . . . 99
Block Diagram, Ventilation with “Two-Stage Control” . . . . . . . . . . . . . . . . . . . . . . . . . . 99
Fixed Frequencies FF1, FF2 and FF3 (= FF1 + FF2) . . . . . . . . . . . . . . . . . . . . . . . . . . . 100
Example: Activation of the Fixed Frequencies in the
Factory Setting with Acceleration and Deceleration Ramps . . . . . . . . . . . . . . . . . . 100
Example A, Program Cycle Executed Once (P10.9 = 1, P10.10 = 0) . . . . . . . . . . . . . . . 104
Example B, Program Cycle Executed Once (P10.9 = 1, P10.10 = 192) . . . . . . . . . . . . . 105
Example C, Program Cycle Executed Once in Steps (P10.9 = 2, P10.10 = 0) . . . . . . . . 106
V/Hz-Characteristic Curve (P11.1) . . . . . . . . . . . . . . . . . . . . . . . . . . . . . . . . . . . . . . . . . 108
Speed Behavior without Slip Compensation . . . . . . . . . . . . . . . . . . . . . . . . . . . . . . . . . 110
Equivalent Circuit Diagram for an Asynchronous Motor . . . . . . . . . . . . . . . . . . . . . . . . 110
Speed Behavior with Slip Compensation . . . . . . . . . . . . . . . . . . . . . . . . . . . . . . . . . . . . 110
Regenerative Braking with External Braking Resistor . . . . . . . . . . . . . . . . . . . . . . . . . . 115
Mechanical Brake . . . . . . . . . . . . . . . . . . . . . . . . . . . . . . . . . . . . . . . . . . . . . . . . . . . . . . 117
Logic Linking of A and B . . . . . . . . . . . . . . . . . . . . . . . . . . . . . . . . . . . . . . . . . . . . . . . . 118
Roller Conveyor with Rotary Table . . . . . . . . . . . . . . . . . . . . . . . . . . . . . . . . . . . . . . . . . 123
Stop Function with Two Different Deceleration Times . . . . . . . . . . . . . . . . . . . . . . . . . 124
Operational Data Indicator . . . . . . . . . . . . . . . . . . . . . . . . . . . . . . . . . . . . . . . . . . . . . . . 127
Modbus Network with M-Max . . . . . . . . . . . . . . . . . . . . . . . . . . . . . . . . . . . . . . . . . . . . 131
Data Exchange Between Master and Slave . . . . . . . . . . . . . . . . . . . . . . . . . . . . . . . . . . 133
Dimensions and Frame Sizes, FS1–FS3 (FS = Frame Size) . . . . . . . . . . . . . . . . . . . . . . 148
Dimensions and Frame Sizes, FS4 and FS5 (FS = Frame Size) . . . . . . . . . . . . . . . . . . . 149
Equipment Supplied MMX-COM-PC . . . . . . . . . . . . . . . . . . . . . . . . . . . . . . . . . . . . . . . 151
Fitting the MMX-COM-PC Connection Module . . . . . . . . . . . . . . . . . . . . . . . . . . . . . . . 151
Removing the MMX-COM-PC Connection Module . . . . . . . . . . . . . . . . . . . . . . . . . . . . 151
Upload . . . . . . . . . . . . . . . . . . . . . . . . . . . . . . . . . . . . . . . . . . . . . . . . . . . . . . . . . . . . . . 152
Download . . . . . . . . . . . . . . . . . . . . . . . . . . . . . . . . . . . . . . . . . . . . . . . . . . . . . . . . . . . . 152
Inserting the 9V Block Battery . . . . . . . . . . . . . . . . . . . . . . . . . . . . . . . . . . . . . . . . . . . . 152
Power Supply . . . . . . . . . . . . . . . . . . . . . . . . . . . . . . . . . . . . . . . . . . . . . . . . . . . . . . . . . 153
Parameter Software MaxConnect . . . . . . . . . . . . . . . . . . . . . . . . . . . . . . . . . . . . . . . . . 153
MMX-NET-XA Mounting Frame . . . . . . . . . . . . . . . . . . . . . . . . . . . . . . . . . . . . . . . . . . . 153
Removing the Interface Cover on the M-Max . . . . . . . . . . . . . . . . . . . . . . . . . . . . . . . . 153
Fitting and Connecting the Mounting Plate of the MMX-NET-XA . . . . . . . . . . . . . . . . . 154
Cover of the MMX-NET-XA for Holding the Fieldbus Interface Card . . . . . . . . . . . . . . . 154
Connecting the Interface Card with the Frequency Inverter . . . . . . . . . . . . . . . . . . . . . 154
MMX-NET-XB Interface Module . . . . . . . . . . . . . . . . . . . . . . . . . . . . . . . . . . . . . . . . . . . 155
Remove Cover (FS4, FS5) . . . . . . . . . . . . . . . . . . . . . . . . . . . . . . . . . . . . . . . . . . . . . . . 155
Mounting Accessories for FS4, FS5 . . . . . . . . . . . . . . . . . . . . . . . . . . . . . . . . . . . . . . . 155
Plastic Bridge for Holding the Control Terminals . . . . . . . . . . . . . . . . . . . . . . . . . . . . . . 155
Connecting the MMX-NET-XB Interface Module with
the Fieldbus Interface Cards . . . . . . . . . . . . . . . . . . . . . . . . . . . . . . . . . . . . . . . . . . 156
XMX-NET-PD-A PROFIBUS DP Fieldbus Interface Card
with Nine-Pole Sub-D Plug Connection . . . . . . . . . . . . . . . . . . . . . . . . . . . . . . . . . 157
Fieldbus Connection . . . . . . . . . . . . . . . . . . . . . . . . . . . . . . . . . . . . . . . . . . . . . . . . . . . 157
XMX-NET-DN-A DeviceNet Fieldbus Interface Card . . . . . . . . . . . . . . . . . . . . . . . . . . . 157
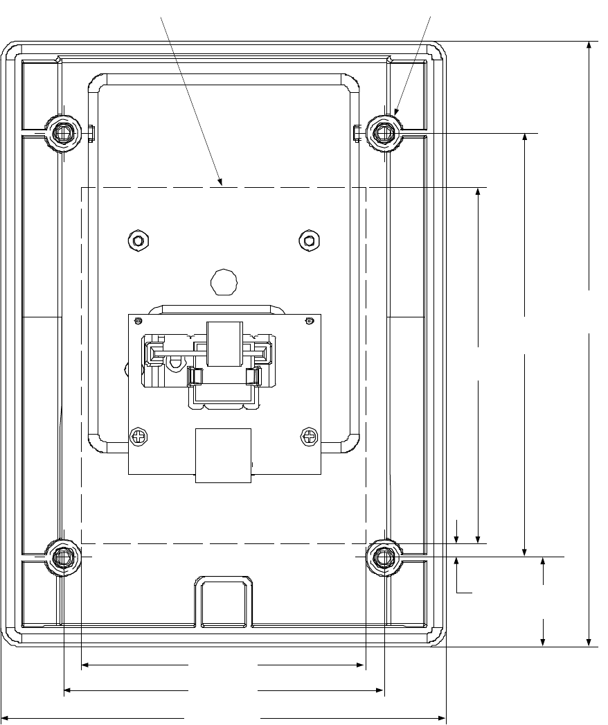
Door Keypad Mounting Kit . . . . . . . . . . . . . . . . . . . . . . . . . . . . . . . . . . . . . . . . . . . . . . . 180
Door Keypad Cut-out Dimensions . . . . . . . . . . . . . . . . . . . . . . . . . . . . . . . . . . . . . . . . . 183
Door Keypad Dimensions . . . . . . . . . . . . . . . . . . . . . . . . . . . . . . . . . . . . . . . . . . . . . . . 184
M-Max Series Adjustable Frequency Drive
viii M-Max Series Adjustable Frequency Drive MN04020003E—October 2013 www.eaton.com
List of Tables
Unit Conversion Examples . . . . . . . . . . . . . . . . . . . . . . . . . . . . . . . . . . . . . . . . . . . . . . 2
Nameplate Inscriptions . . . . . . . . . . . . . . . . . . . . . . . . . . . . . . . . . . . . . . . . . . . . . . . . . 6
Type Designation of the M-Max Frequency Inverters . . . . . . . . . . . . . . . . . . . . . . . . . . 7
Examples . . . . . . . . . . . . . . . . . . . . . . . . . . . . . . . . . . . . . . . . . . . . . . . . . . . . . . . . . . . . 8
General Rated Operational Data . . . . . . . . . . . . . . . . . . . . . . . . . . . . . . . . . . . . . . . . . . 9
Power Connection Voltages . . . . . . . . . . . . . . . . . . . . . . . . . . . . . . . . . . . . . . . . . . . . . 11
Maintenance Measures and Intervals . . . . . . . . . . . . . . . . . . . . . . . . . . . . . . . . . . . . . . 16
Identification on the Residual-Current Circuit-Breakers . . . . . . . . . . . . . . . . . . . . . . . . . 21
Assignment of Frequency Inverters to Example Motor Circuit . . . . . . . . . . . . . . . . . . . 24
Minimum Clearance and Required Cooling Air . . . . . . . . . . . . . . . . . . . . . . . . . . . . . . . 27
Stripping Lengths in the Power Section in inches (mm) . . . . . . . . . . . . . . . . . . . . . . . . 34
Arrangement and Size of the Connection Terminals . . . . . . . . . . . . . . . . . . . . . . . . . . . 36
Possible Connection Line Sizes and Specifications on Control Signal Terminals . . . . . 39
Factory-Set Control Terminal Functions . . . . . . . . . . . . . . . . . . . . . . . . . . . . . . . . . . . . 40
List of Fault Messages (F) and Warning Messages (AL) . . . . . . . . . . . . . . . . . . . . . . . . 57
Error Messages via Operating Unit . . . . . . . . . . . . . . . . . . . . . . . . . . . . . . . . . . . . . . . . 59
Control Unit Elements . . . . . . . . . . . . . . . . . . . . . . . . . . . . . . . . . . . . . . . . . . . . . . . . . . 60
Areas of the LCD Display . . . . . . . . . . . . . . . . . . . . . . . . . . . . . . . . . . . . . . . . . . . . . . . 61
Setting Parameters . . . . . . . . . . . . . . . . . . . . . . . . . . . . . . . . . . . . . . . . . . . . . . . . . . . . 62
Predefined Application Parameters from Parameter P1.2 . . . . . . . . . . . . . . . . . . . . . . . 66
Default I/O . . . . . . . . . . . . . . . . . . . . . . . . . . . . . . . . . . . . . . . . . . . . . . . . . . . . . . . . . . . 67
Parameter Selections . . . . . . . . . . . . . . . . . . . . . . . . . . . . . . . . . . . . . . . . . . . . . . . . . . 67
Analog Inputs . . . . . . . . . . . . . . . . . . . . . . . . . . . . . . . . . . . . . . . . . . . . . . . . . . . . . . . . . 68
Digital Inputs . . . . . . . . . . . . . . . . . . . . . . . . . . . . . . . . . . . . . . . . . . . . . . . . . . . . . . . . . 72
Analog Outputs . . . . . . . . . . . . . . . . . . . . . . . . . . . . . . . . . . . . . . . . . . . . . . . . . . . . . . . 77
Digital Outputs . . . . . . . . . . . . . . . . . . . . . . . . . . . . . . . . . . . . . . . . . . . . . . . . . . . . . . . . 78
Drives Control . . . . . . . . . . . . . . . . . . . . . . . . . . . . . . . . . . . . . . . . . . . . . . . . . . . . . . . . 82
Motor . . . . . . . . . . . . . . . . . . . . . . . . . . . . . . . . . . . . . . . . . . . . . . . . . . . . . . . . . . . . . . . 89
Protective Functions . . . . . . . . . . . . . . . . . . . . . . . . . . . . . . . . . . . . . . . . . . . . . . . . . . . 90
PID Controller . . . . . . . . . . . . . . . . . . . . . . . . . . . . . . . . . . . . . . . . . . . . . . . . . . . . . . . . 95
Fixed Frequency . . . . . . . . . . . . . . . . . . . . . . . . . . . . . . . . . . . . . . . . . . . . . . . . . . . . . . 100
Fixed Frequency Setpoint Value . . . . . . . . . . . . . . . . . . . . . . . . . . . . . . . . . . . . . . . . . . 101
Determining the Program Number (P10.10) . . . . . . . . . . . . . . . . . . . . . . . . . . . . . . . . . 102
Fixed Frequency Setpoint Value . . . . . . . . . . . . . . . . . . . . . . . . . . . . . . . . . . . . . . . . . . 103
V/Hz-Characteristic Curve . . . . . . . . . . . . . . . . . . . . . . . . . . . . . . . . . . . . . . . . . . . . . . . 107
Braking . . . . . . . . . . . . . . . . . . . . . . . . . . . . . . . . . . . . . . . . . . . . . . . . . . . . . . . . . . . . . . 112
Logic Function . . . . . . . . . . . . . . . . . . . . . . . . . . . . . . . . . . . . . . . . . . . . . . . . . . . . . . . . 119
Second Parameter Set . . . . . . . . . . . . . . . . . . . . . . . . . . . . . . . . . . . . . . . . . . . . . . . . . . 121
System Parameter . . . . . . . . . . . . . . . . . . . . . . . . . . . . . . . . . . . . . . . . . . . . . . . . . . . . . 125
Operational Data Indicator . . . . . . . . . . . . . . . . . . . . . . . . . . . . . . . . . . . . . . . . . . . . . . . 127
Status Displays Examples . . . . . . . . . . . . . . . . . . . . . . . . . . . . . . . . . . . . . . . . . . . . . . . 128
Setpoint Input (REF) . . . . . . . . . . . . . . . . . . . . . . . . . . . . . . . . . . . . . . . . . . . . . . . . . . . 129
Modbus Parameters in the M-Max . . . . . . . . . . . . . . . . . . . . . . . . . . . . . . . . . . . . . . . . 132
Error Code Description . . . . . . . . . . . . . . . . . . . . . . . . . . . . . . . . . . . . . . . . . . . . . . . . . 135
M-Max Series Adjustable Frequency Drive
M-Max Series Adjustable Frequency Drive MN04020003E—October 2013 www.eaton.com ix
List of Tables, continued
Device Series MMX11 . . . . . . . . . . . . . . . . . . . . . . . . . . . . . . . . . . . . . . . . . . . . . . . . . . 142
Device Series MMX12 . . . . . . . . . . . . . . . . . . . . . . . . . . . . . . . . . . . . . . . . . . . . . . . . . . 143
Device Series MMX32 . . . . . . . . . . . . . . . . . . . . . . . . . . . . . . . . . . . . . . . . . . . . . . . . . . 144
Device Series MMX34 . . . . . . . . . . . . . . . . . . . . . . . . . . . . . . . . . . . . . . . . . . . . . . . . . . 145
Device Series MMX35 . . . . . . . . . . . . . . . . . . . . . . . . . . . . . . . . . . . . . . . . . . . . . . . . . . 147
Dimensions and Frame Sizes . . . . . . . . . . . . . . . . . . . . . . . . . . . . . . . . . . . . . . . . . . . . . 150
Fuses and Maximum Cross-Sections . . . . . . . . . . . . . . . . . . . . . . . . . . . . . . . . . . . . . . 159
Specified Fuses and Disconnect Devices . . . . . . . . . . . . . . . . . . . . . . . . . . . . . . . . . . . 160
Quick Start Parameter Guide . . . . . . . . . . . . . . . . . . . . . . . . . . . . . . . . . . . . . . . . . . . . . 161
System Parameters in the Quick Start . . . . . . . . . . . . . . . . . . . . . . . . . . . . . . . . . . . . . . 162
Default I/O . . . . . . . . . . . . . . . . . . . . . . . . . . . . . . . . . . . . . . . . . . . . . . . . . . . . . . . . . . . 163
Parameter Selection . . . . . . . . . . . . . . . . . . . . . . . . . . . . . . . . . . . . . . . . . . . . . . . . . . . . 164
Analog Input . . . . . . . . . . . . . . . . . . . . . . . . . . . . . . . . . . . . . . . . . . . . . . . . . . . . . . . . . . 164
Digital Input . . . . . . . . . . . . . . . . . . . . . . . . . . . . . . . . . . . . . . . . . . . . . . . . . . . . . . . . . . 165
Analog Output . . . . . . . . . . . . . . . . . . . . . . . . . . . . . . . . . . . . . . . . . . . . . . . . . . . . . . . . 166
Digital Output . . . . . . . . . . . . . . . . . . . . . . . . . . . . . . . . . . . . . . . . . . . . . . . . . . . . . . . . . 167
Drives Control . . . . . . . . . . . . . . . . . . . . . . . . . . . . . . . . . . . . . . . . . . . . . . . . . . . . . . . . 168
Motor . . . . . . . . . . . . . . . . . . . . . . . . . . . . . . . . . . . . . . . . . . . . . . . . . . . . . . . . . . . . . . . 170
Protective Functions . . . . . . . . . . . . . . . . . . . . . . . . . . . . . . . . . . . . . . . . . . . . . . . . . . . 170
PID Controller . . . . . . . . . . . . . . . . . . . . . . . . . . . . . . . . . . . . . . . . . . . . . . . . . . . . . . . . . 171
Fixed Frequencies . . . . . . . . . . . . . . . . . . . . . . . . . . . . . . . . . . . . . . . . . . . . . . . . . . . . . 172
V/Hz-Characteristic Curve . . . . . . . . . . . . . . . . . . . . . . . . . . . . . . . . . . . . . . . . . . . . . . . 173
Braking . . . . . . . . . . . . . . . . . . . . . . . . . . . . . . . . . . . . . . . . . . . . . . . . . . . . . . . . . . . . . . 174
Logic Function . . . . . . . . . . . . . . . . . . . . . . . . . . . . . . . . . . . . . . . . . . . . . . . . . . . . . . . . 175
Second Parameter Set . . . . . . . . . . . . . . . . . . . . . . . . . . . . . . . . . . . . . . . . . . . . . . . . . . 176
System Parameters . . . . . . . . . . . . . . . . . . . . . . . . . . . . . . . . . . . . . . . . . . . . . . . . . . . . 177
Parameter Values Currently Being Measured . . . . . . . . . . . . . . . . . . . . . . . . . . . . . . . . 179
Door Keypad Components . . . . . . . . . . . . . . . . . . . . . . . . . . . . . . . . . . . . . . . . . . . . . . . 180
Door Keypad Mounting Instructions . . . . . . . . . . . . . . . . . . . . . . . . . . . . . . . . . . . . . . . 181
Door Keypad Mounting Instructions, continued . . . . . . . . . . . . . . . . . . . . . . . . . . . . . . 182

M-Max Series Adjustable Frequency Drive
x M-Max Series Adjustable Frequency Drive MN04020003E—October 2013 www.eaton.com
Safety
Warning!
Dangerous Electrical Voltage!
Before Commencing the Installation
●Disconnect the power supply of the device
●Ensure that devices cannot be accidentally restarted
●Verify isolation from the supply
●Earth and short circuit the device
●Cover or enclose any adjacent live components
●Follow the engineering instructions (IL04020001E) for the
device concerned
●Only suitably qualified personnel in accordance with
EN 50110-1/-2 (VDE 0105 Part 100) may work on this
device/system
●Before installation and before touching the device ensure
that you are free of electrostatic charge
●The functional earth (FE, PES) must be connected to the
protective earth (PE) or the potential equalization. The
system installer is responsible for implementing this
connection
●Connecting cables and signal lines should be installed so
that inductive or capacitive interference does not impair
the automation functions
●Install automation devices and related operating elements
in such a way that they are well protected against
unintentional operation
●Suitable safety hardware and software measures should
be implemented for the I/O interface so that an open
circuit on the signal side does not result in undefined
states in the automation devices
●Ensure a reliable electrical isolation of the extra-low
voltage of the 24V supply. Only use power supply units
complying with IEC 60364-4-41 (VDE 0100 Part 410) or
HD384.4.41 S2
●Deviations of the input voltage from the rated value must
not exceed the tolerance limits given in the specifications,
otherwise this may cause malfunction and dangerous
operation
●Emergency stop devices complying with IEC/EN 60204-1
must be effective in all operating modes of the automation
devices. Unlatching the emergency-stop devices must not
cause a restart
●Devices that are designed for mounting in housings or
control cabinets must only be operated and controlled
after they have been installed and with the housing closed.
Desktop or portable units must only be operated and
controlled in enclosed housings
●Measures should be taken to ensure the proper restart of
programs interrupted after a voltage dip or failure. This
should not cause dangerous operating states even for a
short time. If necessary, emergency-stop devices should
be implemented
●Wherever faults in the automation system may cause
injury or material damage, external measures must be
implemented to ensure a safe operating state in the event
of a fault or malfunction (for example, by means of
separate limit switches, mechanical interlocks, and so on)
●Depending on their degree of protection, adjustable
frequency drives may contain live bright metal parts,
moving or rotating components, or hot surfaces during and
immediately after operation
●Removal of the required covers, improper installation, or
incorrect operation of motor or adjustable frequency drive
may cause the failure of the device and may lead to
serious injury or damage
●The applicable national accident prevention and safety
regulations apply to all work carried out on live adjustable
frequency drives
●The electrical installation must be carried out in
accordance with the relevant regulations (for example,
with regard to cable cross sections, fuses, PE)
●Transport, installation, commissioning, and maintenance
work must be carried out only by qualified personnel
(IEC 60364, HD 384 and national occupational safety
regulations)
●Installations containing adjustable frequency drives must
be provided with additional monitoring and protective
devices in accordance with the applicable safety
regulations. Modifications to the adjustable frequency
drives using the operating software are permitted
●All covers and doors must be kept closed during operation
●To reduce hazards for people or equipment, the user must
include in the machine design measures that restrict the
consequences of a malfunction or failure of the drive
(increased motor speed or sudden standstill of motor).
These measures include:
●Other independent devices for monitoring safety-related
variables (speed, travel, end positions, and so on)
●Electrical or non-electrical system-wide measures
(electrical or mechanical interlocks)
●Never touch live parts or cable connections of the
adjustable frequency drive after it has been
disconnected from the power supply. Due to the charge
in the capacitors, these parts may still be live after
disconnection. Fit appropriate warning signs

M-Max Series Adjustable Frequency Drive
M-Max Series Adjustable Frequency Drive MN04020003E—October 2013 www.eaton.com xi
Definitions and Symbols
WARNING
This symbol indicates high voltage. It calls your
attention to items or operations that could be dangerous
to you and other persons operating this equipment.
Read the message and follow the instructions carefully.
This symbol is the “Safety Alert Symbol.” It occurs with
either of two signal words: CAUTION or WARNING, as
described below.
WARNING
Indicates a potentially hazardous situation which, if not
avoided, can result in serious injury or death.
CAUTION
Indicates a potentially hazardous situation which, if not
avoided, can result in minor to moderate injury, or serious
damage to the product. The situation described in the
CAUTION may, if not avoided, lead to serious results.
Important safety measures are described in CAUTION (as
well as WARNING).
Hazardous High Voltage
WARNING
Motor control equipment and electronic controllers are
connected to hazardous line voltages. When servicing
drives and electronic controllers, there may be exposed
components with housings or protrusions at or above
line potential. Extreme care should be taken to protect
against shock.
Stand on an insulating pad and make it a habit to use only
one hand when checking components. Always work with
another person in case an emergency occurs. Disconnect
power before checking controllers or performing
maintenance. Be sure equipment is properly grounded. Wear
safety glasses whenever working on electronic controllers or
rotating machinery.
Warnings and Cautions
CAUTION
When selecting the cable cross-section, take the voltage
drop under load conditions into account.
The consideration of other standards (for example, VDE 0113
or VDE 0289) is the responsibility of the user.
CAUTION
The specified minimum PE conductor cross-sections
(EN 50178, VDE 0160) must be maintained.
WARNING
With frequency inverters, only AC/DC sensitive residual
current circuit breakers (RCD type B) are to be used
(EN 50178, IEC 755).
CAUTION
Debounced inputs may not be used in the safety circuit
diagram.
Residual current circuit breakers (RCD) are only to be
installed between the AC power supply network and the
frequency inverter.
CAUTION
Debounced inputs may not be used in the safety circuit
diagram.
If you are connecting multiple motors on one frequency
inverter, you must design the contactors for the individual
motors according to utilization category AC-3.
Selecting the motor contactor is done according to the rated
operational current of the motor to be connected.
CAUTION
Debounced inputs may not be used in the safety circuit
diagram.
A changeover between the frequency inverter and the input
supply must take place in a voltage-free state.

M-Max Series Adjustable Frequency Drive
xii M-Max Series Adjustable Frequency Drive MN04020003E—October 2013 www.eaton.com
WARNING
The frequency inverter outputs (U, V, W) must not be
connected to the input voltage (destruction of the
device, risk of fire).
CAUTION
Debounced inputs may not be used in the safety circuit
diagram.
Switch S1 must switch only when frequency inverter T1 is at
zero current.
WARNING
Carry out wiring work only after the frequency inverter
has been correctly mounted and secured.
WARNING
Electric shock hazard—risk of injuries!
Carry out wiring work only if the unit is de-energized.
CAUTION
Debounced inputs may not be used in the safety circuit
diagram.
Fire hazard!
Only use cables, protective switches, and contactors that
feature the indicated permissible nominal current value.
CAUTION
Debounced inputs may not be used in the safety circuit
diagram.
Ground contact currents in frequency inverters are greater
than 3.5 mA (AC). According to product standard IEC/EN
61800-5-1, an additional equipment grounding conductor
must be connected, or the cross-section of the equipment
grounding conductor must be at least 0.39 in2 (10 mm2).
WARNING
The components in the frequency inverter’s power
section remain energized up to five (5) minutes after the
supply voltage has been switched off (intermediate
circuit capacitor discharging time).
Pay attention to hazard warnings!
WARNING
Discharge yourself on a grounded surface before
touching the control signal terminals and the controller
PCB. This protects the device from destruction by
electrostatic discharge.
WARNING
On the control signal and the connection terminals of the
frequency inverter, no leakage resistance tests are to be
performed with an insulation tester.
WARNING
Wait at least 5 minutes after switching the supply
voltage off before you disconnect a connection on the
connection terminals (L1, L2/N, L3, U/T1, V/T2, W/T3,
R+, R–) of the frequency inverter.
WARNING
Commissioning is only to be completed by qualified
technicians.
WARNING
Hazardous voltage!
The safety instructions on Page x must be followed.
WARNING
The components in the frequency inverter’s power
section are energized if the supply voltage (line voltage)
is connected. For instance: power terminals L1, L2/N, L3,
R+, R–, U/T1, V/T2, W/T3.
The control signal terminals are isolated from the line
power potential.
There can be a dangerous voltage on the relay terminals
(22 to 26) even if the frequency inverter is not being
supplied with line voltage (for example, integration of
relay contacts in control systems with 230 Vac).
WARNING
Following a shutdown (fault, line voltage off), the motor
can start automatically (when the supply voltage is
switched back on) if the automatic restart function has
been enabled.
(See parameter “P6.13”.)
DANGER
5 MIN

M-Max Series Adjustable Frequency Drive
M-Max Series Adjustable Frequency Drive MN04020003E—October 2013 www.eaton.com xiii
CAUTION
Debounced inputs may not be used in the safety circuit
diagram.
Any contactors and switching devices on the power side are
not to be opened during motor operation. Inching operation
using the power switch is not permitted.
Contactors and switching devices (repair and maintenance
switches) on the motor side must never be opened while the
motor is in operation when the frequency inverter is set to
speed control operating mode (P11.8 = 1).
Inching operation of the motor with contactors and switching
devices in the output of the frequency inverter is not
permitted.
CAUTION
Debounced inputs may not be used in the safety circuit
diagram.
Make sure that there is no danger in starting the motor.
Disconnect the driven machine if there is a danger in an
incorrect operational status.
WARNING
If a start signal is present, the drive is restarted
automatically, if P3.1 = 0 is set (REAF = Restart after
FAULT) and the error message has been acknowledged
(Reset).
WARNING
If a start command is present at a digital input (DI1–DI6)
assigned at P3.21, the sequence control also starts
automatically (without switch edge) when the power
supply is switched on (for example, after a power supply
failure).
CAUTION
A high torque at low speed causes a high thermal load on the
motor. If temperatures are too high, the motor should be
equipped with an external fan.
CAUTION
A high torque at low speed leads to a high thermal load on
the motor.
CAUTION
Debounced inputs may not be used in the safety circuit
diagram. DC braking results in additional heating of the
motor. Configure the brake torque, set via braking current
(P12.1) and the braking duration (P12.2 and P12.4), as low as
possible.
CAUTION
Debounced inputs may not be used in the safety circuit
diagram.
The motor parameters must be identical in both parameter
groups (P7 and P14).
CAUTION
Although the registers to be written are consecutive, the ID
numbers of the parameter list are not. Only the ID numbers
in the process data list are consecutive.
CAUTION
Fuses and cables selected must always comply with the
applicable regulations at the installation site.
M-Max Series Adjustable Frequency Drive
xiv M-Max Series Adjustable Frequency Drive MN04020003E—October 2013 www.eaton.com

About this Manual
M-Max Series Adjustable Frequency Drive MN04020003E—October 2013 www.eaton.com 1
About this Manual
Writing Conventions
Symbols used in this manual have the following meanings:
In order to make it easier to follow the manual, the name of
the current chapter is shown on the header of the left-hand
page and the name of the current section in shown on the
header of the right-hand page. This does not apply to pages
at the start of a chapter or to empty pages at the end of a
chapter.
In order to make it easier to understand some of the figures
included in this manual, the housing of the frequency
inverter, as well as other safety-relevant parts, have been left
out. However, it is important to note that the frequency
inverter must always be operated with its housing placed
properly, as well as with all required safety-relevant parts.
Please follow the installation instructions in the
AWA8230-2416 installation instructions document.
This manual was created in an electronic format. You can
also order a hard copy version of it.
All the specifications in this manual refer to the hardware and
software versions documented in it.
More information on the series described here can be found
on the Internet under:
www.eaton.com\drives
Abbreviations and Symbols
The following symbols and abbreviations are used in this
manual:
M-Max frequency converters are divided into four voltage
categories:
●100V (MMX11)
●200V (MMX12_, MMX32_)
●400V (MMX34_)
●575V (MMX35_)
Abbreviation Description
EMC Electromagnetic compatibility
FS Frame size
GND Ground, 0V potential
IGBT Insulated-gate bipolar transistor
PDS Power Drives System
LCD Liquid Crystal Display
PES EMC connection to PE for shielded lines
PNU Parameter number
UL®Underwriters Laboratories

About this Manual
2 M-Max Series Adjustable Frequency Drive MN04020003E—October 2013 www.eaton.com
Input Supply Voltages
The rated operating voltages stated in the following table are
based on the standard values for networks with a grounded
star point.
In ring networks (as found in Europe) the rated voltage at the
transfer point of the power supply companies is the same as
the value in the consumer networks (for example, 230V, 400V).
In star networks (as found in North America), the rated
voltage at the transfer point of the utility companies is higher
than in the consumer network. Example: 120V 115V,
240V 230V, 480V 460V.
The wide tolerance range of M-Max frequency inverters
takes into account a permissible voltage drop of an additional
4% (ULN –14%) in load networks, while, in the 400V
category, it takes into account the North American line
voltage of 480V +10% (60 Hz).
The permissible connection voltages for the M-Max series
are listed in “Appendix A”.
The rated operational data of the input voltage is always
based on the input frequencies 50/60 Hz (50 Hz –10% to
60 Hz +10%).
Units
Every physical dimension included in this manual uses
imperial units. For the purpose of the equipment’s UL
certification, some of these dimensions are accompanied by
their equivalents in metric or Système International d’Unites
(SI) units.
Unit Conversion Examples
Designation US-American Value SI Value Conversion Value
US-American
Designation
Length 1 in 25.4 mm 0.0394 inch
Power 1 hp = 1.014 PS 0.7457 kW 1.341 horsepower
Torque 1 lbf in 0.113 Nm 8.851 pound-force inches
Temperature 1°F (TF) –17.222°C (TC)T
F = TC x 9/5 + 32 Fahrenheit
Speed 1 RPM 1 min–1 1 revolutions per minute
Weight 1 lb 0.4536 kg 2.205 pound

M-Max Series Overview
M-Max Series Adjustable Frequency Drive MN04020003E—October 2013 www.eaton.com 3
M-Max Series Overview
This manual provides a description of the M-Max series
frequency inverters. It provides special information required
for project planning, installation, and for the operation of the
MMX frequency inverter. All information applies to the
specified hardware and software versions.
Please read the manual thoroughly before you install and
operate the frequency inverter.
We assume that you have a good knowledge of engineering
fundamentals and that you are familiar with handling
electrical systems and machines, as well as with reading
technical drawings.
Notes on the Second MMX Upgrade
This second edition of the manual describes the
extended functionality of the MMX. This applies to
M-Max series frequency inverters from production date
12W10 S/N 91275113, see nameplate.
Essential features of this upgrade:
●New control circuit board with a more powerful
microprocessor
●Side mounted interface for fieldbus connections [1]
●Two additional control buttons [2]
●Extended functionality for digital and analog inputs and
outputs [3]
M-Max Frequency Converter
Control Signal Terminals and Microswitches
3
1
2
I
OK
BACK
RESET
LOC
REM
123678910 25 24
4 5 13 14 15 16 18 20 22 23 26
AI2
DO-GND
DI4 DI5 DI6 AO DO+ R13 R14 – R24
+10V AI1 GND
24V
DI-C
DI1 DI2 DI3 A B R21 R22
LOGIC
– +
AI 1
V mA
AI 2
V mA
RS 485
– Term.

M-Max Series Overview
4 M-Max Series Adjustable Frequency Drive MN04020003E—October 2013 www.eaton.com
Component Identification
M-Max Series
Item
Number Description
1Frequency inverters MMX-_
2Mounting frame (for fieldbus connection) MMX-NET-XA
3Fieldbus connection:
CANopen XMX-NET-CO-A
PROFIBUS® DP with XMX-NET-PS-A screw terminals
PROFIBUS DP with XMX-NET-PD-A Sub-Dm connector
DeviceNet™ XMX-NET-DN-A
4Communication module MMX-COM-PC
—IP21 kit
I
OK
BACK
RESET
LOC
REM
COMM
AC DRIVE
ERROR
1
4
2
3

M-Max Series Overview
M-Max Series Adjustable Frequency Drive MN04020003E—October 2013 www.eaton.com 5
Checking the Delivery
Before opening the packaging, go over the ratings plate on
the packaging and check that the delivered frequency
inverter is the same type as the one you ordered.
M-Max frequency converters have been carefully packaged
and prepared for delivery. These devices should only be
shipped in their original packaging with suitable
transportation materials. Please take note of the labels and
instructions on the packaging, as well as of those meant for
the unpacked device.
Open the packaging with adequate tools and inspect the
contents immediately after receipt in order to ensure that
they are complete and undamaged.
The packaging must contain the following parts:
●M-Max frequency inverter
●Accessory kit for EMC-suitable installation
●Installation instructions AWA8230-2416
●Data carrier (CD-ROM) with documentation for M-Max
Scope of Supply
I
OK
BACK
RESET
LOC
REM
CD

M-Max Series Overview
6 M-Max Series Adjustable Frequency Drive MN04020003E—October 2013 www.eaton.com
Nameplate Rating Data
The device specific rating data of the M-Max is shown on the nameplate on the side of the
device and on the rear of the control signal terminal cover.
The inscription of the nameplates has the following meaning (example):
Nameplate Inscriptions
Label Meaning
MMX34AA3D3F0-0 Part number:
MMX = M-Max series frequency inverter
3 = Three-phase power connection
4 = 400V voltage category
AA = Instance (software version A and alphanumerical display)
3D3 = 3.3A rated operational current (3-decimal-3)
F = Integrated radio interference suppression filter
0 = IP20 protection type
0 = No integrated optional assembly
Input Power connection rating:
Three-phase AC voltage (Ue 3~ AC), 380–480V voltage, 50/60 Hz frequency, input phase current (4.0A)
Output Load side (motor) rating:
Three-phase AC voltage (0 –Ue), output phase current (3.3A), output frequency (0–320 Hz)
Power Assigned motor rating:
1.1 kW at 400V/1.5 hp at 460V for a four-pole internally-cooled or surface-cooled three-phase asynchronous motor
(1500 min–1 at 50 Hz/1800 RPM at 60 Hz)
S/N Serial number
Frequency inverter is an electrical apparatus
Read the manual (in this case AWB8230-1603) before making any electrical connections and commissioning
IP 20/Open type Housing protection type: IP 20, UL (cUL®) open type
12W10 Manufacturing date:
Week 12 of 2010

M-Max Series Overview
M-Max Series Adjustable Frequency Drive MN04020003E—October 2013 www.eaton.com 7
Catalog Number Selection
The type designation code and the part number of the M-Max series frequency inverter are in
the following order:
Type Designation of the M-Max Frequency Inverters
Software
Designation Series
AA
Description
MMX = Base catalog number
MMX 1 1 AA 1D1 F 0 –0
Phase
1 = Single-phase
3 = Three-phase
Voltage
1 = 120V
2 = 230V
4 = 480V
5 = 575V
Output Current
1D6 = 1.6A
010 = 10A
EMC Filter
F = Filter
N = No filter
Enclosure Class
0 = NEMA 0 or IP20
1 = IP21 or NEMA 1
Option
0 = Full version

M-Max Series Overview
8 M-Max Series Adjustable Frequency Drive MN04020003E—October 2013 www.eaton.com
Examples
MMX11: The input voltage of 115V is raised to 230V (output voltage) through an internal
voltage double connection.
Label Meaning
MMX11AA2D8N0-0 MMX = M-Max series frequency inverter:
1 = Single-phase power supply
1 = Rated voltage 115V
AA = Type of software version and display unit
2D8 = 2.8A (rated operational current)
N = No integrated interference suppression filter (no filter)
0 = IP20 protection type
–0 = No integrated optional assembly
MMX12AA1D7F0-0 MMX = M-Max series frequency inverter:
1 = Single-phase power supply
2 = Rated voltage 230V
AA = Type of software version and display unit
1D7 = 1.7A (rated operational current)
F = Integrated radio noise filter
0 = IP20 protection type
–0 = No integrated optional assembly
MMX32AA2D4N0-0 MMX = M-Max series frequency inverter:
3 = Three-phase input supply voltage
2 = Rated voltage 230V
AA = Type of software version and display unit
2D4 = 2.4A (rated operational current)
N = No integrated interference suppression filter (no filter)
0 = IP20 protection type
–0 = No integrated optional assembly
MMX34AA012F0-0 MMX = M-Max series frequency inverter:
3 = Three-phase input supply voltage
4 = Rated voltage 400V
AA = Type of software version and display unit
012 = 12A (rated operational current)
F = Integrated radio noise filter
0 = IP20 protection type
–0 = No integrated optional assembly
MMX34AA5D6N0-0 MMX = M-Max series frequency inverter:
3 = Three-phase input supply voltage
4 = Rated voltage 400V
AA = Type of software version and display unit
5D6 = 5.6A (rated operational current)
N = No integrated interference suppression filter (no filter)
0 = IP20 protection type
–0 = No integrated optional assembly

M-Max Series Overview
M-Max Series Adjustable Frequency Drive MN04020003E—October 2013 www.eaton.com 9
Technical Data and Specifications
General Rated Operational Data
Notes
Symbols used in technical data and formulas.
122°F (50°C) with lateral clearance of 0.79 in (20 mm) and reduced pulse frequency 4 kHz and altitude 1000m.
Description Symbols Unit Specification
General
Standards — — EMC: IEC/EN 61800-3,
Safety: IEC/EN61800-5, UL508C
Certifications and manufacturer’s
declarations on conformity
— — EMC: CE, CB, c-Tick
Safety: CE, CB, UL, cUL
Production quality — — RoHS, ISO® 9001
Climatic proofing pw% <95%, average relative humidity, noncondensing (EN50178)
Air quality
Chemical vapors — — IEC721-3-3: Device in operation, Class 3C2
Mechanical particles — — IEC721-3-3: Device in operation, Class 3S2
Ambient temperature
Operation °F (°C) 14° to 122° (–10° to 50°)
Storage °F (°C) –40° to 158° (–40° to 70°)
Installation altitude H ft (m) 0–3281 ft (0–1000m) above sea level, over 3281 ft (1000m) with 1% power
reduction per 328 ft (100m), maximum 6562 ft (2000m), at maximum 122°F
(50°C) ambient temperature
Mounting position — — Vertical ±90 for FS1–FS3
Vertical ±30 for FS4 and FS5
Protection type — — IP20 for FS1–FS3
IP21/NEMA for FS4 and FS5
Busbar tag shroud — — BGV A3 (VBG4, finger- and back-of-hand safe)
Mechanical shock resistance — — IEC 68-2-27
Storage and transport: 15g, 11 ms (in the packaging)
UPS drop test (for applicable UPS weights)
Vibration — — EN 60068-2-6
3–150 Hz, oscillation amplitude 1 mm (peak) at 3–15.8 Hz,
maximum acceleration amplitude 1g at 15.8–150 Hz
Emitted interference with internal EMC filter
(maximum motor cable length)
— — C2: Class A in 1st environment (residential area with commercial utilization)
C3: Class A in 2nd environment (industrial)
MMX…NO-O — — No EMC filter
MMX…FO-O — — C2 in first environment max. 3m motor cable length (FS1–FS3);
15m (FS4 and FS5)
C3 in second environment max. 30m motor cable length (FS1–FS3);
50m (FS4 and FS5)

M-Max Series Overview
10 M-Max Series Adjustable Frequency Drive MN04020003E—October 2013 www.eaton.com
General Rated Operational Data, continued
Notes
Symbols used in technical data and formulas.
122°F (50°C) with lateral clearance of 0.79 in (20 mm) and reduced pulse frequency 4 kHz and altitude 1000m.
Description Symbols Unit Specification
Power Section
Rated operational voltage fLN Hz at 50/60
MMX11 UeVac 1~115 (110 –15% to 120 +10%)
MMX12 UeVac 1~230 (208 –15% to 240 +10%)
MMX32 UeVac 3~230 (208 –15% to 240 +10%)
MMX34 UeVac 3~400 (380 –15% to 480 +10%)
MMX35 UeVac 3~575 (–15% to +10%)
Input switch-on frequency — — Maximum one time per minute
Input current THD % >120
Short-circuit current IKkA Maximum <50
Input frequency fLN Hz 50/60 (45–66 Hz ±0%)
Pulse frequency
(switching frequency of the inverter)
fPWM kHz 1–16 (default = 6 kHz)
Operating mode — — V/f characteristic curve control (FS), speed control with slip
compensation
Output voltage U2V 3 AC 230 (MMX11), 3 AC Ue (MMX12, MMX32, MMX34, MMX35)
Output frequency f2Hz 0–320
Frequency resolution (setpoint value) I Hz 0.01
Rated operational current I/Ie% 100% continuous current at maximum 122°F (50°C) ambient temperature
Overload current I/Ie% 150 for 60s every 600s
Starting current I/Ie% 200 for 2s every 20s
Braking torque MB/MN% 30 for all sizes
Up to maximum 100% MN only as of size MMX34…4D3_ with external
braking resistance
Control Section
Control voltage (output) UcVdc 24, max. 50 mA
Reference voltage (output) UsVdc 10, max. 10 mA
Input, digital, parameter definable — — 6x, max. +30 Vdc, Ri >12k ohms
Permitted residual ripple with external
control voltage (+24V)
— — Max. 5% Ua/Ua
Input, analog, parameterizable,
selection via microswitches
— — 2 x 0 (2) to +10 Vdc, Ri >200k ohms or 0 (4) to 20 mA, RB ~200 ohms
Resolution — Bit 10
Output, digital, parameter definable — — 1 x transistor: 48 Vdc, max. 50 mA
Output relay, parameter definable — — 1 x N/O: 250 Vac, maximum 2A or 250 Vdc, max. 0.4A
Output relay, parameter definable — — 1 x changeover contact: 250 Vac, maximum 2A or 250 Vdc, maximum 0.4A
Serial interface — — RS485/Modbus® RTU

M-Max Series Overview
M-Max Series Adjustable Frequency Drive MN04020003E—October 2013 www.eaton.com 11
Power Connection Voltages
Notes
The input voltage of 115V is raised to 230V (output voltage) through an internal voltage double connection.
Rated motor currents for normal four-pole internally and surface-cooled three-phase asynchronous motors
(1500 RPM at 50 Hz, 1800 RPM at 60 Hz).
Calculated motor output (no standard value).
Part Number
Rated
Current
Overload
Current
(150%) Assigned Motor Rating
Frame Size
IeIe150
P
(230V, 50 Hz)
P
(230V, 60 Hz)
(A) (A) (kW) (A) (hp) (A)
1 AC 115V, 50/60 Hz
(94–132V ±0%, 45–66 Hz ±0%)
MMX11AA1D7_ 1.7 2.6 0.25 1.4 1/4 1.5 FS2
MMX11AA2D4_ 2.4 3.6 0.37 2 1/2 2.2 FS2
MMX11AA2D8_ 2.8 4.2 0.55 2.7 3/4 2.2 FS2
MMX11AA3D7_ 3.7 5.6 0.75 3.2 1 3.2 FS2
MMX11AA4D8_ 4.8 7.2 1.1 4.6 1-1/2 4.2 FS3
1 AC 230V, 50/60 Hz
(177–264V ±0%, 45–66 Hz ±0%)
MMX12AA1D7_ 1.7 2.6 0.25 1.4 1/4 1.5 FS1
MMX12AA2D4_ 2.4 3.6 0.37 2 1/2 2.2 FS1
MMX12AA2D8_ 2.8 4.2 0.55 2.7 3/4 2.2 FS1
MMX12AA3D7_ 3.7 5.6 0.75 3.2 1 3.2 FS2
MMX12AA4D8_ 4.8 7.2 1.1 4.6 1-1/2 4.2 FS2
MMX12AA7D0_ 7 10.5 1.5 6.3 2 6.8 FS2
MMX12AA9D6_ 9.6 14.4 2.2 8.7 3 9.6 FS3
3 AC 230V, 50/60 Hz
(177–264V ±0%, 45–66 Hz ±0%)
MMX32AA1D7_ 1.7 2.6 0.25 1.4 1/4 1.5 FS1
MMX32AA2D4_ 2.4 3.6 0.37 2 1/2 2.2 FS1
MMX32AA2D8_ 2.8 4.2 0.55 2.7 3/4 2.2 FS1
MMX32AA3D7_ 3.7 5.6 0.75 3.2 1 3.2 FS2
MMX32AA4D8_ 4.8 7.2 1.1 4.6 1-1/2 4.2 FS2
MMX32AA7D0_ 7 10.5 1.5 6.3 2 6.8 FS2
MMX32AA011_ 11 14.4 2.2 8.7 3 9.6 FS3
MMX32AA017_ 17 26.3 4 14.8 5 15.2 FS4
MMX32AA025_ 25 37.5 5.5 19.6 7.5 22 FS4
MMX32AA031_ 31 46.5 7.5 26.4 10 28 FS5
MMX32AA038_ 38 57 11 38 15 28 FS5

M-Max Series Overview
12 M-Max Series Adjustable Frequency Drive MN04020003E—October 2013 www.eaton.com
Power Connection Voltages, continued
Notes
Rated motor currents for normal four-pole internally-cooled and surface-cooled three-phase asynchronous motors
(1500 min–1 at 50 Hz, 1800 min–1 at 60 Hz).
Calculated motor output (no standard value).
Operation with reduced load torque (about –10% MN).
Allocated motor output at a maximum ambient temperature of 104°F (40°C) and a maximum pulse frequency of 4 kHz.
Part Number
Rated
Current
Overload
Current
(150%) Assigned Motor Rating
Frame Size
IeI150
P
(400V, 50 Hz)
P
(460V, 60 Hz)
(A) (A) (kW) (A) (hp) (A)
3 AC 400V, 50/60 Hz
(323–528V ±0%, 45–66 Hz ±0%)
MMX34AA1D3_ 1.3 2 0.37 1.1 1/2 1.1 FS1
MMX34AA1D9_ 1.9 2.9 0.55 1.5 3/4 1.6 FS1
MMX34AA2D4_ 2.4 3.6 0.75 1.9 1 2.1 FS1
MMX34AA3D3_ 3.3 5 1.1 2.6 1-1/2 3 FS2
MMX34AA4D3_ 4.3 6.5 1.5 3.6 2 3.4 FS2
MMX34AA5D6_ 5.6 8.4 2.2 5 3 4.8 FS2
MMX34AA7D6_ 7.6 11.4 3 6.6 4 6.4 FS3
MMX34AA9D0_ 9 13.5 4 8.5 5 7.6 FS3
MMX34AA012_ 12 18 5.5 11.3 7-1/2 11 FS3
MMX34AA014_ 14 21 7.5 15.2 10 14 FS3
MMX34AA016_ 16 24 7.5 15.2 10 14 FS4
MMX34AA023_ 23 34.5 11 21.7 15 21 FS4
MMX34AA031_ 31 46.5 15 29.3 20 27 FS5
MMX34AA038_ 38 57 18.5 36 25 34 FS5
3 AC 575V, 50/60 Hz
(489–632.5V ±0%, 45–66 Hz ±0%)
MMX35AA1D7_ 1.7 2.6 0.75 1.7 1 1.7 FS3
MMX35AA2D7_ 2.7 4 1.5 2.7 2 2.7 FS3
MMX35AA3D9_ 3.9 5.9 2.2 3.9 3 3.9 FS3
MMX35AA6D1_ 6.1 9.2 4 6.1 5 6.1 FS3
MMX35AA9D0_ 9.0 13.5 5.5 9.0 7.5 9.0 FS3

M-Max Series Overview
M-Max Series Adjustable Frequency Drive MN04020003E—October 2013 www.eaton.com 13
Description of the M-Max
The following drawing shows an M-Max device.
Overview of the M-Max Device (FS1–FS3) Overview of the M-Max Device (FS4 and FS5)
Features
The M-Max frequency inverter converts the voltage and frequency of an existing AC network
into DC voltage. This DC voltage is used to generate a three-phase AC voltage with adjustable
frequency and assigned amplitude values for the variable speed control of three-phase
asynchronous motors.
Item
Number Description
1Mounting holes (screw fastening)
2Release (removal from mounting rail)
3Recess for mounting on mounting rail (DIN EN 50022-35)
4Interface for fieldbus connection modules (option,
MMX-NET-XA)
5EMC installation accessories
6Power section terminals
7Cover flap of control signal terminals and microswitches
8Interface for PC connection module MMX-COM-PC (option)
9Keypad with 9 control buttons
10 Display unit (LCD)
7
8
9
10
12
3
4
6
5
I
OK
BACK
RESET
LOC
REM
Item
Number Description
1Fixing holes (screw fastening)
2Device fans
3Fixing holes for flange mounting
(MMX-FLANGE…FS_ option required)
4EMC mounting accessories
5Cover flap for connecting the fieldbus interface cards
6Power section terminals
7Screws for opening the housing cover
8Cover flap of control signal terminals and microswitches
9Interface for PC connection module MMX-COM-PC (option)
10 Keypad with 9 control buttons
11 Display unit (LCD)
12
65
4
3
11
10
9
8
7

M-Max Series Overview
14 M-Max Series Adjustable Frequency Drive MN04020003E—October 2013 www.eaton.com
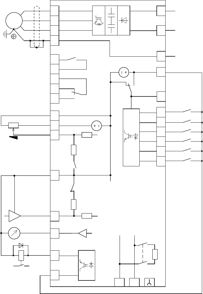
Block Diagram, Elements of M-Max Frequency Inverters
Item
Number Description
1Supply L1, L2/N, L3, PE, mains supply voltage ULN = Ue at 50/60 Hz:
MMX11: 100V class, single-phase mains connection (1 AC 120V),
MMX12: 200V class, single-phase mains connection (1 AC 230V/240V),
MMX32: 200V class, three-phase mains connection (3 AC 230V/240V),
MMX34: 400V class, three-phase mains connection (3 AC 400V/480V).
MMX35: 575V class, three-phase input connection (3 AC 575V)
2Internal RFI filter (MMX…F_), category C2 and C3, in accordance with IEC/EN 61800-3
EMC connection of internal RFI filter with PE.
3Rectifier bridge, single-phase (MMX1_) or three-phase (MMX3_), converts the AC voltage of the electrical network into DC voltage
4DC choke, DC link choke (only for MMX32…F_ and MMX34…F_ in frame sizes FS4 and FS5)
5DC link with charging resistor, capacitor and switching-mode power supply unit
(SMPS = Switching-Mode Power Supply): DC link voltage UDC: UDC = 1.41 x ULN
6Braking transistor: connections DC+/R+ and R- for external braking resistor (only for MMX32 and MMX34 from frame size FS2)
7Inverter. The IGBT based inverter converts the DC voltage of the DC link (UDC) into a three-phase AC voltage (U2) with variable amplitude and
frequency (f2). Sinusoidal pulse width modulation (PWM) with V/f control can be switched to speed control with slip compensation
8Motor connection U/T1, V/T2, W/T3 with output voltage U2 (0 to 100 % Ue) and output frequency f2 (0 to 320 Hz) output current (I2):
MMX11: 1.7 – 4.8A,
MMX12: 1.7 – 9.6A,
MMX32: 1.7 – 38A,
MMX34: 1.3 – 38A,
MMX35: 1.7 – 9.0A
100% at an ambient temperature of +50°C with an overload capacity of 150% for 60s every 600s and a starting current of 200% for 2s every 20s
9Three-phase asynchronous motor, variable speed control of three-phase asynchronous motor for assigned motor shaft power values (P2):
MMX11: 0.25 – 1.1 kW (230V, 50 Hz) or 0.33 – 1 hp (230V, 60 Hz),
MMX12: 0.25 – 2.2 kW (230V, 50 Hz) or 0.25 – 3 hp (230V, 60 Hz),
MMX32: 0.25 – 11 kW (230V, 50 Hz) or 0.25 – 15 hp (230V, 60 Hz),
MMX34: 0.37 – 18.5 kW (400V, 50 Hz) or 0.5 – 25 hp (460V, 60 Hz),
MMX35: 1–7.5 hp (575V, 60 Hz)
10 Keypad with control buttons, LCD display, control voltage, control signal terminals, microswitches and interface for the PC interface card (Option)
+
DC+/R+
EMC
L1
L2/N
L3
PE
R-
M
3 ~
U/T1
V/T2
W/T3
PE
12
3
4
5
6
7
8
9
10

M-Max Series Overview
M-Max Series Adjustable Frequency Drive MN04020003E—October 2013 www.eaton.com 15
Selection Criteria
The frequency inverter [3] is selected according to the supply
voltage ULN of the input supply [1] and the rated current of
the assigned motor [2]. The circuit type ( / ) of the motor
must be selected according to the supply voltage [1]. The
rated output current Ie of the frequency inverter must be
greater than/equal to the rated motor current.
Selection Criteria
When selecting the drive, the following criteria must be
known:
●Type of motor (three-phase asynchronous motor)
●Input voltage = rated operating voltage of the motor
(for example, 3 AC~400V)
●Rated motor current (guide value, dependent on the circuit
type and the supply voltage)
●Load torque (quadratic, constant)
●Starting torque
●Ambient temperature (rated value 122°F [50°C])
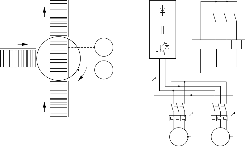
When connecting multiple motors in parallel to the output of
a frequency inverter, the motor currents are added
geometrically—separated by effective and idle current
components. When you select a frequency inverter, make
sure that it can supply the total resulting current. If
necessary, for dampening and compensating the deviating
current values, motor reactors or sinusoidal filters must be
connected between the frequency inverter and the motor.
The parallel connection of multiple motors in the output of
the frequency inverter is only permitted with V/Hz-
characteristic curve control.
If you connect a motor to an operational frequency inverter,
the motor draws a multiple of its rated operational current.
When you select a frequency inverter, make sure that the
starting current plus the sum of the currents of the running
motors will not exceed the rated output current of the
frequency inverter.
Switching in the output of the frequency inverter is only
permitted with V/Hz-characteristic curve control.
The speed control with slip compensation (P11.8) increases
the drive dynamics and optimizes the output. For this the
frequency inverter processes all motor data in an electrical
image.
The speed control operating mode (P11.8) must only be used
with single drives (one motor at the output of the frequency
inverter). The rated current of the motor must be assigned to
the rated operational current of the frequency inverter (same
rating).
230/400V / 4.0/2.3A
0.75 0.67
cos
kW
min–1
1410 50 Hz
U, I, f
I
OK
BACK
RESET
LOC
REM
1
2
3

M-Max Series Overview
16 M-Max Series Adjustable Frequency Drive MN04020003E—October 2013 www.eaton.com
Proper Use
The M-Max frequency inverters are not domestic appliances.
They are designed only for industrial use as system
components.
The M-Max frequency inverters are electrical apparatus for
controlling variable speed drives with three-phase motors.
They are designed for installation in machines or for use in
combination with other components within a machine or
system.
After installation in a machine, the frequency inverters must
not be taken into operation until the associated machine has
been confirmed to comply with the safety requirements of
Machinery Safety Directive (MSD) 89/392/EEC (meets the
requirements of EN 60204). The user of the equipment is
responsible for ensuring that the machine use complies with
the relevant EU Directives.
The CE markings on the M-MAX frequency inverter confirm
that, when used in a typical drive configuration, the apparatus
complies with the European Low Voltage Directive (LVD) and
the EMC Directives (Directive 73/23/EEC, as amended by
93/68/EEC and Directive 89/336/EEC, as amended by
93/68/EEC).
In the described system configurations, M-Max frequency
inverters are suitable for use in public and non-public
networks.
A connection to IT networks (networks without reference to
earth potential) is permissible only to a limited extent,
because the device’s built-in filter capacitors connect the
network with the earth potential (enclosure). On earth free
networks, this can lead to dangerous situations or damage to
the device (isolation monitoring required).
To the output of the frequency inverter (terminals U, V, W)
you must not:
●connect a voltage or capacitive loads (for example, phase
compensation capacitors)
●connect multiple frequency inverters in parallel
●make a direct connection to the input (bypass)
Observe the technical data and connection requirements. For
additional information, refer to the equipment nameplate or
label at the frequency inverter, and the documentation.
Any other usage constitutes improper use.
Maintenance and Inspection
Provided that the general rating data (see “Nameplate Rating
Data” on Page 6) and the special technical data (see “Special
Technical Data” on Page 142) of the ratings concerned are
observed, the M-Max frequency inverters are maintenance
free. However, external influences may affect the function
and the lifespan of the M-Max frequency inverter. We
therefore recommend that the devices are checked regularly
and the following maintenance measures are carried out at
the specified intervals.
There are no plans for replacing or repairing individual
components of M-Max frequency inverters.
If the M-Max frequency inverter is damaged by external
influences, repair is not possible. Dispose of the device in
accordance with the respectively applicable environmental
laws and provisions for the disposal of electrical or electronic
devices.
Maintenance Measures and Intervals
Maintenance Measure Maintenance Interval
Clean cooling vents (cooling slits) If required
Check the fan function 6–24 months (depending on the environment)
Filter in the switching cabinet doors (see manufacturer specifications) 6–24 months (depending on the environment)
Check the tightening torques of the terminals (control signal terminals, power terminals) Regularly
Check connection terminals and all metallic surfaces for corrosion 6–24 months (depending on the environment)
Charge capacitors 12 months, see “Charging DC Link Capacitors” on Page 17
M-Max Series Overview
M-Max Series Adjustable Frequency Drive MN04020003E—October 2013 www.eaton.com 17
Storage
If the frequency inverter is stored before use, suitable
ambient conditions must be ensured at the site of storage:
●Storage temperature: –40° to 158°F (–40° to 70°C)
●Relative average air humidity: <95%, non condensing
(EN 50178)
●To prevent damage to the DC link capacitors, storage
times longer than 12 months are not recommended
(see “Charging DC Link Capacitors” below)
Charging DC Link Capacitors
After long storage times or long down times without a power
supply (>12 months), the capacitors in the DC link must
undergo controlled recharging, in order to avoid damage.
For this, the M-Max frequency inverters must be fed with a
regulated DC power supply unit via two input connection
terminals (for example, L1, L2/N). To avoid any possible
excessive leakage currents from the capacitors, the inrush
current should be limited to around 300 to 800 mA
(depending on the rating). In this case, the frequency inverter
must not be enabled (no start signal). The DC voltage must
then be set to the values of the corresponding DC link
voltage (UDC) and fed for around two hours (regeneration
time).
●MMX12, MMX32 about 324 Vdc (= 1.41 x ULN) with
single-phase line-to-line voltage (230V)
●MMX34 about 540 Vdc (= 1.35 x ULN) with three-phase
line-to-line voltage (400V)
●MMX35 (contact your local Eaton sales office for details)
MMX11: Due to the internal voltage doubler circuit, the
capacitors cannot be recharged via the connection terminals.
Contact your local Eaton distributor or sales office.
Service and Warranty
In the unlikely event that you have a problem with your
M-Max frequency inverter, please contact Eaton Care
Customer Support Center at 877-ETN-CARE (877-386-2273);
option 2
option 6
option 3
or email: VFDaftermarketEG@eaton.com.
When you call, have the following information ready:
●the exact frequency inverter part no. (see nameplate)
●the date of purchase
●a detailed description of the problem that has occurred
with the frequency inverter
If some of the information printed on the nameplate is not
legible, please state only the information that is clearly
legible. This information can also be found under the cover of
the control terminals.
Information concerning the guarantee can be found in the
Eaton General Terms and Conditions of Sale.

Engineering
18 M-Max Series Adjustable Frequency Drive MN04020003E—October 2013 www.eaton.com
Engineering
Introduction
This chapter describes the most important features in the energy circuit of a drive system
(PDS = Power Drive System) that you should take into consideration in your project planning.
Drive System (PDS)
햴
햳
햲
L1
L2
L3
PE
햶
햵
햸
햻
햺
햹
햷
RCD
L1 L2/N
PE U V W
L3 PE
R+ R–
M
3
PES
PES
#
I > I > I >
햽
~
Item
Number Description
1Network configuration, input voltage, input frequency,
interaction with p.f. correction systems
2Breakers, fuses, and cable cross-sections
3Protection of persons and domestic animals with
residual-current protective devices
4Input contactor
5Input line reactor, radio interference suppression filter,
input filters
6Frequency inverter: mounting, installation; power connection;
EMC measures; circuit examples
7Motor reactor, dv/dt filter, sine-wave filter
8Motor protection; thermistor
9Cable lengths, motor cables, shielding (EMC)
10 Motor and application, parallel operation of multiple motors
on a frequency inverter, bypass circuit; DC braking
11 Braking resistance; dynamic braking

Engineering
M-Max Series Adjustable Frequency Drive MN04020003E—October 2013 www.eaton.com 19
Electrical Power Network
Input Connection and Configuration
The M-Max series frequency inverters can be connected and
operated with all control-point grounded AC power networks
(see IEC 60364 for more information).
AC Power Networks with Grounded Center Point
(TN-/TT Networks)
While planning the project, consider a symmetrical
distribution to the three external conductors, if multiple
frequency inverters with single-phase supplies are to be
connected. The total current of all single-phase consumers is
not to cause an overload of the neutral conductor
(N-conductor).
The connection and operation of frequency inverters to
asymmetrically grounded TN networks (phase-grounded
Delta network “Grounded Delta”, USA) or non-grounded or
high-resistance grounded (over 30 ohms) IT networks is only
conditionally permissible.
If the M-Max frequency inverters are connected to an
asymmetrically grounded network or to an IT network
(non-grounded, insulated), the internal interference
suppression filter must be disconnected (unscrew the screw
marked EMC, see “Electrical Installation” on Page 32). The
required filtering for electromagnetic compatibility (EMC) is
then no longer present.
Measures for electromagnetic compatibility are mandatory in
a drive system in order to meet the legal requirements for
EMC and low voltage regulations.
Good grounding measures are a prerequisite for the effective
insert of further measures such as shielding or filters.
Without respective grounding measures, further steps are
superfluous.
Input Voltage and Frequency
The standardized input voltages (IEC 60038, VDE017-1) for
energy suppliers (EVU) guarantee the following conditions at
the transition points:
●Deviation from the rated value of voltage: maximum ±10%
●Deviation in voltage phase balance: maximum ±3%
●Deviation from rated value of the frequency:
maximum ±4%
The broad tolerance band of the M-Max frequency inverter
considers the rated value for
European as (EU: ULN = 230V/400V, 50 Hz) and
American as (USA: ULN = 240V/480V, 60 Hz) standard
voltages:
●120V, 50/60 Hz at MMX11
●230V, 50 Hz (EU) and 240V, 60 Hz (USA) at MMX12 and
MMX32
●400V, 50 Hz (EU) and 480V, 60 Hz (USA) at MMX34_
●575V, 50 Hz (EU) and 575V, 60 Hz (USA) at MMX35_
For the bottom voltage value, the permitted voltage drop of
4% in the consumer circuits is also taken into account.
●100V device class (MMX11):
110V –15% to 120V +10% (94V –0% to 132V +0%)
●200V device class (MMX12, MMX32):
208V –15% to 240V +10% (177V –0% to 264V +0%)
●400V device class (MMX34):
380V –15% to 480V +10% (323V –0% to 528V +0%)
●575V device class (MMX35):
575V –15% to 575V +10% (489V – 0% to 632.5V +0%)
The permitted frequency range is 50/60 Hz (45 Hz –0%
–66 Hz +0%).
L2
N
L1
L3
PE
L2
PEN
L1
L3

Engineering
20 M-Max Series Adjustable Frequency Drive MN04020003E—October 2013 www.eaton.com
Voltage Balance
Because of the uneven loading on the conductor, and with
the direct connection of greater power ratings, deviations
from the ideal voltage form and asymmetrical voltages can
be caused in three-phase AC power networks. These
asymmetric divergences in the input voltage can lead to
different loading of the diodes in input rectifiers with
three-phase supplied frequency inverters, and as a result,
an advance failure of this diode.
In the project planning for the connection of three-phase
supplied frequency inverters (MMX32, MMX34, MMX35),
consider only AC power networks that handle permitted
asymmetric divergences in the input voltage +3%.
If this condition is not fulfilled, or symmetry at the connection
location is not known, the use of an assigned main choke is
recommended.
Total Harmonic Distortion (THD)
The THD (Total Harmonic Distortion) is a measurement for
the occurring harmonic distortion of the sinusoidal oscillation
(input power side) input variables with the frequency
inverter. It is given in percent of the total value.
U1 = fundamental component
THD k = 0.1 K = 10% ~ –20 dB (THD suppression)
With M-Max series frequency inverters, the permitted value
for the total harmonic distortion THD is >120%.
Idle Power Compensation Devices
Compensation on the power supply side is not required for
M-Max series frequency inverters. From the AC power
supply network, they take on very little reactive power of the
fundamental harmonics (cos ~ 0.98).
In the AC power networks with non-choked idle current
compensation devices, current deviations can enable parallel
resonance and undefinable circumstances.
In the project planning for the connection of frequency
inverters to AC power networks with undefined
circumstances, consider using main chokes.
Input Reactors
A input reactor (also called commutation inductor) increases
the inductance of the power supply line. This extends the
current flow period and dampens input deviations.
On frequency inverters, a input reactor limits the input
feedback to permissible values. The harmonic current
emissions that are fed back into the input network (“input
feedback”) are reduced. This reduces the input-side apparent
current to about 30%.
Toward the frequency inverter, the input reactors dampen
the interference from the supply network. This increases the
withstand voltage of the frequency inverter and lengthens
the lifespan (diodes of the input power rectifier, intermediate
circuit capacitors).
For the operation of the M-Max frequency inverter, the
application of main chokes is not necessary.
We do recommend, however, that an upstream main choke
is used because the network quality is not known in most
cases.
While planning the project, consider that a input reactor is
only assigned to a single frequency inverter for isolation.
Using a large input reactor for multiple small frequency
inverters should therefore be avoided if at all possible.
When using an adapting transformer (assigned to a single
frequency inverter), a main choke is not necessary.
Input reactors are designed based on the input current (ILN)
of the frequency inverter. Input chokes and the assignment
to M-Max frequency inverters are explained in the appendix.
KU2
2U+ 3
2U4
2... Un
++ 2
+
U1
2U+ 2
2U3
2U4
2... Un
++ 2
++
-----------------------------------------------------------------------------------------------------------
=
•
100%
THD
U2
2U+ 3
2U4
2... Un
++ 2
+
U1
----------------------------------------------------------------------------------------------------=

Engineering
M-Max Series Adjustable Frequency Drive
MN04020003E—October 2013 www.eaton.com
21
Safety and Switching
Fuses and Cable Cross-Sections
The fuses and wire cross-sections allocated for power-side
connections depend on the rated input current ILN of the
frequency inverter (without input reactor).
CAUTION
When selecting the cable cross-section, take the voltage
drop under load conditions into account.
The consideration of other standards (for example, VDE 0113
or VDE 0289) is the responsibility of the user.
The national and regional standards (for example VDE 0113,
EN 60204) must be observed and the necessary approvals
(for example UL) at the site of installation must be fulfilled.
When the device is operated in a UL-approved system, use
only UL-approved breakers, fuses, fuse bases, and cables.
The leakage currents to ground (to EN 50178) are greater
than 3.5 mA. The connection terminals marked PE and the
housing must be connected with the ground circuit.
The leakage currents for the individual performance variables
are listed on
Page 142
.
CAUTION
The specified minimum PE conductor cross-sections
(EN 50178, VDE 0160) must be maintained.
Choose the cross-section of the PE conductor in the motor
lines at least as large as the cross-section of the phase lines
(U, V, W).
Cables and Fuses
The cross-sections of the cables and line protection fuses
used must correspond with local standards.
For an installation in accordance with UL guidelines, the
fuses and copper cable that are UL-approved and have a
heat-resistance of 140° to 167°F (60° to 75°C) are to be used.
Use power cables with insulation according to the specified
input voltages for the permanent installation. A shielded
cable is not required on the input side.
A completely (360°) shielded low impedance cable is
required on the motor side. The length of the motor cable
depends on the RFI class and must not exceed 98 ft (30m)
for the M-Max.
Residual-Current Device (RCD)
RCD (Residual Current Device): Residual current device,
residual current circuit breaker (FI circuit breaker).
Residual current circuit breakers protect persons and animals
from the existence (not the origination) of impermissibly high
contact voltages. They prevent dangerous, and in some
cases deadly injuries caused by electrical accidents, and also
serve as fire prevention.
WARNING
With frequency inverters, only AC/DC sensitive residual
current circuit breakers (RCD type B) are to be used
(EN 50178, IEC 755).
Identification on the Residual-Current Circuit-Breakers
Frequency inverters work internally with rectified AC
currents. If an error occurs, the DC currents can block a type
A RCD circuit breaker from triggering and therefore disable
the protective functionality.
CAUTION
Debounced inputs may not be used in the safety circuit
diagram.
Residual current circuit breakers (RCD) are only to be
installed between the AC power supply network and the
frequency inverter.
Safety-relevant leakage currents can occur while handling
and when operating the frequency inverter, if the frequency
inverter is not grounded (because of a fault).
Leakage currents to ground are mainly caused by foreign
capacities with frequency inverters; between the motor
phases and the shielding of the motor cable and via the
Y-capacitors of the noise filter. The size of the leakage
current is mainly dependent upon the:
●
length of the motor cable
●
shielding of the motor cable
●
height of the pulse frequency (switching frequency of the
inverter)
●
design of the noise filter
●
grounding measures at the site of the motor
AC/DC sensitive
(RCD, type B)

Engineering
22 M-Max Series Adjustable Frequency Drive
MN04020003E—October 2013 www.eaton.com
The leakage current to ground is greater than 3.5 mA with a
frequency inverter. Based on the requirements of EN 50178,
an increased ground (PE) has to be connected. The cable
cross-section must be at least 10 mm
2
or consist of two
separately connected ground cables.
Residual current circuit breakers must be suitable for:
●
the protection of installations with DC current component
in case of fault scenario (RCD type B)
●
high leakage currents (300 mA)
●
brief discharges of pulse current spikes
Input Contactor
The input contactor enables an operational switching on and
off of the supply voltage for the frequency inverter, and
switching off in case of a fault.
The input contactor is designed based on the input current
(ILN) of the frequency inverter and the utilization category
AC-1 (IEC 60947). Input contactors and the assignment to
M-Max frequency inverters are explained in the appendix.
While planning the project, make sure that inching operation
is not done via the input contactor of the frequency inverter
on frequency-controlled drives, but through a controller input
of the frequency inverter.
The maximum permitted operating frequency of the input
voltage with the M-Max frequency inverter is one time per
minute (normal operation).
EMC Measures
Electrical components in a system (machine) have a
reciprocal effect on each other. Each device not only emits
interference but is also affected by it. The interference can
be produced by galvanic, capacitive, and/or inductive
sources, or by electromagnetic radiation. In practice, the limit
between line-conducted interference and emitted
interference is around 30 MHz. Above 30 MHz, cables and
conductors act like antennas that radiate electromagnetic
waves.
Electromagnetic compatibility (EMC) for frequency controlled
drives (variable speed drives) is implemented in accordance
with product standard IEC/EN 61800-3. This includes the
complete power drive system (PDS), from the input supply to
the motor, including all components, as well as cables (see
figure on
Page 18
). This type of drive system can consist of
several individual drives.
The generic standards of the individual components in a PDS
compliant with IEC/EN 61800-3 do not apply. These
component manufacturers, however, must offer solutions
that ensure standards-compliant use.
In Europe, maintaining the EMC guidelines is mandatory.
A declaration of conformity (CE) always refers to a “typical”
power drive system (PDS). The responsibility to comply with
the legally stipulated limit values and thus the provision of
electromagnetic compatibility is ultimately the responsibility
of the end user or system operator. This operator must also
take measures to minimize or remove emission in the
environment concerned (see figure below). He must also use
means to increase the interference immunity of the devices
of the system.
With their high interference immunity up to category C3,
M-Max frequency inverters are ideal for use in harsh
industrial networks (2nd environment).
With line-conducted emission, type MMX…-F_ frequency
inverters (with integrated interference suppression filter)
ensure the observance of the sensitive limit values of
category C2 in environment 1. This requires an
EMC-compliant installation (see
Page 32
) and the
observance of the permissible motor cable lengths and
maximum switching frequency (fPWM) of the inverter.
Type MMX…-N_ frequency inverters can comply with the
limit values of category C1 in environment 1 when used in
conjunction with an assigned external interference
suppression filter.
The required EMC measures should be taken into account in
the engineering phase. Improvements and modifications
during mounting and installation or even at the installation
site involve additional and even considerably higher costs.
EMC Environment and Category
Public Medium-Voltage Supply Grid
Public
Low-Voltage
Supply Grid
Industry
Grid 1
Industry
Grid 2
Measuring
Point
Category C1
Category C1/C2 Category C3/C4 Category C3/C4
1st Enviroment 2nd Enviroment

Engineering
M-Max Series Adjustable Frequency Drive
MN04020003E—October 2013 www.eaton.com
23
Motor and Application
Motor Selection
General recommendations for motor selection:
●
Use three-phase powered asynchronous motors with
short-circuit rotors and surface cooling, also called
asynchronous motors or standard motors for the
frequency-controlled drive system (PDS). Other
specifications such as external rotor motors, slip-ring
motors, reluctance motors, synchronous or servo
motors can also be run with a frequency inverter, but
normally require additional planning and discussion
with the motor manufacturer
●
Use only motors with at least heat class F
(311°F [155°C] maximum steady state temperature)
●
Four-pole motors are preferred (synchronous speed:
1500 min
–1
at 50 Hz or 1800 min
–1
at 60 Hz)
●
Take the operating conditions into account for S1 operation
(IEC 60034-1)
●
When operating multiple motors in parallel on one
frequency inverter, the motor output should not be more
than three power classes apart
●
Ensure that the motor is not overdimensioned. If a motor
in speed control mode is underdimensioned, the motor
rating must only be one rating level lower
Connecting Motors in Parallel
The M-Max frequency inverters allow parallel operation of
several motors in V/Hz control mode:
●
V/Hz control: several motors with the same or different
rated operational data. The sum of all motor currents must
be less than the frequency inverter’s rated operational
current
●
V/Hz control: parallel control of several motors. The sum of
the motor currents plus the motors’ inrush currents must
be less than the frequency inverter’s rated operational
current
Parallel operation at different motor speeds can be
implemented only by changing the number of pole pairs and/
or changing the motor’s transmission ratio.
CAUTION
Debounced inputs may not be used in the safety circuit
diagram.
If you are connecting multiple motors on one frequency
inverter, you must design the contactors for the individual
motors according to utilization category AC-3.
Selecting the motor contactor is done according to the rated
operational current of the motor to be connected.
Parallel Connection of Several Motors to
One Frequency Inverter
Connecting motors in parallel reduces the load resistance at
the frequency inverter output. The total stator inductance is
lower and the leakage capacity of the lines greater. As a
result, the current distortion is greater than in a single-motor
circuit. To reduce the current distortion, you should use
motor reactors (see
[1]
in figure above) in the output of the
frequency inverter.
The current consumption of all motors connected in parallel
must not exceed the frequency inverter’s rated output
current I2N.
Electronic motor protection cannot be used when operating
the frequency inverter with several parallel connected
motors. You must, however, protect each motor with
thermistors and/or overload relays.
The use of a motor protective circuit breaker at the frequency
inverter’s output can lead to nuisance tripping.
F1
M1
Q12Q11
F2
M2
Q13
F3
M3
U1 V1 W1 U1 V1 W1 U1 V1 W1
M
3˜
M
3˜
M
3˜

Engineering
24 M-Max Series Adjustable Frequency Drive
MN04020003E—October 2013 www.eaton.com
Motor and Circuit Type
The motor’s stator winding can be connected in a star or
delta configuration, in accordance with the rated operational
data on the nameplate.
Example of a Motor Ratings Plate
Star and Delta Circuit Types
The three-phase motor with the rating plate based on the
figure shown above, can be run in a star or delta connection.
The operational characteristic curve is determined by the
ratio of motor voltage and motor frequency, in this case.
87-Hz Characteristic Curve
In the delta circuit with 400V and 87 Hz, the motor shown in
the figure above was released with three times-fold output
(~1.3 kW).
Because of the higher thermal loading, using only the next
higher motor output according to the list (1.1 kW) is
recommended. The motor (in this example) therefore still has
1.47-fold higher output compared with the listed output
(0.75 kW).
With the 87-Hz characteristic curve, the motor also works in
the range from 50 to 87 Hz with an unattenuated field. The
pull-out torque remains at the same level as in input
operation with 50 Hz.
The heat class of the motor must be at least F in 87-Hz
operation.
V/Hz-Characteristic Curve
The following table shows the allocation of possible
frequency inverters depending on the input voltage and the
type of circuit.
Assignment of Frequency Inverters to Example Motor Circuit (See Figure Above)
Notes
Star connection: 400V, 50 Hz.
Delta connection: 230V, 50 Hz.
Delta connection: 400V, 87 Hz.
Note the permitted limit values of the motor.
/400 V230 3.5/2
0.75S1 0.79
cos
kW
RPM
1430 50 Hz
A
U1 V1 W1
W2 U2 V2
U1 V1 W1
W2 U2 V2
08750
400
U2 (V)
f (Hz)
fmax
230
Frequency Inverters MMX12AA3D7_ MMX32AA3D7_ MMX34AA2D4_ MMX34AA4D3_
Rated operational current 3.7A 3.7A 2.4A 4.3A
Input voltage 1 AC 230V 1 AC 230V 3 AC 400V 3 AC 400V
Motor circuit Delta Delta Star Delta
V/Hz-characteristic curve
Motor current 3.5A 3.5A 2.0A 3.5A
Motor voltage 3 AC 0–230V 3 AC 0–230V 3 AC 0–400V 3 AC 0–230V
Motor speed 1430 min
–1
1430 min
–1
1430 min
–1
2474 min
–1
Motor frequency 50 Hz 50 Hz 50 Hz 87 Hz

Engineering
M-Max Series Adjustable Frequency Drive
MN04020003E—October 2013 www.eaton.com
25
Bypass Operation
If you want to have the option of operating the motor with
the frequency inverter or directly from the input supply, the
input branches must be interlocked mechanically.
CAUTION
Debounced inputs may not be used in the safety circuit
diagram.
A changeover between the frequency inverter and the input
supply must take place in a voltage-free state.
WARNING
The frequency inverter outputs (U, V, W) must not be
connected to the input voltage (destruction of the
device, risk of fire).
Bypass Motor Control (Example)
CAUTION
Debounced inputs may not be used in the safety circuit
diagram.
Switch S1 must switch only when frequency inverter T1 is at
zero current.
Contactors and switches (S1) in the frequency inverter
output and for the direct start must be designed based on
utilization category AC-3 for the rated operational current of
the motor.
Connecting EX Motors
Note the following when connecting explosion-protected
motors:
●
The frequency inverter must be installed outside the EX
area
●
Note the branch- and country-specific standards for
explosion-protected areas (ATEX 100a)
●
Note the standards and information of the motor
manufacturer regarding operation on frequency inverters—
for example, if motor reactors (du/dt-limiting) or sinus
filters are specified
●
Temperature monitors in the motor windings (thermistor,
thermo-Click) are not to be connected directly to frequency
inverters but must be connected via an approved trigger
apparatus for EX areas
Sinusoidal Filter
Sinusoidal filters are connected in the output of the
frequency inverter. They allow the use of long motor cables
with reduced conducted and radiated emission.
The upstream sinusoidal filter enables the reduction of
losses and noise in the motor.
Disadvantage.
Sinusoidal filters have a system voltage drop
of around 30V per phase.
Note:
Sinusoidal filters must only be used with permanently
set pulse frequencies.
Item
Number Description
1
Input/bypass contactor
2
Output contactor
Q1
I>I>
I>
Q11
S1
M1
T1
M
3~
L1 L2 L3
L1 L2 L3
UVW

Installation
26 M-Max Series Adjustable Frequency Drive
MN04020003E—October 2013 www.eaton.com
Installation
Introduction
This chapter provides a description of the installation and the
electrical connections for the frequency inverter M-Max series.
While installing and/or assembling the frequency inverter,
cover all ventilation slots in order to ensure that no foreign
bodies can enter the device.
Perform all installation work with the specified tools and
without the use of excessive force.
Installation Instructions
The instructions for installation in this manual apply for M-Max
series frequency inverters under protection type IP20.
In order to meet the requirements in accordance with
NEMA 1 (IP21), you must, depending on the size of the
housing, use the optional housing accessories
MMX-IP21-FS1, MMX-IP21-FS2 or MMX-IP21-FS3.
The required installation instructions are shown in the setup
instructions AWA8230-2417.
Mounting Position
Mounting Position (FS1–FS3)
An installation that is turned by 180° (stood on its head) is not
permitted.
Mounting Position (FS4 and FS5)
An installation that is turned by 180° (stood on its head) is not
permitted.
The vertical mounting position may be tilted by up to
30 degrees.
90°
90°
90°
90°
30°
30°
30°
30°

Installation
M-Max Series Adjustable Frequency Drive MN04020003E—October 2013 www.eaton.com 27
Cooling Measures
In order to guarantee sufficient air circulation, enough
thermal clearance must be ensured according to the frame
size (rating) of the frequency inverter.
Air-Cooling Space
Minimum Clearance at the Front
Note: The frequency inverters of the M-Max series are
air-cooled with an internal fan.
Minimum Clearance and Required Cooling Air
Note
With frame sizes FS1, FS2 and FS3 the side clearance can be 0 mm if the
ambient air temperature does not exceed +40°C, the pulse frequency
(P11.9) does not exceed 4 kHz and the elevation does not exceed 1000m.
Higher ambient air temperatures pulse frequencies and installation heights
above 1000m require a minimum side clearance of 20 mm from a
“passive” neighbor (housing wall) and a clearance of 50 mm from an
“active” [need info] neighbor (frequency inverter, switched-mode power
supply unit).
With MMX34…014_, the side clearance to a “passive” neighbor must
always be 20 mm in all operating conditions and always 50 mm to the
“active” neighbor.
Note: Please note that the installation makes it possible to
open and close the control signal terminal covers
without any problems.
Note: The pulse frequency (fPWM) can be adjusted with
parameter P11.9.
Note: Devices with strong magnetic fields (e.g. reactors or
transformers) should not be installed in the immediate
vicinity of the M-Max device.
Air-Baffle Due to Increased Circulation with Device Fan
If devices are arranged vertically above each other, the
clearance between the two devices must at least be equal to
dimension c + d (“active neighbors”).
With frame sizes FS4 and FS5 a baffle must be fitted
between the two devices. Otherwise, the upper device may
overheat due to the device fan fitted at the top of the lower
device.
a
mm
b
mm
c
mm
d
mm
e
mm
V
m3/h
FS1 20 50 100 50 15 10
FS2 20 50 100 50 15 10
FS3 20 50 100 50 15 30
FS4 20 50 100 100 20 45
FS5 20 50 120 100 20 75
b
aa
a
(b)
c
d
e
V
V
d
c

Installation
28 M-Max Series Adjustable Frequency Drive MN04020003E—October 2013 www.eaton.com
Fixing
You can mount an M-Max frequency inverter on screw
mounts or on a mounting rail.
Install the frequency inverter only on a nonflammable
mounting base (for example, on a metal plate).
Dimensions and weights of the M-Max frequency inverter
are located in the appendix.
Fastening with Screws (FS1–FS5)
The number and arrangement of required bore holes
(mounting dimensions a1 and b1 shown in the figure below)
are also imprinted in the base plate of the M-Max device,
FS1–FS3.
Mounting Dimensions
Install the screws in the specified positions first. Then set
the frequency inverter on the prepared wall-mount and
tighten all screws.
Configuration for Mounting with Screws
0.28 in
(7 mm)
b1
a1 a1
mm [in]
b1
mm [in]
Mass
kg [lb]
Torque
Nm [ft-lb]
Mounting
Screw
FS1 38 [1.5] 147 [5.79] 0.55 [1.2] 1.3 [0.95] M4
FS2 62.5 [2.46] 182 [7.17] 0.7 [1.5] 1.3 [0.95] M4
FS3 75 [2.95] 242 [9.53] 0.99 [2.2] 1.3 [0.95] M5
FS4 140 [5.51] 351 [13.82] 8 [18.0] 4.6 [3.4] M6
FS5 140 [5.51] 398 [13.82] 10 [22.0] 4.6 [3.4] M6
FS1 and FS2 FS, FS4 and FS5

Installation
M-Max Series Adjustable Frequency Drive MN04020003E—October 2013 www.eaton.com 29
Fastening on Mounting Rails (FS1–FS3)
As an alternative, you can also fasten FS1–FS3 to a mounting
rail conforming with IEC/EN 60715.
Mounting Rail Conforming with IEC/EN 60715
Set the frequency inverter onto the mounting rail [1] from
above and press until it rests in place [2].
Fastening to the Mounting Rail
Dismantling from Mounting Rails
To remove the device, push the spring-loaded clip down. A
marked cutout is provided on the upper edge of the M-Max
device. A flat-bladed screwdriver (blade width 0.20 in [5 mm])
is recommended for pushing the clip down.
Demounting
Cable Flange Plate (Accessories)
The M-Max is supplied with a cable routing plate and
brackets. These enable you to arrange the connection cables
as required on the frequency inverter and fasten the shielded
cables in accordance with EMC requirements.
First, install the cable clamp plate for the connection lines in
the power section [1] and then the cable clamping plate [2]
for the control lines. The required installation screws (M4) are
included as standard.
[3] = gland plates in the power section.
Mount the cable routing plate before the electrical
installation.
Mounting the Cable Routing Plate and the Brackets
25
35
1
7.5
15
2
1
CLICK!
1
2
3
0.20 in
( 5 mm)
L1 L2/N L3 U/T1V/T2
W/T3
1
2
3
= M4
11.5 lb-in
(1.3 Nm)

Installation
30 M-Max Series Adjustable Frequency Drive MN04020003E—October 2013 www.eaton.com
EMC Installation
The responsibility to comply with the legally stipulated limit
values and thus the provision of electromagnetic
compatibility is the responsibility of the end user or system
operator. This operator must also take measures to minimize
or remove emissions in the environment concerned (see
figure on Page 22). He must also use means to increase the
interference immunity of the system devices.
In a drive system (PDS) with frequency inverters, you should
take measures for electromagnetic compatibility (EMC) while
doing your planning, because changes or improvements to
the installation site, which are required in the installation or
while mounting, are normally associated with additional
higher costs.
The technology and system of a frequency inverter cause the
flow of high frequency leakage current during operation. All
grounding measures must therefore be implemented with
low impedance connections over a large surface area.
With leakage currents greater than 3.5 mA, in accordance
with VDE 0160 or EN 60335, either
●the protective conductor must have a cross-section
10 mm2
●the protective conductor must be open-circuit monitored,
or
●the second protective conductor must be fitted
For an EMC-compliant installation, we recommend the
following measures:
●Installation of the frequency inverter in a metallic,
electrically conducting enclosure with a good connection
to earth
●Shielded motor cables (short cable lengths)
Ground all conductive components and housings in a drive
system using as short a line as possible with the greatest
possible cross-section (Cu-braid).
EMC Measures in the Control Panel
For EMC-compatible installation, connect all metallic parts of
the device and the switching cabinet together over broad
surfaces and so that high-frequencies will be conducted.
Mounting plates and cabinet doors should make good
contact and be connected with short HF-braided cables.
Avoid using painted surfaces (anodized, chromized). An
overview of all EMC measures is provided in the figure on
Page 31.
Install the frequency inverter as directly as possible (without
spacers) on a metal plate (mounting plate).
Route input and motor cables in the switch cabinet as close
to the ground potential as possible. This is because free
moving cables act as antennas.
When laying HF cables (for example, shielded motor cables)
or suppressed cables (for example, input supply cables,
control circuit and signal cables) in parallel, a minimum
clearance of 11.81 in (300 mm) should be ensured in order to
prevent the radiation of electromagnetic energy. Separate
cable routing should also be ensured when large voltage
potential differences are involved. Any necessary crossed
cabling between the control signal and power cables should
always be implemented at right angles (90 degrees).
Never lay control or signal cables in the same duct as power
cables. Analog signal cables (measured, reference and
correction values) must be shielded.
Earthing
The ground connection (PE) in the cabinet should be
connected from the input supply to a central earth point
(mounting plate). All protective conductors should be routed
in star formation from this earth point and all conductive
components of the PDS (frequency inverter, motor reactor,
motor filter, main choke) are to be connected.
Avoid ground loops when installing multiple frequency
inverters in one cabinet. Make sure that all metallic devices
that are to be grounded have a broad area connection with
the mounting plate.
Screen Earth Kit
Cables that are not shielded work like antennas (sending,
receiving). Make sure that any cables that may carry
disruptive signals (for example, motor cables) and sensitive
cables (analog signal and measurement values) are shielded
apart from one another with EMC-compatible connections.
The effectiveness of the cable shield depends on a good
shield connection and a low shield impedance.
Use only shields with tinned or nickel-plated copper braiding.
Braided steel shields are unsuitable.
Control and signal lines (analog, digital) should always be
grounded on one end, in the immediate vicinity of the supply
voltage source (PES).

Installation
M-Max Series Adjustable Frequency Drive MN04020003E—October 2013 www.eaton.com 31
EMC-Compliant Setup (Example: M-Max)
Notes
Power cable: L1, L2/N, L3 and U/T1, V/T2, W/T3, R+, R–
Control and signal lines: 1 to 26, A, B, fieldbus connection
Large-area connection of all metallic control panel components.
Mounting surfaces of frequency inverter and cable shielding must be free from paint.
Connect the cable shielding in the output of the frequency inverter with a large surface area contact to the ground potential (PES).
Large-area cable shield contacts with motor.
Large-area earth connection of all metallic parts.
PE
PES
W2 U2 V2
U1 V1 W1
PE
11.81 in
115/120 Vac
230/240 Vac
400 Vac
460/480 Vac
575 Vac
24 Vdc
115/120 Vac
230/240 Vac
400 Vac
460/480 Vac
575 Vac
24 Vdc
( 300 mm)
PES
0.59 in
(15 mm)
å
åå
åååå
ååååå
åå å
ååå

Installation
32 M-Max Series Adjustable Frequency Drive MN04020003E—October 2013 www.eaton.com
Electrical Installation
WARNING
Carry out wiring work only after the frequency inverter
has been correctly mounted and secured.
WARNING
Electric shock hazard—risk of injuries!
Carry out wiring work only if the unit is de-energized.
CAUTION
Debounced inputs may not be used in the safety circuit
diagram.
Fire hazard!
Only use cables, protective switches, and contactors that
feature the indicated permissible nominal current value.
CAUTION
Debounced inputs may not be used in the safety circuit
diagram.
Ground contact currents in frequency inverters are greater
than 3.5 mA (AC). According to product standard IEC/EN
61800-5-1, an additional equipment grounding conductor
must be connected, or the cross-section of the equipment
grounding conductor must be at least 0.39 in2 (10 mm2).
WARNING
The components in the frequency inverter’s power
section remain energized up to five (5) minutes after the
supply voltage has been switched off (intermediate
circuit capacitor discharging time).
Pay attention to hazard warnings!
Note: Complete the following steps with the specified tools
and without using force.
DANGER
5 MIN

Installation
M-Max Series Adjustable Frequency Drive MN04020003E—October 2013 www.eaton.com 33
Connection to Power Section
The following figure shows the general connections for the
frequency inverter in the power section.
Three-Phase Input Connection
Terminal Designations in the Power Section
●L1, L2/N, L3: Connection terminals for the supply voltage
(input, input voltage):
●Single-phase AC voltage: connection to L2/N and L3 on
MMX11_
●Single phase AC voltage: Connection to L1 and L2/N
with MMX12_
●Three-phase AC voltage: Connection to: L1, L2/, L3 with
MMX32_, MMX34_ and MMX35_.
●U/T1, V/T2, W/T3: Connection terminals for the
three-phase line to the AC motor (output, frequency
inverter)
● PE: connection for protective ground (reference
potential). PES with mounted cable routing plate for
shielded cables
●R+, R–: Connection terminals for external brake resistance
(only with MMX32_, MMX34_ and MMX35_, output
braking transistor)
Connection to Power Section
Ground Connection The ground connection is connected directly with the cable
clamp plates.
The shielded cables between the frequency inverter and the
motor should be as short as possible. Connect the shielding
on both ends and over a large surface area with protective
ground PES (Protective Earth Shielding). You can connect the
shielding of the motor cable directly to the cable clamp plate
(360 degrees coverage) with the protective ground.
The frequency inverter must always be connected to the
ground potential via a grounding cable (PE).
L1 L2/N L3 U/T1V/T2W/T3
M
3 ~
3 AC, PE
PES
PE
L3
PE L1 N
L2/N
MMX11_
Input
L1
PE L1 N
L2/N
MMX12_
Input
L1 L3
PE L1 L2 L3
L2/N
MMX32_, MMX34_, MMX35_
U/T1
W/T3
V/T2
U1 V1 W1
3 ~
Input Output
Motor
PZ2
M4
11.5 lb-in
(1.3 Nm)
PE
0.17 in
(4.3 mm)

Installation
34 M-Max Series Adjustable Frequency Drive MN04020003E—October 2013 www.eaton.com
Connection in Power Section
Stripping Lengths in the Power Section in inches (mm)
B1
PE L1 L2 L3
PE U V W
A1
D1
C1
PE R+ R–
D2
C2
B2
A2
DC+ DC–
Supply Voltage (Input) Motor (Output) DC-Link, Brake Resistor
L1, L2, L3 PE U/T1, V/T2, W/T3 PE DC+/R+, R–, DC– PE
C1 D1 A1 B1 C1 D1 A1 B1 C2 D2 A2 B2
FS1 0.30 (8.0) 0.80 (20.0) 0.30 (8.0) 1.40 (35.0) 0.30 (8.0) 0.80 (20.0) 0.30 (8.0) 1.40 (35.0) 0.30 (8.0) 0.80 (20.0) 0.30 (8.0) 1.40 (35.0)
FS2 0.30 (8.0) 0.80 (20.0) 0.30 (8.0) 1.40 (35.0) 0.30 (8.0) 0.80 (20.0) 0.30 (8.0) 1.40 (35.0) 0.30 (8.0) 0.80 (20.0) 0.30 (8.0) 1.40 (35.0)
FS3 0.30 (8.0) 0.80 (20.0) 0.30 (8.0) 1.40 (35.0) 0.30 (8.0) 0.80 (20.0) 0.30 (8.0) 1.40 (35.0) 0.30 (8.0) 0.80 (20.0) 0.30 (8.0) 1.40 (35.0)
FS4 0.30 (8.0) 1.60 (40.0) 0.30 (8.0) 1.20 (30.0) 0.30 (8.0) 2.00 (50.0) 0.30 (8.0) 1.20 (30.0) 0.30 (8.0) 1.60 (40.0) 0.30 (8.0) 1.60 (40.0)
FS5 0.30 (8.0) 1.60 (40.0) 0.30 (8.0) 1.20 (30.0) 0.30 (8.0) 2.00 (50.0) 0.30 (8.0) 1.20 (30.0) 0.30 (8.0) 2.00 (50.0) 0.30 (8.0) 2.00 (50.0)

Installation
M-Max Series Adjustable Frequency Drive MN04020003E—October 2013 www.eaton.com 35
Prevent the shielding from becoming unbraided, for example,
by pushing the separated plastic covering over the end of the
shielding or with a rubber grommet on the end of the
shielding. As an alternative, in addition to a broad area cable
clip, you can also twist the shielding braid at the end and
connect to protective ground with a cable clip. To prevent
EMC disturbance, this twisted shielding connection should
be made as short as possible (see figure below).
Screened Connection Cable
Shielded, four-wire cable is recommended for the motor
cables. The green-yellow line of this cable connects the
protective ground connections from the motor and the
frequency inverter and therefore minimizes the equalizing
current loads on the shielding braid.
Connection with Twisted Cable Shielding
(Recommended value for twisted cable shielding: b 1/5 a)
Twisted shielding braid should be connected with a ring
cable terminal (see figure on Page 33) on PES.
The following figure shows the construction of a four-wire,
shielded motor line (recommended specifications).
Four-Core Shielded Motor Supply Cable
If there are additional subassemblies in a motor circuit (for
example, motor contactors, relays, motor reactor, sinusoidal
filters, or terminals), interrupt the shielding of the motor
cable in the vicinity of these subassemblies. Connect this
over a broad surface area with the mounting plate (PES).
Free or non-shielded connection cables should not be any
longer than about 11.81 in (300 mm).
0.59 in
(15 mm)
PES
U/T1V/T2W/T3
a
b
PES
Item
Number Description
1Cu shield braid
2PVC outer sheath
3Drain wire (copper strands)
4PVC core insulation, 3 x black, 1 x green–yellow
5Textile and PVC fillers
1
2
3
45

Installation
36 M-Max Series Adjustable Frequency Drive MN04020003E—October 2013 www.eaton.com
Arrangement and Connection of the Power Terminals
The arrangement and size of the connection terminals depends on the construction of the
power section (FS1, FS2, FS3).
The cross-sections to use in the connections, the tightening torques for screws and
respective fuses are listed in the following table.
Arrangement and Size of the Connection Terminals
Part
Numbers mm2AWG mm in Nm ft-lbs mm Terminal Configuration
FS1 MMX12AA1D7_
MMX12AA2D4_
MMX12AA2D8_
0.2–2.5 24–12 8 0.31 0.5–0.6 0.37–0.44 0.6 x 3.5
MMX32AA1D7_
MMX32AA2D4_
MMX32AA2D8_
0.2–2.5 24–12 8 0.31 0.5–0.6 0.37–0.44 0.6 x 3.5
MMX34AA1D3_
MMX34AA1D9_
MMX34AA2D4_
0.2–2.5 24–12 8 0.31 0.5–0.6 0.37–0.44 0.6 x 3.5
FS2 MMX11AA1D7_
MMX11AA2D4_
MMX11AA2D8_
MMX11AA3D7_
0.2–2.5 24–12 8 0.31 0.5–0.6 0.37–0.44 0.6 x 3.5
MMX12AA3D7_
MMX12AA4D8_
MMX12AA7D0_
0.2–2.5 24–12 8 0.31 0.5–0.6 0.37–0.44 0.6 x 3.5
MMX32AA3D7_
MMX32AA4D8_
MMX32AA7D0_
0.2–2.5 24–12 8 0.31 0.5–0.6 0.37–0.44 0.6 x 3.5
MMX34AA3D3_
MMX34AA4D3_
MMX34AA5D6_
0.2–2.5 24–12 8 0.31 0.5–0.6 0.37–0.44 0.6 x 3.5
M3
L1 L2/N U/T1 V/T2 W/T3
L1 L2/N U/T1 V/T2 W/T3
L3
L1 L2/N U/T1 V/T2 W/T3
L3 R+ R–
L3
L2/N U/T1 V/T2 W/T3
L1 L2/N U/T1 V/T2 W/T3
L1 L2/N U/T1 V/T2 W/T3
L3
L1 L2/N U/T1 V/T2 W/T3
L3 R+ R–

Installation
M-Max Series Adjustable Frequency Drive MN04020003E—October 2013 www.eaton.com 37
Arrangement and Size of the Connection Terminals, continued
Part
Numbers mm2AWG mm in Nm ft-lbs mm Terminal Configuration
FS3 MMX11AA4D8_ 0.2–4 24–10 8 0.31 0.5–0.6 0.37–0.44 0.6 x 3.5
MMX12AA9D6_ 0.2–4 24–10 8 0.31 0.5–0.6 0.37–0.44 0.6 x 3.5
MMX32AA011_ 0.2–4 24–10 8 0.31 0.5–0.6 0.37–0.44 0.6 x 3.5
MMX34AA7D6_
MMX34AA9D0_
MMX34AA012_
MMX34AA014_
0.2–4 24–10 8 0.31 0.5–0.6 0.37–0.44 0.6 x 3.5
FS4 MMX32AA017_
MMX32AA025_
0.5–16 20–6 8 0.39 1.2–1.5 0.88–1.11 0.6 x 3.5
MMX34AA016_
MMX34AA023_
0.5–16 20–6 8 0.39 1.2–1.5 0.88–1.11 0.6 x 3.5
FS5 MMX32AA031_
MMX32AA038_
0.5–16 20–6 8 0.39 1.2–1.5 0.88–1.11 0.6 x 3.5
MMX34AA031_
MMX34AA038_
0.5–16 20–6 8 0.39 1.2–1.5 0.88–1.11 0.6 x 3.5
M3
L3
L2/N U/T1 V/T2 W/T3
L1 L2/N U/T1 V/T2 W/T3
L1 L2/N U/T1 V/T2 W/T3
L3
L1 L2/N U/T1 V/T2 W/T3
L3 R+ R–
L1 L2 U/T1 V/T2 W/T3
L3 DC+/R+ R- DC-
L1 L2 U/T1 V/T2 W/T3
L3 DC+/R+ R- DC-
L1 L2 U/T1 V/T2 W/T3
L3 DC+/R+ R- DC-
L1 L2 U/T1 V/T2 W/T3
L3 DC+/R+ R- DC-

Installation
38 M-Max Series Adjustable Frequency Drive MN04020003E—October 2013 www.eaton.com
Connection on Control Section
The control signal terminals are arranged under the front
cover flap.
Position of Control Signal Terminals
The cable hold down clamps contained in the scope of
delivery can be mounted on the cable clamp plate of the
power section.
The control lines should be shielded and twisted. The
shielding is exposed on one side (PES), on the cable hold
down clamps on the frequency inverter for instance.
Prevent the shielding from becoming unbraided, for example,
by pushing the separated plastic covering over the end of the
shielding or with a rubber grommet on the end of the
shielding.
Prevent the Shield from Becoming Unbraided
As an alternative, in addition to a broad area cable clip, you
can also twist the shielding braid at the end and connect to
protective ground with a cable clip. To prevent EMC
disturbance, this twisted shielding connection should be
made as short as possible (see figure on Page 35).
Example for a Single-Side Connection (PES) to the
Frequency Inverter
Prevent any unraveling on the other end of the control line
with a rubber grommet. The shielding braid is not to make
any connection with protective ground here because this
would cause problems with an interference loop.
Example for an Insulated End of the Control Cable
L1 L2/N L3 U/T1 V/T2W/T3
0.59 in
(15 mm)
PES
1
+10V AI1 GND 24V DI1 DI2
23 68 9
4K7
M
R11
M
FWD REV

Installation
M-Max Series Adjustable Frequency Drive MN04020003E—October 2013 www.eaton.com 39
Control Signal Terminals Arrangement and Connections
ESD Measures
WARNING
Discharge yourself on a grounded surface before
touching the control signal terminals and the controller
PCB. This protects the device from destruction by
electrostatic discharge.
The following figure shows the arrangement and designation of M-Max control signal terminals.
Control Signal Terminals Assignments and Designations
Possible Connection Line Sizes and Specifications on Control Signal Terminals
Microswitches and Control Signal Terminals
Four microswitches are arranged under the cover plate. These are used to directly configure the
control signal terminals.
Microswitch Factory Settings
123678910 25 24
4 5 13 14 15 16 18 20 22 23 26
AI2
DO–GND
DI4 DI5 DI6 AO DO+ R13 R14 – R24
+10V AI1 GND
24V
DI-C
DI1 DI2 DI3 A B R21 R22
M3
mm2mm2AWG mm Nm ft-lbs mm
0.14–1.5 0.25–0.5 26–16 5 0.22–0.25 0.16–0.18 0.4 x 2.5
123678910 25 24
4 5 13 14 15 16 18 20 22 23 26
AI2
DO–GND
DI4 DI5 DI6 AO DO+ R13 R14 – R24
+10V AI1 GND
24V
DI-C
DI1 DI2 DI3 A B R21 R22
LOGIC
– +
AI 1
V mA
AI 2
V mA
RS 485
– Term.
S4 = RS485 (–)
S3 = AI2 (mA)
S1 = LOGIC (+)
S2 = AI1 (V)
Microswitch Description
S1 LOGIC Control logic:
+ = Positive logic (FS)
Source type
– = Negative logic
Sink type
S2 AI1 Analog input 1 (P2.1):
V = 0–10V (FS)
mA = 4–20 mA
S3 AI2 Analog input 2 (P2.5):
mA = 4–20 mA (FS)
V = 0 –10V
S4 RS485 Bus terminating resistor
(control signal terminal A/B):
– = Disconnected
Term. = Switched on (terminator)

Installation
40 M-Max Series Adjustable Frequency Drive MN04020003E—October 2013 www.eaton.com
Control Signal Terminal Functions
The functions that are set in the ex-factory and the electrical connection data of all control
signal terminals are listed in the following table.
Factory-Set Control Terminal Functions
Note
Programmable function (see “List of Parameters” on Page 161).
Terminal Signal Factory setting Description
1 +10V Output nominal voltage — Maximum load 10 mA, reference potential GND
2 AI1 Analog signal input 1 Frequency reference value 0–10V (Ri >200k ohms)
0/4–20 mA (RB = 200 ohms)
Selectable through microswitch S2
3 GND Reference potential — 0V
4 AI2 Analog input 2 PID controller, actual value 0–10V (Ri >200k ohms)
0/4–20 mA (RB = 200 ohms)
Selectable through microswitch S3
5 GND Reference potential — 0V
6 24V Control voltage for DI1–DI6, output
(+24V)
— Maximum load 50 mA, reference potential GND
7 DI-C Reference potential of the digital
inputs DI1–DI6
LOGIC- (GND) Selectable through microswitch LOGIC –/+
8 DI1 Digital input 1 FWD start enable, forward 0–30V (Ri >12k ohms)
9 DI2 Digital input 2 REV start enable, reverse 0–30V (Ri >12k ohms)
10 DI3 Digital input 3 Fixed frequency B0 0–30V (Ri >12k ohms)
13 DO– Digital output Active = READY Transistor, max. 50 mA, supply voltage control
signal terminal 20
14 DI4 Digital input 4 Fixed frequency B1 0–30V (Ri = 12k ohms)
15 DI5 Digital input 5 Error acknowledgment 0–30V (Ri = 12k ohms)
16 DI6 Digital input 6 PI controller deactivated 0–30V (Ri = 12k ohms)
18 AO Analog output Output frequency 0–10V, max. 10 mA
20 DO+ Digital output Supply voltage, see control signal
terminal 13
Supply voltage for digital output DO max. 48 Vdc,
max. 50 mA
22 R13 Relay 1, normally open contact Active = RUN Maximum switching load:
250 Vac/2A or 250 Vdc/0.4A
23 R14 Relay 1, normally open contact Active = RUN Maximum switching load:
250 Vac/2A or 250 Vdc/0.4A
24 R22 Relay 2, changeover contact
(N/C)
Active = FAULT Maximum switching load:
250 Vac/2A or 250 Vdc/0.4A
25 R21 Relay 2, changeover contact Active = FAULT Maximum switching load:
250 Vac/2A or 250 Vdc/0.4A
26 R24 Relay 2, changeover contact
(N/O)
Active = FAULT Maximum switching load:
250 Vac/2A or 250 Vdc/0.4A
A A RS485 signal A BUS-communication Modbus RTU
B B RS485 signal B BUS-communication Modbus RTU

Installation
M-Max Series Adjustable Frequency Drive MN04020003E—October 2013 www.eaton.com 41
Analog Inputs
Connection area of the analog and digital inputs and outputs.
Control Signal Terminals (Digital and
Analog Inputs/Outputs)
The M-Max frequency inverter has two analog inputs for
specifying the frequency setpoint value and the actual value
return to the PI controller:
●Control signal terminal 2 (AI1), voltage signal 0 (2)–10V,
input resistance 200k ohms
●Control signal terminal 4 (AI2), current signal 0 (4)–20 mA,
Load resistance 200 ohms
Adjusting and the parameter definition of analog inputs are
described in “Analog Input (P2)” on Page 68.
The AI1 analog input (control signal terminal 2) is factory set
for the frequency setpoint (P6.2). The setpoint can be input
via an external potentiometer (recommended fixed
resistance: 1–10k ohms). The fixed resistance of the setpoint
potentiometer is fed from the frequency inverter via control
signal terminal 1 with +10V (maximum load rating: 10 mA).
Control signal terminals 3 and 5 are reference points (GND)
for the analog setpoint signals.
Analog Setpoint Inputs AI1 and AI2
Connection example: Potentiometer (4.7k ohms)
M22-R4K7; Article No. 229490
Analog Setpoint Value Signal, for Example, from a
Superordinate Controller (PLC)
12354
0 (4)–20 mA
AI1
GND
<10 mA
+10V Out
S3S2
GND
0–10V
200k ohms 200k ohms
200 ohms
200 ohms
AI2
PI-Ist
f-Soll
S2 = AI1V
(0–10V)
AI1
V mA
S3 = AI2 mA
(4–20 mA)
AI1
V mA
32
AI1
0–10V
200k ohms
GND
f-Soll

Installation
42 M-Max Series Adjustable Frequency Drive MN04020003E—October 2013 www.eaton.com
Analog Outputs
The frequency inverter provides an analog voltage signal
(0–10V) at control signal terminal 18. This signal is factory set
proportional to the output frequency (0–fmax). The calibration
and parameterization of the analog output are described in
“Analog Outputs (P4)” on Page 77.
Analog Output AO (Connection Examples)
Digital Inputs
The frequency inverter has six digital inputs (DI1 to DI6) that
have an identical function and operation. Their actuation is
factory set for +24V (positive logic, source type). You can use
the device internal control voltage of control signal terminal 6
(+24V, maximal 50 mA) or an external voltage source (+24V)
with a residual ripple less than ±5% Ua/Ua. The
parameterizable functions are described in “Digital Inputs
(P3)” on Page 71.
Digital Inputs with Internal Supply Voltage
Digital Inputs with External Supply Voltage
The factory set functions and the electrical connection data
are shown in “Control Signal Terminal Functions” on
Page 40.
Microswitch S1 (LOGIC) is used to change the control logic
to so-called negative logic (sink type). The digital inputs are
connected internally or externally via control signal terminal 7
(DI_COM) directly to +24V and to the corresponding 0V
potential (GND) via input terminals DI1 to DI6.
Digital Inputs with Internal Supply Voltage
(Negative Logic, Sink Type)
5
0–10V
AO
18
GND
<10 mA
f-Out
–
+
789
DI1
DI2
DI_COM
S1
24V
6
<50 mA
+24V Out
S1 = LOGIC+
(Source Type)
LOGIC
– +
789
DI1
DI2
DI_COM
S1
6
<50 mA
+24V Out
S1 = LOGIC+
(Source Type)
LOGIC
– +
+ 24V
0V
( ±5% )
U
U
a
a
789
DI1
DI2
DI_COM
S1
6
<50 mA
+24V Out
S1 = LOGIC–
(Sink Type)
LOGIC
– +
5
GND

Installation
M-Max Series Adjustable Frequency Drive MN04020003E—October 2013 www.eaton.com 43
Digital Inputs with External Supply Voltage
(Negative Logic, Sink Type)
Digital Outputs (Transistor)
The transistor output (control signal terminal 13, DO–) can be
supplied with the internal control voltage (+24V) via control
signal terminal 20 (DO+) or with an external DC voltage of up
to +48V. The permissible residual ripple must be less than
±5% Ua/Ua. The maximum permissible load current is
50 mA.
Digital Output DO and Connection Examples
(Coupling Relay with Freewheeling Diode:
ETS4-VS3; Item No. 083094)
Connection Example and Operation of DO in
Source and Sink Type
The parameter assignment is described in “Digital Outputs
(P5)”on Page 78.
789
DI1
DI2
DI_COM
6
<50 mA
+24V Out
0V
+24V
S1
S1 = LOGIC–
(Sink Type)
LOGIC
– +
( ±5% )
U
U
a
a
Ready
<50 mA
DO–
DO+
13 20
+
+24V
0V
( ±5% )
U
U
a
a
+24V
0V
<50 mA
20
13
DO–
DO+
Source Type
+24V
0V
<50 mA
20
13
DO–
DO+
Sink Type

Installation
44 M-Max Series Adjustable Frequency Drive MN04020003E—October 2013 www.eaton.com
Digital Outputs (Relays)
The following figure shows the arrangement of the connection terminals for both relay contacts.
Relay Outputs with Connection Examples, Control Relay with Suppressor Circuit
The two relay outputs (control signal terminals 22 to 26)
enable the frequency inverter to generate galvanically
isolated feedback signals in control circuits with other
potentials:
●maximum switching capacity: 250 Vdc, 0.4A (DC voltage),
●maximum switching capacity: 250 Vac, 2A (AC voltage).
With voltages greater than 48V, you should fasten the
connection cables of the relay in the opening on the right
(housing).
Fixed Connection Cables at U >48V (Relay)
The functions for which parameters can be defined are
described in “Digital Outputs (P5)” on Page 78.
The factory setting causes N/O contact R13/R14 (control
signal terminal 22/23) of relay RO1 to indicate operation
(RUN).
N/O contact R21/R24 (control signal terminal 25/26) of relay
RO2 indicates a detected fault (ERROR = FAULT).
If the supply voltage of the frequency inverter is switched off
upon the occurrence of an error message, the N/O R21/R24
opens again (relay drops out).
The functions for which parameters can be defined for both
relays RO1 and RO2 are described in “Digital Outputs (P5)”
on Page 78.
2322 24 2625
R13
R14
R21
R22
R24
Error
Run
I
250V ~ : 2A
250V: 0.4A
AC
DC
AC
Varistor (+)
(
-
)
DC
Diode
AC
RC Filter

Installation
M-Max Series Adjustable Frequency Drive MN04020003E—October 2013 www.eaton.com 45
Serial Interface A-B
The following figure shows the connections of the serial interface and the position of the
micro-switch for the bus termination resistor.
Connection Terminals of the Serial Interface and Microswitch S4
(Bus Terminating Resistor)
The two control signal terminals A and B enable the connection of a shielded RS485
twisted-pair cable.
The bus terminating resistor required at the end of a data cable is integrated in the frequency
inverter and can be connected via microswitch S4.
The network cable must have a bus termination resistor (120 ohms) connected at each
physical end to prevent reflections and the resulting transmission faults.
Two-Wire RS485 Connection
(Slave = M-Max Frequency Inverter)
The parameter definition of the serial interface is described in “Serial Interface
(Modbus RTU)” on Page 131.
123678910 25 24
4 5 13 14 15 16 18 20 22 23 26
AI2
DO–GND
DI4 DI5 DI6 AO DO+ R13 R14 – R24
+10V AI1 GND
24V
DI-C
DI1 DI2 DI3 A B R21 R22
LOGIC
– +
AI 1
V mA
AI 2
V mA
RS 485
– Term.
S4 = RS485 (–)
A
B
A
B
PES
PES
Slave Master
RS485
Modbus (RTU)
S4
120 ohms
RS485
– Term

Installation
46 M-Max Series Adjustable Frequency Drive MN04020003E—October 2013 www.eaton.com
Block Diagrams
The following diagrams show all the terminals on an M-Max frequency inverter and their
functions at the default settings.
MMX11...N_ Block Diagram
MMX11 has a voltage doubler circuit inside the internal DC link. A power supply of 1 AC 120V
(115V) will output a motor voltage of 3 AC 230V.
Error
Run
Ready
2322
PE
PE
WVU
M
3 ~
X1
A
B
24 2625 1 2354
AO
0 (4)–20 mA
0–10V <10 mA
789
18
DI1
DI2
AI1
DI3
DI4
DI5
DI6
GND
DI_COM
< 10 mA
+10 V Out
14 15 1610
R13
R14
R21
R22
R24
S4
S3S2
S1
FWD
REV
FF1
FF2
24V
6
<50 mA
+24V Out
GND
120 ohms
<50 mA
DO–
DO+
13 20
+
0–10V
L3
200k ohms 200k ohms
200 ohms
200 ohms
AI2
f-Out
PI-Ist
Reset
PI-Off
f-Soll
3 AC 230V
1 AC 120V
L2/N

Installation
M-Max Series Adjustable Frequency Drive MN04020003E—October 2013 www.eaton.com 47
MMX12...F_ Block Diagram
Error
Run
Ready
L2/N
2322
PE
PE
WVU
M
3 ~
X1
A
B
24 2625 1 2354
AO
0 (4)–20 mA
0–10V <10 mA
789
18
DI1
DI2
AI1
DI3
DI4
DI5
DI6
GND
DI_COM
<10 mA
+10V Out
14 15 1610
R13
R14
R21
R22
R24
S4
S3S2
S1
FWD
REV
FF1
FF2
24V
6
<50 mA
24V Out
GND
120 ohms
<50 mA
DO–
DO+
13 20
+
0...+10 V
L1
200k ohms 200k ohms
200 ohms
200 ohms
AI2
f-Out
PI-Ist
EMC
Reset
PI-Off
f-Soll
3 AC 230V
1 AC 230V
1 AC 240V

Installation
48 M-Max Series Adjustable Frequency Drive MN04020003E—October 2013 www.eaton.com
MMX32, MMX34 and MMX35 Block Diagram
Notes
External brake resistor terminals R+ and R– are only available on three-phase FS2 and FS3 drives.
EMC filter only available on MMX34… units.
PE
R+
R–
Error
Run
Ready
3 AC
3 AC
2322
PE
PE
WVU
M
3 ~
X1
A
B
24 2625 1 2354
AO
0 (4)–20 mA
0–10V <10 mA
789
18
DI1
DI2
AI1
DI3
DI4
DI5
DI6
GND
DI_COM
<10 mA
10V Out
14 15 1610
R13
R14
R21
R22
R24
S4
S3S2
S1
FWD
REV
FF1
FF2
24V
6
<50 mA
24V Out
GND
120 ohms
<50 mA
DO–
DO+
13 20
+
0–10V
L1 L3
200k ohms 200k ohms
200 ohms 200 ohms
AI2
f-Out
PI-Ist
EMC
Reset
PI-Off
f-Soll
L2/N

Installation
M-Max Series Adjustable Frequency Drive MN04020003E—October 2013 www.eaton.com 49
Insulation Testing
The M-Max series frequency inverters are tested, delivered
and require no additional testing.
WARNING
On the control signal and the connection terminals of the
frequency inverter, no leakage resistance tests are to be
performed with an insulation tester.
WARNING
Wait at least 5 minutes after switching the supply
voltage off before you disconnect a connection on the
connection terminals (L1, L2/N, L3, U/T1, V/T2, W/T3,
R+, R–) of the frequency inverter.
If insulation testing is required in the power circuit of the
PDS, you must consider the following measures.
Testing the Motor Cable Insulation
Disconnect the motor cable from connection terminals U/T1,
V/T2 and W/T3 of the frequency inverter and from the motor
(U, V, W). Measure the insulation resistance of the motor
cable between the individual phase conductors and between
the phase conductor and the protective conductor.
The insulation resistance must be greater than 1M ohm.
Testing the Input Cable Insulation
Disconnect the power cable from the input supply network
and from connection terminals L1, L2/N and L3 of the
frequency inverter. Measure the insulation resistance of the
input cable between the individual phase conductors and
between each phase conductor and the protective
conductor.
The insulation resistance must be greater than 1M ohm.
Testing the Motor Insulation
Disconnect the motor cable from the motor (U, V, W) and
open the bridge circuits (star or delta) in the motor terminal
box. Measure the insulation resistance of the individual
motor windings. The measurement voltage must at least
match the rated voltage of the motor but is not to exceed
1000V.
The insulation resistance must be greater than 1M ohm.
Consider the information from the motor manufacturer in
testing the insulation resistance.

Operation
50 M-Max Series Adjustable Frequency Drive MN04020003E—October 2013 www.eaton.com
Operation
Commissioning Checklist
Before placing the frequency converter into operation, make sure to check the following:
No. Activity Completed Notes
1 Installation and wiring have been carried out in accordance
with the corresponding instructional leaflet (AWA8230-2416)
2 All wiring and line section leftovers, as well as all the tools
used, have been removed from the frequency inverter’s
proximity
3 All terminals in the power section and in the control section
were tightened with the specified torque
4 The lines connected to the output terminals of the frequency
inverter (U/T1, V/T2, W/T3, R+, R–) are not short-circuited and
are not connected to ground (PE)
5 The frequency inverter has been earthed properly (PE)
6 All electrical terminals in the power section (L1, L2/N, L3,
U/T1, V/T2, W/T3, R+, R–, PE) were implemented properly and
were designed in line with the corresponding requirements
7 Each single phase of the supply voltage (L1, L2, L3) is protected
with disconnect device
8 The frequency inverter and the motor are adapted to the input
voltage (see “Nameplate Rating Data”on Page 6, connection
type [star, delta] of the motor tested)
9 The quality and volume of cooling air are in line with the
environmental conditions required for the frequency inverter
and the motor
10 All connected control lines comply with the corresponding stop
conditions (for example, switch in OFF position and setpoint
value = zero)
11 The parameters that were preset at the factory have been
checked with the list of parameters (see “List of Parameters”
on Page 161)
12 The effective direction of a coupled machine will allow the
motor to start
13 All emergency switching off functions and safety functions are
in an appropriate condition

Operation
M-Max Series Adjustable Frequency Drive MN04020003E—October 2013 www.eaton.com 51
Operational Hazard Warnings
Observe the following Warnings and Cautions.
WARNING
Commissioning is only to be completed by qualified
technicians.
WARNING
Hazardous voltage!
The safety instructions on Page x must be followed.
WARNING
The components in the frequency inverter’s power
section are energized if the supply voltage (line voltage)
is connected. For instance: power terminals L1, L2/N, L3,
R+, R–, U/T1, V/T2, W/T3.
The control signal terminals are isolated from the line
power potential.
There can be a dangerous voltage on the relay terminals
(22 to 26) even if the frequency inverter is not being
supplied with line voltage (for example, integration of
relay contacts in control systems with 230 Vac).
WARNING
The components in the frequency inverter’s power
section remain energized up to five (5) minutes after the
supply voltage has been switched off (intermediate
circuit capacitor discharging time).
Pay attention to hazard warnings!
WARNING
Following a shutdown (fault, line voltage off), the motor
can start automatically (when the supply voltage is
switched back on) if the automatic restart function has
been enabled.
(See parameter “P6.13”.)
CAUTION
Debounced inputs may not be used in the safety circuit
diagram.
Any contactors and switching devices on the power side are
not to be opened during motor operation. Inching operation
using the power switch is not permitted.
Contactors and switching devices (repair and maintenance
switches) on the motor side must never be opened while the
motor is in operation when the frequency inverter is set to
speed control operating mode (P11.8 = 1).
Inching operation of the motor with contactors and switching
devices in the output of the frequency inverter is not
permitted.
CAUTION
Debounced inputs may not be used in the safety circuit
diagram.
Make sure that there is no danger in starting the motor.
Disconnect the driven machine if there is a danger in an
incorrect operational status.
Note: The START button is only functional if the KEYPAD
operating mode is activated.
The STOP button is active in all operating modes. It
can be deactivated with parameter (P6.16 = 0).
Note: Operating ranges must be approved by the motor
manufacturer if motors are to be operated with
frequencies higher than the standard 50 or 60 Hz,
otherwise the motors could be damaged.
DANGER
5 MIN

Operation
52 M-Max Series Adjustable Frequency Drive MN04020003E—October 2013 www.eaton.com
Commissioning with Control Signal Terminals
(Factory Setting)
M-Max frequency inverters are set in the factory and can be
started directly via the control signal terminals by connecting
the motor outputs allocated for the input voltage (see
connection example below).
You can skip this section if you want to set up the
parameters directly for optimal operation of the frequency
inverter based on the motor data (rating plate) and the
application.
The following shows a simplified connecting example of a
connection with default settings.
Connect the frequency inverter according to the connection
example for simple commissioning with the specified default
settings (see connecting example above).
If the connections for the setpoint value potentiometer
cannot be clearly allocated with terminals 1, 2 and 3, you
should set the potentiometer to about 50% before giving the
start release (FWD/REV) for the first time.
When the specified power supply is applied to connection
terminal L2/N and L3 (MMX11) or L1 and L2/N (MMX12) or
L1, L2/N and L3 (MMX32, MMX34, MMX35), the LCD
display lights up and all segments are displayed briefly.
The frequency inverter runs a self-test automatically when
the power is applied.
The arrows ( ) in the top status line of the LCD display
show the operating status:
●READY = proper operating status
●STOP = stop (no start command)
The arrows ( ) in the bottom status line show the controller
commands. Actuation is done via the control signal terminals
(I/O = Control Input/Output) in the factory setting.
The FWD mark (forward) designates the basic rotational
direction (phase sequence for a clockwise rotating field) on
connection terminals U/T1, V/T2 and W/T3.
The operating data of the output frequency is shown in the
LCD display in alternating sequence with M1.1 and 0.00 Hz.
The arrow in the left-hand status line indicates menu level
MON (Monitor = operating data display).
Circuit Example Terminal Designation
L1 Single-phase
input connection
(MMX12)
— Three-phase input
connection
(MMX32,
MMX34)
L2/N Single-phase
input connection
(MMX11)L3 —
PE Ground connection
6 Control voltage +24V (output, maximum 50 mA)
8 FWD, start release clockwise rotating field
9 REV, start release left rotating field
U Connection for three-phase AC motor (three-phase motor)
V
W
PE
3 Reference potential GND (0V)
1 Setpoint value voltage +10V (output, maximum 10 mA)
2 Frequency setpoint f-Set (input 0–10V)
PE
PE
PE
PE
WVU
M
3 ~
123
689
24V
FWD
0–10V
L3L1 L2/N
L1 N
L3L1 L2
REV
f-Soll

Operation
M-Max Series Adjustable Frequency Drive MN04020003E—October 2013 www.eaton.com 53
Operational Data Indicator (Operational)
The start release is done by actuating one of the digital inputs
with +24V:
●Terminal 8: FWD = Clockwise rotating field (Forward Run)
●Terminal 9: REV = Counterclockwise rotating field
(Reverse Run)
The control commands are interlocked (exclusive OR) and
require a rising voltage edge.
The start release (FWD, REV) is shown in the top status line
(LCD display) by the arrow ( ) switching from STOP to RUN.
The frequency is shown with a minus sign with a start
release with a left rotating field (REV).
A controlled run-down can be set using parameter P6.8
(STOP function) (P6.8 = 1).
The relevant deceleration time is set in parameter P6.6. The
acceleration time are set in parameter P6.5.
Information on settings and the description of the
parameters used here are provided in “Drives Control (P6)”
on Page 82.
Operation (RUN) via Control Signal Terminal (I/O) with
Left Rotating Field (REV) (for example, –12.34 Hz)
You can now set the output frequency (0–60 Hz) and
therefore the speed of the connected AC motor (0–nmotor)
with the setpoint value potentiometer via terminal 2
(proportional voltage signal 0–10V). The change in output
frequency here is delayed based on the specified
acceleration and deceleration ramps. In the factory settings,
these times are set to 3 seconds.
The acceleration and deceleration ramps specify the
time change for the output frequency: from zero to
fmax (FS = 60 Hz) or from fmax back to zero.
The figure on Page 54 shows a good example of the
process, if the release signal (FWD/REV) is switched on and
the maximum setpoint voltage (+10V) is applied. The speed
of the motor follows the output frequency depending on the
load and moment of inertia (slip), from zero to nmax.
If the release signal (FWD, REV) is switched off during
operation, the inverter is blocked immediately (STOP). The
motor comes to an uncontrolled stop (see [1] in the figure on
Page 54).
RUN STOP ALARM FAULTREADY
REF
FWD REV I/O KEYPAD BUS
MON
PAR
FLT
RUN STOP ALARM FAULTREADY
REF
FWD REV I/O KEYPAD BUS
MON
PAR
FLT
Display in automatic alternation
By actuating the OK button, you can set the display
mode to stay on the value for the output frequency
(0.00 Hz).
OK
The stop command can also be given via the STOP
button on the operating unit. The STOP button is
active in all operating modes. It can be disabled with
parameter (P6.16 = 0).
RUN STOP ALARM FAULTREADY
REF
FWD REV I/O KEYPAD BUS
MON
PAR
FLT

Operation
54 M-Max Series Adjustable Frequency Drive MN04020003E—October 2013 www.eaton.com
Start-Stop Command with Maximum Setpoint Value
Voltage, Acceleration Ramp 3s
As an alternative (OR) to operation via control signal
terminals, you can also operate the frequency inverter
without connecting the control signal terminals by simply
switching the control level and the setpoint value input.
The following brief instructions indicate the required steps.
Brief Instructions
The brief instructions (see the figure on Page 55) provide a
graphical description of the few steps necessary up to the
motor start.
●The frequency inverter carries out a self-test when the
supply voltage is applied. The backlight of the LCD display
is switched on and all segments are briefly actuated
When the MMX is switched on for the first time, it activates
the Quickstart Wizard to guide you step-by-step through the
drive parameters (alternating display of P1.1 = 1).
First read “Parameters” starting on Page 60.
You can access the parameters when P1.1 = 0. Pressing
[BACK/RESET] [ ] [OK] leads you to the operating data
display MON. This is always displayed after the power supply
is switched off.
The frequency inverter is ready to start when there is an
alternating display M1.1 0.00 Hz.
●The frequency inverter is now ready for operation, and is
factory set for activation and frequency setting via the
control signal terminals (I/0). The STOP button is active in
this mode
Changes are only possible when there is flashing at the entry
digit (press OK button).
●The direction can be changed via the two arrow buttons
(< or >, cursor)
●The drive is factory set to stop at 0 Hz and can then be run
in the opposite direction by pressing the START button.
Parameter P6.14 = 0 must be set in order to change
direction without a stop
The STOP function can be set via P6.8:
●Free coasting
●Deceleration ramp
LOC/REM button
LOC = local, keypad (KEYPAD)
REM = remote (I/0, BUS)
t
t
fmax ~ nmax
f
P6.5 = 3s P6.8 = 0
FWD
REV
+24V
= 50 Hz
0
P6.4
RUN STOP
1
LOC
REM
Pressing the OK button allows you to change the
alternating mode of the displayed value M1.1.
The KEYPAD control level can be activated via the
LOC/REM button. The menu level ( ) moves to
REF and the displayed value switches to 0.00 Hz
(default settings).
Pressing the OK button activates the setpoint entry.
The right-hand digit of the displayed 0.00 Hz
flashes.
Use these two arrow buttons to select the
entry digit (cursor).
Use these two arrow buttons to change
the frequency values (frequency set value).
Press the START button to start (RUN) the drive in
the selected direction (default settings FWD).
In the default settings, the STOP button is active in
all operating modes.
OK
LOC
REM
OK
I

Operation
M-Max Series Adjustable Frequency Drive MN04020003E—October 2013 www.eaton.com 55
Brief Instructions: Steps to the Motor Start
RUN STOP ALARM FAULTREADY
REF
FWD REV I/O KEYPAD BUS
MON
PAR
FLT
RUN STOP ALARM FAULTREADY
REF
FWD REV I/O KEYPAD BUS
MON
PAR
FLT
OR
LOC
REM
RUN STOP ALARM FAULTREADY
REF
FWD REV I/O KEYPAD BUS
MON
PAR
FLT
OK
RUN STOP ALARM FAULTREADY
REF
FWD REV I/O KEYPAD BUS
MON
PAR
FLT
Self Test, Set
RUN STOP ALARM FAULTREADY
REF
FWD REV I/O KEYPAD BUS
MON
PAR
FLT
OK
1
+10V AI1 GND 24V DI1 DI2
23 68 9
4K7
M
R11
M
FWD REV
Start (Stop): FWD/REV RUN
R11 = Frequency Set Value STOP
I
OK
Ready to Start
Start Run
Set/Save
Stop
0 Hz
Cursor, REV
Cursor, FWD
Frequency Set Value
Frequency Set Value

Error and Warning Messages
56 M-Max Series Adjustable Frequency Drive MN04020003E—October 2013 www.eaton.com
Error and Warning Messages
Introduction
M-Max frequency inverters have several internal monitoring
functions. When deviations from the correct operating status
are detected, faults (FAULT) and warning messages
(ALARM) are differentiated between.
Error Messages
Faults can cause defective functionality and technical
defects. The inverter (frequency inverter output) is
automatically disabled if a fault is detected. After this, the
connected motor comes to a stop freely.
Error messages are shown on the display with an arrowhead
under FAULT and with the error code F… (F1 = last fault,
F2 = second to last, and so on).
Example of an Error Message (Undervoltage)
Acknowledge Fault Message (Reset)
The current error message flashes (for example, F1 09). It
can be acknowledged by pressing the OK button followed by
BACK/RESET or by actuating DI5 (default settings control
signal terminal 15). The displayed error then automatically
stops flashing, the four horizontal bars (Reset) are shown and
the error message is then displayed continuously. The arrow
point underneath FAULT disappears.
WARNING
If a start signal is present, the drive is restarted
automatically, if P3.1 = 0 is set (REAF = Restart after
FAULT) and the error message has been acknowledged
(Reset).
The current fault message indication (F1...) is cleared when
the supply voltage is interrupted or when you press the OK
button followed by BACK/RESET. The indication goes out
and the arrow tip flashes at menu level MON.
Fault Log (FLT)
The last nine faults can be called up and shown in succession
in the fault log (FLT).
Select the FLT menu level ( ). Use the arrow buttons and
to call the faults F1–F9 individually. Every error message is
stored with the time of the error occurrence under d (day), H
(hour) and m (minute). The call is made with the OK button,
and the selection with the and arrow buttons.
The content of the error memory is cleared when the factory
setting is activated. When you press the BACK/RESET
button, the display of the menu level ( ) flashes and the
STOP button is held down for around 5 seconds.
Activating the factory settings will reset all parameters.
Alarm Messages
A warning message signals possible damage and indicates
impending errors that can still be prevented, such as an
excessively high temperature rise.
Warning messages appear on the display with an arrow
under ALARM and AL with the respective code number. The
code numbers for faults and warning messages are identical.
Example of an Alarm Message
If a warning message occurs, the frequency inverter remains
active (READY, RUN).
In the given example (AL 50 = current setpoint signal
4–20 mA interrupted), the drive stops following the absence
of a reference value. If no more measures are introduced
because of the warning message (for example, a shutdown),
the drive can start again automatically in the example AL 50
when the current signal returns (for example, a contact fault
in the signal line).
The alarm message (AL) is displayed alternating with the
active operational display value.
The table on Page 57 shows the error codes, their possible
causes, and indicates correction measures.
RUN STOP ALARM FAULTREADY
REF
FWD REV I/O KEYPAD BUS
MON
PAR
FLT
RUN STOP ALARM FAULTREADY
REF
FWD REV I/O KEYPAD BUS
MON
PAR
FLT

Error and Warning Messages
M-Max Series Adjustable Frequency Drive MN04020003E—October 2013 www.eaton.com 57
List of Fault Messages (F) and Warning Messages (AL)
Notes
There are subcodes associated with this error. To get the subcode scroll to the M (minute) value within the fault menu. The value listed is the subcode.
Power software V018 IGBT overtemperature. Power software V019 heat sink overtemperature.
Display Designation Possible Cause Instructions
01 Overcurrent The frequency inverter has detected an excessive
current (> 4 x IN) in the motor cable
Sudden load increase
Short circuit in motor cable
Inadequate motor
Check the load
Check the motor size
Check the cable
(See parameter P6.6)
02 Overvoltage The DC intermediate circuit voltage has exceeded the
internal safety limit
The delay time is too short
High overvoltage peaks in line power
Increase braking time
03 Ground fault An additional leakage current was detected when
starting by means of a current measurement
Insulation fault in the cables or in the motor
Check the motor cable and the motor
08 System fault CPU error message
Internal communication fault
Reset error: Switch input voltage off and on (restart)
If the fault occurs again, contact your local representative
09 Undervoltage The DC intermediate circuit voltage has exceeded
the internal safety limit
Probable cause:
The supply voltage is too low
Internal device fault
Power failure
If a brief power failure takes place, reset the fault and restart
the frequency inverter
Check the supply voltage. If it is okay, there is an internal fault
If this is the case, contact your local representative
13 Undertemperature The IGBT switch temperature is below 14°F (–10°C) Check the ambient temperature
14 Overtemperature The IGBT switch temperature is above 248°F (120°C)
An excessive temperature warning is issued if the
IGBT switch temperature goes above 230°F (110°C)
Make sure that there is an unobstructed flow of cooling air
Check the ambient temperature
Make sure that the switching frequency is not too high in
relation to the ambient temperature and to the motor load
15 Motor stalled The motor blocking protection mechanism has been
triggered
Check the motor
16 Motor
overtemperature
The frequency inverter’s motor temperature model
has detected motor overheating. The motor is
overloaded
Decrease the motor load
If the motor is not overloaded, check the temperature model
parameter
17 Motor underload Motor idle, connection to load machine interrupted
(for example, torn drive belt)
This function must be activated at P8.5. The overload
message is set at P8.12 and P8.13
22 EEPROM checksum
error
Error when storing parameters
Malfunction
Component fault
Error in microprocessor monitoring
Contact your local Eaton representative
25 Watchdog (API) Error in microprocessor monitoring
Malfunction
Component fault
Reset the fault and restart
If the fault occurs again, contact your local representative
27 Back EMF Electromotive force
The voltage induced in the motor with the rotation
is greater than the output voltage of the frequency
inverter
The rotation energy is greater than the braking energy
Lengthen deceleration times
Switch on brake chopper and braking resistor
Use higher rated frequency inverters
35 Application error The application is not working Contact your local Eaton representative
41 IGBT overtemp The IGBT switch temperature is above 248°F (120°C)
An excessive temperature warning is issued if the
IGBT switch temperature goes above 230°F (110°C)
Make sure that there is an unobstructed flow of cooling air
Check the ambient temperature
Make sure that the switching frequency is not too high in
relation to the ambient temperature and to the motor load

Error and Warning Messages
58 M-Max Series Adjustable Frequency Drive MN04020003E—October 2013 www.eaton.com
List of Fault Messages (F) and Warning Messages (AL), continued
Display Designation Possible Cause Instructions
50 Live zero error
(analog input)
Monitored zero point
Current less than 4 mA, voltage less than 2V
Signal cable interrupted
The signal source is faulty
Check the analog setpoint circuit and current and voltage
source (see parameter P2.1, P2.5, P8.1, P8.10)
51 External fault Error message at a digital input (DI1–DI6),
programmed as input for an external error
message
Check the programming (P3.5, P3.6) and check the device
indicated by the error message
Check the cabling for the respective device as well
53 Fieldbus error The communication link between the master
device and the drive's fieldbus has been
interrupted
Check the installation
Further notes are provided in the manual of the optional
fieldbus interface (CANopen, PROFIBUS DP, and so on)
If the installation is okay, contact your local representative
54 Fieldbus interface
error
MMX-NET-XA mounting frame for fieldbus
interface cards is not connected to the frequency
inverter
Optional fieldbus interface is not fitted
Error message with activated fieldbus connection of the
interface between the frequency inverter and the mounting
frame (MMX-NET-XA)
Error message as per P8.15
Further notes are provided in the optional fieldbus interface
manual (CANopen, PROFIBUS DP, and so on)

Error and Warning Messages
M-Max Series Adjustable Frequency Drive MN04020003E—October 2013 www.eaton.com 59
Acknowledge Fault (Reset)
By switching the supply voltage off, the error message (F, FAULT) is acknowledged and reset.
The error code with the respective operating times (d = days, H = hours, M = minutes)
remains stored (FLT).
In the factory setting, you can also acknowledge the error with a 24 Vdc signal on terminal 15
(DI5 = Reset). The error code is not deleted in this case.
The following table shows the required operations for acknowledging an error message via
the operating unit.
Error Messages via Operating Unit
Operating Unit Element Explanation
F1 = Current fault message (flashing display)
09 = Undervoltage (example)
Actuate the BACK/RESET button or terminal DI5 (reset) to
acknowledge the error message
The acknowledged fault message is displayed with READY and
the failure code
By actuating the OK button, the number of operating days
(for example, d = 13 days) until this fault message is displayed
You can also show the respective hours (H) and minutes (M) of
operation with the arrow button
You exit the fault log (FLT) with the BACK/RESET button
The arrow moves to MON in the menu level
Use the OK button to activate the operating data display now or
select another menu level with the arrow keys or
RUN STOP ALARM FAULTREADY
REF
FWD REV I/O KEYPAD BUS
MON
PAR
FLT
BACK
RESET
RUN STOP ALARM FAUL
T
READY
REF
FWD REV I/O KEYPAD BUS
MON
PAR
FLT 6
DI5
<50 mA
24V Out
15
Reset
RUN STOP ALARM FAULTREADY
REF
FWD REV I/O KEYPAD BUS
MON
PAR
FLT
OK
RUN STOP ALARM FAULTREADY
REF
FWD REV I/O KEYPAD BUS
MON
PAR
FLT
BACK
RESET
OK

Parameters
60 M-Max Series Adjustable Frequency Drive MN04020003E—October 2013 www.eaton.com
Parameters
Control Unit
The following figure shows the elements of the M-Max’s
integrated control unit.
View of the Keypad with LCD Display, Function Keys
and Interface (LCD = Liquid Crystal Display)
Control Unit Elements
Pressing the arrow buttons increases or decreases the active
value, the parameter, or function by one unit. Holding down
an arrow button makes the change automatically.
I
BACK
RESET
RUN STOP ALARM FAULTREADY
REF
FWD REV I/O KEYPAD BUS
MON
PAR
FLT
LOC
REM
OK
Operating Unit Element Explanation
Backlit liquid crystal display (LCD)
Plain text with alphanumeric characters
Acknowledge fault message (Reset)
Activates the selection for the menu
levels ( flashes)
Move between different control levels
(I/O–KEYPAD–BUS) according to
parameter settings P6.1 and P6.17
Select function and parameter
Increase numerical value
Confirm and activate selection (store)
Lock display
Select function and parameter
Reduce numerical value
Move to the individual parameter groups
(… S4.1–P1.1–P2.1–P3.1 …)
In displays with several digits, move
between the individual digits (cursor)
Direction reversal (FWD REV) in
KEYPAD mode
Stops the running motor (P6.16)
Reset: Holding down the button for
5 seconds causes the default settings to
be loaded. All parameters are reset and
the fault memory (FLT) is cleared
Motor start with selected direction of
rotation (only active in KEYPAD control
level)
Interface for communication (Option:
MMX-COM-PC)
RUN STOP ALARM FAUL
T
READY
REF
FWD REV I/O KEYPAD BUS
MON
PAR
FLT
BACK
RESET
LOC
REM
OK
I

Parameters
M-Max Series Adjustable Frequency Drive MN04020003E—October 2013 www.eaton.com 61
Display Unit
The following shows the display unit (LCD display with all
display elements).
LCD Display (Areas)
The display unit consists of a backlit liquid crystal display
(LCD). It is divided into four areas.
Areas of the LCD Display
General Information on Menu Navigation
By applying the specified supply voltage to the connection
terminals L2/N and L3 (MMX11), L1 and L2/N (MMX12) or
L1, L2/N and L3 (MMX32, MMX34), the frequency inverter
automatically runs the following functions:
●The lighting of the LCD display is switched on and all
segments are actuated briefly
●After the self-test, the top status line of the LCD display
indicates that the device is ready to start and proper
operation by an arrow under READY. The arrow under
STOP indicates that there is no start command (FWD or
REV)
●The arrow in the bottom status line shows the actuation
via control signal terminals with the factory setting on I/O
Control (Control Input/Output). The arrow over FWD
(Forward) indicates the basic rotational direction (phase
sequence for a clockwise rotating field) on the output
terminals U/T1, V/T2 and W/T3)
●Display for the operating data M1.1 and 0.00 Hz (output
frequency) in automatic alternating sequence. The arrow
in the left-hand status line indicates menu level MON
(Monitor = Operating data display)
Operational Data Indicator (Operational)
The frequency inverter is ready for operation and can be
started via the control signal terminal with the specified
values from the factory settings when connecting the
allocated motor output (see “Commissioning with Control
Signal Terminals (Factory Setting)” on Page 52).
Area Description
1Status
indicator
The arrowheads ( ) on the top border show
information regarding the drive:
READY = Ready to start
RUN = Operating notification
STOP = Stop, stop command activated
ALARM = Alarm message activated
FAULT = The drive has been stopped due to an error
message
2Plain text
display
Two 14- and three 7-segment blocks for displaying:
AL = Alarm message
F = Error messages
M = Measurement value (operating data)
P = Parameter numbers
S = System parameter
- = Anticlockwise field of rotation (REV)
The respective units of measurement are displayed in
the bottom line
3Menu level The arrow shows the selected main menu:
REF = Reference value input (reference)
MON = Operational data indicator (monitor)
PAR = Parameter levels
FLT = Fault log (Fault)
4Control
commands
The arrowhead points to the selected rotating field
direction and the active control level:
FWD = Clockwise rotating field (forward run)
REV = Counterclockwise rotating field (reverse run)
I/O = Via control terminals (input/output)
KEYPAD = Via control unit
BUS = Via fieldbus (interface)
RUN STOP ALARM FAULTREADY
REF
FWD REV I/O KEYPAD BUS
MON
PAR
FLT
1
4
23
By actuating the OK button, you can set the
alternating display mode to stay on the output
frequency (0.00 Hz).
RUN STOP ALARM FAULTREADY
REF
FWD REV I/O KEYPAD BUS
MON
PAR
FLT
Display in Automatic Alternation
RUN STOP ALARM FAULTREADY
REF
FWD REV I/O KEYPAD BUS
MON
PAR
FLT
OK

Parameters
62 M-Max Series Adjustable Frequency Drive MN04020003E—October 2013 www.eaton.com
Setting Parameters
The following table is a good example of the general execution for selecting and setting
parameters.
When the MMX is switched on for the first time, it activates the Quickstart Wizard to guide
you through specific parameters. (See as per “Step” 2.)
Setting Parameters
Sequence Commands Display Description
0Measured value 1.1
The display changes automatically with the value of the output
frequency 0.00 Hz (at STOP)
1By actuating the BACK/RESET button, you activate the menu level
(arrow flashes)
The two arrow buttons enable you to select the individual main
menus:
REF = Setpoint input (reference)
MON = Operational data indicator (monitor)
PAR =Parameter levels
FLT = Fault log (Fault)
Use the OK button to open the selected main menu
2The numerical first value is always shown from the selected main
menu
Example: Main menu PAR, Parameter P1.1
The display automatically switches between the parameter number
and the defined value
P1.1 =1 is displayed at the first switch on and after the factory
settings have been activated
Use the OK button to activate the selected parameter.
The value (1) flashes
P1.1 =1:
The Quickstart Wizard is activated and guides you step-by-step
through the specific drive parameters (see Page 65)
RUN STOP ALARM FAULTREADY
REF
FWD REV I/O KEYPAD BUS
MON
PAR
FLT
BACK
RESET
RUN STOP ALARM FAULTREADY
REF
FWD REV I/O KEYPAD BUS
MON
PAR
FLT
OK
RUN STOP ALARM FAULTREADY
REF
FWD REV I/O KEYPAD BUS
MON
PAR
FLT
Display in Automatic Alternation
OK
RUN STOP ALARM FAULTREADY
REF
FWD REV I/O KEYPAD BUS
MON
PAR
FLT

Parameters
M-Max Series Adjustable Frequency Drive MN04020003E—October 2013 www.eaton.com 63
Setting Parameters, continued
All settings are stored automatically by actuating the OK button.
Parameters marked in the “Access Right RUN” column with , can be changed during
operation (RUN mode).
Sequence Commands Display Description
3If the parameter value is flashing, you can use the two arrow keys to
change the value within the permitted range
P1.1 = You exit the Quickstart Wizard (access to all parameters)
The selected value is confirmed with the OK button
The display now changes automatically between the new value and
the respective parameter number
4The other parameters in the main menu PAR can be selected with the
two arrow buttons ( or ) (closed circuit, Example: Factory setting)
The arrow buttons (< and >) enable you to select the first parameter of
each parameter group
> P1.1, P2.1, P3.1, P4.1, …
< S4.1, S3.1, S2.1, S1.1, P14.1, …
5By actuating the BACK/RESET button, you exit main menu PAR (arrow
flashes, see sequence 1)
RUN STOP ALARM FAULTREADY
REF
FWD REV I/O KEYPAD BUS
MON
PAR
FLT
OK
RUN STOP ALARM FAULTREADY
REF
FWD REV I/O KEYPAD BUS
MON
PAR
FLT
RUN STOP ALARM FAULTREADY
REF
FWD REV I/O KEYPAD BUS
MON
PAR
FLT P14.16
P2.1
P1.1
S4.3
S1.1
RUN STOP ALARM FAULTREADY
REF
FWD REV I/O KEYPAD BUS
MON
PAR
FLT
RUN STOP ALARM FAULTREADY
REF
FWD REV I/O KEYPAD BUS
MON
PAR
FLT
BACK
RESET
RUN STOP ALARM FAULTREADY
REF
FWD REV I/O KEYPAD BUS
MON
PAR
FLT

Parameters
64 M-Max Series Adjustable Frequency Drive MN04020003E—October 2013 www.eaton.com
Parameter Menu (PAR)
You have access to all M-Max parameters in the parameter
menu (PAR) (see “List of Parameters” on Page 161).
Parameter Menu (P1.1 = 1, Quick Configuration)
The parameter menu always starts with the parameter P1.1.
P1.1 = 1 means that you are guided through the parameters
by the Quickstart Wizard. Here you must confirm a specified
number of parameters individually (see A).
P1.1 = 0 gives you free access to all parameters (see B).
Schematic Representation of Parameter Access
Display in Automatic Alternation
RUN STOP ALARM FAULTREADY
REF
FWD REV I/O KEYPAD BUS
MON
PAR
FLT
RUN STOP ALARM FAULTREADY
REF
FWD REV I/O KEYPAD BUS
MON
PAR
FLT
Item
Number Description
AGuided access and selected parameters with the Quickstart
Wizard (use OK button to move further)
BFree access to all parameters (move further using the four
arrow buttons)
1Parameter conceal selection
P1.1 = 1 (Factory setting)
The quick start assistant guides you to the selected parameters
(predefined parameter change)
P1.1 = 0 allows access to all parameters (free parameter selection)
2Selection of pre-defined parameter values for various applications
(see table on Page 66)
P1.2 = 0: Basic, no preliminary setting
P1.2 = 1: Pump drive
P1.2 = 2: Fan drive
P1.2 = 3: Feed unit (high load)
3Completion of the quick configuration and automatic switch to
frequency display
Selecting the PAR menu level again allows the free selection of
the required quick configuration parameters and the system
parameter (S)
4Free selection of all parameters (P1.1 = 0) with the two arrow
buttons and or < and >
P1.1 = 1
P1.2 = 0
P1.2 = 1
P1.2 = 2
P1.2 = 3
P1.3
P11.7
M1.1
A
3
2
1P1.1 = 0
P1.1 = 0
P1.2 = 1
P1.2 = 2
P1.2 = 3
P1.3
S4.3
P14.16
S1.1
B
1
2
4

Parameters
M-Max Series Adjustable Frequency Drive MN04020003E—October 2013 www.eaton.com 65
Quickstart Wizard
The quick start assistant guides you in the quick
configuration through all important settings that have to be
made or that you should check for your application (see A in
figure on Page 64). The parameters that are called during the
process are listed in the table on Page 66, in the “Basic
(Standard Drive)” column.
The process is run from parameter to parameter. Returning is
not possible here.
When the quick configuration is completed, the frequency
display M1.1 is activated automatically. Selecting the PAR
main menu again enables you to call up the parameters of
the quick configuration and then change them freely.
Besides the parameters of the quick configuration, system
parameters S1.1 to S4.3 are also shown after the first
setting.
P1.1 = 0 activates access to all parameters and the full
functionality of all buttons of the keypad (free parameter
definition, see B in the figure on Page 64).
This exits the quick configuration and the guided setup with
the quick start assistant.
In the quick configuration, the OK button activates
the individual parameter values and then moves on
to the next parameter. Every parameter always
shows the value that is set in alternating sequence.
By actuating the OK button again, you activate the
value (value flashes).
The arrow buttons have restricted
functionality (change of parameter values
and cursor control) in the quick start
configuration.
OK

Parameters
66 M-Max Series Adjustable Frequency Drive MN04020003E—October 2013 www.eaton.com
Quick Start Parameter Guide
The following table shows the preset application parameters of parameter P1.2. in the factory setting.
With P1.1 = 1 you are guided through the drive parameters in steps (Quickstart Wizard) after the power
supply is switched on and after the factory settings are activated.
Note: To cancel Quickstart Wizard, or to set parameter not contained in the Quickstart Wizard, set parameter P1.1 = 0.
For detailed explanation of parameters and their options, see the detailed parameters list starting on Page 67.
Predefined Application Parameters from Parameter P1.2
Notes
230V = MMX11_, MMX12_, MMX32_.
400V = MMX34_, 575V = MMX35_.
This parameter will default based on style of unit.
Parameter
(PNU)
Basic
(Standard Drive) Pump Drive Fan Drive High Load Designation
P1.1 1 = Only quick
configuration
parameters
1 = Only quick
configuration
parameters
1 = Only quick
configuration
parameters
1 = Only quick
configuration
parameters
Quick start parameters
P1.2 0 = Basic 1 = Pump drive 2 = Fan drive 3 = Hoisting device
(high load)
Application
P1.3 1 = N/A 1 = N/A 1 = N/A 1 = N/A Country specific default
settings
P6.1 1 = Control signal
terminals (I/O)
(I/O)
1 = Control signal
terminals (I/O)
(I/O)
1 = Control signal
terminals (I/O)
(I/O)
1 = Control signal
terminals (I/O)
(I/O)
Primary remote control
source
P6.2 3 = AI1 (analog
setpoint 1)
3 = AI1 (analog
setpoint 1)
3 = AI1 (analog
setpoint 1)
3 = AI1 (analog
setpoint 1)
Primary remote speed
reference
P6.3 00.00 Hz 20.00 Hz 20.00 Hz 00.00 Hz Minimum frequency
P6.4 60.00 Hz 60.00 Hz 60.00 Hz 60.00 Hz Maximum frequency
P6.5 3.0s 5.0s 20.0s 1.0s Acceleration time (acc1)
P6.6 3.0s 5.0s 20.0s 1.0s Deceleration time (dec1)
P6.7 0 = Ramp
(acceleration)
0 = Ramp
(acceleration)
0 = Ramp
(acceleration)
0 = Ramp
(acceleration)
Start function
P6.8 0 = Free coasting 1 = Deceleration
time (ramp)
0 = Free coasting 0 = Free coasting Stop function
P7.1 IeIeIeIeMotor, rated current
P7.3 1720 RPM 1720 RPM 1720 RPM 1720 RPM Motor, rated speed (RPM)
P7.4 0.85 0.85 0.85 0.85 Motor, power factor
(cos )
P7.5 230/460/575V 230/460/575V 230/460/575V 230/460/575V Motor, rated operating
voltage
P7.6 60 Hz 60 Hz 60 Hz 60 Hz Motor, rated frequency
P11.7 0 = Deactivated 0 = Deactivated 0 = Deactivated 1 = Enabled Torque increase
M1.1 0.00 Hz 0.00 Hz 0.00 Hz 0.00 Hz Output frequency
(display only)

Parameters
M-Max Series Adjustable Frequency Drive MN04020003E—October 2013 www.eaton.com 67
Default I/O
Parameter Selection (P1)
In the parameter selection (P1), you can choose between the
factory set quick configuration (P1.1 = 1) with a reduced
parameter set and all parameters (P1.1 = 0).
The setting of the parameters with the quick configuration
(P1.1 = 1) is guided by a Quickstart Wizard. (A listing of
parameters is on Page 66.) Each executed parameter must
be processed in succession up to frequency display M1.1.
A return to a previous parameter is not possible here. The
preset application parameters are selected under P1.2.
Only when the quick start assistant (M1.1) is completed can
the parameters be called again and then also individually.
With P1.1 = 0 (all parameters) and P1.2 = 0, 1, 2, or 3, you
can link the predefined application values with all
parameters.
Every single parameter value is reset to factory settings
every time that the application menu is activated.
Parameter Selections
Designation Terminal Function Parameter Designation Terminal Function Parameter
DI1 8 Start Fwd P3.1, P3.2 DI6 16 PID Controller Deactivate P3.12
DI2 9 Stop/Start Rev P3.1, P3.3 RO1 (NO) 22/23 Run P5.1, P5.10
DI3 10 Fixed Frequency B0 (12 Hz) P3.9, P10.2 RO2 (NO/NC) 24/25/26 Fault P5.2, P5.11
DI4 14 Fixed Frequency B1 (18 Hz) P3.10. P10.3 DO 13 Ready P5.3, P5.9
DI5 15 Fault Reset P3.7
PNU ID
Access
RUN
Value/
Range Description
Factory Setting
(P1.3)
P1.1 115 — Quick start parameters 1
0 All parameters
All parameters are shown and can be changed. Exit from Quickstart.
1 Only quick configuration parameters
Only the selected parameters of the quick configuration are shown and can
be changed (see Page 66 for list of parameters)
P1.2 540 X — Application
(See listing of the predefined application parameters in the table on
Page 66)
0
0 Basic
1 Pump drive
2 Fan drive
3 High load (for example, hoisting or conveyor)
P1.3 1472 X — Country specific default settings 1
0 EU (Europe, 50 Hz networks)
1 NA (North America, 60 Hz networks)
— The country specific factory setting takes into account the frequency
based parameters in relation to 50 and 60 Hz networks:
PNU Designation P1.3 = 0 P1.3 = 1
P6.4 Maximum frequency 50 Hz 60 Hz
P7.3 Motor, rated speed 1440 RPM 1720 RPM
P7.6 Motor, rated frequency 50 Hz 60 Hz
P11.2 Cut-off frequency 50 Hz 60 Hz
P11.4 V/Hz characteristic curve, mean
frequency value
25 Hz 30 Hz
P14.3 Motor (2PS) nominal speed 1440 RPM 1720 RPM
P14.6 Motor (2PS) nominal frequency 50 Hz 60 Hz
P14.8 Maximum frequency (2PS) 50 Hz 60 Hz

Parameters
68 M-Max Series Adjustable Frequency Drive MN04020003E—October 2013 www.eaton.com
Analog Input (P2)
In parameter group P2, you can adapt the analog inputs:
The signal range depends on the switch position of the
microswitches (see figure on this page):
●S2 = V: AI1 (control signal terminal 2), voltage signal
0/2 – +10V
●S3 = mA: AI2 (control signal terminal 4), current signal
0/4 – 20 mA
Reference potential for the analog inputs (AI1, AI2) is GND
(control signal terminals 3 and 5).
The allocation of the analog inputs (AI1, AI2) can be set under
parameter P6.2 and P6.18 (setpoint input) as well as P9.5
and P9.6 (PI controller, actual value).
Analog Inputs AI1 and AI2
Analog Inputs
12354
0 (4)–20 mA
AI1
GND
<10 mA
+10V Out
S3S2
GND
0–10V
200k ohms 200k ohms
200 ohms
200 ohms
AI2
PI-Ist
f-Soll
S2 = AI1V
(0–10V)
AI1
V mA
S3 = AI2 mA
(4–20 mA)
AI1
V mA
PNU ID
Access
RUN Value/Range Description
Factory Setting
(P1.3)
P2.1 379 — AI1 signal range (analog input) 0
Depending on the switch position of microswitch S2
(FS = frequency setpoint)
0 S2 = V: 0–10V, voltage signal (FS, see P6.2)
S2 = mA: 0–20 mA, current signal
1 With live-zero,
S2 = V: 2–10V, voltage signal
S2 = mA: 4–20 mA, current signal
At P8.1 it is possible to set the response of the MMX
to a setpoint error (life zero)
P2.2 380 — AI1 custom minimum 0.00
–100.00% to
100.00%
Scaling of the analog input signal (V/mA) in the zero range
(minimum response value)
See “Scaled Value Range (AI1, AI2)” on Page 69
P2.3 381 — AI1 custom maximum 100.00
–100.00% to
100.00%
Scaling of the analog input signal (V/mA) in the limit value
range (highest limit value)
See “Scaled Value Range (AI1, AI2)” on Page 69
P2.4 378 — AI1, filter time 0.1
0.0 No filter function
0.1–10s Filter time constant for the analog input signal (V/mA)
See“Filter Time Constant” on Page 70

Parameters
M-Max Series Adjustable Frequency Drive MN04020003E—October 2013 www.eaton.com 69
Analog Inputs, continued
Scaled Value Range (AI1, AI2)
The following graphs show examples of the curve
characteristics of the scaled and non-scaled input signals.
Example A
P2.2 (P2.6) = 30%, P2.3 (P2.7) = 80%
The incoming analog input signal 0–10V (4–20 mA) is used
here in the selected range from 30 to 80%. This limited
signal range is predefined as 0–100% input signal (AIscal):
●as frequency setpoint value from 0–fmax (P6.4)
●as a process variable from 0–100% actual value for the PID
controller
Example of Scaled Analog Input Signals
Example B
P2 (P2.6) = –30%, P2.3 (P2.7) = 100%
The incoming analog input signal 0–10V (4–20 mA) is not
evaluated in the selected range from 0–30%. In relation to
the 30%-signal, a constant offset signal of 23% is predefined
in this case. The scaled input signal (AIscal) is therefore
23–100%:
●as frequency setpoint value: 23% fmax–fmax (P6.4)
●as a process variable: 23–100% actual value for the PID
controller
Example of Scaled Analog Input Signals with Offset
PNU ID
Access
RUN Value/Range Description
Factory Setting
(P1.3)
P2.5 390 — AI2 signal range (analog input) 1
Depending on the switch position of microswitch S3
(FS = PID controller, actual value)
0 S3 = V: 0–10V, voltage signal
S3 = mA: 0–20 mA, current signal
1 With live-zero,
S3 = V: 2–10V, voltage signal
S3 = mA: 4–20 mA, current signal (FS, see P9.6)
At P8.1 it is possible to set the response of the MMX
to a setpoint error (live zero)
P2.6 391 — AI2 custom minimum 0.00
Like P2.2 —
P2.7 392 — AI2 custom maximum 100.00
Like P2.3 —
P2.8 389 — AI2, filter time 0.1
Like P2.4 —
0
0
30 100 (%)
100%
ALscal.
80
P2.3
P2.7
P2.2
P2.6
0–30 100
100%
23%
P2.3
P2.7
P2.2
P2.6
(%)
AIscal.

Parameters
70 M-Max Series Adjustable Frequency Drive MN04020003E—October 2013 www.eaton.com
Filter Time Constant
The filter time constant can be used to filter out disturbance
with analog signals.
In the default setting the filter time constant is active with
0.1 seconds. The time value set here applies to 63% of the
maximum analog signal (+10V, 20 mA).
Long filter times lead to a delay in the analog signal
processing.
You can deactivate the filter time constant by setting the
parameter to 0.0:
P2.4 (AI1) = Filter time constant, analog input AI1
P2.8 (AI2) = Filter time constant, analog input AI2
P4.4 (AO) = Filter time constant, Analog output AO
Filter Time Constant
Notes
Analog signal with faults (unfiltered).
Filtered analog signal.
Filter time constant at 63% of the set value.
P2.4 AI1
P2.8 AI2
t (s)
100%
63%
AI1
AI2
P4.4 AO

Parameters
M-Max Series Adjustable Frequency Drive MN04020003E—October 2013 www.eaton.com 71
Digital Inputs (P3)
The parameter group P3 is used to set the operation and function of the digital inputs
DI1 to DI6.
Digital Inputs for Source and Sink Type
Source type (LOGIC+) = switch at the voltage source. All
digital inputs are connected to the voltage sink via
microswitch S1 (0V = reference potential GND).
Sink type (LOGIC–) = switch at the voltage sink
(0V = reference potential GND). All digital inputs are
connected to the voltage source via microswitch S1.
Both switch types ensure failsafe actuation.
Control Logic Reaction to a Rising or Falling Edge
(Source Type, Sink Type)
In the factory setting, the operation of the M-Max is active
via control signal terminals (I/O) with LOGIC+ (Source type):
●DI1 (control signal terminal 8): FWD (Forward = Start
enable clockwise rotating field)
●DI2 (control signal terminal 9): REV (Reverse = Start enable
anti-clockwise rotating field)
●DI3 (control signal terminal 10): FF1 (fixed frequency
1 = 10 Hz)
●DI4 (control signal terminal 14): FF2 (fixed frequency
2 = 15 Hz)
●DI5 (control signal terminal 15): Reset (acknowledge error
message ALARM)
●DI6 (control signal terminal 16): PID-Off (lock of the PID
controller)
The joint actuation of control signal terminal 10 (FF1) and
control signal terminal 14 (FF2) activates the fixed frequency
FF3 (20 Hz) in the factory setting.
The individual digital inputs (D_) can be assigned several
functions. The assigned functions are activated if, with
LOGIC+, the control signal terminal is actuated with +24V
(rising edge, failsafe).
789
DI1
DI2
DI_COM
S1
24V
6
<50 mA
+24V Out
S1 = LOGIC+
(Source Type)
LOGIC
– +
789
DI1
DI2
DI_COM
S1
6
<50 mA
+24V Out
S1 = LOGIC–
(Sink Type)
LOGIC
– +
5
GND
DI1
8
DI1
8

Parameters
72 M-Max Series Adjustable Frequency Drive MN04020003E—October 2013 www.eaton.com
Digital Inputs
PNU ID
Access
RUN Value/Range Description
Factory Setting
(P1.3)
P3.1 300 — Start/Stop-Logic 3
0 P3.2 (FWD), P3.3 (REV), REAF
REAF (Restart after Fault) = Restart after an error message
Function same as P3.1 = 3
The automatic restart after an error message (FAULT) requires
setting P6.13 = 1
The rising edge of the control voltage at control signal terminal
8 (P3.2) or control signal terminal 9 (P3.3) is then not controlled
1 P3.2 (FWD) + P3.3 = REV (see Example A on Page 76)
2 P3.2 (Start pulse), P3.3 (Stop pulse)
Start and stop command via the control signal (P3.2 = Start)
(P3.3 = Stop) by a momentary pulse (+24V)
(see Example B on Page 76)
3 P3.2 (FWD), P3.3 (REV)
P3.2 (control signal terminal 8) starts the drive with a clockwise
rotating field (FWD) and P3.3 (control signal terminal 9) with an
anticlockwise rotating field (REV). Both control commands are
interlocked (exclusive OR)
P3.2 403 — Start signal/Start FWD (1) 1
0 Deactivated
1 Activated via control signal terminal 8 (DI1)
2 Activated via control signal terminal 9 (DI2)
3 Activated via control signal terminal 10 (DI3)
4 Activated via control signal terminal 14 (DI4)
5 Activated via control signal terminal 15 (DI5)
6 Activated via control signal terminal 16 (DI6)
P3.3 404 — STOP signal/Start REV(1) 2
Like P3.2 Allocation of the function to control signal terminals
P3.4 412 — Reverse (changes the direction of the field of rotation from
FWD to REV)
0
Like P3.2 Allocation of the function to control signal terminals
P3.5 405 — Ext. fault close (N/O) 0
Like 3.2 Allocation of the function to control signal terminals
Error message when applying +24V to the assigned control
signal terminal (DI1 to DI6)

Parameters
M-Max Series Adjustable Frequency Drive MN04020003E—October 2013 www.eaton.com 73
Digital Inputs, continued
The binary connection of three digital inputs enable calling seven fixed
frequencies (eight fixed frequencies if parameter P6.2 = 0 is set)
The limitation of the fixed frequencies is done based on parameters
P6.3 (minimum frequency) and P6.4 (maximum frequency)
The switch between the individual fixed frequencies is done with the
acceleration time and deceleration times in P6.5 and P6.6
Function to Control Signal Terminals
PNU ID
Access
RUN Value/Range Description
Factory Setting
(P1.3)
P3.6 406 — Ext. fault open (N/C) 0
Like P3.2 Allocation of the function to control signal terminals
Error message when switching off or interrupting
(wire-breakage-safe) the applied control voltage (+24V) from
the assigned control signal terminal (DI1 to DI6)
P3.7 414 — Fault reset 5
Like P3.2 Allocation of the function to control signal terminals
Acknowledges a displayed error message (Reset) when
switching on +24V on the assigned control signal terminal
(DI1 to DI6)
P3.8 407 — Run enable 0
Like P3.2 Allocation of the function to control signal terminals
Rotational direction-independent start release when switching
on +24V on the assigned control signal terminal (DI1 to DI6)
P3.9 419 — Fixed frequency, binary value B0 3
Like P3.2 Allocation of the function to control signal terminals
per table below
P3.10 420 — Fixed frequency, binary value B1 4
Like P3.2 Allocation of the function to control signal terminals
per table below
P3.11 421 — Fixed frequency, binary value B2 0
Like P3.2 Allocation of the function to control signal terminals
per table below
Input (Binary) Fixed Frequency
B0 B1 B2 (Factory setting)
FF0, P10.1 = 6 Hz, only if P6.2 = 0
X FF1, P10.2 = 12 Hz
X FF2, P10.3 = 18 Hz
X X FF3, P10.4 = 24 Hz
X FF4, P10.5 = 30 Hz
X X FF5, P10.6 = 36 Hz
X X FF6, P10.7 = 48 Hz
X X X FF7, P10.8 = 60 Hz

Parameters
74 M-Max Series Adjustable Frequency Drive MN04020003E—October 2013 www.eaton.com
Digital Inputs, continued
PNU ID
Access
RUN Value/Range Description
Factory Setting
(P1.3)
P3.12 1020 — PID controller deactivate 6
Like P3.2 Allocation of the function to control signal terminals
When switching on +24V power, the PID controller is
blocked via the assigned control signal terminal (DI1 to DI6)
P3.13 1400 — — (Not used) —
P3.14 1401 — External brake, feedback signal (N/O) 0
Like P3.2 Assignment of control signal terminal
P3.15 1402 — Change acceleration/deceleration time (acc 2/dec 2) 0
Like P3.2 Assignment of control signal terminal
Switch acceleration time from acc1 (P6.5) to acc2 (P6.19)
Switch deceleration time from dec1 (P6.6) to dec2 (P6.20)
P3.16 1403 — Stop acceleration/deceleration time 0
Like P3.2 Assignment of control signal terminal
Stops all acceleration (P6.5, P6.19, P14.9) and deceleration
times (P6.6, P6.20, P14.10)
P3.17 1404 — Block parameter access 0
Like P3.2 Assignment of control signal terminal
Blocks access to all parameters
Note: The resetting of all parameters to the default settings
via the STOP button (held down 5s) remains active
P3.18 1405 — Motor potentiometer, increase value
Acceleration time, see “P6.5” (acc1)
0
Like P3.2 Assignment of control signal terminal
P3.19 1406 — Motor potentiometer, decrease value
Deceleration time, see “P6.6” (dec1)
0
Like P3.2 Assignment of control signal terminal
P3.20 1407 — Motor potentiometer, set value to zero 0
Like P3.2 Assignment of control signal terminal
P3.21 1408 — PLC program start 0
Like P3.2 Assignment of control signal terminal

Parameters
M-Max Series Adjustable Frequency Drive MN04020003E—October 2013 www.eaton.com 75
Digital Inputs, continued
PNU ID
Access
RUN Value/Range Description
Factory Setting
(P1.3)
P3.22 1409 — PLC program pause 0
Like P3.2 Assignment of control signal terminal
Pause will occur in between steps of the PLC program until
control signal is removed
P3.23 1410 — Counter, input signal 0
Like P3.2 Assignment of control signal terminal
Counts the activation of the selected digital input (DI1–DI6)
P3.24 1411 — Counter, reset 0
Like P3.2 Assignment of control signal terminal
Resets the outputs P5.1–P5.3 = 20 and/or 21 and display value
M1.21 to zero
P3.25 1412 — Activate secondary remote control source 0
Like P3.2 Assignment of control signal terminal
Move between the control levels set at P6.1 and P6.17
(LOC-REM function)
P3.26 1413 — Activate secondary remote speed reference 0
Like P3.2 Assignment of control signal terminal
Switch between the setpoint sources AI1 and AI2 set at
P6.2 and P6.18
P3.27 1414 — Activate second parameter set (2PS) 0
Like P3.2 Assignment of control signal terminal
The values set at the parameter group P14 are activated
P3.28 1415 — Fieldbus, remote input 0
Like P3.2 Assignment of control signal terminal
The assigned digital input is written directly to the general
status word (ID 2102, bit 11)
P3.29 1416 — Counter reference value 1 0
0–65,535 Trigger value for P5.1–P5.3 = 20
P3.30 1417 — Counter reference value 2 0
0–65,535 Trigger value for P5.1–P5.3 = 21
P3.31 1418 — DI1 logic (control signal terminal 8) 0
The logic activates the response of the control signal
terminal (see figure on Page 71)
N/O contact (failsafe) N/C contact
0 N/O contact
1 N/C contact
P3.32 1419 — DI2 logic (control signal terminal 9) 0
Like P3.31 Function

Parameters
76 M-Max Series Adjustable Frequency Drive MN04020003E—October 2013 www.eaton.com
Digital Inputs, continued
Example A: P3.1 = 1 (P6.8 = 0)
DI1 (FWD) + DI2 = REV
The start enable via control signal terminal 8 (DI1) is always
required for operation:
●Actuation control signal terminal 8 (DI1) = Start enable,
clockwise rotating field (FWD)
●Actuation control signal terminal 8 (DI1) plus control signal
terminal 9 (DI2) = Start enable anticlockwise rotating field
(REV)
The separate actuation of control signal terminal 9 (DI2) does
not allow any start enable.
Example B: P3.1 = 2
Example: Start Stop Impulse
Standard actuation for a drive with pushbutton switch
(Normally open, Normally closed) and self-actuating.
Parameter P3.1 = 2 enables this actuation via the control
signal terminals 8 (DI1) and 9 (DI2) to be simulated.
Parameter P3.4 = 3 enables the rotation reversal (FWD
REV) to be activated (reversing starter) via control signal
terminal 10 (DI3).
Set P3.9 = 0.
PNU ID
Access
RUN Value/Range Description
Factory Setting
(P1.3)
P3.33 1420 — DI3 logic (control signal terminal 10) 0
Like P3.31 Function
P3.34 1421 — DI4 logic (control signal terminal 14) 0
Like P3.31 Function
P3.35 1422 — DI5 logic (control signal terminal 15) 0
Like P3.31 Function
P3.36 1423 — DI6 logic (control signal terminal 16) 0
Like P3.31 Function
P3.37 1480 — Manual mode 0
Like P3.2 Changes from fieldbus mode (Modbus, CANopen, PROFIBUS,
and so on) to manual mode. The control level and setpoint
source required in manual mode can be set at parameters P6.31
to P6.33.
DI1 (FWD)
FWD
DI2 (REV)
REV
fout
(Motor)
K1
K1
RUN
STOP
DI1
RUN STOP
+24V
8
DI2
9
P3.4 = 3
DI3
10
OFF = FWD
ON = REV

Parameters
M-Max Series Adjustable Frequency Drive MN04020003E—October 2013 www.eaton.com 77
Analog Outputs (P4)
An analog voltage signal from 0–10V is output at control
signal terminal 18. The maximum permissible load is 10 mA.
Reference potential is GND on control signal terminals 3
and 5.
In the factory setting, the voltage signal (0–10V) is
proportional to the output frequency f-Out = 0–fmax (P6.4).
The output signal is not monitored by the frequency inverter.
Analog Output AO
Analog Outputs
5
0–10V
AO
18
GND
<10 mA
f-Out
–
+
PNU ID
Access
RUN Value/Range Description
Factory Setting
(P1.3)
P4.1 307 — AO signal (Analog Output) 1
0 Deactivated
1 Output frequency f-Out = 0–fmax (P6.4)
2 Output current I2 = 0–IN Motor (P7.1)
3 Torque MN = 0–100% (calculated value)
4 PID controller, output (0–100%)
P4.2 310 — AO, minimum value 1
00V
1 2V (live-zero)
P4.3 1456 — AO, gain 100.00
0.00–200.00% Gain factor
The maximum value set here always corresponds to the
maximum output voltage 10V
P4.4 1477 — AO, filter time 0.10
0.00–10.00s Filter time constant for the analog output voltage
See “Filter Time Constant” on Page 70

Parameters
78 M-Max Series Adjustable Frequency Drive MN04020003E—October 2013 www.eaton.com
Digital Outputs (P5)
The M-Max series frequency inverters have three digital
outputs in different specifications:
●Relay RO1: N/O contact R13–R14, control signal terminals
22 and 23
●Relay RO2: changeover contact R21–R22 (N/C contact,
control signal terminals 25 and 24)/R21–R24 (N/O contact,
control signal terminals 25 and 26)
●Transistor output DO: control signal terminal 13 (DO–).
Control signal terminal 20 (DO+) = Input of the supply
voltage for the transistor output
Notes on electrical connections are found on Pages 44
and 45.
The messages listed under parameter P5.1 can be assigned
multiple times. These are independent of the selected
control level and operating mode.
Digital Outputs
Digital Outputs
<50 mA
DO–
DO+
13 20
2322 24 2625
R13
R14
R21
R22
R24
Error
Run
Ready
PNU ID
Access
RUN Value/Range Description
Factory Setting
(P1.3)
P5.1 313 — RO1 Signal (Relay 1 Output) 2
0 Deactivated
1 READY, the frequency inverter is ready for operation
2 RUN, the inverter of the frequency inverter is enabled
(FWD, REV)
3 FAULT, error message
Error detected (= STOP)
4 Error message inverted (no error message)
5 ALARM, warning message
See “Protective Functions (P8)” on Page 90
6 REV (Reverse run), anticlockwise rotating field active
7 Output frequency = frequency setpoint (at speed)
8 Motor controller active
9 Zero frequency
Output frequency = 0 Hz
10 Frequency monitoring 1
For the frequency ranges set at P5.4 and P5.5
11 Frequency monitoring 2
For the frequency ranges set at P5.6 and P5.7
12 PID monitoring
For the deviation set at P9.17
Values continued on next page

Parameters
M-Max Series Adjustable Frequency Drive MN04020003E—October 2013 www.eaton.com 79
Digital Outputs, continued
PNU ID
Access
RUN Value/Range Description
Factory Setting
(P1.3)
P5.1 313 13 Overtemperature signal 2
14 Overcurrent control active
15 Overvoltage control active
16 PLC sequence control active
17 PLC sequence control, single step completed
18 PLC sequence control, program cycle completed
19 PLC sequence control, pause
20 Counter, value 1 reached. The counter value is the trigger
value set at P3.21 and can be reset by activating P3.24
21 Counter, value 2 reached. The counter value is the trigger
value set at P3.22 and can be reset by activating P3.24
22 RUN message active
23 Analog minimum reference error
Message if the setpoint signal (life zero) of AI1 and/or AI2 is
below 4 mA- or 2V (P2.1 = 1, P2.5 = 1)
24 LOG function fulfilled
Message if the logical operation of P13.3 is fulfilled (LOG = 1)
25 PID controller, actual value monitoring
Message if the actual value is within the hysteresis set at P9.15
and P9.16
26 External brake actuated
Switch threshold: set value of P12.8
27 Current monitoring
Switch threshold: set value of P5.8
28 Fieldbus, remote output
The assigned digital output is written directly to the general
control word (ID 2001, bit 13)
P5.2 314 — RO2 signal (relay output 2) 3
Like P5.1 Assignment of the function
P5.3 312 — DO Signal (Digital Output) 1
Like P5.1 Assignment of the function
P5.4 315 — Frequency monitoring 1 0
Monitoring of the selected frequency range
Actuate output if frequency is below or above Frequency
monitoring 1 reference value defined by P5.5.
A monitoring message can be implemented via the digital
outputs (P5.1, P5.2, P5.3 = 10)
0 Deactivated
1 0.00–P5.5 Hz frequency is below reference P5.5
2 P5.5–P6.4 Hz frequency is above reference P5.5
(P6.4 = maximum frequency)

Parameters
80 M-Max Series Adjustable Frequency Drive MN04020003E—October 2013 www.eaton.com
Digital Outputs, continued
PNU ID
Access
RUN Value/Range Description
Factory Setting
(P1.3)
P5.5 316 — Frequency monitoring 1 reference value 0.00
0.00–P6.4 Hz P6.4 = maximum frequency
P5.6 346 — Frequency monitoring 2 0
Monitoring of the selected frequency range
(see P5.5 for explanation)
A monitoring message can be implemented via the digital
outputs (value 11 = P5.1, P5.2, P5.3)
0 Deactivated
1 0.00–P5.7 Hz frequency is below reference P5.7
2 P5.7–P6.4 Hz frequency is above reference P5.7
(P6.4 = maximum frequency)
P5.7 347 — Frequency monitoring 2 reference value 0.00
0.00–P6.4 Hz P6.4 = maximum frequency
Frequency Monitoring (P5.5–P5.7)
P5.5
P5.7
P5.4 = 1–
(Hz)
f
P5.4 = 2
P5.6 = 1–
P5.6 = 2
t

Parameters
M-Max Series Adjustable Frequency Drive MN04020003E—October 2013 www.eaton.com 81
Digital Outputs, continued
PNU ID
Access
RUN Value/Range Description
Factory Setting
(P1.3)
P5.8 1457 — Current monitoring 0.00
0.00–P7.2
(IeA)
Activate output if current value reaches value selected
(P7.2 = current limit)
A monitoring message can be implemented via the digital
outputs (P5.1, P5.2, P5.3 = 27)
P5.9 1458 — DO logic (control signal terminal 13) 0
Operation of transistor output DO–
0 N/O contact
1 N/C contact
P5.10 1331 — RO1 logic (control signal terminals 22, 23) 0
Operation of relay contact R13/R14
0 N/O contact
1 N/C contact
P5.11 1332 — RO2 logic (control signal terminal 24, 25, 26) 0
Operation of relay changeover contact
0 N/O contact (R21–R24) or N/C contact (R21–R22)
1 N/C contact (R21–R24) or N/O contact (R21–R22)
P5.12 1459 — DO, on delay 0.00
0.00–320.00s —
P5.13 1460 — DO, off-delay 0.00
0.00–320.00s —
P5.14 1461 — RO1, on delay 0.00
0.00–320.00s —
P5.15 1424 — RO1, off-delay 0.00
0.00–320.00s —
P5.16 1425 — RO2, on delay 0.00
0.00–320.00s —
P5.17 1426 — RO2, off-delay 0.00
0.00–320.00s —

Parameters
82 M-Max Series Adjustable Frequency Drive MN04020003E—October 2013 www.eaton.com
Drives Control (P6)
In this parameter group (P6), you can define the operating conditions for the M-Max
frequency inverter.
Drives Control
Selecting the control sources can be done directly with the
LOC/REM button between the control source selected in
P6.1 and the operating unit.
During operation (RUN) the drive is always stopped (STOP)
when changing control sources (LOC/REM button).
The control source selected with parameter P6.1 or with the
LOC/REM button is shown on the bottom page in the LCD
display (see figure on this page).
Example: Control Level I/O Activated
PNU ID
Access
RUN Value/Range Description
Factory Setting
(P1.3)
P6.1 125 — Primary remote control source 1
1 Control signal terminals (I/O)
You can switch directly between I/O and KEYPAD with the
LOC/REM button
2 Operating unit (KEYPAD)
The LOC/REM button has no function here
3 Fieldbus (BUS)
You can switch directly between BUS and KEYPAD with the
LOC/REM button
RUN STOP ALARM FAULTREADY
REF
FWD REV I/O KEYPAD BUS
MON
PAR
FLT
P6.2 117 — Primary remote speed reference 3
0 Fixed frequency (FF0)
The value can be set in parameter P10.1
1 Operating unit (REF)
This setting causes the setpoint defined at REF to be read.
It can be set via the keypad with the arrow buttons or at
parameter P6.15
2 Fieldbus (BUS)
Setpoint entry via Modbus RTU (control signal terminals A
and B) or optional fieldbus connection (for example, CANopen,
PROFIBUS DP)
3 AI1 (analog setpoint 1)
Voltage set value: 0 (2)–10V at control signal terminal 2
Scaling and filtering: P2.1 to P2.4
4 AI2 (analog setpoint 2)
Current setpoint value: 0 (4) –20 mA to control signal terminal 4
Scaling and filtering: P2.5 to P2.8
5 Motor potentiometer
The actuation is implemented via the digital inputs assigned at
P3.18 and P3.19 (DI1–DI6). The required acceleration and
deceleration times can be set at P6.5 (acc1) and P6.6 (dec1)
Assigning a digital input (DI1–DI6) at P6.20 enables the set
value of the motor potentiometer to be set directly to zero

Parameters
M-Max Series Adjustable Frequency Drive MN04020003E—October 2013 www.eaton.com 83
Drives Control, continued
Acceleration and Deceleration Time
The values for the acceleration time t1 and the deceleration time t2 are calculated as follows:
The defined acceleration (P6.5) and deceleration times (P6.6) apply for all changes to the
frequency setpoint value.
If the start-release (FWD, REV) is switched off, the output frequency (fOut) is immediately set
to zero. The motor runs down uncontrolled.
If a controlled run-down is requested (with value from P6.6), parameter P6.8 must be 1.
Starting friction and load inertia can lead to longer acceleration times for the drive than are set
in P6.5. Large centrifugal masses or if driven by the load, the deceleration time of the drive
can be greater than is set in P6.6.
Notes
When setting a minimum output frequency (P6.3 greater than 0 Hz), the acceleration and deceleration time of the
drive is reduced to t1 or t2.
Reference points for the acceleration and deceleration times set in parameters P6.5 and P6.6 are always 0 Hz (P6.3) and
the maximum output frequency is fmax (P6.4).
PNU ID
Access
RUN Value/Range Description
Factory Setting
(P1.3)
P6.3 101 X — Minimum frequency 0.00
0.00–P6.4 (Hz) —
P6.4 102 X — Maximum frequency 60.00
P6.3–320 Hz —
P6.5 103 X — Primary acceleration time (acc1) 3.0
0.1–3000s (See figure and note below)
P6.6 104 X — Primary deceleration time (dec1) 3.0
0.1–3000s (See figure and note below)
t1=(P6.4–P6.3) x P6.5
P6.4
t2=(P6.4–P6.3) x P6.6
P6.4
(Hz)
t (s)
fout
P6.3
P6.4
P6.3
P6.5 P6.6
t1t2

Parameters
84 M-Max Series Adjustable Frequency Drive MN04020003E—October 2013 www.eaton.com
Drives Control, continued
S-Formed Curve for Acceleration and Deceleration Ramps
PNU ID
Access
RUN Value/Range Description
Factory Setting
(P1.3)
P6.7 505 X — Start function 0
0 Ramp (acceleration)
The acceleration time with the value set at parameter P6.5
1 Flying restart circuit
Starting on a running motor. By switching on a small current
value, a small torque is created
With a frequency search (beginning with the maximum
frequency P6.4), the correct rotational field frequency is
determined. The output frequency is then adapted to the
specified setpoint frequency based on the defined acceleration
(P6.5) and deceleration (P6.6) times
Use this function if, for instance, the motor is already turning at
the start command, with flow-machines (pumps, fans) and
with short interruptions in input voltage
P6.8 506 X — Stop function 0
0 Free coasting
The motor carries out an uncontrolled stop (coasting) after
the start enable (FWD/REV) is switched off or when the STOP
button (P6.16) is actuated
1 Ramp (deceleration) = dynamic braking
Deceleration time with the value set under P6.6
If the energy that is fed back by the motor during the dynamic
braking is too high, the deceleration time has to be extended.
On devices with internal braking transistors, the excess energy
can be dispelled through an external braking resistance
(optional) (see “Braking (P12)” on Page 112)
P6.9 500 X — S ramp 0.0
0.0 Linear acceleration and deceleration time based on P6.5
and P6.6
0.1–10.0s Time-graded transition to start and end of the acceleration
ramp (P6.5) and deceleration ramp (P6.6)
The time set here applies for both ramps (see figure below)
f
P6.4
P6.3
P6.9 P6.9
t
P6.5
P6.4
P6.3
P6.6
P6.9P6.9
f
t

Parameters
M-Max Series Adjustable Frequency Drive MN04020003E—October 2013 www.eaton.com 85
Drives Control, continued
Automatic Restart After Error Message
(Two Start Attempts)
PNU ID
Access
RUN Value/Range Description
Factory Setting
(P1.3)
P6.10 717 X — REAF, Wait time before an automatic restart 0.50
0.10–10.00s Active, if P6.13 = 1 and P3.1 = 0
Waiting time until automatic restart, after the detected
error has disappeared
(REAF = Restart After Failure)
P6.11 718 X — REAF, Testing period over automatic restarts 30.00
0.00–60.00s Active, if P6.13 = 1
Timed monitoring of the automatic restart
The monitoring time begins with the first automatic restart.
If more than three error messages occur during the testing
period, fault status is activated. Otherwise, the error is
acknowledged after the test time has elapsed and the test
time is only started again with the next error. The number of
fault occurrences before a fault is indicated is defined by P6.30
P6.12 719 X — REAF, Start function with automatic restart 0
0 Ramp (acceleration)
1 Flying restart circuit
2 According to P6.7
P6.13 731 X — REAF, automatic restart after an error message 0
0 Deactivated
1 Activated
P6.14 1600 — Stop on direction change via the arrow buttons (</>) of the
keypad (KEYPAD)
1
0 Deactivated, changes the direction of rotation (FWD REV)
automatically on passing setpoint zero
1 Activated, stops the drive at setpoint zero and requires
another actuation of the Start button
FAULT
RESET
START
TEST
P6.10
P6.11
P6.10 P6.10
Item
Number Description
1First automatic restart
2Second automatic restart
3Shut-off when error detected
4Motor stop signal
TEST = monitored test tim
FAULT = shut-off when error message occurs
RESET = reset error message (FAULT)

Parameters
86 M-Max Series Adjustable Frequency Drive MN04020003E—October 2013 www.eaton.com
Drives Control, continued
PNU ID
Access
RUN Value/Range Description
Factory Setting
(P1.3)
P6.15 184 — Keypad frequency reference (REF) 0.00
–P6.4–P6.4 Hz The setpoint value (REF) defined here can be activated at
parameter P6.2 and via the keypad (LOC/REM)
In KEYPAD mode, the value can be changed with the arrow
buttons. The changes are written back automatically to this
parameter (P6.15)
P6.16 1474 — Stop button active 1
In the default settings, the STOP button of the keypad is
active in all operating modes
The Stop function can be set at parameter P6.8
0 No (deactivated)
Stop executed only via control signal terminals (I/O) or
fieldbus (BUS)
Switching the LOC/REM button to KEYPAD removes the
block on the STOP button function set here
Note: This does not deactivate the Reset function (FS
loading with 5s actuation of the STOP button)
1 Yes (activated)
P6.17 1427 X — Secondary remote control source 3
Assignment of the control levels as at P6.1
Control level 2 is activated via parameter P3.25
P6.18 1428 X — Secondary remote speed reference 2
Assignment of setpoint sources as at P6.2
Setpoint source 2 is activated via parameter P3.26
P6.19 502 — Secondary acceleration time (acc2) 10.0
0.1–3000s See Note 1 of parameter P6.5
The activation is executed via parameter P3.15
P6.20 503 — Secondary deceleration time (dec2) 10.0
0.1–3000s See Note 1 of parameter P6.6
The activation is executed via parameter P3.15
P6.21 526 X — Acceleration transition frequency (acc1–acc2) 0.00
0.00–P6.4 Hz 0.00 Hz = deactivated
If the output frequency set here is exceeded, the
acceleration time is switched automatically from acc1 (P6.5)
to acc2 (P6.19)
P6.22 1334 X — Deceleration transition frequency (dec1–dec2) 0.00
0.00–P6.4 Hz 0.00 Hz = deactivated
If the output frequency set here is exceeded, the
deceleration time is switched automatically from dec1 (P6.6)
to dec2 (P6.20)
P6.23 1429 X — REV blocked 0
The rotating field reversal of the output frequency is blocked
0 Deactivated
1 Activated

Parameters
M-Max Series Adjustable Frequency Drive MN04020003E—October 2013 www.eaton.com 87
Drives Control, continued
Notes
: P6.24, P6.26, P6.28
: P6.25, P6.27, P6.29
In systems with mechanical resonances, you can cut out these frequency ranges for stationary operation.
Up to three different frequency ranges can be set.
PNU ID
Access
RUN Value/Range Description
Factory Setting
(P1.3)
P6.24 509 X — Skip frequency 1, lower value 0.00
0.00–P6.25 Hz —
P6.25 510 X — Skip frequency 1, upper value 0.00
P6.24–P6.4 —
P6.26 511 X — Skip frequency 2, lower value 0.00
0.00–P6.27 Hz —
P6.27 512 X — Skip frequency 2, upper value 0.00
P6.26–P6.4 Hz —
P6.28 513 X — Skip frequency 3, lower value 0.00
0.00–P6.29 Hz —
P6.29 514 X — Skip frequency 3, upper value 0.00
P6.28–P6.4 Hz —
Setting Range for Skip Frequencies
P6.30 759 X — Automatic REAF attempts 3
1–10 Define the permissible number of automatic restarts
(REAF = Restart After Failure)
P6.31 1481 X — Manual mode, primary control source 1
Like P6.1 Assignment of the control levels
Manual mode is activated via parameter P3.37
P6.32 1482 X — Manual mode, primary speed reference 3
Like P6.2 Assignment of setpoint sources
Manual mode is activated via parameter P3.37
P6.33 1483 X — Manual mode, KEYPAD lock 1
The Start/Stop functions are blocked in Manual mode via the
keypad
0 Deactivated
1 Enabled
f
Hz
햲
햳
t

Parameters
88 M-Max Series Adjustable Frequency Drive MN04020003E—October 2013 www.eaton.com
Motor (P7)
For optimal operation, enter the ratings plate information
for the motor here. This information makes up the base
values for the motor controller (electrical reproduction,
see “V/Hz-Characteristic Curve (P11)” on Page 107).
Motor Parameters from Ratings Plate
The motor data is set to the rated operation data for the
frequency inverter and depends on the performance
variables in factory settings.
Switching Type for Motor Stator Windings
When selecting the rating data, take the dependency of the
type of switching on the strength of the feeding input voltage
into account:
●230V (P7.5) delta circuit A P7.1 = 4A,
●400V (P7.5) star connection P7.1 = 2.3A.
Circuits (Delta, Star)
Example: Single-phase connection of the MMX12AA4D8_
frequency inverter to a input voltage of 230V. The
stator winding of the motor is connected in a
delta circuit (motor rated current 4A as per
nameplate in figure on this page).
Required changes for the electrical reproduction
for the motor: P7.1 = 4.0, P7.3 = 1410, P7.4 =
0.67.
1410 min
230/400V 4.0/2.3A
50 Hz
–1
0.75 kW cos 0.67
P7.5 P7.1
P7.3 P7.6
P7.4
U1 V1 W1
W2 U2 V2
ULN = 230V
U1 V1 W1
W2 U2 V2
ULN = 400V

Parameters
M-Max Series Adjustable Frequency Drive MN04020003E—October 2013 www.eaton.com 89
Motor
Note
Default values vary based on actual unit ratings.
PNU ID
Access
RUN Value/Range Description
Factory Setting
(P1.3)
P7.1 113 X — Motor, rated operational current Ie
0.2 x Ie–2 x Ie (A) Ie = Frequency inverter’s rated operational current
(See figure on Page 88.)
P7.2 107 X — Current limit 1.5 x Ie
0.2 x Ie–2 x Ie (A) Factory setting: 1.5 x Ie
P7.3 112 X — Motor, rated speed 1720
300–20000 RPM
(min–1)
(See figure on Page 88.)
P7.4 120 X — Motor, power factor (cos ) 0.85
0.30–1.00 (See figure on Page 88.)
P7.5 110 X — Motor, rated operating voltage
180–676V (See figure on Page 88.)
Pay attention to the supply voltage and the type of
circuit in the stator winding
P7.6 111 X — Motor, rated frequency 60.00
30–320 Hz (See figure on Page 88.)

Parameters
90 M-Max Series Adjustable Frequency Drive MN04020003E—October 2013 www.eaton.com
Protective Functions (P8)
In parameter group P8, you can set the reaction of the frequency inverter to external
influences and increase the protection to the drive system (PDS):
●0 = deactivated, no reaction
●1 = Alarm (for example, AL 50)
●2 = Fault (stop mode after error message based on parameters P6.8, for example, F…50)
The (FAULT) and (ALARM) messages are described on Page 56.
Protective Functions
PNU ID
Access
RUN Value/Range Description
Factory Setting
(P1.3)
P8.1 700 X — Analog minimum reference error (live-zero) 1
Monitors the live zero of the analog inputs AI1 and AI2 if the
parameters P2.1 and P2.5 are set to 1 (4 mA, 2V):
AI1, control signal terminal 2, P2.1
AI2, control signal terminal 4, P2.5
A warning or error message (F… 50) is output if the signal drops
below 3.0 mA or 1.5V for 5 seconds or 0.5 mA or 0.25V for
0.5 seconds. This reaction time can be changed at P8.10
0 Deactivated
1 Alarm (AL 50)
Note: If the setpoint is restored ( 4 mA, 2V) the drive starts
up automatically if there is no disconnection by the warning
message
2 Fault (F… 50), stop function according to P6.8
P8.2 727 X — Undervoltage error 2
Under-voltage error in the intermediate circuit because of a low
input-side supply voltage, for example, by connecting 230V to a
400V device or if a phase drops out
0 Deactivated
1 Alarm (AL 09)
Note: A start signal (START button, rising edge on the control
terminals) must exist again for restarting
2 Fault (F… 09), stop function according to P6.8
P8.3 703 X — Ground fault 2
The ground fault monitoring checks the currents in the motor
phases and is continually active. It protects the frequency
inverter from ground faults with high currents
0 Deactivated
If the monitoring is deactivated, the reaction time is shortened
to a start signal
Caution: When the monitoring is deactivated, a ground fault
can cause damage to the inverter
1 Alarm (AL 03)
2 Fault (F… 03), stop function according to P6.8

Parameters
M-Max Series Adjustable Frequency Drive MN04020003E—October 2013 www.eaton.com 91
Protective Functions, continued
PNU ID
Access
RUN Value/Range Description
Factory Setting
(P1.3)
P8.4 709 X — Stall protection 1
The stall protection function is an overload protection.
It protects the motor from brief overloads (for example, blocked
motor shaft). The stall current is equal to the motor rated
operational current x 1.3, stall time is 15 seconds, and stall
frequency limit is 25 Hz. If the current is higher than the limit
and the frequency is less than 25 Hz, the drive will react as
defined by this parameter
Note: With long motor cable lengths and low motor power
(poor efficiency cos ), a higher (capacitive) motor current can
flow causing early tripping. Solution: Motor reactor or sinus filter
0 Deactivated
1 Alarm (AL 15)
2 Fault (F… 15), stop function according to P6.8
P8.5 713 X — Underload protection 0
The underload protection monitors the load of the connected
motor in the range of 5 Hz up to the maximum output
frequency. This requires that the output current of the
frequency inverter be monitored. A message will be generated
if the values set in P8.12 and P8.13 are undershot within
20 seconds
0 Deactivated
1 Alarm (AL 17)
2 Fault (F…17), stop function according to P6.8
P8.6 704 X — Motor, temperature protection 2
The motor temperature protection is designed to protect the
motor from overheating. It is based on a temperature algorithm
and uses the motor current (P7.1) to determine the motor load
(see figure on Page 92)
0 Deactivated
1 Alarm (AL 16)
2 Fault (F… 16), stop function according to P6.8
P8.7 705 X — Motor, ambient temperature 40
–20° to 100°C —
P8.8 706 X — Motor, cooling factor at zero frequency 40.0
0.0–150% The cooling factor of the motor with a zero frequency defines
the relationship to the cooling of the motor at the rated
frequency with the rated operational current without an external
fan (see figure on Page 92)
P8.9 707 X — Motor, thermal time constant 45
1–200 min The temperature time constant determines the time-span in
which the heat calculation model achieves 63% of its end value.
It depends on the design of the motor and is different from
manufacturer to manufacturer. The larger the motor design,
the greater the time constant

Parameters
92 M-Max Series Adjustable Frequency Drive MN04020003E—October 2013 www.eaton.com
Motor Heat Protection (P8.6–P8.9)
The motor temperature protection is based on a calculated
temperature model and uses the motor current set in
parameter P7.1 to determine the motor load. It does not use
a temperature measurement in the motor.
The calculated temperature model cannot protect the motor
if the cooling flow to the motor is influenced, for example, by
a blocked air entry-way.
The temperature model is based on the assumption that the
motor achieves a winding temperature of 284°F (140°C) at
rated speed and an ambient temperature of 104°F (40°C),
with 105% rated load.
The cooling efficiency, without external cooling, is a function
of the speed (corresponding with the output frequency of the
frequency inverter). When the motor is stationary (zero
frequency), heat is also dissipated through the housing surface.
When the motor is under a great load, the current required by
the motor can be higher than the rated operational current.
The current provided by the frequency inverter can be higher
than the rated operational current of the motor. If the load
requires this much current, there is a danger of a thermal
overload. This is especially the case at lower frequencies
(<25 Hz). Here, the cooling effect (speed of the motor fan)
and the load rating of the motor (see data sheet of the motor)
are reduced similarly with lower frequencies. On motors that
are equipped with an external fan, there is less of a load
reduction at lower speeds.
With parameters P8.6 to P8.9, a motor temperature protection
can be set for the M-Max frequency inverter which protects
the motor from overheating. The temperature protection is
calculated. A direct temperature measuring in the windings
of the motor (see thermistor protection) offers great protection.
The reaction of the M-Max frequency inverter to a
detected thermal overload can be set via parameter P8.6.
At parameter P8.8 you can set the cooling output (PCool)
on the motor at zero frequency (standstill). Note the
specifications of the motor manufacturer.
Possible setting values are 0–150% of the cooling output at
the rated frequency fN (see nameplate of the motor = P7.6).
If the protection function is deactivated (P8.6 = 0), the
temperature model of the motor is reset to zero.
The thermal current Ith corresponds with the load current at
maximum thermal load rating on the motor. In continuous
operation, at rated frequency (fN = P7.6) and rated loading,
the value of Ith corresponds with the rated operational
current of the motor (see the motor rating plate = P7.1).
Motor Cooling Power
The time constant for the motor temperature (P8.9) defines
how long it takes until the temperature has achieved 63% of
its end value in the motor. In practice, this temperature time
is constant depending on the type and design of the motor. It
varies between the different design sizes at the same shaft
power and between the different motor manufacturers.
The larger a motor is, the greater the time constant. The
factory set value (P8.9 = 45 min) can be set in the range
between 1 and 200 minutes. The guide value is twice t6 time
of a motor. The t6 time defines the time in seconds in which
a motor can be operated safely at six times the rated
operational current (see data sheet of the motor,
manufacturer specifications).
If the drive is stopped, the time constant is increased
internally to three times the set parameter value (P8.9).
Calculation of Motor Temperature
Notes
Motor current I/IT.
Trip value shut-off (error message) or warning according to P8.6.
Calculated value for the motor temperature Q = (I/IT)2 x (1 - e-t/T).
Motor temperature M (example).
P8.9 = Motor temperature time constant (T).
P7.6 fN
P8.8
100%
150%
PCool
P7.1
Ith
f (Hz)
t
105%
P8.9
P8.6
M

Parameters
M-Max Series Adjustable Frequency Drive MN04020003E—October 2013 www.eaton.com 93
Protective Functions, continued
PNU ID
Access
RUN Value/Range Description
Factory Setting
(P1.3)
P8.10 1430 X — Analog minimum reference error, reaction time 0.5
0.0–10.0s (see parameter P8.1)
P8.11 1473 — — (Not used) 0
P8.12 714 — Underload low torque limit 60.0
10–50% Motor torque
The underload protection enables faults such as a torn drive belt
or the dry running of a pump to be detected without any
additional sensors
The reaction to a detected underload can be set at P8.5
The value set here determines the lowest permissible torque
limit. This function can also be used with output frequencies
that are above the cutoff frequency (P11.2, field weakening
point)
Note: The value set here is reset automatically to the factory
setting (50.0%) if the parameter for the motor rated current
(P7.1) is changed
Underload Limit
P8.13 715 — Underload, low torque limit at zero frequency 10.0
5–150% Motor torque
The value set here determines the lowest permissible torque
limit at zero frequency (range 0–5 Hz)
Note: The value set here is reset automatically to the factory
setting (50.0%) if the parameter for the motor rated current
(P7.1) is changed
P11.2
P8.13
P8.12
5 Hz
M ~ I
f

Parameters
94 M-Max Series Adjustable Frequency Drive MN04020003E—October 2013 www.eaton.com
Protective Functions, continued
PNU ID
Access
RUN Value/Range Description
Factory Setting
(P1.3)
P8.14 733 — Fieldbus error 2
Reaction to a fieldbus error if the fieldbus is set as active control
level (BUS) (P6.1 = 2, P6.17 = 2)
0 Deactivated
1 Alarm (AL 53)
2 Fault (F…53), stop function according to P6.8
P8.15 734 — Fieldbus interface error 2
Reaction to a fieldbus interface error (slot) at the frequency
inverter or when the fieldbus interface card is missing when the
fieldbus is set as active control level (BUS) (P6.1 = 2, P6.17 = 2)
0 Deactivated
1 Alarm (AL 54)
2 Fault (F…54), stop function according to P6.8

Parameters
M-Max Series Adjustable Frequency Drive MN04020003E—October 2013 www.eaton.com 95
PID Controller (P9)
The M-Max series frequency inverters are provided with a
PID controller that you activate with P9.1 = 1. The controller
can be deactivated via a digital input (P3.12).
PID control is superimposed on the frequency inverter
function. You should therefore set all of the frequency
inverter’s drive-related parameters, such as maximum output
frequency (motor speed), acceleration and deceleration
ramps (mechanical load, belts). Frequency inverter and motor
are process-integrated actuators. The output frequency to
the motor (which determines the speed) is specified as
manipulated variable from the PID controller.
When the PID controller is activated, the setpoints and actual
values become process variables and are normalized
automatically into percentages (%). For example, the
specified setpoint (0–100%) here is the same as a volume
flow (0–50 m3/h). The actual value here is the volume flow
(m3/h) from a suitable sensor, which is evaluated again as a
percentage (0–100%).
If this process data is to be displayed in the physical variable
(m3/h), you can set the conversion with parameter P9.19
(see “Display factor (P9.19)”).
PID Controller
PNU ID
Access
RUN Value/Range Description
Factory Setting
(P1.3)
P9.1 163 — PID Controller 0
0 Deactivated
1 Activated for drive control
2 Activated for external application
P9.2 118 — PID controllers, P gain 100
0–1000% Proportional Gain (KP)
Low values attenuate the control action
High values can cause oscillation
P9.3 119 — PID controller, I reset time 10.0
0–320s Integral time constant
P9.4 167 — PID controller setpoint, keypad reference 0.0
0–100% Setpoint setting range utilizing keypad as reference P9.5 = 0
P9.5 332 — PID controller, setpoint source 0
— The setting range is limited by P6.3 (raised starting frequency)
and P6.4 (end frequency)
0 Keypad (P9.4)
1 Fieldbus
2 AI1
3 AI2

Parameters
96 M-Max Series Adjustable Frequency Drive MN04020003E—October 2013 www.eaton.com
PID Controller, continued
PNU ID
Access
RUN Value/Range Description
Factory Setting
(P1.3)
P9.6 334 — PID controller, process variable (PV) source
(Actual value or feedback)
2
0 Fieldbus
1 AI1 and S2, (see figure on Page 39)
P2.1 = 0 (0 mA/0V)
P2.1 = 1 (4 mA/2V)
2 AI2 and S3, (see figure on Page 39)
P2.5 = 0 (0 mA/0V)
P2.5 = 1 (4 mA/2V)
P9.7 336 — PID controller, actual value limiting, minimum 0.0
0–100% —
P9.8 337 — PID controller, actual value limiting, maximum 100.0
0–100% —
P9.9 340 — PID controller, controller deviation 0
0 Not inverted
1 Inverted
Inverted PID control (P9.9 = 1) is used in applications in which
the feedback value generator supplies an inverted signal
Example: With increasing pressure, a pressure sensor output
signal (+10V…0V = 0…max. bar) drops
P9.10 132 — PID controller, D rate time 0.00
0–10s Differential time constant
P9.11 1431 — PID controller, output filter, delay time 0.0
0.00–10.00s —
P9.12 1016 — Sleep mode, frequency 0.00
0–P6.4 Hz The frequency inverter stops automatically if the frequency of
the drive drops below the sleep level defined by this parameter
for a longer period than the time defined by parameter P9.14
P9.13 1018 — Sleep mode, wake up setpoint 25.0
0.00–100% The wake up setpoint defines the value which the PID controller
process value (P9.6) must drop below before a RUN mode of
the frequency inverter is restored.
P9.14 1017 — Sleep mode, delay time 30
0–3600s This parameter determines the minimum period in which the
frequency inverter must stay below the frequency set at P9.12
before the frequency inverter is stopped

Parameters
M-Max Series Adjustable Frequency Drive MN04020003E—October 2013 www.eaton.com 97
PID Controller, continued
PNU ID
Access
RUN Value/Range Description
Factory Setting
(P1.3)
P9.15 1433 — Hysteresis, upper limit 0.0
0.00–100% The FBV (Feedback Value Check) message P5.1 (2.3) = 25 is
output if the actual value in RUN mode is below the lower limit
value P9.16. It stays active until:
The actual value exceeds the upper limit value P = 9.15
The frequency inverter switches from RUN mode to STOP mode
P9.16 1434 — Hysteresis, lower limit 0.0
0.00–100% See P9.15
P9.17 1435 — PID controller, max. controller deviation 3.0
0.00–100% If the PID controller is activated (P9.1 = 1), and the deviation
between the setpoint and the actual value exceeds the value
entered here, the PID monitoring is activated. Setting at P5.1
(2.3) = 12
P9.18 1475 — PID controller, reference value scaling 1
0.1–32.7 Setpoint display, multiplication of a factor to display
process-adjusted variables
The value is displayed in M1.17
P9.19 1476 — PID controller, process variable scaling 1
0.1–32.7 Actual value indication, multiplication factor for displaying
process variables
The value is displayed in M1.18
P9.20 1478 — PID controller, output signal limit 100.0
0.00–100.0% —

Parameters
98 M-Max Series Adjustable Frequency Drive MN04020003E—October 2013 www.eaton.com
Activating/Deactivating PID Controller
With a digital input (in FS DI6) configured as PID, PID control
can be switched on and off through control signal terminals.
When you activate the PID input, PID control is disabled. The
frequency inverter then works with its standard frequency
control again.
This function is available only when PID control is active
(P9.1 = 1).
Do not switch the PID controller on and off while the
frequency inverter is in RUN mode (RUN LED is lit).
Parameterize one of the digital inputs 1 to 6 as a PID, by
setting the parameter (P3.12 = 1–6) (factory setting
(P3.12 = 6).
The Activate/Disable PID Control function is optional. If you
want PID control to be active all the time, you only need to
set P9.1 = 1.
PID-System Deviation (OD)
The PID-system deviation (e) is the difference between
reference and actual value (process variable PV).
The digital output configured as OD is activated if a freely
selectable control deviation (P9.17) is exceeded with the PID
controller (P9.1 = 1) active. The OD output stays activated
until this limit value is exceeded.
If you wish to configure a parameterizable digital output or
signalling relay as OD, you must set the limit value that
activates the OD signal when exceeded at P9.17.
Action: Then parameterize one of the digital inputs as OD
output by setting the value 12 at P5.1–P5.3.
Function Chart for OD (PID System Deviation)
Feedback Value Check Signal (FBV)
The FBV (Feedback Value Check) signal is issued when:
●The actual value (PV) drops below the lower limit value
(P9.16) in RUN mode. It remains active until:
●The actual value exceeds the upper limit value (P9.15)
●The frequency inverter changes from RUN mode to STOP
mode (deceleration with the set ramp time)
Item
Number Description
1Setpoint value
2Actual value
OD
P9.17
P9.17
1
2

Parameters
M-Max Series Adjustable Frequency Drive MN04020003E—October 2013 www.eaton.com 99
PID Controller, Actual Value Message FBV
The upper and lower actual value limits (P9.15, P9.16) are
“process messages”. They cannot be used for monitoring
the actual value signal. FBV is not a fault message.
When P5.1–P5.3 = 25, you can set the digital output or a
signalling relay for the FBV.
The FBV actual value message enables the M-Max PID
controller to implement a direct “two-stage control”, as is
commonly used for HVAC applications.
Example: Ventilation system with two fans (frequency
inverter). Under normal operating conditions, the
maximum output power of fan 1 (M1) is sufficient
to maintain the actual value (PV) at the reference
value. When fan 1 is fully used and additional
airflow is required, a second fan (M2) with
constant power is a simple solution.
Block Diagram, Ventilation with “Two-Stage Control”
With the closed-loop control example shown here, the
sequence is based on the signal diagram in the figure on this
page. The process variables in the limit values are shown in
percent (%). The output frequency (Hz) is shown
superimposed in the same diagram.
●Start of fan motor M1 with FWD signal. The actual value
(PV) is below the limit value of P9.16. The FBV output
(P5.1–P5.3 = 25) then switches and fan motor M2 (Start)
starts automatically
●The actual value rises and reaches the upper limit (P9.15).
The FBV output is automatically switched off (= fan M2
Off). Fan M1 remains in operation and works in linear
control mode. In a correctly set up system, this is the
normal operating range
●If the actual value drops below the limit value (P9.16), the
FBV output is switched. and fan M2 is activated again to
support fan M1
●When the FWD signal is removed from frequency
inverter 1, the inverter goes from RUN to STOP mode and
decelerates the drive over the set ramp time
●When frequency inverter 1 is stopped, the FBV output is
automatically de-energized so that fan M2 also stops
Item
Number Description
1Output frequency (Hz)
2Actual value (process variable PV)
FWD: Start signal, clockwise rotating field.
FBV: Actual value message, limit values exceeded (P9.15, P9.16).
P9.15
P9.16
FWD
FBV
t
%
1
2
Item
Number Description
1Frequency inverter with PID controller for M1 fan motor
2Motor starter (frequency inverter, soft starter, contactor) for
M2 fan motor
FWD: Start signal drive 1.
FBV: Actual value message of drive 1 for activating drive 2.
Start: Start signal, drive 2.
PV
FWD
M2
M1
FBV
Start
0–10V/ 4–20 mA
1
2

Parameters
100 M-Max Series Adjustable Frequency Drive MN04020003E—October 2013 www.eaton.com
Fixed Frequency Setpoint Value (P10)
Fixed frequencies have a higher priority than frequency
reference values. They can be called individually, binary
coded, or via the digital inputs DI1 to DI6 or via the
sequencing control program.
The maximum permitted set value for a fixed frequency is
limited by parameter P6.4 (maximum frequency).
A fixed frequency value can go below a minimum limit
frequency set at parameter P6.3.
The fixed frequency values can be changed during operation
(RUN).
Fixed Frequency
You can set eight different fixed frequency setpoints (FF0 to
FF7) in the P10 parameter group.
Fixed Frequencies FF1, FF2 and FF3 (= FF1 + FF2)
The fixed frequencies FF1 = 10 Hz, FF2 = 15 Hz and
FF3 = 20 Hz can be called via digital inputs DI3 (control signal
terminal 10) and DI4 (control signal terminal 14) in the factory
setting.
Fixed Frequency
The change between the individual fixed frequency values is
completed with the acceleration and deceleration times set
at P6.5 and P6.6. When the FWD or REV enables are
switched off, the output frequency is immediately blocked
(uncontrolled coasting). P6.8 = 1 causes the drive to perform
a controlled deceleration [1].
Example: Activation of the Fixed Frequencies in the Factory Setting with Acceleration and Deceleration Ramps
76 910148
FWD
REV
FF1
FF2
DI1
+24V
DI2 DI3 DI4
Input (Binary) Fixed Frequency
B0 B1 B2 (Factory setting)
— — — FF0, P10.1 = 5 Hz, only if P6.2 = 0
X — — FF1, P10.2 = 10 Hz
— X — FF2, P10.3 = 15 Hz
X X — FF3, P10.4 = 20 Hz
— — X FF4, P10.5 = 25 Hz
X — X FF5, P10.6 = 30 Hz
— X X FF6, P10.7 = 40 Hz
X X X FF7, P10.8 = 50 Hz
f
(Hz)
DI3
DI4
DI1
fmax
(50 Hz)
20 Hz
15 Hz
10 Hz
0 Hz
P6.4
P6.6P6.5
FF1 FF1FF3
FF3FF2
FWD
t (s)
P6.8 = 1
1
1
1

Parameters
M-Max Series Adjustable Frequency Drive MN04020003E—October 2013 www.eaton.com 101
Fixed Frequency Setpoint Value
PNU ID
Access
RUN Value/Range Description
Factory Setting
(P1.3)
P10.1 124 — Fixed frequency FF0 6.00
0.00–P6.4 0.00 Hz up to the maximum frequency value (P6.4)
This value is only active if the setpoint input has been set to
parameter P6.2 = 0
P10.2 105 — Fixed frequency FF1 12.00
0.00–P6.4 0.00 Hz up to the maximum frequency value (P6.4)
In the factory setting, this value can be called directly via DI3
(control signal terminal 10)
P10.3 106 — Fixed frequency FF2 18.00
0.00–P6.4 0.00 Hz up to the maximum frequency value (P6.4)
In the factory setting, this value can be called directly via DI4
(control signal terminal 14)
P10.4 126 — Fixed frequency FF3 24.00
0.00–P6.4 0.00 Hz up to the maximum frequency value (P6.4)
In the factory setting, this value can be called directly by joint
actuation of control signal terminals 10 and 14 (DI3 and DI4)
P10.5 127 — Fixed frequency FF4 30.00
0.00–P6.4 0.00 Hz up to the maximum frequency value (P6.4)
For activation, parameter P3.11 must be assigned a third digital
input. For example, P3.11 = 5: DI5 (control signal terminal 15)
This value can then be called up directly via DI3
Note: In the factory setting, DI5 (control signal terminal 15) is
assigned with the error acknowledgement (Reset). Setting
P3.11 = 0 is recommended
P10.6 128 — Fixed frequency FF5 36.00
0.00–P6.4 0.00 Hz up to the maximum frequency value (P6.4)
For activation, parameter P3.11 must be assigned a third digital
input. For example, P3.11 = 5: DI5 (control signal terminal 15),
see Note on P10.5)
This value can be called directly by joint actuation of control
signal terminals 10 (DI3) and 15 (DI5)
P10.7 129 — Fixed frequency FF6 48.00
0.00–P6.4 0.00 Hz up to the maximum frequency value (P6.4)
For activation, parameter P3.11 must be assigned a third digital
input. For example, P3.11 = 5: DI5 (control signal terminal 15)
see Note on P10.5)
This value can be called directly by joint actuation of control
signal terminals 14 (DI4) and 15 (DI5)
P10.8 130 — Fixed frequency FF7 60.00
0.00–P6.4 0.00 Hz up to the maximum frequency value (P6.4)
For activation, parameter P3.11 must be assigned a third digital
input. For example, P3.11 = 5: DI5 (control signal terminal 15),
see Note on P10.5)
This value can be called directly by joint actuation of control
signal terminals 10 (DI3), 14 (DI4) and 15 (DI5)

Parameters
102 M-Max Series Adjustable Frequency Drive MN04020003E—October 2013 www.eaton.com
Sequence Control
The sequence control enables a cyclical program sequence with the fixed frequency setpoints
FF0 to FF7. To run the program you can also select from four different operating modes and
assign rotation direction (FWD/REV) and run time to the individual fixed frequencies. The
program sequence is programmed in binary code and is represented by a decimal number for
simple entry.
Fixed Frequency Setpoint Value, continued
The table below shows the parameters of the fixed frequencies (P10.1–P10.8) with the
associated run times (P10.11–P10.18) and the corresponding values in binary and decimal
format.
Depending on the selected rotating field direction (FWD/REV), the decimal value is multiplied
by 0 (= FWD) or 1 (= REV). The sum of all decimal values forms the program number for
parameter P10.10.
Determining the Program Number (P10.10)
The fixed frequencies (FF0–FF7) are only active if the run times (P10.11–P10.18) of the
associated parameters are set (>0s).
PNU ID
Access
RUN Value/Range Description
Factory Setting
(P1.3)
P10.9 1436 — PLC Sequence control, operating mode 0
Selection of operating modes for cyclical program execution
The start of the program execution via a digital input (DI1–DI6)
is executed according to parameter P3.21
The pause of the program execution via a digital input (DI1–DI6)
is executed according to parameter P3.22
0 Deactivated
1 Execute program cycle once
2 Execute program cycle continuously
3 Execute program cycle in steps
4 Execute program cycle continuously in steps
P10.10 1437 — PLC Sequence control, program (FWD/REV) 0
0–255 Summated decimal value from the binary coded program
sequence (see table below)
Fixed Frequency Values Example A Example B
Hz s Binary Decimal FWD REV
(See Figure on
Page 104)
(See Figure on
Page 105)
FF0 P10.1 P10.11 201 0 1 FWD 0 FWD 0
FF1 P10.2 P10.12 212 0 1 FWD 0 FWD 0
FF2 P10.3 P10.13 224 0 1 FWD 0 FWD 0
FF3 P10.4 P10.14 238 0 1 FWD 0 FWD 0
FF4 P10.5 P10.15 2416 0 1 FWD 0 FWD 0
FF5 P10.6 P10.16 2532 0 1 FWD 0 FWD 0
FF6 P10.7 P10.17 2664 0 1 FWD 0 REV 64
FF7 P10.8 P10.18 27128 0 1 FWD 0 REV 128
Sequence control, program (FWD/REV): P10.10 = 0 192

Parameters
M-Max Series Adjustable Frequency Drive MN04020003E—October 2013 www.eaton.com 103
The run times in the individual program steps must be
greater than the transition times for the subsequent
frequency value. Example as per figure on Page 104
(Example A):
Acceleration time P6.5 = 3.0s
Maximum frequency P6.4 = 60 Hz
FF1: P10.2 = 20 Hz
FF2: P10.3 = 40 Hz
The transition time from FF1 to FF2 is one second.
Parameter P10.13 should therefore be set to a value greater
than one second.
Fixed Frequency Setpoint Value
tFF
FF x P6.5
P6.4
P10.13 (P10.3–P10.4) x P6.5 (40 Hz–20 Hz) x 3s 1s
P6.4 60 Hz
PNU ID
Access
RUN Value/Range Description
Factory Setting
(P1.3)
P10.11 1438 — Set time for FF0 0
0–1000s 0s = Fixed frequency FF0 deactivated
(sequence control P10.9)
P10.12 1439 — Set time for FF1 0
0–1000s 0s = Fixed frequency FF1 deactivated
(sequence control P10.9)
P10.13 1440 — Set time for FF2 0
0–1000s 0s = Fixed frequency FF2 deactivated
(sequence control P10.9)
P10.14 1441 — Set time for FF3 0
0–1000s 0s = Fixed frequency FF3 deactivated
(sequence control P10.9)
P10.15 1442 — Set time for FF4 0
0–1000s 0s = Fixed frequency FF4 deactivated
(sequence control P10.9)
P10.16 1443 — Set time for FF5 0
0–1000s 0 s = Fixed frequency FF5 deactivated
(sequence control P10.9)
P10.17 1444 — Set time for FF6 0
0–1000s 0s = Fixed frequency FF6 deactivated
(sequence control P10.9)
P10.18 1445 — Set time for FF7 0
0–1000s 0s = Fixed frequency FF7 deactivated
(sequence control P10.9)

Parameters
104 M-Max Series Adjustable Frequency Drive MN04020003E—October 2013 www.eaton.com
Example A
P10.9 = 1: Execute program cycle once.
P10.10 = 0 (see Page 102): The fixed frequencies FF0 to FF7
(P10.1–P10.8) are set in numerical order with the associated
run times (P10.10–P10.18) and rotating direction (FWD) as
setpoint.
The start command (RUN) for the sequence control is set via
the digital input (DI1–DI6) defined at parameter P3.21. It has
a higher priority than other start commands. This also applies
to the fixed frequency setpoints of the sequence control
compared to setpoint sources.
WARNING
If a start command is present at a digital input (DI1–DI6)
assigned at P3.21, the sequence control also starts
automatically (without switch edge) when the power
supply is switched on (for example, after a power supply
failure).
If the start command (RUN) is switched off during the
program cycle, the drive stops according to the settings at
P6.8. The program sequence is then ended immediately. A
renewed start command begins once more with the first
fixed frequency.
A digital input (DI1–DI6) can be assigned the “Pause
sequence control” function at parameter 3.22. The program
sequence is then stopped and can then be resumed from
this stopping point (fixed frequency).
The operating states of the sequence control can be
displayed via the digital outputs RO1, RO2 and DO.
The following assignments are shown in example A:
●Relay RO1 (P5.1 = 16) signals the operation (RUN) of
the sequence control. It switches on with the start
command and then off after one completed program cycle
(P10.9 = 1, P10.9 = 3) at the end of the program cycle
(P5.3 = 18)
●[1] With a continuous program sequence (P10.9 = 2,
P10.9 = 4), the start signal is switched off first (P3.21)
●Relay RO2 (P5.2 = 17) indicates the end of the individual
run times (P10.11–P10.18)
●Transistor DO (P5.3 = 18) indicates the end of a program
cycle
Value 19 (for example, P5.3 = 19) enables a pause command
(P3.22) of the sequencing control to be indicated via a digital
output.
Example A, Program Cycle Executed Once (P10.9 = 1, P10.10 = 0)
P10.6
P10.5
P10.4
P10.7
P10.8
P3.21
P10.17
P10.18
P10.15
P10.16
P10.13
P10.14
P10.11
P10.12
f
(Hz)
FWD
P5.3 = 18
P5.2 = 17
P5.1 = 16
P10.3
P10.2
P10.1
t
1

Parameters
M-Max Series Adjustable Frequency Drive MN04020003E—October 2013 www.eaton.com 105
Example B
Comparable example A.
P10.9 = 1: Execute program cycle once.
P10.10 = 192 (see Page 102): This decimal program code (192 = 64 +128) assigns the
clockwise rotating field (REV) to fixed frequencies FF6 (P10.7) and FF8 (P10.8).
Example B, Program Cycle Executed Once (P10.9 = 1, P10.10 = 192)
P10.6
P10.8
P10.7
P10.5
P10.4
P3.21
P10.17
P10.18
P10.15
P10.16
P10.13
P10.14
P10.11
P10.12
f
(Hz)
FWD
P5.3 = 18
P5.2 = 17
P5.1 = 16
P10.3
P10.2
P10.1
t
REV
1

Parameters
106 M-Max Series Adjustable Frequency Drive MN04020003E—October 2013 www.eaton.com
Example C
Comparable example A.
P10.10 = 0
P10.9 = 2: Execute program cycle once in steps.
Each fixed frequency (P10.1–P10.10) is called individually in the program sequence. After the
assigned run times (P10.11–P10.18) have elapsed, the output frequency is set to zero
according to the Stop function (P6.8) before the next numerically fixed frequency value is
executed.
A clockwise rotating field (REV) can also be assigned here to the individual fixed frequencies
as a decimal program number at parameter P10.10 (see Page 102).
Example C, Program Cycle Executed Once in Steps (P10.9 = 2, P10.10 = 0)
P10.6
P10.5
P10.4
P10.7
P10.8
P3.21
P10.17
P10.18
P10.13P10.13P10.11
f
(Hz)
FWD
P5.3 = 18
P5.2 = 17
P5.1 = 16
P10.3
P10.2
P10.1
t
1

Parameters
M-Max Series Adjustable Frequency Drive MN04020003E—October 2013 www.eaton.com 107
V/Hz-Characteristic Curve (P11)
The M-Max series frequency inverters operate with a
sinusoidal pulse width modulation (PWM) in the inverter. The
IGBTs are actuated by two V/f-based control procedures that
you can select in parameter P11.8.
P11.8 = 0:
●Frequency control (Hz)
●Parallel connection of several motors
●Large power difference (PFU >> PMotor)
●Switching in the output
P11.8 = 1:
●Speed control (RPM, min–1) with slip compensation
●Single operation (only one motor), maximum one power
rating smaller
●High torque (requirement: exact motor data for the motor
calculation model)
The V/f characteristic (voltage/frequency characteristic)
represents a control procedure of the frequency inverter in
which the motor voltage is controlled in a specific ratio to the
frequency. If the voltage/frequency ratio is constant (linear
characteristic), the magnetizing flux and the torque behavior
of the connected motor is virtually constant.
In the standard application, the benchmark values for the
V/Hz-characteristic curve correspond with the rated
operational data of the connected motor (see the motor
ratings plate):
●Cut-off frequency P11.2 = Rated motor frequency
P7.6 = Maximum frequency P6.4
●Output voltage P11.3 = Nominal motor voltage P7.5
The rating data of the V/Hz-characteristic curve is assigned
automatically and corresponds with the values of parameter
P7.5 (nominal motor voltage) and P7.6 (rated motor frequency).
If you require other values for the V/Hz-characteristic curve,
you must first set parameters P7.5 and P7.6, before you
change the parameters of the V/Hz-characteristic curve
shown here.
V/Hz-Characteristic Curve
PNU ID
Access
RUN Value/Range Description
Factory Setting
(P1.3)
P11.1 108 X — V/Hz characteristic curve 0
0 Linear
The output voltage changes linearly with the output frequency;
from zero to voltage P11.3 with the cut-off frequency P11.2
By defining a minimum frequency (P6.3), a voltage
corresponding with one of the linear characteristic curves is
output
The V/Hz ratio running linearly between zero and the cut-off
frequency remains constant
With parameter P11.6, the voltage value can be raised by
percentages in a linear V/Hz-ratio over the entire manipulating
range
1 Squared
The output voltage changes quadratically with the output
frequency; from zero to voltage P11.3 with the cut-off
frequency P11.2
By defining a minimum frequency P6.3, a voltage corresponding
with one of the quadratic characteristic curves is output. The
V/Hz ratio running quadratically between zero and the cut-off
frequency remains constant
With parameter P11.6, the voltage value can be raised as a
percentage by a quadratic V/Hz ratio over the entire
manipulating range
2 Configurable
In connection with parameters P11.4, P11.5 and P11.6, the V/Hz
ratio and therefore the parameters for characteristic curve
progress can be defined as required

Parameters
108 M-Max Series Adjustable Frequency Drive MN04020003E—October 2013 www.eaton.com
V/Hz-Characteristic Curve (P11.1)
V/Hz-Characteristic Curve, continued
PNU ID
Access
RUN Value/Range Description
Factory Setting
(P1.3)
P11.2 602 X — Cut-off frequency 60.00
30–320 Hz The output voltage reaches its maximum rated value P11.3 with
the cut-off frequency. For example: 400V at 50 Hz
If the maximum output frequency (P6.4) is set to higher values,
the output voltage remains constant as of the cut-off frequency
defined here
As of this cut-off frequency, the voltage/frequency ratio is no
longer constant. The magnetization of the connected motor is
reduced with increasing frequency (field weakening range)
Example: Linear V/Hz Characteristic Curve with Cut-Off
Frequency and Field Weakening Range
P11.3 603 X — Output voltage 100.00
10–200% Input voltage
In the standard application, the value set here is equal to 100%
of the input voltage supply and corresponding with the nominal
motor voltage set under P7.5 (see the motor ratings plate)
(%)
V
Hz
P11.6
P11.3
P6.3 P11.2
(%)
V
Hz
P11.6
P11.3
P6.3 P11.2
(%)
V
Hz
P11.6
P11.5
P11.3
P11.2
P11.4
Characteristic Curve: V/Hz (P11.1) Linear
P11.1 = 0
Squared
P11.1 = 1
Configurable
P11.1 = 2
(%)
V
Hz
P11.6
P11.3
P6.3 P11.2 P6.4

Parameters
M-Max Series Adjustable Frequency Drive MN04020003E—October 2013 www.eaton.com 109
V/Hz-Characteristic Curve, continued
PNU ID
Access
RUN Value/Range Description
Factory Setting
(P1.3)
P11.4 604 X — V/Hz characteristic curve, mean frequency value 60.00
0.00–P11.2 (Hz) Definition of a frequency value for the voltage value set under
P11.5
Defined ratio (break-point) for the defined V/Hz-characteristic
curve (P11.1 = 2, see characteristic P11.1 = 2)
P11.5 605 X — V/Hz characteristic curve, mean voltage value 100.00
0.00–P11.3 Definition of a voltage value for the frequency value set under
P11.4
Defined ratio (break-point) for the defined V/Hz-characteristic
curve (P11.1 = 2, see characteristic P11.1 = 2)
P11.6 606 X — Output voltage at 0 Hz 0.00
0.00–40.00% Definition of a start voltage at 0 Hz (zero frequency voltage)
Note: A high start voltage enables a high torque at the start
Caution: A high torque at low speed causes a high thermal
load on the motor. If temperatures are too high, the motor
should be equipped with an external fan
P11.7 109 X — Torque increase 0
0 Deactivated
1 Enabled
Automatic increase of the output voltage (Boost) with an
increased load and low speed (for example, heavy starting duty)
Caution: A high torque at low speed leads to a high thermal
load on the motor
Note: If temperatures are too high, the motor should be fitted
with an external fan
P11.8 600 X — Control mode 0
0 Frequency control (V/Hz)
The setpoint entry controls the output frequency of the
frequency inverter (resolution of the output frequency =
0.01 Hz)
Note: In this mode, multiple motors, with varying outputs, can
be connected in parallel in the output of the frequency inverter
1 Speed control with slip compensation (vector)
The setpoint entry controls the motor speed depending on the
load torque (calculation by motor model)
Note: In this mode, only one motor with the assigned power
(current) may connected in the output of the frequency inverter
Note: The speed control requires a precise electrical
reproduction of the connected motor. The motor ratings
plate information must be set in the parameter group P7 in this
case

Parameters
110 M-Max Series Adjustable Frequency Drive MN04020003E—October 2013 www.eaton.com
On the constant three-phase AC supply, the three-phase
asynchronous motor has a constant rotor speed (n1, P7.3,
rating plate specifications) according to the number of pole
pairs and input frequency. The slip here represents the
difference between the rotating field of the stator and that of
the rotor. In static operation, the slip is constant.
Load changes [1] at the motor shaft cause a larger slip ( n)
and thus a reduced rotor speed [2]. In controlled operation
(V/f-characteristic), the frequency inverter cannot
compensate this load-related speed difference. The speed
behavior of the motor is even, as in a constant AC supply.
Speed Behavior without Slip Compensation
In “Speed control” mode (P11.8 = 1), the frequency inverter
can compensate these load-related deviations. From the
measured voltage and current values of the stator winding
(u1, i1) the internal motor model calculates the required
manipulated variables for the flux variable iμ and the torque
variable iw. In the equivalent circuit diagram of the
three-phase motor, the load-related slip is shown as the
resistance R’2/s. In idle operation without a load, this
resistance approaches infinity, and approaches zero as the
load increases.
Equivalent Circuit Diagram for an Asynchronous Motor
An exact calculation requires the precise rating specifications
of the motor (parameter group 7). The speed control (P11.8 =
1) can then compensate the load-related slip deviations. The
simple illustration shows that, as the load torque increases
[1], the resulting speed reduction is compensated by an
increase in the output frequency [2] (see figure below).
Speed Behavior with Slip Compensation
n
M
M2
M1
n1
n2n
1
2
Item
Number Description
1Stator winding
2Air gap
3Transformed rotor winding
R1X'2
X1
i1iw
u1Xh
im
123
R'2
s
M
M2
M1
n1n
1
2

Parameters
M-Max Series Adjustable Frequency Drive MN04020003E—October 2013 www.eaton.com 111
V/Hz-Characteristic Curve, continued
PNU ID
Access
RUN Value/Range Description
Factory Setting
(P1.3)
P11.9 601 X — Carrier frequency 6.0
1.5–16.0 kHz Using a high switching frequency can reduce the magnetization
noise in the motor
The heat dissipation in the inverter (IGBT) increases with higher
switching frequencies
With motor frequencies <5 Hz a higher speed stability can be
achieved at low switching frequencies
Note: As a protection against thermal overload, MMX reduces
the switching frequency automatically if, for example, too high
values are set and with high ambient temperatures and high
load currents
Parameter P11.10 = 1 must be set for operation at a constant
carrier frequency
P11.10 522 X — Sine-wave filter (constant carrier frequency) 0
0 Deactivated
1 Enabled
Note: When using a sinusoidal filter, the carrier frequency must
be constant

Parameters
112 M-Max Series Adjustable Frequency Drive MN04020003E—October 2013 www.eaton.com
Braking (P12)
In parameter group P12 you can set different brake functions:
●DC braking
●Generative braking (brake chopper)
●Mechanical braking (actuation)
The brake functions allow you to reduce undesired coasting
and long coasting times. Mechanical braking also ensures
safe operating states.
DC Braking
With DC braking, the frequency inverter supplies the
three-phase stator winding of the three-phase motor with
DC current. This generates a stationary magnetic field which
in turn induces voltage in the rotor while the rotor is in
motion. As the electrical resistance of the rotor is very low,
even small induction can generate high rotor currents and
thus a strong braking effect.
As the speed decreases, the frequency of the induced
voltage reduces and therefore the inductive resistance also.
The ohmic resistance becomes more effective and thus
increases the braking effect. However, the generated braking
torque drops off abruptly before the rotor is at a standstill and
disappears completely as soon as the rotor movement has
ended.
DC braking is therefore not suitable for holding loads, nor for
intermediate braking. Once DC braking has been activated,
the motor comes to a standstill.
CAUTION
Debounced inputs may not be used in the safety circuit
diagram. DC braking results in additional heating of the
motor. Configure the brake torque, set via braking current
(P12.1) and the braking duration (P12.2 and P12.4), as low as
possible.
Braking
PNU ID
Access
RUN Value/Range Description
Factory Setting
(P1.3)
P12.1 507 X — DC braking, current Ie
0.2 x Ie–2 x Ie (A) Set value for the DC current, which supplies the motor
during the DC braking
The value depends on the rated operational current Ie of the
frequency inverter
The parameter is only active, if a value >0 has been entered
for P12.2 or P12.4
P12.2 516 X — DC braking, braking time at start 0.00
0.00–600.00s The braking time of the DC braking [1] is activated with the
start command (FWD, REV)
Braking Time at Start
After the time set has elapsed, the frequency inverter
starts automatically with the acceleration time set at
P6.5. The speed of the motor [2] follows the
characteristic of the output frequency [3]
f
t
fout
P12.2
f
t
P6.5
FWD
REV
1
2
3

Parameters
M-Max Series Adjustable Frequency Drive MN04020003E—October 2013 www.eaton.com 113
Braking, continued
PNU ID
Access
RUN Value/Range Description
Factory Setting
(P1.3)
P12.3 515 X — DC braking, start frequency 1.50
0.00–10.00 Hz The output frequency (fOut) set here automatically activates the
DC braking after a stop command (FWD/REV switched off)
Requirement: P6.8 = 1 (Stop function ramp)
The output frequency [1] is reduced after the stop command
according to the deceleration time set at P6.6. Depending on
inertia and the load torque, the speed of the motor [2] is
reduced accordingly and braked with DC current at the
frequency value set here
You can set the duration of the DC braking [3] under P12.4
Start Frequency During Relay Ramp
f
t
fout
f
t
P6.6
P6.8 = 1
P12.4
P12.3
FWD
REV
1
2
3

Parameters
114 M-Max Series Adjustable Frequency Drive MN04020003E—October 2013 www.eaton.com
Braking, continued
PNU ID
Access
RUN Value/Range Description
Factory Setting
(P1.3)
P12.4 508 X — DC braking, braking time at STOP 0.00
0.00–600.00s Duration of DC braking after the stop command
With P6.8 = 1 (Stop function ramp), the activation of the DC
braking occurs with the output frequency set under P12.3 with
the braking time set here
With P6.8 = 0 (free run-out), the activation of the DC braking [3]
occurs directly with the stop command. If the output frequency
[1] is greater than or equal to the rated motor frequency (P7.6),
the value set here is considered for the duration of the braking
time
If the output frequency is less than or equal to 1% of the rated
motor frequency (P7.6), the duration for DC braking is reduced
respectively to 10% of the value set here
Braking Time in Case of Stopping
f
t
f
t
P6.8 = 0
P12.4
P7.6
P7.6
P7.6
f
t
FWD
REV
100%
P12.4
10%
10%
2
2
3
3
1
1

Parameters
M-Max Series Adjustable Frequency Drive MN04020003E—October 2013 www.eaton.com 115
Regenerative Braking
If the rotor of an asynchronous motor is driven
oversynchronously in the direction of the rotating field, it
generates electric power via its stator windings. The motor
becomes a generator. In the frequency inverter, this
generative energy causes an increase in the DC link voltage.
Oversynchronous speeds occur, for example, when the
output frequency in frequency inverter operation is reduced
with short deceleration times, the connected machine has a
large flywheel mass, or when the flowing medium in pumps
and fans works against the speed reduction.
The rise in the DC link voltage is monitored by the M-Max
frequency inverter and always enables a braking torque of
around 30% of the motor rated torque. A higher braking
torque can be achieved by selecting a more powerful
frequency inverter. From the 1.1 kW (3.3A at 400V =
MMX34AA3D3_) rating, the internal brake chopper with an
external power resistor enables up to 100% of the rated
motor torque.
Regenerative Braking with External Braking Resistor
The brake chopper can be activated at parameter P12.5. This
function is only activated with the three-phase frequency
inverters MMX34…3D3_ (3.3A) to MMX34…014_ (14A).
These ratings have an internal brake transistor that can
dissipate excess brake energy via an external power resistor
(connection terminals R+ and R–) when large flywheel
masses or short deceleration times are involved.
This parameter is not visible with frequency inverters without
a braking transistor.
Item
Number Description
1Machine flywheel mass
2Inverter with brake chopper (brake transistor)
3Brake resistor (RB)
See Energy Flow (brake torque)
M
RB
3 ~
R+
R–
1
2
3

Parameters
116 M-Max Series Adjustable Frequency Drive MN04020003E—October 2013 www.eaton.com
Braking, continued
PNU ID
Access
RUN Value/Range Description
Factory Setting
(P1.3)
P12.5 504 X — Brake chopper 0
0 Brake-chopper deactivated
1 Automatic activation in operation (RUN)
2 Automatic activation in operation (RUN) and upon stop (STOP)
P12.6 1447 X — Brake chopper, DC bus switching threshold 765
0–870V This function is only active with the three-phase frequency
inverters MMX34…3D3_ (3.3A) to MMX34…014_ (14A)
The switching threshold for the brake transistor should always
be above the maximum DC link voltage
For example, allowing for the maximum permissible input
voltage peak of 10%:
ULN = 400 Vac
ULN +10% = 400 Vac = 440 Vac
UDC = 1.35 x ULNmax = 1.35 x 440V = 594 Vdc (maximum
permissible DC link voltage in motor operation)
Allowing for an energy absorption from the DC link of around
30% during braking, the on threshold here for the braking
transistor should be set to around 780V
Note: Lower values for the on threshold will switch on the
braking resistor earlier so that it is subject to a greater load
The DC link voltage is shown at M1.8. In practice, the value of
the DC link voltage is around 565V at ULN = 400V

Parameters
M-Max Series Adjustable Frequency Drive MN04020003E—October 2013 www.eaton.com 117
Mechanical Brake (Actuation)
The actuation of an external mechanical brake can be
implemented via one of the digital outputs (see “Digital
Outputs (P5)” on Page 78), if the value 26 (= External brake
actuated) is assigned:
●Transistor output DO: control signal terminal 20 (DO–),
supply voltage control signal terminal 13 (DO+), maximum
48 Vdc/50 mA, Parameter 5.3
●Relay RO1: N/O contact control signal terminal 22 (R13)
and 23 (R14), maximum 250 Vac/2A or 250 Vdc/0.4A,
Parameter P5.1
●Relay RO2: changeover contact, control signal terminal
25 (R21), 24 (R22) and 26 (R24), maximum 250 Vac/2A or
250 Vdc/0.4A, Parameter P5.2
Mechanical Brake
Braking, continued
Item
Number Description
1Brake, released
2Brake activates and brakes the drive mechanically
P12.9
P12.8
f
(Hz)
R01, R02, DO
(P5... = 26)
RUN
(FWD/REV)
t
STOP
P6.8 = 1
12
PNU ID
Access
RUN Value/Range Description
Factory Setting
(P1.3)
P12.7 1448 X — External brake, delay time opening 0.2
0.00–320.00s Condition: RUN (Start enable)
After the time set here has elapsed, the brake is actuated
(P5._ is opened)
P12.8 1449 X — External brake, frequency threshold opening 1.50
0.00–P6.4 Hz Condition: RUN (Start enable)
If the frequency set here is exceeded, the brake is actuated
(P5._is opened)
P12.9 1450 X — External brake, frequency threshold closing 1.50
0.00–P6.4 Hz If the frequency goes below the value set here, the brake is
actuated (P5._ is closed)
P12.10 1451 X — External brake, frequency threshold REV closing 1.50
0.00–P6.4 Hz —
P12.11 1452 X — External brake, current limit, opening 0.00
0.00–P7.2A Condition: RUN (Start enable)
On reaching the current value set here, the brake is actuated
(P5._ is opened)

Parameters
118 M-Max Series Adjustable Frequency Drive MN04020003E—October 2013 www.eaton.com
Logic Function (P13)
The logic function enables you to link both parameters P13.1 (A) and P13.2 (B) logically with
each other. The result (LOG) can then be assigned to the digital outputs DO (P5.3), RO1 (P5.1)
and RO2 (P5.2). The type of operation (And, Or, Exclusive-Or) is defined in parameter P13.3.
Logic Linking of A and B
Example: Digital output RO1 (N/O contact R13/R14) is required to indicate during operation
that the set current limit has been reached:
P5.1 = 24, LOG function fulfilled
P13.1 = 2, Operation (RUN), signal A
P13.2 =27, Current monitoring, signal B
P13.3 = 0, A AND B
0
1
...
28
0
1
2
A AND B
A OR B
A XOR B
P13.3
LOG
A
B
P5.324
P5.224
25
24
26
P5.124
22
RO1
RO2
DO1
23
R14
R21
R22
R24
R13
20
DO+
13
DO–
P13.1
0
1
...
28
P13.2

Parameters
M-Max Series Adjustable Frequency Drive MN04020003E—October 2013 www.eaton.com 119
Logic Function
PNU ID
Access
RUN Value/Range Description
Factory Setting
(P1.3)
P13.1 1453 X — LOG function, Selection input A 0
Value range for signal A
0 Deactivated
1 READY, the frequency inverter is ready for operation
2 RUN, the inverter of the frequency inverter is enabled
(FWD, REV)
3 FAULT, error message
Error detected (= STOP)
4 Error message inverted (no error message)
5 ALARM, warning message
(see “Protective Functions (P8)” on Page 90)
6 REV (Reverse run), anticlockwise rotating field active
7 Output frequency = frequency setpoint
8 Motor controller active
9 Zero frequency
Output frequency = 0 (Hz)
10 Frequency monitoring 1
For the frequency ranges set at P5.4 and P5.5
11 Frequency monitoring 2
For the frequency ranges set at P5.6 and P5.7
12 PID monitoring
For the deviation set at P9.17
13 Overtemperature signal
14 Overcurrent control active
15 Overvoltage control active
16 PLC Sequence control active
17 PLC Sequence control, single step completed
18 PLC Sequence control, program cycle completed
19 PLC Sequence control, pause
20 Counter, value 1 reached
The counter value is the trigger value set at P3.21 and
can be reset by activating P3.24
21 Counter, value 2 reached
The counter value is the trigger value set at P3.22 and
can be reset by activating P3.24
22 RUN message active
23 Analog minimum reference error
Message, AL 50 if the value of AI1 and/or AI2 goes below
the 4 mA or 2V setpoint value (live zero) (P2.1 = 1, P2.5 = 1)
Values continued on next page

Parameters
120 M-Max Series Adjustable Frequency Drive MN04020003E—October 2013 www.eaton.com
Logic Function, continued
PNU ID
Access
RUN Value/Range Description
Factory Setting
(P1.3)
24 LOG function fulfilled
Message if the logical operation of P13.3 is fulfilled (LOG = 1)
25 PID controller, actual value monitoring
Message if the actual value is within the hysteresis set at P9.15
and P9.16
26 External brake actuated
Switch threshold: set value of P12.8
27 Current monitoring
Switch threshold: set value of P5.8
28 Fieldbus, Remote output
The number of the assigned digital output is written directly to
the control word (ID2001, bit 13)
P13.2 1454 X — LOG function, Selection input B 0
Like P13.1 —
P13.3 1455 X — LOG function, select operation 0
Logical operation (LOG) of the selected functions of
parameter P13.1 (A) and P13.2 (B)
0 A AND B
1 A OR B
2 A XOR B, exclusive A or B
Signal Logic Link (LOG) XOR
(Exclusive or)A B AND OR
00000
01011
10011
11110
The result of the logic operation (LOG) can be assigned to one
of the three digital outputs (DO = P5.3), RO1 = P5.1 and
RO2 = P5.2 with the value 24, or called via the serial interface
(RS485, Modbus RTU) or an optional fieldbus connection
(CANopen, PROFIBUS DP)

Parameters
M-Max Series Adjustable Frequency Drive MN04020003E—October 2013 www.eaton.com 121
Second Parameter Set (P14)
The selected parameters for a second motor are combined in
parameter group P14. This enables the alternative operation
of two motors at the output of the frequency inverter, even
with different rating specifications.
In the factory setting, the parameters of this second
parameter set (P14) are identical to the factory settings of
the basic parameters (first parameter set) and described in
the relevant sections:
●P14.1–P14.6 = P7.1–P7.6 (motor)
●P14.7–P14.10 = P6.3–P6.6 (drives control)
●P14.11 = P11.1, P14.12 = P11.7 (V/f control)
●P14.13–P14.16 = P8.6–P8.9 (protection function)
Second Parameter Set
Note
Default values vary based on actual unit ratings.
PNU ID
Access
RUN Value/Range Description
Factory Setting
(P1.3)
P14.1 1347 X — Motor rated current (2PS) Ie
0.2 x Ie–2 x IeIe = Rated operational current of the frequency inverter
(See motor rating plate)
P14.2 1352 X — Current limit (2PS) 1.5 x Ie
0.2 x Ie–2 x Ie1.5 x Ie
P14.3 1350 X — Motor rated speed (2PS)
300–20,000 RPM (See motor nameplate)
P14.4 1351 X — Motor power factor (cos ) (2PS)
0.30–1.00 (See motor nameplate)
P14.5 1348 X — Motor rated operating voltage (2PS)
180–676V (See motor nameplate)
Pay attention to the supply voltage and the type of circuit
in the stator winding
P14.6 1349 X — Motor nominal frequency (2PS) 60.00
30–320 Hz (See motor rating plate)
P14.7 1343 X — Minimum frequency (2PS) 0.00
0.00–P14.8 Hz —
P14.8 1344 X — Maximum frequency (2PS) 60.00
P14.7–320 Hz —
P14.9 1345 — Acceleration time (2PS) (acc3) 3.0
0.1–3000s —
P14.10 1346 — Deceleration time (2PS) (dec3) 3.0
0.1–3000s —

Parameters
122 M-Max Series Adjustable Frequency Drive MN04020003E—October 2013 www.eaton.com
Second Parameter Set, continued
PNU ID
Access
RUN Value/Range Description
Factory Setting
(P1.3)
P14.11 1355 X — V/Hz characteristic curve (2PS) 0
(See “P11.1” on Page 107)
0 Linear
1 Squared
2 Configurable
P14.12 1354 X — Torque increase (2PS) 0
0 Deactivated
1 Enabled
Automatic increase of the output voltage (Boost) with an
increased load and low speed (for example, heavy starting duty)
Caution: A high torque at low speed leads to a high thermal
load on the motor
Note: If temperatures are too high, the motor should be fitted
with a fan
P14.13 1353 X — Motor temperature protection (2PS) 2
The motor temperature protection is designed to protect the
motor from overheating. It is based on a temperature algorithm
and uses the motor current (P14.1) to determine the motor load
(see “Motor Heat Protection (P8.6–P8.9)” on Page 92)
0 Deactivated
1 Alarm (AL16)
2 Fault (F… 16), stop function according to P6.8
P14.14 1469 X — Motor ambient temperature (2PS) 40
–20° to 100°C —
P14.15 1470 X — Motor cooling factor at zero frequency (2PS) 40.0
0.0–150% The cooling factor of the motor at zero frequency defines the
ratio for cooling the motor at the rated frequency with the rated
operational current without an external fan (see figure on
Page 88)
P14.16 1471 X — Motor thermal time constant (2PS) 45
1–200 min The temperature time constant determines the time-span in
which the heat calculation model achieves 63% of its end value.
It depends on the design of the motor and is different from
manufacturer to manufacturer. The larger the motor design, the
greater the time constant

Parameters
M-Max Series Adjustable Frequency Drive MN04020003E—October 2013 www.eaton.com 123
The following examples show two practical applications for
the second parameter set.
Example 1
Roller conveyor with rotary table:
●Motor M1 (0.75 kW) drives the rollers on the rotary table
and transports the goods further
●Motor M2 (1.5 kW) rotates the table for the alternating
acceptance of goods from two feed lines
Roller Conveyor with Rotary Table
For alternating operation (rotary movement “exclusive or” of
the transport rollers) on the rotary table, a frequency inverter
for the largest connected load (MMX34AA4D3_) was
selected.
The different rating data of the motors were set in the
parameter groups P7 (for motor M1) and P14 (for motor M2).
The second parameter set (P14) is activated here as an
example via digital input DI6 (P3.27 = 6).
The change between the two motors is implemented in this
example via contactors Q11 (M1) and Q12 (M2) at standstill.
The enabling and selection of the relevant parameter group is
activated via the digital inputs:
●Motor M1 = DI1 (FWD, control signal terminal 8) operation
with parameter group P7
●Motor M2 = DI1 (FWD, control signal terminal 8) and DI6
(2PS, control signal terminal 16) operation with parameter
group P14 (second parameter set)
During maintenance and setting work the following applies
for reversing duty:
●Motor M1 = DI2 (REV, control signal terminal 9) operation
with parameter group P7
●Motor M2 = DI2 (REV, control signal terminal 9) and DI6
(2PS, control signal terminal 16) operation with parameter
group P14 (second parameter set)
Digital input DI6 is assigned in the factory setting (P3.12 = 6)
with the function PI-OFF (PID controller, deactivated). Setting
P3.12 = 0 is used to switch off this function of DI6. Setting
P3.27 = 6 enables the second parameter set (2PS) function
to be assigned to digital input DI6.
M2
M
3˜
M1
M
3˜
Q11
F1
M1
Q12
F2
M2
U1 V1 W1 U1 V1 W1
M
3˜
M
0.75 kW 1.5 kW
3˜
89
DI1
DI2
DI6
16
FWD
REV
2PS
24V
6
<50 mA
+24V Out

Parameters
124 M-Max Series Adjustable Frequency Drive MN04020003E—October 2013 www.eaton.com
Example 2
Stop function with two different deceleration times.
Stop Function with Two Different Deceleration Times
The Stop function with deceleration time can be activated
with parameter P6.8 = 1. If the enable signal on the digital
input DI1 (FWD, control signal terminal 8) is switched off, the
output frequency of the frequency inverter can be reduced
according to the deceleration time (dec1) set at P6.6.
The second parameter set (2PS) enables you to set at P14.10
a different value to dec1 or dec2. For example, the second
parameter set (P14) is activated here via digital input DI6
(P3.27 = 6). Activating DI6 causes the output frequency to be
reduced according to the deceleration time (dec3) set at
P14.10.
CAUTION
Debounced inputs may not be used in the safety circuit
diagram.
The motor parameters must be identical in both parameter
groups (P7 and P14).
Digital input 6 is assigned in the factory setting (P3.12 = 6)
with the function PI-OFF (PID controller, deactivated). With
P3.12 = 0 you can remove this function (PI-OFF) from digital
input 6.
8
DI1
DI6
16
FWD
2PS
24V
6
<50 mA
+24V Out
f
t
P6.6
P14.10
FWD
2PS

Parameters
M-Max Series Adjustable Frequency Drive MN04020003E—October 2013 www.eaton.com 125
System Parameter
The system parameters (S parameters) inform the user of device-specific settings.
The S parameters are not visible (i.e. hidden), as long as you have activated the quick start
assistant (P1.1 = 1, see “Parameter Menu (PAR)” on Page 64).
System Parameter
Note
With a fieldbus connection (option, for example, CANopen, PROFIBUS DP, and so on) modified ID numbers and different factory settings are stored here.
Detailed information is provided in the specific manuals of the relevant fieldbus interface card.
PNU ID
Access
RUN Value/Range Description
Factory Setting
(P1.3)
Hard- and Software Information
S1.1 833 X xx API SW ID (control section software ID) —
S1.2 834 X x API SW Version (control section software version) —
S1.3 835 X x Power SW ID (power section software ID) —
S1.4 836 X xx Power SW Version (power section software version) —
S1.5 837 X 90xx Application ID —
S1.6 838 X x.xx Application revision —
S1.7 839 X xx System load —
Load as percentage [%]
Communication
Information on Interface RS485 (Control Signal Terminals A, B)
S2.1808 X— Communication status 0.000
xx = Number of error messages (0–64)
yyy = Number of correct messages (0–999)
S2.2809 —Fieldbus protocol 0
0 Fieldbus deactivated
1 Modbus RTU
S2.3810 —Slave address 1
1–255 —
S2.4811 —Baud rate 5
Transfer rate (1 Baud = 1 symbol per second)
The baud rate must be equal on the send and receive sides
0 = 300 Baud
1 = 600 Baud
2 = 1200 Baud (1.2k Baud)
3 = 2400 Baud (2.4k Baud)
4 = 4800 Baud (4.8k Baud)
5 = 9600 Baud (9.6k Baud)
6 = 19200 Baud (19.2k Baud)
7 = 38400 Baud (38.4k Baud)
8 = 57600 Baud (57.6k Baud)

Parameters
126 M-Max Series Adjustable Frequency Drive MN04020003E—October 2013 www.eaton.com
System Parameter, continued
PNU ID
Access
RUN Value/Range Description
Factory Setting
(P1.3)
S2.6 813 — Parity type 0
0 None
1 Even
2 Odd
S2.7 814 — Communication timeout 0
0 = Not used
1= 1s
2= 2s
…255 = up to 255s
S2.8 815 — Reset communication status
0 = Not used
1 = Resets parameter S2.1
Unit Counter
S3.1 827 X — MWh counter 0.00
S3.2 828 X — Operating days (d) 0
S3.3 829 X — Operating hours (h) 0
S3.4 840 X 0–0000 RUN counter, days —
S3.5 841 X 0–24 RUN counter, hours —
S3.6 842 X 0– 0000 Fault/alarm counter —
User Set
S4.1 830 0–15 Display contrast 15
S4.2 831 X — Restore factory defaults 0
0 = Factory setting or changed value (user setting for parameter)
1 = Restores factory settings for all parameters
S4.3 832 — Password 0000
The password protection applies to all parameters
Password forgotten (see “Service and Warranty” on Page 17)
Setting a password requires user to select a value and confirm
value a second time. Password protection can be disabled by
inputting the password value into parameter S4.3 after it has
been set. All other parameter changes will require the password
before the user can modify.
0000 Deactivated
0001–9999 Activated, set individual password

Parameters
M-Max Series Adjustable Frequency Drive MN04020003E—October 2013 www.eaton.com 127
Operational Data Indicator (MON)
By applying the specified supply voltage (L1, L2/N, L3), the LCD display is illuminated
(= Power ON) and all segments are shown briefly. The parameter number (M1.1) and the
respective display value (0.00) are then displayed automatically in alternating sequence.
Operational Data Indicator
You can use the MON (Monitor) menu level to select the desired operational data indicator
(parameter number M_) with the arrow buttons and . The parameter number and the
display value are shown in alternation automatically, and the display can be fixed on the
selected display value with the OK button. If you wish to access a different operational data
indicator, press the OK button once again. You can then make the selection with the arrow
buttons and and confirm with the OK button. The appropriate unit is shown under the
respective operational data indicator.
The values of the operating data display cannot be changed by hand (i.e. by value entry).
You can select operational data indicators during operation (RUN).
Operational Data Indicator
Notes
The calculated motor data (M1.3, M1.5 and M1.6) is based on the values entered in parameter group P7
(see “Motor (P7)” on Page 88).
The calculated motor temperature (M1.10) considers the temperature model of the protection function in parameter group P8
(see “Protective Functions (P8)” on Page 90).
PNU ID Designation
Display
Value Unit Description
M1.1 1 Output frequency 0.00 Hz Frequency to motor
M1.2 25 Frequency reference value 0.00 Hz Frequency reference value
M1.3 2 Motor shaft speed 0 RPM Calculated speed of the motor (RPM)
M1.4 3 Motor current 0.00 A Measured motor current
M1.5 4 Motor torque 0.0 % Calculated ratio of torque to rated torque of the
motor
M1.6 5 Motor power 0.0 % Calculated ratio of actual output power to rated
motor output
M1.7 6 Motor voltage 0.0 V Measured output voltage to motor
M1.8 7 DC bus voltage 000 V Measured intermediate circuit voltage
(depending on the supply voltage)
M1.9 8 Unit temperature 00 °F (°C) Measured heat sink temperature
M1.10 9 Motor temperature 0 % % (calculated value)
M1.11 13 Analog input 1 0.0 % Value on AI1
M1.12 14 Analog input 2 0.0 % Value on AI2
M1.13 26 Analog output 1 0.0 % Value on AO1
M1.14 15 Digital input 0 — Status DI1, DI2, DI3 (see “Example of Status
Displays” on Page 128)
RUN STOP ALARM FAULTREADY
REF
FWD REV I/O KEYPAD BUS
MON
PAR
FLT
RUN STOP ALARM FAULTREADY
REF
FWD REV I/O KEYPAD BUS
MON
PAR
FLT
Display in automatic

Parameters
128 M-Max Series Adjustable Frequency Drive MN04020003E—October 2013 www.eaton.com
Operational Data Indicator, continued
Under the system parameters S3.1 to S4.1 (see “System Parameter” on Page 125) you can
also display the operational data of the M-Max frequency inverter and adjust the contrast of
the display unit.
Example of Status Displays
The status displays of the digital inputs and outputs are equivalent. These make it possible to
check for whether an output control signal (for example, from an external controller) of the
inputs (DI1 to DI6) activates the frequency inverter. This provides you with a simple means for
checking the wiring (wire breakage).
The following table shows a few examples.
Display value:
●1 = activated = High
●0 = not activated = Low
Status Displays Examples
PNU ID Designation
Display
Value Unit Description
M1.15 16 Digital input 0 — Status DI4, DI5, DI6 (see “Example of Status
Displays” on Page 128)
M1.16 17 Digital output 1 — Status RO1, RO2, DO (see “Example of Status
Displays” on Page 128)
M1.17 20 PID reference value 0.0 % Percentage of maximum setpoint
M1.18 21 PID feedback 0.0 % Percentage of maximum actual value
M1.19 22 PID error value 0.0 % Percentage of maximum fault value
M1.20 23 PID output 0.0 % Percentage of maximum output value
M1.21 1480 Counter, digital input 0 — Number of actuations of a digital input (DI1–DI6)
assigned at P3.23. The reset command for the
counter is set at P3.24
PNU ID
Display
Value Description
M1.14 15 0 No digital input (DI1, DI2, DI3) is actuated
1 Control signal terminal 10 is actuated (DI3)
10 Control signal terminal 9 is actuated (DI2)
100 Control signal terminal 8 is actuated (DI1)
101 The control signal terminals 10 and 8 are actuated (DI3 + DI1)
111 The control signal terminals 10 and 9 and 8 are actuated (DI3 + DI2 + DI1)
M1.15 16 1 Control signal terminal 14 is actuated (DI14)
10 Control signal terminal 15 is actuated (DI15)
100 Control signal terminal 16 is actuated (DI16)
M1.16 17 1 Transistor DO is actuated
The transistor switches the voltage connected at control signal terminal 20 (DO+) to control signal
terminal 13 (DO–)
10 Relay RO2 is actuated
The control signal terminals 25 (R21) and 26 (R24) are connected (closed changeover contact)
100 Relay RO1 is actuated
N/O contact, control signal terminal 22 (R13) and 23 (R14) is closed

Parameters
M-Max Series Adjustable Frequency Drive MN04020003E—October 2013 www.eaton.com 129
Setpoint Input (REF)
REF: Setpoint value definition (Reference) via the operating unit.
The settings of the frequency setpoint via the keypad have the same effect as the function of
an electronic motor potentiometer. The set value is written in parameter P6.15 and can also
be changed there. It is retained also with a disconnection of the supply voltage.
A frequency reference value that is set under REF is only effective with the KEYPAD control
level activated.
The following table shows a good example of specifying the frequency setpoint value via the
operating unit.
Setpoint Input (REF)
Sequence Commands Display Description
1Activate control level KEYPAD with the LOC/REM button.
The arrow ( ) points to menu item REF
Actuating the START button enables the RUN mode (rotating field
direction FWD)
The STOP button (P6.16 = 1) activates the STOP mode. The Stop
function is set at parameter P6.8
2Pressing the OK button activates the setpoint entry (right-hand
segment flashing)
The two arrow buttons (< or >) are used to select the entry digit
(cursor)
The arrow buttons or are used to select the value of the entry
digit (0, 1, 2, …9, 0)
Note: Changes in the frequency setpoint are only possible if the
number display is flashing (Hz), even in RUN mode. The value is
stored when the display is constant
When the supply voltage is switched off, the last setpoint entered
(see P6.15) and the KEYPAD mode are stored
LOC
REM
I
RUN STOP ALARM FAULTREADY
REF
FWD REV I/O KEYPAD BUS
MON
PAR
FLT
OK
RUN STOP ALARM FAULTREADY
REF
FWD REV I/O KEYPAD BUS
MON
PAR
FLT

Parameters
130 M-Max Series Adjustable Frequency Drive MN04020003E—October 2013 www.eaton.com
Setpoint Input (REF), continued
Sequence Commands Display Description
3 If the supply voltage is switched on with the KEYPAD control
level set, the MON menu item is activated first. The set display
value is shown in automatic alternation (factory setting: M.1.1
0.00 Hz)
Actuate the BACK/RESET, and OK buttons in succession. The entry
level is then reactivated (see sequence 2)
4The two arrow buttons (< or >) are used to change the rotating
direction (FWD, REV)
FWD
REV
The rotating direction change is carried out in the factory setting
(P6.14 = 0) with an automatic stop at 0 Hz. For a direct changeover
(FWD/REV) you must set parameter P6.14 = 1
Note: The frequency of the REV rotating field direction is not
displayed with a negative sign
Note: When the setpoint entry is active (flashing number display), the
arrow buttons are used to change the entry locations (cursor)
RUN STOP ALARM FAUL
T
READY
REF
FWD REV I/O KEYPAD BUS
MON
PAR
FLT
Display in Automatic
RUN STOP ALARM FAUL
T
READY
REF
FWD REV I/O KEYPAD BUS
MON
PAR
FLT
BACK
RESET
OK
RUN STOP ALARM FAUL
T
READY
REF
FWD REV I/O KEYPAD BUS
MON
PAR
FLT
RUN STOP ALARM FAUL
T
READY
REF
FWD REV I/O KEYPAD BUS
MON
PAR
FLT

Serial Interface (Modbus RTU)
M-Max Series Adjustable Frequency Drive MN04020003E—October 2013 www.eaton.com 131
Serial Interface (Modbus RTU)
General Information About Modbus
Modbus is a centrally polled bus system in which a so-called master (PLC) controls the entire
data transfer on the bus. Cross-traffic between the individual slaves is not possible.
Each data exchange is initiated only on request of the master. Only one request can be issued
on the cable. A slave cannot initiate a transfer but only react to a request with a response.
Two types of dialog are possible between master and slave:
●The master sends a request to a slave and waits for a response
●The master sends a request to all slaves and does not wait for a response (broadcast)
More information on Modbus can be found under www.modbus.org.
Communications in a Modbus Network
Modbus Network with M-Max
The figures shows a typical arrangement with a host computer (master) and any number
(maximum 31 slaves) of frequency inverter M-Max (slaves). Each frequency inverter has a
unique address in the network. This addressing is executed individually for each M-Max via
system parameter S2.3 and is independent of the physical connection (position) in the network.
Serial Interface A-B
The electrical connection between master and the slaves
connected in parallel is implemented via the serial interface
A-B (A = negative, B = positive) with a shielded RS485
twisted pair cable.
The position of the connection terminals in the M-Max for
the serial interface A-B (see figure on Page 45).
The M-Max’s built-in RS-485 port supports the Modbus RTU
protocol and therefore allows a direct network connection
without an additional interface module.
The network cable must be provided at each physical end
(last station) with a bus termination resistor (120 ohms) in
order to prevent signal reflections and the resulting transfer
errors. This necessary resistor is already integrated in the
M-Max frequency inverter and is switched on via
microswitch S4 (see figure on Page 45).
Host Computer
ABABAB
S4
120 ohms
12 n
S4
120 ohms
S4
120 ohms
RS485
– Term
RS485
– Term
RS485
– Term

Serial Interface (Modbus RTU)
132 M-Max Series Adjustable Frequency Drive MN04020003E—October 2013 www.eaton.com
Modbus Parameters
The following table shows the Modbus parameters in the M-Max.
RUN Indicates the access during operation (FWD or REV)
X = No parameter change possible,
= Parameter change possible.
ro/rw Indicates the access via the fieldbus
ro = Read only possible,
rw = Read and write possible.
Modbus Parameters in the M-Max
Note
When the fieldbus is connected (option, for example, CANopen, PROFIBUS DP, and so on) modified ID numbers and different factory settings are stored here.
Detailed information is provided in the specific manuals of the relevant fieldbus interface module.
PNU ID
Access
Designation Value Range
FS
(P1.3)RUN ro/rw
S2.1 808 Xro Communication status Format xx.yyy
xx = Number of received faulty messages (0–64)
yyy = Number of received correct messages (0–999)
0.000
S2.2 809 rw Fieldbus protocol 0 = Fieldbus deactivated
1 = Modbus
0
S2.3 810 rw Slave address 1–255 1
S2.4 811 rw Baud rate 0 = 300
1 = 600
2 = 1200 (1.2k Baud)
3 = 2400 (2.4k Baud)
4 = 4800 (4.8k Baud)
5 = 9600 (9.6k Baud)
6 = 19200 (19.2k Baud)
7 = 38400 (38.4k Baud)
8 = 57600 (57.6k Baud)
5
S2.6 813 rw Parity type 0 = None l 2 Stop bits
1 = Even l 1 Stop bit
2 = Odd l 1 Stop bit
0
S2.7 814 rw Timeout up to fieldbus
error (error 53) if no
master messages are
received although
Modbus is still active.
0 = Not used
1 = 1s
2 = 2s
...255 = up to 255s
0
S2.8 815 rw Reset communication
status
xx and yyy are reset to 0
0 = Not used
1 = resets parameter S2.1
0
Drives Control
P6.1 125 rw Control place 1 1 = Control signal terminals (I/O)
2 = Control unit (KEYPAD)
3 = Interface (BUS)
1
P6.2 117 rw Setpoint Source 0 = Fixed frequency (FF0)
1 = Control unit (KEYPAD)
2 = Interface (BUS)
3 = AI1 (analog setpoint 1)
4 = AI2 (analog setpoint 2)
3

Serial Interface (Modbus RTU)
M-Max Series Adjustable Frequency Drive MN04020003E—October 2013 www.eaton.com 133
For Modbus to function at least the following parameters must be set:
Another requirement is that the arrow in the lower status line of the LCD display is pointing
to BUS (adjustable via the LOC/REM button). The PLC (master) must also be provided with an
RS485 serial interface and the necessary Modbus RTU driver software.
Operating Mode Modbus RTU
Operating mode Modbus RTU (Remote Terminal Unit) transfers the data in binary
format (faster data rate) and determines the transfer format for the data request and the
data response. Each message byte that is sent contains two hexadecimal characters
(0 … 9, A … F).
The data transfer between a master (PLC) and the frequency inverter (M-Max) is carried out
according to the following sequence:
Master request: the master sends a Modbus frame to the frequency inverter.
Slave response: the frequency inverter sends a Modbus frame as a response to the master.
Data Exchange Between Master and Slave
The frequency inverter (slave) only sends a response if it has received a request from the
master beforehand.
Notes
Master request.
Slave response, not with broadcast.
PNU Value Notes
S2.2 1 To activate Modbus
S2.3 1–255 Set differently at each slave (MMX); 0 is used by the master for broadcasts
S2.4 0–8 Same setting at the master and slave
S2.6 0/1 Same setting at the master and slave
6.1 3 Fieldbus selected as a control level
6.2 2 Set setpoint value via the fieldbus; other setpoint sources also possible, fixed frequencies overlay all
setpoint values, also a fieldbus setpoint value
Start
Master
Address (1 Byte)
Function Code (1 Byte)
Data (N x 1 Byte)
CRC (2 Bytes)
End
Start
Address (1 Byte)
Function Code (1 Byte)
Data (N x 1 Byte)
CRC (2 Bytes)
End
(Slave)MMX_

Serial Interface (Modbus RTU)
134 M-Max Series Adjustable Frequency Drive MN04020003E—October 2013 www.eaton.com
Structure of the Master Request
Address:
●The address (1 to 255) of the frequency inverter to be sent
the request is entered in parameter S2.3. Only the
frequency inverter with this address can respond to the
request
●Address 0 is used as a so-called Broadcast (message to all
slaves) from the master. In this mode, individual slaves
cannot be addressed and data cannot be output from the
slaves
Function Code:
The function code defines the type of message. The
following operations can be executed on the M-Max:
Data
The length of the data block (Data: N x 1 Byte) depends on
the function code. This consists of two hexadecimal
character sets between 00 and FF. The data block contains
additional information for the slave in order to carry out the
operation defined by the master in the function code.
Example: number of parameters to be processed.
CRC
The telegrams in the Modbus RTU have a CRC (Cyclical
Redundancy Check). This CRC field consists of two bytes
that contain a binary 16 bit value. The CRC check is always
run independently of the parity check for the individual
characters of the telegram. The CRC result is attached to the
end of the telegram by the master. The slave recalculates
while receiving the telegram and compares the calculated
value with the actual value in the CRC field. If both values are
not identical, an error is set.
Structure of the Slave Response
Required Transfer Time
●The time between receiving a request from the master
and the response of the frequency inverter is at least
3.5 characters (rest time)
●Once the master has received a response from the
frequency inverter, it must wait for at least the rest time
before it can send a new request
Normal Slave Response
●If the master request contains a write register function
(function code 06 or 16), the frequency inverter
immediately returns the request as a response
●If the master request contains a read register function
(function code 03 or 04), the frequency inverter returns the
read data with the slave address and the function code as
a response
Slave Response in the Event of an Error
If a request contains an error (for example, incorrect data
address or incorrect data value) other than a transfer error,
the frequency inverter returns an exception message without
executing anything. You can evaluate the exception message
Function Code
(hex) Designation Description
03 Read Holding Registers Reading of the holding registers in the slave (process data, parameters, configuration)
A master request enables up to 11 registers to be read
04 Read Input Registers Reading of the input registers in the slave (process data, parameters, configuration)
A master request enables up to 11 registers to be read
06 Write Single Register Writing of a holding register in the slave
With a general telegram (Broadcast) the appropriate holding registers are written in all slaves
The register is read back for comparison
10 Write Multiple Register Writing of several holding registers in the slave
With a general telegram (Broadcast) the appropriate holding registers are written in all slaves
A master request enables up to 11 registers to be read

Serial Interface (Modbus RTU)
M-Max Series Adjustable Frequency Drive MN04020003E—October 2013 www.eaton.com 135
Structure of Exception Message
●Address (of the master request)
●Function code (of the master request): MSB is set to 1
(for example, with function code 06 = 1000 0110)
●Data field contains the error code (is described in the
following table)
●CRC
Error Code Description
Example:
Master request that contains a non-existent data address.
Master request: 01 06 0802 0001 EBAA (hex)
Slave response: 01 86 02 C3A1 (hex)
No Slave Response:
In the following cases, the frequency inverter ignores the
request and does not send a reply:
●On receiving a broadcast request
●If the request contains a transmission error
●If the slave address in the request does not match that of
the frequency inverter
●With an invalid data length,
(for example, reading of 12 registers) error message F08 is
triggered in the MMX
●With a CRC or parity error
With a CRC error the value of system parameter S2.1 is
increased by 1 (xx = number of faulty messages)
●If the time interval between the messages is less than
3.5. characters
The master must be programmed to repeat the request if it
does not receive a response within a specified time.
Exception Code Meaning Description
01 Illegal function This function is not supported
02 Illegal data address The address was not found
03 Illegal data value The data format is not permissible or is incorrect
04 Slave device error Occurrence of a non-regenerative error while the slave attempted to execute a slave response
06 Slave device busy The slave has received the master request error-free. However, it is engaged in processing a
lengthy command
hex Name
01 Slave address
06 Function code (here: Write a holding register)
0802 2050 (dec). The ID number of the written register is
2051 (dec) as the master PLC has an offset of +1
0001 Content (2 bytes) for register 42051:
0000 0000 0000 0001 (bin)
EBAA CRC
hex Name
01 Slave address
86 Function code (here: Write a holding register)
MSB was set to 1
02 Error code: Stated address not found.
C3A1 CRC

Serial Interface (Modbus RTU)
136 M-Max Series Adjustable Frequency Drive MN04020003E—October 2013 www.eaton.com
Data Storage with Modbus
The information is stored in one input and one holding register.
The registers are the memory location of the data. The memory size of each register is
1 word.
Modbus-Register-Mapping
The register mapping enables the processing in MMX of the content listed in the following
table via Modbus RTU.
Each content in this table is assigned an ID number (abbreviation of the register numbers).
This ID number is used in M-Max for the communication with Modbus RTU.
Example: Control word (ID 2001)
With some PLC manufacturers, the interface driver for Modbus RTU communication may
contain an offset of +1 (the ID to be used would then be 2000 instead of 2001).
When processing values, the comma is not included, for example, the motor current (ID 2106)
in the display of the MMX is shown as 0.35 A but is transferred via Modbus as 0023 (hex)
(0035 [dec]).
Register Numbers Type Name
30001–39999 Read only (ro = read only) Input-register
40001–49999 Read/write (rw = Read/write) Holding register
Group Register Numbers ID Range Assignment of the ID Numbers
Display values 40001–40098 (30001–30098) 1...98 Parameter list: (see “Appendix A” starting on
Page 142)
Failure code 40099 (30099) 99 Error list: (see “Error and Warning Messages” starting
on Page 56)
Parameters 40101–40999 (30101–30999) 101...1999 Parameter list: (see “Appendix A” starting on
Page 142)
Input process data 42001–42099 (32001–32099) 2001...2099 (See Page 137)
Output process data 42101–42199 (32101–32199) 2101...2199 (See Page 138)
Value
ID Register Numbers
2001 32001/42001
Application Communication of Modbus RTU Memory location of the data

Serial Interface (Modbus RTU)
M-Max Series Adjustable Frequency Drive MN04020003E—October 2013 www.eaton.com 137
Modbus Process Data
Process data is processed in the M-Max frequency inverter faster than the display values,
error codes and parameters.
Input Process Data
The input process data is used to control the M-Max frequency inverter.
Control Word (ID 2001)
These bits are used to control the M-Max frequency inverter. The content can be adapted to
your own application and then sent as a control word to the frequency inverter.
ID Modbus Register Designation Value Range Type
2001 32001, 42001 Fieldbus control word (BUS) — Binary code
2002 32002, 42002 Fieldbus general control word (BUS) — Binary code
2003 32003, 42003 Fieldbus speed setpoint (BUS) 0.01 %
2004 32004, 42004 PID controller, setpoint 0.01 %
2005 32005, 42005 PID actual value 0.01 %
2006 32006, 42006 — — —
2007 32007, 42007 — — —
2008 32008, 42008 — — —
2009 32009, 42009 — — —
2010 32010, 42010 — — —
2011 32011, 42011 — — —
Bit
Description
Value = 0 Value = 1
0 Stop Operation
1 Clockwise rotating field (FWD) Anticlockwise rotating field (REV)
2 No action Reset error
3 As per setting P6.8 Free coasting (overwrite value from P6.8)
4 As per setting P6.8 Ramp (overwrite value from P6.8)
5 No action Overwrite acceleration/deceleration ramps to 0.1 s
6 No action Block setpoint (speed not variable)
7 No action Overwrite setpoint with 0
8 No action Control level = Fieldbus (overwrite value from P6.8)
9 No action Setpoint input = Fieldbus (overwrite value from P6.8)
10 Not used —
11 Not used —
12 No action The inverter is blocked and the drive stops as quickly as possible
(an edge is required for restart)
13 No action Control of a digital output:
P5.1 = 28 (Relay R01)
P5.2 = 28 (Relay R02)
P5.3 = 28 (Transistor D0)
14 Not used —
15 Not used —

Serial Interface (Modbus RTU)
138 M-Max Series Adjustable Frequency Drive MN04020003E—October 2013 www.eaton.com
General Control Word (ID 2002)
Speed Setpoint (ID 2003; Frequency Setpoint)
The permitted value range lies between 0 and 10.000. In the application, this value is scaled
to a percentage in the frequency range between the defined minimum and maximum
frequencies.
Output Process Data
The output process data is used to monitor the frequency inverter.
1514131211109876543210
NB NB NB NB NB NB NB NB NB NB NB NB NB NB NB NB
1514131211109876543210
MSB LSB
ID Modbus Register Designation Value Range Type
2101 32101, 42101 Fieldbus status word — Binary code
2102 32102, 42102 Fieldbus general status word — Binary code
2103 32103, 42103 Fieldbus actual speed 0.01 %
2104 32104, 42104 Motor frequency 0.01 +/– Hz
2105 32105, 42105 Motor speed 1 +/– RPM (min–1)
2106 32106, 42106 Motor current 0.01 A
2107 32107, 42107 Motor torque 0.1 +/–% (of the nominal value)
2108 32108, 42108 Motor power 0.1 +/–% (of the nominal value)
2109 32109, 42109 Motor voltage 0.1 V
2110 32110, 42110 DC-link voltage (DC) 1 V
2111 32111, 42111 Current error — Error code (E_)

Serial Interface (Modbus RTU)
M-Max Series Adjustable Frequency Drive MN04020003E—October 2013 www.eaton.com 139
Status Word (ID 2101)
Information on the device status and messages are defined in the status word:
General Status Word (ID 2102)
Actual Speed (Frequency Actual Value)
The actual speed of the frequency inverter is within a value range of 0 and 10,000. In the
application, this value is scaled to a percentage in the frequency range between the defined
minimum and maximum frequencies.
Bit
Description
Value = 0 Value = 1
0 Drive not ready Ready for operation (READY)
1 Stop Running operation message (RUN)
2 Clockwise rotating field (FWD) Anticlockwise rotating field (REV)
3 No fault Fault detected (FAULT)
4 No warning Warning active (ALARM)
5 Acceleration ramp Frequency actual value equals setpoint value definition
6 — Zero speed
7 Speed control deactivated Speed control activated
8–15 Not used
Bit
Description
Value = 0 Value = 1
0 — Control level = Fieldbus (BUS)
1 — Setpoint input = Fieldbus (BUS)
2–10 Not used
11 Remote input not active Remote input active
The status of a selected digital input (P3.28) is read out
12 Actuation (P3.37) not active Actuation (P3.37) active
13 — Control level = Control signal terminals (I/O)
14 — Control level = KEYPAD
15 — Control level = Fieldbus (BUS)
1514131211109876543210
MSB LSB

Serial Interface (Modbus RTU)
140 M-Max Series Adjustable Frequency Drive MN04020003E—October 2013 www.eaton.com
Explanation of Function Code
Function Code 03 (hex): Reading of Holding Registers
This function reads the content of a number of consecutive
holding registers (of specified register addresses).
Example:
Reading of motor speed (ID 2105) and motor current (ID
2106) of the M-Max frequency inverter with the slave
address 5.
Master request: 05 03 0838 0002 4622 (hex)
Slave response: 05 03 04 05D7 0018 0F0D (hex)
Function Code 04 (hex): Reading of Input Registers
This function reads the content of a number of consecutive
input registers (of specified register addresses).
Example:
Reading of motor speed (ID 2105) and motor current (ID
2106) of the M-Max frequency inverter with the slave
address 5.
Master request: 05 04 0838 0002 F3E2 (hex)
Slave response: 05 04 04 05D7 0018 0EBA (hex)
Hex Name
05 Slave address
03 Function code (reading of holding registers)
0838 2104 (dec): The ID number of the first requested
register is 2105 (dec) as the master PLC has an
offset of +1.
0002 Total number of requested registers
(42105–42106)
4622 CRC
Hex Name
05 Slave address
03 Function code (reading of holding registers)
04 Number of consecutive data bytes
(2 registers x 2 bytes = 4 bytes)
05D7 Content (2 bytes) of register 42105: 1495 (dec)
(motor speed = 1495 RPM)
0018 Content (2 bytes) of register 42106: 0024 (dec)
(motor current = 0.24A)
0F0D CRC
Hex Name
05 Slave address
04 Function code (here: Reading of input registers)
0838 2104 (dec): The ID number of the first requested
register is 2105 (dec) as the master PLC has an
offset of +1.
0002 Total number of requested registers
(32105–32106)
F3E2 CRC
Hex Name
05 Slave address
04 Function code (here: Reading of input registers)
04 Number of consecutive data bytes
(2 registers x 2 bytes = 4 bytes)
05D7 Content (2 bytes) of register 32105: 1495 (dec)
(motor speed = 1495 RPM)
0018 Content (2 bytes) of registers 32106: 0024 (dec)
(motor current = 0.24A)
0EBA CRC

Serial Interface (Modbus RTU)
M-Max Series Adjustable Frequency Drive MN04020003E—October 2013 www.eaton.com 141
Function Code 06 (hex): Writing a Holding Register
This function writes the data to a holding register (of
specified register addresses).
Example:
Writing of the control word (BUS) (ID 2001) of an MMX
frequency inverter with the slave address 5.
Master request: 05 06 07D0 0003 C2C8 (hex)
Slave response: 05 06 07D0 0003 C8C2 (hex)
The slave response is a copy of the master request if it is a
normal response.
Function code 06 (hex) can be used for broadcasting.
Function Code 10 (hex): Writing of the Holding Registers
This function writes data to a number of consecutive holding
registers (of specified register addresses).
CAUTION
Although the registers to be written are consecutive, the ID
numbers of the parameter list are not. Only the ID numbers
in the process data list are consecutive.
Example:
Writing of the control word (ID 2001) of the general control
word (ID 2002) and the speed setpoint (ID2003) of an MMX
frequency inverter with the slave address 5.
Master request:
05 10 07D0 0003 06 0001 0000 2710 D125 (hex)
Slave response: 05 10 07D0 0003 8101 (hex)
Function code 10 (hex) can be used for broadcasting.
Hex Name
05 Slave address
06 Function code (here: Writing of a holding register)
07D0 2000 (dec): The ID number of the written register is
2001 (dec) as the master PLC has an offset of +1
0003 Content (2 bytes) for register 42101:
0000 0000 0000 0011 [bin]
See anticlockwise, RUN
C2C8 CRC
Hex Name
05 Slave address
06 Function code (here: Writing of a holding register)
07D0 2000 (dec): The ID number of the first requested register
is 2001 (dec) as the master PLC has an offset of +1
0003 Content (2 bytes) for register 42101:
0000 0000 0000 0011 (bin)
See anticlockwise, RUN
C8C2 CRC
Hex Name
05 Slave address
10 Function code (here: Writing of the holding registers)
07D0 2000 (dec): The ID number of the first written
register is 2001 (dec) as the master PLC has an offset of +1
0003 Total number of requested registers
(42001–42103)
06 Number of consecutive data bytes
(3 registers x 2 bytes = 6 bytes)
0001 Content (2 bytes) for register 42101:
0000 0000 0000 0001 (bin) (Start command)
0000 Content (2 bytes) for register 42102:
0000 (dec) (no content, as not used)
2710 Content (2 bytes) for register 42103:
10.000 (dec) (frequency setpoint = 100.00%)
D125 CRC
Hex Name
05 Slave address
10 Function code (here: Writing of the holding registers)
07D0 2000 (dec): The ID number of the first written register
is 2001 (dec) as the master PLC has an offset of +1
0003 Total number of requested registers
(42001–42103)
8101 CRC

Appendix A
142 M-Max Series Adjustable Frequency Drive MN04020003E—October 2013 www.eaton.com
Appendix A
Special Technical Data
The following tables show the technical data of the M-Max frequency inverter in the individual
power classes with the allocated motor output.
The motor output allocation is based on the rated operational current.
The motor output designates the respective active power output to the drive shaft of a
normal, four-pole, internally or externally ventilated three-phase asynchronous motor with
1.500 RPM at 50 Hz or 1.800 RPM at 60 Hz.
Device Series MMX11
Notes
Symbols used in technical data and formulas.
Internal voltage doubler circuit:
ULN = 115V U2 = 230V
ULN = 120V U2 = 240V
Guide value (calculated), no standard rating.
MMX11AA…NO-O Symbols Unit 1D7 2D4 2D8 3D7 4D8
Rated operational current IeA 1.7 2.4 2.8 3.7 4.8
Overload current for 60s every 600s at 122°F (50°C) ILA 2.6 3.6 4.2 5.6 7.2
Starting current for 2s every 20s at 122°F (50°C) ILA 3.4 4.8 5.6 7.4 9.6
Apparent power at rated operation 230V S kVA 0.68 0.96 1.12 1.47 1.91
240V S kVA 0.71 0.99 1.16 1.54 1.99
Assigned motor rating (230V) P kW 0.25 0.37 0.55 0.75 1.1
HP 1/4 1/2 3/4 1 1-1/2
Power side (primary side)
Number of phases Single-phase or two-phase
Rated voltage
ULN V 110 –15%–120 +10%, 50/60 Hz
(94–132V ±0%, 45–66 Hz ±0%)
Input current ILN A 9.2 11.6 12.4 15 16.5
Maximum leakage current to ground (PE) without motor
MMX11...N_ IPE mA
Braking torque
Default M/MN% 30
DC braking I/Ie% 100, adjustable
Pulse frequency fPWM kHz 6 (adjustable 1–16)
Heat dissipation at rated operational current (Ie)P
vW 22.3 27.9 33.4 40.3 49.2
Efficiency h 0.91 0.92 0.94 0.95 0.96
Fan (device-internal, temperature-controlled)
Installation size FS2 FS2 FS2 FS2 FS3
Weight m Lbs (kg) 1.5 (0.7) 1.5 (0.7) 1.5 (0.7) 1.5 (0.7) 2.2 (0.99)

Appendix A
M-Max Series Adjustable Frequency Drive MN04020003E—October 2013 www.eaton.com 143
Device Series MMX12
Notes
Symbols used in technical data and formulas.
Guide value (calculated), no standard rating.
MMX12AA…FO-O Symbols Unit 1D7 2D4 2D8 3D7 4D8 7D0 9D6
Rated operational current IeA 1.7 2.4 2.8 3.7 4.8 7 9.6
Overload current for 60s every
600s at 122°F (50°C)
ILA 2.6 3.6 4.2 5.6 7.2 10.4 14.4
Starting current for 2s every 20s
at 122°F (50°C)
ILA 3.4 4.8 5.6 7.4 9.6 14 19.2
Apparent power at rated
operation
230V S kVA 0.68 0.96 1.12 1.47 1.91 2.79 3.82
240V S kVA 0.71 0.99 1.16 1.54 1.99 2.91 3.99
Assigned motor rating 230V P kW 0.25 0.37 0.55 0.75 1.1 1.5 2.2
HP 1/4 1/2 3/4 1 1-1/2 2 3
Power side (primary side)
Number of phases Single-phase or two-phase
Rated voltage
ULN V 208V –15%–240V +10%, 50/60 Hz
(177–264V ±0%, 45–66 Hz ±0%)
Input current ILN A 4.2 5.7 6.6 8.3 11.2 14.1 15.8
Maximum leakage current to
ground (PE) without motor
MMX12...N_ IPE mA
MMX12...F_ IPE mA 15.4 11.8 24.4
Braking torque
Default M/MN% 30
DC braking I/Ie% 100, adjustable
Pulse frequency fPWM kHz 6 (adjustable 1–16)
Heat dissipation at rated
operational current (Ie)
PvW 17.9 24.6 29.2 40.2 49.6 66.8 78.1
Efficiency h 0.93 0.93 0.95 0.95 0.95 0.96 0.96
Fan (device-internal,
temperature-controlled)
Installation size FS1 FS1 FS1 FS2 FS2 FS2 FS3
Weight m Lbs (kg) 1.2 (0.55) 1.2 (0.55) 1.2 (0.55) 1.5 (0.7) 1.5 (0.7) 1.5 (0.7) 2.2 (0.99)

Appendix A
144 M-Max Series Adjustable Frequency Drive MN04020003E—October 2013 www.eaton.com
Device Series MMX32
Notes
Symbols used in technical data and formulas.
Contact the Eaton Drives Technical Resource Center for technical data.
MMX32AA…NO-O Symbols Unit 1D7 2D4 2D8 3D7 4D8 7D0 011 017 025 031 038
Rated operational current IeA 1.7 2.4 2.8 3.7 4.8 7 11 17.5 25 31 38
Overload current for 60s
every 600s at 122°F (50°C)
ILA 2.6 3.6 4.2 5.6 7.2 10.4 14.4 26.3 37.5 46.5 57
Starting current for 2s
every 20s at 122°F (50°C)
ILA 3.4 4.8 5.6 7.4 9.6 14 19.2 35 50 62 76
Apparent power at rated
operation
230V S kVA 0.68 0.96 1.12 1.47 1.91 2.79 3.82 7 10 12.4 15.1
240V S kVA 0.71 0.99 1.16 1.54 1.99 2.91 3.99 7.3 10.4 12.9 15.8
Assigned motor rating 230V P kW 0.25 0.37 0.55 0.75 1.1 1.5 2.2 4 5.5 7.5 11
HP 1/4 1/2 3/4 1 1-1/2 2 3 5 7.5 10 15
Power side (primary side)
Number of phases Three-phase
Rated voltage ULN V 208V –15%–240V +10%, 50/60 Hz
(177–264V ±0%, 45–66 Hz ±0%)
Input current ILN A 2.7 3.5 3.8 4.3 6.8 8.4 13.4 20.6 30.3 36.6 44.6
Maximum leakage current
to ground (PE) without
motor
MMX32...N_ IPE mA 8.6 8.6 8.6 16.1 16.1 16.1 8.6 14 14 9 9
Braking torque
Default M/MN% 30 30 30 30 30 30 30 30 30 30 30
Brake chopper with
external braking
resistance
— — — Max. 100% rated operational current
Ie with external braking resistance
Minimum braking
resistance
RBohms — — — 35 35 35 26 14 14 9 9
Switch-on threshold for
the braking resistor
UDC Vdc — — — Programmable P12.6 440 440 440 440
DC braking I/Ie% 100, adjustable
Pulse frequency fPWM kHz 6 (adjustable 1–16)
Heat dissipation at rated
operational current (Ie)
PvW 17.4 23.7 28.3 37.9 48.4 63.8 84
Efficiency h 0.93 0.94 0.95 0.95 0.96 0.96 0.96
Fan (device-internal,
temperature-controlled)
Installation size FS1 FS1 FS1 FS2 FS2 FS2 FS3 FS4 FS4 FS5 FS5
Weight m Lbs
(kg)
1.2
(0.55)
1.2
(0.55)
1.2
(0.55)
1.5
(0.7)
1.5
(0.7)
1.5
(0.7)
2.2
(0.99)
17.6
(8.0)
17.6
(8.0)
22.1
(10.0)
22.1
(10.0)

Appendix A
M-Max Series Adjustable Frequency Drive MN04020003E—October 2013 www.eaton.com 145
Device Series MMX34
Notes
Symbols used in technical data and formulas.
Guide value (calculated), no standard rating.
MMX34AA…FO-O Symbols Unit 1D3 1D9 2D4 3D3 4D3 5D6 7D6
Rated operational current (Ie)I
eA 1.3 1.9 2.4 3.3 4.3 5.6 7.6
Overload current for 60s every
600s at 122°F (50°C)
ILA 2 2.9 3.6 5 6.5 8.4 11.4
Starting current for 2s
every 20s at 122°F (50°C)
ILA 2.6 3.8 4.8 6.6 8.6 11.2 15.2
Apparent power in rated
operation
400V S kVA 0.9 1.32 1.66 2.29 2.98 3.88 5.27
480V S kVA 1.08 1.56 2 2.74 3.57 4.66 6.32
Assigned motor rating 400V P kW 0.37 0.55 0.75 1.1 1.5 2.2 3
460V HP 1/2 3/4 1 1-1/2 2 3 4
Power side (Primary side)
Number of phases Three-phase
Rated voltage ULN V 380V –15%–480V +10%, 50/60 Hz
(323–528V ±0%, 45–66 Hz ±0%)
Input current ILN A 2.2 2.8 3.2 4 5.6 7.3 9.6
Maximum leakage current to
ground (PE) without motor
MMX34...N_ IPE mA
MMX34...F_ IPE mA 45.1 45.1 45.1 25.1 25.1 25.1 24.9
Braking torque
Default I/Ie%30 30 30 30 30 30 30
Brake chopper with external
braking resistance
— — — Max. 100% rated operational current Ie with
external braking resistance
Minimum braking resistance RBohms ———7575 7554
Switch-on threshold for the
braking transistor
UDC Vdc — — — Programmable P12.6
DC braking I/Ie% 100, adjustable
Pulse frequency fPWM kHz 6 (adjustable 1–16)
Heat dissipation at rated
operational current (Ie)
PvW 21.7 29.7 31.7 51.5 66.4 88.3 116.9
Efficiency h 0.94 0.95 0.95 0.95 0.96 0.96 0.96
Fan (device-internal,
temperature-controlled)
Installation size FS1 FS1 FS1 FS2 FS2 FS2 FS3
Weight m Lbs
(kg)
1.2
(0.55)
1.2
(0.55)
1.2 (
0.55)
1.5
(0.7)
1.5
(0.7)
1.5
(0.7)
2.2
(0.99)

Appendix A
146 M-Max Series Adjustable Frequency Drive MN04020003E—October 2013 www.eaton.com
Device Series MMX34, continued
Notes
Symbols used in technical data and formulas.
Allocated motor output with reduced load torque (about 10%).
Contact the Eaton Drives Technical Resource Center for technical data.
MMX34AA…FO-O Symbols Unit 9D0 012 014 016 023 031 038
Rated operational current (Ie)I
eA 9 12 14 16 23 31 38
Overload current for 60s every
600s at 122°F (50°C)
ILA 13.5 18 21 24 34.5 46.5 57
Starting current for 2s
every 20s at 122°F (50°C)
ILA18242832466276
Apparent power in rated
operation
400V S kVA 6.24 8.32 9.7 11 16 21.5 26.3
480V S kVA 7.48 9.98 11.64 13.3 19.1 25.7 31.6
Assigned motor rating 400V P kW 4 5.5 7.5 7.5 11 15 18.5
460V HP 5 7-1/2 10 10 15 20 25
Power side (Primary side)
Number of phases Three-phase
Rated voltage ULN V 380V –15%–480V +10%, 50/60 Hz
(323–528V ±0%, 45–66 Hz ±0%)
Input current ILN A 11.5 14.9 18.7 17.1 25.5 33 41.7
Maximum leakage current to
ground (PE) without motor
MMX34...N_ IPE mA
MMX34...F_ IPE mA
Braking torque
Default (standard) I/Ie%30 30 30 30 30 30 30
Brake chopper with external
braking resistance
Max. 100% rated operational current Ie with external braking resistance
Minimum braking resistance RBohms 54 54 54 28 28 17 17
Switch-on threshold for the
braking transistor
UDC Vdc Programmable P12.6 765 765 765 765
DC braking I/Ie% 100, adjustable
Pulse frequency fPWM kHz 6 (adjustable 1–16) 1–4 6 (adjustable 1–16)
Heat dissipation at rated
operational current (Ie)
PvW 136.2 185.1 223.7
Efficiency h 0.97 0.97 0.97
Fan (device-internal,
temperature-controlled)
Installation size FS3 FS3 FS3 FS4 FS4 FS5 FS5
Weight m Lbs
(kg)
2.2
(0.99)
2.2
(0.99)
2.2
(0.99)
17.6
(8.0)
17.6
(8.0)
22.1
(10.0)
22.1
(10.0)

Appendix A
M-Max Series Adjustable Frequency Drive MN04020003E—October 2013 www.eaton.com 147
Device Series MMX35
Notes
Symbols used in technical data and formulas.
Contact the Eaton Drives Technical Resource Center for technical data.
MMX35AA…NO-O Symbols Unit 1D7 2D7 3D9 6D1 9D0
Rated operational current (Ie)I
eA 1.7 2.7 3.9 6.1 9.0
Overload current for 60s every 600s
at 122°F (50°C)
ILA 2.6 4 5.9 9.2 13.5
Starting current for 2s
every 20s at 122°F (50°C)
ILA 3.4 5.4 7.8 12.2 18.0
Assigned motor rating 575V HP HP 12357.5
Power side (Primary side)
Number of phases Three-phase
Rated voltage ULN V 575V –15%–575V +10%, 60 Hz
Input current ILN A 2 3.6 5 7.6 10.4
Maximum leakage current to
ground (PE) without motor
MMX35...N_ IPE mA—————
Braking torque
Default I/Ie%30
Brake chopper with external
braking resistance
Max. 100% rated operational current Ie with external
braking resistance
Minimum braking resistance RBohms 103 103 103 103 103
Switch-on threshold for the
braking transistor
UDC Vdc Programmable P12.6
DC braking I/Ie% 100, adjustable
Pulse frequency fPWM kHz 6 (adjustable 1–16)
Heat dissipation at rated
operational current (Ie)
PvW 190 190
Efficiency h 97.6 97.6
Fan (device-internal,
temperature-controlled)
Installation size FS3 FS3 FS3 FS3 FS3
Weight m Lbs (kg) 2.2 (0.99) 2.2 (0.99) 2.2 (0.99) 2.2 (0.99) 2.2 (0.99)

Appendix A
148 M-Max Series Adjustable Frequency Drive MN04020003E—October 2013 www.eaton.com
Dimensions and Frame Sizes
Approximate Dimensions in inches (mm)
Dimensions and Frame Sizes, FS1–FS3 (FS = Frame Size)
b1
b
a1
a
b1
b
a1
a
b1
b
a1
a
FS1
FS2
FS3
b2
c
0.28 in
(7 mm)

Appendix A
M-Max Series Adjustable Frequency Drive MN04020003E—October 2013 www.eaton.com 149
Approximate Dimensions in inches (mm)
Dimensions and Frame Sizes, FS4 and FS5 (FS = Frame Size)
b1
a1
b2
c
b1
b
a1
a
Ø
0.28
(7.0)
Ø1
Ø2

Appendix A
150 M-Max Series Adjustable Frequency Drive MN04020003E—October 2013 www.eaton.com
Dimensions and Frame Sizes
Note
1 in = 25.4 mm, 1 mm = 0.0394 in
Approximate Dimensions in inches (mm) Installation
SizePart Number a a1 b b1 b2 c Ø, Ø1 Ø2
MMX12AA1D7_
MMX12AA2D4_
MMX12AA2D8_
2.60
(66)
1.50
(38)
6.30
(160)
5.79
(147)
1.26
(32)
4.02
(102)
0.18
(4.5)
— FS1
MMX32AA1D7_
MMX32AA2D4_
MMX32AA2D8_
MMX34AA1D3_
MMX34AA1D9_
MMX34AA2D4_
MMX11AA1D7_
MMX11AA2D4_
MMX11AA2D8_
MMX11AA3D7_
3.54
(90)
2.46
(62.5)
7.68
(195)
7.17
(182)
1.26
(32)
4.14
(105)
2.17
(5.5)
— FS2
MMX12AA3D7_
MMX12AA4D8_
MMX12AA7D0_
MMX32AA3D7_
MMX32AA4D8_
MMX32AA7D0_
MMX34AA3D3_
MMX34AA4D3_
MMX34AA5D6_
MMX11AA4D8_ 3.94
(100)
2.95
(75)
9.96
(253)
9.53
(242)
1.34
(34)
4.41
(112)
2.17
(5.5)
— FS3
MMX12AA9D6_
MMX32AA011_
MMX34AA7D6_
MMX34AA9D0_
MMX34AA012_
MMX34AA014_
MMX35AA1D7_
MMX35AA2D7_
MMX35AA3D9_
MMX35AA6D1_
MMX35AA9D0_
MMX32AA012_
MMX32AA017_
MMX32AA025_
6.50
(165.0)
5.51
(140.0)
14.57
(370.0)
13.82
(351.0)
13.27
(337.0)
6.61
(168.0)
0.28
(7.0)
0.55
(14.0)
FS4
MMX34AA016_
MMX34AA023_
MMX32AA031_
MMX32AA038_
6.50
(165.0)
5.51
(140.0)
14.57
(414.0)
13.82
(398.0)
15.08
(383.0)
8.07
(205.0)
0.28
(7.0)
0.55
(14.0)
FS5
MMX34AA031_
MMX34AA038_

Appendix A
M-Max Series Adjustable Frequency Drive MN04020003E—October 2013 www.eaton.com 151
PC Interface Card
MMX-COM-PC
Equipment Supplied MMX-COM-PC
1. MMX-COM-PC connection module
2. Instructional leaflet IL04012004Z
3. CD with MaxConnect parameter software and driver
software
4. Connection cable with interface converter
Note: The MMX-COM-PC adapter is not supplied with the
M-Max frequency inverter.
The MMX-COM-PC PC connection module enables the
communication between the M-Max frequency inverter and
a PC with the Windows operating system (point-to-point
connection). Together with the MaxConnect parameter
software, this enables you to:
●Upload and download all parameters
●Store the parameters, compare them and print them in
parameter lists
●Graphically show time sequences in the Monitor display.
The oscillograms can be stored in the PC and printed out
The MMX-COM-PC interface module can be fitted and
connected without any tools required. The MMX-COM-PC
module is fitted on the front of the MMX frequency inverter.
Fitting the MMX-COM-PC Connection Module
1. Remove the interface cover on the frequency inverter
(do not discard)
2. Fitting the MMX-COM-PC
3. Ready for operation
To remove, push in the two retaining clips on the side. The
connection module can then be pulled off from the front, see
step [1] in the figure below.
Removing the MMX-COM-PC Connection Module

Appendix A
152 M-Max Series Adjustable Frequency Drive MN04020003E—October 2013 www.eaton.com
When the power supply of the MMX frequency inverter is
switched on with the MMX-COM-PC fitted, the parameters
can be copied via the two function keys:
●Upload: The parameters from the frequency inverter
(AC-DRIVE) are loaded in MMX-COM-PC (ADAPTER)
●Download: The parameters are loaded from the
MMX-COM-PC (ADAPTER) to the frequency inverter
(AC-DRIVES)
The active data transfer is indicated by the green flashing
COMM LED. The ERROR LED will be lit red in the event of a
faulty or interrupted data transfer.
Upload Download
The MMX-COM-PC can also be supplied with a 9V battery or via an external 24V voltage (DC)
instead of line voltage of the frequency inverters.
Technical data for power supply:
●9V block battery, current consumption around 60 mA
●24V plug power supply unit with 5.5 mm DC plug
Inserting the 9V Block Battery
1. Open the cover
2. 9V block battery plug connection
3. Switch the microswitch to ON. COMM LED is lit
Note: Current consumption around 65 mA. Switch off 9V block battery after use
(microswitch OFF) or remove battery (discharged within around 24h).

Appendix A
M-Max Series Adjustable Frequency Drive MN04020003E—October 2013 www.eaton.com 153
Power Supply
The MMX-COM-PC can also be fed with a 12 to 24 Vdc
external power supply. The connection is implemented using
a 5.5 mm power supply plug.
Note: Further information on using the MMX-COM-PC
connection module is provided in IL04012004Z.
MaxConnect
The MaxConnect parameter software allows fast parameter
assignment, operation, diagnostics and documentation
(printout and storage of parameter lists) via a PC and the data
transfer with an M-Max frequency inverter. MaxConnect is
stored on the enclosed CD and is available free of charge for
download. It may also be downloaded from the internet. Visit
www.Eaton.com/drives.
Parameter Software MaxConnect
Mounting Frame for Fieldbus Connection
MMX-NET-XA
The MMX-NET-XA mounting frame enables the mounting
and connection of fieldbus interface cards to the frequency
inverters in frame sizes FS1, FS2 and FS3.
MMX-NET-XA consists of the two housing sections:
●The mounting plate with the 24-pole slot, pluggable
connection cable and the ground terminal (shielding, GND,
PE)
●The cover for holding and protecting the fieldbus interface
card
Note: Detailed installation instructions are provided in
IL040120009Z.
MMX-NET-XA Mounting Frame
Note: The MMX-NET-XA mounting frame is not supplied
with the M-Max frequency inverter.
The MMX-NET-XA mounting plate is fitted on the right-hand
side (view from front of the keypad) of the MMX frequency
inverter:
●First remove the cover of the interface in the MMX
Removing the Interface Cover on the M-Max
24 Vdc (~ 50 mA)
Article No. 207874
ø = 5.5 mm [0.22 in]
24 Vdc (~ 50 mA)
Article No. 207874
ø = 5.5 mm [0.22 in]
3.4m [133.86 in]
USB
RJ 45
CD
4 mm

Appendix A
154 M-Max Series Adjustable Frequency Drive MN04020003E—October 2013 www.eaton.com
The remaining installation steps are then carried out without any tools
using the cutouts provided in the housing of the MMX (snap fixing).
●Fit the plug and connection cable onto the interface of the MMX
Fitting and Connecting the Mounting Plate of the MMX-NET-XA
You can then fit a fieldbus interface card (for example,
PROFIBUS DP, and so on) in the cover of the mounting
frame.
Note: Before installing the fieldbus interface card check
whether the plug connection provided, such as GND
or bus terminal resistor have to be changed.
Cover of the MMX-NET-XA for Holding the Fieldbus
Interface Card
●Then fit the cover with the inserted fieldbus interface card
onto the already fitted and installed mounting plate of the
MMX-NET-XA
Connecting the Interface Card with the Frequency
Inverter
●Make the connections to the selected fieldbus system
through the opening in the mounting frame directly on the
card
W/T3

Appendix A
M-Max Series Adjustable Frequency Drive MN04020003E—October 2013 www.eaton.com 155
MMX-NET-XB
The MMX-NET-XB interface module enables the flush
mounting and connection of fieldbus interface cards to the
frequency inverters in frame sizes FS4 and FS5.
MMX-NET-XB Interface Module
Note: The MMX-NET-XB interface module is not supplied
with the M-Max frequency inverter.
Note: Detailed installation instructions are provided in
IL04012010Z.
The MMX-NET-XC interface module is fitted under the cover
on the right-hand side (view from front of the keypad) of the
MMX frequency inverter:
●First remove the cover of the frequency inverter (4 screws)
Remove Cover (FS4, FS5)
Accessories are provided with the MMX-NET-XB for fitting
the fieldbus interface card and interface module.
Mounting Accessories for FS4, FS5
●To install, remove the screw in the bottom right corner of
the frequency inverter (chassis connection, board)
●Then fit the metal bracket marked 04 (= FS4) or 05 (= FS5)
with this screw
●At the top end of the metal bracket fasten the two metal
clips
The fieldbus interface cards with pluggable screw terminals
must be plugged in to support the terminals of the plastic
strip.
Plastic Bridge for Holding the Control Terminals
(For example: OPTE3 0 XMX-NET-PS-A)
●Then connect the required fieldbus interface card to the
MMX-NET-XB interface module
T x 20
04 = MMX, FS4
05 = MMX, FS5
1 x 1 x
2 x
1 x
OPTE3

Appendix A
156 M-Max Series Adjustable Frequency Drive MN04020003E—October 2013 www.eaton.com
The mounting is carried out without tools at the corresponding cutouts in the housing
of the MMX (snap fitting). Plug and connection cable are then fitted to the interface of
the MMX (below the LCD display unit).
Connecting the MMX-NET-XB Interface Module with the Fieldbus Interface Cards
Note: Before installing the fieldbus interface card check whether the plug connection
provided, such as GND or bus terminal resistor have to be changed.
●Fit the combination of MMX-NET-XB interface module and fieldbus interface
card and connect them
PZ 2
1.3 Nm
[11.5 lb-in]

Appendix A
M-Max Series Adjustable Frequency Drive MN04020003E—October 2013 www.eaton.com 157
PROFIBUS DP Fieldbus Interface Card
Note: The PROFIBUS DP fieldbus interface card
XMX-NET-PD-A or XMX-NET-PS-A are not supplied
with the M-Max frequency inverter.
XMX-NET-PD-A and XMX-NET-PS-A enable the connection
(slave) of frequency inverters of the M-Max series to the
standard PROFIBUS DP fieldbus.
Note: The optional MMX-NET-XA mounting frame is required
for mounting and connecting the MMX frequency
inverter.
Technical data:
●Communication protocol: PROFIdrive (PROFIBUS profile
for variable speed drives)
●Data transfer: RS485, half-duplex
Note: Further information on hardware and engineering the
XMX-NET-NET-P_ interface card is provided in the
manual MN04012002Z.
XMX-NET-PD-A
The fieldbus connection is implemented with a nine-pole
Sub-D plug connector.
XMX-NET-PD-A PROFIBUS DP Fieldbus Interface Card
with Nine-Pole Sub-D Plug Connection
Note: Detailed installation instructions are provided in
IL04012008Z.
XMX-NET-PS-A
The fieldbus connection is implemented with a pluggable
five-pole screw terminal.
Fieldbus Connection
Note: Detailed installation instructions are provided in
IL04012008Z.
XMX-NET-DN-A
XMX-NET-DN-A DeviceNet Fieldbus Interface Card
Note: The DeviceNet fieldbus internet card XMX-NET-DN-A
is not supplied with the M-Max frequency inverter.
The XMX-NET-DN-A enables the connection (slave) of
frequency inverters of the M-Max series to the standard
DeviceNet fieldbus.
Note: The optional MMX-NET-XA mounting frame is required
for mounting and connecting the M-Max frequency
inverter.
OPTE5
XMX-NET-PS-A
OPTE3
XMX-NET-PS-A

Appendix A
158 M-Max Series Adjustable Frequency Drive MN04020003E—October 2013 www.eaton.com
Cables, Fuses and Disconnect Devices
The cross-sections of the cables and cable protection fuses
used must correspond with local standards.
For an installation in accordance with UL Standards, the
fuses and copper cable that are UL-approved and have a
heat-resistance of 60–75°C are to be used.
Use power cables with insulation according to the specified
mains voltages for the permanent installation. A shielded
cable is not required on the mains side. On the motor side
however, a complete (360°) low-impedance shielded cable is
necessary.
The length of the motor cable depends on the radio
interference class and is a maximum of 30m at M-Max.
CAUTION
Fuses and cables selected must always comply with the
applicable regulations at the installation site.

Appendix A
M-Max Series Adjustable Frequency Drive MN04020003E—October 2013 www.eaton.com 159
Maximum Cross-Sections
Notes
AWG = American Wire Gauge.
UL fuse with AWG.
L1, L2/N, L3 U, V, W PE R+, R—
mm2 AWG
mm2 AWG
mm2 AWG
mm2 AWG
MMX11AA1D7…
MMX11AA2D4…
MMX11AA2D8…
MMX11AA3D7…
2 x 2.5 2 x 14 3 x 2.5 3 x 14 2.5 14 — —
MMX11AA4D8… 2 x 6 2 x 10 3 x 6 3 x 10 ————
MMX12AA1D7…
MMX12AA2D4…
MMX12AA2D8…
MMX12AA3D7…
2 x 1.5 2 x 16 3 x 1.5 3 x 16 1.5 16 — —
MMX12AA4D8…
MMX12AA7D0…
2 x 2.5 2 x 14 3 x 2.5 3 x 14 2.5 14 — —
MMX12AA9D6… 2 x 6 2 x 10 3 x 6 3 x 10 6 10 — —
MMX32AA1D7…
MMX32AA2D4…
MMX32AA2D8…
MMX32AA3D7…
3 x 1.5 3 x 16 3 x 1.5 3 x 16 1.5 16 — —
MMX32AA4D8…
MMX32AA7D0…
3 x 1.5 3 x 16 3 x 1.5 3 x 16 1.5 16 — —
MMX32AA011… 3 x 2.5 3 x 14 3 x 2.5 3 x 14 2.5 14 2 x 2.5 2 x 14
MMX32AA012… 3 x 6 3 x 10 3 x 6 3 x 10 6 10 2 x 6 2 x 10
MMX32AA017…
MMX32AA025…
3 x 6 3 x 10 3 x 6 3 x 10 6 10 2 x 6 2 x 10
MMX32AA031…
MMX32AA038…
3 x 10 3 x 8 3 x 8 3 x 8 10 8 2 x 10 2 x 8
MMX34AA1D3…
MMX34AA1D9…
MMX34AA2D4…
MMX34AA3D3…
3 x 1.5 3 x 16 3 x 1.5 3 x 16 1.5 16 —
2 x 1.5
—
2 x 16
MMX34AA4D3…
MMX34AA5D6…
3 x 1.5 3 x 16 3 x 1.5 3 x 16 1.5 16 2 x 1.5 2 x 16
MMX34AA7D6…
MMX34AA9D0…
MMX34AA012
3 x 2.5 3 x 14 3 x 2.5 3 x 14 2.5 14 2 x 2.5 2 x 14
MMX34AA014… 3 x 4 3 x 12 3 x 12 3 x 12 4 12 3 x 4 2 x 12
MMX34AA016…
MMX34AA023…
3 x 6 3 x 10 3 x 6 3 x 10 6 10 2 x 6 2 x 10
MMX34AA031… 3 x 10 3 x 8 3 x 8 3 x 8 10 8 2 x 10 2 x 8
MMX34AA038… 3 x 10 3 x 6 3 x 8 3 x 6 10 6 2 x 10 2 x 6
MMX35AA1D7…
MMX35AA2D7…
3 x 1.5 3 x 16 3 x 1.5 3 x 16 1.5 16 2 x 1.5 2 x 16
MMX35AA3D9…
MMX35AA6D1…
MMX35AA9D0…
3 x 2.5 3 x 14 3 x 2.5 3 x 14 2.5 14 2 x 2.5 2 x 14

Appendix A
160 M-Max Series Adjustable Frequency Drive MN04020003E—October 2013 www.eaton.com
Specified Fuses and Disconnect Devices
Notes
Fuse UL-rated, Class J, 600V.
Icn 10 kA.
Maximum permitted
line supply voltage
Part No. M-Max ULN [V] VDE [A] UL [A] Type Designation Type Designation/Catalog No.
MMX11AA1D7… 1 AC 120V +10% 20 20 FAZ-B20/1N —
MMX11AA2D4… 1 AC 120V +10% 20 20 FAZ-B20/1N —
MMX11AA2D8… 1 AC 120V +10% 20 20 FAZ-B20/1N —
MMX11AA3D7… 1 AC 120V +10% 20 20 FAZ-B20/1N —
MMX11AA4D8… 1 AC 120V +10% 32 30 FAZ-B32/1N —
MMX12AA1D7… 1 AC 240V +10% 10 10 FAZ-B10/1N —
MMX12AA2D4… 1 AC 240V +10% 10 10 FAZ-B10/1N —
MMX12AA2D8… 1 AC 240V +10% 10 10 FAZ-B10/1N —
MMX12AA3D7… 1 AC 240V +10% 10 10 FAZ-B101/N —
MMX12AA4D8… 1 AC 240V +10% 20 20 FAZ-B20/1N —
MMX12AA7D0… 1 AC 240V +10% 20 20 FAZ-B20/1N —
MMX12AA9D6… 1 AC 240V +10% 32 30 FAZ-B32/1N —
MMX32AA1D7… 3 AC 240V +10% 6 6 FAZ-B6/3 PKM0-6.3/XTPM6P3BNL
MMX32AA2D4… 3 AC 240V +10% 6 6 FAZ-B6/3 PKM0-6.3/XTPM6P3BNL
MMX32AA2D8… 3 AC 240V +10% 6 6 FAZ-B6/3 PKM0-6.3/XTPM6P3BNL
MMX32AA3D7… 3 AC 240V +10% 6 6 FAZ-B6/3 PKM0-6.3/XTPM6P3BNL
MMX32AA4D8… 3 AC 240V +10% 10 10 FAZ-B10/3 PKM0-10/XTPM010BNL
MMX32AA7D0… 3 AC 240V +10% 10 10 FAZ-B10/3 PKM0-10/XTPM010BNL
MMX32AA011… 3 AC 240V +10% 20 20 FAZ-B20/3 PKM0-20/XTPM020BNL
MMX32AA012… 3 AC 240V +10% 20 20 FAZ-B20/3 PKM0-20/XTPM020BNL
MMX32AA017… 3 AC 240V +10% 25 25 FAZ-B25/3 PKM0-25/XTPM025BNL
MMX32AA025… 3 AC 240V +10% 32 40 FAZ-B32/3 PKM0-32/XTPM032BNL
MMX32AA031… 3 AC 240V +10% 40 40 FAZ-B40/3 PKM4-40/XTPM040BNL
MMX32AA038… 3 AC 240V +10% 50 50 FAZ-B50/3 PKM4-50/XTPM050BNL
MMX34AA1D3… 3 AC 480V +10% 6 6 FAZ-B6/3 PKM0-6.3/XTPM6P3BNL
MMX34AA1D9… 3 AC 480V +10% 6 6 FAZ-B6/3 PKM0-6.3/XTPM6P3BNL
MMX34AA2D4… 3 AC 480V +10% 6 6 FAZ-B6/3 PKM0-6.3/XTPM6P3BNL
MMX34AA3D3… 3 AC 480V +10% 6 6 FAZ-B6/3 PKM0-6.3/XTPM6P3BNL
MMX34AA4D3… 3 AC 480V +10% 10 10 FAZ-B10/3 PKM0-10/XTPM010BNL
MMX34AA5D6… 3 AC 480V +10% 10 10 FAZ-B10/3 PKM0-10/XTPM010BNL
MMX34AA7D6… 3 AC 480V +10% 20 20 FAZ-B20/3 PKM0-20/XTPM020BNL
MMX34AA9D0… 3 AC 480V +10% 20 20 FAZ-B20/3 PKM0-20/XTPM020BNL
MMX34AA012… 3 AC 480V +10% 20 20 FAZ-B20/3 PKM0-20/XTPM020BNL
MMX34AA014… 3 AC 480V +10% 25 25 FAZ-B25/3 PKM0-25/XTPM025BNL
MMX34AA016… 3 AC 480V +10% 25 25 FAZ-B25/3 PKM0-25/XTPM025BNL
MMX34AA023… 3 AC 480V +10% 32 40 FAZ-B32/3 PKM0-32/XTPM032BNL
MMX34AA031… 3 AC 480V +10% 40 40 FAZ-B40/3 PKM4-40/XTPM040BNL
MMX34AA038… 3 AC 480V +10% 50 50 FAZ-B50/3 PKM4-50/XTPM050BNL
MMX35AA1D7… 3 AC 575V +10% 6 6 FAZ-B6/3 PKM0-6.3/XTPM6P3BNL
MMX35AA2D7… 3 AC 575V +10% 6 6 FAZ-B6/3 PKM0-6.3/XTPM6P3BNL
MMX35AA3D9… 3 AC 575V +10% 6 6 FAZ-B6/3 PKM0-6.3/XTPM6P3BNL
MMX35AA6D1… 3 AC 575V +10% 10 10 FAZ-B10/3 PKM0-10/XTPM010BNL
MMX35AA9D0… 3 AC 575V +10% 20 20 FAZ-B20/3 PKM0-20/XTPM020BNL

Appendix A
M-Max Series Adjustable Frequency Drive MN04020003E—October 2013 www.eaton.com 161
List of Parameters
The abbreviations used in the parameter lists have the
following meaning:
Quick Configuration (Basis)
When first switching on or after activating the default
settings (S4.2 = 1), you are guided step by step through the
provided parameters by the quick start assistant. The defined
values are confirmed with the OK button or they can be
changed to suit your application and the motor data.
The quick start assistant can be switched off in the first
parameter (P1.1) by entering a zero (access to all
parameters).
In parameter P1.2, you can switch to the specified
application setting with the quick start assistant (see table on
Page 40).
The quick start assistant ends this first cycle by automatically
switching to frequency display (M1.1 = 0.00 Hz).
By selecting the parameter level (PAR) again, besides the
selected parameters for the quick configuration, the system
parameters (S) are also shown in other cycles.
Quick Start Parameter Guide (Full parameter guide begins on Page 164)
PNU Parameter number
ID Identification number of the parameter
RUN Access to the parameters during operation (RUN):
= Modification permissible,
X = Modification only possible in STOP
ro/rw Parameter read and write permissions via a fieldbus
connection (BUS):
ro = read only
rw = read and write
FS Factory setting of the parameters
User setting User setting of the parameters
PNU ID
Access
Designation Value Range Page
FS
(P1.3)
User
SettingRUN ro/rw
P1.1 115 rw Quick start parameters 0 = All parameters (disable)
1 = Only quick configuration parameters
(enable)
67 1
P1.2 540 X rw Application 0 = Basic
1 = Pump drive
2 = Fan drive
3 = High load
67 0
P1.3 1472 X rw Country specific default
settings
0 = EU
1 = NA
67 1
P6.1 125 rw Primary remote control source 1 = Control signal terminals (I/O)
2 = Control unit (KEYPAD)
3 = Fieldbus (BUS)
82 0
P6.2 117 rw Primary remote speed reference 0 = Fixed frequency (FF0)
1 = Control unit (KEYPAD)
2 = Fieldbus (BUS)
3 = AI1 (analog setpoint 1)
4 = AI2 (analog setpoint 2)
5 = Motor potentiometer
82 3
P6.3 101 X rw Minimum frequency 0.00–P6.4 Hz 83 0.00
P6.4 102 X rw Maximum frequency P6.3–320.00 Hz 83 60.00
P6.5 103 X rw Primary acceleration time (acc1) 0.1–3000s 83 3.0
P6.6 104 X rw Primary deceleration time (dec1) 0.1–3000s 83 3.0
P6.7 505 X rw Start function 0 = Acceleration time (ramp)
1 = Flying restart circuit
84 0
P6.8 506 Xrw Stop function 0 = Fee coasting
1 = Deceleration time (ramp)
84 0

Appendix A
162 M-Max Series Adjustable Frequency Drive MN04020003E—October 2013 www.eaton.com
Quick Start Parameter Guide, continued (Full parameter guide begins on Page 161)
System Parameters in the Quick Start
Notes
Factory settings dependent on specific drive selected.
These parameters are overwritten with the bus-specific parameters when a fieldbus connection (for example, CANopen) is used.
The parameter values described in the manual of the fieldbus interface then apply.
PNU ID
Access
Designation Value Range Page
FS
(P1.3)
User
SettingRUN ro/rw
P7.1 113 X rw Motor, rated operational current 0.2 x Ie–2 x Ie
(see motor rating plate)
89 Ie
P7.3 112 X rw Motor, rated speed 300–20000 RPM
(see motor rating plate)
89 1720
P7.4 120 X rw Motor, power factor
(cos )
0.30–1.00
(see motor rating plate)
89 0.85
P7.5 110 X rw Motor, rated operating voltage 180– 500V
(see motor rating plate)
89
P7.6 111 X rw Motor, rated frequency 30–320 Hz
(see motor rating plate)
89 60.00
P11.7 109 X rw Torque increase 0 = Deactivated
1 = Enabled
109 0
M1.1 1Xro Output frequency Hz 127 0.00
PNU ID
Access
Designation Value Range Page
FS
(P1.3)
User
SettingRUN ro/rw
S1.1 833 X ro API SW ID — 125 —
S1.2 834 X ro API SW Version — 125 —
S1.3 835 X ro Power SW ID — 125 —
S1.4 836 X ro Power SW Version — 125 —
S1.5 837 X ro Application ID — 125 —
S1.6 838 X ro Application revision — 125 —
S1.6 838 X ro System load — 125 —
S2.1 808 X ro Communication status RS485 in xx.yyy format
xx = Number of error messages
(0–64)
yyy = Number of correct messages
(0–999)
125
S2.2 809 rw Fieldbus protocol 0 = FB disabled
1 = Modbus
125 0
S2.3 810 rw Slave address 1–255 125 1
S2.4 811 rw Baud rate 0 = 300
1 = 600
2 = 1200
3 = 2400
4 = 4800
5 = 9600
125 5

Appendix A
M-Max Series Adjustable Frequency Drive MN04020003E—October 2013 www.eaton.com 163
System Parameters in the Quick Start, continued
Default I/O
PNU ID
Access
Designation Value Range Page
FS
(P1.3)
User
SettingRUN ro/rw
S2.6 813 rw Parity type 0 = None, no, see 2 stop bits
1 = Even, see 1 stop bit
2 = Odd, see 1 stop bit
126 0
S2.7 814 rw Communication timeout 0 = Not used
1 = 1s
2 = 2s
…255 = up to 255s
126 0
S2.8 815 rw Reset communication status 0 = Not used
1 = Resets parameter S2.1
126 0
S3.1 827 X ro MWh counter MWh 126 —
S3.2 828 X ro Operating days (d) 0–0000 days 126 —
S3.3 829 X ro Operating hours (h) 0–24 h 126 —
S3.4 840 X ro RUN counter, days 0–0000 days 126 —
S3.5 841 X ro RUN counter, hours 0–24 h 126 —
S3.6 842 X ro Fault/alarm counter Trip Counter: 0–0000 126 —
S4.1 830 rw Display contrast 0–15 126 7
S4.2 831 X rw Restore factory defaults 0 = Factory setting or changed value
1 = Restores factory settings for all
parameters
126 0
S4.3 832 rw Password 0000–9999 126 0000
Designation Terminal Function Parameter Designation Terminal Function Parameter
DI1 8 Start Fwd P3.1, P3.2 DI6 16 PID Controller Deactivate P3.12
DI2 9 Stop/Start Rev P3.1, P3.3 RO1 (NO) 22/23 Run P5.1, P5.10
DI3 10 Fixed Frequency B0 (12 Hz) P3.9, P10.2 RO2 (NO/NC) 24/25/26 Fault P5.2, P5.11
DI4 14 Fixed Frequency B1 (18 Hz) P3.10. P10.3 DO 13 Ready P5.3, P5.9
DI5 15 Fault Reset P3.7

Appendix A
164 M-Max Series Adjustable Frequency Drive MN04020003E—October 2013 www.eaton.com
All Parameters
When first switching on or after activating the default settings (S4.2 = 1) parameter P1.1 must
be set to 0 for access to all parameters.
Parameter Selection
Analog Input
PNU ID
Access
Designation Value Range Page
FS
(P1.3)
User
SettingRUN ro/rw
P1.1 115 rw Quick start parameters 0 = All parameters
1 = Only quick configuration
parameters
66/67 1
P1.2 540 X rw Application 0 = Basic
1 = Pump drive
2 = Fan drive
3 = High load
67 0
P1.3 1472 X rw Country specific default settings 0 = EU
1 = USA
67 1
PNU ID
Access
Designation Value Range Page
FS
(P1.3)
User
SettingRUN ro/rw
P2.1 379 rw AI1 signal range (analog input) (microswitch S2)
0 = 0–10V/0–20 mA
1 = 2–10V/4–20 mA
68 0
P2.2 380 rw AI1 custom minimum –100.00 to 100.00% 68 0
P2.3 381 rw AI1 custom maximum –100.00 to 100.00% 68 100
P2.4 378 rw AI1, filter time 0.0–10.0s 68 0.1
P2.5 390 rw AI2 signal range (analog input) (microswitch S3)
Like P2.1
69 1
P2.6 391 rw AI2 custom minimum –100.00 to 100.00% 69 0
P2.7 392 rw AI2 custom maximum –100.00 to 100.00% 69 100
P2.8 389 rw AI2, filter time 0.0–10.0s 69 0.1

Appendix A
M-Max Series Adjustable Frequency Drive MN04020003E—October 2013 www.eaton.com 165
Digital Input
PNU ID
Access
Designation Value Range Page
FS
(P1.3)
User
SettingRUN ro/rw
P3.1 300 rw Start/Stop-Logic 0 = DI1 (FWD), DI2 (REV), REAF
1 = DI1 (FWD) + DI2 = REV
2 = DI1 (Start pulse), DI2 (stop pulse)
3 = DI1 (FWD), DI2 (REV)
72 3
P3.2 403 rw Start signal/Start FWD (1) 0 = Deactivated
1 = Activated via control signal
terminal 8 (DI1)
2 = Activated via control signal
terminal 9 (DI2)
3 = Activated via control signal
terminal 10 (DI3)
4 = Activated via control signal
terminal 14 (DI4)
5 = Activated via control signal
terminal 15 (DI5)
6 = Activated via control signal
terminal 16 (DI6)
72 1
P3.3 404 rw STOP signal/Start REV (1) Like P3.2 72 2
P3.4 412 rw Reverse Like P3.2 72 0
P3.5 405 X rw Ext. fault close (N/O) Like P3.2 72 0
P3.6 406 X rw Ext. fault open (N/C) Like P3.2 73 0
P3.7 414 rw Fault reset Like P3.2 73 5
P3.8 407 rw Run enable Like P3.2 73 0
P3.9 419 rw Fixed frequency,
binary value B0
Like P3.2 73 3
P3.10 420 rw Fixed frequency,
binary value B1
Like P3.2 73 4
P3.11 421 rw Fixed frequency,
binary value B2
Like P3.2 73 0
P3.12 1020 rw PID controller
deactivate
Like P3.2 74 6
P3.13 1400 ——(Not used) ———
P3.14 1401 rw External brake,
feedback signal (N/O)
Like P3.2 74 0
P3.15 1402 rw Change acceleration/
deceleration time (acc 2/dec 2)
Like P3.2 74 0
P3.16 1403 rw Stop acceleration/deceleration
time
Like P3.2 74 0
P3.17 1404 rw Block parameter access Like P3.2 74 0
P3.18 1405 rw Motor potentiometer, increase
value
Like P3.2 74 0
P3.19 1406 rw Motor potentiometer,
decrease value
Like P3.2 74 0

Appendix A
166 M-Max Series Adjustable Frequency Drive MN04020003E—October 2013 www.eaton.com
Digital Input, continued
Analog Output
PNU ID
Access
Designation Value Range Page
FS
(P1.3)
User
SettingRUN ro/rw
P3.20 1407 rw Motor potentiometer,
set value to zero
Like P3.2 74 0
P3.21 1408 rw PLC program start Like P3.2 74 0
P3.22 1409 rw PLC program pause Like P3.2 75 0
P3.23 1410 rw Counter, input signal Like P3.2 75 0
P3.24 1411 rw Counter, reset Like P3.2 75 0
P3.25 1412 rw Activate secondary remote
control source
Like P3.2 75 0
P3.26 1413 rw Activate secondary remote
speed reference
Like P3.2 75 0
P3.27 1414 rw Activate second parameter set
(2PS)
Like P3.2 75 0
P3.28 1415 rw Fieldbus, remote input Like P3.2 75 0
P3.29 1416 rw Counter reference value 1 0–65535 75 0
P3.30 1417 rw Counter reference value 2 0–65535 75 0
P3.31 1418 rw DI1 logic
(control signal terminal 8)
0 = N/O
1 = N/C
75 0
P3.32 1419 rw DI2 logic
(control signal terminal 9)
Like P3.31 75 0
P3.33 1420 rw DI3 logic
(control signal terminal 10)
Like P3.31 76 0
P3.34 1421 rw DI4 logic
(control signal terminal 14)
Like P3.31 76 0
P3.35 1422 rw DI5 logic
(control signal terminal 15)
Like P3.31 76 0
P3.36 1423 rw DI6 logic
(control signal terminal 16)
Like P3.31 76 0
P3.37 1480 rw Manual mode Like P3.2 76 0
PNU ID
Access
Designation Value Range Page
FS
(P1.3)
User
SettingRUN ro/rw
P4.1 307 rw AO signal (Analog Output) 0 = Deactivated
1 = Output frequency (Hz)
2 = Output current (A)
3 = Torque (%)
4 = PID controller (%)
77 1
P4.2 310 rw AO, minimum value 0 = 0V
1 = 2V (live-zero)
77 1
P4.3 1456 rw AO, gain 0.00–200.00% 77 100.00
P4.4 1477 rw AO, filter time 0.00–10.00s 77 0.0

Appendix A
M-Max Series Adjustable Frequency Drive MN04020003E—October 2013 www.eaton.com 167
Digital Output
PNU ID
Access
Designation Value Range Page
FS
(P1.3)
User
SettingRUN ro/rw
P5.1 313 rw RO1 Signal
(Relay 1 Output)
0 = Deactivated
1 = READY
2 = RUN
3 = FAULT
4 = Error message (inverted)
5 = ALARM
6 = REV
7 = Output frequency
8 = Motor controller active
9 = Zero frequency
10 = Frequency monitoring 1
11 = Frequency monitoring 2
12 = PID monitoring
13 = Overtemperature signal
14 = Overcurrent control active
15 = Overvoltage control active
16 = PLC Sequence control active
17 = PLC sequence control, single step
completed
18 = PLC sequence control, program cycle
completed
19 = PLC sequence control, pause
20 = Counter, value 1 reached
21 = Counter, value 2 reached
22 = RUN message active
23 = Analog min reference error
24 = LOG function fulfilled
25 = PID controller, actual value
monitoring
26 = External brake actuated
27 = Current monitoring
28 = Fieldbus, remote output
78 2
P5.2 314 rw RO2 signal
(relay output 2)
Like P5.1 79 3
P5.3 312 rw DO Signal
(Digital Output)
Like P5.1 79 1
P5.4 315 rw Frequency monitoring 1 0 = Deactivated
1 = 0.00–P5.5 Hz
2 = P5.5–P6.4 Hz
79 0
P5.5 316 rw Frequency monitoring 1
reference value
0.00–P6.4 Hz 80 0.00
P5.6 346 rw Frequency monitoring 2 0 = Deactivated
1 = 0.00–P5.7 Hz
2 = P5.7–P6.4 Hz
80 0
P5.7 347 rw Frequency monitoring 2
reference value
0.00–P6.4 Hz 80 0.00
P5.8 1457 rw Current monitoring 0.00–P7.2A 81 0.00

Appendix A
168 M-Max Series Adjustable Frequency Drive MN04020003E—October 2013 www.eaton.com
Digital Output, continued
Drives Control
PNU ID
Access
Designation Value Range Page
FS
(P1.3)
User
SettingRUN ro/rw
P5.9 1458 rw DO logic
(control signal terminal 13)
0 = N/O
1 = N/C
81 0
P5.10 1331 rw RO1 logic
(control signal terminals 22, 23)
Like P5.9 81 0
P5.11 1332 rw RO2 logic
(control signal terminal 24, 25, 26)
Like P5.9 81 0
P5.12 1459 rw DO, on delay 0.00–320.00s 81 0.00
P5.13 1460 rw DO, off-delay 0.00–320.00s 81 0.00
P5.14 1461 rw RO1, on delay 0.00–320.00s 81 0.00
P5.15 1424 rw RO1, off-delay 0.00–320.00s 81 0.00
P5.16 1425 rw RO2, on delay 0.00–320.00s 81 0.00
P5.17 1426 rw RO2, off-delay 0.00–320.00s 81 0.00
PNU ID
Access
Designation Value Range Page
FS
(P1.3)
User
SettingRUN ro/rw
P6.1 125 rw Primary remote control source 1 = Control signal terminals (I/O)
2 = Operating unit (KEYPAD)
3 = Fieldbus (BUS)
82 1
P6.2 117 rw Primary remote speed reference 0 = Fixed frequency (FF0)
1 = Operating unit (REF)
2 = Fieldbus (BUS)
3 = AI1
4 = AI2
5 = Motor potentiometer
82 3
P6.3 101 Xrw Minimum frequency 0.00–P6.4 Hz 83 0.00
P6.4 102 Xrw Maximum frequency P6.3–320.00 Hz 83 60.00
P6.5 103 X rw Primary acceleration time (acc1) 0.1–3000s 83 3.0
P6.6 104 X rw Primary deceleration time (dec1) 0.1–3000s 83 3.0
P6.7 505 X rw Start function 0 = Ramp, acceleration
1 = Flying restart circuit
84 0
P6.8 506 X rw Stop function 0 = Free coasting
1 = Ramp, deceleration
84 0
P6.9 500 X rw S ramp 0.00 = Linear
0.1–10.0s (S-shaped)
84 0.0
P6.10 717 X rw REAF, Wait time before
an automatic restart
0.10–10.00s 85 0.50
P6.11 718 X rw REAF, Testing period over three
automatic restarts
0.00–60.00s 85 30.00
P6.12 719 X rw REAF, Start function with
automatic restart
0 = Ramp, acceleration
1 = Flying restart circuit
2 = According to P6.7
85 0

Appendix A
M-Max Series Adjustable Frequency Drive MN04020003E—October 2013 www.eaton.com 169
Drives Control, continued
PNU ID
Access
Designation Value Range Page
FS
(P1.3)
User
SettingRUN ro/rw
P6.13 731 X rw REAF, automatic restart after an
error message
0 = Deactivated
1 = Activated
85 0
P6.14 1600 X rw Stop on direction change via the
arrow buttons (</>) of the keypad
(KEYPAD)
0 = Deactivated
1 = Activated
85 1
P6.15 184 X rw Keypad frequency reference (REF) –P6.4 – +P6.4 Hz 86 0.00
P6.16 1474 X rw Stop button active 0 = Deactivated (no)
1 = Activated (yes)
86 1
P6.17 1427 X rw Secondary remote control source 1 = Control signal terminals (I/0)
2 = Control unit (KEYPAD)
3 = Fieldbus (BUS)
86 3
P6.18 1428 X rw Secondary remote speed reference 0 = Fixed frequency (FF0)
1 = Operating unit (REF)
2 = Fieldbus (BUS)
3 = AI1
4 = AI2
5 = Motor potentiometer
86 2
P6.19 502 X rw Secondary acceleration time
(acc2)
0.1–3000s 86 10.0
P6.20 503 X rw Secondary deceleration time
(dec2)
0.1–3000s 86 10.0
P6.21 526 X rw Acceleration transition frequency
(acc1–acc2)
0.00–P6.4 Hz 86 0.00
P6.22 1334 X rw Deceleration transition frequency
(dec1–dec2)
0.00–P6.4 Hz 86 0.00
P6.23 1429 Xrw REV blocked 0 = Deactivated
1 = Activated
86 0
P6.24 509 X rw Skip frequency 1, lower value 0.00–P6.25 87 0.00
P6.25 510 X rw Skip frequency 1, upper value P6.24–P6.4 Hz 87 0.00
P6.26 511 X rw Skip frequency 2, lower value 0.00–P6.27 87 0.00
P6.27 731 X rw Skip frequency 2, upper value P6.26–P6.4 Hz 87 0.00
P6.28 513 X rw Skip frequency 3, lower value 0.00–P6.29 87 0.00
P6.29 514 X rw Skip frequency 3, upper value P6.28–P6.4 Hz 87 0.00
P6.30 759 X rw Automatic REAF attempts 1–10 87 3
P6.31 1481 X rw Manual mode, primary control
source
1 = Control signal terminals (I/0)
2 = Control unit (KEYPAD)
3 = Fieldbus (BUS)
87 1
P6.32 1482 X rw Manual mode, primary speed
reference
0 = Fixed frequency (FF0)
1 = Operating unit (REF)
2 = Fieldbus (BUS)
3 = AI1
4 = AI2
5 = Motor potentiometer
87 3
P6.33 1483 X rw Manual mode, KEYPAD lock 0 = Deactivated
1 = Activated
87 1

Appendix A
170 M-Max Series Adjustable Frequency Drive MN04020003E—October 2013 www.eaton.com
Motor
Protective Functions
Note
Factory settings dependent on specific drive selected.
PNU ID
Access
Designation Value Range Page
FS
(P1.3)
User
SettingRUN ro/rw
P7.1 113 X rw Motor, rated operational current 0.2 x Ie–2 x Ie
(see motor rating plate)
89 Ie
P7.2 107 X rw Current limit 0.2 x Ie–2 x Ie89 1.5 x Ie
P7.3 112 X rw Motor, rated speed 300–20000 min–1
(see motor rating plate)
89 1720
P7.4 120 X rw Motor, power factor (cos ) 0.30–1.00
(see motor rating plate)
89 0.85
P7.5 110 X rw Motor, rated operating voltage 180–500V
(see motor rating plate)
89
P7.6 111 X rw Motor, rated frequency 30–320 Hz
(see motor rating plate)
89 60.00
PNU ID
Access
Designation Value Range Page
FS
(P1.3)
User
SettingRUN ro/rw
P8.1 700 X rw Analog minimum reference error
(live-zero)
0 = Deactivated
1 = Alarm
2 = Fault, stop according to P6.8
90 1
P8.2 727 X rw Undervoltage error Like P8.1 90 2
P8.3 703 X rw Ground fault Like P8.1 90 2
P8.4 709 X rw Stall protection Like P8.1 91 1
P8.5 713 X rw Underload protection Like P8.1 91 0
P8.6 704 X rw Motor, temperature protection Like P8.1 91 2
P8.7 705 X rw Motor, ambient temperature –20° to 100°C 91 40
P8.8 706 X rw Motor, cooling factor at
zero frequency
0.0–150% 91 40
P8.9 707 X rw Motor, thermal time constant 1–200 min 91 45
P8.10 1430 X rw Analog minimum reference error,
reaction time
0.0–10.0s 93 0.5
P8.11 1473 X —(Not used) — ——
P8.12 714 X rw Underload low torque limit 10.0–150% 93 60.0
P8.13 715 X rw Underload, low torque limit at
zero frequency
10.0–150% 93 10.0
P8.14 733 Xrw Fieldbus error Like P8.1 94 2
P8.15 734 X rw Fieldbus interface error Like P8.1 94 2

Appendix A
M-Max Series Adjustable Frequency Drive MN04020003E—October 2013 www.eaton.com 171
PID Controller
PNU ID
Access
Designation Value Range Page
FS
(P1.3)
User
SettingRUN ro/rw
P9.1 163 rw PID controller 0 = Deactivated
1 = Activated for drive control
2 = Activated for external application
95 0
P9.2 118 rw PID controllers, P gain 0.0–1000.0% 95 100.0
P9.3 119 rw PID controller, I reset time 0.00–320.00s 95 10.00
P9.4 167 rw PID controller setpoint, keypad
reference
0.0–100.0% 95 0.0
P9.5 332 rw PID controller, setpoint source 0 = Keypad unit (P9.4)
1 = Fieldbus
2 = AI1
3 = AI2
95 0
P9.6 334 rw PID controller, process variable (PV)
source (Actual value or feedback)
0 = Fieldbus
1 = AI1
2 = AI2
96 2
P9.7 336 rw PID controller, actual value
limiting, minimum
0.0–100.0% 96 0.0
P9.8 337 rw PID controller, actual value
limiting, maximum
0.0–100.0% 96 100.0
P9.9 340 rw PID controller, controller
deviation
0 = Not inverted
1 = Inverted
96 0
P9.10 132 rw PID controller, D rate time 0.00–10.0s 96 0.00
P9.11 1431 rw PID controller, output filter,
delay time
0.00–10.0s 96 0.0
P9.12 1016 rw Sleep mode, frequency 0.00–P6.4 Hz 96 0.00
P9.13 1018 rw Sleep mode, wake up setpoint 0.0–100.0% 96 25.0
P9.14 1017 rw Sleep mode, delay time 0–3600s 96 30
P9.15 1433 rw Hysteresis, upper limit 0.0–100.0% 97 0.0
P9.16 1434 rw Hysteresis, lower limit 0.0–100.0% 97 0.0
P9.17 1435 rw PID controller, max. controller
deviation
0.0–100.0% 97 3.0
P9.18 1475 rw PID controller, reference value
scaling
0.1–32.7 97 1.0
P9.19 1476 rw PID controller, process value
scaling
0.1–32.7 97 1.0
P9.20 1478 rw PID controller, output signal
limit
0.00–100.0% 97 100.0

Appendix A
172 M-Max Series Adjustable Frequency Drive MN04020003E—October 2013 www.eaton.com
Fixed Frequencies
PNU ID
Access
Designation Value Range Page
FS
(P1.3)
User
SettingRUN ro/rw
P10.1 124 rw Fixed frequency FF0 0.00–P6.4 Hz 101 6.00
P10.2 105 rw Fixed frequency FF1 0.00–P6.4 Hz 101 12.00
P10.3 106 rw Fixed frequency FF2 0.00–P6.4 Hz 101 18.00
P10.4 126 rw Fixed frequency FF3 0.00–P6.4 Hz 101 24.00
P10.5 127 rw Fixed frequency FF4 0.00–P6.4 Hz 101 30.00
P10.6 128 rw Fixed frequency FF5 0.00–P6.4 Hz 101 36.00
P10.7 129 rw Fixed frequency FF6 0.00–P6.4 Hz 101 48.00
P10.8 130 rw Fixed frequency FF7 0.00–P6.4 Hz 101 60.00
P10.9 1436 rw PLC Sequence control,
operating mode
0 = Deactivated
1 = Program cycle, execute once
2 = Execute program cycle continuously
3 = Execute program cycle in steps
4 = Execute program cycle continuously
in steps
102 0
P10.10 1437 rw PLC Sequence control,
program (FWD/REV)
0–255 102 0
P10.11 1438 rw Set time for FF0 0–10000s 103 0
P10.12 1439 rw Set time for FF1 0–10000s 103 0
P10.13 1440 rw Set time for FF2 0–10000s 103 0
P10.14 1441 rw Set time for FF3 0–10000s 103 0
P10.15 1442 rw Set time for FF4 0–10000s 103 0
P10.16 1443 rw Set time for FF5 0–10000s 103 0
P10.17 1444 rw Set time for FF6 0–10000s 103 0
P10.18 1445 rw Set time for FF7 0–10000s 103 0

Appendix A
M-Max Series Adjustable Frequency Drive MN04020003E—October 2013 www.eaton.com 173
V/Hz-Characteristic Curve
PNU ID
Access
Designation Value Range Page
FS
(P1.3)
User
SettingRUN ro/rw
P11.1 108 X rw V/Hz characteristic curve 0 = Linear
1 = Squared
2 = Configurable
107 0
P11.2 602 X rw Cut-off frequency 30.00–320.00 Hz 108 60.00
P11.3 603 X rw Output voltage 10.00–200.00% of the motor
rated voltage (P6.5)
108 100.00
P11.4 604 X rw V/Hz characteristic curve,
mean frequency value
0.00–P11.2 Hz 109 60.00
P11.5 605 X rw V/Hz characteristic curve,
mean voltage value
0.00–P11.3% 109 100.00
P11.6 606 X rw Output voltage at 0 Hz 0.00–40.00% 109 0.00
P11.7 109 X rw Torque increase 0 = Deactivated
1 = Enabled
109 0
P11.8 600 X rw Control mode 0 = Frequency control (V/Hz)
1 = Speed control with slip
compensation
109 0
P11.9 601 X rw Carrier frequency 1.5–16.0 kHz 111 6.0
P11.10 522 X rw Sine-wave filter
(constant carrier frequency)
0 = Deactivated
1 = Enabled
111 0

Appendix A
174 M-Max Series Adjustable Frequency Drive MN04020003E—October 2013 www.eaton.com
Braking
PNU ID
Access
Designation Value Range Page
FS
(P1.3)
User
SettingRUN ro/rw
P12.1 507 X rw DC braking, current 0.2 x Ie–2 x Ie 112 Ie
P12.2 516 X rw DC braking, braking time
at start
0.00–600.00s 112 0.00
P12.3 515 X rw DC braking, start frequency 0.00–10.00 Hz 113 1.50
P12.4 508 X rw DC braking, braking time at STOP 0.00–600.00s 114 0.00
P12.5 504 X rw Brake chopper (Only active and visible with braking
transistor installed)
0 = Deactivated
1 = Automatic activation in operation
(RUN)
2 = Automatic activation in operation
(RUN) and upon stop (STOP)
116 0
P12.6 1447 X rw Brake chopper, DC bus
switching threshold
(Only active and visible with braking
transistor installed)
0–870V
116 0
P12.7 1448 X rw External brake, delay time
opening
0.00–320.00s 117 0.20
P12.8 1449 X rw External brake, frequency
threshold opening
0.00–P6.4 Hz 117 1.50
P12.9 1450 X rw External brake, frequency
threshold closing
0.00–P6.4 Hz 117 1.00
P12.10 1451 X rw External brake, frequency
threshold REV closing
0.00–P6.4 Hz 117 1.50
P12.11 1452 X rw External brake, current limit
opening
0.00–P7.2 A 117 0.00

Appendix A
M-Max Series Adjustable Frequency Drive MN04020003E—October 2013 www.eaton.com 175
Logic Function
PNU ID
Access
Designation Value Range Page
FS
(P1.3)
User
SettingRUN ro/rw
P13.1 1453 X rw LOG function,
Selection input A
0 = Deactivated
1 = READY
2 = RUN
3 = FAULT
4 = Error message (inverted)
5 = ALARM
6 = REV
7 = Output frequency = frequency setpoint
8 = Motor controller active
9 = Zero frequency
10 = Frequency monitoring 1
11 = Frequency monitoring 2
12 = PID monitoring
13 = Overtemperature signal
14 = Overcurrent control active
15 = Overvoltage control active
16 = PLC sequence control active
17 = PLC sequence control, single step
completed
18 = PLC sequence control, program cycle
completed
19 = PLC Sequence control, pause
20 = Counter, value 1 reached
21 = Counter, value 2 reached
22 = RUN message active
23 = Analog min. reference error
24 = LOG function fulfilled
25 = PID controller, actual value
monitoring
26 = External brake actuated
27 = Current monitoring
28 = Fieldbus, remote output
119 0
P13.2 1454 X rw LOG function, Selection
input B
Like P13.1 120 0
P13.3 1455 X rw LOG function, select
operation
0 = A AND B
1 = A OR B
2 = A XOR B
120 0

Appendix A
176 M-Max Series Adjustable Frequency Drive MN04020003E—October 2013 www.eaton.com
Second Parameter Set
Note
Factory settings dependent on specific drive selected.
PNU ID
Access
Designation Value Range Page
FS
(P1.3)
User
SettingRUN ro/rw
P14.1 1347 X rw Motor rated current (2PS) 0.2 x Ie–2 x Ie
(see motor rating plate)
121 Ie
P14.2 1352 X rw Current limit (2PS) 0.2 x Ie–2 x Ie121 1.5 x Ie
P14.3 1350 X rw Motor rated speed (2PS) 300 … 20000 min–1
(see motor rating plate)
121
P14.4 1351 X rw Motor power factor (cos ) (2PS) 0.30–1.00
(see motor rating plate)
121
P14.5 1348 X rw Motor rated operating voltage (2PS) 180–500V
(see motor rating plate)
121
P14.6 1349 X rw Motor nominal frequency (2PS) 30–320 Hz
(see motor rating plate)
121 60.00
P14.7 1343 X rw Minimum frequency (2PS) 0.00–P14.8 Hz 121 0.00
P14.8 1344 X rw Maximum frequency (2PS) P14.7–320.00 Hz 121 60.00
P14.9 1345 X rw Acceleration time (2PS) (acc3) 0.1–3000s 121 3.0
P14.10 1346 X rw Deceleration time (2PS) (dec3) 0.1–3000s 121 3.0
P14.11 1355 X rw V/Hz characteristic curve (2PS) 0 = Linear
1 = Squared
2 = Configurable
122 0
P14.12 1354 X rw Torque increase (2PS) 0 = Deactivated
1 = Activated
122 0
P14.13 1353 X rw Motor temperature protection
(2PS)
0 = Deactivated
1 = Alarm
2 = Fault, stop according to P6.8
122 0
P14.14 1469 X rw Motor ambient temperature (2PS) –20° to 100°C 122 40
P14.15 1470 X rw Motor cooling factor at zero
frequency (2PS)
0.0–150% 122 40.0
P14.16 1471 X rw Motor thermal time constant (2PS) 1–200 min 122 45

Appendix A
M-Max Series Adjustable Frequency Drive MN04020003E—October 2013 www.eaton.com 177
System Parameters
Note
These parameters are overwritten with the bus-specific parameters when a fieldbus connection (for example, CANopen) is used.
The parameter values described in the manual of the fieldbus interface then apply.
PNU ID
Access
Designation Value Range Page
FS
(P1.3)
User
SettingRUN ro/rw
Hard- and Software Information
S1.1 833 X ro API SW ID — 125 0
S1.2 834 X ro API SW Version — 125 0
S1.3 835 X ro Power SW ID — 125 0
S1.4 836 X ro Power SW Version — 125 0
S1.5 837 X ro Application ID — 125 0
S1.6 838 X ro Application revision — 125 0
S1.7 839 X ro System load % 125 0
Communication
S2.1 808 X ro Communication status In xx.yyy format
xx = Number of error messages
(0–64)
yyy = number of correct messages
(0–999)
125
S2.2 809 rw Fieldbus protocol 0 = FB disabled
1 = Modbus RTU
125 0
S2.3 810 rw Slave address 1–255 125 1
S2.4 811 rw Baud rate 0 = 300
1 = 600
2 = 1200
3 = 2400
4 = 4800
5 = 9600
6 = 19200
7 = 38400
8 = 57600
125 5
S2.6 813 rw Parity type 0 = None, no, see 2 stop bits
1 = Even, see 1 stop bit
2 = Odd, see 1 stop bit
126 0
S2.7 814 rw Communication timeout 0 = Not used
1 = 1s
2 = 2s
…255 = up to 255s
126 0
S2.8 815 rw Reset communication status 0 = Not used
1 = Resets parameter S2.1
126 0

Appendix A
178 M-Max Series Adjustable Frequency Drive MN04020003E—October 2013 www.eaton.com
System Parameters, continued
PNU ID
Access
Designation Value Range Page
FS
(P1.3)
User
SettingRUN ro/rw
Unit Counter
S3.1 827 X ro MWh counter MWh 126 —
S3.2 828 X ro Operating days (d) 0–0000 days 126 —
S3.3 829 X ro Operating hours (h) 0–24 h 126 —
S3.4 840 X ro RUN counter, days 0–0000 days 126 —
S3.5 841 X ro RUN counter, hours 0–24 h 126 —
S3.6 842 X ro Fault/alarm counter Trip counter: 0–0000 126 —
User Set
S4.1 830 rw Display contrast 0–15 126 7
S4.2 831 X rw Restore factory defaults 0 = Factory setting or changed value
1 = Restores factory settings for all
parameters
126 0
S4.3 832 ro Password 0000–9999 126 0000

Appendix A
M-Max Series Adjustable Frequency Drive MN04020003E—October 2013 www.eaton.com 179
Parameters marked with “M” (Monitor) are values currently being measured, variables
calculated from these measured values, or status values from control signals.
The M parameters cannot be edited (only display values).
Parameter Values Currently Being Measured
PNU ID
Access
Designation Value Range Page
FS
(P1.3)
User
SettingRUN ro/rw
Display Values
M1.1 1ro Output frequency Hz 127 0.00
M1.2 25 ro Frequency reference value Hz 127 0.00
M1.3 2ro Motor shaft speed RPM (calculated value, RPM) 127 0
M1.4 3ro Motor current A 127 0.00
M1.5 4ro Motor torque % (calculated value) 127 0.0
M1.6 5ro Motor power % (calculated value) 127 0.0
M1.7 6ro Motor voltage V 127 0.0
M1.8 7ro DC bus voltage V 127 0.0
M1.9 8ro Unit temperature °F (°C) 127 0
M1.10 9ro Motor temperature % (calculated value) 127 0
M1.11 13 ro Analog input 1 % 127 0.0
M1.12 14 ro Analog input 2 % 127 0.0
M1.13 26 ro Analog output 1 % 127 0.0
M1.14 15 ro Digital input DI1, DI2, DI3 status 127 0
M1.15 16 ro Digital input DI4, DI5, DI6 status 128 0
M1.16 17 ro Digital output RO1, RO2, DO status 128 1
M1.17 20 ro PID reference value % 128 0.0
M1.18 21 ro PID feedback % 128 0.0
M1.19 22 ro PID error value % 128 0.0
M1.20 23 ro PID output % 128 0.0
M1.21 1480 ro Counter, digital input — 128 0

Appendix B
180 M-Max Series Adjustable Frequency Drive MN04020003E—October 2013 www.eaton.com
Appendix B
Door Panel Keypad Adapter System—Mounting Instructions
Overview
The door keypad is used for remote control drivers. It is installed on the door of a cabinet.
For the installation, you need the following parts. See the figure below.
Door Keypad Mounting Kit
Door Keypad Components
Note: Make sure that you have received all necessary parts.
Item Description
1 Door keypad base
2 Text panel, cool gray
3 Door cable with attached grounding cable
4 Door panel adapter
5 Screws (4 pcs)
12345

Appendix B
M-Max Series Adjustable Frequency Drive MN04020003E—October 2013 www.eaton.com 181
Mounting Procedure
Door Keypad Mounting Instructions
Step Instructions
1Make an opening in the cabinet door for the control keypad according the dimensions on Page 183.
Make the holes in the cabinet door for the screws using the dimensions on Page 183.
2Place the control keypad base (item 1) toward the opening so that the screw holes you made in the cabinet door meet the bushings
on the backside of the base. See figures below.
3Fix the base on the cabinet door by tightening the screws (item 5).
Cabinet Door
Cabinet Door
Rear View
Leave One Screw
Still Unxed

Appendix B
182 M-Max Series Adjustable Frequency Drive MN04020003E—October 2013 www.eaton.com
Door Keypad Mounting Instructions, continued
Step Instructions
4Fix the grounding cable (item 3) against the backside of the cabinet door through one of the
screw holes.
Note: Make sure that a proper contact with the cabinet door is achieved. If necessary, remove
the paint from the metal surface. Place the washers (attached to the screws) between the door
and the screws. The tightening torque to be applied is 1.5 Nm. Connect the data cable (item 3)
to the terminal of the keypad.
5Assemble door panel adapter (item 4) to a cover and UART connector. After that, connect cable
(item 3) to door panel adapter (item 4).
6Assemble text panel (item 2) to door keypad base (item 1). (First)
Push This End
(Second)
Push This End
To Snap In

Appendix B
M-Max Series Adjustable Frequency Drive MN04020003E—October 2013 www.eaton.com 183
Dimensions
Approximate Dimensions in inches (mm)
The graphic is in real size. Use it to mark the cut-out
for the door keypad and the holes for the screws.
Door Keypad Cut-out Dimensions
4.33
(110.0)
3.15 (80.0)
3.54 (90.0)
4.92 (125.0)
0.16
(4.0) 0.98
(25.0)
4.69
(119.0)
6.69
(170.0)
Panel Cut-out 4 pcs ø6

Appendix B
184 M-Max Series Adjustable Frequency Drive MN04020003E—October 2013 www.eaton.com
Approximate Dimensions in inches (mm)
Door Keypad Dimensions
0.87
(22.0)
0.71
(18.0)
3.94
(100.2)
2.26
(57.4)
2.77 (70.3)
4.92 (125.0)
Front View Side View
Appendix B
M-Max Series Adjustable Frequency Drive MN04020003E—October 2013 www.eaton.com 185
Appendix B
186 M-Max Series Adjustable Frequency Drive MN04020003E—October 2013 www.eaton.com

Eaton is a registered trademark.
All other trademarks are property
of their respective owners.
Eaton
1000 Eaton Boulevard
Cleveland, OH
44122
United States
Eaton.com
© 2013 Eaton
All Rights Reserved
Printed in USA
Publication No. MN04020003E / Z14306
October 2013
Eaton is dedicated to ensuring that reliable, efficient and safe
power is available when it’s needed most. With unparalleled
knowledge of el
ectrical power management across industries,
experts at Eaton deliver customized, integrated solutions to
solve our customers’ most critical challenges.
Our focus is on delivering the right solution for the application.
But, de
cision makers demand more than just innovative products.
They turn to Eaton for an unwavering commitment to personal
support that makes customer success a top priority. For more
information,
visit www.eaton.com/electrical.