Broan Elite E64000 Series Installation Manual (SV08341 Rev. 09) Directions
2014-09-27
: Pdf 106423-Installationsheet 106423-InstallationSheet 026715 Batch8 unilog
Open the PDF directly: View PDF
.
Page Count: 48

SV08341 rev. 09
E64000 SERIES
INSTALLATION INSTRUCTIONS
READ AND SAVE THESE INSTRUCTIONS
Broan-NuTone LLC; Hartford, Wisconsin www.broan.com 800-558-1711
REGISTER YOUR PRODUCT ONLINE AT: www.broan.com/register
INTENDED FOR DOMESTIC COOKING ONLY
INSTALLER: LEAVE THIS MANUAL WITH HOMEOWNER.
HOMEOWNER: USE AND CARE INFORMATION ON PAGES 13 & 14.
! !

2
TO REDUCE THE RISK OF FIRE, ELECTRIC SHOCK OR
INJURY TO PERSONS, OBSERVE THE FOLLOWING:
1. Use this unit only in the manner intended by the manufacturer.
If you have questions, contact the manufacturer at the address
or telephone number listed in the warranty.
2. Before servicing or cleaning unit, switch power off at service
panel and lock service disconnecting means to prevent
power from being switched on accidentally. When the service
disconnecting means cannot be locked, securely fasten a
prominent warning device, such as a tag, to the service panel.
3. Installation work and electrical wiring must be done by
qualified personnel in accordance with all applicable codes
and standards, including fire-rated construction codes and
standards.
4. Sufficient air is needed for proper combustion and exhausting
of gases through the flue (chimney) of fuel burning equipment
to prevent backdrafting. Follow the heating equipment
manufacturer’s guidelines and safety standards such as
those published by the National Fire Protection Association
(NFPA) and the American Society for Heating, Refrigeration
and Air Conditioning Engineers (ASHRAE) and the local code
authorities.
5. When cutting or drilling into wall or ceiling, do not damage
electrical wiring and other hidden utilities.
6. Ducted fans must always be vented to the outdoors.
7. Do not use this unit with any additional solid-state speed
control device.
8. To reduce the risk of fire, use only metal ductwork.
9. This unit must be grounded.
10. When applicable local regulations comprise more
restrictive installation and/or certification requirements,
the aforementioned requirements prevail on those of this
document and the installer agrees to conform to these at his
own expenses.
TO REDUCE THE RISK OF A RANGE TOP GREASE FIRE:
a) Never leave surface units unattended at high settings. Boilovers
cause smoking and greasy spillovers that may ignite. Heat oils
slowly on low or medium settings.
b) Always turn hood ON when cooking at high heat or when
flambeing food (i.e.: Crêpes Suzette, Cherries Jubilee,
Peppercorn Beef Flambé).
c) Clean ventilating fans frequently. Grease should not be allowed
to accumulate on fan, filters or in exhaust ducts.
d) Use proper pan size. Always use cookware appropriate for the
size of the surface element.
1. For indoor use only.
2. For general ventilating use only. Do not use to exhaust
hazardous or explosive materials and vapors.
3. To avoid motor bearing damage and noisy and/or unbalanced
impellers, keep drywall spray, construction dust, etc. off power
unit.
4. Your hood motor has a thermal overload which will automatically
shut off the motor if it becomes overheated. The motor will
restart when it will be cooled down. If the motor continues to
shut off and restart, have the hood serviced.
5. For best capture of cooking impurities, the bottom of the hood
should be at a minimum of 24" and at a maximum of 30" above
the cooking surface.
6. Two installers are recommended because of the large size and
weight of this hood.
7. To reduce the risk of fire and to properly exhaust air, be sure to
duct air outside — Do not exhaust air into spaces within walls
or ceiling or into attics, crawl space or garage.
8. This product is equipped with a thermostat which may start
blower automatically. To reduce the risk of injury and to prevent
power from being switched on accidentally, switch power off at
service panel and lock or tag service panel.
9. Because of the high exhausting capacity of this hood, you
should make sure enough air is entering the house to replace
exhausted air. Use an appropriate make-up air device or open
a window close to or in the kitchen.
10. To reduce the risk of fire and electric shock, the Broan Elite
E64E Series hood must be installed with one Broan exterior
blower model 331H, 332H, 335 or 336; or one Broan in-line
blower model HLB3, HLB6, HLB9 ou HLB11. Other blowers
cannot be substituted. (Exterior or in-line blowers sold
separately.)
11. Please read specification label on product for further
information and requirements.
WARNING
!
CAUTION
TO REDUCE THE RISK OF INJURY TO PERSONS IN THE
EVENT OF A RANGE TOP GREASE FIRE, OBSERVE
THE FOLLOWING*:
1. SMOTHER FLAMES with a close-fitting lid, cookie sheet or
metal tray, then turn off the burner. BE CAREFUL TO PREVENT
BURNS. IF THE FLAMES DO NOT GO OUT IMMEDIATELY,
EVACUATE AND CALL THE FIRE DEPARTMENT.
2. NEVER PICK UP A FLAMING PAN — You may be burned.
3. DO NOT USE WATER, including wet dishcloths or towels —
This could cause a violent steam explosion.
4. Use an extinguisher ONLY if:
A. You own a Class ABC extinguisher and you know how to
operate it.
B. The fire is small and contained in the area where it started.
C. The fire department has been called.
D. You can fight the fire with your back to an exit.
* Based on "Kitchen Fire Safety Tips" published by NFPA.
WARNING
!

3
HL0097
- E64000 SERIES RANGE HOOD SYSTEM -
INTERNAL BLOWERS
MODEL 437
(HIGH CAPACITY ROOF CAP)
MODEL 421
(10" ROUND VERTICAL
IN-LINE DAMPER)
MODEL 441
(10" ROUND
WALL CAP)
MODEL 418
(10" ROUND ADJUSTABLE ELBOW)
MODEL 410
(10" ROUND DUCT — 2 FT. SECTIONS)
MODEL 427
(4½" X 18½"
TO 10" ROUND,
6" HIGH - LATERAL)
MODEL 423
(4½" X 18½"
TO 10" ROUND -
VERTICAL)
MODEL 424
(4½" X 18½"
TO 10" ROUND -
HORIZ. FRONT/REAR)
MODEL 454
(4½" X 18½"
TO 10" ROUND -
HORIZ. /RIGHT)
MODEL 453
(4½" X 18½"
TO 10" ROUND -
HORIZ. /LEFT)
RECIRCULATION KIT
ANKE60 SERIES
ADAPTER 4½" X 18½"
(SUPPLIED WITH
DOUBLE BLOWER HOOD)
DOUBLE BLOWER (1100 CFM)
36" AND 42"
E64000 SERIES HOOD
RMP SERIES BACKSPLASH
(STAINLESS STEEL WALL COVERING
WITH WARMING SHELVES.
OPTIONAL.)
SINGLE BLOWER (600 CFM)
ADAPTER/DAMPER
3¼" X 10"
(SUPPLIED WITH
SINGLE BLOWER HOOD)
STANDARD
DUCT
(3¼" X 10")
MODEL 639
(3¼" X 10"
WALL CAP)MODEL 413
TRANSITION
(3¼" X 10" TO 8")
8" ROUND
STANDARD
DUCT
8" ROUND
ADJUSTABLE ELBOW
MODEL 415
(7" ROUND
ADJUSTABLE ELBOW)
MODEL 407
(7" ROUND
- 2 FT. SECTIONS)
MODEL 412
TRANSITION
(3¼" X 10" TO 7")
MODEL 647
(7" ROUND
WALL CAP)MODEL 634
OR 644
(ROOF CAP)
MODEL 643
(8" ROUND
WALL CAP)
DOUBLE BLOWER (1200 CFM)
48" ONLY

4
HL0098
- E64000 SERIES RANGE HOOD SYSTEM -
IN-LINE AND EXTERIOR BLOWERS
E64000 SERIES HOOD
MODEL 643
(8" ROUND
WALL CAP)
MODEL 437
(HIGH CAPACITY ROOF CAP)
MODEL 441
(10" ROUND
WALL CAP)
MODEL HLB6 (660 CFM)
IN-LINE BLOWER
(INCLUDES TWO 4½" X 18½" TO
10" ROUND TRANSITIONS)
MODEL 418
(10" ROUND
ADJUSTABLE ELBOW)
MODEL 410
(10" ROUND DUCT
- 2FT. SECTIONS)
MODEL HLB9 (800 CFM)
OR HLB11 (1100 CFM)
IN-LINE BLOWER
(INCLUDES TWO 8" X 12" TO
10" ROUND TRANSITIONS)
MODEL 331H (600 CFM)
OR 332H (900 CFM)
EXTERIOR BLOWER
MODEL 335 (1200 CFM)
OR 336 (1500 CFM)
EXTERIOR BLOWER
MODEL 421
(10" ROUND VERT.
IN-LINE DAMPER)
RECOMMENDED FOR
USE WITH EXTERIOR
BLOWERS
332KR IN-LINE AND
EXTERIOR BLOWER ROUGH-IN KIT
(SUPPLIED WITH HOOD)
RMP SERIES BACKSPLASH
(STAINLESS STEEL WALL COVERING
WITH WARMING SHELVES. OPTIONAL)
MODEL HLB3 (280 CFM)
IN-LINE BLOWER
(INCLUDES ONE 8" TO 10"
ROUND TRANSITION)

5
Hood
3¼” x 10” duct
or 7” or 8” round duct
Roof cap
Wall
cap
HH0177A
24” to 30” above
cooking surface
3¼” x 10” to 7” or
3¼” x 10” to 8” transition
(if using round duct)
1. SELECT BLOWER OPTION AND INSTALLATION TYPE
1.1 NON-DUCTED INSTALLATION
For a non-ducted installation, a non-duct kit ANKE60 Series (sold separately) must be installed. For maximum effectiveness, we
recommend installing this kit with a single (internal) blower hood. The kit fits hood from 30-inch width up to 48-inch width. See installation
instructions included with the non-duct kit ANKE60 Series.
1.2 DUCTED INSTALLATION
The Broan Elite E64000 Series range hood includes many configurations: hoods with single or double internal blowers (included with
the hoods), or hoods using external blowers. For hoods using external blowers, the Broan Elite E64000 Series must be installed with
in-line blower models HLB3, HLB6, HLB9 or HLB11, or exterior blower model 331H, 332H, 335 or 336 only. Other blowers cannot be
substituted. (Blowers sold separately).
Plan where and how the ductwork will be installed.
If installing in-line blower, refer to instructions packed with in-line blower and follow steps 1, 2, 3, 4, 10 and up of this manual.
Install proper-sized ductwork, elbows and roof or wall cap for the type of blower you are installing. If using 7", 8" or 10" round ducts,
use a transition (internal blower(s) only). Use 2" metal foil duct tape to seal duct joints.
The hood distance above cooktop must not be less than 24". A maximum of 30" above cooktop is highly recommended
for best capture of cooking impurities.
Distances over 30" are at the installer and users discretion.
Hood
10” round duct
Roof cap
Wall
cap
4½” x 18½” to 10”
transition
HH0178A
24” to 30” above
cooking surface
HH0179A
Hood
10” round duct
Exterior blower
24” to 30” above
cooking surface
In-line blower
10” round duct (except
HLB3, 8” round duct)
HH0180A
24” to 30” above
cooking surface
Roof cap
Wall
cap
Hood
SINGLE INTERNAL BLOWER
TYPICAL DUCTWORK
DOUBLE INTERNAL BLOWERS
TYPICAL DUCTWORK
MODEL 331H, 332H, 335 OR 336
EXTERIOR BLOWER TYPICAL DUCTWORK
MODEL HLB3, HLB6, HLB9 OR HLB11
IN-LINE BLOWER TYPICAL DUCTWORK

6
WARNING
When performing installation, servicing or cleaning the unit, it is recommended to wear safety glasses and gloves.
NOTE: Before proceeding to the installation, check the contents of the box. If items are missing or damaged, contact the manufacturer.
Make sure that the following items are included:
- Range hood
- Accessories:
• Baffle filters
• Baffle filters handles (located inside the hood)
• 3¼" x 10" adapter/damper (located inside internal single blower hood)
• 4½" x 18½" adapter (screwed inside internal double blower hood)
• In-line and exterior blower rough-in plate model 332KR (mounted inside all external blower hoods)
• Bag of parts including:
1 wire clamp, 9 no. 8 x 1/2", 2 wire connectors, 8 no. 8-32 x 1/4" screws, 4 no. 8 x 3/8" screws
Parts sold separately:
- In-line blower assembly HLB3, HLB6, HLB9 or HLB11 (all include transition)
- Exterior blower assembly 331H, 332H, 335 or 336
- Shielded halogen bulbs (120 V, 50 W max., GU-10) (2 required for 30" and 36" hood widths, 3 required for 42" and 48" hood widths)
- RMP Series Backsplash (optional)
- ANKE60 Series Recirculation kit, mandatory for non-ducted installation (models with built-in blower(s) only)
- Transitions, duct, elbows, dampers, wall or roof cap
Refer to pages 3 and 4 for a complete list of venting options and model numbers.
NOTES: 1. For cabinets with recessed bottom, attach three wood filler strips cut to length (not included), on each side, as shown below.
See illustration and table below for wood filler strips location.
2. For hoods with external or in-line blowers, do not install the transverse wood filler strip.
2. PREPARE THE INSTALLATION
HOOD WIDTHS CENTER OF WOOD
STRIP LOCATION (A)
30" 13 3/8"
36" 16 3/8"
42" 19 3/8"
48" 22 3/8"
HD0285A
L
C
AA 10”
!

7
2. PREPARE THE INSTALLATION (CONT’D)
DUCTED INSTALLATIONS ONLY
Cut-out the openings for duct (A) and power cable (B), in cabinet or wall, according to the direction of discharge chosen.
See figures below.
NOTE: For all internal blower hoods, the cut-out opening for house wiring can be made in cabinet bottom OR wall, no matter the
discharge chosen (vertical or horizontal).
3. INSTALL BACKSPLASH (OPTIONAL)
Backsplash must be installed before the hood shell because the hood shell covers the backsplash top mounting screws. In order to be able
to install the backsplash, make sure you have at least 18" clearance between bottom of hood and range control panel or cooktop. (See
instructions packed with backsplash.)
L
C
CABINET BOTTOM VIEW
22”
10”10”
48” INTERNAL DOUBLE BLOWER HOOD
HD0258A
L
C
B
CABINET BOTTOM VIEW
5¼”5¼”
3¾”
A
INTERNAL SINGLE BLOWER HOOD
L
C
INTERNAL SINGLE BLOWER HOOD
2”
B
3¾”
5¼” 5¼” A
L
C
22”
48” INTERNAL DOUBLE BLOWER HOOD
5½”
10” 10”
7/8”
5½”
3/4”
L
C
CABINET BOTTOM VIEW
578”
HOOD WITH IN-LINE OR EXTERIOR BLOWER
3½”
478”
B
A
Ø 10½”
10¼”
B
A
C
C
2”
2”
B
A2”
2”
2”
2”
2”
9³8”
CABINET CENTER LINE
5/8” 1/4”
3/8”
HOOD WIDTHS DIMENSION C
30" 13"
36" 16"
42" 19"
48" 22"
VERTICAL DISCHARGE
HOOD WIDTHS DIMENSION C
30" 13"
36" 16"
42" 19"
48" 22"
HORIZONTAL DISCHARGE
VERTICAL DISCHARGE ONLY

8
Fold the adapter and insert the male part (grey section shown in inset) into the female part
(white section shown in the inset). Then, fold over each male and female end to finalize
assembling the adapter.
DOUBLE BLOWER HOOD
First unplug both blower motors (1) before removing the 3 screws retaining the adapter (2)
to the inner top of the hood.
NOTE: The double blower hood adapter is sent unfold. See at right.
A. Remove tape on filters.
Remove filters from hood and set aside.
NOTE: It is recommended to start with the
center one(s).
B. Remove tape on grease drip rail (1).
Lift out grease drip rail and set aside.
SINGLE BLOWER HOOD
Remove both screws retaining the adapter/damper (1) from inner top of the hood.
4. REMOVE THE FILTERS AND THE GREASE DRIP RAIL
5. REMOVE THE ADAPTER (INTERNAL BLOWER HOODS ONLY)
HD0240 AB
1
HD0259
1
HD0339
2
1
HD0284

9
HD0269
LEFT SIDE MOUNTING
SCREWS LOCATION
Using a 5/16" socket, remove all blower mounting
screws from the inner top of the hood. Keep the
screws for further use.
HD0282
RIGHT SIDE
MOUNTING SCREWS
LOCATION
6. CHOSE THE OPENING(S) (INTERNAL BLOWER HOODS ONLY)
Remove the knockout for the chosen opening(s) (horizontal at the back of the hood or vertical on top). See illustrations below.
VERTICAL DISCHARGE
HORIZONTAL DISCHARGE
NOTE: For ducted installation only.
Punch out the appropriate electrical knockout hole on top (A) or back (B) of
the hood. Install the wire clamp (included in parts bag).
NOTE: For a non-ducted installation, punch out the back electrical
knock-out (B).
12 3
HR0021
123
HR0024
AB
7. HORIZONTAL DISCHARGE INSTALLATION (INTERNAL BLOWER(S) ONLY)
All internal blower hoods are factory shipped with the blower(s) mounted for a vertical discharge configuration. For a horizontal discharge
configuration, disassemble the blower(s) from the inner top of the hood and mount it (them) to the back panel of the hood. The procedure
below applies for one or two motors.
Unplug the blower.
HE0085

10
8. INSTALL THE ADAPTER AND THE TRANSITION (IF NEED BE)
(INTERNAL BLOWER HOOD ONLY)
HJ0013
Using standard 3/8" screws provided, secure the
adapter to the top (or back) of the hood (2 screws
for a 3¼" x 10" adapter/damper and 4 screws for
a 4½" x 18½" adapter). Seal the adapter to the
hood using metal foil duct tape. For round ducting,
install an appropriate sized transition and seal
the joints with metal foil duct tape.
7. HORIZONTAL DISCHARGE INSTALLATION (INTERNAL BLOWER(S) ONLY) (CONT'D)
Slide the blower to disengage its flange from the retaining bracket.
HD0270
HD0271
LEFT SIDE
MOUNTING
SCREW
LOCATION
HD0272
RIGHT SIDE
MOUNTING
SCREW
LOCATION
Flip the blower and engage its flange in the
back wall retaining bracket.
Using a 5/16" socket and the screws previously
removed, secure the blower to the hood.
Plug the blower in.
NOTE FOR DUAL BLOWER HOOD ONLY: Cut off the plastic tie wrap on left motor cable.
HE0085
9. INSTALL ANKE60 RECIRCULATION KIT (NON DUCTED INSTALLATION ONLY)
Refer to the installation sheet included with the recirculation kit for details.

11
INTERNAL BLOWER: Run power cable to installation location. Place the hood in its location. Mark the position of the screws (smaller part
of the key holes [A]) with a pen. Remove the hood and install the (4) 1/2" double thread screws at marked positions, leaving a 1/8" gap.
Remove wiring cover. Insert the cable in the hood through the wire clamp and tighten the wire clamp to secure the cable. Place the hood
under the cabinet and slide it into position. Make sure the adapter (or the transition) enters the ducting. Secure the hood by tightening the
screws completely. Install the last 1/2" double thread screws in the remaining holes [B].
Remove wiring cover from rough-in plate or electrical compartment and set aside.
INTERNAL BLOWERS: Connect cable into wiring box using wire connectors.
Connect BLACK to BLACK, WHITE to WHITE and GREEN
or bare wire under GREEN ground screw.
Reinstall wiring cover.
IN-LINE OR EXTERIOR BLOWERS: See instructions included with blower.
10. INSTALL THE HOOD (ALL BLOWERS)
11. CONNECT WIRING (ALL BLOWERS)
WARNING
Risk of electric shock. Electrical wiring must be done by qualified personnel in accordance with all applicable
codes and standards. Before connecting wires, switch power off at service panel and lock service disconnecting
means to prevent power to be switched on accidentally.
!
CAUTION
The ORANGE wire (A) is for make-up air device connection only.
If there is no make-up air device, never remove the cap on the
ORANGE wire end.
HE0088
A
HD0265
A
B
A
B
B
INTERNAL BLOWER HOOD EXTERIOR OR IN-LINE BLOWER HOOD
EXTERIOR OR IN-LINE BLOWER: Run power cable to installation location. Place the hood in its location. Mark the position of the screws
(smaller part of the key holes [A]) with a pen. Remove the hood and install the (4) 1/2" double thread screws at marked positions, leaving a
1/8" gap. Remove wiring cover on top of the hood, punch-out the electrical knock-out and install the wire clamp. Insert the cable in the hood
through the wire clamp and tighten the wire clamp to secure the cable. Connect wiring (see instructions included with exterior or in-line
blower). Place the hood under the cabinet and slide it in position. Secure the hood by tightening the screws completely. Install the last 1/2"
double thread screws in the remaining holes [B].
Plug the 3-prong plug cord from rough-in plate to the 3-prong male connector inside
the hood (A) and the 2-prong male connector cord from rough-in plate to the 2-prong plug
inside the hood (B).
12. INSTALL THE BLOWER (EXTERIOR OR IN-LINE BLOWER)
WARNING
!
Do not plug the 2 cords together.
HE0078
BA

12
This hood requires 120 V, 50 W max., MR16 with GU10 base or PAR16 with GU10 base, shielded halogen lamps (not included).
(2 required for 30" and 36" hood widths, 3 required for 42" and 48" hood widths.)
1. Install lamps by placing the bulb leads into their grooves in the socket.
2. Gently push upwards and turn clockwise until secure.
To remove lamps, gently push upwards and turn counterclockwise to disengage bulb
leads from their grooves.
NOTE: If need be, use a rubber dishwashing glove to add grip when removing
the bulb.
14. REINSTALL GREASE DRIP RAIL AND BAFFLE FILTERS
HD0241
Reinstall grease drip rail. The illustration at right shows how to reinsert the grease
drip rail into the range hood.
CAUTION
Remove protective plastic film covering filters before installing them.
HD0242
1
2
NOTE: Assemble the metal handles to the filters, using provided no. 8-32 x 1/4"
screws, before installing them in the hood.
It is recommended to install side filters first and finish with center one(s).
1. Insert one end of the filter into the upper channel of the hood.
2. Raise the other end towards the inside of hood and insert in the grease drip rail
of the hood.
13. INSTALL LIGHT BULBS
WARNING
!
Do not touch lamps during or soon after operation. Burns may occur. In order to prevent the risk of personal injury,
only install shielded halogen lamps. Also, never install a cool beam, a dichroïc lamp, a lamp not suitable for use in
recessed luminaires or identified for use in enclosed fixtures.
12
HO0090

13
15. USE AND CARE
Baffle Filters
The baffle filters should be cleaned frequently. Use a warm detergent solution. Wash more often if your cooking style generates greater
grease—like frying foods or wok cooking.
Remove baffle filters by pushing them towards the back of hood and rotating filters downward. Baffle filters are dishwasher safe. Allow filters
to dry completely before reinstalling them in the hood.
Clean all-metal filters in the dishwasher using a non-phosphate detergent. Discoloration of the filter may occur if using phosphate de-
tergent or as a result of local water conditions—but this will not affect filter performance. This discoloration is not covered by the warranty.
Grease Drip Rail
The grease drip rail should be cleaned frequently. Lift it out from the hood and use a warm detergent solution. As for the baffle filters, wash
more often if your cooking style generates greater grease—like frying foods or wok cooking. Allow grease drip rail to dry completely before
reinstalling it in the hood.
Blower(s) Cleaning (Internal)
Remove the filters in order to access the blower(s). Vacuum blower(s) to clean. Do not immerse in water.
Hood Cleaning
Stainless steel cleaning:
Do:
• Regularly wash with clean cloth or rag soaked with warm water
and mild soap or liquid dish detergent.
• Always clean in the direction of original polish lines.
• Always rinse well with clear water (2 or 3 times) after cleaning.
Wipe dry completely.
• You may also use a specialized household stainless
steel cleaner.
Don’t:
• Use any steel or stainless steel wool or any other scrapers to
remove stubborn dirt.
• Use any harsh or abrasive cleansers.
• Allow dirt to accumulate.
• Let plaster dust or any other construction residues reach the
power pack. During construction/renovation, cover the power
pack to make sure no dust sticks to stainless steel surface.
Avoid when choosing a detergent:
• Any cleaners that contain bleach will attack stainless steel.
• Any products containing: chloride, fluoride, iodide, bromide will deteriorate surfaces rapidly.
• Any combustible products used for cleaning such as acetone, alcohol, ether, benzol, etc., are highly explosive and should never be
used close to a range.
16. OPERATION
WARNING
!
The HEAT SENTRY can start the blower during a range top fire or other excessive heat situations even if the hood
is turned off. In this case, it is impossible to turn the blower OFF with blower switch. If you must stop the blower,
do it from the main electrical panel.
Always turn your hood on before you begin cooking to establish an air flow in the kitchen. Let the blower run for a few minutes to clear the
air after you turn off the range. This will help keep the whole kitchen cleaner and brighter.
HEAT SENTRY™
This hood is equipped with a Heat Sentry™ thermostat. This thermostat is a device that will turn on or speed up the blower if it senses
excessive heat above the cooking surface.
1) If blower is OFF - it turns blower ON to HIGH speed.
2) If blower is ON at a lower speed setting – it turns the blower up to HIGH speed.
When the temperature level drops to normal, the blower will return to its original setting.

14
17. WARRANTY
ONE YEAR LIMITED WARRANTY FOR BROAN ELITE PRODUCTS
Broan-NuTone LLC (Broan-NuTone) warrants to the original consumer purchaser of Broan Elite products that such products will be
free from defects in materials or workmanship for a period of one year from the date of original purchase. THERE ARE NO OTHER
WARRANTIES, EXPRESS OR IMPLIED, INCLUDING, BUT NOT LIMITED TO, IMPLIED WARRANTIES OR MERCHANTABILITY OR
FITNESS FOR A PARTICULAR PURPOSE.
During this one-year period, Broan-NuTone will, at its option, repair or replace, without charge, any product or part which is found to be
defective under normal use and service.
THIS WARRANTY DOES NOT EXTEND TO FLUORESCENT LAMP STARTERS, TUBES, HALOGEN AND INCANDESCENT BULBS,
FUSE, FILTERS, DUCTS, ROOF CAPS, WALL CAPS AND OTHER ACCESSORIES FOR DUCTING. This warranty does not cover
(a) normal maintenance and service or (b) any products or parts which have been subject to misuse, negligence, accident, improper
maintenance or repair (other than by Broan-NuTone), faulty installation or installation contrary to recommended installation instructions.
The duration of any implied warranty is limited to the one-year period as specified for the express warranty. Some States do not allow
limitation on how long an implied warranty lasts, so the above limitation may not apply to you.
BROAN-NUTONE’S OBLIGATION TO REPAIR OR REPLACE, AT BROAN-NUTONE’S OPTION, SHALL BE THE PURCHASER’S
SOLE AND EXCLUSIVE REMEDY UNDER THIS WARRANTY. BROAN-NUTONE SHALL NOT BE LIABLE FOR INCIDENTAL,
CONSEQUENTIAL OR SPECIAL DAMAGES ARISING OUT OF OR IN CONNECTION WITH PRODUCT USE OR PERFORMANCE.
Some States do not allow the exclusion or limitation of incidental or consequential damages, so the above limitation or exclusion may
not apply to you.
This warranty gives you specific legal rights, and you may also have other rights, which vary from State to State. This warranty
supersedes all prior warranties.
To qualify for warranty service, you must (a) notify Broan-NuTone at one of the addresses or telephone number stated below, (b) give
the model number and part identification and (c) describe the nature of any defect in the product or part. At the time of requesting
warranty service, you must present evidence of the original purchase date.
Broan-NuTone LLC; 926 W. State Street, Hartford, Wisconsin 53027 www.broan.com 800-558-1711
16. OPERATION (CONT'D)
HC0034 AB
1) Halogen light knob
2) Blower operation indicator
3) ON/OFF blower switch
4) Blower speed control knob
HC0035
1
3
2
4
1) Halogen light knob
2) Blower speed control knob
COOKTOP LIGHTING (HALOGEN)
A rotary 3-position knob (1) controls the halogen lights (OFF - low intensity - high intensity).
BLOWER
The blower is operated using two controls.
Use the on/off rocker switch (3) to start and stop the blower. When turned on, the blower indicator (2) turns on and the blower operates at
the previous setting of the speed control (4).
Turn the speed control knob clockwise to increase blower speed – counterclockwise to decrease speed.

15
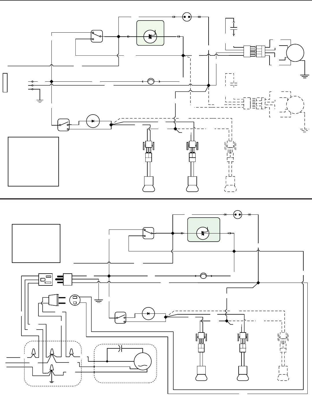
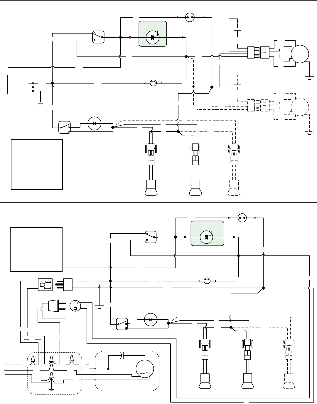
18. WIRING DIAGRAMS
LINE
NEUTRAL
GROUND
120 V AC
WHT
M
BRN
BLU
RED
BLK
M
BRN
BLU
RED
BLK
WHT
SPEED
CONTROL
HS
THERMOSTAT
BLU
BLK
BLK
BLU
BLK
YEL
WHT
WHT
WHT
WHT
WHT
BLK
BLK
YEL
YEL
BLK
ORA
NEON
LAMP
ORA
LAMP
SWITCH
L 1-3
2
FAN
SWITCH
Off 2
On 3 1
USE ONLY WITH
APPROPRIATE
MAKE-UP AIR SYSTEM
BLU
BLU
BLU
BLU
LAMP LAMP
ORA
COLOR CODE
HE0090A
BLK BLACK
BLU BLUE
BRN BROWN
ORA ORANGE
RED RED
WHT WHITE
YEL YELLOW
WHT
WHT
SPEED CONTROL
HEAT SENTRY
THERMOSTAT BLU
BLK
BLK
BLU
BLK
YEL
WHT
WHT
WHT
WHT
BLK
YEL
YEL
BLK
ORA
NEON
LAMP
ORA
M
REMOTE
BLOWER ASSEMBLY
RETURN
LINE
120 V
SUPPLY
ROUGH-IN PLATE
LAMP
SWITCH
FAN
SWITCH
USE ONLY WITH
APPROPRIATE
MAKE-UP AIR SYSTEM
LAMP LAMP
GROUND
HE0091A
WHT WHITE
YEL YELLOW
BLK BLACK
BLU BLUE
COLOR CODE
L 1-3
2
Off 2
On 3 1
BLK BLK
WHT
BLK
GRN
WHTWHT
WHT
GRN
BLK
GRN GREEN
ORA ORANGE
Broan Elite E64000 Series
Internal blower(s) hoods
Broan Elite E64000 Series
Exterior or In-Line blower hoods

16
19. SERVICE PARTS
* NOT SHOWN.
HL0182 HL0183
KEY
NO.PART
NO.DESCRIPTION QTY. (HOOD WIDTH)
30"36"42"48"
1
SV13296
SV17797
ADAPTER/DAMPER 3¼" X 10"
(1-BLOWER HOOD)
ADAPTER 4¼" X 18½" (2-BLOWER HOOD)
1
1
1
1
1
1
1
1
2 SV06750 BROAN ELITE LOGO 1111
3 SV05917 SOCKET 2233
4 SV09435 SOCKET HOLDER 2233
5 SV09434 LIGHT TRIM 2233
6 SV03435 HEAT SENTRYTM THERMOSTAT 1111
7 SV08338 LIGHT SWITCH 1111
8 SV03501 SPEED CONTROL 1111
9 SV08355 BLOWER AND LIGHT KNOBS (2 KNOBS) 1111
10 SV08343 REPLACEMENT CHARCOAL FILTERS (PAIR) 1111
11 SV08344 CHARCOAL FILTER SUPPORTS (PAIR) 1111
12 SV08097 INTERNAL MOTOR
(1 OR 2, DEPENDING ON HOOD MODEL)11
2 1
2 1
2
13
SV17640
SV17641
SV17642
SV17643
GREASE RAIL 30"
GREASE RAIL 36"
GREASE RAIL 42"
GREASE RAIL 48"
1
-
-
-
-
1
-
-
-
-
1
-
-
-
-
1
14 SV08337 FILTER SPRING (SET OF 6) 1111
15 SV17600
SV17603 BAFFLE FILTER 8.84" x 9.80"
BAFFLE FILTER 11.84" X 9.80" 2
1-
32
2-
4
16 SV08339 BLOWER ROCKER SWITCH 1111
17 SV08093 PILOT LAMP ASS'Y1111
18 SV07680 BAFFLE FILTER HANDLE WITH SCREWS 3344
* SV08342 CAPACITOR 25 µF 1111
* SV08341 INSTALLATION GUIDE 1111
* SV08353
PARTS BAG: 2 WIRE CONNECTORS,
9 SCREWS NO. 8 X 1/2",
1 WIRE CLAMP,
8 MECHANICAL SCREWS NO. 8-32 X 1/4",
8 SCREWS NO. 8 X 3/8"
1111
KEY
NO.PART
NO.DESCRIPTION QTY. (HOOD WIDTH)
30"36"42"48"
2 SV06750 BROAN ELITE LOGO 1111
3 SV05917 SOCKET 2233
4 SV09435 SOCKET HOLDER 2233
5 SV09434 LIGHT TRIM 2233
6 SV03435 HEAT SENTRYTM THERMOSTAT 1111
7 SV08338 LIGHT SWITCH 1111
8 SV03501 SPEED CONTROL 1111
9 SV08355 BLOWER AND LIGHT KNOBS (2 KNOBS) 1111
13
SV17640
SV17641
SV17642
SV17643
GREASE RAIL 30"
GREASE RAIL 36"
GREASE RAIL 42"
GREASE RAIL 48"
1
-
-
-
-
1
-
-
-
-
1
-
-
-
-
1
14 SV08337 FILTER SPRING (SET OF 6) 1111
15 SV17600
SV17603 BAFFLE FILTER 8.84" x 9.80"
BAFFLE FILTER 11.84" X 9.80+" 2
1-
32
2-
4
16 SV08339 BLOWER ROCKER SWITCH 1111
17 SV08093 PILOT LAMP ASS'Y1111
18 SV07680 BAFFLE FILTER HANDLE WITH SCREWS 3344
19 SV08354 ROUGH-IN PLATE 10" ROUND 1111
20 SV13924 FEMALE CONNECTOR 1111
21 SV13923 MALE CONNECTOR 1111
* SV08342 CAPACITOR 25 µF 1111
* SV08341 INSTALLATION GUIDE 1111
* SV08353
PARTS BAG: 2 WIRE CONNECTORS,
9 SCREWS NO. 8 X 1/2",
1 WIRE CLAMP,
8 MECHANICAL SCREWS NO. 8-32 X 1/4",
8 SCREWS NO. 8 X 3/8"
1111
* NOT SHOWN.
REPLACEMENT PARTS AND REPAIRS
In order to ensure your unit remains in good working condition, you must use
Broan-NuTone genuine replacement parts only. Broan-NuTone genuine replacement parts
are specially designed for each unit and are manufactured to comply with all the applicable
certification standards and maintain a high standard of safety. Any third party replacement
part used may cause serious damage and drastically reduce the performance level of your
unit, which will result in premature failing. Broan-NuTone recommends to contact a certified
service depot for all replacement parts and repairs.
1
2
5
4
316
17
18
11 12
15
14
13
67
10
9
8
2
5
4
3
16 17
18
15
14
13
67
9
8
19
21
Broan Elite E64000 Series
Exterior or In-Line blower hoods
20
Broan Elite E64000 Series
Internal blower hoods

SV08341 rév. 09
SÉRIE E64000
GUIDE D’INSTALLATION
LIRE ET CONSERVER CES DIRECTIVES
Broan-NuTone LLC; Hartford, Wisconsin www.broan.com 800-558-1711
ENREGISTREZ VOTRE PRODUIT EN LIGNE À: www.broan.com/register
CONÇUE UNIQUEMENT POUR LA CUISSON DOMESTIQUE
INSTALLATEUR : LAISSER CE GUIDE AU PROPRIÉTAIRE.
PROPRIÉTAIRE : DIRECTIVES D’UTILISATION ET D’ENTRETIEN
EN PAGES 29 ET 30.
! !
HB0072

18
AFIN DE RÉDUIRE LES RISQUES D’INCENDIE,
D’ÉLECTROCUTION OU DE BLESSURES CORPORELLES,
SUIVEZ LES DIRECTIVES SUIVANTES :
1. N’utilisez cet appareil que de la façon prévue par le
manufacturier. Si vous avez des questions, contactez le
manufacturier à l’adresse ou au numéro de téléphone indiqués
dans la garantie.
2. Avant de réparer ou de nettoyer l’appareil, coupez l’alimentation
électrique en verrouillant le panneau de distribution afin
d’éviter sa remise en marche accidentelle. Si le panneau de
distribution ne peut être verrouillé, y fixer un avertissement en
évidence tel qu’une étiquette de couleur vive.
3. Les travaux d’installation et de raccordement électrique
doivent être effectués par du personnel qualifié, conformément
aux codes et aux standards de construction, incluant ceux qui
concernent la protection contre les incendies.
4. Une quantité d’air adéquate est requise afin d’assurer une
bonne combustion et l’évacuation des gaz par la cheminée
dans le cas des équipements alimentés au gaz afin de prévenir
les retours de cheminée. Conformez-vous aux instructions et
aux standards de sécurité des manufacturiers d’équipement de
chauffage, tel qu’ils sont publiés par la National Fire Protection
Association (NFPA) et l’American Society for Heating,
Refrigeration and Air Conditioning Engineers (ASHRAE) ainsi
que les responsables des codes locaux.
5. Lorsque vous coupez ou perforez un mur ou un plafond,
prenez garde de ne pas endommager les fils électriques ou
autres installations qui pourraient y être dissimulés.
6. Les ventilateurs avec conduits doivent toujours évacuer l’air
à l’extérieur.
7. Ne pas utiliser cet appareil avec une commande de vitesse à
semi-conducteur additionnelle.
8. Afin de réduire les risques d’incendie, n’utilisez que des conduits
en métal.
9. Cet appareil doit être mis à la terre.
10. Lorsqu’une réglementation est en vigueur et qu’elle comporte
des exigences d’installation et/ou de certification plus
restrictives, lesdites exigences prévalent sur celles de ce
document et l’installateur entend s’y conformer à ses frais.
AFIN DE RÉDUIRE LES RISQUES DE FEU
DE CUISINIÈRE :
a) Ne laissez jamais les appareils de cuisson sans surveillance
lorsqu’ils sont réglés à feu vif. Les débordements engendrent
de la fumée et des déversements graisseux pouvant
s’enflammer. Chauffez l’huile lentement, à feu doux ou moyen.
b) Mettez toujours la hotte en marche lorsque vous cuisinez à feu
vif ou que vous cuisinez des mets flambés (par ex. : crêpes
Suzette, cerises jubilé, steaks au poivre flambés).
c) Nettoyez régulièrement la (les) roue(s) du ventilateur. Ne
laissez pas la graisse s’accumuler sur le ventilateur, les filtres
ou les conduits d’évacuation.
d) Utilisez le bon format de casserole. Servez-vous toujours de
casseroles et d’ustensiles appropriés à la dimension de la
surface chauffante.
1. Pour une utilisation à l’intérieur seulement.
2. Pour usage domestique seulement. Ne l'utilisez pas
pour évacuer des vapeurs ou des matières dangereuses
ou explosives.
3. Afin d’éviter tout dommage au moteur et de débalancer ou de
rendre bruyante la roue du moteur, gardez votre appareil à
l’abri des poussières de gypse et de construction/rénovation, etc.
4. Le moteur de votre hotte possède une protection thermique
qui arrêtera automatiquement le moteur s’il devient
surchauffé. Le moteur redémarrera automatiquement une
fois refroidi. Si le moteur continue d'arrêter et de redémarrer,
faites-le vérifier.
5. Pour une meilleure évacuation des odeurs de cuisson, le bas
de votre hotte devrait être situé à un minimum de 24 po et à un
maximum de 30 po au-dessus de la table de cuisson.
6. Deux installateurs sont recommandés lors de l’installation vu
la grande dimension et le poids de cette hotte.
7. Afin de réduire les risques d’incendie, assurez-vous d’évacuer
l’air à l’extérieur. Ne pas évacuer l’air dans des espaces
restreints comme l’intérieur des murs ou du plafond ou dans le
grenier, faux plafond ou garage.
8. Cet appareil est équipé d’un thermostat pouvant faire
démarrer le ventilateur automatiquement. Afin de réduire le
risque de blessure, couper le courant à partir du panneau de
distribution et verrouiller ou apposer un avertissement sur le
panneau afin de prévenir que la hotte ne soit mise en marche
accidentellement.
9. À cause de la grande capacité d’évacuation de cette hotte,
utiliser un dispositif d'apport d'air approprié ou ouvrir
une fenêtre dans ou près de la cuisine afin de remplacer
l’air évacué.
10. Afin de réduire les risques d’incendie et d’électrocution, la
hotte Broan Élite de série E64E doit être installée uniquement
avec un ventilateur extérieur Broan suivant : 331H, 332H, 335
ou 336 ou un ventilateur en ligne Broan suivant : HLB3, HLB6,
HLB9 ou HLB11 (vendus séparément). Aucun autre ventilateur
ne doit être utilisé.
11. Veuillez consulter l’autocollant apposé à l’intérieur de la hotte
pour plus d’information ou autres exigences.
AVERTISSEMENT
!
ATTENTION
AVERTISSEMENT
!
AFIN D’ÉVITER TOUT RISQUE DE BLESSURES DANS LE CAS
D’UN FEU DE CUISINIÈRE, SUIVEZ CES DIRECTIVES* :
1. Étouffez les flammes avec un couvercle hermétique, une
tôle à biscuits ou un plateau métallique et ensuite, éteignez
le brûleur. PRENEZ SOIN D’ÉVITER LES BRÛLURES. SI
LES FLAMMES NE S’ÉTEIGNENT PAS IMMÉDIATEMENT,
ÉVACUEZ LES LIEUX ET APPELEZ LES POMPIERS.
2. NE PRENEZ JAMAIS UNE CASSEROLE EN FLAMMES
DANS VOS MAINS. Vous pourriez vous brûler.
3. N’UTILISEZ PAS D’EAU, incluant linge à vaisselle ou serviette
mouillés; cela pourrait occasionner une violente explosion
de vapeur.
4. N’utilisez un extincteur QUE DANS LE CAS OÙ :
A. Vous savez qu’il s’agit d’un extincteur de classe ABC et
que vous en connaissez le fonctionnement.
B. L’incendie est petit et limité à l’endroit où il a débuté.
C. Les pompiers ont été avisés.
D. Vous pouvez combattre l’incendie en ayant accès à une
sortie de secours.
*Tirées du Kitchen Fire Safety Tips publié par la NFPA.

19
- SYSTÈME DE HOTTE DE CUISINIÈRE DE SÉRIE E64000 -
VENTILATEURS INTÉRIEURS
HL0097
MODÈLE 437
(CAPUCHON DE TOIT
À HAUT RENDEMENT)
MODÈLE 421
(VOLET INTÉRIEUR DE
10 PO ROND VERTICAL)
MODÈLE 441
(CAPUCHON
MURAL DE
10 PO ROND)
MODÈLE 418
(COUDE AJUSTABLE DE
10 PO ROND)
MODÈLE 410
(CONDUIT 10 PO ROND
- SECTIONS 2 PI)
MODÈLE 427
(4½ PO X 18½ PO
À 10 PO ROND,
6 PO HAUT - LATÉRALE)
MODÈLE 423
(4½ PO X 18½ PO
À 10 PO ROND -
VERTICALE)
MODÈLE 424
(4½ PO X 18½ PO
À 10 PO ROND -
HORIZ. AVANT/ARRIÈRE)
MODÈLE 454
(4½ PO X 18½ PO
À 10 PO ROND -
HORIZ./DROITE)
MODÈLE 453
(4½ PO X 18½ PO
À 10 PO ROND -
HORIZ. /GAUCHE)
KIT DE RECIRCULATION
OPTIONNEL
SÉRIE ANKE60
ADAPTATEUR 4½ PO X 18½ PO
(INCLUS AVEC LA HOTTE
À VENTILATEUR DOUBLE)
VENTILATEUR DOUBLE (1100 PI3/MIN)
HOTTES DE 36 PO ET DE 42 PO
HOTTE SÉRIE E64000
DOSSERET
SÉRIE RMP
(RECOUVREMENT DE MUR
EN ACIER INOXYDABLE AVEC
SUPPORT ASSIETTES.
OPTIONNEL)
VENTILATEUR SIMPLE (600 PI3/MIN)
ADAPTATEUR/VOLET
3¼ po X 10 po
(INCLUS AVEC LA HOTTE
À VENTILATEUR SIMPLE)
CONDUIT
STANDARD
(3¼ PO X 10 PO)
MODÈLE 639
(CAPUCHON
MURAL
3¼ PO X 10 PO)
MODÈLE 413
(TRANSITION
3¼ PO X 10 PO À 8 po)
CONDUIT
STANDARD DE
8 PO ROND
COUDE
AJUSTABLE DE 8 PO ROND
MODÈLE 415
(COUDE AJUSTABLE
DE 7 PO ROND)
MODÈLE 407
(CONDUIT 7 po ROND
SECTIONS 2 PI)
MODÈLE 412
TRANSITION
(3¼ PO X 10 PO À 7 po)
MODÈLE 647
(CAPUCHON MURAL
DE 7 PO ROND)MODÈLE 634
OU 644
(CAPUCHON DE
TOIT)
MODÈLE 643
(CAPUCHON
MURAL 8 PO)
VENTILATEUR DOUBLE (1200 PI3/MIN)
HOTTE DE 48 PO SEULEMENT

20
HL0098
HOTTE SÉRIE E64000
MODÈLE 643
(CAPUCHON
MURAL DE
8 PO ROND)
MODÈLE 437
(CAPUCHON DE TOIT
À HAUT RENDEMENT)
MODÈLE 441
(CAPUCHON MURAL
DE 10 PO ROND)
VENTILATEUR EN LIGNE
MODÈLE HLB6 (660 PI3/MIN)
(INCLUANT DEUX TRANSITIONS DE
4½ PO X 18½ PO À 10 PO ROND)
MODÈLE 418
(COUDE AJUSTABLE
DE 10 PO)
MODÈLE 410
(CONDUIT DE 10 PO ROND
SECTIONS DE 2 PI)
VENTILATEUR EN LIGNE
MODÈLE HLB9 (800 PI3/MIN)
OU HLB11 (1100 PI3/MIN)
(INCLUANT DEUX TRANSITIONS DE
8 PO X 12 PO À 10 PO ROND)
VENTILATEUR EXTÉRIEUR
MODÈLE 331H (600 PI3/MIN)
OU 332H (900 PI3/MIN)
VENTILATEUR EXTÉRIEUR
MODÈLE 335 (1200 PI3/MIN)
OU 336 (1500 PI3/MIN)
MODÈLE 421
(VOLET INTÉRIEUR DE 10 PO
ROND VERT.) RECOMMANDÉ
POUR UTILISATION AVEC
VENTILATEURS EXTÉRIEURS
PLAQUE VENTILATEUR 332KR POUR
VENTILATEURS EXTÉRIEURS OU EN LIGNE
(INCLUSE AVEC LA HOTTE)
DOSSERET
SÉRIE RMP
(RECOUVREMENT DE MUR
EN ACIER INOXYDABLE AVEC
SUPPORT ASSIETTES.
OPTIONNEL)
VENTILATEUR EN LIGNE
MODÈLE HLB3 (280 PI3/MIN)
(INCLUANT UNE TRANSITION
RONDE DE 8 PO À 10 PO)
- SYSTÈME DE HOTTE DE CUISINIÈRE DE SÉRIE E64000 -
VENTILATEURS EN LIGNE ET EXTÉRIEURS

21
Hotte
Conduit de 3¼ po x 10 po
ou de 7 po ou 8 po rond
HH0177F
Transition de
3¼ po x 10 po à 7 po ou
de 3¼ po x 10 po à 8 po
(avec conduits ronds)
Capuchon de toit
Capuchon
de mur
De 24 po à 30 po
au-dessus de la
surface de cuisson
1. SÉLECTIONNER L'OPTION VENTILATEUR ET LE TYPE D'INSTALLATION
1.1 INSTALLATION EN RECIRCULATION
Le kit de recirculation de série ANKE60 doit être installé (vendu séparément). Pour obtenir une efficacité maximale, nous
recommandons d’installer ce kit avec une hotte munie d’un ventilateur (intérieur) simple. Ce kit convient aux hottes de 30 po à 48 po
de largeur. Voir les directives d’installation incluses avec le kit de recirculation de série ANKE60.
1.2 INSTALLATION AVEC CONDUITS
La série E64000 des hottes de cuisinière Broan Elite comprend plusieurs configurations : des hottes munies de ventilateur intérieur
simple ou double (inclus avec la hotte), ou des hottes utilisant des ventilateurs externes. Pour cette dernière catégorie, la hotte de
modèle Broan Elite de série E64000 doit être installée uniquement avec l’un des ventilateurs en ligne de modèle HLB3, HLB6,
HLB9, HLB11, ou un ventilateur extérieur de modèle 331H, 332H, 335 ou 336 (vendus séparément). Aucun autre ventilateur ne peut
être utilisé.
Déterminer à quel endroit et de quelle façon les conduits seront installés.
Si un ventilateur en ligne est installé, se reporter aux directives incluses avec celui-ci et suivre les étapes 1, 2, 3, 4, 10 et
suivantes de ce guide.
Installer des conduits de dimensions appropriées, coude(s) et capuchon mural ou de toit selon le type de ventilateur. Si des conduits
ronds de 7 po, de 8 po ou de 10 po sont installés, utiliser une transition (ventilateurs intérieurs seulement). Se servir de ruban adhésif
de métal de 2 po pour assurer l’étanchéité des joints.
La distance entre le bas de votre hotte et la surface de cuisson ne doit pas être inférieure à 24 po. Un maximum de 30 po
au-dessus de la surface de cuisson est fortement recommandé pour une meilleure évacuation des odeurs de cuisson. Une
distance de plus de 30 po demeure à la discrétion de l’installateur et de l’utilisateur.
HH0178F
Hotte
Conduits ronds
de 10 po
Capuchon de toit
Capuchon
de mur
Transition de
4½ po x 18½ po à 10 po
De 24 po à 30 po
au-dessus de la
surface de cuisson
HH0179F
Hotte
Conduit rond
de 10 po
Ventilateur extérieur
De 24 po à 30 po
au-dessus de la
surface de cuisson HH0180F
Hotte
Capuchon de toit
Ventilateur
en ligne
Conduits ronds de 10 po
(sauf HLB3, 8 po)
Capuchon
de mur
De 24 po à 30 po
au-dessus de la
surface de cuisson
UN VENTILATEUR INTÉRIEUR
CONDUITS TYPES
DEUX VENTILATEURS INTÉRIEURS
CONDUITS TYPES
VENTILATEUR EXTÉRIEUR
MODÈLE 331H, 332H, 335 OU 336
CONDUITS TYPES
VENTILATEUR EN LIGNE
MODÈLE HLB3, HLB6, HLB9 OU HLB11
CONDUITS TYPES

22
AVERTISSEMENT
Il est recommandé de porter des lunettes et des gants de sécurité lors de l’installation, de l’entretien et de la
réparation de cet appareil.
NOTE : Avant de commencer l'installation, vérifier le contenu de la boîte. Si des pièces sont manquantes ou endommagées, contacter
le manufacturier.
S’assurer que les articles suivants sont inclus :
- La hotte
- Les accessoires incluant :
• Les filtres à chicane : les hottes de 30 po et de 36 po ont 3 filtres à chicane; les hottes de 42 po et de 48 po ont 4 filtres à chicane
• Les poignées des filtres à chicane (fixées avec du ruban adhésif à l’intérieur de la hotte)
• L’adaptateur/volet de 3¼ po x 10 po (inclus avec la hotte à ventilateur simple)
• L’adaptateur de 4½ po x 18½ po (vissé à l’intérieur de la hotte à ventilateur double)
• La plaque ventilateur en ligne ou extérieur, modèle 332KR (assemblée à l’intérieur des hottes à ventilateur externe)
• Le sac de pièces incluant :
1 serre-fils, 9 vis n° 8 x 1/2 po, 2 capuchons de connexion, 8 vis n° 8-32 x 1/4 po, 4 vis n° 8 x 3/8 po
Pièces vendues séparément :
- Ensemble de ventilateur en ligne HLB3, HLB6, HLB9 ou HLB11 (tous incluant la transition)
- Ensemble de ventilateur extérieur, modèle 331H, 332H, 335 ou 336
- Ampoules halogènes avec écran GU10, 50 W max. (2 requises pour les hottes de 30 po et de 36 po de largeur, 3 requises pour celles
de 42 po et de 48 po de largeur)
- Dosseret, série RMP (optionnel)
- Kit de recirculation de série ANKE60, obligatoire pour les installations en recirculation (modèles avec moteur(s) intégré(s) seulement)
- Transitions, conduits, coudes, volets, capuchons de mur ou de toit
Consulter les pages 19 et 20 pour la liste complète des accessoires de ventilation et les numéros de modèle.
NOTES : 1. Si la base de l’armoire est en retrait, y fixer trois baguettes de bois (non incluses) de longueur appropriée, de chaque côté,
tel qu’il est illustré ci-dessous. Pour l’emplacement des baguettes, vous référer au tableau et à l’illustration ci-dessous.
2. Ne pas installer la baguette transversale s’il s’agit d’une installation de hotte avec ventilateur extérieur ou en ligne.
2. PRÉPARER L'INSTALLATION
LARGEURS
DE HOTTE
EMPLACEMENT DU CENTRE
DE LA BAGUETTE DE BOIS (A)
30 PO 13 3/8 PO
36 PO 16 3/8 PO
42 PO 19 3/8 PO
48 PO 22 3/8 PO
HD0285F
L
C
AA 10 po
!

23
2. PRÉPARER L'INSTALLATION (SUITE)
INSTALLATIONS AVEC CONDUITS SEULEMENT
Découper les ouvertures pour le conduit (A) et le fil d’alimentation électrique (B), dans l’armoire ou le mur, selon le type d’évacuation
choisi. Voir ci-dessous.
NOTE : Pour toutes les hottes à ventilateur intérieur, l’ouverture pour le fil d’alimentation électrique peut être pratiquée dans la base de
l’armoire OU dans le mur, peu importe le type d’évacuation choisi (verticale ou horizontale).
3. INSTALLER LE DOSSERET (OPTIONNEL)
Le dosseret doit être installé avant la hotte, puisque celle-ci couvre les vis d’installation du dosseret. Afin de pouvoir installer le dosseret,
s’assurer d’avoir 18 po entre le dessous de la hotte et le panneau de contrôle de la cuisinière ou de la surface de cuisson. (Voir instructions
fournies avec le dosseret.)
LARGEURS DE
HOTTE DIMENSION C
30 po 13 po
36 po 16 po
42 po 19 po
48 po 22 po
ÉVACUATION VERTICALE
LARGEURS DE
HOTTE DIMENSION C
30 po 13 po
36 po 16 po
42 po 19 po
48 po 22 po
ÉVACUATION HORIZONTALE
L
C
22 po
10 po10 po
HD0258F
L
C
B
5¼ po5¼ po
3¾ po
A
L
C
2 po
B
3¾ po
A
L
C
22 po
5½ po
10 po 10 po
7/8 po
5½ po
3/4 po
L
C
578 po
B
A
Ø 10½ po
10¼ po
B
A
C
C
2 po
2 po
B
A2 po
2 po
2 po
9³8 po
VUE DU DESSOUS DE L’ARMOIRE
HOTTE DE 48 po
À VENTILATEUR INTERNE DOUBLE
VUE DU DESSOUS DE L’ARMOIRE
HOTTE À VENTILATEUR INTERNE SIMPLE
HOTTE À VENTILATEUR INTERNE SIMPLE HOTTE DE 48 po
À VENTILATEUR INTERNE DOUBLE
VUE DU DESSOUS DE L’ARMOIRE
HOTTE AVEC VENTILATEUR EN LIGNE OU EXTÉRIEUR
2 po
2 po
5¼ po 5¼ po
3½ po 478 po
LIGNE DE CENTRE DE L’ARMOIRE
5/8 po 1/4 po
3/8 po
ÉVACUATION VERTICALE
SEULEMENT

24
Plier l’adaptateur et insérer la partie mâle (section grise dans le médaillon) dans la partie
femelle (section blanche dans le médaillon). Puis, replier l’une sur l’autre les extrémités
mâle et femelle pour finaliser l’assemblage de l’adaptateur.
HOTTE À DEUX VENTILATEURS
Débrancher les deux ventilateurs (1) avant de retirer les 3 vis retenant l’adaptateur (2) au
dessus interne de la hotte.
NOTE: L’adaptateur de la hotte à deux ventilateurs est livré déplié. Voir ci-contre.
A. Enlever le ruban adhésif des filtres.
Retirer les filtres de la hotte et les mettre de côté.
NOTE : Il est recommandé de commencer par celui
(ceux) du centre.
B. Enlever le ruban adhésif de la gouttière (1).
Retirer la gouttière et la mettre de côté.
HOTTE À UN VENTILATEUR
Retirer les deux vis retenant l’adaptateur/volet (1) au dessus interne de la hotte.
4. RETIRER LES FILTRES ET LA GOUTTIÈRE
5. RETIRER L’ADAPTATEUR (HOTTE À VENTILATEUR(S) INTÉRIEUR(S) SEULEMENT)
HD0240 AB
1
HD0259
1
HD0339
2
1
HD0284

25
6. CHOISIR L’OUVERTURE (HOTTE À VENTILATEUR(S) INTÉRIEUR(S) SEULEMENT)
Enlever l’ouverture préamorcée (ou les ouvertures préamorcées) selon le type d’évacuation choisie (horizontale à l’arrière de la hotte ou
verticale sur le dessus). Voir les illustrations ci-contre.
ÉVACUATION VERTICALE
ÉVACUATION HORIZONTALE
NOTE : Seulement pour une évacuation
avec conduits.
Défoncer l’ouverture préamorcée appropriée pour le fil d’alimentation
électrique située sur le dessus (A) ou à l’arrière (B) de la hotte. Installer le
serre-fils (inclus dans le sac de pièces).
NOTE : Pour une installation en recirculation, défoncer l’ouverture
préamorcée arrière (B).
12 3
HR0021
123
7. INSTALLATION À ÉVACUATION HORIZONTALE
(HOTTE À VENTILATEUR(S) INTÉRIEUR(S) SEULEMENT)
Toutes les hottes à ventilateur(s) intérieur(s) sont expédiées de l’usine avec leur(s) ventilateur(s) configuré(s) pour une évacuation
verticale. Pour une configuration d’évacuation horizontale, désassembler le(s) ventilateur(s) du dessus intérieur de la hotte et assembler
le(s) ventilateur(s) au panneau arrière interne de la hotte. La procédure suivante vaut pour un ventilateur ou deux ventilateurs.
Débrancher le ventilateur
HE0085
HR0024
AB
HD0269
EMPLACEMENT DES VIS,
CÔTÉ GAUCHE
À l’aide d’une douille 5/16 po, enlever toutes les
vis retenant le ventilateur au dessus intérieur de
la hotte. Mettre de côté les vis.
HD0282
EMPLACEMENT DES
VIS, CÔTÉ DROIT

26
8. INSTALLER L'ADAPTATEUR (LE CAS ÉCHÉANT)
(HOTTE À DEUX VENTILATEUR(S) INTÉRIEUR(S) SEULEMENT)
HJ0013
À l’aide des vis standard 3/8 po fournies, fixer
l’adaptateur sur le dessus (ou à l’arrière) de la
hotte (2 vis pour l’adaptateur/volet de 3¼ po x 10 po
et 4 vis pour l’adaptateur de 4½ po x 18½ po).
Sceller l’adaptateur à la hotte à l’aide de ruban
adhésif de métal. Si des conduits ronds doivent
être installés, installer une transition de format
adéquat et sceller les joints à l’aide de ruban
adhésif de métal.
Faire glisser le ventilateur pour désengager sa bride de son support de fixation.
HD0270
HD0271
EMPLACEMENT
DES VIS,
CÔTÉ GAUCHE
HD0272
Retourner le ventilateur et engager sa bride
dans le support de fixation du panneau arrière
interne.
À l’aide d’une douille 5/16 po et des vis retirées
précédemment, fixer le ventilateur à la hotte.
Rebrancher le ventilateur.
NOTE POUR LES HOTTES À DEUX VENTILATEURS SEULEMENT : Couper l’attache autoblocante
du câble du ventilateur gauche.
HE0085
9. INSTALLER LE KIT DE RECIRCULATION DE SÉRIE ANKE60
(INSTALLATION EN RECIRCULATION SEULEMENT)
Voir les instructions incluses avec le kit de recirculation pour plus de détails.
7. INSTALLATION À ÉVACUATION HORIZONTALE
(HOTTE À VENTILATEUR(S) INTÉRIEUR(S) SEULEMENT) (SUITE)
EMPLACEMENT
DES VIS,
CÔTÉ DROIT

27
Retirer le couvercle de la boîte de jonction de la plaque ventilateur ou du compartiment électrique de la hotte et mettre de côté.
VENTILATEURS INTÉRIEURS : Connecter les fils aux fils du câble d’alimentation
électrique à l’aide des capuchons de connexion
fournis. Connecter le fil NOIR au NOIR, le fil BLANC
au BLANC et le fil VERT ou dénudé à la vis VERTE
de mise à la terre.
Remettre en place le couvercle de la boîte de jonction.
VENTILATEURS EN LIGNE OU EXTÉRIEURS : Voir les instructions incluses avec
le ventilateur.
VENTILATEUR INTÉRIEUR : Passer l’alimentation électrique jusqu’à l’endroit de l’installation de la hotte. Placer la hotte à son emplacement.
Marquer la position des vis (petite partie du trou en forme de poire [A]) à l’aide d’un crayon. Retirer la hotte et installer 4 vis 1/2 po à double
filet aux endroits marqués en laissant un espace de 1/8 po. Enlever le couvercle de la boîte de jonction. Passer le câble électrique dans
la hotte par le serre-fils et serrer la vis du serre-fils à l’entrée de la hotte pour maintenir le câble en place. Placer la hotte sous l’armoire
(les vis passent à travers la grosse partie des trous) et glisser la hotte en position. S’assurer que l’adaptateur (ou la transition) entre dans
le conduit. Visser complètement les vis pour maintenir la hotte en position. Visser les dernières vis 1/2 po à double filet dans les trous
restants [B].
10. INSTALLER LA HOTTE (TOUS LES VENTILATEURS)
11. BRANCHEMENT ÉLECTRIQUE (TOUS LES VENTILATEURS)
AVERTISSEMENT
Risque d’électrocution. Le raccordement électrique doit être effectué par du personnel qualifié conformément
aux codes et aux standards. Avant d’effectuer le branchement, coupez l’alimentation électrique au panneau de
distribution et verrouillez-le pour éviter une mise en marche accidentelle.
!
ATTENTION
HE0088
A
HD0265
A
B
A
B
B
HOTTE À VENTILATEUR INTÉRIEUR HOTTE À VENTILATEUR EXTÉRIEUR OU EN LIGNE
VENTILATEUR EN LIGNE OU EXTÉRIEUR : Passer l’alimentation électrique jusqu’à l’endroit de l’installation de la hotte. Placer la hotte à
son emplacement. Marquer la position des vis (petite partie du trou en forme de poire [A]) à l’aide d’un crayon. Retirer la hotte et installer
les 4 vis 1/2 po double filet aux endroits marqués en laissant un espace de 1/8 po. Enlever le couvercle de la boîte électrique située sur
le dessus de la hotte, défoncer l’ouverture préamorcée et installer le serre-fils. Passer le câble électrique dans la hotte par le serre-fils et
serrer la vis du serre-fils à l’entrée de la hotte pour maintenir le câble en place. Effectuer le branchement électrique (voir les instructions
incluses avec le ventilateur en ligne ou extérieur). Placer la hotte sous l’armoire (les vis passent à travers la grosse partie des trous) et
glisser la hotte en position. Visser complètement les vis pour maintenir la hotte en position. Visser les dernières vis 1/2 po à double filet
dans les trous restants [B].
Pour installer le ventilateur, voir les instructions comprises avec celui-ci.
Une fois installé, brancher le fil muni de la prise femelle (A) de la plaque ventilateur dans
la fiche mâle à l’intérieur de la hotte et le fil muni de la fiche mâle (B) à la prise femelle à
l’intérieur de la hotte.
12. INSTALLER LE VENTILATEUR (HOTTE AVEC VENTILATEUR EXTÉRIEUR OU EN LIGNE)
AVERTISSEMENT
!
Ne jamais brancher ensemble le fil du ventilateur et le fil
d’alimentation de la hotte.
Le fil ORANGE (A) ne doit servir seulement qu’à la connexion
d’un dispositif d’apport d’air. S’il n’y a pas de dispositif d’apport
d’air, ne jamais retirer le capuchon au bout du fil ORANGE.
HE0078
BA

28
L’éclairage de cette hotte est produit par des ampoules halogènes avec écran de 50 W max., 120 V avec culot GU10 (non incluses).
(2 requises pour une hotte de 30 po ou de 36 de largeur, ou 3 pour une hotte de 42 po ou de 48 po de largeur.)
1. Installer les ampoules en glissant leurs conduteurs dans les rainures, à l’intérieur
des douilles.
2. Pousser doucement vers le haut et tourner dans le sens des aiguilles d’une montre
jusqu’à ce que les ampoules soient bien en place.
Pour retirer les ampoules, pousser doucement vers le haut et tourner dans le sens
contraire des aiguilles d’une montre pour désengager les conducteurs hors de leurs
rainures.
NOTE : Si nécessaire, utiliser un gant à vaisselle pour obtenir une meilleure prise de
l’ampoule lors de son retrait.
14. REMETTRE EN PLACE LA GOUTTIÈRE ET LES FILTRES À CHICANE
HD0241
Réinstaller la gouttière. L’illustration ci-contre montre comment remettre en place la
gouttière dans la hotte.
ATTENTION
Retirer la pellicule protectrice de plastique des filtres avant de les installer.
HD0242
1
2
NOTE : Assembler les poignées de métal et les filtres à l’aide des vis n° 8-32 x 1/4 po
fournies, avant de les installer dans la hotte.
Il est recommandé d’installer les filtres des côtés en premier et de terminer par le(s)
filtre(s) du centre.
1. Insérer une extrémité du filtre dans le rail avant de la hotte.
2. Lever l’autre extrémité du filtre à l’intérieur de la hotte et l’introduire dans la
gouttière.
13. INSTALLER LES AMPOULES
AVERTISSEMENT
!
Ne pas toucher aux lampes durant ou peu après leur utilisation. Peuvent causer des brûlures. Afin de réduire le
risque de blessures corporelles, n’installer que des ampoules halogènes avec écran. Aussi, ne jamais installer
une ampoule à faisceau froid, dichroïque, non conçue pour des luminaires encastrés ou conçue uniquement pour
des luminaires fermés.
12
HO0090

29
15. ENTRETIEN
Filtres à chicane
Les filtres à chicane doivent être nettoyés fréquemment. Utiliser une solution d’eau chaude et de détergent. Nettoyer les
filtres à chicane plus souvent si vos habitudes de cuisson génèrent plus de graisse, comme la friture ou les aliments
sautés au wok. Retirer les filtres en les poussant vers l’arrière de la hotte et en les retournant vers le bas. Les filtres à
chicane sont lavables au lave-vaisselle. Laisser les filtres sécher complètement avant de les réinstaller dans la hotte.
Nettoyer les filtres fabriqués entièrement de métal au lave-vaisselle à l’aide d’un détergent sans phosphate. L’utilisation d’un détergent avec
phosphate ainsi que les conditions locales de l’eau peuvent entraîner une décoloration des filtres, sans toutefois affecter leur performance.
Cette décoloration n’est pas couverte par la garantie.
Gouttière
La gouttière doit être nettoyée fréquemment. Pour ce faire, la désengager de la hotte et utiliser une solution d’eau chaude et de détergent.
Tout comme les filtres à chicane, la laver plus souvent si vos habitudes de cuisson génèrent plus de graisse, comme de la friture ou des
aliments sautés au wok. Essuyer complètement la gouttière avant de la réinstaller dans la hotte.
Nettoyage du (des) ventilateurs (intérieur(s))
Retirer les filtres pour accéder au(x) ventilateur(s). Passer l’aspirateur pour le(s) nettoyer, ne pas immerger dans l’eau.
Nettoyage de la hotte
Acier inoxydable :
À faire :
• Laver régulièrement les surfaces à l’aide d’un linge propre
imbibé d’eau tiède et de savon doux ou de détergent liquide
pour la vaisselle.
• Toujours nettoyer dans le sens du polissage.
• Toujours bien rincer à l’eau claire (2 ou 3 fois) et essuyer
complètement.
• Un nettoyant domestique conçu spécialement pour l’acier
inoxydable peut aussi être utilisé.
À ne pas faire :
• Utiliser de laine d’acier ou d’acier inoxydable ou tout autre
grattoir pour enlever la saleté tenace.
• Utiliser une poudre nettoyante abrasive ou rugueuse.
• Laisser la saleté s’accumuler.
• Laisser la poussière de plâtre ou tout autre résidu de construction
atteindre la hotte. Couvrir la hotte pour la durée des travaux afin
de s’assurer qu’aucune poussière n'atteint la hotte.
À éviter lors du choix du détergent :
• Tous produits nettoyants qui contiennent des agents de blanchiment; ils attaqueront l’acier inoxydable.
• Tous les produits contenant du chlorure, fluorure, iode ou bromure; ils détérioreront rapidement les surfaces.
• Tous produits combustibles utilisés pour le nettoyage : acétone, alcool, éther, benzol, etc., ils sont hautement explosifs et ne devraient
jamais être utilisés près d’une cuisinière.
16. FONCTIONNEMENT
AVERTISSEMENT
!
Lors d’un feu de cuisson ou d’une chaleur excessive, le HEAT SENTRY peut mettre le ventilateur en marche même
s’il est arrêté. Si tel est le cas, il est impossible de l’arrêter avec son interrupteur. Si vous devez arrêter le ventilateur,
faites-le depuis le panneau de distribution.
Toujours mettre en marche la hotte avant de commencer la cuisson afin d’établir une circulation d’air dans la cuisine. Laisser fonctionner
la hotte quelques minutes après la fin de la cuisson afin de nettoyer l’air. Cela aidera à garder la cuisine plus propre et plus fraîche.
HEAT SENTRYMC
Cette hotte est munie d’un thermostat HEAT SENTRYMC. Ce thermostat est un dispositif qui actionnera ou augmentera la vitesse du ventilateur
s’il détecte une chaleur excessive au-dessus de la surface de cuisson.
1) Si le ventilateur n’est pas en marche, il actionnera le ventilateur en haute vitesse.
2) Si le ventilateur fonctionne en basse vitesse, le ventilateur passera en haute vitesse.
Lorsque la température revient à la normale, le ventilateur retourne à sa vitesse d’origine.

30
17. GARANTIE
GARANTIE LIMITÉE DE UN AN DES PRODUITS BROAN ELITE
Broan-NuTone LLC (Broan-NuTone) garantit à l’acheteur consommateur initial des produits Broan Elite qu’ils sont exempts de tout
défaut dans les matières premières ou la main-d’oeuvre, pour une période de un an à compter de la date d’achat par le consommateur
initial. IL N’Y A PAS D’AUTRES GARANTIES, EXPRIMÉES OU IMPLICITES, INCLUANT, MAIS NON LIMITÉES AUX GARANTIES
IMPLICITES POUR FIN DE COMMERCIALISATION ET DE CONVENANCE DANS UN BUT PARTICULIER.
Durant cette période de un an, Broan-NuTone, à sa discrétion, réparera ou remplacera gratuitement tout produit ou pièce qui s’avère
défectueux et ayant été utilisé nomalement et d'une manière non abusive.
CETTE GARANTIE NE COUVRE PAS LES STARTERS DE TUBES FLUORESCENTS, LES FLUORESCENTS, LES AMPOULES
HALOGÈNES ET À INCANDESCENCE, LES FUSIBLES, LES FILTRES, LES CONDUITS, LES CAPUCHONS DE TOIT, LES
CAPUCHONS DE MUR ET LES AUTRES ACCESSOIRES DE CONDUITS. Cette garantie ne couvre pas (a) l’entretien et le service
normal ou (b) tout produit ou pièce endommagé à la suite de mauvais usage, négligence, accident, entretien inapproprié ou réparation
(autre que par Broan-NuTone), mauvaise installation ou installation non conforme au mode d’installation recommandé.
La durée de toute garantie implicite est limitée à une période de un an telle qu’elle est spécifiée pour la garantie exprimée. Certains
États ne permettent pas de limite de temps sur les garanties implicites. Si tel est le cas, veuillez ne pas tenir compte de la dernière
limite décrite ci-dessus.
L’ENGAGEMENT DE BROAN-NUTONE DE RÉPARER OU DE REMPLACER, AU CHOIX DE BROAN-NUTONE, SERA LA SEULE
OBLIGATION EXCLUSIVE SOUS CETTE GARANTIE. BROAN-NUTONE NE SERA PAS TENUE RESPONSABLE DES DOMMAGES
DIRECTS, INDIRECTS OU SPÉCIAUX SURVENANT À CAUSE DE OU EN RAPPORT À L’UTILISATION OU À LA PERFORMANCE
DE SES PRODUITS. Certains États ne permettent pas l’exclusion ou la limite relative aux dommages directs, indirects ou spéciaux. Si
tel est le cas, veuillez ne pas tenir compte de l’exclusion ou de la limite ci-dessus.
Cette garantie vous donne des droits légaux spécifiques et il se peut que vous ayez d’autres droits qui varient d’un État à l’autre. Cette
garantie annule toutes les autres garanties précédentes.
Pour le service sous garantie, vous devez (a) aviser Broan-NuTone à l’adresse ou numéro de téléphone mentionné plus bas, (b) donner
le numéro du modèle et l’identification de la pièce et (c) décrire la nature de tout défaut dans le produit ou la pièce. Au moment de la
demande de service sous garantie, vous devez présenter une preuve de la date d’achat initial dudit produit.
Broan-NuTone LLC; 926 W. State Street, Hartford, Wisconsin 53027 www.broan.com 800 558-1711
16. FONCTIONNEMENT (SUITE)
HC0034 AB
1) Bouton d’éclairage halogène
2) Témoin de fonctionnement du ventilateur
3) Interrupteur MARCHE/ARRÊT du ventilateur
4) Bouton de la commande de vitesse du ventilateur
HC0035
1
3
2
4
A) Bouton d’éclairage halogène
B) Bouton de la commande de vitesse du ventilateur
ÉCLAIRAGE DE LA SURFACE DE CUISSON (HALOGÈNE)
Un bouton rotatif à 3 positions (1) contrôle les lampes halogènes (ARRÊT - basse intensité - intensité élevée).
VENTILATEUR
Le ventilateur fonctionne à l’aide de deux commandes.
Utiliser l’interrupteur à bascule MARCHE/ARRÊT (3) pour mettre en marche et arrêter le ventilateur. Lorsqu’il est en marche, le témoin
de fonctionnement du ventilateur (2) s’allume et le ventilateur fonctionne à la vitesse réglée par le bouton de la commande de vitesse (4).
Tourner le bouton de la commande de vitesse dans le sens des aiguilles d’une montre pour augmenter la vitesse du ventilateur, et dans
le sens contraire des aiguilles d’une montre pour ralentir la vitesse du ventilateur.

31
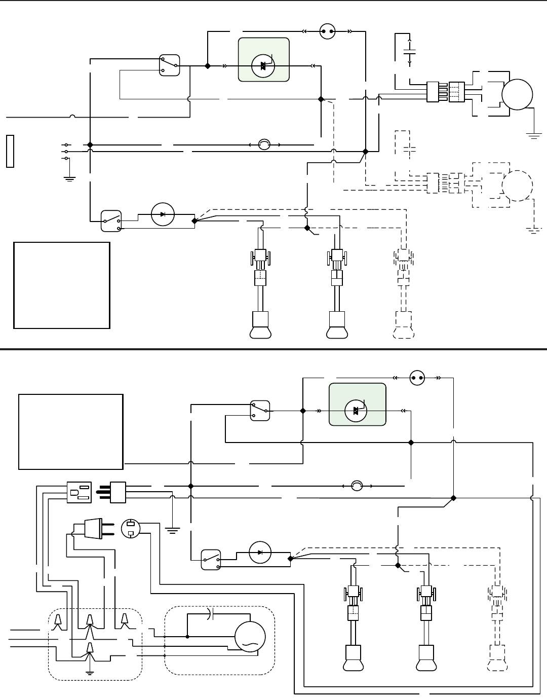
18. SCHÉMAS ÉLECTRIQUES
LIGNE
NEUTRE
MISE À
LA TERRE
120 V C A
B
M
BR
BL
R
N
M
B
CONTRÔLE
DE VITESSE
HS
THERMOSTAT
BL
N
N
BL
N
J
B
B
B
B
B
N
N
J
J
N
O
N
É
ON
LAMPE
O
INTERRUPTEUR
D’ÉCLAIRAGE
L 1-3
2
INTERRUPTEUR
DU VENTILATEUR
Arrêt 2
Marche 3 1
À N’UTILISER
SEULEMENT QU’AVEC
UN DISPOSITIF
D’APPORT D’AIR
APPROPRIÉ
BL
BL
BL
BL
LAMPE LAMPE
O
CODE DE COULEUR
HE0090F
N
B BLANC
BL BLEU
BR BRUN
J JAUNE
N NOIR
O ORANGE
R ROUGE
BR
BL
R
B
B
THERMOSTAT
BL
N
N
BL
N
J
B
B
B
B
N
J
J
N
O
N
É
ON
LAMPE
O
M
VENTILATEUR EXTERNE
RETOUR
LIGNE
ALIMENTATION
120 V
LAMPE LAMPE
MISE À
LA TERRE
HE0091F
L 1-3
2
1
BL BLEU
J JAUNE
N NOIR
O ORANGE
B BLANC
CODE DE COULEUR
COMMANDE
DE VITESSE
INTERRUPTEUR
D’ÉCLAIRAGE
INTERRUPTEUR
DU VENTILATEUR
À N’UTILISER
SEULEMENT QU’AVEC
UN DISPOSITIF
D’APPORT D’AIR
APPROPRIÉ
Arrêt 2
Marche 3
NN
N
N
BB
B
B
V
V
V VERT
PLAQUE VENTILATEUR
HEAT SENTRY
Broan Elite Série E64000
Hottes à ventilateur(s) intérieur(s)
Broan Elite Série E64000
Hottes à ventilateur extérieur ou en ligne

32
HL0182
19. PIÈCES DE RECHANGE
* NON ILLUSTRÉE
NO
RÉF.PIÈCE NODESCRIPTION QTÉ (LARGEUR DE HOTTE)
30 PO 36 PO 42 PO 48 PO
1
SV13296
SV17797
ADAPTATEUR/VOLET 3¼ PO X 10 PO
(HOTTE À 1 VENTILATEUR)
ADAPTATEUR 4¼ PO X 18½ PO
(HOTTE À 2 VENTILATEURS)
1
1
1
1
1
1
1
1
2 SV06750 LOGO BROAN ELITE 1111
3 SV05917 DOUILLE 2233
4 SV09435 SUPPORT DE DOUILLE 2233
5 SV09434 GARNITURE DE LAMPE 2233
6 SV03435 THERMOSTAT HEAT SENTRYMC 1111
7 SV08338 INTERRUPTEUR D'ÉCLAIRAGE 1111
8 SV03501 COMMANDE DE VITESSE 1111
9 SV08355 BOUTONS ÉCLAIRAGE ET VENTILATEUR (2) 1111
10 SV08343 FILTRES À CHARBON DE RECHANGE (PAIRE)1111
11 SV08344 SUPPORTS DE FILTRES À CHARBON (PAIRE)1111
12 SV08097 MOTEUR INTÉRIEUR
(1 OU 2, SELON LE MODÈLE DE HOTTE)11
2 1
2 1
2
13
SV17640
SV17641
SV17642
SV17643
GOUTTIÈRE DE 30 PO
GOUTTIÈRE DE 36 PO
GOUTTIÈRE DE 42 PO
GOUTTIÈRE DE 48 PO
1
-
-
-
-
1
-
-
-
-
1
-
-
-
-
1
14 SV08337 RESSORT POUR FILTRE (6) 1111
15 SV17600
SV17603 FILTRE À CHICANE 8,84 PO X 9,80 PO
FILTRE À CHICANE 11,84 PO X 9,80 PO
2
1-
32
2-
4
16 SV08339 INTERRUPTEUR À BASCULE DU VENTILATEUR 1111
17 SV08093 ENSEMBLE DE LAMPE TÉMOIN 1111
18 SV07680 POIGNÉE DE FILTRE À CHICANE AVEC VIS 3344
* SV08342 CONDENSATEUR 25 µF1111
* SV08341 GUIDE D'INSTALLATION 1111
* SV08353
SAC DE PIÈCES : 2 CAPUCHONS DE
CONNEXION,
9 VIS NO 8 X 1/2 PO,
8 VIS À MÉTAUX NO 8-32 X 1/4 PO,
1 SERRE-FILS, 4 VIS NO 8 X 3/8 PO
1111
NO
RÉF.PIÈCE NODESCRIPTION QTÉ (LARGEUR DE HOTTE)
30 PO 36 PO 42 PO 48 PO
2 SV06750 LOGO BROAN ELITE 1111
3 SV05917 DOUILLE 2233
4 SV09435 SUPPORT DE DOUILLE 2233
5 SV09434 GARNITURE DE LAMPE 2233
6 SV03435 THERMOSTAT HEAT SENTRYMC 1111
7 SV08338 INTERRUPTEUR D'ÉCLAIRAGE 1111
8 SV03501 COMMANDE DE VITESSE 1111
9 SV08355 BOUTONS ÉCLAIRAGE ET VENTILATEUR (2) 1111
13
SV17640
SV17641
SV17642
SV17643
GOUTTIÈRE DE 30 PO
GOUTTIÈRE DE 36 PO
GOUTTIÈRE DE 42 PO
GOUTTIÈRE DE 48 PO
1
-
-
-
-
1
-
-
-
-
1
-
-
-
-
1
14 SV08337 RESSORT POUR FILTRE (6) 1111
15 SV17600
SV17603 FILTRE À CHICANE 8,84 PO X 9,80 PO
FILTRE À CHICANE 11,84 PO X 9,80 PO
2
1-
32
2-
4
16 SV08339 INTERRUPTEUR À BASCULE DU VENTILATEUR 1111
17 SV08093 ENSEMBLE DE LAMPE TÉMOIN 1111
18 SV07680 POIGNÉE DE FILTRE À CHICANE AVEC VIS 3344
19 SV08354 PLAQUE VENTILATEUR 10 PO ROND 1111
20 SV13924 CONNECTEUR FEMELLE 1111
21 SV13923 CONNECTEUR MÂLE 1111
* SV08342 CONDENSATEUR 25 µF1111
* SV08341 GUIDE D'INSTALLATION 1111
* SV08353
SAC DE PIÈCES : 2 CAPUCHONS DE
CONNEXION,
9 VIS NO 8 X 1/2 PO,
8 VIS À MÉTAUX NO 8-32 X 1/4 PO,
1 SERRE-FILS, 4 VIS NO 8 X 3/8 PO
1111
PIÈCES DE REMPLACEMENT ET SERVICE
Pour assurer le bon fonctionnement de votre appareil, vous devez toujours utiliser des
pièces d'origine provenant de Broan-NuTone. Les pièces d'origine de Broan-NuTone
sont spécialement conçues pour satisfaire toutes les normes de certification de sécurité
applicables. Leur remplacement par des pièces ne provenant pas de Broan-NuTone pourrait
ne pas assurer la sécurité de l'appareil, entraîner une réduction sévère des perfor-
mances ainsi qu'un risque de défaillance prématurée. Broan-NuTone recommande éga-
lement de toujours vous référer à une entreprise de services compétente et reconnue par
Broan-NuTone pour vos pièces de remplacement et appels de service.
Broan Elite Série E64000
Hotte à ventilateur(s)
intérieur(s)
Broan Elite Série E64000
Hotte à ventilateur extérieur
ou en ligne
* NON ILLUSTRÉE
HL0183
1
2
5
4
316
17
18
11 12
15
14
13
67
10
9
8
2
5
4
3
16 17
18
15
14
13
67
9
8
19
21
20

SV08341 rev. 09
SERIE E64000
INSTRUCCIONES DE INSTALACIÓN
LEA ESTAS INSTRUCCIONES Y GUÁRDELAS
Broan-NuTone LLC; Hartford, Wisconsin www.broan.com 800-558-1711
REGISTRE SU PRODUCTO EN LÍNEA EN: www.broan.com/register
EXCLUSIVAMENTE PARA COCINAS DOMÉSTICAS
INSTALADOR: ENTREGUE ESTE MANUAL AL PROPIETARIO DE
LA CASA.
PROPIETARIO: INFORMACIÓN SOBRE UTILIZACIÓN Y CUIDADO
EN LAS PÁGINAS 45 Y 46.
! !
HB0072

34
PARA REDUCIR EL RIESGO DE INCENDIO, DESCARGA
ELÉCTRICA O LESIÓN CORPORAL, RESPETE LAS
SIGUIENTES INDICACIONES:
1. Utilice esta unidad únicamente de la forma en que indica el
fabricante. Si tiene cualquier pregunta, póngase en contacto
con el fabricante en la dirección o el teléfono que aparecen en
la garantía.
2. Antes de reparar o limpiar el aparato, apáguelo en el tablero
de servicio y bloquee los medios de desconexión para impedir
que la corriente se conecte accidentalmente. Cuando no se
pueda bloquear los medios de desconexión, coloque un
dispositivo de advertencia visible (como una etiqueta) en el
tablero de servicio.
3. La instalación y la conexión eléctrica deben ser realizadas
por personal calificado de acuerdo con todos los códigos
y normas aplicables, incluso los relativos a la construcción
ignífuga.
4. Para lograr una combustión adecuada y una extracción
correcta de los gases a través de la salida del humo (chimenea)
del equipo quemador de combustible — evitando así el
contratiro— es necesario disponer de aire suficiente. Siga
las directrices del fabricante del equipo de material térmico
y las normas de seguridad, como las que publica la NFPA
(asociación de protección contra los incendios) y la ASHRAE
(sociedad estadounidense de técnicos de calefacción,
refrigeración y aire acondicionado) así como los códigos de
los organismos responsables locales.
5. Al cortar o perforar la pared o el techo, procure no dañar el
cableado eléctrico ni otras instalaciones de servicios públicos.
6. Los ventiladores entubados siempre deben tener salida al
exterior.
7. No utilice este aparato con un dispositivo de control de
velocidad con semiconductores.
8. Para reducir el riesgo de incendio, utilice sólo tuberías
metálicas.
9. Este aparato debe conectarse a tierra.
10. Cuando una reglamentación local esta en vigor y conlleva
exigencias de instalación y/o de certificación mas estrictas,
susodichas exigencias prevalecen sobre aquellas en
este documento y el instalador acepta someterse a estas
exigencias a sus gastos.
PARA REDUCIR EL RIESGO DE QUE ARDA LA GRASA
EN LA PARTE SUPERIOR DE LA COCINA:
a) No deje nunca recipientes de cocina a fuego vivo sin vigilancia.
Los desbordamientos producen humo y derrames grasientos
que pueden inflamarse. Caliente el aceite despacio, a fuego
lento o mediano.
b) Ponga en marcha siempre la campana extractora al cocinar a
temperaturas elevadas o al cocinar alimentos flameados (por
ejemplo: crepas Suzette, cerezas jubilee, res con pimienta
flambeada).
c) Limpie los ventiladores con frecuencia. No deje que la grasa
se acumule en el ventilador, ni en los filtros o en los conductos
de evacuación.
d) Utilice cacerolas de tamaño apropiado. Emplee siempre un
recipiente adecuado para el tamaño de la placa.
1. Sólo para una utilización en el interior.
2. Sólo para ventilación general. No debe utilizarse para extraer
materiales o vapores peligrosos o explosivos.
3. Para evitar daños en el cojinete del motor y que la hélice
haga ruido o se desequilibre, mantenga la unidad de
alimentación lejos de los vaporizadores de pirca, del polvo de
la construcción, etc.
4. El motor de la campana tiene un dispositivo contra sobrecargas
térmicas que apaga el motor automáticamente si éste se
sobrecalienta. El motor volverá a ponerse en marcha cuando
se enfríe. Si el motor sigue apagándose, haga examinar la
campana.
5. Para que la campana capte bien las impurezas que se
desprenden al cocinar, la distancia mínima entre la campana
y la superficie de la cocina no debe ser inferior a 24 pulgadas
ni superior a 30 pulgadas.
6. Dado el peso y el tamaño de esta campana, se aconseja que
la instalen dos personas.
7. Para reducir los riesgos de incendio y extraer el aire
debidamente, el aire debe evacuarse fuera. No extraiga el aire
a espacios situados entre las paredes, en el techo o en el
desván, falso techo o garaje.
8. Este producto está equipado con un termostato que puede
poner en marcha el ventilador automáticamente. Para reducir
el riesgo de que se produzcan daños y evitar poner en marcha
la alimentación accidentalmente, apague la corriente en el
tablero de servicio, bloquee este tablero o ponga una etiqueta
de advertencia.
9. Dada la gran capacidad extractora de esta campana, debería
asegurarse de que en la casa entra suficiente aire para
sustituir el aire extraído. Utilice un dispositivo de circulación
de aire o abra una ventana en la cocina o cerca de ella.
10. Para reducir el riesgo de incendio y de choque eléctrico, las
campanas de la serie E64E de Broan Elite deben instalarse
únicamente con un ventilador exterior de Broan modelo 331H,
332H, 335 o 336, o con un ventilador en línea de Broan modelo
HLB3, HLB6, HLB9 o HLB11. No debe utilizar otros ventiladores.
Los ventiladores exteriores o en línea se venden aparte.
11. Para mayor información y conocer los requisitos, lea la
etiqueta con las especificaciones en el producto.
ADVERTENCIA
!
PRECAUCIÓN
PARA REDUCIR EL RIESGO DE LESIONES
CORPORALES EN EL CASO DE QUE ARDA LA GRASA
EN LA PARTE SUPERIOR DE LA COCINA, SIGA ESTAS
INDICACIONES*:
1. SOFOQUE LAS LLAMAS con una tapa ajustada, una hoja
o bandeja metálica para hornear galletas, y apague luego el
quemador. TENGA CUIDADO PARA EVITAR QUEMADURAS.
SI LAS LLAMAS NO SE APAGAN INMEDIATAMENTE,
EVACUE EL LUGAR Y LLAME A LOS BOMBEROS.
2. NO SUJETE NUNCA UNA SARTÉN EN LLAMAS ya que
podría quemarse.
3. NO USE AGUA, ni trapos húmedos. Podría causar una
violenta explosión de vapor.
4. Utilice un extintor SOLAMENTE si:
A. Tiene un extintor de tipo ABC y sabe usarlo.
B. El incendio es pequeño y está circunscrito a la zona donde
empezó.
C. Ya ha llamado a los bomberos.
D. Puede tratar de apagar el fuego si dispone siempre de
una salida detrás de usted.
* Fuente: “Kitchen Fire Safety Tips” publicado por la NFPA.
ADVERTENCIA
!

35
- CAMPANAS DE COCINA DE LA SERIE E64000 -
VENTILADORES INTERIORES
HL0097
MODELO 437
(CAPUCHóN DE ALTA
CAPACIDAD PARA TEJADO)
MODELO 421
(DISPOSITIVO DE CIERRE
REDONDO, VERTICAL Y
EN LíNEA DE 10")
MODELO 441
(CAPUCHóN
MURAL REDONDO
DE 10")
MODELO 418
(CODO AJUSTABLE
REDONDO DE 10")
MODELO 410
(TUBO REDONDO DE 10",
SECCIONES DE 2 PIES)
MODELO 427
(REDONDO DE
4½" X 18½" A 10"
6" DE ALTURA - LATERAL)
MODELO 423
(REDONDO DE
4½" X 18½" A 10",
- VERTICAL)
MODELO 424
(REDONDO DE
4½" X 18½" A 10",
HORIZONTAL,
DELANTERO Y TRASERO)
MODELO 454
(REDONDO DE
4½" X 18½" A 10" -
HORIZ./DERECHA)
MODELO 453
(REDONDO DE
4½" X 18½" A 10"
HORIZ./IZQUIERDA)
SERIE ANKE60
CONJUNTO DE RECIRCULACIÓN
ADAPTADOR 4½" X 18½"
(VIENE CON LAS CAMPANAS DE 2
VENTILADORES)
VENTILADOR DOBLE (1100 PCM)
CAMPANAS DE 36" Y 42"
CAMPANA DE
LA SERIE E64000
PLACA POSTERIOR
SERIE RMP
(CUBIERTA MURAL DE ACERO
INOXIDABLE CON ESTANTES
DE CALENTAMIENTO;
OPCIONAL)
VENTILADOR SENCILLO (600 PCM)
ADAPTADOR/DISPOSITIVO DE
CIERRE 3¼" X 10"
(VIENE CON LAS CAMPANAS
DE UN SOLO VENTILADOR)
TUBO
ESTÁNDAR
(3¼" X 10")
MODELO 639
(CAPUCHóN
MURAL,
3¼" X 10")
MODELO 413
(CAMBIO DE SECCIóN,
3¼" X 10" A 8")
TUBO REDONDO
ESTANDÁR DE 8"
CODO AJUSTABLE
REDONDO DE 8"
MODELO 415
(CODO AJUSTABLE
REDONDO DE 7")
MODELO 407
(TUBO REDONDO DE 7",
secciones de 2 pies)
MODELO 412
(CAMBIO DE SECCIóN
3¼" X 10" A 7")
MODELO 647
(CAPUCHóN MURAL
REDONDO DE 7") MODELO 634
O 644
(TAPA DE TECHO)
MODELO 643
(CAPUCHóN MURAL
REDONDO DE 8")
VENTILADOR DOBLE (1200 PCM)
SÓLO CAMPANA DE 48"

36
HL0098
- CAMPANAS DE COCINA DE LA SERIE E64000 -
VENTILADORES EN LÍNEA Y EXTERIORES
MODELO 437
(CAPUCHóN DE ALTA CAPACIDAD
PARA TEJADO)
VENTILADOR EN LíNEA
MODELO HLB9 (800 PCM)
O HLB11 (1100 PCM)
(COMPRENDE DOS CAMBIOS DE
SECCíON REDONDOS DE
8" X 12" A 10")
VENTILADOR EXTERIOR
MODELO 331H (600 PCM)
O 332H (900 PCM)
VENTILADOR EXTERIOR
MODELO 335 (1200 PCM)
O 336 (1500 PCM)
MODELO 643
(CAPUCHóN
MURAL REDONDO
DE 8")
MODELO 441
(CAPUCHóN MURAL
REDONDO DE 10")
VENTILADOR EN LíNEA
MODELO HLB6 (660 PCM)
(COMPRENDE DOS CAMBIOS
DE SECCIóN REDONDOS DE
4½" X 18½" A 10")
VENTILADOR EN LíNEA
MODELO HLB3 (280 PCM)
(COMPRENDE UN CAMBIO
DE SECCIóN REDONDO
DE 8" A 10")
MODELO 418
(CODO AJUSTABLE
REDONDO DE 10")
MODELO 410
(TUBO REDONDO DE 10"
SECCIONES DE 2 PIES)
CAMPANA DE
LA SERIE E64000
MODELO 421
(DISPOSITIVO DE CIERRE
REDONDO, VERTICAL Y EN
LíNEA DE 10").
ACONSEJADO PARA
VENTILADORES
EXTERIORES.
PLACA DE VENTILADOR EN LíNEA
Y EXTERIOR 332KR
(VIENE CON LA CAMPANA)
PLACA POSTERIOR
SERIE RMP
(CUBIERTA MURAL DE ACERO
INOXIDABLE CON ESTANTES DE
CALENTAMIENTO; OPCIONAL)

37
Campana
Tubo de 3¼” x 10”
o tubo redondo de 7” o 8”
HH0177E
Cambio de sección
3¼” x 10” a 7”
o 3¼” x 10” a 8”
(si se usa un tubo redondo)
Capuchón de tejado
Capuchón
mural
De 24” a 30” por encima
de la superficie sobre
la que se cocina
1. SELECCIÓN DE LA OPCIÓN DE VENTILADOR Y DEL TYPO DE INSTALACIÓN
1.1 INSTALACIóN SIN TUBOS
Para una instalación sin tubos, debe utilizarse un conjunto de recirculación de la serie ANKE60 (se vende aparte). Para lograr la
máxima eficacia, aconsejamos que se instale este conjunto con una campana de un solo ventilador (interior). Este conjunto se
adapta a las campanas de 30 a 48 pulgadas de ancho. Véanse las instrucciones de instalación que vienen en el conjunto para
instalación sin tubos de la serie ANKE60.
1.2 INSTALACIóN CON TUBOS
Las campanas de la serie E64000 de Broan Elite se ofrecen con diversas configuraciones: campanas con uno o dos ventiladores
interiores (incluidos en la campana), o campanas con ventiladores exteriores. En el caso de esta última categoría, la campana de
la serie E64000 debe instalarse únicamente con los ventiladores en línea modelos HLB3, HLB6, HLB9 o HLB11, o con los modelos
exteriores 331H, 332H, 335 o 336. No utilice otros ventiladores. Los ventiladores se venden aparte. Prevea el lugar y la forma en
que instalará las tuberías.
Si instala un ventilador en línea, consulte las instrucciones que vienen con él y siga las etapas 1, 2, 3, 4, 10 y posteriores
de este manual.
Instale tuberías, codos y capuchones para tejado o murales del tamaño adecuado para el tipo de ventilador que vaya a poner. Si
emplea tubos redondos de 7", 8" o 10", use también un cambio de sección (sólo para los ventiladores interiores). Utilice cinta para
tubos de 2" para sellar las juntas de los tubos.
Para un funcionamiento adecuado, la campana ha de estar a una distancia mínima de 24 pulgadas con respecto a la superficie
sobre la que se cocina, y a una máxima de 30 pulgadas para que pueda captar bien las impurezas que se desprenden al cocinar.
Las distancias superiores a 30 pulgadas quedan a discreción del instalador y de los usuarios.
HH0178E
Campana
Tubo redondo
de 10”
Capuchón de tejado
Capuchón
mural
Cambio de sección
de 4½” x 18½” a 10”
De 24” a 30” por encima
de la superficie sobre
la que se cocina
HH0179E
Campana
Tubo
redondo 10”
Ventilador exterior
De 24” a 30” por encima
de la superficie sobre
la que se cocina HH0180E
Capuchón
de tejado
Campana
Ventilador
en línea
Tubo redondo de 10” (menos
HLB3, tubo redondo de 8”)
Capuchón
mural
De 24” a 30” por encima
de la superficie sobre
la que se cocina
INSTALACIÓN HABITUAL
CON UN VENTILADOR INTERIOR
INSTALACIÓN HABITUAL
CON DOS VENTILADORES INTERIORES
INSTALACIÓN HABITUAL DE LOS
TUBOS CON LOS VENTILADORES
EXTERIORES 331H, 332H,335 O 336
INSTALACIÓN HABITUAL DE LOS
TUBOS CON LOS VENTILADORES
EN LÍNEA HLB3, HLB6, HLB9 O HLB11

38
ADVERTENCIA
Al instalar, reparar o limpiar el aparato se aconseja el uso de lentes y guantes de seguridad.
NOTA: Antes de comenzar la instalación, verificar el contenido de la caja. Si alguna pieza falta o está dañada, póngase en contacto con
el fabricante.
Compruebe que la campana venga con los siguientes componentes:
- Campana
- Accesorios:
• Filtros: las campanas de 30 y 36 pulgadas vienen con 3 filtros; las de 42 y 48 pulgadas con 4 filtros
• Manijas de los filtros (vienen dentro de la campana, sujetas con cinta adhesiva)
• Adaptador y dispositivo de cierre de 3¼" x 10" (viene con la campana con un solo ventilador interior)
• Adaptador de 4½" x 18½" (viene atornillado en la campana con dos ventiladores interiores)
• Placa para ventilador en línea y exterior modelo 332KR (instalada dentro de todas las campanas con ventiladores exteriores
o en línea)
• Bolsa con piezas:
1 abrazadera de hilos, 9 tornillos n.° 8 x 1/2", 2 conectadores de hilos, 8 tornillos n.° 8-32 x 1/4",
4 tornillos n.° 8 x 3/8"
Piezas vendidas aparte:
- Conjunto de ventilador en línea HLB3, HLB6, HLB9 o HLB11 (todos llevan cambio de sección)
- Conjunto de ventilador exterior 331H, 332H, 335 o 336
- Bombillas halógenas protegidas de 120 V, tipo GU10, 50 W máx. (2 para las campanas de 30" y 36" de anchura, 3 para las de 42" y 48"
de anchura)
- Placa posterior de la serie RMP (opcional)
- Conjunto de recirculación de la serie ANKE60, obligatorio para las instalaciones sin tubos (modelos con ventiladores incorporados
únicamente)
- Cambios de sección, tubos, codos, dispositivos de cierre, capuchones murales y para techos
En las páginas 35 y 36 encontrará una lista completa de las opciones de ventilación y los números de modelo.
NOTAS: 1. Si la parte inferior del armario está empotrada, instale tres tiras de madera (no incluidas) cortadas a medida en cada lado,
como se ve en la ilustración de abajo. Véase la ilustración y la tabla de abajo para saber dónde ubicar las tiras de madera.
2. Para las campanas con ventiladores exteriores o en línea, no instale la tira de madera transversal.
2. PREPARACIÓN DE LA INSTALACIÓN
ANCHURA DE
LA CAMPANA
UBICACIÓN DEL CENTRO
DE LA TIRA DE MADERA (A)
30" 13 3/8"
36" 16 3/8"
42" 19 3/8"
48" 22 3/8"
HD0285A
L
C
AA 10”
!

39
2. PREPARACIÓN DE LA INSTALACIÓN (CONTINUACIÓN)
SóLO PARA INSTALACIONES CON TUBOS
Corte los orificios para el tubo (A) y el cable de alimentación (B) en el armario o en la pared, de conformidad con la dirección de la
evacuación elegida. Véanse abajo las ilustraciones.
NOTA: Para todas las campanas con ventiladores interiores, el orificio para hacer pasar el cableado de la casa puede hacerse en la
base del armario O en la pared, independientemente del tipo de evacuación que elija (horizontal o vertical).
3. INSTALACIÓN DE LA PLACA POSTERIOR (OPCIONAL)
La placa posterior debe instalarse antes que el exterior de la campana porque dicho exterior cubre los tornillos superiores de instalación
de la placa. Para poder instalar la placa posterior, compruebe que hay un espacio de 18” al menos entre la parte inferior de la campana
y el tablero de control o superficie de cocción de la cocina (véanse las instrucciones que vienen con la placa posterior).
ANCHURA DE
LA CAMPANA
DIMENSIóN C
30 PULG.13 PULG.
36 PULG.16 PULG.
42 PULG.19 PULG.
48 PULG. 22 PULG.
EVACUACIóN VERTICAL
ANCHURA DE
LA CAMPANA
DIMENSIóN C
30 PULG.13 PULG.
36 PULG.16 PULG.
42 PULG.19 PULG.
48 PULG. 22 PULG.
EVACUACIóN HORIZONTAL
L
C
22”
10”10”
HD0258E
L
C
B
5¼”5¼”
3¾”
A
L
C
2”
B
3¾”
5¼” 5¼” A
L
C
22”
5½”
10” 10”
7/8”
5½”
3/4”
L
C
578”
3½”
478”
B
A
Ø 10½”
10¼”
B
A
C
C
2”
2”
B
A2”
2”
2”
2”
2”
9³8”
VISTA INFERIOR DEL ARMARIO
CAMPANA DE 48” CON
DOS VENTILADORES INTERIORES
VISTA INFERIOR DEL ARMARIO
CAMPANA CON UN SOLO VENTILADOR INTERIOR
VISTA INFERIOR DEL ARMARIO
CAMPANA CON VENTILADOR EN LÍNEA O EXTERIOR
CAMPANA DE 48” CON
DOS VENTILADORES INTERIORES
CAMPANA CON UN SOLO VENTILADOR INTERIOR
LÍNEA CENTRAL DEL ARMARIO
5/8” 1/4”
3/8”
EVACUACIóN VERTICAL
SOLAMENTE

40
Doble el adaptador e introduzca la parte macho (parte gris de la ilustración) en la hembra
(parte blanca de la ilustración). A continuación, doble cada extremo macho y hembra para
acabar de montar el adaptador.
CAMPANAS CON DOS VENTILADORES
En primer lugar, desenchufe los motores (1) de los ventiladores antes de quitar los 3 tornillos
que sujetan el adaptador (2) a la parte superior interior de la campana.
NOTA: El adaptador de la campana con dos ventiladores es expedido desplegado.
Vease al lado.
A. Retire la cinta de los filtros.
Retire los filtros de la campana y póngalos a un lado.
NOTA: Se aconseja empezar por los del medio.
B. Retire la cinta del riel de vertido de la grasa (1).
Saque el riel y póngalo a un lado.
CAMPANAS CON UN SOLO VENTILADOR
Retire los tornillos que sujetan el adaptador y dispositivo de cierre (1) a la parte superior
interior de la campana.
4. DESMONTAJE DE LOS FILTROS Y DEL RIEL DE VERTIDO DE LA GRASA
5. DESMONTAJE DEL ADAPTADOR (CAMPANAS CON VENTILADOR INTERIOR ÚNICAMENTE)
HD0240 AB
1
HD0259
1
HD0339
2
1
HD0284

41
6. ELECCIÓN DE LOS ORIFICIOS (VENTILADORES INTERIORES ÚNICAMENTE)
Retire las piezas que cubren los orificios elegidos (en la parte posterior de la campana para el orificio horizontal, o en la parte superior
para el orificio vertical). Véanse las ilustraciones
al lado.
EVACUACIóN VERTICAL
EVACUACIóN HORIZONTAL
NOTA: Sólo para las instalaciones con tubos.
Perfore el orificio apropiado en la parte superior (A) o posterior (B) de la
campana. Instale la abrazadera de hilos (viene en la bolsa de piezas).
NOTA: Para una instalación sin tubos, perfore el orificio eléctrico
posterior (B).
12 3
HR0021
123
7. INSTALACIÓN DE LA EVACUACIÓN HORIZONTAL
(VENTILADORES INTERIORES ÚNICAMENTE)
Todas las campanas con ventiladores interiores se envían de fábrica con los ventiladores instalados para evacuación vertical. Para una
configuración de evacuación horizontal, desmonte el ventilador o ventiladores desde la parte superior interior de la campana e instálelos
en el tablero trasero de la campana. El procedimiento siguiente se aplica a las campanas con uno o dos ventiladores.
Desenchufe el ventilador.
HE0085
HR0024
AB
HD0269
UBICACIóN DE LOS
TORNILLOS DEL
LADO IZQUIERDO
Utilice una llave tubular de 5/16" para retirar todos
los tornillos de montaje del ventilador desde la
parte superior interior de la campana. Conserve
los tornillos porque los necesitará.
HD0282
UBICACIóN DE LOS
TORNILLOS DEL
LADO IZQUIERDO

42
8. INSTALACIÓN DEL ADAPTADOR Y DEL CAMBIO DE SECCIÓN (DE SER NECESARIO)
(CAMPANA CON VENTILADOR INTERIOR ÚNICAMENTE)
HJ0013
Utilice los tornillos estándar de 3/8" provistos
para sujetar el adaptador a la parte superior
(o trasera) de la campana (2 tornillos para un
adaptador y dispositivo de cierre de 3¼" x 10" y
4 tornillos para un adaptador de 4½" x 18½").
Selle el adaptador con la campana con cinta
adhesiva metálica para tubos. Cuando se trate
de tubos redondos, instale un cambio de sección
apropiado y selle las juntas con cinta adhesiva
metálica para tubos.
Deslice el ventilador para desprender su reborde del soporte de retención.
HD0270
HD0271
UBICACIóN DE
LOS TORNILLOS
DEL LADO
IZQUIERDO
Voltee el ventilador e introduzca su reborde en
el soporte de retención de la pared posterior.
Utilice una llave tubular de 5/16" y los tornillos
que retiró anteriormente para sujetar el motor
a la campana.
Enchufe el ventilador.
NOTA PARA LAS CAMPANAS CON DOS MOTORES ÚNICAMENTE: Corte la sujeción
autobloqueante de plástico en el cable derecho del ventilador.
HE0085
9. INSTALACIÓN DEL CONJUNTO DE RECIRCULACIÓN ANKE60
(INSTALACIÓN SIN TUBOS ÚNICAMENTE)
Para mayor información, consulte la hoja de instrucciones que viene con el conjunto de recirculación.
7. INSTALACIÓN DE LA EVACUACIÓN HORIZONTAL
(VENTILADORES INTERIORES ÚNICAMENTE) (CONTINUACIÓN)
HD0272
UBICACIóN DE
LOS TORNILLOS
DEL LADO
DERECHO

43
Retire la tapa del cableado de la placa del ventilador o del compartimento eléctrico y póngala a un lado.
VENTILADORES INTERIORES: Conecte el cable en la caja de conexiones con los
conectadores de hilos. Conecte el hilo NEGRO con
el NEGRO, el BLANCO con el BLANCO y el
VERDE o desnudo con el tornillo de tierra VERDE.
Vuelva a instalar la tapa del cableado.
VENTILADORES EN LÍNEA O EXTERIORES: Consulte las instrucciones que
vienen con el ventilador.
VENTILADORES INTERIORES: Lleve el cable de alimentación hasta el lugar de la instalación. Coloque la campana en su lugar. Marque
con un lápiz el lugar de los tornillos (parte más pequeña de los agujeros [A]). Retire la campana e instale los 4 tornillos de doble rosca de
1/2" en los lugares marcados dejando un espacio de 1/8" Retire la tapa de conexiones. Introduzca el cable en la campana a través de la
abrazadera de hilos y apriete la abrazadera para sujetar el cable. Coloque la campana debajo del armario, en su lugar correspondiente.
Compruebe que el adaptador (o el cambio de sección) entra en la tubería. Sujete la campana apretando los tornillos completamente.
Instale los últimos tornillos de doble rosca de 1/2" en los orificios restantes [B].
10. INSTALACIÓN DE LA CAMPANA (TODOS LOS VENTILADORES)
11. CONEXIÓN DEL CABLEADO (TODOS LOS VENTILADORES)
ADVERTENCIA
Riesgo de choque eléctrico. La conexión eléctrica debe hacerla personal calificado con arreglo a los códigos
normas en vigor. Antes de conectar los hilos, corte la alimentación en el tablero de servicio y bloquee los medios
de desconexión para impedir que la corriente se conecte accidentalmente.
!
PRECAUCÍON
El hilo NARANJA (A) es sólo para la conexión del dispositivo de
circulación de aire. Si dicho dispositivo no existiera, no quite el
capuchón del extremo del hilo NARANJA.
HE0088
A
HD0265
A
B
A
B
B
CAMPANA CON VENTILADOR INTERIOR CAMPANA CON VENTILADOR EXTERIOR O EN LíNEA
VENTILADOR EXTERIOR O EN LÍNEA: Lleve el cable de alimentación hasta el lugar de la instalación. Coloque la campana en su lugar.
Marque con un lápiz el lugar de los tornillos (parte más pequeña de los agujeros [A]). Retire la campana e instale los 4 tornillos de doble
rosca de 1/2" en los lugares marcados dejando un espacio de 1/8". Retire la tapa de conexiones en la parte superior de la campana,
perfore el orificio ciego eléctrico e instale la abrazadera de hilos. Introduzca el cable en la campana a través de la abrazadera de hilos
y apriete la abrazadera para sujetar el cable. Conecte el cableado (véanse las instrucciones que vienen con el ventilador exterior o en
línea). Coloque la campana debajo del armario, en su lugar correspondiente. Compruebe que el adaptador (o el cambio de sección) entra
en la tubería. Sujete la campana apretando los tornillos completamente. Instale los últimos tornillos de doble rosca de 1/2" en los orificios
restantes [B].
Consulte las instrucciones que vienen con el ventilador para su instalación. Una vez el
ventilador instalado, conecte el cable con enchufe de 3 patillas que sale de la placa del
ventilador en el conectador macho de 3 patillas que hay dentro de la campana (A) y el cable
con el conectador macho de 2 patillas que sale de la placa del ventilador en el enchufe de 2
patillas que hay dentro de la campana (B).
12. INSTALACIÓN DEL VENTILADOR (CAMPANA CON VENTIL. EXTERIOR O EN LÍNEA)
ADVERTENCIA
!
NO enchufe los dos cables uno con otro. HE0078
BA

44
Esta campana debe utilizar bombillas halógenas protegidas de 120 V, 50 W máx., de tipo GU10 o PAR16 (no incluidas). (2 para las
campanas de 30" y 36" de anchura, 3 para las de 42" y 48" de anchura.)
1. Instale las bombillas colocándolas en las roscas del casquillo.
2. Empuje suavemente hacia arriba y gire en sentido horario hasta que la bombilla
quede bien sujeta.
Para quitar las bombillas, empuje suavemente hacia arriba y gire en sentido
antihorario para sacarlas de las roscas.
NOTA: De ser necesario, utilice un guante de goma para lavar los platos para sujetar
mejor la bombilla al sacarla.
14. REINSTALACIÓN DEL RIEL DE VERTIDO DE LA GRASA Y DE LOS FILTROS
HD0241
Vuelva a instalar el riel de vertido de la grasa. La ilustración de al lado muestra
cómo introducir el riel en la campana.
PRECAUCIÓN
Antes de instalar los filtros, retire la película d plástico que los protege.
HD0242
1
2
NOTA: Monte las manijas metálicas en los filtros con los tornillos n.° 8-32 x 1/4"
provistos antes de instalarlos en la campana.
Se aconseja instalar primero los filtros laterales y terminar por los centrales.
1. Introduzca un extremo del filtro en el canal superior de la campana.
2. Levante el otro extremo hacia el interior de la campana e introdúzcalo en el riel
de vertido de la grasa de la campana.
13. INSTALACIÓN DE LAS BOMBILLAS
ADVERTENCIA
!
No tocar las bombillas durante o justo después de la utilización. Pueden causar quemaduras. Para prevenir el
riesgo de lesiones corporales, instale solamente bombillas halógenas protegidas. Nunca instalar una bombilla
dicroica o no concebida para luminarias empotradas o bombillas identificadas sólo para uso en dispositivos
encerrados.
12
HO0090

45
19. INSTALACIÓN Y CUIDADO
Filtros
Los filtros deben limpiarse con frecuencia. Utilice una disolución de detergente con agua templada. Lávelos con mayor frecuencia si su
tipo de cocina genera más grasa (alimentos fritos o cocina con wok).
Retire los filtros empujándolos hacia la parte trasera de la campana y girándolos hacia abajo. Las placas de los filtros pueden lavarse en
el lavavajillas.
Deje que los filtros sequen completamente antes de volver a instalarlos en la campana.
Lave los filtros totalmente metálicos en el lavavajillas con un detergente sin fosfato. El filtro podría descolorarse si se utiliza un detergente
con fosfato o debido al tipo de agua, pero ello no afectará el funcionamiento del filtro. La descoloración no está cubierta por la garantía.
Riel de vertido de la grasa
El riel debe limpiarse con frecuencia. Sáquelo de la campana y límpielo con una disolución de detergente con agua templada. Lávelo con
mayor frecuencia si su tipo de cocina genera más grasa (alimentos fritos o cocina con wok). Deje que el riel seque completamente antes
de volver a instalarlo en la campana.
Limpieza del ventilador (interior)
Retire los filtros para tener acceso al ventilador. Limpie el ventilador con un aspirador. No lo sumerja en agua.
Limpieza de la campana
Limpieza del acero inoxidable:
Debe hacerse:
- Limpiar regularmente las superficies con un trapo limpio o
humedecido con una mezcla de agua templada y jabón suave
o detergente para la vajilla.
- Limpiar siempre en la dirección de las líneas originales de pulido
del acero.
- Enjuagar siempre con agua limpia (2 o 3 veces) después de
limpiar. Seque completamente.
- También puede utilizar un limpiador doméstico especial para
acero inoxidable.
No debe hacerse:
- Utilizar un estropajo de acero o acero inoxidable u otro tipo de
rasquetas para quitar la suciedad resistente.
- Utilizar limpiadores fuertes o abrasivos.
- Dejar que la suciedad se acumule.
- Dejar que el polvo del yeso u otros residuos de la construcción
manchen la campana. Si efectúa obras de construcción o
renovación, cubra la campana para que no se manche la
superficie de acero inoxidable.
Al escoger un detergente, evite:
- Los limpiadores que contienen blanqueador (lejía), ya que dañarán el acero inoxidable.
- Los productos que contengan cloruro, fluoruro, yoduro y bromuro, ya que deterioran las superficies rápidamente.
- Los productos combustibles que se emplean para la limpieza, como acetona, alcohol, éter, benzol, etc., ya que son altamente explosivos
y nunca deberían estar cerca de una cocina.
16. FUNCIONAMIENTO
ADVERTENCIA
!
En el caso de fuego de cocción o durante un calor excesivo, el Heat Sentry puede poner en marcha el ventilador,
incluso si este está apagado. En este caso, resulta imposible apagar el ventilador con su interruptor. Si tiene que
apagar el ventilador, hágalo en el tablero eléctrico principal.
Encienda siempre la campana antes de empezar a cocinar para crear una corriente de aire en la cocina. Deje que el ventilador funcione
unos minutos para que limpie el aire cuando haya apagado la cocina. De este modo su cocina estará más limpia y despejada.
TERMOSTATO HEAT SENTRY™
La campana viene equipada con un termostato HEAT SENTRY™. Se trata de un dispositivo que enciende o acelera el ventilador cuando
detecta un calor excesivo sobre la superficie sobre la que se cocina.
1) Si el ventilador está APAGADO, se pondrá en marcha en la velocidad ALTA.
2) Si el ventilador está ENCENDIDO en una velocidad baja, el termostato lo pondrá en la velocidad ALTA.
Cuando la temperatura baja al nivel normal, el ventilador vuelve a su configuración original.

46
17. GARANTÍA
GARANTÍA LIMITADA DE UN AÑO DE LOS PRODUCTOS BROAN ELITE
Broan-NuTone LLC (Broan NuTone) garantiza al consumidor comprador original de sus productos que dichos productos carecen de
defectos en los materiales o de mano de obra por un período de un año a partir de la fecha de compra original. NO EXISTEN OTRAS
GARANTÍAS, EXPRESAS O IMPLÍCITAS, INCLUYENDO —AUNQUE SIN LIMITARSE A ELLAS— LAS GARANTÍAS IMPLÍCITAS, DE
APTITUD O IDONEIDAD PARA UN PROPÓSITO PARTICULAR.
Durante el período de un año, y a su propio criterio, Broan-NuTone reparará o reemplazará sin costo todo producto o pieza que se
considere defectuosa en condiciones normales de servicio y uso.
ESTA GARANTÍA NO SE APLICA A LOS CEBADORES, TUBOS, BOMBILLAS HALÓGENAS Y INCANDESCENTES, A LOS FUSIBLES,
FILTROS, TUBOS, CAPUCHONES PARA TEJADOS, CAPUCHONES MURALES Y OTROS ACCESORIOS DE CANALIZACIÓN. Esta
garantía no cubre: a) el mantenimiento y servicios normales ni b) ningún producto o pieza mal utilizados o que hayan sido objeto de
mal uso, negligencia, accidente, mantenimiento o reparación inadecuados (por compañías distintas a Broan-NuTone), instalación
defectuosa, o instalación no conforme a las instrucciones de instalación recomendadas.
La duración de cualquier garantía implícita se limita a un periodo de un año, como se indica en la garantía expresa. Algunos estados
no permiten limitaciones en cuanto al tiempo de expiración de una garantía implícita, por lo que la limitación antes mencionada puede
que no se aplique en su caso.
LA OBLIGACIÓN DE BROAN-NUTONE DE REPARAR O REEMPLAZAR, CON ARREGLO A SU PROPIO CRITERIO, SERÁ EL
ÚNICO RECURSO LEGAL DEL COMPRADOR CONFORME A ESTA GARANTÍA. BROAN-NUTONE NO SE HACE RESPONSABLE
DE LOS DAÑOS ADICIONALES, CONSECUENTES O ESPECIALES QUE SURJAN O ESTÉN RELACIONADOS CON EL USO O EL
RENDIMIENTO DEL PRODUCTO. Algunos estados no permiten la exclusión o limitación de daños adicionales o consecuentes, por lo
que la limitación o exclusión antes mencionada puede que no se aplique en su caso.
Esta garantía le proporciona derechos legales específicos, aunque usted también puede tener otros derechos, que varían de un estado
a otro. Esta garantía reemplaza todas las garantías anteriores.
Para tener derecho al servicio de garantía, debe usted: a) Informar a Broan-NuTone, a una de las direcciones o teléfonos que aparecen
abajo; b) Dar el número de modelo y el número de identificación de la pieza y (c) Describir el tipo de defecto en el producto o pieza. En
el momento de solicitar un servicio cubierto por la garantía, deberá presentar una prueba de la fecha de compra original.
Broan-NuTone LLC; 926 W. State Street, Hartford, Wisconsin 53027 www.broan.com 800-558-1711
16. FUNCIONAMIENTO (CONTINUACIÓN)
HC0034 AB
1) Botón de las luces halógenas
2) Indicador de funcionamiento del ventilador
3) Interruptor de encendido y apagado del ventilador
4) Botón de control de la velocidad del ventilador
HC0035
1
3
2
4
A) Botón de las luces halógenas
B) Botón de control de la velocidad del ventilador
ILUMINACIÓN DE LA SUPERFICIE DE COCCIÓN (LUCES HALÓGENAS)
El botón giratorio con 3 posiciones (1) controla las luces halógenas (apagado, baja intensidad y alta intensidad).
VENTILADOR
El ventilador funciona con dos mandos.
Utilice el interruptor de encendido y apagado (3) para poner en marcha y apagar el ventilador. Una vez encendido el ventilador, el
indicador de funcionamiento (2) gira y el ventilador funciona a la velocidad que se haya seleccionado anteriormente con el control de
velocidad (4).
Gire el botón de control de la velocidad en sentido horario para aumentar la velocidad del ventilador y en sentido antihorario
para disminuirla.

47
47. DIAGRAMAS ELÉCTRICOS
LÍNEA
HILO NEUTRO
TIERRA
120 V CA
B
M
M
AZ
R
M
M
AZ
R
NE
B
CONTROL DE
VELOCIDAD
TERMOSTATO
HS AZ
NE
NE
AZ
NE
A
B
B
B
B
B
NE
NE
A
A
NE
N
NE
Ó
N
N
L 1-3
2
Encendido 3 1
AZ
AZ
AZ
AZ
LÁMPARA
N
CÓDIGO DE COLORES
HE0090E
A AMARILLO
AZ AZUL
B BLANCO
M MARRÓN
N NARANJA
NE NEGRO
R ROJO
INTERRUPTOR DEL
VENTILADOR
UTILÍCESE SÓLO
CON UN SISTEMA
APROPIADO
DE CIRCULACIÓN
DEL AIRE
Apagado 2
NE
LÁMPARALÁMPARA
I
NTERRUPTOR
DE LÁMPARA
B
B
TERMOSTATO
AZ
NE
NE
AZ
NE
A
B
B
B
B
NE
A
A
NE
N
NEÓN
LÁMPARA
N
M
VENTILADOR EXTERIOR
RETORNO
LÍNEA
ALIMENTACIÓN
DE 120 V
TIERRA
HE0091E
L 1-3
2
1
A AMARILLO
AZ AZUL
B BLANCO
N NARANJA
NE NEGRO
V VERDE
CÓDIGOS DE COLORES
CONTROL
DE VELOCIDAD
INTERRUPTOR
DE LÁMPARA
INTERRUPTOR
DEL VENTILADOR
UTILÍCESE SÓLO
CON UN SISTEMA
APROPIADO DE
CIRCULACIÓN
DEL AIRE
Apagado 2
Encendico 3
NE NE
NE
NE
BB
B
B
V
V
PLACA DEL VENTILADOR
LÁMPARA LÁMPARA
HEAT SENTRY
Campanas con ventilador interior
de la serie E64000 de Broan Elite
Campanas con ventilador exterior o en línea
de la serie E64000 de Broan Elite

48
HL0182 HL0183
Campanas con
ventilador interior
de la serie E64000
de Broan Elite
19. PIEZAS
* NO SE MUESTRA
N.ON.O
DE PIEZA DESCRIPCIóNCTD (ANCH. DE LA CAMPANA)
30"36"42"48"
1
SV13296
SV17797
ADAPTADOR/DISPOSITIVO DE CIERRE
3¼" X 10" (CAMPANA CON 1 VENTILADOR)
ADAPTADOR 4¼" X 18½"
(CAMPANA CON 2 VENTILADORES)
1
1
1
1
1
1
1
1
2 SV06750 LOGO DE BROAN ELITE 1111
3 SV05917 CUBIERTA DE LÁMPARA 2233
4 SV09435 SOPORTE DE CUBIERTA DE LÁMPARA 2233
5 SV09434 ANILLO 2233
6 SV03435 TERMOSTATO HEAT SENTRYTM 1111
7 SV08338 INTERRUPTOR DE LUZ 1111
8 SV03501 CONTROL DE LA VELOCIDAD 1111
9 SV08355 BOTONES DEL VENT. Y DE LAS LUCES (2) 1111
10 SV08343 FILTROS DE CARBÓN VEG. DE RECAMBIO (PAR)1111
11 SV08344 SOPORTES DE FILTROS DE CARBÓN VEG.(PA R)1111
12 SV08097 MOTOR INTERNO
(1 O 2, SEGÚN EL MODELO DE CAMPANA)11
2 1
2 1
2
13
SV17640
SV17641
SV17642
SV17643
RIEL DE VERTIDO DE LA GRASA 30"
RIEL DE VERTIDO DE LA GRASA 36"
RIEL DE VERTIDO DE LA GRASA 42"
RIEL DE VERTIDO DE LA GRASA 48"
1
-
-
-
-
1
-
-
-
-
1
-
-
-
-
1
14 SV08337 RESORTES DE LOS FILTROS (6) 1111
15 SV17600
SV17603 FILTROS 8.84" x 9.80"
FILTROS 11.84" PO X 9.80" 2
1-
32
2-
4
16 SV08339 INTERRUPTOR OSCILANTE DEL VENTIL. 1111
17 SV08093 CONJUNTO DE LA LÁMPARA PILOTO 1111
18 SV07680 MANIJA DE FILTRO Y TORNILLOS 3344
* SV08342 CONDENSADOR 25 µF 1111
* SV08341 GUÍA DE INSTALACIÓN 1111
* SV08353
BOLSA DE PIEZAS :
2 CONECTADORES DE HILOS,
9 TORNILLOS N.O 8 X 1/2",
8 TORNILLOS MECÁNICOS N.O 8-32 X 1/4",
1 ABRAZADERA DE HILOS,
4 TORNILLOS N.O 8 X 3/8"
1111
N.ON.O
DE PIEZA DESCRIPCIóNCTD (ANCH. DE LA CAMPANA)
30"36"42"48"
2 SV06750 LOGO DE BROAN ELITE 1111
3 SV05917 CUBIERTA DE LÁMPARA 2233
4 SV09435 SOPORTE DE CUBIERTA DE LÁMPARA 2233
5 SV09434 ANILLO 2233
6 SV03435 TERMOSTATO HEAT SENTRYTM 1111
7 SV08338 INTERRUPTOR DE LUZ 1111
8 SV03501 CONTROL DE LA VELOCIDAD 1111
9 SV08355 BOTONES DEL VENT. Y DE LAS LUCES (2) 1111
13
SV17640
SV17641
SV17642
SV17643
RIEL DE VERTIDO DE LA GRASA 30"
RIEL DE VERTIDO DE LA GRASA 36"
RIEL DE VERTIDO DE LA GRASA 42"
RIEL DE VERTIDO DE LA GRASA 48"
1
-
-
-
-
1
-
-
-
-
1
-
-
-
-
1
14 SV08337 RESORTES DE LOS FILTROS (6) 1111
15 SV17600
SV17603 FILTROS 8.84" x 9.80"
FILTROS 11.84" PO X 9.80" 2
1-
32
2-
4
16 SV08339 INTERRUPTOR OSCILANTE DEL VENTIL. 1111
17 SV08093 CONJUNTO DE LA LÁMPARA PILOTO 1111
18 SV07680 MANIJA DE FILTRO Y TORNILLOS 3344
19 SV08354 PLACA DEL VENT., HUECO REDONDO DE 10"1111
20 SV13924 CONECTADOR HEMBRA 1111
21 SV13923 CONECTADOR MACHO 1111
* SV08342 CONDENSADOR 25 µF 1111
* SV08341 GUÍA DE INSTALACIÓN 1111
* SV08353
BOLSA DE PIEZAS :
2 CONECTADORES DE HILOS,
9 TORNILLOS N.O 8 X 1/2",
8 TORNILLOS MECÁNICOS N.O 8-32 X 1/4",
1 ABRAZADERA DE HILOS,
4 TORNILLOS N.O 8 X 3/8"
1111
SUSTITUCIÓN DE PIEZAS Y REPARACIÓN
Para que la unidad se conserve en buen estado, debe usar repuestos genuinos de Broan-
NuTone únicamente. Estas piezas se han diseñado especialmente para cada unidad y
se han fabricado conforme a las normas de certificación aplicables y un elevado nivel de
seguridad. El uso de repuestos de otros fabricantes podría causar daños graves y reducir
radicalmente el desempeño de la unidad, causando así fallas prematuras. Broan-NuTone
también aconseja ponerse en contacto con un taller de reparación homologado por
Broan-NuTone para todos los repuestos y reparaciones.
Campanas con
ventilador exterior o en línea
de la serie E64000
de Broan Elite
* NO SE MUESTRA
1
2
5
4
316
17
18
11 12
15
14
13
67
10
9
8
2
5
4
3
16 17
18
15
14
13
67
9
8
19
21
20