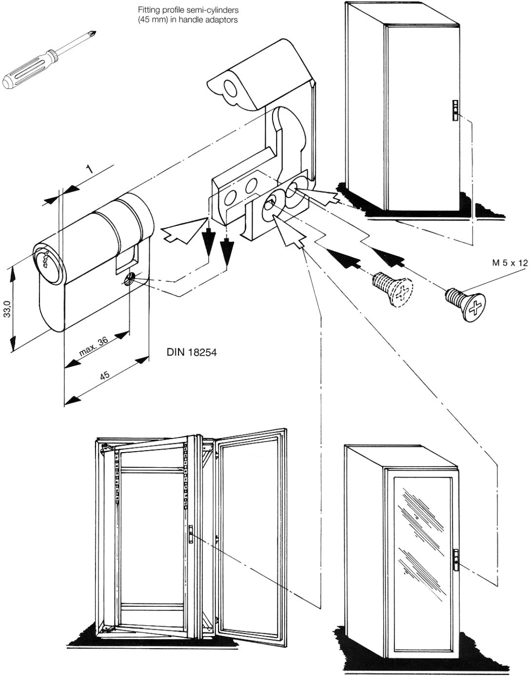
Rittal Ergoform S Handle Assembly Instructions Installation Directions
2016-08-16
: Pdf 134653-Installationsheet 134653-InstallationSheet B3 unilog
Open the PDF directly: View PDF
.
Page Count: 10

!









Rittal Corporation - One Rittal Place - Springfield - Ohio - 45504
Toll Free : 1-800-637-4425 - Email : rittal@rittal-corp.com - Internet : www.rittal-corp.com - Tech. Sup. : 1-800-637-4425
9/04