RX3i 32 Point DC Input Modules IC694MDL635, IC693MDL635, GFK 2576
135809-Catalog 135809-Catalog 135809-Catalog Batch9 unilog cesco-content
2014-10-23
: Pdf 135809-Attachment 135809-Attachment Batch9 unilog
Open the PDF directly: View PDF
.
Page Count: 2

PACSystems™ RX3i and Series 90™-30
IC694MDL635 and IC693MDL635
GFK-2576 Input Module, 125 Volt, Positive/Negative Logic, 16 Points
January 2010
1 2 3 4 5 6 7 8
F
9 10 11 12 13 14 15 16
I1
I2
I3
I4
I5
I6
I7
I8
I9
I10
I11
I12
I13
I14
I15
I16
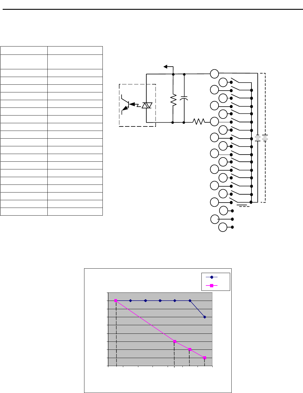
IC694MDL635
The 125 volt DC Positive/Negative Logic Input module, IC694MDL635
provides 16 input points in one group with a common power input terminal.
This input module can be wired for either positive logic or negative logic.
Input characteristics are compatible with a wide range of input devices,
such as pushbuttons, limit switches, and electronic proximity switches.
Current into an input point results in a logic 1 in the input status table (%I).
Power to operate field devices must by supplied by the user.
Sixteen green LEDs indicate the ON/OFF status of points 1 through 16. The
red bands on the label show that MDL635 is a high-voltage module.
This module can be installed in any I/O slot in an RX3i system.
Specifications: MDL635
Rated Voltage 125 volts DC
Input Voltage Range 0 to +150 volts DC
Inputs per Module* 16 (one group with a single
common)
Isolation: Field to Backplane (optical)
and to frame ground 250 VAC continuous;
1500 VAC for one minute
Input Current 1.97mA (typical) at rated voltage
Input Characteristics
On–state Voltage 90 to 150 volts DC
Off–state Voltage 0 to +30 volts DC
On–state Current 1.41mA minimum
Off–state Current 0.46mA maximum
On response Time 8ms typical
Off response Time 8ms typical
Power Consumption: 5V 80mA (all inputs on) from 5 volt bus
on backplane
Power Consumption: 125V 31.5mA from user supplied power
(all inputs ON at 125VDC)
*Refer to the PACSystems RX3i System Manual, GFK-2314, for product standards and general specifications.
Configuration Information
If the module catalog number, IC694MDL635 , is found in your configuration software’s module list, select it from the list.
If it is not listed, configure it as a 16 Circuit Input Generic discrete input module.

2 Input Module, 125 Volt, Positive/Negative Logic, 16 Points
GFK-2576
Field Wiring: MDL635
Terminals Connections
1 Inputs 1-16
Common
2 Input 1
3 Input 2
4 Input 3
5 Input 4
6 Input 5
7 Input 6
8 Input 7
9 Input 8
10 Input 9
11 Input 10
12 Input 11
13 Input 12
14 Input 13
15 Input 14
16 Input 15
17 Input 16
18 Not used
19 Not used
20 Not used
I1
I2
I3
I4
I5
I6
I7
I8
I9
I10
I11
I12
I13
I14
I15
I16
+
-
-
+
Module Circuits Terminals Field Wiring
.1μf
2.2K
Ω
Optical
Coupler
63.2KΩ
Other Circuits
1
3
5
7
9
11
13
15
17
19*
2
4
6
8
10
12
14
16
18*
20*
*Do not use.
Input Points vs. Temperature
Thermal Derating
0
2
4
6
8
10
12
14
16
18
30C 35C 40C 45C 50C 55C 60C
Ambient temp
Points ON
125V
150V