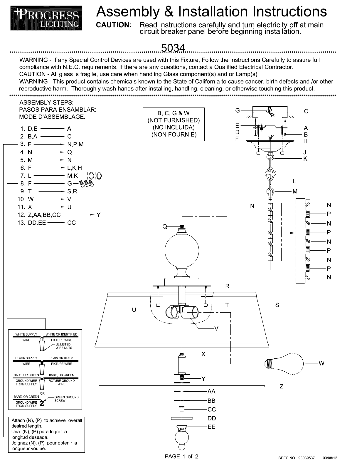
93039537_B Installation Directions
2016-07-29
: Pdf 145081-Installationsheet 145081-InstallationSheet B2 unilog
Open the PDF directly: View PDF
.
Page Count: 2


: Pdf 145081-Installationsheet 145081-InstallationSheet B2 unilog
Open the PDF directly: View PDF
.
Page Count: 2

