GE Control Catalog Section 1 154217
1000352387-Attachment 1000352387-Attachment 1000352387-Attachment B5 unilog cesco-content
1000393966-Catalog 1000393966-Catalog 1000393966-Catalog B5 unilog cesco-content
1000394192-Catalog 1000394192-Catalog 1000394192-Catalog B5 unilog cesco-content
1000408512-Catalog 1000408512-Catalog 1000408512-Catalog B5 unilog cesco-content
140496-Catalog 140496-Catalog 140496-Catalog B4 unilog cesco-content
2016-09-04
: Pdf 154217-Catalog 154217-Catalog B4 unilog
Open the PDF directly: View PDF .
Page Count: 212 [warning: Documents this large are best viewed by clicking the View PDF Link!]
- GE Control Table of Contents/Introduction
- Section 1: NEMA Full Voltage Power Devices
- Table of Contents
- NEMA Rated Full Voltage Power Devices
- Magnetic Nonreversing Starters (CR306, CR386)
- Basic Features (300-Line) and Technical Features (CR306, CR386)……1-7
- Non-combination, NEMA Sizes 00-9 with Thermal Overload Relays — Application Information and Selection Instructions (CR306, CR386)……1-8
- Non-combination, NEMA Sizes 00-9 with Thermal Overload Relays (CR306, CR386)……1-9
- Non-combination, NEMA Sizes 1-6 with Solid State Overload Relays — Selection Instructions and Technical Features (CR306)......1-11
- Non-combination, NEMA Sizes 1-6 with Solid State Overload Relays......1-12
- Outlines and Dimensions (CR306, CR386)......1-13
- Magnetic Reversing Starters (CR309)
- Magnetic Two-Speed Starters (CR309)
- Magnetic Nonreversing Starters (CR307, CR407, CR308, CR408)
- Application Information and Selection Instructions......1-30
- Nonfusible Disconnect Type (CR308, CR408)......1-31
- Fusible Disconnect Type (CR308, CR408)......1-32
- Nonfusible and Fusible Part Number Configuration Size 0-2, NEMA Type 1 (CR308)......1-34
- Size 0-4, NEMA Type 1, 3R, 12, 4/4X (CR408)......1-37
- Thermal Magnetic Circuit Breaker Type (CR307, CR407)......1-42
- Thermal Magnetic Part Number Configuration Size 0-2, NEMA Type 1 (CR307)......1-43
- Size 0-4, NEMA Type 1, 3R, 12, 4/4X (CR407)......1-46
- Outlines and Dimensions……1-59
- Mag-Break® Magnetic Nonreversing Starters (CR387, CR487)
- Magnetic Reversing Starters (CR310, CR410, CR311, CR411)
- Application Information and Selection Instructions......1-64
- Nonfusible Disconnect Type (CR311, CR411)......1-65
- Fusible Disconnect Type (CR311, CR411)......1-66
- Nonfusible and Fusible Part Number Configuration Size 0-4, NEMA Type 1, 3R, 12, 4/4X (CR411)……1-68
- Thermal Magnetic Circuit Breaker Type (CR310, CR410)......1-73
- Thermal Magnetic Part Number Configuration Size 0-4, NEMA Type 1, 3R, 12, 4/4X (CR410)......1-74
- Outlines and Dimensions......1-84
- Mag-Break® Magnetic Reversing Starters (CR390, CR490)
- Magnetic Two-speed Controllers (CR412, CR413, CR492)
- Application Information and Selection Instructions……1-86
- Nonfusible Disconnect Type (CR413)……1-87
- Fusible Disconnect Type (CR413)……1-88
- Nonfusible and Fusible Part Number Configuration Size 0-4, NEMA Type 1, 3R, 12, 4/4X (CR413)……1-89
- Thermal Magnetic Circuit Breaker Type (CR412)......1-94
- Thermal Magnetic Part Number Configuration Size 0-4, NEMA Type 1, 3R, 12, 4/4X (CR412)......1-95
- Mag-Break Circuit Breaker Type (CR492)……1-99
- Mag-Break Part Number Configuration Size 0-4, NEMA Type 1, 3R, 12, 4/4X (CR492)......1-100
- Outlines and Dimensions......1-122
- Magnetic Two-speed Controllers (CR414, CR415, CR494)
- Application Information and Selection Instructions......1-104
- Nonfusible Disconnect Type (CR415)......1-105
- Fusible Disconnect Type (CR415)......1-106
- Nonfusible and Fusible Part Number Configuration Size 0-4, NEMA Type 1, 3R, 12, 4/4X (CR415)......1-107
- Thermal Magnetic Circuit Breaker Type (CR414)......1-112
- Thermal Magnetic Part Number Configuration Size 0-4, NEMA Type 1, 3R, 12, 4/4X (CR414)......1-113
- Mag-Break Circuit Breaker Type (CR494)......1-117
- Mag-Break Part Number Configuration Size 0-4, NEMA Type 1, 3R, 12, 4/4X (CR494)......1-118
- Outlines and Dimensions......1-122
- Factory-Installed Modifications for Magnetic Starters
- Field-Installed Modifications for Magnetic Starters
- Enclosures for NEMA Rated Full Voltage Starters (300-Line)
- Overload Relays for Panel Mounting
- Electronic Overload Relays......1-149
- Approximate Motor Full-Load Current Ratings......1-151
- Heaters Selection
- Solid State Overload Relays for Panel Mounting (CR324X)
- NEMA Rated Full Voltage Manual Starters
- Application Information and Selection Instructions (CR101H, CR101Y)......1-164
- Non-combination, Single Phase......1-165
- Enclosure Components......1-166
- Outlines and Dimensions (CR101H, CR101Y)......1-167
- Application Information and Selection Instructions (CR1062)......1-168
- Single-Phase and Polyphase......1-169
- Outlines and Dimensions (CR1062)......1-171
- Manual Starter Heaters for Single-phase and Polyphase......1-172
- Pumping Panels
- Application Information and Selection Instructions (CR340, CR341)......1-174
- Fusible Disconnect Type with Thermal Overload Relays, Thermal Class 20 (CR341)......1-175
- Fusible Disconnect Type with Thermal Overload Relays, Thermal Class 10 (CR341)......1-176
- Fusible Disconnect Type with Solid State Overload Relays, Class 10-20-30 (CR341)......1-178
- Fusible Disconnect Type Part Number Configuration (CR341)......1-179
- With Thermal Overload Relay, Relay Class 20 (CR340)......1-182
- Mag-Break Type with Thermal Overload Relays, Thermal Class 10 (CR340)......1-183
- Mag-Break Type with Solid State Overload Relays, Class 10-20-30 (CR340)......1-184
- Mag-Break Type Part Number Configuration (CR340)......1-185
- Heaters (CR340, CR341)......1-188
- Outlines and Dimensions (CR340, CR341)......1-190
- Magnetic Nonreversing Contactors (CR305, CR385)
- Application Information and Selection Instructions (CR305, CR385)......1-193
- NEMA Sizes 00-9, One- and Two-Pole (CR305, CR385)......1-194
- NEMA Sizes 00-9, Three-Pole (CR305, CR385)......1-195
- NEMA Sizes 00-9, Four-Pole (CR305, CR385)......1-196
- Factory Installed Modifications for Magnetic Contactors (CR305, CR385)......1-197
- Outlines and Dimensions (CR305, CR385)......1-208
- Field-Installed Modifications for Magnetic Contactors (CR305, CR385)
- Section 2: Reduced Voltage Starters
- Section 3: Lighting Contactors
- Section 4: Definite Purpose Controls
- Section 5: IEC Power Devices
- Section 6: IEC Manual Motor Starters
- Section 7: Miniature Circuit Breakers
- Section 8: IEC Switches and Disconnects
- Section 9: Pilot and Signaling Devices
- Section 10: Logic Control
- Section 11: Terminal Blocks
- Section 12: Enclosures
- Section 13: Control Renewal Parts
- Section 14: Transformers
- Section 15: Drives
- Section 16: GE Publication Index
- Section 17: Product Index

www.geindustrial.com Control Catalog 1-1
NEMA Full Voltage Power Devices
Rev. 4/16
Prices and data subject to
change without notice
Section 1
NEMA Rated Full Voltage Power Devices
Application Information and Technical Data (300-Line)..........1-4
Magnetic Nonreversing Starters (CR306, CR386)
Basic Features (300-Line) and Technical Features
(CR306, CR386)..........................................................................................1-7
Non-combination, NEMA Sizes 00-9 with Thermal Overload
Relays — Application Information and Selection Instructions
(CR306, CR386)..........................................................................................1-8
Non-combination, NEMA Sizes 00-9
with Thermal Overload Relays (CR306, CR386).........................1-9
Non-combination, NEMA Sizes 1-6 with Solid State Overload
Relays — Selection Instructions and Technical Features
(CR306).......................................................................................................1-11
Non-combination, NEMA Sizes 1-6
with Solid State Overload Relays ..................................................1-12
Outlines and Dimensions (CR306, CR386)....................................1-13
Magnetic Reversing Starters (CR309)
Application Information and Selection Instructions ...............1-17
Non-combination, NEMA Sizes 00-7
with Thermal Overload Relays, Three-Phase ..........................1-18
Non-combination, NEMA Sizes 00-1
with Thermal Overload Relays, Single-Phase..........................1-19
Outlines and Dimensions (CR309)....................................................1-20
Magnetic Two-Speed Starters (CR309)
Application Information and Selection Instructions ...............1-24
Non-combination, NEMA Sizes 0-5
with Thermal Overload Relays, Two-Winding.........................1-25
Non-combination, NEMA Sizes 0-5
with Thermal Overload Relays, One-Winding.........................1-26
Outlines and Dimensions (CR309)....................................................1-27
Magnetic Nonreversing Starters (CR307, CR407, CR308, CR408)
Application Information and Selection Instructions ...............1-30
Nonfusible Disconnect Type (CR308, CR408)..............................1-31
Fusible Disconnect Type (CR308, CR408) .....................................1-32
Magnetic Nonreversing Starters (CR307, CR407, CR308, CR408)
(continued)
Nonfusible and Fusible Part Number Configuration
Size 0-2, NEMA Type 1 (CR308).......................................................1-34
Size 0-4, NEMA Type 1, 3R, 12, 4/4X (CR408) ...........................1-37
Thermal Magnetic Circuit Breaker Type (CR307, CR407) ......1-42
Thermal Magnetic Part Number Configuration
Size 0-2, NEMA Type 1 (CR307).......................................................1-43
Size 0-4, NEMA Type 1, 3R, 12, 4/4X (CR407) ...........................1-46
Outlines and Dimensions .....................................................................1-59
Mag-Break Magnetic Nonreversing Starters (CR387, CR487)
Application Information and Selection Instructions ...............1-50
Mag-Break Circuit Breaker Type (CR387, CR487) .....................1-51
Mag-Break Part Number Configuration
Size 0-2, NEMA Type 1 (CR387).......................................................1-52
Size 0-4, NEMA Type 1, 3R, 12, 4/4X (CR487) ...........................1-55
Outlines and Dimensions .....................................................................1-59
Magnetic Reversing Starters (CR310, CR410, CR311, CR411)
Application Information and Selection Instructions ...............1-64
Nonfusible Disconnect Type (CR311, CR411)..............................1-65
Fusible Disconnect Type (CR311, CR411) .....................................1-66
Nonfusible and Fusible Part Number Configuration
Size 0-4, NEMA Type 1, 3R, 12, 4/4X (CR411) ...........................1-68
Thermal Magnetic Circuit Breaker Type (CR310, CR410) ......1-73
Thermal Magnetic Part Number Configuration
Size 0-4, NEMA Type 1, 3R, 12, 4/4X (CR410) ...........................1-74
Outlines and Dimensions .....................................................................1-84
Mag-Break Magnetic Reversing Starters (CR390, CR490)
Application Information and Selection Instructions ...............1-78
Mag-Break Circuit Breaker Type (CR390, CR490) .....................1-79
Mag-Break Part Number Configuration
Size 0-4, NEMA Type 1, 3R, 12, 4/4X (CR490) ...........................1-80
Outlines and Dimensions .....................................................................1-84
Magnetic Two-speed Controllers (CR412, CR413, CR492)
Application Information and Selection Instructions ...............1-86
Nonfusible Disconnect Type (CR413)..............................................1-87

www.geindustrial.com Rev. 4/16
Prices and data subject to
change without notice
Control Catalog
1-2
NEMA Full Voltage Power Devices
(continued)
Section 1
Magnetic Two-speed Controllers (CR412, CR413, CR492)
(continued)
Fusible Disconnect Type (CR413)......................................................1-88
Nonfusible and Fusible Part Number Configuration
Size 0-4, NEMA Type 1, 3R, 12, 4/4X (CR413) ...........................1-89
Thermal Magnetic Circuit Breaker Type (CR412) ......................1-94
Thermal Magnetic Part Number Configuration
Size 0-4, NEMA Type 1, 3R, 12, 4/4X (CR412) ...........................1-95
Mag-Break Circuit Breaker Type (CR492)......................................1-99
Mag-Break Part Number Configuration
Size 0-4, NEMA Type 1, 3R, 12, 4/4X (CR492) ........................1-100
Outlines and Dimensions ..................................................................1-122
Magnetic Two-speed Controllers (CR414, CR415, CR494)
Application Information and Selection Instructions.............1-104
Nonfusible Disconnect Type (CR415) ...........................................1-105
Fusible Disconnect Type (CR415)...................................................1-106
Nonfusible and Fusible Part Number Configuration
Size 0-4, NEMA Type 1, 3R, 12, 4/4X (CR415) ........................1-107
Thermal Magnetic Circuit Breaker Type (CR414)....................1-112
Thermal Magnetic Part Number Configuration
Size 0-4, NEMA Type 1, 3R, 12, 4/4X (CR414) ........................1-113
Mag-Break Circuit Breaker Type (CR494)...................................1-117
Mag-Break Part Number Configuration
Size 0-4, NEMA Type 1, 3R, 12, 4/4X (CR494) ........................1-118
Outlines and Dimensions ..................................................................1-122
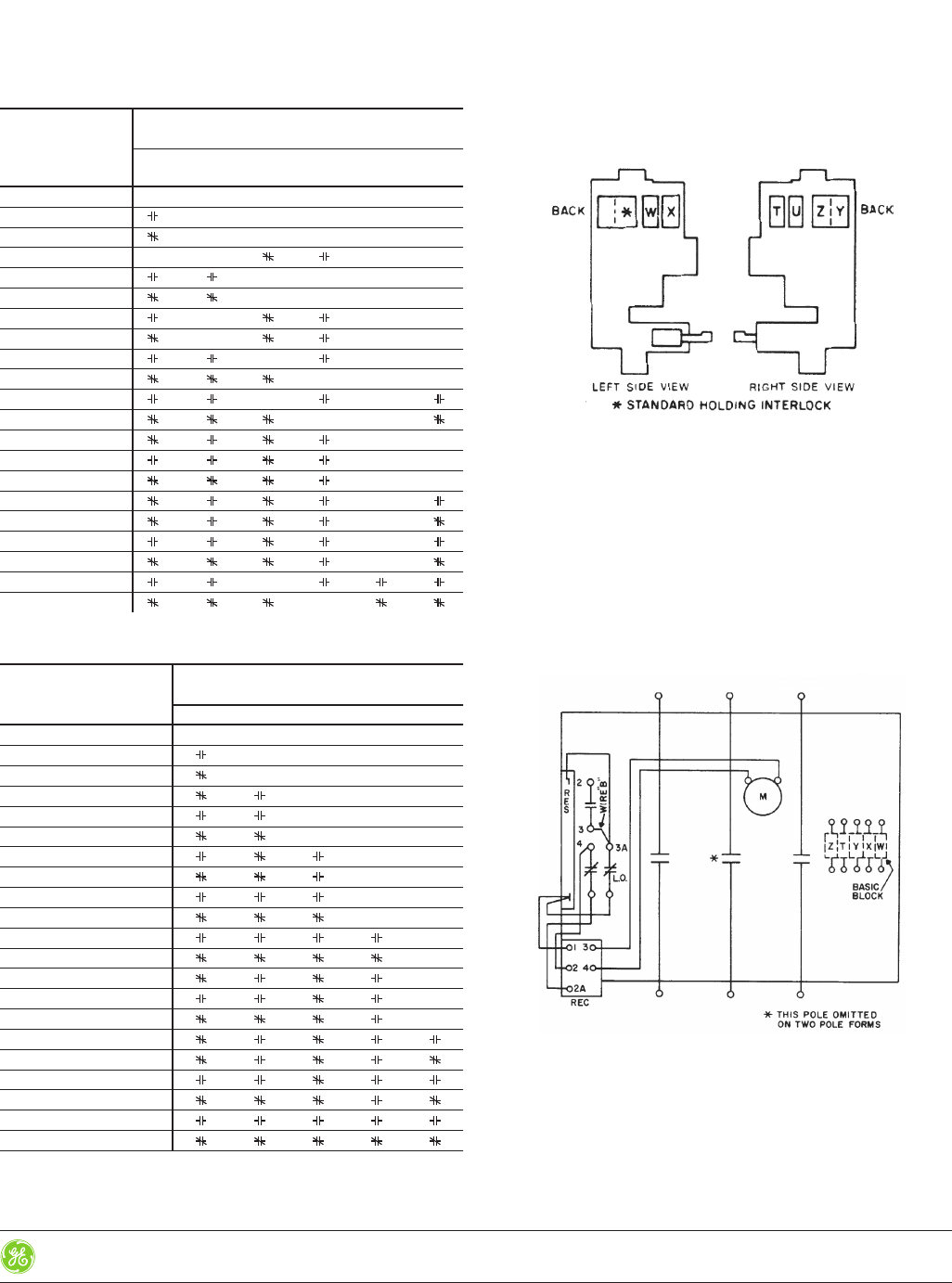
Factory-Installed Modifications for Magnetic Starters
NEMA Sizes 00-6 (CR306, CR307, CR308, CR309, CR310,
CR311, CR387, CR390, CR407, CR408, CR410, CR411, CR487,
CR490) .....................................................................................................1-124
NEMA Sizes 00-9 (CR306, CR307, CR308, CR310) ..................1-130
Field-Installed Modifications for Magnetic Starters
Auxiliary Contact Kits (CR305X, CR385X) ...................................1-132
Modification Kits ....................................................................................1-135
Fuse-Clip Kits (CR308X).......................................................................1-139
Enclosures for NEMA Rated Full Voltage Starters (300-Line)
Application Information and Selection Instructions.............1-141
Selection Tables.....................................................................................1-142
Combination Starter Enclosure Kits .............................................1-143
Overload Relays for Panel Mounting
Application Information and Selection Instructions
(CR324) ....................................................................................................1-145
Three-Pole, 135 Maximum Amperes Continuous
(CR324) ....................................................................................................1-146
Outlines and Dimensions (CR324, CR124) .................................1-147
Electronic Overload Relays.....................................................1-149
Approximate Motor Full-Load Current Ratings..................1-151
Heaters Selection
Motor Starter Heaters (CR123C, CR123F) ..................................1-153
Panel Mounted Overload Relays Heaters
(CR123C, CR123F)...............................................................................1-157
Panel Mounted Overload Relays Heaters
(CR123K, CR123L)...............................................................................1-159
Solid State Overload Relays for Panel Mounting (CR324X)
Technical Features ...............................................................................1-160
Selection Instructions..........................................................................1-161
Outlines and Dimensions ..................................................................1-163
NEMA Rated Full Voltage Manual Starters
Application Information and Selection Instructions
(CR101H, CR101Y) ..............................................................................1-164
Non-combination, Single Phase.....................................................1-165
Enclosure Components ......................................................................1-166
Outlines and Dimensions (CR101H, CR101Y) ...........................1-167
Application Information and Selection Instructions
(CR1062)..................................................................................................1-168
Single-Phase and Polyphase ...........................................................1-169
Outlines and Dimensions (CR1062)...............................................1-171
Manual Starter Heaters for Single-phase
and Polyphase.....................................................................................1-172
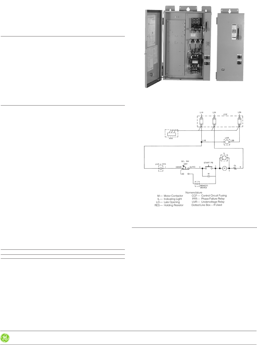
Pumping Panels
Application Information and Selection Instructions
(CR340, CR341) ....................................................................................1-174
Fusible Disconnect Type with Thermal Overload Relays,
Thermal Class 20 (CR341)...............................................................1-175
Fusible Disconnect Type with Thermal Overload Relays,
Thermal Class 10 (CR341)...............................................................1-176
Fusible Disconnect Type with Solid State Overload Relays,
Class 10-20-30 (CR341)...................................................................1-178
Fusible Disconnect Type Part Number Configuration
(CR341) ....................................................................................................1-179
With Thermal Overload Relay, Relay Class 20 (CR340) .......1-182
Mag-Break Type with Thermal Overload Relays,
Thermal Class 10 (CR340)...............................................................1-183
Mag-Break Type with Solid State Overload Relays,
Class 10-20-30 (CR340)...................................................................1-184
Mag-Break Type Part Number Configuration
(CR340) ....................................................................................................1-185
Heaters (CR340, CR341) .....................................................................1-188
Outlines and Dimensions (CR340, CR341) .................................1-190
Magnetic Nonreversing Contactors (CR305, CR385)
Application Information and Selection Instructions
(CR305, CR385) ....................................................................................1-193
NEMA Sizes 00-9, One- and Two-Pole (CR305, CR385) .......1-194
NEMA Sizes 00-9, Three-Pole (CR305, CR385) .........................1-195
NEMA Sizes 00-9, Four-Pole (CR305, CR385)............................1-196
Factory Installed Modifications for Magnetic Contactors
(CR305, CR385) ....................................................................................1-197
Outlines and Dimensions (CR305, CR385) .................................1-208
Field-Installed Modifications for Magnetic Contactors
(CR305, CR385)
Application Information and Selection Instructions.............1-202
Auxiliary Contact Kits (CR305X, CR385X) ...................................1-203
Modification Kits ....................................................................................1-205
Outlines and Dimensions (CR305, CR385) .................................1-208

www.geindustrial.com Control Catalog 1-3
NEMA Full Voltage Power Devices
Rev. 4/16
Prices and data subject to
change without notice
Section 1
NOTES:

www.geindustrial.com Rev. 4/16
Prices and data subject to
change without notice
Control Catalog
1-4
NEMA Full Voltage Power Devices
300-Line Starters
Section 1
Product Number Selection Instructions: See page 1-8
Mounting Position
Devices must be mounted to a sturdy vertical surface with the
line side terminals up. No other orientations are permitted.
Operating Temperature
Equipment is designed for ambient temperature outside of equip-
ment enclosures to be –25° to 40°C. When contactor is energized,
temperatures will be above outside ambient in equipment
enclosures. Temperature rises inside the enclosures should be
limited so that internal air temperature does not exceed 65° for
sizes 00 to 6 and 60°C for sizes 7 to 9. If condensing moisture is
present, space heater kits should be used to prevent condensa-
tion when contactor is not energized.
Storage temperature should be –30° to 65°C. If equipment is
stored over 1 week, it may be necessary to cover the equipment
and provide a source of heat to prevent condensation.
00 0234567819
Normal Starting Duty HP Rating1
Single Phase
115V 60Hz 1/3 7 1/2 3 2 1
3 2 1
NA NA NA NA NA NA
230V 60Hz 7 1/2 15 NA NA NA NA NA NA
Three Phase
200V 60Hz 10 25 40 75 150
230V 60Hz 7 1/2
7 1/2
15 30 50 100 200 300 450 800
380-415V 50Hz 752510
10
5
5
3
3
5
50
25 50
10 25 50
150 300 500 750 1350
460V 60Hz 100 200 400 600 900 1600
575V 60Hz 100 200 400 600 900 1600
Plugging or Jogging HP Rating1
Single Phase
115V 60H 1/2 521 NANA
NA
NA
NA
NA
NA
NA
NA NA NA NA NA
230V 60Hz
z
z
10 NA NA NA NA NA NA
Three Phase
200V 60Hz 15 25 60 125 NA NA NA
230V 60Hz 1 1/2
1 1/2 7 1/2 3
1 1/2
1 1/2
1 1/2
7530
50
60
60
30
30
30
15
15
15
5
5
5
2
2
20103 150 NA NA NA
380-415V 50H 1 1/2
1 2 5
2
2
125 250 NA NA NA
460V 60Hz 150 250 NA NA NA
575V 60Hz 150 250 NA NA NA
Continuous Current Max
Starters and Enclosed Contactors 135904527189 270 540 810 1215 2250
Open Contactors 10 20 30 50 100 150 300 600 900 1350 2500
Coil Burden (VA)
Inrush 2-Pole 151 151 151 528 1152 1248 2580 3360 1600 1500 2900
Holding 2-Pole 24 24 24 60 83 87 191 255 210 140 300
Inrush 3-Pole 151 151 151 528 1152 1248 2580 3360 1600 2900 3600
Holding 3-Pole 24 24 24 60 83 87 191 255 210 300 400
Inrush 4- and 5-Pole 151 151 151 576 1248 1356 3600 NA NA NA NA
Holding 4- and 5-Pole 24 24 24 75 87 95 276 NA NA NA NA
Control Power Transformer VA (Min) 50 50 50 100 200 250 5002500 21000 21500 21501 2
Coil Operating Voltage
% Minimum Pickup 85858585858585858585
% Maximum Dropout 63 63 63 68 65 65 65 65 50 50 50
Switching Delay 3-Pole
Pickup Typical (Milliseconds) 15-30 15-30 15-30 20-40 20-45 20-45 30-50 60-90 80-125 80-125
Dropout Typical (Milliseconds) 7-15 7-15 7-15 7-15 7-15 7-15 15-25
30-50
15-25 100-150 25-100 25-100
Mechanical Life Millions Nominal 20 20 20 10 0.5111555
Weight (Less Carton)
Contactor (Pounds) 2 3/4 2 3/4 2 3/4 6 1/2 15 14 3/4 48 79 203 302
Starter (Pounds) 3 3/4 3 3/4 3 3/4 7 1/2 17 3/4 17 1/2 53 106
48
75 263 365
Power Terminals
Wire Size Range (75 DEG) AWG 14-8 14-8 14-8 14-4 10-1/0 8-3/0 1/0-500kcmil 2 2/0-500kcmil 3 2-600kcmil 4 2-600kcmil NA
Torque (Pounds-Inches) 20 20 20 50 150 200 300 375 500 500 NA
Max. Noise (DBA) 50 50 50 50 50 50 65 65 65 65 65
1When operation of the controller requires jogging (inching) or plug stopping or when normal operation requires continued operation in excess of 5 operations per minute or
10 operations in a 10-minute period, the plugging or jogging horsepower ratings must be followed.
2In lieu of a 500 to 1500 VA control transformer, a 50 VA unit in conjunction with a control relay can be used as follows:
a. Wire control relay coil in control circuit on secondary side of control transformer.
b. Wire two poles of control relay in series with contactor coil at line voltage.
Description
Maximum Horsepower NEMA Size
85
Application Information and Technical Data

www.geindustrial.com Control Catalog 1-5
NEMA Full Voltage Power Devices
300-Line Starters
Rev. 4/16
Prices and data subject to
change without notice
Section 1
Application Information and Technical Data
Short-Circuit Ratings
Fusible forms of combination magnetic starters equipped with UL
labeled, nonrenewable, NEC-type fuses listed in the table below,
are adequate for installation on motor branch circuits where the
available short-circuit current at the incoming line terminals of
the starter does not exceed the value shown.
Circuit breaker-type combination magnetic starters equipped
with the circuit breakers listed in the table at right are adequate
for installation on motor branch circuits where the available
short-
circuit current at the incoming line terminals of the starter
does not exceed the value shown.
For either type, it is recognized that maintenance of some com-
ponents may be required after a branch circuit fault and in some
cases a device may require replacement.
Fusible Combination Starters
Circuit Breaker Combination Starters
Spectra™RMS Molded Case Circuit Breaker or Spectra™RMS
Mag-Break Circuit Protector
Breaker NEMA Maximum Symmetrical RMS Amperes
Model Size 240V 480V 600V
SELA 0 - 3 65,000 65,000 25,000
SFLA 4 65,000 65,000 25,000
Circuit Breaker Combination Starters
Breaker Rating NEMA Maximum Symmetrical RMS Amperes
Type Amperes Size 240V 480V 600V
TJJ & TJK 225-600 5 10,000 10,000 10,000
THJK 225-400 5 35,000 35,000 25,000
THJK 450-600 5 10,000 10,000 10,000
TKM, TKC 300-800 6 42,000 30,000 22,000
THKM8 300-800 6 65,000 35,000 25,000
TB6, TBC 300-800 6 65,000 65,000 42,000
NEMA
Size Fuse Type
Maximum Symmetrical
rms Amperes
0-3 H, K
H, K
5,000
4, 5 10,000
0-5 J, RK-1, RK-5 100,000
6 J, L, RK-1, RK-5 100,000

www.geindustrial.com Rev. 4/16
Prices and data subject to
change without notice
Control Catalog
1-6
NEMA Full Voltage Power Devices
300-Line Starters
Section 1
Application Information and Technical Data (Continued)
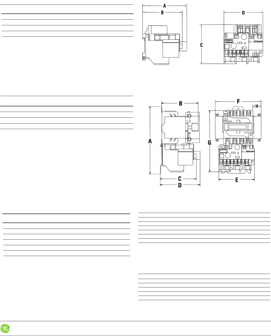
Control Transformers—Where to Use
It is often desirable to use a control transformer in conjunction with
a magnetic starter or controller to provide low voltage control.
Description—Factory Wired
A transformer, with sufficient capacity for the control circuit,
mounted with the starter can be supplied by the factory for the
majority of transformer ratings and types of enclosures.
Coil Suffix
(THIS TABLE IS TO BE USED FOR STARTER FORMS WITHOUT
CONTROL TRANSFORMERS.)
Indicates voltage and frequency of operating coils. For use in
ordering full voltage starters and contactors, Sizes 00-6, with other
coil ratings than those shown in listing on pages 1-9 to 1-122.
Frequency
(Hertz) 24V
115-
120V5 200-
208V5 230-
240V5265-
277V
460-
480V5 575-
600V5
60 24022303130405
Frequency
(Hertz) —110V —220V
380-
415V 440V 550V
50 —02 —03 64 04 05
5Suffix shown for this voltage is part of Product Number in magnetic
starter-contactor listings.
Note: The 02 coil suffix (115-120V, 60 Hz/110V, 50 Hz) supersedes the 22
coil suffix (120V, 60 Hz).
Continuous Make Break
115 10 60 6.0
230 10 30 3.0
460 10 15 1.5
575 10 12 1.2
DC Volts
125 10 —1.1
250 10 —0.5
Amperes
AC Volts
NEMA
Size
No. of
Poles
in
Series
Continuous
Current
Rating
Inductive
Amps
@125V
N.O. N.C.
Inductive
Amps
@250V
N.O. N.C.
Noninductive
Amps
@125V
N.O. N.C.
Noninductive
Amps
@250V
N.O. N.C.
00 1 9 2.5 2.5 0.6 0.5 5 4 1 0.8
00 2 9 7 7 1.2 1.2 25 25 5 4
00 3 9 14 14 3.5 3.5 35 35 15 15
00 4 9 25 25 7 7 50 50 50 50
0 1 18 2.8 2.5 0.7 0.5 6 4.5 1.1 0.9
02 18 7 7 1.5 1.2 35 25 6 4.5
03 18 14 14 3.5 3.5 50 35 25 25
0 4 18 25 25 7 7 90 60 60 55
1 1 27 3 2.5 0.7 0.5 6.5 4.5 1.2 0.9
1 2 27 7 7 1.5 1.2 50 25 7 4.5
1 3 27 14 14 3.5 3.5 70 35 35 25
14 27 25 25 7 7 120 60 70 55
2 2 45 7 1.5 60 9
2 3 45 14 3.5 120 40
2 4 45 25 7 160 80
3 2 90 7 2.2 600 300
3 3 90 14 4.5 600 600
3 4 90 25 9 600 600
4 2 135 7 2.2 600 300
4 3 135 14 4.5 600 600
4 4 135 25 9 600 600
Interrupting Ratings
Auxiliary Contact Ratings—NEMA Size 0-9
Contactor DC Ratings

www.geindustrial.com Control Catalog 1-7
NEMA Full Voltage Power Devices
NEMA Rated Full Voltage Starters - Magnetic
Rev. 4/16
Prices and data subject to
change without notice
Section 1
Typical Size 1 Motor Starter
CR306 Size 1 Motor Starter with Solid-State
Overload Relay installed
CR306, CR386 Magnetic Starters
Nonreversing
1600 Horsepower Maximum
NEMA Sizes 00-9
600 Volts Maximum
50/60 Hertz
Basic 300-Line Features
GE’s full voltage (600-Volt maximum) magnetic motor starter has
an encapsulated coil and a 3-leg overload relay to protect
against overloads in all phases. It is on standard specifications of
major manufacturers. The line offers features and benefits most
asked for by users.
Forms available include reversing and nonreversing, two-speed,
and combination, sizes 00-9.
—Toolless contactor disassembly (Sizes 00-4)—allows quick
access for inspection and maintenance. Just release two
retainers and pull a clip to get at magnet, coil, and contacts.
—Saddle clamp terminals (Sizes 00-1)—accommodate ring,
spade, and stripped wire leads and carry permanent stamped-
in identification. Staggered arrangement makes wiring easier
and helps prevent shorting between phases.
—Current-carrying components—contact tips are weld-resistant
silver cadmium oxide (fine silver on sizes 00 and 0 only).
Contacts are installed in a wedge configuration for positive
make with minimum bounce.
—Optional PF capacitor terminals—permit easy connection of
power factor correction capacitors between contactor and
overload relay for energy conservation.
—Class 20 overload protection.
—Visual trip indicator with manual reset—to avoid surprise
restarts. Reset occurs on arm upstroke so a tripped condition
can’t be overridden by holding the arm down.
—Manual weld check—provides a convenient test against
welding of overload relay contacts. Just depress the weld
check operator to trip the relay, run a simple continuity test
across the relay contacts, then depress the manual reset to
return the starter to service.
—Optional Isolated NO contact on the overload relay—provides
means of direct interface with programmable controller or
computer to monitor performance and diagnose faults.
—Dual bimetals—anticipate overloads, responding to rising cur-
rent and temperature with faster tripping on severe overloads
for better motor protection. Trip points are factory-calibrated
for accuracy.
—±10% trip adjustment—by turning a dial in the overload relay
face allows “tuning” the protection to the motor on the spot.
—Largest selection of modifications and accessory kits—
includes auxiliary contacts, coils, fifth-pole addition, vertical
and horizontal mechanical interlocks, surge suppressors, con-
trol circuit fusing, NEMA Type enclosures, push buttons, selector
switches, indicating lights, control transformers, space heaters,
and more.
Technical Features — Solid-State Overload
—2:1 Adjustable full load amps with tactile feedback dial
—Selectable 10/20/30 protection class
—Ambient insensitive within the stated operating temperature
range of -20° to +70°C
—Built-in thermal memory to prevent hot motor restarts
—Protection against complete phase current loss
—Manual reset (standard) and remote reset (optional) 120 VAC
—Accuracy: ± 2%
—Repeatability: ± 2%
—Self-powered @ 50% of minimum current range
—Size: 1-6 (0.40A-540A, 600V, 50/60 Hz)
—Unbalance trip signal for PLC operation
—Manual trip
—Visual trip indication
—Standard isolated 1 NO and 1 NC aux. contact (A600, Q600)
—Built-in line/load straps
—Fits with existing 300-Line Starters
—Power factor correction terminals (sizes 1-4)
—DIN rail mountable sizes 1 & 2

www.geindustrial.com Rev. 4/16
Prices and data subject to
change without notice
Control Catalog
1-8
NEMA Full Voltage Power Devices
NEMA Rated Full Voltage Starters - Magnetic
Section 1
Other Coil Voltages: See page 1-6
Factory Installed Modifications: See pages 1-124
to 1-131
Field Installed Modifications: See pages 1-132 to 1-138
Extra Auxiliary Contacts: See pages 1-132 to 1-134
Heater Selection Tables: See pages 1-153 to 1-159
CR306, CR386 Magnetic Starters
Nonreversing, Non-combination
NEMA Sizes 00-9 with Thermal Overload Relay
600 Volts Maximum 50/60 Hertz
Application
GE’s magnetic motor starters listed here may be used for starting
full-voltage, nonreversing, single-speed ac motors up to 1600
horsepower, 600 Volts maximum, providing protection to the
motor against running or stalled overloads.
Their compact size and ease of wiring make them especially
suitable for motor control centers, custom-type control panels,
and switchgear equipment. Refer to page 1-7 for features of
basic starter.
Product Number Selection Instructions
1. Specify starter by complete Product Number.
Example: CR306C103 is a Size 1 starter with 230-240-Volt,
60-Hertz coil and in Type 1 general-purpose enclosure @
$246.00, GO-10G.
2. The final letter of the Product Number denotes extra auxiliary
contacts (sometimes referred to as auxiliary interlocks). Order
the desired extra auxiliary contacts by replacing the final letter
with one from first column of auxiliary interlock table (see
page 1-134).
Example: CR306C103AAB is Size 1 starter with one extra nor-
mally open, auxiliary contact @ $312.00, GO-10G.
3. Starter forms are available with coils of other ratings than
those shown on pages 1-9 to 1-10. Refer to coil suffix table,
page 1-8 for information. To order forms with other coil ratings,
insert suffix from coil table in place of fifth and sixth numbers
of listed starter Product Number shown on pages 1-9 to 1-10.
(Contact your nearest GE Representative for other
available starter coils not shown in table.) Example: A
CR306C102 NEMA Size 1, three-pole starter in Type 1 enclosure
with 24-Volt, 60-Hertz coil becomes a CR306C124 Product
Number.
4. For continuous rated motors with a service factor of 1.15 to
1.25 select the heater with maximum motor Amperes equal to
or immediately greater than the actual full-load current taken
directly from the nameplate of motor. Order heaters by com-
plete Product Number from appropriate heater tables on pages
1-153 to 1-159. List Price $9.00 each, GO-10H. Packaged in
quantities of three; must be ordered in multiples of three.
5. Order special modifications or forms not listed by complete
description using a listed Product Number as reference.
Example: Similar to CR306C104 except with 480/120-Volt
control transformer and red indicating light in cover.
Total List Price . . . . . . . . . . . . . $483.00, GO-10G.
6. Two-phase, four-wire forms are available. Contact nearest GE
Representative for pricing and ordering information.
7. Standard Coil Ratings
Standard Voltages (60 Hertz): 24, 115-120, 200-208, 230-240,
265-277, 460-480 and 575-600
Standard Voltages (50 Hertz): 110, 220, 380, 440 and 550
For price adders on special voltage and/or frequency coils,
refer to page 1-126.
8. 50-Hertz Starters
Pricing of starters for use on 50 Hertz at standard voltages is
the same as shown in table for 60 Hertz. Refer to page 1-4 for
three-phase horsepower ratings at 380 Volts, 50 Hertz.
9. Product Notes
Motor full-load current should not exceed continuous ampere
rating of starter.
Reference Publications
Instructions
NEMA Size Publication Number
00, 0, 1 GEH-5190
2 GEH-4774
3 GEH-4806
4 GEH-4807
5 GEH-4839
6 GEH-5198
7-9 GEH-5108
CR306, CR386 Magnetic Starters – Contents
Basic Features (300-Line) and Technical Features
(CR306, CR386)..........................................................................................1-7
Non-combination, NEMA Sizes 00-9 with Thermal Overload
Relays — Application Information and Selection Instructions
(CR306, CR386)..........................................................................................1-8
Non-combination, NEMA Sizes 00-9
with Thermal Overload Relays (CR306, CR386).........................1-9
Outlines and Dimensions (CR306, CR386)....................................1-13
Typical CR306 Size 4 magnetic motor starter
Typical Schematic Diagram for CR306 Starter (NEMA Sizes 00-6)

www.geindustrial.com Control Catalog 1-9
NEMA Full Voltage Power Devices
NEMA Rated Full Voltage Starters - Magnetic
Rev. 4/16
Prices and data subject to
change without notice
Section 1
Enclosure Descriptions: See Section 12
1Motor full load current should not exceed continuous ampere rating of the starter.
2Units are individually boxed and “Poly-Packed” six per carton as standard.
CR306, Three-Phase Magnetic Starters
Open Type NEMA Type 1 NEMA Type 3R NEMA Type 12 NEMA Type 4/4X
Product List Product List Product List Product List Product List
NEMA Continuous Number Price Number Price Number Price Number Price Number Price
Size Ampere Rating1Voltage Horsepower CR306 GO-10G CR306 GO-10G CR306 GO-10G CR306 GO-10G CR306 GO-10G
00 9 Separate Control—115-120 V A002 $162.00 A102 $174.00 Use NEMA Size 0 Use NEMA Size 0 Use NEMA Size 0
00 9 200-208 1 1/2 A023 $162.00 A123 $174.00 Use NEMA Size 0 Use NEMA Size 0 Use NEMA Size 0
00 9 230-240 1 1/2 A003 $162.00 A103 $174.00 Use NEMA Size 0 Use NEMA Size 0 Use NEMA Size 0
00 9 460-480 2 A004 $162.00 A104 $174.00 Use NEMA Size 0 Use NEMA Size 0 Use NEMA Size 0
00 9 575-600 2 A005 $162.00 A105 $174.00 Use NEMA Size 0 Use NEMA Size 0 Use NEMA Size 0
0 18 Separate Control—115-120 V B002 $204.00 B102 $216.00 B602 $288.00 B202 $288.00 B402 $426.00
0 18 200-208 3 B023 $204.00 B123 $216.00 B623 $288.00 B223 $288.00 B423 $426.00
0 18 230-240 3 B003 $204.00 B103 $216.00 B603 $288.00 B203 $288.00 B403 $426.00
0 18 460-480 5 B004 $204.00 B104 $216.00 B604 $288.00 B204 $288.00 B404 $426.00
0 18 575-600 5 B005 $204.00 B105 $216.00 B605 $288.00 B205 $288.00 B405 $426.00
1 27 Separate Control—115-120 V C002 $234.00 C102 $246.00 C602 $318.00 C202 $318.00 C402 $462.00
1 27 200-208 7 1/2 C023 $234.00 C123 $246.00 C623 $318.00 C223 $318.00 C423 $462.00
1 27 230-240 7 1/2 C003 $234.00 C1032$246.00 C603 $318.00 C203 $318.00 C403 $462.00
1 27 460-480 10 C004 $234.00 C104 $246.00 C604 $318.00 C204 $318.00 C404 $462.00
1 27 575-600 10 C005 $234.00 C105 $246.00 C605 $318.00 C205 $318.00 C405 $462.00
2 45 Separate Control—115-120 V D002 $426.00 D102 $486.00 D602 $618.00 D202 $618.00 D402 $918.00
2 45 200-208 10 D023 $426.00 D123 $486.00 D623 $618.00 D223 $618.00 D423 $918.00
2 45 230-240 15 D003 $426.00 D103 $486.00 D603 $618.00 D203 $618.00 D403 $918.00
2 45 460-480 25 D004 $426.00 D104 $486.00 D604 $618.00 D204 $618.00 D404 $918.00
2 45 575-600 25 D005 $426.00 D105 $486.00 D605 $618.00 D205 $618.00 D405 $918.00
3 90 Separate Control—115-120 V E002 $690.00 E102 $810.00 E602 $966.00 E202 $966.00 E402 $1422.00
3 90 200-208 25 E023 $690.00 E123 $810.00 E623 $966.00 E223 $966.00 E423 $1422.00
3 90 230-240 30 E003 $690.00 E103 $810.00 E603 $966.00 E203 $966.00 E403 $1422.00
3 90 460-480 50 E004 $690.00 E104 $810.00 E604 $966.00 E204 $966.00 E404 $1422.00
3 90 575-600 50 E005 $690.00 E105 $810.00 E605 $966.00 E205 $966.00 E405 $1422.00
4 135 Separate Control—115-120 V F002 $1578.00 F102 $1830.00 F602 $2346.00 F202 $2346.00 F402 $2874.00
4 135 200-208 40 F023 $1578.00 F123 $1830.00 F623 $2346.00 F223 $2346.00 F423 $2874.00
4 135 230-240 50 F003 $1578.00 F103 $1830.00 F603 $2346.00 F203 $2346.00 F403 $2874.00
4 135 460-480 100 F004 $1578.00 F104 $1830.00 F604 $2346.00 F204 $2346.00 F404 $2874.00
4 135 575-600 100 F005 $1578.00 F105 $1830.00 F605 $2346.00 F205 $2346.00 F405 $2874.00
5 270 Separate Control—115-120 V G002 $3855.00 G102 $4317.00 G602 $5637.00 G202 $5637.00 G402 $5637.00
5 270 200-208 75 G023 $3855.00 G123 $4317.00 G623 $5637.00 G223 $5637.00 G423 $5637.00
5 270 230-240 100 G003 $3855.00 G103 $4317.00 G603 $5637.00 G203 $5637.00 G403 $5637.00
5 270 460-480 200 G004 $3855.00 G104 $4317.00 G604 $5637.00 G204 $5637.00 G404 $5637.00
5 270 575-600 200 G005 $3855.00 G105 $4317.00 G605 $5637.00 G205 $5637.00 G405 $5637.00
6 540 Separate Control—115-120 V HH002 $9165.00 HH102 $12165.00 HH602 $13785.00 HH202 $13785.00 HH402 $15165.00
6 540 200-208 150 HH023 $9165.00 HH123 $12165.00 HH623 $13785.00 HH223 $13785.00 HH423 $15165.00
6 540 230-240 200 HH003 $9165.00 HH103 $12165.00 HH603 $13785.00 HH203 $13785.00 HH403 $15165.00
6 540 460-480 400 HH004 $9165.00 HH104 $12165.00 HH604 $13785.00 HH204 $13785.00 HH404 $15165.00
6 540 575-600 400 HH005 $9165.00 HH105 $12165.00 HH605 $13785.00 HH205 $13785.00 HH405 $15165.00
CR306, CR386 Magnetic Starters
Nonreversing, Non-combination, Open, NEMA Type 1, 3R, 12, 4/4X
NEMA Sizes 00-9 with Thermal Overload Relay
600 Volts Maximum 50/60 Hertz
Three-Phase
List Price includes a holding interlock, pressure terminals for the line and load connections, plus a 3-leg block type overload relay
(manual reset). All enclosures include external reset. One NO isolated contact on the overload relay is available as an option at $24.00,
GO-10G. To order add suffix LAA to Product Numbers (Size 00-5) listed in table.
Three heaters should be ordered as separate items. See pages 1-153 to 1-159 for selection. List price $9.00 each, GO-10H.
CR386 Three-Phase Magnetic Starters
Open Type
Continuous Control Product List
NEMA Ampere Circuit Number Price
Size Rating1Voltage Horsepower Voltage CR386 GO-10G
7 810 Separate Control J002AA1A $13167.00
—115-120 V
7 810 220-240 300 230 J003AA1A $13167.00
7 810 440-480 600 460 J004AA1A $13167.00
7 810 550-600 600 575 J005AA1A $13167.00
8 1215 Separate Control K002AA1A $19455.00
—115-120 V
8 1215 220-240 450 230 K003AA1A $19455.00
8 1215 440-480 900 460 K004AA1A $19455.00
8 1215 550-600 900 575 K005AA1A $19455.00
9 2250 Separate Control L002AA1A $31983.00
—115-120 V
9 2250 220-240 800 230 L003AA1A $31983.00
9 2250 440-480 1600 460 L004AA1A $31983.00
9 2250 550-600 1600 575 L005AA1A $31983.00

www.geindustrial.com Rev. 4/16
Prices and data subject to
change without notice
Control Catalog
1-10
NEMA Full Voltage Power Devices
NEMA Rated Full Voltage Starters - Magnetic
Section 1
CR306, CR386 Magnetic Starters
Nonreversing, Non-combination, Open, NEMA Type 1, 3R, 12, 4/4X
NEMA Sizes 00-9 with Thermal Overload Relay
600 Volts Maximum 50/60 Hertz
Single-Phase
List price includes a holding interlock. One heater (per starter) for sizes 00-2 and two heaters (per starter) for size 3 should be ordered
as separate items. See pages 1-153 to 1-159 for selection. List price $9.00 each, GO-10H.
CR306, Single-Phase Magnetic Starters
Open Type NEMA Type 1 NEMA Type 3R NEMA Type 12 NEMA Type 4/4X
Product List Product List Product List Product List Product List
NEMA Continuous Number Price Number Price Number Price Number Price Number Price
Size Ampere Rating1Voltage Horsepower CR306 GO-10G CR306 GO-10G CR306 GO-10G CR306 GO-10G CR306 GO-10G
00 9 115-120 1/3 H002 $162.00 H102 $174.00 Use NEMA Size 0 Use NEMA Size 0 Use NEMA Size 0
00 9 230-240 1 H003 $162.00 H103 $174.00 Use NEMA Size 0 Use NEMA Size 0 Use NEMA Size 0
0 18 115-120 1 J002 $183.00 J102 $195.00 J602 $267.00 J202 $267.00 J402 $405.00
0 18 230-240 2 J003 $183.00 J103 $195.00 J603 $267.00 J203 $267.00 J403 $405.00
1 27 115-120 2 K002 $213.00 K102 $225.00 K602 $297.00 K202 $297.00 K402 $441.00
1 27 230-240 3 K003 $213.00 K103 $225.00 K603 $297.00 K203 $297.00 K403 $441.00
1P 36 115-120 3 K002BMA $279.00 K102BKA $291.00 K602BKA $363.00 K202BKA $363.00 K402BKA $507.00
1P 36 230-240 5 K003BMA $279.00 K103BKA $291.00 K603BKA $363.00 K203BKA $363.00 K403BKA $507.00
2 45 115-120 3 L002 $387.00 L102 $447.00 L602 $579.00 L202 $579.00 L402 $879.00
2 45 230-240 7 1/2 L003 $387.00 L103 $447.00 L603 $579.00 L203 $579.00 L403 $879.00
3 90 115-120 7 1/2 M002 $642.00 M102 $762.00 M602 $918.00 M202 $918.00 M402 $1374.00
3 90 230-240 15 M003 $642.00 M103 $762.00 M603 $918.00 M203 $918.00 M403 $1374.00
3 90 460-480 25 M004 $642.00 M104 $762.00 M604 $918.00 M204 $918.00 M404 $1374.00
3 90 575-600 25 M005 $642.00 M105 $762.00 M605 $918.00 M205 $918.00 M405 $1374.00
1Motor full load current should not exceed continuous ampere rating of the starter.

www.geindustrial.com Control Catalog 1-11
NEMA Full Voltage Power Devices
NEMA Rated Full Voltage Starters - Magnetic
Rev. 4/16
Prices and data subject to
change without notice
Section 1
CR306 Magnetic Starters
Nonreversing, Non-combination, Open, NEMA Type 1, 3R, 12,
4/4X
NEMA Sizes 1-6 with Solid State Overload Relay
600 Volts Maximum 50/60 Hertz
Product Number Selection Instructions
1. 50 Hertz Starters
Pricing for 50-Hertz forms (at standard voltages) is the same as
shown in table for 60 Hertz. Listed prices for 460-480 Volt also
apply to 380-415 Volt, 50 Hertz. See page 1-4 for 380-415 Volt
horsepower ratings.
2. Product Notes
Motor full-load current should not exceed continuous ampere
rating of starter.
3. Note: Reversing, Two Speed, and Combination Starters are
also available with Solid-State Overload Relays.
Contact nearest GE Representative for more
information.
4. Units are individually boxed and poly-packed six per carton
as standard.
5. External reset not included on standard listed forms (NEMA
Type 12).
6. For additional details on the Solid State Overload Relay, see
pages 1-160 through 1-163.
Technical Features — Solid-State Overload
—2:1 Adjustable full load amps with tactile feedback dial
—Selectable 10/20/30 protection class
—Ambient insensitive within the stated operating temperature
range of -20° to +70°C
—Built-in thermal memory to prevent hot motor restarts
—Protection against complete phase current loss
—Manual reset (standard) and remote reset (optional) 120 VAC
—Accuracy: ± 2%
—Repeatability: ± 2%
—Self-powered @ 50% of minimum current range
—Size: 1-6 (0.40A-540A, 600V, 50/60 Hz)
—Unbalance trip signal for PLC operation
—Manual trip
—Visual trip indication
—Standard isolated 1 NO and 1 NC aux. contact (A600, Q600)
—Built-in line/load straps
—Fits with existing 300-Line Starters
—Power factor correction terminals (sizes 1-4)
—DIN rail mountable sizes 1 & 2
CR306 Size 1 Motor Starter with Solid-State
Overload Relay installed
Reference Publications
Instructions
NEMA Size Publication Number
00, 0, 1 GEH-5190
1-6 DEP-058
2 GEH-4774
3 GEH-4806
4 GEH-4807
5 GEH-4839
6 GEH-5198
7-9 GEH-5108
CR306 Magnetic Starters – Contents
Non-combination, NEMA Sizes 1-6 with Solid State Overload
Relays — Selection Instructions and Technical Features
(CR306).......................................................................................................1-11
Non-combination, NEMA Sizes 1-6
with Solid State Overload Relays ..................................................1-12
Outlines and Dimensions (CR306, CR386)....................................1-13

www.geindustrial.com Rev. 4/16
Prices and data subject to
change without notice
Control Catalog
1-12
NEMA Full Voltage Power Devices
NEMA Rated Full Voltage Starters - Magnetic
Section 1
Other Coil Voltages: See page 1-6
Factory Installed Modifications: See pages 1-124 to 1-131
Field Installed Modifications: See pages 1-132 to 1-138
CR306 Magnetic Starters
Nonreversing, Non-combination, Open, NEMA Type 1, 3R, 12, 4/4X
NEMA Sizes 1-6 with Solid State Overload Relay
600 Volts Maximum 50/60 Hertz
List price includes a holding interlock, pressure terminals for the line and load connections, plus a solid-state overload relay (manual
reset). Standard isolated 1NO and 1NC auxiliary contact (A600, Q600).
Select current range from Full Load Current Selection Table. Insert letter (C, D, E, F, etc.) from table in Product Number to replace *.
Refer to Coil Table, page 1-6 for other available starter coils and suffixes (sizes 1-6).
CR306, Three-Phase Magnetic Starters
Open Type NEMA Type 1 NEMA Type 3R NEMA Type 122NEMA Type 4/4X
Product List Product List Product List Product List Product List
NEMA Continuous Number Price Number Price Number Price Number Price Number Price
Size Ampere Rating1Voltage Horsepower CR306 GO-10G CR306 GO-10G CR306 GO-10G CR306 GO-10G CR306 GO-10G
1 27 Separate Control — 115-120V CX*002 $261.00 CX*102 $273.00 CX*602 $345.00 CX*2021$345.00 CX*402 $489.00
1 27 200-208 7 1/2 CX*023 $261.00 CX*123 $273.00 CX*623 $345.00 CX*2231$345.00 CX*423 $489.00
1 27 230-240 7 1/2 CX*003 $261.00 CX*1032$273.00 CX*603 $345.00 CX*2031$345.00 CX*403 $489.00
1 27 460-480 10 CX*004 $261.00 CX*104 $273.00 CX*604 $345.00 CX*2041$345.00 CX*404 $489.00
1 27 575-600 10 CX*005 $261.00 CX*105 $273.00 CX*605 $345.00 CX*2051$345.00 CX*405 $489.00
2 45 Separate Control — 115-120V DX*002 $453.00 DX*102 $513.00 DX*602 $645.00 DX*2021$645.00 DX*402 $945.00
2 45 200-208 10 DX*023 $453.00 DX*123 $513.00 DX*623 $645.00 DX*2231$645.00 DX*423 $945.00
2 45 230-240 15 DX*003 $453.00 DX*103 $513.00 DX*603 $645.00 DX*2031$645.00 DX*403 $945.00
2 45 460-480 25 DX*004 $453.00 DX*104 $513.00 DX*604 $645.00 DX*2041$645.00 DX*404 $945.00
2 45 575-600 25 DX*005 $453.00 DX*105 $513.00 DX*605 $645.00 DX*2051$645.00 DX*405 $945.00
3 90 Separate Control — 115-120V EX*002 $717.00 EX*102 $837.00 EX*602 $993.00 EX*2021$993.00 EX*402 $1449.00
3 90 200-208 25 EX*023 $717.00 EX*123 $837.00 EX*623 $993.00 EX*2231$993.00 EX*423 $1449.00
3 90 230-240 30 EX*003 $717.00 EX*103 $837.00 EX*603 $993.00 EX*2031$993.00 EX*403 $1449.00
3 90 460-480 50 EX*004 $717.00 EX*104 $837.00 EX*604 $993.00 EX*2041$993.00 EX*404 $1449.00
3 90 575-600 50 EX*005 $717.00 EX*105 $837.00 EX*605 $993.00 EX*2051$993.00 EX*405 $1449.00
4 135 Separate Control — 115-120V FX*002 $1605.00 FX*102 $1857.00 FX*602 $2373.00 FX*2021$2373.00 FX*402 $2901.00
4 135 200-208 40 FX*023 $1605.00 FX*123 $1857.00 FX*623 $2373.00 FX*2231$2373.00 FX*423 $2901.00
4 135 230-240 50 FX*003 $1605.00 FX*103 $1857.00 FX*603 $2373.00 FX*2031$2373.00 FX*403 $2901.00
4 135 460-480 100 FX*004 $1605.00 FX*104 $1857.00 FX*604 $2373.00 FX*2041$2373.00 FX*404 $2901.00
4 135 575-600 100 FX*005 $1605.00 FX*105 $1857.00 FX*605 $2373.00 FX*2051$2373.00 FX*405 $2901.00
5 270 Separate Control — 115-120V GX*002 $3882.00 GX*102 $4344.00 GX*602 $5664.00 GX*2021$5664.00 GX*402 $5664.00
5 270 200-208 75 GX*023 $3882.00 GX*123 $4344.00 GX*623 $5664.00 GX*2231$5664.00 GX*423 $5664.00
5 270 230-240 100 GX*003 $3882.00 GX*103 $4344.00 GX*603 $5664.00 GX*2031$5664.00 GX*403 $5664.00
5 270 460-480 200 GX*004 $3882.00 GX*104 $4344.00 GX*604 $5664.00 GX*2041$5664.00 GX*404 $5664.00
5 270 575-600 200 GX*005 $3882.00 GX*105 $4344.00 GX*605 $5664.00 GX*2051$5664.00 GX*405 $5664.00
6 540 Separate Control — 115-120V HX*002 $9192.00 HX*102 $12192.00 HX*602 $13812.00 HX*2021$13812.00 HX*402 $15192.00
6 540 200-208 150 HX*023 $9192.00 HX*123 $12192.00 HX*623 $13812.00 HX*2231$13812.00 HX*423 $15192.00
6 540 230-240 200 HX*003 $9192.00 HX*103 $12192.00 HX*603 $13812.00 HX*2031$13812.00 HX*403 $15192.00
6 540 460-480 400 HX*004 $9192.00 HX*104 $12192.00 HX*604 $13812.00 HX*2041$13812.00 HX*404 $15192.00
6 540 575-600 400 HX*005 $9192.00 HX*105 $12192.00 HX*605 $13812.00 HX*2051$13812.00 HX*405 $15192.00
Full Load Current Selection Table
For continuous rated motors, with a service factor of 1.15 to 1.25,
select the heater with maximum motor Amperes equal to or
immediately greater than the motor full-load current (provides a
maximum of 125 percent protection). For continuous rated
motors with no service factor, multiply the full-load current of the
motor by 0.90 and use this value to select the heater.
Overload Range for NEMA Fuse Breaker Insert Digit in
Solid State Starters Size Max. Max. Product Number
0.4-0.85 00-1 3 15 C
0.8-1.7 00-1 6 15 D
1.6-3.4 00-1 12 15 E
3.2-6.8 00-1 25 25 F
6.5-13.5 00-1 50 50 G
13-27 00-1 100 100 H
6.5-13.5 2 50 50 G
13-27 2 100 100 H
25-50 2 200 200 J
17-35 3 & 4 125 125 K
35-70 3 & 4 250 250 L
65-135 3 & 4 500 400 M
35-70 5N
65-135 5 500 400 P
130-270 5 600 800 Q
130-270 6 1200 800 S
260-540 6 1200 800 T
1Motor full load current should not exceed continuous ampere rating of the starter.
2External reset not included on standard listed forms.

www.geindustrial.com Control Catalog 1-13
NEMA Full Voltage Power Devices
NEMA Rated Full Voltage Starters - Magnetic
Rev. 4/16
Prices and data subject to
change without notice
Section 1
Enclosure Descriptions: See Section 12
Product Number Selection Instructions: See page 1-8
CR306, CR386 Magnetic Starters
Nonreversing, Non-combination
200 Horsepower Maximum
NEMA Sizes 00-5
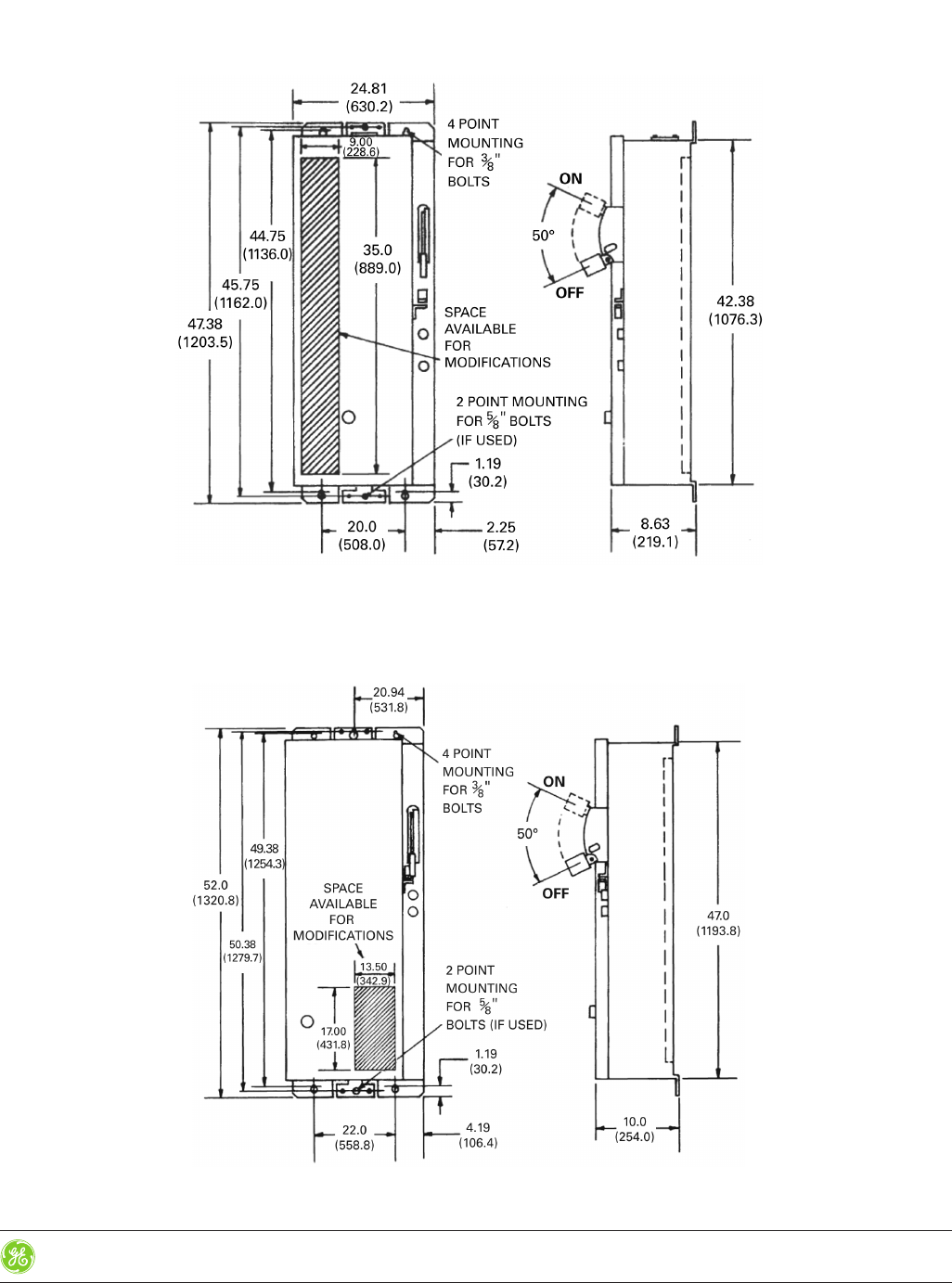
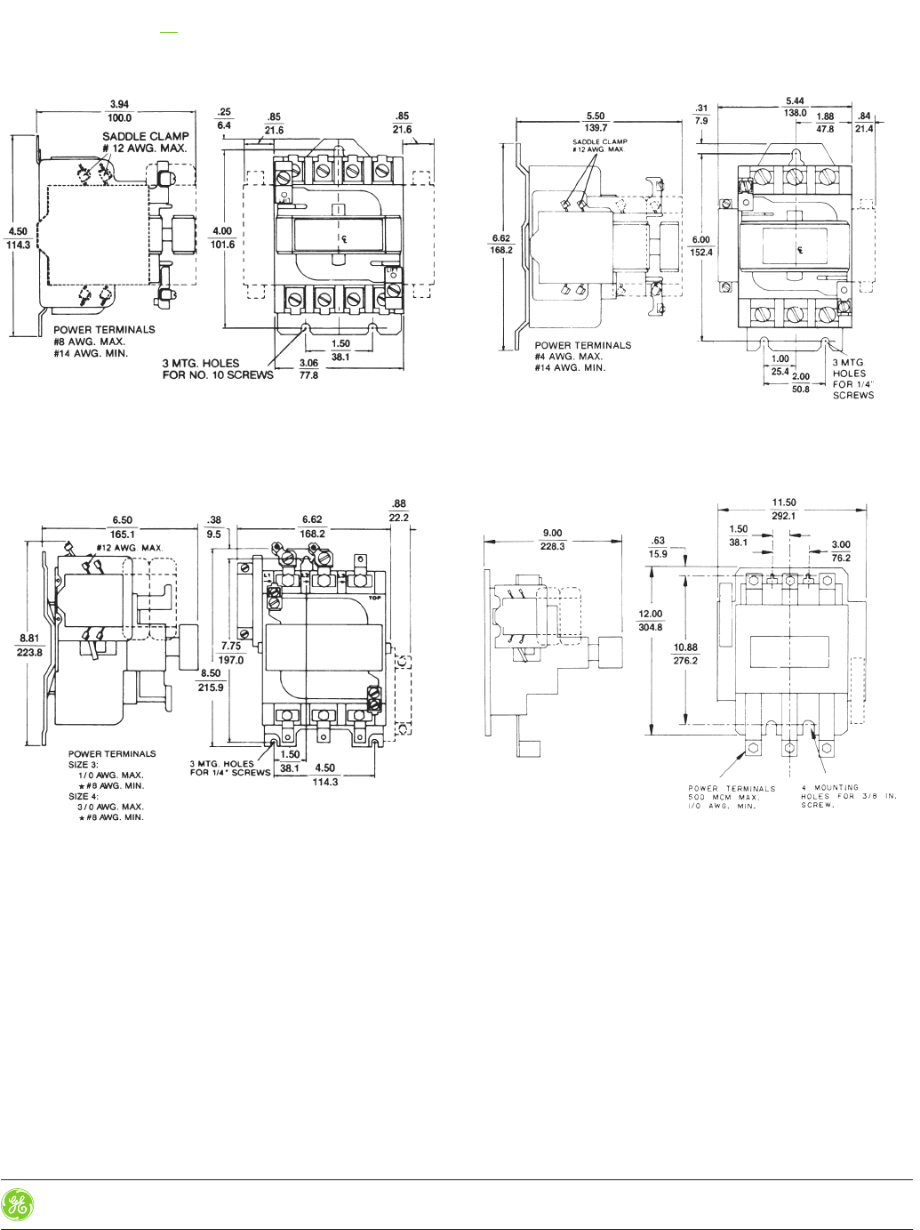
600 Volts Maximum
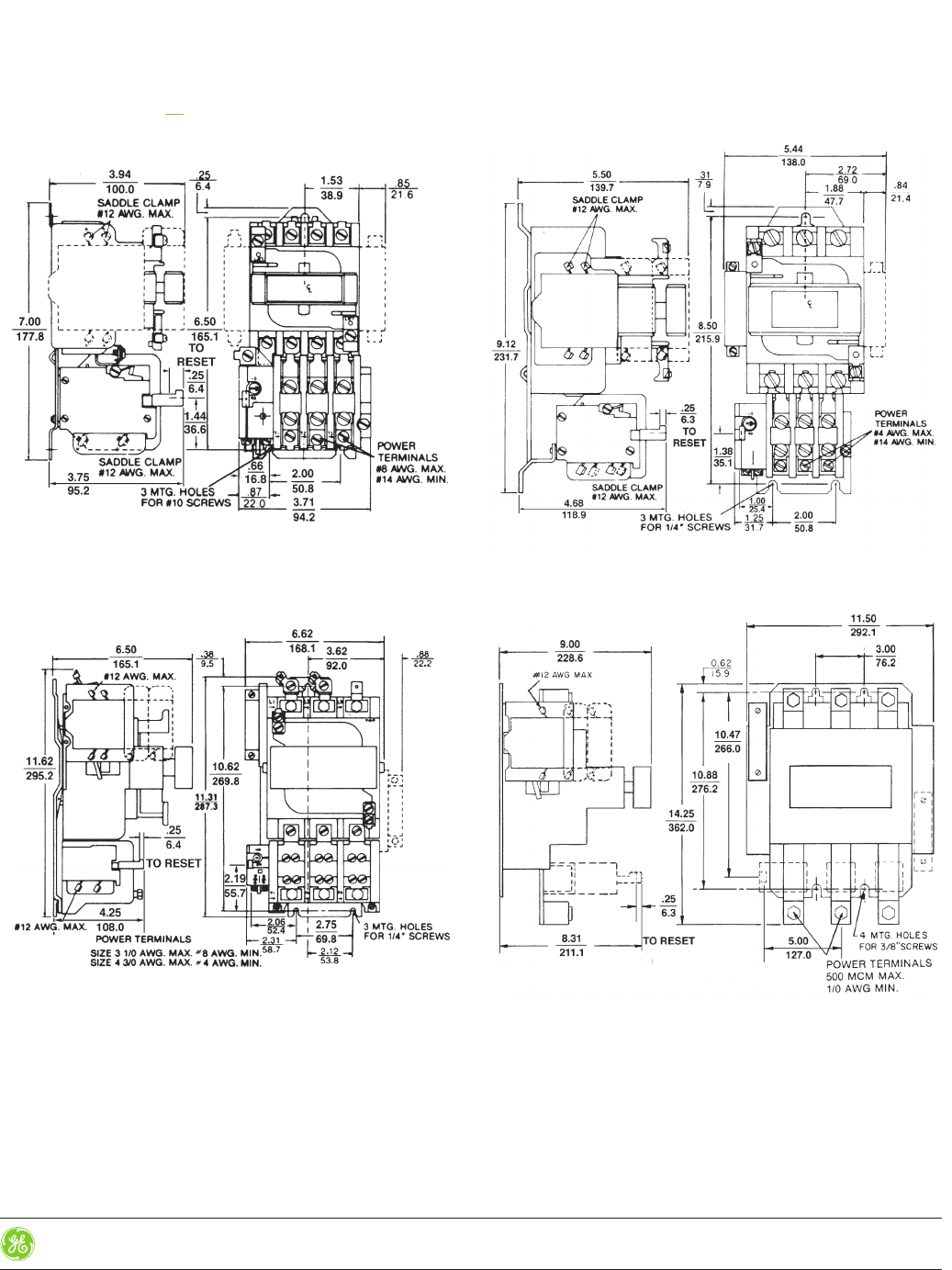
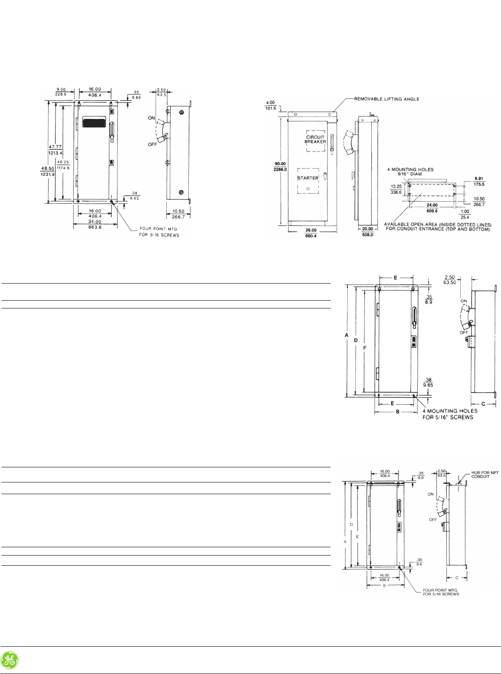
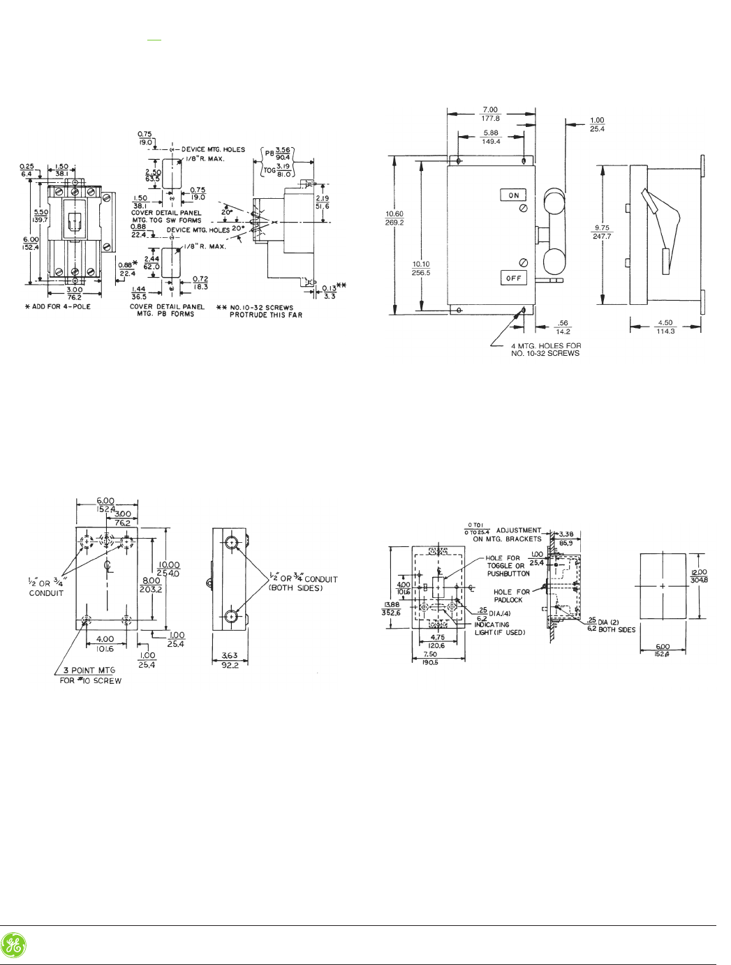
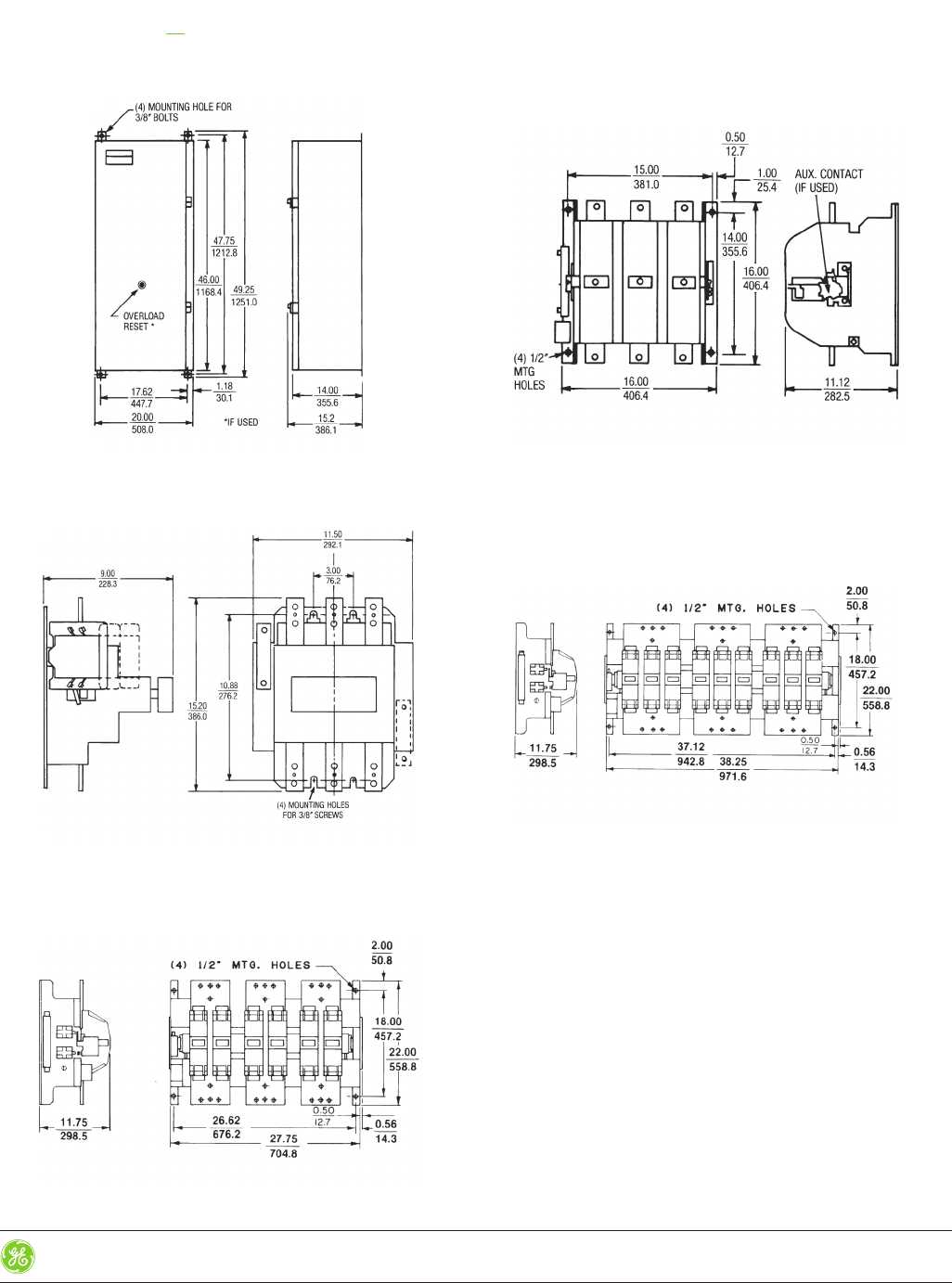
Outlines, Dimensions ( in.
mm) and Weights (For Estimating Only)
Open Type, NEMA Sizes 00-1 (3 3/4 lbs.) Open Type, NEMA Size 2 (8 lbs.)
Open Type, NEMA Sizes 3 (19 lbs.) and 4 (20 lbs.) Open Type, NEMA Size 5 (55 lbs.)
Open Type, NEMA Sizes 00-1 (3 3/4 lbs.)

www.geindustrial.com Rev. 4/16
Prices and data subject to
change without notice
Control Catalog
1-14
NEMA Full Voltage Power Devices
NEMA Rated Full Voltage Starters - Magnetic
Section 1
Product Number Selection Instructions: See page 1-8
CR306, CR386 Magnetic Starters
Nonreversing, Non-combination
200 Horsepower Maximum
NEMA Sizes 00-5
600 Volts Maximum
Outlines, Dimensions ( in.
mm) and Weights (For Estimating Only)
CR386 Open Type, NEMA Size 9
CR306 Open Type, NEMA Size 6
CR386 Open Type, NEMA Size 7, 115 lbs. CR386 Open Type, NEMA Size 8
CR306 NEMA Type 1 and 12, Size 6

www.geindustrial.com Control Catalog 1-15
NEMA Full Voltage Power Devices
NEMA Rated Full Voltage Starters - Magnetic
Rev. 4/16
Prices and data subject to
change without notice
Section 1
CR306, CR386 Magnetic Starters
Nonreversing, Non-combination
200 Horsepower Maximum
NEMA Sizes 00-5
600 Volts Maximum
Outlines, Dimensions in. (mm) and Weights (For Estimating Only)
CR306 NEMA Type 1 NEMA Sizes 00-4
NEMA Dimension Dimension Dimension Dimension Dimension Dimension Mounting Shipping
Size ABCDEFScrew Size Weight (lbs)
00, 0, 1 10.00 (254.0) 6.00 (152.4) 4.63 (117.6) 8.00 (203.2) 4.00 (101.6) 1.00 (25.4) #10 5 1/2
2 13.25 (336.6) 7.38 (187.4) 6.13 (155.6) 11.00 (279.4) 5.00 (127.0) 1.13 (28.7) 1/4” 13
3 20.25 (514.4) 8.75 (222.2) 7.31 (185.7) 17.00 (431.8) 5.75 (146.0) 1.88 (47.6) 1/4” 35
4 25.00 (635.0) 8.75 (222.2) 7.31 (185.7) 22.00 (558.8) 5.75 (146.0) 1.50 (38.1) 1/4” 38
NEMA Type 12, Sizes 3-5
NEMA Type 1, Sizes 00-4
NEMA Type 1, Size 5 (134 lbs.)
NEMA Type 12, Sizes 0-2
CR306 NEMA Type 1 NEMA Size 5
See Diagram For Dimensions
CR306 NEMA Type 12 NEMA Sizes 0-2
NEMA Dimension Dimension Dimension Dimension Dimension Dimension Shipping
Size AB C DEFWeight (lbs)
0, 1 11.63 (295.4) 6.25 (158.8) 4.75 (120.6) 11.00 (279.4) 3.00 (76.2) 10.25 (260.4) 9 1/2
2 14.63 (371.6) 7.63 (193.8) 6.25 (158.8) 14.00 (355.6) 4.38 (111.2) 13.25 (366.6) 15
CR306 NEMA Type 12 NEMA Sizes 3-5
NEMA Dimension Dimension Dimension Dimension Dimension Dimension Shipping
Size AB C DEFWeight (lbs)
3 24.00 (609.6) 10.50 (266.7) 7.25 (184.2) 23.00 (584.2) 5.75 (146.1) 21.25 (539.8) 43
4 30.00 (762.0) 10.50 (266.7) 7.25 (184.2) 29.00 (736.6) 5.75 (146.1) 27.25 (692.2) 48
5 45.50 (1155.7) 17.00 (431.8) 10.25 (260.4) 44.50 (1130.3) 12.00 (304.8) 42.75 (1085.9) 154

www.geindustrial.com Rev. 4/16
Prices and data subject to
change without notice
Control Catalog
1-16
NEMA Full Voltage Power Devices
NEMA Rated Full Voltage Starters - Magnetic
Section 1
Product Number Selection Instructions: See page 1-8
CR306, CR386 Magnetic Starters
Nonreversing, Non-combination
200 Horsepower Maximum
NEMA Sizes 00-5
600 Volts Maximum
Outlines, Dimensions in. (mm) and Weights (For Estimating Only)
CR306 NEMA Type 3R NEMA Sizes 00-2
NEMA Dimension Dimension Dimension Dimension Dimension Dimension Shipping
Size ABCDEFWeight (lbs)
0, 1 14.50 (368.3) 6.38 (162.1) 4.75 (120.6) 15.00 (381.0) 3.00 (76.2) 3.19 (81.0) 9 1/2
2 16.50 (419.1) 7.75 (196.8) 6.50 (165.1) 17.00 (431.8) 4.38 (111.2) 3.88 (98.6) 15
CR306 NEMA Type 3R NEMA Sizes 3-5
NEMA Dimension Dimension Dimension Dimension Dimension Dimension Shipping
Size ABCDEFWeight (lbs)
3 22.00 (558.8) 17.19 (436.6) 7.25 (184.2) 23.50 (596.9) 11.00 (279.4) 8.6 (217.9) 43
4 26.00 (660.4) 17.19 (436.6) 7.25 (184.2) 27.50 (698.5) 11.00 (279.4) 8.6 (217.9) 48
5 42.00 (1066.8) 22.00 (558.8) 10.25 (260.4) 43.50 (1104.9) 16.00 (406.0) 11.0 (279.4) 157
CR306 NEMA Type 4/4X NEMA Sizes 0-5
NEMA Size Height Width Depth Shipping Weight (lbs)
0, 1 15.62 (396.7) 6.38 (162.0) 4.75 (120.6) 16
2 17.62 (447.5) 7.75 (196.8) 6.50 (165.1) 20
3 24.50 (622.3) 17.00 (431.8) 7.25 (184.2) 125
4 28.50 (723.9) 17.00 (431.8) 7.25 (184.2) 132
5 44.50 (1130.3) 22.00 (558.8) 10.25 (260.4) 135
NEMA Type 3R, Sizes 00-2
NEMA Type 3R, Sizes 3-5

www.geindustrial.com Control Catalog 1-17
Rev. 4/16
Prices and data subject to
change without notice
Section 1
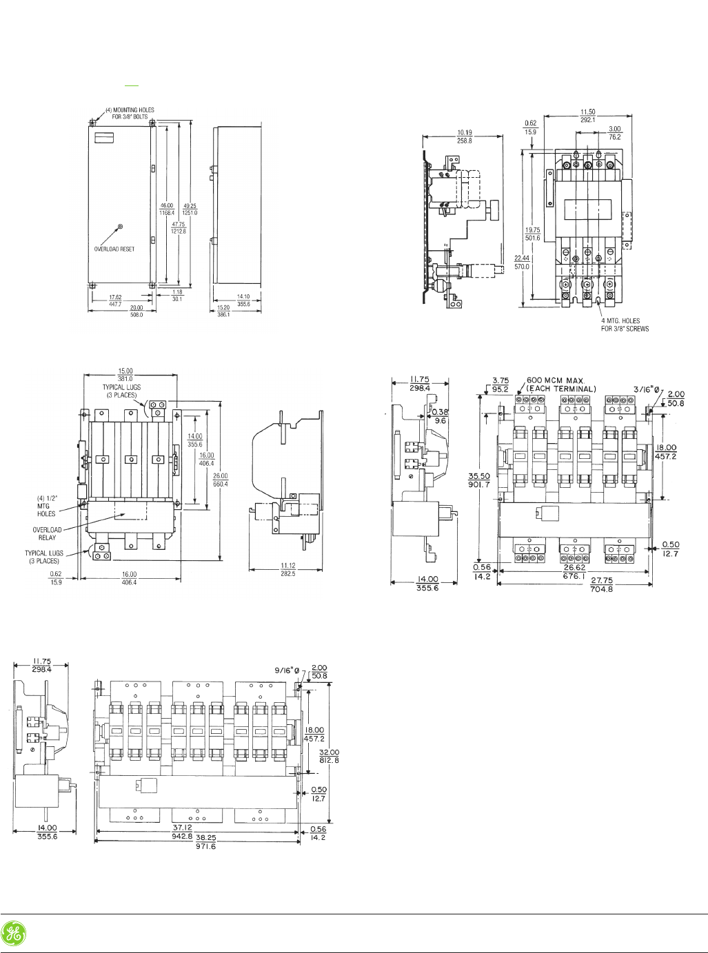
Typical CR309 Reversing Starter
6. Product Notes
Motor full-load current should not exceed continuous ampere
rating of starter. External reset not included on standard listed
forms (NEMA Type 12).
Order heaters by complete Product Number from appropriate
heater tables on pages 1-153 to 1-159.
Reference Publications
Descriptive bulletin GEA-10928
Instructions
NEMA Size Publication Number
00, 0, 1 GEH-5190
2 GEH-4775
3 GEH-4806
4 GEH-4807
5 GEH-4839
6 GEH-5198
CR309 Magnetic Reversing Starters – Contents
Application Information and Selection Instructions ...............1-17
Non-combination, NEMA Sizes 00-7
with Thermal Overload Relays, Three-Phase ..........................1-18
Non-combination, NEMA Sizes 00-1
with Thermal Overload Relays, Single-Phase..........................1-19
Outlines and Dimensions ....................................................................1-20
CR309 Magnetic Reversing Starters
600 Horsepower Maximum, Open, NEMA Type 1, 3R, 12, 4/4X
NEMA Sizes 00-7
600 Volts Maximum
50/60 Hertz
Application
These reversing starters are used for full-voltage starting and
reversing of squirrel-cage induction motors up to 600 horsepower,
600 Volts maximum.
These starters are used for single-phase or polyphase motors on
applications where plugging and/or reversing operations are
required.
Refer to page 1-7 for features of basic starter.
Jogging Duty
The horsepower ratings shown in the product tables for CR309
reversing starters are not to be used when operation requires
continuous plug-stop or jogging (inching) duty at a rate in excess
of five times per minute or 10 times in 10 minutes. Refer to page
1-4 for information.
Product Number Selection Instructions
1. Specify by complete Product Number and form.
Example: CR309D103 is a Size 2 reversing starter, three-pole in
NEMA Type 1 enclosure with 230-240-Volt, 60-Hertz coil @
$1086.00, GO-10G.
2. Order forms not listed or with special modifications by complete
description using a listed Product Number as reference wherever
possible.
Example: Similar to CR309D103 except with three-position
FORWARD-REVERSE-STOP push button in cover.
Total List Price . . . . . . . . . . . . . $1326.00, GO-10G.
3. Reversing starters are available with coils of other ratings than
those shown in listing on pages 1-18 and 1-19. Refer to coil suf-
fix table on page 1-4 for information. To order forms with other
coil ratings, insert suffix from coil table in place of fifth and sixth
numbers of listed starter Product Number shown on page 1-18
or 1-19.
Example: A CR309C102 NEMA Size 1 reverser in Type 1 enclosure
with 24-Volt, 60-Hertz coil becomes a CR309C124.
4. 50-Hertz Forms
Pricing for 50-Hertz forms is the same as shown in tables for
60-Hertz reversing and combination reversing starters. Order by
description using a listed Product Number as reference. Refer to
page 1-4 for horsepower ratings of starters at 380-Volt, 50
Hertz.
5. Starters Less Overload Relays
CR309 open NEMA Types 1 and 3R reversing starters (with hori-
zontal mechanical interlock) are available without overload relays.
The following table shows omission prices to be deducted from
those list prices as shown in tables on pages 1-18 and 1-19. Order
desired form by adding the suffix, in parenthesis, to Product
Number of Open, Types 1, 3R, 4/4X, and 12 forms shown in pricing
table on pages 1-18 and 1-19, that include overload relays.
Example: To omit overload protection from a size 0 starter, Product
Number CR309B103, order CR309B103BAA @ $456.00, GO-10G
List Price Deduction for Omission of Overload Relays and Suffix to Add to Product Number
Size 00, 0, 1 Size 2 Size 3 Size 4 Size 5
$30 (BAA) $54 (ALA) $90 (ALA) $144 (ALA) $504 (ALA)
NEMA Full Voltage Power Devices
NEMA Rated Full Voltage Starters - Magnetic

www.geindustrial.com Rev. 4/16
Prices and data subject to
change without notice
Control Catalog
1-18
NEMA Full Voltage Power Devices
NEMA Rated Full Voltage Starters - Magnetic
Section 1
Other Coil Voltages: See page 1-6
Factory Installed Modifications: See pages 1-124 to
1-131
Field Installed Modifications: See pages 1-132 to 1-138
Extra Auxiliary Contacts: See pages 1-132 to 1-134
Heater Selection Tables: See pages 1-153 to 1-159
CR309 Magnetic Reversing Starters
Non-combination, Open, NEMA Type 1, 3R, 12, 4/4X
NEMA Sizes 00-7 With Thermal Overload Relay
600 Volts Maximum 50/60 Hertz
Three-Phase
List Price includes a holding interlock, mechanical and cross-
electrical interlock on each contactor, pressure terminals for the line and
load connections, plus a 3-leg block type overload relay (manual reset). One NO isolated contact on the overload relay is available as
a option at $24.00, GO-10G. To order add suffix LAA to Product Numbers listed in table for Enclosed types, and Open forms with
horizontal mechanical interlock only. Three heaters should be ordered as separate items. See pages 1-153 to 1-159 for selection.
List price $9.00 each, GO-10H.
CR309, Three-Phase Magnetic Reversing Starters
Open Type Open Type
w/ Vertical w/ Horizontal
Mechanical Interlock Mechanical Interlock NEMA Type 1 NEMA Type 3R NEMA Type 123NEMA Type 4/4X
Continuous Product List Product List Product List Product List Product List Product List
NEMA Ampere Number Price Number Price Number Price Number Price Number Price Number Price
Size Rating1Voltage (60 Hz) Horsepower CR309 GO-10G CR309 GO-10G CR309 GO-10G CR309 GO-10G CR309 GO-10G CR309 GO-10G
00 9 Separate Control—115-120 V - -A002 $390.00 A102 $414.00 ------
00 9 200-208 1 1/2 - -A023 $390.00 A123 $414.00 ------
00 9 230-240 1 1/2 - -A003 $390.00 A103 $414.00 ------
00 9 460-480 2--A004 $390.00 A104 $414.00 ------
00 9 575-600 2--A005 $390.00 A105 $414.00 ------
0 18 Separate Control—115-120 V B002CAA $462.00 B002 $462.00 B102 $486.00 B602 $594.00 B202 $594.00 B402 $762.00
0 18 200-208 3 B023CAA $462.00 B023 $462.00 B123 $486.00 B623 $594.00 B223 $594.00 B423 $762.00
0 18 230-240 3 B003CAA $462.00 B003 $462.00 B103 $486.00 B603 $594.00 B203 $594.00 B403 $762.00
0 18 460-480 5 B004CAA $462.00 B004 $462.00 B104 $486.00 B604 $594.00 B204 $594.00 B404 $762.00
0 18 575-600 5 B005CAA $462.00 B005 $462.00 B105 $486.00 B605 $594.00 B205 $594.00 B405 $762.00
1 27 Separate Control—115-120 V C002CAA $522.00 C002 $522.00 C102 $558.00 C602 $666.00 C202 $666.00 C402 $942.00
1 27 200-208 71/2 C023CAA $522.00 C023 $522.00 C123 $558.00 C623 $666.00 C223 $666.00 C423 $942.00
1 27 230-240 71/2 C003CAA $522.00 C003 $522.00 C103 $558.00 C603 $666.00 C203 $666.00 C403 $942.00
1 27 460-480 10 C004CAA $522.00 C004 $522.00 C104 $558.00 C604 $666.00 C204 $666.00 C404 $942.00
1 27 575-600 10 C005CAA $522.00 C005 $522.00 C105 $558.00 C605 $666.00 C205 $666.00 C405 $942.00
2 45 Separate Control—115-120 V D002AMA $990.00 D002 $990.00 D102 $1086.00 D602 $1266.00 D202 $1266.00 D402 $1710.00
2 45 200-208 10 D023AMA $990.00 D023 $990.00 D123 $1086.00 D623 $1266.00 D223 $1266.00 D423 $1710.00
2 45 230-240 15 D003AMA $990.00 D003 $990.00 D103 $1086.00 D603 $1266.00 D203 $1266.00 D403 $1710.00
2 45 460-480 25 D004AMA $990.00 D004 $990.00 D104 $1086.00 D604 $1266.00 D204 $1266.00 D404 $1710.00
2 45 575-600 25 D005AMA $990.00 D005 $990.00 D105 $1086.00 D605 $1266.00 D205 $1266.00 D405 $1710.00
3 90 Separate Control—115-120 V E002AMA $1644.00 E002 $1644.00 E102 $1812.00 E602 $2208.00 E202 $2208.00 E402 $2736.00
3 90 200-208 25 E023AMA $1644.00 E023 $1644.00 E123 $1812.00 E623 $2208.00 E223 $2208.00 E423 $2736.00
3 90 230-240 30 E003AMA $1644.00 E003 $1644.00 E103 $1812.00 E603 $2208.00 E203 $2208.00 E403 $2736.00
3 90 460-480 50 E004AMA $1644.00 E004 $1644.00 E104 $1812.00 E604 $2208.00 E204 $2208.00 E404 $2736.00
3 90 575-600 50 E005AMA $1644.00 E005 $1644.00 E105 $1812.00 E605 $2208.00 E205 $2208.00 E405 $2736.00
4 135 Separate Control—115-120 V F002AMA $4014.00 F002 $4014.00 F102 $4326.00 F602 $4938.00 F202 $4938.00 F402 $5958.00
4 135 200-208 40 F023AMA $4014.00 F023 $4014.00 F123 $4326.00 F623 $4938.00 F223 $4938.00 F423 $5958.00
4 135 230-240 50 F003AMA $4014.00 F003 $4014.00 F103 $4326.00 F603 $4938.00 F203 $4938.00 F403 $5958.00
4 135 460-480 100 F004AMA $4014.00 F004 $4014.00 F104 $4326.00 F604 $4938.00 F204 $4938.00 F404 $5958.00
4 135 575-600 100 F005AMA $4014.00 F005 $4014.00 F105 $4326.00 F605 $4938.00 F205 $4938.00 F405 $5958.00
5 270 Separate Control—115-120 V G002AMA $7713.00 G002 $7713.00 G102 $9519.00 G602 $10839.00 G202 $10839.00 G402 $11631.00
5 270 200-208 75 G023AMA $7713.00 G023 $7713.00 G123 $9519.00 G623 $10839.00 G223 $10839.00 G423 $11631.00
5 270 230-240 100 G003AMA $7713.00 G003 $7713.00 G103 $9519.00 G603 $10839.00 G203 $10839.00 G403 $11631.00
5 270 460-480 200 G004AMA $7713.00 G004 $7713.00 G104 $9519.00 G604 $10839.00 G204 $10839.00 G404 $11631.00
5 270 575-600 200 G005AMA $7713.00 G005 $7713.00 G105 $9519.00 G605 $10839.00 G205 $10839.00 G405 $11631.00
6 540 440-600 400 2$18201.00 --2$21201.00 2$22821.00 2$22821.00 2$24201.00
7 810 440-600 600 2$25803.00 ----------
1Motor full load current should not exceed continuous ampere rating of the starter.
2Order by description giving complete data on motor being controlled, control circuit voltage, enclosure type and modifications desired.
3External reset not included on standard listed forms.

www.geindustrial.com Control Catalog 1-19
NEMA Full Voltage Power Devices
NEMA Rated Full Voltage Starters - Magnetic
Rev. 4/16
Prices and data subject to
change without notice
Section 1
Product Number Selection Instructions: See page 1-17
CR309 Magnetic Reversing Starters
Non-combination, Open, NEMA Type 1, 3R, 12, 4/4X
NEMA Sizes 00-7 With Thermal Overload Relay
600 Volts Maximum 50/60 Hertz
Single-Phase
For four-wire split phase or capacitor start induction motor (60 Hertz) overload protection.
One heater should be ordered as a
separate item. See pages 1-153 to 1-159 for selection.
List price $9.00 each, GO-10H.
CR309, Single-Phase Magnetic Reversing Starters
Open Type NEMA Type 1 NEMA Type 122NEMA Type 4/4X2
Product List Product List Product List Product List
NEMA Continuous Number Price Number Price Number Price Number Price
Size Ampere Rating1Voltage Horsepower CR309 GO-10G CR309 GO-10G CR309 GO-10G CR309 GO-10G
00 9 115-120 1/3 A002AFA $375.00 A102AFA $399.00 ----
00 9 230-240 1 A003AFA $375.00 A103AFA $399.00 ----
0 18 115-120 1 B002BBA $447.00 B102DAA $471.00 B202DAA $579.00 B402CCA $747.00
0 18 230-240 2 B003BBA $447.00 B103DAA $471.00 B203DAA $579.00 B403CCA $747.00
1 27 115-120 2 C002FSA $507.00 C102DAA $543.00 C202ALA $651.00 C402BXA $927.00
1 27 230-240 3 C003FSA $507.00 C103DAA $543.00 C203ALA $651.00 C403BXA $927.00
1Motor full load current should not exceed continuous ampere rating of the starter.
2External reset not included on standard listed forms.

www.geindustrial.com Rev. 4/16
Prices and data subject to
change without notice
Control Catalog
1-20
NEMA Full Voltage Power Devices
NEMA Rated Full Voltage Starters - Magnetic
Section 1
Product Number Selection Instructions: See page 1-17
CR309 Magnetic Reversing Starters
Non-combination
200 Horsepower Maximum
NEMA Sizes 00-5
600 Volts Maximum
Outlines, Dimensions ( in.
mm), and Weights (For Estimating Only)
Open Type, NEMA Size 00, 0 and 1 Reversing (Horizontal); 7 3/4 lbs. Open Type, NEMA Size 0 and 1 Reversing (Vertical); 7 1/4 lbs.
Open Type, NEMA Size 2 Reversing (Horizontal), 16 1/4 lbs. Open Type, NEMA Size 2 Reversing (Vertical); 16 1/4 lbs.
Open Type, NEMA Size 3 and 4 Reversing (Horizontal); 49 lbs. Open Type, NEMA Size 3 and 4 Reversing (Vertical); 49 lbs.

www.geindustrial.com Control Catalog 1-21
NEMA Full Voltage Power Devices
NEMA Rated Full Voltage Starters - Magnetic
Rev. 4/16
Prices and data subject to
change without notice
Section 1
Enclosure Descriptions: See Section 12
CR309 Magnetic Reversing Starters
Non-combination
200 Horsepower Maximum
NEMA Sizes 00-5
600 Volts Maximum
Outlines, Dimensions ( in.
mm), and Weights (For Estimating Only)
Open Type, NEMA Size 5 Reversing (Horizontal); 115 lbs. Open Type, NEMA Size 5 Reversing (Vertical), 115 lbs.

www.geindustrial.com Rev. 4/16
Prices and data subject to
change without notice
Control Catalog
1-22
NEMA Full Voltage Power Devices
NEMA Rated Full Voltage Starters - Magnetic
Section 1
Product Number Selection Instructions: See page 1-17
CR309 Magnetic Reversing Starters
Non-combination
200 Horsepower Maximum
NEMA Sizes 00-5
600 Volts Maximum
Outlines, Dimensions in. (mm), and Weights (For Estimating Only)
CR309 NEMA Type 1 NEMA Sizes 00-2 Reversing
NEMA Dimension Dimension Dimension Dimension Dimension Dimension Mounting Shipping
Size ABC DEFScrew Size Weight (lbs)
00, 0, 1 10.00 (254.0) 10.00 (254.0) 4.62 (117.4) 8.00 (203.2) 8.00 (203.2) 1.00 (25.4) # 10 12 1/2
2 13.25 (336.6) 12.00 (304.8) 6.12 (155.4) 11.00 (279.4) 9.00 (228.6) 1.12 (28.6) 1/4” 27 1/2
CR309 NEMA Type 1 NEMA Sizes 3-5 Reversing
NEMA Dimension Dimension Dimension Dimension Dimension Dimension Shipping
Size ABCDE FWeight (lbs)
3 24.00 (609.6) 18.00 (457.2) 8.62 (219.1) 23.00 (584.2) 13.00 (330.2) 21.62 (549.1) 80
4 30.00 (762.00) 18.00 (457.2) 8.62 (219.1) 29.00 (736.6) 13.00 (330.2) 27.62 (701.6) 100
5 51.13 (1298.7) 32.00 (812.8) 11.50 (292.1) 51.12 (1298.4) 27.00 (685.8) 50.12 (1273.0) 286
CR309 NEMA Type 12 NEMA Sizes 0-2 Reversing
NEMA Dimension Dimension Dimension Dimension Dimension Dimension Shipping
Size ABCDE FWeight (lbs)
0, 1 11.87 (301.5) 10.25 (260.4) 4.75 (120.6) 11.00 (279.4) 7.00 (177.8) 10.25 (260.4) 13
2 14.64 (371.8) 12.25 (311.2) 6.25 (158.8) 14.00 (355.6) 9.00 (228.6) 13.25 (336.6) 29
CR309 NEMA Type 12 NEMA Sizes 3-5 Reversing
NEMA Dimension Dimension Dimension Dimension Dimension Dimension Shipping
Size ABCDE FWeight (lbs)
3 24.00 (609.6) 18.00 (457.2) 7.88 (200.0) 23.00 (584.2) 13.00 (330.2) 21.38 (543.0) 85
4 30.00 (762.0) 18.00 (457.2) 7.88 (200.0) 29.00 (736.6) 13.00 (330.2) 26.38 (670.0) 100
5 51.50 (1308.1) 32.00 (812.8) 10.25 (260.4) 50.50 (1282.7) 27.00 (685.8) 48.75 (1238.3) 286
NEMA Type 1, Sizes 00-2 Reversing
NEMA Type 1, Sizes 3-5 Reversing
NEMA Type 12, Sizes 0-2 Reversing
NEMA Type 12, Sizes 3-5 Reversing

www.geindustrial.com Control Catalog 1-23
NEMA Full Voltage Power Devices
NEMA Rated Full Voltage Starters - Magnetic
Rev. 4/16
Prices and data subject to
change without notice
Section 1
CR309 Magnetic Reversing Starters
Non-combination
200 Horsepower Maximum
NEMA Sizes 00-5
600 Volts Maximum
Outlines, Dimensions in. (mm), and Weights (For Estimating Only)
CR309 NEMA Type 3R NEMA Sizes 0-2 Reversing
NEMA Dimension Dimension Dimension Dimension Dimension Dimension Shipping
Size ABC D EFWeight (lbs)
0, 1 14.50 (368.3) 10.38 (263.5) 4.75 (120.6) 15.00 (381.0) 11.00 (279.4) 5.19 (131.7) 30
2 16.50 (419.1) 12.50 (317.5) 6.50 (165.1) 17.00 (431.8) 12.00 (304.8) 6.25 (158.8) 50
CR309 NEMA Type 3R NEMA Sizes 3-5 Reversing
NEMA Dimension Dimension Dimension Dimension Dimension Dimension Shipping
Size ABC D EFWeight (lbs)
3 26.00 (660.4) 21.00 (533.4) 8.00 (203.2) 27.50 (698.5) 15.00 (381.0) 10.50 (266.7) 90
4 30.00 (762.0) 21.00 (533.4) 8.00 (203.2) 31.50 (800.1) 15.00 (381.0) 10.50 (266.7) 105
5 48.00 (1219.2) 32.00 (812.8) 10.25 (260.4) 49.50 (1257.3) 26.00 (660.4) 16.00 (406.4) 286
CR309 NEMA Type 4/4X NEMA Sizes 0-5 Reversing
NEMA Size Height Width Depth Shipping Weight (lbs)
0, 1 15.63 (397.0) 10.38 (263.7) 5.50 (139.7) 30
2 17.63 (447.8) 12.50 (317.5) 7.50 (190.5) 50
3 29.00 (736.6) 21.00 (533.4) 8.88 (225.6) 90
4 33.00 (838.2) 21.00 (533.4) 8.88 (225.6) 105
5 47.55 (1207.8) 36.00 (914.4) 11.12 (282.4) 260
NEMA Type 3R, Sizes 0-2 Reversing
NEMA Type 3R, Sizes 3-5 Reversing

www.geindustrial.com Rev. 4/16
Prices and data subject to
change without notice
Control Catalog
1-24
NEMA Full Voltage Power Devices
NEMA Rated Full Voltage Starters - Magnetic
Section 1
Other Coil Voltages: See page 1-6
Factory Installed Modifications: See pages 1-124 to
1-131
Field Installed Modifications: See pages 1-132 to 1-138
Extra Auxiliary Contacts: See pages 1-132 to 1-134
Heater Selection Tables: See pages 1-153 to 1-159
CR309 Magnetic Two-Speed Starters
200 Horsepower Maximum
NEMA Sizes 0-5, Open, NEMA Type 1, 3R, 12, 4/4X
600 Volts Maximum
50/60 Hertz
Application
Used for full-voltage operation of two-speed squirrel-cage
induction motors at either speed. Consists of two mechanical
and cross electrical interlocked contactors with two three-leg
block type overload relays, one on each contactor. These
bimetallic relays provide overload protection for each speed.
3-3 pole starters are for Two-Speed, Two Winding motors;
5-3 pole starters are for Two-Speed, One-Winding Consequent
Pole motors.
Proper motor-speed selection is obtained by adding pilot devices
to correspond to each of the motor speeds. Refer to page 1-7 for
features of basic starter.
Product Number Selection Instructions
1. Specify starter by complete Product Number.
Example: CR309C104AKA @ $744.00, GO-10G.
2. Order forms not listed or with special modifications by com-
plete description using a listed Product Number as reference
wherever possible. Example: Similar to CR309E103AKA except
with FAST-SLOW-STOP push button in cover.
Total List Price . . . . . . . . . . $2328.00, GO-10G.
3. Overload Relay Heaters For NEMA Size 3 Starters
For two-speed, variable torque motors with full-load ampere
rating, on low speed, below the minimum heater ampere rat-
ing listed in Size 3 table, page 1-155, contact nearest GE
Representative for suitable overload provision.
4. 50 Hertz Starters
Pricing for 50 Hertz forms (at standard voltages) is the same
as shown in table for 60 Hertz. Listed prices for 460-480 Volt
also apply to 380-415 Volt, 50 Hertz. See page 1-4 for 380-415
Volt horsepower ratings.
5. Product Notes
The two-winding Product Numbers listed are starters suitable
for wye or closed delta connected motor windings. For open
delta
connected motor windings, contact your nearest GE
Representative.
Open form, one-winding starters are wired for constant or
variable torque motor application. Reconnection of control
wiring may be required for constant horsepower application.
Motor full-load current should not exceed continuous ampere
rating of starter. Refer to Coil Table, page 1-6, for other avail-
able coils including 50 Hertz.
External reset not included on standard listed forms (NEMA
Type 12). Order heaters by complete Product Number from
appropriate heater tables on pages 1-153 to 1-159.
Typical NEMA Size 1 Two-Speed Controller in Type 1 Enclosure
Reference Publications
Instructions
NEMA Size Publication Number
0, 1 GEH-5190
2 GEH-4775
3 GEH-4806
4 GEH-4807
5 GEH-4839
6 GEH-5198
CR309 Magnetic Two-Speed Starters – Contents
Application Information and Selection Instructions ...............1-24
Non-combination, NEMA Sizes 0-5
with Thermal Overload Relays, Two-Winding.........................1-25
Non-combination, NEMA Sizes 0-5
with Thermal Overload Relays, One-Winding.........................1-26
Outlines and Dimensions (CR309)....................................................1-27

www.geindustrial.com Control Catalog 1-25
NEMA Full Voltage Power Devices
NEMA Rated Full Voltage Starters - Magnetic
Rev. 4/16
Prices and data subject to
change without notice
Section 1
Enclosure Descriptions: See Section 12
CR309 Magnetic Starters
Two-Speed, Two-Winding, 3-3 pole
Non-combination, Open, NEMA Type 1, 3R, 12, 4/4X
NEMA Sizes 0-5 With Thermal Overload Relay
600 Volts Maximum 50/60 Hertz
Three-Phase
List Price includes a holding interlock, mechanical and cross-electrical interlock, pressure terminals for the line and load connections,
plus a 3-leg block type overload relay (manual reset) for each speed. All enclosures include external reset. One NO isolated contact on
each overload relay is available as an option at $48.00, GO-10G (for both). To order, change suffix AKA to LKA for Product Numbers
listed in table. Refer to page 1-76 for two-speed combination forms. Six heaters should be ordered as separate items. See pages 1-153
to 1-159 for selection. List price $9.00 each, GO-10H.
The Product Numbers listed are starters suitable for wye or closed delta connected motor windings. For open delta
connected motor
windings, contact your nearest GE Representative.
CR309, Three-Phase Two-Winding Magnetic Starters
Open Type NEMA Type 1 NEMA Type 3R NEMA Type 12 NEMA Type 4/4X
Continuous Product List Product List Product List Product List Product List
NEMA Ampere Number Price Number Price Number Price Number Price Number Price
Size Rating1Voltage (60 Hz) Horsepower CR309 GO-10G CR309 GO-10G CR309 GO-10G CR309 GO-10G CR309 GO-10G
0 18 Separate Control—115-120 V B002AKA $636.00 B102AKA $660.00 B602AKA $846.00 B202AKA $846.00 B402AKA $1236.00
0 18 200-208 3 B023AKA $636.00 B123AKA $660.00 B623AKA $846.00 B223AKA $846.00 B423AKA $1236.00
0 18 230-240 3 B003AKA $636.00 B103AKA $660.00 B603AKA $846.00 B203AKA $846.00 B403AKA $1236.00
0 18 460-480 5 B004AKA $636.00 B104AKA $660.00 B604AKA $846.00 B204AKA $846.00 B404AKA $1236.00
0 18 575-600 5 B005AKA $636.00 B105AKA $660.00 B605AKA $846.00 B205AKA $846.00 B405AKA $1236.00
1 27 Separate Control—115-120 V C002AKA $708.00 C102AKA $744.00 C602AKA $930.00 C202AKA $930.00 C402AKA $1308.00
1 27 200-208 7 1/2 C023AKA $708.00 C123AKA $744.00 C623AKA $930.00 C223AKA $930.00 C423AKA $1308.00
1 27 230-240 71/2 C003AKA $708.00 C103AKA $744.00 C603AKA $930.00 C203AKA $930.00 C403AKA $1308.00
1 27 460-480 10 C004AKA $708.00 C104AKA $744.00 C604AKA $930.00 C204AKA $930.00 C404AKA $1308.00
1 27 575-600 10 C005AKA $708.00 C105AKA $744.00 C605AKA $930.00 C205AKA $930.00 C405AKA $1308.00
2 45 Separate Control—115-120 V D002AKA $1236.00 D102AKA $1332.00 D602AKA $1596.00 D202AKA $1596.00 D402AKA $2040.00
2 45 200-208 10 D023AKA $1236.00 D123AKA $1332.00 D623AKA $1596.00 D223AKA $1596.00 D423AKA $2040.00
2 45 230-240 15 D003AKA $1236.00 D103AKA $1332.00 D603AKA $1596.00 D203AKA $1596.00 D403AKA $2040.00
2 45 460-480 25 D004AKA $1236.00 D104AKA $1332.00 D604AKA $1596.00 D204AKA $1596.00 D404AKA $2040.00
2 45 575-600 25 D005AKA $1236.00 D105AKA $1332.00 D605AKA $1596.00 D205AKA $1596.00 D405AKA $2040.00
3 90 Separate Control—115-120 V E002AKA $1920.00 E102AKA $2088.00 E602AKA $2688.00 E202AKA $2688.00 E402AKA $3120.00
3 90 200-208 25 E023AKA $1920.00 E123AKA $2088.00 E623AKA $2688.00 E223AKA $2688.00 E423AKA $3120.00
3 90 230-240 30 E003AKA $1920.00 E103AKA $2088.00 E603AKA $2688.00 E203AKA $2688.00 E403AKA $3120.00
3 90 460-480 50 E004AKA $1920.00 E104AKA $2088.00 E604AKA $2688.00 E204AKA $2688.00 E404AKA $3120.00
3 90 575-600 50 E005AKA $1920.00 E105AKA $2088.00 E605AKA $2688.00 E205AKA $2688.00 E405AKA $3120.00
4 135 Separate Control—115-120 V F002AKA $4812.00 F102AKA $5124.00 F602AKA $6312.00 F202AKA $6312.00 F402AKA $7236.00
4 135 200-208 40 F023AKA $4812.00 F123AKA $5124.00 F623AKA $6312.00 F223AKA $6312.00 F423AKA $7236.00
4 135 230-240 50 F003AKA $4812.00 F103AKA $5124.00 F603AKA $6312.00 F203AKA $6312.00 F403AKA $7236.00
4 135 460-480 100 F004AKA $4812.00 F104AKA $5124.00 F604AKA $6312.00 F204AKA $6312.00 F404AKA $7236.00
4 135 575-600 100 F005AKA $4812.00 F105AKA $5124.00 F605AKA $6312.00 F205AKA $6312.00 F405AKA $7236.00
5 270 Separate Control—115-120 V G002AKA $11370.00 G102AKA $12096.00 G602AKA $17034.00 G202AKA $17034.00 G402AKA $17034.00
5 270 200-208 75 G023AKA $11370.00 G123AKA $12096.00 G623AKA $17034.00 G223AKA $17034.00 G423AKA $17034.00
5 270 230-240 100 G003AKA $11370.00 G103AKA $12096.00 G603AKA $17034.00 G203AKA $17034.00 G403AKA $17034.00
5 270 460-480 200 G004AKA $11370.00 G104AKA $12096.00 G604AKA $17034.00 G204AKA $17034.00 G404AKA $17034.00
5 270 575-600 200 G005AKA $11370.00 G105AKA $12096.00 G605AKA $17034.00 G205AKA $17034.00 G405AKA $17034.00
1Motor full load current should not exceed continuous ampere rating of the starter.

www.geindustrial.com Rev. 4/16
Prices and data subject to
change without notice
Control Catalog
1-26
NEMA Full Voltage Power Devices
NEMA Rated Full Voltage Starters - Magnetic
Section 1
Other Coil Voltages: See page 1-6
Factory Installed Modifications: See pages 1-124 to
1-131
Field Installed Modifications: See pages 1-132 to 1-138
Extra Auxiliary Contacts: See pages 1-132 to 1-134
Heater Selection Tables: See pages 1-153 to 1-159
CR309 Magnetic Starters
Two-Speed, One-Winding (Consequent Pole), 5-3 pole
Non-combination, Open, NEMA Type 1, 3R, 12, 4/4X
NEMA Sizes 0-5 With Thermal Overload Relay
600 Volts Maximum 50/60 Hertz
Three-Phase
List Price includes a holding interlock, mechanical and cross-electrical interlock, pressure terminals for the line and load connections,
plus a 3-leg block type overload relay (manual reset) for each speed. All enclosures include external reset. One NO isolated contact on
each overload relay is available as an option at $48.00, GO-10G (for both). To order, change suffix AEA to LEA for Product Numbers
listed in table. Six heaters should be ordered as separate items. See pages 1-153 to 1-159 for selection. List price $9.00 each,
GO-10H.
Starters are wired for constant or variable torque motor application. Reconnection of control wiring may be required for constant
horsepower application. Motor full-load current should not exceed continuous ampere rating of starter. Refer to Coil Table, page 1-6,
for other available coils including 50 Hertz.
CR309, Three-Phase One-Winding Magnetic Starters
Open Type NEMA Type 1 NEMA Type 3R NEMA Type 12 NEMA Type 4/4X
Continuous Product List Product List Product List Product List Product List
NEMA Ampere Number Price Number Price Number Price Number Price Number Price
Size Rating1Voltage (60 Hz) Horsepower CR309 GO-10G CR309 GO-10G CR309 GO-10G CR309 GO-10G CR309 GO-10G
0 18 Separate Control—115-120 V R002AEA $900.00 R102AEA $924.00 R602AEA $1110.00 R202AEA $1110.00 R402AEA $1500.00
0 18 200-208 3 R023AEA $900.00 R123AEA $924.00 R623AEA $1110.00 R223AEA $1110.00 R423AEA $1500.00
0 18 230-240 3 R003AEA $900.00 R103AEA $924.00 R603AEA $1110.00 R203AEA $1110.00 R403AEA $1500.00
0 18 460-480 5 R004AEA $900.00 R104AEA $924.00 R604AEA $1110.00 R204AEA $1110.00 R404AEA $1500.00
0 18 575-600 5 R005AEA $900.00 R105AEA $924.00 R605AEA $1110.00 R205AEA $1110.00 R405AEA $1500.00
1 27 Separate Control—115-120 V S002AEA $960.00 S102AEA $996.00 S602AEA $1182.00 S202AEA $1182.00 S402AEA $1560.00
1 27 200-208 S023AEA $960.00 S123AEA $996.00 S623AEA $1182.00 S223AEA $1182.00 S423AEA $1560.00
1 27 230-240 71/2 S003AEA $960.00 S103AEA $996.00 S603AEA $1182.00 S203AEA $1182.00 S403AEA $1560.00
1 27 460-480 10 S004AEA $960.00 S104AEA $996.00 S604AEA $1182.00 S204AEA $1182.00 S404AEA $1560.00
1 27 575-600 10 S005AEA $960.00 S105AEA $996.00 S605AEA $1182.00 S205AEA $1182.00 S405AEA $1560.00
2 45 Separate Control—115-120 V T002AEA $1704.00 T102AEA $1812.00 T602AEA $2076.00 T202AEA $2076.00 T402AEA $2508.00
2 45 200-208 10 T023AEA $1704.00 T123AEA $1812.00 T623AEA $2076.00 T223AEA $2076.00 T423AEA $2508.00
2 45 230-240 15 T003AEA $1704.00 T103AEA $1812.00 T603AEA $2076.00 T203AEA $2076.00 T403AEA $2508.00
2 45 460-480 25 T004AEA $1704.00 T104AEA $1812.00 T604AEA $2076.00 T204AEA $2076.00 T404AEA $2508.00
2 45 575-600 25 T005AEA $1704.00 T105AEA $1812.00 T605AEA $2076.00 T205AEA $2076.00 T405AEA $2508.00
3 90 Separate Control—115-120 V U002AEA $2568.00 U102AEA $2736.00 U602AEA $3336.00 U202AEA $3336.00 U402AEA $3768.00
3 90 200-208 25 U023AEA $2568.00 U123AEA $2736.00 U623AEA $3336.00 U223AEA $3336.00 U423AEA $3768.00
3 90 230-240 30 U003AEA $2568.00 U103AEA $2736.00 U603AEA $3336.00 U203AEA $3336.00 U403AEA $3768.00
3 90 460-480 50 U004AEA $2568.00 U104AEA $2736.00 U604AEA $3336.00 U204AEA $3336.00 U404AEA $3768.00
3 90 575-600 50 U005AEA $2568.00 U105AEA $2736.00 U605AEA $3336.00 U205AEA $3336.00 U405AEA $3768.00
4 135 Separate Control—115-120 V W002AEA $6648.00 W102AEA $7308.00 W602AEA $8496.00 W202AEA $8496.00 W402AEA $9420.00
4 135 200-208 40 W023AEA $6648.00 W123AEA $7308.00 W623AEA $8496.00 W223AEA $8496.00 W423AEA $9420.00
4 135 230-240 50 W003AEA $6648.00 W103AEA $7308.00 W603AEA $8496.00 W203AEA $8496.00 W403AEA $9420.00
4 135 460-480 100 W004AEA $6648.00 W104AEA $7308.00 W604AEA $8496.00 W204AEA $8496.00 W404AEA $9420.00
4 135 575-600 100 W005AEA $6648.00 W105AEA $7308.00 W605AEA $8496.00 W205AEA $8496.00 W405AEA $9420.00
5 270 Separate Control—115-120 V Z002AEA $13140.00 Z102AEA $14442.00 Z602AEA $19380.00 Z202AEA $19380.00 Z402AEA $19380.00
5 270 200-208 75 Z023AEA $13140.00 Z123AEA $14442.00 Z623AEA $19380.00 Z223AEA $19380.00 Z423AEA $19380.00
5 270 230-240 100 Z003AEA $13140.00 Z103AEA $14442.00 Z603AEA $19380.00 Z203AEA $19380.00 Z403AEA $19380.00
5 270 460-480 200 Z004AEA $13140.00 Z104AEA $14442.00 Z604AEA $19380.00 Z204AEA $19380.00 Z404AEA $19380.00
5 270 575-600 200 Z005AEA $13140.00 Z105AEA $14442.00 Z605AEA $19380.00 Z205AEA $19380.00 Z405AEA $19380.00
1Motor full load current should not exceed continuous ampere rating of the starter.

www.geindustrial.com Control Catalog 1-27
NEMA Full Voltage Power Devices
NEMA Rated Full Voltage Starters - Magnetic
Rev. 4/16
Prices and data subject to
change without notice
Section 1
Enclosure Descriptions: See Section 12
Product Number Selection Instructions:
See page 1-24
CR309 Magnetic Starters
Two-Speed
Non-combination
200 Horsepower Maximum
NEMA Sizes 0-5
600 Volts Maximum
Outlines, Dimensions in. (mm), and Weights (For Estimating Only)
CR309 Open NEMA Sizes 0-2 Two-Speed
NEMA Operation Dimension Dimension Dimension Dimension Dimension Mounting Screw Shipping Weight
Size Type AB C D E Size (lbs.)
0, 1 Two-Speed, 7.00 (177.8) 8.88 (225.6) 3.94 (100.0) 6.50 (165.1) 4.44 (112.8) #10 8
Two-Winding
0, 1 Two-Speed, 7.00 (177.8) 9.88 (251.0) 3.94 (100.0) 6.50 (165.1) 4.44 (112.8) #10 8 3/4
One-Winding
2 Two-Speed, 9.12 (231.6) 10.36 (263.2) 5.38 (136.6) 8.50 (215.8) 5.19 (131.7) 1/4” 18 1/4
Two-Winding
2 Two-Speed, 9.12 (231.6) 13.38 (339.6) 5.38 (136.6) 8.50 (215.8) 5.19 (131.7) 1/4” 19
One-Winding
CR309 Open NEMA Sizes 3 and 4 Two-Speed
Shipping Weight
NEMA Size Operation Type Dimension A Dimension B (lbs.)
3, 4 Two-Speed, Two-Winding 14.81 (376.2) 3.75 (95.2) 50
3, 4 Two-Speed, One-Winding 18.81 (477.8) 5.81 (147.6) 52
CR309 Open NEMA Size 5 Two-Speed
Shipping Weight1
NEMA Size Operation Type Dimension A Dimension B (lbs.)
5 Two-Speed, Two-Winding 22.88 (581.2) 10.25 (260.4)
5 Two-Speed, One-Winding 28.75 (730.3) 16.00 (406.4)
1Contact nearest GE Representative for weight.
Open Type, NEMA Sizes 0-2 Two-Speed
Open Type, NEMA Size 5 Two-Speed
Open Type, NEMA Sizes 3 and 4
Two-Speed

www.geindustrial.com Rev. 4/16
Prices and data subject to
change without notice
Control Catalog
1-28
NEMA Full Voltage Power Devices
NEMA Rated Full Voltage Starters - Magnetic
Section 1
Product Number Selection Instructions: See page 1-24
CR309 Magnetic Starters
Two-Speed
Non-combination
200 Horsepower Maximum
NEMA Sizes 0-5
600 Volts Maximum
Outlines, Dimensions in. (mm), and Weights (For Estimating Only)
CR309 NEMA Type 1 NEMA Sizes 0-2 Two-Speed
NEMA Operation Dimension Dimension Dimension Dimension Dimension Mounting Shipping
Size Type ABCDEScrew Size Weight (lbs.)
0, 1 Two-Speed, 10.00 (254.0) 10.00 (254.0) 4.62 (117.3) 8.00 (203.2) 8.00 (203.2) #10 13
Two-Winding
0, 1 Two-Speed, 10.00 (254.0) 13.50 (342.9) 4.62 (117.3) 8.00 (203.2) 11.50 (292.1) #10 14
One-Winding
2 Two-Speed, 13.25 (336.6) 12.00 (304.8) 6.12 (155.4) 11.00 (279.4) 9.00 (228.6) 1/4” 28
Two-Winding
2 Two-Speed, 13.25 (336.6) 16.00 (406.4) 6.12 (155.4) 11.00 (279.4) 13.00 (330.2) 1/4” 30
One-Winding
CR309 NEMA Type 1 NEMA Sizes 3-5 Two-Speed
NEMA Operation Dimension Dimension Dimension Dimension Dimension Dimension Shipping
Size Type ABCDE FWeight (lbs.)
3 Two-Speed, 24.00 (609.6) 18.00 (457.2) 8.62 (219.0) 23.00 (584.2) 13.00 (330.2) 21.62 (549.1) 90
Two-Winding
3 Two-Speed, 28.00 (711.2) 22.00 (558.8) 8.62 (219.0) 27.00 (685.8) 17.00 (431.8) 25.62 (650.8) 105
One-Winding
4 Two-Speed, 30.00 (762.0) 18.00 (457.2) 8.62 (219.0) 29.00 (736.6) 13.00 (330.2) 27.62 (701.6) 125
Two-Winding
4 Two-Speed, 34.00 (863.6) 22.00 (558.8) 8.62 (219.0) 33.00 (838.2) 17.00 (431.8) 31.62 (803.2) 130
One-Winding
5 Two-Speed, 51.13 (1298.7) 32.00 (812.8) 11.50 (292.1) 50.13 (1273.3) 27.00 (685.8) 50.12 (1273.0) -
Two-Winding
5 Two-Speed, 51.13 (1298.7) 32.00 (812.8) 11.50 (292.1) 50.13 (1273.3) 27.00 (685.8) 50.12 (1273.0) -
One-Winding
CR309 NEMA Type 12 NEMA Sizes 0-2 Two-Speed
NEMA Operation Dimension Dimension Dimension Dimension Dimension Dimension Shipping
Size Type ABCDE FWeight (lbs.)
0, 1 Two-Speed, 11.62 (295.1) 10.25 (260.4) 4.75 (120.6) 11.00 (279.4) 7.00 (177.8) 10.25 (260.4) 14
Two-Winding
0, 1 Two-Speed, 15.62 (396.7) 14.25 (362.0) 4.75 (120.6) 15.00 (381.0) 11.00 (279.4) 14.25 (362.0) 14
One-Winding
2 Two-Speed, 14.62 (371.3) 12.25 (311.2) 6.25 (158.8) 14.00 (355.6) 9.00 (228.6) 13.25 (336.6) 30
Two-Winding
2 Two-Speed, 17.62 (447.5) 16.25 (412.8) 6.25 (158.8) 17.00 (431.8) 12.00 (304.8) 16.25 (412.8) 30
One-Winding
CR309 NEMA Type 12 NEMA Sizes 3-5 Two-Speed
NEMA Operation Dimension Dimension Dimension Dimension Dimension Dimension Shipping
Size Type ABCDE FWeight (lbs.)
3 Two-Speed, 24.00 (609.6) 18.00 (457.2) 7.88 (200.0) 23.00 (584.2) 13.00 (330.2) 21.38 (543.0) 90
Two-Winding
3 Two-Speed, 28.00 (711.2) 22.00 (558.8) 7.88 (200.0) 27.00 (685.8) 17.00 (431.8) 25.38 (644.7) 105
One-Winding
4 Two-Speed, 30.00 (762.0) 18.00 (457.2) 7.88 (200.0) 29.00 (736.6) 17.00 (431.8) 31.38 (797.1) 125
Two-Winding
4 Two-Speed, 34.00 (863.6) 22.00 (558.8) 7.88 (200.0) 33.00 (838.2) 17.00 (431.8) 31.38 (797.1) 130
One-Winding
5 Two-Speed, 51.50 (1308.1) 32.00 (812.8) 10.25 (260.4) 50.50 (1282.7) 27.00 (685.8) 48.75 (1238.3) -
Two-Winding
5 Two-Speed, 51.50 (1308.1) 32.00 (812.8) 10.25 (260.4) 50.50 (1282.7) 27.00 (685.8) 48.75 (1238.3) -
One-Winding
NEMA Type 1, Sizes 0 - 2 Two-Speed
NEMA Type 1, Sizes 3 - 5 Two-Speed
NEMA Type 12, Sizes 0 - 2 Two-Speed
NEMA Type 12, Size 3 - 5 Two-Speed

www.geindustrial.com Control Catalog 1-29
NEMA Full Voltage Power Devices
NEMA Rated Full Voltage Starters - Magnetic
Rev. 4/16
Prices and data subject to
change without notice
Section 1
CR309 Magnetic Starters
Two-Speed
Non-combination
200 Horsepower Maximum
NEMA Sizes 0-5
600 Volts Maximum
Outlines, Dimensions in. (mm), and Weights (For Estimating Only)
CR309 NEMA Type 3R NEMA Sizes 0-2 Two-Speed
NEMA Operation Dimension Dimension Dimension Dimension Dimension Dimension Shipping
Size Type AB C DEFWeight (lbs.)
0, 1 Two-Speed, 14.50 (368.3) 10.88 (263.5) 4.75 (120.6) 15.00 (381.0) 7.00 (177.8) 5.19 (131.7) 31
Two-Winding
0, 1 Two-Speed, 14.50 (368.3) 14.38 (365.1) 4.75 (120.6) 15.00 (381.0) 11.00 (279.4) 7.19 (182.5) 33
One-Winding
2 Two-Speed, 16.50 (419.1) 12.50 (317.5) 6.50 (165.1) 17.00 (431.8) 8.00 (203.2) 6.25 (158.7) 51
Two-Winding
2 Two-Speed, 16.50 (419.1) 16.50 (419.1) 6.50 (165.1) 17.00 (431.8) 12.00 (304.8) 8.25 (209.5) 56
One-Winding
CR309 NEMA Type 3R NEMA Sizes 3-5 Two-Speed
NEMA Dimension Dimension Dimension Dimension Dimension Dimension Shipping
Size ABCDEFWeight (lbs.)
3 26.00 (660.4) 21.00 (533.4) 8.00 (203.2) 27.50 (698.5) 15.00 (381.0) 10.50 (266.7) 90
4 30.00 (762.0) 21.00 (533.4) 8.00 (203.2) 31.50 (800.1) 15.00 (381.0) 10.50 (266.7) 105
5 48.00 (1219.2) 32.00 (812.8) 10.25 (260.4) 49.50 (1257.3) 26.00 (660.4) 16.00 (406.4) 295
CR309 NEMA Type 4/4X NEMA Sizes 0-5 Two-Speed
NEMA Shipping
Size Product Number Height Width Depth Weight (lbs.)
3-3 and 5-3 Pole Forms 3-3 Pole 5-3 Pole
0, 1 CR309 (B4 & C4) 15.62 (396.7) 10.38 (263.7) 5.50 (139.7) 31 —
0,1 CR309 (R4 & S4) 15.62 (396.1) 14.38 (365.2) 5.50 (139.7) — 33
2 CR309 D4 17.62 (447.5) 12.50 (317.3) 6.25 (158.6) 51 —
2 CR309 T4 17.62 (447.5) 16.50 (419.1) 6.5 (165.1) — 56
3 CR309 E4, CR309 U4 29.00 (736.6) 21.00 (533.4) 8.0 (203.2) 85 100
4 CR309 F4, CR309 W4 33.00 (838.2) 21.00 (533.4) 8.0 (203.2) 120 130
5 CR309 G4, CR309 Z4 47.55 (1207.8) 36.00 (914.4) 11.12 (282.4) 230 250
NEMA Type 3R, Sizes 0 - 2 Two-Speed
NEMA Type 3R, Sizes 3 - 5 Two-Speed

www.geindustrial.com Rev. 4/16
Prices and data subject to
change without notice
Control Catalog
1-30
NEMA Full Voltage Power Devices
NEMA Rated Full Voltage Starters - Magnetic
Section 1
Application
These combination starters are used for full voltage starting of
single-speed squirrel-cage induction motors up to 400 horse-
power maximum, 600 Volts maximum. Each starter provides
short-circuit protection by means of a fusible disconnect, a
thermal magnetic trip circuit breaker, or circuit interrupter func-
tion with a nonfusible disconnect switch.
Features
—Branch circuit protection—is provided by means of a Type
QMR disconnect switch or molded case circuit breaker.
—Mechanism—always controls interrupting switch.
—Easy inspection, maintenance—performed from starter front.
—Optional factory-installed control transformer.
Refer to page 1-7 for features of basic starter.
Product Number Selection Instructions
1. Specify starter by complete Product Number. Example:
CR308CT03HB1AAAAA is a Size 1 starter, combination discon-
nect form with 230-240 Volt, 60-Hertz coil and 60-Ampere
class H fuse clips in Type 1 general-purpose enclosure @
$606.00, GO-10G1.
2. Order special features or forms not listed by complete
description using a listed Product Number as reference.
Example: Similar to CR308CT03HB1AAAAA except with red
indicating light in cover. Total List Price, $696.00, GO-10G1.
3. 50-Hertz Starters
Pricing of starters for use on 50 Hertz (at standard voltages) is
the same as shown in tables for 60 Hertz. Order by description,
using a listed form as reference. Refer to page 1-4 for three-
phase horsepower rating at 380-415 Volts, 50 Hertz.
4. Control Transformer
All catalog listed CR307 and CR308 combination starters have
provision for field mounting a standard control circuit trans-
former. Refer to page 1-137 for transformer kit Product
Numbers and pricing. Also, see page 1-126 for information on
factory-installed standard and extra-capacity transformers.
Specify transformer rating on order.
5. Product Notes
Motor full-load current should not exceed continuous ampere
rating of starter.
Order heaters by complete Product Number from appropriate
heater tables on pages 1-153 to 1-159.
Reference Publications
Instructions
NEMA Size Publication Number
0, 1 GEH-5190
2 GEH-4774
3 GEH-4806
4 GEH-4807
5 GEH-4838
6 GEH-5198
CR307, CR407, CR308, CR408 Magnetic Starters – Contents
Application Information and Selection Instructions ...............1-30
Nonfusible Disconnect Type (CR308, CR408)..............................1-31
Fusible Disconnect Type (CR308, CR408) .....................................1-32
Nonfusible and Fusible Part Number Configuration
Size 0-2, NEMA Type 1 (CR308).......................................................1-34
Size 0-4, NEMA Type 1, 3R, 12, 4/4X (CR408)...........................1-37
Thermal Magnetic Circuit Breaker Type (CR307, CR407) ......1-42
Thermal Magnetic Part Number Configuration
Size 0-2, NEMA Type 1 (CR307).......................................................1-43
Size 0-4, NEMA Type 1, 3R, 12, 4/4X (CR407)...........................1-46
Outlines and Dimensions .....................................................................1-59
Typical Combination Starter in General Purpose
Type 1 Enclosure
CR307, CR407, CR308, CR408 Magnetic Starters
Nonreversing, Combination, NEMA Type 1, 3R, 12, 4/4X
400 Horsepower Maximum
NEMA Sizes 0-6
600 Volts Maximum
50/60 Hertz

www.geindustrial.com Control Catalog 1-31
NEMA Full Voltage Power Devices
NEMA Rated Full Voltage Starters - Magnetic
Rev. 4/16
Prices and data subject to
change without notice
Section 1
CR308, CR408 Magnetic Starters
Nonreversing, Combination, NEMA Type 1, 3R, 12, 4/4X
NEMA Sizes 0-6, Nonfusible Disconnect Type
600 Volts Maximum 50/60 Hertz
List Price includes a holding interlock, pressure terminals for the line and load connections, plus a 3-leg block type overload relay
(manual reset). All enclosures include external reset. Three heaters should be ordered as separate items. See pages 1-153 to 1-159 for
selection. List Price $9.00, GO-10H.
CR308/408 Nonfusible Disconnect
NEMA Type 1 NEMA Type 3R NEMA Type 12 NEMA Type 4/4X
Continuous Product List Product List Product List Product List
Voltage NEMA Maximum Amp Number Price Number Price Number Price Number Price
(60Hz) Size Horsepower Rating CR GO-10G1 CR GO-10G1 CR GO-10G1 CR GO-10G1
200-208 0318 308BT081A1AAAAA $546.00 408B6081A1AAAAA $690.00 408B2081A1AAAAA $690.00 408B4081A1AAAAA $1122.00
200-208 1 7 1/2 27 308CT081A1AAAAA $576.00 408C6081A1AAAAA $720.00 408C2081A1AAAAA $720.00 408C4081A1AAAAA $1152.00
200-208 2 10 45 308DT081A1AAAAA $912.00 408D6081A1AAAAA $1116.00 408D2081A1AAAAA $1116.00 408D4081A1AAAAA $1800.00
200-208 3 25 90 408E1081A1AAAAA $1518.00 408E6081A1AAAAA $1782.00 408E2081A1AAAAA $1782.00 408E4081A1AAAAA $3066.00
200-208 4 40 135 408F1081A1AAAAA $2928.00 408F6081A1AAAAA $3660.00 408F2081A1AAAAA $3660.00 408F4081A1AAAAA $4908.00
200-208 5 75 270 308G123AAA $6573.00 308G623AAAA $8349.00 308G223AEA $8349.00 308G423AAAA $11625.00
200-208 6 150 540 308HH123AAAA $17343.00 308HH623AAAA $19413.00 308HH223AAEA $19413.00 308HH423AAAA1$22143.00
230-240 0318 308BT031A1AAAAA $546.00 408B6031A1AAAAA $690.00 408B2031A1AAAAA $690.00 408B4031A1AAAAA $1122.00
230-240 1 7 1/2 27 308CT031A1AAAAA $576.00 408C6031A1AAAAA $720.00 408C2031A1AAAAA $720.00 408C4031A1AAAAA $1152.00
230-240 2 15 45 308DT031A1AAAAA $912.00 408D6031A1AAAAA $1116.00 408D2031A1AAAAA $1116.00 408D4031A1AAAAA $1800.00
230-240 3 30 90 408E1031A1AAAAA $1518.00 408E6031A1AAAAA $1782.00 408E2031A1AAAAA $1782.00 408E4031A1AAAAA $3066.00
230-240 4 50 135 408F1031A1AAAAA $2928.00 408F6031A1AAAAA $3660.00 408F2031A1AAAAA $3660.00 408F4031A1AAAAA $4908.00
230-240 5 100 270 308G103AAA $6573.00 308G603AAAA $8349.00 308G203AEA $8349.00 308G403AAAA $11625.00
230-240 6 200 540 308HH103AAAA $17343.00 308HH603AAAA $19413.00 308HH203AAEA $19413.00 308HH403AAAA1$22143.00
460-480 0518 308BT041A1AAAAA $546.00 408B6041A1AAAAA $690.00 408B2041A1AAAAA $690.00 408B4041A1AAAAA $1122.00
460-480 1 10 27 308CT041A1AAAAA $576.00 408C6041A1AAAAA $720.00 408C2041A1AAAAA $720.00 408C4041A1AAAAA $1152.00
460-480 2 25 45 308DT041A1AAAAA $912.00 408D6041A1AAAAA $1116.00 408D2041A1AAAAA $1116.00 408D4041A1AAAAA $1800.00
460-480 3 50 90 408E1041A1AAAAA $1518.00 408E6041A1AAAAA $1782.00 408E2041A1AAAAA $1782.00 408E4041A1AAAAA $3066.00
460-480 4 100 135 408F1041A1AAAAA $2928.00 408F6041A1AAAAA $3660.00 408F2041A1AAAAA $3660.00 408F4041A1AAAAA $4908.00
460-480 5 200 270 308G104AAA $6573.00 308G604AAAA $8349.00 308G204AEA $8349.00 308G404AAAA $11625.00
460-480 6 400 540 308HH104AAAA $17343.00 308HH604AAAA $19413.00 308HH204AAEA $19413.00 308HH404AAAA1$22143.00
575-600 0518 308BT051A1AAAAA $546.00 408B6051A1AAAAA $690.00 408B2051A1AAAAA $690.00 408B4051A1AAAAA $1122.00
575-600 1 10 27 308CT051A1AAAAA $576.00 408C6051A1AAAAA $720.00 408C2051A1AAAAA $720.00 408C4051A1AAAAA $1152.00
575-600 2 25 45 308DT051A1AAAAA $912.00 408D6051A1AAAAA $1116.00 408D2051A1AAAAA $1116.00 408D4051A1AAAAA $1800.00
575-600 3 50 90 408E1051A1AAAAA $1518.00 408E6051A1AAAAA $1782.00 408E2051A1AAAAA $1782.00 408E4051A1AAAAA $3066.00
575-600 4 100 135 408F1051A1AAAAA $2928.00 408F6051A1AAAAA $3660.00 408F2051A1AAAAA $3660.00 408F4051A1AAAAA $4908.00
575-600 5 200 270 308G105AAA $6573.00 308G605AAAA $8349.00 308G205AEA $8349.00 308G405AAAA $11625.00
575-600 6 400 540 308HH105AAAA $17343.00 308HH605AAAA $19413.00 308HH205AAEA $19413.00 308HH405AAAA1$22143.00
1Painted steel Type 4 enclosure is standard for NEMA Size 6 forms.
• NEMA Size 0-6 starters with 115-120 Volt, 60-Hertz coil for separate control are available at listed prices. To order, replace Digits 8 and 9 of listed Product Numbers with 02.
Example: CR408C2051A1AAAAA with 115-120 Volt, 60-Hertz coil for separate control becomes CR408C2021A1AAAAA.
• Motor full load current should not exceed continuous ampere rating of starter.

www.geindustrial.com Rev. 4/16
Prices and data subject to
change without notice
Control Catalog
1-32
NEMA Full Voltage Power Devices
NEMA Rated Full Voltage Starters - Magnetic
Section 1
CR308, CR408 Magnetic Starters
Nonreversing, Combination, NEMA Type 1, 3R, 12, 4/4X
NEMA Sizes 0-6, Fusible Disconnect Type
600 Volts Maximum 50/60 Hertz
List Price includes a holding interlock, pressure terminals for the line and load connections, plus a 3-leg block type overload relay
(manual reset). Fuses not included. All enclosures include external reset. Three heaters should be ordered as separate items. See
pages 1-153 to 1-159 for selection. List Price $9.00, GO-10H.
CR308/408 Fusible Disconnect (Class H Fuse Clips)
NEMA Type 1 NEMA Type 3R NEMA Type 12 NEMA Type 4/4X
Continuous Fuse Clip Product List Product List Product List Product List
Voltage NEMA Maximum Amp Amp Number Price Number Price Number Price Number Price
(60Hz) Size Horsepower Rating Rating CR GO-10G1 CR GO-10G1 CR GO-10G1 CR GO-10G1
200-208 03 18 30 308BT08HA1AAAAA $564.00 408B608HA1AAAAA $708.00 408B208HA1AAAAA $708.00 408B408HA1AAAAA $1140.00
200-208 1 7 1/2 27 60 308CT08HB1AAAAA $606.00 408C608HB1AAAAA $750.00 408C208HB1AAAAA $750.00 408C408HB1AAAAA $1182.00
200-208 2 10 45 100 308DT08HC1AAAAA $1008.00 408D608HC1AAAAA $1212.00 408D208HC1AAAAA $1212.00 408D408HC1AAAAA $1896.00
200-208 3 25 90 2001408E108HD1AAAAA $1710.00 408E608HD1AAAAA $1974.00 408E208HD1AAAAA $1974.00 408E408HD1AAAAA $3258.00
200-208 4 40 135 4001408F108HE1AAAAA $3144.00 408F608HE1AAAAA $3876.00 408F208HE1AAAAA $3876.00 408F408HE1AAAAA $5124.00
200-208 5 75 270 4001308G123BAA $6789.00 308G623BAAA $8334.00 308G223BEA $8334.00 308G423BAAA $11841.00
230-240 03 18 30 308BT03HA1AAAAA $564.00 408B603HA1AAAAA $708.00 408B203HA1AAAAA $708.00 408B403HA1AAAAA $1140.00
230-240 1 7 1/2 27 60 308CT03HB1AAAAA $606.00 408C603HB1AAAAA $750.00 408C203HB1AAAAA $750.00 408C403HB1AAAAA $1182.00
230-240 2 15 45 100 308DT03HC1AAAAA $1008.00 408D603HC1AAAAA $1212.00 408D203HC1AAAAA $1212.00 408D403HC1AAAAA $1896.00
230-240 3 30 90 2001408E103HD1AAAAA $1710.00 408E603HD1AAAAA $1974.00 408E203HD1AAAAA $1974.00 408E403HD1AAAAA $3258.00
230-240 4 50 135 4001408F103HE1AAAAA $3144.00 408F603HE1AAAAA $3876.00 408F203HE1AAAAA $3876.00 408F403HE1AAAAA $5124.00
230-240 5 100 270 4001308G103BAA $6789.00 308G603BAAA $8334.00 308G203BEA $8334.00 308G403BAAA $11841.00
460-480 05 18 30 308BT04H31AAAAA $576.00 408B604H31AAAAA $720.00 408B204H31AAAAA $720.00 408B404H31AAAAA $1152.00
460-480 1 7 1/2 27 30 308CT04H31AAAAA $606.00 408C604H31AAAAA $750.00 408C204H31AAAAA $750.00 408C404H31AAAAA $1182.00
460-480 1 10 27 60 308CT04H61AAAAA $618.00 408C604H61AAAAA $762.00 408C204H61AAAAA $762.00 408C404H61AAAAA $1194.00
460-480 2 15 45 60 308DT04H61AAAAA $954.00 408D604H61AAAAA $1158.00 408D204H61AAAAA $1158.00 408D404H61AAAAA $1842.00
460-480 2 25 45 100 308DT04H11AAAAA1$1020.00 408D604H11AAAAA $1224.00 408D204H11AAAAA $1224.00 408D404H11AAAAA $1908.00
460-480 3 30 90 100 408E104H11AAAAA $1608.00 408E604H11AAAAA $1872.00 408E204H11AAAAA $1872.00 408E404H11AAAAA $3156.00
460-480 3 50 90 2001408E104H21AAAAA $1734.00 408E604H21AAAAA $1998.00 408E204H21AAAAA $1998.00 408E404H21AAAAA $3282.00
460-480 4 60 135 2001408F104H21AAAAA $3054.00 408F604H21AAAAA $3786.00 408F204H21AAAAA $3786.00 408F404H21AAAAA $5034.00
460-480 4 100 135 4001408F104H41AAAAA $3144.00 408F604H41AAAAA $3876.00 408F204H41AAAAA $3876.00 408F404H41AAAAA $5124.00
575-600 05 18 30 308BT05H31AAAAA $576.00 408B605H31AAAAA $720.00 408B205H31AAAAA $720.00 408B405H31AAAAA $1152.00
575-600 1 10 27 30 308CT05H31AAAAA $606.00 408C605H31AAAAA $750.00 408C205H31AAAAA $750.00 408C405H31AAAAA $1182.00
575-600 2 20 45 60 308DT05H61AAAAA $954.00 408D605H61AAAAA $1158.00 408D205H61AAAAA $1158.00 408D405H61AAAAA $1842.00
575-600 2 25 45 100 308DT05H11AAAAA1$1020.00 408D605H11AAAAA $1224.00 408D205H11AAAAA $1224.00 408D405H11AAAAA $1908.00
575-600 3 30 90 100 408E105H11AAAAA $1608.00 408E605H11AAAAA $1872.00 408E205H11AAAAA $1872.00 408E405H11AAAAA $3156.00
575-600 3 50 90 2001408E105H21AAAAA $1734.00 408E605H21AAAAA $1998.00 408E205H21AAAAA $1998.00 408E405H21AAAAA $3282.00
575-600 4 60 135 2001408F105H21AAAAA $3054.00 408F605H21AAAAA $3786.00 408F205H21AAAAA $3786.00 408F405H21AAAAA $5034.00
575-600 4 100 135 4001408F105H41AAAAA $3144.00 408F605H41AAAAA $3876.00 408F205H41AAAAA $3876.00 408F405H41AAAAA $5124.00
1Oversized enclosure provided as standard.
• NEMA Size 0-6 starters with 115-120Volt, 60-Hertz coil for separate control are available at listed prices. To order, replace Digits 8 and 9 of listed Product Numbers with 02.
Example: CR408E108HD1AAAAA with 115-120 Volt, 60-Hertz coil for separate control becomes CR408E102HD1AAAAA.
• For ordinary starting duty only
• Motor full load current should not exceed continuous ampere rating of starter.

www.geindustrial.com Control Catalog 1-33
NEMA Full Voltage Power Devices
NEMA Rated Full Voltage Starters - Magnetic
Rev. 4/16
Prices and data subject to
change without notice
Section 1
CR308, CR408 Magnetic Starters
Nonreversing, Combination, NEMA Type 1, 3R, 12, 4/4X
NEMA Sizes 0-6, Fusible Disconnect Type
600 Volts Maximum 50/60 Hertz
List Price includes a holding interlock, pressure terminals for the line and load connections, plus a 3-leg block type overload relay
(manual reset). Fuses not included. All enclosures include external reset. Three heaters should be ordered as separate items. See
pages 1-153 to 1-159 for selection. List Price $9.00, GO-10H.
CR308/408 Fusible Disconnect (Class R Fuse Clips)
NEMA Type 1 NEMA Type 3R NEMA Type 12 NEMA Type 4/4X
Continuous Fuse Clip Product List Product List Product List Product List
Voltage NEMA Maximum Amp Amp Number Price Number Price Number Price Number Price
(60Hz) Size Horsepower Rating Rating CR GO-10G1 CR GO-10G1 CR GO-10G1 CR GO-10G1
200-208 03 18 30 308BT08RA1AAAAA $573.00 408B608RA1AAAAA $717.00 408B208RA1AAAAA $717.00 408B408RA1AAAAA $1149.00
200-208 15 27 30 308CT08RA1AAAAA $603.00 408C608RA1AAAAA $747.00 408C208RA1AAAAA $747.00 408C408RA1AAAAA $1179.00
200-208 1 7 1/2 27 60 308CT08RB1AAAAA $615.00 408C608RB1AAAAA $759.00 408C208RB1AAAAA $759.00 408C408RB1AAAAA $1191.00
200-208 2 10 45 60 308DT08RB1AAAAA $945.00 408D608RB1AAAAA $1149.00 408D208RB1AAAAA $1149.00 408D408RB1AAAAA $1833.00
200-208 3 20 90 100 408E108RC1AAAAA $1596.00 408E608RC1AAAAA $1860.00 408E208RC1AAAAA $1860.00 408E408RC1AAAAA $3144.00
200-208 3 25 90 2001408E108RD1AAAAA $1728.00 408E608RD1AAAAA $1992.00 408E208RD1AAAAA $1992.00 408E408RD1AAAAA $3276.00
200-208 4 40 135 2001408F108RD1AAAAA $3048.00 408F608RD1AAAAA $3780.00 408F208RD1AAAAA $3780.00 408F408RD1AAAAA $5028.00
200-208 5- - - - - - - - - - -
200-208 6 150 540 600 308HH123PAAA $17979.00 308HH623PAAA $20049.00 308HH223PAEA $20049.00 308HH423PAAA2$22779.00
230-240 03 18 30 308BT03RA1AAAAA $573.00 408B603RA1AAAAA $717.00 408B203RA1AAAAA $717.00 408B403RA1AAAAA $1149.00
230-240 15 27 30 308CT03RA1AAAAA $603.00 408C603RA1AAAAA $747.00 408C203RA1AAAAA $747.00 408C403RA1AAAAA $1179.00
230-240 1 7 1/2 27 60 308CT03RB1AAAAA $615.00 408C603RB1AAAAA $759.00 408C203RB1AAAAA $759.00 408C403RB1AAAAA $1191.00
230-240 2 15 45 60 308DT03RB1AAAAA $945.00 408D603RB1AAAAA $1149.00 408D203RB1AAAAA $1149.00 408D403RB1AAAAA $1833.00
230-240 3 25 90 100 408E103RC1AAAAA $1596.00 408E603RC1AAAAA $1860.00 408E203RC1AAAAA $1860.00 408E403RC1AAAAA $3144.00
230-240 3 30 90 2001408E103RD1AAAAA $1728.00 408E603RD1AAAAA $1992.00 408E203RD1AAAAA $1992.00 408E403RD1AAAAA $3276.00
230-240 4 50 135 2001408F103RD1AAAAA $3048.00 408F603RD1AAAAA $3780.00 408F203RD1AAAAA $3780.00 408F403RD1AAAAA $5028.00
230-240 5- - - - - - - - - - -
230-240 6 200 540 600 308HH103PAAA $17979.00 308HH603PAAA $20049.00 308HH203PAEA $20049.00 308HH403PAAA2$22779.00
460-480 05 18 30 308BT04R31AAAAA $585.00 408B604R31AAAAA $729.00 408B204R31AAAAA $729.00 408B404R31AAAAA $1161.00
460-480 1 10 27 30 308CT04R31AAAAA $615.00 408C604R31AAAAA $759.00 408C204R31AAAAA $759.00 408C404R31AAAAA $1191.00
460-480 2 25 45 60 308DT04R61AAAAA $963.00 408D604R61AAAAA $1167.00 408D204R61AAAAA $1167.00 408D404R61AAAAA $1851.00
460-480 3 50 90 100 408E104R11AAAAA $1626.00 408E604R11AAAAA $1890.00 408E204R11AAAAA $1890.00 408E404R11AAAAA $3174.00
460-480 4 100 135 2001408F104R21AAAAA $3072.00 408F604R21AAAAA $3804.00 408F204R21AAAAA $3804.00 408F404R21AAAAA $5052.00
460-480 5 200 270 400 308G104FAA $6789.00 308G604FAAA $8565.00 308G204FEA $8565.00 308G404FAAA $11841.00
460-480 6 400 540 600 308HH104PAAA $17979.00 308HH604PAAA $20079.00 308HH204PAEA $20079.00 308HH404PAAA2$22779.00
575-600 05 18 30 308BT05R31AAAAA $585.00 408B605R31AAAAA $729.00 408B205R31AAAAA $729.00 408B405R31AAAAA $1161.00
575-600 1 10 27 30 308CT05R31AAAAA $615.00 408C605R31AAAAA $759.00 408C205R31AAAAA $759.00 408C405R31AAAAA $1191.00
575-600 2 15 45 30 308DT05R31AAAAA $951.00 408D605R31AAAAA $1155.00 408D205R31AAAAA $1155.00 408D405R31AAAAA $1839.00
575-600 2 25 45 60 308DT05R61AAAAA $963.00 408D605R61AAAAA $1167.00 408D205R61AAAAA $1167.00 408D405R61AAAAA $1851.00
575-600 3 30 90 60 408E105R61AAAAA $1560.00 408E605R61AAAAA $1824.00 408E205R61AAAAA $1824.00 408E405R61AAAAA $3108.00
575-600 3 50 90 100 408E105R11AAAAA $1626.00 408E605R11AAAAA $1890.00 408E205R11AAAAA $1890.00 408E405R11AAAAA $3174.00
575-600 4 60 135 1001408F105R11AAAAA $3036.00 408F605R11AAAAA $3768.00 408F205R11AAAAA $3768.00 408F405R11AAAAA $5016.00
575-600 4 100 135 2001408F105R21AAAAA $3072.00 408F605R21AAAAA $3804.00 408F205R21AAAAA $3804.00 408F405R21AAAAA $5052.00
575-600 5 200 270 400 308G105FAA $6789.00 308G605FAAA $8565.00 308G205FEA $8565.00 308G405FAAA $11841.00
575-600 6 400 540 600 308HH105PAAA $17979.00 308HH605PAAA $20052.00 308HH205PAEA $20052.00 308HH405PAAA2$22779.00
1Oversized enclosure provided as standard.
2Painted steel Type 4 enclosure is standard for NEMA Size 6 forms.
• NEMA Size 0-6 starters with 115-120Volt, 60-Hertz coil for separate control are available at listed prices. To order, replace Digits 8 and 9 of listed Product Numbers with 02.
Example: CR408D604R61AAAAA with 115-120 Volt, 60-Hertz coil for separate control becomes CR408D602R61AAAAA.
• For ordinary starting duty only
• Motor full load current should not exceed continuous ampere rating of starter.
• HP rating is based on dual element fuses.

www.geindustrial.com Rev. 4/16
Prices and data subject to
change without notice
Control Catalog
1-34
NEMA Full Voltage Power Devices
NEMA Rated Full Voltage Starters - Magnetic
Section 1
Step 3 (Digits 10, 11) Select Protective Device
Disconnect without Fuse Clips
List Price
NEMA Size Code GO-10G1
All 1A $0.00
Disconnect with Class H Fuse Clips - For use with Non-Time Delay/Single Element Class H Fuses
200-208V 230-240V 460-480V 575-600V
Max Fuse Clip List Price Max Fuse Clip List Price Max Fuse Clip List Price Max Fuse Clip List Price
NEMA Size Hp (Amps) Code GO-10G1 Hp (Amps) Code GO-10G1 Hp (Amps) Code GO-10G1 Hp (Amps) Code GO-10G1
0330 HA $18.00 3 30 HA $18.00 5 30 H3 $30.00 5 30 H3 $30.00
17 1/2 60 HB $30.00 7 1/2 60 HB $30.00 7 1/2 30 H3 $30.00 10 30 H3 $30.00
10 60 H6 $42.00 60 H6 $42.00
210 100 HC $96.00 15 100 HC $96.00 15 60 H6 $42.00 20 60 H6 $42.00
25 100 H11$108.00 25 100 H11$108.00
1Oversized enclosure included as standard.
CR308 Magnetic Starters
Nonreversing, Combination, Nonfusible and Fusible Disconnect Type
Part Number Configuration
Valid for NEMA sizes 0-2, Type 1 Standard Enclosure
1
CR
Digits:
Steps:
23
Step 1
4567891011121314151617
Step 2 Step 3 Step 4 Step 5 Step 6 Step 7 Step 8 Step 9
To configure the part number, use the tables below to fill in the digit boxes with the
appropriate code. Add list price from each step to arrive at total list for price for starter.
Step 1 (Digits 1-7) Select NEMA Size and Enclosure
NEMA Type 1
Standard Enclosure List Price
NEMA Size CR GO-10G1
0 308BT $546.00
1 308CT $576.00
2 308DT $912.00
Note: All enclosures include external overload reset buttons.
Step 2 (Digits 8, 9) Select Control Voltage
NEMA Size NEMA Size
Control Standard 0 12 Standard 012
No List Price Fuses, List Price Size List Price List Price List Price Size List Price List Price List Price
Control Circuit Voltage & CPT CPT GO-10G1 No CPT GO-10G1 CPT GO-10G1 GO-10G1 GO-10G1 CPT + 100VA GO-10G1 GO-10G1 GO-10G1
120V w/ Surge Protector (SP) 01 $54.00 F1 $132.00 --
120V 02 $0.00 F2 $132.00 --
240V 03 $0.00 F3 $132.00 --
480V 04 $0.00 F4 $132.00 --
600V 05 $0.00 F5 $132.00 --
208V 08 $0.00 F8 $132.00 --
24V 09 $0.00 -- -
240V/120V w/CPT -- 93 $294.00 $294.00 $352.00 13 $420.00 $420.00 $504.00
480V/120V w/CPT -- 94 $294.00 $294.00 $352.00 14 $420.00 $420.00 $504.00
600V/120V w/CPT -- 95 $294.00 $294.00 $352.00 15 $420.00 $420.00 $504.00
208V/120V w/CPT -- 98 $294.00 $294.00 $352.00 18 $420.00 $420.00 $504.00
240V/120V w/CPT & SP -- 33 $348.00 $348.00 $406.00 53 $474.00 $474.00 $558.00
480V/120V w/CPT & SP -- 34 $348.00 $348.00 $406.00 54 $474.00 $474.00 $558.00
600V/120V w/CPT & SP -- 35 $348.00 $348.00 $406.00 55 $474.00 $474.00 $558.00
208V/120V w/CPT & SP -- 38 $348.00 $348.00 $406.00 58 $474.00 $474.00 $558.00
240V/24V w/CPT -- S3 $294.00 $294.00 $352.00 A3 $420.00 $420.00 $504.00
480V/24V w/CPT -- S4 $294.00 $294.00 $352.00 A4 $420.00 $420.00 $504.00
600V/24V w/CPT -- S5 $294.00 $294.00 $352.00 A5 $420.00 $420.00 $504.00
208V/24V w/CPT -- S8 $294.00 $294.00 $352.00 A8 $420.00 $420.00 $504.00
Note: CPT includes 2 primary fuses and 1 secondary fuse.

www.geindustrial.com Control Catalog 1-35
NEMA Full Voltage Power Devices
NEMA Rated Full Voltage Starters - Magnetic
Rev. 4/16
Prices and data subject to
change without notice
Section 1
Step 3 (Digits 10, 11) Select Protective Device (continued)
Disconnect with Class R Fuse Clips - For use with Time Delay/Dual Element Class RK1/RK5 Fuses
200-208V 230-240V 460-480V 575-600V
Max Fuse Clip List Price Max Fuse Clip List Price Max Fuse Clip List Price Max Fuse Clip List Price
NEMA Size Hp (Amps) Code GO-10G1 Hp (Amps) Code GO-10G1 Hp (Amps) Code GO-10G1 Hp (Amps) Code GO-10G1
0330 RA $27.00 3 30 RA $27.00 5 30 R3 $39.00 5 30 R3 $39.00
15 30 RA $27.00 5 30 RA $27.00 10 30 R3 $39.00 10 30 R3 $39.00
7 1/2 60 RB $39.00 7 1/2 60 RB $39.00
210 60 RB $33.00 15 60 RB $33.00 30 R3 $39.00 15 30 R3 $39.00
25 60 R6 $51.00 25 60 R6 $51.00
Disconnect with Class J Fuse Clips - For use with Time Delay/Dual Element Class J Fuses
200-208V 230-240V 460-480V 575-600V
Max Fuse Clip List Price Max Fuse Clip List Price Max Fuse Clip List Price Max Fuse Clip List Price
NEMA Size Hp (Amps) Code GO-10G1 Hp (Amps) Code GO-10G1 Hp (Amps) Code GO-10G1 Hp (Amps) Code GO-10G1
0 3 30 J3 $48.00 3 30 J3 $48.00 5 30 J3 $48.00 5 30 J3 $48.00
15 30 J3 $48.00 5 30 J3 $48.00 10 30 J3 $48.00 10 30 J3 $48.00
7 1/2 60 J6 $48.00 7 1/2 60 J6 $48.00
210 60 J6 $72.00 15 60 J6 $72.00 30 J3 $60.00 15 30 J3 $60.00
25 60 J6 $72.00 25 60 J6 $72.00
CR308 Magnetic Starters
Nonreversing, Combination, Nonfusible and Fusible Disconnect Type
Part Number Configuration
Valid for NEMA sizes 0-2, Type 1 Standard Enclosure
Step 4 (Digit 12) Select Overload Relay
List Price
Overload Relay Code GO-10G1
Thermal Bi-Metallic Non-compensated (1NC) 1 $0.00
Thermal Bi-Metallic Non-compensated (1NO-1NC) 2 $24.00
Thermal Bi-Metallic Ambient Compensated (1NC) 3 $27.00
Thermal Bi-Metallic Ambient Compensated (1NO-1NC) 4 $51.00
Solid State Overload (1NO-1NC) (#) $27.00
(#) Select Code for Solid State Overload amp rating from Standard or Optional Ranges table below.
Solid State Overload Relay - Standard Range
NEMA 200-208V 230-240V 460-480V 575-600V
Size OL Range Max Hp Code Max Hp Code Max Hp Code Max Hp Code
0.8 - 1.7 3/4 D1D
01.6 - 3.4 1/2 E 3/4 E2E2E
3.2 - 6.8 1F 2 F 3F 5F
6.5 - 13.5 3G 3G 5G
16.5 - 13.5 7 1/2 G 10 G
13 - 27 7 1/2 H 7 1/2 H 10 H
213 - 27 20 H 25 H
25 - 50 10 J 15 J 25 J
Step 5 (Digit 13) Select Auxiliary Contacts
List Price
Aux Contacts Code GO-10G1
None A $0.00
1NO B $66.00
1NC C $66.00
1NO-1NC D $132.00
2NO E $132.00
2NC F $132.00
2NO-1NC G $198.00
1NO-2NC H $198.00
3NO J $198.00
3NC K $198.00
4NO L2$264.00
4NC M2$264.00
2NO-2NC N2$264.00
3NO-1NC P2$264.00
1NO-3NC R2$264.00
2Exceeds maximum number of contacts for some pilot
light selections. See Step 8 (Digit 16) Table, page 1-36.
Optional Ranges
NEMA SIZE
OL Amp Range 0 & 1 2
0.4 - 0.85 C-
0.8 - 1.7 D-
1.6 - 3.4 E-
3.2 - 6.8 F-
6.5 - 13.5 GG
13 - 27 HH
25 - 50 -J
17 - 35 --
35 - 70 --
65 - 135 --

www.geindustrial.com Rev. 4/16
Prices and data subject to
change without notice
Control Catalog
1-36
NEMA Full Voltage Power Devices
NEMA Rated Full Voltage Starters - Magnetic
Section 1
Step 8 (Digit 16) Select Pilot Device
Pilot Light
(Heavy Duty) List Price
Type Color - Functionality Code GO-10G1
None A $0.00
Red - Across Coil J $162.00
Green - Across Coil K $162.00
Red - Thru NO Aux Contact M4$228.00
Standard Lights Green - Thru NC Aux Contact N4$228.00
Red - Thru NO Aux Contact & Green - Thru NC Aux Contact U5$456.00
Red - Across Coil & Green - Thru NC Aux Contact T4$390.00
Red - Across Coil & Green - Thru NC Aux Contact & Unwired Amber X4$552.00
Red - Across Coil 1 $162.00
Green - Across Coil 2 $162.00
Red - Thru NO Aux Contact 34$228.00
LED Lights Green - Thru NC Aux Contact 44$228.00
Red - Thru NO Aux Contact & Green - Thru NC Aux Contact 55$456.00
Red - Across Coil & Green - Thru NC Aux Contact 64$390.00
Red - Across Coil & Green - Thru NC Aux Contact & Unwired Amber 74$552.00
Red - Across Coil R $180.00
Green - Across Coil S $180.00
Red - Thru NO Aux Contact C4$246.00
Push-To-Test Lights Green - Thru NC Aux Contact D4$246.00
Red - Thru NO Aux Contact & Green - Thru NC Aux Contact E5$492.00
Red - Across Coil & Green - Thru NC Aux Contact V4$426.00
Red - Across Coil & Green - Thru NC Aux Contact & Unwired Amber Y4$606.00
4Maximum of 3 Aux contacts may be added to Sizes 0 & 1.
5Maximum of 2 Aux contacts may be added to Sizes 0 & 1. Maximum of 3 Aux contacts may be added to Sizes 2-4.
Note: Auxiliary contacts wired as part of pilot light selection are in addition to the auxiliary contacts selected from
Step 5 (Digit 13) Table, page 1-35, which are for customer/field connections.
Step 9 (Digit 17) Select Control Options
List Price
Device Code GO-10G1
None A $0.00
Step 6 (Digit 14) Select Monitoring Options
List Price
Device Code GO-10G1
None3A$0.00
3Phase Failure Relay is not available for CR308 series standard enclosures.
If this is required for your application, use CR408 series oversized enclosure.
See page 1-37.
Step 7 (Digit 15) Select Push Button/Selector Switch
List Price
Push Button/Selector Switch - Heavy Duty Code GO-10G1
None A $0.00
Start/Stop Push Button J $132.00
Hand-Off-Auto (HOA) Selector Switch L $132.00
Off-On Selector Switch M $132.00
HOA SS & Start Push Button S $264.00
Keyed HOA SS, Key Removal Center Pos. N $168.00
GENERAL NOTE:
On NEMA Size 3 & 4 starters, if selecting factory installed and wired operator devices
(Push Buttons, Selector Switches, and/or Pilot Lights) then control circuit fusing, a
control power transformer, or 120V separate sourced control is required when the
protective device is rated greater than 100 Amps.
CR308 Magnetic Starters
Nonreversing, Combination, Nonfusible and Fusible Disconnect Type
Part Number Configuration
Valid for NEMA sizes 0-2, Type 1 Standard Enclosure

www.geindustrial.com Control Catalog 1-37
NEMA Full Voltage Power Devices
NEMA Rated Full Voltage Starters - Magnetic
Rev. 4/16
Prices and data subject to
change without notice
Section 1
CR408 Magnetic Starters
Nonreversing, Combination, Nonfusible and Fusible Disconnect Type
Part Number Configuration
Valid for NEMA sizes 0-4
1
CR
Digits:
Steps:
23
Step 1
4567891011121314151617
Step 2 Step 3 Step 4 Step 5 Step 6 Step 7 Step 8 Step 9
Step 1 (Digits 1-7) Select NEMA Size and Enclosure
NEMA Type 1 NEMA Type 3R NEMA Type 12 NEMA Type 4/4X
Standard List Oversized List Standard List Oversized List Standard List Oversized List Standard List Oversized List
NEMA Enclosure Price Enclosure Price Enclosure Price Enclosure Price Enclosure Price Enclosure Price Enclosure Price Enclosure Price
Size CR GO-10G1 CR GO-10G1 CR GO-10G1 CR GO-10G1 CR GO-10G1 CR GO-10G1 CR GO-10G1 CR GO-10G1
0 Use CR308 408B5 $682.00 408B6 $690.00 408BR $826.00 408B2 $690.00 408B7 $826.00 408B4 $1122.00 408BS $1368.00
1 Use CR308 408C5 $712.00 408C6 $720.00 408CR $856.00 408C2 $720.00 408C7 $856.00 408C4 $1152.00 408CS $1398.00
2 Use CR308 408D5 $1048.00 408D6 $1116.00 408DR $1252.00 408D2 $1116.00 408D7 $1252.00 408D4 $1800.00 408DS $2046.00
3 408E1 $1518.00 408E51$1740.00 408E6 $1782.00 408ER1$2004.00 408E2 $1782.00 408E71$2004.00 408E4 $3066.00 408ES1$3624.00
42408F1 $2928.00 408F6 $3660.00 408F2 $3660.00 408F4 $4908.00
Note: All enclosures include external overload reset buttons. NEMA 4 enclosures are stainless steel.
1Oversized enclosure provided as standard with 200Amp Fusible Disconnect.
2Oversized enclosure provided as standard with any NEMA Size 4 Fusible/Nonfusible.
To configure the part number, use the tables below to fill in the digit boxes with the appropriate code.
Add list price from each step to arrive at total list for price for starter.
Step 2 (Digits 8, 9) Select Control Voltage (No CPT and Standard Size CPT)
NEMA Size
Control Standard 01 23 4
No List Price Fuses, List Price Size List Price List Price List Price List Price List Price
Control Circuit Voltage & CPT CPT GO-10G1 No CPT GO-10G1 CPT GO-10G1 GO-10G1 GO-10G1 GO-10G1 GO-10G1
120V w/ Surge Protector (SP) 01 $54.00 F1 $132.00 -
120V 02 $0.00 F2 $132.00 -
240V 03 $0.00 F3 $132.00 -
480V 04 $0.00 F4 $132.00 -
600V 05 $0.00 F5 $132.00 -
208V 08 $0.00 F8 $132.00 -
24V309 $0.00 --
240V/120V w/CPT -- 93 $294.00 $294.00 $352.00 $468.00 $540.00
480V/120V w/CPT -- 94 $294.00 $294.00 $352.00 $468.00 $540.00
600V/120V w/CPT -- 95 $294.00 $294.00 $352.00 $468.00 $540.00
208V/120V w/CPT -- 98 $294.00 $294.00 $352.00 $468.00 $540.00
240V/120V w/CPT & SP -- 33 $348.00 $348.00 $406.00 $522.00 $594.00
480V/120V w/CPT & SP -- 34 $348.00 $348.00 $406.00 $522.00 $594.00
600V/120V w/CPT & SP -- 35 $348.00 $348.00 $406.00 $522.00 $594.00
208V/120V w/CPT & SP -- 38 $348.00 $348.00 $406.00 $522.00 $594.00
240V/24V w/CPT3-- S3 $294.00 $294.00 $352.00 --
480V/24V w/CPT3-- S4 $294.00 $294.00 $352.00 --
600V/24V w/CPT3-- S5 $294.00 $294.00 $352.00 --
208V/24V w/CPT3-- S8 $294.00 $294.00 $352.00 --
Note: CPT includes 2 primary fuses and 1 secondary fuse.
324V coils not available for NEMA size 3 & 4.

www.geindustrial.com Rev. 4/16
Prices and data subject to
change without notice
Control Catalog
1-38
NEMA Full Voltage Power Devices
NEMA Rated Full Voltage Starters - Magnetic
Section 1
Step 3 (Digits 10, 11) Select Protective Device
Disconnect without Fuse Clips
List Price
NEMA Size Code GO-10G1
All 1A2$0.00
Disconnect with Class H Fuse Clips - For use with Non-Time Delay/Single Element Class H Fuses
200-208V 230-240V 460-480V 575-600V
Max Fuse Clip List Price Max Fuse Clip List Price Max Fuse Clip List Price Max Fuse Clip List Price
NEMA Size Hp (Amps) Code GO-10G1 Hp (Amps) Code GO-10G1 Hp (Amps) Code GO-10G1 Hp (Amps) Code GO-10G1
0330 HA $18.00 3 30 HA $18.00 5 30 H3 $30.00 5 30 H3 $30.00
17 1/2 60 HB $30.00 7 1/2 60 HB $30.00 7 1/2 30 H3 $30.00 10 30 H3 $30.00
10 60 H6 $42.00 60 H6 $42.00
210 100 HC $96.00 15 100 HC $96.00 15 60 H6 $42.00 20 60 H6 $42.00
25 100 H1 $108.00 25 100 H1 $108.00
3125 200 HD $192.00 30 200 HD $192.00 30 100 H1 $90.00 30 100 H1 $90.00
50 200 H2 $216.00 50 200 H2 $216.00
4240 400 HE $216.00 50 400 HE $216.00 60 200 H2 $126.00 60 200 H2 $126.00
100 400 H4 $216.00 100 400 H4 $216.00
1Oversized enclosure provided as standard with 200Amp Fusible Disconnect
2Oversized enclosure provided as standard with any NEMA Size 4 Fusible/Nonfusible
Disconnect with Class R Fuse Clips - For use with Time Delay/Dual Element Class RK1/RK5 Fuses
200-208V 230-240V 460-480V 575-600V
Max Fuse Clip List Price Max Fuse Clip List Price Max Fuse Clip List Price Max Fuse Clip List Price
NEMA Size Hp (Amps) Code GO-10G1 Hp (Amps) Code GO-10G1 Hp (Amps) Code GO-10G1 Hp (Amps) Code GO-10G1
0330 RA $27.00 3 30 RA $27.00 5 30 R3 $39.00 5 30 R3 $39.00
15 30 RA $27.00 5 30 RA $27.00 10 30 R3 $39.00 10 30 R3 $39.00
7 1/2 60 RB $39.00 7 1/2 60 RB $39.00
210 60 RB $33.00 15 60 RB $33.00 30 R3 $39.00 15 30 R3 $39.00
25 60 R6 $51.00 25 60 R6 $51.00
3120 100 RC $78.00 25 100 RC $78.00 60 R6 $42.00 30 60 R6 $42.00
25 200 RD $210.00 30 200 RD $210.00 50 100 R1 $108.00 50 100 R1 $108.00
4240 200 RD $120.00 50 200 RD $120.00 100 R1 $108.00 60 100 R1 $108.00
100 200 R2 $144.00 100 200 R2 $144.00
1Oversized enclosure provided as standard with 200Amp Fusible Disconnect
2Oversized enclosure provided as standard with any NEMA Size 4 Fusible/Nonfusible
CR408 Magnetic Starters
Nonreversing, Combination, Nonfusible and Fusible Disconnect Type
Part Number Configuration
Valid for NEMA sizes 0-4
Step 2 (Digits 8, 9) Select Control Voltage (Extra Capacity CPT + 100VA and 200VA)
NEMA Size NEMA Size
Standard 01234Standard 01 234
Size List Price List Price List Price List Price List Price Size List Price4List Price4List Price4List Price List Price
Control Circuit Voltage & CPT CPT + 100VA GO-10G1 GO-10G1 GO-10G1 GO-10G1 GO-10G1 CPT + 200VA GO-10G1 GO-10G1 GO-10G1 GO-10G1 GO-10G1
120V w/ Surge Protector (SP) - -
120V - -
240V - -
480V - -
600V - -
208V - -
24V3- -
240V/120V w/CPT 13 $420.00 $420.00 $504.00 $600.00 $660.00 23 $523.00 $523.00 $618.00 $714.00 $775.00
480V/120V w/CPT 14 $420.00 $420.00 $504.00 $600.00 $660.00 24 $523.00 $523.00 $618.00 $714.00 $775.00
600V/120V w/CPT 15 $420.00 $420.00 $504.00 $600.00 $660.00 25 $523.00 $523.00 $618.00 $714.00 $775.00
208V/120V w/CPT 18 $420.00 $420.00 $504.00 $600.00 $660.00 28 $523.00 $523.00 $618.00 $714.00 $775.00
240V/120V w/CPT & SP 53 $474.00 $474.00 $558.00 $654.00 $714.00 63 $577.00 $577.00 $672.00 $768.00 $829.00
480V/120V w/CPT & SP 54 $474.00 $474.00 $558.00 $654.00 $714.00 64 $577.00 $577.00 $672.00 $768.00 $829.00
600V/120V w/CPT & SP 55 $474.00 $474.00 $558.00 $654.00 $714.00 65 $577.00 $577.00 $672.00 $768.00 $829.00
208V/120V w/CPT & SP 58 $474.00 $474.00 $558.00 $654.00 $714.00 68 $577.00 $577.00 $672.00 $768.00 $829.00
240V/24V w/CPT3A3 $420.00 $420.00 $504.00 -- B3 $523.00 $523.00 $618.00 --
480V/24V w/CPT3A4 $420.00 $420.00 $504.00 -- B4 $523.00 $523.00 $618.00 --
600V/24V w/CPT3A5 $420.00 $420.00 $504.00 -- B5 $523.00 $523.00 $618.00 --
208V/24V w/CPT3A8 $420.00 $420.00 $504.00 -- B8 $523.00 $523.00 $618.00 --
Note: CPT includes 2 primary fuses and 1 secondary fuse.
324V coils not available for NEMA size 3 & 4.
4Requires Oversized Enclosure for NEMA sizes 0-2. Select proper NEMA size and enclosure type from Step 1 (Digits 1-7) Table, page 1-37, and adjust price accordingly.

www.geindustrial.com Control Catalog 1-39
NEMA Full Voltage Power Devices
NEMA Rated Full Voltage Starters - Magnetic
Rev. 4/16
Prices and data subject to
change without notice
Section 1
Step 4 (Digit 12) Select Overload Relay
List Price
Overload Relay Code GO-10G1
Thermal Bi-Metallic Non-compensated (1NC) 1 $0.00
Thermal Bi-Metallic Non-compensated (1NO-1NC) 2 $24.00
Thermal Bi-Metallic Ambient Compensated (1NC) 3 $27.00
Thermal Bi-Metallic Ambient Compensated (1NO-1NC) 4 $51.00
Solid State Overload (1NO-1NC) (#) $27.00
(#) Select Code for Solid State Overload amp rating from Standard or Optional Ranges table below.
Solid State Overload Relay - Standard Range
NEMA 200-208V 230-240V 460-480V 575-600V
Size OL Range Max Hp Code Max Hp Code Max Hp Code Max Hp Code
0.8 - 1.7 3/4 D1D
01.6 - 3.4 1/2 E 3/4 E2E2E
3.2 - 6.8 1F 2 F 3F 5F
6.5 - 13.5 3G 3G 5G
16.5 - 13.5 7 1/2 G 10 G
13 - 27 7 1/2 H 7 1/2 H 10 H
213 - 27 20 H 25 H
25 - 50 10 J 15 J 25 J
17 - 35 30 K
3 35 - 70 20 L 25 L 50 L 50 L
65 - 135 25 M 30 M
4 65 - 135 40 M 50 M 100 M 100 M
Step 5 (Digit 13) Select Auxiliary Contacts
List Price
Aux Contacts Code GO-10G1
None A $0.00
1NO B $66.00
1NC C $66.00
1NO-1NC D $132.00
2NO E $132.00
2NC F $132.00
2NO-1NC G $198.00
1NO-2NC H $198.00
3NO J $198.00
3NC K $198.00
4NO L5$264.00
4NC M5$264.00
2NO-2NC N5$264.00
3NO-1NC P5$264.00
1NO-3NC R5$264.00
5Exceeds maximum number of contacts for some pilot light selections. See Step 8 (Digit 16) Table, page 1-40.
CR408 Magnetic Starters
Nonreversing, Combination, Nonfusible and Fusible Disconnect Type
Part Number Configuration
Valid for NEMA sizes 0-4
Step 3 (Digits 10, 11) Select Protective Device (continued)
Disconnect with Class J Fuse Clips - For use with Time Delay/Dual Element Class J Fuses
200-208V 230-240V 460-480V 575-600V
Max Fuse Clip List Price Max Fuse Clip List Price Max Fuse Clip List Price Max Fuse Clip List Price
NEMA Size Hp (Amps) Code GO-10G1 Hp (Amps) Code GO-10G1 Hp (Amps) Code GO-10G1 Hp (Amps) Code GO-10G1
0330 J3 $48.00 3 30 J3 $48.00 5 30 J3 $48.00 5 30 J3 $48.00
15 30 J3 $48.00 5 30 J3 $48.00 10 30 J3 $48.00 10 30 J3 $48.00
7 1/2 60 J6 $48.00 7 1/2 60 J6 $48.00
210 60 J6 $72.00 15 60 J6 $72.00 30 J3 $60.00 15 30 J3 $60.00
25 60 J6 $72.00 25 60 J6 $72.00
3120 100 J1 $162.00 25 100 J1 $162.00 60 J6 $96.00 30 60 J6 $96.00
25 200 J2 $246.00 30 200 J2 $246.00 50 100 J1 $162.00 50 100 J1 $162.00
4240 200 J2 $246.00 50 200 J2 $246.00 100 J1 $210.00 60 100 J1 $210.00
100 200 J2 $246.00 100 200 J2 $246.00
1Oversized enclosure provided as standard with 200Amp Fusible Disconnect
2Oversized enclosure provided as standard with any NEMA Size 4 Fusible/Nonfusible
Optional Ranges
NEMA SIZE
OL Amp Range 0 & 1 2 3 & 4
0.4 - 0.85 C--
0.8 - 1.7 D--
1.6 - 3.4 E--
3.2 - 6.8 F--
6.5 - 13.5 GG-
13 - 27 HH-
25 - 50 -J-
17 - 35 --K
35 - 70 --L
65 - 135 --M

www.geindustrial.com Rev. 4/16
Prices and data subject to
change without notice
Control Catalog
1-40
NEMA Full Voltage Power Devices
NEMA Rated Full Voltage Starters - Magnetic
Section 1
Step 8 (Digit 16) Select Pilot Device
Pilot Light
(Heavy Duty CR104P Style) List Price
Type Color - Functionality Code GO-10G1
None A $0.00
Red - Across Coil J $162.00
Green - Across Coil K $162.00
Red - Thru NO Aux Contact M9$228.00
Standard Lights Green - Thru NC Aux Contact N9$228.00
Red - Thru NO Aux Contact & Green - Thru NC Aux Contact U10 $456.00
Red - Across Coil & Green - Thru NC Aux Contact T9$390.00
Red - Across Coil & Green - Thru NC Aux Contact & Unwired Amber X9$552.00
Red - Across Coil 1 $162.00
Green - Across Coil 2 $162.00
Red - Thru NO Aux Contact 39$228.00
LED Lights Green - Thru NC Aux Contact 49$228.00
Red - Thru NO Aux Contact & Green - Thru NC Aux Contact 510 $456.00
Red - Across Coil & Green - Thru NC Aux Contact 69$390.00
Red - Across Coil & Green - Thru NC Aux Contact & Unwired Amber 79$552.00
Red - Across Coil R $180.00
Green - Across Coil S $180.00
Red - Thru NO Aux Contact C9$246.00
Push-To-Test Lights Green - Thru NC Aux Contact D9$246.00
Red - Thru NO Aux Contact & Green - Thru NC Aux Contact E10 $492.00
Red - Across Coil & Green - Thru NC Aux Contact V9$426.00
Red - Across Coil & Green - Thru NC Aux Contact & Unwired Amber Y9$606.00
9Maximum of 3 Aux contacts may be added to Sizes 0 & 1.
10Maximum of 2 Aux contacts may be added to Sizes 0 & 1. Maximum of 3 Aux contacts may be added to Sizes
2-4.
Note: Auxiliary contacts wired as part of pilot light selection are in addition to the auxiliary contacts selected from
Step 5 (Digit 13) Table, page 1-39, which are for customer/field connections.
Step 7 (Digit 15) Select Push Button/Selector Switch
List Price
Push Button/Selector Switch - Heavy Duty Code GO-10G1
None A $0.00
Start/Stop Push Button J $132.00
Hand-Off-Auto (HOA) Selector Switch L $132.00
Off-On Selector Switch M $132.00
HOA SS & Start Push Button S $264.00
Keyed HOA SS, Key Removal Center Pos. N $168.00
Step 6 (Digit 14) Select Monitoring Options
List Price GO-10G1
NEMA Size 0-2 NEMA Size 3 NEMA Size 4
Device Code Type 1, 3R, & 12 Type 4/4X Type 1, 3R, & 12 Type 4/4X Type 1, 3R, & 12 Type 4/4X
None A $0.00 $0.00 $0.00 $0.00 $0.00 $0.00
Phase Failure Relay with Undervoltage Protection C2,7 $920.00 $920.00 $1056.00 $1056.00 $1056.00 $1056.00
(panel mounted) - 190-480V (PFR w/UV)
Phase Failure Relay with Undervoltage Protection D2,7 $920.00 $920.00 $1056.00 $1056.00 $1056.00 $1056.00
(panel mounted) - 575V (PFR w/UV)
Phase Failure Relay - 208V (PFR) E4,7 $425.00 - $425.00 - $425.00 -
Phase Failure Relay - 240V (PFR) F4,7 $425.00 - $425.00 - $425.00 -
Phase Failure Relay - 480V (PFR) G4,7 $425.00 - $425.00 - $425.00 -
Phase Failure Relay - 575V (PFR) H4,7 $425.00 - $425.00 - $425.00 -
Elapsed Time Meter (120V/60Hz) Wired Across Coil (ETM) 12,6 $212.00 $342.00 $348.00 $588.00 $348.00 $588.00
ETM + PFR w/UV (190-480V) L2,6,7 $1132.00 $1262.00 $1404.00 $1644.00 $1404.00 $1644.00
ETM + PFR w/UV (575V) N2,6,7 $1132.00 $1262.00 $1404.00 $1644.00 $1404.00 $1644.00
ETM + PFR (208V) P2,4,6,7 $637.00 - $773.00 - $773.00 -
ETM + PFR (240V) Q2,4,6,7 $637.00 - $773.00 - $773.00 -
ETM + PFR (480V) R2,4,6,7 $637.00 - $773.00 - $773.00 -
ETM + PFR (575V) S2,4,6,7 $637.00 - $773.00 - $773.00 -
2Requires Oversized Enclosure for NEMA sizes 0-2. Select proper NEMA size and enclosure type from Step 1 (Digits 1-7) Table, page 1-37, and adjust price accordingly.
4Available for Type 1 Enclosure only.
6Requires 120V Control Circuit Voltage or CPT w/ 120V Secondary.
7Requires Oversized Enclosure for phase failure relay.
CR408 Magnetic Starters
Nonreversing, Combination, Nonfusible and Fusible Disconnect Type
Part Number Configuration
Valid for NEMA sizes 0-4

www.geindustrial.com Control Catalog 1-41
NEMA Full Voltage Power Devices
NEMA Rated Full Voltage Starters - Magnetic
Rev. 4/16
Prices and data subject to
change without notice
Section 1
GENERAL NOTE:
On NEMA Size 3 & 4 starters, if selecting factory installed and wired operator devices
(Push Buttons, Selector Switches, and/or Pilot Lights) then control circuit fusing, a
control power transformer, or 120V separate sourced control is required when the
protective device is rated greater than 100 Amps.
Step 9 (Digit 17) Select Control Options
List Price GO-10G1
NEMA Size 0-2 NEMA Size 3 NEMA Size 4
Device Code Type 1, 3R, & 12 Type 4/4X Type 1, 3R, & 12 Type 4/4X Type 1, 3R, & 12 Type 4/4X
None A $0.00 $0.00 $0.00 $0.00 $0.00 $0.00
1 Relay, 2NO-2NC, 24/120V Coil - unwired B4,11 $170.00 $222.00 $306.00 $468.00 $480.00 $636.00
2 Relays, 24/120V Coil - unwired C4,11 $340.00 $444.00 $612.00 $936.00 $960.00 $1272.00
DIN Rail - for Customer Use D4$89.00 $89.00 $89.00 $89.00 $89.00 $89.00
12 Point Terminal Strip - unwired (12 PT Strip) E4$109.00 $109.00 $109.00 $109.00 $109.00 $109.00
Space Heater w/ NC Contact H4,12 $120.00 $120.00 $120.00 $120.00 $120.00 $120.00
1 Relay + 12 PT Strip J4,11 $279.00 $331.00 $415.00 $577.00 $589.00 $745.00
2 Relays + 12 PT Strip K4,11 $449.00 $553.00 $721.00 $1045.00 $1069.00 $1381.00
DIN Rail + 12 PT Strip + Space Heater L4,12 $318.00 $318.00 $318.00 $318.00 $318.00 $318.00
2 Relays + 12 PT Strip + Space Heater M4,11,12 $569.00 $673.00 $841.00 $1165.00 $1189.00 $1501.00
Time Delay ON Relay, 24/120V Coil - unwired (TD) N4,11 $368.00 $414.00 $504.00 $660.00 $504.00 $660.00
Time Delay OFF Relay, 24/120V Coil - unwired (TD) P4,11 $368.00 $414.00 $504.00 $660.00 $504.00 $660.00
12 PT Strip + TD ON R4,11 $477.00 $523.00 $613.00 $769.00 $613.00 $769.00
12 PT Strip + TD OFF S4,11 $477.00 $523.00 $613.00 $769.00 $613.00 $769.00
12 PT Strip + Space Heater + TD ON T4,11,12 $597.00 $643.00 $733.00 $889.00 $733.00 $889.00
12 PT Strip + Space Heater + TD OFF U4,11,12 $597.00 $643.00 $733.00 $889.00 $733.00 $889.00
4Requires Oversized Enclosure for NEMA sizes 0-2. Select proper NEMA size and enclosure type from Step 1 (Digits 1-7) Table, page 1-37, and adjust price accordingly.
11Relay/Timer coil voltage is equivalent to CPT secondary voltage. Requires minimum 100 extra VA CPT option.
12Maximum number of auxiliary contacts shall be reduced by 1.
CR408 Magnetic Starters
Nonreversing, Combination, Nonfusible and Fusible Disconnect Type
Part Number Configuration
Valid for NEMA sizes 0-4

www.geindustrial.com Rev. 4/16
Prices and data subject to
change without notice
Control Catalog
1-42
NEMA Full Voltage Power Devices
NEMA Rated Full Voltage Starters - Magnetic
Section 1
CR307, CR407 Magnetic Starters
Nonreversing, Combination, NEMA Type 1, 3R, 12, 4/4X
NEMA Sizes 0-6, Thermal Magnetic Circuit Breaker Type
600 Volts Maximum 50/60 Hertz
List Price includes a holding interlock, pressure terminals for the line and load connections, plus a 3-leg block type overload relay
(manual reset). Fuses not included. All enclosures include external reset. Three heaters should be ordered as separate items. See
pages 1-153 to 1-159 for selection. List Price $9.00, GO-10H.
CR307/407 Thermal Magnetic Circuit Breaker Type
NEMA Type 1 NEMA Type 3R NEMA Type 12 NEMA Type 4/4X
Continuous CB Product List Product List Product List Product List
Voltage NEMA Maximum Amp Rating Number Price Number Price Number Price Number Price
(60Hz) Size Horsepower Rating (Amps) CR GO-10G1 CR GO-10G1 CR GO-10G1 CR GO-10G1
200-208 02 18 15 307BT08TC1AAAAA $762.00 407B608TC1AAAAA $906.00 407B208TC1AAAAA $906.00 407B408TC1AAAAA $1338.00
200-208 03 18 20 307BT08TD1AAAAA $762.00 407B608TD1AAAAA $906.00 407B208TD1AAAAA $906.00 407B408TD1AAAAA $1338.00
200-208 15 27 30 307CT08TF1AAAAA $792.00 407C608TF1AAAAA $936.00 407C208TF1AAAAA $936.00 407C408TF1AAAAA $1368.00
200-208 1 7 1/2 27 40 307CT08TG1AAAAA $792.00 407C608TG1AAAAA $936.00 407C208TG1AAAAA $936.00 407C408TG1AAAAA $1368.00
200-208 2 10 45 50 307DT08TH1AAAAA $1122.00 407D608TH1AAAAA $1326.00 407D208TH1AAAAA $1326.00 407D408TH1AAAAA $2010.00
200-208 3 15 90 80 407E108TL1AAAAA $1632.00 407E608TL1AAAAA $1896.00 407E208TL1AAAAA $1896.00 407E408TL1AAAAA $3180.00
200-208 3 20 90 100 407E108TN1AAAAA $1632.00 407E608TN1AAAAA $1896.00 407E208TN1AAAAA $1896.00 407E408TN1AAAAA $3180.00
200-208 3 25 90 125 407E108TQ1AAAAA $2262.00 407E608TQ1AAAAA $2526.00 407E208TQ1AAAAA $2526.00 407E408TQ1AAAAA $3810.00
200-208 4 30 135 150 407F108TR1AAAAA $3582.00 407F608TR1AAAAA $4314.00 407F208TR1AAAAA $4314.00 407F408TR1AAAAA $5562.00
200-208 4 40 135 200 407F108TT1AAAAA $3582.00 407F608TT1AAAAA $4314.00 407F208TT1AAAAA $4314.00 407F408TT1AAAAA $5562.00
200-208 5 75 270 400 307G123CAA $8307.00 307G623CAAA $9627.00 307G223CEA $9627.00 307G423CAAA $13359.00
200-208 6 150 540 800 307HH123EAAA $18039.00 307HH623EAAA $19659.00 307HH223EAEA $19659.00 307HH423EAAA2$21039.00
230-240 03 18 15 307BT03TC1AAAAA $762.00 407B603TC1AAAAA $906.00 407B203TC1AAAAA $906.00 407B403TC1AAAAA $1338.00
230-240 15 27 25 307CT03TE1AAAAA $792.00 407C603TE1AAAAA $936.00 407C203TE1AAAAA $936.00 407C403TE1AAAAA $1368.00
230-240 1 7 1/2 27 40 307CT03TG1AAAAA $792.00 407C603TG1AAAAA $936.00 407C203TG1AAAAA $936.00 407C403TG1AAAAA $1368.00
230-240 2 10 45 50 307DT03TH1AAAAA $1122.00 407D603TH1AAAAA $1326.00 407D203TH1AAAAA $1326.00 407D403TH1AAAAA $2010.00
230-240 2 15 45 70 307DT03TK1AAAAA $1218.00 407D603TK1AAAAA $1422.00 407D203TK1AAAAA $1422.00 407D403TK1AAAAA $2106.00
230-240 3 20 90 90 407E103TM1AAAAA $1632.00 407E603TM1AAAAA $1896.00 407E203TM1AAAAA $1896.00 407E403TM1AAAAA $3180.00
230-240 3 25 90 110 407E103TP1AAAAA $1632.00 407E603TP1AAAAA $1896.00 407E203TP1AAAAA $1896.00 407E403TP1AAAAA $3180.00
230-240 3 30 90 125 407E103TQ1AAAAA $2262.00 407E603TQ1AAAAA $2526.00 407E203TQ1AAAAA $2526.00 407E403TQ1AAAAA $3810.00
230-240 4 40 135 175 407F103TS1AAAAA $4185.00 407F603TS1AAAAA $4917.00 407F203TS1AAAAA $4917.00 407F403TS1AAAAA $6165.00
230-240 4 50 135 200 407F103TT1AAAAA $3582.00 407F603TT1AAAAA $4314.00 407F203TT1AAAAA $4314.00 407F403TT1AAAAA $5562.00
230-240 5 60 270 250 307G103AAA $8307.00 307G603AAAA $9627.00 307G203AEA $9627.00 307G403AAAA $13359.00
230-240 5 75 270 300 307G103BAA $8307.00 307G603BAAA $9627.00 307G203BEA $9627.00 307G403BAAA $13359.00
230-240 5 100 270 400 307G103CAA $8307.00 307G603CAAA $9627.00 307G203CEA $9627.00 307G403CAAA $13359.00
230-240 6 200 540 800 307HH103EAAA $18039.00 307HH603EAAA $19659.00 307HH203EAEA $19659.00 307HH403EAAA2$21039.00
460-480 05 18 15 307BT04TC1AAAAA $762.00 407B604TC1AAAAA $906.00 407B204TC1AAAAA $906.00 407B404TC1AAAAA $1338.00
460-480 1 7 1/2 27 20 307CT04TD1AAAAA $792.00 407C604TD1AAAAA $936.00 407C204TD1AAAAA $936.00 407C404TD1AAAAA $1368.00
460-480 1 10 27 25 307CT04TE1AAAAA $792.00 407C604TE1AAAAA $936.00 407C204TE1AAAAA $936.00 407C404TE1AAAAA $1368.00
460-480 2 15 45 40 307DT04TG1AAAAA $1122.00 407D604TG1AAAAA $1326.00 407D204TG1AAAAA $1326.00 407D404TG1AAAAA $2010.00
460-480 2 20 45 50 307DT04TH1AAAAA $1122.00 407D604TH1AAAAA $1326.00 407D204TH1AAAAA $1326.00 407D404TH1AAAAA $2010.00
460-480 2 25 45 60 307DT04TJ1AAAAA $1218.00 407D604TJ1AAAAA $1422.00 407D204TJ1AAAAA $1422.00 407D404TJ1AAAAA $2106.00
460-480 3 30 90 60 407E104TJ1AAAAA $1632.00 407E604TJ1AAAAA $1896.00 407E204TJ1AAAAA $1896.00 407E404TJ1AAAAA $3180.00
460-480 3 40 90 80 407E104TL1AAAAA $1632.00 407E604TL1AAAAA $1896.00 407E204TL1AAAAA $1896.00 407E404TL1AAAAA $3180.00
460-480 3 50 90 100 407E104TN1AAAAA $1632.00 407E604TN1AAAAA $1896.00 407E204TN1AAAAA $1896.00 407E404TN1AAAAA $3180.00
460-480 4 60 135 125 407F104TQ1AAAAA $3582.00 407F604TQ1AAAAA $4314.00 407F204TQ1AAAAA $4314.00 407F404TQ1AAAAA $5562.00
460-480 4 75 135 150 407F104TR1AAAAA $3582.00 407F604TR1AAAAA $4314.00 407F204TR1AAAAA $4314.00 407F404TR1AAAAA $5562.00
460-480 4 100 135 200 407F104TT1AAAAA $3582.00 407F604TT1AAAAA $4314.00 407F204TT1AAAAA $4314.00 407F404TT1AAAAA $5562.00
460-480 5 125 270 250 307G104AAA1$8307.00 307G604AAAA1$9627.00 307G204AEA1$9627.00 307G404AAAA1$13359.00
460-480 5 150 270 300 307G104BAA $8307.00 307G604BAAA $9627.00 307G204BEA $9627.00 307G404BAAA $13359.00
460-480 5 200 270 400 307G104CAA $8307.00 307G604CAAA $9627.00 307G204CEA $9627.00 307G404CAAA $13359.00
460-480 6 400 540 800 307HH104EAAA $18039.00 307HH604EAAA $19659.00 307HH204EAEA $19659.00 307HH404EAAA2$21039.00
575-600 05 18 15 307BT05TC1AAAAA $762.00 407B605TC1AAAAA $906.00 407B205TC1AAAAA $906.00 407B405TC1AAAAA $1338.00
575-600 1 7 1/2 27 15 307CT05TC1AAAAA $792.00 407C605TC1AAAAA $936.00 407C205TC1AAAAA $936.00 407C405TC1AAAAA $1368.00
575-600 1 10 27 20 307CT05TD1AAAAA $792.00 407C605TD1AAAAA $936.00 407C205TD1AAAAA $936.00 407C405TD1AAAAA $1368.00
575-600 2 15 45 30 307DT05TF1AAAAA $1122.00 407D605TF1AAAAA $1326.00 407D205TF1AAAAA $1326.00 407D405TF1AAAAA $2010.00
575-600 2 20 45 40 307DT05TG1AAAAA $1122.00 407D605TG1AAAAA $1326.00 407D205TG1AAAAA $1326.00 407D405TG1AAAAA $2010.00
575-600 2 25 45 50 307DT05TH1AAAAA $1122.00 407D605TH1AAAAA $1326.00 407D205TH1AAAAA $1326.00 407D405TH1AAAAA $2010.00
575-600 3 30 90 50 407E105TH1AAAAA $1806.00 407E605TH1AAAAA $2070.00 407E205TH1AAAAA $2070.00 407E405TH1AAAAA $3354.00
575-600 3 40 90 70 407E105TK1AAAAA $1902.00 407E605TK1AAAAA $2166.00 407E205TK1AAAAA $2166.00 407E405TK1AAAAA $3450.00
575-600 3 50 90 80 407E105TL1AAAAA $1632.00 407E605TL1AAAAA $1896.00 407E205TL1AAAAA $1896.00 407E405TL1AAAAA $3180.00
575-600 4 60 135 100 407F105TN1AAAAA $4185.00 407F605TN1AAAAA $4917.00 407F205TN1AAAAA $4917.00 407F405TN1AAAAA $6165.00
575-600 4 75 135 125 407F105TQ1AAAAA $3582.00 407F605TQ1AAAAA $4314.00 407F205TQ1AAAAA $4314.00 407F405TQ1AAAAA $5562.00
575-600 4 100 135 150 407F105TR1AAAAA $3582.00 407F605TR1AAAAA $4314.00 407F205TR1AAAAA $4314.00 407F405TR1AAAAA $5562.00
575-600 5 150 270 250 307G105AAA $8307.00 307G605AAAA $9627.00 307G205AEA $9627.00 307G405AAAA $13359.00
575-600 5 200 270 300 307G105BAA $8307.00 307G605BAAA $9627.00 307G205BEA $9627.00 307G405BAAA $13359.00
575-600 6 400 540 600 307HH105DAAA $18039.00 307HH605DAAA $19659.00 307HH205DAEA $19659.00 307HH405DAAA2$21039.00
1For ordinary starting duty only.
2Painted steel Type 4 enclosure is standard for NEMA Size 6 forms.
• NEMA Size 0-6 starters with 115-120 Volt, 60-Hertz coil for separate control are available at listed prices. To order, replace Digits 8 and 9 of listed Product Numbers with 02.
Example: CR407B604TC1AAAAA with 115-120 Volt, 60-Hertz coil for separate control becomes CR407B602TC1AAAAA.
• Motor full load current should not exceed continuous ampere rating of starter.

www.geindustrial.com Control Catalog 1-43
NEMA Full Voltage Power Devices
NEMA Rated Full Voltage Starters - Magnetic
Rev. 4/16
Prices and data subject to
change without notice
Section 1
CR307 Magnetic Starters
Nonreversing, Combination, Thermal Magnetic Circuit Breaker Type
Part Number Configuration
Valid for NEMA Sizes 0-2, Type 1 Standard Enclosure
1
CR
Digits:
Steps:
23
Step 1
4567891011121314151617
Step 2 Step 3 Step 4 Step 5 Step 6 Step 7 Step 8 Step 9
To configure the part number, use the tables below to fill in the digit boxes with the
appropriate code. Add list price from each step to arrive at total list for price for starter.
Step 1 (Digits 1-7) Select NEMA Size and Enclosure
NEMA Type 1
Standard Enclosure List Price
NEMA Size CR GO-10G1
0 307BT $588.00
1 307CT $618.00
2 307DT $948.00
Note: All enclosures include external overload reset buttons.
Step 2 (Digits 8, 9) Select Control Voltage
NEMA Size NEMA Size
Control Standard 0 12 Standard 012
No List Price Fuses, List Price Size List Price List Price List Price Size List Price List Price List Price
Control Circuit Voltage & CPT CPT GO-10G1 No CPT GO-10G1 CPT GO-10G1 GO-10G1 GO-10G1 CPT + 100VA GO-10G1 GO-10G1 GO-10G1
120V w/ Surge Protector (SP) 01 $54.00 F1 $132.00 --
120V 02 $0.00 F2 $132.00 --
240V 03 $0.00 F3 $132.00 --
480V 04 $0.00 F4 $132.00 --
600V 05 $0.00 F5 $132.00 --
208V 08 $0.00 F8 $132.00 --
24V 09 $0.00 -- -
240V/120V w/CPT -- 93 $294.00 $294.00 $352.00 13 $420.00 $420.00 $504.00
480V/120V w/CPT -- 94 $294.00 $294.00 $352.00 14 $420.00 $420.00 $504.00
600V/120V w/CPT -- 95 $294.00 $294.00 $352.00 15 $420.00 $420.00 $504.00
208V/120V w/CPT -- 98 $294.00 $294.00 $352.00 18 $420.00 $420.00 $504.00
240V/120V w/CPT & SP -- 33 $348.00 $348.00 $406.00 53 $474.00 $474.00 $558.00
480V/120V w/CPT & SP -- 34 $348.00 $348.00 $406.00 54 $474.00 $474.00 $558.00
600V/120V w/CPT & SP -- 35 $348.00 $348.00 $406.00 55 $474.00 $474.00 $558.00
208V/120V w/CPT & SP -- 38 $348.00 $348.00 $406.00 58 $474.00 $474.00 $558.00
240V/24V w/CPT -- S3 $294.00 $294.00 $352.00 A3 $420.00 $420.00 $504.00
480V/24V w/CPT -- S4 $294.00 $294.00 $352.00 A4 $420.00 $420.00 $504.00
600V/24V w/CPT -- S5 $294.00 $294.00 $352.00 A5 $420.00 $420.00 $504.00
208V/24V w/CPT -- S8 $294.00 $294.00 $352.00 A8 $420.00 $420.00 $504.00
Note: CPT includes 2 primary fuses and 1 secondary fuse.
Step 3 (Digits 10, 11) Select Protective Device
Thermal-Mag Circuit Breaker - Spectra™Series
200-208V 230-240V 460-480V 575-600V
Max CB Rating List Price Max CB Rating List Price Max CB Rating List Price Max CB Rating List Price
NEMA Size Hp (Amps) Code GO-10G1 Hp (Amps) Code GO-10G1 Hp (Amps) Code GO-10G1 Hp (Amps) Code GO-10G1
02 15 TC $174.00 3 15 TC $174.00 5 15 TC $174.00 5 15 TC $174.00
3 20 TD $174.00 20 TD $174.00 20 TD $174.00 20 TD $174.00
15 TC $174.00 15 TC $174.00 15 TC $174.00 7 1/2 15 TC $174.00
20 TD $174.00 20 TD $174.00 7 1/2 20 TD $174.00 10 20 TD $174.00
1 25 TE $174.00 5 25 TE $174.00 10 25 TE $174.00 25 TE $174.00
5 30 TF $174.00 30 TF $174.00 30 TF $174.00 30 TF $174.00
7 1/2 40 TG $174.00 7 1/2 40 TG $174.00 40 TG $174.00 40 TG $174.00
30 TF $174.00 30 TF $174.00 30 TF $174.00 15 30 TF $174.00
40 TG $174.00 40 TG $174.00 15 40 TG $174.00 20 40 TG $174.00
2 10 50 TH $174.00 10 50 TH $174.00 20 50 TH $174.00 25 50 TH $174.00
60 TJ $270.00 60 TJ $270.00 25 60 TJ $270.00 60 TJ $270.00
70 TK $270.00 15 70 TK $270.00 70 TK $270.00 70 TK $270.00

www.geindustrial.com Rev. 4/16
Prices and data subject to
change without notice
Control Catalog
1-44
NEMA Full Voltage Power Devices
NEMA Rated Full Voltage Starters - Magnetic
Section 1
CR307 Magnetic Starters
Nonreversing, Combination, Thermal Magnetic Circuit Breaker Type
Part Number Configuration
Valid for NEMA Sizes 0-2, Type 1 Standard Enclosure
Step 4 (Digit 12) Select Overload Relay
List Price
Overload Relay Code GO-10G1
Thermal Bi-Metallic Non-compensated (1NC) 1 $0.00
Thermal Bi-Metallic Non-compensated (1NO-1NC) 2 $24.00
Thermal Bi-Metallic Ambient Compensated (1NC) 3 $27.00
Thermal Bi-Metallic Ambient Compensated (1NO-1NC) 4 $51.00
Solid State Overload (1NO-1NC) (#) $27.00
(#) Select Code for Solid State Overload amp rating from Standard or Optional Ranges below.
Step 5 (Digit 13) Select Auxiliary Contacts
List Price
Aux Contacts Code GO-10G1
None A $0.00
1NO B $66.00
1NC C $66.00
1NO-1NC D $132.00
2NO E $132.00
2NC F $132.00
2NO-1NC G $198.00
1NO-2NC H $198.00
3NO J $198.00
3NC K $198.00
4NO L1$264.00
4NC M1$264.00
2NO-2NC N1$264.00
3NO-1NC P1$264.00
1NO-3NC R1$264.00
1Exceeds maximum number of contacts for some pilot
light selections. See Step 8 (Digit 16) Table, page 1-45.
Step 6 (Digit 14) Select Monitoring Options
List Price
Device Code GO-10G1
None2A$0.00
2Phase Failure Relay is not available for CR307 series standard enclosures.
If this is required for your application, use CR407 series oversized enclosure.
See page 1-46.
Solid State Overload Relay - Standard Range
NEMA 200-208V 230-240V 460-480V 575-600V
Size OL Range Max Hp Code Max Hp Code Max Hp Code Max Hp Code
0.8 - 1.7 3/4 D1D
01.6 - 3.4 1/2 E 3/4 E2E 2E
3.2 - 6.8 1F 2 F 3 F 5 F
6.5 - 13.5 3G 3 G 5 G
16.5 - 13.5 7 1/2 G 10 G
13 - 27 7 1/2 H 7 1/2 H 10 H
213 - 27 20 H 25 H
25 - 50 10 J 15 J 25 J
Step 7 (Digit 15) Select Push Button/Selector Switch
List Price
Push Button/Selector Switch - Heavy Duty Code GO-10G1
None A $0.00
Start/Stop Push Button J $132.00
Hand-Off-Auto (HOA) Selector Switch L $132.00
Off-On Selector Switch M $132.00
HOA SS & Start Push Button S $264.00
Keyed HOA SS, Key Removal Center Pos. N $168.00
Optional Ranges
NEMA SIZE
OL Amp Range 0 & 1 2
0.4 - 0.85 C-
0.8 - 1.7 D-
1.6 - 3.4 E-
3.2 - 6.8 F-
6.5 - 13.5 GG
13 - 27 HH
25 - 50 -J
17 - 35 --
35 - 70 --
65 - 135 --

www.geindustrial.com Control Catalog 1-45
NEMA Full Voltage Power Devices
NEMA Rated Full Voltage Starters - Magnetic
Rev. 4/16
Prices and data subject to
change without notice
Section 1
Step 8 (Digit 16) Select Pilot Device
Pilot Light (Heavy Duty) List Price
Type Color - Functionality Code GO-10G1
None A $0.00
Red - Across Coil J $162.00
Green - Across Coil K $162.00
Red - Thru NO Aux Contact M3$228.00
Standard Lights Green - Thru NC Aux Contact N3$228.00
Red - Thru NO Aux Contact & Green - Thru NC Aux Contact U4$456.00
Red - Across Coil & Green - Thru NC Aux Contact T3$390.00
Red - Across Coil & Green - Thru NC Aux Contact & Unwired Amber X3$552.00
Red - Across Coil 1 $162.00
Green - Across Coil 2 $162.00
Red - Thru NO Aux Contact 33$228.00
LED Lights Green - Thru NC Aux Contact 43$228.00
Red - Thru NO Aux Contact & Green - Thru NC Aux Contact 54$456.00
Red - Across Coil & Green - Thru NC Aux Contact 63$390.00
Red - Across Coil & Green - Thru NC Aux Contact & Unwired Amber 73$552.00
Red - Across Coil R $180.00
Green - Across Coil S $180.00
Red - Thru NO Aux Contact C3$246.00
Push-To-Test Lights Green - Thru NC Aux Contact D3$246.00
Red - Thru NO Aux Contact & Green - Thru NC Aux Contact E4$492.00
Red - Across Coil & Green - Thru NC Aux Contact V3$426.00
Red - Across Coil & Green - Thru NC Aux Contact & Unwired Amber Y3$606.00
3Maximum of 3 Aux contacts may be added to Sizes 0 & 1.
4Maximum of 2 Aux contacts may be added to Sizes 0 & 1. Maximum of 3 Aux contacts may be added to Sizes 2-4.
Note: Auxiliary contacts wired as part of pilot light selection are in addition to the auxiliary contacts selected from
Step 5 (Digit 13) Table, page 1-44, which are for customer/field connections.
Step 9 (Digit 17) Select Control Options
List Price
Device Code GO-10G1
None A $0.00
GENERAL NOTE:
On NEMA Size 3 & 4 starters if selecting factory installed and wired operator devices
(Push Buttons, Selector Switches, and/or Pilot Lights) then control circuit fusing, a
control power transformer, or 120V separate sourced control is required when the
protective device is rated greater than 100 Amps.
CR307 Magnetic Starters
Nonreversing, Combination, Thermal Magnetic Circuit Breaker Type
Part Number Configuration
Valid for NEMA Sizes 0-2, Type 1 Standard Enclosure

www.geindustrial.com Rev. 4/16
Prices and data subject to
change without notice
Control Catalog
1-46
NEMA Full Voltage Power Devices
NEMA Rated Full Voltage Starters - Magnetic
Section 1
CR407 Magnetic Starters
Nonreversing, Combination, Thermal Magnetic Circuit Breaker Type
Part Number Configuration
Valid for NEMA Sizes 0-4
Step 1 (Digits 1-7) Select NEMA Size and Enclosure
NEMA Type 1 NEMA Type 3R NEMA Type 12 NEMA Type 4/4X
Standard List Oversized List Standard List Oversized List Standard List Oversized List Standard List Oversized List
NEMA Enclosure Price Enclosure Price Enclosure Price Enclosure Price Enclosure Price Enclosure Price Enclosure Price Enclosure Price
Size CR GO-10G1 CR GO-10G1 CR GO-10G1 CR GO-10G1 CR GO-10G1 CR GO-10G1 CR GO-10G1 CR GO-10G1
0 Use CR307 407B5 $724.00 407B6 $732.00 407BR $868.00 407B2 $732.00 407B7 $868.00 407B4 $1164.00 407BS $1410.00
1 Use CR307 407C5 $754.00 407C6 $762.00 407CR $898.00 407C2 $762.00 407C7 $898.00 407C4 $1194.00 407CS $1440.00
2 Use CR307 407D5 $1084.00 407D6 $1152.00 407DR $1288.00 407D2 $1152.00 407D7 $1288.00 407D4 $1836.00 407DS $2082.00
3 407E1 $1632.00 407E5 $1854.00 407E6 $1896.00 407ER $2118.00 407E2 $1896.00 407E7 $2118.00 407E4 $3180.00 407ES $3738.00
4 407F1 $3582.00 407F5 $3972.00 407F6 $4314.00 407FR $4704.00 407F2 $4314.00 407F7 $4704.00 407F4 $5562.00 407FS $6249.00
Note: All enclosures include external overload reset buttons. NEMA 4 enclosures are stainless steel.
Step 2 (Digits 8, 9) Select Control Voltage (No CPT and Standard Size CPT)
NEMA Size
Control Standard 012 3 4
No List Price Fuses, List Price Size List Price List Price List Price List Price List Price
Control Circuit Voltage & CPT CPT GO-10G1 No CPT GO-10G1 CPT GO-10G1 GO-10G1 GO-10G1 GO-10G1 GO-10G1
120V w/ Surge Protector (SP) 01 $54.00 F1 $132.00 -
120V 02 $0.00 F2 $132.00 -
240V 03 $0.00 F3 $132.00 -
480V 04 $0.00 F4 $132.00 -
600V 05 $0.00 F5 $132.00 -
208V 08 $0.00 F8 $132.00 -
24V109 $0.00 --
240V/120V w/CPT -- 93 $294.00 $294.00 $352.00 $468.00 $540.00
480V/120V w/CPT -- 94 $294.00 $294.00 $352.00 $468.00 $540.00
600V/120V w/CPT -- 95 $294.00 $294.00 $352.00 $468.00 $540.00
208V/120V w/CPT -- 98 $294.00 $294.00 $352.00 $468.00 $540.00
240V/120V w/CPT & SP -- 33 $348.00 $348.00 $406.00 $522.00 $594.00
480V/120V w/CPT & SP -- 34 $348.00 $348.00 $406.00 $522.00 $594.00
600V/120V w/CPT & SP -- 35 $348.00 $348.00 $406.00 $522.00 $594.00
208V/120V w/CPT & SP -- 38 $348.00 $348.00 $406.00 $522.00 $594.00
240V/24V w/CPT1-- S3 $294.00 $294.00 $352.00 --
480V/24V w/CPT1-- S4 $294.00 $294.00 $352.00 --
600V/24V w/CPT1-- S5 $294.00 $294.00 $352.00 --
208V/24V w/CPT1-- S8 $294.00 $294.00 $352.00 --
Step 2 (Digits 8, 9) Select Control Voltage (Extra Capacity CPT + 100VA and 200VA)
NEMA Size NEMA Size
Standard 01234Standard 01 234
Size List Price List Price List Price List Price List Price Size List Price2List Price2List Price2List Price List Price
Control Circuit Voltage & CPT CPT + 100VA GO-10G1 GO-10G1 GO-10G1 GO-10G1 GO-10G1 CPT + 200VA GO-10G1 GO-10G1 GO-10G1 GO-10G1 GO-10G1
120V w/ Surge Protector (SP) - -
120V - -
240V - -
480V - -
600V - -
208V - -
24V1- -
240V/120V w/CPT 13 $420.00 $420.00 $504.00 $600.00 $660.00 23 $523.00 $523.00 $618.00 $714.00 $775.00
480V/120V w/CPT 14 $420.00 $420.00 $504.00 $600.00 $660.00 24 $523.00 $523.00 $618.00 $714.00 $775.00
600V/120V w/CPT 15 $420.00 $420.00 $504.00 $600.00 $660.00 25 $523.00 $523.00 $618.00 $714.00 $775.00
208V/120V w/CPT 18 $420.00 $420.00 $504.00 $600.00 $660.00 28 $523.00 $523.00 $618.00 $714.00 $775.00
240V/120V w/CPT & SP 53 $474.00 $474.00 $558.00 $654.00 $714.00 63 $577.00 $577.00 $672.00 $768.00 $829.00
480V/120V w/CPT & SP 54 $474.00 $474.00 $558.00 $654.00 $714.00 64 $577.00 $577.00 $672.00 $768.00 $829.00
600V/120V w/CPT & SP 55 $474.00 $474.00 $558.00 $654.00 $714.00 65 $577.00 $577.00 $672.00 $768.00 $829.00
208V/120V w/CPT & SP 58 $474.00 $474.00 $558.00 $654.00 $714.00 68 $577.00 $577.00 $672.00 $768.00 $829.00
240V/24V w/CPT1A3 $420.00 $420.00 $504.00 -- B3 $523.00 $523.00 $618.00 --
480V/24V w/CPT1A4 $420.00 $420.00 $504.00 -- B4 $523.00 $523.00 $618.00 --
600V/24V w/CPT1A5 $420.00 $420.00 $504.00 -- B5 $523.00 $523.00 $618.00 --
208V/24V w/CPT1A8 $420.00 $420.00 $504.00 -- B8 $523.00 $523.00 $618.00 --
Note: CPT includes 2 primary fuses and 1 secondary fuse.
124V coils not available for NEMA size 3 & 4.
2Requires Oversized Enclosure for NEMA sizes 0-2. Select proper NEMA size and enclosure type from Step 1 (Digits 1-7) Table, and adjust price accordingly.
1
CR
Digits:
Steps:
23
Step 1
4567891011121314151617
Step 2 Step 3 Step 4 Step 5 Step 6 Step 7 Step 8 Step 9
To configure the part number, use the tables below to fill in the digit boxes with the appropriate code.
Add list price from each step to arrive at total list for price for starter.

www.geindustrial.com Control Catalog 1-47
NEMA Full Voltage Power Devices
NEMA Rated Full Voltage Starters - Magnetic
Rev. 4/16
Prices and data subject to
change without notice
Section 1
Step 3 (Digits 10, 11) Select Protective Device
Thermal-Mag Circuit Breaker - Spectra™Series
200-208V 230-240V 460-480V 575-600V
Max CB Rating List Price Max CB Rating List Price Max CB Rating List Price Max CB Rating List Price
NEMA Size Hp (Amps) Code GO-10G1 Hp (Amps) Code GO-10G1 Hp (Amps) Code GO-10G1 Hp (Amps) Code GO-10G1
0215 TC $174.00 3 15 TC $174.00 5 15 TC $174.00 5 15 TC $174.00
3 20 TD $174.00 20 TD $174.00 20 TD $174.00 20 TD $174.00
15 TC $174.00 15 TC $174.00 15 TC $174.00 7 1/2 15 TC $174.00
20 TD $174.00 20 TD $174.00 7 1/2 20 TD $174.00 10 20 TD $174.00
1 25 TE $174.00 5 25 TE $174.00 10 25 TE $174.00 25 TE $174.00
5 30 TF $174.00 30 TF $174.00 30 TF $174.00 30 TF $174.00
7 1/2 40 TG $174.00 7 1/2 40 TG $174.00 40 TG $174.00 40 TG $174.00
30 TF $174.00 30 TF $174.00 30 TF $174.00 15 30 TF $174.00
40 TG $174.00 40 TG $174.00 15 40 TG $174.00 20 40 TG $174.00
2 10 50 TH $174.00 10 50 TH $174.00 20 50 TH $174.00 25 50 TH $174.00
60 TJ $270.00 60 TJ $270.00 25 60 TJ $270.00 60 TJ $270.00
70 TK $270.00 15 70 TK $270.00 70 TK $270.00 70 TK $270.00
50 TH $174.00 50 TH $174.00 50 TH $174.00 30 50 TH $174.00
60 TJ $0.00 60 TJ $0.00 30 60 TJ $0.00 60 TJ $0.00
70 TK $270.00 70 TK $270.00 70 TK $270.00 40 70 TK $270.00
315 80 TL $0.00 80 TL $0.00 40 80 TL $0.00 50 80 TL $0.00
90 TM $0.00 20 90 TM $0.00 90 TM $0.00 90 TM $0.00
20 100 TN $0.00 100 TN $0.00 50 100 TN $0.00 100 TN $0.00
110 TP $0.00 25 110 TP $0.00 110 TP $0.00 110 TP $0.00
25 125 TQ $630.00 30 125 TQ $630.00 125 TQ $630.00 125 TQ $630.00
100 TN $603.00 100 TN $603.00 100 TN $603.00 60 100 TN $603.00
125 TQ $0.00 125 TQ $0.00 60 125 TQ $0.00 75 125 TQ $0.00
4 30 150 TR $0.00 150 TR $0.00 75 150 TR $0.00 100 150 TR $0.00
175 TS $603.00 40 175 TS $603.00 175 TS $603.00 175 TS $603.00
40 200 TT $0.00 50 200 TT $0.00 100 200 TT $0.00 200 TT $0.00
Step 4 (Digit 12) Select Overload Relay
List Price
Overload Relay Code GO-10G1
Thermal Bi-Metallic Non-compensated (1NC) 1 $0.00
Thermal Bi-Metallic Non-compensated (1NO-1NC) 2 $24.00
Thermal Bi-Metallic Ambient Compensated (1NC) 3 $27.00
Thermal Bi-Metallic Ambient Compensated (1NO-1NC) 4 $51.00
Solid State Overload (1NO-1NC) (#) $27.00
(#) Select Code for Solid State Overload amp rating from Standard or Optional Ranges below.
Solid State Overload Relay - Standard Range
NEMA 200-208V 230-240V 460-480V 575-600V
Size OL Range Max Hp Code Max Hp Code Max Hp Code Max Hp Code
0.8 - 1.7 3/4 D1D
01.6 - 3.4 1/2 E 3/4 E2E2E
3.2 - 6.8 1F 2 F 3F 5F
6.5 - 13.5 3G 3G 5G
16.5 - 13.5 7 1/2 G 10 G
13 - 27 7 1/2 H 7 1/2 H 10 H
213 - 27 20 H 25 H
25 - 50 10 J 15 J 25 J
17 - 35 30 K
3 35 - 70 20 L 25 L 50 L 50 L
65 - 135 25 M 30 M
4 65 - 135 40 M 50 M 100 M 100 M
CR407 Magnetic Starters
Nonreversing, Combination, Thermal Magnetic Circuit Breaker Type
Part Number Configuration
Valid for NEMA Sizes 0-4
Optional Ranges
NEMA SIZE
OL Amp Range 0 & 1 2 3 & 4
0.4 - 0.85 C--
0.8 - 1.7 D--
1.6 - 3.4 E--
3.2 - 6.8 F--
6.5 - 13.5 GG-
13 - 27 HH-
25 - 50 -J-
17 - 35 --K
35 - 70 --L
65 - 135 --M

www.geindustrial.com Rev. 4/16
Prices and data subject to
change without notice
Control Catalog
1-48
NEMA Full Voltage Power Devices
NEMA Rated Full Voltage Starters - Magnetic
Section 1
Step 5 (Digit 13) Select Auxiliary Contacts
List Price
Aux Contacts Code GO-10G1
None A $0.00
1NO B $66.00
1NC C $66.00
1NO-1NC D $132.00
2NO E $132.00
2NC F $132.00
2NO-1NC G $198.00
1NO-2NC H $198.00
3NO J $198.00
3NC K $198.00
4NO L3$264.00
4NC M3$264.00
2NO-2NC N3$264.00
3NO-1NC P3$264.00
1NO-3NC R3$264.00
3Exceeds maximum number of contacts for some pilot light selections. See Step 8
(Digit 16) Table, page 1-49.
Step 6 (Digit 14) Select Monitoring Options
List Price GO-10G1
NEMA Size 0-2 NEMA Size 3 NEMA Size 4
Device Code Type 1, 3R, & 12 Type 4/4X Type 1, 3R, & 12 Type 4/4X Type 1, 3R, & 12 Type 4/4X
None A $0.00 $0.00 $0.00 $0.00 $0.00 $0.00
Phase Failure Relay with Undervoltage Protection C2$920.00 $920.00 $1056.00 $1056.00 $1056.00 $1056.00
(panel mounted) - 190-480V (PFR w/UV)
Phase Failure Relay with Undervoltage Protection D2$920.00 $920.00 $1056.00 $1056.00 $1056.00 $1056.00
(panel mounted) - 575V (PFR w/UV)
Phase Failure Relay - 208V (PFR) E4,6 $425.00 - $425.00 - $425.00 -
Phase Failure Relay - 240V (PFR) F4,6 $425.00 - $425.00 - $425.00 -
Phase Failure Relay - 480V (PFR) G4,6 $425.00 - $425.00 - $425.00 -
Phase Failure Relay - 575V (PFR) H4,6 $425.00 - $425.00 - $425.00 -
Elapsed Time Meter (120V/60Hz) Wired Across Coil (ETM) 12,5 $212.00 $342.00 $348.00 $588.00 $348.00 $588.00
ETM + PFR w/UV (190-480V) L2,5,6 $1132.00 $1262.00 $1404.00 $1644.00 $1404.00 $1644.00
ETM + PFR w/UV (575V) N2,5,6 $1132.00 $1262.00 $1404.00 $1644.00 $1404.00 $1644.00
ETM + PFR (208V) P2,4,5,6 $637.00 - $773.00 - $773.00 -
ETM + PFR (240V) Q2,4,5,6 $637.00 - $773.00 - $773.00 -
ETM + PFR (480V) R2,4,5,6 $637.00 - $773.00 - $773.00 -
ETM + PFR (575V) S2,4,5,6 $637.00 - $773.00 - $773.00 -
2Requires Oversized Enclosure for NEMA sizes 0-2. Select proper NEMA size and enclosure type from Step 1 (Digits 1-7) Table, page 1-46, and adjust price accordingly.
4Available for Type 1 Enclosure only.
5Requires 120V Control Circuit Voltage or CPT w/ 120V Secondary.
6Requires Oversized Enclosure for phase failure relay.
Step 7 (Digit 15) Select Push Button/Selector Switch
List Price
Push Button/Selector Switch - Heavy Duty Code GO-10G1
None A $0.00
Start/Stop Push Button J $132.00
Hand-Off-Auto (HOA) Selector Switch L $132.00
Off-On Selector Switch M $132.00
HOA SS & Start Push Button S $264.00
Keyed HOA SS, Key Removal Center Pos. N $168.00
CR407 Magnetic Starters
Nonreversing, Combination, Thermal Magnetic Circuit Breaker Type
Part Number Configuration
Valid for NEMA Sizes 0-4

www.geindustrial.com Control Catalog 1-49
NEMA Full Voltage Power Devices
NEMA Rated Full Voltage Starters - Magnetic
Rev. 4/16
Prices and data subject to
change without notice
Section 1
Step 8 (Digit 16) Select Pilot Device
Pilot Light
(Heavy Duty) List Price
Type Color - Functionality Code GO-10G1
None A $0.00
Red - Across Coil J $162.00
Green - Across Coil K $162.00
Red - Thru NO Aux Contact M7$228.00
Standard Lights Green - Thru NC Aux Contact N7$228.00
Red - Thru NO Aux Contact & Green - Thru NC Aux Contact U8$456.00
Red - Across Coil & Green - Thru NC Aux Contact T7$390.00
Red - Across Coil & Green - Thru NC Aux Contact & Unwired Amber X7$552.00
Red - Across Coil 1 $162.00
Green - Across Coil 2 $162.00
Red - Thru NO Aux Contact 37$228.00
LED Lights Green - Thru NC Aux Contact 47$228.00
Red - Thru NO Aux Contact & Green - Thru NC Aux Contact 58$456.00
Red - Across Coil & Green - Thru NC Aux Contact 67$390.00
Red - Across Coil & Green - Thru NC Aux Contact & Unwired Amber 77$552.00
Red - Across Coil R $180.00
Green - Across Coil S $180.00
Red - Thru NO Aux Contact C7$246.00
Push-To-Test Lights Green - Thru NC Aux Contact D7$246.00
Red - Thru NO Aux Contact & Green - Thru NC Aux Contact E8$492.00
Red - Across Coil & Green - Thru NC Aux Contact V7$426.00
Red - Across Coil & Green - Thru NC Aux Contact & Unwired Amber Y7$606.00
7Maximum of 3 Aux contacts may be added to Sizes 0 & 1.
8Maximum of 2 Aux contacts may be added to Sizes 0 & 1. Maximum of 3 Aux contacts may be added to Sizes 2-4.
Note: Auxiliary contacts wired as part of pilot light selection are in addition to the auxiliary contacts selected from
Step 5 (Digit 13) Table, page 1-48, which are for customer/field connections.
GENERAL NOTE:
On NEMA Size 3 & 4 starters, if selecting factory installed and wired operator devices
(Push Buttons, Selector Switches, and/or Pilot Lights) then control circuit fusing, a
control power transformer, or 120V separate sourced control is required when the
protective device is rated greater than 100 Amps.
Step 9 (Digit 17) Select Control Options
List Price GO-10G1
NEMA Size 0-2 NEMA Size 3 NEMA Size 4
Device Code Type 1, 3R, & 12 Type 4/4X Type 1, 3R, & 12 Type 4/4X Type 1, 3R, & 12 Type 4/4X
None A $0.00 $0.00 $0.00 $0.00 $0.00 $0.00
1 Relay, 2NO-2NC, 24/120V Coil - unwired B2,9 $170.00 $222.00 $306.00 $468.00 $480.00 $636.00
2 Relays, 24/120V Coil - unwired C2,9 $340.00 $444.00 $612.00 $936.00 $960.00 $1272.00
DIN Rail - for Customer Use D2$89.00 $89.00 $89.00 $89.00 $89.00 $89.00
12 Point Terminal Strip - unwired (12 PT Strip) E2$109.00 $109.00 $109.00 $109.00 $109.00 $109.00
Space Heater w/ NC Contact H2,10 $120.00 $120.00 $120.00 $120.00 $120.00 $120.00
1 Relay + 12 PT Strip J2,9 $279.00 $331.00 $415.00 $577.00 $589.00 $745.00
2 Relays + 12 PT Strip K2,9 $449.00 $553.00 $721.00 $1045.00 $1069.00 $1381.00
DIN Rail + 12 PT Strip + Space Heater L2,10 $318.00 $318.00 $318.00 $318.00 $318.00 $318.00
2 Relays + 12 PT Strip + Space Heater M2,9,10 $569.00 $673.00 $841.00 $1165.00 $1189.00 $1501.00
Time Delay ON Relay, 24/120V Coil - unwired (TD) N2,9 $368.00 $414.00 $504.00 $660.00 $504.00 $660.00
Time Delay OFF Relay, 24/120V Coil - unwired (TD) P2,9 $368.00 $414.00 $504.00 $660.00 $504.00 $660.00
12 PT Strip + TD ON R2,9 $477.00 $523.00 $613.00 $769.00 $613.00 $769.00
12 PT Strip + TD OFF S2,9 $477.00 $523.00 $613.00 $769.00 $613.00 $769.00
12 PT Strip + Space Heater + TD ON T2,9,10 $597.00 $643.00 $733.00 $889.00 $733.00 $889.00
12 PT Strip + Space Heater + TD OFF U2,9,10 $597.00 $643.00 $733.00 $889.00 $733.00 $889.00
2Requires Oversized Enclosure for NEMA sizes 0-2. Select proper NEMA size and enclosure type from Step 1 (Digits 1-7) Table, page 1-46, and adjust price accordingly.
9Relay/Timer coil voltage is equivalent to CPT secondary voltage. Requires minimum 100 extra VA CPT option.
10Maximum number of auxiliary contacts shall be reduced by 1.
CR407 Magnetic Starters
Nonreversing, Combination, Thermal Magnetic Circuit Breaker Type
Part Number Configuration
Valid for NEMA Sizes 0-4

www.geindustrial.com Rev. 4/16
Prices and data subject to
change without notice
Control Catalog
1-50
NEMA Full Voltage Power Devices
NEMA Rated Full Voltage Starters - Magnetic
Section 1
Application
The CR387/487 nonreversing starters are designed for more
accurate fault protection for motor circuits by utilizing Spectra™
Mag-Break motor circuit protectors for sizes 0-4 and Type TJC
for size 5.
Spectra™Features
—Spectra™Mag-Break motor circuit protector—provides protec-
tion against faults. Has adjustable trip.
—Meets NEC standards—continuous current ratings and
adjustable instantaneous trip ranges meet NEC standards on
motor full-load and locked rotor currents.
—Can eliminate nuisance tripping and provide fault protection—
by setting the Mag-Break instantaneous trip point just above
transient motor inrush current.
—Less than one cycle clearing time—to open and clear a fault.
Product Number Selection Instructions
1. Order by complete Product Number.
Example: A size 2 combination starter is required to control a
15-hp, 230-Volt, 60-Hertz nonreversing motor with FLA of 42.0.
The starter will include a Mag-Break motor circuit protector,
230-240 Volt, 60-Hertz coil, and a three-leg block overload.
Order 1—CR387DT03MJ1AAAAA at $1122.00, GO-10G1, and
3—CR123C460B heaters. List Price $9.00 each, GO-10H.
2. Order special features or forms not listed by complete descrip-
tion using a listed Product Number as reference. Example:
Similar to CR387DT03MJ1AAAAA except with OFF-ON selector
switch in cover.
Total List Price . . . . . . . . . . . . . . . . . . . . . . . $1170.00, GO-10G1.
3. 50 Hertz Starters
Pricing for 50 Hertz forms (at standard voltages) is the same as
shown in table for 60 Hertz. Listed prices for 460-480 Volt also
apply to 380-415 Volt, 50 Hertz. See page 1-4 for 380-415 Volt
horsepower ratings.
4. Product Notes
Motor full-load current should not exceed continuous ampere
rating of starter.
Order heaters by complete Product Number from appropriate
heater tables on pages 1-153 to 1-159.
Typical CR387 Starter with Mag-Break Protector with
Current Limiter
Reference Publications
Instructions
NEMA Size Publication Number
0,1 GEH-5190
2 GEH-4774
3 GEH-4806
4 GEH-4807
5 GEH-4839
CR387, CR487, Mag-Break Magnetic Starters– Contents
Application Information and Selection Instructions ...............1-50
Mag-Break Circuit Breaker Type (CR387, CR487) .....................1-51
Mag-Break Part Number Configuration
Size 0-2, NEMA Type 1 (CR387).......................................................1-52
Size 0-4, NEMA Type 1, 3R, 12, 4/4X (CR487)...........................1-55
Outlines and Dimensions .....................................................................1-59
CR387, CR487 Mag-Break Magnetic Starters
Nonreversing, Combination, NEMA Type 1, 3R, 12, 4/4X
200 Horsepower Maximum
NEMA Sizes 0-5
600 Volts Maximum 50/60 Hertz

www.geindustrial.com Control Catalog 1-51
NEMA Full Voltage Power Devices
NEMA Rated Full Voltage Starters - Magnetic
Rev. 4/16
Prices and data subject to
change without notice
Section 1
CR387, CR487 Mag-Break Magnetic Starters
Nonreversing, Combination NEMA Type 1, 3R, 12, 4/4X
NEMA Sizes 0-5, Mag-Break Circuit Breaker Type
600 Volts Maximum 50/60 Hertz
List Price includes a holding interlock, pressure terminals for the line and load connections, plus a 3-leg block type overload relay
(manual reset). All enclosures include external reset. Three heaters should be ordered as separate items. See pages 1-153 to 1-159
for selection. List price $9.00 each, GO-10H.
CR387/487 Mag-Break Circuit Breaker Type
NEMA Type 1 NEMA Type 3R NEMA Type 12 NEMA Type 4/4X
Continuous CB Product List Product List Product List Product List
Voltage NEMA Maximum Amp Rating Number Price Number Price Number Price Number Price
(60Hz) Size Horsepower Rating (Amps) CR GO-10G1 CR GO-10G1 CR GO-10G1 CR GO-10G1
200-208 01 18 7 387BT08MB1AAAAA $762.00 487B608MB1AAAAA $906.00 487B208MB1AAAAA $906.00 487B408MB1AAAAA $1338.00
200-208 03 18 15 387BT08MC1AAAAA $762.00 487B608MC1AAAAA $906.00 487B208MC1AAAAA $906.00 487B408MC1AAAAA $1338.00
200-208 15 27 25 387CT08ME1AAAAA $792.00 487C608ME1AAAAA $936.00 487C208ME1AAAAA $936.00 487C408ME1AAAAA $1368.00
200-208 1 7 1/2 27 40 387CT08MG1AAAAA $792.00 487C608MG1AAAAA $936.00 487C208MG1AAAAA $936.00 487C408MG1AAAAA $1368.00
200-208 2 10 45 50 387DT08MH1AAAAA $1122.00 487D608MH1AAAAA $1326.00 487D208MH1AAAAA $1326.00 487D408MH1AAAAA $2010.00
200-208 3 15 90 70 487E108MK1AAAAA $1632.00 487E608MK1AAAAA $1896.00 487E208MK1AAAAA $1896.00 487E408MK1AAAAA $3180.00
200-208 3 20 90 80 487E108ML1AAAAA $1632.00 487E608ML1AAAAA $1896.00 487E208ML1AAAAA $1896.00 487E408ML1AAAAA $3180.00
200-208 3 25 90 100 487E108MN1AAAAA $1632.00 487E608MN1AAAAA $1896.00 487E208MN1AAAAA $1896.00 487E408MN1AAAAA $3180.00
200-208 4 30 135 125 487F108MQ1AAAAA $3582.00 487F608MQ1AAAAA $4314.00 487F208MQ1AAAAA $4314.00 487F408MQ1AAAAA $5562.00
200-208 4 40 135 150 487F108MR1AAAAA $3582.00 487F608MR1AAAAA $4314.00 487F208MR1AAAAA $4314.00 487F408MR1AAAAA $5562.00
200-208 5 75 270 400 387G123CAAA $8307.00 387G623CAAA $9627.00 387G223CAUA $9627.00 387G423CAAA $13359.00
230-240 0 1/2 18 3 387BT03MA1AAAAA $762.00 487B603MA1AAAAA $906.00 487B203MA1AAAAA $906.00 487B403MA1AAAAA $1338.00
230-240 01 18 7 387BT03MB1AAAAA $762.00 487B603MB1AAAAA $906.00 487B203MB1AAAAA $906.00 487B403MB1AAAAA $1338.00
230-240 03 18 15 387BT03MC1AAAAA $762.00 487B603MC1AAAAA $906.00 487B203MC1AAAAA $906.00 487B403MC1AAAAA $1338.00
230-240 15 27 25 387CT03ME1AAAAA $792.00 487C603ME1AAAAA $936.00 487C203ME1AAAAA $936.00 487C403ME1AAAAA $1368.00
230-240 1 7 1/2 27 30 387CT03MF1AAAAA $792.00 487C603MF1AAAAA $936.00 487C203MF1AAAAA $936.00 487C403MF1AAAAA $1368.00
230-240 2 10 45 40 387DT03MG1AAAAA $1122.00 487D603MG1AAAAA $1326.00 487D203MG1AAAAA $1326.00 487D403MG1AAAAA $2010.00
230-240 2 15 45 60 387DT03MJ1AAAAA $1122.00 487D603MJ1AAAAA $1326.00 487D203MJ1AAAAA $1326.00 487D403MJ1AAAAA $2010.00
230-240 3 20 90 70 487E103MK1AAAAA $1632.00 487E603MK1AAAAA $1896.00 487E203MK1AAAAA $1896.00 487E403MK1AAAAA $3180.00
230-240 3 25 90 90 487E103MM1AAAAA $1632.00 487E603MM1AAAAA $1896.00 487E203MM1AAAAA $1896.00 487E403MM1AAAAA $3180.00
230-240 3 30 90 100 487E103MN1AAAAA $1632.00 487E603MN1AAAAA $1896.00 487E203MN1AAAAA $1896.00 487E403MN1AAAAA $3180.00
230-240 4 40 135 150 487F103MR1AAAAA $3582.00 487F603MR1AAAAA $4314.00 487F203MR1AAAAA $4314.00 487F403MR1AAAAA $5562.00
230-240 4 50 135 175 487F103MS1AAAAA $3582.00 487F603MS1AAAAA $4314.00 487F203MS1AAAAA $4314.00 487F403MS1AAAAA $5562.00
230-240 5 100 270 400 387G103CAAA $8307.00 387G603CAAA $9627.00 387G203CAUA $9627.00 387G403CAAA $13359.00
460-480 01 18 3 387BT04MA1AAAAA $762.00 487B604MA1AAAAA $906.00 487B204MA1AAAAA $906.00 487B404MA1AAAAA $1338.00
460-480 03 18 7 387BT04MB1AAAAA $762.00 487B604MB1AAAAA $906.00 487B204MB1AAAAA $906.00 487B404MB1AAAAA $1338.00
460-480 05 18 15 387BT04MC1AAAAA $762.00 487B604MC1AAAAA $906.00 487B204MC1AAAAA $906.00 487B404MC1AAAAA $1338.00
460-480 1 7 1/2 27 15 387CT04MC1AAAAA $792.00 487C604MC1AAAAA $936.00 487C204MC1AAAAA $936.00 487C404MC1AAAAA $1368.00
460-480 1 10 27 20 387CT04MD1AAAAA $792.00 487C604MD1AAAAA $936.00 487C204MD1AAAAA $936.00 487C404MD1AAAAA $1368.00
460-480 2 15 45 30 387DT04MF1AAAAA $1122.00 487D604MF1AAAAA $1326.00 487D204MF1AAAAA $1326.00 487D404MF1AAAAA $2010.00
460-480 2 20 45 40 387DT04MG1AAAAA $1122.00 487D604MG1AAAAA $1326.00 487D204MG1AAAAA $1326.00 487D404MG1AAAAA $2010.00
460-480 2 25 45 50 387DT04MH1AAAAA $1122.00 487D604MH1AAAAA $1326.00 487D204MH1AAAAA $1326.00 487D404MH1AAAAA $2010.00
460-480 3 30 90 50 487E104MH1AAAAA $1632.00 487E604MH1AAAAA $1896.00 487E204MH1AAAAA $1896.00 487E404MH1AAAAA $3180.00
460-480 3 40 90 70 487E104MK1AAAAA $1632.00 487E604MK1AAAAA $1896.00 487E204MK1AAAAA $1896.00 487E404MK1AAAAA $3180.00
460-480 3 50 90 90 487E104MM1AAAAA $1632.00 487E604MM1AAAAA $1896.00 487E204MM1AAAAA $1896.00 487E404MM1AAAAA $3180.00
460-480 4 60 135 100 487F104MN1AAAAA $3582.00 487F604MN1AAAAA $4314.00 487F204MN1AAAAA $4314.00 487F404MN1AAAAA $5562.00
460-480 4 75 135 125 487F104MQ1AAAAA $3582.00 487F604MQ1AAAAA $4314.00 487F204MQ1AAAAA $4314.00 487F404MQ1AAAAA $5562.00
460-480 4 100 135 175 487F104MS1AAAAA $3582.00 487F604MS1AAAAA $4314.00 487F204MS1AAAAA $4314.00 487F404MS1AAAAA $5562.00
460-480 5 200 270 400 387G104CAAA $8307.00 387G604CAAA $9627.00 387G204CAUA $9627.00 387G404CAAA $13359.00
575-600 01 18 3 387BT05MA1AAAAA $762.00 487B605MA1AAAAA $906.00 487B205MA1AAAAA $906.00 487B405MA1AAAAA $1338.00
575-600 03 18 7 387BT05MB1AAAAA $762.00 487B605MB1AAAAA $906.00 487B205MB1AAAAA $906.00 487B405MB1AAAAA $1338.00
575-600 05 18 15 387BT05MC1AAAAA $762.00 487B605MC1AAAAA $906.00 487B205MC1AAAAA $906.00 487B405MC1AAAAA $1338.00
575-600 1 10 27 15 387CT05MC1AAAAA $792.00 487C605MC1AAAAA $936.00 487C205MC1AAAAA $936.00 487C405MC1AAAAA $1368.00
575-600 2 15 45 25 387DT05ME1AAAAA $1122.00 487D605ME1AAAAA $1326.00 487D205ME1AAAAA $1326.00 487D405ME1AAAAA $2010.00
575-600 2 20 45 30 387DT05MF1AAAAA $1122.00 487D605MF1AAAAA $1326.00 487D205MF1AAAAA $1326.00 487D405MF1AAAAA $2010.00
575-600 2 25 45 40 387DT05MG1AAAAA $1122.00 487D605MG1AAAAA $1326.00 487D205MG1AAAAA $1326.00 487D405MG1AAAAA $2010.00
575-600 3 30 90 40 487E105MG1AAAAA $1632.00 487E605MG1AAAAA $1896.00 487E205MG1AAAAA $1896.00 487E405MG1AAAAA $3180.00
575-600 3 40 90 60 487E105MJ1AAAAA $1632.00 487E605MJ1AAAAA $1896.00 487E205MJ1AAAAA $1896.00 487E405MJ1AAAAA $3180.00
575-600 3 50 90 70 487E105MK1AAAAA $1632.00 487E605MK1AAAAA $1896.00 487E205MK1AAAAA $1896.00 487E405MK1AAAAA $3180.00
575-600 4 60 135 80 487F105ML1AAAAA $3582.00 487F605ML1AAAAA $4314.00 487F205ML1AAAAA $4314.00 487F405ML1AAAAA $5562.00
575-600 4 75 135 100 487F105MN1AAAAA $3582.00 487F605MN1AAAAA $4314.00 487F205MN1AAAAA $4314.00 487F405MN1AAAAA $5562.00
575-600 4 100 135 150 487F105MR1AAAAA $3582.00 487F605MR1AAAAA $4314.00 487F205MR1AAAAA $4314.00 487F405MR1AAAAA $5562.00
575-600 5 125 270 400 387G105BAAA $8307.00 387G605BAAA $9627.00 387G205BAUA $9627.00 387G405BAAA $13359.00
575-600 5 200 270 400 387G105CAAA $8307.00 387G605CAAA $9627.00 387G205CAUA $9627.00 387G405CAAA $13359.00
• NEMA Size 5 starters with 115-120Volt, 60 Hertz coil for separate control are available at listed prices. To order, replace Digits 8 and 9 of listed Product Numbers with 02.
Example: --CR487C208MG1AAAAA with 115-120 Volt, 60 Hertz coil for separate control becomes CR487C202MG1AAAAA.
• Motor full load current should not exceed continuous ampere rating of starter.

www.geindustrial.com Rev. 4/16
Prices and data subject to
change without notice
Control Catalog
1-52
NEMA Full Voltage Power Devices
NEMA Rated Full Voltage Starters - Magnetic
Section 1
CR387 Mag-Break Magnetic Starters
Nonreversing, Combination, Mag-Break Circuit Breaker Type
Part Number Configuration
Valid for NEMA sizes 0-2, Type 1 Standard Enclosure
1
CR
Digits:
Steps:
23
Step 1
4567891011121314151617
Step 2 Step 3 Step 4 Step 5 Step 6 Step 7 Step 8 Step 9
To configure the part number, use the tables below to fill in the digit boxes with the
appropriate code. Add list price from each step to arrive at total list for price for starter.
Step 1 (Digits 1-7) Select NEMA Size and Enclosure
NEMA Type 1
Standard Enclosure List Price
NEMA Size CR GO-10G1
0 387BT $762.00
1 387CT $792.00
2 387DT $1122.00
Note: All enclosures include external overload reset buttons.
Step 2 (Digits 8, 9) Select Control Voltage
NEMA Size NEMA Size
Control Standard 0 12Standard 012
No List Price Fuses, List Price Size List Price List Price List Price Size List Price List Price List Price
Control Circuit Voltage & CPT CPT GO-10G1 No CPT GO-10G1 CPT GO-10G1 GO-10G1 GO-10G1 CPT + 100VA GO-10G1 GO-10G1 GO-10G1
120V w/ Surge Protector (SP) 01 $54.00 F1 $132.00 --
120V 02 $0.00 F2 $132.00 --
240V 03 $0.00 F3 $132.00 --
480V 04 $0.00 F4 $132.00 --
600V 05 $0.00 F5 $132.00 --
208V 08 $0.00 F8 $132.00 --
24V 09 $0.00 -- -
240V/120V w/CPT -- 93 $294.00 $294.00 $352.00 13 $420.00 $420.00 $504.00
480V/120V w/CPT -- 94 $294.00 $294.00 $352.00 14 $420.00 $420.00 $504.00
600V/120V w/CPT -- 95 $294.00 $294.00 $352.00 15 $420.00 $420.00 $504.00
208V/120V w/CPT -- 98 $294.00 $294.00 $352.00 18 $420.00 $420.00 $504.00
240V/120V w/CPT & SP -- 33 $348.00 $348.00 $406.00 53 $474.00 $474.00 $558.00
480V/120V w/CPT & SP -- 34 $348.00 $348.00 $406.00 54 $474.00 $474.00 $558.00
600V/120V w/CPT & SP -- 35 $348.00 $348.00 $406.00 55 $474.00 $474.00 $558.00
208V/120V w/CPT & SP -- 38 $348.00 $348.00 $406.00 58 $474.00 $474.00 $558.00
240V/24V w/CPT -- S3 $294.00 $294.00 $352.00 A3 $420.00 $420.00 $504.00
480V/24V w/CPT -- S4 $294.00 $294.00 $352.00 A4 $420.00 $420.00 $504.00
600V/24V w/CPT -- S5 $294.00 $294.00 $352.00 A5 $420.00 $420.00 $504.00
208V/24V w/CPT -- S8 $294.00 $294.00 $352.00 A8 $420.00 $420.00 $504.00
Note: CPT includes 2 primary fuses and 1 secondary fuse.
Step 3 (Digits 10, 11) Select Protective Device
Mag-Break Circuit Breaker - Spectra™Series
200-208V 230-240V 460-480V 575-600V
Max CB Rating List Price Max CB Rating List Price Max CB Rating List Price Max CB Rating List Price
NEMA Size Hp (Amps) Code GO-10G1 Hp (Amps) Code GO-10G1 Hp (Amps) Code GO-10G1 Hp (Amps) Code GO-10G1
3 MA $0.00 1/2 3 MA $0.00 13MA $0.00 13MA $0.00
017MB $0.00 17MB $0.00 37MB $0.00 37MB $0.00
3 15 MC $0.00 3 15 MC $0.00 5 15 MC $0.00 5 15 MC $0.00
15 MC $0.00 15 MC $0.00 7 1/2 15 MC $0.00 10 15 MC $0.00
20 MD $0.00 20 MD $0.00 10 20 MD $0.00 20 MD $0.00
1525 ME $0.00 5 25 ME $0.00 25 ME $0.00 25 ME $0.00
30 MF $0.00 7 1/2 30 MF $0.00 30 MF $0.00 30 MF $0.00
7 1/2 40 MG $0.00 40 MG $0.00 40 MG $0.00 40 MG $0.00
25 ME $0.00 25 ME $0.00 25 ME $0.00 15 25 ME $0.00
30 MF $0.00 30 MF $0.00 15 30 MF $0.00 20 30 MF $0.00
2 40 MG $0.00 10 40 MG $0.00 20 40 MG $0.00 25 40 MG $0.00
10 50 MH $0.00 50 MH $0.00 25 50 MH $0.00 50 MH $0.00
60 MJ $0.00 15 60 MJ $0.00 60 MJ $0.00 60 MJ $0.00

www.geindustrial.com Control Catalog 1-53
NEMA Full Voltage Power Devices
NEMA Rated Full Voltage Starters - Magnetic
Rev. 4/16
Prices and data subject to
change without notice
Section 1
Step 4 (Digit 12) Select Overload Relay
List Price
Overload Relay Code GO-10G1
Thermal Bi-Metallic Non-compensated (1NC) 1 $0.00
Thermal Bi-Metallic Non-compensated (1NO-1NC) 2 $24.00
Thermal Bi-Metallic Ambient Compensated (1NC) 3 $27.00
Thermal Bi-Metallic Ambient Compensated (1NO-1NC) 4 $51.00
Solid State Overload (1NO-1NC) (#) $27.00
(#) Select Code for Solid State Overload amp rating from Standard or Optional Ranges below.
Solid State Overload Relay - Standard Range
NEMA 200-208V 230-240V 460-480V 575-600V
Size OL Range Max Hp Code Max Hp Code Max Hp Code Max Hp Code
0.8 - 1.7 3/4 D1D
01.6 - 3.4 1/2 E 3/4 E2E2E
3.2 - 6.8 1F 2 F 3F 5 F
6.5 - 13.5 3G 3 G 5G
16.5 - 13.5 7 1/2 G 10 G
13 - 27 7 1/2 H 7 1/2 H 10 H
213 - 27 20 H 25 H
25 - 50 10 J 15 J 25 J
Step 5 (Digit 13) Select Auxiliary Contacts
List Price
Aux Contacts Code GO-10G1
None A $0.00
1NO B $66.00
1NC C $66.00
1NO-1NC D $132.00
2NO E $132.00
2NC F $132.00
2NO-1NC G $198.00
1NO-2NC H $198.00
3NO J $198.00
3NC K $198.00
4NO L1$264.00
4NC M1$264.00
2NO-2NC N1$264.00
3NO-1NC P1$264.00
1NO-3NC R1$264.00
1Exceeds maximum number of contacts for some pilot
light selections. See Step 8 (Digit 16) Table, page 1-54.
Step 6 (Digit 14) Select Monitoring Options
List Price
Device Code GO-10G1
None2A$0.00
2Phase Failure Relay is not available for CR387 series standard enclosures.
If this is required for your application, use CR487 series oversized enclosure.
See page 1-55.
Step 7 (Digit 15) Select Push Button/Selector Switch
List Price
Push Button/Selector Switch - Heavy Duty Code GO-10G1
None A $0.00
Start/Stop Push Button J $132.00
Hand-Off-Auto (HOA) Selector Switch L $132.00
Off-On Selector Switch M $132.00
HOA SS & Start Push Button S $264.00
Keyed HOA SS, Key Removal Center Pos. N $168.00
CR387 Mag-Break Magnetic Starters
Nonreversing, Combination, Mag-Break Circuit Breaker Type
Part Number Configuration
Valid for NEMA sizes 0-2, Type 1 Standard Enclosure
Optional Ranges
NEMA SIZE
OL Amp Range 0 & 1 2
0.4 - 0.85 C-
0.8 - 1.7 D-
1.6 - 3.4 E-
3.2 - 6.8 F-
6.5 - 13.5 GG
13 - 27 HH
25 - 50 -J
17 - 35 --
35 - 70 --
65 - 135 --

www.geindustrial.com Rev. 4/16
Prices and data subject to
change without notice
Control Catalog
1-54
NEMA Full Voltage Power Devices
NEMA Rated Full Voltage Starters - Magnetic
Section 1
Step 8 (Digit 16) Select Pilot Device
Pilot Light (Heavy Duty) List Price
Type Color - Functionality Code GO-10G1
None A $0.00
Red - Across Coil J $162.00
Green - Across Coil K $162.00
Red - Thru NO Aux Contact M3$228.00
Standard Lights Green - Thru NC Aux Contact N3$228.00
Red - Thru NO Aux Contact & Green - Thru NC Aux Contact U4$456.00
Red - Across Coil & Green - Thru NC Aux Contact T3$390.00
Red - Across Coil & Green - Thru NC Aux Contact & Unwired Amber X3$552.00
Red - Across Coil 1 $162.00
Green - Across Coil 2 $162.00
Red - Thru NO Aux Contact 33$228.00
LED Lights Green - Thru NC Aux Contact 43$228.00
Red - Thru NO Aux Contact & Green - Thru NC Aux Contact 54$456.00
Red - Across Coil & Green - Thru NC Aux Contact 63$390.00
Red - Across Coil & Green - Thru NC Aux Contact & Unwired Amber 73$552.00
Red - Across Coil R $180.00
Green - Across Coil S $180.00
Red - Thru NO Aux Contact C3$246.00
Push-To-Test Lights Green - Thru NC Aux Contact D3$246.00
Red - Thru NO Aux Contact & Green - Thru NC Aux Contact E4$492.00
Red - Across Coil & Green - Thru NC Aux Contact V3$426.00
Red - Across Coil & Green - Thru NC Aux Contact & Unwired Amber Y3$606.00
3Maximum of 3 Aux contacts may be added to Sizes 0 & 1.
4Maximum of 2 Aux contacts may be added to Sizes 0 & 1. Maximum of 3 Aux contacts may be added to Sizes 2-4.
Note: Auxiliary contacts wired as part of pilot light selection are in addition to the auxiliary contacts selected from
Step 5 (Digit 13) Table, page 1-53, which are for customer/field connections.
Step 9 (Digit 17) Select Control Options
List Price
Device Code GO-10G1
None A $0.00
GENERAL NOTE:
If selecting factory installed and wired operator devices (Push Buttons, Selector
Switches, and/or Pilot Lights) control circuit fusing, a control power transformer, or
24V/120V separate sourced control is required, regardless of protective device rating.
CR387 Mag-Break Magnetic Starters
Nonreversing, Combination, Mag-Break Circuit Breaker Type
Part Number Configuration
Valid for NEMA sizes 0-2, Type 1 Standard Enclosure

www.geindustrial.com Control Catalog 1-55
NEMA Full Voltage Power Devices
NEMA Rated Full Voltage Starters - Magnetic
Rev. 4/16
Prices and data subject to
change without notice
Section 1
CR487 Mag-Break Magnetic Starters
Nonreversing, Combination, Mag-Break Circuit Breaker Type
Part Number Configuration
Valid for NEMA sizes 0-4
Step 2 (Digits 8, 9) Select Control Voltage (No CPT and Standard Size CPT)
NEMA Size
Control Standard 0123 4
No List Price Fuses, List Price Size List Price List Price List Price List Price List Price
Control Circuit Voltage & CPT CPT GO-10G1 No CPT GO-10G1 CPT GO-10G1 GO-10G1 GO-10G1 GO-10G1 GO-10G1
120V w/ Surge Protector (SP) 01 $54.00 F1 $132.00 -
120V 02 $0.00 F2 $132.00 -
240V 03 $0.00 F3 $132.00 -
480V 04 $0.00 F4 $132.00 -
600V 05 $0.00 F5 $132.00 -
208V 08 $0.00 F8 $132.00 -
24V109 $0.00 --
240V/120V w/CPT -- 93 $294.00 $294.00 $352.00 $468.00 $540.00
480V/120V w/CPT -- 94 $294.00 $294.00 $352.00 $468.00 $540.00
600V/120V w/CPT -- 95 $294.00 $294.00 $352.00 $468.00 $540.00
208V/120V w/CPT -- 98 $294.00 $294.00 $352.00 $468.00 $540.00
240V/120V w/CPT & SP -- 33 $348.00 $348.00 $406.00 $522.00 $594.00
480V/120V w/CPT & SP -- 34 $348.00 $348.00 $406.00 $522.00 $594.00
600V/120V w/CPT & SP -- 35 $348.00 $348.00 $406.00 $522.00 $594.00
208V/120V w/CPT & SP -- 38 $348.00 $348.00 $406.00 $522.00 $594.00
240V/24V w/CPT1-- S3 $294.00 $294.00 $352.00 --
480V/24V w/CPT1-- S4 $294.00 $294.00 $352.00 --
600V/24V w/CPT1-- S5 $294.00 $294.00 $352.00 --
208V/24V w/CPT1-- S8 $294.00 $294.00 $352.00 --
124V coils not available for NEMA size 3 and 4.
1
CR
Digits:
Steps:
23
Step 1
4567891011121314151617
Step 2 Step 3 Step 4 Step 5 Step 6 Step 7 Step 8 Step 9
To configure the part number, use the tables below to fill in the digit boxes with the appropriate code.
Add list price from each step to arrive at total list for price for starter.
Step 1 (Digits 1-7) Select NEMA Size and Enclosure
NEMA Type 1 NEMA Type 3R NEMA Type 12 NEMA Type 4/4X
Standard List Oversized List Standard List Oversized List Standard List Oversized List Standard List Oversized List
NEMA Enclosure Price Enclosure Price Enclosure Price Enclosure Price Enclosure Price Enclosure Price Enclosure Price Enclosure Price
Size CR GO-10G1 CR GO-10G1 CR GO-10G1 CR GO-10G1 CR GO-10G1 CR GO-10G1 CR GO-10G1 CR GO-10G1
0 Use CR387 487B5 $898.00 487B6 $906.00 487BR $1042.00 487B2 $906.00 487B7 $1042.00 487B4 $1338.00 487BS $1584.00
1 Use CR387 487C5 $928.00 487C6 $936.00 487CR $1072.00 487C2 $936.00 487C7 $1072.00 487C4 $1368.00 487CS $1614.00
2 Use CR387 487D5 $1258.00 487D6 $1326.00 487DR $1462.00 487D2 $1326.00 487D7 $1462.00 487D4 $2010.00 487DS $2256.00
3 487E1 $1632.00 487E5 $1854.00 487E6 $1896.00 487ER $2118.00 487E2 $1896.00 487E7 $2118.00 487E4 $3180.00 487ES $3738.00
4 487F1 $3582.00 487F5 $3972.00 487F6 $4314.00 487FR $4704.00 487F2 $4314.00 487F7 $4704.00 487F4 $5562.00 487FS $6249.00
Note: All enclosures include external overload reset buttons. NEMA 4 enclosures are stainless steel.

www.geindustrial.com Rev. 4/16
Prices and data subject to
change without notice
Control Catalog
1-56
NEMA Full Voltage Power Devices
NEMA Rated Full Voltage Starters - Magnetic
Section 1
Step 2 (Digits 8, 9) Select Control Voltage (Extra Capacity CPT + 100VA and 200VA)
NEMA Size NEMA Size
Standard 01234Standard 01 234
Size List Price List Price List Price List Price List Price Size List Price2List Price2List Price2List Price List Price
Control Circuit Voltage & CPT CPT + 100VA GO-10G1 GO-10G1 GO-10G1 GO-10G1 GO-10G1 CPT + 200VA GO-10G1 GO-10G1 GO-10G1 GO-10G1 GO-10G1
120V w/ Surge Protector (SP) - -
120V - -
240V - -
480V - -
600V - -
208V - -
24V1- -
240V/120V w/CPT 13 $420.00 $420.00 $504.00 $600.00 $660.00 23 $523.00 $523.00 $618.00 $714.00 $775.00
480V/120V w/CPT 14 $420.00 $420.00 $504.00 $600.00 $660.00 24 $523.00 $523.00 $618.00 $714.00 $775.00
600V/120V w/CPT 15 $420.00 $420.00 $504.00 $600.00 $660.00 25 $523.00 $523.00 $618.00 $714.00 $775.00
208V/120V w/CPT 18 $420.00 $420.00 $504.00 $600.00 $660.00 28 $523.00 $523.00 $618.00 $714.00 $775.00
240V/120V w/CPT & SP 53 $474.00 $474.00 $558.00 $654.00 $714.00 63 $577.00 $577.00 $672.00 $768.00 $829.00
480V/120V w/CPT & SP 54 $474.00 $474.00 $558.00 $654.00 $714.00 64 $577.00 $577.00 $672.00 $768.00 $829.00
600V/120V w/CPT & SP 55 $474.00 $474.00 $558.00 $654.00 $714.00 65 $577.00 $577.00 $672.00 $768.00 $829.00
208V/120V w/CPT & SP 58 $474.00 $474.00 $558.00 $654.00 $714.00 68 $577.00 $577.00 $672.00 $768.00 $829.00
240V/24V w/CPT1A3 $420.00 $420.00 $504.00 -- B3 $523.00 $523.00 $618.00 --
480V/24V w/CPT1A4 $420.00 $420.00 $504.00 -- B4 $523.00 $523.00 $618.00 --
600V/24V w/CPT1A5 $420.00 $420.00 $504.00 -- B5 $523.00 $523.00 $618.00 --
208V/24V w/CPT1A8 $420.00 $420.00 $504.00 -- B8 $523.00 $523.00 $618.00 --
Note: CPT includes 2 primary fuses and 1 secondary fuse.
124V coils not available for NEMA size 3 & 4.
2Requires Oversized Enclosure for NEMA sizes 0-2. Select proper NEMA size and enclosure type from Step 1 (Digits 1-7) Table, page 1-55, and adjust price accordingly.
Step 4 (Digit 12) Select Overload Relay
List Price
Overload Relay Code GO-10G1
Thermal Bi-Metallic Non-compensated (1NC) 1 $0.00
Thermal Bi-Metallic Non-compensated (1NO-1NC) 2 $24.00
Thermal Bi-Metallic Ambient Compensated (1NC) 3 $27.00
Thermal Bi-Metallic Ambient Compensated (1NO-1NC) 4 $51.00
Solid State Overload (1NO-1NC) (#) $27.00
(#) Select Code for Solid State Overload amp rating from Standard or Optional
Ranges table on page 1-57.
Step 3 (Digits 10, 11) Select Protective Device
Mag-Break Circuit Breaker - Spectra™Series
200-208V 230-240V 460-480V 575-600V
Max CB Rating List Price Max CB Rating List Price Max CB Rating List Price Max CB Rating List Price
NEMA Size Hp (Amps) Code GO-10G1 Hp (Amps) Code GO-10G1 Hp (Amps) Code GO-10G1 Hp (Amps) Code GO-10G1
3 MA $0.00 1/2 3 MA $0.00 13MA $0.00 13MA $0.00
017MB $0.00 17MB $0.00 37MB $0.00 37MB $0.00
3 15 MC $0.00 3 15 MC $0.00 5 15 MC $0.00 5 15 MC $0.00
15 MC $0.00 15 MC $0.00 7 1/2 15 MC $0.00 10 15 MC $0.00
20 MD $0.00 20 MD $0.00 10 20 MD $0.00 20 MD $0.00
1525 ME $0.00 5 25 ME $0.00 25 ME $0.00 25 ME $0.00
30 MF $0.00 7 1/2 30 MF $0.00 30 MF $0.00 30 MF $0.00
7 1/2 40 MG $0.00 40 MG $0.00 40 MG $0.00 40 MG $0.00
25 ME $0.00 25 ME $0.00 25 ME $0.00 15 25 ME $0.00
30 MF $0.00 30 MF $0.00 15 30 MF $0.00 20 30 MF $0.00
2 40 MG $0.00 10 40 MG $0.00 20 40 MG $0.00 25 40 MG $0.00
10 50 MH $0.00 50 MH $0.00 25 50 MH $0.00 50 MH $0.00
60 MJ $0.00 15 60 MJ $0.00 60 MJ $0.00 60 MJ $0.00
40 MG $0.00 40 MG $0.00 40 MG $0.00 30 40 MG $0.00
50 MH $0.00 50 MH $0.00 30 50 MH $0.00 50 MH $0.00
60 MJ $0.00 60 MJ $0.00 60 MJ $0.00 40 60 MJ $0.00
3 15 70 MK $0.00 20 70 MK $0.00 40 70 MK $0.00 50 70 MK $0.00
20 80 ML $0.00 80 ML $0.00 80 ML $0.00 80 ML $0.00
90 MM $0.00 25 90 MM $0.00 50 90 MM $0.00 90 MM $0.00
25 100 MN $0.00 30 100 MN $0.00 100 MN $0.00 100 MN $0.00
80 ML $0.00 80 ML $0.00 80 ML $0.00 60 80 ML $0.00
100 MN $0.00 100 MN $0.00 60 100 MN $0.00 75 100 MN $0.00
4 30 125 MQ $0.00 125 MQ $0.00 75 125 MQ $0.00 125 MQ $0.00
40 150 MR $0.00 40 150 MR $0.00 150 MR $0.00 100 150 MR $0.00
175 MS $0.00 50 175 MS $0.00 100 175 MS $0.00 175 MS $0.00
CR487 Mag-Break Magnetic Starters
Nonreversing, Combination, Mag-Break Circuit Breaker Type
Part Number Configuration
Valid for NEMA sizes 0-4

www.geindustrial.com Control Catalog 1-57
NEMA Full Voltage Power Devices
NEMA Rated Full Voltage Starters - Magnetic
Rev. 4/16
Prices and data subject to
change without notice
Section 1
Step 5 (Digit 13) Select Auxiliary Contacts
List Price
Aux Contacts Code GO-10G1
None A $0.00
1NO B $66.00
1NC C $66.00
1NO-1NC D $132.00
2NO E $132.00
2NC F $132.00
2NO-1NC G $198.00
1NO-2NC H $198.00
3NO J $198.00
3NC K $198.00
4NO L3$264.00
4NC M3$264.00
2NO-2NC N3$264.00
3NO-1NC P3$264.00
1NO-3NC R3$264.00
3Exceeds maximum number of contacts for some pilot light selections. See Step 8
(Digit 16) Table, page 1-58.
Step 6 (Digit 14) Select Monitoring Options
List Price GO-10G1
NEMA Size 0-2 NEMA Size 3 NEMA Size 4
Device Code Type 1, 3R, & 12 Type 4/4X Type 1, 3R, & 12 Type 4/4X Type 1, 3R, & 12 Type 4/4X
None A $0.00 $0.00 $0.00 $0.00 $0.00 $0.00
Phase Failure Relay with Undervoltage Protection C2$920.00 $920.00 $1056.00 $1056.00 $1056.00 $1056.00
(panel mounted) - 190-480V (PFR w/UV)
Phase Failure Relay with Undervoltage Protection D2$920.00 $920.00 $1056.00 $1056.00 $1056.00 $1056.00
(panel mounted) - 575V (PFR w/UV)
Phase Failure Relay - 208V (PFR) E4,6 $425.00 - $425.00 - $425.00 -
Phase Failure Relay - 240V (PFR) F4,6 $425.00 - $425.00 - $425.00 -
Phase Failure Relay - 480V (PFR) G4,6 $425.00 - $425.00 - $425.00 -
Phase Failure Relay - 575V (PFR) H4,6 $425.00 - $425.00 - $425.00 -
Elapsed Time Meter (120V/60Hz) Wired Across Coil (ETM) 12,5 $212.00 $342.00 $348.00 $588.00 $348.00 $588.00
ETM + PFR w/UV (190-480V) L2,5,6 $1132.00 $1262.00 $1404.00 $1644.00 $1404.00 $1644.00
ETM + PFR w/UV (575V) N2,5,6 $1132.00 $1262.00 $1404.00 $1644.00 $1404.00 $1644.00
ETM + PFR (208V) P2,4,5,6 $637.00 - $773.00 - $773.00 -
ETM + PFR (240V) Q2,4,5,6 $637.00 - $773.00 - $773.00 -
ETM + PFR (480V) R2,4,5,6 $637.00 - $773.00 - $773.00 -
ETM + PFR (575V) S2,4,5,6 $637.00 - $773.00 - $773.00 -
2Requires Oversized Enclosure for NEMA sizes 0-2. Select proper NEMA size and enclosure type from Step 1 (Digits 1-7) Table, page 1-55, and adjust price accordingly.
4Available for Type 1 Enclosure only.
5Requires 120V Control Circuit Voltage or CPT w/ 120V Secondary.
6Requires Oversized Enclosure for phase failure relay.
CR487 Mag-Break Magnetic Starters
Nonreversing, Combination, Mag-Break Circuit Breaker Type
Part Number Configuration
Valid for NEMA sizes 0-4
Step 4 (Digit 12) Select Overload Relay (continued)
Solid State Overload Relay - Standard Range
NEMA 200-208V 230-240V 460-480V 575-600V
Size OL Range Max Hp Code Max Hp Code Max Hp Code Max Hp Code
0.8 - 1.7 3/4 D1D
01.6 - 3.4 1/2 E 3/4 E2E2E
3.2 - 6.8 1F 2 F 3 F 5 F
6.5 - 13.5 3G 3 G 5 G
16.5 - 13.5 7 1/2 G 10 G
13 - 27 7 1/2 H 7 1/2 H 10 H
213 - 27 20 H 25 H
25 - 50 10 J 15 J 25 J
17 - 35 30 K
3 35 - 70 20 L 25 L 50 L 50 L
65 - 135 25 M 30 M
4 65 - 135 40 M 50 M 100 M 100 M
Optional Ranges
NEMA SIZE
OL Amp Range 0 & 1 2 3 & 4
0.4 - 0.85 C--
0.8 - 1.7 D--
1.6 - 3.4 E--
3.2 - 6.8 F--
6.5 - 13.5 GG-
13 - 27 HH-
25 - 50 -J-
17 - 35 --K
35 - 70 --L
65 - 135 --M

www.geindustrial.com Rev. 4/16
Prices and data subject to
change without notice
Control Catalog
1-58
NEMA Full Voltage Power Devices
NEMA Rated Full Voltage Starters - Magnetic
Section 1
Step 7 (Digit 15) Select Push Button/Selector Switch
List Price
Push Button/Selector Switch - Heavy Duty Code GO-10G1
None A $0.00
Start/Stop Push Button J $132.00
Hand-Off-Auto (HOA) Selector Switch L $132.00
Off-On Selector Switch M $132.00
HOA SS & Start Push Button S $264.00
Keyed HOA SS, Key Removal Center Pos. N $168.00
Step 8 (Digit 16) Select Pilot Device
Pilot Light
(Heavy Duty) List Price
Type Color - Functionality Code GO-10G1
None A $0.00
Red - Across Coil J $162.00
Green - Across Coil K $162.00
Red - Thru NO Aux Contact M7$228.00
Standard Lights Green - Thru NC Aux Contact N7$228.00
Red - Thru NO Aux Contact & Green - Thru NC Aux Contact U8$456.00
Red - Across Coil & Green - Thru NC Aux Contact T7$390.00
Red - Across Coil & Green - Thru NC Aux Contact & Unwired Amber X7$552.00
Red - Across Coil 1 $162.00
Green - Across Coil 2 $162.00
Red - Thru NO Aux Contact 37$228.00
LED Lights Green - Thru NC Aux Contact 47$228.00
Red - Thru NO Aux Contact & Green - Thru NC Aux Contact 58$456.00
Red - Across Coil & Green - Thru NC Aux Contact 67$390.00
Red - Across Coil & Green - Thru NC Aux Contact & Unwired Amber 77$552.00
Red - Across Coil R $180.00
Green - Across Coil S $180.00
Red - Thru NO Aux Contact C7$246.00
Push-To-Test Lights Green - Thru NC Aux Contact D7$246.00
Red - Thru NO Aux Contact & Green - Thru NC Aux Contact E8$492.00
Red - Across Coil & Green - Thru NC Aux Contact V7$426.00
Red - Across Coil & Green - Thru NC Aux Contact & Unwired Amber Y7$606.00
7Maximum of 3 Aux contacts may be added to Sizes 0 & 1.
8Maximum of 2 Aux contacts may be added to Sizes 0 & 1. Maximum of 3 Aux contacts may be added to Sizes 2-4.
Note: Auxiliary contacts wired as part of pilot light selection are in addition to the auxiliary contacts selected from
Step 5 (Digit 13) Table, page 1-57, which are for customer/field connections.
GENERAL NOTE:
If selecting factory installed and wired operator devices (Push Buttons, Selector
Switches, and/or Pilot Lights) control circuit fusing, a control power transformer, or
24V/120V separate sourced control is required, regardless of protective device rating.
Step 9 (Digit 17) Select Control Options
List Price GO-10G1
NEMA Size 0-2 NEMA Size 3 NEMA Size 4
Device Code Type 1, 3R, & 12 Type 4/4X Type 1, 3R, & 12 Type 4/4X Type 1, 3R, & 12 Type 4/4X
None A $0.00 $0.00 $0.00 $0.00 $0.00 $0.00
1 Relay, 2NO-2NC, 24/120V Coil - unwired B2,9 $170.00 $222.00 $306.00 $468.00 $480.00 $636.00
2 Relays, 24/120V Coil - unwired C2,9 $340.00 $444.00 $612.00 $936.00 $960.00 $1272.00
DIN Rail - for Customer Use D2$89.00 $89.00 $89.00 $89.00 $89.00 $89.00
12 Point Terminal Strip - unwired (12 PT Strip) E2$109.00 $109.00 $109.00 $109.00 $109.00 $109.00
Space Heater w/ NC Contact H2,10 $120.00 $120.00 $120.00 $120.00 $120.00 $120.00
1 Relay + 12 PT Strip J2,9 $279.00 $331.00 $415.00 $577.00 $589.00 $745.00
2 Relays + 12 PT Strip K2,9 $449.00 $553.00 $721.00 $1045.00 $1069.00 $1381.00
DIN Rail + 12 PT Strip + Space Heater L2,10 $318.00 $318.00 $318.00 $318.00 $318.00 $318.00
2 Relays + 12 PT Strip + Space Heater M2,9,10 $569.00 $673.00 $841.00 $1165.00 $1189.00 $1501.00
Time Delay ON Relay, 24/120V Coil - unwired (TD) N2,9 $368.00 $414.00 $504.00 $660.00 $504.00 $660.00
Time Delay OFF Relay, 24/120V Coil - unwired (TD) P2,9 $368.00 $414.00 $504.00 $660.00 $504.00 $660.00
12 PT Strip + TD ON R2,9 $477.00 $523.00 $613.00 $769.00 $613.00 $769.00
12 PT Strip + TD OFF S2,9 $477.00 $523.00 $613.00 $769.00 $613.00 $769.00
12 PT Strip + Space Heater + TD ON T2,9,10 $597.00 $643.00 $733.00 $889.00 $733.00 $889.00
12 PT Strip + Space Heater + TD OFF U2,9,10 $597.00 $643.00 $733.00 $889.00 $733.00 $889.00
2Requires Oversized Enclosure for NEMA sizes 0-2. Select proper NEMA size and enclosure type from Step 1 (Digits 1-7) Table, page 1-55, and adjust price accordingly.
9Relay/Timer coil voltage is equivalent to CPT secondary voltage. Requires minimum 100 extra VA CPT option.
10Maximum number of auxiliary contacts shall be reduced by 1.
CR487 Mag-Break Magnetic Starters
Nonreversing, Combination, Mag-Break Circuit Breaker Type
Part Number Configuration
Valid for NEMA sizes 0-4

www.geindustrial.com Control Catalog 1-59
NEMA Full Voltage Power Devices
NEMA Rated Full Voltage Starters - Magnetic
Rev. 4/16
Prices and data subject to
change without notice
Section 1
CR307, CR308, CR387 Magnetic Starters
Nonreversing, Combination, NEMA Type 1, 3R, 12, 4/4X
400 Horsepower Maximum
NEMA Sizes 0-2
600 Volts Maximum 50/60 Hertz
Outlines, Dimensions in. (mm)
2.50
(63.5)
6.13
(155.6)
5.00
(127.0)
24.00
(609.6)
21.63
(549.3)
1.19
(30.2)
1.63
(41.3)
6.75
(171.5)
10.00
(254.0)
(BACK VIEW)
ON
OFF
3 Mounting Holes
for " Hardware
5
16
CR307, CR387, CR308 (excludes 100A , 600V fuse clips); Type 1, Standard Size Enclosure
R0.41
(R10.3)
R0.20
(R5.2)
19.96
(507.0)
8.00
(203.2)
8.00
(203.2)
8.00
(203.2)
Ø0.34
(Ø8.7)
8.00
(203.2)
1.89
(48.0)
3.56
(90.3)
8.14
(206.7)
33.32
(846.3)
1.89
(48.0)
32.44
(824.0)
OFF
ON
CR308 (includes 100A, 600V fuse clips); Type 1, Standard Size Enclosure

www.geindustrial.com Rev. 4/16
Prices and data subject to
change without notice
Control Catalog
1-60
NEMA Full Voltage Power Devices
NEMA Rated Full Voltage Starters - Magnetic
Section 1
CR307, CR308, CR387 Magnetic Starters
Nonreversing, Combination, NEMA Type 1, 3R, 12, 4/4X
400 Horsepower Maximum
NEMA Sizes 5-6
600 Volts Maximum 50/60 Hertz
Outlines, Dimensions in. (mm)
NEMA Type 1, CR307, CR308, CR387: Size 5 NEMA Type 1, CR307, CR308: Size 6 Floor-Mounted
CR307, CR308, CR387 NEMA Type 12 NEMA Size 5
Dimension Dimension Dimension Dimension Dimension Dimension
ABCDEF
48.50 (1231.9) 34.00 (863.6) 10.50 (266.7) 47.77 (1213.4) 16.00 (406.4) 46.25 (1174.8)
CR307, CR308, CR387 NEMA Type 3R NEMA Size 5
Dimension Dimension Dimension Dimension Dimension
ABC D E
48.50 (1231.9) 34.00 (863.6) 10.50 (266.7) 47.77 (1213.4) 46.25 (1174.8)
NEMA Type 3R, CR307, CR308,
CR387: Size 5
NEMA Type 12, CR307, CR308, CR387: Size 5
CR307, CR308, CR387 NEMA Type 4/4X NEMA Size 5
Height Width Depth
48.5 (1231.9) 33.5 (850.9) 11 (279.4)
Note: Contact nearest GE Representative for shipping weight.

www.geindustrial.com Control Catalog 1-61
NEMA Full Voltage Power Devices
NEMA Rated Full Voltage Starters - Magnetic
Rev. 4/16
Prices and data subject to
change without notice
Section 1
CR407, CR408 (Nonfusible Disconnect), CR487 NEMA Type 1 Enclosure
Standard Size (Enclosure Code = 1)
NEMA Size ABCDEFGH (dia) J (dia) K (dia)
0-2 See CR307, C308, CR387 Dimensional Information
3-4 19.78 33.32 8.14 3.56 1.89 8.00 32.44 0.34 0.41 0.81
(502.4) (846.3) (206.7) (90.4) (48.0) (203.2) (824.0) (8.7) (10.3) (20.6)
Oversized (Enclosure Code = 5)
NEMA Size ABCDEFGH (dia) J (dia) K (dia)
0-2 19.78 33.32 8.14 3.56 1.89 8.00 32.44 0.34 0.41 0.81
(502.4) (846.3) (206.7) (90.4) (48.0) (203.2) (824.0) (8.7) (10.3) (20.6)
3-4 23.00 53.82 8.14 3.73 3.39 8.00 52.94 0.34 0.41 0.81
(584.2) (1367) (206.7) (94.6) (86.1) (203.2) (1344.7) (8.7) (10.3) (20.6)
CR407, CR408 (Nonfusible Disconnect), CR487 NEMA Type 3R/12 Enclosure
Standard Size (Enclosure Code = 6 or 2)
NEMA Size ABCDEFGH (dia) J (dia) K (dia)
0-2 11.00 28.75 7.70 3.49 1.91 3.50 27.63 0.34 0.41 0.81
(279.4) (730.3) (195.5) (88.6) (48.5) (88.9) (701.7) (8.7) (10.3) (20.6)
3-4 20.00 33.25 8.20 3.48 1.91 8.00 32.13 0.34 0.41 0.81
(508.0) (844.6) (208.2) (88.5) (48.5) (203.2) (816.0) (8.7) (10.3) (20.6)
Oversized (Enclosure Code = R or 7)
NEMA Size ABCDEFGH (dia) J (dia) K (dia)
0-2 20.00 33.25 8.20 3.48 1.91 8.00 32.13 0.34 0.41 0.81
(508.0) (844.6) (208.2) (88.5) (48.5) (203.2) (816.0) (8.7) (10.3) (20.6)
3-4 23.00 53.82 8.20 3.50 3.41 8.00 52.70 0.34 0.41 0.81
(584.2) (1367.0) (208.2) (88.8) (86.6) (203.2) (1338.5) (8.7) (10.3) (20.6)
CR407, CR408 (Nonfusible Disconnect), CR487 NEMA Type 4/4X Enclosure
Standard Size (Enclosure Code = 4)
NEMA Size ABCDEFGH (dia) J (dia) K (dia)
0-2 11.00 29.38 7.64 3.53 1.91 3.50 28.26 0.34 0.41 0.81
(279.4) (746.3) (194.0) (89.7) (48.5) (88.9) (717.7) (8.7) (10.3) (20.6)
3-4 20.00 33.32 8.14 3.72 1.91 8.00 32.20 0.34 0.41 0.81
(508.0) (846.3) (206.7) (94.6) (48.5) (203.2) (817.8) (8.7) (10.3) (20.6)
Oversized (Enclosure Code = S)
NEMA Size ABCDEFGH (dia) J (dia) K (dia)
0-2 20.00 33.32 8.14 3.72 1.91 8.00 32.20 0.34 0.41 0.81
(508.0) (846.3) (206.7) (94.6) (48.5) (203.2) (817.8) (8.7) (10.3) (20.6)
3-4 23.00 53.76 8.14 3.55 3.41 8.00 52.64 0.34 0.41 0.81
(584.2) (1365.5) (206.7) (90.2) (86.6) (203.2) (1336.9) (8.7) (10.3) (20.6)
CR407, CR408, CR487 Magnetic Starters
Nonreversing, Combination, NEMA Type 1, 3R, 12, 4/4X
400 Horsepower Maximum
NEMA Sizes 0-4
600 Volts Maximum 50/60 Hertz
Outlines, Dimensions in. (mm)
J
K
H
A
F F
E
D C
GB
E
F F
OFF
ON

J
K
H
A
FF
E
DC
GB
E
FF
OFF
ON
www.geindustrial.com Rev. 4/16
Prices and data subject to
change without notice
Control Catalog
1-62
NEMA Full Voltage Power Devices
NEMA Rated Full Voltage Starters - Magnetic
Section 1
CR408 Magnetic Starters
Nonreversing, Combination, NEMA Type 1, 3R, 12, 4/4X
400 Horsepower Maximum
NEMA Sizes 0-4
600 Volts Maximum 50/60 Hertz
Outlines, Dimensions in. (mm)
CR408 (Fusible Disconnect) NEMA Type 1 Enclosure
Standard Size (Enclosure Code = 1)
NEMA Size ABCDEFGH (dia) J (dia) K (dia)
0-2 See CR308 Dimensional Information
3 (excludes 19.78 33.32 8.14 3.56 1.89 8.00 32.44 0.34 0.41 0.81
200A fuse clips) (502.4) (846.3) (206.7) (90.4) (48.0) (203.2) (824.0) (8.7) (10.3) (20.6)
3 (includes 23.00 53.82 8.14 3.73 3.39 8.00 52.94 0.34 0.41 0.81
200A fuse clips)-4 (584.2) (1367) (206.7) (94.6) (86.1) (203.2) (1344.7) (8.7) (10.3) (20.6)
Oversized (Enclosure Code = 5)
NEMA Size ABCDEFGH (dia) J (dia) K (dia)
0-2 19.78 33.32 8.14 3.56 1.89 8.00 32.44 0.34 0.41 0.81
(502.4) (846.3) (206.7) (90.4) (48.0) (203.2) (824.0) (8.7) (10.3) (20.6)
3 (excludes 23.00 53.82 8.14 3.73 3.39 8.00 52.94 0.34 0.41 0.81
200A fuse clips) (584.2) (1367) (206.7) (94.6) (86.1) (203.2) (1344.7) (8.7) (10.3) (20.6)
CR408 (Fusible Disconnect) NEMA Type 3R/12 Enclosure
Standard Size (Enclosure Code = 6 or 2)
NEMA Size ABCDEFGH (dia) J (dia) K (dia)
0-2 11.00 28.75 7.70 3.49 1.91 3.50 27.63 0.34 0.41 0.81
(279.4) (730.3) (195.5) (88.6) (48.5) (88.9) (701.7) (8.7) (10.3) (20.6)
3 (excludes 20.00 33.25 8.20 3.48 1.91 8.00 32.13 0.34 0.41 0.81
200A fuse clips) (508.0) (844.6) (208.2) (88.5) (48.5) (203.2) (816.0) (8.7) (10.3) (20.6)
3 (includes 23.00 53.82 8.20 3.50 3.41 8.00 52.70 0.34 0.41 0.81
200A fuse clips)-4 (584.2) (1367.0) (208.2) (88.8) (86.6) (203.2) (1338.5) (8.7) (10.3) (20.6)
Oversized (Enclosure Code = R or 7)
NEMA Size ABCDEFGH (dia) J (dia) K (dia)
0-2 20.00 33.25 8.20 3.48 1.91 8.00 32.13 0.34 0.41 0.81
(508.0) (844.6) (208.2) (88.5) (48.5) (203.2) (816.0) (8.7) (10.3) (20.6)
3 (excludes 23.00 53.82 8.20 3.50 3.41 8.00 52.70 0.34 0.41 0.81
200A fuse clips) (584.2) (1367.0) (208.2) (88.8) (86.6) (203.2) (1338.5) (8.7) (10.3) (20.6)

www.geindustrial.com Control Catalog 1-63
NEMA Full Voltage Power Devices
NEMA Rated Full Voltage Starters - Magnetic
Rev. 4/16
Prices and data subject to
change without notice
Section 1
CR408 (Fusible Disconnect) NEMA Type 4/4X Enclosure
Standard Size (Enclosure Code = 4)
NEMA Size ABCDEFGH (dia) J (dia) K (dia)
0-2 11.00 29.38 7.64 3.53 1.91 3.50 28.26 0.34 0.41 0.81
(279.4) (746.3) (194.0) (89.7) (48.5) (88.9) (717.7) (8.7) (10.3) (20.6)
3 (excludes 20.00 33.32 8.14 3.72 1.91 8.00 32.20 0.34 0.41 0.81
200A fuse clips) (508.0) (846.3) (206.7) (94.6) (48.5) (203.2) (817.8) (8.7) (10.3) (20.6)
3 (includes 23.00 53.76 8.14 3.55 3.41 8.00 52.64 0.34 0.41 0.81
200A fuse clips)-4 (584.2) (1365.5) (206.7) (90.2) (86.6) (203.2) (1336.9) (8.7) (10.3) (20.6)
Oversized (Enclosure Code = S)
NEMA Size ABCDEFGH (dia) J (dia) K (dia)
0-2 20.00 33.32 8.14 3.72 1.91 8.00 32.20 0.34 0.41 0.81
(508.0) (846.3) (206.7) (94.6) (48.5) (203.2) (817.8) (8.7) (10.3) (20.6)
3 (excludes 23.00 53.76 8.14 3.55 3.41 8.00 52.64 0.34 0.41 0.81
200A fuse clips) (584.2) (1365.5) (206.7) (90.2) (86.6) (203.2) (1336.9) (8.7) (10.3) (20.6)
J
K
H
A
FF
E
DC
GB
E
FF
OFF
ON
CR408 Magnetic Starters
Nonreversing, Combination, NEMA Type 1, 3R, 12, 4/4X
400 Horsepower Maximum
NEMA Sizes 0-4
600 Volts Maximum 50/60 Hertz
Outlines, Dimensions in. (mm)

www.geindustrial.com Rev. 4/16
Prices and data subject to
change without notice
Control Catalog
1-64
NEMA Full Voltage Power Devices
NEMA Rated Full Voltage Starters - Magnetic
Section 1
Application
Used for full-voltage starting and reversing of squirrel cage induc-
tion motors up to 200 horsepower maximum, 600 Volts maximum.
Provides short-circuit protection, either by means of fuses or a
circuit breaker. Consists of a reversing controller and a fusible or
nonfusible disconnect switch or circuit breaker to provide branch
circuit protection.
Three-leg block overload relay provides overload protection on
starters. Undervoltage protection or release can be provided
by using appropriate accessory controls. Refer to page 1-7 for
features of basic starter.
Product Number Selection Instructions
1. Specify starter by complete Product Number.
Example: CR411E6041A1AAAAA @ $2994.00, GO-10G1.
2. Order heaters by complete Product Number from appropriate
heater tables on pages 1-153 to 1-159, based on motor full-
load
current. Fuses can be purchased from local fuse suppliers.
3. Order forms not listed or special features by complete description
using a listed Product Number as reference wherever possible.
Example: Similar to CR411E6041A1AAAAA except with a 575/115-
Volt control transformer @ $3462.00, GO-10G1, total list price.
4. 50 Hertz Starters
Pricing for 50 Hertz forms (at standard voltages) is the same as
shown in table for 60 Hertz. Listed prices for 460-480 Volt also
apply to 380-415 Volt, 50 Hertz. See page 1-4 for 380-415 Volt
horsepower ratings.
5. Product Notes
Motor full-load current should not exceed continuous ampere
rating of starter.
Reference Publications
Instructions
NEMA Size Publication Number
0, 1 GEH-5190
2 GEH-4775
3 GEH-4806
4 GEH-4807
5 GEH-4839
CR310, CR410, CR311, CR411 Magnetic Starters – Contents
Application Information and Selection Instructions ...............1-64
Nonfusible Disconnect Type (CR311, CR411)..............................1-65
Fusible Disconnect Type (CR311, CR411) .....................................1-66
Nonfusible and Fusible Part Number Configuration
Size 0-4, NEMA Type 1, 3R, 12, 4/4X (CR411)...........................1-68
Thermal Magnetic Circuit Breaker Type (CR310, CR410) ......1-73
Thermal Magnetic Part Number Configuration
Size 0-4, NEMA Type 1, 3R, 12, 4/4X (CR410)...........................1-74
Outlines and Dimensions .....................................................................1-84
CR310 NEMA Size 2 Combination Reverser in
NEMA Type 1 Enclosure with Circuit Breaker
CR310, CR410, CR311, CR411 Magnetic Starters
Reversing, Combination, NEMA Type 1, 3R, 12, 4/4X
200 Horsepower Maximum
NEMA Sizes 0-5
600 Volts Maximum 50/60 Hertz

www.geindustrial.com Control Catalog 1-65
NEMA Full Voltage Power Devices
NEMA Rated Full Voltage Starters - Magnetic
Rev. 4/16
Prices and data subject to
change without notice
Section 1
CR311, CR411 Magnetic Starters
Reversing, Combination, NEMA Type 1, 3R, 12, 4/4X
NEMA Sizes 0-5, Nonfusible Disconnect Type
600 Volts Maximum 60 Hertz
Three-Phase
List Price includes a holding interlock, mechanical and cross-electrical interlock on each contactor, pressure terminals for the line and
load connections, plus a 3-leg block type overload relay (manual reset). All enclosures include external reset. Three heaters should be
ordered as separate items. See pages 1-153 to 1-159 for selection. List Price $9.00 each, GO-10H.
CR311/411 Reversing Nonfusible Disconnect Type
NEMA Type 1 NEMA Type 3R NEMA Type 12 NEMA Type 4/4X
Continuous Product List Product List Product List Product List
Voltage NEMA Maximum Amp Number Price Number Price Number Price Number Price
(60Hz) Size Horsepower Rating CR GO-10G1 CR GO-10G1 CR GO-10G1 CR GO-10G1
200-208 0318 411B1081A1AAAAA $894.00 411B6081A1AAAAA $1098.00 411B2081A1AAAAA $1098.00 411B4081A1AAAAA $1626.00
200-208 1 7 1/2 27 411C1081A1AAAAA $954.00 411C6081A1AAAAA $1158.00 411C2081A1AAAAA $1158.00 411C4081A1AAAAA $1686.00
200-208 2 10 45 411D1081A1AAAAA $1596.00 411D6081A1AAAAA $1860.00 411D2081A1AAAAA $1860.00 411D4081A1AAAAA $2712.00
200-208 3 25 90 411E1081A1AAAAA $2646.00 411E6081A1AAAAA $2994.00 411E2081A1AAAAA $2994.00 411E4081A1AAAAA $4602.00
200-208 4 40 135 411F1081A1AAAAA $5544.00 411F6081A1AAAAA $6498.00 411F2081A1AAAAA $6498.00 411F4081A1AAAAA $8016.00
200-208 5 75 270 311G123AAA $10321.00 311G623AAAA $13089.00 311G223AAA $13089.00 --
230-240 0318 411B1031A1AAAAA $894.00 411B6031A1AAAAA $1098.00 411B2031A1AAAAA $1098.00 411B4031A1AAAAA $1626.00
230-240 1 7 1/2 27 411C1031A1AAAAA $954.00 411C6031A1AAAAA $1158.00 411C2031A1AAAAA $1158.00 411C4031A1AAAAA $1686.00
230-240 2 15 45 411D1031A1AAAAA $1596.00 411D6031A1AAAAA $1860.00 411D2031A1AAAAA $1860.00 411D4031A1AAAAA $2712.00
230-240 3 30 90 411E1031A1AAAAA $2646.00 411E6031A1AAAAA $2994.00 411E2031A1AAAAA $2994.00 411E4031A1AAAAA $4602.00
230-240 4 50 135 411F1031A1AAAAA $5544.00 411F6031A1AAAAA $6498.00 411F2031A1AAAAA $6498.00 411F4031A1AAAAA $8016.00
230-240 5 100 270 311G103AAA $10321.00 311G603AAAA $13089.00 311G203AAA $13089.00 --
460-480 0518 411B1041A1AAAAA $894.00 411B6041A1AAAAA $1098.00 411B2041A1AAAAA $1098.00 411B4041A1AAAAA $1626.00
460-480 1 10 27 411C1041A1AAAAA $954.00 411C6041A1AAAAA $1158.00 411C2041A1AAAAA $1158.00 411C4041A1AAAAA $1686.00
460-480 2 25 45 411D1041A1AAAAA $1596.00 411D6041A1AAAAA $1860.00 411D2041A1AAAAA $1860.00 411D4041A1AAAAA $2712.00
460-480 3 50 90 411E1041A1AAAAA $2646.00 411E6041A1AAAAA $2994.00 411E2041A1AAAAA $2994.00 411E4041A1AAAAA $4602.00
460-480 4 100 135 411F1041A1AAAAA $5544.00 411F6041A1AAAAA $6498.00 411F2041A1AAAAA $6498.00 411F4041A1AAAAA $8016.00
460-480 5 200 270 311G104AAA $10321.00 311G604AAAA $13089.00 311G204AAA $13089.00 --
575-600 0518 411B1051A1AAAAA $894.00 411B6051A1AAAAA $1098.00 411B2051A1AAAAA $1098.00 411B4051A1AAAAA $1626.00
575-600 1 10 27 411C1051A1AAAAA $954.00 411C6051A1AAAAA $1158.00 411C2051A1AAAAA $1158.00 411C4051A1AAAAA $1686.00
575-600 2 25 45 411D1051A1AAAAA $1596.00 411D6051A1AAAAA $1860.00 411D2051A1AAAAA $1860.00 411D4051A1AAAAA $2712.00
575-600 3 50 90 411E1051A1AAAAA $2646.00 411E6051A1AAAAA $2994.00 411E2051A1AAAAA $2994.00 411E4051A1AAAAA $4602.00
575-600 4 100 135 411F1051A1AAAAA $5544.00 411F6051A1AAAAA $6498.00 411F2051A1AAAAA $6498.00 411F4051A1AAAAA $8016.00
575-600 5 200 270 311G105AAA $10321.00 311G605AAAA $13089.00 311G205AAA $13089.00 --
• NEMA Size 5 starters with 115-120Volt, 60 Hertz coil for separate control are available at listed prices. To order, replace Digits 8 and 9 of listed Product Numbers with 02.
Example: CR411D1041A1AAAAA with 115-120 Volt, 60 Hertz coil for separate control becomes CR411D1021A1AAAAA Product Number.
• Motor full load current should not exceed continuous ampere rating of starter.

www.geindustrial.com Rev. 4/16
Prices and data subject to
change without notice
Control Catalog
1-66
NEMA Full Voltage Power Devices
NEMA Rated Full Voltage Starters - Magnetic
Section 1
CR311, CR411 Magnetic Starters
Reversing, Combination, NEMA Type 1, 3R, 12, 4/4X
NEMA Sizes 0-5, Fusible Disconnect Type
600 Volts Maximum 60 Hertz
List Price includes a holding interlock, mechanical and cross-electrical interlock on each contactor, pressure terminals for the line and
load connections, plus a 3-leg block type overload relay (manual reset). All enclosures include external reset. Three heaters should be
ordered as separate items. See pages 1-153 to 1-159 for selection. List Price $9.00 each, GO-10H.
CR311/411 Reversing Fusible Disconnect – Class H Fuse Clips
NEMA Type 1 NEMA Type 3R NEMA Type 12 NEMA Type 4/4X
Continuous Fuse Clip Product List Product List Product List Product List
Voltage NEMA Maximum Amp Amp Number Price Number Price Number Price Number Price
(60Hz) Size Horsepower Rating Rating CR GO-10G1 CR GO-10G1 CR GO-10G1 CR GO-10G1
200-208 03 18 30 411B108HA1AAAAA $912.00 411B608HA1AAAAA $1116.00 411B208HA1AAAAA $1116.00 411B408HA1AAAAA $1644.00
200-208 1 7 1/2 27 60 411C108HB1AAAAA $984.00 411C608HB1AAAAA $1188.00 411C208HB1AAAAA $1188.00 411C408HB1AAAAA $1716.00
200-208 2 10 45 100 411D108HC1AAAAA $1692.00 411D608HC1AAAAA $1956.00 411D208HC1AAAAA $1956.00 411D408HC1AAAAA $2808.00
200-208 3 25 90 200 411E108HD1AAAAA $2838.00 411E608HD1AAAAA $3186.00 411E208HD1AAAAA $3186.00 411E408HD1AAAAA $4794.00
200-208 4 40 135 400 411F108HE1AAAAA $5760.00 411F608HE1AAAAA $6714.00 411F208HE1AAAAA $6714.00 411F408HE1AAAAA $8232.00
200-208 5 75 270 400 311G123BAA $10785.00 311G623BAAA $13053.00 311G223BAA $13053.00 --
230-240 03 18 30 411B103HA1AAAAA $912.00 411B603HA1AAAAA $1116.00 411B203HA1AAAAA $1116.00 411B403HA1AAAAA $1644.00
230-240 1 7 1/2 27 60 411C103HB1AAAAA $984.00 411C603HB1AAAAA $1188.00 411C203HB1AAAAA $1188.00 411C403HB1AAAAA $1716.00
230-240 2 15 45 100 411D103HC1AAAAA $1692.00 411D603HC1AAAAA $1956.00 411D203HC1AAAAA $1956.00 411D403HC1AAAAA $2808.00
230-240 3 30 90 200 411E103HD1AAAAA $2838.00 411E603HD1AAAAA $3186.00 411E203HD1AAAAA $3186.00 411E403HD1AAAAA $4794.00
230-240 4 50 135 400 411F103HE1AAAAA $5760.00 411F603HE1AAAAA $6714.00 411F203HE1AAAAA $6714.00 411F403HE1AAAAA $8232.00
230-240 5 100 270 400 311G103BAA $10785.00 311G603BAAA $13053.00 311G203BAA $13053.00 --
460-480 05 18 30 411B104H31AAAAA $924.00 411B604H31AAAAA $1128.00 411B204H31AAAAA $1128.00 411B404H31AAAAA $1656.00
460-480 1 7 1/2 27 30 411C104H31AAAAA $984.00 411C604H31AAAAA $1188.00 411C204H31AAAAA $1188.00 411C404H31AAAAA $1716.00
460-480 1 10 27 60 411C104H61AAAAA $996.00 411C604H61AAAAA $1200.00 411C204H61AAAAA $1200.00 411C404H61AAAAA $1728.00
460-480 2 15 45 60 411D104H61AAAAA $1638.00 411D604H61AAAAA $1902.00 411D204H61AAAAA $1902.00 411D404H61AAAAA $2754.00
460-480 2 25 45 100 411D104H11AAAAA $1704.00 411D604H11AAAAA $1968.00 411D204H11AAAAA $1968.00 411D404H11AAAAA $2820.00
460-480 3 30 90 100 411E104H11AAAAA $2736.00 411E604H11AAAAA $3084.00 411E204H11AAAAA $3084.00 411E404H11AAAAA $4692.00
460-480 3 50 90 200 411E104H21AAAAA $2862.00 411E604H21AAAAA $3210.00 411E204H21AAAAA $3210.00 411E404H21AAAAA $4818.00
460-480 4 60 135 200 411F104H21AAAAA $5670.00 411F604H21AAAAA $6624.00 411F204H21AAAAA $6624.00 411F404H21AAAAA $8142.00
460-480 4 100 135 400 411F104H41AAAAA $5760.00 411F604H41AAAAA $6714.00 411F204H41AAAAA $6714.00 411F404H41AAAAA $8232.00
575-600 05 18 30 411B105H31AAAAA $924.00 411B605H31AAAAA $1128.00 411B205H31AAAAA $1128.00 411B405H31AAAAA $1656.00
575-600 1 10 27 30 411C105H31AAAAA $984.00 411C605H31AAAAA $1188.00 411C205H31AAAAA $1188.00 411C405H31AAAAA $1716.00
575-600 2 20 45 60 411D105H61AAAAA $1638.00 411D605H61AAAAA $1902.00 411D205H61AAAAA $1902.00 411D405H61AAAAA $2754.00
575-600 2 25 45 100 411D105H11AAAAA $1704.00 411D605H11AAAAA $1968.00 411D205H11AAAAA $1968.00 411D405H11AAAAA $2820.00
575-600 3 30 90 100 411E105H11AAAAA $2736.00 411E605H11AAAAA $3084.00 411E205H11AAAAA $3084.00 411E405H11AAAAA $4692.00
575-600 3 50 90 200 411E105H21AAAAA $2862.00 411E605H21AAAAA $3210.00 411E205H21AAAAA $3210.00 411E405H21AAAAA $4818.00
575-600 4 60 135 200 411F105H21AAAAA $5670.00 411F605H21AAAAA $6624.00 411F205H21AAAAA $6624.00 411F405H21AAAAA $8142.00
575-600 4 100 135 400 411F105H41AAAAA $5760.00 411F605H41AAAAA $6714.00 411F205H41AAAAA $6714.00 411F405H41AAAAA $8232.00
• NEMA Size 0-5 starters with 115-120 Volt, 60-Hertz coils for separate control are available at listed prices. To order, replace Digits 8 & 9 of listed Product Numbers with 02.
Example: CR411C108HC1AAAAA with 115-120 Volt, 60-Hertz coil for separate control becomes CR411C102HC1AAAAA Product Number.
• Motor full load current should not exceed continuous ampere rating of starter.
• For ordinary starting duty only.
• Fuses not included.

www.geindustrial.com Control Catalog 1-67
NEMA Full Voltage Power Devices
NEMA Rated Full Voltage Starters - Magnetic
Rev. 4/16
Prices and data subject to
change without notice
Section 1
CR311/411 Reversing Fusible Disconnect – Class R Fuse Clips
NEMA Type 1 NEMA Type 3R NEMA Type 12 NEMA Type 4/4X
Continuous Fuse Clip Product List Product List Product List Product List
Voltage NEMA Maximum Amp Amp Number Price Number Price Number Price Number Price
(60Hz) Size Horsepower Rating Rating CR GO-10G1 CR GO-10G1 CR GO-10G1 CR GO-10G1
200-208 03 18 30 411B108RA1AAAAA $921.00 411B608RA1AAAAA $1125.00 411B208RA1AAAAA $1125.00 411B408RA1AAAAA $1653.00
200-208 15 27 30 411C108RA1AAAAA $981.00 411C608RA1AAAAA $1185.00 411C208RA1AAAAA $1185.00 411C408RA1AAAAA $1713.00
200-208 1 7 1/2 27 60 411C108RB1AAAAA $993.00 411C608RB1AAAAA $1197.00 411C208RB1AAAAA $1197.00 411C408RB1AAAAA $1725.00
200-208 2 10 45 60 411D108RB1AAAAA $1629.00 411D608RB1AAAAA $1893.00 411D208RB1AAAAA $1893.00 411D408RB1AAAAA $2745.00
200-208 3 20 90 100 411E108RC1AAAAA $2724.00 411E608RC1AAAAA $3072.00 411E208RC1AAAAA $3072.00 411E408RC1AAAAA $4680.00
200-208 3 25 90 200 411E108RD1AAAAA $2856.00 411E608RD1AAAAA $3204.00 411E208RD1AAAAA $3204.00 411E408RD1AAAAA $4812.00
200-208 4 40 135 200 411F108RD1AAAAA $5664.00 411F608RD1AAAAA $6618.00 411F208RD1AAAAA $6618.00 411F408RD1AAAAA $8136.00
230-240 03 18 30 411B103RA1AAAAA $921.00 411B603RA1AAAAA $1125.00 411B203RA1AAAAA $1125.00 411B403RA1AAAAA $1653.00
230-240 15 27 30 411C103RA1AAAAA $981.00 411C603RA1AAAAA $1185.00 411C203RA1AAAAA $1185.00 411C403RA1AAAAA $1713.00
230-240 1 7 1/2 27 60 411C103RB1AAAAA $993.00 411C603RB1AAAAA $1197.00 411C203RB1AAAAA $1197.00 411C403RB1AAAAA $1725.00
230-240 2 15 45 60 411D103RB1AAAAA $1629.00 411D603RB1AAAAA $1893.00 411D203RB1AAAAA $1893.00 411D403RB1AAAAA $2745.00
230-240 3 25 90 100 411E103RC1AAAAA $2724.00 411E603RC1AAAAA $3072.00 411E203RC1AAAAA $3072.00 411E403RC1AAAAA $4680.00
230-240 3 30 90 200 411E103RD1AAAAA $2856.00 411E603RD1AAAAA $3204.00 411E203RD1AAAAA $3204.00 411E403RD1AAAAA $4812.00
230-240 4 50 135 200 411F103RD1AAAAA $5664.00 411F603RD1AAAAA $6618.00 411F203RD1AAAAA $6618.00 411F403RD1AAAAA $8136.00
460-480 05 18 30 411B104R31AAAAA $933.00 411B604R31AAAAA $1137.00 411B204R31AAAAA $1137.00 411B404R31AAAAA $1665.00
460-480 1 10 27 30 411C104R31AAAAA $993.00 411C604R31AAAAA $1197.00 411C204R31AAAAA $1197.00 411C404R31AAAAA $1725.00
460-480 2 25 45 60 411D104R61AAAAA $1647.00 411D604R61AAAAA $1911.00 411D204R61AAAAA $1911.00 411D404R61AAAAA $2763.00
460-480 3 50 90 100 411E104R11AAAAA $2754.00 411E604R11AAAAA $3102.00 411E204R11AAAAA $3102.00 411E404R11AAAAA $4710.00
460-480 4 100 135 200 411F104R21AAAAA $5688.00 411F604R21AAAAA $6642.00 411F204R21AAAAA $6642.00 411F404R21AAAAA $8160.00
460-480 5 200 270 400 311G104FAA $11037.00 311G604FAA $13305.00 311G204FAA $13305.00 --
575-600 05 18 30 411B105R31AAAAA $933.00 411B605R31AAAAA $1137.00 411B205R31AAAAA $1137.00 411B405R31AAAAA $1665.00
575-600 1 10 27 30 411C105R31AAAAA $993.00 411C605R31AAAAA $1197.00 411C205R31AAAAA $1197.00 411C405R31AAAAA $1725.00
575-600 2 15 45 30 411D105R31AAAAA $1635.00 411D605R31AAAAA $1899.00 411D205R31AAAAA $1899.00 411D405R31AAAAA $2751.00
575-600 2 25 45 60 411D105R61AAAAA $1647.00 411D605R61AAAAA $1911.00 411D205R61AAAAA $1911.00 411D405R61AAAAA $2763.00
575-600 3 30 90 60 411E105R61AAAAA $2688.00 411E605R61AAAAA $3036.00 411E205R61AAAAA $3036.00 411E405R61AAAAA $4644.00
575-600 3 50 90 100 411E105R11AAAAA $2754.00 411E605R11AAAAA $3102.00 411E205R11AAAAA $3102.00 411E405R11AAAAA $4710.00
575-600 4 60 135 100 411F105R11AAAAA $5652.00 411F605R11AAAAA $6606.00 411F205R11AAAAA $6606.00 411F405R11AAAAA $8124.00
575-600 4 100 135 200 411F105R21AAAAA $5688.00 411F605R21AAAAA $6642.00 411F205R21AAAAA $6642.00 411F405R21AAAAA $8160.00
575-600 5 200 270 400 311G105FAA $11037.00 311G605FAA $13305.00 311G205FAA $13305.00 --
CR311, CR411 Magnetic Starters
Reversing, Combination, NEMA Type 1, 3R, 12, 4/4X
NEMA Sizes 0-5, Fusible Disconnect Type
600 Volts Maximum 60 Hertz
List Price includes a holding interlock, mechanical and cross-electrical interlock on each contactor, pressure terminals for the line and
load connections, plus a 3-leg block type overload relay (manual reset). All enclosures include external reset. Three heaters should be
ordered as separate items. See pages 1-153 to 1-159 for selection. List Price $9.00 each, GO-10H.

www.geindustrial.com Rev. 4/16
Prices and data subject to
change without notice
Control Catalog
1-68
NEMA Full Voltage Power Devices
NEMA Rated Full Voltage Starters - Magnetic
Section 1
CR411 Magnetic Starters
Reversing, Combination, Nonfusible and Fusible Disconnect Type
Part Number Configuration
Valid for NEMA sizes 0-4
1
CR
Digits:
Steps:
23
Step 1
4567891011121314151617
Step 2 Step 3 Step 4 Step 5 Step 6 Step 7 Step 8 Step 9
To configure the part number, use the tables below to fill in the digit boxes with the appropriate code.
Add list price from each step to arrive at total list for price for starter.
Step 1 (Digits 1-7) Select NEMA Size and Enclosure
NEMA Type 1 NEMA Type 3R NEMA Type 12 NEMA Type 4
Standard List Standard List Standard List Standard List
NEMA Enclosure Price Enclosure Price Enclosure Price Enclosure Price
Size CR GO-10G1 CR GO-10G1 CR GO-10G1 CR GO-10G1
0 411B1 $894.00 411B6 $1098.00 411B2 $1098.00 411B4 $1626.00
1 411C1 $954.00 411C6 $1158.00 411C2 $1158.00 411C4 $1686.00
2 411D1 $1596.00 411D6 $1860.00 411D2 $1860.00 411D4 $2712.00
3 411E1 $2646.00 411E6 $2994.00 411E2 $2994.00 411E4 $4602.00
4 411F1 $5544.00 411F6 $6498.00 411F2 $6498.00 411F4 $8016.00
Note: All enclosures include external overload reset buttons. NEMA 4 enclosures are stainless steel.
Step 2 (Digits 8, 9) Select Control Voltage (No CPT and Standard Size CPT)
NEMA Size
Control Standard 01 2 3 4
No List Price Fuses, List Price Size List Price List Price List Price List Price List Price
Control Circuit Voltage & CPT CPT GO-10G1 No CPT GO-10G1 CPT GO-10G1 GO-10G1 GO-10G1 GO-10G1 GO-10G1
120V w/ Surge Protector (SP) 01 $54.00 F1 $132.00 -
120V 02 $0.00 F2 $132.00 -
240V 03 $0.00 F3 $132.00 -
480V 04 $0.00 F4 $132.00 -
600V 05 $0.00 F5 $132.00 -
208V 08 $0.00 F8 $132.00 -
24V109 $0.00 --
240V/120V w/CPT -- 93 $294.00 $294.00 $352.00 $468.00 $540.00
480V/120V w/CPT -- 94 $294.00 $294.00 $352.00 $468.00 $540.00
600V/120V w/CPT -- 95 $294.00 $294.00 $352.00 $468.00 $540.00
208V/120V w/CPT -- 98 $294.00 $294.00 $352.00 $468.00 $540.00
240V/120V w/CPT & SP -- 33 $348.00 $348.00 $406.00 $522.00 $594.00
480V/120V w/CPT & SP -- 34 $348.00 $348.00 $406.00 $522.00 $594.00
600V/120V w/CPT & SP -- 35 $348.00 $348.00 $406.00 $522.00 $594.00
208V/120V w/CPT & SP -- 38 $348.00 $348.00 $406.00 $522.00 $594.00
240V/24V w/CPT1-- S3 $294.00 $294.00 $352.00 --
480V/24V w/CPT1-- S4 $294.00 $294.00 $352.00 --
600V/24V w/CPT1-- S5 $294.00 $294.00 $352.00 --
208V/24V w/CPT1-- S8 $294.00 $294.00 $352.00 --
Note: CPT includes 2 primary fuses and 1 secondary fuse.
124V coils not available for NEMA size 3 & 4.

www.geindustrial.com Control Catalog 1-69
NEMA Full Voltage Power Devices
NEMA Rated Full Voltage Starters - Magnetic
Rev. 4/16
Prices and data subject to
change without notice
Section 1
CR411 Magnetic Starters
Reversing, Combination, Nonfusible and Fusible Disconnect Type
Part Number Configuration
Valid for NEMA sizes 0-4
Step 2 (Digits 8, 9) Select Control Voltage (Extra Capacity CPT + 100VA and 200VA)
NEMA Size NEMA Size
Standard 01234Standard 01 234
Size List Price List Price List Price List Price List Price Size List Price List Price List Price List Price List Price
Control Circuit Voltage & CPT CPT + 100VA GO-10G1 GO-10G1 GO-10G1 GO-10G1 GO-10G1 CPT + 200VA GO-10G1 GO-10G1 GO-10G1 GO-10G1 GO-10G1
120V w/ Surge Protector (SP) - -
120V - -
240V - -
480V - -
600V - -
208V - -
24V1- -
240V/120V w/CPT 13 $420.00 $420.00 $504.00 $600.00 $660.00 23 $523.00 $523.00 $618.00 $714.00 $775.00
480V/120V w/CPT 14 $420.00 $420.00 $504.00 $600.00 $660.00 24 $523.00 $523.00 $618.00 $714.00 $775.00
600V/120V w/CPT 15 $420.00 $420.00 $504.00 $600.00 $660.00 25 $523.00 $523.00 $618.00 $714.00 $775.00
208V/120V w/CPT 18 $420.00 $420.00 $504.00 $600.00 $660.00 28 $523.00 $523.00 $618.00 $714.00 $775.00
240V/120V w/CPT & SP 53 $474.00 $474.00 $558.00 $654.00 $714.00 63 $577.00 $577.00 $672.00 $768.00 $829.00
480V/120V w/CPT & SP 54 $474.00 $474.00 $558.00 $654.00 $714.00 64 $577.00 $577.00 $672.00 $768.00 $829.00
600V/120V w/CPT & SP 55 $474.00 $474.00 $558.00 $654.00 $714.00 65 $577.00 $577.00 $672.00 $768.00 $829.00
208V/120V w/CPT & SP 58 $474.00 $474.00 $558.00 $654.00 $714.00 68 $577.00 $577.00 $672.00 $768.00 $829.00
240V/24V w/CPT1A3 $420.00 $420.00 $504.00 -- B3 $523.00 $523.00 $618.00 --
480V/24V w/CPT1A4 $420.00 $420.00 $504.00 -- B4 $523.00 $523.00 $618.00 --
600V/24V w/CPT1A5 $420.00 $420.00 $504.00 -- B5 $523.00 $523.00 $618.00 --
208V/24V w/CPT1A8 $420.00 $420.00 $504.00 -- B8 $523.00 $523.00 $618.00 --
Note: CPT includes 2 primary fuses and 1 secondary fuse.
124V coils not available for NEMA size 3 & 4.
Step 3 (Digits 10, 11) Select Protective Device
Disconnect without Fuse Clips
List Price
NEMA Size Code GO-10G1
All 1A $0.00
Disconnect with Class H Fuse Clips - For use with Non-Time Delay/Single Element Class H Fuses
200-208V 230-240V 460-480V 575-600V
Max Fuse Clip List Price Max Fuse Clip List Price Max Fuse Clip List Price Max Fuse Clip List Price
NEMA Size Hp (Amps) Code GO-10G1 Hp (Amps) Code GO-10G1 Hp (Amps) Code GO-10G1 Hp (Amps) Code GO-10G1
0330 HA $18.00 3 30 HA $18.00 5 30 H3 $30.00 5 30 H3 $30.00
17 1/2 30 H3 $30.00 10 30 H3 $30.00
7 1/2 60 HB $30.00 7 1/2 60 HB $30.00 10 60 H6 $42.00 60 H6 $42.00
215 60 H6 $42.00 20 60 H6 $42.00
10 100 HC $96.00 15 100 HC $96.00 25 100 H1 $108.00 25 100 H1 $108.00
330 100 H1 $90.00 30 100 H1 $90.00
25 200 HD $192.00 30 200 HD $192.00 50 200 H2 $216.00 50 200 H2 $216.00
460 200 H2 $126.00 60 200 H2 $126.00
40 400 HE $216.00 50 400 HE $216.00 100 400 H4 $216.00 100 400 H4 $216.00
Disconnect with Class R Fuse Clips - For use with Time Delay/Dual Element Class RK1/RK5 Fuses
200-208V 230-240V 460-480V 575-600V
Max Fuse Clip List Price Max Fuse Clip List Price Max Fuse Clip List Price Max Fuse Clip List Price
NEMA Size Hp (Amps) Code GO-10G1 Hp (Amps) Code GO-10G1 Hp (Amps) Code GO-10G1 Hp (Amps) Code GO-10G1
0330 RA $27.00 3 30 RA $27.00 5 30 R3 $39.00 5 30 R3 $39.00
15 30 RA $27.00 5 30 RA $27.00 10 30 R3 $39.00 10 30 R3 $39.00
7 1/2 60 RB $39.00 7 1/2 60 RB $39.00
230 R3 $39.00 15 30 R3 $39.00
10 60 RB $33.00 15 60 RB $33.00 25 60 R6 $51.00 25 60 R6 $51.00
60 R6 $42.00 30 60 R6 $42.00
3 20 100 RC $78.00 25 100 RC $78.00 50 100 R1 $108.00 50 100 R1 $108.00
25 200 RD $210.00 30 200 RD $210.00
4100 R1 $108.00 60 100 R1 $108.00
40 200 RD $120.00 50 200 RD $120.00 100 200 R2 $144.00 100 200 R2 $144.00

www.geindustrial.com Rev. 4/16
Prices and data subject to
change without notice
Control Catalog
1-70
NEMA Full Voltage Power Devices
NEMA Rated Full Voltage Starters - Magnetic
Section 1
Solid State Overload Relay - Standard Range
NEMA 200-208V 230-240V 460-480V 575-600V
Size OL Range Max Hp Code Max Hp Code Max Hp Code Max Hp Code
0.8 - 1.7 3/4 D1D
01.6 - 3.4 1/2 E 3/4 E2E2E
3.2 - 6.8 1F 2 F 3F 5F
6.5 - 13.5 3G 3G 5G
16.5 - 13.5 7 1/2 G 10 G
13 - 27 7 1/2 H 7 1/2 H 10 H
213 - 27 20 H 25 H
25 - 50 10 J 15 J 25 J
17 - 35 30 K
3 35 - 70 20 L 25 L 50 L 50 L
65 - 135 25 M 30 M
4 65 - 135 40 M 50 M 100 M 100 M
Step 5 (Digit 13) Select Auxiliary Contacts
Aux Contacts List Price
(per Contactor) Code GO-10G1
None A $0.00
1NO B $132.00
1NC C $132.00
1NO-1NC D $264.00
2NO E $264.00
2NC F $264.00
CR411 Magnetic Starters
Reversing, Combination, Nonfusible and Fusible Disconnect Type
Part Number Configuration
Valid for NEMA sizes 0-4
Step 4 (Digit 12) Select Overload Relay
List Price
Overload Relay Code GO-10G1
Thermal Bi-Metallic Non-compensated (1NC) 1 $0.00
Thermal Bi-Metallic Non-compensated (1NO-1NC) 2 $24.00
Thermal Bi-Metallic Ambient Compensated (1NC) 3 $27.00
Thermal Bi-Metallic Ambient Compensated (1NO-1NC) 4 $51.00
Solid State Overload (1NO-1NC) (#) $27.00
(#) Select Code for Solid State Overload amp rating from Standard or Optional Ranges table below.
Optional Ranges
NEMA SIZE
OL Amp Range 0 & 1 2 3 & 4
0.4 - 0.85 C--
0.8 - 1.7 D--
1.6 - 3.4 E--
3.2 - 6.8 F--
6.5 - 13.5 GG-
13 - 27 HH-
25 - 50 -J-
17 - 35 --K
35 - 70 --L
65 - 135 --M
Step 3 (Digits 10, 11) Select Protective Device (continued)
Disconnect with Class J Fuse Clips - For use with Time Delay/Dual Element Class J Fuses
200-208V 230-240V 460-480V 575-600V
Max Fuse Clip List Price Max Fuse Clip List Price Max Fuse Clip List Price Max Fuse Clip List Price
NEMA Size Hp (Amps) Code GO-10G1 Hp (Amps) Code GO-10G1 Hp (Amps) Code GO-10G1 Hp (Amps) Code GO-10G1
0 3 30 J3 $48.00 3 30 J3 $48.00 5 30 J3 $48.00 5 30 J3 $48.00
15 30 J3 $48.00 5 30 J3 $48.00 10 30 J3 $48.00 10 30 J3 $48.00
7 1/2 60 J6 $48.00 7 1/2 60 J6 $48.00
230 J3 $60.00 15 30 J3 $60.00
10 60 J6 $72.00 15 60 J6 $72.00 25 60 J6 $72.00 25 60 J6 $72.00
60 J6 $96.00 30 60 J6 $96.00
3 20 100 J1 $162.00 25 100 J1 $162.00 50 100 J1 $162.00 50 100 J1 $162.00
25 200 J2 $246.00 30 200 J2 $246.00
4100 J1 $210.00 60 100 J1 $210.00
40 200 J2 $246.00 50 200 J2 $246.00 100 200 J2 $246.00 100 200 J2 $246.00

www.geindustrial.com Control Catalog 1-71
NEMA Full Voltage Power Devices
NEMA Rated Full Voltage Starters - Magnetic
Rev. 4/16
Prices and data subject to
change without notice
Section 1
Step 6 (Digit 14) Select Monitoring Options
List Price GO-10G1
NEMA Size 0-2 NEMA Size 3 NEMA Size 4
Device Code Type 1, 3R, & 12 Type 4/4X Type 1, 3R, & 12 Type 4/4X Type 1, 3R, & 12 Type 4/4X
None A $0.00 $0.00 $0.00 $0.00 $0.00 $0.00
Phase Failure Relay with Undervoltage Protection C $1056.00 $1056.00 $1056.00 $1056.00 $1056.00 $1056.00
(panel mounted) - 190-480V (PFR w/UV)
Phase Failure Relay with Undervoltage Protection D $1056.00 $1056.00 $1056.00 $1056.00 $1056.00 $1056.00
(panel mounted) - 575V (PFR w/UV)
Phase Failure Relay - 208V (PFR) E2$425.00 - $425.00 - $425.00 -
Phase Failure Relay - 240V (PFR) F2$425.00 - $425.00 - $425.00 -
Phase Failure Relay - 480V (PFR) G2$425.00 - $425.00 - $425.00 -
Phase Failure Relay - 575V (PFR) H2$425.00 - $425.00 - $425.00 -
Elapsed Time Meter (120V/60Hz) Wired Across Coil (ETM) 13$348.00 $588.00 $348.00 $588.00 $348.00 $588.00
ETM + PFR w/UV (190-480V) L3$1404.00 $1644.00 $1404.00 $1644.00 $1404.00 $1644.00
ETM + PFR w/UV (575V) N3$1404.00 $1644.00 $1404.00 $1644.00 $1404.00 $1644.00
ETM + PFR (208V) P2,3 $773.00 - $773.00 - $773.00 -
ETM + PFR (240V) Q2,3 $773.00 - $773.00 - $773.00 -
ETM + PFR (480V) R2,3 $773.00 - $773.00 - $773.00 -
ETM + PFR (575V) S2,3 $773.00 - $773.00 - $773.00 -
2Available for Type 1 Enclosure only.
3Requires 120V Control Circuit Voltage or CPT w/ 120V Secondary.
Step 7 (Digit 15) Select Push Button/Selector Switch
List Price
Push Button/Selector Switch - Heavy Duty Code GO-10G1
None A $0.00
FWD/REV/Stop Push Button J $240.00
Up/Down/Stop Push Button K $240.00
Open/CLS/Stop Push Button L $240.00
HOA & FWD-REV Selector Switch P $264.00
FWD-OFF-REV Selector Switch T $132.00
Step 8 (Digit 16) Select Pilot Device
Pilot Light
(Heavy Duty CR104P Style) List Price
Type Color - Functionality Code GO-10G1
None A $0.00
Red & Amber Across Coils K $324.00
Standard Lights Red & Green Across Coils L $324.00
Red & Amber Across Coils & Unwired Green X $486.00
Red & Amber Across Coils 2 $324.00
LED Lights Red & Green Across Coils 3 $324.00
Red & Amber Across Coils & Unwired Green 5 $486.00
Red & Amber Across Coils S $360.00
Push-To-Test Lights Red & Green Across Coils T $360.00
Red & Amber Across Coils & Unwired Green Y $540.00
CR411 Magnetic Starters
Reversing, Combination, Nonfusible and Fusible Disconnect Type
Part Number Configuration
Valid for NEMA sizes 0-4

www.geindustrial.com Rev. 4/16
Prices and data subject to
change without notice
Control Catalog
1-72
NEMA Full Voltage Power Devices
NEMA Rated Full Voltage Starters - Magnetic
Section 1
GENERAL NOTE:
On NEMA Size 3 & 4 starters, if selecting factory installed and wired operator devices
(Push Buttons, Selector Switches, and/or Pilot Lights) then control circuit fusing, a
control power transformer, or 120V separate sourced control is required when the
protective device is rated greater than 100 Amps.
Step 9 (Digit 17) Select Control Options
List Price GO-10G1
NEMA Size 0-2 NEMA Size 3 NEMA Size 4
Device Code Type 1, 3R, & 12 Type 4/4X Type 1, 3R, & 12 Type 4/4X Type 1, 3R, & 12 Type 4/4X
None A $0.00 $0.00 $0.00 $0.00 $0.00 $0.00
1 Relay, 2NO-2NC, 24/120V Coil - unwired B4$306.00 $468.00 $306.00 $468.00 $480.00 $636.00
2 Relays, 24/120V Coil - unwired C4$612.00 $936.00 $612.00 $936.00 $960.00 $1272.00
DIN Rail - for Customer Use D $89.00 $89.00 $89.00 $89.00 $89.00 $89.00
12 Point Terminal Strip - unwired (12 PT Strip) E $109.00 $109.00 $109.00 $109.00 $109.00 $109.00
Space Heater w/ NC Contact H5$120.00 $120.00 $120.00 $120.00 $120.00 $120.00
1 Relay + 12 PT Strip J4$415.00 $577.00 $415.00 $577.00 $589.00 $745.00
2 Relays + 12 PT Strip K4$721.00 $1045.00 $721.00 $1045.00 $1069.00 $1381.00
DIN Rail + 12 PT Strip + Space Heater L5$318.00 $318.00 $318.00 $318.00 $318.00 $318.00
2 Relays + 12 PT Strip + Space Heater M4,5 $841.00 $1165.00 $841.00 $1165.00 $1189.00 $1501.00
Time Delay ON Relay, 24/120V Coil - unwired (TD) N4$504.00 $660.00 $504.00 $660.00 $504.00 $660.00
Time Delay OFF Relay, 24/120V Coil - unwired (TD) P4$504.00 $660.00 $504.00 $660.00 $504.00 $660.00
12 PT Strip + TD ON R4$613.00 $769.00 $613.00 $769.00 $613.00 $769.00
12 PT Strip + TD OFF S4$613.00 $769.00 $613.00 $769.00 $613.00 $769.00
12 PT Strip + Space Heater + TD ON T4,5 $733.00 $889.00 $733.00 $889.00 $733.00 $889.00
12 PT Strip + Space Heater + TD OFF U4,5 $733.00 $889.00 $733.00 $889.00 $733.00 $889.00
4Relay/Timer coil voltage is equivalent to CPT secondary voltage. Requires minimum 100 extra VA CPT option.
5Maximum number of auxiliary contacts shall be reduced by 1.
CR411 Magnetic Starters
Reversing, Combination, Nonfusible and Fusible Disconnect Type
Part Number Configuration
Valid for NEMA sizes 0-4

www.geindustrial.com Control Catalog 1-73
NEMA Full Voltage Power Devices
NEMA Rated Full Voltage Starters - Magnetic
Rev. 4/16
Prices and data subject to
change without notice
Section 1
CR310/410 Reversing Thermal Magnetic Circuit Breaker Type
NEMA Type 1 NEMA Type 3R NEMA Type 12 NEMA Type 4/4X
Continuous CB Product List Product List Product List Product List
Voltage NEMA Maximum Amp Rating Number Price Number Price Number Price Number Price
(60Hz) Size Horsepower Rating (Amps) CR GO-10G1 CR GO-10G1 CR GO-10G1 CR GO-10G1
200-208 02 18 15 410B108TC1AAAAA $1074.00 410B608TC1AAAAA $1278.00 410B208TC1AAAAA $1278.00 410B408TC1AAAAA $1806.00
200-208 03 18 20 410B108TD1AAAAA $1074.00 410B608TD1AAAAA $1278.00 410B208TD1AAAAA $1278.00 410B408TD1AAAAA $1806.00
200-208 15 27 30 410C108TF1AAAAA $1146.00 410C608TF1AAAAA $1350.00 410C208TF1AAAAA $1350.00 410C408TF1AAAAA $1878.00
200-208 1 7 1/2 27 40 410C108TG1AAAAA $1182.00 410C608TG1AAAAA $1386.00 410C208TG1AAAAA $1386.00 410C408TG1AAAAA $1914.00
200-208 2 10 45 50 410D108TH1AAAAA $1830.00 410D608TH1AAAAA $2094.00 410D208TH1AAAAA $2094.00 410D408TH1AAAAA $2946.00
200-208 3 15 90 80 410E108TL1AAAAA $2736.00 410E608TL1AAAAA $3084.00 410E208TL1AAAAA $3084.00 410E408TL1AAAAA $4692.00
200-208 3 20 90 100 410E108TN1AAAAA $2736.00 410E608TN1AAAAA $3084.00 410E208TN1AAAAA $3084.00 410E408TN1AAAAA $4692.00
200-208 3 25 90 125 410E108TQ1AAAAA $3366.00 410E608TQ1AAAAA $3714.00 410E208TQ1AAAAA $3714.00 410E408TQ1AAAAA $5322.00
200-208 4 30 135 150 410F108TR1AAAAA $6198.00 410F608TR1AAAAA $7152.00 410F208TR1AAAAA $7152.00 410F408TR1AAAAA $8670.00
200-208 4 40 135 200 410F108TT1AAAAA $6198.00 410F608TT1AAAAA $7152.00 410F208TT1AAAAA $7152.00 410F408TT1AAAAA $8670.00
200-208 5 75 270 400 310G123CAA $12555.00 310G623CAAA $14823.00 310G223CAA $14823.00 --
230-240 03 18 15 410B103TC1AAAAA $1074.00 410B603TC1AAAAA $1278.00 410B203TC1AAAAA $1278.00 410B403TC1AAAAA $1806.00
230-240 15 27 25 410C103TE1AAAAA $1146.00 410C603TE1AAAAA $1350.00 410C203TE1AAAAA $1350.00 410C403TE1AAAAA $1878.00
230-240 1 7 1/2 27 40 410C103TG1AAAAA $1182.00 410C603TG1AAAAA $1386.00 410C203TG1AAAAA $1386.00 410C403TG1AAAAA $1914.00
230-240 2 10 45 50 410D103TH1AAAAA $1830.00 410D603TH1AAAAA $2094.00 410D203TH1AAAAA $2094.00 410D403TH1AAAAA $2946.00
230-240 2 15 45 70 410D103TK1AAAAA $1902.00 410D603TK1AAAAA $2166.00 410D203TK1AAAAA $2166.00 410D403TK1AAAAA $3018.00
230-240 3 20 90 90 410E103TM1AAAAA $2736.00 410E603TM1AAAAA $3084.00 410E203TM1AAAAA $3084.00 410E403TM1AAAAA $4692.00
230-240 3 25 90 110 410E103TP1AAAAA $2736.00 410E603TP1AAAAA $3084.00 410E203TP1AAAAA $3084.00 410E403TP1AAAAA $4692.00
230-240 3 30 90 125 410E103TQ1AAAAA $3366.00 410E603TQ1AAAAA $3714.00 410E203TQ1AAAAA $3714.00 410E403TQ1AAAAA $5322.00
230-240 4 40 135 175 410F103TS1AAAAA $6801.00 410F603TS1AAAAA $7755.00 410F203TS1AAAAA $7755.00 410F403TS1AAAAA $9273.00
230-240 4 50 135 200 410F103TT1AAAAA $6198.00 410F603TT1AAAAA $7152.00 410F203TT1AAAAA $7152.00 410F403TT1AAAAA $8670.00
230-240 5 60 270 250 310G103AAA $12555.00 310G603AAAA $14823.00 310G203AAA $14823.00 --
230-240 5 75 270 300 310G103BAA $12555.00 310G603BAAA $14823.00 310G203BAA $14823.00 --
230-240 5 100 270 400 310G103CAA $12555.00 310G603CAAA $14823.00 310G203CAA $14823.00 --
460-480 05 18 15 410B104TC1AAAAA $1074.00 410B604TC1AAAAA $1278.00 410B204TC1AAAAA $1278.00 410B404TC1AAAAA $1806.00
460-480 1 7 1/2 27 20 410C104TD1AAAAA $1146.00 410C604TD1AAAAA $1350.00 410C204TD1AAAAA $1350.00 410C404TD1AAAAA $1878.00
460-480 1 10 27 25 410C104TE1AAAAA $1146.00 410C604TE1AAAAA $1350.00 410C204TE1AAAAA $1350.00 410C404TE1AAAAA $1878.00
460-480 2 15 45 40 410D104TG1AAAAA $1830.00 410D604TG1AAAAA $2,094.00 410D204TG1AAAAA $2094.00 410D404TG1AAAAA $2946.00
460-480 2 20 45 50 410D104TH1AAAAA $1830.00 410D604TH1AAAAA $2094.00 410D204TH1AAAAA $2094.00 410D404TH1AAAAA $2946.00
460-480 2 25 45 60 410D104TJ1AAAAA $1902.00 410D604TJ1AAAAA $2166.00 410D204TJ1AAAAA $2166.00 410D404TJ1AAAAA $3018.00
460-480 3 30 90 60 410E104TJ1AAAAA $2736.00 410E604TJ1AAAAA $3084.00 410E204TJ1AAAAA $3084.00 410E404TJ1AAAAA $4692.00
460-480 3 40 90 80 410E104TL1AAAAA $2736.00 410E604TL1AAAAA $3084.00 410E204TL1AAAAA $3084.00 410E404TL1AAAAA $4692.00
460-480 3 50 90 100 410E104TN1AAAAA $2736.00 410E604TN1AAAAA $3084.00 410E204TN1AAAAA $3084.00 410E404TN1AAAAA $4692.00
460-480 4 60 135 125 410F104TQ1AAAAA $6198.00 410F604TQ1AAAAA $7152.00 410F204TQ1AAAAA $7152.00 410F404TQ1AAAAA $8670.00
460-480 4 75 135 150 410F104TR1AAAAA $6198.00 410F604TR1AAAAA $7152.00 410F204TR1AAAAA $7152.00 410F404TR1AAAAA $8670.00
460-480 4 100 135 200 410F104TT1AAAAA $6198.00 410F604TT1AAAAA $7152.00 410F204TT1AAAAA $7152.00 410F404TT1AAAAA $8670.00
460-480 5 125 270 250 310G104AAA1$12555.00 310G604AAAA1$14823.00 310G204AAA1$14823.00 --
460-480 5 150 270 300 310G104BAA $12555.00 310G604BAAA $14823.00 310G204BAA $14823.00 --
460-480 5 200 270 400 310G104CAA $12555.00 310G604CAAA $14823.00 310G204CAA $14823.00 --
575-600 05 18 15 410B105TC1AAAAA $1074.00 410B605TC1AAAAA $1278.00 410B205TC1AAAAA $1278.00 410B405TC1AAAAA $1806.00
575-600 1 7 1/2 27 15 410C105TC1AAAAA $1146.00 410C605TC1AAAAA $1350.00 410C205TC1AAAAA $1350.00 410C405TC1AAAAA $1878.00
575-600 1 10 27 20 410C105TD1AAAAA $1146.00 410C605TD1AAAAA $1350.00 410C205TD1AAAAA $1350.00 410C405TD1AAAAA $1878.00
575-600 2 15 45 30 410D105TF1AAAAA $1866.00 410D605TF1AAAAA $2130.00 410D205TF1AAAAA $2130.00 410D405TF1AAAAA $2982.00
575-600 2 20 45 40 410D105TG1AAAAA $1830.00 410D605TG1AAAAA $2094.00 410D205TG1AAAAA $2094.00 410D405TG1AAAAA $2946.00
575-600 2 25 45 50 410D105TH1AAAAA $1830.00 410D605TH1AAAAA $2094.00 410D205TH1AAAAA $2094.00 410D405TH1AAAAA $2946.00
575-600 3 30 90 50 410E105TH1AAAAA $2910.00 410E605TH1AAAAA $3258.00 410E205TH1AAAAA $3258.00 410E405TH1AAAAA $4866.00
575-600 3 40 90 70 410E105TK1AAAAA $2736.00 410E605TK1AAAAA $3084.00 410E205TK1AAAAA $3084.00 410E405TK1AAAAA $4692.00
575-600 3 50 90 80 410E105TL1AAAAA $2736.00 410E605TL1AAAAA $3084.00 410E205TL1AAAAA $3084.00 410E405TL1AAAAA $4692.00
575-600 4 60 135 100 410F105TN1AAAAA $6801.00 410F605TN1AAAAA $7755.00 410F205TN1AAAAA $7755.00 410F405TN1AAAAA $9273.00
575-600 4 75 135 125 410F105TQ1AAAAA $6198.00 410F605TQ1AAAAA $7152.00 410F205TQ1AAAAA $7152.00 410F405TQ1AAAAA $8670.00
575-600 4 100 135 150 410F105TR1AAAAA $6198.00 410F605TR1AAAAA $7152.00 410F205TR1AAAAA $7152.00 410F405TR1AAAAA $8670.00
575-600 5 150 270 250 310G105AAA $12555.00 310G605AAAA $14823.00 310G205AAA $14823.00 --
575-600 5 200 270 300 310G105BAA $12555.00 310G605BAAA $14823.00 310G205BAA $14823.00 --
1For ordinary starting duty only. Breaker with higher rating is recommended for frequent starts or long accelerating time.
• NEMA Size 0-5 starters with 115-120 Volt, 60-Hertz coils for separate control are available at listed prices. To order, replace Digits 8 & 9 of listed Product Numbers with 02.
Example: CR410B103TC1AAAAA with 115-120 Volt, 60-Hertz coil for separate control becomes CR410B102TC1AAAAA Product Number.
• Motor full load current should not exceed continuous ampere rating of starter.
• For ordinary starting duty only.
CR310, CR410 Magnetic Starters
Reversing, Combination, NEMA Type 1, 3R, 12, 4/4X
NEMA Sizes 0-5, Thermal Magnetic Circuit Breaker Type
600 Volts Maximum 60 Hertz
List Price includes a holding interlock, mechanical and cross-electrical interlock on each contactor, pressure terminals for the line
and load connections, plus a 3-leg block type overload relay (manual reset). All enclosures include external reset. Three heaters should
be ordered as separate items. See pages 1-153 to 1-159 for selection. List Price $9.00 each, GO-10H.

www.geindustrial.com Rev. 4/16
Prices and data subject to
change without notice
Control Catalog
1-74
NEMA Full Voltage Power Devices
NEMA Rated Full Voltage Starters - Magnetic
Section 1
CR410 Magnetic Starters
Reversing, Combination, Thermal Magnetic Circuit Breaker Type
Part Number Configuration
Valid for NEMA sizes 0-4
1
CR
Digits:
Steps:
23
Step 1
4567891011121314151617
Step 2 Step 3 Step 4 Step 5 Step 6 Step 7 Step 8 Step 9
To configure the part number, use the tables below to fill in the digit boxes with the appropriate code.
Add list price from each step to arrive at total list for price for starter.
Step 1 (Digits 1-7) Select NEMA Size and Enclosure
NEMA Type 1 NEMA Type 3R NEMA Type 12 NEMA Type 4
Standard List Standard List Standard List Standard List
NEMA Enclosure Price Enclosure Price Enclosure Price Enclosure Price
Size CR GO-10G1 CR GO-10G1 CR GO-10G1 CR GO-10G1
0 410B1 $936.00 410B6 $1140.00 410B2 $1140.00 410B4 $1668.00
1 410C1 $1008.00 410C6 $1212.00 410C2 $1212.00 410C4 $1740.00
2 410D1 $1692.00 410D6 $1956.00 410D2 $1956.00 410D4 $2808.00
3 410E1 $2736.00 410E6 $3084.00 410E2 $3084.00 410E4 $4692.00
4 410F1 $6198.00 410F6 $7152.00 410F2 $7152.00 410F4 $8670.00
Note: All enclosures include external overload reset buttons. NEMA 4 enclosures are stainless steel.
Step 2 (Digits 8, 9) Select Control Voltage (No CPT and Standard Size CPT)
NEMA Size
Control Standard 01 2 3 4
No List Price Fuses, List Price Size List Price List Price List Price List Price List Price
Control Circuit Voltage & CPT CPT GO-10G1 No CPT GO-10G1 CPT GO-10G1 GO-10G1 GO-10G1 GO-10G1 GO-10G1
120V w/ Surge Protector (SP) 01 $54.00 F1 $132.00 -
120V 02 $0.00 F2 $132.00 -
240V 03 $0.00 F3 $132.00 -
480V 04 $0.00 F4 $132.00 -
600V 05 $0.00 F5 $132.00 -
208V 08 $0.00 F8 $132.00 -
24V109 $0.00 --
240V/120V w/CPT -- 93 $294.00 $294.00 $352.00 $468.00 $540.00
480V/120V w/CPT -- 94 $294.00 $294.00 $352.00 $468.00 $540.00
600V/120V w/CPT -- 95 $294.00 $294.00 $352.00 $468.00 $540.00
208V/120V w/CPT -- 98 $294.00 $294.00 $352.00 $468.00 $540.00
240V/120V w/CPT & SP -- 33 $348.00 $348.00 $406.00 $522.00 $594.00
480V/120V w/CPT & SP -- 34 $348.00 $348.00 $406.00 $522.00 $594.00
600V/120V w/CPT & SP -- 35 $348.00 $348.00 $406.00 $522.00 $594.00
208V/120V w/CPT & SP -- 38 $348.00 $348.00 $406.00 $522.00 $594.00
240V/24V w/CPT1-- S3 $294.00 $294.00 $352.00 --
480V/24V w/CPT1-- S4 $294.00 $294.00 $352.00 --
600V/24V w/CPT1-- S5 $294.00 $294.00 $352.00 --
208V/24V w/CPT1-- S8 $294.00 $294.00 $352.00 --
Note: CPT includes 2 primary fuses and 1 secondary fuse.
124V coils not available for NEMA size 3 & 4.

www.geindustrial.com Control Catalog 1-75
NEMA Full Voltage Power Devices
NEMA Rated Full Voltage Starters - Magnetic
Rev. 4/16
Prices and data subject to
change without notice
Section 1
CR410 Magnetic Starters
Reversing, Combination, Thermal Magnetic Circuit Breaker Type
Part Number Configuration
Valid for NEMA sizes 0-4
Step 4 (Digit 12) Select Overload Relay
List Price
Overload Relay Code GO-10G1
Thermal Bi-Metallic Non-compensated (1NC) 1 $0.00
Thermal Bi-Metallic Non-compensated (1NO-1NC) 2 $24.00
Thermal Bi-Metallic Ambient Compensated (1NC) 3 $27.00
Thermal Bi-Metallic Ambient Compensated (1NO-1NC) 4 $51.00
Solid State Overload (1NO-1NC) (#) $27.00
(#) Select Code for Solid State Overload amp rating from Standard or Optional
Ranges table on page 1-76.
Step 3 (Digits 10, 11) Select Protective Device
Thermal-Mag Circuit Breaker - Spectra™Series
200-208V 230-240V 460-480V 575-600V
Max CB Rating List Price Max CB Rating List Price Max CB Rating List Price Max CB Rating List Price
NEMA Size Hp (Amps) Code GO-10G1 Hp (Amps) Code GO-10G1 Hp (Amps) Code GO-10G1 Hp (Amps) Code GO-10G1
0215 TC $138.00 3 15 TC $138.00 5 15 TC $138.00 5 15 TC $138.00
3 20 TD $138.00 20 TD $138.00 20 TD $138.00 20 TD $138.00
15 TC $138.00 15 TC $138.00 15 TC $138.00 7 1/2 15 TC $138.00
20 TD $138.00 20 TD $138.00 7 1/2 20 TD $138.00 10 20 TD $138.00
1 25 TE $138.00 5 25 TE $138.00 10 25 TE $138.00 25 TE $138.00
5 30 TF $138.00 30 TF $138.00 30 TF $138.00 30 TF $138.00
7 1/2 40 TG $174.00 7 1/2 40 TG $174.00 40 TG $174.00 40 TG $174.00
30 TF $174.00 30 TF $174.00 30 TF $174.00 15 30 TF $174.00
40 TG $138.00 40 TG $138.00 15 40 TG $138.00 20 40 TG $138.00
2 10 50 TH $138.00 10 50 TH $138.00 20 50 TH $138.00 25 50 TH $138.00
60 TJ $210.00 60 TJ $210.00 25 60 TJ $210.00 60 TJ $210.00
70 TK $210.00 15 70 TK $210.00 70 TK $210.00 70 TK $210.00
50 TH $174.00 50 TH $174.00 50 TH $174.00 30 50 TH $174.00
60 TJ $0.00 60 TJ $0.00 30 60 TJ $0.00 60 TJ $0.00
70 TK $0.00 70 TK $0.00 70 TK $0.00 40 70 TK $0.00
315 80 TL $0.00 80 TL $0.00 40 80 TL $0.00 50 80 TL $0.00
90 TM $0.00 20 90 TM $0.00 90 TM $0.00 90 TM $0.00
20 100 TN $0.00 100 TN $0.00 50 100 TN $0.00 100 TN $0.00
110 TP $0.00 25 110 TP $0.00 110 TP $0.00 110 TP $0.00
25 125 TQ $630.00 30 125 TQ $630.00 125 TQ $630.00 125 TQ $630.00
100 TN $603.00 100 TN $603.00 100 TN $603.00 60 100 TN $603.00
125 TQ $0.00 125 TQ $0.00 60 125 TQ $0.00 75 125 TQ $0.00
4 30 150 TR $0.00 150 TR $0.00 75 150 TR $0.00 100 150 TR $0.00
175 TS $603.00 40 175 TS $603.00 175 TS $603.00 175 TS $603.00
40 200 TT $0.00 50 200 TT $0.00 100 200 TT $0.00 200 TT $0.00
Step 2 (Digits 8, 9) Select Control Voltage (Extra Capacity CPT + 100VA and 200VA)
NEMA Size NEMA Size
Standard 01234Standard 01 234
Size List Price List Price List Price List Price List Price Size List Price List Price List Price List Price List Price
Control Circuit Voltage & CPT CPT + 100VA GO-10G1 GO-10G1 GO-10G1 GO-10G1 GO-10G1 CPT + 200VA GO-10G1 GO-10G1 GO-10G1 GO-10G1 GO-10G1
120V w/ Surge Protector (SP) - -
120V - -
240V - -
480V - -
600V - -
208V - -
24V1- -
240V/120V w/CPT 13 $420.00 $420.00 $504.00 $600.00 $660.00 23 $523.00 $523.00 $618.00 $714.00 $775.00
480V/120V w/CPT 14 $420.00 $420.00 $504.00 $600.00 $660.00 24 $523.00 $523.00 $618.00 $714.00 $775.00
600V/120V w/CPT 15 $420.00 $420.00 $504.00 $600.00 $660.00 25 $523.00 $523.00 $618.00 $714.00 $775.00
208V/120V w/CPT 18 $420.00 $420.00 $504.00 $600.00 $660.00 28 $523.00 $523.00 $618.00 $714.00 $775.00
240V/120V w/CPT & SP 53 $474.00 $474.00 $558.00 $654.00 $714.00 63 $577.00 $577.00 $672.00 $768.00 $829.00
480V/120V w/CPT & SP 54 $474.00 $474.00 $558.00 $654.00 $714.00 64 $577.00 $577.00 $672.00 $768.00 $829.00
600V/120V w/CPT & SP 55 $474.00 $474.00 $558.00 $654.00 $714.00 65 $577.00 $577.00 $672.00 $768.00 $829.00
208V/120V w/CPT & SP 58 $474.00 $474.00 $558.00 $654.00 $714.00 68 $577.00 $577.00 $672.00 $768.00 $829.00
240V/24V w/CPT1A3 $420.00 $420.00 $504.00 -- B3 $523.00 $523.00 $618.00 --
480V/24V w/CPT1A4 $420.00 $420.00 $504.00 -- B4 $523.00 $523.00 $618.00 --
600V/24V w/CPT1A5 $420.00 $420.00 $504.00 -- B5 $523.00 $523.00 $618.00 --
208V/24V w/CPT1A8 $420.00 $420.00 $504.00 -- B8 $523.00 $523.00 $618.00 --
Note: CPT includes 2 primary fuses and 1 secondary fuse.
124V coils not available for NEMA size 3 & 4.

www.geindustrial.com Rev. 4/16
Prices and data subject to
change without notice
Control Catalog
1-76
NEMA Full Voltage Power Devices
NEMA Rated Full Voltage Starters - Magnetic
Section 1
Step 4 (Digit 12) Select Overload Relay (continued)
Solid State Overload Relay - Standard Range
NEMA 200-208V 230-240V 460-480V 575-600V
Size OL Range Max Hp Code Max Hp Code Max Hp Code Max Hp Code
0.8 - 1.7 3/4 D1D
01.6 - 3.4 1/2 E 3/4 E2E2E
3.2 - 6.8 1F 2 F 3 F 5 F
6.5 - 13.5 3G 3 G 5 G
16.5 - 13.5 7 1/2 G 10 G
13 - 27 7 1/2 H 7 1/2 H 10 H
213 - 27 20 H 25 H
25 - 50 10 J 15 J 25 J
17 - 35 30 K
3 35 - 70 20 L 25 L 50 L 50 L
65 - 135 25 M 30 M
4 65 - 135 40 M 50 M 100 M 100 M
Step 5 (Digit 13) Select Auxiliary Contacts
Aux Contacts List Price
(per Contactor) Code GO-10G1
None A $0.00
1NO B$132.00
1NC C$132.00
1NO-1NC D$264.00
2NO E$264.00
2NC F$264.00
Step 6 (Digit 14) Select Monitoring Options
List Price GO-10G1
NEMA Size 0-2 NEMA Size 3 NEMA Size 4
Device Code Type 1, 3R, & 12 Type 4/4X Type 1, 3R, & 12 Type 4/4X Type 1, 3R, & 12 Type 4/4X
None A $0.00 $0.00 $0.00 $0.00 $0.00 $0.00
Phase Failure Relay with Undervoltage Protection C $1056.00 $1056.00 $1056.00 $1056.00 $1056.00 $1056.00
(panel mounted) - 190-480V (PFR w/UV)
Phase Failure Relay with Undervoltage Protection D $1056.00 $1056.00 $1056.00 $1056.00 $1056.00 $1056.00
(panel mounted) - 575V (PFR w/UV)
Phase Failure Relay - 208V (PFR) E2$425.00 - $425.00 - $425.00 -
Phase Failure Relay - 240V (PFR) F2$425.00 - $425.00 - $425.00 -
Phase Failure Relay - 480V (PFR) G2$425.00 - $425.00 - $425.00 -
Phase Failure Relay - 575V (PFR) H2$425.00 - $425.00 - $425.00 -
Elapsed Time Meter (120V/60Hz) Wired Across Coil (ETM) 13$348.00 $588.00 $348.00 $588.00 $348.00 $588.00
ETM + PFR w/UV (190-480V) L3$1404.00 $1644.00 $1404.00 $1644.00 $1404.00 $1644.00
ETM + PFR w/UV (575V) N3$1404.00 $1644.00 $1404.00 $1644.00 $1404.00 $1644.00
ETM + PFR (208V) P2,3 $773.00 - $773.00 - $773.00 -
ETM + PFR (240V) Q2,3 $773.00 - $773.00 - $773.00 -
ETM + PFR (480V) R2,3 $773.00 - $773.00 - $773.00 -
ETM + PFR (575V) S2,3 $773.00 - $773.00 - $773.00 -
2Available for Type 1 Enclosure only.
3Requires 120V Control Circuit Voltage or CPT w/ 120V Secondary.
Step 7 (Digit 15) Select Push Button/Selector Switch
List Price
Push Button/Selector Switch - Heavy Duty Code GO-10G1
None A $0.00
FWD/REV/Stop Push Button J $240.00
Up/Down/Stop Push Button K $240.00
Open/CLS/Stop Push Button L $240.00
HOA & FWD-REV Selector Switch P $264.00
FWD-OFF-REV Selector Switch T $132.00
CR410 Magnetic Starters
Reversing, Combination, Thermal Magnetic Circuit Breaker Type
Part Number Configuration
Valid for NEMA sizes 0-4
Optional Ranges
NEMA SIZE
OL Amp Range 0 & 1 2 3 & 4
0.4 - 0.85 C--
0.8 - 1.7 D--
1.6 - 3.4 E--
3.2 - 6.8 F--
6.5 - 13.5 GG-
13 - 27 HH-
25 - 50 -J-
17 - 35 --K
35 - 70 --L
65 - 135 --M

www.geindustrial.com Control Catalog 1-77
NEMA Full Voltage Power Devices
NEMA Rated Full Voltage Starters - Magnetic
Rev. 4/16
Prices and data subject to
change without notice
Section 1
GENERAL NOTE:
On NEMA Size 3 & 4 starters, if selecting factory installed and wired operator devices
(Push Buttons, Selector Switches, and/or Pilot Lights) then control circuit fusing, a
control power transformer, or 120V separate sourced control is required when the
protective device is rated greater than 100 Amps.
Step 9 (Digit 17) Select Control Options
List Price GO-10G1
NEMA Size 0-2 NEMA Size 3 NEMA Size 4
Device Code Type 1, 3R, & 12 Type 4/4X Type 1, 3R, & 12 Type 4/4X Type 1, 3R, & 12 Type 4/4X
None A $0.00 $0.00 $0.00 $0.00 $0.00 $0.00
1 Relay, 2NO-2NC, 24/120V Coil - unwired B4$306.00 $468.00 $306.00 $468.00 $480.00 $636.00
2 Relays, 24/120V Coil - unwired C4$612.00 $936.00 $612.00 $936.00 $960.00 $1272.00
DIN Rail - for Customer Use D $89.00 $89.00 $89.00 $89.00 $89.00 $89.00
12 Point Terminal Strip - unwired (12 PT Strip) E $109.00 $109.00 $109.00 $109.00 $109.00 $109.00
Space Heater w/ NC Contact H5$120.00 $120.00 $120.00 $120.00 $120.00 $120.00
1 Relay + 12 PT Strip J4$415.00 $577.00 $415.00 $577.00 $589.00 $745.00
2 Relays + 12 PT Strip K4$721.00 $1045.00 $721.00 $1045.00 $1069.00 $1381.00
DIN Rail + 12 PT Strip + Space Heater L5$318.00 $318.00 $318.00 $318.00 $318.00 $318.00
2 Relays + 12 PT Strip + Space Heater M4,5 $841.00 $1165.00 $841.00 $1165.00 $1189.00 $1501.00
Time Delay ON Relay, 24/120V Coil - unwired (TD) N4$504.00 $660.00 $504.00 $660.00 $504.00 $660.00
Time Delay OFF Relay, 24/120V Coil - unwired (TD) P4$504.00 $660.00 $504.00 $660.00 $504.00 $660.00
12 PT Strip + TD ON R4$613.00 $769.00 $613.00 $769.00 $613.00 $769.00
12 PT Strip + TD OFF S4$613.00 $769.00 $613.00 $769.00 $613.00 $769.00
12 PT Strip + Space Heater + TD ON T4,5 $733.00 $889.00 $733.00 $889.00 $733.00 $889.00
12 PT Strip + Space Heater + TD OFF U4,5 $733.00 $889.00 $733.00 $889.00 $733.00 $889.00
4Relay/Timer coil voltage is equivalent to CPT secondary voltage. Requires minimum 100 extra VA CPT option.
5Maximum number of auxiliary contacts shall be reduced by 1.
CR410 Magnetic Starters
Reversing, Combination, Thermal Magnetic Circuit Breaker Type
Part Number Configuration
Valid for NEMA sizes 0-4
Step 8 (Digit 16) Select Pilot Device
Pilot Light
(Heavy Duty CR104P Style) List Price
Type Color - Functionality Code GO-10G1
None A $0.00
Standard Lights Red & Amber Across Coils K $324.00
Red & Green Across Coils L $324.00
Red & Amber Across Coils & Unwired Green X $486.00
LED Lights Red & Amber Across Coils 2 $324.00
Red & Green Across Coils 3 $324.00
Red & Amber Across Coils & Unwired Green 5 $486.00
Push-To-Test Lights Red & Amber Across Coils S $360.00
Red & Green Across Coils T $360.00
Red & Amber Across Coils & Unwired Green Y $540.00

www.geindustrial.com Rev. 4/16
Prices and data subject to
change without notice
Control Catalog
1-78
NEMA Full Voltage Power Devices
NEMA Rated Full Voltage Starters - Magnetic
Section 1
Application
Used for full-voltage starting and reversing of squirrel cage induc-
tion motors up to 200 horsepower maximum, 600 Volts maximum.
Consists of Spectra™Mag-Break motor circuit protector for branch
circuit protection (Sizes 0-4), reversing controller, and three-leg
block overload relay. Refer to page 1-7 for features of basic starter.
Features
—Spectra™Mag-Break motor circuit protector (Sizes 0-4) –
provides protection against faults and has adjustable trip.
—Meets NEC standards – continuous current ratings and
adjustable instantaneous trip ranges meet NEC standards on
motor full-load and locked rotor currents.
—Can eliminate nuisance tripping and provide fault protection
– by setting the Mag-Break instantaneous trip point just above
transient motor inrush current
—Less than one cycle clearing time – to open and clear a fault
Product Number Selection Instructions
1. Specify starter by complete Product Number.
Example: CR490D104MF1AAAAA @ $1830.00, GO-10G1.
2. Order heaters by complete Product Number from appropriate
heater tables on pages 1-153 to 1-159, based on motor full-
load current.
3. Order forms not listed or special features by complete description
using a listed Product Number as reference wherever possible.
Example: Similar to CR490D104MF1AAAAA except with 460/120
Volt control transformer @ $2182.00, GO-10G1, total list price
4. 50 Hertz Starters
Pricing for 50 Hertz forms (at standard voltages) is the same as
shown in table for 60 Hertz. List prices for 460-480Volts, 60
Hertz also apply to 380-415 Volts, 50 Hertz. See page 1-4 for
380-415Volt horsepower ratings.
5. Product Notes
Motor full-load current should not exceed continuous ampere
rating of starter.
Reference Publications
Instructions
NEMA Size Publication Number
0, 1 GEH-5190
2 GEH-4775
3 GEH-4806
4 GEH-4807
5 GEH-4839
CR390, CR490, Mag-Break Magnetic Starters – Contents
Application Information and Selection Instructions ...............1-78
Mag-Break Circuit Breaker Type (CR390, CR490) .....................1-79
Mag-Break Part Number Configuration
Size 0-4, NEMA Type 1, 3R, 12, 4/4X (CR490) ..............................1-80
Outlines and Dimensions .....................................................................1-84
NEMA Size 2 Combination Reverser in
NEMA Type 1 Enclosure
CR390, CR490 Mag-Break Magnetic Starters
Reversing, Combination, NEMA Type 1, 3R, 12, 4/4X
200 Horsepower Maximum
NEMA Sizes 0-5
600 Volts Maximum 50/60Hz

www.geindustrial.com Control Catalog 1-79
NEMA Full Voltage Power Devices
NEMA Rated Full Voltage Starters - Magnetic
Rev. 4/16
Prices and data subject to
change without notice
Section 1
CR390, CR490 Mag-Break Magnetic Starters
Reversing, Combination, NEMA Type 1, 3R, 12, 4/4X
NEMA Sizes 0-5, Mag-Break Circuit Breaker Type
600 Volts Maximum 60 Hertz
List Price includes a holding interlock, mechanical and cross-electrical interlock on each contactor, pressure terminals for the line and
load connections, plus a 3-leg block type overload relay (manual reset). All enclosures include external reset. Three heaters should be
ordered as separate items. See pages 1-153 to 1-159 for selection. List price $9.00 each, GO-10H.
CR390/490 Reversing Mag-Break Circuit Breaker Type
NEMA Type 1 NEMA Type 3R NEMA Type 12 NEMA Type 4/4X
Continuous CB Product List Product List Product List Product List
Voltage NEMA Maximum Amp Rating Number Price Number Price Number Price Number Price
(60Hz) Size Horsepower Rating (Amps) CR GO-10G1 CR GO-10G1 CR GO-10G1 CR GO-10G1
200-208 01 18 7 490B108MB1AAAAA $1074.00 490B608MB1AAAAA $1278.00 490B208MB1AAAAA $1278.00 490B408MB1AAAAA $1806.00
200-208 03 18 15 490B108MC1AAAAA $1074.00 490B608MC1AAAAA $1278.00 490B208MC1AAAAA $1278.00 490B408MC1AAAAA $1806.00
200-208 15 27 25 490C108ME1AAAAA $1146.00 490C608ME1AAAAA $1350.00 490C208ME1AAAAA $1350.00 490C408ME1AAAAA $1878.00
200-208 1 7 1/2 27 40 490C108MG1AAAAA $1146.00 490C608MG1AAAAA $1350.00 490C208MG1AAAAA $1350.00 490C408MG1AAAAA $1878.00
200-208 2 10 45 50 490D108MH1AAAAA $1830.00 490D608MH1AAAAA $2094.00 490D208MH1AAAAA $2094.00 490D408MH1AAAAA $2946.00
200-208 3 15 90 70 490E108MK1AAAAA $2736.00 490E608MK1AAAAA $3084.00 490E208MK1AAAAA $3084.00 490E408MK1AAAAA $4692.00
200-208 3 20 90 80 490E108ML1AAAAA $2736.00 490E608ML1AAAAA $3084.00 490E208ML1AAAAA $3084.00 490E408ML1AAAAA $4692.00
200-208 3 25 90 100 490E108MN1AAAAA $2736.00 490E608MN1AAAAA $3084.00 490E208MN1AAAAA $3084.00 490E408MN1AAAAA $4692.00
200-208 4 30 135 125 490F108MQ1AAAAA $6198.00 490F608MQ1AAAAA $7152.00 490F208MQ1AAAAA $7152.00 490F408MQ1AAAAA $8670.00
200-208 4 40 135 150 490F108MR1AAAAA $6198.00 490F608MR1AAAAA $7152.00 490F208MR1AAAAA $7152.00 490F408MR1AAAAA $8670.00
200-208 5 75 270 400 390G123CAAA $12555.00 390G623CAAA $14823.00 390G223CAUA $14823.00 --
230-240 0 1/2 18 3 490B103MA1AAAAA $1074.00 490B603MA1AAAAA $1278.00 490B203MA1AAAAA $1278.00 490B403MA1AAAAA $1806.00
230-240 01 18 7 490B103MB1AAAAA $1074.00 490B603MB1AAAAA $1278.00 490B203MB1AAAAA $1278.00 490B403MB1AAAAA $1806.00
230-240 03 18 15 490B103MC1AAAAA $1074.00 490B603MC1AAAAA $1278.00 490B203MC1AAAAA $1278.00 490B403MC1AAAAA $1806.00
230-240 15 27 25 490C103ME1AAAAA $1146.00 490C603ME1AAAAA $1350.00 490C203ME1AAAAA $1350.00 490C403ME1AAAAA $1878.00
230-240 1 7 1/2 27 30 490C103MF1AAAAA $1146.00 490C603MF1AAAAA $1350.00 490C203MF1AAAAA $1350.00 490C403MF1AAAAA $1878.00
230-240 2 10 45 40 490D103MG1AAAAA $1830.00 490D603MG1AAAAA $2094.00 490D203MG1AAAAA $2094.00 490D403MG1AAAAA $2946.00
230-240 2 15 45 60 490D103MJ1AAAAA $1830.00 490D603MJ1AAAAA $2094.00 490D203MJ1AAAAA $2094.00 490D403MJ1AAAAA $2946.00
230-240 3 20 90 70 490E103MK1AAAAA $2736.00 490E603MK1AAAAA $3084.00 490E203MK1AAAAA $3084.00 490E403MK1AAAAA $4692.00
230-240 3 25 90 90 490E103MM1AAAAA $2736.00 490E603MM1AAAAA $3084.00 490E203MM1AAAAA $3084.00 490E403MM1AAAAA $4692.00
230-240 3 30 90 100 490E103MN1AAAAA $2736.00 490E603MN1AAAAA $3084.00 490E203MN1AAAAA $3084.00 490E403MN1AAAAA $4692.00
230-240 4 40 135 150 490F103MR1AAAAA $6198.00 490F603MR1AAAAA $7152.00 490F203MR1AAAAA $7152.00 490F403MR1AAAAA $8670.00
230-240 4 50 135 175 490F103MS1AAAAA $6198.00 490F603MS1AAAAA $7152.00 490F203MS1AAAAA $7152.00 490F403MS1AAAAA $8670.00
230-240 5 100 270 400 390G103CAAA $12555.00 390G603CAAA $14823.00 390G203CAUA $14823.00 --
460-480 01 18 3 490B104MA1AAAAA $1074.00 490B604MA1AAAAA $1278.00 490B204MA1AAAAA $1278.00 490B404MA1AAAAA $1806.00
460-480 03 18 7 490B104MB1AAAAA $1074.00 490B604MB1AAAAA $1278.00 490B204MB1AAAAA $1278.00 490B404MB1AAAAA $1806.00
460-480 05 18 15 490B104MC1AAAAA $1074.00 490B604MC1AAAAA $1278.00 490B204MC1AAAAA $1278.00 490B404MC1AAAAA $1806.00
460-480 1 7 1/2 27 15 490C104MC1AAAAA $1146.00 490C604MC1AAAAA $1350.00 490C204MC1AAAAA $1350.00 490C404MC1AAAAA $1878.00
460-480 1 10 27 20 490C104MD1AAAAA $1146.00 490C604MD1AAAAA $1350.00 490C204MD1AAAAA $1350.00 490C404MD1AAAAA $1878.00
460-480 2 15 45 30 490D104MF1AAAAA $1830.00 490D604MF1AAAAA $2094.00 490D204MF1AAAAA $2094.00 490D404MF1AAAAA $2946.00
460-480 2 20 45 40 490D104MG1AAAAA $1830.00 490D604MG1AAAAA $2094.00 490D204MG1AAAAA $2094.00 490D404MG1AAAAA $2946.00
460-480 2 25 45 50 490D104MH1AAAAA $1830.00 490D604MH1AAAAA $2094.00 490D204MH1AAAAA $2094.00 490D404MH1AAAAA $2946.00
460-480 3 30 90 50 490E104MH1AAAAA $2736.00 490E604MH1AAAAA $3084.00 490E204MH1AAAAA $3084.00 490E404MH1AAAAA $4692.00
460-480 3 40 90 70 490E104MK1AAAAA $2736.00 490E604MK1AAAAA $3084.00 490E204MK1AAAAA $3084.00 490E404MK1AAAAA $4692.00
460-480 3 50 90 90 490E104MM1AAAAA $2736.00 490E604MM1AAAAA $3084.00 490E204MM1AAAAA $3084.00 490E404MM1AAAAA $4692.00
460-480 4 60 135 100 490F104MN1AAAAA $6198.00 490F604MN1AAAAA $7152.00 490F204MN1AAAAA $7152.00 490F404MN1AAAAA $8670.00
460-480 4 75 135 125 490F104MQ1AAAAA $6198.00 490F604MQ1AAAAA $7152.00 490F204MQ1AAAAA $7152.00 490F404MQ1AAAAA $8670.00
460-480 4 100 135 175 490F104MS1AAAAA $6198.00 490F604MS1AAAAA $7152.00 490F204MS1AAAAA $7152.00 490F404MS1AAAAA $8670.00
460-480 5 200 270 400 390G104CAAA $12555.00 390G604CAAA $14823.00 390G204CAUA $14823.00 --
575-600 01 18 3 490B105MA1AAAAA $1074.00 490B605MA1AAAAA $1278.00 490B205MA1AAAAA $1278.00 490B405MA1AAAAA $1806.00
575-600 03 18 7 490B105MB1AAAAA $1074.00 490B605MB1AAAAA $1278.00 490B205MB1AAAAA $1278.00 490B405MB1AAAAA $1806.00
575-600 05 18 15 490B105MC1AAAAA $1074.00 490B605MC1AAAAA $1278.00 490B205MC1AAAAA $1278.00 490B405MC1AAAAA $1806.00
575-600 1 10 27 15 490C105MC1AAAAA $1146.00 490C605MC1AAAAA $1350.00 490C205MC1AAAAA $1350.00 490C405MC1AAAAA $1878.00
575-600 2 15 45 25 490D105ME1AAAAA $1830.00 490D605ME1AAAAA $2094.00 490D205ME1AAAAA $2094.00 490D405ME1AAAAA $2946.00
575-600 2 20 45 30 490D105MF1AAAAA $1830.00 490D605MF1AAAAA $2094.00 490D205MF1AAAAA $2094.00 490D405MF1AAAAA $2946.00
575-600 2 25 45 40 490D105MG1AAAAA $1830.00 490D605MG1AAAAA $2094.00 490D205MG1AAAAA $2094.00 490D405MG1AAAAA $2946.00
575-600 3 30 90 40 490E105MG1AAAAA $2736.00 490E605MG1AAAAA $3084.00 490E205MG1AAAAA $3084.00 490E405MG1AAAAA $4692.00
575-600 3 40 90 60 490E105MJ1AAAAA $2736.00 490E605MJ1AAAAA $3084.00 490E205MJ1AAAAA $3084.00 490E405MJ1AAAAA $4692.00
575-600 3 50 90 70 490E105MK1AAAAA $2736.00 490E605MK1AAAAA $3084.00 490E205MK1AAAAA $3084.00 490E405MK1AAAAA $4692.00
575-600 4 60 135 80 490F105ML1AAAAA $6198.00 490F605ML1AAAAA $7152.00 490F205ML1AAAAA $7152.00 490F405ML1AAAAA $8670.00
575-600 4 75 135 100 490F105MN1AAAAA $6198.00 490F605MN1AAAAA $7152.00 490F205MN1AAAAA $7152.00 490F405MN1AAAAA $8670.00
575-600 4 100 135 150 490F105MR1AAAAA $6198.00 490F605MR1AAAAA $7152.00 490F205MR1AAAAA $7152.00 490F405MR1AAAAA $8670.00
575-600 5 125 270 400 390G105BAAA $12555.00 390G605BAAA $14823.00 390G205BAUA $14823.00 --
575-600 5 200 270 400 390G105CAAA $12555.00 390G605CAAA $14823.00 390G205CAUA $14823.00 --
• NEMA Size 0-5 starters with 115-120 Volt, 60-Hertz coils for separate control are available at listed prices. To order, replace Digits 8 & 9 of listed Product Numbers with 02.
Example: CR490B408MB1AAAAA with 115-120 Volt, 60-Hertz coil for separate control becomes CR490B402MB1AAAAA Product Number.
• Motor full load current should not exceed continuous ampere rating of starter.

www.geindustrial.com Rev. 4/16
Prices and data subject to
change without notice
Control Catalog
1-80
NEMA Full Voltage Power Devices
NEMA Rated Full Voltage Starters - Magnetic
Section 1
CR490 Mag-Break Magnetic Starters
Reversing, Combination, Mag-Break Circuit Breaker Type
Part Number Configuration
Valid for NEMA sizes 0-4
To configure the part number, use the tables below to fill in the digit boxes with the appropriate code.
Add list price from each step to arrive at total list for price for starter.
Step 1 (Digits 1-7) Select NEMA Size and Enclosure
NEMA Type 1 NEMA Type 3R NEMA Type 12 NEMA Type 4
Standard List Standard List Standard List Standard List
NEMA Enclosure Price Enclosure Price Enclosure Price Enclosure Price
Size CR GO-10G1 CR GO-10G1 CR GO-10G1 CR GO-10G1
0 490B1 $1074.00 490B6 $1278.00 490B2 $1278.00 490B4 $1806.00
1 490C1 $1146.00 490C6 $1350.00 490C2 $1350.00 490C4 $1878.00
2 490D1 $1830.00 490D6 $2094.00 490D2 $2094.00 490D4 $2946.00
3 490E1 $2736.00 490E6 $3084.00 490E2 $3084.00 490E4 $4692.00
4 490F1 $6198.00 490F6 $7152.00 490F2 $7152.00 490F4 $8670.00
Note: All enclosures include external overload reset buttons. NEMA 4 enclosures are stainless steel.
1
CR
Digits:
Steps:
23
Step 1
4567891011121314151617
Step 2 Step 3 Step 4 Step 5 Step 6 Step 7 Step 8 Step 9
Step 2 (Digits 8, 9) Select Control Voltage (No CPT and Standard Size CPT)
NEMA Size
Control Standard 01 2 3 4
No List Price Fuses, List Price Size List Price List Price List Price List Price List Price
Control Circuit Voltage & CPT CPT GO-10G1 No CPT GO-10G1 CPT GO-10G1 GO-10G1 GO-10G1 GO-10G1 GO-10G1
120V w/ Surge Protector (SP) 01 $54.00 F1 $132.00 -
120V 02 $0.00 F2 $132.00 -
240V 03 $0.00 F3 $132.00 -
480V 04 $0.00 F4 $132.00 -
600V 05 $0.00 F5 $132.00 -
208V 08 $0.00 F8 $132.00 -
24V109 $0.00 --
240V/120V w/CPT -- 93 $294.00 $294.00 $352.00 $468.00 $540.00
480V/120V w/CPT -- 94 $294.00 $294.00 $352.00 $468.00 $540.00
600V/120V w/CPT -- 95 $294.00 $294.00 $352.00 $468.00 $540.00
208V/120V w/CPT -- 98 $294.00 $294.00 $352.00 $468.00 $540.00
240V/120V w/CPT & SP -- 33 $348.00 $348.00 $406.00 $522.00 $594.00
480V/120V w/CPT & SP -- 34 $348.00 $348.00 $406.00 $522.00 $594.00
600V/120V w/CPT & SP -- 35 $348.00 $348.00 $406.00 $522.00 $594.00
208V/120V w/CPT & SP -- 38 $348.00 $348.00 $406.00 $522.00 $594.00
240V/24V w/CPT1-- S3 $294.00 $294.00 $352.00 --
480V/24V w/CPT1-- S4 $294.00 $294.00 $352.00 --
600V/24V w/CPT1-- S5 $294.00 $294.00 $352.00 --
208V/24V w/CPT1-- S8 $294.00 $294.00 $352.00 --
Note: CPT includes 2 primary fuses and 1 secondary fuse.
124V coils not available for NEMA size 3 & 4.

www.geindustrial.com Control Catalog 1-81
NEMA Full Voltage Power Devices
NEMA Rated Full Voltage Starters - Magnetic
Rev. 4/16
Prices and data subject to
change without notice
Section 1
CR490 Mag-Break Magnetic Starters
Reversing, Combination, Mag-Break Circuit Breaker Type
Part Number Configuration
Valid for NEMA sizes 0-4
Step 2 (Digits 8, 9) Select Control Voltage (Extra Capacity CPT + 100VA and 200VA)
NEMA Size NEMA Size
Standard 01234Standard 01 234
Size List Price List Price List Price List Price List Price Size List Price List Price List Price List Price List Price
Control Circuit Voltage & CPT CPT + 100VA GO-10G1 GO-10G1 GO-10G1 GO-10G1 GO-10G1 CPT + 200VA GO-10G1 GO-10G1 GO-10G1 GO-10G1 GO-10G1
120V w/ Surge Protector (SP) - -
120V - -
240V - -
480V - -
600V - -
208V - -
24V1- -
240V/120V w/CPT 13 $420.00 $420.00 $504.00 $600.00 $660.00 23 $523.00 $523.00 $618.00 $714.00 $775.00
480V/120V w/CPT 14 $420.00 $420.00 $504.00 $600.00 $660.00 24 $523.00 $523.00 $618.00 $714.00 $775.00
600V/120V w/CPT 15 $420.00 $420.00 $504.00 $600.00 $660.00 25 $523.00 $523.00 $618.00 $714.00 $775.00
208V/120V w/CPT 18 $420.00 $420.00 $504.00 $600.00 $660.00 28 $523.00 $523.00 $618.00 $714.00 $775.00
240V/120V w/CPT & SP 53 $474.00 $474.00 $558.00 $654.00 $714.00 63 $577.00 $577.00 $672.00 $768.00 $829.00
480V/120V w/CPT & SP 54 $474.00 $474.00 $558.00 $654.00 $714.00 64 $577.00 $577.00 $672.00 $768.00 $829.00
600V/120V w/CPT & SP 55 $474.00 $474.00 $558.00 $654.00 $714.00 65 $577.00 $577.00 $672.00 $768.00 $829.00
208V/120V w/CPT & SP 58 $474.00 $474.00 $558.00 $654.00 $714.00 68 $577.00 $577.00 $672.00 $768.00 $829.00
240V/24V w/CPT1A3 $420.00 $420.00 $504.00 -- B3 $523.00 $523.00 $618.00 --
480V/24V w/CPT1A4 $420.00 $420.00 $504.00 -- B4 $523.00 $523.00 $618.00 --
600V/24V w/CPT1A5 $420.00 $420.00 $504.00 -- B5 $523.00 $523.00 $618.00 --
208V/24V w/CPT1A8 $420.00 $420.00 $504.00 -- B8 $523.00 $523.00 $618.00 --
Note: CPT includes 2 primary fuses and 1 secondary fuse.
124V coils not available for NEMA size 3 & 4.
Step 3 (Digits 10, 11) Select Protective Device
Mag-Break Circuit Breaker - Spectra™Series
200-208V 230-240V 460-480V 575-600V
Max CB Rating List Price Max CB Rating List Price Max CB Rating List Price Max CB Rating List Price
NEMA Size Hp (Amps) Code GO-10G1 Hp (Amps) Code GO-10G1 Hp (Amps) Code GO-10G1 Hp (Amps) Code GO-10G1
3 MA $0.00 1/2 3 MA $0.00 13MA $0.00 13MA $0.00
017MB $0.00 17MB $0.00 37MB $0.00 37MB $0.00
3 15 MC $0.00 3 15 MC $0.00 5 15 MC $0.00 5 15 MC $0.00
15 MC $0.00 15 MC $0.00 7 1/2 15 MC $0.00 10 15 MC $0.00
20 MD $0.00 20 MD $0.00 10 20 MD $0.00 20 MD $0.00
1525 ME $0.00 5 25 ME $0.00 25 ME $0.00 25 ME $0.00
30 MF $0.00 7 1/2 30 MF $0.00 30 MF $0.00 30 MF $0.00
7 1/2 40 MG $0.00 40 MG $0.00 40 MG $0.00 40 MG $0.00
25 ME $0.00 25 ME $0.00 25 ME $0.00 15 25 ME $0.00
30 MF $0.00 30 MF $0.00 15 30 MF $0.00 20 30 MF $0.00
2 40 MG $0.00 10 40 MG $0.00 20 40 MG $0.00 25 40 MG $0.00
10 50 MH $0.00 50 MH $0.00 25 50 MH $0.00 50 MH $0.00
60 MJ $0.00 15 60 MJ $0.00 60 MJ $0.00 60 MJ $0.00
40 MG $0.00 40 MG $0.00 40 MG $0.00 30 40 MG $0.00
50 MH $0.00 50 MH $0.00 30 50 MH $0.00 50 MH $0.00
60 MJ $0.00 60 MJ $0.00 60 MJ $0.00 40 60 MJ $0.00
3 15 70 MK $0.00 20 70 MK $0.00 40 70 MK $0.00 50 70 MK $0.00
20 80 ML $0.00 80 ML $0.00 80 ML $0.00 80 ML $0.00
90 MM $0.00 25 90 MM $0.00 50 90 MM $0.00 90 MM $0.00
25 100 MN $0.00 30 100 MN $0.00 100 MN $0.00 100 MN $0.00
80 ML $0.00 80 ML $0.00 80 ML $0.00 60 80 ML $0.00
100 MN $0.00 100 MN $0.00 60 100 MN $0.00 75 100 MN $0.00
4 30 125 MQ $0.00 125 MQ $0.00 75 125 MQ $0.00 125 MQ $0.00
40 150 MR $0.00 40 150 MR $0.00 150 MR $0.00 100 150 MR $0.00
175 MS $0.00 50 175 MS $0.00 100 175 MS $0.00 175 MS $0.00

www.geindustrial.com Rev. 4/16
Prices and data subject to
change without notice
Control Catalog
1-82
NEMA Full Voltage Power Devices
NEMA Rated Full Voltage Starters - Magnetic
Section 1
Step 5 (Digit 13) Select Auxiliary Contacts
List Price
Aux Contacts Code GO-10G1
None A $0.00
1NO B$132.00
1NC C$132.00
1NO-1NC D$264.00
2NO E$264.00
2NC F$264.00
Step 6 (Digit 14) Select Monitoring Options
List Price GO-10G1
NEMA Size 0-2 NEMA Size 3 NEMA Size 4
Device Code Type 1, 3R, & 12 Type 4/4X Type 1, 3R, & 12 Type 4/4X Type 1, 3R, & 12 Type 4/4X
None A $0.00 $0.00 $0.00 $0.00 $0.00 $0.00
Phase Failure Relay with Undervoltage Protection C $1056.00 $1056.00 $1056.00 $1056.00 $1056.00 $1056.00
(panel mounted) - 190-480V (PFR w/UV)
Phase Failure Relay with Undervoltage Protection D $1056.00 $1056.00 $1056.00 $1056.00 $1056.00 $1056.00
(panel mounted) - 575V (PFR w/UV)
Phase Failure Relay - 208V (PFR) E2$425.00 - $425.00 - $425.00 -
Phase Failure Relay - 240V (PFR) F2$425.00 - $425.00 - $425.00 -
Phase Failure Relay - 480V (PFR) G2$425.00 - $425.00 - $425.00 -
Phase Failure Relay - 575V (PFR) H2$425.00 - $425.00 - $425.00 -
Elapsed Time Meter (120V/60Hz) Wired Across Coil (ETM) 13$348.00 $588.00 $348.00 $588.00 $348.00 $588.00
ETM + PFR w/UV (190-480V) L3$1404.00 $1644.00 $1404.00 $1644.00 $1404.00 $1644.00
ETM + PFR w/UV (575V) N3$1404.00 $1644.00 $1404.00 $1644.00 $1404.00 $1644.00
ETM + PFR (208V) P2,3 $773.00 - $773.00 - $773.00 -
ETM + PFR (240V) Q2,3 $773.00 - $773.00 - $773.00 -
ETM + PFR (480V) R2,3 $773.00 - $773.00 - $773.00 -
ETM + PFR (575V) S2,3 $773.00 - $773.00 - $773.00 -
2Available for Type 1 Enclosure only.
3Requires 120V Control Circuit Voltage or CPT w/ 120V Secondary.
Step 4 (Digit 12) Select Overload Relay
List Price
Overload Relay Code GO-10G1
Thermal Bi-Metallic Non-compensated (1NC) 1 $0.00
Thermal Bi-Metallic Non-compensated (1NO-1NC) 2 $24.00
Thermal Bi-Metallic Ambient Compensated (1NC) 3 $27.00
Thermal Bi-Metallic Ambient Compensated (1NO-1NC) 4 $51.00
Solid State Overload (1NO-1NC) (#) $27.00
(#) Select Code for Solid State Overload amp rating from Standard or Optional Ranges table below.
Solid State Overload Relay - Standard Range
NEMA 200-208V 230-240V 460-480V 575-600V
Size OL Range Max Hp Code Max Hp Code Max Hp Code Max Hp Code
0.8 - 1.7 3/4 D1D
01.6 - 3.4 1/2 E 3/4 E2E2E
3.2 - 6.8 1F 2 F 3F 5F
6.5 - 13.5 3G 3G 5G
16.5 - 13.5 7 1/2 G 10 G
13 - 27 7 1/2 H 7 1/2 H 10 H
213 - 27 20 H 25 H
25 - 50 10 J 15 J 25 J
17 - 35 30 K
3 35 - 70 20 L 25 L 50 L 50 L
65 - 135 25 M 30 M
4 65 - 135 40 M 50 M 100 M 100 M
CR490 Mag-Break Magnetic Starters
Reversing, Combination, Mag-Break Circuit Breaker Type
Part Number Configuration
Valid for NEMA sizes 0-4
Optional Ranges
NEMA SIZE
OL Amp Range 0 & 1 2 3 & 4
0.4 - 0.85 C--
0.8 - 1.7 D--
1.6 - 3.4 E--
3.2 - 6.8 F--
6.5 - 13.5 GG-
13 - 27 HH-
25 - 50 -J-
17 - 35 --K
35 - 70 --L
65 - 135 --M

www.geindustrial.com Control Catalog 1-83
NEMA Full Voltage Power Devices
NEMA Rated Full Voltage Starters - Magnetic
Rev. 4/16
Prices and data subject to
change without notice
Section 1
Step 7 (Digit 15) Select Push Button/Selector Switch
List Price
Push Button/Selector Switch - Heavy Duty Code GO-10G1
None A $0.00
FWD/REV/Stop Push Button J $240.00
Up/Down/Stop Push Button K $240.00
Open/CLS/Stop Push Button L $240.00
HOA & FWD-REV Selector Switch P $264.00
FWD-OFF-REV Selector Switch T $132.00
Step 8 (Digit 16) Select Pilot Device
Pilot Light
(Heavy Duty CR104P Style) List Price
Type Color - Functionality Code GO-10G1
None A $0.00
Standard Lights Red & Amber Across Coils K $324.00
Red & Green Across Coils L $324.00
Red & Amber Across Coils & Unwired Green X $486.00
LED Lights Red & Amber Across Coils 2 $324.00
Red & Green Across Coils 3 $324.00
Red & Amber Across Coils & Unwired Green 5 $486.00
Push-To-Test Lights Red & Amber Across Coils S $360.00
Red & Green Across Coils T $360.00
Red & Amber Across Coils & Unwired Green Y $540.00
GENERAL NOTE:
If selecting factory installed and wired operator devices (Push Buttons, Selector
Switches, and/or Pilot Lights) control circuit fusing, a control power transformer, or
24V/120V separate sourced control is required, regardless of protective device rating.
Step 9 (Digit 17) Select Control Options
List Price GO-10G1
NEMA Size 0-2 NEMA Size 3 NEMA Size 4
Device Code Type 1, 3R, & 12 Type 4/4X Type 1, 3R, & 12 Type 4/4X Type 1, 3R, & 12 Type 4/4X
None A $0.00 $0.00 $0.00 $0.00 $0.00 $0.00
1 Relay, 2NO-2NC, 24/120V Coil - unwired B4$306.00 $468.00 $306.00 $468.00 $480.00 $636.00
2 Relays, 24/120V Coil - unwired C4$612.00 $936.00 $612.00 $936.00 $960.00 $1272.00
DIN Rail - for Customer Use D $89.00 $89.00 $89.00 $89.00 $89.00 $89.00
12 Point Terminal Strip - unwired (12 PT Strip) E $109.00 $109.00 $109.00 $109.00 $109.00 $109.00
Space Heater w/ NC Contact H5$120.00 $120.00 $120.00 $120.00 $120.00 $120.00
1 Relay + 12 PT Strip J4$415.00 $577.00 $415.00 $577.00 $589.00 $745.00
2 Relays + 12 PT Strip K4$721.00 $1045.00 $721.00 $1045.00 $1069.00 $1381.00
DIN Rail + 12 PT Strip + Space Heater L5$318.00 $318.00 $318.00 $318.00 $318.00 $318.00
2 Relays + 12 PT Strip + Space Heater M4,5 $841.00 $1165.00 $841.00 $1165.00 $1189.00 $1501.00
Time Delay ON Relay, 24/120V Coil - unwired (TD) N4$504.00 $660.00 $504.00 $660.00 $504.00 $660.00
Time Delay OFF Relay, 24/120V Coil - unwired (TD) P4$504.00 $660.00 $504.00 $660.00 $504.00 $660.00
12 PT Strip + TD ON R4$613.00 $769.00 $613.00 $769.00 $613.00 $769.00
12 PT Strip + TD OFF S4$613.00 $769.00 $613.00 $769.00 $613.00 $769.00
12 PT Strip + Space Heater + TD ON T4,5 $733.00 $889.00 $733.00 $889.00 $733.00 $889.00
12 PT Strip + Space Heater + TD OFF U4,5 $733.00 $889.00 $733.00 $889.00 $733.00 $889.00
4Relay/Timer coil voltage is equivalent to CPT secondary voltage. Requires minimum 100 extra VA CPT option.
5Maximum number of auxiliary contacts shall be reduced by 1.
CR490 Mag-Break Magnetic Starters
Reversing, Combination, Mag-Break Circuit Breaker Type
Part Number Configuration
Valid for NEMA sizes 0-4

www.geindustrial.com Rev. 4/16
Prices and data subject to
change without notice
Control Catalog
1-84
NEMA Full Voltage Power Devices
NEMA Rated Full Voltage Starters - Magnetic
Section 1
CR410, CR411, CR490 Magnetic Starters
Reversing, Combination, NEMA Type 1, 3R, 12, 4/4X
200 Horsepower Maximum
NEMA Sizes 0-4
600 Volts Maximum 50/60 Hertz
Outlines, Dimensions in. (mm)
NEMA Type 1 Enclosure
(Enclosure Code = 1)
NEMA Size ABCDEFGH (dia) J (dia) K (dia)
0-2 19.78 33.32 8.14 3.56 1.89 8.00 32.44 0.34 0.41 0.81
(502.4) (846.3) (206.7) (90.4) (48.0) (203.2) (824.0) (8.7) (10.3) (20.6)
3-4 23.00 53.82 8.14 3.73 3.39 8.00 52.94 0.34 0.41 0.81
(584.2) (1367) (206.7) (94.6) (86.1) (203.2) (1344.7) (8.7) (10.3) (20.6)
NEMA Type 3R/12 Enclosure
(Enclosure Code = 6 or 2)
NEMA Size ABCDEFGH (dia) J (dia) K (dia)
0-2 20.00 33.25 8.20 3.48 1.91 8.00 32.13 0.34 0.41 0.81
(508.0) (844.6) (208.2) (88.5) (48.5) (203.2) (816.0) (8.7) (10.3) (20.6)
3-4 23.00 53.82 8.20 3.50 3.41 8.00 52.70 0.34 0.41 0.81
(584.2) (1367.0) (208.2) (88.8) (86.6) (203.2) (1338.5) (8.7) (10.3) (20.6)
NEMA Type 4/4X Enclosure
(Enclosure Code = 4)
NEMA Size ABCDEFGH (dia) J (dia) K (dia)
0-2 20.00 33.32 8.14 3.72 1.91 8.00 32.20 0.34 0.41 0.81
(508.0) (846.3) (206.7) (94.6) (48.5) (203.2) (817.8) (8.7) (10.3) (20.6)
3-4 23.00 53.76 8.14 3.55 3.41 8.00 52.64 0.34 0.41 0.81
(584.2) (1365.5) (206.7) (90.2) (86.6) (203.2) (1336.9) (8.7) (10.3) (20.6)
J
K
H
A
FF EDC
GB
E
FF
OFF
ON

www.geindustrial.com Control Catalog 1-85
NEMA Full Voltage Power Devices
NEMA Rated Full Voltage Starters - Magnetic
Rev. 4/16
Prices and data subject to
change without notice
Section 1
CR310, CR311, CR390 Magnetic Starters
Reversing, Combination, NEMA Type 1, 3R, 12, 4/4X
200 Horsepower Maximum
NEMA Size 5
600 Volts Maximum 50/60 Hertz
Outlines, Dimensions in. (mm)
NEMA Type 1, CR310, CR311, CR390, Size 5
NEMA Type 12, CR310, CR311, CR390; Size 5
CR310, CR311 and CR390 NEMA Type 12 NEMA Size 5
NEMA Dimension Dimension Dimension Dimension Dimension Dimension
Size ABCDEF
5 58.50 (1485.9) 34.00 (863.6) 10.50 (266.7) 57.77 (1467.4) 16.00 (406.4) 56.25 (1428.8)

www.geindustrial.com Rev. 4/16
Prices and data subject to
change without notice
Control Catalog
1-86
NEMA Full Voltage Power Devices
NEMA Rated Full Voltage Starters - Magnetic
Section 1
Application
Used for variable torque, constant torque, or constant horsepower
full-voltage 2 speed – 1 winding motors up to 100 horsepower
maximum, 600 Volts maximum. Consists of fusible or non-fusible
disconnect or circuit breaker to provide disconnecting means
and/or branch circuit protection, one 5-pole and one 3-pole
contactors, and quantity 2 three-leg block overload relay.
Product Number Selection Instructions
1. Specify starter by complete Product Number.
Example: CR413C1041A1AAAAA @ $1560.00, GO-10G1.
2. Order heaters by complete Product Number from appropriate
heater tables on pages 1-153 to 1-159, based on motor full-
load current.
3. For information on forms not listed or special features contact
nearest GE Representative.
4. Product Notes
Motor full-load current should not exceed continuous ampere
rating of starter.
CR412, CR413, CR492 Magnetic Two-speed Controllers –
Contents
Application Information and Selection Instructions ...............1-86
Nonfusible Disconnect Type (CR413)..............................................1-87
Fusible Disconnect Type (CR413)......................................................1-88
Nonfusible and Fusible Part Number Configuration
Size 0-4, NEMA Type 1, 3R, 12, 4/4X (CR413) ...........................1-89
Thermal Magnetic Circuit Breaker Type (CR412) ......................1-94
Thermal Magnetic Part Number Configuration
Size 0-4, NEMA Type 1, 3R, 12, 4/4X (CR412) ...........................1-95
Mag-Break Circuit Breaker Type (CR492)......................................1-99
Mag-Break Part Number Configuration
Size 0-4, NEMA Type 1, 3R, 12, 4/4X (CR492) ........................1-100
Outlines and Dimensions ..................................................................1-122
CR412, CR413, CR492 Magnetic Two-speed Controllers
2 Speed – 1 Winding, Combination, NEMA Type 1, 3R, 12, 4/4X
100 Horsepower Maximum
NEMA Sizes 0-4
600 Volts Maximum 50/60Hz

www.geindustrial.com Control Catalog 1-87
NEMA Full Voltage Power Devices
NEMA Rated Full Voltage Starters - Magnetic
Rev. 4/16
Prices and data subject to
change without notice
Section 1
CR413 Magnetic Starters
2 Speed – 1 Winding, Combination, NEMA Type 1, 3R, 12, 4/4X
NEMA Sizes 0-4, Nonfusible Disconnect Type
600 Volts Maximum 60 Hertz
List Price includes a holding interlock, pressure terminals for the line and load connections, one 5-pole and one 3-pole contactor with
mechanical and cross electrical interlock on each contactor, plus two 3-leg block type overload relays (manual reset). All enclosures include
external reset. Six heaters should be ordered as separate items. See pages 1-153 to 1-159 for selection. List price $9.00 each, GO-10H.
CR413 2 Speed – 1 Winding Nonfusible Disconnect Type
NEMA Type 1 NEMA Type 3R NEMA Type 12 NEMA Type 4/4X
Continuous Product List Product List Product List Product List
Voltage NEMA Maximum Amp Number Price Number Price Number Price Number Price
(60Hz) Size Horsepower Rating CR GO-10G1 CR GO-10G1 CR GO-10G1 CR GO-10G1
200-208 0318 413B1081A1AAAAA $1488.00 413B6081A1AAAAA $1686.00 413B2081A1AAAAA $1686.00 413B4081A1AAAAA $2424.00
200-208 1 7 1/2 27 413C1081A1AAAAA $1560.00 413C6081A1AAAAA $1758.00 413C2081A1AAAAA $1758.00 413C4081A1AAAAA $2484.00
200-208 2 10 45 413D1081A1AAAAA $2532.00 413D6081A1AAAAA $2844.00 413D2081A1AAAAA $2844.00 413D4081A1AAAAA $3684.00
200-208 3 25 90 413E1081A1AAAAA $3648.00 413E6081A1AAAAA $4332.00 413E2081A1AAAAA $4332.00 413E4081A1AAAAA $5616.00
200-208 4 40 135 413F1081A1AAAAA $8568.00 413F6081A1AAAAA $10524.00 413F2081A1AAAAA $10524.00 413F4081A1AAAAA $11664.00
230-240 0318 413B1031A1AAAAA $1488.00 413B6031A1AAAAA $1686.00 413B2031A1AAAAA $1686.00 413B4031A1AAAAA $2424.00
230-240 1 7 1/2 27 413C1031A1AAAAA $1560.00 413C6031A1AAAAA $1758.00 413C2031A1AAAAA $1758.00 413C4031A1AAAAA $2484.00
230-240 2 15 45 413D1031A1AAAAA $2532.00 413D6031A1AAAAA $2844.00 413D2031A1AAAAA $2844.00 413D4031A1AAAAA $3684.00
230-240 3 30 90 413E1031A1AAAAA $3648.00 413E6031A1AAAAA $4332.00 413E2031A1AAAAA $4332.00 413E4031A1AAAAA $5616.00
230-240 4 50 135 413F1031A1AAAAA $8568.00 413F6031A1AAAAA $10524.00 413F2031A1AAAAA $10524.00 413F4031A1AAAAA $11664.00
460-480 0518 413B1041A1AAAAA $1488.00 413B6041A1AAAAA $1686.00 413B2041A1AAAAA $1686.00 413B4041A1AAAAA $2424.00
460-480 1 10 27 413C1041A1AAAAA $1560.00 413C6041A1AAAAA $1758.00 413C2041A1AAAAA $1758.00 413C4041A1AAAAA $2484.00
460-480 2 25 45 413D1041A1AAAAA $2532.00 413D6041A1AAAAA $2844.00 413D2041A1AAAAA $2844.00 413D4041A1AAAAA $3684.00
460-480 3 50 90 413E1041A1AAAAA $3648.00 413E6041A1AAAAA $4332.00 413E2041A1AAAAA $4332.00 413E4041A1AAAAA $5616.00
460-480 4 100 135 413F1041A1AAAAA $8568.00 413F6041A1AAAAA $10524.00 413F2041A1AAAAA $10524.00 413F4041A1AAAAA $11664.00
575-600 0518 413B1051A1AAAAA $1488.00 413B6051A1AAAAA $1686.00 413B2051A1AAAAA $1686.00 413B4051A1AAAAA $2424.00
575-600 1 10 27 413C1051A1AAAAA $1560.00 413C6051A1AAAAA $1758.00 413C2051A1AAAAA $1758.00 413C4051A1AAAAA $2484.00
575-600 2 25 45 413D1051A1AAAAA $2532.00 413D6051A1AAAAA $2844.00 413D2051A1AAAAA $2844.00 413D4051A1AAAAA $3684.00
575-600 3 50 90 413E1051A1AAAAA $3648.00 413E6051A1AAAAA $4332.00 413E2051A1AAAAA $4332.00 413E4051A1AAAAA $5616.00
575-600 4 100 135 413F1051A1AAAAA $8568.00 413F6051A1AAAAA $10524.00 413F2051A1AAAAA $10524.00 413F4051A1AAAAA $11664.00
• NEMA Size 0-4 starters with 115-120 Volt, 60-Hertz coils for separate control are available at listed prices. To order, replace Digits 8 & 9 of listed Product Numbers with 02.
Example: CR413B1051A1AAAAA with 115-120 Volt, 60-Hertz coil for separate control becomes CR413B1021A1AAAAA Product Number.
• Motor full load current should not exceed continuous ampere rating of starter.

www.geindustrial.com Rev. 4/16
Prices and data subject to
change without notice
Control Catalog
1-88
NEMA Full Voltage Power Devices
NEMA Rated Full Voltage Starters - Magnetic
Section 1
CR413 Magnetic Starters
2 Speed – 1 Winding, Combination, NEMA Type 1, 3R, 12, 4/4X
NEMA Sizes 0-4, Fusible Disconnect Type
600 Volts Maximum 60 Hertz
List Price includes a holding interlock, pressure terminals for the line and load connections, one 5-pole and one 3-pole contactor with
mechanical and cross electrical interlock on each contactor, plus two 3-leg block type overload relays (manual reset). All enclosures include
external reset. Six heaters should be ordered as separate items. See pages 1-153 to 1-159 for selection. List price $9.00 each, GO-10H.
CR413 2 Speed – 1 Winding Fusible Disconnect – Class H Fuse Clips
NEMA Type 1 NEMA Type 3R NEMA Type 12 NEMA Type 4/4X
Continuous Fuse Clip Product List Product List Product List Product List
Voltage NEMA Maximum Amp Amp Number Price Number Price Number Price Number Price
(60Hz) Size Horsepower Rating Rating CR GO-10G1 CR GO-10G1 CR GO-10G1 CR GO-10G1
200-208 03 18 30 413B108HA1AAAAA $1584.00 413B608HA1AAAAA $1782.00 413B208HA1AAAAA $1782.00 413B408HA1AAAAA $2520.00
200-208 1 7 1/2 27 60 413C108HB1AAAAA $1656.00 413C608HB1AAAAA $1854.00 413C208HB1AAAAA $1854.00 413C408HB1AAAAA $2580.00
200-208 2 10 45 100 413D108HC1AAAAA $2706.00 413D608HC1AAAAA $3018.00 413D208HC1AAAAA $3018.00 413D408HC1AAAAA $3858.00
200-208 3 25 90 200 413E108HD1AAAAA $3960.00 413E608HD1AAAAA $4644.00 413E208HD1AAAAA $4644.00 413E408HD1AAAAA $5928.00
200-208 4 40 135 400 413F108HE1AAAAA $9108.00 413F608HE1AAAAA $11064.00 413F208HE1AAAAA $11064.00 413F408HE1AAAAA $12204.00
230-240 03 18 30 413B103HA1AAAAA $1584.00 413B603HA1AAAAA $1782.00 413B203HA1AAAAA $1782.00 413B403HA1AAAAA $2520.00
230-240 1 7 1/2 27 60 413C103HB1AAAAA $1656.00 413C603HB1AAAAA $1854.00 413C203HB1AAAAA $1854.00 413C403HB1AAAAA $2580.00
230-240 2 15 45 100 413D103HC1AAAAA $2706.00 413D603HC1AAAAA $3018.00 413D203HC1AAAAA $3018.00 413D403HC1AAAAA $3858.00
230-240 3 30 90 200 413E103HD1AAAAA $3960.00 413E603HD1AAAAA $4644.00 413E203HD1AAAAA $4644.00 413E403HD1AAAAA $5928.00
230-240 4 50 135 400 413F103HE1AAAAA $9108.00 413F603HE1AAAAA $11064.00 413F203HE1AAAAA $11064.00 413F403HE1AAAAA $12204.00
460-480 05 18 30 413B104H31AAAAA $1584.00 413B604H31AAAAA $1782.00 413B204H31AAAAA $1782.00 413B404H31AAAAA $2520.00
460-480 1 7 1/2 27 30 413C104H31AAAAA $1656.00 413C604H31AAAAA $1854.00 413C204H31AAAAA $1854.00 413C404H31AAAAA $2580.00
460-480 1 10 27 60 413C104H61AAAAA $1656.00 413C604H61AAAAA $1854.00 413C204H61AAAAA $1854.00 413C404H61AAAAA $2580.00
460-480 2 15 45 60 413D104H61AAAAA $2580.00 413D604H61AAAAA $2892.00 413D204H61AAAAA $2892.00 413D404H61AAAAA $3732.00
460-480 2 25 45 100 413D104H11AAAAA $2706.00 413D604H11AAAAA $3018.00 413D204H11AAAAA $3018.00 413D404H11AAAAA $3858.00
460-480 3 30 90 100 413E104H11AAAAA $3720.00 413E604H11AAAAA $4404.00 413E204H11AAAAA $4404.00 413E404H11AAAAA $5688.00
460-480 3 50 90 200 413E104H21AAAAA $3960.00 413E604H21AAAAA $4644.00 413E204H21AAAAA $4644.00 413E404H21AAAAA $5928.00
460-480 4 60 135 200 413F104H21AAAAA $8784.00 413F604H21AAAAA $10740.00 413F204H21AAAAA $10740.00 413F404H21AAAAA $11880.00
460-480 4 100 135 400 413F104H41AAAAA $8784.00 413F604H41AAAAA $10740.00 413F204H41AAAAA $10740.00 413F404H41AAAAA $11880.00
575-600 05 18 30 413B105H31AAAAA $1584.00 413B605H31AAAAA $1782.00 413B205H31AAAAA $1782.00 413B405H31AAAAA $2520.00
575-600 1 10 27 30 413C105H31AAAAA $1656.00 413C605H31AAAAA $1854.00 413C205H31AAAAA $1854.00 413C405H31AAAAA $2580.00
575-600 2 20 45 60 413D105H61AAAAA $2580.00 413D605H61AAAAA $2892.00 413D205H61AAAAA $2892.00 413D405H61AAAAA $3732.00
575-600 2 25 45 100 413D105H11AAAAA $2706.00 413D605H11AAAAA $3018.00 413D205H11AAAAA $3018.00 413D405H11AAAAA $3858.00
575-600 3 30 90 100 413E105H11AAAAA $3720.00 413E605H11AAAAA $4404.00 413E205H11AAAAA $4404.00 413E405H11AAAAA $5688.00
575-600 3 50 90 200 413E105H21AAAAA $3960.00 413E605H21AAAAA $4644.00 413E205H21AAAAA $4644.00 413E405H21AAAAA $5928.00
575-600 4 60 135 200 413F105H21AAAAA $8784.00 413F605H21AAAAA $10740.00 413F205H21AAAAA $10740.00 413F405H21AAAAA $11880.00
575-600 4 100 135 400 413F105H41AAAAA $8784.00 413F605H41AAAAA $10740.00 413F205H41AAAAA $10740.00 413F405H41AAAAA $11880.00
CR413 2 Speed – 1 Winding Fusible Disconnect – Class R Fuse Clips
NEMA Type 1 NEMA Type 3R NEMA Type 12 NEMA Type 4/4X
Continuous Fuse Clip Product List Product List Product List Product List
Voltage NEMA Maximum Amp Amp Number Price Number Price Number Price Number Price
(60Hz) Size Horsepower Rating Rating CR GO-10G1 CR GO-10G1 CR GO-10G1 CR GO-10G1
200-208 03 18 30 413B108RA1AAAAA $1593.00 413B608RA1AAAAA $1791.00 413B208RA1AAAAA $1791.00 413B408RA1AAAAA $2529.00
200-208 15 27 30 413C108RA1AAAAA $1665.00 413C608RA1AAAAA $1863.00 413C208RA1AAAAA $1863.00 413C408RA1AAAAA $2589.00
200-208 1 7 1/2 27 60 413C108RB1AAAAA $1665.00 413C608RB1AAAAA $1863.00 413C208RB1AAAAA $1863.00 413C408RB1AAAAA $2589.00
200-208 2 10 45 60 413D108RB1AAAAA $2589.00 413D608RB1AAAAA $2901.00 413D208RB1AAAAA $2901.00 413D408RB1AAAAA $3741.00
200-208 3 20 90 100 413E108RC1AAAAA $3738.00 413E608RC1AAAAA $4422.00 413E208RC1AAAAA $4422.00 413E408RC1AAAAA $5706.00
200-208 3 25 90 200 413E108RD1AAAAA $3978.00 413E608RD1AAAAA $4662.00 413E208RD1AAAAA $4662.00 413E408RD1AAAAA $5946.00
200-208 4 40 135 200 413F108RD1AAAAA $8802.00 413F608RD1AAAAA $10758.00 413F208RD1AAAAA $10758.00 413F408RD1AAAAA $11898.00
230-240 03 18 30 413B103RA1AAAAA $1593.00 413B603RA1AAAAA $1791.00 413B203RA1AAAAA $1791.00 413B403RA1AAAAA $2529.00
230-240 15 27 30 413C103RA1AAAAA $1665.00 413C603RA1AAAAA $1863.00 413C203RA1AAAAA $1863.00 413C403RA1AAAAA $2589.00
230-240 1 7 1/2 27 60 413C103RB1AAAAA $1665.00 413C603RB1AAAAA $1863.00 413C203RB1AAAAA $1863.00 413C403RB1AAAAA $2589.00
230-240 2 15 45 60 413D103RB1AAAAA $2589.00 413D603RB1AAAAA $2901.00 413D203RB1AAAAA $2901.00 413D403RB1AAAAA $3741.00
230-240 3 25 90 100 413E103RC1AAAAA $3738.00 413E603RC1AAAAA $4422.00 413E203RC1AAAAA $4422.00 413E403RC1AAAAA $5706.00
230-240 3 30 90 200 413E103RD1AAAAA $3978.00 413E603RD1AAAAA $4662.00 413E203RD1AAAAA $4662.00 413E403RD1AAAAA $5946.00
230-240 4 50 135 200 413F103RD1AAAAA $8802.00 413F603RD1AAAAA $10758.00 413F203RD1AAAAA $10758.00 413F403RD1AAAAA $11898.00
460-480 05 18 30 413B104R31AAAAA $1593.00 413B604R31AAAAA $1791.00 413B204R31AAAAA $1791.00 413B404R31AAAAA $2529.00
460-480 1 10 27 30 413C104R31AAAAA $1665.00 413C604R31AAAAA $1863.00 413C204R31AAAAA $1863.00 413C404R31AAAAA $2589.00
460-480 2 25 45 60 413D104R61AAAAA $2589.00 413D604R61AAAAA $2901.00 413D204R61AAAAA $2901.00 413D404R61AAAAA $3741.00
460-480 3 50 90 100 413E104R11AAAAA $3738.00 413E604R11AAAAA $4422.00 413E204R11AAAAA $4422.00 413E404R11AAAAA $5706.00
460-480 4 100 135 200 413F104R21AAAAA $8802.00 413F604R21AAAAA $10758.00 413F204R21AAAAA $10758.00 413F404R21AAAAA $11898.00
575-600 05 18 30 413B105R31AAAAA $1593.00 413B605R31AAAAA $1791.00 413B205R31AAAAA $1791.00 413B405R31AAAAA $2529.00
575-600 1 10 27 30 413C105R31AAAAA $1665.00 413C605R31AAAAA $1863.00 413C205R31AAAAA $1863.00 413C405R31AAAAA $2589.00
575-600 2 15 45 30 413D105R31AAAAA $2589.00 413D605R31AAAAA $2901.00 413D205R31AAAAA $2901.00 413D405R31AAAAA $3741.00
575-600 2 25 45 60 413D105R61AAAAA $2589.00 413D605R61AAAAA $2901.00 413D205R61AAAAA $2901.00 413D405R61AAAAA $3741.00
575-600 3 30 90 60 413E105R61AAAAA $3714.00 413E605R61AAAAA $4398.00 413E205R61AAAAA $4398.00 413E405R61AAAAA $5682.00
575-600 3 50 90 100 413E105R11AAAAA $3738.00 413E605R11AAAAA $4422.00 413E205R11AAAAA $4422.00 413E405R11AAAAA $5706.00
575-600 4 60 135 100 413F105R11AAAAA $8658.00 413F605R11AAAAA $10614.00 413F205R11AAAAA $10614.00 413F405R11AAAAA $11754.00
575-600 4 100 135 200 413F105R21AAAAA $8802.00 413F605R21AAAAA $10758.00 413F205R21AAAAA $10758.00 413F405R21AAAAA $11898.00
• NEMA Size 0-4 starters with 115-120 Volt, 60-Hertz coils for separate control are available at listed prices. To order, replace Digits 8 & 9 of listed Product Numbers with 02.
Example: CR413D104H61AAAAA with 115-120 Volt, 60-Hertz coil for separate control becomes CR413D102H61AAAAA Product Number.
• Motor full load current should not exceed continuous ampere rating of starter.
• For ordinary starting duty only.
• Fuses not included.

www.geindustrial.com Control Catalog 1-89
NEMA Full Voltage Power Devices
NEMA Rated Full Voltage Starters - Magnetic
Rev. 4/16
Prices and data subject to
change without notice
Section 1
CR413 Magnetic Starters
2 Speed – 1 Winding, Nonfusible and Fusible Disconnect Type
Part Number Configuration
Valid for NEMA sizes 0-4
1
CR
Digits:
Steps:
23
Step 1
4567891011121314151617
Step 2 Step 3 Step 4 Step 5 Step 6 Step 7 Step 8 Step 9
To configure the part number, use the tables below to fill in the digit boxes with the appropriate code.
Add list price from each step to arrive at total list for price for starter.
Step 1 (Digits 1-7) Select NEMA Size and Enclosure
NEMA Type 1 NEMA Type 3R NEMA Type 12 NEMA Type 4
Standard List Standard List Standard List Standard List
NEMA Enclosure Price Enclosure Price Enclosure Price Enclosure Price
Size CR GO-10G1 CR GO-10G1 CR GO-10G1 CR GO-10G1
0 413B1 $1488.00 413B6 $1686.00 413B2 $1686.00 413B4 $2424.00
1 413C1 $1560.00 413C6 $1758.00 413C2 $1758.00 413C4 $2484.00
2 413D1 $2532.00 413D6 $2844.00 413D2 $2844.00 413D4 $3684.00
3 413E1 $3648.00 413E6 $4332.00 413E2 $4332.00 413E4 $5616.00
4 413F1 $8568.00 413F6 $10524.00 413F2 $10524.00 413F4 $11664.00
Note: All enclosures include external overload reset buttons. NEMA 4 enclosures are stainless steel.
Step 2 (Digits 8, 9) Select Control Voltage (No CPT and Standard Size CPT)
NEMA Size
Control Standard 01 2 34
No List Price Fuses, List Price Size List Price List Price List Price List Price List Price
Control Circuit Voltage & CPT CPT GO-10G1 No CPT GO-10G1 CPT GO-10G1 GO-10G1 GO-10G1 GO-10G1 GO-10G1
120V w/ Surge Protector (SP) 01 $54.00 F1 $132.00 -
120V 02 $0.00 F2 $132.00 -
240V 03 $0.00 F3 $132.00 -
480V 04 $0.00 F4 $132.00 -
600V 05 $0.00 F5 $132.00 -
208V 08 $0.00 F8 $132.00 -
24V109 $0.00 --
240V/120V w/CPT -- 93 $294.00 $294.00 $352.00 $468.00 $540.00
480V/120V w/CPT -- 94 $294.00 $294.00 $352.00 $468.00 $540.00
600V/120V w/CPT -- 95 $294.00 $294.00 $352.00 $468.00 $540.00
208V/120V w/CPT -- 98 $294.00 $294.00 $352.00 $468.00 $540.00
240V/120V w/CPT & SP -- 33 $348.00 $348.00 $406.00 $522.00 $594.00
480V/120V w/CPT & SP -- 34 $348.00 $348.00 $406.00 $522.00 $594.00
600V/120V w/CPT & SP -- 35 $348.00 $348.00 $406.00 $522.00 $594.00
208V/120V w/CPT & SP -- 38 $348.00 $348.00 $406.00 $522.00 $594.00
240V/24V w/CPT1-- S3 $294.00 $294.00 $352.00 --
480V/24V w/CPT1-- S4 $294.00 $294.00 $352.00 --
600V/24V w/CPT1-- S5 $294.00 $294.00 $352.00 --
208V/24V w/CPT1-- S8 $294.00 $294.00 $352.00 --
Note: CPT includes 2 primary fuses and 1 secondary fuse.
124V coils not available for NEMA size 3 & 4.

www.geindustrial.com Rev. 4/16
Prices and data subject to
change without notice
Control Catalog
1-90
NEMA Full Voltage Power Devices
NEMA Rated Full Voltage Starters - Magnetic
Section 1
CR413 Magnetic Starters
2 Speed – 1 Winding, Nonfusible and Fusible Disconnect Type
Part Number Configuration
Valid for NEMA sizes 0-4
Step 2 (Digits 8, 9) Select Control Voltage (Extra Capacity CPT + 100VA and 200VA)
NEMA Size NEMA Size
Standard 01234Standard 01 234
Size List Price List Price List Price List Price List Price Size List Price List Price List Price List Price List Price
Control Circuit Voltage & CPT CPT + 100VA GO-10G1 GO-10G1 GO-10G1 GO-10G1 GO-10G1 CPT + 200VA GO-10G1 GO-10G1 GO-10G1 GO-10G1 GO-10G1
120V w/ Surge Protector (SP) - -
120V - -
240V - -
480V - -
600V - -
208V - -
24V1- -
240V/120V w/CPT 13 $420.00 $420.00 $504.00 $600.00 $660.00 23 $523.00 $523.00 $618.00 $714.00 $775.00
480V/120V w/CPT 14 $420.00 $420.00 $504.00 $600.00 $660.00 24 $523.00 $523.00 $618.00 $714.00 $775.00
600V/120V w/CPT 15 $420.00 $420.00 $504.00 $600.00 $660.00 25 $523.00 $523.00 $618.00 $714.00 $775.00
208V/120V w/CPT 18 $420.00 $420.00 $504.00 $600.00 $660.00 28 $523.00 $523.00 $618.00 $714.00 $775.00
240V/120V w/CPT & SP 53 $474.00 $474.00 $558.00 $654.00 $714.00 63 $577.00 $577.00 $672.00 $768.00 $829.00
480V/120V w/CPT & SP 54 $474.00 $474.00 $558.00 $654.00 $714.00 64 $577.00 $577.00 $672.00 $768.00 $829.00
600V/120V w/CPT & SP 55 $474.00 $474.00 $558.00 $654.00 $714.00 65 $577.00 $577.00 $672.00 $768.00 $829.00
208V/120V w/CPT & SP 58 $474.00 $474.00 $558.00 $654.00 $714.00 68 $577.00 $577.00 $672.00 $768.00 $829.00
240V/24V w/CPT1A3 $420.00 $420.00 $504.00 -- B3 $523.00 $523.00 $618.00 --
480V/24V w/CPT1A4 $420.00 $420.00 $504.00 -- B4 $523.00 $523.00 $618.00 --
600V/24V w/CPT1A5 $420.00 $420.00 $504.00 -- B5 $523.00 $523.00 $618.00 --
208V/24V w/CPT1A8 $420.00 $420.00 $504.00 -- B8 $523.00 $523.00 $618.00 --
Note: CPT includes 2 primary fuses and 1 secondary fuse.
124V coils not available for NEMA size 3 & 4.
Step 3 (Digits 10, 11) Select Protective Device
Disconnect without Fuse Clips
List Price
NEMA Size Code GO-10G1
All 1A $0.00
Disconnect with Class H Fuse Clips - For use with Non-Time Delay/Single Element Class H Fuses
200-208V 230-240V 460-480V 575-600V
Max Fuse Clip List Price Max Fuse Clip List Price Max Fuse Clip List Price Max Fuse Clip List Price
NEMA Size Hp (Amps) Code GO-10G1 Hp (Amps) Code GO-10G1 Hp (Amps) Code GO-10G1 Hp (Amps) Code GO-10G1
0330 HA $96.00 3 30 HA $96.00 5 30 H3 $96.00 5 30 H3 $96.00
17 1/2 30 H3 $96.00 10 30 H3 $96.00
7 1/2 60 HB $96.00 7 1/2 60 HB $96.00 10 60 H6 $96.00 60 H6 $96.00
215 60 H6 $48.00 20 60 H6 $48.00
10 100 HC $174.00 15 100 HC $174.00 25 100 H1 $174.00 25 100 H1 $174.00
330 100 H1 $72.00 30 100 H1 $72.00
25 200 HD $312.00 30 200 HD $312.00 50 200 H2 $312.00 50 200 H2 $312.00
460 200 H2 $216.00 60 200 H2 $216.00
40 400 HE $540.00 50 400 HE $540.00 100 400 H4 $216.00 100 400 H4 $216.00
Disconnect with Class R Fuse Clips - For use with Time Delay/Dual Element Class RK1/RK5 Fuses
200-208V 230-240V 460-480V 575-600V
Max Fuse Clip List Price Max Fuse Clip List Price Max Fuse Clip List Price Max Fuse Clip List Price
NEMA Size Hp (Amps) Code GO-10G1 Hp (Amps) Code GO-10G1 Hp (Amps) Code GO-10G1 Hp (Amps) Code GO-10G1
0330 RA $105.00 3 30 RA $105.00 5 30 R3 $105.00 5 30 R3 $105.00
15 30 RA $105.00 5 30 RA $105.00 10 30 R3 $105.00 10 30 R3 $105.00
7 1/2 60 RB $105.00 7 1/2 60 RB $105.00
230 R3 $57.00 15 30 R3 $57.00
10 60 RB $57.00 15 60 RB $57.00 25 60 R6 $57.00 25 60 R6 $57.00
60 R6 $66.00 30 60 R6 $66.00
3 20 100 RC $90.00 25 100 RC $90.00 50 100 R1 $90.00 50 100 R1 $90.00
25 200 RD $330.00 30 200 RD $330.00
4100 R1 $90.00 60 100 R1 $90.00
40 200 RD $234.00 50 200 RD $234.00 100 200 R2 $234.00 100 200 R2 $234.00

www.geindustrial.com Control Catalog 1-91
NEMA Full Voltage Power Devices
NEMA Rated Full Voltage Starters - Magnetic
Rev. 4/16
Prices and data subject to
change without notice
Section 1
2-Speed Solid State Overload Ranges
NEMA SIZE
0 & 1 2 3 & 4
Code Hi Amp Lo Amp Hi Amp Lo Amp Hi Amp Lo Amp
C 0.4 - 0.85 0.4 - 0.85 6.5 - 13.5 6.5 - 13.5 17 - 35 17 - 35
D 0.8 - 1.7 0.4 - 0.85 13 - 27 6.5 - 13.5 35 - 70 17 - 35
E 0.8 - 1.7 0.8 - 1.7 13 - 27 13 - 27 35 - 70 35 - 70
F 1.6 - 3.4 0.4 - 0.85 25 - 50 6.5 -13.5 65 - 135 17 - 35
G 1.6 - 3.4 0.8 - 1.7 25 - 50 13 - 27 65 - 135 35 - 70
H 1.6 - 3.4 1.6 - 3.4 25 - 50 25 - 50 65 - 135 65 - 135
U 3.2 - 6.8 0.8 - 1.7 -- --
K 3.2 - 6.8 1.6 - 3.4 -- --
L 3.2 - 6.8 3.2 - 6.8 -- --
M 6.5 - 13.5 1.6 - 3.4 -- --
V 6.5 - 13.5 3.2 - 6.8 -- --
W 6.5 - 13.5 6.5 - 13.5 -- --
R 13 - 27 3.2 - 6.8 -- --
S 13 - 27 6.5 - 13.5 -- --
T 13 - 27 13 - 27 -- --
Step 4 (Digit 12) Select Overload Relay
List Price
Overload Relay Code GO-10G1
Thermal Bi-Metallic Non-compensated (1NC) 1 $0.00
Thermal Bi-Metallic Non-compensated (1NO-1NC) 2 $48.00
Thermal Bi-Metallic Ambient Compensated (1NC) 3 $54.00
Thermal Bi-Metallic Ambient Compensated (1NO-1NC) 4 $102.00
Solid State Overload (1NO-1NC) (#) $54.00
(#) Select Code for Solid State Overload amp rating from table below.
Step 5 (Digit 13) Select Auxiliary Contacts
Aux Contacts List Price
(per Contactor) Code GO-10G1
None A $0.00
1NO B $132.00
1NC C $132.00
1NO-1NC D2$264.00
2NO E2$264.00
2NC F2$264.00
2Not available on 2 speed – 1 winding sizes 0-1.
CR413 Magnetic Starters
2 Speed – 1 Winding, Nonfusible and Fusible Disconnect Type
Part Number Configuration
Valid for NEMA sizes 0-4
Step 3 (Digits 10, 11) Select Protective Device (continued)
Disconnect with Class J Fuse Clips - For use with Time Delay/Dual Element Class J Fuses
200-208V 230-240V 460-480V 575-600V
Max Fuse Clip List Price Max Fuse Clip List Price Max Fuse Clip List Price Max Fuse Clip List Price
NEMA Size Hp (Amps) Code GO-10G1 Hp (Amps) Code GO-10G1 Hp (Amps) Code GO-10G1 Hp (Amps) Code GO-10G1
0 3 30 J3 $114.00 3 30 J3 $114.00 5 30 J3 $114.00 5 30 J3 $114.00
15 30 J3 $114.00 5 30 J3 $114.00 10 30 J3 $114.00 10 30 J3 $114.00
7 1/2 60 J6 $114.00 7 1/2 60 J6 $114.00
230 J3 $78.00 15 30 J3 $78.00
10 60 J6 $78.00 15 60 J6 $78.00 25 60 J6 $78.00 25 60 J6 $78.00
60 J6 $120.00 30 60 J6 $120.00
3 20 100 J1 $144.00 25 100 J1 $144.00 50 100 J1 $144.00 50 100 J1 $144.00
25 200 J2 $384.00 30 200 J2 $384.00
4 100 J1 $192.00 60 100 J1 $192.00
40 200 J2 $336.00 50 200 J2 $336.00 100 200 J2 $336.00 100 200 J2 $336.00

www.geindustrial.com Rev. 4/16
Prices and data subject to
change without notice
Control Catalog
1-92
NEMA Full Voltage Power Devices
NEMA Rated Full Voltage Starters - Magnetic
Section 1
Step 6 (Digit 14) Select Monitoring Options
List Price GO-10G1
NEMA Size 0-2 NEMA Size 3 NEMA Size 4
Device Code Type 1, 3R, & 12 Type 4/4X Type 1, 3R, & 12 Type 4/4X Type 1, 3R, & 12 Type 4/4X
None A $0.00 $0.00 $0.00 $0.00 $0.00 $0.00
Phase Failure Relay with Undervoltage Protection C $1056.00 $1056.00 $1056.00 $1056.00 $1056.00 $1056.00
(panel mounted) - 190-480V (PFR w/UV)
Phase Failure Relay with Undervoltage Protection D $1056.00 $1056.00 $1056.00 $1056.00 $1056.00 $1056.00
(panel mounted) - 575V (PFR w/UV)
Phase Failure Relay - 208V (PFR) E3$425.00 - $425.00 - $425.00 -
Phase Failure Relay - 240V (PFR) F3$425.00 - $425.00 - $425.00 -
Phase Failure Relay - 480V (PFR) G3$425.00 - $425.00 - $425.00 -
Phase Failure Relay - 575V (PFR) H3$425.00 - $425.00 - $425.00 -
Elapsed Time Meter (120V/60Hz) Wired Across Coil (ETM) 14$348.00 $588.00 $348.00 $588.00 $348.00 $588.00
ETM + PFR w/UV (190-480V) L4$1404.00 $1644.00 $1404.00 $1644.00 $1404.00 $1644.00
ETM + PFR w/UV (575V) N4$1404.00 $1644.00 $1404.00 $1644.00 $1404.00 $1644.00
ETM + PFR (208V) P3,4 $773.00 - $773.00 - $773.00 -
ETM + PFR (240V) Q3,4 $773.00 - $773.00 - $773.00 -
ETM + PFR (480V) R3,4 $773.00 - $773.00 - $773.00 -
ETM + PFR (575V) S3,4 $773.00 - $773.00 - $773.00 -
3Available for Type 1 Enclosure only.
4Requires 120V Control Circuit Voltage or CPT w/ 120V Secondary.
CR413 Magnetic Starters
2 Speed – 1 Winding, Nonfusible and Fusible Disconnect Type
Part Number Configuration
Valid for NEMA sizes 0-4
Step 7 (Digit 15) Select Push Button/Selector Switch
List Price
Push Button/Selector Switch - Heavy Duty Code GO-10G1
None A $0.00
Fast/Slow/Stop Push Button J $240.00
High/Low/Off Push Button K $240.00
High/Low Push Button & HOA Selector Switch L $264.00
Fast/Slow Push Button & HOA Selector Switch M $264.00
HOA & Slow/Fast Selector Switches P $264.00
HOA & Low/High Selector Switches R $264.00
Slow-Off-Fast Selector Switch T $132.00
Low-Off-High Selector Switch U $132.00
Fast-Slow-Off-Auto Selector Switch V $150.00
High-Low-Off-Auto Selector Switch W $150.00
Step 8 (Digit 16) Select Pilot Device
Pilot Light
(Heavy Duty CR104P Style) List Price
Type Color - Functionality Code GO-10G1
None A $0.00
Red & Amber Across Coils K $324.00
Standard Lights Red & Green Across Coils L $324.00
Red & Amber Across Coils & Unwired Green X $486.00
Red & Amber Across Coils 2 $324.00
LED Lights Red & Green Across Coils 3 $324.00
Red & Amber Across Coils & Unwired Green 5 $486.00
Red & Amber Across Coils S $360.00
Push-To-Test Lights Red & Green Across Coils T $360.00
Red & Amber Across Coils & Unwired Green Y $540.00

www.geindustrial.com Control Catalog 1-93
NEMA Full Voltage Power Devices
NEMA Rated Full Voltage Starters - Magnetic
Rev. 4/16
Prices and data subject to
change without notice
Section 1
GENERAL NOTE:
On NEMA Size 3 & 4 starters, if selecting factory installed and wired operator devices
(Push Buttons, Selector Switches, and/or Pilot Lights) then control circuit fusing, a
control power transformer, or 120V separate sourced control is required when the
protective device is rated greater than 100 Amps.
Step 9 (Digit 17) Select Control Options
List Price GO-10G1
NEMA Size 0-2 NEMA Size 3 NEMA Size 4
Device Code Type 1, 3R, & 12 Type 4/4X Type 1, 3R, & 12 Type 4/4X Type 1, 3R, & 12 Type 4/4X
None A $0.00 $0.00 $0.00 $0.00 $0.00 $0.00
1 Relay, 2NO-2NC, 24/120V Coil - unwired B5$306.00 $468.00 $306.00 $468.00 $480.00 $636.00
2 Relays, 24/120V Coil - unwired C5$612.00 $936.00 $612.00 $936.00 $960.00 $1272.00
DIN Rail - for Customer Use D $89.00 $89.00 $89.00 $89.00 $89.00 $89.00
12 Point Terminal Strip - unwired (12 PT Strip) E $109.00 $109.00 $109.00 $109.00 $109.00 $109.00
Space Heater w/ NC Contact H6$120.00 $120.00 $120.00 $120.00 $120.00 $120.00
1 Relay + 12 PT Strip J5$415.00 $577.00 $415.00 $577.00 $589.00 $745.00
2 Relays + 12 PT Strip K5$721.00 $1045.00 $721.00 $1045.00 $1069.00 $1381.00
DIN Rail + 12 PT Strip + Space Heater L6$318.00 $318.00 $318.00 $318.00 $318.00 $318.00
2 Relays + 12 PT Strip + Space Heater M5,6 $841.00 $1165.00 $841.00 $1165.00 $1189.00 $1501.00
Time Delay ON Relay, 24/120V Coil - unwired (TD) N5$504.00 $660.00 $504.00 $660.00 $504.00 $660.00
Time Delay OFF Relay, 24/120V Coil - unwired (TD) P5$504.00 $660.00 $504.00 $660.00 $504.00 $660.00
12 PT Strip + TD ON R5$613.00 $769.00 $613.00 $769.00 $613.00 $769.00
12 PT Strip + TD OFF S5$613.00 $769.00 $613.00 $769.00 $613.00 $769.00
12 PT Strip + Space Heater + TD ON T5,6 $733.00 $889.00 $733.00 $889.00 $733.00 $889.00
12 PT Strip + Space Heater + TD OFF U5,6 $733.00 $889.00 $733.00 $889.00 $733.00 $889.00
5Relay/Timer coil voltage is equivalent to CPT secondary voltage. Requires minimum 100 extra VA CPT option.
6Maximum number of auxiliary contacts shall be reduced by 1.
CR413 Magnetic Starters
2 Speed – 1 Winding, Nonfusible and Fusible Disconnect Type
Part Number Configuration
Valid for NEMA sizes 0-4

www.geindustrial.com Rev. 4/16
Prices and data subject to
change without notice
Control Catalog
1-94
NEMA Full Voltage Power Devices
NEMA Rated Full Voltage Starters - Magnetic
Section 1
CR412 Magnetic Starters
2 Speed – 1 Winding, Combination, NEMA Type 1, 3R, 12, 4/4X
NEMA Sizes 0-4, Thermal Magnetic Circuit Breaker Type
600 Volts Maximum 60 Hertz
List Price includes a holding interlock, pressure terminals for the line and load connections, one 5-pole and one 3-pole contactor with
mechanical and cross electrical interlock on each contactor, plus two 3-leg block type overload relays (manual reset). All enclosures include
external reset. Six heaters should be ordered as separate items. See pages 1-153 to 1-159 for selection. List price $9.00 each, GO-10H.
CR412 2 Speed – 1 Winding Thermal Magnetic Circuit Breaker Type
NEMA Type 1 NEMA Type 3R NEMA Type 12 NEMA Type 4/4X
Continuous CB Product List Product List Product List Product List
Voltage NEMA Maximum Amp Rating Number Price Number Price Number Price Number Price
(60Hz) Size Horsepower Rating (Amps) CR GO-10G1 CR GO-10G1 CR GO-10G1 CR GO-10G1
200-208 02 18 15 412B108TC1AAAAA $1908.00 412B608TC1AAAAA $2106.00 412B208TC1AAAAA $2106.00 412B408TC1AAAAA $2844.00
200-208 03 18 20 412B108TD1AAAAA $1908.00 412B608TD1AAAAA $2106.00 412B208TD1AAAAA $2106.00 412B408TD1AAAAA $2844.00
200-208 15 27 30 412C108TF1AAAAA $1980.00 412C608TF1AAAAA $2178.00 412C208TF1AAAAA $2178.00 412C408TF1AAAAA $2904.00
200-208 1 7 1/2 27 40 412C108TG1AAAAA $2016.00 412C608TG1AAAAA $2214.00 412C208TG1AAAAA $2214.00 412C408TG1AAAAA $2940.00
200-208 2 10 45 50 412D108TH1AAAAA $2952.00 412D608TH1AAAAA $3294.00 412D208TH1AAAAA $3294.00 412D408TH1AAAAA $4134.00
200-208 3 15 90 80 412E108TL1AAAAA $3858.00 412E608TL1AAAAA $4542.00 412E208TL1AAAAA $4542.00 412E408TL1AAAAA $5826.00
200-208 3 20 90 100 412E108TN1AAAAA $3858.00 412E608TN1AAAAA $4542.00 412E208TN1AAAAA $4542.00 412E408TN1AAAAA $5826.00
200-208 3 25 90 125 412E108TQ1AAAAA $4488.00 412E608TQ1AAAAA $5172.00 412E208TQ1AAAAA $5172.00 412E408TQ1AAAAA $6456.00
200-208 4 30 135 150 412F108TR1AAAAA $9360.00 412F608TR1AAAAA $11268.00 412F208TR1AAAAA $11268.00 412F408TR1AAAAA $12408.00
200-208 4 40 135 200 412F108TT1AAAAA $9360.00 412F608TT1AAAAA $11268.00 412F208TT1AAAAA $11268.00 412F408TT1AAAAA $12408.00
230-240 03 18 15 412B103TC1AAAAA $1908.00 412B603TC1AAAAA $2106.00 412B203TC1AAAAA $2106.00 412B403TC1AAAAA $2844.00
230-240 15 27 25 412C103TE1AAAAA $1980.00 412C603TE1AAAAA $2178.00 412C203TE1AAAAA $2178.00 412C403TE1AAAAA $2904.00
230-240 1 7 1/2 27 40 412C103TG1AAAAA $2016.00 412C603TG1AAAAA $2214.00 412C203TG1AAAAA $2214.00 412C403TG1AAAAA $2940.00
230-240 2 10 45 50 412D103TH1AAAAA $2952.00 412D603TH1AAAAA $3294.00 412D203TH1AAAAA $3294.00 412D403TH1AAAAA $4134.00
230-240 2 15 45 70 412D103TK1AAAAA $3024.00 412D603TK1AAAAA $3366.00 412D203TK1AAAAA $3366.00 412D403TK1AAAAA $4206.00
230-240 3 20 90 90 412E103TM1AAAAA $3858.00 412E603TM1AAAAA $4542.00 412E203TM1AAAAA $4542.00 412E403TM1AAAAA $5826.00
230-240 3 25 90 110 412E103TP1AAAAA $3858.00 412E603TP1AAAAA $4542.00 412E203TP1AAAAA $4542.00 412E403TP1AAAAA $5826.00
230-240 3 30 90 125 412E103TQ1AAAAA $4488.00 412E603TQ1AAAAA $5172.00 412E203TQ1AAAAA $5172.00 412E403TQ1AAAAA $6456.00
230-240 4 40 135 175 412F103TS1AAAAA $9963.00 412F603TS1AAAAA $11871.00 412F203TS1AAAAA $11871.00 412F403TS1AAAAA $13011.00
230-240 4 50 135 200 412F103TT1AAAAA $9360.00 412F603TT1AAAAA $11268.00 412F203TT1AAAAA $11268.00 412F403TT1AAAAA $12408.00
460-480 05 18 15 412B104TC1AAAAA $1908.00 412B604TC1AAAAA $2106.00 412B204TC1AAAAA $2106.00 412B404TC1AAAAA $2844.00
460-480 1 7 1/2 27 20 412C104TD1AAAAA $1980.00 412C604TD1AAAAA $2178.00 412C204TD1AAAAA $2178.00 412C404TD1AAAAA $2904.00
460-480 1 10 27 25 412C104TE1AAAAA $1980.00 412C604TE1AAAAA $2178.00 412C204TE1AAAAA $2178.00 412C404TE1AAAAA $2904.00
460-480 2 15 45 40 412D104TG1AAAAA $2952.00 412D604TG1AAAAA $3294.00 412D204TG1AAAAA $3294.00 412D404TG1AAAAA $4134.00
460-480 2 20 45 50 412D104TH1AAAAA $2952.00 412D604TH1AAAAA $3294.00 412D204TH1AAAAA $3294.00 412D404TH1AAAAA $4134.00
460-480 2 25 45 60 412D104TJ1AAAAA $3024.00 412D604TJ1AAAAA $3366.00 412D204TJ1AAAAA $3366.00 412D404TJ1AAAAA $4206.00
460-480 3 30 90 60 412E104TJ1AAAAA $3858.00 412E604TJ1AAAAA $4542.00 412E204TJ1AAAAA $4542.00 412E404TJ1AAAAA $5826.00
460-480 3 40 90 80 412E104TL1AAAAA $3858.00 412E604TL1AAAAA $4542.00 412E204TL1AAAAA $4542.00 412E404TL1AAAAA $5826.00
460-480 3 50 90 100 412E104TN1AAAAA $3858.00 412E604TN1AAAAA $4542.00 412E204TN1AAAAA $4542.00 412E404TN1AAAAA $5826.00
460-480 4 60 135 125 412F104TQ1AAAAA $9360.00 412F604TQ1AAAAA $11268.00 412F204TQ1AAAAA $11268.00 412F404TQ1AAAAA $12408.00
460-480 4 75 135 150 412F104TR1AAAAA $9360.00 412F604TR1AAAAA $11268.00 412F204TR1AAAAA $11268.00 412F404TR1AAAAA $12408.00
460-480 4 100 135 200 412F104TT1AAAAA $9360.00 412F604TT1AAAAA $11268.00 412F204TT1AAAAA $11268.00 412F404TT1AAAAA $12408.00
575-600 05 18 15 412B105TC1AAAAA $1908.00 412B605TC1AAAAA $2106.00 412B205TC1AAAAA $2106.00 412B405TC1AAAAA $2844.00
575-600 1 7 1/2 27 15 412C105TC1AAAAA $1980.00 412C605TC1AAAAA $2178.00 412C205TC1AAAAA $2178.00 412C405TC1AAAAA $2904.00
575-600 1 10 27 20 412C105TD1AAAAA $1980.00 412C605TD1AAAAA $2178.00 412C205TD1AAAAA $2178.00 412C405TD1AAAAA $2904.00
575-600 2 15 45 30 412D105TF1AAAAA $2988.00 412D605TF1AAAAA $3330.00 412D205TF1AAAAA $3330.00 412D405TF1AAAAA $4170.00
575-600 2 20 45 40 412D105TG1AAAAA $2952.00 412D605TG1AAAAA $3294.00 412D205TG1AAAAA $3294.00 412D405TG1AAAAA $4134.00
575-600 2 25 45 50 412D105TH1AAAAA $2952.00 412D605TH1AAAAA $3294.00 412D205TH1AAAAA $3294.00 412D405TH1AAAAA $4134.00
575-600 3 30 90 50 412E105TH1AAAAA $4032.00 412E605TH1AAAAA $4716.00 412E205TH1AAAAA $4716.00 412E405TH1AAAAA $6000.00
575-600 3 40 90 70 412E105TK1AAAAA $3858.00 412E605TK1AAAAA $4542.00 412E205TK1AAAAA $4542.00 412E405TK1AAAAA $5826.00
575-600 3 50 90 80 412E105TL1AAAAA $3858.00 412E605TL1AAAAA $4542.00 412E205TL1AAAAA $4542.00 412E405TL1AAAAA $5826.00
575-600 4 60 135 100 412F105TN1AAAAA $9963.00 412F605TN1AAAAA $11871.00 412F205TN1AAAAA $11871.00 412F405TN1AAAAA $13011.00
575-600 4 75 135 125 412F105TQ1AAAAA $9360.00 412F605TQ1AAAAA $11268.00 412F205TQ1AAAAA $11268.00 412F405TQ1AAAAA $12408.00
575-600 4 100 135 150 412F105TR1AAAAA $9360.00 412F605TR1AAAAA $11268.00 412F205TR1AAAAA $11268.00 412F405TR1AAAAA $12408.00
• NEMA Size 0-4 starters with 115-120 Volt, 60-Hertz coils for separate control are available at listed prices. To order, replace Digits 8 & 9 of listed Product Numbers with 02.
Example: CR412C105TD1AAAAA with 115-120 Volt, 60-Hertz coil for separate control becomes CR412C102TD1AAAAA Product Number.
• Motor full load current should not exceed continuous ampere rating of starter.
• For ordinary starting duty only.

www.geindustrial.com Control Catalog 1-95
NEMA Full Voltage Power Devices
NEMA Rated Full Voltage Starters - Magnetic
Rev. 4/16
Prices and data subject to
change without notice
Section 1
CR412 Magnetic Starters
2 Speed – 1 Winding, Thermal Magnetic Circuit Breaker
Part Number Configuration
Valid for NEMA sizes 0-4
1
CR
Digits:
Steps:
23
Step 1
4567891011121314151617
Step 2 Step 3 Step 4 Step 5 Step 6 Step 7 Step 8 Step 9
To configure the part number, use the tables below to fill in the digit boxes with the appropriate code.
Add list price from each step to arrive at total list for price for starter.
Step 1 (Digits 1-7) Select NEMA Size and Enclosure
NEMA Type 1 NEMA Type 3R NEMA Type 12 NEMA Type 4
Standard List Standard List Standard List Standard List
NEMA Enclosure Price Enclosure Price Enclosure Price Enclosure Price
Size CR GO-10G1 CR GO-10G1 CR GO-10G1 CR GO-10G1
0 412B1 $1770.00 412B6 $1968.00 412B2 $1968.00 412B4 $2706.00
1 412C1 $1842.00 412C6 $2040.00 412C2 $2040.00 412C4 $2766.00
2 412D1 $2814.00 412D6 $3156.00 412D2 $3156.00 412D4 $3996.00
3 412E1 $3858.00 412E6 $4542.00 412E2 $4542.00 412E4 $5826.00
4 412F1 $9360.00 412F6 $11268.00 412F2 $11268.00 412F4 $12408.00
Note: All enclosures include external overload reset buttons. NEMA 4 enclosures are stainless steel.
Step 2 (Digits 8, 9) Select Control Voltage (No CPT and Standard Size CPT)
NEMA Size
Control Standard 01 2 34
No List Price Fuses, List Price Size List Price List Price List Price List Price List Price
Control Circuit Voltage & CPT CPT GO-10G1 No CPT GO-10G1 CPT GO-10G1 GO-10G1 GO-10G1 GO-10G1 GO-10G1
120V w/ Surge Protector (SP) 01 $54.00 F1 $132.00 -
120V 02 $0.00 F2 $132.00 -
240V 03 $0.00 F3 $132.00 -
480V 04 $0.00 F4 $132.00 -
600V 05 $0.00 F5 $132.00 -
208V 08 $0.00 F8 $132.00 -
24V109 $0.00 --
240V/120V w/CPT -- 93 $294.00 $294.00 $352.00 $468.00 $540.00
480V/120V w/CPT -- 94 $294.00 $294.00 $352.00 $468.00 $540.00
600V/120V w/CPT -- 95 $294.00 $294.00 $352.00 $468.00 $540.00
208V/120V w/CPT -- 98 $294.00 $294.00 $352.00 $468.00 $540.00
240V/120V w/CPT & SP -- 33 $348.00 $348.00 $406.00 $522.00 $594.00
480V/120V w/CPT & SP -- 34 $348.00 $348.00 $406.00 $522.00 $594.00
600V/120V w/CPT & SP -- 35 $348.00 $348.00 $406.00 $522.00 $594.00
208V/120V w/CPT & SP -- 38 $348.00 $348.00 $406.00 $522.00 $594.00
240V/24V w/CPT1-- S3 $294.00 $294.00 $352.00 --
480V/24V w/CPT1-- S4 $294.00 $294.00 $352.00 --
600V/24V w/CPT1-- S5 $294.00 $294.00 $352.00 --
208V/24V w/CPT1-- S8 $294.00 $294.00 $352.00 --
Note: CPT includes 2 primary fuses and 1 secondary fuse.
124V coils not available for NEMA size 3 & 4.

Step 3 (Digits 10, 11) Select Protective Device
Thermal-Mag Circuit Breaker - Spectra™Series
200-208V 230-240V 460-480V 575-600V
Max CB Rating List Price Max CB Rating List Price Max CB Rating List Price Max CB Rating List Price
NEMA Size Hp (Amps) Code GO-10G1 Hp (Amps) Code GO-10G1 Hp (Amps) Code GO-10G1 Hp (Amps) Code GO-10G1
0215 TC $138.00 3 15 TC $138.00 5 15 TC $138.00 5 15 TC $138.00
3 20 TD $138.00 20 TD $138.00 20 TD $138.00 20 TD $138.00
15 TC $138.00 15 TC $138.00 15 TC $138.00 7 1/2 15 TC $138.00
20 TD $138.00 20 TD $138.00 7 1/2 20 TD $138.00 10 20 TD $138.00
1 25 TE $138.00 5 25 TE $138.00 10 25 TE $138.00 25 TE $138.00
5 30 TF $138.00 30 TF $138.00 30 TF $138.00 30 TF $138.00
7 1/2 40 TG $174.00 7 1/2 40 TG $174.00 40 TG $174.00 40 TG $174.00
30 TF $174.00 30 TF $174.00 30 TF $174.00 15 30 TF $174.00
40 TG $138.00 40 TG $138.00 15 40 TG $138.00 20 40 TG $138.00
2 10 50 TH $138.00 10 50 TH $138.00 20 50 TH $138.00 25 50 TH $138.00
60 TJ $210.00 60 TJ $210.00 25 60 TJ $210.00 60 TJ $210.00
70 TK $210.00 15 70 TK $210.00 70 TK $210.00 70 TK $210.00
50 TH $174.00 50 TH $174.00 50 TH $174.00 30 50 TH $174.00
60 TJ $0.00 60 TJ $0.00 30 60 TJ $0.00 60 TJ $0.00
70 TK $0.00 70 TK $0.00 70 TK $0.00 40 70 TK $0.00
315 80 TL $0.00 80 TL $0.00 40 80 TL $0.00 50 80 TL $0.00
90 TM $0.00 20 90 TM $0.00 90 TM $0.00 90 TM $0.00
20 100 TN $0.00 100 TN $0.00 50 100 TN $0.00 100 TN $0.00
110 TP $0.00 25 110 TP $0.00 110 TP $0.00 110 TP $0.00
25 125 TQ $630.00 30 125 TQ $630.00 125 TQ $630.00 125 TQ $630.00
100 TN $603.00 100 TN $603.00 100 TN $603.00 60 100 TN $603.00
125 TQ $0.00 125 TQ $0.00 60 125 TQ $0.00 75 125 TQ $0.00
4 30 150 TR $0.00 150 TR $0.00 75 150 TR $0.00 100 150 TR $0.00
175 TS $603.00 40 175 TS $603.00 175 TS $603.00 175 TS $603.00
40 200 TT $0.00 50 200 TT $0.00 100 200 TT $0.00 200 TT $0.00
www.geindustrial.com Rev. 4/16
Prices and data subject to
change without notice
Control Catalog
1-96
NEMA Full Voltage Power Devices
NEMA Rated Full Voltage Starters - Magnetic
Section 1
CR412 Magnetic Starters
2 Speed – 1 Winding, Thermal Magnetic Circuit Breaker
Part Number Configuration
Valid for NEMA sizes 0-4
Step 2 (Digits 8, 9) Select Control Voltage (Extra Capacity CPT + 100VA and 200VA)
NEMA Size NEMA Size
Standard 01234Standard 01 234
Size List Price List Price List Price List Price List Price Size List Price List Price List Price List Price List Price
Control Circuit Voltage & CPT CPT + 100VA GO-10G1 GO-10G1 GO-10G1 GO-10G1 GO-10G1 CPT + 200VA GO-10G1 GO-10G1 GO-10G1 GO-10G1 GO-10G1
120V w/ Surge Protector (SP) - -
120V - -
240V - -
480V - -
600V - -
208V - -
24V1- -
240V/120V w/CPT 13 $420.00 $420.00 $504.00 $600.00 $660.00 23 $523.00 $523.00 $618.00 $714.00 $775.00
480V/120V w/CPT 14 $420.00 $420.00 $504.00 $600.00 $660.00 24 $523.00 $523.00 $618.00 $714.00 $775.00
600V/120V w/CPT 15 $420.00 $420.00 $504.00 $600.00 $660.00 25 $523.00 $523.00 $618.00 $714.00 $775.00
208V/120V w/CPT 18 $420.00 $420.00 $504.00 $600.00 $660.00 28 $523.00 $523.00 $618.00 $714.00 $775.00
240V/120V w/CPT & SP 53 $474.00 $474.00 $558.00 $654.00 $714.00 63 $577.00 $577.00 $672.00 $768.00 $829.00
480V/120V w/CPT & SP 54 $474.00 $474.00 $558.00 $654.00 $714.00 64 $577.00 $577.00 $672.00 $768.00 $829.00
600V/120V w/CPT & SP 55 $474.00 $474.00 $558.00 $654.00 $714.00 65 $577.00 $577.00 $672.00 $768.00 $829.00
208V/120V w/CPT & SP 58 $474.00 $474.00 $558.00 $654.00 $714.00 68 $577.00 $577.00 $672.00 $768.00 $829.00
240V/24V w/CPT1A3 $420.00 $420.00 $504.00 -- B3 $523.00 $523.00 $618.00 --
480V/24V w/CPT1A4 $420.00 $420.00 $504.00 -- B4 $523.00 $523.00 $618.00 --
600V/24V w/CPT1A5 $420.00 $420.00 $504.00 -- B5 $523.00 $523.00 $618.00 --
208V/24V w/CPT1A8 $420.00 $420.00 $504.00 -- B8 $523.00 $523.00 $618.00 --
Note: CPT includes 2 primary fuses and 1 secondary fuse.
124V coils not available for NEMA size 3 & 4.

www.geindustrial.com Control Catalog 1-97
NEMA Full Voltage Power Devices
NEMA Rated Full Voltage Starters - Magnetic
Rev. 4/16
Prices and data subject to
change without notice
Section 1
Step 5 (Digit 13) Select Auxiliary Contacts
Aux Contacts List Price
(per Contactor) Code GO-10G1
None A $0.00
1NO B $132.00
1NC C $132.00
1NO-1NC D2$264.00
2NO E2$264.00
2NC F2$264.00
2Not available on 2 speed – 1 winding sizes 0-1.
Step 6 (Digit 14) Select Monitoring Options
List Price GO-10G1
NEMA Size 0-2 NEMA Size 3 NEMA Size 4
Device Code Type 1, 3R, & 12 Type 4/4X Type 1, 3R, & 12 Type 4/4X Type 1, 3R, & 12 Type 4/4X
None A $0.00 $0.00 $0.00 $0.00 $0.00 $0.00
Phase Failure Relay with Undervoltage Protection C $1056.00 $1056.00 $1056.00 $1056.00 $1056.00 $1056.00
(panel mounted) - 190-480V (PFR w/UV)
Phase Failure Relay with Undervoltage Protection D $1056.00 $1056.00 $1056.00 $1056.00 $1056.00 $1056.00
(panel mounted) - 575V (PFR w/UV)
Phase Failure Relay - 208V (PFR) E3$425.00 - $425.00 - $425.00 -
Phase Failure Relay - 240V (PFR) F3$425.00 - $425.00 - $425.00 -
Phase Failure Relay - 480V (PFR) G3$425.00 - $425.00 - $425.00 -
Phase Failure Relay - 575V (PFR) H3$425.00 - $425.00 - $425.00 -
Elapsed Time Meter (120V/60Hz) Wired Across Coil (ETM) 14$348.00 $588.00 $348.00 $588.00 $348.00 $588.00
ETM + PFR w/UV (190-480V) L4$1404.00 $1644.00 $1404.00 $1644.00 $1404.00 $1644.00
ETM + PFR w/UV (575V) N4$1404.00 $1644.00 $1404.00 $1644.00 $1404.00 $1644.00
ETM + PFR (208V) P3,4 $773.00 - $773.00 - $773.00 -
ETM + PFR (240V) Q3,4 $773.00 - $773.00 - $773.00 -
ETM + PFR (480V) R3,4 $773.00 - $773.00 - $773.00 -
ETM + PFR (575V) S3,4 $773.00 - $773.00 - $773.00 -
3Available for Type 1 Enclosure only.
4Requires 120V Control Circuit Voltage or CPT w/ 120V Secondary.
2-Speed Solid State Overload Ranges
NEMA SIZE
0 & 1 2 3 & 4
Code Hi Amp Lo Amp Hi Amp Lo Amp Hi Amp Lo Amp
C 0.4 - 0.85 0.4 - 0.85 6.5 - 13.5 6.5 - 13.5 17 - 35 17 - 35
D 0.8 - 1.7 0.4 - 0.85 13 - 27 6.5 - 13.5 35 - 70 17 - 35
E 0.8 - 1.7 0.8 - 1.7 13 - 27 13 - 27 35 - 70 35 - 70
F 1.6 - 3.4 0.4 - 0.85 25 - 50 6.5 -13.5 65 - 135 17 - 35
G 1.6 - 3.4 0.8 - 1.7 25 - 50 13 - 27 65 - 135 35 - 70
H 1.6 - 3.4 1.6 - 3.4 25 - 50 25 - 50 65 - 135 65 - 135
U 3.2 - 6.8 0.8 - 1.7 -- --
K 3.2 - 6.8 1.6 - 3.4 -- --
L 3.2 - 6.8 3.2 - 6.8 -- --
M 6.5 - 13.5 1.6 - 3.4 -- --
V 6.5 - 13.5 3.2 - 6.8 -- --
W 6.5 - 13.5 6.5 - 13.5 -- --
R 13 - 27 3.2 - 6.8 -- --
S 13 - 27 6.5 - 13.5 -- --
T 13 - 27 13 - 27 -- --
Step 4 (Digit 12) Select Overload Relay
List Price
Overload Relay Code GO-10G1
Thermal Bi-Metallic Non-compensated (1NC) 1 $0.00
Thermal Bi-Metallic Non-compensated (1NO-1NC) 2 $48.00
Thermal Bi-Metallic Ambient Compensated (1NC) 3 $54.00
Thermal Bi-Metallic Ambient Compensated (1NO-1NC) 4 $102.00
Solid State Overload (1NO-1NC) (#) $54.00
(#) Select Code for Solid State Overload amp rating from table below.
CR412 Magnetic Starters
2 Speed – 1 Winding, Thermal Magnetic Circuit Breaker
Part Number Configuration
Valid for NEMA sizes 0-4

www.geindustrial.com Rev. 4/16
Prices and data subject to
change without notice
Control Catalog
1-98
NEMA Full Voltage Power Devices
NEMA Rated Full Voltage Starters - Magnetic
Section 1
GENERAL NOTE:
On NEMA Size 3 & 4 starters, if selecting factory installed and wired operator devices
(Push Buttons, Selector Switches, and/or Pilot Lights) then control circuit fusing, a
control power transformer, or 120V separate sourced control is required when the
protective device is rated greater than 100 Amps.
Step 9 (Digit 17) Select Control Options
List Price GO-10G1
NEMA Size 0-2 NEMA Size 3 NEMA Size 4
Device Code Type 1, 3R, & 12 Type 4/4X Type 1, 3R, & 12 Type 4/4X Type 1, 3R, & 12 Type 4/4X
None A $0.00 $0.00 $0.00 $0.00 $0.00 $0.00
1 Relay, 2NO-2NC, 24/120V Coil - unwired B5$306.00 $468.00 $306.00 $468.00 $480.00 $636.00
2 Relays, 24/120V Coil - unwired C5$612.00 $936.00 $612.00 $936.00 $960.00 $1272.00
DIN Rail - for Customer Use D $89.00 $89.00 $89.00 $89.00 $89.00 $89.00
12 Point Terminal Strip - unwired (12 PT Strip) E $109.00 $109.00 $109.00 $109.00 $109.00 $109.00
Space Heater w/ NC Contact H6$120.00 $120.00 $120.00 $120.00 $120.00 $120.00
1 Relay + 12 PT Strip J5$415.00 $577.00 $415.00 $577.00 $589.00 $745.00
2 Relays + 12 PT Strip K5$721.00 $1045.00 $721.00 $1045.00 $1069.00 $1381.00
DIN Rail + 12 PT Strip + Space Heater L6$318.00 $318.00 $318.00 $318.00 $318.00 $318.00
2 Relays + 12 PT Strip + Space Heater M5,6 $841.00 $1165.00 $841.00 $1165.00 $1189.00 $1501.00
Time Delay ON Relay, 24/120V Coil - unwired (TD) N5$504.00 $660.00 $504.00 $660.00 $504.00 $660.00
Time Delay OFF Relay, 24/120V Coil - unwired (TD) P5$504.00 $660.00 $504.00 $660.00 $504.00 $660.00
12 PT Strip + TD ON R5$613.00 $769.00 $613.00 $769.00 $613.00 $769.00
12 PT Strip + TD OFF S5$613.00 $769.00 $613.00 $769.00 $613.00 $769.00
12 PT Strip + Space Heater + TD ON T5,6 $733.00 $889.00 $733.00 $889.00 $733.00 $889.00
12 PT Strip + Space Heater + TD OFF U5,6 $733.00 $889.00 $733.00 $889.00 $733.00 $889.00
5Relay/Timer coil voltage is equivalent to CPT secondary voltage. Requires minimum 100 extra VA CPT option.
6Maximum number of auxiliary contacts shall be reduced by 1.
CR412 Magnetic Starters
2 Speed – 1 Winding, Thermal Magnetic Circuit Breaker
Part Number Configuration
Valid for NEMA sizes 0-4
Step 7 (Digit 15) Select Push Button/Selector Switch
List Price
Push Button/Selector Switch - Heavy Duty Code GO-10G1
None A $0.00
Fast/Slow/Stop Push Button J $240.00
High/Low/Off Push Button K $240.00
High/Low Push Button & HOA Selector Switch L $264.00
Fast/Slow Push Button & HOA Selector Switch M $264.00
HOA & Slow/Fast Selector Switches P $264.00
HOA & Low/High Selector Switches R $264.00
Slow-Off-Fast Selector Switch T $132.00
Low-Off-High Selector Switch U $132.00
Fast-Slow-Off-Auto Selector Switch V $150.00
High-Low-Off-Auto Selector Switch W $150.00
Step 8 (Digit 16) Select Pilot Device
Pilot Light
(Heavy Duty CR104P Style) List Price
Type Color - Functionality Code GO-10G1
None A $0.00
Red & Amber Across Coils K $324.00
Standard Lights Red & Green Across Coils L $324.00
Red & Amber Across Coils & Unwired Green X $486.00
Red & Amber Across Coils 2 $324.00
LED Lights Red & Green Across Coils 3 $324.00
Red & Amber Across Coils & Unwired Green 5 $486.00
Red & Amber Across Coils S $360.00
Push-To-Test Lights Red & Green Across Coils T $360.00
Red & Amber Across Coils & Unwired Green Y $540.00

www.geindustrial.com Control Catalog 1-99
NEMA Full Voltage Power Devices
NEMA Rated Full Voltage Starters - Magnetic
Rev. 4/16
Prices and data subject to
change without notice
Section 1
CR492 Mag-Break Magnetic Starters
2 Speed – 1 Winding, NEMA Type 1, 3R, 12, 4/4X
NEMA Sizes 0-4, Mag-Break Circuit Breaker Type
600 Volts Maximum 60 Hertz
List Price includes a holding interlock, pressure terminals for the line and load connections, one 5-pole and one 3-pole contactor with
mechanical and cross electrical interlock on each contactor, plus two 3-leg block type overload relays (manual reset). All enclosures include
external reset. Six heaters should be ordered as separate items. See pages 1-153 to 1-159 for selection. List price $9.00 each, GO-10H.
CR492 2 Speed – 1 Winding Mag-Break Circuit Breaker Type
NEMA Type 1 NEMA Type 3R NEMA Type 12 NEMA Type 4/4X
Continuous CB Product List Product List Product List Product List
Voltage NEMA Maximum Amp Rating Number Price Number Price Number Price Number Price
(60Hz) Size Horsepower Rating (Amps) CR GO-10G1 CR GO-10G1 CR GO-10G1 CR GO-10G1
200-208 01 18 7 492B108MB1AAAAA $1944.00 492B608MB1AAAAA $2142.00 492B208MB1AAAAA $2142.00 492B408MB1AAAAA $2880.00
200-208 03 18 15 492B108MC1AAAAA $1944.00 492B608MC1AAAAA $2142.00 492B208MC1AAAAA $2142.00 492B408MC1AAAAA $2880.00
200-208 15 27 25 492C108ME1AAAAA $2016.00 492C608ME1AAAAA $2214.00 492C208ME1AAAAA $2214.00 492C408ME1AAAAA $2940.00
200-208 1 7 1/2 27 40 492C108MG1AAAAA $2016.00 492C608MG1AAAAA $2214.00 492C208MG1AAAAA $2214.00 492C408MG1AAAAA $2940.00
200-208 2 10 45 50 492D108MH1AAAAA $2988.00 492D608MH1AAAAA $3330.00 492D208MH1AAAAA $3330.00 492D408MH1AAAAA $4170.00
200-208 3 15 90 70 492E108MK1AAAAA $3858.00 492E608MK1AAAAA $4542.00 492E208MK1AAAAA $4542.00 492E408MK1AAAAA $5826.00
200-208 3 20 90 80 492E108ML1AAAAA $3858.00 492E608ML1AAAAA $4542.00 492E208ML1AAAAA $4542.00 492E408ML1AAAAA $5826.00
200-208 3 25 90 100 492E108MN1AAAAA $3858.00 492E608MN1AAAAA $4542.00 492E208MN1AAAAA $4542.00 492E408MN1AAAAA $5826.00
200-208 4 30 135 125 492F108MQ1AAAAA $9360.00 492F608MQ1AAAAA $11268.00 492F208MQ1AAAAA $11268.00 492F408MQ1AAAAA $12408.00
200-208 4 40 135 150 492F108MR1AAAAA $9360.00 492F608MR1AAAAA $11268.00 492F208MR1AAAAA $11268.00 492F408MR1AAAAA $12408.00
230-240 0 1/2 18 3 492B103MA1AAAAA $1944.00 492B603MA1AAAAA $2142.00 492B203MA1AAAAA $2142.00 492B403MA1AAAAA $2880.00
230-240 01 18 7 492B103MB1AAAAA $1944.00 492B603MB1AAAAA $2142.00 492B203MB1AAAAA $2142.00 492B403MB1AAAAA $2880.00
230-240 03 18 15 492B103MC1AAAAA $1944.00 492B603MC1AAAAA $2142.00 492B203MC1AAAAA $2142.00 492B403MC1AAAAA $2880.00
230-240 15 27 25 492C103ME1AAAAA $2016.00 492C603ME1AAAAA $2214.00 492C203ME1AAAAA $2214.00 492C403ME1AAAAA $2940.00
230-240 1 7 1/2 27 30 492C103MF1AAAAA $2016.00 492C603MF1AAAAA $2214.00 492C206MF1AAAAA $2214.00 492C403MF1AAAAA $2940.00
230-240 2 10 45 40 492D103MG1AAAAA $2988.00 492D603MG1AAAAA $3330.00 492D203MG1AAAAA $3330.00 492D403MG1AAAAA $4170.00
230-240 2 15 45 60 492D103MJ1AAAAA $2988.00 492D603MJ1AAAAA $3330.00 492D203MJ1AAAAA $3330.00 492D403MJ1AAAAA $4170.00
230-240 3 20 90 70 492E103MK1AAAAA $3858.00 492E603MK1AAAAA $4542.00 492E203MK1AAAAA $4542.00 492E403MK1AAAAA $5826.00
230-240 3 25 90 90 492E103MM1AAAAA $3858.00 492E603MM1AAAAA $4542.00 492E203MM1AAAAA $4542.00 492E403MM1AAAAA $5826.00
230-240 3 30 90 100 492E103MN1AAAAA $3858.00 492E603MN1AAAAA $4542.00 492E203MN1AAAAA $4542.00 492E403MN1AAAAA $5826.00
230-240 4 40 135 150 492F103MR1AAAAA $9360.00 492F603MR1AAAAA $11268.00 492F203MR1AAAAA $11268.00 492F403MR1AAAAA $12408.00
230-240 4 50 135 175 492F103MS1AAAAA $9360.00 492F603MS1AAAAA $11268.00 492F203MS1AAAAA $11268.00 492F403MS1AAAAA $12408.00
460-480 01 18 3 492B104MA1AAAAA $1944.00 492B604MA1AAAAA $2142.00 492B204MA1AAAAA $2142.00 492B404MA1AAAAA $2880.00
460-480 03 18 7 492B104MB1AAAAA $1944.00 492B604MB1AAAAA $2142.00 492B204MB1AAAAA $2142.00 492B404MB1AAAAA $2880.00
460-480 05 18 15 492B104MC1AAAAA $1944.00 492B604MC1AAAAA $2142.00 492B204MC1AAAAA $2142.00 492B404MC1AAAAA $2880.00
460-480 1 7 1/2 27 15 492C104MC1AAAAA $2016.00 492C604MC1AAAAA $2214.00 492C204MC1AAAAA $2214.00 492C404MC1AAAAA $2940.00
460-480 1 10 27 20 492C104MD1AAAAA $2016.00 492C604MD1AAAAA $2214.00 492C204MD1AAAAA $2214.00 492C404MD1AAAAA $2940.00
460-480 2 15 45 30 492D104MF1AAAAA $2988.00 492D604MF1AAAAA $3330.00 492D204MF1AAAAA $3330.00 492D404MF1AAAAA $4170.00
460-480 2 20 45 40 492D104MG1AAAAA $2988.00 492D604MG1AAAAA $3330.00 492D204MG1AAAAA $3330.00 492D404MG1AAAAA $4170.00
460-480 2 25 45 50 492D104MH1AAAAA $2988.00 492D604MH1AAAAA $3330.00 492D204MH1AAAAA $3330.00 492D404MH1AAAAA $4170.00
460-480 3 30 90 50 492E104MH1AAAAA $3858.00 492E604MH1AAAAA $4542.00 492E204MH1AAAAA $4542.00 492E404MH1AAAAA $5826.00
460-480 3 40 90 70 492E104MK1AAAAA $3858.00 492E604MK1AAAAA $4542.00 492E204MK1AAAAA $4542.00 492E404MK1AAAAA $5826.00
460-480 3 50 90 90 492E104MM1AAAAA $3858.00 492E604MM1AAAAA $4542.00 492E204MM1AAAAA $4542.00 492E404MM1AAAAA $5826.00
460-480 4 60 135 100 492F104MN1AAAAA $9360.00 492F604MN1AAAAA $11268.00 492F204MN1AAAAA $11268.00 492F404MN1AAAAA $12408.00
460-480 4 75 135 125 492F104MQ1AAAAA $9360.00 492F604MQ1AAAAA $11268.00 492F204MQ1AAAAA $11268.00 492F404MQ1AAAAA $12408.00
460-480 4 100 135 175 492F104MS1AAAAA $9360.00 492F604MS1AAAAA $11268.00 492F204MS1AAAAA $11268.00 492F404MS1AAAAA $12408.00
575-600 01 18 3 492B105MA1AAAAA $1944.00 492B605MA1AAAAA $2142.00 492B205MA1AAAAA $2142.00 492B405MA1AAAAA $2880.00
575-600 03 18 7 492B105MB1AAAAA $1944.00 492B605MB1AAAAA $2142.00 492B205MB1AAAAA $2142.00 492B405MB1AAAAA $2880.00
575-600 05 18 15 492B105MC1AAAAA $1944.00 492B605MC1AAAAA $2142.00 492B205MC1AAAAA $2142.00 492B405MC1AAAAA $2880.00
575-600 1 10 27 15 492C105MC1AAAAA $2016.00 492C605MC1AAAAA $2214.00 492C205MC1AAAAA $2214.00 492C405MC1AAAAA $2940.00
575-600 2 15 45 25 492D105ME1AAAAA $2988.00 492D605ME1AAAAA $3330.00 492D205ME1AAAAA $3330.00 492D405ME1AAAAA $4170.00
575-600 2 20 45 30 492D105MF1AAAAA $2988.00 492D605MF1AAAAA $3330.00 492D205MF1AAAAA $3330.00 492D405MF1AAAAA $4170.00
575-600 2 25 45 40 492D105MG1AAAAA $2988.00 492D605MG1AAAAA $3330.00 492D205MG1AAAAA $3330.00 492D405MG1AAAAA $4170.00
575-600 3 30 90 40 492E105MG1AAAAA $3858.00 492E605MG1AAAAA $4542.00 492E205MG1AAAAA $4542.00 492E405MG1AAAAA $5826.00
575-600 3 40 90 60 492E105MJ1AAAAA $3858.00 492E605MJ1AAAAA $4542.00 492E205MJ1AAAAA $4542.00 492E405MJ1AAAAA $5826.00
575-600 3 50 90 70 492E105MK1AAAAA $3858.00 492E605MK1AAAAA $4542.00 492E205MK1AAAAA $4542.00 492E405MK1AAAAA $5826.00
575-600 4 60 135 80 492F105ML1AAAAA $9360.00 492F605ML1AAAAA $11268.00 492F205ML1AAAAA $11268.00 492F405ML1AAAAA $12408.00
575-600 4 75 135 100 492F105MN1AAAAA $9360.00 492F605MN1AAAAA $11268.00 492F205MN1AAAAA $11268.00 492F405MN1AAAAA $12408.00
575-600 4 100 135 150 492F105MR1AAAAA $9360.00 492F605MR1AAAAA $11268.00 492F205MR1AAAAA $11268.00 492F405MR1AAAAA $12408.00
• NEMA Size 0-4 starters with 115-120 Volt, 60-Hertz coils for separate control are available at listed prices. To order, replace Digits 8 & 9 of listed Product Numbers with 02.
Example: CR492B103MC1AAAAA with 115-120 Volt, 60-Hertz coil for separate control becomes CR492B102MC1AAAAA Product Number.
• Motor full load current should not exceed continuous ampere rating of starter.

www.geindustrial.com Rev. 4/16
Prices and data subject to
change without notice
Control Catalog
1-100
NEMA Full Voltage Power Devices
NEMA Rated Full Voltage Starters - Magnetic
Section 1
CR492 Mag-Break Magnetic Starters
2 Speed – 1 Winding, Mag-Break Circuit Breaker Type
Part Number Configuration
Valid for NEMA sizes 0-4
1
CR
Digits:
Steps:
23
Step 1
4567891011121314151617
Step 2 Step 3 Step 4 Step 5 Step 6 Step 7 Step 8 Step 9
To configure the part number, use the tables below to fill in the digit boxes with the appropriate code.
Add list price from each step to arrive at total list for price for starter.
Step 1 (Digits 1-7) Select NEMA Size and Enclosure
NEMA Type 1 NEMA Type 3R NEMA Type 12 NEMA Type 4
Standard List Standard List Standard List Standard List
NEMA Enclosure Price Enclosure Price Enclosure Price Enclosure Price
Size CR GO-10G1 CR GO-10G1 CR GO-10G1 CR GO-10G1
0 492B1 $1944.00 492B6 $2142.00 492B2 $2142.00 492B4 $2880.00
1 492C1 $2016.00 492C6 $2214.00 492C2 $2214.00 492C4 $2940.00
2 492D1 $2988.00 492D6 $3330.00 492D2 $3330.00 492D4 $4170.00
3 492E1 $3858.00 492E6 $4542.00 492E2 $4542.00 492E4 $5826.00
4 492F1 $9360.00 492F6 $11268.00 492F2 $11268.00 492F4 $12408.00
Note: All enclosures include external overload reset buttons. NEMA 4 enclosures are stainless steel.
Step 2 (Digits 8, 9) Select Control Voltage (No CPT and Standard Size CPT)
NEMA Size
Control Standard 01 2 34
No List Price Fuses, List Price Size List Price List Price List Price List Price List Price
Control Circuit Voltage & CPT CPT GO-10G1 No CPT GO-10G1 CPT GO-10G1 GO-10G1 GO-10G1 GO-10G1 GO-10G1
120V w/ Surge Protector (SP) 01 $54.00 F1 $132.00 -
120V 02 $0.00 F2 $132.00 -
240V 03 $0.00 F3 $132.00 -
480V 04 $0.00 F4 $132.00 -
600V 05 $0.00 F5 $132.00 -
208V 08 $0.00 F8 $132.00 -
24V109 $0.00 --
240V/120V w/CPT -- 93 $294.00 $294.00 $352.00 $468.00 $540.00
480V/120V w/CPT -- 94 $294.00 $294.00 $352.00 $468.00 $540.00
600V/120V w/CPT -- 95 $294.00 $294.00 $352.00 $468.00 $540.00
208V/120V w/CPT -- 98 $294.00 $294.00 $352.00 $468.00 $540.00
240V/120V w/CPT & SP -- 33 $348.00 $348.00 $406.00 $522.00 $594.00
480V/120V w/CPT & SP -- 34 $348.00 $348.00 $406.00 $522.00 $594.00
600V/120V w/CPT & SP -- 35 $348.00 $348.00 $406.00 $522.00 $594.00
208V/120V w/CPT & SP -- 38 $348.00 $348.00 $406.00 $522.00 $594.00
240V/24V w/CPT1-- S3 $294.00 $294.00 $352.00 --
480V/24V w/CPT1-- S4 $294.00 $294.00 $352.00 --
600V/24V w/CPT1-- S5 $294.00 $294.00 $352.00 --
208V/24V w/CPT1-- S8 $294.00 $294.00 $352.00 --
Note: CPT includes 2 primary fuses and 1 secondary fuse.
124V coils not available for NEMA size 3 & 4.

www.geindustrial.com Control Catalog 1-101
NEMA Full Voltage Power Devices
NEMA Rated Full Voltage Starters - Magnetic
Rev. 4/16
Prices and data subject to
change without notice
Section 1
CR492 Mag-Break Magnetic Starters
2 Speed – 1 Winding, Mag-Break Circuit Breaker Type
Part Number Configuration
Valid for NEMA sizes 0-4
Step 2 (Digits 8, 9) Select Control Voltage (Extra Capacity CPT + 100VA and 200VA)
NEMA Size NEMA Size
Standard 01234Standard 01 234
Size List Price List Price List Price List Price List Price Size List Price List Price List Price List Price List Price
Control Circuit Voltage & CPT CPT + 100VA GO-10G1 GO-10G1 GO-10G1 GO-10G1 GO-10G1 CPT + 200VA GO-10G1 GO-10G1 GO-10G1 GO-10G1 GO-10G1
120V w/ Surge Protector (SP) - -
120V - -
240V - -
480V - -
600V - -
208V - -
24V1- -
240V/120V w/CPT 13 $420.00 $420.00 $504.00 $600.00 $660.00 23 $523.00 $523.00 $618.00 $714.00 $775.00
480V/120V w/CPT 14 $420.00 $420.00 $504.00 $600.00 $660.00 24 $523.00 $523.00 $618.00 $714.00 $775.00
600V/120V w/CPT 15 $420.00 $420.00 $504.00 $600.00 $660.00 25 $523.00 $523.00 $618.00 $714.00 $775.00
208V/120V w/CPT 18 $420.00 $420.00 $504.00 $600.00 $660.00 28 $523.00 $523.00 $618.00 $714.00 $775.00
240V/120V w/CPT & SP 53 $474.00 $474.00 $558.00 $654.00 $714.00 63 $577.00 $577.00 $672.00 $768.00 $829.00
480V/120V w/CPT & SP 54 $474.00 $474.00 $558.00 $654.00 $714.00 64 $577.00 $577.00 $672.00 $768.00 $829.00
600V/120V w/CPT & SP 55 $474.00 $474.00 $558.00 $654.00 $714.00 65 $577.00 $577.00 $672.00 $768.00 $829.00
208V/120V w/CPT & SP 58 $474.00 $474.00 $558.00 $654.00 $714.00 68 $577.00 $577.00 $672.00 $768.00 $829.00
240V/24V w/CPT1A3 $420.00 $420.00 $504.00 -- B3 $523.00 $523.00 $618.00 --
480V/24V w/CPT1A4 $420.00 $420.00 $504.00 -- B4 $523.00 $523.00 $618.00 --
600V/24V w/CPT1A5 $420.00 $420.00 $504.00 -- B5 $523.00 $523.00 $618.00 --
208V/24V w/CPT1A8 $420.00 $420.00 $504.00 -- B8 $523.00 $523.00 $618.00 --
Note: CPT includes 2 primary fuses and 1 secondary fuse.
124V coils not available for NEMA size 3 & 4.
Step 3 (Digits 10, 11) Select Protective Device
Mag-Break Circuit Breaker - Spectra™Series
200-208V 230-240V 460-480V 575-600V
Max CB Rating List Price Max CB Rating List Price Max CB Rating List Price Max CB Rating List Price
NEMA Size Hp (Amps) Code GO-10G1 Hp (Amps) Code GO-10G1 Hp (Amps) Code GO-10G1 Hp (Amps) Code GO-10G1
3 MA $0.00 1/2 3 MA $0.00 13MA $0.00 13MA $0.00
017MB $0.00 17MB $0.00 37MB $0.00 37MB $0.00
3 15 MC $0.00 3 15 MC $0.00 5 15 MC $0.00 5 15 MC $0.00
15 MC $0.00 15 MC $0.00 7 1/2 15 MC $0.00 10 15 MC $0.00
20 MD $0.00 20 MD $0.00 10 20 MD $0.00 20 MD $0.00
1525 ME $0.00 5 25 ME $0.00 25 ME $0.00 25 ME $0.00
30 MF $0.00 7 1/2 30 MF $0.00 30 MF $0.00 30 MF $0.00
7 1/2 40 MG $0.00 40 MG $0.00 40 MG $0.00 40 MG $0.00
25 ME $0.00 25 ME $0.00 25 ME $0.00 15 25 ME $0.00
30 MF $0.00 30 MF $0.00 15 30 MF $0.00 20 30 MF $0.00
2 40 MG $0.00 10 40 MG $0.00 20 40 MG $0.00 25 40 MG $0.00
10 50 MH $0.00 50 MH $0.00 25 50 MH $0.00 50 MH $0.00
60 MJ $0.00 15 60 MJ $0.00 60 MJ $0.00 60 MJ $0.00
40 MG $0.00 40 MG $0.00 40 MG $0.00 30 40 MG $0.00
50 MH $0.00 50 MH $0.00 30 50 MH $0.00 50 MH $0.00
60 MJ $0.00 60 MJ $0.00 60 MJ $0.00 40 60 MJ $0.00
3 15 70 MK $0.00 20 70 MK $0.00 40 70 MK $0.00 50 70 MK $0.00
20 80 ML $0.00 80 ML $0.00 80 ML $0.00 80 ML $0.00
90 MM $0.00 25 90 MM $0.00 50 90 MM $0.00 90 MM $0.00
25 100 MN $0.00 30 100 MN $0.00 100 MN $0.00 100 MN $0.00
80 ML $0.00 80 ML $0.00 80 ML $0.00 60 80 ML $0.00
100 MN $0.00 100 MN $0.00 60 100 MN $0.00 75 100 MN $0.00
4 30 125 MQ $0.00 125 MQ $0.00 75 125 MQ $0.00 125 MQ $0.00
40 150 MR $0.00 40 150 MR $0.00 150 MR $0.00 100 150 MR $0.00
175 MS $0.00 50 175 MS $0.00 100 175 MS $0.00 175 MS $0.00

www.geindustrial.com Rev. 4/16
Prices and data subject to
change without notice
Control Catalog
1-102
NEMA Full Voltage Power Devices
NEMA Rated Full Voltage Starters - Magnetic
Section 1
Step 6 (Digit 14) Select Monitoring Options
List Price GO-10G1
NEMA Size 0-2 NEMA Size 3 NEMA Size 4
Device Code Type 1, 3R, & 12 Type 4/4X Type 1, 3R, & 12 Type 4/4X Type 1, 3R, & 12 Type 4/4X
None A $0.00 $0.00 $0.00 $0.00 $0.00 $0.00
Phase Failure Relay with Undervoltage Protection C $1056.00 $1056.00 $1056.00 $1056.00 $1056.00 $1056.00
(panel mounted) - 190-480V (PFR w/UV)
Phase Failure Relay with Undervoltage Protection D $1056.00 $1056.00 $1056.00 $1056.00 $1056.00 $1056.00
(panel mounted) - 575V (PFR w/UV)
Phase Failure Relay - 208V (PFR) E3$425.00 - $425.00 - $425.00 -
Phase Failure Relay - 240V (PFR) F3$425.00 - $425.00 - $425.00 -
Phase Failure Relay - 480V (PFR) G3$425.00 - $425.00 - $425.00 -
Phase Failure Relay - 575V (PFR) H3$425.00 - $425.00 - $425.00 -
Elapsed Time Meter (120V/60Hz) Wired Across Coil (ETM) 14$348.00 $588.00 $348.00 $588.00 $348.00 $588.00
ETM + PFR w/UV (190-480V) L4$1404.00 $1644.00 $1404.00 $1644.00 $1404.00 $1644.00
ETM + PFR w/UV (575V) N4$1404.00 $1644.00 $1404.00 $1644.00 $1404.00 $1644.00
ETM + PFR (208V) P3,4 $773.00 - $773.00 - $773.00 -
ETM + PFR (240V) Q3,4 $773.00 - $773.00 - $773.00 -
ETM + PFR (480V) R3,4 $773.00 - $773.00 - $773.00 -
ETM + PFR (575V) S3,4 $773.00 - $773.00 - $773.00 -
3Available for Type 1 Enclosure only.
4Requires 120V Control Circuit Voltage or CPT w/ 120V Secondary.
Step 5 (Digit 13) Select Auxiliary Contacts
Aux Contacts List Price
(per Contactor) Code GO-10G1
None A $0.00
1NO B $132.00
1NC C $132.00
1NO-1NC D2$264.00
2NO E2$264.00
2NC F2$264.00
2Not available on 2 speed – 1 winding sizes 0-1.
2-Speed Solid State Overload Ranges
NEMA SIZE
0 & 1 2 3 & 4
Code Hi Amp Lo Amp Hi Amp Lo Amp Hi Amp Lo Amp
C 0.4 - 0.85 0.4 - 0.85 6.5 - 13.5 6.5 - 13.5 17 - 35 17 - 35
D 0.8 - 1.7 0.4 - 0.85 13 - 27 6.5 - 13.5 35 - 70 17 - 35
E 0.8 - 1.7 0.8 - 1.7 13 - 27 13 - 27 35 - 70 35 - 70
F 1.6 - 3.4 0.4 - 0.85 25 - 50 6.5 -13.5 65 - 135 17 - 35
G 1.6 - 3.4 0.8 - 1.7 25 - 50 13 - 27 65 - 135 35 - 70
H 1.6 - 3.4 1.6 - 3.4 25 - 50 25 - 50 65 - 135 65 - 135
U 3.2 - 6.8 0.8 - 1.7 -- --
K 3.2 - 6.8 1.6 - 3.4 -- --
L 3.2 - 6.8 3.2 - 6.8 -- --
M 6.5 - 13.5 1.6 - 3.4 -- --
V 6.5 - 13.5 3.2 - 6.8 -- --
W 6.5 - 13.5 6.5 - 13.5 -- --
R 13 - 27 3.2 - 6.8 -- --
S 13 - 27 6.5 - 13.5 -- --
T 13 - 27 13 - 27 -- --
Step 4 (Digit 12) Select Overload Relay
List Price
Overload Relay Code GO-10G1
Thermal Bi-Metallic Non-compensated (1NC) 1 $0.00
Thermal Bi-Metallic Non-compensated (1NO-1NC) 2 $48.00
Thermal Bi-Metallic Ambient Compensated (1NC) 3 $54.00
Thermal Bi-Metallic Ambient Compensated (1NO-1NC) 4 $102.00
Solid State Overload (1NO-1NC) (#) $54.00
(#) Select Code for Solid State Overload amp rating from table below.
CR492 Mag-Break Magnetic Starters
2 Speed – 1 Winding, Mag-Break Circuit Breaker Type
Part Number Configuration
Valid for NEMA sizes 0-4

www.geindustrial.com Control Catalog 1-103
NEMA Full Voltage Power Devices
NEMA Rated Full Voltage Starters - Magnetic
Rev. 4/16
Prices and data subject to
change without notice
Section 1
Step 7 (Digit 15) Select Push Button/Selector Switch
List Price
Push Button/Selector Switch - Heavy Duty Code GO-10G1
None A $0.00
Fast/Slow/Stop Push Button J $240.00
High/Low/Off Push Button K $240.00
High/Low Push Button & HOA Selector Switch L $264.00
Fast/Slow Push Button & HOA Selector Switch M $264.00
HOA & Slow/Fast Selector Switches P $264.00
HOA & Low/High Selector Switches R $264.00
Slow-Off-Fast Selector Switch T $132.00
Low-Off-High Selector Switch U $132.00
Fast-Slow-Off-Auto Selector Switch V $150.00
High-Low-Off-Auto Selector Switch W $150.00
Step 8 (Digit 16) Select Pilot Device
Pilot Light
(Heavy Duty CR104P Style) List Price
Type Color - Functionality Code GO-10G1
None A $0.00
Red & Amber Across Coils K $324.00
Standard Lights Red & Green Across Coils L $324.00
Red & Amber Across Coils & Unwired Green X $486.00
Red & Amber Across Coils 2 $324.00
LED Lights Red & Green Across Coils 3 $324.00
Red & Amber Across Coils & Unwired Green 5 $486.00
Red & Amber Across Coils S $360.00
Push-To-Test Lights Red & Green Across Coils T $360.00
Red & Amber Across Coils & Unwired Green Y $540.00
GENERAL NOTE:
If selecting factory installed and wired operator devices (Push Buttons, Selector
Switches, and/or Pilot Lights) control circuit fusing, a control power transformer, or
24V/120V separate sourced control is required, regardless of protective device rating.
Step 9 (Digit 17) Select Control Options
List Price GO-10G1
NEMA Size 0-2 NEMA Size 3 NEMA Size 4
Device Code Type 1, 3R, & 12 Type 4/4X Type 1, 3R, & 12 Type 4/4X Type 1, 3R, & 12 Type 4/4X
None A $0.00 $0.00 $0.00 $0.00 $0.00 $0.00
1 Relay, 2NO-2NC, 24/120V Coil - unwired B5$306.00 $468.00 $306.00 $468.00 $480.00 $636.00
2 Relays, 24/120V Coil - unwired C5$612.00 $936.00 $612.00 $936.00 $960.00 $1272.00
DIN Rail - for Customer Use D $89.00 $89.00 $89.00 $89.00 $89.00 $89.00
12 Point Terminal Strip - unwired (12 PT Strip) E $109.00 $109.00 $109.00 $109.00 $109.00 $109.00
Space Heater w/ NC Contact H6$120.00 $120.00 $120.00 $120.00 $120.00 $120.00
1 Relay + 12 PT Strip J5$415.00 $577.00 $415.00 $577.00 $589.00 $745.00
2 Relays + 12 PT Strip K5$721.00 $1045.00 $721.00 $1045.00 $1069.00 $1381.00
DIN Rail + 12 PT Strip + Space Heater L6$318.00 $318.00 $318.00 $318.00 $318.00 $318.00
2 Relays + 12 PT Strip + Space Heater M5,6 $841.00 $1165.00 $841.00 $1165.00 $1189.00 $1501.00
Time Delay ON Relay, 24/120V Coil - unwired (TD) N5$504.00 $660.00 $504.00 $660.00 $504.00 $660.00
Time Delay OFF Relay, 24/120V Coil - unwired (TD) P5$504.00 $660.00 $504.00 $660.00 $504.00 $660.00
12 PT Strip + TD ON R5$613.00 $769.00 $613.00 $769.00 $613.00 $769.00
12 PT Strip + TD OFF S5$613.00 $769.00 $613.00 $769.00 $613.00 $769.00
12 PT Strip + Space Heater + TD ON T5,6 $733.00 $889.00 $733.00 $889.00 $733.00 $889.00
12 PT Strip + Space Heater + TD OFF U5,6 $733.00 $889.00 $733.00 $889.00 $733.00 $889.00
5Relay/Timer coil voltage is equivalent to CPT secondary voltage. Requires minimum 100 extra VA CPT option.
6Maximum number of auxiliary contacts shall be reduced by 1.
CR492 Mag-Break Magnetic Starters
2 Speed – 1 Winding, Mag-Break Circuit Breaker Type
Part Number Configuration
Valid for NEMA sizes 0-4

www.geindustrial.com Rev. 4/16
Prices and data subject to
change without notice
Control Catalog
1-104
NEMA Full Voltage Power Devices
NEMA Rated Full Voltage Starters - Magnetic
Section 1
Application
Used for full-voltage 2 speed – 2 winding motors up to 100 horse-
power maximum, 600 Volts maximum. Consists of fusible or non-
fusible disconnect or circuit breaker to provide disconnecting
means and/or branch circuit protection, two 3-pole contactors,
and quantity 2 three-leg block overload relay.
Product Number Selection Instructions
1. Specify starter by complete Product Number.
Example: CR415C1041A1AAAAA @ $1308.00, GO-10G1.
2. Order heaters by complete Product Number from appropriate
heater tables on pages 1-153 to 1-159, based on motor full-
load current.
3. For information on forms not listed or special features contact
nearest GE Representative.
4. Product Notes
Motor full-load current should not exceed continuous ampere
rating of starter.
CR414, CR415, CR494 Magnetic Two-speed Controllers –
Contents
Application Information and Selection Instructions.............1-104
Nonfusible Disconnect Type (CR415) ...........................................1-105
Fusible Disconnect Type (CR415)...................................................1-106
Nonfusible and Fusible Part Number Configuration
Size 0-4, NEMA Type 1, 3R, 12, 4/4X (CR415) ........................1-107
Thermal Magnetic Circuit Breaker Type (CR414)....................1-112
Thermal Magnetic Part Number Configuration
Size 0-4, NEMA Type 1, 3R, 12, 4/4X (CR414) ........................1-113
Mag-Break Circuit Breaker Type (CR494)...................................1-117
Mag-Break Part Number Configuration
Size 0-4, NEMA Type 1, 3R, 12, 4/4X (CR494) ........................1-118
Outlines and Dimensions ..................................................................1-122
CR414, CR415, CR494 Magnetic Two-speed Controllers
2 Speed – 2 Winding, Combination, NEMA Type 1, 3R, 12, 4/4X
100 Horsepower Maximum
NEMA Sizes 0-4
600 Volts Maximum 50/60Hz

www.geindustrial.com Control Catalog 1-105
NEMA Full Voltage Power Devices
NEMA Rated Full Voltage Starters - Magnetic
Rev. 4/16
Prices and data subject to
change without notice
Section 1
CR415 2 Speed – 2 Winding Nonfusible Disconnect Type
NEMA Type 1 NEMA Type 3R NEMA Type 12 NEMA Type 4/4X
Continuous Product List Product List Product List Product List
Voltage NEMA Maximum Amp Number Price Number Price Number Price Number Price
(60Hz) Size Horsepower Rating CR GO-10G1 CR GO-10G1 CR GO-10G1 CR GO-10G1
200-208 0318 415B1081A1AAAAA $1224.00 415B6081A1AAAAA $1422.00 415B2081A1AAAAA $1422.00 415B4081A1AAAAA $2160.00
200-208 1 7 1/2 27 415C1081A1AAAAA $1308.00 415C6081A1AAAAA $1506.00 415C2081A1AAAAA $1506.00 415C4081A1AAAAA $2232.00
200-208 2 10 45 415D1081A1AAAAA $2052.00 415D6081A1AAAAA $2364.00 415D2081A1AAAAA $2364.00 415D4081A1AAAAA $3216.00
200-208 3 25 90 415E1081A1AAAAA $3000.00 415E6081A1AAAAA $3684.00 415E2081A1AAAAA $3684.00 415E4081A1AAAAA $4968.00
200-208 4 40 135 415F1081A1AAAAA $6384.00 415F6081A1AAAAA $8340.00 415F2081A1AAAAA $8340.00 415F4081A1AAAAA $9480.00
230-240 0318 415B1031A1AAAAA $1224.00 415B6031A1AAAAA $1422.00 415B2031A1AAAAA $1422.00 415B4031A1AAAAA $2160.00
230-240 1 7 1/2 27 415C1031A1AAAAA $1308.00 415C6031A1AAAAA $1506.00 415C2031A1AAAAA $1506.00 415C4031A1AAAAA $2232.00
230-240 2 15 45 415D1031A1AAAAA $2052.00 415D6031A1AAAAA $2364.00 415D2031A1AAAAA $2364.00 415D4031A1AAAAA $3216.00
230-240 3 30 90 415E1031A1AAAAA $3000.00 415E6031A1AAAAA $3684.00 415E2031A1AAAAA $3684.00 415E4031A1AAAAA $4968.00
230-240 4 50 135 415F1031A1AAAAA $6384.00 415F6031A1AAAAA $8340.00 415F2031A1AAAAA $8340.00 415F4031A1AAAAA $9480.00
460-480 0518 415B1041A1AAAAA $1224.00 415B6041A1AAAAA $1422.00 415B2041A1AAAAA $1422.00 415B4041A1AAAAA $2160.00
460-480 1 10 27 415C1041A1AAAAA $1308.00 415C6041A1AAAAA $1506.00 415C2041A1AAAAA $1506.00 415C4041A1AAAAA $2232.00
460-480 2 25 45 415D1041A1AAAAA $2052.00 415D6041A1AAAAA $2364.00 415D2041A1AAAAA $2364.00 415D4041A1AAAAA $3216.00
460-480 3 50 90 415E1041A1AAAAA $3000.00 415E6041A1AAAAA $3684.00 415E2041A1AAAAA $3684.00 415E4041A1AAAAA $4968.00
460-480 4 100 135 415F1041A1AAAAA $6384.00 415F6041A1AAAAA $8340.00 415F2041A1AAAAA $8340.00 415F4041A1AAAAA $9480.00
575-600 0518 415B1051A1AAAAA $1224.00 415B6051A1AAAAA $1422.00 415B2051A1AAAAA $1422.00 415B4051A1AAAAA $2160.00
575-600 1 10 27 415C1051A1AAAAA $1308.00 415C6051A1AAAAA $1506.00 415C2051A1AAAAA $1506.00 415C4051A1AAAAA $2232.00
575-600 2 25 45 415D1051A1AAAAA $2052.00 415D6051A1AAAAA $2364.00 415D2051A1AAAAA $2364.00 415D4051A1AAAAA $3216.00
575-600 3 50 90 415E1051A1AAAAA $3000.00 415E6051A1AAAAA $3684.00 415E2051A1AAAAA $3684.00 415E4051A1AAAAA $4968.00
575-600 4 100 135 415F1051A1AAAAA $6384.00 415F6051A1AAAAA $8340.00 415F2051A1AAAAA $8340.00 415F4051A1AAAAA $9480.00
• NEMA Size 0-4 starters with 115-120 Volt, 60-Hertz coils for separate control are available at listed prices. To order, replace Digits 8 & 9 of listed Product Numbers with 02.
Example: CR415B1041A1AAAAA with 115-120 Volt, 60-Hertz coil for separate control becomes CR415B1021A1AAAAA Product Number.
• Motor full load current should not exceed continuous ampere rating of starter.
CR415 Magnetic Starters
2 Speed – 2 Winding, NEMA Type 1, 3R, 12, 4/4X
NEMA Sizes 0-4, Nonfusible Disconnect Type
600 Volts Maximum 60 Hertz
List Price includes a holding interlock, pressure terminals for the line and load connections, two 3-pole contactors with mechanical and
cross electrical interlock on each contactor, plus two 3-leg block type overload relays (manual reset). All enclosures include external
reset. Six heaters should be ordered as separate items. See pages 1-153 to 1-159 for selection. List price $9.00 each, GO-10H.

www.geindustrial.com Rev. 4/16
Prices and data subject to
change without notice
Control Catalog
1-106
NEMA Full Voltage Power Devices
NEMA Rated Full Voltage Starters - Magnetic
Section 1
CR415 Magnetic Starters
2 Speed – 2 Winding, NEMA Type 1, 3R, 12, 4/4X
NEMA Sizes 0-4, Fusible Disconnect Type
600 Volts Maximum 60 Hertz
List Price includes a holding interlock, pressure terminals for the line and load connections, two 3-pole contactors with mechanical and
cross electrical interlock on each contactor, plus two 3-leg block type overload relays (manual reset). All enclosures include external
reset. Six heaters should be ordered as separate items. See pages 1-153 to 1-159 for selection. List price $9.00 each, GO-10H.
CR415 2 Speed – 2 Winding Fusible Disconnect – Class H Fuse Clips
NEMA Type 1 NEMA Type 3R NEMA Type 12 NEMA Type 4/4X
Continuous Fuse Clip Product List Product List Product List Product List
Voltage NEMA Maximum Amp Amp Number Price Number Price Number Price Number Price
(60Hz) Size Horsepower Rating Rating CR GO-10G1 CR GO-10G1 CR GO-10G1 CR GO-10G1
200-208 03 18 30 415B108HA1AAAAA $1320.00 415B608HA1AAAAA $1518.00 415B208HA1AAAAA $1518.00 415B408HA1AAAAA $2256.00
200-208 1 7 1/2 27 60 415C108HB1AAAAA $1404.00 415C608HB1AAAAA $1602.00 415C208HB1AAAAA $1602.00 415C408HB1AAAAA $2328.00
200-208 2 10 45 100 415D108HC1AAAAA $2226.00 415D608HC1AAAAA $2538.00 415D208HC1AAAAA $2538.00 415D408HC1AAAAA $3390.00
200-208 3 25 90 200 415E108HD1AAAAA $3312.00 415E608HD1AAAAA $3996.00 415E208HD1AAAAA $3996.00 415E408HD1AAAAA $5280.00
200-208 4 40 135 400 415F108HE1AAAAA $6924.00 415F608HE1AAAAA $8880.00 415F208HE1AAAAA $8880.00 415F408HE1AAAAA $10020.00
230-240 03 18 30 415B103HA1AAAAA $1320.00 415B603HA1AAAAA $1518.00 415B203HA1AAAAA $1518.00 415B403HA1AAAAA $2256.00
230-240 1 7 1/2 27 60 415C103HB1AAAAA $1404.00 415C603HB1AAAAA $1602.00 415C203HB1AAAAA $1602.00 415C403HB1AAAAA $2328.00
230-240 2 15 45 100 415D103HC1AAAAA $2226.00 415D603HC1AAAAA $2538.00 415D203HC1AAAAA $2538.00 415D403HC1AAAAA $3390.00
230-240 3 30 90 200 415E103HD1AAAAA $3312.00 415E603HD1AAAAA $3996.00 415E203HD1AAAAA $3996.00 415E403HD1AAAAA $5280.00
230-240 4 50 135 400 415F103HE1AAAAA $6924.00 415F603HE1AAAAA $8880.00 415F203HE1AAAAA $8880.00 415F403HE1AAAAA $10020.00
460-480 05 18 30 415B104H31AAAAA $1320.00 415B604H31AAAAA $1518.00 415B204H31AAAAA $1518.00 415B404H31AAAAA $2256.00
460-480 1 7 1/2 27 30 415C104H31AAAAA $1404.00 415C604H31AAAAA $1602.00 415C204H31AAAAA $1602.00 415C404H31AAAAA $2328.00
460-480 1 10 27 60 415C104H61AAAAA $1404.00 415C604H61AAAAA $1602.00 415C204H61AAAAA $1602.00 415C404H61AAAAA $2328.00
460-480 2 15 45 60 415D104H61AAAAA $2100.00 415D604H61AAAAA $2412.00 415D204H61AAAAA $2412.00 415D404H61AAAAA $3264.00
460-480 2 25 45 100 415D104H11AAAAA $2226.00 415D604H11AAAAA $2538.00 415D204H11AAAAA $2538.00 415D404H11AAAAA $3390.00
460-480 3 30 90 100 415E104H11AAAAA $3072.00 415E604H11AAAAA $3756.00 415E204H11AAAAA $3756.00 415E404H11AAAAA $5040.00
460-480 3 50 90 200 415E104H21AAAAA $3312.00 415E604H21AAAAA $3996.00 415E204H21AAAAA $3996.00 415E404H21AAAAA $5280.00
460-480 4 60 135 200 415F104H21AAAAA $6600.00 415F604H21AAAAA $8556.00 415F204H21AAAAA $8556.00 415F404H21AAAAA $9696.00
460-480 4 100 135 400 415F104H41AAAAA $6600.00 415F604H41AAAAA $8556.00 415F204H41AAAAA $8556.00 415F404H41AAAAA $9696.00
575-600 05 18 30 415B105H31AAAAA $1320.00 415B605H31AAAAA $1518.00 415B205H31AAAAA $1518.00 415B405H31AAAAA $2256.00
575-600 1 10 27 30 415C105H31AAAAA $1404.00 415C605H31AAAAA $1602.00 415C205H31AAAAA $1602.00 415C405H31AAAAA $2328.00
575-600 2 20 45 60 415D105H61AAAAA $2100.00 415D605H61AAAAA $2412.00 415D205H61AAAAA $2412.00 415D405H61AAAAA $3264.00
575-600 2 25 45 100 415D105H11AAAAA $2226.00 415D605H11AAAAA $2538.00 415D205H11AAAAA $2538.00 415D405H11AAAAA $3390.00
575-600 3 30 90 100 415E105H11AAAAA $3072.00 415E605H11AAAAA $3756.00 415E205H11AAAAA $3756.00 415E405H11AAAAA $5040.00
575-600 3 50 90 200 415E105H21AAAAA $3312.00 415E605H21AAAAA $3996.00 415E205H21AAAAA $3996.00 415E405H21AAAAA $5280.00
575-600 4 60 135 200 415F105H21AAAAA $6600.00 415F605H21AAAAA $8556.00 415F205H21AAAAA $8556.00 415F405H21AAAAA $9696.00
575-600 4 100 135 400 415F105H41AAAAA $6600.00 415F605H41AAAAA $8556.00 415F205H41AAAAA $8556.00 415F405H41AAAAA $9696.00
CR415 2 Speed – 2 Winding Fusible Disconnect – Class R Fuse Clips
NEMA Type 1 NEMA Type 3R NEMA Type 12 NEMA Type 4/4X
Continuous Fuse Clip Product List Product List Product List Product List
Voltage NEMA Maximum Amp Amp Number Price Number Price Number Price Number Price
(60Hz) Size Horsepower Rating Rating CR GO-10G1 CR GO-10G1 CR GO-10G1 CR GO-10G1
200-208 03 18 30 415B108RA1AAAAA $1329.00 415B608RA1AAAAA $1527.00 415B208RA1AAAAA $1527.00 415B408RA1AAAAA $2265.00
200-208 15 27 30 415C108RA1AAAAA $1413.00 415C608RA1AAAAA $1611.00 415C208RA1AAAAA $1611.00 415C408RA1AAAAA $2337.00
200-208 1 7 1/2 27 60 415C108RB1AAAAA $1413.00 415C608RB1AAAAA $1611.00 415C208RB1AAAAA $1611.00 415C408RB1AAAAA $2337.00
200-208 2 10 45 60 415D108RB1AAAAA $2109.00 415D608RB1AAAAA $2421.00 415D208RB1AAAAA $2421.00 415D408RB1AAAAA $3273.00
200-208 3 20 90 100 415E108RC1AAAAA $3090.00 415E608RC1AAAAA $3774.00 415E208RC1AAAAA $3774.00 415E408RC1AAAAA $5058.00
200-208 3 25 90 200 415E108RD1AAAAA $3330.00 415E608RD1AAAAA $4014.00 415E208RD1AAAAA $4014.00 415E408RD1AAAAA $5298.00
200-208 4 40 135 200 415F108RD1AAAAA $6618.00 415F608RD1AAAAA $8574.00 415F208RD1AAAAA $8574.00 415F408RD1AAAAA $9714.00
230-240 03 18 30 415B103RA1AAAAA $1329.00 415B603RA1AAAAA $1527.00 415B203RA1AAAAA $1527.00 415B403RA1AAAAA $2265.00
230-240 15 27 30 415C103RA1AAAAA $1413.00 415C603RA1AAAAA $1611.00 415C203RA1AAAAA $1611.00 415C403RA1AAAAA $2337.00
230-240 1 7 1/2 27 60 415C103RB1AAAAA $1413.00 415C603RB1AAAAA $1611.00 415C203RB1AAAAA $1611.00 415C403RB1AAAAA $2337.00
230-240 2 15 45 60 415D103RB1AAAAA $2109.00 415D603RB1AAAAA $2421.00 415D203RB1AAAAA $2421.00 415D403RB1AAAAA $3273.00
230-240 3 25 90 100 415E103RC1AAAAA $3090.00 415E603RC1AAAAA $3774.00 415E203RC1AAAAA $3774.00 415E403RC1AAAAA $5058.00
230-240 3 30 90 200 415E103RD1AAAAA $3330.00 415E603RD1AAAAA $4014.00 415E203RD1AAAAA $4014.00 415E403RD1AAAAA $5298.00
230-240 4 50 135 200 415F103RD1AAAAA $6618.00 415F603RD1AAAAA $8574.00 415F203RD1AAAAA $8574.00 415F403RD1AAAAA $9714.00
460-480 05 18 30 415B104R31AAAAA $1329.00 415B604R31AAAAA $1527.00 415B204R31AAAAA $1527.00 415B404R31AAAAA $2265.00
460-480 1 10 27 30 415C104R31AAAAA $1413.00 415C604R31AAAAA $1611.00 415C204R31AAAAA $1611.00 415C404R31AAAAA $2337.00
460-480 2 25 45 60 415D104R61AAAAA $2109.00 415D604R61AAAAA $2421.00 415D204R61AAAAA $2421.00 415D404R61AAAAA $3273.00
460-480 3 50 90 100 415E104R11AAAAA $3090.00 415E604R11AAAAA $3774.00 415E204R11AAAAA $3774.00 415E404R11AAAAA $5058.00
460-480 4 100 135 200 415F104R21AAAAA $6618.00 415F604R21AAAAA $8574.00 415F204R21AAAAA $8574.00 415F404R21AAAAA $9714.00
575-600 05 18 30 415B105R31AAAAA $1329.00 415B605R31AAAAA $1527.00 415B205R31AAAAA $1527.00 415B405R31AAAAA $2265.00
575-600 1 10 27 30 415C105R31AAAAA $1413.00 415C605R31AAAAA $1611.00 415C205R31AAAAA $1611.00 415C405R31AAAAA $2337.00
575-600 2 15 45 30 415D105R31AAAAA $2109.00 415D605R31AAAAA $2421.00 415D205R31AAAAA $2421.00 415D405R31AAAAA $3273.00
575-600 2 25 45 60 415D105R61AAAAA $2109.00 415D605R61AAAAA $2421.00 415D205R61AAAAA $2421.00 415D405R61AAAAA $3273.00
575-600 3 30 90 60 415E105R61AAAAA $3066.00 415E605R61AAAAA $3750.00 415E205R61AAAAA $3750.00 415E405R61AAAAA $5034.00
575-600 3 50 90 100 415E105R11AAAAA $3090.00 415E605R11AAAAA $3774.00 415E205R11AAAAA $3774.00 415E405R11AAAAA $5058.00
575-600 4 60 135 100 415F105R11AAAAA $6474.00 415F605R11AAAAA $8430.00 415F205R11AAAAA $8430.00 415F405R11AAAAA $9570.00
575-600 4 100 135 200 415F105R21AAAAA $6618.00 415F605R21AAAAA $8574.00 415F205R21AAAAA $8574.00 415F405R21AAAAA $9714.00
• NEMA Size 0-4 starters with 115-120 Volt, 60-Hertz coils for separate control are available at listed prices. To order, replace Digits 8 & 9 of listed Product Numbers with 02.
Example: CR415D603RB1AAAAA with 115-120 Volt, 60-Hertz coil for separate control becomes CR415D602RB1AAAAA Product Number.
• Motor full load current should not exceed continuous ampere rating of starter.
• For ordinary starting duty only.
• Fuses not included.

www.geindustrial.com Control Catalog 1-107
NEMA Full Voltage Power Devices
NEMA Rated Full Voltage Starters - Magnetic
Rev. 4/16
Prices and data subject to
change without notice
Section 1
1
CR
Digits:
Steps:
23
Step 1
4567891011121314151617
Step 2 Step 3 Step 4 Step 5 Step 6 Step 7 Step 8 Step 9
To configure the part number, use the tables below to fill in the digit boxes with the appropriate code.
Add list price from each step to arrive at total list for price for starter.
Step 1 (Digits 1-7) Select NEMA Size and Enclosure
NEMA Type 1 NEMA Type 3R NEMA Type 12 NEMA Type 4
Standard List Standard List Standard List Standard List
NEMA Enclosure Price Enclosure Price Enclosure Price Enclosure Price
Size CR GO-10G1 CR GO-10G1 CR GO-10G1 CR GO-10G1
0 415B1 $1224.00 415B6 $1422.00 415B2 $1422.00 415B4 $2160.00
1 415C1 $1308.00 415C6 $1506.00 415C2 $1506.00 415C4 $2232.00
2 415D1 $2052.00 415D6 $2364.00 415D2 $2364.00 415D4 $3216.00
3 415E1 $3000.00 415E6 $3684.00 415E2 $3684.00 415E4 $4968.00
4 415F1 $6384.00 415F6 $8340.00 415F2 $8340.00 415F4 $9480.00
Note: All enclosures include external overload reset buttons. NEMA 4 enclosures are stainless.
Step 2 (Digits 8, 9) Select Control Voltage (No CPT and Standard Size CPT)
NEMA Size
Control Standard 01234
No List Price Fuses, List Price Size List Price List Price List Price List Price List Price
Control Circuit Voltage & CPT CPT GO-10G1 No CPT GO-10G1 CPT GO-10G1 GO-10G1 GO-10G1 GO-10G1 GO-10G1
120V w/ Surge Protector (SP) 01 $54.00 F1 $132.00 -
120V 02 $0.00 F2 $132.00 -
240V 03 $0.00 F3 $132.00 -
480V 04 $0.00 F4 $132.00 -
600V 05 $0.00 F5 $132.00 -
208V 08 $0.00 F8 $132.00 -
24V109 $0.00 --
240V/120V w/CPT -- 93 $294.00 $294.00 $352.00 $468.00 $540.00
480V/120V w/CPT -- 94 $294.00 $294.00 $352.00 $468.00 $540.00
600V/120V w/CPT -- 95 $294.00 $294.00 $352.00 $468.00 $540.00
208V/120V w/CPT -- 98 $294.00 $294.00 $352.00 $468.00 $540.00
240V/120V w/CPT & SP -- 33 $348.00 $348.00 $406.00 $522.00 $594.00
480V/120V w/CPT & SP -- 34 $348.00 $348.00 $406.00 $522.00 $594.00
600V/120V w/CPT & SP -- 35 $348.00 $348.00 $406.00 $522.00 $594.00
208V/120V w/CPT & SP -- 38 $348.00 $348.00 $406.00 $522.00 $594.00
240V/24V w/CPT1-- S3 $294.00 $294.00 $352.00 --
480V/24V w/CPT1-- S4 $294.00 $294.00 $352.00 --
600V/24V w/CPT1-- S5 $294.00 $294.00 $352.00 --
208V/24V w/CPT1-- S8 $294.00 $294.00 $352.00 --
Note: CPT includes 2 primary fuses and 1 secondary fuse.
124V coils not available for NEMA size 3 & 4.
CR415 Magnetic Starters
2 Speed – 2 Winding, Nonfusible and Fusible Disconnect Type
Part Number Configuration
Valid for NEMA sizes 0-4

www.geindustrial.com Rev. 4/16
Prices and data subject to
change without notice
Control Catalog
1-108
NEMA Full Voltage Power Devices
NEMA Rated Full Voltage Starters - Magnetic
Section 1
CR415 Magnetic Starters
2 Speed – 2 Winding, Nonfusible and Fusible Disconnect Type
Part Number Configuration
Valid for NEMA sizes 0-4
Step 2 (Digits 8, 9) Select Control Voltage (Extra Capacity CPT + 100VA and 200VA)
NEMA Size NEMA Size
Standard 01234Standard 01 234
Size List Price List Price List Price List Price List Price Size List Price List Price List Price List Price List Price
Control Circuit Voltage & CPT CPT + 100VA GO-10G1 GO-10G1 GO-10G1 GO-10G1 GO-10G1 CPT + 200VA GO-10G1 GO-10G1 GO-10G1 GO-10G1 GO-10G1
120V w/ Surge Protector (SP) - -
120V - -
240V - -
480V - -
600V - -
208V - -
24V1- -
240V/120V w/CPT 13 $420.00 $420.00 $504.00 $600.00 $660.00 23 $523.00 $523.00 $618.00 $714.00 $775.00
480V/120V w/CPT 14 $420.00 $420.00 $504.00 $600.00 $660.00 24 $523.00 $523.00 $618.00 $714.00 $775.00
600V/120V w/CPT 15 $420.00 $420.00 $504.00 $600.00 $660.00 25 $523.00 $523.00 $618.00 $714.00 $775.00
208V/120V w/CPT 18 $420.00 $420.00 $504.00 $600.00 $660.00 28 $523.00 $523.00 $618.00 $714.00 $775.00
240V/120V w/CPT & SP 53 $474.00 $474.00 $558.00 $654.00 $714.00 63 $577.00 $577.00 $672.00 $768.00 $829.00
480V/120V w/CPT & SP 54 $474.00 $474.00 $558.00 $654.00 $714.00 64 $577.00 $577.00 $672.00 $768.00 $829.00
600V/120V w/CPT & SP 55 $474.00 $474.00 $558.00 $654.00 $714.00 65 $577.00 $577.00 $672.00 $768.00 $829.00
208V/120V w/CPT & SP 58 $474.00 $474.00 $558.00 $654.00 $714.00 68 $577.00 $577.00 $672.00 $768.00 $829.00
240V/24V w/CPT1A3 $420.00 $420.00 $504.00 -- B3 $523.00 $523.00 $618.00 --
480V/24V w/CPT1A4 $420.00 $420.00 $504.00 -- B4 $523.00 $523.00 $618.00 --
600V/24V w/CPT1A5 $420.00 $420.00 $504.00 -- B5 $523.00 $523.00 $618.00 --
208V/24V w/CPT1A8 $420.00 $420.00 $504.00 -- B8 $523.00 $523.00 $618.00 --
Note: CPT includes 2 primary fuses and 1 secondary fuse.
124V coils not available for NEMA size 3 & 4.
Step 3 (Digits 10, 11) Select Protective Device
Disconnect without Fuse Clips
List Price
NEMA Size Code GO-10G1
All 1A $0.00
Disconnect with Class H Fuse Clips - For use with Non-Time Delay/Single Element Class H Fuses
200-208V 230-240V 460-480V 575-600V
Max Fuse Clip List Price Max Fuse Clip List Price Max Fuse Clip List Price Max Fuse Clip List Price
NEMA Size Hp (Amps) Code GO-10G1 Hp (Amps) Code GO-10G1 Hp (Amps) Code GO-10G1 Hp (Amps) Code GO-10G1
0330 HA $96.00 3 30 HA $96.00 5 30 H3 $96.00 5 30 H3 $96.00
17 1/2 30 H3 $96.00 10 30 H3 $96.00
7 1/2 60 HB $96.00 7 1/2 60 HB $96.00 10 60 H6 $96.00 60 H6 $96.00
215 60 H6 $48.00 20 60 H6 $48.00
10 100 HC $174.00 15 100 HC $174.00 25 100 H1 $174.00 25 100 H1 $174.00
330 100 H1 $72.00 30 100 H1 $72.00
25 200 HD $312.00 30 200 HD $312.00 50 200 H2 $312.00 50 200 H2 $312.00
460 200 H2 $216.00 60 200 H2 $216.00
40 400 HE $540.00 50 400 HE $540.00 100 400 H4 $216.00 100 400 H4 $216.00
Disconnect with Class R Fuse Clips - For use with Time Delay/Dual Element Class RK1/RK5 Fuses
200-208V 230-240V 460-480V 575-600V
Max Fuse Clip List Price Max Fuse Clip List Price Max Fuse Clip List Price Max Fuse Clip List Price
NEMA Size Hp (Amps) Code GO-10G1 Hp (Amps) Code GO-10G1 Hp (Amps) Code GO-10G1 Hp (Amps) Code GO-10G1
0330 RA $105.00 3 30 RA $105.00 5 30 R3 $105.00 5 30 R3 $105.00
15 30 RA $105.00 5 30 RA $105.00 10 30 R3 $105.00 10 30 R3 $105.00
7 1/2 60 RB $105.00 7 1/2 60 RB $105.00
230 R3 $57.00 15 30 R3 $57.00
10 60 RB $57.00 15 60 RB $57.00 25 60 R6 $57.00 25 60 R6 $57.00
60 R6 $66.00 30 60 R6 $66.00
3 20 100 RC $90.00 25 100 RC $90.00 50 100 R1 $90.00 50 100 R1 $90.00
25 200 RD $330.00 30 200 RD $330.00
4100 R1 $90.00 60 100 R1 $90.00
40 200 RD $234.00 50 200 RD $234.00 100 200 R2 $234.00 100 200 R2 $234.00

www.geindustrial.com Control Catalog 1-109
NEMA Full Voltage Power Devices
NEMA Rated Full Voltage Starters - Magnetic
Rev. 4/16
Prices and data subject to
change without notice
Section 1
Step 5 (Digit 13) Select Auxiliary Contacts
Aux Contacts List Price
(per Contactor) Code GO-10G1
None A $0.00
1NO B $132.00
1NC C $132.00
1NO-1NC D2$264.00
2NO E2$264.00
2NC F2$264.00
2Not available on 2 speed – 1 winding sizes 0-1.
2-Speed Solid State Overload Ranges
NEMA SIZE
0 & 1 2 3 & 4
Code Hi Amp Lo Amp Hi Amp Lo Amp Hi Amp Lo Amp
C 0.4 - 0.85 0.4 - 0.85 6.5 - 13.5 6.5 - 13.5 17 - 35 17 - 35
D 0.8 - 1.7 0.4 - 0.85 13 - 27 6.5 - 13.5 35 - 70 17 - 35
E 0.8 - 1.7 0.8 - 1.7 13 - 27 13 - 27 35 - 70 35 - 70
F 1.6 - 3.4 0.4 - 0.85 25 - 50 6.5 -13.5 65 - 135 17 - 35
G 1.6 - 3.4 0.8 - 1.7 25 - 50 13 - 27 65 - 135 35 - 70
H 1.6 - 3.4 1.6 - 3.4 25 - 50 25 - 50 65 - 135 65 - 135
U 3.2 - 6.8 0.8 - 1.7 -- --
K 3.2 - 6.8 1.6 - 3.4 -- --
L 3.2 - 6.8 3.2 - 6.8 -- --
M 6.5 - 13.5 1.6 - 3.4 -- --
V 6.5 - 13.5 3.2 - 6.8 -- --
W 6.5 - 13.5 6.5 - 13.5 -- --
R 13 - 27 3.2 - 6.8 -- --
S 13 - 27 6.5 - 13.5 -- --
T 13 - 27 13 - 27 -- --
Step 4 (Digit 12) Select Overload Relay
List Price
Overload Relay Code GO-10G1
Thermal Bi-Metallic Non-compensated (1NC) 1 $0.00
Thermal Bi-Metallic Non-compensated (1NO-1NC) 2 $48.00
Thermal Bi-Metallic Ambient Compensated (1NC) 3 $54.00
Thermal Bi-Metallic Ambient Compensated (1NO-1NC) 4 $102.00
Solid State Overload (1NO-1NC) (#) $54.00
(#) Select Code for Solid State Overload amp rating from table below.
CR415 Magnetic Starters
2 Speed – 2 Winding, Nonfusible and Fusible Disconnect Type
Part Number Configuration
Valid for NEMA sizes 0-4
Step 3 (Digits 10, 11) Select Protective Device (continued)
Disconnect with Class J Fuse Clips - For use with Time Delay/Dual Element Class J Fuses
200-208V 230-240V 460-480V 575-600V
Max Fuse Clip List Price Max Fuse Clip List Price Max Fuse Clip List Price Max Fuse Clip List Price
NEMA Size Hp (Amps) Code GO-10G1 Hp (Amps) Code GO-10G1 Hp (Amps) Code GO-10G1 Hp (Amps) Code GO-10G1
0 3 30 J3 $114.00 3 30 J3 $114.00 5 30 J3 $114.00 5 30 J3 $114.00
15 30 J3 $114.00 5 30 J3 $114.00 10 30 J3 $114.00 10 30 J3 $114.00
7 1/2 60 J6 $114.00 7 1/2 60 J6 $114.00
230 J3 $78.00 15 30 J3 $78.00
10 60 J6 $78.00 15 60 J6 $78.00 25 60 J6 $78.00 25 60 J6 $78.00
60 J6 $120.00 30 60 J6 $120.00
3 20 100 J1 $144.00 25 100 J1 $144.00 50 100 J1 $144.00 50 100 J1 $144.00
25 200 J2 $384.00 30 200 J2 $384.00
4100 J1 $192.00 60 100 J1 $192.00
40 200 J2 $336.00 50 200 J2 $336.00 100 200 J2 $336.00 100 200 J2 $336.00

www.geindustrial.com Rev. 4/16
Prices and data subject to
change without notice
Control Catalog
1-110
NEMA Full Voltage Power Devices
NEMA Rated Full Voltage Starters - Magnetic
Section 1
Step 6 (Digit 14) Select Monitoring Options
List Price GO-10G1
NEMA Size 0-2 NEMA Size 3 NEMA Size 4
Device Code Type 1, 3R, & 12 Type 4/4X Type 1, 3R, & 12 Type 4/4X Type 1, 3R, & 12 Type 4/4X
None A $0.00 $0.00 $0.00 $0.00 $0.00 $0.00
Phase Failure Relay with Undervoltage Protection C $1056.00 $1056.00 $1056.00 $1056.00 $1056.00 $1056.00
(panel mounted) - 190-480V (PFR w/UV)
Phase Failure Relay with Undervoltage Protection D $1056.00 $1056.00 $1056.00 $1056.00 $1056.00 $1056.00
(panel mounted) - 575V (PFR w/UV)
Phase Failure Relay - 208V (PFR) E3$425.00 - $425.00 - $425.00 -
Phase Failure Relay - 240V (PFR) F3$425.00 - $425.00 - $425.00 -
Phase Failure Relay - 480V (PFR) G3$425.00 - $425.00 - $425.00 -
Phase Failure Relay - 575V (PFR) H3$425.00 - $425.00 - $425.00 -
Elapsed Time Meter (120V/60Hz) Wired Across Coil (ETM) 14$348.00 $588.00 $348.00 $588.00 $348.00 $588.00
ETM + PFR w/UV (190-480V) L4$1404.00 $1644.00 $1404.00 $1644.00 $1404.00 $1644.00
ETM + PFR w/UV (575V) N4$1404.00 $1644.00 $1404.00 $1644.00 $1404.00 $1644.00
ETM + PFR (208V) P3,4 $773.00 - $773.00 - $773.00 -
ETM + PFR (240V) Q3,4 $773.00 - $773.00 - $773.00 -
ETM + PFR (480V) R3,4 $773.00 - $773.00 - $773.00 -
ETM + PFR (575V) S3,4 $773.00 - $773.00 - $773.00 -
3Available for Type 1 Enclosure only.
4Requires 120V Control Circuit Voltage or CPT w/ 120V Secondary.
Step 7 (Digit 15) Select Push Button/Selector Switch
List Price
Push Button/Selector Switch - Heavy Duty Code GO-10G1
None A $0.00
Fast/Slow/Stop Push Button J $240.00
High/Low/Off Push Button K $240.00
High/Low Push Button & HOA Selector Switch L $264.00
Fast/Slow Push Button & HOA Selector Switch M $264.00
HOA & Slow/Fast Selector Switches P $264.00
HOA & Low/High Selector Switches R $264.00
Slow-Off-Fast Selector Switch T $132.00
Low-Off-High Selector Switch U $132.00
Fast-Slow-Off-Auto Selector Switch V $150.00
High-Low-Off-Auto Selector Switch W $150.00
Step 8 (Digit 16) Select Pilot Device
Pilot Light
(Heavy Duty CR104P Style) List Price
Type Color - Functionality Code GO-10G1
None A $0.00
Red & Amber Across Coils K $324.00
Standard Lights Red & Green Across Coils L $324.00
Red & Amber Across Coils & Unwired Green X $486.00
Red & Amber Across Coils 2 $324.00
LED Lights Red & Green Across Coils 3 $324.00
Red & Amber Across Coils & Unwired Green 5 $486.00
Red & Amber Across Coils S $360.00
Push-To-Test Lights Red & Green Across Coils T $360.00
Red & Amber Across Coils & Unwired Green Y $540.00
CR415 Magnetic Starters
2 Speed – 2 Winding, Nonfusible and Fusible Disconnect Type
Part Number Configuration
Valid for NEMA sizes 0-4

www.geindustrial.com Control Catalog 1-111
NEMA Full Voltage Power Devices
NEMA Rated Full Voltage Starters - Magnetic
Rev. 4/16
Prices and data subject to
change without notice
Section 1
CR415 Magnetic Starters
2 Speed – 2 Winding, Nonfusible and Fusible Disconnect Type
Part Number Configuration
Valid for NEMA sizes 0-4
GENERAL NOTE:
On NEMA Size 3 & 4 starters, if selecting factory installed and wired operator devices
(Push Buttons, Selector Switches, and/or Pilot Lights) then control circuit fusing, a
control power transformer, or 120V separate sourced control is required when the
protective device is rated greater than 100 Amps.
Step 9 (Digit 17) Select Control Options
List Price GO-10G1
NEMA Size 0-2 NEMA Size 3 NEMA Size 4
Device Code Type 1, 3R, & 12 Type 4/4X Type 1, 3R, & 12 Type 4/4X Type 1, 3R, & 12 Type 4/4X
None A $0.00 $0.00 $0.00 $0.00 $0.00 $0.00
1 Relay, 2NO-2NC, 24/120V Coil - unwired B5$306.00 $468.00 $306.00 $468.00 $480.00 $636.00
2 Relays, 24/120V Coil - unwired C5$612.00 $936.00 $612.00 $936.00 $960.00 $1272.00
DIN Rail - for Customer Use D $89.00 $89.00 $89.00 $89.00 $89.00 $89.00
12 Point Terminal Strip - unwired (12 PT Strip) E $109.00 $109.00 $109.00 $109.00 $109.00 $109.00
Space Heater w/ NC Contact H6$120.00 $120.00 $120.00 $120.00 $120.00 $120.00
1 Relay + 12 PT Strip J5$415.00 $577.00 $415.00 $577.00 $589.00 $745.00
2 Relays + 12 PT Strip K5$721.00 $1045.00 $721.00 $1045.00 $1069.00 $1381.00
DIN Rail + 12 PT Strip + Space Heater L6$318.00 $318.00 $318.00 $318.00 $318.00 $318.00
2 Relays + 12 PT Strip + Space Heater M5,6 $841.00 $1165.00 $841.00 $1165.00 $1189.00 $1501.00
Time Delay ON Relay, 24/120V Coil - unwired (TD) N5$504.00 $660.00 $504.00 $660.00 $504.00 $660.00
Time Delay OFF Relay, 24/120V Coil - unwired (TD) P5$504.00 $660.00 $504.00 $660.00 $504.00 $660.00
12 PT Strip + TD ON R5$613.00 $769.00 $613.00 $769.00 $613.00 $769.00
12 PT Strip + TD OFF S5$613.00 $769.00 $613.00 $769.00 $613.00 $769.00
12 PT Strip + Space Heater + TD ON T5,6 $733.00 $889.00 $733.00 $889.00 $733.00 $889.00
12 PT Strip + Space Heater + TD OFF U5,6 $733.00 $889.00 $733.00 $889.00 $733.00 $889.00
5Relay/Timer coil voltage is equivalent to CPT secondary voltage. Requires minimum 100 extra VA CPT option.
6Maximum number of auxiliary contacts shall be reduced by 1.

www.geindustrial.com Rev. 4/16
Prices and data subject to
change without notice
Control Catalog
1-112
NEMA Full Voltage Power Devices
NEMA Rated Full Voltage Starters - Magnetic
Section 1
CR414 Magnetic Starters
2 Speed – 2 Winding, NEMA Type 1, 3R, 12, 4/4X
NEMA Sizes 0-4, Thermal Magnetic Circuit Breaker Type
600 Volts Maximum 60 Hertz
List Price includes a holding interlock, pressure terminals for the line and load connections, two 3-pole contactors with mechanical and
cross electrical interlock on each contactor, plus two 3-leg block type overload relays (manual reset). All enclosures include external
reset. Six heaters should be ordered as separate items. See pages 1-153 to 1-159 for selection. List price $9.00 each, GO-10H.
CR414 2 Speed – 2 Winding Thermal Magnetic Circuit Breaker Type
NEMA Type 1 NEMA Type 3R NEMA Type 12 NEMA Type 4/4X
Continuous CB Product List Product List Product List Product List
Voltage NEMA Maximum Amp Rating Number Price Number Price Number Price Number Price
(60Hz) Size Horsepower Rating (Amps) CR GO-10G1 CR GO-10G1 CR GO-10G1 CR GO-10G1
200-208 02 18 15 414B108TC1AAAAA $1644.00 414B608TC1AAAAA $1842.00 414B208TC1AAAAA $1842.00 414B408TC1AAAAA $2580.00
200-208 03 18 20 414B108TD1AAAAA $1644.00 414B608TD1AAAAA $1842.00 414B208TD1AAAAA $1842.00 414B408TD1AAAAA $2580.00
200-208 15 27 30 414C108TF1AAAAA $1728.00 414C608TF1AAAAA $1926.00 414C208TF1AAAAA $1926.00 414C408TF1AAAAA $2652.00
200-208 1 7 1/2 27 40 414C108TG1AAAAA $1764.00 414C608TG1AAAAA $1962.00 414C208TG1AAAAA $1962.00 414C408TG1AAAAA $2688.00
200-208 2 10 45 50 414D108TH1AAAAA $2472.00 414D608TH1AAAAA $2814.00 414D208TH1AAAAA $2814.00 414D408TH1AAAAA $3666.00
200-208 3 15 90 80 414E108TL1AAAAA $3210.00 414E608TL1AAAAA $3894.00 414E208TL1AAAAA $3894.00 414E408TL1AAAAA $5178.00
200-208 3 20 90 100 414E108TN1AAAAA $3210.00 414E608TN1AAAAA $3894.00 414E208TN1AAAAA $3894.00 414E408TN1AAAAA $5178.00
200-208 3 25 90 125 414E108TQ1AAAAA $3840.00 414E608TQ1AAAAA $4524.00 414E208TQ1AAAAA $4524.00 414E408TQ1AAAAA $5808.00
200-208 4 30 135 150 414F108TR1AAAAA $7176.00 414F608TR1AAAAA $9084.00 414F208TR1AAAAA $9084.00 414F408TR1AAAAA $10224.00
200-208 4 40 135 200 414F108TT1AAAAA $7176.00 414F608TT1AAAAA $9084.00 414F208TT1AAAAA $9084.00 414F408TT1AAAAA $10224.00
230-240 03 18 15 414B103TC1AAAAA $1644.00 414B603TC1AAAAA $1842.00 414B203TC1AAAAA $1842.00 414B403TC1AAAAA $2580.00
230-240 15 27 25 414C103TE1AAAAA $1728.00 414C603TE1AAAAA $1926.00 414C203TE1AAAAA $1926.00 414C403TE1AAAAA $2652.00
230-240 1 7 1/2 27 40 414C103TG1AAAAA $1764.00 414C603TG1AAAAA $1962.00 414C203TG1AAAAA $1962.00 414C403TG1AAAAA $2688.00
230-240 2 10 45 50 414D103TH1AAAAA $2472.00 414D603TH1AAAAA $2814.00 414D203TH1AAAAA $2814.00 414D403TH1AAAAA $3666.00
230-240 2 15 45 70 414D103TK1AAAAA $2544.00 414D603TK1AAAAA $2886.00 414D203TK1AAAAA $2886.00 414D403TK1AAAAA $3738.00
230-240 3 20 90 90 414E103TM1AAAAA $3210.00 414E603TM1AAAAA $3894.00 414E203TM1AAAAA $3894.00 414E403TM1AAAAA $5178.00
230-240 3 25 90 110 414E103TP1AAAAA $3210.00 414E603TP1AAAAA $3894.00 414E203TP1AAAAA $3894.00 414E403TP1AAAAA $5178.00
230-240 3 30 90 125 414E103TQ1AAAAA $3840.00 414E603TQ1AAAAA $4524.00 414E203TQ1AAAAA $4524.00 414E403TQ1AAAAA $5808.00
230-240 4 40 135 175 414F103TS1AAAAA $7779.00 414F603TS1AAAAA $9687.00 414F203TS1AAAAA $9687.00 414F403TS1AAAAA $10827.00
230-240 4 50 135 200 414F103TT1AAAAA $7176.00 414F603TT1AAAAA $9084.00 414F203TT1AAAAA $9084.00 414F403TT1AAAAA $10224.00
460-480 05 18 15 414B104TC1AAAAA $1644.00 414B604TC1AAAAA $1842.00 414B204TC1AAAAA $1842.00 414B404TC1AAAAA $2580.00
460-480 1 7 1/2 27 20 414C104TD1AAAAA $1728.00 414C604TD1AAAAA $1926.00 414C204TD1AAAAA $1926.00 414C404TD1AAAAA $2652.00
460-480 1 10 27 25 414C104TE1AAAAA $1728.00 414C604TE1AAAAA $1926.00 414C204TE1AAAAA $1926.00 414C404TE1AAAAA $2652.00
460-480 2 15 45 40 414D104TG1AAAAA $2472.00 414D604TG1AAAAA $2814.00 414D204TG1AAAAA $2814.00 414D404TG1AAAAA $3666.00
460-480 2 20 45 50 414D104TH1AAAAA $2472.00 414D604TH1AAAAA $2814.00 414D204TH1AAAAA $2814.00 414D404TH1AAAAA $3666.00
460-480 2 25 45 60 414D104TJ1AAAAA $2544.00 414D604TJ1AAAAA $2886.00 414D204TJ1AAAAA $2886.00 414D404TJ1AAAAA $3738.00
460-480 3 30 90 60 414E104TJ1AAAAA $3210.00 414E604TJ1AAAAA $3894.00 414E204TJ1AAAAA $3894.00 414E404TJ1AAAAA $5178.00
460-480 3 40 90 80 414E104TL1AAAAA $3210.00 414E604TL1AAAAA $3894.00 414E204TL1AAAAA $3894.00 414E404TL1AAAAA $5178.00
460-480 3 50 90 100 414E104TN1AAAAA $3210.00 414E604TN1AAAAA $3894.00 414E204TN1AAAAA $3894.00 414E404TN1AAAAA $5178.00
460-480 4 60 135 125 414F104TQ1AAAAA $7176.00 414F604TQ1AAAAA $9084.00 414F204TQ1AAAAA $9084.00 414F404TQ1AAAAA $10224.00
460-480 4 75 135 150 414F104TR1AAAAA $7176.00 414F604TR1AAAAA $9084.00 414F204TR1AAAAA $9084.00 414F404TR1AAAAA $10224.00
460-480 4 100 135 200 414F104TT1AAAAA $7176.00 414F604TT1AAAAA $9084.00 414F204TT1AAAAA $9084.00 414F404TT1AAAAA $10224.00
575-600 05 18 15 414B105TC1AAAAA $1644.00 414B605TC1AAAAA $1842.00 414B205TC1AAAAA $1842.00 414B405TC1AAAAA $2580.00
575-600 1 7 1/2 27 15 414C105TC1AAAAA $1728.00 414C605TC1AAAAA $1926.00 414C205TC1AAAAA $1926.00 414C405TC1AAAAA $2652.00
575-600 1 10 27 20 414C105TD1AAAAA $1728.00 414C605TD1AAAAA $1926.00 414C205TD1AAAAA $1926.00 414C405TD1AAAAA $2652.00
575-600 2 15 45 30 414D105TF1AAAAA $2508.00 414D605TF1AAAAA $2850.00 414D205TF1AAAAA $2850.00 414D405TF1AAAAA $3702.00
575-600 2 20 45 40 414D105TG1AAAAA $2472.00 414D605TG1AAAAA $2814.00 414D205TG1AAAAA $2814.00 414D405TG1AAAAA $3666.00
575-600 2 25 45 50 414D105TH1AAAAA $2472.00 414D605TH1AAAAA $2814.00 414D205TH1AAAAA $2814.00 414D405TH1AAAAA $3666.00
575-600 3 30 90 50 414E105TH1AAAAA $3384.00 414E605TH1AAAAA $4068.00 414E205TH1AAAAA $4068.00 414E405TH1AAAAA $5352.00
575-600 3 40 90 70 414E105TK1AAAAA $3210.00 414E605TK1AAAAA $3894.00 414E205TK1AAAAA $3894.00 414E405TK1AAAAA $5178.00
575-600 3 50 90 80 414E105TL1AAAAA $3210.00 414E605TL1AAAAA $3894.00 414E205TL1AAAAA $3894.00 414E405TL1AAAAA $5178.00
575-600 4 60 135 100 414F105TN1AAAAA $7779.00 414F605TN1AAAAA $9687.00 414F205TN1AAAAA $9687.00 414F405TN1AAAAA $10827.00
575-600 4 75 135 125 414F105TQ1AAAAA $7176.00 414F605TQ1AAAAA $9084.00 414F205TQ1AAAAA $9084.00 414F405TQ1AAAAA $10224.00
575-600 4 100 135 150 414F105TR1AAAAA $7176.00 414F605TR1AAAAA $9084.00 414F205TR1AAAAA $9084.00 414F405TR1AAAAA $10224.00
• NEMA Size 0-4 starters with 115-120 Volt, 60-Hertz coils for separate control are available at listed prices. To order, replace Digits 8 & 9 of listed Product Numbers with 02.
Example: CR414B204TC1AAAAA with 115-120 Volt, 60-Hertz coil for separate control becomes CR414B202TC1AAAAA Product Number.
• Motor full load current should not exceed continuous ampere rating of starter.
• For ordinary starting duty only.

www.geindustrial.com Control Catalog 1-113
NEMA Full Voltage Power Devices
NEMA Rated Full Voltage Starters - Magnetic
Rev. 4/16
Prices and data subject to
change without notice
Section 1
CR414 Magnetic Starters
2 Speed – 2 Winding, Thermal Magnetic Circuit Breaker Type
Part Number Configuration
Valid for NEMA sizes 0-4
1
CR
Digits:
Steps:
23
Step 1
4567891011121314151617
Step 2 Step 3 Step 4 Step 5 Step 6 Step 7 Step 8 Step 9
To configure the part number, use the tables below to fill in the digit boxes with the appropriate code.
Add list price from each step to arrive at total list for price for starter.
Step 1 (Digits 1-7) Select NEMA Size and Enclosure
NEMA Type 1 NEMA Type 3R NEMA Type 12 NEMA Type 4
Standard List Standard List Standard List Standard List
NEMA Enclosure Price Enclosure Price Enclosure Price Enclosure Price
Size CR GO-10G1 CR GO-10G1 CR GO-10G1 CR GO-10G1
0 414B1 $1506.00 414B6 $1704.00 414B2 $1704.00 414B4 $2442.00
1 414C1 $1590.00 414C6 $1788.00 414C2 $1788.00 414C4 $2514.00
2 414D1 $2334.00 414D6 $2676.00 414D2 $2676.00 414D4 $3528.00
3 414E1 $3210.00 414E6 $3894.00 414E2 $3894.00 414E4 $5178.00
4 414F1 $7176.00 414F6 $9084.00 414F2 $9084.00 414F4 $10224.00
Note: All enclosures include external overload reset buttons. NEMA 4 enclosures are stainless steel.
Step 2 (Digits 8, 9) Select Control Voltage (No CPT and Standard Size CPT)
NEMA Size
Control Standard 01234
No List Price Fuses, List Price Size List Price List Price List Price List Price List Price
Control Circuit Voltage & CPT CPT GO-10G1 No CPT GO-10G1 CPT GO-10G1 GO-10G1 GO-10G1 GO-10G1 GO-10G1
120V w/ Surge Protector (SP) 01 $54.00 F1 $132.00 -
120V 02 $0.00 F2 $132.00 -
240V 03 $0.00 F3 $132.00 -
480V 04 $0.00 F4 $132.00 -
600V 05 $0.00 F5 $132.00 -
208V 08 $0.00 F8 $132.00 -
24V109 $0.00 --
240V/120V w/CPT -- 93 $294.00 $294.00 $352.00 $468.00 $540.00
480V/120V w/CPT -- 94 $294.00 $294.00 $352.00 $468.00 $540.00
600V/120V w/CPT -- 95 $294.00 $294.00 $352.00 $468.00 $540.00
208V/120V w/CPT -- 98 $294.00 $294.00 $352.00 $468.00 $540.00
240V/120V w/CPT & SP -- 33 $348.00 $348.00 $406.00 $522.00 $594.00
480V/120V w/CPT & SP -- 34 $348.00 $348.00 $406.00 $522.00 $594.00
600V/120V w/CPT & SP -- 35 $348.00 $348.00 $406.00 $522.00 $594.00
208V/120V w/CPT & SP -- 38 $348.00 $348.00 $406.00 $522.00 $594.00
240V/24V w/CPT1-- S3 $294.00 $294.00 $352.00 --
480V/24V w/CPT1-- S4 $294.00 $294.00 $352.00 --
600V/24V w/CPT1-- S5 $294.00 $294.00 $352.00 --
208V/24V w/CPT1-- S8 $294.00 $294.00 $352.00 --
Note: CPT includes 2 primary fuses and 1 secondary fuse.
124V coils not available for NEMA size 3 & 4.

www.geindustrial.com Rev. 4/16
Prices and data subject to
change without notice
Control Catalog
1-114
NEMA Full Voltage Power Devices
NEMA Rated Full Voltage Starters - Magnetic
Section 1
Step 3 (Digits 10, 11) Select Protective Device
Thermal-Mag Circuit Breaker - Spectra™Series
200-208V 230-240V 460-480V 575-600V
Max CB Rating List Price Max CB Rating List Price Max CB Rating List Price Max CB Rating List Price
NEMA Size Hp (Amps) Code GO-10G1 Hp (Amps) Code GO-10G1 Hp (Amps) Code GO-10G1 Hp (Amps) Code GO-10G1
0215 TC $138.00 3 15 TC $138.00 5 15 TC $138.00 5 15 TC $138.00
3 20 TD $138.00 20 TD $138.00 20 TD $138.00 20 TD $138.00
15 TC $138.00 15 TC $138.00 15 TC $138.00 7 1/2 15 TC $138.00
20 TD $138.00 20 TD $138.00 7 1/2 20 TD $138.00 10 20 TD $138.00
1 25 TE $138.00 5 25 TE $138.00 10 25 TE $138.00 25 TE $138.00
5 30 TF $138.00 30 TF $138.00 30 TF $138.00 30 TF $138.00
7 1/2 40 TG $174.00 7 1/2 40 TG $174.00 40 TG $174.00 40 TG $174.00
30 TF $174.00 30 TF $174.00 30 TF $174.00 15 30 TF $174.00
40 TG $138.00 40 TG $138.00 15 40 TG $138.00 20 40 TG $138.00
2 10 50 TH $138.00 10 50 TH $138.00 20 50 TH $138.00 25 50 TH $138.00
60 TJ $210.00 60 TJ $210.00 25 60 TJ $210.00 60 TJ $210.00
70 TK $210.00 15 70 TK $210.00 70 TK $210.00 70 TK $210.00
50 TH $174.00 50 TH $174.00 50 TH $174.00 30 50 TH $174.00
60 TJ $0.00 60 TJ $0.00 30 60 TJ $0.00 60 TJ $0.00
70 TK $0.00 70 TK $0.00 70 TK $0.00 40 70 TK $0.00
315 80 TL $0.00 80 TL $0.00 40 80 TL $0.00 50 80 TL $0.00
90 TM $0.00 20 90 TM $0.00 90 TM $0.00 90 TM $0.00
20 100 TN $0.00 100 TN $0.00 50 100 TN $0.00 100 TN $0.00
110 TP $0.00 25 110 TP $0.00 110 TP $0.00 110 TP $0.00
25 125 TQ $630.00 30 125 TQ $630.00 125 TQ $630.00 125 TQ $630.00
100 TN $603.00 100 TN $603.00 100 TN $603.00 60 100 TN $603.00
125 TQ $0.00 125 TQ $0.00 60 125 TQ $0.00 75 125 TQ $0.00
4 30 150 TR $0.00 150 TR $0.00 75 150 TR $0.00 100 150 TR $0.00
175 TS $603.00 40 175 TS $603.00 175 TS $603.00 175 TS $603.00
40 200 TT $0.00 50 200 TT $0.00 100 200 TT $0.00 200 TT $0.00
CR414 Magnetic Starters
2 Speed – 2 Winding, Thermal Magnetic Circuit Breaker Type
Part Number Configuration
Valid for NEMA sizes 0-4
Step 2 (Digits 8, 9) Select Control Voltage (Extra Capacity CPT + 100VA and 200VA)
NEMA Size NEMA Size
Standard 01234Standard 01 234
Size List Price List Price List Price List Price List Price Size List Price List Price List Price List Price List Price
Control Circuit Voltage & CPT CPT + 100VA GO-10G1 GO-10G1 GO-10G1 GO-10G1 GO-10G1 CPT + 200VA GO-10G1 GO-10G1 GO-10G1 GO-10G1 GO-10G1
120V w/ Surge Protector (SP) - -
120V - -
240V - -
480V - -
600V - -
208V - -
24V1- -
240V/120V w/CPT 13 $420.00 $420.00 $504.00 $600.00 $660.00 23 $523.00 $523.00 $618.00 $714.00 $775.00
480V/120V w/CPT 14 $420.00 $420.00 $504.00 $600.00 $660.00 24 $523.00 $523.00 $618.00 $714.00 $775.00
600V/120V w/CPT 15 $420.00 $420.00 $504.00 $600.00 $660.00 25 $523.00 $523.00 $618.00 $714.00 $775.00
208V/120V w/CPT 18 $420.00 $420.00 $504.00 $600.00 $660.00 28 $523.00 $523.00 $618.00 $714.00 $775.00
240V/120V w/CPT & SP 53 $474.00 $474.00 $558.00 $654.00 $714.00 63 $577.00 $577.00 $672.00 $768.00 $829.00
480V/120V w/CPT & SP 54 $474.00 $474.00 $558.00 $654.00 $714.00 64 $577.00 $577.00 $672.00 $768.00 $829.00
600V/120V w/CPT & SP 55 $474.00 $474.00 $558.00 $654.00 $714.00 65 $577.00 $577.00 $672.00 $768.00 $829.00
208V/120V w/CPT & SP 58 $474.00 $474.00 $558.00 $654.00 $714.00 68 $577.00 $577.00 $672.00 $768.00 $829.00
240V/24V w/CPT1A3 $420.00 $420.00 $504.00 -- B3 $523.00 $523.00 $618.00 --
480V/24V w/CPT1A4 $420.00 $420.00 $504.00 -- B4 $523.00 $523.00 $618.00 --
600V/24V w/CPT1A5 $420.00 $420.00 $504.00 -- B5 $523.00 $523.00 $618.00 --
208V/24V w/CPT1A8 $420.00 $420.00 $504.00 -- B8 $523.00 $523.00 $618.00 --
Note: CPT includes 2 primary fuses and 1 secondary fuse.
124V coils not available for NEMA size 3 & 4.

www.geindustrial.com Control Catalog 1-115
NEMA Full Voltage Power Devices
NEMA Rated Full Voltage Starters - Magnetic
Rev. 4/16
Prices and data subject to
change without notice
Section 1
Step 5 (Digit 13) Select Auxiliary Contacts
Aux Contacts List Price
(per Contactor) Code GO-10G1
None A $0.00
1NO B $132.00
1NC C $132.00
1NO-1NC D2$264.00
2NO E2$264.00
2NC F2$264.00
2Not available on 2 speed – 1 winding sizes 0-1.
Step 6 (Digit 14) Select Monitoring Options
List Price GO-10G1
NEMA Size 0-2 NEMA Size 3 NEMA Size 4
Device Code Type 1, 3R, & 12 Type 4/4X Type 1, 3R, & 12 Type 4/4X Type 1, 3R, & 12 Type 4/4X
None A $0.00 $0.00 $0.00 $0.00 $0.00 $0.00
Phase Failure Relay with Undervoltage Protection C $1056.00 $1056.00 $1056.00 $1056.00 $1056.00 $1056.00
(panel mounted) - 190-480V (PFR w/UV)
Phase Failure Relay with Undervoltage Protection D $1056.00 $1056.00 $1056.00 $1056.00 $1056.00 $1056.00
(panel mounted) - 575V (PFR w/UV)
Phase Failure Relay - 208V (PFR) E3$425.00 - $425.00 - $425.00 -
Phase Failure Relay - 240V (PFR) F3$425.00 - $425.00 - $425.00 -
Phase Failure Relay - 480V (PFR) G3$425.00 - $425.00 - $425.00 -
Phase Failure Relay - 575V (PFR) H3$425.00 - $425.00 - $425.00 -
Elapsed Time Meter (120V/60Hz) Wired Across Coil (ETM) 14$348.00 $588.00 $348.00 $588.00 $348.00 $588.00
ETM + PFR w/UV (190-480V) L4$1404.00 $1644.00 $1404.00 $1644.00 $1404.00 $1644.00
ETM + PFR w/UV (575V) N4$1404.00 $1644.00 $1404.00 $1644.00 $1404.00 $1644.00
ETM + PFR (208V) P3,4 $773.00 - $773.00 - $773.00 -
ETM + PFR (240V) Q3,4 $773.00 - $773.00 - $773.00 -
ETM + PFR (480V) R3,4 $773.00 - $773.00 - $773.00 -
ETM + PFR (575V) S3,4 $773.00 - $773.00 - $773.00 -
3Available for Type 1 Enclosure only.
4Requires 120V Control Circuit Voltage or CPT w/ 120V Secondary.
2-Speed Solid State Overload Ranges
NEMA SIZE
0 & 1 2 3 & 4
Code Hi Amp Lo Amp Hi Amp Lo Amp Hi Amp Lo Amp
C 0.4 - 0.85 0.4 - 0.85 6.5 - 13.5 6.5 - 13.5 17 - 35 17 - 35
D 0.8 - 1.7 0.4 - 0.85 13 - 27 6.5 - 13.5 35 - 70 17 - 35
E 0.8 - 1.7 0.8 - 1.7 13 - 27 13 - 27 35 - 70 35 - 70
F 1.6 - 3.4 0.4 - 0.85 25 - 50 6.5 -13.5 65 - 135 17 - 35
G 1.6 - 3.4 0.8 - 1.7 25 - 50 13 - 27 65 - 135 35 - 70
H 1.6 - 3.4 1.6 - 3.4 25 - 50 25 - 50 65 - 135 65 - 135
U 3.2 - 6.8 0.8 - 1.7 -- --
K 3.2 - 6.8 1.6 - 3.4 -- --
L 3.2 - 6.8 3.2 - 6.8 -- --
M 6.5 - 13.5 1.6 - 3.4 -- --
V 6.5 - 13.5 3.2 - 6.8 -- --
W 6.5 - 13.5 6.5 - 13.5 -- --
R 13 - 27 3.2 - 6.8 -- --
S 13 - 27 6.5 - 13.5 -- --
T 13 - 27 13 - 27 -- --
Step 4 (Digit 12) Select Overload Relay
List Price
Overload Relay Code GO-10G1
Thermal Bi-Metallic Non-compensated (1NC) 1 $0.00
Thermal Bi-Metallic Non-compensated (1NO-1NC) 2 $48.00
Thermal Bi-Metallic Ambient Compensated (1NC) 3 $54.00
Thermal Bi-Metallic Ambient Compensated (1NO-1NC) 4 $102.00
Solid State Overload (1NO-1NC) (#) $54.00
(#) Select Code for Solid State Overload amp rating from table below.
CR414 Magnetic Starters
2 Speed – 2 Winding, Thermal Magnetic Circuit Breaker Type
Part Number Configuration
Valid for NEMA sizes 0-4

www.geindustrial.com Rev. 4/16
Prices and data subject to
change without notice
Control Catalog
1-116
NEMA Full Voltage Power Devices
NEMA Rated Full Voltage Starters - Magnetic
Section 1
GENERAL NOTE:
On NEMA Size 3 & 4 starters, if selecting factory installed and wired operator devices
(Push Buttons, Selector Switches, and/or Pilot Lights) then control circuit fusing, a
control power transformer, or 120V separate sourced control is required when the
protective device is rated greater than 100 Amps.
Step 9 (Digit 17) Select Control Options
List Price GO-10G1
NEMA Size 0-2 NEMA Size 3 NEMA Size 4
Device Code Type 1, 3R, & 12 Type 4/4X Type 1, 3R, & 12 Type 4/4X Type 1, 3R, & 12 Type 4/4X
None A $0.00 $0.00 $0.00 $0.00 $0.00 $0.00
1 Relay, 2NO-2NC, 24/120V Coil - unwired B5$306.00 $468.00 $306.00 $468.00 $480.00 $636.00
2 Relays, 24/120V Coil - unwired C5$612.00 $936.00 $612.00 $936.00 $960.00 $1272.00
DIN Rail - for Customer Use D $89.00 $89.00 $89.00 $89.00 $89.00 $89.00
12 Point Terminal Strip - unwired (12 PT Strip) E $109.00 $109.00 $109.00 $109.00 $109.00 $109.00
Space Heater w/ NC Contact H6$120.00 $120.00 $120.00 $120.00 $120.00 $120.00
1 Relay + 12 PT Strip J5$415.00 $577.00 $415.00 $577.00 $589.00 $745.00
2 Relays + 12 PT Strip K5$721.00 $1045.00 $721.00 $1045.00 $1069.00 $1381.00
DIN Rail + 12 PT Strip + Space Heater L6$318.00 $318.00 $318.00 $318.00 $318.00 $318.00
2 Relays + 12 PT Strip + Space Heater M5,6 $841.00 $1165.00 $841.00 $1165.00 $1189.00 $1501.00
Time Delay ON Relay, 24/120V Coil - unwired (TD) N5$504.00 $660.00 $504.00 $660.00 $504.00 $660.00
Time Delay OFF Relay, 24/120V Coil - unwired (TD) P5$504.00 $660.00 $504.00 $660.00 $504.00 $660.00
12 PT Strip + TD ON R5$613.00 $769.00 $613.00 $769.00 $613.00 $769.00
12 PT Strip + TD OFF S5$613.00 $769.00 $613.00 $769.00 $613.00 $769.00
12 PT Strip + Space Heater + TD ON T5,6 $733.00 $889.00 $733.00 $889.00 $733.00 $889.00
12 PT Strip + Space Heater + TD OFF U5,6 $733.00 $889.00 $733.00 $889.00 $733.00 $889.00
5Relay/Timer coil voltage is equivalent to CPT secondary voltage. Requires minimum 100 extra VA CPT option.
6Maximum number of auxiliary contacts shall be reduced by 1.
CR414 Magnetic Starters
2 Speed – 2 Winding, Thermal Magnetic Circuit Breaker Type
Part Number Configuration
Valid for NEMA sizes 0-4
Step 7 (Digit 15) Select Push Button/Selector Switch
List Price
Push Button/Selector Switch - Heavy Duty Code GO-10G1
None A $0.00
Fast/Slow/Stop Push Button J $240.00
High/Low/Off Push Button K $240.00
High/Low Push Button & HOA Selector Switch L $264.00
Fast/Slow Push Button & HOA Selector Switch M $264.00
HOA & Slow/Fast Selector Switches P $264.00
HOA & Low/High Selector Switches R $264.00
Slow-Off-Fast Selector Switch T $132.00
Low-Off-High Selector Switch U $132.00
Fast-Slow-Off-Auto Selector Switch V $150.00
High-Low-Off-Auto Selector Switch W $150.00
Step 8 (Digit 16) Select Pilot Device
Pilot Light
(Heavy Duty CR104P Style) List Price
Type Color - Functionality Code GO-10G1
None A $0.00
Red & Amber Across Coils K $324.00
Standard Lights Red & Green Across Coils L $324.00
Red & Amber Across Coils & Unwired Green X $486.00
Red & Amber Across Coils 2 $324.00
LED Lights Red & Green Across Coils 3 $324.00
Red & Amber Across Coils & Unwired Green 5 $486.00
Red & Amber Across Coils S $360.00
Push-To-Test Lights Red & Green Across Coils T $360.00
Red & Amber Across Coils & Unwired Green Y $540.00

www.geindustrial.com Control Catalog 1-117
NEMA Full Voltage Power Devices
NEMA Rated Full Voltage Starters - Magnetic
Rev. 4/16
Prices and data subject to
change without notice
Section 1
CR494 Mag-Break Magnetic Starters
2 Speed – 2 Winding, NEMA Type 1, 3R, 12, 4/4X
NEMA Sizes 0-4, Mag-Break Circuit Breaker Type
600 Volts Maximum 60 Hertz
List Price includes a holding interlock, pressure terminals for the line and load connections, two 3-pole contactors with mechanical and
cross electrical interlock on each contactor, plus two 3-leg block type overload relays (manual reset). All enclosures include external
reset. Six heaters should be ordered as separate items. See pages 1-153 to 1-159 for selection. List price $9.00 each, GO-10H.
CR494 2 Speed – 2 Winding Mag-Break Circuit Breaker Type
NEMA Type 1 NEMA Type 3R NEMA Type 12 NEMA Type 4/4X
Continuous CB Product List Product List Product List Product List
Voltage NEMA Maximum Amp Rating Number Price Number Price Number Price Number Price
(60Hz) Size Horsepower Rating (Amps) CR GO-10G1 CR GO-10G1 CR GO-10G1 CR GO-10G1
200-208 01 18 7 494B108MB1AAAAA $1680.00 494B608MB1AAAAA $1878.00 494B208MB1AAAAA $1878.00 494B408MB1AAAAA $2616.00
200-208 03 18 15 494B108MC1AAAAA $1680.00 494B608MC1AAAAA $1878.00 494B208MC1AAAAA $1878.00 494B408MC1AAAAA $2616.00
200-208 15 27 25 494C108ME1AAAAA $1764.00 494C608ME1AAAAA $1962.00 494C208ME1AAAAA $1962.00 494C408ME1AAAAA $2688.00
200-208 1 7 1/2 27 40 494C108MG1AAAAA $1764.00 494C608MG1AAAAA $1962.00 494C208MG1AAAAA $1962.00 494C408MG1AAAAA $2688.00
200-208 2 10 45 50 494D108MH1AAAAA $2508.00 494D608MH1AAAAA $2850.00 494D208MH1AAAAA $2850.00 494D408MH1AAAAA $3702.00
200-208 3 15 90 70 494E108MK1AAAAA $3210.00 494E608MK1AAAAA $3894.00 494E208MK1AAAAA $3894.00 494E408MK1AAAAA $5178.00
200-208 3 20 90 80 494E108ML1AAAAA $3210.00 494E608ML1AAAAA $3894.00 494E208ML1AAAAA $3894.00 494E408ML1AAAAA $5178.00
200-208 3 25 90 100 494E108MN1AAAAA $3210.00 494E608MN1AAAAA $3894.00 494E208MN1AAAAA $3894.00 494E408MN1AAAAA $5178.00
200-208 4 30 135 125 494F108MQ1AAAAA $7176.00 494F608MQ1AAAAA $9084.00 494F208MQ1AAAAA $9084.00 494F408MQ1AAAAA $10224.00
200-208 4 40 135 150 494F108MR1AAAAA $7176.00 494F608MR1AAAAA $9084.00 494F208MR1AAAAA $9084.00 494F408MR1AAAAA $10224.00
230-240 0 1/2 18 3 494B103MA1AAAAA $1680.00 494B603MA1AAAAA $1878.00 494B203MA1AAAAA $1878.00 494B403MA1AAAAA $2616.00
230-240 01 18 7 494B103MB1AAAAA $1680.00 494B603MB1AAAAA $1878.00 494B203MB1AAAAA $1878.00 494B403MB1AAAAA $2616.00
230-240 03 18 15 494B103MC1AAAAA $1680.00 494B603MC1AAAAA $1878.00 494B203MC1AAAAA $1878.00 494B403MC1AAAAA $2616.00
230-240 15 27 25 494C103ME1AAAAA $1764.00 494C603ME1AAAAA $1962.00 494C203ME1AAAAA $1962.00 494C403ME1AAAAA $2688.00
230-240 1 7 1/2 27 30 494C103MF1AAAAA $1764.00 494C603MF1AAAAA $1962.00 494C203MF1AAAAA $1962.00 494C403MF1AAAAA $2688.00
230-240 2 10 45 40 494D103MG1AAAAA $2508.00 494D603MG1AAAAA $2850.00 494D203MG1AAAAA $2850.00 494D403MG1AAAAA $3702.00
230-240 2 15 45 60 494D103MJ1AAAAA $2508.00 494D603MJ1AAAAA $2850.00 494D203MJ1AAAAA $2850.00 494D403MJ1AAAAA $3702.00
230-240 3 20 90 70 494E103MK1AAAAA $3210.00 494E603MK1AAAAA $3894.00 494E203MK1AAAAA $3894.00 494E403MK1AAAAA $5178.00
230-240 3 25 90 90 494E103MM1AAAAA $3210.00 494E603MM1AAAAA $3894.00 494E203MM1AAAAA $3894.00 494E403MM1AAAAA $5178.00
230-240 3 30 90 100 494E103MN1AAAAA $3210.00 494E603MN1AAAAA $3894.00 494E203MN1AAAAA $3894.00 494E403MN1AAAAA $5178.00
230-240 4 40 135 150 494F103MR1AAAAA $7176.00 494F603MR1AAAAA $9084.00 494F203MR1AAAAA $9084.00 494F403MR1AAAAA $10224.00
230-240 4 50 135 175 494F103MS1AAAAA $7176.00 494F603MS1AAAAA $9084.00 494F203MS1AAAAA $9084.00 494F403MS1AAAAA $10224.00
460-480 01 18 3 494B104MA1AAAAA $1680.00 494B604MA1AAAAA $1878.00 494B204MA1AAAAA $1878.00 494B404MA1AAAAA $2616.00
460-480 03 18 7 494B104MB1AAAAA $1680.00 494B604MB1AAAAA $1878.00 494B204MB1AAAAA $1878.00 494B404MB1AAAAA $2616.00
460-480 05 18 15 494B104MC1AAAAA $1680.00 494B604MC1AAAAA $1878.00 494B204MC1AAAAA $1878.00 494B404MC1AAAAA $2616.00
460-480 1 7 1/2 27 15 494C104MC1AAAAA $1764.00 494C604MC1AAAAA $1962.00 494C204MC1AAAAA $1962.00 494C404MC1AAAAA $2688.00
460-480 1 10 27 20 494C104MD1AAAAA $1764.00 494C604MD1AAAAA $1962.00 494C204MD1AAAAA $1962.00 494C404MD1AAAAA $2688.00
460-480 2 15 45 30 494D104MF1AAAAA $2508.00 494D604MF1AAAAA $2850.00 494D204MF1AAAAA $2850.00 494D404MF1AAAAA $3702.00
460-480 2 20 45 40 494D104MG1AAAAA $2508.00 494D604MG1AAAAA $2850.00 494D204MG1AAAAA $2850.00 494D404MG1AAAAA $3702.00
460-480 2 25 45 50 494D104MH1AAAAA $2508.00 494D604MH1AAAAA $2850.00 494D204MH1AAAAA $2850.00 494D404MH1AAAAA $3702.00
460-480 3 30 90 50 494E104MH1AAAAA $3210.00 494E604MH1AAAAA $3894.00 494E204MH1AAAAA $3894.00 494E404MH1AAAAA $5178.00
460-480 3 40 90 70 494E104MK1AAAAA $3210.00 494E604MK1AAAAA $3894.00 494E204MK1AAAAA $3894.00 494E404MK1AAAAA $5178.00
460-480 3 50 90 90 494E104MM1AAAAA $3210.00 494E604MM1AAAAA $3894.00 494E204MM1AAAAA $3894.00 494E404MM1AAAAA $5178.00
460-480 4 60 135 100 494F104MN1AAAAA $7176.00 494F604MN1AAAAA $9084.00 494F204MN1AAAAA $9084.00 494F404MN1AAAAA $10224.00
460-480 4 75 135 125 494F104MQ1AAAAA $7176.00 494F604MQ1AAAAA $9084.00 494F204MQ1AAAAA $9084.00 494F404MQ1AAAAA $10224.00
460-480 4 100 135 175 494F104MS1AAAAA $7176.00 494F604MS1AAAAA $9084.00 494F204MS1AAAAA $9084.00 494F404MS1AAAAA $10224.00
575-600 01 18 3 494B105MA1AAAAA $1680.00 494B605MA1AAAAA $1878.00 494B205MA1AAAAA $1878.00 494B405MA1AAAAA $2616.00
575-600 03 18 7 494B105MB1AAAAA $1680.00 494B605MB1AAAAA $1878.00 494B205MB1AAAAA $1878.00 494B405MB1AAAAA $2616.00
575-600 05 18 15 494B105MC1AAAAA $1680.00 494B605MC1AAAAA $1878.00 494B205MC1AAAAA $1878.00 494B405MC1AAAAA $2616.00
575-600 1 10 27 15 494C105MC1AAAAA $1764.00 494C605MC1AAAAA $1962.00 494C205MC1AAAAA $1962.00 494C405MC1AAAAA $2688.00
575-600 2 15 45 25 494D105ME1AAAAA $2508.00 494D605ME1AAAAA $2850.00 494D205ME1AAAAA $2850.00 494D405ME1AAAAA $3702.00
575-600 2 20 45 30 494D105MF1AAAAA $2508.00 494D605MF1AAAAA $2850.00 494D205MF1AAAAA $2850.00 494D405MF1AAAAA $3702.00
575-600 2 25 45 40 494D105MG1AAAAA $2508.00 494D605MG1AAAAA $2850.00 494D205MG1AAAAA $2850.00 494D405MG1AAAAA $3702.00
575-600 3 30 90 40 494E105MG1AAAAA $3210.00 494E605MG1AAAAA $3894.00 494E205MG1AAAAA $3894.00 494E405MG1AAAAA $5178.00
575-600 3 40 90 60 494E105MJ1AAAAA $3210.00 494E605MJ1AAAAA $3894.00 494E205MJ1AAAAA $3894.00 494E405MJ1AAAAA $5178.00
575-600 3 50 90 70 494E105MK1AAAAA $3210.00 494E605MK1AAAAA $3894.00 494E205MK1AAAAA $3894.00 494E405MK1AAAAA $5178.00
575-600 4 60 135 80 494F105ML1AAAAA $7176.00 494F605ML1AAAAA $9084.00 494F205ML1AAAAA $9084.00 494F405ML1AAAAA $10224.00
575-600 4 75 135 100 494F105MN1AAAAA $7176.00 494F605MN1AAAAA $9084.00 494F205MN1AAAAA $9084.00 494F405MN1AAAAA $10224.00
575-600 4 100 135 150 494F105MR1AAAAA $7176.00 494F605MR1AAAAA $9084.00 494F205MR1AAAAA $9084.00 494F405MR1AAAAA $10224.00
• NEMA Size 0-4 starters with 115-120 Volt, 60-Hertz coils for separate control are available at listed prices. To order, replace Digits 8 & 9 of listed Product Numbers with 02.
Example: CR494C105MC1AAAAA with 115-120 Volt, 60-Hertz coil for separate control becomes CR494C102MC1AAAAA Product Number.
• Motor full load current should not exceed continuous ampere rating of starter.
• For ordinary starting duty only.

www.geindustrial.com Rev. 4/16
Prices and data subject to
change without notice
Control Catalog
1-118
NEMA Full Voltage Power Devices
NEMA Rated Full Voltage Starters - Magnetic
Section 1
CR494 Mag-Break Magnetic Starters
2 Speed – 2 Winding, Mag-Break Circuit Breaker Type
Part Number Configuration
Valid for NEMA sizes 0-4
1
CR
Digits:
Steps:
23
Step 1
4567891011121314151617
Step 2 Step 3 Step 4 Step 5 Step 6 Step 7 Step 8 Step 9
To configure the part number, use the tables below to fill in the digit boxes with the appropriate code.
Add list price from each step to arrive at total list for price for starter.
Step 1 (Digits 1-7) Select NEMA Size and Enclosure
NEMA Type 1 NEMA Type 3R NEMA Type 12 NEMA Type 4
Standard List Standard List Standard List Standard List
NEMA Enclosure Price Enclosure Price Enclosure Price Enclosure Price
Size CR GO-10G1 CR GO-10G1 CR GO-10G1 CR GO-10G1
0 494B1 $1680.00 494B6 $1878.00 494B2 $1878.00 494B4 $2616.00
1 494C1 $1764.00 494C6 $1962.00 494C2 $1962.00 494C4 $2688.00
2 494D1 $2508.00 494D6 $2850.00 494D2 $2850.00 494D4 $3702.00
3 494E1 $3210.00 494E6 $3894.00 494E2 $3894.00 494E4 $5178.00
4 494F1 $7176.00 494F6 $9084.00 494F2 $9084.00 494F4 $10224.00
Note: All enclosures include external overload reset buttons. NEMA 4 enclosures are stainless steel.
Step 2 (Digits 8, 9) Select Control Voltage (No CPT and Standard Size CPT)
NEMA Size
Control Standard 01 2 34
No List Price Fuses, List Price Size List Price List Price List Price List Price List Price
Control Circuit Voltage & CPT CPT GO-10G1 No CPT GO-10G1 CPT GO-10G1 GO-10G1 GO-10G1 GO-10G1 GO-10G1
120V w/ Surge Protector (SP) 01 $54.00 F1 $132.00 -
120V 02 $0.00 F2 $132.00 -
240V 03 $0.00 F3 $132.00 -
480V 04 $0.00 F4 $132.00 -
600V 05 $0.00 F5 $132.00 -
208V 08 $0.00 F8 $132.00 -
24V109 $0.00 --
240V/120V w/CPT -- 93 $294.00 $294.00 $352.00 $468.00 $540.00
480V/120V w/CPT -- 94 $294.00 $294.00 $352.00 $468.00 $540.00
600V/120V w/CPT -- 95 $294.00 $294.00 $352.00 $468.00 $540.00
208V/120V w/CPT -- 98 $294.00 $294.00 $352.00 $468.00 $540.00
240V/120V w/CPT & SP -- 33 $348.00 $348.00 $406.00 $522.00 $594.00
480V/120V w/CPT & SP -- 34 $348.00 $348.00 $406.00 $522.00 $594.00
600V/120V w/CPT & SP -- 35 $348.00 $348.00 $406.00 $522.00 $594.00
208V/120V w/CPT & SP -- 38 $348.00 $348.00 $406.00 $522.00 $594.00
240V/24V w/CPT1-- S3 $294.00 $294.00 $352.00 --
480V/24V w/CPT1-- S4 $294.00 $294.00 $352.00 --
600V/24V w/CPT1-- S5 $294.00 $294.00 $352.00 --
208V/24V w/CPT1-- S8 $294.00 $294.00 $352.00 --
Note: CPT includes 2 primary fuses and 1 secondary fuse.
124V coils not available for NEMA size 3 & 4.

www.geindustrial.com Control Catalog 1-119
NEMA Full Voltage Power Devices
NEMA Rated Full Voltage Starters - Magnetic
Rev. 4/16
Prices and data subject to
change without notice
Section 1
CR494 Mag-Break Magnetic Starters
2 Speed – 2 Winding, Mag-Break Circuit Breaker Type
Part Number Configuration
Valid for NEMA sizes 0-4
Step 2 (Digits 8, 9) Select Control Voltage (Extra Capacity CPT + 100VA and 200VA)
NEMA Size NEMA Size
Standard 01234Standard 01 234
Size List Price List Price List Price List Price List Price Size List Price List Price List Price List Price List Price
Control Circuit Voltage & CPT CPT + 100VA GO-10G1 GO-10G1 GO-10G1 GO-10G1 GO-10G1 CPT + 200VA GO-10G1 GO-10G1 GO-10G1 GO-10G1 GO-10G1
120V w/ Surge Protector (SP) - -
120V - -
240V - -
480V - -
600V - -
208V - -
24V1- -
240V/120V w/CPT 13 $420.00 $420.00 $504.00 $600.00 $660.00 23 $523.00 $523.00 $618.00 $714.00 $775.00
480V/120V w/CPT 14 $420.00 $420.00 $504.00 $600.00 $660.00 24 $523.00 $523.00 $618.00 $714.00 $775.00
600V/120V w/CPT 15 $420.00 $420.00 $504.00 $600.00 $660.00 25 $523.00 $523.00 $618.00 $714.00 $775.00
208V/120V w/CPT 18 $420.00 $420.00 $504.00 $600.00 $660.00 28 $523.00 $523.00 $618.00 $714.00 $775.00
240V/120V w/CPT & SP 53 $474.00 $474.00 $558.00 $654.00 $714.00 63 $577.00 $577.00 $672.00 $768.00 $829.00
480V/120V w/CPT & SP 54 $474.00 $474.00 $558.00 $654.00 $714.00 64 $577.00 $577.00 $672.00 $768.00 $829.00
600V/120V w/CPT & SP 55 $474.00 $474.00 $558.00 $654.00 $714.00 65 $577.00 $577.00 $672.00 $768.00 $829.00
208V/120V w/CPT & SP 58 $474.00 $474.00 $558.00 $654.00 $714.00 68 $577.00 $577.00 $672.00 $768.00 $829.00
240V/24V w/CPT1A3 $420.00 $420.00 $504.00 -- B3 $523.00 $523.00 $618.00 --
480V/24V w/CPT1A4 $420.00 $420.00 $504.00 -- B4 $523.00 $523.00 $618.00 --
600V/24V w/CPT1A5 $420.00 $420.00 $504.00 -- B5 $523.00 $523.00 $618.00 --
208V/24V w/CPT1A8 $420.00 $420.00 $504.00 -- B8 $523.00 $523.00 $618.00 --
Note: CPT includes 2 primary fuses and 1 secondary fuse.
124V coils not available for NEMA size 3 & 4.
Step 3 (Digits 10, 11) Select Protective Device
Mag-Break Circuit Breaker - Spectra™Series
200-208V 230-240V 460-480V 575-600V
Max CB Rating List Price Max CB Rating List Price Max CB Rating List Price Max CB Rating List Price
NEMA Size Hp (Amps) Code GO-10G1 Hp (Amps) Code GO-10G1 Hp (Amps) Code GO-10G1 Hp (Amps) Code GO-10G1
3 MA $0.00 1/2 3 MA $0.00 13MA $0.00 13MA $0.00
017MB $0.00 17MB $0.00 37MB $0.00 37MB $0.00
3 15 MC $0.00 3 15 MC $0.00 5 15 MC $0.00 5 15 MC $0.00
15 MC $0.00 15 MC $0.00 7 1/2 15 MC $0.00 10 15 MC $0.00
20 MD $0.00 20 MD $0.00 10 20 MD $0.00 20 MD $0.00
1525 ME $0.00 5 25 ME $0.00 25 ME $0.00 25 ME $0.00
30 MF $0.00 7 1/2 30 MF $0.00 30 MF $0.00 30 MF $0.00
7 1/2 40 MG $0.00 40 MG $0.00 40 MG $0.00 40 MG $0.00
25 ME $0.00 25 ME $0.00 25 ME $0.00 15 25 ME $0.00
30 MF $0.00 30 MF $0.00 15 30 MF $0.00 20 30 MF $0.00
2 40 MG $0.00 10 40 MG $0.00 20 40 MG $0.00 25 40 MG $0.00
10 50 MH $0.00 50 MH $0.00 25 50 MH $0.00 50 MH $0.00
60 MJ $0.00 15 60 MJ $0.00 60 MJ $0.00 60 MJ $0.00
40 MG $0.00 40 MG $0.00 40 MG $0.00 30 40 MG $0.00
50 MH $0.00 50 MH $0.00 30 50 MH $0.00 50 MH $0.00
60 MJ $0.00 60 MJ $0.00 60 MJ $0.00 40 60 MJ $0.00
3 15 70 MK $0.00 20 70 MK $0.00 40 70 MK $0.00 50 70 MK $0.00
20 80 ML $0.00 80 ML $0.00 80 ML $0.00 80 ML $0.00
90 MM $0.00 25 90 MM $0.00 50 90 MM $0.00 90 MM $0.00
25 100 MN $0.00 30 100 MN $0.00 100 MN $0.00 100 MN $0.00
80 ML $0.00 80 ML $0.00 80 ML $0.00 60 80 ML $0.00
100 MN $0.00 100 MN $0.00 60 100 MN $0.00 75 100 MN $0.00
4 30 125 MQ $0.00 125 MQ $0.00 75 125 MQ $0.00 125 MQ $0.00
40 150 MR $0.00 40 150 MR $0.00 150 MR $0.00 100 150 MR $0.00
175 MS $0.00 50 175 MS $0.00 100 175 MS $0.00 175 MS $0.00

www.geindustrial.com Rev. 4/16
Prices and data subject to
change without notice
Control Catalog
1-120
NEMA Full Voltage Power Devices
NEMA Rated Full Voltage Starters - Magnetic
Section 1
Step 6 (Digit 14) Select Monitoring Options
List Price GO-10G1
NEMA Size 0-2 NEMA Size 3 NEMA Size 4
Device Code Type 1, 3R, & 12 Type 4/4X Type 1, 3R, & 12 Type 4/4X Type 1, 3R, & 12 Type 4/4X
None A $0.00 $0.00 $0.00 $0.00 $0.00 $0.00
Phase Failure Relay with Undervoltage Protection C $1056.00 $1056.00 $1056.00 $1056.00 $1056.00 $1056.00
(panel mounted) - 190-480V (PFR w/UV)
Phase Failure Relay with Undervoltage Protection D $1056.00 $1056.00 $1056.00 $1056.00 $1056.00 $1056.00
(panel mounted) - 575V (PFR w/UV)
Phase Failure Relay - 208V (PFR) E3$425.00 - $425.00 - $425.00 -
Phase Failure Relay - 240V (PFR) F3$425.00 - $425.00 - $425.00 -
Phase Failure Relay - 480V (PFR) G3$425.00 - $425.00 - $425.00 -
Phase Failure Relay - 575V (PFR) H3$425.00 - $425.00 - $425.00 -
Elapsed Time Meter (120V/60Hz) Wired Across Coil (ETM) 14$348.00 $588.00 $348.00 $588.00 $348.00 $588.00
ETM + PFR w/UV (190-480V) L4$1404.00 $1644.00 $1404.00 $1644.00 $1404.00 $1644.00
ETM + PFR w/UV (575V) N4$1404.00 $1644.00 $1404.00 $1644.00 $1404.00 $1644.00
ETM + PFR (208V) P3,4 $773.00 - $773.00 - $773.00 -
ETM + PFR (240V) Q3,4 $773.00 - $773.00 - $773.00 -
ETM + PFR (480V) R3,4 $773.00 - $773.00 - $773.00 -
ETM + PFR (575V) S3,4 $773.00 - $773.00 - $773.00 -
3Available for Type 1 Enclosure only.
4Requires 120V Control Circuit Voltage or CPT w/ 120V Secondary.
CR494 Mag-Break Magnetic Starters
2 Speed – 2 Winding, Mag-Break Circuit Breaker Type
Part Number Configuration
Valid for NEMA sizes 0-4
Step 5 (Digit 13) Select Auxiliary Contacts
Aux Contacts List Price
(per Contactor) Code GO-10G1
None A $0.00
1NO B $132.00
1NC C $132.00
1NO-1NC D2$264.00
2NO E2$264.00
2NC F2$264.00
2Not available on 2 speed – 1 winding sizes 0-1.
2-Speed Solid State Overload Ranges
NEMA SIZE
0 & 1 2 3 & 4
Code Hi Amp Lo Amp Hi Amp Lo Amp Hi Amp Lo Amp
C 0.4 - 0.85 0.4 - 0.85 6.5 - 13.5 6.5 - 13.5 17 - 35 17 - 35
D 0.8 - 1.7 0.4 - 0.85 13 - 27 6.5 - 13.5 35 - 70 17 - 35
E 0.8 - 1.7 0.8 - 1.7 13 - 27 13 - 27 35 - 70 35 - 70
F 1.6 - 3.4 0.4 - 0.85 25 - 50 6.5 -13.5 65 - 135 17 - 35
G 1.6 - 3.4 0.8 - 1.7 25 - 50 13 - 27 65 - 135 35 - 70
H 1.6 - 3.4 1.6 - 3.4 25 - 50 25 - 50 65 - 135 65 - 135
U 3.2 - 6.8 0.8 - 1.7 -- --
K 3.2 - 6.8 1.6 - 3.4 -- --
L 3.2 - 6.8 3.2 - 6.8 -- --
M 6.5 - 13.5 1.6 - 3.4 -- --
V 6.5 - 13.5 3.2 - 6.8 -- --
W 6.5 - 13.5 6.5 - 13.5 -- --
R 13 - 27 3.2 - 6.8 -- --
S 13 - 27 6.5 - 13.5 -- --
T 13 - 27 13 - 27 -- --
Step 4 (Digit 12) Select Overload Relay
List Price
Overload Relay Code GO-10G1
Thermal Bi-Metallic Non-compensated (1NC) 1 $0.00
Thermal Bi-Metallic Non-compensated (1NO-1NC) 2 $48.00
Thermal Bi-Metallic Ambient Compensated (1NC) 3 $54.00
Thermal Bi-Metallic Ambient Compensated (1NO-1NC) 4 $102.00
Solid State Overload (1NO-1NC) (#) $54.00
(#) Select Code for Solid State Overload amp rating from table below.

www.geindustrial.com Control Catalog 1-121
NEMA Full Voltage Power Devices
NEMA Rated Full Voltage Starters - Magnetic
Rev. 4/16
Prices and data subject to
change without notice
Section 1
Step 7 (Digit 15) Select Push Button/Selector Switch
List Price
Push Button/Selector Switch - Heavy Duty Code GO-10G1
None A $0.00
Fast/Slow/Stop Push Button J $240.00
High/Low/Off Push Button K $240.00
High/Low Push Button & HOA Selector Switch L $264.00
Fast/Slow Push Button & HOA Selector Switch M $264.00
HOA & Slow/Fast Selector Switches P $264.00
HOA & Low/High Selector Switches R $264.00
Slow-Off-Fast Selector Switch T $132.00
Low-Off-High Selector Switch U $132.00
Fast-Slow-Off-Auto Selector Switch V $150.00
High-Low-Off-Auto Selector Switch W $150.00
Step 8 (Digit 16) Select Pilot Device
Pilot Light
(Heavy Duty CR104P Style) List Price
Type Color - Functionality Code GO-10G1
None A $0.00
Red & Amber Across Coils K $324.00
Standard Lights Red & Green Across Coils L $324.00
Red & Amber Across Coils & Unwired Green X $486.00
Red & Amber Across Coils 2 $324.00
LED Lights Red & Green Across Coils 3 $324.00
Red & Amber Across Coils & Unwired Green 5 $486.00
Red & Amber Across Coils S $360.00
Push-To-Test Lights Red & Green Across Coils T $360.00
Red & Amber Across Coils & Unwired Green Y $540.00
GENERAL NOTE:
If selecting factory installed and wired operator devices (Push Buttons, Selector
Switches, and/or Pilot Lights) control circuit fusing, a control power transformer, or
24V/120V separate sourced control is required, regardless of protective device rating.
Step 9 (Digit 17) Select Control Options
List Price GO-10G1
NEMA Size 0-2 NEMA Size 3 NEMA Size 4
Device Code Type 1, 3R, & 12 Type 4/4X Type 1, 3R, & 12 Type 4/4X Type 1, 3R, & 12 Type 4/4X
None A $0.00 $0.00 $0.00 $0.00 $0.00 $0.00
1 Relay, 2NO-2NC, 24/120V Coil - unwired B5$306.00 $468.00 $306.00 $468.00 $480.00 $636.00
2 Relays, 24/120V Coil - unwired C5$612.00 $936.00 $612.00 $936.00 $960.00 $1272.00
DIN Rail - for Customer Use D $89.00 $89.00 $89.00 $89.00 $89.00 $89.00
12 Point Terminal Strip - unwired (12 PT Strip) E $109.00 $109.00 $109.00 $109.00 $109.00 $109.00
Space Heater w/ NC Contact H6$120.00 $120.00 $120.00 $120.00 $120.00 $120.00
1 Relay + 12 PT Strip J5$415.00 $577.00 $415.00 $577.00 $589.00 $745.00
2 Relays + 12 PT Strip K5$721.00 $1045.00 $721.00 $1045.00 $1069.00 $1381.00
DIN Rail + 12 PT Strip + Space Heater L6$318.00 $318.00 $318.00 $318.00 $318.00 $318.00
2 Relays + 12 PT Strip + Space Heater M5,6 $841.00 $1165.00 $841.00 $1165.00 $1189.00 $1501.00
Time Delay ON Relay, 24/120V Coil - unwired (TD) N5$504.00 $660.00 $504.00 $660.00 $504.00 $660.00
Time Delay OFF Relay, 24/120V Coil - unwired (TD) P5$504.00 $660.00 $504.00 $660.00 $504.00 $660.00
12 PT Strip + TD ON R5$613.00 $769.00 $613.00 $769.00 $613.00 $769.00
12 PT Strip + TD OFF S5$613.00 $769.00 $613.00 $769.00 $613.00 $769.00
12 PT Strip + Space Heater + TD ON T5,6 $733.00 $889.00 $733.00 $889.00 $733.00 $889.00
12 PT Strip + Space Heater + TD OFF U5,6 $733.00 $889.00 $733.00 $889.00 $733.00 $889.00
5Relay/Timer coil voltage is equivalent to CPT secondary voltage. Requires minimum 100 extra VA CPT option.
6Maximum number of auxiliary contacts shall be reduced by 1.
CR494 Mag-Break Magnetic Starters
2 Speed – 2 Winding, Mag-Break Circuit Breaker Type
Part Number Configuration
Valid for NEMA sizes 0-4

www.geindustrial.com Rev. 4/16
Prices and data subject to
change without notice
Control Catalog
1-122
NEMA Full Voltage Power Devices
NEMA Rated Full Voltage Starters - Magnetic
Section 1
CR412, CR413, CR492, CR414, CR415, CR494 Magnetic Starters
2 Speed, Combination, NEMA Type 1, 3R, 12, 4/4X
100 Horsepower Maximum
NEMA Sizes 0-4
600 Volts Maximum 50/60Hz
Outlines, Dimensions in. (mm)
J
K
H
A
FF EDC
GB
E
FF
OFF
ON
NEMA Type 1 Enclosure
(Enclosure Code = 1)
NEMA Size ABCDEFGH (dia) J (dia) K (dia)
0-2 19.78 33.32 8.14 3.56 1.89 8.00 32.44 0.34 0.41 0.81
(502.4) (846.3) (206.7) (90.4) (48.0) (203.2) (824.0) (8.7) (10.3) (20.6)
3-4 23.00 53.82 8.14 3.73 3.39 8.00 52.94 0.34 0.41 0.81
(584.2) (1367) (206.7) (94.6) (86.1) (203.2) (1344.7) (8.7) (10.3) (20.6)
NEMA Type 3R/12 Enclosure
(Enclosure Code = 6 or 2)
NEMA Size ABCDEFGH (dia) J (dia) K (dia)
0-2 20.00 33.25 8.20 3.48 1.91 8.00 32.13 0.34 0.41 0.81
(508.0) (844.6) (208.2) (88.5) (48.5) (203.2) (816.0) (8.7) (10.3) (20.6)
3-4 23.00 53.82 8.20 3.50 3.41 8.00 52.70 0.34 0.41 0.81
(584.2) (1367.0) (208.2) (88.8) (86.6) (203.2) (1338.5) (8.7) (10.3) (20.6)

www.geindustrial.com Control Catalog 1-123
NEMA Full Voltage Power Devices
NEMA Rated Full Voltage Starters - Magnetic
Rev. 4/16
Prices and data subject to
change without notice
Section 1
CR412, CR413, CR492, CR414, CR415, CR494 Magnetic Starters
2 Speed, Combination, NEMA Type 1, 3R, 12, 4/4X
100 Horsepower Maximum
NEMA Sizes 0-4
600 Volts Maximum 50/60Hz
Outlines, Dimensions in. (mm)
J
K
H
A
FF EDC
GB
E
FF
OFF
ON
NEMA Type 4/4X Enclosure
(Enclosure Code = 4)
NEMA Size ABCDEFGH (dia) J (dia) K (dia)
0-2 20.00 33.32 8.14 3.72 1.91 8.00 32.20 0.34 0.41 0.81
(508.0) (846.3) (206.7) (94.6) (48.5) (203.2) (817.8) (8.7) (10.3) (20.6)
3-4 23.00 53.76 8.14 3.55 3.41 8.00 52.64 0.34 0.41 0.81
(584.2) (1365.5) (206.7) (90.2) (86.6) (203.2) (1336.9) (8.7) (10.3) (20.6)

www.geindustrial.com Rev. 4/16
Prices and data subject to
change without notice
Control Catalog
1-124
NEMA Full Voltage Power Devices
NEMA Rated Full Voltage Starters - Magnetic
Section 1
Heater Selection Tables: See pages 1-153 to 1-159
Starter Modifications—Factory Installed
Factory-installed modifications are available for those starters as indicated in the tables. Shown here are the List Price Additions to
standard catalog listed forms and are subject to GO-10G discount. Prices shown are not to be used as separate selling prices. For field
modification kits see pages 1-124 to 1-131. Supplying combinations of these items may affect standard enclosure dimensions and
type of construction. In extreme instances, it may not be possible to furnish all of them within the limitations of a starter design.
CR306, CR307, CR308, CR309, CR310, CR311, CR387, CR390, CR407, CR408, CR410,
CR411, CR487, CR490 Magnetic Starters
Factory-Installed Modifications
NEMA Sizes 00-6
000123456
1 Push Buttons
1a START-STOP 11$48.00 $48.00 $48.00 $48.00 $48.00 $48.00 $48.00 $132.00
1b OFF-ON11$48.00 $48.00 $48.00 $48.00 $48.00 $48.00 $48.00 $132.00
1c START-STOP (HEAVY-DUTY, CR104P) Any 2$132.00 $132.00 $132.00 $132.00 $132.00 $132.00 $132.00
1d START Push Button and H-O-A Selector
Switch (HEAVY-DUTY, CR104P) Any 2$264.00 $264.00 $264.00 $264.00 $264.00 $264.00 $264.00
Single Push Button, Unwired (Specify
Marking) (HEAVY-DUTY, CR104P) 12$40.00 $40.00 $40.00 $40.00 $40.00 $40.00 $40.00
Single Push Button, Unwired (Specify
Marking) (HEAVY-DUTY, CR104P) Any 2$90.00 $90.00 $90.00 $90.00 $90.00 $90.00 $90.00
1f
Single Illuminated Push Button, Unwired
(Specify Marking)
(HEAVY-DUTY, CR104P)
Any 2$180.00 $180.00 $180.00 $180.00 $180.00 $180.00 $180.00
2Selector Switches
HAND-OFF-AUTO1,3 1$48.00 $48.00 $48.00 $48.00 $48.00 $48.00 $48.00 $132.00
HAND-OFF-AUTO1,3
(HEAVY-DUTY, CR104P) Any 2$132.00 $132.00 $132.00 $132.00 $132.00 $132.00 $132.00
OFF-ON11$48.00 $48.00 $48.00 $48.00 $48.00 $48.00 $48.00 $132.00
OFF-ON (HEAVY-DUTY, CR104P) Any 2$132.00 $132.00 $132.00 $132.00 $132.00 $132.00 $132.00
Single Selector Switch Maintained
(Specify Marking)
Two- or Three-Position (Specify
Position)4 (HEAVY-DUTY, CR104P) Any 2$132.00 $132.00 $132.00 $132.00 $132.00 $132.00 $132.00
Four-Position4 (HEAVY-DUTY, CR104P) Any 2$150.00 $150.00 $150.00 $150.00 $150.00 $150.00 $150.00
Key Operated Maintained (Specify
Marking and Key-Removal Position)
Two- or Three-Position4
(HEAVY-DUTY, CR104P) Any 2$168.00 $168.00 $168.00 $168.00 $168.00 $168.00 $168.00
3Nonstandard Markings (Specify) Any 2$9.00 $9.00 $9.00 $9.00 $9.00 $9.00 $9.00
3This modification not available with items 1a, 1b or 1c because STOP push button would not work in AUTO position; instead order modification 1d.
Pilot
Devices
Mounted
in Cover
or Flange
of
CR306
CR307
CR308
CR387
CR407
CR408
CR487
2a
2b
2c
1e
2d
1Factory-installed modification kit for sizes 00-5.
4Specify CR104 operator and contact block by product number.
Starter NEMA Size
List Price Addition, GO-10G
Type of
Installation/
Starters
Item
No. Modifications
Enclosure
Type
2Not available in NEMA Size 00. Use Size 0 starter and modification.
Control Circuit Fusing
Per the NEC and UL508 Section 18.2 - Control Circuit Fuses must be used when the branch circuit
protective device rating is too large to serve as protection for the control circuit. This depends on
the control wire size and whether all control circuit wires are within the enclosure. See table below:
Provide supplemental control circuit protection if control circuits with wires longer
than 12 inches are connected to branch circuit protection exceeding the ratings below
Control Maximum Branch Circuit Maximum Supplemental
Circuit Protection Rating (Amperes) Control Circuit
Wire Size Conductors Conductors Protection Rating
(AWG) within Enclosure outside Enclosure (Amperes)
22 12 33
20 20 55
18 25 77
16 40 10 10
14 100 45 20
12 120 60 25
The factory must provide this protection, if the circuit provided by the factory requires the fuses.
The factory will provide control circuit fuses in enclosed starters and contactors with pilot devices,
control relays or other control components that are factory wired; when used with line voltage
control; when the size listed below is being supplied.
Non-combination starters (CR305, CR306, CR309, CR385, CR386)
Size 4 and above
Combination starters
Size 0-3 with Mag-Break Protector
Size 3 with:
—Circuit Breaker greater than 100 amps, or
—Fuse Clips greater than 100 amps, or
Size 4 and above with any circuit breakers, circuit protector or fuse clips.
Control Circuit fuses (Modification 9) must be added to the enclosed starter or contactor pricing.
All CPTs will be supplied with primary fuses. CPTs without primary fuses are no longer available.
When control circuit fuses are not factory supplied, customer provided wiring or branch circuit
protection sizing to these contactors and starters may still require that the customer/installer add
the fusing in the field. It will be the customer/installer’s responsibility to ensure code compliance
under these conditions.

www.geindustrial.com Control Catalog 1-125
NEMA Full Voltage Power Devices
NEMA Rated Full Voltage Starters - Magnetic
Rev. 4/16
Prices and data subject to
change without notice
Section 1
000123456
4Indicating Light1
4a One (Red Only)21$90.00 $90.00 $90.00 $90.00 $90.00 $90.00 $90.00 $162.00
4b One (Specify Red or Green)
(HEAVY-DUTY, CR104P) Any 3$162.00 $162.00 $162.00 $162.00 $162.00 $162.00 $162.00
4c Two (Includes 1 NC Auxiliary
Contact)4 (HEAVY-DUTY, CR104P) Any 3$390.00 $390.00 $390.00 $390.00 $390.00 $390.00 $390.00
4d One Push-To-Test and/or Transformer
Type (Red or Green) Any 3$180.00 $180.00 $180.00 $180.00 $180.00 $180.00 $180.00
4e
Two Push-To-Test (Includes 1 NC
Auxiliary Contact) and/or
Transformer Type4Any 3$426.00 $426.00 $426.00 $426.00 $426.00 $426.00 $426.00
5Push Buttons
5a FORWARD-STOP-REVERSE Any 3$240.00 $240.00 $240.00 $240.00 $240.00 $240.00 $240.00
5b HIGH-LOW-OFF Any 3$240.00 $240.00 $240.00 $240.00 $240.00 $240.00 $240.00
5c FAST-SLOW-STOP Any 3$240.00 $240.00 $240.00 $240.00 $240.00 $240.00 $240.00
5d HIGH-LOW Push Button and
H-O-A Selector Switch Any 3$264.00 $264.00 $264.00 $264.00 $264.00 $264.00 $264.00
5e Single Push Button, Unwired
(Specify Marking) 5Any 3$132.00 $132.00 $132.00 $132.00 $132.00 $132.00 $132.00
5f Single Illuminated Push Button,
Unwired (Specify Marking)5Any 3$180.00 $180.00 $180.00 $180.00 $180.00 $180.00 $180.00
6Selector Switches
6a LOW-OFF-HIGH Any 3$132.00 $132.00 $132.00 $132.00 $132.00 $132.00 $132.00
6b SLOW-OFF-FAST Any 3$132.00 $132.00 $132.00 $132.00 $132.00 $132.00 $132.00
6c FORWARD-OFF-REVERSE Any 3$132.00 $132.00 $132.00 $132.00 $132.00 $132.00 $132.00
6d LOW-HIGH and HAND-OFF-AUTO Any 3$264.00 $264.00 $264.00 $264.00 $264.00 $264.00 $264.00
6e HAND-OFF-AUTO Any 3$132.00 $132.00 $132.00 $132.00 $132.00 $132.00 $132.00
Single Selector Switch Maintained
(Specify Marking and Positions)
(Specify Two or Three Positions)5Any 3$132.00 $132.00 $132.00 $132.00 $132.00 $132.00 $132.00
Key Operated Maintained (Specify
Marking and Key-Removal Positions)
(Specify Two or Three Positions)5Any 3$168.00 $168.00 $168.00 $168.00 $168.00 $168.00 $168.00
6h Nonstandard Markings Any 3$9.00 $9.00 $9.00 $9.00 $9.00 $9.00 $9.00
6g
Note: For indicating light modifications on CR309-311 & CR390, see p. 1-124.
1One indicating light: Wired in parallel with operating coil.
Two indicating lights:
Red is wired in parallel with operating coil,
green is wired through an auxiliary contact.
List Price Addition, GO-10G
Pilot
Devices
Mounted In
Cover or
Flange of
CR306
CR307
CR308
CR387
CR407
CR408
CR487
Pilot
Devices
Mounted In
Cover or
Flange of
CR309
CR310
CR311
CR390
CR410
CR411
CR490
6f
Starter NEMA Size
Type of
Installation/
Starters
Item
No. Modifications
Enclosure
Type
2Factory-installed field modification kit for sizes 00-4 and size 5 without CPT.
3Not available in NEMA Size 00. Use Size 0 starter and modification.
4Maximum of three additional auxiliary contacts available on size 0-1.
5Specify CR104P operator and contact block by product number.
CR306, CR307, CR308, CR309, CR310, CR311, CR387, CR390, CR407, CR408, CR410,
CR411, CR487, CR490 Magnetic Starters
Factory-Installed Modifications
Starter Modifications—Factory Installed
The general information at the top of page 1-124 regarding factory-installed modifications, also applies to those listed in the table below.
Control Circuit Fusing
Per the NEC and UL508 Section 18.2 - Control Circuit Fuses must be used when the branch circuit
protective device rating is too large to serve as protection for the control circuit. This depends on
the control wire size and whether all control circuit wires are within the enclosure. See table below:
Provide supplemental control circuit protection if control circuits with wires longer
than 12 inches are connected to branch circuit protection exceeding the ratings below
Control Maximum Branch Circuit Maximum Supplemental
Circuit Protection Rating (Amperes) Control Circuit
Wire Size Conductors Conductors Protection Rating
(AWG) within Enclosure outside Enclosure (Amperes)
22 12 33
20 20 55
18 25 77
16 40 10 10
14 100 45 20
12 120 60 25
The factory must provide this protection, if the circuit provided by the factory requires the fuses.
The factory will provide control circuit fuses in enclosed starters and contactors with pilot devices,
control relays or other control components that are factory wired; when used with line voltage
control; when the size listed below is being supplied.
Non-combination starters (CR305, CR306, CR309, CR385, CR386)
Size 4 and above
Combination starters
Size 0-3 with Mag-Break Protector
Size 3 with:
—Circuit Breaker greater than 100 amps, or
—Fuse Clips greater than 100 amps, or
Size 4 and above with any circuit breakers, circuit protector or fuse clips.
Control Circuit fuses (Modification 9) must be added to the enclosed starter or contactor pricing.
All CPTs will be supplied with primary fuses. CPTs without primary fuses are no longer available.
When control circuit fuses are not factory supplied, customer provided wiring or branch circuit
protection sizing to these contactors and starters may still require that the customer/installer add
the fusing in the field. It will be the customer/installer’s responsibility to ensure code compliance
under these conditions.

www.geindustrial.com Rev. 4/16
Prices and data subject to
change without notice
Control Catalog
1-126
NEMA Full Voltage Power Devices
NEMA Rated Full Voltage Starters - Magnetic
Section 1
CR306, CR307, CR308, CR309, CR310, CR311, CR387, CR390, CR407, CR408, CR410,
CR411, CR487, CR490 Magnetic Starters
Factory-Installed Modifications
Starter Modifications—Factory Installed
The general information at the top of page 1-124, regarding factory-installed modifications, also applies to those listed in the table below.
000123456
7Indicating Lights (Specify Color)1
7a Two Any 2$324.00 $324.00 $324.00 $324.00 $324.00 $324.00 $324.00
7b Three Any 2$618.00 $618.00 $618.00 $618.00 $618.00 $618.00 $618.00
7c Two Push-To-Test Any 2$360.00 $360.00 $360.00 $360.00 $360.00 $360.00 $360.00
7d Three Push-To-Test Any 2$672.00 $672.00 $672.00 $672.00 $672.00 $672.00 $672.00
8
Separate Control Circuit (Specify Voltage and
Frequency, Reference Items 13a and 13b for
Standard Voltages)
Any N/C N/C N/C N/C N/C N/C
N/C N/C N/C N/C N/C N/C
N/C N/C
N/C N/C N/C N/C N/C N/C N/C N/C
9 Fused Control Circuit—Two Fuses Any 2$132.00 $132.00 $132.00 $132.00 $132.00 $132.00 $132.00
10
Control Transformer—Standard Capacity,
50 or 60 Hertz3
Two Primary and One Fuse Secondary,
(Specify Voltage Rating)
Standard Voltages at 60 Hertz
220-230-240 Primary, 110-115-120 Secondary
440-460-480 Primary, 110-115-120 Secondary
550-575-600 Primary, 110-115-120 Secondary
200-208 Primary, 115-120 Secondary
Any 2$294.00 $294.00 $352.00 $468.00 $540.00 $594.00 $594.00
11 Control Transformer—100 VA Additional
Capacity, 60 Hertz Any 2
66
$420.00 $420.00 $504.00 $600.00 $660.00 $720.00 $720.00
12
13 Operating Coil
13a6Standard Voltages at 60 Hertz:
24, 115-120, 200-208, 230-240, 460-480, 575-600 Any
13b Standard Voltages at 50 Hertz:
110, 220, 380-415, 440, 550 Any
13d 4DC—Standard Voltages:
24, 115-125 Any 55
$102.00 $114.00 $198.0 0 $264.00 $720.00 $720.00
4Available in CR305 Contactor forms.
5Not available in NEMA Sizes 00 or 0. Use Size 1 contactor and
modification.
624V coil not available on size 5 and 6.
Type of
Installation/
Starters
Item
No .
Pilot
Devices
Mounted in
Cover or
Flange of
CR309, CR410,
CR411, CR490
Modifications
Enclosure
Type
Starter NEMA Size
List Price Addition, GO-10G
1Two indicating lights have each one wired in parallel with each
operating coil. (Both red or red/amber or red/green.) Three lights
have one wired in parallel with each operating coil with the third one
wired through two normally closed auxiliary contacts. (Both red or
red/amber, with green "OFF.")
Control
Circuit in
CR306
CR307
CR308
CR309
CR310
CR311
CR387
CR390
CR407
CR408
CR410
CR411
CR487
CR490
2Not available in NEMA Size 00. Use size 0 starter and modification.
3The National Electrical Code, Article 450-3(B), requires primary
fuses in most typical installations. Refer to the NEC, Article 450
prior to ordering control transformer without primary fuses to
insure compliance. Control circuit fuse kits from page 1-136 may be
used to provide primary fusing. Fuses must be sized to meet the
requirements of the NEC according to the "Recommended Fuse" table.
208/240 480 600
50 1
2
3
2
1
1
2
0.5 0.5
100 2 0.75
150 3 1.5
250 5
300 6
CPT VA
Primary Voltage
Recommended Fuse
Heater Selection Tables: See pages 1-153 to 1-159
Control Circuit Fusing
Per the NEC and UL508 Section 18.2 - Control Circuit Fuses must be used when the branch circuit
protective device rating is too large to serve as protection for the control circuit. This depends on
the control wire size and whether all control circuit wires are within the enclosure. See table below:
Provide supplemental control circuit protection if control circuits with wires longer
than 12 inches are connected to branch circuit protection exceeding the ratings below
Control Maximum Branch Circuit Maximum Supplemental
Circuit Protection Rating (Amperes) Control Circuit
Wire Size Conductors Conductors Protection Rating
(AWG) within Enclosure outside Enclosure (Amperes)
22 12 33
20 20 55
18 25 77
16 40 10 10
14 100 45 20
12 120 60 25
The factory must provide this protection, if the circuit provided by the factory requires the fuses.
The factory will provide control circuit fuses in enclosed starters and contactors with pilot devices,
control relays or other control components that are factory wired; when used with line voltage
control; when the size listed below is being supplied.
Non-combination starters (CR305, CR306, CR309, CR385, CR386)
Size 4 and above
Combination starters
Size 0-3 with Mag-Break Protector
Size 3 with:
—Circuit Breaker greater than 100 amps, or
—Fuse Clips greater than 100 amps, or
Size 4 and above with any circuit breakers, circuit protector or fuse clips.
Control Circuit fuses (Modification 9) must be added to the enclosed starter or contactor pricing.
All CPTs will be supplied with primary fuses. CPTs without primary fuses are no longer available.
When control circuit fuses are not factory supplied, customer provided wiring or branch circuit
protection sizing to these contactors and starters may still require that the customer/installer add
the fusing in the field. It will be the customer/installer’s responsibility to ensure code compliance
under these conditions.

www.geindustrial.com Control Catalog 1-127
NEMA Full Voltage Power Devices
NEMA Rated Full Voltage Starters - Magnetic
Rev. 4/16
Prices and data subject to
change without notice
Section 1
CR306, CR307, CR308, CR309, CR310, CR311, CR387, CR390, CR407, CR408, CR410,
CR411, CR487, CR490 Magnetic Starters
Factory-Installed Modifications
Starter Modifications—Factory Installed
The general information at the top of page 1-124, regarding factory-installed modifications, also applies to those listed in the table below.
00 0 1 2 3 4 5 6
1, 3R, 12 2 $306.003$306.003$306.00 $306.00 $480.00 $540.00 $540.00
4/4X 2$468.003$468.003$468.00 $468.00 $636.00 $708.00 $708.00
1, 3R, 12 2$504.00 $504.00 $504.00 $504.00 $504.00 $504.00 $504.00
4/4X 2$660.00 $660.00 $660.00 $660.00 $660.00 $660.00 $660.00
171Phase Loss, Phase Reversal, Three-Phase,
Undervoltage Relay
(Starting & Running Protection, Specify Voltage)
Any 2$1056.00 $1056.00 $1056.00 $1056.00 $1056.00 $1056.00 $1056.00
18 Two-Speed Controllers
18a Compelling Relay (Forces Low-Speed Start)3Any 2$396.00 $396.00 $396.00 $396.00 $396.00 $396.00 $396.00
18b Accelerating or Decelerating, Timing Relay
(Imposes Time-delay Between Speed Change)3Any 2$924.00 $924.00 $924.00 $924.00 $924.00 $924.00 $924.00
Auxiliary
Contacts
Mounted In
CR306,CR307,
CR308,CR309,
CR310,CR311,
CR387,CR390,
CR407, CR408
CR410, CR411,
CR487, CR490
19
Magnetic Contactor or Starter (Specify Number
of NO or NC) —
Single Speed, Nonreversing:
Four Maximum, Sizes 0, 1
Five Maximum, Size 2-6
Reversers and Two-Speed, Two Winding:
Two Maximum, Per Contactor, Sizes 0-6
Two-Speed, One Winding:
One on Left Contactor, Two on Right
Contactor, Size 0, 1
Two Maximum Per Contactor, Sizes 2-6
Any 2$66.00 $66.00 $66.00 $66.00 $66.00 $66.00 $66.00
20 Disconnect Switch
20a One Normally Open or One Normally Closed (Specify) 1, 3R, 4/4X, 12 2$66.00 $66.00 $66.00 $66.00 $66.00 $66.00 $66.00
20b Single Pole Double Throw 1, 3R, 4/4X, 12 2$132.00 $132.00 $132.00 $132.00 $132.00 $132.00 $132.00
21 Circuit Breaker
21a One Normally Open or One Normally Closed (Specify) 1, 3R, 4/4X, 12 2$66.00 $66.00 $66.00 $66.00 $66.00 $66.00 $66.00
21b Single Pole Double Throw 1, 3R, 4/4X, 12 2$132.00 $132.00 $132.00 $132.00 $132.00 $132.00 $132.00
Auxiliary
Relays
Mounted In
CR309,CR310,
CR311,CR390
CR410, CR411
CR490
Control Relay, Four-Pole (Convertible) Unwired
(Specify Coil Voltage)
Time-Delay Relay, Unwired, Pneumatic—1 to 60
Seconds, 1 NO-1 NC
(Specify TDD or TDE and Coil Voltage)3
Timing Relay, Motor Driven, Unwired
(Specify Voltage & Timing Range)3
Auxiliary
Relays
Mounted In
CR306
CR307
CR308
CR387
CR407
CR408
CR487
151
161
1NEMA Type 1 enclosures require oiltight pilot devices when this
modification is used with NEMA Starter sizes 0, 1, and 2.
Only oiltight pilot devices will fit the oversized enclosure required.
The list price addition for the oversized enclosure is already
included in the published list price.
2
3
Type of
Installation/
Starters
Item
No. Modifications
Enclosure
Type
Starter NEMA Size
List Price Addition, GO-10G
141
$1056.00$1056.00$1056.00
Auxiliary
Contacts
on
Operator
Handle
$1056.00Any 2$1056.00 $1056.00 $1056.00
Not available in NEMA Size 00. Use Size 0 starter and modification.
Requires 100 VA extra capacity control transformer.
Control Circuit Fusing
Per the NEC and UL508 Section 18.2 - Control Circuit Fuses must be used when the branch circuit
protective device rating is too large to serve as protection for the control circuit. This depends on
the control wire size and whether all control circuit wires are within the enclosure. See table below:
Provide supplemental control circuit protection if control circuits with wires longer
than 12 inches are connected to branch circuit protection exceeding the ratings below
Control Maximum Branch Circuit Maximum Supplemental
Circuit Protection Rating (Amperes) Control Circuit
Wire Size Conductors Conductors Protection Rating
(AWG) within Enclosure outside Enclosure (Amperes)
22 12 33
20 20 55
18 25 77
16 40 10 10
14 100 45 20
12 120 60 25
The factory must provide this protection, if the circuit provided by the factory requires the fuses.
The factory will provide control circuit fuses in enclosed starters and contactors with pilot devices,
control relays or other control components that are factory wired; when used with line voltage
control; when the size listed below is being supplied.
Non-combination starters (CR305, CR306, CR309, CR385, CR386)
Size 4 and above
Combination starters
Size 0-3 with Mag-Break Protector
Size 3 with:
—Circuit Breaker greater than 100 amps, or
—Fuse Clips greater than 100 amps, or
Size 4 and above with any circuit breakers, circuit protector or fuse clips.
Control Circuit fuses (Modification 9) must be added to the enclosed starter or contactor pricing.
All CPTs will be supplied with primary fuses. CPTs without primary fuses are no longer available.
When control circuit fuses are not factory supplied, customer provided wiring or branch circuit
protection sizing to these contactors and starters may still require that the customer/installer add
the fusing in the field. It will be the customer/installer’s responsibility to ensure code compliance
under these conditions.

www.geindustrial.com Rev. 4/16
Prices and data subject to
change without notice
Control Catalog
1-128
NEMA Full Voltage Power Devices
NEMA Rated Full Voltage Starters - Magnetic
Section 1
CR306, CR307, CR308, CR309, CR310, CR311, CR387, CR390, CR407, CR408, CR410,
CR411, CR487, CR490 Magnetic Starters
Factory-Installed Modifications
Starter Modifications—Factory Installed
The general information at the top of page 1-124, regarding factory-installed modifications, also applies to those listed in the table below.
00 0 1 2 3 4 5 6
Modifications
22a 1 NC Contact, Manual Reset (Standard) Any N/C N/C N/C N/C N/C N/C N/C N/C
N/C N/C N/C N/C N/C N/C N/C
22b 1 NO and 1 NC Isolated Contact Any $24.00 $24.00 $24.00 $24.00 $24.00 $24.00 $24.00 $24.00
22c Ambient Compensated (1 NC Contact) Any $27.00 $27.00 $27.00 $27.00 $27.00 $27.00 $27.00 $27.00
23 Automatic Reset Any $50.00 $50.00 $50.00 $50.00 $50.00 $50.00 $50.00 $50.00
24 Omit the Overload (Deduct) Any $-30.00 $-30.00 $-30.00 $-54.00 $-90.00 $-144.00 $-504.00 $-504.00
25 Solid-State Overload1 Any ——
$27.00 $27.00 $27.00 $27.00 $27.00 $27.00
1, 3R, 12 2$348.00 $348.00 $348.00 $348.00 $348.00 $348.00 $348.00
4/4X 2$588.00 $588.00 $588.00 $588.00 $588.00 $588.00 $588.00
Class H (Standard) Any 2
Class J Any 2$18.00 $18.00 $30.00 $72.00 $120.00 $168.00 —
Class R Any 2$9.00 $9.00 $9.00 $18.00 $18.00 $42.00 —
31 Operating Coil Surge
Suppressor (120 V/60 Hz) Any $54.00 $54.00 $54.00 $54.00 $54.00 $54.00 $54.00 $54.00
32 Insulated Neutral Lug Any 2$132.00 $132.00 $132.00 $132.00 $132.00 $132.00 $132.00
33 Ground Lug Any 2$48.00 $48.00 $48.00 $48.00 $48.00 $48.00 $48.00
34 Terminal Block, (Catalog Number CR151B)
30A, Unwired (per point) (Specify Points) Any 2$24.00 $24.00 $24.00 $24.00 $24.00 $24.00 $24.00
35 Power Factor Correction Capacitor
Terminals Any 2$24.00 $24.00 $24.00 $24.00 $24.00 $24.00 $24.00
Starter NEMA Size
List Price Addition, GO-10G
27
Overload Relay
Mounted On
CR306, CR307,
CR308, CR309,
CR310, CR311,
CR387, CR390,
CR407, CR408,
CR410, CR411,
CR487, CR490
CR306, CR307,
CR308, CR309,
CR310, CR311,
CR387, CR390,
CR407, CR408,
CR410, CR411,
CR487, CR490
CR306, CR307,
CR308, CR309,
CR310, CR311,
CR387, CR390,
CR407, CR408,
CR410, CR411,
CR487, CR490
CR306, CR307,
CR308, CR309,
CR310, CR311,
CR387, CR390,
CR407, CR408,
CR410, CR411,
CR487, CR490
Metering
Mounted In
Elapsed Time Meter
Item
No .
Enclosure
Type
Type of
Installation/
Starters
Fuse Clips
Mounted In
CR308, CR311,
CR408, CR411
28
Enclosure
30 $120.00Any 2$120.00 $120.00
Space Heater3
50 Watts—NEMA Size 0-4
Contactor/Starter
100 Watts—NEMA Size 5
Contactor/Starter
2Not available in NEMA Size 00. Use Size 0 starter and modification.
3If connected to control circuit transformer, 115-Volt heater requires
an extra capacity transformer for Size 0-1 and Size 5.
$420.00
Misc.
Mounted On
1Solid-state overload is ambient insensitive and has 1 NO and 1 NC
isolated contacts as standard.
$120.00 $120.00 $120.00
Control Circuit Fusing
Per the NEC and UL508 Section 18.2 - Control Circuit Fuses must be used when the branch circuit
protective device rating is too large to serve as protection for the control circuit. This depends on
the control wire size and whether all control circuit wires are within the enclosure. See table below:
Provide supplemental control circuit protection if control circuits with wires longer
than 12 inches are connected to branch circuit protection exceeding the ratings below
Control Maximum Branch Circuit Maximum Supplemental
Circuit Protection Rating (Amperes) Control Circuit
Wire Size Conductors Conductors Protection Rating
(AWG) within Enclosure outside Enclosure (Amperes)
22 12 33
20 20 55
18 25 77
16 40 10 10
14 100 45 20
12 120 60 25
The factory must provide this protection, if the circuit provided by the factory requires the fuses.
The factory will provide control circuit fuses in enclosed starters and contactors with pilot devices,
control relays or other control components that are factory wired; when used with line voltage
control; when the size listed below is being supplied.
Non-combination starters (CR305, CR306, CR309, CR385, CR386)
Size 4 and above
Combination starters
Size 0-3 with Mag-Break Protector
Size 3 with:
—Circuit Breaker greater than 100 amps, or
—Fuse Clips greater than 100 amps, or
Size 4 and above with any circuit breakers, circuit protector or fuse clips.
Control Circuit fuses (Modification 9) must be added to the enclosed starter or contactor pricing.
All CPTs will be supplied with primary fuses. CPTs without primary fuses are no longer available.
When control circuit fuses are not factory supplied, customer provided wiring or branch circuit
protection sizing to these contactors and starters may still require that the customer/installer add
the fusing in the field. It will be the customer/installer’s responsibility to ensure code compliance
under these conditions.

www.geindustrial.com Control Catalog 1-129
NEMA Full Voltage Power Devices
NEMA Rated Full Voltage Starters - Magnetic
Rev. 4/16
Prices and data subject to
change without notice
Section 1
CR306, CR307, CR308, CR309, CR310, CR311, CR387, CR390, CR407, CR408, CR410,
CR411, CR487, CR490 Magnetic Starters
Factory-Installed Modifications
Starter Modifications—Factory Installed
The general information at the top of page 1-124 regarding factory-installed modifications, also applies to those listed in the table below.
00012345
Modifications
11$564.00 $564.00 $720.00 $912.00 $1260.00 $2256.00
3R, 12 1$576.00 $576.00 $768.00 $996.00 $2028.00 $2496.00
4/4X 1$924.00 $924.00 $1176.00 $1848.00 $2244.00 $3240.00
11$660.00 $660.00 —— ——
————
—— ——
———
———
———
——
——
——
3R, 12 1$672.00 $672.00
4/4X 1$1020.00 $1020.00
1——
$660.00 $768.00
3R, 12 ——
$672.00 $816.00
4/4X ——
$1020.00 $1224.00
1———
—
—
—
—
—
$894.00 $984.00
3R, 12 —— $942.00 $1068.00
4/4X —— $1350.00 $1920.00
1————
$1224.00 $1524.00 —
3R, 12 —— ——
——
——
——
——
$1308.00 $2244.00 —
4/4X —— $2160.00 $2460.00 —
1—— $2172.00 $2472.00
3R, 12 —— $2568.00 $2712.00
4/4X —— $3108.00 $3456.00
11$846.00 $846.00 $1002.00 $1122.00 $2052.00 $3990.00
3R, 12 1$846.00 $846.00 $1080.00 $1206.00 $2772.00 $4566.00
4/4X 1$1206.00 $1206.00 $1488.00 $2058.00 $2988.00 $4974.00
Combination
Type
Starters
Item
No
Enclosure
Type
CR309 Two-
Speed with
Nonfusible
or Fusible
Switch
CR311
CR411
Fusible 100A 250-600V
Fusible 30A 250-600V
1Not available in NEMA Size 00. Use Size 0 starter and modification.
Fusible 200A 250-600V
Fusible 400A 250-600V
CR309 Two-
Speed with
Circuit Breaker
CR310, CR410
43 Circuit Breaker
41
Starter NEMA Size
List Price Addition, GO-10G
42
40
Fusible 60A 250-600V
37
38
39
Nonfusible
.

www.geindustrial.com Rev. 4/16
Prices and data subject to
change without notice
Control Catalog
1-130
NEMA Full Voltage Power Devices
NEMA Rated Full Voltage Starters - Magnetic
Section 1
NEMA Sizes 2, 3 and 4, Single-Speed
Nonreversing Starters
Factory-Installed Auxiliary Contacts
The final letter of the Product Number denotes extra auxiliary contacts (sometimes referred to as auxiliary interlocks). Order the
desired extra auxiliary contacts, factory installed on the starter, by replacing the final letter of the Product Number with a letter from
the first column of the auxiliary contact table.
Example: CR307G104BAB is a Size 5 starter with one extra auxiliary contact, normally open.
If a 306 Product Number has no 3-letter suffix, first add an “AAA” suffix, and then substitute a letter from first column of the auxiliary
contact table.
Example: CR306C022 becomes CR306C022AAD for a Size 1 starter with one extra NO and one extra NC auxiliary contact.
NEMA Sizes 0 and 1 Single-Speed, Nonreversing,
2- and 3-Pole Starters
WX Y Z T U
A or None
B
C
D
F
G
H
J
K
L
M
N
P
R
S
T
U
W
X
Y
Extra Auxiliary Contact Table
Final Suffix Letter of
Product No. on Starter
Contact Location
5 Contacts Max.
E
WXY T ZU
A or None
B
C
D
E
F
G
H
J
K
L
M
N
P
R
Extra Auxiliary Contact Table
Final Suffix Letter of
Product No. on Starter
Contact Location
4 Contacts Max.
CR306, CR307, CR308, CR310 Magnetic Starters
Factory-Installed Modifications for Magnetic Starters
NEMA Sizes 00-9

www.geindustrial.com Control Catalog 1-131
NEMA Full Voltage Power Devices
NEMA Rated Full Voltage Starters - Magnetic
Rev. 4/16
Prices and data subject to
change without notice
Section 1
CR306, CR307, CR308, CR310 Magnetic Starters
Factory-Installed Modifications for Magnetic Starters
NEMA Sizes 0-9
WX Y Z T U
A or None
B
C
D
E
F
G
H
J
K
L
M
N
P
R
S
T
U
W
X
Y
Extra Auxiliary Contact Table
Contact Location
5 Contacts Max.
Final Suffix Letter of
Product No. on Starter
WX Y T Z
A or None
B
C
D
E
F
G
H
J
K
L
M
N
P
R
S
T
U
W
Y
Extra Auxiliary Contact Table
Final Suffix Letter of
Product No. on Starter
Contact Location
5 Contacts Max.
X
Typical connection diagram
NEMA Sizes 7-9
NEMA Sizes 5 and 6 Single-Speed,
Nonreversing, Starters

www.geindustrial.com Rev. 4/16
Prices and data subject to
change without notice
Control Catalog
1-132
NEMA Full Voltage Power Devices
NEMA Rated Full Voltage Starters - Magnetic
Section 1
CR305X, CR385X Auxiliary Contact Kits
For Field Installation on Magnetic Starters
NEMA Sizes 0-7
Application
Auxiliary contacts can add to the versatility of magnetic starters
by providing additional control circuits to do a variety of jobs
without adding to the width of the starter.
Kits make it easy to add contacts to control accessory equipment
such as indicating lights; to control sequencing of other motor
starters; and in conjunction with a standard reversing starter and
plugging switch, to plug-stop motors. Auxiliary contacts can be
added to all across-the-line magnetic starters, combination
magnetic starters, reversing and multi-speed starters.
Each auxiliary contact is rated 10 Amperes ac, resistive load,
NEMA “A600,” and is suitable for either right or left side mounting.
An insulating shield is also provided between each auxiliary
contact unit and the starter. Auxiliary contacts are furnished in
the basic block design or as an adder block.
Each contact is marked NO or NC on the block and is not
convertible.
Logic reed contacts suitable for low energy level circuits are also
available. These are designed for applications on low-voltage
control circuits (24 Volts and below), such as inputs to computers
and programmable starters.
Product Number Selection Instructions
1. Order by quantity and complete product number.
Example: Three CR305X300A at $36.00 each, GO-10G.
Reference Publications
Instructions
NEMA Size Publication Number
0, 1 GEH-4758
2 GEH-4759
3, 4 GEH-4760
5, 6 GEH-4761
7-9 GEH-5109
0, 1 Logic Reed GEH-5178
2 Logic Reed GEH-5185
3, 4 Logic Reed GEH-5186
5, 6 Logic Reed GEH-5187
Field-Installed Modifications for Magnetic Starters – Contents
Auxiliary Contact Kits (CR305X, CR385X) ...................................1-132
Modification Kits ....................................................................................1-135
Fuse-Clip Kits (CR308X).......................................................................1-139
Basic Block and Adder Block

www.geindustrial.com Control Catalog 1-133
NEMA Full Voltage Power Devices
NEMA Rated Full Voltage Starters - Magnetic
Rev. 4/16
Prices and data subject to
change without notice
Section 1
CR305X, CR385X Auxiliary Contact Kits
Field-Installed Modification Kits
For 300-Line Starters
Auxiliary Contact Kits - Basic Blocks
List Price
NEMA Size Contact Configuration Block Design Product Number GO-10G
0,1 1NO Basic CR305X100A $36.00
0,1 1NC Basic CR305X100B $36.00
0,1 1NO-1NC Basic CR305X100C $48.00
2 1NO Basic CR305X200A $36.00
2 1NC Basic CR305X200B $36.00
2 1NO-1NC Basic CR305X200C $48.00
3,4 1NO Basic CR305X300A $36.00
3,4 1NC Basic CR305X300B $36.00
3,4 1NO-1NC Basic CR305X300C $48.00
5,6 1NO Basic CR305X500A $36.00
5,6 1NC Basic CR305X500B $36.00
5,6 1NO-1NC Basic CR305X500C $48.00
7 1NO Basic CR385X600A $198.00
7 1NC Basic CR385X600B $198.00
7 1NO-1NC Basic CR385X600C $396.00
8-9 1NO Basic CR385X800A $198.00
8-9 1NC Basic CR385X800B $198.00
8-9 1NO-1NC Basic CR385X800C $396.00
Auxiliary Contact Kits - Adder Blocks
List Price
NEMA Size Contact Configuration Block Design Product Number GO-10G
0-9 1NO Adder CR305X100D1$36.00
0-9 1NC Adder CR305X100E1$36.00
Logic Reed Switch Auxiliary Contacts2
List Price
NEMA Size Contact Configuration Product Number GO-10G
00, 0, 1 1NO-0NC CR305X100RA $45.00
00, 0, 1 0NO-1NC CR305X100RB $45.00
00, 0, 1 1NO-1NC CR305X100RC $72.00
2 1NO-0NC CR305X200RA $45.00
2 0NO-1NC CR305X200RB $45.00
2 1NO-1NC CR305X200RC $72.00
3, 4 1NO-0NC CR305X300RA $45.00
3, 4 0NO-1NC CR305X300RB $45.00
3, 4 1NO-1NC CR305X300RC $72.00
5, 6 1NO-0NC CR305X500RA $45.00
5, 6 0NO-1NC CR305X500RB $45.00
5, 6 1NO-1NC CR305X500RC $72.00
Contact Ratings - Basic Blocks
High Fidelity Contact Basic Block
120 VAC maximum .15 A maximum, 8 VA maximum resistive.
30 VDC maximum .15 A maximum, 4.5 VA maximum resistive.
Standard Block Continuous Inrush Continuous Inrush
AC Volts Current Amperes Current Amperes DC Volts Current Amperes Current Amperes
115 6.0 60 125 1.1 —
230 3.0 30 250 0.5 —
460 1.5 15 ———
575 1.2 12 ———
1First adder block must be mounted to a basic block. A second adder block can be added to the first adder block on size 2 through size 9 starters.
Four extra auxiliary contacts (not blocks) is the maximum that can be added to either a NEMA size 0 or 1 starter while five is the maximum extra auxiliary contacts that can
be added to NEMA Size 2 through 6 devices.
2CR305X logic reed switch auxiliary contacts may be ordered as a factory-installed modification. Order by description. For factory-installed modification,
add $75.00, GO-10G, per circuit to price of starter.

www.geindustrial.com Rev. 4/16
Prices and data subject to
change without notice
Control Catalog
1-134
NEMA Full Voltage Power Devices
NEMA Rated Full Voltage Starters - Magnetic
Section 1
NEMA Sizes 0 and 1, Single-Speed,
Nonreversing, 2- and 3-Pole and Starters
(side views)
NEMA Sizes 2, 3 and 4, Single-Speed,
Nonreversing, Starters (side views)
NEMA Sizes 5 and 6 Single-Speed,
Nonreversing, Starters (side views)
CR305X Auxiliary Contact Kits
For Field Installation on Magnetic Starters (300-Line)
Selection and Installation Guides
X100A X100B X100C1X100D X100E
1
1
1
1
1
2
1
1
2
2
2
2
1
1
1
1
1
11
1
1
1
2
1
1
2
Extra Auxiliary Contact Table
W Y TZ Basic Blocks
XAdder Blocks
U
Contact Location
5 Contacts Maximum
Kits for Field Modification
Order in Quantities Shown
Product Number CR305
X200A X200B X200C1X100D X100E
X300A X300B X300C1X100D X100E
1
1
1
1
1
1
1
1
1
1
1
1
1
1
1
2
2
2
2
1
1
1
1
2
2
1
2
2
13
3
4
1
3
4
3
1
1
Extra Auxiliary Contact Table
For Size 2
W Y ZT Basic Blocks
For Sizes 3, 4
XAdder Blocks
U
Contact Location
5 Contacts Maximum
Kits for Field Modification
Order in Quantities Shown
Product Number CR305
X500A X500B X500C 1X100D X100E
1
1
1
1
1
1
1
1
1
1
1
1
1
1
1
2
2
2
2
1
1
1
1
2
2
1
2
2
13
3
4
1
3
4
3
1
1
Extra Auxiliary Contact Table
W Y ZT Basic Blocks
XAdder Blocks
U
Contact Location
5 Contacts Maximum
Kits for Field Modification
Order in Quantities Shown
Product Number CR305
Both NO and NC contacts must be wired for same polarity
1

www.geindustrial.com Control Catalog 1-135
NEMA Full Voltage Power Devices
NEMA Rated Full Voltage Starters - Magnetic
Rev. 4/16
Prices and data subject to
change without notice
Section 1
Field-Installed Modification Kits
For 300-Line Starters
NEMA Sizes 00-6
Pilot Device Modification Kits
The push button and selector switch kits listed here are supplied complete with the
necessary components, hardware and written instructions for easy field installation
on Type 1 enclosed starters—306.
List Price
Kit Type NEMA Size Product Number GO-10G
Momentary Contact Start-Stop Push Button Kits 00, 0, 1 CR305X120N $48.00
Momentary Contact Start-Stop Push Button Kits 2 CR305X220N $48.00
Momentary Contact Start-Stop Push Button Kits 3, 4 CR305X320B $48.00
Momentary Contact Start-Stop Push Button Kits 5 CR305X520B $48.00
Hand-Off-Auto Selector Switch Kits 00, 0, 1 CR305X130N $48.00
Hand-Off-Auto Selector Switch Kits 2 CR305X230N $48.00
Hand-Off-Auto Selector Switch Kits 3, 4 CR305X330B $48.00
Hand-Off-Auto Selector Switch Kits 5 CR305X530B $48.00
Off-On Selector Switch Kits 00, 0, 1 CR305X130P $48.00
Off-On Selector Switch Kits 2 CR305X230D $48.00
Off-On Selector Switch Kits 3, 4 CR305X330D $48.00
Off-On Selector Switch Kits 5 CR305X530D $48.00
Fifth-Pole Kits
To be installed on NEMA Size 0, 1, and 2 magnetic four-pole contactors and starters.
Permits the addition of a fifth pole with the same rating as the main poles.
List Price
NEMA Size Mounting Position Product Number GO-10G
0, 1 Right CR305X111B $66.00
2 (add to 4-pole form) Left CR305X211B $120.00
Adapter Mounting Plate
For mounting a 300-line magnetic starter in place of a competitive unit.
Adapter plate good for mounting in place of the following:
A-B 709. Size 1: W B200. Sizes 00-2: Furnas Sizes 00-1: GTE TM.
Sizes 00-2: Sq. D 8536, Sizes 00-2.
Not needed for C-H—same as GE.
Note: GTE now known as Joslyn Clark.
List Price
NEMA Size Product Number GO-10G
00-1 CR306X191A $9.00
Indicating Light Kits (Red)
To be installed on contactor and extend through knockout in cover of CR305-306 and
devices in Type 1 enclosures. Each kit has three resistors allowing light to be used with
all voltages of 110 through 600. Uses NE-45 bulb. Can be used with push button or
selector switch kit.
List Price
NEMA Size Product Number GO-10G
00, 0, 1 CR305X150N $90.00
2 CR305X250N $90.00
3, 4 CR305X350B $90.00
5 CR305X550B $90.00
NE-45 Bulb CR2940U200BL $9.241
1NE-45 bulb is GO-10P8.
Fifth-Pole Kit
START-STOP Push Button kits
Selector Switch Kits

www.geindustrial.com Rev. 4/16
Prices and data subject to
change without notice
Control Catalog
1-136
NEMA Full Voltage Power Devices
NEMA Rated Full Voltage Starters - Magnetic
Section 1
Surge Suppression Kit
Field-Installed Modification Kits
For 300-Line Starters
NEMA Sizes 00-6
Surge Suppression Kit
To be connected in parallel with operating coil where the demands of solid-state
circuitry necessitate prevention of undesirable reactions in logic circuits. For use on
120 Volt ac only.
List Price
NEMA Size Product Number GO-10G
0-6 CR305X146C $33.90
Control Circuit Fuse Kits
Control circuit fuse kits are designed for installation on NEMA Size 00-5 across-the-line
contactors and starters. They install on the side of the contactor and provide fuse
protection for control circuit wiring.
These kits incorporate one or two 10 Ampere 600 Volt fuse holders for use with KTK or
KTK-R fuses (or equivalent). The fuses are easily accessible with the starter enclosure
covers open, and each kit contains instructions and hardware for easy installation.
Instructions: GEH-4822.
List Price
NEMA Size No. of Fuses Fuse Type Product Number GO-10G
00-1 1 KTK CR305X141A $24.00
00-1 2 KTK CR305X141B $36.00
2 1 KTK CR305X241A $24.00
22KTK CR305X241B $36.00
3, 4 1 KTK CR305X341A $24.00
3, 4 2 KTK CR305X341B $36.00
5, 6 1 KTK CR305X541A $24.00
5, 6 2 KTK CR305X541B $36.00
00-1 1 KTK-R CR305X141C $24.00
00-1 2 KTK-R CR305X141D $36.00
21KTK-R CR305X241C $24.00
22KTK-R CR305X241D $36.00
3, 4 1 KTK-R CR305X341C $24.00
3, 4 2 KTK-R CR305X341D $36.00
5, 6 1 KTK-R CR305X541C $24.00
5, 6 2 KTK-R CR305X541D $36.00
Reference Publications
Instructions, Indicating Light Kits for Type 1 Enclosure
NEMA Size Publication Number
00, 0, 1 GEH-4767
2 GEH-4768
3, 4 GEH-4770
Instructions, Push Button and Selector Switch Kits for Type 1 Enclosure
NEMA Size Publication Number
00, 0, 1 GEH-4763
2 GEH-4764
3, 4 GEH-4765
5 GEH-4766

www.geindustrial.com Control Catalog 1-137
NEMA Full Voltage Power Devices
NEMA Rated Full Voltage Starters - Magnetic
Rev. 4/16
Prices and data subject to
change without notice
Section 1
Transformer Kit
Typical Size 2 Starter with CR305X Control
Amplifier Mounted on Right
Space Heater Installed on Typical NEMA
Size 1 Starter
Field-Installed Modification Kits
For 300-Line Starters
Combination Starter Transformer Kit
To be installed in CR307, CR308, and CR387 Size 0-6 combination starter. It supplies low-
voltage control for such a device. Note: Control Circuit fuse kits from page 1-136 may be
used, but refer to footnote 3 on page 1-126 for information regarding sizing of fuses to
meet National Electrical Code (NEC) requirements. Secondary fuse is included in price.
Standard Capacity
List Price
VA Capacity NEMA Size Product Number GO-10G1
50 0, 1 CR308XT1**A $108.00
100 2 CR308XT2**A $132.00
250 3 CR308XT3**A $198.00
250 4 CR308XT4**A $246.00
5 CR308XT5**A1$282.00
Extra Capacity (100 Watts)
List Price
VA Capacity NEMA Size Product Number GO-10G1
150 0, 1 CR308XT1**B $180.00
150 2 CR308XT2**B $204.00
300 3 CR308XT3**B $270.00
300 4 CR308XT4**B $318.00
5 CR308XT5**B2$354.00
**Voltage and Frequency Suffixes (60 Hz)
Suffix
04 220-230-240/440-460-480-volt dual primary reconnectable, 110-115-120 volt secondary
05 550-575-600-volt primary, 110-115-120 volt secondary
23 200-208-volt primary, 115-120 volt secondary
Control Amplifier
The GE CR305X control amplifier is suitable for applications with low level 24 Volt dc
outputs. It allows the low level signals from a programmable control, microprocessor,
or photoelectric cell to operate GE’s 300-Line starters while their control coils operate
at the line voltage. The control amplifier is UL listed and CSA Certified, and forms are
available for NEMA Sizes 00 through 5.
List Price
Operation Type NEMA Size Product Number GO-10G
Nonreversing 00, 0, & 1 CR305X112A $54.00
Nonreversing 2 CR305X212A $54.00
Nonreversing 3 & 4 CR305X312A $54.00
Reversing 00, 0, 1, 2, 3, & 4 CR305X112P3$54.00
Space Heater Kits
CR305X701 and CR305X702 space heater kits (50 Watts, except size 5 and 6 at 100
Watts) come complete with one NC auxiliary contact, necessary hardware and ready for
installation on any NEMA Size 0 through 6 enclosed starter, CR306, CR307, CR308,
CR309, CR310, and CR311, or equivalent 200-Line devices.
List Price
NEMA Size Operating Voltage Product Number GO-10G
0-1 115 CR305X701D4$120.00
0-1 230 CR305X701A $120.00
0-1 460 CR305X701B $120.00
0-1 600 CR305X701C $120.00
2, 3, 4 115 CR305X702D $120.00
2, 3, 4 230 CR305X702A $120.00
2, 3, 4 460 CR305X702B $120.00
2, 3, 4 600 CR305X702C $120.00
5, 6 115 CR305X705D4$120.00
5, 6 230 CR305X705A $120.00
5, 6 460 CR305X705B $120.00
5, 6 600 CR305X705C $120.00
1Consists of a 50 VA transformer and a relay. Use primary voltage for starter/contactor coil.
2Consists of a 150 VA transformer and a relay. Use primary voltage for starter/contactor coil.
3A quantity of two panel mount CR305X112P is required for use with reversing starters.
4If connected to control circuit transformer, 115-volt heater requires an extra-capacity transformer.
Contact nearest GE Representative for additional information.

www.geindustrial.com Rev. 4/16
Prices and data subject to
change without notice
Control Catalog
1-138
NEMA Full Voltage Power Devices
NEMA Rated Full Voltage Starters - Magnetic
Section 1
Field-Installed Modification Kits
For 300-Line Starters
Mechanical Interlock Kits
To be installed on open CR306 or CR386 starters unless otherwise noted. If kit will not
interlock starter you need, order a mechanically interlocked starter assembled complete
at the factory. Kits include all parts to mechanically interlock 2 devices.
List Price
NEMA Size Mounting Position Baseplate Product Number GO-10G
0-1 Horizontal No CR309X100B $42.00
2 Horizontal No CR309X200D $96.00
3-4 Horizontal No CR309X300B $180.00
5 Horizontal Yes CR309X501K $240.00
0-1 Vertical Yes CR309X102B5$96.00
2 Vertical Yes CR309X202B5$180.00
3-4 Vertical Yes CR309X302B5$240.00
5 Vertical No CR309X502K $240.00
6 Vertical No CR309X602B6$450.00
7 Vertical No CR389X100C $450.00
8-9 Vertical No CR389X100H $450.00
Reference Publications
Instructions:
Space heater kits GEH-4772
Control transformer kits GEH-4842

www.geindustrial.com Control Catalog 1-139
NEMA Full Voltage Power Devices
NEMA Rated Full Voltage Starters - Magnetic
Rev. 4/16
Prices and data subject to
change without notice
Section 1
CR308X Fuse-Clip Kits for Starters
Adapter Plate for Class J Fuses
NEMA Sizes 00-5
Application - Fuse Clip Kits
These compact kits contain all necessary parts to convert a
fusible starter to a different rating; to change a nonfusible
starter over to the desired fusible rating; or to change a fusible
starter to a nonfusible starter. Each kit includes six fuse-clip
assemblies with mounting hardware.
Detailed instructions are furnished with every packaged unit to
attain simplified conversion in the field. A screwdriver is the only
tool required to make the changeover.
Product Number Selection Instructions
1. Order by complete Product Number.
Example: CR308X112B at $15.00, GO-10G1.
2. Where Product Number is not available, order by complete
description, using a listed Product Number as reference.
3. Motor full-load current should not exceed ampere rating of
starter, as listed on page 1-4.

www.geindustrial.com Rev. 4/16
Prices and data subject to
change without notice
Control Catalog
1-140
NEMA Full Voltage Power Devices
NEMA Rated Full Voltage Starters - Magnetic
Section 1
CR308X Fuse-Clip Kits for Starters
For 300-Line Starters
Fuse-Clip Kits Class NEC Fuses
Single Element Single Element Single Element Single Element Dual Element Dual Element Dual Element Disconnect Switch
NEC Fuse Max. NEC Fuse Max. NEC Fuse Max. NEC Fuse Max. NEC Fuse Max. NEC Fuse Max. NEC Fuse Max. Continuous Fuse Clip Fuse Clip List
NEMA Horsepower Horsepower Horsepower Horsepower Horsepower Horsepower Horsepower Amperage Rating @ 250 Rating Product Price
Size @ 200-208V @ 230-240V @ 460-480V @ 575-600V @ 200-208V @ 230-240V @ 460-600V Rating Volt Max. @ 600 Volt Max. Number GO-10G1
0, 3 355 - --30 Non-fuse Non-fuse CR308X110A $6.80
1 7 1/2 7 1/2 10 10 --- -straps -straps
0, 33 -- 3 3- 30 30 - CR308X111B1$15.00
1- - - - 7 1/2 7 1/2 -
0, -- 55 - -5 30 - 30 CR308X112B $15.00
1--7 1/2 7 1/2 --10
2 10 15 25 25 ---60 Non-fuse Non-fuse CR308X120A $7.80
-straps -straps
1, 7 1/2 7 1/2 --7 1/2 7 1/2 - 30, 60 - CR308X121C1$15.00
2- - - - 10 15 - 60
1, --10 10 --25 30, - 60 CR308X122C $21.00
2--15 20 ---60
3 25 30 50 50 100 Non-fuse Non-fuse CR308X130A $13.80
-straps -straps
2, 10 15 25 25 25 15, 50 60, 100 100 CR308X132D1,2 $60.00
3- - 30 30 - 30 - 100 --
3 25 30 50 50 25 30 - 100 200 200 CR308X132E1$108.00
4 40 50 100 100 ---200 Non-fuse Non-fuse CR308X140A $31.80
-straps -straps
4- - 60 60 40 50 100 200 200 200 CR308X142E1$96.00
4 40 50 100 100 ---200 400 400 CR308X142F $276.00
Fuse-Clip Kits Class R Fuses
Single Element Single Element Single Element Single Element Dual Element Dual Element Dual Element Disconnect Switch
NEC Fuse Max. NEC Fuse Max. NEC Fuse Max. NEC Fuse Max. NEC Fuse Max. NEC Fuse Max. NEC Fuse Max. Continuous Fuse Clip Fuse Clip List
NEMA Horsepower Horsepower Horsepower Horsepower Horsepower Horsepower Horsepower Amperage Rating @ 250 Rating Product Price
Size @ 200-208V @ 230-240V @ 460-480V @ 575-600V @ 200-208V @ 230-240V @ 460-600V Rating Volt Max. @ 600 Volt Max. Number GO-10G1
033 -- 3 3- 30 30 - CR308X611P1$18.00
1- - - - 7 1/2 7 1/2 ----CR308X611P1$18.00
0- - 5 5 5 30 - 30 CR308X612R $24.00
1--7 1/2 7 1/2 --10 -- -CR308X612R $24.00
2- - - - 10 15 - 60 60 - CR308X621P1$24.00
1 7 1/2 7 1/2 --7 1/2 7 1/2 - 30 60 CR308X621S1$24.00
2- - 15 20 --25 60 - 60 CR308X622S $30.00
1- - 10 10 ---30 - 60 CR308X622T $30.00
3- - - - 25 30 - 100 100 - CR308X631P1$78.00
2 10 15 15 60 100 CR308X631R1$78.00
3- - 30 30 --50 100 - 100 CR308X632S1$78.00
2- - 25 25 ---60 - 100 CR308X632T2$78.00
4- - - - 40 50 - 200 200 - CR308X641P $114.00
4- - 60 60 --100 200 - 200 CR308X642S1$318.00
Adapter Plate Mounting Hole Locations
Mounting Hole Locations
A— 30-Ampere and
60-Ampere Class J
fuse block location
B— 100-Ampere Class J
fuse block location
C— Overfusing 100-Ampere
to 200-Ampere Class J
fuse block location
D— Mounting holes for
installing adapter plate
to enclosure box
Adapter Plate for Class J Fuses
List Price
Product Number GO-10G1
CR308X400A $10.50
Application - Adapter Plate for Class J Fuses
The CR308X400A is a universal-type adapter plate with hardware for
converting to Class J fuses in combination-type magnetic motor
starters, NEMA Sizes 0-3. Clips in standard NEMA Size 4 starters can
be repositioned to accept Class J fuses without extra hardware. The
adapter can be used to convert standard 600-Volt fusible starters by
providing for easy relocation of the fuse clips in the starters. For most
applications, clip sizes for Class J fuses are the same as those for
ordinary NEC fuses.
The adapter can also be used to convert nonfusible starters by order-
ing the proper clips for Type QMR switches.
With Class J current-limiting fuses, the starters are rated at 100,000
Amperes rms symmetrical.
1For ordinary starting duty only. Dual element or next larger size fuses are recommended for frequent starts or long accelerating time.
2Oversize enclosure required for NEMA Type 1 enclosure.

www.geindustrial.com Control Catalog 1-141
NEMA Full Voltage Power Devices
NEMA Rated Full Voltage Starters - Magnetic
Rev. 4/16
Prices and data subject to
change without notice
Section 1
Application
To accommodate an occasional requirement for a starter in an
enclosure, not stocked complete, it may be convenient and
economical to stock enclosure kits for use with open starters; or
even for conversion of a starter stocked in a different enclosure.
UL listing can be maintained by use of these listed enclosures
with listed starters, accessories, and modification kits.
Standard instructions, wiring-diagram labels and overload heater
selection labels are included in each kit. Each enclosure includes
an external reset for the starter overload relay, and provisions or
plugged holes for optional addition of appropriate pilot devices.
For example, push button(s), selector switch, and/or pilot light can
be added, once the proper plug(s) is (are) removed. The external
reset can be removed and replaced by use of a suitable hole plug kit.
Product Number Selection Instructions
1. Order by complete product number.
Example: CR306X290B at $60.00, GO-10G.
Reference Publications
Instructions
Base Product No. Size 1 Size 2 Size 3 Size 4 Size 5
CR306X, 309X GEH-4879 GEH-4880 GEH-4881 GEH-4882 GEH-4883
CR307X, 308X, CR387X GEH-4884 GEH-4885 GEH-4886 GEH-4887 GEH-4888
CR310X, 311X CR390X GEH-4890 GEH-4891 GEH-4892 GEH-4893 —
Enclosures for NEMA Rated Full Voltage Starters (300-Line) –
Contents
Application Information and Selection Instructions.............1-141
Selection Tables.....................................................................................1-142
Combination Starter Enclosure Kits .............................................1-143
Enclosures For NEMA Rated Full Voltage Starters (300-Line)

www.geindustrial.com Rev. 4/16
Prices and data subject to
change without notice
Control Catalog
1-142
NEMA Full Voltage Power Devices
NEMA Rated Full Voltage Starters - Magnetic
Section 1
Product Number Selection Instructions: See page 1-141
Enclosures For NEMA Rated Full Voltage Starters (300-Line)
Nonreversing
Enclosure NEMA For Use Provision for Outline Product List Price
Type Size With CR306 Control Transformer Width Height Depth Number Number GO-10G1
NEMA Type 1 00, 0, 1 A, B, C No 6.00 10.00 4.63 55-178430P001 CR306X190B $42.00
NEMA Type 1 2DNo 7.38 13.25 6.13 55-178434P001 CR306X290B $86.00
NEMA Type 1 3ENo 8.75 20.25 7.31 55-200200 CR306X390B $120.00
NEMA Type 1 4FNo 8.75 25.00 7.31 55-200202 CR306X490B $252.00
NEMA Type 1 5GNo CR306X590B $462.00
NEMA Type 1 00, 0, 1 A, B, C Yes 10.00 10.00 4.63 55-178440P001 CR306X190C $60.00
NEMA Type 1 2DYes 12.00 13.25 6.13 55-178441P001 CR306X290C $96.00
NEMA Type 1 3EYes 18.00 21.62 8.62 55-200208 CR306X390C $168.00
NEMA Type 1 4FYes CR306X490C $312.00
NEMA Type 1 5GYes CR306X590C $642.00
NEMA Type 3R 00, 0, 1 A, B, C No 6.88 14.50 4.75 55-192653 CR306X190K $96.00
NEMA Type 3R 2DNo 7.84 16.50 6.50 55-192656 CR306X290K $204.00
NEMA Type 3R 3EYes or No 17.19 23.50 7.25 55-210105 CR306X390K1$288.00
NEMA Type 3R 4FYes or No 17.19 27.50 7.25 55-210106 CR306X490K1$780.00
NEMA Type 3R 5GYes or No CR306X590K1$1794.00
NEMA Type 3R 00, 0, 1 A, B, C Yes 10.38 14.50 4.75 55-205749 CR306X190M $96.00
NEMA Type 3R 2DYes 12.50 16.50 6.50 55-205749 CR306X290M $204.00
NEMA Type 12 00, 0, 1 A, B, C No 6.25 14.25 4.75 55-184777 CR306X190G $96.00
NEMA Type 12 2DNo 7.63 16.25 6.25 55-184781 CR306X290G $204.00
NEMA Type 12 3ENo 10.00 27.25 7.25 55-200203 CR306X390G $288.00
NEMA Type 12 4FNo CR306X490G $780.00
NEMA Type 12 5GNo CR306X590G $1794.00
NEMA Type 12 00, 0, 1 A, B, C Yes 10.25 14.25 4.75 55-188449 CR306X190L $96.00
NEMA Type 12 2DYes 12.25 16.25 6.25 55-184780 CR306X290L $204.00
NEMA Type 12 3EYes CR306X390L $288.00
NEMA Type 12 4FYes CR306X490L $780.00
NEMA Type 12 5GYes CR306X590L $1794.00
NEMA Type 4/4X 00, 0, 1 A, B, C Yes CR306X190T $246.00
NEMA Type 4/4X 2DYes CR306X290T $510.00
NEMA Type 4/4X 3EYes CR306X390S $750.00
NEMA Type 4/4X 4FYes CR306X490S $1314.00
NEMA Type 4/4X 5GYes CR306X590S $1800.00
• NEMA Type 1: Includes provisions for 1 pilot device and 1 red neon light;
• NEMA Type 3R and 12 includes 2 plugged holes for heavy duty pilot device(s);
• NEMA Type 4/4X includes 3 plugged holes for heavy duty pilot devices.
Reversing
Enclosure NEMA For Use Provision for Outline Product List Price
Type Size With CR306 Control Transformer Width Height Depth Number Number GO-10G
NEMA Type 1 00, 0, 1 A, B, C Yes or No CR309X190C1$54.00
NEMA Type 1 2DYes or No CR309X290C1$114.00
NEMA Type 1 3ENo CR309X390B $186.00
NEMA Type 1 4FNo CR309X490B $330.00
NEMA Type 1 3EYes CR309X390C $234.00
NEMA Type 1 4FYes CR309X490C $390.00
NEMA Type 3R 00, 0, 1 A, B, C Yes or No 14.38 14.50 4.75 55-192655 CR309X190J $162.00
NEMA Type 3R 2DYes or No CR309X290J $294.00
NEMA Type 3R 3EYes or No CR309X390J $582.00
NEMA Type 3R 4FYes or No CR309X490J $942.00
NEMA Type 12 00, 0, 1 A, B, C Yes or No CR309X190L $162.00
NEMA Type 12 2DYes or No CR309X290L $294.00
NEMA Type 12 3EYes or No CR309X390L $582.00
NEMA Type 12 4FYes or No CR309X490L $942.00
NEMA Type 4/4X 00, 0, 1 A, B, C Yes or No CR309X190S2$450.00
NEMA Type 4/4X 2DYes or No CR309X290S2$750.00
NEMA Type 4/4X 3EYes or No CR309X390S2$1122.00
NEMA Type 4/4X 4FYes or No CR309X490S2$1974.00
• NEMA Types 1, 3R and 12 include 3 plugged holes for heavy duty pilot device(s);
• NEMA Type 4/4X includes 5 plugged holes for heavy duty pilot device(s).
1For use with or without control transformer.
2Type 4/4X stainless steel reversers also include baseplate.

www.geindustrial.com Control Catalog 1-143
NEMA Full Voltage Power Devices
NEMA Rated Full Voltage Starters - Magnetic
Rev. 4/16
Prices and data subject to
change without notice
Section 1
Combination Starter Enclosure Kits
For 300-Line Starters
All Include Handle Mechanism and Provision for Control Transformer
Nonreversing Fusible or Nonfusible Disconnect Type
Enclosure NEMA For Use Provision for Outline Product List Price
Type Size with CR308 Control Transformer Width Height Depth Number Number GO-10G1
NEMA Type 1 0, 1 B, C Yes 10.00 24.00 6.13 55-178488 CR308X190B $218.00
NEMA Type 1 2DYes CR308X290B $351.00
NEMA Type 1 3EYes CR308X390B $615.00
NEMA Type 1 4FYes CR308X490B $1004.00
NEMA Type 1 5GYes CR308X590B $2196.00
NEMA Type 3R 0, 1 B, C Yes 11.00 25.25 7.92 55-209066 CR308X190J1$374.00
NEMA Type 3R 2DYes CR308X290J1$567.00
NEMA Type 3R 3EYes CR308X390J1$891.00
NEMA Type 3R 4FYes CR308X490J1$1748.00
NEMA Type 3R 5GYes CR308X590J1$3972.00
NEMA Type 12 0, 1 B, C Yes CR308X190E1$374.00
NEMA Type 12 2DYes CR308X290E1$567.00
NEMA Type 12 3EYes CR308X390E1$891.00
NEMA Type 12 4FYes CR308X490E1$1748.00
NEMA Type 12 5GYes CR308X590E1$3972.00
NEMA Type 4/4X 0, 1 B, C Yes CR308X190S1$792.00
NEMA Type 4/4X 2DYes CR308X290S1$1239.00
NEMA Type 4/4X 3EYes CR308X390S1$2163.00
NEMA Type 4/4X 4FYes CR308X490S1$2984.00
NEMA Type 4/4X 5GYes CR308X590S1$7148.00
Note: Includes 2 plugged holes for Heavy-Duty Pilot Devices.
Reversing Fusible or Nonfusible Disconnect Type
Enclosure NEMA For Use Provision for Product List Price
Type Size with CR311 Control Transformer Number GO-10G1
NEMA Type 1 0, 1 B, C Yes CR311X190B $306.00
NEMA Type 1 2DYes CR311X290B $471.00
NEMA Type 1 3EYes CR311X390B $765.00
NEMA Type 1 4FYes CR311X490B $1184.00
NEMA Type 3R 0, 1 B, C Yes CR311X190J1$510.00
NEMA Type 3R 2DYes CR311X290J1$735.00
NEMA Type 3R 3EYes CR311X390J1$1113.00
NEMA Type 3R 4FYes CR311X490J1$2138.00
NEMA Type 12 0, 1 B, C Yes CR311X190E1$510.00
NEMA Type 12 2DYes CR311X290E1$735.00
NEMA Type 12 3EYes CR311X390E1$1113.00
NEMA Type 12 4FYes CR311X490E1$2138.00
NEMA Type 4/4X 0, 1 B, C Yes CR311X190S1$1038.00
NEMA Type 4/4X 2DYes CR311X290S1$1587.00
NEMA Type 4/4X 3EYes CR311X390S1$2721.00
NEMA Type 4/4X 4FYes CR311X490S1$3656.00
Note: Includes 3 plugged holes for Heavy-Duty Pilot Devices.
Nonreversing Thermal Magnetic Circuit Breaker Type
Enclosure NEMA For Use Provision for Outline Product List Price
Type Size with CR307 Control Transformer Width Height Depth Number Number GO-10G1
NEMA Type 1 0, 1 B, C Yes 10.00 24.00 6.13 55-178488 CR307X190B $258.00
NEMA Type 1 2DYes CR307X290B $426.00
NEMA Type 1 3EYes CR307X390B $576.00
NEMA Type 1 4FYes CR307X490B $1149.00
NEMA Type 1 5GYes CR307X590B $2783.00
NEMA Type 3R 0, 1 B, C Yes 11.00 25.25 7.92 55-209066 CR307X190J1$408.00
NEMA Type 3R 2DYes CR307X290J1$642.00
NEMA Type 3R 3EYes CR307X390J1$852.00
NEMA Type 3R 4FYes CR307X490J1$1893.00
NEMA Type 3R 5GYes CR307X590J1$4103.00
NEMA Type 12 0, 1 B, C Yes CR307X190E1$408.00
NEMA Type 12 2DYes CR307X290E1$642.00
NEMA Type 12 3EYes CR307X390E1$852.00
NEMA Type 12 4FYes CR307X490E1$1893.00
NEMA Type 12 5GYes CR307X590E1$4103.00
NEMA Type 4/4X 0, 1 B, C Yes CR307X190S1$834.00
NEMA Type 4/4X 2DYes CR307X290S1$1314.00
NEMA Type 4/4X 3EYes CR307X390S1$2124.00
NEMA Type 4/4X 4FYes CR307X490S1$3129.00
NEMA Type 4/4X 5GYes CR307X590S1$7835.00
Note: Includes 2 plugged holes for Heavy-Duty Pilot Devices.
1Types 12, 3R, and 4/4X also include baseplate

www.geindustrial.com Rev. 4/16
Prices and data subject to
change without notice
Control Catalog
1-144
NEMA Full Voltage Power Devices
NEMA Rated Full Voltage Starters - Magnetic
Section 1
Hole Plug Kits
List Price,
Hole For: Enclosure Type Product Number GO-11G
OL Reset 1, 12, or 3R 55-194336G005 $8.00
Heavy-Duty Pilot Device 1, 12, or 3R CR104PXG103 $6.002
OL Reset 4/4X 55-194336G003 $8.00
Heavy-Duty Pilot Device 4/4X CR104PXG113 $6.002
1Types 12, 3R, and 4/4X also include baseplate
2GO-10P1.
Combination Starter Enclosure Kits
For 300-Line Starters
All Include Handle Mechanism and Provision for Control Transformer
Reversing Thermal Magnetic Circuit Breaker Type
Enclosure NEMA For Use Provision for Product List Price
Type Size with CR310 Control Transformer Number GO-10G1
NEMA Type 1 0, 1 B, C Yes CR310X190B $306.00
NEMA Type 1 2DYes CR310X290B $546.00
NEMA Type 1 3EYes CR310X390B $726.00
NEMA Type 1 4FYes CR310X490B $1329.00
NEMA Type 3R 0, 1 B, C Yes CR310X190J1$530.00
NEMA Type 3R 2DYes CR310X290J1$810.00
NEMA Type 3R 3EYes CR310X390J1$1074.00
NEMA Type 3R 4FYes CR310X490J1$2283.00
NEMA Type 12 0, 1 B, C Yes CR310X190E1$530.00
NEMA Type 12 2DYes CR310X290E1$810.00
NEMA Type 12 3EYes CR310X390E1$1074.00
NEMA Type 12 4FYes CR310X490E1$2283.00
NEMA Type 4/4X 0, 1 B, C Yes CR310X190S1$1056.00
NEMA Type 4/4X 2DYes CR310X290S1$1662.00
NEMA Type 4/4X 3EYes CR310X390S1$2682.00
NEMA Type 4/4X 4FYes CR310X490S1$3801.00
Note: Includes 3 plugged holes for Heavy-Duty Pilot Devices.
Nonreversing Mag-Break Type
Enclosure NEMA For Use Provision for Product List Price
Type Size with CR387 Control Transformer Number GO-10G1
NEMA Type 1 0, 1 B, C Yes CR387X190B $258.00
NEMA Type 1 2DYes CR387X290B $426.00
NEMA Type 1 3EYes CR387X390B $576.00
NEMA Type 1 4FYes CR387X490B $2783.00
NEMA Type 3R 0, 1 B, C Yes CR387X190J1$408.00
NEMA Type 3R 2DYes CR387X290J1$642.00
NEMA Type 3R 3EYes CR387X390J1$852.00
NEMA Type 3R 4FYes CR387X490J1$1893.00
NEMA Type 12 0, 1 B, C Yes CR387X190E1$408.00
NEMA Type 12 2DYes CR387X290E1$642.00
NEMA Type 12 3EYes CR387X390E1$852.00
NEMA Type 12 4FYes CR387X490E1$1893.00
NEMA Type 4/4X 0, 1 B, C Yes CR387X190S1$834.00
NEMA Type 4/4X 2DYes CR387X290S1$1314.00
NEMA Type 4/4X 3EYes CR387X390S1$2124.00
NEMA Type 4/4X 4FYes CR387X490S1$3129.00
Note: Includes 2 plugged holes for Heavy-Duty Pilot Devices.
Reversing Mag-Break Type
Enclosure NEMA For Use Provision for Product List Price
Type Size with CR390 Control Transformer Number GO-10G1
NEMA Type 1 0, 1 B, C Yes CR390X190B $324.00
NEMA Type 1 2DYes CR390X290B $546.00
NEMA Type 1 3EYes CR390X390B $726.00
NEMA Type 1 4FYes CR390X490B $1329.00
NEMA Type 3R 0, 1 B, C Yes CR390X190J1$528.00
NEMA Type 3R 2DYes CR390X290J1$810.00
NEMA Type 3R 3EYes CR390X390J1$1074.00
NEMA Type 3R 4FYes CR390X490J1$2283.00
NEMA Type 12 0, 1 B, C Yes CR390X190E1$528.00
NEMA Type 12 2DYes CR390X290E1$810.00
NEMA Type 12 3EYes CR390X390E1$1074.00
NEMA Type 12 4FYes CR390X490E1$2283.00
NEMA Type 4/4X 0, 1 B, C Yes CR390X190S1$1056.00
NEMA Type 4/4X 2DYes CR390X290S1$1662.00
NEMA Type 4/4X 3EYes CR390X390S1$2682.00
NEMA Type 4/4X 4FYes CR390X490S1$3816.00
Note: Includes 3 plugged holes for Heavy-Duty Pilot Devices.

www.geindustrial.com Control Catalog 1-145
NEMA Full Voltage Power Devices
NEMA Rated Full Voltage Starters - Magnetic
Rev. 4/16
Prices and data subject to
change without notice
Section 1
Application
The panel-mount block overload relay provides overload
protection for motors having full-load currents up to 135
Amperes. The relays are furnished complete for use on control
panels. When an overload condition occurs in any of the three
legs in which heaters are inserted, it will cause the relay to trip,
opening a normally closed contact, and, as an option, closing a
normally open contact.
Standard and ambient compensated forms with various contact
arrangements are available. A normally open circuit may be
connected to a signal light, an alarm bell, or input circuit of a
programmable controller, e.g., to provide indication of an over-
load relay trip.
Features
—Flexibility of operation; trip rating can be easily changed by
replacing the front-accessible heaters.
—Dual Bimetal Current Monitoring; additional bimetal strip
“anticipates” the rate of temperature rise in the motor winding;
effectively reduces trip time in locked rotor conditions. It pre-
vents dangerous temperature overshoot in the motor windings.
Product Number Selection Instructions
1. Order required relay by complete product number as shown in
pricing table.
Example: An open block-type relay with one normally closed
contact is to be mounted in a control panel. Three-leg overload
protection is needed and the full-load current of the motor
being controlled is 40.5 amperes. Order: CR324D310A at
$78.00, GO-10H and three CR123C400B heaters. List Price
$9.00 each, GO-10H. Heaters are selected from tables on
page 1-157.
Reference Publications
Time Current Curves GES-7202
Instructions GEH-4821
Overload Relays for Panel Mounting (CR324) – Contents
Application Information and Selection Instructions.............1-145
Three-Pole, 135 Maximum Amperes Continuous..................1-146
Outlines and Dimensions ..................................................................1-147
Typical 300-line Overload Relay with Heater
Shown in Center Pole Only
A Manual weld check for contacts
B Overload trip adjustment ±10%
C Safe reset operates on upstroke only
D Visual trip indication
E Optional normally open isolated,
high-fidelity contacts
F GE exclusive dual bimetal overload
protection
A
B
C
DE
F
CR324 Block Overload Relays for Panel Mounting
600 VAC/250 VDC, Three-Pole
135 Maximum Amperes Continuous

www.geindustrial.com Rev. 4/16
Prices and data subject to
change without notice
Control Catalog
1-146
NEMA Full Voltage Power Devices
NEMA Rated Full Voltage Starters - Magnetic
Section 1
CR324 Block Overload Relays
Manual Reset Automatic Reset
Ambient Compensated Ambient Compensated
Standard Panel-Mount Panel-Mount Standard Panel-Mount Panel-Mount
Product Product Product Product
Current Rating NEMA Contact Number List Price Number List Price Number List Price Number List Price
(Amps) Size Configuration CR324 GO-10H CR324 GO-10H CR324 GO-10H CR324 GO-10H
27 1 1NC C310A $54.00 C610A $66.00 C310A11$54.00 C610A11$66.00
27 1 1NO-1NC C360A $78.00 C660A $90.00 ----
45 2 1NC D310A $78.00 D610A $90.00 D310A11$78.00 D610A11$90.00
45 2 1NO-1NC D360A $102.00 D660A $114.00 ----
90 3 1NC E310A $108.00 E610A $120.00 E310A11$108.00 E610A11$120.00
90 3 1NO-1NC E360A $132.00 E660A $144.00 ----
135 4 1NC F310A $168.00 F610A $180.00 F310A11$168.00 F610A11$180.00
135 4 1NO-1NC F360A $192.00 F660A $204.00 ----
1For NO/NC (SPDT) contact forms, contact nearest GE Representative.
CR324 Block Overload Relays for Panel Mounting
600 VAC/250 VDC, Three-Pole
135 Maximum Amperes Continuous
Contact Ratings
Continuous
Rating Make Recommended Maximum Interrupting Capacity, Amperes
Amperes Amperes DC Circuits AC Circuits
AC or DC 125 V 250 V 115 V 230 V 460 V 575 V
10 30 0.35 0.17 3 1.5 0.75 0.6
Accessories
External Reset Kit
Enclosure NEMA Reset Distance (in.) Product List Price
Type Size Behind Panel Number GO-10H
NEMA Type 1 00-5 1 - 6 CR124X100C $21.00
NEMA Type 12
NEMA Type 4/4X 00-5 1 - 6 CR124X100D $25.00
For Single or Block Overload Relays and 200-, 300- and 400-line Starters.

www.geindustrial.com Control Catalog 1-147
NEMA Full Voltage Power Devices
NEMA Rated Full Voltage Starters - Magnetic
Rev. 4/16
Prices and data subject to
change without notice
Section 1
CR324, CR124 Thermal Overload Relays
Outlines, Dimensions in. (mm), and Weights (For Estimating Only)
CR324 NEMA Sizes 1-4
NEMA Dimension Dimension Dimension Dimension Dimension Dimension Dimension Dimension Dimension Dimension Dimension Mounting Screw
Size AB CDE FGHJKLSize
1 3.19 (81.0) 3.71 (94.2) 2.75 (69.8) 1.75 (44.4) 1.50 (38.1) 1.00 (25.4) 3.50 (88.9) 0.06 (1.5) 0.22 (5.5) 3.75 (95.2) .66 (1.66) #10
2 3.19 (81.0) 3.71 (94.2) 2.75 (69.8) 1.75 (44.4) 1.50 (38.1) 1.00 (25.4) 3.50 (88.9) 0.06 (1.5) 0.22 (5.5) 3.75 (95.2) .66 (1.66) #10
3 4.62 (117.4) 6.25 (158.8) 4.00 (101.6) 2.62 (66.5) 3.00 (76.2) 1.12 (28.4) ——.38 (9.6) 4.28 (108.7) .54 (13.7) 1/4”
4 4.62 (117.4) 6.25 (158.8) 4.00 (101.6) 2.62 (66.5) 3.00 (76.2) 1.12 (28.4) ——.38 (9.6) 4.28 (108.7) .54 (13.7) 1/4”
CR124 NEMA Sizes 1-4
NEMA Product Dimension Dimension Dimension Dimension Dimension Dimension Dimension Dimension Dimension Dimension Shipping
Size Number A BC D E FGHJKWeight
1 CR124C 0.94 (23.8) 2.75 (70.0) 3.41 (86.5) See Drill Plan 0.28 (7.1) — 1.38 (34.9) 0.79 (20.0) 0.58 (14.7) — 6 oz.
1 CR124K 0.94 (23.8) 3.25 (82.6) 3.38 (86.0) See Drill Plan 0.28 (7.1) — 1.81 (46.0) 0.79 (20.0) 0.63 (15.9) — 6 oz.
2 CR124D 0.94 (23.8) 2.72 (69.1) 3.41 (86.5) See Drill Plan 0.28 (7.1) — 1.38 (34.9) 0.79 (20.0) 0.34 (8.7) — 6 oz.
2 CR124L 0.94 (23.8) 3.06 (77.8) 3.38 (86.0) See Drill Plan 0.28 (7.1) — 1.81 (46.0) 0.79 (20.0) 0.44 (11.1) — 6 oz.
3 CR124E 1.50 (38.1) 5.00 (127.0) 4.28 (108.7) 2.31 (58.7) 0.50 (12.7) 1.00 (25.4) — 1.13 (28.6) 0.75 (19.1) 3.8 (95.2) 1 lb.
3 CR124M11.63 (41.3) 6.28 (159.5) 4.25 (108.0) 2.31 (58.7) 0.34 (8.7) — 0.50 (12.7) 0.81 (20.6) 1.63 (41.3) 3.66 (92.9) 1 lb.
4 CR124F 1.50 (38.1) 5.25 (133.4) 4.28 (108.7) 2.31 (58.7) 0.50 (12.7) 1.00 (25.4) 1.13 (28.6) 1.00 (25.4) 3.94 (100.0) 1.5 lbs.
4 CR124N11.63 (41.3) 6.81 (173.0) 4.25 (108.0) 2.31 (58.7) 0.34 (8.7) 0.50 (12.7) 0.81 (20.6) 1.88 (47.6) 4.47 (113.5) 1.5 lbs.
5 CR124G01123.00 (76.2) 8.50 (215.9) 5.44 (138.1) 6.00 (152.4) — 1.00 (25.4) ——3.63 (92.2) 5.63 (142.9) 3 lbs.
5 CR124G01923.00 (76.2) 8.50 (215.9) 5.44 (138.1) 6.00 (152.4) — 1.00 (25.4) ——3.63 (92.2) 5.63 (142.9) 3 lbs.
1Control terminals are at top, adjusting knob at bottom on these forms.
2Between clearance holes through 3/4” thick compound base for 3/8” mounting bolts; upper hole is 2 3/8” above top of relay body (1 1/4” below top of top terminal).
CR324 CR124

www.geindustrial.com Rev. 4/16
Prices and data subject to
change without notice
Control Catalog
1-148
NEMA Full Voltage Power Devices
NEMA Rated Full Voltage Starters - Magnetic
Section 1
CR324, CR124 Thermal Overload Relays
Outlines, Dimensions in. (mm), and Weights (For Estimating Only)
CR124 Panel Mounting Bracket 1-Pole Sizes 1-4 Relays
NEMA Dimension Dimension Dimension Dimension Dimension Dimension Dimension Dimension Dimension
Size A B C DE FG H J
1, 2 0.75 (19.1) 3.12 (79.4) 2.50 (63.5) 1.35 (34.3) ——0.28D (7.1D) — 0.19D (4.8)
3, 4 1.00 (25.4) 4.50 (114.3) 3.13 (79.5) — 1.00 (25.4) 2.31 (58.7) 0.28D (7.1D) 0.26D (6.5D) —
Panel Mounting Bracket ,
3-Pole Sizes 3 and 4 Relays
Panel Mounting Bracket ,
3-Pole Sizes 1 and 2 Relays
Panel Mounting Bracket ,
2-Pole Sizes 1 and 2 Relays
Panel Mounting Bracket ,
1-Pole Sizes 1-4 Relays

www.geindustrial.com Control Catalog 1-149
NEMA Full Voltage Power Devices
NEMA Rated Full Voltage Starters - Magnetic
Rev. 4/16
Prices and data subject to
change without notice
Section 1
Electronic Overload Relays
Features
—Self powered
—Great accuracy
—Full reliability
—Phase unbalance protection
—Direct mount to IEC contactors, C-2000
—Panel mount adapter for NEMA contactors
—Interchangeable with thermal overload relay
—Multiple trip class selection; class 5-10-20-30
—Manual / Auto reset
—Setting range from 0.1 up to 150A
—Thermal memory
—Phase loss protection
—Increased flexibility; fewer product numbers; less stock required
—UL 508 certified
Electronic Overload Relays
Setting Range (A) Product Reference List Price
Min. Max. Number Number GO-10GS
0.1 0.5 RE1D 101866 $155.00
0.4 2 RE1H 101867 $155.00
15 RE1K 101868 $155.00
Frame 1 1.6 8 RE1M 101869 $155.00
6.4 32 RE1S 101870 $155.00
9 45 RE1W 101871 $155.00
15 75 RE2H 101872 $275.00
Frame 2 22 110 RE2M 101873 $275.00
Frame 3 30 150 RE3E 101874 $450.00
Accessories
Product Reference List Price
Size Description Number Number GO-10GS
Size 1 RE1XP 247302 $24.00
Size 2 Panel Mount Adapter RE2XP 247303 $24.00
Remote Reset RETC 247795 $4.00
Button Cover
Frame 3
Frame 2
Frame 1

www.geindustrial.com Rev. 4/16
Prices and data subject to
change without notice
Control Catalog
1-150
NEMA Full Voltage Power Devices
NEMA Rated Full Voltage Starters - Magnetic
Section 1
Electronic Overload Relays
Outlines, Dimensions in. (mm), Trip Curves
Panel Mount
Trip Curves

www.geindustrial.com Control Catalog 1-151
NEMA Full Voltage Power Devices
NEMA Rated Full Voltage Starters - Magnetic
Rev. 4/16
Prices and data subject to
change without notice
Section 1
Approximate Motor Full-Load Current Ratings
Full-Load Current of Normal Efficiency Motors—Average Expected Values
For three-phase, 60-Hertz, GE Type K (NEMA Design B) Tri-Clad 700-Line, normal efficiency, drip-proof, normal starting torque,
continuous, 40°C ambient (1.15 service factor) horizontal induction motors.
200V 230V 460V 575V
3600 72.0 62.6 31.3 25.0
1800 71.3 62.0 31.0 24.8
1200 73.8 64.2 32.1 25.7
900 82.6 71.8 35.9 28.7
3600 85.6 74.4 37.2 29.8
1800 86.0 74.8 37.4 29.9
1200 88.6 77.0 38.5 30.8
900 92.2 80.2 40.1 32.1
3600 110 95.6 47.8 39.2
1800 116 100.9 50.4 40.3
1200 114 99.6 49.8 39.8
900 122 105.8 52.9 42.3
3600 140 122.2 61.1 48.9
1800 142 123.6 61.8 49.4
1200 144 125.2 62.6 50.1
900 159 138.2 69.1 55.3
3600 163 141.4 70.7 56.6
1800 172 149.8 74.9 59.9
1200 172 149.2 74.6 59.7
900 176 153.4 76.7 61.4
3600 206 178.8 89.4 71.5
1800 207 180.0 90.0 72.0
1200 206 179.2 89.6 71.7
900 221 191.8 95.9 76.7
3600 262 228 114 91.2
1800 281 244 122 97.7
1200 283 246 123 98.4
900 296 258 129 103
3600 334 290 145 116
1800 340 296 148 118
1200 352 306 153 122
900 370 322 161 129
3600 398 346 173 138
1800 412 348 179 143
1200 419 364 182 146
900 435 378 189 151
3600 —446 223 178
1800 —468 234 187
1200 —482 241 193
3600 —574 287 230
1800 —590 295 236
1200 —594 297 238
3600 —676 338 270
1800 —686 343 274
3600 —774 387 310
1800 —792 396 317
400 3600 —890 445 356
25
30
40
50
300
350
125
150
Motor
Horse-
power
Synchronous
Speed RPM
Average Expected Values
of Full-Load Currents
60
75
100
200
250
Note: The listed data is based on approximate full-load current
ratings of standard, open, 1.15 service factor, continuous rated GE
motors. Full-load current ratings of similar motors of other
manufacturers may vary considerably. Therefore, whenever
possible use actual full-load current rating given on motor nameplate.
Contact motor manufacturer for full-load currents of single-phase and
DC motors.
200V 230V 460V 575V
1800 1.6 1.4 0.70 0.56
1200 1.7 1.5 0.75 0.60
3600 2.0 1.7 0.85 0.68
1800 1.7 1.5 0.75 0.60
1200 2.0 1.7 0.85 0.68
3600 2.0 1.8 0.88 0.70
1800 2.3 2.0 1.0 0.80
1200 2.3 2.0 1.0 0.80
900 3.2 2.8 1.4 1.4
3600 2.8 2.4 1.2 0.96
1800 3.2 2.8 1.4 1.1
1200 3.7 3.2 1.6 1.3
900 4.4 3.8 1.9 1.5
3600 3.7 3.2 1.6 1.3
1800 4.1 3.6 1.8 1.4
1200 4.4 3.8 1.9 1.5
900 5.5 4.8 2.4 1.9
3600 5.3 4.6 2.3 1.8
1800 6.0 5.2 2.6 2.1
1200 6.0 5.2 2.6 2.1
900 7.1 6.2 3.1 2.5
3600 6.9 6.0 3.0 2.4
1800 7.1 6.2 3.1 2.5
1200 7.6 6.6 3.3 2.6
900 10.6 9.2 4.6 3.7
3600 9.4 8.2 4.1 3.3
1800 9.9 8.6 4.3 3.4
1200 12.0 10.4 5.2 4.2
900 15.4 13.4 6.7 5.4
3600 15.4 13.4 6.7 5.4
1800 16.3 14.2 7.1 5.7
1200 19.3 16.8 8.4 6.7
900 19.8 17.2 8.6 6.9
3600 21.6 18.8 9.4 7.5
1800 23.7 20.6 10.3 8.2
1200 26.0 23.6 11.3 9.0
900 28.5 24.8 12.4 9.9
3600 27.4 23.8 11.9 9.5
1800 31.3 27.2 13.6 10.9
1200 32.7 28.4 14.2 11.4
900 33.1 28.8 14.4 11.5
3600 42.6 37.0 18.5 14.8
1800 46.7 40.6 20.3 16.2
1200 45.1 39.2 19.6 15.7
900 47.6 41.4 20.7 16.6
3600 62.3 54.2 27.1 21.7
1800 59.3 51.6 25.8 20.6
1200 56.6 48.2 24.6 19.7
900 63.9 55.6 27.8 22.2
2Open, Type K, General-Purpose, NEMA SF, Solid-Base,
Rolled-Steel-Shell, GE Induction Motors.
Average Expected Values
of Full-Load Currents1
Synchronous
Speed RPM
Motor
Horse-
power
1For expected values on 208-Volt, 50-Hertz, three-phase motors, contact
nearest GE Representative.
1/42
1/32
1/2
3/4
1
1 1/2
2
3
20
5
7 1/2
10
15

www.geindustrial.com Rev. 4/16
Prices and data subject to
change without notice
Control Catalog
1-152
NEMA Full Voltage Power Devices
NEMA Rated Full Voltage Starters - Magnetic
Section 1
Approximate Motor Full-Load Current Ratings
200V 230V 460V 575V
31200 10.49.04.53.6
5 1200 16.1 14.0 7.0 5.6
3600 20.2 17.6 8.8 7.0
1800 20.7 18.0 9.0 7.2
1200 22.5 19.6 9.8 7.8
3600 26.2 22.8 11.4 9.1
1800 27.6 24.0 12.0 9.6
1200 29.4 25.6 12.8 10.2
3600 40.7 35.4 17.7 14.2
1800 42.1 36.6 18.3 14.6
1200 42.1 36.4 18.2 14.6
3600 52.2 45.4 22.7 18.1
1800 54.3 47.2 23.6 18.9
1200 55.4 48.2 24.1 19.3
3600 65.1 56.6 28.3 22.6
1800 66.0 57.4 28.7 23.0
1200 69.9 60.8 30.4 24.3
3600 76.4 66.4 33.2 26.6
1800 79.4 69.0 34.5 27.6
1200 83.3 72.4 36.2 29.0
3600 100.7 87.6 43.8 35.0
1800 104.6 91.0 45.5 36.4
1200 108.3 94.2 47.1 37.7
25
30
40
1For expected values on 208-Volt, 50-Hertz, three-phase motors, contact
nearest GE Representative.
Motor
Horse-
power Synchronous
Speed RPM
Average Expected Values
of Full-Load Currents1
7 1/2
10
15
20
200V 230V 460V 575V
3600 126.0 110.0 55.0 44.0
1800 132.2 115.0 57.5 46.0
1200 134.6 117.0 58.5 46.8
3600 151.6 131.8 65.9 52.7
1800 160.8 139.8 69.9 55.9
1200 161.5 140.4 70.2 56.2
3600 187.4 163.0 81.5 65.2
1800 198.7 172.8 86.4 69.1
1200 199.4 173.4 86.7 69.4
3600 253.0 220.0 110.0 88.0
1800 264.5 230.0 115.0 92.0
1200 257.6 224.0 112.0 89.6
3600 317.9 276.4 138.2 110.6
1800 314.6 273.6 136.8 109.4
1200 319.7 278.0 139.0 111.2
3600 381.3 331.6 165.8 132.6
1800 381.8 332.0 166.0 132.8
1200 395.6 344.0 172.0 137.6
3600 480.7 418.0 209.0 167.2
1800 499.1 434.0 217.0 173.6
1200 522.1 454.0 227.0 181.6
3600 637.1 554.0 277.0 221.6
1800 676.2 588.0 294.0 235.2
50
Motor
Horse-
power Synchronous
Speed RPM
Average Expected Values
of Full-Load Currents1
150
200
250
60
75
100
125
Full-Load Current of Energy Saver™Motors—Average Expected Values
For three-phase, 60-Hertz, GE Type KS (NEMA Design B) Energy Saver™high-efficiency, drip-proof, normal starting torque, continuous,
40°C ambient (1.15 service factor) horizontal induction motors.

www.geindustrial.com Control Catalog 1-153
NEMA Full Voltage Power Devices
NEMA Rated Full Voltage Starters - Magnetic
Rev. 4/16
Prices and data subject to
change without notice
Section 1
CR123C, CR123F Motor Starter Heaters
Heater Selection
Single-Phase, 2-Pole, Size 00-2 Open 1
Single-Phase, 2-Pole, Size 00-2 1, 3R, 4/4X, 12 1
Single-Phase, 2-Pole, Size 3 Open 2
Single-Phase, 2-Pole, Size 6 1, 3R, 4/4X, 12 2
3-Phase, 3-Pole, 3-Leg Protection
standard, size 00-5 Open 3
ambient compensated, size 00, 0, 1, 2 & 5 Open 3
ambient compensated, size 3 Open 3
ambient compensated, size 8 Open
Open
3
3-Phase, 3-Pole, 3-Leg Protection
standard, size 00-5 1, 3R, 4/4X, 12 3
ambient compensated, size 00, 0, 1, 2 & 5 1, 3R, 4/4X, 12 3
ambient compensated, size 3 1, 3R, 4/4X, 12 3
ambient compensated, size 8 1, 3R, 4/4X, 12 3
3-Phase, 3 3-Pole, 3-Leg Protection
standard, size 00-5 Open C
ambient compensated, size 00, 0, 1, 2 & 5 Open C
ambient compensated, size 3 Open D
ambient compensated, size 8 E
3-Phase, 3 3-Pole, 3-Leg Protection
standard, size 00-5 1, 3R, 4/4X, 12 D
ambient compensated, size 00, 0, 1, 2 & 5 1, 3R, 4/4X, 12 C
ambient compensated, size 3 1, 3R, 4/4X, 12 D
ambient compensated, size 8 1, 3R, 4/4X, 12 E
C
C
D
E
A
B
A
B
D
C
D
E
CR324 Panel-Mounted
All NEMA Sizes 6-9 3-Phase, 3-Leg Protection, Standard
CR124 Single-Element, Panel-Mounted
Single-Element, Ambient Compensated,
Standard and Quick Trip
CR309, CR410,
CR411, CR490
CR306
CR306
CR306, CR307,
CR308, CR387,
CR407, CR408, CR487
Heater Table
Column
(Pages 1-154 to 1-155)NEMA Type EnclosureDescription
3-Reverser 6-Two-Speed
3-Reverser 6-Two-Speed
3-Reverser 6-Two-Speed
3-Reverser 6-Two-Speed
3-Reverser 6-Two-Speed
3-Reverser 6-Two-Speed
3-Reverser 6-Two-Speed
3-Reverser 6-Two-Speed
Base Product Number
Starter/Overload Relay
Quantity Heaters
Required
CR309
CR124 See tables, page 1-157
See tables, page 1-157
See tables, page 1-156
See tables, page 1-158
Heater Product Number List Price Each, GO-10H
CR123C (All) $9.00
CR123F (All) $9.00
Heater Rack Product Number List Price Each, GO-10D
CR243X10049 $96.00
How To Select Heaters
The table below should be used to determine which column of
motor full-load Amperes applies for heater selection. Select in
order, the basic device–including product number and descrip-
tion, the NEMA Type of enclosure, and the column to be used in
the proper table by NEMA Size.
If full-load Amperes of the motor falls between two ratings, select
heaters for the higher rating.
Ordering Information
All CR123C and 123F heaters are packaged three to a carton.
Items of these heaters being ordered for either customer’s stock
or any other purpose, are to be specified in multiples of three
(such as 3, 6, 9, 12, 15, etc.). Minimum order quantity is three.
Magnetic Starters—Full Voltage
Heater Selection Information
To prevent overloading the starter do not select heater(s) for a
motor of larger rating than the maximum given on the nameplate
for the starter.
For continuous rated motors, with a service factor of 1.15 to 1.25,
select the heater with maximum motor Amperes equal to or
immediately greater than the motor full-load current (provides a
maximum of 125 percent protection). For continuous rated
motors with no service factor, multiply the full-load current of the
motor by 0.90 and use this value to select the heater.
To protect the heater and starter during a short circuit, provide
motor-branch-circuit protection in accordance with Table 430-
152 in Article 430 of the National Electrical Code. In no case
should the fuse rating exceed 4 times the motor full-load current
for single-
element fuses, or 2.25 times for dual-element fuses, or
the fuse size listed in heater table under Maximum Fuse Rating.
Caution: Overload relays, when furnished with automatic reset,
should not be used with two-wire, maintained contact pilot
devices such as pressure, float and limit switches, as inadvertent
restarting of the motor can occur.

www.geindustrial.com Rev. 4/16
Prices and data subject to
change without notice
Control Catalog
1-154
NEMA Full Voltage Power Devices
NEMA Rated Full Voltage Starters - Magnetic
Section 1
Product Number Selection Instructions: See page 1-153
CR123C, CR123F Motor Starter Heaters
Heater Selection
All CR123C and 123F heaters are packaged three to a carton.
Items of these heaters, being ordered for either customer’s stock
or any other purpose, are to be specified in multiples of three
(such as 3, 6, 9, 12, 15, etc.). Minimum order quantity is three.
NEMA Sizes 00, 0 and 1
Product Number List Price Each, GO-10H
CR123C (All) $9.00
CR123F (All) $9.00
DAB C
0.48 0.46 0.45 0.43 CR123C054A
0.55 0.50 0.49 0.48 CR123C060A
0.57 0.57 0.53 0.53 CR123C066A
0.65 0.62 0.59 0.58 CR123C071A
0.69 0.68 0.65 0.64 CR123C078A
0.83 0.80 0.76 0.74 CR123C087A
0.97 0.91 0.84 0.84 CR123C097A
1.03 0.99 0.93 0.92 CR123C109A
1.12 1.09 1.04 1.02 CR123C118A
1.26 1.22 1.15 1.10 CR123C131A
1.40 1.31 1.27 1.23 CR123C148A
1.46 1.46 1.39 1.38 CR123C163A
1.63 1.59 1.55 1.49 CR123C184A
1.79 1.74 1.73 1.67 CR123C196A
1.97 1.93 1.89 1.79 CR123C220A
2.25 2.13 2.05 1.98 CR123C239A
2.43 2.37 2.28 2.24 CR123C268A
2.60 2.52 2.47 2.43 CR123C301A
2.96 2.87 2.79 2.75 CR123C326A
3.57 3.39 3.31 3.25 CR123C356A
3.86 3.59 3.70 3.43 CR123C379A
4.43 4.31 4.06 4.03 CR123C419A
4.87 4.57 4.47 4.43 CR123C466A
5.37 5.31 4.95 4.94 CR123C526A
5.99 5.86 5.49 5.36 CR123C592A
6.39 6.19 5.91 5.77 CR123C630A
6.87 6.61 6.47 6.35 CR123C695A
7.71 7.61 7.20 6.92 CR123C778A
8.72 8.46 8.22 7.99 CR123C867A
9.50 9.35 8.72 8.47 CR123C955A
10.5 10.4 9.67 9.19 CR123C104B
11.7 11.3 10.4 10.0 CR123C113B
12.2 11.9 11.0 10.7 CR123C125B
13.5 13.0 12.4 12.0 CR123C137B
15.1 14.5 13.2 12.9 CR123C151B
17.5 17.4 15.4 15.1 CR123C163B
18.9 18.6 17.1 16.3 CR123C180B
20.8 20.5 18.1 17.9 CR123C198B
22.4 22.3 20.0 19.7 CR123C214B
25.5 24.7 21.5 21.2 CR123C228B
26.2 25.7 22.5 22.3 CR123C250B
27.0 27.0 23.9 23.5 CR123C273B
26.3 25.5 CR123C303B
27.0 27.0 CR123C330B
Maximum Motor Full-Load Amperes
Heater Product Number
——
——
NEMA Size 1P
14.2 14.2 CR123C151B
17.3 17.3 CR123C163B
18.7 18.7 CR123C180B
20.6 20.6 CR123C198B
22.5 22.5 CR123C214B
24.7 24.7 CR123C228B
25.5 25.5 CR123C250B
26.7 26.7 CR123C273B
27.9 27.9 CR123C303B
32.1 32.1 CR123C330B
36.0 36.0 CR123C366B
Maximum Motor Full-Load Amperes
Heater Product Number
BA
5.92 5.79 CR123C592A
6.23 6.12 5.85 5.72 CR123C630A
6.63 6.49 6.47 6.30 CR123C695A
7.72 7.59 7.35 7.04 CR123C778A
8.96 8.71 8.06 7.91 CR123C867A
9.92 9.19 9.03 8.80 CR123C955A
10.4 10.1 9.61 9.27 CR123C104B
11.7 11.2 10.5 9.99 CR123C113B
12.1 11.9 11.6 11.1 CR123C125B
13.5 12.6 12.5 12.1 CR123C137B
14.7 14.5 13.6 13.1 CR123C151B
18.3 17.7 16.7 15.5 CR123C163B
20.1 19.1 17.9 16.8 CR123C180B
22.3 21.4 18.7 18.0 CR123C198B
25.0 22.9 20.4 19.7 CR123C214B
27.7 24.7 22.7 21.6 CR123C228B
29.3 25.9 24.7 23.9 CR123C250B
30.7 27.1 26.3 25.5 CR123C273B
32.7 30.2 29.5 28.2 CR123C303B
35.6 34.8 32.5 31.6 CR123C330B
39.4 38.7 36.7 34.7 CR123C366B
45.0 45.0 41.9 37.8 CR123C400B
43.2 40.6 CR123C440B
45.0 45.0 CR123C460B
Maximum Motor Full-Load Amperes
Heater Product Number
—
——
——
—
AB C D
NEMA Size 2

www.geindustrial.com Control Catalog 1-155
NEMA Full Voltage Power Devices
NEMA Rated Full Voltage Starters - Magnetic
Rev. 4/16
Prices and data subject to
change without notice
Section 1
EC D
32.2 32.0 32.0 CR123F357B
34.0 34.2 34.2 CR123F395B
36.8 36.7 36.7 CR123F430B
44.6 43.9 43.9 CR123F487B
48.4 46.6 46.6 CR123F567B
53.9 52.6 52.6 CR123F614B
57.4 55.6 55.6 CR123F658B
60.0 58.7 58.7 CR123F719B
69.5 67.1 67.1 CR123F772B
71.7 70.6 70.6 CR123F848B
79.9 76.3 76.3 CR123F914B
92.3 88.7 88.7 CR123F104C
97.0 93.4 93.4 CR123F114C
108.0 102.0 105.0 CR123F118C
118.0 110.0 114.0 CR123F133C
131.0 122.0 128.0 CR123F149C
135.0 131.0 131.0 CR123F161C
—135.0 135.0 CR123F174C
Maximum Motor Full-Load Amperes
Heater Product Number
CR123C, CR123F Motor Starter Heaters
Heater Selection
All CR123C and 123F heaters are packaged three to a carton.
Items of these heaters, being ordered for either customer’s stock
or any other purpose, are to be specified in multiples of three
(such as 3, 6, 9, 12, 15, etc.). Minimum order quantity is three.
Product Number List Price Each, GO-10H
CR123C (All) $9.00
CR123F (All) $9.00
20.2 19.4 CR123F199B
21.0 20.1 CR123F218B
21.8 21.1 19.3 18.4 CR123F233B
24.5 24.6 22.1 21.1 CR123F243B
25.7 25.2 23.4 22.1 CR123F270B
29.2 29.2 27.0 26.1 CR123F300B
33.5 32.8 29.1 28.0 CR123F327B
37.0 35.1 31.8 31.3 CR123F357B
39.2 38.4 33.9 33.3 CR123F395B
42.7 40.4 37.6 34.3 CR123F430B
45.7 45.7 41.9 40.9 CR123F487B
48.4 48.9 47.7 44.7 CR123F567B
54.9 54.7 52.1 51.0 CR123F614B
62.7 58.6 55.8 52.0 CR123F658B
67.5 63.4 59.7 55.4 CR123F719B
77.1 72.3 68.1 63.3 CR123F772B
81.5 76.6 71.5 66.1 CR123F848B
86.3 83.8 78.2 73.5 CR123F914B
90.0 90.0 87.5 82.2 CR123F104C
——
90.0 90.0 CR123F114C
Maximum Motor Full-Load Amperes
Heater Product Number
AB CD
——
— —
NEMA Size 5
118 115 CR123C592A
128 125 CR123C630A
138 135 CR123C695A
155 151 CR123C778A
168 164 CR123C867A
184 179 CR123C955A
200 195 CR123C104B
221 215 CR123C113B
237 231 CR123C125B
262 255 CR123C137B
270 270 CR123C151B
Maximum Motor Full-Load Amperes
Heater Product Number
C D
NEMA Size 3
NEMA Size 4

www.geindustrial.com Rev. 4/16
Prices and data subject to
change without notice
Control Catalog
1-156
NEMA Full Voltage Power Devices
NEMA Rated Full Voltage Starters - Magnetic
Section 1
Product Number Selection Instructions: See page 1-153
CR123C, CR123F Motor Starter Heaters
Heater Selection
Heater Tables—NEMA Sizes 6-9
Information shown in tables for full voltage starters can be used
by customer to select heaters for Size 6-9 combination starters
also. However, for these combination forms, the factory will verify
selection and install the required heaters based on available
motor data.
All CR123C and 123F heaters are packaged three to a carton.
Items of these heaters, being ordered for either customer’s stock
or any other purpose, are to be specified in multiples of three
(such as 3, 6, 9, 12, 15, etc.). Minimum order quantity is three.
Product Number List Price Each, GO-10H
CR123C (All) $9.00
CR123F (All) $9.00
NEMA Sizes 6-9
197 CR123C220A 387 CR123C326A 516 CR123C301A 1075 CR123C301A
214 CR123C239A 461 CR123C356A 580 CR123C326A 1210 CR123C326A
238 CR123C268A 515 CR123C379A 690 CR123C356A 1440 CR123C356A
258 CR123C301A 565 CR123C419A 772 CR123C379A 1610 CR123C379A
290 CR123C326A 622 CR123C466A 846 CR123C419A 1765 CR123C419A
346 CR123C356A 688 CR123C526A 934 CR123C466A 1950 CR123C466A
387 CR123C379A 763 CR123C592A 1030 CR123C526A 2150 CR123C526A
424 CR123C419A 810 CR123C630A 1147 CR123C592A 2250 CR123C592A
467 CR123C466A 1215 CR123C630A
516 CR123C526A
540 CR123C592A
Maximum
Motor Amperes
Heater
Product Number
Maximum
Motor Amperes
Heater
Product Number
CR306HH—Size 6
Three Heaters Required
CR386J—Size 7
Three Heaters Required
CR386K—Size 8
Three Heaters Required
CR386L—Size 9
Three Heaters Required
Maximum
Motor Amperes
Heater
Product Number
Maximum
Motor Amperes
Heater
Product Number

www.geindustrial.com Control Catalog 1-157
NEMA Full Voltage Power Devices
NEMA Rated Full Voltage Starters - Magnetic
Rev. 4/16
Prices and data subject to
change without notice
Section 1
Overload Relays
For CR324 Standard and Ambient Compensated Block
Overloads—Panel-Mounted
CR123C, CR123F Panel Mounted Overload Relay Heaters
Heater Selection
Product Number List Price Each, GO-10H
CR123C (All) $9.00
CR123F (All) $9.00
All CR123C and 123F heaters are packaged three to a carton.
Items of these heaters, being ordered for either customer’s stock
or any other purpose, are to be specified in multiples of three
(such as 3, 6, 9, 12, 15, etc.). Minimum order quantity is three.
Maximum
Motor
Full-Load
Amperes
Heater
Product
Number
Heater
Product
Number
Maximum
Fuse
Rating
Maximum
Motor
Full-Load
Amperes
Maximum
Fuse
Rating
0.39 CR123C054A 3 3.89 CR123C466A 15
7.58 CR123C955A 12.030 CR123C151B 45
0.42 CR123C060A 3 4.30 CR123C526A 15
14.4 CR123C163B 28.060 CR123C303B 100
0.45 CR123C066A 3 4.77 CR123C592A 15
16.3 CR123C180B 32.160 CR123C330B 110
0.51 CR123C071A 3 5.14 CR123C630A 20
17.3 CR123C198B 60 35.9 CR123C366B 125
0.56 CR123C078A 3 5.63 CR123C695A 20
19.3 CR123C214B 70 41.5 CR123C400B 150
0.65 CR123C087A 3 6.26 CR123C778A 25
20.9 CR123C228B 80 43.4 CR123C440B 150
0.73 CR123C097A 3 7.15 CR123C867A 25
22.9 CR123C250B 90 45.0 CR123C460B 150
0.81 CR123C109A 3 7.58 CR123C955A 30
24.7 CR123C273B 90
0.90 CR123C118A 3 8.39 CR123C104B 30
1.00 CR123C131A 3 9.11 CR123C113B 35
1.10 CR123C148A 3 9.67 CR123C125B 35
1.21 CR123C163A 3 11.0 CR123C137B 40
1.35 CR123C184A 3 11.9 CR123C151B 45
1.50 CR123C196A 6 14.3 CR123C163B 50
1.64 CR123C220A 6 16.1 CR123C180B 60
1.78 CR123C239A 6 17.2 CR123C198B 60
1.98 CR123C268A 6 19.2 CR123C214B170
2.15 CR123C301A 20.66 CR123C228B180
2.42 CR123C326A 21.86 CR123C250B180
2.88 CR123C356A 10 23.4 CR123C273B180
3.22 CR123C379A 12 26.1 CR123C303B190
3.53 CR123C419A 12 27.0 CR123C330B190
5.14 CR123C630A 20 8.39 CR123C104B 30
5.63 CR123C695A 20 9.11 CR123C113B 35
6.26 CR123C778A 20 9.67 CR123C125B 35
7.15 CR123C867A 25 11.0 CR123C137B 40
1Size 1 only.
Three Heaters
CR324D (Size 2)
CR324C (Size 0, 1)
Heater
Product
Number
Heater
Product
Number
Maximum
Motor
Full-Load
Amperes
Maximum
Fuse
Rating
Maximum
Motor
Full-Load
Amperes
Maximum
Fuse
Rating
18.0 CR123F233B 70 44.4 CR123F567B 175
20.5 CR123F243B 80 48.4 CR123F614B 175
21.7 CR123F270B 80 52.4 CR123F658B 200
25.1 CR123F300B 90 57.0 CR123F719B 225
27.0 CR123F327B 100 64.5 CR123F772B 225
30.5 CR123F357B 110 68.8 CR123F848B 250
32.5 CR123F395B 125 75.7 CR123F914B 275
33.9 CR123F430B 125 86.2 CR123F104C 275
38.9 CR123F487B 150 90.0 CR123F114C 300
30.5 CR123F357B 100 68.6 CR123F848B 250
32.5 CR123F395B 125 75.7 CR123F914B 275
33.9 CR123F430B 125 86.2 CR123F104C 275
38.9 CR123F487B 150 93.0 CR123F114C 300
44.4 CR123F567B 175 109.0 CR123F118C 350
48.4 CR123F614B 175 123.0 CR123F133C 400
52.4 CR123F658B 200 131.0 CR123F149C 400
57.0 CR123F719B 225 135.0 CR123F161C 400
64.5 CR123F772B 225
Three Heaters
CR324E (Size 3)
CR324F (Size 4)

www.geindustrial.com Rev. 4/16
Prices and data subject to
change without notice
Control Catalog
1-158
NEMA Full Voltage Power Devices
NEMA Rated Full Voltage Starters - Magnetic
Section 1
Overload Relays All CR123C and 123F heaters are packaged three to a carton.
Items of these heaters, being ordered for either customer’s stock
or any other purpose, are to be specified in multiples of three
(such as 3, 6, 9, 12, 15, etc.). Minimum order quantity is three.
Product Number Selection Instructions: See page 1-153
Product Number
CR123K (All)
CR123L (All)
List Price Each, GO-10H
$9.00
$9.00
Maximum Motor
Full-Load Amperes
Heater
Product Number
Maximum Motor
Full-Load Amperes
Heater
Product Number
Maximum Motor
Full-Load Amperes
Heater
Product Number
0.33 CR123C036A
20.6 CR123C214B1
86.0 CR123F848B
.37 CR123C039A
22.6 CR123C228B1
90.0 CR123F914B
.41 CR123C043A
24.8 CR123C250B1
.46 CR123C048A
27.0 CR123C273B1
17.2 CR123F181B
.52 CR123C054A
19.0 CR123F199B
.57 CR123C060A
6.63 CR123C695A
21.0 CR123F218B
.61 CR123C066A
7.59 CR123C778A
22.9 CR123F233B
.67 CR123C071A
8.39 CR123C867A
24.8 CR123F243B
.75 CR123C078A
9.20 CR123C955A
27.2 CR123F270B
.84 CR123C087A
9.93 CR123C104B
30.0 CR123F300B
.94 CR123C097A
11.2 CR123C113B
33.0 CR123F327B
1.03 CR123C109A
12.5 CR123C125B
36.2 CR123F357B
1.14 CR123C118A
14.1 CR123C137B
40.0 CR123F395B
1.30 CR123C131A
15.5 CR123C151B
44.0 CR123F430B
1.42 CR123C148A
17.4 CR123C163B
49.6 CR123F487B
1.61 CR123C163A
19.8 CR123C180B
56.5 CR123F567B
1.72 CR123C184A
21.2 CR123C198B
64.2 CR123F614B
1.93 CR123C196A
22.7 CR123C214B
71.8 CR123F658B
2.10 CR123C220A
24.9 CR123C228B
76.4 CR123F719B
2.34 CR123C239A
27.3 CR123C250B
86.6 CR123F772B
2.64 CR123C268A
29.7 CR123C273B
94.7 CR123F848B
2.86 CR123C301A
33.2 CR123C303B
103 CR123F914B
3.13 CR123C326A
39.0 CR123C330B
115 CR123F104C
3.32 CR123C356A
45.0 CR123C366B
130 CR123F114C
3.68 CR123C379A
135 CR123F118C
4.08 CR123C419A
17.2 CR123F181B
4.61 CR123C466A
19.0 CR123F199B
89 CR123F395B
5.21 CR123C526A
21.0 CR123F218B
93 CR123F430B
5.62 CR123C592A
22.9 CR123F233B
100 CR123F487B
6.12 CR123C630A
24.8 CR123F243B
110 CR123F567B
6.83 CR123C695A
27.2 CR123F270B
120 CR123F614B
7.70 CR123C778A
30.0 CR123F300B
132 CR123F658B
8.48 CR123C867A
33.0 CR123F327B
145 CR123F719B
9.19 CR123C955A
36.2 CR123F357B
160 CR123F772B
9.92 CR123C104B
40.0 CR123F395B
176 CR123F848B
11.1 CR123C113B
44.0 CR123F430B
191 CR123F914B
12.2 CR123C125B
48.4 CR123F487B
213 CR123F104C
13.5 CR123C137B
53.3 CR123F567B
237 CR123F114C
14.6 CR123C151B
58.6 CR123F614B
258 CR123F118C
16.1 CR123C163B
64.4 CR123F658B
270 CR123F133C
17.9 CR123C180B
71.3 CR123F719B
19.3 CR123C198B1
78.0 CR123F772B
2Two heaters required.
For CR124G (Size 5)2
For CR124F (Size 4)
1For use on size 1 only.
For CR124C (Size 0, 1) For CR124D (Size 2)
For CR124E (Size 3)
CR123C, CR123F Panel Mounted Overload Relay Heaters
Heater Selection

www.geindustrial.com Control Catalog 1-159
NEMA Full Voltage Power Devices
NEMA Rated Full Voltage Starters - Magnetic
Rev. 4/16
Prices and data subject to
change without notice
Section 1
Overload Relays All CR123K and 123L heaters are packaged three to a carton.
Items of these heaters, being ordered for either customer’s stock
or any other purpose, are to be specified in multiples of three
(such as 3, 6, 9, 12, 15, etc.). Minimum order quantity is three.
For CR124 Single-Element Overloads—Not mounted directly on starters.
Product Number
CR123K (All)
CR123L (All)
List Price Each, GO-10H
$9.00
$9.00
Quick-Trip Overload Heaters
CR124K
(Size 1)
CR124L
(Size 2)
CR124M
(Size 3)
CR124N
(Size 4)
CR124P
(Size 5)
1.53 CR123L174A
1.68 CR123L193A
1.84 CR123L211A
2.03 CR123L232A
2.25 CR123L255A
2.47 CR123L282A
2.73 CR123L310A
3.03 CR123L343A
3.35 CR123L380A
3.69 73.9 CR123L420A
4.07 81.6 CR123L463A
4.48 89.6 CR123L510A
4.93 99.2 CR123L561A
5.43 5.43 108 CR123L618A
5.99 5.99 119 CR123L680A
6.59 6.59 131 CR123L750A
7.27 7.27 144 CR123L825A
7.99 7.99 159 CR123L910A
8.87 8.87 177 CR123L100B
9.76 9.76 194 CR123L111B
10.7 10.7 215 CR123L122B
11.6 11.6 237 CR123L135B
13.1 13.1 263 CR123L147B
14.4 14.4 270 CR123L165B
15.8 15.8 CR123L181B
17.5 17.5 CR123L199B
19.2 19.2 21.7 CR123L220B
21.1 21.1 23.7 CR123L241B
23.3 23.3 25.0 CR123L265B
25.7 25.7 29.1 CR123L293B
27.0 28.0 29.9 CR123L322B
—31.1 32.8 CR123L352B
—32.9 34.9 34.2 —CR123L390B
—35.9 37.3 38.6 —CR123L426B
—41.5 42.9 45.4 —CR123L464B
—
—
—
—
—
—
—
—
—
—
—
—
—
—
—
—
—
—
—
—
—
—
—
—
45.0 45.9 48.3 —CR123L520B
50.3 54.0 —CR123L593B
55.0 57.5 —CR123L650B
61.0 62.6 —CR123L710B
67.1 68.3 —
—
—
—
—
—
—
—
—
—
—
—
—
—
—
—
—
—
—
—
—
—
—
—
—
—
—
—
—
—
—
—
—
—
—
—
—
—
—
—
—
—
—
—
—
—
—
—
—
—
—
—
—
—
—
—
—
—
—
—
—
—
—
—
—
—
—
—
—
—
—
—
—
—
—
—
—
—
—
—
—
—
—
—
—
—
—
—
—
CR123L787B
73.6 75.6 —CR123L866B
82.9 88.8 —CR123L950B
90.0 100 —CR123L107C
113 —CR123L126C
123 —CR123L142C
133 —CCR123L155C
Maximum Motor Full-Load Amperes
Heater
Product Number
CR123K, CR123L Panel Mounted Overload Relay Heaters
Heater Selection
CR124K
(Size 1)
CR124L
(Size 2)
CR124M
(Size 3)
CR124N
(Size 4)
CR124P
(Size 5)
1.07 CR123K123A
1.19 CR123K135A
1.31 CR123K150A
1.45 CR123K165A
1.59 CR123K182A
1.77 CR123K200A
1.98 CR123K222A
2.21 CR123K249A
2.40 CR123K277A
2.62 CR123K301A
2.89 CR123K329A
3.17 CR123K362A
3.49 69.4 CR123K398A
3.82 76.8 CR123K438A
4.21 84.7 CR123K479A
4.65 4.65 99.2 CR123K527A
5.13 5.13 108 CR123K582A
5.69 5.69 120 CR123K642A
6.32 6.32 133 CR123K713A
6.99 6.99 144 CR123K791A
7.69 7.69 156 CR123K875A
8.37 8.37 167 CR123K963A
9.13 9.13 177 CR123K105B
9.96 9.96 199 CR123K114B
10.8 10.8 219 CR123K125B
11.7 11.7 242 CR123K136B
12.9 12.9 267 CR123K148B
14.1 14.1 270 CR123K163B
15.4 15.4 CR123K178B
16.9 16.9 CR123K194B
18.8 18.8 20.1 CR123K213B
20.7 20.7 22.5 CR123K236B
22.9 22.9 24.8 CR123K260B
25.5 25.5 27.3 CR123K288B
27.0 28.1 30.5 CR123K320B
30.9 32.2 CR123K352B
32.9 34.6 35.2 CR123K387B
36.2 40.9 42.7 CR123K425B
40.0 43.6 45.2 CR123K468B
45.0 45.3 48.2 CR123K515B
50.3 55.2 CR123K585B
55.8 57.2 CR123K650B
61.2 67.5 CR123K720B
67.0 69.0 CR123K790B
72.8 74.7 CR123K865B
81.4 82.4 CR123K940B
90.0 90.7 CR123K105C
103 CR123K118C
113 CR123K130C
125 CR123K143C
133 CR123K157C
Maximum Motor Full-Load Amperes
Heater
Product Number
—
—
—
—
—
—
—
—
—
—
—
—
—
—
—
—
—
—
—
—
—
—
—
—
—
—
—
—
—
—
—
—
—
—
—
—
—
—
—
—
—
—
—
—
—
—
—
—
—
—
—
—
—
—
—
—
—
—
—
—
—
—
—
—
—
—
—
—
—
—
—
—
—
—
—
—
—
—
—
—
—
—
—
—
—
—
—
—
—
—
—
—
—
—
—
—
—
—
—
—
—
—
—
—
—
—
—
—
—
—
—
—
—
—
—
—
—
—
—
—
—
—
—
—
—
—
—
—
—
—
—
—
—
—
—
—
—
—
—
—
—
—
—
—
—
—
—
Standard-Trip Overload Heaters

www.geindustrial.com Rev. 4/16
Prices and data subject to
change without notice
Control Catalog
1-160
NEMA Full Voltage Power Devices
NEMA Rated Full Voltage Starters - Magnetic
Section 1
Technical Features
—2:1 Adjustable full load amps with tactile feedback dial
—Selectable 10/20/30 protection class
—Ambient insensitive within the stated operating temperature
range of –20° to +70°C
—Built-in thermal memory to prevent hot motor restarts
—Protection against complete phase current loss
—Manual reset (standard) and remote reset (optional) 120 VAC
—Accuracy: ± 2%
—Repeatability: ± 2%
—Self-powered @ 50% of minimum current range
—Size: 1-6 (0.40A-540A, 600 V, 50/60 Hz)
—Unbalance trip signal for PLC operation
—Manual trip
—Visual trip indication
—Standard isolated 1 NO and 1 NC aux. contact (A600, Q600)
—Built-in line/load straps
—Fits with existing 300-Line Starters
—Power factor correction terminals (sizes 1-4)
—DIN rail mountable sizes 1 & 2
Solid State Overload Relays for Panel Mounting (CR324X) –
Contents
Technical Features ...............................................................................1-160
Selection Instructions..........................................................................1-161
Outlines and Dimensions ..................................................................1-163
CR324X Solid State Overload Relays
For Panel Mounting
3-Pole, 600 VAC
CR324X Overload Relay (Panel-Mount)

www.geindustrial.com Control Catalog 1-161
NEMA Full Voltage Power Devices
NEMA Rated Full Voltage Starters - Magnetic
Rev. 4/16
Prices and data subject to
change without notice
Section 1
Solid State Overload Relays
List Price
NEMA Size Continuous Ampere Rating Mounting Position Product Number GO-10GS
1 27 Panel Mount CR324CX*P $162.00
2 45 Panel Mount CR324DX*P $177.00
3, 4 90,135 Panel Mount CR324FX*P $255.00
1 27 for MRO & Replacement CR324CX*S $150.00
2 45 for MRO & Replacement CR324DX*S $165.00
3, 4 90,135 for MRO & Replacement CR324FX*S1,2 $255.00
5 270 for MRO & Replacement CR324GX*S3$162.00
6 540 for MRO & Replacement CR324HX*K4$750.00
6 540 for MRO & Replacement CR324HX*S5$162.00
1If Product No. digit “K” is selected from Full Load Current Selection Table, deduct $55.00 from list price.
2Reset on CR324FX*S overloads is approximately 1” longer than on equivalent bimetal overloads. For GE 300-Line enclosures, perform the actions noted below:
Enclosure Reset Extension Type Adjustment Required
Threaded Rod (standard) Cut threaded shaft 1” and adjust for 1/8” gap.
“U” Style, 2 1/8” long Replace extension with product number 55-512811G005.
“U” Style, 1 1/2” long Replace extension with product number 55-512811G002.
3CR324GX*S may be used as replacement for bimetal overload on size 5 starters. Use existing CTs.
4CR324HX*K kit must be used as solid-state replacement for bimetal overloads on size 6, since CT ratio changes, CTs included.
5CR324HX*S may be used as a replacement for existing solid-state overload on size 6. Use existing CTs.
Solid State Overload Relay Options
List Price
Item NEMA Size Voltage Product Number GO-10GS
Remote Reset 1-6 120 VAC CR324XRRM02 $32.00
Panel Mount Adapter 1 N/A CR324CXPMA $12.00
2 N/A CR324DXPMA $12.00
Full Load Current Selection Table
For continuous rated motors, with a service factor of 1.15 to 1.25, select the heater with maximum motor Amperes equal to or imme-
diately greater than the motor full-load current (provides a maximum of 125 percent protection). For continuous rated motors with no
service factor, multiply the full-load current of the motor by 0.90 and use this value to select the heater.
Overload Range for NEMA Fuse Breaker Insert Digit in
Solid State Starters Size Max. Max. Product Number
0.4-0.85 00-1 3 15 C
0.8-1.7 00-1 6 15 D
1.6-3.4 00-1 12 15 E
3.2-6.8 00-1 25 25 F
6.5-13.5 00-1 50 50 G
13-27 00-1 100 100 H
6.5-13.5 2 50 50 G
13-27 2 100 100 H
25-50 2 200 200 J
17-35 3 & 4 125 125 K
35-70 3 & 4 250 250 L
65-135 3 & 4 500 400 M
35-70 5 N
65-135 5 500 400 P
130-270 5 600 800 Q
130-270 6 1200 800 S
260-540 6 1200 800 T
CR324X Solid State Overload Relays
For Panel Mounting
3-Pole, 600 VAC
Product Number Selection Instructions
1. Replace * in product number with appropriate digit from Full
Load Current Selection Table below.

www.geindustrial.com Rev. 4/16
Prices and data subject to
change without notice
Control Catalog
1-162
NEMA Full Voltage Power Devices
NEMA Rated Full Voltage Starters - Magnetic
Section 1
Fusible Combination Starter Short Circuit Ratings
NEMA Rated Full Voltage Starters
CR324X Circuit Breaker Combination Starter Short Circuit Ratings
Tripping Time (sec.) vs. Multiples of F.L.A. for
GE CR324X overload, cold state
NEMA Size Fuse Type
Maximum
Symmetrical rms Amperes
0-3 H, K
H, K
5,000 at 600 V
4, 5 10,000 at 600 V
0-4 J 100,000 at 600 V
0-4 RK1, RK5 65,000 at 480 V
5J, RK1, RK5 100,000 at 600 V
6J, L, RK1, RK5 100,000 at 600 V
Fusible Combination Starters & CR324X Solid-State Overload Relays
CR324X Solid State Overload Relays
For Panel Mounting
3-Pole, 600 VAC
240 Volts 480 Volts 600 Volts
15-50 0 5,000
15-70 1 5,000
15-100 2 5,000
25-150 3 5,000
3-15 0 25,000 25,000 5,000
3-15 1 25,000 25,000 5,000
15-50 2 25,000 25,000 5,000
30-100 3 25,000 25,000 5,000
50-150 4 25,000 25,000 5,000
3-30 0 100,000 100,000 100,000
3-50 1 100,000 100,000 100,000
15-50 2 100,000 100,000 100,000
30-100 3 100,000 100,000 100,000
50-100 4 100,000 100,000 100,000
15-50 0 5,000 5,000 5,000
15-30 1 25,000 25,000 5,000
35-70 1 5,000 5,000 5,000
15-50 2 25,000 25,000 5,000
60-100 2 5,000 5,000 5,000
25-100 3 25,000 25,000 5,000
110-150 3 5,000 5,000 5,000
70-225 4 25,000 25,000 18,000
70-225 4 25,000 25,000 18,000
225-600 5 10,000 10,000 10,000
225-400 5 35,000 35,000 25,000
450-600 5 35,000 35,000 25,000
300-800 6 42,000 42,000 22,000
300-800 6 65,000 35,000 25,000
300-800 6 65,000 65,000 42,000
Breaker Type
Maximum Symmetrical rms Amperes
Rating
Circuit Breaker Combination Starters & CR324X Solid-State Overload Relays
TKM, TKC
THKMB
TB6, TBC
TEC Mag-Break
®
Breaker
NEMA Size
TED
TFJ, TFK & TFC
THFK
TJJ, TJK & TJC
THJK
TEB
TEC/TECL
——
——
——
——
Typical 3-Phase Diagram

www.geindustrial.com Control Catalog 1-163
NEMA Full Voltage Power Devices
NEMA Rated Full Voltage Starters - Magnetic
Rev. 4/16
Prices and data subject to
change without notice
Section 1
Panel Mount
Panel Mount
Open NEMA Starter
Size A* B C D
14.113.773.603.70
24.113.773.603.70
35.605.265.066.25
4 5.60 5.26 5.06 6.25
*If used
Size A B C E F* H*D*G
17.003.633.943.923.704.766.50.84
29.124.575.504.913.705.448.50.84
3 11.62 5.32 6.50 5.66 6.24 7.50 10.62 .88
411.625.326.505.666.247.5010.62.88
*If used
0.4-
0.85
0.8-
1.7
1.6-
3.4
3.2-
6.8
6.5-
13.5
13-
27
25-
50
17-
35
35-
70
65-
135
130-
270
260-
540
Size 1 √√√√√√
Size 2 √√ √
Size 3 √√√*
√√√
*
Size 4
Size 5 √√
√√
Size 6
*Size 3, 90 amps max.
Current Ranges Available
Outline Drawings
NEMA Size Pub. #
1 55-534723
2 55-216101
3 55-216103
4 55-216103
5 55-194095
6 55-194096
For modified starters: Refer to DEU-005, or price as a similar standard starter and
include adder from page 1-128 and change discount to GO-10GS.
Reference Publications
UL File E103664 CAS File LR30821
Publication DEP-058
Order Motor Starter publications from Section 16
Instructions – NEMA Size 1, 2 GEH-6430
Instructions – NEMA Size 3, 4 GEH-6431
Instructions – NEMA Size 5, 6 GEH-6432
Open NEMA Starter
CR324X Solid State Overload Relays
For Panel Mounting
3-Pole, 600 VAC

www.geindustrial.com Rev. 4/16
Prices and data subject to
change without notice
Control Catalog
1-164
NEMA Full Voltage Power Devices
NEMA Rated Full Voltage Starters - Manual
Section 1
CR101H, CR101Y
Single-Phase
1 Hp Maximum @ 115V or 230V
3/4 Hp Maximum @ 277V for 2-pole Forms
25-60 Hz
The CR101H and CR101Y manual motor starters provide dependable overload protec-
tion for single-phase motors up to one horsepower (115 or 230 Volts), and are the most
economical starter choices where undervoltage protection is not required.
CR1062 series of manual starters are designed for infrequent starting of single-phase
and polyphase motors up to ten horsepower on applications where they can be directly
operated.
Application
Designed for starting and stopping single-phase motors up to 10 HP. These manual
starters have provision for overload protection and their low cost provides economical
starter selection for applications where no undervoltage protection is required. This
line of starters may be used on such equipment as grinders, conveyors, fans, mixers,
and blowers.
Features
—Terminal design; box terminals provide easy access for wiring.
—Molded plastic switch housing; protects starter mechanism.
—Small size; open starter fits GEM™or handy box.
Product Number Selection Instructions
Order starter by complete product number and specify overload heater as a separate
item by complete product number.
Examples:
1. A general-purpose enclosed starter for surface wall mounting is desired. The starter is
to break both lines. Motor to be started with this device has a full-load current of 0.6
Ampere.
Order:
1 CR101H1 manual motor starter at $45.00 each, GO-10G3.
1 CR123H074A heater at $6.00 each, GO-10G3.
2. The complete combination surface-mounted station, CR101H12, may also be ordered
by components, e.g. order 1–CR101X10 flush plate, at $71.00 each, GO-10G3;
1–CR101X14 box at $6.00 each, GO-10G3; and 1–CR101H manual starter at $39.00
each, GO-10G3. The other complete general-purpose manual starters may be broken
down in this manner.
NEMA Rated Full Voltage Manual Starters – Contents
Application Information and Selection Instructions (CR101H, CR101Y) ........................1-164
Non-combination, Single Phase .......................................................................................................1-165
Enclosure Components.........................................................................................................................1-166
Outlines and Dimensions (CR101H, CR101Y)..............................................................................1-167
Application Information and Selection Instructions (CR1062) ...........................................1-168
Single-Phase and Polyphase..............................................................................................................1-169
Outlines and Dimensions (CR1062).................................................................................................1-171
Manual Starter Heaters for Single-phase and Polyphase ...................................................1-172
Open Starter
Manual Starter in NEMA Type 1 General
Purpose Enclosure
NEMA Type 4 Water- and Dust-Tight
Manual Starter

www.geindustrial.com Control Catalog 1-165
NEMA Full Voltage Power Devices
NEMA Rated Full Voltage Starters - Manual
Rev. 4/16
Prices and data subject to
change without notice
Section 1
CR101H, CR101Y
Open starters include an unmounted nameplate. List prices do
not include heater(s). Heaters can be selected from the table at
right and ordered as a separate item at $6.00 each, GO-10H.
One heater is required per starter (two for 2-speed forms and for
combination starter CR101H13).
Toggle-Operated Nonreversing Open1
List Price
No. of Poles Product Number GO-10G3
1 CR101Y2$33.00
2 CR101H2$39.00
1For flush or outlet box mounting.
2Units are individually boxed and “Poly-Packed” 10 per carton as standard.
Toggle-Operated Nonreversing Enclosed NEMA Type 13
List Price
No. of Poles Indicating Light Product Number GO-10G3
1 No CR101Y12$39.00
2 No CR101H12$45.00
1 Yes CR101Y114$57.00
2 Yes CR101H114$63.00
2Units are individually boxed and “Poly-Packed” 10 per carton as standard.
3Surface mounting.
4Includes a 115/230-Volt neon lamp(s). Not available at 277 Volts.
Lever-Operated Nonreversing Enclosed NEMA Type 3/4/12
List Price
No. of Poles Hubs Product Number GO-10G3
1 3/4-inch Hub on One End CR101Y400H $138.00
2 3/4-inch Hub on One End CR101H400H $144.00
1 3/4-inch Hub on Both Ends CR101Y400J $150.00
2 3/4-inch Hub on Both Ends CR101H400J $156.00
Multi-speed Enclosed NEMA Type 1 Surface Mount
List Price
No. of Poles Indicating Light Product Number GO-10G3
1 None CR101Y600B $172.00
1 Two CR101Y610B4$255.00
2 None CR101H600B $187.00
2 Two CR101H610B4$270.00
4Includes a 115/230-Volt neon lamp(s). Not available at 277 Volts.
Multi-speed Enclosed NEMA Type 1 Gray Flush-Plate
List Price
No. of Poles Indicating Light Product Number GO-10G3
1 None CR101Y600A $165.00
1 Two CR101Y610A4$247.00
2 None CR101H600A $180.00
2 Two CR101H610A4$262.00
4Includes a 115/230-Volt neon lamp(s). Not available at 277 Volts.
Multi-speed Enclosed NEMA Type 1 Stainless-Steel Flush-Plate
List Price
No. of Poles Indicating Light Product Number GO-10G3
1 None CR101Y608A $172.00
1 Two CR101Y618A4$255.00
2 None CR101H608A $187.00
2 Two CR101H618A4$270.00
4Includes a 115/230-Volt neon lamp(s). Not available at 277 Volts.
Combination Device Enclosed NEMA Type 1
List Price
No. of Poles Description Product Number GO-10G3
2 CR101H + Base Unit HOA CR101H12 $102.00
2 2 (CR101H) CR101H13 $108.00
Overload Heater Units for CR101H, Y
All CR123H heaters are packaged as single units.
Product Number List Price Each, GO-10H
CR123H (all) $6.00
The table below gives a proper size heater to trip the switch on
approximately 125 percent motor current.
Listed values are for motors with 1.15-1.25 service factor. For motors
with 1.0 service factor continuously, multiply full-load current of
motor by 0.9 and use this value to select heater. Contact nearest
GE Representative for recommendation on heaters to be used with
definite-purpose motors. If motor full-load Amperes falls between two
ratings, select heater for the highest of those two.
For 1.35 service factor motors, multiply full-load current of motor
by 1.15 and use this value to select heater(s).
Maximum Motor
Full-Load Amperes Heater Product Number
.48 CR123H055A
.53 CR123H061A
.58 CR123H067A
.65 CR123H074A
.71 CR123H082A
.78 CR123H090A
.86 CR123H099A
.95 CR123H108A
1.04 CR123H120A
1.14 CR123H132A
1.25 CR123H144A
1.37 CR123H158A
1.49 CR123H172A
1.63 CR123H188A
1.78 CR123H205A
1.95 CR123H224A
2.13 CR123H245A
2.32 CR123H267A
2.53 CR123H291A
2.76 CR123H317A
3.01 CR123H346A
3.27 CR123H377A
3.56 CR123H410A
3.88 CR123H446A
4.22 CR123H486A
4.60 CR123H529A
5.00 CR123H575A
5.43 CR123H625A
5.90 CR123H680A
6.41 CR123H739A
6.98 CR123H802A
7.60 CR123H873A
8.25 CR123H950A
8.95 CR123H103B
9.75 CR123H112B
10.6 CR123H122B
11.4 CR123H132B
12.5 CR123H144B
13.6 CR123H157B
14.8 CR123H171B
16.0 CR123H186B
Maximum Horsepower Ratings-AC or DC
Continuous Carry-16 Amperes
Product No. of Horsepower Horsepower Horsepower Horsepower Horsepower Horsepower
Number Poles @ 32 V AC @ 115 V AC @ 230 V AC @ 277 V AC @ 115 V DC @ 230 V DC
CR101Y 1 1/4 11—11/4
CR101H 2 1/4 113/4 11
CR101H, CR101Y
Single-Phase
Non-combination
1 HP Maximum at 115 or 230 Volts
3/4 HP Maximum at 277 Volts for 2 pole forms
25 to 60 Hz

www.geindustrial.com Rev. 4/16
Prices and data subject to
change without notice
Control Catalog
1-166
NEMA Full Voltage Power Devices
NEMA Rated Full Voltage Starters - Manual
Section 1
CR101H, CR101Y
Enclosure Components
Enclosure Components - Single Units
Flush plates painted gray or of stainless steel are available for flush mounting of all
listed open manual starters.
Safety to maintenance personnel and operators and security to equipment is provided
by locking attachment, CR101X3, for use on all toggle-operated manual starter forms.
Customers can assemble CR101H1, H11, Y1, or Y11 general-purpose manual starters by
adding either an open CR101H or Y manual starter to a CR101X6 back and a CR101X4
or X5 cover.
List Price
Product Description Product Number GO-10G3
Flush plate with 115/230-Volt indicating light and screws CR101X1 $21.00
Standard flush plate with screws CR101X2 $3.00
Locking attachment (lock not included) CR101X3 $6.00
Cover (front with 115/230-Volt neon indicating light and screws) CR101X4 $21.00
Standard cover (front with screws) CR101X5 $3.00
Enclosure back with screws (surface-mounting) CR101X6 $3.00
Stainless-steel flush plate with 115/230-Volt CR101X7 $24.00
indicating light and screws
Stainless-steel flush plate with screws CR101X8 $6.00
Combination Plates and Box
Customer convenience and flexibility is made possible by the availability of combination
flush plates. These plates may be used flush mounted with a CR101X14 or other 2-1/2-
inch deep, two gang boxes to make a general-purpose surface-mounted installation.
Open manual starters must be ordered separately.
List Price
Product Description Product Number GO-10G3
Combination flush plate with HAND-AUTO switch CR101X10 $71.00
Combination flush plate with HAND-AUTO switch and CR101X11 $84.00
115/230-Volt neon indicating light
Combination flush plate for 2—CR101 open starters CR101X12 $30.00
Combination flush plate for 2—CR101 open starters with CR101X13 $60.00
2—115/230-Volt neon indicating lights
Box (back) for combination forms CR101X14 $6.00
Product Number Selection Instructions: See page 1-164
CR101X14 Combination Flush Plate
and Box (Back)
CR101X3 Locking Attachment
CR101X11 Enclosure Components
CR101X8 and CR101X7
Stainless Steel Flush Plates
CR101X6 Enclosure Components
CR101X4 Enclosure Components

www.geindustrial.com Control Catalog 1-167
NEMA Full Voltage Power Devices
NEMA Rated Full Voltage Starters - Manual
Rev. 4/16
Prices and data subject to
change without notice
Section 1
CR101H, CR101Y
CR101 Open, Types 1, 4
Outlines and Dimensions ( in.
mm), and Weights (For Estimating Only)
CR101 Two-Speed Manual Starter in Type 1 Enclosure, 3 lbs.
CR101X12 or CR101X13 Combination Flush Plate, 1 lb.
CR101H12 or CR101X13 Combination Starter, 4 lbs.
CR101 Manual Starter in Type 4 Enclosure, 4 lbs.
CR101 Manual Starter, Open Type, 1 lb.
CR101 Manual Starter in Type 1 Enclosure, 2 lbs.

www.geindustrial.com Rev. 4/16
Prices and data subject to
change without notice
Control Catalog
1-168
NEMA Full Voltage Power Devices
NEMA Rated Full Voltage Starters - Manual
Section 1
CR1062
Single-Phase and Polyphase
10 HP Maximum
600 Volts
25 to 60 Hertz
Application
Designed for controlling small ac motors. Standard CR1062R
and S starter forms provide overload protection but cannot be
used where undervoltage protection is required or for remote or
automatic
operation.
Features
—Front-connected; clamp-type terminals for easy wiring.
—Trip-free overload mechanism; can’t be held closed.
—Knockout in enclosure cover permits installation
of indicating light kit.
Product Number Selection Instructions
1. Devices may be ordered under the new easy-to-use product
numbering system outlined on page 1-169. Customers may
still use the original product numbering system for devices list-
ed on page 1-170.
2. Select overload relay heaters from tables on page 1-172. Three
heaters should be specified and ordered as separate items.
List Price $9.00 each, GO-10H. Packaged in quantities of
three; must be ordered in multiples of three. Minimum order
quantity is three. Single-phase forms require one heater, four-
pole forms require two heaters and three-pole forms require
three heaters.
Schematic Diagrams
Typical 3-Phase Typical Single-Phase Typical Single-Phase Typical Connections
Connections CR1062R & S Connections CR1062R & S Connections CR1062T for DC Starters
Horsepower Ratings
Reference Publications
Instructions GEH-4737
50 Hertz
115 V 200-208 V 230-240 V 277 V 460-600 V 380 V
M-0 ———
——
——
1
2
22
32
52
55
33
M-1 —
M-1P 3 —
M- 0 ——
M- 1 —7-1/2 7-1/2 10 10
—
Phase
Single
Three
Maximum Horsepower Ratings
Coil Motor Voltage and Frequency
60 Hertz
NEMA Size
Product Number Selection Instructions: See page 1-168

www.geindustrial.com Control Catalog 1-169
NEMA Full Voltage Power Devices
NEMA Rated Full Voltage Starters - Manual
Rev. 4/16
Prices and data subject to
change without notice
Section 1
CR1062
Single-Phase and Polyphase
10 HP Maximum
600 Volts
25 to 60 Hertz
Select NEMA Size and Number of Poles
Select Protection
Select Auxiliary Contacts
Example: CR1062S3ABT302R is a Size M-1 three-phase starter
with overload protection, 1NO auxiliary contact and toggle opera-
tion in a NEMA Type 3/12/13 enclosure with a red 120V indicating
light at $150.00 + 72.00 + 54.00 + 162.00 = $438.00 each.
Select Type of Operator and Enclosure Type
Select Indicating Light Option
Select Indicating Light Color
Enclosure Kits
Type of Operator Enclosure Class Product No. Digit
List Price
Adder, GO-10G3
Open P1 $0.00
Type 1 P2 $12.00
Type 3/12/13 ——
Type 4/4X ——
Flush Mounted P5 $146.00
Open T1 $0.00
Type 1 T2 $12.00
Type 3/12/13 T3 $54.00
Type 4/4X T4 $246.00
Flush Mounted T5 $146.00
No hubs installed on Types 1, 3, 12, and 13 enclosures. 3/4-inch hubs
standard on Type 4X enclosures.
Toggle Lever
Push Button
Description
Product
Number
List Price,
GO-10G3
Type 1 Enclosure for Toggle-
Operated 2- to 4-Pole Starters CR1062X9 $12.00
Type 1 Enclosure for Push Button-
Operated 2- to 4-Pole Starters CR1062X10 $12.00
Type 3/12/13 Enclosure (no hubs)
Toggle Devices Only CR1062X28 $54.00
Type 4X Enclosure (with hubs)
Toggle Devices Only CR1062X23 $246.00
Type 1 Flush-Mounted Enclosure for
Toggle-Operated Starters CR1062X30 $146.00
Type 1 Flush-Mounted Enclosure for
Push Button-Operated Starters CR1062X31 $146.00
Indicating Light Color Product No. Digit
No Indicating Light Ø
Red Light
Green Light G
R
Type 1
Enclosure
List Price
Adder,
GO-10G3
Type 3/12/13
and 4/4X
Enclosures
List Price
Adder,
GO-10G3
No Indicating Light 00 $0.00 00 $0.00
120 V/60 Hz 100 V/50 Hz 02 $48.00 02 $162.00
240 V/60 Hz 220 V/50 Hz 03 $48.00 03 $162.00
480 V/60 Hz 440 V/50 Hz 04 $48.00 04 $162.00
600 V/60 Hz 05 $48.00 05 $162.00
Product No. Digit
➋➌
2601RC
Product No.
Digit
List Price
Adder,
GO-10G3
Product No.
Digit
List Price
Adder,
GO-10G3
Product No.
Digit
List Price
Adder,
GO-10G3
None A $0.00 A $0.00 A $0.00
1 NO B $60.00 B $72.00 B$72.00
2 NO C $120.00 C$144.00 ——
Cannot have 2 auxiliary contacts with size 1-P device.
Auxiliary
Contacts
Size 0 Size 1 Size 1-P
Product No.
Digit
List Price
Adder, GO-10G3
Product No.
Digit
List Price
Adder, GO-10G3
Standard Overload A $0.00 A $0.00
Omit Overload B Deduct $9.00 BDeduct $24.00
Protection
Single-Phase Three-Phase
Order heaters as a separate item from Heater Selection Tables, page 1-172.
NEMA Size Number of Poles Product No. Digits
List Price
Adder, GO-10G3
Single-Phase DC (in series) R1 $120.00
Single-Phase (AC) R2 $99.00
3-Pole Three-Phase R3 $120.00
Single-Phase DC (in series) S1 $150.00
Single-Phase (AC) S2$129.00
3-Pole Three-Phase S3 $150.00
Single-Phase DC (in series) ——
Single-Phase AC in Parallel T2 $195.00
3-Pole Three-Phase ——
M-0
M-1
M-1P
1
2
3
4
5
6

www.geindustrial.com Rev. 4/16
Prices and data subject to
change without notice
Control Catalog
1-170
NEMA Full Voltage Power Devices
NEMA Rated Full Voltage Starters - Manual
Section 1
CR1062
Single-Phase and Polyphase
10 HP Maximum
600 Volts
25 to 60 Hertz
Open Type
Type 1 Surface Mounting
Type 1 Flush Mounting
Type 4-4X
Across-the-Line Forms, Surface-Mounted
Single-phase starters require one heater. Three-phase nonrevers-
ing starters require three heaters. Specify quantity and order as
separate items. List Price $9.00 each, GO-10H. Packaged in
quantities of three; must be ordered in multiples of three. Select
heater(s) from tables on page 1-172. No hubs installed on Types
1, 3R, 12, and 13 enclosures. 3/4-inch hubs standard on Type 4X
enclosures.
Open
List Price
NEMA Size Motor Type Operator Type Product Number GO-10G3
M-0 Single Phase Push Button CR1062R2AAP1000 $99.00
M-1 Single Phase Push Button CR1062S2AAP1000 $129.00
M-1P Single Phase Push Button CR1062T2AAP1000 $195.00
M-0 Three Phase Push Button CR1062R3AAP1000 $120.00
M-1 Three Phase Push Button CR1062S3AAP1000 $150.00
M-0 Single Phase Toggle CR1062R2AAT1000 $99.00
M-1 Single Phase Toggle CR1062S2AAT1000 $129.00
M-1P Single Phase Toggle CR1062T2AAT1000 $195.00
M-0 Three Phase Toggle CR1062R3AAT1000 $120.00
M-1 Three Phase Toggle CR1062S3AAT1000 $150.00
Enclosed NEMA Type 1
List Price
NEMA Size Motor Type Operator Type Product Number GO-10G3
M-0 Single Phase Push Button CR1062R2AAP2000 $111.00
M-1 Single Phase Push Button CR1062S2AAP2000 $141.00
M-1P Single Phase Push Button CR1062T2AAP2000 $207.00
M-0 Three Phase Push Button CR1062R3AAP2000 $132.00
M-1 Three Phase Push Button CR1062S3AAP2000 $162.00
M-0 Single Phase Toggle CR1062R2AAT2000 $111.00
M-1 Single Phase Toggle CR1062S2AAT2000 $141.00
M-1P Single Phase Toggle CR1062T2AAT2000 $207.00
M-0 Three Phase Toggle CR1062R3AAT2000 $132.00
M-1 Three Phase Toggle CR1062S3AAT2000 $162.00
Enclosed NEMA Type 3R/12/13
List Price
NEMA Size Motor Type Operator Type Product Number GO-10G3
M-0 Single Phase Toggle CR1062R2AAT3000 $153.00
M-1 Single Phase Toggle CR1062S2AAT3000 $183.00
M-1P Single Phase Toggle CR1062T2AAT3000 $249.00
M-0 Three Phase Toggle CR1062R3AAT3000 $174.00
M-1 Three Phase Toggle CR1062S3AAT3000 $204.00
Enclosed NEMA Type 4/4X
List Price
NEMA Size Motor Type Operator Type Product Number GO-10G3
M-0 Single Phase Toggle CR1062R2AAT4000 $345.00
M-1 Single Phase Toggle CR1062S2AAT4000 $375.00
M-1P Single Phase Toggle CR1062T2AAT4000 $441.00
M-0 Three Phase Toggle CR1062R3AAT4000 $366.00
M-1 Three Phase Toggle CR1062S3AAT4000 $396.00

www.geindustrial.com Control Catalog 1-171
NEMA Full Voltage Power Devices
NEMA Rated Full Voltage Starters - Manual
Rev. 4/16
Prices and data subject to
change without notice
Section 1
CR1062
Standard
Outlines and Dimensions ( in.
mm) , and Weights (For Estimating Only)
Open Type Toggle and Push Button Operated, NEMA
Sizes M-0 and M-1; 2-, 3- and 4-Pole;
Approximate shipping weight 2 1/2 lbs.
NEMA Type 1 Enclosure, NEMA Sizes M-0, M-1
and M-1P; 2-, 3- and 4-Pole;
Approximate shipping weight 4 1/2 lbs.
NEMA Type 3/12/13/4/4X Enclosure, NEMA
Sizes M-0, M-1 and M-1P; 2-, 3- and 4-Pole;
Approximate shipping weight 6 lbs.
M-1P meets 1984 Wire Bending Space Requirements.
NEMA Type 1 Flush-Mounted Enclosure

www.geindustrial.com Rev. 4/16
Prices and data subject to
change without notice
Control Catalog
1-172
NEMA Full Voltage Power Devices
NEMA Rated Full Voltage Starters - Manual
Section 1
CR1062
Heaters
Manual Starters—Single-Phase and Polyphase
How To Select Heaters
Select proper Maximum Motor Full-Load Motor Ampere table per
size, pole arrangement, and number of overload relays. One heater
is required for each overload relay. If motor full-load amperes falls
between two ratings, select heater for the higher rating.
The tables below give a proper size heater to trip the switch
on approximately 125 percent motor current.
Listed values are for motors with 1.15-1.25 service factor. For
motors with 1.0 service factor continuously, multiply full-load
current of motor by 0.9 and use this value to select heater.
Contact nearest GE Representative for recommendation for
heaters to be used with
definite-purpose motors.
For 1.35 service factor motors, multiply full-load current of motor
by 1.15 and use this value to select heater(s).
Heater Ordering Information
All CR123C and 123R heaters are packaged three to a carton.
Items of these heaters, being ordered for either customer’s stock
or any other purpose, are to be specified in multiples of three
(such as 3, 6, 9, 12, 15, etc.) Minimum order quantity is three.
Heaters for CR1062R, CR1062S Starters
NEMA Sizes M-0, M-1, Single-Phase, One Overload
Reference Publications
Heater Selection Guide GET-2681
Heater Product
Number Max. Fuse
Rating 115-230 V
0.34 CR123C036A CR123R036A 60A
.37 CR123C039A CR123R039A 60A
.42 CR123C043A CR123R043A 60A
.47 CR123C048A CR123R048A 60A
.52 CR123C054A CR123R054A 60A
.57 CR123C060A CR123R060A 60A
.63 CR123C066A CR123R066A 60A
.69 CR123C071A CR123R071A 60A
.77 CR123C078A CR123R078A 60A
.87 CR123C087A CR123R087A 60A
.97 CR123C097A CR123R097A 60A
1.06 CR123C109A CR123R109A 60A
1.18 CR123C118A CR123R118A 60A
1.33 CR123C131A CR123R131A 60A
1.47 CR123C148A CR123R148A 60A
1.66 CR123C163A CR123R163A 60A
1.78 CR123C184A CR123R184A 60A
2.00 CR123C196A CR123R196A 60A
2.18 CR123C220A CR123R220A 60A
2.45 CR123C239A CR123R239A 60A
2.76 CR123C268A CR123R268A 60A
3.00 CR123C301A CR123R301A 60A
3.27 CR123C326A CR123R326A 60A
3.49 CR123C356A CR123R356A 100A
3.86 CR123C379A CR123R379A 100A
4.30 CR123C419A CR123R419A 100A
4.88 CR123C466A CR123R466A 100A
5.49 CR123C526A CR123R526A 100A
5.85 CR123C592A CR123R592A 100A
6.45 CR123C630A CR123R630A 100A
7.22 CR123C695A CR123R695A 100A
8.05 CR123C778A CR123R778A 100A
8.88 CR123C867A CR123R867A 100A
9.66 CR123C955A CR123R955A 100A
10.5 CR123C104B CR123C104B 100A
11.6 CR123C113B CR123C113B 100A
12.7 CR123C125B CR123C125B 100A
13.2 CR123C137B CR123C137B 100A
15.1 CR123C151B CR123C151B 100A
16.6 CR123C163B CR123C163B 100A
17.6 CR123C180B CR123C180B 100A
19.8 1CR123C198B
21.1 1CR123C214B
23.1 1CR123C228B
25.2 1CR123C250B
1Size M-1 only.
2Does not apply to NEMA Type 7 forms.
Group Fusing Size M-0 Only2
Max.
Motor
Full-Load
Amperes
General-Use
Heater
Product Number
——
——
——
——
Heater Product Number List Price Each, GO-10H
CR123C,R (All) $9.00
Note: The National Electrical Code requires running overcurrent
protection in all three lines of three-phase motors.

www.geindustrial.com Control Catalog 1-173
NEMA Full Voltage Power Devices
NEMA Rated Full Voltage Starters - Manual
Rev. 4/16
Prices and data subject to
change without notice
Section 1
Heaters for CR1062R, CR1062S Starters
NEMA Sizes M-0, M-1, Three-Phase, Three Overloads
Heaters for CR1062T Starters
NEMA Size M-1P, Single-Phase, One Overload
Maximum Motor
Full-Load Amperes Heater Product
Number
8.56 CR123C778A
9.43 CR123C867A
10.3 CR123C955A
11.0 CR123C104B
12.1 CR123C113B
13.2 CR123C125B
15.0 CR123C137B
16.2 CR123C151B
17.7 CR123C163B
19.7 CR123C180B
21.2 CR123C198B
22.2 CR123C214B
24.9 CR123C228B
26.4 CR123C250B
30.0 CR123C273B
32.7 CR123C303B
34.0 CR123C330B
CR1062
Heaters
Manual Starters—Single-Phase and Polyphase
115-230 V 460-600 V
0.29 CR123C036A CR123R036A 60A 30A
.31 CR123C039A CR123R039A 60A 30A
.34 CR123C043A CR123R043A 60A 30A
.40 CR123C048A CR123R048A 60A 30A
.44 CR123C054A CR123R054A 60A 30A
.48 CR123C060A CR123R060A 60A 30A
.52 CR123C066A CR123R066A 60A 30A
.58 CR123C071A CR123R071A 60A 30A
.64 CR123C078A CR123R078A 60A 30A
.71 CR123C087A CR123R087A 60A 30A
.81 CR123C097A CR123R097A 60A 30A
.89 CR123C109A CR123R109A 60A 30A
.98 CR123C118A CR123R118A 60A 30A
1.12 CR123C131A CR123R131A 60A 30A
1.22 CR123C148A CR123R148A 60A 30A
1.38 CR123C163A CR123R163A 60A 30A
1.48 CR123C184A CR123R184A 60A 30A
1.66 CR123C196A CR123R196A 60A 30A
1.80 CR123C220A CR123R220A 60A 30A
2.03 CR123C239A CR123R239A 60A 30A
2.28 CR123C268A CR123R268A 60A 30A
2.47 CR123C301A CR123R301A 60A 30A
2.71 CR123C326A CR123R326A 60A 30A
2.87 CR123C356A CR123R356A 60A 30A
3.18 CR123C379A CR123R379A 60A 30A
3.54 CR123C419A CR123R419A 100A 30A
3.89 CR123C466A CR123R466A 100A 30A
4.51 CR123C526A CR123R526A 100A 30A
4.90 CR123C592A CR123R592A 100A 30A
5.30 CR123C630A CR123R630A 100A 30A
5.94 CR123C695A CR123R695A 100A 30A
6.70 CR123C778A CR123R778A 100A —
7.36 CR123C867A CR123R867A 100A —
7.98 CR123C955A CR123R955A 100A —
8.59 CR123C104B CR123C104B 100A —
9.46 CR123C113B CR123C113B 100A —
10.3 CR123C125B CR123C125B 100A —
11.7 CR123C137B CR123C137B 100A —
12.6 CR123C151B CR123C151B 100A —
13.8 CR123C163B CR123C163B 100A —
15.4 CR123C180B CR123C180B 100A —
16.6 CR123C198B CR123C198B 100A —
17.4 CR123C214B CR123C214B 100A —
19.4 1CR123C228B ———
——
——
——
20.6 1CR123C250B —
22.0 1CR123C273B —
25.3 1CR123C303B —
2Does not apply to NEMA Type 7 forms.
1Size M-1 only.
Group Fusing Size M-0 Only2
Heater Product
Number
Max. Fuse Rating
General-Use
Heater
Product Number
Max.
Motor
Full-Load
Amperes
Heater Ordering Information
All CR123C and 123R heaters are packaged three to a carton.
Items of these heaters, being ordered for either customer’s stock
or any other purpose, are to be specified in multiples of three
(such as 3, 6, 9, 12, 15, etc.) Minimum order quantity is three.
Heater Product Number List Price Each, GO-10H
CR123C,R (All) $9.00
Note: The National Electrical Code requires running overcurrent
protection in all three lines of three-phase motors.

www.geindustrial.com Rev. 4/16
Prices and data subject to
change without notice
Control Catalog
1-174
NEMA Full Voltage Power Devices
Pumping Panels
Section 1
CR340, CR341 Pumping Panels
100 Hp Max. @ 240V, 600 Hp Max. @ 600V
NEMA Sizes 1-7
Application
Specifically designed for outdoor installation, these pumping
panels provide full voltage control of squirrel-cage pump motors.
They offer protection from motor burnouts due to overloading,
protection against untimely restarts after power failure, and pro-
tection of the motor circuit against damage from short circuits.
Enclosure provides additional space for customer to mount
desired modifications and accessories. Custom panel designs
available upon request. Contact nearest GE representative or
authorized
distributor for additional information.
Product Number Selection Instructions
1. The GE pumping panels are specifically designed for outdoor
installation. They provide full-voltage control of squirrel-cage
pump motors. Overload, undervoltage, and short-circuit
protection is included as standard.
2. GE pumping panels are available with traditional NEMA Class
20 bimetal thermal overloads, Class 10/20/30 selectable and
adjustable electronic overloads with phase loss protection and
Class 10 adjustable thermal overloads with differential protection.
3. In addition, pump panels can be provided with no overload
relay, Class 10 overloads with fixed heaters, adjustable trip
and differential trip; standard NEMA Class 20 overload relays
or the Class 10/20/30 Electronic overload relay. Note the full
line of Class 10 overload relays are approved for use with
Franklin Electric vertical pump motors.
4. 50 Hertz Starters
50 Hertz forms are available. Contact your nearest GE
Representative for proper selection and pricing.
5. Product Notes
Fuse clips are sized for dual element time-delay fuses.
Order heaters by complete product number from tables on
pages 1-188 and 1-189.
Reference Publications
Instructions GEH-4715
Installation Instructions GEH-4142
Typical CR341 Pumping Panels, Wide Case
(Left) and Narrow Case (Right)
Typical CR340 and CR341, NEMA Sizes 1-6
Pumping Panels – Contents
Application Information and Selection Instructions
(CR340, CR341) ....................................................................................1-174
Fusible Disconnect Type with Thermal Overload Relays,
Thermal Class 20 (CR341)...............................................................1-175
Fusible Disconnect Type with Thermal Overload Relays,
Thermal Class 10 (CR341)...............................................................1-176
Fusible Disconnect Type with Solid State Overload Relays,
Class 10-20-30 (CR341)...................................................................1-178
Fusible Disconnect Type Part Number Configuration
(CR341) ....................................................................................................1-179
With Thermal Overload Relay, Relay Class 20 (CR340) .......1-182
Mag-Break Type with Thermal Overload Relays,
Thermal Class 10 (CR340)...............................................................1-183
Mag-Break Type with Solid State Overload Relays,
Class 10-20-30 (CR340)...................................................................1-184
Mag-Break Type Part Number Configuration (CR340) ........1-185
Heaters (CR340, CR341) .....................................................................1-188
Outlines and Dimensions (CR340, CR341) .................................1-190

www.geindustrial.com Control Catalog 1-175
NEMA Full Voltage Power Devices
Pumping Panels
Rev. 4/16
Prices and data subject to
change without notice
Section 1
CR341 Pumping Panels
Fusible Disconnect Type
With Thermal Overload Relay
Thermal Class 20 (Fuses not included except where footnoted)
Fusible Disconnect
List price includes complete starter with fusible switch, H-O-A selector switch, START push button, and three-leg ambient compensat-
ed overload protection in Type 3R enclosure. Three heaters should be ordered as separate items. See table on page 1-188. Fuses are
not included except where footnoted.
Mag-Break and Thermal Magnetic
List price includes complete starter with circuit breaker, H-O-A selector switch, START push button, and three-leg ambient
compensated overload protection in Type 3R enclosure. Three heaters should be ordered as separate items. See table on page 1-188.
The following tables contain common product numbers. Use the selection guide starting on page 1-179 to select other configurations.
Class H Fuse Clips
Coil NEMA Type 3R Narrow NEMA Type 3R Wide
Voltage NEMA Fuse Clip Product Number List Price Product Number List Price
(60Hz) Size Horsepower Rating (Amps) CR GO-10GP CR GO-10GP
230-240 1 7 1/2 30 341K013BAA1AA $741.00 341C013BAA1AA $768.00
230-240 2 15 60 341L013CAA1AA $1011.00 341D013CAA1AA $1038.00
230-240 3 20 60 - -341E013CAA1AA $1686.00
230-240 3 30 100 - -341E013DAA1AA $1686.00
230-240 4 50 200 - -341F013EAC1AA1$3276.00
230-240 5 60 200 - -341G013EAC1AA1$6876.00
230-240 5 100 400 - -341G013FAC1AA1$6876.00
460-480 2 10 30 341K014BAA1AA $753.00 341C014BAA1AA $780.00
460-480 2 15 30 341L014BAA1AA $1029.00 341D014BAA1AA $1056.00
460-480 2 25 60 341L014CAA1AA $1029.00 341D014CAA1AA $1056.00
460-480 3 30 60 - -341E014CAA1AA $1722.00
460-480 3 50 100 - -341E014DAA1AA $1722.00
460-480 4 60 100 - -341F014DAA1AA $3168.00
460-480 4 100 200 - -341F014EAC1AA1$3300.00
460-480 5 125 200 - -341G014EAC1AA1$7020.00
460-480 5 200 400 - -341G014FAC1AA1$7020.00
460-480 6 400 600 - -341H014GAD1AA1,2 $18303.00
460-480 7 500 1600 - -341J014NAD1AA1,2 $27738.00
460-480 7 600 1800 - -341J014PAD1AA1,2 $27738.00
For pump panel without overload, change 8th digit in product number from "1" to "4" and subtract price according to table below.
Without Overload
NEMA Size No overload list price deduction
1$30.00
2$54.00
3$90.00
4$144.00
5$504.00
Example: CR341K013BAA1AA becomes CR341K043BAA1AA at $711.
Class R Fuse Clips
Coil NEMA Type 3R Narrow NEMA Type 3R Wide
Voltage NEMA Fuse Clip Product Number List Price Product Number List Price
(60Hz) Size Horsepower Rating (Amps) CR GO-10GP CR GO-10GP
230-240 1 7 1/2 30 341K113BAA1AA $750.00 341C113BAA1AA $777.00
230-240 2 15 60 341L113CAA1AA $1020.00 341D113CAA1AA $1047.00
230-240 3 20 60 - -341E113CAA1AA $1704.00
230-240 3 30 100 - -341E113DAA1AA $1704.00
230-240 4 50 200 - -341F113EAC1AA1$3294.00
230-240 5 60 200 - -341G113EAC1AA1$6918.00
230-240 5 100 400 - -341G113FAC1AA1$6918.00
460-480 1 10 30 341K114BAA1AA $762.00 341C114BAA1AA $789.00
460-480 2 15 30 341L114BAA1AA $1038.00 341D114BAA1AA $1065.00
460-480 2 25 60 341L114CAA1AA $1038.00 341D114CAA1AA $1065.00
460-480 3 30 60 - -341E114CAA1AA $1740.00
460-480 3 50 100 - -341E114DAA1AA $1740.00
460-480 4 60 100 - -341F114DAA1AA $3186.00
460-480 4 100 200 - -341F114EAC1AA1$3318.00
460-480 5 125 200 - -341G114EAC1AA1$7062.00
460-480 5 200 400 - -341G114FAC1AA1$7062.00
For pump panel without overload, change 8th digit in product number from "1" to "4" and subtract price according to table below.
1Control Circuit Fusing included in pricing.
2List Price includes CLF fuses.
Heater Selection Tables: See page 1-188
Pumping Panel Enclosure Dimensions: See pages
1-190 to 1-192

www.geindustrial.com Rev. 4/16
Prices and data subject to
change without notice
Control Catalog
1-176
NEMA Full Voltage Power Devices
Pumping Panels
Section 1
CR341 Pumping Panels
Fusible Disconnect Type
With Thermal Overload Relay
Thermal Class 10 with Differential Protection
List price includes complete starter with fusible switch, H-O-A selector switch, START push button, and three-leg ambient compensat-
ed overload protection in Type 3R enclosure with manual reset. Heaters are included in Class 10 overloads. Horsepower ratings are
based on standard NEC motor data and normal service conditions. All forms are UL listed and CSA certified.
The following tables contain common product numbers. Use the selection guide starting on page 1-179 to select other configurations.
Product Number Selection Instructions: See page 1-174
Class H Fuse Clips
Maximum Maximum Fuse Clip Maximum Overload NEMA Type 3R Narrow NEMA Type 3R Wide
NEMA Horsepower Horsepower Rating Fuse Rating Range Product Number List Price Product Number List Price
Size (3 phase) @ 230-240V1(3 phase) @ 440-480V1(Amps) (Amps) (Amps) CR GO-10GP CR GO-10GP
1-130 6 1.3-1.9 341K09*BAA1AAG $753.00 341C09*BAA1AAG $780.00
1 1/2 1 1/2 30 10 1.8-2.7 341K09*BAA1AAH $753.00 341C09*BAA1AAH $780.00
11230 15 2.5-4.1 341K09*BAA1AAJ $753.00 341C09*BAA1AAJ $780.00
1 1 1/2 3 30 20 4.0-6.3 341K09*BAA1AAK $753.00 341C09*BAA1AAK $780.00
12530 25 5.5-8.5 341K09*BAA1AAL $753.00 341C09*BAA1AAL $780.00
137 1/2 30 30 8.0-12.0 341K09*BAA1AAM $753.00 341C09*BAA1AAM $780.00
1510 30 30 10.0-16.0 341K09*BAA1AAP $753.00 341C09*BAA1AAP $780.00
1--30 30 14.5-18.0 341K09*BAA1AAR $753.00 341C09*BAA1AAR $780.00
1- -30 30 17.5-22.0 341K09*BAA1AAS $753.00 341C09*BAA1AAS $780.00
1 7 1/2 - 30 30 21.0-26.0 341K09*BAA1AAT $753.00 341C09*BAA1AAT $780.00
2-15 60 60 17.5-22.0 341L09*CAA1AAG $1029.00 341D09*CAA1AAG $1056.00
2--60 60 21-26 341L09*CAA1AAH $1029.00 341D09*CAA1AAH $1056.00
2 10 20 60 60 25-32 341L09*CAA1AAJ $1029.00 341D09*CAA1AAJ $1056.00
2-25 60 60 30-43 341L09*CAA1AAK $1029.00 341D09*CAA1AAK $1056.00
2 15 - 60 60 42-55 341L09*CAA1AAL $1029.00 341D09*CAA1AAL $1056.00
3-30 100 100 30-43 - -341E09*DAA1AAG $1722.00
3 20 40 100 100 42-55 --341E09*DAA1AAH $1722.00
3--100 100 54-65 --341E09*DAA1AAJ $1722.00
3 30 50 100 100 63-90 --341E09*DAA1AAK $1722.00
4-60 200 200 63-90 --341F09*EAC1AAG2$3300.00
4 40 100 200 200 90-120 --341F09*EAC1AAH2$3300.00
4 50 - 200 200 110-140 --341F09*EAC1AAJ2$3300.00
5 75 150 400 400 120-190 --341G09*FAC1AAG2$7020.00
5 - 200 400 400 175-280 --341G09*FAC1AAH2$7020.00
5 100 - 400 400 200-310 --341G09*FAC1AAJ2$7020.00
* Insert number from coil table on next page in place of asterisk in product number for voltage/frequency desired.
Class R Fuse Clips
Maximum Maximum Fuse Clip Maximum Overload NEMA Type 3R Narrow NEMA Type 3R Wide
NEMA Horsepower Horsepower Rating Fuse Rating Range Product Number List Price Product Number List Price
Size (3 phase) @ 230-240V1(3 phase) @ 440-480V1(Amps) (Amps) (Amps) CR GO-10GP CR GO-10GP
1-130 6 1.3-1.9 341K19*BAA1AAG $762.00 341C19*BAA1AAG $789.00
1 1/2 1 1/2 30 10 1.8-2.7 341K19*BAA1AAH $762.00 341C19*BAA1AAH $789.00
11230 15 2.5-4.1 341K19*BAA1AAJ $762.00 341C19*BAA1AAJ $789.00
1 1 1/2 3 30 20 4.0-6.3 341K19*BAA1AAK $762.00 341C19*BAA1AAK $789.00
12530 25 5.5-8.5 341K19*BAA1AAL $762.00 341C19*BAA1AAL $789.00
137 1/2 30 30 8.0-12.0 341K19*BAA1AAM $762.00 341C19*BAA1AAM $789.00
1510 30 30 10.0-16.0 341K19*BAA1AAP $762.00 341C19*BAA1AAP $789.00
1- -30 30 14.5-18.0 341K19*BAA1AAR $762.00 341C19*BAA1AAR $789.00
1- -30 30 17.5-22.0 341K19*BAA1AAS $762.00 341C19*BAA1AAS $789.00
1 7 1/2 - 30 30 21.0-26.0 341K19*BAA1AAT $762.00 341C19*BAA1AAT $789.00
2-15 60 60 17.5-22.0 341L19*CAA1AAG $1038.00 341D19*CAA1AAG $1065.00
2- -60 60 21-26 341L19*CAA1AAH $1038.00 341D19*CAA1AAH $1065.00
2 10 20 60 60 25-32 341L19*CAA1AAJ $1038.00 341D19*CAA1AAJ $1065.00
2-25 60 60 30-43 341L19*CAA1AAK $1038.00 341D19*CAA1AAK $1065.00
2 15 - 60 60 42-55 341L19*CAA1AAL $1038.00 341D19*CAA1AAL $1065.00
3-30 100 100 30-43 - -341E19*DAA1AAG $1740.00
3 20 40 100 100 42-55 - -341E19*DAA1AAH $1740.00
3- -100 100 54-65 - -341E19*DAA1AAJ $1740.00
3 30 50 100 100 63-90 - -341E19*DAA1AAK $1740.00
4-60 200 200 63-90 - -341F19*EAC1AAG2$3318.00
4 40 100 200 200 90-120 - -341F19*EAC1AAH2$3318.00
4 50 - 200 200 110-140 - -341F19*EAC1AAJ2$3318.00
5 75 150 400 400 120-190 - -341G19*FAC1AAG2$7062.00
5-200 400 400 175-280 - -341G19*FAC1AAH2$7062.00
5 100 - 400 400 200-310 - -341G19*FAC1AAJ2$7062.00
* Insert number from coil table on next page in place of asterisk in product number for voltage/frequency desired.
• NEMA sizes 1-3 rated 5,000 rms symmetrical amperes maximum.
• NEMA sizes 4 & 5 rated 10,000 rms symmetrical amperes maximum.
1Horsepower ratings are based on standard NEC motor data and normal service conditions.
2Control Circuit Fusing included in pricing.

www.geindustrial.com Control Catalog 1-177
NEMA Full Voltage Power Devices
Pumping Panels
Rev. 4/16
Prices and data subject to
change without notice
Section 1
Heater Selection Tables: See page 1-188
CR341 Pumping Panels
Fusible Disconnect Type
With Thermal Overload Relay
Thermal Class 10 with Differential Protection
List price includes complete starter with fusible switch, H-O-A selector switch, START push button, and three-leg ambient compensat-
ed overload protection in Type 3R enclosure with manual reset. Heaters are included in Class 10 overloads. Horsepower ratings are
based on standard NEC motor data and normal service conditions. All forms are UL listed and CSA certified.
*Coil Table
(To Complete Product Number)
Coil Number1Voltage Frequency
1 200-208 V 60 Hertz
3 230-240 V 60 Hertz
4 460-480 V 60 Hertz
5 575-600 V 60 Hertz
6 380-415 V 50 Hertz
150 Hertz forms are available. Contact nearest GE Representative for proper
selection and pricing.

www.geindustrial.com Rev. 4/16
Prices and data subject to
change without notice
Control Catalog
1-178
NEMA Full Voltage Power Devices
Pumping Panels
Section 1
CR341 Pumping Panels
Fusible Disconnect Type
With Solid State Overload Relay
Solid State Class 10-20-30 Electronic Overload with Adjustable Setting
List price includes complete starter with fusible switch (Class H clips), H-O-A selector switch, START push button, overload in a Type 3R
enclosure with manual reset. Horsepower ratings are based on standard NEC motor data and normal service conditions. Note: See
pages
1-160 through 1-163 for detailed information on electronic overload relays.
The following tables contain common product numbers. Use the selection guide starting on page 1-179 to select other configurations.
Product Number Selection Instructions: See page 1-174
Class H Fuse Clips
Maximum Maximum Fuse Clip Maximum Overload NEMA Type 3R Narrow NEMA Type 3R Wide
NEMA Horsepower Horsepower Rating Fuse Rating Range Product Number List Price Product Number List Price
Size (3 phase) @ 230-240V1(3 phase) @ 440-480V1(Amps) (Amps) (Amps) CR GO-10GP CR GO-10GP
1- -30 3 0.4-0.85 341K0X*BAA1AAC $780.00 341C0X*BAA1AAC $807.00
1-0.75 30 6 0.8-1.7 341K0X*BAA1AAD $780.00 341C0X*BAA1AAD $807.00
1 0.75 2 30 10 1.6-3.4 341K0X*BAA1AAE $780.00 341C0X*BAA1AAE $807.00
12330 25 3.2-6.8 341K0X*BAA1AAF $780.00 341C0X*BAA1AAF $807.00
137.5 30 30 6.5-13.5 341K0X*BAA1AAG $780.00 341C0X*BAA1AAG $807.00
1 7.5 10 30 30 13-27 341K0X*BAA1AAH $780.00 341C0X*BAA1AAH $807.00
237.5 30 30 6.5-13.5 341L0X*BAA1AAG $1056.00 341D0X*BAA1AAG $1082.00
2 7.5 20 60 60 13-27 341L0X*CAA1AAH $1056.00 341D0X*CAA1AAH $1082.00
2 15 25 60 60 25-50 341L0X*CAA1AAJ $1056.00 341D0X*CAA1AAJ $1082.00
3 10 25 60 50 17-35 - -341E0X*CAC1AAK3$1881.00
3 25 50 60 60 35-70 - -341E0X*CAC1AAL3$1881.00
3 30 - 60 60 65-90 - -341E0X*CAC1AAM3$1881.00
4 10 25 200 200 17-35 - -341F0X*EAC1AAK3$3327.00
4 25 50 200 200 35-70 - -341F0X*EAC1AAL3$3327.00
4 50 100 200 200 65-135 - -341F0X*EAC1AAM3$3327.00
5 50 100 200 200 65-135 - -341G0X*EAC1AAP3$7048.00
5 100 200 400 400 130-270 - -341G0X*FAC1AAQv $7048.00
6 100 200 600 600 130-270 - -341H0X*GAD1AAS3$18330.00
6 200 400 1200 1200 260-540 - -341H0X*LAD1AAT3$18330.00
* Insert number from coil table below in place of asterisk in product number for voltage/frequency desired.
Class R Fuse Clips
Maximum Maximum Fuse Clip Maximum Overload NEMA Type 3R Narrow NEMA Type 3R Wide
NEMA Horsepower Horsepower Rating Fuse Rating Range Product Number List Price Product Number List Price
Size (3 phase) @ 230-240V1(3 phase) @ 440-480V1(Amps) (Amps) (Amps) CR GO-10GP CR GO-10GP
1- -30 3 0.4-0.85 341K1X*BAA1AAC $789.00 341C1X*BAA1AAC $816.00
1-0.75 30 6 0.8-1.7 341K1X*BAA1AAD $789.00 341C1X*BAA1AAD $816.00
1 0.75 2 30 10 1.6-3.4 341K1X*BAA1AAE $789.00 341C1X*BAA1AAE $816.00
12330 25 3.2-6.8 341K1X*BAA1AAF $789.00 341C1X*BAA1AAF $816.00
137.5 30 30 6.5-13.5 341K1X*BAA1AAG $789.00 341C1X*BAA1AAG $816.00
1 7.5 10 30 30 13-27 341K1X*BAA1AAH $789.00 341C1X*BAA1AAH $816.00
237.5 30 30 6.5-13.5 341L1X*BAA1AAG $1065.00 341D1X*BAA1AAG $1091.00
2 7.5 20 60 60 13-27 341L1X*CAA1AAH $1065.00 341D1X*CAA1AAH $1091.00
2 15 25 60 60 25-50 341L1X*CAA1AAJ $1065.00 341D1X*CAA1AAJ $1091.00
3 10 25 60 50 17-35 - -341E1X*CAC1AAK3$1899.00
3 25 50 60 60 35-70 - -341E1X*CAC1AAL3$1899.00
3 30 - 60 60 65-90 - -341E1X*CAC1AAM3$1899.00
4 10 25 200 200 17-35 - -341F1X*EAC1AAK3$3345.00
4 25 50 200 200 35-70 - -341F1X*EAC1AAL3$3345.00
4 50 100 200 200 65-135 - -341F1X*EAC1AAM3$3345.00
5 50 100 200 200 65-135 - -341G1X*EAC1AAP3$7090.00
5 100 200 400 400 130-270 - -341G1X*FAC1AAQ3$7090.00
* Insert number from coil table below in place of asterisk in product number for voltage/frequency desired
*Coil Table
(To Complete Product Number)
Coil Number2Voltage Frequency
1 200-208 V 60 Hertz
3 230-240 V 60 Hertz
4 460-480 V 60 Hertz
5 575-600 V 60 Hertz
6 380-415 V 50 Hertz
• NEMA sizes 1-3 rated 5,000 rms symmetrical amperes maximum.
• NEMA sizes 4 & 5 rated 10,000 rms symmetrical amperes maximum.
1Horsepower ratings are based on standard NEC motor data and normal service
conditions.
250 Hertz forms are available. Contact nearest GE Representative for proper
selection and pricing.
3Control Circuit Fusing included in pricing.

www.geindustrial.com Control Catalog 1-179
NEMA Full Voltage Power Devices
Pumping Panels
Rev. 4/16
Prices and data subject to
change without notice
Section 1
1
CR
Digits:
Steps:
23
Step 1
45678910111213141516
Step 7Step 2 Step 3 Step 4 Step 5 Step 6 Step 8 Step 9 Step 10 Step 11
To configure the part number, use the tables below to fill in the digit boxes with the appropriate code.
Add list price from each step to arrive at total list for price for starter.
Step 1 (Digits 1-6) Select Pump Panel Type, NEMA Size & Enclosure (NEMA Sizes 1 & 2)
NEMA Size 1 NEMA Size 2
Narrow List Wide List Narrow List Wide List
Enclosure Price Enclosure Price Enclosure Price Enclosure Price
Voltage CR GO-10GP CR GO-10GP CR GO-10GP CR GO-10GP
Pumping Panel - Fusible Disconnect 230-240 341K $741.00 341C $768.00 341L $1011.00 341D $1038.00
Pumping Panel - Fusible Disconnect 460-480 341K $753.00 341C $780.00 341L $1029.00 341D $1056.00
Step 1 (Digits 1-6) Select Pump Panel Type, NEMA Size & Enclosure (NEMA Sizes 3 - 5)
NEMA Size 3 NEMA Size 4 NEMA Size 5
Narrow List Wide List Narrow List Wide List Narrow List Wide List
Enclosure Price Enclosure Price Enclosure Price Enclosure Price Enclosure Price Enclosure Price
Voltage CR GO-10GP CR GO-10GP CR GO-10GP CR GO-10GP CR GO-10GP CR GO-10GP
Pumping Panel - Fusible Disconnect 230-240 N/A -341E $1818.00 N/A -341F $3276.00 N/A -341G $6876.00
Pumping Panel - Fusible Disconnect 460-480 N/A -341E $1854.00 N/A -341F $3300.00 N/A -341G $7020.00
Note for sizes 3, 4 & 5: Control Circuit Fusing (CCF) included in pricing. In Step 7 (Digit 12), page 1-180, select appropriate code including CCF.
Step 2 (Digit 7) Select Disconnect Means
List Price GO-10GP
NEMA Size
Option Code 12345
Class H Fuse Clips - Standard IC Rating 0 $0.00 $0.00 $0.00 $0.00 $0.00
Class R Fuse Clips - Higher IC Rating 1 $9.00 $9.00 $18.00 $18.00 $42.00
Step 3 (Digit 8) Select Overload Relay
List Price GO-10GP
NEMA Size
Option Code 1234 5
Class 20 Thermal Bi-Metallic Ambient Compensated 1 $0.00 $0.00 $0.00 $0.00 $0.00
No overloads 4 -$30.00 -$54.00 -$90.00 -$144.00 -$504.00
Class 10 IEC Ambient Compensated 91$12.00 $18.00 $36.00 $24.00 $144.00
Starter Mount Class 10-20-30 Solid State X $27.00 $26.00 $27.00 $27.00 $28.00
Panel Mount Class 10-20-30 Solid State Y2$27.00 $26.00 $27.00 $27.00 $28.00
1Adder applies for 230-240V only. No adder for 460/480V.
2Not available on Narrow Enclosures.
Step 4 (Digit 9) Select Line/Coil Voltage
List Price
Voltage Hz Code GO-10GP
200-208 V 60 1 $0.00
230-240 V 60 3 $0.00
460-480 V 60 4 $0.00
575-600 V 60 5 $0.00
380 V 50 6 $0.00
CR341 Pumping Panels
Fusible Disconnect Type
Part Number Configuration
Valid for NEMA sizes 1-5

www.geindustrial.com Rev. 4/16
Prices and data subject to
change without notice
Control Catalog
1-180
NEMA Full Voltage Power Devices
Pumping Panels
Section 1
Step 5 (Digit 10) Select Disconnect
Fuse Clip Rating (Amps)
NEMA Size List Price
123 45Trip Code GO-10GP
Disconnect Switchless Fuse Clips A $0.00
30 30 B $0.00
60 60 60 C $0.00
100 100 100 D $0.00
200 200 200 E $0.00
400 F $0.00
Step 6 (Digit 11) Select Timer Option
List Price
Device Code GO-10GP
HOA SS, Start PB (Standard) A $0.00
HOA SS B -$26.00
Program Timer with Mini Door C2,3,4 $592.00
Program Timer with Seq Restart D2,3,4 $492.00
Back Spin Timer E2,3 $468.00
Start-Stop PB K -$26.00
Program Timer with no options L2,3,4 $492.00
2Available in Wide enclosure forms only.
3Extra Capacity CPT required.
4Not UL Listed.
Step 7 (Digit 12) Select Control Circuit
List Price GO-10GP
NEMA Size
Option Code 1234 5
None - Standard - Line Voltage A5$0.00 $0.00 $0.00 $0.00 $0.00
Separate Control 120V B5$0.00 $0.00 $0.00 $0.00 $0.00
Control Circuit Fusing (CCF), Line Voltage C6$132.00 $132.00 $0.00 $0.00 $0.00
CCF, Separate Control 120V D6$132.00 $132.00 $132.00 $0.00 $0.00
CCF, CPT Standard Capacity E2$294.00 $360.00 $468.00 $540.00 $594.00
CCF, CPT +100VA Extra Capacity F2$420.00 $504.00 $600.00 $660.00 $720.00
Note: CPT includes 1 secondary fuse.
2Available in Wide enclosure forms only.
5Only available for sizes 0-2, CCF is required for sizes 3, 4 and 5.
6Price adder for sizes 4 and 5 included in list price in Step 1 (Digits 1-6), page 1-179.
Step 8 (Digit 13) Select Lightning Arrestors/Surge
List Price
Option Code GO-10GP
None (Standard) 1 $0.00
Lightning Arrestor 32$240.00
Lightning Arrestor, Surge Capacitor 52,4 $528.00
Surge Capacitor 72,4 $288.00
2Available in Wide enclosure forms only.
4Not UL Listed.
CR341 Pumping Panels
Fusible Disconnect Type
Part Number Configuration
Valid for NEMA sizes 1-5

www.geindustrial.com Control Catalog 1-181
NEMA Full Voltage Power Devices
Pumping Panels
Rev. 4/16
Prices and data subject to
change without notice
Section 1
Step 9 (Digit 14) Select Options
List Price
Option Code GO-10GP
None (Standard) A $0.00
Unwired Control Circuit B $0.00
Elapsed Time Meter D2$348.00
Space Heater E $120.00
1 NO Aux Contact (Extra) F $66.00
2 NO Aux Contact (Extra) G $132.00
1 NC Aux Contact (Extra) H $66.00
2 NC Aux Contact (Extra) J $132.00
1 NO-1NC Aux Contact (Extra) K $132.00
Red & Green Indicator Light L2$390.00
Red Indicator Light (Motor On) N2$162.00
Aux Relay (2NO-2NC) P2$264.00
ETM, w/ NO aux S2$348.00
2Available in Wide enclosure forms only.
Step 10 (Digit 15) Select Under Voltage/Phase Failure Relay
List Price
Option Code GO-10GP
None (Standard) A $0.00
Under Voltage Relay B2$306.00
Under Voltage Relay & Phase Failure Relay C2$1056.00
Phase Failure Relay D2$1056.00
2Available in Wide enclosure forms only.
Step 11 (Digit 16) Select Overload Range
Note: Leave Digit/Code BLANK for Class 20 - Use Tables below for
Class 10 IEC & Class 10-20-30 List Price
Overload Code GO-10GP
Class 20 Thermal Bi-Metallic Ambient Compensated Blank $0.00
Class 10 IEC Ambient Compensated Select below $0.00
Class 10-20-30 Solid State Select below $0.00
Class 10 IEC
NEMA Size
Code 12345
G 1.3-1.9 17.5-22.0 30-43 63-90 120-190
H 1.8-2.7 21-26 42-55 90-120 175-280
J 2.5-4.1 25-32 54-65 110-140 200-310
K 4.0-6.3 30-43 63-90
L 5.5-8.5 42-55
M 8.0-12.0
P 10.0-16.0
R 14.5-18.0
S 17.5-22.0
T 21.0-26.0
Class 10-20-30 Solid State
NEMA Size
Code 12345
C 0.4-0.85
D 0.8-1.7
E 1.6-3.4
F 3.2-6.8
G 6.5-13.5 6.5-13.5
H 13-27 13-27
J 25-50
K 17-35 17-35
L 35-70 35-70
M 65-90 65-135
P 65-135
Q 130-270
CR341 Pumping Panels
Fusible Disconnect Type
Part Number Configuration
Valid for NEMA sizes 1-5

www.geindustrial.com Rev. 4/16
Prices and data subject to
change without notice
Control Catalog
1-182
NEMA Full Voltage Power Devices
Pumping Panels
Section 1
Thermal Magnetic Circuit Breaker Type
Coil Maximum NEMA Type 3R Narrow NEMA Type 3R Wide
Voltage NEMA Horsepower CB Rating Product Number List Price Product Number List Price
(60Hz)1Size (3 phase) (Amps) CR GO-10GP CR GO-10GP
230-240 12 15 340K013AAA1AA $765.00 340C013AAA1AA $792.00
230-240 13 20 340K013BAA1AA $765.00 340C013BAA1AA $792.00
230-240 15 40 340K013FAA1AA $765.00 340C013FAA1AA $792.00
230-240 1 7 1/2 50 340K013HAA1AA $765.00 340C013HAA1AA $792.00
230-240 2 10 50 340L013HAA1AA $1023.00 340D013HAA1AA $1050.00
230-240 2 15 70 340L013KAA1AA $1023.00 340D013KAA1AA $1050.00
For pump panel without overload, change 8th digit in product number from "1" to "4" and subtract price according to table below.
Mag-Break Type
Coil Maximum NEMA Type 3R Narrow NEMA Type 3R Wide
Voltage NEMA Horsepower CB Rating Product Number List Price Product Number List Price
(60Hz)1Size (3 phase) (Amps) CR GO-10GP CR GO-10GP
230-240 13 15 340K213CAC1AA $957.00 340C213CAC1AA $984.00
230-240 1 7 1/2 30 340K213DAC1AA $957.00 340C213DAC1AA $984.00
230-240 2 15 50 340L213EAC1AA $1197.00 340D213EAC1AA $1224.00
230-240 3 30 100 - -340E213FAC1AA $1746.00
230-240 4 50 150 - -340F213GAC1AA $3828.00
230-240 5 100 400 - -340G213HAC1AA $8538.00
460-480 1 7 1/2 15 340K214CAC1AA $957.00 340C214CAC1AA $984.00
460-480 1 10 30 340K214DAC1AA $957.00 340C214DAC1AA2$984.00
460-480 2 25 50 340L214EAC1AA $1197.00 340D214EAC1AA2$1224.00
460-480 3 50 100 - -340E214FAC1AA2$1746.00
460-480 4 100 150 - -340F214GAC1AA2$3828.00
460-480 5 200 400 - -340G214HAC1AA $8538.00
460-480 6 400 600 - -340H214KAD1AA $18357.00
460-480 7 600 1200 - -340J214NAD1AA $24681.00
For pump panel without overload (sizes 0-5 only), change 8th digit in product number from "1" to "4" and subtract price according to table below.
Without Overload
NEMA Size No overload list price deduction
1$30.00
2$54.00
3$90.00
4$144.00
5$504.00
Example: CR340K013AAA1AA becomes CR340K043AAA1AA at $735.00.
150 Hertz forms are available. Contact nearest GE Representative for proper
selection and pricing.
2Available with CL-type current limiter and UL listed 100kA/C short-circuit rating,
contact a GE Representative for availability and pricing. The 7th digit in the product
number changes to "3".
General Note:
Control Circuit Fusing included in pricing for Mag-Break Type.
CR340 Pumping Panels
With Thermal Overload Relay
Relay Class 20
List price includes complete starter with circuit breaker, H-O-A selector switch, START push button, and three-leg ambient compensat-
ed overload protection in Type 3R enclosure with manual reset. Horsepower ratings are based on standard NEC motor data and
normal service conditions. All forms are UL listed and CSA certified.
The following tables contain common product numbers. Use the selection guide starting on page 1-185 to select other configurations.

www.geindustrial.com Control Catalog 1-183
NEMA Full Voltage Power Devices
Pumping Panels
Rev. 4/16
Prices and data subject to
change without notice
Section 1
Mag-Break Type with Thermal Overload Relay, Thermal Class 10 with Differential Protection
Maximum Maximum Maximum Overload NEMA Type 3R Narrow NEMA Type 3R Wide
NEMA Horsepower Horsepower CB Rating Range Product Number List Price Product Number List Price
Size (3 phase) @ 230-240V1(3 phase) @ 440-480V1(Amps) (Amps) CR GO-10GP CR GO-10GP
1- 171.3-1.9 340K29*BAC1AAG $1089.00 340C29*BAC1AAG $1116.00
1 1/2 1 1/2 7 1.8-2.7 340K29*BAC1AAH $1089.00 340C29*BAC1AAH $1116.00
11215 2.5-4.1 340K29*CAC1AAJ $1089.00 340C29*CAC1AAJ $1116.00
1 1 1/2 3 15 4.0-6.3 340K29*CAC1AAK $1089.00 340C29*CAC1AAK $1116.00
12 515 5.5-8.5 340K29*CAC1AAL $1089.00 340C29*CAC1AAL $1116.00
1 3 7 1/2 30 8.0-12.0 340K29*DAC1AAM $1089.00 340C29*DAC1AAM $1116.00
15 10 30 10.0-16.0 340K29*DAC1AAP $1089.00 340C29*DAC1AAP $1116.00
1- -30 14.5-18.0 340K29*DAC1AAR $1089.00 340C29*DAC1AAR $1116.00
1- -30 17.5-22.0 340K29*DAC1AAS $1089.00 340C29*DAC1AAS $1116.00
1 7 1/2 - 30 21.0-26.0 340K29*DAC1AAT $1089.00 340C29*DAC1AAT $1116.00
2- 15 30 17.5-22.0 340L29*DAC1AAG $1329.00 340D29*DAC1AAG $1356.00
2- -50 21-26 340L29*EAC1AAH $1329.00 340D29*EAC1AAH $1356.00
2 10 20 50 25-32 340L29*EAC1AAJ $1329.00 340D29*EAC1AAJ $1356.00
2- 25 50 30-43 340L29*EAC1AAK $1329.00 340D29*EAC1AAK $1356.00
2 15 - 50 42-55 340L29*EAC1AAL $1329.00 340D29*EAC1AAL $1356.00
3 - 30 50 30-43 - -340E29*EAC1AAG $1878.00
3 20 40 100 42-55 - -340E29*FAC1AAH $1878.00
3- -100 54-65 - -340E29*FAC1AAJ $1878.00
3 30 50 100 63-90 - -340E29*FAC1AAK $1878.00
4- 60 100 63-90 - -340F29*FAC1AAG $3828.00
4 40 100 150 90-120 - -340F29*GAC1AAH $3828.00
4 50 - 150 110-140 - -340F29*GAC1AAJ $3828.00
5 75 150 400 120-190 - -340G29*HAC1AAG $8538.00
5- 200 400 175-280 - -340G29*HAC1AAH $8538.00
5 100 - 400 200-310 - -340G29*HAC1AAJ $8538.00
* Insert number from coil table below in place of asterisk in product number for voltage/frequency desired
*Coil Table
(To Complete Product Number)
Coil Number2Voltage Frequency
1 200-208 V 60 Hertz
3 230-240 V 60 Hertz
4 460-480 V 60 Hertz
5 575-600 V 60 Hertz
6 380-415 V 50 Hertz
• NEMA sizes 1-3 rated 5,000 rms symmetrical amperes maximum.
• NEMA sizes 4 & 5 rated 10,000 rms symmetrical amperes maximum.
1Horsepower ratings are based on standard NEC motor data and normal service
conditions.
250 Hertz forms are available. Contact nearest GE Representative for proper
selection and pricing.
General Note:
Control Circuit Fusing included in pricing for Mag-Break Type.
CR340 Pumping Panels
Mag-Break Type
With Thermal Overload Relay
Thermal Class 10 with Differential Protection
List price includes complete starter with Mag-Break circuit breaker disconnect, H-O-A selector switch, START push button, and three-
leg ambient compensated overload protection in Type 3R enclosure with manual reset. Heaters are included in Class 10 overloads.
Horsepower ratings are based on standard NEC motor data and normal service conditions. All forms are UL listed and CSA certified.
The following tables contain common product numbers. Use the selection guide starting on page 1-185 to select other configurations.

www.geindustrial.com Rev. 4/16
Prices and data subject to
change without notice
Control Catalog
1-184
NEMA Full Voltage Power Devices
Pumping Panels
Section 1
Mag-Break Type with Thermal Overload Relay, Solid State Class 10-20-30 Electronic Overload
Maximum Maximum CB Trip Overload NEMA Type 3R Narrow NEMA Type 3R Wide
NEMA Horsepower Horsepower Rating Range Product Number List Price Product Number List Price
Size (3 phase) @ 230-240V1(3 phase) @ 440-480V1(Amps) (Amps) CR GO-10GP CR GO-10GP
1- -30.4-0.85 340K2X*AAC1AAC $1084.00 340C2X*AAC1AAC $1011.00
1 - 0.75 3 0.8-1.7 340K2X*AAC1AAD $1084.00 340C2X*AAC1AAD $1011.00
1 0.75 271.6-3.4 340K2X*BAC1AAE $1216.00 340C2X*BAC1AAE $1143.00
12 373.2-6.8 340K2X*BAC1AAF $1216.00 340C2X*BAC1AAF $1143.00
1 3 7.5 7 6.5-13.5 340K2X*BAC1AAG $1216.00 340C2X*BAC1AAG $1143.00
1 7.5 10 30 13-27 340K2X*DAC1AAH $1216.00 340C2X*DAC1AAH $1143.00
23 7.5 30 6.5-13.5 340L2X*DAC1AAG $1356.00 340D2X*DAC1AAG $1383.00
2 7.5 20 50 13-27 340L2X*EAC1AAH $1356.00 340D2X*EAC1AAH $1383.00
2 15 25 50 25-50 340L2X*EAC1AAJ $1356.00 340D2X*EAC1AAJ $1383.00
3 10 25 50 17-35 - -340E2X*EAC1AAK $1895.00
3 25 50 100 35-70 - -340E2X*FAC1AAL $1895.00
3 30 - 100 65-90 - -340E2X*FAC1AAM $1895.00
4 10 25 100 17-35 - -340F2X*FAC1AAK $3755.00
4 25 50 100 35-70 - -340F2X*FAC1AAL $3755.00
4 50 100 150 65-135 - -340F2X*GAC1AAM $3755.00
5 50 100 150 65-135 - -340G2X*GAC1AAP $8565.00
5 100 200 400 130-270 - -340G2X*HAC1AAQ $8565.00
6 100 200 400 130-270 - -340H2X*FAD1AAS $18385.00
6 200 400 600 260-540 - -340H2X*GAD1AAT $18385.00
* Insert number from coil table below in place of asterisk in product number for voltage/frequency desired.
*Coil Table
(To Complete Product Number)
Coil Number Voltage Frequency
1 200-208 V 60 Hertz
3 230-240 V 60 Hertz
4 460-480 V 60 Hertz
5 575-600 V 60 Hertz
6 380-415 V 50 Hertz
• NEMA sizes 1-3 rated 5,000 rms symmetrical amperes maximum.
• NEMA sizes 4 & 5 rated 10,000 rms symmetrical amperes maximum.
1Horsepower ratings are based on standard NEC motor data and normal service
conditions.
General Note:
Control Circuit Fusing included in pricing.
CR340 Pumping Panels
Mag-Break Type
With Solid State Overload Relay
Solid State Class 10-20-30 Electronic Overload with Adjustable Setting
List price includes complete starter with Mag-Break circuit breaker disconnect, H-O-A selector switch, START push button, overload in
a Type 3R enclosure with manual reset. Horsepower ratings are based on standard NEC motor data and normal service conditions.
Note: See pages 1-160 through 1-163 for detailed information on electronic overload relays.
The following tables contain common product numbers. Use the selection guide starting on page 1-185 to select other configurations.

www.geindustrial.com Control Catalog 1-185
NEMA Full Voltage Power Devices
Pumping Panels
Rev. 4/16
Prices and data subject to
change without notice
Section 1
1
CR
Digits:
Steps:
23
Step 1
45678910111213141516
Step 7Step 2 Step 3 Step 4 Step 5 Step 6 Step 8 Step 9 Step 10 Step 11
To configure the part number, use the tables below to fill in the digit boxes with the appropriate code.
Add list price from each step to arrive at total list for price for starter.
Step 1 (Digits 1-6) Select Pump Panel Type, NEMA Size & Enclosure (NEMA Sizes 1 & 2)
NEMA Size 1 NEMA Size 2
Narrow List Wide List Narrow List Wide List
Enclosure Price Enclosure Price Enclosure Price Enclosure Price
CR GO-10GP CR GO-10GP CR GO-10GP CR GO-10GP
Pumping Panel - Circuit Breaker Type 340K $957.00 340C $984.00 340L $1197.00 340D $1224.00
Step 1 (Digits 1-6) Select Pump Panel Type, NEMA Size & Enclosure (NEMA Sizes 3 - 5)
NEMA Size 3 NEMA Size 4 NEMA Size 5
Narrow List Wide List Narrow List Wide List Narrow List Wide List
Enclosure Price Enclosure Price Enclosure Price Enclosure Price Enclosure Price Enclosure Price
CR GO-10GP CR GO-10GP CR GO-10GP CR GO-10GP CR GO-10GP CR GO-10GP
Pumping Panel - Circuit Breaker Type N/A -340E $1746.00 N/A -340F $3828.00 N/A -340G $8538.00
Note for sizes 4 & 5: Control Circuit Fusing (CCF) included in pricing. In Step 7 (Digit 12), page 1-186, select appropriate code including CCF.
Step 2 (Digit 7) Select Disconnect Means
List Price GO-10GP
NEMA Size
Option Code 12345
Thermal Mag - Standard IC Rating 01-$192.00 -$174.00 ---
Mag-Break - Standard IC Rating 2 $0.00 $0.00 $0.00 $0.00 $0.00
Mag-Break - Higher IC Rating 3 $180.00 $180.00 $414.00 $858.00 $1742.00
1Available sizes 1 & 2, and 230-240V only.
Step 3 (Digit 8) Select Overload Relay
List Price GO-10GP
NEMA Size
Option Code 1234 5
Class 20 Thermal Bi-Metallic Ambient Compensated 1 $0.00 $0.00 $0.00 $0.00 $0.00
Class 10 IEC Ambient Compensated 9 $0.00 $132.00 $0.00 $0.00 $0.00
Starter Mount Class 10-20-30 Solid State X $27.00 $27.00 $17.00 -$73.00 $27.00
Panel Mount Class 10-20-30 Solid State Y2$27.00 $27.00 $17.00 -$73.00 $27.00
2Not available on Narrow Enclosures.
Step 4 (Digit 9) Select Line/Coil Voltage
List Price
Voltage Hz Code GO-10GP
200-208 V 60 1 $0.00
230-240 V 60 3 $0.00
460-480 V 60 4 $0.00
575-600 V 60 5 $0.00
380 V 50 6 $0.00
CR340 Pumping Panels
Mag-Break Circuit Breaker Type
Part Number Configuration
Valid for NEMA sizes 1-5

www.geindustrial.com Rev. 4/16
Prices and data subject to
change without notice
Control Catalog
1-186
NEMA Full Voltage Power Devices
Pumping Panels
Section 1
CR340 Pumping Panels
Mag-Break Circuit Breaker Type
Part Number Configuration
Valid for NEMA sizes 1-5
Step 5 (Digit 10) Select Disconnect
Thermal Mag Circuit Breaker Trips2
NEMA Size List Price
12Trip Code GO-10GP
15 15 A $0.00
20 20 B $0.00
25 25 C $0.00
30 30 D $0.00
35 35 E $0.00
40 40 F $0.00
45 45 G $0.00
50 50 H $0.00
60 J $0.00
70 K $0.00
80 L $0.00
90 M $0.00
100 N $0.00
2Available sizes 1 & 2 only.
Mag-Break Trips
NEMA Size List Price
123 45Trip Code GO-10GP
3 A $0.00
7 B $0.00
15 15 C $0.00
30 30 30 D $0.00
50 50 50 E $0.00
100 100 F $0.00
150 G $0.00
400F3H$0.00
400G4J$0.00
3Standard IC Rating.
4Higher IC Rating.
Step 6 (Digit 11) Select Timer Option
List Price
Device Code GO-10GP
HOA SS, Start PB (Standard) A $0.00
HOA SS B -$26.00
Program Timer with Mini Door C5,6,7 $592.00
Program Timer with Seq Restart D5,6,7 $492.00
Back Spin Timer E5,6 $468.00
Start-Stop PB K -$26.00
Program Timer with no options L5,6,7 $492.00
5Available in Wide enclosure forms only.
6Extra Capacity CPT required.
7Not UL Listed.
Step 7 (Digit 12) Select Control Circuit
List Price GO-10GP
NEMA Size
Option Code 1234 5
None - Standard - Line Voltage - Thermal Mag A8$0.00 $0.00 $0.00 $0.00 $0.00
Separate Control 120V B8$0.00 $0.00 $0.00 $0.00 $0.00
Control Circuit Fusing (CCF), Line Voltage - C9$132.00 $132.00 $0.00 $0.00 $0.00
Standard on Mag-Break
CCF, Separate Control 120V D9$132.00 $132.00 $0.00 $0.00 $0.00
CCF, CPT Standard Capacity E5$294.00 $360.00 $468.00 $540.00 $594.00
CCF, CPT +100VA Extra Capacity F5$420.00 $504.00 $600.00 $660.00 $720.00
Note: CPT includes 1 secondary fuse.
5Available in Wide enclosure forms only.
8Only available for Thermal Mag circuit breaker type Pump Panels.
9Price adder included in list price in Step 1 (Digits 1-6), page 1-185 for Mag-Break circuit breaker type Pump Panels. Use list price adders only on Thermal Mag circuit breaker type.
Step 8 (Digit 13) Select Lightning Arrestors/Surge
List Price
Option Code GO-10GP
None (Standard) 1 $0.00
Lightning Arrestor 35$240.00
Lightning Arrestor, Surge Capacitor 55,7 $528.00
Surge Capacitor 75,7 $288.00
5Available in Wide enclosure forms only.
7Not UL Listed.

www.geindustrial.com Control Catalog 1-187
NEMA Full Voltage Power Devices
Pumping Panels
Rev. 4/16
Prices and data subject to
change without notice
Section 1
Step 9 (Digit 14) Select Options
List Price
Option Code GO-10GP
None (Standard) A $0.00
Unwired Control Circuit B $0.00
Elapsed Time Meter D5$348.00
Space Heater E $120.00
1 NO Aux Contact (Extra) F $66.00
2 NO Aux Contact (Extra) G $132.00
1 NC Aux Contact (Extra) H $66.00
2 NC Aux Contact (Extra) J $132.00
1 NO-1NC Aux Contact (Extra) K $132.00
Red & Green Indicator Light L5$390.00
Red Indicator Light (Motor On) N5$162.00
Aux Relay (2NO-2NC) P5$264.00
ETM, w/ NO aux S5$348.00
5Available in Wide enclosure forms only.
Step 10 (Digit 15) Select Under Voltage/Phase Failure Relay
List Price
Option Code GO-10GP
None (Standard) A $0.00
Under Voltage Relay B5$306.00
Under Voltage Relay & Phase Failure Relay C5$1056.00
Phase Failure Relay D5$1056.00
5Available in Wide enclosure forms only.
CR340 Pumping Panels
Mag-Break Circuit Breaker Type
Part Number Configuration
Valid for NEMA sizes 1-5
Step 11 (Digit 16) Select Overload Range
Note: Leave Digit/Code BLANK for Class 20 - Use Tables below for
Class 10 IEC & Class 10-20-30 Electronic Overload List Price
Overload Code GO-10GP
Class 20 Thermal Bi-Metallic Ambient Compensated Blank $0.00
Class 10 IEC Ambient Compensated Select below $0.00
Class 10-20-30 Solid State Select below $0.00
Class 10 IEC
NEMA Size
Code 12345
G 1.3-1.9 17.5-22.0 30-43 63-90 120-190
H 1.8-2.7 21-26 42-55 90-120 175-280
J 2.5-4.1 25-32 54-65 110-140 200-310
K 4.0-6.3 30-43 63-90
L 5.5-8.5 42-55
M 8.0-12.0
P 10.0-16.0
R 14.5-18.0
S 17.5-22.0
T 21.0-26.0
Class 10-20-30 Solid State
NEMA Size
Code 12345
C 0.4-0.85
D 0.8-1.7
E 1.6-3.4
F 3.2-6.8
G 6.5-13.5 6.5-13.5
H 13-27 13-27
J 25-50
K 17-35 17-35
L 35-70 35-70
M 65-90 65-135
P 65-135
Q 130-270

www.geindustrial.com Rev. 4/16
Prices and data subject to
change without notice
Control Catalog
1-188
NEMA Full Voltage Power Devices
Pumping Panels
Section 1
CR340, CR341
Heaters
Class 20 Overload Heaters
For use with polyphase motors. For continuous rated motors
with a service factor of 1.15 to 1.25, select heaters from the
heater table for the motor full-load amperes. This provides a
maximum of 125% protection.
For continuous rated motors with 1.0 service factor, multiply the
full-load amperes of the motor by 0.90 and use this value to
select heaters.
Ordering Information
All heaters listed are packaged in multiples of three. Items of these
heaters should be ordered in quantities of three-unit multiples
(such as 3, 6, 9, 12, etc.). The minimum order quantity is three.
Example: (For motors with FLA of 9.28)
Item 1- 2 CR341D013C at $1038.00 ea. = $2076.00, GO-10GP
for 2 motors.
Item 1A-6 CR123C104B at $9.00 ea. = $54.00, GO-10H for
starters.
Heater Product Number List Price Each, GO-10H
CR123C, F, L (All) $9.00
Size 1 — Class 20 Overload Relay Heaters
Motor Full-Load Amps.
Heater Max. Fuse Max. Breaker TEC/TECL
3-Phase 3-Heaters Product Number Rating Rating Rating
.41-.45 CR123C054A 3——
.46-.49 CR123C060A 3 15 —
.50-.53 CR123C066A 3 15 —
.54-.59 CR123C071A 3 15 —
.60-.65 CR123C078A 3 15 —
.66-.76 CR123C087A 3 15 3
.77-.84 CR123C097A 3 15 3
.85-.93 CR123C109A 3 15 3
.94-1.04 CR123C118A 3 15 3
1.05-1.15 CR123C131A 3 15 3
1.16-1.27 CR123C148A 3 15 3
1.28-1.39 CR123C163A 3 15 3
1.40-1.55 CR123C184A 6 15 3
1.56-1.73 CR123C196A 6 15 3
1.74-1.89 CR123C220A 6 15 3
1.90-2.05 CR123C239A 6 15 3
2.06-2.28 CR123C268A 6 15 3
2.29-2.47 CR123C301A 6 15 3
2.48-2.79 CR123C326A 10 15 7
2.80-3.31 CR123C356A 10 15 7
3.32-3.70 CR123C379A 10 15 7
3.71-4.06 CR123C419A 15 15 7
4.07-4.47 CR123C466A 15 15 7
4.48-4.95 CR123C526A 15 15 7
4.96-5.49 CR123C592A 20 20 7
5.50-5.91 CR123C630A 20 20 7
5.92-6.47 CR123C695A 25 20 15
6.48-7.20 CR123C778A 25 20 15
7.21-8.22 CR123C867A 30 30 15
8.23-8.72 CR123C955A 30 30 15
8.73-9.67 CR123C104B 35 30 15
9.68-10.4 CR123C113B 35 30 15
10.5-11.0 CR123C125B 40 40 15
11.1-12.4 CR123C137B 45 40 15
12.5-13.2 CR123C151B 50 50 15, 30
13.3-15.4 CR123C163B 60 50 30
15.5-17.1 CR123C180B 60 50 30
17.2-18.1 CR123C198B 70 50 30
18.2-20.0 CR123C214B 70 50 30
20.1-21.5 CR123C228B 80 50 30
21.6-22.5 CR123C250B 80 70 30
22.6-23.9 CR123C273B 80 70 30
24.0-26.3 CR123C303B 90 70 30, 50
26.4-27.0 CR123C330B 90 70 50
Size 2 — Class 20 Overload Relay Heaters
Motor Full-Load Amps.
Heater Max. Fuse Max. Breaker TEC/TECL
3-Phase 3-Heaters Product Number Rating Rating Rating
5.48-5.85 CR123C630A 20 ——
5.86-6.47 CR123C695A 20 ——
6.48-7.35 CR123C778A 25 ——
7.36-8.06 CR123C867A 30 ——
8.07-9.03 CR123C955A 30 ——
9.04-9.61 CR123C104B 35 30 15
9.62-10.5 CR123C113B 35 30 15
10.6-11.6 CR123C125B 40 40 15
11.7-12.5 CR123C137B 45 40 15
12.6-13.6 CR123C151B 50 50 15
13.7-16.7 CR123C163B 60 50 30
16.8-17.9 CR123C180B 60 50 30
18.0-18.7 CR123C198B 70 70 30
18.8-20.4 CR123C214B 80 70 30
20.5-22.7 CR123C228B 80 70 30
22.8-24.7 CR123C250B 90 70 30
24.8-26.3 CR123C273B 90 70 30
26.4-29.5 CR123C303B 100 100 30, 50
29.6-32.5 CR123C330B 100 100 50
32.6-36.7 CR123C366B 100 100 50
36.8-41.9 CR123C400B 100 100 50
42.0-43.2 CR123C440B 100 100 50
43.3-45.0 CR123C460B 100 100 —
Size 3 — Standard Or Ambient Compensated
Class 20 Overload Relay Heaters
Motor Full-Load Amps.
Heater Max. Fuse Max. Breaker TEC/TECL
3-Phase 3-Heaters Product Number Rating Rating Rating
17.4-18.4 CR123F233B 70 70 30
18.5-21.1 CR123F243B 80 70 30
21.2-22.1 CR123F270B 80 70 30
22.2-26.1 CR123F300B 90 70 30
26.2-28.0 CR123F327B 100 100 50
28.1-31.3 CR123F357B 100 100 50
31.4-33.3 CR123F395B 100 100 50
33.4-34.3 CR123F430B 100 100 50
34.4-40.9 CR123F487B 100 100 50
41.0-44.7 CR123F567B 100 100 50, 100
44.8-51.0 CR123F614B 100 125 100
51.1-52.0 CR123F658B 100 125 100
52.1-55.4 CR123F719B 100 125 100
55.5-63.3 CR123F772B 100 150 100
63.4-66.1 CR123F848B 100 150 100
66.2-73.5 CR123F914B 100 150 100
73.6-82.2 CR123F104C 100 150 100
82.3-90.0 CR123F114C 100 150 100
Size 4 — Class 20 Overload Relay Heaters
Motor Full-Load Amps.
Heater Max. Fuse Max. Breaker TEC/TECL
3-Phase 3-Heaters Product Number Rating Rating Rating
28.8-31.1 CR123F357B 110 100 50
31.2-33.3 CR123F395B 125 100 50
33.4-35.6 CR123F430B 125 100 50
35.7-42.6 CR123F487B 150 100 50, 100
42.7-45.2 CR123F567B 175 125 50, 100
45.3-51.1 CR123F614B 175 150 100
51.2-53.9 CR123F658B 200 150 100
54.0-56.9 CR123F719B 200 150 100
57.0-65.2 CR123F772B 200 175 100
65.3-68.6 CR123F848B 200 200 100
68.7-74.0 CR123F914B 200 200 100
74.1-86.0 CR123F104C 200 200 100, 150
86.1-90.7 CR123F114C 200 225 150
90.8-103 CR123F118C 200 225 150
104-109 CR123F133C 200 225 150
110-119 CR123F149C 200 225 150
120-131 CR123F161C 200 225 150
132-135 CR123F174C 200 225 150

www.geindustrial.com Control Catalog 1-189
NEMA Full Voltage Power Devices
Pumping Panels
Rev. 4/16
Prices and data subject to
change without notice
Section 1
CR340, CR341
Heaters
Class 20 Overload Heaters (continued)
See page 1-188 for ordering information and pricing.
Size 5 — Class 20 Overload Relay Heaters
Motor Full-Load Amps.
Heater Maximum Maximum
3-Phase, 3-Heaters Product Number Fuse Rating Circuit Rating
109-118 CR123C592A 400 600
119-128 CR123C630A 400 600
129-138 CR123C695A 400 600
139-155 CR123C778A 400 600
156-168 CR123C867A 400 600
169-184 CR123C955A 400 600
185-200 CR123C104B 400 600
201-221 CR123C113B 400 600
222-237 CR123C125B 400 600
238-262 CR123C137B 400 600
263-270 CR123C151B 400 600
Size 6 — Class 20 Overload Relay Heaters
Motor Full-Load Amps.
3-Phase, 3-Heaters Heater Product Number
181-197 CR123C220A
198-214 CR123C239A
215-238 CR123C268A
239-258 CR123C301A
259-290 CR123C326A
291-346 CR123C356A
347-387 CR123C379A
388-424 CR123C419A
425-467 CR123C466A
468-516 CR123C526A
517-540 CR123C592A
Size 7 — Class 20 Overload Relay Heaters
Motor Full-Load Amps.
3-Phase, 3-Heaters Heater Product Number
346-387 CR123C326A
388-461 CR123C356A
462-515 CR123C379A
516-565 CR123C419A
566-622 CR123C466A
623-688 CR123C526A
689-763 CR123C592A
764-810 CR123C630A

www.geindustrial.com Rev. 4/16
Prices and data subject to
change without notice
Control Catalog
1-190
NEMA Full Voltage Power Devices
Pumping Panels
Section 1
CR340, CR341
Outlines, Dimensions in. (mm), and Weights (For Estimating Only)
CR340, CR341 NEMA Sizes 1 and 2 Wide-Type Enclosures; 85 lbs. (Size 1), 90 lbs. (Size 2)
0.75
(19.0)
0.50
(12.7)
3.63
(92.2)
3.63
(92.2)
16.07
(408.1)
33.74
(857.0)
28.12
(714.2)
8.26
(209.8)
32.24
(818.9)
Ø0.41
(Ø10.3)
(qty. 4)
Ø1.12
(Ø28.6)
(qty. 2)
Ø0.44
(Ø11.1)
(qty. 4)
3.63
(92.2)
3.63
(92.2) 3.56
(90.5)
6.34
(161.0)
OFF
ON
11.72
(297.7)
8.26
(209.8)
29.13
(739.9)
0.50
(12.7)
CR340, CR341 NEMA Sizes 1 and 2 Narrow-Type Enclosures; 32 lbs. (Size 1), 47 lbs. (Size 2)

www.geindustrial.com Control Catalog 1-191
NEMA Full Voltage Power Devices
Pumping Panels
Rev. 4/16
Prices and data subject to
change without notice
Section 1
CR340, CR341
Outlines, Dimensions in. (mm), and Weights (For Estimating Only)
CR340, CR341 NEMA Sizes 3 and 4 Wide-Type Enclosures; 195 lbs.
CR340, CR341 NEMA Size 5 Wide-Type Enclosures; 285 lbs.

www.geindustrial.com Rev. 4/16
Prices and data subject to
change without notice
Control Catalog
1-192
NEMA Full Voltage Power Devices
Pumping Panels
Section 1
CR340, CR341
Outlines, Dimensions in. (mm), and Weights (For Estimating Only)
CR340, CR341 NEMA Sizes 6 and 7 Wide-Type Enclosures; 1,200 lbs. (Size 6), 1,300 lbs. (Size 7)

www.geindustrial.com Control Catalog 1-193
NEMA Full Voltage Power Devices
NEMA Rated Full Voltage Contactors
Rev. 4/16
Prices and data subject to
change without notice
Section 1
CR305, CR385 Magnetic Contactors
1600 Hp Maximum
NEMA Sizes 00-9
600V Maximum 50/60 Hertz
2500 Amperes Maximum
Application
GE’s magnetic contactor is designed for use on today’s modern
equipment. Especially suitable for handling the switching of
resistance heating and capacitor circuit loads, their compact size
also fits the needs of the panel building industry. In addition, they
may be used for controlling ac motors where overload protection
is
provided separately.
Features
—Easy disassembly for maintenance and inspection of contacts.
—Auxiliary contacts with vertical contact surfaces enclosed to
prevent accumulation of dust and dirt.
—Attractive, modern squared-off design enclosure.
—Magnet faces specially treated to resist rust.
—Provision for ring terminals may be specified as a special feature,
if required. No price addition applies for this optional feature.
Product Number Selection Instructions
1. Specify contactor by product number.
Example: CR305B103 at $186.00, GO-10G is a Size 0, 18-Ampere,
three-pole contactor (extra pole to be used as an auxiliary), with
230-240 Volt 60 Hertz coil. Contactor is in Type 1 enclosure.
2. Order forms not listed or with special features by complete
description.
Example: Similar to CR305B103 at $186.00 except with a red
indicating light in cover at $90.00. Total List Price: $276.00,
GO-10G.
3. The final letter of the product number denotes extra auxiliary
contacts (sometimes referred to as auxiliary interlocks). Order
the desired extra auxiliary contacts by replacing the final letter
from first column of auxiliary interlock table (see page 1-130).
Example: CR305C102AAB at $282.00, GO-10G, is Size 1 contac-
tor with one extra auxiliary contact, normally open.
4. Contactors are available with coils of other ratings (at same
price) than those shown on pages 1-194 to 1-196. Refer to coil
suffix table on page 1-6 for information. To order contactor
forms with these other coil ratings, insert suffix from table in
place of fifth and sixth numbers of contactor product number
shown on pages 1-194 to 1-196.
Example: A CR305C123 NEMA Size 1, three-pole contactor in
Type 1 enclosure, except with 24 Volt, 60 Hertz coil, becomes a
CR305C124 product number.
For NEMA Size 7-9 contactors with other control circuit voltages,
contact your nearest GE Representative.
5. Holding Contacts
Each CR305 contactor is furnished with a normally open auxil-
iary contact for use as a holding interlock in three-wire control
circuits. This auxiliary contact has the same rating as a main
pole (contact) for Sizes 00, 0, and 1. If this contact is not
required on these sizes, specify contactor with one less pole.
6. 50 Hertz Contactors
Pricing of contactors for use on 50 Hertz is the same as in table
for 60 Hertz. See three-phase horsepower ratings for 380-415
Volts, 50 Hertz on page 1-4.
7. Product Notes
Motor full-load current should not exceed continuous ampere
rating of contactor.
Reference Publications
Instructions
NEMA Size Publication Number
00, 0, 1 GEH-5190
2 GEH-4774
3 GEH-4806
4 GEH-4807
5 GEH-4839
6 GEH-5198
7-9 GEH-5108
Magnetic Nonreversing Contactors (CR305, CR385) – Contents
Application Information and Selection Instructions
(CR305, CR385) ....................................................................................1-193
NEMA Sizes 00-9, One- and Two-Pole (CR305, CR385) .......1-194
NEMA Sizes 00-9, Three-Pole (CR305, CR385) .........................1-195
NEMA Sizes 00-9, Four-Pole (CR305, CR385)............................1-196
Factory Installed Modifications (CR305, CR385).....................1-197
Outlines and Dimensions (CR305, CR385) .................................1-208
Typical CR305 Open-Type Magnetic Contactor
Other Coil Voltages: See page 1-6
Factory Installed Modifications: See pages 1-197 to 1-201
Field Installed Modifications: See pages 1-202 to 1-207

www.geindustrial.com Rev. 4/16
Prices and data subject to
change without notice
Control Catalog
1-194
NEMA Full Voltage Power Devices
NEMA Rated Full Voltage Contactors
Section 1
1Motor full-load current should not exceed continuous ampere rating of contactor.
CR305, CR385 Magnetic Contactors
Single-phase, One- and Two-Pole
Nonreversing, Open, NEMA Type 1, 3R, 12, 4/4X
NEMA Sizes 00-9
600 Volts Maximum 50/60 Hertz
One- and Two-Pole:
List price includes holding contact (normally open) and pressure
terminals for the line and load connections on NEMA Sizes 0-8 in Types 1, 3R,
12 and 4/4X enclosure, and Open Type NEMA Sizes 00-5. Open Type, NEMA Sizes 6-8 are supplied with bus bar type connections only. However,
pressure box terminals are available, if required, and can be ordered by description, using the terminology: “Similar to (a listed product number)
except with pressure box terminals.” All NEMA Size 9 contactor forms are furnished with bus bar type connections only as standard.
CR305, Single-Phase, 1-Pole Magnetic Contactors NEMA sizes 00-1
Open Type NEMA Type 1 NEMA Type 3R NEMA Type 12 NEMA Type 4/4X
Continuous Product List Product List Product List Product List Product List
NEMA Ampere Rating1Voltage Number Price Number Price Number Price Number Price Number Price
Size Enclosed Open @ 60 Hz Horsepower CR305 GO-10G CR305 GO-10G CR305 GO-10G CR305 GO-10G CR305 GO-10G
00 9A 10A 115-120 1/3 Use NEMA Size 0 Use NEMA Size 0 ——————
00 9A 10A 230-240 1 Use NEMA Size 0 Use NEMA Size 0 ——————
0 18A 20A 115-120 1 J002ADA $138.00 J102ADA $150.00 ——————
0 18A 20A 230-240 2 J003ADA $138.00 J103ADA $150.00 ——————
1 27A 30A 115-120 2 K002ADA $168.00 K102ADA $180.00 ————K402ADA $396.00
1 27A 30A 230-240 3 K003ADA $168.00 K103ADA $180.00 ————K403ADA $396.00
CR305, Single-Phase, 2-Pole Magnetic Contactors NEMA sizes 00-6
Open Type NEMA Type 1 NEMA Type 3R NEMA Type 12 NEMA Type 4/4X
Continuous Product List Product List Product List Product List Product List
NEMA Ampere Rating1Voltage Number Price Number Price Number Price Number Price Number Price
Size Enclosed Open @ 60 Hz Horsepower CR305 GO-10G CR305 GO-10G CR305 GO-10G CR305 GO-10G CR305 GO-10G
00 9A 10A 115-120 1/3 H002 $120.00 H102 $132.00 Use NEMA Size 0 Use NEMA Size 0 Use NEMA Size 0
00 9A 10A 230-240 1 H003 $120.00 H103 $132.00 Use NEMA Size 0 Use NEMA Size 0 Use NEMA Size 0
0 18A 20A 115-120 1 J002 $156.00 J102 $168.00 J602 $240.00 J202 $240.00 J402 $378.00
0 18A 20A 230-240 2 J003 $156.00 J103 $168.00 J603 $240.00 J203 $240.00 J403 $378.00
1 27A 30A 115-120 2 K002 $186.00 K102 $198.00 K602 $270.00 K202 $270.00 K402 $414.00
1 27A 30A 230-240 3 K003 $186.00 K103 $198.00 K603 $270.00 K203 $270.00 K403 $414.00
2 45A 50A 115-120 3 L002 $348.00 L102 $408.00 L602 $540.00 L202 $540.00 L402 $840.00
2 45A 50A 230-240 7 1/2 L003 $348.00 L103 $408.00 L603 $540.00 L203 $540.00 L403 $840.00
3 90A 100A 115-120 7 1/2 M002 $552.00 M102 $672.00 M602 $828.00 M202 $828.00 M402 $1284.00
3 90A 100A 230-240 15 M003 $552.00 M103 $672.00 M603 $828.00 M203 $828.00 M403 $1284.00
3 90A 100A 460-480 25 M004 $552.00 M104 $672.00 M604 $828.00 M204 $828.00 M404 $1284.00
3 90A 100A 575-600 25 M005 $552.00 M105 $672.00 M605 $828.00 M205 $828.00 M405 $1284.00
4 135A 150A 115-120 — N002 $1332.00 N102 $1584.00 N602 $2100.00 N202 $2100.00 N402 $2628.00
4 135A 150A 200-208 — N023 $1332.00 N123 $1584.00 N623 $2100.00 N223 $2100.00 N423 $2628.00
4 135A 150A 230-240 — N003 $1332.00 N103 $1584.00 N603 $2100.00 N203 $2100.00 N403 $2628.00
4 135A 150A 460-480 — N004 $1332.00 N104 $1584.00 N604 $2100.00 N204 $2100.00 N404 $2628.00
4 135A 150A 575-600 — N005 $1332.00 N105 $1584.00 N605 $2100.00 N205 $2100.00 N405 $2628.00
5 270A 300A 115-120 — P002 $2886.00 P102 $3348.00 P602 $4668.00 P202 $4668.00 P402 $4668.00
5 270A 300A 200-208 — P023 $2886.00 P123 $3348.00 P623 $4668.00 P223 $4668.00 P423 $4668.00
5 270A 300A 230-240 — P003 $2886.00 P103 $3348.00 P603 $4668.00 P203 $4668.00 P403 $4668.00
5 270A 300A 460-480 — P004 $2886.00 P104 $3348.00 P604 $4668.00 P204 $4668.00 P404 $4668.00
5 270A 300A 575-600 — P005 $2886.00 P105 $3348.00 P605 $4668.00 P205 $4668.00 P405 $4668.00
6 540A 600A 115-120 — HR002 $7344.00 HR102AA2A $9378.00 HR602AA2A $10998.00 HR202AA2A $10998.00 HR402AA2A $12378.00
6 540A 600A 200-208 — HR023 $7344.00 HR123AA2A $9378.00 HR623AA2A $10998.00 HR223AA2A $10998.00 HR423AA2A $12378.00
6 540A 600A 230-240 — HR003 $7344.00 HR103AA2A $9378.00 HR603AA2A $10998.00 HR203AA2A $10998.00 HR403AA2A $12378.00
6 540A 600A 460-480 — HR004 $7344.00 HR104AA2A $9378.00 HR604AA2A $10998.00 HR204AA2A $10998.00 HR404AA2A $12378.00
6 540A 600A 575-600 — HR005 $7344.00 HR105AA2A $9378.00 HR605AA2A $10998.00 HR205AA2A $10998.00 HR405AA2A $12378.00
CR385, Single-Phase, 2-Pole Magnetic Contactors NEMA sizes 7-9
Open Type
Product List
NEMA Continuous Control Number Price
Size Ampere Rating1Circuit Voltage Horsepower CR385 GO-10G
7 900A 115-120 — S002AA1A $10722.00
7 900A 230-240 — S003AA1A $10722.00
7 900A 460-480 — S004AA1A $10722.00
7 900A 575-600 — S005AA1A $10722.00
8 1350A 115-120 — T002AA1A $17208.00
8 1350A 230-240 — T003AA1A $17208.00
8 1350A 460-480 — T004AA1A $17208.00
8 1350A 575-600 — T005AA1A $17208.00
9 2500A 115-120 — U002AA1A $22800.00
9 2500A 230-240 — U003AA1A $22800.00
9 2500A 460-480 — U004AA1A $22800.00
9 2500A 575-600 — U005AA1A $22800.00
Product Number Selection Instructions: See page 1-193

www.geindustrial.com Control Catalog
Enclosure Descriptions: See Section 12
1-195
NEMA Full Voltage Power Devices
NEMA Rated Full Voltage Contactors
Rev. 4/16
Prices and data subject to
change without notice
Section 1
CR305, CR385 Magnetic Contactors
Three-phase, Three-Pole
Nonreversing, Open, NEMA Type 1, 3R, 12, 4/4X
NEMA Sizes 00-9
600 Volts Maximum 50/60 Hertz
Three-Pole:
List price includes holding contact (normally open) and pressure
terminals for the line and load connections on all NEMA Sizes 00-5. All NEMA
Size 6-9 contactor forms are furnished with bus bar type connections only as standard.
CR305, Three-Phase, 3-Pole Magnetic Contactors NEMA sizes 00-6
Open Type NEMA Type 1 NEMA Type 3R NEMA Type 12 NEMA Type 4/4X
Continuous Product List Product List Product List Product List Product List
NEMA Ampere Rating1Voltage Number Price Number Price Number Price Number Price Number Price
Size Enclosed Open @ 60 Hz Horsepower CR305 GO-10G CR305 GO-10G CR305 GO-10G CR305 GO-10G CR305 GO-10G
00 9A 10A 115-120 — A002 $138.00 A102 $150.00 Use NEMA Size 0 Use NEMA Size 0 Use NEMA Size 0
00 9A 10A 200-208 1 1/2 A023 $138.00 A123 $150.00 Use NEMA Size 0 Use NEMA Size 0 Use NEMA Size 0
00 9A 10A 230-240 1 1/2 A003 $138.00 A103 $150.00 Use NEMA Size 0 Use NEMA Size 0 Use NEMA Size 0
00 9A 10A 460-480 2 A004 $138.00 A104 $150.00 Use NEMA Size 0 Use NEMA Size 0 Use NEMA Size 0
00 9A 10A 575-600 2 A005 $138.00 A105 $150.00 Use NEMA Size 0 Use NEMA Size 0 Use NEMA Size 0
0 18A 20A 115-120 — B002 $174.00 B102 $186.00 B602 $258.00 B202 $258.00 B402 $396.00
0 18A 20A 200-208 3 B023 $174.00 B123 $186.00 B623 $258.00 B223 $258.00 B423 $396.00
0 18A 20A 230-240 3 B003 $174.00 B103 $186.00 B603 $258.00 B203 $258.00 B403 $396.00
0 18A 20A 460-480 5 B004 $174.00 B104 $186.00 B604 $258.00 B204 $258.00 B404 $396.00
0 18A 20A 575-600 5 B005 $174.00 B105 $186.00 B605 $258.00 B205 $258.00 B405 $396.00
1 27A 30A 115-120 — C002 $204.00 C102 $216.00 C602 $288.00 C202 $288.00 C402 $432.00
1 27A 30A 200-208 7 1/2 C023 $204.00 C123 $216.00 C623 $288.00 C223 $288.00 C423 $432.00
1 27A 30A 230-240 7 1/2 C003 $204.00 C103 $216.00 C603 $288.00 C203 $288.00 C403 $432.00
1 27A 30A 460-480 10 C004 $204.00 C104 $216.00 C604 $288.00 C204 $288.00 C404 $432.00
1 27A 30A 575-600 10 C005 $204.00 C105 $216.00 C605 $288.00 C205 $288.00 C405 $432.00
2 45A 50A 115-120 — D002 $372.00 D102 $432.00 D602 $564.00 D202 $564.00 D402 $864.00
2 45A 50A 200-208 10 D023 $372.00 D123 $432.00 D623 $564.00 D223 $564.00 D423 $864.00
2 45A 50A 230-240 15 D003 $372.00 D103 $432.00 D603 $564.00 D203 $564.00 D403 $864.00
2 45A 50A 460-480 25 D004 $372.00 D104 $432.00 D604 $564.00 D204 $564.00 D404 $864.00
2 45A 50A 575-600 25 D005 $372.00 D105 $432.00 D605 $564.00 D205 $564.00 D405 $864.00
3 90A 100A 115-120 — E002 $600.00 E102 $720.00 E602 $876.00 E202 $876.00 E402 $1332.00
3 90A 100A 200-208 25 E023 $600.00 E123 $720.00 E623 $876.00 E223 $876.00 E423 $1332.00
3 90A 100A 230-240 30 E003 $600.00 E103 $720.00 E603 $876.00 E203 $876.00 E403 $1332.00
3 90A 100A 460-480 50 E004 $600.00 E104 $720.00 E604 $876.00 E204 $876.00 E404 $1332.00
3 90A 100A 575-600 50 E005 $600.00 E105 $720.00 E605 $876.00 E205 $876.00 E405 $1332.00
4 135A 150A 115-120 — F002 $1440.00 F102 $1692.00 F602 $2208.00 F202 $2208.00 F402 $2736.00
4 135A 150A 200-208 40 F023 $1440.00 F123 $1692.00 F623 $2208.00 F223 $2208.00 F423 $2736.00
4 135A 150A 230-240 50 F003 $1440.00 F103 $1692.00 F603 $2208.00 F203 $2208.00 F403 $2736.00
4 135A 150A 460-480 100 F004 $1440.00 F104 $1692.00 F604 $2208.00 F204 $2208.00 F404 $2736.00
4 135A 150A 575-600 100 F005 $1440.00 F105 $1692.00 F605 $2208.00 F205 $2208.00 F405 $2736.00
5 270A 300A 115-120 — G002 $3138.00 G102 $3600.00 G602 $4920.00 G202 $4920.00 G402 $4920.00
5 270A 300A 200-208 75 G023 $3138.00 G123 $3600.00 G623 $4920.00 G223 $4920.00 G423 $4920.00
5 270A 300A 230-240 100 G003 $3138.00 G103 $3600.00 G603 $4920.00 G203 $4920.00 G403 $4920.00
5 270A 300A 460-480 200 G004 $3138.00 G104 $3600.00 G604 $4920.00 G204 $4920.00 G404 $4920.00
5 270A 300A 575-600 200 G005 $3138.00 G105 $3600.00 G605 $4920.00 G205 $4920.00 G405 $4920.00
6 540A 600A 115-120 — HH002 $8568.00 HH102AA2A $10602.00 HH602AA2A $12222.00 HH202AA2A $12222.00 HH402AA2A $13602.00
6 540A 600A 200-208 150 HH023 $8568.00 HH123AA2A $10602.00 HH623AA2A $12222.00 HH223AA2A $12222.00 HH423AA2A $13602.00
6 540A 600A 230-240 200 HH003 $8568.00 HH103AA2A $10602.00 HH603AA2A $12222.00 HH203AA2A $12222.00 HH403AA2A $13602.00
6 540A 600A 460-480 400 HH004 $8568.00 HH104AA2A $10602.00 HH604AA2A $12222.00 HH204AA2A $12222.00 HH404AA2A $13602.00
6 540A 600A 575-600 400 HH005 $8568.00 HH105AA2A $10602.00 HH605AA2A $12222.00 HH205AA2A $12222.00 HH405AA2A $13602.00
1Motor full-load current should not exceed continuous ampere rating of contactor.
CR385, Three-Phase, 3-Pole Magnetic Contactors NEMA sizes 7-9
Open Type
Product List
NEMA Continuous Control Circuit Number Price
Size Ampere Rating1Motor Voltage Horsepower Voltage CR385 GO-10G
7 900A N/A — 115 J002AA1A $12228.00
7 900A 220-240 300 230 J003AA1A $12228.00
7 900A 440-480 600 460 J004AA1A $12228.00
7 900A 550-600 600 575 J005AA1A $12228.00
8 1350A N/A — 115 K002AA1A $18876.00
8 1350A 220-240 450 230 K003AA1A $18876.00
8 1350A 440-480 900 460 K004AA1A $18876.00
8 1350A 550-600 900 575 K005AA1A $18876.00
9 2500A N/A — 115 L002AA1A $25410.00
9 2500A 220-240 800 230 L003AA1A $25410.00
9 2500A 440-480 1600 460 L004AA1A $25410.00
9 2500A 550-600 1600 575 L005AA1A $25410.00

www.geindustrial.com Rev. 4/16
Prices and data subject to
change without notice
Control Catalog
1-196
NEMA Full Voltage Power Devices
NEMA Rated Full Voltage Contactors
Section 1
Product Number Selection Instructions: See page 1-193
CR305, CR385 Magnetic Contactors
Three-phase, Four-Pole
Nonreversing, Open, NEMA Type 1, 3R, 12, 4/4X
NEMA Sizes 00-5
600 Volts Maximum 50/60 Hertz
Four-Pole:
List price includes holding contact (normally open) and pressure terminals for the line and load connector.
CR305, Three-Phase, 4-Pole Magnetic Contactors NEMA sizes 00-5
Open Type NEMA Type 1 NEMA Type 3R NEMA Type 12 NEMA Type 4/4X
Continuous Product List Product List Product List Product List Product List
NEMA Ampere Rating1Voltage Number Price Number Price Number Price Number Price Number Price
Size Enclosed Open @ 60 Hz Horsepower CR305 GO-10G CR305 GO-10G CR305 GO-10G CR305 GO-10G CR305 GO-10G
0 18A 20A 115-120 — R002AEA $222.00 R102AEA $234.00 R602AEA $306.00 R202AEA $306.00 R402AEA $450.00
0 18A 20A 200-208 3 R023AEA $222.00 R123AEA $234.00 R623AEA $306.00 R223AEA $306.00 R423AEA $450.00
0 18A 20A 230-240 3 R003AEA $222.00 R103AEA $234.00 R603AEA $306.00 R203AEA $306.00 R403AEA $450.00
0 18A 20A 460-480 5 R004AEA $222.00 R104AEA $234.00 R604AEA $306.00 R204AEA $306.00 R404AEA $450.00
0 18A 20A 575-600 5 R005AEA $222.00 R105AEA $234.00 R605AEA $306.00 R205AEA $306.00 R405AEA $450.00
1 27A 30A 115-120 — S002AEA $252.00 S102AEA $264.00 S602AEA $336.00 S202AEA $336.00 S402AEA $480.00
1 27A 30A 200-208 7 1/2 S023AEA $252.00 S123AEA $264.00 S623AEA $336.00 S223AEA $336.00 S423AEA $480.00
1 27A 30A 230-240 7 1/2 S003AEA $252.00 S103AEA $264.00 S603AEA $336.00 S203AEA $336.00 S403AEA $480.00
1 27A 30A 460-480 10 S004AEA $252.00 S104AEA $264.00 S604AEA $336.00 S204AEA $336.00 S404AEA $480.00
1 27A 30A 575-600 10 S005AEA $252.00 S105AEA $264.00 S605AEA $336.00 S205AEA $336.00 S405AEA $480.00
2 45A 50A 115-120 — T002 $480.00 T102 $540.00 T602 $672.00 T202 $672.00 T402 $1140.00
2 45A 50A 200-208 10 T023 $480.00 T123 $540.00 T623 $672.00 T223 $672.00 T423 $1140.00
2 45A 50A 230-240 15 T003 $480.00 T103 $540.00 T603 $672.00 T203 $672.00 T403 $1140.00
2 45A 50A 460-480 25 T004 $480.00 T104 $540.00 T604 $672.00 T204 $672.00 T404 $1140.00
2 45A 50A 575-600 25 T005 $480.00 T105 $540.00 T605 $672.00 T205 $672.00 T405 $1140.00
3 90A 100A 115-120 — U002 $768.00 U102 $888.00 U602 $1044.00 U202 $1044.00 U402 $1668.00
3 90A 100A 200-208 25 U023 $768.00 U123 $888.00 U623 $1044.00 U223 $1044.00 U423 $1668.00
3 90A 100A 230-240 30 U003 $768.00 U103 $888.00 U603 $1044.00 U203 $1044.00 U403 $1668.00
3 90A 100A 460-480 50 U004 $768.00 U104 $888.00 U604 $1044.00 U204 $1044.00 U404 $1668.00
3 90A 100A 575-600 50 U005 $768.00 U105 $888.00 U605 $1044.00 U205 $1044.00 U405 $1668.00
4 135A 150A 115-120 — W002 $2004.00 W102 $2256.00 W602 $2952.00 W202 $2952.00 W402 $3732.00
4 135A 150A 200-208 40 W023 $2004.00 W123 $2256.00 W623 $2952.00 W223 $2952.00 W423 $3732.00
4 135A 150A 230-240 50 W003 $2004.00 W103 $2256.00 W603 $2952.00 W203 $2952.00 W403 $3732.00
4 135A 150A 460-480 100 W004 $2004.00 W104 $2256.00 W604 $2952.00 W204 $2952.00 W404 $3732.00
4 135A 150A 575-600 100 W005 $2004.00 W105 $2256.00 W605 $2952.00 W205 $2952.00 W405 $3732.00
5 270A 300A 115-120 — Z002 $5766.00 Z102 $6690.00 Z602 $8142.00 Z202 $8142.00 Z402 $8142.00
5 270A 300A 200-208 75 Z023 $5766.00 Z123 $6690.00 Z623 $8142.00 Z223 $8142.00 Z423 $8142.00
5 270A 300A 230-240 100 Z003 $5766.00 Z103 $6690.00 Z603 $8142.00 Z203 $8142.00 Z403 $8142.00
5 270A 300A 460-480 200 Z004 $5766.00 Z104 $6690.00 Z604 $8142.00 Z204 $8142.00 Z404 $8142.00
5 270A 300A 575-600 200 Z005 $5766.00 Z105 $6690.00 Z605 $8142.00 Z205 $8142.00 Z405 $8142.00
1Motor full-load current should not exceed continuous ampere rating of contactor.
Other Coil Voltages: See page 1-6
Factory Installed Modifications: See pages 1-197 to 1-201
Field Installed Modifications: See pages 1-202 to 1-207

www.geindustrial.com Control Catalog 1-197
NEMA Full Voltage Power Devices
NEMA Rated Full Voltage Contactors
Rev. 4/16
Prices and data subject to
change without notice
Section 1
CR305, CR385 Magnetic Contactors
Factory-Installed Modifications
Contactor Modifications—Factory Installed
Factory-installed modifications are available for those contactors as indicated in the tables. Shown here are the List Price Additions
to standard product listed forms and are subject to GO-10G discount. Prices shown are not to be used as separate selling prices.
For field modification kits see pages 1-202 to 1-207. Supplying combinations of these items may affect standard enclosure
dimensions and type of construction. In extreme instances, it may not be possible to furnish all of them within the limitations
of a contactor design.
Reference Publications
Instructions
NEMA Size Publication Number
00, 0, 1 GEH-5190
GEH-47742
GEH-48063
GEH-48074
GEH-48395
GEH-51986
000123456
1Push Buttons
1a START-STOP11$48.00 $48.00 $48.00 $48.00 $48.00 $48.00 $48.00 $132.00
1b OFF-ON
11$48.00 $48.00 $48.00 $48.00 $48.00 $48.00 $48.00 $132.00
1c START-STOP (HEAVY-DUTY, CR104P) Any 2$132.00 $132.00 $132.00 $132.00 $132.00 $132.00 $132.00
1d START Push Button and H-O-A Selector
Switch (HEAVY-DUTY, CR104P) Any 2$264.00 $264.00 $264.00 $264.00 $264.00 $264.00 $264.00
Single Push Button, Unwired (Specify
Marking) (HEAVY-DUTY, CR104P) 12$40.00 $40.00 $40.00 $40.00 $40.00 $40.00 $40.00
Single Push Button, Unwired (Specify
Marking) (HEAVY-DUTY, CR104P) Any 2$90.00 $90.00 $90.00 $90.00 $90.00 $90.00 $90.00
1f
Single Illuminated Push Button, Unwired
(Specify Marking)
(HEAVY-DUTY, CR104P)
Any 2$180.00 $180.00 $180.00 $180.00 $180.00 $180.00 $180.00
2Selector Switches
HAND-OFF-AUTO1,3 1$48.00 $48.00 $48.00 $48.00 $48.00 $48.00 $48.00 $132.00
HAND-OFF-AUTO1,3
(HEAVY-DUTY, CR104P) Any 2$132.00 $132.00 $132.00 $132.00 $132.00 $132.00 $132.00
OFF-ON
11$48.00 $48.00 $48.00 $48.00 $48.00 $48.00 $48.00 $132.00
OFF-ON (HEAVY-DUTY, CR104P) Any 2$132.00 $132.00 $132.00 $132.00 $132.00 $132.00 $132.00
Single Selector Switch Maintained
(Specify Marking)
Two- or Three-Position (Specify
Position)4 (HEAVY-DUTY, CR104P) Any 2$132.00 $132.00 $132.00 $132.00 $132.00 $132.00 $132.00
Four-Position
4 (HEAVY-DUTY, CR104P) Any 2$150.00 $150.00 $150.00 $150.00 $150.00 $150.00 $150.00
Key Operated Maintained (Specify
Marking and Key-Removal Position)
Two- or Three-Position4
(HEAVY-DUTY, CR104P) Any 2$168.00 $168.00 $168.00 $168.00 $168.00 $168.00 $168.00
3Nonstandard Markings (Specify) Any 2$9.00 $9.00 $9.00 $9.00 $9.00 $9.00 $9.00
3This modification not available with items 1a, 1b or 1c because STOP
push button would not work in AUTO position; instead order modification 1d.
Pilot
Devices
Mounted
in Cover
or Flange
of
CR305 2a
2b
2c
1e
2d
1Factory-installed modification kit for sizes 00-5.
4Specify CR104 operator and contact block by product number
NEMA Size
List Price Addition, GO-10G
Type of
Installation/
Contactors
Item
No. Modifications
Enclosure
2Not available in NEMA Size 00. Use Size 0 starter and modification.
Type

www.geindustrial.com Rev. 4/16
Prices and data subject to
change without notice
Control Catalog
1-198
NEMA Full Voltage Power Devices
NEMA Rated Full Voltage Contactors
Section 1
Other Coil Voltages: See page 1-6
Factory Installed Modifications: See pages 1-197 to 1-201
Field Installed Modifications: See pages 1-202 to 1-207
CR305, CR385 Magnetic Contactors
Factory-Installed Modifications
Contactor Modifications—Factory Installed
The general information at the top of page 1-197, regarding factory-installed modifications, also applies to those listed in the tables below.
Recommended Fuse
208/240 480 600
50 1 0.5 0.5
100 2 1 0.75
150 3 1.5 1
250 5 22
300 6 3 2
CPT VA
Primary Voltage
000123456
4Indicating Light1
4a One (Red Only)21$90.00 $90.00 $90.00 $90.00 $90.00 $90.00 $90.00 $162.00
4b One (Specify Red or Green)
(HEAVY-DUTY, CR104P) Any 3$162.00 $162.00 $162.00 $162.00 $162.00 $162.00 $162.00
4c Two (Includes 1 NC Auxiliary
Contact) 4 (HEAVY-DUTY, CR104P) Any 3$390.00 $390.00 $390.00 $390.00 $390.00 $390.00 $390.00
4d One Push-To-Test and/or Transformer
Type (Red or Green) Any 3$180.00 $180.00 $180.00 $180.00 $180.00 $180.00 $180.00
4e
Two Push-To-Test (Includes 1 NC
Auxiliary Contact) and/or
Transformer Type4Any 3$426.00 $426.00 $426.00 $426.00 $426.00 $426.00 $426.00
1One indicating light: Wired in parallel with operating coil. Two indicating lights:
Red is wired in parallel with operating coil, green is wired through an auxiliary contact.
List Price Addition, GO-10G
Pilot
Devices
Mounted In
Cover or
Flange of
CR305
NEMA Size
Type of
Installation/
Contactors
Item
No. Modifications
Enclosure
Type
2Factory-installed field modification kit for sizes 00-4 and size 5 without CPT.
3Not available in NEMA Size 00. Use Size 0 contactor modification.
4Maximum of three additional auxiliary contacts available on size 0-1.
000123456
8
Separate Control Circuit (Specify Voltage and
Frequency, Reference Items 13a and 13b for
Standard Voltages)
Any N/C N/C N/C N/C N/C N/C N/C
9 Fused Control Circuit—Two Fuses Any 1$132.00 $132.00 $132.00 $132.00 $132.00 $132.00 $132.00
10
Control Transformer—Standard Capacity,
50 or 60 Hertz2
Two Primary and One Fuse Secondary,
(Specify Voltage Rating)
Standard Voltages at 60 Hertz
220-230-240 Primary, 110-115-120 Secondary
440-460-480 Primary, 110-115-120 Secondary
550-575-600 Primary, 110-115-120 Secondary
200-208 Primary, 115-120 Secondary
Any 1$294.00 $294.00 $352.00 $468.00 $540.00 $594.00 $594.00
11 Control Transformer—100 VA Additional
Capacity, 60 Hertz Any 1
33
$288.00 $288.00 $372.00 $468.00 $528.00 $588.00 $588.00
12
13 Operating Coil
13a 4Standard Voltages at 60 Hertz:
24, 115-120, 200-208, 230-240, 460-480, 575-600 Any
N/C
N/C N/C N/C N/C N/C N/C N/C N/C
N/C N/C N/C N/C N/C N/C N/C N/C
13b Standard Voltages at 50 Hertz:
110, 220, 380-415, 440, 550 Any
13d DC—Standard Voltages:
24, 115-125 Any $102.00 $114.00 $198.0 0$264.00$720.00
$720.00
3Not available in NEMA Sizes 00 or 0. Use Size 1 contactor modification.
424V coil not available on size 5 and 6.
Type of
Installation/
Contactors
Item
No. Modifications
Enclosure
Type
NEMA Size
List Price Addition, GO-10G
Control
Circuit in
CR305
1Not available in NEMA Size 00. Use size 0 contactor modification.
2The National Electrical Code, Article 450-3(B), requires primary fuses in most typical installations. Refer to the NEC, Article 450 prior to ordering control
transformer without primary fuses to insure compliance. Control circuit fuse kits from page 1-206 may be used to provide primary fusing. Fuses must be
sized to meet the requirements of the NEC according to the table below.

www.geindustrial.com Control Catalog
Heater Selection Tables: See pages 1-153 to 1-159
1-199
NEMA Full Voltage Power Devices
NEMA Rated Full Voltage Contactors
Rev. 4/16
Prices and data subject to
change without notice
Section 1
Product Number Selection Instructions: See page 1-197
CR305, CR385 Magnetic Contactors
Factory-Installed Modifications
Contactor Modifications—Factory Installed
The general information at the top of page 1-197, regarding factory-installed modifications, also applies to those listed in the tables below.
000 1 2 3 4 5 6
Modifications
1, 3R, 12 1$348.00 $348.00 $348.00 $348.00 $348.00 $348.00 $348.00
4/4X 1$588.00 $588.00 $588.00 $588.00 $588.00 $588.00 $588.00
31 Operating Coil Surge
Suppressor (120 V/60 Hz) Any $54.00 $54.00 $54.00 $54.00 $54.00 $54.00 $54.00 $54.00
32 Insulated Neutral Lug Any 1$132.00 $132.00 $132.00 $132.00 $132.00 $132.00 $132.00
33 Ground Lug Any 1$48.00 $48.00 $48.00 $48.00 $48.00 $48.00 $48.00
34 Terminal Block, (Product Number CR151B)
30A, Unwired (per point) (Specify Points) Any 1$24.00 $24.00 $24.00 $24.00 $24.00 $24.00 $24.00
35 Power Factor Correction Capacitor
Terminals Any 1$24.00 $24.00 $24.00 $24.00 $24.00 $24.00 $24.00
NEMA Size
List Price Addition, GO-10G
27
CR305
CR305
CR305
Metering
Mounted In Elapsed Time Meter
Item
No.
Enclosure
Type
Type of
Installation/
Contactors
Enclosure
30 $120.00Any 1$120.00 $120.00
Space Heater 2
50 Watts—NEMA Size 0-4
Contactor/Starter
100 Watts—NEMA Size 5
Contactor
1Not available in NEMA Size 00. Use Size 0 contactor modification.
2If connected to control circuit transformer, 115-Volt heater requires
an extra capacity transformer for Size 0-1 and Size 5.
$420.00
Misc.
Mounted On
$120.00 $120.00 $120.00
00 0 1 2 3 4 5 6
1, 3R, 12 2 $306.003$306.003$306.00 $306.00 $480.00 $540.00 $540.00
4/4X 2$468.003$468.003$468.00 $468.00 $636.00 $708.00 $708.00
1, 3R, 12 2$504.00 $504.00 $504.00 $504.00 $504.00 $504.00 $504.00
4/4X 2$660.00 $660.00 $660.00 $660.00 $660.00 $660.00 $660.00
171Phase Loss, Phase Reversal, Three-Phase,
Undervoltage Relay
(Starting & Running Protection, Specify Voltage)
Any 2$1056.00 $1056.00 $1056.00 $1056.00 $1056.00 $1056.00 $1056.00
Auxiliary
Contacts
Mounted In
CR305 19
Magnetic Contactor (Specify Number
of NO or NC) —
Single Speed, Nonreversing:
Four Maximum, Sizes 0, 1
Five Maximum, Size 2-6
Reversers and Two-Speed, Two Winding:
Two Maximum, Per Contactor, Sizes 0-6
Two-Speed, One Winding:
One on Left Contactor, Two on Right
Contactor, Size 0, 1
Two Maximum Per Contactor, Sizes 2-6
Any 2$66.00 $66.00 $66.00 $66.00 $66.00 $66.00 $66.00
Control Relay, Four-Pole (Convertible) Unwired
(Specify Coil Voltage)
Time-Delay Relay, Unwired, Pneumatic—1 to 60
Seconds, 1 NO-1 NC
(Specify TDD or TDE and Coil Voltage) 3
Timing Relay, Motor Driven, Unwired
(Specify Voltage & Timing Range)3
Auxiliary
Relays
Mounted In
CR305
151
161
1NEMA Type 1 enclosures require oiltight pilot devices when this
modification is used with NEMA Contactor sizes 0, 1, and 2.
Only oiltight pilot devices will fit the oversized enclosure required.
The list price addition for the oversized enclosure is already
included in the published list price.
2
3
Type of
Installation Item
No. Modifications
Enclosure
Type
NEMA Size
List Price Addition, GO-10G
141
$1056.00$1056.00$1056.00$1056.00Any 2$1056.00 $1056.00 $1056.00
Not available in NEMA Size 00. Use Size 0 contactor modification.
Requires 100 VA extra capacity control transformer.

www.geindustrial.com Rev. 4/16
Prices and data subject to
change without notice
Control Catalog
1-200
NEMA Full Voltage Power Devices
NEMA Rated Full Voltage Contactors
Section 1
Product Number Selection Instructions: See page 1-193
CR305, CR385 Magnetic Contactors
Factory-Installed Modifications
Factory-Installed Auxiliary Contacts
The final letter of the Product Number denotes extra auxiliary contacts (sometimes referred to as auxiliary interlocks). Order the
desired extra auxiliary contacts, factory installed on the contactor, by replacing the final letter of the Product Number with a letter
from the first column of the auxiliary contact table.
If a CR305 or 306 Product Number has no 3-letter suffix, first add an “AAA” suffix, and then substitute a letter from first column of
the auxiliary contact table. Example: CR306C022 becomes CR306C022AAD for a Size 1 contactor with one extra NO and one extra
NC auxiliary contact.
YXWTZU
A or None
B
C
D
E
F
G
H
J
K
L
M
N
P
R
Extra Auxiliary Contact Table
Final Suffix Letter of
Product No. on Contactor
Contact Location
4 Contacts Max.
YW XZTU
A or None
B
C
D
E
F
G
H
J
K
L
M
N
P
R
S
T
U
W
X
Y
Extra Auxiliary Contact Table
Contact Location
5 Contacts Max.
Final Suffix Letter of
Product No. on Contactor
NEMA Sizes 5 and 6,
Single-Speed, Nonreversing Contactors
NEMA Sizes 0 and 1,
Single-Speed, Nonreversing 2- and 3-Pole Contactors

www.geindustrial.com Control Catalog 1-201
NEMA Full Voltage Power Devices
NEMA Rated Full Voltage Contactors
Rev. 4/16
Prices and data subject to
change without notice
Section 1
CR305, CR385 Magnetic Contactors
Factory-Installed Modifications
NEMA Sizes 7-9, Single-Speed, Nonreversing contactors
WX Y T Z
A or None
B
C
D
E
F
G
H
J
K
L
M
N
P
R
S
T
U
W
Y
Extra Auxiliary Contact Table
Final Suffix Letter of
Product No. on Contactor
Contact Location
5 Contacts Max.
X
Typical connection diagram,
NEMA Sizes 7-9
YXWZTU
A or None
B
C
D
F
G
H
J
K
L
M
N
P
R
S
T
U
W
X
Y
Extra Auxiliary Contact Table
Final Suffix Letter of
Product No. on Contactor
Contact Location
5 Contacts Max.
E
NEMA Sizes 2, 3, and 4,
Single-Speed, Nonreversing Contactors

www.geindustrial.com Rev. 4/16
Prices and data subject to
change without notice
Control Catalog
1-202
NEMA Full Voltage Power Devices
NEMA Rated Full Voltage Contactors
Section 1
Product Number Selection Instructions: See page 1-202
CR305, CR385 Auxiliary Contact Kits
For Field Installation on Magnetic Contactors
NEMA Sizes 0-7
Application
Auxiliary contacts can add to the versatility of magnetic contac-
tors by providing additional control circuits to do a variety of jobs
without adding to the width of the contactor.
Kits make it easy to add contacts to control accessory equipment
such as indicating lights. Auxiliary contacts can be added to all
across-the-line magnetic contactors. Each auxiliary contact is
rated 10 Amperes ac, resistive load, NEMA “A600,” and is suitable
for either right or left side mounting. An insulating shield is also
provided between each auxiliary contact unit and the contactor.
Auxiliary contacts are furnished in the basic block design or as an
adder block.
Each contact is marked NO or NC on the block and is not con-
vertible. Logic reed contacts suitable for low energy level circuits
are also available. These are designed for applications on low-
voltage control circuits (24 Volts and below), such as inputs to
computers and programmable starters.
Product Number Selection Instructions
1. Order by quantity and complete Product Number.
Example: Three CR305X300A at $36.00 each, GO-10G.
Reference Publications
Instructions
NEMA Size Publication Number
0, 1 GEH-4758
2 GEH-4759
3, 4 GEH-4760
5, 6 GEH-4761
7-9 GEH-5109
0, 1 Logic Reed GEH-5178
2 Logic Reed GEH-5185
3, 4 Logic Reed GEH-5186
5, 6 Logic Reed GEH-5187
Field-Installed Modifications for Magnetic Contactors
(CR305, CR385) – Contents
Application Information and Selection Instructions.............1-202
Auxiliary Contact Kits (CR305X, CR385X) ...................................1-203
Modification Kits ....................................................................................1-205
Outlines and Dimensions (CR305, CR385) .................................1-208
Basic Block and Adder Block

www.geindustrial.com Control Catalog 1-203
NEMA Full Voltage Power Devices
NEMA Rated Full Voltage Contactors
Rev. 4/16
Prices and data subject to
change without notice
Section 1
CR305X, CR385X Auxiliary Contact Kits
Field-Installed Modification Kits
For 300-Line Contactors
Auxiliary Contact Kits
NEMA Contact Block Product List Price
Size Configuration Design Number GO-10G
0,1 1NO Basic CR305X100A $36.00
0,1 1NC Basic CR305X100B $36.00
0,1 1NO-1NC Basic CR305X100C $48.00
2 1NO Basic CR305X200A $36.00
2 1NC Basic CR305X200B $36.00
2 1NO-1NC Basic CR305X200C $48.00
3, 4 1NO Basic CR305X300A $36.00
3, 4 1NC Basic CR305X300B $36.00
3, 4 1NO-1NC Basic CR305X300C $48.00
5, 6 1NO Basic CR305X500A $36.00
5, 6 1NC Basic CR305X500B $36.00
5, 6 1NO-1NC Basic CR305X500C $48.00
7 1NO Basic CR385X600A $198.00
7 1NC Basic CR385X600B $198.00
7 1NO-1NC Basic CR385X600C $396.00
8-9 1NO Basic CR385X800A $198.00
8-9 1NC Basic CR385X800B $198.00
8-9 1NO-1NC Basic CR385X800C $396.00
Auxiliary Contact Kits - Adder Blocks
NEMA Contact Block Product List Price
Size Configuration Design Number GO-10G
0-9 1NO Adder CR305X100D1$36.00
0-9 1NC Adder CR305X100E1$36.00
Logic Reed Switch Auxiliary Contacts2
NEMA Contact Product List Price
Size Configuration Number GO-10G
00, 0, 1 1NO-0NC CR305X100RA $45.00
00, 0, 1 0NO-1NC CR305X100RB $45.00
00, 0, 1 1NO-1NC CR305X100RC $72.00
2 1NO-0NC CR305X200RA $45.00
2 0NO-1NC CR305X200RB $45.00
2 1NO-1NC CR305X200RC $72.00
3, 4 1NO-0NC CR305X300RA $45.00
3, 4 0NO-1NC CR305X300RB $45.00
3, 4 1NO-1NC CR305X300RC $72.00
5, 6 1NO-0NC CR305X500RA $45.00
5, 6 0NO-1NC CR305X500RB $45.00
5, 6 1NO-1NC CR305X500RC $72.00
Contact Ratings - Basic Blocks
High Fidelity Contact Basic Block
120 VAC maximum .15 A maximum, 8 VA maximum resistive.
30 VDC maximum .15 A maximum, 4.5 VA maximum resistive.
Standard Block Continuous Inrush Continuous Inrush
AC Volts Current Amperes Current Amperes DC Volts Current Amperes Current Amperes
115 6.0 60 125 1.1 —
230 3.0 30 250 0.5 —
460 1.5 15 ———
575 1.2 12 ———
1First adder block must be mounted to a basic block. A second adder block can be added to the first adder block on size 2 through size 9 starters.
Four extra auxiliary contacts (not blocks) is the maximum that can be added to either a NEMA size 0 or 1 starter while five is the maximum extra auxiliary contacts that can
be added to NEMA Size 2 through 6 devices.
2CR305X logic reed switch auxiliary contacts may be ordered as a factory-installed modification. Order by description. For factory-installed modification,
add $75.00, GO-10G, per circuit to price of starter.

www.geindustrial.com Rev. 4/16
Prices and data subject to
change without notice
Control Catalog
1-204
NEMA Full Voltage Power Devices
NEMA Rated Full Voltage Contactors
Section 1
NEMA Sizes 0 and 1, Single-Speed,
Nonreversing, 2- and 3-Pole (side views)
NEMA Sizes 2, 3 and 4, Single-Speed,
Nonreversing (side views)
NEMA Sizes 5 and 6 Single-Speed,
Nonreversing (side views)
X100A X100B X100C1X100D X100E
1
1
1
1
1
2
1
1
2
2
2
2
1
1
1
1
1
11
1
1
1
2
1
1
2
Extra Auxiliary Contact Table
W Y TZ Basic Blocks
XAdder Blocks
U
Contact Location
5 Contacts Maximum
Kits for Field Modification
Order in Quantities Shown
Product Number CR305
X200A X200B X200C1X100D X100E
X300A X300B X300C1X100D X100E
1
1
1
1
1
1
1
1
1
1
1
1
1
1
1
2
2
2
2
1
1
1
1
2
2
1
2
2
13
3
4
1
3
4
3
1
1
Extra Auxiliary Contact Table
For Size 2
W Y ZT Basic Blocks
For Sizes 3, 4
XAdder Blocks
U
Contact Location
5 Contacts Maximum
Kits for Field Modification
Order in Quantities Shown
Product Number CR305
X500A X500B X500C 1X100D X100E
1
1
1
1
1
1
1
1
1
1
1
1
1
1
1
2
2
2
2
1
1
1
1
2
2
1
2
2
13
3
4
1
3
4
3
1
1
Extra Auxiliary Contact Table
W Y ZT Basic Blocks
XAdder Blocks
U
Contact Location
5 Contacts Maximum
Kits for Field Modification
Order in Quantities Shown
Product Number CR305
Both NO and NC contacts must be wired for same polarity
1
CR305X Auxiliary Contact Kits
For Field Installation on Magnetic Contactors (300-Line)
Selection and Installation Guides
Product Number Selection Instructions: See page 1-202

www.geindustrial.com Control Catalog 1-205
NEMA Full Voltage Power Devices
NEMA Rated Full Voltage Contactors
Rev. 4/16
Prices and data subject to
change without notice
Section 1
Selector Switch Kits
Fifth-Pole Kit
START-STOP Push Button Kits
Field-Installed Modification Kits
For 300-Line Contactors
NEMA Sizes 00-6
Pilot Device Modification Kits
The push button and selector switch kits listed here are supplied complete with the
necessary components, hardware and written instructions for easy field installation
on Type 1 enclosed contactors—CR305.
Kit NEMA Product List Price
Type Size Number GO-10G
Momentary Contact Start-Stop Push Button Kits 00, 0, 1 CR305X120N $48.00
Momentary Contact Start-Stop Push Button Kits 2 CR305X220N $48.00
Momentary Contact Start-Stop Push Button Kits 3, 4 CR305X320B $48.00
Momentary Contact Start-Stop Push Button Kits 5 CR305X520B $48.00
Hand-Off-Auto Selector Switch Kits 00, 0, 1 CR305X130N $48.00
Hand-Off-Auto Selector Switch Kits 2 CR305X230N $48.00
Hand-Off-Auto Selector Switch Kits 3, 4 CR305X330B $48.00
Hand-Off-Auto Selector Switch Kits 5 CR305X530B $48.00
Off-On Selector Switch Kits 00, 0, 1 CR305X130P $48.00
Off-On Selector Switch Kits 2 CR305X230D $48.00
Off-On Selector Switch Kits 3, 4 CR305X330D $48.00
Off-On Selector Switch Kits 5 CR305X530D $48.00
Fifth-Pole Kits
To be installed on NEMA Size 0, 1, and 2 magnetic four-pole contactors. Permits the
addition of a fifth pole with the same rating as the main poles.
NEMA Mounting Product List Price
Size Position Number GO-10G
0, 1 Right CR305X111B $66.00
2 (add to 4-pole form) Left CR305X211B $120.00
Adapter Mounting Plate
For mounting a 300-line magnetic starter in place of a competitive unit.
Adapter plate good for mounting in place of the following:
A-B 709. Size 1: W B200. Sizes 00-2: Furnas Sizes 00-1: GTE TM.
Sizes 00-2: Sq. D 8536, Sizes 00-2.
Not needed for C-H—same as GE.
Note: GTE now known as Joslyn Clark.
NEMA Product List Price
Size Number GO-10G
00-1 CR306X191A $9.00
Indicating Light Kits (Red)
To be installed on contactor and extend through knockout in cover of CR305 devices in
Type 1 enclosures. Each kit has three resistors allowing light to be used with all voltages of
110 through 600. Uses NE-45 bulb. Can be used with push button or selector switch kit.
NEMA Product List Price
Size Number GO-10G
00, 0, 1 CR305X150N $90.00
2 CR305X250N $90.00
3, 4 CR305X350B $90.00
5 CR305X550B $90.00
NE-45 Bulb CR2940U200BL $9.241
1NE-45 bulb is GO-10P8.

www.geindustrial.com Rev. 4/16
Prices and data subject to
change without notice
Control Catalog
1-206
NEMA Full Voltage Power Devices
NEMA Rated Full Voltage Contactors
Section 1
Product Number Selection Instructions: See page 1-202
Field-Installed Modification Kits
For 300-Line Contactors
NEMA Sizes 00-6
Surge Suppression Kit
To be connected in parallel with operating coil where the demands of solid-state circuitry
necessitate prevention of undesirable reactions in logic circuits. For use on 120 Volt ac only.
NEMA Product List Price
Size Number GO-10G
0-6 CR305X146C $33.90
Control Circuit Fuse Kits
Control circuit fuse kits are designed for installation on NEMA Size 00-5 across-the-line
contactors. They install on the side of the contactor and provide fuse protection for con-
trol circuit wiring.
These kits incorporate one or two 10 Ampere 600 Volt fuse holders for use with KTK or KTK-
R fuses (or equivalent). The fuses are easily accessible with the enclosure covers open, and
each kit contains instructions and hardware for easy installation. Instructions: GEH-4822.
NEMA No. of Fuse Product List Price
Size Fuses Type Number GO-10G
00-1 1 KTK CR305X141A $24.00
00-1 2 KTK CR305X141B $36.00
21KTK CR305X241A $24.00
22KTK CR305X241B $36.00
3, 4 1 KTK CR305X341A $24.00
3, 4 2 KTK CR305X341B $36.00
5, 6 1 KTK CR305X541A $24.00
5, 6 2 KTK CR305X541B $36.00
00-1 1 KTK-R CR305X141C $24.00
00-1 2 KTK-R CR305X141D $36.00
2 1 KTK-R CR305X241C $24.00
22KTK-R CR305X241D $36.00
3, 4 1 KTK-R CR305X341C $24.00
3, 4 2 KTK-R CR305X341D $36.00
5, 6 1 KTK-R CR305X541C $24.00
5, 6 2 KTK-R CR305X541D $36.00
Control Amplifier
The GE CR305X control amplifier is suitable for applications with low level 24 Volt dc
outputs. It allows the low level signals from a programmable control, microprocessor,
or photoelectric cell to operate GE’s 300-Line contactors while their control coils operate
at the line voltage. The control amplifier is UL listed and CSA Certified, and forms are
available for NEMA Sizes 00 through 5.
Operation NEMA Product List Price
Type Size Number GO-10G
Nonreversing 00, 0, & 1 CR305X112A $54.00
Nonreversing 2 CR305X212A $54.00
Nonreversing 3 & 4 CR305X312A $54.00
Nonreversing 00, 0, 1, 2, 3, & 4 CR305X112P1$54.00
1A quantity of two panel mount CR305X112P is required for use with reversing contactors and starters.
Reference Publications
Instructions, Indicating Light Kits for Type 1 Enclosure
NEMA Size Publication Number
00, 0, 1 GEH-4767
2 GEH-4768
3, 4 GEH-4769
5 GEH-4770
Instructions, Push Button and Selector Switch Kits for Type 1 Enclosure
NEMA Size Publication Number
00, 0, 1 GEH-4763
2 GEH-4764
3, 4 GEH-4765
5 GEH-4766
Surge Suppression Kit
Typical Size 2 Starter with CR305X
Control Amplifier Mounted on Right

www.geindustrial.com Control Catalog 1-207
NEMA Full Voltage Power Devices
NEMA Rated Full Voltage Contactors
Rev. 4/16
Prices and data subject to
change without notice
Section 1
Field-Installed Modification Kits
For 300-Line Contactors
NEMA Sizes 00-6
Space Heater Kits
CR305X701 and CR305X702 space heater kits (50 Watts, except size 5 and 6 at 100
Watts) come complete with one NC auxiliary contact, necessary hardware and ready for
installation on any NEMA Size 0 through 6 enclosed contactor CR305, or equivalent 200-
Line devices.
NEMA Operating Product List Price
Size Voltage Number GO-10G
0-1 115 CR305X701D1$120.00
0-1 230 CR305X701A $120.00
0-1 460 CR305X701B $120.00
0-1 600 CR305X701C $120.00
2, 3, 4 115 CR305X702D $120.00
2, 3, 4 230 CR305X702A $120.00
2, 3, 4 460 CR305X702B $120.00
2, 3, 4 600 CR305X702C $120.00
5, 6 115 CR305X705D1$120.00
5, 6 230 CR305X705A $120.00
5, 6 460 CR305X705B $120.00
5, 6 600 CR305X705C $120.00
Mechanical Interlock Kits
To be installed on open CR305 or CR385 contactors unless otherwise noted. Kits include
all parts to mechanically interlock 2 devices.
NEMA Mounting Product List Price
Size Position Baseplate Number GO-10G
0-1 Horizontal No CR309X100B $42.00
2 Horizontal No CR309X200D $96.00
3-4 Horizontal No CR309X300B $180.00
5 Horizontal Yes CR309X501K $240.00
0-1 Vertical Yes CR309X102B2$96.00
2 Vertical Yes CR309X202B2$180.00
3-4 Vertical Yes CR309X302B2$240.00
5 Vertical No CR309X502K $240.00
6 Vertical No CR309X602B5$450.00
7 Vertical No CR389X100C $450.00
8-9 Vertical No CR389X100H $450.00
1If connected to control circuit transformer, 115-Volt heater requires an extra-capacity transformer.
Contact nearest GE Representative for additional information.
2For contactors top and bottom or contractor on top.
3For contactors top and bottom only.
Reference Publications
Instructions:
Space heater kits GEH-4772
Control transformer kits GEH-4842
Space Heater Installed on
Typical NEMA Size 1 Starter

www.geindustrial.com Rev. 4/16
Prices and data subject to
change without notice
Control Catalog
1-208
NEMA Full Voltage Power Devices
NEMA Rated Full Voltage Contactors
Section 1
CR305
Outlines, Dimensions ( in.
mm), and Weights (For Estimating Only)
Open Type, NEMA Sizes 00-1, (auxiliary interlocks
not provided on size 00); 2 3/4 lbs.
Open Type, NEMA Sizes 3 and 4; 17 1/2 lbs.
Open Type, NEMA Size 2, 7 lbs.
Open Type, NEMA Size 5, 50 lbs.
Product Number Selection Instructions: See page 1-202

www.geindustrial.com Control Catalog 1-209
NEMA Full Voltage Power Devices
NEMA Rated Full Voltage Contactors
Rev. 4/16
Prices and data subject to
change without notice
Section 1
CR305, CR385
Outlines, Dimensions ( in.
mm), and Weights (For Estimating Only)
CR305, NEMA Size 6, Type 1 and Type 12
CR305, Open Type, NEMA Size 6; 50 lbs.
CR385, Open Type, NEMA Size 8, 205 lbs.
CR385, Open Type, NEMA Size 9, 310 lbs.
CR385, Open Type, NEMA Size 7, 82 lbs.

www.geindustrial.com Rev. 4/16
Prices and data subject to
change without notice
Control Catalog
1-210
NEMA Full Voltage Power Devices
NEMA Rated Full Voltage Contactors
Section 1
Type 1, NEMA Sizes 00-4
CR305
Outlines, Dimensions in. (mm), and Weights (For Estimating Only)
CR305 NEMA Type 1 NEMA Sizes 00-4
NEMA Dimension Dimension Dimension Dimension Dimension Dimension Mounting Approx. Shipping
Size ABCDEFScrew Size Wt. (Lbs)
00 10.00 (254.0) 6.00 (152.4) 4.63 (117.6) 8.00 (203.2) 4.00 (101.6) 1.00 (25.4) #10 5.5
0 10.00 (254.0) 6.00 (152.4) 4.63 (117.6) 8.00 (203.2) 4.00 (101.6) 1.00 (25.4) #10 5.5
1 10.00 (254.0) 6.00 (152.4) 4.63 (117.6) 8.00 (203.2) 4.00 (101.6) 1.00 (25.4) #10 5.5
2 13.25 (336.6) 7.38 (187.4) 6.13 (155.7) 11.00 (279.4) 5.00 (127.0) 1.13 (28.7) 1/4” 13
3 20.25 (514.4) 8.75 (222.2) 7.31 (185.7) 17.00 (431.8) 5.75 (146.0) 1.88 (47.8) 1/4” 35
4 25.00 (635.0) 8.75 (222.2) 7.31 (185.7) 22.00 (558.8) 5.75 (146.0) 1.50 (38.1) 1/4” 38
CR305 NEMA Type 1 NEMA Size 5
See Diagram
CR305 NEMA Type 12 NEMA Sizes 0-2
NEMA Dimension Dimension Dimension Dimension Dimension Dimension Approx. Shipping
Size ABC DEFWt. (Lbs)
0 11.63 (295.4) 6.25 (158.8) 4.75 (120.6) 11.00 (279.4) 3.00 (76.2) 10.25 (260.4) 6
1 11.63 (295.4) 6.25 (158.8) 4.75 (120.6) 11.00 (279.4) 3.00 (76.2) 10.25 (260.4) 6
2 14.63 (371.6) 7.63 (193.8) 6.25 (158.8) 14.00 (355.6) 4.38 (111.2) 13.25 (366.6) 14
CR305 NEMA Type 12 NEMA Sizes 0-2
NEMA Dimension Dimension Dimension Dimension Dimension Dimension Approx. Shipping
Size ABC DEFWt. (Lbs)
3 24.00 (609.6) 10.00 (254.0) 7.25 (184.2) 23.00 (584.2) 5.00 (127.0) 21.25 (539.8) 40
4 30.00 (762.0) 10.00 (254.0) 7.25 (184.2) 29.00 (736.6) 5.00 (127.0) 24.25 (616.0) 43
5 45.50 (1155.7) 17.00 (431.8) 10.25 (260.4) 44.50 (1130.3) 12.00 (304.8) 42.75 (1085.9) 154
Type 12, NEMA Sizes 3-5
Type 12, NEMA Sizes 0-2
Type 1, NEMA Size 5, 134 lbs.

www.geindustrial.com Control Catalog 1-211
NEMA Full Voltage Power Devices
NEMA Rated Full Voltage Contactors
Rev. 4/16
Prices and data subject to
change without notice
Section 1
CR305
Outlines, Dimensions in. (mm), and Weights (For Estimating Only)
CR305 NEMA Type 3R NEMA Sizes 0-2
NEMA Dimension Dimension Dimension Dimension Dimension Dimension Approx. Shipping
Size ABC DEFWt. (Lbs)
0 14.50 (368.3) 6.38 (161.9) 4.75 (120.6) 15.00 (381.0) 3.00 (76.2) 3.19 (80.9) 6
1 14.50 (368.3) 6.38 (161.9) 4.75 (120.6) 15.00 (381.0) 3.00 (76.2) 3.19 (80.9) 6
2 16.50 (419.1) 7.75 (196.8) 6.50 (165.1) 17.00 (431.8) 4.38 (111.2) 3.88 (98.4) 14
CR305 NEMA Type 3R NEMA Sizes 3-5
NEMA Dimension Dimension Dimension Dimension Dimension Dimension Approx. Shipping
Size ABC DEFWt. (Lbs)
3 22.00 (558.8) 17.19 (436.6) 7.25 (184.2) 23.50 (596.9) 11.00 (279.4) 8.6 (217.9) 43
4 26.00 (660.4) 17.19 (436.6) 7.25 (184.2) 27.50 (698.5) 11.00 (279.4) 8.6 (217.9) 43
5 42.00 (1066.8) 22.00 (558.8) 10.25 (260.4) 43.50 (1104.9) 16.00 (406.0) 11.0 (279.4) 135
6 46.00 (1168.4) 20.00 (508.0) 14.00 (355.6) 47.75 (1212.8) 17.62 (447.7) — 260
CR305 NEMA Type 4/4X NEMA Sizes 0-6
NEMA Approx. Shipping
Size Height Depth Width Wt. (Lbs)
0 15.62 (396.7) 4.75 (120.6) 6.38 (162.0) 6
1 15.62 (396.7) 4.75 (120.6) 6.38 (162.0) 6
2 17.62 (447.5) 6.50 (165.1) 7.75 (196.8) 14
3 25.40 (622.3) 7.25 (184.2) 17.00 (431.8) 40
4 28.50 (723.9) 7.25 (184.2) 17.00 (431.8) 43
5 44.50 (1130.3) 10.25 (260.4) 22.00 (558.8) 154
6 Contact nearest GE Representative
Type 3R, NEMA Sizes 3-5
Type 3R, NEMA Sizes 0-2

www.geindustrial.com Rev. 4/16
Prices and data subject to
change without notice
Control Catalog
1-212
NEMA Full Voltage Power Devices Section 1
NOTES: