88900_72ap T800/Various Manual Updates/T889 04/220 01326 04C/220 04C 220
T800/Various manual updates/220-01326-04C_T889 circuits and layouts/220-01326-04C 220-01326-04C
T800/Various manual updates/220-01326-04C_T889 circuits and layouts/220-01326-04C 220-01326-04C
T800/Various manual updates/220-01326-04C_T889 circuits and layouts/220-01326-04C 220-01326-04C
User Manual: Pdf T800/Various manual updates/T889-04/220-01326-04C/220-01326-04C
Open the PDF directly: View PDF
.
Page Count: 14

IPN 220-01326-04
M889-00
PCB Information
7.2.23
Copyright TEL 17/12/99
T889 PCB Layout - Bottom Side
220-01326-04

IPN 220-01326-04
7.2.24
PCB Information
M889-00
17/12/99 Copyright TEL
T889 PCB Layout - Top Side
220-01326-04
C225
C245 C250
L59
L57
L55
L61
DCR1
DCR2
DCC4
DCC1
DCIC1
DCIC2
C258
C252
DCC103
(PRINTED)
DCC104
(PRINTED)
DCC101
(PRINTED)
DCC100
(PRINTED)
DCC102
(PRINTED)
RV111 may be fitted instead of *RV109
to convert the output power adjustment
to internal access only.
The circuitry for the break-off
D-range PCB is shown on the
control section circuit diagram.

IPN 220-01326-04
M889-00
PCB Information
7.2.25
Copyright TEL 17/12/99
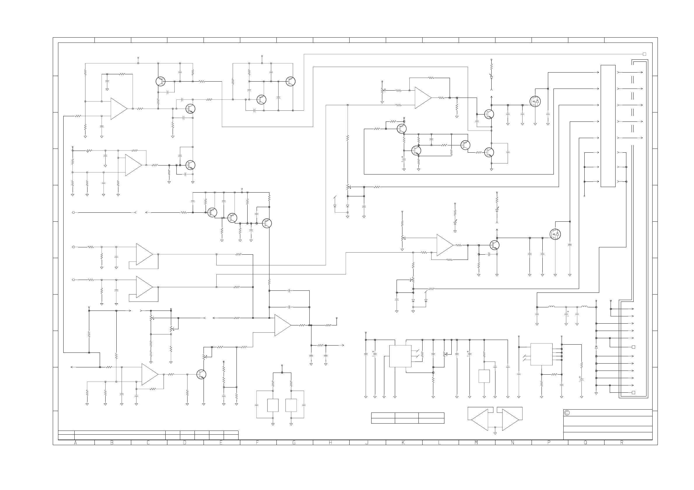
Sheet 1 - T889 Control Section
220-01326-04
0
1
2
3
4
5
6
7
8
9
0
1
2
3
4
5
6
7
8
9
ABCDEFGHJ KLMNPQR
REV/ISS AMENDMENTS DATEAPVDD.O.CHKDDRAWN
NO.SHEETS:FILE NAME:
TAIT ELECTRONICS
IPN:
FILE DATE:
ISSUE: ID:.
2.SC.
PROJECT: DESIGNER:
1
2
T889 800MHZ 90W PA
132604c
220-01326-04
24-Sep-99
C
T889 MAJ
04C UPDATED FOR MANUALS MAJ
CW
*RV109
2K 15T
1
3
2
CWRV111
2K0
1
3
2
C151
47P
C153
47P
C129
47P
C119
47P
C107
47P
C105
47P
C109
47P
C111
47P
C125
47P
C127
47P
C113
47P
C115
47P
C117
47P
C101
47P
C103
47P
C123
47P
C121
47P
C133
47P
C161
47P
C171
4N7
TANT
C169
4U7
C167
1N0
C187
100N
C190
47P
C4
4N7
C139
47P
C130
47P
C159
47P
C143
47P
C193
100N
C192
100N
TANT
C195
10U
C155
10N
C173
47P
C174
47P
D107
GREEN
D109
RED
BAV70
D105 1
3
D113
MR2520
D103
RED
BAV70
D101
1
3
+
-
IC103
LM324D
12
13
14
+
-
IC103
LM324D
5
67
+
-
IC101
LM324D
5
6
7
+
-
IC101
LM324D
10
98
IC103
LM324D
V-
11
V+
4
IC109
LM317L
VIN
1
NC
8
NC
5VOUT 2
ADJ
4
VOUT 7
VOUT 6
VOUT 3
+
-
IC103
LM324D
3
2
1
+
-
IC103
LM324D
10
9
8
+
-
IC101
LM324D
12
13
14
+
-
IC101
LM324D
3
21
IC101
LM324D
V-
11
V+
4
IC105
358D
V-
4
V+
8
+
-
IC105
358D
3
2
1
+
-
IC105
358D
5
6
7
LINK2
0
L12
4S2
L1
4S2
P101
I/OPAD
G
D
S
Q121
MMBF170
Q117
BC817
G
D
S
Q131
MMBF170
Q129
BC817
Q107
BC857
Q109
BC869
Q101
BC857
Q103
BC817
Q105
BC817
Q133
BC848
Q123
BC857
CW
RV103
50K
1
3
2
CW
RV101
5K
1
3
2
CW
RV105
5K
1
3
2
CW RV107
50K
1
3
2
CW
RV115
20K
1
3
2
CW
RV113
500K
1
3
2
R170
1K0
R193
10
R102
220K
R103
33K
R105
15K
R104
470K
R106
15K
R107
3K9
R109
10K
R108
3K3
R114
100K
R117
220K
R115
220K
R118
27K
R119
470K
-T
R116
4K7
R121
15K
R122
3K9
R111
8K2
R112
6K8
R113
1K0
R101
1K0
R173
470
R174
220
R182
100K
R143
10K
R142
10K
R141
10K
R155
220
R135
680
R171
1K0
R169
1K0
R129
1M
R125
10K
R153
4K7
R124
100K
R271
680
R166
680
R162
1M
R159
10K
R154
4K7
R192
220
R191
1K0
R172
10K
R168
10K
R175
220K
R176
10K
R177
4K7
R185
2K2
R178
100K
R132
1K0
R130
2K2
R165
1K0
R164
2K2
R158
1K0
R123
1K0
R151
10K
R152
10K
R160
4K7
R148
12K
R149
6K8
Q115
BC857
Q119
BC848
Q138
BC848
R138
10K
R136
10K
R137
2K2
C132
1N0
R133
10K
R134
470
R131
180K
Q111
BC857
R120
22K
TANT
C131 1U0
C179
100N
R183
4K7
C145
47P
Q125
BC857
Q127
BC857
R144
82K
R145
47K
C149
47P
C147
10N
R146
1K8
R156
100E
R179
10K
R180
150K
C176
100N
BAV70
D101
2
3
BAV70
D105
2
3
P112
I/OPAD
P113
I/OPAD
C177
10N
C178
10N
R187
22
R190
22
R194
22
C189
10N
R280
1K0
R127
10K
R126
1K0
R181
3K9
C204
47P
C205
47P
C162
47P
C164
4N7
R285
560
C210
100P
C211
100P
IC107
LP2951
V OUT
1
SD
3
SENSE 2
GND
4
ERROR 5
VTAP 6
FB
7
V IN
8
R189
1K5
R188
100K
C197
10N
C198
100N
TANT
C199
4U7
TANT
C196
1U0
+13.8V
+13.8V
+13V8-FILT
+13V8-FILT
+13V8-FILT
+13V8-FILT
+7V_
+7V
+7V
+7V_
+7V
+7V
+7V
+7V
+7V_
+7V
+7V
+7V
+13V8-FILT
+7V_
PL101 +13.8V
2
PL101 +13.8V
9
PL101 +13.8V
1
PL101 +13.8V
11
PL101 +13.8V
10
PL101 GND
14
PL101 GND
13
PL101 GND
8
PL101 GND
7
PL101
FWD.PWR.ALM
3
PL101
TX-KEY
12
PL101
FWD.PWR.MET
5
PL101
REV.PWR.ALM
4
PL101
REV.PWR.MET
6
FORWARD-PWR
2U5
REVERSE-PWR
2U3
PA-CNTRL
2A4
SK101
8
SK101
7
SK101
5
SK101
6
SK101
4
SK101
3
SK101
2
SK101
1
SK103
8
SK103
7
SK103
5
SK103
6
SK103
4
SK103
3
SK103
2
SK103
1
SK105
1SK107
1
SK105
5 SK107
5
SK105
4SK107
4
SK105
6 SK107
6
SK105
7 SK107
7
+13V8-FILT
SK105
3
SK105
2
PL101 GND
15
FORWARD POWER
ALARM
ALARM
ALARM
FORWARD POWER
METER
FORWARD POWER
ALARM
15-PIN D-RANGE PLUG
FROM PA
TEMP-SENSE I/P
LINK2 REMOVED FOR
AUSTRALIAN TYPE APPROVAL.
FAN
REVERSE POWER
SUPPLY
CLAMP
OVERRIDE
TO PA Q1
FAN CONTROL
-
-
REVERSE POWER
REVERSE POWER
METER
USER
NON_USER
2KVAR8
2KVAR3299Y
8 WAY MICROMATCH

IPN 220-01326-04
7.2.26
PCB Information
M889-00
17/12/99 Copyright TEL
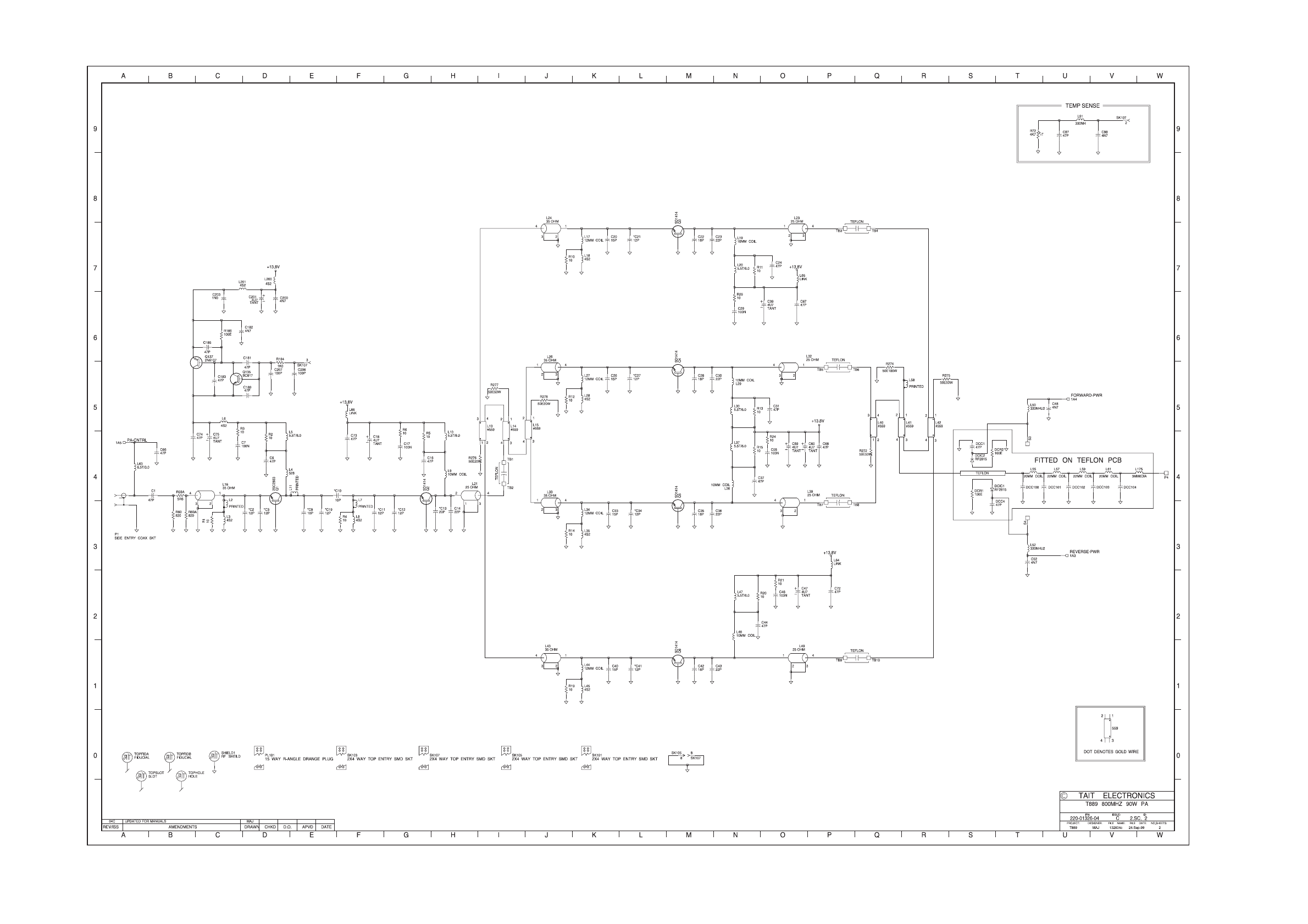
Sheet 2 - T889 RF Section
220-01326-04
DCC100, DCC101, DCC102,
DCC103 & DCC104 ARE
PRINTED CAPACITORS
C258
C252
C250
C245
C225

IPN 220-01326-04
M889-00
PCB Information
7.2.13
Copyright TEL 17/12/99
T889 Parts List (IPN 220-01326-04)
How To Use This Parts List
The components listed in this parts list are divided into two main types: those with a circuit reference (e.g. C2, D1, R121, etc.) and
those without (miscellaneous and mechanical).
Those with a circuit reference are grouped in alphabetical order and then in numerical order within each group. Each component
entry comprises three or four columns: the circuit reference, variant (if applicable), IPN and description. A number in the variant col-
umn indicates that this is a variant component which is fitted only to the product type listed. Static sensitive devices are indicated by
an (S) at the start of the description column.
The miscellaneous and mechanical section lists the variant and common parts in IPN order. Where possible, a number in the legend
column indicates their position in the mechanical assembly drawing.
The Parts List Amendments box below lists component changes that took place after the parts list and diagrams in this section were
compiled. These changes (e.g. value changes, added/deleted components, etc.) are listed by circuit reference in alphanumeric order
and supersede the information given in the parts list or diagrams. Components without circuit references are listed in IPN order.
Parts List Amendments
D101, D105 Removed from the main PCB and replaced by two 1N4148 diodes (IPN 001-50012-00) placed on the D-range
PCB: one soldered between PL101 pins 5 and 7 (cathode), the other between PL101 pins 6 and 8 (cathode). To
allow external power meters to read zero and still provide meter overvoltage protection (710978).
DCR1, DCR2 Changed from 100Ω (IPN 036-13100-00) to 270Ω (IPN 036-13270-00) to improve the directivity of the directional
coupler (710959).
R123, R158 Changed from 1k resistors (IPN 036-14100-00) to BA592 diodes (IPN 001-10059-20) to allow external power
meters to read zero (710978).
R149 Changed from 12k (IPN 036-15120-00) to 6k8 (IPN 036-14680-00) to increase the reverse power sense gain to
improve alarm operation (710958).
258-00010-03 Cooling fan: some T889 PAs may be fitted with a different fan (IPN 258-00010-06). If so, a 100µH inductor (IPN
056-00021-02) may be fitted in series in the fan power feed wire with a 10µF capacitor (IPN 025-08100-03) fitted
in parallel with this inductor (710921).

IPN 220-01326-04
7.2.14
PCB Information
M889-00
17/12/99 Copyright TEL
Parts List Amendments - Continued
This page is provided for entering future amendments to the Parts List.

IPN 220-01326-04
M889-00
PCB Information
7.2.15
Copyright TEL 17/12/99
Ref Var IPN Description Ref Var IPN Description
C1 015-02470-03 CAP CER 47P 5% 500V GRH111
*C2 015-02120-07 CAP CER CHIP 12P 5% 500V MULTI
*C3 015-02120-07 CAP CER CHIP 12P 5% 500V MULTI
C4 015-24470-08 CAP CER 0805 4N7 10% X7R 50V
C6 015-02470-03 CAP CER 47P 5% 500V GRH111
C7 015-06100-08 CAP CER 1206 100N 10% X7R 50V
*C9 015-02100-07 CAP CER CHIP 10P 5% 500V MULTI
*C10 015-02100-07 CAP CER CHIP 10P 5% 500V MULTI
*C11 015-02120-07 CAP CER CHIP 12P 5% 500V MULTI
*C12 015-02120-07 CAP CER CHIP 12P 5% 500V MULTI
*C13 029-02200-02 CAP MICA 5 CASE 20P 5%
C14 029-02220-02 CAP MICA 5 CASE 22P 5%
C16 015-02470-03 CAP CER 47P 5% 500V GRH111
C17 015-06100-08 CAP CER 1206 100N 10% X7R 50V
C18 014-07470-03 L) CAP TANT SMD 4U7 35V 20%
*C19 015-02120-07 CAP CER CHIP 12P 5% 500V MULTI
C20 015-02150-07 CAP CER CHIP 15P 5% 500V MULTI
*C21 015-02120-07 CAP CER CHIP 12P 5% 500V MULTI
C22 029-02180-02 CAP MICA 5 CASE 18P 5%
C23 029-02220-02 CAP MICA 5 CASE 22P 5%
C24 015-02470-03 CAP CER 47P 5% 500V GRH111
C26 015-02150-07 CAP CER CHIP 15P 5% 500V MULTI
*C27 015-02120-07 CAP CER CHIP 12P 5% 500V MULTI
C28 029-02180-02 CAP MICA 5 CASE 18P 5%
C29 015-06100-08 CAP CER 1206 100N 10% X7R 50V
C30 029-02220-02 CAP MICA 5 CASE 22P 5%
C31 015-02470-03 CAP CER 47P 5% 500V GRH111
C33 015-02150-07 CAP CER CHIP 15P 5% 500V MULTI
*C34 015-02120-07 CAP CER CHIP 12P 5% 500V MULTI
C35 029-02180-02 CAP MICA 5 CASE 18P 5%
C36 029-02220-02 CAP MICA 5 CASE 22P 5%
C37 015-02470-03 CAP CER 47P 5% 500V GRH111
C39 014-07470-03 L) CAP TANT SMD 4U7 35V 20%
C40 015-02150-07 CAP CER CHIP 15P 5% 500V MULTI
*C41 015-02120-07 CAP CER CHIP 12P 5% 500V MULTI
C42 029-02180-02 CAP MICA 5 CASE 18P 5%
C43 029-02220-02 CAP MICA 5 CASE 22P 5%
C44 015-02470-03 CAP CER 47P 5% 500V GRH111
C46 015-06100-08 CAP CER 1206 100N 10% X7R 50V
C47 014-07470-03 L) CAP TANT SMD 4U7 35V 20%
C48 015-24470-08 CAP CER 0805 4N7 10% X7R 50V
C52 015-24470-08 CAP CER 0805 4N7 10% X7R 50V
C58 015-06100-08 CAP CER 1206 100N 10% X7R 50V
C59 014-07470-03 L) CAP TANT SMD 4U7 35V 20%
C60 014-07470-03 L) CAP TANT SMD 4U7 35V 20%
C66 015-22470-01 CAP CER 0805 47P 5% NPO 50V
C67 015-02470-03 CAP CER 47P 5% 500V GRH111
C68 015-02470-03 CAP CER 47P 5% 500V GRH111
C72 015-02470-03 CAP CER 47P 5% 500V GRH111
C73 015-02470-03 CAP CER 47P 5% 500V GRH111
C74 015-02470-03 CAP CER 47P 5% 500V GRH111
C75 014-07470-03 L) CAP TANT SMD 4U7 35V 20%
C97 015-22470-01 CAP CER 0805 47P 5% NPO 50V
C98 015-24470-08 CAP CER 0805 4N7 10% X7R 50V
C101 015-22470-01 CAP CER 0805 47P 5% NPO 50V
C103 015-22470-01 CAP CER 0805 47P 5% NPO 50V
C105 015-22470-01 CAP CER 0805 47P 5% NPO 50V
C107 015-22470-01 CAP CER 0805 47P 5% NPO 50V
C109 015-22470-01 CAP CER 0805 47P 5% NPO 50V
C111 015-22470-01 CAP CER 0805 47P 5% NPO 50V
C113 015-22470-01 CAP CER 0805 47P 5% NPO 50V
C115 015-22470-01 CAP CER 0805 47P 5% NPO 50V
C117 015-22470-01 CAP CER 0805 47P 5% NPO 50V
C119 015-22470-01 CAP CER 0805 47P 5% NPO 50V
C121 015-22470-01 CAP CER 0805 47P 5% NPO 50V
C123 015-22470-01 CAP CER 0805 47P 5% NPO 50V
C125 015-22470-01 CAP CER 0805 47P 5% NPO 50V
C127 015-22470-01 CAP CER 0805 47P 5% NPO 50V
C129 015-22470-01 CAP CER 0805 47P 5% NPO 50V
C130 015-22470-01 CAP CER 0805 47P 5% NPO 50V
C131 014-07100-02 CAP TANT CHIP 1U0 3.2 X 1.6MM
C132 015-24100-08 CAP CER 0805 1N 10% X7R 50V
C133 015-22470-01 CAP CER 0805 47P 5% NPO 50V
C139 015-22470-01 CAP CER 0805 47P 5% NPO 50V
C143 015-22470-01 CAP CER 0805 47P 5% NPO 50V
C145 015-22470-01 CAP CER 0805 47P 5% NPO 50V
C147 015-25100-08 CAP CER 0805 10N 10% X7R 50V
C149 015-22470-01 CAP CER 0805 47P 5% NPO 50V
C151 015-22470-01 CAP CER 0805 47P 5% NPO 50V
C153 015-22470-01 CAP CER 0805 47P 5% NPO 50V
C155 015-25100-08 CAP CER 0805 10N 10% X7R 50V
C159 015-22470-01 CAP CER 0805 47P 5% NPO 50V
C161 015-22470-01 CAP CER 0805 47P 5% NPO 50V
C162 015-22470-01 CAP CER 0805 47P 5% NPO 50V
C164 015-24470-08 CAP CER 0805 4N7 10% X7R 50V
C167 015-24100-08 CAP CER 0805 1N 10% X7R 50V
C169 014-07470-03 L) CAP TANT SMD 4U7 35V 20%
C171 015-24470-08 CAP CER 0805 4N7 10% X7R 50V
C173 015-22470-01 CAP CER 0805 47P 5% NPO 50V
C174 015-22470-01 CAP CER 0805 47P 5% NPO 50V
C176 015-06100-08 CAP CER 1206 100N 10% X7R 50V
C177 015-25100-08 CAP CER 0805 10N 10% X7R 50V
C178 015-25100-08 CAP CER 0805 10N 10% X7R 50V
C179 015-06100-08 CAP CER 1206 100N 10% X7R 50V
C180 015-22470-01 CAP CER 0805 47P 5% NPO 50V
C181 015-22470-01 CAP CER 0805 47P 5% NPO 50V
C182 015-24470-08 CAP CER 0805 4N7 10% X7R 50V
C183 015-22470-01 CAP CER 0805 47P 5% NPO 50V
C185 015-22470-01 CAP CER 0805 47P 5% NPO 50V
C187 015-06100-08 CAP CER 1206 100N 10% X7R 50V
C189 015-25100-08 CAP CER 0805 10N 10% X7R 50V
C190 015-22470-01 CAP CER 0805 47P 5% NPO 50V
C192 015-06100-08 CAP CER 1206 100N 10% X7R 50V
C193 015-06100-08 CAP CER 1206 100N 10% X7R 50V
C195 014-08100-00 CAP TANT CHIP 10M 16VW +-20%
C196 014-07100-02 CAP TANT CHIP 1U0 3.2 X 1.6MM
C197 015-25100-08 CAP CER 0805 10N 10% X7R 50V
C198 015-06100-08 CAP CER 1206 100N 10% X7R 50V
C199 014-07470-00 CAP TANT CHIP 4U7 3.5 X 2.8MM
C200 015-24470-08 CAP CER 0805 4N7 10% X7R 50V
C201 014-07470-03 L) CAP TANT SMD 4U7 35V 20%
C203 015-24100-08 CAP CER 0805 1N 10% X7R 50V
C204 015-22470-01 CAP CER 0805 47P 5% NPO 50V
C205 015-22470-01 CAP CER 0805 47P 5% NPO 50V
C206 015-23100-01 CAP CER 0805 100P 5% NPO 50V
C207 015-23100-01 CAP CER 0805 100P 5% NPO 50V
C210 015-23100-01 CAP CER 0805 100P 5% NPO 50V
C211 015-23100-01 CAP CER 0805 100P 5% NPO 50V
C225 015-02470-03 CAP CER 47P 5% 500V GRH111
C245 015-02470-03 CAP CER 47P 5% 500V GRH111
C250 015-02470-03 CAP CER 47P 5% 500V GRH111
C252 015-02470-03 CAP CER 47P 5% 500V GRH111
C258 015-02470-03 CAP CER 47P 5% 500V GRH111
D101 001-50012-00 S) DIODE AI 1N4148 SI
D103 008-00014-79 S)LED 3MM RED WITH WIRE
D105 001-50012-00 S) DIODE AI 1N4148 SI
D107 008-00014-80 S)LED 3MM GREEN WITH WIRE
D109 008-00014-79 S)LED 3MM RED WITH WIRE
D113 001-00012-90 S) DIODE MR2520L O-VOLT SUPP
DCC1 015-22470-01 CAP CER 0805 47P 5% NPO 50V
DCC4 015-22470-01 CAP CER 0805 47P 5% NPO 50V
DCIC1 001-10066-00 DIODE SCHOTTKY HSMS2815
DCIC2 001-10066-00 DIODE SCHOTTKY HSMS2815
DCR1 036-13270-00 RES M/F 0805 270E 5%
DCR2 036-13270-00 RES M/F 0805 270E 5%
FTC 012-04100-05 CAP F/THRU 1N SUPPR FLTR S-MTG
IC101 002-10003-24 S) IC SMD 324 4X O-AMP SO14
IC103 002-10003-24 S) IC SMD 324 4X O-AMP SO14
IC105 002-10003-58 S) IC SMD LM358 DUAL O-AMP
IC107 002-12951-00 IC SMD LP2951CM ADJ VLTGE REG
IC109 002-10003-17 (S) IC LM317L REG S0-8 100MA
L1 065-10004-20 BEAD FE SMD CBD 4.6/3/3-4S2
L2 051-00644-00 IND HAIRPIN 17MM TALL T889
L3 065-10004-20 BEAD FE SMD CBD 4.6/3/3-4S2
L4 051-00644-00 IND HAIRPIN 17MM TALL T889
L5 052-08160-55 COIL A/W 5.5T/6.0MM HOR 0.8MM
L6 065-10004-20 BEAD FE SMD CBD 4.6/3/3-4S2
L7 051-00644-00 IND HAIRPIN 17MM TALL T889
L8 065-10004-20 BEAD FE SMD CBD 4.6/3/3-4S2
L9 051-00643-00 IND HAIRPIN 10MM TALL T889
L10 052-08160-55 COIL A/W 5.5T/6.0MM HOR 0.8MM
L12 065-10004-20 BEAD FE SMD CBD 4.6/3/3-4S2
L13 051-00619-00 COUPLR WRELNE 53MM JCKT STRGT
L14 051-00619-00 COUPLR WRELNE 53MM JCKT STRGT
L15 051-00619-00 COUPLR WRELNE 53MM JCKT STRGT
L16 051-00626-00 COAX 1/4 WAVE XFMR 35E HELI LH
L17 051-00648-00 IND ETCH HAIRPIN 14.3NH POWF
L18 065-10004-20 BEAD FE SMD CBD 4.6/3/3-4S2
L19 051-00643-00 IND HAIRPIN 10MM TALL T889
L20 052-08160-55 COIL A/W 5.5T/6.0MM HOR 0.8MM
L21 051-00623-00 COAX 1/4 WAVE XFMR 25E HAIRPIN
L23 051-00624-00 COAX 1/4 WAVE XFMR 25E HCKY LH
L24 051-00629-00 COAX 1/4 WAVE XFMR 35E HCKY RH
L26 051-00627-00 COAX 1/4 WAVE XFMR 35E HELI RH
L27 051-00648-00 IND ETCH HAIRPIN 14.3NH POWF
L28 065-10004-20 BEAD FE SMD CBD 4.6/3/3-4S2
L29 051-00643-00 IND HAIRPIN 10MM TALL T889
L30 052-08160-55 COIL A/W 5.5T/6.0MM HOR 0.8MM
L32 051-00621-00 COAX 1/4 WAVE XFMR 25E HELI LH
L33 051-00626-00 COAX 1/4 WAVE XFMR 35E HELI LH
L34 051-00648-00 IND ETCH HAIRPIN 14.3NH POWF
L35 065-10004-20 BEAD FE SMD CBD 4.6/3/3-4S2
L36 051-00643-00 IND HAIRPIN 10MM TALL T889
L37 052-08160-55 COIL A/W 5.5T/6.0MM HOR 0.8MM
L39 051-00622-00 COAX 1/4 WAVE XFMR 25E HELI RH
L40 051-00619-00 COUPLR WRELNE 53MM JCKT STRGT
L41 051-00619-00 COUPLR WRELNE 53MM JCKT STRGT
L42 051-00619-00 COUPLR WRELNE 53MM JCKT STRGT
L43 051-00628-00 COAX 1/4 WAVE XFMR 35E HCKY LH
L44 051-00648-00 IND ETCH HAIRPIN 14.3NH POWF
L45 065-10004-20 BEAD FE SMD CBD 4.6/3/3-4S2
L46 051-00643-00 IND HAIRPIN 10MM TALL T889
L47 052-08160-55 COIL A/W 5.5T/6.0MM HOR 0.8MM
L49 051-00645-00 COAX 1/4 WAVE XFMR 25E HCKY RH
L50 056-10330-02 (L) IND SMD 330NH
L51 056-10330-02 (L) IND SMD 330NH
L52 056-10330-02 (L) IND SMD 330NH
L55 051-00646-00 IND ETCHED HAIRPIN 13NH LPF
L57 051-00647-00 IND ETCHED HAIRPIN 14.6NH LPF
L59 051-00647-00 IND ETCHED HAIRPIN 14.6NH LPF
L61 051-00646-00 IND ETCHED HAIRPIN 13NH LPF

IPN 220-01326-04
7.2.16
PCB Information
M889-00
17/12/99 Copyright TEL
Ref Var IPN Description Ref Var IPN Description
L63 052-56130-85 COIL A/W 8.5T/3.0MM HOR 0.56MM
L64 051-00632-00 LNK 15MM 1.4MM2 COP STP 1.5SLV
L65 051-00632-00 LNK 15MM 1.4MM2 COP STP 1.5SLV
L66 051-00632-00 LNK 15MM 1.4MM2 COP STP 1.5SLV
L175 051-00638-01 COAX T889 SEMI-RIG N-TYPE EXTN
L200 065-10004-20 BEAD FE SMD CBD 4.6/3/3-4S2
L201 065-10004-20 BEAD FE SMD CBD 4.6/3/3-4S2
LINK2 036-10000-00 RES M/F 0805 ZERO OHM
P1 240-02100-44 SKT COAX MINI JACK PCB MT ANG.
Q1 000-00293-30 S) XSTR 2SC2933 NPN 900MHZ 14W
Q2 000-00141-40 LS) XSTR SD1414 6LFL UHF 45W
Q3 000-00141-40 LS) XSTR SD1414 6LFL UHF 45W
Q4 000-00141-40 LS) XSTR SD1414 6LFL UHF 45W
Q5 000-00141-40 LS) XSTR SD1414 6LFL UHF 45W
Q6 000-00141-40 LS) XSTR SD1414 6LFL UHF 45W
Q101 000-10008-57 S) XSTR SMD BCW70 PNP SOT23 SS
Q103 000-10008-17 S) XSTR SMD BC817-25 NPN SOT23
Q105 000-10008-17 S) XSTR SMD BC817-25 NPN SOT23
Q107 000-10008-57 S) XSTR SMD BCW70 PNP SOT23 SS
Q109 000-10008-69 S) XSTR SMD BC869 PNP 1W SOT89
Q111 000-10008-57 S) XSTR SMD BCW70 PNP SOT23 SS
Q115 000-10008-57 S) XSTR SMD BCW70 PNP SOT23 SS
Q117 000-10008-17 S) XSTR SMD BC817-25 NPN SOT23
Q119 000-10008-48 S) XSTR SMD BCW60 NPN SOT23 SS
Q121 000-10017-00 LS) XSTR SMD BF170LT1 SOT23
Q123 000-10008-57 S) XSTR SMD BCW70 PNP SOT23 SS
Q125 000-10008-57 S) XSTR SMD BCW70 PNP SOT23 SS
Q127 000-10008-57 S) XSTR SMD BCW70 PNP SOT23 SS
Q129 000-10008-17 S) XSTR SMD BC817-25 NPN SOT23
Q131 000-10017-00 LS) XSTR SMD BF170LT1 SOT23
Q133 000-10008-48 S) XSTR SMD BCW60 NPN SOT23 SS
Q135 000-10008-17 S) XSTR SMD BC817-25 NPN SOT23
Q137 000-00030-95 S) XSTR 2N6107 PNP TO220 AF
Q138 000-10008-48 S) XSTR SMD BCW60 NPN SOT23 SS
R1 036-02100-03 L) RES 1218 PWR 10E 20% 1W
R2 036-02100-03 L) RES 1218 PWR 10E 20% 1W
R3 036-02100-02 RES 10E 1206 200V 250MW RC01
R4 036-02100-03 L) RES 1218 PWR 10E 20% 1W
R5 036-02100-03 L) RES 1218 PWR 10E 20% 1W
R6 036-02100-02 RES 10E 1206 200V 250MW RC01
R10 036-02100-03 L) RES 1218 PWR 10E 20% 1W
R11 036-02100-03 L) RES 1218 PWR 10E 20% 1W
R12 036-02100-03 L) RES 1218 PWR 10E 20% 1W
R13 036-02100-03 L) RES 1218 PWR 10E 20% 1W
R14 036-02100-03 L) RES 1218 PWR 10E 20% 1W
R15 036-02100-03 L) RES 1218 PWR 10E 20% 1W
R19 036-02100-03 L) RES 1218 PWR 10E 20% 1W
R20 036-02100-03 L) RES 1218 PWR 10E 20% 1W
R21 036-02100-02 RES 10E 1206 200V 250MW RC01
R24 036-02100-02 RES 10E 1206 200V 250MW RC01
R29 036-02100-02 RES 10E 1206 200V 250MW RC01
R59A 036-01560-03 L) RES 1218 PWR 5E6 20% 1W
R60 036-03820-03 L) RES 1218 PWR 820E 20% 1W
R60A 036-03820-03 L) RES 1218 PWR 820E 20% 1W
R72 045-04470-00 RES NTC SMD 4K7 5% 20MW
R101 036-14100-10 RES M/F 0805 1K 1%
R102 036-16220-00 RES M/F 0805 220K 5%
R103 036-15330-00 RES M/F 0805 33K 5%
R104 036-16470-00 RES M/F 0805 470K 5%
R105 036-15150-00 RES M/F 0805 15K 5%
R106 036-15150-00 RES M/F 0805 15K 5%
R107 036-14390-10 RES M/F 0805 3K9 1%
R108 036-14330-10 RES M/F 0805 3K3 1%
R109 036-15100-10 RES M/F 0805 10K 1%
R111 036-14820-10 RES M/F 0805 8K2 1%
R112 036-14680-10 RES M/F 0805 6K8 1%
R113 036-14100-10 RES M/F 0805 1K 1%
R114 036-16100-00 RES M/F 0805 100K 5%
R115 036-16220-00 RES M/F 0805 220K 5%
R116 045-04470-00 RES NTC SMD 4K7 5% 20MW
R117 036-16220-00 RES M/F 0805 220K 5%
R118 036-15270-00 RES M/F 0805 27K 5%
R119 036-16470-00 RES M/F 0805 470K 5%
R120 036-15220-00 RES M/F 0805 22K 5%
R121 036-15150-00 RES M/F 0805 15K 5%
R122 036-14390-10 RES M/F 0805 3K9 1%
R123 001-10059-20 LS) DIODE SMD BA592 SW SOD323
R124 036-16100-00 RES M/F 0805 100K 5%
R125 036-15100-10 RES M/F 0805 10K 1%
R126 036-14100-10 RES M/F 0805 1K 1%
R127 036-15100-10 RES M/F 0805 10K 1%
R129 036-17100-10 RES M/F 0805 1M 1%
R130 036-14220-00 RES M/F 0805 2K2 5%
R131 036-16180-00 RES M/F 0805 180K 5%
R132 036-14100-10 RES M/F 0805 1K 1%
R133 036-15100-10 RES M/F 0805 10K 1%
R134 036-13470-00 RES M/F 0805 470E 5%
R135 036-13680-00 RES M/F 0805 680E 5%
R136 036-15100-10 RES M/F 0805 10K 1%
R137 036-14220-00 RES M/F 0805 2K2 5%
R138 036-15100-10 RES M/F 0805 10K 1%
R141 036-15100-10 RES M/F 0805 10K 1%
R142 036-15100-10 RES M/F 0805 10K 1%
R143 036-15100-10 RES M/F 0805 10K 1%
R144 036-15820-00 RES M/F 0805 82K 5%
R145 036-15470-10 RES M/F 0805 47K 1%
R146 036-14180-00 RES M/F 0805 1K8 5%
R148 036-15120-00 RES M/F 0805 12K 5%
R149 036-14680-10 RES M/F 0805 6K8 1%
R151 036-15100-10 RES M/F 0805 10K 1%
R152 036-15100-10 RES M/F 0805 10K 1%
R153 036-14470-10 RES M/F 0805 4K7 1%
R154 036-14470-10 RES M/F 0805 4K7 1%
R155 036-13220-00 RES M/F 0805 220E 5%
R156 036-13100-10 RES M/F 0805 100E 1%
R158 001-10059-20 LS) DIODE SMD BA592 SW SOD323
R159 036-15100-10 RES M/F 0805 10K 1%
R160 036-14470-10 RES M/F 0805 4K7 1%
R162 036-17100-10 RES M/F 0805 1M 1%
R164 036-14220-00 RES M/F 0805 2K2 5%
R165 036-14100-10 RES M/F 0805 1K 1%
R166 036-13680-00 RES M/F 0805 680E 5%
R168 036-15100-10 RES M/F 0805 10K 1%
R169 036-14100-10 RES M/F 0805 1K 1%
R170 036-14100-10 RES M/F 0805 1K 1%
R171 036-14100-10 RES M/F 0805 1K 1%
R172 036-15100-10 RES M/F 0805 10K 1%
R173 036-13470-00 RES M/F 0805 470E 5%
R174 036-13220-00 RES M/F 0805 220E 5%
R175 036-16220-00 RES M/F 0805 220K 5%
R176 036-15100-10 RES M/F 0805 10K 1%
R177 036-14470-10 RES M/F 0805 4K7 1%
R178 036-16100-00 RES M/F 0805 100K 5%
R179 036-15100-10 RES M/F 0805 10K 1%
R180 036-16150-00 RES M/F 0805 150K 5%
R181 036-14390-10 RES M/F 0805 3K9 1%
R182 036-16100-00 RES M/F 0805 100K 5%
R183 036-14470-10 RES M/F 0805 4K7 1%
R184 036-14100-10 RES M/F 0805 1K 1%
R185 036-14220-00 RES M/F 0805 2K2 5%
R186 036-13100-10 RES M/F 0805 100E 1%
R187 036-12220-00 RES M/F 0805 22E 5%
R188 036-16100-00 RES M/F 0805 100K 5%
R189 036-14150-00 RES M/F 0805 1K5 5%
R190 036-12220-00 RES M/F 0805 22E 5%
R191 036-14100-10 RES M/F 0805 1K 1%
R192 036-13220-00 RES M/F 0805 220E 5%
R193 036-12100-00 RES M/F 0805 10E 5%
R194 036-12220-00 RES M/F 0805 22E 5%
R271 036-13680-00 RES M/F 0805 680E 5%
R272 039-50500-00 RES TERM 50E 50W RFP50-50TCG
R274 039-00100-50 RES TERM 50E 100W RFP-100-50TW
R275 039-50500-00 RES TERM 50E 50W RFP50-50TCG
R276 039-02050-00 RES TERM 50E 20W RFP20-50TPC
R277 039-50500-00 RES TERM 50E 50W RFP50-50TCG
R278 039-02050-00 RES TERM 50E 20W RFP20-50TPC
R280 036-14100-10 RES M/F 0805 1K 1%
R285 036-13560-00 RES M/F 0805 560E 5%
RV101 042-04500-05 RES PRESET SMD 5K CER 4MM SQ
RV103 042-05500-05 RES PRESET SMD 50K CER 4MM SQ
RV105 042-04500-05 RES PRESET SMD 5K CER 4MM SQ
RV107 042-05500-05 RES PRESET SMD 50K CER 4MM SQ
*RV109 044-04200-06 RES PRE MULT 2K 15T PNL MTG
RV113 042-06500-05 RES PRESET SMD 500K CER 4MM SQ
RV115 042-05200-05 RES PRESET SMD 20K CER 4MM SQ
SHIELD1 319-01219-00 SHIELD WALL T889 LOW PASS FILT
SK101 240-10000-05 CONN SMD SKT 8W 2R M-MATCH
SK103 240-10000-05 CONN SMD SKT 8W 2R M-MATCH
SK105 240-10000-05 CONN SMD SKT 8W 2R M-MATCH
SK107 240-10000-05 CONN SMD SKT 8W 2R M-MATCH

IPN 220-01326-04
M889-00
PCB Information
7.2.17
Copyright TEL 17/12/99

IPN 220-01326-04
7.2.18
PCB Information
M889-00
17/12/99 Copyright TEL
IPN Legend Description IPN Legend Description
T889 Mechanical & Miscellaneous Parts (220-01326-04)
025-08100-03 CAP 10M 35V 20% TANT 5MM L/S
044-04200-07 RES POT COVER H-83P
056-00021-02 IND FXD 100UH AX
070-01001-00 D-RANGE 15 WAY COMPL T800
201-00030-02 WIRE T/C WIRE 7/0.2 PVC RED
201-00050-25 AUTO 154 RED 41/0.3 PVC
201-00050-26 AUTO 154 BLACK 41/0.3 PVC
219-02591-01 LOOM RIBBON 8 WAY FOR T839PA
219-02593-01 LOOM RIBBON ASSY FOR T889PA
219-02600-00 RG316 CABLE ASSEMBLY T889 PA
219-02639-00 CABLE ASSEMBLY RG223/UN TO BNC
220-01326-04 PCB T889 90W PA SERIES II
240-02010-54 SKT 15W DRANGE PNL MTG 125 C
240-02100-51 SKT N-TYPE FLANGE FEM SEMI-RIG
240-06010-14 CLAMP LATCHING 15 W D RANGE
240-06010-15 BLOCK LATCHING 15W D RANGE
258-00010-06 FAN 12V 119x119x25 (CHAMPION)
302-05204-00 BRKT A3M2314 F/THRU MTG T859
303-11182-02 HEATSINK T889 MECH, DRILLED
303-23117-00 COVER SIDE COMPL A2M2223
306-01010-00 FERRULE A4M948 HANDLE
308-01007-00 HANDLE A4M949 FXD EQUIP
316-06515-00 PNL FRT T889 SCRND COMPLETE
318-01011-00 RAIL A2M1872 BOTTOM T377 PA
318-01012-00 RAIL A3M1873 TOP T377 PA
319-01187-00 SHIELD LID T889 HARMONIC FLTR
319-01202-00 SHIELD T869PA CONTROL CIRCUIT
319-01220-00 SHIELD LID T889 LOW PASS FILTE
319-30061-00 SPACER PLATE T889 WIRELINE
319-30062-00 SPACER T889 PRE DRIVER XSTR
319-40009-00 STRAP RF PWR XSTR EARTHING 889
345-00040-09 SCRW M3*6MM CSK POZI TRUNC
345-00040-16 SCRW M3X20MM P/POZ ST BZ
349-00020-07 SCRW 4-40 X 5/16 P/POZ T/T BLK
349-00020-09 SCRW T/T 4-40X3/8 IN P/POZ BLK
349-00020-36 SCREW TT M3X8m PANTORX BLK
349-00020-43 SCRW T/T M4X12MM P/POZ BZ
349-00020-49 SCRW T/T M4X35MM P/POZ BZ
349-00020-50 SCRW T/T 4-40 * 5/8 P/POZ BLK
352-00010-29 NUT M4 NYLOC HEX
353-00010-10 WSHR M3 FLAT 7MM*0.6MM ST BZ
356-00010-01 TAG SOLDER 3MM SHORT M6132/3.2
356-00010-03 TAG SOLDER 3MM LONG M614/3.2
356-00010-26 PIN TRACK HARWIN FOR 1.6MM PCB
356-00010-26 PIN TRACK HARWIN FOR 1.6MM PCB
357-00010-45 CLAMP CABLE 4.8MM P CLIP
360-00010-41 BUSH SHORTY BLK
362-00010-07 GASKET SIL INSULATING TO-220
362-00010-13 BUSH INSULATING 1.1MM TOP HAT
362-00010-33 GROMMET LED MTG 3MM
365-00100-20 LABEL WHITE S/A 28X11MM
369-00010-14 TIE CABLE NYLON 100*2.6MM
399-00010-56 BAG PLASTIC 200*250MM
400-00020-07 SLEEVING 2MM SIL RUBBER
400-00020-30 HEATSHRINK 3MM

IPN 220-01326-04
M889-00
PCB Information
7.2.19
Copyright TEL 17/12/99
replace A4 pages 7.2.19/7.2.20 with A3 pages 7.2.19/7.2.20

IPN 220-01326-04
7.2.20
PCB Information
M889-00
17/12/99 Copyright TEL
replace A4 pages 7.2.19/7.2.20 with A3 pages 7.2.19/7.2.20

IPN 220-01326-04
M889-00
PCB Information
7.2.21
Copyright TEL 17/12/99
Device PCB Circuit Device PCB CircuitDevice PCB Circuit Device PCB Circuit
T889 Grid Reference Index (IPN 220-01326-04)
How To Use This Grid Reference Index
The first digit in the PCB layout reference is a "1" or "2", indicating the top or bottom side layout respectively, and the last two charac-
ters give the location of the component on that diagram.
The first digit in the circuit diagram reference is the sheet number, and the last two characters give the location of the component on
that sheet.
C1 1:R2 2-B4
*C2 1:Q5 2-D3
*C3 1:Q5 2-D3
C4 1:A1 1-N7
C6 1:S6 2-D4
C7 1:S4 2-C4
*C9 1:Q6 2-E3
*C10 1:Q6 2-F4
*C11 1:Q6 2-F3
*C12 1:Q6 2-G3
*C13 1:Q7 2-H3
C14 1:Q7 2-H3
C16 1:R8 2-G4
C17 1:Q8 2-G4
C18 1:P8 2-F4
*C19 1:Q6 2-E3
C20 1:K1 2-K7
*C21 1:K2 2-L7
C22 1:J2 2-M7
C23 1:J1 2-M7
C24 1:J1 2-O7
C26 1:K4 2-K5
*C27 1:K4 2-L5
C28 1:J4 2-M5
C29 1:J1 2-N6
C30 1:J4 2-M5
C31 1:J5 2-O5
C33 1:K6 2-K3
*C34 1:K6 2-L3
C35 1:J6 2-M3
C36 1:J6 2-M3
C37 1:J5 2-N4
C39 1:H1 2-O6
C40 1:K8 2-K1
*C41 1:K8 2-L1
C42 1:J8 2-M1
C43 1:J9 2-M1
C44 1:J9 2-N2
C46 1:J9 2-O2
C47 1:H9 2-O2
C48 1:E7 2-U5
C52 1:C9 2-T3
C58 1:J6 2-O4
C59 1:H7 2-O4
C60 1:H3 2-O4
C66 1:S3 2-B4
C67 1:H2 2-O6
C68 1:H6 2-P4
C72 1:H8 2-P2
C73 1:Q8 2-F4
C74 1:S4 2-B4
C75 1:R4 2-C4
C97 1:P1 2-U9
C98 1:P1 2-V9
C101 1:D4 1-B7
C103 1:D5 1-B8
C105 1:A3 1-D8
C107 1:A3 1-D9
C109 1:A3 1-D8
C111 1:A3 1-D7
C113 1:A2 1-F8
C115 1:A2 1-F8
C117 1:A2 1-F9
C119 1:A2 1-G8
C121 1:B5 1-B6
C123 1:B5 1-B6
C125 1:A3 1-D6
C127 1:B3 1-D6
C129 1:A3 1-Q4
C130 1:B3 1-J5
C131 1:A1 1-K6
C132 1:A2 1-L7
C133 1:B1 1-M7
C139 1:A1 1-N6
C143 1:B3 1-D5
C145 1:B3 1-E5
C147 1:E5 1-F4
C149 1:E4 1-F5
C151 1:B2 1-B4
C153 1:A1 1-B3
C155 1:D4 1-G3
C159 1:A5 1-K2
C161 1:A2 1-M4
C162 1:B3 1-N4
C164 1:B2 1-P4
C167 1:U4 1-P2
C169 1:U3 1-P2
C171 1:U4 1-Q2
C173 1:D4 1-B0
C174 1:C5 1-C0
C176 1:E3 1-E0
C177 1:C1 1-F0
C178 1:E5 1-G0
C179 1:C3 1-G2
C180 1:T8 2-D5
C181 1:T7 2-D5
C182 1:T8 2-C6
C183 1:S8 2-C5
C185 1:T8 2-C6
C187 1:D2 1-J1
C189 1:D3 1-N1
C190 1:D3 1-N1
C192 1:C2 1-N0
C193 1:C4 1-P0
C195 1:C3 1-Q0
C196 1:C2 1-J1
C197 1:C2 1-L1
C198 1:D2 1-L1
C199 1:D3 1-M1
C200 1:T7 2-D6
C201 1:T6 2-D6
C203 1:T7 2-C6
C204 1:A1 1-N7
C205 1:A1 1-P7
C206 1:T7 2-E5
C207 1:S7 2-D5
C210 1:D1 1-G1
C211 1:C1 1-H1
C225 1:N7 2-I4
C245 1:F2 2-P7
C250 1:G2 2-P5
C252 1:G7 2-P3
C258 1:F7 2-P1
D101 1:B4 1-H5
D101 1:B4 1-H5
D103 1:V8 1-M8
D105 1:A5 1-K2
D105 1:A5 1-L2
D107 1:V9 1-L4
D109 1:V8 1-N5
D113 1:P1 1-Q1
DCC1 1:E7 2-S4
DCC4 1:D7 2-S3
DCC100 1:D6 2-T4
DCC101 1:C6 2-U4
DCC102 1:C8 2-U4
DCC103 1:B8 2-V4
DCC104 1:B6 2-V4
DCIC1 1:D7 2-S4
DCIC2 1:E8 2-S4
DCR1 1:D8 2-S4
DCR2 1:E7 2-S4
IC101 1:D5 1-G0
IC101 1:D5 1-B6
IC101 1:D5 1-M0
IC101 1:D5 1-B7
IC101 1:D5 1-C1
IC103 1:B1 1-C3
IC103 1:B1 1-K8
IC103 1:B1 1-F0
IC103 1:B1 1-L4
IC103 1:B1 1-C2
IC105 1:D3 1-G2
IC105 1:D3 1-N0
IC105 1:D3 1-M0
IC107 1:D2 1-K1
IC109 1:C2 1-N1
L1 1:U3 1-P2
L2 1:Q5 2-C3
L3 1:P4 2-C3
L4 1:R6 2-D4
L5 1:S5 2-D4
L6 1:S5 2-C5
L7 1:R6 2-F3
L8 1:S7 2-F3
L9 1:Q8 2-H4
L10 1:R8 2-H4
L11 1:Q6 2-E4
L12 1:U3 1-Q2
L13 1:N5 2-I4
L14 1:N5 2-I5
L15 1:M5 2-J5
L16 1:R4 2-C4
L17 1:L2 2-K7
L18 1:K2 2-K7
L19 1:J1 2-N7
L20 1:H1 2-N7
L21 1:P8 2-I4
L23 1:G2 2-O7
L24 1:M2 2-J7
L26 1:L3 2-J5
L27 1:L4 2-K5
L28 1:K5 2-K5
L29 1:J4 2-N5
L30 1:H4 2-N5
L32 1:H3 2-O5
L33 1:L7 2-J3
L34 1:L6 2-K3
L35 1:K5 2-K3
L36 1:J6 2-N4
L37 1:H5 2-N4
L39 1:H7 2-O3
L40 1:G5 2-Q4
L41 1:F5 2-Q5
L42 1:F5 2-R5
L43 1:M8 2-J1
L44 1:L8 2-K1
L45 1:L7 2-K1
L46 1:J9 2-N2
L47 1:H9 2-N2
L49 1:G8 2-O1
L50 1:E7 2-T5
L51 1:N1 2-U9
L52 1:D9 2-T3
L55 1:D6 2-T4
L57 1:C7 2-U4
L58 1:F2 2-R5
L59 1:B8 2-U4
L61 1:B7 2-V4
L63 1:S2 2-A4
L64 1:H7 2-P3
L65 1:H2 2-O7
L66 1:Q2 2-F5
L175 2-W4
L200 1:T6 2-D7
L201 1:T7 2-D7
LINK2 1:V7 1-D1
P1 1:R2 2-A4
P4 1:A7 2-W4
P101 1:A5 1-R9
P112 1:U4 1-R0
P113 1:U2 1-R1
PL101 2:V3 2-D0
Q1 1:Q5 2-D4
Q2 1:Q7 2-G4
Q3 1:K1 2-M7
Q4 1:K4 2-M5

IPN 220-01326-04
7.2.22
PCB Information
M889-00
17/12/99 Copyright TEL
Device PCB Circuit Device PCB CircuitDevice PCB Circuit Device PCB Circuit
Q5 1:K6 2-M3
Q6 1:K8 2-M1
Q101 1:A3 1-C8
Q103 1:A3 1-D8
Q105 1:B2 1-D6
Q107 1:A2 1-F8
Q109 1:A2 1-G8
Q111 1:A5 1-K7
Q115 1:A2 1-M7
Q117 1:B1 1-M7
Q119 1:A3 1-M6
Q121 1:A1 1-P8
Q123 1:B3 1-E5
Q125 1:B3 1-E5
Q127 1:E4 1-F4
Q129 1:B2 1-N4
Q131 1:B3 1-P4
Q133 1:C5 1-E0
Q135 1:S8 2-C5
Q137 1:T8 2-B5
Q138 1:A1 1-K6
R1 1:P5 2-C3
R2 1:S5 2-D4
R3 1:S5 2-C4
R4 1:R6 2-F3
R5 1:R8 2-G4
R6 1:Q8 2-G4
R10 1:L2 2-J7
R11 1:H1 2-N7
R12 1:L5 2-J5
R13 1:H4 2-N5
R14 1:L5 2-J3
R15 1:H5 2-N4
R19 1:L7 2-J1
R20 1:H9 2-N2
R21 1:H9 2-O2
R24 1:H6 2-O4
R29 1:H1 2-N6
R59A 1:R3 2-B4
R60 1:R3 2-B3
R60A 1:R3 2-B3
R72 1:P1 2-T9
R101 1:C4 1-A7
R102 1:E4 1-A9
R103 1:E5 1-A7
R104 1:D4 1-B9
R105 1:A5 1-C8
R106 1:A3 1-C8
R107 1:A5 1-D7
R108 1:A3 1-D9
R109 1:A3 1-D8
R111 1:A3 1-E8
R112 1:A2 1-E8
R113 1:A2 1-F9
R114 1:B4 1-A6
R115 1:B5 1-A6
R116 1:B4 1-A6
R117 1:B5 1-A6
R118 1:B5 1-B6
R119 1:B4 1-C6
R120 1:A5 1-K7
R121 1:B4 1-C6
R122 1:B5 1-D6
R123 1:B2 1-H7
R124 1:B1 1-K8
R125 1:B2 1-K8
R126 1:B4 1-J5
R127 1:A4 1-J7
R129 1:B1 1-L8
R130 1:B1 1-L8
R131 1:A2 1-K7
R132 1:B1 1-L8
R133 1:A2 1-K7
R134 1:A1 1-K6
R135 1:V9 1-M9
R136 1:A2 1-L7
R137 1:A2 1-L6
R138 1:A3 1-M6
R141 1:B3 1-D5
R142 1:B3 1-E5
R143 1:A3 1-E4
R144 1:B4 1-F4
R145 1:E4 1-F5
R146 1:E4 1-F5
R148 1:B2 1-A4
R149 1:B4 1-A3
R151 1:B2 1-B4
R152 1:A1 1-B3
R153 1:B2 1-E4
R154 1:A2 1-E3
R155 1:D4 1-G2
R156 1:D4 1-F3
R158 1:A1 1-K3
R159 1:A1 1-L4
R160 1:C3 1-K4
R162 1:A1 1-L3
R164 1:B2 1-M4
R165 1:B2 1-M3
R166 1:V8 1-N5
R168 1:C4 1-A1
R169 1:C5 1-A0
R170 1:C4 1-B1
R171 1:C5 1-B0
R172 1:B4 1-B1
R173 1:V7 1-C1
R174 1:V7 1-C1
R175 1:C4 1-C0
R176 1:D4 1-D0
R177 1:D5 1-D0
R178 1:D3 1-E1
R179 1:D3 1-E0
R180 1:E3 1-E0
R181 1:D4 1-E2
R182 1:E3 1-E0
R183 1:E3 1-F1
R184 1:S7 2-D5
R185 1:D4 1-H2
R186 1:T8 2-C6
R187 1:C1 1-F0
R188 1:D2 1-L1
R189 1:C3 1-L0
R190 1:E4 1-G0
R191 1:C2 1-P0
R192 1:B2 1-P0
R193 1:B3 1-Q1
R194 1:D3 1-M1
R271 1:V9 1-L5
R272 1:F9 2-Q4
R274 1:G1 2-Q5
R275 1:F1 2-R5
R276 1:N9 2-I4
R277 1:N1 2-I5
R278 1:L1 2-J5
R280 1:A4 1-L3
R285 1:D1 1-H1
RV101 1:C4 1-J8
RV103 1:C4 1-H5
RV105 1:C3 1-K4
RV107 1:C2 1-K3
*RV109 1:V6 1-C2
RV111 1:V6 1-D2
RV113 1:C3 1-E1
RV115 1:C2 1-L1
S3 1:E8 2-T4
S4 1:D9 2-T3
SHIELD1 1:C7 2-C0
SK101 1:U3 2-K0
SK103 1:A4 2-F0
SK105 1:C1 2-I0
SK107 1:Q1 2-G0
TB1 2-I4
TB2 2-I4
TB3 2-P7
TB4 2-Q7
TB5 2-P5
TB6 2-P5
TB7 2-P3
TB8 2-P3
TB9 2-P1
TB10 2-Q1