PRA1 Data Sheet/Manual PDF
2014-07-04
: Pdf 22611-Attachment 22611-Attachment 011828 Batch5 unilog
Open the PDF directly: View PDF
.
Page Count: 4

1
!DELIVERS ANALOG OUTPUT PROPORTIONAL TO INPUT
PULSE-RATE (Frequency)
!ACCEPTS VARIABLE PULSE-RATE INPUTS FROM A WIDE
VARIETY OF SENSORS
!DUAL SIGNAL OUTPUT, 0 to 10 VDC PLUS SELECTABLE SIGNAL
CURRENT OUTPUT OF 0 to 1 mA OR 4 to 20 mA
!AVAILABLE IN 5 FREQUENCY RANGE RATINGS FROM 30 Hz to
10 KHz
!ACCURACY (Linearity) 0.25%
DESCRIPTION
The Model PRA1 is a convenient plug-in module that provides voltage and
current analog output signals proportional to the pulse-rate (frequency) of the
input signal. In typical applications the PRA1 input is supplied by a machine
mounted sensor that generates a signal which has a frequency proportional to
machine or process speed. The PRA1 converts the frequency content of this
signal to analog form for operating chart recorders, supplying speed control
signals, or driving other controls and indicators that require analog input.
The PRA1 develops an internal “constant-area” pulse from the trailing
(negative going) edge of each input pulse or wave form cycle. These
“Constant-area” pulses are fixed in voltage amplitude and time duration. The
PRA1 then takes the average of a train of these pulses to generate an output
voltage level proportional to the frequency. Another circuit within the PRA1
monitors the voltage output and produces a current output signal that will
deliver either 0 to 1 or 4 to 20 mA, as determined by a set-up switch.
These units are available in five overlapping adjustable range ratings, each
rating providing a calibration adjustment to deliver maximum output over an
input frequency range of approximately 3.3:1. Since the PRA1 develops an
output by averaging pulses, an inherent response time is involved (See response
table, next page). The minimum response time is fixed for each range rating.
It is longest for the lowest range rating and decreases as the frequency range
rating increases. Response time must be considered, when using the PRA1 to
provide closed-loop speed feedback signals, to avoid stability problems. For
speed feedback applications it is usually advisable to select a high frequency
range unit coupled with an appropriate sensor arrangement that delivers a high
pulse rate.
The internal filtering supplied for averaging purposes is kept to a minimum
in order to provide the fastest practical response time for each range rating.
Additional external capacitance can be added to provide more filtering if
required.
The plug-in module mates with a heavy duty, CSA approved base mounting
socket with pressure clamp screw terminals that accept stripped wires without
lugs. Closed back construction allows mounting directly on metal panel
without an insulation barrier.
Note: Not recommended for closed loop speed control. Refer to the RLC
Catalog for the MDC - Motor Drive Controller.
SPECIFICATIONS
1. PRIMARY SUPPLY VOLTAGE: Available for 115 or 230 VAC ±10%,
50/60 Hz; 2.5 VA (See Ordering Information).
2. SENSOR OUTPUT POWER: +12 VDC ±5% regulated, 60 mA max.
3. SIGNAL INPUT CHARACTERISTICS: See “PRA1 & PRS1 Input
Circuits, Sensor Connections & Configuration Switch Set-ups” section.
4. FREQUENCY RANGES AVAILABLE: (See Ordering Information)
5. SIGNAL VOLTAGE OUTPUT: 0 to 10 VDC @ 10 mA max.
6. SIGNAL CURRENT OUTPUT (Selectable):
0 to 1 mA into load resistance range 0 to 4 KΩ.
4 to 20 mA into load resistance range 0 to 250 Ω.
7. LINEARITY: ±0.25% of full range setting.
8. VOLTAGE/CURRENT OUTPUT TRACKING: Current Signals follow
voltage signals within ±3% of full range setting.
9. RESPONSE TIME: See table on next page.
10. OPERATING TEMPERATURE RANGE: 0 to 60oC.
11. WEIGHT: PRA1 - 8 oz (226.8 g); Mating 12-Pin Socket - 2 oz (56.7 g).
MODEL PRA1 - PULSE RATE TO ANALOG CONVERTER
DIMENSIONS “In inches (mm)”
INTERNATIONAL HEADQUARTERS RED LION CONTROLS (UK)
20 Willow Springs Circle, York, Pa. 17402, (717) 767-6511 Tapton Park, Chesterfield, Derbyshire S41 OTZ
Web site- http://www.redlion-controls.com ENGLAND +44 1246 222122 FAX: +44 1246 221222
RED LION CONTROLS
BULLETIN NO. PRA1-F
DRAWING NO. LP0034
REVISED 2/00

2
MODEL DESCRIPTION A.C. PART NUMBERS FOR AVAILABLE SUPPLY VOLTAGES
NO. POWER 30-100 Hz 100-300 Hz 300-1 K Hz 1 K-3 K Hz 3 K-10 KHz
PRA1 Pulse Rate to 115VAC PRA11011 PRA13011 PRA11021 PRA13021 PRA11031
Analog Converter 230VAC PRA11012 PRA13012 PRA11022 PRA13022 PRA11032
__ Socket, 12-Pin 2300200
ORDERING INFORMATION
CONNECTIONS & SET-UP ADJUSTMENTS
VOLTAGE OUTPUT ADJUSTMENT:
Only the RANGE ADJUSTMENT is effective when voltage output is
used. (Zero Adjustment affects only current output.)
PROCEDURE
Apply the maximum input frequency and set the *RANGE
ADJUSTMENT to obtain the desired output voltage.
CURRENT OUTPUT ADJUSTMENTS:
When current output is used, the ZERO ADJUSTMENT must be set
before RANGE ADJUSTMENT setting is attempted.
PROCEDURE
1. Select current range (0-1, or 4-20 mA) with switch S4.
2. Connect a milliammeter in series with the current loop circuit from Term
1 to Term 3. CAUTION: DO NOT exceed maximum load resistance
specified for the current range.
3. Zero Adjustment:
A) 0-1 mA Range - With input signal removed (zero frequency) turn
ZERO ADJUST CW until positive current flow is indicated. Then, turn
back CCW until the current flow just reaches zero. Stop turning the
adjustment at that point.
B) 4-20 mA Range - Set ZERO ADJUST until current is 4 mA.
4. *Range Adjustment: Apply maximum frequency input signal and set
RANGE ADJUSTMENT to get desired output.
* RANGE ADJUSTMENT - Turning CW decreases output at a given
frequency (increases range) and turning CCW increases output (decreases
range). To calibrate the RANGE ADJUST, apply a known oscillator
frequency to the input, or operate the sensor-equipped machine at a known
speed and frequency. Then, set the output as required.
PRA1 APPLICATION CONSIDERATIONS
The Transfer Curve (at left) shows the frequency-input/voltage-output
relationship for the PRA13021 for both Min. Range (0-1 KHz) and Max.
Range (0-3 KHz) adjustment. These curves are typical and apply to all PRA1
ranges.
As shown by these curves, the PRA1 RANGE ADJUSTMENT allows the
unit to be calibrated to deliver full scale output for any input frequency from
the min. to max. range ratings. As long as the input frequency is equal-to or
less-than the full-scale range setting, the PRA1 is operating in its linear
region and the output voltage or current will be proportional to input
frequency. If the input frequency exceeds the full-scale range setting (over
range), the output will flatten out and saturate at some level above 10 V at all
higher frequencies.
CAUTION: Maximum input frequency for PRA1 modules is 10 KHz. At input
frequencies in excess of 10 KHz, the frequency roll-off characteristics of
the input circuit will cause signal dropout and result in discontinuous
operation.
PRA1 Modules are supplied with a minimum amount of output ripple
filtering in order to avoid compromising response-time. The data presented
below, permits a reasonable estimate of the amount of ripple and the
response-time that will be experienced in a particular application. As shown
by the curves below, the amount of output ripple depends on the range setting
and the input frequency.
Ripple voltage can be reduced by adding external filter capacitance, but
ripple-reduction is a trade-off against increased response times. This must be
kept in mind, especially if the PRA1 is to be used to supply feedback control
signals.
The values of capacitance given in the table are for reference only and do
not imply a limit to the amount of capacitance that can be added. For
example, an external filter capacitance may be 10 times the reference values
shown for a very high degree of ripple reduction, provided that the resulting
long response time is acceptable.
Note: If large capacitor values are required to achieve a high degree of ripple
reduction, tantalum capacitors rated at 35 V or more are recommended.
(Proper polarity must be observed. See Connection Drawing above.)
FULL SCALE RANGE RESPONSE RIPPLE EXT CAP
PART NUMBER ADJUSTMENT TIME CURVE (REF)
MIN MAX [1] [2] [3]
PRA1101-1 OR -2 30 Hz 100 Hz 250 msec A 2.2 mfd
PRA1301-1 OR -2 100 Hz 300 Hz 75 msec A 0.56 mfd
PRA1102-1 OR -2 0.3 KHz 1 KHz 25 msec A 0.22 mfd
PRA1302-1 OR -2 1 KHz 3 KHz 10 msec B 0.1 mfd
PRA1103-1 OR -2 3 KHz 10 KHz 8 msec C 0.047 mfd
[1] RESPONSE TIME - Time required for the output to reach 90% of final value
when the frequency is instantly changed from 0 to full-scale range frequency.
[2] See “Typical Output Ripple” Curves (at left).
[3] External Capacitance can be added between terminals 10 and 11 to
decrease ripple. Reference values shown in MFD, will reduce ripple
approximately 50% and will roughly double response times.
ADJUSTABLE RANGE RATINGS & OVER RANGE OPERATION
OUTPUT RESPONSE & RIPPLE CHARACTERISTICS

3
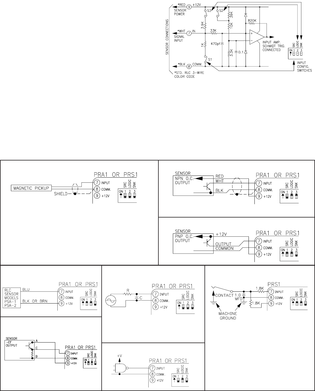
The Model PRS1 Speed Switch and the Model PRA1 Pulse-Rate to Analog
Converter both use the circuit shown on the right. The circuit uses a comparator
amplifier connected as a Schmidt trigger circuit to convert the input wave form
into the pulse form required for proper circuit operation. Three set-up switches
are used to configure the input circuit to accept signals from a wide variety of
sources, as follows:
S1 - ON: Connects a 1 K pull-down resistor for sensors with sourcing output.
(Maximum sensor output current is 12 mA @ 12 V output.)
S2 - ON: Sets bias of input to trigger at VIL = 2.5 V, VIH = 3.0 V; for logic level
signals.
OFF: Sets the bias of input to trigger at VIL = 0.25 V, VIH = 0.75 V; for
increased sensitivity when used with magnetic pickups.
S3 - ON: Connects a 3.9 K pull-up resistor for sensors with current sinking
output. (Maximum sensor current is 3 mA.)
OTHER CHARACTERISTICS & SPECIFICATIONS
Maximum Operating Frequency: 10 KHz with maximum pulse width ON
and OFF times of 50 µsec.
Maximum Input Voltage: Pin 7 (Input) may be driven from an external voltage
up to ±90V provided S1 and S3 are “OFF” to disconnect internal load
resistors. (Maximum Input Voltage with S1 “ON” is ±16 V)
Input Impedance: With S1 and S3 “OFF”, the resistive input impedance
exceeds 1 Megohm, as long as Pin 7 voltage is greater than zero and less than
+12 V.
Paralleling With a Counter and/or Rate Indicator Inputs: The PRS1 and
PRA1 can be operated from a common sensor with current sinking output
that is also used to drive the input of a Counter or Rate Indicator. Connect
Pin 8 to the Common Terminal and Pin 7 to the Input Terminal of the Counter
or Rate Indicator; set S1 and S3 “OFF” and S2 “ON”. DO NOT PARALLEL
CONNECT THE +12V OUTPUTS (Pin 9) OF PRS1 AND PRA1 UNITS
WITH THE +12V OUTPUTS OF COUNTERS, DITAKS, OR OTHER
PRS1 OR PRA1 UNITS. These units have regulated supplies that will not
load-share. Multiple inputs cannot be operated from sensing switches, 2-wire
proximity sensors, or magnetic pickups.
PRA1 & PRS1
INPUT CIRCUITS, SENSOR CONNECTIONS & CONFIGURATION SWITCH SET-UP
CONNECTIONS & CONFIGURATION SWITCH SET-UP FOR VARIOUS SENSOR OUTPUTS
MAGNETIC PICKUPS
RECOMMENDED RULES FOR MAGNETIC PICKUP CONNECTIONS
1. Mount the PRS1 or PRA1 in a relatively “noise-free” environment, away from motor
starters, control relays, or other sources of electrical interference.
2. Use 2-wire shielded cable for magnetic pickup signal leads.
3. Never run signal cable in conduit, troughs, or cable bundles with power carrying
conductors.
4. Connect the shield to the common Terminal “8” at the input of the PRS1 or PRA1. DO
NOT connect the shield at the pickup end, leave it “open” and insulate the exposed
shield to prevent electrical contact with the frame or case. (Shielded cable, supplied on
some RLC magnetic pickups, has open shield on pickup end.)
SENSORS WITH CURRENT SINK OUTPUT (NPN O.C.)
RLC SENSOR MODELS:
ASTC, LMPC, PSAC, LSC, RPGC, RPGB, RPGH, RPGQ, HESS, etc.
SENSORS WITH CURRENT SOURCE OUTPUT (PNP O.C.)
2-WIRE PROXIMITY SENSORS
OLDER STYLE RLC SENSORS WITH
-EF OUTPUT
RLC SENSOR MODEL: LMPEC
A.C. INPUTS FROM INVERTERS, A.C.
TACHOMETERS GENERATORS, ETC.
R - Resistor to limit input current to 5 mA peak
C - Filter cap required when input A.C. has “ringing”
characteristics as with inverters.
A.C. Power sources exceeding 50 V output
should be coupled with an isolation transformer.
INPUT FROM CMOS OR TTL
SWITCH CONTACT INPUT
(Applies to PRS1 only)
The addition of two external resistors and a capacitor
allows the PRS1 to be operated from input signals
generated by a switch contact. The external RC network
forms a Low-Pass Filter which operates in conjunction
with the hysteresis of the input circuit to “De-bounce” the
Switch Contact signal.
Use of the Low-Pass RC Filter places a high-speed
restriction on the circuit, and it cannot be used at
frequencies of more than 200 to 300 cps. However, Switch
Contact input is normally limited to low speed operation,
so this does not impose a serious restriction.

Both the PRA1 Pulse-Rate to Analog Converter and the PRS1 Speed-Switch
normally operate from a variable frequency signal supplied by a machine
mounted sensor. The sensor signal varies in frequency in direct proportion to
machine speed, and may be a sinusoidal, triangular, square, or pulse-type
waveform. The sensor arrangement can take a variety of forms such as a
Magnetic Pickup or Proximity Sensor detecting passing teeth on a sprocket or
gear, a Photo-Electric Scanner viewing passing pulley spokes, a Rotary Pulse
Generator coupled to a machine shaft, or a Length Sensor driven by a web or
ribbon of material passing through the machine. (See Sensor Section of the
catalog for more information on sensors.)
Since both the PRA1 and PRS1 operate from the frequency content of the
incoming signal, the response time of both devices is also related to the signal
frequency. This gives rise to the cardinal rule of selecting a sensor
arrangement:
WHEN RESPONSE TIME IS IMPORTANT, SELECT A SENSOR
ARRANGEMENT & LOCATION THAT WILL PROVIDE A HIGH
FREQUENCY OUTPUT AT OPERATING SPEED.
When a PRA1 or PRS1 application is first contemplated, it seems to be
natural to think in terms of applying the sensor to the low speed end of the
power drive train. In some cases this may be the only practical location for the
sensor, and if fast response is needed from the PRA1 or PRS1, a sensor
arrangement capable of delivering a high number of cycles or pulses/revolution
(PPR) will be required. In a great number of applications however, generating
a higher frequency sensor signal is simply a matter of locating the sensor on a
intermediate or high speed shaft such as directly on the drive motor shaft.
Another advantage of moving the sensor location up toward the high speed
end of the drive train is that the shaft rotary motion is usually much smoother
and more regular. Slow speed shafts will often rotate irregularly due to gear
backlash, “slop” in couplings, or slack in chain drives. This irregular motion
can have an adverse effect on the resulting output, especially when using the
PRS1 to perform a speed switching function near normal running speed.
SELECTING AN APPROPRIATE SENSOR ARRANGEMENT
There are no exact rules governing the selection of a sensor arrangement
since machine geometry and conditions can vary widely from one application
to the next. However, the following generalized criteria will prove useful as
guidelines toward selecting the best sensor arrangement. (See Sensor Section
of the catalog for more information.)
ULTRA-LOW SHAFT SPEEDS (10RPM or less) - Proximity Sensors,
Photo-Electric Scanners, or Rotary Pulse Generators, are usually the best
selections. In most ultra-low speed applications, it is advisable to provide as
many pulses per revolution as possible (high PPR) to get acceptable response
times.
LOW-SHAFT SPEEDS (10-100RPM) - LMPC (Super-Sensitive Magnetic
Pickup), Proximity Sensors, Photo-Electric Scanners and RPG’s can usually
be applied in this speed range.
INTERMEDIATE SHAFT SPEEDS (10-1000RPM) - Magnetic Pickups, the
LMPC, RPG’s and some Proximity Sensors are appropriate at these speeds.
HIGH-SHAFT SPEEDS (1000RPM and up) - Magnetic Pickups, the LMPC
and RPG’s are usually the best choices.
FOR LINEAR SPEEDS ON PAPER WEBS, TEXTILE, RIBBON, STRIP
AND WIRE - The LSC Length Sensor may prove desirable.
CAUTION: When selecting a sensor for operation at any speed, make sure the
sensor is also capable of delivering an output for the entire speed range up
through maximum machine speed.
DETERMINING SENSOR FREQUENCY OUTPUT &
SELECTING THE PROPER FREQUENCY RANGE
Machine speeds are normally expressed in revolutions/minute (RPM) while
the PRA1 and PRS1 have adjustable frequency ranges in cycles/second or Hz.
In addition, sensor arrangements usually deliver a number of signal cycles or
pulses for each shaft revolution. The following formula provides a convenient
way to relate these variables:
FRQ (CPS or Hz) =
RPM
6
x
0
PPR
WHERE:
RPM is the speed of the shaft where the sensor is located in revolutions per
minute.
PPR is the number of pulses (or cycles) produced by the sensor for one shaft
revolution.
PRA1 & PRS1 SENSOR & FREQUENCY RANGE SELECTION
EXAMPLE 1
A machine is to be equipped with a PRS1 Speed Switch. A 42-tooth
timing belt pulley is available in the power drive train, and an LMPC is to
be used to sense passing teeth. The PRS1 set-point is to be adjusted to
provide overspeed output when the timing belt pulley reaches 730 RPM.
What should the frequency range of the PRS1 be?
FRQ @ set-point =
730 RPM
60
x 42 PPR
= 511 Hz
SELECT: PRS11021 (or -2 for 230 VAC) which has an adjustable range of
100-1000 Hz.
EXAMPLE 2
A pulley with 6 spokes operates at 650 RPM maximum machine speed.
The spokes are to be sensed with a Model RR Retro-Reflective Photo
Sensor. The application requires a PRA1 to develop a 4-20 mA signal for
a chart recorder (20 mA output at max. speed), and a PRS1 set to 5% of
maximum speed for a “zero-speed” switching function. What are the
frequency ranges to be used for the PRA1 and PRS1?
FRQ @ max. speed =
650 RPM
60
x 6 PPR
= 65 Hz
SELECT: PRA11011 (adjustable for max. output 30-100 Hz)
FRQ @ “zero-speed” = 65 x 5% = 3.2 Hz
SELECT: PRS10101 (adjustable set-point 1-10 Hz)
Note: The RR Photo Sensor output is limited to 5 mA max. Therefore, its
output NPN Transistor is connected as a current sink output driving both
PRA1 and PRS1 in parallel, and using only the pull-up resistor in the
PRA1 as a load (S3 of PRA1 is ON, S3 of PRS1 is OFF). See “PRA1 &
PRS1 Input Circuits, Sensor Connections & Configuration Switch Set-
ups” section for more information.
EXAMPLE 3
The speed of a gravity-powered conveyor is restrained and controlled by
a hydraulic brake (pump) which is coupled to a conveyor shaft. A PRA1 is
to be used to supply a speed feed-back signal to the hydraulic control
circuit, with 0-10 VDC corresponding to a speed range of 0-36 RPM on the
conveyor shaft.
SOLUTION: Since the PRA1 is in the speed feed back control loop, fast
response is important and a high PPR will be needed to minimize delay
in output response. By using a 600 PPR Rotary Pulse Generator (RPGB)
coupled by 3:1 speed-increasing instrument belt drive, the effective PPR
of the conveyor shaft is 3 x 600 or 1800 PPR. The PRA1 input frequency
then is:
FRQ = = 1080 Hz
SELECT: PRA13021 (adjustable for max. output, 1-3 KHz)
Note: The smoothness of shaft motion can be a factor in this type of
application. Direct coupling a high PPR Rotary Pulse Generator to a
slow moving shaft that dithers or exhibits rotary oscillation can create
false pulses reflected as an output that is erroneously high. A belt drive
was chosen here to help dampen vibration effects. Adding some
additional mass to the RPG shaft, such as a weighted drive pulley, will
increase the inertia and dampen oscillation even further.
36 RPM (max. speed) x 1800 PPR
60