4317428 Kit Aid Gas Cooktop KFGS306 366 KFGU 706 766
2013-05-09
: Pdf 4317428 - Kitaid - Gas Cooktop - Kfgs306-366- Kfgu 706-766 4317428 - KitAid - Gas Cooktop - KFGS306-366- KFGU 706-766 gas-cooktop may8
Open the PDF directly: View PDF
.
Page Count: 58

TECHNICAL EDUCATION
JOB AID 4317428
KAC-49
FLUSH-MOUNT
GAS COOKTOP
MODELS: KFGS306VSS, KFGU706VSS,
KFGS366VSS, KFGU766VSS

- ii -
WHIRLPOOL CORPORATION assumes no responsibility for any repairs made on
our products by anyone other than authorized In-Home Service Professionals.
FORWARD
This KitchenAid Job Aid “Flush-Mount Gas Cooktop” (Part No. 4317428), provides the In-Home
Service Professional with information on the installation, operation, and service of the Flush-Mount
Gas Cooktop. For specic information on the model being serviced, refer to the “Use and Care
Guide,” or “Wiring Diagram” provided with the cooktop.
The Wiring Diagram used in this Job Aid is typical and should be used for training purposes only.
Always use the Wiring Diagram supplied with the product when servicing the cooktop.
GOALS AND OBJECTIVES
The goal of this Job Aid is to provide information that will enable the In-Home Service Professional
to properly diagnose malfunctions and repair the Flush-Mount Gas Cooktop.
The objectives of this Job Aid are to:
• Understand and follow proper safety precautions.
• Successfully troubleshoot and diagnose malfunctions.
• Successfully perform necessary repairs.
• Successfully return the cooktop to its proper operational status.
Copyright © 2008, Whirlpool Corporation, Benton Harbor, MI 49022
- iii -
TABLE OF CONTENTS
Page
GENERAL .............................................................................................................................. 1-1
Cooktop Safety................................................................................................................... 1-1
Model & Serial Number Designations ................................................................................ 1-2
Model & Serial Number Label And Tech Sheet Locations .................................................. 1-3
Specications ..................................................................................................................... 1-4
INSTALLATION INFORMATION ............................................................................................ 2-1
LP Gas And High Altitude Conversion Instructions ...........................................................2-11
PRODUCT OPERATION ....................................................................................................... 3-1
COMPONENT ACCESS ........................................................................................................ 4-1
Component Locations ........................................................................................................ 4-1
Removing The Cooktop ..................................................................................................... 4-2
Removing The Spark Switches, And The Standard Or Crown Burner Gas Valves ............ 4-4
Removing The Power Supply Transformer And The Spark Module ................................... 4-7
Removing The Gas Shutoff Valve ...................................................................................... 4-8
Removing A Spark Ignitor From Standard Or Crown Burner ............................................. 4-9
Removing Standard or Crown Burner ...............................................................................4-11
Removing The Power Supply Cord .................................................................................. 4-13
COMPONENT TESTING ........................................................................................................ 5-1
Spark Switches .................................................................................................................. 5-1
Crown Burner Switch ......................................................................................................... 5-2
Power Supply Transformer................................................................................................. 5-2
DIAGNOSTICS & TROUBLESHOOTING ............................................................................. 6-1
WIRING DIAGRAM & STRIP CIRCUIT ................................................................................. 7-1
- iv -
— NOTES —

1-1
GENERAL
COOKTOP SAFETY
Your safety and the safety of others are very important.
We have provided many important safety messages in this manual and on the appliance.
Always read and obey all safety messages.
This is the safety alert symbol.
This symbol alerts you to potential hazards that can kill or hurt you and others.
All safety messages will follow the safety alert symbol and either the word
“DANGER” or “WARNING.” These words mean:
All safety messages will tell you what the potential hazard is, tell you how to reduce the chance
of injury, and tell you what can happen if the instructions are not followed.
You can be killed or seriously injured if you don’t
immediately follow instructions.
You can be killed or seriously injured if you don’t
follow instructions.
DANGER
WARNING

1-2
MODEL NUMBER K FG S 30 6 V SS 0
PRODUCT GROUP
K = KITCHENAID
PRODUCT IDENTIFICATION
EC = ELECTRIC COOKTOP
GC = GAS COOKTOP
IC = ELECTRIC INDUCTION COOKTOP
FG = FLUSH GAS COOKTOP
ED = ELECTRIC DOWNDRAFT COOKTOP
ID = ELECTRIC INDUCTION DOWNDRAFT COOKTOP
GL = GAS LP COOKTOP
MERCHANDISING SCHEME
K = STANDARD KITCHENAID
S = SUPERBA
U = ULTIMA
MATERIAL / STYLE / WIDTH
1ST POSITION 2ND POSITION
0 = TEMPERED GLASS 0 = 30" WIDE
1 = STAINLESS STEEL 5 = 15" WIDE
4 = COMMERCIAL STYLE 6 = 36" WIDE
5 = CERAMIC GLASS 8 = 48" WIDE
7 = STAINLESS STEEL W/CLEAR COAT
FEATURE CODE
0 =
1 =
5 = STANDARD KNOBS
6 = STANDARD KNOBS
7 = KNOBS W/ELECTRONICS
8 = TOUCH CONTROLS
YEAR OF INTRODUCTION
T = 2007 V = 2008
COLOR CODE
SS = STAINLESS STEEL BL = BLACK WH = WHITE
ENGINEERING CHANGE (0, 1, 2, ETC.)
SERIAL NUMBER X W 41 01002
DIVISION RESPONSIBILITY
X = OXFORD
YEAR OF PRODUCTION
U = 2007 W = 2008
WEEK OF PRODUCTION
41 = 41ST WEEK
PRODUCT SEQUENCE NUMBER
KITCHENAID MODEL & SERIAL NUMBER DESIGNATIONS
MODEL NUMBER
SERIAL NUMBER

1-3
MODEL & SERIAL NUMBER LABEL
AND TECH SHEET LOCATIONS
The Model/Serial Number label and Tech Sheet locations are shown below.
Tech Sheet Location
(On Inside Of Cooktop)
Model/Serial Number Location
(On Bottom Of Cooktop)

1-4
SPECIFICATIONS
30” 36”
Superba Ultima Superba Ultima
Model Number KFGS306VSS KFGU706VSS KFGS366VSS KFGU766VSS
Canadian Model Number KFGS306VSS KFGU706VSS KFGS366VSS KFGU766VSS
Colors SS SS SS SS
Installs Over Undercounter
Oven
Yes Yes Yes Yes
Agency Ratings CSA CSA CSA CSA
Electric Supply 120 VAC, 60
HZ, 10 Amps
120 VAC, 60
HZ, 10 Amps
120 VAC, 60
HZ, 10 Amps
120 VAC, 60
HZ, 10 Amps
Power Cable Location Center Rear Center Rear Center Rear Center Rear
Total Connected Load 2VA 9,8VA 2VA 9,8VA
COOKTOP
Surface SS SS SS SS
Clear Coat No Yes No Yes
BURNERS
Electronic Ignition with Elec-
tronic Re-ignition
Yes Yes Yes Yes
L.P. Convertible (No Additional
Kit Needed)
Yes Yes Yes Yes
Number of Burners & Burner
BTU (Nat./L.P..)
5 5 5 5
Left Front 9,100 9,100 10,000 12,000
Right Front 10,000 12,000 10,000 10,000
Left Rear 6,000 6,000 6,000 6,000
Right Rear 7,000 7,000 7,000 7,000
Center 15,000 15,000 18,000 20,000
Low Turn Down - LR Burner 1200 1200 1200 1200
Removable Burner Caps Yes Yes Yes Yes
BURNER GRATES
Grates 3-piece 3-piece 3-piece 3-piece
Grate Finish Matte Bk Matte Bk Matte Bk Matte Bk
Contiguous Grates Yes Yes Yes Yes

1-5
CONTROLS
Location Front Front Front Front
Removable Dials/Knobs Metal Puck Metal Puck Metal Puck Metal Puck
Lock Out No Yes No Yes
Hot Indicator Light No Yes No Yes
Control Graphics Etched Serigraphy on
glass
Etched Serigraphy on
glass
DIMENSIONS - IN. (CM)
Exterior Dimensions
Overall Height (in)
Overall Width (in) 30 1/4” 30 1/4” 36 7/32” 36 7/32”
Overall Depth (in) 21” 21” 21” 21”
Cutout Dimensions
Cutout Width (in) (Measure
Or Min/Max)
29” 29” 35 1/4” 35 1/4”
Cutout Depth (in) (Measure
Or Min/Max)
20” 20” 20” 20”
Ratings
Electric Voltage/Phase/Fre-
quency (Hz)
60 Hz 60 Hz 60 Hz 60 Hz
Total Connected Load In
kW
120V AC
Circuit Amps 15 15 15 15
ACCESSORIES
LP Conversion Kit Part/
Comment
8287082 8287082 8287082 8287082
1-6
— NOTES —

2-1
INSTALLATION INFORMATION
INSTALLATION REQUIREMENTS
TOOLS AND PARTS
Gather the required tools and parts before start-
ing installation. Read and follow the instructions
provided with any tools listed here.
Tools needed
Tape measure•
Flat-blade screwdriver•
3/32" (#0 [2 mm]) at blade screwdriver•
(screwdriver shaft must be a minimum of
1 1/8" [28 mm] long) 1˝ (25 mm) drill bit (for
wall cabinet installations)
15/16" combination wrench•
Pipe wrench•
Wrench or pliers•
Needle-nose pliers•
Marker or pencil•
Pipe-joint compound resistant to LP gas•
Noncorrosive leak-detection solution•
Parts needed
Check local codes and consult gas supplier.
Check existing gas supply and electrical sup-
ply. See “Electrical Requirements” and “Gas
Supply Requirements” sections.
Parts supplied
Gas pressure regulator•
Burner grates •
Burner caps•
Clamping brackets (2)•
2 1/2" (6.4 cm) clamping screws (2)•
LOCATION REQUIREMENTS
IM PO RTANT: Observe all governing codes and
ordinances.Donotobstructowofcombustion
and ventilation air.
It is the installer’s responsibility to comply •
withinstallationclearancesspeciedonthe
model/serial rating plate. The model/serial
rating plate is located on the underside of
the cooktop base.
Toeliminatetheriskofburnsorrebyreach-•
ing over heated surface units, cabinet stor-
age space located above the surface units
should be avoided. If cabinet storage is to be
provided, the risk can be reduced by install-
ing a range hood that projects horizontally a
minimum of 5" (12.7 cm) beyond the bottom
of the cabinets
The cooktop should be installed in a loca-•
tion away from strong draft areas, such as
windows, doors and strong heating vents or
fans.
Allopeningsinthewalloroorwherecooktop•
is to be installed must be sealed.
Cabinet opening dimensions that are shown •
must be used. Given dimensions are minimum
clearances.
Grounded electrical supply is required. See •
“Electrical Requirements” section. Proper gas
supply connection must be available. See
“Gas Supply Requirements” section.
The cooktop is designed to hang from the •
countertopbyitssideanges.
The gas and electric supply should be located •
as shown in “Installation Clearances” section
so that they are accessible without requiring
removal of the cooktop.
A. Model/serial rating plate
A

2-2
Provide cutout in right rear corner of cutout •
enclosure as shown to provide clearance for
gas inlet, power supply cord, and to allow the
rating label to be visible.
IMPORTANT: To avoid damage, check with your
builder or cabinet supplier to make sure that the
materials used will not discolor, delaminate or
sustain other damage.
Product Dimensions
A. 30
" (76.7 cm) on 30" (76.2 cm) models,
36
" (92.0 cm) on 36" (91.4 cm) models
B. 21" (53.3 cm)
C. 3
" (8.3 cm)
A
B
C
Installation Clearances
A. 30 " (76.2 cm) on 30 " (76.2 cm) models; 36" (91.4 cm) on
36" (91.4 cm) models
B. Combustible area above countertop (shown by dashed box above)
C. 30 " (76.2 cm) minimum clearance between top of cooktop platform
and bottom of unprotected wood or metal cabinet (24" [61.0 cm]
minimum clearance if bottom of wood or metal cabinet is protected by
not less than " [0.6 cm] ame retardant millboard covered with not
less than No. 28 MSG sheet steel, 0.015" [0.04 cm] stainless steel, or
0.024" [0.06 cm] aluminum or 0.020" [0.05 cm] copper). If installing a
range hood see NOTES.*
D. 13 " (33.0 cm) recommended upper cabinet depth
E. 1
" (2.8 cm)
F. 20 " (50.8 cm)
G. 18" (45.7 cm) minimum clearance from upper cabinet to countertop
within minimum horizontal clearances to cooktop
H. Grounded outlet - Locate within 24" (61.0 cm) of right rear corner of
cutout
I. 29" (73.7 cm) on 30" (76.2 cm) models; 35¼" (89.5 cm) on
36" (91.4 cm) models
J. 24" (61.0 cm) minimum countertop depth is required
K. 2
" (7.3 cm) minimum distance to rear combustible surface
L. Gas line opening - Wall: anywhere 5" (12.7 cm) below underside of
countertop. Cabinet oor: anywhere within 6" (15.2 cm) of rear wall is
recommended
M. 8" (20.3 cm) minimum distance to nearest left side combustible
surface.**
N. 8" (20.3 cm) minimum distance to nearest right side combustible
surface.**
30" (76.2 cm) Cooktop Overall: M + N must equal 48" (122.0 cm)
minimum + 29" (73.7 cm) cutout for cooktop or 77" (195.6 cm)
36" (91.4 cm) Cooktop Overall: M + N must equal 48" (122.0 cm)
minimum + 35¼" (89.5 cm) cutout for cooktop or 83¼" (211.5 cm)
**M + N combined must be at least 48" (122.0 cm) minimum overall
Example 1: M = 8" (20.3 cm) left side + N = 40" (101.6 cm) right side
= 48" (122.0 cm)
Example 2: M = 24" (61.0 cm) left side + N = 24" (61.0 cm) right side
= 48" (122.0 cm)
B
D
A
C
EF
H
I
J
G
K
L
M
N
2-3
NOTES:
After making the countertop cutout, some
installations may require notching down
the base cabinet side walls to clear the
cooktopbase.Toavoidthismodication,
use a base cabinet with sidewalls wider
than the cutout.
If cabinet has a drawer, a 4" (10.2 cm) depth
clearance from the countertop to the top
of the drawer (or other obstruction) in base
cabinet is required. The drawer depth may
need to be shortened to avoid interfering
with the regulator.
* If installing a hood above the range, follow the
hood instructions for dimensional clear-
ances above the cooktop surface.
ELECTRICAL REQUIREMENTS
IMPORTANT: The cooktop must be electrically
grounded in accordance with local codes and
ordinances, or in the absence of local codes,
with the National Electrical Code, ANSI/NFPA
70 or Canadian Electrical Code, CSA C22.1.
If codes permit and a separate ground wire is
used,itisrecommendedthataqualiedelec-
trical installer determine that the ground path
is adequate.
A copy of the above code standards can be
obtained from:
National Fire Protection Association
One Batterymarch Park
Quincy, MA 02269
CSA International
8501 East Pleasant Valley Road
Cleveland, OH 44131-5575
A 120-volt, 60 Hz, AC only, 15-amp, fused •
electrical circuit is required. A time-delay fuse
or circuit breaker is also recommended. It is
recommended that a separate circuit serving
only this cooktop be provided.
Electronic ignition systems operate within •
wide voltage limits, but proper grounding
and polarity are necessary. Check that the
outlet provides 120-volt power and is cor-
rectly grounded.
The Tech Sheet provided is located inside •
the cooktop on the left wall of the cooktop
base
GAS SUPPLY REQUIREMENTS
Observe all governing codes and ordinances.
IMPORTANT: This installation must conform
with all local codes and ordinances. In the ab-
sence of local codes, installation must conform
with American National Standard, National Fuel
Gas Code ANSI Z223.1 - latest edition or CAN/
CGA B149 - latest edition.
IMPORTANT: Leak testing of the cooktop must
be conducted according to the manufacturer’s
instructions.
Type of Gas
Natural Gas:
Thiscooktopisdesign-certiedbyCSAInter-
national for use with Natural gas or, after proper
conversion, for use with LP gas.
This cooktop is factory set for use with Natural •
gas. If converting to LP gas, see the following
“LP Gas Conversion” section. The model/
serial rating plate located on the underside
of the cooktop base has information on the
types of gas that can be used. If the types
of gas listed do not include the type of gas
available, check with the local gas supplier.
LP Gas Conversion:
Conversionmustbedonebyaqualiedservice
technician.
No attempt shall be made to convert the cook-
topfromthegasspeciedonthemodel/serial
rating plate for use with a different gas without
consulting the serving gas supplier. See the
Gas Conversion instructions provided in the
literature package.

2-4
Gas Supply Line
Provide a gas supply line of 3/4" (1.9 cm) rigid •
pipe to the cooktop location. A smaller size
pipeonlongerrunsmayresultininsufcient
gas supply. Pipe-joint compounds that resist
the action of LP gas must be used. Do not
use TEFLON®† tape. With LP gas, piping
or tubing size should be 1/2" minimum. Usu-
ally, LP gas suppliers determine the size and
materials used in the system.
Flexible metal appliance connector:
If local codes permit, use a 1/2" or 3/4" I.D. •
exiblestainlesssteeltubinggasconnector,
designed by CSA to connect the cooktop to
the rigid gas supply line.
A 1/2" male pipe thread is needed for con-•
nection to the female pipe threads of the inlet
to the cooktop pressure regulator.
Do not kink or damage the exible metal•
tubing when moving the cooktop.
Rigid pipe connection:
The rigid pipe connection requires a combination
ofpipettingstoobtainanin-lineconnection
to the cooktop. The rigid pipe must be level
with the cooktop connection. All strains must
be removed from the supply and fuel lines so
cooktop will be level and in line.
Must include a shutoff valve:•
The supply line must be equipped with a
manual shutoff valve. This valve should be
located in the same room but external to the
cooktop. It should be in a location that allows
ease of opening and closing. Do not block
access to shutoff valve. The valve is for turn-
ing on or shutting off gas to the cooktop.
A. Gas supply line
B. Shuto valve “open” position
C. To cooktop
A
B
C
Gas Pressure Regulator
The gas pressure regulator supplied with this
cooktop must be used. The inlet pressure to
the regulator should be as follows for proper
operation:
Natural Gas:
Minimum pressure: 5" (12.7 cm) WCP
Maximum pressure: 7" to 14" (17.8 cm to 35.5
cm) WCP
LP Gas:
Minimum pressure: 11" (27.9 cm) WCP
Maximum pressure: 14" (35.5 cm) WCP
Contact local gas supplier if you are not sure
about the inlet pressure.
Burner Input Requirements
Input ratings shown on the model/serial rating
plate are for elevations up to 2,000 ft (609.6
m).
For elevations above 2,000 ft (609.6 m), ratings
are reduced at a rate of 4% for each 1,000 ft
(304.8 m) above sea level (not applicable for
Canada).
For elevations above 6,560ft (1999.5 m) a high
altitude kit is needed to avoid any reduced
power output. See separate LP gas conversion
instructions sheet.

2-5
INSTALLATION REQUIREMENTS
INSTALL COOKTOP
Excessive Weight Hazard
Use two or more people to move and
install cooktop.
Failure to do so can result in back or
other injury.
WARNING
Style 1: Cooktop over undercounter built-
in oven
IMPORTANT: Clamping brackets should not
be used.
1. Using 2 or more people, place cooktop
right side up into the cutout.
NOTE: Make sure that the front edge of
the cooktop is parallel to the front edge of
the countertop. If repositioning is needed,
lift entire cooktop up from cutout to avoid
scratching the countertop.
Style 2: Cooktop over cabinets
1. Determine whether your cabinet construc-
tion provides clearance for installing clamp-
ing brackets at cooktop base ends. This
is the recommended location. Clamping
brackets can be installed on the front and
back of cooktop base bottom, if neces-
sary.
A. Attachment screw holes for optional front and back
location.
B. Clamping bracket (end locations recommended)
C. cooktop base bottom
D. Attachment screw
E. Attachment screw location (recommended)
A
B
C
D
E
2. The clamping brackets can be installed
before or after the cooktop is placed into
the cutout. Complete the following steps
for the option you choose.
Installing Brackets Before Placing Cook-
top in Cutout
1. Using 2 or more people, place the cooktop
upside down on a covered surface.
2. Remove the attachment screws for the
selected bracket locations from the bottom
of the cooktop base.
3. Select bracket mounting holes that will al-
low the bracket to extend far enough out
from the cooktop for the installation of
2 1/2" (6.4 cm) clamping screws. See “At-
tach Cooktop to Countertop” for illustration
of clamping screw installation.
A. Edge of cooktop base bottom
B. Clamping bracket
A
B
4. Attach brackets to cooktop base bottom
with bracket attachment screws using the
bracket mounting holes selected in Step
2.
5. Rotate brackets so they do not extend
beyond edge of cooktop base.
6. Tighten screws just enough to hold brackets
in place when cooktop is put in cutout.
7. Using 2 or more people, turn the cooktop
right side up and place in cutout.

2-6
NOTE: Make sure that the front edge of
the cooktop is parallel to the front edge of
the countertop. If repositioning is needed,
lift entire cooktop up from cutout to avoid
scratching the countertop.
8. Loosen the screws and rotate the brackets
so that they are perpendicular to the edge
of the cooktop base and extend beyond its
edge. Securely tighten screws.
Installing Brackets After Placing Cooktop
in Cutout
1. Using 2 or more people, place cooktop right
side up into the cutout.
NOTE: Make sure that the front edge of
the cooktop is parallel to the front edge of
the countertop. If repositioning is needed,
lift entire cooktop up from cutout to avoid
scratching the countertop.
2. Remove the attachment screws for the
selected bracket locations from the bottom
of the cooktop base.
3. Select bracket mounting holes that will al-
low the bracket to extend far enough out
from the cooktop for the installation of 2
1/2" (6.4 cm) clamping screws.
A. Cooktop
B. Cooktop base
C. Attachment screw
D. Clamping bracket (extends far enough beyond cooktop
base to allow installation of clamping screws)
E. 2½" (6.4 cm) clamping screw (to be installed in “Attach
Cooktop to Countertop”)
F. Countertop
A
B
C
D
E
F
4. Attach brackets to cooktop base bottom
with bracket attachment screws using the
bracket mounting holes selected in Step
3. Securely tighten screws.
MAKE GAS CONNECTION
To Assemble Pressure Regulator:
1. Using 2 or more people, stand the cooktop
on its side or back.
2. Connect theexiblestainlesssteel con-
nector to the pressure regulator using a
½" male pipe thread adapter and nipple. A
combinationofpipettingsmustbeused
to connect the cooktop to the existing gas
line. Shown following is a typical connec-
tion. Your connection may be different,
according to the supply line type, size and
location.
3. Install the pressure regulator with the ar-
row pointing up toward the bottom of the
cooktop base and in a position where you
can reach the regulator cap.
A. Access cap
B. Rear of cooktop
C. Gas pressure regulator
D. Up arrow. Regulator must be installed with
arrow pointing up to cooktop bottom.
A
B
C
D
IMPORTANT: All connections must be
wrench-tightened. Do not make connec-
tions to the gas regulator too tight. Making
the connections too tight may crack the
regulator and cause a gas leak. Do not al-
low the regulator to turn on the pipe when
tighteningttings.

2-7
Use only pipe-joint compound made for use
with Natural and LP gas.
Do not use TEFLON® tape. You will need to
determine the ttings required depending on
your installation.
Typical exible connection
1. Apply pipe-joint compound made for use
with LP gas to the smaller thread ends of
theexibleconnectoradapters(seeGin
following illustration).
2. Attach 1 adapter and nipple to the gas
pressure regulator and the other adapter
and nipple to the gas shutoff valve. Tighten
both adapters and nipples.
3. Use a 15/16" combination wrench and
pliers to attach the exible connector to
the adapters. Check that connector is not
kinked.
A.
" nipple
B.
" adapter
C. Flexible connector
D. ½" nipple
E. Gas pressure regulator
F. ½" adapter
G. Use pipe-joint compound.
H.Manual gas shuto valve
A
B
CD
E
G
F
H
Complete Connection
1. Open the manual shutoff valve in the gas
supply line. The valve is open when the
handle is parallel to the gas pipe.
A. Closed valve
B. Open valve
A
B
2. Test all connections by brushing on an
approved noncorrosive leak-detection
solution. Bubbles will show a leak. Correct
any leak found.
3. Remove surface burner caps and grates
from parts package. Align notches in burner
caps with pins in burner base. Burner caps
should be level when properly positioned.
If burner caps are not properly positioned,
surface burners will not light. Place burner
grates over burners and caps.
A. Igniter electrode
B. Burner cap
C. Burner base
A
B
C

2-8
Electrical Shock Hazard
Plug into a grounded 3 prong outlet.
Do not remove ground prong.
Do not use an adapter.
Do not use an extension cord.
Failure to follow these instructions can
result in death, re, or electrical shock.
WARNING
4. Plug into a grounded 3 prong outlet.
ATTACH COOKTOP TO
COUNTERTOP
NOTE: This section applies only if you are using
clamping brackets.
A. Glass cooktop
B. Cooktop base
C. Attachment screw
D. Clamping bracket (extends far
enough beyond cooktop base
to allow installation of
clamping screws)
E. 2½" (6.4 cm) clamping screw
F. Countertop
A
B
C
D
E
F
COMPLETE INSTALLATION
1. Place the 2 1/2" (6.4 cm) clamping screws
into the brackets.
2. Check that the cooktop is still level.
3. Useaat-bladescrewdrivertotightenthe
screws against the countertop. Do not
overtighten.
Electronic Ignition System
InitiallightingandgasameadjustmentsSur-
face burners use electronic igniters in place of
standing pilots. When the cooktop control knob
is pushed in and turned to the “LITE” position,
the system creates a spark to light the burner.
This sparking continues, as long as the control
knob is pushed in and turned to “LITE.”
Check Operation of Surface Burners
1. Push in and turn the surface burners control
knobs to the “LITE” position.
Thesurfaceburnerameshouldlightwithin
4seconds.Thersttimeasurfaceburner
is lit it may take longer than 10 seconds to
light because of air in the gas line.
2. Check the ame on HI for a blue color.
It should be clean and soft in character.
No yellow tip, blowing or lifting of ame
shouldoccur.Occasionalorangeashes
arenormalandreectdifferentelements
in the air or gas.
3. Repeat at LO position.
4. After verifying the proper burner opera-
tion, authorized service company for as-
sistance
If burners do not light properly:
Turn surface burner control knob to the OFF •
position.
Check that the power supply cord is plugged •
in and the circuit breaker has not tripped or
the fuse blown.
Check that the gas shutoff valves are set to •
the “open” position.
Check that burner caps are properly posi-•
tioned on burner bases.
Recheck operation of surface burners. If a
burner does not light at this point, turn control
knobs to Off and contact your dealer or autho-
rized service company for assistance

2-9
Adjust Flame Height
The surface burner “low” ame should be a
steady blue ame approximately 1/4" (0.64
cm) high.
A. Low ame
B. High ame
A
B
If the “low” ame needs to be adjusted:
Theamecanbeadjustedusingtheadjustment
screws underneath the control knob.
A. Single valve
B. Dual valve
AAAA
B
Adjustment for Single Valve:
1. SettheburnerametoLO.
2. Remove the control knob.
3. Hold knob stem with a pair of pliers. Use
a3/32"(#0[2mm])atbladescrewdriver
to turn the screw located within the shaft
ofthecontrolknobstemuntiltheameis
the proper size.
Turn adjustment screw “C” to the right to reduce
ameheight,turnadjustmentscrewtotheleft
toincreaseameheight.
A.
" (#0 [2.0 mm]) at blade screwdriver
(screwdriver shaft must be a minimum of
1
" (28.0 mm) long)
B. Control knob stem opening
C. Adjustment screw location
B
C
A
4. Replace the control knob.
5. Testtheamebyturningthecontrolfrom
LOtoHI,checkingtheameateachset-
ting
Adjustment for Dual Valve:
1. SettheinnercrownametoLO.
A. Inner crown
B. Outer crown
A
B

2-10
2. Remove the control knob.
3. Remove the black rubber grommet.
4. Using needle-nose pliers, remove the gray
shield inside the burner valve opening.
A. Control knob
B. Black rubber grommet
C. Gray shield
M
e
d
A
B
C
5. Tightenscrew“A”toreduceameheight.
Loosenscrewtoincreaseameheight.
A. Adjustment screw - inner crown
B. Adjustment screw - outer crown
B
A
6. Replace the control knob.
7. SettheoutercrownametoLO.
8. Remove the control knob.
9. Tightenscrew“B”toreduceameheight.
Loosenscrewtoincreaseameheight.
10. Replace the gray shield. Use a screwdriver
to help push the shield into place.
11. Replace the black rubber grommet.
12. Replace the control knob.
13.Testtheamebyturningthecontrolfrom
LOtoHI,checkingtheameateach
setting.
If you need Assistance or Service:
Please reference the “Assistance or Service”
section of the Use and Care Guide or contact
the dealer from whom you purchased your
cooktop.

2-11
LP GAS AND HIGH ALTITUDE CONVERSION
INSTRUCTIONS
TOOLS AND PARTS
Gather the required tools and parts necessary
for correct LP gas conversion.
Tools needed
Flat-blade screwdriver•
T20 TORX®† screwdriver•
3/32"(#0[2mm])atbladescrewdriver(screw-•
driver shaft must be a minimum of 1 1/8"
[28.0 mm] long)
Phillips screwdriver•
Adjustable wrench•
7 mm nut driver•
10 mm wrench•
15 mm wrench•
17 mm wrench•
Parts supplied
LPoricepackage(8287082)•
Conversion instructions (W10181980)•
Conversion label (8287070)•
High Altitude Conversion
To convert the cooktop for elevations above
6,560ft (1999.5 m), order a High Altitude Con-
version Kit.
Part Number W10163349 - LP high altitude•
Part Number W10163727 - Natural gas high •
altitude
To order, see the “Assistance or Service” sec-
tion of the Use andCare Guide.
†®TORX is a registered trademark of Textron
Innovations Inc.
IMPORTANT: Gas conversions from Natural
gas to LP gas must be done by a qualied
installer. Before proceeding with conversion,
shut off the gas supply to the cooktop prior to
disconnecting the electrical power.
This conversion kit shall be installed
by a qualied service agency in ac-
cordance with the manufacturer's in-
structions and all applicable codes and
requirements of the authority having
jurisdiction. If the information in these
instructions is not followed exactly, a
re, explosion or production of carbon
monoxide may result causing property
damage, personal injury or loss of life.
The qualied service agency is respon-
sible for the proper installation of this
kit. The installation is not proper and
complete until the operation of the con-
verted appliance is checked as speci-
ed in the manufacturer's instructions
supplied with this kit.
WARNING
In the State of Massachusetts, the following
installation instructions apply:
Installations and repairs must be per-•
formedbyaqualiedorlicensedcontractor,
plumber,orgastterqualiedorlicensed
by the State of Massachusetts.
If using a ball valve, it shall be a T-handle •
type.
Aexiblegasconnector,whenused,must•
not exceed 3 feet.

2-12
Explosion Hazard
Use a new CSA International approved
gas supply line.
Install a shut-off valve.
Securely tighten all gas connections.
If connected to LP, have a qualified
person make sure gas pressure does
not exceed 14˝ (36 cm) water column.
Examples of a qualified person include:
licensed heating personnel,
authorized gas company personnel, and
authorized service personnel.
Failure to do so can result in death,
explosion, or fire.
Convert from Natural Gas to LP Gas
1. Turn manual shutoff valve to the closed
position.
2. Unplug cooktop or disconnect power.
A. To cooktop
B. Shuto valve (closed position)
C. Gas supply line
A
B
C
To Convert Gas Pressure Regulator
A. Access cap
B. Rear of cooktop
C. Gas pressure regulator
D. Gas ow
A
B
C
D
3. Determine the type of regulator you
have:
Style 1: The cap has a slot and “NAT” printed
on it.
Remove access cap by using a at-blade
screwdriver or coin, turning the access cap
counterclockwise.
The gas pressure regulator has 2 settings that
are stamped on either side of the cap. Turn the
cap and reinstall into regulator with the stamp
“LP” visible from the outside of the regulator.

2-13
Style 2: The cap does not have a slot and
requires a wrench to be removed.
Remove the access cap by using a wrench,
turning the access cap counterclockwise.
Remove spring retainer from the cap by push-
ingagainsttheatsideofthespringretainer.
Look at the spring retainer to locate the “NAT”
or “LP” position. Turn over the spring retainer
so the “LP” is showing on the bottom. Snap the
spring retainer back into the cap. Reinstall the
cap onto the regulator.
A. Access cap
B. Gasket
C. Gas pressure regulator
D. LP position
E. NAT position
A
B
CDE
4. Test the gas pressure regulator and gas
supply line.
The regulator must be checked at a minimum
1" (2.5 cm) water column above the set pres-
sure. The inlet pressure to the regulator should
be as follows for operation and checking the
regulator setting:
LP Gas:
Minimum pressure 10" (25.4 cm) W.C.P.
Supply pressure 14" (35.5 cm) W.C.P.
Gas Supply Pressure Testing
Line pressure testing above ½ psi gauge
(14" WCP)
The cooktop and its individual shutoff valve
must be disconnected from the gas supply
piping system during any pressure testing of
that system at test pressures in excess of ½
psi (3.5 kPa).
Line pressure testing at ½ psi gauge (14"
WCP) or lower
The cooktop must be isolated from the gas
supply piping system by closing its individual
manual shutoff valve during any pressure testing
of the gas supply piping system at test pressures
equal to or less than ½ psi (3.5 kPa).
5. If installed, remove the burner grates.
Use the following charts to match the correct
gasoricespudwiththeburnerlocationand
model being converted.
LP Gas Orice Spud Chart
Burner Models
Burner
Rating
ColorStamp
(A)
Size
5,000 BTUWhite
(no color)
066 0.66 mm
6,000 BTUGreen 074 0.74 mm
8,000 BTUYellow083 0.83 mm
9,100 BTUBlack 0890.89 mm
11,000 BTUOrange 097 0.97 mm
12,000 BTU
Outer
Inner
White
No color
099
6
0.99 mm
0.5*0.5 mm
14,000 BTU
Outer
Inner
Ye llow
No color
108
6
1.08 mm
0.5*0.5 mm
16,000 BTU
Outer
Inner
Orange
No color
115
6
1.15 mm
0.5*0.5 mm
A. Size
stamp
Model
No.
Right
front
Right
rear
Center
(outer)
Center
(inner)
Left
front
Left rear
KFGS306089
Black
074
Green
099
White
6
No color
083
Ye llow
066
White
(no color)
KFGS366089
Black
074
Green
108
Ye llow
6
No color
089
Black
066
White
(no color)
KFGU706097
Orange
074
Green
099
White
6
No color
083
Ye llow
066
White
(no color)
KFGU766089
Black
074
Green
115
Orange
6
No color
097
Orange
066
White
(no color)
A

2-14
High Altitude Conversions
IMPORTANT: You must convert LP gas with
LP gas high altitude or Natural gas with Natu-
ral gas high altitude. If you need to convert
LP gas to Natural gas high altitude or Natural
gas to LP gas high altitude you must convert
the pressure regulator, for this you must follow
steps 1, 2, and 3 of the respective conversion
that you need.
LP Gas Orice Spud Chart for High Altitude
Conversion
Burner Models
Burner Rating Stamp (A)Size
5,000 BTU062 0.62 mm
6,000 BTU070 0.70 mm
8,000 BTU079 0.79 mm
9,100 BTU085 0.85 mm
11,000 BTU 092 0.92 mm
12,000 BTU
Outer
Inner
093
6
0.93 mm
0.5*0.5 mm
14,000 BTU
Outer
Inner
100
6
1.00 mm
0.5*0.5 mm
16,000 BTU
Outer
Inner
107
6
1.07 mm
0.5*0.5 mm
A. Size stamp
Model
No.
Right
front
Right
rear
Center
(outer)
Center
(inner)
Left
front
Left
rear
KFGS306085 070 093 6079 062
KFGS366085 070 100 6085 062
KFGU706092 070 093 6079 062
KFGU766085 070 107 6092 062
A
Burner locations
A. Left front
B. Left rear
C. Center
D. Right rear
E. Right front
B
D
C
E
A
6. Remove all burner caps and burner bases.
If necessary, remove the burner ring.
A. Burner cap
B. Igniter electrode
C. Burner base
D. Gas tube opening
E. Burner ring
BD
CE
AA
B
C
D
7. Using a T20 TORX® screwdriver, remove
theoriceholderscrews(C).
A. Igniter electrode
B. Orice holder
C. Orice holder screws
D. Orice spud
AAB
D
C
B
C
C
8. On KFGU models only, lift the front part of
the cooktop and unhook the wire harness
to detach it from the glass control panel of
the metal cooktop.

2-15
On all models, remove the metal cooktop and
the sheet of insulation from the cooktop base.
A. Metal cooktop
B. Sheet of insulation
C. Cooktop base
B
C
A
9. To Convert Right or Left Burners:
Insert 7.0 mm nut driver down onto the gas •
oricespudandremovebyturningitcoun-
terclockwise and lifting out.
Setgasoricespudaside.•
ReplacewithcorrectLPgasoricespud.See•
theLPGasOriceSpudCharts.
10. To Convert Center Burners:
Use 10.0 mm wrench to loosen and remove •
theorice.
ReplacewithcorrectLPgasoricespud.See•
theLPGasOriceSpudCharts.
Use Phillips screwdriver to loosen the venturi •
screw. Slide the brass venturi into the injec-
tor, stop at the second groove (C). Securely
tighten the venturi screw.
A. Orice
B. Venturi
C. Second Groove
(16.0 mm LP gas
setting)
D. First groove (12.0 mm
natural gas setting)
E. Venturi screw
CD
AB
E
Use 15.0 mm wrench to loosen the nut secur-•
ingthetubetotheoricepack.Removethe
tubefromtheoricepack.
A. Tube
B. Attachment nut (15.0 mm)
C. Adapter nut (17.0 mm)
D. Orice spud
CD
AB
Use 17.0 mm wrench to loosen and remove •
theoricepack.
ReplacewithcorrectLPgasoricespud.•
SeetheLPGasOriceSpudCharts.
Replace adapter nut and secure with 17.0 •
mm wrench. Reattach tube and secure at-
tachment nut with 15.0 mm wrench.
11. PlaceNaturalgasoricespudsinplastic
parts bag for future use and keep with
literature package.
12. Replace sheet of insulation.
13. On KFGU models only, reattach wire har-
ness to the control panel on the cooktop
glass.
14. Replace the metal cooktop and tighten all
the screws to secure cooktop to base.
15. Replace burner bases and tighten all the
oriceholderscrews.Replaceburnercaps.
If necessary, replace burner ring.

2-16
IMPORTANT: The igniter electrode is ceramic
and could break during conversion. Be sure
that the electrode comes through the hole
in the burner head smoothly while tightening
screws.
A. Burner cap
B. Electrode
C. Burner base
B
C
A
16. Open shutoff valve in the gas supply line.
The valve is open when the handle is par-
allel to the gas pipe.
17. Plug in cooktop or reconnect power.
18. Adjust single and dual valve according to
"Flame Height Adjustment" section.
REMEMBER: Once you have completed
converting all the cooktop burners, test the
cooktop for leaks by brushing on an approved
noncorrosive leak-detection solution. Bubbles
will show, indicating a leak. Correct any leaks
found.
Convert from LP Gas to Natural Gas
1. Turn manual shutoff valve to the closed
position.
2. Unplug cooktop or disconnect power.
3. Determine the type of regulator you
have:
Style 1: The cap has a slot and “LP” printed
on it.
Remove access cap by using a at-blade
screwdriver or coin, turning the access cap
counterclockwise.
The gas pressure regulator has 2 settings
which are stamped on either side of the cap.
Turn the cap and reinstall into regulator with
the stamp “NAT” visible from the outside of the
regulator.
NAT
Style 2: The cap does not have a slot and
requires a wrench to be removed.
Remove the access cap by using a wrench,
turning the access cap counterclockwise.
Remove spring retainer from the cap by push-
ingagainsttheatsideofthespringretainer.
Look at the spring retainer to locate the “LP”
or “NAT” position. Turn over the spring retainer
so the “NAT” is showing on the bottom. Snap
the spring retainer back into the cap. Reinstall
the cap onto the regulator.
A. Access cap
B. Gasket
C. Gas pressure regulator
D. NAT position
E. LP position
A
B
CDE
4. If they are installed, remove the burner
grates.

2-17
Use the following charts to match the correct
gas orifice spud with the burner location and
model being converted.
Natural Gas Orice Spud Chart
Burner Models
Burner RatingStamp (A) Size
6,000 BTU110 1.10 mm
7,000 BTU118 1.18 mm
9,100 BTU134 1.34 mm
10,000 BTU142 1.42 mm
12,000 BTU155 1.55 mm
15,000 BTU
Outer
Inner
168
10
1.68 mm
0.5*0.82 mm
18,000 BTU
Outer
Inner
184
10
1.84 mm
0.5*0.82 mm
20,000 BTU
Outer
Inner
193
10
1.93 mm
0.5*0.82 mm
A. Size stamp
Model
No.
Right
front
Right
rear
Center
(outer)
Center
(inner)
Left
front
Left
rear
KFGS306 142 118 168 10 134 110
KFGS366 142118 184 10 142 110
KFGU706155 118 168 10 134 110
KFGU766142 118 193 10 155 110
A
High Altitude Conversions
IMPORTANT: You must convert LP gas with
LP gas high altitude or Natural gas with Natu-
ral gas high altitude. If you need to convert
LP gas to Natural gas high altitude or Natural
gas to LP gas high altitude you must convert
the pressure regulator, for this you must follow
steps 1, 2, and 3 of the respective conversion
that you need.
Natural Gas Orice Spud Chart for High Altitude Conversion
Burner Models
Burner RatingStamp (A) Size
6,000 BTU105 1.05 mm
7,000 BTU118 1.18 mm
9,100 BTU128 1.28 mm
10,000 BTU142 1.42 mm
12,000 BTU148 1.48 mm
15,000 BTU
Outer
Inner
153
10
1.53 mm
0.5*0.82 mm*
18,000 BTU
Outer
Inner
173
10
1.73 mm
0.5*0.82 mm*
20,000 BTU
Outer
Inner
183
10
1.83 mm
0.5*0.82 mm*
A. Size stamp
Model
No.
Right
front
Right
rear
Center
(outer)
Center
(inner)
Left
front
Left
rear
KFGS306142 118 153 10 128 105
KFGS366142 118 173 10 142 105
KFGU706148 118 153 10 128 105
KFGU766142 118 183 10 148 105
A
5. Remove all burner caps and burner bases.
If necessary, remove the burner ring.
A. Burner cap
B. Igniter electrode
C. Burner base
D. Gas tube opening
E. Burner ring
BD
CE
AA
B
C
D

2-18
6. Using a T20 TORX® screwdriver, remove
theoriceholderscrews(C).
A. Igniter electrode
B. Orice spud
C. Orice holder screws
D. Orice holder
AAB
D
C
B
C
C
7. On KFGU models only, lift the front part of
the cooktop and unhook the wire harness
to detach it from the glass control panel of
the metal cooktop.
On all models, remove the metal cooktop
and the sheet of insulation from the cooktop
base.
A. Metal cooktop
B. Sheet of insulation
C. Cooktop base
B
C
A
8. To Convert Right or Left Burners:
Insert 7.0 mm nut driver down onto the gas •
oricespudandremovebyturningitcoun-
terclockwise and lifting out.
Setgasoricespudaside.•
ReplacewithcorrectNaturalgasoricespud.•
SeetheNaturalGasOriceSpudCharts.
9. To Convert Center Burners:
Use 10.0 mm wrench to loosen and •
removetheorice.
ReplacewithcorrectNaturalgasoricespud.•
SeetheNaturalGasOriceSpudCharts.
Use Phillips screwdriver to loosen the venturi •
screw. Slide the brass venturi into the injec-
tor, stop at the rst groove (D) for Natural
gas conversions. Securely tighten the venturi
screw.
A. Orice
B. Venturi
C. Second Groove (16.0 mm
LP gas setting)
D. First groove (12.0 mm Natural
gas setting)
E.Venturi screw
CD
AB
E
Use 15.0 mm wrench to loosen the nut secur-•
ingthetubetotheoricepack.Removethe
tubefromtheoricepack.
A. Tube
B. Attachment nut (15.0 mm)
C. Adapter nut (17.0 mm)
D. Orice spud
CD
AB
Use 17.0 mm wrench to loosen and remove •
theoricepack.

2-19
ReplacewithcorrectNaturalgasoricespud.•
SeeNaturalGasOriceSpudCharts.
Replace adapter nut and secure with 17.0 •
mm wrench. Reattach tube and secure at-
tachment nut with 15.0 mm wrench.
10.PlaceLPgasoricespudsinplasticparts
bag for future use and keep with literature
package.
11. Replace sheet of insulation
12. On KFGU models only, reattach wire har-
ness to the control panel on the cooktop
glass.
13. Replace the metal cooktop and tighten all
the screws to secure cooktop to base.
14. Replace burner bases and tighten all the
oricescrews. Replace burner caps. If
necessary, replace burner ring.
IMPORTANT: The igniter electrode is ce-
ramic and could break during conversion.
Be sure that the electrode comes through
the hole in the burner head smoothly while
tightening screws.
A. Burner cap
B. Electrode
C. Burner base
B
C
A
15. Open shutoff valve in the gas supply line.
The valve is open when the handle is par-
allel to the gas pipe.
16. Plug in cooktop or reconnect power.
17. Adjust single and dual valve according to
"Flame Height Adjustment" section.
REMEMBER: Once you have completed
converting all the cooktop burners, test
the cooktop for leaks by brushing on an
approved noncorrosive leak-detection
solution. Bubbles will show, indicating a
leak. Correct any leaks found.
Lighting the Electronic Igniters
The cooktop burners use electronic igniters
in place of standing pilots. When the cooktop
control knob is pushed, the system creates a
spark to light the burner. This sparking continues
until the control knob is turned to the desired
setting.
To Check Operation of the Cooktop
Burners:
1. Push in and turn knobs to the LITE posi-
tion.Thecooktopburnerameshouldlight
within4seconds.Thersttimeaburner
is lit, it may take longer than 4 seconds to
light because of air in the gas line. Do not
leave the knob in the LITE position after
burner lights.
H
I
L
I
T
E
O
F
F
M
E
D
L
O
2. If burners do not light properly, turn the
control knob to the OFF position. Make
sure the burner caps are in the proper
position.
3. Check that the power supply cord is plugged
in. Check that the circuit breaker has not
tripped or the household fuse has not
blown.
4. Check that the shutoff valve is in the open
position.
5. Check burner operation again.
If one or all of the burners do not light at this
point, see “Assistance or Service” section in
the Use and Care Guide.

2-20
Flame Height Adjustment
Eachburneramehasbeenfactorysettothe
lowest position available to provide reliable and
constant reignition of the burner; however, each
burner can be adjusted.
To Adjust:
Theamecanbeadjustedusingtheadjustment
screws underneath the control knob.
A. Single valve
B. Dual valve
AAAA
B
Adjustment for Single Valve
1. SettheburnerametoLO.
2. Remove the control knob.
3. Hold knob stem with a pair of pliers. Use a
3/32"(#0[2.0mm])atbladescrewdriver
to turn the screw located within the shaft
ofthecontrolknobstemuntiltheameis
the proper size.
A.
" (#0 [2.0 mm]) at blade screwdriver
(screwdriver shaft must be a minimum of
1
" (28.0 mm) long)
B. Control knob stem opening
C. Adjustment screw location
B
C
A
4. For LP gas conversion:
Completely tighten screw “C” to set the
minimumameheight.
For Natural gas conversion:
Tightenscrew“C”toreduceameheight.
Loosenscrewtoincreaseameheight.See
“Complete Burner Adjustment” section.
5. Replace the control knob.
6. Testtheamebyturningthecontrolfrom
LO to HI, checking the ame at each
setting.
Adjustment for Dual Valve
To Adjust Inner Crown Flame:
1. SettheinnercrownametoLO.
A. Inner crown
B. Outer crown
A
B
2. Remove the control knob.
3. Remove the black rubber grommet.
4. Using needle-nose pliers, remove the gray
shield inside the burner valve opening.
A. Control knob
B. Black rubber grommet
C. Gray shield
M
e
d
A
B
C

2-21
5. For LP gas conversion:
Completely tighten screw “A” to set the
minimumameheight.
For Natural gas conversion:
Tightenscrew“A”toreduceameheight.
Loosenscrewtoincreaseameheight.See
“Complete Burner Adjustment” section.
A. Inner crown adjustment screw
B. Outer crown adjustment screw
B
A
6. Replace the control knob.
To Adjust Outer Crown Flame:
1. SettheoutercrownametoLO.
2. Remove the control knob.
3. For LP gas conversion:
Completely tighten screw “B” to set the
minimumameheight.
For Natural gas conversion:
Tightenscrew“B”toreduceameheight.
Loosenscrewtoincreaseameheight.See
“Complete Burner Adjustment” section.
4. Replace the gray shield. Use a screwdriver
to help push the shield into place.
5. Replace the black rubber grommet.
6. Replace the control knob.
7. Testtheamebyturningthecontrolfrom
LOtoHI,checkingtheameateach
setting.
Complete Burner Adjustment
1. Checkburnerame(s)forpropersizeand
shape. The cooktop “low” burner ame
should be a steady blue ame approxi-
mately 1/4" (0.64 cm) high.
A. Low ame
B. High ame
A
B
2. Completelyllouttheconversionlabeland
attach label to bottom of the cooktop next
to the rating tag. Do not cover the rating
tag with the conversion label.
3. Savetheoricesremovedfromthecook-
top along with these instructions for future
reference.
Read “Sealed Surface Burners” section in
the Use and Care Guide supplied with your
cooktop.
2-22
— NOTES —

3-1
PRODUCT OPERATION
A. Left rear burner control knob
B. Surface burner locator
C. Left front burner control knob
D. Hot surface indicator
E. Center burner control knob
F. Control lock keypad and indicator light
G. Right front burner control knob
H. Right rear burner control knob
A. 12,000 Btu/h burner on 36" (91.4 cm) models
9,100 Btu/h burner on 30" (76.2 cm) models
B. Surface burner cap
C. Left surface burner grate
D. 6,000 Btu/h burner
E. Model and serial number plate (under cooktop)
F. 20,000 Btu/h burner on 36" (91.4 cm) models
15,000 Btu/h burner on 30" (76.2 cm) models
G. Center grate
H. 7,000 Btu/h burner
I. Right surface burner grate
J. 10,000 Btu/h burner on 36" (91.4 cm)
models
12,000 Btu/h burner on 30" (76.2 cm)
models
K. Control panel
A
B
CEF
DGH
A
B
C
D
E
FG
H
I
J
K
Control Panel (Glass)
Cooktop
Re-Ignition Features
During the cooking cycle, if one or more burners
power off due to external causes (such as water
spillage, wind, etc.), The ignition system will
turn on to re-ignite the ame. When the ame
comes back on, the system will stop sparking.
Sparking may also occasionally occur when
using the low setting on a burner.
If the ame does not recover within 4 seconds,
the cooktop will lock. The Cooktop Lock indicator
light will turn on and a long beep will sound.
To unlock the cooktop, turn all control knobs to
the Off position, the Cooktop Lock indicator light
will turn off. Before restarting, check that the
burners are clean. See “Sealed Surfaces Burn-
ers” section. You may then continue cooking.
Cooktop Lock
The Cooktop Lock helps to avoid unintended
use of the surface burners. If a control knob
is turned to Lite when the Cooktop Lock is on,
you will hear clicking and you may see the
igniter sparking, but the burner will not light.
To activate:
Turn off all burners and touch the lock key for
3 seconds. When the Cooktop Lock activates.
The Cooktop Lock Indicator Light will turn on
and 1 long beep will sound.
To deactivate:
Touch the lock key for 3 seconds, the indicator
light will turn off and 1 long beep will sound.

3-2
Tones
Tones are audible signals, indicating the
following:
One Long Beep
Activation/deactivation of the Cooktop Lock •
function
Three Short Beeps
Invalid operation - attempting to lock or unlock •
cooktop with 1 or more burners are on.
Hot Surface Indicator Light
The Hot Surface Indicator Light is located be-
tween the left front and center control knobs.
The Hot Surface Indicator Light will glow as
long as any surface cooking area is too hot to
touch, even after the surface cooking area(s)
is turn off. If the cooktop is on when a power
failure occurs, the Hot Surface Indicator Lights
will remain on after the power is restored to the
cooktop. They will remain on until the cooktop
has cooled completely.
After a power failure, when the power failure
is restored the Hot Surface Indicator Light can
stay on for up to 30 minutes
Times when this is most likely to occur:
After the cooktop is rst installed.•
After a power failure.•
After a power failure while the cooktop is still •
cooling (30 to 40 minutes after cooking).
Any time power is disconnected from the •
cooktop.
Power Failure
Cooktop will not operate during a power
failure. (Models KFGU Only)
To Light:
1. Push in and turn knob counterclockwise to
LITE. All surface burners will click. Only the
burner with the control knob turned to Lite
will produce a ame.
2. Turn knob to anywhere between HI and LO.
Use the following chart as a guide when set-
ting heat levels.
SETTINGRECOMMENDED USE
Lite Light the burner.
Hi Start food cooking.
Bring liquid to a boil.
Medium
Between Hi and Lo
Fry or sauté foods.
Maintain a slow boil.
Cook soups, sauces and gravies.
Stew or steam foods.
Simmer Simmer
Lo Keep food warm.
REMEMBER: When cooktop is in use, the entire cooktop
area may become hot.

4-1
COMPONENT LOCATIONS
This section instructs you on how to service each component inside the KitchenAid Flush-Mount
Gas Cooktop. The components and their locations are shown below.
COMPONENT ACCESS
Left Standard Burners Right Standard BurnersCrown Burner
Power Supply Cord
Gas Shutoff Valve
(KFGU Model Only)
Gas Valves & Spark
Switches (5)
Spark Module Power Supply Transformer
Electronic Control (Part Of Cooktop)

4-2
REMOVING THE COOKTOP
WARNING
NOTE: The electronic control is part of the
cooktop and cannot be serviced separately.
1. Turn manual gas line shutoff valve to the
closed position.
2. Unplug cooktop or disconnect power.
3. Remove the burner grates from the cook-
top.
4. Pull the knobs off the gas valves.
5. Remove the burner caps and bezels from
the standard burner bases.
6. Remove the components from the Crown
burner.
Electrical Shock Hazard
Disconnect power before servicing.
Replace all parts and panels before
operating.
Failure to do so can result in death or
electrical shock.
7. Remove the three T-20 screws from the
crown burner base and the two screws
from each of the standard burner bases.
Gas Valve Knobs
Cap
Bezel
Standard Burner
Screws (2 each)
Crown Burner
Screws (3 )
Cap
Spreader
Spreader
Bezel Burner Grates

4-3
8. Lift the front of the cooktop just high enough
to access the electronic control connector,
and pull the wire connector off the connec-
tor pins. (KFGU models only)
8. Lift the cooktop off the burner box and
remove it.
Lift Cooktop
Connector
9. Lift the cooktop off the burner box and
remove it.

4-4
REMOVING THE SPARK SWITCHES, AND THE
STANDARD OR CROWN BURNER GAS VALVES
WARNING
1. Unplug cooktop or disconnect power.
2. Remove the cooktop (see page 4-2 for the
procedure).
Electrical Shock Hazard
Disconnect power before servicing.
Replace all parts and panels before
operating.
Failure to do so can result in death or
electrical shock.
b) Pull the spark switches off each of the
standard gas valves. Pull the switches
straight out from the valves to unclip
and remove them.
NOTE: The spark switches are serviced as an
assembly and cannot be serviced separately.
3. To remove the spark switches:
a) Remove the rubber covers from each
of the gas valves.
c) To remove the spark switch on the (cen-
ter) Crown burner, use a small-blade
screwdriver, and pry the switch off the
valve. NOTE: When you reinstall the
spark switch on the Crown burner, press
down on the spark switch actuator so
that it ts under the valve actuator.
Gas Valves
Gas Valve Covers
Spark Switch
Standard Burner
Continued on the next page.
Crown Burner
Spark Switch
Actuator
Pry
Off
Valve
Actuator
Pull
Out

4-5
4. To remove a standard gas valve:
a) Remove the spark switch from the valve
you are accessing (see step 3).
b) Remove the six screws from the front
burner box access panel and remove
the panel.
d) Unlatch and disconnect the main wire
connector from the spark switches and
remove the switches.
Spark Switch
Connector
c) Disconnect the 1/2˝ gas outlet line t-
ting from the gas valve.
Access Panel & 6 Screws
d) Remove the screw from the gas mani-
fold clamp and remove the gas valve.
Gas Manifold
Clamp Screw
e) Check the rubber seal on the gas
valve stem and make sure that it is
not cracked, or torn. If so, replace the
seal.
Gas Valve
Seal
Gas Line
Fitting

4-6
5. To remove the Crown burner gas valve:
a) Remove the spark switch from the Crown
burner gas valve (see step 3c).
b) Remove the six screws from the front
burner box access panel and remove
the panel.
Access Panel & 6 Screws
c) Disconnect the two wire connectors
from the from the switch terminals on
the Crown burner gas valve.
d) Push the locking tab and lift the switch
off the Crown burner gas valve holder
pins.
e) Disconnect the two 1/2˝ gas line ttings
from the gas valve.
f) Remove the screw from the gas manifold
clamp and remove the Crown burner
gas valve.
g) Check the rubber seal on the Crown
burner gas valve stem and make sure
that it is not cracked, or torn. If so, re-
place the seal.
GY Wire
WH Wire
Locking Tab
Pins Switch
Crown Burner Gas Valve
Gas Line Fittings
Gas Manifold
Clamp Screw
Gas Valve
Seal

4-7
REMOVING THE POWER SUPPLY TRANSFORMER
AND THE SPARK MODULE
WARNING
1. Unplug cooktop or disconnect power.
2. Remove the cooktop (see page 4-2 for the
procedure).
Electrical Shock Hazard
Disconnect power before servicing.
Replace all parts and panels before
operating.
Failure to do so can result in death or
electrical shock.
Spark Module Power Supply Transformer
3. To remove the power supply trans-
former:
a) Unlatch and disconnect the 2-wire and
5-wire connectors from the transformer
(see the top right photo).
b) Remove the two screws from the trans-
former and remove it.
4. To remove the spark module:
a) Remove the two screws from the shield
and remove the shield.
b) Disconnect the burner ignitor wire con-
nectors, and the 8-, 4-, and 10-wire
connectors from the spark module
terminals.
c) Remove the two screws from the spark
module and remove the module.
5-Wire
Connector
2-Wire
Connector
Power Supply Transformer
Spark Module Shield
Screws
RF
Screw
Spark Module
RR
C
LR
LF
Screw
Not Used
8-Wire Connector 4-Wire Connector
10-Wire Connector
Ignitor Connectors

4-8
REMOVING THE GAS SHUTOFF VALVE
WARNING
1. Unplug cooktop or disconnect power.
2. Remove the cooktop (see page 4-2 for the
procedure).
Electrical Shock Hazard
Disconnect power before servicing.
Replace all parts and panels before
operating.
Failure to do so can result in death or
electrical shock.
Gas Shutoff Valve
3. Disconnect the two wire connectors from
the gas shutoff valve terminals (see the
top right photo).
4. Remove the manifold pipe. (The gas shutoff
valve is serviced with the manifold pipe)
(see page 4-11 removing standard burner
from cooktop for the procedure).
Wire Connectors
Locknut
Gas Shutoff Valve
Manifold Pipe Screws
5. Remove the burner assembly then 4 screws
securing manifold pipe.

4-9
REMOVING A SPARK IGNITOR FROM
STANDARD OR CROWN BURNER
WARNING
1. Unplug cooktop or disconnect power.
2. Remove the cooktop (see page 4-2 for the
procedure).
Electrical Shock Hazard
Disconnect power before servicing.
Replace all parts and panels before
operating.
Failure to do so can result in death or
electrical shock.
Standard Burners
Crown Burner
3. To remove spark ignitor from standard
burner.
a) Disconnect spark ignitor wire from spark
module.
Igniter Wires
Spark Module
b) Remove igniter retainer clip from stan-
dard burner.
Igniter
Igniter
Retainer
Clip
Igniter
Retainer
Clip
c) Remove igniter from standard burner.
Continued on the next page.

4-10
Igniter Wires
Spark Module
b) Disconnect two gas ttings from crown
burner.
Gas Fittings
Crown Burner
c) Remove two screws from crown burner
mounting plate.
Mounting Screws
d) Lift crown burner up and rotate to ex-
pose two screws on back of mounting
plate.
e) Remove two screws from back of
mounting plate attached to crown
burner and remove mounting plate.
Mounting Screws
f) Remove c-clip from crown burner igniter
to release igniter from crown burner.
4. To remove spark igniter from crown
burner.
a) Disconnect spark ignitor wire from spark
module.
C-Clip
g) Pull igniter and igniter wire out of top
of crown burner to remove.

4-11
REMOVING STANDARD OR CROWN BURNER
WARNING
Electrical Shock Hazard
Disconnect power before servicing.
Replace all parts and panels before
operating.
Failure to do so can result in death or
electrical shock.
1. Unplug cooktop or disconnect power.
2. Remove the cooktop (see page 4-2 for the
procedure).
Standard Burners
Crown Burner
3. To remove standard burner from
cooktop.
a) Remove gas regulator from gas inlet line.
b) Remove 4 mounting screws holding burner
assembly to base and 1 hold down clamp
screw holding gas line.
Mounting Screws
Mounting Screws
Hold Down
Clamp Screw
c) Remove 4 mounting screws located on
outside of burner box holding burner
supports to burner box.
d) Remove ground screw holding ground
wire to burner box.
e) Unlatch and disconnect the 2-wire
and 5-wire connectors from the
transformer.
Ground Screw
Continued on the next page.
5-Wire
Connector
2-Wire
Connector
Power Supply Transformer

4-12
g) Disconnect gas line tting from standard
burner.
h) Remove igniter from standard burner
(see removing a spark igniter from
standard or crown burner 4-9).
i) Turn burner assembly upside down on
protected surface.
j) Remove 2 screws from bottom of
standard burner attaching it to burner
support.
Mounting Screws
Gas Line Fitting
4. To remove crown burner from
cooktop.
a) Remove igniter from crown burner (see
removing a spark igniter from standard
or crown burner 4-9).
b) Remove crown burner from burner
assembly.
Mounting Screws
Mounting Screws
f) Lift burner assembly out of burner
box.
Burner Assembly

4-13
REMOVING THE POWER SUPPLY CORD
WARNING
1. Unplug cooktop or disconnect power.
2. Remove the cooktop (see page 4-2 for the
procedure).
Electrical Shock Hazard
Disconnect power before servicing.
Replace all parts and panels before
operating.
Failure to do so can result in death or
electrical shock.
Power Supply Cord
3. Remove the screw from the power supply
cord ground wire.
4. Press the locking tab on the power supply
cord connector and disconnect it from the
main connector.
5. Remove the strain relief from the power
supply cord and pull the cord out of the
burner box mounting hole.
Power Supply Cord
Connector
Ground Wire Screw
Strain Relief
4-14
— NOTES —

5-1
COMPONENT TESTING
Electrical Shock Hazard
Disconnect power before servicing.
Replace all parts and panels before operating.
Failure to do so can result in death or electrical shock.
SPARK SWITCHES
WARNING
Refer to page 4-3 for the procedure for access-
ing the spark switches.
1. Unplug cooktop or disconnect power.
2. Disconnect the spark switch 6-pin connec-
tor.
3. Set the ohmmeter to the R x 1 scale.
4. Rotate the valve to the setting shown in
the chart. Touch the ohmmeter test leads
to the indicated connector pins. The meter
should indicate an open or closed state.
Before testing any of the components, perform
the following checks:
The most common cause for control failure •
is corrosion on connectors. Therefore, dis-
connecting and reconnecting wires will be
necessary throughout test procedures.
All tests/checks should be made with a •
VOM or DVM having a sensitivity of 20,000
ohms-per-volt DC, or greater.
Check all connections before replacing •
components, looking for broken or loose
wires, failed terminals, or wires not pressed
into connectors far enough.
Resistance checks must be made with •
power cord unplugged from outlet, and
with wiring harness or connectors discon-
nected.
Test
Points
Switch
Location
Valve
Setting
Meter
Reading
Pins P2-1
& P2-7 LF
OFF Open (∞)
LITE Closed (0 Ω)
Pins P2-2
& P2-7 LR
OFF Open (∞)
LITE Closed (0 Ω)
Pins P2-3
& P2-7 C
OFF Open (∞)
LITE Closed (0 Ω)
Pins P2-5
& P2-7 RF
OFF Open (∞)
LITE Closed (0 Ω)
Pins P2-4
& P2-7 RR
OFF Open (∞)
LITE Closed (0 Ω)
6-Pin Connector

5-2
Electrical Shock Hazard
Disconnect power before servicing.
Replace all parts and panels before operating.
Failure to do so can result in death or electrical shock.
WARNING
POWER SUPPLY TRANSFORMERCROWN BURNER SWITCH
Refer to page 4-3 for the procedure for access-
ing the Crown burner switch.
1. Unplug cooktop or disconnect power.
2. Disconnect the wire connectors from the
switch terminals.
3. Set the Crown burner to the OFF position.
4. Set the ohmmeter to R x 1.
5. Touch the ohmmeter test leads to the switch
terminals. The meter should indicate an open
circuit(innite).
6. Set the Crown burner to the LITE position.
The meter should indicate a closed circuit
0 Ω
Refer to page 4-6 for the procedure for access-
ing the power supply transformer.
1. Unplug cooktop or disconnect power.
2. Disconnect the power supply transformer
primary (2-pin) connector.
3. Set the ohmmeter to the R x 1 scale.
4 . To u c h t h e o h m m e te r t e s t l e a d s to t h e t r a n s -
former connector pins. See transformer
table below.
Switch (N.O.)
Primary Connector
TRANSFORMER TABLE
SNOITIDNOCSTINUPYTTSETECNATSISER
Rp Primary Coil
Resistance 60 ±6Ω22 °C
Rs 1-2 Secondary Coil
Resistance 4.7 ± 0.5 Ω22 °C
Rs 2-3 Secondary Coil
Resistance 4.7 ± 0.5 Ω22 °C
Rs 4-5 Secondary Coil
Resistance 306 ±30Ω22 °C

6-1
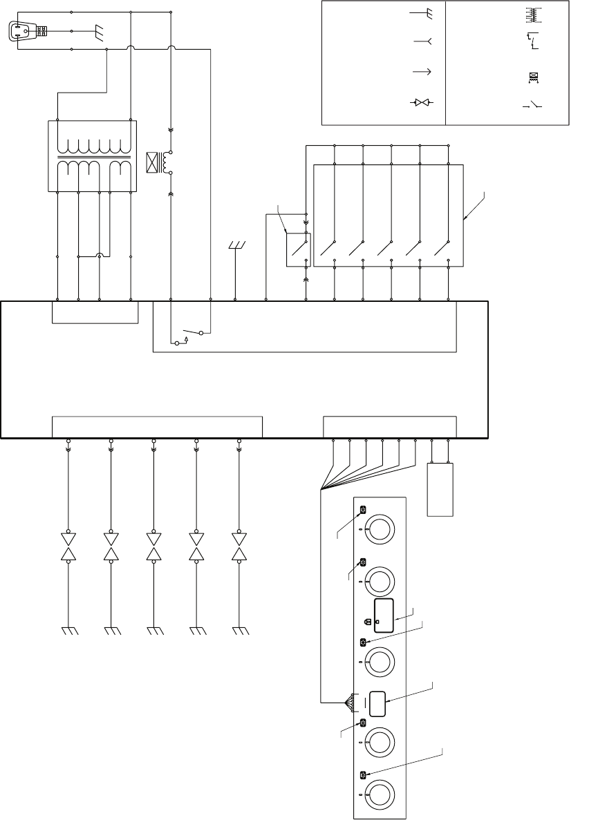
DIAGNOSTICS & TROUBLESHOOTING
Electrical Shock Hazard
Disconnect power before servicing.
Replace all parts and panels before operating.
Failure to do so can result in death or electrical shock.
WARNING
DIAGNOSTICS
Disconnect power and perform the following
checks:
A potential cause of a control not function-•
ing is corrosion on connections. Observe
connections and check for continuity with
an ohmmeter.
All tests/checks should be made with a VOM •
or DVM having a sensitivity of 20,000 ohms
per volt DC or greater.
Check all connections before replacing com-•
ponents, looking for broken or loose wires,
failed terminals, or wires not pressed into
connectors far enough. Damaged harness
must be entirely replaced. Do not re-work a
harness.
Resistance checks must be made with power •
cord unplugged from outlet, and with wiring
harness or connectors disconnected.
IMPORTANT
Electrostatic Discharge (ESD)
Sensitive Electronics
ESD problems are present everywhere.
ESD may damage or weaken the elec-
tronic control assembly. The new control
assembly may appear to work well after
repairisnished,butfailuremayoccurat
a later date due to ESD stress.
Use an anti-static wrist strap. Connect •
wrist strap to green ground connection
point or unpainted metal in the appli-
ance.
-OR-
Touchyourngerrepeatedlytoagreen
ground connection point or unpainted
metal in the appliance.
Before removing the part from its pack-•
age, touch the anti-static bag to a green
ground connection point or unpainted
metal in the appliance.
Avoid touching electronic parts or termi-•
nal contacts; handle electronic control
assembly by edges only.
W h e n r e p a c k ag i n g f a i l e d e l e c t r o n i c c o n -•
trol assembly in anti-static bag, observe
above instructions.

6-2
NOITCAESUAC ELBISSOPMELBORP
No spark when any control is turned.
.no si rewop kcehC.1.tinu ot rewop oN.1
2. Control connection not correctly plugged in 2. Check connector for contamination or loose connections.
3. Transformer not properly working.3. Check transformer coil resistances according to transformer table,
page 6-3.
.ytiunitnoc rof snoitcennoc dnuorg lla kcehC.4.noitcennoc dnuorg daB.4
5. Burners not properly grounded. 5. Check ground continuity.
6. Spark leads damaged, sparking onto nearby metal.6.Visually check in dimmed light for sparking to nearby metal.
7. Grease or dirt build-up around electrode.7.Clean and dry electrode and cap.
8. Spark gap to burner cap not correctly set. 8. Check if cap is correctly seated on burner.
No spark when one control knob is
turned.
1. Bad connection to switch harness or faulty reignition
control board.
1. Check to ensure switch harness connection is OK.
2. Check if wires are correctly attached to switch.
3. Check switch is correctly assembled on gas valve shaft.
4. Replace switch harness if necessary.
Power to ignition unit is OK.
One electrode is not sparking.
1. Faulty spark lead/electrode or faulty ignition unit 1. Easy check: To determine if ignition unit or lead is faulty, swap
spark lead to another terminal and check for spark.
Intermittent sparking after ignition 1. Generally the cause is a bad ground which can be
caused by a build-up of cooking oils, solids,
cleansers, etc.
1. Clean and dry all parts. Ensure burner is correctly seated.
raen eb tsum emalf :rebmemeR .edortcele dna renrub yrd dna naelC.2.dekcolb strop renruB.2
electrode to sense current.
lortnocnoitingiereht yb desnes tnerruc eht fi kraps ton lliw tinu ehT.3.gnidaer pma orcim woL.3
board drops below a certain level. This generally occurs at simmer or
when the ame is unstable due to winds, etc. Check on high power if
sparking stops. Adjust gas valve regulation screws. Clean and dry
burner and elctrode.
4. Spark gap to burner cap not correctly set 4. Check if cap is correctly seated on burner. Check electrode integrity.
5. Faulty reignition control board. 5. Replace after checking all the above.
Sparking occurs and burner does not
light.
.ylppus sag reporp yfireV.1.ecnailppa ot sag oN.1
.tset dna kcehC.2.detaes yltcerroc ton renruB.2
.edortcele naelc oslA .yrd dna naelC.3.ytrid ro tew trop renruB.3
Continual sparking after ignition 1. Electrode wire does not correspond to relevant
reignition control board output.
1. Check if the electrode wire is assembled according to electrode map
assembly instructions located close to reignition control board.
2. Burner ports blocked or wet and not allowing
electrode to sense the current.
2. Clean and dry ports and electrodes.
3. Spark gap to burner not correctly set.3. Check if cap is correctly seated on burner.
.ytiunitnoc rof snoitcennoc dnuorg lla kcehC.4.noitcennoc dnuorg daB.4
.ytirgetni edortcele yfireV.5.edortcele ytluaF.5
NOTE: The unit may still spark even if the spark lead is faulty, but it will
not detect ame.
6. Transformer not properly working.6. Check transformer coil resistances according to transformer table,
page 6-3.
7. Faulty reignition control board. 7. Replace and test (only after checking all of the above).
TROUBLESHOOTING

6-3
CAP
OUTER
SPREADER
BEAUTY
RING
CROSS
RING
INNER CROWN
SUPPORT
BURNER
BODY
ELECTRODE
SPRING
FASTEN SPRING
ELECTRODE ASSEMBLY FOR CENTER BURNER
CAP
ELECTRODE
INJECTOR
HOLDER
ELECTRODE
CLIP
ELECTRODE ASSEMBLY FOR
RF, RR, LF, LR BURNERS
SEE DETAIL B
A
A
DETAIL B
SECTION A-A
6.31 +0.70
-1.20 mm (0.248" +0.028
-0.047 )
1.70 +0.70
-1.20 mm (0.067" +0.028
-0.047 )
2.50±0.5mm (0.098"±0.019)
ELECTRODE GAP FOR RF, RR, LF, LR BURNERS
TRANSFORMER TABLE
SNOITIDNOCSTINUPYTTSETECNATSISER
Rp Primary Coil
Resistance 60 ±6Ω22 °C
Rs 1-2 Secondary Coil
Resistance 4.7 ± 0.5 Ω22 °C
Rs 2-3 Secondary Coil
Resistance 4.7 ± 0.5 Ω22 °C
Rs 4-5 Secondary Coil
Resistance 306 ±30Ω22 °C
ELECTRODE GAP FOR CENTER BURNER
6-4
— NOTES —

7-1
WIRING DIAGRAM & STRIP CIRCUIT
CONTROL POWER INDICATOR
CENTER POWER
ON INDICATOR
SEE OPERATION DIAGRAM 1 & 2
OPERATION DIAGRAM 1 OPERATION DIAGRAM 2
SWITCH ELECTRIC CONTACTS CLOSED SWITCH ELECTRIC CONTACTS CLOSED
15°±10° 0° 0°
230° 230°
165°±10°
HOT
SURFACE
CONTROL LOCK
HOLD FOR 5 SEC
ELECTRONIC CONTROL STRIP CIRCUIT
P2-10
P2-9
P2-8
P2-7
P2-6
P2-5
P2-4
P2-3
P2-2
P2-1
BK
W
GR
BR
BU
Y
OR
NEUTRAL
SOLENOID VALVE
LINE
HOT SURFACE
INDICATOR SWITCH
PN 8286917
SEE OPERATION DIAGRAM 2
SWITCHHARNESS
PN8286687
SEE OPERATION
DIAGRAM 1
RF BURNERSWITCH
RR BURNERSWITCH
CENTER
BURNER SWITCH
LR BURNERSWITCH
LF BURNER SWITCH
BK
GY
GY
WW
W

7-2
SEDORTCELE
SROTINGI
RENRUB FR
RENRUB RR
RENRUB RETNEC
RENRUB RL
RENRUB FL
RB
UB
YG
Y
OR
S5
S4
S3
S2
S1
ELECTRODES OUTPUT
7896828 NP SSENRAH ECAFRETNI RESU
ROTACIDNI NO RENRUB RR
ROTACIDNI NO RENRUB FR
6666828NP IU
KCOLLORTNOC
ROTACIDNI NO RENRUB RETNEC
ROTACIDNI ECAFRUS TOH
ROTACIDNI NO RENRUB RL
ROTACIDNI NO RENRUB FL
IJ
HOT
ECAFRUS
KCOLLORTNOC
C
ES 5 ROF DLOH
RETSET LOE
ROTCENNOC
KB
W
YG
OR
V
R
RG
W
COMMUNICATION
1-4P
2-4P
3-4P
4-4P
5-4P
6-4P
8-4P
7-4P
DRAOB LORTNOC NOITINGIER
9286
828 NP
1-1P
2-1P
3-1P
4-1P
POWER
R
UB
R
OR
KB
RG
W
YG
KB
RB
UB
YG
Y
OR
01-2P
9-2P
8-2P
7-2P
6-2P
5-2P
4-2P
3-2P
2-2P
1-2P
REMROFSNART
0966828 NP
.4 EGAP,ELBATREMROFSNART EES
R 1
UB 2
R 3
RB 4
KB
W
W
EVLAVDIONELOS
DESOLC YLLAMRON
2838579 NP
ECAFRUS TOH
HCTIWS ROTACIDNI
8507828 NP
W
W
HCTIWS RENRUB FR
HCTIWS RENRUB RR
RETNEC
HCTIWS RENRUB
HCTIWS RENRUB RL
HCTIWS RENRUB FL
SSENRAH HCTIWS
7866828 NP
DROC REWOP
2966828 NP
L N
DNG
BK
GR
W
CONTROL CONNECTION
RO 5
ELECTRONIC CONTROL WIRING DIAGRAM
ELECTRODE
TRANSFORMER
RELAYCONTACTS
SOLENOID VALV E
SWITCH
GROUND (CHASSIS)
PLUG WITHFEMALE
CONNECTOR
RECEPTACLE WITH
MALE CONNECTOR
SYMBOLS
WIRING DIAGRAM

IN THE UNITED STATES:
FOR PRODUCT SPECIFICATIONS AND WARRANTY INFORMATION CALL:
FOR TECHNICAL ASSISTANCE WHILE AT THE CUSTOMER’S HOME CALL:
THE TECHNICAL ASSISTANCE LINE: 1-800-832-7174
HAVE YOUR STORE NUMBER READY TO IDENTIFY YOU AS AN
AUTHORIZED IN-HOME SERVICE PROFESSIONAL
FOR LITERATURE ORDERS:
PHONE: 1-800-851-4605
FOR TECHNICAL INFORMATION AND SERVICE POINTERS:
www.servicematters.com
IN CANADA:
FOR PRODUCT SPECIFICATIONS AND WARRANTY INFORMATION CALL:
1-800-461-5681
FOR TECHNICAL ASSISTANCE WHILE AT THE CUSTOMER’S HOME CALL:
THE TECHNICAL ASSISTANCE LINE: 1-800-488-4791
HAVE YOUR STORE NUMBER READY TO IDENTIFY YOU AS AN
AUTHORIZED IN-HOME SERVICE PROFESSIONAL
FOR WHIRLPOOL PRODUCTS: 1-800-253-1301
FOR KITCHENAID PRODUCTS: 1-800-422-1230
FOR ROPER PRODUCTS: 1-800-447-6737
PRODUCT SPECIFICATIONS
AND
WARRANTY INFORMATION SOURCES
