ALINCO DR 135 435MK2 Service Manual
User Manual: Pdf ALINCO--DR-135-435MK2-Service-Manual
Open the PDF directly: View PDF .
Page Count: 60

DR-135 / DR-435MkII
Service Manual
CONTENTS
SPECIFICATIONS
General..................................................................... 2
Transmitter ................................................................ 2
Receiver ................................................................... 2
CIRCUIT DESCRIPTION
1) Receiver System DR-135 ..................................... 3, 4
2) Transmitter System DR-135 ...................................... 5
3) PLL Synthesizer Circuit DR-135 ........................... 5, 6
4) Receiver System DR-435 ..................................... 6, 7
5) Transmitter System DR-435 ...................................... 8
6) PLL Synthesizer Circuit DR-435 ........................... 8, 9
7) CPU and Peripheral Circuit ................................. 9, 10
8) Power Supply Circuit ............................................... 10
9) M38267M8L272GP (XA0851)........................... 11~13
SEMICONDUCTOR DATA
1) M5218AFP (XA0068).............................................. 14
2) NJM7808FA (XA0102) ............................................ 14
3) TC4S66F (XA0115) ................................................ 14
4) BU4052BF (XA0236) .............................................. 15
5) TA75S01F (XA0332) ............................................... 15
6) TC4W53FU (XA0348)............................................. 15
7) TA31136FN (XA0404) ............................................. 16
8) LA4425A (XA0410) ................................................. 16
9) M67746 (XA0412) .................................................. 17
10) M57788M (XA0077A) ............................................. 18
11) NJM2902V (XA0596) .............................................. 19
12) 24LC32AT (XA0604) ............................................... 19
13) S-80845ALMP (XA0620) ........................................ 19
14) TK10931V (XA0666)......................................... 20, 21
15) L88MS05TLL (XA0675) .......................................... 22
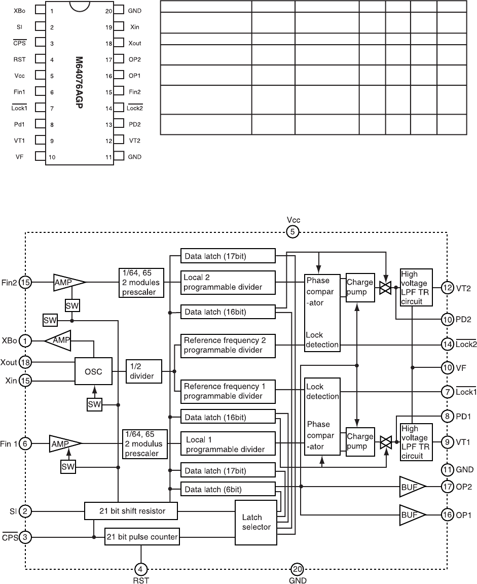
16) M64076AGP (XA0915) ........................................... 23
17) Transistor, Diode and LED Outline Drawing ............ 24
18) LCD Connection (TTR3626UPFDHN) .................... 25
EXPLODED VIEW
1) Top and Front View ................................................. 26
2) Bottom View ............................................................ 27
3) LCD Assembly ........................................................ 28
PARTS LIST
CPU Unit .......................................................... 29, 30
MAIN Unit DR-135 ............................................ 30~33
MAIN Unit DR-435 ............................................ 33~36
VCO Unit DR-435 ................................................... 36
Mechanical Parts .............................................. 36, 37
Packing Parts .......................................................... 37
ACCESSORIES ...................................................... 37
ACCESSORIES (SCREW SET).............................. 37
TNC (EJ41U) .......................................................... 38
TNC (EJ41U) Packing Parts ................................... 39
DR-135 ADJUSTMENT
1) Adjustment Spot .................................................... 40
2) VCO and RX Adjustment Specification ................... 41
3) Tx Adjustment Specification .................................... 41
4) Rx Test Specification ............................................... 42
5) Tx Test Specification ............................................... 43
DR-435 ADJUSTMENT
1) Adjustment Spot .................................................... 44
2) VCO and RX Adjustment Specification ................... 45
3) Tx Adjustment Specification .................................... 46
4) Rx Test Specification ............................................... 47
5) Tx Test Specification ............................................... 48
PC BOARD VIEW
1) CPU Unit Side A ..................................................... 49
2) CPU Unit Side B ..................................................... 49
3) MAIN Unit Side A DR-135 (UP0467A) .................... 50
4) MAIN Unit Side B DR-135 (UP0467A) .................... 50
5) MAIN Unit Side A DR-435 (UP0468A) .................... 51
6) MAIN Unit Side B DR-435 (UP0468A) .................... 51
7) TNC Unit Side A (UP0402) (option) ........................ 52
8) TNC Unit Side B (UP0402) (option) ........................ 52
SCHEMATIC DIAGRAM
1) CPU Unit DR-135 / DR-435 .................................... 53
2) MAIN Unit DR-135 .................................................. 54
3) MAIN Unit DR-435 .................................................. 55
4) TNC Unit (option) .................................................... 56
BLOCK DIAGRAM
1) DR-135 ................................................................... 57
2) DR-435 ................................................................... 58
ALINCO,INC.

2
Frequency coverage DR-135 DR-435
T MkΙΙ 118.000 ~ 135.995MHz (AM RX)
136.000 ~ 173.995MHz (RX)
144.000 ~ 147.995MHz (TX)
350.000 ~ 511.995MHz (RX)
430.000 ~ 449.995MHz (TX)
E MkΙΙ
144.000 ~ 145.995MHz (RX,TX)
Operating mode FM 16K0F3E (Wide mode) 8K50F3E (Narrow mode)
Frequency resolution 5, 8.33, 10, 12.5, 15, 20, 25, 30, 50 kHz
Number of memory
Channels 100
Antenna impedance 50Ω unbalanced
Power requirement 13.8V DC ± 15% (11.7 ~ 15.8V)
Ground method Negative ground
Current drain Receive 0.6A (max.) 0.4A (Squelched)
Transmit 11.0 A max. 10.0 A max
Operating temperature -10˚C ~ 60˚C
Frequency stability ± 2.5 ppm
Dimensions 142 (w)×40 (h)×174 (d) mm
(142×40×188mm for projection included)
Weight Approx.
1.0Kg
Output power Hi 50W 35W
Mid 10W 10W
Low Approx. 4W Approx. 5W
Modulation system Variable reactance frequency modulation
Maximum Frequency deviation ±5kHz (Wide mode) ± 2.5kHz (Narrow mode)
Spurious emission -60dB
Adjacent channel power -60dB
Noise and hum ratio -40dB (Wide mode) -34dB (Narrow mode)
Microphone impedance 2kΩ
Sensitivity -16dBu for 12dB SINAD
Receiver circuit Double conversion super-heterodyne
Intermediate frequency 1st 21.7MHz 2nd 450kHz 1st 30.85MHz 2nd 455kHz
Squelch sensitivity -18dBu
Adjacent channel selectivity -65dB (Wide mode) -55dB (Narrow mode)
Inter-modulation rejection ratio 60dB
Spurious and image rejection
ratio 70dB
Audio output power 2.0W (8Ω, 10 % THD)
! NOTE : All specifications are subject to change without notice or obligation.
SPECIFICATIONS
General
Transmitter
Receiver
3
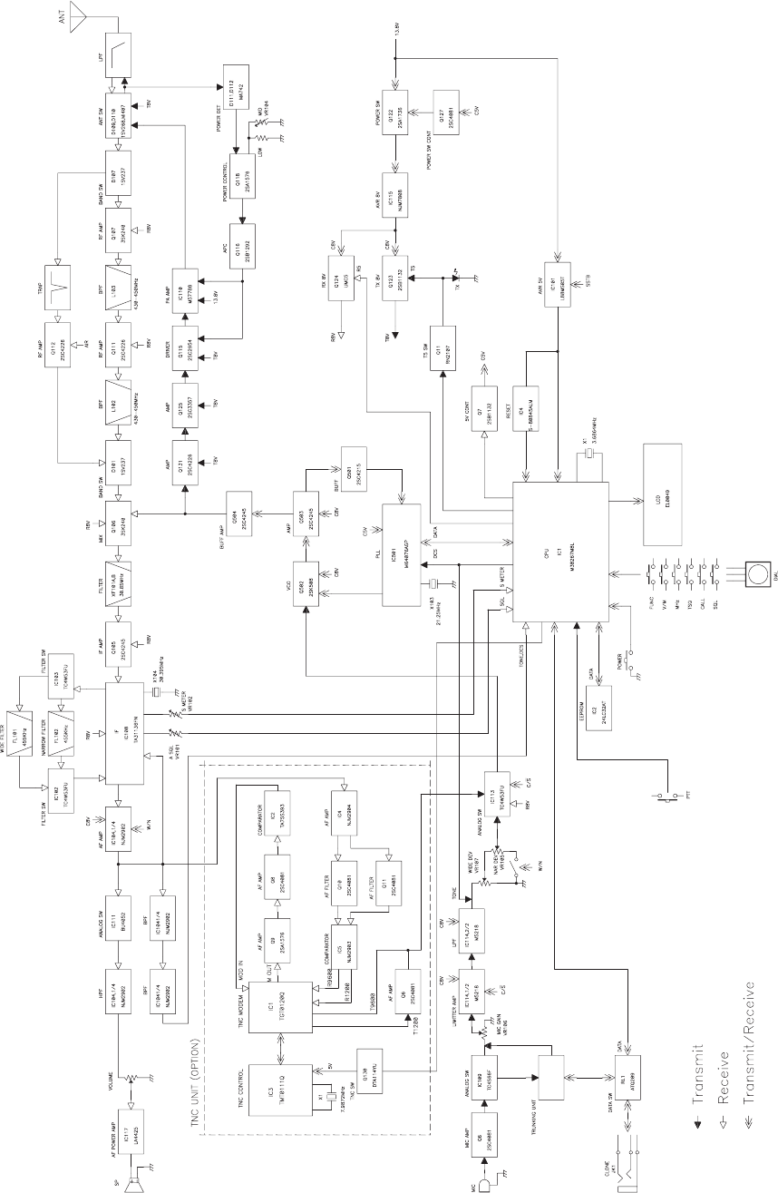
CIRCUIT DESCRIPTION
1) Receiver System DR-135
The receiver system is a double super-heterodyne system with a 21.7MHz first IF and a 450kHz second IF.
1. Front End
The received signal at any frequency in the 136.000MHz to 173.995MHz range
is passed through the low-pass filter (L116, L115, L114, L113, C204, C203,
C202, C216 and C215) and tuning circuit (L105, L104 and D105, D104), and
amplified by the RF amplifier (Q107). The signal from Q107 is then passed
through the tuning circuit (L103, L102, and variable capacitor D103, D102)
and converted into 21.7MHz by the mixer (Q106). The tuning circuit, which
consists of L105, L104, variable capacitor D105 and D104, L103, L102, variable
capacitor D103 and D102, is controlled by the tracking voltage from the VCO.
The local signal from the VCO is passed through the buffer (Q145), and supplied
to the source of the mixer (Q106). The radio uses the lower side of the super-
heterodyne system.
2. IF Circuit
The mixer mixes the received signal with the local signal to obtain the sum of
and difference between them. The crystal filter (XF102, XF101) selects 21.7
MHz frequency from the results and eliminates the signal of the unwanted
frequencies. The first IF amplifier (Q105) then amplifies the signal of the selected
frequency.
3. Demodulator Circuit
After the signal is amplified by the first IF amplifier (Q105), it is input to pin24
of the demodulator IC (IC108). The second local signal of 21.25MHz (shared
with PLL IC reference oscillation), which is oscillated the external oscillator
X102 (VCTCXO), is input through pin 1 of IC108. Then, these two signals are
mixed by the internal mixer in IC108 and the result is converted into the second
IF signal with a frequency of 450kHz. The second IF signal is output from pin
3 of IC108 to the ceramic filter (FL102 or FL101), where the unwanted frequency
band of that signal is eliminated, and the resulting signal is sent back to the
IC108 through pin 5.
The second IF signal input via pin 5 is demodulated by the internal limiter
amplifier and quadrature detection circuit in IC 108, and output as an audio
signal through pin 12.
4
4. Audio Circuit
The audio signal from pin 12 of IC 108 is amplified by the audio amplifier
(IC104:A, IC120), and switched by the signal switch IC (IC111) and then input
it to the de-emphasis circuit.
And is compensated to the audio frequency characteristics in the de-emphasis
circuit (R203, R207, R213, R209, C191, C218, C217) and amplified by the
AF amplifier (IC104:D). The signal is then input to volume (VR1). The adjusted
signal is sent to the audio power amplifier (IC117) through the pin 1 to drive
the speaker.
5. Squelch Circuit
The detected output which is outputted from pin 12 of IC108 is inputted to pin
19 of IC108 after it was been amplified IC104:A, IC120 and it is outputted from
pin 20 after the noise component was been eliminated from the composed
band pass filter in the built in amplifier of the IC, then the signal is rectified by
the internal diode in IC108 to convert into DC component. The adjusted voltage
level at VR101 is delivered to the comparator of the CPU.The voltage is led to
pin 2 of CPU and compared with the setting voltage. The squelch will open if
the input voltage is lower than the setting voltage.
During open squelch, pin 30 (SQC) of the CPU becomes "L" level, AF control
signal is begin controlled and sounds is outputted from speaker.
6. AIR Band Reception (T only)
When the frequency is within 118.000 ~ 135.995MHz, Q110 automatically
turns on, pin 14 of IC 108 becomes "H" level and the condition becomes in AM
detection mode.
The receiver signal passed through the duplexer is let to the antenna switch
(D107, D101). After passing through the band-pass filter, the signal is amplified
by RF amplifier Q112. Secondly the signal is mixed with the signal from the
first local oscillator in the first-mixer Q106, then converted into the first IF. Its
unwanted signal is let to pin 24 of IC106. Then converted into the second IF.
And is demodulated by AM decoder of IC106, and is output from pin 13 as the
AF signal.
7. WIDE/NARROW Switching Circuit
The second IF 450kHz signal which passes through filter FL101 (wide) and
FL102 (narrow) during narrow, changes its width using the width control
switching IC103 and IC102.
5
2) Transmitter System DR-135
1. Modulator Circuit
The audio signal is converted to an electrical signal by the microphone, and
input it to the microphone amplifier (Q6). Amplified signal which passes through
mic-mute control IC109 is adjusted to an appropriate mic-volume by means of
mic-gain adjust VR106.
IC114:A and B consists of two operational amplifiers; one amplifier (pin 1, 2
and 3) is composed of pre-emphasis and IDC circuit and the other (pin 5, 6
and 7) is composed of a splatter filter. The maximum frequency deviation is
obtained by VR107. And input to the signal switch (IC113) (9600 bps packet
signal input switch) and input to the cathode of the variable capacitor of the
VCO, to change the electric capacity in the oscillation circuit. This produces
the frequency modulation.
2. Power Amplifier Circuit
The transmitted signal is oscillated by the VCO, amplified by the drive amplifier
(Q145) and younger amplifier (Q115, Q144), and input to the final power module
(IC110). The signal is then amplified by the final power module (IC110) and
led to the antenna switch (D110) and low-pass filter (L113, L114, L115, L116,
C215, C216, C202, C203 and C204), where unwanted high harmonic waves
are reduced as needed, and the resulting signal is supplied to the antenna.
3. APC Circuit
Part of the transmission power from the low-pass filter is detected by D111
and D112, converted to DC. The detection voltage is passed through the APC
circuit (Q118, Q117, Q116), then it controls the APC voltage supplied to the
younger amplifier Q115 and the final power module IC110 to fix the transmission
power.
3) PLL Synthesizer Circuit DR-135
1. PLL
The dividing ratio is obtained by sending data from CPU (IC1) to pin 2 and
sending clock pulses to pin 3 of the PLL IC (IC116). The oscillated signal from
the VCO is amplified by the buffer (Q134 and Q135) and input to pin 15 of
IC116. Each programmable divider in IC116 divides the frequency of the input
signal by N according to the frequency data, to generate a comparison
frequency of 5 or 6.25 kHz.
2. Reference Frequency Circuit
The reference frequency appropriate for the channel steps is obtained by dividing
the 21.25 MHz reference oscillation (X102) by 4250 or 3400, according to the data
from the CPU (IC1). When the resulting frequency is 5 kHz, channel step of 5, 10,
15, 20, 25, 30 and 50 kHz are used. When it is 6.25 kHz, the 12.5 kHz channel step
is used.
6
3. Phase Comparator Circuit
The PLL (IC116) uses the reference frequency, 5 or 6.25 kHz. The phase
comparator in the IC116 compares the phase of the frequency from the
VCO with that of the comparison frequency, 5 or 6.25 kHz, which is obtained
by the internal divider in IC116.
4. PLL Loop Filter Circuit
If a phase difference is found in the phase comparison between the reference
frequency and the VCO output frequency, the charge pump output (pin 13) of
IC116 generates a pulse signal, which is converted DC voltage by the PLL
loop filter and input to the input to the variable capacitor of the VCO unit for
oscillation frequency control.
5. VCO Circuit
A Colpitts oscillation circuit driven by Q131 directly oscillates the desired frequency.
The frequency control voltage determine in the CPU (IC1) and PLL circuit is input
to the variable capacitor (D122 and D123). This change the oscillation frequency,
which is amplified by the VCO buffer (Q134) and output from the VCO area.
6. VCO Shift Circuit
During transmission or the AIR band Reception (118 ~ 136 MHz), the VCO
shift circuit turns ON Q138, change control the capacitance of L123 and safely
oscillates the VCO by means of H signal from pin 16 of IC116.
4) Receiver System DR-435
The receiver system is a double super-heterodyne system with a 30.85MHz first IF and a 455kHz second IF.
1. Front End
The received signal at any frequency in the 430.000MHz to 449.995MHz range
is passed through the low-pass filter ( L115, L114, L116, C204, C203, C202,
C216 and C215) and amplified by the RF amplifier (Q107). The signal from
Q107 is then passed through the BPF circuit (L103, L102) and converted into
30.85MHz by the mixer (Q106). The local signal from the VCO is passed through
the buffer (Q503, Q504), and supplied to the source of the mixer (Q106). The
radio uses the lower side of the super-heterodyne system.
2. IF Circuit
The mixer mixes the received signal with the local signal to obtain the sum of
and difference between them. The crystal filter (XF101) selects 30.85 MHz
frequency from the results and eliminates the signal of the unwanted
frequencies. The first IF amplifier (Q105) then amplifies the signal of the selected
frequency.
7
3. Demodulation Circuit
After the signal is amplified by the first IF amplifier (Q105), it is input to pin16
of the demodulator IC (IC108). The second local signal of 30.395MHz (Crystal
oscillator) is input through pin 1 of IC108. Then, these two signals are mixed
by the internal mixer in IC108 and the result is converted into the second IF
signal with a frequency of 455kHz. The second IF signal is output from pin 3 of
IC108 to the ceramic filter (FL101 or FL102), where the unwanted frequency
band of that signal is eliminated, and the resulting signal is sent back to the
IC108 through pin 5.
The second IF signal input via pin 5 is demodulated by the internal limiter
amplifier and quadrature detection circuit in IC 108, and output as an audio
signal through pin 9.
4. Audio Circuit
The audio signal from pin 9 of IC 108 is amplified by the audio amplifier
(IC104:A), and switched by the signal switch IC (IC111) and then input it to the
de-emphasis circuit.
And is compensated to the audio frequency characteristics in the de-emphasis
circuit (R203, R207, R213, R209, C191, C218, C217) and amplified by the
AF amplifier (IC104:D). The signal is then input to volume (VR1). The adjusted
signal is sent to the audio power amplifier (IC117) through the pin 1 to drive
the speaker.
5. Squelch Circuit
The detected output which is outputted from pin 9 of IC108 is inputted to pin 8
of IC108 after it was been amplified IC104:A and it is outputted from pin 7 after
the noise component was been eliminated from the composed band pass
filter in the built in amplifier of the IC, then the signal is rectified by the internal
diode in IC108 to convert into DC component. The adjusted voltage level at
VR101 is delivered to the comparator of the CPU.The voltage is led to pin 2 of
CPU and compared with the setting voltage. The squelch will open if the input
voltage is lower than the setting voltage.
During open squelch, pin 30 (SQC) of the CPU becomes "L" level, AF control
signal is begin controlled and sounds is outputted from speaker.
6. WIDE/NARROW Switching circuit
The second IF 455kHz signal which passes through filter FL101 (wide) and
FL102 (narrow) during narrow, changes its width using the width control
switching IC103 and IC102.
8
5) Transmitter System DR-435
1. Modulator Circuit
The audio signal is converted to an electrical signal by the microphone, and
input it to the microphone amplifier (Q6). Amplified signal which passes through
mic-mute control IC109 is adjusted to an appropriate mic-volume by means of
mic-gain adjust VR106.
IC114:A and B consists of two operational amplifiers; one amplifier (pin 1, 2
and 3) is composed of pre-emphasis and IDC circuit and the other (pin 5, 6
and 7) is composed of a splatter filter. The maximum frequency deviation is
obtained by VR107. And input to the signal switch (IC113) (9600 bps packet
signal input switch) and input to the cathode of the variable capacitor of the
VCO, to change the electric capacity in the oscillation circuit. This produces
the frequency modulation.
2. Power Amplifier Circuit
The transmitted signal is oscillated by the VCO, amplified by the drive amplifier
(Q131, Q125) and younger amplifier (Q115), and input to the final power module
(IC110). The signal is then amplified by the final power module (IC110) and
led to the antenna switch (D110) and low-pass filter (L1163, L114, L115, C215,
C216, C202, C203 and C204), where unwanted high harmonic waves are
reduced as needed, and the resulting signal is supplied to the antenna.
3. APC Circuit
Part of the transmission power from the low-pass filter is detected by D111
and D112, converted to DC. The detection voltage is passed through the APC
circuit (Q118, Q117, Q116), then it controls the APC voltage supplied to the
younger amplifier Q115 and the final power module IC110 to fix the transmission
power.
6) PLL Synthesizer Circuit DR-435
1. PLL
The dividing ratio is obtained by sending data from CPU (IC1) to pin 2 and
sending clock pulses to pin 3 of the PLL IC (IC501). The oscillated signal from
the VCO is amplified by the buffer (Q503 and Q501) and input to pin 15 of
IC501. Each programmable divider in IC501 divides the frequency of the input
signal by N according to the frequency data, to generate a comparison
frequency of 5 or 6.25 kHz.
2. Reference Frequency Circuit
The reference frequency appropriate for the channel steps is obtained by
dividing the 21.25 MHz reference oscillation (X102) by 4250 or 3400, according
to the data from the CPU (IC1). When the resulting frequency is 5 kHz, channel
step of 5, 10, 15, 20, 25, 30 and 50 kHz are used. When it is 6.25 kHz, the 12.5
kHz channel step is used.
9
3. Phase Comparator Circuit
The PLL (IC501) uses the reference frequency, 5 or 6.25 kHz. The phase
comparator in the IC501 compares the phase of the frequency from the VCO
with that of the comparison frequency, 5 or 6.25 kHz, which is obtained by the
internal divider in IC501.
4. PLL Loop Filter Circuit
If a phase difference is found in the phase comparison between the reference
frequency and the VCO output frequency, the charge pump output (pin 13) of
IC501 generates a pulse signal, which is converted DC voltage by the PLL
loop filter and input to the input to the variable capacitor of the VCO unit for
oscillation frequency control.
5. VCO Circuit
A Colpitts oscillation circuit driven by Q502 directly oscillates the desired
frequency. The frequency control voltage determine in the CPU (IC1) and PLL
circuit is input to the variable capacitor (D502 and D503). This change the
oscillation frequency, which is amplified by the VCO buffer (Q503, Q504) and
output from the VCO unit.
7) CPU and Peripheral Circuits
1. LCD Display Circuit
The CPU turns ON the LCD via segment and common terminals with 1/4 the
duty and 1/3 the bias, at the frame frequency is 64 Hz.
2. Dimmer Circuit
The dimmer circuit makes the output of pin 13 of CPU (IC1) into "H" level at
set mode, so that Q9 and Q3 will turn ON to make the lamp control resistor
R84 short and make its illumination bright. But on the other hand, if the dimmer
circuit makes pin 13 into "L" level, Q9 and Q3 will turn OFF, R84's illumination
will become dimmer as its hang on voltage falls down in the working LED
(D11, D2, D5, D3 and D6).
3. Reset and Backup
When the power from the DC cable increases from Circuits 0 V to 2.5 V or
more, "H" level reset signal is output from the reset IC (IC4) to pin 33 of the
CPU (IC1), causing the CPU to reset. The reset signal , however, waits at 100,
and dose not enter the CPU until the CPU clock (X1) has stabilized.
4. S(Signal) Meter Circuit
The DC potential of IF IC is input to pin 1 of the CPU (IC1), converted from an
analog to a digital signal, and displayed as the S-meter signal on the LCD.
10
5. DTMF Encoder
The CPU (IC1) is equipped with an internal DTMF encoder. The DTMF signal
is output from pin 10, through R35, R34 and R261 (for level adjustment), and
then through the microphone amplifier (IC114:A), and is sent to the variable
capacitor of the VCO for modulation. At the same time, the monitoring tone
passes through the AF circuit and is output from the speaker.
6. Tone Encoder
The CPU (IC1) is equipped with an internal tone encoder. The tone signal
(67.0 to 250.3 Hz) is output from pin 9 of CPU to the variable capacitor (D122
and D123) of the VCO for modulation.
7. DCS Encoder
The CPU (IC1) is equipped with an internal DCS code encoder. The code
(023 to 754) is output from pin 9 of CPU to the variable capacitor (D124) of
the PLL reference oscillator. When DCS is ON, DCS MUTE circuit (Q126-
ON, Q133-ON, Q132-OFF) works. The modulation activates in X102 side
only.
8. CTCSS, DCS Decoder
The voice band of the AF output signal from pin 1 of IC104:A is cut by sharp
active filter IC104:B and C (VCVS) and amplified, then led to pin 4 of CPU.
The input signal is compared with the programmed tone frequency code in
the CPU. The squelch will open when they match. During DCS, Q108 is ON,
C156 is working and cut off frequency is lowered.
8) Power Supply Circuit
When power supply is ON, there is a "L" signal being inputted to pin 39 (PSW) of CPU which enables
the CPU to work.
Then, "H" signal is outputted from pin 41 (C5C) of CPU and drives ON the power supply switch
control Q8 and Q7 which turns the 5VS ON.
5VS turns ON the PLL IC (IC116), main power supply switch Q127 and Q122, AF POWER IC117
and the 8V of AVR (IC115).
During reception, pin 29 (R5) of CPU outputs "H" level, Q124 is ON, and the reception circuits
supplied by 8 V. While during transmission, pin 28 (T5) of CPU outputs "L" level which is reverse by
Q11 so that the output in Q128 will be "H" level, Q123 is ON, and the transmission circuit is supplied
by 8 V.
Or, in the case when the condition of PLL is UNLOCK, "H" level is outputted from pin 14 of PLL IC,
UNLOCK switch Q129 is ON, transmission switch Q128 is OFF which makes the transmission to
stop.
1. ACC External Power Supply Terminal
When optional power supply cord EDC-37 etc. is connected to the external
power supply terminal JK101, with ACC power supply ON, switch Q101 will
turn ON, 5 V of AVR IC101 pin 2 (STB) becomes "L" which makes C5V to turn
ON. With this, it can turn the power supply of the radio ON.

11
9) M3826M8L272GP (XA0851)
CPU
Terminal Connection
(TOP VIEW)
272

12
No. Pin Name Function I/O PU Logic Description
1 P67/AN7 SMT I - A/D S-meter input
2 P66/AN6 SQL I - A/D Noise level input for squelch
3 P65/AN5 BAT I - A/D Battery voltage input
4 P64/AN4 TIN I - A/D CTCSS tone input/DSC code input
5 P63/SCLK22/AN3 BP1 I - A/D Band plan 1
6 P62/SCLK21/AN2 BP2 I - A/D Band plan 2
7 P61/SOUT2/AN1 DCSW O - Activ high DCS signal mute
8 P60/SIN2/AN0 RE2 I - Activ low Rotary encoder input
9 P57/ADT/DA2 TOUT O - D/A CTCSS tone output/DCS tone output
10 P56/DA1 DOUT O - D/A DTMF output
11 P55/CNTR1 SCL O - Pulse Serial clock for EEPROM
12 P54/CNTR0 TBST O - Pulse Tone burst output
13 P53/RTP1 BP4 I - - Band plan 4
14 P52/RTP0 MUTE I/O - Activ low Microphone mute/Security alarm SW
15 P51/PWM3 CLK O - Pulse Serial clock output for PLL,scramble
16 P50/PWM DATA I/O - Pulse
17 P47/SROY1 TSTB I/O - Activ low/Pulse
18 P46/SCLK1 STB O - Pulse Strobe for PLL IC
19 P45/TXD UTX O - Pulse UART data transmission output
20 P44/RXD RTX I - Pulse UART data reception output
21 P43/ /TOUT BEEP I/O - Pulse/Activ low Beep tone/Band plan 3
22 P42I/NT2 SEC I - Activ high Security voltage input
23 P41/INT1 RE1 I - Activ low Rotary encoder input
24 P40 DSQ I - Activ high Digital squelch input
25 P77 PTT I - Activ low PTT input
26 P7 SSTB O - Pulse/Activ low Strobe signal to scramble IC/Security mode
27 P75 W/N O - Activ low Wide Narrow SW
28 P74 T5 O - Activ low TX power ON/OFF output
29 P73 R5 O - Activ high RX power ON/OFF output
30 P72 SQC O - Activ low SQL ON/OFF
31 P71 C/S O - Activ low Digital scramble ON/OFF
32 P70/INTO BU I - Activ low Backup signal detection input
33 RESET RESET I - Activ low Reset input
34 Xcin Xcin - - - -
35 Xcout Xcout - - - -
36 Xin Xin - - - Main clock input
37 Xout Xout - - - Main clock output
38 Vss GND - - - CPU GND
39 P27 PSW I - Avtiv low Power switch input
40 P26 SDA O - Pulse Serial data for EEPROM
41 P25 C5C O - Activ high C5V power ON/OFF output
42 P24 AIR O - Activ high Air band SW / Tx middle power
43 P23 LOW O - Activ high Tx low power
44 P22 EXP O - Activ high Trunking data SW
45 P21 SW6 I Activ low Key sw6 (SQL)
46 P20 SW5 I Activ low Key sw5 (CALL)
47 P17 SW4 I Activ low Key sw4 (TSQ)
48 P16 SW3 I Activ low Key sw3 (MHz)
49 P15/SEG39 SW2 I Activ low Key sw2 (V/M)
50 P14/SEG38 SW1 I Activ low Key sw1 (FUNC)
51 P13/SEG37 DOWN I Activ low Mic down input
52 P12/SEG36 DUD I - - Digital unit detect
53 P11/SEG35 SCR I Active low Scramble IC ready signal/Packet PTT
54 P10/SEG34 UP I Active low Mic down input
55 P07/SEG33 S33 O - - LCD segment signal
Serial data output for PLL scramble/PLL unlock signal input
Trunking board detection / Strobe signal to trunking board

13
No. Pin Name Function I/O PU Logic Description
56 P06/SEG32 S32 O - -
57 P05/SEG31 S31 O - -
58 P04/SEG30 S30 O - -
59 P03/SEG29 S29 O - -
60 P02/SEG28 S28 O - -
61 P01/SEG27 S27 O - -
62 P00/SEG26 S26 O - -
63 P37/SEG25 S25 O - -
64 P36/SEG24 S24 O - -
65 P35/SEG23 S23 O - -
66 P34/SEG22 S22 O - -
67 P33/SEG21 S21 O - -
68 P32/SEG20 S20 O - -
69 P31/SEG19 S19 O - -
70 P30/SEG18 S18 O - -
71 SEG17 S17 O - -
72 SEG16 S16 O - -
73 SEG15 S15 O - -
74 SEG14 S14 O - -
75 SEG13 S13 O - -
76 SEG12 S12 O - -
77 SEG11 S11 O - -
78 SEG10 S10 O - -
79 SEG9 S9 O - -
80 SEG8 S8 O - -
81 SEG7 S7 O - -
82 SEG6 S6 O - -
83 SEG5 S5 O - -
84 SEG4 S4 O - -
85 SEG3 S3 O - -
86 SEG2 S2 O - -
87 SEG1 S1 O - -
88 SEG0 S0 O - -
LCD segment signal
89 Vcc VDD - - - CPU power terminal
90 Vref Vref - - - AD converter power supply
91 Avss Avss - - - AD converter GND
92 COM3 COM3 O - - LCD COM3 output
93 COM2 COM2 O - - LCD COM2 output
94 COM1 COM1 O - - LCD COM1 output
95 COM0 COM0 O - - LCD COM0 output
96 VL3 VL3 - - -
97 VL2 VL2 - - - LCD power supply
98 C2 I - - - -
99 C1 C1 - - - -
100 VL1 VL1 I - A/D LCD power supply

14
SEMICONDUCTOR DATA
1) M5218FP (XA0068)
Power Supply Plus
Output 2
Inverting Input 2
Non Inverting Input 2
8
7
6
5
Output 1
Inverting Input 1
Non Inverting Input 1
Power supply Minus
1
2
3
4
Dual Low Noise Operational Amplifiers
2) NJM7808FA (XA0102)
1. OUTPUT
2. COMMON
3. INPUT
Voltage Regulator
123
3) TC4S66F (XA0115)
Bilateral Switch

15
4) BU4052BF (XA0236)
Analog Multiplexer/De-multiplexer
5) TA75S01F (XA0332)
54
132
S A
54
132
Vcc
IN(+) IN(-)V
EE
OUT
+
-
Printing
(top view) Pin Assignment
(top view)
Single Operational Amplifer
6) TC4W53FU (XA0348)
Control input ON channel
INH
L
L
H
A
L
H
*
ch0
ch1
NONE
* Don't Care
Function Table
Multiplexer/De-multiplexer
COMMON
INH
VEE
VSS
VDD
ch0
ch1
A

16
7) TA31136FN (XA0404)
Narrow Band FM IF IC
8) LA4425A (XA0410)
4
+
+
+
12345
Input
1000µF
2.2µF
1000µF
13.2V
Vcc
SP
1
2
5
3
4Ω
Vcc=13.2V RL=4 Po =5W Gain= 45dB
LA4425
5W Audio Power Amplifier
Test Circuit

17
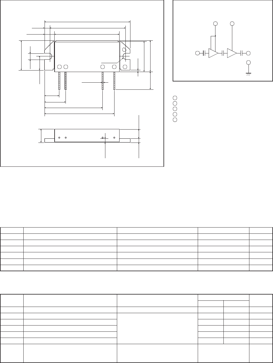
9) M67746 (XA0412)
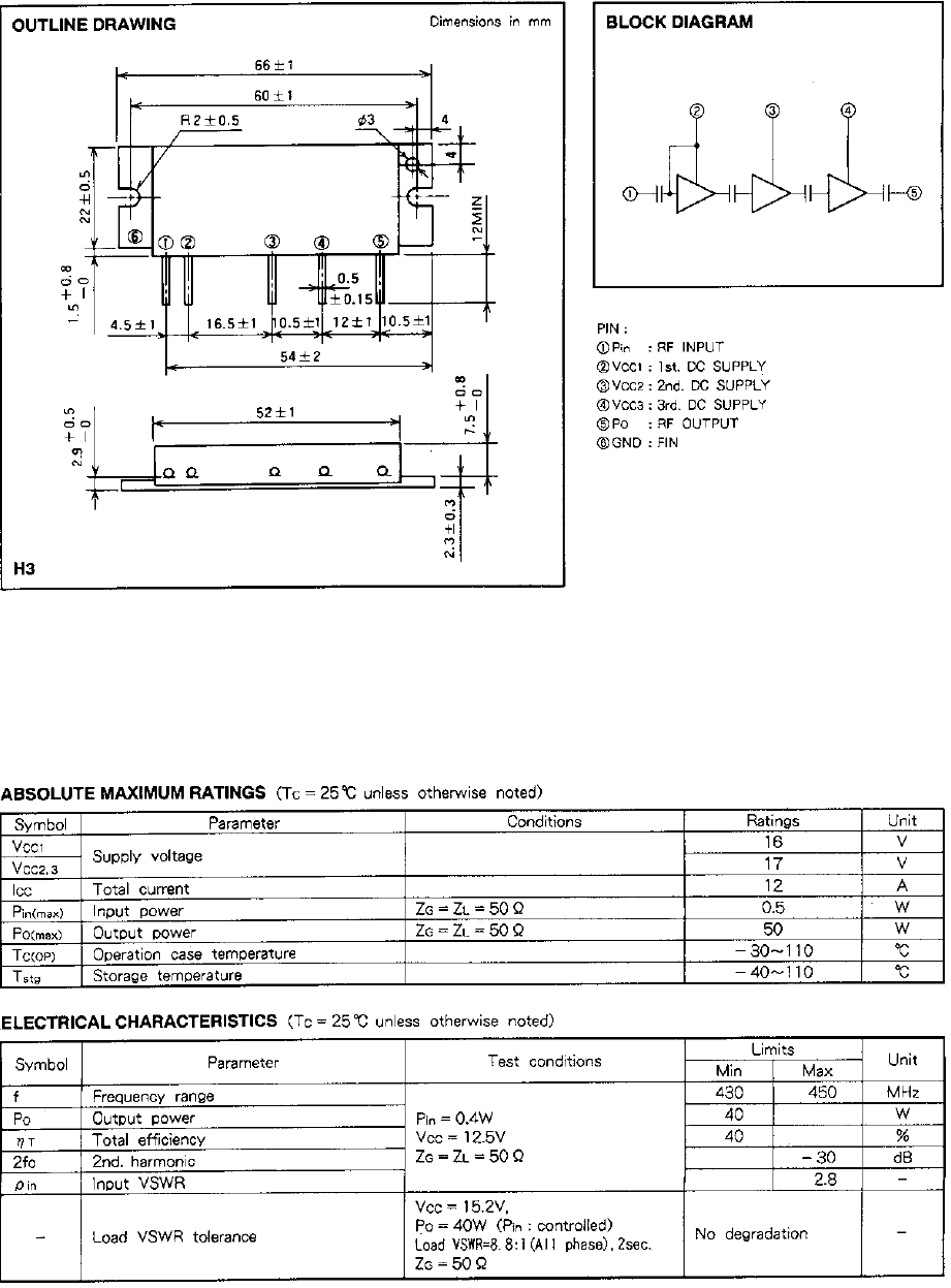
PIN:
P
in
: RF INPUT
V
CC1
: 1st. DC SUPPLY
V
CC2
: 2nd. DC SUPPLY
P
O
: RF OUTPUT
GND: FIN
BLOCK DIAGRAM
1
2
3
4
5
Symbol Parameter Test conditions Limits
Min Max Unit
f
P
O
η
T
2f
O
ρ
in
Frequency range
Output power
Total efficiency
2nd. harmonic
Input VSWR
V
CC1
=V
CC2
=15.2V
P
O
=60W (P
in
:controlled), Z
G
=50Ω
Load VSWR=8:1 (All phase)
144 148
50
-30
No degradation or
destroy
MHz
W
%
dBc
-
Note. Above parameters, ratings, limits and test conditions are subject to change.
ELECTRICAL CHARACTERISTICS
(Tc=25˚C unless otherwise noted)
Symbol Parameter Conditions Ratings Unit
ABSOLUTE MAXIMUM RATINGS
(Tc=25˚C unless otherwise noted)
Note. Above parameters are guaranteed independently.
VV
CC
Supply voltage
A20I
CC
Total current
mW600P
in (max)
Input power
W70P
O (max)
Output power
˚C-30 to +110T
C (OP)
Operation case temperature
˚C-40 to +110T
stg
Storage temperature
Z
G
=Z
L
=50Ω
Z
G
=Z
L
=50Ω17
5
4
2 3
1
Load VSWR tolerance-
Z
G
=Z
L
=50Ω, V
CC1
≤12.5V
V
CC1
=V
CC2
=12.5V, P
in
=300mW
Z
G
=Z
L
=50Ω
3f
O
3rd. harmonic -30 dBc
-
3
60
Z
G
=Z
L
=50Ω, V
CC1
≤12.5V
Z
G
=Z
L
=50Ω, V
CC1
≤12.5V
OUTLINE DRAWING
66±0.5
60±0.5
51.5±0.5
2-R2±0.5
16.5±1
H2
Dimensions in mm
12±1
1 2 3 4 5
7.25±0.8
3±0.3
43.5±1
55.5±1
φ
0.82±0.15
21±0.5
4±0.3
10±0.5
(9.8)
1.5+0.8
-0
21.5±0.5
22.5±0.514±1
2.3±0.3
3.1±0.4
7.5+0.8
-0
144~148MHZ 60W RF Power Module

18
10) M57788M (XA0077A)
4
30~450MHz 40W RF Power Module

19
11) NJM2902V (XA0596)
1. A OUTPUT 8. C OUTPUT
2. A−INPUT 9. C−INPUT
3. A+INPUT 10. C
+
INPUT
4. V+ 11. GND
5. B
+
INPUT 12. D
+
INPUT
6. B−INPUT 13. D−INPUT
7. B OUTPUT 14. D OUTPUT
Quad Operational Amplifiers
12) 24LC32A (XA0604)
A0
A1
A2
Vss SDA
SCL
WP
Vcc Name Function
Vss Ground
A0..A2 User Configurable Chip Selects
SDA Serial Address/Data I/O
SCL Serial Clock
WP Write Protect Input
Vcc +2.5V~6.0V Power Supply
EEPROM
13) S-80845ALMP (XA0620)
Voltage Detector

20
14) TK10931V (XA0666)
TEST CIRCUIT
~
51 10.7 MHz
VCC
0.01 µF
+
10 µF 51 k
+
1 µF
+
1 µF
270 k
1 k +
10 µF
20 k 20 k
10
k
0.1 µF
10
k
0.1 µF
VCC 8.2 k
0.01 µF
10 k
0.01 µF
7BRE-7437Z
0.1 µF
30 k
10 pF
0.1 µF
0.1 µF
10.245 MHz
33 pF
120 pF
CFU455F
0.1 µF 0.1 µF
+
VCC
0.01 µF 10 µF
30 k
~
OSC MIXER
COMP
ECT
+
-
AMP
Vref
AGC AM DET
RSSI
Narrow Band AM/FM IF IC

21
SYMBOL PARAMETER TEST CONDITIONS MIN TYP MAX UNITS
SYMBOL PARAMETER TEST CONDITIONS MIN TYP MAX UNITS
I
CC
Supply Current No Input, AM ON
No Input, AM OFF
Using CFU455F
DC Measurement
±3 kHz DEV
+80 dBµ ±3 kHz DEV
+80 dBµ
fIN
=
1 kHz, Rf
= 270 kΩ
RIN
=
1
kΩ
Squelch Input 2.5 V
Squelch Input 0 V
No Input
VIN
=
+40 dBµ
VIN
=
+100 dBµ
5.3
3.7
22
3.6
11
80
1.0
47
mA
mA
dB
G
M
Mixer Conversion Gain
Mixer Input Resistance
12 dB SINAD
Demodulation Output Voltage
1
Total Harmonic Distortion
Filter Amplifier Gain
Sensitivity
Demodulation Output Voltage
Total Harmonic Distortion 2
Total Harmonic Distortion 3
Input Level when Output Level
= 20 mVrms
Non Modulation
VIN
=
+60 dBµ
1 kHz 30%, VIN
=
+60 dBµ
1 kHz 30%, VIN
=
+60 dBµ
1 kHz 80%, VIN
=
+60 dBµ
AGC Amplifier Output Level
AM OFF Voltage
AM ON Voltage
SCAN Control High Level
SCAN Control Low Levelv
Squelch Hysteresis
RSSI Output Voltage
RF Automatic Gain Control RF AGC OUT V16=1 V
R
IM
FM PORTION
AM PORTION
SINAD
V
OUT(DET)2
55
2.5 V
62
35
500
-0.3
0.8VCC
mVP-P
1.0
0.4
0.0
69
16
50
1.0
2.0
23
65
2.0
4.0
0.3
1.4
0.8
0.1
7.1
5.0
18
105
2.0
76
1.8
1.2
0.5
0.3 V
67
kΩ
dBµ
mVrms
%
dB
dBµ
dBµ
V
V
V
V
mV
mV
%
%
THD1
S
V
OUT(DET)1
vol
(AGC)
V
OFF
V
ON
THD2
THD3
G
f
S
H
S
L
HYS
V
RSSI
RF
AGC
ELECTRICAL CHARACTERISTICS (CONT.)
Test Conditions: V
CC
=
3.0 V, T
A
= 25 ˚C, unless otherwise specified.
ELECTRICAL CHARACTERISTICS
Test Conditions: V
CC
=
3.0 V, T
A
= 25 ˚C, unless otherwise specified.

22
15) L88MS05TLL (XA0675)
1
1. VIN
2. STB
3. GND
4. Cn
5. VOUT
2345
Start-up circuit
Reference voltage
Error
amp
Thermal protector
Short circuit
protector
ON/OFF
Control
5V Voltage Regulator with On/Off Function

23
16) M64076AGP (XA0915)
Equivalent Circuit
Dual PLL Synthesizer
Parameter Symbol Condition Min. Typ. Max. Unit
Power supply voltage Vcc Vin=-10dBm
LPF supply voltage VF
Local oscillator input level Vin
Vcc=2.7~5.5V
Local oscillator input frequency Fin
Vcc=2.7~5.5V
Xin input level Vxin Fxin=10~25MHz
Sine wave
Xin input frequency Fxin Vxin=0.4~1.4Vp-p
Vcc=2.7~5.5V
Vcc=2.7~5.5V
Vin=-20~-4dBm
Fin=80~520MHz
- - 12 V
Fin=80~520MHz 3.0 - 5.5 V
-15 - 0 dBm
100 - 650 MHz
0.4 - 1.4 Vp-p
10 - 25 MHz

24
17) Transistor, Diode and LED Outline Drawing
A
T1
K52
G
SD
XG
G
SD
JP
C
BE
FR
C
BE
C
BE
QY
C
BE
V12 HQ
G1 G2
DS
Top View
2SC4245
XT0125
HB
C
BE
2SC4226
XT0141
R24
C
BE
3SK184S
XE0013
3RS
G1
DS
G2
BB
RLS-73
XD0363
2SA1036K
XT0110 2SA1576
XT0094
TD
K
VD
DA204U
XD0130
1SV262
XD0300 1SV268
XD0301
1SS355
XD0254
B
LD
CE
2SA1736
XT0099
1SV214
XD0131 1SV237
XD0141
1SS356
XD0272
2SK508
XE0010
2SK880GR
XE0021
BR
C
BE
B1292
BCE
KQ
C
BCE
R24
C
BE
2SC3356
XT0030
RE
C
BE
2SC3357
XT0048
BCE
BA
PQ
C
2SB1132
XT0061 2SB1292F
XT0112 2SC2954
XT0084 2SC4081
XT0095 2SC4099
XT0096
2SC4215
XT0124
54
C
BE
24
C
BE
DTA114YU
XU0112 DTC114EU
XU0131
3SK131V12
XE0028
26
C
BE
DTC144EUA
XU0148
V12
E2
C2 C1/B2
B1 E1
UMC3TR
XU0047
C5
E2
C2 C1/B2
B1 E1
UMC5N
XU0152 U1BC44
XD0135
9M
B2
C2 C1
EB1
XP1215
XU0178
2B
M
DAN235U
XD0246 DSA3A1
XD0131 MA729
XD0300
-8^2
MA8100
XD0297
A2
UDZ5. 1B
XD 0165
MA304
XD0299
MI7
MA742
XD0250
MI407
XD0013
M1U
64
C
BE
DTC144YU
XU0029 FA1111C
XL0069 FA1111C
XL0077
GC

25
18) LCD Connection (TTR3626UPFDHN)
SEG33
SEG32
SEG31
SEG30
SEG29
SEG28
SEG26
SEG25
SEG24
SEG23
SEG22
SEG21
SEG20
SEG19
SEG18
SEG17
SEG16
SEG15
SEG14
SEG13
SEG12
SEG11
SEG10
SEG9
SEG8
SEG27
SEG7
SEG6
SEG5
SEG4
SEG3
SEG2
SEG1
SEG0
SEG
COM2
COM1
COM0
COM3
COM

26
EXPLODED VIEW
1) Top and Front View
AA0050
DR-135 : DP0157
DR-435 : DP0158
FG0273
KZ0105
NK0073
NK0072
AV0006
AV0006

27
2) Bottom View
FF0015
AE0029
AA0050
AV0006
UA0037Y
AV0006
AZ0042
UE0401
YZ0131
UX1251
AW0001
AV0006
AV0006
ST0065
ES0017 FG0320
UX1047
ST0066
TG0034
UE0258
KS0068
SS0093

28
3) LCD Assembly
FF0017
NUT (UE0035)
FM0034
FG0305
CPU BOARD
ST0064
EL0049
TL0024
DG0037
TL0023
NUT ST0068

29
PARTS LIST
CPU Unit
DR-135 DR-435
C1 CU3111 Chip C. C1608JB1C104KT-N 1 1
C2 CU3111 Chip C. C1608JB1C104KT-N 1 1
C3 CU3049 Chip C. C1608JB1E153KT-NS 1 1
C4 CU3049 Chip C. C1608JB1E153KT-NS 1 1
C5 CU3111 Chip C. C1608JB1C104KT-N 1 1
C6 CU3023 Chip C. C1608CH1H101JT-AS 1 1
C7 CU3023 Chip C. C1608CH1H101JT-AS 1 1
C8 CU3043 Chip C. C1608JB1H472KT-NS 1 1
C9 CU3111 Chip C. C1608JB1C104KT-N 1 1
C10 CU3043 Chip C. C1608JB1H472KT-NS 1 1
C11 CU3043 Chip C. C1608JB1H472KT-NS 1 1
C12 CU3101 Chip C. C1608JB1C473KT-NS 1 1
C13 CS0049 Chip tantalum TMCSA1C105MTR 1 1
C14 CU3014 Chip C. C1608CH1H180JT-AS 1 1
C15 CU3014 Chip C. C1608CH1H180JT-AS 1 1
C16 CU3035 Chip C. C1608JB1H102KT-AS 1 1
C17 CS0424 Chip tantalum TMCMA1C106MTR 1 1
C18 CU3035 Chip C. C1608JB1H102KT-AS 1 1
C19 CU3111 Chip C. C1608JB1C104KT-N 1 1
C20 CU3101 Chip C. C1608JB1C473KT-NS 1 1
C21 CU3047 Chip C. C1608JB1H103KT-N 1 1
C22 CU3035 Chip C. C1608JB1H102KT-AS 1 1
C23 CU3047 Chip C. C1608JB1H103KT-N 1 1
C24 CU3035 Chip C. C1608JB1H102KT-AS 1 1
C25 CU3035 Chip C. C1608JB1H102KT-AS 1 1
C26 CU3035 Chip C. C1608JB1H102KT-AS 1 1
C27 CU3035 Chip C. C1608JB1H102KT-AS 1 1
C28 CS0394 Chip tantalum TMCMB0J476MTR 1 1
C29 CS0049 Chip tantalum TMCSA1C105MTR 1 1
C30 CS0424 Chip tantalum TMCMA1C106MTR 1 1
C31 CU3047 Chip C. C1608JB1H103KT-N 1 1
C32 CU3047 Chip C. C1608JB1H103KT-N 1 1
CN1 UE0398 Connector 205082-301-017-100 1 1
CN2 UE0398 Connector 205082-301-017-100 1 1
CN3 UE0035 Mic Connector FM214-8SMPY 1 1
D1 XL0069 Chip LED FA1111C-TR 1 1
D2 XL0077 Chip LED FA1111C-732-TR 1 1
D3 XL0077 Chip LED FA1111C-732-TR 1 1
D4 XL0069 Chip LED FA1111C-TR 1 1
D5 XL0077 Chip LED FA1111C-732-TR 1 1
D6 XL0077 Chip LED FA1111C-732-TR 1 1
D8 XD0254 Chip Diode 1SS355 TE17 1 1
D9 XD0291 Chip Diode MA729-TX 1 1
D10 XD0135 Chip Diode U1BC44 TE12R 1 1
D11 XL0077 Chip LED FA1111C-732-TR 1 1
D12 XD0165 Chip Diode UDZSTE-17 5.1B 1 1
D13 XD0165 Chip Diode UDZSTE-17 5.1B 1 1
D14 XD0291 Chip Diode MA729-TX 1 1
D15 XD0165 Chip Diode UDZSTE-17 5.1B 1 1
D16 XD0291 Chip Diode MA729-TX 1 1
D17 XD0291 Chip Diode MA729-TX 1 1
D19 XD0363 Chip Diode RLS-73TE-11 1 1
IC1 XA0851 CPU CPU DR135/235/435 1 1
IC2 XA0604 IC 24LC32AT-I/SN 1 1
IC4 XA0620 IC S-80845ALMP-EA9-T2 1 1
IC5 XA0675 IC L88MS05TLL-TL 1 1
JK1 UJ0047 Jack HSJ2013-01-120 1 1
JP3 MACL04AA Wire #30A02-040-02 1 1
LCD1 EL0049 LCD TTR3626 UPTDHN 1 1
Q1 XU0193 Chip Transistor RN1107 TE85L 1 1
Q2 XU0063 Chip Transistor UN9211 TX 1 1
Q3 XT0110 Chip Transistor 2SA1036K T146Q 1 1
Q4 XU0063 Chip Transistor UN9211 TX 1 1
Q5 XU0063 Chip Transistor UN9211 TX 1 1
Q6 XT0095 Chip Transistor 2SC4081 T106R 1 1
Q7 XT0061 Chip Transistor 2SB1132T 100Q 1 1
Q8 XU0193 Chip Transistor RN1107 TE85L 1 1
Q9 XU0195 Chip Transistor RN1104 TE85L 1 1
Q10 XU0063 Chip Transistor UN9211 TX 1 1
Q11 XU0192 Chip Transistor RN2107 TE85L 1 1
Q12 XU0192 Chip Transistor RN2107 TE85L 1 1
Q13 XU0192 Chip Transistor RN2107 TE85L 1 1
R1 RK3054 Chip R. MCR03EZHJ223 1 1
R4 RK3054 Chip R. MCR03EZHJ223 1 1
R5 RK3050 Chip R. MCR03EZHJ103 1 1
R6 RK3050 Chip R. MCR03EZHJ103 1 1
R7 RK3023 Chip R. MCR03EZHJ560 1 1
R8 RK3023 Chip R. MCR03EZHJ560 1 1
Qty. Ver.Ref No. Parts No. Description Parts Name DR-135 DR-435
R9 RK3038 Chip R. MCR03EZHJ102 1 1
R10 RK3032 Chip R. MCR03EZHJ331 1 1
R11 RK3046 Chip R. MCR03EZHJ472 1 1
R13 RK3001 Chip R. MCR03EZHJ000 1 E
R14 RK3048 Chip R. MCR03EZHJ682 1 1
R15 RK3001 Chip R. MCR03EZHJ000 1 T
R16 RK3001 Chip R. MCR03EZHJ000 1 1 T
R19 RK3062 Chip R. MCR03EZHJ104 1 1
R20 RK3046 Chip R. MCR03EZHJ472 1 1
R21 RK3030 Chip R. MCR03EZHJ221 1 1
R22 RK3038 Chip R. MCR03EZHJ102 1 1
R23 RK3064 Chip R. MCR03EZHJ154 1 1
R25 RK3050 Chip R. MCR03EZHJ103 1 1
R26 RK3050 Chip R. MCR03EZHJ103 1 1
R27 RK3050 Chip R. MCR03EZHJ103 1 1
R28 RK3038 Chip R. MCR03EZHJ102 1 1
R29 RK3038 Chip R. MCR03EZHJ102 1 1
R30 RK3038 Chip R. MCR03EZHJ102 1 1
R31 RK3038 Chip R. MCR03EZHJ102 1 1
R32 RK3044 Chip R. MCR03EZHJ332 1 1
R33 RK3034 Chip R. MCR03EZHJ471 1 1
R34 RK3047 Chip R. MCR03EZHJ562 1 1
R35 RK3052 Chip R. MCR03EZHJ153 1 1
R36 RK3062 Chip R. MCR03EZHJ104 1 1
R37 RK3049 Chip R. MCR03EZHJ822 1 1
R38 RK3050 Chip R. MCR03EZHJ103 1 1
R39 RK3058 Chip R. MCR03EZHJ473 1 1
R40 RK3062 Chip R. MCR03EZHJ104 1 1
R41 RK3026 Chip R. MCR03EZHJ101 1 1
R42 RK3050 Chip R. MCR03EZHJ103 1 1
R43 RK3050 Chip R. MCR03EZHJ103 1 1
R44 RK3026 Chip R. MCR03EZHJ101 1 1
R45 RK3050 Chip R. MCR03EZHJ103 1 1
R47 RK3038 Chip R. MCR03EZHJ102 1 1
R48 RK3038 Chip R. MCR03EZHJ102 1 1
R49 RK3038 Chip R. MCR03EZHJ102 1 1
R50 RK3043 Chip R. MCR03EZHJ272 1 1
R51 RK3038 Chip R. MCR03EZHJ102 1 1
R52 RK3038 Chip R. MCR03EZHJ102 1 1
R53 RK3062 Chip R. MCR03EZHJ104 1 1
R54 RK3050 Chip R. MCR03EZHJ103 1 1
R55 RK3074 Chip R. MCR03EZHJ105 1 1
R56 RK3050 Chip R. MCR03EZHJ103 1 1
R57 RK3066 Chip R. MCR03EZHJ224 1 1
R58 RK3034 Chip R. MCR03EZHJ471 1 1
R59 RK3026 Chip R. MCR03EZHJ101 1 1
R60 RK3034 Chip R. MCR03EZHJ471 1 1
R61 RK3074 Chip R. MCR03EZHJ105 1 1
R62 RK3050 Chip R. MCR03EZHJ103 1 1
R63 RK3026 Chip R. MCR03EZHJ101 1 1
R64 RK3046 Chip R. MCR03EZHJ472 1 1
R65 RK3026 Chip R. MCR03EZHJ101 1 1
R66 RK3050 Chip R. MCR03EZHJ103 1 1
R67 RK3026 Chip R. MCR03EZHJ101 1 1
R68 RK3050 Chip R. MCR03EZHJ103 1 1
R69 RK3046 Chip R. MCR03EZHJ472 1 1
R70 RK3062 Chip R. MCR03EZHJ104 1 1
R71 RK3072 Chip R. MCR03EZHJ684 1 1
R72 RK3050 Chip R. MCR03EZHJ103 1 1
R73 RK3032 Chip R. MCR03EZHJ331 1 1
R74 RK3026 Chip R. MCR03EZHJ101 1 1
R75 RK3046 Chip R. MCR03EZHJ472 1 1
R76 RK3032 Chip R. MCR03EZHJ331 1 1
R77 RK3028 Chip R. MCR03EZHJ151 1 1
R79 RK3038 Chip R. MCR03EZHJ102 1 1
R80 RK3038 Chip R. MCR03EZHJ102 1 1
R82 RK3050 Chip R. MCR03EZHJ103 1 1
R83 RK3038 Chip R. MCR03EZHJ102 1 1
R84 RK0008 Chip R. ERJ6GEYJ330V 1 1
R85 RK3046 Chip R. MCR03EZHJ472 1 1
R86 RK3050 Chip R. MCR03EZHJ103 1 1
R87 RK3054 Chip R. MCR03EZHJ223 1 1
R88 RK3050 Chip R. MCR03EZHJ103 1 1
R89 RK3058 Chip R. MCR03EZHJ473 1 1
R90 RK3058 Chip R. MCR03EZHJ473 1 1
R91 RK3050 Chip R. MCR03EZHJ103 1 1
R92 RK3032 Chip R. MCR03EZHJ331 1 1
R95 RK3062 Chip R. MCR03EZHJ104 1 1
Qty.
Ref No. Parts No. Description Parts Name Ver.

30
DR-135 DR-435
R96 RK4014 Chip R. ERJ12YJ100U 1 1
R97 RK3050 Chip R. MCR03EZHJ103 1 1
RE1 UR0015 Dial RH90N74E20-A90770 1 1
RL1 UL0020 Reley ATQ209 1 1
SW1 UU0015Z Switch EVQPPPA25 1 1
SW2 UU0015Z Switch EVQPPPA25 1 1
SW3 UU0015Z Switch EVQPPPA25 1 1
SW4 UU0015Z Switch EVQPPPA25 1 1
SW5 UU0015Z Switch EVQPPPA25 1 1
SW6 UU0015Z Switch EVQPPPA25 1 1
SW7 UU0015Z Switch EVQPPPA25 1 1
VR1 RV0035 Variable EVUF2JFK4B14 1 1
W1 UX1270 Wire WIRE DR235 W1 1 1
X1 XQ0131 Xtal CSA310 3.686400MHZ 1 1
DG0037 LCD LIGHT DR135 1 1
FG0305 LCD RUB.CONNECT. 135 1 1
FM0034 MIC GND PLATE 1 1
FP0034 MIC SPACER DR110 1 1
ST0064 LCD HOLDER DR135 1 1
ST0068 DIAL FITTING DR135 1 1
TL0023 REFLECTION DR135 1 1
TL0024 DIFFUSION SHEET 135 1 1
YZ0042 CEMENT G17 / 1G 1 1
Ref No. Parts No. Description Parts Name Ver.
C101 CU3047 Chip C. C1608JB1H103KT-N
C102 CU3047 Chip C. C1608JB1H103KT-N
C103 CS0049 Chip tantalum TMCSA1C105MTR
C104 CU3047 Chip C. C1608JB1H103KT-N
C105 CS0394 Chip tantalum TMCMB0J476MTR
C106 CU3051 Chip C. C1608JB1E223KT-NS
C107 CU3111 Chip C. C1608JB1C104KT-N
C108 CU3047 Chip C. C1608JB1H103KT-N
C109 CE0339 Electrolytic C. 16MV 10SWB+TS
C110 CU3047 Chip C. C1608JB1H103KT-N
C111 CU3047 Chip C. C1608JB1H103KT-N
C112 CU3047 Chip C. C1608JB1H103KT-N
C113 CU3047 Chip C. C1608JB1H103KT-N
C114 CU3047 Chip C. C1608JB1H103KT-N
C115 CU3011 Chip C. C1608CH1H100DT-AS
C117 CU3047 Chip C. C1608JB1H103KT-N
C118 CU3049 Chip C. C1608JB1E153KT-NS
C119 CU3051 Chip C. C1608JB1E223KT-NS
C120 CU3022 Chip C. C1608CH1H820JT-AS
C121 CU3005 Chip C. C1608CH1H040CT-AS
C122 CU3002 Chip C. C1608CH1H010CT-AS
C123 CU3013 Chip C. C1608CH1H150JT-AS
C124 CU3040 Chip C. C1608JB1H272KT-NS
C125 CU3044 Chip C. C1608JB1H562KT-NS
C126 CU3038 Chip C. C1608JB1H182KT-AS
C127 CU3041 Chip C. C1608JB1H332KT-NS
C129 CU3111 Chip C. C1608JB1C104KT-N
C130 CS0049 Chip tantalum TMCSA1C105MTR
C131 CU3035 Chip C. C1608JB1H102KT-AS
C132 CU3035 Chip C. C1608JB1H102KT-AS
C133 CU3005 Chip C. C1608CH1H040CT-AS
C134 CU3042 Chip C. C1608JB1H392KT-NS
C135 CU3044 Chip C. C1608JB1H562KT-NS
C137 CU3017 Chip C. C1608CH1H330JT-AS
C138 CS0049 Chip tantalum TMCSA1C105MTR
C139 CU3017 Chip C. C1608CH1H330JT-AS
C140 CU3017 Chip C. C1608CH1H330JT-AS
C141 CU3111 Chip C. C1608JB1C104KT-N
C142 CU3111 Chip C. C1608JB1C104KT-N
C143 CU3111 Chip C. C1608JB1C104KT-N
C144 CU3047 Chip C. C1608JB1H103KT-N
C145 CU3003 Chip C. C1608CH1H020CT-AS
C146 CE0339 Electrolytic C. 16MV 10SWB+TS
C148 CU3017 Chip C. C1608CH1H330JT-AS
C149 CU3017 Chip C. C1608CH1H330JT-AS
C150 CU3005 Chip C. C1608CH1H040CT-AS
C151 CU3047 Chip C. C1608JB1H103KT-N
C152 CE0339 Electrolytic C. 16MV 10SWB+TS
C153 CU3035 Chip C. C1608JB1H102KT-AS
C154 CU3035 Chip C. C1608JB1H102KT-AS
C155 CU3007 Chip C. C1608CH1H060CT-A
C156 CU3047 Chip C. C1608JB1H103KT-N
C157 CU3035 Chip C. C1608JB1H102KT-AS
C158 CU3035 Chip C. C1608JB1H102KT-AS
C159 CU3035 Chip C. C1608JB1H102KT-AS
C160 CS0049 Chip tantalum TMCSA1C105MTR
Qty.
Qty.
1
1
1
1
1
1
1
1
1
1
1
1
1
1
1
1
1
1
1
1
1
1
1
1
1
1
1
1
1
1
1
1
1
1
1
1
1
1
1
1
1
1
1
1
1
1
1
1
1
1
1
1
1
1
1
1
Ref No. Parts No. Description Parts Name Ver. Ref No. Parts No. Description Parts Name Ver.
C161 CU3111 Chip C. C1608JB1C104KT-N
C162 CU3035 Chip C. C1608JB1H102KT-AS
C165 CU3111 Chip C. C1608JB1C104KT-N
C167 CU3047 Chip C. C1608JB1H103KT-N
C168 CU3111 Chip C. C1608JB1C104KT-N
C169 CU3026 Chip C. C1608CH1H181JT-AS
C171 CU3111 Chip C. C1608JB1C104KT-N
C172 CU3035 Chip C. C1608JB1H102KT-AS
C173 CU3037 Chip C. C1608JB1H152KT-AS
C174 CU3026 Chip C. C1608CH1H181JT-AS
C176 CU3018 Chip C. C1608CH1H390JT-AS
C177 CU3018 Chip C. C1608CH1H390JT-AS
C179 CU3111 Chip C. C1608JB1C104KT-N
C180 CU3035 Chip C. C1608JB1H102KT-AS
C181 CU3035 Chip C. C1608JB1H102KT-AS
C182 CU3047 Chip C. C1608JB1H103KT-N
C183 CU3035 Chip C. C1608JB1H102KT-AS
C184 CU3035 Chip C. C1608JB1H102KT-AS
C185 CS0232 Chip tantalum TMCMA1V474MTR
C186 CU3008 Chip C. C1608CH1H070CT-A
C187 CU3035 Chip C. C1608JB1H102KT-AS
C188 CU3035 Chip C. C1608JB1H102KT-AS
C189 CU3011 Chip C. C1608CH1H100DT-AS
C191 CU3102 Chip C. C1608JB1C333KT-NS
C192 CU3047 Chip C. C1608JB1H103KT-N
C193 CU4033 Chip C. GRM42-6X7R102K500PT
C194 CU3012 Chip C. C1608CH1H120JT-AS
C195 CU3012 Chip C. C1608CH1H120JT-AS
C196 CU3019 Chip C. C1608CH1H470JT-AS
C197 CU4003 Chip C. GRM42-6CK020C500PT
C198 CE0339 Electrolytic C. 16MV 10SWB+TS
C199 CE0339 Electrolytic C. 16MV 10SWB+TS
C200 CU3035 Chip C. C1608JB1H102KT-AS
C201 CU4014 Chip C. GRM42-6CH180J500PT
C202 CU4016 Chip C. GRM42-6CH270J500PT
C203 CU4016 Chip C. GRM42-6CH270J500PT
C204 CU4013 Chip C. GRM42-6CH150J500PT
C205 CU3035 Chip C. C1608JB1H102KT-AS
C206 CE0339 Electrolytic C. 16MV 10SWB+TS
C207 CU3002 Chip C. C1608CH1H010CT-AS
C208 CU3002 Chip C. C1608CH1H010CT-AS
C209 CU3035 Chip C. C1608JB1H102KT-AS
C210 CU3003 Chip C. C1608CH1H020CT-AS
C211 CU3003 Chip C. C1608CH1H020CT-AS
C212 CE0364 Electrolytic C. 16MV 47SWB+TS
C213 CU3035 Chip C. C1608JB1H102KT-AS
C214 CU3015 Chip C. C1608CH1H220JT-AS
C215 CU4016 Chip C. GRM42-6CH270J500PT
C216 CU4016 Chip C. GRM42-6CH270J500PT
C217 CU3051 Chip C. C1608JB1E223KT-NS
C218 CU3051 Chip C. C1608JB1E223KT-NS
C219 CU3035 Chip C. C1608JB1H102KT-AS
C220 CU3035 Chip C. C1608JB1H102KT-AS
C221 CU3047 Chip C. C1608JB1H103KT-N
C222 CU3035 Chip C. C1608JB1H102KT-AS
C223 CE0364 Electrolytic C. 16MV 47SWB+TS
C224 CU3023 Chip C. C1608CH1H101JT-AS
C225 CU3035 Chip C. C1608JB1H102KT-AS
C226 CU3035 Chip C. C1608JB1H102KT-AS
C227 CS0049 Chip tantalum TMCSA1C105MTR
C228 CU3035 Chip C. C1608JB1H102KT-AS
C229 CU3101 Chip C. C1608JB1C473KT-NS
C230 CU3035 Chip C. C1608JB1H102KT-AS
C231 CU3035 Chip C. C1608JB1H102KT-AS
C232 CU3035 Chip C. C1608JB1H102KT-AS
C233 CU3035 Chip C. C1608JB1H102KT-AS
C234 CU3035 Chip C. C1608JB1H102KT-AS
C235 CU3014 Chip C. C1608CH1H180JT-AS
C236 CU3014 Chip C. C1608CH1H180JT-AS
C237 CU3035 Chip C. C1608JB1H102KT-AS
C238 CS0049 Chip tantalum TMCSA1C105MTR
C239 CS0049 Chip tantalum TMCSA1C105MTR
C240 CE0339 Electrolytic C. 16MV 10SWB+TS
C241 CU3022 Chip C. C1608CH1H820JT-AS
C242 CU3051 Chip C. C1608JB1E223KT-NS
C243 CE0339 Electrolytic C. 16MV 10SWB+TS
C244 CE0339 Electrolytic C. 16MV 10SWB+TS
C245 CS0049 Chip tantalum TMCSA1C105MTR
C246 CU3043 Chip C. C1608JB1H472KT-NS
C247 CU3111 Chip C. C1608JB1C104KT-N
C248 CU3047 Chip C. C1608JB1H103KT-N
C249 CU3038 Chip C. C1608JB1H182KT-AS
C250 CU3026 Chip C. C1608CH1H181JT-AS
C251 CE0339 Electrolytic C. 16MV 10SWB+TS
C252 CU3035 Chip C. C1608JB1H102KT-AS
C253 CU3111 Chip C. C1608JB1C104KT-N
Qty.
1
1
1
1
1
1
1
1
1
1
1
1
1
1
1
1
1
1
1
1
1
1
1
1
1
1
1
1
1
1
1
1
1
1
1
1
1
1
1
1
1
1
1
1
1
1
1
1
1
1
1
1
1
1
1
1
1
1
1
1
1
1
1
1
1
1
1
1
1
1
1
1
1
1
1
1
1
1
1
1
1
1
1
1
1
1
MAIN Unit DR-135

31
Ref No. Parts No. Description Parts Name Ver.
C254 CU3111 Chip C. C1608JB1C104KT-N
C255 CE0364 Electrolytic C. 16MV 47SWB+TS
C256 CU3111 Chip C. C1608JB1C104KT-N
C257 CE0339 Electrolytic C. 16MV 10SWB+TS
C258 CS0049 Chip tantalum TMCSA1C105MTR
C259 CU3035 Chip C. C1608JB1H102KT-AS
C260 CS0424 Chip tantalum TMCMA1C106MTR
C261 CU3035 Chip C. C1608JB1H102KT-AS
C262 CU3035 Chip C. C1608JB1H102KT-AS
C263 CE0100 Electrolytic C. 16MV 22UW
C264 CU3019 Chip C. C1608CH1H470JT-AS
C265 CU3035 Chip C. C1608JB1H102KT-AS
C266 CU3064 Chip C. C1608CH1H1R5CT-AS
C267 CU3035 Chip C. C1608JB1H102KT-AS
C268 CU3035 Chip C. C1608JB1H102KT-AS
C269 CU3035 Chip C. C1608JB1H102KT-AS
C270 CU3047 Chip C. C1608JB1H103KT-N
C271 CU3035 Chip C. C1608JB1H102KT-AS
C272 CS0220 Chip tantalum TMCMA1C225MTR
C273 CS0220 Chip tantalum TMCMA1C225MTR
C275 CU3047 Chip C. C1608JB1H103KT-N
C276 CS0424 Chip tantalum TMCMA1C106MTR
C277 CE0343 Electrolytic C. 16MV 1000HC+T
C278 CU3035 Chip C. C1608JB1H102KT-AS
C279 CU3051 Chip C. C1608JB1E223KT-NS
C280 CS0237 Chip tantalum TMCMA1A475MTR
C281 CU3009 Chip C. C1608CH1H080CT-A
C282 CU3064 Chip C. C1608CH1H1R5CT-AS
C283 CU3027 Chip C. C1608CH1H221JT-AS
C284 CU3002 Chip C. C1608CH1H010CT-AS
C285 CU3035 Chip C. C1608JB1H102KT-AS
C286 CU3027 Chip C. C1608CH1H221JT-AS
C287 CS0063 Chip tantalum TMCSA1V104MTR
C288 CU3011 Chip C. C1608CH1H100DT-AS
C290 CU3035 Chip C. C1608JB1H102KT-AS
C291 CS0049 Chip tantalum TMCSA1C105MTR
C293 CU3035 Chip C. C1608JB1H102KT-AS
C294 CU3035 Chip C. C1608JB1H102KT-AS
C295 CU3047 Chip C. C1608JB1H103KT-N
C296 CU3011 Chip C. C1608CH1H100DT-AS
C297 CU3035 Chip C. C1608JB1H102KT-AS
C298 CS0237 Chip tantalum TMCMA1A475MTR
C299 CU3047 Chip C. C1608JB1H103KT-N
C300 CU3015 Chip C. C1608CH1H220JT-AS
C301 CU3023 Chip C. C1608CH1H101JT-AS
C302 CU3023 Chip C. C1608CH1H101JT-AS
C303 CU3023 Chip C. C1608CH1H101JT-AS
C304 CU3047 Chip C. C1608JB1H103KT-N
C305 CU3047 Chip C. C1608JB1H103KT-N
C306 CU3111 Chip C. C1608JB1C104KT-N
C307 CU3047 Chip C. C1608JB1H103KT-N
C308 CE0342 Electrolytic C. 16MV 470HC+TS
C309 CU3051 Chip C. C1608JB1E223KT-NS
C310 CU3023 Chip C. C1608CH1H101JT-AS
C311 CU3035 Chip C. C1608JB1H102KT-AS
C312 CU3011 Chip C. C1608CH1H100DT-AS
C313 CU3035 Chip C. C1608JB1H102KT-AS
C314 CS0237 Chip tantalum TMCMA1A475MTR
C315 CS0237 Chip tantalum TMCMA1A475MTR
C316 CS0237 Chip tantalum TMCMA1A475MTR
C317 CS0237 Chip tantalum TMCMA1A475MTR
C318 CU3035 Chip C. C1608JB1H102KT-AS
C319 CS0237 Chip tantalum TMCMA1A475MTR
C320 CS0237 Chip tantalum TMCMA1A475MTR
C321 CS0220 Chip tantalum TMCMA1C225MTR
C322 CU3035 Chip C. C1608JB1H102KT-AS
C323 CU3018 Chip C. C1608CH1H390JT-AS
C324 CU3016 Chip C. C1608CH1H270JT-AS
C325 CU3018 Chip C. C1608CH1H390JT-AS
C326 CU3029 Chip C. C1608JB1H331KT-AS
C327 CU3034 Chip C. C1608JB1H821KT-AS
C328 CS0237 Chip tantalum TMCMA1A475MTR
C701 CS0237 Chip tantalum TMCMA1A475MTR
C702 CU3111 Chip C. C1608JB1C104KT-N
C703 CS0237 Chip tantalum TMCMA1A475MTR
CN102 UE0397 Connector 105082-311-017-100
CN103 UE0397 Connector 105082-311-017-100
CN104 UA0037Y Wire DC CABLE UA0037
CN105 UE0214 Connector AXN420C530P
CN106 UE0043 Connector PI22A02M
CN107 UE0393 Connector PI28A11M
CN110 UE0341 Connector PI28A02M
D101 XD0246 Chip Diode DAN235UT 106
D102 XD0299 Chip Diode MA304-TX
D103 XD0299 Chip Diode MA304-TX
D104 XD0299 Chip Diode MA304-TX
Qty.
1
1
1
1
1
1
1
1
1
1
1
1
1
1
1
1
1
1
1
1
1
1
1
1
1
1
1
1
1
1
1
1
1
1
1
1
1
1
1
1
1
1
1
1
1
1
1
1
1
1
1
1
1
1
1
1
1
1
1
1
1
1
1
1
1
1
1
1
1
1
1
1
1
1
1
1
1
1
1
1
1
1
1
1
1
1
Ref No. Parts No. Description Parts Name Ver.
D105 XD0299 Chip Diode MA304-TX
D106 XD0165 Chip Diode UDZSTE-17 5.1B
D107 XD0246 Chip Diode DAN235UT 106
D108 XD0130 Chip Diode DA204U T106
D109 XD0301 Chip Diode 1SV268-TD
D110 XD0013 Diode XB15A407AGB
D111 XD0250 Chip Diode MA742 TX
D112 XD0250 Chip Diode MA742 TX
D113 XD0254 Chip Diode 1SS355 TE17
D114 XD0246 Chip Diode DAN235UT 106
D115 XD0254 Chip Diode 1SS355 TE17
D117 XD0254 Chip Diode 1SS355 TE17
D118 XD0130 Chip Diode DA204U T106
D119 XD0254 Chip Diode 1SS355 TE17
D120 XD0131 Chip Diode 1SV214 TPH4
D121 XD0274 Diode DSA3A1
D122 XD0300 Chip Diode 1SV262TPH2
D123 XD0300 Chip Diode 1SV262TPH2
D124 XD0377 Chip Diode MAZS0270HL
D125 XD0272 Chip Diode 1SS356 TW11
D126 XD0254 Chip Diode 1SS355 TE17
D127 XD0165 Chip Diode UDZSTE-17 5.1B
D128 XD0291 Chip Diode MA729-TX
D129 XD0291 Chip Diode MA729-TX
D130 XD0254 Chip Diode 1SS355 TE17
D131 XD0291 Chip Diode MA729-TX
FL101 XC0070 Ceramic Filter ALFYM450E=K
FL102 XC0052 Ceramic Filter ALFYM450G=K
IC101 XA0675 IC L88MS05TLL-TL
IC102 XA0348 IC TC4W53FU(TE12)
IC103 XA0348 IC TC4W53FU(TE12)
IC104 XA0596 IC NJM2902V-TE1
IC108 XA0666 IC TK10931VTL
IC109 XA0115 IC TC4S66F TE85R
IC110 XA0412 IC M67746
IC111 XA0236 IC BU4052BCF-E2
IC113 XA0348 IC TC4W53FU(TE12)
IC114 XA0068 IC M5218AFP/600E
IC115 XA0102 IC NJM7808FA
IC116 XA0915 IC M64076AGP
IC117 XA0410 IC LA4425A
IC118 XA0925 IC S-816A50AMC-BAZ-T2
IC119 XA0332 IC TA75S01F(TE85L)
IC120 XA0332 IC TA75S01F(TE85L)
IC121 XA0332 IC TA75S01F(TE85L)
IC701 XA0332 IC TA75S01F(TE85L)
JK101 UJ0046 Jack MJ82-1
JK102 UJ0024Z Jack LGY6501-0600
L101 QC0043 Chip inductor NL322522T-2R2J-3
L102 QA0084 Coil HELICAL FILTER
L103 QA0084 Coil HELICAL FILTER
L104 QA0084 Coil HELICAL FILTER
L105 QA0084 Coil HELICAL FILTER
L106 QC0067 Chip inductor NL322522T-R10JA
L107 QC0065 Chip inductor NL322522T-068JA
L108 QC0065 Chip inductor NL322522T-068JA
L111 QKA45E Coil MR3.0 4.5T 0.8
L112 QKA35D Coil MR3.0 3.5T 0.6
L113 QKA45E Coil MR3.0 4.5T 0.8
L114 QKA45E Coil MR3.0 4.5T 0.8
L115 QKA45E Coil MR3.0 4.5T 0.8
L116 QKA45E Coil MR3.0 4.5T 0.8
L117 QC0065 Chip inductor NL322522T-068JA
L118 QKA95D Chip inductor MR3.0 9.5T 0.6
L119 QC0538 Chip inductor LQN21AR10J04
L120 QC0534 Chip inductor LQN21A47NJ04
L121 QC0043 Chip inductor NL322522T-2R2J-3
L122 QC0040 Chip inductor NL322522T-1R2J-3
L123 QA0127 Chip Coil VCO QA0127 5CBM
L124 QC0442 Chip inductor MLF1608A1R0K-T
L125 QC0627 Chip inductor LL1608-FSR10J
L126 QC0040 Chip inductor NL322522T-1R2J-3
L127 QC0126 Chip inductor NL322522T-R22J-3
L128 QC0125 Chip inductor NL322522T-R18J-3
L129 QC0534 Chip inductor LQN21A47NJ04
L130 QC0534 Chip inductor LQN21A47NJ04
Q101 XU0063 Chip Transistor UN9211 TX
Q102 XU0063 Chip Transistor UN9211 TX
Q103 XU0047 Chip Transistor UMC3NTR
Q104 XU0063 Chip Transistor UN9211 TX
Q105 XT0096 Chip Transistor 2SC4099 T106N
Q106 XE0028 Chip FET 3SK131V12-T1
Q107 XE0028 Chip FET 3SK131V12-T1
Q108 XU0063 Chip Transistor UN9211 TX
Q111 XE0021 Chip Transistor 2SK880GR TE85L
Q112 XT0096 Chip Transistor 2SC4099 T106N
Qty.
1
1
1
1
1
1
1
1
1
1
1
1
1
1
1
1
1
1
1
1
1
1
1
1
1
1
1
1
1
1
1
1
1
1
1
1
1
1
1
1
1
1
1
1
1
1
1
1
1
1
1
1
1
1
1
1
1
1
1
1
1
1
1
1
1
1
1
1
1
1
1
1
1
1
1
1
1
1
1
1
1
1
1
1
1
1

32
Ref No. Parts No. Description Parts Name Ver.
Q113 XU0047 Chip Transistor UMC3NTR
Q114 XU0063 Chip Transistor UN9211 TX
Q115 XT0084 Chip Transistor 2SC2954 T1
Q116 XT0112 Transistor 2SB1292F
Q117 XT0095 Chip Transistor 2SC4081 T106R
Q118 XT0094 Chip Transistor 2SA1576A T106R
Q119 XU0195 Chip Transistor RN1104 TE85L
Q120 XU0063 Chip Transistor UN9211 TX
Q121 XU0178 Chip Transistor XP1215-TX
Q122 XT0190 Chip Transistor 2SB1386 T100Q
Q123 XT0061 Chip Transistor 2SB1132T 100Q
Q124 XU0047 Chip Transistor UMC3NTR
Q125 XE0021 Chip FET 2SK880GR TE85L
Q126 XU0063 Chip Transistor UN9211 TX
Q127 XT0095 Chip Transistor 2SC4081 T106R
Q128 XU0063 Chip Transistor UN9211 TX
Q129 XU0195 Chip Transistor RN1104 TE85L
Q130 XU0195 Chip Transistor RN1104 TE85L
Q131 XE0010 Chip FET 2SK508K52 T2B
Q132 XU0063 Chip Transistor UN9211 TX
Q133 XU0063 Chip Transistor UN9211 TX
Q134 XT0124 Chip Transistor 2SC4215-Y(TE85L)
Q135 XT0124 Chip Transistor 2SC4215-Y(TE85L)
Q136 XU0195 Chip Transistor RN1104 TE85L
Q137 XU0063 Chip Transistor UN9211 TX
Q138 XU0063 Chip Transistor UN9211 TX
Q139 XT0095 Chip Transistor 2SC4081 T106R
Q140 XT0095 Chip Transistor 2SC4081 T106R
Q141 XU0195 Chip Transistor RN1104 TE85L
Q142 XU0195 Chip Transistor RN1104 TE85L
Q144 XT0048 Chip Transistor 2SC3357RE T1
Q145 XT0124 Chip Transistor 2SC4215-Y(TE85L)
Q146 XT0061 Chip Transistor 2SB1132T 100Q
R101 RK3050 Chip R. MCR03EZHJ103
R102 RK3091 Chip R. MCR03EZPFX3902
R103 RK3091 Chip R. MCR03EZPFX3902
R104 RK3050 Chip R. MCR03EZHJ103
R105 RK3030 Chip R. MCR03EZHJ221
R106 RK3026 Chip R. MCR03EZHJ101
R107 RK3026 Chip R. MCR03EZHJ101
R109 RK3026 Chip R. MCR03EZHJ101
R110 RK3026 Chip R. MCR03EZHJ101
R111 RK3049 Chip R. MCR03EZHJ822
R112 RK3026 Chip R. MCR03EZHJ101
R113 RK3042 Chip R. MCR03EZHJ222
R114 RK3040 Chip R. MCR03EZHJ152
R115 RK3049 Chip R. MCR03EZHJ822
R116 RK3034 Chip R. MCR03EZHJ471
R117 RK3062 Chip R. MCR03EZHJ104
R118 RK3026 Chip R. MCR03EZHJ101
R119 RK3052 Chip R. MCR03EZHJ153
R120 RK3045 Chip R. MCR03EZHJ392
R121 RK3063 Chip R. MCR03EZHJ124
R122 RK3059 Chip R. MCR03EZHJ563
R123 RK3061 Chip R. MCR03EZHJ823
R124 RK3057 Chip R. MCR03EZHJ393
R125 RK3038 Chip R. MCR03EZHJ102
R126 RK3052 Chip R. MCR03EZHJ153
R128 RK3058 Chip R. MCR03EZHJ473
R129 RK3050 Chip R. MCR03EZHJ103
R130 RK3060 Chip R. MCR03EZHJ683
R131 RK3061 Chip R. MCR03EZHJ823
R132 RK3050 Chip R. MCR03EZHJ103
R133 RK3037 Chip R. MCR03EZHJ821
R134 RK3055 Chip R. MCR03EZHJ273
R135 RK3062 Chip R. MCR03EZHJ104
R136 RK3050 Chip R. MCR03EZHJ103
R137 RK3067 Chip R. MCR03EZHJ274
R138 RK3059 Chip R. MCR03EZHJ563
R139 RK3050 Chip R. MCR03EZHJ103
R140 RK3072 Chip R. MCR03EZHJ684
R141 RK3064 Chip R. MCR03EZHJ154
R142 RK3054 Chip R. MCR03EZHJ223
R143 RK3042 Chip R. MCR03EZHJ222
R144 RK3042 Chip R. MCR03EZHJ222
R147 RK3050 Chip R. MCR03EZHJ103
R148 RK3062 Chip R. MCR03EZHJ104
R150 RK3054 Chip R. MCR03EZHJ223
R151 RK3050 Chip R. MCR03EZHJ103
R152 RK3053 Chip R. MCR03EZHJ183
R153 RK3048 Chip R. MCR03EZHJ682
R154 RK3042 Chip R. MCR03EZHJ222
R155 RK3052 Chip R. MCR03EZHJ153
R156 RK3034 Chip R. MCR03EZHJ471
R157 RK3062 Chip R. MCR03EZHJ104
R158 RK3030 Chip R. MCR03EZHJ221
Qty.
1
1
1
1
1
1
1
1
1
1
1
1
1
1
1
1
1
1
1
1
1
1
1
1
1
1
1
1
1
1
1
1
1
1
1
1
1
1
1
1
1
1
1
1
1
1
1
1
1
1
1
1
1
1
1
1
1
1
1
1
1
1
1
1
1
1
1
1
1
1
1
1
1
1
1
1
1
1
1
1
1
1
1
1
1
1
Ref No. Parts No. Description Parts Name Ver.
R160 RK3062 Chip R. MCR03EZHJ104
R161 RK3062 Chip R. MCR03EZHJ104
R162 RK3021 Chip R. MCR03EZHJ390
R163 RK3014 Chip R. MCR03EZHJ100
R164 RK3034 Chip R. MCR03EZHJ471
R165 RK3074 Chip R. MCR03EZHJ105
R167 RK3055 Chip R. MCR03EZHJ273
R168 RK3054 Chip R. MCR03EZHJ223
R171 RK3062 Chip R. MCR03EZHJ104
R172 RK3062 Chip R. MCR03EZHJ104
R173 RK3026 Chip R. MCR03EZHJ101
R176 RK3050 Chip R. MCR03EZHJ103
R177 RK3054 Chip R. MCR03EZHJ223
R179 RK3074 Chip R. MCR03EZHJ105
R180 RK3034 Chip R. MCR03EZHJ471
R181 RK3066 Chip R. MCR03EZHJ224
R182 RK3042 Chip R. MCR03EZHJ222
R183 RK3074 Chip R. MCR03EZHJ105
R184 RK3050 Chip R. MCR03EZHJ103
R185 RK3070 Chip R. MCR03EZHJ474
R186 RK3026 Chip R. MCR03EZHJ101
R188 RK3026 Chip R. MCR03EZHJ101
R189 RK3038 Chip R. MCR03EZHJ102
R191 RK3038 Chip R. MCR03EZHJ102
R193 RK3043 Chip R. MCR03EZHJ272
R195 RK3070 Chip R. MCR03EZHJ474
R196 RK3038 Chip R. MCR03EZHJ102
R197 RK3050 Chip R. MCR03EZHJ103
R198 RK3042 Chip R. MCR03EZHJ222
R199 RK3042 Chip R. MCR03EZHJ222
R201 RK3042 Chip R. MCR03EZHJ222
R202 RK0028 Chip R. ERJ6GEYJ471V
R203 RK3056 Chip R. MCR03EZHJ333
R204 RK3062 Chip R. MCR03EZHJ104
R205 RK0069 Chip R. ERJ6GEYJ104V
R206 RK0001 Chip R. ERJ6GEYJ100V
R207 RK3052 Chip R. MCR03EZHJ153
R208 RK3034 Chip R. MCR03EZHJ471
R209 RK3061 Chip R. MCR03EZHJ823
R210 RK3038 Chip R. MCR03EZHJ102
R211 RK4018 Chip R. ERJ12YJ220U
R212 RK4026 Chip R. ERJ12YJ101U
R213 RK3049 Chip R. MCR03EZHJ822
R214 RK3050 Chip R. MCR03EZHJ103
R215 RK3043 Chip R. MCR03EZHJ272
R216 RK3042 Chip R. MCR03EZHJ222
R217 RK3042 Chip R. MCR03EZHJ222
R219 RK3042 Chip R. MCR03EZHJ222
R220 RK4034 Chip R. ERJ12YJ471U
R221 RK3052 Chip R. MCR03EZHJ153
R222 RK3050 Chip R. MCR03EZHJ103
R223 RK3026 Chip R. MCR03EZHJ101
R224 RK3026 Chip R. MCR03EZHJ101
R225 RK3045 Chip R. MCR03EZHJ392
R226 RK3026 Chip R. MCR03EZHJ101
R227 RK3030 Chip R. MCR03EZHJ221
R228 RK3062 Chip R. MCR03EZHJ104
R229 RK3045 Chip R. MCR03EZHJ392
R230 RK3045 Chip R. MCR03EZHJ392
R231 RK3038 Chip R. MCR03EZHJ102
R232 RK3026 Chip R. MCR03EZHJ101
R233 RK3038 Chip R. MCR03EZHJ102
R234 RK3054 Chip R. MCR03EZHJ223
R235 RK3053 Chip R. MCR03EZHJ183
R236 RK3050 Chip R. MCR03EZHJ103
R237 RK3026 Chip R. MCR03EZHJ101
R238 RK3062 Chip R. MCR03EZHJ104
R239 RK3050 Chip R. MCR03EZHJ103
R240 RK3038 Chip R. MCR03EZHJ102
R241 RK3051 Chip R. MCR03EZHJ123
R242 RK3044 Chip R. MCR03EZHJ332
R243 RK3054 Chip R. MCR03EZHJ223
R244 RK3068 Chip R. MCR03EZHJ334
R245 RK3038 Chip R. MCR03EZHJ102
R246 RK3046 Chip R. MCR03EZHJ472
R247 RK3050 Chip R. MCR03EZHJ103
R248 RK3070 Chip R. MCR03EZHJ474
R249 RK3042 Chip R. MCR03EZHJ222
R250 RK3070 Chip R. MCR03EZHJ474
R251 RK3050 Chip R. MCR03EZHJ103
R252 RK3070 Chip R. MCR03EZHJ474
R253 RK3057 Chip R. MCR03EZHJ393
R254 RK3057 Chip R. MCR03EZHJ393
R255 RK3046 Chip R. MCR03EZHJ472
R256 RK3026 Chip R. MCR03EZHJ101
R257 RK3046 Chip R. MCR03EZHJ472
Qty.
1
1
1
1
1
1
1
1
1
1
1
1
1
1
1
1
1
1
1
1
1
1
1
1
1
1
1
1
1
1
1
1
1
1
1
1
1
1
1
1
1
1
1
1
1
1
1
1
1
1
1
1
1
1
1
1
1
1
1
1
1
1
1
1
1
1
1
1
1
1
1
1
1
1
1
1
1
1
1
1
1
1
1
1
1
1

33
Ref No. Parts No. Description Parts Name Ver.
R258 RK3057 Chip R. MCR03EZHJ393
R259 RK3050 Chip R. MCR03EZHJ103
R260 RK3054 Chip R. MCR03EZHJ223
R261 RK3054 Chip R. MCR03EZHJ223
R262 RK3067 Chip R. MCR03EZHJ274
R263 RK3051 Chip R. MCR03EZHJ123
R264 RK3038 Chip R. MCR03EZHJ102
R265 RK3047 Chip R. MCR03EZHJ562
R266 RK3050 Chip R. MCR03EZHJ103
R267 RK3022 Chip R. MCR03EZHJ470
R268 RK3050 Chip R. MCR03EZHJ103
R269 RK3062 Chip R. MCR03EZHJ104
R270 RK3060 Chip R. MCR03EZHJ683
R271 RK4034 Chip R. ERJ12YJ471U
R272 RK3050 Chip R. MCR03EZHJ103
R273 RK3062 Chip R. MCR03EZHJ104
R274 RK3050 Chip R. MCR03EZHJ103
R275 RK3050 Chip R. MCR03EZHJ103
R276 RK3034 Chip R. MCR03EZHJ471
R277 RK3042 Chip R. MCR03EZHJ222
R278 RK3026 Chip R. MCR03EZHJ101
R279 RK3046 Chip R. MCR03EZHJ472
R280 RK3058 Chip R. MCR03EZHJ473
R281 RK3041 Chip R. MCR03EZHJ182
R282 RK3050 Chip R. MCR03EZHJ103
R283 RK3038 Chip R. MCR03EZHJ102
R284 RK3026 Chip R. MCR03EZHJ101
R286 RK3034 Chip R. MCR03EZHJ471
R287 RK3046 Chip R. MCR03EZHJ472
R288 RK3046 Chip R. MCR03EZHJ472
R289 RK3046 Chip R. MCR03EZHJ472
R290 RK3054 Chip R. MCR03EZHJ223
R291 RK3058 Chip R. MCR03EZHJ473
R292 RK3018 Chip R. MCR03EZHJ220
R293 RK3042 Chip R. MCR03EZHJ222
R294 RK3052 Chip R. MCR03EZHJ153
R295 RK3038 Chip R. MCR03EZHJ102
R297 RK3032 Chip R. MCR03EZHJ331
R298 RK3042 Chip R. MCR03EZHJ222
R299 RK3042 Chip R. MCR03EZHJ222
R300 RK3026 Chip R. MCR03EZHJ101
R301 RK3038 Chip R. MCR03EZHJ102
R302 RK3024 Chip R. MCR03EZHJ680
R303 RK3056 Chip R. MCR03EZHJ333
R304 RK3059 Chip R. MCR03EZHJ563
R305 RK3058 Chip R. MCR03EZHJ473
R307 RK3001 Chip R. MCR03EZHJ000
R309 RK3050 Chip R. MCR03EZHJ103
R310 RK3026 Chip R. MCR03EZHJ101
R311 RK3038 Chip R. MCR03EZHJ102
R312 RK3038 Chip R. MCR03EZHJ102
R313 RK3038 Chip R. MCR03EZHJ102
R314 RK3022 Chip R. MCR03EZHJ470
R315 RK3042 Chip R. MCR03EZHJ222
R316 RK3051 Chip R. MCR03EZHJ123
R317 RK3038 Chip R. MCR03EZHJ102
R318 RK3068 Chip R. MCR03EZHJ334
R319 RK3061 Chip R. MCR03EZHJ823
R320 RK3062 Chip R. MCR03EZHJ104
R321 RK3043 Chip R. MCR03EZHJ272
R322 RD0108 Jumper J1/6Z
R324 RK3014 Chip R. MCR03EZHJ100
R326 RK3038 Chip R. MCR03EZHJ102
R327 RK3092 Chip R. MCR03EZPFX7502
R328 RD3013 Chip R. ERG1SJ100
R329 RK3062 Chip R. MCR03EZHJ104
R330 RK3062 Chip R. MCR03EZHJ104
R331 RK3038 Chip R. MCR03EZHJ102
R332 RK3054 Chip R. MCR03EZHJ223
R333 RK3062 Chip R. MCR03EZHJ104
R334 RK3042 Chip R. MCR03EZHJ222
R335 RK3050 Chip R. MCR03EZHJ103
R337 RK3062 Chip R. MCR03EZHJ104
R338 RK3054 Chip R. MCR03EZHJ223
R339 RK3050 Chip R. MCR03EZHJ103
R340 RK3050 Chip R. MCR03EZHJ103
R341 RK3050 Chip R. MCR03EZHJ103
R342 RK3058 Chip R. MCR03EZHJ473
R343 RK3048 Chip R. MCR03EZHJ682
R344 RK3057 Chip R. MCR03EZHJ393
R701 RK3038 Chip R. MCR03EZHJ102
R702 RK3026 Chip R. MCR03EZHJ101
R703 RK3062 Chip R. MCR03EZHJ104
R704 RK3055 Chip R. MCR03EZHJ273
R705 RK3038 Chip R. MCR03EZHJ102
SH101 TS0032B Case VCO CASE
Qty.
1
1
1
1
1
1
1
1
1
1
1
1
1
1
1
1
1
1
1
1
1
1
1
1
1
1
1
1
1
1
1
1
1
1
1
1
1
1
1
1
1
1
1
1
1
1
1
1
1
1
1
1
1
1
1
1
1
1
1
1
1
1
1
1
1
1
1
1
1
1
1
1
1
1
1
1
1
1
1
1
1
1
1
1
1
1
Ref No. Parts No. Description Parts Name Ver.
TH102 XS0031 Thermistor NTCCM16084BH682KCT
VR101 RH0146 Trimmer R. MVR22HXBRN473
VR102 RH0148 Trimmer R. MVR22HXBRN104
VR103 RH0142 Trimmer R. MVR22HXBRN103
VR104 RH0142 Trimmer R. MVR22HXBRN103
VR105 RH0142 Trimmer R. MVR22HXBRN103
VR106 RH0146 Trimmer R. MVR22HXBRN473
VR107 RH0140 Trimmer R. MVR22HXBRN472
VR108 RH0148 Trimmer R. MVR22HXBRN104
VR109 RH0148 Trimmer R. MVR22HXBRN104
X101 XK0003 Discriminator CDBM450C7
X102 XQ0148 Xtal DSA534HB 21.250MHZ
XF101 XF0041 Xtal Filter UM5 21.7M 21R15A5
XF102 XF0041 Xtal Filter UM5 21.7M 21R15A5
FG0327 Cushion CUSHION DR135
SD0034 Spring GND SPRING DR130
TZ0049 Dumper SILICON DUMPER
TZ0072 Sheet INSULATED SHEET
UP0467A PCB DR120 INTEGRATED
Ref No. Parts No. Description Parts Name Ver.
C101 CU3047 Chip C. C1608JB1H103KT-N
C102 CU3047 Chip C. C1608JB1H103KT-N
C103 CS0049 Chip tantalum TMCSA1C105MTR
C104 CU3047 Chip C. C1608JB1H103KT-N
C105 CS0394 Chip tantalum TMCMB0J476MTR
C106 CU3051 Chip C. C1608JB1E223KT-NS
C107 CU3111 Chip C. C1608JB1C104KT-N
C108 CU3047 Chip C. C1608JB1H103KT-N
C109 CE0339 Electrolytic C. 16MV 10SWB+TS
C110 CU3035 Chip C. C1608JB1H102KT-AS
C111 CU3047 Chip C. C1608JB1H103KT-N
C112 CU3047 Chip C. C1608JB1H103KT-N
C113 CU3047 Chip C. C1608JB1H103KT-N
C114 CU3035 Chip C. C1608JB1H102KT-AS
C115 CE0350 Electrolytic C. 16MV100HC
C116 CS0237 Chip tantalum TMCMA1A475MTR
C117 CU3035 Chip C. C1608JB1H102KT-AS
C118 CU3049 Chip C. C1608JB1E153KT-NS
C119 CU3051 Chip C. C1608JB1E223KT-NS
C120 CU3022 Chip C. C1608CH1H820JT-AS
C121 CU3035 Chip C. C1608JB1H102KT-AS
C122 CU3047 Chip C. C1608JB1H103KT-N
C123 CU3012 Chip C. C1608CH1H120JT-AS
C124 CU3040 Chip C. C1608JB1H272KT-NS
C125 CU3044 Chip C. C1608JB1H562KT-NS
C126 CU3038 Chip C. C1608JB1H182KT-AS
C127 CU3041 Chip C. C1608JB1H332KT-NS
C129 CU3012 Chip C. C1608CH1H120JT-AS
C130 CS0220 Chip tantalum TMCMA1C225MTR
C131 CU3035 Chip C. C1608JB1H102KT-AS
C132 CU3035 Chip C. C1608JB1H102KT-AS
C133 CU3027 Chip C. C1608CH1H221JT-AS
C134 CU3042 Chip C. C1608JB1H392KT-NS
C135 CU3044 Chip C. C1608JB1H562KT-NS
C137 CU3017 Chip C. C1608CH1H330JT-AS
C138 CS0049 Chip tantalum TMCSA1C105MTR
C139 CU3031 Chip C. C1608JB1H471KT-AS
C141 CU3012 Chip C. C1608CH1H120JT-AS
C142 CU3111 Chip C. C1608JB1C104KT-N
C143 CU3111 Chip C. C1608JB1C104KT-N
C144 CU3015 Chip C. C1608CH1H220JT-AS
C145 CU3064 Chip C. C1608CH1H1R5CT-AS
C146 CE0339 Electrolytic C. 16MV 10SWB+TS
C149 CU3035 Chip C. C1608JB1H102KT-AS
C150 CU3111 Chip C. C1608JB1C104KT-N
C151 CU3035 Chip C. C1608JB1H102KT-AS
C152 CE0339 Electrolytic C. 16MV 10SWB+TS
C153 CU3003 Chip C. C1608CH1H020CT-AS
C154 CU3035 Chip C. C1608JB1H102KT-AS
C155 CU3011 Chip C. C1608CH1H100DT-AS
C156 CU3047 Chip C. C1608JB1H103KT-N
C157 CU3035 Chip C. C1608JB1H102KT-AS
C158 CU3004 Chip C. C1608CH1H030CT-AS
C159 CU3018 Chip C. C1608CH1H390JT-AS
C161 CS0237 Chip tantalum TMCMA1A475MTR
C162 CS0049 Chip tantalum TMCSA1C105MTR
C165 CU3111 Chip C. C1608JB1C104KT-N
C167 CU3035 Chip C. C1608JB1H102KT-AS
C169 CU3027 Chip C. C1608CH1H221JT-AS
C170 CU3016 Chip C. C1608CH1H270JT-AS
Qty.
Qty.
1
1
1
1
1
1
1
1
1
1
1
1
1
1
1
3
2
1
1
1
1
1
1
1
1
1
1
1
1
1
1
1
1
1
1
1
1
1
1
1
1
1
1
1
1
1
1
1
1
1
1
1
1
1
1
1
1
1
1
1
1
1
1
1
1
1
1
1
1
1
1
1
1
1
1
1
1
1
1
MAIN Unit DR-435

34
Ref No. Parts No. Description Parts Name Ver.
C171 CU3031 Chip C. C1608JB1H471KT-AS
C172 CU3035 Chip C. C1608JB1H102KT-AS
C173 CU3035 Chip C. C1608JB1H102KT-AS
C174 CU3027 Chip C. C1608CH1H221JT-AS
C176 CU3016 Chip C. C1608CH1H270JT-AS
C179 CU3111 Chip C. C1608JB1C104KT-N
C180 CU3111 Chip C. C1608JB1C104KT-N
C181 CU3035 Chip C. C1608JB1H102KT-AS
C182 CU3035 Chip C. C1608JB1H102KT-AS
C183 CU3035 Chip C. C1608JB1H102KT-AS
C184 CU3035 Chip C. C1608JB1H102KT-AS
C185 CS0232 Chip tantalum TMCMA1V474MTR
C187 CU3035 Chip C. C1608JB1H102KT-AS
C188 CU3035 Chip C. C1608JB1H102KT-AS
C189 CU3015 Chip C. C1608CH1H220JT-AS
C191 CU3102 Chip C. C1608JB1C333KT-NS
C192 CU3047 Chip C. C1608JB1H103KT-N
C193 CU3035 Chip C. C1608JB1H102KT-AS
C194 CU3004 Chip C. C1608CH1H030CT-AS
C195 CU3064 Chip C. C1608CH1H1R5CT-AS
C196 CU3011 Chip C. C1608CH1H100DT-AS
C197 CU4033 Chip C. GRM42-6X7R102K500PT
C198 CE0339 Electrolytic C. 16MV 10SWB+TS
C199 CE0339 Electrolytic C. 16MV 10SWB+TS
C200 CU3035 Chip C. C1608JB1H102KT-AS
C201 CU4003 Chip C. GRM42-6CK020C500PT
C202 CU4011 Chip C. GRM42-6CH100D500PT
C203 CU4004 Chip C. GRM42-6CJ030C500PT
C204 CU4003 Chip C. GRM42-6CK020C500PT
C205 CU3035 Chip C. C1608JB1H102KT-AS
C206 CE0339 Electrolytic C. 16MV 10SWB+TS
C207 CU3002 Chip C. C1608CH1H010CT-AS
C208 CU3002 Chip C. C1608CH1H010CT-AS
C209 CU3035 Chip C. C1608JB1H102KT-AS
C210 CU3003 Chip C. C1608CH1H020CT-AS
C211 CU3003 Chip C. C1608CH1H020CT-AS
C212 CE0364 Electrolytic C. 16MV 47SWB+TS
C213 CU3035 Chip C. C1608JB1H102KT-AS
C214 CU3004 Chip C. C1608CH1H030CT-AS
C215 CU4008 Chip C. GRM42-6CH070D500PT
C216 CU4011 Chip C. GRM42-6CH100D500PT
C217 CU3051 Chip C. C1608JB1E223KT-NS
C218 CU3051 Chip C. C1608JB1E223KT-NS
C219 CU3035 Chip C. C1608JB1H102KT-AS
C220 CU3035 Chip C. C1608JB1H102KT-AS
C221 CU3047 Chip C. C1608JB1H103KT-N
C222 CU3035 Chip C. C1608JB1H102KT-AS
C223 CE0364 Electrolytic C. 16MV 47SWB+TS
C224 CU3023 Chip C. C1608CH1H101JT-AS
C225 CU3035 Chip C. C1608JB1H102KT-AS
C226 CU3035 Chip C. C1608JB1H102KT-AS
C227 CS0049 Chip tantalum TMCSA1C105MTR
C228 CU3035 Chip C. C1608JB1H102KT-AS
C229 CU3101 Chip C. C1608JB1C473KT-NS
C230 CU3035 Chip C. C1608JB1H102KT-AS
C231 CU3035 Chip C. C1608JB1H102KT-AS
C234 CU3035 Chip C. C1608JB1H102KT-AS
C235 CU3011 Chip C. C1608CH1H100DT-AS
C236 CU3035 Chip C. C1608JB1H102KT-AS
C237 CU3035 Chip C. C1608JB1H102KT-AS
C238 CS0049 Chip tantalum TMCSA1C105MTR
C239 CS0063 Chip tantalum TMCSA1V104MTR
C240 CE0339 Electrolytic C. 16MV 10SWB+TS
C241 CU3022 Chip C. C1608CH1H820JT-AS
C242 CU3051 Chip C. C1608JB1E223KT-NS
C243 CE0339 Electrolytic C. 16MV 10SWB+TS
C244 CE0339 Electrolytic C. 16MV 10SWB+TS
C245 CS0049 Chip tantalum TMCSA1C105MTR
C246 CU3043 Chip C. C1608JB1H472KT-NS
C247 CU3111 Chip C. C1608JB1C104KT-N
C248 CU3047 Chip C. C1608JB1H103KT-N
C249 CU3038 Chip C. C1608JB1H182KT-AS
C250 CU3026 Chip C. C1608CH1H181JT-AS
C251 CE0339 Electrolytic C. 16MV 10SWB+TS
C253 CU3111 Chip C. C1608JB1C104KT-N
C254 CU3111 Chip C. C1608JB1C104KT-N
C255 CE0364 Electrolytic C. 16MV 47SWB+TS
C256 CU3111 Chip C. C1608JB1C104KT-N
C257 CE0339 Electrolytic C. 16MV 10SWB+TS
C259 CU3035 Chip C. C1608JB1H102KT-AS
C261 CU3035 Chip C. C1608JB1H102KT-AS
C270 CU3047 Chip C. C1608JB1H103KT-N
C277 CE0343 Electrolytic C. 16MV 1000HC+T
C278 CU3035 Chip C. C1608JB1H102KT-AS
C284 CU3035 Chip C. C1608JB1H102KT-AS
C286 CU3027 Chip C. C1608CH1H221JT-AS
1
Qty.
1
1
1
1
1
1
1
1
1
1
1
1
1
1
1
1
1
1
1
1
1
1
1
1
1
1
1
1
1
1
1
1
1
1
1
1
1
1
1
1
1
1
1
1
1
1
1
1
1
1
1
1
1
1
1
1
1
1
1
1
1
1
1
1
1
1
1
1
1
1
1
1
1
1
1
1
1
1
1
1
1
1
1
1
1
Ref No. Parts No. Description Parts Name Ver.
C289 CS0049 Chip tantalum TMCSA1C105MTR
C294 CU3035 Chip C. C1608JB1H102KT-AS
C297 CU3035 Chip C. C1608JB1H102KT-AS
C305 CU3047 Chip C. C1608JB1H103KT-N
C306 CU3111 Chip C. C1608JB1C104KT-N
C307 CU3047 Chip C. C1608JB1H103KT-N
C308 CE0342 Electrolytic C. 16MV 470HC+TS
C309 CU3051 Chip C. C1608JB1E223KT-NS
C310 CU3023 Chip C. C1608CH1H101JT-AS
C311 CU3035 Chip C. C1608JB1H102KT-AS
C312 CU3004 Chip C. C1608CH1H030CT-AS
C314 CS0237 Chip tantalum TMCMA1A475MTR
C315 CS0237 Chip tantalum TMCMA1A475MTR
C316 CS0237 Chip tantalum TMCMA1A475MTR
C317 CS0237 Chip tantalum TMCMA1A475MTR
C318 CU3035 Chip C. C1608JB1H102KT-AS
C319 CS0237 Chip tantalum TMCMA1A475MTR
C320 CE0100 Electrolytic C. 16MV 22UW
C321 CS0220 Chip tantalum TMCMA1C225MTR
C322 CU3035 Chip C. C1608JB1H102KT-AS
C701 CS0237 Chip tantalum TMCMA1A475MTR
C702 CU3111 Chip C. C1608JB1C104KT-N
C703 CS0237 Chip tantalum TMCMA1A475MTR
CN102 UE0397 Connector 105082-311-017-100
CN103 UE0397 Connector 105082-311-017-100
CN104 UA0037Y Wire DC CABLE UA0037
CN105 UE0214 Connector AXN420C530P
CN106 UE0043 Connector PI22A02M
CN107 UE0393 Connector PI28A11M
CN108 UE0369 Connector AXN49301616
CN109 UE0041 Connector TMPJ01XV6
CN110 UE0341 Connector PI28A02M
D101 XD0141 Chip Diode 1SV237 TE85R
D102 XD0254 Chip Diode 1SS355 TE17
D103 XD0254 Chip Diode 1SS355 TE17
D104 XD0254 Chip Diode 1SS355 TE17
D105 XD0291 Chip Diode MA729-TX
D106 XD0165 Chip Diode UDZSTE-17 5.1B
D107 XD0141 Chip Diode 1SV237 TE85R
D108 XD0254 Chip Diode 1SS355 TE17
D109 XD0301 Chip Diode 1SV268-TD
D110 XD0013 Chip Diode XB15A407AGB
D111 XD0250 Chip Diode MA742 TX
D112 XD0250 Chip Diode MA742 TX
D113 XD0254 Chip Diode 1SS355 TE17
D114 XD0141 Chip Diode 1SV237 TE85R
D115 XD0254 Chip Diode 1SS355 TE17
D116 XD0297 Chip Diode MA8100-TX
D118 XD0130 Chip Diode DA204U T106
D119 XD0254 Chip Diode 1SS355 TE17
D121 XD0274 Diode DSA3A1
D124 XD0377 Chip Diode MAZS0270HL
D127 XD0165 Chip Diode UDZSTE-17 5.1B
D128 XD0291 Chip Diode MA729-TX
D129 XD0291 Chip Diode MA729-TX
FL101 XC0047 Ceramic Filter ALFYM455E=K
FL102 XC0036 Ceramic Filter ALFYM455G
IC101 XA0675 IC L88MS05TLL-TL
IC102 XA0348 IC TC4W53FU(TE12)
IC103 XA0348 IC TC4W53FU(TE12)
IC104 XA0596 IC NJM2902V-TE1
IC108 XA0404 IC TA31136FN(EL)
IC109 XA0115 IC TC4S66F TE85R
IC110 XA0077A IC M57788M E
IC111 XA0236 IC BU4052BCF-E2
IC113 XA0348 IC TC4W53FU(TE12)
IC114 XA0068 IC M5218AFP/600E
IC115 XA0102 IC NJM7808FA
IC117 XA0410 IC LA4425A
IC118 XA0925 IC S-816A50AMC-BAZ-T2
IC119 XA0332 IC TA75S01F(TE85L)
IC120 XA0332 IC TA75S01F(TE85L)
IC121 XA0332 IC TA75S01F(TE85L)
IC701 XA0332 IC TA75S01F(TE85L)
JK101 UJ0046 Jack MJ82-1
JK102 UJ0024Z Jack LGY6501-0600
L101 QC0043 Chip inductor NL322522T-2R2J-3
L102 QA0104 Coil QA0104
L103 QA0104 Coil QA0104
L104 QC0057 Chip inductor NL322522T-015JA
L105 QC0057 Chip inductor NL322522T-015JA
L106 QC0055 Chip inductor NL322522T-010JA
L107 QC0057 Chip inductor NL322522T-015JA
L108 QC0124 Chip inductor NL322522T-R15J-3
L109 QC0061 Chip inductor NL322522T-033JA
L111 QKA25E Coil MR3.0 2.5T 0.8
1
1
1
Qty.
1
1
1
1
1
1
1
1
1
1
1
1
1
1
1
1
1
1
1
1
1
1
1
1
1
1
1
1
1
1
1
1
1
1
1
1
1
1
1
1
1
1
1
1
1
1
1
1
1
1
1
1
1
1
1
1
1
1
1
1
1
1
1
1
1
1
1
1
1
1
1
1
1
1
1
1
1
1
1
1
1
1
1

35
Ref No. Parts No. Description Parts Name Ver.
L112 QKA15D Coil MR3.0 1.5T 0.6
L113 QC0062 Chip inductor NL322522T-039JA
L114 QKA15E Coil MR3.0 1.5T 0.8
L115 QKA15E Coil MR3.0 1.5T 0.8
L116 QKA15E Coil MR3.0 1.5T 0.8
L117 QKA25D Coil MR3.0 2.5T 0.6
L118 QKA95D Coil MR3.0 9.5T 0.6
L119 QC0059 Chip inductor NL322522T-022JA
L120 QC0059 Chip inductor NL322522T-022JA
Q101 XU0063 Chip Transistor UN9211 TX
Q102 XU0063 Chip Transistor UN9211 TX
Q103 XU0152 Chip Transistor UMC5NTR
Q104 XU0063 Chip Transistor UN9211 TX
Q105 XT0125 Chip Transistor 2SC4245-Y(TE85L)
Q106 XE0048 Chip FET 3SK240 TE85L
Q107 XE0048 Chip FET 3SK240 TE85L
Q108 XU0063 Chip Transistor UN9211 TX
Q111 XT0141 Chip Transistor 2SC4226-T1 R24
Q112 XT0141 Chip Transistor 2SC4226-T1 R24
Q113 XU0152 Chip Transistor UMC5NTR
Q114 XU0063 Chip Transistor UN9211 TX
Q115 XT0084 Chip Transistor 2SC2954 T1
Q116 XT0112 Transistor 2SB1292F
Q117 XT0095 Chip Transistor 2SC4081 T106R
Q118 XT0094 Chip Transistor 2SA1576A T106R
Q119 XU0195 Chip Transistor RN1104 TE85L
Q120 XU0063 Chip Transistor UN9211 TX
Q121 XU0178 Chip Transistor XP1215-TX
Q122 XT0190 Chip Transistor 2SB1386 T100Q
Q123 XT0061 Chip Transistor 2SB1132T 100Q
Q124 XU0152 Chip Transistor UMC5NTR
Q125 XT0048 Chip Transistor 2SC3357RE T1
Q126 XU0063 Chip Transistor UN9211 TX
Q127 XT0095 Chip Transistor 2SC4081 T106R
Q128 XU0063 Chip Transistor UN9211 TX
Q129 XU0195 Chip Transistor RN1104 TE85L
Q130 XU0195 Chip Transistor RN1104 TE85L
Q131 XT0141 Chip Transistor 2SC4226-T1 R24
Q132 XU0063 Chip Transistor UN9211 TX
Q133 XU0063 Chip Transistor UN9211 TX
Q136 XU0195 Chip Transistor RN1104 TE85L
Q137 XU0063 Chip Transistor UN9211 TX
Q139 XT0095 Chip Transistor 2SC4081 T106R
Q140 XT0095 Chip Transistor 2SC4081 T106R
Q141 XU0195 Chip Transistor RN1104 TE85L
Q142 XU0195 Chip Transistor RN1104 TE85L
Q143 XT0061 Chip Transistor 2SB1132T 100Q
R101 RK3050 Chip R. MCR03EZHJ103
R102 RK3091 Chip R. MCR03EZPFX3902
R103 RK3091 Chip R. MCR03EZPFX3902
R104 RK3050 Chip R. MCR03EZHJ103
R105 RK3030 Chip R. MCR03EZHJ221
R106 RK3026 Chip R. MCR03EZHJ101
R107 RK3026 Chip R. MCR03EZHJ101
R109 RK3026 Chip R. MCR03EZHJ101
R110 RK3022 Chip R. MCR03EZHJ470
R111 RK3049 Chip R. MCR03EZHJ822
R112 RK3022 Chip R. MCR03EZHJ470
R113 RK3022 Chip R. MCR03EZHJ470
R114 RK3040 Chip R. MCR03EZHJ152
R115 RK3049 Chip R. MCR03EZHJ822
R116 RK3030 Chip R. MCR03EZHJ221
R117 RK3070 Chip R. MCR03EZHJ474
R118 RK3026 Chip R. MCR03EZHJ101
R119 RK3052 Chip R. MCR03EZHJ153
R120 RK3045 Chip R. MCR03EZHJ392
R121 RK3063 Chip R. MCR03EZHJ124
R122 RK3059 Chip R. MCR03EZHJ563
R123 RK3061 Chip R. MCR03EZHJ823
R124 RK3057 Chip R. MCR03EZHJ393
R125 RK3036 Chip R. MCR03EZHJ681
R126 RK3049 Chip R. MCR03EZHJ822
R128 RK3062 Chip R. MCR03EZHJ104
R129 RK0069 Chip R. ERJ6GEYJ104V
R131 RK3054 Chip R. MCR03EZHJ223
R132 RK3050 Chip R. MCR03EZHJ103
R133 RK3032 Chip R. MCR03EZHJ331
R134 RK3054 Chip R. MCR03EZHJ223
R135 RK3056 Chip R. MCR03EZHJ333
R136 RK3050 Chip R. MCR03EZHJ103
R137 RK3067 Chip R. MCR03EZHJ274
R138 RK3059 Chip R. MCR03EZHJ563
R139 RK3050 Chip R. MCR03EZHJ103
R140 RK3072 Chip R. MCR03EZHJ684
R141 RK3064 Chip R. MCR03EZHJ154
R142 RK3032 Chip R. MCR03EZHJ331
1
Qty.
1
1
1
1
1
1
1
1
1
1
1
1
1
1
1
1
1
1
1
1
1
1
1
1
1
1
1
1
1
1
1
1
1
1
1
1
1
1
1
1
1
1
1
1
1
1
1
1
1
1
1
1
1
1
1
1
1
1
1
1
1
1
1
1
1
1
1
1
1
1
1
1
1
1
1
1
1
1
1
1
1
1
1
1
1
Ref No. Parts No. Description Parts Name Ver.
R144 RK3042 Chip R. MCR03EZHJ222
R147 RK3050 Chip R. MCR03EZHJ103
R148 RK3062 Chip R. MCR03EZHJ104
R150 RK3050 Chip R. MCR03EZHJ103
R151 RK3050 Chip R. MCR03EZHJ103
R152 RK3050 Chip R. MCR03EZHJ103
R153 RK3038 Chip R. MCR03EZHJ102
R154 RK3042 Chip R. MCR03EZHJ222
R155 RK3052 Chip R. MCR03EZHJ153
R156 RK3034 Chip R. MCR03EZHJ471
R157 RK3058 Chip R. MCR03EZHJ473
R158 RK3026 Chip R. MCR03EZHJ101
R160 RK3050 Chip R. MCR03EZHJ103
R161 RK3034 Chip R. MCR03EZHJ471
R162 RK3026 Chip R. MCR03EZHJ101
R163 RK3026 Chip R. MCR03EZHJ101
R164 RK0107 Chip R. ERJ6GEY0R00V
R165 RK3074 Chip R. MCR03EZHJ105
R168 RK3054 Chip R. MCR03EZHJ223
R172 RK3056 Chip R. MCR03EZHJ333
R173 RK3026 Chip R. MCR03EZHJ101
R176 RK3044 Chip R. MCR03EZHJ332
R180 RK3038 Chip R. MCR03EZHJ102
R181 RK3062 Chip R. MCR03EZHJ104
R182 RK3042 Chip R. MCR03EZHJ222
R183 RK3068 Chip R. MCR03EZHJ334
R184 RK3052 Chip R. MCR03EZHJ153
R185 RK3070 Chip R. MCR03EZHJ474
R186 RK3062 Chip R. MCR03EZHJ104
R188 RK3026 Chip R. MCR03EZHJ101
R189 RK3038 Chip R. MCR03EZHJ102
R191 RK3038 Chip R. MCR03EZHJ102
R193 RK3038 Chip R. MCR03EZHJ102
R195 RK3070 Chip R. MCR03EZHJ474
R196 RK3038 Chip R. MCR03EZHJ102
R197 RK3050 Chip R. MCR03EZHJ103
R198 RK3042 Chip R. MCR03EZHJ222
R199 RK3042 Chip R. MCR03EZHJ222
R201 RK3042 Chip R. MCR03EZHJ222
R203 RK3056 Chip R. MCR03EZHJ333
R204 RK3062 Chip R. MCR03EZHJ104
R206 RK0130 Chip R. ERJ6GEYJ4R7V
R207 RK3052 Chip R. MCR03EZHJ153
R208 RK3034 Chip R. MCR03EZHJ471
R209 RK3061 Chip R. MCR03EZHJ823
R210 RK3030 Chip R. MCR03EZHJ221
R211 RK4018 Chip R. ERJ12YJ220U
R212 RK4026 Chip R. ERJ12YJ101U
R213 RK3049 Chip R. MCR03EZHJ822
R214 RK3050 Chip R. MCR03EZHJ103
R215 RK3036 Chip R. MCR03EZHJ681
R216 RK3042 Chip R. MCR03EZHJ222
R217 RK3042 Chip R. MCR03EZHJ222
R219 RK3042 Chip R. MCR03EZHJ222
R220 RK4034 Chip R. ERJ12YJ471U
R221 RK3051 Chip R. MCR03EZHJ123
R222 RK3050 Chip R. MCR03EZHJ103
R223 RK3026 Chip R. MCR03EZHJ101
R224 RK3018 Chip R. MCR03EZHJ220
R226 RK3038 Chip R. MCR03EZHJ102
R227 RK3034 Chip R. MCR03EZHJ471
R228 RK3054 Chip R. MCR03EZHJ223
R229 RK3045 Chip R. MCR03EZHJ392
R230 RK3050 Chip R. MCR03EZHJ103
R231 RK3022 Chip R. MCR03EZHJ470
R234 RK3054 Chip R. MCR03EZHJ223
R235 RK3050 Chip R. MCR03EZHJ103
R236 RK3050 Chip R. MCR03EZHJ103
R237 RK3026 Chip R. MCR03EZHJ101
R238 RK3062 Chip R. MCR03EZHJ104
R239 RK3050 Chip R. MCR03EZHJ103
R240 RK3038 Chip R. MCR03EZHJ102
R241 RK3051 Chip R. MCR03EZHJ123
R242 RK3038 Chip R. MCR03EZHJ102
R243 RK3054 Chip R. MCR03EZHJ223
R244 RK3068 Chip R. MCR03EZHJ334
R245 RK3038 Chip R. MCR03EZHJ102
R246 RK3046 Chip R. MCR03EZHJ472
R247 RK3050 Chip R. MCR03EZHJ103
R248 RK3070 Chip R. MCR03EZHJ474
R249 RK3044 Chip R. MCR03EZHJ332
R250 RK3070 Chip R. MCR03EZHJ474
R251 RK3050 Chip R. MCR03EZHJ103
R252 RK3070 Chip R. MCR03EZHJ474
R253 RK3057 Chip R. MCR03EZHJ393
R254 RK3057 Chip R. MCR03EZHJ393
1
1
1
Qty.
1
1
1
1
1
1
1
1
1
1
1
1
1
1
1
1
1
1
1
1
1
1
1
1
1
1
1
1
1
1
1
1
1
1
1
1
1
1
1
1
1
1
1
1
1
1
1
1
1
1
1
1
1
1
1
1
1
1
1
1
1
1
1
1
1
1
1
1
1
1
1
1
1
1
1
1
1
1
1
1
1
1
1

36
Ref No. Parts No. Description Parts Name Ver.
R255 RK3046 Chip R. MCR03EZHJ472
R256 RK3026 Chip R. MCR03EZHJ101
R257 RK3046 Chip R. MCR03EZHJ472
R258 RK3057 Chip R. MCR03EZHJ393
R259 RK3050 Chip R. MCR03EZHJ103
R260 RK3054 Chip R. MCR03EZHJ223
R261 RK3054 Chip R. MCR03EZHJ223
R262 RK3065 Chip R. MCR03EZHJ184
R264 RK3038 Chip R. MCR03EZHJ102
R265 RK3062 Chip R. MCR03EZHJ104
R266 RK3050 Chip R. MCR03EZHJ103
R268 RK3050 Chip R. MCR03EZHJ103
R271 RK4034 Chip R. ERJ12YJ471U
R272 RK3050 Chip R. MCR03EZHJ103
R273 RK3050 Chip R. MCR03EZHJ103
R274 RK3050 Chip R. MCR03EZHJ103
R277 RK3042 Chip R. MCR03EZHJ222
R279 RK3046 Chip R. MCR03EZHJ472
R280 RK1028 Chip R. ERJ8GEYJ471V
R281 RK3041 Chip R. MCR03EZHJ182
R283 RK3038 Chip R. MCR03EZHJ102
R287 RK3046 Chip R. MCR03EZHJ472
R295 RK3038 Chip R. MCR03EZHJ102
R303 RK3049 Chip R. MCR03EZHJ822
R304 RK3049 Chip R. MCR03EZHJ822
R305 RK3042 Chip R. MCR03EZHJ222
R309 RK3050 Chip R. MCR03EZHJ103
R310 RK3042 Chip R. MCR03EZHJ222
R315 RK3042 Chip R. MCR03EZHJ222
R316 RK3051 Chip R. MCR03EZHJ123
R318 RK3068 Chip R. MCR03EZHJ334
R319 RK3061 Chip R. MCR03EZHJ823
R320 RK3062 Chip R. MCR03EZHJ104
R322 RD0108 Jumper J1/6Z
R324 RK3014 Chip R. MCR03EZHJ100
R326 RK3038 Chip R. MCR03EZHJ102
R327 RK3092 Chip R. MCR03EZPFX7502
R328 RD3013 Chip R. ERG1SJ100
R329 RK3062 Chip R. MCR03EZHJ104
R330 RK3062 Chip R. MCR03EZHJ104
R331 RK3038 Chip R. MCR03EZHJ102
R332 RK3054 Chip R. MCR03EZHJ223
R333 RK3062 Chip R. MCR03EZHJ104
R334 RK3042 Chip R. MCR03EZHJ222
R339 RK3056 Chip R. MCR03EZHJ333
R340 RK3050 Chip R. MCR03EZHJ103
R341 RK3050 Chip R. MCR03EZHJ103
R342 RK3055 Chip R. MCR03EZHJ273
R343 RK3048 Chip R. MCR03EZHJ682
R344 RK3057 Chip R. MCR03EZHJ393
R701 RK3038 Chip R. MCR03EZHJ102
R702 RK3026 Chip R. MCR03EZHJ101
R703 RK3062 Chip R. MCR03EZHJ104
R704 RK3059 Chip R. MCR03EZHJ563
R705 RK3038 Chip R. MCR03EZHJ102
SH101 TS0164A Case VCO CASE DR235
TC102 CT0046 Trimmer C. TC03C100A-TP02
TC103 CT0046 Trimmer C. TC03C100A-TP02
TH101 XS0031 Thermistor NTCCM16084BH682KCT
VR101 RH0148 Trimmer R. MVR22HXBRN104
VR102 RH0152 Trimmer R. MVR22HXBRN474
VR103 RH0142 Trimmer R. MVR22HXBRN103
VR104 RH0142 Trimmer R. MVR22HXBRN103
VR105 RH0142 Trimmer R. MVR22HXBRN103
VR106 RH0146 Trimmer R. MVR22HXBRN473
VR107 RH0140 Trimmer R. MVR22HXBRN472
VR108 RH0148 Trimmer R. MVR22HXBRN104
VR109 RH0144 Trimmer R. MVR22HXBRN223
VR110 RH0148 Trimmer R. MVR22HXBRN104
X101 XK0002 Discriminator CDBM455C7
X102 XQ0148 Xtal DSA534HB 21.250MHZ
X104 XQ0058Z Xtal UM5 30.395MHZ
XF101 XF0014Z Xtal Filter 30M152A 30.85MHZ
SD0034 Spring GND SPRING DR130
TZ0049 Dumper SILICON DUMPER
TZ0072 Sheet INSULATED SHEET
UP0468A PCB DR420 INTEGRATED A
Ref No. Parts No. Description Parts Name Ver.
C501 CU3047 Chip C. C1608JB1H103KT-N
C502 CU3023 Chip C. C1608CH1H101JT-AS
Qty.
1
Qty.
1
1
1
1
1
1
1
1
1
1
1
1
1
1
1
1
1
1
1
1
1
1
1
1
1
1
1
1
1
1
1
1
1
1
1
1
1
1
1
1
1
1
1
1
1
1
1
1
1
1
1
1
1
1
1
1
1
1
1
1
1
1
1
1
1
1
1
1
1
1
1
1
1
2
1
1
1
1
Ref No. Parts No. Description Parts Name Ver.
C503 CU3047 Chip C. C1608JB1H103KT-N
C504 CU3023 Chip C. C1608CH1H101JT-AS
C505 CU3023 Chip C. C1608CH1H101JT-AS
C506 CU3031 Chip C. C1608JB1H471KT-AS
C507 CU3035 Chip C. C1608JB1H102KT-AS
C508 CU3102 Chip C. C1608JB1C333KT-NS
C509 CS0220 Chip tantalum TMCMA1C225MTR
C510 CS0220 Chip tantalum TMCMA1C225MTR
C511 CU3006 Chip C. C1608CH1H050CT-AS
C512 CU3035 Chip C. C1608JB1H102KT-AS
C513 CS0063 Chip tantalum TMCSA1V104MTR
C514 CU3035 Chip C. C1608JB1H102KT-AS
C515 CU3003 Chip C. C1608CH1H020CT-AS
C516 CU3019 Chip C. C1608CH1H470JT-AS
C517 CU3006 Chip C. C1608CH1H050CT-AS
C518 CU3004 Chip C. C1608CH1H030CT-AS
C519 CU3002 Chip C. C1608CH1H010CT-AS
C520 CU3035 Chip C. C1608JB1H102KT-AS
C521 CU3003 Chip C. C1608CH1H020CT-AS
C522 CU3035 Chip C. C1608JB1H102KT-AS
C523 CS0424 Chip tantalum TMCMA1C106MTR
C524 CU3035 Chip C. C1608JB1H102KT-AS
C525 CU3035 Chip C. C1608JB1H102KT-AS
C526 CU3011 Chip C. C1608CH1H100DT-AS
C527 CU3011 Chip C. C1608CH1H100DT-AS
C528 CU3035 Chip C. C1608JB1H102KT-AS
C529 CU3006 Chip C. C1608CH1H050CT-AS
CN501 UE0368 Connector AXN39301613
D501 XD0131 Chip Diode 1SV214 TPH4
D502 XD0131 Chip Diode 1SV214 TPH4
D503 XD0131 Chip Diode 1SV214 TPH4
IC501 XA0915 IC M64076AGP
L501 QC0101 Chip inductor LER015TR82M
L503 QA0093 Chip Coil QA0093
L504 QC0101 Chip inductor LER015TR82M
L505 QC0096 Chip inductor LER015TR33M
L506 QC0627 Chip inductor LL1608-FSR10J
L507 QC0627 Chip inductor LL1608-FSR10J
Q501 XT0124 Chip Transistor 2SC4215-Y(TE85L)
Q502 XE0010 Chip FET 2SK508K52 T2B
Q503 XT0125 Chip Transistor 2SC4245-Y(TE85L)
Q504 XT0125 Chip Transistor 2SC4245-Y(TE85L)
R501 RK3030 Chip R. MCR03EZHJ221
R502 RK3022 Chip R. MCR03EZHJ470
R503 RK3038 Chip R. MCR03EZHJ102
R504 RK3038 Chip R. MCR03EZHJ102
R505 RK3038 Chip R. MCR03EZHJ102
R506 RK3001 Chip R. MCR03EZHJ000
R507 RK3047 Chip R. MCR03EZHJ562
R508 RK3050 Chip R. MCR03EZHJ103
R509 RK3038 Chip R. MCR03EZHJ102
R510 RK3026 Chip R. MCR03EZHJ101
R511 RK3034 Chip R. MCR03EZHJ471
R512 RK3054 Chip R. MCR03EZHJ223
R513 RK3043 Chip R. MCR03EZHJ272
R514 RK3060 Chip R. MCR03EZHJ683
R515 RK3058 Chip R. MCR03EZHJ473
R516 RK3022 Chip R. MCR03EZHJ470
R517 RK3060 Chip R. MCR03EZHJ683
R518 RK3022 Chip R. MCR03EZHJ470
R519 RK3022 Chip R. MCR03EZHJ470
R520 RK3050 Chip R. MCR03EZHJ103
R521 RK3045 Chip R. MCR03EZHJ392
R522 RK3030 Chip R. MCR03EZHJ221
R523 RK3030 Chip R. MCR03EZHJ221
R524 RK3050 Chip R. MCR03EZHJ103
R525 RK3042 Chip R. MCR03EZHJ222
R526 RK3044 Chip R. MCR03EZHJ332
R527 RK3038 Chip R. MCR03EZHJ102
DR-135 DR-435
CN7 UE0401 Dsub Connector K-D-09S-SE 1 1
CN6 UX1251 Wire WIRE D SUB 1 1
ES0017 Speaker 057M9017 1 1
UX1047 Wire WIRE DR130 1 1
AA0050 Screw XSC26+6FZ 6 6
AE0029 Screw RDG-LNA-W1(01) 2 2
AV0006 Screw B2.6+8 FE/NI 16 16
AW0001 Screw XYN3+J8FN 2 2
AZ0037Y Screw W3 FE BC 2 2
AZ0042 Washer WASHER 2 2
Qty.
Qty.
1
1
1
1
1
1
1
1
1
1
1
1
1
1
1
1
1
1
1
1
1
1
1
1
1
1
1
1
1
1
1
1
1
1
1
1
1
1
1
1
1
1
1
1
1
1
1
1
1
1
1
1
1
1
1
1
1
1
1
1
1
1
1
1
1
1
Ref No. Parts No. Description Parts Name Ver.
1
1
1
VCO DR-135
Mechanical Parts

37
DR-135 DR-435
DP0157 LCD PANEL LCD PANEL DR135TM2 1
DP0158 LCD PANEL LCD PANEL DR435TM2 1 T
FF0015 Cloth BLIND CLOTH DR110 3 3
FF0017 Cloth BLIND CLOTH DR570 1 1
FG0273 Rubber ON AIR KEY RUBBER 1 1
FG0320 SP Cushion SP CUSHION DR135 1 1
KS0068 Bottom Case BOTTOM CASE DR135 1 1
KZ0105 Front Pannel FRONT ASSY. DR135 1 1
NK0072 Knob KL0677A-VOL DR135 1 1
NK0073 Knob KL0678A-DIAL DR135 1 1
SS0093 Shassis CHASSIS DR135 1 1
ST0065 SP Holder SP HOLDER DR135 1 1
ST0066 SP Fitting SP FITTING DR135 1 1
TG0034 SP Himelon SP HIMERON DR135 1 1
UE0258 ANT Connector FM-M.D.R-(4) 1 1
YZ0131 Tape #9110 12X1mm 60 60
DS0446 Label NITTO MODEL PLATE(S) 1 1 T
DS0446 Label NITTO MODEL PLATE(S) 2 E
PR0478 Label SER.NO.STICKER 2 E
PR0451 Label FCC PART15(3) 1 1 T
PR0452 Label FCC HOME USE 1 1 T
PR0610 Label N-10X49SEAL(Y) 1 E
DR-135 DR-435
HK0539 Packege PACKAGE DR135Z 1
HK0540 Packege PACKAGE DR435Z 1
HM0218Z Carton Box MASTER CARTON DR135Z 0.2 0.2
HU0161Z P.MTL/Carton INNER 2 PCS 0.4 0.4
HU0159Z P.MTL/Carton INNER DR135T 1 1
HU0099Z P.MTL/Carton FRONT INNER DR605 1 1
DS0446 Label NITTO MODEL PLATE(S) 0.2 E
PR0478 Label SER.NO.STICKER 0.2 E
PR0513 Label NITTO 13X13 LABEL(W) 4 4
PR0514 Label EPSON 10X49 LABEL(W) 2 2 T
PR0514 Label EPSON 10X49 LABEL(W) 3 E
DR-135 DR-435
ADFM78 Bracket BRACKET DR130 1 1
ADUA38 Power Cable R-B2.0X3M RECEPT.15A 1 1 E
EMS53B Microphone 1 E
EMS57D Microphone 1 1 T
HP0009 Plastic Bag 5X125X250(ADUA38) 1 1
HP0035 Plastic Bag 5X200X250(UNIT) 1 1
PH0013 WARRANTY CEAT EXPORT 1 1 T
PK0096A 1
PK0097 1
PR0454 Label SECURITY STICKER T 2 2
PS0422A Manual INSTRUCTION DR135TM2 1 1
UX1259 Wire WIRE SCR1 DR135T 1 1
UX1260 Wire WIRE SCR2 DR135T 1 1
DR-135 DR-435
AA0013 Screw XSB5+20 4 4
AE0012 OH B2.6+6B FE/B.ZN 4 4
AJ0003 XTB5+20A 4 4
AN0002 XNG5A 4 4
AZ0009 XWA5B 4 4
AZ0010 XWG5 4 4
EF0005 Fuse FGBO 125V 15A 2 2
FM0079Z Spanner SPANNER DR130 1 1
HP0006 Plastic Bag 5X90X170 1 1
YZ0121 Tape TAPE 10MM 2 2
Qty.
Qty.
Qty.
Qty. Ver.
Ref No. Parts No. Description Parts Name Ver.
Ref No. Parts No. Description Parts Name
Ver.
Ref No. Parts No. Description Parts Name Ver.
Ref No. Parts No. Description Parts Name
Packing Parts
ACCESSORIES
ACCESSORIES (SCREW SET)

38
TNC (EJ41U)
Ref No. Parts No. Description Parts Name Ver.
BAT1 ED0006 Battery BR2032 1F2
C1 CS0408 Chip Tantal 6MCM156MATER
C2 CS0408 Chip Tantal 6MCM156MATER
C2 CS0408 Chip Tantal 6MCM156MATER
C3 CU3035 Chip C. C1608JB1H102KT-AS
C4 CU3111 Chip C. C1608JB1C104KT-N
C5 CU9018 Chip C. C3216JB1C105MT-N
C6 CU3047 Chip C. C1608JB1H103KT-N
C7 CU3047 Chip C. C1608JB1H103KT-N
C8 CU3111 Chip C. C1608JB1C104KT-N
C9 CU3051 Chip C. C1608JB1E223KT-NS
C10 CU3111 Chip C. C1608JB1C104KT-N
C11 CU3111 Chip C. C1608JB1C104KT-N
C12 CU9018 Chip C. C3216JB1C105MT-N
C13 CU3051 Chip C. C1608JB1E223KT-NS
C14 CU3116 Chip C. C1608CH1H471JT-AS
C15 CU3051 Chip C. C1608JB1E223KT-NS
C16 CU3051 Chip C. C1608JB1E223KT-NS
C17 CU3045 Chip C. C1608JB1H682KT-NS
C18 CU3045 Chip C. C1608JB1H682KT-NS
C19 CU3047 Chip C. C1608JB1H103KT-N
C20 CU9018 Chip C. C3216JB1C105MT-N
C21 CU3111 Chip C. C1608JB1C104KT-N
C22 CU3035 Chip C. C1608JB1H102KT-AS
C23 CU3111 Chip C. C1608JB1C104KT-N
C24 CU3004 Chip C. C1608CH1H030CT-AS
C25 CU3047 Chip C. C1608JB1H103KT-N
C26 CU3027 Chip C. C1608CH1H221JT-AS
C27 CU3023 Chip C. C1608CH1H101JT-AS
C28 CU3111 Chip C. C1608JB1C104KT-N
C29 CU3111 Chip C. C1608JB1C104KT-N
C30 CU3111 Chip C. C1608JB1C104KT-N
C31 CU3062 Chip C. C1608CH1H160JT-A
C32 CU3111 Chip C. C1608JB1C104KT-N
C33 CS0049 Chip Tantal TMCSA1C105MTR
C34 CS0394 Chip Tantal TMCMB0J476MTR
C35 CU3111 Chip C. C1608JB1C104KT-N
C36 CU3019 Chip C. C1608CH1H470JT-AS
C37 CU3043 Chip C. C1608JB1H472KT-NS
C38 CU3111 Chip C. C1608JB1C104KT-N
C39 CU3047 Chip C. C1608JB1H103KT-N
C40 CU3045 Chip C. C1608JB1H682KT-NS
C41 CU3116 Chip C. C1608CH1H471JT-AS
C42 CU9018 Chip C. C3216JB1C105MT-N
C43 CU3039 Chip C. C1608JB1H222KT-AS
C44 CU3051 Chip C. C1608JB1E223KT-NS
C45 CU3045 Chip C. C1608JB1H682KT-NS
C46 CU3039 Chip C. C1608JB1H222KT-AS
C48 CU3111 Chip C. C1608JB1C104KT-N
CN1 UE0402 Connector PI28B11M
D1X L0036 LED SML-310MTT86
D2 XL0035 LED SML-310UTT86
D3 XL0036 LED SML-310MTT86
D4 XL0036 LED SML-310MTT86
D5 XD0291 Diode MA729-TX
D6 XD0291 Diode MA729-TX
IC1 XA0678 IC TGT0210Q
IC2 XA0463 IC TA75S393F(TE85L)
IC3 XA0679 IC TMT0110Q
IC4 XA0224 IC NJM2904M T1
IC5 XA0326 IC NJM2903(T1)
IC6 XA0680 IC ADM232AARN-REEL
IC7 XA0668 IC S-80829ALNP-EAS-T2
L2 QB0044 Chip Coil BK1608HM601-T
Q1 XT0095 Transister 2SC4081 T106R
Q2 XT0094 Transister 2SA1576A T106R
Q3 XT0094 Transister 2SA1576A T106R
Q4 XT0094 Transister 2SA1576A T106R
Q5 XE0029 FET 2SK1580-T1
Q6 XT0095 Transister 2SC4081 T106R
Q7 XU0078 Transister UN521L-TX
Q8 XT0095 Transister 2SC4081 T106R
Q9 XT0094 Transister 2SA1576A T106R
Q10 XT0095 Transister 2SC4081 T106R
Q11 XT0095 Transister 2SC4081 T106R
R1 RK3062 Chip R. MCR03EZHJ104
R2 RK3062 Chip R. MCR03EZHJ104
R3 RK3062 Chip R. MCR03EZHJ104
R4 RK3062 Chip R. MCR03EZHJ104
R5 RK3034 Chip R. MCR03EZHJ471
R6 RK3034 Chip R. MCR03EZHJ471
R7 RK3034 Chip R. MCR03EZHJ471
R8 RK3032 Chip R. MCR03EZHJ331
R9 RK3038 Chip R. MCR03EZHJ102
R10 RK3050 Chip R. MCR03EZHJ103
R11 RK3066 Chip R. MCR03EZHJ224
R12 RK3038 Chip R. MCR03EZHJ102
1
Qty.
1
1
1
1
1
1
1
1
1
1
1
1
1
1
1
1
1
1
1
1
1
1
1
1
1
1
1
1
1
1
1
1
1
1
1
1
1
1
1
1
1
1
1
1
1
1
1
1
1
1
1
1
1
1
1
1
1
1
1
1
1
1
1
1
1
1
1
1
1
1
1
1
1
1
1
1
1
1
1
1
1
1
1
1
1
1
Ref No. Parts No. Description Parts Name Ver.
R13 RK3038 Chip R. MCR03EZHJ102
R14 RK3038 Chip R. MCR03EZHJ102
R15 RK3038 Chip R. MCR03EZHJ102
R16 RK3038 Chip R. MCR03EZHJ102
R17 RK3050 Chip R. MCR03EZHJ103
R18 RK3050 Chip R. MCR03EZHJ103
R19 RK3038 Chip R. MCR03EZHJ102
R20 RK3038 Chip R. MCR03EZHJ102
R21 RK3053 Chip R. MCR03EZHJ183
R22 RK3054 Chip R. MCR03EZHJ223
R23 RK3050 Chip R. MCR03EZHJ103
R24 RK3071 Chip R. MCR03EZHJ564
R25 RK3050 Chip R. MCR03EZHJ103
R26 RK3050 Chip R. MCR03EZHJ103
R27 RK3050 Chip R. MCR03EZHJ103
R28 RK3048 Chip R. MCR03EZHJ682
R29 RK3050 Chip R. MCR03EZHJ103
R30 RK3044 Chip R. MCR03EZHJ332
R32 RK3042 Chip R. MCR03EZHJ222
R33 RK3050 Chip R. MCR03EZHJ103
R34 RK3051 Chip R. MCR03EZHJ123
R35 RK3051 Chip R. MCR03EZHJ123
R36 RK3054 Chip R. MCR03EZHJ223
R37 RK3051 Chip R. MCR03EZHJ123
R38 RK3051 Chip R. MCR03EZHJ123
R39 RK3050 Chip R. MCR03EZHJ103
R40 RK3051 Chip R. MCR03EZHJ123
R41 RK3054 Chip R. MCR03EZHJ223
R42 RK3044 Chip R. MCR03EZHJ332
R44 RK3001 Chip R. MCR03EZHJ000
R45 RK3030 Chip R. MCR03EZHJ221
R46 RK3057 Chip R. MCR03EZHJ393
R47 RK3050 Chip R. MCR03EZHJ103
R48 RK3050 Chip R. MCR03EZHJ103
R49 RK3046 Chip R. MCR03EZHJ472
R50 RK3038 Chip R. MCR03EZHJ102
R51 RK3061 Chip R. MCR03EZHJ823
R52 RK3058 Chip R. MCR03EZHJ473
R53 RK3054 Chip R. MCR03EZHJ223
R54 RK3001 Chip R. MCR03EZHJ000
R55 RK3062 Chip R. MCR03EZHJ104
R56 RK3064 Chip R. MCR03EZHJ154
R57 RK3058 Chip R. MCR03EZHJ473
R58 RK3050 Chip R. MCR03EZHJ103
R59 RK3001 Chip R. MCR03EZHJ000
R60 RK3044 Chip R. MCR03EZHJ332
R61 RK3001 Chip R. MCR03EZHJ000
R62 RK3060 Chip R. MCR03EZHJ683
R63 RK3029 Chip R. MCR03EZHJ181
R64 RK3050 Chip R. MCR03EZHJ103
R65 RK3050 Chip R. MCR03EZHJ103
R66 RK3059 Chip R. MCR03EZHJ563
R67 RK3050 Chip R. MCR03EZHJ103
R68 RK3054 Chip R. MCR03EZHJ223
R69 RK3050 Chip R. MCR03EZHJ103
R70 RK3050 Chip R. MCR03EZHJ103
R71 RK3050 Chip R. MCR03EZHJ103
R72 RK3050 Chip R. MCR03EZHJ103
R73 RK3001 Chip R. MCR03EZHJ000
R74 RK3058 Chip R. MCR03EZHJ473
R75 RK3062 Chip R. MCR03EZHJ104
R76 RK3064 Chip R. MCR03EZHJ154
R77 RK3030 Chip R. MCR03EZHJ221
R78 RK3050 Chip R. MCR03EZHJ103
R79 RK3050 Chip R. MCR03EZHJ103
R80 RK3058 Chip R. MCR03EZHJ473
R81 RK3058 Chip R. MCR03EZHJ473
R82 RK3044 Chip R. MCR03EZHJ332
R83 RK3074 Chip R. MCR03EZHJ105
R84 RK3050 Chip R. MCR03EZHJ103
R85 RK3046 Chip R. MCR03EZHJ472
R87 RK3062 Chip R. MCR03EZHJ104
R88 RK3062 Chip R. MCR03EZHJ104
VR1 RH0142 Trim.Pot MVR22HXBRN103
VR2 RH0142 Trim.Pot MVR22HXBRN103
W2 UX1253 Connector WIRE TNC
X1 XQ0124 Xtal AT-49 7.9872MHZ
UP0402 PCB EJ41U (TNC )
FF0033 VELCRO A
FG0040 Cushion
TZ0024 Insulator ITHIUM BATT.
TZ0056 Insulator SILICON 49U
YZ0131 Tape #9110 12X1mm 25
1
2
L1
1
1
1
1
0.125
1
1
1
1
1
1
1
1
1
1
1
1
1
1
1
1
1
1
1
1
1
1
1
1
1
1
1
1
1
1
1
1
1
1
1
1
1
1
1
1
1
1
1
1
1
1
1
1
1
1
1
1
1
1
1
1
1
1
1
1
1
1
1
1
1
1
1
1
1
1
1
1
1
1
Qty.

39
TNC (EJ41U) Packing Parts
Ref No. Parts No. Description Parts Name Ver.
FD0001 Floppy-Disc (WIN2HD)
FF0034 VELCRO B
FG0040 Cushion
HK0487 Package Item Carton EJ41U
HP0029 Plastic bag 5X100X100
HP0040 Plastic bag 8X130X200
PF0061 SHEET EJ41U
PR0449 Label EJ41U
PS0354 Manual INSTRUCTION EJ41U
PS0355 Manual INST-DISC EJ41U
UZ0030 Plug MP-013LC 3.5mm Plug
1
1
1
1
1
Qty.
1
1
1
1
1
1

40
DR-135 ADJUSTMENT
1) Adjustment Spot
Power Supply Voltage 13.8 V
Output of SSG is all EMF indication
If without instruction, WIDE mode
If without instruction, SSG output is MOD 1KHz WIDE DEV 3.5KHz/DEV, NARROW DEV 1.75KHz/DEV
Standard Modulation is also based above.
Speaker load is 8Ω and Output is 50~100 mV.
L102 L103 L104 L105
L123
VR101
VR102
VR108CN107
VR103
VR104
VR105
VR107
VR106
CN102 CN103
CN105
VR109
PD
Attention:Don't set the variable resistor into its open position.

41
2) VCO and RX Adjustment Specification
ITEM
Adjustment
Frequency 145.90MHz
TX MAIN VR109 Adjust so that Tx Frequency
becomes within 145.90MHz±100Hz
VCO
Adjustment 136.00MHz
RX MAIN L123 Adjust so that PD voltage becomes
1.5V
VCO
Confirmation 173.99MHz
RX MAIN Confirm if PD voltage becomes less
than 7.3 V
Rx Signal
Sensitivity
Adjustment
146.05MHz
136.05MHz
146.05MHz
173.95MHz
MAIN L105, L104
L103, L102 Repeatedly adjust so that the Rx
sensitivity becomes in maximum.
Confirm:
At -7dBu SINAD more than 12dB
At -8dBu SINAD more than 12dB
At -6dBu SINAD more than 12dB
Squelch
Adjustment 146.05MHz
SSG OFF
Indication 01
MAIN VR101 Adjust so that the squelch stops at
perfectly close location
S Meter
Adjustment 146.05MHz
SSG20dBu 1KHz
3.5KHz/DEV
MAIN VR102 Adjust so that all the indicator
appears
CONDITION UNIT ADJ.SPOT ADJUSTING METHOD
3) Tx Adjustment Specification
HI POWER
Adjustment 146.00MHz
HI POWER MAIN VR103 Adjust to 50.0±1.0W
MID POWER
Adjustment 146.00MHz
MID POWER MAIN VR104 Adjust to 10.0±1.0W
LOW POWER
Confirmation 146.00MHz
LOW POWER MAIN Confirm if it becomes 4.0 ±1.0W
Maximum
Deviation
Adjustment
146.00MHz
MOD
1KHz40mVemf
WIDE
MAIN VR107 4.5±0.1KHz/DEV
Maximum
Deviation
Adjustment
146.00MHz
MOD
1KHz40mVemf
NARROW
MAIN VR105 2.2±0.1KHz/DEV
Mic Gain
Adjustment 146.00MHz
MOD
1KHz4mVemf
WIDE
MAIN VR106 3.0±0.1KHz/DEV
CTCSS
Modulation
Level
Confirmation
146.00MHz
88.5Hz MAIN 800±200Hz/DEV 3KHz LPF ON
DCS
Modulation
Level
Adjustment
146.00MHz
255 Code MAIN VR108 800±50Hz/DEV 3KHz LPF ON
1750Hz
Modulation
Level
Confirmation
146.00MHz
1750Hz MAIN 3.0±0.5KHz/DEV
DTMF
Modulation
Level
Confirmation
146.00MHz
DTMF
Press the V/M
key during TX
MAIN
ITEM CONDITION UNIT ADJ.SPOT ADJUSTING METHOD
1
3.0 ±0.5KHz/DEV

42
4) Rx Test Specification
TEST ITEM CONDITION ADJ STANDARD TEST STANDARD NOTE
136.05MHz
146.05MHz
173.95MHz
Less than -7dBu
Less than -8dBu
Less than -6dBu
Less than -6dBu
Less than -7dBu
Less than -5dBu
146.05MHz
NARROW Less than -8dBu Less than -7dBu
12dBSINAD
RX Sensitivity
135.05MHz Less than 9dBu Less than 10dBu AM 10dB S/N
WIDE RX Distortion NARROW Less than 4% Less than 5% SSG OUT PUT 30dBu
WIDE More than 40dB More than 38dB RX S/N
NARROW More than 34dB More than 32dB
SSG OUT PUT 30dBu
0.3~3KHzBPF OFF
Squelch Open Squelch Open SSG Output -10dBu Squelch
Sensitivity 146.05MHz
Indication 02 Squelch Close Squelch Close SSG Output OFF
S Meter 146.05MHz
1KHz
3.5KHz/DEV
All
20dBu All
25dBu Decrease
and
level
AF Output 146.05MHz More than 2W More than 2W SSG Output 30dBu
WIDE
500Hz/DEV Open at
500Hz/DEV
CTCSS
Sensitivity NARROW Open at
250Hz/DEV Open at
250Hz/DEV
SSG Output 0dBu
88.5Hz
WIDE Opens when Test
Equipment
Tx
Opens when Test
Equipment
Tx
255 code DCS Sensitivity
NARROW Opens when Test
Equipment
Tx
Opens when Test
Equipment
Tx
255 code
Drain Current 146.05MHz Less than 0.65A Less than 0.65A MAX VR
Power
Current 146.05MHz Less than 10mA Less than 10mA Power Off
Howling 146.05MHz Don’t occur Don’t occur SSG Output 60dBu
MOD OFF MAX VR
Open at
appears at appears at SSG level
decrease S Meter
is in
is in is in
is in
Off

43
5) Tx Test Specification
TEST ITEM CONDITION ADJ STANDARD TEST STANDARD NOTE
TX Output
HI POWER 144.00MHz
146.00MHz
148.00MHz
50±1W 50±3W
50±3W
50±3W
TX Output
MID POWER 146.00MHz 10±1W 10 ±2W
TX Output
LOW POWER 146.00MHz 4±1W 3~6W
Drain Current 146.00MHz Less than 10A Less than 11A
Frequency
Deviation 146.00MHz Within ±0.3KHz Within±0.5KHz
Spurious 144.00MHz
146.00MHz
148.00MHz
More than 65dB
More than 65dB
More than 65dB
More than 60dB
More than 60dB
More than 60dB
M
power is also the
same as of H power
level
WIDE
146.00MHz 3.0±0.1KHz/DEV
4.5±0.1KHz/DEV 3.0±0.2KHz/DEV
4.5±0.2KHz/DEV MIC IN 4mVemf
MIC IN 40mVemf
Modulation Level
NARROW
146.00MHz 2.2±0.1KHz/DEV 2.2±0.2KHz/DEV MIC IN 40mVemf
CTCSS
Modulation Level WIDE
146.00MHz 800±200Hz/DEV 800±200Hz/DEV 88.5Hz
3KHz LPF ON
WIDE
146.00MHz 800±200Hz/DEV 800±200Hz/DEV Code 255
3KHz LPF ON
DCS Modulation
Level NARROW
146.00MHz 450±100Hz/DEV 450±100Hz/DEV Code 255
3KHz LPF ON
1750Hz
Modulation Level WIDE
146.00MHz 3.0±0.5KHz/DEV 3.0±0.5KHz/DEV
DTMF Modulation
Level WIDE
146.00MHz 3.0±0.5KHz/DEV 3.0±0.5KHz/DE V Press
during TX
Modulation
Distortion 146.00MHz Less than 3% Less than 4%
WIDE More than 40dB More than 38dB TX S/N NARROW More than 34dB More than 32dB 0.3 ~ 3KHz BPF ON
and Lstandard
the V/M key

44
DR-435 ADJUSTMENT
1) Adjustment Spot
Power Supply Voltage 13.8 V
Output of SSG is all EMF indication
If without instruction, WIDE mode
If without instruction, SSG output is MOD 1KHz WIDE DEV 3.5KHz/DEV, NARROW DEV 1.75KHz/DEV
Standard Modulation is also based above.
Speaker load is 8Ω and Output is 50~100 mV.
VR108
VR102
VR101
L102 L103
TC103TC102
L503
VR110
PD
CN109
VR103
VR104
VR105
VR107
VR109
VR106
CN105
CN102 CN103
CN107
Attention:Don't set the variable resistor into its open position.

45
2) VCO and RX Adjustment Specification
ITEM CONDITION UNIT ADJ SPOT ADJUSTING METHOD
Adjustment
Fre
q
uenc
y
440.00MHz
TX MAIN
VR110
Adjust so that Tx Frequency
becomes within 440.00MHz
±
100Hz
VCO
Ad
j
ustment 425.00MHz
RX MAIN
L503
Adjust so that PD voltage becomes
1.7V.
VCO
Confirmation 511.95MHz
RX MAIN
Confirm if PD voltage becomes less
than 9.0 V
Rx Signal
Sensitivity
Adjustment
440.05MHz
430.05MHz
440.05MHz
450.05MHz
MAIN
TC103,TC102
L103,L102
It is a tracking generator from an
antenna connector. -30dBm is
inputted. And when CN109 is seen
with a spectrum analyzer, by the
maximum gain, it becomes as it is
shown in the following figure, and
appearance adjustment is carried
out.
430.00M 450.00M
At -7.5dBu SINAD more than 12dB
At -7.5dBu SINAD more than 12dB
At -7.5dBu SINAD more than 12dB
Squelch
Adjustment
440.05MHz
SSG OFF
Indication 01
MAIN
VR101
Adjust so that the squelch stops at
perfectly close location
S Meter
Adjustment 440.05MHz
SSG20dBu 1KHz
3.5KHz/DEV
MAIN VR102 Adjust so that all the indicator
appears

46
3) Tx Adjustment Specification
ITEM CONDITION UNIT ADJ SPOT ADJUSTING METHOD
HI POWER
Adjustment 440.00MHz
HI POWER MAIN
VR103
Adjust to 35.0 11W
MID POWER
Adjustment 440.00MHz
MID POWER MAIN
VR104
Adjust to 10.0 1.0W
LOW POWER
Confirmation 440.00MHz
LOW POWER MAIN
Confirm if it becomes
5.0
Maximum
Deviation
Adjustment
440.00MHz MOD
1KHz40mVemf
WIDE
MAIN
VR107
4.5 0.1KHz/DEV
Maximum
Deviation
Adjustment
440.00MHz MOD
1KHz 40mVemf
NARROW
MAIN
VR105
2.2 0.1KHz/DEV
Mic Gain
Adjustment
440.00MHz MOD
1KHz 4mVemf
WIDE
MAIN
VR106
3.0 0.1KHz/DEV
CTCSS
Modulation
Level
Confirmation
440.00MHz
88.5Hz MAIN
500~1000Hz/DEV 3KHz LPF ON
DCS Modulation
Level
Confirmation
440.00MHz
255 Code
MAIN VR108 800 200Hz/DEV 3KHz LPF ON
1750Hz
Modulation
Level
Confirmation
440.00MHz
1750Hz
MAIN VR109 3.0 0.5KHz/DEV
DTMF
Modulation
Level
Confirmation
440.00MHz
DTMF 1
Press the V/M key
during TX
MAIN
3.0 0.5KHz/DEV
±
±
±
±
±
±
±
±
±
1.0W

47
4) Rx Test Specification
TEST ITEM CONDITION ADJ STANDARD TEST STANDARD NOTE
350.05MHz
430.05MHz
440.05MHz
450.05MHz
511.95MHz
Less than -1dBu
Less than -7.5dBu
Less than -7.5dBu
Less than -7.5dBu
Less than +1dBu
Less than 0dBu
Less than -6.5dBu
Less than -6.5dBu
Less than -6.5dBu
Less than +2dBu
RX Sensitivity
440.05MHz
NARROW Less than -7.5dBu Less than -6.5dBu
12dBSINAD
WIDERX Distortion
NARROW
Less than 4% Less than 5% SSG Output 40dBu
WIDE More than 40dB More than 38dBRX S/N
NARROW More than 34dB More than 32dB
SSG Output 40dBu
0.3~3KHzBPF OFF
S
q
uelch O
p
en S
q
uelch O
p
en SSG Out
p
ut -10dBuSquelch
Sensitivity 440.05MHz
Indication 02 Squelch Close S
q
uelch Close SSG Output OFF
S Meter 440.05MHz
1KHz
3.5KHz/DEV
All appears at
20dBu
All appears at
25dBu
Decrease SSG level and
decrease S Meter level
AF Out
p
ut 440 05MHz More than 2W More than 2W SSG Out
p
ut 40dBu
WIDE 500Hz/DEV Open at
500Hz/DEV
CTCSS Sensitivity
NARROW Open at
250Hz/DEV Open at
250Hz/DEV
SSG Output 0dBu
88.5Hz
WIDE Opens when Test
Equipment is in Tx Opens when Test
Equipment is in Tx 255 code DCS Sensitivity
NARROW Opens when Test
Equipment is in Tx Opens when Test
Equipment is in Tx 255 code
Drain Current 440 05MHz Less than 0 7A Less than 0 7A MAX VR
Power Off Current 440 05MHz Less than 10mA Less than 10mA Power Off
Howling NARROW
MODE
Don’t occur Don’t occur SSG Output 60dBu
MOD OFF MAX VR
440.05MHz
Open at

48
5) Tx Test Specification
TEST ITEM CONDITION ADJ STANDARD TEST STANDARD NOTE
TX Output
HI POWER
430.00MHz
440.00MHz
450.00MHz
35±1W
35±3W
35±3W
35±3W
TX Output
MID POWER 440.00MHz
10±1W
10±2W
TX Output
LOW POWER 440.00MHz
5±1W
5±2W
Drain Current
440.00MHz
Less than
9A Less than
10A
Frequency
Deviation 440.00MHz
Within±0.5KHz
Within±1.0KHz
Spurious
430.00MHz
440.00MHz
450.00MHz
More than 62dB
More than 62dB
More than 62dB
More than 60dB
More than 60dB
More than 60dB
450MHz TM2
ONLY
M and L standard power
is also the same as of H
power level
WIDE
440.00MHz 3.0±0.1KHz/DEV
4.5±0.1KHz/DEV 3.0±0.2KHz/DEV
4.5±0.2KHz/DEV MIC IN 4mVemf
MIC IN 40mVemf
Modulation Level
NARROW
440.00MHz 2.2±0.1KHz/DEV
2.2±0.2KHz/DEV
MIC IN 40mVemf
CTCSS
Modulation Level WIDE
440.00MHz 500~1000Hz/DEV
500~1000Hz/DEV
88.5Hz
3KHz LPF ON
WIDE
440.00MHz 800±200Hz/DEV
800±200Hz/DEV
Code 255
3KHz LPF ON
DCS Modulation
Level
NARROW
440.00MHz 450±100Hz/DEV 450±100Hz/DEV
Code 255
3KHz LPF ON

49
PC BOARD VIEW
1) CPU Unit Side A
2) CPU Unit Side B
R16
NC
0
0
JP3
JUMPER
JUMPER
DR135TMk2
DR135EMk2
DR435TMk2
R15
NC
R13 NC
NC NC
0
0JUMPER

50
3) MAIN Unit Side A DR-135 (UP0467A)
SD0034
4) MAIN Unit Side B DR-135 (UP0467A)
SD0034
SD0034

51
5) MAIN Unit Side A DR-435 (UP0468A)
VCO Unit Side A
VCO Unit Side B
BOND
6) MAIN Unit Side B DR-435 (UP0468A)
SD0034

52
7) TNC Unit Side A (UP0402)
OPTION unit (EJ41U)
8) TNC Unit Side B (UP0402)
OPTION unit (EJ41U)

53
SCHEMATIC DIAGRAM
1) CPU Unit DR-135 / DR-435
R16
NC
0
0
JP3
JUMPER
JUMPER
DR135TMk2
DR135EMk2
DR435TMk2
R15
NC
R13 NC
NC NC
0
0JUMPER

54
2) MAIN Unit DR-135

55
3) MAIN Unit DR-435

56
4) TNC Unit
OPTION unit (EJ41U)
CN6 CN7
TO MAIN CN107

57
BLOCK DIAGRAM
1) DR-135

58
2) DR-435
59

Dealer/Distributor
DJ-195
Service Manual
ALINCO, INC.
Head Office : Shin-Dai Building 9th Floor
2-6, 1-Chome, Dojimahama, Kita-ku, Osaka 530-0004, Japan
Phone: +81-6-4797-2136 Fax: +81-6-4797-2157
E-mail:export@alinco.co.jp
Copyright 2004 Alinco, lnc. Osaka Japan
Printed in Japan PM0078A