AMERITRON AL 1500 User Manual
User Manual: Pdf AMERITRON--AL-1500-User-Manual
Open the PDF directly: View PDF
.
Page Count: 15

AMERITRON AL-1500
FULL POWER
LINEAR AMPLIFIER
IN
S
TR
UC
TI
O
N MAN
U
AL
The Ameritron AL-1500 is a 1500 watt output linear amplifier that
operates from 160 through 15 meters. The Ameritron AL-1500X is the
export model and covers 160 through 10 meters. The AL-1500J is the
export model for Japan and covers 160 through 10 meters. The AL-1500
uses a single 3CX1500A7/8877 tube in a class AB2 grounded grid circuit.
CW, FM and RTTY efficiency is improved by shifting the bias deeper into
class B. The heavy duty power supply and RF components, combined with
a forced air system utilizing a chimney, provide long service life for
expensive components. The AL-1500 is shipped factory wired for 240
volt, 50/60 Hz power mains.
PLEASE READ THIS MANUAL BEFORE OPERATING THIS E
Q
UIPMENT!
116 Willow Rd.
Starkville, MS 39759
UNPACKING INSTRUCTIONS
1. Carefully remove the amplifier, transformer, and tube from their shipping cartons.
Inspect each item for visible damage. If any damage occurred during shipment,
notif
y
the trans
p
ortation com
p
an
y
immediatel
y
.
2. Save all packing materials in case you need to return your AL-1500(X/J) for factory
service. The cartons have been designed to give maximum protection for this
amplifier. Any units returned without proper packing may be damaged and shipping
claims cannot be made. Contact the factory before returning any units.
3. Remove the screws that hold the cover to the amplifier. Slide the cover back and
remove it from the amplifier. There is a small bag that contains the fuses, fuse caps
and the remainder of the chassis screws wrapped in the packing material around the
a
n
ode
co
nn
ecto
r
.
4. Please read the GENERAL INFORMATION and SPECIFICATIONS sections before
attempting to install the transformer and tube. Please note that the tube chimney comes
factory installed around the tube socket. Go to the INSTALLATION section on page 4
to begin installing the transformer and tube.
5. This amplifier must always be disconnected from the power mains before removing
the cover. See the precaution on page 10. Please read the entire manual to become
familiar with the o
p
eration of the AL-1500
(
X/J
)
am
p
lifier.
NOTE: The AL-1500J is the Japanese export version of the AL-1500 amplifier. The
AL-1500J utilizes a special power transformer for use with 200V AC, 50 Hz. The
AL-1500J will perform to specifications with the special transformer installed and
will cover 24 and 28 MHz.
FEAT
U
RE
S
1. High performance tube: the AL-1500 uses a single rugged
3CX1500A7/8877 tube.
2. High power gain: the 3CX1500A7/8877 features high
power gain. As little as 65 watts of drive power will pr
vide 1500 watts of out
p
ut
p
ower.
3. SSB/CW switch: the bias voltage is switched to provide
the best linearity on SSB or the lowest dissipation on CW
o
p
eration.
proper operation of the amplifier. The other meter reads
Plate Voltage (HV), Plate Current (IP), Peak RF Watts
(
PO
)
and ALC.
7. Operate/Standby Switch: filament and plate voltages are
maintained while allowing the amplifier to be bypassed
for "barefoot" o
p
eration.
8.12 Volt Auxiliary Jack: 12 volts at 100 mA is provided for
accesso
ri
es
suc
h
as
t
h
e
ATR-1
5
An
te
nn
a
tu
n
e
r
.
4. ALC Indicator: the drive level is detected to provide a
control voltage for the exciter. ALC prevents overdriving
of the linear and reduces distortion from excessive drive
p
ower.
5. Vernier Plate and Load Adjustments: both tuning controls
have vernier 6:1 reduction drives for smooth tuning.
6. Two Illuminated Panel Meters: the AL-1500 has two il-
luminated panel meters. The Grid Current meter provides
a continuous readin
g
of
g
rid current and indicates
9. XMT Indicator LED: provides a front panel indication of
proper amplifier keying by the exciter during operation.
10. Grid Overload Circuit: this amplifier has a circuit that
protects the tube from excessive grid current. If 175 mA of
peak grid current is reached the "OPR" LED will no longer
light and the amplifier will go into a bypass condition. This
overload condition can be reset by momentarily putting the
STBY/OPR switch in the STBY position.
Caution: This amplifier must be disconnected from the power
mains before removing the cover. See the warning on page
10.
TECHNICAL SPECIFICATIONS AL
-
1500
Input:
Circuit type: Pi-network, slug tuned coils Maximum VSWR
at resonance: 1.3:1 Minimum 2:1 VSWR bandwidth: 20% of
center frequency Maximum drive power permissable: 100
watts Typical drive for full power output: 65 watts
Metering:
Multimeter: Plate current, plate voltage, drive/ALC, power
output (PEP watts)
Grid: Grid current
ALC: Ne
g
ative
g
oin
g,
0-20V
,
ad
j
ustable
,
p
hono
j
ack
Output:
Circuit type: Pi-L, Pi
/2 hour continuous carrier: 1500 watts 30 second
continuous carrier: 2500 watts
1/2 hour PEP two-tone test: 2500 watts plus 30 second
PEP two-tone test: 2500 watts
p
lus
Power Supply:
Circuit type: full wave bridge, capacitor input
No load voltage: 3600 V
Full load voltage: 3300 V
Full load current: 1 amp
Regulation: 10% typical
Transformer: 34 lbs., hypersil
Capacitors: 26 mfd total, computer grade
Maximum draw at rated output: 15 amps at 240V AC 50/60 Hz
Tube:
Type:(1) 3CX1500A7/8877
Continuous dissipation: 1500 Watts
Warm-up time: 180 seconds
Efficienc
y
CW: 65% t
yp
ical
Efficienc
y
SSB
(
envelo
p
e crest
)
: 62%
MARS/WARC:
y
es
,
set to nearest hi
g
hest amateur band
Keying: Requires relay closure or sinking to ground of t 12V
DC at 100 mA
,
p
hono
j
ack
RF Connectors: S0239
Line Connector: NEMA 6-15P
,
240V st
y
le
Dimensions: 18
1/2 D x 17 W x 10 H
Wei
g
ht: 77 lbs.
Frequency Coverage: (AL-1500)-1.8, 3.5, 7, 14, 18 and 21
MHz. User modified models cover 24 and 28 MHz. (AL-
1500X/J) Export models-1.8, 3.5,7, 14, 18, 21, 24 and 28
MHz.
Third Order IMD at Rated Out
p
ut: -36 dB
GENERAL INFORMATION
SAFETY INTERLOCK
While the Amplifier's top cover is in place, the interlock switch
closes to allow AC line voltage to reach the power transformer.
When the top cover is removed, the interlock opens and
disconnects the line voltage. This does not discharge the bank
of power supply filter capacitors. Be sure to allow the filter
capacitors to discharge before you touch anything inside the
Amplifier. You can select the High Voltage function of the
Multimeter to check the high voltage potential. Never attempt to
defeat the safety interlock. WARNING- Never remove the cover
of this amplifier with the unit plugged into the power line.
mal continuous amateur operation at 1500 watt levels. Power is
applied through RLY2 when the 12V DC low voltage supply is
activated. A 10 ohm resistor limits the line current during the
filter capacitor charge time to lower the stress on components.
When the primary voltage approahces the full line value, RLY3
shorts the 10 ohm resistor and applies the full line voltage to the
plate transformer. The 10 ohm resistor acts as a fuse during
start-up if the high voltage supply has a short.
TIMER OVERLOAD BOARD
DRIVING POWER
This Amplifier is designed to operate at full ratings when it is
driven by an exciter that has approximately 65 watts of RF
output. You can use an exciter that has lower output power, but
the Amplifier's output will be less. If you use an exciter that
delivers more than 100 watts, carefully adjust the driving power
to avoid "over drive" and the creation of spurious signals, which
create needless interference to other operators. We highly
recommend that you use a monitor scope for continuous output
monitoring. The display on an oscilloscope is the best way of
determining the amplitude of the voice peaks which, if
excessive. can cause "flat topping" and splatter. This amplifier
has a circuit that protects the tube from excessive grid current. If
175 mA of peak grid current is reached, the "OPR" LED will no
longer light and the amplifier will go into a bypass condition.
This overload condition can be reset by momentarily putting the
STBY/OPR switch in the STBY position.
IMPORTANT: In no case should you advance the power output
control of your exciter beyond the point where the Amplifier's
Power Output indication ceases to increase. If you turn the
control past this point, nonlinear operation may occur.
FILAMENT SUPPLY
The filament circuit of this amplifier satisfies all requirements
of the tube manufacturer related to tube performance and life.
Inrush current is controlled by the transformer internal
resistance and impedance, filament choke resistance and
filament wiring resistance. To insure maximum life of the tube
never replace any circuit components or wiring with substitute
parts.
The AL-1500 has a circuit board mounted on the front panel
side of the filter capacitor board that provides time delay to
insure the cathode of the 3CX1500A7/8877 has reached proper
operating temperature before high voltage and RF drive power
can be applied. This board also samples the peak grid current
and removes drive if the grid current is excessive.
The timer portion if this circuit board uses IC1A as a com-
parator to drive the complimentary darlington 01 and 02. When
twelve (12) volts is first applied to terminal "Y" diode D3
provides a regulated 5.1 volt reference. Divider R8 and R7
reduces the reference voltage to 3.7 volts. C9 charges from
current supplied by R9. After approximately three minutes, the
comparator output (pin 1) goes high. Q3's collector goes low
and turns on Q2 and Q1. If the 12 volt supp!y is momentarily
interrupted diode D1 discharges C9 through R6, R7, and R8.
Any interruption of more than a few seconds requires a
complete timing cycle to begin again.
The grid overload circuit compares the voltage developed
across the grid shunt (.3V equals 200mA) to the .256V reference
provided by R5 and R11. This sets the grid trip at 175 mA. Pin 7
of IC 18 will go high and turn 04 on if the grid current reaches
175 mA. This will cause RLY 1 to latch on and remove the 12
volts from the antenna transfer relay in the amplifier. The circuit
is reset by putting the amplifier on standby momentarily. This
removes the voltage that holds RLY 1 locked on. NOTE: The
grid overload circuit will respond much faster than the grid meter
can indicate grid current. if the overload continuously trips, the
likely cause is excessive peak grid current. This is caused by the
loading control being set too low (counter-clockwise) for the
peak drive power applied to the amplifier.
EXPORT MODIFICATIONS
The low voltage tap on the filament transformer primary pro-
vides the ability to operate the blower at slower speeds for
reduced noise. Normal amateur operation in CW and SSB will
not cause heat damage to components on any recommended tap.
It is always advisable to use the maximum speed (air flow) that
the level of noise permits to extend component life. Wiring
information for the blower is shown in the "Transformer
Connections" instructions.
PLATE SUPPLY
A simple modification will allow operation on frequencies
above 15 meters. Instructions for this modification are available
by sending a written request for "Export Modification
Instructions" along with a copy of a valid amateur license.
There is no charge for this information. Export models are
shipped with this modification and have an "X or J" following
the serial number. Standard frequency coverages are indicated
in the chart following the tuning instructions on page 10.
The plate supply has a full wave bridge rectifier and a 1.8 KVA
CCS rated tape wound hypersil transformer. Filtering is
accomplished by a bank of high quality capacitors totaling 26
mfd (additional capacitance will not improve supply
performance). The Plate Supply will not be harmed by nor
METERING FUNCTIONS
The AL-1500 has two illuminated meters. The Grid Current meter
provides a continuous indication of the 3CX1500/8877 grid
current. This exclusive feature of Ameritron amplifiers indicates
proper amplifier operation better than any other parameter. Do
not exceed 75 mA on this meter during normal operation of this
amplifier. The other meter reads Plate Voltage (HV), Plate
Current (IP), Peak RF Watts (PO) and ALC. These functions are
selected with the Multimeter Switch.
Plate Voltage (HV): Read DC Plate Voltage on the 4000 volt
scale. This scale is 100 volts per division. Normal voltages are
3600 volts no load, 3300 volts full load.
R5 on the Meter Board (50-01140-1) adjusts the calibration of the
power meter.
ALC: Indicates a relative drive level (average, not PEP) that can
be estimated by dividing the Peak RF Watts scale by 10.
TECHNICAL ASSISTANCE
Technical assistance is available during our normal business
hours on weekdays. The following information is required to
assist you with operational problems:
1. Model and Serial Number
Plate Current (Ip): Read DC Plate Current on the 1000 mA scale.
Thi
s
sc
al
e
i
s
25 mA
pe
r
d
i
v
i
s
i
o
n
.
Peak RF Watts (PO): Read Peak RF Watts on the 2000 watt
scale. This scale has 50 watt divisions below 1000 watts and 100
watt divisions above 1000 watts.
NOTE: This circuit uses an emitter follower to charge a
capacitor to the peak envelope voltage detected by the
ALC/Power Board. Accurate peak envelope power readings are
given when the amplifier is connected to a 50 ohm nonreactive
load. If the amplifier is used with a mismatched load, the power
meter will read higher or lower than normal by a ratio up to the
value of the SWR. Potentiometer
2. Date of
p
urchase and dealer
3. An accurate descri
p
tion of the
p
roblem
Meter readings at all stages of the tuning proceedure are very
important along with a complete description of the other
equipment used with our product.
Written assistance is also available. Due to time delays in
p
rocessin
g
mail
,
p
lease allow at least three weeks for a writ
ten re
p
l
y
.AMERITRON 116
Willow Road
Starkville, MS 39759
Tel: (662) 323-8211
Fax:
(
662
)
323-6551
PERIODIC MAINTENANCE
The high voltage present on the plate choke and air variable
capacitors attracts dust and dirt out of the air stream. It is
particularly important that the high voltage areas at the bottom of
the plate choke and the insulators on the air variable capacitors be
dust free. These areas should be inspected every few months if
the amplifier is operated in a dusty environment. Unplug the line
cord, and wait about 90 seconds until the power supply capacitors
discharge. Check the HV scale for zero voltage before removing
the cover. Remove the cover. You must first connect a jumper
wire from ground or chassis to the anode connection of the tubes.
NOTE: This is a safety wire that must be installed when
beginning service work. After service is complete, reverse the
procedure to remove the safety wire. Remove the wire from the
anode connection first and then from ground.
Use a soft bristle brush dipped in alcohol to clean areas men-
tioned previously. In the event that cleaning is required at
frequent intervals, place a low restriction air filter material over
the air inlet holes on the left front side of the cabinet near the
filter capacitors. Most hardware stores stock suitable materials
that are used as replacement filters for window air conditioners.
INSTALLATION
TRANSFORMER INSTALLATION
Remove the cover of the amplifier. Remove the small package
that is wrapped around the anode connector. This is the fuse pack
and contains the fuses, fuse caps and the remainder of the chassis
screws. Remove the top 7/16" nuts from the four transformer
mounting bolts inside of the amplifier. Carefully remove the
transformer from its shipping carton.
Place the transformer on the four
1
/4-20 mounting bolts. Use care
because the transformer is heavy. The side with the two high
voltage secondary RED leads must be adjacent to
the center panel(see Fig. 1). Now place a 7/16" nut on each bolt
(see Fig. 2). Snug the nuts down manually. Do not tighten with a
ratchet wrench.
Remove the brass
1
/4" hex nuts and the top flat washer from the
two 6-32 screws on the rectifier board (see Fig. 1). Install the
RED lead ring terminals on the screws and replace the flat
washers and 1/4" hex nuts. Position the wires so that the black
insulated areas are at least 1/4" from each other and any metal
ob
j
ects. Now ti
g
hten the 1/4" hex nuts.

TRANSFORMER INSTALLATION Cont. Fi
g
. 3
For 240V Operation (factory wired):
The four primary leads have colored plastic insulating boots
over the quick disconnect terminals. Slide these back prior to
installing the leads. !nstall the color coded boots as
follows:(see Fig. 1) Note: Japanese export model (AL-1500J)
should follow the 240V operation steps to properly connect
their transformers. The AL-1500J is supplied with a special
transformer for 200V operation.
1. BLUE (Brown wire) to the top relay terminal
2. YELLOW (Black/White) to the top terminal of terminal
block
3. CLEAR (Black wire) to the second terminal of terminal
block
4. RED
(
Brn/Wht
)
to the bottom terminal of terminal block
Now slide the colored insulating boots back over the ter-
minals. Note: The green wire is not used for 240V operation.
There is no green wire on the AL-1500J export model
transformer.
Important: The leads must be in the positions indicated by
the color coded insulating boots(see Fig. 1) for 240V opera-
tion. Or for 200V operation in Japan. Caution: Do not use
the 220V wiring unless the line voltage is always below 220
V
A
C.
Th
e
S
tan
d
ar
d
US
A
vo
lta
ge
i
s
240
V
A
C,
n
o
t 220
.
For 220V operation (see Fig. 3), follow the first three steps
above, then follow the steps below:
1. Slide the RED boot back on the BRN/WHT
wire.
2. Clip the terminal connector off the wire and slide
the RED boot off.
3. Remove the restraint from the GRN wire and
slide the RED boot on to the wire.
4- Solder the terminal connector to the GRN wire.
TUBE INSTALLATION
Note that one of the tube pins is larger in diameter. This
larger pin "keys" the tube base and socket. Install the tube by
aligning the tube pins with the socket contact terminals, then
seat the tube with vertical pressure ONLY. Do not "rock" or
"twist" the tube. Also the chimney is already mounted inside
the AL-1500 am
p
lifier.
After the tube is installed, attach the anode connector as
follows: (Refer to the Fig. 4)
. Remove screw "A" that holds the anode con-
nector to the 500pf blocking capacitors.
2. Attach the anode connector to the tube anode.
3. Insert screw "A" into the 500pf capacitors and
snug it down.
Fig. 4
5. Tape up the BRN/WHT wire because it will 5
not be used. To
p
View of 1500 Tube

Caution: This page is only valid for transformers that contain these exact color codes for the primary winding. Early
production units did not contain a multiple tap transformer. If the terminal strip has all these color coded wires, then the
unit has the multi
p
le ta
p
transformer.
FILAMENT/BLOWER WIRING INSTRUCTIONS
The AL-1500 and 1500(X) amplifiers come prewired for 240V line voltage and with the blower prewired for medium
high fan speed. NOTE: The AL-1500J Japanese export model is prewired for 208V line voltage. This page gives filament
transformer connection details for various line voltages and blower speeds. The five lug terminal strip and the single lug
terminal strip are located immediatgly behind the ON/OFF rocker switch inside the unit. The drawing below shows the
connection of transformer leads and their
p
ur
p
ose.
This chart shows the color code of the transformer leads and their purpose. The number in paren-
thesis indicates the number of the terminal lug that the transformer lead is connected to. The
number three (3) lug is not used to change the filament or blower wiring. Do not add or remove any
wires from the number three (3) lug. Refer to the drawing above. Use the lug numbers above when
referrin
g
to both of the Filament connection chart and the Blower connection chart below.
FILAMENT TRANSFORMER LINE VOLTAGE T
h
ere
are two wires that connect to the terminal lugs which
determine the Filament Line Voltage. The BLACK wire
from the power switch and WHITE wire from rear of the
unit connect to different terminal lugs depending on the
voltage desired. The AL-1500 and 1500(X) come prewired
for 240V operation*. AL-1500J comes prewired for 200V
operation**. Refer to the chart below. The voltage listed in
the chart below is the maximum line voltage that should be
applied to a given tap. Operation with line voltage in
excess of 'he tan voltage selected can result in a reduction
of tube life
BLOWER CONNECTIONS
The GREEN and WHITE wires from the rear of the unit
connect to the terminal lugs to control the air speed of the
fan. The AL-1500/X/J are prewired for the medium high
speed setting*. Refer to the char below. The blower
connections can be moved to lower speed taps if air noise
is excessive. Ameritron recommends using the highest
speed tap that noise considerations permit. The lowest
speed tap will develop sufficient air flow for standard
amateur SSB and CW full power operation. The highest
speed taps should be used for contest or RTTY operation.

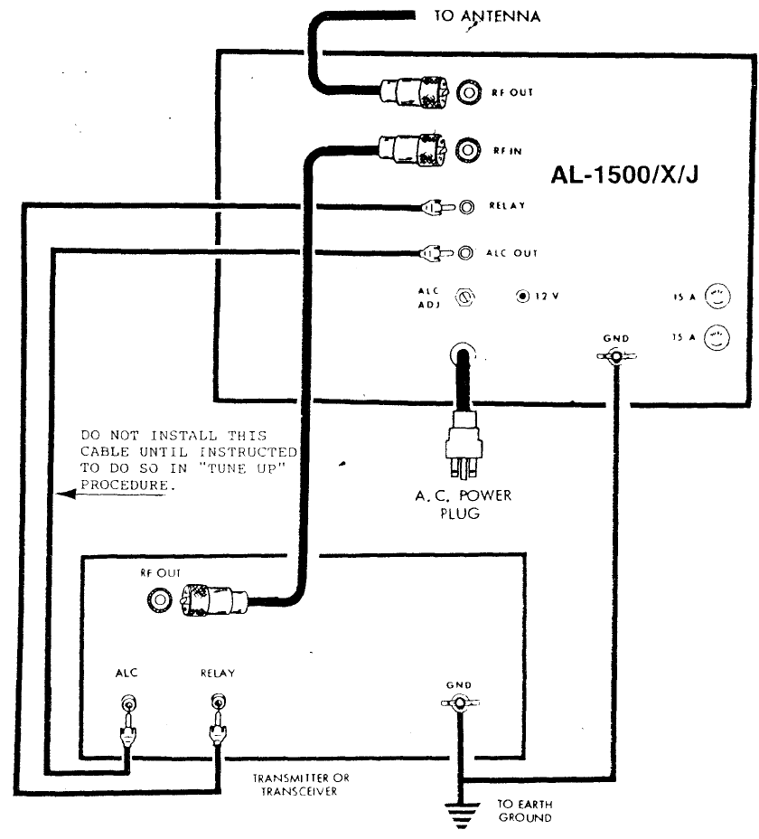
INTERCONNECTION
S
1. Connect the RF output of the exciter to the RF IN connector
on the rear of the AL-1500 with 50 ohm coax. Use any good
quality 50 ohm cable long enough to connect the amplifier to
the exciter. The amplifier uses a standard SO-239 female that
will mate to a PL-259 male connector on the cable.
2. Connect the existing station antenna system to the RF OUT
connector on the rear of the AL-1500 with RG-8 type coax.
This connection uses PL-259 connectors.
3. Use shielded audio type cable with standard male phono plugs
to connect to the RELAY jack on the AL-1500. This jack
has
p
ositive 12V DC o
p
en circuit and su
pp
lies
100mA of current when
p
ulled to
g
round.
4. Connect a short ground lead from a good earth and RF ground
to the GND terminal.
5. The 12V connection on the rear panel provides 12V DC at 100
mA maximum to operate external dial lamps or accessories
such as the ATR-15 Antenna Tuner.
6. DO NOT CONNECT THE "ALC OUT" SOCKET ON THE
AMPLIFIER TO THE "ALC" SOCKET ON THE
TRANSMITTER UNTIL INSTRUCTED TO DO SO IN
THE TUNE UP PROCEDURE. This jack provides up to 20
Volts of ne
g
ative volta
g
e for transmitter
g
ain control.
LOCATION POWER CONNECTIONS
-Do not operate the Amplifier in excessively warm locations
or near heating vents or radiators. Be sure air can circulate
freely around and through the Amplifier cabinet. Provide an
unobstructed air inlet for the blower. Do NOT place anything
that will impede the free flow of air within 2 inches of the
cabinet ventilation holes.
The AL-1500 is supplied with a NEMA 6-15P plug for 240V
AC operation. Operation with power main voltages below
200 volt is not recommended. Special transformers are re-
quired for 200V, 50/60 Hz operation (see NOTE on page 1).
Refer to the "Transformer Installation" section on pages 4
and 5 for the correct wirin
g
for 220 to 240 volt o
p
eration.
VENTILATION
The AL-1500 ventilation system has been designed and
tested to maintain tube seal temperature safely below the
tube manufacturer's rating at 1500 watts output with a 100%
duty cycle when properly tuned. The blower in the AL-1500
is a permanently lubricated type that requires no main-
tainence in normal operation. To insure proper ventilation in
your installation, observe the following:
1. Do not block or unduly restrict the ventilation holes in
the cover. Be sure that the amplifier is located in an area
so the vent holes have o
p
en air circulation.
2. The exhaust air flow is over 30 CFM. Do not "assist" the
air flow unless the fan exceeds the AL-1500 blower
CFM b
y
a factor of 2:1.
3
.
D
o
n
o
t m
ou
nt a
dd
iti
o
nal fan
s
o
n th
e
AL-1500
c
a
b
in
e
t
.
4. The exhaust air will become quite warm at higher power
levels. Do not place any heat sensitive objects in the
exhaust air stream.
NEVER REWIRE THE POWER SUPPLY TO BOOST
THE HIGH VOLTAGE ABOVE 3700 VOLTS.
The wiring between the fuse box and the amplifier AC outlet
must be No. 12 gauge or larger in order to supply the current
required (13 amperes) without a significant drop in the line
voltage. The outlet should be fused for 20 amperes.
GROUNDING
Connect a good RF and earth or water pipe ground to the
ground post on the rear panel of the Amplifier. Use the
heaviest and shortest connection possible.
Before you use a water pipe ground, inspect the connections
around the water meter and make sure that no plastic or rub-
ber hose connections are used. These connections interrupt
electrical continuity to the water supply line. Install a jumper
around any insulating water connections you may find. Use
heavy copper wire and pipe clamps. It is best to ground all
equipment to one point at the operating position and then
ground this point as described above.
TUNING INSTRUCTIONS
Proper tuning of a grounded grid linear amplifier is best
accomplished with an understanding of what each control
does and what the meters are telling the operator about the
condition of TUNE.
ing operation. Excessive grid current, distortion on SSB or
arcing in the tank components occurs when full drive power
is applied to the amplifier without the "LOAD"' set for
enough clockwise (higher loading).
The tuning controls function as follows:
PLATE: This control tunes the amplifier output circuit to the
operating frequency. It should always be adjusted for
maximum output power or maximum grid current. Due to
interaction with the ''LOAD" control, a "touch-up" should be
performed after any load adjustments.
It is important to remember the loading must be set properly
for the PEAK power the amplifier is expected to develop. 50
watts PEP will be the maximum drive the amplifier will
safely handle if the output of the amplifier is tuned with 50
watts of carrier drive. Any attempt to go beyond the amount
of drive power the amplifier was originally tuned at will
result in a rapid increase in grid current, splatter and even
damage to components.
LOAD: This control adjusts the coupling of amplifier to the
antenna or load. It should be adjusted to keep the grid
current in the proper operating range. As the loading
capacitance is reduced (by rotating the control to a higher
front panel number), the coupling is increased. An increase
in coupling will reduce grid current and increase the amount
of drive the amplifier will accept without component
damage.
A common mistake in tuning is to adjust the "LOAD"
control at low drive powers and apply more drive dur
The "LOAD" control should be adjusted for maximum
output power without exceeding the recommended grid
current. DO NOT USE THE LOAD CONTROL TO
REDUCE POWER IN A GROUNDED GRID AMPLIFIER.
The drive from the exciter should be reduced if the amplifier
plate current or output power is excessive. The "LOAD"
setting should be increased if grid current is excessive. Any
errors in adjusting this control should be made in favor of a
higher load setting (clockwise).
INSTALLATION Cont.

CW PROCEDURE
Follow these instructions in numerical order. If the various meter
readings are different than indicated, check the connections from
the exciter to the amplifier and make sure they are correct.
Consult the manual for the exciter.
6. With exciter drive still at zero, place the MULTIMETER
switch in the Ip position. Observe the 1000 mA scale. The
meter should read zero (0). Place the STBYOPR switch in
the OPR
p
osition.
Be sure the transformer is correctly installed and wired for your
line voltage. See the "Transformer Installation" section on page 4
and 5 for wiring details.
1. Set the AL-1500 front panel switches as follows:
POWER TO OFF
OPR-STBY TO STBY
SSB-CW TO CW
M
U
LTIMETER T
O
H
V
2. Plu
g
the AC line cord into the
p
ro
p
er volta
g
e outlet.
3. Set the Power Switch to the ON position. The grid meter
should light and the blower should start. After three minutes,
the plate meter should light and the multimeter should read
3600 volts nominal and absolutely no more than 3700 volts
HV.
4. With the amplifier still on STANDBY. tune the exciter into a
normal 50 ohm load according to the manufacturer's
instructions. Turn the exciter drive fully down after tuning.
5. Place the amplifier mode switch in the CW position, the
bandswitch on the same band as the exciter, the PLATE
control in the dial range for the band selected and the load
control as indicated:
7. Key the exciter (no drive) and observe the plate current on the
1000 mA scale. It should be 75 mA. Place the CW-SSB
switch in the SSB position. Plate current should now read
250 mA. Return the CW-SSB switch to the CW position.
Note: The no drive currents will vary up to 25% due to
co
m
po
n
e
n
t
a
n
d
lin
e
vo
l
tage
to
l
e
r
e
n
ces.
8. Apply only enough drive to indicate a grid current of 50 mA or
an Ip of no more than 500mA. Tune the PLATE control for
maximum output power or grid current. It is normal for the
plate current to dip at this point. If the grid current
goes over 100 mA. reduce the drive at once. Unkey the
exciter. NOTE: This amplifier has a circuit that protects
the tube from excessive grid current. If 175 mA of peak grid
current is reached, the "OPR" LED will no longer light and
the amplifier will go into a bypass condition. This overload
condition can be reset by momentarily putting the
STBY/OPR switch in the STBY position. Repeated tripping
of the grid overload circuit usually indicates that the loading
control is set too far counterclockwise for the amount of
drive being applied to the amplifier or that something in the
antenna system is changing impedance (arching) during
9. Place the MULTIMETER switch in the PO position and
observe the 2000 Peak RF Watts scale. Increase the drive
until 100 mA of grid current is indicated. Adjust the LOAD
and PLATE controls for maximum output. The grid current
ma
y
be lower now.
10. Advance the drive to 100 mA of grid current. Adjust the
LOAD and PLATE controls for maximum output power. The
out
p
ut should be over 1000 watts now.
11. Apply full drive without exceeding 100 mA of grid current.
The final grid current should be around 50 mA and the plate
current below 1000 mA.

ALC
(
Automatic Level Control
)
ALC will
p
revent over-
p
ower o
p
eration.
The primary use of the ALC is to reduce the input drive power
to a safe level for the AL-1500. The maximum drive that the
AL-1500 will tolerate is approximately 100 watts. At this drive
level the output of the AL-1500 may be in excess of 2000 watts
when properly tuned. The ALC should be connected and
adjusted after ;he amplifier is properly tuned on CW. Use a
shielded audio-type cable with a standard male phono connector
to connect the 0-20 volt negative ALC voltage to the exciter
ALC input. Consult the exciter manual for proper connection
details.
Settin
g
the ALC ADJ Control
Proper adjustment of the rear panel ALC control can be
achieved b
y
the followin
g
ste
p
s:
1. Load the amplifier according to the tune-up instructions
(with the ALC disconnected from the exciter) to the desired
maximum power.
2. Connect the ALC line and rotate the ALC control fully
clockwise lookin
g
at the rear of the unit.
3. Set the MULTIMETER switch to the PO position or observe
an external PEP meter or oscillosco
p
e
4. Set the transmitter audio control about 20
0
16 higher than
normal.
5. Speak in the microphone in a normal tone of voice and
observe the reading on the 2000 RF Watts scale
6. Adjust the ALC ADJ control on the rear panel until the
amplifier output is no more than the desired maximum
p
ower obtained in ste
p
1.
The exciter internal ALC will maintain linearit
y
the am
p
lifier
SSB PROCEDURE
Tune the Exciter and Amplifier as described in "TUNE-UP CW
PROCEDURE".
1. Place the SSB-CW switch in the SSB
p
osition.
2. Adjust the exciter gain control to permit voice peaks to reach
the same value the peak output meter read on CW when
fully loaded. The plate and grid currents should remain well
below 50% of the CW values during normal modulation.
SSTV, FM, RTTY, PACKET, AMTOR:
The plate current should be limited to 800 mA maximum. The
grid current should be limited to 50 mA. Tune the amplifier for
peak output power with the drive reduced to the grid and plate
current below the ratings given.
NOTE:
Some exciters will put out short duration high power RF pulses
when first keyed. Exciter power output peaks may reach or
exceed full output level even if the exciter's power control has
been adjusted to deliver reduced power under "keydown"
conditions.
The amplifier loading control must be set high enough
(clockwise) to prevent extremely high energy levels from
developing in the plate and grid circuits of the amplifier. DO
NOT "UNDERLOAD" THE AMPLIFIER TO REDUCE
POWER. Never "retune" the amplifier to produce higher ef-
ficiency with reduced drive. Poor linearity, splatter or even
damage to components may result from failure to follow these
instructions. Repeated tripping of the grid current circuit
usually indicates that the loading control is set too far counter-
clockwise for the amount of drive being applied to the amplifier
or that something in the antenna system is :hanging impedance
(arcing) during peaks.
WARNING!!
MAKE NO ATTEMPT TO PUT THIS AMPLIFIER IN SERVICE WITH THE COVER REMOVED!
CONTACT WITH VOLTAGES INSIDE THIS AMPLIFIER CAN BE FATAL! ALWAYS
DISCONNECT THE AMPLIFIER FROM THE POWER MAINS AND WAIT FOR THE FILTER
CAPACITORS TO DISCHARGE BEFORE REMOVING THE COVER.
1




PARTS LIST