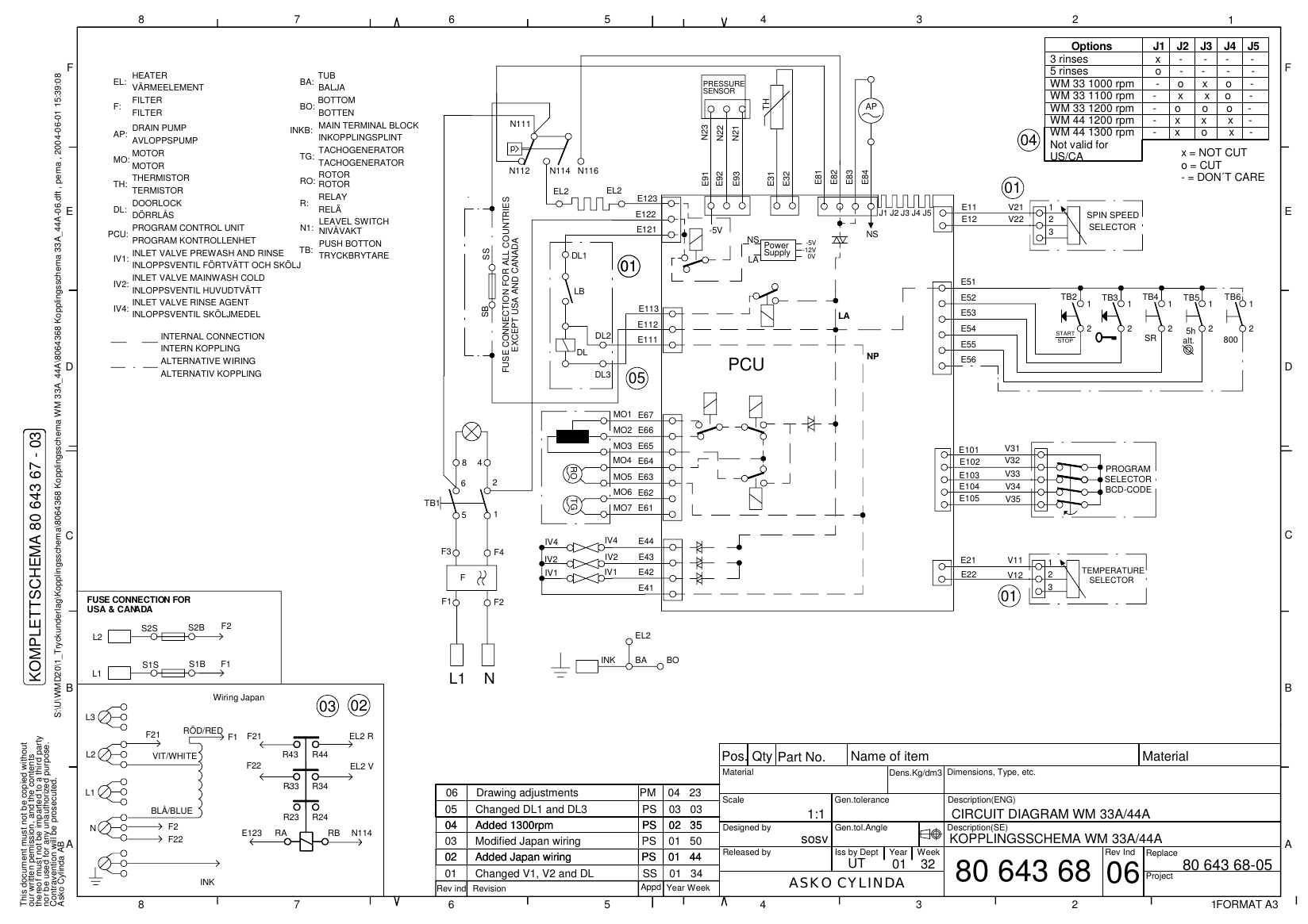
8064368 Kopplingsschema 33A_44A 06.dft Asko Washing Machine WM 33A 44A
2012-10-25
: Pdf Asko Washing Machine Wm 33A-44A Asko_Washing Machine_WM 33A-44A Asko
Open the PDF directly: View PDF
.
Page Count: 1

: Pdf Asko Washing Machine Wm 33A-44A Asko_Washing Machine_WM 33A-44A Asko
Open the PDF directly: View PDF
.
Page Count: 1
