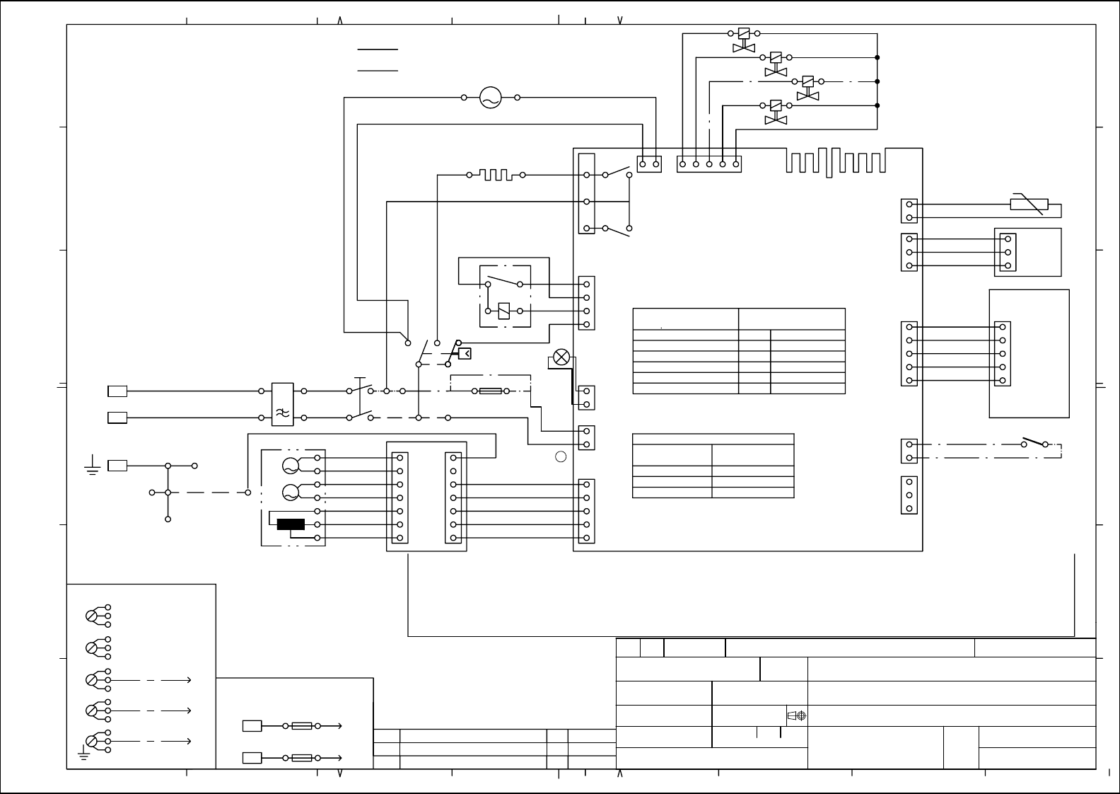
8064394 Kwm50 02.dft Asko Washing Machine WM50
2012-10-25
: Pdf Asko Washing Machine Wm50 Asko_Washing Machine_WM50 Asko
Open the PDF directly: View PDF
.
Page Count: 1

Rev ind Revision Appd Year Week
8765432
1FORMAT A3
5678
E
D
A
B
1
C
F
32
This document must not be copied without
our written pemission, and the contents
thereof must not be imparted to a third party
nor be used for any unauthorized purpose.
Contravention will be prosecuted.
Asko Cylinda AB
4
Dimensions, Type, etc.
Pos.
Material
Name of item
Qty
Dens.Kg/dm3
Part No. Material
ASKO CYLINDA
Description(ENG)
Gen.tolerance
Scale
Description(SE)
Replace
Gen.tol.Angle
Rev Ind
Designed by
Project
Week
Year
Iss by Dept
Released by
1:1
MS
UT 01 22
KOPPLINGSSCHEMA WM50
80 643 94-01
CIRCUIT DIAGRAM WM50
80 643 94 02
S:\U\WMD20\1_Tryckunderlag\Kopplingsschema\8064394 Kopplingsschema WM50\8064394 Kwm50-02.dft , pema , 2004-06-02 10:18:04
E
D
A
B
C
F
8
INLOPPSVENTIL FÖRTVÄTT OCH SKJÖLJ
INLOPPSVENTIL HUVUDTVÄTT VARMVATTEN
INLET VALVE PREWASH AND RINSE
INLET VALVE MAINWASH COLD
INLOPPSVENTIL HUVUDTVÄTT
INLET VALVE MAINWASH HOT
INLOPPSVENTIL SKLÖJMEDEL
INLET VALVE RINSE AGENT
PROGRAM KONTROLLENHET
PROGRAM CONTROL UNIT
MOTOR BRACKET
DOOR SWITCH
LUCKBRYTARE
MOTOR VAGGA
IV1:
IV2:
MOTOR
IV3:
IV4:
PCU:
LB:
MF:
MAIN TERMINAL BLOCK
F1
TACHOGENERATOR
INKOPPLINGSPLINT
ÖVERSVÄMNINGSBRYTARE
TACHOGENERATOR
VÄRMEELEMENT
BOTTEN
BALJA
HEATER
ROTOR
ROTOR
RELAY
TUB
RELÄ
MCU
MO
ST2-2
ST2-3
ST2-4
ST2-5
ST2-6
E1:5
E1:4
E1:3
5 Vdc(THERMISTOR DISCONNECTED)
E12:1-E12:3
E3:1-E3:2
E11:1-E11:2
E10:5-E10:3
E6:3-E6:5 E10:1-E10:3
DATA SERIELL
HEATER ON
E1:1-E1:2 HEATER OFF 0 V
E2:1-E2:2
0 V HEATER ONHEATER OFF
THE ABOVE REQUIRE THE LEVEL
SWITCH IN POSITION N1 14
POWER ON DOOR CLOSED
E6:4
E12:2
15 Vdc
SPIN (S2)
5 Vdc (OVERFILL 0 Vdc)
TEMP (S1)
PRESS 5*START (S7)
+ 5*PX (SX)
INLET VALVES
DELAYED START (S3)
CELSIUS/FAHRENHEIT
SPECIAL SELECTIONS
SELECTION
E/Hi Wa (S5)
Super rinse (S4)
Delayed start (S3)
DATA SERIELL
Spin (S2)
Temp (S1)
DOOR
Hold start(S7)+5xE/Hi Wa(S5)
SWITCH
V4
LUCKMAGNET
TERMISTOR
THERMISTOR
TB1
E2-1
E5-2
N1 12
E5-1
230 Vac
230 Vac
DL3
AT ZERO WATER PRESSURE
E8-1
DL2
230 Vac
230 Vac
E8-2
0 V
230 Vac
DOOR SOLENOID ON 10 mS
E8-3
DL1 E8-4
DOOR CLOSED
DOOR OPEN
E10-3
J5J1 J4J2 J3E14
TESTPROGRAM
V2
V3
V1
WITH PrSO/Ancr(S6)
1
FUNCTION LEVEL TOGGLE
MOTOR SPIN
MOTOR N
MOTOR G
HEATER
2
E9-1
E9-2
E11-2
E9-3
E11-1
E1-5
E1-1
E1-2
E1-3
E1-4
N2-3
N2-2
N2-1
2OF 1
EXCEPT USA AND CANADA
LB
FUSE CONNECTION FOR ALL COUNTRIES
KCU
PCU
E3-1
E3-2
LM
TH
SBSS
N1
5
F4F2
MOTOR
FILTER
FILTER
MO:
F:
OVERFLOW PROTECTION SWITCH
AVLOPPSPUMP
DOOR SOLENOID
BOTTOM
DRAIN PUMP
INKB:
BA:
BO:
TG:
RO:
AP:
TH:
EL:
LM:
L1
OF:
R:
E2-2
F3
ST2-7
ST2-1
BO2
ELBA
BO1
INK
MF
230 Vac
E4:1-E4:4
230 Vac
E4:1-E4:3
230 Vac
E4:1-E4:2
230 Vac
230 Vac
IV2 ON
E9:1-E9:2
230 Vac
IV1 ON
E9:1-E9:3
IV3 ON
E8:2-E8:3
IV4 ON
E8:1-E8:4
0,5 Vdc
E8:1-E8:4
5 Vdc
E7:1-E7:2
230 Vac
DATA IN
DRAIN PUMP ON
DATA OUT
E4:1-E4:5
E5:1-E5:2
N1 11
N1 16
E7-1
E7-2
N1 14
CLOCK
13 Vdc
E6:1-E6:2
5 Vdc
PRESSURE
SENSOR
INTERNAL CONNECTION
INTERN KOPPLING
ALTERNATIVE WIRING
ALTERNATIV KOPPLING
ST1-1 E6-5
ST1-2 E6-4
ST1-3 E6-3
ST1-4 E6-2
ST1-5 E6-1
ST1-7
2 4
APAP
6
IV4
IV3
E4-5
E4-4
E4-3
E4-2
E4-1
IV2
IV1
IV4
IV2
IV1
IV3
EL2
EL2V EL 2 E10-1
DRAIN
CHILDSAFE START
KOMPLETTSCHEMA WM50: 80 643 93-02
01
01 01 44PS
Changed E7-1 and E7-2
INK
F1
L1
L2
F2
L3
N
WITH TERMINALBLOCK
USA & CANADA
FUSE CONNECTION FOR
F2
S2B
F1
S1B
S2S
S1S
L2
L1
RO
MO1
MO2
MO3
MO4
TG
MO5
MO6
MO7
F1
p
p
AP
02 04 23PM
Drawing adjustments