Beagle Bone Black System Reference Manual
01_bbb_reference_manual
01_bbb_reference_manual
BBB%20RevC%20-%20System%20Reference%20Manual
User Manual: Pdf
Open the PDF directly: View PDF
.
Page Count: 126 [warning: Documents this large are best viewed by clicking the View PDF Link!]

REF: BBONEBLK_SRM
BeagleBone Black System
Reference Manual
Rev C.1
Page 2 of 126
THIS DOCUMENT
This work is licensed under the Creative Commons Attribution-Share Alike 3.0 Unported
License. To view a copy of this license, visit http://creativecommons.org/licenses/by-
sa/3.0/ or send a letter to Creative Commons, 171 Second Street, Suite 300, San
Francisco, California, 94105, USA.
All derivative works are to be attributed to Gerald Coley of BeagleBoard.org.
For more information, see http://creativecommons.org/license/results-
one?license_code=by-sa
Send all comments and errors concerning this document to the author at
gerald@beagleboard.org
For other questions you may contact Gerald at:
Gerald Coley
Texas Instruments
12500 TI Blvd. Dallas, Tx 75243
g-coley1@ti.com
All information in this document is subject to change without notice.
For an up to date version of this document refer to:
http://circuitco.com/support/index.php?title=BeagleBoneBlack#LATEST_PRODUC
TION_FILES_.28A5A.29

REF: BBONEBLK_SRM
BeagleBone Black System
Reference Manual
Rev C.1
Page 3 of 126
BEAGLEBONE DESIGN
These design materials referred to in this document are *NOT SUPPORTED* and DO NOT
constitute a reference design. Only “community” support is allowed via resources at
BeagleBoard.org/discuss.
THERE IS NO WARRANTY FOR THE DESIGN MATERIALS, TO THE EXTENT
PERMITTED BY APPLICABLE LAW. EXCEPT WHEN OTHERWISE STATED IN
WRITING THE COPYRIGHT HOLDERS AND/OR OTHER PARTIES PROVIDE THE
DESIGN MATERIALS “AS IS” WITHOUT WARRANTY OF ANY KIND, EITHER
EXPRESSED OR IMPLIED, INCLUDING, BUT NOT LIMITED TO, THE IMPLIED
WARRANTIES OF MERCHANTABILITY AND FITNESS FOR A PARTICULAR PURPOSE.
THE ENTIRE RISK AS TO THE QUALITY AND PERFORMANCE OF THE DESIGN
MATERIALS IS WITH YOU. SHOULD THE DESIGN MATERIALS PROVE DEFECTIVE,
YOU ASSUME THE COST OF ALL NECESSARY SERVICING, REPAIR OR
CORRECTION.
This board was designed as an evaluation and development tool. It was not designed with any
other application in mind. As such, the design materials that are provided which include
schematic, BOM, and PCB files, may or may not be suitable for any other purposes. If used, the
design material becomes your responsibility as to whether or not it meets your specific needs or
your specific applications and may require changes to meet your requirements.

REF: BBONEBLK_SRM
BeagleBone Black System
Reference Manual
Rev C.1
Page 4 of 126
BEAGLEBONE BLACK ADDITIONAL TERMS
BeagleBoard.org, Circuitco, LLC, and BeagleBoard.org (Supplier) provide the enclosed
BeagleBone under the following conditions:
The user assumes all responsibility and liability for proper and safe handling of the
goods. Further, the user indemnifies Supplier from all claims arising from the handling
or use of the goods.
Should the BeagleBone not meet the specifications indicated in the System Reference
Manual, the BeagleBone may be returned within 90 days from the date of delivery to the
distributor of purchase for a full refund. THE FOREGOING LIMITED WARRANTY IS THE
EXCLUSIVE WARRANTY MADE BY SELLER TO BUYER AND IS IN LIEU OF ALL OTHER
WARRANTIES, EXPRESSED, IMPLIED, OR STATUTORY, INCLUDING ANY WARRANTY
OF MERCHANTABILITY OR FITNESS FOR ANY PARTICULAR PURPOSE. EXCEPT TO
THE EXTENT OF THE INDEMNITY SET FORTH ABOVE, NEITHER PARTY SHALL BE
LIABLE TO THE OTHER FOR ANY INDIRECT, SPECIAL, INCIDENTAL, OR
CONSEQUENTIAL DAMAGES.
Please read the System Reference Manual and, specifically, the Warnings and Restrictions
notice in the Systems Reference Manual prior to handling the product. This notice contains
important safety information about temperatures and voltages.
No license is granted under any patent right or other intellectual property right of Supplier
covering or relating to any machine, process, or combination in which such Supplier products
or services might be or are used. The Supplier currently deals with a variety of customers for
products, and therefore our arrangement with the user is not exclusive. The Supplier assume
no liability for applications assistance, customer product design, software performance, or
infringement of patents or services described herein.
UNITED STATES FCC AND CANADA IC REGULATORY COMPLIANCE
INFORMATION
The BeagleBone is annotated to comply with Part 15 of the FCC Rules.
Operation is subject to the following two conditions: (1) This device may not cause
harmful interference, and (2) this device must accept any interference received,
including interference that may cause undesired operation. Changes or
modifications not expressly approved by the party responsible for compliance could
void the user’s authority to operate the equipment.
This Class A or B digital apparatus complies with Canadian ICES-003. Changes or
modifications not expressly approved by the party responsible for compliance could
void the user’s authority to operate the equipment. Cet appareil numérique de la
classe A ou B est conforme à la norme NMB-003 du Canada. Les changements ou
les modifications pas expressément approuvés par la partie responsible de la
conformité ont pu vider l’autorité de l'utilisateur pour actionner l'équipement.

REF: BBONEBLK_SRM
BeagleBone Black System
Reference Manual
Rev C.1
Page 5 of 126
BEAGLEBONE WARNINGS,
RESTRICTIONS AND
DISCLAIMERS
For Feasibility Evaluation Only, in Laboratory/Development Environments. The
BeagleBone Black is not a complete product. It is intended solely for use for preliminary
feasibility evaluation in laboratory/development environments by technically qualified
electronics experts who are familiar with the dangers and application risks associated with
handling electrical mechanical components, systems and subsystems. It should not be
used as all or part of a finished end product.
Your Sole Responsibility and Risk you acknowledge, represent, and agree that:
1. You have unique knowledge concerning Federal, State and local regulatory
requirements (including but not limited to Food and Drug Administration regulations, if
applicable) which relate to your products and which relate to your use (and/or that of
your employees, affiliates, contractors or designees) of the BeagleBone for evaluation,
testing and other purposes.
2. You have full and exclusive responsibility to assure the safety and compliance of your
products with all such laws and other applicable regulatory requirements, and also to
assure the safety of any activities to be conducted by you and/or your employees,
affiliates, contractors or designees, using the BeagleBone. Further, you are
responsible to assure that any interfaces (electronic and/or mechanical) between the
BeagleBone and any human body are designed with suitable isolation and means to
safely limit accessible leakage currents to minimize the risk of electrical shock hazard.
3. Since the BeagleBone is not a completed product, it may not meet all applicable
regulatory and safety compliance standards which may normally be associated with
similar items. You assume full responsibility to determine and/or assure compliance
with any such standards and related certifications as may be applicable. You will
employ reasonable safeguards to ensure that your use of the BeagleBone will not
result in any property damage, injury or death, even if the BeagleBone should fail to
perform as described or expected.
Certain Instructions. It is important to operate the BeagleBone Black within Supplier’s
recommended specifications and environmental considerations per the user guidelines.
Exceeding the specified BeagleBone ratings (including but not limited to input and output
voltage, current, power, and environmental ranges) may cause property damage, personal
injury or death. If there are questions concerning these ratings please contact the Supplier
representative prior to connecting interface electronics including input power and intended
loads. Any loads applied outside of the specified output range may result in unintended
and/or inaccurate operation and/or possible permanent damage to the BeagleBone and/or
interface electronics. Please consult the System Reference Manual prior to connecting any
load to the BeagleBone output. If there is uncertainty as to the load specification, please
contact the Supplier representative. During normal operation, some circuit components
may have case temperatures greater than 60 C as long as the input and output are
maintained at a normal ambient operating temperature. These components include but are
not limited to linear regulators, switching transistors, pass transistors, and current sense
resistors which can be identified using the BeagleBone schematic located at the link in the
BeagleBone System Reference Manual. When placing measurement probes near these
devices during normal operation, please be aware that these devices may be very warm to
the touch. As with all electronic evaluation tools, only qualified personnel knowledgeable in
electronic measurement and diagnostics normally found in development environments
should use the BeagleBone.
Agreement to Defend, Indemnify and Hold Harmless. You agree to defend, indemnify
and hold the Suppliers, its licensors and their representatives harmless from and against
any and all claims, damages, losses, expenses, costs and liabilities (collectively,
"Claims") arising out of or in connection with any use of the BeagleBone that is not in

REF: BBONEBLK_SRM
BeagleBone Black System
Reference Manual
Rev C.1
Page 6 of 126
accordance with the terms of the agreement. This obligation shall apply whether Claims
arise under law of tort or contract or any other legal theory, and even if the BeagleBone
fails to perform as described or expected.
Safety-Critical or Life-Critical Applications. If you intend to evaluate the components for possible
use in safety critical applications (such as life support) where a failure of the Supplier’s product
would reasonably be expected to cause severe personal injury or death, such as devices which are
classified as FDA Class III or similar classification, then you must specifically notify Suppliers of
such intent and enter into a separate Assurance and Indemnity Agreement.
Mailing Address:
BeagleBoard.org
1380 Presidential Dr. #100
Richardson, TX 75081
U.S.A.
WARRANTY: The BeagleBone Black Assembly as purchased is warranted against defects in
materials and workmanship for a period of 90 days from purchase. This warranty does not cover
any problems occurring as a result of improper use, modifications, exposure to water, excessive
voltages, abuse, or accidents. All boards will be returned via standard mail if an issue is found. If
no issue is found or express return is needed, the customer will pay all shipping costs.
Before returning the board, please visit
BeagleBoard.org/support
For up to date SW images and technical information refer to
http://circuitco.com/support/index.php?title=BeagleBoneBlack
All support for this board is provided via community support at
www.beagleboard.org/discuss
To return a defective board for repair, please request an RMA at
http://beagleboard.org/support/rma
Please DO NOT return the board without approval from the
RMA team first.
All boards received without RMA approval will not be worked on.

REF: BBONEBLK_SRM
BeagleBone Black System
Reference Manual
Rev C.1
Page 7 of 126
Table of Contents
FIGURES .....................................................................................................................................................10
TABLES .......................................................................................................................................................12
1.0 INTRODUCTION..............................................................................................................................13
2.0 CHANGE HISTORY .........................................................................................................................13
2.1 DOCUMENT CHANGE HISTORY ........................................................................................................14
2.2 BOARD CHANGES .............................................................................................................................15
2.2.1 Rev C .....................................................................................................................................15
2.2.2 Rev B ......................................................................................................................................15
2.2.3 Rev A6A .................................................................................................................................15
2.2.4 Rev A6 ....................................................................................................................................15
2.2.5 Rev A5C .................................................................................................................................15
2.2.6 Rev A5B .................................................................................................................................16
2.2.7 Rev A5A .................................................................................................................................16
3.0 CONNECTING UP YOUR BEAGLEBONE BLACK ...................................................................17
3.1 WHAT’S IN THE BOX ........................................................................................................................17
3.2 MAIN CONNECTION SCENARIOS.......................................................................................................18
3.3 TETHERED TO A PC .........................................................................................................................18
3.3.1 Connect the Cable to the Board .............................................................................................19
3.3.2 Accessing the Board as a Storage Drive................................................................................20
3.4 STANDALONE W/DISPLAY AND KEYBOARD/MOUSE ........................................................................21
3.4.1 Required Accessories .............................................................................................................21
3.4.2 Connecting Up the Board ......................................................................................................22
3.4.3 Apply Power ..........................................................................................................................24
4.0 BEAGLEBONE BLACK OVERVIEW ...........................................................................................27
4.1 BEAGLEBONE COMPATIBILITY ........................................................................................................28
4.2 BEAGLEBONE BLACK FEATURES AND SPECIFICATION.....................................................................30
4.3 BOARD COMPONENT LOCATIONS.....................................................................................................31
4.3.1 Connectors, LEDs, and Switches ...........................................................................................31
4.3.2 Key Components ....................................................................................................................32
5.0 BEAGLEBONE BLACK HIGH LEVEL SPECIFICATION ........................................................33
5.1 BLOCK DIAGRAM .............................................................................................................................33
5.2 PROCESSOR ......................................................................................................................................33
5.3 MEMORY..........................................................................................................................................34
5.3.1 512MB DDR3L ......................................................................................................................34
5.3.2 4KB EEPROM .......................................................................................................................34
5.3.3 4GB Embedded MMC ............................................................................................................34
5.3.4 MicroSD Connector ...............................................................................................................34
5.3.5 Boot Modes ............................................................................................................................34
5.4 POWER MANAGEMENT.....................................................................................................................35
5.5 PC USB INTERFACE .........................................................................................................................36
5.6 SERIAL DEBUG PORT .......................................................................................................................36
5.7 USB1 HOST PORT ............................................................................................................................36
5.8 POWER SOURCES .............................................................................................................................36
5.9 RESET BUTTON ................................................................................................................................37
5.10 POWER BUTTON ..........................................................................................................................37
5.11 INDICATORS ................................................................................................................................37
5.12 CTI JTAG HEADER .....................................................................................................................38
5.13 HDMI INTERFACE .......................................................................................................................38

REF: BBONEBLK_SRM
BeagleBone Black System
Reference Manual
Rev C.1
Page 8 of 126
5.14 CAPE BOARD SUPPORT................................................................................................................38
6.0 DETAILED HARDWARE DESIGN ...............................................................................................40
6.1 POWER SECTION ..............................................................................................................................41
6.1.1 TPS65217C PMIC .................................................................................................................41
6.1.2 DC Input ................................................................................................................................44
6.1.3 USB Power ............................................................................................................................45
6.1.4 Power Selection .....................................................................................................................45
6.1.5 Power Button .........................................................................................................................45
6.1.6 Battery Access Pads ...............................................................................................................46
6.1.7 Power Consumption ..............................................................................................................47
6.1.8 Processor Interfaces ..............................................................................................................47
6.1.9 Power Rails ...........................................................................................................................49
6.1.10 Power LED .......................................................................................................................52
6.1.11 TPS65217C Power Up Process ........................................................................................52
6.1.12 Processor Control Interface .............................................................................................53
6.1.13 Low Power Mode Support ................................................................................................53
6.2 SITARA AM3358BZCZ100 PROCESSOR ..........................................................................................54
6.2.1 Description ............................................................................................................................54
6.2.2 High Level Features ..............................................................................................................56
6.2.3 Documentation.......................................................................................................................56
6.2.4 Crystal Circuitry ....................................................................................................................57
6.2.5 Reset Circuitry .......................................................................................................................58
6.2.6 Memory Device ......................................................................................................................59
6.2.7 DDR3L Memory Design ........................................................................................................59
6.2.8 Power Rails ...........................................................................................................................61
6.2.9 VREF .....................................................................................................................................61
6.3 4GB EMMC MEMORY .....................................................................................................................62
6.3.1 eMMC Device ........................................................................................................................62
6.3.2 eMMC Circuit Design............................................................................................................63
6.4 BOARD ID EEPROM .......................................................................................................................64
6.5 MICRO SECURE DIGITAL ..................................................................................................................65
6.5.1 microSD Design .....................................................................................................................65
6.6 USER LEDS ......................................................................................................................................66
6.7 BOOT CONFIGURATION ....................................................................................................................67
6.7.1 Boot Configuration Design ....................................................................................................67
6.8 DEFAULT BOOT OPTIONS .................................................................................................................68
6.9 10/100 ETHERNET ............................................................................................................................69
6.9.1 Ethernet Processor Interface .................................................................................................69
6.9.2 Ethernet Connector Interface ................................................................................................70
6.9.3 Ethernet PHY Power, Reset, and Clocks ...............................................................................71
6.9.4 LAN8710A Mode Pins ...........................................................................................................72
6.10 HDMI INTERFACE .......................................................................................................................73
6.10.1 Supported Resolutions ......................................................................................................73
6.10.2 HDMI Framer ...................................................................................................................74
6.10.3 HDMI Video Processor Interface .....................................................................................74
6.10.4 HDMI Control Processor Interface ..................................................................................75
6.10.5 Interrupt Signal .................................................................................................................76
6.10.6 Audio Interface .................................................................................................................76
6.10.7 Power Connections ...........................................................................................................77
6.10.8 HDMI Connector Interface ...............................................................................................78
6.11 USB HOST ..................................................................................................................................79
6.11.1 Power Switch ....................................................................................................................79
6.11.2 ESD Protection .................................................................................................................79
6.11.3 Filter Options ....................................................................................................................79

REF: BBONEBLK_SRM
BeagleBone Black System
Reference Manual
Rev C.1
Page 9 of 126
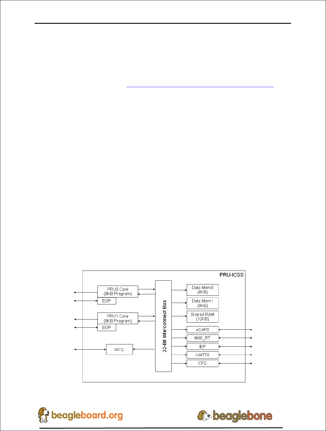
6.12 PRU-ICSS ..................................................................................................................................80
6.12.1 PRU-ICSS Features ..........................................................................................................80
6.12.2 PRU-ICSS Block Diagram ................................................................................................80
6.12.3 PRU-ICSS Pin Access .......................................................................................................81
7.0 CONNECTORS .................................................................................................................................82
7.1 EXPANSION CONNECTORS ................................................................................................................82
7.1.1 Connector P8 .........................................................................................................................83
7.1.2 Connector P9 .........................................................................................................................85
7.2 POWER JACK ....................................................................................................................................87
7.3 USB CLIENT ....................................................................................................................................88
7.4 USB HOST .......................................................................................................................................89
7.5 SERIAL HEADER ...............................................................................................................................90
7.6 HDMI ..............................................................................................................................................92
7.7 MICROSD .........................................................................................................................................93
7.8 ETHERNET ........................................................................................................................................94
7.9 JTAG CONNECTOR ..........................................................................................................................94
8.0 CAPE BOARD SUPPORT ................................................................................................................95
8.1 BEAGLEBONEBLACK CAPE COMPATIBILITY ....................................................................................96
8.1.1 LCD Pins ...............................................................................................................................96
8.1.2 eMMC Pins ............................................................................................................................97
8.2 EEPROM ........................................................................................................................................98
8.2.1 EEPROM Address .................................................................................................................99
8.2.2 I2C Bus ................................................................................................................................100
8.2.3 EEPROM Write Protect .......................................................................................................100
8.2.4 EEPROM Data Format .......................................................................................................101
8.2.5 Pin Usage ............................................................................................................................102
8.3 PIN USAGE CONSIDERATION ..........................................................................................................106
8.3.1 Boot Pins .............................................................................................................................106
8.4 EXPANSION CONNECTORS ..............................................................................................................107
8.4.1 Non-Stacking Headers-Single Cape ...................................................................................107
8.4.2 Main Expansion Headers-Stacking .....................................................................................108
8.4.3 Stacked Capes w/Signal Stealing .........................................................................................110
8.4.4 Retention Force ...................................................................................................................110
8.4.5 BeagleBone Black Female Connectors ................................................................................110
8.5 SIGNAL USAGE ..............................................................................................................................111
8.6 CAPE POWER..................................................................................................................................112
8.6.1 Main Board Power ..............................................................................................................112
8.6.2 Expansion Board External Power .......................................................................................112
8.7 MECHANICAL .................................................................................................................................113
8.7.1 Standard Cape Size ..............................................................................................................113
8.7.2 Extended Cape Size .............................................................................................................114
8.7.3 Enclosures ...........................................................................................................................115
9.0 BEAGLEBONE BLACK MECHANICAL ...................................................................................116
9.1 DIMENSIONS AND WEIGHT .............................................................................................................116
9.2 SILKSCREEN AND COMPONENT LOCATIONS ...................................................................................117
10.0 PICTURES ..................................................................................................................................120
11.0 SUPPORT INFORMATION .....................................................................................................122
11.1 HARDWARE DESIGN ..................................................................................................................122
11.2 SOFTWARE UPDATES .................................................................................................................122
11.3 RMA SUPPORT..........................................................................................................................123
11.4 TROUBLE SHOOTING HDMI ISSUES ..........................................................................................124

REF: BBONEBLK_SRM
BeagleBone Black System
Reference Manual
Rev C.1
Page 10 of 126
11.4.1 EDID ...............................................................................................................................124
11.4.2 DISPLAY SOURCE SELECTION ...................................................................................125
11.4.3 OUT OF SEQUENCE .....................................................................................................125
11.4.4 OVERSCAN ....................................................................................................................125
11.4.5 Taking a Nap ...................................................................................................................125
11.4.6 AUDIO ............................................................................................................................125
11.4.7 Getting Help ....................................................................................................................126
Figures
Figure 1. In The Box .................................................................................................... 17
Figure 2. Tethered Configuration ................................................................................. 18
Figure 3. USB Connection to the Board....................................................................... 19
Figure 4. Board Power LED ......................................................................................... 19
Figure 5. Board Boot Status ......................................................................................... 20
Figure 6. Desktop Configuration .................................................................................. 21
Figure 7. Connect microHDMI Cable to the Monitor .................................................. 22
Figure 8. DVI-D to HDMI Adapter.............................................................................. 22
Figure 9. Wireless Keyboard and Mouse Combo ........................................................ 23
Figure 10. Connect Keyboard and Mouse Receiver to the Board .............................. 23
Figure 11. Keyboard and Mouse Hubs ....................................................................... 23
Figure 12. Ethernet Cable Connection ....................................................................... 24
Figure 13. External DC Power ................................................................................... 24
Figure 14. Connect microHDMI Cable to the Board ................................................. 25
Figure 15. Board Boot Status ..................................................................................... 25
Figure 16. Desktop Screen ......................................................................................... 26
Figure 17. Connectors, LEDs and Switches ............................................................... 31
Figure 18. Key Components ....................................................................................... 32
Figure 19. BeagleBone Black Key Components ........................................................ 33
Figure 20. BeagleBone Black Block Diagram ........................................................... 40
Figure 21. High Level Power Block Diagram ............................................................ 41
Figure 22. TPS65217C Block Diagram ..................................................................... 43
Figure 23. TPS65217 DC Connection ........................................................................ 44
Figure 24. USB Power Connections........................................................................... 45
Figure 25. Power Rails ............................................................................................... 49
Figure 26. Power Rail Power Up Sequencing ............................................................ 51
Figure 27. TPS65217C Power Sequencing Timing ................................................... 52
Figure 28. Power Processor Interfaces ....................................................................... 52
Figure 29. Sitara AM3358BZCZ Block Diagram ...................................................... 55
Figure 30. Processor Crystals ..................................................................................... 57
Figure 31. Board Reset Circuitry ............................................................................... 58
Figure 32. DDR3L Memory Design........................................................................... 60
Figure 33. DDR3L VREF Design .............................................................................. 61
Figure 34. eMMC Memory Design ............................................................................ 63
Figure 35. EEPROM Design Rev A5 ......................................................................... 65
Figure 36. microSD Design ........................................................................................ 65

REF: BBONEBLK_SRM
BeagleBone Black System
Reference Manual
Rev C.1
Page 11 of 126
Figure 37. User LEDs ................................................................................................. 66
Figure 38. Processor Boot Configuration Design ...................................................... 68
Figure 39. Processor Boot Configuration ................................................................... 68
Figure 40. Ethernet Processor Interface ..................................................................... 69
Figure 41. Ethernet Connector Interface .................................................................... 70
Figure 42. Ethernet PHY, Power, Reset, and Clocks ................................................. 71
Figure 43. Ethernet PHY Mode Pins .......................................................................... 72
Figure 44. HDMI Framer Processor Interface ............................................................ 75
Figure 45. 24.576MHZ Oscillator .............................................................................. 76
Figure 46. HDMI Power Connections ........................................................................ 77
Figure 47. Connector Interface Circuitry ................................................................... 78
Figure 48. USB Host Circuitry ................................................................................... 79
Figure 49. PRU-ICSS Block Diagram ....................................................................... 80
Figure 50. Expansion Connector Location ................................................................. 82
Figure 51. 5VDC Power Jack ..................................................................................... 87
Figure 52. USB Client Connector .............................................................................. 88
Figure 53. USB Host Connector................................................................................. 89
Figure 54. Serial Debug Header ................................................................................. 90
Figure 55. FTDI USB to Serial Adapter ..................................................................... 90
Figure 56. Serial Header ............................................................................................. 91
Figure 57. HDMI Connector ...................................................................................... 92
Figure 58. HDMI Cable.............................................................................................. 92
Figure 59. microSD Connector .................................................................................. 93
Figure 60. Ethernet Connector ................................................................................... 94
Figure 61. Expansion Board EEPROM Without Write Protect ................................. 99
Figure 62. Expansion Board EEPROM Write Protect ............................................. 100
Figure 63. Expansion Boot Pins ............................................................................... 106
Figure 64. Single Expansion Connector ................................................................... 107
Figure 65. Single Cape Expansion Connector.......................................................... 108
Figure 66. Expansion Connector .............................................................................. 108
Figure 67. Stacked Cape Expansion Connector ....................................................... 109
Figure 68. Stacked w/Signal Stealing Expansion Connector ................................... 110
Figure 69. Connector Pin Insertion Depth ................................................................ 111
Figure 70. Cape Board Dimensions ........................................................................ 114
Figure 71. Board Dimensions ................................................................................... 117
Figure 72. Component Side Silkscreen .................................................................... 118
Figure 73. Circuit Side Silkscreen ............................................................................ 119
Figure 74. Top Side .................................................................................................. 120
Figure 75. Bottom Side ............................................................................................ 121
Figure 76. Initial Serial Number and Revision Locations ........................................ 123
Figure 77. Second Phase Serial Number and Revision Location ............................. 123
Figure 78. Third Phase Serial Number and Revision Location ................................ 124

REF: BBONEBLK_SRM
BeagleBone Black System
Reference Manual
Rev C.1
Page 12 of 126
Tables
Table 1. Change History ............................................................................................. 14
Table 2. BeagleBone Black Features .......................................................................... 30
Table 3. BeagleBone Black Battery Pins .................................................................... 46
Table 4. BeagleBone Black Power Consumption(mA@5V) ...................................... 47
Table 5. Processor Features ........................................................................................ 56
Table 6. eMMC Boot Pins .......................................................................................... 63
Table 7. EEPROM Contents ....................................................................................... 64
Table 8. User LED Control Signals/Pins .................................................................... 67
Table 9. HDMI Supported Monitor Resolutions ........................................................ 73
Table 10. TDA19988 I2C Address ............................................................................... 75
Table 11. PRU0 and PRU1 Access ............................................................................... 81
Table 12. Expansion Header P8 Pinout ........................................................................ 84
Table 13. Expansion Header P9 Pinout ........................................................................ 86
Table 14. J1 Serial Header Pins .................................................................................... 91
Table 15. P8 LCD Conflict Pins ................................................................................... 96
Table 16. P8 eMMC Conflict Pins ................................................................................ 97
Table 17. Expansion Board EEPROM ........................................................................ 101
Table 18. EEPROM Pin Usage ................................................................................... 103
Table 19. Single Cape Connectors .............................................................................. 108
Table 20. Stacked Cape Connectors ........................................................................... 109
Table 21. Expansion Voltages .................................................................................... 112

REF: BBONEBLK_SRM
BeagleBone Black System
Reference Manual
Rev C.1
Page 13 of 126
1.0 Introduction
This document is the System Reference Manual for the BeagleBone Black and covers
its use and design. The board will primarily be referred to in the remainder of this
document simply as the board, although it may also be referred to as the BeagleBone
Black as a reminder. There are also references to the original BeagleBone as well, and
will be referenced as simply BeagleBone.
This design is subject to change without notice as we will work to keep improving the
design as the product matures based on feedback and experience. Software updates will
be frequent and will be independent of the hardware revisions and as such not result in a
change in the revision number.
Make sure you check the support Wiki frequently for the most up to date information.
http://circuitco.com/support/index.php?title=BeagleBoneBlack
2.0 Change History
This section describes the change history of this document and board. Document changes
are not always a result of a board change. A board change will always result in a
document change.

REF: BBONEBLK_SRM
BeagleBone Black System
Reference Manual
Rev C.1
Page 14 of 126
2.1 Document Change History
Table 1. Change History
Rev
Changes
Date
By
A4
Preliminary
January 4, 2013
GC
A5
Production release
January 8.2013
GC
A5.1
1. Added information on Power button and the battery access
points.
2. Final production released version.
April 1 2013
GC
A5.2
1. Edited version.
2. Added numerous pictures of the Rev A5A board.
April 23 2013
GC
A5.3
1. Updated serial number locations.
2. Corrected the feature table for 4 UARTS
3. Corrected eMMC pin table to match other tables in the
manual.
April 30, 2013
GC
A5.4
1. Corrected revision listed in section 2. Rev A5A is the initial
production release.
2. Added all the locations of the serial numbers
3. Made additions to the compatibility list.
4. Corrected Table 7 for LED GPIO pins.
5. Fixed several typos.
6. Added some additional information about LDOs and Step-
Down converters.
7. Added short section on HDMI.
May 12, 2013
GC
A5.5
1. Release of the A5B version.
2. The LEDS were dimmed by changing the resistors.
3. The serial termination mode was incorporated into the PCB.
May 20, 2013
GC
A5.6
1. Added information on Rev A5C
2. Added PRU/ICSS options to tables for P8 and P9.
3. Added section on USB Host
4. Correct modes on Table 15.
5. Fixed a few typos
June 16, 2013
GC
A5.7
1. Updated assembly revision to A6.
2. PCB change to add buffer to the reset line and ground the
oscillator GND pin.
3. Added resistor on PCB for connection of OSC_GND to
board GND.
August 9, 2013
GC
A6
1. Added Rev A6 changes.
October 11, 2013
GC
A6A
1. Added Rev A6A changes
December 17, 2013
GC
B
1. Changed the processor to the AM3358BZCZ
January 20, 2013
GC
C
1. Changed the eMMC from 2GB to 4GB.
2. Added additional supplier to DDR2 and eMMC.
March 21,2014
GC
C.1
1. Added note to recommend powering off the board with the
power button.
March 22.2014
GC

REF: BBONEBLK_SRM
BeagleBone Black System
Reference Manual
Rev C.1
Page 15 of 126
2.2 Board Changes
2.2.1 Rev C
Changed the eMMC from 2GB to 4GB.
2GB devices are getting harder to get as they are being phased out. This required us to
move to 4GB. We now have two sources for the device. This will however, require an
increase in the price of the board.
2.2.2 Rev B
Changed the processor to the AM3358BZCZ100.
2.2.3 Rev A6A
Added connection from 32KHz OSC_GND to system ground and changed C106
to 1uF.
Changes C25 to 2.2uF. This resolved an issue we were seeing in a few boards
where the board would not boot in 1 in 20 tries.
Change required PCB revision to B6.
2.2.4 Rev A6
In random instances there could be a glitch in the SYS_RESETn signal from the
processor where the SYS_RESETn signal was taken high for a momentary
amount of time before it was supposed to. To prevent this, the signal was ORed
with the PORZn (Power On reset).
Noise issues were observed in other design where the clock oscillator was getting
hit due to a suspected issue in ground bounce. A zero ohm resistor was added to
connect the OSC_GND to the system ground.
There are no new features added as a result of these changes.
2.2.5 Rev A5C
We were seeing some fallout in production test where we were seeing some jitter on the
HDMI display test. It started showing up on out second production run. R46, R47, R48
were changed to 0 ohm from 33 ohm. R45 was taken from 330 ohm to 22 ohm.
We do not know of any boards that were shipped with this issue as this issue was caught
in production test. No impact on features or functionality resulted from this change.

REF: BBONEBLK_SRM
BeagleBone Black System
Reference Manual
Rev C.1
Page 16 of 126
2.2.6 Rev A5B
There is no operational difference between the Rev A5A and the Rev A5B. There were
two changes made to the A5B version.
Due to complaints about the brightness of the LEDs keeping people awake at
night, the LEDs were dimmed. Resistors were changed from 820 ohms to 4.75K
ohms.
The PCB revision was updated to incorporate the hand mod that was being done
on the board during manufacturing. The resistor was incorporated into the next
revision of the PCB.
The highest supported resolution is now listed as 1920x1080@24Hz. This was not a
result of any hardware changes but only updated software. The A5A version also
supports this resolution.
2.2.7 Rev A5A
This is the initial production release of the board. We will be tracking changes from this
point forward.

REF: BBONEBLK_SRM
BeagleBone Black System
Reference Manual
Rev C.1
Page 17 of 126
3.0 Connecting Up Your BeagleBone Black
This section provides instructions on how to hook up your board. Two scenarios will be
discussed:
1) Tethered to a PC and
2) As a standalone development platform in a desktop PC configuration.
3.1 What’s In the Box
In the box you will find three main items as shown in Figure 1.
BeagleBone Black
miniUSB to USB Type A Cable
Instruction card with link to the support WIKI address.
This is sufficient for the tethered scenario and creates an out of box experience where the
board can be used immediately with no other equipment needed.
Figure 1. In The Box

REF: BBONEBLK_SRM
BeagleBone Black System
Reference Manual
Rev C.1
Page 18 of 126
3.2 Main Connection Scenarios
This section will describe how to connect the board for use. This section is basically a
slightly more detailed description of the Quick Start Guide that came in the box. There is
also a Quick Start Guide document on the board that should also be referred to. The
intent here is that someone looking t purchase the board will be able to read this section
and get a good idea as to what the initial set up will be like.
The board can be configured in several different ways, but we will discuss the two most
common scenarios as described in the Quick Start Guide card that comes in the box.
Tethered to a PC via the USB cable
o Board is accessed as a storage drive
o Or a RNDIS Ethernet connection.
Standalone desktop
o Display
o Keyboard and mouse
o External 5V power supply
Each of these configurations is discussed in general terms in the following sections.
For an up-to-date list of confirmed working accessories please go to
http://circuitco.com/support/index.php?title=BeagleBone_Black_Accessories
3.3 Tethered To A PC
In this configuration, the board is powered by the PC via the provided USB cable--no
other cables are required. The board is accessed either as a USB storage drive or via the
browser on the PC. You need to use either Firefox or Chrome on the PC, IEx will not
work properly. Figure 2 shows this configuration.
Figure 2. Tethered Configuration

REF: BBONEBLK_SRM
BeagleBone Black System
Reference Manual
Rev C.1
Page 19 of 126
All the power for the board is provided by the PC via the USB cable. In some instances,
the PC may not be able to supply sufficient power for the board. In that case, an external
5VDC power supply can be used, but this should rarely be necessary.
3.3.1 Connect the Cable to the Board
1. Connect the small connector on the USB cable to the board as shown in Figure 4.
The connector is on the bottom side of the board.
Figure 3. USB Connection to the Board
2. Connect the large connector of the USB cable to your PC or laptop USB port.
3. The board will power on and the power LED will be on as shown in Figure 4
below.
Figure 4. Board Power LED

REF: BBONEBLK_SRM
BeagleBone Black System
Reference Manual
Rev C.1
Page 20 of 126
4. When the board starts to the booting process started by the process of applying
power, the LEDs will come on in sequence as shown in Figure 5 below. It will
take a few seconds for the status LEDs to come on, so be patient. The LEDs will
be flashing in an erratic manner as it begins to boot the Linux kernel.
Figure 5. Board Boot Status
3.3.2 Accessing the Board as a Storage Drive
The board will appear around a USB Storage drive on your PC after the kernel has
booted, which will take a round 10 seconds. The kernel on the board needs to boot before
the port gets enumerated. Once the board appears as a storage drive, do the following:
1) Open the USB Drive folder.
2) Click on the file named start.html
3) The file will be opened by your browser on the PC and you should get a display
showing the Quick Start Guide.
4) Your board is now operational! Follow the instructions on your PC screen.

REF: BBONEBLK_SRM
BeagleBone Black System
Reference Manual
Rev C.1
Page 21 of 126
3.4 Standalone w/Display and Keyboard/Mouse
In this configuration, the board works more like a PC, totally free from any connection to
a PC as shown in Figure 6. It allows you to create your code to make the board do
whatever you need it to do. It will however require certain common PC accessories.
These accessories and instructions are described in the following section.
Figure 6. Desktop Configuration
Optionally an Ethernet cable can also be used for network access.
3.4.1 Required Accessories
In order to use the board in this configuration, you will need the following accessories:
(1) 5VDC 1A power supply
(1) HDMI monitor or a DVI-D monitor. (NOTE: Only HDMI will give you audio
capability).
(1) Micro HDMI to HDMI cable or a Micro HDMI to DVI-D adapter.
(1) USB wireless keyboard and mouse combo.
(1) USB HUB (OPTIONAL). The board has only one USB host port, so you may
need to use a USB Hub if your keyboard and mouse requires two ports.

REF: BBONEBLK_SRM
BeagleBone Black System
Reference Manual
Rev C.1
Page 22 of 126
For an up-to-date list of confirmed working accessories please go to
http://circuitco.com/support/index.php?title=BeagleBone_Black_Accessories
3.4.2 Connecting Up the Board
1. Connect the big end of the HDMI cable as shown in Figure 7 to your HDMI
monitor. Refer to your monitor Owner’s Manual for the location of your HDMI
port. If you have a DVI-D Monitor go to Step 3, otherwise proceed to Step 4.
Figure 7. Connect microHDMI Cable to the Monitor
2. If you have a DVI-D monitor you must use a DVI-D to HDMI adapter in addition
to your HDMI cable. An example is shown in Figure 8 below from two
perspectives. If you use this configuration, you will not have audio support.
Figure 8. DVI-D to HDMI Adapter
3. If you have a single wireless keyboard and mouse combination such as seen in
Figure 9 below, you need to plug the receiver in the USB host port of the board as
shown in Figure 10.
To the Monitor
To microHDMI
Cable

REF: BBONEBLK_SRM
BeagleBone Black System
Reference Manual
Rev C.1
Page 23 of 126
Figure 9. Wireless Keyboard and Mouse Combo
Figure 10. Connect Keyboard and Mouse Receiver to the Board
If you have a wired USB keyboard requiring two USB ports, you will need a HUB
similar to the ones shown in Figure 11. You may want to have more than one port for
other devices. Note that the board can only supply up to 500mA, so if you plan to load it
down, it will need to be externally powered.
Figure 11. Keyboard and Mouse Hubs
4. Connect the Ethernet Cable
If you decide you want to connect to your local area network, an Ethernet cable can be
used. Connect the Ethernet Cable to the Ethernet port as shown in Figure 12. Any
standard 100M Ethernet cable should work.

REF: BBONEBLK_SRM
BeagleBone Black System
Reference Manual
Rev C.1
Page 24 of 126
Figure 12. Ethernet Cable Connection
3.4.3 Apply Power
The final step is to plug in the DC power supply to the DC power jack as shown in
Figure 13 below.
Figure 13. External DC Power
5. The cable needed to connect to your display is a microHDMI to HDMI. Connect
the microHDMI connector end to the board at this time. The connector is on the
bottom side of the board as shown in Figure 14 below.

REF: BBONEBLK_SRM
BeagleBone Black System
Reference Manual
Rev C.1
Page 25 of 126
Figure 14. Connect microHDMI Cable to the Board
The connector is fairly robust, but we suggest that you not use the cable as a leash for
your Beagle. Take proper care not to put too much stress on the connector or cable.
6. Booting the Board
As soon as the power is applied to the board, it will start the booting up process.
When the board starts to boot the LEDs will come on in sequence as shown in Figure
15 below. It will take a few seconds for the status LEDs to come on, so be patient.
The LEDs will be flashing in an erratic manner as it boots the Linux kernel.
Figure 15. Board Boot Status
While the four user LEDS can be over written and used as desired, they do have specific
meanings in the image that is shipped with the board once the Linux kernel has booted.

REF: BBONEBLK_SRM
BeagleBone Black System
Reference Manual
Rev C.1
Page 26 of 126
USER0 is the heartbeat indicator from the Linux kernel.
USER1 turns on when the microSD card is being accessed
USER2 is an activity indicator. It turns on when the kernel is not in the idle loop.
USER3 turns on when the onboard eMMC is being accessed.
7. A Booted System
1. The board will have a mouse pointer appear on the screen as it enters the Linux
boot step. You may have to move the physical mouse to get the mouse pointer to
appear. The system can come up in the suspend mode with the HDMI port in a
sleep mode.
2. After a minute or two a login screen will appear. You do not have to do anything
at this point.
3. After a minute or two the desktop will appear. It should be similar to the one
shown in Figure 16. HOWEVER, it will change from one release to the next, so
do not expect your system to look exactly like the one in the figure, but it will be
very similar.
4. And at this point you are ready to go! Figure 16 shows the desktop after booting.
Figure 16. Desktop Screen
8. Powering Down
1. Press the power button momentarily
2. The system will power down automatically.
3. Remove the power jack.

REF: BBONEBLK_SRM
BeagleBone Black System
Reference Manual
Rev C.1
Page 27 of 126
4.0 BeagleBone Black Overview
The BeagleBone Black is the latest addition to the BeagleBoard.org family and like its
predecessors, is designed to address the Open Source Community, early adopters, and
anyone interested in a low cost ARM Cortex-A8 based processor.
It has been equipped with a minimum set of features to allow the user to experience the
power of the processor and is not intended as a full development platform as many of the
features and interfaces supplied by the processor are not accessible from the BeagleBone
Black via onboard support of some interfaces. It is not a complete product designed to do
any particular function. It is a foundation for experimentation and learning how to
program the processor and to access the peripherals by the creation of your own software
and hardware.
It also offers access to many of the interfaces and allows for the use of add-on boards
called capes, to add many different combinations of features. A user may also develop
their own board or add their own circuitry.
BeagleBone Black is manufactured and warranted by Circuitco LLC in Richardson Texas
for the benefit of the community and its supporters. In addition, Circuitco provides the
RMA support for the BeagleBone Black.
Jason Kridner of Texas Instruments handles the community promotions and is the
spokesman for BeagleBoard.org.
The board is designed by Gerald Coley, an employee of Texas Instruments and a charter
member of the BeagleBoard.org community.
The PCB layout was done by Circuitco and Circuitco is the sole funder of its
development and transition to production.
The Software is written and supported by the thousands of community members,
including Jason Kridner, employees of Texas Instruments, DigiKey, and Circuitco.
.

REF: BBONEBLK_SRM
BeagleBone Black System
Reference Manual
Rev C.1
Page 28 of 126
4.1 BeagleBone Compatibility
The board is intended to be compatible with the original BeagleBone as much as
possible. There are several areas where there are differences between the two designs.
These differences are listed below, along with the reasons for the differences.
Sitara AM3358BZCZ100, 1GHZ, processor.
o Sorry, we just had to make it faster.
512MB DDR3L
o Cost reduction
o Performance boost
o Memory size increase
o Lower power
No Serial port by default.
o Cost reduction
o Can be added by buying a TTL to USB Cable that is widely available
o Single largest cost reduction action taken
No JTAG emulation over USB.
o Cost reduction. JTAG header is not populated, but can easily be mounted.
EEPROM Reduced from 32KB to 4KB
o Cost Reduction
Onboard Managed NAND (eMMC)
o 4GB
o Cost reduction
o Performance boost x8 vs. x4 bits
o Performance boost due to deterministic properties vs. microSD card
GPMC bus may not be accessible from the expansion headers in some cases
o Result of eMMC on the main board
o Signals are still routed to the expansion connector
o If eMMC is not used, signals can be used via expansion if eMMC is held
in reset
There may be 10 less GPIO pins available
o Result of eMMC
o If eMMC is not used, could still be used
The power expansion header, for battery and backlight, has been removed
o Cost reduction, space reduction
o Four pins were added to provide access to the battery charger function.
HDMI interface onboard
o Feature addition
o Audio and video capable
o Micro HDMI
No three function USB cable
o Cost reduction
GPIO3_21 has a 24.576 MHZ clock on it.

REF: BBONEBLK_SRM
BeagleBone Black System
Reference Manual
Rev C.1
Page 29 of 126
o This is required by the HDMI Framer for Audio purposes. We needed to
run a clock into the processor to generate the correct clock frequency. The
pin on the processor was already routed to the expansion header. In order
not to remove this feature on the expansion header, it was left connected.
In order to use the pin as a GPIO pin, you need to disable the clock. While
this disables audio to the HDMI, the fact that you want to use this pin for
something else, does the same thing.

REF: BBONEBLK_SRM
BeagleBone Black System
Reference Manual
Rev C.1
Page 30 of 126
4.2 BeagleBone Black Features and Specification
This section covers the specifications and features of the board and provides a high level
description of the major components and interfaces that make up the board.
Table 2 provides a list of the features.
Table 2. BeagleBone Black Features
Feature
Processor
Sitara AM3358BZCZ100
1GHz, 2000 MIPS
Graphics Engine
SGX530 3D, 20M Polygons/S
SDRAM Memory
512MB DDR3L 800MHZ
Onboard Flash
4GB, 8bit Embedded MMC
PMIC
TPS65217C PMIC regulator and one additional LDO.
Debug Support
Optional Onboard 20-pin CTI JTAG, Serial Header
Power Source
miniUSB USB or DC
Jack
5VDC External Via Expansion
Header
PCB
3.4” x 2.1”
6 layers
Indicators
1-Power, 2-Ethernet, 4-User Controllable LEDs
HS USB 2.0 Client Port
Access to USB0, Client mode via miniUSB
HS USB 2.0 Host Port
Access to USB1, Type A Socket, 500mA LS/FS/HS
Serial Port
UART0 access via 6 pin 3.3V TTL Header. Header is populated
Ethernet
10/100, RJ45
SD/MMC Connector
microSD , 3.3V
User Input
Reset Button
Boot Button
Power Button
Video Out
16b HDMI, 1280x1024 (MAX)
1024x768,1280x720,1440x900 ,1920x1080@24Hz
w/EDID Support
Audio
Via HDMI Interface, Stereo
Expansion Connectors
Power 5V, 3.3V , VDD_ADC(1.8V)
3.3V I/O on all signals
McASP0, SPI1, I2C, GPIO(69 max), LCD, GPMC, MMC1, MMC2, 7
AIN(1.8V MAX), 4 Timers, 4 Serial Ports, CAN0,
EHRPWM(0,2),XDMA Interrupt, Power button, Expansion Board ID
(Up to 4 can be stacked)
Weight
1.4 oz (39.68 grams)
Power
Refer to Section 6.1.7

REF: BBONEBLK_SRM
BeagleBone Black System
Reference Manual
Rev C.1
Page 31 of 126
4.3 Board Component Locations
This section describes the key components on the board. It provides information on their
location and function. Familiarize yourself with the various components on the board.
4.3.1 Connectors, LEDs, and Switches
Figure 17 below shows the locations of the connectors, LEDs, and switches on the PCB
layout of the board.
Figure 17. Connectors, LEDs and Switches
DC Power is the main DC input that accepts 5V power.
Power Button alerts the processor to initiate the power down sequence and is
used to power down the board.
10/100 Ethernet is the connection to the LAN.
Serial Debug is the serial debug port.
USB Client is a miniUSB connection to a PC that can also power the board.
BOOT switch can be used to force a boot from the microSD card if the power is
cycled on the board, removing power and reapplying the power to the board..
There are four blue LEDS that can be used by the user.
Reset Button allows the user to reset the processor.
microSD slot is where a microSD card can be installed.
microHDMI connector is where the display is connected to.
USB Host can be connected different USB interfaces such as Wi-Fi, BT,
Keyboard, etc.

REF: BBONEBLK_SRM
BeagleBone Black System
Reference Manual
Rev C.1
Page 32 of 126
4.3.2 Key Components
Figure 18 below shows the locations of the key components on the PCB layout of the
board.
Figure 18. Key Components
Sitara AM3358BZCZ100 is the processor for the board.
Micron 512MB DDR3L or Kingston 512mB DDR3 is the Dual Data Rate
RAM memory.
TPS65217C PMIC provides the power rails to the various components on the
board.
SMSC Ethernet PHY is the physical interface to the network.
Micron eMMC is an onboard MMC chip that holds up to 4GB of data.
HDMI Framer provides control for an HDMI or DVI-D display with an adapter.

REF: BBONEBLK_SRM
BeagleBone Black System
Reference Manual
Rev C.1
Page 33 of 126
5.0 BeagleBone Black High Level Specification
This section provides the high level specification of the BeagleBone Black.
5.1 Block Diagram
Figure 19 below is the high level block diagram of the BeagleBone Black.
Figure 19. BeagleBone Black Key Components
5.2 Processor
The revision B board has moved to the Sitara AM3358BZCZ100 device.

REF: BBONEBLK_SRM
BeagleBone Black System
Reference Manual
Rev C.1
Page 34 of 126
5.3 Memory
Described in the following sections are the three memory devices found on the board.
5.3.1 512MB DDR3L
A single 256Mb x16 DDR3L 4Gb (512MB) memory device is used. The memory used is
is one of two devices:
- MT41K256M16HA-125 from Micron
- D2516EC4BXGGB from Kingston
It will operate at a clock frequency of 400MHz yielding an effective rate of 800MHZ on
the DDR3L bus allowing for 1.6GB/S of DDR3L memory bandwidth.
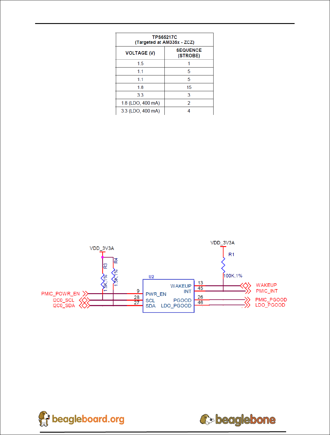
5.3.2 4KB EEPROM
A single 4KB EEPROM is provided on I2C0 that holds the board information. This
information includes board name, serial number, and revision information. This is the
not the same as the one used on the original BeagleBone. The device was changed for
cost reduction reasons. It has a test point to allow the device to be programmed and
otherwise to provide write protection when not grounded.
5.3.3 4GB Embedded MMC
A single 4GB embedded MMC (eMMC) device is on the board. The device connects to
the MMC1 port of the processor, allowing for 8bit wide access. Default boot mode for
the board will be MMC1 with an option to change it to MMC0, the SD card slot, for
booting from the SD card as a result of removing and reapplying the power to the board.
Simply pressing the reset button will not change the boot mode. MMC0 cannot be used in
8Bit mode because the lower data pins are located on the pins used by the Ethernet port.
This does not interfere with SD card operation but it does make it unsuitable for use as an
eMMC port if the 8 bit feature is needed.
5.3.4 MicroSD Connector
The board is equipped with a single microSD connector to act as the secondary boot
source for the board and, if selected as such, can be the primary boot source. The
connector will support larger capacity microSD cards. The microSD card is not provided
with the board. Booting from MMC0 will be used to flash the eMMC in the production
environment or can be used by the user to update the SW as needed.
5.3.5 Boot Modes
As mentioned earlier, there are four boot modes:

REF: BBONEBLK_SRM
BeagleBone Black System
Reference Manual
Rev C.1
Page 35 of 126
eMMC Boot…This is the default boot mode and will allow for the fastest boot
time and will enable the board to boot out of the box using the pre-flashed OS
image without having to purchase an microSD card or an microSD card writer.
SD Boot…This mode will boot from the microSD slot. This mode can be used to
override what is on the eMMC device and can be used to program the eMMC
when used in the manufacturing process or for field updates.
Serial Boot…This mode will use the serial port to allow downloading of the
software direct. A separate USB to serial cable is required to use this port.
USB Boot…This mode supports booting over the USB port.
Software to support USB and serial boot modes is not provided by beagleboard.org.
Please contact TI for support of this feature.
A switch is provided to allow switching between the modes.
Holding the boot switch down during a removal and reapplication of power
without a microSD card inserted will force the boot source to be the USB port
and if nothing is detected on the USB client port, it will go to the serial port
for download.
Without holding the switch, the board will boot try to boot from the eMMC. If
it is empty, then it will try booting from the microSD slot, followed by the
serial port, and then the USB port.
If you hold the boot switch down during the removal and reapplication of
power to the board, and you have a microSD card inserted with a bootable
image, the board will boot from the microSD card.
NOTE: Pressing the RESET button on the board will NOT result in a change of the
boot mode. You MUST remove power and reapply power to change the boot mode.
The boot pins are sampled during power on reset from the PMIC to the processor.
The reset button on the board is a warm reset only and will not force a boot mode
change.
5.4 Power Management
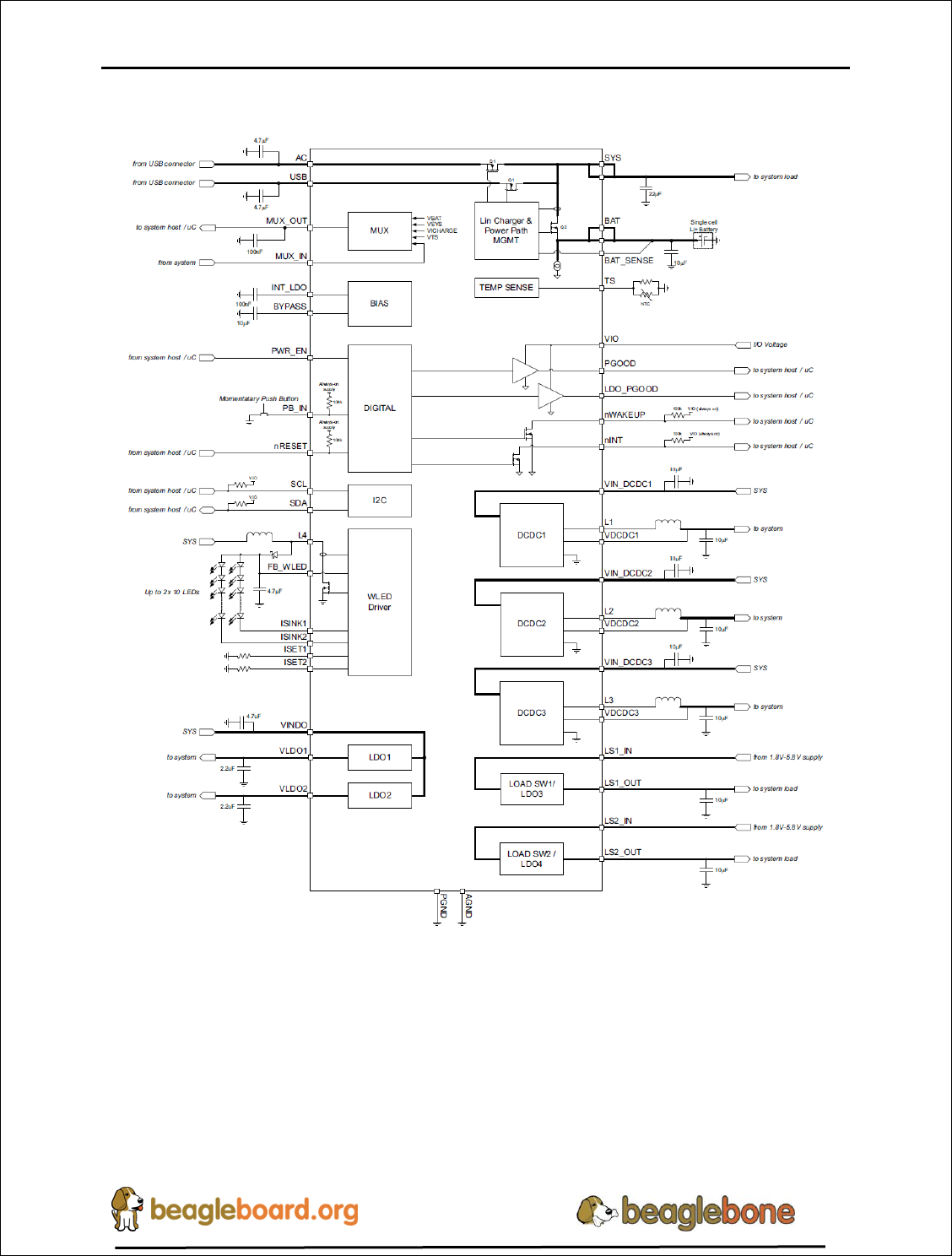
The TPS65217C power management device is used along with a separate LDO to
provide power to the system. The TPS65217C version provides for the proper voltages
required for the DDR3L. This is the same device as used on the original BeagleBone with
the exception of the power rail configuration settings which will be changed in the
internal EEPROM to the TPS65217C to support the new voltages.
DDR3L requires 1.5V instead of 1.8V on the DDR2 as is the case on the original
BeagleBone. The 1.8V regulator setting has been changed to 1.5V for the DDR3L. The

REF: BBONEBLK_SRM
BeagleBone Black System
Reference Manual
Rev C.1
Page 36 of 126
LDO3 3.3V rail has been changed to 1.8V to support those rails on the processor. LDO4
is still 3.3V for the 3.3V rails on the processor. An external LDOTLV70233 provides the
3.3V rail for the rest of the board.
5.5 PC USB Interface
The board has a miniUSB connector that connects the USB0 port to the processor. This is
the same connector as used on the original BeagleBone.
5.6 Serial Debug Port
Serial debug is provided via UART0 on the processor via a single 1x6 pin header. In
order to use the interface a USB to TTL adapter will be required. The header is
compatible with the one provided by FTDI and can be purchased for about $12 to $20
from various sources. Signals supported are TX and RX. None of the handshake signals
are supported.
5.7 USB1 Host Port
On the board is a single USB Type A female connector with full LS/FS/HS Host support
that connects to USB1 on the processor. The port can provide power on/off control and
up to 500mA of current at 5V. Under USB power, the board will not be able to supply the
full 500mA, but should be sufficient to supply enough current for a lower power USB
device supplying power between 50 to 100mA.
You can use a wireless keyboard/mouse configuration or you can add a HUB for standard
keyboard and mouse interfacing.
5.8 Power Sources
The board can be powered from four different sources:
A USB port on a PC
A 5VDC 1A power supply plugged into the DC connector.
A power supply with a USB connector.
Expansion connectors
The USB cable is shipped with each board. This port is limited to 500mA by the Power
Management IC. It is possible to change the settings in the TPS65217C to increase this
current, but only after the initial boot. And, at that point the PC most likely will complain,
but you can also use a dual connector USB cable to the PC to get to 1A.
The power supply is not provided with the board but can be easily obtained from
numerous sources. A 1A supply is sufficient to power the board, but if there is a cape

REF: BBONEBLK_SRM
BeagleBone Black System
Reference Manual
Rev C.1
Page 37 of 126
plugged into the board or you have a power hungry device or hub plugged into the host
port, then more current may needed from the DC supply.
Power routed to the board via the expansion header could be provided from power
derived on a cape. The DC supply should be well regulated and 5V +/-.25V.
5.9 Reset Button
When pressed and released, causes a reset of the board. The reset button used on the
BeagleBone Black is a little larger than the one used on the original BeagleBone. It has
also been moved out to the edge of the board so that it is more accessible.
5.10 Power Button
A power button is provided near the reset button close to the Ethernet connector. This
button takes advantage of the input to the PMIC for power down features. While a lot of
capes have a button, it was decided to add this feature to the board to ensure everyone
had access to some new features. These features include:
Interrupt is sent to the processor to facilitate an orderly shutdown to save files and
to un-mount drives.
Provides ability to let processor put board into a sleep mode to save power.
Can alert processor to wake up from sleep mode and restore state before sleep was
entered.
If you hold the button down longer than 8 seconds, the board will power off if you release
the button when the power LED turns off. If you continue to hold it, the board will power
back up completing a power cycle.
We recommend that you use this method to power down the board. It will also help
prevent contamination of the SD card or the eMMC.
If you do not remove the power jack, you can press the button again and the board will
power up.
5.11 Indicators
There are a total of five blue LEDs on the board.
One blue power LED indicates that power is applied and the power
management IC is up. If this LED flashes when applying power, it means
that an excess current flow was detected and the PMIC has shut down.
Four blue LEDs that can be controlled via the SW by setting GPIO pins.

REF: BBONEBLK_SRM
BeagleBone Black System
Reference Manual
Rev C.1
Page 38 of 126
In addition, there are two LEDs on the RJ45 to provide Ethernet status indication. One is
yellow (100M Link up if on) and the other is green (Indicating traffic when flashing).
5.12 CTI JTAG Header
A place for an optional 20 pin CTI JTAG header is provided on the board to facilitate the
SW development and debugging of the board by using various JTAG emulators. This
header is not supplied standard on the board. To use this, a connector will need to be
soldered onto the board.
If you need the JTAG connector you can solder it on yourself. No other components are
needed. The connector is made by Samtec and the part number is FTR-110-03-G-D-06.
You can purchase it from www.digikey.com.
5.13 HDMI Interface
A single HDMI interface is connected to the 16 bit LCD interface on the processor. The
16b interface was used to preserve as many expansion pins as possible to allow for use by
the user. The NXP TDA19988BHN is used to convert the LCD interface to HDMI and
convert the audio as well. The signals are still connected to the expansion headers to
enable the use of LCD expansion boards or access to other functions on the board as
needed.
The HDMI device does not support HDCP copy protection. Support is provided via
EDID to allow the SW to identify the compatible resolutions. Currently the following
resolutions are supported via the software:
1280 x 1024
1440 x 900
1024 x 768
1280 x 720
5.14 Cape Board Support
The BeagleBone Black has the ability to accept up to four expansion boards or capes that
can be stacked onto the expansion headers. The word cape comes from the shape of the
board as it is fitted around the Ethernet connector on the main board. This notch acts as a
key to ensure proper orientation of the cape.
The majority of capes designed for the original BeagleBone will work on the BeagleBone
Black. The two main expansion headers will be populated on the board. There are a few
exceptions where certain capabilities may not be present or are limited to the BeagleBone
Black. These include:

REF: BBONEBLK_SRM
BeagleBone Black System
Reference Manual
Rev C.1
Page 39 of 126
GPMC bus may NOT be available due to the use of those signals by the eMMC.
If the eMMC is used for booting only and the file system is on the microSD card,
then these signals could be used.
Another option is to use the microSD or serial boot modes and not use the eMMC.
The power expansion header is not on the BeagleBone Black so those functions
are not supported.
For more information on cape support refer to Section 9.0.

REF: BBONEBLK_SRM
BeagleBone Black System
Reference Manual
Rev C.1
Page 40 of 126
6.0 Detailed Hardware Design
This section provides a detailed description of the Hardware design. This can be useful
for interfacing, writing drivers, or using it to help modify specifics of your own design.
Figure 20 below is the high level block diagram of the board. For those who may be
concerned, Figure 20 is the same figure as Figure 19 back on page 31. It is placed here
again for convenience so it is closer to the topics to follow.
Figure 20. BeagleBone Black Block Diagram

REF: BBONEBLK_SRM
BeagleBone Black System
Reference Manual
Rev C.1
Page 41 of 126
6.1 Power Section
Figure 21 is the high level block diagram of the power section of the board.
Figure 21. High Level Power Block Diagram
This section describes the power section of the design and all the functions performed by the
TPS65217C.
6.1.1 TPS65217C PMIC
The main Power Management IC (PMIC) in the system is the TPS65217C which is a
single chip power management IC consisting of a linear dual-input power path, three
step-down converters, and four LDOs. LDO stands for Low Drop Out. If you want to
know more about an LDO, you can go to http://en.wikipedia.org/wiki/Low-
dropout_regulator. If you want to learn more about step-down converters, you can go to
http://en.wikipedia.org/wiki/DC-to-DC_converter
The system is supplied by a USB port or DC adapter. Three high-efficiency 2.25MHz
step-down converters are targeted at providing the core voltage, MPU, and memory
voltage for the board.
The step-down converters enter a low power mode at light load for maximum efficiency
across the widest possible range of load currents. For low-noise applications the devices
can be forced into fixed frequency PWM using the I2C interface. The step-down
converters allow the use of small inductors and capacitors to achieve a small footprint
solution size.
PWR_BUT
PWR_EN
Interrupt
RTC_PORZ
SYS_RESET
Power Rails
I2C0
TPS65217C
DC IN
LDO
3V3

REF: BBONEBLK_SRM
BeagleBone Black System
Reference Manual
Rev C.1
Page 42 of 126
LDO1 and LDO2 are intended to support system standby mode. In normal operation,
they can support up to 100mA each. LDO3 and LDO4 can support up to 285mA each.
By default only LDO1 is always ON but any rail can be configured to remain up in
SLEEP state. In particular the DCDC converters can remain up in a low-power PFM
mode to support processor suspend mode. The TPS65217C offers flexible power-up and
power-down sequencing and several house-keeping functions such as power-good output,
pushbutton monitor, hardware reset function and temperature sensor to protect the
battery.
For more information on the TPS65217C, refer to http://www.ti.com/product/tps65217C.

REF: BBONEBLK_SRM
BeagleBone Black System
Reference Manual
Rev C.1
Page 43 of 126
Figure 22 is the high level block diagram of the TPS65217C.
Figure 22. TPS65217C Block Diagram

REF: BBONEBLK_SRM
BeagleBone Black System
Reference Manual
Rev C.1
Page 44 of 126
6.1.2 DC Input
Figure 23 below shows how the DC input is connected to the TPS65217C.
VDD_5V
P1
PJ-200A
11
33
22
DGND
DGND
C1
10uF,10V
C2
10uF,10V
DGND
U2
TPS65217C
AC
10
USB
12
SYS1 7
SYS2 8
VIN_DCDC1
21
VIN_DCDC3
32
VINLDO
2
LDO3_IN
39
VIN_DCDC2
22
LDO4_IN
42
USB_DC
U4
TL5209
IN
2OUT 3
GND1
5EN
1ADJ 4
GND3 6
GND2
7GND4 8
DGND
VDD_3V3A
DGND
C17
2.2uF,6.3V
Figure 23. TPS65217 DC Connection
A 5VDC supply can be used to provide power to the board. The power supply current
depends on how many and what type of add-on boards are connected to the board. For
typical use, a 5VDC supply rated at 1A should be sufficient. If heavier use of the
expansion headers or USB host port is expected, then a higher current supply will be
required.
The connector used is a 2.1MM center positive x 5.5mm outer barrel. The 5VDC rail is
connected to the expansion header. It is possible to power the board via the expansion
headers from an add-on card. The 5VDC is also available for use by the add-on cards
when the power is supplied by the 5VDC jack on the board.

REF: BBONEBLK_SRM
BeagleBone Black System
Reference Manual
Rev C.1
Page 45 of 126
6.1.3 USB Power
The board can also be powered from the USB port. A typical USB port is limited to
500mA max. When powering from the USB port, the VDD_5V rail is not provided to
the expansion headers, so capes that require the 5V rail to supply the cape direct,
bypassing the TPS65217C, will not have that rail available for use. The 5VDC supply
from the USB port is provided on the SYS_5V, the one that comes from the TPS65217C,
rail of the expansion header for use by a cape. Figure 24 is the connection of the USB
power input on the PMIC.
DGND
C1
10uF,10V
U2
TPS65217C
USB
12
C36
0.1uf ,6.3V
DGND P4 mini USB-B
D-
2D+
3
VB
1
ID
4
G2
7
G3
6
G1
5
G5 8
G4 9
DGND
Figure 24. USB Power Connections
6.1.4 Power Selection
The selection of either the 5VDC or the USB as the power source is handled internally to
the TPS65217C and automatically switches to 5VDC power if both are connected. SW
can change the power configuration via the I2C interface from the processor. In addition,
the SW can read the TPS65217C and determine if the board is running on the 5VDC
input or the USB input. This can be beneficial to know the capability of the board to
supply current for things like operating frequency and expansion cards.
It is possible to power the board from the USB input and then connect the DC power
supply. The board will switch over automatically to the DC input.
6.1.5 Power Button
A power button is connected to the input of the TPS65217C. This is a momentary switch,
the same type of switch used for reset and boot selection on the board.
If you push the button the TPS65217C will send an interrupt to the processor. It is up to
the processor to then pull the PMIC_POWER_EN pin low at the correct time to power

REF: BBONEBLK_SRM
BeagleBone Black System
Reference Manual
Rev C.1
Page 46 of 126
down the board. At this point, the PMIC is still active, assuming that the power input was
not removed. Pressing the power button will cause the board to power up again if the
processor puts the board in the power off mode.
In power off mode, the RTC rail is still active, keeping the RTC powered and running off
the main power input. If you remove that power, then the RTC will not be powered. You
also have the option of using the battery holes on the board to connect a battery if desired
as discussed in the next section.
If you push and hold the button for greater than 8 seconds, the PMIC will power down.
But you must release the button when the power LED turns off. Holding the button past
that point will cause the board to power cycle.
6.1.6 Battery Access Pads
Four pads are provided on the board to allow access to the battery pins on the
TPS65217C. The pads can be loaded with a 4x4 header or you may just wire a battery
into the pads. In addition they could provide access via a cape if desired. The four signals
are listed below in Table 3.
Table 3. BeagleBone Black Battery Pins
PIN
DESIGNATION
FUNCTION
BAT
TP5
Battery connection point.
SENSE
TP6
Battery voltage sense input, connect to BAT directly at the
battery terminal.
TS
TP7
Temperature sense input. Connect to NTC thermistor to sense
battery temperature.
GND
TP8
System ground.
There is no fuel gauge function provided by the TPS65217C. That would need to be
added if that function was required. If you want to add a fuel gauge, and option is to use
1-wire SPI or I2C device. You will need to add this using the expansion headers and
place it on an expansion board.
NOTE: Refer to the TPS65217C documentation
before connecting anything to these pins.

REF: BBONEBLK_SRM
BeagleBone Black System
Reference Manual
Rev C.1
Page 47 of 126
6.1.7 Power Consumption
The power consumption of the board varies based on power scenarios and the board boot
processes. Measurements were taken with the board in the following configuration:
DC powered and USB powered
HDMI monitor connected
USB HUB
4GB Thumbdrive
Ethernet connected @ 100M
Serial debug cable connected
Table 4 is an analysis of the power consumption of the board in these various scenarios.
Table 4. BeagleBone Black Power Consumption(mA@5V)
MODE
USB
DC
DC+USB
Reset
TBD
TBD
TBD
Idling @ UBoot
210
210
210
Kernel Booting (Peak)
460
460
460
Kernel Idling
350
350
350
Kernel Idling Display Blank
280
280
280
Loading a Webpage
430
430
430
The current will fluctuate as various activates occur, such as the LEDs on and
microSD/eMMC accesses.
6.1.8 Processor Interfaces
The processor interacts with the TPS65217C via several different signals. Each of these
signals is described below.
6.1.8.1 I2C0
I2C0 is the control interface between the processor and the TPS65217C. It allows the
processor to control the registers inside the TPS65217C for such things as voltage
scaling and switching of the input rails.
6.1.8.2 PMC_POWR_EN
On power up the VDD_RTC rail activates first. After the RTC circuitry in the processor
has activated it instructs the TPS65217C to initiate a full power up cycle by activating
the PMIC_POWR_EN signal by taking it HI. When powering down, the processor can
take this pin low to start the power down process.

REF: BBONEBLK_SRM
BeagleBone Black System
Reference Manual
Rev C.1
Page 48 of 126
6.1.8.3 LDO_GOOD
This signal connects to the RTC_PORZn signal, RTC power on reset. The small “n”
indicates that the signal is an active low signal. Word processors seem to be unable to put
a bar over a word so the n is commonly used in electronics. As the RTC circuitry comes
up first, this signal indicates that the LDOs, the 1.8V VRTC rail, is up and stable. This
starts the power up process.
6.1.8.4 PMIC_PGOOD
Once all the rails are up, the PMIC_PGOOD signal goes high. This releases the PORZn
signal on the processor which was holding the processor reset.
6.1.8.5 WAKEUP
The WAKEUP signal from the TPS65217C is connected to the EXT_WAKEUP signal
on the processor. This is used to wake up the processor when it is in a sleep mode. When
an event is detected by the TPS65217C, such as the power button being pressed, it
generates this signal.
6.1.8.6 PMIC_INT
The PMIC_INT signal is an interrupt signal to the processor. Pressing the power button
will send an interrupt to the processor allowing it to implement a power down mode in an
orderly fashion, go into sleep mode, or cause it to wake up from a sleep mode. All of
these require SW support.

REF: BBONEBLK_SRM
BeagleBone Black System
Reference Manual
Rev C.1
Page 49 of 126
6.1.9 Power Rails
Figure 25 shows the connections of each of the rails from the TPS65217C.
Figure 25. Power Rails
6.1.9.1 VRTC Rail
The VRTC rail is a 1.8V rail that is the first rail to come up in the power sequencing. It
provides power to the RTC domain on the processor and the I/O rail of the TPS65217C.
It can deliver up to 250mA maximum.
6.1.9.2 VDD_3V3A Rail
The VDD_3V3A rail is supplied by the TPS65217C and provides the 3.3V for the
processor rails and can provide up to 400mA.

REF: BBONEBLK_SRM
BeagleBone Black System
Reference Manual
Rev C.1
Page 50 of 126
6.1.9.3 VDD_3V3B Rail
The current supplied by the VDD_3V3A rail is not sufficient to power all of the 3.3V
rails on the board. So a second LDO is supplied, U4, a TL5209A, which sources the
VDD_3V3B rail. It is powered up just after the VDD_3V3A rail.
6.1.9.4 VDD_1V8 Rail
The VDD_1V8 rail can deliver up to 400mA and provides the power required for the
1.8V rails on the processor and the HDMI framer. This rail is not accessible for use
anywhere else on the board.
6.1.9.5 VDD_CORE Rail
The VDD_CORE rail can deliver up to 1.2A at 1.1V. This rail is not accessible for use
anywhere else on the board and connects only to the processor. This rail is fixed at 1.1V
and should not be adjusted by SW using the PMIC. If you do, then the processor will no
longer work.
6.1.9.6 VDD_MPU Rail
The VDD_MPU rail can deliver up to 1.2A. This rail is not accessible for use anywhere
else on the board and connects only to the processor. This rail defaults to 1.1V and can be
scaled up to allow for higher frequency operation. Changing of the voltage is set via the
I2C interface from the processor.
6.1.9.7 VDDS_DDR Rail
The VDDS_DDR rail defaults to 1.5V to support the DDR3L rails and can deliver up to
1.2A. It is possible to adjust this voltage rail down to 1.35V for lower power operation of
the DDR3L device. Only DDR3L devices can support this voltage setting of 1.35V.

REF: BBONEBLK_SRM
BeagleBone Black System
Reference Manual
Rev C.1
Page 51 of 126
6.1.9.8 Power Sequencing
The power up process is consists of several stages and events. Figure 26 describes the
events that make up the power up process for the processer from the PMIC. This diagram
is used elsewhere to convey additional information. I saw no need to bust it up into
smaller diagrams. It is from the processor datasheet supplied by Texas Instruments.
Figure 26. Power Rail Power Up Sequencing
Figure 27 the voltage rail sequencing for the TPS65217C as it powers up and the
voltages on each rail. The power sequencing starts at 15 and then goes to one. That is the
way the TPS65217C is configured. You can refer to the TPS65217C datasheet for more
information.

REF: BBONEBLK_SRM
BeagleBone Black System
Reference Manual
Rev C.1
Page 52 of 126
Figure 27. TPS65217C Power Sequencing Timing
6.1.10 Power LED
The power LED is a blue LED that will turn on once the TPS65217C has finished the
power up procedure. If you ever see the LED flash once, that means that the TPS65217C
started the process and encountered an issue that caused it to shut down. The connection
of the LED is shown in Figure 25.
6.1.11 TPS65217C Power Up Process
Figure 28 shows the interface between the TPS65217C and the processor. It is a cut
from the PDF form of the schematic and reflects what is on the schematic.
Figure 28. Power Processor Interfaces
When voltage is applied, DC or USB, the TPS65217C connects the power to the SYS
output pin which drives the switchers and LDOs in the TPS65217C.
At power up all switchers and LDOs are off except for the VRTC LDO (1.8V), which
provides power to the VRTC rail and controls the RTC_PORZn input pin to the
processor, which starts the power up process of the processor. Once the RTC rail powers

REF: BBONEBLK_SRM
BeagleBone Black System
Reference Manual
Rev C.1
Page 53 of 126
up, the RTC_PORZn pin, driven by the LDO_PGOOD signal from the TPS65217C, of
the processor is released.
Once the RTC_PORZn reset is released, the processor starts the initialization process.
After the RTC stabilizes, the processor launches the rest of the power up process by
activating the PMIC_POWER_EN signal that is connected to the TPS65217C which
starts the TPS65217C power up process.
The LDO_PGOOD signal is provided by the TPS65217C to the processor. As this
signal is 1.8V from the TPS65217C by virtue of the TPS65217C VIO rail being set to
1.8V, and the RTC_PORZ signal on the processor is 3.3V, a voltage level shifter, U4, is
used. Once the LDOs and switchers are up on the TPS65217C, this signal goes active
releasing the processor. The LDOs on the TPS65217C are used to power the VRTC rail
on the processor.
6.1.12 Processor Control Interface
Figure 28 above shows two interfaces between the processor and the TPS65217C used
for control after the power up sequence has completed.
The first is the I2C0 bus. This allows the processor to turn on and off rails and to set the
voltage levels of each regulator to supports such things as voltage scaling.
The second is the interrupt signal. This allows the TPS65217C to alert the processor
when there is an event, such as when the power button is pressed. The interrupt is an
open drain output which makes it easy to interface to 3.3V of the processor.
6.1.13 Low Power Mode Support
This section covers three general power down modes that are available. These modes are
only described from a Hardware perspective as it relates to the HW design.
6.1.13.1 RTC Only
In this mode all rails are turned off except the VDD_RTC. The processor will need to
turn off all the rails to enter this mode. The VDD_RTC staying on will keep the RTC
active and provide for the wakeup interfaces to be active to respond to a wake up event.
6.1.13.2 RTC Plus DDR
In this mode all rails are turned off except the VDD_RTC and the VDDS_DDR, which
powers the DDR3L memory. The processor will need to turn off all the rails to enter this
mode. The VDD_RTC staying on will keep the RTC active and provide for the wakeup
interfaces to be active to respond to a wake up event.

REF: BBONEBLK_SRM
BeagleBone Black System
Reference Manual
Rev C.1
Page 54 of 126
The VDDS_DDR rail to the DDR3L is provided by the 1.5V rail of the TPS65217C and
with VDDS_DDR active, the DDR3L can be placed in a self refresh mode by the
processor prior to power down which allows the memory data to be saved.
Currently, this feature is not included in the standard software release. The plan is to
include it in future releases.
6.1.13.3 Voltage Scaling
For a mode where the lowest power is possible without going to sleep, this mode allows
the voltage on the ARM processor to be lowered along with slowing the processor
frequency down. The I2C0 bus is used to control the voltage scaling function in the
TPS65217C.
6.2 Sitara AM3358BZCZ100 Processor
The board is designed to use the Sitara AM3358BZCZ100 processor in the 15 x 15
package. Earlier revisions of the board used the XM3359AZCZ100 processor.
6.2.1 Description
Figure 29 is a high level block diagram of the processor. For more information on the
processor, go to http://www.ti.com/product/am3358.

REF: BBONEBLK_SRM
BeagleBone Black System
Reference Manual
Rev C.1
Page 55 of 126
Figure 29. Sitara AM3358BZCZ Block Diagram
.

REF: BBONEBLK_SRM
BeagleBone Black System
Reference Manual
Rev C.1
Page 56 of 126
6.2.2 High Level Features
Table 5 below shows a few of the high level features of the Sitara processor.
Table 5. Processor Features
Operating Systems
Linux, Android, Windows
Embedded CE,QNX,
ThreadX
MMC/SD
3
Standby Power
7 mW
CAN
2
ARM CPU
1 ARM Cortex-A8
UART (SCI)
6
ARM MHz (Max.)
275,500,600,800,1000
ADC
8-ch 12-bit
ARM MIPS (Max.)
1000,1200,2000
PWM (Ch)
3
Graphics
Acceleration
1 3D
eCAP
3
Other Hardware
Acceleration
2 PRU-ICSS,Crypto
Accelerator
eQEP
3
On-Chip L1 Cache
64 KB (ARM Cortex-A8)
RTC
1
On-Chip L2 Cache
256 KB (ARM Cortex-
A8)
I2C
3
Other On-Chip
Memory
128 KB
McASP
2
Display Options
LCD
SPI
2
General Purpose
Memory
1 16-bit (GPMC, NAND
flash, NOR Flash, SRAM)
DMA (Ch)
64-Ch EDMA
DRAM
1 16-bit (LPDDR-400,
DDR2-532, DDR3-400)
IO Supply (V)
1.8V(ADC),3.3V
USB Ports
2
Operating
Temperature
Range (C)
-40 to 90
6.2.3 Documentation
Full documentation for the processor can be found on the TI website at
http://www.ti.com/product/am3358 for the current processor used on the board. Make
sure that you always use the latest datasheets and Technical Reference Manuals (TRM).

REF: BBONEBLK_SRM
BeagleBone Black System
Reference Manual
Rev C.1
Page 57 of 126
6.2.4 Crystal Circuitry
Figure 30 is the crystal circuitry for the AM3358 processor.
15mm x 15mm
Package
SubArctic AM335x 1.8V
U5A
OSC1_IN
A6
OSC1_OUT
A4
OSC0_IN
V10
OSC0_OUT
U11
VSS_RTC
A5
VSS_OSC0
V11
GND_OSC0
R17
1M,1%
GND_OSC0
Y2 24MHz
1 2
OSC1_OUT1
R150
0,1%
DGND
C21
18pF,50V
C22
18pF,50V
Y1
32.768KHz MC-306
1
4
32
OSC0_OUT1
C25
18pF,50V
GND_OSC1
C26
18pF,50V
OSC1_IN
OSC1_OUT
OSC0_IN
OSC0_OUT
Figure 30. Processor Crystals

REF: BBONEBLK_SRM
BeagleBone Black System
Reference Manual
Rev C.1
Page 58 of 126
6.2.5 Reset Circuitry
Figure 31 is the board reset circuitry. The initial power on reset is generated by the
TPS65217C power management IC. It also handles the reset for the Real Time Clock.
The board reset is the SYS_RESETn signal. This is connected to the NRESET_INOUT
pin of the processor. This pin can act as an input or an output. When the reset button is
pressed, it sends a warm reset to the processor and to the system.
On the revision A5D board, a change was made. On power up, the NRESET_INOUT
signal can act as an output. In this instance it can cause the SYS_RESETn line to go high
prematurely. In order to prevent this, the PORZn signal from the TPS65217C is
connected to the SYS_RESETn line using an open drain buffer. These ensure that the line
does not momentarily go high on power up.
SYS_RESETn 9,11
S1
KMR231GLFS
1 2
3 4 C24
1uF,10V
DGND
R14
10K,1%
VDD_3V3A
3.3V
RESET
U16
SN74LVC1G07DCK
A
2Y4
GND
3VCC 5
NC
1
DGND
DGND
VIO
15mm x 15mm
Package
SubArctic AM335x 1.8V
U5A
AM3359
PORZn B15
NRESET_INOUT A10
RTC_PORZn B5
U2
TPS65217C
PGOOD 26
LDO_PGOOD 46
Figure 31. Board Reset Circuitry
This change is also in all revisions after A5D.

REF: BBONEBLK_SRM
BeagleBone Black System
Reference Manual
Rev C.1
Page 59 of 126
DDR3L Memory
The BeagleBone Black uses a single MT41K256M16HA-125 512MB DDR3L device
from Micron that interfaces to the processor over 16 data lines, 16 address lines, and 14
control lines. On rev C we added the Kingston KE4CN2H5A-A58 device as a source for
the DDR3L device.
The following sections provide more details on the design.
6.2.6 Memory Device
The design supports the standard DDR3 and DDR3L x16 devices and is built using the
DDR3L. A single x16 device is used on the board and there is no support for two x8
devices. The DDR3 devices work at 1.5V and the DDR3L devices can work down to
1.35V to achieve lower power. The DDR3L comes in a 96-BALL FBGA package with
0.8 mil pitch. Other standard DDR3 devices can also be supported, but the DDR3L is the
lower power device and was chosen for its ability to work at 1.5V or 1.35V. The standard
frequency that the DDR3L is run at on the board is 400MHZ.
6.2.7 DDR3L Memory Design
Figure 32 is the schematic for the DDR3L memory device. Each of the groups of signals
is described in the following lines.
Address Lines: Provide the row address for ACTIVATE commands, and the column
address and auto pre-charge bit (A10) for READ/WRITE commands, to select one
location out of the memory array in the respective bank. A10 sampled during a
PRECHARGE command determines whether the PRECHARGE applies to one bank
(A10 LOW, bank selected by BA[2:0]) or all banks (A10 HIGH). The address inputs also
provide the op-code during a LOAD MODE command. Address inputs are referenced to
VREFCA. A12/BC#: When enabled in the mode register (MR), A12 is sampled during
READ and WRITE commands to determine whether burst chop (on-the-fly) will be
performed (HIGH = BL8 or no burst chop, LOW = BC4 burst chop).
Bank Address Lines: BA[2:0] define the bank to which an ACTIVATE, READ,
WRITE, or PRECHARGE command is being applied. BA[2:0] define which mode
register (MR0, MR1, MR2, or MR3) is loaded during the LOAD MODE command.
BA[2:0] are referenced to VREFCA.
CK and CK# Lines: are differential clock inputs. All address and control input signals
are sampled on the crossing of the positive edge of CK and the negative edge of CK#.
Output data strobe (DQS, DQS#) is referenced to the crossings of CK and CK#.
Clock Enable Line: CKE enables (registered HIGH) and disables (registered LOW)
internal circuitry and clocks on the DRAM. The specific circuitry that is enabled/disabled
is dependent upon the DDR3 SDRAM configuration and operating mode. Taking CKE

REF: BBONEBLK_SRM
BeagleBone Black System
Reference Manual
Rev C.1
Page 60 of 126
LOW provides PRECHARGE power-down and SELF REFRESH operations (all banks
idle) or active power-down (row active in any bank). CKE is synchronous for power-
down entry and exit and for self refresh entry. CKE is asynchronous for self refresh exit.
Input buffers (excluding CK, CK#, CKE, RESET#, and ODT) are disabled during power-
down. Input buffers (excluding CKE and RESET#) are disabled during SELF REFRESH.
CKE is referenced to VREFCA.
DDR_CKE
3DDR_CLKn
3DDR_CLK
3
DDR_WEn
3DDR_CASn
3DDR_RASn
3DDR_CSn
3
DDR_RESETn
3
C124
0.1uf ,6.3V
DDR_DQM0
3DDR_DQM1
3
4Gb(512MB) DDR3L
DDR_A15
R97 1.5K,1%
R96 10K,1%
R100
10K,1%
R99 240E
R98 10K,1%
C123
0.001uf ,50V
DDR_ODT
U12
MT41K256M16HA -125:E
CK
J7
CKn
K7
CKE
K9
CSn
L2
RASn
J3
CASn
K3
WEn
L3
A0 N3
A1 P7
A2 P3
A3 N2
A4 P8
A5 P2
A6 R8
A7 R2
A8 T8
A9 R3
A10 L7
A11 R7
A12 N7
A13 T3
A14 T7
BA0 M2
BA1 N8
BA2 M3
DQ0
E3
DQ1
F7
DQ2
F2
DQ3
F8
DQ4
H3
DQ5
H8
DQ6
G2
DQ7
H7
ODT K1
VSS1 A9
VSS2 B3
VSS3 E1
VSS4 G8
VSSQ4 D8
VSSQ3 D1
VSSQ2 B9
VSSQ1 B1
VSSQ5 E2
VDDQ1
A1
VDDQ2
A8
VDDQ3
C1
VDDQ4
C9
VDDQ5
D2
VDD1 B2
VDD2 G7
UDQSn
B7
UDM
D3
LDM
E7
LDQSn
G3
UDQS
C7
LDQS
F3
DQ8
D7
DQ10
C8
DQ11
C2
DQ14
B8
DQ12
A7
DQ15
A3
DQ13
A2
VDD9 D9
VSSQ6 E8
VDDQ7
E9
VDDQ8
F1
VSSQ7 F9
VSSQ8 G1
VSSQ9 G9
VREF_DQ
H1
VDDQ9
H2
VDDQ10
H9
NC1
J1
NC2
J9
VSS5 J2
VSS6 J8
VDD4 K2
VDD5 K8
NC3
L1
ZQ L8
NC4
L9
VSS7 M1
A15 M7
VREF_CA
M8
VSS8 M9
VDD6 N1
VDD7 N9
VSS9 P1
VSS10 P9
VDD8 R1
VDD3 R9
VSS11 T1
RESET#
T2
VSS12 T9
DQ9
C3
VDDS_DDR
DGND
DGND
DGND
DDR_D10
DDR_D11
VDDS_DDR
DDR_D8
DDR_D15
DDR_D13
DDR_D14
DDR_D9
VDDS_DDR
DGND
DDR_D12
DGND
DDR_ODT 3
VDDS_DDR
DDR_DQS0
3DDR_DQSN0
3
DDR_D1
DDR_D2
DDR_D3
DDR_DQSN1
3DDR_DQS1
3
DDR_D4
DDR_D0
DDR_D7
DDR_D5
DDR_D6
DDR_A1
DDR_A3
DDR_A[15..0] 3
DDR_BA[2..0] 3
DDR_A6
DDR_A2
DDR_A8
DDR_A9
DDR_A4
DDR_A0
DDR_D[15..0]
3DDR_A7
DDR_A13
DDR_A14
DDR_A10
DDR_A5
DDR_BA1
DDR_BA2
DDR_BA0
DDR_A11
DDR_A12
DDR_A[15..0]
ZQ
DDR_BA[2..0]
DDR_VREF
Figure 32. DDR3L Memory Design
Chip Select Line: CS# enables (registered LOW) and disables (registered HIGH) the
command decoder. All commands are masked when CS# is registered HIGH. CS#
provides for external rank selection on systems with multiple ranks. CS# is considered
part of the command code. CS# is referenced to VREFCA.

REF: BBONEBLK_SRM
BeagleBone Black System
Reference Manual
Rev C.1
Page 61 of 126
Input Data Mask Line: DM is an input mask signal for write data. Input data is masked
when DM is sampled HIGH along with the input data during a write access. Although the
DM ball is input-only, the DM loading is designed to match that of the DQ and DQS
balls. DM is referenced to VREFDQ.
On-die Termination Line: ODT enables (registered HIGH) and disables (registered
LOW) termination resistance internal to the DDR3L SDRAM. When enabled in normal
operation, ODT is only applied to each of the following balls: DQ[7:0], DQS, DQS#, and
DM for the x8; DQ[3:0], DQS, DQS#, and DM for the x4. The ODT input is ignored if
disabled via the LOAD MODE command. ODT is referenced to VREFCA.
6.2.8 Power Rails
The DDR3L memory device and the DDR3 rails on the processor are supplied by the
TPS65217C. Default voltage is 1.5V but can be scaled down to 1.35V if desired.
6.2.9 VREF
The VREF signal is generated from a voltage divider on the VDDS_DDR rail that
powers the processor DDR rail and the DDR3L device itself. Figure 33 below shows the
configuration of this signal and the connection to the DDR3L memory device and the
processor.
Figure 33. DDR3L VREF Design

REF: BBONEBLK_SRM
BeagleBone Black System
Reference Manual
Rev C.1
Page 62 of 126
6.3 4GB eMMC Memory
The eMMC is a communication and mass data storage device that includes a Multi-
MediaCard (MMC) interface, a NAND Flash component, and a controller on an
advanced 11-signal bus, which is compliant with the MMC system specification. The
nonvolatile eMMC draws no power to maintain stored data, delivers high performance
across a wide range of operating temperatures, and resists shock and vibration disruption.
One of the issues faced with SD cards is that across the different brands and even within
the same brand, performance can vary. Cards use different controllers and different
memories, all of which can have bad locations that the controller handles. But the
controllers may be optimized for reads or writes. You never know what you will be
getting. This can lead to varying rates of performance. The eMMC card is a known
controller and when coupled with the 8bit mode, 8 bits of data instead of 4, you get
double the performance which should result in quicker boot times.
The following sections describe the design and device that is used on the board to
implement this interface.
6.3.1 eMMC Device
The device used is one of two different devices:
Micron MTFC4GLDEA 0M WT
Kingston KE4CN2H5A-A58
The package is a 153 ball WFBGA device on both devices.

REF: BBONEBLK_SRM
BeagleBone Black System
Reference Manual
Rev C.1
Page 63 of 126
6.3.2 eMMC Circuit Design
Figure 34 is the design of the eMMC circuitry. The eMMC device is connected to the
MMC1 port on the processor. MMC0 is still used for the microSD card as is currently
done on the original BeagleBone. The size of the eMMC supplied is now 4GB.
The device runs at 3.3V both internally and the external I/O rails. The VCCI is an
internal voltage rail to the device. The manufacturer recommends that a 1uF capacitor be
attached to this rail, but a 2.2uF was chosen to provide a little margin.
Pullup resistors are used to increase the rise time on the signals to compensate for any
capacitance on the board.
DGND
VDD_3V3B
C125
2.2uF,6.3V
DGND
R10110K,1% R10210K,1%
R10410K,1% R10310K,1%
VDD_3V3B
R10510K,1% R10610K,1% R10710K,1% R10810K,1% R10910K,1% R11010K,1%
U13
MEM_MNAND_2GB
DAT0
A3
DAT1
A4
DAT2
A5
DAT3
B2
DAT4
B3
DAT5
B4
DAT6
B5
DAT7
B6
VCCI C2
VSSQ4 C4
VCCQ4 C6
VCC3 E6
VSS2 E7
VSS5 N5
VCC2 F5
VSS1 G5
VSS3 H10
VSS4 K8
VCC1 K9
VCCQ5 M4
CMD
M5
CLK
M6
VSSQ1 N2
VCCQ3 N4
VCCQ1 P3
VSSQ3 P4
VCCQ2 P5
VSSQ2 P6
RST
K5
VCC0 J10
R11110K,1%
U5A
AM3358_ZCZ
MMC1_CLK U9
MMC1_CMD V9
MMC1_DAT0 U7
MMC1_DAT1 V7
MMC1_DAT2 R8
MMC1_DAT3 T8
MMC1_DAT4 U8
MMC1_DAT5 V8
MMC1_DAT6 R9
MMC1_DAT7 T9
GPIO2_0 T13 R162 0,1%,DNI
Figure 34. eMMC Memory Design
The pins used by the eMMC1 in the boot mode are listed below in Table 6.
Table 6. eMMC Boot Pins
For eMMC devices the ROM will only support raw mode. The ROM Code reads out raw
sectors from image or the booting file within the file system and boots from it. In raw
mode the booting image can be located at one of the four consecutive locations in the
main area: offset 0x0 / 0x20000 (128 KB) / 0x40000 (256 KB) / 0x60000 (384 KB). For
this reason, a booting image shall not exceed 128KB in size. However it is possible to

REF: BBONEBLK_SRM
BeagleBone Black System
Reference Manual
Rev C.1
Page 64 of 126
flash a device with an image greater than 128KB starting at one of the aforementioned
locations. Therefore the ROM Code does not check the image size. The only drawback is
that the image will cross the subsequent image boundary. The raw mode is detected by
reading sectors #0, #256, #512, #768. The content of these sectors is then verified for
presence of a TOC structure. In the case of a GP Device, a Configuration Header (CH)
must be located in the first sector followed by a GP header. The CH might be void (only
containing a CHSETTINGS item for which the Valid field is zero).
The ROM only supports the 4-bit mode. After the initial boot, the switch can be made to
8-bit mode for increasing the overall performance of the eMMC interface.
6.4 Board ID EEPROM
The BeagleBone is equipped with a single 32Kbit(4KB) 24LC32AT-I/OT EEPROM to
allow the SW to identify the board. Table 7 below defined the contents of the EERPOM.
Table 7. EEPROM Contents
Name
Size (bytes)
Contents
Header
4
0xAA, 0x55, 0x33, EE
Board Name
8
Name for board in ASCII: A335BNLT
Version
4
Hardware version code for board in ASCII:
00A3 for Rev A3, 00A4 for Rev A4, 00A5 for Rev A5, 00A6 for Rev
A6,00B0 for Rev B, and 00C0 for Rev C.
Serial Number
12
Serial number of the board. This is a 12 character string which is:
WWYY4P16nnnn
where: WW = 2 digit week of the year of production
YY = 2 digit year of production
BBBK = BeagleBone Black
nnnn = incrementing board number
Configuration Option
32
Codes to show the configuration setup on this board.
All FF
RSVD
6
FF FF FF FF FF FF
RSVD
6
FF FF FF FF FF FF
RSVD
6
FF FF FF FF FF FF
Available
4018
Available space for other non-volatile codes/data
Figure 35 shows the new design on the EEPROM interface.

REF: BBONEBLK_SRM
BeagleBone Black System
Reference Manual
Rev C.1
Page 65 of 126
Figure 35. EEPROM Design Rev A5
The EEPROM is accessed by the processor using the I2C 0 bus. The WP pin is enabled
by default. By grounding the test point, the write protection is removed.
The first 48 locations should not be written to if you choose to use the extras storage
space in the EEPROM for other purposes. If you do, it could prevent the board from
booting properly as the SW uses this information to determine how to set up the board.
6.5 Micro Secure Digital
The microSD connector on the board will support a microSD card that can be used for
booting or file storage on the BeagleBone Black.
6.5.1 microSD Design
Figure 36 below is the design of the microSD interface on the board.
U5A
AM3358_ZCZ
MMC0_CLK G17
MMC0_CMD G18
MMC0_DAT0 G16
MMC0_DAT1 G15
MMC0_DAT2 F18
MMC0_DAT3 F17
MMC0_SDCD C15
DGND
SD_CD
DGND
R15010K,1%
R15310K,1%
R15110K,1%
R157 10K,1%
R15210K,1%
R15410K,1%
R15510K,1%
VDD_3V3B
VDD_3V3B
DGND
C153
10uF,10V
microSD
P7
MOLEX 502570-001
DAT2
1
CD/DAT3
2
CMD
3
VDD
4
CLOCK
5
VSS
6
DAT0
7
DAT1
8
GND 9
GND1 10
CD 11
GND2 12
GND3 13
GND4 14
C154
0.1uf ,6.3V
Figure 36. microSD Design
The signals MMC0-3 are the data lines for the transfer of data between the processor and
the microSD connector.

REF: BBONEBLK_SRM
BeagleBone Black System
Reference Manual
Rev C.1
Page 66 of 126
The MMC0_CLK signal clocks the data in and out of the microSD card.
The MMCO_CMD signal indicates that a command versus data is being sent.
There is no separate card detect pin in the microSD specification. It uses MMCO_DAT3
for that function. However, most microSD connectors still supply a CD function on the
connectors. In the BeagleBone Black design, this pin is connected to the MMC0_SDCD
pin for use by the processor. You can also change the pin to GPIO0_6, which is able to
wake up the processor from a sleep mode when an microSD card is inserted into the
connector.
Pullup resistors are provided on the signals to increase the rise times of the signals to
overcome PCB capacitance.
Power is provided from the VDD_3V3B rail and a 10uF capacitor is provided for
filtering.
6.6 User LEDs
There are four user LEDs on the BeagleBone Black. These are connected to GPIO pins
on the processor. Figure 37 shows the interfaces for the user LEDs.
R76
100K,1% R77
100K,1%
D2 LTST-C191TBKT
DGND DGND
47k
10k
Q1A
DMC56404
1 6
2
47k
10k
Q1B
DMC56404
4 3
5
DGND
DGND
USR1
3
USR0
3
LEDAC
LEDBC
USR0
R73
820,5%
R72
820,5%
LEDAA
LEDBA
SYS_5V
D3 LTST-C191TBKT D4 LTST-C191TBKT D5 LTST-C191TBKT
R78
100K,1% R79
100K,1%
DGND
47k
10k
Q2A
DMC56404
1 6
2
47k
10k
Q2B
DMC56404
4 3
5
DGND
USR2
3
DGNDDGND
USR3
3
USR1
LEDDC
LEDCC
USR3
USR2
R74
820,5%
LEDCA
LEDDA
R71
820,5%
Figure 37. User LEDs
Resistors R71-R74 were changed to 4.75K on the revision A5B board.
Table 8 shows the signals used to control the four LEDs from the processor.

REF: BBONEBLK_SRM
BeagleBone Black System
Reference Manual
Rev C.1
Page 67 of 126
Table 8. User LED Control Signals/Pins
LED
GPIO SIGNAL
PROC PIN
USR0
GPIO1_21
V15
USR1
GPIO1_22
U15
USR2
GPIO1_23
T15
USR3
GPIO1_24
V16
A logic level of “1” will cause the LEDs to turn on.
6.7 Boot Configuration
The design supports two groups of boot options on the board. The user can switch
between these modes via the Boot button. The primary boot source is the onboard eMMC
device. By holding the Boot button, the user can force the board to boot from the
microSD slot. This enables the eMMC to be overwritten when needed or to just boot an
alternate image. The following sections describe how the boot configuration works.
In most applications, including those that use the provided demo distributions available
from beagleboard.org, the processor-external boot code is composed of two stages. After
the primary boot code in the processor ROM passes control, a secondary stage (secondary
program loader -- "SPL" or "MLO") takes over. The SPL stage initializes only the
required devices to continue the boot process, and then control is transferred to the third
stage "U-boot". Based on the settings of the boot pins, the ROM knows where to go and
get the SPL and UBoot code. In the case of the BeagleBone Black, that is either eMMC
or microSD based on the position of the boot switch.
6.7.1 Boot Configuration Design
Figure 38 shows the circuitry that is involved in the boot configuration process. On
power up, these pins are read by the processor to determine the boot order. S2 is used to
change the level of one bit from HI to LO which changes the boot order.

REF: BBONEBLK_SRM
BeagleBone Black System
Reference Manual
Rev C.1
Page 68 of 126
R80100K,1%
R83100K,1% R84100K,1% R85100K,1%
R87100K,1% R86100K,1%
R89100K,1% R88100K,1%
R82100K,1%
R95100K,1%
uSD BOOT
VDD_3V3A
SYS_BOOT10
SYS_BOOT9
SYS_BOOT8
SYS_BOOT15
SYS_BOOT14
SYS_BOOT13
SYS_BOOT12
SYS_BOOT11
SYS_BOOT4
SYS_BOOT2
SYS_BOOT1
SYS_BOOT0
SYS_BOOT7
SYS_BOOT6
SYS_BOOT5
SYS_BOOT3
DGND
LCD_DATA5 4,10,11
LCD_DATA4 4,10,11
LCD_DATA3 4,10,11
R65100K,1%
LCD_DATA8 4,10,11
LCD_DATA7 4,10,11
LCD_DATA6 4,10,11
LCD_DATA11 4,10,11
LCD_DATA10 4,10,11
LCD_DATA9 4,10,11
LCD_DATA14 4,10,11
LCD_DATA13 4,10,11
LCD_DATA12 4,10,11
LCD_DATA1 4,10,11
LCD_DATA0 4,10,11
LCD_DATA15 4,10,11
LCD_DATA2 4,10,11
R69100K,1%,DNI
R93100K,1%,DNI R92100K,1%,DNI
S2
KMR231GLFS
1 3
2 4
R68100K,1%
R91100K,1%,DNI
DGND
R90100K,1%,DNI R64100K,1%,DNI
R75 100
R70100K,1%,DNI
R63100K,1%,DNI
R56100K,1%
R67100K,1% R66100K,1%
R62100K,1%,DNI R61100K,1%,DNI R60100K,1%,DNI
R94100K,1%
R59100K,1%,DNI R58100K,1%,DNI R57100K,1%,DNI
R81100K,1%,DNI R55100K,1%,DNI
Figure 38. Processor Boot Configuration Design
It is possible to override these setting via the expansion headers. But be careful not to add
too much load such that it could interfere with the operation of the HDMI interface or
LCD panels. If you choose to override these settings, it is strongly recommended that you
gate these signals with the SYS_RESETn signal. This ensures that after coming out of
reset these signals are removed from the expansion pins.
6.8 Default Boot Options
Based on the selected option found in Figure 39 below, each of the boot sequences for
each of the two settings is shown.
Figure 39. Processor Boot Configuration

REF: BBONEBLK_SRM
BeagleBone Black System
Reference Manual
Rev C.1
Page 69 of 126
The first row in Figure 39 is the default setting. On boot, the processor will look for the
eMMC on the MMC1 port first, followed by the microSD slot on MMC0, USB0 and
UART0. In the event there is no microSD card and the eMMC is empty, UART0 or
USB0 could be used as the board source.
If you have a microSD card from which you need to boot from, hold the boot button
down. On boot, the processor will look for the SPIO0 port first, then microSD on the
MMC0 port, followed by USB0 and UART0. In the event there is no microSD card and
the eMMC is empty, USB0 or UART0 could be used as the board source.
6.9 10/100 Ethernet
The BeagleBone Black is equipped with a 10/100 Ethernet interface. It uses the same
PHY as is used on the original BeagleBone. The design is described in the following
sections.
6.9.1 Ethernet Processor Interface
Figure 40 shows the connections between the processor and the PHY. The interface is in
the MII mode of operation.
RXER/PHYAD0
RXD1/MODE1
RXD0/MODE0
CRS
R131 100,1%
R133 100,1%
R129 100,1%
R139 100,1%
R125 100,1%
R126 100,1%
R138 100,1%
R1191.5K,5%
R128 100,1%
R127 100,1%
R134 100,1%
VDD_3V3B
RXD3/PHYAD2
RXD2/RMIISEL
MODE2
TXCLK
REFCLKO
RXDV
U14
LAN8710A
QFN32_5X5MM_EP3P3MM
MDIO
16
MDC
17
RXD3/PHYAD2
8
RXD2/RMIISEL
9
RXD1/MODE1
10
RXD0/MODE0
11
RXDV
26
RXCLK/PHYAD1
7
RXER/RXD4/PHYAD0
13
TXCLK
20
TXEN
21
TXD0
22
TXD1
23
TXD2
24
TXD3
25
COL/CRS_DV/MODE2
15
CRS
14
U5B
AM3358_ZCZ
GMII1_CRS H17
GMII1_TXD0 K17
GMII1_TXD1 K16
GMII1_TXD2 K15
GMII1_TXD3 J18
GMII1_TXCLK K18
GMII1_TXEN J16
GMII1_RXERR J15
GMII1_RXDV J17
GMII1_RXCLK L18
GMII1_RXD0 M16
GMII1_RXD1 L15
GMII1_RXD2 L16
GMII1_RXD3 L17
MDIO_CLK M18
MDIO_DATA M17
GMII1_COL H16
Figure 40. Ethernet Processor Interface
This is the same interface as is used on the BeagleBone. No changes were made in this
design for the board.

REF: BBONEBLK_SRM
BeagleBone Black System
Reference Manual
Rev C.1
Page 70 of 126
6.9.2 Ethernet Connector Interface
The off board side of the PHY connections are shown in Figure 41 below.
ACTIVE WHEN AT 100MB
ACTIVE WHEN LINK PRESENT.
BLINKS OFF DURING ACTIVITY.
GRN_C
ETH_TXD4
TXN
TXP
TCT_RCT
RXP RXN
RBIAS
ESD_RING
C138
15pF,DNI
C139
15pF,DNI
U14
LAN8710A
QFN32_5X5MM_EP3P3MM
RBIAS 32
RXP 31
RXN 30
TXN 28
TXP 29
nINT/TXER/TXD4 18
LED2/nINTSEL 2
LED1/REGOFF 3
R137
0,1%
C140
15pF,DNI
R136
.1,0805
C141
0.022uF,10V
R135
10K,1%
R145
10K,1%
R12049.9,1%
R130 470,5%
R132 470,5%
P5
WE_7499010211A
TCT
5
TD+
3
TD-
6
RD+
1
RD-
2
RCT
4
YELC
11
YELA
12
GRNC
10
GRNA
9
GND 8
SHD1 13
SHD2 14
NC 7
R12149.9,1%
R12249.9,1%
R144
12.1K,1%
R12349.9,1%
C137
15pF,DNI
VDD_PHYA
DGND
DGND
DGND
DGND
VDD_PHYA
DGND DGNDDGND DGND
DGND
DGND
DGND
YELA
GRNA
YEL_C
Figure 41. Ethernet Connector Interface
This is the same interface as is used on the BeagleBone. No changes were made in this
design for the board.

REF: BBONEBLK_SRM
BeagleBone Black System
Reference Manual
Rev C.1
Page 71 of 126
6.9.3 Ethernet PHY Power, Reset, and Clocks
Figure 42 shows the power, reset, and lock connections to the LAN8710A PHY. Each of
these areas is discussed in more detail in the following sections.
PHY _VDDCR
PHY _XTAL2
PHY _XTAL1
PHY X
REFCLKO
C135
0.1uf ,6.3V
C131
0.1uf ,6.3V C132
0.1uf ,6.3V
R131 100,1%
R142 0,1%
FB4150OHM800mA
1 2
R143
10,1%
C143
30pF,50V
U14
LAN8710A
nRST
19
XTAL1/CLKIN
5
XTAL2
4
GND_EP
33
VDDIO 12
VDD1A 27
VDD2A 1
VDDCR 6
RXCLK/PHYAD1
7
R140 0,1%,DNI
C134
1uF,10V
C142
30pF,50V
Y3
25.000MHz
XTAL150SMD_125X196
12
C136
470pF,6.3V
R124 10,1%,DNI
R141 1M,1%,DNI
DGND
VDD_PHYA
VDD_3V3B
DGND
DGND
DGNDDGND
DGND
DGND
DGND
SYS_RESETn
3,11
RMII1_REFCLK
4
C133
10uF,10V
RCLKIN
Figure 42. Ethernet PHY, Power, Reset, and Clocks
6.9.3.1 VDD_3V3B Rail
The VDD_3V3B rail is the main power rail for the LAN8710A. It originates at the
VD_3V3B regulator and is the primary rail that supports all of the peripherals on the
board. This rail also supplies the VDDIO rails which set the voltage levels for all of the
I/O signals between the processor and the LAN8710A.
6.9.3.2 VDD_PHYA Rail
A filtered version of VDD_3V3B rail is connected to the VDD rails of the LAN8710 and
the termination resistors on the Ethernet signals. It is labeled as VDD_PHYA. The
filtering inductor helps block transients that may be seen on the VDD_3V3B rail.

REF: BBONEBLK_SRM
BeagleBone Black System
Reference Manual
Rev C.1
Page 72 of 126
6.9.3.3 PHY_VDDCR Rail
The PHY_VDDCR rail originates inside the LAN8710A. Filter and bypass capacitors
are used to filter the rail. Only circuitry inside the LAN8710A uses this rail.
6.9.3.4 SYS_RESET
The reset of the LAN8710A is controlled via the SYS_RESETn signal, the main board
reset line.
6.9.3.5 Clock Signals
A crystal is used to create the clock for the LAN8710A. The processor uses the
RMII_RXCLK signal to provide the clocking for the data between the processor and the
LAN8710A.
6.9.4 LAN8710A Mode Pins
There are mode pins on the LAN8710A that sets the operational mode for the PHY when
coming out of reset. These signals are also used to communicate between the processor
and the LAN8710A. As a result, these signals can be driven by the processor which can
cause the PHY not to be initialized correctly. To ensure that this does not happen, three
low value pull up resistors are used. Figure 43 below shows the three mode pin resistors.
MODE2
RXD1/MODE1
RXD0/MODE0
R1141.5K,1%
R1121.5K,1%
R1131.5K,1%
VDD_3V3B
Figure 43. Ethernet PHY Mode Pins
This will set the mode to be 111, which enables all modes and enables auto-negotiation.

REF: BBONEBLK_SRM
BeagleBone Black System
Reference Manual
Rev C.1
Page 73 of 126
6.10 HDMI Interface
The BeagleBone Black has an onboard HDMI framer that converts the LCD signals and
audio signals to drive a HDMI monitor. The design uses an NXP TDA19988 HDMI
Framer.
The following sections provide more detail into the design of this interface.
6.10.1 Supported Resolutions
The maximum resolution supported by the BeagleBone Black is 1280x1024 @ 60Hz.
Table 9 below shows the supported resolutions. Not all resolutions may work on all
monitors, but these have been tested and shown to work on at least one monitor. EDID is
supported on the BeagleBone Black. Based on the EDID reading from the connected
monitor, the highest compatible resolution is selected.
Table 9. HDMI Supported Monitor Resolutions
RESOLUTION
AUDIO
800 x 600 @60Hz
800 x 600 @56Hz
640 x 480 @75Hz
640 x 480 @60Hz
YES
720 x 400 @70Hz
1280 x 1024 @75Hz
1024 x 768 @75Hz
1024 x 768 @70Hz
1024 x 768 @60Hz
800 x 600 @75Hz
800 x 600 @72Hz
720 x 480 @60Hz
YES
1280 x 720 @60Hz
YES
1920x1080@24Hz
YES
NOTE: The updated software image used on the Rev A5B board added support for
1920x1080@24HZ.
Audio is limited to CEA supported resolutions. LCD panels only activate the audio in
CEA modes. This is a function of the specification and is not something that can be fixed
on the board via a hardware change or a software change.

REF: BBONEBLK_SRM
BeagleBone Black System
Reference Manual
Rev C.1
Page 74 of 126
6.10.2 HDMI Framer
The TDA19988 is a High-Definition Multimedia Interface (HDMI) 1.4a transmitter. It is
backward compatible with DVI 1.0 and can be connected to any DVI 1.0 or HDMI sink.
The HDCP mode is not used in the design. The non-HDCP version of the device is used
in the BeagleBone Black design.
This device provides additional embedded features like CEC (Consumer Electronic
Control). CEC is a single bidirectional bus that transmits CEC over the home appliance
network connected through this bus. This eliminates the need of any additional device to
handle this feature. While this feature is supported in this device, as of this point, the SW
to support this feature has not been implemented and is not a feature that is considered
critical. It can be switched to very low power Standby or Sleep modes to save power
when HDMI is not used. TDA19988 embeds I2C-bus master interface for DDC-bus
communication to read EDID. This device can be controlled or configured via I2C-bus
interface.
6.10.3 HDMI Video Processor Interface
The Figure 44 shows the connections between the processor and the HDMI framer
device. There are 16 bits of display data, 5-6-5 that is used to drive the framer. The
reason for 16 bits is that allows for compatibility with display and LCD capes already
available on the original BeagleBone. The unused bits on the TDA19988 are tied low. In
addition to the data signals are the VSYNC, HSYNC, DE, and PCLK signals that round
out the video interface from the processor.

REF: BBONEBLK_SRM
BeagleBone Black System
Reference Manual
Rev C.1
Page 75 of 126
DATA_OUT
WORD_SYNC
SCLK
DGND
U5B
AM3358_ZCZ
LCD_DATA0 R1
LCD_DATA1 R2
LCD_DATA2 R3
LCD_DATA3 R4
LCD_DATA4 T1
LCD_DATA5 T2
LCD_DATA6 T3
LCD_DATA7 T4
LCD_DATA8 U1
LCD_DATA9 U2
LCD_DATA10 U3
LCD_DATA11 U4
LCD_DATA12 V2
LCD_DATA13 V3
LCD_DATA14 V4
LCD_DATA15 T5
LCD_PCLK V5
LCD_VSYNC U5
LCD_HSYNC R5
LCD_AC_BIAS_EN R6
I2C0_SCL C16
I2C0_SDA C17
GPIO1_25 U16
SPI1_SCLK A13
SPI1_CS0 C12
SPI1_D0 B13
CLKOUT1 A15
R35 33,0201
R34 33,0201
R36 33,0201
R37 33,0201
R38 33,0201
R39 33,0201
R40 33,0201
R41 33,0201
R42 33,0201
R43 33,0201
R44 33,0201
R45 33,0201
R46 33,0201
R47 33,0201
R48 33,0201
R30 33,0201
R32 33,0201
R31 33,0201
R33 33,0201
R29 33,0201
12MHZ_SRC
U6
SN74AUC1G74
CLK
1
D
2
Q
3
GND
4Q5
CLR 6
PRE 7
VCC 8
VDD_3V3A
DGND
DGND
R21 33,0201
C27
0.1uf ,6.3V
R158 10K,1%
VDD_3V3B
RED
GRN
BLUE
G7
G0
B7
B0
R0
R7
U11
TDA19988
VPA0
63
VPA1
62
VPA2
61
VPA3
60
VPA4
59
VPA5
58
VPA6
57
VPA7
56
VPB0
9
VPB1
8
VPB2
7
VPB3
6
VPB4
3
VPB5
2
VPB6
1
VPB7
64
VPC0
18
VPC1
17
VPC2
16
VPC3
15
VPC4
13
VPC5
12
VPC6
11
VPC7
10
VSYNC/VREF
21
HSYNC/VREF
22
DE/VREF
20
CSCL
52 CSDA
51
INT
50
PCLK
4
ACLK
23
AP0
24 AP1
25 AP2
26
A0_I2C
53
A1_I2C
54
OSC_IN
27
AP3
28
Figure 44. HDMI Framer Processor Interface
6.10.4 HDMI Control Processor Interface
In order to use the TDA19988, the processor needs to setup the device. This is done via
the I2C interface between the processor and the TDA19988. There are two signals on the
TDA19988 that could be used to set the address of the TDA19988. In this design they are
both tied low. The I2C interface supports both 400kHz and 100KhZ operation. Table 10
shows the I2C address.
Table 10. TDA19988 I2C Address

REF: BBONEBLK_SRM
BeagleBone Black System
Reference Manual
Rev C.1
Page 76 of 126
6.10.5 Interrupt Signal
There is a HDMI_INT signal that connects from the TDA19988 to the processor. This
signal can be used to alert the processor in a state change on the HDMI interface.
6.10.6 Audio Interface
There is an I2S audio interface between the processor and the TDA19988. Stereo audio
can be transported over the HDMI interface to an audio equipped display. In order to
create the required clock frequencies, and external 24.576MHz oscillator, Y4, is used.
From this clock, the processor generates the required clock frequencies for the
TDA19988.
There are three signals used to pass data from the processor to the TDA19988. SCLK is
the serial clock. SPI1_CS0 is the data pin to the TDA199888. SPI1_D0 is the word sync
pin. These signals are configured as I2S interfaces.
Audio is limited to CEA supported resolutions. LCD panels only activate the audio in
CEA modes. This is a function of the specification and is not something that can be fixed
on the board via a hardware change or a software change.
In order to create the correct clock frequencies, we had to add an external 24.576MHZ
oscillator. Unfortunately this had to be input into the processor using the pin previously
used for GPIO3_21. In order to keep GPIO3_21 functionality, we provided a way to
disable the oscillator if the need was there to use the pin on the expansion header. Figure
45 shows the oscillator circuitry.
Figure 45. 24.576MHZ Oscillator

REF: BBONEBLK_SRM
BeagleBone Black System
Reference Manual
Rev C.1
Page 77 of 126
6.10.7 Power Connections
Figure 46 shows the power connections to the TDA19988 device. All voltage rails for
the device are at 1.8V. A filter is provided to minimize any noise from the 1.8V rail
getting back into the device.
FB5
150OHM800mA
1 2
HDMI_1V8
DGND
U11
TDA19988
VDDIOA(1.8V) 14
VPP 19
TEST 49
VDDA(PLL0)(1.8V) 47
VDDA0(1.8V) 35
VDDA1(TX)(1.8V) 36
VDDDC0(1.8V) 5
VDDDC1(1.8V) 29
VDDA2(TX)(1.8V) 41
VDDA3(TX)(1.8V) 46
VDDA(PLL1)(1.8V) 48
VDDIOB(1.8V) 55
PAD 65
C1490.1uf,6.3V
C1450.1uf,6.3V
C1500.1uf,6.3V
C1470.1uf,6.3V
C1512.2uF,6.3V
VDD_1V8
C1482.2uF,6.3V
C1462.2uF,6.3V
C1442.2uF,6.3V
R149
0,1%
Figure 46. HDMI Power Connections
All of the interfaces between the processor and the TDA19988 are 3.3V tolerant allowing
for direct connection.

REF: BBONEBLK_SRM
BeagleBone Black System
Reference Manual
Rev C.1
Page 78 of 126
6.10.8 HDMI Connector Interface
Figure 47 shows the design of the interface between the HDMI Framer and the
connector.
HDMI_TX2+
HDMI_TX2-
HDMI_CEC
HDMI_HPD
HDMI_DSDA
HDMI_DSCL
R1461.5K,5%
DVI_+5V
R1471.5K,5%
DVI_+5V
HDMI_DSDA
HDMI_DSCL
HDMI_CEC
HDMI_HPD
R148 10K,1% DGND
HDMI_SWING
U11
TDA19988
DSCL 33
DSDA 32
HPD 31
CEC 30
TXC+ 38
TXC- 37
TX0+ 40
TX0- 39
TX1+ 43
TX1- 42
TX2+ 45
TX2- 44
EXT_SWING 34
3 8
1 2 4 5 D7
IP4283CZ10-TT
3 8
1 2 4 5D6
IP4283CZ10-TT
P6
microHDMI
DAT2+
3DAT2-
5
DAT2_S
4
DAT1+
6
DAT1_S
7
DAT1-
8
DAT0+
9
DAT0_S
10
DAT0-
11
CLK+
12
CLK-
14
CLK_S
13 CEC
15
NC 2
SCL
17
SDA
18
DDC/CEC GND
16 +5V
19
HPLG
1
MTG1 20
MTG2 21
MTG3 22
MTG4 23
t
RT1 PTC_RXEF010
SYS_5V
DGND
DGNDDGND
HDMI_TX0+
HDMI_TX1-
HDMI_TXC-
HDMI_TXC+
HDMI_TX0-
HDMI_TX1+
Figure 47. Connector Interface Circuitry
The connector for the HDMI interface is a microHDMI. It should be noted that this
connector has a different pinout than the standard or mini HDMI connectors. D6 and D7
are ESD protection devices.

REF: BBONEBLK_SRM
BeagleBone Black System
Reference Manual
Rev C.1
Page 79 of 126
6.11 USB Host
The board is equipped with a single USB host interface accessible from a single USB
Type A female connector. Figure 48 is the design of the USB Host circuitry.
FB7
150OHM800mA
1 2
C35
0.1uf ,6.3V
SHIELD
SHIELD
VBUS
D-
D+
GND
P3
USB-A Conn. - 87520-xx1xx
1
3
2
4
5
6
FB8
0.1Ohm,0805
1 2
USB1_VBUS
USB1_OCn 3
U8
TPS2051 (DGN)
GND
1
IN1
2
IN2
3
EN
4OUT3 6
OUT2 7
OUT1 8
OC 5
PAD 9
USB1_DRVVBUS
DGND
R52
10K,1%
R53
10K,1%
VDD_3V3A
DGND
DGND
USB1_PWR
DGND
U9
TPD4S012
D+
1
D-
2
VBUS 6
GND 4
NC 5
ID
3
SYS_5V
DGND
+C34
100uF,6.3V DGND
USB1_DP
USB1_DM
USB HOST
Figure 48. USB Host Circuitry
6.11.1 Power Switch
U8 is a switch that allows the power to the connector to be turned on or off by the
processor. It also has an over current detection that can alert the processor if the current
gets too high via the USB1_OC signal. The power is controlled by the USB1_DRVBUS
signal from the processor.
6.11.2 ESD Protection
U9 is the ESD protection for the signals that go to the connector.
6.11.3 Filter Options
FB7 and FB8 were added to assist in passing the FCC emissions test. The USB1_VBUS
signal is used by the processor to detect that the 5V is present on the connector. FB7 is
populated and FB8 is replaced with a .1 ohm resistor.

REF: BBONEBLK_SRM
BeagleBone Black System
Reference Manual
Rev C.1
Page 80 of 126
6.12 PRU-ICSS
The PRU-ICSS module is located inside the AM3358 processor. Access to these pins is
provided by the expansion headers and is multiplexed with other functions on the board.
Access is not provided to all of the available pins.
All documentation is located at http://github.com/beagleboard/am335x_pru_package.
This feature is not supported by Texas Instruments.
6.12.1 PRU-ICSS Features
The features of the PRU-ICSS include:
Two independent programmable real-time (PRU) cores:
– 32-Bit Load/Store RISC architecture
– 8K Byte instruction RAM (2K instructions) per core
– 8K Bytes data RAM per core
– 12K Bytes shared RAM
• Operating frequency of 200 MHz
• PRU operation is little endian similar to ARM processor
• All memories within PRU-ICSS support parity
• Includes Interrupt Controller for system event handling
• Fast I/O interface
– 16 input pins and 16 output pins per PRU core. (Not all of these are accessible on the
BeagleBone Black).
6.12.2 PRU-ICSS Block Diagram
Figure 49 is a high level block diagram of the PRU-ICSS.
Figure 49. PRU-ICSS Block Diagram

REF: BBONEBLK_SRM
BeagleBone Black System
Reference Manual
Rev C.1
Page 81 of 126
6.12.3 PRU-ICSS Pin Access
Both PRU 0 and PRU1 are accessible from the expansion headers. Some may not be
useable without first disabling functions on the board like LCD for example. Listed
below is what ports can be accessed on each PRU.
PRU0
8 outputs or 9 inputs
PRU1
13 outputs or 14 inputs
UART0_TXD, UART0_RXD, UART0_CTS, UART0_RTS
Table 11 below shows which PRU-ICSS signals can be accessed on the BeagleBone
Black and on which connector and pins they are accessible from. Some signals are
accessible on the same pins.
Table 11. PRU0 and PRU1 Access
PIN
PROC
NAME
P8
11
R12
GPIO1_13
pr1_pru0_pru_r30_15 (Output)
12
T12
GPIO1_12
pr1_pru0_pru_r30_14 (Output)
15
U13
GPIO1_15
pr1_pru0_pru_r31_15 (Input)
16
V13
GPIO1_14
pr1_pru0_pru_r31_14 (Input)
20
V9
GPIO1_31
pr1_pru1_pru_r30_13 (Output)
pr1_pru1_pru_r31_13 (INPUT)
21
U9
GPIO1_30
pr1_pru1_pru_r30_12 (Output)
pr1_pru1_pru_r31_12 (INPUT)
27
U5
GPIO2_22
pr1_pru1_pru_r30_8 (Output)
pr1_pru1_pru_r31_8 (INPUT)
28
V5
GPIO2_24
pr1_pru1_pru_r30_10 (Output)
pr1_pru1_pru_r31_10 (INPUT)
29
R5
GPIO2_23
pr1_pru1_pru_r30_9 (Output)
pr1_pru1_pru_r31_9 (INPUT)
39
T3
GPIO2_12
pr1_pru1_pru_r30_6 (Output)
pr1_pru1_pru_r31_6 (INPUT)
40
T4
GPIO2_13
pr1_pru1_pru_r30_7 (Output)
pr1_pru1_pru_r31_7 (INPUT)
41
T1
GPIO2_10
pr1_pru1_pru_r30_4 (Output)
pr1_pru1_pru_r31_4 (INPUT)
42
T2
GPIO2_11
pr1_pru1_pru_r30_5 (Output)
pr1_pru1_pru_r31_5 (INPUT)
43
R3
GPIO2_8
pr1_pru1_pru_r30_2 (Output)
pr1_pru1_pru_r31_2 (INPUT)
44
R4
GPIO2_9
pr1_pru1_pru_r30_3 (Output)
pr1_pru1_pru_r31_3 (INPUT)
45
R1
GPIO2_6
pr1_pru1_pru_r30_0 (Output)
pr1_pru1_pru_r31_0 (INPUT)
46
R2
GPIO2_7
pr1_pru1_pru_r30_1 (Output)
pr1_pru1_pru_r31_1 (INPUT)
P9
17
A16
I2C1_SCL
pr1_uart0_txd
18
B16
I2C1_SDA
pr1_uart0_rxd
19
D17
I2C2_SCL
pr1_uart0_rts_n
20
D18
I2C2_SDA
pr1_uart0_cts_n
21
B17
UART2_TXD
pr1_uart0_rts_n
22
A17
UART2_RXD
pr1_uart0_cts_n
24
D15
UART1_TXD
pr1_uart0_txd
pr1_pru0_pru_r31_16 (Input)
25
A14
GPIO3_21*
pr1_pru0_pru_r30_5 (Output)
pr1_pru0_pru_r31_5((Input)
26
D16
UART1_RXD
pr1_uart0_rxd
pr1_pru1_pru_r31_16
27
C13
GPIO3_19
pr1_pru0_pru_r30_7 (Output)
pr1_pru0_pru_r31_7 (Input)
28
C12
SPI1_CS0
eCAP2_in_PWM2_out
pr1_pru0_pru_r30_3 (Output)
pr1_pru0_pru_r31_3 (Input)
29
B13
SPI1_D0
pr1_pru0_pru_r30_1 (Output)
pr1_pru0_pru_r31_1 (Input)
30
D12
SPI1_D1
pr1_pru0_pru_r30_2 (Output)
pr1_pru0_pru_r31_2 (Input)
31
A13
SPI1_SCLK
pr1_pru0_pru_r30_0 (Output)
pr1_pru0_pru_r31_0 (Input)

REF: BBONEBLK_SRM
BeagleBone Black System
Reference Manual
Rev C.1
Page 82 of 126
7.0 Connectors
This section describes each of the connectors on the board.
7.1 Expansion Connectors
The expansion interface on the board is comprised of two 46 pin connectors. All signals
on the expansion headers are 3.3V unless otherwise indicated.
NOTE: Do not connect 5V logic level signals to these pins or the board will be
damaged.
NOTE: DO NOT APPLY VOLTAGE TO ANY I/O PIN WHEN POWER IS NOT
SUPPLIED TO THE BOARD. IT WILL DAMAGE THE PROCESSOR AND
VOID THE WARRANTY.
NO PINS ARE TO BE DRIVEN UNTIL AFTER THE SYS_RESET LINE GOES
HIGH.
Figure 50 shows the location of the expansion connectors.
Figure 50. Expansion Connector Location
The location and spacing of the expansion headers are the same as on the original
BeagleBone.

REF: BBONEBLK_SRM
BeagleBone Black System
Reference Manual
Rev C.1
Page 83 of 126
7.1.1 Connector P8
Table 12 shows the pinout of the P8 expansion header. Other signals can be connected to
this connector based on setting the pin mux on the processor, but this is the default
settings on power up. The SW is responsible for setting the default function of each pin.
There are some signals that have not been listed here. Refer to the processor
documentation for more information on these pins and detailed descriptions of all of the
pins listed. In some cases there may not be enough signals to complete a group of signals
that may be required to implement a total interface.
The PROC column is the pin number on the processor.
The PIN column is the pin number on the expansion header.
The MODE columns are the mode setting for each pin. Setting each mode to align with
the mode column will give that function on that pin.
NOTE: DO NOT APPLY VOLTAGE TO ANY I/O PIN WHEN POWER IS NOT
SUPPLIED TO THE BOARD. IT WILL DAMAGE THE PROCESSOR AND
VOID THE WARRANTY.
NO PINS ARE TO BE DRIVEN UNTIL AFTER THE SYS_RESET LINE GOES
HIGH.

REF: BBONEBLK_SRM
BeagleBone Black System
Reference Manual
Rev C.1
Page 84 of 126
Table 12. Expansion Header P8 Pinout
PIN
PROC
NAME
MODE0
MODE1
MODE2
MODE3
MODE4
MODE5
MODE6
MODE7
1,2
GND
3
R9
GPIO1_6
gpmc_ad6
mmc1_dat6
gpio1[6]
4
T9
GPIO1_7
gpmc_ad7
mmc1_dat7
gpio1[7]
5
R8
GPIO1_2
gpmc_ad2
mmc1_dat2
gpio1[2]
6
T8
GPIO1_3
gpmc_ad3
mmc1_dat3
gpio1[3]
7
R7
TIMER4
gpmc_advn_ale
timer4
gpio2[2]
8
T7
TIMER7
gpmc_oen_ren
timer7
gpio2[3]
9
T6
TIMER5
gpmc_be0n_cle
timer5
gpio2[5]
10
U6
TIMER6
gpmc_wen
timer6
gpio2[4]
11
R12
GPIO1_13
gpmc_ad13
lcd_data18
mmc1_dat5
mmc2_dat1
eQEP2B_in
pr1_pru0_pru_r30_15
gpio1[13]
12
T12
GPIO1_12
gpmc_ad12
Lcd_data19
mmc1_dat4
Mmc2_dat0
Eqep2a_in
pr1_pru0_pru_r30_14
gpio1[12]
13
T10
EHRPWM2B
gpmc_ad9
lcd_data22
mmc1_dat1
mmc2_dat5
ehrpwm2B
gpio0[23]
14
T11
GPIO0_26
gpmc_ad10
lcd_data21
mmc1_dat2
mmc2_dat6
ehrpwm2_tripzone_in
gpio0[26]
15
U13
GPIO1_15
gpmc_ad15
lcd_data16
mmc1_dat7
mmc2_dat3
eQEP2_strobe
pr1_pru0_pru_r31_15
gpio1[15]
16
V13
GPIO1_14
gpmc_ad14
lcd_data17
mmc1_dat6
mmc2_dat2
eQEP2_index
pr1_pru0_pru_r31_14
gpio1[14]
17
U12
GPIO0_27
gpmc_ad11
lcd_data20
mmc1_dat3
mmc2_dat7
ehrpwm0_synco
gpio0[27]
18
V12
GPIO2_1
gpmc_clk_mux0
lcd_memory_clk
gpmc_wait1
mmc2_clk
mcasp0_fsr
gpio2[1]
19
U10
EHRPWM2A
gpmc_ad8
lcd_data23
mmc1_dat0
mmc2_dat4
ehrpwm2A
gpio0[22]
20
V9
GPIO1_31
gpmc_csn2
gpmc_be1n
mmc1_cmd
pr1_pru1_pru_r30_13
pr1_pru1_pru_r31_13
gpio1[31]
21
U9
GPIO1_30
gpmc_csn1
gpmc_clk
mmc1_clk
pr1_pru1_pru_r30_12
pr1_pru1_pru_r31_12
gpio1[30]
22
V8
GPIO1_5
gpmc_ad5
mmc1_dat5
gpio1[5]
23
U8
GPIO1_4
gpmc_ad4
mmc1_dat4
gpio1[4]
24
V7
GPIO1_1
gpmc_ad1
mmc1_dat1
gpio1[1]
25
U7
GPIO1_0
gpmc_ad0
mmc1_dat0
gpio1[0]
26
V6
GPIO1_29
gpmc_csn0
gpio1[29]
27
U5
GPIO2_22
lcd_vsync
gpmc_a8
pr1_pru1_pru_r30_8
pr1_pru1_pru_r31_8
gpio2[22]
28
V5
GPIO2_24
lcd_pclk
gpmc_a10
pr1_pru1_pru_r30_10
pr1_pru1_pru_r31_10
gpio2[24]
29
R5
GPIO2_23
lcd_hsync
gpmc_a9
pr1_pru1_pru_r30_9
pr1_pru1_pru_r31_9
gpio2[23]
30
R6
GPIO2_25
lcd_ac_bias_en
gpmc_a11
gpio2[25]
31
V4
UART5_CTSN
lcd_data14
gpmc_a18
eQEP1_index
mcasp0_axr1
uart5_rxd
uart5_ctsn
gpio0[10]
32
T5
UART5_RTSN
lcd_data15
gpmc_a19
eQEP1_strobe
mcasp0_ahclkx
mcasp0_axr3
uart5_rtsn
gpio0[11]
33
V3
UART4_RTSN
lcd_data13
gpmc_a17
eQEP1B_in
mcasp0_fsr
mcasp0_axr3
uart4_rtsn
gpio0[9]
34
U4
UART3_RTSN
lcd_data11
gpmc_a15
ehrpwm1B
mcasp0_ahclkr
mcasp0_axr2
uart3_rtsn
gpio2[17]
35
V2
UART4_CTSN
lcd_data12
gpmc_a16
eQEP1A_in
mcasp0_aclkr
mcasp0_axr2
uart4_ctsn
gpio0[8]
36
U3
UART3_CTSN
lcd_data10
gpmc_a14
ehrpwm1A
mcasp0_axr0
uart3_ctsn
gpio2[16]
37
U1
UART5_TXD
lcd_data8
gpmc_a12
ehrpwm1_tripzone_in
mcasp0_aclkx
uart5_txd
uart2_ctsn
gpio2[14]
38
U2
UART5_RXD
lcd_data9
gpmc_a13
ehrpwm0_synco
mcasp0_fsx
uart5_rxd
uart2_rtsn
gpio2[15]
39
T3
GPIO2_12
lcd_data6
gpmc_a6
eQEP2_index
pr1_pru1_pru_r30_6
pr1_pru1_pru_r31_6
gpio2[12]
40
T4
GPIO2_13
lcd_data7
gpmc_a7
eQEP2_strobe
pr1_edio_data_out7
pr1_pru1_pru_r30_7
pr1_pru1_pru_r31_7
gpio2[13]
41
T1
GPIO2_10
lcd_data4
gpmc_a4
eQEP2A_in
pr1_pru1_pru_r30_4
pr1_pru1_pru_r31_4
gpio2[10]
42
T2
GPIO2_11
lcd_data5
gpmc_a5
eQEP2B_in
pr1_pru1_pru_r30_5
pr1_pru1_pru_r31_5
gpio2[11]
43
R3
GPIO2_8
lcd_data2
gpmc_a2
ehrpwm2_tripzone_in
pr1_pru1_pru_r30_2
pr1_pru1_pru_r31_2
gpio2[8]
44
R4
GPIO2_9
lcd_data3
gpmc_a3
ehrpwm0_synco
pr1_pru1_pru_r30_3
pr1_pru1_pru_r31_3
gpio2[9]
45
R1
GPIO2_6
lcd_data0
gpmc_a0
ehrpwm2A
pr1_pru1_pru_r30_0
pr1_pru1_pru_r31_0
gpio2[6]
46
R2
GPIO2_7
lcd_data1
gpmc_a1
ehrpwm2B
pr1_pru1_pru_r30_1
pr1_pru1_pru_r31_1
gpio2[7]

REF: BBONEBLK_SRM
BeagleBone Black System
Reference Manual
Rev C.1
Page 85 of 126
7.1.2 Connector P9
Table 13 lists the signals on connector P9. Other signals can be connected to this
connector based on setting the pin mux on the processor, but this is the default settings on
power up.
There are some signals that have not been listed here. Refer to the processor
documentation for more information on these pins and detailed descriptions of all of the
pins listed. In some cases there may not be enough signals to complete a group of signals
that may be required to implement a total interface.
The PROC column is the pin number on the processor.
The PIN column is the pin number on the expansion header.
The MODE columns are the mode setting for each pin. Setting each mode to align with
the mode column will give that function on that pin.
NOTES:
In the table are the following notations:
PWR_BUT is a 5V level as pulled up internally by the TPS65217C. It is activated by
pulling the signal to GND.
# Both of these signals connect to pin 41 of P11. Resistors are installed that allow for the
GPIO3_20 connection to be removed by removing R221. The intent is to allow the SW to
use either of these signals, one or the other, on pin 41. SW should set the unused pin in
input mode when using the other pin. This allowed us to get an extra signal out to the
expansion header.
@ Both of these signals connect to pin 42 of P11. Resistors are installed that allow for the
GPIO3_18 connection to be removed by removing R202. The intent is to allow the SW to
use either of these signals, on pin 42. SW should set the unused pin in input mode when
using the other pin. This allowed us to get an extra signal out to the expansion header.
NOTE: DO NOT APPLY VOLTAGE TO ANY I/O PIN WHEN POWER IS NOT
SUPPLIED TO THE BOARD. IT WILL DAMAGE THE PROCESSOR AND
VOID THE WARRANTY.
NO PINS ARE TO BE DRIVEN UNTIL AFTER THE SYS_RESET LINE GOES
HIGH.

REF: BBONEBLK_SRM
BeagleBone Black System
Reference Manual
Rev C.1
Page 86 of 126
Table 13. Expansion Header P9 Pinout
PIN
PROC
NAME
MODE0
MODE1
MODE2
MODE3
MODE4
MODE5
MODE6
MODE7
1,2
GND
3,4
DC_3.3V
5,6
VDD_5V
7,8
SYS_5V
9
PWR_BUT
10
A10
SYS_RESETnRESET_OUT
11
T17
UART4_RXD
gpmc_wait0
mii2_crs
gpmc_csn4
rmii2_crs_dv
mmc1_sdcd
uart4_rxd_mux2
gpio0[30]
12
U18
GPIO1_28
gpmc_be1n
mii2_col
gpmc_csn6
mmc2_dat3
gpmc_dir
mcasp0_aclkr_mux3
gpio1[28]
13
U17
UART4_TXD
gpmc_wpn
mii2_rxerr
gpmc_csn5
rmii2_rxerr
mmc2_sdcd
uart4_txd_mux2
gpio0[31]
14
U14
EHRPWM1A
gpmc_a2
mii2_txd3
rgmii2_td3
mmc2_dat1
gpmc_a18
ehrpwm1A_mux1
gpio1[18]
15
R13
GPIO1_16
gpmc_a0
gmii2_txen
rmii2_tctl
mii2_txen
gpmc_a16
ehrpwm1_tripzone_input
gpio1[16]
16
T14
EHRPWM1B
gpmc_a3
mii2_txd2
rgmii2_td2
mmc2_dat2
gpmc_a19
ehrpwm1B_mux1
gpio1[19]
17
A16
I2C1_SCL
spi0_cs0
mmc2_sdwp
I2C1_SCL
ehrpwm0_synci
pr1_uart0_txd
gpio0[5]
18
B16
I2C1_SDA
spi0_d1
mmc1_sdwp
I2C1_SDA
ehrpwm0_tripzone
pr1_uart0_rxd
gpio0[4]
19
D17
I2C2_SCL
uart1_rtsn
timer5
dcan0_rx
I2C2_SCL
spi1_cs1
pr1_uart0_rts_n
gpio0[13]
20
D18
I2C2_SDA
uart1_ctsn
timer6
dcan0_tx
I2C2_SDA
spi1_cs0
pr1_uart0_cts_n
gpio0[12]
21
B17
UART2_TXD
spi0_d0
uart2_txd
I2C2_SCL
ehrpwm0B
pr1_uart0_rts_n
EMU3_mux1
gpio0[3]
22
A17
UART2_RXD
spi0_sclk
uart2_rxd
I2C2_SDA
ehrpwm0A
pr1_uart0_cts_n
EMU2_mux1
gpio0[2]
23
V14
GPIO1_17
gpmc_a1
gmii2_rxdv
rgmii2_rxdv
mmc2_dat0
gpmc_a17
ehrpwm0_synco
gpio1[17]
24
D15
UART1_TXD
uart1_txd
mmc2_sdwp
dcan1_rx
I2C1_SCL
pr1_uart0_txd
pr1_pru0_pru_r31_16
gpio0[15]
25
A14
GPIO3_21*
mcasp0_ahclkx
eQEP0_strobe
mcasp0_axr3
mcasp1_axr1
EMU4_mux2
pr1_pru0_pru_r30_7
pr1_pru0_pru_r31_7
gpio3[21]
26
D16
UART1_RXD
uart1_rxd
mmc1_sdwp
dcan1_tx
I2C1_SDA
pr1_uart0_rxd
pr1_pru1_pru_r31_16
gpio0[14]
27
C13
GPIO3_19
mcasp0_fsr
eQEP0B_in
mcasp0_axr3
mcasp1_fsx
EMU2_mux2
pr1_pru0_pru_r30_5
pr1_pru0_pru_r31_5
gpio3[19]
28
C12
SPI1_CS0
mcasp0_ahclkr
ehrpwm0_synci
mcasp0_axr2
spi1_cs0
eCAP2_in_PWM2_out
pr1_pru0_pru_r30_3
pr1_pru0_pru_r31_3
gpio3[17]
29
B13
SPI1_D0
mcasp0_fsx
ehrpwm0B
spi1_d0
mmc1_sdcd_mux1
pr1_pru0_pru_r30_1
pr1_pru0_pru_r31_1
gpio3[15]
30
D12
SPI1_D1
mcasp0_axr0
ehrpwm0_tripzone
spi1_d1
mmc2_sdcd_mux1
pr1_pru0_pru_r30_2
pr1_pru0_pru_r31_2
gpio3[16]
31
A13
SPI1_SCLK
mcasp0_aclkx
ehrpwm0A
spi1_sclk
mmc0_sdcd_mux1
pr1_pru0_pru_r30_0
pr1_pru0_pru_r31_0
gpio3[14]
32
VADC
33
C8
AIN4
34
AGND
35
A8
AIN6
36
B8
AIN5
37
B7
AIN2
38
A7
AIN3
39
B6
AIN0
40
C7
AIN1
41#
D14
CLKOUT2
xdma_event_intr1
tclkin
clkout2
timer7_mux1
pr1_pru0_pru_r31_16
EMU3_mux0
gpio0[20]
D13
GPIO3_20
mcasp0_axr1
eQEP0_index
Mcasp1_axr0
emu3
pr1_pru0_pru_r30_6
pr1_pru0_pru_r31_6
gpio3[20]
42@
C18
GPIO0_7
eCAP0_in_PWM0_out
uart3_txd
spi1_cs1
pr1_ecap0_ecap_capin_apwm_o
spi1_sclk
mmc0_sdwp
xdma_event_intr2
gpio0[7]
B12
GPIO3_18
Mcasp0_aclkr
eQEP0A_in
Mcaspo_axr2
Mcasp1_aclkx
pr1_pru0_pru_r30_4
pr1_pru0_pru_r31_4
gpio3[18]
43-46
GND
*GPIO3_21 is also the 24.576MHZ clock input to the processor to enable HDMI audio. To use this pin the oscillator must be disabled.

REF: BBONEBLK_SRM
BeagleBone Black System
Reference Manual
Rev C.1
Page 87 of 126
7.2 Power Jack
The DC power jack is located next to the RJ45 Ethernet connector as shown in Figure
51. This uses the same power connector as is used on the original BeagleBone. The
connector has a 2.1mm diameter center post (5VDC) and a 5.5mm diameter outer
dimension on the barrel (GND).
Figure 51. 5VDC Power Jack
The board requires a regulated 5VDC +/-.25V supply at 1A. A higher current rating may
be needed if capes are plugged into the expansion headers. Using a higher current power
supply will not damage the board.
5VDC
Power Jack

REF: BBONEBLK_SRM
BeagleBone Black System
Reference Manual
Rev C.1
Page 88 of 126
7.3 USB Client
The USB Client connector is accessible on the bottom side of the board under the row of
four LEDs as shown in Figure 52. It uses a 5 pin miniUSB cable, the same as is used on
the original BeagleBone. The cable is provided with the board. The cable can also be
used to power the board.
Figure 52. USB Client Connector
This port is a USB Client only interface and is intended for connection to a PC.
USB Client
Connector

REF: BBONEBLK_SRM
BeagleBone Black System
Reference Manual
Rev C.1
Page 89 of 126
7.4 USB Host
There is a single USB Host connector on the board and is shown in Figure 53 below.
Figure 53. USB Host Connector
The port is USB 2.0 HS compatible and can supply up to 500mA of current. If more
current or ports is needed, then a HUB can be used.
USB Host
Connector

REF: BBONEBLK_SRM
BeagleBone Black System
Reference Manual
Rev C.1
Page 90 of 126
7.5 Serial Header
Each board has a debug serial interface that can be accessed by using a special serial
cable that is plugged into the serial header as shown in Figure 54 below.
Figure 54. Serial Debug Header
Two signals are provided, TX and RX on this connector. The levels on these signals are
3.3V. In order to access these signals, a FTDI USB to Serial cable is recommended as
shown in Figure 55 below.
Figure 55. FTDI USB to Serial Adapter
The cable can be purchased from several different places and must be the 3.3V version
TTL-232R-3V3. Information on the cable itself can be found direct from FTDI at:
http://www.ftdichip.com/Support/Documents/DataSheets/Cables/DS_TTL-
232R_CABLES.pdf
Serial Debug
Connector
Pin 1
Serial Debug
Cable
Pin 1

REF: BBONEBLK_SRM
BeagleBone Black System
Reference Manual
Rev C.1
Page 91 of 126
Pin 1 of the cable is the black wire. That must align with the pin 1 on the board which is
designated by the white dot next to the connector on the board.
Refer to the support WIKI http://circuitco.com/support/index.php?title=BeagleBoneBlack
for more sources of this cable and other options that will work.
Table is the pinout of the connector as reflected in the schematic. It is the same as the
FTDI cable which can be found at
http://www.ftdichip.com/Support/Documents/DataSheets/Cables/DS_TTL-
232R_CABLES.pdf with the exception that only three pins are used on the board. The
pin numbers are defined in Table 14. The signals are from the perspective of the board.
Table 14. J1 Serial Header Pins
PIN NUMBER
SIGNAL
1
Ground
4
Receive
5
Transmit
Figure 56 shows the pin location on the board.
Figure 56. Serial Header
PIN 1
PIN4
PIN 5

REF: BBONEBLK_SRM
BeagleBone Black System
Reference Manual
Rev C.1
Page 92 of 126
7.6 HDMI
Access to the HDMI interface is through the HDMI connector that is located on the
bottom side of the board as shown in Figure 57 below.
Figure 57. HDMI Connector
The connector is microHDMI connector. This was done due to the space limitations we
had in finding a place to fit the connector. It requires a microHDMI to HDMI cable as
shown in Figure 58 below. The cable can be purchased from several different sources.
Figure 58. HDMI Cable
HDMI
Connector

REF: BBONEBLK_SRM
BeagleBone Black System
Reference Manual
Rev C.1
Page 93 of 126
7.7 microSD
A microSD connector is located on the back or bottom side of the board as shown in
Figure 59 below. The microSD card is not supplied with the board.
Figure 59. microSD Connector
When plugging in the SD card, the writing on the card should be up. Align the card with
the connector and push to insert. Then release. There should be a click and the card will
start to eject slightly, but it then should latch into the connector. To eject the card, push
the SD card in and then remove your finger. The SD card will be ejected from the
connector.
Do not pull the SD card out or you could damage the
connector.
microSD
Connector

REF: BBONEBLK_SRM
BeagleBone Black System
Reference Manual
Rev C.1
Page 94 of 126
7.8 Ethernet
The board comes with a single 10/100 Ethernet interface located next to the power jack
as shown in Figure 60.
Figure 60. Ethernet Connector
The PHY supports AutoMDX which means either a straight or a swap cable can be used
7.9 JTAG Connector
A place for an optional 20 pin CTI JTAG header is provided on the board to facilitate the
SW development and debugging of the board by using various JTAG emulators. This
header is not supplied standard on the board. To use this, a connector will need to be
soldered onto the board.
If you need the JTAG connector you can solder it on yourself. No other components are
needed. The connector is made by Samtec and the part number is FTR-110-03-G-D-06.
You can purchase it from www.digikey.com.
10/100
Ethernet

REF: BBONEBLK_SRM
BeagleBone Black System
Reference Manual
Rev C.1
Page 95 of 126
8.0 Cape Board Support
The BeagleBone Black has the ability to accept up to four expansion boards or capes that
can be stacked onto the expansion headers. The word cape comes from the shape of the
board as it is fitted around the Ethernet connector on the main board. This notch acts as a
key to ensure proper orientation of the cape.
This section describes the rules for creating capes to ensure proper operation with the
BeagleBone Black and proper interoperability with other capes that are intended to co-
exist with each other. Co-existence is not a requirement and is in itself, something that is
impossible to control or administer. But, people will be able to create capes that operate
with other capes that are already available based on public information as it pertains to
what pins and features each cape uses. This information will be able to be read from the
EEPROM on each cape.
This section is intended as a guideline for those wanting to create their own capes. Its
intent is not to put limits on the creation of capes and what they can do, but to set a few
basic rules that will allow the SW to administer their operation with the BeagleBone
Black. For this reason there is a lot of flexibility in the specification that we hope most
people will find liberating and in the spirit of Open Source Hardware. I am sure there are
others that would like to see tighter control, more details, more rules and much more
order to the way capes are handled.
Over time, this specification will change and be updated, so please refer to the latest
version of this manual prior to designing your own capes to get the latest information.
DO NOT APPLY VOLTAGE TO ANY I/O PIN WHEN
POWER IS NOT SUPPLIED TO THE BOARD. IT WILL
DAMAGE THE PROCESSOR AND VOID THE
WARRANTY.
NO PINS ARE TO BE DRIVEN UNTIL AFTER THE
SYS_RESET LINE GOES HIGH.

REF: BBONEBLK_SRM
BeagleBone Black System
Reference Manual
Rev C.1
Page 96 of 126
8.1 BeagleBoneBlack Cape Compatibility
The main expansion headers are the same between the BeagleBone and BeagleBone
Black. While the pins are the same, some of these pins are now used on the BeagleBone
Black. The following sections discuss these pins.
The Power Expansion header was removed from the BeagleBone Black and is not
available.
PAY VERY CLOSE ATTENTION TO THIS SECTION AND READ CAREFULLY!!
8.1.1 LCD Pins
The LCD pins are used on the BeagleBone Black to drive the HDMI framer. These
signals are listed in Table 15 below.
Table 15. P8 LCD Conflict Pins
PIN
PROC
NAME
MODE0
27
U5
GPIO2_22
lcd_vsync
28
V5
GPIO2_24
lcd_pclk
29
R5
GPIO2_23
lcd_hsync
30
R6
GPIO2_25
lcd_ac_bias_en
31
V4
UART5_CTSN
lcd_data14
32
T5
UART5_RTSN
lcd_data15
33
V3
UART4_RTSN
lcd_data13
34
U4
UART3_RTSN
lcd_data11
35
V2
UART4_CTSN
lcd_data12
36
U3
UART3_CTSN
lcd_data10
37
U1
UART5_TXD
lcd_data8
38
U2
UART5_RXD
lcd_data9
39
T3
GPIO2_12
lcd_data6
40
T4
GPIO2_13
lcd_data7
41
T1
GPIO2_10
lcd_data4
42
T2
GPIO2_11
lcd_data5
43
R3
GPIO2_8
lcd_data2
44
R4
GPIO2_9
lcd_data3
45
R1
GPIO2_6
lcd_data0
46
R2
GPIO2_7
lcd_data1
If you are using these pins for other functions, there are a few things to keep in mind:
On the HDMI Framer, these signals are all inputs so the framer will not be driving
these pins.
The HDMI framer will add a load onto these pins.
There are small filter caps on these signals which could also change the operation
of these pins if used for other functions.

REF: BBONEBLK_SRM
BeagleBone Black System
Reference Manual
Rev C.1
Page 97 of 126
When used for other functions, the HDMI framer cannot be used.
There is no way to power off the framer as this would result in the framer being
powered through these input pins which would not a be a good idea.
These pins are also the SYSBOOT pins. DO NOT drive them before the
SYS_RESETN signal goes high. If you do, the board may not boot because you
would be changing the boot order of the processor.
In order to use these pins, the SW will need to reconfigure them to whatever function you
need the pins to do. To keep power low, the HDMI framer should be put in a low power
mode via the SW using the I2C0 interface.
8.1.2 eMMC Pins
The BeagleBone Black uses 10 pins to connect to the processor that also connect to the
P8 expansion connector. These signals are listed below in Table 16. The proper mode is
MODE2.
Table 16. P8 eMMC Conflict Pins
PIN
PROC
SIGNAL
MODE
22
V8
MMC1_DAT5
1
23
U8
MMC1_DAT4
1
24
V7
MMC1_DAT1
1
5
R8
MMC1_DAT2
1
4
T9
MMC1_DAT7
1
3
R9
MMC1_DAT6
1
6
T8
MMC1_DAT3
1
25
U7
MMC1_DAT0
1
20
V9
MMC1_CMD
2
21
U9
MMC1_CLK
2
If using these pins, several things need to be kept in mind when doing so:
On the eMMC device, these signals are inputs and outputs.
The eMMC device will add a load onto these pins.
When used for other functions, the eMMC cannot be used. This means you must
boot from the microSD slot.
If using these pins, you need to put the eMMC into reset. This requires that the
eMMC be accessible from the processor in order to set the eMMC to accept the
eMMC pins.
DO NOT drive the eMMC pins until the eMMC has been put into reset. This
means that if you choose to use these pins, they must not drive any signal until
enabled via Software. This requires a buffer or some other form of hold off
function enabled by a GPIO pin on the expansion header.

REF: BBONEBLK_SRM
BeagleBone Black System
Reference Manual
Rev C.1
Page 98 of 126
On power up, the eMMC is NOT reset. If you hold the Boot button down, this will force
a boot from the microSD. This is not convenient when a cape is plugged into the board.
There are two solutions to this issue:
1. Wipe the eMMC clean. This will cause the board to default to microSD boot. If
you want to use the eMMC later, it can be reprogrammed.
2. You can also tie LCD_DATA2 low on the cape during boot. This will be the same
as if you were holding the boot button. However, in order to prevent unforeseen
issues, you need to gate this signal with RESET, when the data is sampled. After
reset goes high, the signal should be removed from the pin.
BEFORE the SW reinitializes the pins, it MUST put the eMMC in reset. This is done by
taking eMMC_RSTn (GPIO1_20) LOW after the eMMC has been put into a mode to
enable the reset line. This pin does not connect to the expansion header and is accessible
only on the board.
DO NOT automatically drive any conflicting pins until the SW enables it. This puts the
SW in control to ensure that the eMMC is in reset before the signals are used from the
cape. You can use a GPIO pin for this. No, we will not designate a pin for this function. It
will be determined on a cape by cape basis by the designer of the respective cape.
8.2 EEPROM
Each cape must have its own EEPROM containing information that will allow the SW to
identify the board and to configure the expansion headers pins as needed. The one
exception is proto boards intended for prototyping. They may or may not have an
EEPROM on them. An EEPROM is required for all capes sold in order for them operate
correctly when plugged into the BeagleBone Black.
The address of the EEPROM will be set via either jumpers or a dipswitch on each
expansion board. Figure 61 below is the design of the EEPROM circuit.
The EEPROM used is the same one as is used on the BeagleBone and the BeagleBone
Black, a CAT24C256. The CAT24C256 is a 256 kb Serial CMOS EEPROM, internally
organized as 32,768 words of 8 bits each. It features a 64−byte page write buffer and
supports the Standard (100 kHz), Fast (400 kHz) and Fast−Plus (1 MHz) I2C protocol.

REF: BBONEBLK_SRM
BeagleBone Black System
Reference Manual
Rev C.1
Page 99 of 126
R1284.75K
DGND
R1384.75K R1424.75K
VDD_3V3
VDD_3V3
R2215.6K,5% R2205.6K,5%
SW1
SW DIP-2
I2C2_SDA
2,4,6 I2C2_SCL
2,4,6
DGND
U18
CAT24C256W
A0
1
A1
2
A2
3
SCL
6
SDA
5VCC 8
VSS 4
WP 7
SW1_A3
SW1_A1
SW1_A0
C130
0.1uF
1 2
Figure 61. Expansion Board EEPROM Without Write Protect
The addressing of this device requires two bytes for the address which is not used on
smaller size EEPROMs, which only require only one byte. Other compatible devices may
be used as well. Make sure the device you select supports 16 bit addressing. The part
package used is at the discretion of the cape designer.
8.2.1 EEPROM Address
In order for each cape to have a unique address, a board ID scheme is used that sets the
address to be different depending on the setting of the dipswitch or jumpers on the capes.
A two position dipswitch or jumpers is used to set the address pins of the EEPROM.
It is the responsibility of the user to set the proper address for each board and the position
in the stack that the board occupies has nothing to do with which board gets first choice
on the usage of the expansion bus signals. The process for making that determination and
resolving conflicts is left up to the SW and, as of this moment in time, this method is a
something of a mystery due to the new Device Tree methodology introduced in the 3.8
kernel.
Address line A2 is always tied high. This sets the allowable address range for the
expansion cards to 0x54 to 0x57. All other I2C addresses can be used by the user in the
design of their capes. But, these addresses must not be used other than for the board
EEPROM information. This also allows for the inclusion of EEPROM devices on the
cape if needed without interfering with this EEPROM. It requires that A2 be grounded on
the EEPROM not used for cape identification.

REF: BBONEBLK_SRM
BeagleBone Black System
Reference Manual
Rev C.1
Page 100 of 126
8.2.2 I2C Bus
The EEPROMs on each expansion board are connected to I2C2 on connector P9 pins 19
and 20. For this reason I2C2 must always be left connected and should not be changed by
SW to remove it from the expansion header pin mux settings. If this is done, the system
will be unable to detect the capes.
The I2C signals require pullup resistors. Each board must have a 5.6K resistor on these
signals. With four capes installed this will result in an effective resistance of 1.4K if all
capes were installed and all the resistors used were exactly 5.6K. As more capes are
added the resistance is reduced to overcome capacitance added to the signals. When no
capes are installed the internal pullup resistors must be activated inside the processor to
prevent I2C timeouts on the I2C bus.
The I2C2 bus may also be used by capes for other functions such as I/O expansion or
other I2C compatible devices that do not share the same address as the cape EEPROM.
8.2.3 EEPROM Write Protect
The design in Figure 62 has the write protect disabled. If the write protect is not enabled,
this does expose the EEPROM to being corrupted if the I2C2 bus is used on the cape and
the wrong address written to. It is recommended that a write protection function be
implemented and a Test Point be added that when grounded, will allow the EEPROM to
be written to. To enable write operation, Pin 7 of the EEPROM must be tied to ground.
When not grounded, the pin is HI via pullup resistor R210 and therefore write protected.
Whether or not Write Protect is provided is at the discretion of the cape designer.
Variable & MAC Memory
I2C0_SDA
2,4
DGND
WP
TP2
TESTPT1
VDD_3V3B
C102
0.1uf ,16V
I2C0_SCL
2,4
256KX8
U7
CAT24C256W
A0
1
A1
2
A2
3
SCL
6
SDA
5VCC 8
VSS 4
WP 7
DGND
R210 10K,1%
Figure 62. Expansion Board EEPROM Write Protect

REF: BBONEBLK_SRM
BeagleBone Black System
Reference Manual
Rev C.1
Page 101 of 126
8.2.4 EEPROM Data Format
Table 17 shows the format of the contents of the expansion board EEPROM. Data is
stored in Big Endian with the least significant value on the right. All addresses read as a
single byte data from the EEPROM, but two byte addressing is used. ASCII values are
intended to be easily read by the user when the EEPROM contents are dumped.
Table 17. Expansion Board EEPROM
Name
Offset
Size
(bytes)
Contents
Header
0
4
0xAA, 0x55, 0x33, 0xEE
EEPROM Revision
4
2
Revision number of the overall format of this EEPROM in ASCII =A1
Board Name
6
32
Name of board in ASCII so user can read it when the EEPROM is dumped. Up to
developer of the board as to what they call the board..
Version
38
4
Hardware version code for board in ASCII. Version format is up to the developer.
i.e. 02.1…00A1....10A0
Manufacturer
42
16
ASCII name of the manufacturer. Company or individual’s name.
Part Number
58
16
ASCII Characters for the part number. Up to maker of the board.
Number of Pins
74
2
Number of pins used by the daughter board including the power pins used.
Decimal value of total pins 92 max, stored in HEX.
Serial Number
76
12
Serial number of the board. This is a 12 character string which is:
WWYY&&&&nnnn
where: WW = 2 digit week of the year of production
YY = 2 digit year of production
&&&&=Assembly code to let the manufacturer document the assembly number
or product. A way to quickly tell from reading the serial number what the board
is. Up to the developer to determine.
nnnn = incrementing board number for that week of production
Pin Usage
88
148
Two bytes for each configurable pins of the 74 pins on the expansion
connectors MSB LSB
Bit order: 15 14 ……………1..0
Bit 15…………..Pin is used or not……..…...0=Unused by cape 1=Used by cape
Bit 14-13………Pin Direction…………...….1 0=Output 01=Input 11=BDIR
Bits 12-7………Reserved……………………should be all zeros
Bit 6……….…..Slew Rate …………………..0=Fast 1=Slow
Bit 5…….……..Rx Enable…………………..0=Disabled 1=Enabled
Bit 4……….…..Pull Up/Dn Select…………..0=Pulldown 1=PullUp
Bit 3…………...Pull Up/DN enabled………..0=Enabled 1=Disabled
Bits 2-0 ……….Mux Mode Selection………..Mode 0-7
VDD_3V3B Current
236
2
Maximum current in milliamps. This is HEX value of the current in decimal
1500mA=0x05 0xDC 325mA=0x01 0x45
VDD_5V Current
238
2
Maximum current in milliamps. This is HEX value of the current in decimal
1500mA=0x05 0xDC 325mA=0x01 0x45
SYS_5V Current
240
2
Maximum current in milliamps. This is HEX value of the current in decimal
1500mA=0x05 0xDC 325mA=0x01 0x45
DC Supplied
242
2
Indicates whether or not the board is supplying voltage on the VDD_5V rail and
the current rating 000=No 1-0xFFFF is the current supplied storing the decimal
equivalent in HEX format
Available
244
32543
Available space for other non-volatile codes/data to be used as needed by
the manufacturer or SW driver. Could also store presets for use by SW.

REF: BBONEBLK_SRM
BeagleBone Black System
Reference Manual
Rev C.1
Page 102 of 126
8.2.5 Pin Usage
Table 18 is the locations in the EEPROM to set the I/O pin usage for the cape. It contains
the value to be written to the Pad Control Registers. Details on this can be found in
section 9.2.2 of the AM3358 Technical Reference Manual, The table is left blank as a
convenience and can be printed out and used as a template for creating a custom setting
for each cape. The 16 bit integers and all 16 bit fields are to be stored in Big Endian
format.
Bit 15 PIN USAGE is an indicator and should be a 1 if the pin is used or 0 if it is
unused.
Bits 14-7 RESERVED is not to be used and left as 0.
Bit 6 SLEW CONTROL 0=Fast 1=Slow
Bit 5 RX Enabled 0=Disabled 1=Enabled
Bit 4 PU/PD 0=Pulldown 1=Pullup.
Bit 3 PULLUP/DN 0=Pullup/pulldown enabled
1= Pullup/pulldown disabled
Bit 2-0 MUX MODE SELECT Mode 0-7. (refer to TRM)
Refer to the TRM for proper settings of the pin MUX mode based on the signal selection
to be used.
The AIN0-6 pins do not have a pin mux setting, but they need to be set to indicate if each
of the pins is used on the cape. Only bit 15 is used for the AIN signals.

REF: BBONEBLK_SRM
BeagleBone Black System
Reference Manual
Rev C.1
Page 103 of 126
Table 18. EEPROM Pin Usage
15
14
13
12
11
10
9
8
7
6
5
4
3
2
1
0
Off
set
Conn
Name
Pin
Usage
Type
Reserved
S
L
E
W
R
X
P
U
-
P
D
P
U
/
D
E
N
Mux Mode
88
P9-22
UART2_RXD
90
P9-21
UART2_TXD
92
P9-18
I2C1_SDA
94
P9-17
I2C1_SCL
96
P9-42
GPIO0_7
98
P8-35
UART4_CTSN
100
P8-33
UART4_RTSN
102
P8-31
UART5_CTSN
104
P8-32
UART5_RTSN
106
P9-19
I2C2_SCL
108
P9-20
I2C2_SDA
110
P9-26
UART1_RXD
112
P9-24
UART1_TXD
114
P9-41
CLKOUT2
116
P8-19
EHRPWM2A
118
P8-13
EHRPWM2B
120
P8-14
GPIO0_26
122
P8-17
GPIO0_27
124
P9-11
UART4_RXD
126
P9-13
UART4_TXD
128
P8-25
GPIO1_0
130
P8-24
GPIO1_1
132
P8-5
GPIO1_2
134
P8-6
GPIO1_3
136
P8-23
GPIO1_4
138
P8-22
GPIO1_5
140
P8-3
GPIO1_6
142
P8-4
GPIO1_7
144
P8-12
GPIO1_12
146
P8-11
GPIO1_13
148
P8-16
GPIO1_14
150
P8-15
GPIO1_15
152
P9-15
GPIO1_16

REF: BBONEBLK_SRM
BeagleBone Black System
Reference Manual
Rev C.1
Page 104 of 126
15
14
13
12
11
10
9
8
7
6
5
4
3
2
1
0
Off
set
Conn
Name
Pin
Usage
Type
Reserved
S
L
E
W
R
X
P
U
-
P
D
P
U
/
D
E
N
Mux Mode
154
P9-23
GPIO1_17
156
P9-14
EHRPWM1A
158
P9-16
EHRPWM1B
160
P9-12
GPIO1_28
162
P8-26
GPIO1_29
164
P8-21
GPIO1_30
166
P8-20
GPIO1_31
168
P8-18
GPIO2_1
170
P8-7
TIMER4
172
P8-9
TIMER5
174
P8-10
TIMER6
176
P8-8
TIMER7
178
P8-45
GPIO2_6
180
P8-46
GPIO2_7
182
P8-43
GPIO2_8
184
P8-44
GPIO2_9
186
P8-41
GPIO2_10
188
P8-42
GPIO2_11
190
P8-39
GPIO2_12
192
P8-40
GPIO2_13
194
P8-37
UART5_TXD
196
P8-38
UART5_RXD
198
P8-36
UART3_CTSN
200
P8-34
UART3_RTSN
202
P8-27
GPIO2_22
204
P8-29
GPIO2_23
206
P8-28
GPIO2_24
208
P8-30
GPIO2_25
210
P9-29
SPI1_D0
212
P9-30
SPI1_D1
214
P9-28
SPI1_CS0
216
P9-27
GPIO3_19
218
P9-31
SPI1_SCLK
220
P9-25
GPIO3_21

REF: BBONEBLK_SRM
BeagleBone Black System
Reference Manual
Rev C.1
Page 105 of 126
15
14
13
12
11
10
9
8
7
6
5
4
3
2
1
0
Off
set
Conn
Name
Pin
Usage
Type
Reserved
S
L
E
W
R
X
P
U
-
P
D
P
U
/
D
E
N
Mux Mode
0
0
0
0
0
0
0
0
0
0
0
0
0
0
0
222
P9-39
AIN0
224
P9-40
AIN1
226
P9-37
AIN2
228
P9-38
AIN3
230
P9-33
AIN4
232
P9-36
AIN5
234
P9-35
AIN6

REF: BBONEBLK_SRM
BeagleBone Black System
Reference Manual
Rev C.1
Page 106 of 126
8.3 Pin Usage Consideration
This section covers things to watch for when hooking up to certain pins on the expansion
headers.
8.3.1 Boot Pins
There are 16 pins that control the boot mode of the processor that are exposed on the
expansion headers. Figure 63 below shows those signals as they appear on the
BeagleBone Black.:
R80100K,1%
R83100K,1% R84100K,1% R85100K,1%
R87100K,1% R86100K,1%
R89100K,1% R88100K,1%
R82100K,1%
R95100K,1%
uSD BOOT
VDD_3V3A
SYS_BOOT10
SYS_BOOT9
SYS_BOOT8
SYS_BOOT15
SYS_BOOT14
SYS_BOOT13
SYS_BOOT12
SYS_BOOT11
SYS_BOOT4
SYS_BOOT2
SYS_BOOT1
SYS_BOOT0
SYS_BOOT7
SYS_BOOT6
SYS_BOOT5
SYS_BOOT3
DGND
LCD_DATA5 4,10,11
LCD_DATA4 4,10,11
LCD_DATA3 4,10,11
R65100K,1%
LCD_DATA8 4,10,11
LCD_DATA7 4,10,11
LCD_DATA6 4,10,11
LCD_DATA11 4,10,11
LCD_DATA10 4,10,11
LCD_DATA9 4,10,11
LCD_DATA14 4,10,11
LCD_DATA13 4,10,11
LCD_DATA12 4,10,11
LCD_DATA1 4,10,11
LCD_DATA0 4,10,11
LCD_DATA15 4,10,11
LCD_DATA2 4,10,11
R69100K,1%,DNI
R93100K,1%,DNI R92100K,1%,DNI
S2
KMR231GLFS
1 3
2 4
R68100K,1%
R91100K,1%,DNI
DGND
R90100K,1%,DNI R64100K,1%,DNI
R75 100
R70100K,1%,DNI
R63100K,1%,DNI
R56100K,1%
R67100K,1% R66100K,1%
R62100K,1%,DNI R61100K,1%,DNI R60100K,1%,DNI
R94100K,1%
R59100K,1%,DNI R58100K,1%,DNI R57100K,1%,DNI
R81100K,1%,DNI R55100K,1%,DNI
Figure 63. Expansion Boot Pins
If you plan to use any of these signals, then on power up, these pins should not be driven.
If you do, it can affect the boot mode of the processor and could keep the processor from
booting or working correctly.
If you are designing a cape that is intended to be used as a boot source, such as a NAND
board, then you should drive the pins to reconfigure the boot mode, but only at reset.
After the reset phase, the signals should not be driven to allow them to be used for the

REF: BBONEBLK_SRM
BeagleBone Black System
Reference Manual
Rev C.1
Page 107 of 126
other functions found on those pins. You will need to override the resistor values in order
to change the settings. The DC pull-up requirement should be based on the AM3358 Vih
min voltage of 2 volts and AM3358 maximum input leakage current of 18uA. Also take
into account any other current leakage paths on these signals which could be caused by
your specific cape design.
The DC pull-down requirement should be based on the AM3358 Vil max voltage of 0.8
volts and AM3358 maximum input leakage current of 18uA plus any other current
leakage paths on these signals.
8.4 Expansion Connectors
A combination of male and female headers is used for access to the expansion headers on
the main board. There are three possible mounting configurations for the expansion
headers:
Single-no board stacking but can be used on the top of the stack.
Stacking-up to four boards can be stacked on top of each other.
Stacking with signal stealing-up to three boards can be stacked on top of each
other, but certain boards will not pass on the signals they are using to prevent
signal loading or use by other cards in the stack.
The following sections describe how the connectors are to be implemented and used for
each of the different configurations.
8.4.1 Non-Stacking Headers-Single Cape
For non-stacking capes single configurations or where the cape can be the last board on
the stack, the two 46 pin expansion headers use the same connectors. Figure 64 is a
picture of the connector. These are dual row 23 position 2.54mm x 2.54mm connectors.
Figure 64. Single Expansion Connector
The connector is typically mounted on the bottom side of the board as shown in Figure
65. These are very common connectors and should be easily located. You can also use
two single row 23 pin headers for each of the dual row headers.

REF: BBONEBLK_SRM
BeagleBone Black System
Reference Manual
Rev C.1
Page 108 of 126
Figure 65. Single Cape Expansion Connector
It is allowed to only populate the pins you need. As this is a non-stacking configuration,
there is no need for all headers to be populated. This can also reduce the overall cost of
the cape. This decision is up to the cape designer.
For convenience listed in Table 19 are some possible choices for part numbers on this
connector. They have varying pin lengths and some may be more suitable than others for
your use. It should be noted, that the longer the pin and the further it is inserted into the
BeagleBone Black connector, the harder it will be to remove due to the tension on 92
pins. This can be minimized by using shorter pins or removing those pins that are not
used by your particular design. The first item in Table 18 is on the edge and may not be
the best solution. Overhang is the amount of the pin that goes past the contact point of the
connector on the BeagleBone Black
.
Table 19. Single Cape Connectors
SUPPLIER
PARTNUMBER
TAIL LENGTH(in)
OVERHANG(in)
Major League
TSHC-123-D-03-145-G-LF
.145
.004
Major League
TSHC-123-D-03-240-G-LF
.240
.099
Major League
TSHC-123-D-03-255-G-LF
.255
.114
The G in the part number is a plating option. Other options may be used as well as long
as the contact area is gold. Other possible sources are Sullins and Samtec for these
connectors. You will need to ensure the depth into the connector is sufficient
8.4.2 Main Expansion Headers-Stacking
For stacking configuration, the two 46 pin expansion headers use the same connectors.
Figure 66 is a picture of the connector. These are dual row 23 position 2.54mm x
2.54mm connectors.
Figure 66. Expansion Connector

REF: BBONEBLK_SRM
BeagleBone Black System
Reference Manual
Rev C.1
Page 109 of 126
The connector is mounted on the top side of the board with longer tails to allow insertion
into the BeagleBone Black. Figure 67 is the connector configuration for the connector.
Figure 67. Stacked Cape Expansion Connector
For convenience listed in Table 18 are some possible choices for part numbers on this
connector. They have varying pin lengths and some may be more suitable than others for
your use. It should be noted, that the longer the pin and the further it is inserted into the
BeagleBone Black connector, the harder it will be to remove due to the tension on 92
pins. This can be minimized by using shorter pins. There are most likely other suppliers
out there that will work for this connector as well. If anyone finds other suppliers of
compatible connectors that work, let us know and they will be added to this document.
The first item in Table 19 is on the edge and may not be the best solution. Overhang is
the amount of the pin that goes past the contact point of the connector on the BeagleBone
Black.
The third part listed in Table 20 will have insertion force issues.
Table 20. Stacked Cape Connectors
SUPPLIER
PARTNUMBER
TAIL LENGTH(in)
OVERHANG(in)
Major League
SSHQ-123-D-06-G-LF
.190
0.049
Major League
SSHQ-123-D-08-G-LF
.390
0.249
Major League
SSHQ-123-D-10-G-LF
.560
0.419
There are also different plating options on each of the connectors above. Gold plating on
the contacts is the minimum requirement. If you choose to use a different part number for
plating or availability purposes, make sure you do not select the “LT” option.
Other possible sources are Sullins and Samtec but make sure you select one that has the
correct mating depth.

REF: BBONEBLK_SRM
BeagleBone Black System
Reference Manual
Rev C.1
Page 110 of 126
8.4.3 Stacked Capes w/Signal Stealing
Figure 68 is the connector configuration for stackable capes that does not provide all of
the signals upwards for use by other boards. This is useful if there is an expectation that
other boards could interfere with the operation of your board by exposing those signals
for expansion. This configuration consists of a combination of the stacking and non-
stacking style connectors.
Figure 68. Stacked w/Signal Stealing Expansion Connector
8.4.4 Retention Force
The length of the pins on the expansion header has a direct relationship to the amount of
force that is used to remove a cape from the BeagleBone Black. The longer the pins
extend into the connector the harder it is to remove. There is no rule that says that if
longer pins are used, that the connector pins have to extend all the way into the mating
connector on the BeagleBone Black, but this is controlled by the user and therefore is
hard to control. We have also found that if you use gold pins, while more expensive, it
makes for a smoother finish which reduces the friction.
This section will attempt to describe the tradeoffs and things to consider when selecting a
connector and its pin length.
8.4.5 BeagleBone Black Female Connectors
Figure 69 shows the key measurements used in calculating how much the pin extends
past the contact point on the connector, what we call overhang.

REF: BBONEBLK_SRM
BeagleBone Black System
Reference Manual
Rev C.1
Page 111 of 126
Figure 69. Connector Pin Insertion Depth
To calculate the amount of the pin that extends past the Point of Contact, use the
following formula:
Overhang=Total Pin Length- PCB thickness (.062) - contact point (.079)
The longer the pin extends past the contact point, the more force it will take to insert and
remove the board. Removal is a greater issue than the insertion.
8.5 Signal Usage
Based on the pin muxing capabilities of the processor, each expansion pin can be
configured for different functions. When in the stacking mode, it will be up to the user to
ensure that any conflicts are resolved between multiple stacked cards. When stacked, the
first card detected will be used to set the pin muxing of each pin. This will prevent other
modes from being supported on stacked cards and may result in them being inoperative.
In Section 7.1 of this document, the functions of the pins are defined as well as the pin
muxing options. Refer to this section for more information on what each pin is. To
simplify things, if you use the default name as the function for each pin and use those
functions, it will simplify board design and reduce conflicts with other boards.
Interoperability is up to the board suppliers and the user. This specification does not
specify a fixed function on any pin and any pin can be used to the full extent of the
functionality of that pin as enabled by the processor.

REF: BBONEBLK_SRM
BeagleBone Black System
Reference Manual
Rev C.1
Page 112 of 126
DO NOT APPLY VOLTAGE TO ANY I/O PIN WHEN POWER IS
NOT SUPPLIED TO THE BOARD. IT WILL DAMAGE THE
PROCESSOR AND VOID THE WARRANTY.
NO PINS ARE TO BE DRIVEN UNTIL AFTER THE SYS_RESET
LINE GOES HIGH.
8.6 Cape Power
This section describes the power rails for the capes and their usage.
8.6.1 Main Board Power
The Table 1 describes the voltages from the main board that are available on the
expansion connectors and their ratings. All voltages are supplied by connector P9. The
current ratings listed are per pin.
Table 21. Expansion Voltages
Current
Name
P9
Name
Current
GND
1
2
GND
250mA
VDD_3V3B
3
4
VDD_3V3B
250mA
1000mA
VDD_5V
5
6
VDD_5V
1000mA
250mA
SYS_5V
7
8
SYS_5V
250mA
:
:
GND
43
44
GND
GND
45
46
GND
The VDD_3V3B rail is supplied by the LDO on the BeagleBone Black and is the primary
power rail for expansion boards. If the power requirement for the capes exceeds the
current rating, then locally generated voltage rail can be used. It is recommended that this
rail be used to power any buffers or level translators that may be used.
VDD_5V is the main power supply from the DC input jack. This voltage is not present
when the board is powered via USB. The amount of current supplied by this rail is
dependent upon the amount of current available. Based on the board design, this rail is
limited to 1A per pin from the main board.
The SYS_5V rail is the main rail for the regulators on the main board. When powered
from a DC supply or USB, this rail will be 5V. The available current from this rail
depends on the current available from the USB and DC external supplies.
8.6.2 Expansion Board External Power

REF: BBONEBLK_SRM
BeagleBone Black System
Reference Manual
Rev C.1
Page 113 of 126
A cape can have a jack or terminals to bring in whatever voltages may be needed by that
board. Care should be taken not to let this voltage be fed back into any of the expansion
header pins.
It is possible to provide 5V to the main board from an expansion board. By supplying a
5V signal into the VDD_5V rail, the main board can be supplied. This voltage must not
exceed 5V. You should not supply any voltage into any other pin of the expansion
connectors. Based on the board design, this rail is limited to 1A per pin to the
BeagleBone Black.
There are several precautions that need to me taken when working with the expansion
headers to prevent damage to the board.
1) Do not apply any voltages to any I/O pins when the board is not powered on.
2) Do not drive any external signals into the I/O pins until after the VDD_3V3B rail is up.
3) Do not apply any voltages that are generated from external sources.
4) If voltages are generated from the VDD_5V signal, those supplies must not become
active until after the VDD_3V3B rail is up.
5) If you are applying signals from other boards into the expansion headers, make sure
you power the board up after you power up the BeagleBone Black or make the
connections after power is applied on both boards.
Powering the processor via its I/O pins can cause damage to the processor.
8.7 Mechanical
This section provides the guidelines for the creation of expansion boards from a
mechanical standpoint. Defined is a standard board size that is the same profile as the
BeagleBone Black. It is expected that the majority of expansion boards created will be of
standard size. It is possible to create boards of other sizes and in some cases this is
required, as in the case of an LCD larger than the BeagleBone Black board.
8.7.1 Standard Cape Size
Figure 70 is the outline of the standard cape. The dimensions are in inches.

REF: BBONEBLK_SRM
BeagleBone Black System
Reference Manual
Rev C.1
Page 114 of 126
Figure 70. Cape Board Dimensions
A slot is provided for the Ethernet connector to stick up higher than the cape when
mounted. This also acts as a key function to ensure that the cape is oriented correctly.
Space is also provided to allow access to the user LEDs and reset button on the main
board.
Some people have inquired as to the difference in the radius of the corners of the
BeagleBone Black and why they are different. This is a result of having the BeagleBone
fit into the Altoids style tin.
It is not required that the cape be exactly like the BeagleBone Black board in this respect.
8.7.2 Extended Cape Size
Capes larger than the standard board size are also allowed. A good example would be an
LCD panel. There is no practical limit to the sizes of these types of boards. The notch for
the key is also not required, but it is up to the supplier of these boards to ensure that the
BeagleBone Black is not plugged in incorrectly in such a manner that damage would be
cause to the BeagleBone Black or any other capes that may be installed. Any such
damage will be the responsibility of the supplier of such a cape to repair.
As with all capes, the EEPROM is required and compliance with the power requirements
must be adhered to.

REF: BBONEBLK_SRM
BeagleBone Black System
Reference Manual
Rev C.1
Page 115 of 126
8.7.3 Enclosures
There are numerous enclosures being created in all different sizes and styles. The
mechanical design of these enclosures is not being defined by this specification.
The ability of these designs to handle all shapes and sizes of capes, especially when you
consider up to four can be mounted with all sorts of interface connectors, it is difficult to
define a standard enclosure that will handle all capes already made and those yet to be
defined.
If cape designers want to work together and align with one enclosure and work around it
that is certainly acceptable. But we will not pick winners and we will not do anything that
impedes the openness of the platform and the ability of enclosure designers and cape
designers to innovate and create new concepts.

REF: BBONEBLK_SRM
BeagleBone Black System
Reference Manual
Rev C.1
Page 116 of 126
9.0 BeagleBone Black Mechanical
9.1 Dimensions and Weight
Size: 3.5” x 2.15” (86.36mm x 53.34mm)
Max height: .187” (4.76mm)
PCB Layers: 6
PCB thickness: .062”
RoHS Compliant: Yes
Weight: 1.4 oz

REF: BBONEBLK_SRM
BeagleBone Black System
Reference Manual
Rev C.1
Page 117 of 126
9.2 Silkscreen and Component Locations
Figure 71. Board Dimensions

REF: BBONEBLK_SRM
BeagleBone Black System
Reference Manual
Rev C.1
Page 118 of 126
Figure 72. Component Side Silkscreen

REF: BBONEBLK_SRM
BeagleBone Black System
Reference Manual
Rev C.1
Page 119 of 126
Figure 73. Circuit Side Silkscreen

REF: BBONEBLK_SRM
BeagleBone Black System
Reference Manual
Rev C.1
Page 120 of 126
10.0 Pictures
Figure 74. Top Side

REF: BBONEBLK_SRM
BeagleBone Black System
Reference Manual
Rev C.1
Page 121 of 126
Figure 75. Bottom Side

REF: BBONEBLK_SRM
BeagleBone Black System
Reference Manual
Rev C.1
Page 122 of 126
11.0 Support Information
All support for this design is through the BeagleBoard.org community at:
beagleboard@googlegroups.com
or
http://beagleboard.org/discuss .
11.1 Hardware Design
Design documentation can be found on the eMMC of the board under the
documents/hardware directory when connected using the USB cable. Provided there is:
Schematic in PDF
Schematic in OrCAD (Cadence Design Entry CIS 16.3)
PCB Gerber
PCB Layout File (Allegro)
Bill of Material
System Reference Manual (This document).
This directory is not always kept up to date in every SW release due to the frequency of
changes of the SW. The best solution is to download the files from the Circuitco WIKI at
http://circuitco.com/support/index.php?title=BeagleBoneBlack
We do not track SW revision of what is in the eMMC. SW is tracked separately from the
HW due to the frequency of changes which would require massive relabeling of boards
due to the frequent SW changes. You should always use the latest SW revision.
To see what SW revision is loaded into the eMMC follow the instructions at
http://circuitco.com/support/index.php?title=Updating_The_Software#Checking_The_An
gstrom_Image_Version
11.2 Software Updates
It is a good idea to always use the latest software. Instructions for how to update your
software to the latest version can be found at:
http://circuitco.com/support/index.php?title=BeagleBoneBlack#Updating_the_eMMC_S
oftware

REF: BBONEBLK_SRM
BeagleBone Black System
Reference Manual
Rev C.1
Page 123 of 126
11.3 RMA Support
If you feel your board is defective or has issues, request an RMA by filling out the form
at http://beagleboard.org/support/rma . You will need the serial number and revision of
the board. The serial numbers and revisions keep moving. Different boards can have
different locations depending on when they were made. The following figures show the
three locations of the serial and revision number.
Figure 76. Initial Serial Number and Revision Locations
Figure 77. Second Phase Serial Number and Revision Location

REF: BBONEBLK_SRM
BeagleBone Black System
Reference Manual
Rev C.1
Page 124 of 126
Figure 78. Third Phase Serial Number and Revision Location
11.4 Trouble Shooting HDMI Issues
Many people are having issues with getting HDMI to work on their TV/Display.
Unfortunately, we do not have the resources to buy all the TVs and Monitors on the
market today nor go to eBay and buy all of the TVs and monitors made over the last five
years to thoroughly test each and every one. We are depending on community members
to help us get these tested and information provided on how to get them to work.
One would think that if it worked on a lot of different TVs and monitors it would work on
most if not all of them, assuming they meet the specification. However, there are other
issues that could also result in these various TVs and monitors not working. The intent is
that this page will be useful in navigating some of these issues. As others also find
solutions, as long as we know about them, they will be added here as well. For access to
the most up to date troubleshooting capabilities, go to the support wiki at
http://www.elinux.org/Beagleboard:BeagleBoneBlack_HDMI
The early release of the Software had some issues in the HDMI driver. Be sure and use
the latest SW to take advantage of the improvements.
http://www.elinux.org/Beagleboard:BeagleBoneBlack#Software_Resources
11.4.1 EDID
EDID is the way the board requests information from the display and determines all the
resolutions that it can support. The driver on the board will then look at these timings
and find the highest resolution that is compatible with the board and uses that resolution
for the display. For more information on EDID, you can take a look at
http://en.wikipedia.org/wiki/Extended_display_identification_data

REF: BBONEBLK_SRM
BeagleBone Black System
Reference Manual
Rev C.1
Page 125 of 126
If the board is not able to read the EDID, for whatever reason, it does not have this
information. A few possible reasons for this are:
Bad cable
Cable not plugged in all the way on both ends
Display not powered on. (It should still work powered off, but some displays do
not).
11.4.2 DISPLAY SOURCE SELECTION
One easy thing to overlook is that you need to select the display source that matches the
port you are using on the TV. Some displays may auto select, so you may need to
disconnect the other inputs until you are sure the display works with the board.
11.4.3 OUT OF SEQUENCE
Sometimes the display and the board can get confused. One way to prevent this is after
everything is cabled up and running, you can power cycle the display, with the board still
running. You can also try resetting the board and let it reboot to resync with the TV.
11.4.4 OVERSCAN
Some displays use what is called overscan. This can be seen in TVs and not so much on
Monitors. It causes the image to be missing on the edges, such that you cannot see them
displayed. Some higher end displays allow you to disable overscan.
Most TVs have a mode that allows you to adjust the image. These are options like
Normal, Wide, Zoom, or Fit. Normal seems to be the best option as it does not chop of
the edges. The other ones will crop of the edges.
11.4.5 Taking a Nap
In some cases the board can come up in a power down/screen save mode. No display will
be present. This is due to the board believing that it is asleep. To come out of this, you
will need to hit the keyboard or move the mouse.
Once working, the board will time out and go back to sleep again. This can cause the
display to go into a power down mode as well. You may need to turn the display back on
again. Sometimes, it may take a minute or so for the display to catch up and show the
image.
11.4.6 AUDIO
Audio will only work on TV resolutions. This is due to the the way the specification was
written. Some displays have built in speakers and others require external. Make sure you

REF: BBONEBLK_SRM
BeagleBone Black System
Reference Manual
Rev C.1
Page 126 of 126
have a TV resolution and speakers are connected if they are not built in. The SW should
default to a TV resolution giving audio support. The HDMI driver should default to the
highest audio supported resolution.
11.4.7 Getting Help
If you need some up to date troubleshooting techniques, we have a Wiki set up at
http://circuitco.com/support/index.php?title=BeagleBoneBlack_HDMI
