M820 00 100 T800/T800 SERIES 1 MANUALS/M820 100/C6.3.1 C6.3.18 C6.3.1
T800/T800 SERIES 1 MANUALS/M820-00-100/C6.3.1-C6.3.18 C6.3.1-C6.3.18
User Manual: Pdf T800/T800 SERIES 1 MANUALS/M820-00-100/C6.3.1-C6.3.18
Open the PDF directly: View PDF
.
Page Count: 18

M820-00 T827 PCB Information C6.3.1
Copyright TEL 30/04/96
6.3 T827 Exciter PCB
This section contains the following information.
IPN Section Page
220-01187-01 Parts List
Mechanical & Miscellaneous Parts
Grid Reference Index
PCB Layout - Top Side
PCB Layout - Bottom Side
Test Points & Options - Top Side
Synthesiser Circuit Diagram
Audio Processor Circuit Diagram
Regulators & Exciter Circuit Diagram
6.3.3
6.3.7
6.3.9
6.3.11
6.3.12
6.3.13
6.3.15
6.3.16
6.3.17

C6.3.2 T827 PCB Information M820-00
30/04/96 Copyright TEL

M820-00 T827 PCB Information C6.3.3
Copyright TEL 30/04/96
T827 Parts List (IPN 220-01187-01)
How To Use This Parts List
The components listed in this parts list are divided into two main types: those with a circuit reference (e.g. C2, D1, R121, etc) and
those without (miscellaneous and mechanical).
Those with a circuit reference are grouped in alphabetical order and then in numerical order within each group. Each component
entry comprises three or four columns: the circuit reference, variant (if applicable), IPN and description. A number in the variant col-
umn indicates that this is a variant component which is fitted only to the product type listed.
The miscellaneous and mechanical section lists the variant and common parts in IPN order.
Parts List Amendments
C180/C181 150pF chip capacitors (IPN 015-23150-01) added to the microphone jack input on the bottom of the PCB to reduce
audio distortion to meet European EMC requirements - PCB grid reference 2:C7 (95/11-7109).
C376 4n7 chip capacitor deleted to reduce output power from exciter (91/11-1131).
D7 BAV70 SMD diode deleted to reduce output power from exciter (91/11-1131).
R307 Zero ohm resistor added in place of C376 (91/11-1131).
Ref Var IPN Description Ref Var IPN Description
C1 015-06100-08 CAP CER 1206 CHIP 100N 10% X7R 50V
C2 015-24100-08 CAP CER 0805 CHIP 1N 10% X7R 50V
C3 015-06100-08 CAP CER 1206 CHIP 100N 10% X7R 50V
C4 015-23100-01 CAP CER 0805 CHIP 100P 5% NPO 50V
C5 015-24100-08 CAP CER 0805 CHIP 1N 10% X7R 50V
C6 015-24100-08 CAP CER 0805 CHIP 1N 10% X7R 50V
C9 015-24100-08 CAP CER 0805 CHIP 1N 10% X7R 50V
C10 015-24100-08 CAP CER 0805 CHIP 1N 10% X7R 50V
C11 015-24100-08 CAP CER 0805 CHIP 1N 10% X7R 50V
C12 015-24100-08 CAP CER 0805 CHIP 1N 10% X7R 50V
C13 015-06100-08 CAP CER 1206 CHIP 100N 10% X7R 50V
C15 020-08100-03 CAP ELECT RADL 10UF 50V 5X11MM
C16 015-06100-08 CAP CER 1206 CHIP 100N 10% X7R 50V
C17 015-22560-01 CAP CER 0805 CHIP 56P 5% NPO 50V
C19 015-24100-08 CAP CER 0805 CHIP 1N 10% X7R 50V
C20 015-23470-08 CAP CER 0805 CHIP 470P 10% X7R 50V
C21 015-24100-08 CAP CER 0805 CHIP 1N 10% X7R 50V
C25 025-08100-02 CAP TANT BEAD 10M 10% 16V
C26 015-25100-08 CAP CER 0805 CHIP 10N 10% X7R 50V
C29 022-57100-02 CAP MYLAR AI 1M 20% 50V POTTED
C30 020-08100-03 CAP ELECT RADL 10UF 50V 5X11MM
C33 015-06100-08 CAP CER 1206 CHIP 100N 10% X7R 50V
C34 020-08100-03 CAP ELECT RADL 10UF 50V 5X11MM
C35 020-08100-03 CAP ELECT RADL 10UF 50V 5X11MM
C36 015-06100-08 CAP CER 1206 CHIP 100N 10% X7R 50V
C39 015-06100-08 CAP CER 1206 CHIP 100N 10% X7R 50V
C40 015-21820-01 CAP CER 0805 CHIP 8P2 +/-0.25P NPO 50V
C42 022-05100-01 CAP MYLAR 10N 10% 50V
C43 015-25100-08 CAP CER 0805 CHIP 10N 10% X7R 50V
C44 015-23220-01 CAP CER 0805 CHIP 220P 5% NPO 50V
C45 015-24470-08 CAP CER 0805 CHIP 4N7 10% X7R 50V
C46 015-06100-08 CAP CER 1206 CHIP 100N 10% X7R 50V
C47 015-23220-01 CAP CER 0805 CHIP 220P 5% NPO 50V
C48 020-08470-02 CAP ELECT RADL 47M 16V 6X11MM
C101 020-08100-03 CAP ELECT RADL 10UF 50V 5X11MM
C102 020-07470-91 CAP ELECT RADL 4M7 63V 6X11MM BI-POLAR
C103 020-07470-91 CAP ELECT RADL 4M7 63V 6X11MM BI-POLAR
C104 015-24100-08 CAP CER 0805 CHIP 1N 10% X7R 50V
C105 015-24100-08 CAP CER 0805 CHIP 1N 10% X7R 50V
C106 015-24220-08 CAP CER 0805 CHIP 2N2 10% X7R 50V
C107 020-08220-01 CAP ELECT RADL 22M 16V 5X11MM
C108 015-24100-08 CAP CER 0805 CHIP 1N 10% X7R 50V
C109 015-24100-08 CAP CER 0805 CHIP 1N 10% X7R 50V
C110 015-24100-08 CAP CER 0805 CHIP 1N 10% X7R 50V
C111 015-22470-01 CAP CER 0805 CHIP 47P 5% NPO 50V
Note: %D107 and %D108 are optional level limiting diodes for
special applications.
C112 020-08220-01 CAP ELECT RADL 22M 16V 5X11MM
C113 015-25100-08 CAP CER 0805 CHIP 10N 10% X7R 50V
C115 015-06100-08 CAP CER 1206 CHIP 100N 10% X7R 50V
C118 015-06100-08 CAP CER 1206 CHIP 100N 10% X7R 50V
C119 020-07470-91 CAP ELECT RADL 4M7 63V 6X11MM BI-POLAR
C121 015-06100-08 CAP CER 1206 CHIP 100N 10% X7R 50V
C123 015-23470-08 CAP CER 0805 CHIP 470P 10% X7R 50V
C124 015-21470-01 CAP CER 0805 CHIP 4P7 +/-0.25P NPO 50V
C126 015-06100-08 CAP CER 1206 CHIP 100N 10% X7R 50V
C128 015-23470-08 CAP CER 0805 CHIP 470P 10% X7R 50V
C129 020-08470-02 CAP ELECT RADL 47M 16V 6X11MM
C133 015-24470-08 CAP CER 0805 CHIP 4N7 10% X7R 50V
C135 015-22470-01 CAP CER 0805 CHIP 47P 5% NPO 50V
C137 020-08220-01 CAP ELECT RADL 22M 16V 5X11MM
C139 015-06100-08 CAP CER 1206 CHIP 100N 10% X7R 50V
C141 015-05470-08 CAP CER 1206 CHIP 47N 10% X7R 50V
C145 015-06100-08 CAP CER 1206 CHIP 100N 10% X7R 50V
C146 015-24100-08 CAP CER 0805 CHIP 1N 10% X7R 50V
C147 020-07100-02 CAP ELECT RADL 1M 50V 5X11MM
C148 015-05220-08 CAP CER 1206 CHIP 22N 10% X7R 50V
C149 015-06100-08 CAP CER 1206 CHIP 100N 10% X7R 50V
C150 020-08100-03 CAP ELECT RADL 10UF 50V 5X11MM
C151 015-21470-01 CAP CER 0805 CHIP 4P7 +/-0.25P NPO 50V
C152 020-09100-03 CAP ELECT RADL 100M 16V 8X11MM
C153 015-24100-08 CAP CER 0805 CHIP 1N 10% X7R 50V
C154 020-09100-03 CAP ELECT RADL 100M 16V 8X11MM
C156 020-07470-91 CAP ELECT RADL 4M7 63V 6X11MM BI-POLAR
&C157 10 015-21150-01 CAP CER 0805 CHIP 1P5 +/-0.25P NPO 5
&C157 15 015-21470-01 CAP CER 0805 CHIP 4P7 +/-0.25P NPO 5
C158 015-05470-08 CAP CER 1206 CHIP 47N 10% X7R 50V
C160 015-05470-08 CAP CER 1206 CHIP 47N 10% X7R 50V
C161 015-24100-08 CAP CER 0805 CHIP 1N 10% X7R 50V
C162 020-07470-91 CAP ELECT RADL 4M7 63V 6X11MM BI-POLAR
C163 020-07470-91 CAP ELECT RADL 4M7 63V 6X11MM BI-POLAR
C164 015-23470-08 CAP CER 0805 CHIP 470P 10% X7R 50V
C166 015-05470-08 CAP CER 1206 CHIP 47N 10% X7R 50V
C180 015-23150-01 CAP CER 0805 CHIP 150P 5% NPO 50V
C181 015-23150-01 CAP CER 0805 CHIP 150P 5% NPO 50V
C209 020-08100-03 CAP ELECT RADL 10UF 50V 5X11MM
C212 015-06100-08 CAP CER 1206 CHIP 100N 10% X7R 50V
C213 025-08100-02 CAP TANT BEAD 10M 10% 16V
C214 015-06100-08 CAP CER 1206 CHIP 100N 10% X7R 50V
C215 025-08100-02 CAP TANT BEAD 10M 10% 16V
C216 015-06100-08 CAP CER 1206 CHIP 100N 10% X7R 50V
C217 015-24100-08 CAP CER 0805 CHIP 1N 10% X7R 50V
C218 015-24100-08 CAP CER 0805 CHIP 1N 10% X7R 50V
C219 020-09470-07 CAP 470M 16V 20% ELEC VERT 8*20 3.5MM L
C220 015-24470-08 CAP CER 0805 CHIP 4N7 10% X7R 50V
C221 015-24100-08 CAP CER 0805 CHIP 1N 10% X7R 50V
C222 020-09100-03 CAP ELECT RADL 100M 16V 8X11MM
C223 020-07220-01 CAP ELECT RADL 2M2 50V 5X11MM

C6.3.4 T827 PCB Information M820-00
30/04/96 Copyright TEL
Ref Var IPN Description Ref Var IPN Description
C224 025-07330-01 CAP TANT BEAD 3M3 35V
C225 015-24470-08 CAP CER 0805 CHIP 4N7 10% X7R 50V
C226 020-07100-02 CAP ELECT RADL 1M 50V 5X11MM
C227 020-08100-03 CAP ELECT RADL 10UF 50V 5X11MM
C228 015-24100-08 CAP CER 0805 CHIP 1N 10% X7R 50V
C229 015-24100-08 CAP CER 0805 CHIP 1N 10% X7R 50V
C230 015-24100-08 CAP CER 0805 CHIP 1N 10% X7R 50V
C231 015-24100-08 CAP CER 0805 CHIP 1N 10% X7R 50V
C232 015-06100-08 CAP CER 1206 CHIP 100N 10% X7R 50V
C233 015-06100-08 CAP CER 1206 CHIP 100N 10% X7R 50V
C303 015-24470-08 CAP CER 0805 CHIP 4N7 10% X7R 50V
C308 015-24470-08 CAP CER 0805 CHIP 4N7 10% X7R 50V
C313 015-24470-08 CAP CER 0805 CHIP 4N7 10% X7R 50V
C317 015-22820-01 CAP CER 0805 CHIP 82P 5% NPO 50V
C319 015-22680-01 CAP CER 0805 CHIP 68P 5% NPO 50V
C322 015-22390-01 CAP CER 0805 CHIP 39P 5% NPO 50V
C330 015-06100-08 CAP CER 1206 CHIP 100N 10% X7R 50V
C352 022-05470-01 CAP MYLAR 47N 10% 50V
C364 015-24470-08 CAP CER 0805 CHIP 4N7 10% X7R 50V
C366 020-07470-04 CAP ELECT RADL 4M7 25V 20% 8X13MM SOLID
C367 015-24470-08 CAP CER 0805 CHIP 4N7 10% X7R 50V
C370 015-24470-08 CAP CER 0805 CHIP 4N7 10% X7R 50V
C371 015-24100-08 CAP CER 0805 CHIP 1N 10% X7R 50V
C372 015-24470-08 CAP CER 0805 CHIP 4N7 10% X7R 50V
C373 015-24470-08 CAP CER 0805 CHIP 4N7 10% X7R 50V
C374 015-24470-08 CAP CER 0805 CHIP 4N7 10% X7R 50V
C375 015-24470-08 CAP CER 0805 CHIP 4N7 10% X7R 50V
D4 001-10000-70 (S) DIODE SMD BAV70 DUAL SWITCH SOT-23 CO
D5 001-10000-99 (S) DIODE SMD BAV99 DUAL SWTCH SNGLE INLI
D6 001-10000-99 (S) DIODE SMD BAV99 DUAL SWTCH SNGLE INLI
D100 001-10000-56 (S) DIODE SMD BAW56 DUAL SWITCH SOT-23
D101 001-10000-99 (S) DIODE SMD BAV99 DUAL SWTCH SNGLE IN
D102 001-10000-56 (S) DIODE SMD BAW56 DUAL SWITCH SOT-23
D103 001-10000-56 (S) DIODE SMD BAW56 DUAL SWITCH SOT-23
D104 001-10000-99 (S) DIODE SMD BAV99 DUAL SWTCH SNGLE IN
D106 001-00015-29 (S) DIODE ZENER 33V 0.4W BZX79/C33
D204 001-10000-70 (S) DIODE SMD BAV70 DUAL SWITCH SOT-23
D205 001-10000-70 (S) DIODE SMD BAV70 DUAL SWITCH SOT-23
D206 001-10000-99 (S) DIODE SMD BAV99 DUAL SWTCH SNGLE IN
D207 001-10000-70 (S) DIODE SMD BAV70 DUAL SWITCH SOT-23
D208 001-10000-70 (S) DIODE SMD BAV70 DUAL SWITCH SOT-23
D209 001-10000-70 (S) DIODE SMD BAV70 DUAL SWITCH SOT-23
D210 001-00015-17 (S) DIODE ZENER 9V1 0.4W BZX79/C9V1
D211 001-10000-70 (S) DIODE SMD BAV70 DUAL SWITCH SOT-23
D403 001-00011-60 (S) DIODE SR2607 6A/30V
IC1 539-00010-41 TCXO 12.8MHZ +-2.5PPM -30 TO +70C NDK NS
IC3 002-00017-51 (S) IC SP8793 DUAL MOD PRESC 40/41
IC4 002-74045-20 (S) IC 74HC4520 DUAL 4BIT SYNCRO CNTR
IC5 002-00017-63 (S) IC NJ8820DP FREQ SYNTHESIZER
IC6 002-00012-47 (S) IC MC33078 DUAL OP AMP LO NOISE
IC7 002-74000-04 (S) IC 74HCU04 UNBUFF HEX INVERTER
IC100 002-00020-50 (S) IC 4N25A OPTOCOUPLER
IC101 002-00015-30 (S) IC 4053B 2CHAN MUX/DEMUX
IC102 002-00014-40 (S) IC 324 QUAD OP AMP
IC103 002-00012-25 (S) IC TL084 QUAD OP AMP JFET I/P
IC104 002-00012-40 (S) IC 358 DUAL OP AMP
IC201 002-00014-62 (S) IC 317L 100MA REG 3 TERMINAL TO-92
IC202 002-00014-40 (S) IC 324 QUAD OP AMP
L1 056-00021-04 IND FXD 330NH AXIAL
L302 065-00010-01 BEAD FERRITE 3B 6 HOLE
L303 065-00010-04 BEAD FERRITE F8 4X2X5MM
L308 056-00021-00 IND FXD 3.3UH AXIAL
L309 052-08155-55 COIL A/W 5.5T/5.5MM HOR 0.8MM WIRE
L310 056-00021-00 IND FXD 3.3UH AXIAL
L311 052-08145-35 COIL A/W 3.5/4.5MM HOR 0.8MM WIRE
L312 052-08160-55 COIL A/W 5.5T/6.0MM HOR 0.8MM WIRE
L313 052-08150-35 COIL A/W 3.5T/5.0MM HOR 0.8MM WIRE
L314 052-08150-55 COIL A/W 5.5T/5.0MM HOR 0.8MM WIRE
LED1 008-00013-32 (S) LED 3MM RED LO CURRENT NO MTG
LED2 008-00013-35 (S) LED 3MM GREEN LO CURRENT NO MTG
PL1 240-00020-57 HEADER 10 WAY 1 ROW PCB MTG
PL100 240-00020-67 HEADER 6WAY 2X3 PCB MTG STD
PL101 240-00020-67 HEADER 6WAY 2X3 PCB MTG STD
PL102 240-00020-44 HEADER 10WAY 2ROW STRAIGHT PCB MTG (5*
PL103 240-00020-67 HEADER 6WAY 2X3 PCB MTG STD
Q1 000-10057-10 (S) XSTR SMD MMBR571 NPN SOT-23 UHF LO PW
Q5 000-10008-48 (S) XSTR SMD BCW60/BC848B215 NPN SOT23 AF
Q6 000-10008-57 (S) XSTR SMD BCW70 PNP SOT23 AF SML SIG
Q7 000-10008-48 (S) XSTR SMD BCW60/BC848B215 NPN SOT23 AF
Q8 000-10008-48 (S) XSTR SMD BCW60/BC848B215 NPN SOT23 AF
Q9 000-10008-57 (S) XSTR SMD BCW70 PNP SOT23 AF SML SIG
Q10 000-10008-48 (S) XSTR SMD BCW60/BC848B215 NPN SOT23 A
Q11 000-10008-57 (S) XSTR SMD BCW70 PNP SOT23 AF SML SIG
Q101 000-10008-48 (S) XSTR SMD BCW60/BC848B215 NPN SOT23
Q102 000-10008-57 (S) XSTR SMD BCW70 PNP SOT23 AF SML SIG
Q103 000-10008-17 (S) XSTR SMD BC817-25 NPN SOT-23 AF LO
Q104 000-10008-48 (S) XSTR SMD BCW60/BC848B215 NPN SOT23
Q105 000-10008-17 (S) XSTR SMD BC817-25 NPN SOT-23 AF LO
Q106 000-00011-91 (S) XSTR BD139 NPN AF PWR TO126
Q208 000-10008-17 (S) XSTR SMD BC817-25 NPN SOT-23 AF LO
Q209 000-00011-30 (S) XSTR BC557B PNP AF SML SIG TO92
Q210 000-00012-15 (S) XSTR BD234 PNP AF PWR TO126
Q211 000-10008-07 (S) XSTR SMD BC807 PNP SOT-23 AF LO PWR
Q212 000-10008-57 (S) XSTR SMD BCW70 PNP SOT23 AF SML SIG
Q300 000-00031-96 (S) XSTR 3866 NPN TO-92 SW. MOT ONLY
Q301 000-00022-30 (S) XSTR 2N4427 NPN TO-39 VHF PWR DRIVE
Q352 000-00012-15 (S) XSTR BD234 PNP AF PWR TO126
Q353 000-10008-48 (S) XSTR SMD BCW60/BC848B215 NPN SOT23
Q354 000-10008-48 (S) XSTR SMD BCW60/BC848B215 NPN SOT23
R1 036-12100-00 RES M/F 0805 CHIP 10E 5%
R2 036-12220-00 RES M/F 0805 CHIP 22E 5%
R3 036-17100-00 RES M/F 0805 CHIP 1M 5%
R6 036-17100-00 RES M/F 0805 CHIP 1M 5%
R7 036-14330-00 RES M/F 0805 CHIP 3K3 5%
R8 036-14100-00 RES M/F 0805 CHIP 1K 5%
R9 036-13100-00 RES M/F 0805 CHIP 100E 5%
R10 036-13220-00 RES M/F 0805 CHIP 220E 5%
R11 036-17100-00 RES M/F 0805 CHIP 1M 5%
R14 036-17100-00 RES M/F 0805 CHIP 1M 5%
R15 036-12680-00 RES M/F 0805 CHIP 68E 5%
R16 036-17100-00 RES M/F 0805 CHIP 1M 5%
R18 036-12100-00 RES M/F 0805 CHIP 10E 5%
R19 036-17100-00 RES M/F 0805 CHIP 1M 5%
R20 036-17100-00 RES M/F 0805 CHIP 1M 5%
R21 036-12100-00 RES M/F 0805 CHIP 10E 5%
R22 036-12220-00 RES M/F 0805 CHIP 22E 5%
R24 036-12220-00 RES M/F 0805 CHIP 22E 5%
R25 036-15150-00 RES M/F 0805 CHIP 15K 5%
R29 036-16470-00 RES M/F 0805 CHIP 470K 5%
R30 036-13220-00 RES M/F 0805 CHIP 220E 5%
R32 036-14100-00 RES M/F 0805 CHIP 1K 5%
R35 036-15100-00 RES M/F 0805 CHIP 10K 5%
R36 036-16470-00 RES M/F 0805 CHIP 470K 5%
R37 036-15100-00 RES M/F 0805 CHIP 10K 5%
R38 036-15100-00 RES M/F 0805 CHIP 10K 5%
R39 036-16470-00 RES M/F 0805 CHIP 470K 5%
R40 036-16470-00 RES M/F 0805 CHIP 470K 5%
R42 036-14180-00 RES M/F 0805 CHIP 1K8 5%
R43 036-12220-00 RES M/F 0805 CHIP 22E 5%
R46 036-14220-00 RES M/F 0805 CHIP 2K2 5%
R47 036-14100-00 RES M/F 0805 CHIP 1K 5%
R48 036-14470-00 RES M/F 0805 CHIP 4K7 5%
R49 036-14470-00 RES M/F 0805 CHIP 4K7 5%
R50 036-15100-00 RES M/F 0805 CHIP 10K 5%
R51 036-15100-00 RES M/F 0805 CHIP 10K 5%
R52 036-15100-00 RES M/F 0805 CHIP 10K 5%
R54 036-14100-00 RES M/F 0805 CHIP 1K 5%
R55 036-13100-00 RES M/F 0805 CHIP 100E 5%
R56 036-17100-00 RES M/F 0805 CHIP 1M 5%
R57 036-15270-00 RES M/F 0805 CHIP 27K 5%
R64 036-15150-00 RES M/F 0805 CHIP 15K 5%
R65 036-16100-00 RES M/F 0805 CHIP 100K 5%
R67 036-14270-00 RES M/F 0805 CHIP 2K7 5%
R68 036-15270-00 RES M/F 0805 CHIP 27K 5%
R69 036-15100-00 RES M/F 0805 CHIP 10K 5%
R70 036-15100-00 RES M/F 0805 CHIP 10K 5%
R71 036-15100-00 RES M/F 0805 CHIP 10K 5%
R72 036-15470-00 RES M/F 0805 CHIP 47K 5%
R73 036-13330-00 RES M/F 0805 CHIP 330E 5%
R74 036-12100-00 RES M/F 0805 CHIP 10E 5%
R75 036-12100-00 RES M/F 0805 CHIP 10E 5%
R76 036-15100-00 RES M/F 0805 CHIP 10K 5%
RV100 040-05100-23 POT 10K LOG VERT PCB MTG 15MM SLOT SHA
R100 036-13100-00 RES M/F 0805 CHIP 100E 5%
R101 036-15100-00 RES M/F 0805 CHIP 10K 5%
R102 036-13470-00 RES M/F 0805 CHIP 470E 5%
R103 036-13560-00 RES M/F 0805 CHIP 560E 5%
RV104 042-05470-06 RES PRESET 47K CARBON 6MM FLAT TOP ADJ
R104 036-13560-00 RES M/F 0805 CHIP 560E 5%
RV105 042-06100-06 RES PRESET 100K CARBON 6MM FLAT
R105 036-15100-00 RES M/F 0805 CHIP 10K 5%
RV106 042-04470-06 RES PRESET 4K7 CARBON 6MM FLAT
R106 036-14220-00 RES M/F 0805 CHIP 2K2 5%
R107 036-15100-00 RES M/F 0805 CHIP 10K 5%
R108 036-14100-00 RES M/F 0805 CHIP 1K 5%
R109 036-14390-00 RES M/F 0805 CHIP 3K9 5%
R110 036-15100-00 RES M/F 0805 CHIP 10K 5%
R111 036-16390-00 RES M/F 0805 CHIP 390K 5%
R112 036-16100-00 RES M/F 0805 CHIP 100K 5%
R113 036-16100-00 RES M/F 0805 CHIP 100K 5%
R115 036-15100-00 RES M/F 0805 CHIP 10K 5%
R116 036-16100-00 RES M/F 0805 CHIP 100K 5%
R117 036-15100-00 RES M/F 0805 CHIP 10K 5%
R118 036-13560-00 RES M/F 0805 CHIP 560E 5%
R119 036-16100-00 RES M/F 0805 CHIP 100K 5%
R120 036-16100-00 RES M/F 0805 CHIP 100K 5%
R121 036-16100-00 RES M/F 0805 CHIP 100K 5%
R122 036-15120-00 RES M/F 0805 CHIP 12K 5%
R123 036-15120-00 RES M/F 0805 CHIP 12K 5%
R124 036-14270-00 RES M/F 0805 CHIP 2K7 5%
R127 036-16100-00 RES M/F 0805 CHIP 100K 5%
R128 036-16100-00 RES M/F 0805 CHIP 100K 5%
R131 036-17100-00 RES M/F 0805 CHIP 1M 5%
R136 036-15100-00 RES M/F 0805 CHIP 10K 5%
R141 036-16150-00 RES M/F 0805 CHIP 150K 5%
R143 036-14220-00 RES M/F 0805 CHIP 2K2 5%
R146 036-15220-00 RES M/F 0805 CHIP 22K 5%
R147 036-15470-00 RES M/F 0805 CHIP 47K 5%
R148 036-16150-00 RES M/F 0805 CHIP 150K 5%

M820-00 T827 PCB Information C6.3.5
Copyright TEL 30/04/96
Ref Var IPN Description Ref Var IPN Description
R149 036-15470-00 RES M/F 0805 CHIP 47K 5%
R150 036-15470-00 RES M/F 0805 CHIP 47K 5%
R151 036-14470-00 RES M/F 0805 CHIP 4K7 5%
&R152 10 036-15220-00 RES M/F 0805 CHIP 22K 5%
&R152 15 036-15270-00 RES M/F 0805 CHIP 27K 5%
R155 036-15100-00 RES M/F 0805 CHIP 10K 5%
R159 036-14220-00 RES M/F 0805 CHIP 2K2 5%
R162 036-13680-00 RES M/F 0805 CHIP 680E 5%
R163 036-14100-00 RES M/F 0805 CHIP 1K 5%
R164 036-13680-00 RES M/F 0805 CHIP 680E 5%
R166 036-17100-00 RES M/F 0805 CHIP 1M 5%
R167 036-14680-00 RES M/F 0805 CHIP 6K8 5%
R168 036-17100-00 RES M/F 0805 CHIP 1M 5%
R169 036-16120-00 RES M/F 0805 CHIP 120K 5%
R170 036-15100-00 RES M/F 0805 CHIP 10K 5%
R171 036-14220-00 RES M/F 0805 CHIP 2K2 5%
R172 036-16470-00 RES M/F 0805 CHIP 470K 5%
R173 036-15100-00 RES M/F 0805 CHIP 10K 5%
R174 036-16330-00 RES M/F 0805 CHIP 330K 5%
R175 036-14100-00 RES M/F 0805 CHIP 1K 5%
R176 036-16100-00 RES M/F 0805 CHIP 100K 5%
R177 036-16100-00 RES M/F 0805 CHIP 100K 5%
R178 036-15560-00 RES M/F 0805 CHIP 56K 5%
R179 036-15560-00 RES M/F 0805 CHIP 56K 5%
R180 036-17100-00 RES M/F 0805 CHIP 1M 5%
R181 036-14220-00 RES M/F 0805 CHIP 2K2 5%
R182 036-14220-00 RES M/F 0805 CHIP 2K2 5%
R183 036-14820-00 RES M/F 0805 CHIP 8K2 5%
&R184 10 036-15150-00 RES M/F 0805 CHIP 15K 5%
&R184 15 036-15180-00 RES M/F 0805 CHIP 18K 5%
&R185 10 036-15470-00 RES M/F 0805 CHIP 47K 5%
&R185 15 036-15560-00 RES M/F 0805 CHIP 56K 5%
R186 036-15100-00 RES M/F 0805 CHIP 10K 5%
R187 036-15560-00 RES M/F 0805 CHIP 56K 5%
R188 036-17100-00 RES M/F 0805 CHIP 1M 5%
R189 036-13560-00 RES M/F 0805 CHIP 560E 5%
R190 036-14220-00 RES M/F 0805 CHIP 2K2 5%
R192 036-14270-00 RES M/F 0805 CHIP 2K7 5%
R194 036-15470-00 RES M/F 0805 CHIP 47K 5%
R195 036-14470-00 RES M/F 0805 CHIP 4K7 5%
R196 036-14470-00 RES M/F 0805 CHIP 4K7 5%
R197 036-14270-00 RES M/F 0805 CHIP 2K7 5%
RV201 042-07100-06 RES PRESET 1M CARBON 6MM FLAT
RV202 042-07100-06 RES PRESET 1M CARBON 6MM FLAT
R224 036-13100-00 RES M/F 0805 CHIP 100E 5%
R227 036-12100-00 RES M/F 0805 CHIP 10E 5%
R228 036-12330-00 RES M/F 0805 CHIP 33E 5%
R229 036-12330-00 RES M/F 0805 CHIP 33E 5%
R230 036-14470-00 RES M/F 0805 CHIP 4K7 5%
R231 036-14100-00 RES M/F 0805 CHIP 1K 5%
R232 032-33270-00 RES M/F PWR 270E 5% 1W 12X4.5MM
R233 032-31100-00 RES M/F PWR 1E0 5% 1W 12X4.5MM
R234 032-31100-00 RES M/F PWR 1E0 5% 1W 12X4.5MM
R235 036-14680-00 RES M/F 0805 CHIP 6K8 5%
R236 036-15100-00 RES M/F 0805 CHIP 10K 5%
R237 036-15100-00 RES M/F 0805 CHIP 10K 5%
R238 036-16100-00 RES M/F 0805 CHIP 100K 5%
R239 036-16100-00 RES M/F 0805 CHIP 100K 5%
R240 036-15470-00 RES M/F 0805 CHIP 47K 5%
R241 036-16470-00 RES M/F 0805 CHIP 470K 5%
R242 036-14100-00 RES M/F 0805 CHIP 1K 5%
R243 036-16100-00 RES M/F 0805 CHIP 100K 5%
R244 036-16100-00 RES M/F 0805 CHIP 100K 5%
R245 036-14150-00 RES M/F 0805 CHIP 1K5 5%
R246 036-15470-00 RES M/F 0805 CHIP 47K 5%
R247 036-16330-00 RES M/F 0805 CHIP 330K 5%
R248 036-16120-00 RES M/F 0805 CHIP 120K 5%
R249 036-16330-00 RES M/F 0805 CHIP 330K 5%
R250 036-14100-00 RES M/F 0805 CHIP 1K 5%
R251 036-13560-00 RES M/F 0805 CHIP 560E 5%
R252 036-16100-00 RES M/F 0805 CHIP 100K 5%
R253 036-15150-00 RES M/F 0805 CHIP 15K 5%
R254 036-15560-00 RES M/F 0805 CHIP 56K 5%
R255 036-15100-00 RES M/F 0805 CHIP 10K 5%
R256 036-15100-00 RES M/F 0805 CHIP 10K 5%
R257 036-10000-00 RES M/F 0805 CHIP ZERO OHM
R258 036-15100-00 RES M/F 0805 CHIP 10K 5%
R259 036-14150-00 RES M/F 0805 CHIP 1K5 5%
R260 036-13470-00 RES M/F 0805 CHIP 470E 5%
R300 030-02820-20 RES FILM 82E 5% 0.4W 4X1.6MM
R301 030-53100-20 RES FILM AI 100E 5% 0.4W 4X1.6MM
R302 030-02820-20 RES FILM 82E 5% 0.4W 4X1.6MM
R303 036-13330-00 RES M/F 0805 CHIP 330E 5%
R304 036-12560-00 RES M/F 0805 CHIP 56E 5%
R305 030-53560-20 RES FILM AI 560E 5% 0.4W 4X1.6MM
R306 030-52470-20 RES FILM AI 47E 5% 0.4W 4X1.6MM
R307 036-10000-00 RES M/F 0805 CHIP ZERO OHM
R313 036-14100-00 RES M/F 0805 CHIP 1K 5%
R364 036-11330-00 RES M/F 0805 CHIP 3E3 5%
R422 030-53150-20 RES FILM AI 150E 5% 0.4W 4X1.6MM
R423 030-53150-20 RES FILM AI 150E 5% 0.4W 4X1.6MM
R424 030-53390-20 RES FILM AI 390E 5% 0.4W 4X1.6MM
R425 036-12220-00 RES M/F 0805 CHIP 22E 5%
R426 036-15100-00 RES M/F 0805 CHIP 10K 5%
R427 036-15150-00 RES M/F 0805 CHIP 15K 5%
R428 036-14470-00 RES M/F 0805 CHIP 4K7 5%
R429 030-53680-20 RES FILM AI 680E 5% 0.4W 4X1.6MM
R430 036-14220-00 RES M/F 0805 CHIP 2K2 5%
R431 036-14270-00 RES M/F 0805 CHIP 2K7 5%
SK1 240-04020-57 SKT 10 WAY 1ROW PCB MTG TOP ENTRY
SK100 240-02020-05 SKT STEREO PHONE JACK PCB MTG
SK300 240-02100-44 SKT COAX MINI JACK PCB MTG ANGLED
SW101 232-00010-26 SWITCH PUSH SPDT RT ANGLE PCB MTG NO B
T100 053-00010-17 XFMR T4030 LINE MATCH POTCORE
T200 050-00016-50 COIL TAIT NO 650 455KHZ 5.6MM CAN

C6.3.6 T827 PCB Information M820-00
30/04/96 Copyright TEL

M820-00 T827 PCB Information C6.3.7
Copyright TEL 30/04/96
IPN Description IPN Description
T827 Mechanical & Miscellaneous Parts (220-01187-01)
012-04150-01 CAP CER F/THRU 1N5 NO LEAD
(C1-C15)
051-00006-02 SOLDER SPRING 1.3MM A4M1877
065-00010-13 BEAD FERRITE 7D 1.9*0.9*3.8MM STACK POLE
201-00030-02 WIRE #1 T/C WIRE 7/0.2MM PVC RED
2x30mm LED.
201-00030-10 WIRE #1 T/C WIRE 7/0.2MM PVC BLACK
2x35mm LED.
206-00010-11 CABLE COAX 50 OHM RG316-U PTFE
220-01187-01 PCB T827 EX
232-00020-26 BUTTON PUSH FOR 232-00010-26 SWITCH
240-00010-55 PLUG 15 WAY D RANGE WIRE WRAP PINS PNL MTG
PL200
240-00100-43 PLUG COAX MINI PIN PLUG CRIMP 1.5D COAX
240-00100-46 PLUG COAX PNL JACK SUHNER 24 SMC50-2-10C
240-02010-54 SKT 15WAY DRANGE PNL MTG 125 DEG C
Mounted in skt box
240-02100-46 SKT COAX ELBOW SUHNER 16SMC50-2-10C
240-04020-62 SKT 2 WAY RECEPTL SHORTING LINK
240-04020-65 SKT JACK PIN 1.3MM PCB MTG 64 WAY SIL STRAP
SK301 to SK312.
303-11168-00 CHASSIS HSINK PNTD CMPLT A1M2364 800 SERIES
303-23055-00 COVER PLATE A4M955 N CONN HOLE T857
303-23118-00 COVER A3M2247 D RANGE HOLE T855/7
D-range connector
303-50074-00 CLIP A3M2246 SPRING XSTR CLAMP T857
303-50078-00 CLIP A4M2630 0.1MM SPRING WIRE CABLE CLAMP T8
306-01010-00 FERRULE A4M948 HANDLE FXD EQUIP
Handle
308-01007-00 HANDLE A4M949 FXD EQUIP
312-01052-00 LID TOP PNTD COMPL A1M2364 800 SERIES
312-01053-00 LID BOTTOM PNTD COMPL A1M2364 800 SERIES
316-06408-01 PNL FRT COMPL T827 EX A3M2218/1 & 3
316-85015-01 PIN A4M775 LOCATING D RANGE
316-85099-00 PLATE FLOAT A2M2248 DUAL D RANGE SKT BOX
316-85100-00 PLATE FRT A2M2249 DUAL D RANGE SKT BOX
318-01014-00 RAIL A2M2214 FOR 800 SERIES FXD EQUIP
319-01152-00 SHIELD A3M2250 F/THRU MTG T857
345-00040-06 SCREW M3*8MM PAN POZI ST BZ
345-00040-08 SCREW M3*12MM PAN POZI ST BZ
D-range cover
345-00040-09 SCREW M3*6MM CSK POZI TRUNCATED HEAD ST BZ
Rail mounting - pack with rails
345-00040-10 SCREW M3*6MM PAN POZI ST BZ
Rail x4, float plate x4.
345-00040-11 SCREW M3X10MM PAN POZI ST BZ
For final carcassing kit
345-00040-20 SCREW M3*8MM BUTTON SKT HD BLACK ZINC PHOS
Front panel
349-00020-32 SCREW TAPTITE M3X8MM PAN POZI BZ
PCB mounting x8, 'N' hole cover x4.
349-00020-43 SCREW TAPTITE M4X12MM PAN POZI BZ
Top cover x14
349-00020-45 SCREW TAPTITE M4X20MM PAN POZI BZ
Bottom cover x14
352-00010-08 NUT M3 COLD FORM HEX ST BZ
2x D-range, 2x D-range cover, VCO mtg x3
352-00010-29 NUT M4 NYLOC HEX
Handle.
353-00010-10 WASHER M3 FLAT 7MM*0.6MM ST BZ
To be packed in bag
353-00010-11 WASHER M3 FLAT 9.5MM*0.9MM ST BZ
For final carcassing kit
353-00010-12 WASHER M3 SPRING BZ OR Z/C
D-range.
353-00010-13 WASHER M3 SHAKEPROOF INT BZ
D-range cover x2, VCO mtg x3
362-00010-08 GASKET SIL INSULATING TO-5 TO-39
Under Q301
362-00010-23 GASKET SIL INSULATING TO-220 CLIP MTD
362-00010-33 GROMMET LED MTG 3MM LO CURRENT LEDS
365-00011-53 LABEL WHITE RW2365/1 104*37MM SPECIAL ADHSV
365-00100-20 LABEL WHITE S/A 28X11MM QUIKSTIK RW718/4
use label ref #414
365-01391-01 (L)LABEL BLNK 30*10.8MM TAMPERMARK VOID MATT
365-01500-00 LABEL CE CONFORMITY (12*24MM)
399-00010-51 BAG PLASTIC 75*100MM
400-00020-07 SLEEVING 2MM SIL RUBBER
410-01081-00 CRTN T800 MODULE KIWI REF22860 PRTD 402X192X6
410-01082-00 CRTN 10 T800 KIWI REF24417 423X410X360

C6.3.8 T827 PCB Information M820-00
30/04/96 Copyright TEL

M820-00 T827 PCB Information C6.3.9
Copyright TEL 30/04/96
T827 Grid Reference Index (IPN 220-01187-01)
How To Use This Grid Reference Index
The first digit in the PCB layout reference is a "1" or "2", indicating the top or bottom side layout respectively, and the last two charac-
ters give the location of the component on that diagram.
The first digit in the circuit diagram reference is the sheet number, and the last two characters give the location of the component on
that sheet.
Device PCB Circuit Device PCB CircuitDevice PCB Circuit Device PCB Circuit
C1 2:R5 1-A8
C2 2:K5 1-B4
C3 2:L5 1-B5
C4 2:L5 1-B4
C5 2:L5 1-B5
C6 2:Q4 1-B7
C9 2:L5 1-C4
C10 2:L5 1-D5
C11 2:M4 1-E5
C12 2:M5 1-E4
C13 2:T4 1-E8
C15 1:M5 1-G4
C16 2:M4 1-G4
C17 2:M3 1-G2
C19 2:P3 1-G2
C20 2:N3 1-H3
C21 2:T3 1-F8
C25 1:P5 1-K5
C26 2:N5 1-K2
C29 1:N3 1-M5
C30 1:N5 1-N3
C33 2:Q8 1-M5
C34 1:U4 1-P7
C35 1:S5 1-D8
C36 2:S5 1-D8
C39 2:Q7 1-Q6
C40 2:R4 1-C7
C42 1:N4 1-L4
C43 2:R3 1-G6
C44 2:R3 1-H7
C45 2:P8 1-N5
C46 2:M5 1-D5
C47 2:S4 1-J8
C48 1:R3 1-G6
C101 1:D8 2-B7
C102 1:B3 2-C3
C103 1:C4 2-C3
C104 2:D11 2-C3
C105 2:D8 2-C6
C106 2:D8 2-C7
C107 1:E8 2-C8
C108 2:D11 2-D2
C109 2:D11 2-D3
C110 2:C11 2-D3
C111 2:D11 2-E2
C112 1:D7 2-E6
C113 2:D9 2-E2
C115 2:D9 2-F6
C118 2:C8 2-F7
C119 1:E9 2-G3
C121 2:B6 2-G7
C123 2:B6 2-H7
C124 2:C6 2-J1
C126 2:C6 2-H0
C128 2:B6 2-J7
C129 1:B5 2-K7
C133 2:E4 2-P4
C135 2:E5 2-Q4
C137 1:E7 2-Q1
C139 2:D5 2-H0
C141 2:E4 2-R5
C145 2:C9 2-C5
C146 2:B6 2-F6
C147 1:B7 2-G4
C148 2:C7 2-H2
C149 2:C6 2-H5
C150 1:C5 2-J6
C151 2:E6 2-K2
C152 1:D6 2-L2
C153 2:C4 2-L6
C154 1:D4 2-M1
C156 1:D4 2-N6
&C157 2:E4 2-Q4
C158 2:E6 2-R0
C160 2:C7 2-Q3
C161 2:D5 2-F1
C162 1:E2 2-A3
C163 1:E2 2-A3
C164 2:E4 2-D0
C166 2:E6 2-Q1
C209 1:R6 3-A1
C212 2:R8 3-D2
C213 1:R8 3-D2
C214 2:T6 3-A3
C215 1:T6 3-C3
C216 2:T6 3-C4
C217 2:V5 3-C5
C218 2:S7 3-H4
C219 1:T8 3-F3
C220 2:T8 3-F3
C221 2:T8 3-F3
C222 1:T7 3-J6
C223 1:S8 3-N5
C224 1:R7 3-B1
C225 2:R7 3-D1
C226 1:R8 3-E1
C227 1:R9 3-F2
C228 2:R6 3-D3
C229 2:T9 3-E4
C230 2:R8 3-F1
C231 2:T8 3-R6
C232 2:R6 3-A1
C233 2:S9 3-G2
C303 2:H9 3-P2
C308 2:J10 3-N3
C313 2:H9 3-P1
C317 2:H6 3-K1
C319 2:G7 3-M1
C322 2:G9 3-P1
C330 2:S7 3-C3
C352 1:J10 3-M2
C364 2:J6 3-J1
C366 1:H10 3-P2
C367 2:H6 3-L1
C370 2:G6 3-L1
C371 2:K5 1-B5
C372 2:J11 3-M3
C373 2:J11 3-L3
C374 2:J12 3-N4
C375 2:J11 3-L4
C376 2:H11 3-N3
D4 2:N5 1-J3
1-J3
D5 2:R4 1-K8
1-K7
D6 2:Q4 1-H8
1-H7
D7 2:J12 3-N3
3-M3
D100 2:D11 2-C2
2-D2
D101 2:D4 2-B1
2-B1
D102 2:D4 2-B2
2-B2
D103 2:D11 2-C3
2-D3
D104 2:C5 2-M5
2-L5
D106 1:C12 2-R8
%D107 1:C4 2-B4
%D108 1:C4 2-C4
D204 2:R7 3-C2
3-C1
D205 2:V5 3-C6
3-C6
D206 2:U9 3-D4
3-D5
D207 2:S7 3-H6
3-J6
D208 2:S8 3-L6
3-L6
D209 2:S9 3-P5
3-P5
D210 1:S8 3-L5
D211 2:S8 3-M5
3-M5
D403 1:V5 3-D7
IC1 1:R5 1-B8
IC3 1:M4 1-E4
IC4 1:T3 1-F7
1-G8
IC5 1:N4 1-F3
IC6 1:P4 1-M3
1-K3
1-L5
IC7 1:T5 1-D8
1-D7
1-D7
1-K7
1-G7
1-H7
1-J7
IC100 1:E4 2-D1
IC101 1:C10 2-E4
IC102 1:C7 2-G5
2-K5
2-F1
2-H2
2-G0
IC103 1:E6 2-H0
2-K2
2-N4
2-R4
2-R1
IC104 1:D8 2-N3
2-R2
2-M0
IC201 1:T6 3-A3
IC202 1:S6 3-C3
3-H6
3-K6
3-N5
3-G4
L1 1:L5 1-B4
L302 1:F8 3-N1
L303 1:H10 3-N2
L308 1:H8 3-N2
L309 1:G9 3-P1
L310 1:G6 3-L1
L311 1:H6 3-K1
L312 1:H7 3-M1
L313 1:H8 3-M1
L314 1:G10 3-Q1
PAD1 1:D1 2-R8
PAD2 1:C11 2-R9
PAD3 1:D10 2-B2
PAD4 1:D10 2-R6
PAD5 1:E3 2-N6
PAD6 1:D1 2-R6
PAD7 2:C1 2-R7
PL1 1:P5
PL100 1:D9
PL101 1:D10
PL102 1:D10
PL103 1:D9
PL200 1:W5
Q1 2:L4 1-C4
Q5 2:T5 1-Q8
Q6 2:T4 1-Q7
Q7 2:T4 1-P7
Q8 2:Q4 1-H8
Q9 2:R3 1-H7
Q10 2:R4 1-J8
Q11 2:R4 1-J7
Q101 2:D8 2-D7
Q102 2:C11 2-E3
Q103 2:B6 2-H7
Q104 2:B6 2-J8
Q105 2:C11 2-Q8
Q106 1:C4 2-C1
Q208 2:R7 3-C0
Q209 1:R6 3-D3
Q210 1:T9 3-E4
Q211 2:T8 3-R5
Q212 2:R8 3-E1

C6.3.10 T827 PCB Information M820-00
30/04/96 Copyright TEL
Device PCB Circuit Device PCB CircuitDevice PCB Circuit Device PCB Circuit
Q300 1:G6 3-L1
Q301 1:H8 3-N1
Q352 1:J12 3-N3
Q353 2:J11 3-M3
Q354 2:J11 3-L3
R1 2:M5 1-B6
R2 2:R4 1-B8
R3 2:M3 1-B1
R6 2:M3 1-B1
R7 2:L5 1-B5
R8 2:K5 1-B5
R9 2:K5 1-C5
R10 2:L5 1-C4
R11 2:M3 1-C1
R14 2:L4 1-C1
R15 2:L4 1-C5
R16 2:L4 1-D1
R18 2:M5 1-D6
R19 2:L3 1-D1
R20 2:L3 1-D1
R21 2:S4 1-D8
R22 2:T4 1-E8
R24 2:M4 1-G5
R25 2:N3 1-H3
R29 2:N4 1-H4
R30 2:N4 1-H3
R32 2:N4 1-J3
R35 2:M5 1-J3
R36 2:N5 1-J3
R37 2:P5 1-K5
R38 2:P5 1-K6
R39 2:P5 1-K3
R40 2:N5 1-K2
R42 2:N4 1-L5
R43 2:P5 1-M4
R46 2:Q8 1-M5
R47 2:U5 1-P8
R48 2:T4 1-P7
R49 2:T3 1-P6
R50 2:T3 1-N6
R51 2:T4 1-N7
R52 2:M3 1-H4
R54 2:R3 1-G6
R55 2:T4 1-K6
R56 2:R3 1-K6
R57 2:R4 1-J6
R64 2:R4 1-C7
R65 2:S4 1-D7
R67 2:S3 1-G7
R68 2:R3 1-G6
R69 2:Q4 1-H8
R70 2:Q3 1-H7
R71 2:Q4 1-K8
R72 2:P8 1-N5
R73 2:P8 1-N6
R74 2:L5 1-B5
R75 2:M5 1-E5
R76 2:R4 1-K7
RV100 1:B9 2-B4
R100 2:C4 2-B0
R101 2:D4 2-B1
R102 2:D4 2-C1
R103 2:D8 2-C7
RV104 1:C5 2-J6
R104 2:B4 2-C4
RV105 1:D7 2-Q3
R105 2:D8 2-C5
RV106 1:D5 2-L1
R106 2:D8 2-C6
R107 2:D8 2-D7
R108 2:D8 2-D8
R109 2:D8 2-D7
R110 2:C11 2-D5
R111 2:E4 2-D0
R112 2:C8 2-D4
R113 2:C11 2-D3
R115 2:E8 2-D6
R116 2:D11 2-E3
R117 2:E8 2-E8
R118 2:D9 2-E2
R119 2:C10 2-E6
R120 2:D9 2-E4
R121 2:D9 2-E6
R122 2:E7 2-E2
R123 2:D5 2-F1
R124 2:D6 2-F1
R127 2:C6 2-H3
R128 2:C7 2-G7
R131 2:D6 2-J2
R136 2:C7 2-J1
R141 2:B5 2-K7
R143 2:B5 2-L7
R146 2:D4 2-M6
R147 2:D5 2-M1
R148 2:D4 2-N5
R149 2:D6 2-N5
R150 2:E5 2-N4
R151 2:E4 2-P4
&R152 2:E4 2-P5
R155 2:C11 2-Q8
R159 2:C11 2-Q8
R162 2:C11 2-R9
R163 2:C2 2-R6
R164 2:C10 2-R6
R166 2:C6 2-G6
R167 2:B7 2-G4
R168 2:C7 2-H5
R169 2:D7 2-H3
R170 2:C7 2-H4
R171 2:B7 2-H4
R172 2:D5 2-J7
R173 2:C6 2-J5
R174 2:C6 2-J5
R175 2:B6 2-J8
R176 2:C5 2-J6
R177 2:C6 2-J5
R178 2:D6 2-K2
R179 2:D6 2-K3
R180 2:D6 2-K1
R181 2:D6 2-L1
R182 2:C5 2-L5
R183 2:D6 2-L2
&R184 2:E4 2-Q5
&R185 2:E4 2-Q5
R186 2:E7 2-Q2
R187 2:E7 2-Q1
R188 2:E6 2-R0
R189 2:E5 2-Q4
R190 2:E5 2-R4
R192 2:E8 2-R2
R194 2:D7 2-Q3
R195 2:E7 2-R2
R196 2:E7 2-Q3
R197 2:E6 2-R0
RV201 1:T7 3-J7
RV202 1:S8 3-M5
R224 2:R6 3-B1
R227 2:R9 3-F2
R228 2:T7 3-A4
R229 2:T7 3-A4
R230 2:S6 3-C3
R231 2:U8 3-D4
R232 1:T9 3-D3
R233 1:U8 3-E5
R234 1:U7 3-E5
R235 2:S6 3-E3
R236 2:S7 3-E2
R237 2:S6 3-G7
R238 2:T7 3-G7
R239 2:S7 3-G5
R240 2:S7 3-H7
R241 2:T7 3-J6
R242 2:T7 3-J7
R243 2:T7 3-K7
R244 2:S7 3-K6
R245 2:S8 3-K5
R246 2:T8 3-K7
R247 2:S9 3-N6
R248 2:S8 3-N5
R249 2:S9 3-P6
R250 2:T8 3-Q5
R251 2:T8 3-Q6
R252 2:R8 3-E0
R253 2:R7 3-D1
R254 2:R8 3-E0
R255 2:S7 3-H7
R256 2:T8 3-L7
R257 2:S8 3-L6
R258 2:S9 3-P6
R259 2:T6 3-B2
R260 2:T6 3-B3
R300 1:J6 3-J1
R301 1:J6 3-J1
R302 1:J6 3-J1
R303 2:G6 3-K1
R304 2:M8 1-A4
R305 1:H7 3-L1
R306 1:H8 3-M1
R313 2:G6 3-L1
R364 2:J10 3-M2
R422 1:H7 3-L2
R423 1:H7 3-L2
R424 1:H9 3-N2
R425 2:P8 1-M5
R426 2:J11 3-L4
R427 2:J11 3-K3
R428 2:J11 3-K3
R429 1:H11 3-M3
R430 2:J12 3-M4
R431 2:S4 1-H7
SK1 1:K5
SK100 1:B8 2-A7
SK300 1:G10 3-R1
SK301 1:Q7 1-R7
SK302 1:Q8 1-R6
SK303 1:Q7 1-R6
SK304 1:K7 1-R4
SK305 1:K8 1-R4
SK306 1:K8 1-R4
SK307 1:K8 1-R3
SK308 1:K7 1-R3
SK309 1:L7 1-N7
SK310 1:M8 1-A4
SK311 1:Q8 1-R5
SK312 1:Q7 1-R6
SW101 1:C11 2-B5
T100 1:D3 2-B3
T200 1:R8 3-C1
TP1 1:J12 3-M4
TP2 1:U5 1-B6
TP3 1:P5 1-D8
TP4 1:R5 3-A1
TP5 1:J4 3-R5

M820-00 T827 PCB Information C6.3.11
Copyright TEL 30/04/96
T827 PCB Layout
Top Side
220-01187-01

C6.3.12 T827 PCB Information M820-00
30/04/96 Copyright TEL
T827 PCB Layout
Bottom Side
220-01187-01
C180/C181

M820-00 T827 PCB Information C6.3.13
Copyright TEL 30/04/96
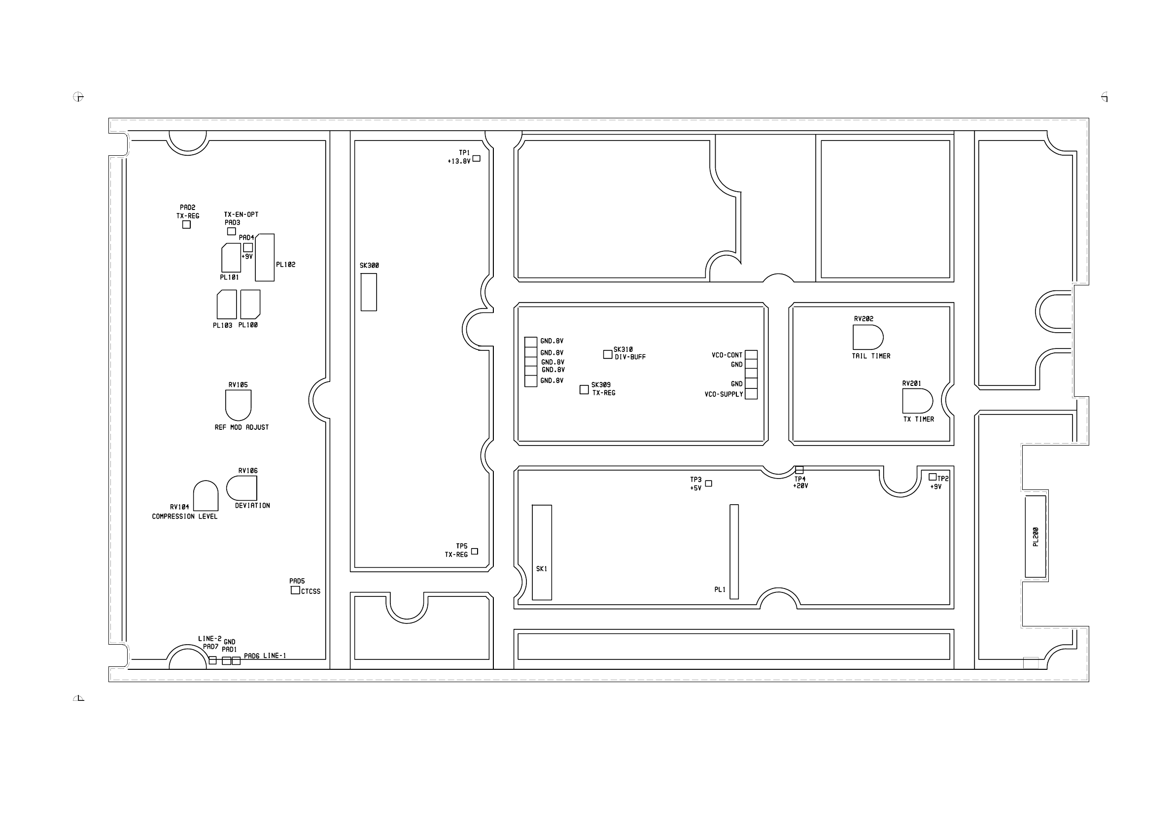
T827 Test Points & Options
Top Side
220-01187-01

C6.3.14 T827 PCB Information M820-00
30/04/96 Copyright TEL

M820-00 T827 PCB Information C6.3.15
Copyright TEL 30/04/96
5
6
74
8
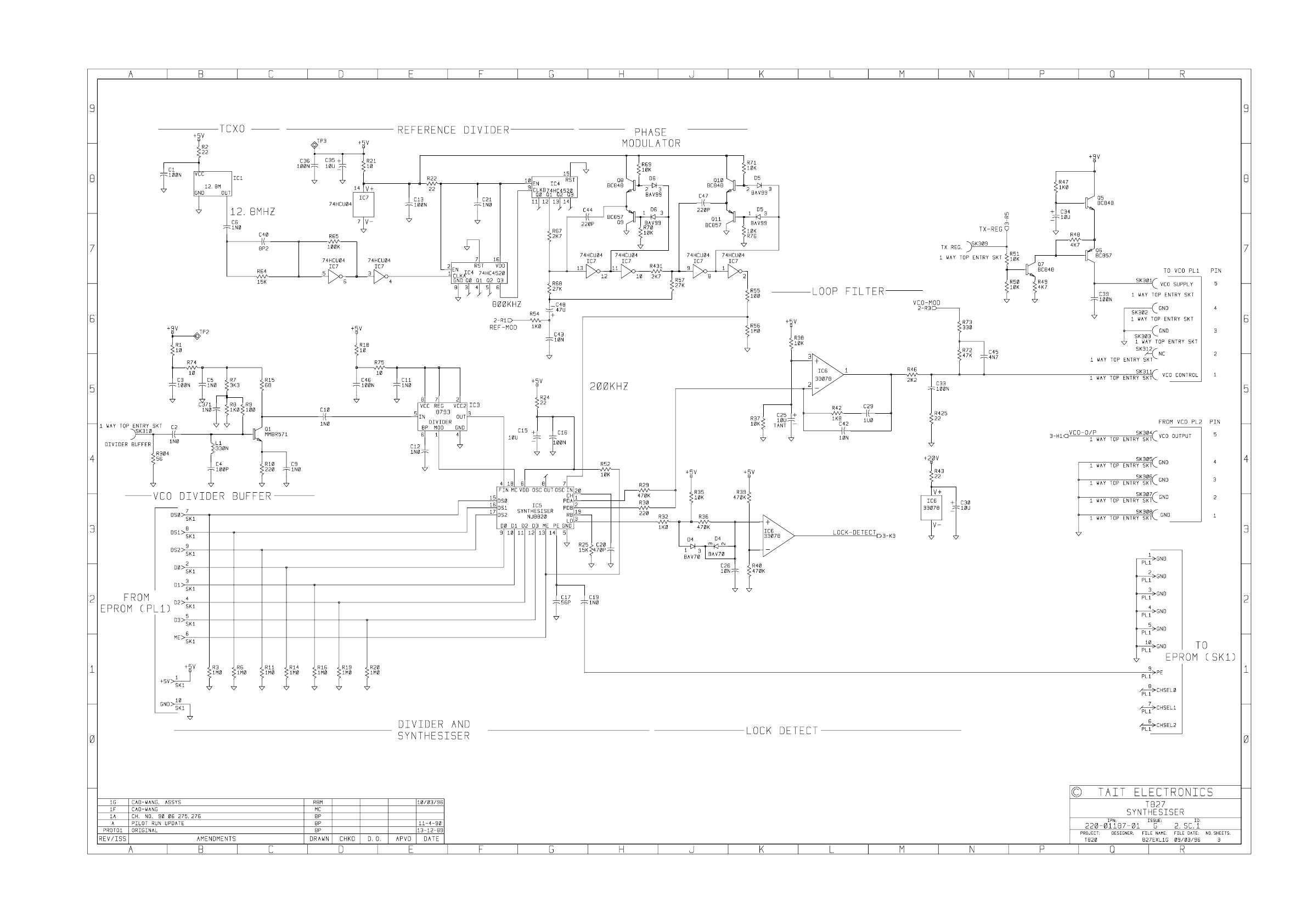
Sheet 1 T827 Synthesiser
220-01187-01

C6.3.16 T827 PCB Information M820-00
30/04/96 Copyright TEL
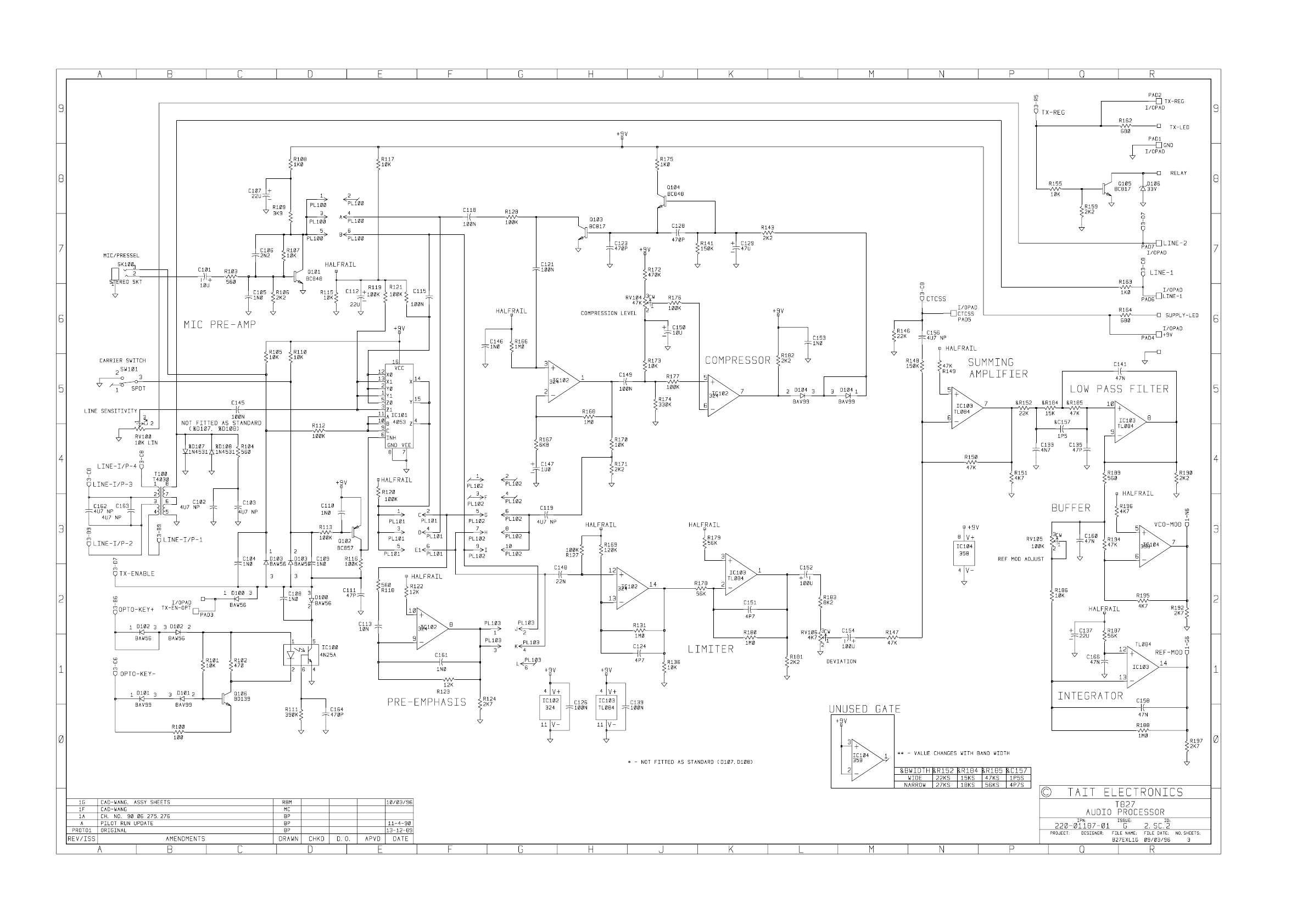
Sheet 2 T827 Audio Processor - 220-01187-01

M820-00 T827 PCB Information C6.3.17
Copyright TEL 30/04/96
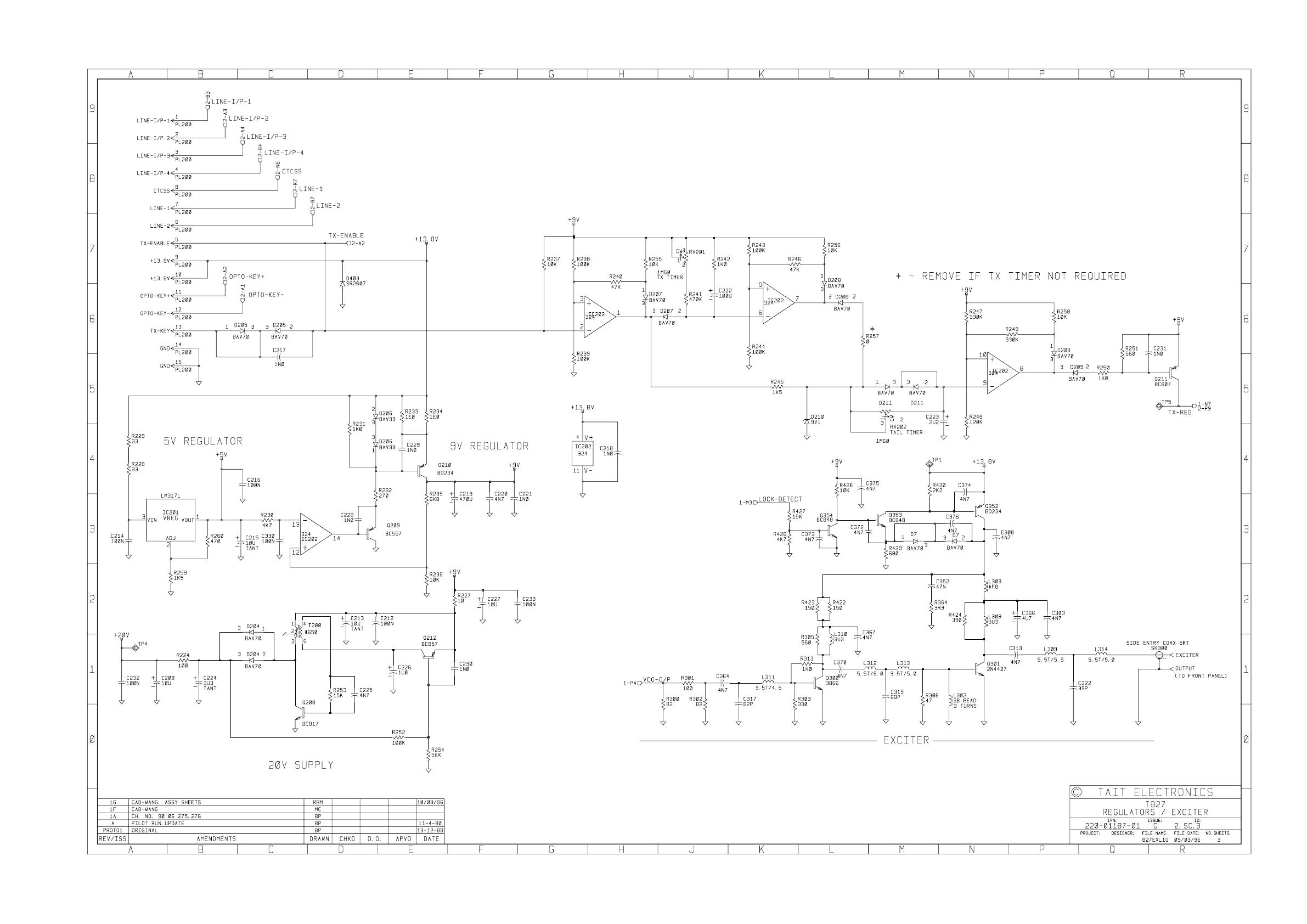
Sheet 3 T827 Regulators & Exciter
220-01187-01

C6.3.18 T827 PCB Information M820-00
30/04/96 Copyright TEL