CDC_Color_Display_Controller_Sep1979 CDC Color Display Controller Sep1979
User Manual: Pdf CDC_Color_Display_Controller_Sep1979
Open the PDF directly: View PDF
.
Page Count: 14

Controller
Addressing
SRln'
4
175
Caddr.O'
15
XO
S85
36
DO
00
1
YO
X>Y
5
Caddr.1'
13
01
14
X1
X=
12
Caddr.2'
12
Y1
02
11
X2
X<Y
13
Caddr.3'
10
Y2
9 X3 9
18
Y3
>
137
SRClock
Hi
GNO
66
laddr.O
18
laddr.O'
166
laddr.1
4
16
laddr.1'
S240
67
laddr.2
6
14
laddr.2'
8ns
167
laddr.3
n
12
laddr.3'
3
IMe'
SOO
OMe'
File
Designer
ADDRE~~)f)lII;,8EAc.e_:-
_____
C_D_C_01-:.~~jJ=,.
:...::."=-=_:.:.I~~b.:....a,~cJs_.e;.,,.:f
__
-:..-::-

95
Onala.OO
93
Odala.01
92
Odala.02
91
Odala.03
89
Onala.04
On
Odala.05
Output
64
Odala.OB
9 i s
te
r
Odala.09
63
S374
DO
00
2 OulD.OO
Odala.10
2
OuID.OB
[)
QulD.01
62
D1
01
5
OutD.09
G
OuID.02
D2
02
Odala.11
6
u1D.10
OuID.03
61
D3
03
9 9 u1D.11
12
OUID.04
04
04
12
ullJ.12
QulD.O!)
D5
05
1 I)
Odala.12
15
OuID.13
16
OUID.Of)
59
D6
06
16
Ou1D.14
19
ullJ.07
1)7
1119
07
Odala.13
19
OullJ.15
58
03
Odala.06
02
Odala.07
CK
OC'
Odala.14
57
11 1 11
53
Odala.15
En
eClk1'
Ed
eClk1'
GNO GND
GND 2
1Bldala.00
[J]1J
Returns
127,,0
as
the
IO
word~H~i--~
161data.01
[ill]
OuID.11
4
ForceAAclive'
_O..-u,;.;ID-.
.....
1 2
__
~5~
D 1 GNO 6
141data.02
[J][]
OuID.14
12
D2
OuID.15
13
D3
Hi
B
121data.03
[ill]
GND 2
181data.04
[I@
Oaddr.7
LdDBuf
161data.05
[ill]
Oaddr.7'
10
GND 6
141data.06
om
LdCR
OrAeF 9
S240
121data.07
[NJ
3
Idata.OS
!J]§J
~.
Hi
5
Idata.09
11641
7ldata.10
[]]I]
4
Hi
5 9
Idata.11
[]]I]
GND 11
1Bldata.12
[I[[J
161data.13
[J]§J
IMeF'
Hi
9
12
11
a19c
B RamClk1
~~R~am~C~lo~c~k~F~e~ed~'
______
1~0~
SOC
RamClk1'
Hi
13
141data.14
[J]IJ
GND
FieldB
121dala.15
11531
[]]]
RUN
15~5
RsI'
S241
3
Idala.16
114s1
FieldB
.~
"
File,
DesLgner
'_...!.I_O""""D_A_T-...A_&_C_~I,~.Q:.:.:.C:.:~=..JN=
..
I.:.:,:E=B-=~:.:.:.
,C:.::,:,E.
__
.!--C_DC_O_2_.S::j)
:.:
..
:::
..
=_.=:..C=.,
..
=llJ.:....J.l.:..::G}<:_e_r_--.:.._..:-.
..
~:...:...:...
.......
-
---
.... -
•..•.
--

WakeUp
Priority
Encoding Logic
Ph (ISO 1
Nextl'
2
Phase1'
3
WakeP1'
00
5
HM7603
00
2 7
G1
GND
10
01
01
AO
3
G2P2
r.acldr.O'
11
02
10
G2
A1
4 G2P1
"0
or.
l'
12
03
12
02
6
WakeP2'
A2
!J
G3P2
14
6
aLidr.2'
D
04
15
G3
6 G3P1
CacJcJr.3'
14
A3
05
1:1
7
G123
A4
06
b1807
!)
23
CS'
8
WakeP3'
7
15
GND
WakeP1'
Wake1
13
G123
2
Wake2
1
Wakc3
11
Wnke4
12
WakeP2'
4
G23
5
8
dTx'
WakeP3'
9
Transmit
Phnse1 '
G3
10
PIlnse1
Nextl'
Transmit'
12
11 3
Phase1'
13
532
5240
7
102
Phase1
Next'
5
Phase1
Next
SyncWakeReg
dTx'
4
Transmit'
00
Transmit
SWE 4
OMe'
5
DatnWakeReqlJest
01
OMeF
OWE
IMe'
12
02
l/.IIeF'
ClrAdr'
13
03

PreHBlank'
6
S163
CO
~~
FieldB
' VS
1~~12
BO
HO
5..
B1 H1
};
VSd'
,:
at-
GNO 4
1W3
BitClkn
1U
Hi 1 3
B2
H2
14
S10
B3
H3
L2.U
r
sao
7
sao
~
EP
a14
~
1:T
ldCR
~~6
Cl'CK
lO'
OutD.13
12~
EdqeClk2
11
ClrAdr'
!iL!..lJ
21
91
37s10
13
.:.%1
--..-
sao
S163
CO d
F93427
Hi1 6 5
25S09
FieldB
10~
HI1 5 BO
HO
11 6
AO
12
3
DO
2 VS
EnableBul
11
16
8
ColorMapTime'
B1
H1
12
A1
00
GNO 4
Hi1 4
B2
1-12
13
7
BO
00
9U 1
A2
01
11 Hi1
Hi
1 3 4 6
01
IrJ
--
S10
B3
H314
Hi1 5
3
A3
B1
01
10
A4
a13
10
11
7 2
02
10
VBlank'
12
5'
A5
02
12
EP o 0
~
~
b14
1
~
B2
02
~
ET
~
A6
03
9
03
a12
..:!.§..
a15b
A7
--11
~'x:ororMaPTim
CL'
CK
LO'
B3
03
...1!..c
o,JL-
!:!tL!J
2\
9 1 cs' cs'
GN0
14
1
13
1
SB
CK R'
S74
S04
e
S163
CO
~
EOF'
GNO 6
BO
HO
11
GNO 5 B1
H112
Hi
1 4
B2
H2
13
Hi1 3
B3
H3
14
7
"EP
c14
r-:;Q
~
[tT
CL'CKLO'
Hi1
11
21
9/
HalfLineClk'
S163
CO
}~
F93427
~
BO
HO
5
AO
12
6
B1
H1
A1
00
B2
H2
13
7
A2
3..
B3
H3
14
4
01
3
A3
d13
7 2
A4
02
EP
b13
~
1
A5
A6
.-;..;;..
ET
....--12.
A7
03
CL'CK
LO'
1
21
9
CS' CS'
GN0
14
1
13
1
5163
cod
~
BO
HO,l.L
-
~
B1
H1
12
13
3.
B2
H2
14
B3
H3
7
f-
ro
EP
c13
f-
~
ET
CL'CK
LO'
EOL'
Hi1
BitClk3'
1 I
21
91
14pin
KI100A
oscillator
25.0
MHz
i
FPLAT
, P1
P20~~~--
P2
P19
P3
P1B
!'i
P4
P17
~
P5
P16
1
P6
P15
~
P7
P14
PO
P13
GNO 1
P9
P12
':;';';~---:";~P
1 0
P11
~------......I
b15
3
• Sync Generator..
11
91
13
HnllLineClk'
Hi1
VBlank'
1°D
d16c
8
EnableBuf
PreHBlank'
9
DSOB
One
bit
delay
fa
~ne
wor~
dela~cala~1map
access
'ar
buf
er
fe
c
VBlank'
1°D
4
PreHBlank'
11
e14c""B
4
S175
2 2
S'
~
ColorManTime'
97s10
o 0
~
o 0
d11
b
0'
,
b11a
0'
BitClk3
ItClkO
3 C 6
VideoEnable
R'
S74
12
dHS
4
S175
2 HS
THi1
00
00
11
dPreHBlank
5
00'
PreHBlank
01
01
10
9
6
PreHBlnnk'
01'
dHLC
12 10
1;~12
02
02
1
8T3n
HalfLineClk'
02'
dEOl
13
5
BilClkn
1Js
03
03
4EOL'
S10
03'
CK
Cl'
e13
BitClk3'
91
1 Hi1
BTO
1~3
S175
VS 4
BitClkO'
00
00
-;
VSd'
B(tClka
2Usl
Q
00'
SOO
01
01
~
01'
t
PhD
12
02
02
0 Ph1
BT3a
4~6
11
Ph1'
02'
BitClk3'
Ph1'
13 15
PhD
5Usl
03
03
BilClka
14
PhO'
03'
SOO
CK
CL'
c15
BitClk'a
9/
1 Hi1
~
2 a 6 Com S
nc
5
HS
5
Bilcrk.~~
~S51
~
BitClkb
BitClk'a
8
BitClk'b
j
File
ICDC04.sil
Ph1'
2
PhO'
PhO'
10
Ph1 9
PhD'
13
Ph1
12
Designer
_lb.F.1.G.Ke.r
r

S163
CO
}~
AdrA.O
4
~
BO
HO
12
AdrA.1
3
AO
4;.
B1
H1
13
AdrA.2
2
A1
3.
B2
H2
14
AdrA.3
1 A2
B3
H3
21
A3
7 5
A4
[Q:
EP
e9
6
A5
ET
A6
7 A7
CL'CK
LD'
11
2
9/
OutD.OO 9
F93422
10
Buf.OO
Hi2
Ou1D.01 11
DO
00
12
Buf.01
D1
01
OutD.02
13
h10
14
Buf.02
D2
02
Ou1D.03
15 16
Buf.03
D3'
03
CE1'CE2WE'OE'
~~D
19117
fO
11s1
5163
CO
~
~
BO
HO
11
AdrA.4
4
AO
12
ArirA.5
----:3
4
B1
H1
13
AelrA.6
2
A1
..
82
1-12
AorA.7
A2
3,.
£33
H3
14
1
A3
21
Hi2
7 5
A4
t1.9.
EP
f9
6
A5
ET
A6
7 A7
CL'CK
LD'
11
2 91
OuID.04
9
F93422
1(
Buf.04
ClrAdrA'
Hi2
Ou1D.05 11
DO
00
1 '
Buf.05
D1
01
ClkAclrA'
OuID.06
13
D2
910
02
l'
Buf.06
Ou1D.07
15
H
Huf.07
D3
03
CE1
'CE2WE'OE'
GND
19
1
17
fO
1
1s1
Hi2
S374
3
DO
00
2
MaxA.O
4 5 /,1(lxA.1
SS5
D1
01
AdrA.O
15
XO
~
7 D2
02
6 /,1ClxA.2
MClXA.O 1
X)Y
U 9 MClXA.3
AdrA.1
13
YO
13
D3
03
12
MClxA.4
MClXA.1
14
X1 X
=,
6
AdrA
=
MaxAa
14
D4
04
15
M(lxA.5
Y1
D5
05
AdrA.2
12
X2
~
17
D6
06
16
MClXA.6
MaxA.2
11
X<Y
18
19
MClXA.7
AdrA.3
10
Y2 D7
07
MClXA.3 9
X3
99
CK
OC'
i9
Y3
111
1~
) = <
GND 4
31
21 "
ClkMaxA'
Hi2
AdrA.4
15
SS5
XO
~
~
MaxAA
1
X)Y
AO
AdrA.5
13
YO
3
A1
X1 6
AdrA
=
MaxAb
2
MaxA.5
14
X=
A2
Y1
1
AdrA.6
12
A3
X2
J
21
MaxA.6
11 X<Y
A4
Y2
5
AdrA.7
10
A5
X3
6
MaxA.7
9
h9
A6
Y3 7 A7
) = <
GND 4
31
21
OutD.OS 9
F93422
1(
Buf.Oe
Hi2
OutD.09
11
DO
00
l'
Buf.09
OutD.10
13
D1
f10
01
l'
Buf.10
OutD.11
15
D2
02
1l
Buf.11
D3
03
CE1
'CE2WE'OE'
GND
19
1
17
fO
1
1s1
Hi2
~
AO
3
A1
2
1
A2
21
A3
5
A4
6
A5
7
A6
A7
OuID.12
9
F93422
1(
Buf.12
OutD.13
11
DO
00
1
Buf.13
OutD.14
13
D1
e10
01
1{
Buf.14
OutD.15
15
D2
02
H
Buf.15
D3
03
CE
1 'CE2WE'OE'
GND
19
1
17
ro
1
1s1
BActive
Hi2
WrileBufA'
L:~~E.J:~~~:ct
1
IFile
JDeSigner
Re)i
Date
~J.p5:e
J
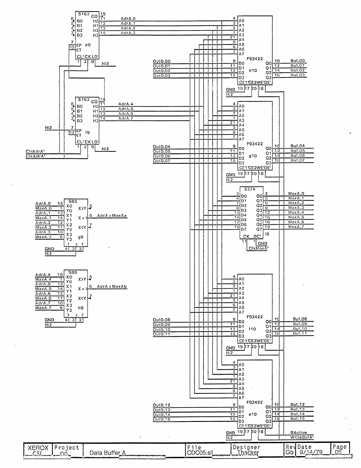
Data
Buffe~
0'
,
!.
'}IIJI',
.~
..
CDC05.si~~1b.aGKe[
Gb
9/,.L4/~9
-12\
_,
,
......-.

S163
CO
}~
~
BO
HO
AdrB.O
4
AO
12
AdrlJ.1 3
4
B1
H1
13
AdrB.2
2
A1
~
B2
H2
14
AdrB.3
1 A2
B3
H3
21
A3
7 5
A4
rtr
EP
04
6
A5
.:..;:;.
ET 7
A6
CL'CK
LD'
A7
112
91
Hi2
OutD.OO 9
F93422
10
Buf.OO
OutD.01
11
DO
00
12
Buf.01
D1
01
OulD.02
13
h5
14
Buf.02
D2
02
OulD.03
15
16
Buf.03
D3
03
CE1'CE2WE'OE'
GND
19
r 7
fO
11s1
Hi2
S163
CO
~
~
BO
HO
11
AdrB.4
~
AO
4
B1
H1
12
AdrB.5
3
A1
1~
ArlrB.G 2
..
£32· H2
14
AelrB.7
A2
3..
£33
H3 1 A3
21
Hi2
7 5
A4
K[
EP
f4
6
A5
ET
A6
7 A7
CL'CK
LD'
112
91
OutD.04
9
F93422
1(
Buf.04
ClrAdrB'
Hi2
OulD.05
11
DO
00
1
Buf.05
D1
01
ClkAdrB'
OutD.06
13
D2
95
02
1 {
Buf.06
OulD.OJ
16
1f
Buf.07
D3
03
CE1
'CE2WE'OE'
GND
19
~7
ro
/lS
1
Hi2
S374
3
DO
00
2
MaxB.O
4 5 M()xB.1
SS5
D1
01
AdrB.O
15
XO
~
7
02
6 MllX13.2
MaxB.O
1 X>Y B D2 9
MllXB.3
AdrB.1
13
YO
13
03
03
12
MaxB.4
Max£3.1
14
X1
X=
6
AdrB
=
MaxBa
14
04
04
15
MaxB.5
Y1
D5
'4
05
AdrB.2
12
X2
~
17
D6
I
06
16
M()xB.6
MaxB.2
11 X<Y
18
19
MaxB.7
MnxB.3
10
Y2 D7
07
ArJrB.3 9
X3
94
CK
OC'
Y3
> = <
111
1~_
GNO
41
3
21
ClkMllXB'
Hi2
AdrB.4
15
S85
MaxB.4
1
XO
X>Y
~
~
AO
AdrB.5
13
YO
3
A1
MaxB.5
14
X1
X=
6
AdrB
=
MaxBb
2
A2
Y1
AdrB.6
12
1 A3 .
X2
~
MaxB.6
11 X<Y
21
A4
AclrB.7
10
Y2 5
X3
6
A5
MaxB.7
9
h4
A6
Y3
7 A7
> = <
GND
4/
3
21
OutD.OB 9
F93422
1(
Buf.OS
Hi2
OutD.09
11
DO
00
1 '
Buf.09
OutD.10
13
01
f5
01
l'
Buf.10
OulD.11
15
02
02
H
Buf.11
03
03
CE1'CE2WE'OE'
GNO
19
r7
fO
/lB
I
Hi2
~
AO
3
A1
2
1
A2
21
A3
5
A4
6
A5
7
A6
A7
OutD.12
9
F93422
1C
Buf.12
OutD.13
11
DO
00
1 '
Buf.13
OulD.14
13
01
e5
01
f,t:
Buf.14
OutD.15
15
02
02
1t
Buf.15
03
03
CE1'CE2WE'OE'
GNO
19r7fol181
AAclive
Hi2
WriteBufB'
'_~_l~.ex
l~~~~ct
I
!File
JDeSigner
Re)1
Date
Jpa~e
J
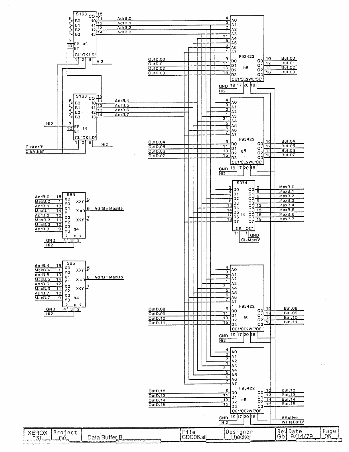
Data Buffer 6 I
CDC06.sih.r-.-,~"..lQaftk.er
. Gb
9/,l4L19~_O'---r
"':~~~~
.......-..-.
J
'"
...
-_.,-
..•.
,,",
--~

13
AO
S189
14
15
A1
1
A2
b7
A3
12
11 3
S374
2 Red.O
10
00
00'
9 4
00
00
5 Red.1
6 01
01'
7 7
01
01
6
Red.2
4
02
02'
5 0
02
02
9
Red.3
GND 3
25S09
03
03'
13
03
b6
03
12
Hed.4
Bul.12
4
00
2
HB.12
CS'
WE'
14
04 04
15
Red.5
BO
00
2
31
05
05
GND 6
GNO
17
16
r~ed.6
Huf.13
5
01
7
HB.13
~
06
06
19
Red.7
B1
01
07
07
GNO 11
02
e6
10HB.14
(]uf.14
12
02
13
CK
ec'
B2
AO
S189
GNO
14
14
1l
1 r
Bul.15
13
D3
15HB.15
15
A1
GNO
B3
03
A2
a8
BitClk'a
1
SB
CK
A3
BT3a
1 I 9
12
00
00'
~
10
(]itClk'h
01
01'
~
6
02
02'
7
4 5
03
03'
CS'
WE'
BitClkb
1;~12
GNO
2
31
HB.04
'.
~DS10
13
AO
S189
14
15
A1
1 A2
c7
A3
12
11 3
S374
2
Green.O
10
00
00'
9 4
DO
00
5
Green.1
6 01
01'
7 7
01
01
6 Green.:?
4
02
02'
5 8
02
02
9
Green.3
HB.12
3
25S09
03
03'
13
03
03
12
Green.4
Bul.OS
4
00
2
HB.08
CS'
WE'
14
04
c6
04
15
Green.S
BO
00
2
31
05
05
I-IB.13
fj
GNO
17
16
Green.6
Buf.09
[)
01
7
HB.09
,..-1.§.
06
06
19
Green.7
B1
01
07
07
HB.14
11
02
e7
101-lB.10
Lluf.10
12
13
CK
ec'
B2
02
AO
S189
HO.15
14 14
111
11
Bu!.11
13
D3
15HB.11
15
A1
GNO
03
03
BitClk'a
A2
1 A3
b8
SB
CK
\
BT3a
11
9
12
00
00'
~
10
BitClk'b
01
01'
~
6
02
02'
7
4 5
03
03'
CS'
WE'
BitClkb
~~6
GNO
2
31
25S09
I-IB.05
HB.08
3
Buf.04
4
00
2 I-IB.04
~7S10
13
BO
00
AO
S189
HEl.09
()
14
Bul.05
5
01
7 I-IB.05
15
A1
B1
0'
I-IB.10
11
e8
1 A2
d7
aul.06
12
02
101-lB.06 A3
B2
02
S374
HB.11
14
03
151-1B.07
12
00
00'
11 3
00
00
2
Blue.O
BuL07
13
03
10
9 4 5
Blue.1
B3
01
01'
01
01
6 7 ? 6
Blue.2
SB
CK
4
02
02'
5
13
02
02
9
Blue.3
'1
9
03
03'
13
03
d6
03
12
EJlue.4
BT3a
CS'
WE'
14
04
04
15
Blue.5
BitClk'b
2
31
05
05
GNO
1"1
16
Blue.6
06
06
~
19
Blue.7
07
07
I-IB.04
3
25S09
00
2 I-IB.OO
13
CK
ec'
Buf.OO 4
AO
S189
BO
00
14
'1
il
HB.05
6 GNO
01
7
HB.01
I
15
A1
Huf.01
5
BitGlk'a
B1
01
I A2
c8
HB.06
11 1
02
f6
10HB.02
A3
But.02
12
02
B2
12
~
HB.O?
14
00
00'
03
15HB.03
10
(]ut.03
13
01
01'
~
B3
03
6
02
02'
7
4 5
SB
CK
03
03'
BT3a
11
9
CS'
WE'
GNO 2
31
BitClk'b
BitClkb
10~
HB.06
11
f7c
8
97
BTO
21,;)3
~
S10
ColorMaoTime
,
[7S08
I
File
Designer
CDC07.si~
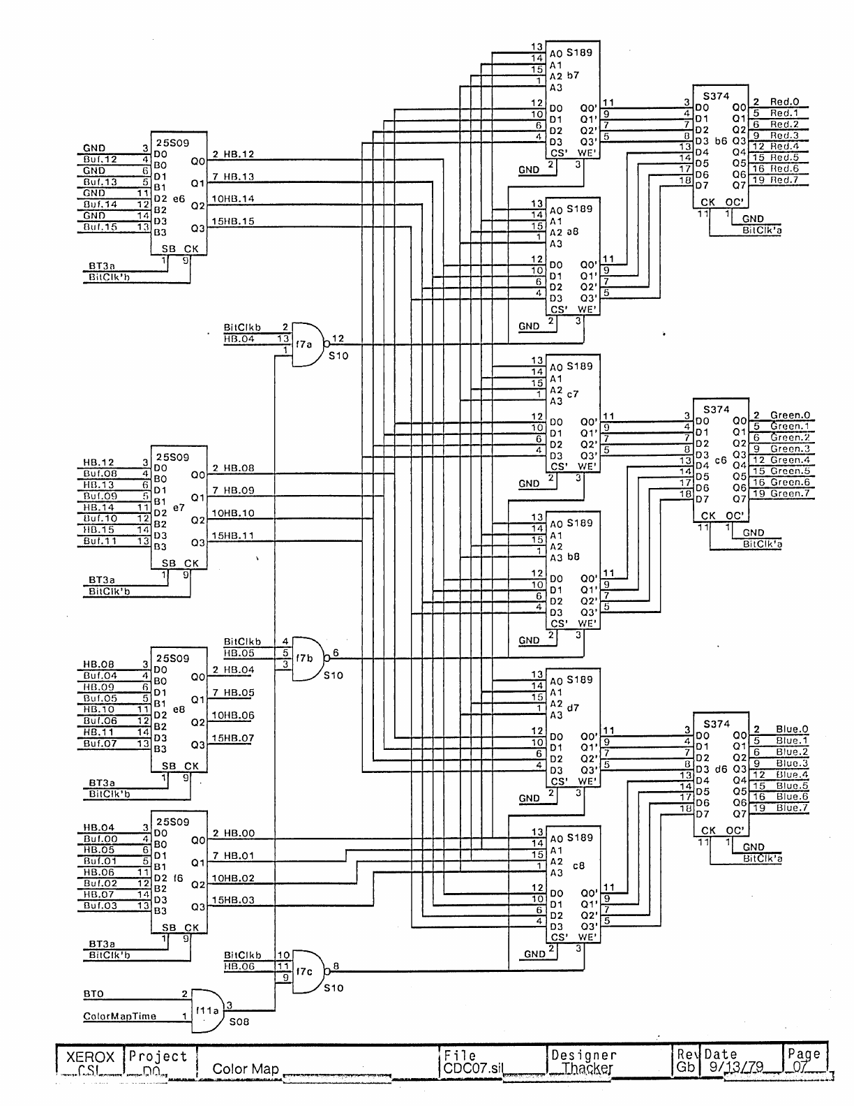
~ltHl~lier

Red.O
VideoEnable
Red.1
Red.2
Red.3
RedA
VideoEnable
5~4
6
Ie
0 J 2
It
%a4a
1000.01
::-;
MC124
gJ
7
Y,
#
%a4b
fo09.11
.-JMC124
10~12
I
o~J
11~5_#_%_a_4_e_'O~0~B~.2_1
____
~
L-/MC124
11~13
I 0 J
14#
%a4d
100B.31
LJMC124
5~4
6
Ie
0 J 2 #
%b5a
100B.41
~rtC124
Hi 1
FPLA
T
20
vee
~H~i-:-1--:2=-+P1
P20
19
vee
gJ
Hi2
3
P2
P19
18
vee
";";';'~-';i~P3
P18
q7
Red.5
7
J,
#%b5b
fo09.51
.-JMC124
P4
P17
6
GNO
P5
P16
5 VOO
-';';';~-;i::-+P6
P15
11~
P7·
P14'13
GNO
P8
P13
12
GNO" 1
P9
P1
12
1
Jil
RegVee
Red.6
10~2
It
%b5e
o
15
100B.61
P10
P
78L05
d1
~Me124
Regulator
t FPLA T
20
vee
i
P1
P20
9
~-----;3=4
P2
P19
...
8
1-t-----....:
4
::-+
P3
P18
7
5
P4
P17
6
1-r-+--I-----~6
P5
P16
...
5
1-r-t--I-+----~7
P6
P15
...
4
1-I--t--+-I-;------8~
P7
P14
...
3
1-+-t--+-i-;-+--~VE=-=E=--~9
PO
P1
3
...
2
Red.7
11
~13
#%b5d
I 0 J
14
100B.71
L7MC124
GND
10
P9
P12
-11l
VEE
VEE
1
FPLAT
20
vee
~
FPLAT
20vee
~~~P10
P11 I
VEE
2
P1
P20
19
P1
P20~'
U~W-!"-!-J-
____
-==a=3==~...J
GND 3
P2
P19'"'1l3RedVee
P2
P1911B
Ci
P3
P18
17
RedVRel.
4 P3
P10~1-=7--+-t--+-+-+-+-I"'"
270
ohm
pull
downs.
mour
5
P4
P17
16
HedComp
5
P4
P17
16
with
pin
1
in
pin
12
of
RegVcc6
P5
P16
15
RedVHef+
6
P5
P16
15
20
pin
pattern.
7
P6
P15~
7 P6
P15
14
.1
mf
filter
cap.
moun1
RegVccff
P7
P14
3 GND 8 P7
P14
13
between
p'lns
10
and
11
GND 9
P8
P13
1 9
PB
P13
12
the
20
pin
pattern.
GN
D 1 a P 9 P 1 2
t-1~1"-r----"G""'N~D--"1
~O
P9
P 1 2
11
P10
P11--
P10
P11r-:-;----I
a2
a1
Red
oAc
,
Motorola
MC10318
DAC
(mounted
with
pin
1
in
pin
11
of
the
20
pin
pattern)
File
CDC08.sil
,,,
Designer
.\
.......
tbacls.eJ

Green.O
VideoEnabfe
Green.1
Green.2
Green.3
Green.4
VideoEnable
Green.5
Green.5
Green.7
5~4
51 _ J 2 /I
%b4a
fo09.01
c 0
~Me124
gJ
7
I,
n %
b4b
fo09.11
o
~Me124
#%b4c
10~:2
o~1~5~
__
~fO~0~9.~2~I
___
~Me124
11~13
o ]
14
#%b4~009.31
~Me124
5
~4
#%c5a
5 _ 0 J 2 1009.4 I
.
~MC124
x
gJ
7~
#%c5b
• 0 J 1 1009.51
~MC124
10~12
#%c5c
I 0 J
15
1009.61
~MC124
11
~13
#%c5d
o J
14
1009.71
~MC124
} FPLA
T
20
vee
P1
P20
9
f-----3~P2
P19f-<o8
1-1------4~
P3
P18
f-t
7
1-1--i-----..,;,.j5
P4
PH
f-<o
6
1-+--1-+-----
6
=+
P5
P16
f-t
5
1-i--i--+-+----~7
P6
P15
f-t
4
1-4--I-~-I-----~8~
P7
P14
~
3
1-+-+--H-+-t--~VE;:";E=--~9
P B
P1
3
f-t
2
":';GN;;;";;D~""':1
0;.10
P9
P12
r-11l
VEE
VEE
1
FPLAT
20
vee
~
FPLA T
20vee
P10
P11 I
VEE
2 P 1
P20
19
P1
P20
119"
W-J-W....!--l-!-
____
-===b=3=~-1
GND 3 P2
P19"'1lJ
GrnVee
• P2
P19i18
h
lld
.
l:i P3
P18
17
GrnVRel.
4
P3
P1B~1~7:--+-+-t-I-++~
270 0 m
pu
owns,
mour
5
P4
P17
16
GrnComp
5
P4
P17
16
with
pin
1
in
pin
1201
RegVcc6
P5
P1615GrnVRef+
6
P5
P16
15
20
pin
pattern
7
P6
P15
j4
7
P6
,P15
14
.1
mf
filter
cap.
moun1
ReqVcc8'
P7
P14
~3
GND 8' P7 .
P14
13
between
p'lns
10 and
11
.
GND 9
PB
P13121
9 P8
P13
12
the
2~~
pin
pattern.
GND
10
P9
P121-
1
:":
1
J..,---G-N--D-1::!.+O P9
P12
11
P10
P11"';'
P10
P11
~---"
b2
b1
Green
DAq~
..
J.
Motorola
MC10318
DAC
(mounted
with
pin
1
in
pin
11
of
the
20
pin
pattern)
L.,;G;r.;r..;.;n.;;O..;;;,u.;.,.t
--<50
I.....-'=':":'
G
Ir
n.:.,:1
G:.:,;
In~d_--<
514
File
Designer
CDC09.silrqU
.'
..
'
"''r
••
J..back.W
n,.

VideoEna
ble
5~4
6 _ J 2 #
%c4a
fo010.01
c
O~~------~~~~--~
~
MC124
Blue.O
9J
Blue.1
Blue.2
10~12
.
0~J11~5~#
__
%_C4_C~fO~0~1~0~.2~1
__
~
~MC124
Blue.3
11~3
#%c4d
o
14
fo010.31
~MC124
Blue.4
5~4
6 I 0 J 2 #
%d5a
fo01 0.41
~MC124
VideoEn
able
9J
Blue.5
7
r--v
#%d5b
I 0 J 1 fo010.51
LYMC124
Blue.6
10r-:u.,12
#%d5c
I
0115
fo010.61
LYMC124
1.
FPLA T
20
VCC
2
P1
P20
9
1------.;;3~
P2
P19
.. 8
~-----4~P3
P18"
7
H--I------::-i
5
P4
P17
.. 6
1-+-I--I-----~6
P5
P16
.. 5
1-+-+-i-t----~7
P6
P15
...
4
H--+--I-+-+-----~8~
P7
P14
.. 3
VEE
9
P8
P13
.. 2
Blue.7
11~3
#%d5d
o
14
fo010.71
~MC124
O:::-G:":-:ND~~1
0=+P9
P12
1"11
VEE
VEE
1
FPLAT
20
VCC
~
FPLAT
20VCC
P10
P11 I
VEE
2
P1
P20
~-
P1
P2019-
U--I-W-l--Uf-
____
-==C::3==_J
GND 3 P2
P19113
BluVee
P2
P19
-,
B
Q
P3
P18
17
BluVRef.
4 P3
P18~1;'::7:-~-+--I-I-+-I-oj-I
270
ohm
pull
downs,
mour
5
P4
P17
16
BluComn
5
P4
PH
16
with
pin
1
in
pin
12
of
ReqVcc6
P5
P16
15
Bluvnef+
6
P5
P16
15
20
pin
pattern
7
P6
P15..J4
7
P6
P15
14
.1
mf
fi
l1;er
cap.
moun1
ReqVcc8'
P7
P14,3
GND 8' P7
P14
13
between
p'lns
10
and
11
GND 9
P8
P1312l
'::':":':::"'--9:;:.!P8
P13
12
the
20
pin
pattern.
GND
10
P9
P12
11
GND
10
P9
P12
11
P10
P11"':"
P10
P111-!-!----J
c2
c1
Motorola
MCI0318
DAC
(mounted
with
pin
1
in
pin
11
of
the
20
pin
pattern)
BluOut
~B~I-uG~ln-d~-·<506
1..-."=':'::":::':':'':::''---<51 3
Blue DAC
..
!C_~
....
li-i .
File
CDC10.sil
• l'Y" .
Designer
.1
.,.~.~.J~b.aGkeI

AdrA
=
MaxAa5
AcirA =
M(lxAb4
AAclivo
2
AAcllvcej
1
AdrB
=
MaxBal3
ClrAdr'
ClrAdr'
DataWakeRe
S 1
63
CO
~1..;:;5:--.;....;..a
~
BO
HO
~
4
B1
H1
3
GND 3
B2
H2 4
~~--~4-~B3
H3
AAelive
BAetive
12
11
WriteA
PreWB
2
WriteA
13
LdDBuf
12
WriteB
4
PreWA
5
WriteB
13
LdDBuf
12
BufferSwiteh'
ForeeBActive'
BufferSwitch
a10a
Control
Lo~~c
4
S175
2
PreWB
5
S175
7
WriteB
D Q 3
PreWA
D Q 6
WriteA
a9b
Q'
age
Q'
AActive
5
S175
7
AActived
..............................
---~
D Q
1-
6
=----=B"'="A-c-:':'t
i-ve~d
BAelive
BitClk3'
10
9
d11 e
Q'
t----~~~--
AAelive
EnableBul
BT3b
BitClkb
RamClk1
BT3b
WriteA
BAelive
13
EnableBuf
1
BT3b
11
BilClkb
12
RamClk1
6
500
a
8
ClkAdrA'
6
ClrAdrA'
e9a
S51
564
d10
ClkMaxA'
WriteBufA'
8
ClkAdrB'
BT3b
1 a
I>c
8
ClrAdrB'
WriteB
10
-p-re-W-A----9~~
S5~9b
ClkMaxB'
11
WriteBufB'
sao
BufferSwiteh
BufferSwitch'
File
Designer
CDC11.si".
fM,,,*VIiI/BP
,.-...1J~lacfs~I

Sync
Generator
File
CDC04.sil Designer
Thacker
Date
9/8/79

Platform
d1
1
required.
•
•
•
•
11
Note:
remove
pins
7,8,
and
9
from
platform
before
mounting
regulator.
Platform
a2,
b2,
c2
3
required
~
~~
~'
.1
uf
-ir-
~
•
180
ohm
~
120
ohm
~
r
XFf=V"'·':'·
~.:.
Pro
j
cc
t ; F i 1
er
~
i f' t
Ds
s
.;
one
r I ReJ
Da.
t e
,:S~
~~;,",,",,9:~:~~~~;:;:~y,~.~u.~
..
~~~,...r:.._·_P
..
~2_.~_f"
....
__
"~_.=-.s.,
....
s"":!_.....,.,i.I.,.t'~:~~~~_r
____
.L~~)
9/8/79

.
,15
Pin FEMALE
Connector
H G F E o C 1 B A
I I
: : : : : : : : : : I : : : : : : : : : : I : : : : : : : : : : I : : : : : : : : : :
I:
: : : : :
::
: :
11
(
:~~~
T:
: :
51'-'-~
:1:~3"""""'!
~
~l
:
I~
:1:~~
~
~l
:
I'--'~
:1:~3"""'-'1
~
~J
:
: :
:: ::
::
::
I::::
::
:
::
: I
::
:::
::
::
:
I:::
: :
::
:::
I:
:: ::
:::
::
12
::
::::
:: ::
II:
r:~~
t:
: :
;I[
~~~
t:
:
:;11:
r.~~
t:
:
:;
"
.......
'1"
...
II
"1
•.•••..••
'1'"
......
·1·····
II.
"'3
""
II
II
"I':
:RPaCk:r
I
:f
:RPaCk:r
I
:e
RPaCk:r
. . . . . . . . ..
.........
. . . . . . . . ..
..........
..........
. . . . . . . . ..
I~;:;;;::'
J~;:;;;:"
j~;
~
; ;
;:
.
[
~:~t~::
:
sl[
:s:~~:
:;:
:
I[$~~:
:
:5::
11;$~~:3:
:5::
I[$~
~>:
:5::
14
::::::::::
I~
:~~~:~~[:
12:t~~:1:2:~(
:
I~
!1~:<2:~1::
:::::::
I[~~?~~~
~
~51[~~?~4~~~
~
~5It:~??~~~~:
:5It~~?~:~~:
:515
~~f~1~2~~I~
~ ~
1~:~f~:2:~I~
~
~
I~H~~:2~~I~
~
~
I:::::::
:: ::
::::
::
I
:: ::
:::
:::
I
::::::::::
"?:~$??:;:
:
II:
~~~:~~s::
16
(:
$~?:~:
:
sl(
:$~?:~
::
;1(:
$~:7:~
::
;1::::::::::
::::::::::
I::::::::::
I::::::::::
U]3D:::
1(~~~:~~5::
17
(~~~:~
:g::
II
~>:~?:
5:
I($~
~~
:5::
I::::::::::
:::
::
:::
::
::
I:
:
::::
:::::
:
I::::::::::::
I(
:2:~$?$::::
I 8
(~~~:~:
g::::
I[$~
~:9:
:5::::
II~>:~?::
5::
::
I
(~:~t~::
:51(
:$?~:
:5::
II;
~:~~:
:s::
11:$~~:3:
:5::
I[$~~>:
:5::
19
IJB:::
H]8:::
Imn:::
It:
~1:t~:5::
:::::::
I[
~?~~~~
~
~5IU~~~4~~~
~
~51[~~?~4~~~
~
~5IU??~~~~
~
~5110
@j~
~
~ ~
ItE§j~
~ ~ ~
l@j~
~
~
~
ImD
:: :: ::
:: ::
I
::
::
::
:
::
: I
::
:::
::
::
:
Imn::
:
1Cill3:
::
111
I;
$~
?:~
:
5:
:
ImD::
:
nm:s::
:
1IE:S:::
: : : : : : : : : : : :
I:
: : : : : : : : : : : I : : : : : : : : : : : :
1IE3:
: : : :
112
IE3:::::
1IE3:
: : : :
II?:~$??:
5:
: : : I
.........
·1·········
·1·········
·1·········
'I(
~1:t~:s"113
1?:~~H:s"II~>:~~:
:5"11~~~?:
:s
..
It:9:~~~?:5"
.
II
••••••••
••••••••••
••••••••••
••••••••••
"
I'
II II
I •
.........
·1·········
·1·········
·1···
..
··
II
'I~"
'114
~
.•
·I[~~~>:
:s·
'11;
~>:~~:5·
'II:$~~:~
:S··
........................................
~
...
~
...
"
....
. ..... ..... ........... ........... ........... . ................................ .
·······I···········I···········I···········I($~~:~:S"'115
~····II~>:~~::s···I~····I~
...........................................
~
.......
~
....
~
::
::
: :
::
::
I
::
: :
::
:
::
:
I[
$
~
?:~
:
5:
: I
:::
::
::
:::
IS:::
'16
m:a:::
Imn::
:
1IE:S::
:
ImD:::
: : : : : : : : : : I : : : : : : : : : :
II;
~
~
~:~~
5:
: I : : : : : : : : : :
u:
~
~
!:~
:
5:
:
117
I;
~
j
?:~
:
5:
:
lCill3:
: :
II:
~
~~:~~
s:
:
1(ffi3:
: :
::::::::
::
I::::::::::
II
:~~~::
5
:I[
:~~~:~:
:sIS:
::
118
::::
:::::
:llEO::
:I[~~?:~
:5:
:lIill::S:::
1;:
$~~:~:
:
gil;:
$??:~
:
:sl(
:$~~:~
:
:51[
~~~?:
:
:;11:
:
~:~~~:
:s119
(~~~?:::
sll;
~:~~~:
:
:511:$~
!:~
:5::
1IE3:::
10318=
MC10318DAC
RPack =
8S9S·1·R270
.1ufcap
3
places
::::::::::::::::::::::::::::::::::::::::::::::::::
;::::
:::::::::::::::::::::::::
::::::::::::::::::::
~=
101-200
1·100
20pins:
A
16pins:
B
14pins:
C
Inverted
16-pin:
F
22pins:
0
24
pins:
E Note: The
short
vertical
lines
indicate
filter
capacitor
locations.
u ,
~.
-------------
__
------~------~~----~~
\ XEROX
;Pro~ec_:
.
·,.e
Designer
C S
'-
!
[:-r~
L.2YO~!
. '2'JClayout.sil Thacker'
.-
":";'~'~~~"...!;..-.
'.~
..
'
~
...
: ....
~...:
.~~~':.w.-..-.
...
aau
.-&:C'
....
D_~J.LW4L4J~-"
.'