CLIC02 Manual
User Manual: Pdf
Open the PDF directly: View PDF
.
Page Count: 214 [warning: Documents this large are best viewed by clicking the View PDF Link!]

Micro Controlador Programável
CLIC-02
Manual do Usuário
Motores I Automação I Energia I Transmissão & Distribuição I Tintas

Manual do Usuário
Série: CLIC-02
Idioma: Português
N º do Documento: 10000771462 / 01
Data da Publicação: 06/2010

Índice
CAPÍTULO 1
Instruções de Segurança
1.1 Cuidados com a Instalação ...............................................................................................1-1
1.2 Cuidados com a Fiação ....................................................................................................1-1
1.3 Cuidados com a Operação .............................................................................................. 1-2
1.4 Verificação antes da Instalação ........................................................................................ 1-3
1.5 Precauções para o Ambiente de Instalação ..................................................................... 1-3
CAPÍTULO 2
Informações Gerais
2.1 Resumo de Mudanças ......................................................................................................2-1
2.1.1 Tamanho do Programa e Display LCD .....................................................................2-1
2.1.2 Variáveis e Blocos de Função ................................................................................. 2-2
2.1.3 Cartão de Memória ................................................................................................ 2-2
2.2 atualizações do Manual ................................................................................................... 2-3
2.3 Identificação do Modelo do CLIC-02 ............................................................................... 2-3
2.4 Termos e Definições Utilizados no Manual ....................................................................... 2-3
CAPÍTULO 3
Guia Rápido de Programação
3.1 Instalar o Software de Programação do CLIC-02 ............................................................ 3-1
3.2 Conectando o CLIC-02 à Rede de Alimentação .............................................................. 3-1
3.3 Conectando o Cabo de Programação ............................................................................. 3-2
3.4 Estabelecendo a Comunicação ....................................................................................... 3-2
3.5 Criando um Programa Simples .......................................................................................3-4
CAPÍTULO 4
Instalação
4.1 Especificações Gerais ...................................................................................................... 4-1
4.2 Modelos e Características ............................................................................................... 4-4
4.2.1 Unidade Básica ......................................................................................................4-4
4.2.2 Módulos de Expansão ........................................................................................... 4-4
4.2.3 Acessórios .............................................................................................................4-4
4.3 Montagem .......................................................................................................................4-5
4.3.1 Montagem em trilho DIN ........................................................................................ 4-5
4.3.2 Instalação Direta .................................................................................................... 4-6
4.4 Esquemas de ligação Elétrica .......................................................................................... 4-7
4.4.1 Bitola do Cabo e Torque no Terminal ..................................................................... 4-7
4.4.2 Entradas 12 / 24 Vcc .............................................................................................. 4-8
4.4.3 Conexão de Sensores ........................................................................................... 4-8
4.4.4 Entradas 100~240Vca ........................................................................................... 4-8
4.4.5 Saídas a Relé ......................................................................................................... 4-9
4.4.6 Saídas a Transistor ................................................................................................. 4-9
4.4.7 Modo E/S Remota ou Datalink ............................................................................... 4-9
CAPÍTULO 5
Ferramenta de Programação
5.1 Software de Programação “CLIC02 EDIT” ....................................................................... 5-1
5.2 Instalando o Software ...................................................................................................... 5-1
5.3 Conectando o Cabo de Programação ............................................................................. 5-2

Índice
5.4 Tela de Início ....................................................................................................................5-2
5.5 Ambiente de Programação Lógica Ladder ...................................................................... 5-3
5.5.1 Menus, Ícones e Exibições de Status .................................................................... 5-3
5.5.2 Programação .........................................................................................................5-4
5.5.3 Modo de Simulação ...............................................................................................5-5
5.5.4 Estabelecer Comunicação .....................................................................................5-6
5.5.5 Transferindo o Programa para o CLIC-02 .............................................................. 5-7
5.5.6 Menu de Operação ................................................................................................ 5-8
5.5.7 Monitoramento/Edição Online ...............................................................................5-9
5.5.8 IHM/Texto .............................................................................................................5-10
5.5.8.1 Configuração de uma tela: .................................................................................5-11
5.5.9 Documentação do Programa ...............................................................................5-15
5.5.9.1 Símbolo… ..........................................................................................................5-15
5.5.9.2 Comentários de Linha........................................................................................5-16
5.5.10 Ajuste AQ … ........................................................................................................5-17
5.5.11 Ajuste de Registro de Dados… ...........................................................................5-17
CAPÍTULO 6
Funções do Teclado e Display LCD
6.1 Teclado ............................................................................................................................ 6-1
6.2 Exibição de Estados ....................................................................................................... 6-2
6.3 Menu Principal do Display LCD .......................................................................................6-4
6.4 Subtelas do Menu Principal .............................................................................................6-5
6.4.1 Tela de Edição LADDER .........................................................................................6-5
6.4.2 Edição de Blocos de Função (FBD) .......................................................................6-6
6.4.3 Parâmetro .............................................................................................................. 6-7
6.4.4 RUN ou STOP ........................................................................................................ 6-7
6.4.5 Data Register ......................................................................................................... 6-8
6.4.6 Opções para Controle do Programa ...................................................................... 6-8
6.4.7 Config. (configuração do sistema) ..........................................................................6-9
6.4.8 Config RTC ...........................................................................................................6-10
6.4.8.1 Configuração Verão/Inverno no RTC ..................................................................6-11
6.4.9 Config. Analógico .................................................................................................6-12
6.4.10 Senha (ajuste de senha) ......................................................................................6-13
6.4.11 Idioma ................................................................................................................6-14
6.4.12 Edição ................................................................................................................6-14
CAPÍTULO 7
Programação em Lógica Ladder
7.1 Variáveis Digitais ................................................................................................................7-1
7.1.1 Entradas Digitais ......................................................................................................7-1
7.1.2 Saídas Digitais .........................................................................................................7-1
7.1.3 Entradas Via Teclado ...............................................................................................7-2
7.1.4 Marcadores Auxiliares .............................................................................................7-2
7.2 Instruções com Variáveis Digitais ..................................................................................... 7-4
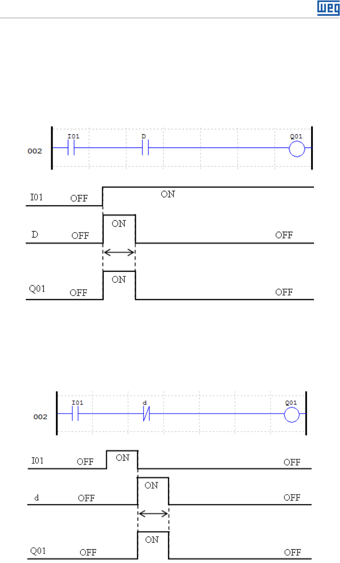
7.2.1 Lógica de Pulso – Borda de Subida ....................................................................... 7-4
7.2.2 Lógica de Pulso – Borda de Descida ..................................................................... 7-4
7.2.3 Função de Saída (-[) ............................................................................................... 7-5
7.2.4 Função Set (↑) ........................................................................................................ 7-5
7.2.5 Função Reset (↓) .................................................................................................... 7-5
7.2.6 Função Saída de Pulso - Flip-Flop (P) .................................................................... 7-6
7.3 Variáveis Analógicas ......................................................................................................... 7-6
7.4 Instruções de Aplicação ....................................................................................................7-7

Índice
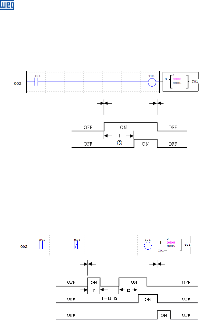
7.4.1 Temporizador ..........................................................................................................7-7
7.4.1.1 Temporizador Modo 0 - Marcador Auxiliar ........................................................... 7-8
7.4.1.2 Temporizador Modo 1 - Retardo na Energização ................................................ 7-9
7.4.1.3 Temporizador Modo 2 - Retardo na Energização Com Reset ............................. 7-9
7.4.1.4 Temporizador Modo 3 - Retardo na Desenergização .........................................7-10
7.4.1.5 Temporizador Modo 4 - Retardo na Desenergização .........................................7-10
7.4.1.6 Temporizador Modo 5 - Oscilador ...................................................................... 7-11
7.4.1.7 Temporizador Modo 6 - Oscilador com Reset .................................................... 7-11
7.4.1.8 Temporizador Modo 7 - Oscilador Ajustável .......................................................7-12
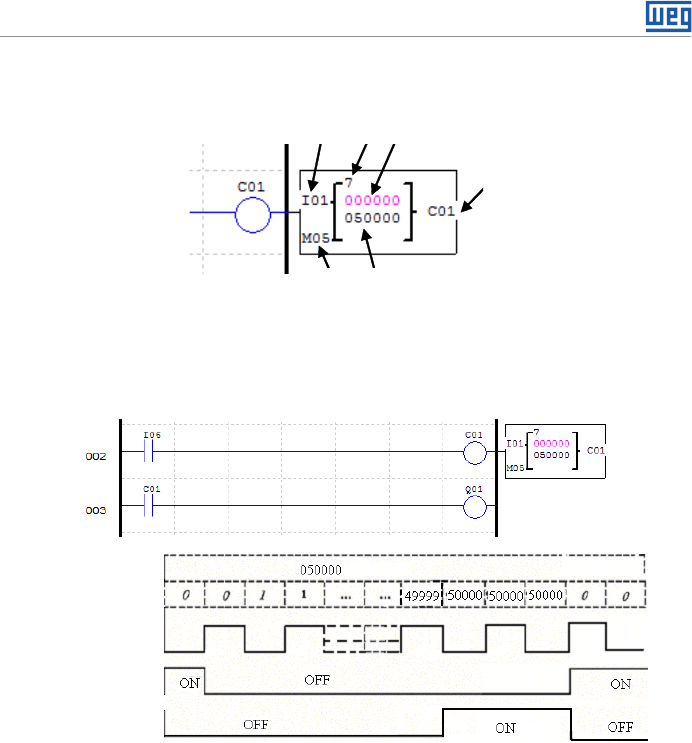
7.4.2 Contadores ...........................................................................................................7-13
7.4.2.1 Contador Modo 0 - Marcador Auxiliar ................................................................7-14
7.4.2.2 Contador Modo 1 - Contagem Fixa e Não-Retentiva .........................................7-14
7.4.2.3 Contador Modo 2 - Contagem Contínua e Não-Retentiva .................................7-15
7.4.2.4 Contador Modo 3 - Contagem Fixa e Retentiva .................................................7-15
7.4.2.5 Contador Modo 4 - Contagem Contínua e Retentiva .........................................7-16
7.4.2.6 Contador Modo 5 - Contagem Contínua ...........................................................7-16
7.4.2.7 Contador Modo 6 - Contagem Contínua, Retentiva e com Retenção de Estado ..7-17
7.4.2.8 Contador de Alta Velocidade.............................................................................. 7-17
7.4.2.8.1 Contador Modo 7 – Contador de Alta Velocidade ........................................... 7-17
7.4.2.8.2 Contador Modo 8 – Contador de Alta Velocidade ...........................................7-18
7.4.3 Relógio de Tempo Real - RTC ...............................................................................7-20
7.4.3.1 Rtc Modo 0 - Marcador Auxiliar ..........................................................................7-20
7.4.3.2 Rtc Modo 1 – Intervalo Diário .............................................................................7-20
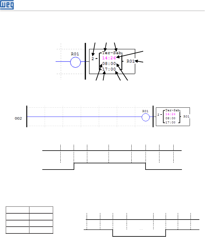
7.4.3.3 Rtc Modo 2 – Intervalo Semanal ........................................................................7-22
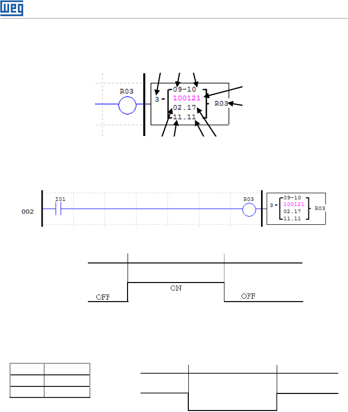
7.4.3.4 Rtc Modo 3 - Ano-Mês-Dia ................................................................................7-24
7.4.3.5 Rtc Modo 4 - Ajuste com Precisão em Segundos .............................................7-26
7.4.4 Comparador ..........................................................................................................7-28
7.4.4.1 Comparador Modo 0 - Marcador Auxiliar ...........................................................7-29
7.4.4.2 Comparador Modo 1 ~ 7 – Comparações Analógicas .......................................7-29
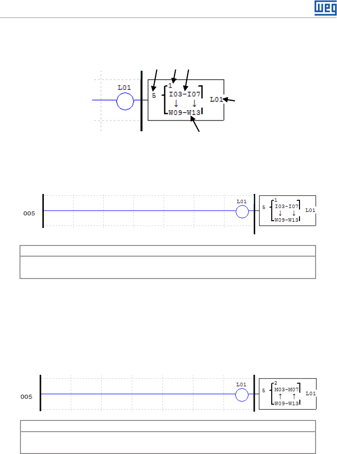
7.4.5 Função IHM .......................................................................................................... 7-30
7.4.6 Função De Saída PWM .........................................................................................7-31
7.4.8 Função DATALINK ................................................................................................ 7-34
7.4.9 Função SHIFT .......................................................................................................7-37
7.4.10 Função AS – Adição/Subtração .......................................................................... 7-38
7.4.11 Função MD – Multiplicação/Divisão .................................................................... 7-39
7.4.12 PID – Controle Proporcional, Integral E Derivativo .............................................. 7-40
7.4.13 Função MX - Multiplexador ..................................................................................7-41
7.4.14 Função AR – Rampa Analógica .......................................................................... 7-42
7.4.15 Função DR - Registrador de Dados .................................................................... 7-44
7.4.16 Função MU – Mestre Modbus ............................................................................ 7-45
7.4.17 AQ - Saídas Analógicas ...................................................................................... 7-48
CAPÍTULO 8
Programação FBD
8.1 Instruções FBD ................................................................................................................ 8-1
8.1.1 Instrução de Bloco de Bobina ................................................................................ 8-1
8.1.2 IHM ........................................................................................................................ 8-2
8.1.3 Bloco de função PWM (apenas modelo de saída à transistor) ............................... 8-2
8.1.4 Bloco de função Data Link .....................................................................................8-3
8.1.5 Bloco de função SHIFT .......................................................................................... 8-4
8.1.6 Instrução Bloco Lógico .......................................................................................... 8-4
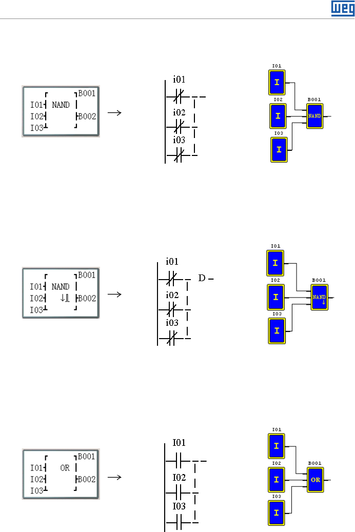
8.1.6.1 Diagrama Lógico AND ......................................................................................... 8-5
8.1.6.2 Diagrama Lógico AND (Pulso) ............................................................................. 8-5
8.1.6.3 Diagrama Lógico NAND ......................................................................................8-6

Índice
8.1.6.4 Diagrama Lógico NAND (Pulso) ...........................................................................8-6
8.1.6.5 Diagrama Lógico OR ...........................................................................................8-6
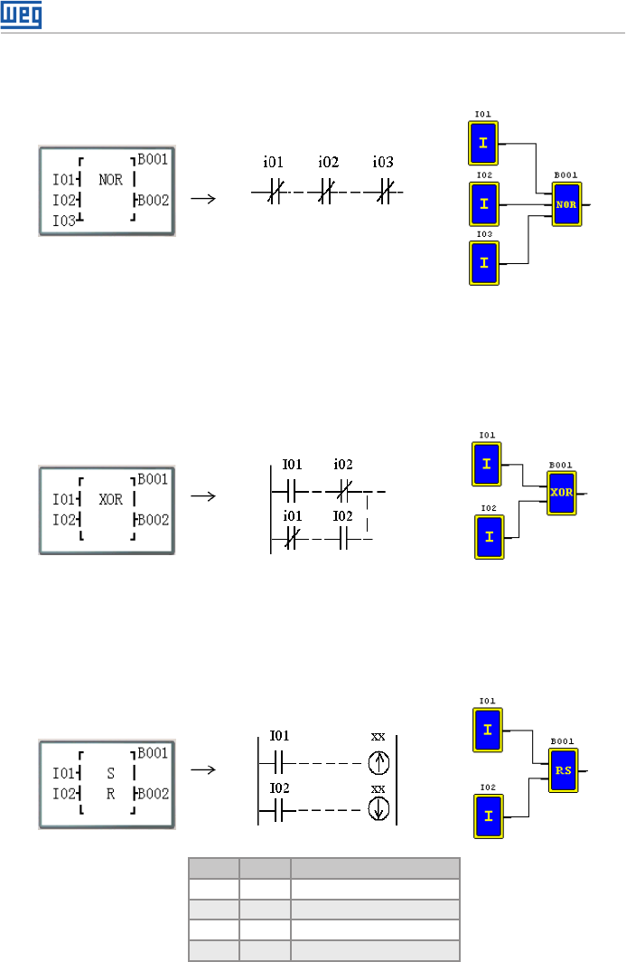
8.1.6.6 Diagrama Lógico NOR ........................................................................................ 8-7
8.1.6.7 Diagrama Lógico XOR ......................................................................................... 8-7
8.1.6.8 Diagrama Lógico SR ........................................................................................... 8-7
8.1.6.9 Diagrama Lógico NOT ......................................................................................... 8-8
8.1.6.10 Diagrama Lógico Pulse ...................................................................................... 8-8
8.1.6.11 Diagrama Lógico BOOLEAN ..............................................................................8-8
8.2 Blocos de Função ............................................................................................................ 8-9
8.2.1 Bloco de Função Temporizador ............................................................................8-10
8.2.3 Bloco de Função do Comparador RTC ................................................................8-14
8.2.4 Bloco de Função do Comparador Análogo ..........................................................8-15
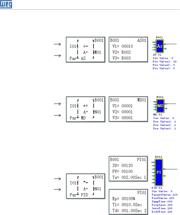
8.2.5 Bloco de Função AS (Adição-Subtração) ............................................................8-17
8.2.6 Bloco de Função MD (Multiplicação-Divisão) ........................................................8-17
8.2.7 Bloco de Função PID (Proporção- Integral- Diferencial) ........................................8-17
8.2.8 Bloco de Função MX (Multiplexador) ....................................................................8-18
8.2.9 Bloco de Função AR (Rampa-Analógica) ..............................................................8-18
8.2.10 Bloco de Função DR (Registrador de Dados) ......................................................8-18
8.2.11 Bloco de Função MU (MODBUS) ........................................................................8-18
CAPÍTULO 9
Especificação de Hardware
9.1 Características dos Modelos ............................................................................................ 9-1
9.2 Especificações de Potência ............................................................................................. 9-2
9.3 Especificações das Entradas Digitais .............................................................................. 9-3
9.4 Especificações das Saídas Digitais ..................................................................................9-6
9.4.1 Cuidados com a ligação da saída .........................................................................9-6
9.4.1.1 Carga de Iluminação ............................................................................................9-6
9.4.1.2 Carga de Indutiva ................................................................................................ 9-7
9.4.1.3 Vida do Relé ........................................................................................................ 9-7
9.5 Diagrama de Dimensões do CLIC-02 .............................................................................. 9-8
9.6 Cartão de Memória .......................................................................................................... 9-9
9.6.1 Compatibilidade ..................................................................................................... 9-9
CAPÍTULO 10
Funções de Comunicação da Porta RS-485
10.1 Parâmetros de Comunicação ........................................................................................10-1
10.1.2 Ajuste via Software de Programação ..................................................................10-1
10.1.3 Ajuste via display do CLIC-02 ............................................................................ 10-2
10.2 Função E/S Remota ..................................................................................................... 10-3
10.3 Função DATALINK ........................................................................................................ 10-4
10.4 Modbus RTU Mestre .................................................................................................... 10-5
10.5 Modbus RTU Escravo .................................................................................................. 10-8
10.5.1 Protocolo Modbus CLIC-02 .............................................................................. 10-8
10.5.2 Mapa de Memória MODBUS ............................................................................10-10
10.5.2.1 Estado das Variáveis Digitais ..........................................................................10-10
10.5.2.2 Variáveis de Estado/Controle do CLIC-02 .....................................................10-11
10.5.2.3 Entradas / Saídas Analógicas ........................................................................10-12
10.5.2.4 Leitura e Configuração Função PWM/PLSY...................................................10-13
10.5.2.5 Leitura de Parâmetros das Funções ..............................................................10-14
10.5.2.6 Ajuste dos Parâmetros das Funções .............................................................10-15
10.5.2.7 Leitura e Configuração do RTC ......................................................................10-17
10.5.2.8 Leitura/Escrita de Variáveis Digitais ...............................................................10-18

Índice
CAPÍTULO 11
Módulos de Expansão
11.1 Limitações dos Módulos de Expansão .......................................................................... 11-1
11.2 Módulos de Expansão de E/S Digital ............................................................................11-3
11.2.1 Instalação Mecânica e Ligação Elétrica ...............................................................11-4
11.3 Módulos de Expansão Analógicos ................................................................................11-7
11.4 Módulos de Expansão de Comunicação ..................................................................... 11-10
11.4.1 Módulo ModBus ................................................................................................ 11-10
11.4.2 Módulo de Comunicação DeviceNet ................................................................. 11-13
11.4.3 Profibus ............................................................................................................. 11-15
CAPÍTULO 12
Programando Através do Display LCD
12.1 Modo Ladder .................................................................................................................12-1
12.2 Programação dos Blocos de Função ........................................................................... 12-6
CAPÍTULO 13
Exemplos de Aplicações
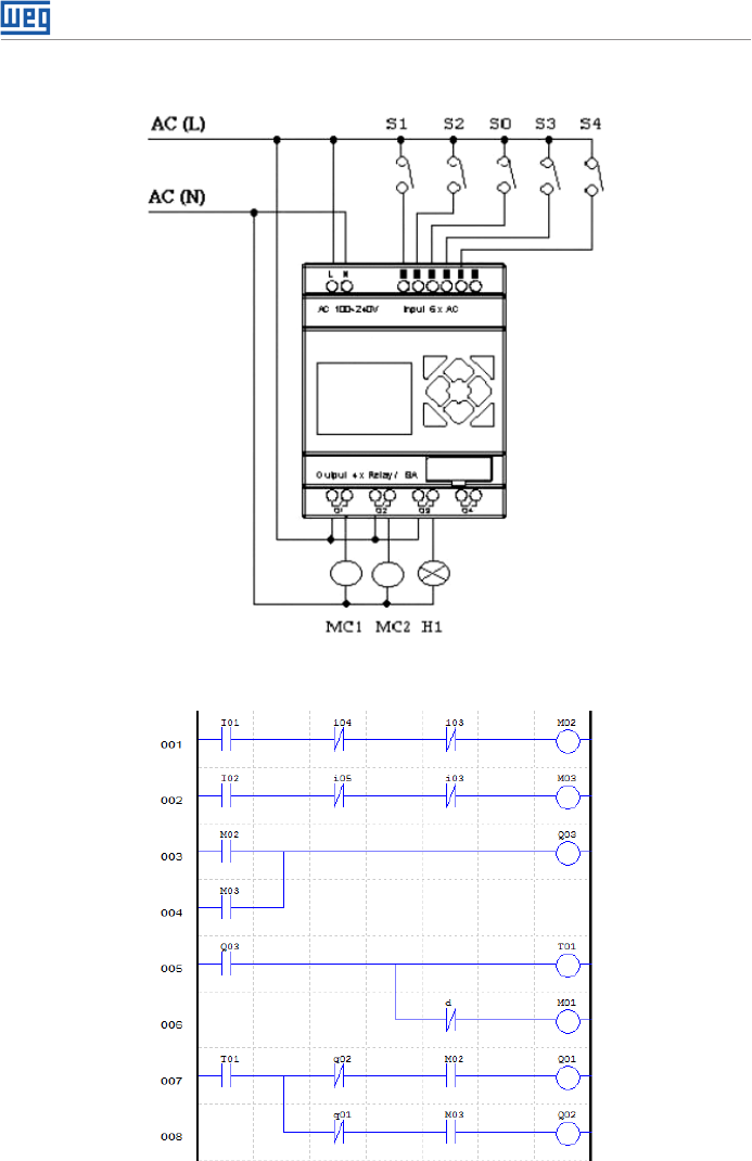
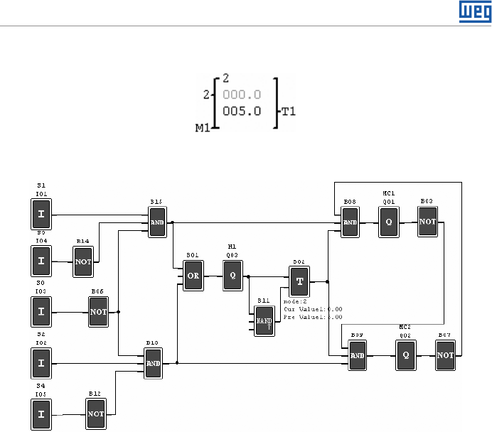
13.1 Controle de Iluminação para Escadarias .......................................................................13-1
13.1.1 Requisitos ............................................................................................................13-1
13.1.2 Sistema de Iluminação Tradicional ......................................................................13-1
13.1.3 Utilizando o CLIC como controlador do sistema .................................................13-1
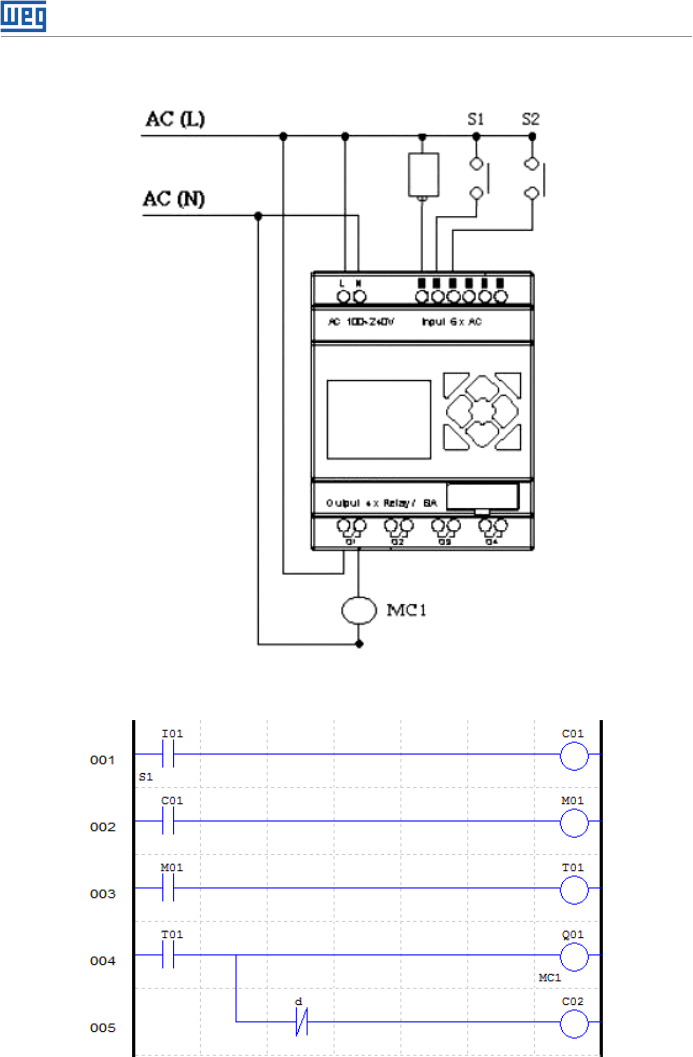
13.2 Controle de Porta Automática ...................................................................................... 13-3
13.2.1 Requisitos .......................................................................................................... 13-3
13.2.2 Solução Tradicional ............................................................................................ 13-4
13.2.3 Utilizando o CLIC como controlador do sistema ................................................ 13-4
13.3 Controle de Ventilação ................................................................................................. 13-6
13.3.1 Requisitos .......................................................................................................... 13-6
13.4 Controle de Portão de Fábrica ..................................................................................... 13-9
13.4.1 Requisitos .......................................................................................................... 13-9
13.4.2 Circuito de controle tradicional .........................................................................13-10
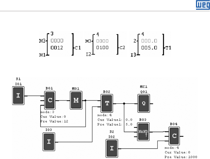
13.5 Contador para Máquinas de Embalagens ...................................................................13-12
Condições Gerais de Garantia para Controladores Programáveis ............................................14-1

CLIC-02 | 1-1
Instruções de Segurança
1 INSTRUÇÕES DE SEGURANÇA
Por questões de segurança, favor ler e seguir cuidadosamente os parágrafos com os
símbolos "AVISO" ou "CUIDADO". Eles são precauções de segurança importantes a
serem observadas durante transporte, instalação, operação ou verificação do Controlador
CLIC-02.
AVISO!
Danos pessoais podem ser ocasionados devido a operação imprópria.
CUIDADO!
O CLIC-02 pode ser danificado devido a operação imprópria.
1.1 CUIDADOS COM A INSTALAÇÃO
AVISO!
É absolutamente necessário seguir as instruções de instalação e o manual
do usuário. Falha em cumprir tais instruções poderá levar à operação
imprópria, dano ao equipamento ou, em casos extremos, até a morte, sérias
lesões físicas ou danos consideráveis à propriedade.
AVISO!
Sempre desligue o equipamento antes de instalar a fiação, conectar, instalar
ou remover qualquer módulo.
CUIDADO!
Nunca instale o produto em um ambiente que não atenda o especificado
neste manual, como alta temperatura, umidade, poeira, gás corrosivo,
vibração, etc.
1.2 CUIDADOS COM A FIAÇÃO
AVISO!
Fiação e instalação imprópria podem levar à morte, sérias lesões físicas ou
danos consideráveis à propriedade.

1-2 | CLIC-02
Instruções de Segurança
CUIDADO!
O relé inteligente CLIC-02 só deverá ser instalado e sua fiação conectada
por pessoal experiente e adequadamente certificado.
CUIDADO!
Certifique-se de que a fiação do CLIC-02 satisfaz todos os regulamentos e
códigos aplicáveis incluindo padrões e códigos locais e nacionais.
CUIDADO!
Certifique-se de dimensionar adequadamente os cabos para o regime de
corrente exigido.
CUIDADO!
Sempre separe a fiação CA, fiação CC com alta frequência de chaveamento,
e fiação com sinal de baixa potência.
1.3 CUIDADOS COM A OPERAÇÃO
AVISO!
Para assegurar segurança com a aplicação do CLIC-02, devem ser feitos
testes funcionais e de segurança completos. Só coloque o CLIC-02 em
funcionamento após serem feitos todos os testes e após confirmação de
segurança. Qualquer potencial falha na aplicação deverá ser incluída nos
testes. Falha nestes quesitos poderá levar a operação imprópria, danos ao
equipamento ou, em casos extremos, à morte, sérias lesões corporais ou
danos consideráveis à propriedade.
AVISO!
Quando a alimentação elétrica está ligada, nunca faça contato com
os terminais, condutores expostos ou componentes elétricos. O não
cumprimento desta instrução poderá levar à operação imprópria, danos
ao equipamento ou, em casos extremos, à morte, sérias lesões corporais
ou danos consideráveis à propriedade.
CUIDADO!
É altamente recomendado adicionar proteção de segurança como uma
parada de emergência e circuito externo de intertravamento no caso da
operação do CLIC-02 precisar ser imediatamente interrompida.

CLIC-02 | 1-3
Instruções de Segurança
1.4 VERIFICAÇÃO ANTES DA INSTALAÇÃO
Todo CLIC-02 foi completamente testado e examinado após sua fabricação. Favor executar
os seguintes procedimentos de verificação ao receber seu CLIC-02.
Verifique se o modelo do CLIC-02 recebido é realmente o modelo solicitado durante
a compra.
Verifique se ocorreu qualquer dano ao CLIC-02 durante o transporte. Não conecte o
CLIC-02 à rede de alimentação se houver algum sinal de dano.
Entre em contato com o fornecedor caso seja observada alguma condição anormal,
conforme mencionado acima.
1.5 PRECAUÇÕES PARA O AMBIENTE DE INSTALAÇÃO
É importante observar o local de instalação do CLIC-02, pois ele está diretamente
relacionado à funcionalidade e ao ciclo de vida do seu CLIC-02. Por favor, escolha
cuidadosamente o local de instalação para que sejam atendidas as seguintes exigências:
Monte a unidade verticalmente
Temperatura ambiente: -20 a 55°C (-4 a 131°F)
Evite instalar o CLIC-02 próximo a equipamentos ou superfícies que dissipam calor
Evite a instalação em ambientes úmidos
Evite exposição direta à luz solar
Evite óleo, graxa e gás
Evite contato com gases e líquidos corrosivos
Evite com que poeira externa ou restos de metal entrem em contato com o CLIC-02
Evite a instalação em locais de alta interferência eletromagnética (EMI)
Evite vibração excessiva; se a vibração não pode ser evitada, um dispositivo de montagem
anti-vibração deverá ser instalado para reduzir a vibração.

1-4 | CLIC-02
Instruções de Segurança

CLIC-02 2-1
Informações Gerais
2 INFORMAÇÕES GERAIS
2.1 RESUMO DE MUDANÇAS
Os relés inteligentes da linha CLIC-02 foram totalmente reformulados, ampliando ainda mais
suas capacidades em controle e automatização de sistemas e máquinas de pequeno porte.
O presente manual refere-se exclusivamente à versão de firmware V3.x, que contempla as
novas funções implementadas e o novo software de programação Clic02 Edit V3. Para as
versões anteriores do CLIC-02 – V1.x e 2.x – consultar o manual de programação específico.
As tabelas abaixo mostram as principais atualizações e as novas funções, através de uma
comparação com os modelos anteriores.
2.1.1 Tamanho do Programa e Display LCD
CLIC-02 V3.0 CLIC-02 V2.x
Ladder 300 linhas 200 linhas
FBD 260 blocos 99 blocos
LCD 4 linhas × 16 caracteres 4 linhas × 12 caracteres

2-2 | CLIC-02
Informações Gerais
2.1.2 Variáveis e Blocos de Função
Entrada Saída CLIC-02 V3.0 CLIC-02 V2.x
Quantidade Área de Memória Quantidade Área de Memória
Relé Auxiliar M M M 63 M01 ~ M3F 15 M1 ~ MF
Relé Auxiliar N N N 63 N01 ~ N3F FBD: 15 FBD: N1 ~ NF
Entrada de
Temperatura
AT - 4 AT01 ~ AT04 Não disponível
Saída Analógica - AQ 4 AQ01 ~ AQ04 Não disponível
PWM - P 2 P01 ~ P02 (P01
contempla PLSY)
1 P1
IHM - - 31 H01 ~ H1F 15 H1 ~ HF
Temporizador T T Ladder: 31
FBD: 250
Ladder: T01 ~ T1F
FBD: T01 ~ TFA
15 T1 ~ TF
Contador C C Ladder: 31
FBD: 250
Ladder: C01 ~ C1F
FBD: C01 ~ CFA
15 C1 ~ CF
RTC R R Ladder: 31
FBD: 250
Ladder: R01 ~ R1F
FBD: R01 ~ RFA
15 R1 ~ RF
Comparador
Analógico
G G Ladder: 31
FBD: 250
Ladder: G01 ~ G1F
FBD: G01 ~ GFA
15 G1 ~ GF
AS(Adição-
Subtração)
- -
Ladder: 31
FBD: 250
Ladder: AS01 ~ AS1F
FBD: AS01 ~ ASFA
Não disponível
MD
(Multiplicação-
Divisão)
Ladder: 31
FBD: 250
Ladder: MD01 ~ MD1F
FBD: MD01 ~ MDFA
Não disponível
PID Ladder: 15
FBD: 30
Ladder: PI01 ~ PI0F
FBD: PI01 ~ PI1E
Não disponível
MX
(Multiplexador)
Ladder: 15
FBD: 250
Ladder: MX01 ~ MX0F
FBD: MX01 ~ MXFA
Não disponível
AR(Rampa
Analógica)
Ladder: 15
FBD: 30
Ladder: AR01 ~ AR0F
FBD: AR01 ~ AR1E
Não disponível
DR(Registrador
de Dados)
240 DR01 ~ DRF0 Não disponível
MU(MODBUS) Ladder: 15
FBD: 250
Ladder: MU01 ~ MU0F
FBD: MU01 ~ MUFA
Não disponível
Bloco B B Função lógica: BOOLEAN Não disponível
260 B001 ~ B260 (A
capacidade de cada
bloco pode ser alterada
e a capacidade total do
bloco é 6000 bytes)
99 B01 ~ B99 (A
capacidade de
cada bloco é fixa)
2.1.3 Cartão de Memória
CLIC-02 V3.x CLIC-02 V2.x
PM05(3rd) PM05(3rd) pode ser usada com todas
as versões do CLIC-02 (V3.x e V2.x)
PM05 só pode ser usada com o CLIC-
02 V2.x

CLIC-02 2-3
Informações Gerais
2.2 ATUALIZAÇÕES DO MANUAL
Revisamos os conteúdos desta publicação para garantir consistência com o hardware e o
software descritos. Uma vez que não podemos prever todas as variações ocorridas, não
podemos garantir consistência total. Porém, as informações contidas nesta publicação
são revisadas regularmente e quaisquer correções necessárias são incluídas em edições
subsequentes.
2.3 IDENTIFICAÇÃO DO MODELO DO CLIC-02
CLIC02 - 20 H R - A
Tipo do Controlador Alimentação Elétrica de Entrada:
D= 24V em Corrente Contínua
12D=12V em Corrente Contínua
A= 100~240V em Corrente
Alternada
Pontos de E/S
8=8 pontos (módulos
de expansão
10=10 pontos
12=12 pontos
20=20 pontos
Tipo de Saída:
R= Relé
T= Transistor
Tipo do Módulo:
H=LCD e Teclado
V=LCD, Teclado e
Comunicação
RS-485
E=Expansão
2.4 TERMOS E DEFINIÇÕES UTILIZADOS NO MANUAL
Bit: Simplificação para dígito binário, ("BInary digiT" em inglês) é a menor unidade de
informação que pode ser armazenada no sistema binário, podendo ser 0 ou 1.
Byte: É uma informação binária formada por um conjunto de 8 bits, podendo gerar valores
de 0 ∼ 255.
CA: Corrente alternada.
CC: Corrente contínua.
Ciclo de scan: Um ciclo completo de execução do programa contido no CLP, desde a
leitura das entradas até a atualização das saídas.
E/S: Abreciação para Entradas/Saídas, comumente utilizado em inglês, I/O (input/output)

2-4 | CLIC-02
Informações Gerais
FBD: Do inglês, "Function Block Diagram" (diagrama de blocos de função). Linguagem
gráfica para programação de CLPs onde as variáveis (entradas, saídas, etc) são interligadas
por meio de blocos de função, se assemelhando às portas lógicas.
Firmware: Software interno do CLP. Controla o funcionamento geral do CLP, as funções
de hardware e executa o programa do usuário.
Ladder: Linguagem gráfica para programação de CLPs, muito semelhante aos diagramas
elétricos.
Memória RAM: Do inglês, "Random Acess Memory". Memória volátil de acesso aleatório.
Memória FLASH: Memória não-volátil que pode ser eletricamente escrita e apagada.
RTC: Do inglês, "Real Time Clock" (relógio de tempo real).
PWM: Do inglês, "Pulse Width Modulation" (modulação por largura de pulso). Uma saída
PWM irá gerar uma onda de saída com frequência e largura programáveis.
Word: É uma informação binária formada por um conjunto de 16 bits ou 2 bytes, podendo
gerar valores de 0 ∼ 65535.

CLIC-02 3-1
Guia Rápido de Programação
3 GUIA RÁPIDO DE PROGRAMAÇÃO
Esta seção é um guia de 5 passos para conectar, programar e operar seu novo Relé
Inteligente CLIC-02. Este guia não contém instruções completas para programação e
instalação do seu sistema. Para informações mais detalhadas, deve-se procurar pela
referência no manual.
3.1 INSTALAR O SOFTWARE DE PROGRAMAÇÃO DO CLIC-02
Instale o Software Clic02 Edit do CD ou faça o download gratuito no site http://www.weg.net/.
3.2 CONECTANDO O CLIC-02 À REDE DE ALIMENTAÇÃO
Conecte o Relé Inteligente à rede de alimentação usando os diagramas de fiação abaixo.
Veja “Capítulo 4: Instalação” para instruções completas sobre fiação e instalação.

3-2 | CLIC-02
Guia Rápido de Programação
3.3 CONECTANDO O CABO DE PROGRAMAÇÃO
Remova a capa plástica do conector do CLIC-02 usando uma chave de fenda, como
mostrado na figura abaixo. Insira a ponta do conector plástico do cabo de programação
no CLIC-02, como mostrado na figura abaixo. Conecte a ponta oposta do cabo a uma
porta serial RS232 no computador.
3.4 ESTABELECENDO A COMUNICAÇÃO
1. Abra o software de programação Clic02 Edit e selecione “Novo Programa em Ladder”
como mostrado abaixo.

CLIC-02 3-3
Guia Rápido de Programação
2. Selecione “Operação/Conectar ao CLP…” como mostrado abaixo.
3. Selecione o número da Porta de Comunicação correta, onde o cabo de programação
está conectado no computador e então clique no botão “Conectar”.

3-4 | CLIC-02
Guia Rápido de Programação
4. O Software de programação começará então a detectar o CLIC-02 conectado para
completar sua conexão.
3.5 CRIANDO UM PROGRAMA SIMPLES
1. Iremos criar uma linha de programa. Primeiro, inserimos um contato clicando no ícone
“M” que está na barra Ladder, como mostrado abaixo. Após, clique na célula mais à
esquerda da linha 001. Selecione M01 e pressione OK. Veja o Capítulo 7: Programação
em Lógica Ladder para definições completas do conjunto de instruções.
Nota: Se a barra Ladder não está visível ao fundo da tela, selecione o menu Visualizar>>Barra
de Ferramentas Ladder.

CLIC-02 3-5
Guia Rápido de Programação
2. Agora iremos criar a linha que ligará o contato a uma saída. Use a tecla “A” no seu
teclado (ou o ícone “A” na barra de ferramentas ladder) para desenhar a linha de circuito
horizontal, que irá do contato M para a célula mais à direita, como mostrada abaixo.
3. Selecione o ícone “Q” da bobina da barra de ferramentas ladder (ou então aperte a letra
“Q” do teclado) e solte-o na célula mais à direita. Selecione Q01 da caixa de diálogo e
clique em OK como mostrado abaixo. Veja Capítulo 7: Programação em Lógica Ladder
para definições completas do conjunto de instruções.

3-6 | CLIC-02
Guia Rápido de Programação
4. Teste do programa. Do menu Operação, selecione a função Escrever e escreva o
programa para o CLIC-02 conectado como mostrado abaixo.

CLIC-02 3-7
Guia Rápido de Programação
5. Selecione o ícone “Run” da barra de ferramentas e selecione “Não” quando pop-up
perguntar “Ler o programa do CLP?”, como mostrado abaixo.
6. Na caixa de Ferramenta do estado das entradas, clique em M01 para ativar o contato
M01 que LIGARÁ a Saída Q01, como mostrado abaixo. O circuito destacado se mostrará
ativo e a primeira Saída (Q01) no CLIC-02 conectado estará LIGADA. Veja Capítulo 5:
Ferramenta de Programação para informações de software mais detalhadas.

3-8 | CLIC-02
Guia Rápido de Programação

CLIC-02 | 4-1
Instalação
4 INSTALAÇÃO
4.1 ESPECIFICAÇÕES GERAIS
O CLIC-02 é um compacto Relé Inteligente, com no máximo de 44 pontos de Entrada/
Saída digitais, que pode ser programado em Ladder ou FBD (Diagrama de Blocos de
Função). O CLIC-02 pode expandir para o máximo de E/S adicionando 3 módulos de
4-entradas / 4-saídas.
Rede de Alimentação
Faixa da Tensão de Entrada Modelos Faixa de Tensão
24 Vcc 20,4 ~ 28,8 Vcc
12 Vcc 10,4 ~ 14,4 Vcc
Alimentação Vca 100 ~ 240 Vca
24 Vca 20,4 ~ 28,8 Vca
Consumo de Energia Modelos Consumo Corrente
24 Vcc – 12 pontos 125 mA
24 Vcc – 20 pontos 185 mA
12 Vcc – 12 pontos 195 mA
12 Vcc – 20 pontos 265 mA
Alimentação Vca 100 mA
24 Vca 290 mA
Cabo para instalação (todos os terminais) 26 a 14 AWG - 0,13 a 2,1mm2 de seção
Programação
Linguagens de Programação Ladder / FBD
Tamanho Máximo do Programa 300 Linhas ou 260 Blocos de Função
Armazenamento do Programa Memória Flash
Velocidade de Processamento 10 ms/ciclo
Tamanho do Display LCD 4 linhas x 16 caracteres
Temporizadores
Quantidade Máxima de Instruções Ladder: 31; FBD: 250
Faixa de Tempo Ajustável 0,01 s ~ 9999 min
Contadores
Quantidade Máxima de Instruções Ladder: 31; FBD: 250
Valor Máximo de Contagem 999999
Resolução 1 unidade
RTC (Relógio de Tempo Real)
Quantidade Máxima de Instruções Ladder: 31; FBD: 250
Resolução 1 min
Medição de Tempo Disponível Semana, ano, mês, dia, hora, min
Comparações Disponíveis Entrada Analógica, Temporizador, Contador,
Entrada de Temperatura (AT), Saída Analógica
(AQ), AS, MD, PI, MX, AR, DR e Valores
Constantes

4-2 | CLIC-02
Instalação
Comparação Analógica
Quantidade Máxima de Instruções Ladder: 31; FBD: 250
Comparações Disponíveis Entrada Analógica, Temporizador, Contador,
Entrada de Temperatura (AT), Saída Analógica
(AQ), AS, MD, PI, MX, AR, DR e Valores Constantes
Ambiental
Tipo de Invólucro IP20
Vibração Máxima 1G de acordo com IEC60068-2-6
Temperatura em Operação -20° a 55°C (-4° a 131°F)
Temperatura de Armazenagem -40° a 70°C (-40° a 158°F)
Umidade Máxima 90% (Relativa, não-condensada)
Vibração 0,075 mm amplitude, 1,0g aceleração
Peso 8-pontos: 190g
10,12- pontos: 230g (tipo C: 160g)
20- pontos: 345g (tipo C: 250g)
Certificações CUL , CE, UL
Entradas Discretas
Consumo de Corrente Alimentação Corrente
24 Vcc 3,2 mA
12 Vcc 4,0 mA
100 ~ 240 Vac 1,3 mA
24 Vac 3,3 mA
Sinal de Tensão na Entrada para estado
“DESLIGADO”
Alimentação Nível Tensão
24 Vcc < 5 Vcc
12 Vcc < 2,5 Vcc
100 ~ 240 Vac < 40 Vca
24 Vac < 6 Vca
Sinal de Tensão na Entrada para estado
“LIGADO”
Alimentação Nível Tensão
24 Vcc > 15 Vcc
12 Vcc > 7,5 Vcc
100 ~ 240 Vac > 79 Vca
24 Vac > 14 Vca
Tempo de Resposta de Off->On Tensão na Entrada Tempo Resposta
24 Vcc / 12 Vcc 5 ms
220 Vac 22/18 ms – 50/60 Hz
110 Vac 50/45 ms – 50/60 Hz
24 Vac 90/90 ms – 50/60 Hz
Tempo de Resposta de On->Off Tensão na Entrada Tempo Resposta
24 Vcc / 12 Vcc 3 ms
220 Vac 90/85 ms – 50/60 Hz
110 Vac 50/45 ms – 50/60 Hz
24 Vac 90/90 ms – 50/60 Hz
Compatibilidade com dispositivos à
transistor
NPN, somente dispositivos 3-fios
Freqüência da Entrada de Alta Velocidade 1 KHz
Freqüência da Entrada Padrão < 40 Hz
Proteção Exigida Proteção de tensão inversa

CLIC-02 | 4-3
Instalação
Entradas Analógicas
Resolução Unidade Básica 12 bits
Unidade de Expansão 12 bits
Faixa de Tensão Aceitável Unidade Básica 0~10 Vcc ou 24 Vcc
quando utilizada como
entrada digital
Unidade de Expansão 0~10 Vcc ou 0~20 mA
Sinal de Tensão na Entrada para estado
“DESLIGADO”
< 5 Vcc (quando utilizada como entrada discreta
24 Vcc)
Sinal de Tensão na Entrada para estado
“LIGADO”
> 9,8 Vcc (quando utilizada como entrada discreta
24 Vcc)
Isolamento Nenhum
Proteção Contra Curto-Circuito Sim
Quantidade Disponível Unidade Básica A01-A04
Unidade de Expansão A05-A08
Saídas à Relé
Material dos Contatos Liga de Prata
Regime de Corrente 8A
Regime HP - pode acionar diretamente
motores nesta potência
120 Vca: 1/3 HP
250 Vca: 1/2 HP
Carga Máxima Resistiva: 8A / ponto
Indutiva: 4A / ponto
Tempo de Resposta 15ms (condição normal)
Expectativa de Vida 100.000 operações com carga nominal
Carga Mínima 16,7 mA
Saídas à Transistor
Frequência Máxima da Saída PWM 1 KHz (0,5 ms ligado, 0,5 ms desligado)
Freqüência Máxima da Saída Padrão 100 Hz
Especificações da Tensão 10 ~ 28,8 Vcc
Capacidade da Corrente 1 A
Carga Máxima Resistiva: 0,5A / ponto
Indutiva: 0,3A / ponto
Carga Mínima 0,2 mA

4-4 | CLIC-02
Instalação
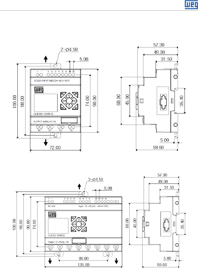
4.2 MODELOS E CARACTERÍSTICAS
4.2.1 Unidade Básica
Modelo Tensão de
Alimentação
Entradas Saídas Digitais Display &
Teclado
Comunicação
RS-485
Máximo
de E/S Item
Digital Analógica Relé Transistor
CLW-02/12HR-D
24 Vcc
6 (8) *¹ 2 *¹ 4 - √, Z01-Z04 - 36 + 4 *² 11266102
CLW-02/12HT-D 6 (8) *¹ 2 *¹ - 4 √, Z01-Z04 - 36 + 4 *² 11268415
CLW-02/20HR-D 8 (12) *¹ 4 *¹ 8 - √, Z01-Z04 - 44 + 4 *² 11268416
CLW-02/20HT-D 8 (12) *¹ 4 *¹ - 8 √, Z01-Z04 - 44 + 4 *² 11268417
CLW-02/20VR-D 8 (12) *¹ 4 *¹ 8 - √, Z01-Z04 MODBUS
incorporado 44 + 4 *² 11268449
CLW-02/20VT-D 8 (12) *¹ 4 *¹ - 8 √, Z01-Z04 MODBUS
incorporado 44 + 4 *² 11268451
CLW-02/20HR-12D 12 Vcc 8 (12) *¹ 4 *¹ 8 - √, Z01-Z04 - 44 + 4 *² 11268448
CLW-02/10HR-A 100 ~ 240 Vca 6 - 4 - √, Z01-Z04 - 34 + 4 *² 11266099
CLW-02/20HR-A 12 - 8 - √, Z01-Z04 - 44 + 4 *² 11266138
*¹ Entrada analógica pode ser utilizada como entrada digital
*² Se o modelo básico tiver teclado e display, a quantidade máxima de E/S pode ser
incrementada pelas teclas (Z01-Z04).
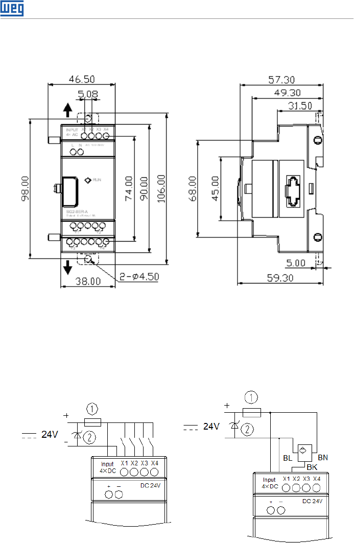
4.2.2 Módulos de Expansão
Modelo Tensão de
Alimentação
Entradas Saídas Item
Digital Analógica Relé Transistor Analógica
CLW-02/8ER-A 100 ~ 240Vca 4 - 4 - - 10413785
CLW-02/8ER-D
24 Vcc
4 - 4 - - 10413786
CLW-02/8ET-D 4 - - 4 - 10413787
CLW-02/4AI - 4 - - - 11268732
CLW-02/4PT - 4 - - - 11268730
CLW-02/2AO - - - - 2 11268728
CLW-02/MBUS Módulo de Comunicação, RS-485, Escravo ModBus RTU
Futuro *¹
CLW-02/DNET Módulo de Comunicação, Escravo DeviceNet
CLW-02/PBUS Módulo de Comunicação, Escravo Profibus-DP
CLW-02/EN01 Módulo de Comunicação, TCP/IP
*¹ Módulos em desenvolvimento, consultar disponibilidade
4.2.3 Acessórios
Módulo Descrição Item
CLW-02/PL01 Cabo de programação para o software Clic 02 Edit 10413788
CLW-02/PM05(3rd) Memória para back-up da aplicação 11269562
OBS.: Para maiores informações consulte “Capítulo 9: Especificação de Hardware”.

CLIC-02 | 4-5
Instalação
4.3 MONTAGEM
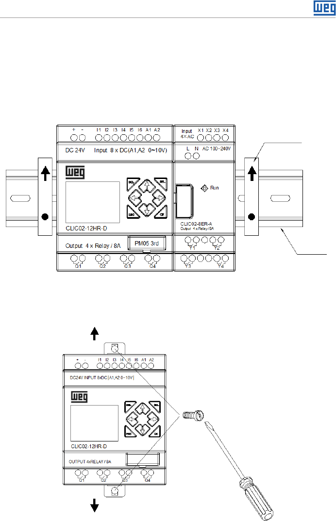
4.3.1 Montagem em trilho DIN
Para Instalar
O CLIC-02 deve sempre ser instalado verticalmente. Localize as travas para fixação em
trilho na parte traseira do CLIC-02, encaixe diagonalmente a trava superior e empurre o
CLIC-02 em direção ao trilho.
Execute o mesmo procedimento para fixar os módulos de expansão. Após encaixar a
expansão no trilho, deslize-a até a unidade básica para conectar o barramento de IOs. O
botão superior da expansão deve ser pressionado para liberar este encaixe.
Conector
Pressione o Botão
Trilho DIN

4-6 | CLIC-02
Instalação
Para Desinstalar
Pressione o botão superior da expansão e deslize o módulo de expansão na direção
contrária da unidade básica até liberar o conector do barramento de IOs. Libere a trava
inferior e puxe o CLIC-02 para fora do trilho. Remova a unidade básica liberando a trava
inferior e puxando o CLIC-02 para fora do trilho.
É recomendável aplicar o grampo para segurar o CLIC-02 na posição.
Trilho DIN
Grampo de fixação
4.3.2 Instalação Direta
Use parafuso M4 x 15 mm para instalar diretamente o CLIC-02, como mostrado abaixo.
M4 x 20 (#8 x 32)

CLIC-02 | 4-7
Instalação
Assim que a unidade básica estiver instalada, encaixe a expansão no barramento de IOs
da unidade básica – o botão superior da expansão deve ser pressionado para liberar este
encaixe. Fixe os parafusos na unidade de expansão.
M4 x 20 (#8 x 32)
O processo de desinstalação é do modo oposto. Primeiro solte o parafuso de expansão,
em seguida pressione o botão de expansão para desconectá-la da unidade básica.
Finalmente, solte o parafuso da unidade básica para removê-la.
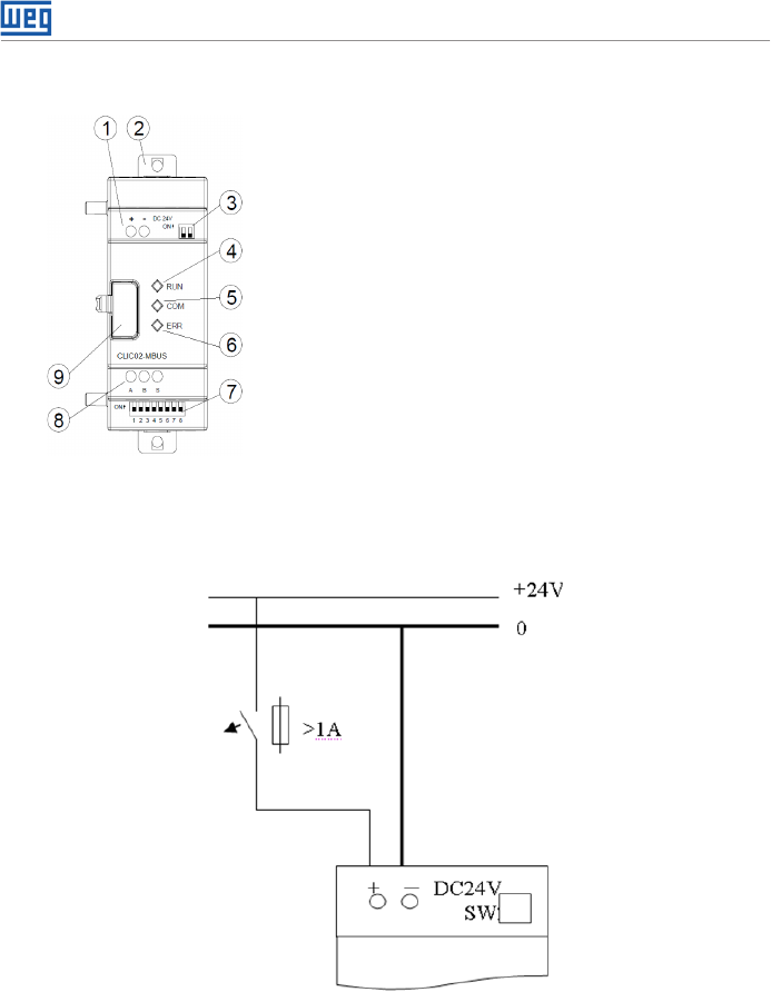
4.4 ESQUEMAS DE LIGAÇÃO ELÉTRICA
AVISO!
Os cabos de E/S não devem ser fixados em paralelo a fiação de potência
ou colocados na mesma canaleta.
CUIDADO!
Para evitar possíveis curtos-circuitos, é recomendado colocar um fusível
entre o terminal de saída e a carga.
4.4.1 Bitola do Cabo e Torque no Terminal
26...1626...1426...1426...1826...16
AWG
3.5
(0.14in) lb-in
Nm 0.6
5.4
0.14...1.5
mm
2
0.14...1.50.14...2.50.14...0.75 0.14...2.5
C
C

4-8 | CLIC-02
Instalação
4.4.2 Entradas 12 / 24 Vcc
4.4.3 Conexão de Sensores
4.4.4 Entradas 100~240Vca

CLIC-02 | 4-9
Instalação
4.4.5 Saídas a Relé
4.4.6 Saídas a Transistor
4.4.7 Modo E/S Remota, Datalink ou Modbus-RTU
AVISO!
Utilizar cabo blindado, aterrando a malha apenas em uma das extremidades
da rede.
Conectar resistores de 120 Ω entre A e B nas extremidades da rede.
A distância máxima para a fiação da rede RS-485 do CLIC-02 é de 100m.

4-10 | CLIC-02
Instalação
Para rede Datalink, pode-se conectar no máximo 8 módulos na rede (ID0 ~ 7). Para o modo
E/S Remota, a conexão pode ser feita apenas entre 2 módulos (1 Mestre e 1 Escravo).
Fusível ultra-rápido de 1A, disjuntor ou protetor de circuito
Varistor - Absorvedor de surtos (36Vcc)
Varistor - Absorvedor de surtos (400Vca)
Fusível, disjuntor, ou protetor de circuito
Carga indutiva
Obedecer ao padrão EIA RS-485
Mais informações sobre os modelos tipo V (comunicação RS-485), ver o Capítulo 10 -
Funções de Comunicação da Porta RS-485.

CLIC-02 | 5-1
Ferramenta de Programação
5 FERRAMENTA DE PROGRAMAÇÃO
5.1 SOFTWARE DE PROGRAMAÇÃO “CLIC02 EDIT”
O software de programação Clic02 Edit fornece dois modos de edição, Lógicas Ladder e
Function Block Diagram (FBD). O software do CLIC-02 inclui as seguintes características:
1. Fácil e conveniente criação e edição de programa.
2. Programas podem ser salvos em um computador para arquivamento e utilizações
futuras. Programas também podem ser carregados diretamente de um CLIC-02 para
posterior edição ou arquivamento.
3. Permite ao usuário imprimir programas para referência e revisão.
4. O Modo de Simulação permite ao usuário colocar seus programas em funcionamento
e testá-los antes de serem carregados no controlador.
5. Comunicação em tempo real possibilita ao usuário monitorar e forçar E/S durante a
operação do CLIC-02 durante o modo RUN.
5.2 INSTALANDO O SOFTWARE
Instale o Software Clic02Edit do CD ou fazendo o download gratuito em www.weg.net

5-2 | CLIC-02
Ferramenta de Programação
5.3 CONECTANDO O CABO DE PROGRAMAÇÃO
Remova a capa plástica do conector do CLIC-02 usando uma chave de fenda, como
mostrado na figura abaixo. Insira a ponta do conector plástico do cabo de programação
no CLIC-02 e conecte a ponta oposta do cabo a uma porta serial RS232 no computador.
5.4 TELA DE INÍCIO
Abrindo o Software de Programação Clic02 Edit, a tela de Início será exibida. Nesta tela,
podem ser realizadas as seguintes funções:
Novo Programa Ladder
Selecione Arquivo →Novo →Novo LAD para entrar no ambiente de desenvolvimento
para um novo programa Ladder.
Novo Programa FBD
Selecione Arquivo →Novo →Novo FBD para entrar no ambiente de desenvolvimento
para um novo programa FBD (Function Block Diagram).
Abrir um Arquivo Existente
Selecione Arquivo →Abrir para escolher o tipo de arquivo a ser aberto (Ladder ou FBD)
e escolha o arquivo de programa desejado. Então, clique em Abrir.

CLIC-02 | 5-3
Ferramenta de Programação
5.5 AMBIENTE DE PROGRAMAÇÃO LÓGICA LADDER
O Ambiente de Programação Lógica Ladder inclui todas as funções para programação e
teste do CLIC-02 usando a linguagem de programação Lógica Ladder. Para começar um
novo programa selecione Arquivo→Novo, selecione o modelo de CLIC-02 desejado e o
número de unidades de expansão conectadas, como mostrado abaixo.
5.5.1 Menus, Ícones e Exibições de Status
O ambiente de programação Ladder inclui os seguintes Menus, Ícones e Exibições de
Status
1. Barra Menu – Cinco seleções de menu para o desenvolvimento e recuperação do
programa, edição, comunicação com os controladores conectados, configuração de
funções especiais e visualização de seleções preferidas.
2. Barra de Tarefas Principal – (Da Esquerda para a Direita)
Ícones para criar um novo programa, abrir um programa, salvar um programa e imprimir
um programa.
Ícones para Teclado, vista do Ladder, edição HMI/Text edição de Símbolos (comentários).
Ícones para Monitor, Simulador, Controlador de Simulação, mudanças do Modo do
Controlador (Colocar em RUN, STOP e Encerrar Conexão) e Ler/Escrever programas
do/para CLIC-02.
3. Lista de Endereços Utilizados – Lista para todos os tipos de memória e endereços
usados com o programa atual. Endereços usados são designados pelo símbolo “*”
abaixo de cada endereço.
4. Quantidade de memória de programação livre disponível.
5. Modo Atual – modo de operação do controlador conectado ou modo do simulador.
6. Barra de Ferramentas Ladder – Ícones para seleção e entrada de todas as instruções
de Lógica Ladder disponíveis.
7. Barra de Status – Exibe o modo de operação do controlador, o estado da conexão
com o controlador e a versão de firmware do controlador.

5-4 | CLIC-02
Ferramenta de Programação
12
345
6
7
5.5.2 Programação
O Software Clic02 Edit pode ser programado tanto por cliques em instruções ou usando
comandos de entrada via teclado. Segue um exemplo de alguns métodos comuns de
entrada de instruções de programação.
Clique para
selecionar a
instrução
Clique para inserir
a instrução no
programa

CLIC-02 | 5-5
Ferramenta de Programação
As teclas “A” e “L” ou ícones são usados para completar circuitos paralelos e seriais. A
coluna da direita é para bobinas de saída.
COLUNA
DE
SAIDA
"A"
"A" & "L"
"L"
5.5.3 Modo de Simulação
O Software Clic02 Edit inclui um simulador incorporado para testar e eliminar erros dos
programas facilmente sem a necessidade de transferir o programa ao controlador. Para
ativar o modo de simulação, clique no ícone RUN. O programa abaixo é mostrado em
modo simulação, identificando as características significantes disponíveis.
ALTERA PARA
MODO DE
SIMULAÇÃO
SELECIONE A BOBINA PARA
VER VALORES ATUAIS
FORÇA DE
PONTOS DE
I/O
CIRCUITOS
ATIVOS MUDAM
DE COR

5-6 | CLIC-02
Ferramenta de Programação
5.5.4 Estabelecer Comunicação
A seguir, o procedimento para estabelecer comunicação entre o PC e o CLIC-02.
1. Selecione “Operação/Conectar ao CLP…” como mostrado abaixo.
2. Selecione o número da Porta de Comunicação correta, onde o cabo de programação
está conectado no computador e então clique no botão “Conectar”.
3. O Software de programação irá detectar o CLIC-02 conectado para completar sua
conexão.

CLIC-02 | 5-7
Ferramenta de Programação
5.5.5 Transferindo o Programa para o CLIC-02
No menu Operação, selecione a função Escrever para transferir o programa para o CLIC-02
conectado, como mostrado abaixo. A mesma função está disponível no botão de atalho
Escrever, como mostrado abaixo.

5-8 | CLIC-02
Ferramenta de Programação
5.5.6 Menu de Operação
O menu Operação inclui diversas funções de configuração e comandos específicos do
CLIC-02. A seguir, os detalhes de cada função.
Funções OnLine:
Monitoração. Ativa a monitoração do programa em execução no CLIC-02;
Run/Stop. Alterna o modo do CLIC-02 para RUN ou STOP;
Quit. Encerra a monitoração e entra em modo de edição;
Ler. Transfere o programa existente no CLIC-02 para a edição;
Escrever. Transfere o programa em edição para o CLIC-02 conectado;
Ajuste RTC. Configura o relógio de tempo real – data e hora (ver figura abaixo);
Senha. Estabelece uma senha para proteger o programa existente no CLIC-02 contra
leitura indevida.
Funções OffLine:
Simulação. Habilita o modo de simulação, que permite o teste do programa sem a
necessidade do CLIC-02;
Controle de Simulador. Permite configurar o simulador para as respostas do processo
(ex.: acionando a bomba (Q1), o pressostato da linha (I1) irá atuar);
Ajuste das Analógicas. Configura as entradas analógicas A01-A08 – ganho e offset (ver
figura abaixo);
Idioma. Seleciona o idioma do CLIC-02;
Configuração do Sistema. Permite alterar configurações específicas do CLIC-02, incluindo
ID do Módulo, configuração E/S remota, configuração de E/S expansão, ajustes de
memória retentiva para Contadores(C) e marcadores auxiliares (M), habilitação de
contatos auxiliares para as teclas (Z) e iluminação do display LCD.
Conectar ao CLP. Permite selecionar a porta de comunicação para conectar-se ao
CLIC-02.

CLIC-02 | 5-9
Ferramenta de Programação
5.5.7 Monitoramento/Edição Online
O Software Clic02 Edit permite monitoramento online do programa em funcionamento
durante a execução. Funções online adicionais incluem forçar E/S (entradas/saídas) e
alterar o modo de operação do CLIC-02 (Run/Stop).
ALTERNA ENTRE
RUN/STOP
EXIBE OS VALORES
ATUAIS DA BOBINA
SELECIONADA
OPÇÃO PARA
FORÇAR PONTOS
DE E/S
BARRA DE ESTADO: Nome do arquivo, versão de fimware, modo atual,
estado da comunicação, modelo do CLIC-02 e ID
O CIRCUITO ATIVO
MUDA DE COR
O Software Clic02 Edit não suporta edição da lógica durante a execução do programa.
Todas as modificações lógicas nos contatos, bobinas, Temporizadores/Contadores e
linhas de conexão do circuito devem ser escritas quando o CLIC-02 estiver no modo Stop.

5-10 | CLIC-02
Ferramenta de Programação
5.5.8 IHM/Texto
A função IHM/Texto (H) exibe informações no display LCD do CLIC-02, com um tamanho
máximo de 16 caracteres × 4 linhas. As variáveis podem ser apresentadas no seu valor
atual ou no valor de ajuste para Contadores, Temporizadores, RTC, Comparador Analógico,
etc. Sob modo Run, é possível modificar o valor de ajuste do temporizador, do contador
e do comparador analógico, via IHM. A IHM pode mostrar o status das entradas digitais
(I, Z, X) e dos marcadores auxiliares M, N (somente em modo FBD).

CLIC-02 | 5-11
Ferramenta de Programação
5.5.8.1 Configuração de uma tela:
Mostra apenas as
variáveis utilizadas no
programa
1
2
3
4
567
Primeiramente, inserimos a bobina Hxx e selecionamos o modo 1 – display.
Através do popup de configuração “IHM/Texto”, editamos a mensagem Hxx a ser exibida
Selecionando a letra “T”, estamos inserindo este caractere na tela, conforme a posição
do cursor
Selecionando a letra “E”, continuamos inserindo os caracteres conforme exibido acima
Selecionamos “T01 Atual” para exibir o valor atual de contagem do temporizador T01
Selecionamos “T01 Atual (unidade)” para exibir o valor de T01, contendo a unidade de
contagem (segundos)
Selecionando “T01 Ajuste (unidade)”, habilitamos um campo onde o usuário poderá
modificar o valor pré-ajustado de T01, quando a tela H01 estiver sendo exibida

5-12 | CLIC-02
Ferramenta de Programação
Transferindo o programa para o CLIC-02 e mantendo a entrada I01 ligada, a função H01
será habilitada, exibindo a tela H01 no display do CLIC-02.
Outra maneira para exibir as telas programadas é pressionar a tecla “SEL”, as telas que
estiverem configuradas para visualização (seleção de modo = 1) serão exibidas, na ordem
de prioridade de H01 para H1F. A tela será mostrada da seguinte maneira:
Pressione as teclas direcionais “↑” ou “↓” para navegar entre as telas habilitadas (seleção
de modo = 1)
Pressione “SEL” para habilitar o ajuste do valor de T01. Através das teclas “↑” ou “↓”
pode-se aumentar/diminuir o valor de ajuste. A tecla “OK” confirma o ajuste e atualiza o
valor pré-ajustado para T01 (Neste exemplo, 050.0 pode ser atualizado, a possibilidade
de ajuste de T01 depende do campo adicionado na tela da IHM)

CLIC-02 | 5-13
Ferramenta de Programação
Exemplo IHM/Texto:
Alternar edição das
telas: H01 para H03
Certifique-se de que as
teclas Z estão habilitadas
Após ligar o CLP e colocar em modo RUN,
a seguinte tela será exibida
Pressione “↑” (Z01) para chamar a exibição
da tela H03

5-14 | CLIC-02
Ferramenta de Programação
1) Pressione “SEL” para ativar a seleção de campos
2) Pressione “↑”, “↓”, “←”, “→” para mover o cursor
3) Pressione “SEL” novamente para escolher o campo
para editar
4) Pressione “↑”, “↓” para mudar o número e pressione
“←”, “→” para mover o cursor
5) Pressione “OK” para confirmar o valor modificado
Pressione “←” (Z02) para desabilitar a chamada da
tela H03 e o Display LCD irá mudar para a tela Inicial.
Pressione “↓” para reiniciar a contagem nos
Temporizadores (T01, T02, T03), conforme
desenvolvido no programa.

CLIC-02 | 5-15
Ferramenta de Programação
5.5.9 Documentação do Programa
O Software Clic02 Edit inclui a possibilidade de documentar um programa usando Símbolos
e Comentários de Linha. Os Símbolos são usados para nomear cada endereço E/S até um
tamanho de 12 caracteres. Comentários de Linha são usados para documentar seções de
um programa. Cada Comentário de Linha pode ter até 4 linhas, cada linha contendo até
50 caracteres de comprimento. Abaixo, estão alguns exemplos da entrada de Símbolos
e Comentários de Linha.
5.5.9.1 Símbolo…
O ambiente de edição de Símbolos pode ser acessado através do menu Editar>>Símbolo…
ou utilizando o ícone símbolo na barra de ferramentas principal, como mostrado abaixo.
Este ambiente permite declarar nomes para todos os tipos de variáveis, sejam marcadores
digitais (Mxx, Ixx, Qxx, etc) ou funções específicas (PIxx, DRxx, MDxx, etc), e selecionar
os modos de exibição desejados.
Durante a edição da lógica, serão exibidos os símbolos e nome das variáveis conforme
a seleção:
Contato/Bobina. Exibe apenas o nome e número da variável/função. Ex.: Q01, PI02, Y04.
Símbolo. Exibe apenas o símbolo associado à variável. Ex.: I01 = “Inicia”; I02 = “Retorna P”.
Ambos. Exibe o Contato/Bobina e o símbolo declarado para a variável.

5-16 | CLIC-02
Ferramenta de Programação
5.5.9.2 Comentários de Linha
O editor de Comentário de Linha é acessado ao clicar no ícone “N” na Barra de Ferramentas
Ladder. Após clicar no ícone “N”, clique na linha onde deseja inserir o comentário. Digite
o comentário desejado e pressione OK.
CLIQUE PARA INSERIR
O COMENTÁRIO
CLIQUE PARA SELECIONAR A
INSERÇÃO DE COMENTÁRIOS

CLIC-02 | 5-17
Ferramenta de Programação
5.5.10 Ajuste AQ …
O Ajuste AQ pode ser acessado através do menu Editar>>Ajuste AQ… Através deste
popup, podemos configurar as saídas analógicas, associando uma variável e configurando
o modo de operação da saída. Pode ser associada à saída alguma função existente ou
uma constante. A faixa de variação de AQ é de 0 ~ 1000 unidades para o modo de tensão
e 0 ~ 500 unidades para o modo de corrente. Para maiores informações sobre os modos
de saída analógica, veja o Capítulo 4: Programação Ladder > Função AQ
5.5.11 Ajuste de Registro de Dados…
O conteúdo dos registradores de dados DR pode ser definido como “Sem Sinal” (unsigned)
ou “Com Sinal” (signed), sendo ajustado através do popup mostrado abaixo. Ao selecionar
“Sem Sinal”, a faixa de valores para os DRs varia entre 0 e 65535. Ao selecionar “Com
Sinal”, a faixa de valores varia entre -32768 e 32767.

5-18 | CLIC-02
Ferramenta de Programação
Após configurar o formato de dados dos registradores DR, podemos acessar a edição dos
mesmos, através do menu Editar >> Ajuste dos Registradores de Dados… mostrada
abaixo. Os registradores DR podem ser ajustados como constantes ou associados ao
valor de alguma função.

CLIC-02 | 6-1
Funções do Teclado e Display LCD
6 FUNÇÕES DO TECLADO E DISPLAY LCD
6.1 TECLADO
Todos os CLIC-02 incluem Display LCD e Teclado incorporado. O teclado e o display são
mais frequentemente utilizados para ajuste de temporizadores/contadores, mudanças
de Modo CLIC-02 (Colocar em Run/Stop), carregar e salvar para o cartão de memória
PM05 e atualizar o RTC (Relógio de Tempo Real). Embora a edição do programa possa ser
efetuada através do teclado e display, é altamente recomendado apenas efetuar mudanças
na lógica do programa utilizando o Software de Programação do CLIC-02. Abaixo, um
panorama do teclado básico e das funções do display.
SEL – Utilizado para selecionar a memória disponível e tipos de instrução para edição.
Segurar o botão SEL habilitará a exibição de todas as mensagens “H” IHM/Texto no
display LCD.
OK – Usado para aceitar a seleção de uma instrução ou função mostrada. É também usada
para selecionar qualquer uma das opções do Menu Principal no display LCD.
ESC – Usado para sair de uma tela e ir para a tela anterior. Exemplo: quando a tela de
programação Ladder está ativa, pressione ESC para mostrar o menu principal.
DEL – Usado para deletar uma instrução ou uma linha do programa Ladder.
Os 4 botões de navegação (↑←↓→) são usados para mover o cursor através das funções
do CLIC-02. Estes 4 botões também podem ser utilizados como marcadores digitais
Z01-Z04, que atuarão na lógica do programa (‘↑’= Z01, ‘←’=Z02, ‘↓’=Z03, ‘→’ =Z04);

6-2 | CLIC-02
Funções do Teclado e Display LCD
6.2 EXIBIÇÃO DE ESTADOS
O Display LCD mostra 4 linhas de estado
Tela de Abertura exibida após a energização
ESTADO DAS TECLAS Z01~Z04
Tecla Z Habilitada
Tecla Z Desabilitada
Z Habilitado e Ligado
Z Habilitado e Desligado
ESTADO DAS
ENTRADAS
ON
OFF
ESTADOS DAS
SAÍDAS
ON
OFF
MODO DE
OPERAÇÃO
Modo RUN
Modo STOP
RTC: Dia da Semana / Hora : Minuto
Pressione o botão:
ESC Entra na tela do Menu Principal
SEL+↑ ↓ ↑ ↓
Sob o Modo LADDER, mostra o estado dos relés (I ⇔ Z ⇔ Q ⇔ X ⇔ Y ⇔
M ⇔ N ⇔ T ⇔ C ⇔ R ⇔ G ⇔ A ⇔ AT ⇔ AQ) ⇔ Tela Original
Sob o Modo FBD, mostra o estado dos relés (I ⇔ Z ⇔ Q ⇔ X ⇔ Y ⇔ M ⇔
N ⇔ A ⇔ AT ⇔ AQ) ⇔ Tela Original
SEL Mostra as funções H configuradas como modo 1
SEL+OK Entra na tela de configuração RTC
Display do Estado das Expansões
Estado do módulo de
expansão
Conectado
Não conectado
Não configurado
Estado das saídas de
expansão
ON
OFF
Estado das entradas
de expansão
ON
OFF

CLIC-02 | 6-3
Funções do Teclado e Display LCD
Configuração dos módulos de expansão: ver opção “Config” do Menu Principal;
Outros Displays de Estado
Modo de edição Ladder: Bobinas I, Z, X, Q, Y, M, N, T, C, R, G, D, Entrada analógica
A01~A04, Expansão da Entrada analógica A05~A08, entrada analógica de temperatura
AT01~AT04, saída analógica AQ01~AQ04;
Modo de edição FBD: Bobinas I, Z, X, Q, Y, M, N, Entrada analógica A01~A04, Expansão
da Entrada analógica A05~A08, entrada analógica de temperatura AT01~AT04, saída
analógica AQ01~AQ04;
Entradas analógicas de expansão
(A05∼A08): 0∼9,99V ou 0∼20mA,
o software de programação pode
mostrar os valores em formato de
tensão ou corrente
Entrada Analógica A01 ~ A04
(0 ~ 9,99V)
Entrada Analógica de Expansão
A05 ~ A08

6-4 | CLIC-02
Funções do Teclado e Display LCD
6.3 MENU PRINCIPAL DO DISPLAY LCD
(1) Opções do Menu Principal com o CLIC-02 em Modo ‘STOP’.
Pressione ESC quando estiver na tela de abertura (é mostrada após ligar o CLIC-02).
Menu Descrição
> LADDER/FBD Edição do
Programa
BLOCO FUN.
(somente para
LADDER)
Edição dos Blocos
de Função Ladder
(temporizador,
contador, RTC, etc.)
PARÂMETRO Parametrização
dos Blocos de
Função
RUN Alterna modos
RUN/STOP
DATA
REGISTER
Mostra valores dos
DRs
LIMPAR
PROG.
Limpar o programa
do usuário e senha
ESCREVER Salva o programa
do usuário no
cartão de memória
PM05 (3rd)
LER Lê o Programa do
usuário do cartão
de memória PM05
CONFIG. Configuração do
Sistema
CONFIG. RTC Configuração do
RTC
CONFIG.
ANALÓG
Configuração das
Analógicas
SENHA Configuração da
Senha
IDIOMA Seleção do idioma
EDIÇÃO Seleção do método
de edição

CLIC-02 | 6-5
Funções do Teclado e Display LCD
(2) O Menu Principal com CLIC-02 em modo RUN.
> LADDER FBD
FUN.BLOCO
PARÂMETRO
STOP
DATA REGISTER
ESCREVER
CONFIG. RTC
SENHA
IDIOMA
Teclas que podem ser usados no Menu Principal:
↑ ↓ Navega pelos itens do Menu Principal.
OK Confirma seleção
ESC Volta para a Tela Inicial
O programa do CLIC-02 pode ser editado, alterado, apagado e lido pelo software de
edição apenas quando está sob Modo STOP.
Conforme o programa é alterado pelo display do CLIC-02, ele será automaticamente
copiado para a memória FLASH.
6.4 SUBTELAS DO MENU PRINCIPAL
6.4.1 Tela de Edição LADDER
Tela LCD
Caractere do Elemento
Dígito do Elemento
1 2 3 4 5 6 7 8

6-6 | CLIC-02
Funções do Teclado e Display LCD
Teclas que podem ser usados na Tela de Edição Ladder:
Tecla Descrição
SEL 1. Ixx ⇒ ixx ⇒ ⇒ espaço ⇒ Ixx (apenas para as colunas 1, 3, 5)
2. Qxx ⇒ espaço ⇒ Qxx (apenas para a coluna 8)
3. ┬
┴
⇒ Espaço ⇒ ┬
┴
(as colunas 2,4,6. Exceto na primeira linha)
SEL,
depois ↑/ ↓
1. I ⇔ X ⇔ Z ⇔Q ⇔ Y⇔ M ⇔ N ⇔ D ⇔ T ⇔ C ⇔ R ⇔ G ⇔ I (cursor deve
estar localizado na Coluna 1, 3, 5).
2. Q ⇔ Y ⇔ M ⇔ N ⇔ T ⇔ C ⇔ R ⇔ G ⇔ H ⇔ L ⇔ P ⇔ S ⇔ AS ⇔ MD ⇔ PI
⇔ MX ⇔ AR ⇔ DR ⇔ MU ⇔ Q (cursor deve estar localizado na Coluna 8)
3. ( ⇔ ⇔ P ⇔ ( (cursor deve estar localizado na Coluna 7, e a Coluna 8
deve ser Q, Y, M, N)
4. ( ⇔ P ⇔ ( (cursor deve estar localizado na Coluna 7, e a Coluna 8 deve
ser T)
SEL ,
depois ←/→
Confirma a entrada de dados e move o cursor
↑ ↓ ← → Move o cursor
DEL Deleta uma instrução
ESC 1. Cancela a Instrução ou ação sob Edição.
2. Volta ao Menu Principal.
OK 1. Confirma os dados e salva a alteração automaticamente, o cursor move
para a próxima posição de edição.
2. Quando o cursor está na Coluna 8, o comando “OK” irá entrar no ajuste de
parâmetros do bloco de função que ali está inserido.
SEL+DEL Deleta uma linha de programa.
SEL+ESC Mostra o número da linha atual e o modo de operação atual do CLIC-02.
SEL+↑/ ↓Desloca 4 linhas de programa para cima/baixo.
SEL+OK Insere, logo acima do cursor, uma linha de programa.
Para mais detalhes veja Capítulo 12 - Programando Através do Display LCD.
6.4.2 Edição de Blocos de Função (FBD)
No Bloco de Função, o cursor estará piscando no “T”, pressione a tecla “SEL”, as funções
aparecerão na seguinte seqüência:
T→C→R→G→H→L→P→S→AS→MD→PI→MX→AR→MU→T…

CLIC-02 | 6-7
Funções do Teclado e Display LCD
Para mais detalhes veja Capítulo 12 - Programando Através do Display LCD.
6.4.3 Parâmetro
Dentro de parâmetro, pressione a tecla “SEL” e os blocos de função serão mostrados na
seguinte seqüência:
T→C→R→G→AS→MD→PI→MX→AR→MU→T…
6.4.4 RUN ou STOP
(1) Modo RUN (2) Modo STOP
↑ ↓ Move o cursor
OK Executa o comando, e volta ao menu principal
ESC Volta ao menu principal

6-8 | CLIC-02
Funções do Teclado e Display LCD
6.4.5 Data Register
Mostra o valor pré-ajustado quando o CLIC-02 está no modo STOP e mostra o valor atual
quando o mesmo está no modo RUN.
↑ ↓ ← → Move o cursor
OK Confirma a edição
SEL Inicia edição (edita o número que ficará à mostra ou o valor pré-ajustado via
lógica)
‘SEL’ depois ‘SEL’ Edita de onde o DR irá pegar seu valor.
‘SEL’ depois ‘↑ ↓’ Edita os DRs mostrados na tela (apenas a primeira linha)
Edita o valor pré-ajustado DR
ESC 1. Cancela a edição.
2. Volta ao menu principal (os dados DR são salvos)
SEL+↑/ ↓Move página para cima/baixo
6.4.6 Opções para Controle do Programa
(1) LIMPAR PROGRAMA (Limpa RAM, EEPROM e Senha ao mesmo tempo)
(2) ESCREVER: salva o programa (RAM) para cartão de memória PM05 (3rd)
(3) LER: lê o programa do PM05 ou PM05 (3rd) para o CLIC-02 (RAM)
Para os itens (1) ∼ (3):
↑ ↓ Move o cursor
OK Executa o comando
ESC Volta ao menu principal

CLIC-02 | 6-9
Funções do Teclado e Display LCD
6.4.7 Config. (configuração do sistema)
Conteúdo Padrão
CONFIG. ID 01 Configuração do ID (00~99)
E/S REMOTO N Modo E/S Remoto
(N: nenhum; M: Mestre; S: Escravo)
LUZ DE
FUNDO
Modo Luz de Fundo
(√: sempre ligado : liga por 10s,
depois de pressionado alguma tecla)
M RETENTIVO √√:Volátil; : Não- Volátil
NÚMERO E/S 0 Configuração do número de
módulos de expansão E/S (0~3)
ALARME E/S √Configuração de alarme quando
a Expansão dos Pontos E/S não
estiver conectada (√:Sim :Não)
C Retentivo Na mudança de STOP/RUN ou vice-
versa, o valor atual do Contador é
mantido (√: Sim :Não)
CONFIG. Z Habilita ou desabilita as teclas como
entradas digitais Z01-Z04
(√:habilita :desabilita)
CONFIG. V
COMM
03 Configuração do formato e
velocidade de comunicação da
porta RS-485
DATA REG. U Configuração do tipo Registro de
Dados
(U: 16 bits - sem sinal; S: 16 bits -
com sinal)
Função M RETENTIVO mantém o estado atual de M e o valor atual de T0E/T0F quando
o CLIC-02 é re-ligado.
↑ ↓ ← → Move o cursor
SEL Inicia a edição.
OK Confirma a edição
‘SEL’ e depois
‘←/→’
Move o cursor para o item ‘CONFIG. ID’ e item ‘CONFIG. V COMM ’
‘SEL’ e depois
‘↑ / ↓’
1. CONFIGURAÇÃO ID = 00∼99 ; NÚMERO E/S = 0∼3
2. E/S REMOTO = N⇔M⇔S⇔N
3. LUZ DE FUNDO; C RETENTIVO; AJUSTE Z = ×⇔√
4. M RETENTIVO; ALARME E/S = √⇔×
5. CONFIG. V COMM = (0∼3)(0∼5)
6. DATA REG. = U⇔S
OK Confirma a Edição
ESC 1. Cancela a edição quando ‘SEL’ é pressionado
2. Volta ao menu principal (salva edição de dados)

6-10 | CLIC-02
Funções do Teclado e Display LCD
Quando é selecionado o modo DATALINK, o ID varia de 0∼7, seguindo a seqüência da
rede.
ID=0 para Mestre, ID=1∼7 para Escravos.
Quando é selecionado o modo E/S REMOTA, o endereçamento da E/S remota é
habilitado conforme:
Mestre Escravo
Entrada da Remota X01∼X0C ←I01∼I0C
Saída da Remota Y01∼Y08 →Q01∼Q08
O dígito decimal do CONFIG. V COMM configura as características da comunicação do
RS-485, e o dígito unitário configura o Baud Rate da porta RS-485.
Para mais detalhes veja o Capítulo 10 - Funções de Comunicação da Porta RS-485
6.4.8 Config RTC
Ano.Mês.Dia
Versão de firmware
Dia da semana;
hora; minuto
↑ ↓ Navega entre Config. RTC e Config. Verão/Inverno
SEL Inicia alteração de parâmetros
‘SEL’ e depois
‘←/→’
Move o Cursor
‘SEL’ e depois
‘↑ / ↓’
1. ano=00∼99, mês=01∼12, dia=01∼31
2. semana: MO⇔TU⇔WE⇔TH⇔FR⇔SA⇔SU⇔MO
3. hora = 00∼23 , minuto = 00∼59
‘SEL’ depois ‘SEL’ Ajuste Verão/Inverno: NO – EUROPA – EUA – OUTRO – NO …
OK Salva os Dados de Entrada
ESC 1. Cancela os Dados de Entrada quando pressionar ‘SEL’.
2. Volta ao Menu Principal.
Precisão RTC
Temperatura Erro
+25 °C ±3s/dia
-20 °C/+50 °C ±6s/dia

CLIC-02 | 6-11
Funções do Teclado e Display LCD
6.4.8.1 Configuração Verão/Inverno no RTC
Existem dois horários Verão/Inverno pré-fixados (EUROPA e EUA) e um horário Verão/
Inverno configurável.
Regra de Edição: O ultimo Domingo é definido como 0;
Variação da hora: 1 ∼ 22;
Horário de Verão e Horário de Inverno são os mesmos.
Verão/Inverno pode ser ajustado através de dois métodos como mostrado abaixo.
1. Via computador, através do Software de Programação Clic02 Edit
2. Via Teclado
Pressione ↓
Nenhum ajuste
está selecionado
Pressione SEL duas
vezes
O padrão EUROPE
será selecionado
Pressione SEL
novamente
Pode-se agora editar
os horários conforme a
necessidade
Pressione SEL
novamente
O padrão USA
será selecionado
Pressionando “→” é possível selecionar o local de edição, pressionando “↑”, “↓” edita-se
o conteúdo.

6-12 | CLIC-02
Funções do Teclado e Display LCD
Exemplo:
Ano 2009, VERÃO M: 05 D: 01 → 2009-5-3; M: 10 D: 00 → 2009-10-25.
6.4.9 Config. Analógico
A 1= GANHO : 010 →GANHO (0~999), padrão 10
OFFSET: +00 →OFFSET (-50~+50), padrão 0
A 2=GANHO : 010
OFFSET: +00
A3~A8…Ganho + Offset
Funções das Teclas:
↑ ↓ 1. Move o cursor para cima/baixo
2. Liga as telas de ajuste de A01/A02→ A03/A04→ A50/A06 → A07/A08 →
A01/A02→…
SEL Inicia alteração do parâmetro
‘SEL’ depois
‘←/→’
Move o cursor dentro do parâmetro em edição
‘SEL’ depois ‘↑ / ↓’ 1. GANHO =000~999
2. OFFSET=-50~+50
OK Salva os dados alterados.
ESC 1. Cancela os dados alterados, quando pressionado ‘SEL’ (modo edição).
2. Volta ao Menu Principal (salva edição de dados).
V01 = A01*A01_GANHO + A01_OFFSET …… V08 = A08*A08_GANHO + A08_OFFSET

CLIC-02 | 6-13
Funções do Teclado e Display LCD
6.4.10 Senha (ajuste de senha)
Funções das Teclas:
SEL 1. Inicia a edição da senha.
2. Quando uma senha já estiver configurada, não será mostrado 0000 e sim ****.
‘SEL’ depois
‘←/→’
Move o cursor pela senha a ser editada.
‘SEL’ depois ‘↑ / ↓’ Entra na edição e modifica o valor da senha. Valores variam de 0~F.
OK Salva a senha digita. Se o valor for 0000 ou FFFF, então não será aceito
como a senha válida.
ESC 1. Cancela a alteração, quando pressionado ‘SEL’(modo de edição).
2. Volta ao Menu Principal.
Classe A: Número da senha é ajustado entre 0001~9FFF.
Classe B: Número da senha é ajustado entre A000~FFFE.
Número da senha = 0000 ou FFFF desabilita a função de senha, senha padrão é 0000.
Descrição das Classes (A/B) de senha (√: protegida por senha )
Menu Classe A Classe B
LADDER √ √
FUN.BLOCK √ √
FBD √ √
PARÂMETRO √
RUN/STOP √
REGISTRO DE DADOS √
LIMPAR PROG. √ √
ESCREVER √ √
LER √ √
CONFIG. √
CONFIG. RTC
CONFIG. ANALÓGICA √
IDIOMA √
EDIÇÃO √ √

6-14 | CLIC-02
Funções do Teclado e Display LCD
6.4.11 Idioma
Seleciona o idioma do CLIC-02
→Inglês
→Francês
→Espanhol
→Italiano
→Alemão
→Português
→Chinês Simplificado
Funções das Teclas:
↑ ↓ Move o cursor pelos itens.
OK Ativa o idioma marcado pelo cursor
ESC Volta ao Menu Principal
6.4.12 Edição
Seleciona linguagem de edição do programa, pode ser LADDER ou FBD
Funções das Teclas:
↑ ↓ Move o cursor pelos itens.
OK Ativa a linguagem de programação marcada pelo cursor.
ESC Volta ao Menu Principal
CUIDADO!
O programa atual será apagado com a mudança da linguagem de
programação.

CLIC-02 | 7-1
Programação em Lógica Ladder
7 PROGRAMAÇÃO EM LÓGICA LADDER
7.1 VARIÁVEIS DIGITAIS
Símbolo Contatos
/ Quantidade Faixa Válida
Entrada Digital I I / i 12 I01 ~ I0C
Saída Digital Q Q / q 8 Q01 ~ Q08
Entrada via Teclado Z Z / z 4 Z01 ~ Z04
Entrada Digital de Expansão X X / x 12 X01 ~ X0C
Saída Digital de Expansão Y Y / y 12 Y01 ~ Y0C
Marcador Auxiliar M M / m 63 M01 ~ M3F
N N / n 63 N01 ~ N3F
Temporizador T T / t 31 T01 ~ T1F
Contador C C / c 31 C01 ~ C1F
RTC R R / r 31 R01 ~ R1F
Comparador G G / g 31 G01 ~ G1F
7.1.1 Entradas Digitais
Para os pontos da entrada digital do CLIC-02, estão associadas as variáveis do tipo I.
O número máximo de pontos de entrada digital I varia conforme o modelo do CLIC-02,
podendo chegar a 12 pontos – I01 ~ I0C. As entradas digitais de expansão são designadas
pela variável X, na faixa de X01 ~ X0C.
7.1.2 Saídas Digitais
Para os pontos de saída digital do CLIC-02, são designadas as variáveis Q. O número
de pontos de saída digital Q varia conforme o modelo do CLIC-02, podendo chegar a 8
pontos – Q01 ~ Q08. Para as saídas digitais de expansão, estão associadas as variáveis
Y – Y01 ~ Y0C. Neste exemplo, o ponto de saída Q01 será ligado quando o ponto de
entrada I01 for ativado.
Quando o modelo do CLIC-02 possuir menos saídas digitais, as variáveis Q restantes
podem ser utilizadas como marcadores auxiliares, ampliando ainda mais as capacidades
do CLIC-02.

7-2 | CLIC-02
Programação em Lógica Ladder
7.1.3 Entradas via Teclado
Os pontos da entrada do teclado do CLIC-02 são designados através das variáveis Z.
Existem 4 pontos de entrada digital do tipo Z, um para cada tecla direcional. A opção
“CONFIG Z” deve estar ativada para que as entradas Z sejam habilitadas.
Z03
Z04
Z01
Z02
Quando as teclas ‘Z’
estiverem
habilitadas, será
exibido um sinal na
tela de abertura
Quando as teclas 'Z'
estiverem habilitadas,
será exibido um sinal na
tela de abertura
7.1.4 Marcadores auxiliares
Marcadores auxiliares ou relés auxiliares são bits de memória utilizados para controle
interno da lógica. Os relés auxiliares não são entradas ou saídas físicas, que podem ser
conectadas à dispositivo externos, eles são apenas utilizados internamente na lógica como
memórias auxiliares. O CLIC-02 possui 63 marcadores auxiliares M e 63 marcadores
auxiliares N – M01 ~ M3F e N01 ~ N3F. Como os marcadores são bits internos da CPU,
eles podem ser programados tanto como entradas digitais (contatos) quanto saídas
digitais (bobinas). Na primeira linha do exemplo abaixo, o relé auxiliar M01 está sendo
usado como uma bobina de saída e irá energizar quando a entrada I02 ligar. Na segunda
linha, o relé auxiliar M01 está sendo usado como uma entrada e, quando energizado, irá
ligar as saídas Q02 e Q03.

CLIC-02 | 7-3
Programação em Lógica Ladder
Os marcadores auxiliares “M01~M3F” serão do tipo retentivo quando a opção “M
Retentivo” estiver ativada. Esta configuração pode ser feita de duas maneiras, através
do software de programação ou no próprio display do CLIC-02. Os marcadores N não
podem ser retentivos.
O CLIC-02 possui marcadores auxiliares especiais, que executam funções pré-definidas
e não devem ser utilizados para escrita (bobinas de saída ou status de outras funções).
Os marcadores especiais M31~M3F são descritos na tabela abaixo:
Marcador Função Descrição
M31 Pulso Inicial Este marcador fica LIGADO apenas durante o primeiro
ciclo de scan do CLIC-02
M32 Oscilador de 1s 0,5s LIGADO / 0,5s DESLIGADO
M33 Marcador
Verão/Inverno
No verão o marcador LIGA, e no inverno DESLIGA,
usado como relé auxiliar normal.
M34 Marcador AT01 O marcador é LIGADO quando o primeiro canal do
módulo CLIC-02/4PT estiver com erro.
M35 Marcador AT02 O marcador é LIGADO quando o segundo canal do
módulo CLIC-02/4PT estiver com erro.
M36 Marcador AT03 O marcador é LIGADO quando o terceiro canal do
módulo CLIC-02/4PT estiver com erro.
M37 Marcador AT04 O marcador é LIGADO quando o quarto canal do
módulo CLIC-02/4PT estiver com erro.
M38~M3C Reservado
M3D Telegrama
Recebido
Utilizados pela função MODBUS.
M3E Marcador de Erro
M3F Time Out

7-4 | CLIC-02
Programação em Lógica Ladder
7.2 INSTRUÇÕES COM VARIÁVEIS DIGITAIS
7.2.1 Lógica de Pulso – Borda de subida
O contato de pulso ‘D’ irá detectar uma borda de subida na lógica anterior a ele, ficando
habilitado por apenas um ciclo de scan após esta detecção. No exemplo abaixo, quando
a entrada I01 mudar de desligada para ligada, o contato ‘D’ ficará ligado por um ciclo de
scan, habilitando a saída Q01 por este período.
Um ciclo de scan completo
7.2.2 Lógica de Pulso – Borda de descida
O contato de pulso ‘d’ irá detectar uma borda de descida na lógica anterior a ele, ficando
habilitado por apenas um ciclo de scan após esta detecção. No exemplo abaixo, quando
a entrada I01 mudar de ligada para desligada, o contato d ficará ligado por um ciclo de
scan, habilitando a saída Q01 por este período.
Um ciclo de scan completo

CLIC-02 | 7-5
Programação em Lógica Ladder
7.2.3 Função de Saída (-[)
Uma instrução de saída normal pode atuar sobre a saída digital (Q), saída de expansão
(Y), marcador auxiliar (M) ou (N). A variável selecionada irá ligar ou desligar conforme a
condição lógica anterior a função de saída, conforme mostrado no exemplo abaixo:
7.2.4 Função SET ()
Uma instrução SET ligará uma saída digital (Q), saída de expansão (Y), marcador auxiliar
(M) ou (N) quando a lógica anterior a saída mudar de desligado para ligado. Uma vez que
a saída está ligada, ela permanecerá ligada mesmo que a lógica anterior a saída retorne
para desligado. Para desligar a saída é necessário utilizar a instrução RESET.
7.2.5 Função RESET ()
Uma instrução RESET desligará uma saída digital (Q), saída de expansão (Y), marcador
auxiliar (M) ou (N) quando a lógica anterior a saída mudar de desligado para ligado. Uma
vez que a saída está desligada, ela permanecerá neste estado mesmo que a lógica anterior
a saída retorne para desligado.

7-6 | CLIC-02
Programação em Lógica Ladder
7.2.6 Função Saída de Pulso - Flip-Flop (P)
Uma instrução de saída de pulso, ou Flip-Flop, alterna o estado lógico de uma saída digital
(Q), saída de expansão (Y), marcador auxiliar (M) ou (N) quando o contato anterior a saída
mudar de desligado para ligado. No exemplo abaixo, quando o botão de comando I03
é pressionado, Q04 ligará e permanecerá ligada mesmo que o botão seja desacionado.
Quando o botão de comando I03 é pressionado novamente, Q04 desligará e permanecerá
desligado após soltar o botão. A instrução de saída pulso (P) irá alternar seu estado de
ligado para desligado, e vice-versa, toda vez que o botão de comando I03 for pressionado.
7.3 VARIÁVEIS ANALÓGICAS
Símbolo Quantidade Faixa Válida
Entrada Analógica A 8 A01 ~ A08
Ganho Entrada Analógica V 8 V01 ~ V08
Temporizador T 31 T01 ~ T1F
Contador C 31 C01 ~ C1F
Entrada de Temperatura AT 4 AT01 ~ AT04
Saída Analógica AQ 4 AQ01 ~ AQ04
Adição-Subtração AS 31 AS01 ~ AS1F
Multiplicação-Divisão MD 31 MD01 ~ MD1F
PID PID 15 PI01 ~ PI0F
Multiplexador de Dados MX 15 MX01 ~ MX0F
Rampa Analógica AR 15 AR01 ~ AR0F
Registrador de Dados DR 240 DR01 ~ DRF0
As variáveis analógicas A01~A08, V01~V08, AT01~AT04, AQ01~AQ04 e os valores atuais de
saída das funções T01~T1F, C01~C1F, AS01~AS1F, MD01~MD1F, PI01~PI0F, MX01~MX0F,
AR01~AR0F e DR01~DRF0 podem ser usados como parâmetro para outras funções.

CLIC-02 | 7-7
Programação em Lógica Ladder
7.4 INSTRUÇÕES DE APLICAÇÃO
Símbolo Quantidade Faixa Válida
Temporizador T 31 T01 ~ T1F
Contador C 31 C01 ~ C1F
Adição-Subtração AS 31 AS01 ~ AS1F
Multiplicação-Divisão MD 31 MD01 ~ MD1F
RTC R 31 R01 ~ R1F
Comparador G 31 G01 ~ G1F
IHM H 31 H01 ~ H1F
Datalink(1) L 8 L01 ~ L08
Modbus Mestre(1) MU 15 MU01 ~ MU0F
PID PI 15 PI01 ~ PI0F
Multiplexador de Dados MX 15 MX01 ~ MX0F
Rampa Analógica AR 15 AR01 ~ AR0F
Registrador de Dados DR 240 DR01 ~ DRF0
Shift S 1 S01
PWM(2) P 2 P01 ~ P02
(1) Disponível apenas nos modelos com porta de comunicação RS-485;
(2) Disponível apenas nos modelos com saída a transistor.
Os temporizadores, contadores, funções de RTC e comparadores possuem variações
em seus modos de operação, selecionados através do modo da função. Quando estas
instruções forem selecionadas para modo 0, elas funcionarão como marcadores internos M.
7.4.1 Temporizador
O CLIC-02 possui 31 temporizadores, sendo que cada temporizador pode operar em 8
modos, 1 modo para temporizador de pulso e 7 modos para temporizador de fins gerais.
Os temporizadores são endereçados pelo mnemônico T, variando de T01 ~ T1F. Os
temporizadores T0E e T0F funcionam como retentivos (mantêm seu valor depois de uma
perda de energia) se a opção “M Retentivo” estiver ativada. Todos os demais temporizadores
não são retentivos. Cada temporizador possui 6 parâmetros para configuração própria. A
tabela abaixo descreve cada parâmetro de configuração dos temporizadores.

7-8 | CLIC-02
Programação em Lógica Ladder
Símbolo Descrição
Modo Temporizador: 0 ~ 7
Base de
tempo
1: 0,01s 0 ~ 99,99 seg
2: 0,1s 0 ~ 999,9 seg
3: 1s 0 ~ 9999 seg
4: 1min 0 ~ 9999 min
Reset do temporizador: Quando esta
entrada for ativada, o valor atual do
temporizador será zerado e sua saída
desabilitada
Valor atual do temporizador
Set-Point do temporizador(1)
Número do temporizador: T01 ~ T1F
(1) O Set-Point do temporizador pode ser uma constante
ou valor atual de alguma outra função.
⑥
①
②
④
⑤
③
No display do CLIC02, ou na ferramenta de programação, o bloco temporizador é exibido
da seguinte forma:
② ①④
③ ⑤
⑥
7.4.1.1 Temporizador Modo 0 - Marcador Auxiliar
Quando um temporizador for configurado para o modo 0, ele funcionará como um marcador
auxiliar interno M ou N. Os demais parâmetros de configuração ficarão desabilitados
quando este modo for selecionado.

CLIC-02 | 7-9
Programação em Lógica Ladder
7.4.1.2 Temporizador Modo 1 - Retardo na Energização
Este temporizador contará o tempo enquando estiver habilitado, parando ao atingir o set-
point de contagem e ligando sua saída. Se a habilitação do temporizador for desligada,
o valor atual de contagem será zerado e a saída do temporizador será desligada. No
exemplo abaixo, o temporizador irá parar de contar o tempo quando alcançar o valor de
5 segundos, ligando os contatos T01.
O temporizador está
habilitado
t = valor de preset do temporizador
Entrada de habilitação
do temporizador
Saída do temporizador
(T01 ~T1F)
7.4.1.3 Temporizador Modo 2 - Retardo na Energização com RESET
Quando habilitado, o temporizador contará o tempo até atingir o valor programado, ligando
os seus contatos de saída. Se a entrada de habilitação do temporizador desligar, os
contatos de saída permanecerão ligados, sendo desligados apenas com o acionamento
da entrada de reset. No exemplo abaixo, o temporizador irá contar o tempo programado de
5 segundos. A entrada de reset está programada como I01 e, quando acionada, irá zerar
o valor de contagem atual e desligar os contatos de saída. Note que, se o temporizador
não atingir o valor programado e a habilitação for desligada, o valor atual de contagem
será mantido.
t = valor de preset do temporizador
Entrada de habilitação
do temporizador
Saída do temporizador
(T01 ~T1F)
O valor atual de contagem
está diferente de zero
Entrada de reset
Se as entrada de habilitação e reset estiverem ativas ao mesmo tempo, a prioridade será
da entrada de reset.

7-10 | CLIC-02
Programação em Lógica Ladder
7.4.1.4 Temporizador Modo 3 - Retardo na Desenergização
O temporizador ligará os contatos de saída imediatamente após sua habilitação, porém
quando esta habilitação for desligada, a saída do temporizador ficará ativa durante o
tempo programado. Quando a entrada de reset for acionada, o valor atual de contagem
será zerado e as saídas do temporizador serão desligadas.
No exemplo 1, o temporizador contará o tempo de 5 segundos após ter o sinal de
habilitação desligado. No exemplo 2, observamos a atuação da entrada de reset, que zera
o valor de contagem e desabilita a saída do temporizador. Sempre que o temporizador
estiver contando o tempo para desligar e a entrada de habilitação for novamente ligada,
o valor atual de contagem será zerado.
t = valor de tempo programado
Entrada de habilitação
do temporizador
Saída do temporizador
(T01 ~T1F)
Entrada de reset
Entrada de habilitação
do temporizador
Saída do temporizador
(T01 ~T1F)
Entrada de reset
7.4.1.5 Temporizador Modo 4 - Retardo na Desenergização
O temporizador acionará os contatos de saída quando a entrada de habilitação for
desligada, iniciando assim a contagem de tempo. Quando o tempo programado for
atingido, a saída será desligada. Se a entrada de habilitação for novamente ligada durante
a contagem de tempo, esta contagem será zerada, mantendo a saída do temporizador
desligada até uma nova contagem completa. A entrada de reset irá zerar o valor de
contagem atual, tendo prioridade sobre a entrada de habilitação.
No exemplo abaixo, o temporizador é habilitado pela entrada I04. Quando a entrada I04
é desligada, o temporizador irá ligar os contatos de saída e iniciar a contagem do tempo
programado. A saída é desligada após o tempo programado de 5 segundos.

CLIC-02 | 7-11
Programação em Lógica Ladder
t = valor de tempo programado
Entrada de habilitação
do temporizador
Saída do temporizador
(T01 ~T1F)
Entrada de reset
7.4.1.6 Temporizador Modo 5 - Oscilador
Quando um temporizador no modo oscilador é habilitado, sua saída irá alternar
continuamente entre ligado-desligado, iniciando o ciclo sempre com a saída ligada. O
período com a saída ligada e o período com a saída desligada é o mesmo, sendo definido
pelo tempo programado do temporizador. Quando a entrada de habilitação for desligada,
a saída do temporizador será imediatamente desligada.
No exemplo abaixo, quando a entrada I04 ligar, o temporizador T01 será habilitado e iniciará
o ciclo liga-desliga em sua saída. Quando I04 for desligada, a saída do temporizador
também é imediatamente desligada, sem aguardar o término de um ciclo de tempo.
Entrada de habilitação
do temporizador
Saída do temporizador
(T01 ~T1F)
t = valor de preset do temporizador
7.4.1.7 Temporizador Modo 6 - Oscilador Com Reset
Quando um temporizador no modo oscilador é habilitado, sua saída irá alternar
continuamente entre ligado-desligado, iniciando o ciclo sempre com a saída ligada. O
período com a saída ligada e o período com a saída desligada é o mesmo, sendo definido
pelo tempo programado do temporizador. Uma vez ativado o temporizador, a entrada
de habilitação pode ser desligada e o temporizador continuará operando. Para desligar
temporizador e parar o ciclo de liga-desliga é necessário acionar a entrada de reset.

7-12 | CLIC-02
Programação em Lógica Ladder
No exemplo abaixo, a entrada I04 irá habilitar o temporizador. Após habilitado, a entrada
é desligada, porém o temporizador continua operando. Quando a entrada de reset é
acionada, o temporizador é imediatamente desligado.
Entrada de habilitação
do temporizador
Saída do temporizador
(T01 ~T1F)
t = valor de preset do temporizador
Entrada de reset
7.4.1.8 Temporizador Modo 7 - Oscilador Ajustável
Este temporizador possui um modo de operação semelhante ao temporizador oscilador
(modo 5), tendo como única diferença a possibilidade de programar tempos distintos para
o período ligado e período desligado da saída. Para que isso seja possível, este modo irá
utilizar dois temporizadores, um para cada período. O temporizador declarado na lógica irá
temporizar o período ligado e o temporizador subseqüente irá contar o período desligado.
O segundo temporizador irá gerar um pulso a cada término de ciclo.
No exemplo abaixo, o temporizador T01 irá oscilar o estado de seus contatos de saída
enquanto a entrada digital I04 estiver ligada. Como o temporizador T02 também é utilizado,
ele aparece na visualização do bloco e não pode ser utilizado como temporizador em
outro modo.
Entrada de habilitação
do temporizador
Saída do temporizador T01
t1 = valor de preset do temporizador 1
t2 = valor de preset do temporizador 2
Saída do temporizador T02

CLIC-02 | 7-13
Programação em Lógica Ladder
7.4.2 Contadores
O CLIC-02 possui 31 contadores, sendo que cada contador pode operar em 9 modos de
contagem: 1 modo para contador de pulso, 6 modos para contador de uso geral e 2 modos
para contagem de alta velocidade. Os contadores são endereçados pelo mnemônico C,
variando de C01 ~ C1F. Cada contador possui 6 parâmetros para configuração. A tabela
abaixo descreve cada parâmetro de configuração dos contadores.
Símbolo Descrição
Modo contagem (0-6)
Seleção da direção de contagem:
OFF: Contagem crescente (0, 1, 2, 3…)
ON: Contagem decrescente (…3, 2, 1, 0)
Reset do contador: Quando esta
entrada for ativada, o valor atual do
contador será zerado e sua saída
desabilitada
Valor atual de contagem: 0 ~ 999999
Set-Point de contagem(1): 0 ~ 999999
Número do contador: C01 ~ C1F
(1) O Set-Point do contador pode ser uma constante ou
valor atual de alguma outra função.
⑥
①
④
⑤
③
No display do CLIC02, ou na ferramenta de programação, o bloco contador é exibido da
seguinte forma:
② ①④
③ ⑤
⑥

7-14 | CLIC-02
Programação em Lógica Ladder
7.4.2.1 Contador Modo 0 - Marcador Auxiliar
Quando um contador for configurado para o modo 0, ele funcionará como um marcador
auxiliar interno M ou N. Os demais parâmetros de configuração ficarão desabilitados
quando este modo for selecionado.
7.4.2.2 Contador Modo 1 - Contagem Fixa e Não-Retentiva
O contador pode trabalhar em dois modos, contagem crescente ou decrescente,
selecionados através da entrada de direção de contagem. Quando em modo de contagem
crescente, os pulsos de entrada irão incrementar o valor de contagem até atingir o valor
programado, ligando assim os contatos de saída do contador. Quando em modo de
contagem decrescente, os pulsos de entrada irão decrementar o valor de contagem até
atingir o valor zero, ligando assim os contatos de saída do contador. Em ambos os casos,
para desligar a saída é necessário acionar a entrada de reset ou inverter a direção de
contagem. Em caso de desernegização, o valor de contagem não será mantido.
Neste exemplo, o contador C01 irá contar os pulsos da entrada digital I06. O contato de
saída do contador ficará ativo quando o valor de contagem for igual a 20. Note que, quando
o valor de contagem chega a 2, a direção de contagem é alterada para decrescente,
fazendo com que a saída do contador ligue com o valor de contagem 0. Alterando
novamente a direção de contagem para crescente, a saída é resetada.
Direção de contagem
Entrada de reset
Saída do contador
Pulso de contagem
Valor atual de contagem
Preset de contagem
Quando o CLP for energizado, o valor inicial de contagem dependerá da direção de
contagem. Se a direção for crescente, o valor de contagem será 0, se decrescente, o
valor de contagem será igual ao valor programado.

CLIC-02 | 7-15
Programação em Lógica Ladder
7.4.2.3 Contador Modo 2 - Contagem Contínua e Não-Retentiva
O contador pode trabalhar em dois modos, contagem crescente ou decrescente,
selecionados através da entrada de direção de contagem. Quando em modo de contagem
crescente, os pulsos de entrada irão incrementar o valor de contagem, ligando os contatos
de saída quando o valor de contagem for igual ou maior ao programado. O contador
continua incrementando mesmo após atingir o valor programado. Quando em modo de
contagem decrescente, os pulsos de entrada irão decrementar o valor de contagem até
atingir o valor zero, ligando assim os contatos de saída do contador. Em ambos os casos,
para desligar a saída é necessário acionar a entrada de reset ou inverter a direção de
contagem. Em caso de desernegização, o valor de contagem não será mantido.
Neste exemplo, o contador C01 irá contar os pulsos da entrada digital I06. O contato de
saída do contador ficará ativo quando o valor de contagem for igual ou maior a 20. O valor
de contagem ultrapassa o valor programado, chegando a 21.
Direção de contagem
Entrada de reset
Saída do contador
Pulso de contagem
Valor atual de contagem
Preset de contagem
Quando o CLP for energizado, o valor inicial de contagem dependerá da direção de
contagem. Se a direção for crescente, o valor de contagem será 0, se decrescente, o
valor de contagem será igual ao valor programado.
7.4.2.4 Contador Modo 3 - Contagem Fixa e Retentiva
O funcionamento é o mesmo do Contador Modo 1, porém após uma desernegização do
CLIC-02 o valor de contagem será armazenado. Quando o CLIC-02 for ligado novamente,
o último valor armazenado será carregado novamente para o contador, mantendo sua
condição inalterada. As demais funções e características são as mesmas do Contador
Modo 1.
Caso ocorra STOP no CLIC-02 sem desernegização, o valor de contagem será resetado,
obedencendo a direção de contagem. Para que isto não ocorra, a opção de sistema
“C Retentivo” deve ser habilitada, fazendo com o valor seja mantido mesmo com um
comando STOP sem desernegização.

7-16 | CLIC-02
Programação em Lógica Ladder
7.4.2.5 Contador Modo 4 - Contagem Contínua e Retentiva
O funcionamento é o mesmo do Contador Modo 2, porém após uma desernegização do
CLIC-02 o valor de contagem será armazenado. Quando o CLIC-02 for ligado novamente,
o último valor armazenado será carregado novamente para o contador, mantendo sua
condição inalterada. As demais funções e características são as mesmas do Contador
Modo 2.
Caso ocorra STOP no CLIC-02 sem desernegização, o valor de contagem será resetado,
obedencendo a direção de contagem. Para que isto não ocorra, a opção de sistema
“C Retentivo” deve ser habilitada, fazendo com o valor seja mantido mesmo com um
comando STOP sem desernegização.
7.4.2.6 Contador Modo 5 - Contagem Contínua
O contador pode trabalhar em dois modos, contagem crescente ou decrescente,
selecionados através da entrada de direção de contagem. Quando em modo de contagem
crescente, os pulsos de entrada irão incrementar o valor de contagem, ligando os contatos
de saída quando o valor de contagem for igual ou maior ao programado. O contador
continua incrementando mesmo após atingir o valor programado. Quando em modo de
contagem decrescente, os pulsos de entrada irão decrementar o valor de contagem até
atingir o valor zero, porém a saída do contador não será ligada. A saída será desligada
quando for acionada a entrada de reset. Caso a direção de contagem seja invertida, a
saída do contador não mudará de estado imediatamente, será respeitada a comparação
entre valor atual e valor programado. Em caso de desernegização, o valor de contagem
não será mantido.
No exemplo, o contador C01 continuará a contagem após atingir o valor programado de
20 pulsos. Porém quando invertida a direção de contagem, a saída será desligada apenas
quando o valor de contagem for menor que o valor programado.
Direção de contagem
Entrada de reset
Saída do contador
Pulso de contagem
Valor atual de contagem
Preset de contagem
Quando o contador for resetado ou quando o CLP for energizado, o valor inicial de
contagem será sempre 0.

CLIC-02 | 7-17
Programação em Lógica Ladder
7.4.2.7 Contador Modo 6 - Contagem Contínua, Retentiva e Com Retenção de
Estado
O funcionamento é o mesmo do Contador Modo 2, porém após uma desernegização do
CLIC-02 o valor de contagem será armazenado. Quando o CLIC-02 for ligado novamente,
o último valor armazenado será carregado novamente para o contador, mantendo sua
condição inalterada. As demais funções e características são as mesmas do Contador
Modo 2.
Caso ocorra STOP no CLIC-02 sem desernegização, o valor de contagem será resetado,
obedencendo a direção de contagem. Para que isto não ocorra, a opção de sistema
“C Retentivo” deve ser habilitada, fazendo com o valor seja mantido mesmo com um
comando STOP sem desernegização.
7.4.2.8 Contador de Alta Velocidade
Os modelos com alimentação CC do CLIC-02 incluem duas entradas de alta velocidade
de 1 KHz, disponíveis nos terminais I01e I02. Por padrão, estas entradas funcionam como
entradas digitais comuns, porém quando configuradas através de um contador de alta
velocidade, irão efetuar a leitura das entradas em um tempo de atualização muito menor,
conseguindo ler sinais de até 1 KHz. São frequentemente utilizadas para contar um pulso
muito rápido (com freqüências maiores que 40Hz) e leitura de encoders. Os contadores
de alta velocidade são configurados nos modos 7 e 8 dos contadores.
7.4.2.8.1 Contador Modo 7 – Contador de Alta Velocidade
O contador de alta velocidade modo 7 irá contar os pulsos de uma das entradas de alta
velocidade – I01 ou I02 – de maneira unicamente crescente. Para isso, a bobina do contador
configurado para este modo deve estar habilitada. O contador irá ligar os seus contatos
de saída quando o valor de contagem atual atingir o valor programado, não havendo
ultrapassagem deste valor. Para resetar o contador, poderá ser utilizada sua entrada de
reset ou desabilitada a bobina do contador. Os parâmetros do contador neste modo são
diferentes dos contadores comuns, conforme observado abaixo:
Símbolo Descrição
Modo contagem 7
Entrada de alta velocidade que terá
os pulsos contados – I01 ou I02
Reset do contador: Quando esta
entrada for ativada, o valor atual do
contador será zerado e sua saída
desabilitada
Valor atual de contagem: 0 ~ 999999
Set-Point de contagem(1): 0 ~ 999999
Número do contador: C01 ~ C1F
(1) O Set-Point do contador pode ser uma constante ou
valor atual de alguma outra função.
⑥
①
④
⑤
③

7-18 | CLIC-02
Programação em Lógica Ladder
No display do CLIC02, ou na ferramenta de programação, este bloco é exibido da seguinte
forma:
② ①④
③ ⑤
⑥
No exemplo abaixo, o contador C01 irá incrementar os pulsos da entrada I01 quando a
entrada I06 estiver ativada. Atingindo o valor programado de 50000 pulsos, os contatos
de saída de C01 irão acionar, ligando a saída Q01. A entrada de reset, programada para
M05, irá zerar o valor de contagem e desligar os contatos de saída.
Entrada de reset
Saída do contador
Pulso de contagem I01
Valor atual
Preset de contagem
7.4.2.8.2 Contador Modo 8 – Contador de Alta Velocidade
O contador de alta velocidade modo 8 funciona como um comparador de freqüências,
habilitando a saída quando a freqüência lida na entrada estiver dentro da faixa programada.
As entradas de alta velocidade I01 e I02 estão disponíveis, sendo necessário habilitar a
bobina do contador para que a comparação seja realizada.
O contador totalizará o número de pulsos recebidos na entrada, dentro do tempo de
varredura definido. Se o número de pulsos contados nesse período estiver dentro da
faixa de comparação programada (definida pelos parâmetros da função), a saída será
habilitada. A cada início de um novo ciclo de varredura, o valor atual de contagem será
zerado. Os parâmetros do contador neste modo são diferentes dos contadores comuns,
conforme observado abaixo:

CLIC-02 | 7-19
Programação em Lógica Ladder
Símbolo Descrição
Modo contagem 8
Entrada de alta velocidade onde será
medida a freqüência – I01 ou I02
Tempo de varredura da entrada(1):
0 ~ 99,99s
Set-Point superior da faixa de
comparação(1): 0 ~ 999999
Set-Point inferior da faixa de
comparação(1): 0 ~ 999999
Número do contador: C01 ~ C1F
(1) Os Set-Points podem ser constantes ou valores
atuais de alguma outra função.
⑥
①
④
③
⑤
No display do CLIC02, o bloco temporizador é exibido da seguinte forma:
② ①③④
⑤
⑥
No exemplo abaixo, o contador C02 irá verificar a freqüência da entrada rápida I02. O ciclo
de varredura está programado para 0,1s. A cada ciclo de varredura completado, o contador
C02 irá comparar o número de pulsos contados neste ciclo com a faixa programada, que
vai de 3 a 5 pulsos para ligar. Observe que a saída é habilitada quando o valor atual estiver
maior ou igual ao limite inferior da faixa de comparação e menor do que o limite superior.
Pulso de contagem
Saída do contador
Preset de contagem

7-20 | CLIC-02
Programação em Lógica Ladder
7.4.3 Relógio de Tempo Real - RTC
O CLIC-02 possui 31 instruções de comparação RTC, sendo que cada uma pode operar
em 5 modos de comparação. Cada instrução de comparação RTC possui 10 parâmetros
para configuração. As instruções de comparação RTC são endereçadas pelo mnemônico
R, estando disponíveis na faixa de R01 ~ R1F. As instruções de comparação irão atuar
conforme o relógio de tempo real do CLIC-02, que pode ser ajustado através do display
do CLIC-02 ou pela ferramenta de programação.
7.4.3.1 RTC Modo 0 - Marcador Auxiliar
Quando uma instrução de comparação RTC for configurada para o modo 0, ela funcionará
como um marcador auxiliar interno M ou N. Os demais parâmetros de configuração ficarão
desabilitados quando este modo for selecionado.
7.4.3.2 RTC Modo 1 – Intervalo Diário
Neste modo, os contatos de saída serão acionados em todos os dias da faixa programada.
O tempo de acionamento também é programável, escolhendo os horários em que a saída
será ligada e desligada. É necessário habilitar o bloco RTC para que a saída seja ligada.
Símbolo Descrição
Número do RTC: R01 ~ R1F
Modo RTC: 1
Valor atual do RTC do CLIC-02
Hora:Minuto
Dia da semana de início da operação
Dia da semana de fim da operação
Hora do dia para ligar saída
Minuto do dia para ligar saída
Hora do dia para desligar saída
Minuto do dia para desligar saída

CLIC-02 | 7-21
Programação em Lógica Ladder
No display do CLIC02, ou na ferramenta de programação, o bloco RTC Modo 1 será
exibido da seguinte forma:
② ④⑤
⑥⑧ ⑨⑦
③
①
No exemplo a seguir, a saída será ligada de segunda a sexta-feira, das 8:00 as 17:00 horas.
Saída
Habilitação
Hora 8:00 17:00 8:00 17:00 8:00 17:00 8:00 17:00
Semana Segunda Terça Quarta ... Sexta Sábado Domingo
Quando o horário programado para ligar a saída for maior do que o horário para desligá-la,
a saída será desligada apenas no dia posterior. No exemplo abaixo, a saída liga as 17:00
da terça-feira e será desligada as 8:00 da quarta-feira.
Saída
Habilitação
Hora 8:00 17:00 8:00 17:00 8:00 17:00 8:00 17:00 8:00
Semana Segunda Terça Quarta ... Sexta Sábado Domingo
1
: Ter-Sex
: 17:00
: 8:00
Programando o dia inicial da semana para depois do dia final de operação, ocorrerá a
mesma situação do exemplo anterior. No caso abaixo, a saída é ligada na sexta-feira e
permanece realizando ciclos de liga-desliga até terça-feira da outra semana.
1
: Sex-Ter
: 8:00
: 17:00
Saída
Habilitação
Hora 8:00 17:00 8:00 17:00 8:00 17:00 8:00 17:00 8:00 17:00
Semana Segunda Terça ... Sexta Sábado Domingo

7-22 | CLIC-02
Programação em Lógica Ladder
Esta programação invertida dos parâmetros pode ser realizada simultaneamente para os
dias de operação e o horário de acionamento, conforme observado no exemplo abaixo:
Saída
Habilitação
Hora 8:00 17:00 8:00 17:00 8:00 17:00 8:00 17:00 8:00 17:00
Semana Segunda Terça ... Sexta Sábado Domingo
1
: Sex-Dom
: 17:00
: 8:00
Para habilitar a execução da função durante todos os dias, basta selecionar o mesmo
valor nos campos do dia de operação:
1
: Seg-Seg
: 8:00
: 17:00
Saída
Habilitação
Hora 8:00 17:00 8:00 17:00 8:00 17:00 8:00 17:00 8:00 17:00
Semana Segunda Terça ... Sexta Sábado Domingo
1
: Seg-Seg
: 17:00
: 8:00
Saída
Habilitação
Hora 8:00 17:00 8:00 17:00 8:00 17:00 8:00 17:00 8:00 17:00
Semana Segunda Terça ... Sexta Sábado Domingo
7.4.3.3 RTC Modo 2 – Intervalo Semanal
Este modo permite a seleção de um dia, hora e minuto para ligar a saída e um dia, hora e
minuto para desligar a saída. É necessário habilitar o bloco RTC para que a saída seja ligada.
Símbolo Descrição
Número do RTC: R01 ~ R1F
Modo RTC: 2
Valor atual do RTC do CLIC-02
Hora:Minuto
Dia da semana para ligar saída
Dia da semana para desligar saída
Hora do dia para ligar saída
Minuto do dia para ligar saída
Hora do dia para desligar saída
Minuto do dia para desligar saída

CLIC-02 | 7-23
Programação em Lógica Ladder
No display do CLIC02, ou na ferramenta de programação, o bloco RTC Modo 2 será
exibido da seguinte forma:
② ④⑤
⑥⑧ ⑨⑦
③
①
No exemplo a seguir, a saída será ligada de segunda a sexta-feira, das 8:00 as 17:00 horas.
Saída
Habilitação
Hora 17:00 8:00 17:00 8:00 8:00 17:00 8:00 17:00
Semana Segunda Terça ... Sexta Sábado Domingo
Também podemos programar o horário liga para ficar menor que o horário desliga. Desta
forma a operação será invertida, ligando a saída quando estiver fora da faixa programada,
como visto no exemplo abaixo.
2
: Ter-Sab
: 17:00
: 8:00
Saída
Habilitação
Hora 8:00 17:00 8:00 17:00 8:00 17:00 8:00 17:00
Semana Segunda Terça ... Sábado Domingo

7-24 | CLIC-02
Programação em Lógica Ladder
Os parâmetros com o dia da semana para ligar e desligar podem ter o mesmo valor,
conforme mostrado abaixo.
2
: Qua-Qua
: 17:00
: 8:00
Saída
Habilitação
Hora 8:00 17:00 8:00 17:00 8:00 17:00 8:00 17:00
Semana Segunda Terça ... Sábado Domingo
2
: Qua-Qua
: 8:00
: 17:00
Saída
Habilitação
Hora 8:00 17:00 8:00 17:00 8:00 17:00 8:00 17:00
Semana Segunda Terça ... Sábado Domingo
7.4.3.4 RTC Modo 3 - Ano-Mês-Dia
Este modo permite a selecionar um ano, mês e dia para ligar a saída e um ano, mês e
dia para desligar a saída. É necessário habilitar o bloco RTC para que a saída seja ligada.
Símbolo Descrição
Número do RTC: R01 ~ R1F
Modo RTC: 2
Valor atual do RTC do CLIC-02
Hora:Minuto
Dia da semana para ligar saída
Dia da semana para desligar saída
Hora do dia para ligar saída
Minuto do dia para ligar saída
Hora do dia para desligar saída
Minuto do dia para desligar saída

CLIC-02 | 7-25
Programação em Lógica Ladder
No display do CLIC02, ou na ferramenta de programação, o bloco RTC Modo 3 será
exibido da seguinte forma:
② ④⑤
⑥⑧ ⑨⑦
③
①
Neste exemplo, a saída será ligada no dia 17/02/2009 e desligará no dia 11/11/2010. O
bloco RTC R03 será ativado apenas se a entrada digital I01 estiver ativada.
Saída
Habilitação
Hora 0:00 0:00
Ano/Mês/Dia 2009/02/17 2010/11/11
Programando os parametros de data para desligar com um data anterior à data para ligar,
o RTC fará com que a saída fique desligada no período declarado.
//2010/11/11
//2009/02/17
Saída
Habilitação
Hora 0:00 0:00
Ano/Mês/Dia 2009/02/17 2010/11/11

7-26 | CLIC-02
Programação em Lógica Ladder
7.4.3.5 RTC Modo 4 - Ajuste com Precisão em Segundos
Com o modo 4 selecionado, é possível escolher o dia da semana, hora, minuto e segundo
em que a saída será acionada. Existem ainda dois modos de acionamento da saída:
Se o valor programado no campo ‘segundos’ estiver entre 0 e 30, a saída ligará quando
a hora e o minuto programados forem atingidos, e desligará quando o valor programado
no campo ‘segundos’ for atingido.
Quando o valor programado no campo ‘segundos’ for maior que 30, a saída irá pulsar
por 1 ciclo de scan exatamente no tempo programado.
É necessário habilitar o bloco RTC para que a saída seja ligada.
Símbolo Descrição
Número do RTC: R01 ~ R1F
Modo RTC: 4
Valor atual do RTC do CLIC-02
Hora:Minuto:Segundo
Dia da semana para ligar saída
Hora para ligar saída
Minuto para ligar saída
Segundo para ligar saída
No display do CLIC02, ou na ferramenta de programação, o bloco RTC Modo 3 será
exibido da seguinte forma:
② ④
⑤ ⑦⑥
③
①

CLIC-02 | 7-27
Programação em Lógica Ladder
No exemplo abaixo, a saída será ligada todos os sábados das 8:00:00 as 8:00:20. O bloco
RTC R07 será ativado apenas se a entrada digital I06 estiver ativada.
Saída
Habilitação
Hora 8:00:00 8:00:20
Dia Sábado
No próximo caso, o valor programado para ‘segundos’ está maior do que 30, portanto a
saída irá pulsar por um ciclo de scan exatamente quando o tempo programado for atingido.
O bloco RTC R07 será ativado apenas se a entrada digital I06 estiver ativada.
Saída
Habilitação
Hora 8:00:40
Dia Sábado

7-28 | CLIC-02
Programação em Lógica Ladder
7.4.4 Comparador
O CLIC-02 possui 31 instruções de comparação, sendo que cada uma pode operar
em 8 modos de comparação. Os comparadores são endereçados pelo mnemônico G,
variando de G01 ~ G1F. É necessário habilitar o bloco comparador para que a saída seja
ligada. Cada instrução de comparação possui 5 parâmetros para configuração, conforme
exibido na tabela abaixo:
Símbolo Descrição
Número do comparador: G01 ~ G1F
Modo comparador: 0 ~ 7
Variável para comparação Ax
Variável para comparação Ay
Valor de referência para comparação
No display do CLIC02, ou na ferramenta de programação, o bloco RTC Modo 3 será
exibido da seguinte forma:
②
⑤④
③
①
Os campos , e podem ser configurados para qualquer variável analógica (DR, AT,
AR, C, T, etc.). Para defini-los como constantes, selecione o tipo de variável como ‘N’ e
digite o valor no campo referente.

CLIC-02 | 7-29
Programação em Lógica Ladder
7.4.4.1 Comparador Modo 0 - Marcador Auxiliar
Quando uma instrução de comparador for configurada para o modo 0, ela funcionará
como um marcador auxiliar interno M ou N. Os demais parâmetros de configuração ficarão
desabilitados quando este modo for selecionado.
7.4.4.2 Comparador Modo 1 ~ 7 – Comparações Analógicas
O comparador ligará seus contatos de saída quando a comparação entre os sinais de
entrada for verdadeira. Os 7 modos de comparação disponibilizam as seguintes relações
entre os sinais de entrada:
Modo 1 Ay – Ref ≤ Ax ≤ Ay + Ref
Modo 2 Ax ≤ Ay
Modo 3 Ax ≥ Ay
Modo 4 Ref ≥ Ax
Modo 5 Ref ≤ Ax
Modo 6 Ref = Ax
Modo 7 Ref ≠ Ax
No exemplo abaixo, selecionamos o modo 4 da função para comparar o valor da entrada
analógica A01 com o valor constante de 2,5. Se estiver habilitada, a função de comparação
G03 ligará seus contatos de saída quando A01 for menor que 2,5.
Este outro exemplo mostra a utilização de contadores e temporizadores como parâmetros
de comparação. Utilizando o modo 5, os valores de C01 e T01 serão comparados, ligando
os contatos de saída de G01 quando a contagem de C01 estiver maior ou igual ao tempo
corrente de T01.

7-30 | CLIC-02
Programação em Lógica Ladder
7.4.5 Função IHM
A função IHM permite exibir telas personalizadas através do display LCD do CLIC-02,
que possui 4 linhas de 16 caracteres cada. O CLIC-02 possui 31 funções de exibição na
IHM, habilitadas pelas bobinas H01 ~ H1F. As telas são configuradas pelo software de
programação do CLIC-02, através do menu Editar >> IHM/Texto, podendo ser inseridos
textos, valores atuais de funções, valores programados das funções, estado de variáveis
digitais e campos para alteração de parâmetros das funções utilizadas no programa.
Para maiores informações sobre a programação e exibição das telas, consultar capítulo
3 – Ferramenta de programação.
A função IHM possui os seguintes parâmetros de configuração:
Símbolo Descrição
Número da função: H01 ~ H1F
Modo de exibição: 1 Exibir
2 Não exibir
①
②
No display do CLIC02, ou na ferramenta de programação, o bloco RTC Modo 3 será
exibido da seguinte forma:
②
①
Na tela principal do CLIC-02 pressione a tecla ‘SEL’ para visualizar as telas habilitadas.
Utilize as setas direcionais ↑ e ↓ para alternar entre as telas.

CLIC-02 | 7-31
Programação em Lógica Ladder
7.4.6 Função de Saída PWM
A função de saída PWM está disponível apenas nos modelos com saída à transistor. As
saídas Q01 e Q02 são saídas rápidas, podendo executar a modulação PWM (Modulação
por largura de pulso). A função PWM P01 está associada a saída física Q01 e a saída
PWM P02 está associada a saída física Q02. A função PWM possui 8 formas de onda
programáveis, permitindo ajustar o período total da onda e tempo ON da saída. A forma de
onda de saída é selecionada através de uma combinação binária das entradas de seleção.
Símbolo Descrição
Número da função: P01 ~ P02
Modo PWM: 1
Seleção das formas de onda a
programar
Período da forma de onda
selecionada em
Tempo de saída ligada da forma de
onda selecionada em
Entrada de seleção 1 (mais significativa)
Entrada de seleção 2
Entrada de seleção 3 (menos
significativo)
No display do CLIC02, ou na ferramenta de programação, o bloco PWM será exibido da
seguinte forma:
⑧ ②③
⑦ ⑥ ④⑤
①

7-32 | CLIC-02
Programação em Lógica Ladder
As entrada de seleção irão formar, através de uma combinação binária, o valor referente
a forma de onda de saída, conforme mostrado na tabela abaixo:
Habilita Entrada de
seleção 1
Entrada de
seleção 2
Entrada de
seleção 3
Seleção
Atual Saída PWM
OFF X X X 0 OFF
ON OFF OFF OFF 1 Forma de Onda 1
ON OFF OFF ON 2 Forma de Onda 2
ON OFF ON OFF 3 Forma de Onda 3
ON OFF ON ON 4 Forma de Onda 4
ON ON OFF OFF 5 Forma de Onda 5
ON ON OFF ON 6 Forma de Onda 6
ON ON ON OFF 7 Forma de Onda 7
ON ON ON ON 8 Forma de Onda 8
No exemplo abaixo, as entrada de seleção M01, M02 e M03 estão no estado OFF, ON e
OFF, respectivamente. Desta forma, o valor da seleção atual será 3, fazendo com que a
forma de onda 3 seja modulada na saída Q01.
Saída
Habilitação
t = 5ms
t = 10ms

CLIC-02 | 7-33
Programação em Lógica Ladder
7.4.7 Função de Saída PLSY
A função PLSY está disponível apenas nos modelos com saída à transistor. Apenas a
saída rápida Q01 pode ser utilizada com a função PLSY, através da função P01. A função
PLSY irá gerar um número de pulsos na saída em uma freqüência programada. O tempo
ligado da saída será metade do período da onda de saída. A freqüência máxima de saída
é de 1 KHz.
①
②
③
④
Símbolo Descrição
Número da função: P01
Modo: 2
Freqüência de saída: 1 ~ 1000 Hz
Número de pulsos de saída: 0 ~ 32767
No display do CLIC02, ou na ferramenta de programação, o bloco PWM será exibido da
seguinte forma:
②
④③
①

7-34 | CLIC-02
Programação em Lógica Ladder
No exemplo a seguir, quando I05 for habilitada, serão gerados 5 pulsos na saída Q01 em
uma freqüência de 500 Hz
1 ms
2 ms
Saída
Habilitação
Mesmo que P01 continue habilitada, serão gerados apenas 5 pulsos na saída. Para
uma nova seqüência de pulsos de saída, é necessário que a função seja desabilitada e
habilitada novamente.
7.4.8 Função DATALINK
A função DATALINK está disponível apenas nos modelos 20VR-D e 20VT-D. Esta
função permite a troca de dados entre CLP’s CLIC-02 através de uma rede RS-485. As
funções L serão utilizadas para o controle da troca de dados, podendo enviar ou receber
informações da rede. São permitidas até 8 funções L – L01 ~ L08. As configurações da
porta RS-485 são ajustadas através da ferramenta de programação do CLIC-02, no menu
Operação>>Configuração do Sistema. Para maiores informações, consultar o capítulo
7 - Funções de Comunicação da Porta RS-485.
Link de Dados
Até 8 unidades do CLIC-02 podem ser configuradas como nós independentes na rede,
cada uma executando seu próprio programa e contendo suas próprias expansões de
E/S. O endereço do CLIC-02 Mestre deve ser configurado para 0, os nós escravos devem
começar com o endereço 01, distribuindo os endereços conforme a disposição dos
equipamentos na rede, porém sem deixar nenhum endereço intermediário sem utilização.
Por exemplo, tendo os endereços 01, 02, 04 e 05 na rede, o mestre entenderá que a rede
finaliza no escravo 02, não reconhecendo os endereços restantes, pois o endereço 03
não estará respondendo.
Cada CLIC-02 pode comandar 8 bits de dados, chamados de ‘W’, que podem ser lidos
pelos demais escravos. Qualquer CLIC-02 da rede pode ler as variáveis W de outro CLIC-
02. As funções Datalink L irão transferir as variáveis internas (entradas digitais, marcadores
digitais, saídas, etc) do CLIC-02 para suas respectivas variáveis de rede W. As variáveis de
rede W controladas por um CLIC-02 serão definidas e numeradas conforme o endereço
deste CLIC-02 na rede, a tabela abaixo mostra a disposição destas variáveis:

CLIC-02 | 7-35
Programação em Lógica Ladder
Endereço (ID) Variáveis de Rede Controladas
0 W01~W08
1 W09~W16
2 W17~W24
3 W25~W32
4 W33~W40
5 W41~W48
6 W49~W56
7 W57~W64
1 8 9 16 57 64
ID 1 ID 2 ... ID 7
W
Os parâmetros de configuração da função L são mostrados abaixo:
Símbolo Descrição
Número da função: L01 ~ L02
Modo Datalink: 1 Enviar
2 Receber
Variáveis fonte/destino dos dados
Número de pontos a enviar/receber a
partir da variável selecionada em
Faixa de variáveis fonte/destino dos
dados
Área de variáveis de rede a enviar/
receber
①
②
③
④
⑥

7-36 | CLIC-02
Programação em Lógica Ladder
No display do CLIC02, ou na ferramenta de programação, a função Datalink será exibida
da seguinte forma:
④ ②⑤
⑥
①
No exemplo abaixo, as variáveis I03~I07 serão escritas nas variáveis de rede controladas
pelo CLIC-02. Como o endereço selecionado para este CLIC-02 é o endereço 1, as
variáveis de rede utilizadas serão W09~W13.
Variáveis de Rede W09 W10 W11 W12 W13 W14 W15 W16
Variáveis internas
do CLIC-02
I03
I04
I05
I06
I07
0
0
0
Cada CLIC-02 pode controlar 8 bits de dados da rede. Portanto, apenas 1 função Datalink
poderá ser utilizada no modo envio.
No exemplo abaixo, a função Datalink irá ler as variáveis de rede W09 ~ W13 e escrevê-las
nas variáveis internas M03 ~ M07. Como a função está configurada para ler 5 variáveis,
os endereços W22, W23 e W24 restantes não serão lidos, não afetando os marcadores
M08, M09 e M0A.
Variáveis de Rede W17 W18 W19 W20 W21 W22 W23 W24
Variáveis internas
do CLIC-02
M03
M04
M05
M06
M07
-
-
-

CLIC-02 | 7-37
Programação em Lógica Ladder
7.4.9 Função SHIFT
A função Shift irá deslocar os bits programados quando houver um pulso de subida na
variável de pulso selecionada. Até 8 bits em seqüência podem ser controlados, sendo
que o deslocamento sempre será do bit menos significativo para o bit mais significativo da
seqüência. Apenas uma função Shift pode ser configurada no programa. Os parâmetros
de configuração são descritos abaixo:
Símbolo Descrição
Número da função Shift: S01
Pulso de deslocamento
Quantidade de variáveis controladas
a partir da variável selecionada em
Variável de saída
①
②
③
No display do CLIC02, ou na ferramenta de programação, a função Shift será exibida da
seguinte forma:
③ ④
②
①

7-38 | CLIC-02
Programação em Lógica Ladder
No exemplo abaixo, as saídas Q03 ~ Q07 terão seus estados deslocadas quando houver
um pulso de subida na entrada de deslocamento I01. O deslocamento ocorrerá da entrada
Q03 para a entrada Q07, uma posição a cada pulso de I01.
Perceba que, a cada pulso de deslocamento, o estado da saída Q07 será escrito na
saída Q03.
7.4.10 Função AS – Adição/Subtração
A função AS permite a execução das operações matemáticas adição e subtração, utilizando
números inteiros. O CLIC-02 possui 31 instruções AS, sendo que cada instrução utiliza 5
parâmetros para configuração. A tabela abaixo descreve estes parâmetros:
①
②
⑤
④
Símbolo Descrição
Número da função: AS01 ~ AS1F
Parâmetro de Entrada V1(1):
-32768 ~ 32767
Parâmetro de Entrada V2(1):
-32768 ~ 32767
Parâmetro de Entrada V3(1):
-32768 ~ 32767
Saída de Erro
(1) Os Set-Points podem ser constantes ou valores
atuais de alguma outra função.

CLIC-02 | 7-39
Programação em Lógica Ladder
No display do CLIC02, ou na ferramenta de programação, a função AS será exibida da
seguinte forma:
② ④③
①
A fórmula executada será a seguinte:
AS = V1 + V2 - V3
A variável AS conterá o resultado da fórmula processada, onde xx é o número da função
AS utilizada. A saída de erro será ligada quando o resultado da operação gerar um valor
fora da faixa suportada, que vai de -32768 ~ 32767. A saída desligará automaticamente
quando o resultado estiver correto ou quando a função AS for desabilitada.
7.4.11 Função MD – Multiplicação/Divisão
A função MD executa as operações matemáticas multiplicação e divisão, utilizando números
inteiros. O CLIC02 possui 31 instruções MD, sendo que cada instrução utiliza 5 parâmetros
para configuração. A tabela abaixo descreve estes parâmetros:
Símbolo Descrição
Número da função: MD01 ~ MD1F
Parâmetro de Entrada V1(1):
-32768 ~ 32767
Parâmetro de Entrada V2(1):
-32768 ~ 32767
Parâmetro de Entrada V3(1):
-32768 ~ 32767
Saída de Erro
(1) Os Set-Points podem ser constantes ou valores
atuais de alguma outra função.
①
②
⑤
④

7-40 | CLIC-02
Programação em Lógica Ladder
No display do CLIC02, ou na ferramenta de programação, a função MD será exibida da
seguinte forma:
② ④③
①
A fórmula executada será a seguinte:
MD = V1 * V2 / V3
A variável MDxx conterá o resultado da fórmula processada, onde xx é o número da função
MD utilizada. A saída de erro será ligada quando o resultado da operação gerar um valor
fora da faixa suportada, que vai de -32768 ~ 32767. A saída desligará automaticamente
quando o resultado estiver correto ou quando a função AS for desabilitada.
7.4.12 PID – Controle Proporcional, Integral e Derivativo
A instrução PID irá comparar um valor atual de processo com uma variável de set-point. A
diferença ou erro entre esses dois valores é processada através de uma malha PID para
gerar um valor de saída que fará a correção do valor atual de processo, sempre tentando
manter este valor o mais próximo possível do valor de set-point. O CLIC-02 possui 15
instruções PID, sendo que cada instrução utiliza 9 parâmetros para configuração, conforme
mostrado na tabela abaixo:
Símbolo Descrição
Número da função: PI01 ~ PI0F
Valor de atual saída
SP(1) - Set-Point
Pv(1) - Valor atual de processo
Ts(1) - Período entre amostragem
(1~32767 * 0,01s)
Kp(1) - Ganho proporcional (1~32767 %)
Ti(1) - Tempo integral (1~32767 * 0,1s)
Td(1) - Tempo derivativo (1~32767 * 0,01s)
Saída de erro
(1) Os Set-Points podem ser constantes ou valores
atuais de alguma outra função.

CLIC-02 | 7-41
Programação em Lógica Ladder
No display do CLIC02, ou na ferramenta de programação, a função PID será exibida da
seguinte forma:
②③⑨ ⑥
⑤④ ① ⑧⑦
A fórmula executada será a seguinte:
EVn = SV - PVn
ΔPI = KP
{(EVn - EVn-1) + + EVn + Dn}
Dn = (2PVn-1 - PVn - PVn-2 )
PI = ∑ΔPI
TD
TS
TS
TI
A variável PIxx conterá o resultado de saída da fórmula processada, onde xx é o número
da função PID utilizada. A saída de erro ligará quando TS ou KP for igual a 0, desligando
automaticamente quando o erro for corrigido ou quando a função PID for desabilitada.
7.4.13 Função MX - Multiplexador
Esta função transfere para a saída um único valor de uma lista de 4 possíveis entradas. O
valor transferido é definido por uma combinação binária das variáveis de seleção. O CLIC-
02 possui 15 instruções MX, sendo que cada uma possui 7 parâmetros para configuração,
conforme mostrado na tabela abaixo:
Símbolo Descrição
Número da função: MX01 ~ MX0F
Valor de entrada 1(1)
Valor de entrada 2(1)
Valor de entrada 3(1)
Valor de entrada 4(1)
Entrada de seleção 1 (mais
significativa)
Entrada de seleção 2 (menos
significativa)
(1) Os Set-Points podem ser constantes ou valores
atuais de alguma outra função.

7-42 | CLIC-02
Programação em Lógica Ladder
No display do CLIC02, ou na ferramenta de programação, a função MX será exibida da
seguinte forma:
①
⑥ ②
⑦ ⑤④③
As entradas de seleção irão determinar a entrada a ser transferida, obtendo o valor da
respectiva entrada através de uma combinação binária. A tabela abaixo mostra as possíveis
combinações de entrada e os resultados de saída:
Entrada de
Seleção 1
Entrada de
Seleção 2 Resultado de Saída
OFF OFF Valor de Entrada 1
OFF ON Valor de Entrada 2
ON OFF Valor de Entrada 3
ON ON Valor de Entrada 4
7.4.14 Função AR – Rampa Analógica
A função rampa analógica irá variar seu valor de saída, partindo de um valor inicial até um
valor de set-point, obedecendo a uma determinada taxa de incremento. A função rampa
possui dois set-points de saída, que são determinados conforme a entrada de seleção. O
CLIC-02 possui 15 instruções AR, cada uma contendo 10 parâmetros para configuração,
conforme a tabela abaixo:
Símbolo Descrição
Número da função: AR01 ~ AR0F
Set-point 1(1)
-10000 ~ 20000
Set-point 2(1)
-10000 ~ 20000
Nível máximo de saída(1)
-10000 ~ 20000
Nível de início, nível de parada(1)
0 ~ 20000
Taxa de incremento(1)
1 ~ 10000
Ganho(1)
0 ~ 10,00
Offset(1)
-10000 ~ 10000
Entrada de seleção set-point de saída
10 Entrada de parada
11 Saída de erro
(1) Os Set-Points podem ser constantes ou valores
atuais de alguma outra função.
11

CLIC-02 | 7-43
Programação em Lógica Ladder
No display do CLIC02, ou na ferramenta de programação, a função AR será exibida da
seguinte forma:
⑨ ②⑪ ⑤⑥
④ ④③ ① ⑧⑦
11
A saída da rampa estará disponível nas variáveis ARxx, onde xx é o número da função
AR utilizada. Os parâmetros de Ganho e Offset serão aplicados conforme a equação:
ARValor Atual = (ARValor Incrementado - Offset) / Ganho
A taxa de incremento será somada a saída atual a cada 100ms, até atingir o valor de set-
point. A entrada de seleção do set-point irá definir o valor que a rampa deverá atingir na
saída, conforme mostra a tabela abaixo:
Entrada de Seleção Valor de Saída
OFF Set-point 1
ON Set-point 2
A saída de erro irá atuar quando o valor do parâmetro de ganho for igual a zero, e será
desligada quando o parâmetro retornar a um valor válido ou a função AR for desabilitada.
Diagrama de operação
Habilitação
Seleção
St
Nível Máximo
Nível 2
Nível 1
StSp + Offset
Offset
100 ms 100 ms 100 ms
Quando habilitada, a função AR manterá o seu nível de saída em “StSp + Offset” por
100ms. Após este tempo, o valor de saída será incrementado, a cada 100ms, conforme
a taxa de incremento, até o nível de set-point selecionado. Quando atuada a entrada de
parada, a rampa buscará o nível “StSp + Offset”, ficando neste estado por 100ms. Após
este tempo, a saída da rampa será zerada. Será necessário desabilitar e habilitar novamente
a função AR para retornar ao nível selecionado.

7-44 | CLIC-02
Programação em Lógica Ladder
7.4.15 Função DR - Registrador de Dados
A função DR habilita o registrador interno DR, possibilitando a transferência de um valor
para este registrador enquanto a função estiver habilitada. O CLIC-02 possui um total de
240 registradores DR. Os registradores podem ser configurados para armazenar dados sem
sinal (0 ~ 65535) ou com sinal (-32768 ~ 32767), esta opção é definida nas configurações
de sistema, pelo software de programação do CLIC-02 (menu Operação>>Configuração
do Sistema).
Símbolo Descrição
Número do registrador: DR01 ~ DRF0
Valor transferido para o registrador DR(1)
Com sinal: -32768 ~ 32767
Sem Sinal: 0 ~ 65535
(1) Os Set-Points podem ser constantes ou valores
atuais de alguma outra função.
①
No display do CLIC02, ou na ferramenta de programação, a função DR será exibida da
seguinte forma:
① ②
Os registradores de dados de DR65 a DRF0 são retentivos, quer dizer que mantém seu
valor quando o equipamento estiver desenergizado. Os últimos 40 DRs (DRC9 a DRF0)
são registradores especiais, como mostrados abaixo:
DRC9 Número total de PLSY
DRCA~DRCF Reservado
DRD0 Registro de modo de saída AQ01
DRD1 Registro de modo de saída AQ02
DRD2 Registro de modo de saída AQ03
DRD3 Registro de modo de saída AQ04
DRD4~DRF0 Reservado

CLIC-02 | 7-45
Programação em Lógica Ladder
7.4.16 Função MU – Mestre Modbus
A função MU está disponível apenas nos modelos 20VR-D e 20VT-D. Esta função
permite configurar telegramas Modbus, que serão enviados pela porta RS-485 do CLIC-
02, possibilitando a comunicação com outros dispositivos que possuam o protocolo
Modbus (inversores de freqüência, multi-medidores, balanças, etc). O CLIC-02 permite
a configuração de 15 telegramas Modbus, através das funções MU01 ~ MU0F. As
configurações da porta RS-485 são ajustadas através da ferramenta de programação do
CLIC-02, no menu Operação>>Configuração do Sistema. Para que a função Modbus seja
executada, as configurações de Datalink e I/O remoto devem estar desabilitadas, sendo
que o endereço da porta RS-485 deve ser diferente de 0. Para maiores informações,
consultar o capítulo 7 - Funções de Comunicação da Porta RS-485.
A função Modbus ocupa a porta de comunicação quando habilitada. Portanto, pode
haver várias funções MU configuradas em um programa, porém apenas uma pode ser
habilitada por vez.
Símbolo Descrição
Número da função: MU01 ~ MU0F
Modo da Função
Endereço do escravo
Endereço da variável Modbus do
escravo
Registrador de destino da resposta
do telegrama
No display do CLIC02, ou na ferramenta de programação, a função MU será exibida da
seguinte forma:
②③
⑤④
①

7-46 | CLIC-02
Programação em Lógica Ladder
Os modos da função configuram o tipo de telegrama Modbus (função Modbus) que será
enviado, conforme mostrado na tabela abaixo:
Modo Tipo de Função Modbus
1 03 – Leitura de Word
2 06 – Escrita de Word Única
3 10 – Escrita de Várias Words
4 01 – Leitura de Bits
5 05 – Escrita de Bit Único
Marcadores digitais utilizados na função Modbus:
Telegrama recebido – M3D. Este marcador ligará quando a recepção do telegrama for
completada. O telegrama será transferido para o registrador de destino se não houver erros.
Marcador de erro – M3E. Quando houver erro na verificação dos dados do telegrama
recebido, este marcador será ligado.
Timeout – M3F. Este marcador ligará quando o tempo entre o envio da mensagem até
o início do recebimento for maior que o ajustado. O marcador M3D também ligará. M3F
será automaticamente resetado quando M3D for resetado.
O tempo de timeout dependerá do BaudRate (taxa de comunicação) selecionado, conforme
mostrado na tabela abaixo:
BaudRate (bps) Timeout (ms)
4800; 9600; 19200; 38400 125
57600 100
115200 80
É possível configurar a quantidade de variáveis Modbus a ser lida/escrita pelo telegrama.
Quando o parâmetro for configurado como constante, o endereço especificado será
lido unicamente. Porém, quando este parâmetro for ajustado para algum registrador DR,
serão utilizados 2 registradores DRs que conterão as seguintes configurações:
-DR declarado: conterá a variável Modbus a ser lida/escrita;
-DR declarado + 1: especifica a quantidade de endereços consecutivos a serem lidos.
Apenas os modos 1,3, 4 e 5 suportam este tipo de configuração.

CLIC-02 | 7-47
Programação em Lógica Ladder
Exemplos:
Modo Display
1
Leitura
de word
Endereço é constante: 0003,
Comprimento ≡ 1,
Envio: 01 03 00 03 00 01 CRC16;
Recebimento:
01 03 02 data1 data2 CRC16,
Armazenamento de dados:
DRE0= (data1<<8) | data2,
Endereço é DR03=0001,
Comprimento é DR04=0002,
Envio: 01 03 00 01 00 02 CRC16;
Recebimento: 01 03 04 data1
data2 data3 data4 CRC16,
armazenamento de dados:
DRE0= (data1<<8) | data2,
DRE1= (data3<<8) | data4
2
Escrita
de word
única
Endereço é constante: 0003,
Comprimento ≡ 1,
Armazenamento de dados:
DRE0=1234(hex: 04D2),
Envio: 01 06 00 03 04 D2 CRC16;
Recebimento:
01 06 00 03 04 D2 CRC16;
Endereço: DR03=0001,
Armazenamento de dados:
DRE0=1234(hex: 04D2),
Envio: 01 06 00 01 04 D2 CRC16;
Recebimento:
01 06 00 01 04 D2 CRC16;
3
Escrita
de várias
words
Endereço: 0003,
Comprimento ≡ 1,
Armazenamento de dados:
DRE0=1234(hex: 04D2),
Envio:
01 10 00 03 00 01 02 04 D2 CRC16;
Recebimento:
01 10 00 03 00 01 CRC16;
Endereço: DR03=0001,
Comprimento: DR04=0002,
Armazenamento de dados:
DRE0=1234(hex: 04D2),
DRE1=5678(hex: 162E),
Envio: 01 10 00 01 00 02 04 04 D2
16 2E CRC16;
Recebimento:
01 10 00 01 00 02 CRC16;
4
Leitura
de bits
Endereço: 0003,
Comprimento ≡ 10H,
Envio: 01 01 00 03 00 10 CRC16;
Recebimento: 01 01 02 data1
data2 CRC16,
armazenamento de dados:
DRE0= (data1<<8) | data2;
Endereço: DR03=0001,
Comprimento: DR04=0016,
Envio: 01 01 00 01 00 10 CRC16;
Valor máximo em DR04 é 400.
Recebimento: 01 01 02 data1
data2 CRC16,
armazenamento de dados:
DRE0= (data1<<8) | data2;
5
Escrita de
bit único
Endereço: 0003,
Armazenamento de dados:
DRE0=65280(hex: FF00),
Envio: 01 05 00 03 FF 00 CRC16;
Recebimento:
01 05 00 03 FF 00 CRC16;
Endereço: DR03=0001,
Armazenamento de dados:
DRE0=65280(hex: FF00),
Envio: 01 05 00 01 FF 00 CRC16;
Recebimento:
01 05 00 01 FF 00 CRC16;

7-48 | CLIC-02
Programação em Lógica Ladder
7.4.17 AQ - Saídas Analógicas
As variáveis digitais AQ estão diretamente associadas aos módulos de saída analógica
de expansão. A configuração das saídas analógicas é realizada através do software de
programação, no menu Editar>>Ajuste AQ. O modo padrão de saída analógica é de 0~10V,
com o valor correspondente entre 0~1000. Ele também pode ser ajustado para o modo
corrente 0-20mA, com o valor do registrador entre 0~500. O modo de operação da saída
é ajustado pelo valor atual dos registradores DRD0~DRD3, conforme mostrado abaixo:
Registrador Descrição
DRD0 Configura a saída AQ01
DRD1 Configura a saída AQ02
DRD2 Configura a saída AQ03
DRD3 Configura a saída AQ04
Modo Valor para DRD0~DRD3 e descrição
1 0: modo tensão, valor da saída vai para 0 quando CLP em STOP
2 1: modo corrente, valor da saída vai para 0 quando CLP em STOP
3 2: modo tensão, valor da saída é mantido quando CLP em STOP
4 3: modo corrente, valor da saída é mantido quando CLP em STOP
O valor de DR será 0 se o valor não estiver na faixa de 0~3.
No exemplo abaixo, podemos visualizar os valores das variáveis AQ e os respectivos valores
de saída, conforme a configuração de modo de saída. Neste caso, valores constante estão
sendo transferidos para as saídas, porém pode ser associada qualquer variável analógica.
Valores Reais de
Saída

CLIC-02 | 8-1
Programação FBD
8 PROGRAMAÇÃO FBD
8.1 INSTRUÇÕES FBD
Entrada Saída Quantidade Faixa Válida
Entrada Digital I 12 I01 ~ I0C
Entrada via Teclado Z 4 Z01 ~ Z04
Entrada Digital de Expansão X 12 X01 ~ X0C
Saída Digital Q Q 8 Q01 ~ Q08
Saída Digital de Expansão Y Y 12 Y01 ~ Y0C
Marcador Auxiliar M M 63 M01 ~ M3F
Marcador Auxiliar N N 63 N01 ~ N3F
IHM H 31 H01 ~ H1F
PWM P 2 P01 ~ P02
SHIFT S 1 S01
Data Link L 8 L01 ~ L08
Bloco de Lógica/Função B B 260 B001 ~ B260
CLP em Run Hi
CLP em Stop Lo
Sem conexão Nop
Entrada Analógica A 8 A01 ~ A08
Parâmetro da Entrada Analógica V 8 V01 ~ V08
Saída Analógica AQ 4 AQ01 ~ AQ04
Entrada Analógica de Temperatura AT 4 AT01 ~ AT04
Um programa em FBD só pode ser editado e modificado pelo Software de Programação
Clic02 Edit, o programa é escrito para o CLIC-02 via cabo de programação. Através do
teclado do CLIC-02 é possível alterar valores dos parâmetros dos blocos do programa
escrito pelo Software de Programação. O valor de ajuste de um bloco pode ser uma
constante ou uma variável associada. Portanto, o valor de ajuste de um bloco pode ser
o valor de saída de outro bloco.
O tamanho do bloco FBD não é único, ele depende da característica da função utilizada.
8.1.1 Instrução de Bloco de Bobina
Terminal de Entrada Endereço de Bobina
Bloco de Bobina

8-2 | CLIC-02
Programação FBD
8.1.2 IHM
8.1.3 Bloco de função PWM (apenas modelo de saída à transistor)
Modo PWM
O terminal de saída PWM Q01 ou Q02 pode gerar 8 formas de onda PWM.

CLIC-02 | 8-3
Programação FBD
Modo PLSY
A saída PLSY (Q01) pode gerar um número pré-determinado de pulsos cuja freqüência
varia de 1 à 1000 Hz.
8.1.4 Bloco de função Data Link

8-4 | CLIC-02
Programação FBD
8.1.5 Bloco de função SHIFT
Diagrama de Funcionamento
8.1.6 Instrução Bloco Lógico
Entradas Conexão com o
próximo Bloco
Número do
Bloco
Tipo de Lógica

CLIC-02 | 8-5
Programação FBD
Blocos Lógicos disponíveis:
Bloco Número(byte)
Total 260 6000
AND 1 8
AND (Pulso) 1 8
NAND 1 8
NAND (Pulso) 1 8
OR 1 8
NOR 1 8
XOR 1 6
RS 1 6
NOT 1 4
PULSE 1 4
BOOLEAN 1 12
8.1.6.1 Diagrama Lógico AND
FBD: LADDER:
=
I01 e I02 e I03
Nota: Quando um terminal de entrada estiver sem conexão (NOP), ele será considerado em nível
alto (Hi).
8.1.6.2 Diagrama Lógico AND (Pulso)
FBD: LADDER:
=
I01 e I02 e I03 e D
Nota: Quando um terminal de entrada estiver sem conexão (NOP), ele será considerado em nível
alto (Hi).

8-6 | CLIC-02
Programação FBD
8.1.6.3 Diagrama Lógico NAND
FBD: LADDER:
=
Not(I01 e I02 e I03)
Nota: Quando um terminal de entrada estiver sem conexão (NOP), ele será considerado em nível
alto (Hi).
8.1.6.4 Diagrama Lógico NAND (Pulso)
FBD: LADDER:
=
Not(I01 e I02 e I03) e D
Nota: Quando um terminal de entrada estiver sem conexão (NOP), ele será considerado em nível
alto (Hi).
8.1.6.5 Diagrama Lógico OR
FBD: LADDER:
=
I01 ou I02 ou I03
Nota: Quando um terminal de entrada estiver sem conexão (NOP), ele será considerado em nível
baixo (Lo).

CLIC-02 | 8-7
Programação FBD
8.1.6.6 Diagrama Lógico NOR
FBD: LADDER:
=
Not ( I01 ou I02 ou I03 )
Nota: Quando um terminal de entrada estiver sem conexão (NOP), ele será considerado em nível
baixo (Lo).
8.1.6.7 Diagrama Lógico XOR
FBD: LADDER:
=
I01 XOR I02
Nota: Quando um terminal de entrada estiver sem conexão (NOP), ele será considerado em nível
baixo (Lo).
8.1.6.8 Diagrama Lógico SR
FBD: LADDER:
=
Tabela Verdade
I01 I02 B001
0 0 Mantém último estado
0 1 0
1 0 1
1 1 0
Nota: Quando um terminal de entrada estiver sem conexão (NOP), ele será considerado em nível
baixo (Lo).

8-8 | CLIC-02
Programação FBD
8.1.6.9 Diagrama Lógico NOT
FBD: LADDER:
=
Not I01
Nota: Quando um terminal de entrada estiver sem conexão (NOP), ele será considerado em nível
alto (Hi).
8.1.6.10 Diagrama Lógico Pulse
FBD: LADDER:
=
Nota: Quando um terminal de entrada estiver sem conexão (NOP), ele será considerado em nível
baixo (Lo).
8.1.6.11 Diagrama Lógico BOOLEAN
FBD: LADDER:
NO
=
Nota: Quando um terminal de entrada estiver sem conexão (NOP), ele será considerado em nível
baixo (Lo).
Descrição:
O bloco Boolean monta uma tabela verdade com até 4 entradas. Conforme a combinação
lógica “AND” das entradas, o usuário define o estado desejado para a saída. Uma lógica
“OR” será efetuada com as possíveis combinações das entradas.
Exemplo:

CLIC-02 | 8-9
Programação FBD
A tabela verdade configurada será:
Combinação M05 I01 I02 B003 Saída Código
Saída
100000
8
210000
301000
411001
500100
A
610101
701100
811101
900011
5
10 10010
11 01011
12 11010
13 00111
1
14 10110
15 01110
16 11110
Algumas situações possíveis:
Combinaçao 4: A saída será ligada
quando M05 e I01 estiverem ligados.
Combinação 9: A saída será ligada
quando B003 estiver ligado.
8.2 BLOCOS DE FUNÇÃO
Os Blocos de Função estão divididos em três tipos: Função Especial, Função Ajuste-
Controle e Função Comunicação. A classificação e as respectivas funções são mostradas
na tabela abaixo.
Tipo de Função Quantidade Máxima
Função Especial
Temporizador 250
Contador 250
RTC 250
Comparador Analógico 250
Função Ajuste-Controle
AS 250
MD 250
PID 30
MX 250
AR 30
DR 240
Função Comunicação MU 250
A memória ocupada por cada bloco não é fixa, depende do tipo e modo da função. Existe
um total de 260 blocos e a capacidade total de memória para os blocos é de 6000 bytes.
Por exemplo, para o bloco Temporizador no modo 7, a memória ocupada é de 12 bytes.

8-10 | CLIC-02
Programação FBD
Tabela de alocação de memória por função:
Bloco
Bytes Ocupados
Temporizador
Contador
RTC
Comparador
Analógico
AS
MD
PID
MX
AR
DR
MU
Total 260 6000 250 250 250 250 250 250 30 250 30 240 250
Temporizador Modo 0 1 5 1
Temporizador Modo 1~6 1 10 1
Temporizador Modo 7 1 12 2
Contador Modo 0 1 5 1
Contador Modo 1~7 1 14 1
Contador Modo 8 1 16 1
RTC Modo 0 1 5 1
RTC Modo 1~4 1 11 1
Comparador Analógico
Modo 0 1 5 1
Comparador Analógico
Modo 1~7 1 12 1
AS 1 11 1
MD 1 11 1
PID 1 17 1
MX 1 17 1
AR 1 23 1
DR 1 6 1
MU 1 12 1
8.2.1 Bloco de Função Temporizador
Parâmetros
Entradas
Conexão com o
próximo Bloco
O número do
bloco é gerado
automaticamente. É
utilizado o primerio
número livre.
Tipo da Função
T0E e T0F são retentivos (mantém seus valores depois de uma desenergização do sistema)
se o “M Retentivo” estiver habilitado. O Restante do Temporizadores irão voltar com o
valor atual em 0.

CLIC-02 | 8-11
Programação FBD
(1) Temporizador Modo 0 (Modo marcador auxiliar)
Entrada de Habilita Bloco
Tela FBD Tela parâmetro
Não possui
parâmetros para
este modo
Tela programa
(2) Temporizador Modo 1 (Retardo energização tipo A)
Entrada de Habilita Bloco
Parâmetros
Tela FBD Tela parâmetro Tela programa
(3) Temporizador Modo 2 (Retardo energização tipo B)
Entrada de Habilita Bloco
Reset
Parâmetros
Tela FBD Tela parâmetro Tela programa
(4) Temporizador Modo 3 (Retardo na desenergização tipoA)
Entrada de Habilita Bloco
Reset
Parâmetros
Tela FBD Tela parâmetro Tela programa
(5) Temporizador Modo 4 (Retardo na desenergização tipo B)
Entrada de Habilita Bloco
Reset
Parâmetros
Tela FBD Tela parâmetro Tela programa

8-12 | CLIC-02
Programação FBD
(6) Temporizador Modo 5 (Oscilador tipo A)
Entrada de Habilita Bloco
Parâmetros
Tela FBD Tela parâmetro Tela programa
(7) Temporizador Modo 6 (Oscilador tipo B)
Entrada de Habilita Bloco
Reset
Parâmetros
Tela FBD Tela parâmetro Tela programa
(8) Temporizador Modo 7 (Oscilador tipo C)
Entrada de Habilita Bloco
Parâmetros
Tela FBD Tela parâmetro Tela programa
8.2.2 Bloco de Função Contador
(1) Contador Modo 0
Entrada de Contagem
Tela FBD Tela parâmetro
Não possui
parâmetros para
este modo
Tela programa
(2) Contador Modo 1
Entrada de Contagem
Direção da Contagem
Crescente/Decrescente
Reset
Parâmetros
Tela FBD Tela parâmetro Tela programa

CLIC-02 | 8-13
Programação FBD
(3) Contador Modo 2
Entrada de Contagem
Direção da Contagem
Crescente/Decrescente
Reset
Parâmetros
Tela FBD Tela parâmetro Tela programa
Nota: O sinal “>” indica que o valor atual mostrado será maior que o valor pré-configurado.
(4) Contador Modo 3
Entrada de Contagem
Direção da Contagem
Crescente/Decrescente
Reset
Parâmetros
Tela FBD Tela parâmetro Tela programa
Nota: O “PD” significa que o valor atual da contagem será retido durante uma desenergização; A opção de
sistema “C Retentivo” deve estar habilitada;
(5) Contador Modo 4
Entrada de Contagem
Direção da Contagem
Crescente/Decrescente
Reset
Parâmetros
Tela FBD Tela parâmetro Tela programa
Nota: O sinal “>” significa que o valor atual mostrado será maior que o valor pré-configurado; O valor atual da
contagem será retido durante uma desenergização; A opção de sistema “C Retentivo” deve estar habilitada;
(6) Contador Modo 5
Entrada de Contagem
Direção da Contagem
Crescente/Decrescente
Reset
Parâmetros
Tela FBD Tela parâmetro Tela programa
Nota: O sinal “>” significa que o valor atual mostrado será maior que o valor pré-configurado.
(7) Contador Modo 6
Entrada de Contagem
Contagem
Crescente/Decrescente
Reset
Parâmetro de Contagem
Tela FBD Tela parâmetro Tela programa
Nota: O sinal “>” significa que o valor atual mostrado será maior que o valor pré-configurado. O “PD” significa que o valor
atual da contagem será retido durante uma desenergização; A opção de sistema “C Retentivo” deve estar habilitada;
Nota: Apenas as primeiras 31 Funções de Contadores podem ser configuradas como
retentivos.

8-14 | CLIC-02
Programação FBD
(1) Contador Modo 7
Entrada de Contagem
Entrada de Habilita Bloco
Reset
Parâmetros
Tela FBD Tela parâmetro Tela programa
Nota: Entradas de contagem rápida I01, I02
(2) Contador Modo 8
Entrada de Contagem
Entrada de Habilita Bloco
Parâmetros
Tela FBD Tela parâmetro Tela programa
Nota: Entradas de contagem rápida I01, I02
8.2.3 Bloco de Função do Comparador RTC
(1) RTC Modo 0 (Modo marcador auxiliar)
Entrada de Habilita Bloco
Tela FBD Tela parâmetro Tela programa
(2) RTC Modo 1 (Diário)
Entrada de Habilita Bloco
Parâmetros
Tela FBD Tela parâmetro Tela programa
(3) RTC Modo 2 (Contínuo)
Entrada de Habilita Bloco
Parâmetros
Tela FBD Tela parâmetro Tela programa

CLIC-02 | 8-15
Programação FBD
(4) RTC Modo 3 (Ano Mês Dia)
Entrada de Habilita Bloco
Parâmetros
Tela FBD Tela parâmetro Tela programa
(5) RTC Modo 4 (ajuste de 30 segundos)
Entrada de Habilita Bloco
Parâmetros
Tela FBD Tela parâmetro Tela programa
8.2.4 Bloco de Função do Comparador Análogo
(1) Comparação Análogica Modo 0 (bobina interna)
Entrada de Habilita Bloco
Tela FBD Tela parâmetro Tela programa
(2) Comparação Análogica Modo 1
Entrada de Habilita Bloco
Entrada Análogica
Entrada Análogica
Parâmetros
Tela FBD Tela parâmetro Tela programa
(3) Comparação Análogica Modo 2
Entrada de Habilita Bloco
Entrada Análogica
Entrada Análogica
Parâmetros
Tela FBD Tela parâmetro Tela programa

8-16 | CLIC-02
Programação FBD
(4) Comparação Análogica Modo 3
Entrada de Habilita Bloco
Entrada Análogica
Entrada Análogica
Parâmetros
Tela FBD Tela parâmetro Tela programa
(5) Comparação Análogica Modo 4
Entrada de Habilita Bloco
Entrada Análogica
Parâmetros
Tela FBD Tela parâmetro Tela programa
(6) Comparação Análogica Modo 5
Entrada de Habilita Bloco
Entrada Análogica
Parâmetros
Tela FBD Tela parâmetro Tela programa
(7) Comparação Análogica Modo 6
Entrada de Habilita Bloco
Entrada Análogica
Parâmetros
Tela FBD Tela parâmetro Tela programa
(8) Comparação Análogica Modo 7
Entrada de Habilita Bloco
Entrada Análogica
Parâmetros
Tela FBD Tela parâmetro Tela programa

CLIC-02 | 8-17
Programação FBD
8.2.5 Bloco de Função AS (Adição-Subtração)
Entrada de Habilita Bloco
Parâmetros
Tela FBD Tela parâmetro Tela programa
8.2.6 Bloco de Função MD (Multiplicação-Divisão)
Entrada de Habilita Bloco
Parâmetros
Tela FBD Tela parâmetro Tela programa
8.2.7 Bloco de Função PID (Proporção- Integral- Diferencial)
Entrada de Habilita Bloco
Parâmetros
Tela FBD Tela parâmetro
SEL+←/→
Tela programa

8-18 | CLIC-02
Programação FBD
8.2.8 Bloco de Função MX (Multiplexador)
Entrada de Habilita Bloco
Entrada 1 para Seleção
Entrada 2 para Seleção
Parâmetros
Tela FBD Tela parâmetro
SEL+←/→
Tela programa
8.2.9 Bloco de Função AR (Rampa-Analógica)
Entrada de Habilita Bloco
Selecionar Nível da Rampa
Parada por Rampa
Parâmetros
Tela FBD Tela parâmetro
SEL+←/→
Tela programa
8.2.10 Bloco de Função DR (Registrador de Dados)
Entrada de Habilita Bloco
Parâmetros
Tela FBD Tela parâmetro Tela programa
8.2.11 Bloco de Função MU (MODBUS)
Modo 1
Entrada de Habilita Bloco
Parâmetros
Tela FBD Tela parâmetro Tela programa

CLIC-02 | 8-19
Programação FBD
Modo 2
Entrada de Habilita Bloco
Parâmetros
Tela FBD Tela parâmetro Tela programa
Modo 3
Entrada de Habilita Bloco
Parâmetros
Tela FBD Tela parâmetro Tela programa
Modo 4
Entrada de Habilita Bloco
Parâmetros
Tela FBD Tela parâmetro Tela programa
Modo 5
Entrada de Habilita Bloco
Parâmetros
Tela FBD Tela parâmetro Tela programa

8-20 | CLIC-02
Programação FBD

CLIC-02 | 9-1
Especificação de Hardware
9 ESPECIFICAÇÃO DE HARDWARE
Conteúdo Especificação
Linguagem de Programação Ladder & FBD
Ambiente Temperatura de Operação -20° a 55°C (-4° a 131°F)
Temperatura de Armazenagem -40° a 70°C (-40° a 158°F)
Umidade Máxima 90% (Relativa, não-condensada)
Presença de gás Gases não corrosivos
Estrutura
Principal
Vibração Máxima amplitude 0,075 mm, aceleração 1,0g
de acordo com IEC60068-2-6
Resistência ao Impacto Valor de pico 15g, 11ms
de acordo com IEC60068-2-27
Ruído
Máximo
ESD Contato ±4KV, descarga de ar ±8KV
EFT Potência AC: ±2KV DC: ±1KV
CS 0,15~80 MHz 10V/m
RS 80~1000 MHz 10V/m
EMI EN55011 classe B
Instalação Tipo de Invólucro IP20
Modo de Montagem Montagem Direta ou Montagem DIN-trilho (35 mm)
Posição de Montagem De acordo com capítulo 4 - Instalação
Fiação AWG 14 / 2,6 mm2
Dimensões 2×90×59,6 mm(W×L×H) Trilho DIN
72×126×59,6 mm(W×L×H) Instalação Direta
9.1 CARACTERÍSTICAS DOS MODELOS
MODO
Alimentação
Ponto de
entrada
Ponto de
saída
Entrada
analógica
RTC
Teclado
LCD
Expansão
Entrada
de Alta
velocidade
1KHz
PWM
DATA LINK
AC
100~
240V
DC
24V
DC
12V
10
pontos
Modelos Padrão
10HR-A ◎6 4 relé ◎◎◎
12HR-D ◎8* 4 relé 2◎ ◎ ◎ ◎
12HT-D ◎8* 4 transistor 2 ◎ ◎ ◎ ◎ ◎
20
pontos
Modelos Padrão
20HR-A ◎12 8 relé ◎◎◎
20HR-D ◎12* 8 relé 4 ◎ ◎ ◎ ◎
20HT-D ◎12* 8 transistor 4 ◎ ◎ ◎ ◎ ◎
20HR-12D ◎12* 8 relé 4 ◎ ◎ ◎ ◎
Modelos com Porta de Comunicação
20VR-D ◎12* 8 relé 4 ◎ ◎ ◎ ◎ ◎
20VT-D ◎12* 8 transistor 4 ◎ ◎ ◎ ◎ ◎ ◎

9-2 | CLIC-02
Especificação de Hardware
MODO
Alimentação
Ponto de
entrada
Ponto de
saída
Entrada
analógica
RTC
Teclado
LCD
Expansão
Entrada
de Alta
velocidade
1KHz
PWM
DATA LINK
8ER-A ◎4 4 relé
8ER-D ◎4 4 relé
8ET-D ◎4 4 transistor
4AI ◎4* 4
4PT ◎4* 4
2AO ◎2 analógico
◎ Característica existente
Número máximo de entradas digitais, considerando que as entradas analógicas estejam
configuradas para funcionar como entradas digitais.
9.2 ESPECIFICAÇÕES DE POTÊNCIA
Conteúdo CLIC-02/10HR-A CLIC-02/20HR-A CLIC-02/20HR-D
CLIC-02/20HT-D
CLIC-02/12HR-D
CLIC-02/12HT-D
Tensão de
Operação
100∼240 Vca 100∼240 Vca 24 Vcc 24 Vcc
Variação de
Tensão
85∼265 Vca 85∼265 Vca 20,4∼28,8 Vcc 20,4∼28,8 Vcc
Frequência de
Operação
50 / 60 Hz 50 / 60 Hz
Variação de
Frequência
47∼63 Hz 47∼63 Hz
Tempo máximo
permitido sem
alimentação
10 ms (meio
ciclo) / 20 vezes
(IEC61131-2)
10 ms (meio
ciclo) / 20 vezes
(IEC61131-2)
10 ms / 10 vezes
(IEC61131-2)
10 ms / 10 vezes
(IEC61131-2)
Fusível Necessário
conectar um
fusível ou disjuntor
de corrente de 1A
Necessário
conectar um
fusível ou disjuntor
de corrente de 1A
Necessário
conectar um
fusível ou disjuntor
de corrente de 1A
Necessário
conectar um
fusível ou disjuntor
de corrente de 1A
Isolação Nenhuma Nenhuma Nenhuma Nenhuma
Consumo
Médio de
Corrente
Todas as entradas e relés Ligados
110 Vca 220 Vca 110 Vca 220 Vca 24 Vcc 28,8 Vcc 24 Vcc 28,8 Vcc
90 mA 90 mA 100 mA 100 mA 145 mA 185 mA 115 mA 125 mA
Todas as entradas e relés Desligados
110 Vca 220 Vca 110 Vca 220 Vca 24 Vcc 28,8 Vcc 24 Vcc 28,8 vcc
85 mA 85 mA 90 mA 90 mA 80 mA 120 mA 75 mA 85 mA
Consumo de
Potência
7,5 W 12,5 W 5 W 4,5W

CLIC-02 | 9-3
Especificação de Hardware
Conteúdo CLIC-02/12HR-12D CLIC-02/20HR-12D
Regime de Tensão 12 Vcc 12 Vcc
Variação de Tensão 10,4~14,4 Vcc 10,4~14,4 Vcc
Tempo máximo permitido
sem alimentação.
10 ms / 10 vezes (IEC 61131-2) 1ms/ 10 vezes (IEC 61131-2)
Fusível Necessário conectar um fusível
ou disjuntor de corrente de 1A
Necessário conectar um fusível
ou disjuntor de corrente de 1A
Isolação Nenhuma Nenhuma
Consumo Médio de
Corrente
Todas as entradas e relés Ligados
12 Vcc 14,4 Vcc 12 Vcc 14,4 Vcc
195 mA 195 mA 265 mA 265 mA
Todas as entradas e relés Desligados
12 Vcc 14,4 Vcc 12 Vcc 14,4 Vcc
160 mA 160 mA 200 mA 200 mA
Consumo de Potência 2,5W 3,5W
9.3 ESPECIFICAÇÕES DAS ENTRADAS DIGITAIS
Modelo 100~240Vca
Conteúdo CLIC-02/10HR-A CLIC-02/20HR-A
Circuito de Entrada
Quantidade 6 (entrada digital) 12 (entrada digital)
Corrente do Sinal de
Entrada
110 Vca
0,66 mA
220 Vca
1,3 mA
110 Vca
0,55 mA
220 Vca
1,2 mA
Corrente da Entrada
Ligada
> 79 Vca / 0,41 mA > 79 Vca / 0,4 mA
Corrente da Entrada
Desligada
< 40 Vca / 0,28 mA < 40 Vca / 0,15 mA
Comprimento da Fiação <= 100 m <= 100 m
Tempo de Resposta da
Entrada
On -> Off On -> Off
Típico 50/60 Hz: 50/45 ms (110 Vca) Típico 50/60 Hz: 50/45 ms (110 Vca)
Típico 50/60 Hz: 90/85 ms (220 Vca) Típico 50/60 Hz: 90/85 ms (220 Vca)
Off -> On Off -> On
Típico 50/60 Hz: 50/45 ms (110 Vca) Típico 50/60 Hz: 50/45 ms (110 Vca)
Típico 50/60 Hz: 22/18 ms (220 Vca) Típico 50/60 Hz: 22/18 ms (220 Vca)

9-4 | CLIC-02
Especificação de Hardware
Modelo 24Vcc, 12 pontos de E/S
Conteúdo CLIC-02/12HR-D / CLIC-02/12HT-D
Entrada Digital
Normal
Entrada Digital
de Alta
Velocidade
Entrada
Analógica
usada como
Entrada Digital
Normal
Entrada
Analógica
Circuito de Entrada I03~I06 I01,I02 I07,I08
Quantidade 4 2 2 2
Corrente do Sinal de
Entrada
3,2 mA / 24 Vcc 3,2 mA / 24 Vcc 0,63 mA /
24 Vcc
< 0,17 mA /
10 Vcc
Corrente da Entrada
Ligada
> 1,875 mA /
15 Vcc
>1,875mA /
15Vcc
> 0,161 mA /
9.8 Vcc
Corrente da Entrada
Desligada
< 0,625 mA /
5 Vcc
< 0,625mA/5Vcc < 0,085 mA /
5 Vcc
Comprimento da Fiação <= 100 m <= 100 m <= 100 m <= 30 m(Cabo
deve ser
blindado)
Tempo de Resposta da
Entrada
On -> Off On -> Off On -> Off
3 ms 0,3 ms Típico: 5 ms
Off -> On Off -> On Off -> On
5 ms 0,5 ms Típico: 3 ms
Tensão de Entrada 0~10 Vcc
Classe de Precisão 0,01 Vcc
Resolução em bits 10 bits
Erro ±2%±0,12 Vcc
Tempo de Conversão 1 ciclo
Resistência do Sensor <1 KΩ

CLIC-02 | 9-5
Especificação de Hardware
Modelo 24Vcc, 20 pontos de E/S
Conteúdo CLIC-02/20HR-D / CLIC-02/20HT-D
Entrada Digital
Normal
Entrada Digital
de Alta
Velocidade
Entrada
Analógica
usada como
Entrada Digital
Normal
Entrada
Analógica
Circuito de Entrada I03~I08 I01,I02 I09,I0A,I0B,I0C
Quantidade 6 2 4 4
Corrente do Sinal de
Entrada
3,1 mA / 24 Vcc 3,1 mA / 24 Vcc 0,63 mA /
24 Vcc
<0,17 mA /
10 Vcc
Corrente da Entrada
Ligada
> 1,875 mA /
15 Vcc
> 1,875 mA /
15 Vcc
> 0,163 mA /
9,8 Vcc
Corrente da Entrada
Desligada
< 0,625 mA /
5 Vcc
< 0,625 mA /
5 Vcc
< 0,083 mA /
5 Vcc
Comprimento da Fiação <= 100 m <= 100 m <= 100 m <= 30 m(Cabo
deve ser
blindado)
Tempo de Resposta da
Entrada
On -> Off On -> Off On -> Off
5 ms 0,5 ms Típico: 5 ms
Off -> On Off -> On Off -> On
3 ms 0,3 ms Típico: 3 ms
Tensão de Entrada 0~10 Vcc
Clasde de Precisão 0,01 Vcc
Resolução em bits 10
Erro ±2% ±0,12 Vcc
Tempo de Conversão 1 ciclo
Resistência do Sensor < 1 KΩ

9-6 | CLIC-02
Especificação de Hardware
9.4 ESPECIFICAÇÕES DAS SAÍDAS DIGITAIS
Conteúdo Relé Transistor
Circuito de Saída
Potência
Carga
CLIC-02 Potência
Carga
CLIC-02
Potência Externa < 265 Vca, 30 Vcc 23,9~24,1 Vcc
Isolação da Circuito Isolação Mecânica (relé) Isolação por opto-acoplador
Carga
Máxima
Resistiva 8 A / ponto 0,3 A / ponto
Iluminação 200 W 10 W / 24 Vcc
Corrente de Fuga
(Coletor Aberto)
−< 10uA
Carga Mínima − −
Tempo de
Resposta
Off -> On 15 ms 25 us
On -> Off 15 ms < 0,6 ms
9.4.1 Cuidados com a ligação da saída
9.4.1.1 Carga de Iluminação
A corrente consumida de uma lâmpada é 10~20 vezes maior durante os 10ms iniciais da
lâmpada ligada, devido ao filamento não estar aquecido. Uma resistência de distribuição
ou resistência de restrição de corrente é adicionada à porta de saída para reduzir o valor
corrente de pico.
Resistência de Distribuição
Existe uma pequena corrente circulando que
faz a luz brilhar fracamente, este valor de
resistência deve ser escolhido com cuidado.
Resistência de Restrição de Corrente
A claridade ficará reduzida se o valor da
resistência for muito alto.

CLIC-02 | 9-7
Especificação de Hardware
9.4.1.2 Carga de Indutiva
Haverá uma tensão de pico (KV) quando a carga de indutiva muda de ligado para desligado,
especialmente no modelo à relé. Existem diferentes métodos que podem ser utilizados
para a absorção da tensão de pico, veja abaixo:
a. Potência VCA, absorção CR b. Potência VCC, diodo de roda-livre
Favor não usar capacitância sozinha para absorção, como é mostrado abaixo.
9.4.1.3 Vida do Relé
Os dados da figura acima são uma base padrão. A vida útil do relé é influenciada pela
temperatura no ambiente de operação.
A vida útil de um relé é de quase 100.000 manobras se a corrente for menor que 2A.

9-8 | CLIC-02
Especificação de Hardware
9.5 DIAGRAMA DE DIMENSÕES DO CLIC-02
10/12 pontos
20 pontos
Para saber sobre as dimensões dos Módulos de Expansão, consulte o Capítulo 11 -
Módulos de Expansão.

CLIC-02 | 9-9
Especificação de Hardware
9.6 CARTÃO DE MEMÓRIA
O cartão de memória PM05 (3rd) é um opcional, vendido separadamente, usado para
transferir programas facilmente de um CLIC-02 para outro. O cartucho de memória PM05
(3rd) deve ser inserido no mesmo conector do cabo de programação (veja procedimento
abaixo).
1. Remova a capa do conector plástico do CLIC-02 usando uma chave de fenda;
2. Insira o cartucho de memória PM05 (3rd) no conector;
3. Na lista de funções do display, selecione ESCREVER, para transferir o programa do
CLIC-02 para o PM05 (3rd), ou LER, para carregar o programa do PM05 (3rd) para o
CLIC-02.
4. Programas em modelos de CLIC-02 diferentes não são compatíveis em alguns casos,
conforme as regras:
A-1: Programa CLIC-02 10/12 pontos ---- compatível com CLIC-02 20 pontos
A-2: Programa CLIC-02 20 pontos ---- não compatível com CLIC-02 10/12 pontos
B-1: Programa CLIC-02 CA ---- compatível com CLIC-02 CC
B-2: Programa CLIC-02 CC ---- não compatível com CLIC-02 CA
C-1: Programa CLIC-02 à Relé ---- compatível com CLIC-02 Transistor
C-2: Programa CLIC-02 à Transistor ---- não compatível com CLIC-02 à Relé
D-1: Programa CLIC-02 diferente do tipo V ---- compatível com CLIC-02 com tipo V
D-2: Programa CLIC-02 tipo V ---- não compatível com CLIC-02 diferente do tipo V
E-1: Programa CLIC-02 firmware V2.xx ---- compatível com CLIC-02 V3.xx
E-2: Programa CLIC-02 firmware V3.xx ---- não compatível com CLIC-02 V2.xx
9.6.1 Compatibilidade
O cartão de memória PM05 (3rd) é um tipo especial de PM05 podendo ser usado em
todas as versões do CLIC-02. Existe um ícone na lateral do PM05 (3rd).
Para usar o PM05 e PM05 (3rd) com CLIC-02 V2.xx e CLIC-02 V3.xx, veja a tabela de
compatibilidade de funções:
Função Suportada
Versão de Firmware do CLIC-02 PM05 PM05 (3rd)
CLIC-02 V2.xx Leitura/Escrita Leitura/Escrita
CLIC-02 V3.xx Leitura Leitura/Escrita

9-10 | CLIC-02
Especificação de Hardware

CLIC-02 | 10-1
Funções de Comunicação da Porta RS-485
10 FUNÇÕES DE COMUNICAÇÃO DA PORTA RS-485
A porta de comunicação RS-485 vem incorporada nos modelos CLIC-02/20VR-D e
CLIC-02/20VT-D. Através desta porta, podemos integrar o CLIC-02 a um sistema de
supervisão ou IHM, trocar dados com outro CLIC-02 instalado ou controlar/monitorar
outros dispositivos compatíveis com o protocolo Modbus. As funções disponíveis são:
Função E/S remota. É utilizada para expandir o número de E/S do CLIC-02, pode ser
utilizada entre 2 unidades CLIC-02, sendo uma mestre e outra escrava.
Função DataLink. Permite a troca de dados entre as estações CLIC-02 na rede, até 8
estações podem ser configuradas. Cada CLIC-02 pode ler/escrever informações de
outro CLIC-02 na rede.
Modbus RTU Mestre. Sendo mestre da rede Modbus, o CLIC-02 pode se comunicar
com outros dispositivos compatíveis com o protocolo Modbus, como inversores de
freqüência, multi-medidores, balanças, etc.
Modbus RTU Slave. Neste modo, o CLIC-02 pode comunicar-se com um computador,
IHM ou com outro CLP que seja mestre do protocolo Modbus.
AVISO!
A distância máxima para a fiação da rede RS-485 do CLIC-02 é de 100 m.
10.1 PARÂMETROS DE COMUNICAÇÃO
A porta de comunicação RS-485 possui parâmetros variáveis, permitindo ajustar às
necessidades do outro dispositivo a comunicar. Existem duas formas de ajustar estes
parâmetros.
10.1.2 Ajuste via Software de Programação
1. Conecte o cabo de programação no CLIC-02 e na porta serial RS232 no computador;
2. No Software de Programação, Faça a conexão com o CLIC-02, através do menu
Operação >> Conectar ao CLP;
3. Selecione o menu Operação >> Configuração do Sistema, para abrir a janela de
configuração;

10-2 | CLIC-02
Funções de Comunicação da Porta RS-485
4. Os seguintes modos e velocidades estão disponíveis:
Modo de
Comunicação
8/N/2 – 8 Data bits, Sem Paridade, 2 Stop bits
8/E/1 – 8 Data bits, Paridade Par, 1 Stop bit
8/O/1 – 8 Data bits, Paridade Ímpar, 1 Stop bit
8/N/1 – 8 Data bits, Sem Paridade, 1 Stop bit
Baud Rate
4800 bps
9600 bps
19200 bps
38400 bps
57600 bps
115200 bps
10.1.3 Ajuste via display do CLIC-02
1. Pressione ESC para voltar ao menu principal.
2. Pressione para CIMA/BAIXO para localizar o item CONFIG. e pressione OK para
selecioná-lo.
3. Pressione para CIMA/BAIXO para fazer o display exibir as opções mostradas abaixo.
Digito Baixo
Digito Alto
4. O dígito alto ajusta o Modo de Comunicação; o dígito baixo ajusta o Baud Rate.
Conteúdo Dados Significado
Dígito alto
08/N/2 - Data 8bit, Sem Paridade, 2 bit Stop.
18/E/1 - Data 8bit, Paridade Par, 1 bit Stop.
28/0/1 - Data 8bit, Paridade Ímpar, 1 bit Stop.
38/N/1 - Data 8bit, Sem Paridade, 1 bit Stop.
Dígito baixo
0 4800 bps
1 9600 bps
2 19200 bps
3 38400 bps
4 57600 bps
5 115200 bps

CLIC-02 | 10-3
Funções de Comunicação da Porta RS-485
A configuração padrão para a porta RS-485 do CLIC-02 é mostrada na tabela abaixo:
Baud Rate 38400bps
Bit de dados 8
Bit Stop 2
Paridade No
Tamanho Máximo do Telegrama 128 bytes
Os parâmetros da porta de comunicação RS-485 são ajustáveis apenas nas versões
3.x do CLIC-02;
Após alterar os parâmetros da porta de comunicação RS-485, é necessário reiniciar
o CLIC-02.
10.2 FUNÇÃO E/S REMOTA
Até 2 unidades do CLIC-02 podem ser configuradas para o modo E/S Remota, um como
mestre e outro como escravo. O CLIC-02 Mestre executará seu programa, lendo as
entradas e acionando as saídas do CLIC-02 escravo. O CLIC-02 escravo não executara
seu programa, todas suas entradas/saídas ficarão dependentes do CLIC-02 Mestre.
Para acionar as saídas Q do escravo, o mestre atuará nas variáveis Y em seu programa.
As entradas I do escravo serão escritas nas variáveis X do mestre. Desta forma, nenhuma
expansão de E/S poderá ser utilizada, tanto no escravo quanto no mestre.
Endereço E/S Mestre Escravo
Bobina de Entrada I01 ~ I0C
Bobinas de Saída Q01 ~ Q08
Bobinas de Entrada de Expansão X01 ~ X0C I01 ~ I0C
Bobinas de Saída de Expansão Y01 ~ Y0C Q01 ~ Q08
Configuração de Hardware:
1. Conecte as unidades do CLIC-02 através da porta RS-485, seguindo as instruções de
instalação do item 4.4.7.
2. Ajuste o CLIC-02 da esquerda na ilustração para mestre.
3. Ajuste o outro CLIC-02 para Escravo.
4. Crie um programa Ladder no CLIC-02 Mestre, conforme mostrado abaixo:

10-4 | CLIC-02
Funções de Comunicação da Porta RS-485
5. Testando:
Se as entradas I02 e I03 no Escravo estão ligadas, as variáveis X02 e X03 no mestre
estarão ligadas. Conforme a lógica, as variáveis Y01 e Y02 no mestre serão ligadas. As
variáveis Y no mestre estão diretamente associadas às variáveis Q no escravo, portanto,
as saídas Q01 e Q02 no escravo serão ligadas. Desta forma, podemos observar que
a entrada I02 do escravo ligou sua própria saída Y01, sem a existência de nenhum
programa no CLIC-02 escravo, o mestre está controlando as E/S do escravo.
Estado E/S no CLIC-02 Escravo
I . 1 234567890ABC
Z . 1 2 3 4
Q . 1234567890ABC
MO 14 : 42
Estado E/S no CLIC-02 Mestre
X . 1 234567890ABC
Y . 1234567890ABC
EXE
2010.05.09
10.3 FUNÇÃO DATALINK
A função Datalink cria uma rede específica para o CLIC-02, permitindo a troca de 8 bits
de dados entre os elementos da rede. As variáveis W serão as variáveis de rede, sendo
que cada elemento irá controlar uma faixa desses endereços. Qualquer CLIC-02 poderá
ler a faixa W de outro CLIC-02.
Configuração de Hardware:
1. Conecte os CLPs CLIC-02 através da porta RS-485, respeitando o limite de 8 elementos
e seguindo as instruções de instalação do item 4.4.7.
2. Ajuste todos os CLIC-02 no menu CONFIG para ‘E/S REMOTE = N’;
3. Configure o ID (endereço) dos CLIC-02 de forma seqüencial, respeitando a ordem de
ligação física dos mesmos. O ID máximo é 07.

CLIC-02 | 10-5
Funções de Comunicação da Porta RS-485
Exemplo de software:
1. Crie o programa Ladder mostrado abaixo, habilitando a rede Datalink, e descarregue
no CLIC-02 com ID=1;
2. No CLIC-02 com ID=1, ajuste a função L01 conforme a ilustração abaixo:
3. Transfira o mesmo software para o CLIC-02 com ID=0, porém altere a função L01
conforme mostrado abaixo.
4. Execute o programa. Ligando I01 do CLIC-02 com ID = 1, M01~M04 estarão em estado
ON.
5. Monitore o CLIC-02 com ID=0. M01~M04 do ID=1 será escrito para a rede, sendo lido
pelo ID=0 e transferido diretamente para as saídas Q01~Q04. Qualquer outro ID da
rede que ler a faixa W09~W12 irá ler o estado de M01~M04 no ID=1.
Para maiores informações de programação da função L, consulte o item 7.4.8.

10-6 | CLIC-02
Funções de Comunicação da Porta RS-485
10.4 MODBUS RTU MESTRE
A função MU habilita um mestre Modbus na porta RS485. Existem 15 funções MODBUS
disponíveis, MU01~MU0F, possibilitando a configuração de 15 telegramas Modbus. As
funções E/S Remota e Datalink devem estar desabilitadas para executar a função Modbus
(E/S Remota = N e ID = 0).
Quando habilitada, a função MU ocupa a porta de comunicação, liberando-a quando não
houver mais nenhuma função MU habilitada e o período de execução MODBUS estiver
completado. Apenas uma função MU pode ser habilitada por vez.
Existem modos para a função MU, cada modo corresponde a uma função Modbus:
Modo Código da Função Modbus
1 03 (leitura de words)
2 06 (escrita de única word)
3 10 (escrita de multiplas words)
4 01 (leitura de bits)
5 05 (Escrita de único bit)
Marcadores utilizados na função MODBUS:
Resposta Recebida (M3D) O marcador M3D é ligado quando o telegrama for recebido,
sendo então verificados os erros de consistência dos dados.
O valor é transferido para o destino da função MU caso não
haja erro nos dados.
Indicação de erro (M3E) Indicação de erro de comunicação
Indicação de Time out (M3F) O marcador M3F é ligado quando o tempo entre o envio
e a recepção dos dados for maior do que o definido, o
marcador M3D também será setado. O marcador M3F é
automaticamente resetado quando M3D for resetado.
O tempo de time out depende do Baud Rate de comunicação, conforme mostrado na
tabela abaixo:
Baud Rate (bps) Tempo (ms)
4800, 9600, 19200, 38400 125
57600 100
115200 80

CLIC-02 | 10-7
Funções de Comunicação da Porta RS-485
Existem 5 parâmetros na função MU, como mostrado abaixo.
Símbolo Descrição
Modo MODBUS (1~5)
Endereço de comunicação: Identificação
do escravo (0 ~ 127)
Conteúdo de comunicação: endereço e
comprimento de dados:
1) Se o endereço de memória for constante
(0000 ~ FFFF), o comprimento de dados é
fixo (1 Word);
2) Se o endereço de memória for um DR,
o comprimento de dados será definido em
DR+1;
Código DR, armazena os dados de envio/
recebimento desta função
Código MODBUS (MU01~MU0F)
Exemplos:
Modo Display
1
Leitura
de words
Endereço é constante: 0003,
Comprimento ≡ 1,
Envio: 01 03 00 03 00 01 CRC16;
Recebimento:
01 03 02 data1 data2 CRC16,
Armazenagem de dados:
DRE0= (data1<<8) | data2,
Endereço é DR03=0001,
Comprimento é DR04=0002,
Envio: 01 03 00 01 00 02 CRC16;
Recebimento: 01 03 04 data1
data2 data3 data4 CRC16,
Armazenagem de dados:
DRE0= (data1<<8) | data2,
DRE1= (data3<<8) | data4
2
Escrita
de única
word
Endereço é constante: 0003,
Comprimento ≡ 1,
Armazenagem de dados:
DRE0=1234(hex: 04D2),
Envio: 01 06 00 03 04 D2 CRC16;
Recebimento:
01 06 00 03 04 D2 CRC16;
Endereço: DR03=0001,
Armazenagem de dados:
DRE0=1234(hex: 04D2),
Envio: 01 06 00 01 04 D2 CRC16;
Recebimento:
01 06 00 01 04 D2 CRC16;
3
Escrita e
multiplas
words
Endereço: 0003,
Comprimento ≡ 1,
Armazenagem de dados:
DRE0=1234(hex: 04D2),
Envio:
01 10 00 03 00 01 02 04 D2 CRC16;
Recebimento:
01 10 00 03 00 01 CRC16;
Endereço: DR03=0001,
Comprimento: DR04=0002,
Armazenagem de dados:
DRE0=1234 (hex: 04D2),
DRE1=5678 (hex: 162E),
Envio: 01 10 00 01 00 02 04 04 D2
16 2E CRC16;
Recebimento:
01 10 00 01 00 02 CRC16;

10-8 | CLIC-02
Funções de Comunicação da Porta RS-485
Modo Display
4
Leitura
de bits
Endereço: 0003,
Comprimento ≡ 10H,
Envio: 01 01 00 03 00 10 CRC16;
Recebimento: 01 01 02 data1
data2 CRC16,
Armazenagem de dados:
DRE0= (data1<<8) | data2;
Endereço: DR03=0001,
Comprimento: DR04=0016,
Envio: 01 01 00 01 00 10 CRC16;
Valor máx em DR04 é 400.
Recebimento: 01 01 02 data1
data2 CRC16,
Armazenagem de dados:
DRE0= (data1<<8) | data2;
5
Escrita de
único bit
Endereço: 0003,
Armazenagem de dados:
DRE0=65280 (hex: FF00),
Envio: 01 05 00 03 FF 00 CRC16;
Recebimento:
01 05 00 03 FF 00 CRC16;
Endereço: DR03=0001,
Armazenagem de dados:
DRE0=65280 (hex: FF00),
Envio: 01 05 00 01 FF 00 CRC16;
Recebimento:
01 05 00 01 FF 00 CRC16;
10.5 MODBUS RTU ESCRAVO
O CLIC-02 pode ser controlado pelo computador ou outro CLP que possua a função
de mestre Modbus. O mestre Modbus pode ter acesso aos estados de E/S, valores
pré-ajustados dos Blocos de Função, temporizadores, contadores. Também é possível
controlar os modos Run/Stop do CLIC-02.
Configuração de Hardware:
1. Conecte o mestre Modbus às unidades do CLIC-02 através da porta RS-485, seguindo
as instruções de instalação do item 4.4.7.
2. Ajuste todos os CLIC-02 no menu CONFIG para “E/S Remota = N”.
3. Ajuste o ID do CLIC-02 para = 01~99, cada um dos IDs do CLIC-02 deve diferente.

CLIC-02 | 10-9
Funções de Comunicação da Porta RS-485
10.5.1 Protocolo Modbus CLIC-02
Se CLIC-02 receber um telegrama correto, ele irá executar o comando, responderá um
telegrama confirmando o comando para o computador ou outro controlador. Se o comando
que o CLIC-02 recebeu não é válido, a resposta do CLIC-02 será um Código de Exceção.
Formato do Comando e Formato da Resposta
Dados Verificados pelo CRC
Endereço escravo Código da Função Dados CRC-16
O formato do comando resposta, uma vez que o CLIC-02 recebe um comando inesperado.
Dados Verificados pelo CRC
Endereço escravo Código da Função Código exceção CRC-16
Formato do Comando:
Endereço Escravo Código da Função Dados CRC-16 Código
Exceção
00H: Envia para todos
os dispositivos
01H Leitura de bits
Para
detalhes
favor
consultar
endereços
de
regisgtros
CRC
verifica o
Endereço
Escravo
Código de
função
Código
exceção
Para
detalhes,
favor
consultar
Instrução
de Código
Exceção
01H: para o
dispositivo No.01
05H Escrita de único bit
0FH: para o
dispositivo No.15
03H Leitura de words
10H: para o
dispositivo No.16
06H Escrita de unica
word
…. 10H Escrita de multiplas
words
63H: para o
dispositivo No.99
08H diagnóstico
Código Exceção:
Em uma conexão de comunicação, o controlador responde o Código Exceção (Código de
Erro) e o Código de Função adicionado de 80H (Hexadecimal) para o mestre, se houver erro.
Código de Exceção Descrição
51 Erro de Telegrama (Erro do Código de Função, Erro ao Codificar
Registro, Erro na Quantidade de Dados)
52 CLP em modo RUN, comando não permitido
53 CLP protegido por senha, comando não permitido
54 Valor dos dados além da faixa permitida
55 Erro na ROM do CLIC-02
56 RTC do CLIC-02 não existe, não pode operar RTC
57 Outro erro
58 Comandos não combinam com o modo editável do CLIC-02
59 Erro Brand ID

10-10 | CLIC-02
Funções de Comunicação da Porta RS-485
10.5.2 Mapa de Memória MODBUS
10.5.2.1 Estado das Variáveis Digitais
Endereço Modbus Função
Modbus
Conteúdo das Words
Decimal Hexadecimal F E D C B A 9 8 7 6 5 4 3 2 1 0
1536 0600
03H
06H
10H
R10 R0F R0E R0D R0C R0B R0A R09 R08 R07 R06 R05 R04 R03 R02 R01
1537 0601 R1F R1E R1D R1C R1B R1A R19 R18 R17 R16 R15 R14 R13 R12 R11
1538 0602 G10 G0F G0E G0D G0C G0B G0A G09 G08 G07 G06 G05 G04 G03 G02 G01
1539 0603 G1F G1E G1D G1C G1B G1A G19 G18 G17 G16 G15 G14 G13 G12 G11
1540 0604 T10 T0F T0E T0D T0C T0B T0A T09 T08 T07 T06 T05 T04 T03 T02 T01
1541 0605 T1F T1E T1D T1C T1B T1A T19 T18 T17 T16 T15 T14 T13 T12 T11
1542 0606 C10 C0F C0E C0D C0C C0B C0A C09 C08 C07 C06 C05 C04 C03 C02 C01
1543 0607 C1F C1E C1D C1C C1B C1A C19 C18 C17 C16 C15 C14 C13 C12 C11
1544 0608 M10 M0F M0E M0D M0C M0B M0A M09 M08 M07 M06 M05 M04 M03 M02 M01
1545 0609 M20 M1F M1E M1D M1C M1B M1A M19 M18 M17 M16 M15 M14 M13 M12 M11
1546 060A M30 M2F M2E M2D M2C M2B M2A M29 M28 M27 M26 M25 M24 M23 M022 M21
1547 060B M3F M3E M3D M3C M3B M3A M39 M38 M37 M36 M35 M34 M33 M32 M31
1548 060C N10 N0F N0E N0D N0C N0B N0A N09 N08 N07 N06 N05 N04 N03 N02 N01
1549 060D N20 N1F N1E N1D N1C N1B N1A N19 N18 N17 N16 N15 N14 N13 N12 N11
1550 060E N30 N2F N2E N2D N2C N2B N2A N29 N28 N27 N26 N25 N24 N23 N22 N21
1551 060F - N3F N3E N3D N3C N3B N3A N39 N38 N37 N36 N35 N34 N33 N32 N31
1552 0610 - - - - I0C I0B I0A I09 I08 I07 I06 I05 I04 I03 I02 I01
1553 0611 - - - - X0C X0B X0A X09 X08 X07 X06 X05 X04 X03 X02 X01
1554 0612 - - - - Y0C Y0B Y0A Y09 Y08 Y07 Y06 Y05 Y04 Y03 Y02 Y1
1555 0613 - - - - - - - - Q08 Q07 Q06 Q05 Q04 Q03 Q02 Q01
1556 0614 - - - - - - - - - - - - Z04 Z03 Z02 Z01
1557 0615 H10 H0F H0E H0D H0C H0B H0A H09 H08 H07 H06 H05 H04 H03 H02 H01
1558 0616 - H1F H1E H1D H1C H1B H1A H19 H18 H17 H16 H15 H14 H13 H12 H11
1559 0617 - - - - - - - - L08 L07 L06 L05 L04 L03 L02 L01
1560 0618 - - - - - - - - - - - - - S01 P02 P01
1561 0619 W10 W0F W0E W0D W0C W0B W0A W09 W08 W07 W06 W05 W04 W03 W02 W01
1562 061A W20 W1F W1E W1D W1C W1B W1A W19 W18 W17 W16 W15 W14 W13 W12 W11
1563 061B W30 W2F W2E W2D W2C W2B W2A W29 W28 W27 W26 W25 W24 W23 W22 W21
1564 061C W40 W3F W3E W3D W3C W3B W3A W39 W38 W37 W36 W35 W34 W33 W32 W31

CLIC-02 | 10-11
Funções de Comunicação da Porta RS-485
10.5.2.2 Variáveis de Estado/Controle do CLIC-02
Endereço Modbus Funções
Suportadas Conteúdo
Decimal Hexadecimal
256 0100H
03H
06H
10H
RUN / STOP: S1 = 0 → STOP
S1 = 1 → RUN
257 0101H 03H Modelo do CLIC-02 (Código Hexadecimal):
30=20VR-D, 70=20VR-12D
34=20VT-D, 74=20VT-12D
258 0102H
03H
06H
10H
Word Status 1:
Bit 0 e 1 – Modo comunicação RS-485
0: Datalink
1: E/S Remota - Mestre
2: E/S Remota – Escravo
Bit 4 – Backlight
0: Automático – Desliga Após Período de Inatividade
1: Sempre Ligado
Bit 5 – Contador Retentivo
1: Retentivo
0: Não-Retentivo
Bit 6 – Configuração de Marcadores M Retentivos
1: Não-Retentivo
0: Retentivo
Bit 8, 9, 10 e 11 – Idioma Selecionado
1: English
2: French
3: Spanish
4: Italian
5: German
6: Portugal
7: Chinese
Bit 12 e 13 – Número de expansões configuradas (0 ~ 3)
Bit 14 – Configuração Teclas Z
0: Teclas Z desabilitadas
1: Teclas Z habilatadas
Bit 15 - Alarme Nº de expansões diferente do configurado
0 : Alarme
1 : Com alarme
259 0103 03H
Word Status 2:
Byte Baixo – Cógido de Erro
0 = OK
1 = Erro ROM
2 = Erro RAM
3 = Erro EEPROM
4 = Erro Programa
5 = Erro Lógica do Programa
6 = Erro de Watchdog
7 = Erro das Expansões
8 = Erro de Communicação
9 = Erro no RTC
Byte Alto – Configuração Senha
0 = Senha Desabilitada
1 = Senha Habilitada
260 0104
03H
10H
Ganho Entrada Analógica 1
261 0105 Offset Entrada Analógica 1
262 0106 Ganho Entrada Analógica 2
263 0107 Offset Entrada Analógica 2
264 0108 Ganho Entrada Analógica 3
265 0109 Offset Entrada Analógica 3
266 010A Ganho Entrada Analógica 4
267 010B Offset Entrada Analógica 4

10-12 | CLIC-02
Funções de Comunicação da Porta RS-485
10.5.2.3 Entradas / Saídas Analógicas
Endereço Modbus Funções
Suportadas
Conteúdo Comentários
Decimal Hexadecimal Byte Alto Byte Baixo
Entradas Analógicas
2832 0B10
03H
A01
Faixa de Valores:
0 ~ 999
2833 0B11 A02
2834 0B12 A03
2835 0B13 A04
2836 0B14 A05
2837 0B15 A06
2838 0B16 A07
2839 0B17 A08
Entrada de Temperatura
2864 0B30
03H
AT01
Faixa de Valores:
-1000 ~ 6000
2865 0B31 AT02
2866 0B32 AT03
2867 0B33 AT04
Saídas Analógicas – Valor Atual
2880 0B40
03H
AQ01 Faixa de Valores
Tensão:
0 ~ 1000
Corrente:
0 ~ 500
2881 0B41 AQ02
2882 0B42 AQ03
2883 0B43 AQ04
Saídas Analógicas – Valor de Ajuste
9984 2700
03H
06H
10H
AQ01 Faixa de Valores
Tensão:
0 ~ 1000
Corrente:
0 ~ 500
9985 2701 AQ02
9986 2702 AQ03
9987 2703 AQ04

CLIC-02 | 10-13
Funções de Comunicação da Porta RS-485
10.5.2.4 Leitura e Configuração Função PWM/PLSY
Endereço Modbus Funções
Suportadas Conteúdo Comentários
Decimal Hexadecimal
Valores Atuais – Função PWM
2848 0B20
03H
PWM 1
Seleção Forma de Onda Faixa de Valores
PWM – PW:
0 ~ 32767
PWM – PT:
1 ~ 32767
2849 0B21 PW (Pulse Width) – Largura do pulso
2850 0B22 PT (Period Time) – Período da Onda
2851 0B23
PWM 2
Seleção Forma de Onda
2852 0B24 PW (Pulse Width) – Largura do pulso
2583 0B25 PT (Period Time) – Período da Onda
Valores Atuais – Função PLSY
2848 0B20
03H PLSY1
Seleção Forma de Onda Faixa de Valores
PLSY –
Freqüência:
1 ~ 1000
PLSY – Nº Pulsos:
0 ~ 32767
2849 0B21 Freqüência de Saída
2850 0B22 Número de Pulsos
Valores de Ajuste – Função PWM/PLSY
6400 1900
03H
06H
10H
PWM 1 – PW1 / PLSY – Freqüência
Faixa de Valores
PWM – PW:
0 ~ 32767
PWM – PT:
1 ~ 32767
PLSY – Freq.
1 ~ 1000
PLSY – Nº Pulsos:
0 ~ 32767
6401 1901 PWM 1 – PT1 / PLSY – Nº Pulsos
6402 1902 PWM 1 – PW2
6403 1903 PWM 1 – PT2
... … ...
6414 190E PWM 1 – PW8
6415 190F PWM 1 – PT8
6416 1910 PWM 2 – PW1
6417 1911 PWM 2 – PT1
6418 1912 PWM 2 – PW2
6419 1913 PWM 2 – PT2
... … ...
6430 191E PWM 2 – PT8
6431 191F PWM 2 – PW8

10-14 | CLIC-02
Funções de Comunicação da Porta RS-485
10.5.2.5 Leitura de Parâmetros das Funções
Endereço Modbus Funções
Suportadas Conteúdo Comentários
Decimal Hexadecimal
Valor Atual do Temporizador
2048 0800
03H
T01
Faixa de Valores:
0 ~ 9999
2049 0801 T02
… … …
2078 081E T1F
Valor Atual do Contador
2304 0900
03H
C01 Word Baixa Faixa de Valores
0 ~ 999999
São utilizadas duas
Words para formar
o valor atual de
contagem
2305 0901 Word Alta
2306 0902 C02 Word Baixa
2307 0903 Word Alta
… … …
2364 093C C1F Word Baixa
2365 093D Word Alta
AS (Soma, Subtração) – Valor de Saída
3072 0C00
03H
AS01
Faixa de Valores:
-32768 ~ 32767
3073 0C01 AS02
… … …
3102 0C1E AS1F
MD (Multiplicação, Divisão) – Valor de Saída
3328 0D00
03H
MD01
Faixa de Valores:
-32768 ~ 32767
3329 0D01 MD02
… … …
3358 0D1E MD1F
PID – Valor de Saída
3584 0E00
03H
PI01
Faixa de Valores:
-32768 ~ 32767
3585 0E01 PI02
… … …
3598 0E0E PI0F
MX (Multiplexador) – Valor de Saída
3840 0F00
03H
MX01
Faixa de Valores:
-32768 ~ 32767
3841 0F01 MX02
… … …
3854 0F0E MX1F
AR (Rampa) – Valor de Saída
4096 1000
03H
AR01
Faixa de Valores:
-32768 ~ 32767
4097 1001 AR02
… … …
4110 100E AR0F
DR (Registador de Dados) – Valor Atual
4352 1100
03H
DR01 Faixa de Valores
Com Sinal:
-32768 ~ 32767
Sem Sinal:
0 ~ 65535
4353 1101 DR02
… … …
4591 11EF DRF0

CLIC-02 | 10-15
Funções de Comunicação da Porta RS-485
10.5.2.6 Ajuste dos Parâmetros das Funções
Endereço Modbus Funções
Suportadas Conteúdo Comentários
Decimal Hexadecimal
Set-Point do Temporizador
4608 1200 03H
06H
10H
T01 Faixa de Valores:
0 ~ 9999
4609 1201 T02
… … …
4638 121E T1F
Set-Point do Contador
4864 1300
03H
06H
10H
C01 Word Baixa
Faixa de Valores
0 ~ 999999
*Ver Nota 1
4865 1301 Word Alta
4866 1302 C02 Word Baixa
4867 1303 Word Alta
… … …
4924 133C C1F Word Baixa
4925 133D Word Alta
AS (Soma, Subtração)
6656 1A00
03H
06H
10H
AS01 – Parâmetro V1
Faixa de Valores
V1, V2 e V3:
-32768 ~ 32767
6657 1A01 AS01 – Parâmetro V2
6658 1A02 AS01 – Parâmetro V3
6659 1A03 AS02 – Parâmetro V1
6660 1A04 AS02 – Parâmetro V2
6661 1A05 AS02 – Parâmetro V3
… … …
6746 1A5A AS1F – Parâmetro V1
6747 1A5B AS1F – Parâmetro V2
6748 1A5C AS1F – Parâmetro V3
MD (Multiplicação, Divisão)
7424 1D00
03H
06H
10H
MD01 – Parâmetro V1
Faixa de Valores
V1, V2 e V3:
-32768 ~ 32767
7425 1D01 MD01 – Parâmetro V2
7426 1D02 MD01 – Parâmetro V3
7427 1D03 MD02 – Parâmetro V1
7428 1D04 MD02 – Parâmetro V2
7429 1D05 MD02 – Parâmetro V3
… … …
7514 1D5A MD1F – Parâmetro V1
7515 1D5B MD1F – Parâmetro V2
7516 1D5C MD1F – Parâmetro V3
PID
8192 2000
03H
06H
10H
PI01 – Set-Point
Faixa de Valores:
-Set-Point, Variável
Processo:
-32768 ~ 32767
-Tempo Amostragem,
Ganhos Proporcional,
Integral e Derivativo:
0 ~ 32767
8193 2001 PI01 – Variável do Processo
8194 2002 PI01 – Tempo de Amostragem
8195 2003 PI01 – Ganho Proporcional
8196 2004 PI01 – Ganho Integral
8197 2005 PI01 – Ganho Derivativo
8198 2006 PI02 – Set-Point
8199 2007 PI02 – Variável do Processo
8200 2008 PI02 – Tempo de Amostragem
8201 2009 PI02 – Ganho Proporcional
8202 200A PI02 – Ganho Integral
8203 200B PI02 – Ganho Derivativo
… … …
8276 2054 PI0F – Set-Point
8277 2055 PI0F – Variável do Processo
8278 2056 PI0F– Tempo de Amostragem
8279 2057 PI0F – Ganho Proporcional
8280 2058 PI0F – Ganho Integral
8281 2059 PI0F – Ganho Derivativo

10-16 | CLIC-02
Funções de Comunicação da Porta RS-485
MX (Multiplexador)
8448 2100
03H
06H
10H
MX01 – Parâmetro V1
Faixa de Valores
V1, V2, V3 e V4:
-32768 ~ 32767
8449 2101 MX01 – Parâmetro V2
8450 2102 MX01 – Parâmetro V3
8451 2103 MX01 – Parâmetro V4
8452 2104 MX02 – Parâmetro V1
8453 2105 MX02 – Parâmetro V2
8454 2106 MX02 – Parâmetro V3
8455 2107 MX02 – Parâmetro V4
… … …
8504 2138 MX1F – Parâmetro V1
8505 2139 MX1F – Parâmetro V2
8506 213A MX1F – Parâmetro V3
8507 213B MX1F – Parâmetro V4
AR (Rampa)
9472 2500
03H
06H
10H
AR01 – Nível 1
Faixa de Valores
Nível 1, Nível 2 e Nível
Máximo:
-10000 ~ 20000
Nível Início/Fim:
0 ~ 20000
Valor de Incremento:
0 ~ 10000
Ganho:
0 ~ 1000
Off Set:
-10000 ~ 10000
9473 2501 AR01 – Nível 2
9474 2502 AR01 – Nível Máximo
9475 2503 AR01 – Nível Início/Fim
9476 2504 AR01 – Valor de Incremento
9477 2505 AR01 – Ganho
9478 2506 AR01 – Off Set
9479 2507 AR02 – Nível 1
9480 2508 AR02 – Nível 2
9481 2509 AR02 – Nível Máximo
9482 250A AR02 – Nível Início/Fim
9483 250B AR02 – Valor de Incremento
9484 250C AR02 – Ganho
9485 250D AR02 – Off Set
… … …
9570 2562 AR0F – Nível 1
9571 2563 AR0F – Nível 2
9572 2564 AR0F – Nível Máximo
9573 2565 AR0F – Nível Início/Fim
9574 2566 AR0F – Valor de Incremento
9575 2567 AR0F – Ganho
9576 2568 AR0F – Off Set
DR (Registrador de Dados)
9728 2600
03H
06H
10H
DR01 Faixa de Valores
Com Sinal:
-32768 ~ 32767
Sem Sinal:
0 ~65535
9729 2601 DR02
… … …
9967 26EF DRF0
G (Comparação Analógica) – Valor de Referência
6144 1800 03H
06H
10H
G01
Faixa de Valores:
0 ~ 9999
6145 1801 G02
… … …
6174 181E G1F
Endereço Modbus Funções
Suportadas Conteúdo Comentários
Decimal Hexadecimal

CLIC-02 | 10-17
Funções de Comunicação da Porta RS-485
10.5.2.7 Leitura e Configuração do RTC
1. Leitura de valores atuais do RTC
Endereço Modbus Funções
Suportadas
Conteúdo Comentários
Decimal Hexadecimal Byte Alto Byte Baixo
2816 B00
03H
10H
Ano Mês
Faixa de Valores:
Ano: 0 ~ 99
Mês: 1 ~ 12
Dia: 1 ~ 31
Semana: 0 ~ 6
Hora: 0 ~ 23
Minuto: 0 ~ 59
Segundos: 0 ~ 59
2817 B01 Dia Semana
2818 B02 Hora Minuto
2819 B03 Segundos -
2820 B04 - Ano
2821 B05 - Mês
2822 B06 - Dia
2823 B07 - Semana
2824 B08 - Hora
2825 B09 - Minuto
2826 B0A - Segundos
2. Leitura/Ajuste dos Parâmetros das Funções de Comparação RTC
RTC (Relógio Tempo Real) – Valor de Ajuste
5376 1500
03H
06H
10H
R01
Verificar Tabela dos
Formatos de Ajuste
Conforme o Modo da
Função RTC
5377 1501
5378 1502
5379 1503
R025380 1504
5381 1505
… … …
5466 155A
R1F5467 155B
5468 155C
3. Formatos das funções de comparação RTC conforme modo Selecionado:
Modo da Função RTC Byte Alto Byte Baixo
Modo 1, Modo 2
Semana Liga Semana Desliga Faixa de Valores
Hora Liga Minuto Liga Hora:
Minuto:
Segundo:
Ano:
Mês:
Dia:
Semana:
0 ~ 23
0 ~ 59
0 ~ 59
0 ~ 99
1 ~ 12
1 ~ 31
0 ~ 6
Hora Desliga Minuto Desliga
Modo 3
Ano Liga Ano Desliga
Mês Liga Dia Liga
Mês Desliga Dia Desliga
Modo 4
- -
Hora Liga Minuto Liga
- Segundo Liga

10-18 | CLIC-02
Funções de Comunicação da Porta RS-485
10.5.2.8 Leitura/Escrita de Variáveis Digitais
Endereço Modbus Funções Suportadas Conteúdo
Decimal Hexadecimal
11008 ~ 11038 2B00 ~ 2B1E
01H
05H
R01~R1F
11040 ~ 11070 2B20 ~ 2B3E G01~G1F
11072 ~ 11102 2B40 ~ 2B5E T01~T1F
11104 ~ 11134 2B60 ~ 2B7E C01~C1F
11136 ~ 11198 2B80 ~ 2BBE M01~M3F
11200 ~ 11262 2BC0 ~ 2BFE N1~N3F
11264 ~ 11275 2C00 ~ 2C0B I1~IC
11280 ~ 2C1B 2C10 ~ 2C1B X1~XC
11296 ~ 11307 2C20 ~ 2C2B Y1~YC
11312 ~ 11319 2C30 ~ 2C37 Q1~Q8
11328 ~ 11331 2C40 ~ 2C43 Z1~Z4
-Para função 01H, leitura de múltiplos bits, utilizar sempre quantidades múltiplas de 16;
-I, X e Z não podem ser escritos.
Nota 1: Valor de ajuste dos contador
Modo Word Descrição
Contador Modo 1 ~ 7
(2 Words)
1 Valor de Ajuste – Word Baixa
2 Valor de Ajuste – Word Alta
Contador Modo 8
(5 Words)
1 Intervalo de Tempo (0 ~ 99,99s)
2 Valor de Ajuste Contador ON – Word Baixa
3 Valor de Ajuste Contador ON – Word Alta
4 Valor de Ajuste Contador OFF – Word Baixa
5 Valor de Ajuste Contador OFF – Word Alta
Valor de ajuste: 0 ~ 999999

CLIC-02 | 11-1
Módulos de Expansão
11 MÓDULOS DE EXPANSÃO
Todos os modelos de CLIC-02 permitem a conexão de módulos de expansão. O
agrupamento máximo é de 3 módulos Digitais, 2 módulos de Saída Analógica, 2 módulos
de Entrada Analógica e 1 módulo de Comunicação. A seqüência de conexão dos módulos
de expansão dever ser: módulo digital, analógico e comunicação.
CLIC-02/4AI deve ser o último dos módulos analógicos.
11.1 LIMITAÇÕES DOS MÓDULOS DE EXPANSÃO
Existem 2 versões de firmware para os módulos de expansão de E/S Digitais: 1.2 e 3.0.
Ambos podem ser conectados ao CLIC-02 simultaneamente, porém, caso necessite do
número máximo de expansões, há uma restrição quanto ao uso das versões 1.2. Observar
atentamente as condições abaixo demonstradas, pois demonstram os 3 modos de conexão
dos módulos de expansão.
Módulo Básico + E/S digital (V1.2 ou V3.0) × 3 + 4AI × 1 + COMM. × 1
Módulos de E/S digital: CLIC-02/8ER-A, CLIC-02/8ER-D, CLIC-02/8ET-D, CLIC-02/8ER-24A
Módulos de E/S Digital podem ser versão V1.2 ou V3.0
Módulo Básico + E/S digital (V1.2 ou V3.0) × 3 + (2AO ou 4PT) × 1

11-2 | CLIC-02
Módulos de Expansão
Módulos de E/S digital: CLIC-02/8ER-A, CLIC-02/8ER-D, CLIC-02/8ET-D, CLIC-02/8ER-24A
Módulos analógicos 2AO ou 4PT
Módulo Básico + E/S digital (V3.0) × 3 + 2AO × 2 + 4PT × 1 + 4AI × 1 + COMM. × 1
Módulos de E/S Digital devem ser da versão V3.0
O método de encaixe do módulo de expansão é o mesmo para todos os módulos,
como mostrado acima;
No CLIC-02 ou no software de programação do CLIC-02, existe uma opção para
selecionar o número de módulos de E/S conectados. Este número deve ser ajustado
considerando apenas os módulos de E/S digitais (CLIC-02/8ER-A, CLIC-02/8ER-D,
CLIC-02/8ET-D, CLIC-02/8ER-24A ).

CLIC-02 | 11-3
Módulos de Expansão
11.2 MÓDULOS DE EXPANSÃO DE E/S DIGITAL
Deve ser configurado o número de Expansões de E/S quando algum módulo é conectado.
Os métodos de configuração do “I/O Number” são mostrados na sequência.
1. Teclado
2. Software de Programação do CLIC-02

11-4 | CLIC-02
Módulos de Expansão
Tela de Estado do Módulo de Expansão
Estado do módulo de
expansão
Conectado
Não conectado
Não configurado
Estado das saídas de
expansão
ON
OFF
Estado das entradas
de expansão
ON
OFF
11.2.1 Instalação Mecânica e Ligação Elétrica
Tipo E de módulo de expansão: CLIC-02/8ER-D/8ET-D, CLIC-028ER-A/8ER-24A

CLIC-02 | 11-5
Módulos de Expansão
Dimensões do módulo de expansão
Todos os módulos de expansão têm as mesmas dimensões, conforme mostrado abaixo.
Instalação
Para detalhes sobre a instalação mecânica dos módulos, ver capítulo 4 – Instalação
Ligação ELétrica
1. Entrada de Alimentação 24 Vcc
CLIC02-8ER-D / 8ET-D

11-6 | CLIC-02
Módulos de Expansão
2. Entrada de alimentação 24V/100~240VCA
CLIC02-8ER-A / 8ER-24A
3. Saída à relé
4. Saída à transistor
- Fusível de queima rápida 1A, disjuntor ou protetor de circuito
- Absorvedor de surtos (36Vcc)
- Absorvedor de surtos (400Vca)
- Fusível, disjuntor, ou protetor de circuito
- Carga indutiva

CLIC-02 | 11-7
Módulos de Expansão
Para cargas indutivas em Corrente Alternada, quando utilizada saída à relé é necessário
conectar paralelamente um absorvedor de surtos para eliminar possíveis ruídos. Para
cargas indutivas em Corrente Contínua, quando utilizada saída à relé é necessário
conectar paralelamente um diodo de roda-livre. A tensão invertida suportada do diodo
de roda-livre deve ser maior que 5~10 vezes a tensão de carga e a corrente positiva
deve ser maior que a corrente de carga. Se a saída do CLIC-02 for a transistor, também
é necessária a utilização do diodo de roda-livre.
Tanto o módulo E/S digital quanto o módulo analógico possuem um Led indicador do
estado de conexão com a unidade básica. Os estados possíveis para este Led são
mostrados abaixo.
Led de Estado da Expansão
Estado Led Descrição
ON Expansão está OK
Piscando (5Hz) Erro na Expansão
11.3 MÓDULOS DE EXPANSÃO ANALÓGICOS
A Configuração máxima de módulos de expansão analógicos montados é composta
por 2 × 2AO, 1 × 4PT e 1 × 4AI. O primeiro módulo 2AO conectado à CPU do CLIC-02
corresponde aos endereços AQ01~AQ02 e o segundo módulo 2AO corresponde aos
endereços AQ03~AQ04. As 4 entradas do módulo 4PT correspondem aos endereços
AT01~AT04 e as 4 entradas do módulo 4AI correspondem a A05~A08.
A tela que mostra o valor atual das saídas 2AO é mostrada abaixo:
A Q 0 1 = 0 0 . 0 0 V
A Q 0 2 = 0 0 . 0 0 V
A Q 0 3 = 0 0 . 0 0 V
A Q 0 4 = 0 0 . 0 0 V
A Tela que mostra o valor atual das entradas 4PT é mostrada abaixo:
A T 0 1 = 0 0 0 0 . 0 °C
A T 0 2 = 0 0 0 0 . 0 °C
A T 0 3 = 0 0 0 0 . 0 °C
A T 0 4 = 0 0 0 0 . 0 °C

11-8 | CLIC-02
Módulos de Expansão
A tela que mostra o valor atual das entradas 4AI é mostrada abaixo:
A 0 5 = 0 0 . 0 0 V
A 0 6 = 0 0 . 0 0 V
A 0 7 = 0 0 . 0 0 V
A 0 8 = 0 0 . 0 0 V
Ligação Elétrica
CLIC-02/2AO
Saída de tensão Saída de Corrente
2AO
Tensão Corrente
Faixa da Saída Analógica
0V ~ 10 V
Impedância de carga deve
ser maior que 500Ω
0 mA ~ 20 mA
Impedância de carga deve
ser menor que 500Ω
Resolução 10 mV 10 μA
Saída Digital 0,00V ~ 10,00V 0,00 mA ~ 20,00 mA
Valor de Registro 0 ~ 1000 0 ~ 500
Variação ±2,5 % ±2,5 %

CLIC-02 | 11-9
Módulos de Expansão
CLIC-02/2AI
CLIC-02/4PT

11-10 | CLIC-02
Módulos de Expansão
Características do Módulo de Expansão 4PT
Faixa da Entrada de
Temperatura
-100 °C ~ 600 °C
Saída Digital -100 °C ~ 600 °C
Resolução 2,5 mV
Variação ±0,5 %
Se houver erro na fiação do PT100 ou o canal de entrada estiver aberto, o valor lido pelo
CLIC-02/4PT estará fora da faixa esperada. Desta forma, o CLIC-02 não atualizará nem
armazenará o valor do canal e o marcador de erro M correspondente ao canal será setado.
Marcador Número
Canal AT Descrição
M34 AT01 Canal 1com erro
M35 AT02 Canal 2 com erro
M36 AT03 Canal 3 com erro
M37 AT04 Canal 4 com erro
11.4 MÓDULOS DE EXPANSÃO DE COMUNICAÇÃO
11.4.1 Módulo ModBus
Resumo
O módulo CLIC-02/MBUS possibilita que um CLIC-02 possa comunicar-se com outros
dispositivos através do protocolo Modbus, tanto no modo mestre quanto no modo escravo.
O CLIC-02/MBUS trabalha como nó escravo Modbus, respondendo aos pedidos do mestre
da rede, o que faz seu ciclo de scan tornar-se maior. Normalmente, o tempo do ciclo é
menor que 20ms, mas ele será aumentado quando o CLIC-02 processar uma requisição
do mestre. Por exemplo, para escrita do valor de ajuste de uma função, o ciclo de scan
poderá chegar a aproximadamente 100ms.

CLIC-02 | 11-11
Módulos de Expansão
Configuração do Módulo CLIC-02/MBUS
Terminais de alimentação
Hastes para montagem direta
SW2 – Chave de seleção do resistor de
terminação
LED Run - Indicação de Módulo Executando
LED COM - Indicação de Atividade na Porta
LED ERR – Indicação de Erro no Módulo
SW1 – Conjunto com 8 chaves para ajuste
do formato de comunicação
Porta RS-485
Trava de montagem
Alimentação do Módulo
O CLIC-02/MBUS necessita de alimentação externa de 24 Vcc.
Configurações de Comunicação
O Baud Rate de comunicação do CLIC-02/MBUS e a configuração da porta serial são
ajustados através do conjunto de 8 chaves - SW1.1 ~ SW1.8.
Baud Rate
Para ajustar o Baud Rate da porta de comunicação, selecione as chaves SW1.3 ~ SW1.1
conforme a tabela abaixo. A chave SW1.6 = ON seleciona entre a configuração padrão
do módulo.

11-12 | CLIC-02
Módulos de Expansão
SW1.6 SW1.3 SW1.2 SW1.1 Baud Rate
OFF OFF OFF OFF 4,8 Kbps
OFF OFF OFF ON 9,6 Kbps
OFF OFF ON OFF 19,2 Kbps
OFF OFF ON ON 38,4 Kbps
OFF ON * * 57,6 Kbps
ON * * * 38,4 Kbps
* condição irrelevante
Stop Bit e Paridade
Para configurar o número de Stop Bits e a verificação de Paridade, ver tabela abaixo. As
chaves SW1.7 e SW1.8 são reservadas.
SW1.6 SW1.5 SW1.4 Condição
OFF * OFF 2 Stop Bits, Sem Paridade
OFF OFF ON 1 Stop Bit, Paridade Ímpar
OFF ON ON 1 Stop Bit, Paridade Par
ON * * Ajusta a porta para o padrão de fábrica: 38,4 Kbps,
2 Stop Bits, Sem Paridade
* condição irrelevante
Indicação de Estados e Códigos de Erro
Código
de Erro
Indicação de
Estado
Tipo de Erro e
Provável Causa Solução Observação
56H O LED de
erro pisca
devagar
(2Hz)
A conexão entre o
CLIC-02 e o módulo
de comunicação
está imprópria
Verifique a conexão
entre o CLIC-02,
módulos E/S e módulo
de comunicação.
Os módulos de
expansão que
antecedem
o módulo de
comunicação
podem estar
causando esta
falha.
55H O LED de
erro fica
LIGADO
Erro de configuração
do CLIC-02:
configuração no “I/O
Number” é diferente
do real.
Verifique a configuração
do CLIC-02.
51H,
54H
O LED de
erro pisca
devagar
(2Hz)
Erro de pedido
ModBus:
Telegrama de
dados, código de
função, endereço de
registro, CRC,
Erro de verificação,
etc.
Verifique a ordem e
a configuração da
comunicação de acordo
com o protocolo.

CLIC-02 | 11-13
Módulos de Expansão
Código
de Erro
Indicação de
Estado
Tipo de Erro e
Provável Causa Solução Observação
59H O LED de
erro pisca
rapidamente
(5Hz)
Erro de dados na
comunicação:
Verificação de bit de
erro,
Comprimento de
dados de resposta
do erro, erro CRC
Certifique que a
conexão entre o
CLIC-02 e o Módulo
de Comunicação está
confiável, verifique
possíveis ruídos gerados
por equipamentos
instalados nas
proximidades.
Para mais informações veja o Capítulo 10: Funções de Comunicação da Porta RS-485;
11.4.2 Módulo de Comunicação DeviceNet
Resumo
O módulo CLIC-02/DNET é uma interface de comunicação DeviceNet, que habilita o
CLIC-02 como equipamento escravo na rede, permitindo controle e monitoramento remoto
através de um mestre DeviceNet.
Configuração do Módulo CLIC-02/DNET
Alimentação 24VCC
LED de Estado da Rede
LED de Estado do Módulo
Porta DeviceNet de 5 pinos
Botão de Desengate
Porta de Conexão da Expansão
SW1 – Conjunto de 8 chaves para ajuste do ID e BaudRate de comunicação
SW2 – Chave de seleção do resistor de terminação
Fixador retrátil

11-14 | CLIC-02
Módulos de Expansão
Conexão com a rede DeviceNet
Usando um conector 5 pinos, conecte o CLIC-02/DNET ao barramento DeviceNet. Favor
usar um cabo de acordo com as exigências do ODVA. As características do cabo irão
influenciar no comprimento máximo do cabo e a taxa de transmissão da rede.
Sinais da Porta
1 GND preto
2 CAN_L azul
3 Shield sem coloração
4 CAN_H branco
5 24V vermelho
Endereço e Configuração do Baud Rate.
Na rede DeviceNet, cada escravo precisa de endereço ID diferente, sendo que a faixa de
ID válida é de 0 a 63. O endereço do escravo é ajustado pelas chaves SW1.1 ~ SW1.6 do
módulo CLIC-02/DNET. O Baud Rate da comunicação é ajustado pelas chaves SW1.7 e
SW1.8. O Baud Rate ajustado deve ser o mesmo do mestre DeviceNet.
Ajuste das chaves SW1
Endereço SW1.6 ~ SW1.1 000000 ID: 0
000001 ID: 1
…… ……
111110 ID: 62
111111 ID: 63
Baud Rate SW1.8 ~ SW1.7 00 Baud Rate: 125K
01 Baud Rate: 250K
10 Baud Rate: 500K
11 Em espera (Baud Rate Padrão: 125K)
LED de Estado
O CLIC-02/DNET possui 2 LEDs, uma para diagnóstico interno e outra para o estado do
barramento da rede de comunicação.
1. LED de Estado do Módulo (MS)

CLIC-02 | 11-15
Módulos de Expansão
LED de duas cores (verde e vermelha) indica o estado do CLIC-02/DNET.
Estado do LED(MS) Explicação Correção ou Prevenção de Falha
Desligado Sem Alimentação Conectar a uma fonte de alimentação
Verde Ligado Estado de operação normal -
Verde Piscando Não conectado com a unidade
básica CLIC-02
Conectar corretamente ao CLIC-02
Vermelho Piscando Conectado ao CLIC-02, porém
há erro de comunicação entre
os módulos
Configure o I/O Number do CLIC-02
corretamente
Vermelho Ligado Erro de hardware no módulo Substitua o módulo
2. LED de Estado da Rede(NS)
LED de duas cores (verde e vermelha) indica o estado do barramento da rede em que o
equipamento está conectado.
Estado do LED(NS) Explicação Correção ou Prevenção da Falha
Desligado Rede Sem Alimentação.
-O mestre da rede está
desconectado
Ligar a alimentação da rede
-Conecte o mestre na rede
Verde Ligado Modo de operação normal,
escravo conectado com o
mestre
-
Verde Piscando Modo de operação normal,
mas não conectado com o
mestre ou precisa ser liberado
-
Vermelho Piscando Time out da conexão. Ocorre
após alguns segundos do LED
Verde Piscando.
-
Vermelho Ligado Erro. ID de rede duplicado
-Erro de comunicação
Verificar se o ID do módulo está em
outro dispositivo da rede
-Verificar configurações do mestre
Para mais informações veja o manual do usuário CLIC-02/DNET.
11.4.3 Profibus
Resumo
O módulo CLIC-02/PBUS é uma interface de comunicação em rede Profibus DP. Na rede
Profibus DP, o CLIC-02/PBUS pode funcionar apenas como escravo da rede.

11-16 | CLIC-02
Módulos de Expansão
Configuração do Módulo CLIC-02/PBUS
SW2 – Chave de seleção do resistor de terminação
Alimentação 24VCC
LED de Alimentação (POW)
LED de Comunicação (BUS)
Porta de Conexão da Expansão no CLIC02
SW1 – Conjunto de 8 chaves para ajuste do ID
Conector PROFIBUS DP de 9 pinos
Conexão com a Rede Profibus DP
Ao utilizar um conector de 9 pinos para conectar-se ao barramento PROFIBUS DP, favor
utilizar conectores e cabos regulamentados.
Sinais da Porta
Número Nome Descrição
1 Reservado
2 Reservado
3 RxD/TxD-P (Linha B) Envia /Recebe dados (positivo)
4 Reservado
5 DGND (2M) GND Digital
6 VP(2 P5) +5VCC (expansão do barramento de alimentação)
7 Reservado
8 RxD/TxD-N (Linha A) Envia /Recebe dados (negativo)
9 Reservado

CLIC-02 | 11-17
Módulos de Expansão
Configuração de Baud Rate e Endereço do Dispositivo
Durante a inicialização do módulo CLIC-02/PBUS, ocorre a identificação do Baud Rate da
rede Profibus, que será autenticado se o mestre estiver na faixa de Baud Rate permitida
pelo CLIC02/PBUS, que varia entre 9,6 Kbit/s e 6 Mbit/s. Cada escravo deve ter um ID
diferente, na faixa de 0 a 126. O ID do CLIC02/PBUS é ajustado através das chaves SW1,
conforme a tabela abaixo.
SW1.7 SW1.6 SW1.5 SW1.4 SW1.3 SW1.2 SW1.1 ID
OFF OFF OFF OFF OFF OFF OFF 0
OFF OFF OFF OFF OFF OFF ON 1
OFF OFF OFF OFF OFF ON OFF 2
OFF OFF OFF OFF OFF ON ON 3
OFF OFF OFF OFF ON OFF OFF 4
┈┈┈┈┈┈┈┈
ON ON ON ON ON OFF ON 125
ON ON ON ON ON ON OFF 126
O oitavo bit é reservado.
LED de Estado
O módulo CLIC-02/PBUS possui 2 LED de duas cores (verde e vermelho) utilizados para
diagnóstico rápido. Um dos LEDs é para seu estado interno e outro para a comunicação.
1. LED de Alimentação
Estado do LED Descrição
Verde LIGADO Funcionamento Normal
Amarelo Piscando (4Hz)
(vermelho e verde)
Erro de Hardware
Amarelo Piscando (2Hz)
(vermelho e verde)
Erro no “I/O Number” do CLIC-02
Vermelho Piscando (2Hz) Erro na Conexão com o CLIC-02
Vermelho Piscando (1Hz) Pedidos de Ler/Escrever com erro no barramento de rede
DESLIGADO Sem alimentação
2. LED do Barramento Profibus DP
Estado do LED Descrição
Verde LIGADO Conexão com a Rede Profibus DP realizada com sucesso.
DESLIGADO Não conectado com a Rede Profibus DP
Para mais informações veja o manual do usuário CLIC-02/PBUS.

11-18 | CLIC-02
Módulos de Expansão

CLIC-02 | 12-1
Programando através do display LCD
12 PROGRAMANDO ATRAVÉS DO DISPLAY LCD
12.1 MODO LADDER
Exemplo de Operação:
No menu de operações
do CLIC-02
1 2 3 4 5 6 7 8 Coluna
Linha 1 > L A D D E R
2 F U N . B L O C K
3 P A R A M E T E R
4R U N
Passo 1:
Pressione ‘OK’
Entra na Edição
LADDER
1 2 3 4 5 6 7 8 Coluna
Linha 1
2
3
4
Passo 2:
Pressione ‘SEL’
Quando entrar na
edição Ladder, o cursor
estará na coluna 1.
Pressione ‘SEL’ para
selecionar uma variável
12 3 4 5 6 7 8 Coluna
Linha 1 I01
2
3
4
Passo 3:
Pressione ‘↑’ 3 vezes
Pressionando ‘↑ ↓’, a
variável selecionada
mudará de I para Q
1 2 3 4 5 6 7 8 Coluna
Linha 1 Q0 1
2
3
4
Passo 4:
Pressione ‘SEL’
Pressionando ‘SEL’
novamente, alternamos
entre os contatos NA e
NF da variável
1 2 3 4 5 6 7 8 Coluna
Linha 1 q0 1
2
3
4
Passo 5:
Pressione ‘→’ 2 vezes
Pressionando ‘← →’,
o cursor mudará de
coluna
123 4 5 6 7 8 Coluna
Linha 1 q01
2
3
4
Passo 6:
Pressione ‘↑’ 3 vezes
Pressionando ‘↑ ↓’
nesta posição do
cursor, iremos alterar
o número da variável
selecionada.
1 2 3 4 5 6 7 8 Coluna
Linha 1 q 0 4
2
3
4

12-2 | CLIC-02
Programando através do display LCD
O cursor é movido automaticamente para esta posição
Passo 7:
Pressione ‘OK’
A entrada/edição
da variável q04 será
finalizada, o cursor
ficará na posição inicial
da próxima variável
1 2 3 4 5 6 7 8 Coluna
Linha 1 q 0 4 —
2
3
4
OU
Passo 7:
Pressione ‘→’
A entrada/edição
da variável q04 será
finalizada, o cursor
ficará na coluna 2
1 2 3 4 5 6 7 8 Coluna
Linha 1 q 0 4 —
2
3
4
Repita os passos 1 a 7, inserindo as instruções M01, I03 nas colunas 3 e 5.
Passo 8:
Pressione ‘OK’ na
Coluna 5
O cursor será movido
para a coluna 8
1 2 3 4 5 6 7 8 Coluna
Linha 1 q 0 4 — M 0 1 — I 0 3 —
2
3
4
O caractere ‘(‘ será inserido automaticamente
Passo 9:
Pressione ‘SEL’
Com o cursor na
coluna 8, pressione
‘SEL’ para selecionar a
saída ‘(Q01’
1 2 3 4 5 6 7 8 Coluna
Linha 1 q 0 4 — M 0 1 — I 0 3 — ( Q0 1
2
3
4
Passo 10:
Pressionar ‘OK’
Finaliza a entrada/
edição da saída Q01. O
cursor ficará na mesma
posição
1 2 3 4 5 6 78Coluna
Linha 1 q 0 4 — M 0 1 — I 0 3 — (Q 0 1
2
3
4
Passo 11:
Pressionar ‘→’ 3 vezes
O cursor será movido
para a primeira posição
da próxima linha
1 2 3 4 5 6 78Coluna
Linha 1 q 0 4 — M 0 1 — I 0 3 — (Q 0 1
2
3
4

CLIC-02 | 12-3
Programando através do display LCD
Passo 12:
Pressionar ‘→’ 3 vezes
Mova o cursor para a
coluna 2
Caso pressione ‘SEL’
antes da posição, use
‘ESC’ para cancelar
1 2 3 4 5 6 7 8 Coluna
Linha 1 q 0 4 — M 0 1 — I 0 3 — ( Q 0 1
2
3
4
Passo 13:
Pressione ‘SEL’
Uma linha vertical
surgirá, conectando a
linha superior com a
linha atual
1 2 3 4 5 6 78 Coluna
Linha 1 q 0 4 TM 0 1 — I 0 3 — (Q 0 1
2⊥
3
4
Passo 14:
Pressione ‘OK’
O cursor será movido
para a coluna 3
1 2 3 4 5 6 7 8 Coluna
Linha 1 q 0 4 TM 0 1 — I 0 3 — ( Q 0 1
2⊥
3
4
Repita os passos 1 a 7, inserindo ‘r03’ e ‘—’ na linha 2.
Passo 15:
Pressione ‘OK’ na
Coluna 5
O cursor será movido
para a coluna 8
1 2 3 4 5 6 78Coluna
Linha 1 q 0 4 TM 0 1 — I 0 3 — (Q 0 1
2⊥r 0 3 — — — — —
3
4
Passo 16:
Pressione ‘SEL’
A saída Q01 será
inserida
1 2 3 4 5 6 78Coluna
Linha 1 q 0 4 TM 0 1 — I 0 3 — (Q 0 1
2⊥r 0 3 — — — — ( Q0 1
3
4
Passo 17:
Pressione ‘↑’ 5 vezes
Utilize as teclas ‘↑↓’
para selecionar a
variável de saída ‘C’
1 2 3 4 5 6 7 8 Coluna
Linha 1 q 0 4 Â M 0 1 — I 0 3 — ( Q 0 1
2 Á r 0 3 — — — — ( C0 1
3
4
Passo 18:
Pressione ‘→’ 2 vezes
1 2 3 4 5 6 7 8 Coluna
Linha 1 q 0 4 Â M 0 1 — I 0 3 — ( Q 0 1
2 Á r 0 3 — — — — — ( C 0 1
3
4

12-4 | CLIC-02
Programando através do display LCD
Passo 19:
Pressione ‘↑’ 6 vezes
O contador
selecionado mudará de
C01 para C07
1 2 3 4 5 6 7 8 Coluna
Linha 1 q 0 4 Â M 0 1 — I 0 3 — ( Q 0 1
2 Á r 0 3 — — — — ( C 0 7
3
4
Passo 20:
Pressione ‘OK’
Ao pressionar ‘OK’
após a edição do
contador, será aberta
a tela para ajuste dos
parâmetros do mesmo
1 2 3 4 5 6 7 8 Coluna
Linha 1 1
2 L o w
3 0 0 0 0 0 0 C 0 7
4L o w
Passo 21:
Pressione ‘ESC’ para
retornar à tela de
edição LADDER
1 2 3 4 5 6 7 8 Coluna
Linha 1 q 0 4 T M 0 1 — I 0 3 — ( Q 0 1
2⊥r 0 3 — — — — — ( C 0 7
3
4
Apagar um Elemento do Programa
1 2 3 4 5 6 7 8 Coluna
Linha 1 q 0 4 T M 0 1 — I 0 3 — ( Q 0 1
2⊥r 0 3 — — — — — ( C 0 7
3
4
Procedimento:
Pressione ‘DEL’
Para apagar o
elemento C07, deixe
o cursor sobre o
elemento e pressione
‘DEL’
1 2 3 4 5 6 7 8 Coluna
Linha 1 q 0 4 T M 0 1 — I 0 3 — ( Q 0 1
2⊥r 0 3 — — — — —
3
4
Mostra a linha atual e o estado de operação do CLIC-02
Procedimento:
Pressione ‘SEL+ESC’
simultaneamente
Será informada a linha
em que o cursor se
localiza e o estado do
CLP
1 2 3 4 5 6 7 8 Coluna
Linha 1 q 0 4 T M 0 1 — I 0 3 — ( Q 0 1
2⊥r 0 3 — — — — — ( C 0 7
3
4S T O P L I N E 0 0 2

CLIC-02 | 12-5
Programando através do display LCD
Apagando toda a linha
1 2 3 4 5 6 7 8 Coluna
Linha 1 q 0 4 T M 0 1 — I 0 3 — ( Q 0 1
2⊥r 0 3 — — — — — ( C 0 7
3
4
Procedimento:
Pressione ‘SEL+DEL’
Simultaneamente
Pressione ‘OK’ para
executar ou ‘ESC’ para
cancelar
1 2 3 4 5 6 7 8 Coluna
Linha 1 q 0 4 T M 0 1 — I 0 3 — ( Q 0 1
2⊥r 0 3 — — — — — ( C 0 7
3 C L E A R L n 0 0 2
4E S C ? O K ?
Inserir uma nova linha
1 2 3 4 5 6 7 8 Coluna
Linha 1 q 0 4 M 0 1 — I 0 3 — ( Q 0 1
2 Á r 0 3 — — — — — ( C 0 7
3
4
Procedimento:
Pressione “SEL+OK”
simultaneamente
1 2 3 4 5 6 7 8 Coluna
Linha 1 q 0 4 — M 0 1 — I 0 3 — ( Q 0 1
2 T
3⊥r 0 3 — — — — — ( C 0 7
4
Comando Page Down / Page Up
1 2 3 4 5 6 7 8 Coluna
Linha 1 q 0 4 M 0 1 — I 0 3 — ( Q 0 1
2 Á r 0 3 — — — — — ( C 0 7
3
4
5
Procedimento:
Pressione ‘SEL + ↑/↓’
Simultaneamente
O cursor será
deslocado para 4 linhas
abaixo/acima
1 2 3 4 5 6 7 8 Coluna
Linha 1 q 0 4 Â M 0 1 I 0 3 ( Q 0 1
2 Á r 0 3 — — — — — ( C 0 7
3
4
5

12-6 | CLIC-02
Programando através do display LCD
12.2 PROGRAMAÇÃO DOS BLOCOS DE FUNÇÃO
1 2 3 4 5 6 7 8 Coluna
Linha 1 L A D D E R
2 > F U N . B L O C K
3 P A R A M E T E R
4R U N
Procedimento:
Pressione ‘OK’
Entre no modo de
Edição dos Blocos de
Função
1 2 3 4 5 6 7 8 Coluna
Linha 1 1
2 1
3 0 0 . 0 0 S e c T 0 1
4
O valor atual aparecerá quando o CLIC-02 estiver sob o modo ‘RUN’
Valor de Ajuste
Nunca Pressione ‘→’
para mudar a posição
do cursor.
Caso deseje alterar
T02, pressione ‘↑’/‘↓’
e ‘SEL’ para alternar
entre os números de
variáveis
1 2 3 4 5 6 7 8 Coluna
Linha 1 1
2 1
3 0 0 . 0 0 S e c T 0 1
4
Modificando o valor de ajuste
É necessário deixar o CLIC-02 em modo STOP
Passo 2-1:
Pressione ‘←’
Mova o cursor para a
área do valor de ajuste
1 2 3 4 5 6 7 8 Coluna
Linha 1 1
2 1
3 0 0 . 0 0 S e c T 0 1
4
Passo 2-2:
Pressione ‘SEL’
Inicie modo de edição
do valor de ajuste
1 2 3 4 5 6 7 8 Coluna
Linha 1 1
2 1
3 0 0 . 0 0S e c T 0 1
4
Passo 2-3:
Pressione ‘↑’ 3 vezes
Pressionando ‘↑’ e ‘↓’,
o dígito onde o cursor
está posicionado
será incrementado/
decrementado
1 2 3 4 5 6 7 8 Coluna
Linha 1 1
2 1
3 0 0 . 0 3S e c T 0 1
4

CLIC-02 | 12-7
Programando através do display LCD
Passo 2-4:
Pressione ‘OK’
Confirma a alteração e
salva o valor editado
1 2 3 4 5 6 7 8 Coluna
Linha 1 1
2 1
3 0 0 . 0 3 S e c T 0 1
4
Passo 2-5:
Pressione ‘←’
1 2 3 4 5 6 7 8 Coluna
Linha 1 1
2 1
3 0 0 . 0 3 S e c T 0 1
4
Repita os passos 2-2 até 2-4, e insira os valores conforme mostrado na tela abaixo:
Passo 2-6:
1 2 3 4 5 6 7 8 Coluna
Linha 1 1
2 1
3 3 3 . 3 3 S e c T 0 1
4
Os valores atuais de temporizadores, contadores, entradas analógicas, ganho da entrada
analógica e saídas de outras funções também podem ser ajustadas como valores de ajuste.
Passo 2-3A:
Pressione ‘SEL’
Pressionando ‘SEL’
com a edição do valor
habilitada, alternamos
entre os tipos de
função que podem
ser associadas ao
parâmetro da função
1 2 3 4 5 6 7 8 Coluna
Linha 1 1
2 1
3 V 01 S e c T 0 1
4
Pressionando ‘SEL’ seguidamente, iremos alterar o tipo de variáveis que podem ser
associadas a este parâmetro da função (A, T, C, AT, AQ, DR, AS, MD, PI, MX, AR)
Passo 2-3B:
Pressione ‘SEL’
1 2 3 4 5 6 7 8 Coluna
Linha 1 1
2 1
3 A 01 S e c T 0 1
4
Passo 2-4B:
Pressione ‘→’, depois ‘↑’
Através das setas
direcionais, podemos
alterar o número da
função que estamos
associando
1 2 3 4 5 6 7 8 Coluna
Linha1 1
2 1
3 A 0 2S e c T 0 1
4

12-8 | CLIC-02
Programando através do display LCD
Passo 2-5B:
Pressione ‘OK’
Confirma a alteração e
salva a associação da
variável
1 2 3 4 5 6 7 8 Coluna
Linha 1 1
2 1
3 A 0 2 S e c T 0 1
4
Passo 2-7:
Pressione ‘↑’
1 2 3 4 5 6 7 8 Coluna
Linha 1 1
2 1
3 3 3 . 3 3 S e c T 0 1
4
Passo 2-8:
Pressione ‘SEL’
Ativa a edição dos
dados
1 2 3 4 5 6 7 8 Coluna
Linha 1 1
21
3 3 3 . 3 3 S e c T 0 1
4
Passo 2-9:
Pressione ‘↑’
Pressione ‘↑/↓’ para
alterar o valor deste
campo de ‘1’ para ‘2’
1 2 3 4 5 6 7 8 Coluna
Linha 1 1
22
3 3 3 . 3 3 S e c T 0 1
4
Passo 2-10:
Pressione ‘OK’
Salva os dados de
entrada
1 2 3 4 5 6 7 8 Coluna
Linha 1 1
2 2
3 3 3 . 3 3 S e c T 0 1
4
Passo 2-11:
Pressione ‘↑’
Mova o cursor para a
coluna ‘3’, linha 1
1 2 3 4 5 6 7 8 Coluna
Linha 1 1
2 2
3 3 3 . 3 3 S e c T 0 1
4
Passo 2-12:
Pressione ‘SEL’
Ativa a edição dos
dados
1 2 3 4 5 6 7 8 Coluna
Linha 1 1
2 2
3 3 3 . 3 3 S e c T 0 1
4

CLIC-02 | 12-9
Programando através do display LCD
Passo 2-13:
Pressione ‘↑’ 3 vezes
Pressione ‘↑/↓’ para
alterar o valor deste
campo de ‘1’ para ‘4’
1 2 3 4 5 6 7 8 Coluna
Linha 1 4
2 2
3 3 3 . 3 3 S e c T 0 1
4L o w
Passo 2-14:
Pressione ‘OK’
Salva os dados de
entrada
1 2 3 4 5 6 7 8 Coluna
Linha 1 4
2 2
3 3 3 . 3 3 S e c T 0 1
4L o w
Passo 2-15:
Pressione ‘↓’ 3 vezes
O campo de entrada de
reset do temporizador
será selecionado
1 2 3 4 5 6 7 8 Coluna
Linha 1 4
2 2
3 3 3 . 3 3 S e c T 0 1
4L o w
Modificando marcadores digitais nos blocos de função
Passo 2-16:
Pressione ‘→’ 2 vezes,
depois pressione ‘SEL’
Inicia edição para este
campo
1 2 3 4 5 6 7 8 Coluna
Linha 1 4
2 2
3 3 3 . 3 3 S e c T 0 1
4Lo w
Passo 2-16A:
Pressione ‘SEL’
Altera tipo de contato
para a entrada
1 2 3 4 5 6 7 8 Coluna
Linha 1 4
2 2
3 3 3 . 3 3 S e c T 0 1
4I0 1
Repita o passo 2-16A, as seguintes telas serão mostradas:
Passo 2-16B:
Pressione ‘SEL’
1 2 3 4 5 6 7 8 Coluna
Linha 1 4
2 2
3 3 3 . 3 3 S e c T 0 1
4i0 1
Passo 2-16C:
Pressione ‘SEL’
1 2 3 4 5 6 7 8 Coluna
Linha 1 4
2 2
3 3 3 . 3 3 S e c T 0 1
4Lo w

12-10 | CLIC-02
Programando através do display LCD
Após o passo 2-16A, pressione ‘↑’. As seguintes telas serão mostradas:
Passo 2-17:
Pressione ‘↑’ 5 vezes
Pressione ‘↑ /↓’ para
mudar o tipo de
contato de I para M
1 2 3 4 5 6 7 8 Coluna
Linha 1 4
2 2
3 3 3 . 3 3 S e c T 0 1
4M0 1
Passo 2-18:
Pressione ‘→’ 2 vezes
Pressione ‘← →’ para
mover o cursor
1 2 3 4 5 6 7 8 Coluna
Linha 1 4
2 2
3 3 3 . 3 3 S e c T 0 1
4M 0 1
Passo 2-19:
Pressione ‘↑’ 3 vezes
Pressione ‘↑ ↓’ para
alterar o valor do dígito
de ‘1’ para ‘4’
1 2 3 4 5 6 7 8 Coluna
Linha 1 4
2 2
3 3 3 . 3 3 S e c T 0 1
4M 0 4
Passo 2-20:
Pressione ‘OK’
Salva os dados de
entrada
1 2 3 4 5 6 7 8 Coluna
Linha 1 4
2 2
3 3 3 . 3 3 S e c T 0 1
4M 0 4
Operação detalhada para modificar o comparador analógico Ax, Ay:
1 2 3 4 5 6 7 8 Coluna
Linha 1 1
2 A 0 1 V
3 A 0 2 V G 0 1
40 0 . 0 0 V
Passo 2-23:
Pressione ‘←’, depois
pressione ‘SEL’
Pressionando ‘↑ ↓’,
podemos selecionar a
variável entre A01~A08
1 2 3 4 5 6 7 8 Coluna
Linha 1 1
2 A 0 1 V
3 A 0 2 V G 0 1
40 0 . 0 0 V

CLIC-02 | 12-11
Programando através do display LCD
Passo 2-24:
Pressione ‘←’,
pressione ‘SEL’
Pressionando ‘SEL’,
selecionamos A02 –
T01 – C01 – AT01 – AQ01
– DR01 – AS01 – MD01
– PI01 – MX01 – AR01 –
00.00 – V01 – A01
1 2 3 4 5 6 7 8 Coluna
Linha 1 1
2 A 0 1 V
3 T 01 V G 0 1
40 0 .0 0 V
Passo 2-25:
Pressione ‘→’,
Pressione ‘↑’
Seleciona entre
T01~T1F, C01~C1F,
A01~A08, V01~V08…
1 2 3 4 5 6 7 8 Coluna
Linha 1 1
2 A 0 1 V
3 T02V G 0 1
400.00 V
Passo 2-26:
Pressione ‘OK’
Salva os dados
editados
1 2 3 4 5 6 7 8 Coluna
Linha 1 1
2 A 0 1 V
3 T 0 2 V G 0 1
40 0 . 0 0 V
Continuando com a edição dos Blocos de Função
Próximo Bloco de Função
1 2 3 4 5 6 7 8 Coluna
Linha 1 4
2 2
3 3 3 . 3 3 S e c T 0 1
4M 0 4
Passo 1:
Pressione ‘SEL + ↑’
simultaneamente
1 2 3 4 5 6 7 8 Coluna
Linha 1 1
2 1
3 0 0 . 0 0 S e c T 0 2
4
Bloco de Função Anterior
1 2 3 4 5 6 7 8 Coluna
Linha 1 4
2 2
3 3 3 . 3 3 S e c T 0 1
4M 0 4

12-12 | CLIC-02
Programando através do display LCD
Passo 2:
Pressione ‘SEL + ↓’
simultaneamente
1 2 3 4 5 6 7 8 Coluna
Linha 1 1
2 1
3 0 0 . 0 0 S e c T 1 F
4
Apagar um Bloco de Função
Pressione ‘SEL+DEL’
(Simultaneamente)
Pressione ‘OK’ para
executar ou ‘ESC’ para
cancelar
1 2 3 4 5 6 7 8 Coluna
Linha 1 4
2 2
3 C L E A R B L O C K !
4E S C ? O K ?
Voltar ao Menu Principal:
Pressione ‘ESC’
1 2 3 4 5 6 7 8 Coluna
Linha 1 L A D D E R
2 > F U N . B L O C K
3 P A R A ME T E R
4R U N
Altera o tipo do Bloco de Função:
Passo 2-19:
Pressione ‘↑’ 3 vezes
Pressione ‘↑ ↓’ para
alterar o valor do dígito
de ‘1’ para ‘4’
1 2 3 4 5 6 7 8 Coluna
Linha 1 4
2 2
3 3 3 . 3 3 S e c T 0 1
4M 0 4
Mova o cursor para este campo para alternar entre T, C, R, G, H, L, P, S, AS, MD, PI, MX, AR
Passo 1:
Pressione ‘SEL’
1 2 3 4 5 6 7 8 Coluna
Linha 1 1
2 L o w
3 0 0 0 0 0 0 C 0 1
4 L o w
Passo 2:
Pressione ‘SEL’
1 2 3 4 5 6 7 8 Coluna
Linha 1 S u — S u
2 1
3 0 0 : 0 0 R 0 1
40 0 : 0 0
Passo 3:
Pressione ‘SEL’
1 2 3 4 5 6 7 8 Coluna
Linha 1 1
2 A 0 1 V
3 A 0 2 V G 0 1
40 0 . 0 0 V

CLIC-02 | 12-13
Programando através do display LCD
Passo 4:
Pressione ‘SEL’
1 2 3 4 5 6 7 8 Coluna
Linha 1 1
2
3 H 0 1
4
Passo 5:
Pressione ‘SEL’
1 2 3 4 5 6 7 8 Coluna
Linha 1 1
2 1 I 0 1 — 0 1
3↓ ↓ L 0 1
4W 0 9 — W 0 9
Passo 6:
Pressione ‘SEL’
1 2 3 4 5 6 7 8 Coluna
Linha 1 1
2 L o w Q 0 1
3 L o w 0 0 0 0 0 0 P 0 1
4Low 000001
Passo 7:
Pressione ‘SEL’
1 2 3 4 5 6 7 8 Coluna
Linha 1 1
2 1
3 L o w Q 0 1 — Q 0 1 S 0 1
4
Passo 8:
Pressionar ‘SEL’
1 2 3 4 5 6 7 8 Coluna
Linha 1
2 0 0 0 0 0 N o p
3 0 0 0 0 0 A S 0 1
400000
Passo 9:
Pressionar ‘SEL’
1 2 3 4 5 6 7 8 Coluna
Linha 1
2 0 0 0 0 1 N o p
3 0 0 0 0 1 M D 0 1
400001
Passo 10-A:
Pressionar ‘SEL’
1 2 3 4 5 6 7 8 Coluna
Linha 1
2 0 0 0 0 0 N o p
3 0 0 0 0 0 P I 0 1
40 0 0 . 0 1 1

12-14 | CLIC-02
Programando através do display LCD
Passo 10-B:
Pressionar ‘SEL + →’
1 2 3 4 5 6 7 8 Coluna
Linha 1
2 0 0 0 0 1 N o p
3 0 0 0 0 . 1 P I 0 1
40 0 0 . 0 1 2
Passo 11:
Pressionar ‘SEL’
1 2 3 4 5 6 7 8 Coluna
Linha 1 00000
2 L o w 0 0 0 0 0
3 L o w 0 0 0 0 0 M X 0 1
400000
Passo 12-A:
Pressionar ‘SEL’
1 2 3 4 5 6 7 8 Coluna
Linha 1
2 L o w 0 0 0 0 0 N o p
3 L o w 0 0 0 0 0 A R 0 1
401000 1
Passo 12-B:
Pressionar ‘SEL + →’
1 2 3 4 5 6 7 8 Coluna
Linha 1 00000
2 L o w 0 0 0 0 0 N o p
3 L o w 0 1 . 0 0 A R 0 1
400000 2
Passo 13:
Pressionar ‘SEL’
1 2 3 4 5 6 7 8 Coluna
Linha 1 1
2 0 1
3 0 0 0 1 M U 0 1
4D R 0 1

CLIC-02 | 13-1
Exemplos de Aplicações
13 EXEMPLOS DE APLICAÇÕES
13.1 CONTROLE DE ILUMINAÇÃO PARA ESCADARIAS
13.1.1 Requisitos
Quando alguém sobe ou desce a escadaria, as lâmpadas precisam ser energizadas
para fornecer iluminação.
Após a saída da pessoa, o sistema de iluminação precisa ser desligado em cinco minutos
automaticamente ou manualmente.
13.1.2 Sistema de Iluminação Tradicional
Existem dois tipos de controle tradicionais:
Utilização de reles.
Utilização de temporizador automático dedicado.
Caixa de
Distribuição
Lâmpada
1F Switch 2F Switch 3F Switch
Lâmpada Lâmpada
Componentes utilizados:
Interruptores
Temporizador automático ou reles
Utilizando reles como controlador do sistema:
A iluminação fica ligada enquanto qualquer interruptor estiver ligado.
Pressione qualquer interruptor para desligar a iluminação.
Desvantagem: O usuário normalmente esquece de desligar a iluminação.
Utilizando temporizador automático dedicado como controlador do sistema:
A iluminação fica ligada enquanto qualquer interruptor estiver ligado.
A iluminação poderá ser desligada em alguns minutos automaticamente ou
manualmente.
Desvantagem: O usuário não tem como cancelar o tempo de desligamento.
13.1.3 Utilizando o CLIC como controlador do sistema
Componentes utilizados
Q1 Lâmpada H1
I1 Interruptor B1
I2 Sensor de presença infravermelho

13-2 | CLIC-02
Exemplos de Aplicações
Esquema de ligação do controle de iluminação:
Programa para o controle de iluminação utilizando o CLIC:
Ladder:
Bloco de Função:

CLIC-02 | 13-3
Exemplos de Aplicações
FBD:
13.2 CONTROLE DE PORTA AUTOMÁTICA
As portas automáticas são geralmente instaladas na entrada de supermercados, bancos
e hospitais.
13.2.1 Requisitos
A porta deve abrir automaticamente quando uma pessoa está se aproximando.
A porta permanece aberta durante um determinado tempo e então fecha, se não houver
alguma pessoa presente.
Switch Principal
Switch Principal
Sensor
Sensor
SensorFim de Curso
Fim de Curso
B1
B2
S1 S2

13-4 | CLIC-02
Exemplos de Aplicações
13.2.2 Solução Tradicional
B1
L
N
B1
S1
S2
S2
B2
B2 MC3 MC3 MC3
MC1
MC1 MC4
MC4
MC2
MC2
MC2
MC3
Circuito de Referência
Porta Aberta Aberto Fechado Tempo de
Espera
Quando quaisquer sensores B1 ou B2 detectarem a presença de algum visitante, a porta
será aberta. Após um determinado tempo sem detectar ninguém, o relé MC4 irá comandar
o fechamento da porta.
13.2.3 Utilizando o CLIC como controlador do sistema
A utilização do CLIC como controlador do sistema pode simplificar o circuito. Tudo o que
precisa ser feito é conectar ao CLIC os sensores de presença, fins de curso e o contator.
Componentes utilizados:
MC1 contator de abertura da porta
MC2 contator de fechamento da porta
S1 (contato NF) fim de curso de fechamento
S2 (contato NF) fim de curso de abertura
B1 (contato NA) sensor infravermelho externo
B2 (contato NA) sensor infravermelho interno

CLIC-02 | 13-5
Exemplos de Aplicações
Circuito elétrico e Programa com o CLIC sendo utilizado:
Ladder:

13-6 | CLIC-02
Exemplos de Aplicações
Bloco de Função:
FBD:
13.3 CONTROLE DE VENTILAÇÃO
13.3.1 Requisitos
A função principal do sistema de ventilação é colocar ar fresco e retirar ar contaminado
conforme exibido na figura abaixo.
Entrada de Ar Fresco
Saída do Gás
Monitor da Circulação Monitor da Circulação

CLIC-02 | 13-7
Exemplos de Aplicações
A sala é equipada com o exaustor para ar contaminado e insuflador para ar fresco.
Sensores de fluxo monitoram a entrada e saída de ar.
Pressão positiva não será permitida em qualquer momento.
O insuflador de ar irá funcionar apenas se o sensor de fluxo de ar contaminado estiver
funcionando.
Se qualquer irregularidade na entrada de ar for detectada, a lâmpada de alarme será
acesa.
O circuito de controle do sistema de ventilação tradicional é mostrado abaixo:
L1
N
S1
SD
S2
S2 S3
H1 H2
MC3MC1
MC1 MC4
MC4
MC5
MC5
MC5
MC2
MC2
MC3
Ar Fresco Operação ErroExaustor
de Gás
O sistema de ventilação é completamente controlado pelo fluxo de ar. Se não há fluxo
de ar na sala após um determinado período de tempo, o sistema irá ativar o alarme e o
operador deverá desligar o sistema.
Componentes utilizados:
MC1 contator principal
MC2 contator principal
S0 (contato NF) botão desliga
S1 (contato NA) botão liga
S2 (contato NA) sensor de fluxo de ar
S3 (contato NA) sensor de fluxo de ar
H1 lâmpada de operação
H2 lâmpada de alarme

13-8 | CLIC-02
Exemplos de Aplicações
Circuito elétrico e Programa com o CLIC sendo utilizado
Ladder:

CLIC-02 | 13-9
Exemplos de Aplicações
Bloco de Função:
FBD:
13.4 CONTROLE DE PORTÃO DE FÁBRICA
13.4.1 Requisitos
O objetivo principal de um portão de fábrica é controlar o acesso de caminhões, o qual
é operado manualmente pelo vigia do portão.
Alarme
Switch Pressurizado
O vigia controla a abertura e o fechamento do portão.
A chave de parada (emergência) pode ser ativada a qualquer momento, desconsiderando
a posição do portão.
O alarme fica ativo por 5 segundos antes que o portão inicie o movimento.
Um sensor de pressão está instalado no portão. Em qualquer instante que o sensor
atuar, a operação de fechamento do portão é parada.

13-10 | CLIC-02
Exemplos de Aplicações
13.4.2 Circuito de controle tradicional
S1
S0
S2
S2
S3
H1MC3MC1
MC1 MC1
MC4
MC4 MC5
MC5
MC6
MC6
MC2
MC2
MC3
Abre Fecha Alarme
Audível
Ponte
Aberto
Ponte
Fechada
MC3 MC3
S1
S5
S4
MC1
S5
Componentes utilizados:
MC1 Contator principal
MC2 Contator principal
S0 (contato NF) Botão de emergência
S1 (contato NA) Botão de abertura
S2 (contato NA) Botão de fechamento
S3 (contato NF) sensor de pressão de abertura
S4 (contato NF) sensor de pressão de fechamento

CLIC-02 | 13-11
Exemplos de Aplicações
Circuito elétrico e Programa com o CLIC-02 sendo utilizado:
Ladder:

13-12 | CLIC-02
Exemplos de Aplicações
Bloco de Função:
FBD:
13.5 CONTADOR PARA MÁQUINAS DE EMBALAGENS
Requisitos
1) O ciclo de empacotamento inicia com a contagem dos produtos no final da linha de
produção. Quando o valor da contagem atingir 12 unidades, a máquina procede a
operação de empacotamento que leva 5 segundos. Após finalizada, inicia-se um novo
ciclo.
2) Deve-se simultaneamente contar a quantidade final de pacotes de produto.
3) No caso de falta de energia, o contador permanece inalterado.
Análise:
1) Um sensor é utilizado para gerar um pulso quando ele detectar a chegada de um
produto. Um contador aciona a saída quando o valor de contagem atingir 12, e um
temporizador é utilizado para se obter o atraso de 5s.
2) O contador será utilizado no modo 3 ou modo 4, no esforço em manter precisa a
contagem mesmo no caso de falta de energia.
Componentes utilizados:
I1 Sensor de contagem;
S1 Reset do contador para zero;
MC1 empacotamento.

CLIC-02 | 13-13
Exemplos de Aplicações
Circuito elétrico e Programa com o CLIC sendo utilizado:
Ladder:

13-14 | CLIC-02
Exemplos de Aplicações
Bloco de Função:
FBD:

CLIC-02 | 14-1
Garantia
CONDIÇÕES GERAIS DE GARANTIA PARA CONTROLADORES
PROGRAMÁVEIS
GARANTIA
A Weg Equipamentos Elétricos S/A - Automação, estabelecida na Av. Pref. Waldemar
Grubba, 3000 na cidade de Jaraguá do Sul - SC, oferece garantia para defeitos de
fabricação ou de materiais, no hardware dos Controladores Programáveis WEG, conforme
a seguir:
1.0 É condicional para a validade desta garantia que a compradora examine
minuciosamente o controlador programável adquirido imediatamente após a sua entrega,
observando atentamente as suas características e as instruções de instalação, ajuste,
operação e manutenção do mesmo. O controlador programável será considerado aceito
e automaticamente aprovado pela compradora, quando não ocorrer a manifestação por
escrito da compradora, no prazo máximo de cinco dias úteis após a data de entrega.
2.0 O prazo desta garantia é de doze meses contados da data da WEG, comprovado
através da nota fiscal de compra do equipamento.
3.0 Em caso de não funcionamento ou funcionamento inadequado controlador
programável em garantia, os serviços em garantia poderão ser realizados a critério da
Weg Equipamentos Elétricos S/A - Automação, por esta indicada.
4.0 O produto, na ocorrência de uma anomalia deverá estar disponível para o fornecedor,
pelo período necessário para a identificação da causa da anomalia e seus devidos reparos.
5.0 A Weg Equipamentos Elétricos S/A - Automação examinará o controlador programável
enviado, e, caso comprove a existência de defeito coberto pela garantia, reparará,
modificará ou substituirá o controlador programável defeituoso, à seu critério, sem custos
para a compradora, exceto os mencionados no item 7.0.
6.0 A responsabilidade da presente garantia se limita exclusivamente ao reparo, modificação
ou substituição do controlador programável fornecido, não se responsabilizando a Weg
por danos pessoais, a terceiros, a outros equipamentos ou instalações, lucros cessantes
ou quaisquer outros danos emergentes ou conseqüentes.
7.0 Outras despesas como fretes, embalagens, custos de montagem/desmontagem e
parametrização, correrão por conta exclusiva da compradora, inclusive todos os honorários
e despesas de locomoção/estadia do pessoal de assistência técnica, quando for necessário
e/ou solicitado um adiantamento nas instalações do usuário.
8.0 A presente garantia não abrange o desgaste normal dos produtos ou equipamentos,
nem os danos decorrentes de operação indevida ou negligente, manutenção ou
armazenagem inadequada, defeitos causados pelos programas (software aplicado) e
correções/melhorias do mesmo, operação anormal em desacordo com as especificações
técnicas, instalações de má qualidade ou influência da natureza química, eletroquímica,
elétrica, mecânica ou atmosférica.

14-2 | CLIC-02
Garantia
9.0 Ficam excluídas da responsabilidade por defeitos as partes ou peças consideradas
de consumo, tais como partes de borracha ou plástico, bulbos incandescentes, fusíveis,
baterias, etc.
10.0 A garantia extinguir-se-á, independente de qualquer aviso, se a compradora sem
prévia autorização por escrito da WEG, fizer ou mandar fazer por terceiros, eventuais
modificações ou reparos no produto ou equipamento que vier a apresentar defeito.
11.0 Quaisquer reparos, modificações, substituições decorrente de defeitos de fabricação
não interrompem nem prorrogam o prazo desta garantia.
12.0 Toda e qualquer reclamação, comunicação, etc., no que se refere a produtos em
garantia, assistência técnica, star-up, deverão ser dirigidos por escrito, ao seguinte
endereço:
Weg Equipamentos Elétricos S/A – Automação
A/C Departamento de Assistência Técnica,
Avenida Prefeito Waldemar Grubba, 3000 malote 190, CEP 89256-900,
Jaraguá do Sul - SC Brasil, Telefax (47) 3276-4200, e-mail: astec@weg.net
13.0 A garantia oferecida pela Weg Equipamentos Elétricos S/A - Automação está
condicionada à observância destas condições gerais, sendo este o único termo de
garantia válido.

Documento: 10000771462 / 01
WEG Equipamentos Elétricos S.A.
Jaraguá do Sul - SC - Brasil
Fone 55 (47) 3276-4000 - Fax 55 (47) 3276-4020
São Paulo - SP - Brasil
Fone 55 (11) 5053-2300 - Fax 55 (11) 5052-4212
automacao@weg.net
www.weg.net