Hand E Instruction Manual PDF 20180725
Hand-E Instruction Manual Pdf Hand-E_Instruction_Manual_PDF Hand-E_Instruction_Manual_PDF 20180725130804633 uploads production robotiq-website-api 3:
2018-07-25
: Pdf Hand-E Instruction Manual Pdf 20180725 Hand-E_Instruction_Manual_PDF_20180725 support_s production
Open the PDF directly: View PDF
.
Page Count: 143 [warning: Documents this large are best viewed by clicking the View PDF Link!]
- Revisions
- 1. General Presentation
- 2. Safety
- 3. Installation
- 4. Control
- 4.1. Overview
- 4.2. Gripper Register Mapping
- 4.3. Robot Output Registers & Functionalities
- 4.4. Robot Input Registers & Status
- 4.5. Picking Features
- 4.6. Control Logic Example
- 4.7. Modbus RTU Communication
- 4.8. Control over Universal Robots with URCaps
- 4.9. Control over Universal Robots without URCaps
- 5. User Interface
- 6. Specifications
- 7. Maintenance
- 8. Spare Parts, Kits and Accessories
- 9. Troubleshooting
- 10. Warranty and Patent
- 11. Contact
- 12. Harmonized Standards, Declarations and Certificates

Robotiq Hand-E
Instruction Manual robotiq.com | leanrobotics.org
Original Notice
© 2018 Robotic Inc.

Revisions 7
1. General Presentation 9
1.1. Gripper nomenclature 10
1.2. Object picking 12
1.3. Setup and control 13
2. Safety 14
2.1. Warning 14
2.2. Intended Use 15
3. Installation 16
3.1. Scope of Delivery 17
3.1.1. Robotiq Hand-E Gripper 17
3.2. Required Tools and Equipment 18
3.3. Environmental and Operating Conditions 19
3.4. Mechanical Installation 20
3.4.1. Installing the fingers/fingertips/holders on the Gripper 20
3.4.2. Installing the Gripper onto the robot 22
Single Gripper 22
Mulitple Grippers 22
3.5. Electrical Setup 23
3.6. Testing the Gripper 25
3.7. Installation for Universal Robots 27
3.7.1. Single Gripper 27
3.7.2. Multiple Grippers 28
3.8. URCap Package 29
3.8.1. Installation 30
Single Gripper 30
Multiple Grippers 32
3.8.2. Uninstalling URCap Package 35
3.8.3. License Agreement 36
4. Control 40
4.1. Overview 40
Robotiq Hand-E Gripper - Instruction Manual
3

Robotiq Hand-E Gripper - Instruction Manual
4.2. Gripper Register Mapping 42
4.3. Robot Output Registers &Functionalities 43
4.4. Robot Input Registers &Status 47
4.5. Picking Features 50
4.5.1. Force control 50
4.5.2. Re-Grasp 51
4.5.3. Object detection 52
4.5.4. Brake engagement 52
4.6. Control Logic Example 53
4.7. Modbus RTUCommunication 54
4.7.1. Connection Setup 55
4.7.2. Read holding registers (FC03) 56
4.7.3. Read input registers (FC04) 57
4.7.4. Preset multiple registers (FC16) 58
4.7.5. Master read & write multiple registers FC23 59
4.7.6. Modbus RTU example 61
4.8. Control over Universal Robots with URCaps 70
4.8.1. Gripper Dashboard 71
Overview 71
Single Gripper 71
Multiple Grippers 72
Features 72
4.8.2. Gripper Calibration menu and wizard 73
Features 75
4.8.3. Gripper Toolbar 77
Overview 77
Single Gripper 78
Multiple Grippers 79
Features 80
Gripper activation 80
Gripper operation window 81
Show/hide Gripper Toolbar 82
4.8.4. Gripper Node 82
Command window 83
4

Robotiq Hand-E Gripper - Instruction Manual
Features 86
Edit action screen 88
Single Gripper 88
Multiple Grippers 89
Features 90
Grip Check node 91
About 92
Error messages overview 93
Gripper Program Template 93
Advanced Gripper Functions 94
Single Gripper 94
Multiple Grippers 96
4.8.5. Retro-compatibility of URCaps with legacy driver programs 99
4.9. Control over Universal Robots without URCaps 100
4.9.1. Gripper Toolbar 100
Overview 100
Features 101
Toolbar collapsed 101
Toolbar expanded 102
4.9.2. Demo Scripts 104
4.9.3. Custom Programs 105
4.9.4. Provided Variables and Functions 106
5. User Interface 108
6. Specifications 109
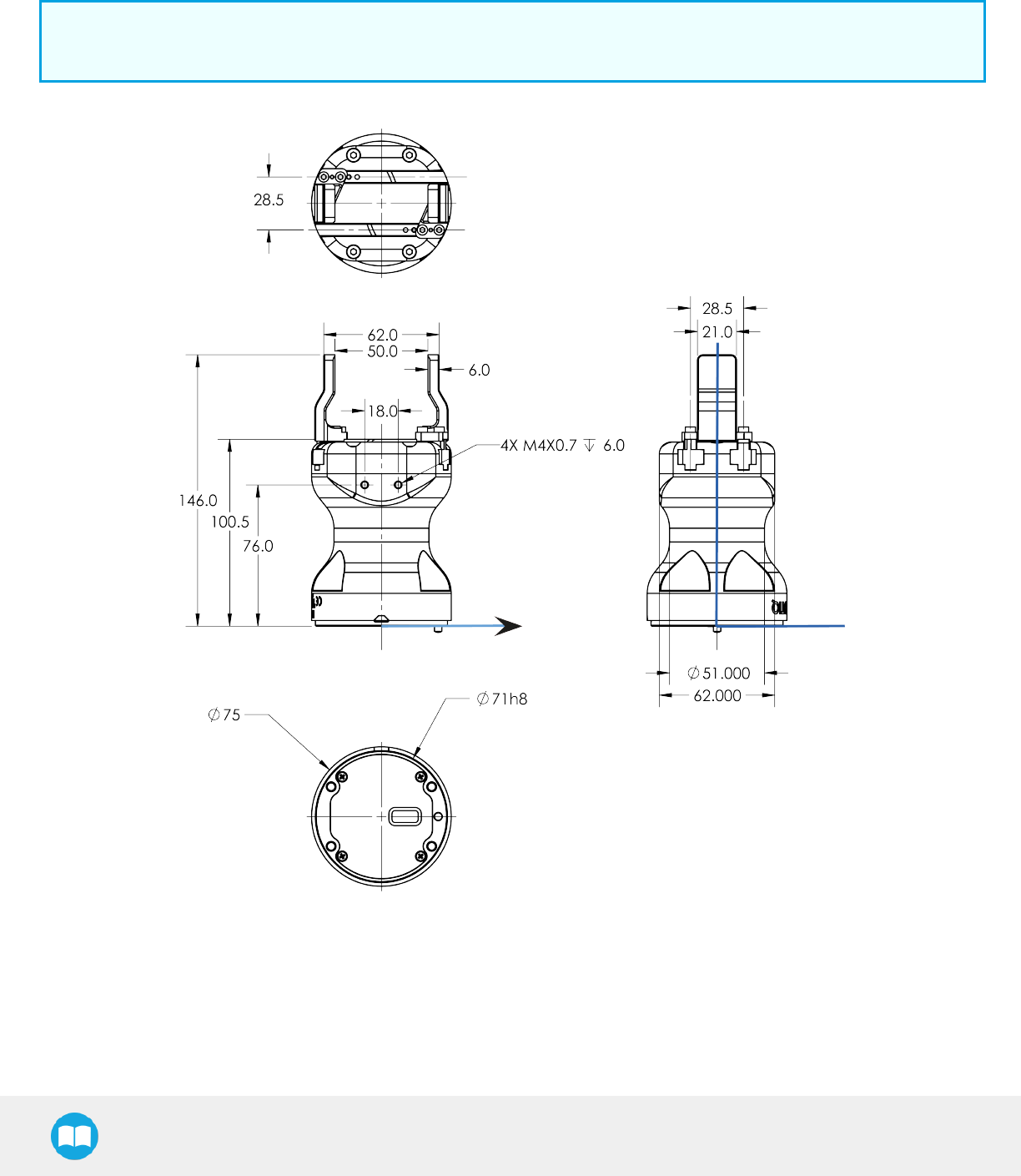
6.1. Technical dimensions 110
6.1.1. Couplings 111
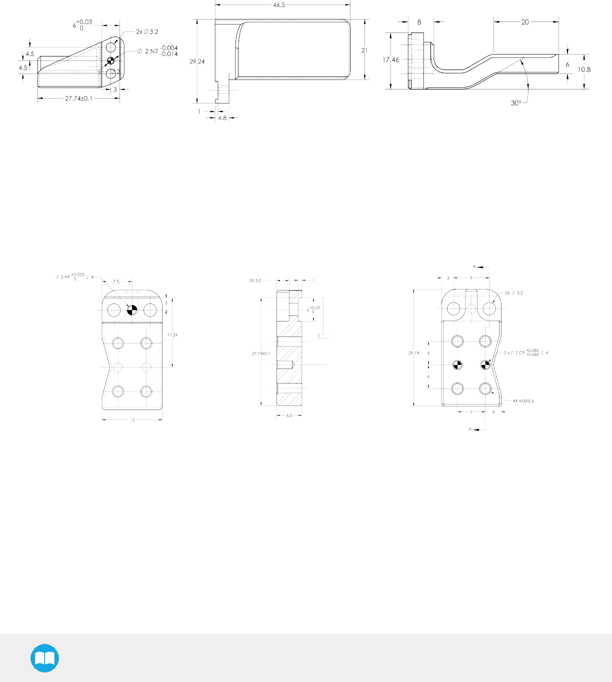
6.1.2. Fingers and fingertips 119
Rack 119
Basic aluminum finger 120
Fingertip holder 120
Flat silicone fingertip 121
Grooved fingertip 122
6.2. Mechanical specifications 123
5

Robotiq Hand-E Gripper - Instruction Manual
6.2.1. Specifications: 123
Payload and force 124
6.2.2. Center of mass and tool center point 125
6.2.3. Moment and force limits 127
6.3. Electrical specifications 128
7. Maintenance 129
7.1. Gripper cleaning 130
7.2. Periodic inspection 132
7.3. Rack &pinion mechanism cleaning 133
8. Spare Parts, Kits and Accessories 134
9. Troubleshooting 137
10. Warranty andPatent 140
11. Contact 141
12. Harmonized Standards, Declarations and Certificates 142
12.1. Translation of original EC declaration of incorporation 142
12.2. Applied standards 143
6

Revisions
Robotiq may modify this product without notice, when necessary, due to product improvements, modifications or changes in
specifications. If such modification is made, the manual will also be revised, see revision information. See the latest version of this
manual online at support.robotiq.com.
Revision 2018/05/24
lOfficial release
Robotiq Hand-E Gripper - Instruction Manual
7

Robotiq Hand-E Gripper - Instruction Manual
Copyright
© 2018 Robotiq Inc. All rights reserved.
This manual and the product it describes are protected by the Copyright Act of Canada, by laws of other countries, and by international
treaties, and therefore may not be reproduced in whole or in part, whether for sale or not, without prior written consent from Robotiq.
Under copyright law, copying includes translation into another language or format.
Information provided by Robotiq in this document is believed to be accurate and reliable. However, no responsibility is assumed by
Robotiq for its use. There may be some differences between the manual and the product if the product has been modified after the
edition date.
The information contained in this document is subject to change without notice.
8

1. General Presentation
The terms "Gripper", "Robotiq Gripper", "Hand-E Gripper" and "Hand-E" used in the following manual all refer to the Robotiq
Hand-E Gripper. The Robotiq Hand-E Gripper is a robotic peripheral designed for industrial applications. Its design makes it a unique
robotic end-of-arm tool to quickly pick, place and handle a large range of parts of varying sizes and shapes.
Note
The following manual uses the metric system. Unless otherwise specified, all dimensions are in millimeters.
Note
The following section presents the key features of the Gripper and must not be considered as appropriate to Gripper
operation, each feature is detailed in the appropriate section of the manual. Safety guidelines must be read and understood
before any operation is attempted with theGripper.
Robotiq Hand-E Gripper - Instruction Manual
9

Robotiq Hand-E Gripper - Instruction Manual
1.1. Gripper nomenclature
The Hand-E Gripper is a parallel gripper Its two fingers are actuated by a single motor.
Fig. 1-1: Robotiq Hand-E
Please refer to the Scope of Delivery section and Spare Parts, Kits and Accessories section for details on standard and optional parts.
The Hand-E basic gripper unit includes aluminum fingers, as shown in the figure above.
10

Robotiq Hand-E Gripper - Instruction Manual
The user can install fingers directly on the racks, or fasten fingertips to fingertip holders, which are in turn installed on the racks. Refer to
the Installation section for more information on how to integrate custom fingers and fingertips to Hand-E.
Fig. 1-2: Mounting of a finger on a rack
When ordered as a kit for installation on Universal Robots (please refer to the Scope of Delivery section), a fingertip starting kit is
included (please refer to the Spare Parts, Kits and Accessories section). These fingertips should be mounted onto fingertip holders.
Fig. 1-3: Mounting of a fingertip on a fingertip holder (example)
Tip
It is possible to customize your own fingers or fingertips. You can install custom fingers directly on the racks and the
fingertips on the fingertip holders.
11

Robotiq Hand-E Gripper - Instruction Manual
1.2. Object picking
The Hand-E Gripper has a single actuator for opening and closing the fingers. It also allows internal gripping. The fingers can pick
hollow parts from the inside by applying pressure with the outer surface of the fingers.
See the figure below for a representation and refer to the Picking Features section for details on the possible position commands of
your Gripper.
Fig. 1-4: Hand-E Gripper internal and external gripping.
12

Robotiq Hand-E Gripper - Instruction Manual
1.3. Setup and control
The Gripper is powered and controlled directly via a single device cable that carries a 24V DC supply and Modbus RTU communication
over RS-485. Please refer to the Electrical Setup section for wiring information and to the Control section for control of the Gripper
(software packages are available for control via some types of robotcontrollers).
Info
Robotiq Universal Controller is available when industrial communication protocols are required (other then Modbus RTU
over serial).
A gripper coupling is required for using Hand-E; the coupling will provide mechanical and electrical connectivity. Please refer to the
Mechanical Installation section for installation of the coupling, to the Technical dimensions section for technical drawings, and to the
Spare Parts, Kits and Accessories section for available couplings.
The Hand-E Gripper has an embedded object detection feature using indirect sensing methods. When picking an object with the "go
to" command, the Gripper status will allow you to know if an object is picked or not via a simple object detection bit (0 or 1). When an
object is detected, the Gripper will stop. If the object is being dropped, the Gripper will automatically close to keep the object until the
object is detected or until the position target from the "go to command" is reached. For details on object detection, please refer to the
Control section.
13

2. Safety
Warning
The operator must have read and understood all of the instructions in the following manual before handling the Robotiq
Hand-E Gripper.
Info
The term "operator" refers to anyone responsible for any of the following operations on the RobotiqHand-E Gripper:
lInstallation
lControl
lMaintenance
lInspection
lCalibration
lProgramming
lDecommissioning
This documentation explains the various components of the Robotiq Hand-E Gripper and general operations regarding the whole
lifecycle of the product from installation to operation and decommissioning.
The drawings and photos in this documentation are representative examples; nonetheless, discrepancies may be observed between
those and the delivered product.
2.1. Warning
Info
Any use of the Gripper in noncompliance of these warnings is inappropriate and may cause injury or damage.
Warning
lThe Gripper needs to be properly secured before operating the robot.
lDo not install or operate a Gripper that is damaged or lacking parts.
lNever supply the Gripper with an alternative current source.
lMake sure all cord sets are always secured at both ends, at the Gripper and at the robot.
lAlways meet the recommended keying for electrical connections.
lMake sure no one is in the robot and/or Gripper path before initializing the robot's routine.
lAlways meet the Gripper's payload specifications.
lSet the Gripper's pinch force and speed accordingly, based on your application.
lKeep fingers and clothes away from the Gripper while the power is on.
Robotiq Hand-E Gripper - Instruction Manual
14

Robotiq Hand-E Gripper - Instruction Manual
lDo not use the Gripper on people or animals.
lFor welding applications, make sure there are no Gripper parts on the ground path of the welding power source.
Risk assessment and final application:
The Robotiq Hand-E Gripper is meant to be used on an industrial robot. The robot, the Gripper and any other equipment used in the
final application must be evaluated via a thorough risk assessment. It is the robot integrator's duty to ensure that all local safety
measures and regulations are met. Depending on the application, there may be risks that require additional protection/safety
measures; for example, the work-piece the Gripper is manipulating might be inherently dangerous to the operator.
2.2. Intended Use
The Gripper unit is designed for gripping and temporarily securing or holding objects.
Caution
The Gripper is not intended for applying force against objects or surfaces.
The product is intended for installation on a robot or other automated machinery and equipment.
Info
Always comply with local and/or national laws, regulations and directives on automation safety and general machine safety.
The unit should be used exclusively within the range of its technical data. Any other use of the product is deemed improper and
unintended use. Robotiq will not be liable for any damages resulting from any improper or unintended use.
15

3. Installation
The following subsections will guide you through the installation and general setup of your Robotiq Hand-E Gripper.
Warning
Before installing:
lRead and understand the safety instructions related to the Hand-E Gripper.
lVerify your package according to the scope of delivery and your order.
lHave the required parts, equipment and tools listed in the requirements readily available
Warning
When installing:
lMeet the recommended environmental conditions.
lDo not operate the Gripper, or even turn on the power supply, before it is firmly anchored and the danger zone is cleared.
The fingers of the Gripper may move and cause injury or damage.
Robotiq Hand-E Gripper - Instruction Manual
16

Robotiq Hand-E Gripper - Instruction Manual
3.1. Scope of Delivery
3.1.1. Robotiq Hand-E Gripper
Standard upon delivery
lRobotiq Hand-E Basic Gripper Unit: HND-GRP-001
lHand-E Aluminum Finger Kit
lScrew kit
lUSBto RS485 signal converter:ACC-ADT-USB-RS485
lCoupling according to your robot bolt pattern (e.g.:GRP-CPL-062)
Info
Please refer to the Spare Parts, Kits and Accessories section for a list of available couplings.
lRobotiq device cable: CBL-COM-1065-10-HF
Caution
The following are not included in the standard delivery:
lOptions such as adapter plates or couplings for mounting on various industrial robots, fingertips or finger pads.
lHardware required for options; accessories or fixtures for the Hand-E Gripper, unless specified.
lPower supply units, power supply wiring or fuses.
Info
When bought as a kit, the Hand-E Gripper will come in a package with the appropriate coupling, fingers/fingertips and
cabling. Please refer to the Spare Parts, Kits and Accessories section.
17

Robotiq Hand-E Gripper - Instruction Manual
3.2. Required Tools and Equipment
The following tools are required to install the Hand-E Gripper:
l4 mm hex key to mount the Gripper onto its coupling.
lMetric hex key according to your coupling to mount the coupling onto the robot.
Optional tools if installing fingertip/holder kits: HND-FIN-ALU-KIT, HND-TIP-RUB-KIT, HND-TIP-VGR-KIT, HND-TIP-HLD-KIT
l2,5 mm hex key
The following parts are required for setup :
lPower supply (see below).
lFuse, see information below.
lEmergency stop is not provided, but its use is strongly advised.
The Gripper needs to be supplied by a DC voltage source. This power supply is not included with the Gripper. Required power supply
must match the Robotiq device. The following table shows the specifications with regards to the power supply required to operate the
Gripper and the optional Robotiq Controller.
SPECIFICATION VALUE
Output voltage 24 V DC ±10%
Output current 1 A
Overcurrent
Recommended power supply with internal protection, otherwise fusing is
required.
2 A fuse at 25°C [77°F]1
Table 3-1: Hand-E power supply requirements.
1Suggested fuse is a: Phoenix Contact # 0916605 2 A thermal, use AWG #20 wiring.
Warning
If your power supply could exceed the specified regulation, over-voltage protection is required.
Robotiq recommends the use of the following power supplies:
lFor the 1A output current: TDK-Lambda DPP Series, 100W Single Output DIN Rail Mount Power Supply:DPP30-24.
Tip
Optional Robotiq Universal Controller can use the same power supply.
18

Robotiq Hand-E Gripper - Instruction Manual
3.3. Environmental and Operating Conditions
CONDITION VALUE
Minimum storage/transit
temperature -30°C [-22°F]
Maximum storage/transit
temperature 60°C [140°F]
Minimum operating
temperature -10°C [14°F]
Maximum operating
temperature 50°C [122°F]
Humidity (non-condensing) 20-80% RH
Vibration < 0.5G
Other Coming soon
Table 3-2: Environmental and operating conditions of the Hand-E Gripper.
19

Robotiq Hand-E Gripper - Instruction Manual
3.4. Mechanical Installation
3.4.1. Installing the fingers/fingertips/holders on the Gripper
The figures below list the material and tools needed to mount fingers or fingertips/holders onto the racks of the Hand-E Gripper.
Fig. 3-1: Mounting the fingers on the racks
20

Robotiq Hand-E Gripper - Instruction Manual
Fig. 3-2: Mounting fingertips on holders (and then on the racks)
21

Robotiq Hand-E Gripper - Instruction Manual
3.4.2. Installing the Gripper onto the robot
Single Gripper
Use a coupling to attach the Gripper to the robot. Be sure to use the appropriate coupling for your robot model. If there is no coupling
for your robot, you can process a blank coupling or Robotiq can create a custom version for you. Some couplings may require an
additional adapter plate. To create your own coupling and/or adapter plate you can refer to the Couplings section. To see the details
of the available couplings and adapter plates, please refer to the Spare Parts, Kits and Accessories section.
Here are the steps to follow to mount the Gripper to your robot (see figure below). Note that all screws must be locked in place using
medium strength thread-locker.
1. Screw the adapter plate or the coupling to the robot.
2. Screw the coupling to the adapter plate (if applicable).
3. Screw the Gripper onto it's coupling.
Fig. 3-3: Installing the Gripper to a robot using an adapter plate and a coupling.
Mulitple Grippers
When installing multiple grippers on a single, every gripper must have its own coupling.
1. Install a mounting plate (not included) on the robot arm.
2. Mount the grippers' couplings on the mounting plate using the provided M6 X 10mm screws.
3. Mount the grippers onto the couplings using the provided M5 X 35mm screws.
22

Robotiq Hand-E Gripper - Instruction Manual
3.5. Electrical Setup
Power and communication are established with the Hand-E Gripper via a single device cable. The device cable provides a 24V power
supply to the Gripper and enables serial RS-485 communication to the robot controller. An optional Robotiq Universal Controller may
be used between the Gripper and the network/robot controller if fieldbus communication is required.
If a Robotiq Universal Controller is used, please refer to the instruction manual of the Robotiq Universal Controller. The figure below
represents the wiring scheme of the Hand-E Gripper with device cable, power supply, fuse (refer to the Required Tools and Equipment
section) and grounding.
Fig. 3-4: Robotiq Hand-E with pigtail cable and device cable wiring scheme.
Info
RS-485 signals (A, B and GND) are isolated from the main 24V power supply. GND can be connected to any other ground
reference as long as the voltage potential between the grounds does not exceed 250V. Grounding reference is at the user's
discretion.
Caution
Use proper cabling management. Make sure to leave enough slack in the cabling to allow movement of the Gripper along all
axes without pulling out the connectors. Always protect the controller side (robot side) connector of the cable with a strain
relief cable clamp.
23

Robotiq Hand-E Gripper - Instruction Manual
The figure below illustrates the Hand-E Gripper pigtail connector from the coupling (GRP-CPL-062 or AGC-CPL-XXX-002), the device
cable on the robot side (CBL-COM-2065-10-HF) and their associated pinout.
Table 3-3: Pinout of the Hand-E Gripper pigtail and device cable.
If additional cables are used, suggested cable specifications are as follows:
Power supply, fusing
lminimum #22 AWG TEW, 300 V or 600 V
RS-485 signal
lminimum #24 AWG TEW, 300 V or 600 V
lA and B signals must be balanced at 120 Ohms
24

Robotiq Hand-E Gripper - Instruction Manual
3.6. Testing the Gripper
Once installed and properly secured, your Robotiq Hand-E Gripper should be tested with the Robotiq User Interface test software
using the provided USB converter. To do so :
1Follow the instructions to install the Robotiq User Interface, or RUI (refer to the instruction manual of the RUI)
Use the provided RS-485 to USB converter ACC-ADT-USB-RS485 (refer to the figure below) to plug into a PC with the Robotiq
User Interface installed.
2Power up your Gripper with the previously recommended power supply.
3Execute the RUI software and select ''auto-connect'' on the connection screen.
4You are now connected to your Gripper; you can click "activate" to begin using the Gripper.
Caution
The Activate command will initiate movement of the Gripper for the auto-calibration procedure. Do not interfere with the
Gripper. Be sure you have met robot safety measures.
Fig. 3-5: RS-485 to USB converter ACC-ADT-USB-RS485 pinout.
25

Robotiq Hand-E Gripper - Instruction Manual
Fig. 3-6: Wiring possibilities of the USB to RS-485 converter.
Tip
With the RUI controlling the Gripper, you can go to the "view" menu to see input and output register values to further your
understanding on how to command the Gripper. You can also test gripping your parts with various speed and force settings.
Please refer to the Control section for details.
26

Robotiq Hand-E Gripper - Instruction Manual
3.7. Installation for Universal Robots
The table below shows which Robotiq software to use with your Universal Robots controller. If you are using a CB3 or CB3.1 controller,
it is recommended to use the Hand-E Gripper URCaps Package.
Robotiq Software Controller CB1 Controller CB2 Controller CB3 Controller CB3.1
Driver Package
(includes Gripper toolbar) Incompatible Compatible Compatible Compatible
Hand-E Gripper URCap Package
(includes Gripper toolbar and Gripper node) Incompatible Incompatible Compatible Compatible
Table 3-4: Compatibility between Robotiq software and robot controller
Refer to the URCap Package section for the installation of the UR software package for Hand-E.
Caution
The robot's PolyScope version must be 3.5 or later in order to install the URCap.
3.7.1. Single Gripper
Prior to any software installation on Universal Robots, connect the white, blue and bare wires to the Robotiq RS-485 signal converter
(ACC-ADT-RS485-USB) as shown in the figure below. Also connect the red (24V) and black (0V) wires in the terminal blocks of the robot
controller.
Fig. 3-7: Hand-E Gripper wiring to Universal Robots controller.
27

Robotiq Hand-E Gripper - Instruction Manual
3.7.2. Multiple Grippers
It is possible to connect and control up to four grippers on the same UR robot. Only one USB to RS485 converter (ACC- ADT-USB-
RS485) must be used. Use M12 splitters (ACC-SPLIT-M12-2:1) to connect all the grippers pigtails to one 10m cable
(CBL-COM-2065-10-HF), which in turn connects to the USB to RS485 converter.
Fig. 3-8: Multiple grippers wiring on Universal Robots.
Info
Please refer to the Installation section to configure the grippers properly before controlling and programming them.
Info
Prior to use over Universal Robots, adjust the payload and the center of gravity in the Installation tab (refer to the Mechanical
specifications section).
28

Robotiq Hand-E Gripper - Instruction Manual
3.8. URCap Package
Robotiq provides you with a Universal Robots URCap package that enables direct serial communication (via USB) to your UR controller.
Info
To get the URCap package for your URcontroller, browse to Hand-E's support product page.
Make sure the Hand-E Gripper is properly mounted to the robot arm. Refer to the Mechanical Installation section for detailed
information on the mechanical installation. Before proceeding with the installation of the URCap package, make sure your Universal
Robots controller is compatible with the package (refer to the Installation for Universal Robots section).
Caution
The robot's PolyScope version must be 3.5 or later in order to install the URCap.
The Gripper’s URCap package contains:
lThe URCap for the Gripper;
lThe Gripper toolbar;
lThe Gripper node.
Tip
For other robots, where no driver package is available, we recommend the use of the Robotiq Universal Controller which
allows fieldbus communication. Available communication protocols with this Universal Controller are:
lModbus TCP
lEtherNet IP
lEtherCAT
lPROFINET
lDeviceNET
lCANopen
For details on controlling the Gripper, please refer to the Control section.
Info
Please refer to the Control section for detailed information on how to program using the URCap package.
29

Robotiq Hand-E Gripper - Instruction Manual
3.8.1. Installation
Single Gripper
Make sure the Hand-E Gripper is properly mounted to the robot arm. Refer to the Mechanical Installation section for detailed
information on the mechanical installation. Before proceeding with the installation of the URCap package, make sure your Universal
Robots controller is compatible with the package (refer to the Installation for Universal Robots section).
Follow this procedure to install the Hand-E Gripper URCap package:
lMake sure that your PolyScope version is up-to-date and that your
Universal Robots controller is compatible with the Gripper’s URCap
package.
lBrowse to support.robotiq.com and click on the Hand-E Gripper
product page.
lDownload the RARfile and extract its content on the root of a blank
USB stick.
lInsert the USB stick in the UR teach pendant or controller.
lGo to Setup Robot.
lTap URCaps Setup.
Tip
If you wish to know what version of PolyScope you are using, go to the PolyScope home page and tap the About button. A
window containing the Universal Robots software version will pop up.
30

Robotiq Hand-E Gripper - Instruction Manual
lTap the plus button (+) to add the Gripper’s URCaps package.
lOpen Robotiq_Grippers-X.X.X.urcap from the USBstorage device.
lRestart PolyScope to complete the URCap installation. By doing so,
you accept the License Agreement that is detailed in the URCap
information text box (please refer to the License Agreement section
below).
lWhen PolyScope reopens, the Gripper toolbar will appear on
thescreen.
31

Robotiq Hand-E Gripper - Instruction Manual
Multiple Grippers
It is possible to connect and control up to four grippers on the same UR robot. Only one USB to RS485 converter (ACC- ADT-USB-
RS485) must be used. Use M12 splitters (ACC-SPLIT-M12-2:1) to connect all the grippers pigtails to one 10m cable (CBL-COM-2065-
10-HF) that connects to the USB to RS485 converter.
Fig. 3-9: Wiring for multiple grippers.
When installing multiple grippers on one UR robot, their gripper ID must be set properly. To do so, perform the following steps for
each Gripper.
Caution
The list of steps below is not comprehensive; please refer to section for more details.
32

Robotiq Hand-E Gripper - Instruction Manual
lConnect only one gripper at the time using the M12 splitter.
lFrom the PolyScope home page, go to Program Robot and then
tap the Installation tab.
lTap on Gripper.
lSelect the Dashboard menu.
lTap the Scan button to detect Grippers.
lChange the Gripper ID to the desired one.
lMake sure it is different from the other Gripper IDs.
lGripper ID is saved to the Gripper's internal memory. ID will be
kept at all time.
lClick on Activate to activate the Gripper.
lPerform the same routine for all grippers, if applicable, con-
necting only one at the time.
Caution
Make sure all grippers have different IDs. With their
factory settings, all grippers have Gripper IDset to 1. If
you have more than one gripper connected with the
same ID, communication issues will arise.
33

Robotiq Hand-E Gripper - Instruction Manual
lOnce all grippers IDs have been set, connect them all to the
M12splitter.
lGo back to the Configure tab and confirm that all grippers are
recognized and can be controlled.
34

Robotiq Hand-E Gripper - Instruction Manual
3.8.2. Uninstalling URCap Package
If you wish to uninstall the Hand-E Gripper URCap, follow this procedure:
lGo to Setup Robot.
lTap URCaps Setup.
lIn the Active URCaps text box, tap the Gripper URCap.
lThe Gripper URCap should be highlighted.
lTap the minus button (-) to uninstall the URCap.
lRestart PolyScope to complete the uninstallation process.
35

Robotiq Hand-E Gripper - Instruction Manual
3.8.3. License Agreement
END-USER LICENSE AGREEMENT
YOU SHOULD CAREFULLY READ THE FOLLOWING AGREEMENT BEFORE USING THE Software (as this term is hereinafter
defined). Using the Software indicates your acceptance of the agreement. If you do not agree with it, you are not authorized to use the
Software.
IMPORTANT-READ CAREFULLY: This End-User License Agreement (the “Agreement”) is a legal agreement between you and the
Licensor (as this term is hereinafter defined), the licensor of the Software. This Agreement covers the Software. The Software includes
any “on-line” or electronic documentation and all modifications and upgrades related thereto. By installing, or otherwise using the
Software, you agree to be bound by the terms of this Agreement. If you do not agree to the terms of this Agreement, the Licensor
cannot and does not license the Software to you. In such event, you must not use or install the Software.
1. Definition.
a. “UR” means Universal Robots A/S, a corporation incorporated under the laws of Denmark, having its registered office
at Energivej 25, DK-5260 Odense S, which specializes into the conception, advanced manufacturing and sale of robotic
products (the “UR’s Business”);
b. “Software” means any of the Licensor’s softwares provided to its customers for the purposes mentioned in Sub-section
1.4 hereof including their modifications and upgrades and their related materials;
c. “Licensor” means Robotiq inc., a corporation incorporated under the laws of Quebec, having its registered office at
500-966 chemin Olivier, Lévis, Québec, Canada, G7A 2N1, which specializes into the conception, advanced man-
ufacturing and sale of robotic products (the “Licensor’s Business”);
d. “End-User” means a customer authorized pursuant to this Agreement to install or use the Software in order to make a
specific product from the Licensor’s Products compatible and functional with a specific product of the UR’s Product;
e. “Licensor’s Products” means those products developed by the Licensor in the course of the Licensor’s Business;
f. “UR’s Products” means those products developed by UR in the course of the UR’s Business;
g. “Licensor’s Authorized Representatives” means and includes the Licensor and Licensor’s authorized vendors, resellers,
distributors and licensors;
h. “Purchase Agreement” means an agreement between the End-User and the Licensor pursuant to which the End-User
purchased one or more of the Licensor’s Products.
2. License. Subject to the terms and conditions hereof, the Licensor grants to the End-User a personal, temporary, non-exclusive,
non-assignable and non-transferable and revocable license to use the Software in accordance with the terms and conditions
hereof.
3. Software and Documentation. The Licensor may provide, if applicable, all documentation containing the detailed specifications
for operation and use of the Software, which Software shall be used in accordance with such documentation. This doc-
umentation, if applicable, will be provided, wholly or in part, within (i) this Agreement, (ii) the Licensor’s Web site http://ro-
botiq.com/ (iii) the Licensor’s Products and the Purchase Agreement therewith, or (iv) any other agreement, document, support,
whatsoever decided by the Licensor.
The use of the Software requires the Licensor’s Products, UR’s Products, compatible systems and certain software (which may
require some expenses), may require periodical updating and may be affected by such elements. Most equipment will be com-
patible with the Software. However, the Software may not function on certain types of equipment.
4. Modifications and Upgrades. The Licensor shall be under no obligation to provide any upgrade or modification to the Software.
However, the End-User shall be entitled to receive free of charge all modifications and upgrades of the Software provided by the
Licensor if, at such time, the End-User is not in default in respect of any of its obligation contained herein. Such modifications and
upgrades of the Software shall be installed by the End-User itself by consulting the Licensor’s Website http://robotiq.com/ where
a link to proceed to such installation will be made available thereof. A new version of the Software shall not be covered by this
Section 4 but shall require that a new End-User Software License Agreement be entered into between the Licensor and the End-
User.
36

Robotiq Hand-E Gripper - Instruction Manual
5. Fees. The grant by Licensor to the End-User of the present license shall be free to the extent that the End-User agrees and com-
plies to the term and conditions herein at all time.
6. Maintenance. During the term of this Agreement, the Licensor will maintain the Software in an operable condition and will make
available any corrections and improvements as are generally incorporated in the Software by the Licensor without additional
charge to the End-User. The Licensor may temporarily and without notice suspend or limit access to the Software if necessary or
desirable in order to maintain, restore, modify or repair any part of the Software or for any reason related to business. During
such works, the Software will not be available but the Licensor undertakes to deploy its best efforts to perform such works at
appropriate times and to limit any inconvenience arising therefrom.
7. Title to Software. The licensed Software is composed of confidential data and trade secrets and is proprietary to and constitutes
trade secret information and intellectual property of the Licensor. Title and ownership rights to the Software, including the intel-
lectual property rights related thereto, shall remain with the Licensor. The End-User agrees to maintain the confidential nature of
the Software and related materials provided for the End-User’s own internal use under this Agreement. The license granted
herein does not include the right to sublicense to others, and may not be assigned to others, in whole or in part, without the prior
written consent of the Licensor. The End-User may not or allow others to modify or prepare directive works, copy (except for nor-
mal backups for recovery purposes), reproduce, republish, reverse engineer, upload, post, transmit, or distribute, in any manner,
the Software.
8. Restricted Use. The Software shall be used solely and exclusively by the End-User and its employees for the purpose mentioned
in Sub-section 1.4 hereof. Any other use of the Software, including resell derivative modifications or extensions, is expressly pro-
hibited.
9. Exclusion of Warranty on Software. The End-User expressly acknowledges and agrees that use of the Software is at the End-User
sole risk. The Software is provided “AS IS” and without warranty of any kind. THE LICENSOR AND THE LICENSOR’S
AUTHORIZED REPRESEN-TATIVES DO NOT WARRANT THAT Software WILL BE FREE OF ERRORS AND YOU
ACKNOWLEDGE THAT THE EXISTENCE OF ANY SUCH ERRORS DOES NOT CONSTITUTE A BREACH OF THIS
AGREEMENT. TO THE EXTENT PERMITTED BY LAW LICENSOR AND LICENSOR’S AUTHORIZED REPRESEN-TATIVES
EXPRESSLY DISCLAIM ALL WARRANTIES, EXPRESS OR IMPLIED, INCLUDING , BUT NOT LIMITED TO, THE IMPLIED
WARRANTIES OF MERCHANTA-BILITY AND FITNESS FOR A PARTICULAR PURPOSE UNLESS OTHERWISE STATED
HEREIN. LICENSOR AND LICENSOR’S AUTHORIZED REPRESENTATIVES DO NOT WARRANT THAT THE FUNCTIONS
CONTAINED IN THE Software WILL MEET THE END-USER REQUIREMENTS OR THAT THE OPERATION OF THE Software
WILL BE CORRECT. FURTHERMORE, LICENSOR AND LICENSOR’S AUTHORIZED REPRESEN-TATIVES DO NOT WARRANT
OR MAKE ANY REPRESENTATIONS REGARDING THE USE OR THE RESULTS OF THE USE OF THE Software IN TERMS OF
ITS CORRECTNESS, ACCURACY, RELIABILITY, OR OTHERWISE. NO ORAL OR WRITTEN INFORMATION OR ADVICE GIVEN
BY LICENSOR AND LICENSOR’S AUTHORIZED REPRESENTATIVE SHALL CREATE A WARRANTY OR IN ANY WAY
INCREASE THE SCOPE OF THIS WARRANTY. SHOULD THE Software PROVE DEFECTIVE IN YOUR TECHNOLOGY
ENVIRONMENT, YOU ASSUME THE ENTIRE COST OF ALL NECESSARY SERVICING, REPAIR OR CORRECTION TO YOUR
OWN TECHNOLOGY ENVIRONMENT.
10. Limitation of liability. TO THE MAXIMUM EXTENT PERMITTED BY LAW, LICENSOR AND LICENSOR’S AUTHORIZED
REPRESENTATIVES SHALL NOT BE LIABLE FOR ANY INCIDENTAL OR CONSEQUENTIAL DAMAGES FOR BREACH OF
ANY EXPRESS OR IMPLIED WARRANTY, BREACH OF CONTRACT, NEGLIGENCE, STRICT LIABILITY OR ANY OTHER
LEGAL THEORY RELATED TO THE Software. SUCH DAMAGES INCLUDE, BUT ARE NOT LIMITED TO, LOSS OF PROFITS,
LOSS OF REVENUE, LOSS OF DATA, LOSS OF USE OF THE PRODUCT OR ANY ASSOCIATED EQUIPMENT, DOWN TIME
AND USER’S TIME, EVEN IF THE LICENSOR HAS BEEN ADVISED OF THE POSSIBILITY OF SUCH DAMAGES. IN ANY CASE,
LICENSOR ENTIRE LIABILITY UNDER ANY PROVISION OF THIS AGREEMENT SHALL BE LIMITED TO THE AMOUNT
ACTUALLY PAID IN RESPECT OF THE LICENSOR’S PRODUCTS PURCHASED BY THE END-USER PURSUANT TO A
PURCHASE AGREEMENT.
11. Training, Maintenance and Support There is no entitlement to training, maintenance and support under this license unless oth-
erwise specified in the Purchase Agreement or any other written agreement between the End-User and the Licensor. The End-
User may provide the Licensor with details regarding any bug, defect or failure in the Software promptly and with no delay from
such event; the End-User shall comply with the Licensor’s request for information regarding bugs, defects or failures and furnish
him with information, screenshots and try to reproduce such bugs, defects or failures upon Licensor’s demand.
12. Expiration and Termination. The Licensor may terminate this Agreement for default by the End-User. This Agreement will also be
automatically terminated upon the election of such by the Licensor or the official launch of the Software, whichever event comes
first. Upon termination of this Agreement for any reason, the End-User shall promptly uninstall the Software on any UR’s Products
and Licensor’s Products, computer, or server on which it has been installed, deliver to the Licensor all CDs, DVDs, magnetic
tapes, cards, and other tangible items and materials embodying the Software, and return to the Licensor all copies thereof or des-
troy such copies and warrant in writing that all copies thereof have been destroyed. In the event of termination of this Agreement,
37

Robotiq Hand-E Gripper - Instruction Manual
all obligations of the parties under this Agreement due for performance on the date of termination shall survive the termination,
and the party terminating shall not be liable to the other party for any damages arising out of the termination.
13. Miscellaneous.
a. This Agreement constitutes the entire understanding and agreement between the Licensor and the End-User and
replaces any prior agreement relating to the same subject matter.
b. This Agreement shall be governed and construed in accordance with the laws of the province of Quebec and the fed-
eral laws of Canada applicable therein. Any legal action or proceeding between the Licensor and the End-User for any
purpose concerning this Agreement or the parties' obligations hereunder shall be brought exclusively in a court of com-
petent jurisdiction sitting in the judicial district of Trois-Rivières, Quebec.
c. The Licensor’s failure to insist upon or enforce strict performance of any provision of this Agreement shall not be con-
strued as a waiver of any provision or right. Neither the course of conduct between the parties nor trade practice shall
act to modify any provision of this Agreement.
d. The Licensor may assign its rights and duties under this Agreement to any party at any time without notice to the End-
User. The End-User may not assign this Agreement without the prior written consent of the Licensor.
e. If any part of this Agreement is null, illegal or non-enforceable, this Agreement shall be interpreted as if this part was
never part of this Agreement.
f. The provisions of this Agreement are for the benefit of the Licensor and its officers, directors, employees, agents,
licensors and suppliers. Each of these individuals or entities shall have the right to assert and enforce those provisions
directly against the End-User on its own behalf. This Agreement is also for the benefit of, and binds, the End-User and
its heirs, successors, legal representatives and permitted assigns.
g. Any rights not expressly granted herein are reserved.
h. The parties confirm that they have agreed that this Agreement and all related documents be drafted in English only. Les
parties aux présentes confirment qu’elles ont accepté que la présente convention et tous les documents y afférents soi-
ent rédigés en anglais seulement.
38

Robotiq Hand-E Gripper - Instruction Manual
39

4. Control
Info
Unless specified, all values in this section are in hexadecimal values.
4.1. Overview
The Robotiq Hand-E Gripper is controlled directly via Modbus RTU using a RS485 signal. It can also be controlled via an optional
Robotiq Universal Controller using an industrial protocol (refer to the instruction manual of the Robotiq Universal controller). The
programming of the Gripper can be done with the Teach Pendant of the robot or by offline programming. The communication method
used to control the Hand-E Gripper does not change the control logic or register setups described in the following subsections.
Tip
Robotiq suggests using the Robotiq User Interface test software to explore the various features of the Gripper, like object
detection and forcecontrol.
Since the Robotiq Hand-E Gripper has its own embedded controller, high-level commands, such as "Go to requested position" are
used to control it.
Info
The operator can:
- Control force, speed and position of the Gripper fingers.
- Finger movement is always synchronized, movement is initiated via a single "Go to requested position"command.
- Parallel or encompassing grip is performed automatically.
- A built-in object detection feature is available; the user can be notified after an object is picked once the "Go to" command
has been initiated. The feature also works for lost or dropped objects, and the user can be alerted if an object is dropped
after being detected.
- Engage directional (open or close) auto-release for emergencies.
Control using registers
The Gripper has an internal memory that is shared with the robot controller. One part of the memory is for the robot output; gripper
functionalities. The other part of the memory is for the robot input; gripper status. Two types of actions can then be performed by the
robot controller :
1. Write in the robot output registers to activate functionalities;
2. Read in the robot input registers to get the status of the Gripper.
The Gripper Register Mapping section will map the different registers used to control the Gripper or to read its status while theRobot
Output Registers &Functionalities section will detail the output (write) register functions, and the Robot Input Registers &Status section
will detail the input (read) register status. The figure below is a representation of the memory and the control logic of the Gripper.
Robotiq Hand-E Gripper - Instruction Manual
40

Robotiq Hand-E Gripper - Instruction Manual
Fig. 4-1: Hand-E control logic overview
Control using Universal Robots packages
Robotiq provide Universal Robots packages to be used with URCaps (require controller CB3 or higher)
Please refer to the Control section for instructions on how to use the Gripper URCap; this method will provide you with a Gripper
Toolbar to test and a Gripper node to program via the URCaps tab.
Please refer to the Control over Universal Robots without URCaps section on how to use without URcaps, this method will provide you
with a similar Gripper Toolbar but the robot program will be built using subprograms and scripts.
41

Robotiq Hand-E Gripper - Instruction Manual
4.2. Gripper Register Mapping
Register mapping
Caution
Byte numbering starts at zero and not at 1 for the functionalities and status registers.
Register Robot Output / Functionalities Robot Input / Status
Byte 0 ACTIONREQUEST GRIPPERSTATUS
Byte 1 RESERVED RESERVED
Byte 2 RESERVED FAULTSTATUS
Byte 3 POSITIONREQUEST POSREQUESTECHO
Byte 4 SPEED POSITION
Byte 5 FORCE CURRENT
Byte 6 to 15 RESERVED RESERVED
Table 4-1: Registers of the Hand-E Gripper.
42

Robotiq Hand-E Gripper - Instruction Manual
4.3. Robot Output Registers &Functionalities
Register: ACTIONREQUEST
Address: Byte 0
Bits 7 6 5 4 3 2 1 0
Symbols Reserved rARD rATR rGTO Reserved rACT
rACT
First action to be made prior to any other actions; the rACT bit will activate the Gripper. Clear the rACT bit to reset the Gripper and clear
any fault status.
l0x0 - Deactivate Gripper.
l0x1 - Activate Gripper (must stay on after activation routine is completed).
Warning
When setting rACT (rACT ==1), the Gripper will begin movement to complete its activation feature.
Info
Power loss will set rACT (rACT == 1); the rACTbit must then be cleared (rACT == 0), then set again to allow operation of the
Gripper.
Caution
The rACT bit must stay on afterwards for any other action to be performed.
rGTO
The "Go To" action moves the Gripper fingers to the requested position using the configuration defined by the other registers, rGTO
will engage motion while bytes 3, 4 and 5 will determine aimed position, force and speed. The only motions performed without the
rGTO bit are activation and automatic release routines.
l0x0 - Stop.
l0x1 - Go to requested position.
rATR
Automatic Release routine action slowly opens the Gripper fingers until all motion axes reach their mechanical limits. After all motions
are completed, the Gripper sends a fault signal and needs to be reinitialized before any other motion is performed. The rATR bit
overrides all other commands excluding the activation bit (rACT).
l0x0 - Normal.
l0x1 - Emergency auto-release.
Caution
43

Robotiq Hand-E Gripper - Instruction Manual
The automatic release is meant to disengage the Gripper after an emergency stop of the robot.
The automatic release is not intended to be used under normal operating conditions.
Automatic release requires the rACT to be cleared (rACT == 0) then set (rACT == 1).
44

Robotiq Hand-E Gripper - Instruction Manual
rARD
Auto-release direction. When auto-releasing, rARD commands the direction of the movement. The rARD bit should be set prior to or at
the same time as the rATR bit, as the motion direction is set when the auto-release is initiated.
l0x0 - Closing auto-release
l0x1 - Opening auto-release
Register: GRIPPER OPTIONS
Address: Byte 1
Bits 7 6 5 4 3 2 1 0
Symbol Reserved
Register: GRIPPER OPTIONS 2
Address: Byte 2
Bits 7 6 5 4 3 2 1 0
Symbol Reserved
Register: POSITIONREQUEST
Address: Byte 3
Bits 7 6 5 4 3 2 1 0
Symbol rPR
This register is used to set the target position for the Gripper's fingers. The positions 0x00 and 0xFF correspond respectively to the fully
opened and fully closed mechanical stops. For detailed finger trajectory, please refer to the Specifications section.
l0x00 - Open position, with 50 mm opening
l0xFF - Closed
lOpening / count: ≈0.2 mm for 50 mm stroke
Info
The activation will allow the Gripper to adjust to any fingers/fingertips. No matter what is the size and/or shape of the
fingers/fingertips, 0 will always be fully opened and 245 fully closed, with a quasi-linear relationship between the two values.
45

Robotiq Hand-E Gripper - Instruction Manual
Register: SPEED
Address: Byte 4
Bits 7 6 5 4 3 2 1 0
Symbol rSP
This register is used to set the Gripper closing or opening speed in real time, however, setting a speed will not initiate a motion.
l0x00 - Minimum speed
l0xFF - Maximum speed
l
Register: FORCE
Address: Byte 5
Bits 7 6 5 4 3 2 1 0
Symbol rFR
The force setting defines the final gripping force for the Gripper. The force will fix the maximum current sent to the motor . If the current
limit is exceeded, the fingers stop and trigger an object detection notification. Please refer to the Picking Features section for details on
force control.
l0x00 - Minimum force
l0xFF - Maximum force
Info
Register bytes 6 to 15 are reserved and should be set to 0.
46

Robotiq Hand-E Gripper - Instruction Manual
4.4. Robot Input Registers &Status
Register: GRIPPERSTATUS
Address: Byte 0
Bits 7 6 5 4 3 2 1 0
Symbols gOBJ gSTA gGT
OReserved gAC
T
gACT
Activation status, echo of the rACT bit (activation bit).
l0x0 - Gripper reset.
l0x1 - Gripper activation.
gGTO
Action status, echo of the rGTO bit (go to bit).
l0x0 - Stopped (or performing activation / automatic release).
l0x1 - Go to Position Request.
gSTA
Gripper status, returns the current status and motion of the Gripper fingers.
l0x00 - Gripper is in reset (or automatic release) state. See Fault Status if Gripper is activated.
l0x01 - Activation in progress.
l0x02 - Not used.
l0x03 - Activation is completed.
gOBJ
Object detection status, is a built-in feature that provides information on possible object pick-up. Ignore if gGTO == 0.
l0x00 - Fingers are in motion towards requested position. No object detected.
l0x01 - Fingers have stopped due to a contact while opening before requested position. Object detected opening.
l0x02 - Fingers have stopped due to a contact while closing before requested position. Object detected closing.
l0x03 - Fingers are at requested position. No object detected or object has been loss / dropped.
Caution
In some circumstances the object detection feature may not detect an object even if it is successfully grasped. For instance,
picking up a thin object may be successful without the object detection status being triggered. In such applications, the
"Fingers are at requested position" status of register gOBJ is sufficient to proceed to the next step of the routine.
Tip
47

Robotiq Hand-E Gripper - Instruction Manual
Checking for the correct position of the fingers (byte 4), as well as object detection (byte 0, bit 6 & 7) before proceeding to the
next step of a routine is a more reliable method than object detection or finger position alone.
Register: RESERVED
Address: Byte 1
Bits 7 6 5 4 3 2 1 0
Symbol Reserved
Register: FAULTSTATUS
Address: Byte 2
Bits 7 6 5 4 3 2 1 0
Symbols kFLT gFLT
gFLT
Fault status returns general error messages that are useful for troubleshooting. Fault LED (red) is present on the Gripper chassis, LED
can be blue, red or both and be solid or blinking.
l0x00 - No fault (solid blue LED)
lPriority faults (solid blue LED)
l0x05 - Action delayed; the activation (re-activation) must be completed prior to perform the action.
l0x07 - The activation bit must be set prior to performing the action.
Minor faults (solid red LED)
l0x08 - Maximum operating temperature exceeded (≥ 85 °C internally); let cool down (below 80 °C).
l0x09 - No communication during at least 1 second.
Major faults (LED blinking red/blue) - Reset is required (rising edge on activation bit (rACT) needed).
l0x0A - Under minimum operating voltage.
l0x0B - Automatic release in progress.
l0x0C - Internal fault, contact support@robotiq.com
l0x0D - Activation fault, verify that no interference or other error occurred.
l0x0E - Overcurrent triggered.
l0x0F - Automatic release completed.
Info
While booting, status LEDwill be solid blue/red.
kFLT
48

Robotiq Hand-E Gripper - Instruction Manual
please refer to your optional controller manual (input registers and status).
Register: POSITIONREQUESTECHO
Address: Byte 3
Bits 7 6 5 4 3 2 1 0
Symbol gPR
gPR
Echo of the requested position for the Gripper, value between 0x00 and 0xFF.
l0x00 - Full opening.
l0xFF - Full closing.
Register: POSITION
Address: Byte 4
Bits 7 6 5 4 3 2 1 0
Symbol gPO
gPO
Actual position of the Gripper obtained via the encoders, value between 0x00 and 0xFF.
l0x00 - Fully opened.
l0xFF - Fully closed.
Register: CURRENT
Adress: Byte 5
Bits 7 6 5 4 3 2 1 0
Symbol gCU
gCU
The current is read instantaneously from the motor drive, value between 0x00 and 0xFF, approximate current equivalent is 10 * value
read inmA.
Tip
Built-in features like object detection and force control use the fingers' electrical current readings. The user does not need to
create these features.
49

Robotiq Hand-E Gripper - Instruction Manual
4.5. Picking Features
As stated in previous sections, object picking is done via a simple "Go To" command, rGTO bit calls for movement, while rPR byte is
the aimed position, rSP and rFR will be the desired speed and force settings respectively. This section describes key features in object
picking applications:
lForce control
lRe-grasp
lObject detection
lObject contact loss
4.5.1. Force control
The gripping force is controlled via the rFR byte (please refer to the Robot Output Registers &Functionalities section).The Gripper
behavior will change according to the rFR forcerequested.
lrFR = 0 : Very fragile objects or deformable objects mode
lLowest force
lRe-grasp feature is off
l1rFR 255 : Solid & firm objects
lHigh torque mode
lRe-grasp feature is on
50

Robotiq Hand-E Gripper - Instruction Manual
Measured grip force for steel of specifichardness(Vickers)
Coming soon
Measured grip force for silicone of specific hardness (Durometer)
Coming soon
4.5.2. Re-Grasp
Re-grasp feature is a built-in feature meant to prevent object lost due to slipping or inaccurate initial grip. The Re-grasp feature will
allow the Gripper to initiate a movement when an object is slipping or dropped. When Re-grasping, the Gripper will attempt to close
until it reaches the position request (rPR).
lThis feature is automatically set according to the force request rFR.
Info
Feature is off at force request rFR = 0, otherwise it is on.
lRe-grasp will keep the position setting:
lFinger motion will stop when rPR position is reached, even if there is no object.
lForce and speed settings are not used, Re-grasp force and speed will automatically adjust to keep the object from being lost /
dropped.
Info
While your initial settings for force and speed are not used for Re-grasp, they will never be eceeded to prevent damaging the
part.
Caution
The rOBJ status is cleared when a motion is detected.
51

Robotiq Hand-E Gripper - Instruction Manual
4.5.3. Object detection
When the Gripper grabs an object, the gOBJ status will allow you to know if contact with the object was successful. This is a built-in
feature for adaptive grippers meant to be used by the robot controller (or PLC) commanding the overall application. The Object
detection feature will change the gOBJ status and can be used inside your robot program.
As stated in the previous section:
gOBJ: Only valid if gGTO = 1.
l0x00 - Fingers are in motion towards requested position. No object detected.
l0x01 - Fingers have stopped due to a contact while opening before requested position. Object detected.
l0x02 - Fingers have stopped due to a contact while closing before requested position. Object detected.
l0x03 - Fingers are at requested position. No object detected or object has been lost / dropped.
Example of contact detected with an object:
1. Set position, speed and force at maximum (full closing):
a. rPR == 0xFF, rSP == 0xFF, rFR ==0xFF,
2. Set ''go to requested'' will initiate movement :
a. rGTO == 0x01
3. Then object detection status will be "in motion"
a. gOBJ == 0x00
4. Until an object is picked, object detection status will then be "stopped due to contact while closing"
a. gOBJ == 0x02
5. The user can now assume it is holding the payload, and proceed to the next step.
Example of contact lost with an object:
1. From the previous example, after an object is picked
a. gOBJ == 0x02
2. If the gOBJ status displays 0x03 after it was 0x02, user can assume contact with the object has been lost.
4.5.4. Brake engagement
The Hand-E Gripper is equipped with a brake that engages at the end of each and every Gripper move, and thus disengages between
each of these moves.
For instance, when fully closing on an object, the Gripper makes contact with the surface of the object and activates the brake before
sending the object detection signal to the robot.
52

Robotiq Hand-E Gripper - Instruction Manual
4.6. Control Logic Example
Fig. 4-2: Example of Gripper control logic with corresponding registers.
53

Robotiq Hand-E Gripper - Instruction Manual
4.7. Modbus RTUCommunication
The Gripper can be controlled by Modbus RTU directly with RS485 or over USB using the ACC-ADT-USB-RS485. This section is
intended to provide guidelines for setting up a Modbus master that will adequately communicate with the Gripper.
For a general introduction to Modbus RTU and for details regarding the CRC algorithm, the reader is invited to read the Modbus over
serial line specification and implementation guide available at: http://www.modbus.org/docs/Modbus_over_serial_line_V1_02.pdf.
For debugging purposes, the reader is also invited to download one of many free Modbus scanners such as the CAS Modbus Scanner
from Chipkin Automation Systems available at: http://www.store.chipkin.com/products/tools/cas-modbus-scanner.
Info
Modbus RTU is a communication protocol based on a Big Endian byte order. Therefore, the 16-bit register addresses are
transmitted with the most significant byte first. However, the data port is in the case of Robotiq products based on the Little
Endian byte order. As such, the data parts of Modbus RTU messages are sent with the less significant byte first.
Tip
Modbus RTUspecifications and details can be found at www.modbus.org.
54

Robotiq Hand-E Gripper - Instruction Manual
4.7.1. Connection Setup
The following table describes the connection requirements for controlling the Gripper using the Modbus RTU protocol.
PROPRIETY DEFAULT VALUE
Physical Interface RS-4851
Baud Rate2115,200 bps
Data Bits 8
Stop Bit21
Parity2None
Supported Functions
Read Holding Registers (FC03)
Read Input Registers (FC04)
Preset Multiple Registers (FC16)
Master read & write multiple registers (FC23)
Exception Responses Not supported
Slave ID20x0009 (9)
Robot Output / Gripper Input First Register 0x03E8 (1000)
Robot Input / Gripper Output First Register 0x07D0 (2000)
Termination Resistor2120 ohms
1Various converters are available in the Spare Parts, Kits and Accessories section.
2These parameters can be adjusted using the Robotiq User Interface.
Each register (word - 16 bits) of the Modbus RTU protocol is composed of 2bytes (8 bits) from the Gripper. The first Gripper output
Modbus register(0x07D0) is composed from the first 2Robotiq Gripper bytes (byte 0 and byte 1).
Info
200 Hz is the maximum speed when commanding / reading from the Robotiq Gripper. It is therefore recommended to send
commands with a minimum delay of 5 ms between them.
Info
120 Ohms termination resistor is already present on the converter and the Gripper. If multiple grippers are connected in
parallel on the same RS485 cable, termination resistor must be set to OFF in communication parameters.
55

Robotiq Hand-E Gripper - Instruction Manual
4.7.2. Read holding registers (FC03)
Function code 03 (FC03) is used for reading the status of the Gripper (robot input). Examples of such data are Gripper status, object
status, finger position, etc.
Example of an FC03 read function:
This message asks for register 0x07D0 (2000) and register 0x07D1 (2001) which contains Gripper Status, Object Detection, Fault Status
and Position Request Echo.
Request is: 09 03 07 D0 00 02 C5 CE
Bits Description
09 SlaveID
03 Function Code 03 (Read Holding Registers)
07D0 Address of the first requested register
0002 Number of registers requested (2)
C5CE Cyclic Redundancy Check (CRC)
Response is: 09 03 04 E0 00 00 00 44 33
Bits Description
09 SlaveID
03 Function Code 03 (Read Holding Registers)
04 Number of data bytes to follow (2 registers x 2 bytes/register = 4 bytes)
E000 Content of register 07D0
0000 Content of register 07D1
4433 Cyclic Redundancy Check (CRC)
56

Robotiq Hand-E Gripper - Instruction Manual
4.7.3. Read input registers (FC04)
Function code 04 (FC04) is used for requesting the status of the Gripper's analog input register. Examples of such data are Gripper
status, object status, finger position, etc.
Example of an FC04 read function:
This message asks for register 0x07D0 (2000) and register 0x07D1 (2001) which contains Gripper Status, Object Detection, Fault Status
and Position Request Echo.
Request is: 09 04 07 D0 00 02 70 0E
Bits Description
09 SlaveID
04 Function Code 04 (Read Input Registers)
07D0 Address of the first requested register
0002 Number of registers requested (2)
700E Cyclic Redundancy Check (CRC)
Response is: 09 04 04 E0 00 00 00 44 33
Bits Description
09 SlaveID
04 Function Code 04 (Read Holding Registers)
04 Number of data bytes to follow (2 registers x 2 bytes/register = 4 bytes)
E000 Content of register 07D0
0000 Content of register 07D1
4584 Cyclic Redundancy Check (CRC)
57

Robotiq Hand-E Gripper - Instruction Manual
4.7.4. Preset multiple registers (FC16)
Function code 06 (FC16) is used to activate functionalities of the Gripper (robot output). Examples of such data are action request,
speed, force, etc.
Example of setting multiple registers FC16:
This message requests to set position request, speed and force of the Gripper by setting register 0x03E9 (1002) and 0x03EA.
Request is: 09 10 03 E9 00 02 04 60 E6 3C C8 EC 7C
Bits Description
09 SlaveID
10 Function Code 16 (Preset Multiple Registers)
03E9 Address of the first register
0002 Number of registers written to
04 Number of data bytes to follow (2 registers x 2 bytes/register = 4 bytes)
60E6 Value written to register 0x03E9
3CC8 Value written to register 0x03EA
EC7C Cyclic Redundancy Check (CRC)
Response is: 09 10 03 E9 00 02 91 30
Bits Description
09 SlaveID
10 Function Code 16 (Preset Multiple Registers)
03E9 Address of the first register
0002 Number of written registers
9130 Cyclic Redundancy Check (CRC)
58

Robotiq Hand-E Gripper - Instruction Manual
4.7.5. Master read & write multiple registers FC23
Function code 23 (FC23) is used for reading the status of the Gripper (robot input) and activating functionalities of the Gripper (robot
output) simultaneously. Examples of such data are Gripper status, object status, finger position, etc. Action requests are speed, force,
etc.
Example of reading and writing multiple registers FC23:
This message reads registers 0x07D0 (2000) and 0x07D1 (2001), which contains Gripper Status, Object Detection, Fault Status and
Position Request Echo. It also sets the position request, speed and force of the Gripper by writing to registers 0x03E9 (1001) and
0x03EA (1002).
Request is: 09 17 07 D0 00 02 03 E9 00 02 04 00 E6 3C C8 2D 0C
Bits Description
09 SlaveID
17 Function Code 23 (read and write multiple registers)
07D0 Address of the first requested register, read
0002 Number of registers requested (2), read
03E9 Address of the first register written to
0002 Number of registers written to (3)
04 Number of data bytes to follow (2 registers X 2 bytes/registers = 4 bytes)
00E6 Value written to register 0x03E9
3CC8 Value written to register 0x03EA
2D0C Cyclic Redundancy Check (CRC)
Response is: 09 17 04 01 00 09 E6 F6 C1
Bits Description
09 SlaveID
17 Function Code 23 (read and write multiple registers)
04 Number of data bytes to follow (2 registers x 2 bytes/register = 4 bytes)
1000 Content of register 07D0
59

Robotiq Hand-E Gripper - Instruction Manual
Bits Description
09E6 Content of register 07D1
F6C1 Cyclic Redundancy Check (CRC)
Note that the content of the response might change depending on the Gripper's status.
Info
The Gripper will execute the input command (i.e.: write), execute one cycle of motion, update the output, then return the
Modbus response read.
60

Robotiq Hand-E Gripper - Instruction Manual
4.7.6. Modbus RTU example
This section depicts the example from the Control Logic Example section, when programmed using the Modbus RTU protocol. The
example is typical of a pick and place application. After activating the Gripper, the robot is moved to a pick-up location to grip an
object. It moves again to a second location to release the gripped object.
Step 1: Activation Request ( clear and set rACT)
Request is (clear rAct): 09 10 03 E8 00 03 06 00 00 00 00 00 00 73 30
Bits Description
09 SlaveID
10 Function Code 16 (Preset Multiple Registers)
03E8 Address of the first register
0003 Number of registers written to
06 Number of data bytes to follow (3 registers x 2 bytes/register = 6 bytes)
0000 Value to write to register 0x03E9 (ACTION REQUEST = 0x01 and GRIPPER OPTIONS = 0x00): rACT = 1 for "Activate
Gripper"
0000 Value written to register 0x03EA
0000 Value written to register 0x03EB
7330 Cyclic Redundancy Check (CRC)
Response is: 09 10 03 E8 00 03 01 30
Bits Description
09 SlaveID
10 Function Code 16 (Preset Multiple Registers)
03E8 Address of the first register
0003 Number of written registers
0130 Cyclic Redundancy Check (CRC)
61

Robotiq Hand-E Gripper - Instruction Manual
Request is (set rAct): 09 10 03 E8 00 03 06 01 00 00 00 00 00 72 E1
Bits Description
09 SlaveID
10 Function Code 16 (Preset Multiple Registers)
03E8 Address of the first register
0003 Number of registers written to
06 Number of data bytes to follow (3 registers x 2 bytes/register = 6 bytes)
0100 Value to write to register 0x03E9 (ACTION REQUEST = 0x01 and GRIPPER OPTIONS = 0x00): rACT = 1 for "Activate
Gripper"
0000 Value written to register 0x03EA
0000 Value written to register 0x03EB
72E1 Cyclic Redundancy Check (CRC)
Response is: 09 10 03 E8 00 03 01 30
Bits Description
09 SlaveID
10 Function Code 16 (Preset Multiple Registers)
03E8 Address of the first register
0003 Number of written registers
0130 Cyclic Redundancy Check (CRC)
62

Robotiq Hand-E Gripper - Instruction Manual
Step 2: Read Gripper status until the activation is completed
Request is: 09 03 07 D0 00 01 85 CF
Bits Description
09 SlaveID
03 Function Code 03 (Read Holding Registers)
07D0 Address of the first requested register
0001 Number of registers requested (1)
85CF Cyclic Redundancy Check (CRC)
Response (if the activation IS NOT completed): 09 03 02 11 00 55 D5
Bits Description
09 SlaveID
03 Function Code 03 (Read Holding Registers)
02 Number of data bytes to follow (1 register x 2 bytes/register = 2 bytes)
1100 Content of register 07D0 (GRIPPER STATUS = 0x11, RESERVED = 0x00): gACT = 1 for "Gripper Activation", gSTA = 1 for
"Activation inprogress"
55D
5Cyclic Redundancy Check (CRC)
Response (if the activation IS completed): 09 03 02 31 00 4C 15
Bits Description
09 SlaveID
03 Function Code 03 (Read Holding Registers)
02 Number of data bytes to follow (1 register x 2 bytes/register = 2 bytes)
3100 Content of register 07D0 (GRIPPER STATUS = 0x31, RESERVED = 0x00): gACT = 1 for "Gripper Activation", gSTA = 3 for
"Activation is completed"
4C15 Cyclic Redundancy Check (CRC)
63

Robotiq Hand-E Gripper - Instruction Manual
Step 3: Move the robot to the pick-up location
Step 4: Close the Gripper at full speed and full force
Request is: 09 10 03 E8 00 03 06 09 00 00 FF FF FF 42 29
Bits Description
09 SlaveID
10 Function Code 16 (Preset Multiple Registers)
03E8 Address of the first register
0003 Number of registers written to
06 Number of data bytes to follow (3 registers x 2 bytes/register = 6 bytes)
0900 Value written to register 0x03E8 (ACTION REQUEST = 0x09 and GRIPPER OPTIONS = 0x00): rACT = 1 for "Activate
Gripper", rGTO = 1 for "Go to Requested Position"
00FF Value written to register 0x03E9 (GRIPPER OPTIONS 2 = 0x00 and POSITION REQUEST = 0xFF): rPR = 255/255 for full
closing of the Gripper
FFFF Value written to register 0x03EA (SPEED = 0xFF and FORCE = 0xFF): full speed and full force
4229 Cyclic Redundancy Check (CRC)
Response is: 09 10 03 E8 00 03 01 30
Bits Description
09 SlaveID
10 Function Code 16 (Preset Multiple Registers)
03E8 Address of the first register
0003 Number of written registers
0130 Cyclic Redundancy Check (CRC)
64

Robotiq Hand-E Gripper - Instruction Manual
Step 5: Read Gripper status until the grip is completed
Request is: 09 03 07 D0 00 03 04 0E
Bits Description
09 SlaveID
03 Function Code 03 (Read Holding Registers)
07D0 Address of the first requested register
0003 Number of registers requested (3)
040E Cyclic Redundancy Check (CRC)
Example of response if the grip is not completed: 09 03 06 39 00 00 FF 0E 0A F7 8B
Bits Description
09 SlaveID
03 Function Code 03 (Read Holding Registers)
06 Number of data bytes to follow (3 registers x 2 bytes/register = 6 bytes)
3900 Content of register 07D0 (GRIPPER STATUS = 0x39, RESERVED = 0x00): gACT = 1 for "Gripper Activation", gGTO = 1
for "Go to Position Request" and gOBJ = 0 for "Fingers are in motion"
00FF Content of register 07D1 (FAULT STATUS = 0x00, POSITION REQUEST ECHO = 0xFF): the position request echo tells
that the command was well received and that the GRIPPER STATUS is valid.
0E0A Content of register 07D2 (POSITION = 0x0E, FINGER CURRENT = 0x0A): the position is 14/255 and the motor current is
100mA (these values will change during motion)
F78B Cyclic Redundancy Check (CRC)
65

Robotiq Hand-E Gripper - Instruction Manual
Example of response if the grip is completed: 09 03 06 B9 00 00 FF BD 00 1D 7C
Bits Description
09 SlaveID
03 Function Code 03 (Read Holding Registers)
06 Number of data bytes to follow (3 registers x 2 bytes/register = 6 bytes)
B900 Content of register 07D0 (GRIPPER STATUS = 0xB9, RESERVED = 0x00): gACT = 1 for "Gripper Activation", gGTO = 1
for "Go to Position Request" and gOBJ = 2 for "Fingers have stopped due to a contact while closing"
00FF Content of register 07D1 (FAULT STATUS = 0x00, POSITION REQUEST ECHO = 0xFF): the position request echo tells
that the command was well received and that the GRIPPER STATUS is valid.
BD00 Content of register 07D2 (POSITION = 0xBD, FINGER CURRENT = 0x00): the position is 189/255 (can be used to validate
the size of the seized object)
1D7C Cyclic Redundancy Check (CRC)
Step 6: Move the robot to the release location
66

Robotiq Hand-E Gripper - Instruction Manual
Step 7: Open the Gripper at full speed and full force
Request is: 09 10 03 E8 00 03 06 09 00 00 00 FF FF 72 19
Bits Description
09 SlaveID
10 Function Code 16 (Preset Multiple Registers)
03E8 Address of the first register
0003 Number of registers written to
06 Number of data bytes to follow (3 registers x 2 bytes/register = 6 bytes)
0900 Value written to register 0x03E8 (ACTION REQUEST = 0x09 and GRIPPER OPTIONS = 0x00): rACT = 1 for "Activate
Gripper", rGTO = 1 for "Go to Requested Position"
0000 Value written to register 0x03E9 (GRIPPER OPTIONS 2 = 0x00 and POSITION REQUEST = 0x00): rPR = 0/255 for full
opening of the Gripper (partial opening would also be possible)
FFFF Value written to register 0x03EA (SPEED = 0xFF and FORCE = 0xFF): full speed and full force
7219 Cyclic Redundancy Check (CRC)
Response is: 09 10 03 E8 00 03 01 30
Bits Description
09 SlaveID
10 Function Code 16 (Preset Multiple Registers)
03E8 Address of the first register
0003 Number of written registers
0130 Cyclic Redundancy Check (CRC)
67

Robotiq Hand-E Gripper - Instruction Manual
Step 8: Read Gripper status until the opening is completed
Request is: 09 03 07 D0 00 03 04 0E
Bits Description
09 SlaveID
03 Function Code 03 (Read Holding Registers)
07D0 Address of the first requested register
0003 Number of registers requested (3)
040E Cyclic Redundancy Check (CRC)
Example of response if the opening is not completed: 09 03 06 39 00 00 00 BB 10 30 E0
Bits Description
09 SlaveID
03 Function Code 03 (Read Holding Registers)
06 Number of data bytes to follow (3 registers x 2 bytes/register = 6 bytes)
3900 Content of register 07D0 (GRIPPER STATUS = 0x39, RESERVED = 0x00): gACT = 1 for "Gripper Activation", gGTO = 1
for "Go to Position Request" and gOBJ = 0 for "Fingers are in motion"
0000 Content of register 07D1 (FAULT STATUS = 0x00, POSITION REQUEST ECHO = 0x00): the position request echo tells
that the command was well received and that the GRIPPER STATUS is valid.
BB10 Content of register 07D2 (POSITION = 0xBB, FINGER CURRENT = 0x10): the position is 187/255 and the motor current is
160mA (these values will change during motion)
30E0 Cyclic Redundancy Check (CRC)
68

Robotiq Hand-E Gripper - Instruction Manual
Example of response if the opening is completed: 09 03 06 F9 00 00 00 0D 00 56 4C
Bits Description
09 SlaveID
03 Function Code 03 (Read Holding Registers)
06 Number of data bytes to follow (3 registers x 2 bytes/register = 6 bytes)
F900 Content of register 07D0 (GRIPPER STATUS = 0xF9, RESERVED = 0x00): gACT = 1 for "Gripper Activation", gGTO = 1
for "Go to Position Request" and gOBJ = 3 for "Fingers are at requested position"
0000 Content of register 07D1 (FAULT STATUS = 0x00, POSITION REQUEST ECHO = 0x00): the position request echo tells
that the command was well received and that the GRIPPER STATUS is valid.
0D00 Content of register 07D2 (POSITION = 0x0D, FINGER CURRENT = 0x00): the position is 13/255 (the fingers have reached
their software limit)
564C Cyclic Redundancy Check (CRC)
Step 9: Loop back to step 3 if other objects have to be gripped.
69

Robotiq Hand-E Gripper - Instruction Manual
4.8. Control over Universal Robots with URCaps
The URCap package contains many features to program and control the Gripper. The package provides:
lGripper toolbar: The Gripper toolbar is automatically installed with the URCaps package. It allows jogging and testing of the Grip-
per. It is a great tool to try grasps with the Gripper while programming.
lGripper node: The URCaps package adds a Gripper node that is used to add a Gripper command. A node can make the Gripper
move to a specific opening, grasp an object and modify the speed and force applied by the Gripper.
Caution
Starting from Gripper URCap version 1.0.2, the gripper activation script command (rq_activate() or rq_activate_and_wait())
must be preceded by the reset command (rq_reset()). This will force the gripper's activation routine. Thus, if the gripper was
already activated, it will activateagain.
70

Robotiq Hand-E Gripper - Instruction Manual
4.8.1. Gripper Dashboard
Overview
Single Gripper
Open or create a robot program
1Go the Installation tab
2Select Gripper in the left pane
3Tap the Dashboard button
4In no Gripper is found, tap the Scan button to detect any Gripper that might be connected to the robot
5Tap the Activate button
Fig. 4-3: Gripper Dashboard (steps highlighted)
6If required, change the IDof the Gripper; ID numbers range from 1 to 4
Info
The default Gripper IDallocated to the first device connected is 1.
Fig. 4-4: Gripper IDmodification in the Gripper Dashboard
Info
The E-Open and E-Close buttons allow the user to open and close the Gripper even if the latter is not activated.
These emergency commands use very low speed and force settings.
71

Robotiq Hand-E Gripper - Instruction Manual
Multiple Grippers
Info
The URCap allows the user to connect and control up to 4Grippers at the same time.
Caution
If you wish to program using multiple grippers at the same time, connect them to the robot one after the other; each Gripper
connection requiring its own scan and activation before going on to the next.
For each Gripper connected, follow steps 3 to 6 set out in the Single Gripper section.
Features
Icon Functionality Name Description
Dashboard
After selecting Gripper in the left pane of the
Installation tab, tap this button to access the Gripper
Dashboard.
Activate/Reactivate The Activate and Reactivate buttons enables the
corresponding Gripper.
Not activated/Activated Gripper status: One or the other of these icons is
displayed next to the corresponding Gripper icon.
Gripper Label indicating the Gripper's ID, ranging from 1 to 4.
Scan
Command allowing for a detection of connected
Grippers. After tapping this button, the latter will
display in the Gripper Dashboard.
Change ID
Tap the arrow next to the textbox to expand a list of
available Gripper IDs. Selecting an available number
will allocate it to the corresponding Gripper.
E-Open
Tapping this button sends an emergency open
command to the corresponding Gripper, whether it is
activated or not.
E-Close
Tapping this button sends an emergency close
command to the corresponding Gripper, whether it is
activated or not.
72

Robotiq Hand-E Gripper - Instruction Manual
4.8.2. Gripper Calibration menu and wizard
Depending on the fingers/fingertips used, the operator will calibrate the Gripper and measure the stroke by defining the fully open and
fully closed positions.
Make sure the Gripper is activated.
1Go to the Installation tab
2Select Gripper in the left pane
3Tap the Calibration button at the top of the window
4Tap the Calibrate button next to the Gripper icon to launch the Calibration wizard
Info
A gripper that has not been calibrated will display open and closed values in percentage.
Fig. 4-5: Gripper Calibration menu with Grippers, not calibrated (steps highlighted)
73

Robotiq Hand-E Gripper - Instruction Manual
Tapping the Calibrate button in the Gripper Calibration menu launches the Calibration wizard.
Follow the instructions on the screen of the teach pendant.
Tip
Depending on the PolyScope settings defined by the user, the units of measurement can either display according to the
metric or imperial system.
Fig. 4-6: First step of the calibration wizard
Fig. 4-7: Second step of the calibration wizard
74

Robotiq Hand-E Gripper - Instruction Manual
Following their respective calibration, the Grippers will display their actual stroke, from the fully closed to the fully open position.
Fig. 4-8: Gripper Calibration menu with Grippers calibrated
Features
Icon Functionality Name Description
Calibration
After selecting the Gripper in the left pane
of the Installation tab, tap this button to
access the Gripper Calibration menu.
Calibrate/Recalibrate The Calibrate and Recalibrate buttons
launch the Gripper Calibration wizard.
Default (%)
Following a calibration, tap this button to
reset the calibration and return to the
default percentage values. The button is
greyed out if no calibration has been
performed for the corresponding Gripper.
Gripper Label indicating the Gripper's ID, ranging
from 1 to 4.
Fully closed dimension table header Visual aid above the fully closed
dimensions in the Calibration menu.
75

Robotiq Hand-E Gripper - Instruction Manual
Icon Functionality Name Description
Fully open dimension table header Visual aid above the fully open dimensions
in the Calibration menu
Close Tap this button to close the Gripper in the
Calibration wizard.
Open Tap this button to open the Gripper in the
Calibration wizard.
Fully closed Visual aid for entering the fully closed
dimension in the Calibration wizard.
Fully open Visual aid for entering the fully open
dimension in the Calibration wizard.
Continue
Tap this button at the end of the first step
of the Calibration wizard in order to go to
the next step.
Finish
Tap this button at the the end of the
Calibration wizard to complete the
calibration process for the corresponding
Gripper.
76

Robotiq Hand-E Gripper - Instruction Manual
4.8.3. Gripper Toolbar
The Gripper Toolbar is generally used to test and jog the Gripper, meaning it has no effect on the programming of the robot.
Info
The Gripper URCap package contains the Gripper toolbar. Therefore, the toolbar is automatically installed with the URCap
package. The Gripper toolbar can be installed and used without the URCap package (please refer to the Gripper Toolbar
section for information on how to install the toolbar and the driver package without the URCap).
Overview
Right after the installation of the Gripper URCap, a collapsed Gripper toolbar will display at the top of the screen; please refer to the
figure below.
Fig. 4-9: Gripper toolbar (collapsed)
lTap the collapsed Gripper toolbar to expand it.
lWhen the Gripper is not activated, the toolbar displays the window in the figure below.
Info
If the Gripper has already been activated at this point, the toolbar will expand normally and allow for the testing and jogging
features. If that is the case, please refer to the following subsection.
Fig. 4-10: Gripper toolbar before activation (expanded)
Info
The Emergency open and Emergency close buttons allow the user to open and close the Gripper even if the latter is not
activated.
The emergency commands use very low speed and force settings.
lTap the Activate button to enable the Gripper
77

Robotiq Hand-E Gripper - Instruction Manual
Single Gripper
Caution
If the Gripper has not been calibrated at this point, the Open and Close values will remain in percentage. Please refer to the
Gripper Calibration menu and wizard section for instructions.
Once the Gripper is activated, the toolbar can be expanded and used to test and jog the Gripper
Fig. 4-11: Gripper toolbar after activation (expanded, single Gripper)
78

Robotiq Hand-E Gripper - Instruction Manual
Multiple Grippers
If multiple Grippers are used, check one or several Grippers and test their settings and features.
Tip
The first Gripper selected is the "master", meaning that its settings will be copied over to the others when they are selected.
In order to modify each Gripper's settings individually, select a Gripper, edit it, uncheck its box and carry on to the next
Gripper.
Info
For consistency, selecting multiple Grippers at the same time displays the open and close values in percentage since their
stroke might be different.
Fig. 4-12: Gripper toolbar (expanded, multiple Grippers)
79

Robotiq Hand-E Gripper - Instruction Manual
Features
Gripper activation
Icon Functionality Name Description
Gripper toolbar
Tap to toggle between the expanded and collapsed
Gripper toolbar. When greyed out, the functionality is not
available.
Activate Tap to activate the Gripper. The Gripper will fully open and
close to set the zero of the position value.
Emergency open Slowly moves the Gripper to its fully closed position.
Emergency close Slowly moves the Gripper to its fully open position.
80

Robotiq Hand-E Gripper - Instruction Manual
Gripper operation window
Primary Icon Functionality Name Description
Gripper toolbar
Tap to toggle between expanded and collapsed Gripper toolbar.
When greyed out, the functionality is not available.
Open Tap to fully open the Gripper.
Close Tap to fully close the Gripper.
Requested position
Shows the actual position of the Gripper according to the system of units
defined in PolyScope (imperial vs. metric).
If the Gripper is not calibrated, the values will display in percentage.
Requested speed
Shows the actual speed set of the Gripper.
l0% = minimum speed
l100%= maximum speed
Requested force
Shows the actual force set of the Gripper:
l0% : minimum force, regrasp feature disabled
l1% : minimum force, with regrasp feature enabled
l100% : maximum force, with regrasp feature enabled
Plus Tap to increase the corresponding parameter.
Minus Tap to decrease the corresponding parameter.
No object detected Icon shown when no object is detected during a grasp.
Object detected The icon shows a green checkmark when an object is detected during
agrasp.
81

Robotiq Hand-E Gripper - Instruction Manual
Show/hide Gripper Toolbar
It is possible to toggle between a shown and a hidden Gripper Toolbar.
1Create or load a robot program
2Tap the Installation tab
3Select Gripper in the left pane
4Tap the Dashboard submenu
5Check/Uncheck the box in the lower left corner
4.8.4. Gripper Node
To add and edit a Gripper node inside your robot program, follow the steps below:
lTap Program Robot
lOpen an empty program or load one.
82

Robotiq Hand-E Gripper - Instruction Manual
lGo to the Structure tab.
lGo to the URCaps submenu.
lTap the Gripper button.
Info
A Gripper node will be inserted in the program after tapping the
Gripperbutton.
lGo to the Command tab to edit the Gripper node previously inserted.
lTap Edit action to edit the node's parameters.
The Edit action screen will appear.
Info
The Gripper needs to be activated before it can receive a command. To do so, use the rq_activate_and_wait() function script
at the beginning of the program or activate with the Gripper toolbar. Starting from Gripper URCap version 1.0.2, the Gripper
activation script command (rq_activate() or rq_activate_and_wait()) must be preceded by the reset command (rq_reset()). This
will force the Gripper's activation routine. Thus, if the Gripper was already activated, it will activate again.
Command window
The Command window shows the requested action parameters for the Gripper node. Depending on the position, speed and force
parameters, warning messages may display.
To edit the Gripper node, tap Edit action (please refer to the Edit action screen section for more details).
83

Robotiq Hand-E Gripper - Instruction Manual
When the node is not defined, the Command window shows warning
messages. Tap Edit action to modify the Gripper’s action.
Caution
Tap the Go to position button prior to editing the action.
Whereas the command window displays the command that the
Gripper should execute in this particular node, the Edit action
screen displays the current Gripper position.
When the node requests the Gripper to close/open, the Command
window warns that a partial opening/closing should not be performed for
picking an object.
lFor positioning and partial movement of the hand, moving to a specific
position (between the fully open and fully close positions) issuitable.
lTo pick an object, use the close (or open) actions along with the object
detectionfeature (please refer to the Edit action screen section).
Info
When the action is set for multiple Grippers, the header lists the
selected Grippers (e.g. Grippers 1,2,3,4)
84

Robotiq Hand-E Gripper - Instruction Manual
When the Gripper action is set to close, a green "Close" icon appears.
When the Gripper action is to open, a green "Open" icon appears.
85

Robotiq Hand-E Gripper - Instruction Manual
Features
Icon Functionality
Name Description
Requested
position Shows the position requested for the current Gripper node. Read only.
Requested
speed Shows the speed requested for the selected Gripper node. Read only.
Requested force Shows the force requested for the selected Gripper node. Read only.
Go to position
Sends all node parameters (position, force, speed) to the Gripper.
Note: This button is disabled (grey) when the Gripper is already at the
node position or when the Gripper is not powered/activated.
Edit action Opens the Edit action screen, where you can edit the Gripper’s action
parameters.
Complete
motion
Selected by default.
Selected: The Gripper completes its motion before executing the next
action on the PolyScope program tree. This is slower but safer.
Do not
complete
motion
Selected by default.
Unselected: As soon as the Gripper starts moving, PolyScope will
execute the next action on the program tree. This allows you to move the
Gripper and robot at the same time.
Warning
message
section
Gripper not
activated
“Warning, the Gripper is not powered or not activated. The Gripper will
not move.”
Make sure that the Gripper is installed correctly and powered. You need
to activate it using the Gripper toolbar before running Gripper
commands.
Gripper action
undefined
“Gripper action undefined! Please edit action.”
When creating a new node, all action parameters are undefined. Tap the
edit action button to define parameters.
86

Robotiq Hand-E Gripper - Instruction Manual
Icon Functionality
Name Description
Object picking
warning
“Warning, if you are picking an object, use close (100%) or open (0%)
position.”
It is highly recommended to only use 0% or 100% position when trying
to pick an object.
Node name
Node name is automatically set to:
lGripper Open, when position = 0% or fully open value as defined in
the Calibrationwizard
lGripper Close, when position = 100% or fully closed value as defined
in the Calibrationwizard.
lGripper Move x%/mm/in, when position is between the fully open and
fully closedvalues.
Open request When position requested is 0%, or the fully opened value defined in the
Calibrationwizard.
Close request When position request is 100%.
87

Robotiq Hand-E Gripper - Instruction Manual
Edit action screen
Tap Edit action from the Command window and use the Edit action screen to edit the Gripper’s parameters and adjust its position,
speed and force. In normal usage conditions, the Gripper will move as soon as you change the position setting. The Gripper will not
move if it is not properly powered, connected and activated.
Caution
The Gripper needs to be activated before it can receive a command. To do so, use the rq_activate_and_wait() function script
at the beginning of the program or activate with the Gripper toolbar. Starting from Gripper URCap version 1.0.2, the gripper
activation script command (rq_activate() or rq_activate_and_wait()) must be preceded by the reset command (rq_reset()). This
will force the gripper's activation routine. Thus, if the gripper was already activated, it will activate again.
Single Gripper
Fig. 4-13: Edit action screen, single Gripper
88

Robotiq Hand-E Gripper - Instruction Manual
Multiple Grippers
lWhen selecting one gripper, all buttons are available. The action
will apply to the selected gripper.
lWhen jogging the position, the selected gripper will move auto-
matically.
lIt is possible to jog the position (%).
lWhen selecting two or more grippers, it is not possible to jog the
position.
lTo jog the position, select only one gripper, jog the position and
then select all grippers. The second gripper will move to the
requested position.
lWhen no grippers are selected, the action cannot be edited.
89

Robotiq Hand-E Gripper - Instruction Manual
Features
Primary Icon Functionality Name Description
Open Tap to fully open the Gripper. Use this when you want to grip an object (internal
grip), for example.
Close Tap to fully close the Gripper. Use this when you want to grip an object (external
grip), for example.
Requested position Shows the position request for the selected Gripper node.
Requested speed Shows the speed requested for the selected Gripper node. Use the Plus and
Minus icons to modify.
Requested force Shows the force requested for the selected Gripper node. Use the Plus and Minus
icons to modify.
Plus Tap to increase the corresponding parameter.
Minus Tap to decrease the corresponding parameter.
Cancel Cancels modifications and brings back the Gripper node command screen.
Save action
Saves settings into the selected Gripper node and brings back the Gripper node
command screen.
Note: This functionality is not available (grey) when the Gripper has the same
action parameters as the selected Gripper node.
No object detected Icon shown when no object is detected during a grasp.
Object detected Icon shows a green checkmark when an object is detected during a grasp.
90

Robotiq Hand-E Gripper - Instruction Manual
Warning
If the Gripper is powered and activated, it will move as soon as a change to the parameter is made (position, speed, force).
Tip
Change speed and force when grasping fragile objects or other specific parts. In all other cases, it is recommended to use
maximum speed and force.
Grip Check node
In order to add and edit a Grip Check node:
1Open a robot program or create one
2Go to the Installation tab
3Tap the URCaps submenu
4Select Grip Check
TheGrip Check node is pre-packaged as an If statement that prompts the user to select between if the object is detected and if the
object is not detected. Selecting the former option allows the user to check a box and choose whether or not the grasp should be
validated according to the object's dimension (in percentage if the Gripper is not calibrated, or in mm/in if the Gripper is calibrated—
depending on the PolyScope configuration).
91

Robotiq Hand-E Gripper - Instruction Manual
Given that the Grip Check node is an If statement, tapping the actual node in the Command tab brings up the option to add an Else
instruction to the program tree.
About
In this window, the user can access information such as the Gripper's hardware, software and firmware versions, the number of cycles
completed by the device and more.
1Create or load a robot program
2Tap the Installation tab
3Select Gripper in the left pane
4Tap the About submenu
92

Robotiq Hand-E Gripper - Instruction Manual
Error messages overview
If a program is running without the Gripper being activated, the program will stop at the execution of a Gripper node and the following
message will be displayed in a popup. Tap Stop Program and activate the gripper with the toolbar to continue or add an activation
command in the program (please refer to the Advanced Gripper Functions section).
Caution
Starting from Gripper URCap version 1.0.2, the Gripper activation command (rq_activate() or rq_activate_and_wait()) must be
preceded by the reset command (rq_reset()). This will force the gripper's activation routine. Thus, if the gripper was already
activated, it will activate again.
Gripper Program Template
With the URCap package installation, a program template will automatically be installed in the program folder of PolyScope. It contains
comments and pop up windows that explain Gripper nodes and advanced functions.
Load and open the gripper_tutorial.urp program located in the root program folder. Make sure the Gripper is well connected to the UR
controller. Run the program. You will see pop up windows with comments on the Gripper nodes and advanced functions.
Tip
Use the gripper_tutorial.urp to learn how to program the Gripper using nodes and advanced functions. You can copy the
tutorial and start a new program based on it.
93

Robotiq Hand-E Gripper - Instruction Manual
Advanced Gripper Functions
The use of Gripper URCap nodes allows to move the Gripper and modify its speed and force. However, some advanced functions are
only available through UR Script commands.
Info
The Gripper needs to be activated before it can receive a command. To do so, use the rq_activate_and_wait() function script
at the beginning of the program or activate with the Gripper toolbar.
The functions listed below can be called using subprograms in PolyScope or with a script. Functions with the suffix _and_wait will wait
for the Gripper to complete its operation before going to the next step.
Single Gripper
Name Description
rq_activate()
Sends the Gripper activation command. If it is already activated, nothing happens. Note that
the Gripper must be activated to complete any other operation. Program execution continues
before the end of activation.
rq_activate_and_wait()
Sends the Gripper activation command. If it is already activated, nothing happens. Note that
the Gripper must be activated to complete any other operation. Program execution waits for
theactivation.
rq_auto_release_close_and_wait() Slowly moves the Gripper to its maximum closed position. The Gripper must be activated after
this command. Meant for emergency procedures.
rq_auto_release_open_and_wait() Slowly moves the Gripper to its maximum opened position. The Gripper must be activated
after this command. Meant for emergency procedures.
rq_close() Moves the Gripper its fully closed position.
rq_close_and_wait() Moves the Gripper to its fully closed position and waits until the motion is completed to
execute the next command.
rq_current_pos()
Returns the current position of the fingers, from 0 to 255. Can be used to verify that the pick is
successful, by comparing the finger position when the pick was taught with the similar-sized
object.
rq_current_pos_norm()
Returns the current position of the fingers, normalized from 0% to 100%. Can be used to verify
that the pick is successful, by comparing the finger position when the pick was taught with the
similar-sized object.
rq_current_pos_mm()
Returns the current position of the fingers in millimeters, considering that the PolyScope
configuration has been set to use the metric system as measurement system. Can be used to
verify that the pick is successful, by comparing the finger position when the pick was taught with
the similar-sized object.
rq_current_pos_in()
Returns the current position of the fingers in inches, considering that the PolyScope
configuration has been set to use the imperial system as measurement system. Can be used to
verify that the pick is successful, by comparing the finger position when the pick was taught with
the similar-sized object.
rq_go_to() Sets the Go To bit to 1.
94

Robotiq Hand-E Gripper - Instruction Manual
Name Description
rq_is_gripper_activated() Sets global variable rq_gripper_act to 1 if the Gripper is activated and returns True. Otherwise
sets the variable to 0 and returns False.
rq_is_motion_complete()
Returns True if the motion of the Gripper is complete and False otherwise. Can be useful to
synchronize a program after a Gripper node is run without the option “Complete Gripper
motion before next action”.
rq_is_object_detected()
Returns True if the Gripper motion has stopped due to an object. Returns False if Gripper
motion was not impeded by an object. Useful for verifying that an object has been picked
correctly before going to the next step. Note: this function is not reliable for very small objects.
Refer to the user manual for more details.
rq_move_and_wait("position") Moves the Gripper to the position defined by the argument and waits until the motion
iscompleted.
rq_move("position") Moves the Gripper to the position defined by the argument.
rq_move_and_wait_norm
("position")
Moves the Gripper to the position defined by the argument, normalized from 0% to 100%.
Waits until the motion is completed.
rq_move_norm("position") Moves the Gripper to the position defined by the argument, normalized from 0% to 100%.
rq_open() Moves the Gripper to its fully opened position.
rq_open_and_wait() Moves the Gripper to its fully opened position and waits until the motion is completed.
rq_print_gripper_driver_state() Prints the driver's state to the UR log window.
rq_print_gripper_driver_version() Prints the driver version to the UR log window.
rq_print_gripper_fault_code() Prints the Gripper's fault code in the UR log window.
rq_print_gripper_firmware_version() Prints the Gripper's firmware version to the UR log window.
rq_print_gripper_num_cycles() Prints the Gripper's number of cycles in the UR log window.
rq_reset() Resets the Gripper's activation status. Use after an autorelease before activating the Gripper.
rq_set_force("force") Sets the Gripper's force defined by the argument, from 0 to 255.
rq_set_force_norm("force") Sets the Gripper's force defined by the argument, normalized from 0% to 100%.
rq_set_speed("speed") Sets the Gripper's speed defined by the argument, from 0 to 255.
rq_set_speed_norm("speed") Sets the Gripper's speed defined by the argument, normalized from 0% to 100%.
rq_stop() Stops the Gripper's motion. The Go To bit is set to 0.
95

Robotiq Hand-E Gripper - Instruction Manual
Multiple Grippers
Here is an example of how to use the script commands with more than one gripper.
Fig. 4-14: Example of URscript commands with multiple Grippers
96

Robotiq Hand-E Gripper - Instruction Manual
The functions listed below can be called using subprograms in PolyScope or with a script. Functions with the suffix _and_wait will wait
for the Gripper to complete its operation before going to the next step.
Name Description
rq_activate("gripper ID")
Sends the Gripper activation command. If it is already activated, nothing happens. Note that
the Gripper must be activated to complete any other operation. Program execution continues
before the end of activation.
rq_activate_and_wait("gripper ID")
Sends the Gripper activation command. If it is already activated, nothing happens. Note that
the Gripper must be activated to complete any other operation. Program execution waits for
theactivation.
rq_auto_release_close_and_wait
("gripperID")
Slowly moves the Gripper to its maximum closed position. The Gripper must be activated after
this command. Meant for emergency procedures.
rq_auto_release_open_and_wait
("gripperID")
Slowly moves the Gripper to its maximum opened position. The Gripper must be activated
after this command. Meant for emergency procedures.
rq_close("gripper ID") Moves the Gripper its fully closed position.
rq_close_and_wait("gripper ID") Moves the Gripper to its fully closed position and waits until the motion is completed to
execute the next command.
rq_current_pos("gripper ID")
Returns the current position of the fingers, from 0 to 255. Can be used to verify that the pick is
successful, by comparing the finger position when the pick was taught with the similar-sized
object.
rq_current_pos_norm("gripper ID")
Returns the current position of the fingers, normalized from 0% to 100%. Can be used to verify
that the pick is successful, by comparing the finger position when the pick was taught with the
similar-sized object.
rq_current_pos_mm("gripper ID")
Returns the current position of the fingers in millimeters, considering that the PolyScope
configuration has been set to use the metric system as measurement system. Can be used to
verify that the pick is successful, by comparing the finger position when the pick was taught with
the similar-sized object.
rq_current_pos_in("gripper ID")
Returns the current position of the fingers in inches, considering that the PolyScope
configuration has been set to use the imperial system as measurement system. Can be used to
verify that the pick is successful, by comparing the finger position when the pick was taught with
the similar-sized object.
rq_go_to("gripper ID") Sets the Go To bit to 1.
rq_is_gripper_activated("gripper
ID")
Sets global variable rq_gripper_act to 1 if the Gripper is activated and returns True. Otherwise
sets the variable to 0 and returns False.
rq_is_motion_complete("gripper
ID")
Returns True if the motion of the Gripper is complete and False otherwise. Can be useful to
synchronize a program after a Gripper node is run without the option “Complete Gripper
motion before next action”.
rq_is_object_detected("gripper
ID")
Returns True if the Gripper motion has stopped due to an object. Returns False if Gripper
motion was not impeded by an object. Useful for verifying that an object has been picked
correctly before going to the next step. Note: this function is not reliable for very small objects.
Refer to the user manual for more details.
rq_move_and_wait("position",
"gripper ID")
Moves the Gripper to the position defined by the argument and waits until the motion
iscompleted.
97

Robotiq Hand-E Gripper - Instruction Manual
Name Description
rq_move("position") Moves the Gripper to the position defined by the argument.
rq_move_and_wait_norm
("position")
Moves the Gripper to the position defined by the argument, normalized from 0% to 100%.
Waits until the motion is completed.
rq_move_norm("position",
"gripper ID") Moves the Gripper to the position defined by the argument, normalized from 0% to 100%.
rq_open("gripper ID") Moves the Gripper to its fully opened position.
rq_open_and_wait("gripper ID") Moves the Gripper to its fully opened position and waits until the motion is completed.
rq_print_gripper_driver_state
("gripper ID") Prints the driver's state to the UR log window.
rq_print_gripper_driver_version
("gripper ID") Prints the driver version to the UR log window.
rq_print_gripper_fault_code
("gripper ID") Prints the Gripper's fault code in the UR log window.
rq_print_gripper_firmware_version
("gripper ID") Prints the Gripper's firmware version to the UR log window.
rq_print_gripper_num_cycles
("gripper ID") Prints the Gripper's number of cycles in the UR log window.
rq_reset("gripper ID") Resets the Gripper's activation status. Use after an autorelease before activating the Gripper.
rq_set_force("force", "gripper ID") Sets the Gripper's force defined by the argument, from 0 to 255.
rq_set_force_norm("force",
"gripper ID") Sets the Gripper's force defined by the argument, normalized from 0% to 100%.
rq_set_speed("speed", "gripper
ID") Sets the Gripper's speed defined by the argument, from 0 to 255.
rq_set_speed_norm("speed",
"gripper ID") Sets the Gripper's speed defined by the argument, normalized from 0% to 100%.
rq_stop("gripper ID") Stops the Gripper's motion. The Go To bit is set to 0.
98

Robotiq Hand-E Gripper - Instruction Manual
4.8.5. Retro-compatibility of URCaps with legacy driver programs
The Gripper URCap can be used within programs that were made with the legacy driver package. To do so, you need to do the
followingmodifications:
1. Open your .urp program in PolyScope and execute it.
a. You should see an error message that tells you that some functions are double defined. This is because the URCap
embeds the functions directly in the program preamble, so there is no need for a BeforeStart section.
2. Comment all the lines of the BeforeStart section from your older .urp program.
a. You will still get an error. It arises because we changed some functions names due to a naming conflict.
3. To solve the problem, you can either suppress those functions or rename them.
Since they are probably not used in a production program, the fastest would be to suppress them, as shown in the figure
below.
Fig. 4-15: Older program's subprograms to suppress or rename to use with URCaps package.
Here is the list of the functions that were renamed:
lrq_print_fault_code -> rq_print_gripper_fault_code
lrq_print_num_cycles -> rq_print_gripper_num_cycles
lrq_print_driver_state -> rq_print_gripper_driver_state
lrq_print_firmware_version -> rq_print_gripper_firmware_version
lrq_print_driver_version -> rq_print_gripper_driver_version
99

Robotiq Hand-E Gripper - Instruction Manual
4.9. Control over Universal Robots without URCaps
If your Universal Robots controller is not compatible with the URCap package (see Installation for Universal Robots section) for
compatibility), you can install the driver package. This package allows programming of the Gripper with scripts in a PolyScope
program. It includes program templates and examples to help you get started with your own custom program. It also contains the
Gripper toolbar for jogging and controlling the Gripper.
4.9.1. Gripper Toolbar
Overview
The Gripper toolbar is automatically installed with the driver package. The Gripper toolbar allows you to jog and test the Gripper. It is a
great tool to try grasps with the Gripper while programming.
Toolbar collapsed Toolbar expanded, Gripper activation window Toolbar expanded, Gripper
operation window :
Tap the Gripper
button to expand
thetoolbar.
lWhen the Gripper is not activated, the toolbar shows thiswindow.
lYou need to tap the Activate button to be able to jog the
Gripper.
lEmergency open and close allows you to control the Grip-
per without activating, this mode will use a very low speed
and forcesetting
Use the buttons of this window to jog
and test the Gripper.

Robotiq Hand-E Gripper - Instruction Manual
Features
Toolbar collapsed
Icon Functionality Name Description
Gripper toolbar Tap to toggle between expand and collapse the Hand-E Gripper toolbar.
When grey, the functionality is not available.
Activate Tap to activate the Hand-E Gripper. The Gripper will fully open and close to
set the zero of the position value..
Emergency open Slowly moves the Gripper to its fully closed position.
Emergency close Slowly moves the Gripper to its fully open position.
101

Robotiq Hand-E Gripper - Instruction Manual
Toolbar expanded
Icon Functionality Name Description
Gripper toolbar Tap to toggle between expand and collapse the Hand-E Gripper toolbar.
When grey, the functionality is notavailable.
Open Tap to fully open the Gripper.
Close Tap to fully close the Gripper.
Position Requested position
Shows the actual position of the Gripper:
l0% : fully open
l100% : fully closed
Speed Requested speed
Shows the actual speed set of the Gripper:
l0% : minimum speed
l100% : maximum speed
Force Requested force
Shows the actual force set of the Gripper:
l0% : minimum force, regrasp feature disabled
l1% : minimum force, with regrasp feature enabled
l100% : maximum force, with regrasp feature enabled
Increase force Tap to increase the force request.
Decrease force Tap to decrease the force request.
Increase speed Tap to increase the speed request..
Decrease speed Tap to decrease the speed request.
No object detected Icon shown when no object is detected during a grasp.
Object detected Icon shown when an object is detected during a grasp.

Robotiq Hand-E Gripper - Instruction Manual
When communication with the Gripper is not established, the expanded toolbar shows the driver version:
Fig. 4-16: Gripper toolbar expanded with driver version
Info
The driver state "RQ_STATE_INIT" means the driver is attempting to connect to a Robotiq Gripper. When connection is
established, the normal toolbar detailed above will appear.
Tip
If you see the following toolbar with communication not established, check if your Gripper is powered first, then check if the
RS-485 to USB converter is properly wired.
103

Robotiq Hand-E Gripper - Instruction Manual
4.9.2. Demo Scripts
The following section details the demo scripts provided with the driver package.
pick_and_place_demo_with_subprograms.script is a demo script for pick and place applications using provided subprograms. The
script uses subprograms included in the package such as rq_set_force, rq_set_speed, etc.
Info
All provided subprograms are identified with the prefix rq_.
The script uses rq_speed and rq_force as speed and force parameters to be used during the program. They can be modified using
values from 0 to 255 (please refer to the Provided Variables and Functions section).
The script executes the following actions in sequence :
lAssign initial values to the global variables in the Init Variables section.
lInitiate the communication with the Gripper in the BeforeStart section.
lThe Robot Program section contains the commands sent to the Gripper:
lActivate the Gripper with SubP_rq_activate_and_wait.
Info
Remember that all _and_wait subprograms will wait for the action to be completed before going to the next step.
lMove the robot to a predetermined position
Tip
Run with Universal Robots simulator first or make sure that the UR robot work area is totally cleared before running the
script, as it will move therobot.
lClose the Gripper with rq_close_and_wait.
lWatch for object detection status:
lIf an object is detected, the script moves the robot and opens the Gripper.
lIf no object is detected, the script prompts a warning
.pick_and_place_demo_async_partial_opening_without_subprograms.script is similar to the previous demo, but without using
subprograms. This demo uses asynchronous commands so that the robot and the Gripper will move at the same time (the previous
example had the Gripper and the robot move separately).

Robotiq Hand-E Gripper - Instruction Manual
4.9.3. Custom Programs
You can create your own program that commands the Gripper with the provided templates :
lOpen basic_template.script in the list of provided templates;
lPush play to test the Gripper. The program will activate the Gripper and then do a loop of closing and opening the Gripper;
lAdd your instructions under the robot program section. Program instructions can be added with PolyScope.
When programming an object pick up, use the rq_is_object_detected subprogram and rq_object_detect variable to know if
an object has been picked. The subprogram sets the rq_object_detect variable to 1 if an object is detected, 0 otherwise.
Subprograms with the _and_wait will wait for the instruction to be completed before going to the next step. For example, rq_
close_and_wait will wait for the motion to be completed before continuing to the next step, while rq_close will initiate motion
and go to the next programmed step.
As shown in the figure below, the basic_template program will execute these instructions in a sequence:
lAssign initial values to the global variables with the Init Variables section.
lInitiate communication with the Gripper with the Before Start section.
lThe Robot Program section contains the commands sent to the Gripper:
lActivate the Gripper with SubP_rq_activate_and_wait.
lClose the Gripper with rq_close_and_wait.
lOpen the Gripper with rq_open_and_wait.
Fig. 4-17: Basic template as shown in UR PolyScope.
When using the advanced_template, you have access to all of the subprograms listed in the Provided Variables and Functions section.
Unused subprograms can be removed from the list. You must use global variables to pass information, not arguments.
105

Robotiq Hand-E Gripper - Instruction Manual
4.9.4. Provided Variables and Functions
The file rq_script.script contains function definitions and variables that enhance the programming of the Gripper. Here is the list of
these variables and functions.
Variables are used when programming the Gripper using subprograms. Since it is not possible to pass arguments to subprograms, the
global variables listed below must be used.
Name Range Description
rq_force() [0-255] Force set point. Change this variable by calling the subprogram SubP_rq_set_force.
rq_gripper_
act() [0-1] 1 if the Gripper is activated. This variable is updated by calling either SubP_rq_is_gripper_
activated or SubP_rq_activate_and_wait.
rq_move_
complete() [0-1]
1 if the motion is complete. This variable is updated by calling one of the following:
lSubP_rq_move_and_wait;
lSubP_rq_open_and_wait;
lSubP_rq_close_and_wait;
lSubP_rq_is_motion_complete.
rq_object_
detect() [0-1]
1 if an object is detected. This variable is updated by calling one of the following:
lSubP_rq_move_and_wait;
lSubP_rq_open_and_wait;
lSubP_rq_close_and_wait;
lSubP_rq_is_object_detected.
rq_pos() [0-255] Position set point. This variable is updated by calling SubP_rq_current_pos.
rq_speed() [0-255] Speed set point. Change this variable by calling the subprogram SubP_rq_set_speed.

Robotiq Hand-E Gripper - Instruction Manual
Name Description
rq_activate()
Sends the Gripper activation command. If it is already activated, nothing happens. Note that
the Gripper must be activated to complete any other operation. Program execution
continues before the end of activation.
rq_activate_and_wait()
Sends the Gripper activation command. If it is already activated, nothing happens. Note that
the Gripper must be activated to complete any other operation. Program execution waits for
the activation.
rq_auto_release_close_and_
wait()
Slowly moves the Gripper to its maximum closed position. The Gripper must be activated
after this command. Meant for emergency procedures.
rq_auto_release_open_and_
wait()
Slowly moves the Gripper to its maximum opened position. The Gripper must be activated
after this command. Meant for emergency procedures.
rq_close() Moves the Gripper its fully closed position.
rq_close_and_wait() Moves the Gripper to its fully closed position and waits until the motion is completed to
execute the next command.
rq_current_pos() Sets global variable rq_pos to the current Gripper position and returns this value.
rq_is_gripper_activated() Sets global variable rq_gripper_act to 1 if the Gripper is activated and returns True.
Otherwise sets the variable to 0 and returns False.
rq_is_motion_complete() Sets global variable rq_mov_complete to 1 if the Gripper motion is complete and returns
True. Otherwise sets the variable to 0 and returns False.
rq_is_object_detected() Sets global variable rq_obj_detect to 1 if the Gripper has detected an object and returns
True. Otherwise, sets the variable to 0 and returns False.
rq_move_and_wait() Moves the Gripper to the position defined by the argument and waits until the motion is
completed.
rq_move() Moves the Gripper to the position defined by the argument.
rq_open() Moves the Gripper to its fully opened position.
rq_open_and_wait() Moves the Gripper to its fully opened position and waits until the motion is completed.
rq_set_force() Writes the value of rq_force into the force setting.
rq_set_speed() Writes the value of rq_speed into the speed setting.
107

6. Specifications
Info
The following manual uses the metric system, unless specified, all dimensions are in millimeters.
The following sub-sections provide data on the various specifications for Hand-E.
lSection 6.1: technical dimensions of Hand-E:
lDimensions for custom fingertips
lDimensions of available fingertips
lSection 6.2: mechanical specifications
lSection 6.3: electrical specifications
Robotiq Hand-E Gripper - Instruction Manual

Robotiq Hand-E Gripper - Instruction Manual
6.1. Technical dimensions
The figure below represents the Gripper's dimensions with axes X, Y, Z, and origin referenced for finger motion.
Info
All technical drawings in the present section are shown with the basic aluminum fingers.
Fig. 6-1: General dimensions of Hand-E (open)
110

Robotiq Hand-E Gripper - Instruction Manual
6.1.1. Couplings
Hand-E requires a coupling provided by Robotiq to operate.
The coupling is mandatory since it integrates electronics and electrical contacts.
Blank coupling
Below are the dimensions of the blank coupling, AGC-CPL-BLANK-002 (please refer to the Spare Parts, Kits and Accessories section),
available to create a custom bolt pattern. The blue section can be fully customized (holes can be placed in any part of this section) while
the grey section can only be worked to a depth of3mm.
Fig. 6-2: Workable area dimensions of blank coupling AGC-CPL-BLANK-002

Robotiq Hand-E Gripper - Instruction Manual
Coupling for ISO 9409-1-50-4-M6
Bolt pattern for coupling GRP-CPL-062 (please refer to the Spare Parts, Kits and Accessories section) is compatible with:
l50 mm pitch circle diameter:
l(4) M6-1.0 low head socket cap screw clearance
l(1) M6 indexing pin
lISO 9409-1 standard 50-4-M6
Fig. 6-3: Coupling for ISO 9409-1-50-4-M6.
112

Robotiq Hand-E Gripper - Instruction Manual
Coupling for ISO 9409-1-31.5-4-M5
Bolt pattern for coupling AGC-CPL-063-002 (please refer to the Spare Parts, Kits and Accessories section) is compatible with:
l31.5 mm pitch circle diameter:
l(4) M5-0.8 low head socket cap screw clearance
l(1) M5 indexing pin
lISO 9409-1 standard 31.5-4-M5
Fig. 6-4: Coupling for ISO 9409-1-31.5-4-M5.

Robotiq Hand-E Gripper - Instruction Manual
Coupling for ISO 9409-1-40-4-M6
Bolt pattern for coupling AGC-CPL-064-002 (please refer to the Spare Parts, Kits and Accessories section) is compatible with:
l40 mm pitch circle diameter:
l(4) M6-1.0 low head socket cap screw clearance
l(1) M6 indexing pin
lISO 9409-1 standard 40-4-M6
Fig. 6-5: Coupling for ISO 9409-1-40-4-M6.
114

Robotiq Hand-E Gripper - Instruction Manual
Coupling for PCD 56 with 8 x M4
Bolt pattern for coupling AGC-CPL-065-002 (please refer to the Spare Parts, Kits and Accessories section) is compatible with:
l56 mm pitch circle diameter:
l(8) M4-0.7 low head socket cap screw clearance
l(1) M4 indexing pin
l62 mm diameter internal insert
Fig. 6-6: Coupling for PCD 56 mm with 8 x M4 clearance.
Info
Although coupling AGC-CPL-065-002 is compatible with 8 x M4 threads on a 56 mm PCD it uses only 6 of the 8 normally
present holes.

Robotiq Hand-E Gripper - Instruction Manual
Coupling for PCD 56 with 6 x M4
Bolt pattern for coupling AGC-CPL-066-002 (please refer to the Spare Parts, Kits and Accessories section) is compatible with:
l56 mm pitch circle diameter:
l(6) M4-0.7 low head socket cap screw clearance
l(1) M6 indexing pin
l42 mm diameter external insert
Fig. 6-7: Coupling for PCD 56 mm with 6 x M4 clearance.
116

Robotiq Hand-E Gripper - Instruction Manual
Coupling for PCD 60 with 4 x M5
Bolt pattern for coupling AGC-CPL-067-002 (please refer to the Spare Parts, Kits and Accessories section) is compatible with:
l60 mm pitch circle diameter:
l(4) M5-0.8 low head socket cap screw clearance
l(1) M5 indexing pin
l34 mm diameter external insert
Fig. 6-8: Coupling for PCD 60 mm with 4 x M5 clearance.

Robotiq Hand-E Gripper - Instruction Manual
Coupling for PCD 63 with 6 x M6
Bolt pattern for coupling AGC-CPL-068-002 (please refer to the Spare Parts, Kits and Accessories section) is compatible with:
l63 mm pitch circle diameter:
l(6) M6-1.0 low head socket cap screw clearance
l(2) M6 indexing pins
Fig. 6-9: Coupling for PCD 63 mm with 6 x M6 clearance.
118

Robotiq Hand-E Gripper - Instruction Manual
6.1.2. Fingers and fingertips
The contact grip points for Hand-E are its two fingertip pads.
Fingertip options are supplied by Robotiq (please refer to the Spare Parts, Kits and Accessories section). Users can create their own
fingertips from scratch. The figure below represents the fingertip holder, the permanent, non customizable part of the Gripper finger on
which the fingertip must be mounted.
Custom fingertip design must meet the following specifications:
lForces exerted at the end of the fingertips must not exceed 100 N , regardless of the direction. Please refer to the Moment and force
limits section for more details.
Warning
The following limits must be respected at all times.
Calculation of maximum moment and force should include robot acceleration and safety factors.
lRefer to Mechanical specifications section to evaluate the grip force according to your fingertip design.
Info
You can install custom fingertips directly on the rack or on the fingertip holder.
Tip
Fingertips can be mounted directly on the racks or on fingertip holders.
Rack
A finger is installed directly on a rack. You may customize your own fingers that will mount on this part. The basic aluminum fingers
(HND-FIN-ALU-KIT) are mounted directly onto it.
Fig. 6-10: Racks in rack housing

Robotiq Hand-E Gripper - Instruction Manual
Basic aluminum finger
The figure below represents the basic aluminum fingertip (HND-FIN-ALU-KIT); please refer to the Spare Parts, Kits and Accessories
section. This finger allows a 0-50 mm stroke.
Fig. 6-11: Aluminum finger
Fingertip holder
In order to install fingertips on the racks, fingertip holders must be used (HND-TIP-HLD-KIT); please refer to the Spare Parts, Kits and
Accessories section. You may customize fingertips to install directly on those. Both the flat silicone (HND-TIP-SLC-KIT) and V-groove
fingertips , (HND-TIP-VGR-KIT) install on the fingertip holders.
Fig. 6-12: Fingertip holder
120

Robotiq Hand-E Gripper - Instruction Manual
Flat silicone fingertip
The figure below represents a flat silicone fingertip (HND-TIP-SLC-KIT); please refer to the Spare Parts, Kits and Accessories section.
This fingertip has a flat silicone surface with an optimal friction coefficient for picking parts. This fingertip must be mounted on a rack
using the fingertip holder (HND-TIP-HLD-KIT).
Fig. 6-13: Flat silicone fingertip

Robotiq Hand-E Gripper - Instruction Manual
Grooved fingertip
The figure below the available grooved fingertip (HND-TIP-VGR-KIT); please refer to the Spare Parts, Kits and Accessories section. This
fingertip has a grooved surface with an optimal shape for picking cylindrical parts (by its horizontal and vertical grooves). This fingertip
must be mounted on the racks using the fingertip holder (HND-TIP-HLD-KIT).
Fig. 6-14: Grooved fingertip
122

Robotiq Hand-E Gripper - Instruction Manual
6.2. Mechanical specifications
6.2.1. Specifications:
Specification Metric Units Imperial Units
Gripper opening 0 - 50 mm 0 - 1.97 in.
Maximum recommended payload 5 kg 11 lbs
Maximum recommended payload, friction grip
3.3 kg 6.6 lbs
Gripper height (without fingertips) 100.5 mm 3.94 in
Gripper diameter 75 mm 2.95 in
Gripper weight (including coupling) 1070 g 2.3 lbs
Grip force 60 - 130 N 13.5 - 27 lbf
Finger speed 20 to 150 mm/s 0.8 to 5.9 in/s
Info
All specs are measured with coupling GRP-CPL-062 and basic aluminum fingertips (HND-FIN-ALU-KIT).

Robotiq Hand-E Gripper - Instruction Manual
Payload and force
Actuation force model used to calculate the recommended friction payload (W):
where:
lFis the force that is applied to the load by the Gripper.
lCf is the friction coefficient between the fingertip and the part load.
lSf is a safety factor to be determined by the robot integrator.
Fig. 6-15: Actuation force on the fingertip of the Hand-E Gripper
Info
lThe Actuation Force is the force that can be applied to an object by the motor of the Gripper.
lThe Gripper has a power off brake. This means that when no power goes to the Gripper, the fingers are blocked.
Info
For example, if the silicone fingertips (HND-TIP-SLC-KIT) are used to lift a lubricated steel part (machine tending with cutting
oils), the friction coefficient would be 0.3 (tested static coefficient of friction).
Maximum weight with a safety factor of 2.4 and maximum force would be:
W = (2 x 130 N x 0.3) / 2.4 = 32.5 N
This calculation means that a 3.3 kg part will be held by the Gripper when not moving (standing still). When accelerating, the
payload will decrease.
The biggest factor in such calculations will always be the friction coefficient, we recommend testing the coefficient.
Warning
You must consider the robot acceleration in your payload calculations.
Robot emergency stops will lead to major deceleration velocities.
124

Robotiq Hand-E Gripper - Instruction Manual
6.2.2. Center of mass and tool center point
Couplings are included when Grippers are not mounted on the Camera. Dual Gripper adapter plates are included where appropriate.
End-of-arm tooling
TCP (mm) Center of mass (mm)
Mass (g)Gripper 1 Gripper 2
X Y Z
X Y Z X Y Z
FT 300 Force Torque Sensor 0.0 0.0 37.5 - - - 0.0 0.0 17.0 300.0
Wrist Camera 0.0 0.0 23.5 - - - 0.0 5.0 9.0 230.0
2F-85 0.0 0.0 171.0 - - - 0.0 0.0 57.0 900.0
2F-140 0.0 0.0 241.0 - - - 0.0 0.0 66.0 975.0
Hand-E 0.0 0.0 156.8 - - - 0.0 0.0 58.0 1070.0
FTSensor + 2F-85 0.0 0.0 208.5 - - - 0.0 0.0 75.1 1200.0
FTSensor + 2F-140 0.0 0.0 278.5 - - - 0.0 0.0 83.1 1275.0
FTSensor + Hand-E 0.0 0.0 194.3 - - - 0.0 0.0 78.3 1370.0
Camera + 2F-85 0.0 0.0 194.5 - - - 0.0 1.0 65.9 1130.0
Camera + 2F-140 0.0 0.0 264.5 - - - 0.0 1.0 74.1 1205.0
Camera + Hand-E 0.0 0.0 180.3 - - - 0.0 0.9 68.7 1300.0
FTSensor + Camera + 2F-85 0.0 0.0 232.0 - - - 0.0 0.8 85.3 1430.0
FTSensor + Camera + 2F-140 0.0 0.0 302.0 - - - 0.0 0.8 92.8 1505.0
FTSensor + Camera + Hand-E 0.0 0.0 217.8 - - - 0.0 0.7 89.5 1600.0
Hand-E/Hand-E 153.9 0.0 137.9 -153.9 0.0 137.9 0.0 0.0 62.2 2405.0
Hand-E/2F-85 153.9 0.0 137.9 -163.9 0.0 147.9 6.7 0.0 61.5 2235.0
Hand-E/2F-140 153.9 0.0 137.9 -213.4 0.0 197.4 1.1 0.0 64.4 2310.0
2F-85/2F-85 163.9 0.0 147.9 -163.9 0.0 147.9 0.0 0.0 60.7 2065.0
2F-85/2F-140 163.9 0.0 147.9 -213.4 0.0 197.4 -5.8 0.0 63.8 2140.0
2F-140/2F-140 213.4 0.0 197.4 -213.4 0.0 197.4 0.0 0.0 66.7 2215.0
Camera + Hand-E/Hand-E 153.9 0.0 161.4 -153.9 0.0 161.4 0.0 0.4 79.0 2635.0
Camera + Hand-E/2F-85 153.9 0.0 161.4 -163.9 0.0 171.4 6.1 0.5 77.9 2465.0
Camera + Hand-E/2F-140 153.9 0.0 161.4 -213.4 0.0 220.9 1.0 0.5 80.7 2450.0
Camera + 2F-85/2F-85 163.9 0.0 171.4 -163.9 0.0 171.4 0.0 0.5 76.6 2295.0
Camera + 2F-85/2F-140 163.9 0.0 171.4 -213.4 0.0 220.9 -5.3 0.5 79.7 2370.0

Robotiq Hand-E Gripper - Instruction Manual
End-of-arm tooling
TCP (mm) Center of mass (mm)
Mass (g)Gripper 1 Gripper 2
X Y Z
X Y Z X Y Z
Camera + 2F-140/2F-140 213.4 0.0 220.9 -213.4 0.0 220.9 0.0 0.5 82.6 2445.0
FTSensor + Hand-E/Hand-E 153.9 0.0 175.4 -153.9 0.0 175.4 0.0 0.0 90.6 2705.0
FTSensor +Hand-E/2F-85 153.9 0.0 175.4 -163.9 0.0 185.4 5.9 0.0 89.3 2535.0
FTSensor + Hand-E/2F-140 153.9 0.0 175.4 -213.4 0.0 234.9 0.9 0.0 92.1 2610.0
FTSensor + 2F-85/2F-85 163.9 0.0 185.4 -163.9 0.0 185.4 0.0 0.0 87.9 2365.0
FTSensor + 2F-85/2F-140 163.9 0.0 185.4 -213.4 0.0 234.9 -5.1 0.0 90.9 2440.0
FTSensor + 2F-140/2F-140 213.4 0.0 234.9 -213.4 0.0 234.9 0.0 0.0 93.8 2515.0
FTSensor +Camera + Hand-
E/Hand-E 153.9 0.0 198.9 -153.9 0.0 198.9 0.0 0.4 106.4 2935.0
FTSensor +Camera + Hand-
E/2F-85 153.9 0.0 198.9 -163.9 0.0 208.9 5.4 0.4 104.7 2765.0
FTSensor + Camera + Hand-
E/2F-140 153.9 0.0 198.9 -213.4 0.0 258.4 0.9 0.4 107.5 2840.0
FTSensor + Camera + 2F-
85/2F-85 163.9 0.0 208.9 -163.9 0.0 208.9 0.0 0.4 102.9 2595.0
FTSensor + Camera + 2F-
85/2F-140 163.9 0.0 208.9 -213.4 0.0 258.4 -4.7 0.4 105.9 2670.0
FTSensor + Camera + 2F-
140/2F-140 213.4 0.0 258.4 -213.4 0.0 258.4 0.0 0.4 108.8 2745.0
The coordinate system used to calculate the moment of inertia and center of mass of the Gripper is shown in the figure below.
Fig. 6-16: Inertia matrix for Hand-E
126

Robotiq Hand-E Gripper - Instruction Manual
6.2.3. Moment and force limits
The Hand-E Gripper has limits for moment and force values. The listed moments and forces are independent to the force applied by
the Gripper itself on its payload. For payload calculation, please refer to the Payload and force section.
Warning
The following limits must be respected at all times.
Calculation of maximum moment and force should include robot acceleration and safety factors.
Parameter Hand-Ewith Basic Aluminum Fingers
Fx, Fy, Fz100 N
Mx*2.65 Nm
My*3.74 Nm
Mz*2.00 Nm
*Moments in x and y are calculated from the base of the fingers, as shown in the figure below.
Fig. 6-17: Reference frame for maximum force and moment values applied to the fingers
Usage examples with listed limits:
lAfter picking its normal payload, the robot can use Hand-E to apply up to 50 Nof force in any direction. Applying more than 50 N
can damage the Gripper or result in payload loss.
lThe Gripper can pick a screwdriver and apply 2 Nm of torque to screw (such a moment would be applied in the Z axis).

Robotiq Hand-E Gripper - Instruction Manual
6.3. Electrical specifications
SPECIFICATION VALUE
Operating supply voltage 24 V DC ±10%
Quiescent power (minimum power consumption) 1 W
Peak current 1.1 A
128

7. Maintenance
Hand-E requires only external maintenance with limited downtime.
Maintenance is required after specified usage, measured in cycles (open and close motion of the gripper).
Following the maintenance interval will ensure :
lCorrect functioning of your Gripper.
lValidity of your warranty.
lProper lifetime for your Gripper.
Warning
Unless otherwise indicated, any repairs done on the Gripper will be performed by Robotiq.
Info
A cycle is defined as a go to requested position command that results in grip force being applied (picking an object while
opening or closing or closing the fingers on themselves).
Maintenance Intervals
Operation Daily Weekly 1 M cycles 2 M cycles
Gripper Cleaning Dirty
conditions
Normal
conditions
Periodic Inspection X
Rack and pinion
mechanism cleaning X
Maintenance operations are for the average normal usage of the Gripper, the maintenance intervals must be adjusted according to
environmental conditions such as:
lOperating temperature
lHumidity
lPresence of chemical(s)
lPresence of physical parts (debris, scraps, dust, grease etc.)
lInteraction with operated parts (sharp or rough)
lDynamics of the operation (accelerations)
Robotiq Hand-E Gripper - Instruction Manual

Robotiq Hand-E Gripper - Instruction Manual
7.1. Gripper cleaning
Maintenance Interval Tools You Need Parts You Need
Weekly or daily in dirty operating
conditions
l4 mm hex key
lDry tissue or towel
lMedium strength thread locker
None (unless damage is detected)
Caution
Hand-E is not waterproof or water resistant without additional protection; clean the Gripper with a dry towel.
Info
Always turn off the robot and the Gripper power supply before performing any maintenance operations.
Caution
The maintenance operator must be grounded to prevent electrostatic discharge that could damage the Gripper electronics.
1. Remove the Gripper from its coupling using the 4 mm hex key to unscrew the four (4) M5-0.8 x 35mm socket head cap screws.
Note that each screw uses a tooth lock washer, do not lose them.
2. Clean the Gripper with a dry towel, remove all debris, dirt and dust from the surface of the Gripper, clean all pads, dry thoroughly.
3. Clean the coupling with a dry towel, pay particular attention to the electrical contact.
4. Visually inspect the Gripper and pay attention to any visible damage.
5. Put the coupling back on and fix it with the four (4) M5-0.8 x 35mm socket head cap screws, use the tooth lock washers, apply
medium strength thread locker to the M5 screws.
130

Robotiq Hand-E Gripper - Instruction Manual
When cleaning the Gripper, verify that the fingers or fingertips are still intact. If there is wear visible, you can change the fingers or
fingertips, using the ones provided by Robotiq or custom ones. See Spare parts and accessories section to order Hand-E replacement
parts.
In order to replace a finger:
lRemove the worn finger by removing the M3 screws.
lClean the rack and dry thoroughly.
lInsert the new finger on the rack.
lFix the finger using the provided M3 screws, apply low strength thread locker to the M3 screw threads.
lRepeat for remaining finger.
In order to replace a fingertip:
lRemove the worn fingertip by removing the M3 screws.
lClean the fingertip holder and dry thoroughly.
lInsert the new fingertip in the fingertip holder.
lFix the fingertip using the provided M3 screws, apply low strength thread locker to the M3 screw threads.
lRepeat for remaining fingertip.

Robotiq Hand-E Gripper - Instruction Manual
7.2. Periodic inspection
Maintenance Interval Tools You Need Parts You Need
Monthly
l4 mm hex key
lDry tissue or towel
lMedium strength thread locker
None (unless damage is detected)
Info
Always turn off robot and Gripper power supply before performing maintenance operations on the Gripper.
1. Remove and clean the Gripper following instructions in the Gripper cleaning section
2. Inspect the Gripper
lFinger movement must be symmetric and fluid; test opening and closing of the Gripper:
lFinger or fingertip wear must not affect gripping, if wear is visible and affects movement, change accordingly (refer to the
Gripper cleaning section)
lCheck for any collision damage, if damage is visible, contact support@robotiq.com
lCheck for any sign of wear on the Gripper chassis; if wear is present and may affect the Gripper, contact
support@robotiq.com
3. Put back in place according to the instructions from the Gripper cleaning section
132

Robotiq Hand-E Gripper - Instruction Manual
7.3. Rack &pinion mechanism cleaning
Maintenance Interval Tools You Need Parts You Need
Every 2M cycles or more frequently in
dirty operating conditions
l4 mm hex key
lDry tissue or towel
lMedium strength thread locker
lGrease (Mobilith SHC1500 or equivalent)
lDegreaser
Info
Always turn off robot and Gripper power supply before doing maintenance operations on the Gripper.
lOpen the Gripper to an intermediate position, so you do not hide the 6 M5 screws holding the rack housing in place.
lRemove the Gripper from its coupling using the 4 mm hex key to unscrew the four (4) M5-0.8 x 25mm screws. Note that each screw
uses a toothed lock washer, do not lose them.
lRemove the 6 M5 screws holding the rack housing.
lGently pull the rack housing away from the body of the Gripper.
lRemove the pinion and key from the drive shaft, make sure you keep them in a safe space.
lThe finger's racks will slide off freely from the rack housing. Clean the rack housing, the racks and the pinion using a degreaser. Dry
thoroughly. Clean the fingers (finger holders and fingertips if that is the case) with a dry towel. Remove all debris, dirt and dust.
lAlso clean the Gripper itself with a dry towel. Dry thoroughly.
lClean the coupling with a dry towel, pay particular attention to the electrical contact.
lYou can clean the Gripper according to the procedure described in the Gripper cleaning section.
lVisually inspect the Gripper and pay attention to any visible damage.
lApply grease on the racks. Put it on all surfaces except the face with the tapped holes.
Info
Use Mobilith SHC1500 grease or an equivalent.
lInsert the pinion with the key in the keyhole on the shaft.
lSlide the racks back in the rack housing.
lReinsert the rack housing with racks on the Gripper. Make sure the racks go in symmetricaly compared to the center of the gripper.
lFix the 6 M5screws to secure the rack housing.
lPut the gripper back on the coupling and fix it with the four (4) M5-0.8 x 25mm screws, use the tooth lock washers, apply medium
strength thread locker to the M5 screws.

8. Spare Parts, Kits and Accessories
The following list is up-to-date at print time and is subject to change, check online for updates.
Info
Unless specified, screws, dowel pins and other hardware are included only for the Gripper side, never for the robot side.
Item Description Ordering Number
Hand-E Basic Gripper Unit Hand-E basic gripper unit, includes aluminum fingers (HND-
FIN-ALU-KIT) HND-GRP-001
Kit for Universal Robots
lGripper basic unit (HND-GRP-001)
lFingertip starting kit (HND-TIP-START-KIT)
lEnd-effector coupling kit (GRP-CPL-062)
l10-metre Robotiq device cable
lRS485 to USBadapter
lScrew kit
lUSB stick to install the UR software package
HND-UR-KIT
Controller Optional controller for industrial communications see Robotiq
Universal Controller Items UNI-CTR-XXXX
Aluminum Finger Kit
Aluminum finger kit, includes:
l2 x basic aluminum finger
l1 x screw kit
HND-FIN-ALU-KIT
Fingertip Starting Kit
Fingertip Starting Kit includes:
l1 x Fingertip Holder Kit
l1 x V-Groove Fingertip Kit
l1 x Flat Rubber Fingertip Kit
l1 x hex head key
HND-TIP-START-KIT
Flat Silicone Fingertip Kit
Flat Silicone Fingertip Kit* includes:
l2 x flat rubber fingertip
l1 x screw kit
*Silicone fingertips must be mounted on fingertip holders
(HND-TIP-HLD-KIT)
HND-TIP-SLC-KIT
V-Groove Fingertip Kit
V-Groove Fingertip Kit* includes:
l2 x V-groove aluminum fingertip
l1 x screw kit
HND-TIP-VGR-KIT
Robotiq Hand-E Gripper - Instruction Manual

Robotiq Hand-E Gripper - Instruction Manual
Item Description Ordering Number
*V-Groove fingertips must be mounted on fingertip holders
(HND-TIP-HLD-KIT)
Fingertip Holder Kit
Hand-E Fingertip Holder Kit includes:
l2 x fingertip holder
l1 x screw kit
HND-TIP-HLD-KIT
10m Device Cable
10 m Robotiq device cable for power and communication.
Straight M12 5-pins female on one side, single ended on the
other, shielded
CBL-COM-2065-10-HF
USB to RS485 adapter USB to RS485 adapter, can be used with device cable for
USBconnection ACC-ADT-USB-RS485
Hand-E Screw Kit
The screw kit contains:
l4 x M5 screws
l4 x Lock washer
HND-SCREW-KIT
16G USB Stick USB stick to install the UR software package ACC-USB-16G
End-Effector Coupling Kit ISO 9409-1-50-4-M6 coupling for Adaptive Robot Grippers,
with screws and tools for Gripper fixation and 1 m pigtail cable GRP-CPL-062
Adapter plate to 63-4M6-61_
4-2D6
Wrist adapter plate for use with AGC-CPL-064-002. Interface to
63mm PCD1with (4) M6 screws and 61.4 mm PCD 1 with (2)
M6 indexing pins
AGC-APL-152-002
Adapter plate to 80-6M8-2D82D8 Wrist adapter plate for use with AGC-CPL-064-002. Interface to
80mm PCD1with (6) M8 screws and (2) M8 indexingpins AGC-APL-153-002
1Pitch Circle Diameter
To install Hand-E on a robot that has a different bolt pattern than part GRP-CPL-062 (ISO 9409-1-50-4-M6), you can use one of the
following. The couplings listed below fit with both Hand-E and the 2-Finger Gripper.
Item Description Ordering Number
Blank coupling Blank coupling for Adaptive Robot Grippers, with screws for Gripper
fixation and 1 m pigtail cable
AGC-CPL-BLANK-
002
ISO 9409-1-31.5-4-M5 coupling ISO 9409-1-31.5-4-M5 coupling for Adaptive Robot Grippers, with
screws for Gripper fixation and 1 m pigtail cable AGC-CPL-063-002
ISO 9409-1-40-4-M6 coupling ISO 9409-1-40-4-M6 coupling for Adaptive Robot Grippers, with screws
for Gripper fixation and 1 m pigtail cable AGC-CPL-064-002
56-8M4-1D4 coupling Coupling for 56 mm PCD1with (8) M4 and (1) 4mm indexing pin, with
screws for Adaptive Robot Grippers fixation and 1 m pigtail cable AGC-CPL-065-002
56-6M4-1D6 coupling Coupling for 56 mm PCD1with (6) M4 and (1) 6mm indexing pin, with
screws for Adaptive Robot Grippers fixation and 1 m pigtail cable AGC-CPL-066-002
60-4Ø5-1D5 coupling Coupling for 60 mmPCD1with (4) M5 thread and (1) 5mm indexing pin,
with screws for Adaptive Robot Grippers fixation and 1 m pigtailcable AGC-CPL-067-002
135

Robotiq Hand-E Gripper - Instruction Manual
Item Description Ordering Number
63-6M6-2D6 coupling Coupling for 63 mm PCD1with (6) M6 and (2) 6mm indexing pins, with
screws for Adaptive Robot Grippers fixation and 1 m pigtail cable AGC-CPL-068-002
40-4M5-1D3 coupling Coupling for 40 mm PCD1with (4) M5 and (1) 3mm indexing pins, with
screws for Adaptive Robot Grippers fixation and 1 m pigtailcable AGC-CPL-070-002
31.5-4M4 coupling Coupling for 31.5 mm PCD1with (4) M4, with screws for Adaptive
Robot Grippers fixation and 1m pigtailcable AGC-CPL-071-002
Adapter plate to 63-4M6-71-2D3 Wrist adapter plate for use with AGC-CPL-064-002. Interface to 63mm
PCD1with (4) M6 screws and 71 mm PCD1with (2) M3 indexing pins AGC-APL-151-002
Adapter plate to 63-4M6-61_
4-2D6
Wrist adapter plate for use with AGC-CPL-064-002. Interface to 63mm
PCD1with (4) M6 screws and 61.4 mm PCD 1 with (2) M6 indexing pins AGC-APL-152-002
Adapter plate to 80-6M8-2D82D8 Wrist adapter plate for use with AGC-CPL-064-002. Interface to 80mm
PCD1with (6) M8 screws and (2) M8 indexingpins AGC-APL-153-002
1Pitch Circle Diameter

9. Troubleshooting
When using Hand-E with a USB to RS485 serial converter:
Troubleshooting from the Gripper LED
1. LED is not lit: Gripper not powered.
a. Check Gripper power supply and electrical setup, see Section 3.5.
2. LED is solid blue and red: Gripper is in fault.
a. Disconnect the communication and power cycle the Gripper. The led should turn solid red when powered.
b. While powered with red LED, connect the communication, LED should turn solid blue when connection is established.
3. Flashing blue and red LEDs: Gripper is in fault.
a. Gripper may be in auto-release, wait for auto-release to be completed, then turn off auto-release and initialize the Grip-
per.
b. Gripper may have a major fault, check the error from fault status and contact support.
4. Solid blue LED: no fault and communicating.
a. If you can control the Gripper from the GUI on the pendant, check your program structure.
b. If you can not control the Gripper from the pendant, contact support.
5. Solid red LED: no fault, but Gripper is not communicating.
a. USB-RS485 converter LEDs are :
lNot lit: no USB communication.
i. Check USB connection.
ii. Re-install drivers.
iii. Contact support.
lRed LEDflashes at slow rate.
i. Check the DB-9 connector.
ii. Check the cable.
iii. Check the communication parameters from the Robotiq User Interface, see recovery procedure.
iv. Contact support.
lRed and green LEDs flashing at high speed.
i. Check fault status, maximum operating temperature could be exceeded.
ii. Contact support.
Robotiq Hand-E Gripper - Instruction Manual

Robotiq Hand-E Gripper - Instruction Manual
When using Hand-E with Universal Robots package:
Troubleshooting from the previous section (LED references) still applies.
From the UR teach pendant
URCap installation:
1. Verify that the latest URCap is installed from the "Robot Setup" menu, inside the "URCaps" tab
a. URCaps installation instructions can be found in the URCap Package section
b. Inside the URCaps menu, if you select the appropriate URCap file, you can see the current software version
c. Gripper toolbar should appear if installed properly
2. URCap is installed but Gripper cannot be controlled:
a. If Gripper LED is not blue, follow the steps in the section above
b. If Gripper LED is blue, URCap is installed with the latest available version, contact support@robotiq.com
138

Robotiq Hand-E Gripper - Instruction Manual

10. Warranty andPatent
Robotiq warrants Hand-E against defects in material and workmanship for a period of one year from the date of reception when utilized
as intended. Robotiq also warrants that this equipment will meet applicable specifications under normaluse.
The warranty applies under the following conditions:
lUsage respects the operating and storage conditions specified in the Environmental and Operating Conditions section
lProper installation of the Gripper specified in the Installation section and following subsections.
lUntil a 2 000 000 cycle count1has been reached.
lUsage respects maintenance specified in the Maintenance section.
lUsage respects recommended payload and forces specified in the Mechanical specifications section.
1Cycle count: One (1) cycle is defined as an object picking attempt, successful or not(open or closing onto an object, or closing on itself).
It is calculated in the internal memory of the Hand-E Gripper and can been seen on the teach pendant when using with Universal Robots
or with the Robotiq User Interface.
During the warranty period, Robotiq will repair or replace any defective Hand-E, as well as verify and adjust the Gripper free of charge if
the equipment should need to be repaired or if the original adjustment is erroneous. If the equipment is sent back for verification during
the warranty period and found to meet all published specifications, Robotiq will charge standard verification fees.
The unit is considered defective when at least one of the following conditions occurs:
lThe Gripper fingers cannot close or open;
lThe Gripper feedback necessary for the robot program is not accessible.
Parts that come into contact with the work piece and wearing parts such as the finger and fingertips are not covered by the warranty.
Caution
The warranty will become null and void if:
lThe unit has been tampered with, repaired or worked on by unauthorized individuals.
lThe warranty sticker has been removed.
lThe screws, other than as explained in this guide, have been removed.
lThe unit has been opened other than as explained in this guide.
lUnit serial number has been altered, erased, or removed.
lUnit has been misused, neglected, or damaged by accident.
This warranty is in lieu of all other warranties expressed, implied, or statutory, including, but not limited to, the implied warranties of
merchantability and fitness for a particular purpose. In no event shall Robotiq be liable for special, incidental, or consequential
damages.
Robotiq shall not be liable for damages resulting from the use of the Hand-E, nor shall Robotiq be responsible for any failure in the
performance of other items to which Hand-E is connected or the operation of any system of which the Gripper may be a part.
Robotiq Hand-E Gripper - Instruction Manual

11. Contact
www.robotiq.com
Contact Us
Phone
1-888-ROBOTIQ (762-6847)
(+1) 418-380-2788 Outside US and Canada
Fax
1-418-800-0046
Technical support
option 3
Sales
option 2
Head office
Robotiq
966, chemin Olivier
Suite 500
Lévis, Québec
G7A 2N1
Canada
Where automation Pros come to share their know-how and get answers.
dof.robotiq.com
Robotiq Hand-E Gripper - Instruction Manual

12. Harmonized Standards, Declarations and Certificates
12.1. Translation of original EC declaration of incorporation
Translation of Original Declaration of Incorporation
In terms of the Directive 2006/42/EC, Annex II, part B of the European Parliament and of the Council on machinery, we, the manufacturer,
Robotiq Inc.
966, Chemin Olivier, suite 500
Lévis, Québec, Canada, G7A 2N1
hereby declares that the following product:
Robotiq Hand-E Gripper
meets the applicable requirements of the Machinery Directive 2006/42/EC of the European Parliament and of the Council. The
incomplete machine may not be operated until the machine in which it is integrated has been declared compliant with the relevant
provisions of the 2006/42/CE Machinery Directive.
The manufacturer agrees to forward upon request of national competent authorities the relevant technical documents specified by
Annex VII, part B, within the required time.
Additionally, the product declares in conformity with the following directives, according to which the product is CE marked:
2011/65/EU Restriction of the use of certain hazardous substances (RoHS)
Person responsible for documentation: Annick Mottard, Jr. Eng., address: see manufacturer address
Lévis, May 2018
Jean-Philippe Jobin
Vice President Research and Development
Robotiq Inc.
The following standards have been applied:
NF EN ISO 12100 2010Safety of machinery — General principles for design — Risk assessment and risk reduction
CEI 60204-1 Ed6.0 2016Safety of machinery — Electrical equipment of machines — Part 1: General requirements
NF EN ISO 14539 2000Manipulating industrial robots — Object handling with grasp-type grippers — Vocabulary
and presentation of characteristics
NF EN ISO 9409-1 2004 2004Manipulating industrial robots — Mechanical interfaces — Part 1: Plates
Robotiq Hand-E Gripper - Instruction Manual

Robotiq Hand-E Gripper - Instruction Manual
12.2. Applied standards
This section describes all applied harmonized standards for the design and production of the Robotiq Hand-E Gripper. Standards are
applied were applicable, some points may not be applied if not applicable to this specific product. Conformity is not enforced by any
laws, it is self-applied and the aim is to define normal safety and performance requirements for similar products.
Caution
Conformity of the product is only met if all instructions of this manual are followed. Among others: installation, safety
measures and normal usage must be met.
The following standards have been applied:
NF EN ISO 12100 2010Safety of machinery — General principles for design — Risk assessment and risk
reduction
CEI 60204-1 Ed6.0 2016Safety of machinery — Electrical equipment of machines — Part 1: General requirements
NF EN ISO 14539 2000Manipulating industrial robots — Object handling with grasp-type grippers —
Vocabulary and presentation of characteristics
NF EN ISO 9409-1 2004 2004Manipulating industrial robots — Mechanical interfaces — Part 1: Plates
143
