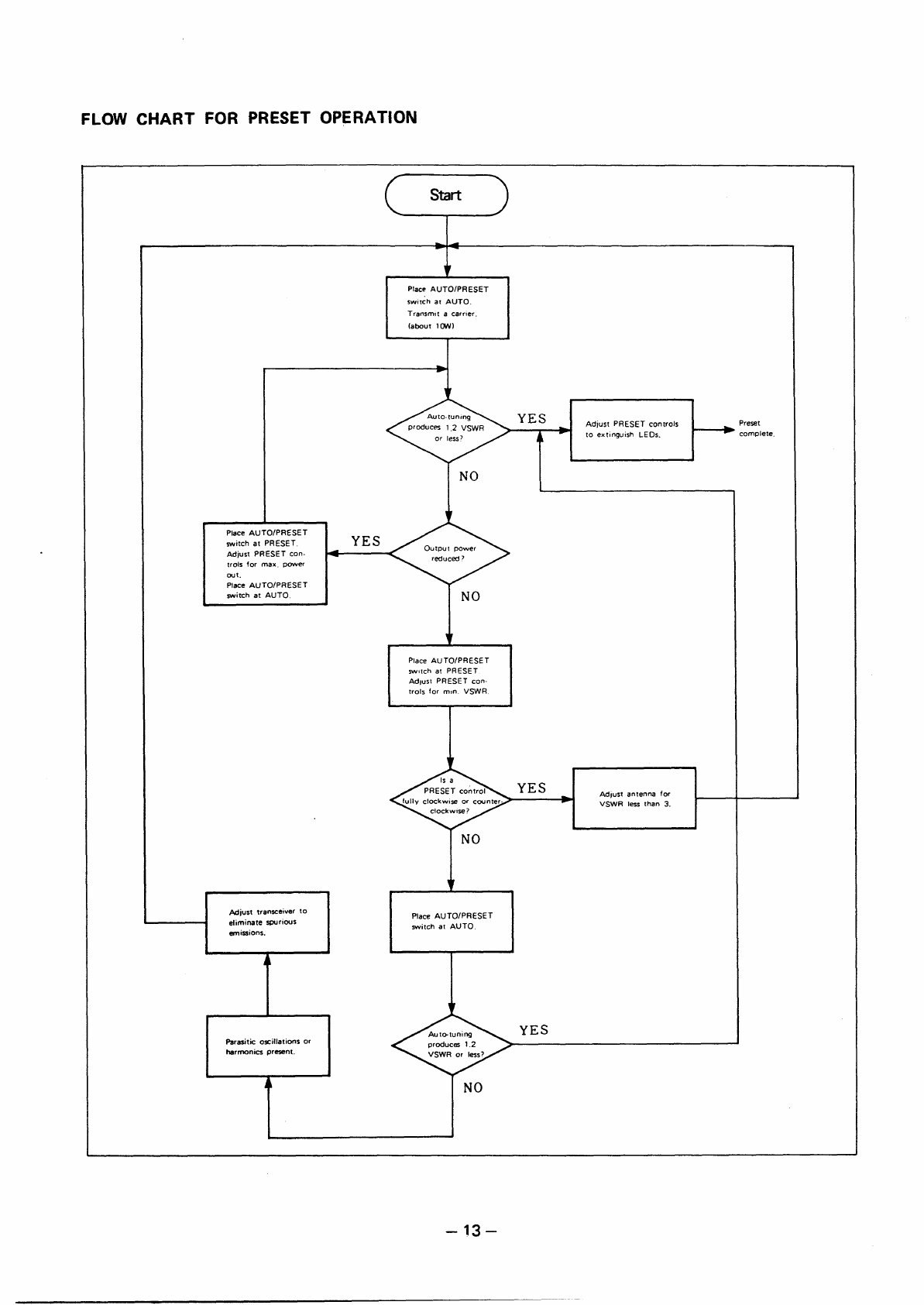
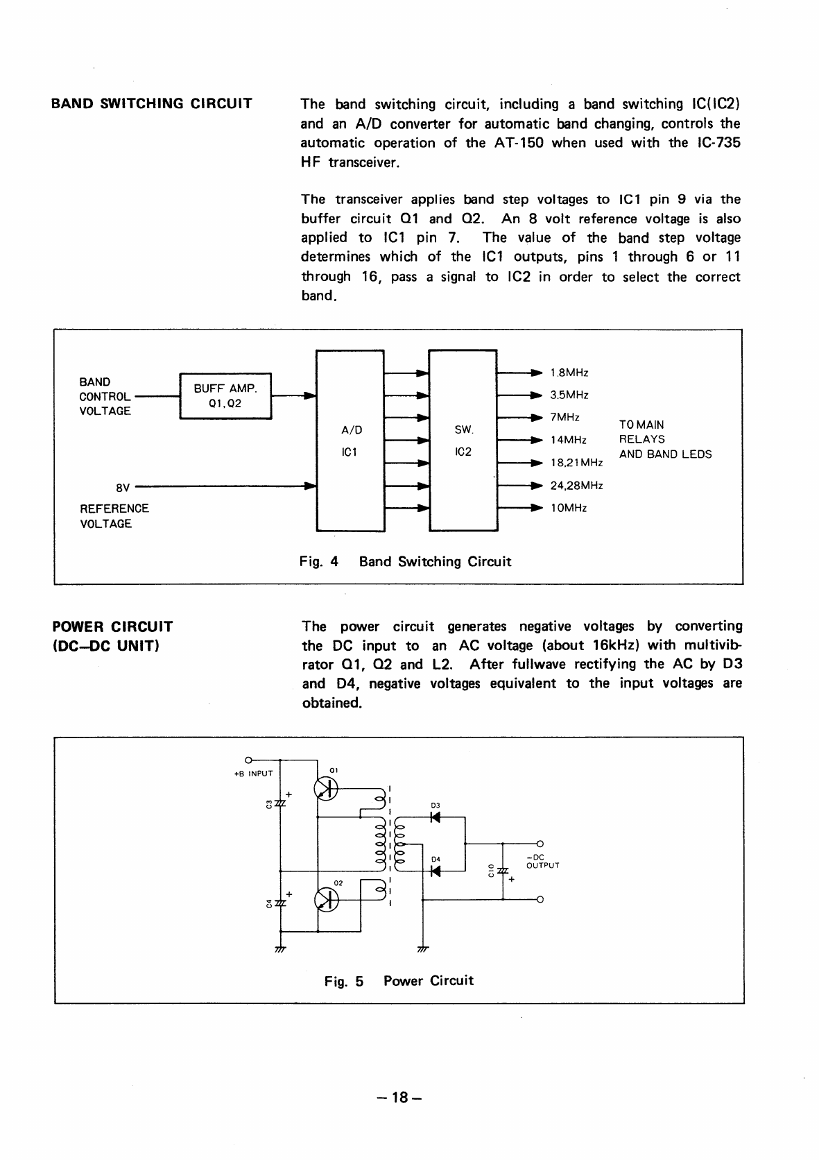
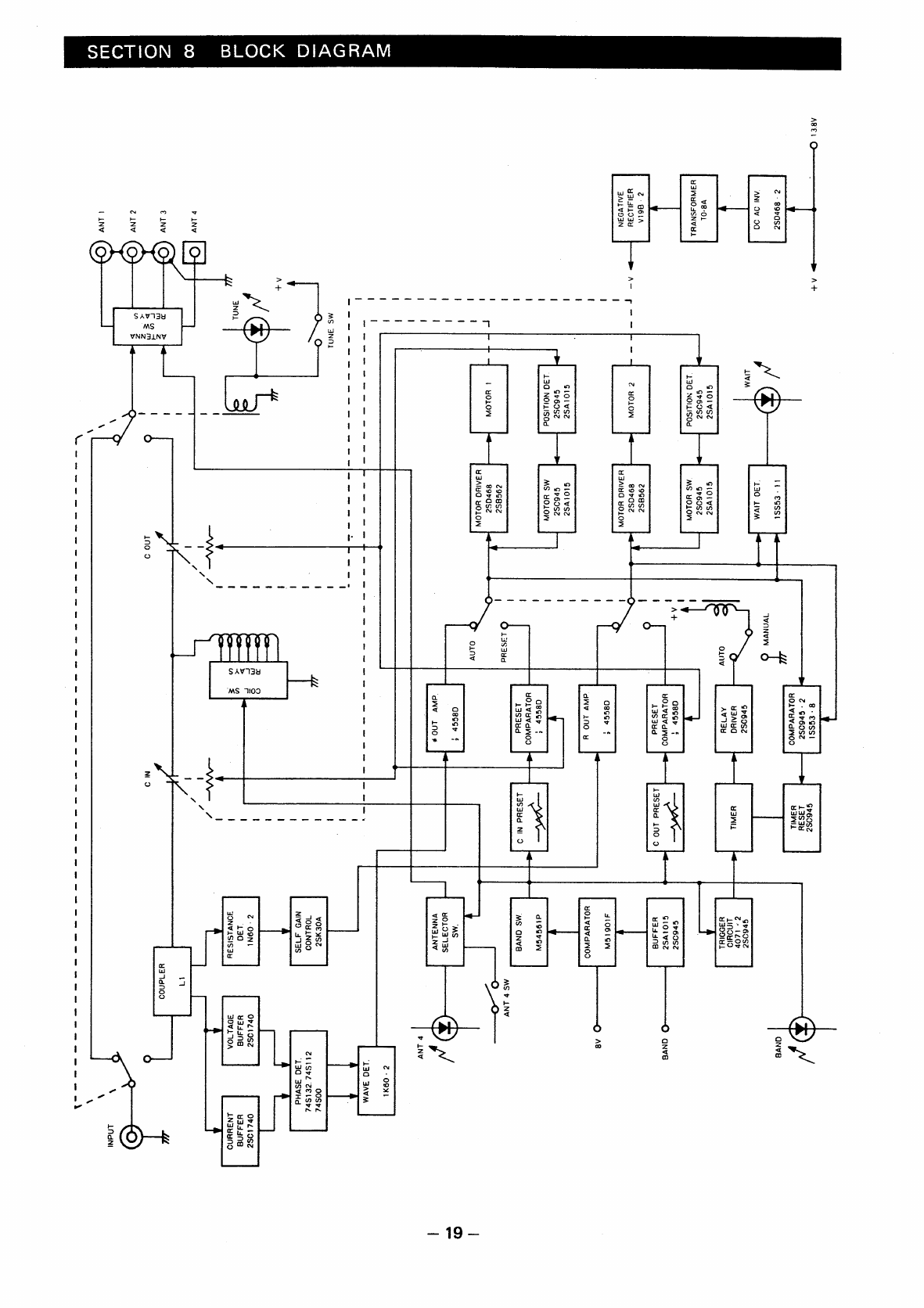
User Manual: Pdf ICOM--AT-150-Auto-antenna-tuner-Manual
Open the PDF directly: View PDF .Page Count: 23