ICOM IC 2350H Service Manual+sch Manual Sch
User Manual: Pdf ICOM--IC-2350H-service-manual+sch
Open the PDF directly:
View PDF
.
Page Count: 55
44084
Cover
Introduction
Table of contents
Specifications
Inside views
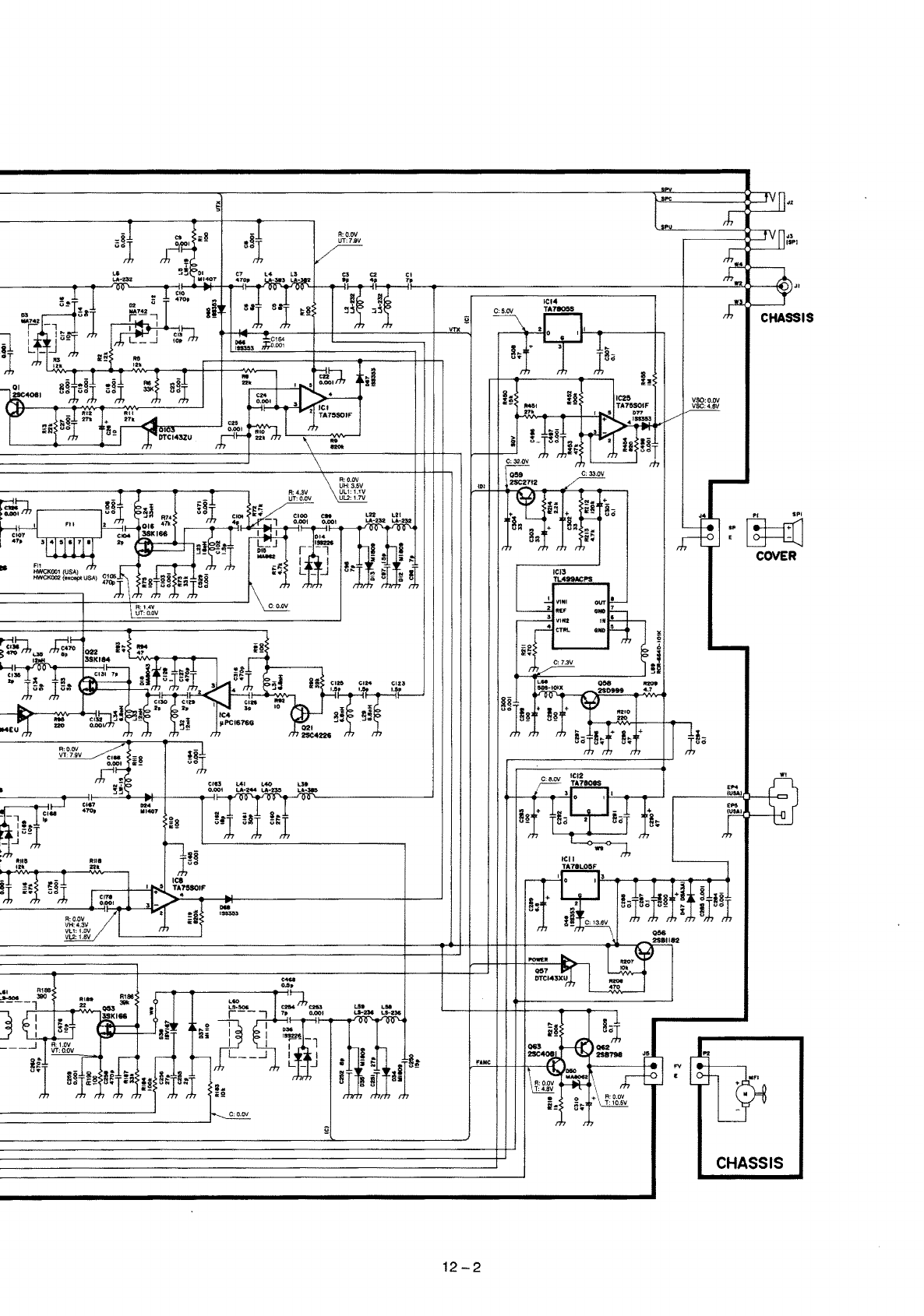
Circuit description
Disassembly instructions
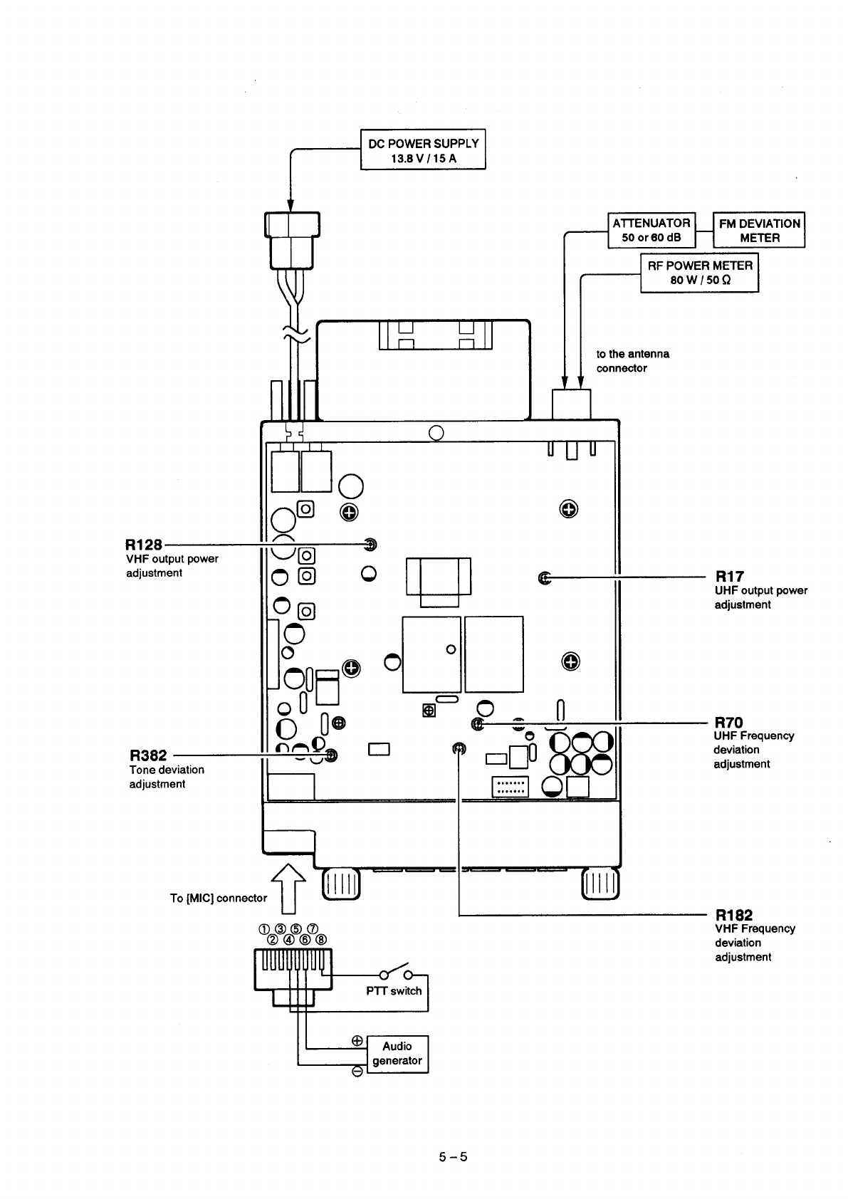
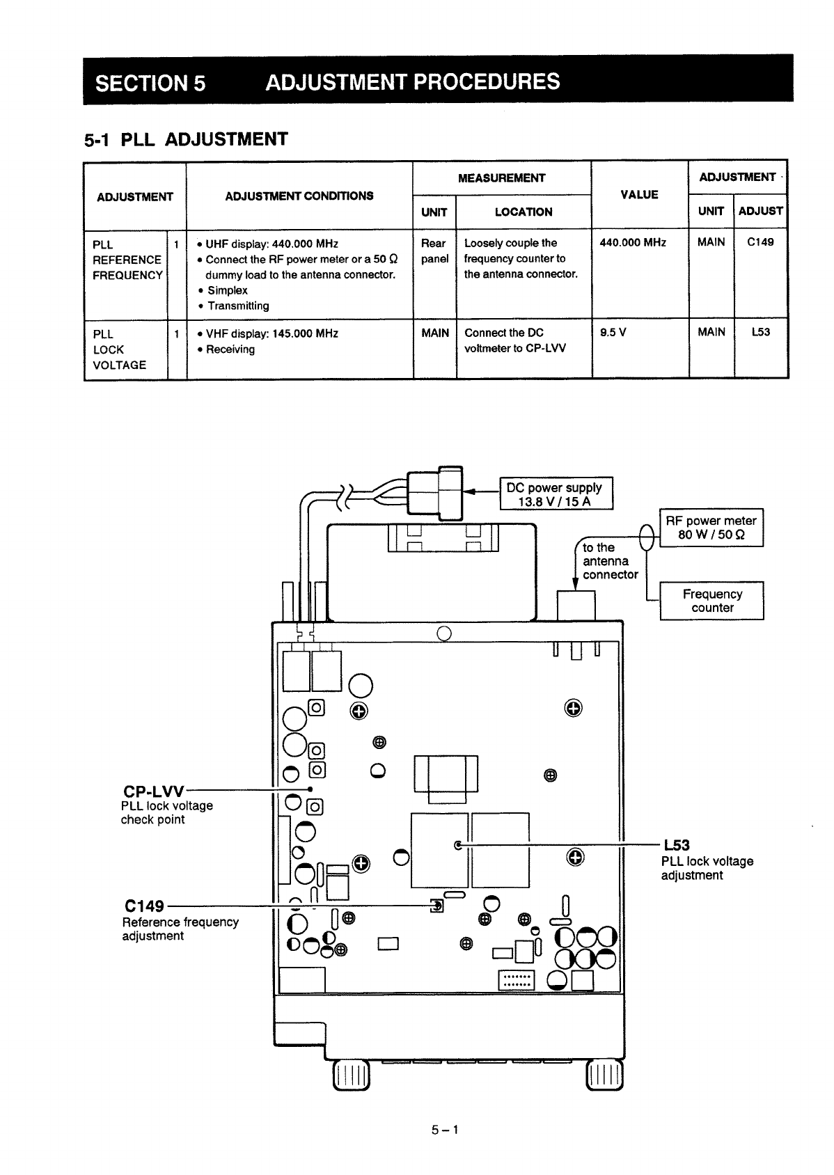
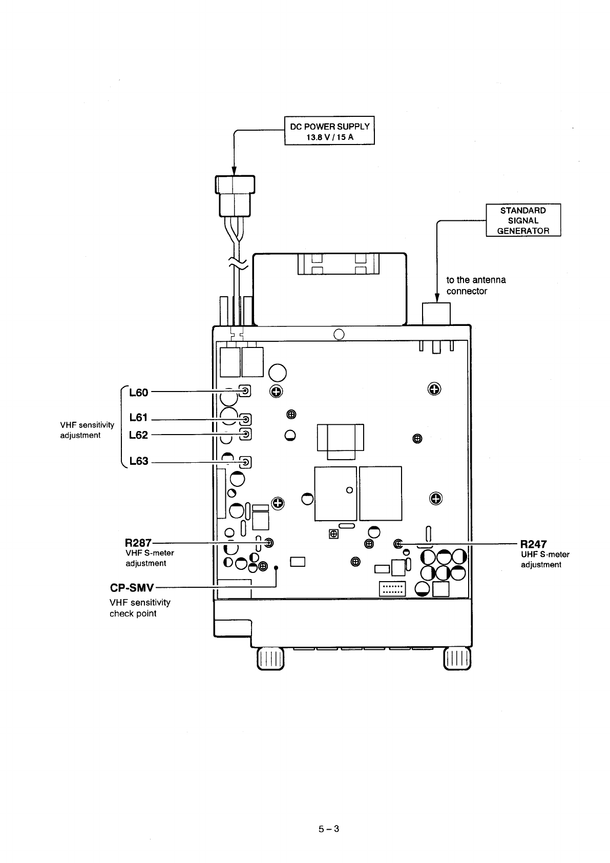
Adjustment procedures
Parts list
Mechanical parts & disassembly
Semi-conductor informations
Board layouts
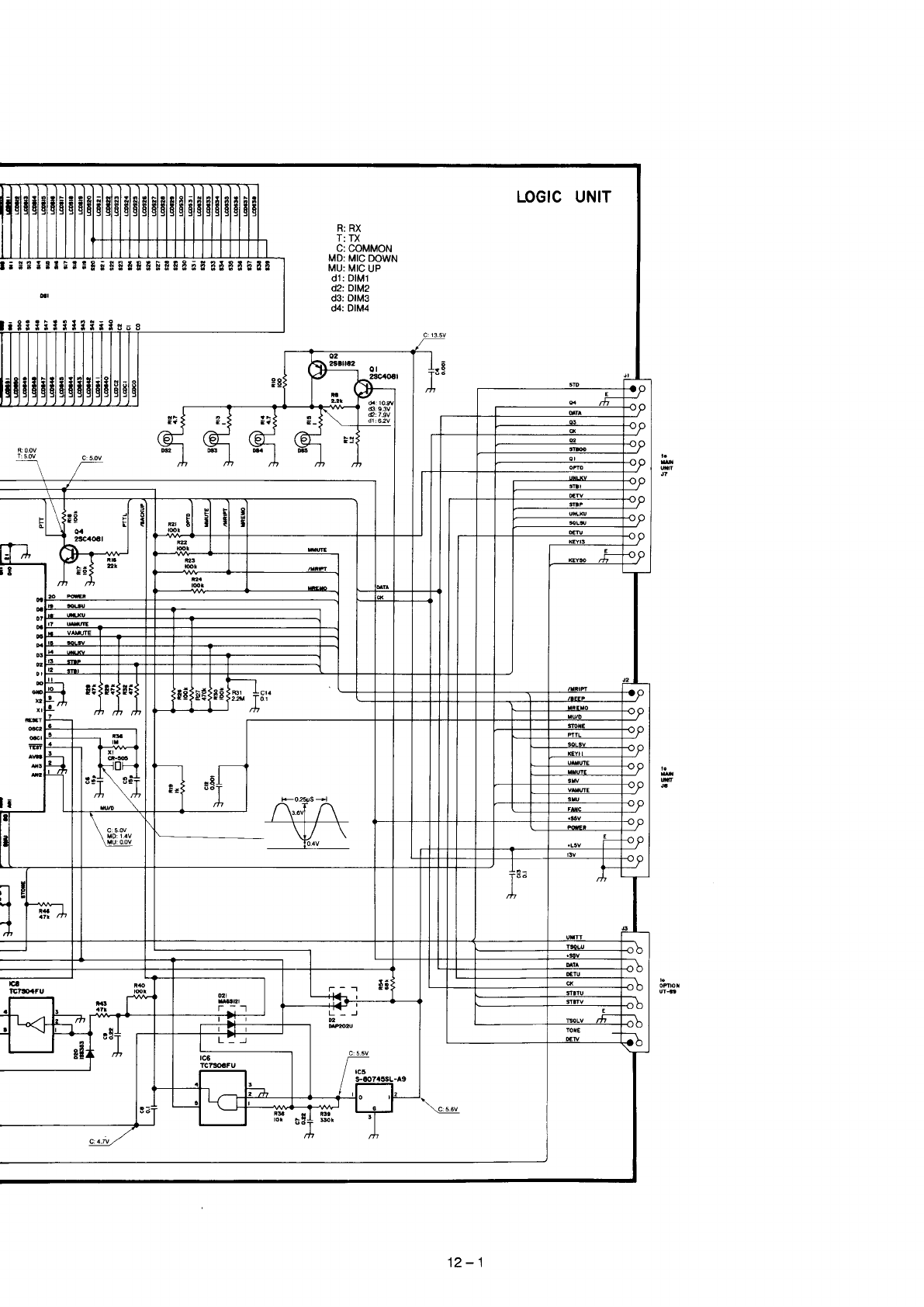
Logic unit
Main unit
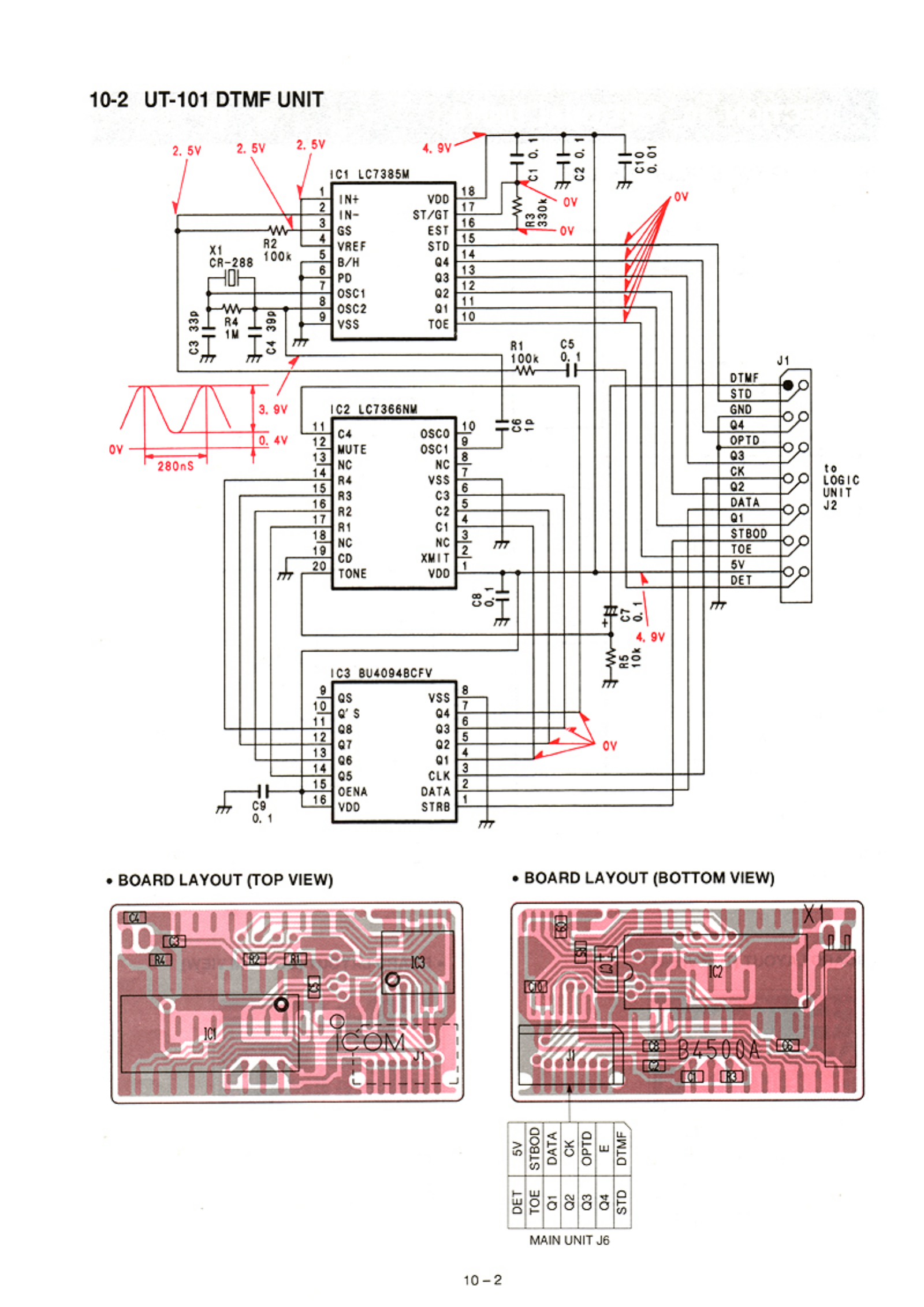
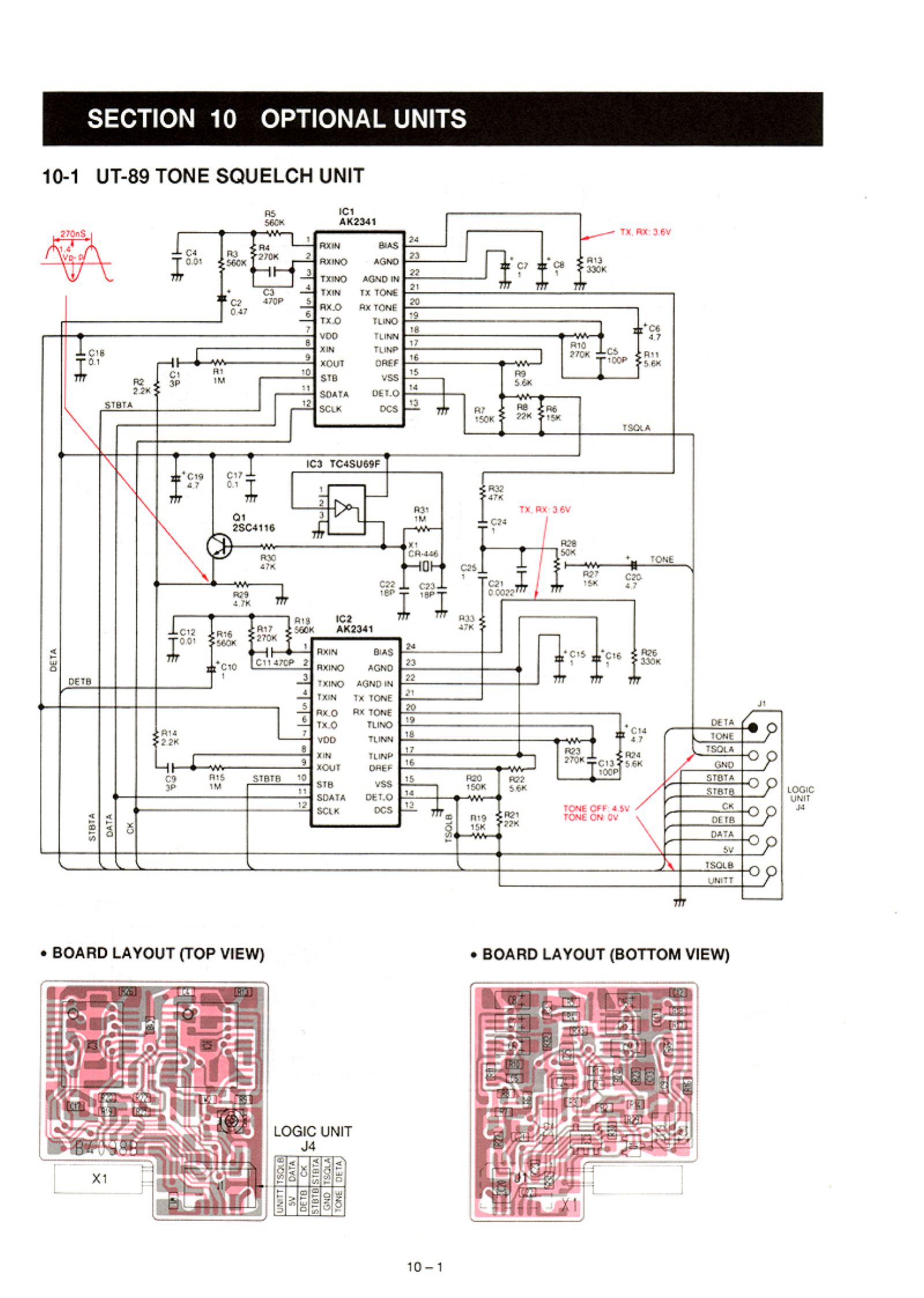
Optional units
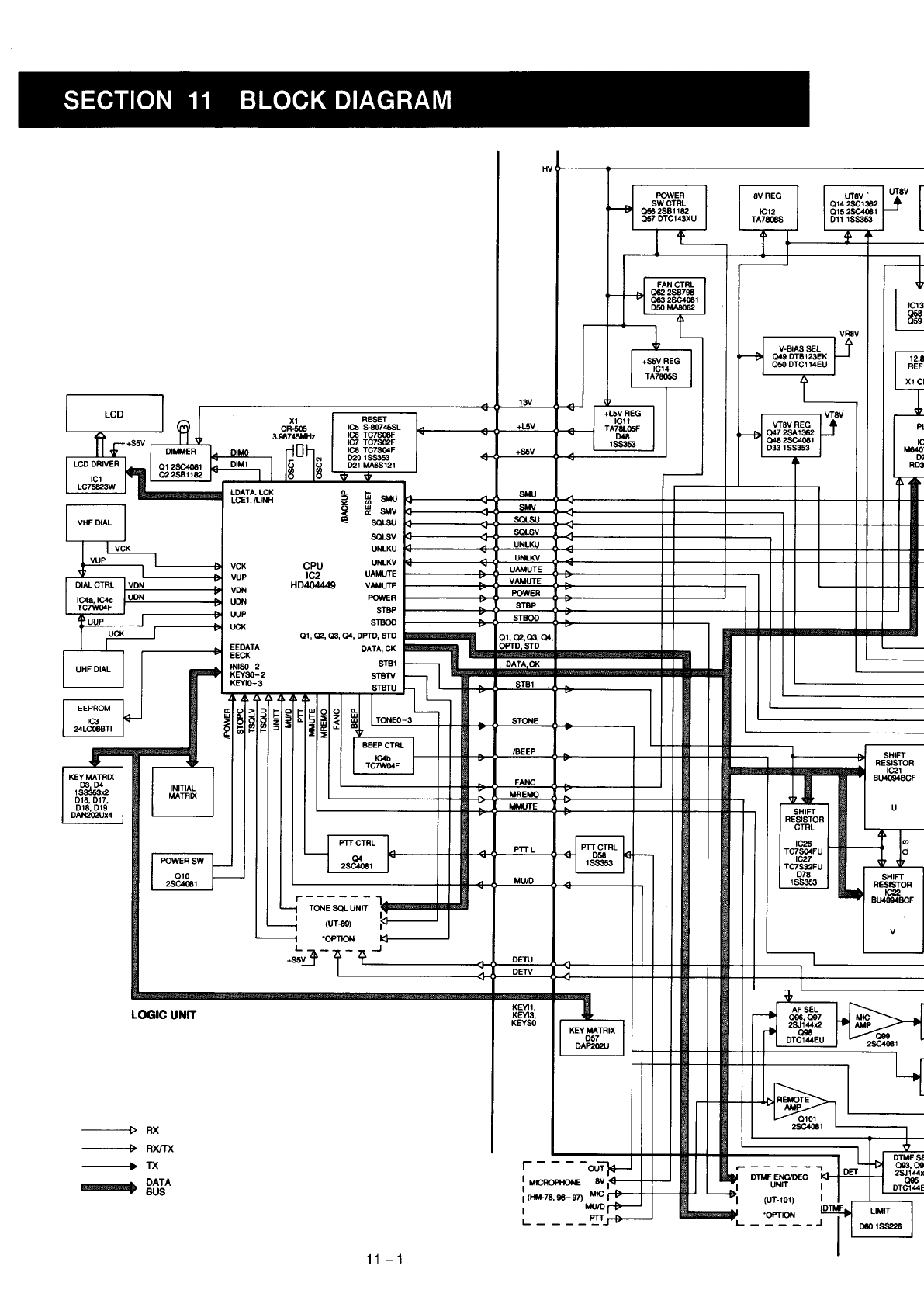
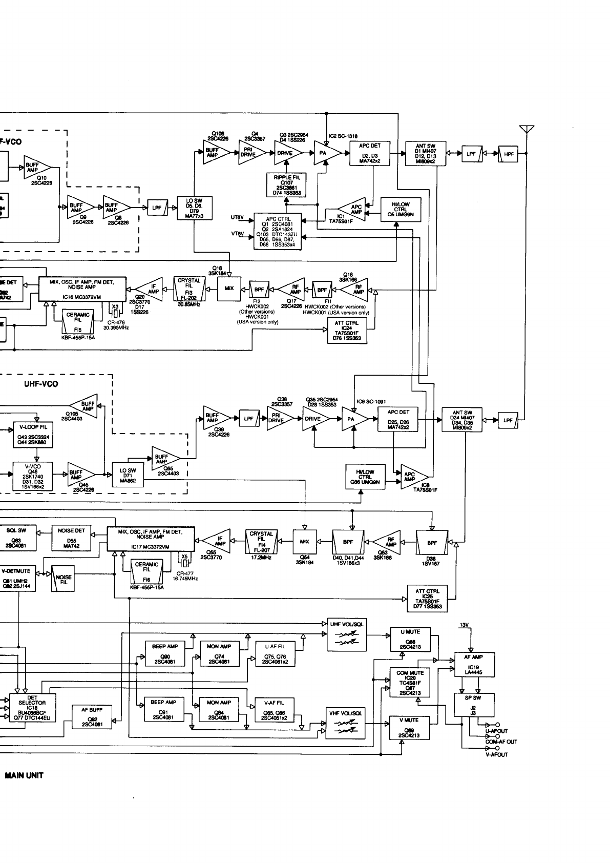
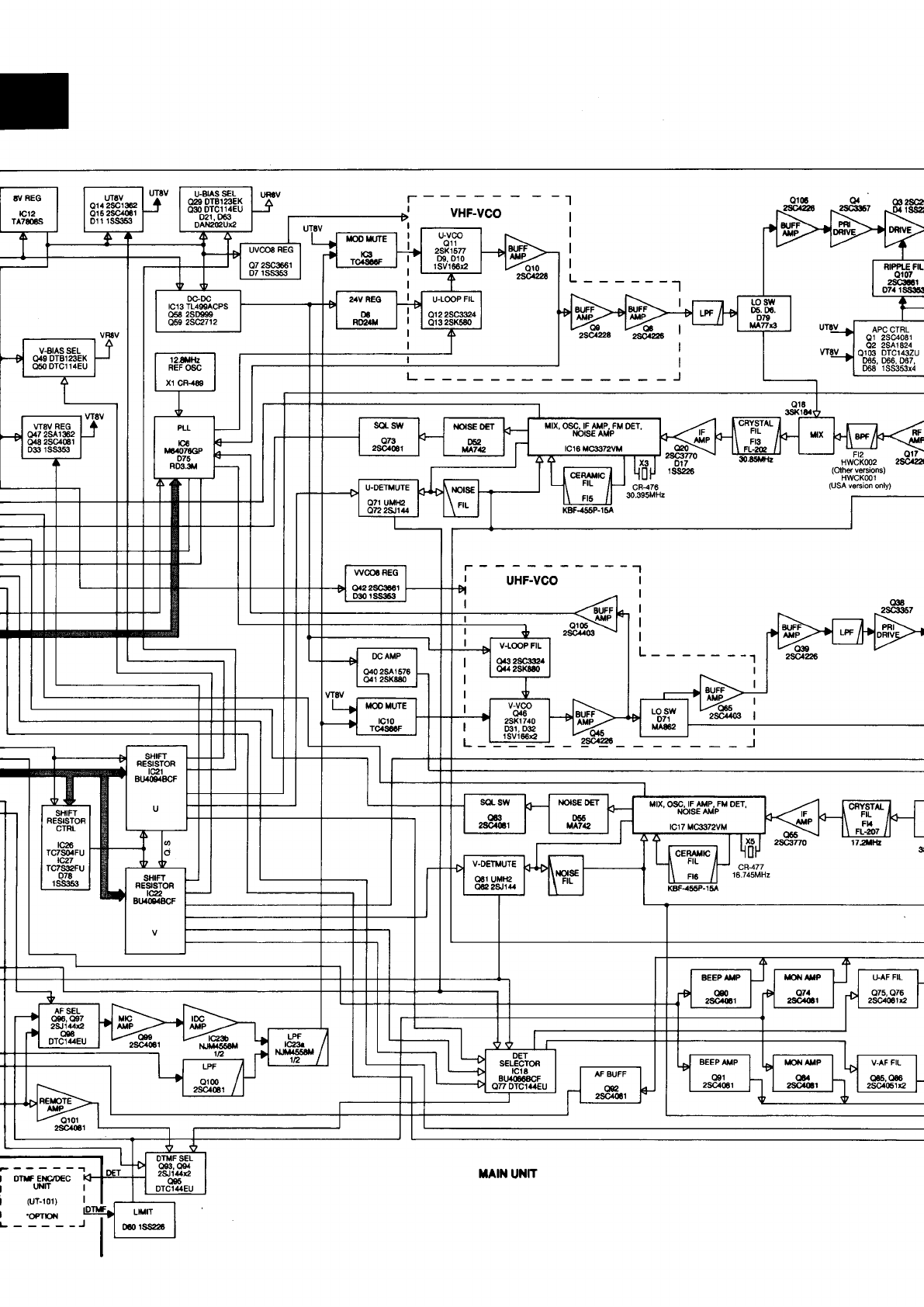
Block diagram
Voltage diagram