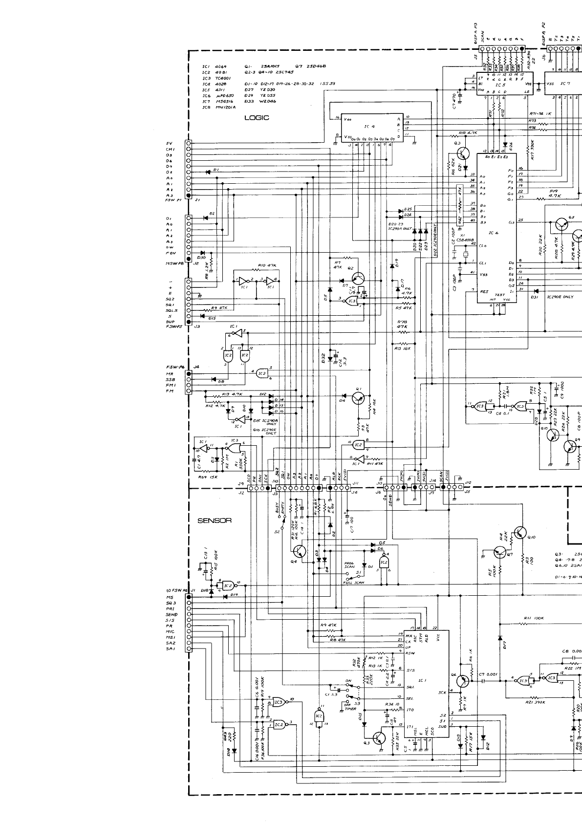
ICOM IC 290 Vhf All Mode Service Manual
User Manual: Pdf ICOM--IC-290-Vhf-all-mode-Service-manual
Open the PDF directly: View PDF
.
Page Count: 110 [warning: Documents this large are best viewed by clicking the View PDF Link!]














































































































User Manual: Pdf ICOM--IC-290-Vhf-all-mode-Service-manual
Open the PDF directly: View PDF
.
Page Count: 110 [warning: Documents this large are best viewed by clicking the View PDF Link!]