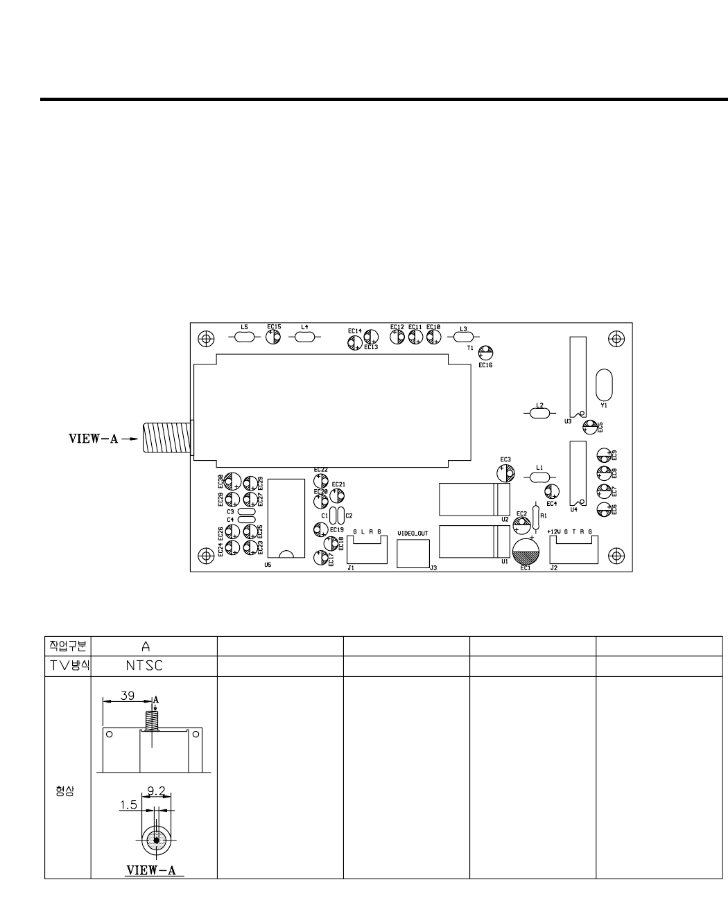
LG Ref LRSPC2661xx Service Manual
2013-04-09
: Pdf Lg - Ref - Lrspc2661Xx Service Manual LG - Ref - LRSPC2661xx Service Manual LG
Open the PDF directly: View PDF .
Page Count: 146 [warning: Documents this large are best viewed by clicking the View PDF Link!]

CAUTION
PLEASE READ CAREFULLY THE SAFETY PRECAUTIONS IN THIS BOOK
BEFORE SERVICING OR OPERATING THE REFRIGERATOR.
MODEL: LRSPC2661T COLOR: TITANIUM
REFRIGERATOR
SERVICE MANUAL
http://biz.lgservice.com
Ref. No.
GR-D267DTU

WARNINGS AND PRECAUTIONS FOR SAFETY ................................................................................................................ 3
SPECIFICATIONS................................................................................................................................................................... 4
PARTS IDENTIFICATION....................................................................................................................................................... 5
HOW TO INSTALL THE REFRIGERATOR ............................................................................................................................ 6
HOW TO ADJUST DOOR HEIGHT OF THE REFRIGERATOR.......................................................................................... 6
HOW TO INSTALL WATER PIPE......................................................................................................................................... 7
HOW TO CONTROL THE AMOUNT OF WATER SUPPLIED TO THE ICEMAKER ........................................................... 8
COOLING CYCLE AND REFRIGERANT............................................................................................................................. 10
FUNCTIONS AND OPERATION PRINCIPLES OF MAIN PARTS....................................................................................... 12
COMPRESSOR (RECIPROCATING TYPE) ...................................................................................................................... 12
OVER LOAD PROTECTOR............................................................................................................................................... 12
POSITIVE TEMPERATURE COEFFICIENT (PTC)............................................................................................................ 12
SWITCH (DOOR, HOME BAR, DISPENSER) ................................................................................................................... 13
MOTOR .............................................................................................................................................................................. 14
SOLENOID......................................................................................................................................................................... 14
HEATER ............................................................................................................................................................................. 15
VALVE................................................................................................................................................................................. 17
ICEMAKER AND DISPENSER OPERATION PRINCIPLE AND REPAIR METHOD........................................................... 18
MICOM FUNCTION .............................................................................................................................................................. 24
EXPLANATION FOR MICOM CIRCUIT .............................................................................................................................. 32
CIRCUIT................................................................................................................................................................................ 52
PROBLEM DIAGNOSIS ....................................................................................................................................................... 53
PROBLEM SHOOTING...................................................................................................................................................... 53
FAULTS .............................................................................................................................................................................. 63
COOLING CYCLE HEAVY REPAIR................................................................................................................................... 80
HOW TO DEAL WITH CLAIMS.......................................................................................................................................... 87
HOW TO DISASSEMBLE AND ASSEMBLE(REFRIGERATOR SECTION)....................................................................... 92
DOOR................................................................................................................................................................................. 92
HANDLE............................................................................................................................................................................. 93
DEODORIZER.................................................................................................................................................................... 93
SHROUD, GRILLE FAN ..................................................................................................................................................... 94
CONTROL BOX, R............................................................................................................................................................. 94
CASE PWB......................................................................................................................................................................... 94
ICEMAKER ASSEMBLY..................................................................................................................................................... 95
DISPENSER....................................................................................................................................................................... 96
WATER TANK AND WATER LINE...................................................................................................................................... 97
DIGITAL SECTION LAYOUT................................................................................................................................................ 98
DIGITAL PARTS MANUAL................................................................................................................................................. 101
TROUBLESHOOTING FOR THE DIGITAL FUNCTION SECTION ................................................................................... 122
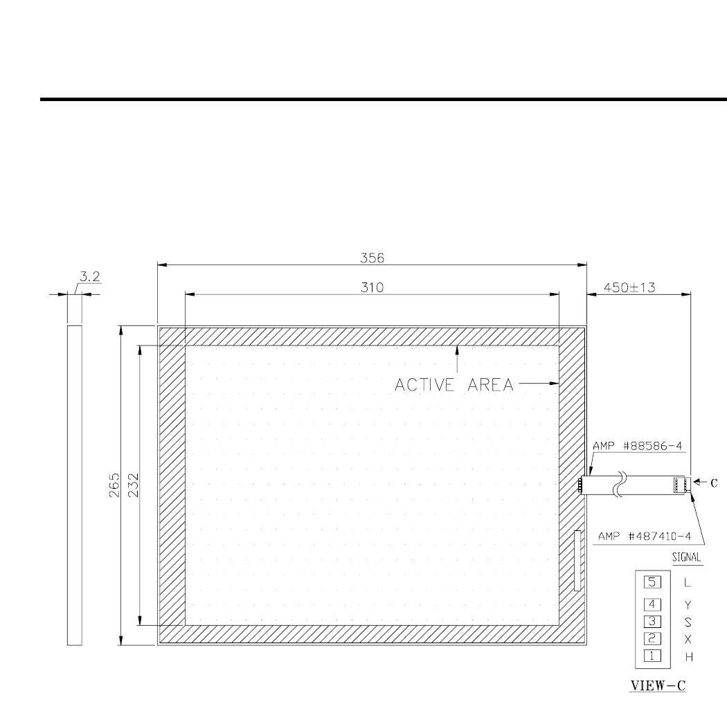
EXTERNAL EXTENSION PORT ........................................................................................................................................ 131
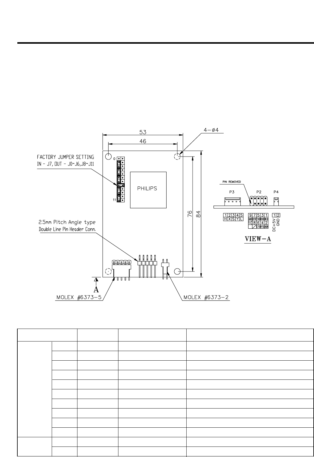
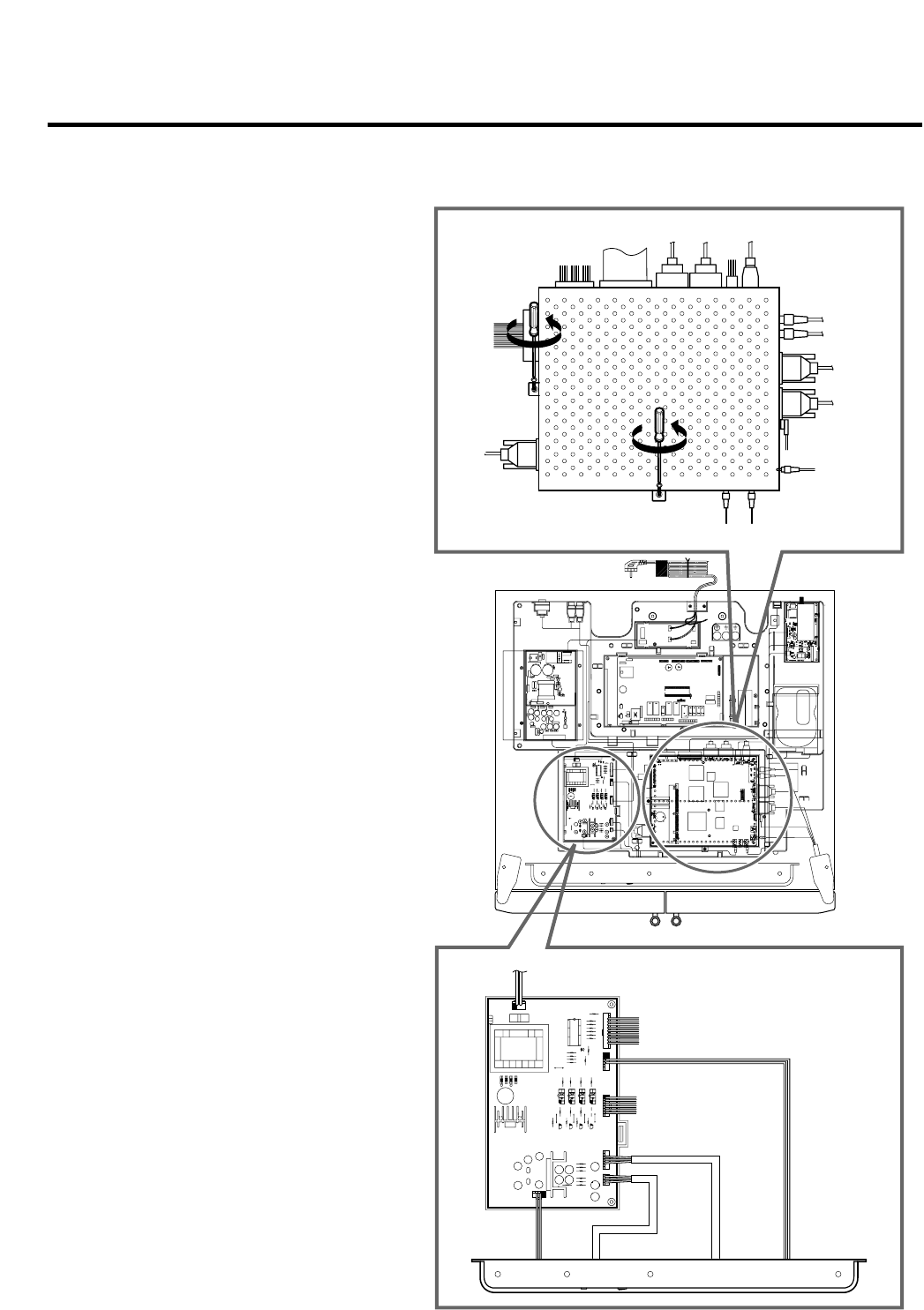
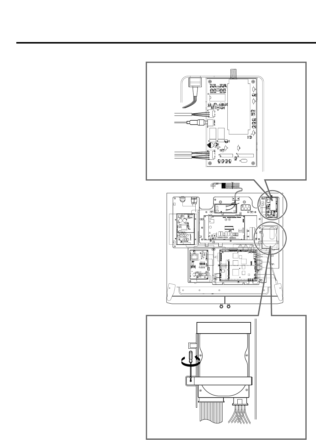
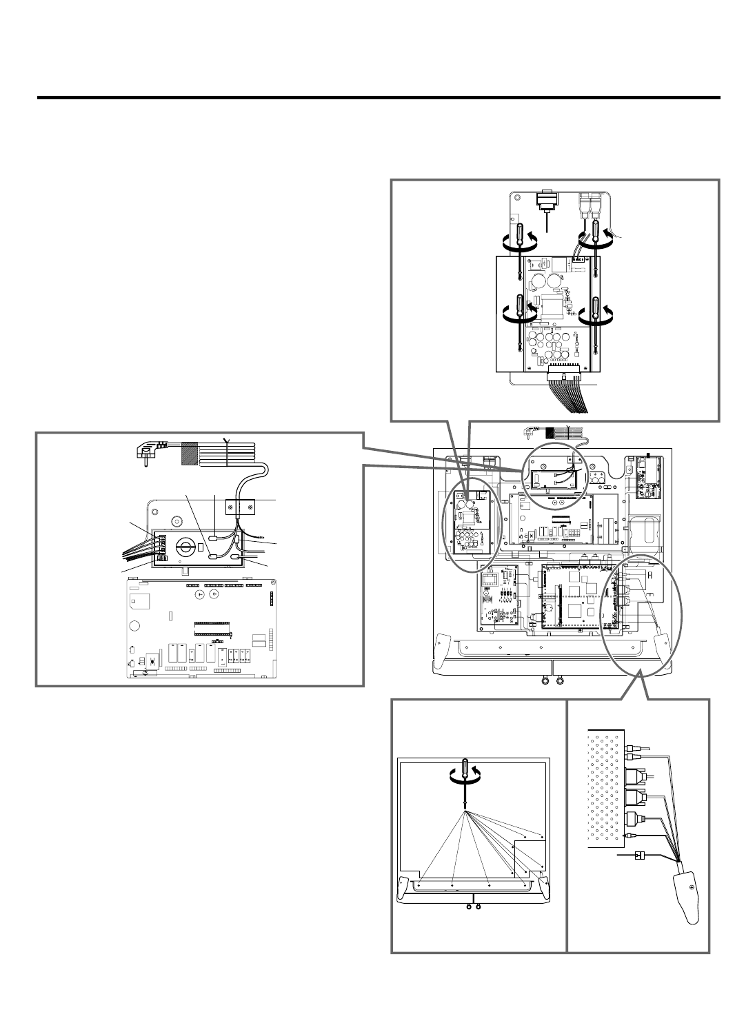
HOW TO DISASSEMBLE AND ASSEMBLE(DIGITAL SECTION) ................................................................................. 132
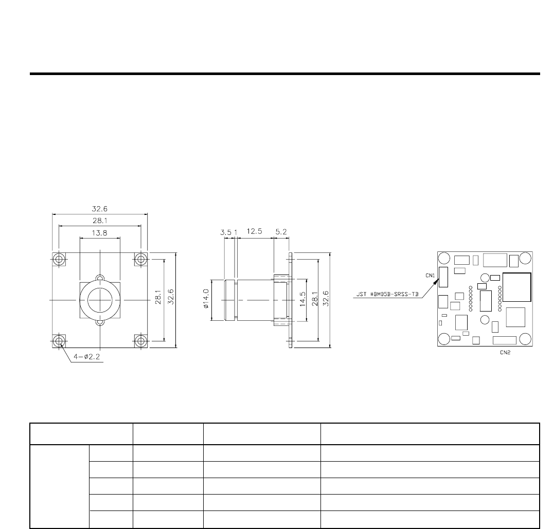
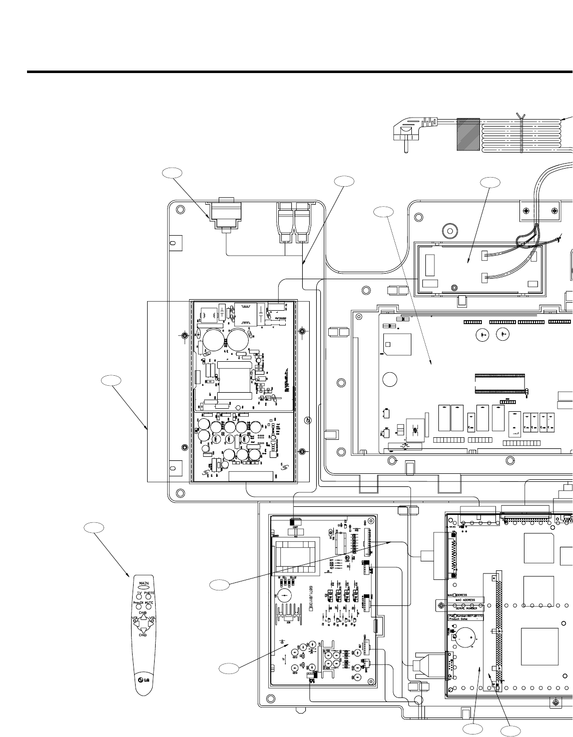
EXPLODED VIEW .............................................................................................................................................................. 136
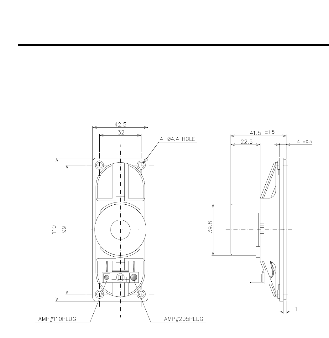
DIGITAL SECTION COMPONENTS .................................................................................................................................. 144
REPLACEMENT PARTS LIST .......................................................................................................................................... 146
CONTENTS
- 2 -

Please observe the following safety precautions in order to
safely and properly use the refrigerator, to avoid hazards,
and prevent accidents during repair.
1. Avoid the risk of electric shock. Disconnect power cord
from wall outlet and wait for more than three minutes
before replacing PWB parts. Shut off the power
whenever replacing and repairing electric components.
2. When connecting power cord, make sure that the power
cord has been disconnected from the wall outlet for at
least five minutes.
3. Check for damage to the power cord and plug. If the
power cord or plug is damaged, it could cause a fire or
electric shock.
4. The refrigerator should have its own individual electrical
outlet. Overloading any outlet can cause a fire.
5. Please make sure the outlet is properly grounded,
particularly in a wet or damp area.
6. Use standard electrical components when replacing
parts.
7. Make sure water connection is correctly engaged.
Remove dust and foreign materials from the housing
and connecting parts.
8. Do not fray, damage, machine, heavily bend, yank, or
twist the power cord.
9. Check for evidence of moisture intrusion in the
electrical components. Replace the parts or mask them
with insulation tape if moisture intrusion is evident.
10. Do not touch the Icemaker with hands or tools to
confirm the operation of geared motor.
11. Do not let the customer repair, disassemble, or
reconstruct the refrigerator for themselves. Servicing
carries the risk of electric shock, fire and other hazards.
12. Do not store hazardous materials such as ether,
benzene, alcohol, chemicals, gas, or medicine in the
refrigerator.
13. Do not put flower vases, cups, cosmetics, chemicals,
etc., or container with fall of liquid on the top of the
refrigerator.
14. Do not put glass bottles full of liquid into the freezer.
The contents could freeze and break the glass bottles.
15. When scrapping the refrigerator, please disconnect the
door gasket first, and scrap the refrigerator in a location
where no children have access.
WARNINGS AND PRECAUTIONS FOR SAFETY
- 3 -

SPECIFICATIONS
- 4 -
ITEMS SPECIFICATIONS
DIMENSIONS 960(W)
X
915(D)
X
1795(H) mm
(377/8
X
361/4
X
702/3in.)
NET WEIGHT 169kg (3721/2lbs.)
COOLING SYSTEM Fan Cooling
TEMPERATURE CONTROL Micom Control
DEFROSTING SYSTEM Full Automatic
Heater Defrost
INSULATION Cyclo-Pentane
COMPRESSOR PTC Starting Type
EVAPORATOR Fin Tube Type
CONDENSER Wire Condenser
REFRIGERANT R134a (210g) (67/8oz.)
LUBRICATING OIL FREOL @15G (330 cc)
DRIER 1Ø0.83
CAPILLARY TUBE MOLECULAR SIEVE XH-7
ITEMS SPECIFICATIONS
FIRST DEFROST 5 - 6 Hours
DEFROST CYCLE 13 - 15 Hours
DEFROSTING DEVICE Heater, Sheath-AL
Heater, Sheath-ML
Heater, Drain
ANTI SWEAT HEATER Dispenser Duct Door Heater
Dispenser Heater
Frame LCD Heater
ANTI-FREEZING HEATER Chilled Room Duct Heater
Damper Heater
Tube Inject Heater
FREEZER LAMP 60W (1 EA)
REFRIGERATOR LOWER LAMP 60W (1 EA)
REFRIGERATOR UPPER LAMP 30W (2 EA)
DISPENSER LAMP 15W (1 EA)
1790 (701/2)
1750 (6815/16)
1795 (7011/16)
1072 (201/4)
960 (3713/16)
750 (299/16)
801 (319/16)
875 (341/2)
915 (361/4)
1407 (557/16)
<Front View> <Top View>

PARTS IDENTIFICATION
- 5 -
Icemaker
Bank Ice
Cover, Lamp -F
Shelf F
Drawer
Supporter
Basket
Cover Lower
Dairy Product Corner
Control Box, R
Cover, Lamp-R(U)
Cantilever Shelf
Egg Box
Snack Corner
Cover, Lamp-R(L)
Fruit/Vegetable
Drawer
Vegetable/Chilled
Drawer
Guide Bottle
Adjust Screw
(right)
Supporter Basket
Cover
Adjust Screw
(Ieft)
Slide Out
Cantilever Shelf
Guide Bottle
Vegetable/Chilled Drawer
Convertible Switch
Wine Rack
Optional Part
Cover PWB
Back
Handle
Frame
Display
Dispenser
Lamp
Remote Control
Receiver
Camera
Mic
Ice & Water
Dispenser
Button
Monitor
Management Switch Reset Switch
Screen ON/OFF Switch

1. How to Adjust Door Height of Refrigerator
■Make the refrigerator level first. (If the refrigerator is not installed on a level floor, the height of freezer and refrigerator
door may not be the same.)
1. If the height of freezer door is lower than the
refrigerator door:
2. If the height of freezer door is higher than the
refrigerator door:
Insert a driver into the groove of adjusting screw
and rotate driver in arrow direction (clockwise) until the
refrigerator becomes horizontal.
Insert a driver into the groove of adjusting screw
and rotate driver in arrow direction (clockwise) until the
refrigerator becomes horizontal.
HOW TO INSTALL REFRIGERATOR
- 6 -
Adjusting
Screw
Driver
Height
Difference
Height
Difference
Height
Difference
1
2
Height
Difference

2. How to Install Water Pipe
■Install Water Filter (Applicable to some models only)
■Before Installing water filter
1. Before installing the filter, take out the top shelf of the
refrigerator after tilting it to the direction () and lifting it
to the direction () and move it to the lower part.
2. Remove the lamp cover by pressing the protrusion
under the cover and pulling the cover to the front.
■Installing water filter
1. Initial installation of water filter
Remove the filter substitute cap by turning it
counterclockwise () by 90 degrees and pulling it down.
Note : Keep it for later use when you do not use the filter.
Remove the red cap from the filter and attach the
sticker. Insert the upper part of the filter () after
aligning with the guideline marked on the control box,
and fasten it by turning it clockwise by 90 degrees.
Note : Verify that the guideline and the fastening indication
line are aligned.
2. Replacement of water filter
While holding the lower part of the filter, turn it
counterclockwise () by 90 degrees and pull it down.
Note : Verify that the guideline and the loosening indication
line are aligned.
■After installing water filter
Reassemble the lamp cover and the top shelf of the
refrigerator. To place the top shelf of the refrigerator, raise
the front part of the shelf a bit so that the hook of the shelf
fits into the groove.
In order to clean the water filter system, drain water for
about 3 min.
Note : Then open the door of the refrigerator and check for
water dripping on the shelf under the filter.
HOW TO INSTALL REFRIGERATOR
- 7 -
Control box
Aligning with the guide line
and the fastening indication line
Control box
Aligning with the guide line
and the loosening indication line
Removal
of red cap
Adhesive
Sticker
Substitute
cap

3. How to Control the Amount of Water Supplied to Icemaker.
3-1. Verify the amount of water supplied to the Icemaker.
1. Pull out the ice bin in the upper part of the freezer compartment.
Caution : • Do not put hands or tools into the chute to
confirm the operation of geared motor.
(Doing so may damage refrigerator or cause
injury to hands.)
• Check the operation of motor by its
operation noise.
2. Apply electricity after connecting water pipe.
1) Press test switch under the Icemaker for two seconds as shown below.
2) The bell rings(ding~dong), ice tray rotates, and water comes out from the Icemaker water tube.
3) The water shall be supplied two or three times into the tray. The amount of water supplied for each time is small.
Put a water container under the ice tray and press test switch.
4) When ice tray rotates, the water in it will spill. Collect the spilled water and throw it into the sink.
5) When ice tray has finished rotation, water comes out from the water tube. Confirm the amounts of water in the ice tray.
(Refer to fig. The optimum amount of water is 110cc[6.7in3])
* It is acceptable if the adjusted level of water is a bit smaller than optimum level.
HOW TO INSTALL REFRIGERATOR
- 8 -
21
Test Switch
Confirm the amount
of water
Icemaker
Too much
Too small
Optimum level

3-2. Control the amount of water supplied to the
Icemaker.
Caution : • Unplug the power cord from the wall outlet and
wait for more than three minutes before
disconnecting PWB cover as 310V is applied in
the control panel.
1. Disconnect PWB cover from the upper part of the
refrigerator.
2. Adjust the amount of water supplied by using the DIP
switch.
■Water Supplying Time Control Option
1) The water supplying time is set at five seconds when the
refrigerator is delivered.
2) The amount of water supplied depends on the setting
time and the local water pressure.
3) If the ice cubes are too small, increase the water
supplying time. This happens when too little water is
supplied to the tray. (eg: change 5 to 5.5 seconds)
4) If ice cubes stick together, decrease the water supplying
time. This happens when too much water is supplied
into the ice tray. (eg: change 5 to 4.5 seconds)
Caution : When adjusting the amount of water supplied,
adjust in small increments. Otherwise the water
may spill over.
3. When adjustment of control switch for the amount of
water supplied is complete, check the level of water in
the ice tray.
HOW TO INSTALL REFRIGERATOR
- 9 -
SWITCH NO Water Suppling
Switch1 Switch2 Switch3 Time
OFF OFF OFF 6 Sec.
ON OFF OFF 4 Sec.
OFF ON OFF 4.5 Sec.
ON ON OFF 5 Sec.
OFF OFF ON 5.5 Sec.
ON OFF ON 7 Sec.
OFF ON ON 8 Sec.
ON ON ON 9 Sec.
(+) Driver
1
ON
Switch ON
Switch OFF 23
PWB(PCB) Assembly
Confirm the amount
of water
Optimum level

1. Cooling Cycle (Cooling Principles/Refrigerant Gas Circulation)
1-1. Principles of cooling cycle
Cooling is an operation by which the temperature of a unit is maintained below the ambient temperature. For the
cooling operation, there must be an insulated space, the refrigerant (R134a) to absorb heat in the space, and a
refrigerant circulation system including a compressor, condenser, evaporator, etc. to conduct phase transformation of
the refrigerant.
1-2. Refrigerant gas circulation
Compressor
Wire Condenser
Hot Line (Freezer Compartment)
Hot Line (Refrigerator Compartment)
Drier
Capillary Tube
Evaporator
Suction Pipe
Cooling Fan
1-3. Cool Air Circulation
Freezer Compartment Refrigerator Compartment
COOLING CYCLE AND REFRIGERANT
- 10 -
2
9
1
5
8
3
7
4
6

2. Description of each component
NOTE : • The pressure of refrigerant changes from high to low at capillary tube outlet. The low pressure refrigerant rushes
into the evaporator inlet and makes noise.
• When low pressure liquid refrigerant evaporates in the evaporator, evaporation takes place in the entire
evaporator from inlet to outlet. When this occurs, noise may sometimes occur. Noise depends on the amount of
evaporation so that noise may or may not occur. This is not a problem.
3. Containing refrigerant and foaming agent
* ODP: Ozone Depletion Index(relative value based on CFC11 as 1.0)
GWP: Globe Warmth Index(relative value based on CO2as 1.0)
COOLING CYCLE AND REFRIGERANT
- 11 -
Refrigerant Characteristics ODP GWP Remarks
Cyclo-Pentane It does not contain chlorine which depletes ozone layer. 0 8 Foaming Agent
(C5H10) Its GWP is almost zero. Pollution-free foaming agent.
R134a It does not contain chlorine which depletes ozone layer. 8 1200 Refrigerant
(HFC-134a) Its GWP is also very low compared with that of R12
(GWP:15,300).
NO. NAME FUNCTION REFRIGERANT (IN AND OUTLET)
Compresses refrigerant from low(0 kg/cm2) to
high pressure(8-12 kg/cm2)
Refrigerant transforms from high pressure gas
to high pressure liquid in condenser.
This phase transfromation dissipates heat.
Drier absorbs moisture in the system.
(moisture absorption equipment)
Long and narrow tubes. Refrigerant pressure
drops rapidly as refrigerant passes through the
tube.
Refrigerant transforms from low pressure liquid
to low pressure gas. This phase change absorbs
heat from the surrounding air and food. This
enables foods to freeze in the freezer and to
stay fresh in the refrigerator compartment.
Connects evaporator and compressor.
LOW PRESSURE
GAS(0 kg/cm2)
TEMP(30°C[86°F])
HIGH PRESSURE
GAS(8-12 kg/cm2)
TEMP(80[176°F]-
120°C[248°F])
HIGH PRESSURE
LIQUID(8-12 kg/cm2)
TEMP(40[104°F]-
60°C[140°F])
LOW PRESSURE
LIQUID(0 kg/cm2)
TEMP(-27°C[-17°F])
LOW PRESSURE
GAS(0 kg/cm2)
TEMP(-27°C[-17°F])
→ HIGH PRESSURE
GAS(8-12 kg/cm2)
TEMP(80[176°F]-
120°C[248°F])
→ HIGH PRESSURE
LIQUID(8-12 kg/cm2)
TEMP(40[104°F]-
60°C[140°F])
→ LOW PRESSURE
LIQUID(10 kg/cm2)
TEMP(-27°C[-17°F])
→ LOW PRESSURE
GAS(0 kg/cm2)
→ LOW PRESSURE
GAS(0 kg/cm2)
TEMP(30°C[86°F])
COMPRESSOR
CONDENSER
DRIER
CAPILLARY
TUBE
EVAPORATOR
SUCTION PIPE
1
2
3
4
5
6

1. Compressor(Reciprocating Type)
The compressor consists of a piston and motor. The motor
pushes piston and piston which compresses refrigerant
gas to a high pressure. Lubricants are sealed in the
compressor to a accelerate cooling and lubricate
compressor. Low pressure refrigerant is distributed through
the entire compressor but high pressure refrigerant gathers
around outer cooling plate through the outlet pipe.
NOTE : • A replacement compressor for service is full of
nitrogen gas and sealed with rubber when it is
delivered. This is to protect oxidation and to prevent
the intrusion of moisture into the compressor. When
bushing seals are removed, nitrogen gas shall rush
out, producing noise. This is normal. If the nitrogen
gas was leaked out. the compressor may be
corroded and should not be used.
• Compressor should be protected from impact
during transportation or storage to prevent
eccentricity of motor axis.
2. Over Load Protector
Over load protector relay protects motor by breaking
circuits when temperature rises and excess current flows in
the compressor. It consists of bimetal element and heater.
Bimetal element defroms when temperature rises and
heater emits heat when over current flows. This relay is
mounted on the outer surface of compressor and senses
temperature of compressor. This relay is connected to the
compressor motor in series. When operating contact point
of bimetal comes off from fixed contacting point, over load
protector relay breaks circuit. When the temperature of
compressor lowers and the heater cools, the operating
contact points move back to the fixed contact point and the
compressor works again after 3 or 5 minutes.
NOTE : • Over load protector relay detects temperature
and current at the same time. It operates when
the temperature of compressor is high even there
is no current. It shall also operates when over
current flows even the temperature of
compressor is low. It is also possible that both
high temperature and over current shall operate
relays at the same time.(Current is more effective
than temperature.)
• Over load protector relay shall operate again if
the surface temperature and current of
compressor repeats a breach of the threshold
values even though the heater is cools down
after 3 or 5 minutes of downtime. Customer may
claim that the relays repeated on and off
operation as the temperature remained constant.
In this case, switch off the power and let the
compressor cool down fully. If the relay
malfunctions after this, replace it with a new one.
3. Positive Temperature Coefficient (PTC)
Starter is connected to auxiliary winding in series and
accelerates compressor starting. It is located on outer case
of compressor with relays. Previously, the starter was a
contact point type. but it is now generally a PTC element
type. PTC stands for positive temperature coefficient and it
has a starting value of resistance(e.g. 22 Ω). It is an
element whose resistance becomes infinitive when current
flows. The starting principles of a single-phase induction
motor and simple alternating current circuit must be fully
understood in order to understand the roles of starter. The
circuit is shown below.
FUNCTIONS AND OPERATION PRINCIPLES OF MAIN PARTS
- 12 -
AC
CS CR
P.T.C
Piston
Motor
Spring
Iubricant

4. Switch(Door, Dispenser)
1. Function
1) Door switches in freezer and refrigerator compartments turns on and off the lamps when the freezer and refrigerator
doors are opened and closed. They also switch the fans in the freezer compartment on and off at the same time.
2) Home bar switch turns on and off the lamp in the refrigerator compartment when home bar is open and close.
3) Dispenser switch turns the dispenser lamp on and off when dispensing ice/water.
2. Operation Principles and Characteristics
3. Troubleshooting
FUNCTIONS AND OPERATION PRINCIPLES OF MAIN PARTS
- 13 -
Classification Door Switch Dispenser Switch
Shapes
Circuits
Troubles (Parts)
Symptoms Check Measures
1
2
3
4
34
12
- The switch points make contact depending on
wheather one of the doors is opened or closed.
These control the lamps in the refrigerator and
the freezer compartments.
- The dispenser bushing button is pressed by the
switch lever. This turns on the dispenser lamp.
Operation
Principles
/Charact
-eristics
Lamp is not on when door is
open. (door switch)
1. Dispenser lamp is not on
when bushing button is
pressed.
2. Ice and water are not
dispensed.
Bad Contact Operate switch button three or
four times and verify that the
lamp is on and off. See if lamp is
burnt out. If lamp is O.K, then
remove switch and measure the
resistance between terminals.
(Door Switch: 1-2, 3-4.)
Operate switch button three and
four times and confirm the lamp,
ice and water dispenser work. It
they do not work, then remove
switch and measure the
resistance between terminals.
(COM-NO)
Replace switch if the resistance
between terminals is not zero.
Replace switch if the resistance
between terminals is zero.

5. Motor
1. Freezer/Cooling Motor Used mainly for
Freezer/Cooling motor
■Detail of connector
2) Gear Box Application Type
Gear box is used for moving and crushing ice which is
stored in the ice bin. Gear box is connected at the output
axis of shaded motor. Gear box changes high RPM of
motor to low RPM but high power by gear box. This power
can move and crush ice.
6. Solenoid.
1. Structure of Solenoid
Two types of solenoids are used for refrigerator depending
on the applications such as solenoids for ice cube and ice
dispenser. The solenoid is composed of an armature,
stator and a main body which supports stator and pulls the
armature when electricity is applied.
2. Operation Principles
When electricity is applied to the coil, magnetic field forms
around the coil. The armature in the magnetic field moves
toward the stator and ice dispenses. When electricity is
removed, the armature moves back to its original position
(rated stroke distance) by the spring force and stops
moving.
CAUTIONS : • Do not operate solenoid for more than two
minutes. It may be overheat.
• Solenoid is not for continuous use but
discontinuous use as it operates when
customer dispenses ice.
FUNCTIONS AND OPERATION PRINCIPLES OF MAIN PARTS
- 14 -
Shaft
Stator
Connector
Front(SHAFT Projective direction)
15Vdc(+)
EMF
GND(-)
Stator
Bobbin
Shaft
Gear Box
Stator
Coil Coil
Stator
ArmatureArmature
<Solenoid for ice cube> <Solenoid for dispenser>

3. Troubleshooting
7. Heater
1. Summary
Heaters are used to remove dew and frost on the evaporator and ice and dew on the parts of refrigerator.
* SXS Refrigerator Defrost System
It is MICOM controlled automatic defrost system.
Heater turns on when the set time in MICOM has elapsed and off when the defrost sensor senses the defrost is complete.
2. Types of heater and their roles
FUNCTIONS AND OPERATION PRINCIPLES OF MAIN PARTS
- 15 -
Symptom Faults(parts) Check Measures
Crushed ice comes out when 1. Connector is missed. 1. Check connection parts. 1. Join connector.
ice cube is selected. 2. Solenoid for ice cube is cut. 2. Check resistance between 2. Replace parts.
terminals. The resistance is
infinite when it is cut.
Ice does not dispense but 1. Connector is disconnected. 1. Check connecting part. 1. Join connector.
jams on the door path 2. Solenoid for dispenser is 2. Check the resistance 2. Replace parts.
when ice is selected. cut. between terminals.
Resistance is infinite
when it is cut.
Classification Application Functions Resistance Remarks
Heater, Sheath-AL Evaporator Upper Part Evaporator Defrost 240W
Heater, Sheath-ML Evaporator Lower Part Evaporator Defrost 260W
It melts and discharges the ice dropped
Heater, Plate Drain Lower Part from the evaporator through drain pipe 45W
during defrost.
Heater, Plate Chilled Room Duct Prevent icing from the chilled room duct. 5W
Heater, Plate Damper Prevent icing from damper 3W
Heater, Plate Dispenser(Freezer door) Remove dew from dispenser 5W
Heater, Sheet Dispenser(Freezer door) Remove dew from duct door. 1W
Heater, Cord Frame LCD Prevent icing from Home Bar. 2.7W
Heater, Plate Tube Inject Prevent icing Tube Inject 3.5W

3. Faults Symptom (Products): faulty heater
1) Heater, Sheath-ML/AL
2) Heater Plate (Drain)
FUNCTIONS AND OPERATION PRINCIPLES OF MAIN PARTS
- 16 -
Problem Symptom Checks Measures
Problem Symptom Checks Measures
1. The resistance is infinity when it is
measured at both connector ends
with a tester.
2. Visually check for a faulty defrost
with eyes.
3. The resistance fluctuates very much
when the resistance is measured at
both ends with a tester.
4. When the resistance between both
connector ends is measured with a
tester, the resistance is zero or
beyond the allowance of marked
value. (allowance: marked value±7%)
Poor Defrost
Short circuit
1. Heater, Sheath heating
wire is cut, corroded, or
connecting wire is cut.
2. Evaporator is not close
enough to Heater,
Sheath-AL.
3. Poor terminal contact.
4. Moisture intrudes into
the pipe through the
crack as Heater,
Sheath-AL Pipe, and/or
Silicon Cap are dented.
1. Replace parts. (Reconnect if
wire is disconnected.)
2. Move evaporator closer to
Heater, Sheath-AL.
3. Correctly insert connector.
4. Replace parts.
1. The resistance is infinity when the
resistance is measured at both
connector ends with a tester.
2. The resistance fluctuates very
much when the resistance is
measured at both connector ends
with a tester.
3. When the resistance between both
connector ends is measured with a
tester, the resistance is zero or
beyond the allowance of marked
value. (allowance: marked
value±7%)
Poor defrost
Short circuit
1. Heating wire is cut or
corroded.
2. Poor terminal contact.
3. Moisture intrudes as
the heating wire is
damaged by a sharp fin
of evaporator.
1. Replace parts. (Reconnect if
wire is cut)
2. Correctly reinsert the connector.
3. Replace parts.

3) Other Heaters
8. Valve
1. Nomenclature of each part
Solenoid Coil
Spring
Plunger
Packing
Holder
Flow Control
Flow Washer
2. Operation Principles
1) While Opening
When power is on and the inlet water pressure reaches
at a certain value, the plunger (3) moves up by solenoid
coil. The water passes through porous hole and then
center holes of the holder and flows to the outlet. Flow
control (6) and flow washer (7) are included in order to
maintain a constant flow rate and pressure (1.0 ~
8.0 kgf/cm2) in A line (water supplied to icemaker).
2) While Closing
The water stops flowing to outlet as packing seals (4)
the hole of holder (5) by spring when power is off.
FUNCTIONS AND OPERATION PRINCIPLES OF MAIN PARTS
- 17 -
Corresponding
Problem Heater Symptom Checks Measures
1. Heating wire is Heater Plate The temperature of chilled 1. The resistance is infinite when the 1. Replace parts.
cut or corroded. (Chilled drawer drawer is high. resistance is measured at both (Reconnect if the wire
2. Poor terminal duct) (icing on duct) connector ends with a tester. is cut)
contact. 2. The resistance significantly very much 2. Correctly insert
when the resistance is measured at both connector.
connector ends with a tester.
Heater Plate Incorrect refrigerator
(damper) compartment temperature.
(icing on the duct)
Heater Plate Dew forms around the 1. Remove connector from freezer hinge
(dispenser) dispenser and measure the resistance of heater.
Sheath Heater Dew forms around duct door. 1. The resistance is infinite when it is
(duct door) measured at both connector
ends with a tester.
Cord Heater Dew forms around 1. Remove connector from R hinge and
(Frame LCD) Frame LCD. measure the resistance of heater.
823
6
7
5
4
1
AB Outlet
Inlet

1. Working Principles
1-1. Icemaker Working Principles
1-2. Dispenser Working Principles
1. This function is available in Model GR-D267 where water and ice are available without opening freezer compartment door.
2. Crushed Ice is automatically selected when power is initially applied or reapplied after power cut.
3. When dispenser selection switch is continuously pressed, light is on in the following sequence:
Water →Cube Ice →Crushed Ice.
4. Lamp is on when dispenser bushing button is pressed and vice versa.
5. When dispenser crushed ice bushing button is pressed, dispenser solenoid and geared motor work so that crushed ice
can be dispensed if there is ice in the ice bin.
6. When dispenser cube ice bushing button is pressed, dispenser solenoid, cube ice solenoid and geared motor work so
that cubed ice can be dispensed if there is ice in the ice bin.
7. When dispenser water bushing button is pressed, water valve opens and water is supplied if water valve is properly
installed on the right side of the machine room.
8. Ice and water are not available when freezer door is open.
ICEMAKER AND DISPENSER OPERATION PRINCIPLE AND REPAIR METHOD
- 18 -
• Level Icemaker Cube Mould for Initial Control
after power is applied.
Power Input
Initial Control
Ice Making Control
Ice Ejection Control
Water Supply Control
Test Control
• Wait until the water in the cube mould is frozen
after Icemaker starts operation.
• Detect if ice bin is full of ice by rotating ice ejection
motor in normal and reverse direction and eject ice into
the ice bin if ice bin is not full.
•
This is for refrigerator assembly line and service. When ice making test switch is pressed,
it operates in the following steps: initial ice ejection water supply control steps.
• Conduct Ice Making Control after supplying water into the Icemaker
cube mould by operating water valve.

2. Function of Icemaker
2-1. Initial Control Function
1. When power is initially applied or reapplied after power loss, the Icemaker cube mould level is detected after completion
of MICOM initialization. The detecting lever moves up and down.
2. The level of Icemaker cube mould is determined by output signal, high and low signal, of Hall IC. The cube mould is
leveled by rotating ice ejection motor in normal or reverse direction. The High/Low Hall signal is be applied to MICOM Pin
No. 42.
3. If there is no change in signals one minute after the geared motor starts to operate, it stops Icemaker operation and
checks the signal every hour. It reinitializes the Icemaker when the feedback signals becomes normal.
4. It datermines that the initialization is completed when it senses the Icemaker cube mould is horizontal.
5. Ice ejection conducts for 1 cycle whether ice or not ice is in the ice bin when power is initially applied.
2-2. Water Supply Control Function
1. This function supplies water into the Icemaker cube mould by operating the water valve when ice ejection control is
completed and Icemaker mould is level.
2. The quantity of water supplied is determined by DIP switches and water pressure.
<Water Supply Quantity Table>
3. The refrigerator actively detects the DIP switch seting so that interrupting power is not necessary to change the supply
preset. If the DIP switches are changed while water is being supplied, the changes will take effect until the supply cycle is
complets.
4. When water supply signal is applied to water and ice valves at the same time during water supply, water is supplied to
water valve. If water supply signal is applied to ice valve during water supply, water is supplied to both water and ice
valves.
2-3. Ice Making Control Function
1. Ice making control is carried out from the completion of water supply to the completion of ice making in the cube mould.
Ice making sensor detects the temperature of cube mould and completes ice making. (ice making sensor is fixed below
Icemaker cube mould)
2. Ice making control starts after completion of water supply control or initial control.
3. Ice making is determined to be completed when ice making sensor temperature reaches at -8°C[18°F] 100 minutes after
water is supplied to Icemaker cube mould.
4. It is judged that ice making is completed when Icemaker sensor temperature reaches below -12°C[10°F] after 20 minutes
in condition 3.
ICEMAKER AND DISPENSER OPERATION PRINCIPLE AND REPAIR METHOD
- 19 -
DIP SWITCH SETTING
No SWITCH 1 SWITCH 2 SWITCH 3 WATER SUPPLY TIME REMARKS
1 OFF OFF OFF 6.5 Sec.
2 ON OFF OFF 5.5 Sec.
3 OFF ON OFF 6 Sec.
4 ON ON OFF 7 Sec.
5 OFF OFF ON 7.5 Sec.
6 ON OFF ON 8 Sec.
7 OFF ON ON 9 Sec.
8 ON ON ON 10 Sec.
* The quantity of water supplied
depends on DIP switch setting
conditions and water pressure as it is
a direct tap water connection type.
(the water supplied is generally 80 cc
to 120 cc)
* DIP switches are on the main PWB.

2-4. Ice Ejection Control Function
1. This function ejects the ice from the Icemaker cube mould after ice making is completed.
2. If Hall IC signal is on within 3.6 seconds after ice ejection motor rotates in normal direction, it does not proceed with ice
ejection. but waits. If the ice bin is full, ice ejection motor rotates in normal direction in every hour to check the condition of
ice bin. If the ice bin is not full, the water supply control starts after completion of ice ejection control. If the ice bin is full,
ice ejection motor rotates in reverse direction and stops ice making.
3. If ice bin is not full, ice ejection starts. The cube mould tilts to the maximum and ice is separated from the mould as ice
checking lever raises.
4. Ice ejection motor stops for 1 second if Hall IC signal changes from OFF (low) to ON (high) after 3.6 seconds when ice
ejection motor has rotated in normal direction. If there is no change in Hall IC signals within 1 minute after ice ejection
motor operates, ice ejection motor stops as ice ejection motor or Hall IC is out of order.
5. If ice ejection motor or Hall IC is abnormal, ice ejection motor rotates in normal direction to perform its reinitialization. It
resets the Icemaker if the ice ejection motor or Hall IC is normal.
6. The mould stops for 1 second at maximum tilted conditions.
7. The mould returns to a leveled position as ice ejection motor rotates in reverse direction.
8. When the mould is level, the cycle starts to repeat:
Water Supply →Ice Making →Ice Ejection →Mould Returns to Horizontal
ICEMAKER AND DISPENSER OPERATION PRINCIPLE AND REPAIR METHOD
- 20 -
Bank is
not full
HALL IC
OUTPUT
SIGNALS
Bank is
full
HALL IC
OUTPUT
SIGNALS
ICE CHECKING
AXIS
ICE CHECKING LEVEL 30°
Maximum tilting
point
Ice making
(Original point)
Lock
2±1 sec
9±3 sec
8±3 sec
Ice Checking Ice Ejection
Lock
Horizontal
Conditions
Level Retrun
Conditions
<Timing Chart During Ice Ejection>

2-5 Test Function
1. This function forces operation during operation servicing and cleaning. The test switch is mounted under the automatic
Icemaker. The test function starts when the test switch is pressed for more than 0.5 second.
2. Test button does not work during ice ejection and water supply. It works when the tray is in the horizontal conditions. If the
mould is full of ice during test function operation, ice ejection control and water supply control will not work.
3. When the test switch is pressed for more than 0.5 second in the horizontal condition, ice ejection starts irrespect of the
mould conditions. Water will splash if test switch is pressed before the water in the mould freezes. Water shall be supplied
while the mould returns to the horizontal conditions after ice ejection. Problems involving ice ejection, returning to the
horizontal conditions, and water supply can be checked via the test switch. When test function performs normally, a
buzzer sounds and the water supply function begins. Check it for repair if buzzer does not sound.
4. When water supply function is completed, the cycle continues as follows: Ice making →Ice ejection →Returning to
horizontal conditions →Water supply
5. Remove ice from the Icemaker cube mould and press test switch. When Icemaker cube mould is full of ice as ice ejection
and water supply controls do not operate.
2-6. Other functions relating to freezer compartment door opening
1. When freezer door is open, ice dispenser stops in order to reduce noise and ice drop.
2. When freezer door is open during ice ejection and cube mould returning to horizontal condition, ice ejection and cube
mould level return proceed.
3. When freezer door is open, geared motor and cube ice solenoid immediately stop and duct door solenoid stops after 5
seconds.
4. Water dispenser stops in order to prevent water spilling when freezer door is open.
5. Test function operates normally regardless of refrigearator compartment door opening.
ICEMAKER AND DISPENSER OPERATION PRINCIPLE AND REPAIR METHOD
- 21 -

3. Icemaker Troubleshooting
* Troubleshooting: it is possible to check the dispenser by pressing freezer and refrigerator temperature control buttons
for more than 1 second. (Icemaker is normal if all leds are on): refer to trouble diagnposis function in
MICOM section.
ICEMAKER AND DISPENSER OPERATION PRINCIPLE AND REPAIR METHOD
- 22 -
No
Yes
Yes
Yes
No
No
No
No
Yes
Yes
Is DC Power (5V and 12V)
output normal? Failed DC Power
• Check DC power (5V, 12V).
Change main PWB
Is cube ice LCD off during
troubleshooting check? Failed icemaking sensor
• Check the resistance of
both ends (1,2) of icemaking
sensor of CON9.
• Defects between icemaking
sensor and board
(Pin No. 60 of IC1)
Replace Ice making
Sensor
Is Crushed Ice LCD off during
troubleshooting check?
Failed Icemaker Unit
• Is the resistance of both ends
(9,10) of ice ejection motor of
CON9 between 18 and 22Ω?
• Is ice ejection motor drive circuit
(IC11 and peripheral circuits)
normal?
• Defects between Hall IC and
Board (Pin No. 42 of IC1).
• Confirm ice ejection and level
return when pressing
test switch.
Replace Icemaker Unit
Replace Main PWB
Are ice
ejection and level return
normal when test switch is
pressed for more than 0.5 second?
Does the bell
sound once?
Failed Icemaker unit test switch
• Are both ends (5,6) of CON9
test switch open?
• Defects between test switch
and board (Pin No. 38 of IC1).
• Are both ends (3,4) of CON9
ice maker stop switch short?
Replace Icemaker Unit
Replace water
supply valve
• Is power applied to water
supply valve?
• Does the water supply
valve work normally?
• Is the water supply line
normally connected?
Poor water supply
Is water suppy normal
after Ice ejection and level return
by ice ejection motor?
Normal

4. Icemaker circuit part
The Icemaker circuit above applies to the GR-D267 and consists of the Icemaker unit part installed in the freezing section
and the Icemaker drive part of the main PWB.
Water supply to the Icemaker container is accomplished by opening the valve via a solenoid relay for a duration set by the
DIP switches. When water supply time elapsed, water supply automatically stops. This circuit exists for implementing
functions such as ice removal, ice-full detection, horizontal balancing and sense of ice-making temperature sensing for the
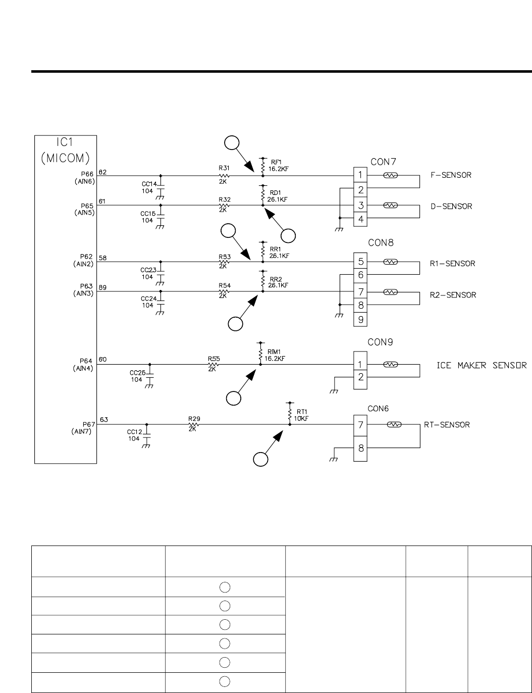
Icemaker container. Ice-making temperature sensing is same as in the temperature sense circuit part of the main PWB,
refer to it.
Test switch input detection of the Icemaker is same as in the door switch input detection circuit of the main PWB.
1. This function is used in operation test, service execution and cleaning, etc. And is performed if pressing the test switch
installed at the automatic Icemaker itself for more than 0.5 seconds.
2. The test switch operates when the ice-maker is in the horizontal position. Test function is not available during the water
supply operation. Ice removal control and water supply controls are not performed if ice-full is detected during the
operation of test function.
3. If pressing the test switch for 0.5 second or more in the horizontal status, ice removal operation is immediately performed
regardless of the generation conditions of ice in the ice-making tray. Therefore, exercise caution as water may overflow
when operating test function before the water has frozen. The water supply function operates with the horizontal
balancing operation after ice removal operation. Therefore, you can check any problem of ice removal operation,
horizontal operation and water supply. In this case, if test check returns normal feedback, a bell sound rings and water
supply control is performed. No ringing of the bell sound means failure and repair service must be performed.
4. When water supply is completed, operation continues in the normal cycle of ice making, ice removal, returning to
horizontal status, and water supply.
ICEMAKER AND DISPENSER OPERATION PRINCIPLE AND REPAIR METHOD
- 23 -

1. Monitor Panel
2. Description of Function
2-1. Funnction of Temperature Selection
* The temperature can vary ±3 °C depending on the load condition.
❉Whenever pressing button, setting cycles in the order of (Medium) ➝(Medium Max) ➝(Max) ➝(Min) ➝
(Medium Min).
• The actual inner temperature varies depending on the food status, as the indicated setting temperature is a target
temperature, not the actual temperature within refrigerator.
• Refrigeration appears to be weak at first use. Please adjust temperature as shown after using refrigerator for minimum
of 2 to 3 days.
MICOM FUNCTION
- 24 -
OFF
ON
WATER
TEMP TEMP
FILTER STATUS
FILTER RESET
PUSH 3 SEC.
ROOM TEMP
UNLOCK
LOCK
6
5
4
3
2
1
H
M
L
CUBED
CRUSHED
Division Power Initially On 1st Press 2st Press 3th Press 4th Press
Setting
temperature
Temperature
Control Medium Medium Max Max Min Medium Min
Freezer Control
-19 °C [-2 °F] -22 °C [-7 °F] -23 °C [-9 °F] -15 °C [5 °F] -17 °C [1 °F]
Refrigeration 3 °C [37 °F] 2 °C [35 °F] 0°C [32 °F] 6 °C [43 °F] 4 °C [39 °F]
Control
H
M
L
H
M
L
H
M
L
H
M
L
H
M
L

2-2. LCD Back Light Control
1. In order to easily view display status on the LCD, LCD Back Light turns on for a minute in application of initial power, for a
minute with button use, and for a minute after closing the door.
2. If pressing any display button once with the backlight turned off, buzzer rings and button function is not performed but
only backlight is turned on (If pressing the first button with the back light turned off, only back light ON function is
performed).
3. When pressing the special freezing button and the freezing temperature adjustment button for more than a second, the
back light is turns on and all the graphics of LCD are turned on. If releasing the button, the LCD graphic returns to in the
previous state and the back light turns off (check LCD graphic and back light ON/OFF status).
2-3. Outside temperature display function
1. The temperature sensor at the left U of refrigerator senses ambient temperature and displays that temperature in the left
side of Outside temperature text on the LCD display.
2. Ambient temperature is displayed up to -9°C[16°F] ~ 49°C[120°F] and displayed as Lo for less than -10°C[14°F] and as
HI for more than 50°C[122°F]. If the ambient temperature sensor fails, Er is displayed.
3. Since display temperature of ambient temperature is temperature sensed by the ambient sensor in the hinge U of the
freezing compartment, it may differ from the ambient temperature display of other household electrical appliances.
2-4. Lock function (display button lock)
1. When power is first applied, only the Release text is turned on in the lock/release status indicator at the right side of the
LCD display.
2. If desiring to lock the display status, press the lock/release button once, Release text is turns off at the right side of lock
graphic of LCD and Lock text is turned on indicating locked status.
3. The only buzzer sound rings and function is not performed even if pressing display button other than lock/release key
when in the lock status.
4. If desiring to release the lock status, press the lock/release button once, Lock text turns off at the right side of lock
graphic of LCD and Release text turns on in dicating locked release status.
2-5. Filter status display function
1. Remaining filter replacement period is displayed as in the below figure. Each line in dicates the number of months before
the next filter replacement.
2. The graphic/text indicator appears if in the LCD if 6 months of filter use have passed.
3. Reset the filter status by pressing the filter replace button for more than 3 seconds to after replacing filters when 6 months
of filter use have transpired or merely if desiring to reset the filter display status.
2-6. Automatic Icemaker
• The automatic Icemaker can automatically make 8 pieces of ice at a time up to 10 times a day, These quentities may vary
according to various conditions in cluding how many times the refrigerator door opens and closes.
• Ice making stops when the ice storage bin is full.
• If you don’t want to use automatic Icemaker, switch the Icemaker OFF.
If you want to use automatic Icemaker later, switch it ON.
NOTE : It is normal that a noise is produced when ice made is dropped into the ice storage bin.
MICOM FUNCTION
- 25 -
Classification In initial 1 Month 2 Months 3 Months 4 Months 5 Months 6 Months
use use use use use use use
6
5
4
3
2
1
6
5
4
3
2
1
6
5
4
3
2
1
6
5
4
3
2
1
6
5
4
3
2
1
6
5
4
3
2
1
6
5
4
3
2
1
FILTER STATUS FILTER STATUS FILTER STATUS FILTER STATUS FILTER STATUS FILTER STATUS FILTER STATUS
FILTER RESET
PUSH 3 SEC.
Filter Status
Display
FILTER RESET
PUSH 3 SEC.

2-7. When Icemaker does not operate smoothly
Ice is frozen together
• When ice is frozen together, take the lumps out of the ice storage bin, break them into small pieces, and then place them
into the ice storage bin again.
• When the Icemaker produces ice too small or frozen ice, the amount of water supplied to the Icemaker needs to adjusted.
Contact the service center.
✻If ice is not used frequently, it may freeze together.
Power failure
• Ice may drop into the freezer compartment. Take the ice storage bin out and discard all the ice. Then dry it and place it
back in its position. After the machine is powered again, crushed ice will be automatically selected.
The unit is newly installed
• It takes about 12 hours for a newly installed refrigerator to make ice in the freezer compartment.
2-8. Super freezer
Please select this function for prompt freezing.
• On or Off cycles whenever pressing SUPER FRZ button.
• The graphic indicator remains in the On status after flickering 4 times when selecting Special Refrigeration On.
• Super freezer function automatically turns off after a fixed time passes.
2-9. Lock
This button prevents use of a different button.
• At initial Power on, the control panel is unlocked.
• Lock or Release cycles whenever pressing the LOCK CONTROL.
• Pressing another button while the panel is locked will yield no results.
2-10. Super freezing
1. Super freezing is a function to improve cooling speed of the freezing chamber by consecutively operating compressors
and freezing room fan. Pressing the super freezing button toggles the Super Freezer feature on and off when the feature
turns on the graphic remains on after blinking once.
2. Super freezing is cycles in order of Selection/ Release (Turn On / Turn Off) whenever pressing the selection button.
3. Super freezing is released if power failure occurs and the re frigerator then returns to the original status.
4. Temperature setting is not changed even if selecting the super freezing option is selected.
5. A change of the temperature setting of the freezing chamber or the cold storage chamber is permitted with super freezing
selected. The change is processed while Super Freeze is active.
6. The cold storage chamber operates in the state currently set with super freezing selected and processed.
7. Note that the super freezing, the super freezing function deactivates after continuously operating compressor and the
freezing room fan for a certain amount of time.
8. If frost removal starting time occurs during super freezing, super freezing operation executes only for the remaining time
after completion of frost removal when the super freezing operation time passes 90 minutes. If passing 90 minutes, super
freezing operation is carried out only for 2 hours after completion of frost removal.
9. If pressing the super freezing button during frost removal, the super freezing LCD indicator turns on but if pressing the
super freezing, compressor operates only after the remaining defrost time has passed.
10. If selecting super freezing within 7 minutes (delay for 7 minutes of compressor) after the compressor stops, compressor
operates after the remaining time has passed.
11. The freezing room fan motor operates at high RPM during operation of super freezing.
MICOM FUNCTION
- 26 -

2-11. Control of variable speed freezing room fan
1. To increase cooling speed and load response speed, the MICOM sets freezing room fan motor at the high speed of RPM
or the standard RPM.
2. Only at the application of initial power, or special freezing operation, or load response operation does the MICOM direct
speed of RPM. The MICOM directs the standard RPM in other general operations.
3. If opening doors of freezing / cold storage chamber or home bar while fan motor in the freezing chamber operates, the
freezing chamber fan motor operates normally. (If operating in the high speed of RPM, it switches to the standard RPM).
However, if opening doors of freezing chamber or home bar, the freezing room fan motor stops.
4. As for monitoring of BLDC fan motor error in the freezing chamber, MICOM immediately stops the fan motor when
sensing that the BLDC fan motor is locked or pooly operating if there would be position signal for more than 65 seconds
at the BLDC motor. In such cases, the MICOM in dicutes a failure (refer to failure diagnosis function table) on the LCD
display and attempts arestant of the cycle in 30 minutes. If normal operation is detected, failure status is released and
refrigerator resets to the initial status (reset).
2-12. Control of cooling chamber fan motor
1. The cooling chamber fan motor performs ON/OFF control by linking with the COMP.
2. It operates at the single RPM without varying RPM.
3. Failure sensing method is same as freezing fan motor (refer to failure diagnosis function table for failure display).
2-13. Door opening alarm
1. Buzzer generates alarm sound if doors are not closed even when more than a minute consecutively has passed with
doors of freezing / cold storage chamber or home bar opened.
2. Buzzer rings three times in the interval of 0.5 seconds after the first one-minute has passed after doors are opened and
then repeats three times of On/Off alarm in the cycle of every 30 seconds.
3. If the doors of freezing/cold storage chamber or home bar are closed during door open alarm, alarm is immediately
deactivated.
2-14. Ringing of button selection buzzer
1. If pressing the front display button, a bell sound rings.
2-15. Ringing of forced operation, forced frost removal buzzer
1. If you press the test button on the Main PCB, a tone sounds.
2. In selecting forced operation, alarm Sound is repeated and completed in the cycle of On for 0.2 second and Off for 1.8
second three times.
3. In selecting forced frost removal, alarm sound is repeated and completed in the cycle of On for 0.2 second , Off for 0.2
second, On for 0.2 second and Off for 1.4 second three times.
MICOM FUNCTION
- 27 -
Doors of
freezing/cold
storage
chamber or
home bar
BUZZER
Closing
Opening
Within
a minute A minute
30
seconds
30
seconds
30
seconds
Opening
Closing Closing
3 Times 3 Times 3 Times 3 Times

2-16. Frost removal function
1. Frost removal is performed every 7 to 7.5 hours of accumulated compressor operation time.
2. After providing initial power (or after power failure), frost removal starts whenever total operation time of compressor
becomes 4 to 4.5 hours.
3. Frost removal is completed if temperature of the frost removal sensor becomes more than 5°C[41°F] after starting frost
removal. Poor frost removal is not displaced if it does not arrive at 5°C[41°F] even if two hours have passed after starting
frost removal.
4. No removal is done if frost removal sensor fails (snapping or short-circuit).
2-17. Electric Equipment Progressive Operation
Compressor, defrost heater, freezer fan, cooling fan, electromagnetic single motor damper, etc. start in the following
sequence in order to prevent noise and parts damage when power is first applied and when testing is complete.
MICOM FUNCTION
- 28 -
Function Load Starting Sequence Remarks
When electricity is first applied TEST MODE
When the
temperature of
defrost sensor is
above 45°C[113°F]
(when purchased
or moved to
another house)
If there is an error in
the process, startup
does not work.
■Load starting
sequence when
freezer and
refrigerator doors
are closed.
If switch is once
more pressed or the
temperature of
defrost sensor is
above +5°C[41°F] in
test mode 2, it
returns to test mode
and starts initial
drive. (compressor
will start after seven
minutes)
When the
temperature of
defrost sensor is
below 45°C[113°F]
(during power loss
and servicing)
Test Mode 1
(Forced Starting)
Test Mode 2
(Forced Defrost)
POWER
ON
COMP
ON
FAN
(High Speed)
ON
MOTOR
DAMPER
ON
HOME
BAR
HEATER
ON
POWER
ON
DEFROST
HEATER
ON
HOME
BAR
HEATER
OFF
HOME
BAR
HEATER
ON
VEGETABLE
HEATER
DAMPER
HEATER
ON
COMP
ON
FAN
ON
MOTOR
DAMPER
ON
VEGETABLE
HEATER
DAMPER
HEATER
OFF
TEST
S/W
(Press
Once)
COMP
ON
FAN
(High Speed)
ON
MOTOR
DAMPER
ON
TEST
S/W
(Press
Twice)
COMP
OFF
FAN
OFF
MOTOR
DAMPER
ON
1/2
sec 1/4
sec 1/4
sec 1/4
sec
1/2
sec 10
sec 1/4
sec 5
sec
DEFROST
HEATER
OFF
5
sec 1/4
sec 20
sec 1/4
sec
1/4
sec 1/4
sec 1/4
sec
1/4
sec 1/4
sec 1/4
sec
1/4
sec
OTHER
LOAD
OFF
DEFROST
HEATER
ON

2-18. Failure Diagnosis Function
1. Failure diagnosis function is a function to facilitate servicing when improper operation of the product occurs.
2. The user will notice a failure when pressing one of the function buttons yields no consequent effect beyond the audible
Ding.
3. If the improper operation ceases while a failure is displayed, the MICOM resets the display to a normal state.
4. A failure code is indicated on the LCD displays refrigerator and freezer temperature readouts temperature for the freezing
room and the display part of setting temperature for the cold storage room of LCD, which are placed at the display part of
a refrigerator. All the LCD graphics other than a failure code are turned off.
✽In display of the failure mode, all LCDs of setting temperature for freezing/ setting temperature and for cold storage are
turned off (excluding Note1 and Note2).
MICOM FUNCTION
- 29 -
OFF
WATER
FILTER STATUS
UNLOCK
6
5
4
3
2
1
H
M
L
CUBED
CRUSHED
TEMP TEMP
ROOM TEMP
●●: Normal Operation
1
2
3
4
5
6
7
8
9
10
11
12
Er FS
Er rS
Setting temperature
display (Note 2)
Er dS
Er dH
Er FF
Er CF
Er CO
Er dP
Setting temperature
display (Note 1)
Setting temperature
display (Note 2)
Setting temperature
display (Note 2)
Failure code display part
Setting
temperature
for freezing
Setting
temperature for
cold storage
No. Item Symptoms of failure
Freezer
Fan
Compressor
Stepping
motor damper
Defrost
Heater
M/C room
Fan
Product operation status in failure
Failure of freezer
sensor
Failure of refrigerator
sensor 1
Failure of refrigerator
sensor 2
Failure of frost
removal sensor
Poor of frost
removal
Failure of BLDC FAN
at freezing section
Failure of BLDC FAN
at machine section
Failure of
Communication
Abnormal
electronic single
motor Damper
Failure of
Outside Sensor
Failure of ice
removal sensor
Failure of
Icemaker unit
Snapping or short-circuit of
freezer sensor
Snapping or short-circuit of
refrigerator sensor 1
Snapping or short-circuit of
refrigerator sensor 2
Snapping or short-circuit of frost
removal sensor
Snapping of frost removal heater
or temperature fuse, pull-out of
connector (indicated minimum 4
hours after failure occurs)
Poor motor, connection of wires
to fan. Contact of structures to
Fan. Snapping or short-circuit of
L/wire (if there is no fan motor
signal for more than 60 seconds
in operation of fan motor
Connection between main PCB
and display PCB. Snapping or
short-circuit of L/wire.
Transmission between main PCB
and display PCB. Poor TR and
receiving part.
Faulty damper motor. Lead wire of
damper lead switch in out or short-
circuited. Interference of foreign
materials in damper baffle or EPS.
Snapping or short-circuit of outside
temperature perceiving sensor
Snapping or short-circuit of ice-
making sensor
Poor motor or Hall IC within ice-maker
unit. Snapping or short-circuit of
L/Wire. Poor main PCB drive circuit.
Standard
RPM
Standard
RPM
Standard
RPM
Standard
RPM
Standard
RPM
OFF (check every
30 minutes)
Standard
RPM
Standard
RPM
●●
●●
●●
●●
●●
●●
●●
●●
●●
●●
OFF (check
every 30 minutes)
●●
●●
●●
●●
●●
ON for 15minutes
OFF for 15minutes
●●
●●
●●
●●
●●
●●
●●
●●
●●
●●
●●
●●
●●
●●
No frost
removal
●●
●●
●●
●●
●●
●●
●●
●●
●●
Open for 10munutes,
closing for 15 minutes
●●
●●
●●
●●
●●
●●
Check
operation
every hour
●●
●●
●●

Note1) In failure of outside sensor, the temperature setting for freezing/ cold storage displays normally and indicated Er is
indicated on the outside temperature display part (normally displayed except for the outside temperature display
part).
Note2) Improper operation of R2 sensor, Icemaker-sensor and Icemaker kit are displayed in LCD check, but not indicated
on the failure display part. To check these items, press freezing temperature adjustment button and special freezing
button for a second or more.
Cold storage sensor 2 Normal : (C) Part LCD graphic- ON
(middle partition) Abnormal: Only (C) Part LCD graphic-OFF
Icemaker sensor Normal: (D) Part LCD graphic-ON
Abnormal: Only (D) Part LCD graphic-ON
Icemaker Unit Normal: (E) Part LCD graphic-ON
Abnormal : Only (E) Part LCD graphic-ON
2-19. Test Function
1. The purpose of the test function is to check function of the PWB and product and to search for the failed part when the
product is in a failure status.
2. Test button is located on the main PCB of refrigerator (test switch), and the test mode will finish after a maximum of 2
hours irrespective of test mode and then is before restting to the normal operation.
3. Function adjustment buttons do not function during test mode but only warning sound rings.
4. Upon test mode completion, always pull the power cord out and then plug-in it again to reset to normal operation.
5. If misoperations contents such as sensor failure are found during performance of test mode, release the test mode and
note the failure code.
6. If pressing the test button is pressed during a failure code display, test mode will not be activated.
MICOM FUNCTION
- 30 -
Other LCD graphics - ON
Test 1
Test 2
Normal
condition
Mode Manipulation Content Remarks
Press TEST switch once
Press TEST switch once at
TEST1 condition
Press TEST switch once at
TEST2 condition
1. Continuous operation of compressor
2. Continuous operation of freezing chamber
fan (high speed RPM) and M/C chamber fan
3. Frost removal heater OFF
4. Full opening status (baffle opened) status of
electronic step motor damper
5. All display LCD graphics - ON.
1. Compressor OFF
2. Freezing chamber fan and M/C chamber
fans are turned off.
3. Frost removal heater ON
4. Full closing status (baffle closed) status of
electronic step motor damper
5. All display LCD graphics - OFF
( (A) Medium status. (B) Medium status.
Only LCD is turned on)
Return to the initial status.
Freezing room fan is
turned off in door open.
Compressor is operates
after 7 minutes.

✻LCD check function: If simultaneously pressing special freezing button and cold temperature adjustment button for a
second, a back light is turns on and all display LCD graphics turn on. On releasing the button, the
LCD graphic displays the previous status, and the back light is turns off (LCD graphic and back light
ON/OFF check).
2-20. Function of built-in ice dispenser and water dispenser built-in
1. This function allows dispensing of ice and water to come outside without opening door.
2. If pressing the dispenser switch (bushing button) after selecting ice (cubed or crushed) or water, ice or water equivalent to
each come out accordingly. However, the duct doors are opened by an electrical solenoid valve (Duct Door Solenoid) if
when pressing the dispenser switch for ICE selection. After pressing the dispenser press switch and releasing it, the duct
door closes after it is opened for 5 seconds.
3. Dispensing ice and water stops if freezing chamber door is opened.
4. If there is no Off signal even when 3 minutes have passed while pressing the dispenser press switch after selecting ice
(cubed or crushed) or water, geared motor and solenoid (Cube, Water) is automatically turned off. However, the solenoid
(duct door) stops 5 seconds after Off (to prevent short-circuiting of a coil due to overheating of solenoid).
5. Dispenser Lamp On/Off function
Lamp on the dispenser part is turned on when pressing the dispenser press switch after selecting ice (cubed or crushed)
or water. The lamp turns off after releasing the dispenser switch.
6. Selection function of crushed ice / water / cubed ice
1) This is function allows selection of crushed ice water, cubed ice function depending on user’s selection. Display and
selection is changed by pressing the dispenser selection button.
2) At initial Power On, crushed ice is automatically selected.
3) In selecting crushed ice, geared motor operates so that crushed ice can be supplied outside by pressing the dispenser
switch when ice is formed in the ice storage container (Ice Bin).
4) In selecting crushed ice, geared motor is operates so that cube ice can be supplied outside if pressing the dispenser
switch when ice is present in the ice storage container (Ice Bin).
7. Water dispenser function
1) LCD is displays water selection if user chooses water via the selection control.
2) Water dispenser function is a type directly connected to a water pipe. The water solenoid valve built-in at the right side
of the Cooling chamber opens to supply water when the dispenser switch is pressed.
MICOM FUNCTION
- 31 -
<TEST MODE 2 LCD STATUS>
<TEST MODE 1 LCD STATUS>
H
M
L
OFF
ON
WATER
TEMP TEMP
FILTER STATUS
FILTER RESET
PUSH 3 SEC.
ROOM TEMP
UNLOCK
LOCK
6
5
4
3
2
1
H
M
L
CUBED
CRUSHED

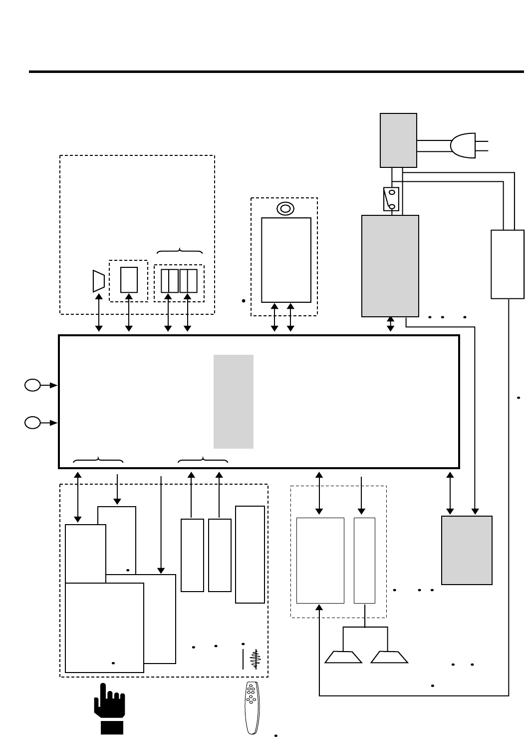
1. Explanation of PWB circuit
1-1. Power circuit
Power circuit consists of SMPS (SWITCHING MODE POWER SUPPLY) power. The SMPS consist of the rectifying part
(BD1, CE1) converting AC voltage to DC voltage, the switching part (IC2) switching the converted DC voltage, transformer
transferring energy of the primary side of the switching terminal to the secondary side and the feedback part (IC3, IC4)
transferring control information to the primary side.
Caution : Since high voltage (DC310V) is maintained at the power terminal, please take a measurements after more than 3
minutes have passed after removing power cords in the abnormal operating conditions.
Voltages of specific test locations are shown:
EXPLANATION FOR MICOM CIRCUIT
- 32 -
Part VA1 CE1 CE2 CE3 CE4 CE5
Voltage 230 Vac 310 Vdc 16 Vdc 12 Vdc 15.5 Vdc 5 Vdc

1-2. Oscillation circuit
The oscillation circuit is a circuit with the purpose of generating basic time for clock occurrence for synchronization and time
calculation related to information transmission/reception of internal circuitry in IC1 (MICOM). The OSC1 must always use
rated parts since If SPEC is changed, time calculated at the IC1 may be changed, and internal operations may cease
entirely.
1-3. Reset circuit
The reset circuit is a circuit allowing various parts such as RAM inside of MICOM (IC1) to initialize and the whole of function
to start from the initial status, when initial power is input or when power is reapplied again to MICOM following a
spontaneous power loss. A LOW DC level is applied to the reset terminal of MICOM in the beginning of power supply for a
constant time (10ms).
Reset terminal during general operation is 5V (No MICOM operation occurs in failure of RESET IC).
EXPLANATION FOR MICOM CIRCUIT
- 33 -

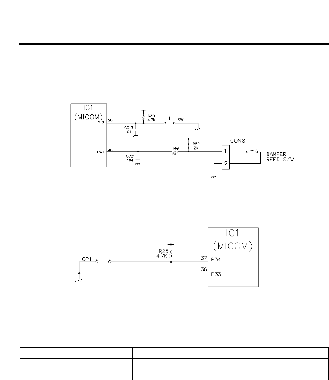
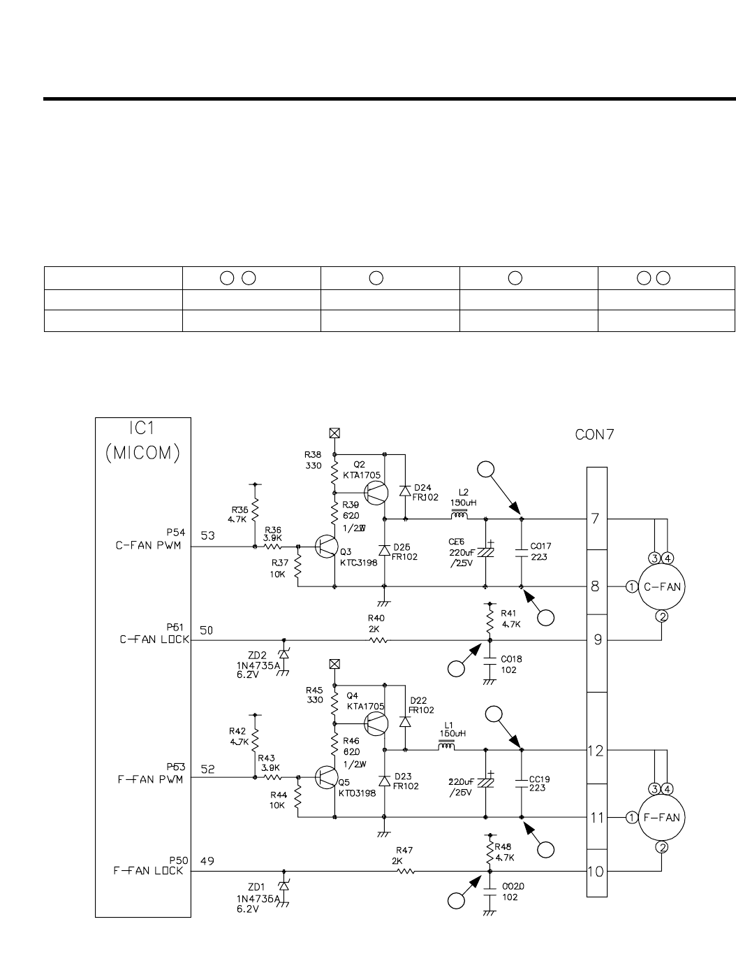
1-4. Load/dispenser operation, door opening circuit
1. Load driving circuit
✽Even if opening the door of freezing chamber or cold storage chamber during operation of fan motor at the freezing
chamber, this circuit does not stop and operates at the standard RPM. In addition, if doors of freezing chamber or cold
storage chamber, the fan motor normally operates at the RPM previously operated.
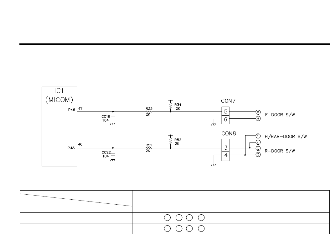
✽(A), (B), (C) and (D) of door switch for the freezing chamber or freezer room are connected to the door open sensing
circuit in parallel toward both ends of switch to signal which door is open at MICOM.
✽Since a door switch of the home bar is connected to door switch (C), (D) of the cold storage chamber. The circuit senses
door opening if either door is opened.
✽The fan motor will immediately stop if opening doors of the freezing chamber or cold storage chamber during TEST mode
and it immediately restarts upon closing them.
EXPLANATION FOR MICOM CIRCUIT
- 34 -
F-Door
S/W Def-HEATER
S/W S/W
Measuring part (IC6) No.16 No.15 No.14 No.13 No.14 (IC7) No.15 (IC7) No.11 (IC7)
Status ON Within 1 V
OFF 12 V
Type of Load Compressor
Frost
Removal
Heater
AC
Converting
Relay
Refrigerator
LAMP
AC
Motor
Damper
Damper
Heater
Control Box
Heater
Pipe Heater

2. Dispenser operation circuit
1) Check load driving status
2) Lever S/W sensing circuit
EXPLANATION FOR MICOM CIRCUIT
- 35 -
Measuring part
Lever SWITCH
IC1(Micom) (No. 16)
On(Press)
OFF 5V
0 V (60 Hz)
5 V
Measuring part IC6-13 IC6-12 IC6-11 IC6-10 IC7-12 IC7-10 IC7-16
Status ON Within 1 V
OFF 12 V
Type of Load GEARED
MOTOR
SOLENOID
CUBE
WATER VALVE
ICE WATER
SOLENOID
DISPENSER
HOME BAR
HEATER
SOLENOID
PILOT

3. Door opening sensing circuit
Since door switch sensing switch (A), (B) is a separate switch even if the door switch of the freezing room normally
operates, they may fail to sense door opening in the failure of switch at both ends of (A) and (B) or in failure of the L/wire.
Lamp in the cold storage chamber does not turn on if the MICOM of the cold storage chamber fails to sense the door open
switch (C), (D) or the home bar switch.
EXPLANATION FOR MICOM CIRCUIT
- 36 -
Closing 5 V ( A - B , C - D . SWITCH at both ends are at Off status)
Opening 5 V ( A - B , C - D . SWITCH at both ends are at On status)
Measuring part IC1 (MICOM) No. 47, 46 Pin
Door of Freezing/Cold Storage Room

1-5. Temperature sensing circuit
The above circuits are circuits attached to freezing chamber sensor and cold storage room sensors for adjusting
temperature settings in the freezing chamber, and cold storage chamber, ice-maker sensor for sensing water temperature in
ice-making, or and to an evaporator for sensing temperature of frost removal operations. Short or open status checking of
every temperature sensor is as follows:
EXPLANATION FOR MICOM CIRCUIT
- 37 -
SENSOR CHECK POINT
NORMAL(-30 °C ~ 50 °C)
SHORTED OPEN
(-22 °F ~ 122 °F)
Freezing sensor POINT A Voltage
Frost removal sensor POINT B Voltage
Cold storage sensor 1 POINT C Voltage 0.5 V~4.5 V 0 V 5 V
Cold storage sensor 2 POINT D Voltage
Icemaking sensor POINT E Voltage
Room temperature sensor POINT F Voltage
C
A
D
E
F
B

1-6. Switch entry circuit
The following circuits are entry circuits for sensing signal form test Switch, and the electronic single motor damper reed
Switch for examining the refrigerator.
1-7. Option designation circuit (model separation function)
The above circuits are used for designating separation by model as option and notifying the MICOM. Designation of option
by model and the application standards are as follows:
uThese circuits are accurately pre-adjusted in shipment from factory and so you must not alter the option.
EXPLANATION FOR MICOM CIRCUIT
- 38 -
Separation Connection Status Application Standard
Connected Export model
OP1 CUT Domestic model

1-8. Fan motor driving circuit (freezing chamber, M/C chamber)
1. This circuit performs function to make standby power ‘0’ by cutting off power supplied to ICs inside of the fan motor when
the fan motor is OFF.
2. This circuit performs a temporary change of speed for the fan motor and applies DC voltage ranging between 7.5V an
16V to the motor.
3. This circuit futher functions to stop the fan motor further by cutting off power applied to the fan motor as it senses the fan
motor’s RPM.
EXPLANATION FOR MICOM CIRCUIT
- 39 -
a , d part b part e part c , f part
Motor OFF 5V 2V or less 2V or less 0 V
Motor ON 2 ~ 3V 12 ~ 14V 8 ~ 16V 0 V
b
e
c
f
a
d
CE7

1-9. Temperature compensation and temperature compensation circuit
1. Temperature compensation at freezing chamber, cold storage chamber
uTemperature compensation table by adjustment value (difference value against current temperature)
Ex) If changing compensation resistance at a cold storage room (RCR1) from 10 kΩ(current resistance) to 18 kΩ
(modified resistance), temperature at the cold storage will increase by +1°C [+1.8°F].
EXPLANATION FOR MICOM CIRCUIT
- 40 -
Temperature compensation at
Cold storage chamber
Temperature compensation at Freezing chamber
Freezing chamber Cold storage chamber
Resistance value Temperature Resistance value Temperature Remarks
(RCF1) compensation (RCR1) compensation
180 kΩ+5 °C [+9°F] 180 kΩ+2.5 °C [+4.5°F] Warmer
56 kΩ+4 °C [+7.2°F] 56 kΩ+2.0 °C [+3.6°F] compensation
33 kΩ+3 °C [+5.4°F] 33 kΩ+1.5 °C [+2.7°F]
18 kΩ+2 °C [+3.6°F] 18 kΩ+1.0 °C [+1.8°F]
12 kΩ+1 °C [+1.8°F] 12 kΩ+0.5 °C [+0.9°F]
10 kΩ0 °C [0°F] 10 kΩ0 °C [0°F]
Reference temperature
8.2 kΩ-1 °C [-1.8°F] 8.2 kΩ-0.5 °C [-0.9°F]
5.6 kΩ-2 °C [-3.6°F] 5.6 kΩ-1.0 °C [-1.8°F]
3.3 kΩ-3 °C [-5.4°F] 3.3 kΩ-1.5 °C [-2.7°F]
2 kΩ-4 °C [-7.2°F] 2 kΩ-2.0 °C [3.6°F] Cooler
470 Ω-5 °C [-9°F] 470 Ω-2.5 °C [-4.5°F] compensation

uTemperature compensation table at the cold storage room is as follows:
uTemperature compensation at the freezing chamber is also performed in the same manner as cold storage chamber.
Temperature compensation value is twice that of the cold storage chamber.
uThis circuit determines the necessary level of temperature compensation for the MICOM to control temperature of each
chamber.
EXPLANATION FOR MICOM CIRCUIT
- 41 -
470 Ω2 kΩ3.3 kΩ5.6 kΩ8.2 kΩ10 kΩ12 kΩ18 kΩ33 kΩ56 kΩ180 kΩ
No 0.5 °C1 °C 1.5 °C2 °C 2.5 °C3 °C 3.5 °C4 °C 4.5 °C5 °C
470Ω[0.9 °F] [1.8 °F] [2.7 °F] [3.6 °F] [4.5 °F] [5.4 °F] [6.3 °F] [7.2 °F] [8.1 °F] [9 °F]
change
Up Up Up Up Up Up Up Up Up Up
0.5 °C No 0.5 °C1 °C 1.5 °C2 °C 2.5 °C3 °C 3.5 °C4 °C 4.5 °C
2 kΩ[0.9 °F] [0.9 °F] [1.8 °F] [2.7 °F] [3.6 °F] [4.5 °F] [5.4 °F] [6.3 °F] [7.2 °F] [8.1 °F]
Down change
Up Up Up Up Up Up Up Up Up
1 °C 0.5 °C No 0.5 °C1 °C 1.5 °C2 °C 2.5 °C3 °C 3.5 °C4 °C
3.3 kΩ[1.8 °F] [0.9 °F] [0.9 °F] [1.8 °F] [2.7 °F] [3.6 °F] [4.5 °F] [5.4 °F] [6.3 °F] [7.2 °F]
Down
Down
change
Up Up Up Up Up Up Up Up
1.5 °C1 °C 0.5 °C No 0.5 °C1 °C 1.5 °C2 °C 2.5 °C3 °C 3.5 °C
5.6 kΩ[2.7 °F] [1.8 °F] [0.9 °F] [0.9 °F] [1.8 °F] [2.7 °F] [3.6 °F] [4.5 °F] [5.4 °F] [6.3 °F]
Down Down Down
change
Up Up Up Up Up Up Up
2 °C 1.5 °C1 °C 0.5 °No 0.5 °C1 °C 1.5 °C2 °C 2.5 °C3 °C
8.2 kΩ[3.6 °F] [2.7 °F] [1.8 °F] [0.9 °F] [0.9 °F] [1.8 °F] [2.7 °F] [3.6 °F] [4.5 °F] [5.4 °F]
Down Down Down
Drop
change
Up Up Up Up Up Up
Cold storage 2.5 °C2 °C 1.5 °C1 °C 0.5 °C No 0.5 °C1 °C 1.5 °C2 °C 2.5 °C
chamber 10 kΩ[4.5 °F] [3.6 °F] [2.7 °F] [1.8 °F] [0.9 °F] [0.9 °F] [1.8 °F] [2.7 °F] [3.6 °F] [4.5 °F]
(RCR1)
Down Down Down Down Down
change
Up Up Up Up Up
3 °C 2.5 °C2 °C 1.5 °C1 °C 0.5 °C No 0.5 °C1 °C 1.5 °C2 °C
12 kΩ[5.4 °F] [4.5 °F] [3.6 °F] [2.7 °F] [1.8 °F] [0.9 °F] [0.9 °F] [1.8 °F] [2.7 °F] [3.6 °F]
Down Down Down Down Down Down
change
Up Up Up Up
3.5 °C3 °C 2.5 °C2 °C 1.5 °C1 °C 0.5 °C No 0.5 °C1 °C 1.5 °C
18 kΩ[6.3 °F] [5.4 °F] [4.5 °F] [3.6 °F] [2.7 °F] [1.8 °F] [0.9 °F] [0.9 °F] [1.8 °F] [2.7 °F]
Down Down Down Down Down Down Down
change
Up Up Up
4 °C 3.5 °C3 °C 2.5 °C2 °C 1.5 °C1 °C 0.5 °C No 0.5 °C1 °C
33 kΩ[7.2 °F] [6.3 °F] [5.4 °F] [4.5 °F] [3.6 °F] [2.7 °F] [1.8 °F] [0.9 °F] [0.9 °F] [1.8 °F]
Down Down Down Down Down Down Down Down
change
Up Up
4.5 °C4 °C 3.5 °C3 °C 2.5 °C2 °C 1.5 °C1 °C 0.5 °C No 0.5 °C
56 kΩ[8.1 °F] [7.2 °F] [6.3 °F] [5.4 °F] [4.5 °F] [3.6 °F] [2.7 °F] [1.8 °F] [0.9 °F] [0.9 °F]
Down Down Down Down Down Down Down Down Down
change
Up
5 °C 4.5 °C4 °C 3.5 °C3 °C 2.5 °C2 °C 1.5 °C1 °C 0.5 °CNo
180 kΩ[9 °F] [8.1 °F] [7.2 °F] [6.3 °F] [5.4 °F] [4.5 °F] [3.6 °F] [2.7 °F] [1.8 °F] [0.9 °F]
Down Down Down Down Down Down Down Down Down Down
change
Modification
resistance
Current
resistance

2. Compensation circuit for weak-cold, over-cold in freezing chamber
uThe above option circuit allows compensation for temperature in the cold storage chamber by simply by cutting service
jumpers.
EXPLANATION FOR MICOM CIRCUIT
- 42 -
Compensation Compensation
for weak-cold for over-cold Temperature compensation value Remarks
JCR3 JCR4 JCR1 JCR2 in cold storage chamber
0 °C [32 °F] (In shipment from factory)
CUT -1 °C [-1.8 °F]
CUT -1 °C [-1.8 °F]
CUT +1 °C [+1.8 °F]
CUT +1 °C [+1.8 °F]
CUT CUT -2 °C [-3.6 °F]
CUT CUT +2 °C [+3.6 °F]
CUT CUT 0 °C [0 °F]
CUT CUT 0 °C [0 °F]
CUT CUT 0 °C [0 °F]
CUT CUT 0 °C [0 °F]
CUT CUT CUT -1 °C [-1.8 °F]
CUT CUT CUT +1 °C [+1.8 °F]
CUT CUT CUT CUT 0 °C [0 °F]
Thermal compensation by Jumper CUT
JCR1 +1 °C [+1.8 °F] +2 °C [+3.6 °F]
JCR2 +1 °C [+1.8 °F]
JCR3 -1 °C [-1.8 °F] -2 °C [-3.6 °F]
JCR4 -1 °C [-1.8 °F]

1-10. Communication circuit and connection L/Wire between main PCB and display PCB
The following circuit is a communication circuit used for exchanging the necessary information between main MICOM of
main PCB and LCD dedicated MICOM for LCD control of display PCB.
Transmission/receipt L/Wire is necessary display PCB for driving the display PCB is required.
Poor communication occurs if a continuous information exchange fail to continue for more than 30 seconds between main
MICOM of main PCB and LCD dedicated MICOM for LCD control of display PCB.
EXPLANATION FOR MICOM CIRCUIT
- 43 -
GND
12Vdc
Transmission
Transmission
Reception
Reception
PCB ASSEMBLY DISPLAY
Main MICOM LCD dedicated MICOM
DC 12V
GND
Transmission (error status)
Reception (notch status)
Main PCB L/Wire FD/H(4-wires) Display PCB

2. Sensor resistance characteristics table
uResistance value tolerance of sensor is ±5%.
uIn measuring resistance value allowance of sensor, perform measurement after leaving the sensor for more than 3
minutes at the measuring temperature (delay is required due to sense speed relation relationship).
uSince an analog tester has a large measuring temperature, measuring with a digital tester is strongly recommended.
uResistance of the cold storage sensor 1 and 2 shall be measured with a digital tester after separating CON8 of the PWB
ASSEMBLY and the MAIN part.
uResistance of the freezing sensor shall be measured with a digital tester after separating CON7 of the PWB ASSEMBLY
and the MAIN part.
EXPLANATION FOR MICOM CIRCUIT
- 44 -
Measuring Temperature (°C / °F) Freezing Sensor Cold storage sensor 1, 2.
Frost removal sensor, Outside sensor
-20 °C [-4 °F] 22.3 kΩ77 kΩ
-15 °C [-5.0 °F] 16.9 kΩ60 kΩ
-15 °C [-5.0 °F] 13.0 kΩ47.3 kΩ
-5 °C [23.0 °F] 10.1 kΩ38.4 kΩ
0 °C [32 °F] 7.8 kΩ30 kΩ
+5 °C [41 °F] 6.2 kΩ24.1 kΩ
+10 °C [50 °F] 4.9 kΩ19.5 kΩ
+15 °C [59 °F] 3.9 kΩ15.9 kΩ
+20 °C [68 °F] 3.1 kΩ13 kΩ
+25 °C [77 °F] 2.5 kΩ11 kΩ
+30 °C [86 °F] 2.0 kΩ8.9 kΩ
+40 °C [104 °F] 1.4 kΩ6.2 kΩ
+50 °C [122 °F] 0.8 kΩ4.3 kΩ

3. PWB parts diagram and list
3-1. PWB Assembly, main part diagram
EXPLANATION FOR MICOM CIRCUIT
- 45 -

3-2. Parts list
EXPLANATION FOR MICOM CIRCUIT
- 46 -

EXPLANATION FOR MICOM CIRCUIT
- 47 -
WATER SUPPLY S/W

3-3. DISPLAY ASSEMBLY part diagram
EXPLANATION FOR MICOM CIRCUIT
- 48 -

3-4. DISPLAY circuit diagram
EXPLANATION FOR MICOM CIRCUIT
- 49 -

4. PWB circuit diagram - PWB circuit diagram may vary a little bit depending on actual condition.
EXPLANATION FOR MICOM CIRCUIT
- 50 -
PWB ASSEMBLY, MAIN

EXPLANATION FOR MICOM CIRCUIT
- 51 -
4
2
3
1
PCB ASSEMBLY, DISPLAY

THE CIRCUIT DRAWINGS
CIRCUIT
- 52 -

1. Trouble Shooting
PROBLEM DIAGNOSIS
- 53 -
CLAIMS. CAUSES AND CHECK POINTS. HOW TO CHECK
1. Faulty start 1) No power on outlet.
2) No power on cord.
3) Shorted start circuit.
4) During defrost.
* Measuring instrument :
Multi tester
■Check the voltage.
If the voltage is within ±85%
of the rated voltage, it is OK.
■ Check the terminal
movement.
■
Check both terminals of
power cord.
Power conducts : OK.
No power conducts : NG
■ Check both thermostat
terminals.
Power conducts : OK.
If not : NG.
■ Check both terminals of OLP.
If power conducts : OK.
If not : NG.
■ Check the resistance of both
terminals.
At normal temperature 6 :
OK.
If disconnected : ∞.
Bad connection between adapter and outlet. (faulty adapter)
The Inner diameter of adapter.
The distance between holes.
The distance between terminals.
The thickness of terminal.
Bad connection between plug and adapter (faulty plug).
The distance between pins.
Pin outer diameter.
No power on
power cord.
No electric
power on
thermostat.
OLP is off.
No electric power on compressor. - Faulty compressor.
Faulty PTC.
Disconnected copper wire.
Internal electrical short.
Faulty terminal contact.
Disconnected.
Thermostat is off.- Gas leaks completely.
Faulty terminal connection.
Capacity of OLP is small.
Characteristics of OLP are out of spec.
Bad connection.
Power is
disconnected.
Sensor breakage.
Sealed part leak.
Bellows leak.
Inner Ni-Cr wire blows out.
Bad internal connection.
Faulty terminal caulking (Cu wire is cut).
Bad soldering.
- Weak connection.
- Short inserted cord length.
- Worn out tool blade.
Loose contact.
- Large distance between
male terminal.
- Thin female terminal.
Terminal disconnected.
Bad sleeve assembly.
Power cord is disconnected.
Faulty soldering.
Start automatic defrost.
Cycle was set at defrost when the refrigerator
was produced.
Power does not conduct. - Damage.
Bad characteristics. - Initial resistance is high.
Bad connection with
compressor.
Bad terminal connection.
Too loose.
Assembly is not possible.

PROBLEM DIAGNOSIS
- 54 -
CLAIMS. CAUSES AND CHECK POINTS. HOW TO CHECK
2. No cooling. 2) Refrigeration system is clogged.
■Check the clogged
evaporator by heating (as
soon as the cracking sound
begins, the evaporator starts
freezing)
■ The evaporator does not cool
from the beginnig (no evidece
of moisture attached).
The evaporator is the same
as before even heat is
applied.
Moisture
clogged.
No electric
power on
therm-
ostat.
Weld joint
clogged.
Drier cloggeing.
Foreign material clogging.
Residual moisture
in the evaporator.
Residual moisture.
Insufficient drier
capacity.
Residual moisture
in pipes.
Moisture penetration - Leave it in the air. - Moisture penetration.
into the refrigeration oil.
Caps are missed.
Air blowing.
During transportation.
During work.
Not performed.
Performed.
Too short time.
Low air pressure.
Less dry air.
Air Blowing.
Leave it in the air.
Caps are missed.
Short pipe insert.
Pipe gaps.
Too much solder.
Too large.
Damaged pipes.
Not dried in the compressor.
Elapsed more than 6 months after drying
Caps are missing.
No pressure when it is open.
During rest time.
After work.
Compressor cap is disconnected.
Foreign materials are in the pipe.
Not performed.
Too short.
Impossible moisture
confirmation.
Low air pressure.
Dry drier - Drier temperature.
Leave it in the air.
The capillary tube inserted too far.
Capillary tube melts. - Over heat.
Clogged with foreign materials.
Reduced cross section by cutting. - Squeezed.
Desiccant powder.
Weld oxides.
Drier angle.
Check on package
condition.
Good storage after
finishing.

PROBLEM DIAGNOSIS
- 55 -
CLAIMS. CAUSES AND CHECK POINTS. HOW TO CHECK
3. Refrigeration
is weak.
Defrost
thermo-
stat
Plate
heater
Cord
heater
Melting
fuse
1) Refrigerant Partly leaked.
2) Poor defrosting capacity.
Drain path (pipe) clogged.
Defrost heater does not
generate heat.
Weld joint leak.
Parts leak.
Inject P/U into drain hose.
Foreign materials
penetration.
Drain cap is not disconnected.
Inject through the
hole.
Seal with drain.
P/U lump input.
Screw input.
Other foreign materials
input.
Parts
disconnected. Thermostat is cut.
- Bad caulking
connection.
- Base material
(Ammonia).
Terminal is corroded.
- Water penetration
Bad terminal contact.
Wire is cut.
- Heating wire.
- Contact point
between heating
and electric wire.
Dent by fin evaporator.
Poor terminal contacts.
Wire is cut.
- Lead wire.
- Heating wire.
- Contact point
between heating and
electric wire.
Heating wire is corroded
- Water penetration.
Bad terminal connection.
The fuse blows out.
Paraffin melted
- Welding flame.
Bad terminal contact.
■Check visually.
■Check terminal
Conduction: OK.
No conduction: NG.
If wire is not cut, refer to
resistance.
P=Power
V=Voltage
R=Resistance
V
2
P= —
R
V
2
R= —
P

- 56 -
PROBLEM DIAGNOSIS
CLAIMS. CAUSES AND CHECK POINTS. HOW TO CHECK
3. Refrigeration
is weak.
3) Cooling air leak.
4) No cooling air circulation.
Residual
frost.
No automatic defrosting.
Defrost does not return.
Bad gasket adhestion
Door sag.
Faulty fan motor.
Weak heat from heater.
Bad heater assembly.
Too short defrosting time. Defrost Sensor.
- Faulty characteristics.
Seat-D(missing, location. thickness).
Structural fault. Gasket gap.
Air inflow through the fan motor.
Bad insulation of case door.
Sheath Heater - rated.
Heater plate - rated.
Heater cord-L - rated.
Heater plate
Heater cord-L
Gap.
Bad attachment.
Contraction.
Bad adhesion.
Weak binding force at hinge.
Fan motor.
Door switch.
Self locked.
Wire is cut.
Bad terminal contact.
Contact distance.
Button pressure.
Melted contact.
Contact.
Poor door
attachment.
Door liner
(dimension).
Contraction inner
liner.
Misalignment.
Bad terminal
connection.
P/U liquid leak.
Faults.
Refrigerator and freezer switch reversed.
Button is not pressed.
No contact to drain.
Loosened stopper cord.
Not contact to the
evaporator pipe.
Location of assembly
(top and middle).
■Check the fan motor
conduction: OK.
No conduction: NG.

PROBLEM DIAGNOSIS
- 57 -
CLAIMS. CAUSES AND CHECK POINTS. HOW TO CHECK
3. Refrigeration
is weak. 4) No cooling air circulation.
5) Compressor capacity.
6) Refrigerant
too much or too little.
7) Continuous operation
- No contact of temperature controller. - Foreign materials.
8) Damper opens continuously.
Foreign materials
jammed.
Failed sensor. - Position of sensor.
Characteristics
of damper.
9) Food storing place. - Near the outlet of cooling air.
Faulty fan motor.
Small cooling air
discharge.
Fan is
constrained.
Insufficient
motor RPM
Faulty fan.
Shorud. Bent.
Ice and foreign materials on rotating parts.
Fan shroud contact. - Clearance.
Damping evaporator contact.
Accumulated residual frost.
Fan misuse.
Bad shape.
Loose connection. - Not tightly connected.
Insert depth.
Rating misuse.
Small capacity.
Low valtage.
Malfunction of charging cylinder.
Wrong setting of refrigerant.
Insufficient compressor. - Faulty compressor.
Fan overload. - Fan misuse.
Bad low termperature RPM characteristics.
Rated power misuse.
Low voltage.
P/U liquid dump.
EPS water sediment.
Screw.
Bad characteristics of its own temperatue.
Parts misuse.
Charge of temperature - Impact.
characteristics.
■Check visually after
disassembly.
■Check visually after
disassembly.

PROBLEM DIAGNOSIS
- 58 -
CLAIMS. CAUSES AND CHECK POINTS. HOW TO CHECK
4. Warm
refrigerator
compartment
temperature.
5. No automatic
operation.
(Faulty
contacts.)
6. Condensation
and ice
formation.
1) Clogged cooling path.
2) Food storate.
1) Faulty temperature sensor in freezer compartment.
2) Refrigeration load is too much.
3) Poor insulation.
4) Unit is hot.
5) Refrigerant leak.
6) Inadequate amount of refrigerant.
7) Weak compressor discharging power.
8) Fan does not work.
9) Button is positioned at strong.
1) Ice in freeezer compartment.
2) Condensation in the refrigerator compartment.
3) Condensation on liner foam.
P/U liquid leak.
Foreign materials. –– P/U dump liquid.
Faulty contact.
Faulty temperature characteristics.
External air inflow. –– Bushing motor assembly direction (reverse).
Door opens
but not closes.
Gap around gasket. –– Contraction, distortion, loose, door twisted, corner not
fully inserted.
Food vapor. –– Storing hot food. –– Unsealed food.
Door opens
but doesn’t close.
Gasket gap.
Cool air leak
and transmitted.
High ambient temperature.
Space is not sufficiently ventilated.
Different rating.
Small capacity.
Store hot food.
Store too much at once.
Door open.
Packages block air flow.
Food.
Frequent opening and closing.
Cool air leak.
Poor door close. – Partly opened.
Too much food.
Hot food.
Weak door closing power.
Stopper malfunction.
Door sag.
Food hinders door closing.
Insufficient closing.
Door sag.
Food hinders door closing.
Toop table part.
Out plate R/L part.
Not fully filled.
Flange gap. –– Not sealed.
Gasket gap.
■Inspect parts measurements
and check visually.

PROBLEM DIAGNOSIS
- 59 -
CLAIMS. CAUSES AND CHECK POINTS. HOW TO CHECK
6. Condensation
and ice
formation.
7. Sounds
4) Dew on door.
Dew on the duct door. - Duct door heater is cut.
Dew on the dispense
recess.
Dew on the Not fully filled. Surface.
door surface. Corner.
P/U liquid contraction.
Dew on the
gasket surface.
5) Water on the floor.
Condensation in the refrigerator compartment.
Defrosted water overflows. Clogged discharging hose.
Discharging hose Evaporation tray located at wrong place.
location.
Tray drip. Damaged.
Breaks, holes.
Small Capacity.
Position of drain.
1) Compressor compartment operating sounds.
Compressor sound Sound from machine itself.
Sound from vibration.
Restrainer.
Bushing Too hard.
seat. Distorted.
Aged.
Burnt.
Stopper. Bad Stopper Not fit
assembly. (inner
diameter
of stopper).
Tilted.
Not inserted.
Compressor base not connected.
Bad welding compressor stand fallen.
Foreign materials in the compressor
compartment.
OLP
sound.
Chattering
sound.
Capacitor noise. Insulation paper vibration.
Pipe
sound. Pipe contacts each other. – Narrow interval.
No vibration damper. Damping Bushing-Q.
Damping Bushing-S.
Capillary tube unattached.
Recess Heater is cut.
Duct door is open. / Foreign material clogging.
Bad wing adhesion. Wing sag(lower part).
Door liner shape mismatch.
Corner. Too much notch.
Broken.
Home Bar heater is cut.
Liquid shortage.
Liquid leak.

PROBLEM DIAGNOSIS
- 60 -
CLAIMS. CAUSES AND CHECK POINTS. HOW TO CHECK
7. Sounds 1) Compressor compartment operating sounds.
Transformer
sound.
Drip tray vibration sound.
Back cover machine sound.
Condenser drain sound.
2) Freezer compartment sounds.
Fan motor sound.
Sounds from fan
contact.
Unbalance fan sounds.
Motor shaft
contact sounds.
Resonance.
Evaporator noise.
3) Bowls and bottles make contact on top shelf.
4) Refrigerator roof contact.
5) Refrigerator side contact.
6) Insufficient lubricants on door hinge.
Its own fault. –– Core gap.
Bad connection. –– Correct screw connection.
Bad assembly.
Distortion.
Foreign materials inside.
Bad connection.
Partly damaged.
Not connected.
Bad pipe caulking.
Normal operating sound.
Vibration sound. Aged bushing seat.
Bad torque for assembling motor
bracket.
Fan guide contact.
Shroud burr contact.
Damping evaporator contact.
Residual frost contact.
Unbalance.
Ice on the fan. –– Air intake (opposite to motor
bushing assembly.)
Supporter disorted.
Tilted during motor assembly.
Evaporator pipe contact. –– No damping evaporator.
Sound from refrigerant. –– Stainless steel pipe shape in
accumulator.
Sound from fin evaporator and pipe during expansion
and contraction.
Damaged heater cord.
Narrow evaporator interval.
Surface machining conditions.
Fan distortion.
Misshappen.
Burr.

PROBLEM DIAGNOSIS
- 61 -
CLAIMS. CAUSES AND CHECK POINTS. HOW TO CHECK
8. Faulty lamp
(freezer and
refrigerator
compartment).
9. Faulty internal
voltage (short).
1) Lamp problem. Filament blows out.
Glass is broken.
2) Bad lamp assembly. Not inserted.
Loosened by vibration.
3) Bad lamp socket.
Disconnection. Bad soldering.
Bad rivet contact.
Short. Water penetration. Low water
level in tray.
Bad elasticity of contact.
Bad contact (corrosion).
4) Door switch. Defective
Refrigerator and freezer switch is reversed.
Travel distance.
Bad connection.
Bad terminal contact.
P/U liquid leak.
1) Lead wire is damaged.
Wire damage when assembling PTC Cover.
Outlet burr in the bottom plate.
Pressed by cord heater. lead wire, evaporator pipe.
2) Exposed terminal.
Compressor Compartment terminal. - Touching other
components.
Freezer compartment terminal. - Touching evaporator pipe.
3) Faulty parts.
Transformer. Coil contacts cover.
Welded terminal parts contact cover.
Compressor. Bad coil insulation.
Plate heater.
Melting fuse. Sealing is broken. Moisture penetration.
Cord heater. Pipe damaged. Moisture penetration.
Bad sealing.
Sheath heater.
■Connect conduction and
non-conduction parts and
check with tester.
Conduction: NG.
Resistance∞: OK.

PROBLEM DIAGNOSIS
- 62 -
CLAIMS. CAUSES AND CHECK POINTS. HOW TO CHECK
10. Structure,
appearance
and others.
1) Door foam.
Sag.
Noise during
operation.
Malfunction.
2) Odor.
Temperature of
refrigerator
compartment.
Deodorizer.
Food Storage.
Others.
Hinge loose
Weak gasket
adhesion.
Fixed tape.
Hinge interference.
Not closed Interference between door liner and inner liner.
Refrigerator
compartment is
opened when freezer
compartment is
closed (faulty stopper).
High. Faulty damper control.
Button is set at weak.
Door is open (interference by
food).
No deodorizer.
Poor capacity.
Seal condition.
Store special odorous food.
Long term storage.
Odors from chemical procucts.
Bigger door foam.
Hinge-Pin tilted-Poor flatness.
No washer.
No grease or not enough
quantity.
Stopper worn out.
Bad freezer compartment door
assembly.
No stopper.
Bolt is loosened during
Transportation.
Not tightly fastened.
Screw worn out .
Adhesion surface.
Poorly applied.

2. Faults
2-1. Power
2-2. Compressor
PROBLEM DIAGNOSIS
-63-
Problems Causes Checks Measures Remarks
No power on - Power cord cut. - Check the voltage with tester. - Reattach the components.
outlet. - Faulty connector insertion. - Check visually. - Reattach the connecting parts.
- Faulty connection between plug - Check visually. - Reconnect the connecting parts.
and adapter.
Fuse blows out. - Short circuit by wrong connection. - Check the fuse with tester - Find and remove the cause of - Replace with rated
- Low voltage products are or visually. problem(ex. short, high voltage, fuse after confirm
connected to high voltage. - Check the input voltage with tester low voltage). its specification.
- Short circuit caused by insects. (between power cord and products). - Replace with rated fuse.
- Electricity leakage. - Check the resistance of power cord ■If fuse blows out
- High voltage. with tester (if it is 0Ω, it is shorted). frequently, locate
- Short circuit of components the cause and remedy.
(tracking due to moisture and dust
penetration).
Problems Causes Checks Measures Remarks
Compressor - Faulty PTC. - Check the resistance. - If resistance is infinite, replace it
does not Value:∞is defective. with new one.
operate. - If it is not infinite, it is normal.
- Check other parts.
- Compressor is frozen. - If compressor assembly parts are - During forced operation:
normal(capacitor, PTC, OLP), - Operates: Check other parts.
apply power directly to the - No operation: Replace the frozen
compressor to force operation. compressor with new one, weld,
evacuate, and recharge refrigerant.
OLP It starts as soon as it is • Refer to weld repair procedures.
contacted.
Auxiliary winding
Main winding
Power

2-3. Temperature
PROBLEM DIAGNOSIS
-64-
Problems Causes Checks Measures Remarks
High Poor cool air circulation due to faulty - Lock –– Check resistance with a - Replace fan motor.
temperature fan motor. tester.
in the freezer 0Ω: short.
compartment. ∞Ω: cut. - Reconnect and reinsert.
- Rotate rotor manually and check
rotation.
- Wire is cut.
- Bad terminal contact: Check - Maintain clearance and remove ice
terminal visually. (Repair and/or replace shroud if fan
- Fan constraint. – Fan shroud is constrained by shroud
contact: Confirm deformation).
visually.
– Fan icing:
Confirm visually.
Faulty fan motor due to faulty door - Iced button (faulty) operation: - Determine icing cause and repair.
switch operation. Press button to check - Replace door switch.
- Faulty button pressure and contact:
Press button to check operation.
- Door cannot press door switch - Door sag: fix door.
button: Check visually. - Door liner bent:replace door or
attach sheets.
Bad heating conditions in - Check the clearance between the - Keep clearance between - The fan may be
compressor compartment. refrigerator and wall (50 mm in refrigerator and walls (minimum broken if cleaning
minimum). 50mm). is performed while the
- Check dust on the grill in - Remove dust and contaminants refrigerator is on.
compressor compartment. from grill for easy heat transfer.
- Check dust on the coils condenser. - Remove the dust with vacuum
cleaner from the coils condenser
while the refrigerator is off.

2-4. Cooling
PROBLEM DIAGNOSIS
-65-
Problems Causes Checks Measures Remarks
High Refrigerant leak. Check sequence Weld the leaking part, recharge the Drier must be replaced.
temperature 1. Check the welded parts of the refrigerant.
in the freezer drier inlet and outlet and drier
compartment. auxiliary in the compressor
compartment (high pressure side).
2. Check the end of compressor
sealing pipe (low pressure side).
3. Check silver soldered parts.
(Cu + Fe / Fe + Fe).
4. Check bending area of wire
condenser pipe in compressor
compartment (cracks can
happen during bending).
5. Check other parts (compressor
compartment and evaporators in
freezer compartment).
Shortage of refrigerant. Check frost formation on the surface - Locate the leaking area, repair, Drier must be replaced.
of evaporator in the freezer evacuate, and recharge the
compartment. refrigerant.
- If the frost forms evenly on the - If not leaking, remove the
surface, it is OK. remaining refrigerant, and recharge
- If it does not, evaporator is not new refrigerant.
good.

PROBLEM DIAGNOSIS
-66-
Problems Causes Checks Measures Remarks
High Cycle pipe is clogged. Check sequence. - Heat up compressor discharging Direr must be replaced.
temperature in 1. Check temperature of condenser weld joints by contact, disconnect
the freezer manually. the pipes, and check for clogging.
compartment. If it is warm, it is OK. Remove the cause of clogging,
If it is not, compressor discharging weld, evacuate, and recharge
joints might be clogged. the refrigerant.
2. Manually check whether hot line - If it's warm, it's OK. If it's not,
pipe is warm. condenser discharging line weld
If it is warm, it's OK. joints might be clogged.
If it is not, condenser outlet weld Disconnect with torch, remove the
joints might be clogged. causes, evacuate, and recharge
and seal refrigerant.
Leak at loop pipe weld joint Check sequence. Replace the compressor, weld, Drier must be replaced.
(discharge) in compressor. 1. Manually check whether evacuate, and recharge refrigerant.
condenser is warm.
If it is warm or hot, it is OK.
If it is cool, proceed with
repair.
Faulty cooling fan in the compressor Check sequence. - Replace if motor does not operate.
compartment. 1. Check cooling fan operation. - If fan is disconnected, check for fan
2. Check that cooling fan is damage and reassemble it.
disconnected from the motor. ■Refer to fan motor disassembly
and assembly sequence.

2-5. Defrosting failure
PROBLEM DIAGNOSIS
-67-
Problems Causes Checks Measures Remarks
No defrosting. Heater does not generate heat as 1. Check the resistance of heater. Heating wire is short or wire is cut. Seal the lead wire with
the heating wire is cut or the circuit 0Ω: Short. ∞Ω: Cut. • Parts replacement: Refer to parts insulation tape and heat
is shorted. Tens to thousands Ω: OK. explanations. contraction tube if the cut
1) Heating wire is damaged when 2. Check the resistance between lead wire is accessible to
inserting into the evaporator. housing terminal and heater repair.
2) Lead wire of heater is cut. surface.
3) Heating wire at lead wire contacts 0Ω: Short. ∞Ω: Cut.
is cut. Tens to thousands Ω: Short.
Sucking duct and discharging hole 1. Confirm foreign materials. In case 1) Push out impurities by inserting
are clogged: of ice, insert the copper line copper wire.(Turn off for more
1. Impurities. through the hole to check. than 3 hours and pour in hot water
2. Ice. 2. Put hot water into the drain if frost is severe.)
(check drains outside). 2) Put in hot water to melt down frost.
3) Check the water outlet.
4) Push the heater plate to sucking
duct manually and assemble the
disconnected parts.
Gap between Suction duct and 1. Check in the Suction duct. 1) Turn off the power, confirm
Heater plate Ice in the gap. presence of impurities and ice in
the gap, and supply hot water until
the ice in the gap melts down.
2) Push the Heater plate to drain
bottom with hand and assemble
the disconnected parts.
Wrong heater rating (or wrong 1. Check heater label. Faults: replace.
assembly). 2. Confirm the capacity after - How to replace: Refer to main parts.
substituting the resistance value
into the formula.
(V: Rated voltage of user country)
(R: Resistance of tester[Ω])
Compare P and level capacity.
Tolerance: ±7%
V2
P= ––
R

PROBLEM DIAGNOSIS
-68-
Problems Causes Checks Measures Remarks
No defrosting Melting fuse blows out. - Check melting fuse with tester. - Faullty parts: parts replacement.
1) Lead wire is cut. If 0Ω: OK. - Check wire color when measuring
2) Bad soldering. If ∞Ω: wire is cut. resistance with a tester.
Ice in the Suction duct. 1. Check the inner duct with mirror. 1) Turn power off.
1) Icing by foreign materials in the 2) Raise the front side(door side),
duct. support the front side legs, and let
2) Icing by cool air inflow through the ice melt naturally. (If power is
the gap of heater plate. on, melt the frost by forced
3) Icing by the gap of heater plate. defrosting.)
2. Check by inserting soft copper 3) Reassemble the heater plate.
wire into the duct (soft and thin
copper not to damage heating wire).
Bad cool air inflow and discharge, 1. Turn on power, open or close the 1) Check the faulty connector of
and bad defrosting due to faulty door, check that motor fan housing and reassemble
contact and insertion (bad connector operates (If it operates, motor fan incorrectly assembled parts.
insertion into housing of heater, is OK). 2) If the parts are very damaged,
melting, fuse and motor fan). 2. Disconnect parts in the refrigerator remove the parts and replace it
compartment, check the connection
with a new one.
around the housing visually,
defrost, and confirm heat generation
on the heater. Do not put hands on
the sheath heater.
3. Check the parts which have faults
described in 1, 2 (mechanical
model: disconnect thermostat
from the assembly).

2-6. Icing
PROBLEM DIAGNOSIS
-69-
Problems Causes Checks Measures Remarks
Icing in the 1) Bad circulation of cool air. - Verify the food is stored properly - Be acquainted with proper use. - Check the defrost
refrigerator - Clogged intake port in the (see it discharge and intake port - Seal on connecting parts. related parts if problem
compartment. refrigerator compartment. are blocked). - Check the damper and replace is caused by faulty
- Damper icing. - Seal is not good. - Check icing on the surface of it if it has defects. defrosting.
- Pipe icing. - Too much food is stored and baffle and cool air path (pipe) after - Check defrost. (After forced
- Discharging blocks the discharge port. dissembling the container box. defrosting, check ice in the
pipe icing. - Bad defrosting. - Check icing at intake ports of evaporator and pipes.)
freezer and refrigerator
compartment.
2) Faulty door or refrigerator - Check gasket attachment. - Correct the gasket attachment - Replacement should
compartment. - Check door assembly conditions. conditions or replace as necessary. be done when gasket
- Faulty gasket. - Door assembly and replacement. cannot be repaired.
- Faulty assembly.
3) Overcooling in the refrigerator - See if refrigerator compartment - Replace faulty parts.
compartment. is overcooling (when button
- Faulty damper in the refrigerator pressed on weak).
compartment. - Check for faulty parts.
- Faulty MICOM (faulty sensor)
4) Bad defrosting - Check frost on the evaporator - Check parts related to defrosting. - Moisture does not
- Heater wire is cut. after dissembling shroud and fan - Check defrosting. (Check ice on the on the evaporator but
- Defective defrost sensor. grille. evaporator and pipe.) is sucked into the
- Defrosing cycle. - Check for ice on intake port of refrigerator, being
freezer and refrigerator condenses and ices,
compartments. with coolain circulation,
and suppressing
sublimation.
5) Customers are not familiar with - Check food interfering with door - Acquaint customers with how to
this machine. closing. use.
- Door is left open. - Check ice on the ceilings.
- High temperature, high moisture,
and high load.

PROBLEM DIAGNOSIS
-70-
Problems Causes Checks Measures Remarks
Ice in the freezer 1) Bad cool air circulation. - Check food storage conditions - Be acquainted with how to use. - Check the parts related
compartment. - Intake port is clogged in the freezer visually.(Check clogging at intake - Check defrost (Check for ice on the to defrosting if the
- Surface of fan compartment. and discharge ports of cool air.) evaporator and pipes after forced problem is caused by
grille. - Discharging port is clogged. - Check food occupation ratio in defrosting). the faulty defrosting.
- Wall of freezer - Too much food is stored. volume(Less than 75%).
compartment. - Bad defrosting. - Check frost on the evaporator after
- Cool air dissembling shroud and fan grille.
discharging port.
- Check for icing at intake port of
- Basket(rack) refrigerator compartment.
area.
- Food surface. 2) Bad freezer compartment door - Check gasket attachment - Correct the gasket attachement - Replace gasket when it
- Icing in the - Faulty gasket conditions. conditions and replace it. cannot be repaired.
shute. - Faulty assembly - Check door assembly conditions. - Door assembly and replacement.
3) Over freezing in the freezer - Refrigerator operation pulls down. -Replace defective parts.
compartment. (Check if it is operates
- Faulty MICOM. intermittently)
- The Temperature of freezer
compartment is satisfactory, but
over freezing occurs in the
refrigerator compartment even
though the notch is set at weak.
4) Bad defrosting. - Check frost on the evaporator after - Check parts related to defrosting.
- Heater wire is cut. dissembling shroud and grille. - Check defrosting. Check ice on the
- Faulty defrost sensor. - See if ice is the intake port in the evaporator and pipes after forced
- Defrosting cycle refrigerator compartment. defrosting.
5) User is not familiar with how to - See if food holds doors are open. - Be acquainted with how to use.
operate. - See if ice on the ice tray.
- Door remains opened.
- High moisture food water is stored.

2-7. Sound
PROBLEM DIAGNOSIS
-71-
Problems Causes Checks Measures Remarks
Hiss sound 1. Loud sound of compressor 1.1 Check the leveling of the 1) Maintain horizontal level.
operation. refrigerator. 2) Replace bushing and seat if they
1.2 Check the bushing seat are sagged and aged.
conditions (sagging and aging). 3) Tuch the piping at various
place along is route. Install a
dampe at the point where your
tuch reduces the noise.
2. Pipes resonate sound which is 2.1 Check the leveling of pipes 4) Avoid pipe interference.
comes from the compressor. connected to the compressor 5) Replace defective fan and fan
and their interference. motor.
2.2 Check bushing inserting 6) Adjust fan to be in the center of
conditions in pipes. the fan guide.
2.3 Touch pipes with hands or screw 7) Leave a clearance between
- driver (check for change of interfering parts and seal gaps in
sound). the structures.
8) Reassemble the parts which
3. Fan operation sound in the freezer 3.1 Check fan insertion depth and make produce sound.
compartment. see if there is blade damage. 9) Make a clearance if evaporator
3.2 Check for interference with pipes and suction pipe contact
structures. freezer shroud.
3.3 Check fan motor.
3.4 Check fan motor bushing
insertion and aging conditions.
4. Fan operation sound in the 4.1 Same as fan confirmation in the
compressor compartment. refrigerator.
4.2 Check drip tray leg insertion.
4.3 Check the screw fastening
conditions at condenser and
drip tray.

PROBLEM DIAGNOSIS
-72-
Problems Causes Checks Measures Remarks
Vibration sound. 1. Vibration of shelves and foods in 1-1. Remove and replace the 1) Reassemble the vibrating parts
(Clunk) the refrigerator. shelves in the refrigerator and insert foam or cushion where
2. Pipe interference and capillary 1-2. Check light food and container vibration is severe.
tube touching in the compressor. on the shelves. 2) Leave a clearance where parts
compartment. 2-1. Touch pipes in the compressore would otherwise interfere with
3. Compressor stopper vibration. compartment with hands. each other.
4. Moving wheel vibration. 2-2 See if capillary tube touches 3) Reduce vibration with bushing
5. Other structure and parts cover back. and restrainer if it is severe.
vibration. 3-1 Check for compressor stopper (especially, in compressor and
vibration. pipes).
4-1 Check for vibration of front and 4) Replace compressor stopper if it
rear moving wheels. vibtates severely.
5-1 Touch other structures and parts.
Irregular sound. 1. It is caused by heat expansion 1-1 Check time and place of sound 1)
Explain the principles of refrigeration
(Click). and contraction of evaporator, sources.
and that the temperature difference
shelves, and pipes in the
between operation and defrosting
refrigerator.
can produce sounds.
2)
If evaporator pipe contacts with other
structures, leave a clearance between
them (freezer shroud or inner case).

PROBLEM DIAGNOSIS
-73-
Problems Causes Checks Measures Remarks
Whining Sound It happens when refrigerant expands
- Check the sound of refrigerant at the - Check the restrainer attached on the
(almost the same at the end of capillary tube. initial installation. evaporator and capillary tube weld
as animals crying - Check the sound when the refrigerator joints and attach another restrainer.
sound). starts operation after forced defrosting. - If sound is continuous and servere, insert
- Check the restrainer attachment capillary tube again (depth 15±3mm)
conditions on the evaporator and - Fasten the capillary tube to suction
capillary tube weld joints. pipes or detach in the compressor
compartment.
- Explain the principles of the freezing
cycle.
Water boiling or This happens when refrigerant passes - Check for the sound when compressor - Explain the principles of freezing cycles
flowing sound. orifice in accumulator’s internal pipes is turns on. and refrigerant flowing phenomenon by
due to the pressure difference between - Check for the sound when compressor internal pressure difference.
condenser and evaporator. is turns off. - If sound is servere, wrap the
accumulator with foam and restrainer.
Sound of whistle When door closes, the internal pressure - Check the sound by opening and - Broaden the cap of discharge hose for
when door of the refrigerator decreases sharply closing the refrigerator or freezer doors. defrosting in the compressor
closes. below atomosphere and sucks air into compartment.
the refrigerator, making the whistle - Seal the gap with sealant between out
sound. and inner cases of hinge in the door.

2-8. Odor
PROBLEM DIAGNOSIS
-74-
Problems Causes Checks Measures Remarks
- Dry deodorizer in the bright well
ventilated place.
- Store the food in the closed
container instead of vinyl wraps.
- Clean the refrigerator and set the
cooling to strong.
- Clean the refrigerator.
- Persuade customers not to use
plastic bag or wraps with wet food
or odorous foods.
- Dry the deodorizer with dryer and
then in a birght and well
ventilated place.
- Remove and replace the
deodorants.
- Check to see if food is not
wrapped.
- See if the shelves or inner wall
are stained with food juice.
- Check the food in the adhesive
wraps.
- Check food for spoilage.
- See if wet food is wrapped with
plastic bowl or bag.
- Certain odors are common in new
refrigerator.
- Check the deodorizer odors.
Food (garlic, kimchi, etc)
Odors of mixed food and plastic
odors.
Odor from the old deodorizer.
Food Odor.
Plastic Odor.
Odor from the
deodorizer.

2-9. Micom
PROBLEM DIAGNOSIS
-75-
Problems Symptom Causes Checks Measures Remarks
Bad PCB All display Bad connection Bad connector Visual check on connector Reattach
electric power. LCDS are off. between Main PCB connection from main connection. connector.
and display circuit. PCB to display PCB.
Defective PCB PCB transformer Check resistance of PCB Replace PCB Applicable to
transformer winding is cut. trans input and output transformer or PCB. model without
PCB transformer terminals with a tester. dispenser.
temperature fuse (If resistance is infinity,
is burnt out. trans winding is cut).
DefectivePCB electric Defective regulator IC Check voltage at input/output Replace regulator. Refer to electric
circuit parts. (7812, 7805). terminals. circuit in circuit
explanation.
PCB electric terminal Check fuse in PCB electric Replace PCB fuse.
fuse is burnt out. terminal with a tester.
STR Parts are Check if STR No. 2 and 3 pins Replace parts. Applicable to
damaged. are cut when power is off. model with
dispenser.
Abnormal Bad connection Lead Wire connecting Check Lead Wire terminals Reconnect Lead
display LCD between Main PCB main PCB and display connecting Main PCB and Wire and directly
operation and display circuit. PCB is cut or connector display PCB with a tester. connect defective
terminal connection is contact terminal to
bad. Lead Wire.
Defective LCD Defective LCD. Check if all LCDs are on when Replace display Refer to display
module. Main PCB Test switch is PCB. circuit in circuit
pressed (or when both freezer explanation.
key and power freezer key are
pressed at the same time for
more than one second.)

PROBLEM DIAGNOSIS
-76-
Problems Symptom Causes Checks Measures Remarks
Bad cooling. Freezer Compressor does Compressor Lead Wire Check compressor Lead Wire Reconnect Lead
temperature is not start. is cut. with a tester. Wire.
high. Defective compressor Measure voltage at PCB CON5 Replace relay RY1 Refer to load
drive relay. (3&9) after pressing main PCB and RY14 or PCB. driving circuit in
test switch once. It is OK if circuit
voltage is normal. explanation.
Defective freezer Defective Freezer Check resistance of freezer Replace freezer Refer to
sensor. sensor parts. sensor with a tester. sensor. resistance
characteristics
table of sensor in
circuit
Freezer sensor is Confirm the color of sensor in Repair main PCB explanation.
substituted for other circuits (main PCB sensor sensor housing
sensor. housing).
Defective freezer fan Fan motor lead wire Check fan motor lead wire Reconnect lead
motor. is cut. with a tester. wire.
• Defective door switch Measure the voltage between • Replace door Refer to load
(freezer, refrigerator, PCB power blue line and fan switch
(freezer,
drive circuits in
home bar). motor after pressing test switch
refrigerator
and circuit
• Defective fan motor. of Main PCB. If the voltage is home bar). explanation.
• Defective fan motor normal, it is OK. • Replace fan motor.
drive relay. • Replace relay RY5
& RY6 or PCB.
Faulty defrost. Refer to faulty defrost items in problem diagnosis Refer to problem
functions. diagnosis
function.

PROBLEM DIAGNOSIS
-77-
Problems Symptom Causes Checks Measures Remarks
Bad cooling Wrong Defective AC Damper. Check AC damper Using a tester, see if AC Reconnect lead
Refrigerator motor and reed switch damper motor and reed switch wire.
temperature. and lead wire are cut. lead wire are cut with a tester.
Check AC damper Refer to AC damper in parts Replace AC damper
part. repair guide. or refrigerator control
box ASSEMBLY.
Check AC damper Refer to AC damper in parts Replace relay or Refer to single
Motor drive relay in repair guide. PCB. motor damper
PCB. drive circuits
in circuit
explanation.
Foreign materials in AC Check AC damper baffle Remove foreign
damper baffles visually. materials.
Ice formation on AC Check if AC damper Heater Replace AC damper
damper baffles wire is cut with a tester. or refrigerator control
Box ASSEMBLY.
Defective refrigerator Defective refrigerator Check the resistance of Replace refrigerator Refer to sensor
sensor sensor parts. refrigerator sensor with a tester. sensor. resistance
characteristic
table in circuit
explanation.
Refrigerator sensor is Visually inspect the sensor Repair main PCB
substituted for other color in the circuit. (main PCB sensor housing.
sensor. sensor housing.)
Defective refrigerator Visually if refrigerator sensor Reposition the
sensor assembly is not fixed at cover sensor but refrigerator sensor.
condition. inner case visually.

PROBLEM DIAGNOSIS
-78-
Problems Symptom Causes Checks Measures Remarks
Bad defrost. Defrost is not Defrost lead wire is cut. Using a tester, check if defrost lead Reconnect Lead
working. wire is cut with a tester. Wire.
Defective defrost drive relay. Check the voltage of CON5 (1 and 7) Replace relay (RY 7 Refer to load
with a tester after pressing main and RY 14) or PCB. driving conditions
PCB test switch twice. check in circuit
If the voltage is normal then relay is OK. explanation.
Defective defrost sensor parts. Check the resistance of defrost sensor Replace defrost Refer to sensor
with a tester. sensor. resistance
characteristic
table of circuit
explanation.
Defective Buzzer Defective connecting lead wire from Check lead wire related to door Repair lead wire.
buzzer continuously main PCB to door switch. switch with a tester.
rings or door Defective door switch parts. Refer to door switch in parts repair Replace door switch.
opening alarm guide.
does not work.
Defective Buzzer does Key input wire is cut or bad connector Check input wire with a tester. Reconnect lead Refer to display
display button not ring and terminal contact in main PCB and wire and replace or circuit in circuit
key does not display PCB connecting lead wire. directly connect bad explanation.
function when contact terminal to
pressed. lead wire.
Key is continuously depressed due to Disassemble frame display and confirm Adjust or replace
structural interference. visually. interfering
structures.

PROBLEM DIAGNOSIS
-79-
Problems Symptom Causes Checks Measures Remarks
Defective Buzzer rings Trouble mode indication. Check problem diagnosis function. Remedy faults Refer to mode
display button. but key does indication in
function when function
button is explanations.
pressed.
Bad water/ice Buzzer Defective connecting lead wire from Check lead wire associated with door Repair lead wire. Check model
dispenser. continuously main PCB to door switch. switch. with dispenser.
rings or door Defective freezer compartment door Refer to door switch in parts repair Replace Freezer
open alarm switch parts. guide. compartment door
does not work. switch.
Ice and water Defective connecting lead wire from Check Lead Wire associated with lever Repair lead wire.
do not Main PCB to lever switch. switch with a tester.
dispensed. Defective lever switch parts Refer to door switch in parts repair guide. Replace lever switch.
Defective photo coupler IC parts. Check voltage change at photo coupler Replace photo
output terminals when lever switch coupler IC or PCB.
pressed. It is OK if voltage change is
from 0V - 5V.
Defective relay associated with ice Check relay (RY9, RY11, RY12) Replace defective
dispense (geared motor, cube and with a tester. relay.
dispenser solenoid).
Defective parts associated with ice Check resistance of parts with a tester. Replace defective
dispenser (geared motor, cube and parts.
dispenser solenoid).
Defective relay associated with water Check relay (RY10) with a tester Replace defective
dispenser. relay.
Defective parts associated with water Check resistance of parts with a tester. Replace defective
dispenser. parts.

3. Cooling Cycle Heavy Repair
3-1. The Heavy Repair Standards for Refrigerator with R134a Refrigerant
NOTE) Please contact Songso company on +82-53-554-2067 if you have inquiry on heavy repair special facility.
PROBLEM DIAGNOSIS
- 80 -
NO.
Items Unit Standards Purposes Remarks
The opening time should be reduced to a half
of the standards during rain and rainy seasons
(the intrusion of water into the pipe is
dangerous).
- Refit to repair note in each part.
- R134a refrigerant is more susceptible to
leaks than R12 and requires more care
during welding.
- Do not apply force to pipes before and after
welding to protect pipe from cracking.
- In case of evaporator parts, if there is no
make noise when removing bushing cap blow
dry air or N2gas for more than 1 min before
using the parts.
Note: Only applicable to models equipped with
reverse flow protect plate.
Vaccum efficiency can be improved by
operating compressor during evacuation.
The bushing pipes for R12 refrigerant will melt
when they are used for R134a refrigerant
causes of leak.
- Do not weigh the refrigerant in too hot or too
cold an area.(25°C [77°F] is adequate.)
- Use copper charging canister
Socket: 2SV Plug: 2PV R134a
Note: Do not burn O-ring (bushing) during
welding.
- Check oil leak at refrigerant leak area.
Use electronic leak detector if oil leak is not
found.
- The electronic leak detector is very sensitive to
halogen gas in the air. It also can detect
R141b in urethane. Please practice, therefore,
many times before use.
To protect
from
Moisture
Intrusion.
To protect
from oxide
scale
formation.
To protect
from
moisture
penetration.
To remove
moisture.
To protect
mixing of
mineral and
ester oils.
To protect R12
Refrigerant
mixing.
˝
˝
Do not mix
with R12
refrigerant.
To remove
the
moisture
from pipe.
Detect
refrigerant
leak area.
Pipe: within 1 hour.
Comp: within 10
minutes.
Drier: within 20
minutes.
Weld under Nitrogen
atmosphere
(N2pressure: 0.1~0.2
kg/cm2)
Confirm air leaking
sounds when
removing bushing
cap.
Sound:usable
No sound: not usable
More than 40 minutes.
Below 0.03(ref)
High and low Pressure
sides are evacuated at
the same time for
models above 200
Use R134a exclusive
manifold.
Use R134a exclusive.
R134a exclusive.
R134a exclusive
Use R134a
exclusively.
Weighing allowance:
±5g
Note:Winter: -5g
Summer: +5g
-
Use R134a exclusively
for R134a refrigerator
-
Use R12 exclusively for
R12 refrigerator
-
Replace drier whenever
repairing refrigerator
cycle piping.
- Do not use soapy
water for check. It
may be sucked into
the pipe by.
Min.
Nitrogen
Pressure.
Confirm
N2 leak.
Min.
Torr
EA
EA
EA
EA
Evacuation
time
Vacuum
degree
Vacuum
Vacuum
piping
Pipe
coupler
Outlet
(Socket)
Plug
Pipe and piping
system opening
time.
Welding.
N2sealed parts.
Refrigeration
Cycle.
Refrigerant
weighing.
Drier replacement.
Leak check.
1
2
3
4
5
6
7

3-2. Summary Of Heavy Repair
PROBLEM DIAGNOSIS
- 81 -
Process Contents Tools
- Cut charging pipe ends and discharge refrigerant from Filter, side cutters
drier and compressor.
- Use R134a oil and refrigerant for compressor and drier Pipe Cutter, Gas welder, N2gas
- Confirm N2sealing and packing conditions before use.
Use good one for welding and assembly.
- Weld under nitrogen gas atmosphere.(N2gas pressure:
0.1-0.2kg/cm2).
- Repair in a clean and dry place.
- Evacuate for more than forty minutes after connecting Vacuum pump R134a
manifold gauge hose and vacuum pump to high (drier) exclusively, Manifold gauge.
and low (compressor refrigerant discharging parts)
pressure sides.
- Evacuation Speed:113liters/minute.
- Weigh and control the allowance of R134a chargine R134a exclusive chargine
canister in a vacuum conditions to be ±5 g with canister (mass cylinder),
electronic scales andcharge through compressor inlet refrigerant R134a manifold gauge,
(Charge while compressor operates). electronic scales, punching
- Weld carefully after pinching off the inlet pipe. off flier, gas welding machine
- Check for leakage at weld joints. Electronic Leak Detector,
Minute leak: Use electronic leak detector Driver(Ruler).
Big leak: Check visually.
Note:Do not use soapy water for check.
- Check cooling capacity
➀Check radiator manually to see if warm.
➁Check hot line pipe manually to see if warm.
➂Check frost formation on the whole surface of the
evaporator.
- Remove flux from the silver weld joints with soft brush Copper brush, Rag, Tool box
or wet rag. Flux may be the cause of corrosion and
leaks.
- Clean R134a exclusive tools and store them in a clean
tool box or in their place.
- Installation should be conducted in accordance with the
standard installation procedure. Leave space of more
than 5 cm from the wall for compressor compartment
cooling fan mounted model.
Problem
diagnosis
Remove refrigerant
Residuals
Parts
replacement
and welding
Compressor
compartment
and tools
arrangement
Transportation
and
installation
Check
refrigerant leak
and cooling
capacity
Vacuum
Refrigerant
charging and
charging
inlet welding

3-3. Precautions During Heavy Repair
PROBLEM DIAGNOSIS
- 82 -
Items Precautions
1. Use of tools. 1) Use special parts and tools for R134a.
2. Removal of retained 1) Remove retained refrigerant more than 5 minutes after turning off a refrigerator.
refrigerant. (If not, oil will leak inside.)
2) Remove retained refrigerant by cutting first high pressure side (drier part) with a nipper and
then cut low pressure side. (If the order is not observed, oil leak will occur.)
3. Replacement of drier. 1) Be sure to replace drier with R134a only when repairing pipes and injecting refrigerant.
4. Nitrogen blowing 1) Weld under nitrogen atmosphere in order to prevent oxidation inside a pipe.
welding. (Nitrogen pressure : 0.1~0.2 kg/cm2.)
5. Others. 1) Nitrogen or refrigerant R134a only should be used when cleaning and sealing inside
of cycle pipes inside and sealing.
2) Check leakage with an electronic leakage tester.
3) Be sure to use a pipe cutter when cutting pipes.
4) Be careful not to let the water let intrude into the inside of the refrigerant cycle path.
1
2
Compressor
Low pressure side Condenser
High pressure side
Drier
Evaporator

3-4. Practical Work For Heavy Repair
PROBLEM DIAGNOSIS
- 83 -
Items Precautions
1. Removal of residual
refrigerant.
1) Remove residual refrigerant more than 5 minutes later after turning off the refrigerator.
(Otherwise, compressor oil may leak inside.)
2) Remove retained refrigerant slowly by cutting first high pressure side (drier part) with a
nipper followed by cutting the low pressure side.
2. Nitrogen blowing
welding.
When replacing a drier:
Weld and parts by blowing nitrogen(0.1~0.2kg/cm2) to high pressure side after
assembling a drier.
When replacing a compressor:
Weld and parts by blowing nitrogen to the low pressure side.
Note) For other parts, nitrogen blowing is not necessary because not all welding is performed
for a long enough time to produce oxidation scales.
3. Replacement of drier.
Inserting a capillary tube
Measure distance with a ruler and put a mark(12+3/-0)on the capillary tube. Insert tube to the
mark and weld it
NOTE:
Observe the sequence for
removal of refrigerant.
(Otherwise, compressor oil
may leak.)
NOTE:
Welding without nitrogen
blowing produces oxidized
scales inside a pipe, which
affect on performance and
reliability of a product.
NOTE:
Be sure to check the
inserted length of capillary
tube when it is inserted. (If
too much is inserted, the
capillary tube is blocked by
a filter.)
Compressor
Low pressure side
Condenser High pressure side
Drier
Evaporator
Release
Refrigent
Intake
Suction
1 2 1
2
Evaporator
Drier
High pressure side
Condenser
Refrigent
Intake
12+3
-0
Filter
* Unit : mm

PROBLEM DIAGNOSIS
- 84 -
Items Precautions
4.Vacuum degassing.
Pipe Connection
Connect a red hose to the high pressure side and a blue hose to the
low pressure side.
Vacuum Sequence
Open valves and and evacuate for 40 minutes. Close valve .
5.Refrigerant charging.
Charging sequence
1) Check the amount of refrigerant supplied to each model after completing vacuum
degassing.
2) Evacuate bombe with a vacuum pump.
3) Measure the amount of refrigerant charged.
- Measure the weight of an evacuated charging canister with an electronic scale.
- Charge refrigerant into a charging canister and measure the weight. Calculate the weight
of refrigerant charged into the bombe by subtracting the weight of the evacuated bombe.
NOTE:
- If power is applied
during vacuum
degassing, vacuum
degassing shall be
more effective.
- Operate compressor
while charging
refrigerant. (It is
easier and more
certain to do like
this.)
NOTE:
- Be sure to charge
the refrigerant at
around 25°C [77°F].
- Be sure to keep -5g
in the winer and
+5g in summer
the amount of refrigerant charged= a weight after charging -
a weight before charging (the weight of an evacuated cylinder)
Calculation of amount of refrigerant charged
2 1
3
Compressor
Low
pressure
Condenser
High
pressure
Drier
Evaporator
Red
Yellow
Blue
Vaccum
Pump
Suction pipe
R134a
Indicates the weight of
an evacuated bombe

3-5. Standard Regulations For Heavy Repair
PROBLEM DIAGNOSIS
- 85 -
Items Precautions
4) Refrigerant Charging
Charge refrigerant while operating a compressor as shown above.
5) Pinch a charging pipe with a pinch-off plier after completion of charging.
6) Braze the end of a pinched charging pipe with copper brazer and perform a gas leakage
test on the welded parts.
6. Gas-leakage test * Take for leaks on the welded or suspicious area with an electronic leakage tester.
7. Pipe arrangement Verify that each pipe is placed in its
in each cycle original location before closing a cover
after completion of work. Particularly
check the size of Joint Drain Pipe
Compressor
Condenser
Drier
Evaporator
Bombe
Bushing
1) Observe the safety precautions for gas handling.
2) Use JIG (or wet towel) in order to prevent electric wires from burning during welding. (In order to prevent insulation
damage and consequent accidents.)
3) The inner case shall will melt and the insulation material (polyurethane) shall be damaged if care is not taken during
welding of inner case parts.
4) The copper piping wil oxidize from overheating if care is not taken during welding.
5) Do not allow aluminum and copper pipes to touch. (In order to prevent corrosion.)
6) Observe that the inserted length of a capillary tube into a drier should be 12 mm.
7) Make sure that the inner diameter is not be distorted while cutting a capillary tube.
8) Be sure that a suction pipe and a filling tube are not be substituted for each other during welding. ( High efficiency
pump.)
12 mm
+3
-0
Drier
Molecular Pipe
Molecular
Sieves
+3
-0

3-6. Brazing Reference Drawings
PROBLEM DIAGNOSIS
- 86 -
PIPE ASSEMBLY, JOINT
PIPE ASSEMBLY, HOT LINE
(Refrigerator)
PIPE ASSEMBLY, HOT LINE
(Freezer)
PIPE ASSEMBLY,
JOINT CONDENSER
ASSEMBLY, WIRE
PIPE ASSEMBLY, SUCTION
DRIER ASSEMBLYCAPI - TUBE
Copper Brazer Copper
Brazer
Copper
Brazer
Silver Brazer
Copper
Brazer
Copper Brazer Copper Brazer Coppper Brazer Silver Brazer

4. HOW TO DEAL WITH CLAIMS
4-1. Sound
PROBLEM DIAGNOSIS
- 87 -
Problems Checks and Measures
Hiss sounds ■Explain general principles of sounds.
• All refrigerator when functioning properly have normal operating sound. The
compressor and fan produce sounds.
There is a fan in the freezer compartment which blows cool air to freezer and
refrigerator compartments. Hiss sounds are heard when the air passes through
the narrow holes into the freezer and refrigerator compartments.
■Cooling Fan sound in the compressor compartment.
• There is a fan on the back of the refrigerator, which cools the compressor
compartment. If there is a small space between the refrigerator and the wall,
the air circulation sounds may be noticeable.
■Noise of Compressor.
• This operating sound happens when the compressor compresses the
refrigerant. The compressor rotates at 3600RPM. The sound of compressor
operation becomes louder as the refrigerator capacity increases.
Click sounds ■Explain the principles of temperature change.
• The sounds happens when pipes and internal evaporator in the refrigerator
compartment expand and contract as the temperature changes during the
refrigerator operation. This sound also happens during defrosting, twice a day,
when the ice on the evaporator melts.
Clunk sound ■Explain that it comes from the compressor when the refrigerator starts.
• When the refrigerator operates, the piston and motor in the compressor rotate
at 3600RPM. This clunk sound is caused by the vibration of motor and piston
when they start and finish their operation. This phenomena can be compared
with that of cars. When the car engine ignites and starts to rotate, the loud
sound quickly becomes quiet. When the engine stops, it stops with vibration.
Vibration sound ■Check whether the sound whether it comes from the pipes vibration and
friction.
• Insert bushing or leave a space between pipes to reduce the noise.
• Fix the fan blade if the noise is due to the collision of fan and shroud.
• Fix the drip tray if it is loose.
■Sound depends on the installation location.
• Sound becomes louder if the refrigerator is installed on a wooden floor or
near a wooden wall. Move it to the another location.
• If the refrigerator is not leveled properly, a small vibration can make a loud
sound. Please adjust the leveling of the refrigerator.

PROBLEM DIAGNOSIS
- 88 -
Problems Checks and Measures
Sounds of water flowing ■Explain the flow of refrigerant.
• When the refrigerator stops, the water flowing sound occurs.
This sound happens when the liquid or vapor refrigerant flows from the
evaporator to the compressor.
Click sounds ■Explain the characteristics of moving parts.
• This noise comes from the MICOM controller's switch on the top of the
refrigerator when it is turns on and off.
Noise of Icemaker operation ■Explain the procedure and principles of Icemaker operation.
(applicable to model with Icemaker). • Automatic Icemaker repeats the cycle of water supplying ➝icemaking ➝ice
- Noise produced by ice dropping ejection. When water is supplied, the water supply valve in the machine room
and hitting ice bin. makes sounds like Hiss and water flowing also makes sound. When water
- Hiss noise, motor sounds . freezes to ice, freezing sounds such as click, click are heard. When ice is being
ejected, sounds like Hiss produced by a motor to rotate an ice tray and ice
dropping and hitting ice bin sounds are also heard.
Noise when supplying water. ■Explain the principles of water supplied to dispenser.
• When the water supply button in the dispenser is pressed, the water supply
valve in the compressor compartment opens and let the water flow to the water
tank in the lower part of the refrigerator compartment. The water is dispensed
by this pressure. When this happens, motor sound and water flowing sound are
heard.
Noise when supplying ice. ■Explain the principles of ice supply and procedure of crushed icemaking in a
dispenser.
• When ice cube button is pressed, ice stored in the ice bin is moved by a Helix
Pusher and dispensed. If crushed ice button is pressed, the cube ice is
crushed. When this happens, ice crushing and hitting ice bin sounds are heard.

4-2. Measures for Temperature Related Symptoms
PROBLEM DIAGNOSIS
- 89 -
Problems Checks and Measures
Refrigeration is weak. ■Check temperature set by the temperature control knob.
• Refrigerator is generally delivered with the button set at normal use (MID).
But customer can adjust the temperature set depending on preference. If you
feel the refrigeration is weak, then set the temperature control button at strong
position. If you adjust the setting for the freezer compartment as well, the
refrigeration is stronger than adjusting refrigerator only.
The food in the chilled drawer is . ■The chilled drawer does not freeze food.
not frozen but defrosted • Use chilled drawer for storing fresh meat or fish for short periods. For storing for
a long periods or freezing food, use a freezer compartment. It is normal that
frozen foods thaw above the freezing temperature (in the chilled drawer).
Refrigerator water is not cool. ■Check the water storage location.
• If water is kept in the door rack, recommend storing it in the refrigerator
compartment shelf. It will then become cooler.
Ice cream softens. ■Explain the characteristics of ice cream.
• The freezing point of ice cream is below -15°C[5°F]. Therefore ice cream may
melt if it is stored in the door rack.
• Store ice cream in a cold place or set the temperature control button of a freezer
to strong setting.
Refrigeration is too strong. ■Check the position of temperature control setting.
• Check if refrigeration is strong in whole area of the refrigerator or partly near the
outlet of the cooling air. If it is strong in whole area, set the control button to
weak. If it is strong only near the outlet of cool air, keep food (particularly wet
and easy to frozen such as bean curd and vegetables) away from the outlet.
Vegetables are frozen. ■Check the vegetables storage.
• If vegetables are stored in the refrigerator shelf or chilled drawer instead of
vegetable drawer, they will be frozen. Set the control button to weak if they are
also frozen in the vegetable drawer.
The food stored at inside of ■Check if food is stored near the outlet of the cooling air.
the shelf freezes even the • The temperature at cooling air outlet is always below the freezing point.
control button is set to MID. Do not store food near the outlet of the cooling air as it blocks the air circulation.
Do not block the outlet. If the outlet of the cooling air is blocked, the refrigerator
compartment will not be cooled.

4-3. Odor and Frost
PROBLEM DIAGNOSIS
- 90 -
Problems Checks and Measures
Odor in the refrigerator compartment.
■Explain the basic principles of food odor.
• Each food has its own particular odor. Therefore it is impossible to prevent or
avoid food odor completely when food is stored in a completely sealed
refrigerator compartment. The deodorizer can absorb some portions of the odor
but not completely. The intensity of odor depends on refrigerator conditions and
environment.
■Check the temperature control button and set to strong.
• Clean inside of the refrigerator with detergent and remove moisture. Dry inside
the refrigerator by opening the door for about 3 or 4 hours and then set the
temperature control button to strong.
Frost in the freezer compartment ■Explain the basic principles of frost formation.
• The main causes for frosting:
- Door is left open.
- Air penetration through the gasket
- Too frequent door opening. (parties. etc.)
- Hot foods are stored before they are cooled down. The temperature of freezer
is -19°C[-2.2°F]. if temperature is set at MID. If hot air comes into the
refrigerator, fine frost forms as cold air mixes with hot air. If this happens quite
often, much frost forms inside of the refrigerator. If the door is left open in
summer, ice may form inside of the refrigerator.
Frost in ice tray. ■Explain basic principles of frost formation.
• When ice tray with full of water is put into a freezer compartment, the water
evaporates. If cool air fan operates, the moisture attached to the jaw (protruded
part) of ice mold will freeze and form frost. If warm water was put into the ice
mould, the situation will become worse.

4-4. Others
PROBLEM DIAGNOSIS
- 91 -
Problems Checks and Measures
The refrigerator case is hot. ■Explain the principles of radiator.
• The radiator pipes are installed in the refrigerator case and partition plate
between the refrigerator and the freezer compartment in order to prevent
condensation formation. Particularly in summer or after installation of
refrigerator, it may feel hot but this is normal. If there is not enough space to
dissipate heat, the case may be hotter due to lack of heat radiation. Please
install the refrigerator in a well-ventilated place and leave a clearance between
refrigerator and wall:
Small holes in a door liner ■Explain that the hole is for releasing gas.
• A small hole in the door liner is for releasing gas during insulation materials
lining work. With a release hole, forming can be easily accomplished.
Electric bills are too expensive. ■Check the use conditions.
• Excessive door opening and hot food storage cause the compressor to operate
continuously and increase the electric consumption and bills.
Condensation on the inside ■Explain how to store foods
wall of the refrigerator • Condensation forms when refrigerator is installed at damp area, door is
compartment and the cover of frequently opened, and wet foods are not stored in the air tight container or
properly vegetable drawer. wrapped. Be sure to store wet foods in the air tight container or in secure
wrapping.
When is the power connected? ■When should the power be connected ?
• You can connect the power right after the installation. But if the refrigerator was
laid flat during transportation for a long period of time, then the refrigerant and
compressor oils are mixed up, and this will affect badly the performance of the
refrigerator. Be sure to connect the power 2~3 hours after refrigerator is
installed.
Door does not open properly. ■Refrigerator compartment door does not open properly.
• When the door is open, warm open air comes into the compartment and is
mixed up with cool air. This mixed air shall be compressed and increases the
internal pressure when door is closed. This causes the door to more closely
adhere to the refrigerator in a moment. As the refrigerator guins use, this
symptom will diminish.
■When the refrigerator compartment door is opened and closed, the freezer
compartment door moves up and down.
• When the refrigerator compartment door is opened or closed, fresh air comes
into the freezer compartment and moves up and down the freezer compartment
door.
■Door opens too easily.
• There is a magnet in the gasket bushing so that it is. if door is securely closes
without a gap. Also, check to see if the foods in the refrigerator or freezer
compartments are holding the door open.
■The doors do not close properly.
• If the rear side of the refrigerator is raised higher than front side, the doors shall
not be easily closed. Adjust the level of refrigerator with the levelling screws.
The front side should
be raised a little bit higher
than the rear side.

1. DOOR
1) Remove lower cover and then disconnect water
supply tube in the lower part of freezer door.
• Pull the water supply tube forward while pressing
part to disconnect water supply tube as shown below.
2) Remove a freezer door.
(1) Loosen hinge cover screw of freezer door and remove
cover. Disconnect all connecting lines except
grounding cord.
(2) Turn hinge lever in arrow A direction until it is
loosened and take it out in arrow B direction.
Note : • When disconnecting refrigerator door, turn hinge
lever counterclockwise.
• If hinge lever or bracket hinge pin is deformed
during assembling freezer and refrigerator doors,
attach two screws (Tap Tite Screw, M6: Lower
fixing screw) in the hole of upper hinge.
(3) Disconnect upper hinge from a hinge supporter
by grasping the front part of upper hinge and lifting up
(Hinge Assembly, U) in arrow direction A and pull
forward in arrow B direction. Be careful so the door
does not fall down.
(4) Lift up the freezer door in arrow direction and
disconnect the door from the lower hinge . Don’t pull
a door forward.
Note : • Lift up a freezer door until a water supply tube is
fully removed.
(5) Assembly is the reverse order of disassembly
HOW TO DISASSEMBLE AND ASSEMBLE
- 92 -
2
1
AAB
1
2
1
2
Hinge Cover
2
Connecting
Line
Grounding
Cord
Hinge Lever
A
B

2. HANDLE
1) , Disconnect Cap by using Hexagon Wrench Dirver.
2) Disconnect Handle.
3) Disconnect Holder by using Hexagon wrench Driver.
3. DEODORIZER
1) Loosen the screw in .
2) Pull out a deodorant cover forward (Fig. 1) while turning
a cover in arrow direction.
3) Take out a deodorizer carefully after opening hook in
arrow direction(Fig. 2).
4) Assembly is the reverse order of disassembly.
Note : • Be sure to attach the aluminum plate of defrost
heater to the floor of intake before assembling.
4. SHROUD, GRILLE FAN
1) Loosen two screws after disconnecting a cap screw of a
grille fan(U) with a blade screwdriver.
2) Disassembly of a grille fan(U) : Pull forward after
opening hook at ➝part with a blade screwdriver.
3) Disconnect housing A of a grille fan (L) from the main
body.
4) Disassembly of a grille fan (L) : Hold upper part of a
grille fan(L) and pull forward carefully.
5) Loosen two screws.
6) Disassembly of shroud. F(U) : Disconnect housing of B
after removing two rail guides with a balde screwdriver.
7) Disassembly of shroud. F(U) : Hold upper part and pull
forward.
8) Check foam PU sticking conditions around the shroud,
F(U) and F(L) during assembling. If damaged, torn or
poorly attached, assemble with a new one after sealing
well.
HOW TO DISASSEMBLE AND ASSEMBLE
- 93 -
Holder
Holder
Handre
Cap Hexagon Wrench
Driver
1
2
1
Hook
Deodorizer
<Fig. 1> <Fig. 2>
A
B
Shroud ,F(U)
Grille Fan(U)
Grille Fan(L)
Shroud ,F(L)
Cap,Screw

5. CONTROL BOX, R
1) Disconnection of Cover Lamp, R(U) : Loosen one screw
in the center with a phillips screwdriver after pushing two
rail guides on the lower part of a control box, R with a
blade screwdriver, and pull the cover lamp, R(U)
forward.
2) Loosen four screws in A after taking out the lamp. Hold
a lower part of control box and take out a control box by
pulling forward and disconnect housing B from the
main body.
6. CASE PWB
1) Loosen ten screws in and remove cover PWB by
pulling up in arrow direction.
2) When disassembling the whole case PWB, disassemble
all housings first and push the case PWB in arrow
direction to disassemble from the main body.
3) When disassembling Main PWB Assembly. and Sub.
PWB Assembly from a case PWB, open each hook and
disconnect.
HOW TO DISASSEMBLE AND ASSEMBLE
- 94 -
Cover Lamp,R(U)
A
B
1

7. ICEMAKER ASSEMBLY
7-1. Dispenser Model
1) How to disassemble:
(1) Remove ice bank from the freezer compartment.
(2) Loosen two screws on the upper part of Icemaker
bracket.
(3) Disconnect Icemaker bracket so that it can slide
forward.
(4) Disconnect Icemaker housing and sensor housing.
(5) Disconnect Icemaker horizontally by pressing
bracket hook part. ( Don’t disassemble further. The
set value may be changed.)
2) How to assemble : The assembly is the reverse order of
the above disassembly.
Note : When the ice tray is not horizontal after assembly,
assembly was performed in correctly. Check and
assemble again.
7-2. Basic Model
1) How to disassemble:
(1) Remove ice tray assembly from the freezer
compartment.
(2) Pull out knob from the ice tray in arrow direction.
(At this time, pull out a knob in arrow direction while
shaking right and left as the knob is connected to
pins in A .)
(3) Spring can be removed by pulling ice tray in arrow
direction and pulling out a spring inserted in ice tray
axis from the hole of supporter ice tray.
2) How to assemble : Assembly is the reverse order of
disassembly.
Note : It is important to put one end of spring into the hole
of the supporter ice tray and the other end on the
lower part of an ice tray when inserting spring into
the shaft.
HOW TO DISASSEMBLE AND ASSEMBLE
- 95 -
Bracket, Icemaker Hook
Icemaker Unit
Lever
Ice Tray
Sensor
Insulation
Sensor Cover
Supporter Ice Tray
Pin
Knob
Ice Tray
Spring

8. DISPENSER
1) Disconnect button assembly by pulling down until it
stops and then pull it forward.
2) Remove display frame Assembly by making a gap
between a display frame Assembly. and funnel
Assembly. with a blade screwdriver and pulling it
forward. The cover dispenser is fixed with a hook.
3) Display Assembly can be disconnected by pressing the
upper part of a cover dispenser and pushing a display
Assembly. after disconnecting display frame Assembly.
housing.
4) Loosen four screws with a phillips screwdriver and pull
the funnel Assembly to disconnect.
5) Duct cap Assembly is disconnected if hold lever
connecting screw is loosened with a phillips screwdriver.
6) For assembling a duct cap Assembly, insert one end of
a spring into the right hole of dispenser lever, and insert
the other end into the right hole in upper part of
dispenser. And then assemble a holder lever after fixing
the holder at the solenoid Assembly working part.
HOW TO DISASSEMBLE AND ASSEMBLE
- 96 -
Button
Funnel Assembly
Funnel
Assembly
Holder
Lever
Solenoid Assembly
Cap Assembly
Duct
Spring
Sheet Heater
Dispenser Lever
Solenoid Assembly

9. WATER TANK AND WATER LINE
uThe water tank at back and lower part of a refrigerator is
attached by one screw and has a capacity containing of
7 glasses (180cc per glass) of cold water. It will take
time to make more cold water in the tank.
*The first portion of dispensed water is not cold even
though the refrigerator is working. In this case,
dispense ice first in the cup and then water to make a
water cold.
9-1. How to disassemble the water supply pipe
1) Disconnect five fixtures mounted on the rear wall of the
refrigerator after disconnecting the water supply pipe
from a water valve.
2) Remove the tie-wrap and two screws connected to the
bushing inject.
3) Replace the water supply pipe after disconnecting the
water supply pipe from a rubber inject. And assemble
the parts by performing disassembly in reverse order.
9-2. How to disassemble the water tank and the
water supply pipe
1) Disconnect the water supply pipe from a water valve
on the back and lower part of the freezer.
2) Disconnect the connector Assembly. in water supply
pipe at lower part of the freezer door.
3) Pull out the water supply pipe from the thermal
insulation materials after removing one screw and six
tie-wraps in the lower part of a refrigerator compartment.
4) Replace a water tank or a water supply pipe and
assemble the parts by performing disassembly in
reverse order.
Note : • The water supply pipe cannot be disassembled.
• Tightly fasten six tie-wraps to prevent leakage.
HOW TO DISASSEMBLE AND ASSEMBLE
- 97 -
Bushing inject
Water Valve
Connect
Assembly 2
3
Water supply pipe
Water supply pipe
Water Tank
Nut
Tube

- 98 -
DIGITAL SECTION LAYOUT
TOUCH INPUT
TFT LCD
REMOTE CONTROLLER
SIGNAL CONTROL
REF ERROR SINGAL CONTROL
SOUND AMPLIFIER
OUTPUT:5W+5W(PEAK)
PROGRAM
PROTECTION
RECORDING
PHOTO
REMOTE CONTROLLER
SIGNAL
INPUT
TV TUNER
TV SIGNAL RECEIVE
SUB Controller
AC/DC CONVERTER
MAIN CONTROLLER
POWER SUPPLY
HDD POWER SUPPLY
REF ERROR SIGNAL
PROGRAM SAVE
T/S,Inv Out
T/Screen
Controller
Touch Screen
TMDS CABLE
Microphone
CCD Camera
REMOTE CONTROLLER
RECEIVER
Remocon CON'T
REF ERROR CON'T
MICOM
Amplifier
Inverter
BACKLIGHT
RS-232
(EXTENSION PORT)
USB
EXTENSION PORT
TV
ANTENNA
Digital Part
ON/OFF S/W
LAN LINE
RESET
BUTTON
Monitor ASSEMBLY
USER
(Input/Output)
SPEAKER
MANAGEMENT
BUTTON
COM2
RJ-45
LAN
USB1
USB2
AV IN2
COM1
ATX
POWER IN
AV IN1
Parallel PORT
Audio Out
IDE PORT
LCD Out
Main Controller
(Geode GX 300)
S.M.P.S
(Free Voltage
INPUT VOLTAGE
:AC90~288V) PWB,SUB
REF MICOM AC INPUT
HARDDISK

DIGITAL SECTION LAYOUT
- 99 -

- 100 -

- 101 -
1. MAIN CONTROLLER
1-1. Function
This is one of the key components of the internet refrigerator, and it is a controller where TV, audio, video, input-output,
internet functions reside.
1-2. Connector Connection Diagram and Names
DIGITAL PARTS MANUAL
911
12
14
15
17
16
18
19
13
10
SOUND OUT
8
7
6 5 4 3
POWER S/W
PARALLEL
PORT
ATX POWER IDE COM2 COM1
2
LAN
1
USB
TV SOUND IN
MIC IN
TMDS
LCD
TOUCH
/INV
TV
TUNER
TV IN
CCD IN

1-3. Function and Connecting Parts
DIGITAL PARTS MANUAL
- 102 -
No Name Function Connecting Part
USB
LAN
COM1
COM2
IDE
ATX POWER
PARALLEL PORT
POWER S/W
SOUND OUT
CD IN
TV SOUND IN
MIC IN
KEYBOARD
TMDS LCD
TOUCH/INV
TV TUNER
VIDEO IN
CCD IN
TV IN
Connect to supporting device (External CDROM)
Connect to Internet network cable
Contol TV-tuner
External Device Communication Port 2
Hard disk data communication
Main controller power service line
Sub-controller communication
Sub-controller power supply, Reset/management
S/W input
Audio output
External audio input (reserve terminal)
TV sound input
MIC sound input
Connect to keyboard for SVC
Monitor visual output
T/Screen communication, LCD inverter power supply
TV-Tuner data communication
External video input (reserve terminal)
Camera visual input
TV visual input
Extended connecting cable
LAN connecting cable
TV-tuner
Extended connecting cable
Hard disk
Power supply
Sub-controller
Reset PCB, sub-controller
Sub-controller
Reserve terminal
TV-tuner
MIC connector
Keyboard (SVC)
TMDS connector
T/Screen connector
TV-Tuner
Reserve terminal
Camera connector
TV-Tuner

1-4. Specifications of parts
1. Main CPU SPEC
(1) Maker Type: Geode GX1 300-B85
(2) Maker: National Semiconductor
(3) L1 Cache Size: 16KB
(4) CPU Power Consumption: 1.6V / 200MHz - 0.8W
2.0V / 300Mhz - 1.5W
(5) Memory Extend: Total 512MB Expansion possible
(up to 512 MB)
(6) O/S: Windows 98SE
2. Video, Audio Output, PCI-to-ISA Bridge
(1) Maker Type: CS5530A-UCE
(2) Maker: National Semiconductor
(3) Build-in Xpress Graphic / Audio
(4) Resolution: 1280 X 1024 (85MHz)
(5) Audio: AC97 Codec Interface
(6) 2 USB Interface
3. External A/V Input/Output handling
(A/V Input/Output - MUX)
(1) Maker Type: Fusion 878A
(2) Maker: Conexant
(3) NTSC, PAL, SECAM Video Support
(4) Resolution: 768 X 576 (Full PAL Resolution)
(5) 3 Composite Input support
(6) 3:1 MUX (TV, FM, MIC)
4. Graphic Accelerator
(1) Maker Type: ATIM6-M(216M6TGDFA22E)
(2) Maker: ATI Technologies
(3) Embedded Memory: 8MB
(4) Color: 32 bit colors
(5) Highly-optimized 128 bit engine.
(6) LVDS and PaneLink Support with TMDS Transmitter.
5. Sound Input/Output handling (Sound Input/Output)
(1) Maker Type: AD1819B
(2) Maker: Analog Devices
(3) S/N Ration: 90dB
(4) 16-Bit Full Duplex Codec
(5) Analog Input: LINE, CD, VIDEO, AUX, 2 MONO MIC
(6) 7kHz ~ 48kHz Sampling Rate (with 1Hz Resolution)
6. External Input/Output handling
(SUPER Input/Output)
(1) Maker Type: PC97317
(2) Maker: National Semiconductor
(3) Plug and play Compatibility (PnP)
(4) 24 GPIO bit ports
(5) FDC, KBC, two UARTs, IR support, IEEE1284 parallel
port
(6) RTC (Real Time Clock) Control
7. LAN-Ethernet
(1) Maker Type: RTL8139C
(2) Maker: Realtek
(3) 10Mb/s and 100Mb/s operation
(4) Wake-On-LAN function, Remote wake-up Support
(5) Half, Full duplex capability
(6) Integrated Fast Ethernet MAC Physical chip,
transceiver in one chip
8. Labeling
(1) Attach MAC ADDRESS, SERIAL NUMBER, PART
NUMBER labels to Section A
- Labeling location: Attach to Section A
(2) Attach ROM BIOS Version label to Section B
- Labeling location: Attach to Section B
DIGITAL PARTS MANUAL
- 103 -
Record LG Model Name
Record ROM Version

2. SUB-CONTROLLER
2-1. Function
: Sub Controller is composed of MICOM PART and AMP PART and
- MICOM PART: senses refrigerator error and passes signals from remote control transmits to main controller
- AMP PART: carries out the function of amplifying the small signal being input through the Sound Output of the MAIN
CONTROLLER
DIGITAL PARTS MANUAL
- 104 -
MICOM driving power,
remote control signal receiver
Error sensing
signal transmitter
for refrigerator
Error sensing
signal receiver for
refrigerator
AMP driving power
HEADPHONE output
terminal; when inserted,
speaker output is cut and
output is done only
through HEADPHONE
Receiver of small
signal sound emitted
by MAIN CONTROLLER
Section A
Section B
Section C
Section F
Section D
Section H
Transmits error
sensing signals,
remote control signals,
changed signals
to main controller
Transmits through
speakers the signals
amplified by the AMP
Section E
Section G

2-2. Outline Diagram and INPUT/OUTPUT Structure
2-2-1. Outline Diagram
2-2-2. INPUT/OUTPUT Structure
DIGITAL PARTS MANUAL
- 105 -
SYMBOL NO
INPUT/OUTPUT
Input/Output SPEC SYMBOL NO
INPUT/OUTPUT
Input/Output SPEC
CON1
CON2
CON4
1
2
3
4
5
1
2
3
4
5
6
7
1
2
3
4
5
6
7
8
9
10
11
12
13
I
I
O
DC 5V
GND
DC 5V
GND
REMOCON
REF ERR-P3
REF ERR-P2
REF ERR-P1
GND
REF ERR-P0
DC 5V
N.C
GND
TXD-ENABLE
CS0
CS1
DATA 0
DATA 1
DATA 2
DATA 3
DATA 4
DATA 5
DATA 6
DATA 7
N.C
CON4
CON5
CON6
CON7
1
2
3
4
5
6
1
2
3
1
2
3
4
1
2
3
I
I
O
I
SOUND-L
GND
SOUND-L2
SOUND-R1
GND
SOUND-R2
SOUND-R IN
GND
SOUND-L IN
GND
SOUND-R OUT
GND
SOUND-L OUT
AC 220V(L)
N.C
AC 220V(N)

3. HARDDISK
3-1. Function
This is the program storage device for the Digital Section of the Internet Refrigerator
3-2. Outline Diagram
<Operation Classification Chart>
DIGITAL PARTS MANUAL
- 106 -
Operation HDD MODEL NAME SPEC SWITCH REMARK
Classification
VERSION LANGUAGE TV NETWORK VERSION
A
B
C
D
E
F
G
1
2
3
4
5
6
7
R-D732GRS
GR-D267FTU
GR-D267FTU
GR-D267DTU
GR-D267DTU
GR-D267DTU
GR-D267DTU
KOREA
ENGLISH
SPAIN
ENGLISH
SPAIN
ENGLISH
ENGLISH
NTSC
PAL-I
NTSC
NTSC
PAL-B/G
PAL-B/G
NTSC
STANDALONE
STANDALONE
STANDALONE
STANDALONE
STANDALONE
STANDALONE
STANDALONE
VER 1.0
VER 1.0
VER 1.0
VER 1.0
VER 1.0
VER 1.0
VER 1.0
ATI M6 CHIPSET
ATI M6 CHIPSET
ATI M6 CHIPSET
HARDDISK
Windows Certification Label
Operation Classification Chart
Production Date

3-3. Connecting Method to Connector upon replacement
When servicing, the hard drive, it is replaced with the program preinstalled and according to the Operation Classification
Chart.
3-4. SPEC of parts
1. HARDDISK SPEC (3.5˝)
- MAKER: FUJITSU, MAXTOR, LG-IBM, SAMSUNG, WESTERN-DIGITAL
- Storage Capacity: Over 20GB
- Rotation Speed: Over 5,400rpm
- Ultra DMA 100 support (average seek time: 9.5ms under)
2. Operating Environment
- Operating temperature: 5°C[41°F] ~ 55 °C[131°F]
- Operating humidity: 8% ~ 80%
3. Storage Environment
- Storage temperature: -40°C[-40°F] ~ 60°C [140°F]
- Storage humidity: 5% ~ 85%
DIGITAL PARTS MANUAL
- 107 -
<Connector section of hard disk>
projection + hole
Option Pin: Verifies MASTER location
Power Connector
YL : Yellow
BK : Black
RD : Red
VIEW-A
A
IDE Connector

4. TV-TUNER
4-1. Function
After receiving and handling the video and audio signals through cable, it transmits the signals to the video input section of
the main controller.
4-2. Outline Diagram and INPUT/OUTPUT Structure
4-2-1. Outline Diagram
DIGITAL PARTS MANUAL
- 108 -

4-2-2. INPUT/OUTPUT Structure
4-3. Specifications of parts
1. Operating Environment
- Operating temperature: -10°C[14°F] ~ 60°C[140°F]
- Operating humidity: 0 ~ 95% (under 35°C[95°F] condition)
2. Storage Environment
- Storage temperature: -25°C[-13°F] ~ 85°C[185°F]
- Storage humidity: 95% (under 35°C[95°F] condition)
DIGITAL PARTS MANUAL
- 109 -
CONNECTOR PIN NO. I / O SYMBOL DESCRIPTION
J1
J2
VIDEO
1
2
3
4
1
2
3
4
5
1,2
GND
Output
Output
GND
Input
Input
I/O
I/O
Input
Output
GND
AUDIO LEFT OUTPUT
AUDIO RIGHT OUTPUT
GND
POWER
GND
TXD
RXD
GND
TV VIDEO Signal Output
GND
AUDIO-L
AUDIO-R
GND
12V
GND
T
R
GND
TV OUT

5. POWER SUPPLY
5-1. Function
This is the power supplying section for driving the main controller and hard disk.
5-2. Outline Diagram and INPUT/OUTPUT Structure
5-2-1. Outline Diagram
DIGITAL PARTS MANUAL
- 110 -
Section A
Section D
Section E
Connect to
Section A

5-2-2. INPUT/OUTPUT Structure
DIGITAL PARTS MANUAL
- 111 -
PIN NO I/O
INPUT VOLTAGE RANGE
REMARK
1
2
3
4
5
INPUT
INPUT
F.G
90~264
90~264
-
NEUTRAL
N.C
LIVE
N.C
GND
(1) Section D Input voltage SPEC
✽ MAKER TYPE : DIOS70B-ABD
• Input voltage range : 1.5Kv/1min, 1.8Kv/sec
• Insulated resistance : over 10 Mohm
PIN NO I/O VOLTAGE
OUTPUT VOLTAGE RANGE
COLOR REMARK
1
2
3
4
5
6
7
8
9
10
11
12
13
14
15
16
17
18
19
20
Output
Output
-
Output
-
Output
-
-
Output
Output
Output
-
-
-
-
-
-
Output
Output
3.3
3.3
GND
5
GND
5
GND
GND
5
12
3.3
GND
GND
GND
GND
GND
-5V
5
5
3.0 ~ 3.6
3.0 ~ 3.6
-
4.85 ~ 5.15
-
4.85 ~ 5.15
-
-
4.85 ~ 5.15
10.8 ~ 13.2
3.0 ~ 3.6
-
-
-
-
-
-4.75 ~ -5.25
4.85 ~ 5.15
4.85 ~ 5.15
ORANGE
ORANGE
BLACK
RED
BLACK
RED
BLACK
GRAY
PURPLE
YELLOW
ORANGE
BLACK
SKY-BLUE
BLACK
BLACK
BLACK
WHITE
RED
RED
POWER-GOOD
STANDBY
POWER S/W ON
(2) VIEW-B Output Voltage SPEC

6. LCD MONITOR
6-1. Function
After receiving the LCD video output from the main controller, this device outputs it to the LCD monitor
6-2. Outline Diagram
6-3. Specifications of parts
1. MAKER: LG PHILIPS
2. MAKER TYPE: LM151X3(B3AP)
3. 15.1˝ XGA TFT LCD SPEC
- Pixel Pitch: 0.300mm X 0.300mm
- Color Depth: 8-bit, 16,777,216 colors
- Luminance, White: 250cd/m2
- Power Consumption: 2.1W Logic / 9.7W CCFL
- Display Operating Mode: TMDS
4. Operating Environment
- Operating temperature: 0°C[32°F] ~ 50°C[122°F]
- Operating humidity: 5% ~ 90% (under 40°C condition)
- Storage Environment
- Storage temperature: -20°C[-4°F] ~ 60°C[140°F]
DIGITAL PARTS MANUAL
- 112 -
LCD Inverter
Connector
TMDS Cable
Connector

7. LCD INVERTER
7-1. Function
This device supplies the driving power for backlight inside the LCD.
7-2. Outline Diagram and INPUT/OUTPUT Structure
7-2-1. Outline Diagram
7-2-2. INPUT/OUTPUT Structure
DIGITAL PARTS MANUAL
- 113 -
0Inverter PCB1
CONNECTOR PIN NO.
INPUT/OUTPUT
SYMBOL DESCRIPTION
CN1
CN2
CN3
1
2
3
4
5
6
7
8
9
10
1
2
INPUT
NC
GND
GND
INPUT
NC
GND
GND
INPUT
INPUT
OUTPUT
OUTPUT
Dim. Adjust
GND
GND
Power System Return (5V:ON, 0V:OFF)
GND
GND
DC 12V±1V
DC 12V±1V
High Voltage connection to high side of lamp.
Low Voltage connection to low side of lamp.
CTRL
GND
GND
ON/OFF
GND
GND
Vin
Vin
Lamp H1
Lamp L1

7-3. Specifications of parts
1. Maker: LG Electronics
2. Inverter Type: NMC1507-02
3. Maker Type: 6632Z-1507B
4. Inverter SPEC
- Input Supply Voltage: DC 11~13V
- Input Current: 1.1A
- Input Power: 13.2W
- Output Voltage: 616Vrms
- Output Current: 9.0mArms
- Output Power: 12W (2 lamps total)
- Input Signal Voltage: -0.3V ~ 6.0V
5. Operating Environment
- Operating temperature: 0°C[32°F] ~ 60°C[140°F]
- Operating humidity: 10% ~ 85%
6. Storage Environment
- Storage temperature: -30°C[-22°F] ~ 80°C[176°F]
DIGITAL PARTS MANUAL
- 114 -

8. TOUCH SCREEN
8-1. Function
Transmits the coordinates from the contact on the touch screen to the touch screen controller.
8-2. Outline Diagram
8-3. Specifications of parts
1. Touch Panel SPEC (15.1˝)
- Analog Resistive (5-line resistance film type)
- Operating Voltage: DC 5V
- Resolution: 4,096 X 4,096 line
- Activation Force: 57 ~ 113g
- Surface Hardness: 3H
2. Operating Environment
- Operating Temperature: -10°C[14°F] ~ 50°C[122°F]
- Operating humidity: 0% ~ 90% (under 35°C condition)
3. Storage Environment
- Storage Temperature: -40°C[40°F] ~ 71°C[160°F]
- Storage Humidity: 240 hours in 90% (under 35°C[95°F] condition)
DIGITAL PARTS MANUAL
- 115 -

9. TOUCH CONTROLLER
9-1. Function
After receiving and processing the touch coordinates from the touch screen, it transmits this information to the main
controller
9-2. Outline Diagram and INPUT/OUTPUT Structure
9-2-1. Outline Diagram
9-2-2. INPUT/OUTPUT Structure
DIGITAL PARTS MANUAL
- 116 -
CONNECTOR PIN NO.
INPUT/OUTPUT
SYMBOL DESCRIPTION
P2
P4
1
2
3
4
5
6
7
8
9
10
1
2
INPUT
INPUT
INPUT
INPUT
INPUT
INPUT
INPUT
N/C
GND
INPUT
GND
Data Carrier Detect
Data Sct Ready
Receive Data
Ready To Send
Transmit Data
Clear To Send
Data Terminal Ready
N/C
Ground
PIN REMOVED
DC +5V
Ground
DCD
DSR
RxD
RTS
TxD
CTS
DTR
N/C
GND
+5V
GND

9-3. Connecting Method of Connector upon Replacement
9-4. Specification of parts
1. Operating Voltage: DC +5V ± 10%
2. Operating Current: 160mA (Peak 240mA)
DIGITAL PARTS MANUAL
- 117 -
A

10. CCD (CHARGE COUPLED DEVICE) CAMERA
10-1. Function
This changes the external video signal received through the lens into an electronic signal and transmits to main controller
10-2. Outline Diagram and INPUT/OUTPUT Structure
10-2-1. Outline Diagram
10-2-2. INPUT/OUTPUT Structure
10-3 Specifications of parts
1. CCD Camera Module Specification
- Operating Voltage: DC 12 ± 1V
- Current Consumption: Max. 100mA ± 10%
- Image Sensor: 1/4 inch 270,000
- Effective Pixel: 512(H) X 492(V)
- Signal System: NTSC
- Horizontal Frequency: 15.734kHz
- Vertical Frequency: 59.94kHz
- S/N Ratio: 48dB min.
- Video Output: Analog Composite
2. Operating Environment
- Operating temperature:
DIGITAL PARTS MANUAL
- 118 -
CONNECTOR PIN NO.
INPUT/OUTPUT
SYMBOL DESCRIPTION
CN1
1
2
3
4
5
INPUT
GND
OUTPUT
GND
OUTPUT
DC +12V
GND
CAMERA VIDEO OUT
CAMERA VIDEO GND
CAMERA MIRROR
+12V
GND
VIDEO
GND
MIRROR

11. REMOTE CONTROL RECEIVER
11-1. Function
This device receives weak signal from the remote control, transfers then to a spherical wave and transmits to the remote
control processing section in the sub-controller.
11-2. Outline Diagram and INPUT/OUTPUT Structure
12. MICROPHONE
12-1. Function
Receives external sound signal, converts it to electronic signal and transmits the signal to the MIC input section of the main
controller
12-2. Outline Diagram and INPUT/OUTPUT Structure
DIGITAL PARTS MANUAL
- 119 -
SHIELD
WHITE
CON.MIC CMT-66 +WHITE -SHIELD
Shrinkage Tube
ø1.5, 1.7 M/M
Shrinkage Tube
ø3.5, 1.7 M/M

13. SPEAKER
13-1. Function
This device transfers and outputs the electronic signal amplified by the AMP in the sub controller into audible sounds.
13-2. Outline Diagram and INPUT/OUTPUT Structure.
13-3. Specifications of parts
- Power Rating: RMS 3W / Peak 5W
- Size: 110 X 42.5mm
- Total weight: 151g
- Impedence: 4ohm ± 0.6ohm
- Resonance Frequency: 180Hz ± 36Hz
- SPL: 84dB/W ± 2dB
- Response: F0 ~ 20kHz
- Distortion: 5% Max.
DIGITAL PARTS MANUAL
- 120 -

14. HDD SHERIFF
14-1. Function
The HDD SHERIFF is a program protecting the data stored in the hard disk. It can be booted in two modes.
- Supervisor Mode:
Mode which enables the modification of the contents in the C drive.
*When updating or modifying files, the new contents are reflected only if entered through the supervisor mode
- Protection Mode:
Mode which protects the C drive so that it returns to the original state when rebooted even after modifications have been
made.
14-2. Program Modification Method after entering in the Supervisor Mode
DIGITAL PARTS MANUAL
- 121 -
LG-Logo
Starting HDD Sheriff
Push Management SWITCH
Starting HDD Sheriff — Supervisor Mode Starting Windows 98...
Enters the Background screen of Windows
Press Ewith the Window key already being pressed
Carry out Modification work with the Windows Explorer frame open
After finishing work, close whole work frame
Reboot using the rebooting menu in the Windows system
Starting HDD Sheriff — Protection Mode Starting Windows 98
: located on top of the refrigerator door.
: Enter the Supervisor Mode.
: Digital function ends and enters Windows.
: Use after installing the keyboard to the USB 1 or 2 port
in the back of the refrigerator.
: If it is open, it will continue to show even after rebooting.
: Close after checking normal entry.

1. TROUBLESHOOTING FOR THE DIGITAL FUNCTIONS SECTION
This section’s purpose is for finding causes and taking measures by checking related functions when there is something
wrong with the digital function section. The way to use this is to determine the real error through matching the symptoms
with the Error Diagnosis Flow Chart and taking measures according to the chart.
◆ How to read the Translation Flow Chart
1) Select a symptom closest to the present current error. (Error Symptom A)
2) According to the selected error symptom, translate and take measures according to Steps 1,2, 3, 4, 5.
3) The progress should be done from top to bottom, from left to right.
4) Move in the direction of Yes or No at the verification stage and proceed accordingly.
5) Repeat this method until you reach a measure that solves the cause and go through the related operations and
verifications.
◆ Error Symptom Chart
1) Monitor does not operate normally.
- Monitor Error Symptom 1: Only LG-logo is displayed
- Monitor Error Symptom 2: Only stripes and white background are displayed
- Monitor Error Symptom 3: No display at all
2) The touch screen does not work.
3) Sound cannot be recorded.
4) Camera visual is not displayed.
5) Remote Control does not work.
6) There is no audio output of sound.
7) There is no TV output.
8) There is no output of TV sound.
9) The sensor for refrigerator errors does not work.
TROUBLESHOOTING FOR THE DIGITAL FUNCTION SECTION
- 122 -
Error Symptoms Contents to check Measures
Error
Symptom A
Error Translation
Operation 1
Verification 1
Operation 3
Verification 3
1
2
Yes
Yes
Yes
No
No
3
5
4
Operation 2
Measure 1
Measure 2
Measure 3
Verification 2

TROUBLESHOOTING FOR THE DIGITAL FUNCTION SECTION
- 123 -
Error Symptoms Contents to check Measures
Monitor does not
operate normally.
Check functioning of
monitor visual output section
Reconnect connector
HARDDISK replace
Check the input/output of
power supply and replace
if abnormal
Replace Main-Cont'
Yes
Yes
Yes
Yes
Yes
Yes
Yes
Yes
No
No
No
No
No
No
There is no picture
output whatsovever.
Monitor Error Symptom 3
Monitor Error Symptom 1:
Only LG-logo is displayed
Monitor Error Symptom 2 :
Only stripes and white
background are displayed
Check input voltage
of hard disk connector
- Yellow : 12V
- Red: 5V
Check status of 1. Main-Cont',
2.Monitor, 3.TMDS LCD
Is the input voltage
normal?
Monitor Error Symptom 3
Is the connection
between Monitor
Joint and LCD connector
normal?
Is the connection
between back of the monitor
and the LCD connector
normal?
A

TROUBLESHOOTING FOR THE DIGITAL FUNCTION SECTION
- 124 -
Error Symptoms Contents to check Measures
Reconnect connector
Replace power supply
Replace Main Controller
Reconnect after checking
connection of input/output
If there is still no normal
output after replacing
LCD inverter, replace
Main Cont'
A
Check for disconnected
cable for Main Cont'
Touch/INV connector
and reconnect
Yes
Yes
Yes
Yes
Yes
Yes
No
No
No
No
No
No
Monitor Error Symptom 3:
No display at all
Check power input/output
Is the power switch
on the top of the door
turned on?
Is the power LED
of the Main Cont'
on?
Is the connection
between Main Cont'
TMDS LCD, Touch/INV
normal?
Is the power supply
input voltage normal?
(AC 90~264V)
Is the power supply
output voltage normal?
(refer to I/O
structure)
Is the connection
between monitor joint
TMDS LCD, Touch/INV
normal?
Is the LCD inverter
input voltage normal?
(refer to I/O
structure)
LED location: ATX
power lead-in sector

TROUBLESHOOTING FOR THE DIGITAL FUNCTION SECTION
- 125 -
Error Symptoms Contents to check Measures
The touch screen
does not work.
Yes
Yes
Yes
Yes
Yes
Yes
No
No
No
No
No
No
LED location: behind touch screen
controller of the monitor section
Check operation
of touch screen
Replace Touch Cont'
Check Main Cont' power
switch connector
and reconnect
Check Monitor Joint
Touch Connector
and reconnect
Check connection by
referring to the touch screen
connection diagram
and reconnect
Reconnect Touch/Inv
in the Main Cont' section
and if it still does not work,
replace Main Cont'
After checking the connection
of the touch panel section,
if there are still issues after
reconnecting, replace
touch panel (refer to touch
connection diagram)
Check power input of
touch screen controller
Is the touch screen
controller LED lighted?
Is the touch
screen controller input
voltage normal?
(refer to I/O
structure)
Does the LED go
out about 2 times
per second?
When touching
the screen, does the
lighted state or brightness
of the LED change
about twice per
second?
Is the Monitor
Joint section
connection normal?
(refer to I/O
structure)
Is the output voltage
of Sub Cont' CON1
normal? (DC5V)
Reinitialize power of
digital section, and, when
checking operation, if LED
goes out abnormally,
replace Touch Cont.

TROUBLESHOOTING FOR THE DIGITAL FUNCTION SECTION
- 126 -
Error Symptoms Contents to check Measures
Sound cannot be
recorded.
Camera video is
not displayed.
Check the sound
recorded function
Check the microphone
connection
No
No
Yes
Yes
Yes
Yes
Yes
No
No
No
Check connection of
Main Cont' and Touch/INV
and reconnect
Check Main Con't
MIC IN connector
and reconnect
Replace MIC
END
Check the Main Cont'
and CCD IN connector
and reconnect
If it does not operate
normally even after
replacing the camera,
replacethe Main Cont'
Is the connection
of the microphone connector
in the monitor section
normal?
Is the connection
of the Main Cont' MIC IN
connector normal?
Check the camera
operation function
Check the connection
of the camera connector
Is the input voltage
of the camera connector
normal? (refer to I/O
structure)
Is the connection of
the Main Cont' and
CCD IN connector
normal?
Does the camera
in the monitor section
operate normally?
Check monitor joint
connector and
reconnect

TROUBLESHOOTING FOR THE DIGITAL FUNCTION SECTION
- 127 -
Error Symptoms Contents to check Measures
Remote Control
does not work.
Check the operation
function of remote control
No
Check the Main Cont'
Power switch Connector
and reconnect
Check the reconnection of
the remote control receiver
connector and check after
replacing the remote
control receiver
Replace Sub Cont'
Reconnect after
checking Main Cont'
parallel connector
Check the change in voltage
of Sub Cont' CON1 No. 4,5
(remote control signal input)
when pressing the remote
control button
Check the operation of MICOM
(Sub Cont') which processes
the remote control input.
1. Direct the remote control
to the receiver (monitor).
2. Push the main button once.
Does the Sub Cont'
LED switch on and
off once?
Is the Sub Cont'
CON1 input voltage
normal?(refer to I/O
structure)
Is there a change
in voltage?
(DC3V~DC5V)
Yes
Yes
Yes
Yes No
No

TROUBLESHOOTING FOR THE DIGITAL FUNCTION SECTION
- 128 -
Error Symptoms Contents to check Measures
There is no output
of sound.
Check if the sound
output function works
Reconnect after
checking Sub Cont'
CON 4,5,6,7 connector
Reconnect after checking
speaker section connector
Insert properly
the Main Cont'
sound out connector
Replace Main Cont'
End
End
Main Cont' Sound Out,
Check sound output -
Sound out, Install headphone
to terminal
Check normal output
after replacing Sub Cont'
Is there any output
of sound?
Is the connection
and I/O of Sub Cont'
CON 4,5,6,7 normal?
(refer to I/O
structure)
Is the connection
to the speaker section
normal?
Is the output normal?
Is there a noise?
Yes
Yes
Yes
Yes
Yes
Yes
Yes
No
No
No
No
No

TROUBLESHOOTING FOR THE DIGITAL FUNCTION SECTION
- 129 -
Error Symptoms Contents to check Measures
There is no
TV output
Check TV function
If same symptom occurs
after replacing the TV Tuner,
replace Main Cont'
TV Tuner Video Out (P3),
reconnect P2 connector
(refer to I/O structure
If same symptom occurs
after replacing TV Tuner,
replace Main Cont'
Reconnect Main Cont'
TV In connector
End
Reconnect the Main Cont'
TV Tuner connector
Press TV Function
Set Channel
Auto Channel buttons
Is the connection
to the Main Cont' TV In
Connector normal?
Is the connection
to the TV Tuner Video Out
(P3) connector normal?
Is the connection
to the Main Cont' TV Tuner
Connector normal?
Does the Auto Channel
Search work?
Is visual output
possible?
No
No
Yes
Yes
Yes
Yes
Yes
No
No
No

TROUBLESHOOTING FOR THE DIGITAL FUNCTION SECTION
- 130 -
Error Symptoms Contents to check Measures
There is no output
of TV sound.
The sensor for
refrigerator errors
does not work.
Check the TV function
Yes
Yes
Yes
Yes
Check connection of
TV Sound Connector
Reconnect refrigerator
MICOM error sensor
communication connector
Reconnect
TV Tuner and Sound Out
(P1) connector.
(refer to I/O structure)
If same symptom
occurs after replacing
TV Tuner, replace
Main Cont'
Reconnect
the Main Cont' and
TV Sound In Connector
Reconnect
Sub Cont' CON2
If same symptom occurs
after replacing Sub Cont',
replace Main Cont' and
refrigerator MICOM
Is the
connection
between the Main Cont'
and TV Sound
Connector
normal?
Is the
connection
between the TV Tuner
and Sound Out(P1)
connector
normal?
Check the self-diagnosis
function of the refrigerator.
Check the connection of the
refrigerator error sensor connector
Is the
connection
of the refrigerator MICOM
error sensor communication
connector
normal?
Connect Sub Cont'
CON2, is I/O normal?
(refer to I/O
structure)
No
No
No
No

1. EXTERNAL EXTENSION PORT
1-1. TV
- Connect to cable TV.
1-2. LAN
- Connect Internet network cable
1-3. USB1,2
- Connect a keyboard when updating or revising programs in the digital section of the internet refrigerator
- To use an Internet network cable, install the additional software provided by ISP (Internet Service Provider)
✽ Software Installation Method
(1) Connect a USB Type CD-ROM to USB port 1.
(2) Reboot the digital section by pushing the reset switch.
(3) Enter the hard disk safety device in the supervisor mode.
(4) The CD-ROM drive is set as drive E in the Windows Explorer. Carry out the software addition work.
1-4. COM1
- Use when connecting the home network device.
1-5. COM2
- Use when connecting external modem.
1-6. REF-POWER
- Use when refrigerator power is off.
EXTERNAL EXTENSION PORT
- 131 -
REF-POWER

HOW TO DISASSEMBLE AND ASSEMBLE(DIGITAL SECTION)
1. TOP COVER PART
1-1. Main Controller Part
●Unscrew two point.
●Disassemble after disconnecting Main Controller
connections 1~16.
1-2. Sub-Controller, Deco Case Part
●Disassemble after disconnecting 1~7.
132
1
2
3
4
5
6
7
8
9
10
11
12
13
14
15 16
12
3
4
5
6
7

HOW TO DISASSEMBLE AND ASSEMBLE(DIGITAL SECTION)
1-3. TV-Tuner Part
●Disassemble after disconnecting 1~4.
1-4. Hard Disk Part
●Unscrew 1 point.
●Disassemble after disconnecting 1~2.
133
4
1
2
2
1
3

HOW TO DISASSEMBLE AND ASSEMBLE(DIGITAL SECTION)
1-5. Power Supply Part
●Unscrew 4 points.
●Disassemble after disconnecting 1~2.
1-6. Sub-PCB Part
●Disassemble after disconnecting 1~6.
1-7. Ref-Door Part
●Disassemble DECO CASE after disconnecting 1~4.
●Disassemble COVER-S disconnecting 5~10.
●Disassemble HINGE COVER after unscrewing 11.
●Disassemble the socket only when both sides
are being pressed in.
●Disassemble , , , , .
●Disassemble REF-DOOR after disconnecting
HINGE.
134
1
2
2
3
4
1
5
6
1234
5
678
9
10
11

HOW TO DISASSEMBLE AND ASSEMBLE(DIGITAL SECTION)
2. MONITOR PART
135
A
B
C
1. Disassemble Monitor Cover, Frame LCD. 2. Disassemble Bracket after unscrewing.
3. Disassemble MONITOR after pulling out at bottom. 4. Unscrew No1, 2.
5. Disassemble Support Housing. 6. Disassemble Monitor after removing Connecters A,
B, C.

FREEZER DOOR PART
EXPLODED VIEW
- 136 -
212A
210C
212A
210C
210C
210A
210B
203A
203B
202A
201A
200A
206C
205F
205D
205G
205G
205F

REFRIGERATOR DOOR PART
EXPLODED VIEW
- 137 -
232A
242A
240C
243A
240C
242A
243A
240B
264A
264B
240A
147A
147B
147C
241B
241A
231A
233A
233B
230A
243B
234A
206D
205F
205D
205G
205G
205F

FREEZER COMPARTMENT
EXPLODED VIEW
- 138 -
272A
270A
271B
271A
120B
120B
128A
128C
120B
120B
128B
128D
135A
125A
120A
120A
120A
126A
402A
103A
400A
102A
137B
136C
136A
136B
136D
137C
403A
105B
105D 105A
135B
137B
130A
320A
408A
302A
320A
408B
320B
320B
408C
312A
401A

REFRIGERATOR COMPARTMENT
EXPLODED VIEW
- 139 -
160A
161B
161A
175A
176A
176B
142A
142C
141B
143A
143A
162A
116A
410A 115B
150A
408B
115A
270B
271B
271A
151B
151A
402A
162A
177B
177A
176C
162B
272B
150B
145A
145A
103A
401A
401B
102A
146A
141A
170A
171B
171A
141C
141B
143A
152A
152A
142A
142C
141B
143A
143A

DISPENSER PART
EXPLODED VIEW
- 140 -
278A
278E
402C
278D
405A
275A 276A
275C 401C
275D
281A
276B
277A
278B
278C
275B
280C
280A
280B
278F
279C
501A
279D
279B
279A
280E
280D
279F

ICE & WATER PART
EXPLODED VIEW
- 141 -
601A
605A
602A
604A
603B
603A
510B
404B
614A
606A
610A
611C
611A
611B
621B
607A
612A
612B
612C
615A
616B
616C
620A
617A
613A
616E
623A
622A
616D
404A
619A
620A
600A

MACHINE COMPARTMENT
EXPLODED VIEW
- 142 -
300A
310B
307A
304A
502B
502A
306A
310A
317B
317A
305C
305B
313A
301A
306C 307A
104A
104B
305C
305B
303C
303B
303D
303A
305A
308A
308C
309A
308B
309B
403B
309C

- 143 -
SPEAKER & MONITOR PART
EXPLODED VIEW
802A
820F
820B
820C
821A
820D
820A
521A
825A
820E
821D
823B
821B
821C
823A
822A
800A
804A
803A
822B
821C
823B
824A
828A
827A
821B
821A
720B
406B
721A
723A
520F
520D
722A
720D
720D
720A
520G
721A
720D
268A

DIGITAL PART COMPONENTS
- 144 -
714A
709A
718A
716A
708A
704A 705A
711A
500A
713A

- 145 -
702A
715A
706A
707A
712A
710A
701A
7B
407A

P/No. 3828JD8454C OCT., 2002 Printed in Korea