TDS2000C Series Oscilloscopes User Manual Tek TDS2002C
Manual_TekTDS2002C
Manual_TekTDS2002C
User Manual: Pdf
Open the PDF directly: View PDF
.
Page Count: 153 [warning: Documents this large are best viewed by clicking the View PDF Link!]
- toc
- General Safety Summary
- Compliance Information
- Preface
- Getting Started
- Operating Basics
- Understanding Oscilloscope Functions
- Application Examples
- Taking Simple Measurements
- Using Autorange to Examine a Series of Test Points
- Taking Cursor Measurements
- Analyzing Signal Detail
- Capturing a Single-Shot Signal
- Measuring Propagation Delay
- Triggering on a Specific Pulse Width
- Triggering on a Video Signal
- Analyzing a Differential Communication Signal
- Viewing Impedance Changes in a Network
- Data Logging
- Limit Testing
- Math FFT
- USB Flash Drive and Device Ports
- USB Flash Drive Port
- File Management Conventions
- Saving and Recalling Files With a USB Flash Drive
- Using the Save Function of the Print Front Panel Button
- USB Device Port
- Installing the PC Communications Software on a PC
- Connecting to a PC
- Connecting to a GPIB System
- Command Entry
- Connecting to a Printer
- Printing a Screen Image
- Reference
- Appendix A: Specifications
- Appendix B: Accessories
- Appendix C: Cleaning
- Appendix D: Default Setup
- Appendix E: Font Licenses

xx
TDS2000C Series
Digital Storage Oscilloscopes
ZZZ
User Manual
*P071272200*
071-2722-00

TDS2000C Series
Digital Storage Oscilloscopes
ZZZ
User Manual
xx
www.tektronix.com
071-2722-00

Copyright © Tektronix. All rights reserved. Licensed software products are owned by Tektronix or its subsidiaries
or suppliers, and are protected by national copyright laws and international treaty provisions.
Tektronix products are covered by U.S. and foreign patents, issued and pending. Information in this publication
supersedes that in all previously published material. Specifications and price change privileges reserved.
TEKTRONIX and TEK are registered trademarks of Tektronix, Inc.
OpenChoice™ is a registered trademark of Tektronix, Inc.
PictBridge is a registered trademark of the Standard of Camera & Imaging Products Association CIPA
DC-001-2003 Digital Photo Solutions for Imaging Devices.
Contacting Tektronix
Tektronix, Inc.
14150 SW Karl Braun Drive
P.O. Box 500
Beaverton, OR 97077
USA
For product information, sales, service, and technical support:
In North America, call 1-800-833-9200.
Worldwide, visit www.tektronix.com to find contacts in your area.
TDS2000C Oscilloscopes
Limited Lifetime Warranty
Tektronix warrants to the original end user purchaser (“original purchaser”) of the product listed below that
the product will be free from defects in materials and workmanship for the lifetime of the product. As used
herein, “lifetime of the product” is defined as a period ending five (5) years after Tektronix discontinues
manufacturing the product (as determined by Tektronix), but the warranty period shall be at least ten (10)
years from the date of purchase of the product by the original purchaser from Tektronix or an authorized
Tektronix distributor. This limited lifetime warranty only applies to the original purchaser and is not
transferable. In the event of a warranty claim under the limited lifetime warranty, the purchaser must provide
satisfactory evidence of the date of purchase from Tektronix or an authorized Tektronix distributor and that it is the
original purchaser. In the event of the sale or other transfer of the product by the original purchaser to a third party
within three (3) years of the date of purchase of the product by the original purchaser, the warranty period shall be
three (3) years from the date of purchase of the product by the original purchaser from Tektronix or an authorized
Tektronix distributor. Probes and other accessories andbatteriesandfusesarenotcoveredbythiswarranty.
If the product proves defective during the applicable warranty period, Tektronix, at its option, either will repair
the defective product without charge for parts and labor, or will provide a replacement of an equivalent product
(as determined by Tektronix) in exchange for the defective product. Parts, modules and replacement products
used by Tektronix for warranty work may be new or reconditioned to like new performance. All replaced parts,
modules and products become the property of Tektronix.
As used hereafter, “Customer” refers to the person or entity asserting rights under this warranty. In order to obtain
service under this warranty, Customer must notify Tektronix of the defect before the expiration of the applicable
warranty period and make suitable arrangements for the performance of service. Customer shall be responsible
for packaging and shipping the defective product to the service center designated by Tektronix, shipping charges
prepaid and with a copy of proof of purchase by the original purchaser. Tektronix shall pay for the return of the
product to Customer if the shipment is to a location within the country in which the Tektronix service center is
located. Customer shall be responsible for paying all shipping charges, duties, taxes, and any other charges for
products returned to any other locations.
This warranty shall not apply to any defect, failure or damage caused by accident, ordinary wear and tear of
mechanical components, use outside of the product’s specifications, improper use or improper or inadequate
maintenance and care. Tektronix shall not be obligated to furnish service under this warranty a) to repair damage
resulting from attempts by personnel other than Tektronix representatives to install, repair or service the product;
b) to repair damage resulting from improper use or connection to incompatible equipment; c) to repair any damage
or malfunction caused by the use of non-Tektronix supplies; or d) to service a product that has been modified or
integrated with other products when the effect of such modification or integration increases the time or difficulty
of servicing the product.
THIS WARRANTY IS GIVEN BY TEKTRONIX WITH RESPECT TO THE PRODUCT IN LIEU OF ANY
OTHER WARRANTIES, EXPRESS OR IMPLIED. TEKTRONIX AND ITS VENDORS DISCLAIM ANY
IMPLIED WARRANTIES OF MERCHANTABILITY OR FITNESS FOR A PARTICULAR PURPOSE.
TEKTRONIX’ RESPONSIBILITY TO REPAIR OR REPLACE DEFECTIVE PRODUCTS IS THE SOLE
AND EXCLUSIVE REMEDY PROVIDED TO THE CUSTOMER FOR BREACH OF THIS WARRANTY.
TEKTRONIX AND ITS VENDORS WILL NOT BE LIABLE FOR ANY INDIRECT, SPECIAL, INCIDENTAL,
OR CONSEQUENTIAL DAMAGES IRRESPECTIVE OF WHETHER TEKTRONIX OR THE VENDOR HAS
ADVANCE NOTICE OF THE POSSIBILITY OF SUCH DAMAGES.
[W18 – 25MAY06]
TPP0101 and TPP0201 Probes
Warranty
Tektronix warrants that this product will be free from defects in materials and workmanship for a period of one (1)
year from the date of shipment. If any such product proves defective during this warranty period, Tektronix, at its
option, either will repair the defective product without charge for parts and labor, or will provide a replacement
in exchange for the defective product. Parts, modules and replacement products used by Tektronix for warranty
work may be new or reconditioned to like new performance. All replaced parts, modules and products become
the property of Tektronix.
In order to obtain service under this warranty, Customer must notify Tektronix of the defect before the expiration of
the warranty period and make suitable arrangements for the performance of service. Customer shall be responsible
for packaging and shipping the defective product to the service center designated by Tektronix, with shipping
charges prepaid. Tektronix shall pay for the return of the product to Customer if the shipment is to a location within
the country in which the Tektronix service center is located. Customer shall be responsible for paying all shipping
charges, duties, taxes, and any other charges for products returned to any other locations.
This warranty shall not apply to any defect, failure or damage caused by improper use or improper or inadequate
maintenance and care. Tektronix shall not be obligated to furnish service under this warranty a) to repair damage
resulting from attempts by personnel other than Tektronix representatives to install, repair or service the product;
b) to repair damage resulting from improper use or connection to incompatible equipment; c) to repair any damage
or malfunction caused by the use of non-Tektronix supplies; or d) to service a product that has been modified or
integrated with other products when the effect of such modification or integration increases the time or difficulty
of servicing the product.
THIS WARRANTY IS GIVEN BY TEKTRONIX WITH RESPECT TO THE PRODUCT IN LIEU OF ANY
OTHER WARRANTIES, EXPRESS OR IMPLIED. TEKTRONIX AND ITS VENDORS DISCLAIM ANY
IMPLIED WARRANTIES OF MERCHANTABILITY OR FITNESS FOR A PARTICULAR PURPOSE.
TEKTRONIX’ RESPONSIBILITY TO REPAIR OR REPLACE DEFECTIVE PRODUCTS IS THE SOLE
AND EXCLUSIVE REMEDY PROVIDED TO THE CUSTOMER FOR BREACH OF THIS WARRANTY.
TEKTRONIX AND ITS VENDORS WILL NOT BE LIABLE FOR ANY INDIRECT, SPECIAL, INCIDENTAL,
OR CONSEQUENTIAL DAMAGES IRRESPECTIVE OF WHETHER TEKTRONIX OR THE VENDOR HAS
ADVANCE NOTICE OF THE POSSIBILITY OF SUCH DAMAGES.
[W2 – 15AUG04]

Table of Contents
General Safety Summary ......................................................................................... iv
Compliance Information......................................................................................... vii
EMC Compliance............................................................................................ vii
Safety Compliance............................................................................................ ix
Environmental Considerations .............................................................................. xi
Preface............................................................................................................. xiii
Help System.................................................................................................. xiv
Firmware Updates Through the Internet ................................................................... xv
Conventions .................................................................................................. xvi
Getting Started ................................. .................. ........................................ ........... 1
General Features ............................................................................................... 1
Installation...................................................................................................... 2
Functional Check .............................................................................................. 4
Probe Safety.................................................................................................... 5
Voltage Probe Check Wizard................................................................................. 5
Manual Probe Compensation................................................................................. 7
Probe Attenuation Setting.................................................. .......... .......... .......... ..... 7
Current Probe Scaling......................................................................................... 8
Self Calibration ................................................................................................ 8
Operating Basics.................................................................................................... 9
Display Area ................................................................................................... 9
Using the Menu System...................................................................................... 12
Vertical Controls.............................................................................................. 13
Horizontal Controls........................................................................................... 14
Trigger Controls............................................................................................... 15
Menu and Control Buttons................................................................................... 15
Input Connectors.............................................................................................. 18
Other Front-Panel Items...................................................................................... 18
Understanding Oscilloscope Functions ....... .......... .............. ........................ .................. 19
Setting Up the Oscilloscope ....................... .................. .................. ...................... 19
Triggering...................................................................................................... 20
Acquiring Signals............................................................................................. 22
Scaling and Positioning Waveforms ........ ................................................ ................ 23
Taking Measurements........................................................................................ 25
Application Examples............................................................................................. 29
Taking Simple Measurements............................................................................... 30
Using Autorange to Examine a Series of Test Points..................................................... 35
Taking Cursor Measurements ............................................................................... 36
Analyzing Signal Detail...................................................................................... 40
TDS2000C Series Oscilloscope User Manual i

Table of Contents
Capturing a Single-Shot Signal ............................................................................. 41
Measuring Propagation Delay............................................................................... 43
Triggering on a Specific Pulse Width....................................................................... 44
Triggering on a Video Signal................................................................................ 45
Analyzing a Differential Communication Signal.......................................................... 49
Viewing Impedance Changes in a Network................................................................ 50
Data Logging.................................................................................................. 52
Limit Testing .................................................................................................. 53
Math FFT........................................................................................................... 55
Setting Up the Time-Domain Waveform............... ........................ .............. .............. 55
Displaying the FFT Spectrum............................................................................... 57
Selecting an FFT Window................................................................................... 58
Magnifying and Positioning an FFT Spectrum .................. .............. .............. .............. 61
Measuring an FFT Spectrum Using Cursors............................................................... 62
USB Flash Drive and Device Ports.............................................................................. 63
USB Flash Drive Port ........................................................................................ 63
File Management Conventions.............................................................................. 64
Saving and Recalling Files With a USB Flash Drive ... .............. .............. ...................... 65
Using the Save Function of the Print Front Panel Button ................................................ 67
USB Device Port.............................................................................................. 69
Installing the PC Communications Software on a PC ................ .................................... 70
Connecting to a PC ........................................................................................... 70
Connecting to a GPIB System............................................................................... 72
Command Entry............................................................................................... 72
Connecting to a Printer....................................................................................... 73
Printing a Screen Image...................................................................................... 73
Reference........................................................................................................... 75
Acquire......................................................................................................... 75
Autorange...................................................................................................... 77
Autoset......................................................................................................... 79
Cursor .......................................................................................................... 82
Default Setup.................................................................................................. 83
Display......................................................................................................... 83
Help ............................................................................................................ 85
Horizontal...................................................................................................... 85
Math............................................................................................................ 87
Measure........................................................................................................ 88
Print ............................................................................................................ 89
Probe Check................................................................................................... 90
Reference Menu............................................................................................... 90
Save/Recall.................................................................................................... 91
ii TDS2000C Series Oscilloscope User Manual

Table of Contents
Trigger Controls............................................................................................... 95
Utility .... .......... .......................................................................... .......... ...... 101
Vertical Controls............................................................................................ 104
Appendix A: Specifications .................................................................................... 107
Oscilloscope Specifications................................................................................ 107
TPP0101 and TPP0201 Probe Specifications............................................................ 115
Appendix B: Accessories....................................................................................... 117
Appendix C: Cleaning .......................................................................................... 119
General Care ................................................................................................ 119
Cleaning ..................................................................................................... 119
Appendix D: Default Setup..................................................................................... 121
Appendix E: Font Licenses..................................................................................... 123
Index
TDS2000C Series Oscilloscope User Manual iii

General Safety Summary
General SafetySummary
Review the following safety precautions to avoid injury and prevent damage to
this product or any products connected to it.
To avoid potential hazards, use this product only as specified.
Only qualified personnel should perform service procedures.
To Avoid Fire or Personal
Injury
Use proper power cord. Use only the power cord specified for this product and
certified for the country of use.
Connect and disconnect properly. Connect the probe output to the measurement
instrument before connecting the probe to the circuit under test. Connect the
probe reference lead to the circuit under test before connecting the probe input.
Disconnect the probe input and the probe reference lead from the circuit under test
before disconnecting the probe from the measurement instrument.
Ground the product. This product is grounded through the grounding conductor
of the power cord. To avoid electric shock, the grounding conductor must be
connected to earth ground. Before making connections to the input or output
terminals of the product, ensure that the product is properly grounded.
Observe all terminal ratings. To avoid fire or shock hazard, observe all ratings
and markings on the product. Consult the product manual for further ratings
information before making connections to the product.
Connect the probe reference lead to earth ground only.
Do not apply a potential to any terminal, including the common terminal, that
exceeds the maximum ratingofthatterminal.
Power disconnect. The power switch disconnects the product from the power
source. See instructions for the location. Do not block the power switch; it must
remain accessible to the user at all times.
Do not operate without covers. Do not operate this product with covers or panels
removed.
Do not operate with suspected failures. If you suspect that there is damage to this
product, have it inspected by qualified service personnel.
Avoid exposed circuitry. Do not touch exposed connections and components when
power is present.
iv TDS2000C Series Oscilloscope User Manual

General Safety Summary
Do not operate in wet/damp conditions.
Do not operate in an explosive atmosphere.
Keep product surfaces clean and dry.
Provide proper ventilation. Refer to the manual’s installation instructions for
details on installing the product so it has proper ventilation.
TDS2000C Series Oscilloscope User Manual v

General Safety Summary
TermsinThisManual These terms may appear in this manual:
WARNING. Warning statements identify conditions or practices that could result
in injury or loss of life.
CAUTION. Caution statements identify conditions or practices that could result in
damage to this product or other property.
Symbols and Terms on the
Product
These terms may appear on the product:
DANGER indicates an injury hazard immediately accessible as you read
the marking.
WARN ING indicates an injury hazard not immediately accessible as you
read the marking.
CAUTION indicates a hazard to property including the product.
The following symbol(s) may appear on the product:
vi TDS2000C Series Oscilloscope User Manual

Compliance Information
This section lists the EMC (electromagnetic compliance), safety, and
environmental standards with which the instrument complies.
EMC Compliance
EC Declaration of
Conformity – EMC
Meets intent of Directive 2004/108/EC for Electromagnetic Compatibility.
Compliance was demonstrated to the following specifications as listed in the
Official Journal of the European Communities:
EN 61326-1:2006, EN 61326-2-1:2006. EMC requirements for electrical equipment
for measurement, control, and laboratory use. 123
CISPR 11:2003. Radiated and conducted emissions, Group 1, Class A
IEC 61000-4-2:2001. Electrostatic discharge immunity
IEC 61000-4-3:2002. RF electromagnetic field immunity 4
IEC 61000-4-4:2004. Electrical fast transient/burst immunity
IEC 61000-4-5:2001. Power line surge immunity
IEC 61000-4-6:2003. Conducted RF immunity 5
IEC 61000-4-11:2004. Voltage dips and interruptions immunity 6
EN 61000-3-2:2006. AC power line harmonic emissions
EN 61000-3-3:1995. Voltage changes, fluctuations, and flicker
European Contact.
Tektronix UK, Ltd.
Western Peninsula
Western Road
Bracknell, RG12 1RF
United Kingdom
1This product is intended for use in nonresidential areas only. Use in residential areas may cause electromagnetic
interference.
2Emissions which exceed the levels required by this standard may occur when this equipment is connected to a
test object.
3To ensure compliance with the EMC standards listed here, high quality shielded interface cables should be used.
4The instrument will exhibit ≤1.0 division waveform displacement and ≤2.0divisionincreaseinpeak-to-peak
noise when subjected to radiated interference per IEC 61000-4-3.
5The instrument will exhibit ≤0.5 division waveform displacement and ≤1.0divisionincreaseinpeak-to-peak
noise when subjected to conducted interference per IEC 61000-4-6.
6Performance Criterion C applied at the 70%/25 cycle Voltage-Dip and the 0%/250 cycle Voltage-Interruption test
levels (IEC 61000-4-11). If the instrument powers down upon a voltage dip or interruption, it will take longer than
ten seconds to return to the previous operating state.
TDS2000C Series Oscilloscope User Manual vii

Compliance Information
Australia / New Zealand
Declaration of
Conformity – EMC
Complies with the EMC provision of the Radiocommunications Act per the
following standard, in accordance with ACMA:
CISPR 11:2003. Radiated and Conducted Emissions, Group 1, Class A, in
accordance with EN 61326-1:2006 and EN 61326-2-1:2006.
viii TDS2000C Series Oscilloscope User Manual

Compliance Information
Safety Compliance
EC Declaration of
Conformity – Low Voltage
Compliance was demonstrated to the following specification as listed in the
Official Journal of the European Communities:
Low Voltage Directive 2006/95/EC.
EN 61010-1: 2001. Safety requirements for electrical equipment for
measurement control and laboratory use.
U.S. Nationally Recognized
Testing Laboratory Listing
UL 61010-1:2004, 2nd Edition. Standard for electrical measuring and test
equipment.
Canadian Certification CAN/CSA-C22.2 No. 61010-1:2004. Safety requirements for electrical
equipment for measurement, control, and laboratory use. Part 1.
Additional Compliances IEC 61010-1: 2001. Safety requirements for electrical equipment for
measurement, control, and laboratory use.
Equipment Type Test and measuring equipment.
Safety Class Class1–groundedproduct.
Pollution Degree
Description
A measure of the contaminants that could occur in the environment around
and within a product. Typically the internal environment inside a product is
considered to be the same as the external. Products should be used only in the
environment for which they are rated.
Pollution Degree 1. No pollution or only dry, nonconductive pollution occurs.
Products in this category are generally encapsulated, hermetically sealed, or
located in clean rooms.
Pollution Degree 2. Normally only dry, nonconductive pollution occurs.
Occasionally a temporary conductivity that is caused by condensation must
be expected. This location is a typical office/home environment. Temporary
condensation occurs only when the product is out of service.
Pollution Degree 3. Conductive pollution, or dry, nonconductive pollution
that becomes conductive due to condensation. These are sheltered locations
where neither temperature nor humidity is controlled. The area is protected
from direct sunshine, rain, or direct wind.
Pollution Degree 4. Pollution that generates persistent conductivity through
conductive dust, rain, or snow. Typical outdoor locations.
TDS2000C Series Oscilloscope User Manual ix

Compliance Information
Installation (Overvoltage)
Category Descriptions
Terminals on this product may have different installation (overvoltage) category
designations. The installation categories are:
Measurement Category IV. For measurements performed at the source of
low-voltage installation.
Measurement Category III. For measurements performed in the building
installation.
Measurement Category II. For measurements performed on circuits directly
connected to the low-voltage installation.
Measurement Category I. For measurements performed on circuits not
directly connected to MAINS.
Overvoltage Category Overvoltage Category II (as defined in IEC 61010-1).
x TDS2000C Series Oscilloscope User Manual

Compliance Information
Environmental Considerations
This section provides information about the environmental impact of the product.
Product End-of-Life
Handling
Observe the following guidelines when recycling an instrument or component:
Equipment Recycling. Production of this equipment required the extraction and
use of natural resources. The equipment may contain substances that could be
harmful to the environment or human health if improperly handled at the product’s
end of life. In order to avoid release of such substances into the environment and
to reduce the use of natural resources, we encourage you to recycle this product
in an appropriate system that will ensure that most of the materials are reused or
recycled appropriately.
This symbol indicates that this product complies with the applicable European
Union requirements according to Directives 2002/96/EC and 2006/66/EC
on waste electrical and electronic equipment (WEEE) and batteries. For
information about recycling options, check the Support/Service section of the
Tektronix Web site (www.tektronix.com).
Restriction of Hazardous
Substances
This product has been classified as Monitoring and Control equipment, and is
outside the scope of the 2002/95/EC RoHS Directive.
TDS2000C Series Oscilloscope User Manual xi

Compliance Information
xii TDS2000C Series Oscilloscope User Manual

Preface
Preface
This manual contains operating information for the TDS2000C Series Digital
Storage Oscilloscopes. The manual consists of the following chapters:
The Getting Started chapter briefly describes features of the oscilloscope
and provides installation instructions.
The Operating Basics chapter covers operating principles of the oscilloscopes.
The Understanding Oscilloscope Functions chapter describes basic operations
and functions of an oscilloscope: setting up the oscilloscope, triggering,
acquiring data, scaling and positioning waveforms, and taking measurements.
The Application Examples chapter provides examples on how to solve a
variety of measurement problems.
The Math FFT chapter describes how to use the Math Fast Fourier Transform
function to convert a time-domain signal into its frequency components
(spectrum).
The USB Flash Drive and Device Ports chapter describes how to use the
USB Flash Drive port and how to connect the oscilloscope to printers and
computers through the USB Device port.
The Reference chapter describes the selections or available range of values
for each option.
The Appendix A: Specifications chapter includes electrical, environmental,
and physical specifications for the oscilloscope and the TPP0101 and
TPP0201 probes, as well as certifications and compliances.
The Appendix B: Accessories chapter briefly describes standard and optional
accessories.
The Appendix C: Cleaning chapter describes how to take care of the
oscilloscope.
The Appendix D: Default Setup chapter contains a list of the menus and
controls with the default (factory) settings that are recalled when you push
the Default Setup front-panel button.
The Appendix E: Font Licenses chapter provides the licenses to use specific
Asian fonts.
TDS2000C Series Oscilloscope User Manual xiii

Preface
Help System
The oscilloscope has a Help system with topics that cover all the features of the
oscilloscope. You can use the Help system to display several kinds of information:
General information about understanding and using the oscilloscope, such
as Using the Menu System.
Information about specific menus and controls, such as the Vertical Position
Control.
Advice about problems you may face while using an oscilloscope, such as
Reducing Noise.
The Help system provides several ways to find the information you need:
context-sensitive help, hyperlinks, and an index.
Context-Sensitive Help The oscilloscope displays information about the last menu displayed on the
screen when you push the Help front-panel button. When viewing help topics,
an LED lights next to the multipurpose knob to indicate that the knob is active.
If the topic uses more than one page, turn the multipurpose knob to move from
page to page within the topic.
Hyperlinks Most of the help topics contain phrases marked with angle brackets, such as
<Autoset>. These are links to other topics. Turn the multipurpose knob to move
the highlight from one link to another. Push the Show Topic option button to
display the topic corresponding to the highlighted link. Push the Back option
button to return to the previous topic.
Index Push the front-panel Help button, then push the Index option button. Push the
Page Up or Page Down option buttons until you find the index page that contains
the topic you want to view. Turn the multipurpose knob to highlight a help topic.
Push the Show Topic option button to display the topic.
NOTE. Push the Exit option button or any menu button to remove the Help text
from the screen and return to displaying waveforms.
xiv TDS2000C Series Oscilloscope User Manual

Preface
Firmware Updates Through the Internet
If a newer version of firmware becomes available, you can use the Internet and
aUSBflash drive to update your oscilloscope. If you do not have access to the
Internet, contact Tektronix for information on update procedures.
To update the firmware from the Internet, follow these steps:
1. Push the Utility ►System Status option, and write down the firmware
version number of the oscilloscope.
2. From your computer, access the www.tektronix.com web site and check if a
newer version of oscilloscope firmware is available.
3. Ifthereisanewerversionoffirmware, download the firmware file from the
web page.
You may need to unzip the downloaded file.
4. Copy the firmware file to the root folder of a USB flash drive.
5. Insert the USB flash drive into the USB Flash Drive port on the front of the
oscilloscope.
6. From your oscilloscope, push the Utility ►File Utilities ►-more-page2
of 2 ►Update Firmware option button.
It takes several minutes to update the firmware.
Your oscilloscope will prompt you to press a button when the firmware update is
complete. You must not remove the USB flash drive, or power off the oscilloscope
until the firmware update is complete.
TDS2000C Series Oscilloscope User Manual xv

Preface
Conventions
This manual uses the following conventions:
Menu options appear with the first letter of each word in upper case. For
example: Peak Detect, Window Zone.
Multipurpose knob Front-panel buttons and knob labels — All upper case
Option buttons — First letter of each word on screen is upper case
NOTE. Option buttons may also be called screen buttons, side-menu buttons,
bezel buttons, or soft keys.
The ►delimiter separates a series of button pushes. For example, Utility ►
Options ►Set Date and Time means that you push the Utility front-panel
button, then push the Options option button, and then push the Set Date and
Time option button. Multiple pushes of an option button may be required
to select the desired option.
xvi TDS2000C Series Oscilloscope User Manual

Getting Started
TDS2000C Series Digital Storage Oscilloscopes are small, lightweight, benchtop
instruments, which you can use to take ground-referenced measurements.
This chapter describes how to do the following tasks:
Install your product
Perform a brief functional check
Perform a probe check and compensate probes
Match your probe attenuation factor
Use the self calibration routine
NOTE. You can select a language to display on the screen when you power on the
oscilloscope. At any time, you can also access the Utility ►Language option to
select a language.
General Features
The next table and list describe the general features.
Model Channels Bandwidth Sample rate Display
TDS2001C 250MHz
500 MS/s Color
TDS2002C 270MHz
1.0 GS/s Color
TDS2004C 470MHz
1.0 GS/s Color
TDS2012C 2 100 MHz 2.0 GS/s Color
TDS2014C 4 100 MHz 2.0 GS/s Color
TDS2022C 2 200 MHz 2.0 GS/s Color
TDS2024C 4 200 MHz 2.0 GS/s Color
Context-sensitive help system
Color LCD display
Selectable 20 MHz bandwidth limit
2500 point record length for each channel
Autoset
Autoranging
Probe Check Wizard
Setup and waveform storage
USB Flash Drive port for file storage
TDS2000C Series Oscilloscope User Manual 1

Getting Started
Direct printing to any PictBridge compatible printer
PC communications through the USB Device port with OpenChoice PC
Communications software
Connect to a GPIB controller through an optional TEK-USB-488 adapter
Cursors with readouts
Trigger frequency readout
Eleven automatic measurements
Waveform averaging and peak detection
Dual time base
Math functions: +, -, and × operations
Math Fast Fourier Transform (FFT)
Pulse Width trigger capability
Video trigger capability with line-selectable triggering
External trigger
Va r i a ble persistence display
User interface and help topics in ten languages
Installation
Power Cord Use only the power cord provided with your oscilloscope. Appendix B:
Accessories lists the standard and the optional accessories.
Power Source Use a power source that delivers 90 to 264 VACRMS,45to66Hz. Ifyouhavea
400 Hz power source, it must deliver 90 to 132 VACRMS, 360 to 440 Hz.
Security Loop Use a standard laptop computer security lock, or thread a security cable through
the built-in cable channel to secure your oscilloscope to your location.
2 TDS2000C Series Oscilloscope User Manual

Getting Started
Security cable channel Security lock hole Power cord
Ventilation NOTE. The oscilloscope cools by convection. Keep two inches clear on the sides
and top of the product to allow adequate air flow.
TDS2000C Series Oscilloscope User Manual 3

Getting Started
Functional Check
Perform this functional check to verify that your oscilloscope is operating
correctly.
ON/OFF button
1. Power on the oscilloscope.
Push the Default Setup button.
The default Probe option attenuation setting is
10X.
Default Setup button
PROBE COMP
2. Connect the TPP0101/TP0201 probe to channel
1ontheo
scilloscope. To do this, align the slot
in the probe connector with the key on the CH 1
BNC, push to connect, and twist to the right to
lock the probe in place.
Connect the probe tip and reference lead to the
PROBE COMP terminals.
3. Push the AutoSet button. Within a few seconds,
you should see a square wave in the display of
about 5V peak-to-peak at 1 kHz.
Push the 1channel 1 menu button on the front
panel twice to remove channel 1, push the 2
channel 2 menu button to display channel 2, and
repeat steps 2 and 3. For 4-channel models,
repeat for 3and 4.
4 TDS2000C Series Oscilloscope User Manual

Getting Started
Probe Safety
Check and observe probe ratings before using probes.
A guard around the TPP0101/TPP0201 probe body provides a finger barrier for
protection from electric shock.
Finger guard
WARNING. To avoid electric shock when using the probe, keep fingers behind
the guard on the probe body.
To avoid electric shock while using the probe, do not touch metallic portions of
the probe head while it is connected to a voltage source.
Connect the probe to the oscilloscope, and connect the ground terminal to ground
before you take any measurements.
Voltage Probe Check Wizard
You can use the Probe Check Wizard to verify that a voltage probe is operating
properly. The wizard does not support current probes.
The wizard helps you adjust the compensation for voltage probes (usually with a
screw on the probe body or probe connector) and set the factor for the Attenuation
option for each channel, such as in the 1►Probe ►Voltage ►Attenuation
option.
TDS2000C Series Oscilloscope User Manual 5

Getting Started
You should use the Probe Check Wizard each time you connect a voltage probe to
an input channel.
To use the Probe Check Wizard, push the PROBE CHECK button. If the voltage
probe is connected properly, compensated properly, and the Attenuation option in
the oscilloscope Vertical menu is set to match the probe, the oscilloscope displays
a PASSED message at the bottom of the screen. Otherwise, the oscilloscope
displays directions on the screen to guide you in correcting these problems.
NOTE. The Probe Check Wizard is useful for 1X, 10X, 20X, 50X, and 100X
probes. It is not useful for 500X or 1000X probes, or for probes connected to
the Ext Trig BNC.
NOTE. When the process is complete, the Probe Check Wizard restores the
oscilloscope settings (other than the Probe option) to what they were before you
pushed the PROBE CHECK button.
To compensate a probe that you plan to use with the Ext Trig input, follow these
steps:
1. Connect the probe to any input channel BNC, such as to channel 1.
2. Push the PROBE CHECK button and follow the directions on the screen.
3. After you verify that the probe functions and is compensated properly, connect
the probe to the Ext Trig BNC.
6 TDS2000C Series Oscilloscope User Manual

Getting Started
Manual Probe Compensation
As an alternative method to the Probe Check Wizard, you can manually perform
this adjustment to match your probe to the input channel.
PROBE COMP AutoSet
button
1. Push the 1►Probe ►Voltage ►
Attenuation option and select 10X. Connect
the TPP0101/TPP0201 probe to channel 1 on
the oscilloscope. If you use the probe hook-tip,
ensure a proper connection by firmly inserting the
tip onto the probe.
2. AttachtheprobetiptothePROBECOMP
~5V@1kHz terminal and the reference lead to
the PROBE COMP chassis terminal. Display the
channel, and then push the AutoSet button.
Overcompensated
Undercompensated
Compensated correctly
3. Check the shape of the displayed waveform.
4. If necessary, adjust your probe.
Repeat as necessary.
Probe Attenuation Setting
Probes are available with various attenuation factors which affect the vertical
scale of the signal. The Probe Check Wizard verifies that the attenuation factor
in the oscilloscope matches the probe.
As an alternative method to Probe Check, you can manually select the factor
that matches the attenuation of your probe. For example, to match a probe set
to10XconnectedtoCH1,pushthe1►Probe ►Voltage ►Attenuation
option, and select 10X.
NOTE. The default setting for the Attenuation option is 10X.
TDS2000C Series Oscilloscope User Manual 7

Getting Started
If you change the Attenuation switch on a P2220 probe, you also need to change
the oscilloscope Attenuation option to match. Switch settings are 1X and 10X.
Attenuation switch
NOTE. When the Attenuation switch is set to 1X, the P2220 probe limits the
bandwidth of the oscilloscope to 6 MHz. To use the full bandwidth of the
oscilloscope, be sure to set the switch to 10X.
Current Probe Scaling
Current probes provide a voltage signal proportional to the current. You need to
set the oscilloscope to match the scale of your current probe. The default scale is
10 A/V.
For example, to set the scale for a current probe connected to CH 1, push the 1►
Probe ►Current ►Scale option, and select an appropriate value.
Self Calibration
The self calibration routine lets you optimize the oscilloscope signal path for
maximum measurement accuracy. You can run the routine at any time but you
should always run the routine if the ambient temperature changes by 5 °C (9 °F)
or more. The routine takes about two minutes.
For accurate calibration, power on the oscilloscope and wait twenty minutes to
ensure it is warmed up.
To compensate the signal path, disconnect any probes or cables from the input
connectors. Then, access the Utility ►Do Self Cal option, and follow the
directions on the screen.
8 TDS2000C Series Oscilloscope User Manual

Operating Basics
The front panel is divided into easy-to-use functional areas. This chapter provides
you with a quick overview of the controls and the information displayed on the
screen.
2-channel model
4-channel model
Display Area
In addition to displaying waveforms, the display is filled with many details about
the waveform and the oscilloscope control settings.
NOTE. For details on displaying the FFT function, (See page 57, Displaying
the FFT Spectrum.)
TDS2000C Series Oscilloscope User Manual 9

Operating Basics
1. Icon display shows acquisition mode.
Sample mode
Peak detect mode
Average mode
10 TDS2000C Series Oscilloscope User Manual

Operating Basics
2. Trigger status indicates the following:
The oscilloscope is acquiring pretrigger data. All triggers are
ignored in this state.
All pretrigger data has been acquired and the oscilloscope is
ready to accept a trigger.
The oscilloscope has seen a trigger and is acquiring the
posttrigger data.
The oscilloscope has stopped acquiring waveform data.
The oscilloscope has completed a Single Sequence acquisition.
The oscilloscope is in auto mode and is acquiring waveforms in
the absence of triggers.
The oscilloscope is acquiring and displaying waveform data
continuously in scan mode.
3. Marker shows horizontal trigger position. Turn the Horizontal Position knob
to adjust the position of the marker.
4. Readout shows the time at the center graticule. The trigger time is zero.
5. Marker shows Edge or Pulse Width trigger level.
6. On-screen markers show the ground reference points of the displayed
waveforms. If there is no marker, the channel is not displayed.
7. An arrow icon indicates that the waveform is inverted.
8. Readouts show the vertical scale factors of the channels.
9. AB
Wicon indicates that the channel is bandwidth limited.
10. Readout shows main time base setting.
11. Readout shows window time base setting if it is in use.
12.Readout shows trigger source used for triggering.
13. Icon shows selected trigger type as follows:
Edge trigger for the rising edge.
Edge trigger for the falling edge.
Video trigger for line sync.
Video trigger for field sync.
Pulse Width trigger, positive polarity.
Pulse Width trigger, negative polarity.
TDS2000C Series Oscilloscope User Manual 11

Operating Basics
14. Readout shows Edge or Pulse Width trigger level.
15. Display area shows helpful messages; some messages display for only three
seconds.
If you recall a saved waveform, readout shows information about the reference
waveform, such as RefA 1.00V 500µs.
16. Readout shows date and time.
17. Readout shows trigger frequency.
Message Area The oscilloscope displays a message area (item number 15 in the previous figure)
at the bottom of the screen that conveys the following types of helpful information:
Directions to access another menu, such as when you push the Trig Menu
button:
For TRIGGER HOLDOFF, go to HORIZONTAL MENU
Suggestion of what you might want to do next, such as when you push the
Measure button:
Push an option button to change its measurement
Information about the action the oscilloscope performed, such as when you
push the Default Setup button:
Default setup recalled
Information about the waveform, such as when you push the AutoSet button:
Square wave or pulse detected on CH1
Using the Menu System
The user interface of the oscilloscopes was designed for easy access to specialized
functions through the menu structure.
When you push a front-panel button, the oscilloscope displays the corresponding
menu on the right side of the screen. The menu shows the options that are available
when you push the unlabeled option buttons directly to the right of the screen.
The oscilloscope uses several methods to display menu options:
Page (Submenu) Selection: For some menus, you can use the top option
button to choose two or three submenus. Each time you push the top button,
the options change. For example, when you push the top button in the Trigger
Menu, the oscilloscope cycles through the Edge, Video, and Pulse Width
trigger submenus.
Circular List: The oscilloscope sets the parameter to a different value each
time you push the option button. For example, you can push the 1(channel 1
12 TDS2000C Series Oscilloscope User Manual

Operating Basics
menu) button and then push the top option button to cycle through the Vertical
(channel) Coupling options.
In some lists, you can use the multipurposeknobtoselectanoption. Ahint
line tells you when the multipurpose knob can be used, and an LED by the
multipurpose knob lights when the knob is active. (See page 15, Menu and
Control Buttons.)
Action: The oscilloscope displays the type of action that will immediately
occurwhenyoupushanActionoptionbutton. For example, when the Help
Index is visible, and you push the Page Down option button, the oscilloscope
immediately displays the next page of index entries.
Radio: The oscilloscope uses a different button for each option. The
currently-selected option is highlighted. For example, the oscilloscope
displays various acquisition mode options when you push the Acquire Menu
button. To select an option, push the corresponding button.
Page Selection Circular List Action Radio
TRIGGER CH1 HELP ACQUIRE
Type
Edge
Coupling
DC
Page
Up Sample
or or
Page
Down Peak Detect
TRIGGER CH1
Average
Type
Video Coupling
AC
or or
TRIGGER CH1
Type
Pulse
Coupling
Ground
Vertical Controls
All models, 4-channel shown
TDS2000C Series Oscilloscope User Manual 13

Operating Basics
Position (1, 2, 3&4). Positions a waveform vertically.
1, 2, 3 & 4 Menu. Displays the Vertical menu selections and toggles the display
of the channel waveform on and off.
Scale (1, 2, 3 & 4). Selects vertical scale factors.
Math. Displays waveform math operations menu and toggles the display of the
math waveform on and off.
Horizontal Controls
2-channel model 4-channel model
Position. Adjusts the horizontal position of all channel and math waveforms.
The resolution of this control varies with the time base setting. (See page 86,
Window Zone.)
NOTE. To make a large adjustment to the horizontal position, turn the Horizontal
Scale knob to a larger value, change the horizontal position, and then turn the
Horizontal Scale knob back to the previous value.
Horiz. Displays the Horizontal Menu.
Set to Zero. Sets the horizontal position to zero.
Scale. Selects the horizontal time/div (scale factor) for the main or the window
time base. When Window Zone is enabled, it changes the width of the window
zone by changing the window time base. (See page 86, Window Zone.)
14 TDS2000C Series Oscilloscope User Manual

Operating Basics
Trigger Controls
4-channel model
2-channel model
Level. When you use an Edge or Pulse trigger, the Level knob sets the amplitude
level that the signal must cross to acquire a waveform.
Trig Menu. Displays the Trigger Menu.
Set To 50%. The trigger level is set to the vertical midpoint between the peaks of
the trigger signal.
Force Trig. Completes an acquisition regardless of an adequate trigger signal.
This button has no effect if the acquisition is already stopped.
Trig View. Displays the trigger waveform in place of the channel waveform while
you hold down the Trig View button. Use this to see how the trigger settings
affect the trigger signal, such as trigger coupling.
Menu and Control Buttons
Multipurpose knob
TDS2000C Series Oscilloscope User Manual 15

Operating Basics
Refer to the Reference chapter for detailed information on the menu and button
controls.
Multipurpose Knob. Thefunctionisdeterminedbythedisplayedmenuorselected
menu option. When active, the adjacent LED lights. The next table lists the
functions.
Active menu or option Knob function Description
Cursor Cursor 1 or Cursor 2 Positions the selected cursor
Display Adjust Contrast Changes the contrast of the display
Help Scroll Selects entries in the Index; selects
links in a topic; displays the next or
previous page for a topic
Horizontal Holdoff Sets the amount of time before another
trigger event can be accepted;(See
page 100, Holdoff.)
Position Positions the Math waveform
Math
Vertical Scale Changes the scale of the Math
waveform
Measure Type Selects the type of automatic
measurement for each source
Action Sets the transaction as save or recall
for setup files, waveform files, and
screen images
Save/Recall
File selection Selects setup, waveform, or image files
to save, or selects setup or waveform
files to recall
Source Selects the source when the Trigger
Type option is set to Edge
Video line number Sets the oscilloscope to a specificline
number when the Trigger Type option
is set to Video and the Sync option is
set to Line Number
Trigger
Pulse width Sets the width of the pulse when the
Trigger Type option is set to Pulse
File selection Selects files to rename or delete;(See
page 103, File Utilities for the USB
Flash Drive.)
Utility ►File Utilities
Name entry Renames the file or folder; (See
page 103, Rename File or Folder.)
Utility ►Options ►
GPIB Setup ►Address
Value entry Sets the GPIB address for the
TEK-USB-488 adapter
Utility ►Options ►Set
Date and Time
Value entry Sets the value for the date and time;
(See page 102, Setting the Date and
Time.)
16 TDS2000C Series Oscilloscope User Manual

Operating Basics
Active menu or option Knob function Description
Vertical ►Probe ►
Voltage ►Attenuation
Value entry For a channel menu (such as the CH
1 menu), sets the attenuation factor in
the oscilloscope
Vertical ►Probe ►
Current ►Scale
Value entry For a of channel menu (such as the
CH 1 menu), sets the scale in the
oscilloscope
AutoRange. Displays the Autorange Menu, and activates or deactivates the
autoranging function. When autoranging is active, the adjacent LED lights.
Save/Recall. Displays the Save/Recall Menu for setups and waveforms.
Measure. Displays the automated measurements menu.
Acquire. Displays the Acquire Menu.
Ref. Displays the Reference Menu to quickly display and hide reference
waveforms stored in the oscilloscope non-volatile memory.
Utility. Displays the Utility Menu.
Cursor. Displays the Cursor Menu. Cursors remain visible (unless the Type
option is set to Off) after you leave the Cursor Menu but are not adjustable.
Display. Displays the Display Menu.
Help. Displays the Help Menu.
Default Setup. Recalls the factory setup.
AutoSet. Automatically sets the oscilloscope controls to produce a usable display
of the input signals.
Single. (Single sequence) Acquires a single waveform and then stops.
Run/Stop. Continuously acquires waveforms or stops the acquisition.
Starts the print operation to a PictBridge compatible printer, or performs the
Save function to the USB flash drive.
Save. An LED indicates when the print button is configuredtosavedatatothe
USB flash drive.
TDS2000C Series Oscilloscope User Manual 17

Operating Basics
Input Connectors
2-channel model
4-channel model
1, 2, 3 & 4. Input connectors for waveform display.
Ext Trig. Input connector for an external trigger source. Use the Trigger Menu to
select the Ext, or Ext/5 trigger source. Push and hold the Trig View button to see
how the trigger settings affect the trigger signal, such as trigger coupling.
Other Front-Panel Items
USB Flash Drive port
USB Flash Drive Port. Insert a USB flash drive for data storage or retrieval. The
oscilloscope displays a clock symbol to indicate when the flash drive is active.
After a file is saved or retrieved, the oscilloscope removes the clock, and displays
a hint line to notify you that the save or recall operation is complete.
For flash drives with an LED, the LED blinks when saving data to or retrieving
data from the drive. Wait until the LED stops to remove the drive.
PROBE COMP. Probe compensation output and chassis reference. Use to
electrically match a voltage probe to the oscilloscope input circuit. (See page 5,
Voltage Probe Check Wizard.)(See page 7, Manual Probe Compensation.)
18 TDS2000C Series Oscilloscope User Manual

Understanding Oscilloscope Functions
This chapter contains general information that you need to understand before
you use an oscilloscope. To use your oscilloscope effectively, you need to learn
about the following functions:
Setting up the oscilloscope
Triggering
Acquiring signals (waveforms)
Scaling and positioning waveforms
Measuring waveforms
The next figure shows a block diagram of the various functions of the oscilloscope
and their relationships to each other.
Setting Up the Oscilloscope
You should become familiar with several functions that you may use often when
operating your oscilloscope: Autoset, Autorange, saving a setup, and recalling
a setup.
Using Autoset Each time you push the AutoSet button, the Autoset function obtains a stable
waveform display for you. It automatically adjusts the vertical scale, horizontal
scale and trigger settings. Autoset also displays several automatic measurements
in the graticule area, depending on the signal type.
Using Autorange Autorange is a continuous function that you can enable or disable. The function
adjusts setup values to track a signal when the signal exhibits large changes or
when you physically move the probe to a different point.
TDS2000C Series Oscilloscope User Manual 19

Understanding Oscilloscope Functions
Saving a Setup The oscilloscope saves the current setup if you wait five seconds after the last
change before you power off the oscilloscope. The oscilloscope recalls this setup
the next time you apply power.
You can use the Save/Recall Menu to save up to ten different setups.
You can also save setups to a USB flash drive. The oscilloscope accommodates
aUSBflash drive for removable data storage and retrieval. (See page 63, USB
Flash Drive Port.)
Recalling a Setup The oscilloscope can recall the last setup before the oscilloscope was powered off,
any saved setups, or the default setup. (See page 91, Save/Recall.)
Default Setup The oscilloscope is set up for normal operation when it is shipped from the
factory. This is the default setup. To recall this setup, push the Default Setup
button. To view the default settings, refer to Appendix D: Default Setup.
Triggering
The trigger determines when the oscilloscope starts to acquire data and to display
a waveform. When a trigger is set up properly, the oscilloscope converts unstable
displays or blank screens into meaningful waveforms.
Triggered waveform Untriggered waveforms
For oscilloscope-specific descriptions, refer to the Operating Basics chapter. (See
page 15, Trigger Controls.) Refer also to the Reference chapter. (See page 95,
Trigger Controls.)
When you push the Run/Stop or Single button to start an acquisition, the
oscilloscope goes through the following steps:
1. Acquires enough data to fill the portion of the waveform record to the left of
the trigger point. This is called the pretrigger.
2. Continues to acquire data while waiting for the trigger condition to occur.
3. Detects the trigger condition.
20 TDS2000C Series Oscilloscope User Manual

Understanding Oscilloscope Functions
4. Continues to acquire data until the waveform record is full.
5. Displays the newly-acquired waveform.
NOTE. ForEdgeandPulsetriggers,theoscilloscope counts the rate at which
trigger events occur to determine trigger frequency. The oscilloscope displays
the frequency in the lower right corner of the screen.
Source You can use the Trigger Source options to select the signal that the oscilloscope
uses as a trigger. The source can be the AC power line (available only with Edge
triggers), or any signal connected to a channel BNC or to the Ext Trig BNC.
Types The oscilloscope provides three types of triggers: Edge, Video, and Pulse Width.
Modes You can select the Auto or the Normal trigger mode to define how the oscilloscope
acquires data when it does not detect a trigger condition. (See page 96, Mode
Options.)
To perform a single sequence acquisition, push the Single button.
Coupling You can use the Trigger Coupling option to determine which part of the signal
will pass to the trigger circuit. This can help you attain a stable display of the
waveform.
To use trigger coupling, push the Trig Menu button, select an Edge or Pulse
trigger, and select a Coupling option.
NOTE. Trigger coupling affects only the signal passed to the trigger system. It
does not affect the bandwidth or coupling of the signal displayed on the screen.
To view the conditioned signal being passed to the trigger circuit, push and hold
down the Trig View button.
Position The horizontal position control establishes the time between the trigger and the
screen center. Refer to Horizontal Scale and Position; Pretrigger Information
for information on how to use this control to position the trigger. (See page 23,
Horizontal Scale and Position; Pretrigger Information.)
Slope and Level The Slope and Level controls help to define the trigger. The Slope option (Edge
trigger type only) determines whether the oscilloscope finds the trigger point on
the rising or the falling edge of a signal. The Trigger Level knob controls where
on the edge the trigger point occurs.
TDS2000C Series Oscilloscope User Manual 21

Understanding Oscilloscope Functions
Rising edge Falling edge
Trigger level can be adjusted
vertically
Trigger can be rising or falling
Acquiring Signals
When you acquire a signal, the oscilloscope converts it into a digital form and
displays a waveform. The acquisition mode defines how the signal is digitized,
and the time base setting affects the time span and level of detail in the acquisition.
Acquisition Modes There are three acquisition modes: Sample, Peak Detect, and Average.
Sample. In this acquisition mode, the oscilloscope samples the signal in evenly
spaced intervals to construct the waveform. This mode accurately represents
signals most of the time.
However, this mode does not acquire rapid variations in the signal that may occur
between samples. This can result in aliasing, and may cause narrow pulses to be
missed. In these cases, you should use the Peak Detect mode to acquire data.
(See page 23, Time Domain Aliasing.)
Peak Detect. In this acquisition mode, the oscilloscope finds the highest and
lowest values of the input signal over each sample interval and uses these values
to display the waveform. In this way, the oscilloscope can acquire and display
narrow pulses, which may have otherwise been missed in Sample mode. Noise
will appear to be higher in this mode.
Average. In this acquisition mode, the oscilloscope acquires several waveforms,
averages them, and displays the resulting waveform. You can use this mode to
reduce random noise.
Time Base The oscilloscope digitizes waveforms by acquiring the value of an input signal
at discrete points. The time base allows you to control how often the values are
digitized.
To adjust the time base to a horizontal scale that suits your purpose, use the
Horizontal Scale knob.
22 TDS2000C Series Oscilloscope User Manual

Understanding Oscilloscope Functions
Scaling and Positioning Waveforms
You can change the display of waveforms by adjusting the scale and position.
When you change the scale, the waveform display will increase or decrease in size.
When you change the position, the waveform will move up, down, right, or left.
The channel indicator (located on the left of the graticule) identifies each
waveform on the display. The indicator points to the ground reference level of
the waveform record.
You can view the display area and readouts. (See page 9, Display Area.)
Vertical Scale and Position You can change the vertical position of waveforms by moving them up or down in
the display. To compare data, you can align a waveform above another or you can
align waveforms on top of each other.
You can change the vertical scale of a waveform. The waveform display will
contract or expand relative to the ground reference level.
For oscilloscope-specific descriptions, refer to the Operating Basics chapter. (See
page 13, Vertical Controls.)ReferalsototheReference chapter. (See page 104,
Vertical Controls.)
Horizontal Scale and
Position; Pretrigger
Information
You can adjust the Horizontal Position control to view waveform data before
the trigger, after the trigger, or some of each. When you change the horizontal
position of a waveform, you are actually changing the time between the trigger
and the center of the display. (This appears to move the waveform to the right
or left on the display.)
Forexample,ifyouwanttofind the cause of a glitch in your test circuit, you
might trigger on the glitch and make the pretrigger period large enough to capture
data before the glitch. You can then analyze the pretrigger data and perhaps find
the cause of the glitch.
You change the horizontal scale of all the waveforms by turning the Horizontal
Scale knob. For example, you might want to see just one cycle of a waveform to
measure the overshoot on its rising edge.
The oscilloscope shows the horizontal scale as time per division in the scale
readout. Since all active waveforms use the same time base, the oscilloscope only
displays one value for all the active channels, except when you use Window
Zone. Refer to Window Zone for information on how to use the window function.
(See page 86, Window Zone.)
For oscilloscope-specific descriptions, refer to the Operating Basics chapter. (See
page 14, Position.) Refer also to the Reference chapter.(See page 85, Horizontal.)
Time Domain Aliasing. Aliasing occurs when the oscilloscope does not sample the
signal fast enough to construct an accurate waveform record. When this happens,
TDS2000C Series Oscilloscope User Manual 23

Understanding Oscilloscope Functions
the oscilloscope displays a waveform with a frequency lower than the actual input
waveform, or triggers and displays an unstable waveform.
Actual high-frequency waveform
Apparent low-frequency
waveformduetoaliasing
Sample points
The oscilloscope accurately represents signals, but is limited by the probe
bandwidth, the oscilloscope bandwidth, and the sample rate. To avoid aliasing,
the oscilloscope must sample the signal more than twice as fast as the highest
frequency component of the signal.
The highest frequency that the oscilloscope sampling rate can theoretically
represent is the Nyquist frequency. The sample rate is called the Nyquist rate, and
is twice the Nyquist frequency.
The oscilloscope maximum sample rates are at least ten times the bandwidth.
These high sample rates help reduce the possibility of aliasing.
There are several ways to check for aliasing:
Turn the horizontal Scale knob to change the horizontal scale. If the shape of
the waveform changes drastically, you may have aliasing.
Select the Peak Detect acquisition mode. (See page 22, Peak Detect.) This
mode samples the highest and lowest values so that the oscilloscope can
detect faster signals. If the shape of the waveform changes drastically, you
may have aliasing.
If the trigger frequency is faster than the display information, you may have
aliasing or a waveform that crosses the trigger level multiple times. Examining
the waveform allows you to identify whether the shape of the signalisgoing
to allow a single trigger crossing per cycle at the selected trigger level.
If multiple triggers are likely to occur, select a trigger level that will generate
only a single trigger per cycle. If the trigger frequency is still faster than the
display indicates, you may have aliasing.
If the trigger frequency is slower, this test is not useful.
If the signal you are viewing is also the trigger source, use the graticule or the
cursors to estimate the frequency of the displayed waveform. Compare this to
the Trigger Frequency readout in the lower right corner of the screen. If they
differ by a large amount, you may have aliasing.
The next table lists the time base settings that you can use to avoid aliasing at
various frequencies and the respective sample rate. At the fastest horizontal scale
setting, aliasing is not likely to occur due to the bandwidth limitations of the
oscilloscope input amplifiers.
24 TDS2000C Series Oscilloscope User Manual

Understanding Oscilloscope Functions
Settings to avoid aliasing in Sample mode
Time base Samples per second Maximum
2.5 ns 2GS/s 200.0 MHz †
5.0 to 250.0 ns1GS/sor2GS/s*200.0 MHz †
500.0 ns 500.0 MS/s 200.0 MHz †
1.0 μs250.0 MS/s 125.0 MHz †
2.5 μs100.0 MS/s 50.0 MHz †
5.0 μs50.0 MS/s 25.0 MHz †
10.0 μs25.0 MS/s 12.5 MHz †
25.0 μs10.0 MS/s 5.0 MHz
50.0 μs5.0 MS/s 2.5 MHz
100.0 μs2.5 MS/s 1.25 MHz
250.0 μs1.0 MS/s 500.0 kHz
500.0 μs500.0 kS/s 250.0 kHz
1.0 ms250.0 kS/s 125.0kHz
2.5 ms100.0 kS/s 50.0 kHz
5.0 ms 50.0 kS/s 25.0kHz
10.0ms 25.0 kS/s 12.5kHz
25.0 ms 10.0 kS/s 5.0kHz
50.0 ms 5.0 kS/s 2.5kHz
100.0 ms 2.5 kS/s 1.25 kHz
250.0 ms 1.0 kS/s 500.0 Hz
500.0 ms 500.0 S/s 250.0 Hz
1.0 s 250.0 S/s 125.0 Hz
2.5 s 100.0 S/s 50.0 Hz
5.0 s 50.0 S/s 25.0 Hz
10.0 s 25.0 S/s 12.5 Hz
25.0 s 10.0 S/s 5.0 Hz
50.0 s 5.0 S/s 2.5 Hz
*Depending on the oscilloscope model.
†Bandwidthreducedto6MHzwithaP2220probesetto1X.
Taking Measurements
The oscilloscope displays graphs of voltage versus time and can help you to
measure the displayed waveform.
There are several ways to take measurements. You can use the graticule, the
cursors, or an automated measurement.
TDS2000C Series Oscilloscope User Manual 25

Understanding Oscilloscope Functions
Graticule This method allows you to make a quick, visual estimate. For example, you might
look at a waveform amplitude and determine that it is a little more than 100 mV.
You can take simple measurements by counting the major and minor graticule
divisions involved and multiplying by the scale factor.
Forexample,ifyoucountedfive major vertical graticule divisions between the
minimum and maximum values of a waveform and knew you had a scale factor of
100 mV/division, then you could calculate your peak-to-peak voltage as follows:
5 divisions x 100 mV/division = 500 mV
Cursor
Cursors This method allows you to take measurements by moving the cursors, which
always appear in pairs, and reading their numeric values from the display readouts.
There are two types of cursors: Amplitude and Time.
When you use cursors, be sure to set the Source to the waveform on the display
that you want to measure.
To use cursors, push the Cursor button.
Amplitude Cursors. Amplitude cursors appear as horizontal lines on the display
and measure the vertical parameters. Amplitudes are referenced to the reference
level. For the Math FFT function, these cursors measure magnitude.
Time Cursors. Time cursors appear as vertical lines on the display and measure
both horizontal and vertical parameters. Times are referenced to the trigger point.
For the Math FFT function, these cursors measure frequency.
Time cursors also include a readout of the waveform amplitude at the point the
waveform crosses the cursor.
Automatic The Measure Menu can take up to five automatic measurements. When you
take automatic measurements, the oscilloscope does all the calculating for you.
Because the measurements use the waveform record points, they are more
accurate than the graticule or cursor measurements.
26 TDS2000C Series Oscilloscope User Manual

Understanding Oscilloscope Functions
Automatic measurements use readouts to show measurement results. These
readouts are updated periodically as the oscilloscope acquires new data.
For measurement descriptions, refer to the Reference chapter. (See page 88,
Taking Measurements.)
TDS2000C Series Oscilloscope User Manual 27

Understanding Oscilloscope Functions
28 TDS2000C Series Oscilloscope User Manual

Application Examples
This section presents a series of application examples. These simplified examples
highlight the features of the oscilloscope and give you ideas for using it to solve
your own test problems.
Taking simple measurements
Using Autoset
Using the Measure Menu to take automatic measurements
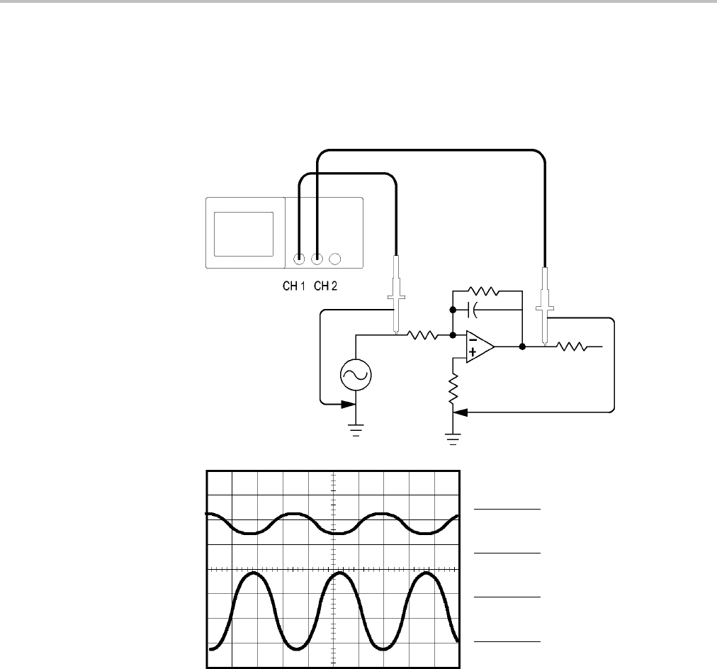
Measuring two signals and calculating gain
Using Autorange to examine a series of test points
Taking cursor measurements
Measuring ring frequency and ring amplitude
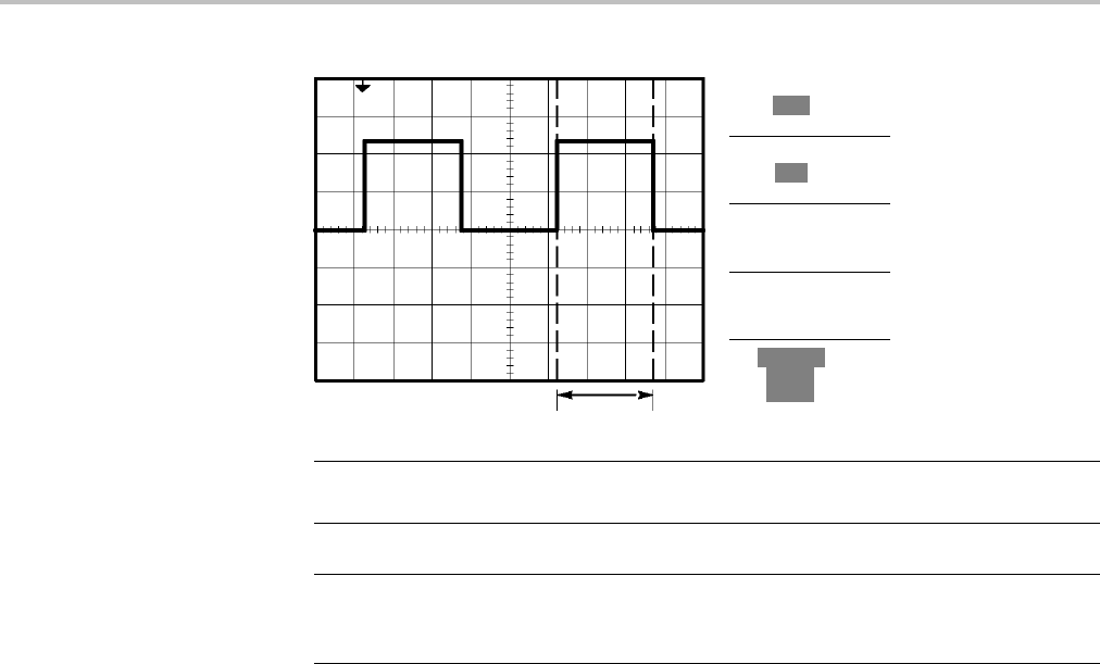
Measuring pulse width
Measuring rise time
Analyzing signal detail
Looking at a noisy signal
Using the average function to separate a signal from noise
Capturing a single-shot signal
Optimizing the acquisition
Measuring propagation delay
Triggering on a pulse width
Triggering on a video signal
Triggering on video fields and video lines
Using the window function to see waveform details
Analyzing a differential communication signal using Math functions
Viewing impedance changes in a network using XY mode and persistence
Data Logging
Limit Testing
TDS2000C Series Oscilloscope User Manual 29

Application Examples
Taking Simple Measurements
You need to see a signal in a circuit, but you do not know the amplitude or
frequency of the signal. You want to quickly display the signal and measure the
frequency, period, and peak-to-peak amplitude.
Using Autoset To quickly display a signal, follow these steps:
1. Push the 1(channel 1 menu) button.
2. Push Probe ►Voltage ►Attenuation ►10X.
3. If using P2220 probes, set their switches to 10X.
4. Connect the channel 1 probe tip to the signal. Connect the reference lead to
the circuit reference point.
5. Push the AutoSet button.
The oscilloscope sets the vertical, horizontal, and trigger controls automatically.
If you want to optimize the display of the waveform, you can manually adjust
these controls.
NOTE. The oscilloscope displays relevant automatic measurements in the
waveform area of the screen based on the signal type that is detected.
For oscilloscope-specific descriptions, refer to the Reference chapter. (See
page 79, Autoset.)
30 TDS2000C Series Oscilloscope User Manual

Application Examples
Taking Automatic
Measurements
The oscilloscope can take automatic measurements of most displayed signals.
NOTE. If a question mark (?) appears in the Value readout, the signal is outside
the measurement range. Adjust the Vertical Scale knob (volts/division) of the
appropriate channel to decrease the sensitivity or change the horizontal Scale
setting (seconds/division).
To measure signal frequency, period, and peak-to-peak amplitude, rise time, and
positive width, follow these steps:
1. Push the Measure button to see the Measure Menu.
2. Push the top option button; the Measure 1 Menu appears.
3. Push Type ►Freq.
The Value readout displays the measurement and updates.
4. Push the Back option button.
5. Push the second option button from the top; the Measure 2 Menu appears.
6. Push Type ►Period.
The Value readout displays the measurement and updates.
7. Push the Back option button.
8. Push the middle option button; the Measure 3 Menu appears.
9. Push Type ►Pk-Pk.
The Value readout displays the measurement and updates.
10. Push the Back option button.
11. Push the second option button from the bottom; the Measure 4 Menu appears.
12. Push Type ►Rise Time.
The Value readout displays the measurement and updates.
13. Push the Back option button.
14. Push the bottom option button; the Measure 5 Menu appears.
15. Push Type ►Pos Width.
The Value readout displays the measurement and updates.
16. Push the Back option button.
TDS2000C Series Oscilloscope User Manual 31

Application Examples
CH1
Freq
1.000kHz
CH1
Period
1.000ms
CH1
Pk-Pk
5.04V
CH1
Rise Time
2.611µs?
CH1
Pos Width
500.0µs
32 TDS2000C Series Oscilloscope User Manual

Application Examples
Measuring Two Signals If you are testing a piece of equipment and need to measure the gain of the audio
amplifier, you will need an audio generator that can inject a test signal at the
amplifier input. Connect two oscilloscope channels to the amplifier input and
output as shown next. Measure both signal levels and use the measurements to
calculate the gain.
CH1
Pk-Pk
2.04V
CH2
Pk-Pk
206mV
CH1
None
CH1
None
CH1
None
To activate and display the signals connected to channel 1 and to channel 2, and
select measurements for the two channels, follow these steps:
1. Push the AutoSet button.
2. Push the Measure button to see the Measure Menu.
3. Push the top option button; the Measure 1 Menu appears.
4. Push Source ►CH1.
5. Push Type ►Pk-Pk.
6. Push the Back option button.
TDS2000C Series Oscilloscope User Manual 33

Application Examples
7. Push the second option button from the top; the Measure 2 Menu appears.
8. Push Source ►CH2.
9. Push Type ►Pk-Pk.
10. Push the Back option button.
Read the displayed peak-to-peak amplitudes for both channels.
11. To calculate the amplifier voltage gain, use these equations:
VoltageGain = output amplitude/input amplitude
VoltageGain (dB) = 20 × log10(VoltageGain)
34 TDS2000C Series Oscilloscope User Manual

Application Examples
Using Autorange to Examine a Series of Test Points
If you have a machine that is malfunctioning, you may need to find the frequency
and RMS voltage of several test points, and compare these values to ideal values.
You are not able to access front-panel controls since you need to use both hands
when probing test points that are difficult to physically reach.
1. Push the 1(channel 1 menu) button.
2. Push Probe ►Voltage ►Attenuation and set to match the attenuation
of the probe attached to channel 1.
3. Push the AutoRange button to activate autoranging, and select the Vertica l
and Horizontal option.
4. Push the Measure button to see the Measure Menu.
5. Push the top option button; the Measure 1 Menu appears.
6. Push Source ►CH1.
7. Push Type ►Frequency.
8. Push the Back option button.
9. Push the second option button from the top; the Measure 2 Menu appears.
10. Push Source ►CH1.
11. Push Type ►Cyc RMS.
12. Push the Back option button.
13. Attach the probe tip and reference lead to the first test point. Read the
frequency and cycle RMS measurements from the oscilloscope display and
compare these to the ideal values.
14. Repeat step 13 for each test point, until you find the malfunctioning
component.
NOTE. When Autorange is active, each time you move the probe to another test
point, the oscilloscope readjusts the horizontal scale, the vertical scale, and the
trigger level, to give you a useful display.
TDS2000C Series Oscilloscope User Manual 35

Application Examples
Taking Cursor Measurements
You can use the cursors to quickly take time and amplitude measurements on
a waveform.
Measuring Ring Frequency
and Amplitude
To measure the ring frequency at the rising edge of a signal, follow these steps:
1. Push the Cursor button to see the Cursor Menu.
2. Push Type ►Time.
3. Push Source►CH1.
4. Push the Cursor 1 option button.
5. Turn the multipurpose knob to place a cursor on the first peak of the ring.
6. Push the Cursor 2 option button.
7. Turn the multipurpose knob to place a cursor on the second peak of the ring.
You can see the Δ(delta) time and frequency (the measured ring frequency)
in the Cursor Menu.
Type
Time
Source
CH1
Δt 540.0ns
1/Δt 1.852MHz
ΔV0.44V
Cursor1
180ns
1.40V
Cursor2
720ns
0.96V
8. Push Type ►Amplitude.
9. Push the Cursor 1 option button.
10. Turn the multipurpose knob to place a cursor on the first peak of the ring.
11. Push the Cursor 2 option button.
12. Turn the multipurpose knob to place Cursor 2 on the lowest part of the ring.
You can see the amplitude of the ring in the Cursor Menu.
36 TDS2000C Series Oscilloscope User Manual

Application Examples
Type
Amplitude
Source
CH1
ΔV 640mV
Cursor 1
1.46V
Cursor 2
820mV
Measuring Pulse Width If you are analyzing a pulse waveform and you want to know the width of the
pulse, follow these steps:
1. Push the Cursor button to see the Cursor Menu.
2. Push Type ►Time.
3. Push Source ►CH1.
4. Push the Cursor 1 option button.
5. Turn the multipurpose knob to place a cursor on the rising edge of the pulse.
6. Push the Cursor 2 option button.
7. Turn the multipurpose knob to place a cursor on the falling edge of the pulse.
You can see the following measurements in the Cursor Menu:
The time at Cursor 1, relative to the trigger.
The time at Cursor 2, relative to the trigger.
The Δ(delta) time, which is the pulse width measurement.
TDS2000C Series Oscilloscope User Manual 37

Application Examples
Type
Time
Source
CH1
Δt 500.0µs
1/Δt 2.000kHz
ΔV1.38V
Cursor 1
0.00s
0.98V
Cursor 2
500µs
-1.00V
NOTE. The Positive Width measurement is available as an automatic measurement
in the Measure Menu. (See page 88, Taking Measurements.)
NOTE. The Positive Width measurement also displays when you select the
Single-Cycle Square option in the AutoSet Menu. (See page 81, Square Wave
or Pulse.)
Measuring Rise Time After measuring the pulse width, you decide that you need to check the rise time
of the pulse. Typically, you measure rise time between the 10% and 90% levels of
the waveform. To measure the rise time, follow these steps:
1. Turn the Horizontal Scale (seconds/division) knob to display the rising edge
of the waveform.
2. Turn the Vertical Scale (volts/division) and Vertical Position knobs to set
the waveform amplitude to about five divisions.
3. Push the 1(channel 1 menu) button.
4. PushVolts /Div ►Fine.
5. Turn the Vertical Scale (volts/division) knob to set the waveform amplitude
to exactly five divisions.
6. Turn the Vertical Position knob to center the waveform; position the baseline
of the waveform 2.5 divisions below the center graticule.
7. Push the Cursor button to see the Cursor Menu.
8. Push Type ►Time.
9. Push Source ►CH1.
10. Push the Cursor 1 option button.
38 TDS2000C Series Oscilloscope User Manual

Application Examples
11. Turn the multipurpose knob to place a cursor at the point where the waveform
crosses the second graticule line below center screen. This is the 10% level
of the waveform.
12. Push the Cursor 2 option button.
13. Turn the multipurpose knob to place a cursor at the point where the waveform
crosses the second graticule line above center screen. This is the 90% level
of the waveform.
The Δtreadout in the Cursor Menu is the rise time of the waveform.
5 divisions
Type
Time
Source
CH1
Δt 140.0ns
1/Δt 7.143MHz
ΔV 2.08V
Cursor 1
-80.0ns
-1.02V
Cursor 2
60.0ns
1.06V
NOTE. The Rise Time measurement is available as an automatic measurement in
the Measure Menu. (See page 88, Taking Measurements.)
NOTE. The Rise Time measurement also displays when you select the Rising Edge
option in the AutoSet Menu. (See page 81, Square Wave or Pulse.)
TDS2000C Series Oscilloscope User Manual 39

Application Examples
Analyzing Signal Detail
You have a noisy signal displayed on the oscilloscope and you need to know more
about it. You suspect that the signal contains much more detail than you can
now see in the display.
Looking at a Noisy Signal The signal appears noisy and you suspect that noise is causing problems in your
circuit. To better analyze the noise, follow these steps:
1. Push the Acquire button to see the Acquire Menu.
2. Push the Peak Detect option button.
3. If necessary, push the Display button to see the Display Menu. Use the
Adjust Contrast option button with the multipurpose knob to adjust the
display to see the noise more easily.
Peak detect emphasizes noise spikes and glitches in your signal, especially when
the time base is set to a slow setting.
40 TDS2000C Series Oscilloscope User Manual

Application Examples
Separating the Signal from
Noise
Now you want to analyze the signal shape and ignore the noise. To reduce random
noise in the oscilloscope display, follow these steps:
1. Push the Acquire button to see the Acquire Menu.
2. Push the Average option button.
3. Push the Averages option button to see the effects of varying the number of
running averages on the waveform display.
Averaging reduces random noise and makes it easier to see detail in a signal. In
the example below, a ring shows on the rising and falling edges of the signal when
the noise is removed.
Capturing a Single-Shot Signal
The reliability of a reed relay in a piece of equipment has been poor and you need
to investigate the problem. You suspect that the relay contacts arc when the relay
opens. The fastest that you can open and close the relay is about once per minute,
so you need to capture the voltage across the relay as a single-shot acquisition.
To set up for a single-shot acquisition, follow these steps:
1. Turn the Vertical Scale (volts/division) and Horizontal Scale
(seconds/division) knobs to the appropriate ranges for the signal you expect to
see.
2. Push the Acquire button to see the Acquire Menu.
3. Push the Peak Detect option button.
4. Push the Trig Menu button to see the Trigger Menu.
5. Push Slope ►Rising.
6. Turn the Level knob to adjust the trigger level to a voltage midway between
the open and closed voltages of the relay.
7. Push the Single button to start the acquisition.
TDS2000C Series Oscilloscope User Manual 41

Application Examples
When the relay opens, the oscilloscope triggers and captures the event.
Optimizing the Acquisition The initial acquisition shows the relay contact beginning to open at the trigger
point. This is followed by a large spike that indicates contact bounce and
inductance in the circuit. The inductance can cause contact arcing and premature
relay failure.
You can use the vertical, horizontal, and trigger controls to optimize the settings
before the next single-shot event is captured. When the next acquisition is
captured with the new settings (push the Single button again), you can see that the
contact bounces several times as it opens.
42 TDS2000C Series Oscilloscope User Manual

Application Examples
Measuring Propagation Delay
You suspect that the memory timing in a microprocessor circuit is marginal. Set
up the oscilloscope to measure the propagation delay between the chip-select
signal and the data output of the memory device.
Type
Time
Source
CH1
Δt 20.00ns
1/Δt50.00MHz
ΔV 0.28V
Cursor 1
50.0ns
-0.20V
Cursor 2
70.0ns
0.08V
To set up to measure propagation delay, follow these steps:
1. Push the AutoSet button to trigger a stable display.
2. Adjust the horizontal and vertical controls to optimize the display.
3. Push the Cursor button to see the Cursor Menu.
4. Push Type ►Time.
5. Push Source ►CH1.
6. Push the Cursor 1 option button.
7. Turn the multipurpose knob to place a cursor on the active edge of the
chip-select signal.
TDS2000C Series Oscilloscope User Manual 43

Application Examples
8. Push the Cursor 2option button.
9. Turn the multipurpose knob to place the second cursor on the data output
transition.
The Δtreadout in the Cursor Menu is the propagation delay between the
waveforms. The readout is valid because the two waveforms have the same
horizontal scale (seconds/division) setting.
Triggering on a Specific Pulse Width
You are testing the pulse widths of a signal in a circuit. It is critical that the pulses
all be a specific width, and you need to verify that they are. Edge triggering shows
that your signal is as specified, and the pulse width measurement does not vary
from the specification. However, you think there might be a problem.
To set up a test for pulse width aberrations, follow these steps:
1. Push the AutoSet button to trigger a stable display.
2. Push the single cycle option button in the AutoSet Menu to view a
single cycle of the signal, and to quickly take a Pulse Width measurement.
3. Push the Trig Menu button to see the Trigger Menu.
4. Push Type ►Pulse.
5. Push Source ►CH1.
6. Turn the trigger Level knob to set the trigger level near the bottom of the
signal.
7. Push When ►=(equals).
8. Turn the multipurpose knob to set the pulse width to the value reported by the
Pulse Width measurement in step 2.
9. Push More ►Mode ►Normal.
You can achieve a stable display with the oscilloscope triggering on normal pulses.
44 TDS2000C Series Oscilloscope User Manual

Application Examples
1. Push the When option button to select ≠,<,or>. If there are any aberrant
pulses that meet the specified When condition, the oscilloscope triggers.
NOTE. The trigger frequency readout shows the frequency of events that the
oscilloscope might consider to be a trigger, and may be less than the frequency of
the input signal in Pulse Width trigger mode.
Triggering on a Video Signal
You are testing the video circuit in a piece of medical equipment and need to
display the video output signal. The video output is an NTSC standard signal. Use
the video trigger to obtain a stable display.
TDS2000C Series Oscilloscope User Manual 45

Application Examples
NOTE. Most video systems use 75 ohm cabling. The oscilloscope inputs do not
properly terminate low impedance cabling. To avoid amplitude inaccuracy
from improper loading and reflections, place a 75 ohm feedthrough terminator
(Tektronix part number 011-0055-02 or equivalent) between the 75 ohm coaxial
cable from the signal source and the oscilloscope BNC input.
TriggeringonVideoFields Automatic. To trigger on the video fields, follow these steps:
1. Push the AutoSet button. When Autoset is complete, the oscilloscope
displays the video signal with sync on All Fields.
The oscilloscope sets the Standard option when you use the Autoset function.
1. Push the Odd Field or Even Field option buttons from the AutoSet Menu
to sync on odd or even fields only.
Manual. An alternative method requires more steps, but may be necessary
depending on the video signal. To use the manual method, follow these steps:
1. Push the 1(channel 1 menu) button.
2. PushCoupling ►AC.
3. Push the Trig Menu button to see the Trigger Menu.
4. Push the top option button and select Video.
5. Push Source ►CH1.
6. Push the Sync option button and select All Fields,Odd Field,orEven Field.
7. Push Standard ►NTSC.
8. Turn the Horizontal Scale (seconds/division) knob to see a complete field
across the screen.
9. Turn the Ve rtical Scal e (volts/division) knob to ensure that the entire video
signal is visible on the screen.
46 TDS2000C Series Oscilloscope User Manual

Application Examples
Triggering on Video Lines Automatic. You can also look at the video lines in the field. To trigger on the
video lines, follow these steps:
1. Push the AutoSet button.
2. Push the top option button to select Line to sync on all lines. (The AutoSet
Menu includes All Lines and Line Number options.)
Manual. An alternative method requires more steps, but may be necessary
depending on the video signal. To use this method, follow these steps:
1. Push the Trig Menu button to see the Trigger Menu.
2. Push the top option button and select Video.
3. Push the Sync option button and select All Lines or Line Number and turn
the multipurpose knob to set a specific line number.
4. Push Standard ►NTSC.
5. Turn the Horizontal Scale (seconds/division) knob to see a complete video
line across the screen.
6. Turn the Ve rtica l Sc ale (volts/division) knob to ensure that the entire video
signal is visible on the screen.
Incoming video signal
TDS2000C Series Oscilloscope User Manual 47

Application Examples
Using the Window
Function to See Waveform
Details
You ca n use the window (zoom) function to examine a specific portion of a
waveform without changing the main display.
Ifyouwanttov
iew the color burst in the previous waveform in more detail
without changing the main display, follow these steps:
1. Push the Horiz button to see the Horizontal Menu and select the Main option.
2. Push the Window Zone option button.
3. Turn the horizontal Scale (seconds/division) knob and select 500 ns. This will
be the seconds/division setting of the expanded view.
4. Turn the horizontal Position knob to position the window around the portion
of the waveform that you want to expand.
1. Push the Window option button to see the expanded portion of the waveform.
2. Turn the horizontal Scale (seconds/division) knob to optimize viewing the
expanded waveform.
To switch between the Main and Window views, push the Main or Window
option button in the Horizontal Menu.
48 TDS2000C Series Oscilloscope User Manual

Application Examples
Analyzing a Differential Communication Signal
You are having intermittent problems with a serial data communication link, and
you suspect poor signal quality. Set up the oscilloscope to show you a snapshot of
the serial data stream so you can verify the signal levels and transition times.
Because this is a differential signal, you use the Math function of the oscilloscope
to view a better representation of the waveform.
NOTE. Be sure to first compensate both probes. Differences in probe
compensation appear as errors in the differential signal.
To activate the differential signals connected to channel 1 and to channel 2,
follow these steps:
1. Push the 1(channel 1 menu) button and set the Probe ►Voltage►
Attenuation option to 10X.
2. Push the 2(channel 2 menu) button and set the Probe ►Voltage►
Attenuation option to 10X.
3. If using P2220 probes, set their switches to 10X.
4. Push the AutoSet button.
5. Push the Math button to see the Math Menu.
TDS2000C Series Oscilloscope User Manual 49

Application Examples
6. Push the Operation option button and select -.
7. Push the CH1-CH2 option button to display a new waveform that is the
difference between the displayed waveforms.
8. To adjust the vertical scale and position of the Math waveform, follow these
steps:
a. Remove the channel 1 and channel 2 waveforms from the display.
b. Turn the channel 1 and channel 2 Vertical Scale and Vertical Position
knobs to adjust the vertical scale and position of the Math waveform.
For a more stable display, push the Single button to control the acquisition of
the waveform. Each time you push the Single button, the oscilloscope acquires
a snapshot of the digital data stream. You can use the cursors or automatic
measurements to analyze the waveform, or you can store the waveform to analyze
later.
Viewing Impedance Changes in a Network
You have designed a circuit that needs to operate over a wide temperature range.
You need to evaluate the change in impedance of the circuit as the ambient
temperature is changed.
Connect the oscilloscope to monitor the input and output of the circuit and capture
the changes that occur as you vary the temperature.
50 TDS2000C Series Oscilloscope User Manual

Application Examples
To view the input and output of the circuit in an XY display, follow these steps:
1. Push the 1(channel 1 menu) button.
2. Push Probe ►Voltage ►Attenuation ►10X.
3. Push the 2(channel 2 menu) button.
4. Push Probe ►Volta ge ►Attenuation ►10X.
5. If using P2220 probes, set their switches to 10X.
6. Connect the channel 1 probe to the input of the network, and connect the
channel 2 probe to the output.
7. Push the AutoSet button.
8. Turn the Vertical Scale (volts/division) knobs to display approximately the
same amplitude signals on each channel.
9. Push the Display button to see the Display Menu.
10. Push Format ►XY.
The oscilloscope displays a Lissajous pattern representing the input and
output characteristics of the circuit.
TDS2000C Series Oscilloscope User Manual 51

Application Examples
11. Turn the vertical Scale and vertical Position knobs to optimize the display.
12. Push Persist ►Infinite.
13. Push the Adjust Contrast option button and turn the multipurpose knob
to adjust the display.
As you adjust the ambient temperature, the display persistence captures the
changes in the characteristics of the circuit.
Data Logging
You want to use the oscilloscope to record data from a source over time. You
can configure the trigger conditions and direct the oscilloscope to save all the
triggered waveform together with timing information over a defined time duration
to a USB memory device.
1. Configure the oscilloscope to use the desired trigger conditions to collect the
data. Also, insert a USB memory device in the front-panel USB port.
2. Push the front-panel Utility button.
3. Select Data Logging from the resulting side menu to bring up the data
logging menu.
4. Push Data Logging from the side menu to select On. This enables the data
logging feature. When the feature is enabled but not yet triggering, the
oscilloscope will display a “Data Logging – Waiting for trigger” message.
Before turning on the data logging feature, you must first select the source, the
time duration, and the folder.
5. Push the Source button to select the signal source to log data from. You can
use either one of the input channels or the Math waveform.
6. Push the Duration button as many times as needed to select the duration for
data logging. The 16 selections range from 0.5 hour to 8 hours in 30 minute
increments. You can also use the multipurpose knobs to select the duration.
7. Push the Select Folder buttontodefine where to store the collected
information. The resulting menu choices will let you either select an existing
folder or define a new folder. When done, push Back to return to the main
data logging menu.
8. Start the data acquisition, such as by pushing either the front-panel Single
or Run/Stop button.
9. When the oscilloscope finishes the requested data logging operation, it
displays a “Data logging completed” messageandturnsoffthedatalogging
feature.
52 TDS2000C Series Oscilloscope User Manual

Application Examples
Limit Testing
You want to use the oscilloscope to monitor an active input signal against a
template and to output pass or fail results by judging whether the input signal
is within the bounds of the template.
1. Push the front-panel Utility button.
2. Select Limit Test from the resulting side menu to bring up the limit testing
menu.
3. Select Source from the side menu to define the source of the waveform to
compare against the limit test template.
4. Select Compare To to specify the limit test template against which to
compare test signals sectioned with the Source menu item.
5. Push Template Setup from the side menu to define the boundary to compare
with the input source signals. You can create the template from internal or
external waveforms with specific horizontal and vertical tolerances. You can
also create them from previously saved template settings.
On the resulting side menu,
Push Source to set the location of the signal source used to create the limit
test template.
Push V Limit and turn the multipurpose knob to set the vertical limitation
value, in vertical divisions, by which you can vary the source waveform
vertically when you create the test template.
Push H Limit and turn the multipurpose knob to set the horizontal limitation
value, in horizontal divisions, by which you can vary the source waveform
horizontally when you create the test template.
Push Apply Template to store the template waveform to the reference channel
selected in the Destination menu.
Push Destination to set the location of the reference memory location used to
store the limit test template.
Push Display Template and toggle between On and Off to display or not a
stored template.
6. Push the Action on Violation button and select an action from the resulting
menu to describe what the oscilloscope will do after it detects a violation. You
can select between Save Waveform and Save Image.
7. Push the Stop After button and toggle the resulting button with the same
name to define the conditions that will stop limit testing. Select Waveforms,
Violations,orTime and use the multipurpose knob to set the desired number
TDS2000C Series Oscilloscope User Manual 53

Application Examples
of waveforms, number of violations, or the time in seconds at which to stop.
You can also choose to stop the testing manually.
8. Push the Run/Stop Test button to toggle between starting and ending the limit
test. After you end the test, the oscilloscope will display the test statistics on
the screen. This includes the number of cases tested, the number of cases
passed, and the number of cases failed.
54 TDS2000C Series Oscilloscope User Manual

Math FFT
This chapter contains detailed information on how to use the Math FFT (Fast
Fourier Transform). You can use the FFT Math mode to convert a time-domain
(YT) signal into its frequency components (spectrum). You can use the Math FFT
mode for the following types of analysis:
Analyze harmonics in power lines
Measure harmonic content and distortion in systems
Characterize noise in DC power supplies
Test impulse response of filters and systems
Analyze vibration
To use the Math FFT mode, you need to perform the following tasks:
Set up the source (time-domain) waveform
Display the FFT spectrum
Select a type of FFT window
Adjust the sample rate to display the fundamental frequency and harmonics
without aliasing
Use zoom controls to magnify the spectrum
Use cursors to measure the spectrum
SettingUptheTime-DomainWaveform
Before you use FFT mode, you need to set up the time-domain (YT) waveform.
To do so, follow these steps:
1. Push AutoSet to display a YT waveform.
2. Turn the vertical Position knob to move the YT waveform to the center
vertically (zero divisions).
This ensures that the FFT will show a true DC value.
3. Turn the Horizontal Position knob to position the part of the YT waveform
that you want to analyze in the center eight divisions of the screen.
The oscilloscope calculates the FFT spectrum using the center 2048 points of
the time-domain waveform.
TDS2000C Series Oscilloscope User Manual 55

Math FFT
4. Turn the Vertical Scale (volts/division) knob to ensure that the entire
waveform remains on the screen. The oscilloscope may display erroneous
FFT results (by adding high frequency components) if the entire waveform is
not visible.
5. Turn the Horizontal Scale (seconds/division) knob to provide the resolution
youwantintheFFTspectrum.
6. If possible, set the oscilloscope to display many signal cycles.
If you turn the horizontal Scale knob to select a faster setting (fewer cycles),
the FFT spectrum shows a larger frequency range, and reduces the possibility
of FFT aliasing. (See page 59, FFT Aliasing.) However, the oscilloscope also
displays less frequency resolution.
To set up the FFT display, follow these steps:
1. Push the Math button to see the Math Menu.
2. Push Operation ►FFT.
3. Select the Math FFT Source channel.
In many cases, the oscilloscope can produce a useful FFT spectrum even if the
YT waveform is not triggered. This is especially true if your signal is periodic
or random (noisy).
NOTE. Trigger and position any transient or burst waveforms as closely as
possible to the center of the screen.
Nyquist Frequency The highest frequency that any real-time digitizing oscilloscope can measure
without errors is one-half the sample rate. This frequency is called the Nyquist
frequency. Frequency information above the Nyquist frequency is undersampled,
which causes FFT aliasing. (See page 59, FFT Aliasing.)
The math function transforms the center 2048 points of the time-domain
waveform into an FFT spectrum. The resulting FFT spectrum contains 1024
points that go from DC (0 Hz) to the Nyquist frequency.
Normally, the display compresses the FFT spectrum horizontally into 250 points,
but you can use the FFT Zoom function to expand the FFT spectrum to more
clearly see the frequency components at each of the 1024 data points in the FFT
spectrum.
NOTE. The oscilloscope vertical response rolls off slowly above its bandwidth
(40 MHz, 60 MHz, 100 MHz or 200 MHz, depending on the model, or 20 MHz
when the Bandwidth Limit option is ON). Therefore, the FFT spectrum can show
valid frequency information higher than the oscilloscope bandwidth. However, the
magnitude information near or above the bandwidth will not be accurate.
56 TDS2000C Series Oscilloscope User Manual

Math FFT
Displaying the FFT Spectrum
Push the Math button to display the Math Menu. Use the options to select the
Source channel, Window algorithm, and FFT Zoom factor. You can display only
one FFT spectrum at a time.
Math FFT option Settings Comments
Source CH1, CH2, CH3 1, CH4 1Selects the channel used as the FFT source
Window Hanning, Flattop, Rectangular Selects the FFT window type;(See page 58, Selecting
an FFT Window.)
FFT Zoom X1, X2, X5, X10 Changes the horizontal magnification of the FFT display;
(See page 61, Magnifying and Positioning an FFT
Spectrum.)
1Available only on a 4-channel oscilloscope.
Fundamental
frequency
component
Frequency
component
1. Frequency at the center graticule line.
2. Vertical scale in dB per division (0 dB = 1 VRMS).
3. Horizontal scale in frequency per division.
4. Sample rate in number of samples per second.
5. FFT window type.
TDS2000C Series Oscilloscope User Manual 57

Math FFT
Selecting an FFT Window
Windows reduce spectral leakage in the FFT spectrum. The FFT assumes that
the YT waveform repeats forever. With an integral number of cycles (1, 2, 3,
...), the YT waveform starts and ends at the same amplitude and there are no
discontinuities in the signal shape.
A non-integral number of cycles in the YT waveform causes the signal start and
end points to be at different amplitudes. The transitions between the start and end
points cause discontinuities in the signal that introduce high-frequency transients.
Applying a window to the YT waveform changes the waveform so that the start
and stop values are close to each other, reducing the discontinuities.
58 TDS2000C Series Oscilloscope User Manual

Math FFT
The Math FFT function includes three FFT Window options. There is a trade-off
between frequency resolution and amplitude accuracy with each type of window.
What you want to measure and your source signal characteristics will help you to
determine which window to use.
Window MeasureCharacteristics
Hanning Periodic waveforms Better frequency, poorer magnitude
accuracy than Flattop
Flattop Periodic waveforms Better magnitude, poorer frequency
accuracy than Hanning
Rectangular Pulses or transients Special-purpose window for waveforms
that do not have discontinuities. This is
essentially the same as no window
FFT Aliasing Problems occur when the oscilloscope acquires a time-domain waveform
containing frequency components that are greater than the Nyquist frequency.
(See page 56, Nyquist Frequency.) The frequency components that are above the
Nyquist frequency are undersampled, appearing as lower frequency components
that "fold back" around the Nyquist frequency. These incorrect components are
called aliases.
TDS2000C Series Oscilloscope User Manual 59

Math FFT
60 TDS2000C Series Oscilloscope User Manual

Math FFT
Eliminating Aliases To eliminate aliases, try the following remedies:
Turn the Horizontal Scale (seconds/division) knob to set the sample rate to
a faster setting. Since you increase the Nyquist frequency as you increase
the sample rate, the aliased frequency components appear at their proper
frequency. If too many frequency components are shown on the screen, you
can use the FFT Zoom option to magnify the FFT spectrum.
If you do not need to view frequency components above 20 MHz, set the
Bandwidth Limit option to On.
Put an external filter on the source signal to bandwidth limit the source
waveform to frequencies below that of the Nyquist frequency.
Recognize and ignore the aliased frequencies.
Use zoom controls and the cursors to magnify and measure the FFT spectrum.
Magnifying and Positioning an FFT Spectrum
You can magnify and use cursors to take measurements on the FFT spectrum. The
oscilloscope includes an FFT Zoom option to magnify horizontally. To magnify
vertically, you can use the vertical controls.
Horizontal Zoom and
Position
The FFT Zoom option lets you horizontally magnify the FFT spectrum without
changing the sample rate. Zoom factors are X1 (default), X2, X5, and X10. At
zoom factor X1, and with the waveform centered in the graticule, the left graticule
line is at 0 Hz and the right graticule line is at the Nyquist frequency.
When you change the zoom factor, the FFT spectrum is magnified about the
center graticule line. In other words, the axis of horizontal magnification is the
center graticule line.
Turn the Horizontal Position knob clockwise to move the FFT spectrum to the
right. Push the Set To Zero button to position the center of the spectrum at the
center of the graticule.
Vertical Zoom and Position The channel vertical knobs become vertical zoom and position controls for their
respective channels when displaying the FFT spectrum. The Vertical Scale
knob provides zoom factors of X0.5, X1 (default), X2, X5, and X10. The FFT
spectrum is vertically magnified about the M marker (math waveform reference
point on the left edge of the screen).
Turn the Vertical Position knob clockwise to move the spectrum up for the
source channel.
TDS2000C Series Oscilloscope User Manual 61

Math FFT
Measuring an FFT Spectrum Using Cursors
You can take two measurements on FFT spectrums: magnitude (in dB), and
frequency (in Hz). Magnitude is referenced to 0 dB, where 0 dB equals 1 VRMS.
You can use the cursors to take measurements at any zoom factor. To do so,
follow these steps:
1. Push the Cursor button to see the Cursor Menu.
2. Push Source ►MATH.
3. Push the Type option button to select Magnitude or Frequency.
4. Use the multipurpose knob to move cursors 1 and 2.
Use horizontal cursors to measure magnitude and vertical cursors to measure
frequency. The options display the delta between the two cursors, the value at
cursor 1 position, and the value at cursor 2 position. Delta is the absolute value of
cursor 1 minus cursor 2.
Magnitude cursors Frequency cursors
You can also take a frequency measurement without using the cursors. To do so,
turn the Horizontal Position knob to position a frequency component on the center
graticule line and read the frequency at the top right of the display.
62 TDS2000C Series Oscilloscope User Manual

USB Flash Drive and Device Ports
This chapter describes how to use the Universal Serial Bus (USB) ports on the
oscilloscope to do the following tasks:
Save and recall waveform data or setup data, or save a screen image
Print a screen image
Transfer waveform data, setup data, or a screen image to a PC
Control the oscilloscope with remote commands
To use the PC Communications software, launch and refer to the online help
from the software.
USB Flash Drive Port
The front of theoscilloscopehasaUSBFlashDriveporttoaccommodateaUSB
flash drive for file storage. The oscilloscope can save data to and retrieve data
from the flash drive.
USB Flash Drive port
NOTE. The oscilloscope can only support flash drives with a storage capacity
of 64 GB or less.
To connect a USB flash drive, follow these steps:
1. Align the USB flash drive with the USB Flash Drive port on the oscilloscope.
Flash drives are shaped for proper installation.
2. Insert the flash drive into the port until the drive is fully inserted.
For flash drives with an LED, the drive "blinks" while the oscilloscope writes
data to or reads data from the drive. The oscilloscope also displays a clock
symbol to indicate when the flash drive is active.
After a file is saved or retrieved, the LED on the drive (if any) stops blinking,
and the oscilloscope removes the clock. A hint line also displays to notify you
that the save or recall operation is complete.
TDS2000C Series Oscilloscope User Manual 63

USB Flash Drive and Device Ports
To remove a USB flash drive, wait until the LED on the drive (if any) stops
blinking or until the hint line appears that says the operation is complete, grab the
edge of the drive, and extract the drive from the port.
Flash Drive Initial Read
Time
The oscilloscope reads the internal structure of a USB flash drive each time you
install a drive. The time to complete the read depends on the size of the flash
drive, how the drive is formatted, and the number of files stored on the drive.
NOTE. To significantly shorten the initial read time of 64 MB and larger USB
flash drives, format the drive on your PC.
Formatting a Flash Drive The Format function deletes all data on the USB flash drive. To format a flash
drive, follow these steps:
1. Insert a USB flash drive into the Flash Drive port on the front of the
oscilloscope.
2. Push the Utility button to see the Utility Menu.
3. Push File Utilities ►More ►Format.
4. Select Ye s to format the flash drive.
Flash Drive Capacities The oscilloscope can store the following types and number of files per 1 MB
of USB flash drive memory:
5 Save All operations; (See page 67, Saves All to Files.) (See page 91, Save
All.)
16 screen image files (capacity depends on the image format); (See page 68,
Saves Image to File.) (See page 92, Save Image.)
250 oscilloscope setting (.SET) files; (See page 92, Save Setup.)
18 waveform (.CSV) files; (See page 93, Save Waveform.)
File Management Conventions
The oscilloscope uses the following file management conventions for data storage:
The oscilloscope checks for available space on the USB flash drive before
writing files, and displays a warning message if there is not enough memory
available.
Theterm“folder”referstoadirectorylocationontheUSBflash drive.
The default location for the file save or file recall functions is the current
folder.
64 TDS2000C Series Oscilloscope User Manual

USB Flash Drive and Device Ports
A:\ is the root folder.
The oscilloscope resets the current folder to A:\ when you power on the
oscilloscope, or when you insert a USB flash drive after the oscilloscope is
powered on.
File names can have one to eight characters, followed by a period, and then
followed with an extension of one to three characters.
The oscilloscope displays long file names created on PC operating systems
with the shortened file name from the operating system.
File names are case insensitive and are displayed in upper case.
You can use the File Utilities menu to do the following tasks:
List the contents of the current folder
Select a file or folder
Navigate to other folders
Create, rename, and delete files and folders
FormattheUSBflash drive
(See page 103, File Utilities for the USB Flash Drive.)
Saving and Recalling Files With a USB Flash Drive
There are two ways to operate the USB flash drive for file storage:
through the Save/Recall menu
through the alternative Save function of the Print button
You can use the following Save/Recall menu options to write data to or retrieve
data from a USB flash drive:
Save Image
Save Setup
Save Waveform
Recall Setup
Recall Waveform
NOTE. The print button can be used as a save button for quick storage of files
to a flash drive. For information on how to save many files at once, or images one
after another, refer to Using the Save Functions of the Print Button. (See page 67,
Using the Save Function of the Print Front Panel Button.)
TDS2000C Series Oscilloscope User Manual 65

USB Flash Drive and Device Ports
Save Image, Save Setup,
and Save Waveform
Options
You can save a screen image, the oscilloscope settings, or waveform data to a file
on the USB flash drive through the Save/Recall menu.
Each save option operates in a similar way. As an example, to save a screen image
file to a flash drive, follow these steps:
1. Insert a USB flash drive into the USB Flash Drive port.
2. Push Utility ►Options ►Printer Setup and set the following options:
Ink Saver On, Off Prints the screen image on a white
background when you select On
Layout Portrait, Landscape Printer output orientation
3. Access the screen you want to save.
4. Push the Save/Recall front panel button.
5. Select the Action ►Save Image ►Save option.
The oscilloscope saves the screen image in the current folder and
automatically generates the filename.(Seepage91,Save/Recall.)
Recall Setup, and Recall
Waveform Options
You can recall the oscilloscope settings or waveform data from a file on the USB
flash drive through the Save/Recall menu.
Each recall option operates in a similar way. As an example, to recall a waveform
file from a USB flash drive, follow these steps:
1. Insert the USB flash drive that contains the desired waveform file into the
USB Flash Drive port on the front of the oscilloscope.
2. Push the Save/Recall front panel button.
3. Select the Action ►Recall Waveform ►Select File option.
You can use the Change Folder option to navigate to another folder on the
flash drive.
4. Turn the multipurpose knob to select the waveform file to recall.
The name of the file in the Recall option changes as you scroll.
66 TDS2000C Series Oscilloscope User Manual

USB Flash Drive and Device Ports
5. Select the To option and specify which reference memory location to recall
the waveform to RefA or RefB. RefC and RefD are available on 4-channel
models.
6. Push the Recall FnnnnCHx.CSV option button, where FnnnnCHx.CSV is
the name of the waveform file.
NOTE. For folders on the flash drive that contain one waveform file, select the
Save/Recall ►Action ►Recall Waveform ►To option and specify the reference
memory location to recall the waveform to. The name of the file appears in the
Recall option.(See page 91, Save/Recall.)
Using the Save Function of the Print Front Panel Button
You ca n se t the (print) front panel button to write data to the USB flash drive
as an alternative function. To set the function of the button to save data, access
one of the following options:
Save/Recall ►Save All ►PRINT Button
Utility ►Options ►Printer Setup
NOTE. An LED by the print button lights to indicate the alternative Save function
that writes data to the USB flash drive.
Saves All to Files The Saves All to Files option lets you save the current oscilloscope information
to files on the USB flash drive. A single Saves All to Files action uses less than
700 kB of space on the flash drive.
Before you can save data to the USB flash drive, you need to change the
print front panel button to the alternative Save function. To do so, select the
Save/Recall ►Save All ►PRINT Button ►Saves All to Files option.
To save all the oscilloscope files to a USB flash drive, follow these steps:
1. Insert a USB flash drive into the USB Flash Drive port.
2. To change the folder designated as the current folder, push the Select Folder
option button.
The oscilloscope creates a new folder within the current folder each time you
push the PRINT front panel button, and automatically generates the folder
name.
3. Set up the oscilloscope to capture your data.
4. Push the print (Save) button.
TDS2000C Series Oscilloscope User Manual 67

USB Flash Drive and Device Ports
The oscilloscope creates a new folder on the flash drive and saves the screen
image, waveform data, and setup data in separate files in that new folder,
using the current oscilloscope and file format settings. The oscilloscope
names the folder ALLnnnn. (See page 91, Save/Recall.)
To see a list of the files created by the Saves All To Files function, access the
Utility ►File Utilities menu.
Source File name
CH(x) FnnnnCHx.CSV, where nnnn is an automatically-generated
number, and x is the channel number
MATH FnnnnMTH.CSV
Ref(x) FnnnnRFx.CSV, where x is the reference memory letter
Screen Image FnnnnTEK.???, where ??? is the current file format
Settings FnnnnTEK.SET
File type Contents and uses
.CSV Contains ASCII text strings that list the time (relative to the
trigger) and amplitude values for each of the 2500 waveform
data points; you can import .CSV files into many spreadsheet
and math analysis applications.
.SET Contains an ASCII text string listing of the oscilloscope
settings; refer to the TDS2000C and TPS2000 Series Digital
Oscilloscopes Programmer Manual to decode strings.
Screen images Import files into spreadsheet and word processing applications;
type of image file depends on the application.
NOTE. The oscilloscope stores these settings until you change them, even if you
push the Default Setup button.
Saves Image to File This option lets you save the oscilloscope screen image to a file named
TEKnnnn.???, where the .??? is the current Saves Image to File format. The
next table lists the file formats.
File format Extension Comments
BMP BMP This bitmap format uses a lossless algorithm,
and is compatible with most word processing
and spreadsheet programs; this is the
default.
EPSIMAGE EPS Postscript format
JPEG JPG This bitmap format uses a lossy compression
algorithm, and is commonly used by digital
cameras and by other digital photographic
applications.
PCX PCX DOS Paintbrush format
68 TDS2000C Series Oscilloscope User Manual

USB Flash Drive and Device Ports
File format Extension Comments
RLE RLE Run-length encoding; this format uses a
lossless compression algorithm.
TIFF TIF Tagged Image File Format
Before you can save data to the USB flash drive, you must change the print button
to the alternative Save function. To do so, select the Save/Recall ►Save All ►
PRINT Button ►Saves Image to File option. The Save LED adjacent to the
print button lights to indicate the alternative function.
To save a screen image to a USB flash drive, follow these steps:
1. Insert a USB flash drive into the USB Flash Drive port.
2. To change the folder designated as the current folder, push the Select Folder
option button.
3. Access the screen you want to save.
4. Push the print (Save) button.
The oscilloscope saves the screen image and automatically generates the
file name.
To see a list of the files created by the Save Image To File function, you can
access the Utility ►File Utilities menu.
USB Device Port
You can use a USB cable to connect the oscilloscope to a PC, or to a PictBridge
compatible printer. The USB Device port is on the rear of the oscilloscope.
USB Device port
TDS2000C Series Oscilloscope User Manual 69

USB Flash Drive and Device Ports
Installing the PC Communications Software on a PC
Before you connect the oscilloscope to a PC, you must install the PC
Communications software from the CD that came with the oscilloscope.
CAUTION. If you connect the oscilloscope to your PC before you install the
software, the PC will not recognize the oscilloscope. The PC will label the
oscilloscope as an Unknown Device and not communicate with the oscilloscope.
To avoid this, install the software on your PC before you connect the oscilloscope
to your PC.
NOTE. Be sure you have installed the same version of PC Communications
software that came with the oscilloscope or a later version.
Software for your oscilloscope is also available through the Software finder on
the Tektronix web site.
To install the PC Communications software, follow these steps:
1. Insert the CD-ROM that came with your oscilloscope into the CD drive on the
PC. The InstallShield wizard appears on the screen.
2. Follow the on-screen directions.
3. Exit the InstallShield wizard.
Connecting to a PC
After you install the software on your PC, you can connect the oscilloscope to
the PC.
NOTE. You must install the software before you connect the oscilloscope to the
PC. (See page 70, Installing the PC Communications Software on a PC.)
To connect the oscilloscope to the PC, follow these steps:
1. Power on the oscilloscope.
2. Insert one end of a USB cable into the USB Device port on the back of the
oscilloscope.
3. Power on the PC.
4. Insert the other end of the cable into the desired USB port on a PC.
5. If a Found New Hardware message appears, follow the on-screen directions
for the Found New Hardware wizard.
70 TDS2000C Series Oscilloscope User Manual

USB Flash Drive and Device Ports
Do NOT search for the hardware to install on the web.
6. For a Windows XP systems, follow these steps:
a. If you see the Tektronix PictBridge Device dialog box, click Cancel.
b. When prompted, select the option that tells Windows NOT to connect to
Windows Update, and click Next.
c. In the next window, you should see that you are installing software for
a USB Test and Measurement Device. If you do not see USB Test
and Measurement Device software, the software that came with your
oscilloscope is not properly installed.
d. Select the option that installs the software automatically (the recommended
option) and click Next.
Windows will install the driver for your oscilloscope.
e. If you do not see the USB Test and Measurement Device in step c, or if
Windows cannot find the software driver, the software that came with
your oscilloscope is not properly installed.
In these situations, click Cancel to exit the Found New Hardware wizard.
Do NOT allow the wizard to finish.
Unplug the USB cable from your oscilloscope and install the software
from the CD that came with your oscilloscope.
Reconnect your oscilloscope to the PC and follow steps 6a, 6b, 6c, and 6d.
f. Click Finish.
g. If a dialog labeled Test and Measurement Device appears, select what you
would like Windows to do, and click OK.
7. For Windows 2000 systems:
a. When prompted, select the option that tells Windows to display a list
ofknowndriversandclickNext.
b. In the next window, select USB Test and Measurement Device. If you do
not see a USB Test and Measurement Device selection, the software that
came with your oscilloscope is not properly installed.
c. In the next window, click Next to allow Windows to install the driver
for your oscilloscope.
Windows will install the driver for your oscilloscope.
d. If you do not see the USB Test and Measurement Device in step b, or if
Windows cannot find the software driver, the software that came with
your oscilloscope is not properly installed.
In these situations, click Cancel to exit the Found New Hardware wizard.
Do NOT allow the wizard to finish.
TDS2000C Series Oscilloscope User Manual 71

USB Flash Drive and Device Ports
Unplug the USB cable from your oscilloscope, and install the software
from the CD that came with your oscilloscope.
Reconnect your oscilloscope to the PC and follow steps 7a, 7b, and 7c.
8. When prompted, click Finish.
9. If Windows asks you to insert a CD, click Cancel.
10. Run the PC Communications software on your PC.
11. If the oscilloscope and PC do not communicate, refer to the PC
Communications online help and documentation.
Connecting to a GPIB System
If you want to communicate between the oscilloscope and a GPIB system, use a
TEK-USB-488 adapter and follow these steps:
1. Connect the oscilloscope to a TEK-USB-488 adapter with a USB cable.
The Accessories appendix has information on how to order an adapter. (See
page 117, Accessories.)
2. Connect the TEK-USB-488 adapter to your GPIB system with a GPIB cable.
3. Push the Utility ►Option ►GPIB Setup ►Address option button to
select the appropriate address for the adapter, or use the multipurpose knob.
The default GPIB address is 1.
4. Run your GPIB software on your GPIB system.
5. If the oscilloscope and your GPIB system do not communicate, refer to the
information on the software for your GPIB system, and to the user manual for
the TEK-USB-488 adapter to resolve the problem.
Command Entry
NOTE. For complete command information, refer to the TDS2000C and TPS2000
Series Digital Oscilloscopes Programmer Manual, 077-0444-XX.
72 TDS2000C Series Oscilloscope User Manual

USB Flash Drive and Device Ports
Connecting to aPrinter
When you connect the oscilloscope to a PictBridge compatible printer, the
oscilloscope and printer can be powered on or off. To connect the oscilloscope to
a PictBridge compatible printer, follow these steps:
1. Insert one end of a USB cable into the USB Device port on the oscilloscope.
2. Insert the other end of the cable into the PictBridge port on a PictBridge
compatible printer. Refer to the product documentation for your printer
to locate the port.
3. To test the connection, set up the oscilloscope to print as described in the
next procedure.
NOTE. The printer recognizes the oscilloscope only when the printer is powered
on.
If the oscilloscope asks you to connect to a printer and a printer is connected, you
need to power on the printer.
Printing a Screen Image
To set up a PictBridge compatible printer, follow these steps:
1. Power on the oscilloscope and the printer.
2. Push the Utility ►Options ►Printer Setup ►PRINT Button and select
the Prints option.
3. Set the Ink Saver option to On, the default setting.
4. Push the - more - page 2 of 3 and - more - page 3 of 3 option buttons to set
up the printer. The oscilloscope queries the printer, and only displays options
and values that the printer supports.
If you are not sure which setting to choose, select Default for each option.
5. To print a screen image, push the print front panel button.
The oscilloscope takes a few seconds to capture the screen image. The
settings of your printer and print speed determine how long it takes to print
the data. Additional time may be required according to the format selected.
NOTE. You can use the oscilloscope while the printer prints.
TDS2000C Series Oscilloscope User Manual 73

USB Flash Drive and Device Ports
6. If printing fails, check that the USB cable is connected to the PictBridge port
on the printer, and try again.
NOTE. The oscilloscope stores these settings until you change them, even if you
push the Default Setup button, or you power off the oscilloscope.
NOTE. To stop sending the screen image to the printer, push Abort Printing.
74 TDS2000C Series Oscilloscope User Manual

Reference
This chapter describes the menus and operating details associated with each
front-panel menu button or control.
Acquire
Push the Acquire button to set acquisition parameters.
Options Settings Comments
Sample Use to acquire and accurately display most
waveforms; this is the default mode
Peak Detect Use to detect glitches and reduce the
possibility of aliasing
Average Use to reduce random or uncorrelated noise
in the signal display; the number of averages
is selectable
Averages 4, 16, 64, 128 Select number of averages
Key Points If you probe a noisy square wave signal that contains intermittent, narrow glitches,
the waveform displayed will vary depending on the acquisition mode you choose.
Sample Peak Detect Average
Sample. Use Sample acquisition mode to acquire 2500 points and display them at
the horizontal scale (seconds/division) setting. Sample mode is the default mode.
Sample acquisition intervals (2500)
• Sample points
Sample mode acquires a single sample point in each interval.
The oscilloscope samples at the following rates:
TDS2000C Series Oscilloscope User Manual 75

Reference
Minimum of 500 MS/s for 40 MHz models
Maximum of 1 GS/s for 60 MHz or 100 MHz models
Maximum of 2 GS/s for 200 MHz models
At 100 ns and faster settings, this sample rate does not acquire 2500 points. In this
case, a Digital Signal Processor interpolates points between the sampled points to
make a 2500 point waveform record.
Peak Detect. Use Peak Detect acquisition mode to detect glitches as narrow as
10 ns and to limit the possibility of aliasing. This mode is effective when at the
horizontal scale setting of 5 ms/div or slower.
Peak Detect acquisition intervals (1250)
• Sample points displayed
Peak Detect mode displays the highest and lowest acquired voltage in each interval.
NOTE. If you set the horizontal scale (seconds/division) setting to 2.5 ms/div or
faster, the acquisition mode changes to Sample because the sample rate is fast
enough that Peak Detect is not necessary. The oscilloscope does not display a
message to tell you that the mode was changed to Sample.
When there is enough waveform noise, a typical peak detect display shows large
black areas. The oscilloscope displays this area with diagonal lines to improve
display performance.
Typical peak detect display TDS2000C peak detect display
Average. Use Average acquisition mode to reduce random or uncorrelated noise
in the signal you want to display. Data is acquired in sample mode, then a number
of waveforms are averaged together.
Select the number of acquisitions (4, 16, 64, or 128) to average for the waveform.
76 TDS2000C Series Oscilloscope User Manual

Reference
Run/Stop Button. Push the Run/Stop button when you want the oscilloscope to
continuously acquire waveforms. Push the button again to stop the acquisition.
Single Button. Push the Single (single sequence) button when you want the
oscilloscope to acquire a single waveform and then stop. Each time you push the
Single button, the oscilloscope begins to acquire another waveform. After the
oscilloscope detects a trigger it completes the acquisition and stops.
Acquisition mode Single button
Sample, Peak Detect Sequence is complete when one acquisition is acquired
Average Sequence is complete when the defined number of
acquisitions is reached; (See page 75, Acquire.)
Scan Mode Display. You can use the Horizontal Scan acquisition mode (also
called Roll mode) to continuously monitor signals that change slowly. The
oscilloscope displays waveform updates from the left to the right of the screen and
erasesoldpointsasitdisplaysnewpoints. A moving, one-division-wide blank
section of the screen separates the new waveform points from the old.
The oscilloscope changes to the Scan acquisition mode when you turn the
Horizontal Scale knob to 100 ms/div or slower, and select the Auto Mode option
in the Trigger Menu.
To disable Scan mode, push the Trig Menu button and set the Mode option to
Normal.
Stopping the Acquisition. While the acquisition is running, the waveform display
is live. Stopping the acquisition (when you push the Run/Stop button) freezes
the display. In either mode, the waveform display can be scaled or positioned
with the vertical and horizontal controls.
Autorange
WhenyoupushtheAutoRange button, the oscilloscope activates or deactivates
the Autorange function. An LED light turns on adjacent to the AutoRange button
that indicates when the function is active.
This function automatically adjusts setup values to track a signal. If the signal
changes, the setup continues to track the signal. When you power on the
oscilloscope, autoranging is always inactive.
Options Comment
Autoranging Activates or deactivates the Autorange function; when activated
the adjacent LED light turns on
Vertical and Horizontal Tracks and adjusts both axes
Vertical Only Tracks and adjusts the Vertical scale; does not change the
horizontal settings
TDS2000C Series Oscilloscope User Manual 77

Reference
Options Comment
Horizontal Only Tracks and adjusts the Horizontal scale; does not change the
vertical settings
Undo Autoranging Causes the oscilloscope to recall the previous setup
The following conditions cause autorange to adjust settings:
Too many or too few waveform periods for a clear display of the trigger
source (except when in Vertical Only)
Waveform amplitude too large or too small (except when in Horizontal Only)
Ideal trigger level changes
When you push the AutoRange button, the oscilloscope adjusts controls to
produce a usable display of the input signal.
Function Setting
Acquire mode Sample
Display format YT
Display persist Off
Horizontal position Adjusted
Horizontal view Main
Run/Stop RUN
Horizontal scale (seconds/division) Adjusted
Trigger coupling DC
Trigger holdoff Minimum
Trigger level Adjusted
Trigger mode Edge
Vertical bandwidth Full
Vertical BW limit Off
Vertical coupling DC
Vertical invert Off
Vertical scale (volts/division) Adjusted
The following changes to the setup of the oscilloscope deactivate autorange:
Vertical scale deactivates vertical autoranging
Horizontal scale deactivates horizontal autoranging
Display or remove a channel waveform
Trigger settings
Single sequence acquisition mode
Recall a setup
78 TDS2000C Series Oscilloscope User Manual

Reference
XY Display format
Persistence
The Autorange function is usually more useful than Autoset in the following
situations:
Analyzing a dynamically changing signal
Quickly comparing a sequence of several signals without adjusting the
oscilloscope. This is very useful if you need to use two probes at the same
time, or if you need to use a probe in one hand and are holding something
else in the other.
Controlling which settings the oscilloscope automatically adjusts
If your signals vary in frequency, but have similar amplitudes, you can use
Horizontal Only autoranging. The oscilloscope will adjust the horizontal settings,
but leave the vertical settings unchanged. This way, you can visually estimate
the amplitude of the signal without worrying about the vertical scale changing.
Vertical Only autoranging works similarly, adjusting vertical parameters and
leaving the horizontal settings unchanged.
Autoset
When you push the AutoSet button, the oscilloscope identifies the type of
waveform and adjusts controls to produce a usable display of the input signal.
Function Setting
Acquire mode Adjusted to Sample or Peak Detect
Cursors Off
Display format Set to YT
Display type Set to Dots for a video signal, set to Vectors for an FFT
spectrum; otherwise, unchanged
Horizontal position Adjusted
Horizontal scale
(seconds/division)
Adjusted
Trigger coupling Adjusted to DC, Noise Reject, or HF Reject
Trigger holdoff Minimum
Trigger level Set to 50%
Trigger mode Auto
Trigger source Adjusted; refer to the information after this table; cannot
use Autoset on the Ext Trig signal
Trigger slope Adjusted
Trigger type Edge or Video
Trigger Video Polarity Normal
TDS2000C Series Oscilloscope User Manual 79

Reference
Function Setting
Trigger Video Sync Adjusted
Trigger Video Standard Adjusted
Vertical bandwidth Full
Vertical coupling DC (if GND was previously selected); AC for a video signal;
otherwise, unchanged
VOLTS/DIV Adjusted
The Autoset function examines all channels for signals and displays corresponding
waveforms. Autoset also determines the trigger source based on the following
conditions:
If multiple channels have signals, the oscilloscope displays the channel with
the lowest frequency signal.
If no signals are found, then the oscilloscope displays the lowest-numbered
channel when Autoset was invoked.
If no signals are found and no channels are displayed, then the oscilloscope
displays and uses channel 1.
When you use Autoset and the oscilloscope cannot determine the signal type, the
oscilloscope adjusts the horizontal and the vertical scales, then takes the Mean
and Pk-to-Pk automatic measurements.
The Autoset function is usually more useful than Autorange in the following
situations:
Troubleshooting one stable signal
Automatically seeing measurements of your signal
Easily changing how the signal is presented. For example, viewing only one
cycle of the waveform, or the rising edge of the waveform
Viewing video signals or FFT signals
Sine Wave When you use the Autoset function and the oscilloscope determines that the signal
is similar to a sine wave, the oscilloscope displays the following options:
Sine wave Details
Multi-cycle sine
Displays several cycles with appropriate vertical and
horizontal scaling; the oscilloscope displays Cycle
RMS, Frequency, Period, and Peak-to-Peak automatic
measurements
Single-cycle sine
Sets the horizontal scale to display about one cycle
of the waveform; the oscilloscope displays Mean, and
Peak-to-Peak automatic measurements
80 TDS2000C Series Oscilloscope User Manual

Reference
Sine wave Details
FFT
Converts the input time-domain signal into its frequency
components and displays the result as a graph of
frequency versus magnitude (spectrum); because this is a
mathematical calculation, refer to the Math FFT chapter
for more information
Undo Autoset Causes the oscilloscope to recall the previous setup
Square Wave or Pulse When you use the Autoset function and the oscilloscope determines that the signal
is similar to a square wave or pulse, the oscilloscope displays the following
options:
Square wave or Details
Multi-cycle square
Displays several cycles with appropriate vertical and
horizontal scaling; the oscilloscope displays Pk-Pk, Mean,
Period, and Frequency automatic measurements
Single-cycle square
Sets the horizontal scale to display about one cycle of the
waveform; the oscilloscope displays Min, Max, Mean, and
Positive Width automatic measurements
Rising edge
Displays the edge, and the Rise Time and Peak-to-Peak
automatic measurements
Falling edge
Displays the edge, and the Fall Time and Peak-to-Peak
automatic measurements
Undo Autoset Causes the oscilloscope to recall the previous setup
Video Signal When you use the Autoset function and the oscilloscope determines that the signal
is a video signal, the oscilloscope displays the following options:
Video signal options Details
Fields ►All Fields
Displays several fields and the oscilloscope triggers on any
field
Lines ►All Lines
Displays one complete line with parts of the previous and
next line; the oscilloscope triggers on any line
Lines ►Number
Displays one complete line with parts of the previous and
next line; use the multipurpose knob to select a specificline
number for the oscilloscope to use as a trigger
Odd Fields
Displays several fields and the oscilloscope triggers only on
odd numbered fields
TDS2000C Series Oscilloscope User Manual 81

Reference
Video signal options Details
Even Fields
Displays several fields and the oscilloscope triggers only on
even numbered fields
Undo Autoset Causes the oscilloscope to recall the previous setup
NOTE. Video autoset sets the Display Type option to Dot Mode.
Cursor
Push the Cursor button to display the measurement cursors and Cursor Menu,
and then use the multipurpose knob to change the position of a cursor.
Options Settings Comments
Type 1Time, Amplitude, Off Select and display the measurement
cursors; Time measures time, frequency,
and amplitude; Amplitude measures
amplitude, such as current or voltage
Source CH1, CH2, CH3 2, CH4 2
,MATH,REFA,REFB,
REFC 2,REFD2
Choose the waveform on which to take
the cursor measurements
Cursor readouts display the measurement
ΔDisplays the absolute value of the
difference (delta) between the cursors
Cursor 1
Cursor 2
Displays selected cursor location (time
is referenced to the trigger position, and
amplitude to the reference connection)
1For a Math FFT source, measures Frequency and Magnitude.
2Available only on a 4-channel oscilloscope.
Delta (Δ) values vary with the following types of cursors:
Time cursors display Δt, 1/ ΔtandΔV(orΔI, ΔVV, and so on)
Amplitude cursors, and Magnitude cursors (Math FFT source) display ΔV, ΔI,
ΔVV, and so on
Frequency cursors (Math FFT source) display 1/ΔHz and ΔdB
NOTE. The oscilloscope must display a waveform for the cursors and cursor
readouts to appear.
NOTE. The oscilloscope displays the time and amplitude values for each
waveform when you use Time cursors.
82 TDS2000C Series Oscilloscope User Manual

Reference
Key Points Cursor Movement. Use the multipurpose knob to move Cursor 1 or Cursor 2.
You can move the cursors only while the Cursor Menu is displayed. The active
cursor is represented by a solid line.
Amplitude cursors Time cursors
Default Setup
Push the Default Setup button to recall most of the factory option and control
settings, but not all. Appendix D lists the default settings that will be recalled.
Display
Push the Display button to choose how waveforms are presented and to change
the appearance of the entire display.
Options Settings Comments
Type Vectors, Dots Vectors fill the space between adjacent
sample points in the display
Dots display only the sample points
Persist OFF, 1 sec, 2 sec,
5sec,Infinite
Sets the length of time each displayed
sample point remains displayed
Format YT, XY YT format displays the vertical voltage in
relation to time (horizontal scale)
XY format displays a dot each time a sample
is acquired on channel 1 and channel 2
Channel 1 voltage or current determines the
X coordinate of the dot (horizontal) and the
channel 2 voltage or current determines the
Y coordinate (vertical)
Contrast 1Makes it easier to distinguish a channel
waveform from persistence
1Use the multipurpose knob to adjust.
Depending on the type, waveforms will be displayed in three different styles:
solid, dimmed, and broken.
TDS2000C Series Oscilloscope User Manual 83

Reference
1. A solid waveform indicates a channel (live) waveform display. The waveform
remains solid when the acquisition is stopped if no controls are changed that
make the display accuracy uncertain.
Changing the vertical and horizontal controls is allowed on stopped
acquisitions.
2. Reference waveforms appear white and waveforms with persistence applied
appear in the same color as the Main waveform, but with less intensity.
3. A broken line indicates the waveform display no longer matches the controls.
This happens when you stop the acquisition, and change a control setting that
the oscilloscope is not able to apply to the displayed waveform. For example,
changing the trigger controls on a stopped acquisition causes a broken-line
waveform.
Key Points Persistence. The oscilloscope displays persistence waveform data with less
intensity than "live" waveform data. With Persistence set to Infinite, record points
accumulate until a control is changed.
Option Comments
Off Removes default or old waveforms whenever new waveforms
display
Time limit Displays new waveforms at normal intensity and old waveforms
at a lower intensity; erases old waveforms when they reach
the time limit
Infinite Older waveforms become less bright but always remain visible;
use Infinite persistence to look for infrequent events and to
measure long term peak-to-peak noise
XY Format. Use the XY format to analyze phase differences, such as those
represented by Lissajous patterns. The format plots the voltage on channel 1
against the voltage on channel 2, where channel 1 is the horizontal axis and
84 TDS2000C Series Oscilloscope User Manual

Reference
channel 2 is the vertical axis. The oscilloscope uses the untriggered Sample
acquisition mode and displays data as dots. The sampling rate is fixed at 1 MS/s.
NOTE. The oscilloscope can capture a waveform in normal YT mode at any
sampling rate. You can view the same waveform in XY mode. To do so, stop the
acquisition and change the display format to XY.
In XY format, the controls operate as follows:
The channel 1 Vertical Scale and Vertical Position controls set the horizontal
scale and position.
The channel 2 Vertical Scale and Vertical Position controls continue to set
vertical scale and position.
The following functions do not work in XY display format:
Autoset (resets display format to YT)
Autorange
Automatic measurements
Cursors
Reference or Math waveforms
Save/Recall ►Save All
Time base controls
Trigger controls
Help
Push the Help button to display the Help menu. The topics cover all the menu
options and controls of the oscilloscope. (See page xiv, Help System.)
Horizontal
You can use the horizontal controls to set up two views of a waveform, each with
their own horizontal scale and position. The horizontal position readout shows
the time represented by the center of the screen, using the time of the trigger
as zero. When you change the horizontal scale, the waveform will expand or
contract around the screen center.
Options Comments
Main The main horizontal time base setting is used to display the
waveform
TDS2000C Series Oscilloscope User Manual 85

Reference
Options Comments
Window Zone Two cursors define a window zone
Adjust the window zone with the Horizontal Position and
Horizontal Scale controls
Window Changes the display to show the waveform segment (expanded
to screen width) within the window zone
Set Holdoff Displays the holdoff value; push the option button and use the
multipurpose knob to adjust
NOTE. You can push the horizontal option buttons to switch between an entire
waveform display and a zoomed part of it.
A readout near the top right of the screen displays the current horizontal position
in seconds. An Mindicates the Main time base and a Windicates the Window
time base. The oscilloscope also indicates horizontal position with an arrow icon
at the top of the graticule.
Knobs and Buttons Horizontal Position Knob. Use to control the position of the trigger relative to
the centerofthescreen.
The trigger point can be set to the left or the right of the center of the screen. The
maximum number of divisions to the left depends on the Horizontal Scale (time
base) setting. For most scales, the maximum is at least 100 divisions. Placing the
trigger point off the screen to the left is called Delayed Sweep.
Set To Zero Button. Use to set the horizontal position to zero.
Horizontal Scale Knob (seconds/division). Use to change the horizontal time scale
to magnify or compress the waveform.
Key Points Horizontal Scale. If waveform acquisition is stopped (using the Run/Stopor
Single button), the Horizontal Scale control expands or compresses the
waveform. Use to zoom in on a detail of the waveform.
Scan Mode Display (Roll Mode). When the Horizontal Scale control is set to
100 ms/div or slower and the trigger mode is set to Auto, the oscilloscope enters
the Scan acquisition mode. In this mode, the waveform display updates from left
to right. There is no trigger or horizontal position control of waveforms during
scan mode. (See page 77, Scan Mode Display.)
Window Zone. Use the window zone option to define a segment of a waveform to
see in more detail (zoom). The Window time base setting cannot be set slower
than the Main time base setting.
86 TDS2000C Series Oscilloscope User Manual

Reference
Vertical bars define Window Zone
Main time base displayed Window zone displayed
Window. Expands the Window Zone to cover the entire screen. Use to change
between two time bases.
NOTE. When you change between the Main, Window Zone, and Window views,
the oscilloscope erases any waveform saved on the screen through persistence.
Persistence is erased with Horizontal menu changes.
Holdoff.Use holdoff to help stabilize the display of complex waveforms. (See
page 100, Holdoff.)
Math
Push the Math button to display waveform math operations. Push the Math
button again to remove math waveforms. (See page 104, Vertical Controls.)
Options Comments
+, -, ×, FFT Math operations; see the next table
Sources Sources used for the operations; see the next table
Position Use the multipurpose knob to set the vertical position of the
resultant Math waveform
Vertical Scale Use the multipurpose knob to set the vertical scale of the
resultant Math waveform
The Math Menu includes Sources options for each operation.
Operation Sources option Comments
CH1 + CH2 Channels 1 and 2 are added
together
+ (addition)
CH3 + CH4 1Channels 3 and 4 are added
together
TDS2000C Series Oscilloscope User Manual 87

Reference
Operation Sources option Comments
CH1 - CH2 The channel 2 waveform is
subtracted from the channel 1
waveform
CH2 - CH1 The channel 1 waveform is
subtracted from the channel 2
waveform
CH3 - CH4 1The channel 4 waveform is
subtracted from the channel 3
waveform
- (subtraction)
CH4 - CH3 1The channel 3 waveform is
subtracted from the channel 4
waveform
CH1×CH2 Channels 1 and 2 are multiplied
together
× (multiplication)
CH3×CH4 1Channels 3 and 4 are multiplied
together
FFT (See page 55.)
1Available only on a 4-channel oscilloscope.
Key Points Waveform Units. The combination of source waveform units determine the
resulting units for the Math waveform.
Waveform unit Waveform unit Operation Resulting Math unit
VV
+or- V
AA
+or- A
VA
+or- ?
VV
×VV
AA
×AA
VA
×VA
Measure
Push the Measure button to access automatic measurements. There are eleven
types of measurements available. You can display up to five at a time.
Push the top option button to display the Measure 1 Menu. You can choose the
channel on which to take a measurement in the Source option. You can choose the
type of measurement to take in the Type option. Push the Back option button to
return to the Measure Menu and display the selected measurements.
Key Points Taking Measurements. Youcandisplayuptofive automatic measurements at a
time. The waveform channel must be on (displayed) to make a measurement.
88 TDS2000C Series Oscilloscope User Manual

Reference
Automated measurements cannot be taken on reference waveforms, or while
using XY or scan mode. The measurements update about two times per second.
Measurement type Definition
Freq Calculates the frequency of the waveform by measuring the first cycle
Period Calculates the time of the first cycle
Mean Calculates the arithmetic mean amplitude over the entire record
Pk-Pk Calculates the absolute difference between the maximum and minimum peaks of the entire
waveform
Cyc RMS Calculates a true RMS measurement of the first complete cycle of the waveform
RMS Calculates a true RMS measurement for all 2,500 samples from one frame of the waveform data
Cursor RMS Calculates a true RMS measurement of the waveform data from the selected starting to the ending
point
Min Examines the entire 2500 point waveform record and displays the minimum value
Max Examines the entire 2500 point waveform record and displays the maximum value
Rise Time Measures the time between 10% and 90% of the first rising edge of the waveform
Fall Time Measures the time between 90% and 10% of the first falling edge of the waveform
Pos Width Measures the time between the first rising edge and the next falling edge at the waveform 50% level
Neg Width Measures the time between the first falling edge and the next rising edge at the waveform 50% level
Duty Cyc Measures the ratio of the positive pulse duration to the whole cycle
Phase Calculates the phase angle difference of signals from two different channels, using the rising edge
of the first signal compared to the rising edge of the second signal
Delay Calculates the time difference from two different channels using the rising edge of the first signal
compared to the rising edge of the second signal
None Does not take any measurement
Print
When the Save All ►PRINT Button option is set to Prints, you can push the
print button to send the screen image to a printer.
You can set up the oscilloscope to send a screen image to your printer through the
Utility ►Options ►Printer Setup menu.
Option Setting Comments
Ink Saver On, Off Prints the screen image on a
white background when you
select On
Layout 1Portrait, Landscape Printer output orientation
Abort Printing Stops sending the screen image
to the printer
TDS2000C Series Oscilloscope User Manual 89

Reference
Option Setting Comments
Paper Size 2Default, L, 2L, Hagaki Postcard, Card Size, 10 x 15 cm, 4" x 6", 8"
x 10", Letter, 11" x 17", A0, A1, A2, A3, A4, A5, A6, A7, A8, A9,
B0, B1, B2, B3, B4, B5, B6, B7, B8, B9, 89 mm Roll (L), 127 mm
Roll (2L), 100 mm Roll (4"), 210 mm Roll (A4)
Displays settings available on
your PictBridge compatible
printer
Image Size 2Default, 2.5 x 3.25 in, L (3.5 x 5 in), 4 x 6 in, 2L (5 x 7 in), 8 x 10 in,
4L (7 x 10 in), E, Card, Hagaki card, 6 x 8 cm, 7 x 10 cm, 9 x
13 cm, 10 x 15 cm, 13 x 18 cm, 15 x 21 cm, 18 x 24 cm, A4, Letter
Paper Type 2Default, Plain, Photo, Fast Photo
Print Quality 2Default, Normal, Draft, Fine
Date Print 2Default, Off, On
ID Print 2Default, Off, On
1The printer may override your selection for best fit.
2If your selection is not supported by the printer, the oscilloscope uses the Default setting.
The alternative function of the print button is to save data to a USB flash drive.
(See page 63, USB Flash Drive and Device Ports.)
The oscilloscope was designed to print to any PictBridge compatible printer.
Refer to the product documentation for your printer to determine if the printer is
PictBridge compatible.
Probe Check
You can use the Probe Check Wizard to quickly verify that your voltage probe is
operating properly. (See page 5, Voltage Probe Check Wizard.)
Reference Menu
The Reference menu can turn on or turn off reference memory waveforms
from the display. The waveforms are stored in the non-volatile memory of the
oscilloscope, and have the following designations: RefA, RefB, RefC, and RefD.
(RefC and RefD are only available on 4-channel oscilloscopes.)
To display (recall) or hide a reference waveform, follow these steps:
1. Push the Ref front panel button.
2. Push the side-menu button corresponding to the reference waveform you
wish to display or hide.
Reference waveforms have the following characteristics:
On color models, reference waveforms are displayed in white
On monochrome models, reference waveforms are displayed at a lower
intensity than "live" channel waveforms
Two reference waveforms can be displayed at the same time
90 TDS2000C Series Oscilloscope User Manual

Reference
Vertical and horizontal scale readouts display at the bottom of the screen
Reference waveforms cannot be zoomed or panned
You can display one or two reference waveforms at the same time as "live"
channel waveforms. If you display two reference waveforms, you must hide one
waveform before you can display a different one.
Refer to Save Waveform for information on how to save reference waveforms.
(See page 93, Save Waveform.)
Save/Recall
Push the Save/Recall button to save oscilloscope setups, screen images, or
waveforms, or to recall oscilloscope setups or waveforms.
The Save/Recall menu is made up of many submenus which you can access
through an Action option. Each Action option displays a menu that allows you to
further define the save or recall function.
Action options Comments
Save AllContains the option that configures the PRINT button to send data to
a printer or to save data to a USB flash drive
Save Image Saves a screen image to a file in a specified format
Save Setup Saves the current oscilloscope settings to a fileinaspecified folder
or in nonvolatile setup memory
Save Waveform Saves the specified waveform to a file or to reference memory
Recall Setup Recalls an oscilloscope setup file from a USB flash drive or from a
location in nonvolatile setup memory
Recall Waveform Recalls a waveform file from a USB flash drive to reference memory
Save All The Save All action configuresthePRINTbuttontosavedatatoaUSBflash
drive, or to send data to a printer.
Options Settings or submenus Comments
Saves All to Files 1(See page 67.)
Saves Image to File 1(See page 68.)
PRINT Button
Prints (See page 73.)
TDS2000C Series Oscilloscope User Manual 91

Reference
Options Settings or submenus Comments
Lists the contents of the current USB
flash drive folder
Change Folder
New Folder
(See page 64, File Management
Conventions.) (See page 103, File
Utilities for the USB Flash Drive.)
Select Folder
Back Returns to the Save All menu
About Save All Displays the help topic
1An LED lights adjacent to the PRINT button to indicate the alternative Save function that sends data to a USB
flash drive.
Save Image The Save Image action saves a screen image to a file in a specified format.
Options Settings or submenus Comments
File Format BMP, PCX, TIFF, RLE,
EPSIMAGE, JPEG
Sets the screen image graphics file
format
About Saving
Images
Displays the help topic
Lists the contents of the current USB
flash drive folder and displays the folder
options
Change Folder
New Folder
(See page 64, File Management
Conventions.) (See page 103, File
Utilities for the USB Flash Drive.)
Layout 1, Portrait,
Landscape
Select portrait or landscape image
layout
Select Folder
Ink Saver 1, On, Off Activates or deactivates Ink Saver mode
Save filename (such as
TEK0000.TIF)
Saves the screen image to the
automatically generated file name in the
current USB flash drive folder
1(See page 89, Print.)
When the print button option is set to Saves Image to File, the oscilloscope saves
screen images to a USB flash drive when you push the Save button. (See page 68,
Saves Image to File.)
Save Setup The Save Setup action saves the current oscilloscope settings to a file named
TEKnnnn.SET in a specified folder, or in nonvolatile setup memory. A setup file
contains an ASCII text string that lists the oscilloscope settings.
92 TDS2000C Series Oscilloscope User Manual

Reference
Options Settings or submenus Comments
Setup Saves the current oscilloscope settings
to a location in the nonvolatile setup
memory
Save To
File Saves the current oscilloscope settings
to a file on the USB flash drive
Setup 1to10 Specifies which nonvolatile setup
memory location to save to
Lists the contents of the current USB
flash drive folder
Change Folder
Select Folder
New Folder
(See page 64, File Management
Conventions.) (See page 103, File
Utilities for the USB Flash Drive.)
Save filename (such as
TEK0000.SET)
Saves the settings to the automatically
generated file name in the current USB
flash drive folder
When the print button option is set to Saves All to Files, the oscilloscope saves
oscilloscope setup files to a USB flash drive when you push the Save button. (See
page 67, Saves All to Files.)
Save Waveform The Save Waveform action saves the specified waveform to a file named
TEKnnnn.CSV, or to reference memory. The oscilloscope saves waveform data to
files as "comma separated values" (.CSV format), which are ASCII text strings
that list the time (relative to the trigger) and amplitude values for each of the
2500 waveform data points. You can import .CSV filesintomanyspreadsheet
and math analysis applications.
Options Settings or submenus Comments
File Specifies to save the source waveform
data to a file on a USB flash drive
Save To
Ref Specifies to save the source waveform
data in reference memory
Source 1CH(x), Ref(x), MATH Specifies which source waveform to
save
To Ref(x) Specifies the reference memory location
inwhichtosavethesourcewaveform
TDS2000C Series Oscilloscope User Manual 93

Reference
Options Settings or submenus Comments
Lists the contents of the current USB
flash drive folder
Change Folder
Select Folder
New Folder
(See page 64, File Management
Conventions.) (See page 103, File
Utilities for the USB Flash Drive.)
Save filename (such as
TEK0000.CSV)
Saves the waveform data to the
automatically generated file name in the
current USB flash drive folder
1Waveform must be displayed to save it as a reference waveform.
Recall Setup The Recall Setup action recalls an oscilloscope setup file from a USB flash drive
or from a location in nonvolatile setup memory.
Options Settings or submenus Comments
Setup Specifies to recall a setup from the
nonvolatile memory
Recall From
File Specifies to recall a setup file from a
USB flash drive
Setup 1to10 Specifies which setup location in
nonvolatile setup memory to recall
Lists the contents of the current USB
flash drive folder to select a file from
Select File
Change Folder (See page 64, File Management
Conventions.) (See page 103, File
Utilities for the USB Flash Drive.)
Recalls the settings from the specified
nonvolatile memory location
Recall
filename (such as
TEK0000.SET)
Recalls the oscilloscope settings from
the specified USB flash drive file
Recall Waveform The Recall Waveform action recalls a waveform file from a USB flash drive to a
location in reference memory.
Options Settings or submenus Comments
To Ref(x) Specifies the reference memory location
to load the waveform to
From File Recalls the file from the USB flash drive
94 TDS2000C Series Oscilloscope User Manual

Reference
Options Settings or submenus Comments
Lists the contents of the current USB
flash drive folder and displays the next
folder option
Change Folder(See page 64, File Management
Conventions.) (See page 103, File
Utilities for the USB Flash Drive.)
Select File
To Specifies the reference memory location
to recall the waveform to
Recall filename (such as
TEK0000.CSV)
Loads the waveform from the specified
file to the location in reference memory
and displays the waveform
Key Points Saving and Recalling Setups. The complete setup is stored in nonvolatile memory.
When you recall the setup, the oscilloscope will be in the mode from which the
setup was saved.
The oscilloscope saves the current setup if you wait three seconds after the last
change before you power off the oscilloscope. The oscilloscope then recalls this
setup the next time you apply power.
Recalling the Default Setup. You can push the Default Setup button to initialize
the oscilloscope to a known setup. To view option and control settings that the
oscilloscope recalls when you push this button, refer to Appendix D: Default Setup.
Saving and Recalling Waveforms. The oscilloscope must display any waveform
that you want to save. Two-channel oscilloscopes can store two reference
waveforms in internal nonvolatile memory. Four-channel oscilloscopes can store
four, but only display two at a time.
The oscilloscope can display both reference waveforms and channel waveform
acquisitions. Reference waveforms are not adjustable, but the oscilloscope
displays the horizontal and vertical scales at the bottom of the screen.
Trigger Controls
You ca n define the trigger through the Trigger Menu and front-panel controls.
Trigger Types Three types of triggering are available: Edge, Video, and Pulse Width. A different
set of options display for each type of trigger.
Option Details
Edge (default) Triggers the oscilloscope on the rising or falling edge of the input
signal when it crosses the trigger level (threshold)
TDS2000C Series Oscilloscope User Manual 95

Reference
Option Details
Video Displays NTSC or PAL/SECAM standard composite video
waveforms; you trigger on fields or lines of video signals. (See
page 98, Video Trigger.)
Pulse Triggers on aberrant pulses. (See page 98, Pulse Width Trigger.)
Edge Trigger Use Edge triggering to trigger on the edge of the oscilloscope input signal at the
trigger threshold.
Options Settings Comments
Edge With Edge highlighted, the rising or
falling edge of the input signal is used
for the trigger
Source CH1, CH2, CH3 1,CH41,
Ext, Ext/5, AC Line
Select the input source as the trigger
signal (See page 97.)
Slope Rising, Falling Select to trigger on either the rising
or falling edge of the signal
Mode Auto, Normal Select the type of triggering (See
page 96.)
Coupling AC, DC, Noise Reject, HF
Reject, LF Reject
Selects the components of the trigger
signal applied to the trigger circuitry
(See page 97.)
1Available only on a 4-channel oscilloscope.
Trigger Frequency Readout The oscilloscope counts the rate at which triggerable events occur to determine
trigger frequency and displays the frequency in the lower right corner of the
screen.
NOTE. The trigger frequency readout shows the frequency of events the
oscilloscope might consider to be a trigger, and may be less than the frequency of
the input signal in Pulse Width trigger mode.
Key Points Mode Options. The Auto mode (default) forces the oscilloscope to trigger when it
does not detect a trigger within a certain amount of time based on the horizontal
scale setting. You can use this mode in many situations, such as to monitor the
level of a power supply output.
Use the Auto mode to let the acquisition free-run in the absence of a valid trigger.
This mode allows an untriggered, scanning waveform at 100 ms/div or slower
time base settings.
The Normal mode updates displayed waveforms only when the oscilloscope
detects a valid trigger condition. The oscilloscope displays older waveforms until
the oscilloscope replaces them with new ones.
96 TDS2000C Series Oscilloscope User Manual

Reference
Use the Normal mode when you want to see only valid triggered waveforms.
When you use this mode, the oscilloscope does not display a waveform until
after the first trigger.
To perform a Single Sequence acquisition, push the Single button.
Source Options.
Source option Details
CH1, CH2, CH3 1,CH41Triggers on a channel whether or not the waveform is
displayed
Ext Does not display the trigger signal; the Ext option uses the
signal connected to the Ext Trig front-panel BNC and allows
a trigger level range of +1.6 V to -1.6 V
Ext/5 Same as Ext option, but attenuates the signal by a factor of
five, and allows a trigger level range of +8 V to -8 V; this
extends the trigger level range
AC Line 2Uses a signal derived from the power line as the trigger source;
trigger coupling is set to DC and the trigger level to 0 volts.
You can use the AC Line when you need to analyze signals
related to the frequency of the power line, such as lighting
equipment and power supply devices; the oscilloscope
automatically generates the trigger, sets the Trigger Coupling
to DC, and sets the Trigger Level to zero volts.
1Available only on a 4-channel oscilloscope.
2Available only when you select the Edge trigger type.
NOTE. To view an Ext, Ext/5, or AC Line trigger signal, push and hold down
the Trig View button.
Coupling. Coupling allows you to filter the trigger signal used to trigger an
acquisition.
Option Details
DC Passes all components of the signal
Noise Reject Adds hysteresis to the trigger circuitry; this reduces sensitivity
which reduces the chance of falsely triggering on noise
HF Reject Attenuates the high-frequency components above 80 kHz
LF Reject Blocks the DC component and attenuates the low-frequency
components below 300 kHz
AC Blocks DC components and attenuates signals below 10 Hz
NOTE. Trigger coupling affects only the signal passed to the trigger system. It
does not affect the bandwidth or coupling of the signal displayed on the screen.
TDS2000C Series Oscilloscope User Manual 97

Reference
Pretrigger. The trigger position is typically set at the horizontal center of the
screen. In this case, you are able to view five divisions of pretrigger information.
Adjusting the Horizontal Position of the waveform allows you to see more or less
pretrigger information.
Video Trigger Options Settings Comments
Video With Video highlighted, triggering
occurs on an NTSC, PAL, or SECAM
standard video signal
Trigger coupling is preset to AC
Source CH1, CH2, CH3 1, CH4 1,
Ext, Ext/5
Selects the input source as the trigger
signal; Ext and Ext/5 selections use
the signal applied to the Ext Trig
connector
Polarity Normal, Inverted Normal triggers on the negative edge
of the sync pulse; Inverted triggers on
the positive edge of the sync pulse
Sync All Lines, Line Number,
Odd Field, Even Field, All
Fields
Select an appropriate video sync
Use the multipurpose knob to specify
a line number when you select Line
Number for the Sync option
Standard NTSC, PAL/SECAM Select the video standard for sync
and line number count
1Available only on a 4-channel oscilloscope.
Key Points Sync Pulses. When you choose Normal Polarity, the trigger always occurs on
negative-going sync pulses. If your video signal has positive-going sync pulses,
use the Inverted Polarity selection.
Pulse Width Trigger Use Pulse Width triggering to trigger on normal or aberrant pulses.
Options Settings Comments
Pulse With Pulse highlighted, triggering
occurs on pulses that meet the trigger
condition defined by the Source,
When, and Set Pulse Width options
Source CH1, CH2, CH3 1,CH41,
Ext, Ext/5
Select the input source as the trigger
signal
When =, ≠,<,> Select how to compare the trigger
pulse relative to the value selected in
the Pulse Width option
Pulse Width 33 ns to 10.0 sec Use the multipurpose knob to set a
width
98 TDS2000C Series Oscilloscope User Manual

Reference
Options Settings Comments
Polarity Positive, Negative Select to trigger on positive or
negative pulses
Mode Auto, Normal Select the type of triggering; Normal
mode is best for most Pulse Width
trigger applications
Coupling AC, DC, Noise Reject, HF
Reject, LF Reject
Selects the components of the trigger
signal applied to the trigger circuitry;
(See page 96, Edge Trigger.)
More Use to switch between submenu
pages
1Available only on a 4-channel oscilloscope.
Trigger Frequency Readout The oscilloscope counts the rate at which trigger events occur to determine trigger
frequency and displays the frequency in the lower right corner of the screen.
Key Points Trigger When. The pulse width of the source must be ≥5 ns for the oscilloscope to
detect the pulse.
When options Details
=
≠
Triggers the oscilloscope when the signal pulse width is equal to or
not equal to the specified pulse width within a ± 5% tolerance
<
>
Triggers the oscilloscope when the source signal pulse width is less
than or greater than the specified pulse width
Refer to the Application Examples chapter for an example of triggering on
aberrant pulses. (See page 44, Triggering on a Specific Pulse Width.)
TDS2000C Series Oscilloscope User Manual 99

Reference
Knobs and Buttons Level Knob. Use to control the Trigger Level.
Set To 50% Button. Use the Set To 50% button to quickly stabilize a waveform.
The oscilloscope automatically sets the Trigger Level to be about halfway between
the minimum and maximum voltage levels. This is useful when you connect a
signal to the Ext Trig BNC and set the trigger source to Ext, or Ext/5.
Force Trig Button. Use the Force Trig button to complete the waveform
acquisition whether or not the oscilloscope detects a trigger. This is useful for
single sequence acquisitions and Normal trigger mode. (In Auto trigger mode,
the oscilloscope automatically forces triggers periodically if it does not detect a
trigger.)
Trig View Button.Use the Trigger View mode to display the conditioned trigger
signal on the oscilloscope. You can use this mode to see the following types of
information:
Effects of the Trigger Coupling option
AC Line trigger source (Edge Trigger only)
Signal connected to the Ext Trig BNC
NOTE. This is the only button that you must hold down to use. When you hold
down the Trig View button, the only other button you can use is the print
button. The oscilloscope disables all other front-panel buttons. The knobs
continue to be active.
Holdoff. You can use the Trigger Holdoff function to produce a stable display of
complex waveforms, such as pulse trains. Holdoff is the time between when
the oscilloscope detects one trigger and when it is ready to detect another. The
oscilloscope will not trigger during the holdoff time. For a pulse train, you can
adjust the holdoff time so the oscilloscope triggers only on the first pulse in the
train.
To use Trigger Holdoff, push the Horiz ►Set Trigger Holdoff option button
and use the multipurpose knob to adjust the holdoff. The resolution of the trigger
holdoff varies depending on the horizontal scale setting.
100 TDS2000C Series Oscilloscope User Manual

Reference
Utility
Push the Utility button to display the Utility Menu.
Options Settings Comments
Source Defines the source of the waveforms against which to run
the template waveform
Compare To Specifies the limit test template against which to compare
the signals defined with the Source menu item.
Run/Stop Test Toggles between whether to start or stop the limit test
Template Setup Sets up a limit test waveform template. This is the mask
signal youdefine as the boundary to compare with the input
source signal. Do this before running a limit test
Action on Violation Defines the actions the oscilloscope will take after detecting
a violation
Limit Test
Stop After Defines the conditions that will cause the oscilloscope to
end limit testing
Data Logging Sets the data logging feature on or off
SourceSets the signal source to log data from
Duration Sets the time duration of data logging in half hour increments,
from 0.5 hour to 8 hours
Data Logging
Select Folder Sets the folder to save the waveform data to
Summary of the oscilloscope settingsSystem Status
Misc. Displays model, manufacturer serial number, adapters
connected, GPIB setup address, firmware version, and other
information
Display Style 1Sets the screen data as black on white, or as white on black
Printer Setup Changes the printer setup (See page 73.)
GPIB Setup ►Address Sets the GPIB address for the TEK-USB-488 adapter (See
page 72.)
Set Date and Time Sets the date and time (See page 102.)
Options
Error Log Displays a list of any errors logged and the Power Cycle
count
This log is useful if you contact a Tektronix Service Center
for help.
Do Self Cal Performs a self calibration
TDS2000C Series Oscilloscope User Manual 101

Reference
Options Settings Comments
File UtilitiesDisplays folder, file, and USB flash drive options (See
page 103.)
Language English, French, German, Italian,
Spanish, Japanese, Portuguese,
Simplified Chinese, Traditional
Chinese, Korean
Selects the display language of the oscilloscope
1Monochrome models only.
Key Points System Status. Selecting System Status from the Utility Menu displays the menus
available for obtaining a list of control settings for each group of oscilloscope
controls.
Push any front-panel menu button to remove the status screen.
Options Comments
Horizontal Lists horizontal parameters
Vertical Lists vertical parameters of channels
Trigger Lists trigger parameters
Misc Lists the model of the oscilloscope, the version number of the
software, and the serial number
Lists values of the communications parameters
SettingtheDateandTime. You can use the Set Date and Time menu to set the
clock date and time. The oscilloscope displays this information, and also uses it to
time stamp files written to a USB flash drive. The oscilloscope contains a built-in
nonreplaceable battery to maintain the clock settings.
The clock does not automatically adjust for seasonal time changes. The calendar
does adjust for Leap years.
Options Comments
↑
↓
Moves the field selection highlight up or down through the list. Use
the multipurpose knob to change the value of the selected field
Set Date and Time Updates the oscilloscope with the specified date and time
Cancel Closes the menu and returns to the previous menu without saving
any changes
Self Calibration. The self calibration routine optimizes the oscilloscope accuracy
for the ambient temperature. For maximum accuracy, perform a self cal if the
ambient temperature changes by 5 °C (9 °F ) or more. For accurate calibration,
power on the oscilloscope and wait twenty minutes to ensure it is warmed up.
Follow the directions on the screen.
102 TDS2000C Series Oscilloscope User Manual

Reference
Factory calibration uses externally-generated voltages, and requires specialized
equipment. The recommended interval is one year. See Contacting Tektronix
on the copyright page for information on having Tektronix perform a Factory
Calibration of your oscilloscope.
File Utilities for the USB
Flash Drive
Onefolderisalwaysdesignatedasthecurrent folder. The current folder is the
default location to save and recall files.
You can use the File Utilities menu to do the following tasks:
List the contents of the current folder
Select a file or folder
Navigate to other folders
Create, rename, and delete files and folders
Format a USB flash drive
Options Comments
Navigates to the selected USB flash drive folder. Use the
multipurpose knob to select a file or folder, then select the
Change Folder menu option.
Change Folder
To return to the previous folder, select the ↑Up folder item and
then select the Change Folder menu option.
New Folder Creates a new folder in the current folder location, named
NEW_FOL, and displays the Rename menu for changing the
default folder name.
Rename (filename or
folder)
Displays the Rename screen to rename a folder or file, described
next.
Delete (filename or
folder)
Deletes the selected file name or folder; a folder must be empty
before you can delete it.
Confirm Delete Displays after pressing Delete, to confirm a file delete action.
Pressing any button or knob other than Confirm Delete cancels
the file delete action.
Format Formats the USB flash drive; this deletes all data on the USB
flash drive.
Update Firmware Follow the on-screen directions to set up and push the Update
Firmware option button to start updating firmware.
Rename File or Folder. You can change the names of files and folders on a USB
flash drive.
TDS2000C Series Oscilloscope User Manual 103

Reference
Option Settings Comments
Enters the highlighted alphanumeric character at the
current Name field cursor position
A - Z, 0 - 9, _,
.
Use the multipurpose knob to select an alphanumeric
character or the Backspace, Delete Character, or Clear
Name functions
Backspace Changes the menu button 1 option to the Backspace
function. Deletes the character to the left of the
highlighted character in the Name field
Delete
Character
Changes the menu button 1 option to the Delete
Character function. Deletes the highlighted character
from the Name field
Enter
Character
Clear NameChanges the menu button 1 option to Clear Name.
Deletes all characters from the Name field
Vertical Controls
You can use the vertical controls to display and remove waveforms, adjust vertical
scale and position, set input parameters, and for vertical math operations. (See
page 87, Math.)
Channel Vertical Menus There is a separate vertical menu for each channel. Each option is set individually
for each channel.
Options Settings Comments
Coupling DC, AC, Ground DC passes both AC and DC components of the
input signal
AC blocks the DC component of the input signal
and attenuates signals below 10 Hz
Ground disconnects the input signal
Options Settings Comments
BW Limit 20 MHz 1,Off Limits the bandwidth to reduce display noise;
filters the signal to reduce noise and other
unwanted high frequency components
Volts/Div Coarse, Fine Selects the resolution of the Scale (Volts/Div)
knob
Coarse defines a 1-2-5 sequence. Fine
changes the resolution to small steps
between the coarse settings
104 TDS2000C Series Oscilloscope User Manual

Reference
Options Settings Comments
Probe See the next table Push to adjust Probe options
Invert On, Off Inverts (flips) the waveform with respect to
the reference level
1Effective bandwidth is 6 MHz with a P2220 probe set to 1X.
The option for voltage and current probes is different: Attenuation or Scale.
Probe options Settings Comments
Probe ►Voltage
►Attenuation
1X, 10X, 20X, 50X, 100X,
500X, 1000X
Set to match the attenuation
factor of the voltage probe
to ensure correct vertical
readouts
Probe ►Current ►Scale 5 V/A, 1 V/A, 500 mV/A,
200 mV/A, 100 mV/A,
20 mV/A, 10 mV/A, 1 mV/A
Set to match the scale of
the current probe to ensure
correct vertical readouts
Back Returns to the previous
menu
Knobs Vertical Position Knobs. Use the Vertical Position knobs to move the channel
waveformsupordownonthescreen.
Vertical Scale (volts/division) Knobs. Use the Vertical Scale knobs to control how
the oscilloscope amplifies or attenuates the source signal of channel waveforms.
WhenyouturnaVerti cal Scale knob, the oscilloscope increases or decreases the
vertical size of the waveform on the screen.
Vertical Measurement Overrange (Clipping). Waveforms that extend beyond the
screen (overrange) and display a ?in the measurement readout indicates an
invalid value. Adjust the vertical scaling to ensure the readout is valid.
Key Points Ground Coupling. Use Ground coupling to display a zero-volt waveform.
Internally, the channel input is connected to a zero-volt reference level.
Fine Resolution. The vertical scale readout displays the actual volts/division
setting while in the fine resolution setting. Changing the setting to coarse does not
change the vertical scale until the Vertical Scale control is adjusted.
TDS2000C Series Oscilloscope User Manual 105

Reference
Remove Waveform. To remove a waveform from the display, push a channel
menu front panel button. For example, push the 1(channel 1 menu) button to
display or remove the channel 1 waveform.
NOTE. You do not have to display a channel waveform to use it as a trigger
source or for math operations.
NOTE. You must display a channel waveform to take measurements from it, use
cursors on it, or to save it as a Reference waveform or to a file.
106 TDS2000C Series Oscilloscope User Manual

Appendix A: Specifications
All specifications apply to the TDS2000C series models. TPP0101 and TPP0201
probe specifications appear in Appendix B. To verify that the oscilloscope meets
specifications, the oscilloscope must first meet the following conditions:
The oscilloscope must have been operating continuously for twenty minutes
within the specified operating temperature.
You must perform the Do Self Cal operation, accessible through the Utility
menu, if the operating temperature changes by more than 5 °C (9 °F ).
The oscilloscope must be within the factory calibration interval.
All specifications are guaranteed unless noted “typical.”
Oscilloscope Specifications
Table 1: Acquisition Specifications
Characteristic Description
Acquisition Modes Sample, Peak Detect, and Average
Table 2: Input Specifications
Characteristic Description
Input Coupling DC, AC, or Ground
Input Impedance, DC
Coupled
1MΩ±2% in parallel with 20 pF ±3 pF
Probe Scale Factors 1X, 10X, 20X, 50X, 100X, 500X, 1000X voltage attenuation
5, 1, 500 m, 200 m, 100 m 20 m, 10 m, 1 , V/A current scale factor
Maximum Input
Voltage
At front panel connector, 300 V RMS, Installation Category II; derate at 20 dB/decade above 100 kHz
to 13 V peak AC at 3 MHz and above.
Common Mode
Rejection Ratio
(CMRR)
With the same signal applied to each channel, CMRR is the ratio of the acquired signal amplitude to the
amplitude of the MATH difference waveform, either (Ch1 - Ch2), (Ch2 - Ch1), (Ch3 - Ch4) or (Ch4 - Ch3).
TDS2012C, TDS2014C, TDS2022C, TDS2024C: 100:1 at 60 Hz, reducing to 10:1 with 50 MHz sine wave,
with equal Volts/Div and Coupling settings on each channel.
TDS2001C, TDS2002C, TDS2004C: 100:1 at 60 Hz, reducing to 20:1 with a sine wave with frequency
equal to ½ the -3 dB bandwidth and with equal Volts/Div and Coupling settings on each channel.
TDS2000C Series Oscilloscope User Manual 107

Appendix A: Specifications
Table 2: Input Specifications (cont.)
Characteristic Description
TDS2001C TDS2002C, 2004C TDS2012C, 2014C, 2022C, 2024C
100:1 at 60 Hz, 20:1 at
20 MHz
100:1 at 60 Hz, 20:1 at
30 MHz
100:1 at 60 Hz, 10:1 at 50 MHz
Channel Common
Mode Rejection,
typical
Measured on MATH Ch1 - Ch2 waveform, with test signal applied between signal and common of both
channels, and with the same VOLTS/DIV and coupling settings on each channel
Measured on MATH Ch3 - Ch4 waveform for 4-channel models
The ratio of the level of a signal input into one channel to that of the same signal present in another
channel due to stray coupling.
TDS2001C TDS2002C, 2004C TDS2012C, 2014C TDS2022C, 2024C
Crosstalk (Channel
Isolation)
>100:1 with 20 MHz
sine wave and with
equal V/div settings on
each channel
: >100:1 with 30 MHz
sine wave and with
equal V/div settings on
each channel
>100:1 with 50 MHz
sine wave and with
equal V/div settings on
each channel
>100:1 with 100 MHz
sine wave and with
equal V/div settings
on each channel
Table 3: Vertical Specifications
Characteristic Description
Number of Digitized
Bits
8 bits except at 2 mV/div
Sensitivity Range 2 mV/Div to 5 V/Div in 1-2-5 sequence with probe attenuation set to 1X
The position ranges are as follows
Volts/Div Setting Position Range
2 mV/div to 200 mV/div ±1.8 V
Vertical Position
Ranges
>200 mV/div to 5 V/div ±45 V
108 TDS2000C Series Oscilloscope User Manual

Appendix A: Specifications
Table 3: Vertical Specifications (cont.)
Characteristic Description
The Analog Bandwidth when the instrument is DC coupled in sample or average mode. V/div values are
accurate for probe attenuation settings of 1X. No probe should be installed for these measurements.
System Bandwidth is type tested to be equivalent to this specification with the provided probe in 10X mode.
Use Section 4.6.1 of IEEE 1057, with the reference frequency of 1 kHz at an amplitude of 5 divisions,
driven from a 50 Ωsource with external termination at the input BNC, (25 Ωeffective source).
TDS2001C TDS2002C, 2004C TDS2012C, 2014C TDS2022C, 2024C
Analog Bandwidth, DC
Coupled, Sample or
Average
DC to >50 MHz for
5mV/div through
5V/div settings with
bandwidth limit at full.
<5mV/div settings are
limited to 20MHz BW
DC to >70 MHz for
5mV/div through
5V/div settings with
bandwidth limit at full.
<5mV/div settings are
limited to 20MHz BW
DC to >100 MHz
for 5mV/div through
5V/div settings with
bandwidth limit at full.
<5mV/div settings are
limited to 20MHz BW
DC to >200 MHz
for 5mV/div through
5V/div settings with
bandwidth limit at
full with temperature
between 0 and 35C.
DC to >160MHz from
5mV/div through
5V/div settings with
bandwidth limit at
full for temperatures
between 0 and 50C.
<5mV/div settings are
limited to 20MHz BW
The Analog Bandwidth when the instrument is DC coupled. V/div values are accurate for probe attenuation
settings of 1X. No probe should be installed for these measurements.
TDS2001C TDS2002C, 2004C TDS2012C, 2014C, 2022C, 2024C
Analog Bandwidth, DC
Coupled, Peak Detect
DC to >30 MHz for
5mV/div through
5V/div settings with
bandwidth limit at
full. Setting less than
5mV/div are limited to
20MHz BW
DC to >50 MHz for
5mV/div through
5V/div settings with
bandwidth limit at
full. Setting less than
5mV/div are limited to
20MHz BW
DC to >75 MHz for 5mV/div through 5V/div settings
with bandwidth limit at full. Setting less than
5mV/div are limited to 20MHz BW
Analog Bandwidth
Selections
20 MHz BW Limit ON/OFF
Lower Frequency
Limit, AC Coupled
≤10 Hz
TDS2001C TDS2002C, 2004C TDS2012C, 2014C TDS2022C, 2024C
Rise Time, typical
= 7.0 ns = 5.0 ns = 3.5 ns = 2.1 ns
The capability of the instrument to capture single event pulses using Peak Detect Acquisition Mode.
The minimum single pulse widths for guaranteed 50% or greater amplitude capture are as follows:
Sec/Div Setting Minimum Pulse Width
50 s/div to 5 us/div
TDS2002C, TDS2004C, TDS2012C, TDS2014C,
TDS2022C, TDS2024C, TDS2001C
12 ns
Peak Detect Mode
Pulse Response
TDS2001C 13 ns
TDS2000C Series Oscilloscope User Manual 109

Appendix A: Specifications
Table 3: Vertical Specifications (cont.)
Characteristic Description
DC Gain Accuracy,
Sample or Average
Acquisition
±3%, 5 V/div through 10 mV/div.
±4%, 5 mV/div and 2 mV/div.
The accuracy of DC voltage measurements acquired using Average of ≥16 waveforms.
Vertical Position = 0 ±(3% of reading + 0.1 div + 1 mV).
Vertical Position ≠0
and Vertical Scale
2 mV/div to 200
mV/div:
±[3% of (reading + vertical position) + 1% of vertical position + 0.2 div + 7 mV]
DC Voltage
Measurement
Accuracy, Average
Acquisition Mode
Vertical Position ≠
0, and Vertical Scale
>200mV/div
±[3% of (reading + vertical position) + 1% of vertical position + 0.2 div + 175mV]
Delta Volts between any two averages of 16 waveforms acquired under the same setup and ambient
conditions
Delta Volts
Measurement
Accuracy, Average
Acquisition Mode (3% of reading + 0.05 div)
Table 4: Horizontal Specifications
Characteristic Description
TDS2001C, 2002C, 2004C TDS2012C, 2014C, 2022C, 2024C
Sample Rate Range
5S/
sto1GS/s 5S/
sto2GS/s
Waveform Interpolation (sinx)/x
Record Length 2500 samples per record
Seconds/Division
Range
5 ns/div to 50 s/div, in a 1, 2.5, 5 sequence
Long Term Sample
Rate and Horizontal
Position Time Accuracy
±50 parts per million over any ≥1mstimeinterval
The limits are given in the following table for signals having amplitude ≥5 divisions, slew rate at the
measurement points of ≥2.0 divisions/ns, and acquired ≥10 mV/Div:
Condition Time Measurement Accuracy
Single-shot, Sample mode ±(1 sample interval + 100 parts per million ×
|reading| + 0.6 ns)
Delta Time
Measurement
Accuracy (Full
Bandwidth)
> 16 averages ±(1 sample interval + 100 parts per million ×
|reading| + 0.4 ns)
110 TDS2000C Series Oscilloscope User Manual

Appendix A: Specifications
Table 4: Horizontal Specifications (cont.)
Characteristic Description
5 ns/div to 10 ns/div (-4 div × s/div) to 20 ms
25 ns/div to 100 μs/div (-4 div × s/div) to 50 ms
250 μs/divto10s/div (-4div×s/div)to50s
2.5 s/div to 50 s/div (-4 div × s/div) to 250 s
Horizontal Position
Time Range
The user controls the time from the trigger to the center graticule on the display with the Horizontal Position
knob
Table 5: Trigger Specifications
Characteristic Description
The limits are as follows:
Trigger Source Sensitivity
(Measurement style
A)
Sensitivity
(Measurement style
B)
All Products 1.5 div from DC to 10
MHz (>2 mV/Div)
1 div from DC to 10
MHz (>2 mV/Div)
TDS2001C 3 div between 10 MHz
and 50 MHz
1.5 div between 10
MHz and 50 MHz
TDS2002C,
TDS2004C
3 div between 10 MHz
and 70 MHz
1.5 div between 10
MHz and 70 MHz
TDS2012C,
TDS2014C
3d
iv between 10 MHz
and 100 MHz
1.5 div between 10
MHz and 100 MHz
Channel Inputs
TDS2022C,
TDS2024C
3 div between 10 MHz
and 200 MHz
1.5 div from 10 MHz to
100 MHz
2.0 div above 100 MHz
to 200 MHz
EXT 300 mV from DC to
100 MHz
500 mV from 100
MHz to 200 MHz
(TDS2022C and
TDS2024C)
200 mV from DC to
100 MHz
350 mV from 100
MHz to 200 MHz
(TDS2022C and
TDS2024C)
Sensitivity, Edge-Type
Trigger, DC Coupled
A) The minimum signal
levels for achieving
stable frequency
indication on the
Trigger Frequency
Counter within 1% of
correct indication
B) Section4.10.2in
IEEE Std #1057. The
minimum signal levels
required for stable
edge triggering of an
acquisition when the
trigger Source is DC
coupled
EXT/5 1.5 V from DC to 100
MHz
2.5 V from 100 MHz to
200 MHz (TDS2022C
and TDS2024C)
1 V from DC to 100
MHz
1.75 V from 100 MHz to
200 MHz (TDS2022C
and TDS2024C)
TDS2000C Series Oscilloscope User Manual 111

Appendix A: Specifications
Table 5: Trigger Specifications (cont.)
Characteristic Description
The typical sensitivities are as follows:
Trigger Source Sensitivity
AC Same as DC Coupled limits for frequencies 50 Hz and above
NOISE REJ Effective in Sample or Average Mode, >10 mV/div to 5 V/div. Reduces DC
Coupled trigger sensitivity by 2X.
HF REJ Same as DC Coupled limits from DC to 7 KHz.
Sensitivity, Edge-Type
Trigger, non-DC
Coupled, typical
LF REJ Same as DC Coupled limits for frequencies above 300 KHz.
Input channels ±8 divisions from center screen
EXT ± 1.6 V
Trigger Level Ranges,
typical
EXT/5 ±8V
±(0.2 div +5 mV) for signals within ±4 divisions
from center screen, having rise and fall times of
>20 ns
EXT ±(6% of setting + 40 mV) for signals less than
±800 mV
Trigger Level
Accuracy, DC
Coupled, typical
EXT/5 ±(6% of setting + 200 mV) for signals less than
±4 V
Lowest Frequency for
Successful Operation
of “Set Level to 50%”
Function, typical
50 Hz.
Trigger Mode Auto
Default Settings for
Video Trigger Trigger Coupling AC
The typical sensitivities are as follows:
Source Typical Sensitivity
Input Channels 2 divisions of composite video
EXT 400 mV of composite video
Video Trigger
Sensitivity, typical
EXT/5 2 V of composite video
Field rates: 50Hz to 60HzVideo Trigger Formats
and Field Rates Line rates: 15 kHz to 20 kHz (NTSC, PAL, SECAM)
Trigger Hold Off Range 500 ns minimum to 10 s maximum
Pulse Width Trigger
Modes
< (Less than), > (Greater than), = (Equal), ≠(Not Equal)
Pulse Width Trigger
Point
Equal: The oscilloscope triggers when the trailing edge of the pulse crosses the trigger level.
Not Equal: If the pulse is narrower than the specified width, the trigger point is the trailing edge. Otherwise,
the oscilloscope triggers when a pulse continues longer than the time specified as the Pulse Width.
Less than: The trigger point is the trailing edge.
Greater than (also called time-out trigger): The oscilloscope triggers when a pulse continues longer than
the time specified as the Pulse Width.
112 TDS2000C Series Oscilloscope User Manual

Appendix A: Specifications
Table 5: Trigger Specifications (cont.)
Characteristic Description
Pulse Width Range 33 ns ≤width ≤10 sec
Pulse Width
Resolution
16.5 ns or 1 part per thousand, whichever is larger
Equal Guardband t > 330 ns: ±5% ≤guardband < ±(5.1% + 16.5 ns)
t≤330 ns: guardband = ±16.5 ns
Not Equal Guardband t > 330 ns: ±5% ≤guardband < ±(5.1% + 16.5 ns)
165 ns < t ≤330 ns: guardband = -16.5 ns/+33 ns
t≤165 ns: guardband = ±16.5 ns
Trigger Frequency Counter
Frequency Counter
Resolution
6 digits
Frequency Counter
Accuracy (typical)
±51 parts per million including all frequency reference errors and ±1 count errors
Frequency Counter
Frequency Range
AC coupled, 10 Hz minimum to rated bandwidth
Frequency Counter
Signal Source
Pulse width or edge selected trigger source
Table 6: General Specifications
Characteristic Description
Display
Display Type 11.5 cm (W) x 8.64 cm (H), 14.38 cm diagonal, ¼ VGA, active TFT color liquid crystal display (LCD)
with color characters/waveforms on a black background. Surface anti-glare (3H) treatment
Display Resolution 320 horizontal by 240 vertical pixels
Brightness, typical 400 cd/ m2typical, 320 cd/m2min.
Probe Compensator Output
Probe Compensator,
Output Voltage and
Frequency, typical
Characteristics are as follows:
Output voltage 5.0 V ±10% into 1 Meg Ωload
Frequency 1 kHz
Power Source
Source Voltage Full Range: 100 to 240 VAC RMS ±10%, Installation Category II (Covers range of 90 to 264 VAC)
Power Consumption Less than 30 W at 85 to 275 VAC input.
Environmental
TDS2000C Series Oscilloscope User Manual 113

Appendix A: Specifications
Table 6: General Specifications (cont.)
Characteristic Description
Operating 0° C to +50° C, with 5°
C/minute maximum gradient,
non-condensing, up to 3000m
altitude
Temperature
Nonoperating -40° C to +71° C, with 5°
C/minute maximum gradient
Cooling Method Convection cooled
Operating: 5% to 85% relative humidity (% RH) at up to +40° C
5% to 45% RH above +40° C up to +50° C, non-condensing, and
as limited by a Maximum Wet-Bulb Temperature of +37° C (derates
relative humidity to 45 % RH at +50° C)
Humidity: Operating and
Non-Operating
Non-Operating: 5% to 85% RH (Relative Humidity) at up to +40° C,
5% to 45% RH above +40° C up to +50° C, non-condensing.
Above +50° C limited by a Maximum Wet-Bulb Temperature of
+37° C (derates relative humidity to 12% RH at +71° C)
Operating: Up to 3000 meters (10,000 feet)Altitude: Operating and
Non-Operating Non-Operating: Up to 3000 meters (10,000 feet).
Altitude is limited by possible damage to LCD at higher altitudes.
This damage is independent of operation
Mechanical
Requirements that follow are nominal:
Height 158.0 mm (6.22 in.)
Width 326.3 mm (12.85 in)
Overall Dimensions
Depth 124.1 mm (4.88 in)
Requirements that follow are nominal:
Stand alone instrument 2.0 kg (4.4 lbs)
With accessories 2.2 kg (4.9 lbs)
Weight
When packaged for domestic shipment 3.6 kg (8 lbs)
114 TDS2000C Series Oscilloscope User Manual

Appendix A: Specifications
TPP0101 and TPP0201 Probe Specifications
Table 7: TPP0101 and TPP0201 Probe Electrical Specifications
Characteristic Description
TPP0101 TPP0201
Bandwidth, System DC to 100 MHz at -3 dB DC to 200 MHz at -3 dB
DC, Attenuation, System 10X path: ±3.2% at DC
Compensation Range 15 pF-25 pF
Input Resistance, System (Typical) 10 MΩ±1.5%atDC
Input Capacitance, System <12 pF
Rise Time,System < 3.5 ns < 2.3 ns
Maximum Nondestructive Input Voltage 300 VRMS
Table 8: TPP0101 and TPP0201 Probe Certifications and Compliances
Characteristic Description
Safety Certification UL61010-031;2007
CAN/CSA 22.22 No. 61010–031–07
IEC61010-031
EN61010-031/A1:2008
Voltage Rating 300 VRMS CAT II
Pollution Degree Pollution degree 2, indoor use only
Environmental characteristics
Operating -10 °C to 55 °C
(14°Fto131°F)
Temperature
Nonoperating -51°Cto71°C
(-59.8 °F to +159.8 °F)
Operating 5% to 95% relative humidity (%RH) up to
+30 °C,
5% to 65% RH above +30 °C up to +55
°C
Humidity
Non-operating 5% to 95% relative humidity (%RH) up to
+30 °C,
5% to 65% RH above +30 °C up to +71
°C
Operating Up to 3,000 m (about 10,000 ft)
Altitude
Nonoperating Up to 12,192 m (40,000 ft)
Table 9: TPP0101 and TPP0201 Probe Physical Characteristics
Characteristic Description
Net Weight < 0.44 kg (1 pound)
Cable length 1.3 m ±3 cm
TDS2000C Series Oscilloscope User Manual 115

Appendix A: Specifications
Performance Graphs.
116 TDS2000C Series Oscilloscope User Manual

Appendix B: Accessories
All accessories (standard and optional) are available by contacting your local
Tektronix field office.
Standard Accessories
TPP0101 or TPP0201, 10X Passive Voltage Probe. The TPP0101 probes have
a system bandwidth of DC to 100 MHz at -3dB and ship standard with TDS2000C
oscilloscope models that have bandwidths <100 MHz.
The TPP0201 probes have a system bandwidth of DC to 200 MHz at -3dB and ship
standard with TDS2000C oscilloscopes models that have bandwidths of ≥100 MHz.
TDS2000C Series Oscilloscope User Manual. A single user manual is included.
Refer to the Optional Accessories for a complete list of available language manuals.
PC Communications CD-ROM. The PC Communications software provides easy
transfer of data from the oscilloscope to a PC.
Optional Accessories
P6101B 1X Passive Voltage Probe. The P6101B probe has a 15 MHz bandwidth
with a rating of 300 VRMS CAT II.
RM2000B Rackmount Kit. The RM2000B Rackmount Kit lets you install a TDS2000C
series oscilloscope into an industry-standard 19 inch rack. The rackmount kit requires
seven inches (18 cm) of vertical rack space. You can turn the oscilloscope power on
or off from the front of the rackmount kit. The rackmount kit does not have slide-out
capability.
TDS2000C Series Oscilloscope User Manual 117

Appendix B: Accessories
TDS2000C and TPS2000 Series Digital Oscilloscopes Programmer Manual .
The programmer manual (077-0444-XX, English) provides command and syntax
information.
TDS2000C Series Digital Storage Oscilloscope Service Manual. The service
manual (077-0446-XX, English) provides module-level repair information.
TDS2000C Series Digital Storage Oscilloscope User Manuals. The user manual is
available in these languages:
English, 071-2722-XX
French, 071-2723-XX
Italian, 071-2724-XX
German, 071-2725-XX
Spanish, 071-2726-XX
Japanese, 071-2727-XX
Portuguese, 071-2728-XX
Simplified Chinese, 071-2729-XX
Traditional Chinese, 071-2730-XX
Korean, 071-2731-XX
Russian, 071-2732-XX
International Power Cords. In addition to the power cord shipped with your
oscilloscope, you can obtain the following cords:
Option A0, North American 120 V, 60 Hz, 161-0066-00
Option A1, European 230 V, 50 Hz, 161-0066-09
Option A2, United Kingdom 230 V, 50 Hz, 161-0066-10
Option A3, Australian 240 V, 50 Hz, 161-0066-13
Option A5, Switzerland 230 V, 50 Hz, 161-0154-00
Option A10, China 220 V, 50 Hz, 161-0304-00
Option A11, India 230 V, 50 Hz, 161-0400-00
TEK-USB-488 Adapter. The GPIB adapter allows you to connect your oscilloscope to
aGPIBcontroller.
Soft Case. The soft case (AC2100) protects the oscilloscope from damage and
provides space for probes, a power cord, and manuals.
Transit Case. The transit case (HCTEK4321) provides shock, vibration, impact and
moisture protection for the oscilloscope when you transport it from one place to
another. The required soft case fits inside the transit case.
118 TDS2000C Series Oscilloscope User Manual

Appendix C: Cleaning
General Care
Do not store or leave the oscilloscope where the LCD display will be exposed to
direct sunlight for long periods of time.
CAUTION. To avoid damage to the oscilloscope or probes, do not expose them
to sprays, liquids, or solvents.
Cleaning
Inspect the oscilloscope and probes as often as operating conditions require. To
clean the exterior surface, perform the following steps:
1. Remove loose dust on the outside of the oscilloscope and probes with a
lint-free cloth. Use care to avoid scratching the clear glass display filter.
2. Use a soft cloth dampened with water to clean the oscilloscope. Use an
aqueous solution of 75% isopropyl alcohol for more efficient cleaning.
CAUTION. To avoid damage to the surface of the oscilloscope or probes, do not
use any abrasive or chemical cleaning agents.
TDS2000C Series Oscilloscope User Manual 119

Appendix C: Cleaning
120 TDS2000C Series Oscilloscope User Manual

Appendix D: Default Setup
This appendix describes the options, buttons and controls that change settings
when you push the Default Setup button. The last page of this appendix lists
settings that do not change.
NOTE. When you push the Default Setup button, the oscilloscope displays the
CH1 waveform and removes all other waveforms.
Menu or system Option, button, or knob Default setting
(three mode options) Sample
Averages 16
ACQUIRE
Run/Stop RUN
Autorange Off
AUTORANGE
Mode Vertical and Horizontal
Type Off
SourceCH1
Horizontal (amplitude) +/- 3.2divs
CURSOR
Vertical (time) +/- 4 divs
Type Vectors
Persist Off
DISPLAY
Format YT
Window Main
Trig Knob Level
Position 0.00 s
Scale (seconds/division) 500ms
HORIZONTAL
Window Zone 50ms
Operation -
Sources CH1 - CH2
Position 0 divs
Vertical Scale 2V
MATH
FFT operation:
Source
Window
FFT Zoom
CH1
Hanning
X1
Source CH1MEASURE (all)
Type None
Type Edge
TRIGGER (common)
Source CH1
TDS2000C Series Oscilloscope User Manual 121

Appendix D: Default Setup
Menu or system Option, button, or knob Default setting
Slope Rising
Mode Auto
Coupling DC
TRIGGER (Edge)
Level 0.00 V
Polarity Normal
Sync All Lines
TRIGGER (Video)
Standard NTSC
When =
Set Pulse Width 1.00 ms
Polarity Positive
Mode Auto
TRIGGER (Pulse)
Coupling DC
Coupling DC
BW Limit Off
Vertical scale
(volts/division)
Coarse
ProbeVoltage
Voltage Probe
Attenuation
10X
Current Probe Scale 10 A/V
Invert Off
Position 0.00 divs (0.00 V)
Vertical system, all
channels
Scale (volts/division) 1.00 V
The Default Setup button does not reset the following settings:
Language option
Saved setups
Saved reference waveforms
Display contrast (available on monochrome models only)
Calibration data
Printer setup
GPIB setup
Probe setup (type and attenuation factor)
Date and time
Current folder on the USB flash drive
122 TDS2000C Series Oscilloscope User Manual

Appendix E: Font Licenses
The following license agreements cover Asian fonts used in the TDS2000C series
oscilloscopes.
Copyright © 1988 The Institute of Software, Academia Sinica.
Correspondence Address: P.O.Box 8718, Beijing, China 100080.
Permission to use, copy, modify, and distribute this software and its documentation
for any purpose and without fee is hereby granted, provided that the above
copyright notices appear in all copies and that both those copyright notices and
this permission notice appear in supporting documentation, and that the name
of "the Institute of Software, Academia Sinica" not be used in advertising or
publicity pertaining to distribution of the software without specific, written prior
permission. The Institute of Software, Academia Sinica, makes no representations
about the suitability of this software for any purpose. It is provided "as is" without
express or implied warranty.
THE INSTITUTE OF SOFTWARE, ACADEMIA SINICA, DISCLAIMS ALL
WARRANTIES WITH REGARD TO THIS SOFTWARE, INCLUDING ALL
IMPLIED WARRANTIES OF MERCHANTABILITY AND FITNESS, IN NO
EVENT SHALL THE INSTITUTE OF SOFTWARE, ACADEMIA SINICA,
BE LIABLE FOR ANY SPECIAL, INDIRECT OR CONSEQUENTIAL
DAMAGES OR ANY DAMAGES WHATSOEVER RESULTING FROM LOSS
OF USE, DATA OR PROFITS, WHETHER IN AN ACTION OF CONTRACT,
NEGLIGENCE OR OTHER TORTIOUS ACTION, ARISING OUT OF OR IN
CONNECTION WITH THE USE OR PERFORMANCE OF THIS SOFTWARE.
© Copyright 1986-2000, Hwan Design Inc.
You are hereby granted permission under all Hwan Design propriety rights to
use, copy, modify, sublicense, sell, and redistribute the 4 Baekmuk truetype
outline fonts for any purpose and without restriction; provided, that this notice is
left intact on all copies of such fonts and that Hwan Design Int.’s trademark is
acknowledged as shown below on all copies of the 4 Baekmuk truetype fonts.
BAEKMUK BATANG is a registered trademark of Hwan Design Inc.
BAEKMUK GULIM is a registered trademark of Hwan Design Inc. BAEKMUK
DOTUM is a registered trademark of Hwan Design Inc. BAEKMUK HEADLINE
is a registered trademark of Hwan Design Inc.
© Copyright 2000-2001 /efont/ The Electronic Font Open Laboratory. All rights
reserved.
TDS2000C Series Oscilloscope User Manual 123

Appendix E: Font Licenses
Redistribution and use in source and binary forms, with or without modification,
are permitted provided that the following conditions are met:
Redistribution of source code must retain the above copyright notice, this list
of conditions and the following disclaimer.
Redistributions in binary form must reproduce the above copyright notice, this
list of conditions and the following disclaimer in the documentation and/or
other materials provided with the distribution.
Neither the name of the team nor the names of its contributors may be used
to endorse or promote products derived from this font without specificprior
written permission.
THIS FONT IS PROVIDED BY THE TEAM AND CONTRIBUTORS “AS
IS” AND ANY EXPRESS OR IMPLIED WARRANTIES, INCLUDING, BUT
NOT LIMITED TO, THE IMPLIED WARRANTIES OF MERCHANTABILITY
AND FITNESS FOR A PARTICULAR PURPOSE ARE DISCLAIMED. IN
NO EVENT SHALL THE TEAM OR CONTRIBUTORS BE LIABLE FOR
ANY DIRECT, INDIRECT, INCIDENTAL, SPECIAL, EXEMPLARY, OR
CONSEQUENTIAL DAMAGES (INCLUDING, BUT NOT LIMITED TO,
PROCUREMENT OF SUBSTITUTE GOODS OR SERVICES; LOSS OF
USE, DATA, OR PROFITS; OR BUSINESS INTERRUPTION) HOWEVER
CAUSED AND ON ANY THEORY OF LIABILITY, WHETHER IN
CONTRACT, STRICT LIABILITY, OR TORT (INCLUDING NEGLIGENCE
OR OTHERWISE) ARISING IN ANY WAY OUT OF THE USE OF THIS
FONT, EVEN IF ADVISED OF THE POSSIBILITY OF SUCH DAMAGE.
124 TDS2000C Series Oscilloscope User Manual

Index
Symbols and Numbers
1, 2, 3, or 4
channel connectors, 18
channel menu buttons, 14
A
Abort printing, 74, 89
AC coupling
trigger, 96
vertical, 104
Accessories, 117
Acquire button, 17, 75
Acquire menu, 75
Acquire signals
basic concepts, 22
Acquisition
live display, 77
single-shot example, 41
stopping, 77
Acquisition modes, 22, 75
Average, 22, 76
indicators, 10
Peak Detect, 22, 76
Sample, 22, 75
Add waveforms
Math menu, 87
Aliasing
check for, 24
FFT, 59
time domain, 23
Amplitude cursors, 26, 82
Amplitude measurements
using cursors, 36
Application examples
analyzing a differential
communication
signal, 49
analyzing signal detail, 40
automatic measurements, 30
autoranging to examine test
points, 35
autoset, using, 30
averaging, using, 41
calculating amplifier gain, 34
capturing a single-shot
signal, 41
cursors, using, 36
data logging, 52
limit testing, 53
looking at a noisy signal, 40
measuring propagation
delay, 43
measuring pulse width, 37
measuring ring amplitude, 36
measuring ring frequency, 36
measuring rise time, 38
measuring two signals, 33
optimizing the acquisition, 42
peak detect, using, 40
reducing noise, 41
taking automatic
measurements, 31
taking cursor
measurements, 36
triggering on a specificpulse
width, 44
triggering on a video
signal, 45
triggering on video fields, 46
triggering on video lines, 47
using Autorange to examine
test points, 35
using persistence, 52
using the window
function, 48
using XY mode, 51
viewing impedance changes
in a network, 50
Attenuation
voltage probe, 5, 7, 105
Attenuation switch, 8
Auto trigger mode, 96
Automatic measurements, 88
basic concepts, 26
AutoRange button, 17
Autorange functions, 19
overview, 77
turning off, 78
Autorange menu, 77
AutoSet
button, 17
Autoset functions, 19
DC level, 79
FFT, 81
noise, 80
overview,79
pulse signal, 81
sine waves, 80
square wave, 81
Undo, 81
video signal, 81
when touse, 80
Autoset menu, 79
Average
acquisition mode, 75
Mean measurement, 89
Average acquisition mode, 22, 76
Average mode
icon, 10
B
Bandwidth limit
trigger, 96
vertical, 104
Bandwidth limited
readout, 11
Bezel buttons, xvi
BMP file format, 68
Button names, xvi
BW limit for vertical, 104
C
Calendar, 102
Calibration, 101
automatic routine, 8
TDS2000C Series Oscilloscope User Manual 125

Index
Channel
coupling, 104
menu, 104
scale, 11
Cleaning, 119
Clock
set date and time, 102
Coarse resolution, 104
Communication
OpenChoice software
installation, 70
Compensation
PROBE COMP connector, 18
voltage probe check wizard, 5
voltage probe manual, 7
Connectors
Channels 1, 2, 3 and 4, 18
Ext Trig, 18
PROBE COMP, 18
USB Device port, 69
USB Flash Drive port, 63
Context-sensitive help topics, xiv
Contrast, 83
Conventions used in this
manual, xvi
Cooling by convection, 3
Coupling
trigger, 21, 97
vertical, 104, 105
CSV file format, 93
Current folder, 64, 103
Current probes
scale setting, 8, 105
Cursor button, 17, 82
Cursor menu, 82
Cursor RMS measurements, 89
Cursors
adjusting, 82
Amplitude, 26, 82
basic concepts, 26
Frequency for FFT, 82
Magnitude for FFT, 82
measurement examples, 36
measuring an FFT
spectrum, 62
Time, 26, 82
using, 82
Cycle RMS measurements, 89
D
Data logging
application example, 52
Date, 102
Date and time readout, 12
DC coupling
trigger, 96
vertical, 104
Default setup
Edge trigger, 121, 122
Pulse trigger, 122
recalling, 95
Video trigger, 122
Default Setup button
option and control
settings, 121
retained option settings, 122
Delay measurements, 89
Delayed sweep, 86
Deleting
files or folders, 103
Deleting files or folders, 100
Delta readouts in Cursor menu, 82
Description
general, 1
Diagonal lines in waveform
peak detect, 76
Directories
deleting, 100, 103
Display
contrast, 83
intensity, 83
menu, 83
persistence, 83
readouts, 9
style (Invert), 105
style of waveforms, 83
type: vectors or dots, 83
XY format, 83
YT format, 83
Display button, 17, 83
Displaying waveforms, 104
reference, 90
Do Self Cal option, 8
Dots display type, 83
Dual time base, 14, 86
Duty cycle measurements, 89
E
Edge trigger, 96
EPSIMAGE file format, 68
Error Log, 101
Ext Trig connector, 18
probe compensation, 6
F
Factory calibration, 103
Factory setup, 121
recalling, 95
Fall time measurements, 89
Features
overview, 1
FFT aliasing, 59
remedies, 61
FFT spectrum
applications, 55
displaying, 57
magnify, 61
measuring magnitude
and frequency with
cursors, 62
Nyquist frequency, 56
process, 55
readouts, 57
window, 58
FFT window
Flattop, 59
Hanning, 59
Rectangular, 59
FFT zoom
horizontal, 57
vertical, 56
Field video trigger, 98
File formats for images, 68
126 TDS2000C Series Oscilloscope User Manual

Index
File utilities,103
creating files or folders, 103
deleting files or folders, 100,
103
navigating the directory
structure, 103
renaming files or folders, 103
selecting files or folders, 103
USB flash drive contents, 103
Fine resolution, 104
Firmware update
Internet, xv
Firmware updates, 103
Flattop window, 59
Folders
creating, 103
deleting, 100, 103
renaming, 103
Force Trig button, 15
Format
display, 83
image file, 68
USB flash drive, 64
Frequency
trigger readout, 12, 96
Frequency cursors, 26
FFT spectrum, 62
Frequency measurements, 89
FFT cursors, 62
using cursors, 36
Functional check, 4
G
GPIB adapter
ordering, 118
GPIB system
connecting to an
oscilloscope, 72
Graticule, 26, 83
Ground coupling, 104
H
Hanning window, 59
Help scroll LED, xiv
Help system, xiv
Helpful messages, 12
Holdoff, 87, 100
Holdoff control, 15
Horiz Menu button, 14
Horizontal
aliasing, time domain, 23
menu, 85
position, 23
position marker, 11
scale, 23
Scan mode, 77, 86
status, 102
Horizontal scale control, 14
Horizontal Scale control, 86
Hyperlinks in help topics, xiv
I
Icons
acquisition modes,
Average, 10
acquisition modes, Peak
Detect, 10
acquisition modes,
Sample, 10
bandwidth limited readout, 11
channel scale, 11
date and time readout, 12
horizontal position
marker, 11
inverted waveform
readout, 11
reference marker, 11
reference waveforms
readout, 12
timebasereadout, 11
trigger position marker, 11
trigger status, Acq.
Complete, 11
trigger status, Armed, 11
trigger status, Auto mode, 11
trigger status, Ready, 11
trigger status, Scan mode, 11
trigger status, Stop, 11
trigger status, Trig’d, 11
trigger type, Edge, 11
trigger type, Pulse Width, 11
trigger type, Video, 11
trigger, frequency readout, 12
trigger, level marker, 11
trigger, level readout, 12
trigger, position readout, 11
trigger, source, 11
vertical scale, 11
window time base readout, 11
Image file formats, 68
Index for help topics, xiv
Indicators, 10
Infrequent events
infinite persistence, 84
Installation
OpenChoice software on a
PC, 70
Intensity, 83
TDS2000C Series Oscilloscope User Manual 127

Index
Interpolation,76
Inverted waveform
readout, 11
J
JPG file format, 68
L
Languages, 102
Level, 15, 21
Level control, 15
Limit testing
application example, 53
Line video trigger, 98
Lissajous pattern
XY format, 84
M
Mindi
cator for Main time
base, 86
Magnify horizontal
window, 85
Magnitude cursors, 26
FFT spectrum, 62
Main time base, 14, 85
Manuals ordering, 118
Math
FFT, 55, 57
functions, 87
menu, 87
Math Menu button, 14
math waveform
allowed units, 88
Maximum measurements, 89
Measure button, 17
Measure menu, 88
Measurements
automatic, 26, 88
basic concepts, 25
cursor, 26, 36
cursor RMS, 89
cycle RMS, 89
delay, 89
duty cycle, 89
fall time, 89
FFT spectrum, 62
frequency, 89
graticule, 26
maximum, 89
mean, 89
minimum, 89
negative width, 89
peak-to-peak, 89
period, 89
phase,89
positive width, 89
rise time, 89
RMS, 89
types, 88
Memory
screen images, 91
setups, 91
USB flash drive, 63
waveforms, 91
Menu system
using, 12
Menus
Acquire, 75
Autorange, 77
Autoset, 79
Cursor, 82
Display, 83
Help, 85
Horizontal, 85
Math, 87
Math FFT, 57
Measure, 88
Print, 89
Ref, 90
Save/Recall, 91
Trigger, 95
Utility, 101
Vertical, 104
Messages, 12
Minimum measurements, 89
Multiply waveforms
Math menu, 87
Multipurpose knob, 16
N
Navigation
file system,103
Negative width measurements, 89
Noise reduction
Average mode, 75
Math subtraction, 87
trigger coupling, 96
vertical bandwidth limit, 104
Nonvolatile memory
reference waveform files, 91
setup files, 91
Normal operation
recall default setup, 20
Normal trigger mode, 96
NTSC video standard, 98
Nyquist
frequency, 56
O
OpenChoice software, 117
installation, 70
Option buttons, xvi
Option types
action, 13
circular list, 12
page selection, 12
radio, 13
Oscilloscope
connecting to a GPIB
system, 72
connecting to a PC, 70
connecting to a printer, 73
front panels, 9
set date and time, 102
specifications, 107
understanding functions, 19
P
PAL video standard, 98
128 TDS2000C Series Oscilloscope User Manual

Index
Panning
horizontal, 23
vertical, 23
PC
connecting to an
oscilloscope, 70
PCX file format, 68
Peak Detect acquisition mode, 22,
76
Peak Detect mode, 75
icon, 10
Peak-to-Peak measurements, 89
Peak-to-peak noise, 84
Period measurements, 89
Persistence, 83, 84
Phase differences, 84
Phase measurements, 89
Polarity
Pulse Width trigger, 99
Video trigger sync, 98
Ports
USB flash drive, 63
Position
horizontal, 23, 85
trigger, 98
vertical, 104
Position control
horizontal, 14
vertical, 14
Positive width measurements, 89
Power, 2
specifications, 113
Power cords, 2
ordering, 118
Power Cycle count, 101
Pretrigger, 20
Pretrigger view, 98
Print button, 17
PRINT button option, 91
PRINT Button option, 89
saving to a USB flash
drive, 67
Printer
connecting, 73
PictBridge compatible, 73
setup, 73
Printing
abort, 74, 89
screen data, 89
screen image, 73
PROBE CHECK button, 6
Probe Check Wizard
voltage probes, 5
PROBE COMP connections, 18
Probe option
match current probe scale, 8
match voltage probe
attenuation, 7
Probes
Attenuation switch, 7
compensation, 18
current and scale, 8
safety, 5
specifications, 115
voltage and attenuation, 105
voltage probe check wizard, 5
voltage probe manual
compensation, 7
Programmer manual
ordering, 118
Pulse signal
Autoset function, 81
Pulse width measurements
using cursors, 37
Pulse Width triggering, 98
R
Readouts
FFT (Math), 57
general, 9
Recall
factory setup (default), 20
setups, 20, 95
waveforms, 95
Recall Setup menu, 94
Recall Waveform menu, 94
Rectangular window, 59
Ref button, 17
Ref menu, 90
Reference
lead for probe, 5
marker, 11
probe terminal, 5
terminal, 18
Reference waveforms
displaying and removing, 90
readout, 12
saving and recalling, 95
Remote control using a
GPIB interface, 72
Removable file storage
USB flash drive, 63
Removing reference
waveforms, 90
Removing waveforms, 104
Renaming files or folders, 103
Resolution
fine, 105
Rise time measurements
automatic, 89
using cursors, 38
RLE file format, 68
RMS measurements, 89
Roll mode See Scan mode
Run/Stop button, 17, 76
steps taken by the oscilloscope
when pushed, 20
S
Safety Summary, iv
Sample acquisition mode, 22, 75
Sample mode
icon, 10
Sample rate
maximum, 75
Save
setups, 20
Save All menu, 91
Save Image menu, 92
Save Setup menu, 92
Save to a USB flash drive, 63
Save Waveform menu, 93
Save/Recall button, 17
Save/Recall menu, 91
saving to a USB flash
drive, 65
TDS2000C Series Oscilloscope User Manual 129

Index
Saving
all files to a USB flash
drive, 67
image files to a USB flash
drive, 68
setups, 95
waveforms, 95
Scale
control, 14
Course, 104
current probe, 8, 105
Fine, 104
horizontal, 23
vertical, 23
Scaling waveforms
basic concepts, 23
Scan mode, 77, 86
Scanning waveforms, 86
Screen buttons, xvi
Screen image
saving to a file, 68
sending to a printer, 73
SECAM video standard, 98
Security loop, 2
Self calibration, 8
Service
error log as a reference, 101
Service manual ordering, 118
Set date and time, 102
Set To 50% button, 15
Set To Zero button, 14
Setups
basic concepts, 19
saving and recalling, 91
Side-menu buttons, xvi
Sine waves
Autoset function, 80
Single button, 77
steps taken by the oscilloscope
when pushed, 20
Single-shot signal
application example, 41
Slope, 21
Soft case ordering, 118
Soft keys, xvi
Software
OpenChoice, 117
Source
AC Line, 98
Ext, 97
Ext/5, 97
trigger, 21, 96, 98
Specifications
oscilloscope, 107
TPP0101 and TPP0201
probe, 115
Square wave
Autoset function, 81
Status
miscellaneous, 102
system, 101
Subtract waveforms
Math menu, 87
Sweep
delayed, 86
horizontal scale, 86
Sync
video polarity, 98
video trigger line or field, 98
Sync pulse, 98
T
TEK-USB-488 adapter
connecting, 72
ordering, 118
TIFF file format, 68
Time base, 22
Main, 14, 85
readout, 11
Window, 14, 86
Time cursors, 26, 82
Time domain
waveform, 55
Time-out trigger, 112
TPP0101 and TPP0201 probe
specifications, 115
Transit case ordering, 118
Trig Menu button, 15
Trig View button, 15
Trigger
coupling, 21, 96, 97
definition, 20
edge, 96
force, 100
frequency readout, 12, 96, 99
holdoff, 15, 87,100
level, 15, 21, 95
level marker, 11
level readout, 12
menu, 95
modes, 21
modes: Auto, 96
modes: Normal, 96
polarity, 99
position, 21
position marker, 11
position readout, 11
pretrigger information, 98
slope, 21, 96
source, 11, 21, 96, 98
status, 102
status indicators, 11
sync, 98
type indicator, 11
types, 21
video, 98
view, 15, 100
U
USB Device port, 69
USB flash drive
file management, 64
File utilities, 103
formatting, 64
installation, 63
port location, 18
Print button, 67
Save operation indicator, 63
Save/Recall menu, 65
saving files, all, 67
saving files, images, 68
saving files, setups, 67
saving files, waveforms, 67
storage capacity, 64
USB Flash Drive port, 63
Utility button, 17
130 TDS2000C Series Oscilloscope User Manual

Index
Utility menus, 101
V
Vectors, 83
Ventilation, 3
Vertical
menu, 104
position, 23
position knob, 14
scale, 23
status, 102
Video signal
Autoset function, 81
Video trigger, 98
application example, 45
Volts/Div
Coarse, 104
control, 14
Fine, 104
W
W indicator for Window time
base, 86
Waveforms
acquire data,22
compression, 86
digitized, 22
display style meaning, 83
expansion, 86
position, 23
remove from screen, 105
scale, 23
scanning, 77
take measurements, 25
time domain, 55
Window time base, 14, 86
readout, 11
Window zone, 86
Window Zone, 86
Windows
FFT spectrum, 58
X
XY
application example, 51
display format, 83, 84
Y
YT
display format, 83
Z
Zoom, 48
FFT, 61
Horiz menu, 85
window zone, 85, 86
TDS2000C Series Oscilloscope User Manual 131