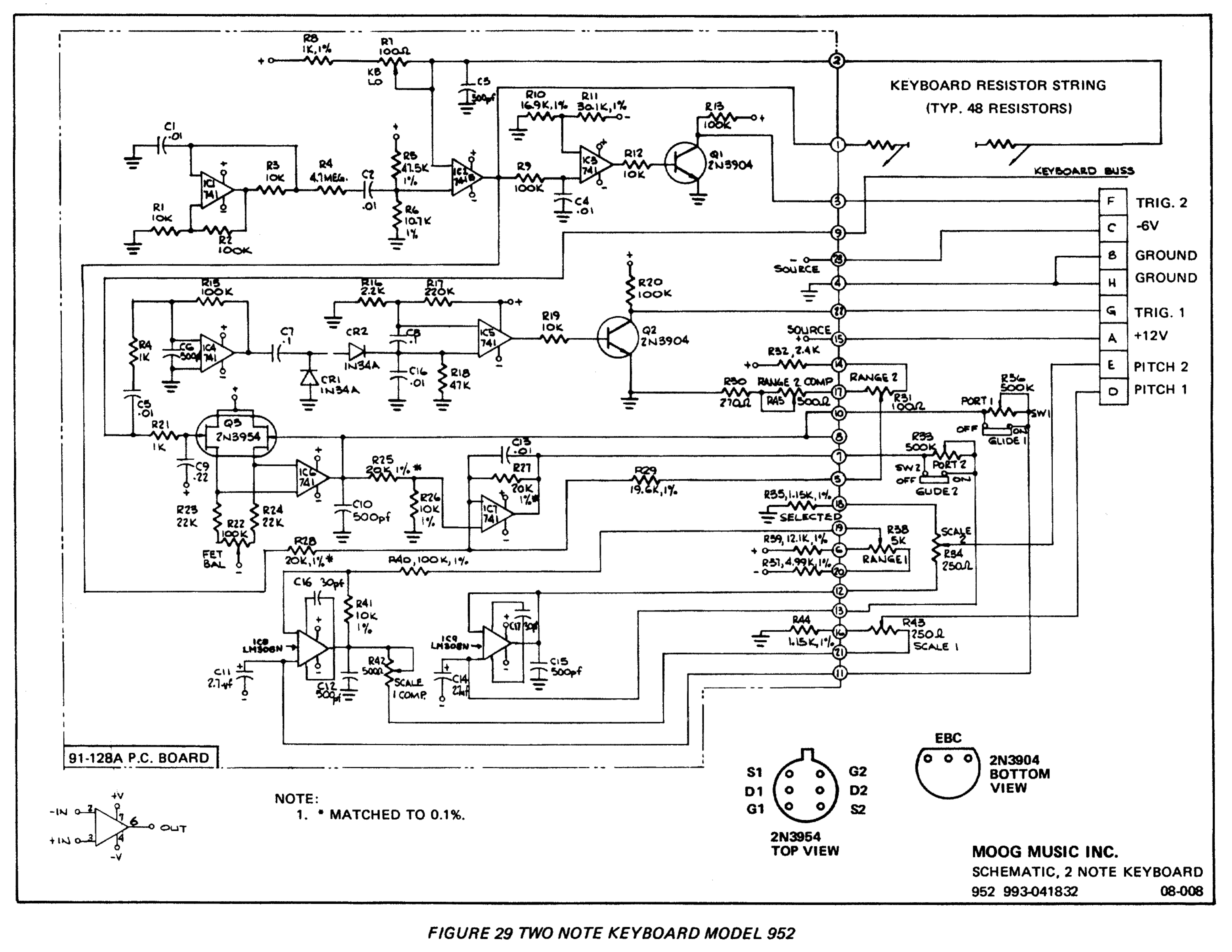
Moog 952 Keyboard Schematic
User Manual: Pdf Moog 952 Keyboard Schematic Synthfool:Docs:Moog:Modular
Open the PDF directly: View PDF
.
Page Count: 1

User Manual: Pdf Moog 952 Keyboard Schematic Synthfool:Docs:Moog:Modular
Open the PDF directly: View PDF
.
Page Count: 1
