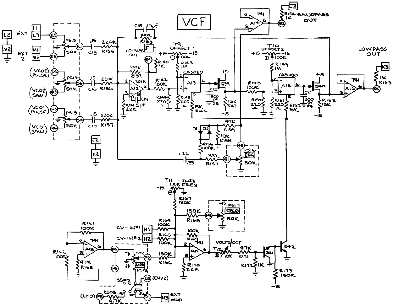
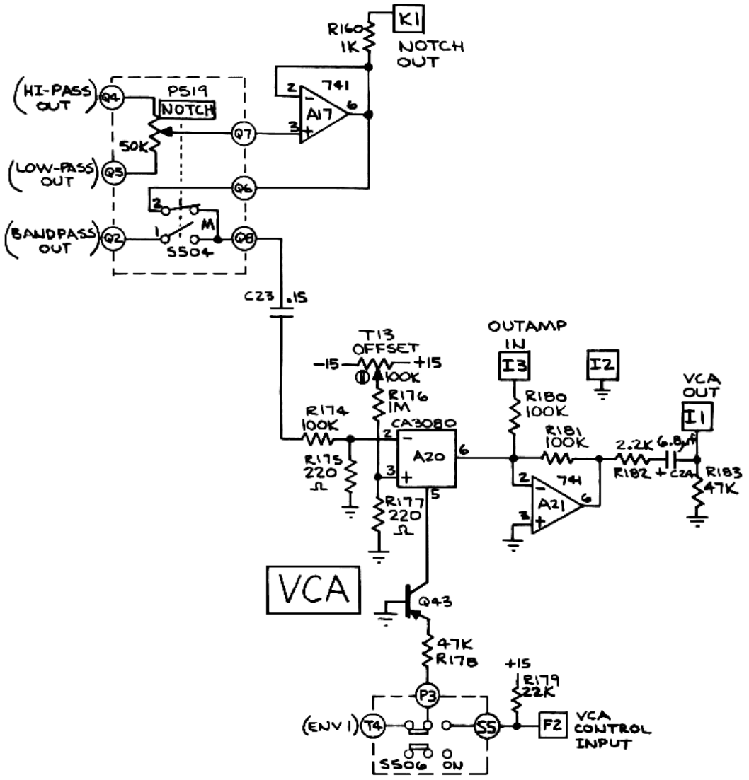
Oberheim SEM 1A Schematics
User Manual: Pdf Oberheim SEM-1A Schematics Synthfool:Docs:Oberheim:SEM 1A
Open the PDF directly: View PDF
.
Page Count: 8








User Manual: Pdf Oberheim SEM-1A Schematics Synthfool:Docs:Oberheim:SEM 1A
Open the PDF directly: View PDF
.
Page Count: 8







