T800/T800 SERIES 2 MANUALS/M820 00 2A0/Pages E2 9 10 Pages
T800/T800 SERIES 2 MANUALS/M820-00-2A0/Pages E2-9-E2-10 Pages E2-9-E2-10
T800/T800 SERIES 2 MANUALS/M820-00-2A0/Pages E2-9-E2-10 Pages E2-9-E2-10
User Manual: Pdf T800/T800 SERIES 2 MANUALS/M820-00-2A0/Pages E2-9-E2-10
Open the PDF directly: View PDF
.
Page Count: 2
- T825 A3 Diagrams (IPN 220-01446-03)
- T825 PCB Layout - Top Side
- T825 PCB Layout - Bottom Side
- Sheet 1 - T825 Receiver Overview
- Sheet 2 - T825 Audio Processor
- Sheet 3 - T825 IF Section
- Sheet 4 - T825 Front End
- Sheet 5 - T825 VCO Section
- Sheet 6 - T825 Regulators
- Sheet 7 - T825 Synthesiser
- Sheet 8 - T825 Microcontroller
- Sheet 9 - T825 Harmonic Filter
- T826 A3 Diagrams (IPN 220-01443-04)
- T827 A3 Diagrams (IPN 220-01447-04)
- T827 PCB Layout - Top Side
- T827 PCB Layout - Bottom Side
- Sheet 1 - T827 Exciter Overview
- Sheet 2 - T827 Audio Processor
- Sheet 3 - T827 Exciter
- Sheet 4 - T827 13.8V Supply Filter (PA Cavity)
- Sheet 5 - T827 VCO Section
- Sheet 6 - T827 Regulators
- Sheet 7 - T827 Synthesiser
- Sheet 8 - T827 Microcontroller
- Sheet 9 - T827 Harmonic Filter
- T828 A3 Diagrams (IPN 220-01197-02)
- T820 VCO Circuit Diagram (IPN 220-01180-05)
- Return To A4 Pages

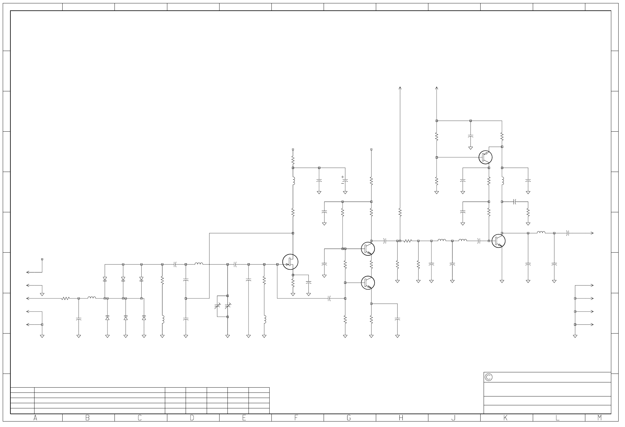
IPN 220-01180-05
M820-00 T820 VCO PCB Information E2.9
Copyright TEL 01/07/00
T820 VCO
220-01180-05
0
1
2
3
4
5
6
7
8
9
0
1
2
3
4
5
6
7
8
9
ABCDEFGHJ KLM
REV/ISS AMENDMENTS DATEAPVDD.O.CHKDDRAWN
NO.SHEETS:FILE NAME:
TAIT ELECTRONICS
IPN:
FILE DATE:
ISSUE: ID:.
2.SC.
PROJECT: DESIGNER:
1
2
T820 VCO
820vc_5a
220-01180-05
23-Aug-99
A
T820 DAVE ELDER
1A UPDATE TO UNICAD, NEW TRIMMER R.MOFFAT 17/02/96
2A UPDATE FOR TRONSER TRIMMER D.ELDER DEC-97
4A NEW TRIMMERS D.ELDER 11/3/99
5A CHANGE Q5 TO BLT50 D.ELDER A.M. R.M. G.M. 23/8/99
&C2
56P
&C26
27P
&C3
10P
&C4
18P
&L9
#1005
C1
1N0
C11
1N0
C12
1N0
C13
39P
C14
82P
C15
1N0
C16
1N0
C17
47N
C18
1N0
C19
1N0
C20
1N0
C21
56P
C22
27P
C23
1N0
TANT
C24
10U
C25
22P
C5
1N0
C6
1N0
C10
1P0
C8
1N0
C9
1N0
D1
BB439
A
K
D2
BB439
A
K
D3
BB439
A
K
D4
BB439
A
KD5
BB439
A
KD6
BB439
A
K
L1
3U3H
L2
3U3H
L3
3U3H
L4
3U3H
L5
100NH
L6
33NH
L7
100NH
L8
100NH
Q2
MMBR571
Q3
MMBR571
Q5
BLT50
R1
22
R10
10
R11
56E
R12
180
R13
27
R14
180
R15
6K8
R16
1K0
R17
1K0
R18
10
R19
10
R2
56E
R20
330
R21
56E
R22
470
R23
56E
R3
560
R4
2K7
R5
1K0
R6
1K0
R7
22
R8
22
R9
180
D
S
GQ1
MMBFJ310
Q4
BCW70
&VC1-TX
8-40PF
&VC1-RX
1-30PF
PL-1
+9V 5
PL-1
CV-IN 1
PL-1
GND 3
PL-1
GND 2
PL-1
GND 4
PL-2 GND
3
PL-2 GND
4
PL-2 GND
2
PL-2 GND
1
PL-2 RF-OUT
5
+9V/VCO
+9V/VCO
PL-3
DIVIDER-BUFFER
1
PL-4
+9V
1
+9V/VCO
VCO
&VC1-RX fitted for Receivers Only
&VC1-TX fitted for Transmitters and Exciters Only