R48 Operator And Parts Manual
User Manual: Pdf R48-Operator-and-Parts-Manual
Open the PDF directly: View PDF
.
Page Count: 16

1

2
CIMEX HD
The following manual contains important
information about the machine and safety advice
for the operator.
WARNING
Earth Ground Symbol
Waste Electrical & Electronic
Equipment (WEEE)
Do not dispose of this device with
unsorted waste. Improper disposal may
be harmful to the environment and
human health. Please refer to your
local waste authority for information on
return and collection systems in your
area.
EC DECLARATION OF CONFORMITY
Machine Type: Heavy duty scarifier
Type: Cimex HD
Model: R48HD
This machine is in conformity with the following EU
directives:
2006/42/EC
2004/108/EC
Applied
harmonised
standards
Machinery Directive
The EMC Directive
EN60335-1, EN60335-2-67,
EN55014-1, EN55014-2,
EN610003-2, EN610003-3,
EN62233
Truvox International
Malcolm Eneas
Unit C (East) Hamilton
Business Park, Manaton
Way, Botley Road, Hedge
End, Southampton,
SO30 2JR, England
Operations Manager
Southampton, 30-04-2004
TECHNICAL SPECIFICATIONS
Model
Cimex Heavy Duty
48
Product Code
R48HD
Motor power
(single phase/ three phase)
W 1500/ 2200
Productivity rate
m²/h
600
Pad/brush speed
rpm
400
Pad/brush diameter
cm
48
Productivity - Scrubbing
m²/h
1140
Productivity - Polishing
m²/h
1710
Productivity – Spray clean
m²/h
850
Dimensions (L x W x H)
cm
75 x 55 x 120
Weight
kg
60
Ballast weights
kg
17
No. units supplied
2
Cable length
m
15
Warranty
1 year
•
Machine is of Class I construction. Enclosure to
IPX2.
• Models - 230 V ~ 50 Hz. fitted with 15m supply cord
type H05VV-F 3x1.0mm² (10A), and plug.
• Sound pressure levels measured at a distance of 1
metre from machine and 1.
6 metres above floor,
when scrubbing a hard floor. Measurements
recorded using a hand held meter.
• Handle vibration does not exceed 2.5
m/s², when
operating on any surface with brush or pads.
Measurements recorded by an independent test
laboratory.
If you have any queries or questions, please contact
the supplier who you purchased the machine from or
Truvox International.
Truvox International Limited
Unit C (East) Hamilton Business Park, Manaton Way
,
Botley Road, Hedge End, Southampton, SO30 2JR
,
United Kingdom; Tel.: +44 (0) 23 8070 6600;
Fax: +44
(0) 23 8070 5001; Email: sales@truvox.com
; Web:
www.truvox.com
ORIGINAL INSTRUCTIONS
WARNING - READ THESE INSTRUCTIONS BEFORE USING THE MACHINE & RETAIN FOR FUTURE REFERENCE

3
Please refer to machine pictures on page 1
1
2
3
4
5
Motor switch lever
When raised switches
motor ON and starts
the rotating heads,
when released
switches motor OFF
and stops the heads.
Each time the lever is
operated the direction
of head rotation is
reversed, improving
the quality of cleaning
and prolonging
disc/pad life.
Handle
Clamping bar
Drive pins
Rotating heads
6
7
8
9
Handle adjustment
lever
From the upright
position, lift the handle
adjustment lever and
pull the handle
backwards to a
comfortable working
height, then press
lever down to lock
handle in position
Cable hooks
Used to hold supply
cord in place on
handle when
machines not in use
Drive plates
Attachment point for
brushes or drive discs
and pads
Rotating dust cover
1. Product information
This heavy duty three brush floor cleaning machine is
suitable for heavy duty commercial use. Ideal for floor
preparation; removing impacted grease, oil and debris
from concrete floors; removing build-up of ice in cold store
floors; and glue, carpet backing foam and rubber removal.
The machine is intended for commercial use, for example
in hotels, schools, hospitals, factories, shops, offices,
rental businesses and other than normal housekeeping
purposes.
The following instructions contain important information
about the machines and safety advice for the operator.
These instructions are valid for the following models:
Cimex HD - R48HD…
Equipment must be operated, serviced and maintained in
accordance with the manufacturer’s instructions. If in
doubt contact the supplier of your machine.
1.1 Important safety advice
When using this machine, basic safety
precautions should be followed, including the
following:
• This machine must only be used for the manufacturer’s
approved application as described in this manual.
• Please note that the safety information described in the
manual supplements and does not replace standards in
force in the country in which the machine is used.
• WARNING - Only use accessories and spare parts
provided with the machine or those approved by the
manufacturer. The use of other spare parts or
accessories may impair the safety of the machine.
• CAUTION - This machine is for dry indoor use only and
should not be used or stored outdoors in wet conditions.
• All parts are to be positioned as indicated in the
instructions before using the machine.
• The machine must be unpacked and assembled in
accordance with these instructions before connecting to
the electrical supply.
• DO NOT use where hazardous dust is present.
• DO NOT use in an explosive atmosphere.
• DO NOT pick up or use near flammable fluids, dusts or
vapours.
• DO NOT use to clean up any burning or lighted
materials such as cigarettes, matches, ashes or other
combustible objects.
• Take care when using a machine near the top of stairs
to avoid overbalancing.
• Only use the machine on firm level surfaces. DO NOT
use on a gradient or more than 2% slopes.
• DO NOT use diesel/petrol or corrosive detergents to
wash floors.
• DO NOT wash and vacuum corrosive, flammable and/
or explosive liquids, even if diluted.
• DO NOT put any object into openings. DO NOT use
with any opening blocked; keep free of dust, debris and
anything that may reduce airflow.
• DO NOT cover machine when in use.
• DO NOT leave the machine connected to the electricity
supply when not in use; always remove the plug from
the socket outlet.
• DO NOT leave machine running unattended.
• This machine should always be connected to a fully
earthed power supply of the right voltage and frequency.
• The machine shall be disconnected from its power
source during its cleaning or maintenance and when
replacing parts or accessories, by removing the plug
from the socket-outlet.
• DO NOT use if it has been damaged, left outdoors or
dropped into water.
• DO NOT operate switches or touch the mains plug with
wet hands as this may cause electric shock.
• WARNING - Keep the power supply cord clear of
moving parts (and/or rotating brushes). During operation
hazard may occur when running the machine over the
power supply cord.
• DO NOT operate the machine with a damaged supply
cord or plug, or after the machine malfunctions or is
damaged in any way. Contact an authorised Service
Agent for repair or adjustment.
• DO NOT pull or carry by the supply cord. DO NOT use
cord as a handle, close door on cord or pull cord around
sharp edges or corners.
• The plug of the power supply cord must be removed
from the socket-outlet before commencing cleaning of
the machine or undertaking maintenance operations.
• DO NOT kink or twist the power cord and keep cord
away from heated surfaces.
• When unplugging, pull the plug, not the supply cord.
• The power supply cord must be regularly inspected for
signs of damage. If the power supply cord is damaged,
it shall only be replaced by a suitable cord by the

4
manufacturer, its service agent or a similar qualified
person in order to avoid a hazard.
•Never use excessive foaming or highly corrosive
cleaning solutions.
1.2 Guidelines for the operator
•This machine is not intended for use by persons
(including children) with reduced physical, sensory or
mental capabilities, or lack of experience and
knowledge, unless they have been given supervision
or instruction concerning use of the machine by a
person responsible for their safety.
•Operators must be fully trained in the use of the
machine in accordance with these instructions, able to
perform user maintenance and the correct selection of
accessories.
•Operators should be physically capable to manoeuvre,
transport and operate the machines.
•Operators should be able to recognise unusual
operation of the machine and report any problems.
•Keep children and unauthorised persons away from
the machine when in use.
•Keep cleaning solutions away from children and pets
at all times.
•CAUTION - This machine is for dry indoor use only
and should not be used or stored outdoors in wet
conditions.
•DO NOT clean the machine using water sprays or jets.
•Keep hair, loose clothing, hands, feet and all other
parts of the body away from openings and moving
parts.
•Keep machine clean and in good operating condition.
•Let the machine do the work. Grip the handle as lightly
as possible.
•Stand with feet slightly apart to maintain good balance.
Avoid twisting the body more than 45 degrees.
•Wear suitable footwear to avoid slipping.
•Wear suitable clothing to keep dry and warm.
•Where possible implement job rotation and adequate
rest periods to avoid continuous use of the same
muscles.
•DO NOT smoke when using the machine.
1.3 Transporting the machine
CAUTION - THIS MACHINE IS HEAVY
Do not attempt to lift the machine without assistance.
Incorrect lifting techniques may result in personal injury.
We advise that the manual handling regulations are
followed. Please refer to the technical table for details on
weight of machine. CAUTION – When lifting the machine
the brush head is free to tip backwards, ensure fingers are
kept well clear of the side arms of the chassis. The
machine can be moved to the area to be cleaned by
wheeling on its rear transport wheels. When transporting
the machine ensure that all components, tanks and
removable parts are securely fastened. Detach hose and
wand from machine where applicable. When moving the
machine the handle should be locked and the machine
tilted back on its wheels. Do not lift or transport the
machine whilst containing liquid as this will add
considerably to the weight. Take extreme care when
moving the machine up or down steps or stairs.
CAUTION – Bumping over thresholds, kerbs and similar
obstacles can damage the machine. Small obstacles can
be overcome by pulling the machine backwards.
2. Preparing for use
2.1 Electrical connection
Before connecting the machine to the power supply,
check that your supply voltage corresponds with that
marked on the rating label on the machine.
2.2 Fitting brushes and pads
•WARNING - This appliance has been designed for use
with the brushes specified by the manufacturer. The use
of other brushes may impair safety.
•Always ensure machine is unplugged before fitting or
removing parts.
•Tip the brush head backwards towards the handle, and
push 3 brushes of the same type, or drive discs and
pads, onto the four drive pins (4) on each of the rotating
heads (5).
•Return brush head to the floor.
•Remove brushes by simply pulling them off the drive
pins.
•IMPORTANT - Never allow the brush head to rest on
the drive pins, always tip brush head back when not in
use.
•Always keep brushes and pads in sets of three, to
ensure even wear in order to prevent vibration.
2.3 Fitting scarifying brushes
•Tip the machine brush head backwards towards the
handle, and push 3 scarifying brushes of the same type
onto the four drive pins on each of the rotating heads
(5).
•Fit retaining clip onto pins, ensuring it is located in the
groove on each pin (4).
•Return brush head to the floor.
•Remove brushes by simply removing retaining clip and
pulling brush off the drive pins.
UK only
The supply cord for 230v models is fitted with a plug
containing a 13 amp fuse. Should the fuse require
replacement it must only be replaced by a 13 amp
fuse conforming to BS1362, and the fuse cover must
be refitted. If the fuse cover is lost the plug must not
be used until the correct replacement cover is fitted.
Should an extension cord be used, ensure cord rating
is adequate for the equipment. Do not use extension
cord in coiled condition as this could result in
overheating of the cord. The power supply cord plus
any extension leads should not exceed 30 m in total.
The cross-section of any extension cable wiring must
be at least 2, 5 mm².
WARNING – THIS
APPLIANCE MUST BE
EARTHED.

5
2.4 Fitting heavy duty tools
• Heavy duty tools (such as star-wheels carbide blocks
and scrapers) must to be bolted onto the machine.
• To bolt tool to machine two drive pins (diagonally
opposite each other) must be removed from each of the
rotating heads.
• Fit three matching heavy duty tools over each pair of
drive pins.
• Secure each tool using two M5 bolts. Always use spring
washers with bolts to minimise chance of tools working
loose. IMPORTANT – regularly check that bolts are
tight.
2.5 Adjusting the handle height
Select the most comfortable handle height using the
adjustment lever and lock in position.
2.6 Adding weights
• Before adding additional weights switch off the machine.
• Unscrew knob and lift off clamping bar (4).
• Add additional weight as required, and refit clamping
bar.
3. Controls
The operating controls are located on the handle (1).
Please refer to page 1.
4. Operation
4.1 Starting the machine
• Fully unwind the supply cord from the handle and plug
in to a convenient socket outlet.
• With the handle set at a comfortable working height, and
with both hands on the handle, lift the start/stop lever to
START the machine. Releasing the lever will STOP the
machine.
• WARNING - Never start the machine without brushes or
heavy duty tools fitted.
• Normal movement of the machine is in a forward and
backward direction.
• Always work away from the supply socket to avoid
running into the supply cord.
4.2 Using the machine
• Fit brushes or tools suitable for the surface to be
cleaned/ prepared.
• Adjust handle to suit operator
• Tilt the machine slightly backwards so that the brushes/
tools are clear of the floor and wheel the machine to the
area to be cleaned.
• Switch on the machine. Always work away from the
mains socket – this will help to avoid running into the
cable.
• Scarifying is normally a dry process. Because of the
extremely harsh abrasive action of scarifying brushes
and heavy duty tools, only resilient floors such as
concrete, metal tile etc. should be scarified.
• Walk slowly behind the machine, overlapping each pass
to ensure an even finish.
• Do not keep the machine rotating on one spot as this
could damage the floor surface.
• Should the machine start to vibrate, or resist the
cleaning action on the floor, check the brushes/ tools for
wear.
• Each area of the floor should be covered at half walking
pace. Some floors may require extra passes to process
it thoroughly.
• On reaching the original starting point, position the
machine to process another path parallel to the first and
overlapping by 50mm.
• When the entire floor area has been covered, clear
debris using suitable vacuum cleaner or sweeper.
4.3 Processing the floor
• We recommend that the surrounding floor area is
protected with plastic sheet, sealed at the edges with
adhesive tape.
• When the floor area is sealed off, the processing of the
floor can begin.
• Walk at half speed down the edge of the floor, keeping
the head of the machine at the edge of the tape. The
discs will ride over the tape should you accidentally run
onto it.
• Dispense enough solution to keep the floor wet while
the machine is operating. When you reach a wall or the
extent of the supply cord, return over the same path just
covered.
• Each area of the floor should be covered at least twice
at half walking pace. Some floors may require extra
passes to process it thoroughly.
• On reaching the original starting point, position the
machine to process another path parallel to the first and
overlapping by 50mm.
• When the entire floor area has been covered, use a wet
vacuum with a squeegee attachment to pick up the
water and stone residue from the floor.
• Repeat the process using progressively finer discs in
turn.
• In areas too small to use the machine, it will be
necessary to use a hand polisher with a single abrasive
disc.
• Wet vacuum all remaining solution to dry the floor
quickly.
• NOTE - If the floor has lippage, or an area of the floor
has lippage, it should be wet vacuumed after each
processing grit. Lippage will damage abrasive discs and
fragments could be picked up and scratch the floor
surface. The floor should be vacuumed at any point if
the slurry becomes heavy.
• As the floor dries, remove the protective plastic sheeting
and tape.
• Where carpet or fabric materials are wet with water and
surface residue, flush with clean water and extract with
the wet vacuum. This process may need to be repeated
several times to remove all residue.
• Where surface residue has dried on a hard surface, a
clean dry cloth will quickly remove it.
• Following clean up, damp mop twice with clean water to
remove surface residue. The floor will then appear dull
and hazy.
• The polishing procedure should be performed after a
twenty four hour drying period. On smaller floors the
surface may be mechanically dried. The drive backs

6
should be changed to ‘Instalok’ type fitted with suitable
pads for the polishing process. Do not use rusty or
discoloured polishing pads.
•Do not leave the machine stationary during polishing, as
marks will be left on the floor which may result in the
whole procedure having to be repeated.
•Apply polish from a spray bottle; apply sparingly just
ahead of the machine as you work. Do not leave wet
polish on the floor; work in immediately as it can cause
spotting on the floor.
•While processing, the technician should frequently
inspect the abrasive pads for wear or damage.
•The survey should determine which grade of disc is
used to begin the process. Normally coarse are the
starting grit, except where lippage is extreme or surface
damage is very slight.
•To eliminate lippage, weights may be added to the
machine.
•The operator should examine the floor surface following
each processing grade to determine whether the
removal of wear or scratching is effective.
4.4 When processing is finished
•When processing is finished, unplug the machine from
the power supply, remove weights, raise the brush head
and remove the drive backs, and abrasive discs or
pads. Wipe over the machine with a damp cloth.
•Remove and clean finishing discs and polishing pads.
4.5 Polishing and buffing
•Fit drive discs and pads suitable for the surface to be
polished.
•Ensure the floor is clean and dry.
•Walk slowly behind the machine, overlapping each pass
to ensure an even finish.
•Do not keep the machine rotating on one spot for more
than 10-15 seconds, as this could cause overheating
and damage the floor surface.
•Should the machine start to vibrate, or resist the buffing
action on the floor, check the cleanliness of the pads.
When dirty on one side the pad may be reversed.
4.6 When cleaning is finished
•When cleaning is finished, unplug the machine from the
power supply, raise the brush head and remove brushes
or pads, and wipe over the machine with a damp cloth.
•Wash brushes and pads in warm soapy water, rinse and
allow to dry naturally.
5. Storage
•After use always wipe down and dry the machine, and
remove and clean the drive backs, pads or brushes.
Clean the rotating dust cover (10) and check the
condition of the brush seals (9). The seals should be
cleaned periodically to maintain their effectiveness.
•The solution tank should be emptied and flushed out
with clean water.
•The machine should normally be stored with the handle
in the raised position and the brush head tipped back.
Never leave the brush head resting on the drive pins.
•Wrap supply cord around the handlebar and cable
winder ensuring that the plug is not trailing on the floor.
•Store the machine in a dry indoor area only.
6. Maintenance
WARNING - Before undertaking maintenance operations
or adjustments switch off machine and unplug from the
electricity supply.
IMPORTANT – All other servicing and repairs should only
be performed by a Truvox engineer or Authorised Service
Agent.
IMPORTANT – Should the machine fail to operate please
refer to the fault diagnosis section in the back of this
instruction manual. If the problem/ remedy is not listed
please contact Truvox Customer Service Department for
rapid attention.
The machine requires minimum maintenance apart from
the following checks by the operator prior to use:
•Supply cord - Regularly inspect sheath, plug and cord
anchorage for damage or loose connection. Only
replace the supply cord with the type specified in these
instructions.
•Drive backs, pads and brushes - Inspect for wear and
replace worn brushes. Clean under running water.
•Body of the machine - Clean with a damp cloth.
•Brushes - Inspect for wear and replace worn brushes.
Clean under running water.
7. After sales service
Truvox machines are high quality machines that have
been tested for safety by authorised technicians. It is
always apparent that after longer working periods,
electrical and mechanical components will show signs of
wear and tear or ageing. To maintain operational safety
and reliability the following service interval has been
defined: Every year or after 250 hours. Under extreme or
specialised conditions and/or insufficient maintenance,
shorter maintenance intervals are necessary. Use only
original Truvox spare parts. Use of other spare parts will
invalidate all warranty and liability claims. Should you
require after sales service please contact the supplier
from whom you purchased the machine, who will arrange
service. Repairs and servicing of Truvox products should
only be performed by trained staff. Improper repairs can
cause considerable danger to the user.
8. Guarantee
Your product is guaranteed for one year from the date of
original purchase, or hire purchase, against defects in
materials or workmanship during manufacture. Within the
guarantee period we undertake at our discretion, to repair
or replace free of charge to the purchaser, any part found
to be defective, subject to the following conditions:
CONDITIONS
1. Claims made under the terms of the guarantee must
be supported by the original invoice/bill of sale issued
at the time of sale, or the machine Serial No.
2. For claims under this guarantee contact the supplier
from whom you purchased the product who will
arrange the appropriate action. Do not initially return
the product as this could result in transit damage.
3. Neither Truvox nor its distributor shall be liable for any
incidental or consequential loss.

7
4. This guarantee is governed by the laws of England.
5. This guarantee does not cover any of the following:
•Periodic maintenance, and repair or replacement
of parts due to normal wear and tear.
•Damage caused by accident, misuse or neglect,
or the fitting of other than genuine Truvox parts.
•Defects in other than genuine Truvox parts, or
repairs, modifications or adjustments performed
by other than a Truvox service engineer or
authorised service agent.
•Costs and risks of transport relating directly or
indirectly to the guarantee of this product.
•Consumable items such as, brushes, drive discs,
filters and vacuum skirts.
•This guarantee does not affect your statutory
rights, or your rights against the supplier arising
from their sales or purchase contract. Truvox
International Limited policy is one of continual
product development and we reserve the right to
alter specifications without prior notice.
9. Accessories
Item
Part No.
Usage
Crimped wire
11-2041-0500
Chequer plate cleaning
Steel wire 18G
11-2043-0500
Concrete finishing
Bronze wire 18G
11-2045-0500
Spark-free scarifying
Steel wire 3x 16G
11-2049-0500
General scarifying
Steel wire 3x 14G
11-2051-0500
Heavy duty scarifying
Spare retaining clips for heavy duty brushes (set)
03-6938-0000
Spare horseshoe weight (17kg each)
03-7004-0000
NOTE - Brushes are supplied in sets of 3.
10. Fault diagnosis
The following simple checks may be performed by the operator:
Trouble
Reason
Remedy
Motor not running
•Lack of voltage/ electrical
supply
•Safety cut-out switch faulty
•Check fuse *, supply cord, plug,
socket outlet and circuit breaker
Machine stalls during operation
•Damaged brushes/ pads
•Replace brushes/ pads
Motor running, but brushes not
rotating
•Loose or broken drive belt
•Remove rotating dust cover and
fit new drive belt, or call Service
Agent
Machine vibrates
•Damaged or dirty brushes/
pads
•Unequal thickness of brushes/
pads
•Replace or clean brushes/ pads
•Replace with 3 brushes/ pads of
equal thickness
* If the fuse blows several times, the machine should be checked by an authorised Service Agent.

G SECHERE DESCRIPTION OF CHANGE ECN #
B COMPONENTS CHANGE N/A
Modified By:
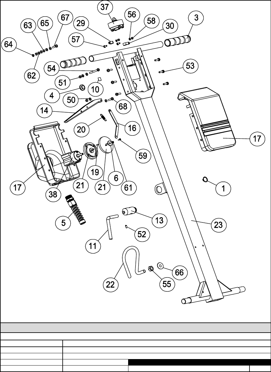
R48/HD Handle Assembly
Revision:
Machine: R48/HD
Reference Parts List: 05-4496-0000
Drawing Number: 09-1047-0000
Date: 04/02/2009

G SECHERE DESCRIPTION OF CHANGE ECN #
B COMPONENTS CHANGE N/A
Ref. No. Part No. Part Description Qty
1 02-3950-0000 1
2 02-4065-0000 4"
3 02-4175-0000 2
4 02-4176-0000 1
5 02-4186-0000 1
6 02-4311-0000 1
7 02-4149-0000 7
8 02-3702-0000 40"
10 03-6185-0000 1
11 03-6953-0000 1
13 03-6957-0000 1
14 03-7281-0000 1
16 03-7298-0000 1
17 03-7300-1000 1
19 03-7433-0000 1
20 03-7434-0000 1
21 03-7435-0000 1
22 03-7660-0000 1
23 03-8005-0000 1
29 02-4026-0000 1
30 02-4219-0000 1
31 04-3416-0000 1
33 04-3576-0000 5
32 04-3480-0000 2
34 04-3481-0000 4
35 04-3602-0000 2
36 04-3681-0000 600"
37 04-3686-0000 1
38 04-3809-0000 1
43 04-3553-0000 158"
44 04-3556-0000 79"
45 04-3558-0000 79"
46 04-3559-0000 79"
47 04-3552-0000 79"
48 04-0299-0000 1
48 04-3030-0000 1
48 04-3156-0000 1
48 04-3563-0000 1
50 00-0500-0503 4
51 00-0500-0723 2
52 00-0510-0171 1
53 00-0512-0013 6
54 00-0540-0013 1
55 00-1000-0703 1
56 00-0400-0523 2
57 00-0410-0023 2
58 00-0400-0703 2
59 00-0308-0013 1
61 00-0300-0503 1
62 00-0500-0507 3
63 00-0500-0703 2
64 00-0500-0713 1
65 00-0500-0521 1
66 00-1000-0523 1
67 00-0520-0013 1
68 00-0518-0013 1
M3x8 POZI PAN HD SCREW
M3 PLAIN WASHER
M5x20 POZI PAN HD SCREW
M5 X 12 POZI PAN HEAD SCREW
M5 FULL NUT
M5 LOCK NUT
M5 SHAKEPROOF WASHER Z/P
M10 SHAKEPROOF WASHER
M5 BRASS WASHER
SCREW, M5 X 40 PAN HEAD
M10 FULL NUT
M4 SHAKEPROOF WASHER
M410 POZI PAN HEAD
M5 PLAIN WASHER
M5 NYLOC NUT
M5 x 10 SOCKET SET SCREW
M5 X 12 POZI PAN HEAD SCREW
M4 FULL NUT
CABLE 2.5MM 14AWG GREEN/YELLOW *NOT SHOWN* (DROPLEAD)
CABLE 2.5MM 14AWG RED *NOT SHOWN* (DROPLEAD)
PLUG (UK) *NOT SHOWN*
FASTENERS
PLUG (EURO) *NOT SHOWN*
PLUG (110V PLUG) *NOT SHOWN*
PLUG (3-PHASE GERMAN LEGRAND 05) *NOT SHOWN*
SWITCH (CAM OPERATED)
CABLE 2.5MM 14AWG BLACK *NOT SHOWN* (DROPLEAD)
CABLE 2.5MM 14AWG BLUE *NOT SHOWN* (DROPLEAD)
CABLE 2.5MM 14AWG BROWN *NOT SHOWN* (DROPLEAD)
TERMINAL (SPRING SPADE) *NOT SHOWN*
TERMINAL (RING) *NOT SHOWN*
MAINS CABLE 1.5MM SQ GREY PVC 3 CORE
SWITCH (MOMENTARY)
P CLIP (MAINS CABLE)
SUPPRESSOR RF 0.47UF
CRIMP TERMINAL PRE-INSULATED *NOT SHOWN*
TERMINAL (FORK) *NOT SHOWN*
REVERSE SWITCH CAMS
CABLE HOOK
CR / RHD COMMON HANDLE FRAME
P CLIP (DROPLEAD)
SWITCH CAM LEVER
HANDLE BOX (FRONT & REAR SET)
CAM FOLLOWERS
SPRING
EARTH POINT LABEL
LOCKING HANDLE
PIVOT
LEVER
PENNY WASHER
TYRAP - SMALL (BI) *NOT SOWHN*
SLEEVING FOR CABLE (10/13AMP) *NOT SHOWN*
3/4 in EXTERNAL CIRCLIP
SLEEVING 2MM CLEAR
HANDLE GRIP
GROMMET
Part Reference: 05-4496-0000
Date: 04/02/2009
Modified By:
R48/HD Handle Assembl
y
CABLE GLAND
Revision:
CORE COMPONENTS
Machine: R48/HD
Reference Drawing Number: 09-1047-0000

G SECHERE DESCRIPTION OF CHANGE ECN #
B COMPONENTS CHANGE N/A
Drawing Number: 09-1072-0000
Date: 04/02/2009
R48/HD Head Assembly
Modified By:
Revision:
Machine: R48/HD
Reference Parts List: 05-3917-0000

G SECHERE DESCRIPTION OF CHANGE ECN #
B COMPONENTS CHANGE N/A
Ref. No. Part No. Part Description Qty
1 02-4587-0000 1
2 02-4335-0000 1
3 02-4184-0000 1
4 02-4025-0000 1
5 02-4020-0000 2
7 02-4035-0000 2
8 02-4191-0000 1
9 02-4085-0000 6
10 02-4320-0000 12
11 02-4323-0000 18
12 02-4381-0000 3
13 02-4380-0000 1
16 02-4024-0000 1
17 02-4161-0000 1
18 02-4447-0000 1
19 03-6972-0000 1
20 03-7278-1000 63.5"
21 03-6910-0000 3
22 03-8090-0000 1
23 03-6927-0000 1
24 03-6931-0000 1
25 03-6940-0000 1
26 03-7331-0000 3
28 03-6946-0000 3
29 03-6968-0000 1
31 03-6962-0000 1
32 03-7220-0000 3
33 03-7284-0000 1
36 03-6971-0000 1
37 03-7008-0000 1
38 03-6967-0000 6
39 03-6969-0000 3
40 03-7714-0000 1
41 03-7715-0000 1
42 03-7716-0000 1
43 03-6806-0000 1
44 03-7944-0000 1
45 03-7004-0000 2
46 04-3852-0000 1
47 04-3602-0000 6
52 05-4546-0000 3
53 72470A 12"
60 00-0500-0723 3
61 00-0512-0033 12
62 00-0520-0013 3
63 00-0600-0523 6
64 00-0606-0171 2
65 00-0612-0113 6
67 00-0800-0523 2
68 00-0812-0093 2
70 00-1000-0523 5
71 00-1000-0703 4
72 00-1020-0123 1
73 00-1035-0111 4
M10 LOCK NUT ST/ST
M10x20 BOLT S/S
M10x35 BOLT Z/P
M6 x 12 HEX HD BOLT ST/ST
M8 INT SHAKEPROOF WASHER ST/ST
M8 x 12 CAP HD SCREW ST/ST
M10 INTERNAL SHAKEPROOF WASHER
M5x12 COUNTERSUNK SCREW ST/ST
M5x20 POZI PAN HD SCREW ST/ST
M6 INT SHAKEPROOF WASHER ST/ST
M6x6 GRUB SCREW SOCKET HD
R48HD PULLEY ASSEMBLY
HEAT SHRINK TUBING
FASTENERS
M5 NYLOC NUT ST/ST
DECAL - CIMEX FROM TRUVOX *NOT SHOWN*
BALLAST WEIGHT
MOTOR 230V 50Hz 1.5kW 4 POLE
TERMINAL (RING) *NOT SHOWN*
WEIGHT CLAMP BAR
WEIGHT CLAMP BOLT
WEIGHT CLAMP BRACKET
DECAL - R48 HD
SPIGOT PLATE
SPECIAL KEYBAR
HD SKIRT PIN
WEIGHT LOCATOR
MOTOR SHAFT EXTENSION
EDU BOWL (BLUE) CR48
M16 NYLOC NUT (M'C'D)
CENTRE BEARING SPACER
KEY 3/16 x 3/16 x 5/8
BOTTOM COVER PLATE
BRUSH SPINDLE - NO WATER
BOTTOM COVER SPACER
BUMPER RUBBER
DUST SEAL
2" O/D VACUUM OUTLET
MOTOR PULLEY NOM DIA 50mm
CIRCLIP EXTERNAL
HOLE PLUG
CLAMP KNOB
BUMPER SHIELD
BRASS CUP WASHER No8
SELF TAP No10x12 POZI PAN HD ST/ST
PLASTIC INSERT (REF 12157)
CIRCLIP INTERNAL 1300 - 75mm
POP RIVET (HOLE BLANKING)
BELT - NITTA 1465x25 (BLUE POLY)
STARLOCK WASHER 8mm
VAC TUBE PLUG
M10 WASHER
CIRCLIP 46.5 ID (VACUUM OUTLET)
M5 SPLINED LARGE FLANGE *NOT SHOWN*
Part Reference: 05-3917-0000
Date: 04/02/2009
Approved By:
R48/HD Head Assembly
BEARING 6009-2RS
Revision:
CORE COMPONENTS
Machines: R48/HD
Reference Drawing Number: 09-1072-0000

G SECHERE DESCRIPTION OF CHANGE ECN #
B COMPONENTS CHANGE N/A
Drawing Number: 09-1064-0000
Date: 04/02/2009
R48/HD Chassis Assembly
Modified By:
Revision:
Machine: R48/HD
Reference Parts List: 05-4479-0000

G SECHERE DESCRIPTION OF CHANGE ECN #
B COMPONENTS CHANGE N/A
Ref. No. Part No. Part Description Qty
1 02-4448-0000 1
3 02-4363-0000 4
4 02-4208-0000 2
5 02-4187-0000 4
10 03-6899-0000 2
11 03-6919-0000 2
12 03-8175-0000 1
13 03-8176-0000 1
14 03-7277-0000 2
15 03-7279-0000 1
16 03-7306-0000 1
17 03-7308-0000 1
18 03-7658-0000 2
20 04-3688-0000 43"
21 03-6925-0000 1
22 03-6926-0000 1
23 03-6929-0000 2
40 00-0500-0521 5
42 00-0512-0013 5
44 7CL003 4
45 00-1030-0103 4
46 00-1200-0503 1
47 00-1200-0713 1
Reference Drawing Number: 09-1064-0000
05-4479-0000
Date: 04/02/2009
Approved By:
R48/HD Chassis Assembly
EARTH LEAD (WITH INTEGRAL TERMS)
Revision:
CORE COMPONENTS
Machine: R48/HD
FORK HANDLE BUSH (BLACK)
CR48 SOLID LIFTING FORK (L/H)
CR48 SOLID LIFTING FORK (R/H)
P CLIP
WASHER (USED AS WHEEL SPA CEP SUBJECT TO QTY CHANGE)
SELLOCK PIN 1/8x7/8
BUFFER RUBBER 19mm x 1.5mm
STARLOCK HUB CAP
20mm CONDUIT *NOT SHOWN*
PIVOT BLOCK (L/H)
PIVOT BLOCK (R/H)
WHEEL 200mm DIA
SWIVEL CLAMP ROD
TEE PIECE
AXLE - CR48,CR61
M10 SPRING WASHER ST/ST
M10x30 CAP HD SCREW ST/ST
Ml 2 WASHER FORM B ST/ST
M12 LOCKNUT ST/ST
SILENT BEARING
FASTENERS
M5 INTERNAL SHAKEPROOF WASHER
M5x12 POZI PAN HEAD SCREW ST/ST

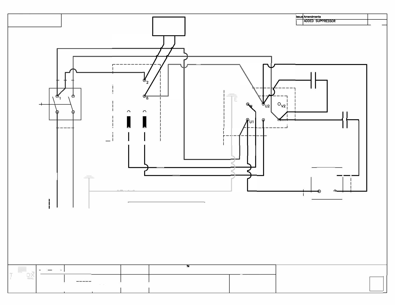
RU-V1
---7
04
SUPPRESSOR
0.47uF
� I
-------
2
1 2 I
�I I t
L-----------
08
w
w
> 1
w
3
,-----
L-----1
I TS 7
u
K
GREEN
ROTARY REVERSE SWITCH
1 #
1
1
r----
'2
_______ J
!o.
p
$
Genel Tolence
3RD Finish ____ _ Scale le
�
RED
ON
MASTER

Authorised dealer:
