REU 2532 W Service Manual 08 03.pmd Rinnai
2013-04-23
: Pdf Rinnai Reu-2532-W Rinnai REU-2532-W Rinnai Water Heaters
Open the PDF directly: View PDF
.
Page Count: 72

Continuum and Integrity
REU2532-W and REU2532-WC
Series Water Heaters
SERVICE MANUAL
Rinnai Corporation
103 International Drive
Peachtree City, Ga. 30269
Telephone number (800)621-9419
No portion or part of this manual may be copied without prior permission from Rinnai Corporation.

REU-2532W Series 2Rinnai
Key to Warning Symbols
Failure to comply with the following instructions may results in serious personal injury or
damage to the appliance.
Be careful of possible electric shock. Wiring inside this appliance may potentially be at 120
volts.
Disconnect power supply to unit when carrying out the following service repairs.
Read Fault Diagnosis and Wiring Diagram carefully to avoid incorrect wiring.
Do not disassemble. Parts within can not be exchanged or diagnosed faulty.
Please follow instructions in chapters to ensure safe and appropriate service.
After completing the service and confirming that there are no water or gas leaks or incorrect wiring,
test operation of the appliance. After confirming normal operation, explain what was serviced to the
customer and the operating principles, if necessary.
The information in this manual was compiled by Rinnai Technical Services. While many individuals
have contributed to this publication, it will be successful only if you – the reader and customer – find
it useful. We would like to extend an invitation to users of this manual to make contact with us, as
your feedback and suggestions are valuable resources for us to include as improvements. Rinnai is
constantly working toward supplying improved appliances as well as information, and specifications
may be subject to alteration at any time.

REU-2532W Series 3Rinnai
Table of Contents
Glossary of Terms and Symbols .............................................................................................................. 4
1. Introduction .................................................................................................................................. 5
2. Features ......................................................................................................................................... 6
3. Dimensions .................................................................................................................................... 8
4. Installation .................................................................................................................................... 9
5. Remote Controls......................................................................................................................... 10
6. Safety Devices ............................................................................................................................. 12
7. Specification................................................................................................................................ 14
8. Cut-away Diagram ............................................................................................................... ..... 16
9. Schematic Diagram .................................................................................................................... 17
10. Combustion Specifications ........................................................................................................ 18
11. Dip Switch Positions................................................................................................................... 19
12. Water Flows ................................................................................................................................ 22
13. Main Components ...................................................................................................................... 24
14. Time Charts ................................................................................................................................ 26
15. Operation Flow Principle .......................................................................................................... 28
16. Operation Principles .................................................................................................................. 30
17. Error Messages ........................................................................................................................... 32
18. Diagnostic Points ........................................................................................................................ 34
19. Wiring Diagram ......................................................................................................................... 35
20. Fault Diagnosis ........................................................................................................................... 36
21. Electrical Component Analysis ................................................................................................. 37
22. Gas Conversion........................................................................................................................... 47
23. Gas Pressure Setting Procedure................................................................................................ 52
24. Dismantling for Service ............................................................................................................. 54
25. Exploded Diagram ..................................................................................................................... 60
26. Parts List ..................................................................................................................................... 64
27. Troubleshooting Sheets .............................................................................................................. 69

REU-2532W Series 4Rinnai
Glossary of Terms and Symbols
This glossary of terms and symbols is provided to assist you in understanding some of the
language used throughout this manual.
DB(A) - sound pressure level in decibels, “A” range
DC - direct current
AC - alternating current
WFCD - water flow control device
FB - feedback information
Hz. - hertz
IC - integrated circuit
BTU/H - British thermal units
PSI - Pounds per square inch
LED - light emitting diode
GPM - gallons per minute
mA - milliamps
W.C. - inches of water column
mm - millimeters
Nox - oxides of nitrogen NO & NO2
OHS - overheat switch
PCB - printed circuit board
CPU - central processing unit
POT - potentiometer
rpm - revolutions per minute
SV - solenoid valve
∅∅
∅∅
∅- diameter
∆∆
∆∆
∆ °°
°°
°F - delta T or temperature rise above ambient
POV - modulating valve
TE - thermal efficiency
TH - thermistor
TIN - temperature of incoming water
Tout - temperature of outgoing water

REU-2532W Series 5Rinnai
1. Introduction
The brand name Continuum refers to “Endless Hot Water”. The new Continuum series has been
developed in response to the growing changes in the lifestyle of our customers, and the increasing
diversification and sophistication of demand in the marketplace.
The Continuum series offers reduced cost with advanced safety features, and an option to connect one,
two, or three remote temperature control pads to the residential units. The commercial units only allow
one keypad per heater.
The Continuum REU-2532 series is delivered with the maximum hot water temperature output set at
120 °F without the remote control. When using controllers you can adjust your hot water output from 96
– 120 °F using the “BC” and “BSC” controllers. The “MC” control will allow water temperature
adjustments from 96 – 140 °F, and the “MCC” control used only with the commercial unit, allows
adjustments from 96 - 180°F. .
About the Continuum
The front cover of each appliance in the new series is formed from 0.6 mm coated steel. Secured to the
main box assembly by (4) screws. Seals around the front cover prevent water from entering the
appliance.
Air inlets are situated in the front panel of the 2532 external unit. Air passes through the inlets and is
drawn into the combustion chamber at the left side of the fan housing. The by-products of combustion
on the external unit are expelled from the appliance through the flue outlet situated on the front of the
appliance, at the top. The general layout of components can be seen in the cut-away diagram, see table
of contents for page number. All components are suppported within the unit’s casing, which is made
from 0.8 mm coated steel.
The heat exchanger occupies the top section of the casing, and the burner is situated in a chamber
formed from 0.8 mm aluminized steel, attached to the bottom of the heat exchanger. The copper tubing
material used in the heat exchanger consist of, Phosphorus Dioxide Copper, (C1220P). The material
used to solder the heat exchanger pipes is, Phosphorus Bronze Brazing, (main components are P, Ag,
and Cu) (JIS No. BcuP-2). None of these materials contain lead.
The air for combustion is supplied by a fan, which is connected to the burner box by a duct at the left
side of the appliance, directly under the burner.
Gas and water controls are situated at the bottom right of the appliance, directly under the manifold. The
“O”ring material on the water and gas connections are made from EPDM, (Ethylene Propylene Diene)
rubber.
The burner assembly is made up of (16) identical stainless steel Bunsen burners, secured by an
aluminized steel framework. Each burner is capable of handling up to 11,250 BTU’s. An aluminum
manifold with (32) integrally molded injectors supplies gas to the burners, and is attached to the front
lower cover of the burner box.

REU-2532W Series 6Rinnai
2. Features
Installation
The lightweight, slim, compact design enables ease of installation and improved appearance. The remote
controls (where fitted) are connected to the appliance by (2) core non-polar cable, or low voltage
thermostat wire, ensuring easy wiring and eliminating problems of mis-connections. Since the remotes
use a 12 VDC digital signal, there’s no-way you can cross up the wiring. You can connect the black
wires to black wires at one terminal, black and white at another, and still not short the units out.
Low Noise Level
Low noise level design enables these appliances to be installed in apartment units, townhouses, and
other high density residential areas with little concern about noise disturbances.
Safety
Various safety devices controlled by a micro- computer ensure complete safety. Also, the anti-frost
device automatically prevents the water inside the appliance from freezing by using small electrical
ceramic heaters, connected to the pipe-work at strategic locations throughout the appliance. The unit has
a secondary freeze prevention device that will allow the unit to fire for three seconds if the water
temperature inside the appliance drops below 37 °F. This mode will heat the water inside the unit back
up to 57 °F. The anti-frost devices should prevent the unit from freeze-ups down to the –30 °F, in a no
wind situation. This feature functions as long as the unit has power and gas.
Economy
Direct ignition to the main burner eliminates wasteful pilot gas consumption. The combustion fan rpm is
proportionally controlled with the gas consumption. This maintains high energy efficiency, as the gas
consumption changes with increased or decreased water flows. The unit’s thermal efficiency rating is;
0.85 for (LP) units and 0.79 for natural gas units.
Water Supply Control
The water supply capacity varies proportionally from 0.5 to 8.5 GPM’s. A suitable volume of hot water
can be supplied throughout all seasons by the water flow control device and water flow
servomechanism. The Continuum 2532 series will supply up to 6.5 GPM’s at a 50°F rise or up to 8.5
GPM’s at a 35 degree rise, controlled by an automatic electro-mechanical water control flow device.
Details pertaining to water flows can be found in the water flow charts in this manual.
REU-2532W Series 7Rinnai
Water Temperature Control
With an “MC” remote control connected, the hot water control range at the key pad is 96 – 140 °F. The
“BC” and “BSC” key pads allow for adjustments between 96 – 120 °F. The “MCC” key pad allows the
commercial unit to be adjusted from 96 – 180 ° F. This allows the Continuum to be set to comply with
various State codes pertaining to maximum water temperatures allowed for homes, child care centers,
elderly care centers, etc. where the water temperature can not exceed a certain set point.
Over Temperature Control
All Continuum models incorporate a device to prevent the hot water temperature from exceeding the
pre-set temperature by more than 4 °F.
Temperature Locks
With the remote control(s) connected, the pre-set water temperature can only be altered between 96 –
110 °F while water is flowing. Also, if the remote control circuit fails while water is flowing, the unit
defaults back to 100 °F. That prevents inadvertently increasing the temperature to a hazardous level
while someone is in the shower. This is an Anti-Scald feature.

REU-2532W Series 8Rinnai
3. Dimensions

REU-2532W Series 9Rinnai
4. Installation
Piping recommendation.

REU-2532W Series 10 Rinnai
5. Remote Controls
The MC45-4US, BC45-4US, BSC45-4US , and the MCC45-4US remote key pads were specifically designed
for use with the Continuum water heaters.
Features include:
Color coordination to allow immediate recognition of the temperature “hot” and “cold” buttons.
Large LED display. Temperature adjustments in two degree increments from 96 – 110 °F, then two five
degree increments from 110 – 115 °F , and 115 °F - 120 °F , on the BC, BSC and MC controllers.
The “MC” controller has two additional ten degree increments, from 120 to 130, and 130 to 140 °F.
The BC, BSC and MC controls are for domestic use. The MCC control allows the temperature to be adjusted
from 96°F - 180°F , this control is used only for commercial units.
Water temperature adjustment only in the range of 96 – 110 °F while hot water is flowing. Anti-Scald feature
defaults unit back to 100 °F, if remote fails or becomes disconnected while water is flowing.
Enhanced communication system between the remote controls, allowing priority temperature selection from
each remote control.
Remote controls offer self-diagnostics in the event of a fault with the unit, simplifying service calls. To
retrive the last ten error codes press and hold the green button down, while holding this button down press the
red button. This will gi ve you a fault code history. To reset, turn the power supply off to the unit , then
reapply power.
Flashes “LC” in the event of a liming condition. To reset the “LC” mode, power must be turned off to the
unit and then reapplied.
To measure the flow rate through the unit using the remote control, press the red button and hold it
down while the unit is operational, while holding the red button down press the green button. This
will give you the gallons per minute flowing through the heater.
To measure the water heater’s output water temperature press the blue button and hold it
down while the unit is operational, while holding the blue button down press the green button. This
will give you the water temperature being delivered by the unit.

REU-2532W Series 11 Rinnai
6. Suggested Connection Methods for Remotes
There must be at least one cable from the remote control(s) connected to the Continuum water heater.
Power for the remote(s) is supplied from the PC board. On the front of the PCB, there are two screws
labeled terminals for controls. This is the 12VDC digital power supply for the remotes. Use low voltage
thermostat wire when wiring up the keypads.

REU-2532W Series 12 Rinnai
7. Safety Devices
Flame Failure
Situated to the right of the burner in the front of the combustion chamber, the flame rod monitors the
combustion process. This sensor monitors the flame intensity, while the PCB compares this signal to the
feed back signal from the combustion fan motor, water flow control, and gas flow through the POV
valve. If any one of the feedback signals are incorrect, the unit will shut off, preventing discharge of
gas to the burner.
Over Heat Protection Device
Also referred to as an Over Heat Switch. This device is fitted to a bend section at the left side of the heat
exchanger. If the flame remains on to the burner after the tap is closed and the water temperature inside
the heat exchanger reaches 194 ° F, a 12 volt DC bi-metal cut-off switch will shut off the gas supply to
the solenoids.
No Water
Should the incoming water flow become restricted or stop, the water flow sensor will cease to send a
magnetic pulse signal to the PCB, in turn preventing gas to flow into the combustion chamber. If you
have restricted flow, first check to ensure the inline water filter is not clogged up.
Thermal Fuse
Wrapped around the entire surface of the heat exchanger you will find a thermal fuse. This device
activates in the event the heat exchanger burns out, or the temperature outside the heat exchanger
reaches 264 °F. If the thermal fuse melts, it breaks an electronic circuit which in turn shuts off the
power supply to the gas solenoids, shutting the unit off.
Combustion Fan Revolution Check
The combustion fan rpm’s are continually monitored by a magnetic pulse generator connected to the
PCB. If the fan revolutions deviate from the speed required for complete combustion, a signal is sent to
the PCB and the revolutions adjust accordingly. (If not the unit shuts down)
Automatic Frost Protection
When the temperature inside the appliance drops below 37 °F , the frost sensing device inside the
appliance activates the anti-frost heaters to prevent the water inside the unit from freezing. The anti-
frost heaters remain ON until the temperature inside the appliance rises to 57 °F. There are five (16) watt
anti-frost heaters located at various points throughout the main water flow area of the appliance. The
unit also incorporates the ability to fire for (3) seconds in the event the anti-frost heaters can not keep
the water temperature from dropping below 37 °F. This unique feature will heat the water in the lines
inside the appliance back up to 57 °F. Both of the above features function as long as the unit has
power and gas. There is an optional freeze protection system that can be added to the unit’s piping. See
the auto drain down drawing in the product Owner’s manual for instructions on how to install the option
freeze protection in the event of a power failure in cold climates.
REU-2532W Series 13 Rinnai
5 °F Over temperature Cut-Off
The temperature of the outgoing hot water is constantly monitored by the water temperature thermistor
located near the outlet of the appliance. If the outgoing water temperature reaches 5 °F above the preset
temperature, the burner will automatically go out. The burner will only ignite again once the outgoing
hot water temperature falls below the preset temperature.

REU-2532W Series 14 Rinnai
8. SPECIFICATIONS
Type of appliance Temperature controlled continuous flow gas hot water system
Operation With/without remote controls
Exhaust system Direct Vent - Forced combustion
Rinnai model number REU-2532W REU-2532W-C
Maximum/Minimum gas rate (Input
Btu’s) 199,000 Btu’s – 15,000 Btu’s Natural gas
199,000 Btu’s – 15,000 Btu’s Propane Gas
Thermal Efficiency Natural Gas 84%. Propane Gas 85%
Energy Factor (EF) Natural Gas 0.82 Propane Gas 0.84
Capacity (Gallons 1st. Hour @ 90 ºF
rise) Natural Gas 218 Propane Gas 227
NOx Emissions (at 3% 02 ) Less than 40 ppm
Hot water capacity (35°F rise) 0.5 to 8.5 GPM’s
Hot water capacity (50°F rise) 0.5 to 6.5 GPM’s
Setpoint Temperature (without
remote) Factory setting - 120°F
Temperature range with remote
keypads connected BC-45-4US 96 - 120°F
BSC-45-4US 96 - 120°F
MC-45-4US 96 - 140°F
MCC-45-4US 96 - 180°F
Approved gas type Natural or Propane – Ensure unit matches supply gas type.
Installation Outdoor installation ONLY
Dimensions Height 235/8”
Width 133/4”
Depth 87/8”
Weight 46 Lbs.
Noise levels 49 dB’s
Connections Gas supply ¾” MNPT
Cold water inlet ¾” MNPT
Hot water outlet ¾” MNPT
Ignition system Direct electronic ignition
Electrical consumption Normal 63 watts
Standby 5.5 watts
Anti-frost protection 84 watts
Water temperature control Simulation feedforward and feedback
Water flow control Water flow sensor and automatic electro-mechanical water
control devise
Recommended Minimum water
supply pressure 20 PSI (Rinnai recommends 50-80 PSI for maximum
performance)
Maximum water supply pressure 150 PSI

REU-2532W Series 15 Rinnai
Specifications cont.
Power Supply Appliance – 120 Volts A.C. – 60 Hz.
Remote control 12 volt D.C. (Digital)
Flame failure
Boiling protection
Remaining flame (OHS)
Fusible link
Automatic frost protection
Combustion fan rpm check
Safety Devises
Over current
Remote control BC–45-4US
BSC-45-4US
MC-45-4US
MCC-45-4US
Remote control cable Non-polarized two core cable
Top of heater
Front of heater
Sides of heater
Back of heater
Clearances from combustibles
Ground
Top of heater
Front of heater
Sides of heater
Back of heater
Bottom of heater
Clearances from non combustibles
Installations within RGB-25 Recess Box: Clearances
from combustibles to recess box top, bottom, back and
sides = 0”
Clearances from Eaves, Porches,
Overhangs Top of heater 36”
Minimum and maximum gas supply
pressure Natural Gas: Minimum 6” W.C.
(NAT.) Maximum 10.5”
W.C.
Manifold Gas Pressure
Warranty

REU-2532W Series 16 Rinnai
9. Cut-way Diagram
REU-2532-FFU Series

REU-2532W Series 17 Rinnai
10. Schematic Diagram
REU-2532W Series

REU-2532W Series 18 Rinnai
11. Combustion Specifications
Model: REU-2532W Series
Item
Gas Type Natural Propane
Minimum Btu’s 15,000 15,000 Gas consumption Maximum Btu’s 199,000 199,000
Upper Ø1.15 Ø0.75
Injector Diameter Lower Ø1.8 Ø1.15
Main Burner B3A7-1
(Lean and Rich Bunsen Burner)
Main Damper H73-115
(Upper: Ø6, Lower: Not Used)
Minimum Supply 6” W.C. 10” W.C.
Maximum Supply 10.5” W.C. 13.5” W.C.
Minimum Manifold 0.56” W.C. 0.88” W.C.
Gas Pressure
Supply/Manifold
Maximum Manifold 3.4” W.C. 5.1” W.C.

REU-2532W Series 19 Rinnai
12. DIP SWITCHES
Contact Rinnai for dip switch settings when changing PC board or setting up unit for special applications. Failure to set dip
switches to the proper position will result in damage to the unit, property damage, personal injury or death. DO NOT,
adjust dip switches unless you have written permission from Rinnai. Call 1(800)621-9419 to set-up a special training class
pertaining to dip switch functions.
The dip switches on this appliance can be adjusted to deliver water temperatures from 108°F - 180°F, only for commercial
type applications, and to check/reset low/high fire manifold pressures, and to set the unit up to operate on a different gas
type in the event the unit was converted from one gas type to another. In residential applications these switches should
never be readjusted from the factory setting. The factory default temperature setting is 120°F.
The set-up configuration for the water heater differs depending on:
Gas type
Maximum water flow selected
Temperature limiting requirements
Application type
“SW1” row of dip switches
1. Not Used
2. Fixed water temperature with or without remote.
3. To select a desired water temperature for commercial applications
4. To select a desired water temperature for commercial applications
5. To select a desired water temperature for commercial applications
6. Flow switch activated or de-activated and temperature selection for commercial applications.
7. Combustion control (Forced low fire).
8. Combustion control (Forced high fire).
Combustion control switches are used to set or check the manifold gas pressures on this appliance. When dip
switch #7 is placed in the “ON” position, it places the appliance into forced low fire. When dip switches #7 and
#8 are placed in the “ON” position, it places the unit into forced high fire. Before placing the unit into forced
low or high fire, you MUST ensure you have maximum water flow through the appliance. Open several
faucets throughout the residence before proceeding. After checking or setting manifold gas pressures, dip
switches 7 and 8 MUST be placed in the “OFF” position, to return the appliance to a normal operating
mode. Failure to place these switches to the “OFF” position will cause the unit to mal-function.
The REU-2532 series water heaters comes from the factory set to deliver a water temperature of 120 °F, the REU-2532-C
series is set to deliver 120°F. However, the commercial series will allow water temperature adjustments up to 180°F for
applications such as; hotels, car washes, laundry mats, hospitals, farms, processing plants, etc., that require water
temperatures above 120°F. Temperatures above 120 °F are not recommended due to burn hazards. Please use extreme
caution if adjusting water temperatures above 120 °F.
Explanation of “SW1” Dip Switches;
(Switch #1) at SW1” row of switches comes from the factory in the “OFF” position. This switch presently is not used.
(Switch #2) Fixed Water Temperature with or without Remote. When this switch is set to the “OFF” position, switches
3 – 6 can be adjusted to a pre-determined position that will not allow the remote pad to be adjusted above a selected
temperature. When set to the “ON” position and no keypad is being used, the unit can be set to deliver a set temperature
from 108, 120, 130, etc. DO NOT make adjustments without written permission from Rinnai.

REU-2532W Series 20 Rinnai
(Switches 3,4, & 5) Temperature Adjustment Switches. Switches #3, 4, and 5 are used to set fixed temperatures with or
without the remote keypads. Contact Rinnai for dip switch settings when changing the unit’s PC board or setting up special
applications. Failure to set dip switches to the proper position will result in damage to the unit, property damage,
personal injury or death. DO NOT, adjust switches unless you have written permission directly from Rinnai. Call
1(800)621-9419 to set-up a special training class pertaining to dip switch functions.
(Switch #6) Flow Switch and Temperature Adjustments. Rinnai offers a flow switch that can serve as an anti-scald
device. This switch is installed in-line with each bathroom. Therefore, if someone was using water above 120°F and a tap
was turned on in one of the bathrooms, the unit would automatically default back to 120°F to prevent scalding. When dip
switch #6 is set to the “ON” position this function is activated. At the present time this switch is not used in the U.S.
market, due to anti-scald devices and/or pressure balancing valves presently being used in our market.
(Switches 7& 8) Low/High Fire Combustion Control Switches. Dip switch # 7 is used to place the unit into forced low
fire when checking and/or setting manifold gas pressures. Dip switch #7 and #8 are used to place the appliance into forced
high fire. Before making any adjustments to these switches, please ensure you follow the gas pressure setting procedure
found in this manual.
“SW2” row of Dip Switches
1. Gas type (Used only when replacing PCB or converting unit)
2. Lime control switch activated or de-activated.
3. Plus three degrees or plus six degrees differential.
4. Type of unit. (Residential or commercial)
(SW2) Explanation of SW2 row of Dip Switches
(Switch #1) Gas Type Switch. When set to the “OFF” position the unit is setup to operate on propane gas, in the “ON”
position it is setup for natural gas.
(Switch #2) Lime Control Switch. Set dip switch #2 to the “OFF” position to activate the lime control function. To
deactivate this function place this switch in the “ON” position.
(#3) Temperature Differential Switch. The temperature of the outgoing water is constantly monitored by the outlet
temperature thermistor. If the outlet water temperature rises to more than 5.4°F above the preset temperature, the burner
will automatically go out when dip switch #3 is in the “OFF” position. The burner will ignite again once the outlet water
temperature falls below the preset temperature. If this switch is set to the “ON” position it will allow a 10.8 °F rise.
(Switch #4) Type of Unit. Danger; do not adjust this dip switch. Adjusting this will result in damage to the unit,
property damage, personal injury or death.

REU-2532W Series 21 Rinnai
The settings below are factory default settings. Please ensure the model number and gas type of the unit
you have, matches the model number and gas type listed below; before settings any switches. If you need
assistance, contact Rinnai at (800)621-9419 before proceeding.
Rinnai Continuum and Integrity Water Heaters
Dip Switch Default Settings
Residential Units Residential Units
REU-2532-W REU-2532-W
Propane Gas Model Natural Gas Model
Dip Switch Settings: Dip Switch Settings:
(SW1) (SW2) (SW1) (SW2)
#1 = Off #1 = Off #1 = Off #1 = On
#2 = On #2 = Off #2 = On #2 = Off
#3 = Off #3 = Off #3 = Off #3 = Off
#4 = Off #4 = Off #4 = Off #4 = Off
#5 = Off #5 = Off
#6 = Off #6 = Off
#7 = Off #7 = Off
#8 = Off #8 = Off
Commercial Units Commercial Units
REU-2532-WC REU-2532-WC
Propane Gas Model Natural Gas Model
Dip Switch Settings: Dip Switch Settings:
(SW1) (SW2) (SW1) (SW2)
#1 = Off #1 = Off #1 = Off #1 = On
#2 = On #2 = Off #2 = On #2 = Off
#3 = Off #3 = Off #3 = Off #3 = Off
#4 = Off #4 = On #4 = Off #4 = On
#5 = Off #5 = Off
#6 = Off #6 = Off
#7 = Off #7 = Off
#8 = Off #8 = Off

REU-2532W Series 22 Rinnai
13. Water Flows
A simple calculation of the water flow rate, in gallons per minute, can be made using the chart on the
next page, or simply using formula provided below. The chart on the following page indicates the water
flow from the Continuum at various temperature rises up to a 140 degree rise.
a. How to read the charts:
The vertical plane indicates water flow in gallons per minute, and the horizontal plane indicates the
temperature rise. The chart shows flow rates up to a 140 degree rise. Therefore, the water flow chart can
be used to help you size your applications, if you know the temperature rise needed. The temperature
rise is the difference between the temperature of the incoming water and the selected temperature at the
remote control(s). Another name used in place of temperature rise, is delta T.
Select the appropriate temperature rise. Draw a vertical line up the graph from the selected temperature
rise until it intersects the curve. The point at where these lines intersect indicates flow at that
temperature rise.
b. How to calculate water flows:
The following information is an outline of the formula required to measure accurately the flow rate in
gallons per minute, as well as being the base for the chart on the next page. The formula below can be
utilized when you know the following information, the Btu’s and efficiency of the appliance, and the
delta T you are dealing with. If this information is known follow the example below to determine your
flow rate. The example below assumes the appliance’s Btu rating is 180,000, the efficiency is .82 and
the delta T is 55 degrees.
EXAMPLE:
BTU’s ÷÷
÷÷
÷ AT x 500 = GPM’s
GPM’s = (180,000 BTU’s x .82 efficiency rating) ÷÷
÷÷
÷ ÄT x 500
GPM’s = 147,600 ÷(Requested water temperature – incoming water temperature) x 500
GPM’s = 147,600 ÷ (120 °F requested – 65 °F incoming) x 500
GPM’s = 147,600 ÷ (55 °F delta T x 500)
GPM’s = 147,600 ÷ 27,500
GPM’s = 5.367

REU-2532W Series 23 Rinnai
Unmixed Water Flows for REU-2532 Series
The chart below can be used to determine water flow rates in “gallons per minute” at a given
temperature rise. In order to figure flow rates, you need the following information; requested water
temperature and inlet water temperature. Next, subtract the inlet water temperature from the requested
temperature to get your delta T or temperature rise. Then, locate your temperature rise at the bottom of
the chart. Follow that line vertically until it intersects with the flow rate line to the left. This indicates
the flow rate at your temperature rise.

REU-2532W Series 24 Rinnai
14. Main Components
1. Mechanical Water Regulator
Rinnai’s unique water regulator mechanism ensures the hot water is maintained with no noticeable
change to the desired temperature during use, even if water pressure drops due to another tap being
turned on and increasing the demand.
The following graph shows that maximum flow is approximately 8.5 gallons per minute for the
Continuum. This maximum flow is reached at 29 PSI inlet pressure respectively.
2. Preset Bypass
A preset volume of cold water is mixed with water heated in the heat exchanger.
3. Burner
The burner assembly is made up of 16 identical stainless steel
Bunsen burners, secured by an aluminized steel framework.
An aluminum manifold with 32 integral injectors supplies gas
to the burners, and is attached to the front lower cover of the
burner box and gas control assembly.
4. Gas Control Valve
The gas control valve uses four solenoids to fully modulate within four different input ranges to
respond quickly and accurately to changes in water flow rate. The four ranges are as follows: up to
18% of total btu’s (using three burners), up to 33% (using five burners), up to 50% (using eight
burners, and up to 100% (using sixteen burners) This increases the flexibility of the regulator/
modulating valve by supplying gas equally to each burners.

REU-2532W Series 25 Rinnai
5. Combustion Fan
Air for the combustion is supplied by a centrifugal fan
driven by a DC motor. After a pre-purge period of 0.2
seconds, the fan speed is controlled by the PCB to
provide the correct volume of air for combustion. The
calculation for the fan speed is based upon incoming
water temperature, water flow and the temperature
selected on the remote controls.
The actual speed of the motor is continuously monitored
by a magnetic pulse sensor.
This sensor emits (4) pulses per rotation of the fan. This is
the fan feedback or confirmation data processed by the PCB.
1. The fan speed is constantly correcting to provide optimum combustion conditions.
2. To determine the opening degree of the modulating gas valve, so that the gas rate always matches the volume
of air for combustion, as well as the input required to heat the water.
The reason for controlling the opening degree of the modulating gas valve based upon data from the combustion
fan is that, the gas valve is able to react much more quickly to a change in control signal than the combustion fan
is. Controlling the gas valve based upon data from the combustion fan means that combustion remains
satisfactory, even if there are sudden changes in input conditions.
1. Water Flow Sensor and Water Flow Control device
Water flow is detected by a turbine/magnetic pulse generating device. Water flows through the turbine/magnetic
sensor providing information to the PCB by generating a pre-determined number of pulses in proportion to the
water flow. These pulses are counted by the PCB – no pulse indicates no water flow. The frequency of the
magnetic pulses increases as the water flow increases, this enables the PCB to calculate the exact water flow, and
determine the water flow in gallons per minute. As soon as the required water flow is detected, the PCB activates
the combustion fan. The combustion fan speed is monitored by a magnetic pulse sensor. The output from this
sensor is processed by the PCB which opens the gas modulating valve to a degree proportional to the fan speed.
See above for further details on the combustion fan.
The water flow control consists of a plug and barrel valve which is rotated by a motor to increase or decrease the
volume of water passing through the heat exchanger.
REU-2532 units have an automatic water flow control device.

REU-2532W Series 26 Rinnai
15. Time Charts (External Unit)

REU-2532W Series 27 Rinnai

REU-2532W Series 28 Rinnai
16. Operation Flow Principle
Check power supply
Fuses/electrical
circuit operational
combustion fan operates
Fan initial power flow abnormal
Thermo fuse melted
Solenoid valve circuit faulty
Failed to sense flame circuit
Combustionfan rpm's abnormal
90 Flashing
61 Flashing
72 Flashing
71 Flashing
52 Flashing
32 Flashing
14Flashing
Remote control
signal normal?
ON/OFF switch ON
Set Temperature displayed
Hot water tap open
water flow greater
than 0.6 gpm's
Combustion fan pre-purges
Initial check
normal?
Fan rpm check
Solenoid valve SV2 OPEN
Solenoid valve SV0 OPEN
Main gas valve SV1 OPEN
Sparker ON
Solenoid valve SV3 OPEN
Solenoid valve SV0 Closed
Solenoid valve SV1 Closed
Solenoid valve SV2 Closed
Pre-purge of combustion fan
(2 seconds)
Overheat bi metal switch faulty
Modulating solenoid valve faulty
Modulating valve Closed
Solenoid valve SV3 Closed
Sparker OFF
Eliminate cause
Disconnect power
supply
Remote control indicates no
flow OFF
ON/OFF Switch
Error display OFF
Water flow sensor stopped
Combustion fan OFF
Hot water tap closed
(after 5 seconds)
Error code displayed on remote
61 Flashing
Modulating valve Closed
Solenoid valve SV0 Closed
Solenoid valve SV1 Closed
Solenoid valve SV2 Closed
Solenoid valve SV3 Closed
D
C
(after 4 seconds)
Thermistor faulty
No
Yes
Yes
Yes
Yes
Yes
Not OK (12.5 seconds after A)
B
No
No
No1
2
3
4
4
6
7
8
5
4
9
10
11
12
13
A

REU-2532W Series 29 Rinnai
B C D
Flame
detected (1
micro amp
or g reater)
Sparker OFF
Ignition failure
(3 attempts)
Modulating valve
operational
Combustion fan
operational
Water flow servo
operational
Gas solenoid open
Combustion proved
61 Flashing 10 Flashing32 Flashing
11 Flashing
No Combustion
10 Flashing12 Flashing
Flame failure (less
than 1 micro amp) Water temperature
over 200 degrees
Thermistor faulty
(open or
short-circuit)
Combustion fan
rpm's abnormal Flue restriction or
block
71 Flashing52 Flashing12 Flashing14 Flashing
Check grounding,
venting, and gas
pressures.
Modulating solenoid
valve abnormal
Hot water is sensed
Gas solenoids
operational
Safety circuit
operational
Overheat switch
activated
Thermal fuse melted SV0, SV1, SV2, or
SV3 solenoid valve
circuit abnormal
Yes
Yes
Yes
No
No No

REU-2532W Series 30 Rinnai
17. Operation Principles
The preset temperature is selected at one of the remotes controls (where fitted). Where no remote control is
fitted , the default temperature can be set at 108, 120, 130, 140, 150, 160, 170, or 180 °F. To select one of
the above temperatures as your default setting, you MUST obtain written permission and training from
Rinnai. This function may not be allowed at temperatures above 120°F for safety reasons.
When the unit is first plugged into 120 volts, the PCB assumes an incoming water temperature of 77 °F.
This prevents the appliance from starting in “High fire” and producing very hot water the first time it is
used.
The data used to determine the outgoing water temperature, initially, is incoming water flow and the remote
control pre-set temperature.
From the incoming water flow and remote control pre-set temperature data, the CPU is able to determine a
suitable gas rate to kick the appliance off once a hot water tap opens.
The calculation of temperature rise and water flow is called simulation feed-forward.
The water heater calculates incoming water temperature by subtracting the theoretical temperature rise
from the outgoing hot water temperature to establish the correct gas flow.
When a hot water tap is opened, water begins to flow through the appliance. The turbine in the water flow
sensor begins to revolve. The revolution speed is proportional to the heater flow. A sensor located inside
the device relays information in the form of magnetic pulses to the main PCB to determine whether or not
water is flowing, and also, the volume of water flowing. When a predetermined water flow is sensed, the
ignition sequence begins.
The combustion fan pre-purges the combustion chamber. A rev counter on the combustion fan indicates
the fan rpm to the main PCB. Once the pre-purge cycle is completed, the PCB controls the fan rpm by
varying the DC voltage to the fan motor. This maintains the correct air/gas ratio throughout the time the
water heater is in use and ensures good combustion.
The gas is ignited by direct electronic spark and the flame is sensed by the flame rod. The opening degree
of the modulating valve is determined by the combustion fan speed.
The changeover valve directs gas to one side or both sides of the burner. At the point where the changeover
valve opens or closes the modulating valve is instantly re-adjusted by the PCB to compensate for the
change in the number of burners in use. From the information provided by the water flow sensor and the
water temperature thermistor, the PCB determines how much gas is required to heat the water to the
temperature selected on the remote control.
The PCB is programmed to provide the maximum volume of water possible at a given temperature rise. As
the water flow from the tap is increased, the PCB increases the gas and air flow to the burner.
REU-2532W Series 31 Rinnai
When the hot water tap is turned off, the water flow sensor stops revolving, and the magnetic pulse ceases,
indicating to the PCB that there is no water flowing, in turn the PCB closes the gas valves. The combustion
fan continues to operate for 65 seconds. This is to provide quicker ignition when the tap is turned on and
off in rapid succession, as it removes the need for a pre-purge cycle and allows the burner to re-light
immediately when a hot water tap is opened again.

REU-2532W Series 32 Rinnai
18. Error Codes
Error Faulty Remedy
10 Air Supply or Exhaust
Blockage Check intake and exhaust ports for obstructions.
Check that nothing is blocking the flue inlet or exhaust.
Did you maintain the proper clearance from combustibles
around the unit?
11 No Ignition Ensure you have gas to the appliance.
Ensure gas type and pressure is correct.
Bleed all air from gas lines.
Verify dip switches are set properly.
Disconnect all MSA controls.
Ensure gas line, meter, and/or regulator is sized properly.
Ensure appliance is properly grounded.
Check gas solenoid valves for open or short circuits.
Ensure igniter is operational.
Check igniter wiring harness for damage.
12 Flame Failure Ensure you have gas to the appliance.
Ensure gas type and pressure is correct.
Bleed all air from gas lines.
Verify dip switches are set properly.
Ensure flame rod wire is connected.
Check flame rod for carbon build-up.
Ensure gas line, meter, and/or regulator is sized properly.
Ensure appliance is properly grounded.
Check gas solenoid valves for open or short circuits.
Check power supply for loose connections.
Check power supply for proper voltage and voltage drops.
Disconnect all MSA controls.
Disconnect keypad.
Disconnect and re-connect all wiring harnesses on unit and PC
board.
Immediate code 12 usually indicates a defective gas valve or
power supply problem.
14 Thermo Fuse Ensure dip switches are set to the proper position.
Ensure high fire and low fire manifold pressure is correct.
Check gas type of unit and ensure it matches gas type being
used.
Check heat exchanger for cracks and/or separations.
Ohm out safety circuit.
Check for improper conversion of product.
Check for restrictions in air flow around unit and vent terminal.
Check for a low flow circulating system that is causing the unit
to short cycle.
Check for a foreign materials in combustion chamber and/or
exhaust piping.
16 Over Temperature
Warning Check for clogged heat exchanger.
Check for restrictions in air flow around unit and vent terminal.
Check for a low flow circulating system that is causing the unit
to short cycle.
Check for a foreign materials in combustion chamber and/or
exhaust.

REU-2532W Series 33 Rinnai
32 Outgoing Water
Temperature Sensor Faulty Check sensor wiring for damage.
Ohm out sensor
Check and clean scale from sensor.
Replace sensor.
33 Heat Exchanger Outgoing
Temperature Sensor Faulty Check sensor wiring for damage.
Ohm out sensor
Check and clean scale from sensor.
Replace sensor.
34 Combustion Air
Temperature Sensor Faulty Check sensor wiring for damage.
Ohm out sensor
Check and clean scale from sensor.
Ensure fan blade is tight on motor shaft and it is in good condition.
Check for restrictions in air flow around unit and vent terminal.
Replace sensor.
52 Modulating Solenoid Valve
Answer Abnormal Check modulating gas solenoid valve wiring harness for loose or damage
terminals.
Ohm out solenoid valve.
61 Combustion Fan Failure Ensure fan motor will turn freely. Motor will operate with a small amount of
restriction.
Check wiring harness to motor for damaged and/or loose connections.
Ohm out motor winding.
71 SV0, SV1, SV2, and SV3
Solenoid Valve Circuit
Faulty
Check wiring harness to all solenoids for damage and/or loose connections.
Ohm out each solenoid.
72 Flame Sensing Device
Faulty Check micro amps produced by flame rod.
Remove flame rod and check for carbon build-up, clean will sand paper.
Ensure flame rod is touching flame when unit fires.
Check inside burner chamber for any foreign material blocking flame at flame
rod.
Check all wiring to flame rod for damage.
Replace flame rod.
LC Scale Build-up in Heat
Exchanger Turn off power supply, then reapply power; if code does not reappear separate
control wires from the unit’s power supply.
Flush heat exchanger.
Replace heat exchanger.
No code Nothing happens when
water flow is activated. Clean inlet water supply filter.
Ensure you have at least the minimum flow rate required to fire unit.
Check for pipe dope inside water flow control turbine.
On new installations ensure hot and cold water lines are not crossed.
Check for bleed over. Isolate unit from building by turning off hot water line
to building.
Then open your pressure relief valve, if unit fires, there’s a bleed over in your
plumbing.
If a circulating system is in use, it must be isolated also.
Remote control does not light up but you have 12 VDC at the terminals for
controls.
Disconnect water flow control motor, then turn on hot water, if unit fires
replace water
flow control assembly.

REU-2532W Series 34 Rinnai
19. Diagnostic Points
Flow Chart is on page #28
Wiring Diagram is on page #35
Component Measurement Point Normal Value Notes
Comp. No. Wire Color
Surge Protector F
7
Blue - Brown AC 108 - 132 V
Water Flow Control Device B
2
Red-Blue DC 11 - 13 V Power Supplied to Unit
Gray-Orange DC 11 - 13 V Power Supplied to Unit
Gray-Yellow Below DC 1 V (Limiter On) Full Open Position
DC 4 - 6 V (Limiter Off)
Gray-Brown Below DC 1 V (Limiter On) Full Close Position
DC 4 - 6 V (Limiter Off)
By-pass Flow Control Device G
1
Brown-White
Orange-White
Ye ll o w- W hi t e
Red-White Gnd
DC 2 - 6 V Unit In Operating Mode
15 - 35 kΩ
Remote Control D
1
Black-Black DC 11 - 13 V
Water Flow Sensor B
4
Red - Black DC 11 - 13 V On 0.82 gal/min (30 Hz)
Over 1800 pulse/min
Off 0.6 gal/min (20 Hz)
Below 1200 pulse/min
Yellow - Black Gnd DC 4 - 7 V (Pulse 17-460 Hz)
Combustion Fan A
1
Red-Black DC 6 - 45 V
Yellow-Black DC 11 - 13 V
White-Black Gnd DC 6 - 45 V (33-400 Hz)
Flame Rod C
1
Yellow-Gnd AC 5 - 150 V After Ignition
Yellow-Flame Rod Over DC 1 µA Flame Condition
Modulating Valve C
2
Pink-Pink DC 2 - 15 V
67 - 81 Ω
Outgoing Thermistor
Heat Exchanger
Outgoing Thermister
B
5
B
6
White-White
59°F 11.4 - 14.O KΩ
86°F 6.4 - 7.8 KΩ
113°F 3.6 - 4.5 KΩ
140°F 2.2 - 2.7 KΩ
221°F 0.6 - 0.8 KΩ
Air Thermistor B
1
White-White
Thermal Fuse B
3
C
3
Red-Red Below 1Ω
Ignitor F
8
Gray-Gray AC 90 - 110 V
Main Solenoid Valve E
1
Pink - Black DC 80 - 100 V
1.7 - 2.1 KΩ
Solenoid Valve 1 E
2
Yellow - Black DC 80 - 100 V
1.7 - 2.1 KΩ
Solenoid Valve 2 E
3
Blue-Black DC 80 - 100 V
1.7 - 2.1 KΩ
Solenoid Valve 3 E
4
Brown - Black DC 80 - 100 V
1.7 - 2.0 KΩ
TRANSFORMER VOLTAGES AND RESISTANCES
Primary Windings F
7
Blue-Brown 51 - 63 Ω
Secondary Windings F
9
White-Black AC 90 - 110 V

REU-2532W Series 35 Rinnai
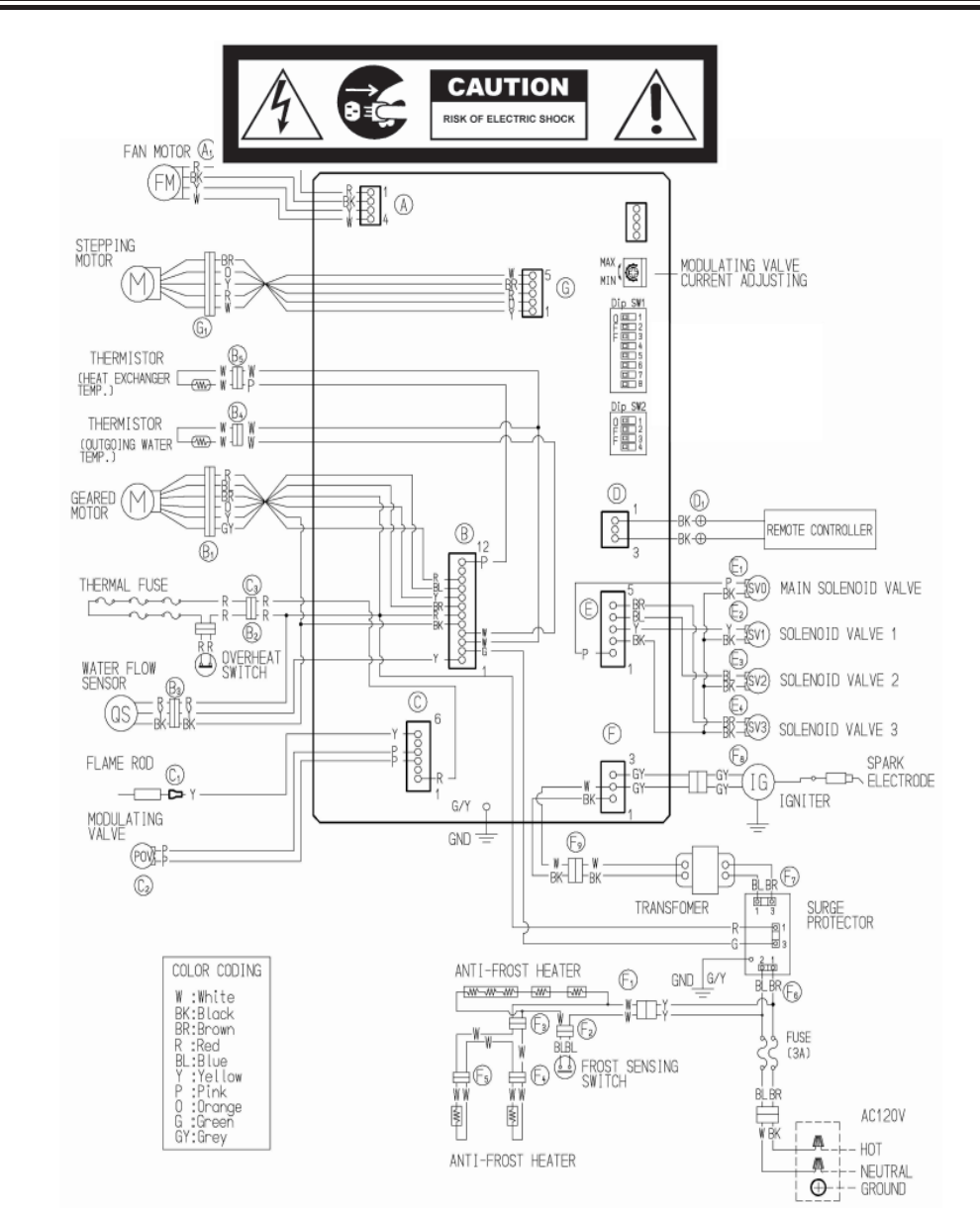
20. REU-2532W Series Wiring

REU-2532W Series 36 Rinnai
21. Block Diagram

REU-2532W Series 37 Rinnai
22. Electrical Component Analysis
Before carrying out checks marked with a # sign, disconnect power supply.
Unit’s wiring diagram can be found on page 35.
Appliance fails to operate (even remote control fails to operate).
1) Is the fuse blown
Fuses are located in plastic
holders in the main harness,
on the lower right hand side
of the appliance.
Check fuse.
a. Disconnect unit from power supply.
b. # Measure resistance to check the electric fuse (3
amp)
Normal: less than 1Ω
If normal, proceed to check item 2 below.
Faulty: Replace 3 amp glass fuse. If the fuse
blows again, investigate cause of short
circuit.
2) Is the main transformer normal ?
Check the transformer.
a. Measure the voltage and/or resistance at
connector F, black ~ white wires.
Normal: 100 ~ 120 VAC
51 ~ 63 Ω resistance
Faulty: Check for 120 – 125 VAC at the surge
protector, blue ~ brown wires, connector
F7.
Resistance reading 51 ~ 63 Ω
If normal, check item 3 on next page.
Faulty: Replace the transformer.

REU-2532W Series 38 Rinnai
3) Is the remote control normal ?
Check voltage between the two remote control
cable connectors.
a. Check the voltage between terminals on
the remote control terminal mount D1.
Normal: 11 ~ 13 VDC
If normal, check for an open circuit or
short before replacing the remote control.
Faulty: Replace PCB.
No combustion (despite remote control indication)
1) Is the water flow sensor normal ?
Check the water flow sensor.
a. Check the voltage at PCB connector B4, red
and black wires.
Normal: 11 ~ 13 VDC or 5.8 ~ 6.4K Ω
If normal, check (b) below.
Faulty: Replace the PCB.
b. Check the voltage at PCB connector B4,
yellow and black wires.
Normal: 4 ~ 7 VDC or 1M ~ 1.2M Ω.
If normal, proceed to check item 2 on next
page.
Faulty: Replace the water flow sensor.

REU-2532W Series 39 Rinnai
2) Is the flame rod normal ? Error “72” is displayed
Checking the flame rod.
a. # Detach the flame rod terminal C1, and
re-attempt operation.
(“72 is displayed)
Proceed to check item 3 below.
(no “72” displayed)
Inspect flame rod wiring for current leak and
inspect flame rod for carbon build-up.
Measure resistance between the flame rod
Terminal C1 and the appliance earth.
Normal: 1 MΩ or more.
If normal, replace the PCB unit.
Faulty: Replace the flame rod.
See page 43 for additional information and
reading pertaining to the flame rod.
3) Is the water temperature thermistor normal ?
If error “32” is displayed, check the water
temperature thermistor.
a. # Disconnect connectorB5, and measure
resistance of the white ~ white wires.
Resistance > 1 MΩ = open circuit.
Resistance < 1Ω = short circuit.
Normal: Proceed to check item 4 on the
next page.
Faulty: Replace the water temperature
thermistor.
See page 44 for additional information and
reading pertaining to the temperature
thermistor. .

REU-2532W Series 40 Rinnai
4) Is the combustion fan motor normal ? Motor check.
If error “61” is displayed, check the combustion
fan.
a. Measure voltage at connector A1. Black and red
wires.
Normal: 6 ~ 45 VDC (Fan on)
0 VDC (Fan off)
If normal, check item b below.
Faulty: Replace the PCB unit.
Fan revolution sensor check.
b. Measure voltage at connector A1, black and
yellow wires.
Normal: 11 ~ 13 VDC or 3.1 ~ 3.7 KΩ
If normal, check item c below.
Faulty: Replace the PCB unit.
c. Measure voltage at connector A1, black and
white wires.
Normal: 6 ~ 45 VDC or 9 ~ 9.4 KΩ
(33 ~ 400 Hz.)
If normal, proceed to check item 5 below.
Faulty: Replace the combustion fan motor.
5) Is the sparker operating normally ?
Check the sparker module.
a. Measure voltage at connector F8, grey and grey
wires.
Normal: 90 ~ 110 VAC
0 VDC (when fan is off)
If normal, check b below.
Faulty: Replace the PCB unit.
b. # Disconnect connector F8, and measure the
resistance between the two sparker terminals.
Normal: > 1 MΩ
Faulty: Replace the igniter module.
Electrode gap should be 3/16” to 1/4” .
.

REU-2532W Series 41 Rinnai
6) Is the main gas solenoid valve (SV0) operating normally ?
If error “11” or “71” is displayed, check the main
gas solenoid valve.
a. # Disconnect the main gas solenoid valve (SV0)
connector and measure the resistance at the
solenoid terminals.
Normal: 1.7 ~ 2.1 KΩ
If normal, check b below.
Faulty: Replace the main gas solenoid valve.
b. Measure voltage at the main gas solenoid (SV0)
Pink and black wires.
Normal: 80 ~ 100 VDC
If normal, proceed to check item 7 below.
Faulty: Replace PCB unit.
7) Is the change over solenoid (SV1) operating normally ?
If error “11” or “71” is displayed, check the change
over solenoid (SV1).
a. # Disconnect the change over solenoid (SV1)
connector, and measure resistance at the
solenoid terminals.
Normal: 1.7 ~ 2.1 KΩ
If normal, check b below.
Faulty: Replace the change over solenoid (SV1).
b. Measure voltage at the change over solenoid
(SV1) yellow ~ black wires.
Normal: 80 ~ 100 VDC
If normal, check 8 below.
Faulty: Replace PCB unit.
8) Is the change over solenoid (SV2) operating normally?
If error “11” or “71” is displayed, check the change
over solenoid (SV2).
a. # Disconnect the changeover solenoid (SV2)
connector, and measure the resistance at the
solenoid terminals.
Normal: 1.7 – 2.1 KΩ
If normal, check b below.
Faulty: Replace the changeover solenoid (SV2).
b. Measure the voltage at the changeover solenoid
(SV2), blue – black wires.
Normal: 80 – 100 VDC
If normal, check 9, on next page.
Faulty: Replace the PCB unit.

REU-2532W Series 42 Rinnai
9) Is the change over solenoid (SV3) operating normally?
If error “11” or “71” is displayed, check the change
over solenoid (SV3).
a. # Disconnect the changeover solenoid (SV3)
connector, and measure the resistance at the solenoid
terminals.
Normal: 1.7 – 2.1 KΩ
If normal, check b below.
Faulty: Replace the changeover solenoid (SV3).
b. Measure the voltage at the changeover solenoid
(SV3), brown – black wires.
Normal: 80 – 100 VDC
If normal, reconfirm gas pressures are correct..
Faulty: Replace the PCB unit.

REU-2532W Series 43 Rinnai
Error code “14” Check the thermal fuse.
a. # Disconnect connector B3 and C3, measure the
resistance between the red – red wires.
Normal: Less than 1Ω
If normal, check b below.
Faulty: Check manifold gas pressure. Check heat
exchanger for cracks and/or separations. If
there is nothing abnormal, replace the thermal fuse.
b. Check bi-metal switch, (remaining flame safety
device). Measure resistance between the two
terminals at B3 and C3.
Normal: 100 – 120 VAC
If normal, process to item a below.
Faulty: Replace the bi-metal switch.
Combustion stops due to flame failure
1) Is the flame rod functioning normally ?
a. Measure the voltage between the flame rod
terminal C1 and the appliance earth.
Normal: 5 – 150 VAC from yellow to ground.
If normal, check b below.
Faulty: Replace the PCB unit.
b. Check that the flame rod attachment is not loose.
Normal: Replace the PCB unit.
Faulty: Secure the flame rod bracket.
2) Is the earth lead wire connected ?
a. Check for defective earth terminal, or an open
circuit or short. If normal, investigate other possible
causes for the flame failure.
(Eg. Is the gas valve open ? Is the filter mesh
blocked ?) Was proper venting material used? Did
you regulate your gas supply pressure to the proper
gas pressure for gas type being used?
Faulty: Ensure unit is properly grounded. Check
ground circuit outside home at service pole. There
should be an eight foot ground rod driven in the
earth and a copper lead tied to the service meter.
Ensure connection on ground rod is tight.

REU-2532W Series 44 Rinnai
Unable to adjust hot water temperature
1) Is the water temperature thermistor operating normally ?
a. # Disconnect the connector B5, and measure the
resistance between the white wires, see below
for resistance readings.
Thermistor resistance valves:
59 ºF = 11.4 ~ 14 KΩ
86 ºF = 6.4 ~ 7.8 KΩ
113 ºF = 3.6 ~ 4.5 KΩ
140 ºF = 2.2 ~ 2.7 KΩ
221 ºF = 0.6 ~ 0.8 Ω
Normal: Proceed to check item 2 below.
Faulty: Replace the water temperature
thermistor.
2) Is the change over solenoid (SV1) normal ?
a. # Disconnect the changeover solenoid (SV1)
connector, and measure resistance at the
solenoid terminals.
Normal: 1.7 ~ 2.1 KΩ
If normal, proceed to b.
Faulty: Replace the changeover solenoid (SV1).
b. Measure the voltage at the changeover solenoid
(SV1) yellow ~ black wires.
Normal: 80 ~ 100 VDC
If normal, proceed to check item 3, on next
page.
Faulty: Replace the PCB unit.

REU-2532W Series 45 Rinnai
3) Is the modulating valve operating normally ? Error code 52
a. # Disconnect the modulating valve festoon C2
terminals and measure the resistance at the
terminals.
Normal: 67 ~ 81 Ω
If normal, check b.
Faulty: Replace modulating valve.
b. Re-connect terminal C2 and measure voltage across
the pink ~ pink wires when the unit is firing.
Normal: 2 ~ 15 VDC
If normal, check c below.
Faulty: Replace the PCB unit.
c. Investigate the change in the manifold gas
pressure, when the remote control pre-set
temperature is altered from 96 ~ 140 ºF.
Normal: If the manifold pressure changes,
proceed to check item 4 below. DO NOT
adjust manifold pressures.
Faulty: Replace modulating valve.
4) Is the water flow servo normal ?
a. # Disconnect connector B2 and measure the
resistance of the water flow servo, red ~ blue
wires.
Normal: 19 ~ 24Ω
If normal, proceed to b.
Faulty: Replace the water flow servo and sensor.
b. Disconnect connector B2 , and measure the
voltage on the PCB unit side, were the orange
(+), and/or grey or black (-) wires connect to the
board.
Normal: 3.3 ~ 4.5 VDC
If normal, proceed to c.
Faulty: Replace the PCB unit.
c. With connector B2 , connected (do not turn water
ON … wait for the water flow servo to return to
fully open), measure the voltage at the brown ~
grey wires.
Normal: 4 ~ 6 VDC vent limiter OFF
Faulty: Replace the water flow servo and
sensor.
d. With connector B2 , connected (do not turn water
ON… wait for the water flow servo to return to fully
open), measure the voltage at the yellow ~ grey
wires.
Normal: Less than 0.5 VDC when unit is set at 120
°F and there is no water flowing through the unit. .
Faulty: Replace water flow servo and sensor.

REU-2532W Series 46 Rinnai
Anti-frost heaters do not operate
1) Are the ceramic anti-frost heaters OK ? a. # Disconnect connector F4, and measure the
resistance of the heater mounted in the water
flow control valve, these are white wires.
Disconnect connector F5, and measure the
resistance of the heater in the outlet line
connector See connectors in the first and second
picture to the left.
Normal: 348 ~ 375 Ω
If normal, proceed to b.
Faulty: Replace defective element.
b. # Take an ohm meter and read resistance across the
heater on the face of the heat exchanger. The
resistance across this element is listed below. See
third picture to the left for location of this element.
These are white wires.
Normal: 100 ~ 110Ω
If normal, proceed to check item 2 below.
Faulty: Replace defective anti frost heater
assembly.
c. Check resistance of the two heat exchanger
outlet line heater elements, as shown in the
third picture to the left. Check across each heater
independently.
Normal: 33 ~ 39Ω
Faulty: Replace defective anti frost heater
assembly.
2) Is the frost sensor switch operating normally ?
a. # Disconnect connector F2, and measure the
resistance through this switch, measure when
atmospheric temperature is 39 ºF + or – 3 ºF.
See drawing to left for location of this sensor,
these are blue wires to this switch.
Normal: Less than 1Ω
If normal, check wiring harness for defects.
(100 volts AC)
Faulty: Replace the frost sensing sensor.
# If the atmospheric temperature is too high,
cool the switch with ice.

REU-2532W Series 47 Rinnai
23. ELECTRICAL COMPONENT ANALYSIS
Nature of Fault
Examination Point
Diagnostic Point
Values
Y/N
Action
Repair
No
Yes Go to A – (2) 1. Do you have
voltage to the unit? Inspect visually Do you have 120 VAC
at the power supply?
No Plug in cord 1
Yes Go to A – (3) 2. Is supply voltage
correct? Measure voltage at power
point. 120 VAC No Check power
supply circuit.
Check fuses.
2
Yes Go to A – (4) 3. Check surge
protector. Inspect visually Do you have 120 volts
AC across the blue
and brown wires at the
surge protector? No Go to A – (5)
Yes Go to A – (5)
and replace
fuse.
4. Check 3 amp
electrical fuses. # Disconnect and measure
resistance to confirm if
fuse is blown. Normal <
than 1MΩ
Is fuse blown.
No Go to A – (6)
Yes Go to A – (6) -
2 1. Measure resistance of
each solenoid valve.
# Remove connector E
from the PCB before
measuring .
Pink ~ Black (SV0)
1.7 ~ 2.1KΩ
Yellow ~ Black (SV1)
1.7 ~ 2.1KΩ
Brown ~ Black (SV2)
1.7 ~ 2.1KΩ
Are valves within
those specified at left?
# Measure after
checking that there are
no broken wires or
shorts. No Replace faulty
solenoid
valves.
3
Yes Go to A (5-3)
1. Measure the
resistance.
# Disconnect sparker
connector F8 and measure
the resistance between both
terminals.
Is resistance >1MΩ ?
No Replace
sparker.
4
Yes Rectify/
Replace 5
5. Check for short
circuits.
3. Check wiring. Are there any shorts ?
No Replace PCB 6
Yes Go to A (6-2)
A. The LED on
the remote
control does not
light up, when
the system is
powered up
6. Check to ensure
you have 120 VAC
across both terminals
feeding the surge
protector.
1. Measure voltage at the
blue and brown or black
and white wires.
100 ~ 120 VAC
No Check for
proper voltage
to unit.

REU-2532W Series 48 Rinnai
Nature of Fault
Examination Point
Diagnostic Point
Values
Y/N
Action
Repair
No
Yes Go to A – (7) 2. Measure the
voltage at connector
F with appliance
power supply on.
F – Black ~ white
100 ~ 120 VAC
F7 – Blue ~ Brown
100 ~ 120 VAC
Are valves within
those specified at left.
No Replace
transformer 8
Yes Check cable for
shorts or broken
wires. Replace
remote control
9
7. Check remote(s)
(where connected). Measure voltage
between remote
control terminals at
D.
11 ~ 13 VDC Digital
No Replace PCB. 10
Yes Go to B–1-2 1. Measure voltage
between red ~ black
of connector B4.
11 ~ 13 VDC
No Replace PCB 11
Yes Go to B - 2
B. Digital monitor
lights up, but
combustion does
not commence.
(When remotes
are connected).
1. Check water flow
sensor.
2. Measure voltage
between yellow ~
black at connector B4.
4 ~ 7 VDC
No Replace water
flow sensor. 12
Yes Replace PCB 13 Error code “72”
displayed on the
digital monitor.
2. Check flame rod # Measure resistance
between flame rod
terminal C1 and earth
Resistance > 1MΩ?
No Replace flame
rod 14
Yes Replace water
temperature
thermistor.
15 Error code “32”
displayed on
digital monitor.
3. Check outgoing
water temperature
thermistor.
# Disconnect
connector B5 and
measure resistance.
Open circuit: > 1MΩ
Short circuit: <1Ω
Are values as shown
at left.
No Go to B-4
Yes Go to B–5-2 1. Check motor.
Measure voltage
between black ~ red
at connector A1.
6 ~ 45 VDC (Fan on)
0 VDC (Fan off) No Replace PCB 16
Yes Go to B-4-3 2. Check fan rotation
sensor. Measure
voltage between
black ~ yellow at
connector A1..
11 ~ 13 VDC
No Replace PCB 18
Yes Go to B-5
Error code “61”
displayed on
digital monitor
4. Check combustion
fan.
3. Measure voltage
between black ~
white of connector
A1.
6 ~ 45 VDC
No Replace fan 19

REU-2532W Series 49 Rinnai
Nature of Fault
Examination Point
Diagnostic Point
Values
Y/N
Action
Repair
No
Yes Go to B-5-2 1. Measure voltage
between grey ~ grey of
connector F8 (sparker)
90 ~ 110 VAC
No Replace PCB 20
Yes Go to B-5-3 2. # Remove connector
F8 and measure the
resistance between
sparker terminals.
Is the resistance >1MΩ
No Replace sparker. 21
Yes Go to B-6 3. Check if unit is
sparking. Is the sparker
sparking? No Adjust/replace
electrode. 22
Yes Go to B-6-2 1. # Disconnect the
main solenoid valve
connector E from the
PCB, and measure
resistance between pink
~ black (SV0)
1.7 ~ 2.1KΩ
No Replace main
solenoid valve
(SV0)
23
Yes Go to B-7
5. Check sparker.
6. Check main gas
solenoid valve (SV0)
Error code 71
2. Measure voltage
between pink ~ black of
SV0 connector.
80 ~ 100 VDC
No Replace PCB 24
Yes Go to B-7-2 1. # Disconnect
connector E from the
PCB. Measure
resistance between
yellow ~ black (SV1)
1.7 ~ 2.1KΩ
No Replace (SV1) 25
Yes Go to B-8
7. Check solenoid
valve (SV1)
2. Measure voltage
between yellow ~ black
of SV1 connector.
80 ~ 100 VDC
No Replace PCB 26
Yes Go to B-8-2 1. #Disconnect
connector E from PCB.
And measure resistance
between blue ~ black
(SV2)
1.7 ~ 2.1KΩ
No Replace (SV2) 27
Yes Go to B9
8. Check changeover
solenoid valve (SV2)
2. Measure the voltage
between blue ~ black of
SV2 connector.
80 ~ 100 VDC
No Replace PCB 28
Yes Go to B-10 9. Check thermal fuse 1. #Disconnect
connector B3 and C3
measure resistance
between red ~ red
Is resistance <1Ω?
No Replace thermal
fuse 29
Yes Replace PCB 30
Error code “11”
displayed on
digital monitor.
Error code “14”
displayed on
digital monitor
10. Check overheat
(remaining flame) bi-
metal switch.
2. #Disconnect OHS
(remaining flame) bi-
metal switch festoon
terminal B3 and C3 , and
measure resistance
between terminal on
switch.
Is resistance <1Ω?
No Replace
remaining flame
bi-metal switch
31

REU-2532W Series 50 Rinnai
Nature of Fault
Examination Point
Diagnostic
Values
Y/N
Action
Repair
No.
Yes Go to C-1-2 1. Measure the voltage
between flame rod
terminal C1 and
appliance ground.
5 ~ 150 VAC
No Replace PCB 32
Yes Go to C-2
1. Check flame rod
2. Check to ensure
flame rod bracket is not
loose.
Is it secure?
No Replace/rectify 33
Yes Check for other
causes of flame
failure.
34
C. Combustion
occurs, but flame
fails.
Error code “12”
Displayed on
digital monitor.
2. Check ground
wire. Check for faulty ground
wire connections at
unit, receptacle, and
ground rod to home,
and for broken or
shorted wires.
Are connections OK?
No Replace or repair
grounding circuit
to unit.
35
Yes Go to D – 2 D. Cannot adjust
water temperature.
1. Check hot water
thermistor. # Disconnect connector
B5 and measure the
resistance between
white ~ white. See
diagnostic points on
page #34 for
temperature at various
resistance.
Resistance values
match table on page
#44. No Replace water
temperature
thermistor.
36
Yes Go to D-2-2 1. # Disconnect
solenoid connector E
from PCB and measure
the resistance between
brown ~ black.
1.7 ~ 2.1KΩ
No Replace (SV3) 37
Yes Go to D-3
2. Check
changeover
solenoid valve
(SV3)
2. Measure voltage
between brown ~ black
wire of the changeover
solenoid valve (SV3) at
connector E.
80 ~ 100VDC
No Replace PCB 38
Yes Go to D-3-2 1. #Disconnect
modulating valve at C2
festoon terminal and
measure resistance at
solenoid terminals.
67 ~ 81Ω
No Replace
modulating valve 39
Yes Go to D-3-3 2. Measure the voltage
between the two
harness terminals at C2.
2 ~ 15VDC
No Replace PCB 40
Yes Go to D-4
3. Check modulating
valve.
3. Check whether the
manifold pressure alters
when remote control
temperature is altered
between 96° ~ 140°F.
Does the manifold
pressure change? No Replace
modulating valve
(POV)
41
Yes Go to D-4-2
4. Check water flow
servo 1. #Measure resistance
between red ~ blue
wires of the water flow
servo connector B2.
22 ~ 26Ω
No Replace water
flow servo
sensor.
42

REU-2532W Series 51 Rinnai
Nature of Fault
Examination Point
Diagnostic Point
Values
Y/N
Action
Repair
No
Yes Go to 4-3 2. Measure voltage
between orange (+) and
grey (-) of the water
flow servo connectorB2.
11 ~ 13 VDC
No Replace PCB 43
Yes Go to D-4-4 3. Measure voltage
between brown ~ grey
of water flow servo
connector B2. (Do not
turn water on).
4 ~ 6 VDC
No Replace water
flow servo
sensor.
44
Yes Normal
4. Measure voltage
between yellow ~ grey
of the water flow servo
connector B2. (Do not
turn water on)
4 ~ 6 VDC
No Replace water
flow servo
sensor.
45
Yes Go to E-1-2 1. #Disconnect
connector F3 and F
measure resistance
across each of the
heating elements.
(White wires)
348 ~ 375Ω
No Replace Anti-
frost heater
located in the
water valve.
46
Yes Go to E-2 2. #Read resistance of
the heating element that
is mounted on the front
of the heat exchanger.
(White wires)
100 ~ 110Ω
No Replace anti-
frost heater that
is defective.
Yes Go to E-2
1. Check anti-frost
heater.
3. Read resistance of
heating elements on the
heat exchanger outlet
hot water line.
33 ~ 39Ω
No Replace anti-
frost heater that
is defective.
47
Yes Check wiring
E. Anti-frost
heater does not
work.
2. Check frost
sensing switch. #Disconnect connector
F2.and measure across
the frost sensing relay
located on the bottom
left of the casing. This
is a black plastic piece
with two blue white
connected to it. Check
this switch at
temperatures below
37°F. You can place an
ice cube against the
switch to activate it.
Is resistance <1Ω
after applying ice to
this switch for five
minutes?
No Replace Anti-
frost sensing
switch.
48

REU-2532W Series 52 Rinnai
Gas Pressure Setting Procedure
CONTINUUM and INTEGRITY
REU-2532- W
All settings/adjustments must be performed
by a qualified Service Technician.
1. Turn unit off at power source and turn off the gas to the water heater.
2. Remove the front cover from the water heater.
3. Remove the gas pressure test port plug. Connect manometer to this port. See Figure #1 for location of the
test port plug. Turn on the gas to the water heater.
4. Flow water through the water heater at the maximum flow rate obtainable, at least three gallons per minute.
5. To adjust the “Low” fire pressure, set combustion control dip switch #7 to the “ON” position, and switch
#8 to the “OFF” position (see figure #2 for location of combustion control switches.) This will put the unit
into forced low fire. Check the pressure reading on your manometer. If the pressure needs adjusting, remove
the rubber plug from the bottom of the water heater casing (located beneath the regulator), to access the
regulator adjustment screw. Adjust the regulator screw to achieve the correct gas pressure. (See figure #1 for
location of the regulator adjustment screw.) Below are the proper pressures for “Low” fire, per gas type.
Propane 0.88” w.c. @ 10” w.c. supply (Low fire rate of 15,000 BTU’s)
Natural 0.56” w.c. @ 6” w.c. supply (Low fire rate of 15,000 BTU’s)
6. To adjust the “High” fire pressure, set combustion control dip switch #7 to the “ON” position, and switch
#8 to the “ON” position (see figure #2 for location of the combustion control switches), this will put the unit
into forced high fire. Check the pressure reading on your manometer. If the pressure needs adjusting,
adjust it by turning the high pressure “Pot”. See figure #2 for location of “high pressure setting pot”.
Below are the proper pressures for “High” fire.
Propane 5.1” w.c. @ 10” w.c. supply (High fire rate of 180,000 BTU’s)
Natural 3.4” w.c. @ 6” w.c. supply (High fire rate of 180,000 BTU’s)
7. Verify both low and high fire pressures by placing the water heater into “Forced Low Fire” and “Forced
High Fire” as described in steps 5 and 6 above. This completes the gas pressure setting procedure.
Dip switches #7 and #8 (combustion control switches), MUST be returned to the “Off” position, after
setting the pressures.

REU-2532W Series 53 Rinnai
8. Turn off the gas to the water heater. Remove the manometer connection. Reinstall the
pressure port plug. Turn on the gas to the water heater and check for gas leaks around
test port with a leak solution.
9. Reinstall the front cover and place the unit back into operation.
10. Verify you are getting the proper water temperature, as set on the controller at your
outlets. If controllers are not being used the output temperature should be 120°F.
Figure #1 Figure #2
High pressure setting “Pot”
Regulator adjustment screw used when
setting low and high fire manifold gas
pressures only. DO NOT, adjust this screw
without following gas pressure setting
procedures.
Dip switches #7 and #8 are used when
adjusting low and high fire manifold
gas pressures, as stated in the gas
pressure setting procedure.
Manifold gas
pressure test port.

REU-2532W Series 54 Rinnai
25. Dismantling for Service
NOTE: Before proceeding with dismantling, be sure to follow the CAUTION
instructions before each explanation. Always disconnect the electrical supply, turn off
water and gas supply service valves, and drain all water from the unit before
proceeding. Only trained and qualified service agencies should attempt to repair
this product.
Item Page
1. Removal of the Front Panel ………………………………………………………………… 55
2. Removal of the PC Board …………………………………………………………………… 55
3. Removal of the Water Flow Control and Sensor ………………………… ……………… 55
4. Removal of the Sparker ……………………………………………………………………... 56
5. Removal of the Combustion Fan …………………………………………………………… 56
6. Removal of the Water Temperature Thermistor ………………………………………… 56
7. Removal of the Transformer ………….…………………………………………………… 57
8. Removal of the Burner and Burner Manifold …………………………………………… 57
9. Removal of the Gas Valve Assembly……………………………………………………… 58
!0. Removal of the Heat Exchanger Assembly ……..………………………………………… 58
11. Removal of the Thermal Fuse ……………………………………………………………… 59
Re-assembly in all task listed above in the reverse order of dismantling, unless
stated otherwise.

REU-2532W Series 55 Rinnai
P.C. board
screws
Gas shut-of
f
Cold and hot water shut-of
f
valves
Front cover screws.
Water flow sensor
and servo assembly
IMPORTANT
When dismantling the unit you should always isolate the
following items.
• Gas supply.
• Electrical supply.
• Water supply.
• Drain all water from the appliance.
The following diagram may be of assistance in locating
the above.
1. Removal of the Front Panel
CAUTION
120 volt potential exposure. Isolate the appliance and
reconfirm power has been disconnected using a multi-
meter.
a. Remove the four (4) screws holding the panel in
place with a Phillips driver.
2. Removal of PC board
CAUTION
120 volt potential exposure. Isolate the appliance and
reconfirm power has been disconnected using a multi-
meter.
a. Remove the two (2) screws holding the PCB in
place with a Phillips screw driver, then pull the
PC board out of the appliance.
Disconnect all connectors.
3. Removal of the Water Flow Sensor and Water
Flow Control Valve Assembly
CAUTION
120 volt potential exposure. Isolate the appliance and
reconfirm power has been disconnected using a multi-
meter.
a. Remove one (1) Phillips screw from the heat exchanger
water supply line and (1) screw from the bypass valve
assembly. Lift the water line retainer up and over the
housing it attaches too, pull water line towards yourself
to disconnect water lines from the assembly. Inspect o-
rings for damage, replace if defective.

REU-2532W Series 56 Rinnai
Water filter housin
g
.
S
p
arke
r
module.
Outlet water thermistor.
Remove combustion
fan motor housing,
(2) screws screws.
a. Remove the four (4) Phillips screws that secure the
water inlet filter housing to the unit. See picture
below for location of screws. Once screws are
removed reach into the unit and pull up and out on the
flow control assembly to remove it from the
appliance. Inspect o-ring for damage.
b. Disconnect wiring harness from assembly and remove
the water flow control assembly from the unit.
4. Removal of Sparker Module:
CAUTION
120 volt potential exposure. Isolate the appliance and
reconfirm power has been disconnected using a multi-
meter.
a. Remove one (1) Phillips screw that secures the
sparker module to the unit casing.
b. Disconnect high tension lead and connector.
5. Removal of the Combustion Fan:
CAUTION
120 volt potential exposure. Isolate the appliance and
reconfirm power has been disconnected using a multi-
meter.
a. Disconnect wiring harness from fan motor.
b. Remove the (2) Phillips screws that secure the
combustion fan motor to the fan housing. Pull the fan
motor assembly towards yourself to remove it.
6. Removal of the Water Temperature Thermistor:
CAUTION
120 volt potential exposure. Isolate the appliance and
reconfirm power has been disconnected using a multi-
meter.
a. Remove the two (2) Phillips screws that secure
the thermistor in place to remove the water outlet
temperature thermistor.

REU-2532W Series 57 Rinnai
Transformer and
wiring harnesses.
Burner assembl
y
.
Remove (2) screws shown by
arrows and (8) screws in the
view glass panel above, then
pull burner out toward you.
Burner plate screws
(6), and (3) gas valve
assembly screws.
7. Removal of Transformer:
CAUTION
120 volt potential exposure. Isolate the appliance and
reconfirm power has been disconnected using a multi-
meter.
a. Remove the combustion fan motor assembly as
described in section 5-a,b.
b. Remove the two (2) Phillips screws to release the
transformer.
c. Disconnect wiring harness connectors to transformer
and pull out towards you.
8. Removal of Burner Manifold and the Burner:
CAUTION
120 volt potential exposure. Isolate the appliance and
reconfirm power has been disconnected using a multi-
meter.
a. To remove the burner manifold, remove (6) Phillip
screws around the burner plate as shown in the upper
right picture.
b. Remove the (3) Phillip screws at the gas valve
assembly.
c. Grip the burner manifold and remove it from the unit.
d. To remove the burner assembly remove (8) Phillip
screws around the sight glass panel. Remove this
panel.
e. Locate the (2) Phillip screws inside the burner
chamber that hold the burner assembly in place.
Remove these two screws, grip the burner assembly
and slide it out of the combustion housing.
f. If you need to remove each burner from this housing
remove the (2) Phillip screws on each side of the
burner, as shown below.

REU-2532W Series 58 Rinnai
Gas valve
Heat exchanger inlet
and outlet water lines
Gas connectio
n
Remove (2) screws back
behind combustion fan
motor assembly.
Remove (4) screws
recessed between casing
and heat exchanger.
9. Removal of the Gas Valve Assembly:
CAUTION
120 volt potential exposure. Isolate the appliance and
reconfirm power has been disconnected using a multi-
meter.
a. Remove the burner manifold, refer to section 8-a,b,c.
b. Remove the four (4) Phillips screws that hold the gas
connection and gas control valve in place at the
bottom of the unit. Pull the gas connection down to
disconnect it from the gas valve assembly. Inspect o-
ring for damage and/or defects. Ensure o-ring is in
place when re-assembling this connection.
c. Disconnect connectors from solenoids, note which
connector goes to each solenoid, alone with the proper
wire colors. Pull gas valve assembly out of unit.
10. Removal of Heat Exchanger:
CAUTION
120 volt potential exposure. Isolate the appliance and
reconfirm power has been disconnected using a multi-
meter.
a. Remove PCB unit, refer to section 2-a.
b. Remove the heat exchanger water connection lines,
refer to section 3-a.
c. Remove the three (3) Phillip screws securing the gas
manifold assembly to the gas control valve.
d. Remove the six (6) Phillip screws that secure the heat
exchanger assembly in place.
e. Disconnect connectors B1, B5, B6, C1, C3, F1and F8.
These are the igniter, flame rod, thermo-fuse, hot
water inlet and outlet thermistor, and the anti-freeze
heater connections.
f. Pull the heat exchanger out of the heater.
g. Transfer all components found on the old heat
exchanger over to the new exchanger.

REU-2532W Series 59 Rinnai
Thermal fuse assembly, one
located on the front of the
heat exchanger and one on
the rear of this assembly
.
7. Removal of Thermal Fuse:
CAUTION
120 volt potential exposure. Isolate the appliance and
reconfirm power has been disconnected using a multi-
meter.
This process may involve removing the heat exchanger if
the thermo-fuse on the rear of the heat exchanger is
blown.
a. The REU 2532 has four thermal fuses, see picture
below for location.
b. Disconnect and remove the thermal fuse. Re-install
new thermo fuse using the existing thermo fuse clips.
Reconfirm inlet and manifold gas pressures are set to
the proper setting. Ensure unit matches gas type being
supplied to the heater.

REU-2532W Series 60 Rinnai
26. EXPLODED VIEW - CABINET

REU-2532W Series 61 Rinnai
EXPLODED VIEW - INTERNALS

REU-2532W Series 62 Rinnai
EXPLODED VIEW - INTERNALS

REU-2532W Series 63 Rinnai
EXPLODED VIEW - ELECTRICAL

REU-2532W Series 64 Rinnai
PARTS LIST
Number Description Part Number Quantity
001 Front Panel Assembly U245-1110 1
002 Casing Assembly U245-1100 1
003 Wall Installation Bracker U195-121 1
004 Connection Reinforcement Panel U245-120 1
005 Heat Protection Plate U245-107 1
006 Rubber Bushing CF79-41020-A 1
007 Front Panel Packing BU195-167 1
008 Front Panel Packing Side AU115-163 1
009 Cable Connection BU56-602-N 1
010 Cable Seal Packing AU169-126 1
011 Seal Packing AU105-113 1
100 Gas Control Assembly C36E-41-S 1
101 Screw AU39-965 2
102 “Gas Connection (3/4””NPT)” CU195-1866 1
103 Burner Unit Assembly H73-110 1
104 Burner Case Front CH51-209 1
105 Burner Case Bottom Panel H73-112 1
106 Packing BH51-218 1
107 Lean and Rich B3A7-1 16
Bunsen Burner Assembly
108 Burner Case Back Panel CH51-211 1
109 Damper H73-115 1
110 Manifold Assembly-A (LPG) U245-200-A 1
110 Manifold Assembly-C (Nat. G) U245-200-C 1

REU-2532W Series 65 Rinnai
PARTS LIST
Number Description Part Number Quantity
111 Packing of Combustion Chamber AU155-207-2 1
112 Lower Packing of Combustion Chamber H73-214 1
113 Screw C10D-5 1
114 Combustion Chamber U245-260 1
Front Plate Assembly
115 Combustion Chamber Front Plate U245-261 1
116 Electrode H73-120 1
117 Flame Rod AH41-216 1
118 Electrode Packing AH66-398 1
119 Electrode Holder AH66-393 1
120 Upper Packing of Combustion Chamber U245-262 1
122 Fan Casing Assembly CH51-615 1
123 Blower Motor H89-261 1
127 Fan Connecting Bracket BH29-606 1
128 Fan Connecting Packing AU183-562 1
132 Combustion Chamber Bracket U245-255 1
135 Flue Outlet Assembly U245-1131 1
136 Flue Outlet U245-1130 1
137 Flue Outlet Packing U245-1122 1
138 Flue Outlet Packing - 6 AH24-653-6 1
140 Heat Exchanger Complete Assembly U245-1310 1
400 “Water Inlet (3/4”NPT) H73-501-2 1
401 Water Flow Servo & Sensor Assembly M8E-6-5 1
402 Rectifier M8D1-15 1

REU-2532W Series 66 Rinnai
PARTS LIST
Number Description Part Number Quantity
403 By-pass Servo Assembly M6J-1-3 1
404 Stop Bracket AH69-310 2
405 Plug Band H73-512 1
406 Water Filter Assembly H73-511 1
407 Filter Plug H73-510 1
408 Hot Water Outlet (3/4”NPT) U245-865-3 1
409 Stop Bracket AU162-1876 1
410 Plug Band Small AU103-413 1
411 Drain Valve AU142-444 1
702 PCB Cover-Side BU195-507 1
703 PCB Cover-Front BU168-707 1
704 Transformer Assembly ET-281 1
705 PCB Bracket U245-257 1
706 Ignitor EI-189 1
707 High Tension Cord BH38-710-240 1
708 Electrode Sleeve AU206-218 1
709 Thermistor BH45-650 2
710 Thermistor Clip Large CP-90172 1
711 Thermal Fuse Clip U217-676 5
714 Heater Connecting Harness U245-621 1
715 120V Valve Heater Assembly U245-622 1
716 Anti-Frost Heater Clip CF29-752 2
717 Anti-Frost Heater Clip A AU111-653 1

REU-2532W Series 67 Rinnai
PARTS LIST
Number Description Part Number Quantity
718 Anti-Frost Heater Clip AU100-721 1
720 Power Supply Harness AU195-1876 1
721 Fuse Harness BU195-1630 1
722 100V Harness U245-601 1
723 Solenoid Valve Harness U245-602 1
725 Thermal Fuse Harness U245-610 1
726 Mold-Type Over Heat Switch BU129-824-2 1
730 PCB U245-1200 1
731 Surge Protector BU195-1873 1
732 Frost Sensing Switch H73-750 1
733 120V Anti-Frost Heater Assembly U245-1320 1
734 Sensor Harness - 2 U245-603-2 1
802 Washer AU33-184 4
803 Screw CP-21478-412 3
804 Screw U217-449 1
805 Screw ZAA0408UK 3
806 Screw ZBD0508UK 2
807 Screw AU48-174 2
808 Screw ZBA0510UK 4
809 Screw ZAD0408TK 4
810 O-ring M10B-2-4 2
812 O-ring M10B-13-4 1
813 O-ring M10B-2-18 2

REU-2532W Series 68 Rinnai
PARTS LIST
Number Description Part Number Quantity
814 O-ring M10B-2-16 2
815 O-ring M10B-2-14 2
816 O-ring M10B-2-7 1
817 O-ring M10B-1-24 1
818 Packing C36E1-6 2
888 V2532W Owner’s Manual U245-1360 1
- Package Spec Sheet PWB-261 1
- “Manual 3/4”” gas control valve” BU195-1865 1
- Kitchen remote control kit MC-45-4US 1
- Bathroom remote control kit BC-45-4US 1
- 2nd Bathroom remote control kit BSC-45-4US 1

REU-2532W Series 69 Rinnai
SERVICEMAN’S TROUBLESHOOTING INFORMATION
for the
RINNAI “CONTINUUM REU2532-W” WATER HEATERS
IMPORTANT SAFETY NOTES:
There are a number of (live) tests that are required when fault finding this product. Extreme care
should be used at all times to avoid contact with energized components inside the water heater.
Only trained and qualified service agencies should attempt to repair this product.
Remember, before checking for resistance readings, you should disconnect the power source to
the unit and isolate item the to be checked from the circuit (unplug it).
(TR) Transformer:
Wire color Voltage Resistance Connector # Pin #’s
Black ~ White 100 ~ 120 VAC 51 ~ 63 ohms F9 1 ~ 2
Blue ~ Brown 110 ~ 120 VAC 51 ~ 63 ohms F7 1 ~ 3
(SV0, SV1, SV2, SV3 and POV) Gas valve and Modulating solenoids: (Set meter above 2K)
(SV0) Pink ~ Black 80 ~ 100 VDC 1,8K ~ 2K ohms E1 1 ~ 2
(SV1) Black ~ Yellow 80 ~ 100 VDC 1,8K ~ 2K ohms E2 2 ~ 3
(SV2) Black ~ Blue 80 ~ 100 VDC 1,8K ~ 2K ohms E3 2 ~ 4
(SV3) Black ~ Brown 80 ~ 100 VDC 1,8K ~ 2K ohms E4 2 ~ 5
(POV) Pink ~ Pink 2 ~ 15 VDC 67 ~ 81 ohms C2 3 ~ 4
(M) Water Flow Control Device Servo or Geared Motor:
Red ~ Blue 11 ~ 13 VDC 22 ~ 26 ohms B2
9 ~ 10
Grey ~ Brown 4 ~ 6 VDC N/A B2 5 ~ 7
Grey ~ Yellow N/A N/A
B2 5 ~ 8
Grey ~ Orange 11 ~ 14 VDC N/A B2 5 ~ 6
NOTE: The grey wire listed above turns to black at B connector on the PCB, the orange wire turns to red.
(QS) Water Flow Sensor:
Black ~ Red 11 ~13 VDC 5.5K ~ 6.2K B4 5 ~ 6
Yellow ~ Black 4 ~ 7 VDC 1 meg ~ 1.4 meg B4 1 ~ 5
By-pass Flow Control:
Brown ~ White
Orange ~ White
2 ~ 6 VDC Unit in operating
mode
G4 ~ G5
G2 ~ G5
4 ~ 5
2 ~ 5
Yellow ~ White
Red ~ White/ Ground
15 ~ 35K G1 ~ G5
G3 ~ G5
1 ~ 5
3 ~ 5
(IG) Ignition System:
Grey ~ Grey 90 ~ 100 VAC N/A F8 2 ~ 3
(FM) Combustion Fan Motor:
Red ~ Black 6 ~ 45 VDC N/A A1 1 ~ 2

REU-2532W Series 70 Rinnai
White ~ Black 6 ~ 45 VDC 9.2K ~ 9.4K A1 2 ~ 4
Yellow ~ Black 11 ~ 13 VDC 3.5K ~ 3.9K A1 2 ~ 3
Set your meter to the hertz scale. Reading across the red and yellow wires at terminals 2 and 3 you should
read between 60 and 350 hertz.
Thermal Fuse:
Red ~ Red 100 VAC Below 1 ohm B ~ C B6 ~ C1
Overheat Switch:
Red ~ Red 100 VAC Below 1 ohm B ~ C B6 ~ C1
Flame Rod:
Place one lead of your meter to the flame rod and the other to earth or ground. With the unit running you should read
between 5 ~ 150 VAC. Set your meter to the µ amp scale, series your meter in line with the flame rod. You should read
1µ or greater for proper flame circuit. In the event of low flame circuit remove the flame rod and check for carbon and/or
damage.
Heat Exchanger, Air Temperature, and Outgoing Water Temperature Thermistors:
Check all thermistors by inserting meter leads into each end of the thermistor plug. Set your meter to the 20K
scale and read resistance. You should be able to apply heat to the thermistor bulb and see the resistance
decrease. Then apply some ice to the thermistor and the resistance should increase. See below for examples
of temperatures and resistance reading at those temperatures.
Example: 59ºF = 11.4 ~ 14K
86ºF = 6.4 ~ 7.8K
113ºF = 3.6 ~ 4.5K
140ºF = 2.2 ~ 2.7K
221ºF = 0.6 ~ 0.8K
Outgoing Water Thermistor:
White ~ White N/A See example above B B3 ~ B4
Heat Exchanger Temperature Thermistor:
White ~ Pink at board N/A See example above B B3 ~ B12
Surge Protector:
Black ~ White 108 ~ 132 VAC N/A Surge Protector D1 1 ~ 3
Blue ~ Brown 108 ~ 132 VAC N/A Surge Protector D2 1 ~ 2
With the power off you can check the continuity through the surge protector. Place one meter lead on the top pin #1 of the
surge protector and pin #2 on the bottom of the surge protector. Then check across top pin #3 and bottom pin #1, if you
read continuity across these two points the surge protector is good. If you do not get continuity, replace the surge protector.
Remote Controls:
Terminals D1 10 ~ 13 VDC digital 1.5K ~ 1.9K ohms H 1 ~ 3
Frost Protection:
This unit has four frost protection heaters mounted at different points inside the unit, to protect the water
heater from freeze ups. There are two heaters located on the outlet hot water line next to the thermistor.

REU-2532W Series 71 Rinnai
Using a voltage meter set on the 200 ohm scale, you should have a resistance reading of 26 ~ 30 ohms
through each of these heaters. The heater located on the heat exchanger piping should have a resistance
reading of 81 ~ 86 ohms and the one located in the water flow sensor valve has a resistance reading of 16 ~
19 ohms. Voltage throughout this circuit should be 120 VAC.
(3) Amp Fuses:
This unit has two inline (3) amp glass fuses. Remove the fuse and check continuity through it. If you have
Continuity through the fuse, it is good. If you can not read continuity, the fuse is blown and must be replaced.
Wiring Diagram:
REU2532-W

www.rinnai.us
Ask about Rinnai’s other fine products:
The Energy Savers
*Direct Vent Heating with style and
performance
*whisper quiet
*available with multi-step set back
thermostats
The Infra-reds
*Vent free radiant heaters
*99.9% efficient
*Heat like the sun
Portable Cooking Products
*One, two and two burner with
broiler models.
*Perfect for camping, a picnic or a
tailgate party
The Silent Servant
*North America’s only vent-free convection
heater
*99% efficient
*whisper quiet
*perfect for hard to heat areas