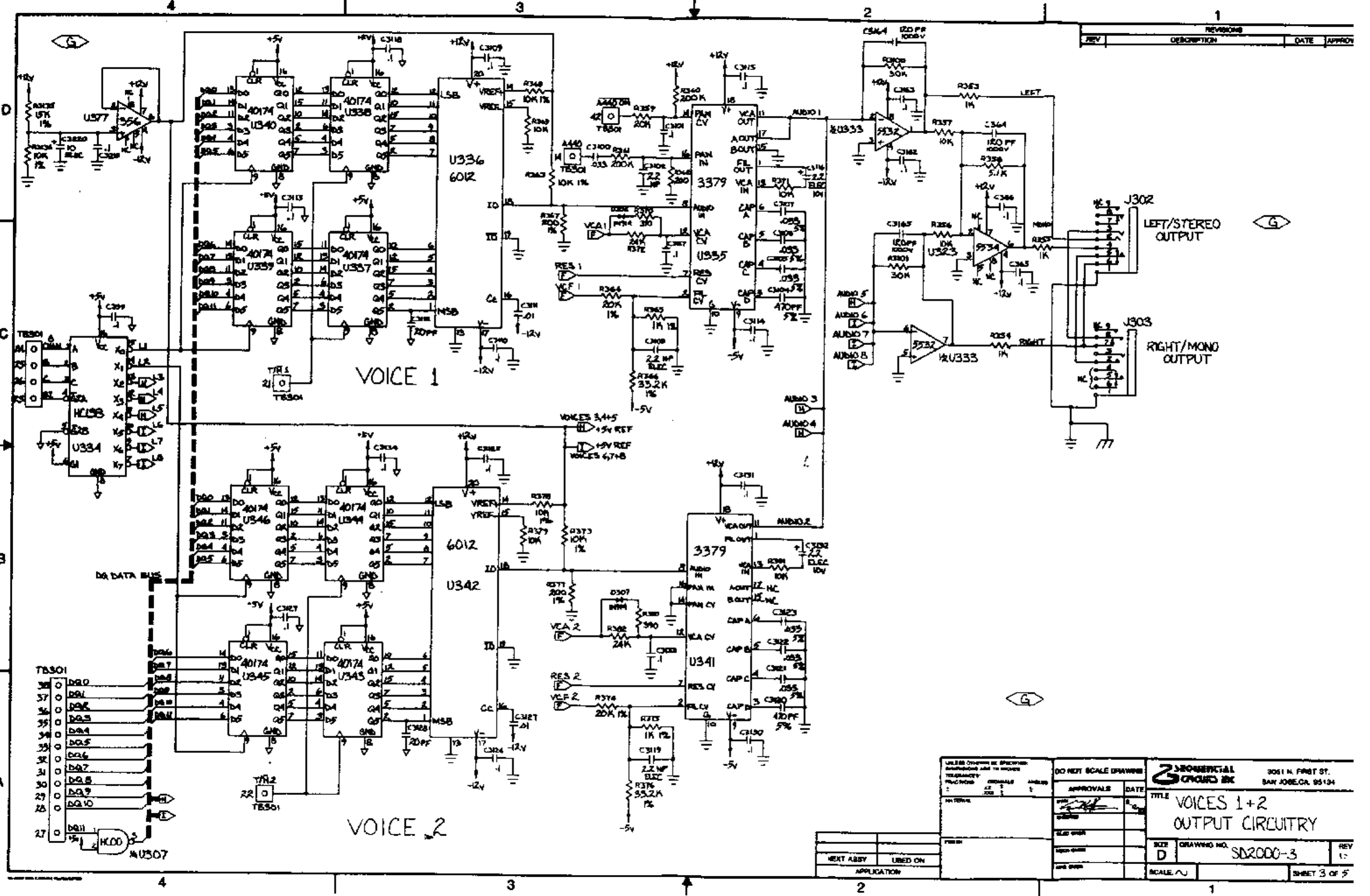
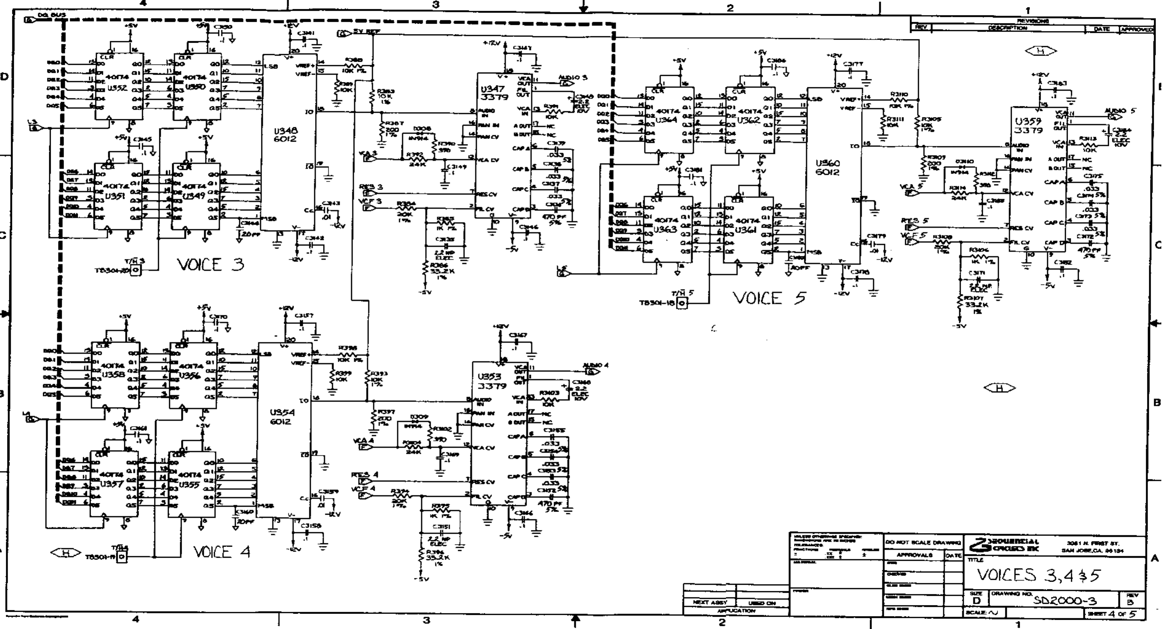
Sequential Prophet 2000 Schematics Service Manual Circuits
User Manual: Pdf Prophet 2000 Service Manual Synthfool:Docs:Sequential Circuits
Open the PDF directly: View PDF
.
Page Count: 19



















User Manual: Pdf Prophet 2000 Service Manual Synthfool:Docs:Sequential Circuits
Open the PDF directly: View PDF
.
Page Count: 19