LT_R450_01F Suzuki LTR 450 Manual Taller ES
2-Suzuki-LTR-450-manual-taller-ES 2-Suzuki-LTR-450-manual-taller-ES
User Manual: Pdf Suzuki-LTR-450-manual-taller-ES
Open the PDF directly: View PDF
.
Page Count: 434 [warning: Documents this large are best viewed by clicking the View PDF Link!]
- 99500-44060-01S LT-R450 MANUAL DE SERVICIO
- PREÁMBULO
- 01 INFORMACION GENERAL
- 02 MANTENIMIENTO PERIODICO
- 03 MOTOR
- 04 DIAGNOSTICO DEL SISTEMA FI
- 05 SISTEMA DE COMBUSTIBLE Y CUERPO DEL ACELERADOR
- 06 SISTEMA DE REFRIGERACION Y LUBRICACION
- 07 CHASIS
- PIEZAS EXTERIORES
- RUEDAS DELANTERAS Y TRASERAS
- NEUMÁTICOS
- FRENO DELANTERO
- SUSPENSIÓN DELANTERA
- MANILLARES
- DIRECCIÓN
- INFORMACIÓN ACERCA DE REEMSAMBLAJE DE LA RUEDA DELANTERA, FRENO DELANTERO, SUSPENSIÓN DELANTERA Y...
- FRENO TRASERO
- PEDAL DE FRENO
- AMORTIGUADOR TRASERO
- VARILLA Y PALANCA DE AMORTIGUACIÓN
- INFORMACIÓN DE TIRANTE DE BIELETA, BIELETA Y AMORTIGUADOR TRASERO
- BRAZO OSCILANTE
- EJE TRASERO
- INFORMACIÓN ACERCA DE REENSAMBLAJE DE LA RUEDA TRASERA, FRENO TRASERO, SUSPENSION TRASERA, BRAZO ...
- CADENA DE TRANSMISIÓN
- RODILLO DE CONTROL DE CADENA DE TRANSMISIÓN
- 08 SISTEMA ELECTRICO
- 09 INFORMACION DE SERVICIO
- 10 INFORMACION DE CONTROL DE LA EMISION
- 11 DIAGRAMA DE CABLEADO

LT-R450
Printed in Japan
K6
LT-R450
TOP
BOTTOM
No.16355 LT-R450 (01S) S/M 99500-44060-01S Cover0104 06.03. 25. (Back: 16 mm) DIC567
K6
TOP
BOTTOM
99500-44060-01S
No.16355 LT-R450 (01S) S/M 99500-44060-01S Cover0104 06.03. 25. (Back: 16 mm) SUMI

ÍNDICE DE GRUPOS
INFORMACIÓN GENERAL 1
MANTENIMIENTO PERIÓDICO 2
MOTOR 3
DIAGNÓSTICO DEL SISTEMA FI 4
SISTEMA DE COMBUSTIBLE Y
CUERPO DEL ACELERADOR 5
SISTEMA DE REFRIGERACIÓN
Y LUBRICACIÓN 6
CHASIS 7
SISTEMA ELÉCTRICO 8
INFORMACIÓN DE SERVICIO 9
INFORMACIÓN DE CONTROL
DE LA EMISIÓN 10
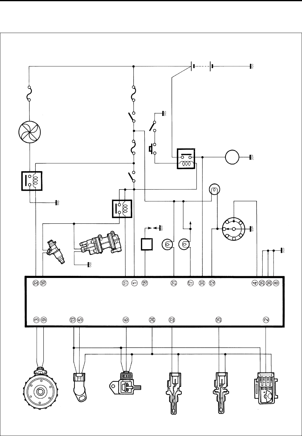
DIAGRAMA DE CABLEADO 11
© COPYRIGHT SUZUKI MOTOR CORPORATION 2006
PREÁMBULO
Este manual contiene una descripción introductoria
del SUZUKI LT-R450 y los procedimientos para su
inspección, mantenimiento y revisión de los compo-
nentes principales.
No se incluye otro tipo de información considerada
de conocimiento general.
Lea la sección INFORMACIÓN GENERAL para
familiarizarse con el vehículo y su mantenimiento.
Emplee ésta y otras secciones como una guía para
la inspección y mantenimiento correctos.
Este manual le ayudará a conocer mejor el vehículo
de modo que pueda garantizar a sus clientes un
servicio rápido y seguro.
* Este manual ha sido elaborado considerando
las últimas especificaciones vigentes en el
momento de su publicación. De haberse rea-
lizado modificaciones desde entonces, pue-
den existir diferencias entre el contenido de
este manual y el vehículo en sí.
* Las ilustraciones de este manual sirven para
mostrar los principios básicos de operación y
los procedimientos de trabajo. Es posible que
no representen con exactitud el vehículo en
detalle.
* Este manual está dirigido a personas que
dispongan de conocimientos y preparación
suficientes, así como herramientas, incluidas
herramientas especiales, para el servicio de
los vehículos SUZUKI. Si no dispone de
ellos, consulte a un distribuidor autorizado de
motocicletas SUZUKI para que le ayude.
Si los mecánicos son inexpertos o no dis-
ponen de las herramientas y el equipo
apropiados no podrán llevar a cabo ade-
cuadamente el mantenimiento descrito en
este manual.
Una reparación defectuosa puede provocar
lesiones al mecánico y hacer inseguro el
vehículo para el conductor.

CÓMO UTILIZAR ESTE MANUAL
PARA LOCALIZAR LO QUE BUSCA:
1. El texto de este manual está dividido en secciones.
2. Los títulos de las secciones se listan en el ÍNDICE.
3. Sosteniendo el manual como se muestra a la derecha encon-
trará fácilmente la primera página de cada sección.
4. En la primera página de cada sección hay una lista de conteni-
dos que le permitirá encontrar el tema y la página que necesita.
DESPIECE DE COMPONENTES Y TAREAS A REALIZAR
Debajo del nombre de cada sistema o unidad se encuentra una vista del despiece. Se proporcionan instruccio-
nes de trabajo y otra información de servicio tal como el par de apriete, los puntos de lubricación y los puntos
donde se aplica el compuesto de bloqueo.
Ejemplo: Ruedas delanteras y traseras
1Rueda delantera
2Arandela
3Pasador de aletas
4Válvula de aire
5Neumático delantero
6Placa de cubo delantero
7Distanciador
8Junta guardapolvo
9Rodamiento de cubo
0Cubo de rueda delantera
ADistanciador
BRodamiento de cubo
CJunta guardapolvo
DCollar
EDisco de freno delantero
FCubierta de disco
GEje
HCubo de rueda trasera
IRueda trasera
JNeumático trasero
KArandela
ATuerca de rueda trasera
BTuerca de cubo delantero
CTuerca de cubo trasero
DTornillo de disco de freno
ÍTEM N·m
kgf-m
A66 6,6
B65 6,5
C121 12,1
D23 2,3

SÍMBOLO
En la siguiente tabla se muestran los símbolos que indican las instrucciones y otra información necesaria para
el mantenimiento. El significado de cada símbolo también está incluido en la tabla.
SÍMBOLO DEFINICIÓN SÍMBOLO DEFINICIÓN
Control del par de torsión necesario.
Los datos al lado de la tabla indican el
par de torsión especificado.
Aplique THREAD LOCK “1342”.
99000-32050
Aplique aceite. Utilice aceite del motor a
menos que se especifique lo contrario.
Aplique THREAD LOCK SUPER “1360”.
99000-32130
Aplique una solución de aceite de molib-
deno.
(mezcla de aceite de motor y SUZUKI
MOLY PASTE con una relación de 1 : 1)
Aplique o utilice líquido de frenos.
Aplique SUZUKI SUPER GREASE “A”
o grasa equivalente.
99000-25010
Mida la gama de tensiones.
Aplique SUZUKI SILICONE GREASE.
99000-25100 Mida la gama de resistencias.
Aplique SUZUKI MOLY PASTE.
99000-25140 Mida la gama de corrientes.
Aplique SUZUKI BOND “1215”
o compuesto adhesivo.
99000-31110
Mida la gama de prueba en diodo.
Aplique SUZUKI BOND “1216B”.
99000-31230 Mida la gama de continuidad en diodo.
Aplique THREAD LOCK SUPER “1303”.
99000-32030 Utilice una herramienta especial.
Aplique THREAD LOCK SUPER “1322”
u obturador de roscas equivalente.
99000-32110
Indica datos de servicio.
1216B
ABREVIATURAS UTILIZADAS
EN ESTE MANUAL
A
ABDC : Después del P.M.I.
CA : Corriente alterna
ACL : Filtro de aire, caja del filtro de aire
API : American Petroleum Institute
ATDC : Después del P.M.S.
A/F : Mezcla de aire y combustible
B
BBDC : Antes del P.M.I.
BTDC : Antes del P.M.S.
B+ : Borne positivo de la batería
C
Sensor CKP : Sensor de posición del cigüeñal
(CKPS)
CKT : Circuito
Interruptor CLP
: Interruptor de posición de la
maneta del embrague
(Interruptor del embrague)
CO : Monóxido de carbono
CPU : Unidad central de procesamiento
D
CC : Corriente continua
DMC : Acoplador de modos del concesio-
nario
DOHC : Doble árbol de levas en cabeza
DRL : Luz diurna
DTC : Código de problemas del diagnós-
tico
E
ECM : Módulo de control del motor
Unidad de control del motor
(ECU)
(Unidad de control FI)
Sensor ECT : Sensor de temperatura del refrige-
rante del motor (ECTS), tempera-
tura del agua Sensor (WTS)
F
FI : Inyección de combustible, inyector
de combustible
FP : Bomba de combustible
FPR : Regulador de presión de combus-
tible
Relé FP : Relé de la bomba de combustible
G
GEN : El generador
GND : Masa
Interruptor GP : Sensor de posición de velocidad
H
HC : Hidrocarburos
I
Sensor IAP : Sensor de presión del aire de
admisión (IAPS)
(Sensor MAP)
Sensor IAT : Sensor de temperatura del aire de
admisión (IATS)
IG : Encendido
IAS : Tornillo de aire de ralentí
L
LH : Mano izquierda
M
Código MAL : Código de mal funcionamiento
(Código de diagnóstico)
Max : Máximo
Millas : Lámpara indicadora de mal funcio-
namiento
Min : Mínimo
N
NOX : Óxidos de nitrógeno
O
OHC : Árbol de levas en cabeza
P
PCV : Cárter positivo ventilación
(Respiradero del cárter)
R
RH : Mano derecha
ROM : Memoria de sólo lectura
S
SAE : Society of Automotive Engineers
SDS : Suzuki Diagnosis System
T
Sensor TO : Sensor de sobreinclinación (TOS)
Sensor TP : Sensor de posición del acelerador
(TPS)

CONVERSIÓN DE NOMENCLATURA SAE - SUZUKI ANTERIOR
Esta tabla contiene el equivalente de la nomenclatura SAE (Society of Automotive Engineers) J1930 y abrevia-
ciones que se emplean en este manual de acuerdpo con los requisitos SAE, así como la nomenclatura
SUZUKI anterior equivalente.
NOMENCLATURA SAE NOMENCLATURA SUZUKI ANTERIOR
NOMENCLATURA COMPLETA ABREVIATURA
A
Filtro de aire ACL Filtro de aire, caja del filtro de aire
B
Borne positivo de la batería B+ Tensión de la batería, +B
C
Sensor de posición del cigüeñal Sensor CKP Sensor de posición del cigüeñal (CKPS),
Ángulo de muñequilla
D
Conector de enlace de datos DLC Acoplador de modos del concesionario
Modo de prueba de diagnóstico DTM ––––
Código de problemas del diagnós-
tico
DTC
Código de diagnóstico, código de mal funciona-
miento
E
Encendido electrónico El ––––
Módulo de control del motor ECM Módulo de control del motor (ECM)
Unidad de control FI, unidad de control del
motor (ECU)
Nivel de refrigerante del motor ECL Nivel de refrigerante
Temperatura del refrigerante del
motor
ECT Temperatura del refrigerante, temperatura del
refrigerante del motor, temperatura del agua
Velocidad del motor RPM Velocidad del motor (RPM)
F
Control de ventilador FC ––––
Sensor de nivel de combustible –––– Sensor de nivel de combustible, indicador de
nivel de combustible
Bomba de combustible FP Bomba de combustible (FP)
G
El generador GEN El generador
Masa GND Masa (GND, GRD)
I
Control de encendido IC Avance de chispa electrónico (ESA)
Módulo de control de encendido ICM ––––
Temperatura del aire de admisión IAT Temperatura del aire de admisión (IAT), tem-
peratura del aire

NOMENCLATURA SAE NOMENCLATURA SUZUKI ANTERIOR
NOMENCLATURA COMPLETA ABREVIATURA
M
Lámpara indicadora de mal funcio-
namiento
MIL Luces
Luz Indicadora de funcionamiento defectuoso
(MIL)
Presión absoluta de colector MAP Presión del aire de admisión (IAP), válvula de
admisión
O
Diagnóstico a bordo OBD Función de autodiagnosis
Diagnóstico
P
Memoria de sólo lectura progra-
mable
P R O M ––––
R
Memoria de acceso aleatorio RAM ––––
Memoria de sólo lectura ROM ROM
T
Cuerpo del acelerador TB Cuerpo del acelerador (TB)
Inyección de combustible del
cuerpo del acelerador
TBI Inyección de combustible del cuerpo del acele-
rador (TBI)
Sensor de posición del acelerador Sensor TP Sensor TP (TPS)
V
Regulador de tensión VR Regulador de tensión
COLOR DE LOS CABLES
B : Negro O : Naranja
Bl : Azul P : Rosado
Br : Marrón R : Rojo
Dbr : Marrón oscuro W : Blanco
Dg : Verde oscuro Y : Amarillo
Gr : Gris
B/Bl : Negro con trazo azul
B/Br : Negro con trazo marrón
B/O : Negro con trazo naranja
B/R : Negro con trazo rojo
B/W : Negro con trazo blanco
B/Y : Negro con trazo amarillo
Bl/B : Azul con trazo negro
Bl/W : Azul con trazo blanco
Br/W : Marrón con trazo blanco
G/B : Verde con trazo negro
G/R : Verde con trazo rojo
G/W : Verde con trazo blanco
Gr/W : Gris con trazo blanco
O/G : Naranja con trazo verde
O/W : Naranja con trazo blanco
O/Y : Naranja con trazo amarillo
R/W : Rojo con trazo blanco
W/B : Blanco con trazo negro
W/Bl : Blanco con trazo azul
W/R : Blanco con trazo rojo
Y/B : Amarillo con franja negra
Y/Bl : Amarillo con trazo azul

INFORMACIÓN GENERAL 1-1
1
INFORMACIÓN GENERAL
CONTENIDO
ADVERTENCIA/PRECAUCIÓN/NOTA ....................................................... 1- 2
PRECAUCIONES GENERALES ................................................................. 1- 2
SUZUKI LT-R450K6 (MODELO ’06) ........................................................... 1- 4
LOCALIZACIÓN DEL NÚMERO DE SERIE................................................ 1- 4
COMBUSTIBLE, ACEITE, Y REFRIGERANTE DEL MOTOR
RECOMENDADOS ...................................................................................... 1- 5
COMBUSTIBLE (PARA EE.UU. Y CANADÁ) ...................................... 1- 5
COMBUSTIBLE (PARA OTROS PAÍSES) ........................................... 1- 5
ACEITE DE MOTOR (PARA LOS EE.UU.)........................................... 1- 5
ACEITE DE MOTOR (PARA OTROS PAÍSES) .................................... 1- 5
LÍQUIDO DE FRENOS .......................................................................... 1- 5
REFRIGERANTE DEL MOTOR ............................................................ 1- 6
PROCEDIMIENTOS DE RODAJE............................................................... 1- 6
ETIQUETAS INFORMATIVAS..................................................................... 1- 7
ESPECIFICACIONES .................................................................................. 1- 8
DIMENSIONES Y PESO EN VACÍO ..................................................... 1- 8
MOTOR.................................................................................................. 1- 8
TREN DE TRANSMISIÓN ..................................................................... 1- 8
CHASIS.................................................................................................. 1- 9
EQUIPO ELÉCTRICO ........................................................................... 1- 9
CAPACIDADES..................................................................................... 1- 9
CÓDIGOS DE PAÍSES Y ÁREAS
Los siguientes códigos representan a los siguientes países y áreas.
CÓDIGO PAÍS o ÁREA NÚMERO DE BASTIDOR
EFECTIVO
E-19
E-28
E-33
UE
Canadá
California (EE.UU.)
JSAAL41A 62100001 –
JSAAL41A 62100001 –
JSAAL41A 62100001 –

1-2 INFORMACIÓN GENERAL
ADVERTENCIA/PRECAUCIÓN/NOTA
Por favor, lea este manual y siga sus indicaciones atentamente. Para enfatizar la información relevante, los
símbolos y las palabras ADVERTENCIA, PRECAUCIÓN y NOTA tienen un significado especial. Preste
especial atención a los mensajes que resaltan estas palabras.
Indica un peligro potencial que puede provocar la muerte o lesiones.
!
Indica un peligro potencial que puede provocar daños en el vehículo.
NOTA:
Indica información especial para que el mantenimiento resulte más fácil o para aclarar las instrucciones.
Por favor, tenga en cuenta que los avisos y precauciones contenidos en este manual no pueden, de nin-
guna manera, abarcar todos los posibles peligros relacionados con la reparación o falta de mantenimiento
del vehículo. Además de los ADVERTENCIAS y PRECAUCIONES citados ha de usarse el sentido común y
los principios básicos de seguridad en la mecánica. Si no está seguro de cómo llevar a cabo una operación
determinada, pídale consejo a un mecánico con más experiencia.
PRECAUCIONES GENERALES
* Es importante para la seguridad del mecánico y para la seguridad y fiabilidad del vehículo
que los procedimientos de reparación y mantenimiento sean los adecuados.
* Cuando dos o más personas trabajen juntas es necesario tener en cuenta la seguridad de los
compañeros.
* Cuando sea necesario hacer funcionar el motor en interiores asegúrese de que los gases de
escape sean evacuados al exterior.
* Cuando se trabaje con productos tóxicos o inflamables asegúrese de que la zona en la que
esté trabajando esté ventilada y de seguir todas las instrucciones del fabricante.
* Nunca utilice gasolina como disolvente para limpiar.
* Para evitar quemaduras no toque el motor, el aceite del motor, el radiador, ni el sistema de
escape hasta que se hayan enfriado.
* Después de trabajar en los sistemas de alimentación de combustible, aceite, refrigerante del
motor, escape, o frenos, compruebe que no haya fugas en ninguno de los conductos y juntas
relacionados con los sistemas revisados.

INFORMACIÓN GENERAL 1-3
!
* Si necesita piezas de repuesto, utilice repuestos originales Suzuki o sus equivalentes.
* Cuando quite piezas que vayan a ser reutilizadas, ordénelas de tal forma que se puedan vol-
ver a montar en el orden correcto y con la orientación adecuada.
* Asegúrese de utilizar herramientas especiales cuando así se indique.
* Compruebe que todas las piezas que vayan a montarse estén limpias. Lubríquelas cuando se
indique.
* Utilice el lubricante, adhesivo u obturador especificado.
* Cuando desmonte la batería, desconecte primero el cable negativo y después el positivo.
* Cuando vuelva a montar la batería, conecte primero el cable positivo y después el negativo, y
cubra el borne positivo con su tapa correspondiente.
* Cuando haga trabajos de mantenimiento en piezas eléctricas, si los procedimientos no nece-
sitan de la electricidad de la batería, desconecte el cable negativo de la misma.
* Cuando apriete las tuercas o los pernos de la culata y del cárter, comience por los de mayor
diámetro. Apriételos siempre los pernos desde el interior hacia el exterior diagonalmente
hasta alcanzar el par de apriete especificado.
* Cuando quite retenes, juntas, empaquetaduras, juntas tóricas, arandelas de fijación, tuercas
autoblocantes, pasadores de retención, circlips, y demás piezas que se especifiquen, asegú-
rese de cambiarlas por otras nuevas. Además, antes de montar piezas nuevas asegúrese de
eliminar cualquier resto de material de las superficies de contacto.
* Nunca reutilice un circlip. Cuando monte un circlip nuevo, tenga cuidado de no abrirlo más de
lo necesario para introducirlo en el eje. Después de montar un circlip, compruebe siempre
que queda perfectamente alojado en su ranura y firmemente ajustado.
* Emplee una llave dinamométrica para apretar las uniones con el par especificado. Limpie la
grasa y el aceite de las roscas cuando estén manchadas.
* Después del montaje, compruebe el ajuste de las piezas y su correcto funcionamiento.
* Para proteger el medio ambiente no se deshaga de manera no autorizada del aceite del motor,
líquido refrigerante ni otros líquidos: baterías y neumáticos.
* Para proteger los recursos naturales del planeta, deshágase adecuadamente del vehículo y
las piezas usadas.

1-4 INFORMACIÓN GENERAL
SUZUKI LT-R450K6 (MODELO ’06)
• Puede haber diferencias entre las fotografías y el vehículo real dependiendo de los mercados.
LOCALIZACIÓN DEL NÚMERO DE SERIE
El número de serie del bastidor o V.I.N. (Número de Identificación del Vehículo) 1 está grabado en el lado
derecho del tubo del cabezal de la dirección. El número de serie del motor 2 está situado en el lado trasero
del cárter. Estos números son especialmente necesarios para registrar la máquina y pedir recambios.
LADO DERECHO
LADO IZQUIERDO

INFORMACIÓN GENERAL 1-5
COMBUSTIBLE, ACEITE, Y REFRIGERANTE DEL MOTOR
RECOMENDADOS
COMBUSTIBLE (PARA EE.UU. Y CANADÁ)
Utilice solamente gasolina sin plomo de 90 octanos como mínimo (R/2 + M/2).
Se puede utilizar gasolina que contenga MTBE (Methyl Tertiary Butyl Ether), con menos de 10% de etanol,
o menos de 5% de metanol con los codisolventes y el inhibidor de corrosión apropiados.
COMBUSTIBLE (PARA OTROS PAÍSES)
La gasolina utilizada deberá tener un índice de 95 octanos o superior (Método Research). Se recomienda
gasolina sin plomo.
ACEITE DE MOTOR (PARA LOS EE.UU.)
La calidad del aceite contribuye considerablemente al buen rendimiento y duración de su motor. Utilice
siempre aceite de motor de buena calidad. Suzuki recomienda el uso de SUZUKI PERFORMANCE 4
MOTOR OIL o un aceite de motor equivalente. Uso de SF/SG o SH/SJ en API con MA en JASO.
Suzuki recomienda el uso de aceite de motor SAE 10W-40. Si no dispone de aceite de motor SAE 10W-40,
seleccione otro alternativo según la tabla siguiente.
ACEITE DE MOTOR (PARA OTROS PAÍSES)
La calidad del aceite contribuye considerablemente al buen ren-
dimiento y duración de su motor. Utilice siempre aceite de motor
de buena calidad. Uso de SF/SG o SH/SJ en API con MA en
JASO.
Suzuki recomienda el uso de aceite de motor SAE 10W-40. Si
no dispone de aceite de motor SAE 10W-40, seleccione otro
alternativo según la tabla de la derecha.
LÍQUIDO DE FRENOS
Especificación y clasificación: DOT 4
MULTIGRADO
Como el sistema de frenos de este vehículo ha sido llenado por el fabricante del mismo con
líquido de frenos a base de glicol, no utilice ni mezcle distintos tipos de líquidos de frenos,
tales como líquidos a base de silicona o petróleo, al llenar el sistema, ya que pueden produ-
cirse serios daños.
No utilice líquido de frenos de contenedores ya utilizados o no sellados.
Nunca reutilice líquido de frenos sobrante de un servicio previo que haya sido almacenado
durante un largo periodo de tiempo.

1-6 INFORMACIÓN GENERAL
REFRIGERANTE DEL MOTOR
Utilice un anticongelante/líquido refrigerante compatible con un radiador de aluminio, mezclado solamente
con agua destilada.
AGUA PARA MEZCLAR
Utilice sólo agua destilada. Un agua no destilada puede corroer y obstruir los radiadores de aluminio.
ANTICONGELANTE/REFRIGERANTE DEL MOTOR
Además de como anticongelante, el refrigerante del motor actúa como inhibidor de la corrosión. Por tanto,
el refrigerante del motor debe utilizarse siempre, incluso cuando la temperatura ambiente en esa zona no
sea inferior al punto de congelación.
Suzuki recomienda el uso de anticongelante/refrigerante del motor SUZUKI COOLANT. Si no dispone de
dicho líquido utilice otro equivalente que sea compatible con radiadores de aluminio.
DOSIFICACIÓN DE AGUA/REFRIGERANTE DEL MOTOR
Capacidad de solución (total): 1 400 ml aproximadamente
Para más detalles sobre la mezcla de refrigerante, vea la sección del sistema de refrigeración en la página
6-2.
!
PROCEDIMIENTOS DE RODAJE
Durante la fabricación se utilizan sólo los mejores materiales disponibles y todas las piezas maquinadas tie-
nen un acabado de alta calidad, pero aún así es necesario que las piezas móviles se acoplen entre sí
mediante un “RODAJE” antes de someter el motor a los esfuerzos máximos. El futuro rendimiento y fiabili-
dad del motor dependen del cuidado y la atención puestos durante los primeros momentos. Las reglas
generales son.
• Mantenga estos límites de velocidad al hacer el rodaje:
Velocidad del motor para el rodaje
Las primeras 10 horas: Menos de media aceleración
• Después de que el motor haya estado funcionando durante 10 horas, póngalo en funcionamiento a la
máxima aceleración durante breves periodos de tiempo.
La mezcla de anticongelante/refrigerante del motor ha de limitarse al 60%. Una mezcla superior
reduciría su eficiencia. Si la proporción de mezcla de anticongelante/refrigerante es inferior al
50%, la función inhibidora de la corrosión decaerá enormemente. Asegúrese de que la mezcla
es superior al 50% a pesar de que la temperatura ambiente no vaya a ser inferior al punto de
congelación.

INFORMACIÓN GENERAL 1-7
ETIQUETAS INFORMATIVAS
Placa de certificado
Etiqueta de información
Etiqueta de presión de aire del neumático (etiqueta de advertencia de no-pasajero)
Etiqueta de presión de aire del neumático (etiqueta de advertencia de no-pasajero)
Etiqueta de advertencia general
Etiqueta de advertencia general y edad, etiqueta 16
Etiqueta de aviso manual
Etiqueta canadiense ICES
Marca de aviso de no llevar pasajero
Marca de aviso de no llevar pasajero
Etiqueta de ajuste de cadena
Etiqueta de ajuste de cadena
Marca de aprobación EC
Etiqueta de información de combustible
Etiqueta de información de combustible
Etiqueta de información de combustible
: Inglés : Francés : Alemán : Italiano : Español
Edad, etiqueta 16
Etiqueta de conformidad
NOMBRE DE ETIQUETA o PLACA ESPECIFICACIÓN APLICADA
Superficie
superior
del asiento
Superficie superior de la cubierta
del depósito de combustible
Lado izquierdo
del bastidor
Lado derecho del bastidor
Brazo oscilante
Parte
delantera

1-8 INFORMACIÓN GENERAL
ESPECIFICACIONES
DIMENSIONES Y PESO EN VACÍO
Longitud total ....................................................... 1 845 mm
Anchura total........................................................ 1 245 mm
Altura total............................................................ 1 085 mm
Batalla.................................................................. 1 285 mm
Vía delantera........................................................ 1 045 mm
Vía trasera ........................................................... 985 mm
Distancia al suelo................................................. 240 mm
Altura del asiento ................................................. 780 mm
Peso en seco ....................................................... 167 kg
MOTOR
Tipo...................................................................... 4 tiempos, refrigeración líquida, DOHC
Número de cilindros............................................. 1
Calibre.................................................................. 95,5 mm
Carrera................................................................. 62,8 mm
Cilindrada............................................................. 450 cm³
Relación de compresión ...................................... 11,7 : 1
Sistema de combustible....................................... Sistema de inyección de combustible
Filtro de aire......................................................... Elemento de espuma de poliuretano
Sistema de arrancador......................................... Eléctrico
Sistema de lubricación......................................... Colector seco
Velocidad de ralentí ............................................. 1 800 ± 100 rpm
TREN DE TRANSMISIÓN
Embrague ............................................................ Multidisco en baño de aceite
Transmisión ......................................................... 5 de avance
Patrón de cambio de velocidades........................ 1 abajo, 4 arriba, a pedal
Relación de reducción primaria ........................... 2,851 (77/27)
Relaciones de engranajes, Baja .......................... 2,076 (27/13)
2da ........................... 1,647 (28/17)
3ra ............................ 1,333 (28/21)
4ta ............................ 1,095 (23/21)
Máxima..................... 0,913 (21/23)
Relación de reducción final.................................. 2,571 (36/14)
Cadena de transmisión........................................ RK 520SMOZ10S, 96 eslabones

INFORMACIÓN GENERAL 1-9
CHASIS
Suspensión delantera ......................................... Independiente, doble brazo triangular, muelle helicoidal,
amortiguación por aceite
Suspensión trasera ............................................. De brazo oscilante, muelle helicoidal,
amortiguación por aceite
Recorrido de la rueda delantera.......................... 254 mm
Recorrido de la rueda trasera ............................. 277 mm
Ángulo de avance ............................................... 8,0°
Rodada................................................................ 30 mm
Convergencia ...................................................... 0 mm
Ángulo de caida .................................................. –3,0°
Ángulo de dirección............................................. 41°
Radio de giro....................................................... 3,5 m
Freno delantero................................................... Freno de disco, doble
Freno trasero....................................................... Freno de disco
Tamaño del neumático delantero........................ AT20 × 7 R10, sin cámara de aire
Tamaño del neumático trasero ........................... AT18 × 10 R8, sin cámara de aire
EQUIPO ELÉCTRICO
Tipo de encendido............................................... Encendido electrónico (Transistorizado)
Distribución del encendido.................................. 8° A.P.M.S. a 1 800 rpm
Bujía .................................................................... NGK CR8EB
Batería................................................................. 12 V 21,6 kC (6 Ah)/10 HR
Generador........................................................... Generador trifásico de CA
Fusible principal .................................................. 20 A
Fusible de ventilador ........................................... 10 A
Fusible de encendido.......................................... 10 A
Faro..................................................................... 12 V 40/40 W
Luz de freno/trasera ............................................ LED
Luz indicadora de punto muerto.......................... 12 V 3,4 W
Luz indicadora de combustible............................ 12 V 3,4 W
Temperatura del refrigerante/
Luz de aviso de inyección de combustible ........... 12 V 3,4 W
CAPACIDADES
Depósito de combustible, incluyendo la reserva.. 10,0 L
Aceite del motor, cambio de aceite .................... Depósito de aceite 1 200 ml
Motor 400 ml
con cambio de filtro ................ Depósito de aceite 1 300 ml
Motor 400 ml
revisión del motor ................... Depósito de aceite 1 400 ml
Motor 400 ml
Refrigerante ........................................................ 1,4 L
Estas especificaciones pueden sufrir cambios sin previo aviso.

1-10 INFORMACIÓN GENERAL

2
6
MANTENIMIENTO PERIÓDICO 2-1
CONTENIDO
MANTENIMIENTO PERIÓDICO
CALENDARIO DE MANTENIMIENTO PERIÓDICO ................................... 2- 2
TABLA DE MANTENIMIENTO PERIÓDICO ........................................ 2- 2
PROCEDIMIENTOS DE MANTENIMIENTO Y PUESTA A PUNTO ........... 2- 3
FILTRO DEL AIRE ................................................................................ 2- 3
TUERCAS DEL TUBO DE ESCAPE Y TORNILLOS DEL
SILENCIADOR ...................................................................................... 2- 4
HOLGURA DE VÁLVULAS .................................................................. 2- 5
BUJÍAS .................................................................................................. 2-10
TUBO DE COMBUSTIBLE ................................................................... 2-11
FILTRO DE COMBUSTIBLE ................................................................. 2-11
JUEGO DEL CABLE DEL ACELERADOR .......................................... 2-11
VELOCIDAD DE RALENTÍ DEL MOTOR ............................................. 2-12
CUERPO DEL ACELERADOR ............................................................. 2-12
ACEITE DEL MOTOR Y FILTRO DEL ACEITE ................................... 2-12
LATIGUILLO DE ACEITE DEL MOTOR ............................................... 2-14
REFRIGERANTE DEL MOTOR ............................................................ 2-15
RADIADOR ............................................................................................ 2-16
LATIGUILLO DEL RADIADOR ............................................................. 2-16
PARACHISPAS ..................................................................................... 2-17
JUEGO DEL CABLE DEL EMBRAGUE ............................................... 2-18
FRENOS ................................................................................................ 2-18
LÍQUIDO DE FRENOS .......................................................................... 2-21
MANGUITO DE FRENO ........................................................................ 2-23
NEUMÁTICOS ....................................................................................... 2-23
DIRECCIÓN ........................................................................................... 2-24
CADENA DE TRANSMISIÓN ............................................................... 2-25
SUSPENSIONES ................................................................................... 2-28
TUERCAS DE FIJACIÓN DE LAS RUEDAS DELANTERAS
Y TRASERAS ........................................................................................ 2-28
TUERCA Y CONTRATUERCA DE EJE TRASERO ............................. 2-29
TUERCAS Y TORNILLOS DEL CHASIS .............................................. 2-30
LUBRICACIÓN GENERAL ................................................................... 2-33
COMPROBACIÓN DE LA PRESIÓN DE COMPRESIÓN ........................... 2-34
PROCEDIMIENTO DE COMPROBACIÓN DE LA PRESIÓN
DE COMPRESIÓN ................................................................................ 2-34
COMPROBACIÓN DE LA PRESIÓN DEL ACEITE .................................... 2-35
PROCEDIMIENTO DE COMPROBACIÓN DE LA PRESIÓN
DEL ACEITE .......................................................................................... 2-35
COMPROBACIÓN DE SDS ......................................................................... 2-36

2-2 MANTENIMIENTO PERIÓDICO
CALENDARIO DE MANTENIMIENTO PERIÓDICO
La tabla que sigue detalla los intervalos de mantenimiento recomendados para todos los trabajos periódicos
necesarios para mantener el vehículo en estado óptimo de rendimiento y economía. Los intervalos de man-
tenimiento se indican en meses.
NOTA:
En vehículos sometidos a condiciones extremas de funcionamiento puede aumentar la frecuencia del man-
tenimiento.
TABLA DE MANTENIMIENTO PERIÓDICO
NOTA:
I = Inspeccione y ajuste, limpie, lubrique o reemplace según sea necesario.
R = Reemplace C = Limpie T = Apriete L = Lubrique
Intervalo
Ítem
1 mes Cada 3 Cada 6
inicial meses meses
Elemento de filtro de aire — C C
Tuercas del tubo de escape y tornillos del silenciador T T T
Holgura de válvulas I — I
Bujía —— I
Reemplace cada 18 meses.
Parachispas — — C
Ralentí I I I
Juego del cable del acelerador I I I
Cuerpo del acelerador — I I
Tubo de combustible —I I
Reemplace cada 4 años.
Filtro de combustible Reemplace cada 4 años.
Aceite del motor y filtro de aceite R — R
Latiguillo de aceite del motor I I I
Juego del cable del embrague I I I
Refrigerante del motor Reemplace cada 2 años.
Radiador — I I
Manguera del radiador — — I
Cadena de transmisión Limpie, lubrique e inspeccione cada vez que conduzca
el vehículo.
Protector de cadena de transmisión Inspeccione cada vez que conduzca el vehículo.
Frenos I I I
Líquido de frenos —I I
Reemplace cada 2 años.
Latiguillo del freno —— I
Reemplace cada 4 años.
Neumáticos — I I
Suspensiones — — I
Tuercas de fijación de ruedas delanteras y traseras Apriete cada vez que conduzca el vehículo.
Tuerca y contratuerca del eje trasero T T T
Dirección I I I
Pernos y tuercas del chasis T T T
Lubricación general L L L

MANTENIMIENTO PERIÓDICO 2-3
PROCEDIMIENTOS DE MANTENIMIENTO Y PUESTA A PUNTO
Esta sección describe los procedimientos de mantenimiento
para cada uno de los elementos mencionados en la tabla de
Mantenimiento periódico.
FILTRO DEL AIRE
Si el filtro de aire está obstruido con polvo, la resistencia a la
admisión aumentará, lo que disminuirá la potencia de salida y
aumentará el consumo de combustible. Compruebe y limpie el
elemento del filtro de aire de la forma siguiente.
• Quite el asiento. (7-6)
• Retire la cubierta de la caja del filtro de aire 1.
• Quite el elemento del filtro de aire 2.
• Separe el elemento de espuma de poliuretano 3, el bastidor
del elemento 4 y el portaelemento.
• Llene un recipiente de lavado del tamaño apropiado con
disolvente de limpieza que no sea inflamable. Sumerja el ele-
mento del filtro de aire en el disolvente de limpieza y lávelo.
• Presione el elemento del filtro de aire entre las palmas de
ambas manos para eliminar el exceso de disolvente: No
retuerza ni estruje el elemento porque se estropeará.
• Sumerja el elemento en aceite del motor y luego elimine el
exceso de aceite dejando el elemento un poco húmedo.
ADisolvente de limpieza no inflamable
BMOTUL AIR FILTER OIL o aceite de filtro equivalente
Limpie cada 3 meses.

2-4 MANTENIMIENTO PERIÓDICO
!
• Retire el tapón de drenaje 5 de la caja del filtro de aire para
eliminar cualquier resto de agua.
TUERCAS DEL TUBO DE ESCAPE Y
TORNILLOS DEL SILENCIADOR
• Apriete las tuercas del tubo de escape 1, el tornillo de
conexión del silenciador 2 y los tornillos de montaje del silen-
ciador 3 al par especificado.
Tuerca del tubo de escape: 23 N·m (2,3 kgf-m)
Tornillo de conexión del silenciador: 23 N·m (2,3 kgf-m)
Tornillo de montaje del silenciador: 23 N·m (2,3 kgf-m)
* Inspeccione el elemento del filtro de aire por si está
roto. Un elemento que esté roto deberá ser reempla-
zado.
* Si la conducción se realiza en ambientes muy polvo-
rientos, será necesario limpiar el elemento del filtro
de aire más a menudo. La forma más segura de ace-
lerar el desgaste del motor consiste en utilizar el
motor sin el elemento del filtro o con el elemento
roto. Asegúrese de que el elemento del filtro de aire
está en perfectas condiciones en todo momento. ¡La
duración del motor depende en gran medida de este
elemento!
Apriete inicialmente al pasar 1 mes y luego apriete
cada 3 meses.

MANTENIMIENTO PERIÓDICO 2-5
HOLGURA DE VÁLVULAS
La holgura excesiva de las válvulas produce ruidos de las mis-
mas, y la falta de holgura las daña y reduce la potencia.
Compruebe las holguras de las válvulas de admisión y escape a
los intervalos indicados arriba y, si fuese necesario, ajústelas
según las especificaciones.
• Quite el asiento. (7-6)
• Retire las cubiertas laterales, la cubierta del depósito de com-
bustible y la defensa delantera. (7-6)
• Quite el depósito de combustible y su cubierta inferior.
(5-4)
• Quite la pipa de la bujía y la bujía. (2-10)
• Desconecte el latiguillo de ventilación 1 y el latiguillo de
rebose del depósito de aceite 2.
• Quite la tapa de la culata 3.
El valor especificado de la holgura de válvulas es distinto para
las válvulas de admisión y de escape.
El reglaje de válvulas debe comprobarse y ajustarse, 1) en las
inspecciones periódicas, 2) en las reparaciones del mecanismo
de las válvulas y 3) cuando se desajusten los árboles de levas
al desmontarlos durante el mantenimiento.
• Quite el tapón de inspección de la distribución de las válvulas
4 y la tapa de la cubierta del generador 5.
NOTA:
* El pistón debe estar en el punto muerto superior (P.M.S.) de la
carrera de compresión para comprobar o ajustar la holgura de
las válvulas.
* La holgura de las válvulas deberá comprobarse solamente
cuando el motor esté frío.
Inspeccione inicialmente al pasar 1 mes y luego cada
6 meses.

2-6 MANTENIMIENTO PERIÓDICO
• Gire el cigüeñal con una llave de vaso para poner el pistón en
el P.M.S. de la carrera de compresión. (Gire el cigüeñal hasta
que la línea “T” del rotor del generador esté alineada con la
marca del triángulo de la cubierta del generador.)
• Inserte una galga de espesores entre el taqué y la leva. Si el
juego no cumple con la especificación, ajústelo según la
especificación de la forma siguiente.
09900-20803: Galga de espesores
Holgura de válvulas (en frío)
ADM: 0,10 – 0,20 mm
ESC: 0,20 – 0,30 mm
NOTA:
La leva debe estar en la posición
A
cuando se comprueba o
ajusta el juego de válvulas. No ha de medirse el juego con la
leva en ninguna otra posición que no sea esta posición.
AJUSTE
El juego se ajusta cambiando la cuña del taqué por otra de
mayor o menor espesor.
• Quite el árbol de levas de admisión o de escape. (3-13)
• Quite el taqué y la cuña con los dedos o con un imán.
(3-25)

MANTENIMIENTO PERIÓDICO 2-7
• Compruebe los números impresos en las cuñas de taqués.
Estas números indican el espesor de la cuña de taqué, según
se muestra en la figura.
• Escoja una cuña de taqué de repuesto que proporcione un
juego apropiado. Las cuñas de taqués están disponibles en
25 tamaños, de 2,30 a 3,50 mm, en incrementos de 0,05 mm.
Instale la cuña seleccionada 1 en el extremo del vástago de
la válvula con los números hacia el taqué. Asegúrese de
medir la cuña con un micrómetro para asegurarse de que su
tamaño sea correcto.
Consulte la tabla de selección de cuñas de taqués para más
detalles.
NOTA:
* Asegúrese de aplicar aceite de molibdeno a las caras superior
e inferior de la cuña de taqué.
* Al instalar la cuña de taqué, asegúrese de que el lado impreso
con los números quede hacia el taqué.
!
• Después de volver a colocar las cuñas de taqués y los árbo-
les de levas, gire el cigüeñal para que los taqués queden
completamente presionados (esto exprimirá el aceite que
pueda estar atrapado entre las cuñas de taqués y los taqués
y causar errores en la medición). Después de girar el cigüe-
ñal, compruebe de nuevo el juego de las válvulas para asegu-
rarse de que cumpla con la especificación.
• Cuando instale la tapa de la culata, aplique SUZUKI BOND
“1216B” a las tapas de extremos de levas de la junta de la
tapa de la culata.
99000-31230: SUZUKI BOND “1216B”
• Apriete la tapa de la cubierta del generador y el tapón de ins-
pección de las válvulas. (3-78)
• Ponga aceite del motor en ambos lados de las arandelas.
• Apriete los tornillos de la tapa de la culata al par especificado.
(3-79)
Tornillo de la tapa de la culata:
Inicial 10 N·m (1,0 kgf-m)
Final 14 N·m (1,4 kgf-m)
Instale los árboles de levas según lo especificado.
(3-76)
280
2,80 mm

2-8 MANTENIMIENTO PERIÓDICO
LADO DE ADMISIÓN
TABLA DE SELECCIÓN DE LAMINILLAS DE AJUSTE DE ALZAVÁLVULAS (ADMISIÓN)
NÚM. DE LAMINILLA DE AJUSTE (12892-41C00-XXX)
JUEGO DE LAMINILLAS DE ALZAVÁLVULAS (12800-41810)
Cómo utilizar este gráfico:
I. Mida el juego de taqués cuando el motor esté frío.
II. Mida el tamaño de la laminilla de ajuste actual.
III. Haga coincidir la holgura de la columna vertical con el tamaño
de alzaválvula actual de la columna horizontal.
Ejemplo:
La holgura del alzaválvula es 0,23 mm
El tamaño de la laminilla de ajuste actual es 2,70 mm
El tamaño de la laminilla de ajuste a utilizarse es 2,80 mm
HOLGURA ESPECIFICADA/NO SE REQUIERE AJUSTE
TAMAÑO DE
LAMINILLA DE
AJUSTE ACTUAL
(mm)
HOLGURA DE
ALZAVÁLVULAS
MEDIDA
(mm)
NÚM.
DE SUFIJO

MANTENIMIENTO PERIÓDICO 2-9
LADO DE ESCAPE
Cómo utilizar este gráfico:
I. Mida el juego de taqués cuando el motor esté frío.
II. Mida el tamaño de la laminilla de ajuste actual.
III. Haga coincidir la holgura de la columna vertical con el tamaño
de alzaválvula actual de la columna horizontal.
Ejemplo:
La holgura del alzaválvula es 0,38 mm
El tamaño de la laminilla de ajuste actual es 2,90 mm
El tamaño de la laminilla de ajuste a utilizarse es 3,05 mm
JUEGO DE LAMINILLAS DE ALZAVÁLVULAS (12800-41810)
TABLA DE SELECCIÓN DE LAMINILLAS DE AJUSTE DE ALZAVÁLVULAS (ESCAPE)
NÚM. DE LAMINILLA DE AJUSTE (12892-41C00-XXX)
HOLGURA ESPECIFICADA/NO SE REQUIERE AJUSTE
TAMAÑO DE
LAMINILLA DE
AJUSTE ACTUAL
(mm)
HOLGURA DE
ALZAVÁLVULAS
MEDIDA
(mm)
NÚM.
DE SUFIJO

2-10 MANTENIMIENTO PERIÓDICO
BUJÍAS
• Quite el depósito de combustible y su cubierta inferior.
(5-4)
• Desconecte el capuchón de la bujía 1 y retire la bujía.
DEPÓSITOS DE CARBONILLA
Compruebe si hay depósitos de carbonilla en la bujía. Si los
hubiese, elimínelos usando una máquina limpiadora de bujías o
con una herramienta puntiaguda teniendo mucho cuidado.
DISTANCIA ENTRE ELECTRODOS
Mida la separación entre los electrodos de la bujía con una
galga de espesores. Ajuste la distancia entre los electrodos de
la bujía si ésta no cumple la especificación.
Nominal
Distancia entre electrodos: 0,7 – 0,8 mm
09900-20803: Galga de espesores
ELECTRODO
Compruebe el estado de los electrodos.
Si los electrodos están muy desgastados o quemados, sustituya
la bujía por otra nueva.
Sustituya la bujía también si tiene roto el aislante, las roscas
están dañadas, etc.
!
INSTALACIÓN DE LAS BUJÍAS
!
• Inserte la bujía y apriétela con la mano en la culata, y luego
apriétela al par especificado.
Bujía: 11 N·m (1,1 kgf-m)
Inspeccione cada 6 meses.
Reemplace cada 18 meses.
Tipo caliente Estándar Tipo frío
NGK CR7EB CR8EB CR9EB
Compruebe el tamaño y alcance de la rosca al cambiar
la bujía. Si el alcance es demasiado corto se formarán
depósitos de carbonilla sobre la zona roscada del ori-
ficio de la bujía y el motor puede sufrir daños.
Para evitar estropear la rosca de la culata, apriete pri-
mero la bujía con la mano, y luego apriétela al par
especificado utilizando la llave de bujías.
0,7 – 0,8 mm

MANTENIMIENTO PERIÓDICO 2-11
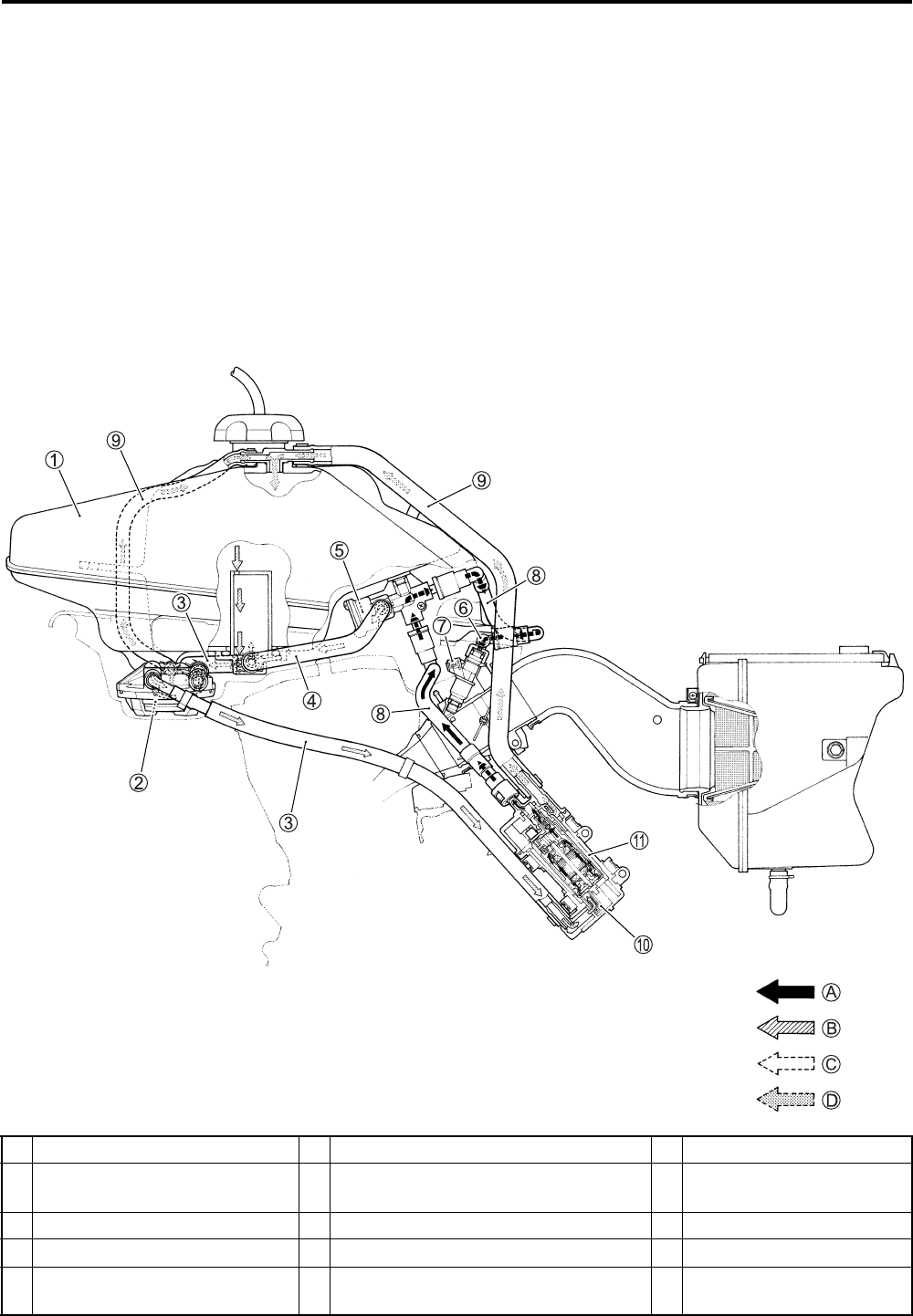
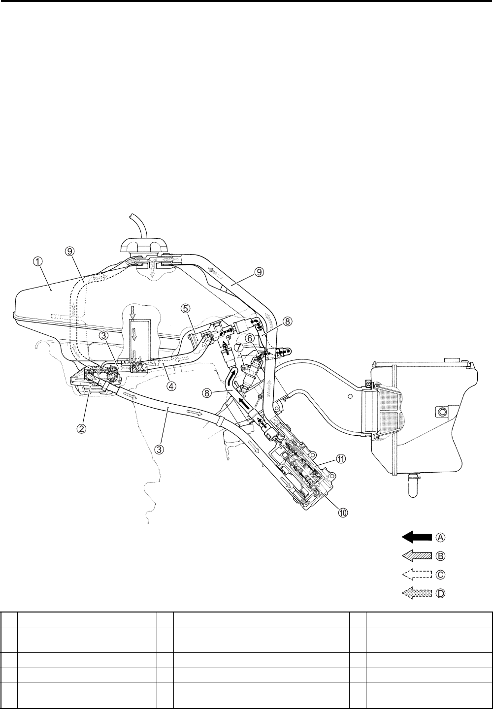
TUBO DE COMBUSTIBLE
Revise el manguito de alimentación de combustible buscando
daños o fugas. Si encuentra cualquier defecto, sustituya las
mangueras de combustible por otras nuevas.
FILTRO DE COMBUSTIBLE
Inspeccione el filtro de combustible por si está dañado y oxi-
dado. Si encuentra cualquier defecto, limpie el filtro soplando
aire comprimido, o sustituya el filtro, la junta tórica y la tapa del
filtro por otros nuevos. (5-9)
JUEGO DEL CABLE DEL ACELERADOR
Ajuste el juego del cable del acelerador A como sigue.
• Afloje la contratuerca 1 del cable del acelerador.
• Gire el regulador 2 hacia adentro o hacia afuera para obte-
ner el juego correcto.
Juego del cable de la mariposa de gases: 3 – 5 mm
• Después de ajustar el juego del cable de la mariposa de
gases apriete la contratuerca 1.
Inspeccione cada 3 meses.
Reemplace cada 4 años.
Reemplace cada 4 años.
Inspeccione inicialmente al pasar 1 mes y luego cada
3 meses.

2-12 MANTENIMIENTO PERIÓDICO
VELOCIDAD DE RALENTÍ DEL MOTOR
NOTA:
Haga este ajuste cuando el motor esté caliente.
• Conecte el cuentarrevoluciones al cable de alta tensión.
• Arranque el motor y póngalo al ralentí a una velocidad de
entre 1 700 y 1 900 rpm girando el tornillo de aire de ralentí
1.
Velocidad de ralentí del motor: 1800 ± 100 rpm
CUERPO DEL ACELERADOR
Inspeccione el cuerpo del acelerador por si está sucio.
Limpie el cuerpo del acelerador si es necesario.
ACEITE DEL MOTOR Y FILTRO DEL ACEITE
El aceite deberá cambiarse mientras el motor está caliente. El
reemplazo del filtro de aceite a los intervalos indicados arriba
deberá realizarse junto con el cambio del aceite del motor.
Inspeccione inicialmente al pasar 1 mes y luego cada
3 meses.
Inspeccione cada 3 meses.
Inspeccione inicialmente al pasar 1 mes y luego cada
6 meses.

MANTENIMIENTO PERIÓDICO 2-13
CAMBIO DEL ACEITE DEL MOTOR
Lado del cárter
• Quite la cubierta protectora del motor 1.
• Ponga una bandeja de aceite debajo de los tapones de
vaciado 2 y 3 en el cárter y el tapón de vaciado 4 en el
depósito de aceite. Luego vacíe el aceite del motor quitando
los tapones de vaciado de aceite del motor 2, 3 y 4 y el
tapón de llenado de aceite del motor 5, 6.
• Vuelva a instalar los tapones de vaciado 2, 3 y 4 y la junta.
Apriete los tapones de vaciado de aceite del motor 2, 3 y 4
al par especificado, y luego meta el aceite nuevo a través del
orificio de llenado de aceite. Cuando haga un cambio de
aceite (sin cambiar el filtro de aceite), el depósito de aceite
tendrá capacidad para 1,2 L aproximadamente, y el motor
tendrá capacidad para unos 0,4 L de aceite. Uso de SF/SG o
SH/SJ en API con MA en JASO.
Tapones de vaciado de aceite del motor 2 y 3: 18 N·m (1,8 kgf-m)
Tapón de vaciado de aceite del depósito de aceite 4: 12 N·m (1,2 kgf-m)
• Asegúrese de que el motor esté frío.
• Ponga el vehículo en un terreno nivelado y manténgalo verti-
cal.
• Instale la tapa del filtro de aceite 5, 6.
• Arranque el motor y déjelo funcionar durante tres minutos al
ralentí.
• Apague el motor y espere tres minutos aproximadamente, y
compruebe entonces el nivel del aceite en la varilla de nivel
de aceite 7. El nivel del aceite deberá estar entre las marcas
de nivel “L” (bajo) A y “F” (lleno) B. Si el nivel de aceite está
por debajo de la linea “L” A, añada aceite hasta la línea “F”
B.
NOTA:
El aceite del motor se expande y su nivel aumenta cuando el
aceite está caliente.
CAMBIO DEL FILTRO DEL ACEITE
• Vacíe el aceite del motor como se describe en el procedi-
miento de cambio de aceite del motor.
• Quite el tapón del filtro de aceite 1 y el filtro de aceite 2.
• Sustituya el filtro de aceite por uno nuevo.

2-14 MANTENIMIENTO PERIÓDICO
• Instale la junta tórica nueva 3.
• Instale el muelle 4 y una junta tórica nueva 5.
!
• Vuelva a poner la tapa del filtro de aceite y apriete firmemente
los tornillos.
NOTA:
Ponga la marca del triángulo
A
en el tapón hacia atrás.
• Añada aceite de motor nuevo y compruebe el nivel de la
misma manera que en el procedimiento de cambio de aceite.
Capacidad de aceite del motor
(en el depósito de aceite)
Cambio de aceite: 1,2 L
Cambio de aceite y filtro: 1,3 L
Desmontaje del motor: 1,4 L
Capacidad de aceite del motor (en el motor)
Cambio de aceite: 0,4 L
Cambio de aceite y filtro: 0,4 L
Desmontaje del motor: 0,4 L
!
LATIGUILLO DE ACEITE DEL MOTOR
Inspeccione los latiguillos de aceite del motor por si están daña-
dos o tienen fugas de aceite. Si encuentra cualquier defecto,
sustituya los latiguillos de aceite del motor por otros nuevos.
Aplique aceite de motor a las juntas tóricas.
Cuando instale el filtro de aceite, asegúrese de insta-
larlo como se muestra más arriba. Si el filtro está mal
instalado, el motor podría dañarse seriamente.
Inspeccione inicialmente al pasar 1 mes y luego cada
3 meses.

MANTENIMIENTO PERIÓDICO 2-15
REFRIGERANTE DEL MOTOR
REVISIÓN DEL NIVEL DEL REFRIGERANTE DEL MOTOR
• Compruebe el nivel del refrigerante del motor observando las
líneas superior A e inferior B del depósito de refrigerante.
• Si el nivel está por debajo de la línea inferior, retire la defensa
delantera (7-6) y añada refrigerante del motor hasta que
el nivel alcance la línea superior.
CAMBIO DEL REFRIGERANTE DEL MOTOR
• Quite la defensa delantera. (7-6)
• Quite la tapa del radiador 1 y la tapa del depósito de refrige-
rante del motor 2.
• Coloque una bandeja debajo de la bomba de agua y luego
vacíe el refrigerante del motor quitando el tapón de vaciado
3.
• Enjuague el radiador con agua limpia si es necesario.
• Apriete firmemente el tapón de vaciado.
• Vierta el refrigerante de motor especificado en el depósito.
NOTA:
Para obtener información sobre el refrigerante, consulte la
página 6-2.
Reemplace el refrigerante del motor cada 2 años.
* No abra la tapa del radiador con el motor caliente, ya
que podría sufrir quemaduras debido al vapor o al
líquido caliente que salga.
* El refrigerante del motor puede resultar dañino si se
ingiere o entra en contacto con la piel o los ojos. Si
el refrigerante del motor entra en los ojos o entra en
contacto con la piel, lave a fondo la parte afectada
con mucha agua. Si se ingiere accidentalmente, pro-
voque vómitos y llame al médico inmediatamente.

2-16 MANTENIMIENTO PERIÓDICO
• Instale firmemente la tapa del radiador.
• Después de calentar y enfriar el motor, añada el refrigerante
del motor hasta que el nivel esté entre las línea superior e
inferior del depósito de refrigerante del motor.
!
Capacidad de refrigerante del motor (incluyendo la
reserva): 1 400 ml
RADIADOR
Inspeccione el radiador por si está sucio.
Limpie el radiador si es necesario.
LATIGUILLO DEL RADIADOR
Inspeccione los latiguillos del radiador por si dañados o tienen
fugas de refrigerante del motor. Si encuentra cualquier defecto,
sustituya las mangueras del radiador por otros nuevos.
Repita el procedimiento anterior varias veces y asegú-
rese de que el radiador esté lleno de refrigerante hasta
la línea superior del depósito de refrigerante del
motor.
Inspeccione cada 3 meses.
Inspeccione cada 6 meses.

MANTENIMIENTO PERIÓDICO 2-17
PARACHISPAS
• Desconecte el acoplador de la luz del freno/luz trasera.
• Retire la cubierta de la luz del freno/luz trasera 1 y la luz de
freno trasera 2.
• Quite la cubierta del parachispas 3.
• Quite el tubo del parachispas 4.
• Quite la junta 5.
• Limpie el tubo del parachispas con un cepillo.
• Vuelva a instalar el tubo del parachispas.
• Vuelva a instalar la cubierta del parachispas.
• Vuelva a instalar la luz del freno/luz trasera y su cubierta.
Limpie cada 6 meses.
Limpie el parachispas en un lugar abierto alejado de
los materiales combustibles. Las partículas de carbo-
nilla calientes pueden provocar un incendio.

2-18 MANTENIMIENTO PERIÓDICO
JUEGO DEL CABLE DEL EMBRAGUE
Ajuste el juego del cable del embrague de la forma siguiente:
AJUSTE COMPLETO
• Afloje la contratuerca 1.
• Gire el regulador 2 hasta dejar un juego de 10 – 15 mm en el
extremo de la maneta del embrague antes de notar presión.
• Apriete la contratuerca 1.
Juego de maneta de embrague A: 10 – 15 mm
AJUSTE PEQUEÑO
• Gire el regulador 3 hasta dejar un juego de 10 – 15 mm en el
extremo de la maneta del embrague antes de notar presión.
Juego de maneta de embrague A: 10 – 15 mm
FRENOS
PASTILLAS DE FRENO
• Quite las ruedas delanteras. (7-10)
El desgaste de las pastillas del freno puede comprobarse
mirando la línea de límite A de las pastillas. Cuando el des-
gaste alcance la línea límite, sustituya las pastillas por otras
nuevas. (7-19 y -55)
!
Inspeccione inicialmente al pasar 1 mes y luego cada
3 meses.
Inspeccione inicialmente al pasar 1 mes y luego cada
3 meses.
Cambie el juego de pastillas de freno a la vez, si no
podría perder efectividad en la frenada.

MANTENIMIENTO PERIÓDICO 2-19
AJUSTE DE MANETA DEL FRENO DELANTERO
Ajuste la posición de la maneta del freno de la forma siguiente:
• Afloje la contratuerca 1.
• Gire el regulador 2 para obtener la posición apropiada de la
maneta del freno.
• La longitud estándar del regulador A es 11 – 15 mm.
• Apriete firmemente las contratuercas 1.
Contratuerca del regulador de la maneta del freno
delantero: 5 N·m (0,5 kgf-m)
PEDAL Y MANETA DEL FRENO TRASERO
El procedimiento para ajustar el pedal y la maneta del freno tra-
sero es el siguiente:
NOTA:
Ajuste primero el pedal del freno y luego ajuste la maneta del
freno.
Pedal del freno
• Gire el regulador 1 hacia adentro o hacia afuera hasta que la
altura del pedal A sea la especificada, después de aflojar la
contratuerca 2.
• Asegúrese de apretar firmemente la contratuerca 2.
Altura del pedal de freno A: 0 – 10 mm
Contratuerca de la varilla del cilindro principal del freno
trasero: 18 N·m (1,8 kgf-m)
• Ajuste el conmutador de la luz de freno trasero de forma que
la luz se encienda justo antes de sentir presión al pisar el
pedal.
FRENO DE ESTACIONAMIENTO
Si el freno de estacionamietno no funciona bien será necesario
ajustarlo. Ajuste el freno de estacionamiento cada vez que cam-
bie las pastillas del freno.
• Apriete la contratuerca del regulador del freno de estaciona-
miento 1 mientras sujeta el regulador 2 con una herra-
mienta.
• Afloje el regulador 2.

2-20 MANTENIMIENTO PERIÓDICO
• Afloje la contratuerca del regulador del cable del freno de
estacionamiento 3.
• Gire el regulador del cable 4 para que la longitud del cable
A sea de 49 – 53 mm.
• Apriete la contratuerca del regulador 3.
• Gire el regulador del freno de estacionamiento 2 hacia la
derecha hasta que se pare.
• Luego, gire el regulador 2 1/8 – 1/4 de vuelta hacia afuera.
• Apriete la contratuerca del regulador 1 mientras sujeta el
regulador 2 con una herramienta.
Contratuerca del regulador del freno de
estacionamiento: 18 N·m (1,8 kgf-m)
!
Después de ajustar el freno de estacionamiento, com-
pruebe que no haya agarrotamientos al girar la rueda
trasera estando éste levantada del suelo.

MANTENIMIENTO PERIÓDICO 2-21
LÍQUIDO DE FRENOS
NIVEL DEL LÍQUIDO DE FRENOS
• Ponga recto el manillar.
• Compruebe el nivel de líquido de frenos observando las
líneas de límite inferior de los depósitos delantero y trasero
del líquido de frenos.
• Cuando el nivel del líquido de frenos esté por debajo del
límite inferior, rellene con un líquido de frenos que cumpla la
siguiente especificación.
Especificación y clasificación: DOT 4
PURGADO DEL AIRE DEL CIRCUITO DEL LÍQUIDO DE
FRENOS
El aire atrapado en el circuito del líquido de frenos actúa como
un colchón, absorbiendo gran parte de la presión creada por el
cilindro principal de freno y por tanto mermando la eficacia de la
frenada. La presencia de aire se detecta por la “esponjosidad”
de la palanca del freno además de por la falta de fuerza en la
frenada. Teniendo en cuenta el peligro que esto supone para el
conductor y para la máquina es esencial que, después de mon-
tar el freno y llevar el sistema de freno a su condición normal, el
circuito del líquido de frenos se purgue de aire de la siguiente
manera:
Inspeccione cada 3 meses.
Reemplace cada 2 años.
* El sistema de frenos de este vehículo está lleno de
un líquido de frenos a base de glicol. No utilice ni
mezcle distintos tipos de líquidos como líquidos a
base de silicona o petróleo. No utilice líquido de fre-
nos de recipientes ya viejos, usados o sin sellar. No
reutilice el líquido de frenos sobrante de una repara-
ción anterior o almacenado durante largo tiempo.
* Las fugas de líquido de frenos harán peligrosa la
conducción y producirán de inmediato decoloracio-
nes en las zonas pintadas. Antes de conducir revise
los manguitos de freno y sus uniones por si tuviesen
grietas o fugas.

2-22 MANTENIMIENTO PERIÓDICO
• Llene el depósito del freno delantero o trasero con el líquido
de frenos especificado hasta alcanzar la parte superior de la
ventanilla de inspección o la línea de límite superior. Vuelva a
colocar la tapa del depósito para evitar que entre suciedad.
• Acople un tubo a la válvula de purgado de aire y coloque el
extremo libre del tubo en un recipiente.
• Apriete y libere varias veces, rápidamente, la maneta del
freno o el pedal del freno y luego apriete la maneta o pise el
pedal del todo pero sin soltarlos. Afloje la válvula de purgado
de aire girándola un cuarto de vuelta de modo que el líquido
de frenos fluya hacia el recipiente; esto liberará la maneta del
freno hasta hacerla tocar con el puño del manillar, o liberará
el pedal del freno hasta hacerlo alcanzar el final de su
carrera. A continuación cierre la válvula, apriete y bombee la
maneta o el pedal, y abra la válvula. Repita esta operación
hasta que el flujo de líquido en el recipiente no contenga bur-
bujas de aire.
NOTA:
Mientras purga el sistema de freno rellene el líquido de frenos
del depósito según sea necesario. Asegúrese de que siempre
se vea líquido de frenos en el depósito.
• Cierre la válvula de purgado y desconecte el tubo. Rellene el
depósito con líquido de frenos hasta el tope de la mirilla de
inspección o hasta la línea del límite superior.
Válvula de purga de aire: 6 N·m (0,6 kgf-m)
!
Tenga cuidado al manejar el líquido de frenos: el
líquido reacciona químicamente con pintura, plásti-
cos, materiales de goma, etc.

MANTENIMIENTO PERIÓDICO 2-23
MANGUITO DE FRENO
Inspeccione los manguitos del freno por si tienen fugas, grietas,
desgastes u otros daños. Si encuentra cualquier defecto, susti-
tuya las mangueras del freno por otras nuevas.
NEUMÁTICOS
ESTADO DEL DIBUJO DEL NEUMÁTICO
La conducción del vehículo con neumáticos excesivamente gas-
tados disminuye la estabilidad de la marcha, lo que puede pro-
vocar una situación peligrosa. Es muy recomendable cambiar
un neumático cuando la profundidad del dibujo alcanza la
siguiente especificación.
09900-20805: Galga de profundidad de dibujos de
neumáticos
Límite de funcionamiento
Profundidad de dibujos de neumáticos:
Delanteros 4,0 mm
Traseros 4,0 mm
Inspeccione cada 6 meses.
Reemplace cada 4 años.
Inspeccione cada 3 meses. 4,0 mm

2-24 MANTENIMIENTO PERIÓDICO
PRESIÓN DE NEUMÁTICOS
Si la presión de los neumáticos es demasiado alta o demasiado
baja, la dirección se verá afectada negativamente y aumentará
el desgaste de los neumáticos. Por tanto, mantenga la presión
adecuada en los neumáticos para un buen comportamiento en
carretera y una vida más larga de los mismos. La presión de
inflado de los neumáticos en frío es la siguiente.
Presión de inflado en frío
Delantero: 45 kPa (0,45 kgf/cm2)
Trasero: 45 kPa (0,45 kgf/cm2)
LÍMITE DE CARGA DEL VEHÍCULO: 110 kg
!
!
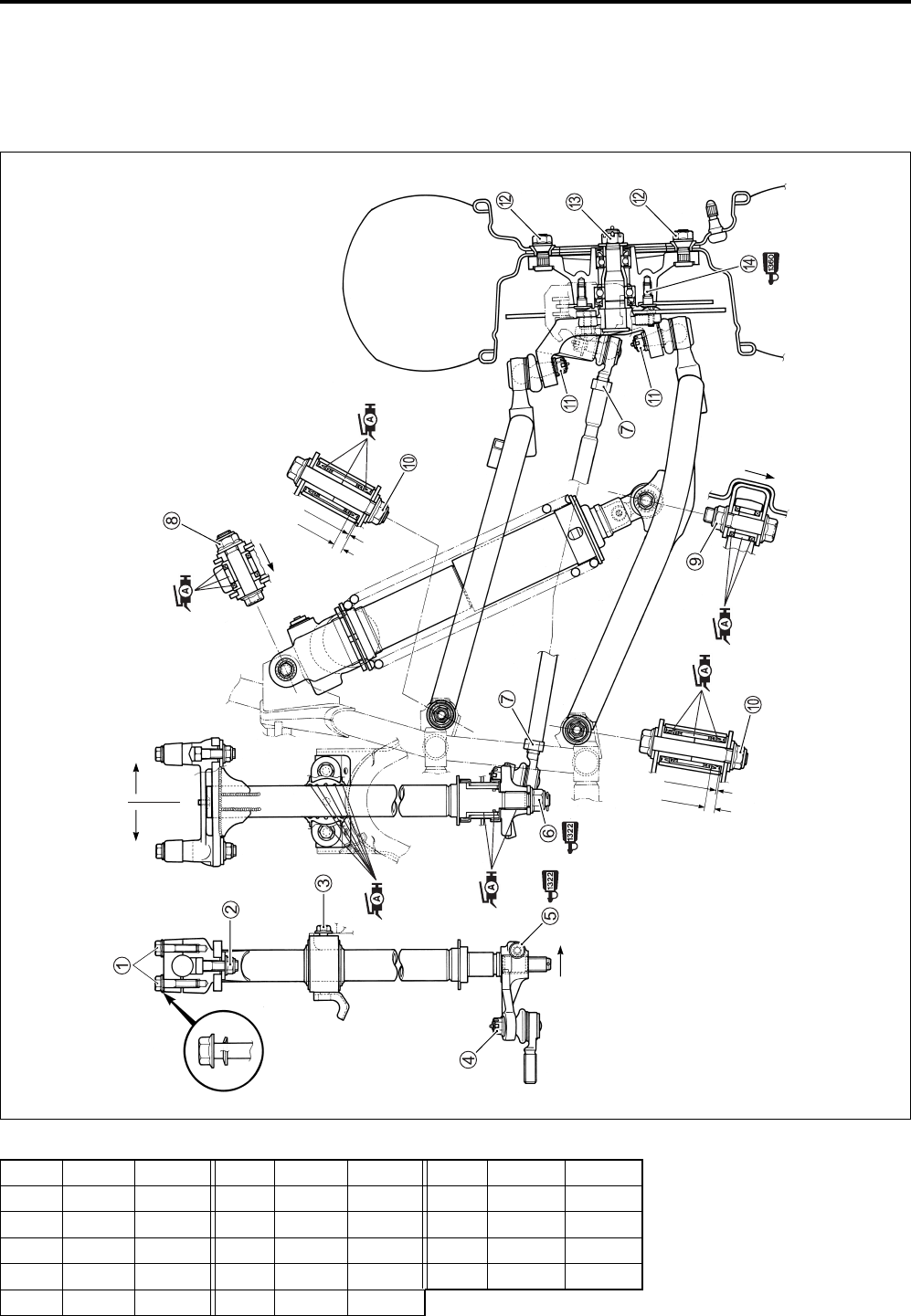
DIRECCIÓN
El sistema de la dirección ha de ajustarse correctamente para
que el manillar gire suavemente y la conducción sea segura.
Para minimizar la posibilidad de que se dañen los neu-
máticos debido a un inflado excesivo, le recomenda-
mos utilizar una bomba de aire manual en lugar de los
compresores de aire a alta presión encontrados en las
estaciones de servicio. Cuando infle los neumáticos
no exceda nunca de 50 kPa (0,5 kgf/cm²).
El neumático estándar empleado en este vehículo es
el AT20×7R10 para la parte delantera y el
AT18×10R8 para la trasera. El uso de neumáti-
cos distintos a los especificados puede provocar
inestabilidad. Es muy recomendable utilizar los neu-
máticos especificados.
Inspeccione inicialmente al pasar 1 mes y luego cada
3 meses.

MANTENIMIENTO PERIÓDICO 2-25
CONVERGENCIA
• Ponga el vehículo en un terreno nivelado.
• Asegúrese de que la presión de los neumáticos derecho e
izquierdo sea la misma y cumpla con la especificación.
• Ponga las ruedas delanteras mirando hacia adelante.
• Ponga un peso de 75 kg sobre el asiento.
• Mida la distancia A y B de las ruedas delanteras con un
medidor de convergencia, como se muestra en la ilustración,
y calcule la diferencia entre A y B.
B – A = Convergencia
Convergencia: 0 ± 4 mm
• Si la convergencia no cumple con la especificación, ajústela
dentro del margen especificado. (7-52)
CADENA DE TRANSMISIÓN
Revise visualmente la cadena de transmisión por si tiene alguno
de los defectos listados abajo. (Sujete el vehículo con un gato y
un taco de madera, gire la rueda trasera, lentamente a mano
con el cambio en punto muerto.)
* Pasadores flojos * Desgaste excesivo
* Rodillos dañados * Ajuste incorrecto de la cadena
* Eslabones secos u oxidados * Faltan juntas tóricas
* Eslabones torcidos o atascados
Si encuentra alguno de estos defectos cambie la cadena de
transmisión.
NOTA:
La cadena de transmisión deberá cambiarse de forma conjunta
con las ruedas dentadas.
COMPROBACIÓN
• Ponga el vehículo en un terreno nivelado.
• Afloje las tuercas de la caja del eje trasero.
Limpie, lubrique e inspeccione cada vez que con-
duzca el vehículo.
Adelante
Junta tórica
Grasa

2-26 MANTENIMIENTO PERIÓDICO
• Inserte una herramienta en el agujero del piñón y en el agu-
jero del regulador.
• Tense la cadena de transmisión completamente girando el
portaeje trasero 1.
• Cuente 21 pasadores (20 pasos) sobre la cadena, y mida la
distancia entre los dos puntos. Si la distancia sobrepasa el
límite de funcionamiento cambie la cadena.
Longitud de la cadena de transmisión en 20 pasos
Límite de funcionamiento: 319,4 mm
AJUSTE
• Inserte una herramienta en el agujero del piñón y en el agu-
jero del regulador.
• Gire el portaeje trasero 1. Hasta que haya 45 – 55 mm de
holgura en el punto intermedio entre el protector de la cadena
y el piñón, como se muestra.
Holgura de la cadena de transmisión:
Nominal: 45 – 55 mm
• Después de ajustar la cadena de transmisión, apriete las
tuercas de la caja del eje en orden ascendente y al par espe-
cificado.
Tuerca de la caja del eje trasero: 28 N·m (2,8 kgf-m)
45 – 55 mm
1 3 4
5
2
6
6
68
8
87
7
7

MANTENIMIENTO PERIÓDICO 2-27
LIMPIEZA Y LUBRICACIÓN
• Limpie la cadena de transmisión con queroseno. Si la cadena
se oxida rápidamente los intervalos han de acortarse.
!
• Después de lavar y secar la cadena, engrásela con un aceite
de motor pesado.
!
PROTECTOR DE LA CADENA DE TRANSMISIÓN
El desgaste del protector de la cadena puede comprobarse
mirando la línea de límite A del protector de la cadena. Cuando
el desgaste alcance la línea límite, sustituya el protector de la
cadena por otro nuevo. (7-85)
No use tricloroetileno, gasolina ni ningún disolvente
similar. Esto líquidos tienen un poder disolvente
demasiado intenso para esta cadena y pueden dañar
las juntas tóricas. Use sólo queroseno para limpiar la
cadena.
* No utilice ningún aceite que se venda comercial-
mente como “aceite para cadenas de transmisión”.
Este tipo de aceite puede dañar las juntas tóricas.
* La cadena de transmisión estándar es una RK
520SMOZ10S. Suzuki recomienda utilizar esta
cadena de transmisión como recambio.
Inspeccione cada vez que conduzca el vehículo.

2-28 MANTENIMIENTO PERIÓDICO
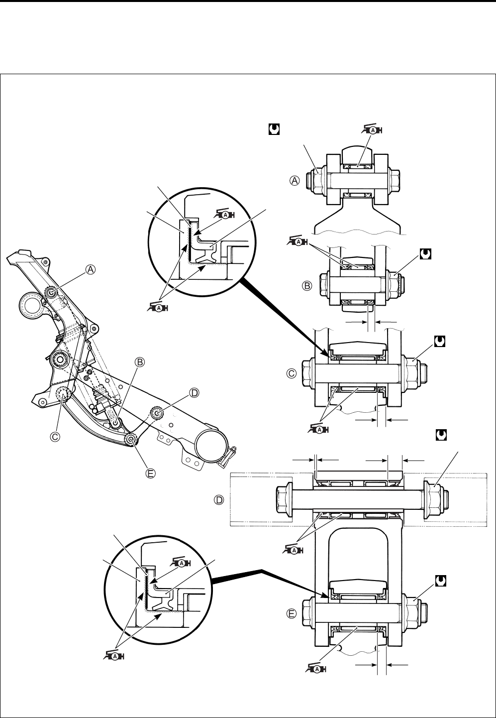
SUSPENSIONES
• Apoye el vehículo con un gato o bloques de madera.
• Desmonte las ruedas delanteras y traseras. (7-10)
• Inspeccione el brazo de suspensión y el rodamiento por si
están rayados, desgastados o dañados. Si se encuentra
algún defecto, cambie el brazo de suspensión o el roda-
miento por uno nuevo. (7-78)
• Inspeccione el brazo oscilante, el eje trasero y el rodamiento
por si están rayados, desgastados o dañados. Si se encuen-
tra algún defecto cámbielos por unos nuevos.
(7-86 y -94)
• Inspeccione los amortiguadores delanteros y traseros en
busca de fuga de aceite y/o otro tipo de daños. Si se encuen-
tra algún defecto cámbielos por unos nuevos.
(7-69 y -73)
TUERCAS DE FIJACIÓN DE LAS RUEDAS
DELANTERAS Y TRASERAS
• Apriete las tuercas de fijación de las ruedas delanteras y tra-
seras hasta el par especificado.
Tuercas de fijación de ruedas (delanteras y traseras):
66 N·m (6,6 kgf-m)
Inspeccione cada 6 meses.
Apriete cada vez que conduzca el vehículo.

MANTENIMIENTO PERIÓDICO 2-29
TUERCA Y CONTRATUERCA DE EJE
TRASERO
• Afloje la contratuerca del eje 1 y la tuerca del eje 2 con la
herramienta especial.
09940-92460: Llave de tuercas de eje trasero
• Aplique THREAD LOCK SUPER “1322” a la parte roscada
del portatuerca de eje.
• Apriete la tuerca del eje 2 hasta el par especificado con la
herramienta especial.
Tuerca del eje trasero: 240 N·m (24,0 kgf-m)
99000-32110: THREAD LOCK SUPER “1322”
(u obturador de roscas equivalente)
09940-92460: Llave de tuercas de eje trasero
NOTA:
Cuando apriete la tuerca del eje con la herramienta especial, el
par de apriete indicado en la llave dinamométrica será inferior al
par aplicado a la tuerca del eje. Convierta por lo tanto el par de
apriete. (
7-101)
• Aplique THREAD LOCK SUPER “1322” a la parte roscada
del portatuerca del eje.
99000-32110: THREAD LOCK SUPER “1322”
(u obturador de roscas equivalente)
• Apriete la contratuerca del eje 1 hasta el par especificado
con las herramientas especiales.
Contratuerca del eje trasero: 240 N·m (24,0 kgf-m)
09940-92460: Llave de tuercas de eje trasero
NOTA:
Cuando apriete la contratuerca del eje con la herramienta espe-
cial, el par de apriete indicado en la llave dinamométrica será
inferior al par aplicado a la contratuerca del eje. Convierta por lo
tanto el par de apriete. (
7-101)
Apriete inicialmente al pasar 1 mes y luego apriete
cada 3 meses.

2-30 MANTENIMIENTO PERIÓDICO
TUERCAS Y TORNILLOS DEL CHASIS
Compruebe que todas las tuercas y tornillos del chasis están apretados conforme a su par de apriete. (Con-
sulte las páginas 2-31 y -32 para conocer las ubicaciones de las tuercas y pernos del vehículo.)
Apriete inicialmente al pasar 1 mes y luego apriete
cada 3 meses.
Ítem N·m kgf-m
1 Perno de anclaje del manillar 26 2,6
2 Tornillo de soporte del árbol de dirección 23 2,3
3 Tuerca inferior del árbol de dirección 120 12,0
4 Tornillo de la placa del brazo de dirección 29 2,9
5 Tuerca de pivote de brazo triangular (Superior e Inferior) 65 6,5
6 Tuerca de cubo delantero 65 6,5
7 Tuerca de cubo trasero 121 12,1
8 Tuerca de montaje del amortiguador delantero (Superior) 60 6,0
9 Tuerca de montaje del amortiguador delantero (Inferior) 60 6,0
0 Tuerca de extremidad del tirante 23 2,3
A Contratuerca del tirante 29 2,9
B Válvula de purgado de aire del freno 6 0,6
C Perno de montaje de la pinza del freno delantero 26 2,6
D Perno de montaje de la pinza del freno delantero 26 2,6
E Tuerca de tubo de freno 16 1,6
F Tornillo de apoyapiés 55 5,5
G Tornillo de montaje de cilindro maestro del freno (Delantero y Trasero) 10 1,0
H Tornillo de unión de la manguera del freno (Delantero y Trasero) 23 2,3
I Tornillo de pivote del pedal del freno 29 2,9
J Contratuerca de la varilla del cilindro principal del freno trasero 18 1,8
K Tornillo de montaje del piñón 60 6,0
L Tornillo de montaje de disco de freno (Delantero y Trasero) 23 2,3
M Tuerca de fijación de caja del eje trasero 28 2,8
N Tuerca de amortiguador trasero (Superior) 60 6,0
O Tuerca de amortiguador trasero (Inferior) 60 6,0
P Tuerca de la varilla de amortiguación 78 7,8
Q Tuerca de palanca de amortiguación 78 7,8
R Tuerca de pivote del brazo oscilante 95 9,5
S Tornillo del raíl de asiento (Superior) 60 6,0
T Tornillo del raíl de asiento (Inferior) 60 6,0
U Tuerca de extremo de muñón 23 2,3

MANTENIMIENTO PERIÓDICO 2-31

2-32 MANTENIMIENTO PERIÓDICO

MANTENIMIENTO PERIÓDICO 2-33
LUBRICACIÓN GENERAL
Una lubricación adecuada es importante para que el funcionamiento sea suave y la vida de cada parte
móvil del vehículo sea larga.
Los principales puntos de lubricación se muestran en la figura de abajo.
1 Soporte de maneta de freno 4 Pedal de freno y articulación de varilla Grasa
2 Maneta de acelerador 5 Ranura de unión de eje trasero Aceite de motor
3 Soporte de árbol de dirección
NOTA:
* Antes de lubricar cada pieza, elimine cualquier rastro de óxido, grasa, aceite, suciedad, o incrustaciones.
* Lubrique las piezas expuestas a la corrosión con un pulverizador inhibidor de la corrosión, sobre todo
cuando el vehículo haya funcionado en condiciones de lluvia o humedad.
Lubrique inicialmente al pasar 1 mes y luego cada 3
meses.

2-34 MANTENIMIENTO PERIÓDICO
COMPROBACIÓN DE LA PRESIÓN DE COMPRESIÓN
La lectura de la presión de compresión de un cilindro es una buena medida para comprobar su estado interior.
La decisión de desmontar el cilindro se basa a menudo en los resultados de un ensayo de compresión. Los
registros de mantenimiento periódico guardados en su concesionario deberán incluir lecturas de la presión
de compresión tomadas en cada revisión.
Presión de compresión:
Nominal: 800 kPa (8,0 kgf/cm²)
(Descompresión automática accionada)
Una baja presión de compresión puede indicar cualquiera de las siguientes situaciones:
* Paredes del cilindro excesivamente desgastadas
* Pistón o segmentos desgastados
* Segmentos atascados en las ranuras
* Mal asiento de las válvulas
* Junta de culata rota o defectuosa
NOTA:
Cuando la presión de compresión sea inferior a la especificada, compruebe el motor por si se dan las con-
diciones indicadas anteriormente.
PROCEDIMIENTO DE COMPROBACIÓN DE
LA PRESIÓN DE COMPRESIÓN
NOTA:
* Antes de comprobar la presión de compresión del motor ase-
gúrese de que las tuercas de la culata están apretadas a los
valores del par de apriete especificado y que las válvulas
están correctamente ajustadas.
* Caliente el motor antes del ensayo.
* Asegúrese de que la batería esté completamente cargada.
Retire las piezas oportunas y compruebe la presión de compre-
sión de la siguiente forma.
• Quite el depósito de combustible y su cubierta inferior.
(5-4)
• Quite la bujía. (2-10)
• Desconecte el acoplador de los cables de la bomba de com-
bustible 1.
• Instale el manómetro y el adaptador en el agujero de la bujía.
Asegúrese de que la conexión quede prieta.
• Mantenga la palanca del acelerador en posición de máxima
aceleración.
• Presione el botón de encendido y mueva el motor con el
motor de arranque durante unos segundos. Registre la lec-
tura máxima del manómetro mientras el cilindro comprime.
09915-64512: Manómetro
09913-10750: Adaptador

MANTENIMIENTO PERIÓDICO 2-35
COMPROBACIÓN DE LA PRESIÓN DEL ACEITE
Compruebe la presión del aceite del motor periódicamente. Esto le dará una buena indicación del estado de
las partes móviles.
Presión de aceite:
10 kPa (0,1 kgf/cm²) a 3 000 rpm, Temperatura de aceite a 60 °C
Si la presión del aceite está por encima o por debajo de los valores especificados, pueden
considerarse las siguientes causas.
BAJA PRESIÓN DE ACEITE
* Filtro de aceite atascado
* Fuga de aceite en los conductos
* Junta tórica dañada
* Bomba de aceite defectuosa
* Combinación de las anteriores
ALTA PRESIÓN DE ACEITE
* Aceite del motor demasiado viscoso
* Conducto de aceite atascado
* Combinación de las anteriores
PROCEDIMIENTO DE COMPROBACIÓN DE
LA PRESIÓN DEL ACEITE
• Conecte el cuantarrevoluciones al cable de alta tensión de la
bujía.
• Quite el tapón de la galería principal de aceite 1.
• Coloque el manómetro y el adaptador en la galería principal
de aceite.
• Caliente el motor de la siguiente manera:
En verano: 10 minutos a 2 000 rpm
En invierno: 20 minutos a 2 000 rpm
• Tras calentar el motor aumente sus revoluciones hasta 3 000
rpm (observe el cuentarrevoluciones), y lea la indicación del
manómetro del aceite.
09915-74511: Accesorio de manguera de manómetro
de presión de aceite
09940-40211: Adaptador
• Ponga aceite del motor en ambos lados de las arandelas del
tapón de la galería de aceite principal.
• Apriete el tapón de la galería de aceite principal 1 al par
especificado.
Tapón de la galería principal: 10 N·m (1,0 kgf-m)

2-36 MANTENIMIENTO PERIÓDICO
COMPROBACIÓN DE SDS
Usando el SDS, tome muestras de los datos del nuevo vehículo al realizar el mantenimiento periódico en el
establecimiento de su concesionario.
Guarde los datos en la computadora o imprímalos en papel. Los datos guardados o archivados son útiles
para solucionar averías, ya que pueden compararse periódicamente con los cambios producidos con el
paso del tiempo o con las condiciones de averías del vehículo.
Por ejemplo, cuando se lleva un vehículo a reparar pero su reparación resulta difícil, la comparación con los
datos normales que han sido guardados o archivados permitirá determinar el fallo específico del motor.
• Preparación de la herramienta SDS. (4-24)
09904-41010: Herramienta para SDS
99565-01010-007: CD-ROM Ver. 7
NOTA:
* Antes de tomar las muestras de los datos, compruebe y borre el DTC pasado. (
4-25)
* Deberá guardarse o archivarse como muestra un número de datos diferentes bajo una condición fija
como la mostrada abajo.
MUESTRA:
Datos muestreados desde el arranque en frío hasta el calentamiento
Sección del tornillo
de aire de ralentí
Compruebe las rpm del motor.
XXXX rpm
Compruebe las rpm del motor.
XXXX rpm
Compruebe la presión
absoluta del colector.
XXX kPa (XXX mmHg)
Compruebe el aumento en
la temperatura del refrigerante
del motor.

MANTENIMIENTO PERIÓDICO 2-37
Datos a 3 000 rpm sin carga
Fecha y hora
3 000 rpm
Compruebe la presión
absoluta del colector.
XXX kPa (XXX mmHg)
Acelerador:
Abertura rápida
Acelerador:
Abertura lenta

2-38 MANTENIMIENTO PERIÓDICO
Datos de la presión negativa de la admisión durante el ralentí (100 °C)
Compruebe la presión absoluta
del colector.
Aprox. XXX kPa (XXX mmHg)

3
6
MOTOR 3-1
CONTENIDO
MOTOR
EXTRACCIÓN DE COMPONENTES DEL MOTOR CON EL
MOTOR INSTALADO .................................................................................. 3- 2
LADO IZQUIERDO DEL MOTOR ......................................................... 3- 2
LADO DERECHO DEL MOTOR ........................................................... 3- 2
CENTRO DEL MOTOR ......................................................................... 3- 2
EXTRACCIÓN Y RECOLOCACIÓN DEL MOTOR ..................................... 3- 3
EXTRACCIÓN DEL MOTOR ................................................................. 3- 3
REINSTALACIÓN DEL MOTOR ........................................................... 3- 8
DESMONTAJE DEL MOTOR ...................................................................... 3-11
INSPECCIÓN Y MANTENIMIENTO DE LOS COMPONENTES
DEL MOTOR ................................................................................................ 3-24
CULATA ................................................................................................ 3-24
DESCOMPRESIÓN AUTOMÁTICA ...................................................... 3-33
ÁRBOL DE LEVAS ............................................................................... 3-33
REGULADOR DE TENSIÓN DE LA CADENA
DE DISTRIBUCIÓN Y TENSOR ............................................................ 3-36
CILINDRO .............................................................................................. 3-36
PISTÓN Y SEGMENTOS ...................................................................... 3-37
BIELA .................................................................................................... 3-39
CIGÜEÑAL ............................................................................................ 3-40
EJE DE EQUILIBRADOR Y ENGRANAJES CONDUCTOR
Y CONDUCIDO DEL EQUILIBRADOR ................................................ 3-41
EMBRAGUE DEL ARRANQUE ............................................................ 3-41
GENERADOR ........................................................................................ 3-43
LIMITADOR DE PAR DEL ARRANCADOR ......................................... 3-43
BOMBA DE ACEITE ............................................................................. 3-44
EMBRAGUE .......................................................................................... 3-45
HORQUILLA Y ENGRANAJE DE CAMBIO DE
VELOCIDADES ..................................................................................... 3-47
TRANSMISIÓN ...................................................................................... 3-48
FILTRO DE ACEITE .............................................................................. 3-51
CÁRTER DEL CIGÜEÑAL .................................................................... 3-51
CUBIERTA DE CÁRTER DERECHO ................................................... 3-56
EJE DE CAMBIO DE MARCHAS ......................................................... 3-57
MONTAJE DEL MOTOR ............................................................................. 3-58

3-2 MOTOR
EXTRACCIÓN DE COMPONENTES DEL MOTOR CON EL MOTOR
INSTALADO
Las piezas listadas a continuación se pueden retirar y volver a instalar sin tener que desmontar el motor del
bastidor. Consulte las páginas listadas en cada sección para conocer las instrucciones para retirar y volver
a instalar las piezas.
LADO IZQUIERDO DEL MOTOR
LADO DERECHO DEL MOTOR
CENTRO DEL MOTOR
PIEZAS EXTRACCIÓN INSTALACIÓN
Rueda dentada del motor 3-6 3-9
Engranaje conductor/conducido de arranque 3-14 y -15 3-71
Rotor de generador 3-21 3-63
Embrague de arranque 3-21 3-62
Conmutador de posición de engranajes 3-11 3-79
Bomba de aceite N.° 2 3-21 3-62
Manivela de equilibrador 3-22 —
Patín de la cadena de la distribución 3-21 3-62
PIEZAS EXTRACCIÓN INSTALACIÓN
Tubo de escape/silenciador 3-4 3-10
Filtro de aceite 3-15 3-70
Discos de presión, impulsor e impulsado del embrague 3-16 y -17 3-68 y -69
Cubo de manguito de embrague 3-17 3-67
Conjunto de engranaje impulsado primario 3-17 3-67
Engranaje impulsor primario 3-20 3-63
Engranajes intermedio e impulsado de la bomba de aceite 3-18 3-66 y -67
Bomba de aceite N.° 1 3-18 3-66
Eje de cambio de marchas 3-18 3-65
Engranaje impulsado de leva de cambio de marchas 3-19 3-65
Placa de tope de leva de cambio de marchas 3-19 3-64
Tope de leva de cambio de velocidad 3-19 3-64
Engranaje conductor/conducido de equilibrador 3-20 3-63 y -64
PIEZAS EXTRACCIÓN INSTALACIÓN
Cuerpo del acelerador 5-14 5-18
Motor de arranque 3-11 3-79
Regulador de tensión de la cadena de distribución 3-12 3-78
Tapa de culata 3-11 3-79
Conjunto de árbol de levas/descompresión automática 3-13 3-76
Culata de cilindros 3-13 3-75
Cilindro 3-13 3-74
Pistón 3-14 3-73
Cadena de distribución 3-21 3-62
Guía de la cadena de distribución 3-13 3-74

MOTOR 3-3
EXTRACCIÓN Y RECOLOCACIÓN DEL MOTOR
EXTRACCIÓN DEL MOTOR
Antes de sacar el motor del bastidor, lávelo con un limpiador de
vapor. El desmontaje del motor se explica de manera secuen-
cial en los pasos siguientes.
• Vacíe el refrigerante del motor. (2-15)
• Vacíe el aceite del motor. (2-13)
• Quite el depósito de combustible y su cubierta inferior.
(5-4)
• Quite el depósito de retorno de combustible. (6-23)
• Quite el depósito de aceite. (6-22)
• Quite la pipa de la bujía 1.
• Desconecte el latiguillo de rebose 2 y el latiguillo de ventila-
ción 3.
• Desconecte el latiguillo de entrada de refrigerante del motor
4, el de ventilación 5 y el de salida de refrigerante del motor
6.
• Retire el conjunto del cuerpo del acelerador. (5-14)

3-4 MOTOR
• Desconecte el acoplador del sensor ECT.
• Afloje el tornillo de la abrazadera del silenciador.
• Retire el tubo de escape 7.
• Quite la junta 8.
• Retire el silenciador 9.
• Desconecte el cable del motor de arranque.

MOTOR 3-5
• Quite el cable del motor de arranque 0 y el cableado A de la
abrazadera.
• Desconecte el acoplador del cable de masa B.
• Quite el cable del freno de estacionamiento C de la ménsula.
• Desconecte el acoplador del estator del generador D, el sen-
sor CKP E y el acoplador del interruptor de posición de
engranajes F.
• Quite el cable del generador y el del interruptor de posición
de engranajes de la abrazadera.
• Quite el interruptor del freno trasero G y el pedal del freno H.
(7-67)
• Quite el cable del interruptor del freno trasero I de la abraza-
dera.

3-6 MOTOR
• Quite la tapa de la rueda dentada del motor J.
• Quite pedal de cambio de marchas K.
• Quite el soporte del cable del embrague L.
• Retire el brazo de liberación del embrague M junto con el
cable del embrague.
• Quite la rueda dentada del motor N con la cadena de trans-
misión.
• Retire las ménsulas inferiores de montaje del motor.
• Retire las ménsulas superiores de montaje del motor.
• Quite los tornillos y las tuercas de montaje del motor.

MOTOR 3-7
• Quite la tuerca y la arandela del eje de pivote del brazo bas-
culante.
• Saque tres cuartos del eje de pivote del brazo basculante
dejando el brazo basculante en posición.
NOTA:
El brazo basculante saldrá cuando se quite por completo su eje
de pivote.
• Retire el motor desde el lado derecho.

3-8 MOTOR
REINSTALACIÓN DEL MOTOR
Instale el motor en orden inverso al de la extracción.
Preste atención a los puntos siguientes:
• Apriete la tuerca del eje de pivote del brazo basculante hasta
el par especificado.
NOTA:
* Las tuercas de montaje del motor son autobloqueantes.
* Una vez que hayan sido quitadas, no admiten un uso posterior. Asegúrese de utilizar tuercas nuevas, y
luego apriételas al par especificado.
ÍTEM N·m kgf-m
A55 5,5
B26 2,6
C26 2,6
D55 5,5
E55 5,5

MOTOR 3-9
• Instale la rueda dentada del motor con la cadena de transmi-
sión.
NOTA:
La marca
F
en la rueda dentada del motor deberá quedar hacia
fuera.
• Aplique THREAD LOCK SUPER “1303” a los tornillos de la
rueda dentada.
99000-32030: THREAD LOCK SUPER “1303”
• Apriete los tornillos de la rueda dentada del motor al par
especificado.
Tornillo de la rueda dentada del motor: 10 N·m (1,0 kgf-m)
• Instale el brazo de liberación del embrague 1 como se mues-
tra en la ilustración.
• Instale la palanca de cambio de marchas 2 en la posición
correcta.
Altura de la palanca de cambios A: 5 – 10 mm
Tornillo de la palanca de cambios: 10 N·m (1,0 kgf-m)
Instale el pedal del freno y el interruptor del freno trasero.
(7-67)
2,6˚
Apoyapiés

3-10 MOTOR
• Instale el silenciador 3 y el tubo de escape 4.
!
Tornillo de montaje del silenciador: 23 N·m (2,3 kgf-m)
Tornillo del tubo de escape: 23 N·m (2,3 kgf-m)
Tornillo de conexión del silenciador: 23 N·m (2,3 kgf-m)
• Instale el conjunto del cuerpo del acelerador. (5-18)
• Instale el depósito de aceite. (6-23)
• Instale el depósito de retorno de aceite. (6-23)
• Instale el depósito de combustible. (5-4)
• Después de instalar el motor, instale correctamente el mazo
de cables, los cables y los latiguillos. (9-15)
• Ajuste los elementos siguientes.
* Aceite del motor 2-13
* Refrigerante del motor 2-15
* Juego del cable del acelerador 2-11
* Ralentí del motor 2-12
* Juego del cable del embrague 2-18
* Holgura de la cadena de transmisión 2-26
* Altura del pedal del freno 2-19
* Interruptor del freno trasero 2-19
Emplee juntas nuevas para evitar fugas de gas.

MOTOR 3-11
DESMONTAJE DEL MOTOR
MOTOR DE ARRANQUE
• Quite el motor de arranque 1.
CONMUTADOR DE MARCHA ENGRANADA
• Quite el conmutador de de posición de engranajes 1.
• Quite la junta tórica 2, los contactos del interruptor 3 y los
muelles 4.
• Quite la bujía.
09930-10121: Juego de llaves de bujías
TAPA DE CULATA
• Quite los tornillos de la tapa de la culata y luego retire la tapa
1.

3-12 MOTOR
ÁRBOL DE LEVAS
• Quite el tapón de inspección de la distribución de las válvulas
1 y la tapa de la cubierta del generador 2.
• Gire el rotor del generador hasta que la línea “T” del mismo
esté alineada con el centro del agujero de la cubierta del
generador.
NOTA:
Antes de quitar los soportes del muñón del árbol de levas, el
pistón deberá estar en el P.M.S. de la carrera de compresión.
• Quite el tornillo del soporte del muelle 3 del regulador de ten-
sión de la cadena de distribución con el muelle 4.
• Quite el regulador de tensión de la cadena de transmisión 5
y la junta 6.
• Quite los soportes del muñón del árbol de levas 7.
NOTA:
Afloje diagonalmente los tornillos de los soportes del muñón del
árbol de levas.

MOTOR 3-13
• Quite las clavijas, los árboles de levas de admisión 8 y
escape 9, y los anillos en C 0.
!
CULATA
• Quite los tornillos de la culata 1.
• Afloje el tornillo de la base de la culata 2.
• Quite en diagonal los cuatro tornillos de la culata y luego
retire la culata.
NOTA:
Si la culata no se quita fácilmente, golpéela ligeramente con un
martillo de plástico.
CILINDRO
• Quite la junta de la culata 1 y las clavijas.
• Quite la guía de la cadena de distribución 2.
• Quite el tornillo de la base del cilindro y luego quite el cilindro.
NOTA:
Si el cilindro no se quita fácilmente, golpéelo ligeramente con un
martillo de plástico.
No deje caer las clavijas, cadena de distribución y ani-
llos en C en el interior del cárter.

3-14 MOTOR
• Quite la junta del cilindro 3 y las clavijas.
PISTÓN
• Ponga un trapo limpio sobre la base del cilindro para evitar
que la presilla del bulón del pistón caiga al interior del cárter.
• Quite el circlip del bulón.
• Saque el bulón del pistón 1 y quite el pistón 2.
CUBIERTA DEL ROTOR DEL GENERADOR
• Quite la cubierta del conjunto del limitador de torsión de
arranque 1.
• Quite los collares 2, arandelas 3 y conjunto de limitador de
torsión de arranque 4.

MOTOR 3-15
• Quite la cubierta del rotor del generador.
• Quite el eje 4, el engranaje intermedio de arranque 5, la
junta 6 y las clavijas.
FILTRO DE ACEITE
• Quite el tapón del filtro de aceite 1.
• Quite el filtro de aceite 2 y las juntas tóricas 3.
TAPA DE EMBRAGUE
• Quite la cubierta del embrague 1.

3-16 MOTOR
• Quite la junta 2.
CUBIERTA DE CÁRTER DERECHO
• Quite la tapa derecha del cárter 1.
• Quite la junta 2, las clavijas y el retén de aceite 3.
NOTA:
Si no hay desgaste ni daños en el labio de retén de aceite no
será necesario quitar el retén de aceite
3
.
EMBRAGUE
• Sujete el rotor del generador con la herramienta especial.
• Afloje los pernos de los muelles del embrague poco a poco y
en diagonal.
• Quite los tornillos y las muelles.
09930-44520: Soporte del rotor
• Quite el disco de presión del embrague 1.

MOTOR 3-17
• Quite los discos impulsores 2 e impulsados 3.
• Quite la arandela de resorte y su asiento.
• Retire la pieza de empuje 4 y la varilla de empuje 5.
• Aplane la arandela de bloqueo 6.
• Sujete el cubo del manguito de embrague con la herramienta
especial y luego quite su tuerca.
09920-53740: Soporte del cubo de manguito de
embrague
• Quite la arandela de bloqueo 6 y el cubo de manguito de
embrague 7.
• Quite la arandela 8 y el conjunto del engranaje conducido
primario 9.

3-18 MOTOR
• Quite el distanciador 0.
BOMBA DE ACEITE (N.° 1)
• Retire el engranaje intermedio 1 y el engranaje conducido de
la bomba de aceite 2.
09900-06107: Pinzas para anillos de resorte
• Retire el pasador 3, la arandela 4 y el conjunto de la bomba
de aceite 5.
• Retire las piezas siguientes del conjunto de la bomba de
aceite.
Rotor exterior 6
Rotor interior 7
Clavija 8
Cuerpo de bomba de aceite 9
Eje de bomba de aceite 0
EJE DE CAMBIO DE MARCHAS
• Quite el eje de cambio de marchas 1 extrayendo el anillo de
resorte 2.
09900-06107: Pinzas para anillos de resorte

MOTOR 3-19
• Quite el elevador de trinquete de cambio de marchas 3 y el
engranaje conducido de leva de cambio de marchas 4.
NOTA:
Tenga cuidado de no dejar caer las clavijas y los muelles al qui-
tar el engranaje conducido de la leva de cambio de marchas.
• Quite los trinquetes de cambio de marchas 5, los pasadores
6 y los muelles 7.
• Quite la clavija del engranaje conducido de leva de cambio de
marchas 8 y la placa de tope de leva de cambio de marchas
9.
• Quite el muelle 0.
• Quite el tornillo de tope de leva de cambio de marchas A, el
tope de leva de cambio de marchas B y la arandela C.
ROTOR DEL GENERADOR
• Sujete el rotor del generador utilizando la herramienta espe-
cial y luego quite la tuerca del engranaje conducido del equili-
brador.
09930-44520: Soporte del rotor

3-20 MOTOR
• Quite la arandela 1 y el engranaje conducido del equilibrador
2.
• Quite la clavija 3.
• Sujete el rotor del generador utilizando la herramienta espe-
cial y luego quite la tuerca del engranaje conductor primario.
!
09930-44520: Soporte del rotor
• Quite la arandela 4 y el engranaje conductor primario 5.
• Quite la chaveta 6 y el engranaje conductor del equilibrador
7.
• Sujete el rotor del generador utilizando la herramienta espe-
cial y luego quite la tuerca del rotor del generador.
09930-44520: Soporte del rotor
La tuerca del engranaje conductor primario es de
rosca a la izquierda.

MOTOR 3-21
• Qite el rotor del generador con la herramienta especial.
09930-31921: Extractor de rotores
NOTA:
Instale temporalmente la tuerca del rotor del generador en el
cigüeñal y luego quite el rotor del generador con la herramienta
especial.
!
• Quite la chaveta del rotor del generador 8.
• Quite el engranaje impulsado del motor de arranque 9.
CADENA DE DISTRIBUCIÓN
• Quite el tensor de la cadena de distribución 1, la arandela 2
y la cadena de distribución 3.
BOMBA DE ACEITE (N.° 2)
• Quite el conjunto de la bomba de aceite 1.
• Quite la clavija 2, el rotor interior 3 y el rotor exterior 4.
No golpee el rotor del generador con un martilo porque
podría dañarse.

3-22 MOTOR
MANIVELA DE EQUILIBRADOR
• Quite la manivela del equilibrador 1.
CÁRTER DEL CIGÜEÑAL
• Quite el retenedor 1.
• Quite el distanciador 2.
• Quite el retenedor del eje de la horquilla de cambio de mar-
chas 3.
!
• Quite los tornillos del cárter izquierdo y los tapones de
vaciado de aceite del motor 5.
• Quite los tornillos del cárter derecho.
• Separe el cárter con la herramienta especial.
09920-13120: Separador de cárter
NOTA:
Coloque la herramienta de separación del cárter en el cárter
derecho de forma que la placa de la herramienta quede paralela
a la cara del extremo del cárter.
No saque todavía el eje de la horquilla de cambio de
marchas 4 porque la horquilla caerá en el cárter.

MOTOR 3-23
• Retire las clavijas.
• Quite los filtros de aceite 4.
• Quite los ejes de horquillas de cambio de marchas 5, las
horquillas de cambio de marchas 6 y las levas de cambio de
marchas 7.
• Quite el conjunto del eje intermedio 8 y el conjunto del árbol
de transmisión 9.
• Quite el cigüeñal del cárter utilizando la herramienta especial.
09920-13120: Separador de cárter

3-24 MOTOR
INSPECCIÓN Y MANTENIMIENTO DE LOS COMPONENTES DEL
MOTOR
CULATA
DESMONTAJE
!
• Retire el tubo de admisión 1.
• Retire el sensor ETC de la culata.
• Quite la tapa del termostato 2 y el termostato 3.
Identifique la posición de cada pieza desmontada.
Coloque las piezas en sus respectivos grupos (es
decir, escape y admisión) para que puedan volver a
montarse en su posición original.

MOTOR 3-25
• Quite los taqués 4 y las cuñas 5 con los dedos o con una
llave magnética.
!
• Utilizando las herramientas especiales, comprima el muelle
de válvula y retire las dos mitades de la clavija 6 del vástago
de válvula.
09916-14510: Empujador de válvulas
09916-14521: Accesorio del empujador de válvulas
(lado de escape)
09916-14910: Accesorio del empujador de válvulas
(lado de admisión)
09916-84511: Pinzas
!
• Quite la retenedor del muelle de la válvula 7 y el muelle de la
válvula 8.
• Extraiga la válvula 9 desde el lado de la cámara de combus-
tión.
Identifique la posición de cada pieza desmontada.
Tenga cuidado para no dañar la superficie de desliza-
miento del taqué con la herramienta especial.

3-26 MOTOR
• Quite el retén de aceite 0 y el asiento del muelle A.
!
• Quite las otras válvulas de la misma manera.
DEFORMACIÓN DE LA CULATA
Descarbonice las cámaras de combustión.
Compruebe si existe deformación en la superficie de la junta de
la culata con una regla y una galga de espesor, y tome medidas
fiables en varios de los puntos indicados. Si la mayor de las lec-
turas tomadas en cualquier posición con la regla sobrepasa el
límite, sustituya la culata.
Deformación de culata de cilindros:
Límite de funcionamiento: 0,05 mm
09900-20803: Galga de espesores
DESCENTRAMIENTO DE VÁSTAGOS DE VÁLVULAS
Sujete la válvula utilizando bloques en V como se indica en la
figura, y compruebe su descentramiento con una galga de cua-
drante. Si el descentramiento sobrepasa el límite de funciona-
miento, sustituya la válvula.
Descentramiento de vástago de válvula:
Límite de funcionamiento: 0,05 mm
09900-20607: Comparador de cuadrante (1/100 mm)
09900-20701: Soporte magnético
09900-21304: Juego de bloques en V (100 mm)
!
DESCENTRAMIENTO RADIAL DE CABEZAS DE VÁLVULAS
Sitúe la galga de cuadrante perpendicular a la cara de la cabeza
de la válvula y mida el descentramiento radial de la cabeza de la
válvula. Si mide más que el límite de funcionamiento, sustituya
la válvula.
Descentramiento radial de cabeza de válvula:
Límite de funcionamiento: 0,03 mm
09900-20607: Comparador de cuadrante (1/100 mm)
09900-20701: Soporte magnético
09900-21304: Juego de bloques en V (100 mm)
!
No reutilice los retenes de aceite extraídos.
Tenga cuidado para no dañar la válvula ni su vástago al manejarla.
Tenga cuidado para no dañar la válvula ni su vástago al manejarla.

MOTOR 3-27
CONDICIÓN DEL DESGASTE DE VÁSTAGO Y CARA DE
VÁLVULA
Inspeccione visualmente cada vástago y cara de válvula por si
están desgastados o picados. Si está desgastada o dañada,
sustituya la válvula por otra nueva.
DESVIACIÓN DE VÁSTAGOS DE VÁLVULAS
Levante la válvula unos 10 mm de su asiento.
Mida la desviación del vástago de la válvula en dos direcciones,
perpendiculares entre sí, colocando el comparador como se
indica.
Si la desviación medida sobrepasa el límite, decida si la válvula
o la guía deben ser reemplazadas por otras nuevas.
Desviación del vástago de la válvula (ADM y ESC):
Límite de funcionamiento: 0,25 mm
09900-20607: Comparador de cuadrante (1/100 mm)
09900-20701: Soporte magnético
DESGASTE DEL VÁSTAGO DE LA VÁLVULA
Mida con un micrómetro si el vástago de la válvula está desgas-
tado por debajo del límite. Si es así, sustituya la válvula.
Si el vástago está dentro del límite, sustituya la guía.
Después de sustituir la válvula o la guía, asegúrese de volver a
comprobar la desviación.
D.E. de vástago válvula:
Nominal (ADM): 5,475 – 5,490 mm
(ESC): 5,455 – 5,470 mm
09900-20205: Micrómetro (0 – 25 mm)
NOTA:
Si después de revisar estas partes, hay que extraer las guías de
las válvulas para su sustitución, siga los pasos indicados en el
mantenimiento de guías de válvulas. (
3-28)
X
Y

3-28 MOTOR
MANTENIMIENTO DE GUÍAS DE VÁLVULAS
• Utilizando el extractor de guías de válvulas, saque la guía de
la válvula hacia el lado del árbol de levas de admisión o de
escape.
09916-44910: Extractor/instalador de guías de válvulas
NOTA:
* Tire los subconjuntos de las guías de válvula desmontadas.
* Sólo están disponibles como piezas de recambio guías de vál-
vulas sobredimensionadas. (N.° de pieza 11115-45G70)
• Rectifique los orificios de la guía de la válvula en la culata con
un escariador y un mango.
09916-34580: Escariador de guías de válvulas
(10,8 mm)
09916-34542: Mango de escariador
!
• Refrigere las nuevas guías de válvulas en un congelador
durante una hora y caliente la culata a 100 – 150 °C con una
placa de cocinar.
!
• Ponga aceite de motor en el hueco de la guía de la válvula.
• Dirija la guía de la válvula hacia el interior del hueco utili-
zando el instalador de guías de válvulas 1 y el accesorio 2.
09916-44310: Extractor/Instalador de guías de válvulas 1
09916-53360: Accesorio 2
NOTA:
Introduzca la guía de la válvula hasta que el accesorio toque
con la culata
3
.
!
Cuando rectifique o extraiga el escariador del orificio
de la guía de la válvula, gírelo siempre hacia la dere-
cha.
Para no deformar la culata, no utilice un quemador
para calentar los agujeros de las guías de válvulas.
Si no lubrica el orificio de la guía de la válvula antes
de insertar la nueva guía en su lugar, puede dañar la
guía o la culata.
12,2 mm

MOTOR 3-29
• Después de instalar las guías de las válvulas, vuelva a rectifi-
car las paredes interiores de la guía utilizando el escariador.
• Limpie y lubrique con aceite las guías después del escariado.
09916-34550: Escariador de guías de válvulas (5,5 mm)
09916-34542: Mango de escariador
NOTA:
* Asegúrese de enfriar la culata hasta alcanzar la temperatura
ambiental.
* Introduzca el escariador desde la cámara de combustión y
gire el mango siempre hacia la derecha.
INSPECCIÓN DE ANCHURA DE ASIENTOS DE VÁLVULAS
• Compruebe visualmente la anchura de los asientos de las
válvulas en la cara de cada válvula.
• Si la cara de la válvula tiene un desgaste anormal sustituya la
válvula.
• Cubra el asiento de la válvula con minio (azul de Prusia) y
coloque la válvula en su lugar. Gire la válvula presionando
ligeramente.
• Compruebe que la válvula se haya impregnado de minio
(azul) de modo uniforme tanto alrededor como en el centro de
la cara de la misma.
09916-10911: Juego pulimentador de válvulas
• Si la medida de la anchura del asiento W sobrepasa el valor
nominal o dicha anchura no es uniforme, corrija el asiento de
la válvula con la fresa de asientos.
Anchura de asiento de válvula W:
Nominal: 0,9 – 1,1 mm
Si el asiento de válvula no cumple con la especificación, rectifi-
que el asiento de la forma siguiente:

3-30 MOTOR
MANTENIMIENTO DE ASIENTOS DE VÁLVULAS
• Los asientos de las válvulas 1, tanto de admisión 2 como
de escape 3, están maquinados con tres ángulos diferentes.
La superficie de contacto del asiento se corta con un ángulo
de 45°.
!
!
!
NOTA:
Después de realizar el mantenimiento de los asientos de válvu-
las, asegúrese de revisar el reglaje de válvulas una vez haya
sido montada la culata. (
2-5)
• Limpie y monte las piezas de la culata y las válvulas. Llene
los conductos de admisión y de escape con gasolina para
comprobar si hay pérdidas.
• Si las hubiese, revise el asiento y la cara de la válvula por si
hay rebabas u otras causas que eviten el sellado de la vál-
vula.
ADMISIÓN ESCAPE
ángulo de asiento 30°, 45°, 60° 15°, 45°, 60°
anchura de asiento 0,9 – 1,1 mm 0,9 – 1,1 mm
diámetro del válvula 36 mm 29 mm
D.I. de guía de válvula 5,500 – 5,512 mm 5,500 – 5,512 mm
La superficie de contacto del asiento de la válvula
debe ser revisada después de cada fresado.
No utilice productos de esmerilado después del fre-
sado final. El asiento de válvula debe tener un aca-
bado suave y aterciopelado, pero no muy limpio ni
brillante. Eso proporcionará una superficie suave para
el asiento final de la válvula, que se originará durante
los primeros segundos de funcionamiento del motor.
Las válvulas de titanio están revestidas con un mem-
brana oxidizada para resistir el desgaste, pero ésta
tiende a caer si se rectifica después de acondicionar
el asiento de la válvula.
Tenga siempre mucho cuidado cuando manipule
gasolina.
15˚
45˚
60˚
30˚
45˚
60˚
Valve seatValve seat

MOTOR 3-31
MUELLES DE LAS VÁLVULAS
La fuerza del muelle helicoidal mantiene la válvula firmemente
en su asiento. Si el muelle está debilitado se reducirá la poten-
cia del motor y a menudo será la causa del ruido de golpeteo
procedente del mecanismo de válvulas.
Compruebe que el muelle de válvula tenga una resistencia ade-
cuada, midiendo su longitud sin carga y también la fuerza nece-
saria para comprimirlo.
Si la longitud del muelle es inferior al límite de funcionamiento, o
si la fuerza necesaria para comprimirlo no se encuentra dentro
del margen especificado, reemplácelo.
Longitud libre de muelle de válvula:
Límite de funcionamiento: (ADM) 34,0 mm
(ESC) 33,3 mm
09900-20102: Calibre de nonio
Tensión de muelle de válvula:
Nominal:
(ADM) Aprox. 119 – 137 N, 11,9 – 13,7 kgf/ 30,9 mm
(ESC) Aprox. 78,5 N, 7,85 kgf/ 30,9 mm
REENSAMBLAJE
• Monte el asiento del muelle de la válvula.
• Aplique SOLUCIÓN DE ACEITE DE MOLIBDENO al retén de
aceite 1 y colóquelo a presión en su posición.
SOLUCIÓN DE ACEITE DE MOLIBDENO
!
• Inserte la válvula, con su vástago recubierto de SOLUCIÓN
DE ACEITE DE MOLIBDENO a lo largo y alrededor de toda
su longitud y sin ninguna discontinuidad.
!
SOLUCIÓN DE ACEITE DE MOLIBDENO
Aprox. 119 – 137 N (11,9 – 13,7 kgf)ADM
Aprox. 78,5 N (7,85 kgf)
30,9 mm
30,9 mm
ESC
ADM
ESC
No reutilice los retenes de aceite extraídos.
Al insertar la válvula, tenga cuidado de no dañar el
labio del sello de aceite.

3-32 MOTOR
• Monte los muelles de las válvulas con la zona de menor paso
A mirando hacia la culata.
B Zona de mayor paso
C HACIA ARRIBA
D Pintura
• Ponga el retén de muelle de válvula 2 y, utilizando el eleva-
dor de válvulas, presione el muelle hacia abajo, encaje las
dos mitades de la chaveta de la válvula en el extremo del vás-
tago y suelte el elevador para permitir que la chaveta 3
encaje entre el retén y el vástago.
09916-14510: Empujador de válvulas
09916-14521: Accesorio del empujador de válvulas
(lado de escape)
09916-14910: Accesorio del empujador de válvulas
(lado de admisión)
09916-84511: Pinzas
• Asegúrese de que el labio redondeado E de la clavija encaje
cómodamente en la ranura F del extremo del vástago.
• Quite las otras válvulas y los muelles de la misma manera
descrita anteriormente.
!
2 Retenedor de muelle de válvula
3 Chaveta de válvula
• Monte las láminas de taqués y los taqués en sus posiciones
originales.
NOTA:
* Aplique aceite del motor al extremo del vástago, la lámina y el
taqué antes de colocarlos.
* Cuando asiente las cuñas de los taqués, asegúrese de que la
cifra impresa en la superficie quede encarada hacia el taqué.
* Vuelva a montar cada muelle y cada válvula en su
posición original.
* Tenga cuidado para no dañar la válvula ni su vás-
tago al manejarla.

MOTOR 3-33
• Instale el sensor ETC. (6-11)
• Aplique SUZUKI SUPER GREASE a la junta tórica.
99000-25010: SUZUKI SUPER GREASE “A”
(o grasa equivalente)
!
• Aplique THREAD LOCK SUPER “1303” a los tornillos del
tubo de admisión.
• Instale el tubo de admisión.
NOTA:
Cerciórese de que la “marca de arriba”
A
quede en el lado
superior.
99000-32030: THREAD LOCK SUPER “1303”
DESCOMPRESIÓN AUTOMÁTICA
Compruebe que la leva de descompresión se mueva suave-
mente y de que el eje 1 gire con ella. Si se encuentra cualquier
anomalía, repare o sustituya el conjunto del árbol de levas.
ÁRBOL DE LEVAS
!
PIÑÓN DEL ÁRBOL DE LEVAS
Revise el desgaste de los dientes del piñón. Si los dientes están
desgastados, sustituya los árboles de levas, el cigüeñal y la
cadena de la distribución a la vez.
La junta tórica extraída ha de cambiarse por una
nueva.
No intente desmontar el conjunto del árbol de levas/
descompresión automática porque no pueden repa-
rarse.

3-34 MOTOR
RODAMIENTO DE ÁRBOL DE LEVAS
Inspeccione los rodamientos por si tienen juego o están desco-
loridos, desgastados o agarrotados.
Inspeccione la pista exterior con los dedos y verifique que se
mueva suavemente. Si algo funciona mal, reemplace el con-
junto del árbol de levas.
DESGASTE DE LEVAS
• Compruebe si el árbol de levas está dañado o desgastado.
• Mida la altura de la leva H con un micrómetro.
Altura de leva H
Límite de funcionamiento: (ADM) 32,264 mm
(ESC) 33,151 mm
09900-20202: Micrómetro (25 – 50 mm)
DESGASTE DEL MUÑÓN DEL ÁRBOL DE LEVAS
• Determine si cada muñón está desgastado o no por debajo
del límite midiendo la holgura para el aceite con el árbol de
levas instalado.
• Utilice la galga de plástico para leer la holgura en la parte
más ancha según la siguiente especificación:
09900-22301: Galga de plástico
09900-22302: Galga de plástico
NOTA:
Monte cada soporte de muñón de árbol de levas en su posición
original.
• Apriete los pernos de los soportes del muñón uniforme y dia-
gonalmente al par especificado.
Perno de soporte de muñón de árbol de levas:
10 N·m (1,0 kgf-m)
NOTA:
No gire los árboles de levas con la galga de plástico colocada.
• Quite los soportes del muñón del árbol de levas, y mida la
anchura de la galga de plástico comprimida con la escala ple-
gable. Esta medición deberá realizarse en la parte más
ancha.
Juego de lubricación del muñón del árbol de levas:
Límite de funcionamiento (ADM y ESC): 0,150 mm

MOTOR 3-35
• Si la holgura para el aceite del muñón del árbol de levas
medida sobrepasa el límite, mida el diámetro interior del
soporte del muñón del árbol de levas, y el el diámetro exterior
de dicho muñón.
• Sustituya el árbol de levas o la culata dependiendo de cuál de
los dos sobrepase la especificación.
D.I. del soporte del muñón de árbol de levas:
Nominal: (ADM y ESC): 22,012 – 22,025 mm
09900-20602: Galga de cuadrante (1/1 000, 1 mm)
09900-22403: Medidor de pequeños diámetros
(18 – 35 mm)
D.E. del muñón del árbol de levas:
Nominal (ADM y ESC): 21,959 – 21,980 mm
09900-20205: Micrómetro (0 – 25 mm)

3-36 MOTOR
REGULADOR DE TENSIÓN DE LA CADENA
DE DISTRIBUCIÓN Y TENSOR
Compruebe que la varilla empujadora se deslice suavemente
cuando se desbloquee el mecanismo de trinquete 1.
Si la varilla de empuje no se desliza suavemente cambie el
regulador de tensión de la cadena de distribución por uno
nuevo.
• Quite la guía de la cadena de distribución 2 de la tapa de la
culata.
Compruebe la superficie de contacto del tensor de la cadena de
distribución y las guías de la cadena de distribución.
Si se encuentra algún defecto, cámbielo por uno nuevo.
CILINDRO
DEFORMACIÓN DEL CILINDRO
Compruebe si existe deformación en la superficie de la junta de
la culata con una regla y una galga de espesor, y tome medidas
fiables en varios de los puntos indicados.
Si la mayor de las lecturas tomadas en cualquier posición con la
regla sobrepasa el límite, sustituya la culata.
Distorsión de cilindro:
Límite de funcionamiento: 0,05 mm
09900-20803: Galga de espesores

MOTOR 3-37
DIÁMETRO INTERIOR DEL CILINDRO
Inspeccione las paredes del cilindro por si hay arañazos, mues-
cas u otros daños. Mida el diámetro interior del cilindro en seis
puntos.
Si una cualquiera de las medidas sobrepasa el límite, sustituya
el cilindro.
Diámetro interior de cilindro:
Nominal: 95,500 – 95,515 mm
09900-20530: Juego de calibrador de cilindros
09900-20513: Varilla (94 mm)
PISTÓN Y SEGMENTOS
DIÁMETRO DEL PISTÓN
Utilizando un micrómetro, mida el diámetro exterior del pistón a
10 mm A del extremo de la falda del pistón.
Si la medida está por debajo del límite, sustituya el pistón.
Diámetro del pistón:
Límite de funcionamiento: 95,380 mm
a 15 mm del extremo de la falda del pistón
09900-20204: Micrómetro (75 – 100 mm)
JUEGO ENTRE PISTÓN Y CILINDRO
Reste el diámetro del pistón del diámetro del cilindro.
(arriba)
Si el juego entre el pistón y el cilindro sobrepasa el límite de fun-
cionamiento, sustituya el cilindro o el pistón, o ambos.
Holgura entre el pistón y el cilindro:
Límite de funcionamiento: 0,120 mm

3-38 MOTOR
BULÓN Y SU ALOJAMIENTO
Mida el diámetro interior del alojamiento del bulón utilizando una
galga para diámetros pequeños. Si la medición está fuera de las
especificaciones sustituya el pistón.
D.I. para bulón de pistón:
Límite de funcionamiento: 19,030 mm
09900-20602: Comparador de cuadrante (1/1 000 mm)
09900-22403: Medidor de pequeños diámetros
(18 – 35 mm)
Mida el diámetro exterior del bulón en tres posiciones utilizando
el micrómetro. Si cualquiera de las mediciones está fuera de las
especificaciones, sustituya el bulón.
D.E. del bulón:
Límite de funcionamiento: 18,980 mm
09900-20205: Micrómetro (0 – 25 mm)
HOLGURA ENTRE SEGMENTOS Y RANURAS DEL PISTÓN
Mida las holguras laterales entre los segmentos 1ro y 2do utili-
zando la galga de espesores. Si cualquiera de las holguras
sobrepasa el límite, sustituya a la vez el pistón y los segmentos.
09900-20803: Galga de espesores
09900-20205: Micrómetro (0 – 25 mm)
Holgura entre segmentos y ranuras del pistón:
Límite de funcionamiento:
1ro: 0,180 mm
2do: 0,150 mm
Anchura de ranura de segmento:
Nominal:
1ro: 0,78 – 0,80 mm
1,30 – 1,32 mm
2do: 0,81 – 0,83 mm
Lubricación: 2,01 – 2,03 mm

MOTOR 3-39
Grosor de segmento:
Nominal:
1ro: 0,71 – 0,76 mm
1,08 – 1,10 mm
2do: 0,77 – 0,79 mm
CORTE DE LOS SEGMENTOS
Encaje el segmento en el cilindro y mida la abertura del seg-
mento montado con la galga de espesores.
Si cualquiera de las mediciones sobrepasa el límite de funciona-
miento, sustituya el segmento por otro nuevo.
Corte de los segmentos:
Límite de funcionamiento:
1ro: 0,50 mm
2do: 0,50 mm
09900-20803: Galga de espesores
BIELA
DIÁMETRO INTERIOR DEL PIE DE BIELA
Usando una galga de pequeños diámetros, mida el diámetro
interior del pie de biela. Si el diámetro interior del pie de la biela
excede el límite, sustituya la biela.
D.I. de pie de biela:
Límite de funcionamiento: 19,040 mm
09900-20602: Comparador de cuadrante
(1/1 000 mm, 1 mm)
09900-22403: Medidor de pequeños diámetros
(18 – 35 mm)

3-40 MOTOR
DEFORMACIÓN DE BIELA Y HOLGURA LATERAL DE
CABEZA DE LA BIELA
El desgaste de la cabeza de biela se puede estimar compro-
bando el movimiento del pie de biela. Este método puede
usarse también para comprobar el desgaste de las piezas de la
cabeza de biela.
Deformación de la biela:
Límite de funcionamiento: 3,0 mm
09900-20701: Soporte magnético
09900-20607: Comparador (1/100 mm)
09900-21304: Juego de bloques en V (100 mm)
Empuje la cabeza de la biela hacia un lado y medida el juego
lateral con una galga de espesores. Si el juego excede el límite
de servicio, reemplace el conjunto del cigüeñal por otro nuevo o
haga que la deformación y el juego lateral no sobrepasen el
límite de servicio reemplazando para ello las piezas desgasta-
das (biela, rodamiento de cabeza de biela, muñequilla, etc.) por
otras nuevas.
Juego lateral de cabeza de biela
Límite de funcionamiento: 1,0 mm
09900-20803: Galga de espesores
CIGÜEÑAL
DESCENTRADO DEL CIGÜEÑAL
Sujete el cigüeñal utilizando bloques en V y mida su descentra-
miento con una galga de cuadrante, como se muestra en la ilus-
tración. Si el descentramiento excede el límite de
funcionamiento, cambie el cigüeñal por otro nuevo.
NOTA:
* Ponga el cigüeñal sobre bloques en V para que quede hori-
zontal.
* Mida el descentramiento desde los extremos del cigüeñal.
Descentramiento del cigüeñal
Límite de funcionamiento: 0,080 mm
09900-20607: Comparador de cuadrante (1/100 mm)
09900-20701: Soporte magnético
09900-21304: Bloque en V (100 mm)

MOTOR 3-41
EJE DE EQUILIBRADOR Y ENGRANAJES
CONDUCTOR Y CONDUCIDO DEL
EQUILIBRADOR
INSPECCIÓN
Inspeccione el eje del equilibrador y los engranajes conducido y
conductor del equilibrador por si están desgastados o dañados.
Si encuentra cualquier defecto, cambie las piezas defectuosas.
EMBRAGUE DEL ARRANQUE
INSPECCIÓN
Instale el engranaje impulsado del motor arranque en el embra-
gue de arranque y gire el engranaje impulsado del motor de
arranque con la mano para comprobar si el el movimiento del
embrague del motor de arranque es suave. El engranaje sola-
mente girará en un sentido. Si se aprecia mucha resistencia en
la rotación, inspeccione el embrague de arranque por si está
dañado o inspeccione la superficie de contacto del embrague de
arranque con el engranaje conducido de arranque por si estu-
viera desgastada o dañada.
Si están dañados, sustitúyalos por otros nuevos.
DESMONTAJE
• Sujete el rotor con la herramienta especial y quite los tornillos.
09930-44520: Soporte del rotor
REENSAMBLAJE
• Instale el embrague de arranque en el sentido apropiado,
como se muestra.
NOTA:
Cuando instale el embrague de arranque en el rotor, asegúrese
de poner la marca de la flecha
A
del rodamiento hacia el rotor.
• Ponga aceite del motor en el embrague de arranque.

3-42 MOTOR
• Aplique una pequeña cantidad de THREAD LOCK SUPER
“1322” a los tornillos del embrague de arranque.
99000-32110: THREAD LOCK SUPER “1322”
(u obturador de roscas equivalente)
• Apriete los tornillos mientras sujeta el motor utilizando la
herramienta especial.
Perno del embrague de arranque: 10 N·m (1,0 kgf-m)
09930-44520: Soporte del rotor
INSPECCIÓN DE RODAMIENTO DE ENGRANAJE
CONDUCIDO DEL ARRANCADOR
Inspeccione el cojinete del engranaje conducido del arrancador
por si está dañado.
SUSTITUCIÓN DE RODAMIENTO DE ENGRANAJE
CONDUCIDO DEL ARRANCADOR
• Quite el cojinete con la herramienta especial.
09913-70210: Juego instalador de rodamientos
• Instale el rodamiento con la herramienta especial.
09913-70210: Juego instalador de rodamientos
!
NOTA:
La marca grabada en el rodamiento deberá quedar hacia el cár-
ter.
El cojinete extraído ha de cambiarse por uno nuevo.

MOTOR 3-43
GENERADOR
INSPECCIÓN (8-9 y -21)
• Quite el estator del generador 1, el sensor CKP 2, la mén-
sula 3 y la arandela de goma 4.
• Cuando sustituya el estator del generador o el sensor CKP,
instale correctamente el cable.
• Aplique una pequeña cantidad de THREAD LOCK SUPER
“1303” a los tornillos de montaje del estador del generador y
apriételos firmemente.
99000-32030: THREAD LOCK SUPER “1303”
LIMITADOR DE PAR DEL ARRANCADOR
!
Compruebe el par de deslizamiento del limitador de par del
arrancador utilizando las herramientas especiales como se
muestra, y si el par de deslizamiento no se encuentra dentro del
par especificado, sustituya el limitador de par del arrancador por
otro nuevo.
09930-73170: Soporte del limitador de torsión
del arrancador
09930-73120: Zócalo del limitador de par
del arrancador
Par de deslizamiento: 20,5 – 36,0 N·m (2,05 – 3,6 kgf-m)
No intente desmontar el limitador de par del arranca-
dor. No tiene reparación.

3-44 MOTOR
BOMBA DE ACEITE
INSPECCIÓN
Inspeccione el rotor exterior 1 y el rotor interior 2 por si están
rayados o tienen otros daños. Si se encuentra algún defecto
cámbielos por otros nuevos.
Gire la bomba de aceite con la mano y compruebe si se mueve
suavemente. Si no se mueve suavemente, sustituya el conjunto
de la bomba de aceite.
!
* No intente desmontar la bomba de aceite.
* La bomba de aceite está disponible sólo como un
conjunto.

MOTOR 3-45
EMBRAGUE
DISCO CONDUCTOR DE EMBRAGUE
NOTA:
Limpie el aceite de los discos impulsores del embrague con un
trapo limpio.
Mida el espesor de los discos impulsores con un calibre de
nonio.
Si el espesor del disco conductor ha llegado al límite, sustitúyalo
por un disco nuevo.
Grosor de disco de embrague (N.° 1 y N.° 2):
Límite de funcionamiento: 2,77 mm
09900-20101: Calibre de nonio
Mida la anchura de los dientes de los discos conductores con un
calibre de nonio. Sustituya los discos impulsores que se hayan
desgastado por debajo del límite.
Anchura de los dientes de los discos conductores
(N.° 1 y N.° 2):
Límite de funcionamiento: 13,35 mm
09900-20101: Calibre de nonio
DISCO CONDUCIDO DE EMBRAGUE
NOTA:
Limpie el aceite de los discos impulsados con un trapo limpio.
Mida la deformación de cada disco impulsado con un calibre de
espesores y una placa plana. Sustituya los discos impulsados
que excedan el límite.
Distorsión de disco conducido:
Límite de funcionamiento: 0,10 mm
09900-20803: Galga de espesores
MUELLE DE EMBRAGUE
Mida la longitud libre de cada muelle con un calibre de nonio y
compárela con el límite especificado.
Sustituya todos los muelles si alguno de ellos no cumple el
límite.
Longitud libre de muelle del embrague:
Límite de funcionamiento: 50,4 mm
09900-20101: Calibre de nonio

3-46 MOTOR
VARILLA DE EMPUJE
Inspeccione la varilla de empuje por si está desgastada o
dañada.
Si se encuentra algún defecto cambie la varilla de empuje por
una nueva.
RODAMIENTO DE LIBERACIÓN
Inspeccione el rodamiento de liberación por si tiene juego o está
desgastado y dañado.
Inspeccione la pista interior con los dedos y verifique que se
mueva suavemente.
Si se encuentra algún defecto cambie el rodamiento de libera-
ción por uno nuevo.
REEMPLAZO DEL RODAMIENTO DE LIBERACIÓN
• Quite el rodamiento de liberación con la herramienta especial.
09913-70210: Juego instalador de rodamientos
• Meta a presión los rodamientos empleando la herramienta
especial.
09913-70210: Juego instalador de rodamientos
CONJUNTO DEL CUBO DE MANGUITO/ENGRANAJE
IMPULSADO PRIMARIO DEL EMBRAGUE
Inspeccione la ranura del cubo del manguito y el conjunto del
engranaje impulsado primario del embrague para ver si están
dañados o desgastados debido a los discos del embrague. Si es
necesario, reemplácelo por otro nuevo.

MOTOR 3-47
HORQUILLA Y ENGRANAJE DE CAMBIO DE
VELOCIDADES
HOLGURA ENTRE LA HORQUILLA DE CAMBIOS DE
VELOCIDADES Y LA RANURA
Usando una galga de espesores, compruebe la holgura de la
horquilla del cambio en la ranura de su engranaje.
La holgura de cada horquilla juega un importante papel en la
suavidad y seguridad de la acción del cambio de velocidades.
Juego entre horquilla de cambios y ranura:
Límite de funcionamiento: 0,5 mm
09900-20101: Calibre de nonio
09900-20803: Galga de espesores
Si la holgura verificada excede el límite especificado, sustituya
la horquilla o su engranaje, o ambos.
ANCHURA DE LA RANURA DE LA HORQUILLA DEL
CAMBIO DE VELOCIDADES
Mida la anchura de la ranura de la horquilla del cambio de velo-
cidades con un pie de rey.
Anchura de la ranura de la horquilla de cambios:
Nominal: 4,8 – 4,9 mm
09900-20101: Calibre de nonio
ESPESOR DE LA HORQUILLA DEL CAMBIO DE
VELOCIDADES
Mida el espesor de la horquilla del cambio de velocidades
usando el pie de rey.
Grosor de horquilla de cambios:
Nominal: 4,6 – 4,7 mm
09900-20101: Calibre de nonio
LEVA DE CAMBIO DE MARCHAS
Inspeccione la ranura de la leva de cambio de marchas por si
está desgastada y dañada. Si se encuentra algún defecto cam-
bie la leva de cambio de marchas por una nueva.

3-48 MOTOR
TRANSMISIÓN
DESMONTAJE
Desmonte los engranajes de la transmisión como se muestra en
la figura.
1Eje intermedio 52do engranaje impulsor 93r engranaje impulsado
25to engranaje impulsor 6Árbol de transmisión 05to engranaje impulsado
33r engranaje impulsor 72do engranaje impulsado APiñón conducido de 1ra
44to engranaje impulsor 84to engranaje impulsado

MOTOR 3-49
REENSAMBLAJE
Monte el eje intermedio y el árbol de transmisión en el orden
opuesto al de desmontaje. Preste atención a los puntos siguien-
tes:
NOTA:
* Antes de instalar los engranajes aplique aceite del motor a la
superficie interior de cada engranaje y casquillo.
* Aplique solución de aceite de molibdeno a la superficie del eje
intermedio y a la superficie interior del engranaje conductor de
5ta
1
.
SOLUCIÓN DE ACEITE DE MOLIBDENO
!
NOTA:
Cuando vuelva a montar la transmisión, debe prestar atención a
las posiciones y situaciones de anillos de resorte y arandelas.
La vista de la sección transversal muestra la posición correcta
de los engranajes, cojinetes, arandelas y anillos de resorte.
(
3-50)
• Cuando monte un anillo de resorte nuevo, preste atención a
la dirección. Encájelo hacia el lado en el que el empuje es el
mostrado en la ilustración.
A Empuje
B Borde cortante
• Cuando instale el casquillo del engranaje de 3ra 2, alinee su
orificio de lubricación con el orificio de lubricación del árbol de
transmisión.
* No vuelva a utilizar nunca un anillo de resorte. Después de que un anillo de resorte haya sido
desmontado de un eje, el anillo debe tirarse y se debe montar uno nuevo.
* Cuando monte un anillo de resorte nuevo, deberá tener cuidado de no abrirlo más de lo nece-
sario para introducirlo en el eje.
* Después de montar un anillo de resorte nuevo, compruebe siempre que queda perfectamente
alojado en su ranura y firmemente ajustado.

3-50 MOTOR
B
BA
AB
A
1Eje intermedio 2Árbol de transmisión

MOTOR 3-51
FILTRO DE ACEITE
• Limpie el filtro de aceite con aire comprimido.
CÁRTER DEL CIGÜEÑAL
TOPE DEL BRAZO DE CAMBIO DE VELOCIDADES
• Quite el tope del brazo de cambio de marchas 1 y la aran-
dela 2.
• Aplique una pequeña cantidad de THREAD LOCK SUPER
“1303” al tope del brazo de cambio de marchas.
• Instale la arandela 2 y apriete el tope del brazo de cambio de
marchas 1 al par especificado.
99000-32030: THREAD LOCK SUPER “1303”
Tope del brazo de cambio de marchas: 32 N·m (3,2 kgf-m)
INSPECCIÓN DEL RETÉN DE ACEITE
Inspeccione los labios del retén de aceite por si están desgasta-
dos o dañados. Si se encuentra algún defecto, cambie el retén
de aceite por uno nuevo.
EXTRACCIÓN DE RETÉN DE ACEITE
• Retire la placa del cárter 1.

3-52 MOTOR
• Quite los retenes de aceite 2.
INSTALACIÓN DE RETÉN DE ACEITE
• Instale los retenes de aceite 1 con la herramienta especial.
!
09913-70210: Juego instalador de rodamientos
• Aplique SUZUKI SUPER GREASE “A” al labio de los retenes
de aceite.
99000-25010: SUZUKI SUPER GREASE “A”
(o grasa equivalente)
• Quite la placa del cárter.
INSPECCIÓN DE RODAMIENTOS
Gire la pista interior del cojinete con un dedo para ver si tiene un
juego anormal, ruido o gira suavemente, mientras los cojinetes
están en el cárter.
Si hay algo anormal, sustituya el rodamiento según el procedi-
miento siguiente.
EXTRACCIÓN DE RODAMIENTOS
• Saque los retenes de aceite. (3-51)
• Retire los retenedores del rodamiento.
Los retenes de aceite desmontados han de cambiarse
por nuevos.
Juego
Juego

MOTOR 3-53
Saque los rodamientos con la herramienta especial.
09913-70210: Juego instalador de rodamientos
Rodamiento 4: 22 Accesorio
Rodamiento 3: 25 Accesorio
Rodamiento 6, 8: 30 Accesorio
Rodamiento 1, 5, 7: 35 Accesorio
Rodamiento 2: 42 Accesorio
• Saque los rodamientos con la herramienta especial.
09921-20240: Juego extractor de rodamientos
Rodamiento 9: Extractor 17 mm
Rodamiento 0: Extractor 25 mm
• Quite el rodamiento A.
09921-20210: Extractor de rodamientos
09930-30104: Eje deslizante

3-54 MOTOR
INSTALACIÓN
• Meta a presión los rodamientos empleando la herramienta
especial.
Rodamiento A: 20 Accesorio
Rodamiento 3, 0: 32 Accesorio
Rodamiento 9: 40 Accesorio
Rodamiento 6, 8: 42 Accesorio
Rodamiento 7: 52 Accesorio
Rodamiento 1: 62 Accesorio
Rodamiento 2, 5: 72 Accesorio
09913-70210: Juego instalador de rodamientos
!
NOTA:
* El lado de la marca estampada del rodamiento
A
debe mirar
hacia fuera.
* La marca estampada del rodamiento (
2
,
3
,
4
,
5
,
6
,
7
,
8
,
0
) debe mirar hacia adentro.
* El lado sellado del rodamiento (
1
,
9
) debe mirar al exterior.
• Aplique una pequeña cantidad de THREAD LOCK SUPER
“1303” a los tornillos del retenedor del rodamiento y apriételos
firmemente.
99000-32030: THREAD LOCK SUPER “1303”
Los rodamientos desmontados han de cambiarse por
nuevos.

MOTOR 3-55
INSPECCIÓN DEL ÁRBOL DE LEVAS DE LIBERACIÓN DEL
EMBRAGUE
Gire el árbol de levas de liberación de embrague con la mano
para revisar si hay ruidos anormales y si gira uniformemente.
Si se encuentra algún defecto, cambie el árbol de levas de libe-
ración del embrague o los rodamiento por otros nuevos.
REEMPLAZO DEL ÁRBOL DE LEVAS DE LIBERACIÓN DEL
EMBRAGUE Y EL RODAMIENTO
• Quite el retenedor del retén de aceite 1.
• Quite las siguientes piezas.
1 Sello de aceite
2 Arandela
3 Rodamiento superior
4 Árbol de levas de liberación del embrague
• Quite el rodamiento inferior 5.

3-56 MOTOR
• Ponga aceite del motor en los rodamientos.
• Aplique grasa al labio del retén de aceite.
99000-25010: SUZUKI SUPER GREASE “A”
(o grasa equivalente)
• Instale correctamente el árbol de levas de liberación del
embrague.
!
NOTA:
El lado de la marca estampada del rodamiento debe mirar hacia arriba.
CUBIERTA DE CÁRTER DERECHO
BOMBA DE AGUA
6-16
INSPECCIÓN DEL RETÉN DE ACEITE
Inspeccione el labio del retén de aceite por si está desgastado o
dañado.
Si se encuentra algún defecto, cambie el retén de aceite por uno
nuevo.
REEMPLAZO DEL RETÉN DE ACEITE
• Quite el retenedor 1.
• Quite el retén de aceite utilizando le herramienta especial.
09913-50121: Extractor de retenes de aceite
• Instale el sello de aceite utilizando le herramienta especial.
09913-70210: Juego instalador de rodamientos
!
• Aplique grasa al labio del retén de aceite.
99000-25010: SUZUKI SUPER GREASE “A”
(o grasa equivalente)
Los rodamientos y el retén de aceite extraídos debe-
rán reemplazarse por otros nuevos.
El retén de aceite extraído debe cambiarse por uno
nuevo.

MOTOR 3-57
EJE DE CAMBIO DE MARCHAS
DESMONTAJE
• Extraiga las siguientes partes del eje de cambio de marchas
1.
2Lámina
3Anillo de resorte
4Resorte de retorno
09900-06107: Pinzas para anillos de resorte
INSPECCIÓN
Inspeccione el eje de cambio de marchas por si está doblado o
dañado.
Inspeccione el muelle de retorno por si estuviera dañado o fati-
gado.
Sustituya las piezas defectuosas por otras nuevas si es necesa-
rio.
REENSAMBLAJE
Monte el eje de cambio de marchas en el orden inverso al de
desmontaje. Preste atención a los puntos siguientes:
NOTA:
Cuando instale el muelle de retorno del eje del cambio de velo-
cidades, posicione el tope
A
del brazo del cambio de velocida-
des entre los extremos
B
del muelle de retorno del eje.

3-58 MOTOR
MONTAJE DEL MOTOR
Monte el motor en orden inverso al de desmontaje. Los siguientes pasos requieren especial atención o la
toma de precauciones.
NOTA:
Aplique aceite de motor a cada pieza móvil o deslizante antes de volver a montarla.
CIGÜEÑAL
• Determine la anchura entre las nervaduras consultando la
figura cuando repare el cigüeñal.
Anchura entre nervaduras del cigüeñal:
Nominal: 62,0 ± 0,1 mm
• Cuando monte el cigüeñal en el cárter resultará necesario
meter su extremo izquierdo en el cárter con las herramientas
especiales.
09910-32812: Instalador de cigüeñal 1
09911-11310: Accesorio 2
09913-70210: Juego instalador de rodamientos 3
(accesorio instalador interior 35)
1Rodamiento 4Rodamiento 7Rodamiento
2Cigüeñal (D) 5Muñequilla de cigüeñal
3Biela 6Cigüeñal (I)

MOTOR 3-59
!
EJE INTERMEDIO/ÁRBOL DE TRANSMISIÓN
• Instale el conjunto del eje intermedio y el conjunto del árbol
de transmisión.
LEVA, HORQUILLA Y EJE DE CAMBIO DE MARCHAS
• Instale las horquillas de cambio de marchas en las ranuras de
cambio de marchas, en la posición y dirección correctas.
1 Hoquilla de cambio de marchas N.° 1
2 Hoquilla de cambio de marchas N.° 2
3 Hoquilla de cambio de marchas N.° 3
• Instale la leva de cambio de marchas 4.
• Instale el eje de horquillas de cambio de marchas 5, 6.
NOTA:
* Después de colocar el eje de horquillas de cambio de mar-
chas y las horquillas, asegúrese de que los engranajes engra-
nen normalmente.
* Ponga la transmisión en punto muerto.
CÁRTER DEL CIGÜEÑAL
• Limpie a fondo el material obturador y las manchas de aceite
de la superficie de acoplamiento de los cárteres derecho e
izquierdo.
• Instale las clavijas en el cárter izquierdo.
• Instale los filtros de aceite 1.
• Aplique aceite de motor a la cabeza de biela y a los engrana-
jes de la transmisión.
No ajuste nunca el cigüeñal en el cárter golpeándolo
con un martillo de plástico.
Utilice siempre la herramienta especial ya que de lo
contrario, la precisión del alineamiento del cigüeñal
se verá afectado.

3-60 MOTOR
• Aplique SUZUKI BOND “1215” a la superficie de acopla-
miento de la mitad derecha del cárter.
99000-31110: SUZUKI BOND “1215”
(o compuesto adhesivo equivalente)
NOTA:
Utilice SUZUKI BOND “1215” como sigue:
* Limpie las superficies de humedad, aceite, polvo y otros mate-
riales extraños.
* Extiéndalo sobre la superficie formando una capa lisa y fina y
una los bloques de cigüeñal en pocos minutos.
* Tenga mucho cuidado de no aplicar BOND “1215” al orificio
de lubricación, a la ranura de lubricación y al rodamiento.
* Aplíquelo a superficies distorsionadas ya que forma una pelí-
cula relativamente gruesa.

MOTOR 3-61
• Apriete los tornillos del cárter y el tapón de vaciado del aceite
del motor 2 al par especificado.
Tornillo del cárter: 11 N·m (1,1 kgf-m)
Tapón de vaciado de aceite del motor: 18 N·m (1,8 kgf-m)
• Después de haber apretado los pernos del cárter del cigüe-
ñal, verifique que éste, el eje intermedio y el árbol de transmi-
sión giren con suavidad.
• Aplique una pequeña cantidad de THREAD LOCK SUPER
“1303” al tornillo del retenedor del eje de la horquilla de cam-
bio de marchas y apriételo firmemente.
99000-32030: THREAD LOCK SUPER “1303”
• Instale el separador 3 y el retenedor 4.
• Instale la manivela del equilibrador.
BOMBA DE ACEITE N.° 2
• Instale el pasador 2 en el eje de la bomba de aceite N.° 2 1.
• Instale el rotor interior 3 en el eje de la bomba de aceite N.°
2 1.
NOTA:
Coloque la ranura
A
del rotor interior en el pasador
2
.

3-62 MOTOR
• Ponga aceite del motor en rotor exterior.
• Instale el rotor exterior 4 en el cárter izquierdo.
• Aplique aceite de motor el eje de la bomba de aceite y al rotor
interior.
!
• Instale la bomba de aceite N.° 2 5.
• Apriete los tornillos de montaje de la bomba de aceite N.° 2 al
par especificado.
Tornillo de montaje de la bomba de aceite N.° 2:
10 N·m (1,0 kgf-m)
CADENA DE DISTRIBUCIÓN
• Monte la cadena de distribución 1 en la rueda dentada.
• Instale el tensor de la cadena de distribución 2 y la arandela
3.
• Apriete el tornillo de montaje del tensor de la cadena de distri-
bución 4 al par especificado.
Tornillo de montaje del tensior de la cadena de
distribución: 10 N·m (1,0 kgf-m)
EMBRAGUE DE ARRANQUE Y ROTOR DE GENERADOR
• Ponga aceite del motor en el rodamiento del engranaje con-
ducido de arranque y en el cigüeñal.
• Instale el engranaje impulsado del arrancador 1.
• Desengrase la porción cónica del rotor del generador y tam-
bién el cigüeñal. Emplee un disolvente de limpieza no infla-
mable para eliminar la materia grasa o aceitosa y dejar estas
superficies completamente secas.
• Instale la chaveta 2.
La marca punzonada B del rotor exterior debe quedar
hacia el lado del cárter.

MOTOR 3-63
• Instale el rotor del generador.
• Apriete la tuerca del rotor del generador al par especificado
utilizando la herramienta especial.
Tuerca del rotor del generador: 120 N·m (12,0 kgf-m)
09930-44520: Soporte del rotor
ENGRANAJE IMPULSOR PRIMARIO Y ENGRANAJE DE
EQUILIBRADOR
• Instale el engranaje conductor del equilibrador 1.
• Instale la chaveta 2.
• Instale el engranaje impulsor primario 3 y la arandela 4.
NOTA:
Instale la arandela
4
como se muestra en la ilustración.
• Aplique aceite de motor a la rosca y a la superficie interior de
la tuerca.
Lado de la tuerca
del piñón conductor
primario
Lado del cárter

3-64 MOTOR
• Sujete el rotor del generador utilizando la herramienta espe-
cial y luego apriete la tuerca del engranaje conductor primario
al par especificado.
Tuerca de engranaje impulsor primario:
140 N·m (14,0 kgf-m)
NOTA:
Esta tuerca es de rosca a la izquierda.
09930-44520: Soporte del rotor
• Instale el pasador 5.
• Instale el engranaje conducido del equilibrador 6 alineando
las marcas de referencia 7.
• Instale la arandela 8.
• Sujete el rotor del generador utilizando la herramienta espe-
cial y luego apriete la tuerca del engranaje conducido del
equilibrador al par especificado.
Tuerca de engranaje conducido equilibrador:
50 N·m (5,0 kgf-m)
ENGRANAJE IMPULSADO DE LEVA DE CAMBIO DE
MARCHAS
• Instale la arandela 1 y el tope de la leva de cambio de mar-
chas 2 en el tornillo del tope de la leva de cambio de mar-
chas 3.
• Aplique una pequeña cantidad de THREAD LOCK SUPER
“1303” al tornillo del tope de la leva de cambio de marchas.
• Apriete el tornillo del tope de la leva de cambio de marchas.
• Monte el muelle 4.
99000-32030: THREAD LOCK SUPER “1303”
• Alinee la ranura del pasador A con el pasador B cuando ins-
tale la placa de tope 5.

MOTOR 3-65
• Aplique una pequeña cantidad de THREAD LOCK SUPER
“1303” al tornillo del engranaje conducido de la leva de cam-
bio de marchas.
• Apriete el tornillo del engranaje conducido de la leva de cam-
bio de marchas al par especificado.
Tornillo de engranaje conducido de leva de cambio de
marchas: 31 N·m (3,1 kgf-m)
99000-32030: THREAD LOCK SUPER “1303”
• Instale cada elevador de trinquete en el engranaje conducido
de leva de cambio de marchas. El resalto grande C debe
quedar hacia afuera.
• Instale el elevador de trinquetes 6 estando los trinquetes
empujados.
• Aplique una pequeña cantidad de THREAD LOCK SUPER
“1303” al tornillo del elevador de trinquetes y luego apriételo
junto con su tuerca al par especificado.
99000-32030: THREAD LOCK SUPER “1303”
• Instale el eje de cambio de marchas.
NOTA:
Alinee el diente central del eje de cambio de marchas con el
diente central del engranaje impulsado de leva de cambio de
marchas.

3-66 MOTOR
• Instale la arandela 7 y el anillo de resorte nuevo 8.
09900-06107: Pinzas para anillos de resorte
BOMBA DE ACEITE N.° 1
• Instale el cuerpo de la bomba de aceite 2, el rotor interior 3
y el pasador 4 en el eje de la bomba de aceite 1.
NOTA:
Coloque la ranura
A
del rotor interior en el pasador
4
.
!
• Ponga aceite del motor en rotor exterior.
• Instale el rotor exterior 5 en el cárter derecho.
• Aplique aceite de motor el eje de la bomba de aceite y al rotor
interior.
!
• Instale la bomba de aceite N.° 1 6.
• Instale la arandela 7 y la clavija 8.
• Cuando instale el engranaje conducido de la bomba de aceite
9, alinee el pasador 0 con la ranura C.
09900-06107: Pinzas para anillos de resorte
La ranura debe quedar al lado del cárter.
La marca punzonada B del rotor exterior debe quedar
hacia el cuerpo de la bomba de aceite.

MOTOR 3-67
• Instale el engranaje intermedio de la bomba de aceite A.
09900-06107: Pinzas para anillos de resorte
EMBRAGUE
• Ponga aceite del motor en el distanciador.
• Instale el distanciador 1.
• Instale el conjunto del engranaje conducido primario 2.
• Instale la arandela 3.
• Instale el cubo de manguito de embrague 4, la arandela de
seguridad nueva 5 y la tuerca del cubo del manguito de
embrague 6.
NOTA:
El lado cóncavo de la tuerca del cubo del manguito del embra-
gue deberá quedar hacia adentro.
• Sujete el cubo del manguito de embrague con la herramienta
especial y luego apriete su tuerca al par especificado.
Tuerca del cubo del manguito de embrague:
90 N·m (9,0 kgf-m)
09920-53740: Soporte del cubo de manguito de
embrague

3-68 MOTOR
• Doble firmemente la lengüeta de la arandela.
• Instale la varilla de empuje 7 y la pieza de empuje 8.
• Instale correctamente el asiento de la arandela de resorte 9
y la arandela de resorte 0 en el cubo del manguito de embra-
gue.
• Aplique aceite del motor a los discos conductores A y condu-
cidos B.
• Instale los discos conductores y conducidos del embrague
uno a uno en el cubo del manguito de embrague, en el orden
prescrito como se muestra en la ilustración.

MOTOR 3-69
• Aplique aceite de motor al rodamiento de liberación C.
• Monte el plato de presión de embrague D.
• Sujete el rotor del generador con la herramienta especial.
• Apriete firmemente y en diagonal los tornillos de los muelles
del embrague.
09930-44520: Soporte del rotor
• Aplique aceite del motor al labio del retén de aceite.
• Instale el retén de aceite E las clavijas y la junta F.
!
Sentido exterior
Disco N.˚ 1 conducido
Disco N.˚ 2 conducido
Pintura
Pintura
Negro
Azul
Pintura
Emplee un retén de aceite y una junta nuevos para evi-
tar fugas de aceite.

3-70 MOTOR
• Apriete firmemente los tornillos de la cubierta del cárter dere-
cho.
• Instale la junta G.
!
• Apriete firmemente los tornillos de la cubierta del embrague.
C: Tornillo con abrazadera
FILTRO DE ACEITE
• Aplique aceite de motor a la junta tórica.
• Instale la junta tórica 1 y el filtro de aceite 2.
!
• Aplique aceite de motor a la junta tórica.
• Instale la junta tórica 3 y el muelle 4.
!
Emplee una junta nueva para evitar fugas de aceite.
Utilice una junta tórica nueva para impedir fugas de
aceite.
Utilice una junta tórica nueva para impedir fugas de
aceite.

MOTOR 3-71
• Vuelva a poner la tapa del filtro de aceite y apriete firmemente
los tornillos.
NOTA:
Ponga la marca del triángulo
A
en el tapón hacia atrás.
CUBIERTA DEL ROTOR DEL GENERADOR
• Antes de instalar el engranaje intermedio del arrancador, apli-
que una solución de aceite de molibdeno al orificio del eje del
engranaje intermedio del arrancador.
SOLUCIÓN DE ACEITE DE MOLIBDENO
• Instale el engranaje intermedio del arrancador 1, el eje 2,
las clavijas y la junta 3.
!
• Apriete firmemente los tornillos de la cubierta del rotor del
generador.
A: Tornillo con abrazadera
B: Tornillo con cable
C: Tornillo con ménsula
• Antes de instalar el conjunto del limitador de torsión de arran-
que, aplique una solución de aceite de molibdeno a los colla-
res 4 del eje del conjunto del limitador de torsión de
arranque.
• Instale los collares 4, arandelas 5 y conjunto de limitador de
torsión de arranque 6.
SOLUCIÓN DE ACEITE DE MOLIBDENO
Emplee una junta nueva para evitar fugas de aceite.

3-72 MOTOR
• Aplique aceite de motor a la junta tórica 7.
• Instale la cubierta del conjunto del limitador de torsión de
arranque 8.
SEGMENTOS DE PISTÓN
• Monte los segmentos en el orden siguiente: rascador, 2do
segmento y 1er segmento.
• El primer componente que se mete en la ranura del segmento
rascador es un espaciador 1. Después de colocar el espa-
ciador, coloque las dos guías laterales 2.
NOTA:
Las designaciones laterales, inferior y superior, no son aplica-
bles al separador ni a las guías laterales: pueden colocarse
orientadas de cualquier forma.
!
A INCORRECTO
B CORRECTO
• Monte el 2do segmento 3 y el 1er segmento 4 en el pistón.
NOTA:
Los segmentos 1ro y 2do tienen forma diferente.
• Asegúrese de poner el lado cóncavo del 1er segmento en la
parte superior cuando lo coloque en el pistón.
• El 2do segmento tiene la letra “R” marcada en el lado. Asegú-
rese de que el lado marcado mira hacia arriba al encajarlo en
el pistón.
Cuando monte el separador tenga cuidado de que sus
dos extremos no se solapen en la ranura.

MOTOR 3-73
• Coloque las aberturas de los tres segmentos según se indica.
Antes de montar cada pistón en el cilindro, compruebe que
las aberturas están dispuestas de esta manera.
A Lado de escape
B Lado de admisión
5 2do segmento y raíl inferior
6 Raíl superior
7 1er segmento y espaciador
PISTÓN Y CILINDRO
• Aplique solución de aceite de molibdeno al bulón del pistón y
al pie de biela.
NOTA:
Instale el pistón con la marca punzonada
A
de la cabeza del
pistón hacia el lado de escape.
SOLUCIÓN DE ACEITE DE MOLIBDENO
• Ponga un trapo limpio sobre la base del cilindro para evitar
que la presilla del bulón del pistón caiga al interior del cárter,
y luego coloque la presilla con alicates de punta larga.
!
NOTA:
El hueco entre los extremos del circlip no deberá alinearse con
la muesca del diámetro interior del bulón del pistón.
• Limpie a fondo el aceite de la superficie de fijación del cárter.
• Aplique SUZUKI BOND “1215” al cárter B como se muestra.
99000-31110: SUZUKI BOND “1215”
(o compuesto adhesivo equivalente)
120˚
120˚120˚
Use una presilla de bulón de pistón nueva para evitar
fallos.

3-74 MOTOR
• Aplique una solución de aceite de molibdeno a la superficie
deslizante del pistón y de los segmentos.
• Instale las clavijas y la junta 1 en el cárter.
!
SOLUCIÓN DE ACEITE DE MOLIBDENO
• Sujete cada segmento del pistón con sus aberturas posicio-
nadas correctamente y coloque el pistón en el cilindo. Asegú-
rese de que los segmentos queden encajados en la falda del
cilindro.
NOTA:
* Cuando monte el cilindro, después de colocar la cadena de
distribución, mantenga esta cadena tensa. La cadena de dis-
tribución no deberá quedar atrapada entre la rueda dentada
de accionamiento de levas y el cárter cuando gira el cigüeñal.
• Instale la guía de la cadena distribución 2.
NOTA:
Cerciórese de que la guía
2
esté insertada adecuadamente o
la cadena de distribución y la guía podrían agarrotarse.
• Instale las clavijas y la junta 3.
!
Emplee una junta nueva para evitar fugas de aceite.
Emplee una junta nueva para evitar fugas.

MOTOR 3-75
CULATA
• Con la culata bien asentada en el cilindro, asegúrela apre-
tando los tornillos paso a paso y en diagonal. Apriete diago-
nalmente los tornillos de la culata al par especificado.
Tornillo de culata de cilindros
Inicial: 25 N·m (2,5 kgf-m)
Final: 47 N·m (4,7 kgf-m)
NOTA:
* Aplique aceite de motor a las partes roscadas de los tornillos
de la culata y a ambos lados de sus arandelas.
* Asegúrese de instalar la arandela con el lado redondeado
hacia arriba.
!
• Después de apretar los tornillos de la culata según las especi-
ficaciones, apriete los tornillos de la culata 1 y los tornillos
del cilindro 2 al par especificado.
Tornillo de culata: 10 N·m (1,0 kgf-m)
Tornillo de cilindro:10 N·m (1,0 kgf-m)
CONJUNTO DE ÁRBOL DE LEVAS/DESCOMPRESIÓN
AUTOMÁTICA
• Gire el rotor del generador hasta que la línea “T” del mismo
esté alineada con el centro del agujero de la cubierta del
generador.
!
Emplee arandelas de cobre nuevas para evitar fugas
de aceite.
Si se gira el cigüeñal sin mover la cadena de distribu-
ción hacia arriba, la cadena quedará atrapada entre el
cárter y la rueda dentada conductora de la cadena de
distribución.

3-76 MOTOR
• Justo antes de instalar el árbol de levas en la culata, aplique
aceite del motor a los muñones del árbol de levas, caras de
levas, soportes de muñones del árbol de levas y rodamientos
del árbol de levas.
• Con la línea “T” alineada con el centro del orificio, sujete bien el árbol de levas y tire ligeramente de la
cadena de distribución para eliminar cualquier flojedad entre rueda dentada impulsora de la cadena de
distribución y la rueda dentada del árbol de levas de escape.
• La rueda dentada del árbol de levas de escape tiene una marca punzonada A. Gire el árbol de levas de
escape para que la marca punzonada se alinee con la superficie de la junta de la culata. Engrane la
cadena de distribución con este piñón del árbol de levas de escape.
• La otra marca punzonada B deberá apuntar recta hacia arriba. Empezando desde el bulón situado direc-
tamente encima de la marca punzonada B cuente 15 bulones (desde el lado del árbol de levas de
escape hacia el lado del árbol de levas de admisión).
Engrane el bulón 15 de la cadena de distribución con la marca punzonada C en la rueda dentada de
admisión. Consulte las ilustraciones siguinetes.
NOTA:
* La cadena de distribución está montada ahora sobre las tres ruedas dentadas. Tenga cuidado de no
mover el cigüeñal hasta que los soportes del muñón del árbol de levas y el tensor de la cadena de distri-
bución estén asegurados.
* Asegúrese de que la marca punzonada
D
esté alineada con la superficie de la junta de la culata.
Pasador 1 Pasador 15

MOTOR 3-77
• Instale las clavijas y el anillo C 1.
• Ponga cada soporte de muñón de árbol de levas en su posi-
ción original.
NOTA:
Los soportes de muñón de árbol de levas marcados con “EX”
son para el lado de escape, y los marcados con “IN” para el lado
de admisión.
• Apriete los pernos de los soportes de muñones del árbol de
levas al par especificado.
Perno de soporte de muñón de árbol de levas:
10 N·m (1,0 kgf-m)
NOTA:
* Cuando apriete los tornillos de los soportes del muñón del
árbol de levas, el pistón deberá estar en el P.M.S. de la
carrera de compresión.
* Apriete diagonalmente los tornillos de los soportes del muñón
del árbol de levas.
REGULADOR DE TENSIÓN DE LA CADENA DE
DISTRIBUCIÓN
• Desbloquee el mecanismo del trinquete 1 y empuje hasta el
fondo la varilla de empuje 2.
• Instale la junta 3 y el regulador de tensión de la cadena de
distribución en el cilindro.
!
• Apriete los pernos de montaje del regulador de tensión de la
cadena de distribución al par especificado.
Tornillo de montaje del regulador de tensión de la
cadena de distribución: 10 N·m (1,0 kgf-m)
NOTA:
Cerciórese de que la “marca de arriba”
A
quede en el lado
superior.
IN
EX
Emplee una junta nueva para evitar fugas de aceite.

3-78 MOTOR
• Monte el muelle 4.
• Apriete el tornillo del soporte del muelle al par especificado.
Tornillo de soporte del muelle de tensión de cadena de
distribución: 30 N·m (3,0 kgf-m)
!
• Después de montar el tensor de la cadena de distribución,
gire el cigüeñal (dos vueltas), y vuelva a verificar la coloca-
ción de los árboles de levas. (3-76)
• Aplique grasa a la junta tórica 5.
• Apriete la tapa de la cubierta del generador 6 y el tapón de
inspección de la distribución de válvulas 7.
Tapa de cubierta del generador: 15 N·m (1,5 kgf-m)
Tapón de inspección de la distribución de válvulas:
23 N·m (2,3 kgf-m)
TAPA DE CULATA
• Limpie a fondo el aceite de las superficies de fijación de la
culata y la cubierta.
• Aplique SUZUKI BOND “1216B” a las tapas de la cunta de la
culata como se muestra.
99000-31230: SUZUKI BOND “1216B”
!
Tras montar el tensor de la cadena de distribución,
asegúrese de que el tensor funciona correctamente
verificando que la cadena no está destensada.
Emplee una junta nueva para evitar fugas de aceite.

MOTOR 3-79
• Ponga aceite del motor en ambos lados de las arandelas 1.
• Apriete ligeramente los tornillos de la tapa de la culata y luego
aprietelos al par especificado.
Tornillo de la tapa de la culata
Inicial: 10 N·m (1,0 kgf-m)
Final: 14 N·m (1,4 kgf-m)
!
• Apriete la bujía. (2-10)
CONMUTADOR DE MARCHA ENGRANADA
• Aplique grasa a la junta tórica.
• Instale la junta tórica 1, los muelles 2 y los contactos 3.
!
99000-25010: SUZUKI SUPER GREASE “A”
(o grasa equivalente)
• Instale el interruptor de marcha engranada 4 y apriete los
tornillos al par especificado.
Perno del conmutador de marcha engranada:
6,5 N·m (0,65 kgf-m)
MOTOR DE ARRANQUE
• Aplique grasa a la junta tórica.
• Instale el motor de arranque 1.
99000-25010: SUZUKI SUPER GREASE “A”
(o grasa equivalente)
Emplee arandelas nuevas para evitar fugas de aceite.
Utilice una junta tórica nueva para impedir fugas de
aceite.

DIAGNÓSTICO DEL SISTEMA FI 4-1
4
CONTENIDO
DIAGNÓSTICO DEL SISTEMA FI
PRECAUCIONES DE MANTENIMIENTO ................................................... 4- 3
COMPONENTES ELÉCTRICOS........................................................... 4- 3
FUSIBLES ............................................................................................. 4- 4
CENTRALITA/VARIOS SENSORES .................................................... 4- 4
PROCEDIMIENTO DE INSPECCIÓN DEL CIRCUITO ELÉCTRICO... 4- 6
EMPLEO DEL POLÍMETRO ................................................................. 4- 9
CARACTERÍSTICAS TÉCNICAS DEL SISTEMA DE INYECCIÓN
DE COMBUSTIBLE (FI)............................................................................... 4-10
TIEMPO DE INYECCIÓN (VOLUMEN DE INYECCIÓN)...................... 4-10
COMPENSACIÓN DEL TIEMPO DE INYECCIÓN (VOLUMEN) .......... 4-11
CONTROL DE LA DETENCIÓN DE LA INYECCIÓN........................... 4-11
SITUACIÓN DE LAS PIEZAS DEL SISTEMA FI.................................. 4-12
DIAGRAMA DE CABLEADO DEL SISTEMA FI................................... 4-14
TERMINAL ECM .......................................................................................... 4-15
FUNCIÓN DE AUTODIAGNOSIS................................................................ 4-16
MODO DEL USUARIO .......................................................................... 4-16
MODO TALLER..................................................................................... 4-17
TABLA DE CÓDIGOS DE PROBLEMAS DE DIAGNÓSTICO............. 4-18
AJUSTE DE TPS................................................................................... 4-19
FUNCIÓN DE SEGURO CONTRA FALLOS............................................... 4-20
SOLUCIÓN DE AVERÍAS DEL SISTEMA FI .............................................. 4-21
ANÁLISIS DE QUEJAS DEL CLIENTE ................................................ 4-21
INSPECCIÓN VISUAL........................................................................... 4-22
PROCEDIMIENTOS DE AUTODIAGNÓSTICO.................................... 4-23
PROCEDIMIENTO DE REPOSICIÓN DE LA AUTODIAGNOSIS ........ 4-23
USO DE LOS PROCEDIMIENTOS DE AUTODIAGNÓSTICO SDS .... 4-24
USO DEL PROCEDIMIENTO DE REPOSICIÓN
DE DIAGNÓSTICOS DEL SDS............................................................. 4-25
DATOS MOSTRADOS CUANDO SE PRODUCE UN PROBLEMA
(VISUALIZACIÓN DE DATOS EN EL MOMENTO
DE PRODUCIRSE EL DTC).................................................................. 4-26
CÓDIGO DE MAL FUNCIONAMIENTO Y CONDICIÓN
DEFECTUOSA ...................................................................................... 4-27
“C12” (P0335) MAL FUNCIONAMIENTO DEL CIRCUITO
DEL SENSOR CKP ............................................................................... 4-29
“C13” (P0105-H/L) MAL FUNCIONAMIENTO DEL CIRCUITO
DEL SENSOR IAP................................................................................. 4-31
“C14” (P0120-H/L) MAL FUNCIONAMIENTO DEL CIRCUITO
DEL SENSOR TP .................................................................................. 4-37
“C15” (P0115-H/L) MAL FUNCIONAMIENTO DEL CIRCUITO

4-2 DIAGNÓSTICO DEL SISTEMA FI
CONTENIDO
DIAGNÓSTICO DEL SISTEMA FI
DEL SENSOR ECT................................................................................ 4-42
“C21” (P0110-H/L) MAL FUNCIONAMIENTO DEL CIRCUITO
DEL SENSOR IAT................................................................................. 4-46
“C23” (P1651-H/L) MAL FUNCIONAMIENTO DEL CIRCUITO
DEL SENSOR TO.................................................................................. 4-50
“C24” (P0351) MAL FUNCIONAMIENTO DEL SISTEMA
DE ENCENDIDO.................................................................................... 4-53
“C31” (P0705) MAL FUNCIONAMIENTO DEL CIRCUITO
DEL INTERRUPTOR GP....................................................................... 4-54
“C32” (P0201) MAL FUNCIONAMIENTO DEL CIRCUITO
DEL INYECTOR DE COMBUSTIBLE................................................... 4-56
“C41” (P0230) MAL FUNCIONAMIENTO DEL CIRCUITO
DEL RELÉ FP........................................................................................ 4-58
“C60” (P0480) MAL FUNCIONAMIENTO DEL CIRCUITO
DEL RELÉ DEL VENTILADOR DE REFRIGERACIÓN........................ 4-59
SENSORES.................................................................................................. 4-60
INSPECCIÓN DEL SENSOR CKP........................................................ 4-60
DESMONTAJE E INSTALACIÓN DEL SENSOR CKP ........................ 4-60
INSPECCIÓN DEL SENSOR IAP ......................................................... 4-60
DESMONTAJE E INSTALACIÓN DEL SENSOR IAP.......................... 4-60
INSPECCIÓN DEL SENSOR TP........................................................... 4-60
DESMONTAJE E INSTALACIÓN DEL SENSOR TP ........................... 4-60
AJUSTE DE TPS................................................................................... 4-60
INSPECCIÓN DEL SENSOR ECT ........................................................ 4-60
DESMONTAJE E INSTALACIÓN DEL SENSOR ECT......................... 4-60
INSPECCIÓN DEL SENSOR IAT.......................................................... 4-61
DESMONTAJE E INSTALACIÓN DEL SENSOR IAT .......................... 4-61
INSPECCIÓN DEL SENSOR TO .......................................................... 4-61
DESMONTAJE E INSTALACIÓN DEL SENSOR TO........................... 4-61

4-3 DIAGNÓSTICO DEL SISTEMA FI

DIAGNÓSTICO DEL SISTEMA FI 4-3
PRECAUCIONES DE MANTENIMIENTO
Cuando maneje las partes componentes del sistema de inyec-
ción de combustible o lo revise, observe las siguientes precau-
ciones.
COMPONENTES ELÉCTRICOS
CONECTOR/ACOPLADOR
• Cuando conecte un conector, asegúrese de empujarlo hasta
que oiga un clic.
• Con un acoplador tipo cierre, asegúrese de soltar el cierre
cuando lo desconecte, y empújelo completamente hasta que
el cierre se acople cuando lo conecte.
• Cuando desconecte el acoplador asegúrese de agarrar el
cuerpo del acoplador y no tirar de los cables.
• Inspeccione que cada terminal del conector/acoplador no
esté flojo ni doblado.
• Compruebe cada terminal en busca de suciedad u óxido.
Los terminales tienen que estar limpios y libres de cualquier
material extraño que pudiera impedir un adecuado contacto
del terminal.
• Inspeccione que cada circuito del cable no tenga una mala
conexión, sacudiéndolo con la mano ligeramente. Si se
encuentra cualquier anomalía repárelo o sustitúyalo.
• Cuando mida en los conectores eléctricos usando una sonda
del medidor, asegúrese de insertar la sonda desde el lado del
enganche (parte posterior) del conector/acoplador.
1 Acoplador
2 Sonda
Clic

4-4 DIAGNÓSTICO DEL SISTEMA FI
• Cuando conecte la sonda del medidor desde el terminal del
acoplador (donde la conexión desde el lado del enganche no
es posible) tenga mucho cuidado de no forzarlo, porque
podrá causar el doblado del terminal macho o la apertura del
terminal hembra.
Conecte la sonda como se muestra para evitar la apertura del
terminal hembra.
Nunca empuje la sonda donde se supone que se ajusta el ter-
minal macho.
• Compruebe que el conector macho no esté doblado y que el
conector hembra no esté excesivamente abierto. También
compruebe que el acoplador esté bloqueado (no esté suelto),
no esté corroído, no tenga polvo, etc.
1 Acoplador
2 Sonda
3 Donde se ajusta el terminal macho
FUSIBLES
• Cuando salte un fusible, investigue siempre las causas, corrí-
jalas y después reemplace el fusible.
• No use un fusible de diferente capacidad.
• No utilice alambre ni sustituto alguno para los fusibles.
CENTRALITA/VARIOS SENSORES
• Debido a que cada componente es una parte de alta preci-
sión, se tiene que tener mucho cuidado de que no reciban
golpes durante la sustitución e instalación.
• Tenga cuidado de no tocar los terminales eléctricos de la cen-
tralita. La electricidad estática de su cuerpo podrá dañarlos.
INCORRECTO

DIAGNÓSTICO DEL SISTEMA FI 4-5
• Cuando conecte y desconecte la centralita (ECM), asegúrese
de poner la llave de contacto en OFF 1, o se podrán dañar
las piezas electrónicas.
• Está terminantemente prohibido la conexión de la batería con
la polaridad invertida.
Cuando la potencia invertida se aplique, dicha conexión inco-
rrecta dañará los componentes del sistema de inyección del
combustible instantáneamente.
• La desconexión de cualquier terminal de la batería mientras
está funcionando el motor está terminantemente prohibida.
En el momento que se haga tal desconexión se aplicará una
fuerza electromotriz a la centralita que podría causar serios
daños.
• Antes de medir la tensión en cada terminal, asegúrese de que
la tensión de la batería sea de 11 V o más. La verificación de
la tensión de los terminales teniendo poca carga la batería
podría dar indicaciones erróneas.
• No conecte nunca ningún medidor (voltímetro, ohmiómetro,
etc.) a la centralita cuando su acoplador esté desconectado.
De lo contrario, la centralita podría dañarse.
• No conecte nunca un ohmiómetro a la centralita estando su
acoplador conectado. Si lo intenta, podría dañarse la centra-
lita o los sensores.
• Asegúrese de utilizar un voltímetro/ohmiómetro especificado.
De lo contrario, puede que no se realicen mediciones preci-
sas y el personal podría sufrir daños.
INCORRECTO

4-6 DIAGNÓSTICO DEL SISTEMA FI
PROCEDIMIENTO DE INSPECCIÓN DEL CIRCUITO ELÉCTRICO
Aunque existen varios métodos de realizar la inspección del circuito eléctrico, aquí se describe un método
general para comprobar si hay circuitos abiertos o cortocircuitos empleando un ohmiómetro y un voltímetro.
VERIFICACIÓN DE CIRCUITO ABIERTO
Las causas posibles de los circuitos abiertos son las siguientes. Como la causa puede encontrarse en el
conector/acoplador o en el terminal, éstos deberán verificarse cuidadosamente.
• Afloje la conexión del conector/acoplador.
• Mal contacto del terminal (debido a la suciedad, corrosión u óxido, mala tensión de contacto, entrada de
objetos extraños, etc.).
• Mazo de cables abierto.
• Mala conexión entre terminal y cable.
• Desconecte el cable negativo de la batería.
• Verifique cada conector/acoplador en ambos extremos del
circuito que está siendo verificado por si hay alguna conexión
floja. Compruebe también la condición del cierre del acopla-
dor si está equipado.
1 Sensor
2 ECM
*1 Compruebe por si hay alguna conexión floja.
• Utilizando un terminal macho de prueba, verifique los termi-
nales hembra del circuito que está siendo verificado para
comprobar la tensión del contacto.
Verifique visualmente cada terminal por si hace mal contacto
(causado posiblemente por suciedad, corrosión, óxido,
entrada de objetos extraños, etc.). Al mismo tiempo, asegú-
rese de que cada terminal esté completamente insertado en
el acoplador y bloqueado.
Si la tensión del contacto no es suficiente, rectifique el con-
tacto para aumentar la tensión o reemplácelo.
Los terminales tienen que estar limpios y libres de cualquier
material extraño que pudiera impedir un adecuado contacto
del terminal.
*1 Compruebe la tensión de contacto insertando
y sacando.
*2 Compruebe cada terminal por si está
doblado y para ver si está bien alineado.
• Utilizando el procedimiento de inspección de continuidad o el
de verificación de voltaje, como se describe abajo, inspec-
cione los terminales del mazo de cables por si hay un circuito
abierto o una conexión mal hecha. Localice los fallos, si los
hay.
A Flojedad de los engarces
B Abierto
C Cable desgastado (sólo quedan unos pocos hilos)
*1
*1
*2

DIAGNÓSTICO DEL SISTEMA FI 4-7
Comprobación de continuidad
• Mida la resistencia a través del acoplador B (entre A y C en
la figura).
Si no se indica continuidad (infinito o límite superior), el cir-
cuito está abierto entre los terminales A y C.
1 ECM
• Desconecte el acoplador B y mida la resistencia entre los
acopladores A y B.
Si no se indica continuidad, el circuito está abierto entre los
acopladores A y B. Si se indica continuidad, habrá un cir-
cuito abierto entre los acopladores B’ y C o un fallo en el
acoplador B’ o en el acoplador C.
1 ECM
COMPROBACIÓN DEL VOLTAJE
Si se suministra voltaje al circuito que se comprueba, la compro-
bación de voltaje se puede usar como comprobación de circuito.
• Con todos los conectores/acopladores enganchados, y apli-
cado el voltaje al circuito que se está comprobando, mida el
voltaje entre cada terminal y masa.
Si las medidas se toman como muestra la figura de la derecha y
los resultados son como los listados debajo, esto significa que
el circuito está abierto entre los terminales A y B.
Voltaje entre:
C y masa: Aprox. 5 V
B y masa: Aprox. 5 V
A y masa: 0 V
También, si los valores medidos son como los listados abajo,
existe una resistencia (anomalía) la cual causa la caída del vol-
taje en el circuito entre los terminales A y B.
Voltaje entre:
C y masa:
Aprox. 5 V
B y masa:
Aprox. 5 V
caída de voltaje de 2 V
A y masa
3 V
5 V
0 V
5 V
5 V

4-8 DIAGNÓSTICO DEL SISTEMA FI
COMPROBACIÓN DE CORTOCIRCUITOS (MAZO DE
CABLES A MASA)
• Desconecte el cable negativo de la batería.
• Desconecte los conectores/acopladores de ambos extremos
del circuito que se va a comprobar.
NOTA:
Si el circuito que se va a comprobar se ramifica en otras partes
como se muestra, desconecte todos los conectores/acoplado-
res de aquellas partes. De otro modo, la diagnosis será errónea.
• Mida la resistencia entre el terminal de uno de los extremos
del circuito (terminal A en la figura) y masa. Si se indica con-
tinuidad, hay un cortocircuito a masa entre los terminales A y
C.
1 Otras piezas
*1 A otras piezas
• Desconecte el conector/acoplador incluido en el circuito (aco-
plador B) y mida la resistencia entre el terminal A y masa.
Si se indica continuidad, el circuito está cortocircuitado a
masa entre los terminales A y B.
1 ECM
*1 A otras piezas
*1
5 V
*1

DIAGNÓSTICO DEL SISTEMA FI 4-9
EMPLEO DEL POLÍMETRO
• Use el polímetro de Suzuki (09900-25008).
• Utilice pilas bien cargadas en el polímetro.
• Asegúrese de ajustar el polímetro al margen correcto de com-
probación.
UTILIZACIÓN DEL POLÍMETRO
• La conexión incorrecta de las sondas + y - puede hacer
que se queme el interior del polímetro.
• Si la tensión y la corriente son desconocidas, realice medidas
usando el margen más alto.
• Cuando mida la resistencia con el polímetro, 1, ∞ se mos-
trará como 10,00 MΩ y “1” parpadeará en el visualizador.
• Compruebe que no se aplica tensión antes de realizar la
medida. Si se aplica tensión, el polímetro podrá resultar
dañado.
• Después de usar el polímetro, desconéctelo.
09900-25008: Juego de polímetro
NOTA:
* Cuando conecte el polímetro, utilice la sonda puntiaguda en la
parte la parte trasera del acoplador del cable principal y
conecte las sondas del polímetro al mismo.
* Utilice la sonda puntiaguda para evitar que el caucho del aco-
plador impermeable sufra daños.
09900-25009: Juego de sondas puntiagudas

4-10 DIAGNÓSTICO DEL SISTEMA FI
CARACTERÍSTICAS TÉCNICAS DEL SISTEMA DE INYECCIÓN DE
COMBUSTIBLE (FI)
TIEMPO DE INYECCIÓN (VOLUMEN DE INYECCIÓN)
Los factores para determinar el tiempo de inyección incluyen el tiempo básico de inyección de combustible
que se calcula tomando como base la presión del aire de admisión, la velocidad del motor, el ángulo de
abertura del acelerador y varias compensaciones.
Estas compensaciones se determinan según las señales procedentes de varios sensores que detectan las
condiciones del motor y de la conducción.
Sensor de presión del aire de admisión
(Sensor IAP)
Señal de presión del
aire de inyección
Señal de velocidad del motor
Señal de abertura del acelerador
Sensor de posición del cigüeñal
(Sensor CKP)
Sensor de posición del acelerador
(Sensor TP)
Varios
sensores
Varias señales
Señal de inyección
Inyector
ECM
Tiempo básico
de inyección
de combustible
Tiempo máximo
de inyección
de combustible
Compresión

DIAGNÓSTICO DEL SISTEMA FI 4-11
COMPENSACIÓN DEL TIEMPO DE INYECCIÓN (VOLUMEN)
Las siguientes señales distintas salen de sus respectivos sensores, para la compensación del tiempo de
inyección del combustible (volumen).
CONTROL DE LA DETENCIÓN DE LA
INYECCIÓN
SEÑAL DESCRIPCIÓN
SEÑAL DEL SENSOR DE TEMPERATURA
DEL REFRIGERANTE DEL MOTOR
Cuando la temperatura del líquido refrigerante del motor es
baja, el tiempo de inyección (volumen) aumenta.
SEÑAL DEL SENSOR DE TEMPERATURA
DEL AIRE DE ADMISIÓN
Cuando la temperatura del aire de admisión es baja, el
tiempo de inyección (volumen) se incrementa.
SEÑAL DE VOLTAJE DE LA BATERÍA La centralita actúa en el voltaje de la batería y, a la vez,
monitoriza la señal de voltaje para la compensación del
tiempo de inyección (volumen). Se necesita un tiempo de
inyección mayor para ajustar el volumen de inyección en
caso de bajo voltaje.
SEÑAL DE ACELERACIÓN/
SEÑAL DE DESACELERACIÓN
Durante la aceleración, el tiempo de inyección (volumen) del
combustible aumenta, según la velocidad de apertura del
acelerador y las rpm del motor. Durante la deceleración, el
tiempo de inyección de combustible (volumen) disminuye.
SEÑAL DESCRIPCIÓN
SEÑAL DEL SENSOR DE SOBREINCLINA-
CIÓN
(CORTE DE COMBUSTIBLE)
Cuando el vehículo se incline, el sensor de sobreinclinación
enviará una señal a la ECM. Esta señal corta la corriente
suministrada a la bomba y al inyector de combustible, y a la
bobina de encendido.
SEÑAL DEL LIMITADOR DE SOBRERRE-
VOLUCIONES
La inyección de combustible se detiene cuando las rpm del
motor alcanzan su valor límite.

4-12 DIAGNÓSTICO DEL SISTEMA FI
SITUACIÓN DE LAS PIEZAS DEL SISTEMA FI
A Sensor de temperatura del aire de admisión (IATS) B Bobina de encendido (IG COIL)
C Sensor de temperatura del refrigerante del motor (ECTS) D Relé de ventilador
E Ventilador de refrigeración
ECM

DIAGNÓSTICO DEL SISTEMA FI 4-13
F Relé de bomba de combustible (FP RELAY) G Sensor de sobreinclinación (TOS)
H Sensor de presión del aire de admisión (IAPS) I Inyector de combustible
J Sensor de posición del acelerador (TPS) K Bomba de combustible (FP)
L Sensor de posición del cigüeñal (CKPS) M Interruptor de posición de marcha engranada
ECM

4-14 DIAGNÓSTICO DEL SISTEMA FI
DIAGRAMA DE CABLEADO DEL SISTEMA FI
Sensor de posición del cigüeñal
(CKPS)
G/W Y/B
Gr/W
Y/Bl
O/W
W/Bl
G/R
Y/B
B
Bl/B
P
B/W
B/W
B/W
R
Y
G/B
B/Br
B/Bl
Br/W
Dg
Bl
Sensor de posición
del acelerador
(TPS)
Sensor de presión
del aire de admisión
(IAPS)
Sensor de temperatura
del refrigerante del motor
(ECTS)
Sensor de temperatura
del aire de admisión
(IATS)
Sensor de caída (TOS)
Inyector de
combustible (FI)
10 A
10 A 20 A
Bomba
de
combustible
Interruptor de
motor de arranque
Relé de motor
de arranque
Motor de arranque
Luz de indicador
de combustible
Luz FI
Bobina de encendido
(IG COIL)
Al sensor
de combustible
1
2
3
4
5N
M
Batería
Interruptor de
encendido
Relé de bomba
de combustible
Interruptor
de parada
del motor
Interruptor de posición
de la maneta
de embrague
Luz
indicadora
de punto
muerto
Interruptor
de posición
de veloci-
dades
Ventilador
Relé del ventilador
de refrigeración

DIAGNÓSTICO DEL SISTEMA FI 4-15
TERMINAL ECM
N.° DE
TERMINAL CIRCUITO N.° DE
TERMINAL CIRCUITO
1Fuente de alimentación I—
2Señal de sensor TO (TOS) JEn blanco
3Señal de sensor CKP (CKP+) KIndicador FI/ECT
4Señal de interruptor (GP) LSeñal de sensor (ECT)
5Señal de sensor TP (TP) MEn blanco
6Señal de sensor IAP (IAP) NMasa de sensor (E2)
7En blanco OSeñal de sensor IAT (IAT)
8Masa de ECM (E1) PEn blanco
9Señal de sensor CKP (CKP–) QEn blanco
0Datos de serie para autodiagnosis REn blanco
ABomba de combustible (FP) SSelector de modo
BInterruptor de punto muerto (NT) TMotor de arranque (STA)
CAlimentación para sensores (VCC) U—
D—V—
E—WRelé de ventilador de refrigeración
(FAR)
FInyector (N.° 11) XEn blanco
GIndicador de combustible YMasa (E01)
HBobina de encendido ZMasa (E02)

4-16 DIAGNÓSTICO DEL SISTEMA FI
FUNCIÓN DE AUTODIAGNOSIS
La función de autodiagnosis está incorporada en la centralita. La función tiene dos modos, “Modo usuario” y
“Modo taller”. El usuario sólo puede ser avisado por la luz FI. El modo taller se suministra para comprobar la
función de los dispositivos individuales del sistema de inyección. En esta comprobación se necesita la
herramienta especial para leer el código de los puntos de mal funcionamiento.
MODO DEL USUARIO
*1
Cuando una de las señales no es recibida por la centralita, el circuito de modo a prueba de fallos actúa, y
no se para la inyección. En este caso, la luz FI se enciende en el panel indicador y el vehículo puede funcio-
nar.
*2
La señal de inyección se detiene cuando la señal del sensor de posición del cigüeñal, la señal del sensor de
sobreinclinación, la señal de encendido, la señal del inyector, la señal del relé de la bomba de combustible
o la señal del interruptor de encendido no se envían a la centralita. En este caso, la luz FI se enciende y
parpadea en el panel indicador. El vehículo no puede funcionar.
Cuando el interruptor de encendido se pone en ON, la luz FI se enciende durante 2 segundos y luego per-
manece apagada.
El contacto se coloca en posición ON, y el interruptor de parada del motor se coloca en posición OFF. En
este caso, el panel indicador no recibe ninguna señal de la ECM, y no se enciende en él la “luz FI”.
Si la luz FI no se enciende cuando el interruptor de encendido se pone en ON, no indicará el código de pro-
blema. Es necesario probar la sujeción de la instalación eléctrica entre la centralita y los acopladores del
panel indicador.
Las posibles causas de esta indicación son las siguientes;
El interruptor de parada del motor está en la posición de OFF. El fusible del encendido está fundido.
NOTA:
La luz FI parpadea rápidamente dos veces por segundo cuando la temperatura del refrigerante del motor
está demasiado alta.
MAL FUNCIONAMIENTO INDICACIÓN DE LUZ FI
“NO” ----
“SÍ”
El motor puede arrancar
La luz FI se enciende.
*1
El motor no puede arrancar La luz FI se enciende y parpadea.
*2

DIAGNÓSTICO DEL SISTEMA FI 4-17
MODO TALLER
La función defectuosa se encuentra en la memoria del computador. Use el acoplador de herramienta espe-
cial para conectar el acoplador de modo taller. El código de funcionamiento defectuoso memorizado se
muestra en la luz FI. Mal funcionamiento significa que la centralita no recibe señal de los dispositivos. Estos
dispositivos afectados se indican en la tabla de códigos.
09930-82720: Selector de modo
!
Antes de comprobar el código de funcionamiento defectuoso, no desconecte los acopladores
del cable de la ECM ni desactive el interruptor de encendido.
Si los acopladores de la ECM se desconectan, el código de funcionamiento defectuoso se
borra de la memoria y no se puede comprobar.
MAL FUNCIONAMIENTO INDICACIÓN DE LUZ FI MODO DE INDICACIÓN
“NO” La luz FI se apaga. ----
“SÍ”
La luz FI se enciende y parpadea.
(El código se indica desde un número
pequeño a uno grande.)
Consulte “TABLA DE CÓDIGOS
DE PROBLEMAS DE DIAGNÓS-
TICO” (4-18)

4-18 DIAGNÓSTICO DEL SISTEMA FI
TABLA DE CÓDIGOS DE PROBLEMAS DE DIAGNÓSTICO
En la luz FI, el código de mal funcionamiento se indica del código más bajo al más alto.
EJEMPLO: Cuando los sensores de presión del aire de admisión y de temperatura del aire de admisión
estén defectuosos (Códigos N.° 13 y 21)
N.° DTC PATRÓN DE PARPA-
DEO DE LA LUZ FI
PIEZA CON MAL FUNCIO-
NAMIENTO OBSERVACIONES
12 Sensor de posición del
cigüeñal (CKPS)
Señal de bobina captadora,
generador de señales
13 Sensor de presión del aire de
admisión (IAPS)
14 Sensor de posición del ace-
lerador (TPS)
15
Sensor de temperatura del
refrigerante del motor
(ECTS)
21 Sensor de temperatura del
aire de admisión (IATS)
23 Sensor de sobreinclinación
(TOS)
24 Señal de encendido (Bobina
IG)
31
Señal de posición de mar-
chas
(Interruptor GP)
32 Señal de inyector (FI)
41
Sistema de control de bomba
combustible (Sistema de
control FP)
Relé de la bomba de combusti-
ble
60 Sistema de control del venti-
lador de refrigeración
Relé de ventilador de refrigera-
ción
1
0,3 0,3 0,3
0,3
0,3 3,0 3,0 3,01,0
32 32
Tiempo (s)
111
ON
OFF
Código N.˚ 13
Luz FI Código N.˚ 13Código N.˚ 21 Código N.˚ 21
0,3
12
13
14
15
12
23
24
31
32
41
60

DIAGNÓSTICO DEL SISTEMA FI 4-19
AJUSTE DE TPS
1. Ajuste las rpm del motor a 1 800 rpm. (2-12)
2. Si se necesita ajustar el sensor de posición del acelerador,
quite la cubierta del depósito de combustible (7-6), la
bomba de combustible (5-6) y siga el procedimiento de
abajo.
3. Afloje el tornillo y gire el sensor de posición del acelerador 1,
y conecte el acoplador del sensor TP 2 al mazo de cables.
4. Ponga el interruptor de encendido en ON.
5. Ajuste el sensor TP 1 hasta que el voltaje de salida sea el
especificado.
6. Después apriete el tornillo para fijar el sensor de posición del
acelerador.
Voltaje de salida del sensor TP: 0,58 – 0,62 V
(+ Amarillo – - B/Br)
09900-25008: Juego de polímetro
09900-28630: Mazo de cables de prueba del TPS
09930-11950: Llave Torx
7. Compruebe la velocidad de ralentí. (2-12)
V

4-20 DIAGNÓSTICO DEL SISTEMA FI
FUNCIÓN DE SEGURO CONTRA FALLOS
El sistema FI se suministra con una función de seguro contra fallos para permitir que el motor arranque y el
vehículo funcione con las prestaciones mínimas necesarias a pesar de haberse producido una avería.
El motor puede arrancar y funcionar aún cuando no se reciba la señal mencionada de cada sensor. No obs-
tante, la capacidad de funcionamiento del motor no es total, si no que se limita a proporcionar los medios
necesarios para solucionar una emergencia (circuito a prueba de fallos). En este caso, es necesario llevar a
reparar el vehículo al taller.
ÍTEM FUNCIÓN DE SEGURO CONTRA
FALLOS
HABILIDAD DE
ARRANQUE
HABILIDAD DE
FUNCIONA-
MIENTO
Sensor IAP La presión del aire de admisión se
ha fijado en 101 kPa (768 mmHg). “SÍ” “SÍ”
Sensor TP El acelerador está fijado en posición
de cierre.
La distribución del encendido tam-
bién está fijada.
“SÍ” “SÍ”
Sensor ECT El valor de la temperatura del refri-
gerante esta fijado en 80 °C.
El ventilador de refrigeración está
fijado en posición.
“SÍ” “SÍ”
Sensor IAT El valor de la temperatura del aire de
admisión está fijado en 40 °C. “SÍ” “SÍ”
Señal de posición de mar-
chas
La señal de posición de marchas
está fijada en punto muerto. “SÍ” “SÍ”

DIAGNÓSTICO DEL SISTEMA FI 4-21
SOLUCIÓN DE AVERÍAS DEL SISTEMA FI
ANÁLISIS DE QUEJAS DEL CLIENTE
Anote los detalles del problema (fallo, queja) y cómo ocurrió tal y como lo describa el cliente. Con este fin, la
utilización de un formulario como el de más abajo facilitará la recogida de la información necesaria para un
análisis y diagnóstico adecuados.
EJEMPLO: FORMULARIO DE INSPECCIÓN DEL PROBLEMA DEL CLIENTE
Nombre de usuario: Modelo: NÚMERO DE BASTIDOR:
Fecha de salida: Fecha de registro Fecha del problema: Kilometraje:
Condición de la lámpara
indicadora de mal funcio-
namiento
Siempre encendida Algunas veces encendida Siempre apagada
Buena condición
Condición de la lámpara
indicadora/código de mal
funcionamiento
Modo usuario: Sin lámpara indicadora
Lámpara indicadora de mal funcionamiento ( )
Modo de taller: Sin código Código de mal funcionamiento ( )
SÍNTOMAS DEL PROBLEMA
Arranque difícil Mal funcionamiento
No arranca Vacilación en la aceleración
No hay combustión inicial Encendido retrasado/ Encendido adelantado
No hay combustión Falta de potencia
Mal arranque en
( frío caliente siempre)
Sobrevoltaje
Golpeteo anormal
Otro Las rpm saltan brevemente
Otro
Mal funcionamiento al ralentí El motor se para cuando
Velocidad de ralentí anormal
( Alta Baja) ( rpm)
Inmediatamente después del arranque
La válvula del acelerador está abierta
Inestable La válvula del acelerador está cerrada
Oscilación ( rpm a rpm) Hay carga aplicada
Otro Otro
OTROS:

4-22 DIAGNÓSTICO DEL SISTEMA FI
NOTA:
El formulario de arriba es un ejemplo estándar. El formulario debe ser modificado de acuerdo a las condicio-
nes y características de cada mercado.
INSPECCIÓN VISUAL
• Antes de hacer el diagnóstico con el interruptor selector de modo o SDS, haga las inspecciones visuales
siguientes. La inspección visual deberá hacerse porque los fallos mecánicos (como las fugas de aceite)
no se pueden mostrar en el panel indicador usando el interruptor selector de modo o SDS.
* Nivel y fugas del aceite del motor (2-13)
* Nivel y fugas del refrigerante del motor (2-15)
* Nivel y fugas del combustible (2-11 y 8-25)
* Elemento del filtro de aire atascado (2-3)
* Condición de la batería (8-31)
* Juego del cable del acelerador (2-11)
* Latiguillos de vacío flojos, doblados y desconectados
* Fusible fundido
* Funcionamiento de la luz FI (4-16 y 8-23)
* Funcionamiento de cada luz de aviso (8-23 a -25)
* Fuga y ruido del gas de escape (2-4)
* Desconexión de cada acoplador
* Aletas de radiador obstruidas (6-6)
CONDICIONES AMBIENTALES/DEL VEHÍCULO CUANDO OCURRE EL PROBLEMA
Condición ambiental
Tiempo Bueno Nublado Lluvia Nieve Siempre Otro
Temperatura Caliente Cálido Fresco Frío ( °C) Siempre
Frecuencia Siempre Algunas veces ( veces/ día, mes) Sólo una vez
Bajo cierta condición
Carretera Urbana Suburbios Autopista
Montañosa ( Cuesta arriba Cuesta abajo) Asfalto Gravilla
Otro
Condición del vehículo
Condición del
motor
Frío Fase de calentamiento Calentado Siempre Otras al arrancar
Inmediatamente tras arrancar Acelerando sin carga
Velocidad del motor ( rpm)
Condición del
vehículo
Durante conducción: Velocidad constante Acelerando Desacelerando
Esquina derecha Esquina izquierda
Parada Velocidad del vehículo cuando se produce el problema ( km/h)
Otro

DIAGNÓSTICO DEL SISTEMA FI 4-23
PROCEDIMIENTOS DE AUTODIAGNÓSTICO
NOTA:
* No desconecte los conectores de la centralita, el cable de la batería de la misma, la sujeción del cable de
masa de la centralita desde el motor o el fusible principal antes de confirmar el código de mal funciona-
miento (código de problema de autodiagnóstico) almacenado en la memoria. Tal desconexión borrará la
información de la memoria de la centralita.
* El código de mal funcionamiento almacenado en la memoria de la centralita puede ser comprobado por
medio de la herramienta especial.
* Antes de comprobar el código de fallo de funcionamiento, lea cuidadosamente la FUNCIÓN DE AUTO-
DIAGNOSIS “MODO DEL USUARIO y MODO TALLER” (
4-16 y -17) para entender bien qué funciones
se encuentran disponibles y cómo utilizarlas.
* Asegúrese de leer “PRECAUCIONES DE MANTENIMIENTO” (
4-3) antes de la inspección y tenga en
cuenta lo que está allí escrito.
• Conecte la herramienta especial al acoplamiento del modo
taller A del cableado, y arranque el motor o gírelo durante
más de 4 segundos.
• Ponga en ON el interruptor de la herramienta especial y com-
pruebe el código de mal funcionamiento para determinar la
pieza que está funcionando mal.
09930-82720: Selector de modo
PROCEDIMIENTO DE REPOSICIÓN DE LA
AUTODIAGNOSIS
• Después de reparar el problema, ponga el interruptor de
encendido en OFF y colóquelo en la posición ON otra vez.
• Si el código de funcionamiento defectuoso no se indica, el
funcionamiento defectuoso se ha eliminado.
• Desconecte la herramienta especial del acoplamiento de
modo taller.
NOTA:
* Aunque no se indique el código de mal funcionamiento (la luz FI parpadea), el código del historial de mal
funcionamiento permanecerá guardado en la ECM. Por lo tanto borre el código del historial memorizado
en la ECM usando el SDS.
* El código de mal funcionamiento se memoriza en la ECM también cuando se desconecta el acoplador de
cables de cualquier sensor. Por lo tanto, cuando se desconecte un acoplador de cables al hacer el diag-
nóstico, borre el códio del historial de mal funcionamiento usando el SDS.

4-24 DIAGNÓSTICO DEL SISTEMA FI
USO DE LOS PROCEDIMIENTOS DE
AUTODIAGNÓSTICO SDS
* No desconecte los conectores de la centralita, el cable de la
batería de la misma, la sujeción del cable de masa de la cen-
tralita desde el motor o el fusible principal antes de confirmar
el código de mal funcionamiento (código de problema de auto-
diagnóstico) almacenado en la memoria. Tal desconexión
borrará la información de la memoria de la centralita.
* El código de mal funcionamiento almacenado en la memoria
de la centralita puede ser comprobado por medio del SDS.
* Asegúrese de leer “PRECAUCIONES DE MANTENIMIENTO”
(
4-3) antes de la inspección y tenga en cuenta lo que está
allí escrito.
• Preparación de la herramienta SDS. (Consulte el manual de
funcionamiento del SDS para conocer más detalles.)
• Lea el DTC (código de problema de diagnóstico) y muestre
los datos del problema (visualización de datos al producirse
el DTC) según las instrucciones visualizadas en el SDS.
• No sólo se usa el SDS para detectar códigos de problemas
de diagnóstico, sino que también se usa para reproducir y
comprobar en la pantalla la condición del fallo descrita por el
cliente usando el accionador.
• Cómo usar el accionador. (Consulte el manual de funciona-
miento del SDS para conocer más detalles.)
09904-41010: Herramienta para SDS
99565-01010-007: CD-ROM Ver. 7

DIAGNÓSTICO DEL SISTEMA FI 4-25
USO DEL PROCEDIMIENTO DE
REPOSICIÓN DE DIAGNÓSTICOS DEL SDS
• Después de reparar el problema, ponga el interruptor de
encendido en OFF y colóquelo en la posición ON otra vez.
• Haga clic en el botón de inspección del DTC 1.
• Compruebe el DTC.
• El código del historial de mal funcionamiento anterior “Past
DTC” (DTC pasado) permanece guardado en la ECM. Por lo
tanto borre el código del historial memorizado en la ECM
usando la herramienta SDS.
NOTA:
El código de mal funcionamiento se memoriza en la ECM tam-
bién cuando se desconecta el acoplador de cables de cualquier
sensor. Por lo tanto, cuando se desconecte un acoplador de
cables al hacer el diagnóstico, borre el códio del historial de mal
funcionamiento usando el SDS.
• Haga clic en “Clear” (Borrar) 2 para eliminar el código del
historial “Past DTC” (DTC pasado).
• Siga las instrucciones visualizadas.
• Compruebe que “Current DTC” (DTC actual) 3 y “Past DTC”
(DTC pasado) 4 estén eliminados (NIL).
(El DTC se ha borrado con éxito.)
(¿Borra el DTC?)

4-26 DIAGNÓSTICO DEL SISTEMA FI
DATOS MOSTRADOS CUANDO SE PRODUCE UN PROBLEMA
(VISUALIZACIÓN DE DATOS EN EL MOMENTO DE PRODUCIRSE EL DTC)
La ECM guarda en su memoria las condiciones del motor y de la conducción (en forma de datos como se
muestra en la figura) en el momento de detectarse un fallo de funcionamiento. Estos datos reciben el nom-
bre de “Show data when trouble” (Visuali de datos cuando).
Por lo tanto, comprobando los datos cuando se produce un problema, cuando se detecta un fallo es posible
conocer las condiciones del motor y de la conducción (ej., si el motor estaba caliente o no, dónde estaba
funcionando o parado el vehículo). Esta función de datos mostrados cuando se produce un problema puede
grabar el máximo de dos códigos de problema de diagnóstico en la ECM.
Además, la ECM tiene una función para guardar los datos mostrados cuando se produce un problema
correspondientes a dos fallos diferentes en el orden en que se detecta el fallo. Con esta función se puede
conocer el orden de los fallos que han sido detectados. Su uso es muy útil cuando se vuelve a comprobar o
diagnosticar un problema.
• Haga clic en “Show data when trouble” (Visuali de datos cuando) 1 para visualizar los datos. Haciendo
clic en el botón desplegable 2 se puede seleccionar “Failure #1” (Fallo #1) o “Failure #2” (Fallo #2).

DIAGNÓSTICO DEL SISTEMA FI 4-27
CÓDIGO DE MAL FUNCIONAMIENTO Y CONDICIÓN DEFECTUOSA
N.° DTC
ÍTEM
DETECTADO
CONDICIÓN DE FALLO DETECTADA VERIFIQUE
C12 Sensor CKP La señal no llega a la centralita
durante 1 seg. o más después de reci-
birse la señal de IAP.
Cableado del sensor CKP y pie-
zas mecánicas
Sensor CKP, conexión de
cable/acoplador
P0335
C13
Sensor IAP El sensor deberá producir el voltaje
siguiente.
0,5 V sensor de voltaje < 4,4 V
En caso contrario se indica C13
(P0105).
Sensor IAP, conexión de
cable/acoplador
P0105
H
La tensión del sensor es más alta que
el valor especificado.
Circuito del sensor IAP cortocir-
cuitado a VCC o circuito de
masa abierto
L
La tensión del sensor es más baja que
el valor especificado.
Circuito del sensor IAP abierto o
cortocircuitado a masa o circuito
VCC abierto
C14
Sensor TP El sensor deberá producir el voltaje
siguiente.
0,5 V sensor de voltaje < 4,8 V
En caso contrario se indica C14
(P0120).
Sensor TP, conexión de
cable/acoplador
P0120
H
La tensión del sensor es más alta que
el valor especificado.
Circuito del sensor TP cortocir-
cuitado a VCC o circuito de
masa abierto
L
La tensión del sensor es más baja que
el valor especificado.
Circuito del sensor TP abierto o
cortocircuitado a masa o circuito
VCC abierto
C15
Sensor ECT El voltaje del sensor deberá ser el
siguiente.
0,1 V sensor de voltaje < 4,8 V
En caso contrario se indica C15
(P0115).
Sensor ECT, conexión de
cable/acoplador
P0115
HLa tensión del sensor es más alta que
el valor especificado.
Circuito sensor ECT abierto o
circuito de masa abierto
LLa tensión del sensor es más baja que
el valor especificado.
Circuito de sensor ECT cortocir-
cuitado a masa
C21
Sensor IAT El voltaje del sensor deberá ser el
siguiente.
0,2 V sensor de voltaje < 4,8 V
En caso contrario se indica C21
(P0110).
Sensor IAT, conexión de
cable/acoplador
P0110
HLa tensión del sensor es más alta que
el valor especificado.
Circuito sensor IAT abierto o cir-
cuito de masa abierto
LLa tensión del sensor es más baja que
el valor especificado.
Circuito sensor IAT cortocircui-
tado a masa

4-28 DIAGNÓSTICO DEL SISTEMA FI
N.° DTC
ÍTEM
DETECTADO
CONDICIÓN DE FALLO DETECTADA VERIFIQUE
C23
Sensor TO La tensión del sensor deberá ser la
indicado a continuación durante 1
segundos o más después de poner en
ON el interruptor de encendido.
0,3 V sensor de voltaje < 4,6 V
En caso contrario se indica C23
(P1651).
Sensor TO, conexión de
cable/acoplador
P1651
H
La tensión del sensor es más alta que
el valor especificado.
Circuito de sensor TO cortocir-
cuitado a VCC o circuito de
masa abierto
L
La tensión del sensor es más baja que
el valor especificado.
Circuito de sensor TO abierto o
cortocircuitado a masa o circuito
VCC abierto
C24
Señal de
encendido
Se produce señal del sensor CKP
(bobina captadora), pero la señal pro-
cedente de la bobina de encendido se
interrumpe continuamente 5 veces o
más. En este caso se indica el código
C24 (P0351).
Bobina de encendido, conexión
de cableado/acoplador, alimen-
tación de la batería
P0351
C31
Señal de
posición de
marchas
La tensión de la señal de posición de
marchas deberá ser superior a la
siguiente durante 3 segundos o más.
Voltaje del interruptor de posición de
marcha > 0,9 V
En caso contrario se indica C31
(P0705).
Interruptor GP, conexión de
cableado/acoplador, leva de
cambio de marchas, etc.
P0705
C32
Inyector de
combustible
Se produce la señal del sensor CKP
(bobina captadora), pero la señal pro-
cedente del inyector de combustible se
interrumpe continuamente 8 veces o
más. En este caso se indica el código
C32 (P0201).
Inyector de combustible,
conexión de cableado/acopla-
dor, alimentación al inyector
P0201
C41 Relé de la
bomba de
combustible
La señal del relé de la bomba de com-
bustible no se introduce en la centra-
lita.
Relé de la bomba de combusti-
ble, conexión de cable/acopla-
dor
P0230
C60 Relé de ven-
tilador de
refrigeración
La señal del relé del ventilador de refri-
geración no se introduce en la centra-
lita.
Relé del ventilador de refrigera-
ción, conexión de cable/acopla-
dor
P0480

DIAGNÓSTICO DEL SISTEMA FI 4-29
“C12” (P0335) MAL FUNCIONAMIENTO DEL CIRCUITO DEL SENSOR CKP
INSPECCIÓN
Paso 1
1) Ponga el interruptor de encendido en OFF.
2) Compruebe que el conector del sensor CKP no esté flojo o
tenga mal los contactos.
Si está bien mida la resistencia del sensor CKP.
3) Desconecte el acoplador del sensor CKP y mida la resisten-
cia.
Resistencia del sensor CKP : 155 – 232 Ω
(Blanco – Azul)
SE HA DETECTADO CAUSA POSIBLE
La señal no llega a la centralita durante 1 seg. o
más después de recibirse la señal de IAP.
• Hay partículas metálicas o materiales extraños
adheridos en el sensor CKP y en la punta del
rotor
• Circuito sensor CKP abierto o cortocircuitado
• Mal funcionamiento del sensor CKP
• Mal funcionamiento de la centralita
ECM
Sensor CKP
CKP
CKP
G/W
Bl
W
BI
1
1

4-30 DIAGNÓSTICO DEL SISTEMA FI
4) Si está bien, compruebe el aislamiento entre cada terminal y
masa.
Resistencia del sensor CKP: ∞ Ω (Infinito)
(Blanco – Masa)
(Azul – Masa)
09900-25008: Juego de polímetro
Graduación del polímetro: Resistencia (Ω)
¿Están bien la resistencia y la continuidad?
5) Después de reparar el problema, cancele el DTC con la herramienta SDS. (4-25)
Paso 2
1) Arranque el motor unos pocos segundos con el motor de arran-
que y mida la tensión de pico del sensor CKP en el acoplador.
2) Repita el procedimiento de la prueba anterior varias veces y
mida la tensión de pico mayor.
Voltaje de pico del sensor CKP: 0,5 V o más
(+ Blanco – - Azul)
1 Adaptador de voltaje de pico
09900-25008: Juego de polímetro
Graduación del polímetro: Tensión ()
.¿Es correcta la tensión?
!
3) Después de reparar el problema, cancele el DTC con la herramienta SDS. (4-25)
SÍ Vaya al Paso 2.
NO Sustituya el sensor CKP por uno nuevo.
SÍ
• Cable G/W o Bl abierto o cortocircuitado a masa.
• Aflojamiento o malos contactos del acoplador
del sensor CKP o de la ECM (terminal 3 o 9).
• Si el cable y la conexión están bien, hay un
problema intermitente o un fallo de la centralita.
• Vuelva a comprobar cada terminal y conjunto
de cables para ver si hay circuito abierto y una
mala conexión.
• Sustituya la ECM por una que se sepa que está
bien e inspeccione otra vez.
NO
• Inspeccione por si hay partículas metálicas o
materiales extraños adheridos en el sensor
CKP y en la punta del rotor.
• Si no hay partículas metálicas ni materiales
extraños adheridos, reemplace el sensor CKP
por otro nuevo.
Cuando utilice el polímetro, no toque con fuerza el terminal del acoplador de la ECM con la
punta de la aguja de la sonda para no dañar ni doblar el terminal.
1
2
V
Acoplador ECM (Lazo del mazo de cables)
2

DIAGNÓSTICO DEL SISTEMA FI 4-31
“C13” (P0105-H/L) MAL FUNCIONAMIENTO DEL CIRCUITO DEL SENSOR
IAP
INSPECCIÓN
Paso 1 (Cuando se indica C13:)
1) Ponga el interruptor de encendido en OFF.
2) Quite la defensa trasera. (7-8)
3) Compruebe que el conector del sensor IAP no esté flojo o
tenga mal los contactos.
Si está bien, mida el voltaje de entrada al sensor IAP.
SE HA DETECTADO CAUSA POSIBLE
C13 El voltaje del sensor IAP no está dentro
del margen especificado.
0,5 V Sensor de voltaje < 4,4 V
NOTA:
Tenga en cuenta que la presión atmos-
férica varía, dependiendo de las condi-
ciones atmosféricas y de la altitud.
Considérelo al inspeccionar el voltaje.
• Tubo de vacío obstruido entre el conjunto de
inyección y el sensor IAP.
• El aire se sale del tubo de vacío entre el conjunto
inyección y el sensor IAP.
• Circuito del sensor IAP abierto o derivado a
masa.
• Mal funcionamiento del sensor IAP.
• Mal funcionamiento de la centralita.
P0105 HLa tensión del sensor es más alta que el
valor especificado.
• Circuito del sensor IAP cortocircuitado a VCC o
circuito de masa abierto.
• Circuito del sensor IAP abierto o cortocircuitado a
masa o circuito VCC abierto.
LLa tensión del sensor es más baja que
el valor especificado.
ECM
B/Br
VCC
IAP
E2
Sensor IAP
R
G/B
1

4-32 DIAGNÓSTICO DEL SISTEMA FI
4) Desconecte el acoplador del sensor IAP.
5) Ponga el interruptor de encendido en ON.
6) Mida el voltaje entre el cable rojo y masa.
7) Si es correcto, mida el voltaje entre los cables Rojo y B/Br.
Voltaje de entrada del sensor IAP: 4,5 – 5,5 V
(+ Rojo – - Masa)
(+ Rojo – - B/Br)
09900-25008: Juego de polímetro
Graduación del polímetro: Tensión ()
¿Es correcta la tensión?
Paso 1 (Cuando se indica P0105-H:)
1) Ponga el interruptor de encendido en OFF.
2) Quite la defensa trasera. (7-8)
3) Compruebe que el conector del sensor IAP no esté flojo o
tenga mal los contactos.
Si está bien, compruebe la continuidad del cable del sensor
IAP.
4) Desconecte el acoplador del sensor IAP.
5) Compruebe si hay continuidad entre el cable rojo A y el
cable G/B B.
Si no se oye sonido procedente del polímetro, el circuito
estará bien.
SÍ Vaya al Paso 2.
NO
• Flojos o malos contactos en el acoplador de la
centralita (terminal C o N).
• Circuito cortocircuitado o abierto en el cable
rojo o en el B/Br.
V
1
1V
1
1

DIAGNÓSTICO DEL SISTEMA FI 4-33
6) Quite el conjunto del faro 1 y desconecte el acoplador del
faro 2.
7) Desconecte el acoplador ECM.
8) Compruebe la continuidad entre el cable G/B B y el terminal
6.
9) Si está bien, compruebe la continuidad entre el cable B/Br C
y el terminal N.
Continuidad del cable IAPS: Continuidad
()
09900-25008: Juego de polímetro
09900-25009: Juego de sondas puntiagudas
Graduación del polímetro: Prueba de continuidad ()
!
¿Está bien la continuidad?
10)Después de reparar el problema, cancele el DTC con la herramienta SDS. (4-25)
Paso 1 (Cuando se indica P0105-L:)
1) Ponga el interruptor de encendido en OFF.
2) Quite la defensa trasera. (7-8)
3) Compruebe que el conector del sensor IAP no esté flojo o
tenga mal los contactos.
Si está bien, compruebe la continuidad del cable del sensor
IAP.
4) Desconecte el acoplador del sensor IAP.
5) Compruebe la continuidad entre el cable G/B B y masa .
6) Compruebe también la continuidad entre el cable G/B B y el
cable B/Br C. Si no se oye sonido procedente del polímetro,
el circuito estará bien.
Cuando utilice el polímetro, no toque con fuerza el terminal del acoplador de la ECM con la
punta de la aguja de la sonda para no dañar ni doblar el terminal.
SÍ Vaya al Paso 2.
NO Cable G/B cortocircuitado a VCC, o cable B/Br abierto.
1
Acoplador ECM (Lazo del mazo de cables)
1
1

4-34 DIAGNÓSTICO DEL SISTEMA FI
7) Quite el conjunto del faro. (4-33)
8) Desconecte el acoplador ECM.
9) Compruebe la continuidad entre el cable rojo A y el terminal
C.
10)Compruebe también la continuidad entre el cable G/B B y el
terminal 6.
Continuidad del cable IAPS:
Continuidad ()
09900-25008: Juego de polímetro
09900-25009: Juego de sondas puntiagudas
Graduación del polímetro: Prueba de continuidad ()
!
¿Está bien la continuidad?
11)Después de reparar el problema, cancele el DTC con la
herramienta SDS. (4-25)
Paso 2
1) Conecte el acoplador del sensor de IAP y el acoplador de la
ECM.
2) Inserte las sondas puntiagudas en el acoplador de cables.
3) Ponga el motor al ralentí y mida la tensión de salida del sen-
sor IAP en el conector del cable (entre los cables G/B y B/Br).
Voltaje de salida del sensor IAP: Aprox. 2,7 V a ralentí
(+ G/B – - B/Br)
09900-25008: Juego de polímetro
09900-25009: Juego de sondas puntiagudas
Graduación del polímetro: Tensión ()
¿Es correcta la tensión?
4) Después de reparar el problema, cancele el DTC con la
herramienta SDS. (4-25)
Cuando utilice el polímetro, no toque con fuerza el ter-
minal del acoplador de la ECM con la punta de la aguja
de la sonda para no dañar ni doblar el terminal.
SÍ Vaya al Paso 1 (4-31) y al Paso 2.
NO Cable rojo o cable G/B abierto, o cable G/B corto-
circuitado a masa
SÍ Vaya al Paso 3.
NO
• Compruebe el manguito de vacío por si está
agrietado o dañado.
• Circuito cortocircuitado o abierto en el cable
G/B
• Si el manguito de vacío y el cable están bien,
reemplace el sensor IAP por uno nuevo.
1
Acoplador ECM (Lazo del mazo de cables)
2V

DIAGNÓSTICO DEL SISTEMA FI 4-35
Paso 3
1) Ponga el interruptor de encendido en OFF.
2) Quite el sensor IAP.
3) Conecte la bomba manual de depresión a la toma de vacío
del sensor IAP.
Disponga 3 baterías nuevas de 1,5 V en serie 1 (compruebe
que la tensión total sea de 4,5 – 5,0 V) y conecte el terminal
- al terminal de masa 2 y el terminal + al terminal VCC 3.
4) Compruebe el voltaje entre Vout 4 y masa. Compruebe tam-
bién si el voltaje se reduce cuando se aplica vacío hasta 53
kPa (400 mmHg) usando un manómetro de bomba de vacío.
(4-36)
09917-47011: Manómetro de bomba de vacío
09900-25008: Juego de polímetro
Graduación del polímetro: Tensión ()
¿Es correcta la tensión?
!
5) Después de reparar el problema, cancele el DTC con la
herramienta SDS. (4-25)
SÍ
• Cable G/B, rojo o B/Br abierto o cortocircuitado,
o mala conexión de 6, C o N
• Si el cable y la conexión están bien, hay un
problema intermitente o un fallo de la centralita.
• Vuelva a comprobar cada terminal y conjunto
de cables para ver si hay circuito abierto y una
mala conexión.
• Sustituya la ECM por una que se sepa que está
bien e inspeccione otra vez.
NO Si el resultado no es satisfactorio, sustituya el
sensor IAP por uno nuevo.
Cuando utilice el polímetro, no toque con fuerza el ter-
minal del acoplador de la ECM con la punta de la aguja
de la sonda para no dañar ni doblar el terminal.
3
v
Acoplador ECM (Lazo del mazo de cables)
3

4-36 DIAGNÓSTICO DEL SISTEMA FI
Tensión de salida (Tensión VCC 4,5 – 5,0 V, temperatura
ambiente 20 – 30 °C)
ALTITUD
(Referencia) PRESIÓN ATMOSFÉRICA VOLTAJE DE
SALIDA
(m) (mmHg) kPa (V)
0
610
760
707
100
94
3,1 – 3,6
611
1 524
707
634
94
85
2,8 – 3,4
1 525
2 438
634
567
85
76
2,6 – 3,1
2 439
3 048
567
526
76
70
2,4 – 2,9

DIAGNÓSTICO DEL SISTEMA FI 4-37
“C14” (P0120-H/L) MAL FUNCIONAMIENTO DEL CIRCUITO DEL SENSOR TP
INSPECCIÓN
Paso 1 (Cuando se indica C14:)
1) Ponga el interruptor de encendido en OFF.
2) Quite la cubierta del depósito de combustible. (7-6)
3) Compruebe que el conector del sensor TP no esté flojo o
tenga mal los contactos.
Si está bien, mida el voltaje de entrada al sensor TP.
4) Desconecte el acoplador del sensor TP.
5) Ponga el interruptor de encendido en ON.
6) Mida el voltaje entre el cable rojo A y masa.
7) Si es correcto, mida la tensión en el cable rojo A y en el
cable B/Br B.
Voltaje de entrada del sensor TP: 4,5 – 5,5 V
(+ Rojo – - Masa)
(+ Rojo – - B/Br)
09900-25008: Juego de polímetro
Graduación del polímetro: Tensión ()
¿Es correcta la tensión?
SE HA DETECTADO CAUSA POSIBLE
C14 El voltaje de salida no está dentro del
margen especificado.
La diferencia entre la apertura real del
acelerador y la calculada por la centra-
lita es mayor que el valor especificado.
0,5 V Sensor de voltaje < 4,8 V
• Sensor TP mal ajustado
• Circuito del sensor TP abierto o cortocircuitado
• Mal funcionamiento del sensor TP
• Mal funcionamiento de la centralita
P0120 HLa tensión del sensor es más alta que el
valor especificado.
• Circuito del sensor TP cortocircuitado a VCC o
circuito de masa abierto
• Circuito del sensor TP abierto o cortocircuitado a
masa o circuito VCC abierto
LLa tensión del sensor es más baja que
el valor especificado.
ECM
R
B/Br
VCC
TP
E2
Y
Sensor TP
SÍ Vaya al Paso 2.
NO
• Flojos o malos contactos en el acoplador de la
centralita (terminal C o U).
• Circuito cortocircuitado o abierto en el cable
rojo o en el B/Br.
1
1
V

4-38 DIAGNÓSTICO DEL SISTEMA FI
Paso 1 (Cuando se indica P0120-H:)
1) Ponga el interruptor de encendido en OFF.
2) Quite la cubierta del depósito de combustible. (7-6)
3) Compruebe que el conector del sensor TP no esté flojo o
tenga mal los contactos.
Si está bien, compruebe la continuidad del cable del sensor
TP.
4) Desconecte el acoplador del sensor TP.
5) Compruebe la continuidad entre el cable amarillo C y el rojo
A.
Si no se oye sonido procedente del polímetro, el circuito
estará bien.
6) Quite el conjunto del faro. (4-33)
7) Desconecte el acoplador ECM.
8) Compruebe la continuidad entre el cable amarillo C y el ter-
minal 5.
9) Compruebe también la continuidad entre el cable B/Br B y el
terminal U.
Continuidad del cable TPS: Continuidad ()
09900-25008: Juego de polímetro
09900-25009: Juego de sondas puntiagudas
Graduación del polímetro: Prueba de continuidad ()
!
¿Está bien la continuidad?
10)Después de reparar el problema, cancele el DTC con la
herramienta SDS. (4-25)
1
1
Cuando utilice el polímetro, no toque con fuerza el ter-
minal del acoplador de la ECM con la punta de la aguja
de la sonda para no dañar ni doblar el terminal.
SÍ Vaya al Paso 2.
NO Cable amarillo cortocircuitado a VCC, o cable
B/Br abierto
1
Acoplador ECM (Lazo del mazo de cables)

DIAGNÓSTICO DEL SISTEMA FI 4-39
Paso 1 (Cuando se indica P0120-L:)
1) Ponga el interruptor de encendido en OFF.
2) Quite la cubierta del depósito de combustible. (7-6)
3) Compruebe que el conector del sensor TP no esté flojo o
tenga mal los contactos.
Si está bien, compruebe la continuidad del cable del sensor
TP.
4) Desconecte el acoplador del sensor TP.
5) Compruebe la continuidad entre el cable amarillo C y masa .
6) Compruebe también la continuidad entre el cable amarillo C
y el cable B/Br B. Si no se oye sonido procedente del polí-
metro, el circuito estará bien.
7) Quite el conjunto del faro. (4-33)
8) Desconecte el acoplador ECM.
9) Compruebe la continuidad entre el cable amarillo C y el ter-
minal 5.
10)Compruebe también la continuidad entre el cable rojo A y el
terminal C.
Continuidad del cable TPS:
Continuidad ()
09900-25008: Juego de polímetro
09900-25009: Juego de sondas puntiagudas
Graduación del polímetro: Prueba de continuidad ()
!
¿Está bien la continuidad?
11)Después de reparar el problema, cancele el DTC con la
herramienta SDS. (4-25)
1
1
Cuando utilice el polímetro, no toque con fuerza el ter-
minal del acoplador de la ECM con la punta de la aguja
de la sonda para no dañar ni doblar el terminal.
SÍ Vaya al Paso 1 (4-37) y al Paso 2.
NO Cable rojo o amarillo abierto o cable amarillo cor-
tocircuitado a masa
Acoplador ECM (Lazo del mazo de cables)
1

4-40 DIAGNÓSTICO DEL SISTEMA FI
Paso 2
1) Ponga el interruptor de encendido en OFF.
2) Desconecte el acoplador del sensor TP y el acoplador de la
ECM.
3) Compruebe la continuidad entre el terminal A (cable amari-
llo) y masa.
Resistencia del sensor TP: ∞ Ω (Infinito)
(Terminal A – Masa)
4) Si está bien, mida la resistencia del sensor TP en los termina-
les [entre el terminal A (cable amarillo) y el terminal B (cable
B/Br)].
5) Empuje el puño del acelerador y mida la resistencia.
Resistencia del sensor TP
Mariposa de gases cerrada: Aprox. 1,4 kΩ
Mariposa de gases abierta: Aprox. 4,2 kΩ
6) Si está bien, mida la resistencia del sensor TP en los termina-
les [entre el terminal C (cable rojo) y el terminal B (cable
B/Br)].
Resistencia del sensor TP: Aprox. 5,0 kΩ
(Terminal C – Terminal B)
09900-25008: Juego de polímetro
Graduación del polímetro: Resistencia (Ω)
¿Están bien la continuidad y la resistencia?
7) Después de reparar el problema, cancele el DTC con la
herramienta SDS. (4-25)
2
2
2
SÍ Vaya al Paso 3.
NO
• Reajuste la posición del sensor TP
correctamente.
• Sustituya el sensor TP por uno nuevo.

DIAGNÓSTICO DEL SISTEMA FI 4-41
Paso 3
1) Conecte el acoplador del sensor TP 1 al mazo de pruebas.
2) Ponga el interruptor de encendido en ON.
3) Mida la tensión de salida del sensor TP en el acoplador
(entre los cables amarillo + y B/Br -) empujando el puño del
acelerador.
Tensión de salida del sensor TP
Mariposa de gases cerrada : Aprox. 0,6 V
Mariposa de gases abierta: Aprox. 3,8 V
09900-25008: Juego de polímetro
09900-28630: Mazo de cables de prueba del TPS
Graduación del polímetro: Tensión ()
¿Es correcta la tensión?
!
4) Después de reparar el problema, cancele el DTC con la
herramienta SDS. (4-25)
3V
ECM
TPS
Y
R
B/Br
3
SÍ
• Cable amarillo, rojo o B/Br abierto o
cortocircuitado a masa, o mala conexión de 5,
C o N
• Si el cable y la conexión están bien, hay un
problema intermitente o un fallo de la centralita.
• Vuelva a comprobar cada terminal y conjunto
de cables para ver si hay circuito abierto y una
mala conexión.
• Sustituya la ECM por una que se sepa que está
bien e inspeccione otra vez.
NO Si la comprobación no es satisfactoria sustituya el
sensor TP por uno nuevo.
Cuando utilice el polímetro, no toque con fuerza el ter-
minal del acoplador de la ECM con la punta de la aguja
de la sonda para no dañar ni doblar el terminal.
Acoplador ECM (Lazo del mazo de cables)
3

4-42 DIAGNÓSTICO DEL SISTEMA FI
“C15” (P0115-H/L) MAL FUNCIONAMIENTO DEL CIRCUITO DEL SENSOR
ECT
INSPECCIÓN
Paso 1 (Cuando se indica C15:)
1) Ponga el interruptor de encendido en OFF.
2) Compruebe que el conector del sensor ECT no esté flojo o
tenga mal los contactos.
Si está bien, mida la tensión del sensor ECT en el acoplador
del lado de los cables.
3) Desconecte el conector y ponga en la posición “ON” la llave
de contacto.
4) Mida la tensión entre el terminal del cable B/Bl A y masa.
5) Si está bien, mida la tensión entre el terminal del cable B/Bl
A y el del cable B/Br B.
Tensión del sensor ECT: 4,5 – 5,5 V
(+ B/Bl – - Masa)
(+ B/Bl – - B/Br)
09900-25008: Juego de polímetro
Graduación del polímetro: Tensión ()
¿Es correcta la tensión?
SE HA DETECTADO CAUSA POSIBLE
C15 El voltaje de salida no está dentro del
margen especificado.
0,1 V Sensor de voltaje < 4,8 V
• Circuito sensor ECT abierto o cortocircuitado
• Mal funcionamiento del sensor ECT
• Mal funcionamiento de la centralita
P0115 HLa tensión del sensor es más alta que el
valor especificado.
• Circuito sensor ECT abierto o circuito de masa
abierto
• Circuito de sensor ECT cortocircuitado a masa
LLa tensión del sensor es más baja que
el valor especificado.
SÍ Vaya al Paso 2.
NO
• Flojos o malos contactos en el acoplador de la
centralita (terminal L o N).
• Circuito cortocircuitado o abierto en el cable
B/Bl o en el B/Br
ECM
E2
ECT
B/Br
Sensor ECT
B/BI
1
V
1

DIAGNÓSTICO DEL SISTEMA FI 4-43
Paso 1 (Cuando se indica P0115-H:)
1) Ponga el interruptor de encendido en OFF.
2) Compruebe que el conector del sensor ECT no esté flojo o
tenga mal los contactos.
Si está bien, compruebe la continuidad del cable del sensor
ECT.
3) Quite el conjunto del faro. (4-33)
4) Desconecte el acoplador del sensor ECT y el acoplador de la
ECM.
5) Compruebe la continuidad entre el cable B/Bl A y el terminal
L.
6) Compruebe también la continuidad entre el cable B/Br B y el
terminal N.
Continuidad del cable ECTS:
Continuidad ()
09900-25008: Juego de polímetro
09900-25009: Juego de sondas puntiagudas
Graduación del polímetro: Prueba de continuidad ()
!
¿Está bien la continuidad?
7) Después de reparar el problema, cancele el DTC con la
herramienta SDS. (4-25)
1
Cuando utilice el polímetro, no toque con fuerza el ter-
minal del acoplador de la ECM con la punta de la aguja
de la sonda para no dañar ni doblar el terminal.
SÍ Vaya al Paso 2.
NO Cable B/Bl o B/Br abierto
1
Acoplador ECM (Lazo del mazo de cables)

4-44 DIAGNÓSTICO DEL SISTEMA FI
Paso 1 (Cuando se indica P0115-L:)
1) Ponga el interruptor de encendido en OFF.
2) Compruebe que el conector del sensor ECT no esté flojo o
tenga mal los contactos.
Si está bien, mida la tensión de salida.
3) Desconecte el acoplador del sensor ECT.
4) Compruebe la continuidad entre el cable B/Bl A y masa.
Si no se oye sonido procedente del polímetro, el circuito
estará bien.
Graduación del polímetro: Prueba de continuidad ()
5) Conecte el conector del sensor ECT.
6) Inserte la sonda puntiaguda en el acoplador de cables.
7) Ponga el interruptor de encendido en ON.
8) Mida la tensión entre el cable B/Bl A y masa.
Voltaje de salida del sensor ECT: 0,15 – 4,85 V
(+ B/BI – - Masa)
09900-25008: Juego de polímetro
09900-25009: Juego de sondas puntiagudas
Graduación del polímetro: Tensión ()
¿Están bien la continuidad y la tensión?
9) Después de reparar el problema, cancele el DTC con la
herramienta SDS. (4-25)
1
1
SÍ Vaya al Paso 2.
NO • Cable B/BI cortocircuitado a masa
• Si el cable está bien, vaya al Paso 2.
V
1

DIAGNÓSTICO DEL SISTEMA FI 4-45
Paso 2
1) Ponga el interruptor de encendido en OFF.
2) Quite el depósito de combustible y su cubierta inferior.
(5-4)
3) Desconecte el acoplador del sensor ECT.
4) Mida la resistencia del sensor ECT.
Resistencia del sensor ECT: Aprox. 2,6 kΩ a 20 °C
(Terminal – Terminal)
09900-25008: Juego de polímetro
Graduación del polímetro: Resistencia (Ω)
Para más información consulte la página 6-10.
¿Es correcta la resistencia?
!
5) Después de reparar el problema, cancele el DTC con la
herramienta SDS. (4-25)
Especificación del sensor ECT
SÍ
• Cable B/Bl o B/Br abierto o cortocircuitado a
masa, o mala conexión de L o N.
• Si el cable y la conexión están bien, hay un
problema intermitente o un fallo de la centralita.
• Vuelva a comprobar cada terminal y conjunto
de cables para ver si hay circuito abierto y una
mala conexión.
• Sustituya la ECM por una que se sepa que está
bien e inspeccione otra vez.
NO Sustituya el sensor ECT por uno nuevo.
Cuando utilice el polímetro, no toque con fuerza el ter-
minal del acoplador de la ECM con la punta de la aguja
de la sonda para no dañar ni doblar el terminal.
Temperatura del refrige-
rante del motor
Resistencia
20 °C Aprox. 2,6 kΩ
50 °C Aprox. 0,772 kΩ
80 °C Aprox. 0,279 kΩ
110 °C Aprox. 0,118 kΩ
2
Acoplador ECM (Lazo del mazo de cables)
2

4-46 DIAGNÓSTICO DEL SISTEMA FI
“C21” (P0110-H/L) MAL FUNCIONAMIENTO DEL CIRCUITO DEL SENSOR
IAT
INSPECCIÓN
Paso 1 (Cuando se indica C21:)
1) Ponga el interruptor de encendido en OFF.
2) Quite el asiento. (7-6)
3) Compruebe que el conector del sensor IAT no esté flojo o
tenga mal los contactos.
Si está bien, mida el voltaje del sensor IAT en el acoplador
del lado de los cables.
4) Desconecte el conector y ponga en la posición “ON” la llave
de contacto.
5) Mida la tensión entre el terminal del cable Dg A y masa.
6) Si está bien, mida la tensión entre el terminal del cable Dg A
y el del cable B/Br B.
Voltaje de entrada del sensor IAT: 4,5 – 5,5 V
(+ Dg – - Masa)
(+ Dg – - B/Br)
09900-25008: Juego de polímetro
Graduación del polímetro: Tensión ()
¿Es correcta la tensión?
SE HA DETECTADO CAUSA POSIBLE
C21 El voltaje de salida no está dentro del
margen especificado.
0,2 V Sensor de voltaje < 4,8 V
• Circuito sensor IAT abierto o cortocircuitado
• Mal funcionamiento del sensor IAT
• Mal funcionamiento de la centralita
P0110 HLa tensión del sensor es más alta que el
valor especificado.
• Circuito sensor IAT abierto o circuito de masa
abierto
• Circuito sensor IAT cortocircuitado a masa
LLa tensión del sensor es más baja que
el valor especificado.
ECM
B/Br E2
IAT
Dg
Sensor IAT
SÍ Vaya al Paso 2.
NO
• Flojos o malos contactos en el acoplador de la
centralita (terminal N o O)
• Circuito cortocircuitado o abierto en el cable Dg
o en el B/Br
1
V
1

DIAGNÓSTICO DEL SISTEMA FI 4-47
Paso 1 (Cuando se indica P0110-H:)
1) Ponga el interruptor de encendido en OFF.
2) Quite el asiento. (7-6)
3) Compruebe que el conector del sensor IAT no esté flojo o
tenga mal los contactos.
Si está bien, compruebe la continuidad del cable del sensor
IAT.
4) Quite el conjunto del faro. (4-33)
5) Desconecte el acoplador del sensor IAT y el acoplador de la
ECM.
6) Compruebe la continuidad entre el cable Dg A y el terminal
O.
7) Compruebe también la continuidad entre el cable B/Br B y el
terminal N.
Continuidad del cable IATS:
Continuidad ()
09900-25008: Juego de polímetro
09900-25009: Juego de sondas puntiagudas
Graduación del polímetro: Prueba de continuidad ()
!
¿Está bien la continuidad?
8) Después de reparar el problema, cancele el DTC con la
herramienta SDS. (4-25)
1
Cuando utilice el polímetro, no toque con fuerza el ter-
minal del acoplador de la ECM con la punta de la aguja
de la sonda para no dañar ni doblar el terminal.
SÍ Vaya al Paso 2.
NO Cable Dg o B/Br abierto
1
Acoplador ECM (Lazo del mazo de cables)

4-48 DIAGNÓSTICO DEL SISTEMA FI
Paso 1 (Cuando se indica P0110-L:)
1) Ponga el interruptor de encendido en OFF.
2) Quite el asiento. (7-6)
3) Compruebe que el conector del sensor IAT no esté flojo o
tenga mal los contactos.
Si está bien, compruebe la continuidad del cable del sensor
IAT.
4) Desconecte el acoplador del sensor de IAT.
5) Compruebe la continuidad entre el cable Dg A y masa. Si no
se oye sonido procedente del polímetro, el circuito estará
bien.
Graduación del polímetro: Prueba de continuidad ()
6) Conecte el conector del sensor IAT.
7) Inserte la sonda puntiaguda en el acoplador de cables.
8) Ponga el interruptor de encendido en ON.
9) Mida la tensión entre el cable Dg A y masa.
Voltaje de salida del sensor IAT: 0,15 – 4,85 V
(+ Dg – - Masa)
09900-25008: Juego de polímetro
09900-25009: Juego de sondas puntiagudas
Graduación del polímetro: Tensión ()
¿Están bien la continuidad y la tensión?
10)Después de reparar el problema, cancele el DTC con la
herramienta SDS. (4-25)
1
1
SÍ Vaya al Paso 2.
NO • Cable Dg cortocircuitado a masa
• Si el cable está bien, vaya al Paso 2.
V
1

DIAGNÓSTICO DEL SISTEMA FI 4-49
Paso 2
1) Ponga el interruptor de encendido en OFF.
2) Mida la resistencia del sensor IAT.
Resistencia del sensor IAT: Aprox. 2,6 k
Ω
a 20 °C
(Terminal – Terminal)
09900-25008: Juego de polímetro
Graduación del polímetro: Resistencia (Ω)
¿Es correcta la resistencia?
!
Especificación del sensor IAT
NOTA:
El método de medida de la resistencia del sensor IAT es el
mismo que el del sensor ECT. Para mayor información consulte
la página 6-10.
2
SÍ
• Cable Dg o B/Br abierto o cortocircuitado a
masa o mala conexión de O o N
• Si el cable y la conexión están bien, hay un
problema intermitente o un fallo de la centralita.
• Vuelva a comprobar cada terminal y conjunto
de cables para ver si hay circuito abierto y una
mala conexión.
• Sustituya la ECM por una que se sepa que está
bien e inspeccione otra vez.
NO Sustituya el sensor IAT por uno nuevo.
Cuando utilice el polímetro, no toque con fuerza el ter-
minal del acoplador de la ECM con la punta de la aguja
de la sonda para no dañar ni doblar el terminal.
Temperatura del aire de
admisión
Resistencia
20 °C Aprox. 2,6 kΩ
50 °C Aprox. 0,772 kΩ
80 °C Aprox. 0,280 kΩ
110 °C Aprox. 0,118 kΩ
Acoplador ECM (Lazo del mazo de cables)
2

4-50 DIAGNÓSTICO DEL SISTEMA FI
“C23” (P1651-H/L) MAL FUNCIONAMIENTO DEL CIRCUITO DEL SENSOR
TO
INSPECCIÓN
Paso 1 (Cuando se indica C23:)
1) Ponga el interruptor de encendido en OFF.
2) Quite la defensa delantera. (7-6)
3) Compruebe que el conector del sensor TO no esté flojo o
tenga mal los contactos.
Si está bien mida la resistencia del sensor TO.
4) Desconecte el conector del sensor TO.
5) Mida la resistencia entre el terminal A (cable rojo) y el termi-
nal B (cable B/Br).
Resistencia del sensor TO: 15,0 – 25,0 kΩ
(Terminal A – Terminal B)
09900-25008: Juego de polímetro
Graduación del polímetro: Resistencia (Ω)
¿Es correcta la resistencia?
SE HA DETECTADO CAUSA POSIBLE
C23 La tensión del sensor deberá ser la indi-
cado a continuación durante 1 segun-
dos o más después de poner en ON el
interruptor de encendido.
0,3 V Sensor de voltaje < 4,6 V
• Circuito del sensor TO abierto o cortocircuitado
• Mal funcionamiento del sensor TO
• Mal funcionamiento de la centralita
P1651 HLa tensión del sensor es más alta que el
valor especificado.
• Circuito de sensor TO cortocircuitado a VCC o
circuito de masa abierto
• Circuito de sensor TO abierto o cortocircuitado a
masa o circuito VCC abierto
LLa tensión del sensor es más baja que
el valor especificado.
ECM
E2
TOS
R
B/Br
VCC
Sensor TO
Br/W
1
SÍ Vaya al Paso 2.
NO Sustituya el sensor TO por uno nuevo.
1

DIAGNÓSTICO DEL SISTEMA FI 4-51
Paso 1 (Cuando se indica P1651-H:)
1) Ponga el interruptor de encendido en OFF.
2) Quite la defensa delantera. (7-6)
3) Compruebe que el conector del sensor TO no esté flojo o
tenga mal los contactos.
Si está bien, compruebe la continuidad del cable del sensor
TO.
4) Desconecte el conector del sensor TO.
5) Compruebe si hay continuidad entre el cable rojo A y el
cable Br/W C.
Si no se oye sonido procedente del polímetro, el circuito
estará bien.
6) Quite el conjunto del faro. (4-33)
7) Desconecte el acoplador ECM.
8) Compruebe la continuidad entre el cable Br/W C y el termi-
nal 2.
9) Compruebe también la continuidad entre el cable B/Br B y el
terminal N.
Continuidad del cable TOS:
Continuidad ()
09900-25008: Juego de polímetro
09900-25009: Juego de sondas puntiagudas
Graduación del polímetro: Prueba de continuidad ()
!
¿Está bien la continuidad?
10)Después de reparar el problema, cancele el DTC con la
herramienta SDS. (4-25)
1
1
Cuando utilice el polímetro, no toque con fuerza el ter-
minal del acoplador de la ECM con la punta de la aguja
de la sonda para no dañar ni doblar el terminal.
SÍ Vaya al Paso 2.
NO Cable Br/W cortocircuitado a VCC, o cable B/Br
abierto.
1
Acoplador ECM (Lazo del mazo de cables)

4-52 DIAGNÓSTICO DEL SISTEMA FI
Paso 1 (Cuando se indica P1651-L:)
1) Ponga el interruptor de encendido en OFF.
2) Quite la defensa delantera. (7-6)
3) Compruebe que el conector del sensor TO no esté flojo o
tenga mal los contactos.
Si está bien, compruebe la continuidad del cable del sensor
TO.
4) Desconecte el conector del sensor TO.
5) Compruebe la continuidad entre el cable Br/W C y masa.
6) Compruebe también la continuidad entre el cable Br/W C y
el cable B/Br B. Si no se oye sonido procedente del políme-
tro, el circuito estará bien.
7) Quite el conjunto del faro. (4-33)
8) Desconecte el acoplador ECM.
9) Compruebe la continuidad entre el cable rojo A y el terminal
C.
10)Compruebe también la continuidad entre el cable Br/W C y
el terminal 2.
Continuidad del cable TOS:
Continuidad ()
09900-25008: Juego de polímetro
09900-25009: Juego de sondas puntiagudas
Graduación del polímetro: Prueba de continuidad ()
!
¿Está bien la continuidad?
11)Después de reparar el problema, cancele el DTC con la
herramienta SDS. (4-25)
1
1
Cuando utilice el polímetro, no toque con fuerza el ter-
minal del acoplador de la ECM con la punta de la aguja
de la sonda para no dañar ni doblar el terminal.
SÍ Vaya al Paso 2.
NO Cable rojo o Br/W abierto o cable Br/W cortocir-
cuitado a masa.
1
Acoplador ECM (Lazo del mazo de cables)

DIAGNÓSTICO DEL SISTEMA FI 4-53
Paso 2
1) Conecte el acoplador del sensor de TO y el acoplador de la
ECM.
2) Inserte las sondas puntiagudas en el acoplador de cables.
3) Ponga el interruptor de encendido en ON.
4) Mida la tensión en el conector de los cables, entre los cables
Br/W y B/Br.
Tensión del sensor TO (Normal): 0,4 – 1,4 V
(+ Br/W – - B/Br)
También, mida la tensión cuando incline el vehículo.
5) Desmonte el sensor TO de su soporte y mida la tensión
cuando éste esté inclinado más de 65°, a la derecha y a la
izquierda respecto del nivel horizontal.
Tensión del sensor TO (Inclinado): 3,7 – 4,4 V
(+ Br/W – - B/Br)
09900-25008: Juego de polímetro
09900-25009: Juego de sondas puntiagudas
Graduación del polímetro: Tensión ()
¿Es correcta la tensión?
!
6) Después de reparar el problema, cancele el DTC con la
herramienta SDS. (4-25)
“C24” (P0351) MAL FUNCIONAMIENTO DEL SISTEMA DE ENCENDIDO
* Vea el SISTEMA DE ENCENDIDO para detalles. (8-17)
2V
2
V
65˚
SÍ
• Cable Br/W, rojo o B/Br abierto o
cortocircuitado a masa, o mala conexión de 2,
C o N
• Si el cable y la conexión están bien, hay un
problema intermitente o un fallo de la centralita.
• Vuelva a comprobar cada terminal y conjunto
de cables para ver si hay circuito abierto y una
mala conexión.
• Sustituya la ECM por una que se sepa que está
bien e inspeccione otra vez.
NO
• Flojos o malos contactos en el acoplador de la
centralita
• Circuito abierto o cortocircuitado
• Sustituya el sensor TO por uno nuevo.
Cuando utilice el polímetro, no toque con fuerza el ter-
minal del acoplador de la ECM con la punta de la aguja
de la sonda para no dañar ni doblar el terminal.
Acoplador ECM (Lazo del mazo de cables)
2

4-54 DIAGNÓSTICO DEL SISTEMA FI
“C31” (P0705) MAL FUNCIONAMIENTO DEL CIRCUITO DEL INTERRUPTOR
GP
INSPECCIÓN
Paso 1
1) Ponga el interruptor de encendido en OFF.
2) Compruebe que el conector del conmutador GP no esté flojo
o tenga mal los contactos.
Si está bien, mida el voltaje del conmutador GP.
3) Inserte las sondas puntiagudas en el acoplador de cables.
4) Ponga el interruptor de encendido en ON.
5) Mida la tensión en el conector del cable entre el cable rosa y
el cable B/W, moviendo la palanca del cambio de marchas de
primera a máxima.
Voltaje del conmutador GP: 0,9 V o más
(+ Rosa – - B/W)
09900-25008: Juego de polímetro
09900-25009: Juego de sondas puntiagudas
Graduación del polímetro: Tensión ()
SE HA DETECTADO CAUSA POSIBLE
No hay tensión en el conmutador de posición de
marchas
La tensión del conmutador no está dentro del mar-
gen especificado.
Tensión del conmutador > 0,9 V
• El circuito del conmutador de posición de
marchas está abierto o cortocircuitado
• Mal funcionamiento del conmutador de posición
de marchas
• Mal funcionamiento de la centralita
Luz indicadora
de punto muerto
N1
5
42
3
ECM
Interruptor GP Interruptor
de encendido
BI
P
B/W
B/W
GP
E1
P
1
1V

DIAGNÓSTICO DEL SISTEMA FI 4-55
¿Es correcta la tensión?
!
6) Después de reparar el problema, cancele el DTC con la
herramienta SDS. (4-25)
SÍ
• Cable rosa abierto o derivado a masa
• Si el cable y la conexión están bien, hay un
problema intermitente o un fallo de la centralita.
• Vuelva a comprobar cada terminal y conjunto
de cables para ver si hay circuito abierto y una
mala conexión.
• Sustituya la ECM por una que se sepa que está
bien e inspeccione otra vez.
NO
• Cable rosa o B/W abierto o cable rosa
cortocircuitado a masa
• Flojos o malos contactos en el acoplador de la
centralita (terminal 4 o 8)
• Si el cable y la conexión están bien, reemplace
el interruptor GP por uno nuevo.
Cuando utilice el polímetro, no toque con fuerza el ter-
minal del acoplador de la ECM con la punta de la aguja
de la sonda para no dañar ni doblar el terminal.
Acoplador ECM (Lazo del mazo de cables)
1

4-56 DIAGNÓSTICO DEL SISTEMA FI
“C32” (P0201) MAL FUNCIONAMIENTO DEL CIRCUITO DEL INYECTOR DE
COMBUSTIBLE
INSPECCIÓN
Paso 1
1) Ponga el interruptor de encendido en OFF.
2) Quite la cubierta del depósito de combustible. (7-6)
3) Compruebe que el conector del inyector no esté flojo o tenga
mal los contactos.
Si está bien, mida la resistencia del inyector.
4) Desconecte el conector del inyector y mida la resistencia
entre los terminales.
Resistencia del inyector: 9 – 17 Ω a 20 °C
(Terminal – Terminal)
SE HA DETECTADO CAUSA POSIBLE
Se produce la señal CKP, pero la señal del inyector
de combustible se interrumpe continuamente 8
veces o más.
• Circuito del inyector abierto o cortocircuitado
• Mal funcionamiento del inyector
• Mal funcionamiento de la centralita
ECM Relé de bomba
de combustible
Inyector de combustible
O/G
Gr/W
#11
Interruptor
de parada
del motor
Interruptor
de encendido
1
1

DIAGNÓSTICO DEL SISTEMA FI 4-57
5) Si está bien, compruebe el aislamiento entre cada terminal y
masa.
Resistencia del inyector: ∞ Ω (Infinito)
09900-25008: Juego de polímetro
Graduación del polímetro: Resistencia (Ω)
¿Están bien la resistencia y la continuidad?
6) Después de reparar el problema, cancele el DTC con la
herramienta SDS. (4-25)
Paso 2
1) Ponga el interruptor de encendido en ON.
2) Mida la tensión del inyector entre el cable O/G y masa.
Tensión del inyector: Tensión de la batería
(+ O/G – - Masa)
NOTA:
La tensión del inyector sólo se puede detectar 3 segundos des-
pués de que se ponga la llave de contacto en ON.
09900-25008: Juego de polímetro
Graduación del polímetro: Tensión ()
¿Es correcta la tensión?
!
3) Después de reparar el problema, cancele el DTC con la
herramienta SDS. (4-25)
SÍ Vaya al Paso 2.
NO Sustituya el inyector por uno nuevo. (5-18)
SÍ
• Cable Gr/W abierto o cortocircuitado, o mala
conexión de F.
• Si el cable y la conexión están bien, hay un
problema intermitente o un fallo de la centralita.
• Vuelva a comprobar cada terminal y conjunto
de cables para ver si hay circuito abierto y una
mala conexión.
• Sustituya la ECM por una que se sepa que está
bien e inspeccione otra vez.
NO Circuito abierto en el O/G
Cuando utilice el polímetro, no toque con fuerza el ter-
minal del acoplador de la ECM con la punta de la aguja
de la sonda para no dañar ni doblar el terminal.
1
2V
Acoplador ECM (Lazo del mazo de cables)
2

4-58 DIAGNÓSTICO DEL SISTEMA FI
“C41” (P0230) MAL FUNCIONAMIENTO DEL CIRCUITO DEL RELÉ FP
INSPECCIÓN
Paso 1 (Cuando se indica C41:)
1) Ponga el interruptor de encendido en OFF.
2) Quite la defensa delantera. (7-6)
3) Compruebe que el conector del relé FP no esté flojo o tenga
mal los contactos.
Si está bien, compruebe el relé FP. (5-8)
¿Está bien el relé FP?
!
4) Después de reparar el problema, cancele el DTC con la
herramienta SDS. (4-25)
SE HA DETECTADO CAUSA POSIBLE
La señal del relé de la bomba de combustible no se
introduce en la centralita.
• Circuito del relé de la bomba de combustible
abierto o cortocircuitado
• Mal funcionamiento de la centralita
ECM
Interruptor
de parada
del motor
Relé de bomba
de combustible
Bomba de
combustible
Interruptor
de encendido
M
Relé FP
O/WO/G
O/W
Y/Bl
1
SÍ
• Cable O/W o Y/Bl abierto o cortocircuitado a
masa, o mala conexión de A
• Si el cable y la conexión están bien, hay un
problema intermitente o un fallo de la centralita.
• Vuelva a comprobar cada terminal y conjunto
de cables para ver si hay circuito abierto y una
mala conexión.
• Sustituya la ECM por una que se sepa que está
bien e inspeccione otra vez.
NO Sustituya el relé FP por uno nuevo.
Cuando utilice el polímetro, no toque con fuerza el ter-
minal del acoplador de la ECM con la punta de la aguja
de la sonda para no dañar ni doblar el terminal.
Acoplador ECM (Lazo del mazo de cables)
1

DIAGNÓSTICO DEL SISTEMA FI 4-59
“C60” (P0480) MAL FUNCIONAMIENTO DEL CIRCUITO DEL RELÉ DEL
VENTILADOR DE REFRIGERACIÓN
INSPECCIÓN
Paso 1
1) Ponga el interruptor de encendido en OFF.
2) Quite la defensa delantera. (7-6)
3) Compruebe que relé del ventilador de refrigeración no esté
flojo ni tenga mal los contactos.
Si está bien, compruebe el relé del ventilador de refrigera-
ción. (6-10)
¿Está bien el relé del ventilador de refrigeración?
!
4) Después de reparar el problema, cancele el DTC con la herramienta SDS. (4-25)
SE HA DETECTADO CAUSA POSIBLE
La señal del relé del ventilador de refrigeración no
se introduce en la centralita.
• Circuito del relé del ventilador de refrigeración
abierto o cortocircuitado
• Mal funcionamiento de la centralita
ECM Interruptor
de encendido
FAR Y/B O/Y
Motor del ventilador
de refrigeración
Relé del ventilador
de refrigeración
1
SÍ
• Cable O/Y e Y/B abierto o cortocircuitado a
masa, o mala conexión de W
• Si el cable y la conexión están bien, hay un
problema intermitente o un fallo de la centralita.
• Vuelva a comprobar cada terminal y conjunto
de cables para ver si hay circuito abierto y una
mala conexión.
• Sustituya la ECM por una que se sepa que está
bien e inspeccione otra vez.
NO Sustituya el relé del ventilador de refrigeración por
uno nuevo.
Cuando utilice el polímetro, no toque con fuerza el terminal del acoplador de la ECM con la
punta de la aguja de la sonda para no dañar ni doblar el terminal.
Acoplador ECM (Lazo del mazo de cables)
1

4-60 DIAGNÓSTICO DEL SISTEMA FI
SENSORES
INSPECCIÓN DEL SENSOR CKP
El sensor de posición del cigüeñal está instalado dentro de la
cubierta del generador. (4-29)
DESMONTAJE E INSTALACIÓN DEL SENSOR
CKP
• Quite la tapa del generador. (3-15)
• Quite el sensor CKP. (3-43)
• Instale el sensor CKP en el orden inverso al del desmontaje.
INSPECCIÓN DEL SENSOR IAP
El sensor de presión del aire de admisión está instalado en el
lado izquierdo del raíl del asiento. (4-31)
DESMONTAJE E INSTALACIÓN DEL SENSOR
IAP
• Quite la defensa trasera. (7-8)
• Quite el sensor IAP del raíl del asiento.
• Instale el sensor IAP en el orden inverso al del desmontaje.
INSPECCIÓN DEL SENSOR TP
El sensor de posición del acelerador está instalado en el lado
izquierdo del cuerpo del acelerador. (4-37)
DESMONTAJE E INSTALACIÓN DEL
SENSOR TP
• Quite la cubierta del depósito de combustible. (7-6)
• Quite la bomba de combustible. (5-6)
• Quite el sensor TP. (5-14)
• Instale el sensor TP en el orden inverso al del desmontaje.
AJUSTE DE TPS
• Ajuste el sensor TP. (4-19)
INSPECCIÓN DEL SENSOR ECT
El sensor de temperatura del refrigerante del motor está en el
lado derecho del cilindro. (4-42)
DESMONTAJE E INSTALACIÓN DEL SENSOR
ECT
• Desconecte el sensor ECT. (6-10)
• Instale el sensor ECT en el orden inverso al del desmontaje.
Sensor ECT: 12 N·m (1,2 kgf-m)

DIAGNÓSTICO DEL SISTEMA FI 4-61
INSPECCIÓN DEL SENSOR IAT
El sensor de temperatura de entrada del aire está instalado en
el lateral derecho del filtro del aire. (4-46)
DESMONTAJE E INSTALACIÓN DEL SENSOR
IAT
• Quite el asiento. (7-6)
• Quite el sensor IAT 1 de la caja del filtro de aire.
• Instale el sensor IAT en el orden inverso al del desmontaje.
INSPECCIÓN DEL SENSOR TO
El sensor de sobreinclinación está situado detrás del conjunto
del faro. (4-50)
DESMONTAJE E INSTALACIÓN DEL
SENSOR TO
• Quite la defensa delantera. (7-6)
• Quite el sensor TO de la la ménsula.
• Instale el sensor TO en el orden inverso al del desmontaje.
NOTA:
Cuando instale el sensor TO, la marca de la flecha
A
deberá
indicar hacia arriba.

4-62 DIAGNÓSTICO DEL SISTEMA FI

SISTEMA DE COMBUSTIBLE Y CUERPO DEL ACELERADOR 5-1
5
SISTEMA DE COMBUSTIBLE Y CUERPO DEL ACELERADOR
CONTENIDO
SISTEMA DE DISTRIBUCIÓN DEL COMBUSTIBLE ................................. 5- 2
SISTEMA DE COMBUSTIBLE .................................................................... 5- 3
EXTRACCIÓN DEL DEPÓSITO DE COMBUSTIBLE .......................... 5- 3
INSTALACIÓN DEL DEPÓSITO DE COMBUSTIBLE ......................... 5- 4
INSPECCIÓN DE LA PRESIÓN DE COMBUSTIBLE .......................... 5- 5
EXTRACCIÓN DE LA BOMBA DE OMBUSTIBLE .............................. 5- 6
INSTALACIÓN DE LA BOMBA DE COMBUSTIBLE........................... 5- 6
INSPECCIÓN DE LA BOMBA DE COMBUSTIBLE............................. 5- 6
INSPECCIÓN DEL VOLUMEN DE DESCARGA
DE COMBUSTIBLE............................................................................... 5- 7
INSPECCIÓN DEL RELÉ DE LA BOMBA DE COMBUSTIBLE .......... 5- 8
VÁLVULA/FILTRO DE COMBUSTIBLE............................................... 5- 9
REGULADOR DE PRESIÓN DEL COMBUSTIBLE ............................. 5-11
CUERPO DEL ACELERADOR.................................................................... 5-12
DESPIECE............................................................................................. 5-12
EXTRACCIÓN ....................................................................................... 5-13
DESMONTAJE ...................................................................................... 5-14
LIMPIEZA .............................................................................................. 5-16
INSPECCIÓN......................................................................................... 5-16
REENSAMBLAJE ................................................................................. 5-16
INSTALACIÓN....................................................................................... 5-18
DESMONTAJE DEL INYECTOR DE COMBUSTIBLE......................... 5-18
INSPECCIÓN DEL INYECTOR DE COMBUSTIBLE............................ 5-18
INSTALACIÓN DEL INYECTOR DE COMBUSTIBLE ......................... 5-18
AJUSTE DEL SENSOR DE POSICIÓN DEL ACELERADOR (TPS)... 5-18
La gasolina debe manejarse con mucho cuidado, en un lugar bien venti-
lado y alejado del fuego o las chispas.

5-2 SISTEMA DE COMBUSTIBLE Y CUERPO DEL ACELERADOR
SISTEMA DE DISTRIBUCIÓN DEL COMBUSTIBLE
El sistema de distribución del combustible consta del depósito de combustible, la bomba del combustible,
filtros del combustible, mangueras de suministro de combustible, tubería de distribución del combustible
(incluyendo inyector de combustible) y regulador de presión del combustible. Hay manguera de retorno de
combustible. En el depósito, el combustible se bombea por medio de la bomba de combustible y el combus-
tible presurizado circula al inyector instalado en la tubería de distribución del combustible. La presión del
combustible se regula por el regulador de presión. Como la presión aplicada al inyector (presión de com-
bustible en la tubería de distribución) se mantiene siempre a una presión absoluta de 2,94 kgf/cm2 (294
kPa), el combustible se inyecta dentro del conjunto de inyección en dispersión cónica cuando el inyector se
abre de acuerdo con la señal de inyección procedente de la centralita.
El combustible descargado por medio del regulador de presión fluye hacia el depósito de combustible.
1Depósito de combustible 6Tubo de suministro de combustible ABomba de combustible
2Filtro de combustible
(Para válvula de combustible) 7Inyector de combustible ACombustible presurizado
3Manguito de combustible 8Manguera de suministro de combustible B
Combustible antes de presurizar
4
Manguito de retorno de combustible
9
Manguito de retorno de vapor de combustible
CCombustible liberado
5
Regulador de presión de combustible
0Filtro de combustible
(Para bomba de combustible) DVapor de combustible

SISTEMA DE COMBUSTIBLE Y CUERPO DEL ACELERADOR 5-3
SISTEMA DE COMBUSTIBLE
EXTRACCIÓN DEL DEPÓSITO DE
COMBUSTIBLE
• Quite la defensa delantera. (7-6)
• Quite la tapa del tornillo de la válvula de combustible 1.
• Cierre el tornillo de la válvula de combustible 2 girándolo
hacia la derecha.
.
• Quite la tapa del tubo de combustible 3.
• Coloque un trapo debajo del manguito de suministro de com-
bustible 4 y desconecte el manguito 4 del tubo de combusti-
ble 5.
• Instale la tapa del tubo de combustible 3 en el tubo de com-
bustible 5.
• Desconecte el acoplador del indicador del nivel del combusti-
ble 6 y el manguito de retorno de vapor de combustible 7
del depósito de combustible.
• Quite los pernos de montaje del depósito de combustible.
* Asegúrese de Instalar la tapa del tubo de combusti-
ble 3 en el tubo de combustible 5 para impedir
fugas de combustible.
* La gasolina es altamente inflamable y explosiva.
Manténgala alejada de fuentes de calor, chispas y
llamas.

5-4 SISTEMA DE COMBUSTIBLE Y CUERPO DEL ACELERADOR
• Desconecte la manguera de suministro de combustible 8 y
9 del regulador de presión del combustible.
• Quite el depósito de combustible 0.
• Quite la cubierta inferior del depósito de combustible A.
INSTALACIÓN DEL DEPÓSITO DE
COMBUSTIBLE
Instale el depósito de combustible en el orden inverso al del
desmontaje. Preste atención a los puntos siguientes:
!
* Compruebe que no se adhiera suciedad al regulador
de presión del combustible.
* Compruebe que no haya fugas de combustible por el
regulador de presión de combustible.

SISTEMA DE COMBUSTIBLE Y CUERPO DEL ACELERADOR 5-5
INSPECCIÓN DE LA PRESIÓN DE
COMBUSTIBLE
• Quite la cubierta del depósito de combustible. (7-6)
• Coloque un trapo debajo del depósito de combustible y des-
conecte la manguera de suministro de combustible 1.
• Instale las herramientas especiales entre el regulador de pre-
sión del combustible y el tubo de suministro de combustible.
09940-40211: Adaptador del manómetro
de combustible
09940-40220: Accesorio del latiguillo del manómetro
de combustible
09915-77331: Manómetro de aceite
09915-74521: Latiguillo del manómetro de aceite
Ponga el interruptor de encendido en la posición ON y com-
pruebe la presión del combustible.
Presión del combustible: Aprox. 294 kPa (2,94 kgf/cm2)
Si la presión del combustible es inferior a la especificada, ins-
peccione los siguientes puntos:
* Pérdidas de la manguera de combustible
* Filtro del combustible atascado
* Regulador de presión
* Bomba de combustible
Si la presión de combustible es superior a la especificada, ins-
peccione los siguientes puntos:
* Bomba de combustible
* Regulador de presión
A Al regulador de presión del combustible
B Al tubo de suministro de combustible
* Antes de quitar las herramientas especiales, ponga
el interruptor de encendido en OFF y libere la pre-
sión del combustible lentamente.
* La gasolina es altamente inflamable y explosiva. Alé-
jese del calor, chispas y llamas.

5-6 SISTEMA DE COMBUSTIBLE Y CUERPO DEL ACELERADOR
EXTRACCIÓN DE LA BOMBA DE
OMBUSTIBLE
• Cierre el grifo de combustible girándolo hacia la derecha.
(5-3)
• Quite los tornillos de montaje de la bomba de combustible.
• Desconecte el acoplador del cable de la bomba de combusti-
ble 1, el latiguillo de retorno de vapor 2, el latiguillo de sumi-
nistro de combustible 3 y el latiguillo de combustible 4 de la
bomba de combustible, y luego quite la bomba de combusti-
ble 5.
INSTALACIÓN DE LA BOMBA DE
COMBUSTIBLE
Instale la bomba de combustible en el orden inverso al del des-
montaje. Preste atención a los puntos siguientes:
• Apriete los tornillos de montaje de la bomba de combustible al
par especificado.
Perno de montaje de la bomba de combustible:
9 N·m (0,9 kgf-m)
INSPECCIÓN DE LA BOMBA DE
COMBUSTIBLE
Ponga la llave de contacto en ON y compruebe que la bomba
de combustible funciona unos segundos.
Si el motor de la bomba de combustible no produce sonido de
funcionamiento, inspeccione las conexiones del circuito de la
bomba de combustible o inspeccione el relé de la bomba de
combustible y el sensor de caida.
Si el relé de la bomba de combustible, el sensor de caida y las
conexiones del circuito de la bomba de combustible están bien,
puede que la bomba tenga defectos, reemplace en este caso la
bomba de combustible por otra nueva.

SISTEMA DE COMBUSTIBLE Y CUERPO DEL ACELERADOR 5-7
INSPECCIÓN DEL VOLUMEN DE
DESCARGA DE COMBUSTIBLE
• Quite la cubierta del depósito de combustible. (7-6)
• Coloque un trapo debajo de la manguera de suministro de
combustible y desconecte la manguera de suministro de com-
bustible 1 del regulador de presión del combustible.
• Conecte una manguera de combustible adecuada 2 al regu-
lador de presión de combustible.
• Coloque el vaso graduado e introduzca el extremo de la man-
guera de suministro de combustible en su interior.
• Desconecte el acoplador de los cables de la bomba de com-
bustible 3.
La gasolina es altamente inflamable y explosiva.
Manténgala alejada de fuentes de calor, chispas y lla-
mas.

5-8 SISTEMA DE COMBUSTIBLE Y CUERPO DEL ACELERADOR
• Conecte un cable apropiado en el acoplador del cable de la
bomba de combustible (lado de la bomba de combustible),
aplique 12 V a la bomba de combustible (entre el terminal A
y el B) durante 10 segundos y mida la cantidad de combusti-
ble descargado.
Terminal + de batería terminal A (cable O/G)
Terminal - de batería terminal B (cable B/W)
Si la cantidad descargada por la bomba no es la especificada,
esto significa que la bomba o el regulador de presión de com-
bustible está defectuoso, o que el filtro de combustible está obs-
truido.
Cantidad de combustible descargada:
Aprox.
83 ml y más/10 s.
NOTA:
La batería debe estar completamente cargada.
INSPECCIÓN DEL RELÉ DE LA BOMBA DE
COMBUSTIBLE
El relé de la bomba de combustible se encuentra detrás del con-
junto del faro.
• Quite la defensa delantera. (7-6)
• Quite el relé de la bomba de combustible 1.
Primero compruebe el aislamiento entre las terminales A y B
con el polímetro. Luego aplique 12 V a los terminales C y D, +
a C y - a D, y compruebe si hay continuidad entre A y B.
Si se encuentra alguna anomalía, cámbielo por otro nuevo.

SISTEMA DE COMBUSTIBLE Y CUERPO DEL ACELERADOR 5-9
VÁLVULA/FILTRO DE COMBUSTIBLE
EXTRACCIÓN Y DESMONTAJE DE LA VÁLVULA DE
COMBUSTIBLE
• Quite la defensa delantera. (7-6)
• Vacíe completamente el combustible.
• Quite el depósito de combustible. (5-4)
• Desconecte el manguito de retorno del vapor de combustible
1 y el manguito de entrada combustible 2, y quite la válvula
de combustible 3.
• Quite el amortiguador de caucho 4.
• Quite la tapa del filtro de combustible 5 quitando sus tornillos
de montaje en diagonal.
• Quite el filtro de combustible 6.
La gasolina es altamente inflamable y explosiva.
Manténgala alejada de fuentes de calor, chispas y lla-
mas.

5-10 SISTEMA DE COMBUSTIBLE Y CUERPO DEL ACELERADOR
INSPECCIÓN Y LIMPIEZA DEL FILTRO DEL COMBUSTIBLE
Si el filtro de combustible está atascado con sedimentos u
óxido, el combustible no fluirá suavemente y se producirá una
pérdida de potencia del motor.
Sople el filtro de combustible con aire comprimido.
NOTA:
Si el filtro de combustible está atascado con sedimento u óxido,
cambie el filtro, la junta tórica y la tapa del filtro por otros nue-
vos.
ENSAMBLAJE Y MONTAJE DE LA VÁLVULA DE
COMBUSTIBLE
Monte e instale la válvula de combustible en el orden inverso al
de extracción y desmontaje. Preste atención a los puntos
siguientes:
• Alinee la ranura A del soporte del filtro de combustible con el
tope B e instale el filtro de combustible en la válvula de com-
bustible.
• Aplique una fina película de aceite de motor a la junta tórica.
!
• Apriete los tornillos de montaje de la tapa del filtro de com-
bustible hasta el par especificado.
NOTA:
Apriete los tornillos de montaje de la tapa del filtro de combusti-
ble en diagonal.
Tornillo de montaje de la tapa del filtro de combustible:
2 N·m (0,2 kgf-m)
La junta tórica extraída ha de cambiarse por una
nueva.

SISTEMA DE COMBUSTIBLE Y CUERPO DEL ACELERADOR 5-11
REGULADOR DE PRESIÓN DEL
COMBUSTIBLE
EXTRACCIÓN
• Quite la defensa delantera. (7-6)
• Vacíe completamente el combustible.
• Quite el depósito de combustible. (5-4)
• Desconecte la manguera de retorno de combustible 1.
• Quite el regulador de presión de combustible 2.
INSTALACIÓN
Instale el regulador de presión del combustible en el orden
inverso al del desmontaje.
La gasolina es altamente inflamable y explosiva.
Manténgala alejada de fuentes de calor, chispas y lla-
mas.

5-12 SISTEMA DE COMBUSTIBLE Y CUERPO DEL ACELERADOR
CUERPO DEL ACELERADOR
DESPIECE
FWD
1Sensor TP 8Válvula de arranque
2Cuerpo del acelerador 9Cubierta del cable del acelerador
3Tubo de suministro de combustible APerno de montaje del tubo de salida
de combustible
4Junta tórica ÍTEM N·m
kgf-m
5Inyector de combustible BTornillo de montaje del inyector de
combustible
A3,5 0,35
6Junta de inyector B3,5 0,35
7Manguera de vacío CPerno de montaje del sensor TP C3,5 0,35

SISTEMA DE COMBUSTIBLE Y CUERPO DEL ACELERADOR 5-13
EXTRACCIÓN
• Quite la defensa delantera. (7-6)
• Quite el depósito de combustible y su cubierta inferior.
(5-4)
• Desconecte el acoplador del inyector de combustible 1 y el
acoplador del sensor TP 2.
• Desconecte la manguera IAP 3.
• Quite la cubierta del cable del acelerador 4.
• Desconecte el cable del acelerador del tambor.
!
• Afloje los tornillos de la abrazadera del cuerpo del acelerador
y quite el conjunto del cuerpo del acelerador.
Después de desconectar los cables del acelerador, no
cambie la posición de la mariposa de completamente
abierta a completamente cerrada. Podrá dañar la mari-
posa y el cuerpo del acelerador.

5-14 SISTEMA DE COMBUSTIBLE Y CUERPO DEL ACELERADOR
• Desconecte el cable de arranque del conjunto del cuerpo del
acelerador.
• Quite la válvula de arranque 5 y el muelle 6 del cable de
arranque.
DESMONTAJE
• Quite la manguera de suministro de combustible 1.
• Quite el sensor de TP 2 con la herramienta especial.
09930-11950: Llave Torx
NOTA:
Antes de desmontar, marque la posición inicial del sensor con
pintura o un punzón para volver a instalarlo con precisión.
• Quite el tubo de suministro del combustible 3.

SISTEMA DE COMBUSTIBLE Y CUERPO DEL ACELERADOR 5-15
• Quite el inyector de combustible 4.
!
!
!
Evite quitar el tornillo de aire de ralentí 5.
No quite nunca la mariposa de gases 6.
Evite quitar el tornillo de tope de la palanca del acele-
rador 7.

5-16 SISTEMA DE COMBUSTIBLE Y CUERPO DEL ACELERADOR
LIMPIEZA
• Limpie todos los conductos con un limpiador de carburadores
del tipo pulverizador y sóplelos con aire seco comprimido.
!
INSPECCIÓN
Revise los siguientes elementos para ver si están dañados o
atascados.
* Junta tórica
* Mariposa de gases
* Tornillo de aire de ralentí
* Manguera de vacío
REENSAMBLAJE
Vuelva a montar el cuerpo del acelerador en el orden inverso al
de desmontaje. Preste atención a los puntos siguientes:
• Aplique una fina película de aceite de motor a la junta del
inyector.
• Instale el inyector de combustible presionándolo recto al inte-
rior del cuerpo del acelerador.
!
Algunos productos químicos de limpieza de carbura-
dores, especialmente los del tipo de baño por inmer-
sión, son muy corrosivos y han de manejarse con
mucho cuidado. Siga siempre las instrucciones del
fabricante del producto sobre su correcto uso, mani-
pulación y almacenamiento.
No use alambre para limpiar los conductos. El alam-
bre puede dañarlos. Si los componentes no pueden
limpiarse con un limpiador tipo pulverizador, puede
ser necesario utilizar una solución limpiadora de baño
por inmersión y dejarla que penetre. Siga siempre las
instrucciones del fabricante del producto químico
relacionadas con el uso y la limpieza correctos de los
componentes del cuerpo del acelerador. No aplique
productos químicos de limpieza de carburadores a los
materiales de plástico o goma.
* La junta del inyector extraída debe ser cambiada por
una nueva.
* Nunca gire un inyector mientras lo esté instalando.

SISTEMA DE COMBUSTIBLE Y CUERPO DEL ACELERADOR 5-17
• Apriete los tornillos de montaje del inyector de combustible
hasta el par especificado.
Tornillo de montaje del inyector de combustible:
3,5 N·m (0,35 kgf-m)
• Aplique una fina película de aceite de motor a las juntas tóricas.
• Instale el tubo de suministro de combustible 1 en el inyector
2.
!
• Apriete los tornillos de montaje del tubo de suministro de
combustible hasta el par especificado.
Tornillo de montaje del tubo de suministro de
combustible: 3,5 N·m (0,35 kgf-m)
• Con la maripos de gases completamente cerrada, instale el
sensor TP 3 y apriete su tornillo de montaje hasta el par
especificdo.
!
NOTA:
* Aplique una fina película de aceite de motor a la junta tórica.
* Alinee el extremo del eje de la mariposa
A
con la ranura
B
del sensor TP.
* Aplique grasa al extremo del eje de la mariposa
A
si es nece-
sario.
Tornillo de montaje del sensor TP: 3,5 N·m (0,35 kgf-m)
99000-25010: SUZUKI SUPER GREASE “A” (o grasa equivalente)
09930-11950: Llave Torx
NOTA:
* Cerciórese de que la válvula de gases se abra y cierre suavemente.
* Procedimiento de ajuste del sensor TP. (
4-19)
* Las juntas tóricas extraídas han de cambiarse por
otras nuevas.
* Nunca gire el tubo de suministro de combustible
mientras lo empuja para meterlo.
La junta tórica extraída ha de cambiarse por una nueva.

5-18 SISTEMA DE COMBUSTIBLE Y CUERPO DEL ACELERADOR
INSTALACIÓN
Instale el conjunto del cuerpo de la mariposa en el orden inverso
al del desmotaje. Preste atención a los puntos siguientes:
• Alinee la ranura de la válvula de arranque con el extremo del
cable de arranque.
• Alinee la lengüeta del cuerpo de la mariposa con el corte del
tubo de admisión .
• Ajuste el juego del cable del acelerador. (2-11)
• Ajuste la velocidad de ralentí. (2-12)
• Ajuste la condición de ajuste del sensor TP. (4-19)
DESMONTAJE DEL INYECTOR DE COMBUSTIBLE
• Quite la defensa delantera. (7-6)
• Quite el depósito de combustible y su cubierta inferior. (5-4)
• Con el cable negativo de la batería desconectado, desconecte el acoplador del inyector.
• Quite la tubería de distribución del combustible. (5-14)
• Quite el inyector de combustible. (5-15)
INSPECCIÓN DEL INYECTOR DE
COMBUSTIBLE
Compruebe que el filtro del inyector de combustible no esté
sucio. Si lo está, límpielo y compruebe si hay suciedad en los
conductos de combustible y en el depósito.
El inyector de combustible puede inspeccionarse sin desmon-
tarlo del cuerpo del acelerador.
Para mayor información consulte la página 4-56.
INSTALACIÓN DEL INYECTOR DE COMBUSTIBLE
• Aplique una fina película de aceite de motor a la junta del inyector.
• Instale el inyector empujándolo recto hacia el cuerpo del acelerador. Nunca gire un inyector mientras lo
esté instalando. (5-16)
• Instale la tubería de distribución del combustible. (5-17)
AJUSTE DEL SENSOR DE POSICIÓN DEL ACELERADOR (TPS)
Después de realizar todos los ajustes, compruebe o ajuste el TPS.
(Vea la página 4-19 para el procedimiento de ajuste del TPS.)

6
SISTEMA DE REFRIGERACIÓN Y LUBRICACIÓN 6-1
CONTENIDO
SISTEMA DE REFRIGERACIÓN Y LUBRICACIÓN
REFRIGERANTE DEL MOTOR .................................................................. 6- 2
CIRCUITO DE REFRIGERACIÓN ............................................................... 6- 3
INSPECCIÓN DEL CIRCUITO DE REFRIGERACIÓN ......................... 6- 3
RADIADOR Y MANGUERA DE AGUA ....................................................... 6- 4
EXTRACCIÓN DEL RADIADOR ........................................................... 6- 4
INSPECCIÓN DEL TAPÓN DEL RADIADOR ...................................... 6- 6
INSPECCIÓN Y LIMPIEZA DEL RADIADOR ....................................... 6- 6
INSTALACIÓN DEL RADIADOR .......................................................... 6- 6
INSPECCIÓN DE LA MANGUERA DEL AGUA ................................... 6- 7
DEPÓSITO DEL RADIADOR ................................................................ 6- 7
VENTILADOR DE REFRIGERACIÓN ......................................................... 6- 8
EXTRACCIÓN ....................................................................................... 6- 8
INSTALACIÓN ...................................................................................... 6- 9
INSPECCIÓN ......................................................................................... 6- 9
INSPECCIÓN DEL RELÉ DEL VENTILADOR
DE REFRIGERACIÓN ........................................................................... 6-10
SENSOR ECT .............................................................................................. 6-10
EXTRACCIÓN ....................................................................................... 6-10
INSPECCIÓN ......................................................................................... 6-10
INSTALACIÓN ...................................................................................... 6-11
TERMOSTATO ............................................................................................ 6-12
EXTRACCIÓN ....................................................................................... 6-12
INSPECCIÓN ......................................................................................... 6-12
INSTALACIÓN ...................................................................................... 6-13
BOMBA DE AGUA ...................................................................................... 6-14
EXTRACCIÓN Y DESMONTAJE .......................................................... 6-14
INSPECCIÓN ......................................................................................... 6-16
REMONTAJE E INSTALACIÓN ........................................................... 6-17
DEPÓSITO DE ACEITE, DEPÓSITO Y MANGUITOS DE RETORNO
DE ACEITE .................................................................................................. 6-20
DESPIECE ............................................................................................. 6-20
DEPÓSITO DE ACEITE ........................................................................ 6-21
DEPÓSITO DE RETORNO DE ACEITE ............................................... 6-23
SISTEMA DE LUBRICACIÓN ..................................................................... 6-24
PRESIÓN DE ACEITE ........................................................................... 6-24
FILTRO DE ACEITE .............................................................................. 6-24
FILTRO DE ACEITE .............................................................................. 6-24
BOMBA DE ACEITE ............................................................................. 6-24
DIAGRAMA DEL SISTEMA DE LUBRICACIÓN DEL MOTOR ........... 6-25

6-2 SISTEMA DE REFRIGERACIÓN Y LUBRICACIÓN
REFRIGERANTE DEL MOTOR
En el momento de la fabricación, el sistema de refrigeración se llena de una mezcla de 50:50 de agua des-
tilada y anticongelante de glicol etilénico. Esta mezcla de 50:50 proporcionará la óptima protección contra la
corrosión y una excelente protección contra el calor, y protegerá el sistema contra la congelación a tempe-
raturas superiores a – 31 °C.
Si el vehículo va a estar expuesto a temperaturas inferiores a –31 °C, hay que aumentar la proporción de la
mezcla hasta el 55% o 60% según el gráfico.
!
50% de refrigerante de motor incluyendo la reserva
Densidad del anticongelante Punto de congelación
50% –30 °C
55% –40 °C
60% –55 °C
* Utilice un anticongelante de buena calidad a base de glicol etilénico, mezclado con agua des-
tilada. No mezcle anticongelantes a base de alcohol ni anticongelantes de marcas distintas.
* No utilice el 60% o más ni el 50% o menos de anticongelante. (Consulte la figura de abajo.)
* No utilice aditivos antifugas para radiadores.
Anticongelante 700 ml
Agua 700 ml
20 40 60 80 100
Densidad (%)
0
–10
–20
–30
–40
–50
–60
–70
Punto de congelación
Figura 1 Curva del punto de congelación
del refrigerante del motor
(˚C)
0 10 20 30 40 50 60
Densidad (%)
150
140
130
120
110
100
Punto de ebullición
(˚C)
Figura 2 Curva del punto de densidad-
ebullición del refrigerante del motor
(kgf/cm²)
1,5
0,9
0,5
0
Manómetro de presión
* Puede quemarse con agua hirviendo o vapor si abre la tapa del radiador con el motor caliente.
Una vez se haya enfriado el motor, use un trapo para abrir el tapón, dándole un cuarto de
vuelta para que se vaya la presión, y a continuación ábralo del todo.
* El motor ha de estar frío antes de realizar operaciones en el sistema de refrigeración.
* El líquido refrigerante es nocivo;
• Si entra en contacto con la piel o los ojos, lave con agua abundante.
• Si se ingiere accidentalmente, provoque vómitos y llame al médico inmediatamente.
• Manténgalo fuera del alcance de los niños.

SISTEMA DE REFRIGERACIÓN Y LUBRICACIÓN 6-3
CIRCUITO DE REFRIGERACIÓN
INSPECCIÓN DEL CIRCUITO DE
REFRIGERACIÓN
Antes de desmontar el radiador y vaciar el líquido refrigerante,
inspeccione la estanqueidad del circuito de refrigeración.
• Retire la cubierta lateral (D). (7-6)
• Quite el tapón del radiador 1 y conecte el comprobador 2 a
la boca de llenado.
• Aplique una presión de unos 120 kPa (1,2 kgf/cm²) y observe
si se mantiene esa presión en el sistema durante 10 segun-
dos.
• Si la presión desciende durante este periodo de 10 segundos,
quiere decir que hay una fuga en el sistema. Si es así, inspec-
cione todo el sistema y cambie la pieza o parte que tiene
fugas.
!
No quite el tapón del radiador cuando el motor está
caliente.
BOMBA
DE AGUA
RADIADOR
SENSOR DE
TEMPERATURA DEL
REFRIGERANTE
DEL MOTOR
TERMOSTATO CULATA
CILINDRO
DEPÓSITO
DE RESERVA
Para quitar el comprobador del tapón del radiador,
coloque un trapo sobre la boca de llenado para evitar
que se derrame el líquido refrigerante del motor.
No permita que la presión supere la presión de des-
ahogo del tapón del radiador, ya que el radiador
puede dañarse.

6-4 SISTEMA DE REFRIGERACIÓN Y LUBRICACIÓN
RADIADOR Y MANGUERA DE AGUA
EXTRACCIÓN DEL RADIADOR
• Quite la defensa delantera. (7-6)
• Vacíe el refrigerante del motor. (2-15)
• Quite el depósito de retorno de combustible. (6-23)
• Quite el depósito de combustible y su cubierta inferior.
(5-4)
• Quite el ventilador de refrigeración. (6-8)
• Quite el depósito del radiador. (6-7)
• Quite el sporte de la batería. (6-21)
• Quite el fusible del ventilador de refrigeración 1 del radiador.
• Quite el manguito de entrada 2.
• Desconecte el manguito de salida 3.
• Desconecte el acoplador del interruptor del freno trasero 4.
• Quite el mazo de cables del interruptor del freno trasero de la
abrazadera.
• Retire el mazo de cables 5 de la abrazadera.
• Quite los tornillos de montaje de la cubierta del radiador.

SISTEMA DE REFRIGERACIÓN Y LUBRICACIÓN 6-5
• Quite los tornillos de montaje del radiador y el radiador 6 de
la carrocería del vehículo.
• Quite la cubierta del radiador 7 de la carrocería del vehículo.
• Desconecte la manguera de sifón 8.

6-6 SISTEMA DE REFRIGERACIÓN Y LUBRICACIÓN
INSPECCIÓN DEL TAPÓN DEL RADIADOR
• Quite la tapa del radiador 1 del radiador.
• Coloque el tapón 1 en el comprobador del tapón del radiador
2.
• Vaya aumentando la presión lentamente, accionando el com-
probador. Asegúrese de que la presión deje de subir a 108 –
137 kPa (1,08 – 1,37 kgf/cm2) y que, sin mover el comproba-
dor, el tapón sea capaz de soportar esa presión durante al
menos 10 segundos.
• Cambie el tapón si no cumple cualquiera de estos dos requi-
sitos.
Presión de apertura de la válvula del tapón del
radiador
Nominal: 108 – 137 kPa (1,08 – 1,37 kgf/cm2)
INSPECCIÓN Y LIMPIEZA DEL RADIADOR
Hay que quitar la suciedad pegada a las aletas.
Se recomienda utilizar aire comprimido para hacer esta lim-
pieza.
Las aletas dobladas o torcidas se pueden reparar enderezándo-
las con la hoja de un destornillador pequeño.
INSTALACIÓN DEL RADIADOR
Instale el radiador en el orden inverso al del desmontaje. Preste
atención a los puntos siguientes:
• Alinee las ranuras de las cubiertas del radiador con el resalto
del radiador.
• Instale la cubierta del radiador en el radiador.
• Instale el radiador.
• Instale la manguera de sifón y las mangueras del radiador.
(9-20)
• Vierta refrigerante del motor. (2-13)

SISTEMA DE REFRIGERACIÓN Y LUBRICACIÓN 6-7
INSPECCIÓN DE LA MANGUERA DEL AGUA
• Retire la cubierta lateral (D e I). (7-6)
• Debe cambiarse cualquier manguera de agua que tenga grie-
tas o esté aplastada.
• Cualquier fuga por la sección de conexión deberá corregirse
apretando apropiadamente.
DEPÓSITO DEL RADIADOR
EXTRACCIÓN/RECOLOCACIÓN
• Retire la cubierta lateral (I). (7-6)
• Quite los tornillos de montaje del depósito, desconecte el
manguito de sifón del depósito y vacíe el refrigerante del
motor.
• Instale el depósito en el orden inverso al del desmontaje.
• Vierta refrigerante del motor. (2-15)

6-8 SISTEMA DE REFRIGERACIÓN Y LUBRICACIÓN
VENTILADOR DE REFRIGERACIÓN
EXTRACCIÓN
• Quite la defensa delantera. (7-6)
• Quite el depósito de combustible y su cubierta inferior.
(5-4)
• Desconecte el acoplador de los conductores del motor del
ventilador de refrigeración 1.
• Quite el mazo de cables del interruptor del freno trasero 2 de
la abrazadera.
• Quite la unidad del ventilador de refrigeración 3.
• Quite el amortiguador 4.
• Quite el ventilador de refrigeración 5.

SISTEMA DE REFRIGERACIÓN Y LUBRICACIÓN 6-9
• Quite el motor del ventilador de refrigeración 6.
INSTALACIÓN
Instale la unidad del ventilador de refrigeración en el orden
inverso al del desmontaje. Preste atención a los puntos siguien-
tes:
• Aplique una pequeña cantidad de THREAD LOCK SUPER
“1303” en el eje del motor del ventilador de refrigeración.
• Apriete la tuerca del ventilador de refrigeración.
99000-32030: THREAD LOCK SUPER “1303”
INSPECCIÓN
• Quite la defensa delantera. (7-6)
• Desconecte el acoplador del ventilador de refrigeración 1.
• Compruebe la intensidad de corriente del motor del ventilador
en carga con un amperímetro conectado en la forma que
indica la figura.
• El voltímetro se utiliza para asegurarse que la batería 2
suministre 12 V al motor del ventilador de refrigeración 3.
Con el motor del ventilador de refrigeración equipado con
ventilador de motor eléctrico funcionando a la máxima veloci-
dad, el amperímetro 4 no deberá indicar 5 A o más.
• Si el motor del ventilador no gira, cambie el conjunto del
motor por uno nuevo.
NOTA:
Cuando realice la comprobación indicada arriba, no será nece-
sario quitar la unidad del ventilador de refrigeración.

6-10 SISTEMA DE REFRIGERACIÓN Y LUBRICACIÓN
INSPECCIÓN DEL RELÉ DEL VENTILADOR
DE REFRIGERACIÓN
El relé del ventilador del refrigeración se encuentra detrás del
conjunto del faro.
• Quite la defensa delantera. (7-6)
• Quite el relé del ventilador de refrigeración 1.
Primero compruebe el aislamiento entre las terminales A y B
con el polímetro. Luego aplique 12 V a los terminales C y D, +
a C y - a D, y compruebe si hay continuidad entre A y B.
Si se encuentra alguna anomalía, cámbielo por otro nuevo.
09900-25008: Juego de polímetro
Graduación del polímetro: Prueba de continuidad ()
SENSOR ECT
EXTRACCIÓN
• Quite el depósito de combustible y su cubierta inferior.
(5-4)
• Desconecte el acoplador del sensor de ECT 1.
• Ponga un trapo debajo del sensor ECT y quite el sensor ECT.
INSPECCIÓN
• Compruebe el sensor ECT probándolo en banco como se
muestra en la figura. Conecte el sensor ECT 1 a un políme-
tro y colóquelo en un recipiente con aceite 2 colocado en un
calentador.
• Caliente el aceite de forma que su temperatura aumente len-
tamente, vigilando la indicación del termómetro 3 y del ohmí-
metro.

SISTEMA DE REFRIGERACIÓN Y LUBRICACIÓN 6-11
• Si el valor óhmico del sensor ECT no cambia en la proporción
indicada, cambie el sensor por otro nuevo.
Especificación del sensor de temperatura
Temperatura de funcionamiento del ventilador de
refrigeración:
Nominal (OFF→ON): Aprox. 98 °C
(ON→OFF): Aprox. 93 °C
Si la resistencia mostrada es infinita o resulta muy diferente,
cambie el sensor ECT por otro nuevo.
!
INSTALACIÓN
• Aplique refrigerante de motor a la junta tórica.
• Apriete el sensor ECT al par especificado.
Sensor ECT: 12 N·m
(1,2 kgf-m)
!
• Conecte el conector del sensor ECT.
• Instale la cubierta inferior del depósito de combustible y el
depósito de combustible.
• Compruebe el nivel del refrigerante del motor. (2-15)
Temperatura Resistencia nominal
20 °C Aprox. 2,6 kΩ
50 °C Aprox. 0,772 kΩ
80 °C Aprox. 0,279 kΩ
110 °C Aprox. 0,118 kΩ
* Tenga especial cuidado al manejar el sensor ECT. Si
sufre un golpe fuerte puede dañarse.
* Procure que el sensor ECT y el termómetro no
toquen el recipiente.
Tenga especial cuidado al manejar el sensor ECT. Si
sufre un golpe fuerte puede dañarse.

6-12 SISTEMA DE REFRIGERACIÓN Y LUBRICACIÓN
TERMOSTATO
EXTRACCIÓN
• Vacíe el refrigerante del motor. (2-15)
• Coloque un trapo debajo de la carcasa del termostato.
• Retire la caja del termostato 1.
• Quite el termostato 2.
INSPECCIÓN
Inspeccione la bola del termostato para ver si está agrietada.
Revise el funcionamiento del termostato en el banco, de la
siguiente manera.
• Pase una cuerda 1 entre la brida 2 del termostato, como se
muestra.
• Sumerja el termostato en una cubeta con agua, según se
muestra en la figura. Observe que el termostato sumergido se
encuentra en suspensión. Caliente el agua3 colocando la
cubeta sobre un calentador 4 y vigile cómo sube la tempera-
tura del termómetro 5.
• Lea el termómetro justo cuando se abre el termostato. Esta
lectura, que es la temperatura a la que la válvula del termos-
tato empieza a abrirse, ha de estar dentro del valor nominal.
Temperatura de apertura de la válvula del termostato
Nominal: Aprox. 76,5 °C

SISTEMA DE REFRIGERACIÓN Y LUBRICACIÓN 6-13
• Siga calentando el agua para subir su temperatura.
• Cuando la temperatura del agua alcance el valor especifi-
cado, la válvula del termostato tiene que haberse levantado,
por lo menos, 4,5 mm.
Levantamiento de la válvula del termostato A
Nominal: 4,5 mm y más a 90 °C
• Si el termostato no cumple alguna de las dos condiciones
anteriores (temperatura de comienzo de apertura y levanta-
miento de la válvula), debe cambiarse.
INSTALACIÓN
Instale el termostado en el orden inverso al del desmontaje.
• Aplique refrigerante del motor a la junta de goma del termos-
tato.
• Después de instalar el termostato y su caja, asegúrese de
añadir refrigerante del motor. (2-15)

6-14 SISTEMA DE REFRIGERACIÓN Y LUBRICACIÓN
BOMBA DE AGUA
EXTRACCIÓN Y DESMONTAJE
NOTA:
Antes de vaciar el aceite del motor y el líquido refrigerante, ins-
peccione si hay alguna fuga del aceite y del refrigerante del
motor entre la bomba de agua y el cárter. Si el aceite del motor
está goteando, inspeccione visualmente el retén de aceite y la
junta tórica. Si el refrigerante del motor está goteando, inspec-
cione visualmente la empaquetadura mecánica y la arandela de
estanqueidad. (
6-16)
• Vacíe el refrigerante del motor. (2-15)
• Vacíe el aceite del motor. (2-13)
• Desconecte el manguito del radiador 1 y el manguito del res-
piradero 2.
• Quite el interruptor del freno trasero 3 y el pedal del freno 4.
(7-67)
• Quite el manguito derecho del depósito de aceite.

SISTEMA DE REFRIGERACIÓN Y LUBRICACIÓN 6-15
• Quite la cubierta del embrague 5.
• Quite la tapa derecha del cárter 6.
• Quite la tapa de la bomba de agua 7.
• Quite el anillo de resorte 8, el engranaje conducido de la
bomba de agua 9, el pasador 0 y la arandela A.
09900-06107: Pinzas para anillos de resorte
• Instale el rodete B en el cuerpo de la bomba de agua C.
• Quite la junta tórica D y E.

6-16 SISTEMA DE REFRIGERACIÓN Y LUBRICACIÓN
• Saque el cierre mecánico utilizando la herramienta especial.
09921-20240: Juego extractor de rodamientos
NOTA:
Si no hay ninguna condición anormal, no es necesario sacar la
empaquetadura mecánica.
• Ponga un trapo sobre la bomba de agua.
• Saque el retén de aceite utilizando una barra adecuada.
NOTA:
Si no hay ninguna condición anormal, no es necesario sacar el
retén de aceite.
• Quite la empaquetadura mecánica F y la junta de goma G
del eje rodete.
INSPECCIÓN
EMPAQUETADURA MECÁNICA
• Inspeccione visualmente la empaquetadura mecánica por si
está dañada, poniendo especial atención a la cara de sellado.
• Cambie cualquier empaquetadura mecánica que presente
señales de fugas.
SELLO DE ACEITE
• Inspeccione visualmente el sello de aceite para ver si está
dañado, poniendo especial atención al labio.
• Cambie cualquier retén de aceite que presente señales de
fugas.

SISTEMA DE REFRIGERACIÓN Y LUBRICACIÓN 6-17
MUÑÓN DEL EJE DEL RODETE
• Inspeccione visualmente el muñón por si esta dañado o ara-
ñado.
• Reemplace el cuerpo de la bomba de agua si es necesario.
IMPULSOR
• Inspeccione el impulsor y su eje por si están dañados.
REMONTAJE E INSTALACIÓN
• Instale el sello de aceite utilizando le herramienta especial.
09913-70210: Juego instalador de rodamientos
NOTA:
La marca grabada en el retén del aceite mira hacia afuera.
!
• Aplique una pequeña cantidad de SUZUKI SUPER GREASE
“A” al labio del retén.
99000-25010: SUZUKI SUPER GREASE “A”
(o grasa equivalente)
El retén de aceite extraído debe cambiarse por uno
nuevo.

6-18 SISTEMA DE REFRIGERACIÓN Y LUBRICACIÓN
• Introduzca la empaquetadura mecánica utilizando una llave
de vaso adecuada.
NOTA:
En la empaquetadura mecánica se ha aplicado el sellador
A
.
!
• Introduzca la junta de goma 1 dentro del rodete.
• Después de limpiar la materia grasa o aceitosa de la empa-
quetadura mecánica, introdúzcala dentro del rodete.
NOTA:
El lado marcado con pintura
B
de la empaquetadura mecánica
mira hacia el rodete.
• Aplique grasa al eje del rodete.
99000-25010: SUZUKI SUPER GREASE “A”
(o grasa equivalente)
• Aplique grasa a las juntas tóricas.
• Instale las juntas tóricas 2 y 3.
99000-25010: SUZUKI SUPER GREASE “A”
(o grasa equivalente)
!
La empaquetadura mecánica extraída debe cambiarse
por una nueva.
Las juntas tóricas extraídas han de cambiarse por
otras nuevas.

SISTEMA DE REFRIGERACIÓN Y LUBRICACIÓN 6-19
• Instale el eje del rodete en el cuerpo de la bomba de agua.
• Instale el cuerpo de la bomba de agua con el rodete en la
cubierta del embrague.
• Instale la arandela 4, el pasador 5, el engranaje conducido
de la bomba de agua 6 y el anillo de resorte 7.
09900-06107: Pinzas para anillos de resorte
• Aplique refrigerante de motor a la junta tórica.
• Instale la junta tórica en el cuerpo de la bomba de agua.
!
• Instale la cubierta de la bomba de agua 8 en la cubierta del
cárter derecho.
• Instale la cubierta del cárter derecho. (3-70)
• Instale la tapa de embrague. (3-70)
• Instale el manguito derecho del depósito de aceite. (6-23)
• Instale el pedal del freno (7-67) y el interruptor del freno trasero.
• Conecte el manguito del respiradero y el manguito del radiador.
• Vierta aceite del motor. (2-13)
• Vierta refrigerante del motor. (2-15)
• Ajuste el pedal del freno. (2-19)
• Ajuste el interruptor del freno trasero. (2-19)
La junta tórica extraída ha de cambiarse por una
nueva.

6-20 SISTEMA DE REFRIGERACIÓN Y LUBRICACIÓN
DEPÓSITO DE ACEITE, DEPÓSITO Y MANGUITOS DE RETORNO
DE ACEITE
DESPIECE
1Manguito de depósito de aceite (D) 7Depósito de retorno de aceite
2Manguito de depósito de aceite (I) 8Manguera del respiradero
3Junta tórica ATornillo de montaje del manguito
del depósito de aceite
4Manguito de rebose del depósito de aceite ÍTEM N·m kgf-m
5Depósito de aceite BTapón de vaciado A10 1,0
6Indicador de nivel de aceite B12 1,2

SISTEMA DE REFRIGERACIÓN Y LUBRICACIÓN 6-21
DEPÓSITO DE ACEITE
EXTRACCIÓN
• Quite la defensa delantera. (7-6)
• Vacíe el aceite del motor. (2-13)
• Quite el depósito de retorno de combustible. (6-23)
• Quite el depósito de combustible y su cubierta inferior.
(5-4)
• Quite la batería. (8-3)
• Quite el soporte del depósito de retorno de aceite 1.
• Quite el soporte de la batería 2.
• Desconecte el manguito de rebose del depósito de aceite.
• Quite los tornillos de montaje del depósito de retorno de
aceite.

6-22 SISTEMA DE REFRIGERACIÓN Y LUBRICACIÓN
• Quite los tornillos de montaje de manguitos del depósito de
aceite, y luego quite el depósito de aceite y los manguitos
derecho e izquierdo del depósito de aceite de la carrocería
del vehículo.
REMONTAJE
Vuelva a colocar el depósito de aceite y sus manguitos en el
orden inverso al del desmontaje. Preste atención a los puntos
siguientes.
• Aplique aceite de motor a las juntas tóricas.
• Instale las juntas tóricas en los manguitos derecho e
izquierdo.
!
Utilice las juntas tóricas nuevas para impedir fugas de
refrigerante del motor.

SISTEMA DE REFRIGERACIÓN Y LUBRICACIÓN 6-23
• Apriete los tornillos de montaje de los manguitos del depósitto
de aceite al par especificado.
Tornillo de montaje de manguito de depósito de aceite:
10 N·m (1,0 kgf-m)
• Instale el depósito de aceite.
• Vierta aceite del motor. (2-13)
DEPÓSITO DE RETORNO DE ACEITE
EXTRACCIÓN Y DESMONTAJE
• Quite el tornillo de montaje del depósito de retorno de aceite.
• Desconecte los manguitos de ventilación 1, 2 y 3, y luego
quite el depósito de retorno de aceite 4.
INSPECCIÓN
Inspeccione el depósito de retorno de aceite por si está dañado.
Limpie el depósito de retorno de aceite.
INSTALACIÓN
Instale el depósito de retorno de aceite en el orden inverso al
del desmontaje.

6-24 SISTEMA DE REFRIGERACIÓN Y LUBRICACIÓN
SISTEMA DE LUBRICACIÓN
PRESIÓN DE ACEITE
2-35
FILTRO DE ACEITE
2-13
FILTRO DE ACEITE
3-51
BOMBA DE ACEITE
3-44

SISTEMA DE REFRIGERACIÓN Y LUBRICACIÓN 6-25
DIAGRAMA DEL SISTEMA DE LUBRICACIÓN DEL MOTOR
EMBRAGUE
DE ARRANQUE
CIGÜEÑAL IZQUIERDO
PIÑONES
CONDUCTORES
CADENA
DE DISTRIBUCIÓN
ORIFICIO
DERIVACIÓN
CÁRTER DE ACEITE
EXTREMO DERECHO
DE CIGÜEÑAL
CIGÜEÑAL DERECHO
MUÑEQUILLA
DE CIGÜEÑAL
RODAMIENTO DE
CABEZA DE BIELA
CÁRTER DERECHO
CILINDRO
CULATA
MUÑÓN DE ÁRBOL
DE LEVAS (AD y ES)
CARA DE LEVA
(AD y ES)
BOQUILLA
DE ACEITE
BULÓN DE PISTÓN
PISTÓN
PARED DE CILINDRO
ESPACIADOR
ÁRBOL DE
TRANSMISIÓN EMBRAGUE
FILTRO DE ACEITE
FILTRO DE ACEITE
(DETRÁS)
BOMBA DE ACEITE
(N.˚ 2)
CÁRTER IZQUIERDO
EJE INTERMEDIO
ENGRANAJES
DE EJE INTERMEDIO
FILTRO DE ACEITE
(DELANTE)
BOMBA DE ACEITE
(PARA RETORNO)
CUBIERTA
DE GENERADOR
LATIGUILLO DE ACEITE
DEPÓSITO DE ACEITE
LATIGUILLO DE ACEITE
BOMBA DE ACEITE (N.˚ 1)

6-26 SISTEMA DE REFRIGERACIÓN Y LUBRICACIÓN

CHASIS 7-1
7
CHASIS
CONTENIDO
PIEZAS EXTERIORES ......................................................................................... 7- 3
DESPIECE .................................................................................................. 7- 3
EXTRACCIÓN Y REINSTALACIÓN DE LOS FIJADORES ....................... 7- 5
EXTRACCIÓN ............................................................................................ 7- 6
INSTALACIÓN ............................................................................................ 7- 8
RUEDAS DELANTERAS Y TRASERAS ............................................................. 7- 9
DESPIECE .................................................................................................. 7- 9
EXTRACCIÓN ............................................................................................ 7-10
INSPECCIÓN Y DESMONTAJE ................................................................. 7-11
REMONTAJE E INSTALACIÓN ................................................................. 7-12
NEUMÁTICOS ...................................................................................................... 7-15
REEMPLAZO DE NEUMÁTICOS ............................................................... 7-15
FRENO DELANTERO .......................................................................................... 7-18
DESPIECE .................................................................................................. 7-18
CAMBIO DE PASTILLAS DEL FRENO ..................................................... 7-19
CAMBIO DEL LÍQUIDO DE FRENOS ........................................................ 7-20
EXTRACCIÓN Y DESMONTAJE DEL ESTRIBO DE FRENO .................. 7-20
INSPECCION DEL ESTRIBO DE FRENO ................................................. 7-22
REEMSAMBLAJE E INSTALACIÓN DE LA PINZA DEL FRENO ............ 7-23
EXTRACCIÓN Y DESMONTAJE DEL DISCO DE FRENO ....................... 7-24
INSPECCIÓN DEL DISCO DE FRENO ...................................................... 7-24
REEMSAMBLAJE E INSTALACIÓN DEL DISCO DE FRENO ................. 7-25
EXTRACCIÓN Y DESMONTAJE DEL CILINDRO MAESTRO .................. 7-25
INSPECCIÓN DEL CILINDRO MAESTRO ................................................ 7-26
REENSAMBLAJE E INSTALACIÓN DEL CILINDRO MAESTRO ............ 7-27
SUSPENSIÓN DELANTERA ............................................................................... 7-29
DESPIECE .................................................................................................. 7-29
EXTRACCIÓN ............................................................................................ 7-30
INSPECCIÓN Y DESMONTAJE ................................................................. 7-31
REMONTAJE E INSTALACIÓN ................................................................. 7-35
PARA DESHACERSE DEL AMORTIGUADOR DELANTERO ................. 7-38
REGLAJE DE LA SUSPENSIÓN ............................................................... 7-38
MANILLARES ...................................................................................................... 7-40
DESPIECE .................................................................................................. 7-40
EXTRACCIÓN ............................................................................................ 7-41
INSPECCIÓN .............................................................................................. 7-41
INSTALACIÓN ............................................................................................ 7-42
DIRECCIÓN .......................................................................................................... 7-44
DESPIECE .................................................................................................. 7-44
EXTRACCIÓN ............................................................................................ 7-45
INSPECCIÓN Y DESMONTAJE ................................................................. 7-47
REMONTAJE E INSTALACIÓN ................................................................. 7-49
AJUSTE DE CONVERGENCIA .................................................................. 7-52
INFORMACIÓN ACERCA DE REEMSAMBLAJE DE LA RUEDA DELANTERA,
FRENO DELANTERO, SUSPENSIÓN DELANTERA Y LA DIRECCIÓN ............ 7-53
FRENO TRASERO ............................................................................................... 7-54
DESPIECE .................................................................................................. 7-54
CAMBIO DE PASTILLAS DEL FRENO ..................................................... 7-55
CAMBIO DEL LÍQUIDO DE FRENOS ........................................................ 7-56

CHASIS
CONTENIDO
7-2 CHASIS
EXTRACCIÓN Y DESMONTAJE DEL ESTRIBO DE FRENO .................. 7-57
INSPECCION DEL ESTRIBO DE FRENO ................................................. 7-59
REEMSAMBLAJE E INSTALACIÓN DE LA PINZA DEL FRENO ............ 7-60
EXTRACCIÓN E INSTALACIÓN DEL DISCO DE FRENO ....................... 7-63
INSPECCIÓN DEL DISCO DE FRENO ...................................................... 7-63
EXTRACCIÓN Y DESMONTAJE DEL CILINDRO MAESTRO .................. 7-64
INSPECCIÓN DEL CILINDRO MAESTRO ................................................ 7-65
REENSAMBLAJE E INSTALACIÓN DEL CILINDRO MAESTRO ............ 7-65
PEDAL DE FRENO .............................................................................................. 7-67
EXTRACCIÓN ............................................................................................ 7-67
INSTALACIÓN ............................................................................................ 7-67
AMORTIGUADOR TRASERO ............................................................................. 7-68
DESPIECE .................................................................................................. 7-68
EXTRACCIÓN ............................................................................................ 7-68
INSPECCIÓN Y DESMONTAJE ................................................................. 7-69
REMONTAJE E INSTALACIÓN ................................................................. 7-71
PARA TIRAR EL AMORTIGUADOR TRASERO ....................................... 7-72
REGLAJE DE LA SUSPENSIÓN ............................................................... 7-73
VARILLA Y PALANCA DE AMORTIGUACIÓN .................................................. 7-75
DESPIECE .................................................................................................. 7-75
EXTRACCIÓN ............................................................................................ 7-76
INSPECCIÓN Y DESMONTAJE ................................................................. 7-76
REMONTAJE E INSTALACIÓN ................................................................. 7-80
INFORMACIÓN DE TIRANTE DE BIELETA, BIELETA Y AMORTIGUADOR
TRASERO ............................................................................................................ 7-82
BRAZO OSCILANTE ........................................................................................... 7-83
DESPIECE .................................................................................................. 7-83
EXTRACCIÓN ............................................................................................ 7-84
INSPECCIÓN Y DESMONTAJE ................................................................. 7-86
REENSAMBLAJE ....................................................................................... 7-89
INSTALACIÓN ............................................................................................ 7-90
EJE TRASERO ..................................................................................................... 7-91
DESPIECE .................................................................................................. 7-91
EXTRACCIÓN ............................................................................................ 7-92
INSPECCIÓN Y DESMONTAJE ................................................................. 7-94
REMONTAJE E INSTALACIÓN ................................................................. 7-96
INFORMACIÓN ACERCA DE REENSAMBLAJE DE LA RUEDA TRASERA,
FRENO TRASERO, SUSPENSION TRASERA, BRAZO OSCILANTE
TRASERO Y EJE TRASERO .............................................................................. 7-
102
CADENA DE TRANSMISIÓN ............................................................................. 7-
103
CORTE DE LA CADENA DE TRANSMISIÓN .......................................... 7-
103
CONEXIÓN DE LA CADENA .................................................................... 7-
104
RODILLO DE CONTROL DE CADENA DE TRANSMISIÓN ............................. 7-
107
DESPIECE ................................................................................................. 7-
107
EXTRACCIÓN ........................................................................................... 7-
107
INSPECCIÓN ............................................................................................. 7-
107
INSTALACIÓN ........................................................................................... 7-
108

CHASIS 7-3
PIEZAS EXTERIORES
DESPIECE
1Cubierta del depósito de combustible ATornillo de montaje de la
defensa delantera
2Cubierta lateral aA la defensa delantera ÍTEM N·m kgf-m
3Defensa delantera bAl bastidor A12 1,2
4Cubierta del faro

7-4 CHASIS
1Defensa trasera ATornillo de montaje de la defensa trasera
2Amortiguador (Trasero) BTornillo de montaje de parafangos ÍTEM N·m kgf-m
3Amortiguador (Delantero) aA la cubierta del depósito de combustible A12 1,2
4Refuerzo de parafangos bAl raíl del asiento B12 1,2
5Parafangos de apoyapiés

CHASIS 7-5
EXTRACCIÓN Y REINSTALACIÓN DE LOS
FIJADORES
EXTRACCIÓN
• Presione la cabeza de la pieza central del fijador 1.
• Tire del fijador hacia fuera.
INSTALACIÓN
• Deje que la pieza central sobresalga de la cabeza para que
las pestañas 2 se cierren.
• Inserte el fijador en el agujero de instalación.
NOTA:
Para impedir que se dañe la pestaña
2
, inserte completamente
el fijador en el agujero de instalación.
• Empuje hacia dentro la cabeza de la pieza central hasta que
esté nivelada con la cara exterior del fijador.

7-6 CHASIS
EXTRACCIÓN
ASIENTO
• Quite el asiento 1 tirando del cable de liberación que está
situado detrás de la defensa trasera.
CUBIERTA LATERAL, DEFENSA DELANTERA Y CUBIERTA
DEL DEPÓSITO DE COMBUSTIBLE
• Quite el asiento. (arriba)
• Quite las cubiertas laterales 1, derecha e izquierda.
• Quite la tapa del depósito de combustible 2.
• Quite la cubierta del depósito de combustible 3.
• Quite el interruptor de encendido 4 y los tornillos de montaje
de la defensa delantera 5.
• Quite la defensa delantera 6 extrayendo los fiadores.

CHASIS 7-7
• Quite los soportes 7 de la defensa delantera 6.
ASIDERO DELANTERO
• Quite el asidero delantero 1.
PARAFANGOS DE APOYAPIÉS Y REFUERZOS
• Quite los parafangos de los apoyapiés 1, derecho e
izquierdo.
• Quite los refuerzos de parafangos 2, derecho e izquierdo.
APOYAPIÉS
• Quite los refuerzos de parafangos. (arriba)
• Quite los apoyapiés 1, derecho e izquierdo.

7-8 CHASIS
DEFENSA TRASERA
• Quite el asiento. (7-6)
• Quite la cubierta del depósito de combustible. (7-6)
• Quite la defensa trasera 1 extrayendo los tornillos de mon-
taje.
INSTALACIÓN
Instale las piezas exteriores en el orden inverso al del desmon-
taje. Preste atención a los puntos siguientes:
APOYAPIÉS
• Aplique THREAD LOCK “1342” a los tornillos y apriételos al
par especificado.
99000-32050: THREAD LOCK “1342”
Tornillo de montaje del apoyapiés: 55 N·m (5,5 kgf-m)
REFUERZO DE PARAFANGOS
• Aplique THREAD LOCK SUPER “1322” a los tornillos de
montaje de refuerzo de parafangos.
99000-32110: THREAD LOCK SUPER “1322”
(u obturador de roscas equivalente)
DEFENSA TRASERA Y PARAFANGOS DE APOYAPIÉS
• Aplique THREAD LOCK SUPER “1322” a los tornillos de
montaje de la defensa trasera y a los tornillos de montaje de
los parafangos de apoyapiés. (7-4)
99000-32110: THREAD LOCK SUPER “1322”
(u obturador de roscas equivalente)

CHASIS 7-9
RUEDAS DELANTERAS Y TRASERAS
DESPIECE
1Rueda delantera 0Cubo de rueda delan-
tera IRueda trasera
2Arandela AEspaciador JNeumático trasero
3Pasador de aletas BRodamiento de cubo KArandela ÍTEM N·m kgf-m
4Válvula de aire CJunta guardapolvo ATuerca de rueda trasera A66 6,6
5Neumático delantero DCollar B
Tuerca de cubo delantero
B65 6,5
6
Placa de cubo delantero
E
Disco de freno delantero
CTuerca de cubo trasero C121 12,1
7Espaciador FCubierta de disco DTornillo de disco de freno D23 2,3
8Junta guardapolvo GEje
9Rodamiento de cubo HCubo de rueda trasera

7-10 CHASIS
EXTRACCIÓN
RUEDAS DELANTERAS Y TRASERAS
• Ponga el vehículo en un terreno nivelado.
• Apoye el vehículo con un gato o bloque de madera.
• Quite las ruedas quitando sus tuercas de fijación.
• Quite la placa del cubo delantero 1.
CUBO DE RUEDA DELANTERA
• Quite la pinza del freno delantero 1. (7-20)
• Quite el pasador y luego afloje la tuerca del cubo de la rueda.
• Quite la tuerca y la arandela del cubo de la rueda.
• Quite el cubo de la rueda delantera 2.
!
• Quite el disco del freno. (7-24)
• Quite los collares 3 y el distanciador 4.
CUBO DE RUEDA TRASERA
• Quite la rueda trasera. (7-10)
• Quite el pasador y afloje la tuerca del cubo de la rueda apli-
cando el freno trasero.
• Quite la tuerca y la arandela del cubo de la rueda.
• Quite el cubo de la rueda 1.
No accione la palanca de freno mientras quite el
mecanismo.

CHASIS 7-11
INSPECCIÓN Y DESMONTAJE
JUNTA GUARDAPOLVO
Inspeccione los labios de la junta guardapolvo por si están des-
gastados o dañados.
Si encuentra cualquier defecto cambie las juntas guardapolvo
por otras nuevas.
• Saque las juntas guardapolvo con la herramienta especial.
09913-50121: Extractor de retenes de aceite
!
RODAMIENTO DE CUBO
Inspeccione a mano el juego de la pista interior del rodamiento
del cubo mientras ésta está en el cubo de la rueda.
Haga girar manualmente el aro de rodadura interior para com-
probar si existen ruidos anormales y si gira bien. Si se aprecia
algo extraño, cambie el rodamiento por uno nuevo.
• Saque los rodamientos de cubos con la herramienta especial.
09921-20240: Juego extractor de rodamientos
!
• Quite el distanciador 1.
Las juntas guardapolvos desmontadas han de cam-
biarse por nuevas.
Juego
Juego
No vuelva a utilizar los cojinetes extraídos.

7-12 CHASIS
REMONTAJE E INSTALACIÓN
CUBO DE RUEDA DELANTERA
• Aplique grasa a los rodamientos de cubos.
99000-25010: SUZUKI SUPER GREASE “A”
(o grasa equivalente)
• Instale los rodamientos del cubo y el espaciador en el cubo
de la rueda delantera con la herramienta especial.
09913-70210: Juego instalador de rodamientos
09924-84510: Juego instalador de rodamientos
NOTA:
* Instale primero el rodamiento interior
1
, y luego el espaciador
2
y el rodamiento exterior
3
.
* Asegúrese de que el lado sellado del rodamiento quede hacia el instalador de rodamientos.
• Instale las juntas guardapolvo 4 en el cubo de la rueda
delantera con la parte de tela hacia el exterior.
09913-70210: Juego instalador de rodamientos
Juego

CHASIS 7-13
• Aplique grasa al labio de la junta guardapolvo, collar y espa-
ciador.
99000-25010: SUZUKI SUPER GREASE “A”
(o grasa equivalente)
• Instale el collar y el espaciador en el cubo de la rueda.
• Instale el disco delantero al cubo de rueda delantera.
(7-25)
• Aplique grasa al eje delantero.
99000-25010: SUZUKI SUPER GREASE “A”
(o grasa equivalente)
• Instale el cubo de la rueda.
• Instale el estribo del freno delantero. (7-24)
• Apriete la tuerca del cubo de rueda delantera al par especifi-
cado.
Tuerca del cubo de rueda delantera: 65 N·m (6,5 kgf-m)
• Instale el pasador en el eje delantero.
• Instale la rueda delantera. (7-14)
!
CUBO DE RUEDA TRASERA
• Aplique un poco de grasa a la ranura del cubo de la rueda.
99000-25010: SUZUKI SUPER GREASE “A”
(o grasa equivalente)
• Instale el cubo de la rueda trasera
1
, la arandela
2
y la tuerca.
• Apriete la tuerca del cubo de rueda trasera al par especificado.
Tuerca del cubo de rueda trasera: 121 N·m (12,1 kgf-m)
• Instale el pasador en el eje trasero.
• Instale la rueda trasera. (7-14)
!
Reemplace el pasador hendido retirado por uno
nuevo.
Reemplace el pasador hendido retirado por uno nuevo.

7-14 CHASIS
NOTA:
Instale la arandela
2
como se muestra en la ilustración.
RUEDA DELANTERA
• Instale la placa del cubo 1.
• Instale la rueda delantera.
• Apriete las tuercas de fijación de las ruedas hasta el par
especificado.
Tuerca de ajuste de rueda: 66 N·m (6,6 kgf-m)
NOTA:
Al instalar la rueda delantera, asegúrese de que la flecha
A
del
neumático apunte en la dirección de rotación.
RUEDA TRASERA
• Instale la rueda trasera.
• Apriete las tuercas de fijación de las ruedas hasta el par
especificado.
Tuerca de ajuste de rueda: 66 N·m (6,6 kgf-m)
NOTA:
Cuando instale la rueda trasera, asegúrese de que la indicación
“SIDE FACING OUTWARDS”
B
del neumático trasero quede
hacia afuera.
Lado de la rueda
trasera Lado del cubo
de la rueda trasera

CHASIS 7-15
NEUMÁTICOS
REEMPLAZO DE NEUMÁTICOS
• Desmonte las ruedas delanteras y traseras. (7-10)
• Después de quitar la tapa de la válvula de aire, suelte la pre-
sión de neumático deprimiendo la válvula.
• Desmonte completamente la pestaña de la llanta como se
muestra.
• Separe de la llanta el neumático usando un juego de palan-
cas de neumático y protectores de llanta.
!
• Inspeccione la parte de obturación de la llanta por si está des-
gastada o dañada. Si se encuentra algún daño, cambie la
llanta por una nueva.
• Limpie la parte de obturación de la llanta.
• Aplique el lubricante de neumático a la pestaña de neumático
y a la brida de la llanta.
!
Al usar la palanca de neumático, preste atención de
no rayar ni pegar la parte sellada (lomo) de la rueda.
La inobservancia puede provocar la fuga de aire.
No aplique ni grasa, ni aceite, ni gasolina a la pestaña
del neumático porque todo ello deteriorará el neumá-
tico.

7-16 CHASIS
!
• Monte el neumático en la llanta.
NOTA:
* Para la inspección de neumáticos, refiérase a la página 2-23.
* Inspeccione el núcleo de la válvula, antes de instalación.
* Al instalar el neumático delantero, asegúrese de que la flecha
A
del flanco del neumático apunte en la dirección de rotación.
* Cuando instale el neumático trasero, asegúrese de que la
indicación “SIDE FACING OUTWARDS”
B
del neumático
quede hacia afuera.
• Hinche el neumático para asentar bien el talón del neumático.
Presión máxima de asentamiento de la pestaña del
neumático
Del.: 250 kPa (2,5 kgf/cm²)
Trasero: 250 kPa (2,5 kgf/cm²)
!
El neumático estándar de este vehículo es el
AT20×7R10 para la parte delantera y el
AT18×10R8 para la parte trasera.
El uso de neumáticos distintos de los anteriores
puede provocar inestabilidad. Es muy recomendable
utilizar los neumáticos especificados.
Coloque el neumático debajo de una jaula protectiva
de neumático o un dispositivo de cubierta protectivo
similar antes de hinchar el neumático. Para reducir al
mínimo la posibilidad de daño del neumático al asen-
tar el talón del neumático, no exceda nunca el valor de
PRESIÓN MÁXIMA DE ASENTAMIENTO DE LA PES-
TAÑA DE NEUMÁTICO indicado en el neumático.

CHASIS 7-17
NOTA:
Compruebe “ la línea de llanta”
1
marcada en las paredes
laterales de los neumáticos. Deberá estar equidistante de la
llanta de rueda a todo largo de la circunferencia. Si la distancia
entre la línea de la llanta y la llanta varía, eso nos indica que el
talón no está correctamente asentado. Si éste es el caso desin-
fle la rueda por completo y saque el talón por ambos lados.
Luego, cubra el talón con agua limpia y vuelva a instalar el neu-
mático.
• Ajuste la presión del neumático al valor especificado.
(2-24)
!
Presión máxima de servicio
: 45 kPa (0,45 kgf/cm2)
Antes de inflar el neumático, compruebe la PRESIÓN
DE OPERACIÓN MÁXIMA del neumático. Esto se
indica mediante una marca “” seguida del tamaño
del neumático mostrado en su flanco. La cifra de “”
marcada en el neumático indica la presión máxima de
servicio.

7-18 CHASIS
FRENO DELANTERO
DESPIECE
1
Tapa del depósito del cilindro maestro
EPastilla de freno
2Diafragma FMuelle de pastilla
3Abrazadera de cilindro maestro GCubierta de disco
4Cubierta HDisco de freno delantero ÍTEM N·m kgf-m
5Conjunto de pistón ATornillo de montaje del cilindro principal A10 1,0
6Cilindro maestro BTornillo de unión de latiguillo del freno B23 2,3
7Latiguillo del freno N.° 1 CVálvula de purgado de aire C60,6
8Tubo de freno D
Perno de montaje del mecanismo del freno
D26 2,6
9Latiguillo del freno N.° 2 EPasador de montaje de pastilla de freno E18 1,8
0Pistón FPasador de soporte de pinza F18 1,8
AJunta de pistón GTornillo de disco de freno G23 2,3
BJunta guardapolvo HTuerca de tubo de freno H16 1,6
CPinza de freno ITuerca de soporte de pinza I23 2,3
DSoporte de pinza de freno

CHASIS 7-19
!
CAMBIO DE PASTILLAS DEL FRENO
• Quite la rueda delantera y su placa de cubo. (7-10)
• Quite los tonillos de sujeción del estribo de freno 1 y los
pasadores de montaje de las pastillas de f reno 2.
• Quite las pastillas de freno.
!
• Coloque las nuevas pastillas.
NOTA:
Antes de instalar las pastillas nuevas, inspeccione los pasado-
res de montaje de pastillas por si estás desgastados. Si se
encuentra un desgaste excesivo, reemplácelos por unos nue-
vos.
• Aplique THREAD LOCK SUPER “1360” a los tornillos de
montaje de la pinza del freno 1.
99000-32130: THREAD LOCK SUPER “1360”
• Apriete los pasadores de montaje de las pastillas 2 y los tor-
nillos de sujeción del estribo 1 al par especificado.
Pasador de sujeción de pastillas: 18 N·m (1,8 kgf-m)
Tornillo de montaje del estribo de freno:
26 N·m (2,6 kgf-m)
NOTA:
Después de cambiar las pastillas bombee con el freno varias veces para que el freno funcione correcta-
mente y luego compruebe el nivel del líquido de frenos.
* Este sistema de frenado emplea líquido de frenos DOT 4 con base de glicol etilénico. No uti-
lice otros tipos de líquido de frenos como los basados en siliconas o petróleo.
* No utilice líquido de frenos de recipientes ya viejos, usados o sin sellar. No reutilice nunca el
líquido de frenos sobrante de servicios anteriores o que lleve mucho tiempo guardado.
* Al guardar líquido de frenos asegúrese de precintar el envase y alejarlo de los niños.
* Cuando reponga líquido de frenos procure que no entre polvo en el líquido.
* Cuando se laven los componentes del freno, utilice nuevo líquido de freno. No utilice nunca
disolvente de limpieza.
* Un disco de freno o una pastilla de freno sucio reduce la eficacia del freno. Tire las pastillas
sucias y limpie el disco con un limpiador de frenos de alta calidad o un detergente neutro.
Tenga cuidado al manejar el líquido de frenos: El líquido reacciona químicamente con la pin-
tura, plásticos, gomas, etc. y los dañará seriamente.
* No accione la palanca de freno durante o después la
extracción de las pastillas de freno.
* Cambie el juego de pastillas de freno a la vez, si no
podría perder efectividad en la frenada.

7-20 CHASIS
CAMBIO DEL LÍQUIDO DE FRENOS
• Coloque el vehículo en una superficie nivelada manteniendo
derecho el manillar.
• Retire la tapa del depósito del cilindro principal y el diafragma.
• Succione tanto líquido de frenos viejo como sea posible.
• Rellene el depósito con líquido de frenos nuevo.
Especificación y clasificación: DOT 4
• Acople un manguito transparente a la válvula de purgado de
aire e introduzca el otro extremo en un recipiente.
• Afloje la válvula de purga de aire y empuje la palanca del
freno hasta que salga el líquido viejo por el sistema de freno.
• Cierre la válvula de purga del aire y desconecte el manguito
transparente. Llene el depósito hasta la marca superior con
líquido de frenos nuevo.
Válvula de purgado de aire del freno: 6 N·m (0,6 kgf-m)
!
EXTRACCIÓN Y DESMONTAJE DEL
ESTRIBO DE FRENO
• Quite la rueda delantera y su placa de cubo. (7-10)
• Desconecte el manguito de freno desde el estribo de freno
quitando el tornillo de unión del manguito de freno 1 y deje
salir el líquido de frenos a un recipiente adecuado.
• Desmonte la pastilla del freno quitando los tornillos de mon-
taje de la misma 2.
• Quite las pastillas de freno. (7-19)
* No reutilice nunca el líquido de frenos sobrante de
servicios anteriores o que lleve mucho tiempo guar-
dado.
* Purgue el aire del circuito de frenos.
(2-21)
Si el líquido de frenos gotea disminuirá la seguridad
de conducción y se descolorarán las superficies pin-
tadas. Compruebe el manguito de freno, el tubo de
freno y sus juntas en busca de grietas y/o fugas de
líquido de frenos.

CHASIS 7-21
• Quite el muelle 3.
• Retire el soporte del estribo de freno 4.
• Quite las piezas de caucho.
• Ponga un trapo encima de los pistones del estribo, por si sal-
taran, y luego extráigalos utilizando aire comprimido.
!
• Quite las juntas guardapolvo 5 y las juntas del pistón 6.
!
Para prevenir daños a los pistones no use aire a alta
presión.
Para impedir fugas de líquido no vuelva a utilizar las
juntas guardapolvo ni los retenes de pistón.

7-22 CHASIS
INSPECCION DEL ESTRIBO DE FRENO
MECANISMO DEL FRENO
Inspeccione la pared del cilindro de la pinza del freno en busca
de muescas, arañazos y otros deterioros. Si se encuentra algún
defecto, cambie la pinza del freno por una nueva.
PISTÓN DEL MECANISMO DEL FRENO
Inspeccione los pistones de la pinza del freno en busca de cual-
quier tipo de arañazo y otros deterioros. Si se encuentra algún
defecto, cambie el pistón por uno nuevo.
PIEZAS DE GOMA
Inspeccione las piezas de goma por si están dañadas. Si se
encuentra algún defecto cámbielos por otros nuevos.
SOPORTE DEL MECANISMO DEL FRENO
Inspeccione el soporte de la pinza 1 y su pasador 2 por si
están dañados. Si se encuentra algún defecto cámbielos por
otros nuevos.

CHASIS 7-23
REEMSAMBLAJE E INSTALACIÓN DE LA
PINZA DEL FRENO
Reensamble y vuelva a instalar la pinza del freno en orden
inverso al de la extracción y el desmontaje. Preste atención a
los puntos siguientes:
• Limpie los orificios de la pinza y los pistones con el líquido de
frenos especificado. Limpie completamente las ranuras de las
juntas guardapolvo y las ranuras de los retenes de pistones.
Especificación y clasificación: DOT 4
!
JUNTA DEL PISTÓN
• Instale las juntas de pistones 1 y las juntas guardapolvo 2
como se muestra.
PORTAESTRIBO DE FRENO
• Aplique SUZUKI SILICONE GREASE a la clavija del soporte
de la pinza del freno.
99000-25100: SUZUKI SILICONE GREASE
* Limpie las piezas de la pinza del freno con líquido de
frenos limpio antes de volver a montarlas.
* No seque el líquido de frenos de las piezas tras lim-
piarlas.
* Cuando limpie las piezas, usa el líquido de frenos
especificado. No utilice nunca líquidos de frenos dis-
tintos ni disolventes limpiadores como gasolina,
queroseno, etc.
* Reemplace los retenes del pistón y las juntas de
estanqueidad retirados por otros nuevos.
* Aplique liquido de frenos a todas las juntas, diáme-
tros interiores de los estribos de los frenos y pisto-
nes antes de volver a montarlos.

7-24 CHASIS
• Aplique THREAD LOCK SUPER “1360” a los tornillos de
montaje de la pinza del freno 2.
99000-32130: THREAD LOCK SUPER “1360”
• Apriete los pasadores de montaje de las pastillas del freno 1,
los tornillos de montaje de la pinza del freno 2 y el tornillo de
unión del manguito del freno 3 al par especificado.
Pasador de montaje de pastilla de freno:
18 N·m (1,8 kgf-m)
Tornillo de montaje del estribo de freno:
26 N·m (2,6 kgf-m)
Tornillo de unión del manguito del freno:
23 N·m (2,3 kgf-m)
• Para el procedimiento de ensamblaje del manguito del freno.
(9-22)
NOTA:
Antes de volver a montar el estribo de freno, empuje a fondo los
pistones del estribo para meterlos en el estribo.
!
• Instale la placa del cubo delantero y la rueda delantera.
(7-14)
EXTRACCIÓN Y DESMONTAJE DEL DISCO
DE FRENO
• Quite la rueda delantera. (7-10)
• Quite el cubo de la rueda delantera. (7-10)
• Quite el disco de freno.
INSPECCIÓN DEL DISCO DE FRENO
• Quite la rueda delantera y su placa de cubo. (7-10)
• Quite la pinza. (7-20)
Inspeccione el disco de freno en busca de grietas o daños y
mida el espesor usando un micrómetro. Si se encuentra algún
defecto o si el espesor es inferior al limite de funcionamiento,
reemplace el disco de freno por uno nuevo.
09900-20205: Micrómetro (0 – 25 mm)
Espesor del disco de freno
Límite de funcionamiento: 2,5 mm
* Las arandelas de manguitos de frenos retiradas deberán reemplazarse por otras nuevas para
evitar las fugas de líquido de frenos.
* Purgue el aire del sistema una vez haya vuelto a montar el estribo de freno. (2-21)

CHASIS 7-25
Mida el descentrado utilizando la galga de cuadrante. Si el des-
centrado excede el límite de funcionamiento, cambie el disco de
freno por uno nuevo.
09900-20607: Comparador de cuadrante (1/100 mm)
09900-20701: Soporte magnético
Descentramiento del disco de freno
Límite de funcionamiento: 0,3 mm
• Si una de las mediciones indica que el descentrado excede el
límite de funcionamiento, cambie el disco de freno por uno
nuevo.
• Instale el mecanismo. (7-24)
• Instale la placa del cubo delantero y la rueda delantera.
(7-14)
REEMSAMBLAJE E INSTALACIÓN DEL DISCO DE FRENO
Reensamble y vuelva a instalar el disco del freno en orden inverso al de la extracción y el desmontaje.
Preste atención a los puntos siguientes:
• Aplique THREAD LOCK SUPER “1360” a los tornillos del
disco y apriételos hasta el par especificado.
NOTA:
Compruebe que el disco de freno está limpio y no tiene materia
grasa.
99000-32130: THREAD LOCK SUPER “1360”
Perno del disco de freno: 23 N·m (2,3 kgf-m)
• Instale el cubo de la rueda delantera y la rueda delantera.
(7-13 y -14)
EXTRACCIÓN Y DESMONTAJE DEL
CILINDRO MAESTRO
• Coloque un trapo bajo el tornillo de unión del manguito en el
cilindro maestro para recoger cualquier fuga del líquido de
frenos. Quite el perno de unión de la manguera del freno y
desconecte la manguera.
!
• Extraiga el conjunto de cilindro maestro.
• Desconecte el acoplador del interruptor del freno.
Limpie inmediata y completamente el líquido de freno
que entre en contacto con cualquier pieza del vehí-
culo. El líquido de frenos reacciona químicamente con
la pintura, plástico, gomas, etc. y los dañará.

7-26 CHASIS
• Extraiga la maneta del freno 1 y el interruptor del freno 2.
• Quite la tapa del depósito 3 y el diafragma 4.
• Quite la bota guardadapolvo 5 y extraiga el anillo de resorte
6.
09900-06108: Pinzas para anillos de resorte
• Quite el conjunto del pistón 7.
INSPECCIÓN DEL CILINDRO MAESTRO
CILINDRO MAESTRO
Inspeccione la superficie interior del cilindro maestro en busca
de arañazos o cualquier otro tipo de daño. Si se encuentra
algún defecto, cambie el cilindro maestro por uno nuevo.

CHASIS 7-27
PISTÓN Y PIEZAS DE GOMA
Inspeccione la copa primaria/secundaria y la bota guardapolvo
por si presentan arañazos, desgaste o daños diversos. Si se
encuentra algún defecto cambie el juego del pistón por uno
nuevo.
REENSAMBLAJE E INSTALACIÓN DEL
CILINDRO MAESTRO
Vuelva a instalar el cilindro maestro en orden inverso al de des-
montaje y extracción. Preste atención a los puntos siguientes:
!
Especificación y clasificación: DOT 4
• Alinee la parte convexa A del interruptor del freno con el agu-
jero B del cilindro maestro cuando instale el interruptor del
freno.
• Aplique SUZUKI SILICONE GREASE al tornillo de la maneta
del freno.
• Aplique SUZUKI SILICONE GREASE al punto de contacto
entre el pistón y la maneta del freno.
99000-25100: SUZUKI SILICONE GREASE
* Antes de volver a montarlos lave los componentes
del cilindro principal con líquido de frenos nuevo.
* No seque el líquido de frenos de las piezas tras lim-
piarlas.
* Cuando limpie las piezas, usa el líquido de frenos
especificado. No utilice nunca líquidos de frenos dis-
tintos ni disolventes limpiadores como gasolina,
queroseno, etc.
* Aplique líquido de frenos a la superficie interior del
cilindro y a todas las piezas que vayan a insertarse
en ella.

7-28 CHASIS
• Apriete el tornillo de pivote de la maneta del freno 1 y la con-
tratuerca 2.
Tornillo de pivote de maneta de freno: 6,0 N·m (0,6 kgf-m)
Tuerca de seguridad del tornillo de pivote de maneta de
freno: 6,0 N·m (0,6 kgf-m)
• Alinee la superficie de contacto del soporte del cilindro maes-
tro C con la marca punzonada D en los manillares y apriete
primero el tornillo de anclaje superior.
Tornillo de anclaje del cilindro maestro:
10 N·m (1,0 kgf-m)
E Cilindro maestro
F Tornillo de anclaje superior
del cilindro maestro
G Manillar
H Juego
• Apriete el perno de unión de la manguera del freno 1 al par
especificado.
Perno de unión de la manguera del freno:
23 N·m (2,3 kgf-m)
NOTA:
Apriete el tornillo de unión una vez que la unión de manguito del
freno haya tocado el tope.
!
* Las arandelas de manguitos de freno desmontadas
han de cambiarse por nuevas.
* Purgue el aire del sistema una vez haya vuelto a
montar el cilindro maestro. (2-21)

CHASIS 7-29
SUSPENSIÓN DELANTERA
DESPIECE
1Amortiguador delantero BBrazo de horquilla inferior
2Collar CMuñón de dirección
3Junta guardapolvo DArandela de resorte
4Rodamiento EPasador de aletas
5Collar FTirante
6Brazo de horquilla superior GExtremidad del tirante ÍTEM N·m kgf-m
7Junta guardapolvo A
Tuerca de montaje de amortiguador trasero
A60 6,0
8Collar BTuerca del pivote del brazo triangular B65 6,5
9Rodamiento CTuerca de extremo de muñón C23 2,3
0Arandela DTuerca de extremidad del tirante D23 2,3
AArandela de resorte EContratuerca de tirante E29 2,9

7-30 CHASIS
EXTRACCIÓN
• Quite la rueda delantera. (7-10)
• Quite el cubo de la rueda delantera. (7-10)
• Quite la pinza del freno. (7-20)
• Retire la abrazadera del manguito del freno 1.
• Desconecte el manguito de freno por la abrazadera del man-
guito.
• Quite la cubierta del disco delantero 2.
• Retire el pasador hendido y la tuerca del extremidad del
tirante.
• Quite el extremo del tirante 3 del muñón de dirección 4 con
un extractor de rodamientos de bolas de venta en el comercio
5.
• Quite el perno de montaje inferior del amortiguador delantero
6.
• Retire el conjunto del brazo en forma de horquilla 7.

CHASIS 7-31
• Quite el amortiguador delantero 8 quitando el perno de mon-
taje superior.
• Quite los pasadores de aletas, las tuercas 9, la arandela de
resorte 0 y la arandela A.
• Retire el muñón de dirección B con un extractor de roda-
mientos de bolas de venta en el comercio C.
INSPECCIÓN Y DESMONTAJE
AMORTIGUADOR DELANTERO
Inspeccione el cuerpo del amortiguador en busca de fuga de
aceite y/o otro tipo de daños. Si se encuentra algún defecto,
cambie el amortiguador por uno nuevo.
!
JUNTA GUARDAPOLVO DE AMORTIGUADOR DELANTERO
• Quite los collares.
No intente desarmar el amortiguador delantero. No
tiene reparación.

7-32 CHASIS
Inspeccione los labios de la junta guardapolvo y los collares por
si están desgastados o dañados.
Si encuentra cualquier defecto cambie las juntas guardapolvo y
los collares por otros nuevos.
• Quite las juntas guardapolvo.
!
RODAMIENTO DE AMORTIGUADOR DELANTERO
Inspeccione los rodamientos por si producen ruido anormal o no
giran suavemente.
• Quite los rodamientos de agujas.
• Quite las jaulas de los rodamientos con la herramienta espe-
cial.
09921-20240: Juego extractor de rodamientos
!
Las juntas guardapolvos desmontadas han de cam-
biarse por nuevas.
Las jaulas de los rodamientos desmontados han de
cambiarse por nuevas.

CHASIS 7-33
MUÑÓN DE DIRECCIÓN
Inspeccione el muñón de dirección por si está dañado. Si se
encuentra algún defecto, cambie el muñón de dirección por uno
nuevo.
EXTREMIDAD DEL MUÑÓN
Inspeccione la bota de extremidad del muñón en busca de des-
gaste y/o daño. Si se encuentra algún defecto, cambie la extre-
midad del muñón por una nueva.
Inspeccione la extremidad del muñón para ver si se mueva con
suavidad. Si se encuentra alguna anormalidad, cambie el brazo
por uno nuevo.
BRAZO EN FORMA DE HORQUILLA
Inspeccione el brazo en forma de horquilla para ver si está des-
gastado o dañado. Si se encuentra algún defecto, cambie el
brazo de horquilla superior por uno nuevo.
BRAZO EN FORMA DE HORQUILLA INFERIOR
Inspeccione la bota de extremidad del muñón y el brazo de hor-
quilla inferior en busca de desgaste y/o daño. Si se encuentra
algún defecto, cambie el brazo de horquilla inferior por uno
nuevo.
Inspeccione la extremidad del muñón para ver si se mueve con
suavidad. Si se encuentra alguna anormalidad, cambie la extre-
midad de muñón por una nueva.
JUNTA GUARDAPOLVO DE BRAZO DE HORQUILLA
• Quite los collares.

7-34 CHASIS
Inspeccione los labios de la junta guardapolvo y los collares por
si están desgastados y dañados. Si se encuentra algún defecto
cámbielos por otros nuevos.
• Quite las juntas guardapolvo.
RODAMIENTO DE PIVOTE DE BRAZO DE HORQUILLA
Inspeccione los rodamientos por si producen ruido anormal o no
giran suavemente.
• Quite los rodamientos de agujas.
• Quite las jaulas de los rodamientos con las herramientas
especiales.
09923-73210: Extractor de rodamientos
09930-30104: Martillo deslizante
!
Las jaulas de los rodamientos desmontados han de
cambiarse por nuevas.

CHASIS 7-35
CUBIERTA DEL DISCO DE FRENO
Inspeccione la cubierta del disco de freno para ver si hay daños.
Si se encuentra algún defecto, cambie la cubierta del disco de
freno por una nueva.
REMONTAJE E INSTALACIÓN
Vuelva a montar y colocar la suspensión delantera en el orden
inverso al de extracción y desmontaje. Preste atención a los
puntos siguientes:
BRAZO EN FORMA DE HORQUILLA
• Meta a presión las jaulas de los rodamientos con la herra-
mienta especial y una llave de vaso del tamaño adecuado.
09924-84521: Juego instalador de rodamientos
NOTA:
Posicione los rodamientos consultando la ilustración de la
página 7-53.
• Aplique grasa a los rodamientos de agujas.
99000-25010: SUZUKI SUPER GREASE “A”
(o grasa equivalente)
• Aplique grasa al labio de la junta guardapolvo y a los collares.
99000-25010: SUZUKI SUPER GREASE “A”
(o grasa equivalente)
• Instale las juntas guardapolvo y los collares en el brazo de
horquilla superior y en el brazo de horquilla inferior.
NOTA:
* La marca estampada en la junta de estanqueidad debe que-
dar hacia afuera.
* Posicione las juntas guardapolvo consultando la ilustración de
la página 7-53.
AMORTIGUADOR DELANTERO
• Meta a presión las jaulas de los rodamientos con la herra-
mienta especial y una llave de vaso del tamaño adecuado.
09924-84510: Juego instalador de rodamientos
NOTA:
Posicione los rodamientos consultando la ilustración de la
página 7-53.

7-36 CHASIS
• Aplique grasa a los rodamientos de agujas.
99000-25010: SUZUKI SUPER GREASE “A”
(o grasa equivalente)
• Aplique grasa al labio de la junta guardapolvo y a los collares.
99000-25010: SUZUKI SUPER GREASE “A”
(o grasa equivalente)
• Instale las juntas guardapolvo y los collares en el amortigua-
dor delantero.
SUSPENSIÓN DELANTERA
• Desengrase la parte ahusada del muñón y también la extre-
mida del muñón usando un solvente detergente no inflama-
ble.
• Instale los brazos en forma de horquilla al muñón de dirección
y apriete las tuercas de extremidad del muñón hasta el par
especificado.
Tuerca de extremidad de muñón: 23 N·m (2,3 kgf-m)
• Monte los pasadores hendidos.
!
• Aplique THREAD LOCK SUPER “1322” al tornillo de montaje
de amortiguador delantero (superior).
99000-32110: THREAD LOCK SUPER “1322”
(u obturador de roscas equivalente)
• Apriete las tuercas de montaje del amortiguador al par espe-
cificado.
Tuerca de montaje de amortiguador (superior e inferior):
60 N·m (6,0 kgf-m)
Reemplace los pasadores hendidos retirados por
unos nuevos.

CHASIS 7-37
• Apriete las tuercas de pivote del brazo de horquilla hasta el
par especificado.
Tuerca del pivote del brazo en forma de horquilla:
65 N·m (6,5 kgf-m)
• Instale la arandela 1.
• Apriete las tuercas de la extremidad del tirante 2 hasta el par
especificado.
Tuerca de extremidad del tirante: 23 N·m (2,3 kgf-m)
• Instale las clavijas.
!
• Aplique THREAD LOCK SUPER “1360” a los tornillos de la
cubierta del disco y luego, apriete los tornillos.
99000-32130: THREAD LOCK SUPER “1360”
• Instale la pinza de freno. (7-24)
• Instale el cubo de la rueda delantera y la rueda delantera.
(7-13 y -14)
Reemplace el pasador hendido retirado por uno
nuevo.

7-38 CHASIS
PARA DESHACERSE DEL AMORTIGUADOR DELANTERO
DESPRESURIZACIÓN DEL GAS
El amortiguador delantero contiene nitrógeno a presión. Asegú-
rese de tomar las precauciones siguientes.
Marque el centro de taladrado A utilizando un punzón.
Meta el amortiguador delantero en una bolsa de vinilo y coló-
quelo en un tornillo de banco como se muestra.
Taladre un agujero de 2 – 3 mm en el punto marcado y deje que
salga el gas, con cuidado de que la bolsa de vinilo no se enrede
con la broca.
REGLAJE DE LA SUSPENSIÓN
Tras montar la suspensión delantera, ajuste la precarga del
muelle y la dureza de la amortiguación como sigue.
AJUSTE DE LA PRECARGA DEL MUELLE
La longitud fijada de 267,5 mm proporciona la máxima precarga
del muelle.
La longitud fijada de 281,5 mm proporciona la mínima precarga
del muelle.
Longitud nominal: 274,5 mm
!
* El amortiguador delantero contiene nitrógeno a presión.
* El manejo incorrecto puede resultar en explosión.
* Manténgalo alejado del calor y las llamas. La elevación de la presión del gas por efecto del
calor puede provocar explosiones.
* Despresurice el gas antes de tirar a la chatarra.
* No caliente nunca ni desarme el amortiguador por-
que podría explorar o el aceite salpicar peligrosa-
mente.
* Cuando tire el amortiguador delantero, asegúrese de
dejar libre el gas siguiendo el procedimiento
siguiente.
* Protéjase los ojos porque las virutas del taladrado y
el aceite podrían salir despedidos junto con el gas al
penetrar la broca en el amortiguador.
* Asegúrese de taladrar en el punto especificado. De
lo contrario, el aceite presionizado podría salir des-
pedido a la fuerza.
9 mm
No ajuste una longitud de muelle fuera del margen especificado.

CHASIS 7-39
• Afloje la contratuerca 1 con la herramienta especial.
• Ajuste la longitud del muelle girando el regulador 2.
• Apriete la contratuerca 1 hasta el par especificado.
Contratuerca de amortiguador delantero:
30 N·m (3,0 kgf-m)
09910-60611: Llave de apriete universal
AJUSTE DE LA FUERZA DE AMORTIGUACIÓN
La fuerza de amortiguación de rebote y compresión se ajusta
según las preferencias del conductor, su peso y el lugar donde
se conduce.
NOTA:
No gire los tornillos de regulador más allá de la posición dada o
el regulador podría dañarse.
Lado de rebote
Gire completamente el regulador de la fuerza amortiguadora 1
hacia la derecha. Desde la posición más dura gírelo hasta la
posición nominal.
Posición nominal: 1 1/2 vuelta hacia afuera desde la
posición más dura
[Haga un ajuste fino girándolo suavemente hasta que dos mar-
cas se alineen.]
Lado de compresión
Gire completamente el regulador de la fuerza amortiguadora 2
hacia la derecha. Desde la posición más dura gírelo hasta la
posición nominal.
Posición nominal: 2 1/4 vuelta hacia afuera desde la
posición más dura
[Haga un ajuste fino girándolo suavemente hasta que dos mar-
cas se alineen.]
Ajuste de suspensión nominal
DELANTERO
Longitud de ajuste de
muelle
Regulador de fuerza de amortiguación
Rebote Compresión
Estándar 274,5 mm 1 1/2 vuelta hacia afuera desde
la posición más dura
2 1/4 vuelta hacia afuera desde
la posición más dura

7-40 CHASIS
MANILLARES
DESPIECE
1Cubierta de cabezal de dirección BTuerca del soporte del manillar
2Manillares CTornillo de maneta de embrague
3Soporte superior del manillar DContratuerca detornillo deembrague ÍTEM N·m kgf-m
4Soporte inferior del manillar ETornillo de apriete del soporte de la maneta
de embrague
A26 2,6
5Árbol de dirección B60 6,0
6Puño FTornillo de pivote de maneta de freno C60,6
7Maneta de embrague GContratuerca de tornillo de pivote de
maneta de freno
D60,6
8
Interruptor de maneta de embrague
E10 1,0
9Caja de interruptor de manillar
izquierdo
HTornillo de montaje del cilindro principal F60,6
ITornillo de caja de maneta de acelerador G60,6
0Maneta de acelerador JTornillo de soporte de estacionamiento H10 1,0
AInterruptor de freno KContratuerca de tornillo de soporte de esta-
cionamiento
I50,5
BManeta de freno J60,6
APerno de la mordaza del manillar aAplique adhesivo de puño de manillar. K60,6

CHASIS 7-41
EXTRACCIÓN
• Quite el cilindro maestro 1 desde los manillares. (7-25)
• Retire la caja de palanca de mando de los gases 2.
• Retire el puño derecho 3.
• Quite el soporte de la maneta de embrague 4.
• Quite la caja de interruptores del manillar izquierdo 5.
• Quite el puño izquierdo 6.
• Quite la maneta de arranque 7.
• Retire la cubierta de la corona de dirección 8.
• Quite la abrazadera del mazo.
• Retire los manillares 9.
INSPECCIÓN
Inspeccione los manillares por si están deformados o dañados.
Si se encuentra algún defecto cambie los manillares por otros
nuevos.

7-42 CHASIS
INSTALACIÓN
Instale los manillares en el orden inverso al del desmontaje.
Preste atención a los puntos siguientes:
• Aplique agente adhesivo a los extremos derecho e izquierdo
de los manillares, y a la pared interior de los puños derecho e
izquierdo.
HANDLE GRIP BOND (de venta en el comercio)
• Alinee la marca punzonada A en los manillares con la super-
ficie de acoplamiento B del soporte del manillar.
• Primero apriete los tornillos 1 al par especificado y luego
apriete los tornillos 2 al par especificado.
Perno de apriete del manillar: 26 N·m (2,6 kgf-m)
NOTA:
La parte más alta del manillar deberá quedar hacia adelante,
para que la holgura
C
del soporte esté en la parte posterior de
los manillares.
• Aplique grasa al extremo del cable de arranque.
99000-25010: SUZUKI SUPER GREASE “A”
(o grasa equivalente)
• Cuando vuelva a montar el interruptor del manillar izquierdo,
enganche el tope D en el orificio del manillar E.
Aplique adhesivo
para manillares.
Aplique adhesivo
para manillares.
Manillar
Adelante

CHASIS 7-43
• Alinee la marca punzonada F en los manillares con la super-
ficie de acoplamiento G del soporte de la maneta de embra-
gue.
• Apriete los tornillos del soporte de la maneta de embrague al
par especificado.
Tornillo de apriete del soporte de la maneta de
embrague: 10 N·m (1,0 kgf-m)
H Juego
• Alinee la marca punzonada I en los manillares con la super-
ficie de acoplamiento J de la caja de la maneta del acelera-
dor.
• Apriete los tornillos de la caja de la maneta del acelerador al
par especificado.
Tornillo de caja de maneta de acelerador:
5 N·m (0,5 kgf-m)
• Instale el cilindro maestro del freno. (7-28)
1 mm

7-44 CHASIS
DIRECCIÓN
DESPIECE
1Cubierta de cabezal de dirección BPlaca del brazo de dirección
2Manillares CExtremidad del tirante
3Soporte superior del manillar DTirante
4Soporte inferior del manillar EMuñón de dirección ÍTEM N·m kgf-m
5Árbol de dirección APerno de la mordaza del manillar A26 2,6
6Soporte de árbol de dirección BTuerca del soporte del manillar B60 6,0
7
Casquillo de soporte del árbol de dirección
C
Tornillo de soporte del árbol de dirección
C23 2,3
8Junta tórica DTuerca del árbol de dirección D120 12,0
9Casquillo E
Tornillo de placa del brazo de dirección
E29 2,9
0Junta guardapolvo FTuerca de extremidad del tirante F23 2,3
AJunta guardapolvo GContratuerca de tirante G29 2,9

CHASIS 7-45
EXTRACCIÓN
• Quite la rueda delantera. (7-10)
• Retire las cubiertas laterales, la cubierta del depósito de com-
bustible y la defensa delantera. (7-6)
• Quite los manillares. (7-41)
• Quite las tuercas del soporte del manillar, las arandelas y el
soporte 1.
• Retire los pasadores hendidos, las tuercas de la extremidad
del tirante y las arandelas de resorte.
• Retire la extremidad del tirante 2 con un extractor de roda-
mientos de bolas de venta en el comercio 3.
• Afloje el tornillo de la placa del brazo de dirección 4.
• Quite el pasador hendido y la tuerca del árbol de dirección 5,
la arandela 6, la placa del brazo de dirección 7 y la junta
guardapolvo 8.
• Retire los pasadores hendidos, las tuercas de la extremidad
del tirante y las arandelas de resorte.

7-46 CHASIS
• Retire la placa del brazo de dirección 7 con un extractor de
rodamientos de bolas de venta en el comercio 3.
• Quite el tornillo de montaje de la junta del tubo del freno 9.
• Retire la guía de cables 0.
• Quite los tornillos del suporte del árbol de dirección.
• Quite la placa del árbol de dirección A.
• Quite el árbol de dirección B.
• Quite el soporte del árbol de dirección C y los collares D.
• Quite el casquillo del soporte del árbol de dirección E del
árbol de dirección.

CHASIS 7-47
INSPECCIÓN Y DESMONTAJE
CASQUILLO DEL SOPORTE DEL ÁRBOL DE DIRECCIÓN
Inspeccione el casquillo para ver si está desgastado o dañado.
Si se encuentra algún defecto cambie el casquillo por uno
nuevo.
TIRANTE
Inspeccione el tirante en busca de deformación o daño. Si se
encuentra algún defecto, cambie el tirante por uno nuevo.
1 Extremidad del tirante
2 Contratuerca
3 Contratuerca
4 Tirante
!
EXTREMIDAD DEL TIRANTE
Inspeccione la extremidad del tirante si se mueva con suavidad.
Si se encuentra alguna anomalía, cambie las extremidades del
tirante por unas nuevas.
Inspeccione las botas de las extremidades del tirante en busca
de desgaste o daño.
Si se encuentra algún defecto, cambie las extremidades del
tirante por unas nuevas.
ÁRBOL DE DIRECCIÓN
Inspeccione el árbol de dirección por si hay alguna deformación
o dobladura. Si se encuentra algún defecto, cambie el árbol de
dirección por uno nuevo.
Las contratuercas 2 tienen roscas a la izquierda.

7-48 CHASIS
SOPORTE DEL ÁRBOL DE DIRECCIÓN
Inspeccione los soportes del árbol de dirección por si están des-
gastados o dañados. Si se encuentra algún defecto, cambie los
soportes del árbol de dirección por otros nuevos.
CASQUILLO Y JUNTA GUARDAPOLVO DEL ÁRBOL DE
DIRECCIÓN
Inspeccione el casquillo del árbol de dirección 1 y las juntas
guardapolvo 2 por si están desgastados o dañados. Si se
encuentra algún defecto cámbielos por otros nuevos.
• Quite el casquillo del árbol de dirección y las juntas guarda-
polvo con las herramientas especiales y una llave de vaso del
tamaño adecuado.
09924-84521: Juego instalador de rodamientos
09930-30721: Extractor de rotor
• Monte el casquillo del árbol de dirección y la junta guarda-
polvo usando la herramienta especial.
09924-84521: Juego instalador de rodamientos

CHASIS 7-49
REMONTAJE E INSTALACIÓN
Monte e instale el árbol de dirección en orden inverso al de la
extracción y desmontaje. Preste atención a los puntos siguien-
tes:
ÁRBOL DE DIRECCIÓN
• Aplique grasa al casquillo del soporte del árbol de dirección.
99000-25010: SUZUKI SUPER GREASE “A”
(o grasa equivalente)
• Instale el casquillo del soporte del árbol de dirección en el
árbol de dirección.
• Aplique grasa al árbol de dirección y a la junta tórica.
!
99000-25010: SUZUKI SUPER GREASE “A”
(o grasa equivalente)
NOTA:
Cuando instale la dirección en el vehículo, gire el hueco
A
de la
parte ranurada del árbol de dirección hacia la parte delantera
del vehículo.
• Aplique grasa a los casquillos y a la junta guardapolvo.
99000-25010: SUZUKI SUPER GREASE “A”
(o grasa equivalente)
• Aplique grasa a los soportes del árbol de dirección antes de
volver a montarlos.
99000-25010: SUZUKI SUPER GREASE “A”
(o grasa equivalente)
!
Reemplace la junta tórica por una nueva.
Para impedir la entrada de suciedad, el extremo de la
junta guardapolvo B deberá quedar hacia atrás al ins-
talarla en el árbol de dirección.

7-50 CHASIS
• Apriete los tornillos del soporte del árbol de dirección hasta el
par especificado.
Tornillo de soporte del árbol de dirección:
23 N·m (2,3 kgf-m)
NOTA:
Asugúrese de que el arnés de cablaje, cables y manguitos de
freno están correctamente enrutados. (
9-15, -18 y -22)
• Aplique grasa a la junta guardapolvo.
• Instale las juntas guardapolvo y el árbol de dirección.
• Cuando instale la placa del brazo de dirección, alinee la
ranura ancha C del árbol de dirección con la hendidura D de
la placa del brazo de dirección.
• Aplique THREAD LOCK SUPER “1322” a la parte roscada
del árbol de dirección.
99000-32110: THREAD LOCK SUPER “1322”
(u obturador de roscas equivalente)
• Apriete la tuerca del árbol de dirección 1 hasta el par especi-
ficado.
Tuerca del árbol de dirección: 120 N·m (12,0 kgf-m)
• Aplique THREAD LOCK SUPER “1322” a la parte roscada
del tornillo de la placa del brazo de dirección 2 y apriete al
par especificado.
99000-32110: THREAD LOCK SUPER “1322”
(u obturador de roscas equivalente)
Tornillo de placa del brazo de dirección: 29 N·m (2,9 kgf-m)
• Instale las clavijas.
!
Reemplace el pasador hendido retirado por uno nuevo.

CHASIS 7-51
TIRANTE
• Apriete las tuercas de la extremidad del tirante hasta el par
especificado.
Tuerca de extremidad del tirante: 23 N·m (2,3 kgf-m)
• Monte los pasadores hendidos.
!
NOTA:
Asegúrese de que la extremidad estrecha
1
del tirante sale
hacia fuera cuando se instala el tirante.
!
SOPORTE DE MANILLAR
• Ponga el soporte del manillar 1 con la cara que resalta A
hacia adelante.
• Apriete la tuerca del soporte del manillar hasta el par especifi-
cado.
Tuerca del soporte del manillar: 60 N·m (6,0 kgf-m)
• Instale los manillares. (7-42)
• Instale la defensa delantera.
• Instale la rueda delantera. (7-14)
Reemplace los pasadores hendidos retirados por
unos nuevos.
Las contratuercas 2 tienen roscas a la izquierda.
Adelante

7-52 CHASIS
AJUSTE DE CONVERGENCIA
Ajuste la convergencia de la manera siguiente:
• Coloque el vehiculo en un terreno nivelado manteniendo
derecho el manillar.
Compruebe que todos los neumáticos están inflados al valor
estándar de presión. (2-24)
• Ponga un peso de 75 kg sobre el asiento.
• Afloje las contratuercas (1, 2) montadas en cada tirante.
NOTA:
Sujete la parte cóncava
a
del tirante con una llave.
!
• Mida las distancias (A y B) entre la rueda delantera y la otra
delantera. Substraiga los valores medidos A de los otros
valores medidos of B para obtener el valor de la convergen-
cia. Si la convergencia no está dentro del valor especificado,
ajuste el tirante moviéndole hacia la derecha y la izquierda
hasta que la convergencia esté dentro del límite especificado.
B – A = Convergencia
Convergencia
Nominal: 0 ± 4 mm
• Apriete provisionalmente las cuatro contratuercas.
• Verifique que las distancias (C y D) son iguales, como se
muestra. Si la distancias no son iguales, ajuste el tirante
moviéndole hacia la derecha e izquierda hasta que se
obtenga el valor especificado. Verifique de nuevo la conver-
gencia midiendo las distancias A y B.
• Si la convergencia medida no está dentro del valor especifi-
cado, repita el ajuste mencionado arriba hasta que se
obtenga el valor correcto de convergencia y las distancias C
y D se hagan iguales.
• Una vez efectuado el ajuste, apriete las cuatro contratuercas
1 al par especificado.
NOTA:
Sujete la parte cóncava
a
del tirante con una llave.
Contratuerca de tirante: 29 N·m (2,9 kgf-m)
Las contratuercas 2 tienen roscas a la izquierda.
Adelante
Ángulo
recto
(90 grados)
Adelante

CHASIS 7-53
INFORMACIÓN ACERCA DE REEMSAMBLAJE DE LA RUEDA
DELANTERA, FRENO DELANTERO, SUSPENSIÓN DELANTERA Y
LA DIRECCIÓN
ÍTEM N·m kgf-m ÍTEM N·m kgf-m ÍTEM N·m kgf-m
126 2,6 6120 12,0 A23 2,3
260 6,0 729 2,9 B66 6,6
323 2,3 860 6,0 C65 6,5
423 2,3 960 6,0 D23 2,3
529 2,9 065 6,5
Adelante
I
D
Adelante
Adelante
7 mm
1 mm
7 mm
1 mm

7-54 CHASIS
FRENO TRASERO
DESPIECE
1Depósito HFreno de estacionamiento
2Manguera del depósito IManeta del freno de estacionamiento
3Latiguillo del freno JRegulador
4Anillo de resorte KJunta tórica
5Conector LJunta
6Junta tórica MCubierta ÍTEM N·m kgf-m
7Conjunto de pistón ATornillo de unión de latiguillo del freno A23 2,3
8Varilla de empuje B
Contratuerca de la varilla del cilindro principal de freno
B18 1,8
9Anillo de resorte CTornillo de montaje del cilindro principal del freno C10 1,0
0Cubierta DClavija de montaje pastilla D18 1,8
APinza EPasador deslizante de soporte de pinza de freno E23 2,3
BPastilla F
Contratuerca del regulador del freno de estacionamiento
F18 1,8
CMuelle GPasador de soporte de pinza de freno G18 1,8
DPistón HTornillo de caja de freno de estacionamiento H28 2,8
EJunta guardapolvo IVálvula de purgado de aire I60,6
FJunta de pistón JTornillo de montaje de pinza de freno J26 2,6
GSoporte de pinza de freno KTornillo de disco K23 2,3

CHASIS 7-55
!
CAMBIO DE PASTILLAS DEL FRENO
• Aplane la arandela de seguridad 1 y luego afloje un poco los
pasadores de montaje de las pastillas 2.
• Afloje la contratureca 3 y gire hacia varias vueltas hacia
afuera el regulador del freno de estacionamiento 4.
• Quite los tornillos de montaje de la pinza.
• Quite las pastillas del freno sacando las clavijas de montaje
de las pastillas.
!
• Coloque las nuevas pastillas.
NOTA:
* Antes de instalar las pastillas nuevas, inspeccione los pasado-
res de montaje de pastillas por si estás desgastados. Si se
encuentra un desgaste excesivo, reemplácelos por unos nue-
vos.
* Asegúrese de aflojar el regulador del freno de estaciona-
miento antes de instalar las pastillas.
* Este sistema de frenado emplea líquido de frenos DOT 4 con base de glicol etilénico. No uti-
lice otros tipos de líquido de frenos como los basados en siliconas o petróleo.
* No utilice líquido de frenos de recipientes ya viejos, usados o sin sellar. Nunca reutilice
líquido de frenos sobrante de servicios anteriores o que lleve largo tiempo guardado.
* Al guardar líquido de frenos asegúrese de precintar el envase y alejarlo de los niños.
* Cuando reponga líquido de frenos procure que no entre polvo en el líquido.
* Al limpiar las piezas del freno, emplee líquido de frenos nuevo. No utilice nunca disolvente de
limpieza.
* Un disco de freno o una pastilla de freno sucio reduce la eficacia del freno. Tire las pastillas
sucias y limpie el disco con un limpiador de frenos de alta calidad o un detergente neutro.
Tenga cuidado al manejar el líquido de frenos: El líquido reacciona químicamente con la pin-
tura, plásticos, gomas, etc. y los dañará seriamente.
* No accione el pedal del freno mientras desmonta las
pastillas.
* Cambie el juego de pastillas de freno a la vez, si no
podría perder efectividad en la frenada.

7-56 CHASIS
• Aplique THREAD LOCK SUPER “1360” a los tornillos de
montaje de la pinza.
99000-32130: THREAD LOCK SUPER “1360”
• Apriete los pernos de montaje del mecanismo al par especifi-
cado.
Tornillo de montaje de la pinza del freno:
26 N·m (2,6 kgf-m)
• Apriete los pasadores de montaje de pastillas 5 al par espe-
cificado y luego doble la arandela de seguridad.
Clavija de montaje de pastilla: 18 N·m (1,8 kgf-m)
NOTA:
Después de cambiar las pastillas, pise y suelte varias veces el
pedal del freno para verificar si el freno funciona correctamente
y luego compruebe el nivel del líquido de frenos.
• Ajuste el freno de estacionamiento. (2-19)
CAMBIO DEL LÍQUIDO DE FRENOS
• Ponga el vehículo en una superficie nivelada.
• Quite el asiento. (7-6)
• Retire la tapa del depósito del cilindro principal y el diafragma.
• Succione tanto líquido de frenos viejo como sea posible.
• Rellene el depósito con líquido de frenos nuevo.
Especificación y clasificación: DOT 4
• Acople un manguito transparente a la válvula de purgado de
aire e introduzca el otro extremo en un recipiente.
• Afloje la válvula de purga de aire y pise y suelte el pedal del
freno hasta que salga el líquido viejo por el sistema de freno.
• Cierre la válvula de purga del aire y desconecte el manguito
transparente. Llene el depósito con líquido de frenos nuevo
hasta alcanzar el nivel superior.
Válvula de purgado de aire del freno: 6 N·m (0,6 kgf-m)
!
* No reutilice nunca el líquido de frenos sobrante de
servicios anteriores o que lleve mucho tiempo guar-
dado.
* Purgue el aire del circuito de frenos.
(2-21)

CHASIS 7-57
EXTRACCIÓN Y DESMONTAJE DEL
ESTRIBO DE FRENO
• Afloje la contratureca 1 y quite el regulador del freno de esta-
cionamiento 2.
• Quite el muelle 3 y desconecte el cable del freno de estacio-
namiento 4.
• Quite la maneta del freno de estacionamiento 5.
• Desconecte el manguito de freno retirando el tornillo de unión
del manguito de freno 6 y deje salir el líquido de frenos a un
recipiente adecuado.
• Quite la caja del freno de estacionamiento 7 y la junta 8.
• Desmonte la pinza del freno quitando los tornillos de montaje
de la misma.
NOTA:
Antes de quitar la pinza, afloje un poco el pasador deslizante del
soporte de pinza
9
para facilitar el desmontaje posterior.
• Retire las pastillas. (7-55)
• Extraiga el muelle de pastilla 0.
• Quite el pasador deslizante del soporte de pinza A, el
soporte de pinza B y la arandela C.
Si el líquido de frenos gotea disminuirá la seguridad
de conducción y se descolorarán las superficies pin-
tadas. Compruebe los latiguillos del freno y sus juntas
en busca de grietas y/o fugas.

7-58 CHASIS
• Quite las piezas de caucho.
• Ponga un trapo por encima del pistón de la pinza de freno
para impedir que el pistón salga despedido.
• Saque a la fuerza el pistón empujando el pasador del pistón
D.
• Quite la junta guardapolvo E, la junta de pistón F y la junta
tórica G.
!
* Para impedir fugas de líquido de frenos no vuelva a
utilizar la junta guardapolvo, la junta de pistón o la
junta tórica.
* No intente quitar el retenedor H.
Mecanismo
de freno

CHASIS 7-59
INSPECCION DEL ESTRIBO DE FRENO
MECANISMO DEL FRENO
Inspeccione la pared del cilindro de la pinza del freno en busca
de muescas, arañazos y otros deterioros. Si se encuentra algún
defecto, cambie la pinza del freno por una nueva.
PISTÓN DEL MECANISMO DEL FRENO
Inspeccione el pistón del estribo de freno en busca de cualquier
tipo de arañazo y otros deterioros. Si se encuentra algún
defecto cambie el pistón por uno nuevo.
PIEZAS DE CAUCHO Y PASADOR DESLIZANTE
Inspeccione las piezas de goma por si están dañadas. Si se
encuentra algún defecto cámbielos por otros nuevos.
Inspeccione el pasador deslizante 1 por si está dañado. Si se
encuentra algún defecto, cámbielo por uno nuevo.
SOPORTE DEL MECANISMO DEL FRENO
Inspeccione el soporte de la pinza 1 y su pasador 2 por si
están dañados. Si se encuentra algún defecto cámbielos por
otros nuevos.
FRENO DE ESTACIONAMIENTO
Girando el eje, inspeccione el freno de estacionamiento por si
está dañado y para asegurarse de que gira bien. Si se aprecia
algo extraño, cambie el freno de estacionamiento por uno
nuevo.

7-60 CHASIS
REEMSAMBLAJE E INSTALACIÓN DE LA
PINZA DEL FRENO
Reensamble y vuelva a instalar la pinza del freno en orden
inverso al de la extracción y el desmontaje. Preste atención a
los puntos siguientes:
• Limpie el orificio de la pinza y el pistón con el líquido de fre-
nos especificado. Limpie completamente las ranuras de las
juntas guardapolvo y las ranuras de los retenes de pistones.
Especificación y clasificación: DOT 4
!
JUNTAS DEL PISTÓN
• Instale la junta de pistón 1, junta guardapolvo 2 y junta
tórica 3 como se muestra en la ilustración.
PORTAESTRIBO DE FRENO
• Aplique SUZUKI SILICONE GREASE al pasador del soporte
de la pinza de freno y al pasador corredizo del soporte de la
pinza.
99000-25100: SUZUKI SILICONE GREASE
* Limpie las piezas de la pinza del freno con líquido de
frenos limpio antes de volver a montarlas.
* No seque el liquido de frenos con un trapo una vez
que ha limpiado los componentes.
* Cuando limpie las piezas, usa el líquido de frenos
especificado. No utilice nunca líquidos de frenos dis-
tintos ni disolventes limpiadores como gasolina,
queroseno, etc.
* Reemplace los retenes del pistón y las juntas de
estanqueidad retirados por otros nuevos.
* Aplique liquido de frenos a todas las juntas, diáme-
tros interiores de los estribos de los frenos y pisto-
nes antes de volver a montarlos.

CHASIS 7-61
• Aplique THREAD LOCK SUPER “1303” al pasador desli-
zando del soporte de pinza 1.
99000-32030: THREAD LOCK SUPER “1303”
• Instale el pasador deslizante del soporte de pinza 1, la aran-
dela 2 y el soporte de pinza 3 en la pinza.
• Apriete el pasador deslizante del soporte de pinza 1 al par
especificado.
Pasador corredizo del soporte de estribo:
23 N·m (2,3 kgf-m)
• Instale el muelle de pastillas y las pastillas. (7-55)
NOTA:
Cuando instale el pasador deslizante del soporte de pinza
1
y
la arandela
2
, la parte convexa de la arandela deberá quedar
hacia el pasador como se muestra en la ilustración.
• Aplique THREAD LOCK SUPER “1360” a los tornillos de
montaje de la pinza y apriételos hasta el par especificado.
99000-32130: THREAD LOCK SUPER “1360”
Tornillo de montaje de la pinza del freno:
26 N·m (2,6 kgf-m)
NOTA:
Antes de volver a montar la pinza de freno, empuje a fondo el
pistón de la pinza para meterlo en la pinza.
• Apriete el tornillo de la unión del manguito de freno.
• Instale la caja del freno de estacionamiento 4 y una junta
nueva.
• Aplique THREAD LOCK SUPER “1360” a los tornillos del
freno de estacionamiento y apriételos hasta el par especifi-
cado.
99000-32130: THREAD LOCK SUPER “1360”
Tornillo de unión de manguito de freno:
23 N·m (2,3 kgf-m)
Tornillo de caja de freno de estacionamiento:
28 N·m (2,8 kgf-m)
!
* Las arandelas de manguitos de frenos retiradas
deberán reemplazarse por otras nuevas para evitar
las fugas de líquido de frenos.
* Purgue el aire del sistema una vez haya vuelto a
montar el estribo de freno. (2-21)

7-62 CHASIS
• Cuando cambie la cubierta por otra nueva, aplique SUZUKI
SILICONE GREASE a la ranura del eje del freno de estacio-
namiento.
99000-25100: SUZUKI SILICONE GREASE
• Afloje la contratuerca 5 y gire el regulador 6 completamente
hacia adentro para que el juego del cable sea el máximo.
• Ponga el eje del freno de estacionamiento 7 en posición
neutral girándolo.
• Instale la palanca de estacionamiento 8 en el eje del freno
de estacionamiento 7 con la marca punzonada A alineada
con el hexágono del eje del freno de estacionamiento 7, para
que la palanca de estacionamiento 8 quede a 90 grados
aproximadamente de la línea B como se muestra en la ilus-
tración.
• Enganche el muelle de retorno 9 en la palanca de estaciona-
miento con el extremo del muelle hacia la pinza.
• Conecte el cable de estacionamiento 0.
• Instale el regulador A y la contratuerca B.
• Ajuste el freno de estacionamiento. (2-19)
Aprox. 90˚

CHASIS 7-63
EXTRACCIÓN E INSTALACIÓN DEL DISCO
DE FRENO
EXTRACCIÓN
• Quite la rueda trasera. (7-10)
• Quite el eje trasero. (7-92)
• Quite el disco de freno.
INSTALACIÓN
• Instale el disco de freno en el eje trasero.
NOTA:
Compruebe que el disco esté limpio y no tenga grasa.
• Aplique THREAD LOCK SUPER “1360” a los tornillos del
disco y apriételos hasta el par especificado.
99000-32130: THREAD LOCK SUPER “1360”
Perno del disco de freno: 23 N·m (2,3 kgf-m)
• Instale el eje trasero. (7-98)
• Instale la rueda trasera. (7-14)
INSPECCIÓN DEL DISCO DE FRENO
Inspeccione el disco de freno en busca de grietas o daños y
mida el espesor usando un micrómetro. Si se encuentra algún
defecto o si el espesor es inferior al limite de funcionamiento,
reemplace el disco de freno por uno nuevo.
09900-20205: Micrómetro (0 – 25 mm)
Espesor del disco de freno
Límite de funcionamiento: 3,5 mm
• Quite la pinza del freno. (7-57)
Mida el descentrado utilizando la galga de cuadrante. Si el des-
centrado excede el límite de funcionamiento, cambie el disco de
freno por uno nuevo.
09900-20607: Comparador de cuadrante (1/100 mm)
09900-20701: Soporte magnético
Descentramiento del disco de freno
Límite de funcionamiento: 0,3 mm
• Instale la pinza de freno. (7-61)

7-64 CHASIS
EXTRACCIÓN Y DESMONTAJE DEL
CILINDRO MAESTRO
• Vacíe el líquido de frenos. (7-56)
• Coloque un trapo debajo del tornillo de unión del manguito del
freno y del conector del manguito del depósito, en el cilindro
maestro, para recoger cualquier fuga del líquido de frenos.
Quite el perno de unión de la manguera del freno y desco-
necte la manguera del freno y la del depósito.
!
• Quit el pasador de varilla del cilindro maestro. (7-67)
• Quite el tornillo de montaje del cilindro maestro.
• Quite el cilindro maestro 1.
• Quite el conector 2 y la junta tórica 3 quitando el anillo de
resorte 4.
09900-06108: Pinzas para anillos de resorte
• Retire la cubierta guardapolvo 5.
• Saque el anillo de resorte 6.
09900-06108: Pinzas para anillos de resorte
Limpie inmediata y completamente el líquido de freno
que entre en contacto con cualquier pieza del vehí-
culo. El líquido de frenos reacciona químicamente con
la pintura, plástico, gomas, etc. y los dañará.

CHASIS 7-65
• Quite la varilla de empuje 7 y el conjunto del pistón 8.
INSPECCIÓN DEL CILINDRO MAESTRO
CILINDRO MAESTRO
Inspeccione la superficie interior del cilindro maestro en busca
de arañazos o cualquier otro tipo de daño. Si se encuentra
algún defecto, cambie el cilindro maestro por uno nuevo.
PISTÓN Y PIEZAS DE GOMA
Inspeccione la copa primaria/secundaria y la bota guardapolvo
por si presentan arañazos, desgaste o daños diversos. Si se
encuentra algún defecto cámbielos por unos nuevos.
REENSAMBLAJE E INSTALACIÓN DEL
CILINDRO MAESTRO
Vuelva a instalar el cilindro maestro en orden inverso al de des-
montaje y extracción. Preste atención a los puntos siguientes:
!
Especificación y clasificación: DOT 4
* Antes de volver a montarlos lave los componentes
del cilindro principal con líquido de frenos nuevo.
* No seque el líquido de frenos de las piezas tras lim-
piarlas.
* Cuando limpie las piezas, usa el líquido de frenos
especificado. No utilice nunca líquidos de frenos dis-
tintos ni disolventes limpiadores como gasolina,
queroseno, etc.
* Aplique líquido de frenos a la superficie interior del
cilindro y a todas las piezas que vayan a insertarse
en ella.

7-66 CHASIS
• Aplique SUZUKI MOLY PASTE a la varilla de empuje.
99000-25140: SUZUKI MOLY PASTE
• Instale el pasador de varilla del cilindro maestro. (7-67)
• Apriete los pernos de montaje del cilindro maestro 1.
Tornillo de anclaje del cilindro maestro:
10 N·m (1,0 kgf-m)
• Apriete el perno de unión de la manguera del freno 2 al par
especificado.
• Conecte la manguera del depósito.
Tornillo de unión de latiguillo del freno 2:
23 N·m (2,3 kgf-m)
NOTA:
Apriete el tornillo de unión una vez que la unión de manguito del
freno haya tocado el tope.
!
• Ajuste la altura del pedal del freno. (2-19)
* Las arandelas de manguitos de freno desmontadas
han de cambiarse por nuevas.
* Purgue el aire del sistema del freno una vez haya
vuelto a montar el cilindro maestro. (2-21)

CHASIS 7-67
PEDAL DE FRENO
EXTRACCIÓN
• Extraiga la presilla 1.
• Quite el pasador 2 y la arandela 3.
• Quite el pasador de varilla del cilindro maestro 4.
• Retire el tornillo de pivote del pedal del freno 5.
• Quite el muelle de retorno 6 y el muelle del interruptor del
freno trasero 7 del pedal del freno 8.
INSTALACIÓN
• Aplique grasa al retén de aceite y al tornillo de pivote del
pedal del freno.
99000-25010: SUZUKI SUPER GREASE “A”
(o grasa equivalente)
• Instale correctamente el muelle de retorno y el muelle del
interruptor del freno trasero. (9-26)
• Apriete el tornillo de pivote del pedal del freno hasta el par
especificado.
Tornillo de pivote del pedal del freno: 29 N·m (2,9 kgf-m)
• Monte los pasadores hendidos y la presilla.
!
• Ajuste la altura del pedal del freno. (2-19)
Reemplace el pasador hendido retirado por uno
nuevo.

7-68 CHASIS
AMORTIGUADOR TRASERO
DESPIECE
EXTRACCIÓN
• Levante la rueda trasera del suelo y sujete el vehículo con un
gato o un bloque de madera.
• Quite el perno/tuerca inferior de la varilla amortiguadora.
1Amortiguador trasero 5Collar
2Collar ATuerca de montaje del amortiguador
trasero
ÍTEM N·m kgf-m
3Junta guardapolvo A60 6,0
4Rodamiento

CHASIS 7-69
• Retire los tornillos/tuercas de montaje del amortiguador tra-
sero.
• Retire el amortiguador trasero.
INSPECCIÓN Y DESMONTAJE
AMORTIGUADOR TRASERO
Inspeccione el cuerpo del amortiguador en busca de fuga de
aceite y/o otro tipo de daños.
Si se encuentra algún defecto, cambie el amortiguador por uno
nuevo.
!
JUNTA GUARDAPOLVO DE AMORTIGUADOR TRASERO
• Quite los collares.
No intente desarmar el amortiguador trasero. No tiene
reparación.

7-70 CHASIS
Inspeccione los labios de la junta guardapolvo y los collares por
si están desgastados o dañados.
Si encuentra cualquier defecto cambie las juntas guardapolvo y
los collares por otros nuevos.
• Quite las juntas guardapolvo.
!
RODAMIENTO DE AMORTIGUADOR TRASERO
Inspeccione los rodamientos por si producen ruido anormal o no
giran suavemente.
• Quite los rodamientos de agujas.
• Quite la jaula del rodamiento con la herramienta especial.
09921-20240: Juego extractor de rodamientos
!
Las juntas guardapolvos desmontadas han de cam-
biarse por nuevas.
La jaula de rodamiento extraída ha de cambiarse por
una nueva.

CHASIS 7-71
REMONTAJE E INSTALACIÓN
Vuelva a montar y colocar el amortiguador trasero en el orden
inverso al de extracción y el desmontaje. Preste atención a los
puntos siguientes:
• Meta a presión la jaula del rodamiento con la herramienta
especial y una llave de vaso del tamaño adecuado.
09924-84521: Juego instalador de rodamientos
NOTA:
Posicione los rodamientos consultando la ilustración de la
página 7-82.
• Aplique grasa a los rodamientos de agujas.
99000-25010: SUZUKI SUPER GREASE “A”
(o grasa equivalente)
• Aplique grasa al labio de la junta guardapolvo y a los collares.
99000-25010: SUZUKI SUPER GREASE “A”
(o grasa equivalente)
• Instale las juntas guardapolvo 1 y los collares 2 en el amor-
tiguador trasero.
• Apriete cada tornillo/tuerca al par especificado.
Tuerca de amortiguador trasero (Superior) 3:
60 N·m (6,0 kgf-m)
Tuerca de amortiguador trasero (Inferior) 4:
60 N·m (6,0 kgf-m)
Tuerca de barra de amortiguador trasero 5:
78 N·m (7,8 kgf-m)

7-72 CHASIS
PARA TIRAR EL AMORTIGUADOR
TRASERO
DESPRESURIZACIÓN DEL GAS
El amortiguador trasero contiene gas nitrógeno a presión. Ase-
gúrese de tomar las precauciones siguientes.
Marque el centro de taladrado A utilizando un punzón.
Meta el amortiguador trasero en una bolsa de vinilo y colóquelo
en un tornillo de banco como se muestra.
Taladre un agujero de 2 – 3 mm en el punto marcado y deje que
salga el gas, con cuidado de que la bolsa de vinilo no se enrede
con la broca.
* El amortiguador trasero contiene gas nitrógeno a
presión.
* El manejo incorrecto puede resultar en explosión.
* Manténgalo alejado del calor y las llamas. La eleva-
ción de la presión del gas por efecto del calor puede
provocar explosiones.
* Despresurice el gas antes de tirar a la chatarra.
* No caliente nunca ni desarme el amortiguador por-
que podría explorar o el aceite salpicar peligrosa-
mente.
* Cuando tire el amortiguador trasero, asegúrese de
dejar libre el gas siguiendo el procedimiento
siguiente.
* Protéjase los ojos porque las virutas del taladrado y
el aceite podrían salir despedidos junto con el gas al
penetrar la broca en el amortiguador.
* Asegúrese de taladrar en el punto especificado. De
lo contrario, el aceite presionizado podría salir des-
pedido a la fuerza.
9 mm

CHASIS 7-73
REGLAJE DE LA SUSPENSIÓN
Después de instalar la suspensión trasera, ajuste la precarga
del muelle y la fuerza de amortiguación como se indica a conti-
nuación.
AJUSTE DE LA PRECARGA DEL MUELLE
La longitud fijada de 222 mm proporciona la máxima precarga
del muelle.
La longitud fijada de 236 mm proporciona la mínima precarga
del muelle.
Longitud nominal: 299 mm
!
• Retire el amortiguador trasero. (7-68)
• Afloje la contratuerca 1.
• Ajuste la longitud del muelle girando el regulador 2.
• Apriete la contratuerca 1 hasta el par especificado.
Contratuerca de amortiguador trasero:
30 N·m (3,0 kgf-m)
• Retire el amortiguador trasero. (7-71)
AJUSTE DE LA FUERZA DE AMORTIGUACIÓN
La fuerza de amortiguación de rebote y compresión se ajusta
según las preferencias del conductor, su peso y el lugar donde
se conduce.
NOTA:
No gire los tornillos de regulador más allá de la posición dada o
el regulador podría dañarse.
Lado de rebote
Gire completamente el regulador de la fuerza amortiguadora 1
hacia la derecha. Desde la posición más dura gírelo hasta la
posición nominal.
Posición nominal: 7 clicks hacia fuera desde
la posición más dura
[Haga un ajuste fino girándolo suavemente hasta que dos mar-
cas se alineen.]
NOTA:
Asegúrese de comprobar la 1ra posición de click mediante el
último sonido cuando gire el regulador.
No ajuste una longitud de muelle fuera del margen
especificado.

7-74 CHASIS
Lado de compresión
(Lado bajo)
Gire completamente el regulador de la fuerza amortiguadora 2
hacia la derecha. Desde la posición más dura gírelo hasta la
posición nominal.
Posición nominal (Compresión de baja velocidad):
8 clicks hacia fuera desde la posición más dura
(Lado alto)
Gire completamente el regulador de la fuerza amortiguadora 3
hacia la derecha. Desde la posición más dura gírelo hasta la
posición nominal.
Posición nominal (Compresión de alta velocidad):
3/4 de vuelta hacia afuera desde la posición más dura
[Haga un ajuste fino girándolo suavemente hasta que dos mar-
cas se alineen.]
Ajuste de suspensión nominal
TRASERO
Longitud de ajuste
de muelle
Regulador de fuerza de amortiguación
Rebote Compresión
Nominal 299 mm
7 clicks hacia fuera
desde la posición más
dura
Baja
velocidad
8 clicks hacia fuera desde
la posición más dura
Alta
velocidad
3/4 de vuelta hacia afuera
desde la posición más dura

CHASIS 7-75
VARILLA Y PALANCA DE AMORTIGUACIÓN
DESPIECE
1Amortiguador trasero 7Arandela
2Tirante de bieleta 8Collar
3Bieleta ATuerca de montaje del amortiguador
trasero
ÍTEM N·m kgf-m
4Rodamiento A60 6,0
5Espaciador BTuerca de tirante de bieleta B78 7,8
6Junta guardapolvo CTuerca de la palanca de amortiguación C78 7,8

7-76 CHASIS
EXTRACCIÓN
• Ponga el vehículo en un terreno nivelado y apóyelo con un
gato o un bloque de madera.
• Quite el rodillo de control de la cadena de transmisión 1.
• Quite la varilla de amortiguación 2.
• Quite la palanca de amortiguación 3.
INSPECCIÓN Y DESMONTAJE
ESPACIADOR
• Quite los collares, arandelas y espaciadores de la palanca de
amortiguación.
• Quite el espaciador de la varilla de amortiguación.
Inspeccione los espaciadores por si están dañados. Si se
encuentra algún defecto, cambie los casquillos por unos nue-
vos.

CHASIS 7-77
JUNTA GUARDAPOLVO
Inspeccione los labios de la junta guardapolvo por si están des-
gastados o dañados. Si se encuentra algún defecto cámbielos
por otros nuevos.
• Quite las juntas guardapolvo.
!
Las juntas guardapolvos desmontadas han de cam-
biarse por nuevas.

7-78 CHASIS
RODAMIENTO
Inspeccione los rodamientos por si producen ruido anormal o no
giran suavemente.
• Quite los rodamientos de agujas.

CHASIS 7-79
• Quite las jaulas de los rodamientos de agujas con las herra-
mientas especiales.
09921-20240: Juego extractor de rodamientos
09923-73210: Extractor de rodamientos
09930-30104: Martillo deslizante
!
VARILLA Y PALANCA DE AMORTIGUACIÓN
Inspeccione la varilla y la palanca de amortiguación por si están
dañadas y distorsionadas. Si se encuentra algún defecto cám-
bielos por otros nuevos.
Las jaulas de los rodamientos desmontados han de
cambiarse por nuevas.

7-80 CHASIS
REMONTAJE E INSTALACIÓN
Monte e instale la varilla y la palanca de amortiguación en el
orden inverso al de extracción y desmontaje. Preste atención a
los puntos siguientes:
• Meta a presión las jaulas de los rodamientos con la herra-
mienta especial y una llave de vaso del tamaño adecuado.
09924-84521: Juego instalador de rodamientos
NOTA:
Posicione los rodamientos consultando la ilustración de la
página 7-82.
• Aplique grasa al labio de la junta guardapolvo, espaciadores,
collares y rodamientos de agujas.
99000-25010: SUZUKI SUPER GREASE “A”
(o grasa equivalente)
NOTA:
La marca estampada en las juntas guardapolvos debe quedar
hacia afuera.

CHASIS 7-81
• Apriete el tornillo/tuerca de montaje del amortiguador trasero
y el tornillo/tuerca de la palanca de amortiguación al par
especificado.
Tuerca de amortiguador trasero (Inferior) 1:
60 N·m (6,0 kgf-m)
Tuerca de palanca de amortiguación2:
78 N·m (7,8 kgf-m)
• Apriete los tornillos/tuercas de la varilla de amortiguación al
par especificado.
Tuerca de varilla de amortiguación 3: 78 N·m (7,8 kgf-m)
• Instale el rodillo de control de la cadena de transmisión.
(7-107)

7-82 CHASIS
INFORMACIÓN DE TIRANTE DE BIELETA, BIELETA Y
AMORTIGUADOR TRASERO
60 N.m
(6,0 kgf-m)
60 N.m
(6,0 kgf-m)
78 N.m
(7,8 kgf-m)
78 N.m
(7,8 kgf-m)
78 N.m
(7,8 kgf-m)
4 mm
5,75 mm
5,75 mm
Espaciador
Arandela
Guardapolvos
Espaciador
Arandela
Guardapolvos
8,25 mm
1 mm

CHASIS 7-83
BRAZO OSCILANTE
DESPIECE
1Brazo oscilante 9AJunta guardapolvo interior
2Cubierta de disco de freno trasero 0Rodamiento
3Guía de cadena AEspaciador exterior
4Placa guía de cadena BRodamiento de empuje
5Protector de rueda dentada CArandela de empuje
6Junta de goma de regulador de cadena DJunta guardapolvo exterior ÍTEM N·m kgf-m
7Protector de la cadena ATuerca de la caja del eje trasero A28 2,8
8Espaciador interior BTuerca del pivote del brazo oscilante B95 9,5

7-84 CHASIS
EXTRACCIÓN
• Ponga el vehículo en un terreno nivelado y apóyelo con un
gato o un bloque de madera.
• Quite las ruedas traseras. (7-10)
• Quite los cubos de la rueda trasera. (7-10)
• Quite el eje trasero. (7-92)
• Quite la caja del eje. (7-94)
• Quite la cubierta del disco del freno trasero 1.
• Quite el protector de rueda dentada 2.
• Quite las guías del latiguillo de freno/cable del freno de esta-
cionamiento.
• Quite el tornillo/tuerca superior de la bieleta y el tornillo/tuerca
de montaje inferiores del amortiguador trasero.
• Afloje la tuerca de pivote del brazo oscilante y quite la aran-
dela y el eje de pivote del brazo oscilante.
• Quite el conjunto del brazo oscilante.

CHASIS 7-85
• Quite el protector de la cadena 3 y el patín de la cadena 4.
• Quite los tornillos/tuercas de la caja del eje y la junta de cau-
cho del regulador de la cadena 5.
• Quite el anillo en E 6 y el casquillo de la ménsula de la pinza
del freno 7.
• Quite el tope de la ménsula de la pinza del freno 8.

7-86 CHASIS
INSPECCIÓN Y DESMONTAJE
• Quite las piezas siguientes del brazo oscilante:
Juntas guardapolvo exteriores 1
Arandelas de empuje 2
Rodamientos de empuje 3
Espaciadores exteriores 4
Espaciadores interiores 5
ESPACIADOR
Inspeccione los espaciadores por si están dañados. Si se
encuentra algún defecto, cambie los casquillos por unos nue-
vos.
JUNTA GUARDAPOLVO
Inspeccione los labios de la junta guardapolvo por si están des-
gastados o dañados. Si se encuentra algún defecto cámbielos
por otros nuevos.
RODAMIENTO Y ARANDELA DE EMPUJE
• Inspeccione las arandelas de empuje 1 y los rodamientos de
empuje 2 por si están dañados. Si se encuentra algún
defecto cámbielos por otros nuevos.
RODAMIENTO
• Introduzca los espaciadores interiores en los rodamientos y
compruebe el juego moviéndolos de arriba a abajo. Si se
aprecia un juego excesivo, cambie los rodamientos por unos
nuevos.
• Inspeccione los rodamientos por si producen ruido anormal o
no giran suavemente.

CHASIS 7-87
• Saque los rodamientos (exteriores) con las herramientas
especiales.
09921-20240: Juego extractor de rodamientos
!
• Quite las juntas guardapolvo (interiores).
• Saque los rodamientos (interiores) con la herramienta espe-
cial.
09913-70210: Juego instalador de rodamientos
!
EJE DEL PIVOTE DEL BRAZO OSCILANTE
Con un comparador de cuadrante, revise el descentramiento del
eje de pivote. Si el descentramiento excede el límite de funcio-
namiento, cambie el eje de pivote por otro nuevo.
09900-20607: Comparador de cuadrante
(1/100 mm, 10 mm)
09900-20701: Soporte magnético
09900-21304: Bloque en V (100 mm)
Descentrado del eje del pivote del brazo oscilante:
Límite de funcionamiento: 0,3 mm
BRAZO OSCILANTE
Inspeccione el brazo oscilante por si está desgastado o dañado.
Si se encuentra algún defecto cambie el brazo oscilante por uno
nuevo.
PROTECTOR DE LA CADENA
Inspeccione el protector de la cadena para ver si está desgas-
tado o dañado. Si se encuentra algún defecto, cámbielo por uno
nuevo.
Los rodamientos desmontados han de cambiarse por
nuevos.
Los rodamientos desmontados han de cambiarse por
nuevos.

7-88 CHASIS
CUBIERTA DEL DISCO DE FRENO TRASERO
Inspeccione la cubierta del disco del freno trasero para ver si
hay daños.
PROTECTOR DE RUEDA DENTADA
Revise el protector de rueda dentada por si está dañado.
PATÍN DE LA CADENA
Inspeccione el patín de la cadena para ver si está desgastado o
dañado. Si se encuentra algún defecto, cámbielo por uno
nuevo.
GUÍA Y PLACA DE GUÍA DE LA CADENA
• Inspeccione la guía de la cadena por si está desgastada o
dañada.
• Inspeccione la placa de guía de la cadena por si está dañada.
JUNTA DE GOMA DEL REGULADOR DE LA CADENA
• Inspeccione la junta de goma del regulador de la cadena por
si está desgastada o dañada.

CHASIS 7-89
REENSAMBLAJE
Monte el brazo oscilante en orden inverso al de desmontaje.
Preste atención a los puntos siguientes:
RODAMIENTO
• Meta a presión los rodamientos con la herramienta especial y
una llave de vaso del tamaño adecuado.
09924-84510: Juego instalador de rodamientos
NOTA:
* La marca estampada en los rodamientos debe quedar hacia
afuera.
* Posicione los rodamientos consultando la ilustración de la
página 7-102.
• Aplique grasa a los rodamientos.
99000-25010: SUZUKI SUPER GREASE “A”
(o grasa equivalente)
JUNTA GUARDAPOLVO
• Aplique grasa al labio de la junta guardapolvo.
99000-25010: SUZUKI SUPER GREASE “A”
(o grasa equivalente)
NOTA:
La marca estampada en las juntas guardapolvos debe quedar
hacia afuera.
• Aplique grasa a los espaciadores.
99000-25010: SUZUKI SUPER GREASE “A”
(o grasa equivalente)
• Instale los espaciadores en el brazo oscilante.

7-90 CHASIS
INSTALACIÓN
Instale el brazo basculante en el orden inverso al del desmon-
taje. Preste atención a los puntos siguientes:
TOPE DE MÉNSULA DE PINZA
• Aplique THREAD LOCK SUPER “1303” al tope de la ménsula
de la pinza y apriételo
99000-32030: THREAD LOCK SUPER “1303”
• Instale el eje del pivote del brazo oscilante.
• Apriete la tuerca de pivote del brazo oscilante hasta el par
especificado.
Tuerca del pivote del brazo oscilante: 95 N·m (9,5 kgf-m)
• Instale el amortiguador trasero y la varilla de amortiguación.
(7-71)
• Aplique THREAD LOCK SUPER “1322” a los tornillos de
montaje de la cubierta del disco.
99000-32110: THREAD LOCK SUPER “1322”
(u obturador de roscas equivalente)
• Instale la caja de eje y el eje trasero. (7-98)
• Instale los cubos de ruedas. (7-13)
• Instale las ruedas traseras. (7-14)
AJUSTE E INSPECCIÓN FINAL
Después de colocar la suspensión trasera y la rueda, se requie-
ren los siguientes ajustes antes de conducir.
* Cadena de transmisión (2-26)
* Freno de estacionamiento (2-19)

CHASIS 7-91
EJE TRASERO
DESPIECE
1Cubo de rueda trasera (Derecha) FArandela
2Anillo de resorte GAnillo de resorte
3Ménsula de pinza de freno trasero HRueda dentada trasera
4Junta tórica IJunta tórica
5Anillo C JBrida de piñón
6Caja de placa de disco de freno trasero KArandela (Gruesa)
7Junta tórica LArandela (Delgada)
8Disco de freno trasero MSoporte de tuerca trasera
9Eje trasero NAnillo C
0Junta guardapolvo OCubo de rueda trasera (Izquierda) ÍTEM N·m kgf-m
ARodamiento ATornillo de disco de freno A23 2,3
BCaja del eje BTuerca de montaje de rueda dentada B60 6,0
CEspaciador CTuerca de eje C240 24,0
DJunta guardapolvo DContratuerca de eje D240 24,0
EJunta tórica ETuerca de la caja del eje trasero E28 2,8

7-92 CHASIS
EXTRACCIÓN
• Ponga el vehículo en un terreno nivelado y apóyelo con un
gato o un bloque de madera.
• Quite las ruedas traseras. (7-10)
• Quite los cubos de la rueda trasera. (7-10)
• Quite la ménsula 1, la placa de guía de cadena 2 y la guía de
cadena 3.
• Afloje las tuercas de la caja del eje trasero 4.
• Mueva el eje trasero hacia delante y asegúrese de que la
cadena de transmisión tenga holgura suficiente. (2-26)
EJE TRASERO
• Afloje la contratuerca del eje 1 y la tuerca del eje 2 con la
herramienta especial aplicando el freno trasero.
09940-92460: Llave de tuercas de eje trasero
• Quite la contratuerca del eje 1.
• Afloje completamente la tuerca del eje 2 y emuje el soporte
de la tuerca del eje 3.
• Saque el anillo C 4.
• Quite la tuerca del eje 2 (junto con su soporte 3).
• Retire las arandelas 5 y 6.

CHASIS 7-93
• Desengrane la cadena de transmisión 7 del piñón.
• Quite la brida del piñón 8 (junto con el piñón).
• Quite el piñon 9 de la brida del piñón 8.
• Quite la pinza del freno. (7-57)
• Saque el eje trasero 0 hacia el lado derecho.
• Quite el disco de freno.
• Empuje la caja de la placa del disco del freno trasero A y
quite el anillo C B.
• Quite la caja de la placa del disco del freno trasero A del eje
trasero.

7-94 CHASIS
CAJA DEL EJE TRASERO
• Quite los anillos de resorte 1.
09900-06107: Pinzas para anillos de resorte
• Quite la ménsula de la pinza de freno trasero 2.
• Quite la caja del eje 3 y la arandela 4.
INSPECCIÓN Y DESMONTAJE
RUEDA DENTADA
Revise el desgaste de los dientes del piñón. Si están desgasta-
dos, cambie la rueda dentada del motor, la rueda dentada tra-
sera y la cadena de transmisión en conjunto.
EJE TRASERO
Mida el descentramiento del eje trasero. Si el descentramiento
excede el límite de funcionamiento, cambie el eje trasero por
uno nuevo.
Descentramiento del eje trasero
Límite de funcionamiento: 6,0 mm
09900-20607: Comparador de cuadrante (1/100 mm)
09900-20701: Soporte magnético
09900-21304: Juego de bloques en V (100 mm)
NOTA:
Cuando mida el descentramiento, apoye el eje trasero en el diá-
metro de 35 mm del eje trasero como se muestra en la ilustra-
ción.
Mida el descentramiento en el diámetro de 40 mm del eje tra-
sero como se muestra en la ilustración.
Desgaste normal Desgaste excesivo
Comparador

CHASIS 7-95
CAJA DE PLACA DE DISCO DE FRENO TRASERO Y BRIDA
DE RUEDA DENTADA
Inspeccione la caja de la placa del disco del freno trasero y la
brida de la rueda dentada por si la ranura está dañada y des-
gastada. Si se encuentra algún defecto, cambie la caja de la
placa del disco del freno trasero o la brida de la rueda dentada
por una nueva.
MÉNSULA DE PINZA DEL FRENO TRASERO
Inspeccione la ménsula de la pinza del freno trasero para si está
deformada o dañada.
Si se encuentra algún defecto, cambie la ménsula de la pinza
del freno trasero por una nueva.
JUNTA GUARDAPOLVO
Inspeccione los labios de la junta guardapolvo por si están des-
gastados o dañados. Si encuentra cualquier defecto cambie las
juntas guardapolvo por otras nuevas.
• Saque las juntas guardapolvo con la herramienta especial.
09913-50121: Extractor de retenes de aceite
!
RODAMIENTO
Inspeccione a mano el juego de los rodamientos del eje sin qui-
tarlos de la caja del eje. Haga girar manualmente el aro de roda-
dura interior para comprobar si existen ruidos anormales y si
gira bien.
Si se aprecia algo extraño, cambie los rodamientos por unos
nuevos.
Las juntas guardapolvos desmontadas han de cam-
biarse por nuevas.

7-96 CHASIS
• Quite los rodamientos izquierdos (interior y exterior) con la
barra apropiada 1 y quite el espaciador 2.
!
• Quite el rodamiento derecho de la misma forma que el
izquierdo.
CAJA DE EJE
Quite la caja del eje por si está dañada. Si se encuentra algún
defecto cambie la caja del eje por una nueva.
REMONTAJE E INSTALACIÓN
Vuelva a montar y colocar el eje trasero y su caja en el orden
inverso al de extracción y el desmontaje. Preste atención a los
puntos siguientes:
CAJA DE EJE
• Aplique grasa a los rodamientos.
99000-25010: SUZUKI SUPER GREASE “A”
(o grasa equivalente)
Los rodamientos desmontados han de cambiarse por
nuevos.

CHASIS 7-97
• Instale los rodamientos en la caja del eje con la herramienta
especial.
09913-70210: Juego instalador de rodamientos
09924-84510: Juego instalador de rodamientos
09941-34513: Juego instalador de rodamientos
!
• Instale las juntas guardapolvo con la herramienta especial.
09913-70210: Juego instalador de rodamientos
NOTA:
La marca estampada en las juntas guardapolvos debe quedar
hacia afuera.
* Instale primero los rodamientos derechos 1 en el fondo y luego instale el espaciador y los
rodamientos izquierdos 2.
* Cuando instale los rodamientos de cubos en la caja del eje, la cubierta sellada del rodamiento
interior deberá quedar hacia adentro, y la cubierta sellada del rodamietno exterior hacia
afuera.
DerechaIzquierda
Juego
Espaciador

7-98 CHASIS
• Aplique grasa al labio de la junta guardapolvo.
99000-25010: SUZUKI SUPER GREASE “A”
(o grasa equivalente)
• Aplique aceite de motor a las juntas tóricas.
!
• Instale las juntas tóricas en la caja del eje.
• Aplique grasa a la junta tórica e instálela.
!
99000-25010: SUZUKI SUPER GREASE “A”
(o grasa equivalente)
• Instale la caja de eje y la arandela en el brazo oscilante.
• Aplique grasa a la superficie de contacto de la ménsula de la
pinza del freno trasero.
99000-25010: SUZUKI SUPER GREASE “A”
(o grasa equivalente)
• Instale los anillos de resorte en la caja del eje.
09900-06107: Pinzas para anillos de resorte
Reemplace las juntas tóricas por otras nuevas.
Reemplace la junta tórica por una nueva.

CHASIS 7-99
EJE TRASERO
• Aplique grasa a la junta tórica y a la ranura de la caja de placa
del disco del freno trasero.
!
99000-25010: SUZUKI SUPER GREASE “A”
(o grasa equivalente)
• Aplique grasa a la ranura del eje trasero.
99000-25010: SUZUKI SUPER GREASE “A”
(o grasa equivalente)
• Instale el anillo C y la caja de placa del disco del freno trasero
en el eje trasero.
• Aplique THREAD LOCK SUPER “1360” a los tornillos del
disco y apriételos hasta el par especificado.
99000-32130: THREAD LOCK SUPER “1360”
Perno del disco de freno: 23 N·m (2,3 kgf-m)
NOTA:
Compruebe que el disco de freno está limpio y no tiene materia
grasa.
• Introduzca el eje trasero a través de la caja del eje y la
cadena de transmisión.
• Instale la pinza de freno. (7-61)
• Aplique grasa a la junta tórica y a la ranura de la brida de
rueda dentada.
!
99000-25010: SUZUKI SUPER GREASE “A”
(o grasa equivalente)
Reemplace la junta tórica por una nueva.
Reemplace la junta tórica por una nueva.

7-100 CHASIS
• Apriete las tuercas de montaje de la rueda dentada al par
especificado.
Tuerca de montaje de rueda dentada: 60 N·m (6,0 kgf-m)
NOTA:
La marca estampada
A
debe quedar hacia el lado derecho del
vehículo.
• Aplique grasa a la ranura del eje trasero.
99000-25010: SUZUKI SUPER GREASE “A”
(o grasa equivalente)
• Instale la brida de rueda dentada 1 en el eje.
• Desengrane la cadena de transmisión 2 del piñón.
• Instale la arandela (gruesa) 3, la arandela (delgada) 4, la
tuerca de eje 5 y el anillo C 6.
• Aplique THREAD LOCK SUPER “1322” a la parte roscada
del portatuerca del eje.
99000-32110: THREAD LOCK SUPER “1322”
(u obturador de roscas equivalente)
• Apriete la tuerca del eje 5 hasta el par especificado con la
herramienta especial.
Tuerca del eje trasero: 240 N·m (24,0 kgf-m)
09940-92460: Llave de tuercas de eje trasero
NOTA:
Cuando apriete la tuerca del eje con la herramienta especial, el
par de apriete indicado en la llave dinamométrica será inferior al
par aplicado a la tuerca del eje. Convierta por lo tanto el par de
apriete. (
7-101)

CHASIS 7-101
• Aplique THREAD LOCK SUPER “1322” a la parte roscada
del portatuerca del eje.
99000-32110: THREAD LOCK SUPER “1322”
(u obturador de roscas equivalente)
• Apriete la contratuerca del eje 6 hasta el par especificado
con la herramienta especial.
Contratuerca del eje trasero: 240 N·m (24,0 kgf-m)
09940-92460: Llave de tuercas de eje trasero
NOTA:
Cuando apriete la contratuerca del eje con la herramienta espe-
cial, el par de apriete indicado en la llave dinamométrica será
inferior al par aplicado a la contratuerca del eje. Convierta por lo
tanto el par de apriete. (
más abajo)
• Instale los cubos de las ruedas traseras y las ruedas.
(7-13 y -14)
• Después de instalar el eje trasero, ajuste la tensión de la
cadena y el cable del freno de estacionamiento.
(2-19 y -26)
• Apriete las tuercas de la caja del eje trasero en orden ascen-
dente y al par especificado.
Tuerca de la caja del eje trasero: 28 N·m (2,8 kgf-m)
PAR DE APRIETE DEL EJE TRASERO
Mida la longitud efectiva L de la llave dinamométrica.
Calcula el par de apriete de la llave dinamométrica usando la
fórmula de abajo.
T: Par de apriete de la llave dinamométrica
Ts: Par especificado
Ls: 0,060 m
Desviación de la herramienta especial especificada
(09940- 92460)
L: Longitud efectiva de la llave dinamométrica
09940-92460: Llave de tuercas de eje trasero
1
2
8
7
6
5
4
3
T= L × Ts
L + Ls
Ls L

7-102 CHASIS
INFORMACIÓN ACERCA DE REENSAMBLAJE DE LA RUEDA
TRASERA, FRENO TRASERO, SUSPENSION TRASERA, BRAZO
OSCILANTE TRASERO Y EJE TRASERO
4,5 mm
4,5 mm
EXTERIOR
ATuerca del pivote del brazo oscilante
BPerno de montaje del mecanismo del freno
CTornillo de disco
DTuerca del eje trasero ÍTEM N·m kgf-m ÍTEM N·m kgf-m
EContratuerca del eje trasero A95 9,5 F60 6,0
FTuerca de montaje de rueda dentada B26 2,6 G66 6,6
GTuerca de rueda trasera C23 2,3 H121 12,1
HTuerca de cubo trasero D240 24,0 I28 2,8
ITuerca de la caja del eje trasero E240 24,0

CHASIS 7-103
CADENA DE TRANSMISIÓN
En los procedimientos que se describirán utilice la herramienta
específica para cortar y volver a unir la cadena de transmisión.
09922-22711: Herramientas de corte y unión de la
cadena de transmisión
NOTA:
Cuando emplee la herramienta especial aplique a las roscas de
la misma una pequeña cantidad de grasa.
CORTE DE LA CADENA DE TRANSMISIÓN
• Sitúe la herramienta especial tal como se indica en la ilustra-
ción.
1Cuerpo de la herramienta
2Mango
3Perno de presión “A”
4Perno de presión “B”
5Barra
6Perno ajustador (con orificio pasante)
7Extractor de bulones
8Soporte de la cadena (marca grabada 500)
con tornillo escariador M5 × 10
NOTA:
El extremo del extractor de bulones
7
debe quedar en el inte-
rior a unos 5 mm de la cara del tornillo de presión “A”
3
como
se muestra en la ilustración.
5 mm

7-104 CHASIS
• Sitúe el eslabón de la cadena que vaya a separar, en el
soporte 8 de la herramienta.
• Gire el perno ajustador 6 y el perno de presión “A” 3 de
forma que cada uno de sus orificios extremos encaje correc-
tamente en el bulón de unión de la cadena.
• Apriete el perno de presión “A” 3 con la barra.
• Gire el perno de presión “B” 4 con la barra 5 y saque a la
fuerza el bulón de unión de la cadena 9.
!
NOTA:
Después de quitar el bulón de unión
9
, afloje el perno de pre-
sión “B”
4
y luego quite el perno de presión “A”
3
.
• Extraiga el bulón 9 del otro lado de la placa de eslabón.
!
CONEXIÓN DE LA CADENA
INSTALACIÓN DE LAS PLACAS DE ESLABÓN
• Sitúe la herramienta especial tal como se indica en la ilustra-
ción.
1Cuerpo de herramienta 5Perno ajustador
2Mango (sin orificio)
3Soporte de placa de eslabón 6Perno de presión “A”
(marca grabada “C520”) 7Barra
4Soporte de la cuña y bulón de la cuña
• Una ambos extremos de la cadena con el bulón 8 insertado
desde el interior A según está montada en el vehículo.
9Junta tórica … 4 piezas
0 Placa de eslabón
Número de pieza de eslabón
RK: 27620-43B20
Continúe girando el perno de presión “B” 4 hasta que
el bulón de unión salga completamente de la cadena.
No reutilice los eslabones, juntas tóricas ni placas.
Una vez que cualquiera de estos elementos haya sido
extraído de la cadena de transmisión debe ser des-
echado y sustituido por otro nuevo.
(C520)

CHASIS 7-105
• Aplique grasa a la parte hueca 3 del soporte de la placa de
eslabón y coloque en su interior la placa de eslabón 0.
NOTA:
Cuando coloque la placa de eslabón
0
en la herramienta, su
marca grabada deberá mirar al lado
3
del soporte de la placa.
• Sitúe la cadena de transmisión en la herramienta como se
indica en la figura y gire el perno ajustador 5 hasta inmovili-
zar el soporte de la cuña y el bulón 4.
• Gire el perno de presión “A” 6 y alinee correctamente los dos
bulones de unión A con los orificios respectivos de la placa
de eslabón 0
.
• Continúe girando el perno de presión “A” 6 con la barra 7
para presionar la placa de eslabón sobre los bulones de
unión.
• Siga presionando la placa de eslabón hasta que la distancia
entre las dos placas se corresponda con lo especificado.
Distancia entre las placas de eslabón W
!
REMACHADO DE LOS BULONES
• Sitúe la herramienta especial tal como se indica en la ilustra-
ción.
1Cuerpo de la herramienta
2Mango
3Perno de presión “A”
4Perno ajustador (sin orificio)
5Cabeza de remachado
(guardada en el mango tras el tapón de goma)
6Barra
NOTA:
Antes de remachar los bulones, aplique una pequeña cantidad de grasa a la cabeza de remachado
5
.
No emplee cadenas de transmisión desmontables.
Las grapas de unión podrían caer y provocar graves
daños a la motocicleta y heridas al conductor.
RK 17,25 – 17,55 mm
Si se hubiera excedido presionando las placas, que-
dando por debajo de las dimensiones indicadas,
repita la operación con piezas nuevas.

7-106 CHASIS
• Remache el bulón girando (aproximadamente 7/8 de vuelta)
el perno de presión “A” 3 con la barra, hasta que el diámetro
de la cabeza del bulón alcance las dimensiones especifica-
das.
Diámetro de la cabeza del bulón D
!
• Una vez conectada ajuste la cadena de transmisión.
(2-26)
RK 5,4 – 5,8 mm
* Tras unir la cadena compruebe que la conexión sea
suave y no presente ninguna anormalidad.
* Si encuentra alguna anormalidad vuelva a montar la
cadena utilizando eslabones nuevos.

CHASIS 7-107
RODILLO DE CONTROL DE CADENA DE TRANSMISIÓN
DESPIECE
EXTRACCIÓN
• Quite el rodillo de control de la cadena de transmisión, supe-
rior e inferior.
INSPECCIÓN
• Inspeccione los rodamientos (inferiores) del rodillo de control
de la cadena de transmisión por si produjese ruido anormal o
no rotasen suavemente.
• Inspeccione el control de la cadena de transmisión por si está
dañado.
1Arandela 4Rodillo de control de cadena de
transmisión (Inferior)
2Rodillo de control de cadena de
transmisión (Superior)
ATornillo de montaje de control de
cadena de transmisión
ÍTEM N·m kgf-m
3Espaciador A31 3,1

7-108 CHASIS
INSTALACIÓN
• Apriete los tornillos de montaje del control de la cadena de
transmisión.
Tornillo de montaje de control de cadena de
transmisión: 31 N·m (3,1 kgf-m)
NOTA:
El lado cóncavo del rodillo (superior) del control de la cadena
deberá quedar hacia adentro.

CHASIS 7-109

SISTEMA ELÉCTRICO 8-1
8
SISTEMA ELÉCTRICO
CONTENIDO
PRECAUCIONES DE REPARACIÓN .......................................................... 8- 2
CONECTOR............................................................................................ 8- 2
ACOPLADOR ......................................................................................... 8- 2
ABRAZADERAS .................................................................................... 8- 2
FUSIBLES .............................................................................................. 8- 2
PIEZAS CON SEMICONDUCTORES .................................................... 8- 3
BATERÍA ................................................................................................ 8- 3
CONEXIÓN DE LA BATERÍA ................................................................ 8- 3
PROCEDIMIENTO DE CABLEADO ...................................................... 8- 3
EMPLEO DEL POLÍMETRO .................................................................. 8- 4
LOCALIZACIÓN DE COMPONENTES ELÉCTRICOS ............................... 8- 5
SISTEMA DE CARGA .................................................................................. 8- 7
SOLUCIÓN DE PROBLEMAS ............................................................... 8- 7
INSPECCIÓN.......................................................................................... 8- 8
SISTEMAS DE ARRANQUE Y DE INTERCONEXIÓN DE PATA DE
CABRA/ENCENDIDO .................................................................................. 8-11
SOLUCIÓN DE PROBLEMAS ............................................................... 8-11
EXTRACCIÓN DEL MOTOR DE ARRANQUE ...................................... 8-12
DESMONTAJE DEL MOTOR DE ARRANQUE..................................... 8-13
INSPECCIÓN DEL MOTOR DE ARRANQUE ....................................... 8-13
MONTAJE DEL MOTOR DE ARRANQUE ............................................ 8-14
INSPECCIÓN DE RELÉ DE ARRANQUE ............................................. 8-15
SISTEMA DE ENCENDIDO ......................................................................... 8-17
SOLUCIÓN DE PROBLEMAS ............................................................... 8-17
INSPECCIÓN.......................................................................................... 8-19
LUZ INDICADORA ....................................................................................... 8-22
INSPECCIÓN.......................................................................................... 8-23
LUCES .......................................................................................................... 8-26
FARO, LUZ DE FRENO/TRASERA....................................................... 8-26
RELÉS .......................................................................................................... 8-27
RELÉ DE ARRANQUE........................................................................... 8-27
RELÉ DE BOMBA DE COMBUSTIBLE................................................. 8-27
RELÉ DEL VENTILADOR DE REFRIGERACIÓN................................. 8-27
INSPECCIÓN DE INTERRUPTORES.................................................... 8-28
BATERÍA ...................................................................................................... 8-29
ESPECIFICACIONES............................................................................. 8-29
CARGA INICIAL..................................................................................... 8-29
SERVICIO............................................................................................... 8-31
OPERACIÓN DE CARGA ...................................................................... 8-31

ELECTRICAL SYSTEM 8-2

8-2 SISTEMA ELÉCTRICO
PRECAUCIONES DE REPARACIÓN
CONECTOR
• Cuando conecte un conector, asegúrese de empujarlo hasta
que oiga un clic.
• Inspeccione el conector por si estuviera sucio, oxidado o la
funda estuviera rota.
ACOPLADOR
• Con un acoplador tipo cierre, asegúrese de soltar el cierre
cuando lo desconecte, y empújelo completamente hasta que
el cierre se acople cuando lo conecte.
• Cuando desconecte un acoplador asegúrese de que está
tirando del propio acoplador y no de los cables.
• Compruebe las terminales del acoplador por si estuvieran
sueltas o dobladas.
• Compruebe cada terminal en busca de suciedad u óxido.
ABRAZADERAS
• Sujete el mazo de cables en las posiciones indicadas en
“INSTALACIÓN DE CABLEADOS”. (9-15 a -17)
• Doble la abrazadera de modo que el mazo de cables quede
bien sujeto.
• Al sujetar el cableado, no permita que quede colgando.
• No utilice alambre ni sustituto alguno para las abrazaderas de
cinta.
FUSIBLES
• Cuando salte un fusible, investigue siempre las causas, corrí-
jalas y después reemplace el fusible.
• No use un fusible de diferente capacidad.
• No utilice alambre ni sustituto alguno para los fusibles.
Clic
Clic
CORRECTO INCORRECTO

SISTEMA ELÉCTRICO 8-3
PIEZAS CON SEMICONDUCTORES
• Tenga cuidado de que no se le caiga al suelo una pieza con
semiconductores como pueda ser una centralita.
• Cuando inspeccione esta pieza, siga al pie de la letra las ins-
trucciones de inspección. Esta pieza se puede dañar si no se
sigue el procedimiento adecuado.
BATERÍA
• La batería tipo MF que emplea este vehículo no precisa ope-
raciones de mantenimiento del tipo de la inspección del nivel
de electrolito o el rellenado con agua.
• No se produce gas hidrógeno durante la carga normal de la
batería. Sin embargo, si la batería se sobrecarga sí se puede
producir gas hidrógeno. Por lo tanto, asegúrese de que no
haya fuego ni chispas (un cortocircuito, por ejemplo) cerca
cuando se carga la batería.
• Asegúrese de recargar la batería en un recinto bien ventilado.
• Observe que el sistema de carga de la batería MF es distinto
del de una batería convencional. No la cambie la batería MF
por una batería convencional.
CONEXIÓN DE LA BATERÍA
• Al desconectar los terminales de la batería para su desmon-
taje o mantenimiento, asegúrese de desconectar primero el
terminal negativo -.
• Cuando vuelva a conectar los cables de la batería, asegúrese
de conectar primero el cable positivo +.
• Si el terminal está oxidado, saque la batería, eche agua tem-
plada por encima y límpiela con un cepillo de alambre.
• Tras acabar la conexión aplique una ligera capa de grasa a
los terminales.
• Tape el terminal positivo + de la batería.
PROCEDIMIENTO DE CABLEADO
• Coloque el cableado como se indica en “INSTALACIÓN DE
CABLEADOS”. (9-15 a -17)
INCORRECTO

8-4 SISTEMA ELÉCTRICO
EMPLEO DEL POLÍMETRO
• Utilice correctamente las sondas + y - del polímetro. Un
uso incorrecto puede causar daños al polímetro y al vehículo.
• Si no conoce la tensión y la corriente, empiece a medir en los
valores más altos de la escala.
• Compruebe que no haya tensión aplicada antes de efectuar
la medida de resistencia. Si se aplicara tensión, el polímetro
podría sufrir daños.
• Después de utilizar el polímetro, apáguelo.
09900-25008: Juego de polímetro
!
NOTA:
* Cuando conecte el polímetro, utilice la sonda puntiaguda en la
parte la parte trasera del acoplador del cable principal y
conecte las sondas del polímetro al mismo.
* Utilice la sonda puntiaguda para evitar que el caucho del aco-
plador impermeable sufra daños.
09900-25009: Juego de sondas puntiagudas
Antes de utilizar el polímetro, lea su manual de ins-
trucciones.

SISTEMA ELÉCTRICO 8-5
LOCALIZACIÓN DE COMPONENTES ELÉCTRICOS
1 Interruptor de nivel de combustible (8-25) 8 Relé de bomba de combustible (5-6)
2 Ventilador de refrigeración (6-8) 9 Relé de ventilador de refrigeración (6-10)
3 Fusible (Ventilador) 0 Sensor IAT (4-46)
4 Regulador/Rectificador A Sensor IAP (4-31)
5 ECM (Centralita) B Bobina de encendido
6 Sensor TO (4-50) C Sensor ECT (4-42)
7 Acoplador de selector de modo (4-23)

8-6 SISTEMA ELÉCTRICO
D Inyector de combustible (4-56) I Relé de arranque (8-15)
E Sensor TP (4-37) J Generador
F Bomba de combustible (5-6) K Sensor CKP (4-29)
G Batería L Interruptor GP (8-24)
H Fusible (Principal, Encendido) M Motor de arranque

SISTEMA ELÉCTRICO 8-7
SISTEMA DE CARGA
SOLUCIÓN DE PROBLEMAS
La batería se agota enseguida
Paso 1
1) Compruebe los accesorios que consuman demasiada electricidad.
¿Están instalándose accesorios?
Paso 2
1) Compruebe posibles fugas de corriente. (8-8)
¿Tiene fugas de corriente la batería?
Paso 3
1) Mida la tensión regulada entre los bornes de la batería. (8-9)
¿Es correcta la tensión?
Paso 4
1) Mida la resistencia de la bobina del generador. (8-9)
¿Es correcta la resistencia de la bobina del generador?
SÍ Quite los accesorios.
NO Vaya al Paso 2.
SÍ Vaya al Paso 3.
NO • Cortocircuito en instalación
• Equipo eléctrico defectuoso
SÍ • Batería defectuosa
• Condiciones anormales al conducir
NO Vaya al Paso 4.
SÍ Vaya al Paso 5.
NO • Bobina de generador defectuosa
• Cables desconectados
Generador
Regulador/rectificador
SCR
IC
Interruptor
de encendido
Carga
Batería

8-8 SISTEMA ELÉCTRICO
Paso 5
1) Mida el rendimiento sin carga del generador. (8-10)
¿Es correcto el rendimiento del generador sin carga?
Paso 6
1) Inspeccione el regulador/rectificador. (8-10)
¿Está bien el regulador/rectificador?
Paso 7
1) Inspeccione el cableado.
¿Está bien el cableado?
Sobrecarga de la batería
• Regulador/rectificador defectuoso
• Batería defectuosa
• Contacto deficiente del acoplador del generador
INSPECCIÓN
DERIVACIÓN EN BATERÍA
• Quite la cubierta del portabatería.
• Sitúe el interruptor de encendido en OFF.
• Desconecte el cable - de la batería.
• Mida la corriente entre el borne - de la batería y el cable -
de la batería con el polímetro. Si la lectura excede el valor
especificado, es evidente que hay fugas.
09900-25008: Juego de polímetro
Fuga de corriente de la batería: Por debajo de 1,0 mA
Graduación del polímetro: Corriente (, 20 mA)
!
NOTA:
Cuando busque fugas excesivas de corriente, desconecte los
acopladores y conectores uno a uno, revisando cada compo-
nente.
SÍ Vaya al Paso 6.
NO Generador defectuoso
SÍ Vaya al Paso 7.
NO Regulador/rectificador defectuoso
SÍ Batería defectuosa
NO • Cortocircuito en instalación
• Mal contacto de acopladores
* En el caso de una fuga de corriente grande, ponga el
polímetro en el rango más alto antes de medir.
* No ponga el interruptor de encendido en “ON” mien-
tras mide la corriente.
A

SISTEMA ELÉCTRICO 8-9
TENSIÓN REGULADA
• Quite la cubierta del portabatería.
• Arranque el motor, ponga la llave de contacto en LIGHT ()
y el interruptor de intensidad de iluminación en HI y haga fun-
cionar el motor a 5 000 rpm.
• Mida la tensión continua entre los bornes + y - de la batería
con el polímetro. Si el voltaje no es el especificado, inspec-
cione el generador y el regulador/rectificador. (8-10)
NOTA:
Cuando realice esta prueba, compruebe que la batería está
completamente cargada.
09900-25008: Juego de polímetro
Graduación del polímetro: Tensión ()
Tensión regulada (Salida de carga):
13,5 – 15,0 V a 5 000 rpm
RESISTENCIA DEL BOBINADO DEL GENERADOR
• Desconecte el acoplador del generador.
• Mida la resistencia entre los tres cables.
Si la resistencia no tuviera el valor especificado, reemplace el
estator por otro nuevo. Compruebe igualmente que el núcleo
del estator está bien aislado.
09900-25008: Juego de polímetro
Graduación del polímetro: Resistencia (Ω)
Resistencia del bobinado del generador:
0,1 – 1,5
Ω
(Amarillo – Amarillo)
∞ Ω (
Amarillo
– Masa)
NOTA:
Cuando realice la comprobación anterior, no es preciso que
extraiga el generador.
Batería
DCV
Y
Y
Y

8-10 SISTEMA ELÉCTRICO
RENDIMIENTO DEL GENERADOR EN VACÍO
• Desconecte el acoplador del generador.
• Arranque el motor y manténgalo a 5 000 rpm.
• Utilizando el polímetro, mida la tensión entre los tres cables
principales.
Si la lectura del polímetro es inferior al valor especificado,
reemplace el generador por otro nuevo.
09900-25008: Juego de polímetro
Graduación del polímetro: Tensión (~)
Rendimiento del generador en vacío:
50 V o más a 5 000 rpm (Con el motor frío)
INSPECCIÓN DEL REGULADOR/RECTIFICADOR
• Quite la defensa delantera. (7-6)
• Retire el regulador/rectificador.
• Mida la tensión entre los cables con el polímetro de la forma
que se indica en la tabla de abajo. Si la tensión no está dentro
de la especificación, cambie el regulador/rectificador por uno
nuevo.
09900-25008: Juego de polímetro
Graduación del polímetro: Prueba de diodos ()
✽ Superior a 1,4 V (voltaje de pila de polímetro)
NOTA:
Si la lectura del polímetro es inferior a 1,4 V cuando las sondas
del polímetro no están conectadas, cambie su pila.
Unidad: V
+ Sonda de polímetro
- Sonda de polímetro
ABCDEF
A✽
0,4 – 1,2 0,3 – 0,7 0,3 – 0,7 0,3 – 0,7
B✽✽✽✽
C✽✽ ✽✽✽
D✽✽
0,3 – 0,7
✽✽
E✽✽
0,3 – 0,7
✽✽
F✽✽
0,3 – 0,7
✽✽
Y
Y
Y

SISTEMA ELÉCTRICO 8-11
SISTEMAS DE ARRANQUE Y DE INTERCONEXIÓN DE PATA DE
CABRA/ENCENDIDO
SOLUCIÓN DE PROBLEMAS
Antes de hacer el diagnóstico, asegúrese de que los fusibles no hayan saltado y la batería esté completa-
mente cargada.
El motor de arranque falla
Paso 1
1) Ponga la transmisión en punto muerto.
2) Tire de la maneta de embrague y gire el interruptor de encendido con el interruptor de parada del motor
en “RUN”, y preste atención a si suena el relé de arranque cuando apriete el botón de arranque.
¿Se oye un ruido seco?
Paso 2
1) Compruebe si el motor de arranque funciona cuando se conecta su terminal al borne + de la batería.
(No utilice un “cable” delgado porque fluye una corriente alta.)
¿Gira el motor de arranque?
SÍ Vaya al Paso 2.
NO Vaya al Paso 3.
SÍ
• Relé de arranque defectuoso
• Cable del motor de arranque suelto o desconectado
• Cable flojo o desconectado entre el relé de arranque y el borne + de la batería
NO Motor de arranque defectuoso
Relé de
motor de
arranque
Interruptor
de embrague
Botón del
motor de
arranque
Interruptor
de parada
del motor
Interruptor
de encendido
Batería
Fusible (10 A)
Motor de
arranque
Fusible (20 A)
B/R
B/O
O/Y
O/W
Y/B
B
B/W

8-12 SISTEMA ELÉCTRICO
Paso 3
1) Mida la tensión del relé de arranque en los conectores del mismo (entre O/W + e Y/B -) cuando pulsa
el botón de arranque.
¿Es correcta la tensión?
Paso 4
1) Compruebe el relé de arranque. (8-15)
¿Está bien el relé de arranque?
El motor de arranque funciona pero no puede arrancar el
motor de la moticleta
• Embrague de arranque defectuoso
EXTRACCIÓN DEL MOTOR DE ARRANQUE
• Desconecte el cable - de la batería.
• Retire el tubo de escape. (3-4)
• Desconecte el cable del motor de arranque 1.
• Quite el motor de arranque 2.
SÍ Vaya al Paso 4.
NO
• Int. de parada del motor mal
• Interruptor del embrague defectuoso
• Botón de arranque defectuoso
• Llave de contacto deficiente
• Mal contacto del conector
• Circuito abierto en cableado
SÍ Mal contacto del relé de arranque
NO Relé de arranque defectuoso

SISTEMA ELÉCTRICO 8-13
DESMONTAJE DEL MOTOR DE ARRANQUE
• Desmonte el motor de arranque como se muestra en la
figura.
INSPECCIÓN DEL MOTOR DE ARRANQUE
ESCOBILLAS DE CARBONO
• Inspeccione las escobillas en busca de desgaste excesivo,
grietas o pulido del portaescobillas.
Si se encuentra algún daño, cambie el conjunto de las escobi-
llas por uno nuevo.
• Mida la longitud A de las escobillas de carbono con un cali-
bre de nonio. Si la medida es inferior al límite de funciona-
miento, reemplace el portaescobillas por uno nuevo.
09900-20102: Calibre de nonio
Nominal: 7,0 mm
Límite de funcionamiento: 3,5 mm
CONMUTADOR
Inspeccione el colector por si estuviera descolorido, anormal-
mente desgastado o si no presentase hendiduras A.
Si se detecta un desgaste anormal, cambie el inducido por uno
nuevo.
Si la superficie del conmutador presenta decoloraciones, límpiela
con un papel de lija N.° 400 y frótelo con un paño seco y limpio.
Si no hay ranuras, raspe el aislante con una hoja de sierra.
1 Aislador
2 Segmento
1Junta tórica 4Armadura
2Tapa de la carcasa (interior) 5Tapa de la carcasa (exterior) ÍTEM N·m
kgf-m
3Caja del motor de arranque ATornillo de sujeción de cable A30,3

8-14 SISTEMA ELÉCTRICO
INSPECCIÓN DEL DEVANADO DEL INDUCIDO
Compruebe si hay continuidad entre cada uno de los segmentos
y entre cada segmento y el eje del inducido con el polímetro.
Si no hay continuidad entre los segmentos o hay continuidad
entre los segmentos y el eje, cambie el inducido por uno nuevo.
09900-25008: Juego de polímetro
Graduación del polímetro: Prueba de continuidad ()
INSPECCIÓN DEL RETÉN DE ACEITE
Compruebe el labio del retén de aceite por si estuviera dañado
o tuviera fugas.
Si encuentra algún daño cambie la tapa de la carcasa.
MONTAJE DEL MOTOR DE ARRANQUE
Monte el motor en orden inverso al de desmontaje. Preste aten-
ción a los puntos siguientes:
• Aplique SUZUKI SUPER GREASE a al labio del retén de
aceite.
99000-25010: SUZUKI SUPER GREASE “A”
(o grasa equivalente)
• Aplique un poco de pasta de molibdeno SUZUKI MOLY
PASTE al eje del inducido.
99000-25140: SUZUKI MOLY PASTE
• Alinee la marca de correspondencia de la caja del motor de
arranque con las marcas de correspondencia del extremo de
la caja.

SISTEMA ELÉCTRICO 8-15
• Aplique SUZUKI SUPER GREASE a la junta tórica.
99000-25010: SUZUKI SUPER GREASE “A”
(o grasa equivalente)
• Apriete el tornillo de sujeción del cable del motor de arranque
hasta el par especificado.
Tornillo de sujeción de cable: 3 N·m (0,3 kgf-m)
INSPECCIÓN DE RELÉ DE ARRANQUE
• Quite la cubierta del portabatería y la batería.
• Quite el soporte de la batería 1.
• Desconecte el cable del motor de arranque 2, el cable de la
batería 3 y el acoplador del relé de arranque 4.
• Quite el relé de arranque 5.

8-16 SISTEMA ELÉCTRICO
• Aplique 12 V a los terminales A y B y compruebe la continui-
dad entre los terminales positivo y negativo con el polímetro.
Si el relé de arranque hace clic y hay continuidad, el relé está
bien.
09900-25008: Juego de polímetro
Graduación del polímetro: Prueba de continuidad ()
!
• Mida la resistencia de la bobina del relé entre los terminales
con el polímetro. Si la resistencia no está dentro de la gama
especificada, cambie el relé de arranque por uno nuevo.
09900-25008: Juego de polímetro
Resistencia de relé de arranque:
3 – 6
Ω
No aplique el voltaje de la batería al relé de arranque
durante más de 5 segundos, ya que la bobina de relé
se puede calentar y dañar.

SISTEMA ELÉCTRICO 8-17
SISTEMA DE ENCENDIDO
NOTA:
Esta ECM incorpora un circuito que corta la alimentación de combustible para prevenir el exceso de revolu-
ciones del motor. Cuando el motor alcanza las 16 000 rpm, este circuito corta el combustible en el inyector
del mismo.
SOLUCIÓN DE PROBLEMAS
No hay chispa o es débil
NOTA:
Revise que la transmisión esté en punto muerto y el interruptor de parada del motor en “RUN”. Agarre la
maneta de embrague. Vea que el fusible no haya saltado y la batería esté completamente cargada.
Paso 1
1) Compruebe los acopladores del sistema de encendido por si las conexiones están mal hechas.
¿Hay conexión en los acopladores del sistema de encendido?
Paso 2
1) Mida la tensión de la batería entre los cables de entrada (O/W y B/W) en la centralita con la llave de con-
tacto en la posición “ON”.
¿Es correcta la tensión?
SÍ Vaya al Paso 2.
NO Mal contacto de acopladores
SÍ Vaya al Paso 3.
NO
• Llave de contacto deficiente
• Int. de parada del motor mal
• Mazo de cables roto o mala conexión de los acopladores del circuito relacionado
Batería
Regulador/
rectificador
Generador
Sensor
ECT
Interruptor
GP
Bobina de
encendido
Interruptor
de
encendido
Interruptor
de parada
del motor
Fusible
(20 A)
ECM
Fusible
(10 A)
O/W
B/W
W/BI
B/W

8-18 SISTEMA ELÉCTRICO
Paso 3
1) Mida el voltaje de pico primario de la bobina de encendido. (8-19)
NOTA:
Este tipo de revisión es aplicable sólo con el polímetro y el adaptador del tensión de pico.
¿Es correcta la tensión?
Paso 4
1) Revise la bujía. (2-10)
¿Está bien la bujía?
Paso 5
1) Inspeccione la bobina de encendido. (8-20)
¿Está bien la bobina de encendido?
Paso 6
1) Mida el voltaje de pico del sensor de posición del cigüeñal y su resistencia. (8-21)
NOTA:
La inspección del voltaje de pico en el sensor de posición del cigüeñal se hará sólo con el polímetro y el
adaptador del voltaje de pico.
¿Es correcto el voltaje de pico y la resistencia?
SÍ Vaya al Paso 4.
NO Vaya al Paso 5.
SÍ Vaya al Paso 5.
NO Bujía defectuosa.
SÍ Vaya al Paso 6.
NO • Mala conexión de la bobina de encendido.
• Bobina de encendido defectuosa.
SÍ
• Centralita defectuosa
• Circuito abierto o cortocircuito en el cableado
• Conexión deficiente del acoplador de encendido
NO
• Sensor CKP defectuoso
• Hay partículas metálicas o materiales extraños adheridos en el sensor CKP y en
la punta del rotor

SISTEMA ELÉCTRICO 8-19
INSPECCIÓN
VOLTAJE DE PICO PRIMARIO DE LA BOBINA DE
ENCENDIDO
• Retire la defensa delantera, las cubiertas laterales y el depó-
sito de combustible. (5-3 y 7-6)
• Desconecte el acoplador de la bomba de combustible 1.
• Quite la pipa de la bujía.
• Conecte una bujía nueva al capuchón de bujía y haga la
conexión a tierra en el cilindro.
!
NOTA:
Asegúrese de que el capuchón de la bujía y la bujía estén
conectados correctamente y de que la batería esté completa-
mente cargada.
Mida el voltaje de pico primario de la bobina de encendido utili-
zando un polímetro de la forma siguiente.
• Inserte las sondas puntiagudas A en el acoplador de cables.
!
09900-25009: Juego de sondas puntiagudas
• Conecte el polímetro al adaptador de tensión de pico como se
indica.
+ Sonda: Cable negro/blanco
- Sonda: Cable blanco/azul
NOTA:
No desconecte el acoplador del cable de la bobina de encen-
dido.
09900-25008: Juego de polímetro
Evite conectar las bujías a tierra y suministrar la des-
carga eléctrica a la tapa de la culata (piezas con conte-
nido de magnesio) para impedir que se dañe el
material de magnesio.
Utilice la herramienta especial para impedir que se
dañe la goma del acoplador impermeable.

8-20 SISTEMA ELÉCTRICO
!
• Ponga la transferencia en punto muerto y luego ponga el inte-
rruptor de encendido en la posición “ON”.
• Presione el botón de arranque y deje que gire el motor
durante unos pocos segundos, y luego mida el voltaje de pico
primario en la bobina de encendido.
Repita el proceso de arriba varias veces y anote la mayor ten-
sión de pico primario de la bobina de encendido obtenida. Si el
voltaje es inferior a los valores especificados, inspeccione la
bobina de encendido. (más abajo)
Graduación del polímetro: Tensión ()
Tensión de pico primaria de la bobina de encendido:
150 V y más
NOTA:
Después de comprobar la tensión de pico primaria de la bobina
de encendido, cancele el DTC con la herramienta SDS.
RESISTENCIA DE LA BOBINA DE ENCENDIDO
• Retire la defensa delantera, la cubierta lateral y el depósito de
combustible. (5-3 y 7-6)
• Desconecte el acoplador del cable de la bobina de encendido
y la pipa de la bujía.
• Mida la resistencia de la bobina de encendido en los devana-
dos primario y secundario empleando el polímetro. Si la resis-
tencia en los devanados primario y secundario se aproxima a
los valores especificados, los devanados estarán en buenas
condiciones.
09900-25008: Juego de polímetro
Graduación del polímetro: Resistencia (Ω)
Resistencia de la bobina de encendido
Primaria: 0,1 – 1,0 Ω (W/BI – B/W)
Secundaria: 8 – 15 kΩ (Pipa de bujía – W/BI)
Antes de usar el polímetro y el adaptador de voltaje de
pico lea las instrucciones del manual correspon-
diente.
Al medir, no toque las sondas del polímetro ni la bujía
para evitar recibir una descarga eléctrica.
ECM B/W
W/BI
Adaptador de tensión máxima
Bujía
nueva
Batería

SISTEMA ELÉCTRICO 8-21
VOLTAJE DE PICO DEL SENSOR CKP
• Desconecte el conector del sensor CKP 1.
• Conecte el polímetro al adaptador de tensión de pico como se
indica.
+ Sonda: Blanco
- Sonda: Azul
09900-25008: Juego de polímetro
!
• Ponga la transmisión en punto muerto y luego ponga el inte-
rruptor de encendido en la posición “ON”.
• Presione el botón de arranque y deje que gire el motor
durante unos pocos segundos, y luego mida el voltaje de pico
del sensor CKP.
• Repita la inspección de arriba varias veces y anote la mayor
tensión de pico del sensor CKP.
Graduación del polímetro: Tensión ()
Voltaje de pico del sensor CKP: 0,5 V y más
NOTA:
Después de comprobar la tensión de pico del sensor CKP, cancele el DTC con la herramienta SDS.
Si el voltaje de pico está dentro del valor nominal, compruebe la continuidad entre el acoplador del sensor
CKP y el acoplador de la ECM.
!
RESISTENCIA DEL SENSOR CKP
• Desconecte el conector del sensor CKP.
• Mida la resistencia entre los cables utilizando el polímetro. Si
la resistencia no está dentro del valor especificado, el sensor
CKP debe ser cambiado.
09900-25008: Juego de polímetro
Graduación del polímetro: Resistencia (Ω)
Resistencia del sensor CKP: 155 – 232 Ω
(Blanco – Azul)
Antes de usar el polímetro y el adaptador de voltaje de
pico lea las instrucciones del manual correspondiente.
WBI
Normalmente, utilice la sonda puntiaguda en la parte la parte trasera del acoplador del cable
principal para impedir doblar y alinear el terminal.
Adaptador de
tensión máxima
Generador
W
Bl

8-22 SISTEMA ELÉCTRICO
LUZ INDICADORA
1Cubierta de cabezal de
dirección 2Bombilla (12 V 3,4 W)

SISTEMA ELÉCTRICO 8-23
INSPECCIÓN
Mida la continuidad entre los cables del diagrama utilizando el polímetro.
INSPECCIÓN DEL SENSOR ECT
INDICADOR DE TEMPERATURA DEL REFRIGERANTE DEL
MOTOR/FI
Compruebe que el indicador se encienda inmediatamente des-
pués de activar el interruptor de encendido.
Si el indicador de refrigerante del motor/FI no se enciende, com-
pruebe los acopladores, los cables y la bombilla.
NOTA:
Cuando el interruptor de encendido se activa, la luz FI se
enciende durante 2 segundos y luego permanece apagada.
1Indicador de combustible AB/Y: Masa (Indicador de com-
bustible) C
B/R: Masa (Indicador de tem-
peratura del refrigerante del
motor/FI)
2Luz indicadora de punto
muerto BBI/B: Masa (Indicador de
punto muerto)
3Indicador de temperatura del
refrigerante del motor/FI DB: Fuente de alimentación
(Indicadores)

8-24 SISTEMA ELÉCTRICO
INSPECCIÓN DEL CONMUTADOR DE MARCHA
ENGRANADA
• Desconecte el acoplador del sensor de marcha engranada y
compruebe la continuidad entre azul y negro/blanco cuando
la transmisión está en “PUNTO MUERTO”.
09900-25008: Juego de polímetro
Graduación del polímetro: Prueba de continuidad ()
!
• Conecte el acoplador de conmutadores de posiciión de
engranajes al mazo de cables.
• Gire el interruptor de encendido a la posición “ON”.
• Mida la tensión entre los cables rosa y negro/blanco con el
polímetro al mover el pedal de cambio de marchas desde la
primera hasta la sexta.
09900-25008: Juego de polímetro
09900-25009: Juego de sondas puntiagudas
Graduación del polímetro: Tensión ()
Voltaje del interruptor: 0,9 V y más
* Posición de 1ra a máxima (Rosado + – B/W -)
* Excepto posición de punto muerto (Rosado + – B/W -)
!
INDICADOR DE PUNTO MUERTO
Si la luz indicadora de punto muerto no funciona correctamente,
compruebe el interruptor GP y su cable/acoplador.
Si el interruptor GP y su cable/acoplador funcionan correcta-
mente, sustituya la bombilla por una nueva.
Cuando conecte y desconecte el acoplador del inte-
rruptor, asegúrese de que la llave de contacto está en
OFF o los elementos electrónicos sufrirán daños.
Utilice la herramienta especial para impedir que se
dañe la goma del acoplador impermeable.
Azul Negro/Blanco
ON (Punto muerto)
OFF (Excepto punto muerto)
V

SISTEMA ELÉCTRICO 8-25
INSPECCIÓN DEL INTERRUPTOR DE NIVEL DE
COMBUSTIBLE
• Quite la cubierta del depósito de combustible. (7-6)
• Desconecte el acoplador de nivel de combustible 1 y quite la
tapa del interruptor de nivel de combustible 2.
• Quite el interruptor de nivel de combustible 3.
• Conecte una batería de 12 V y una bombilla de prueba (12 V,
3,4 W) al indicador del nivel de combustible, como muestra
las ilustraciones de la derecha. La lámpara debe encenderse
después de algunos segundos si el aforador está en buenas
condiciones.
• Cuando el interruptor se sumerge en queroseno bajo las con-
diciones anteriores, la lámpara debe apagarse. Si continua
encendida, sustituya el interruptor por otro nuevo.
INSPECCIÓN DE LA LUZ INDICADORA DEL NIVEL DE
COMBUSTIBLE
Compruebe que el indicador se encienda inmediatamente des-
pués de activar el interruptor de encendido.
Si la luz del indicador del nivel de combustible no se enciende,
compruebe los acopladores, los cables y la bombilla.
NOTA:
Cuando el interruptor de encendido se activa, la luz del indica-
dor del nivel de combustible se enciende durante 2 segundos y
luego permanece apagada
.
ON
Bombilla
de prueba
Batería
OFF
Queroseno
Batería
Bombilla
de prueba

8-26 SISTEMA ELÉCTRICO
LUCES
FARO, LUZ DE FRENO/TRASERA
FARO
12 V 40/40 W 1
LUZ DE FRENO/TRASERA: LED
!
Si toca la bombilla con las manos desnudas, límpiela con un paño humedecido con alcohol o
agua jabonosa para mantenerla limpia.

SISTEMA ELÉCTRICO 8-27
AJUSTE DEL HAZ DE LUZ DEL FARO (Vertical)
• Afloje el tornillo de ajuste del faro 1 y ajuste el haz de luz del
faro.
• Apriete el tornillo de ajuste del faro 1.
RELÉS
RELÉ DE ARRANQUE
8-15
RELÉ DE BOMBA DE COMBUSTIBLE
5-8
RELÉ DEL VENTILADOR DE
REFRIGERACIÓN
6-10

8-28 SISTEMA ELÉCTRICO
INSPECCIÓN DE INTERRUPTORES
BOTÓN DEL MOTOR DE ARRANQUE
INTERRUPTOR DE INTENSIDAD DE ILUMINACIÓN
YWGr
HI ( )
LO ( )
Color
Posición
INTERRUPTOR DE PARADA DEL MOTOR
O O/W
OFF ( )
RUN ( )
Color
Posición
Y/B B
PUSH
COLOR DE LOS CABLES
B : Negro Br : Marrón W : Blanco
Gr : Gris O : Anaranjado Y : Amarillo
B/O : Negro con trazo Naranja
B/R : Negro con trazo Rojo
B/Y : Negro con trazo Amarillo
O/W : Naranja con trazo Blanc
W/B : Blanco con trazo Negro
Y/B : Amarillo con trazo Negro
Color
Posición
INTERRUPTOR DE EMBRAGUE
B B/Y
OFF
ON
Color
Posición
INTERRUPTOR DEL FRENO TRASERO
BB
OFF
ON
Color
Posición
INTERRUPTOR DEL FRENO DELANTERO
O W/B
OFF
ON
Color
Posición
B/R B/O Br
LIGHT
ON
OFF
Color
Posición
INTERRUPTOR DE ENCENDIDO
Inspeccione cada interruptor con un polímetro para
comprobar la continuidad. Si encuentra alguna
anormalidad, reemplace el conjunto del interruptor
respectivo por otro nuevo.

SISTEMA ELÉCTRICO 8-29
BATERÍA
ESPECIFICACIONES
1 Respiradero de la cubierta superior 5 Terminal
2 Placas de cátodo 6 Válvula de seguridad
3 Tope 7 Placas de ánodo
4 Filtro 8 Separador (placa de fibra de vidrio)
CARGA INICIAL
Llenado de electrólito
• Quite la cinta de aluminio 1 que cierra los orificios de llenado
de electrólito de la bateríaA.
NOTA:
Cuando añada el electrólito, la batería deberá quitarse del vehí-
culo y colocarse en un lugar nivelado.
• Quite los tapones 2.
NOTA:
* Después de llenar completamente el electrólito, use los tapo-
nes retirados
2
para cerrar los agujeros de llenado de la bate-
ría.
* No quite ni perfore las partes selladas
3
del recipiente del
electrólito.
• Inserte las boquillas del contenedor del electrólito 4 en los
orificios de llenado de electrólito de la batería, sujetando fir-
memente el contenedor para que no se caiga. Tenga cuidado
para que no se derrame el electrólito.
• Asegúrese de que salgan burbujas de aire 5 de cada conte-
nedor de electrólito, y deje la batería en esta posición durante
más de 20 minutos.
Designación de tipo FTX7A-BS
Capacidad 12 V, 21,6 kC (6 Ah)/10 HR

8-30 SISTEMA ELÉCTRICO
NOTA:
Si no salen burbujas de aire por el orificio de llenado, golpee
suavemente el fondo del contenedor de electrólito dos o tres
veces.
No quite nunca el contenedor de la batería.
• Después de confirmar que el electrólito haya entrado comple-
tamente en la batería, quite los contenedores de electrólito de
la batería. Espere unos 20 minutos.
• Inserte los tapones 6 en los orificios de llenado, presionán-
dolos firmemente hacia adentro para que su parte superior no
sobresalga de la superficie superior de la cubierta de la bate-
ría.
!
Para hacer la carga inicial, utilice el cargador diseñado especialmente para baterías MF.
!
* No utilice nunca otra cosa que no sea la batería
especificada.
* No quite los tapones de la batería después de haber-
los instalado.
* No golpee los tapones con una herramienta como un
martillo cuando los instale.
CORRECTO INCORRECTO
* Para cargar la batería, asegúrese de utilizar el cargador diseñado especialmente para baterías
MF. De lo contrario, la batería podría sobrecargarse y reducirse su duración.
* No quite los tapones durante la carga.
* Coloque la batería con los tapones hacia arriba durante la carga.

SISTEMA ELÉCTRICO 8-31
Mida el voltaje de la batería con un polímetro. El polímetro
deberá indicar más de 12,5 – 12,6 V (CC) como se muestra en
la figura. Si el voltaje de la batería es inferior al especificado,
cargue la batería con un cargador de baterías. (Consulte la ope-
ración de carga)
!
NOTA:
Se recomienda realizar la carga inicial de la batería si han
pasado dos años desde la fecha de su fabricación.
SERVICIO
Inspeccione visualmente la superficie del recipiente de la bate-
ría. Si hay signos de grietas o fugas de electrólito por los lados
de la batería, reemplácela por otra nueva. Si los terminales de la
batería están cubiertos de óxido o una sustancia ácida de polvo
blanco, éstos deberán limpiarse con papel de lija.
OPERACIÓN DE CARGA
• Verifique el voltaje de la batería con un polímetro. Si la indica-
ción de la tensión es inferior a 12,0 V (CC), cargue la batería
con un cargador de baterías.
A Período de carga
B Parada de la carga
!
Tiempo de carga: 0,7 A para 5 a 10 horas o 3 A para 1 hora
!
• Después de finalizar la carga, espere 30 minutos o más y
compruebe la tensión de la batería con un polímetro.
• Si la tensión de la batería es 12,5 V o menos, vuelva a cargar
la batería.
• Si la tensión de la batería es 12,5 V o menos después de
haberla cargado, reemplace la batería por otra nueva.
• Cuando el vehículo no vaya a utilizarse durante un largo
periodo de tiempo (especialmente durante el invierno), verifi-
que la batería cada mes para impedir que ésta se descargue.
No retire los tapones de la parte superior de la batería
mientras la carga.
* Retire la batería del vehículo cuando la cargue.
* No quite los tapones de la parte superior de la bate-
ría mientras la carga.
13
12
11
10
0246810
(V) (a 25 ˚C)
Tiempo (Minutos)
30 segundos
Tiempo (Minutos)
No permita que la corriente de carga supere en ningún
momento 3 A.
(V) (a 0 – 40 ˚C)
14
13
12
11
10
100
Condición de batería cargada
75 50 25 0 (%)

8-32 SISTEMA ELÉCTRICO

INFORMACIÓN DE SERVICIO 9-1
9
INFORMACIÓN DE SERVICIO
CONTENIDO
SOLUCIÓN DE PROBLEMAS...................................................................... 9- 2
CÓDIGO DE MAL FUNCIONAMIENTO Y CONDICIÓN
DEFECTUOSA DEL SISTEMA FI.......................................................... 9- 2
MOTOR................................................................................................... 9- 4
RADIADOR (SISTEMA DE REFRIGERACIÓN) .................................... 9-10
CHASIS................................................................................................... 9-10
FRENOS ................................................................................................. 9-12
EQUIPO ELÉCTRICO ............................................................................ 9-13
BATERÍA ................................................................................................ 9-14
INSTALACIÓN DE CABLEADOS, CABLES Y LATIGUILLOS ................... 9-15
INSTALACIÓN DE CABLEADOS.......................................................... 9-15
INSTALACIÓN DE CABLES.................................................................. 9-18
ENRUTAMIENTO DE MANGUITO DE COMBUSTIBLE ....................... 9-19
ENRUTAMIENTO DE LATIGUILLO DEL SISTEMA
DE REFRIGERACIÓN ............................................................................ 9-20
INSTALACIÓN DE LATIGUILLO DE ACEITE....................................... 9-21
ENRUTAMIENTO DE LATIGUILLO DE FRENO DELANTERO............ 9-22
ENRUTAMIENTO DE LATIGUILLO DE FRENO TRASERO ................ 9-23
COLOCACIÓN DE CUERPO DEL ACELERADOR............................... 9-24
INSTALACIÓN DEL DEPÓSITO DE COMBUSTIBLE .......................... 9-25
INSTALACIÓN DEL PEDAL DE FRENO............................................... 9-26
INTERRUPTOR DE REFLECTOR DEL LADO DELANTERO
(Para E-28) ............................................................................................. 9-27
INSTALACIÓN DE LUZ DE FRENO/TRASERA (Para otros) .............. 9-28
INSTALACIÓN DE LUZ DE FRENO/TRASERA (Para E-28)................ 9-29
INSTALACIÓN DE RODILLO DE CADENA DE TRANSMISIÓN.......... 9-30
HERRAMIENTAS ESPECIALES.................................................................. 9-31
PAR DE APRIETE......................................................................................... 9-34
MOTOR................................................................................................... 9-34
SISTEMA FI Y SISTEMA DE AIRE DE ADMISIÓN ............................... 9-35
SISTEMA DE REFRIGERACIÓN........................................................... 9-35
CHASIS................................................................................................... 9-36
TABLA DE PARES DE APRIETE.......................................................... 9-37
DATOS DE SERVICIO .................................................................................. 9-38

9-2 INFORMACIÓN DE SERVICIO
SOLUCIÓN DE PROBLEMAS
CÓDIGO DE MAL FUNCIONAMIENTO Y CONDICIÓN DEFECTUOSA DEL
SISTEMA FI
N.° DTC ÍTEM
DETECTADO CONDICIÓN DE FALLO DETECTADA VERIFIQUE
C12 Sensor CKP La señal no llega a la centralita durante
1 seg. o más después de recibirse la
señal de IAP.
Cableado del sensor CKP y pie-
zas mecánicas
Sensor CKP, conexión de
cable/acoplador
P0335
C13
Sensor IAP El sensor deberá producir el voltaje
siguiente.
0,5 V sensor de voltaje < 4,4 V
En caso contrario se indica C13
(P0105).
Sensor IAP, conexión de
cable/acoplador
P0105
H
La tensión del sensor es más alta que el
valor especificado.
Circuito del sensor IAP cortocir-
cuitado a VCC o circuito de masa
abierto
L
La tensión del sensor es más baja que el
valor especificado.
Circuito del sensor IAP abierto o
cortocircuitado a masa o circuito
VCC abierto
C14
Sensor TP El sensor deberá producir el voltaje
siguiente.
0,5 V sensor de voltaje < 4,8 V
En caso contrario se indica C14
(P0120).
Sensor TP, conexión de
cable/acoplador
P0120
H
La tensión del sensor es más alta que el
valor especificado.
Circuito del sensor TP cortocircui-
tado a VCC o circuito de masa
abierto
L
La tensión del sensor es más baja que el
valor especificado.
Circuito del sensor TP abierto o
cortocircuitado a masa o circuito
VCC abierto
C15
Sensor ECT El voltaje del sensor deberá ser el
siguiente.
0,1 V sensor de voltaje < 4,8 V
En caso contrario se indica C15
(P0115).
Sensor ECT, conexión de
cable/acoplador
P0115
HLa tensión del sensor es más alta que el
valor especificado.
Circuito sensor ECT abierto o cir-
cuito de masa abierto
LLa tensión del sensor es más baja que el
valor especificado.
Circuito de sensor ECT cortocir-
cuitado a masa
C21
Sensor IAT El voltaje del sensor deberá ser el
siguiente.
0,2 V sensor de voltaje < 4,8 V
En caso contrario se indica C21
(P0110).
Sensor IAT, conexión de
cable/acoplador
P0110
HLa tensión del sensor es más alta que el
valor especificado.
Circuito sensor IAT abierto o cir-
cuito de masa abierto
LLa tensión del sensor es más baja que el
valor especificado.
Circuito sensor IAT cortocircuitado
a masa

INFORMACIÓN DE SERVICIO 9-3
N.° DTC ÍTEM
DETECTADO CONDICIÓN DE FALLO DETECTADA VERIFIQUE
C23
Sensor TO La tensión del sensor deberá ser la indi-
cado a continuación durante 1 segundos
o más después de poner en ON el inte-
rruptor de encendido.
0,3 V sensor de voltaje < 4,6 V
En caso contrario se indica C23
(P1651).
Sensor TO, conexión de
cable/acoplador
P1651
H
La tensión del sensor es más alta que el
valor especificado.
Circuito de sensor TO cortocircui-
tado a VCC o circuito de masa
abierto
L
La tensión del sensor es más baja que el
valor especificado.
Circuito de sensor TO abierto o
cortocircuitado a masa o circuito
VCC abierto
C24
Señal de
encendido
Se produce señal del sensor CKP
(bobina captadora), pero la señal proce-
dente de la bobina de encendido se inte-
rrumpe continuamente 5 veces o más.
En este caso se indica el código C24
(P0351).
Bobina de encendido, conexión
de cableado/acoplador, alimenta-
ción de la batería
P0351
C31
Señal de posi-
ción de mar-
chas
La tensión de la señal de posición de
marchas deberá ser superior a la
siguiente durante 3 segundos o más.
Voltaje del interruptor de posición de
marcha > 0,9 V
En caso contrario se indica C31
(P0705).
Interruptor GP, conexión de
cableado/acoplador, leva de cam-
bio de marchas, etc.
P0705
C32
Inyector de
combustible
Se produce la señal del sensor CKP
(bobina captadora), pero la señal proce-
dente del inyector de combustible se
interrumpe continuamente 8 veces o
más. En este caso se indica el código
C32 (P0201).
Inyector de combustible, conexión
de cableado/acoplador, alimenta-
ción al inyector
P0201
C41 Relé de la
bomba de
combustible
La señal del relé de la bomba de com-
bustible no se introduce en la centralita.
Relé de la bomba de combustible,
conexión de cable/acoplador
P0230
C60 Relé de venti-
lador de refri-
geración
La señal del relé del ventilador de refri-
geración no se introduce en la centralita.
Relé del ventilador de refrigera-
ción, conexión de cable/acoplador
P0480

9-4 INFORMACIÓN DE SERVICIO
MOTOR
Fallo Síntomas y causas posibles Remedio
El motor no arranca
o lo hace con difi-
cultad.
Compresión demasiado baja
1. Juego de válvulas desajustado
2. Guías de válvulas desgastadas o mal asenta-
miento de las válvulas
3. Válvulas no sincronizadas
4. Juego excesivo en los segmentos del pistón
5. Diámetro interior de cilindro desgastado
6. El motor de arranque gira demasiado lentamente
7. La bujía está mal asentada
8. Manguera de vacío dañada o agrietada
La bujía no produce chispa
1. Bujía sucia
2. Bujía mojada
3. Bobina de encendido defectuosa
4. Sensor CKP defectuoso
5. ECM defectuosa
6. Conexiones de cableado en circuito abierto
No llega combustible al colector de admisión
1. Filtro o manguito de combustible atascados
2. Bomba de combustible defectuosa
3. Regulador de presión del combustible defectuoso
4. Inyector de combustible defectuoso
5. Relé de bomba de combustible defectuoso
6. ECM defectuosa
7. Conexiones de cableado en circuito abierto
Mezcla de combustible/aire incorrecta
1. Sensor TP desajustado
2. Bomba de combustible defectuosa
3. Regulador de presión del combustible defectuoso
4. Sensor TP defectuoso
5. Sensor CKP defectuoso
6. Sensor IAP defectuoso
7. ECM defectuosa
8. Sensor ECT defectuoso
9. Sensor IAT defectuoso
Ajustar.
Reparar o reemplazar.
Ajustar.
Reemplazar.
Reemplazar.
Consulte la sección del sis-
tema eléctrico.
Volver a apretar.
Reemplazar.
Limpiar.
Limpiar y secar.
Reemplazar.
Reemplazar.
Reemplazar.
Reparar o reemplazar.
Limpiar o reemplazar.
Reemplazar.
Reemplazar.
Reemplazar.
Reemplazar.
Reemplazar.
Verificar y reparar.
Ajustar.
Reemplazar.
Reemplazar.
Reemplazar.
Reemplazar.
Reemplazar.
Reemplazar.
Reemplazar.
Reemplazar.

INFORMACIÓN DE SERVICIO 9-5
Fallo Síntomas y causas posibles Remedio
El motor funciona
mal en vacío.
1. Juego de válvulas desajustado
2. Mal asentamiento de las válvulas
3. Guías de válvulas defectuosas
4. Árboles de levas desgastados
5. Separación excesiva entre los electrodos de las
bujías
6. Bobina de encendido/pipas de bujías defectuosa
7. Sensor CKP defectuoso
8. ECM defectuosa
9. Sensor TP defectuoso
10. Bomba de combustible defectuosa
11. Manguera de vacío dañada o agrietada
Ajustar.
Reemplazar o reparar.
Reemplazar.
Reemplazar.
Ajustar o reemplazar.
Reemplazar.
Reemplazar.
Reemplazar.
Reemplazar.
Reemplazar.
Reemplazar.
El motor se para
con frecuencia.
Mezcla de combustible/aire incorrecta
1. Circuito o sensor IAP defectuoso
2. Filtro de combustible obstruido
3. Bomba de combustible defectuosa
4. Regulador de presión del combustible defectuoso
5. Sensor ECT defectuoso
6. Termostato defectuoso
7. Sensor IAT defectuoso
8. Manguera de vacío dañada o agrietada
El inyector de combustible funciona mal
1. Inyectores de combustible defectuosos
2. No hay señal de inyección de la ECM
3. Conexión de cableado abierta o cortocircuitada
4. Batería defectuosa o voltaje de batería bajo
El circuito de control o el sensor funcionan mal
1. ECM defectuosa
2. Regulador de presión del combustible defectuoso
3. Sensor TP defectuoso
4. Sensor IAT defectuoso
5. Sensor CKP defectuoso
6. Sensor ECT defectuoso
7. Relé de bomba de combustible defectuoso
Las piezas internas del motor funcionan mal
1. Bujía sucia
2. Sensor CKP o ECM defectuosos
3. Manguito de combustible obstruido
4. Juego de taqués desajustado
Reparar o reemplazar.
Limpiar o reemplazar.
Reemplazar.
Reemplazar.
Reemplazar.
Reemplazar.
Reemplazar.
Reemplazar.
Reemplazar.
Reparar o reemplazar.
Reparar o reemplazar.
Remplazar o cargar.
Reemplazar.
Reemplazar.
Reemplazar.
Reemplazar.
Reemplazar.
Reemplazar.
Reemplazar.
Limpiar.
Reemplazar.
Limpiar.
Ajustar.

9-6 INFORMACIÓN DE SERVICIO
Fallo Síntomas y causas posibles Remedio
El motor hace ruido Vibración excesiva de las válvulas
1. Juego de taqués demasiado grande
2. Muelles de válvulas debilitados o rotos
3. Taqués o superficies de levas desgastados
4. Muñón de árbol de levas desgastado o quemado
Parece que el ruido procede del pistón
1. Pistón o cilindro desgastado
2. Cámara de combustión sucia de carbonilla
3. Bulones de pistones o diámetros interiores de
bulones de pistones desgastados
4. Segmentos o ranuras de segmentos desgastados
Parece que el ruido procede de la cadena de dis-
tribución
1. Cadena alargada
2. Rueda dentada desgastada
3. El regulador de tensión no funciona
Parece que el ruido procede del embrague
1. Ranuras de eje intermedio o cubo desgastadas
2. Dientes de discos de embrague desgastados
3. Discos de embrague distorsionados, impulsado e
impulsor
4. Rodamiento de liberación del embrague desgastado
5. Amortiguadores de embrague debilitados
Parece que el ruido procede del cigüeñal
1. Rechinamiento de rodamientos debido al desgaste
2. Rodamientos de cabeza de biela desgastados y
quemados
3. Rodamientos de muñones desgastados y que-
mados
Parece que el ruido procede del equilibrador
1. Rodamientos de muñones desgastados y que-
mados
Parece que el ruido procede de la transmisión
1. Engranajes desgastados o rozan
2. Ranuras desgastadas
3. Engranajes primarios desgastados o rozan
4. Rodamientos desgastados
Parece que el ruido procede de la bomba de agua
1. Demasiado juego en el rodamiento del eje de la
bomba
2. Eje impulsor desgastado o dañado
3. Sello mecánico desgastado o dañado
4. Contacto entre la caja de la bomba de agua y el
impulsor
Ajustar.
Reemplazar.
Reemplazar.
Reemplazar.
Reemplazar.
Limpiar.
Reemplazar.
Reemplazar.
Reemplazar.
Reemplazar.
Reparar o reemplazar.
Reemplazar.
Reemplazar.
Reemplazar.
Reemplazar.
Reemplazar el engranaje
impulsado primario.
Reemplazar.
Reemplazar.
Reemplazar.
Reemplazar.
Reemplazar.
Reemplazar.
Reemplazar.
Reemplazar.
Reemplazar.
Reemplazar.
Reemplazar.
Reemplazar.

INFORMACIÓN DE SERVICIO 9-7
Fallo Síntomas y causas posibles Remedio
El motor funciona
mal a alta velocidad.
Piezas internas/eléctricas del motor defectuosas
1. Muelles de válvulas debilitados
2. Árbol de levas desgastado
3. Distribución de válvulas desajustada
4. Separación demasiado pequeña entre los elec-
trodos de las bujías
5. El encendido no avanza lo suficiente debido al
mal funcionamiento del circuito de avance de la
distribución
6. Bobina de encendido defectuosa
7. Sensor CKP defectuoso
8. ECM defectuosa
9. Elemento de filtro de aire atascado
10. Manguera de combustible obstruida que produce
un suministro de combustible inadecuado al
inyector
11. Bomba de combustible defectuosa
12. Sensor TP defectuoso
Sistema de circulación de aire defectuoso
1. Elemento de filtro de aire atascado
2. Succión de aire por la junta del cuerpo del acele-
rador
3. ECM defectuosa
Sensor o circuito de control defectuoso
1. Presión de combustible baja
2. Sensor TP defectuoso
3. Sensor IAT defectuoso
4. Sensor CKP defectuoso
5. Sensor GP defectuoso
6. Sensor IAP defectuoso
7. ECM defectuosa
8. Sensor TP desajustado
Reemplazar.
Reemplazar.
Ajustar.
Ajustar.
Reemplazar la ECM.
Reemplazar.
Reemplazar.
Reemplazar.
Limpiar.
Limpiar y cebar.
Reemplazar.
Reemplazar.
Reemplazar.
Reparar o reemplazar.
Reemplazar.
Reparar o reemplazar.
Reemplazar.
Reemplazar.
Reemplazar.
Reemplazar.
Reemplazar.
Reemplazar.
Reemplazar.

9-8 INFORMACIÓN DE SERVICIO
Fallo Síntomas y causas posibles Remedio
Al motor le falta
potencia.
Piezas internas/eléctricas del motor defectuosas
1. Pérdida de juego de taqués
2. Muelles de válvulas debilitados
3. Distribución de válvulas desajustada
4. Segmentos o cilindro desgastados
5. Mal asentamiento de las válvulas
6. Bujía sucia
7. Bujía incorrecta
8. Inyector obstruido
9. Sensor TP desajustado
10. Elemento de filtro de aire atascado
11. Succión de aire desde la mariposa de gases o la
manguera de vacío
12. Demasiado aceite del motor
13. Bomba de combustible o ECM defectuosa
14. Bobinas de encendido y sensor CKP defectuosos
Sensor o circuito de control defectuoso
1. Presión de combustible baja
2. Sensor TP defectuoso
3. Sensor IAT defectuoso
4. Sensor CKP defectuoso
5. Sensor GP defectuoso
6. Sensor IAP defectuoso
7. ECM defectuosa
8. Sensor TP desajustado
Ajustar.
Reemplazar.
Ajustar.
Reemplazar.
Reparar.
Limpiar o reemplazar.
Ajustar o reemplazar.
Reemplazar.
Ajustar.
Reemplazar.
Apretar o reemplazar.
Vaciar exceso de aceite.
Reemplazar.
Reemplazar.
Reparar o reemplazar.
Reemplazar.
Reemplazar.
Reemplazar.
Reemplazar.
Reemplazar.
Reemplazar.
Ajustar.

INFORMACIÓN DE SERVICIO 9-9
Fallo Síntomas y causas posibles Remedio
El motor se reca-
lienta
Piezas internas del motor defectuosas
1. Acumulación excesiva de carbonilla en las cabezas
de los pistones
2. No hay suficiente aceite en el motor
3. Bomba de aceite defectuosa o circuito de aceite
obstruido
4. Succión de aire por el tubo de admisión
5. Uso de aceite de motor inadecuado
6. Sistema de refrigeración defectuoso
Mezcla pobre de combustible/aire
1. Sensor IAP/cable cortocircuitado
2. Sensor IAT/cable cortocircuitado
3. Succión de aire por la unión del tubo de admisión
4. Inyector de combustible defectuoso
5. Sensor ECT defectuoso
Otros factores
1. La distribución del encendido está demasiado avan-
zada debido a que el sistema de avance de la distri-
bución está defectuoso (sensores ECT, GP y CKP y
ECM).
2. La cadena de transmisión está demasiado tensada
Limpiar.
Agregar aceite.
Reemplazar o limpiar.
Apretar o reemplazar.
Cambiar.
Consulte la sección del radiador.
Reparar o reemplazar.
Reparar o reemplazar.
Reparar o reemplazar.
Reemplazar.
Reemplazar.
Reemplazar.
Ajustar.
Humo del escape
sucio o pesado
1. Demasiado aceite de motor en el motor
2. Segmentos o cilindro desgastados
3. Guías de válvulas defectuosas
4. Paredes de cilindros rayadas o rozadas
5. Vástagos de válvulas desgastados
6. Juntas de vástagos defectuosas
7. Garganta del segmento de lubricación desgastada
Compruebe con la mirilla de
inspección, vacíe el exceso
de aceite.
Reemplazar.
Reemplazar.
Reemplazar.
Reemplazar.
Reemplazar.
Reemplazar.
Embrague de fricción 1. Muelles de embrague debilitados
2. Discos de presión desgastados o deformados
3. Discos de embrague o de presión distorsionados
Reemplazar.
Reemplazar.
Reemplazar.
Arrastre en el embra-
gue
1. Algunos muelles de embrague están débiles y otros no
2. Discos de presión o embrague distorsionados
Reemplazar.
Reemplazar.
La transmisión no
cambia de marcha.
1. Leva de cambio de velocidades rota
2. Horquilla delantera deformada
3. Trinquete de cambio de velocidades desgastado
Reemplazar.
Reemplazar.
Reemplazar.
La transmisión no
cambia a una veloci-
dad anterior.
1. Muelle de retorno del eje de cambios roto
2. El eje de cambios roza o se pega
3. Horquillas de cambio de velocidades deformadas o
desgastadas
Reemplazar.
Reparar o reemplazar.
Reemplazar.
La transmisión salta
a otra velocidad.
1. Engranajes de cambio del árbol de transmisión o
del eje intermedio desgastados
2. Horquillas de cambio de velocidades deformadas o
desgastadas
3. Muelle de tope en el tope de cambio de velocidades
debilitado
4. Disco de la leva del cambio de velocidades desgastado
5. Fiador de engranaje/orificio de fiador desgastados
Reemplazar.
Reemplazar.
Reemplazar.
Reemplazar.
Reemplazar.

9-10 INFORMACIÓN DE SERVICIO
RADIADOR (SISTEMA DE REFRIGERACIÓN)
CHASIS
Fallo Síntomas y causas posibles Remedio
El motor se reca-
lienta
1. No hay suficiente refrigerante para el motor
2. Núcleo del radiador obstruido con suciedad o
costra de óxido
3. Ventilador de refrigeración defectuoso
4. Relé del ventilador de refrigeración defectuoso,
con circuito abierto o cortocircuitado
5. ECM defectuosa
6. Sensor ECT defectuoso
7. Conducto de agua obstruido
8. Aire atrapado en el circuito de refrigeración
9. Bomba de agua defectuosa
10. Uso de refrigerante inadecuado
11. Termostato defectuoso
Agregue refrigerante.
Limpiar.
Reparar o reemplazar.
Reparar o reemplazar.
Reemplazar.
Reemplazar.
Limpiar.
Purgar aire.
Reemplazar.
Reemplazar.
Reemplazar.
El motor se enfría
excesivamente
1. Sensor ECT defectuoso
2. Clima excesivamente frío
3. Termostato defectuoso
4. Relé del ventilador de refrigeración defectuoso,
con circuito abierto o cortocircuitado
5. ECM defectuosa
Reemplazar.
Ponga la cubierta del radiador.
Reemplazar.
Reparar o reemplazar.
Reemplazar.
Fallo Síntomas y causas posibles Remedio
Manejo muy
pesado o difícil.
1. Ruedas delanteras mal alineadas
2. Falta de lubricación
3. Baja presión de aire en los neumáticos delanteros
4. Los extremos de la barra de unión tienden a agarrotarse
5. Las conexiones de articulación tienden a agarrotarse
Ajustar.
Lubricar.
Ajustar.
Reemplazar.
Reparar o reemplazar.
La dirección baila. 1. Los neumáticos no están inflados de igual forma
2. Afloje las tuercas de los cubos de las ruedas delanteras
3. Rodamientos de cubos de ruedas delanteras
dañados o desgastados
4. Extremos de la barra de unión desgastados o flojos
5. Neumático defectuoso o incorrecto
6. Brazos triangulares y casquillos relacionados
dañados o desgastados
7. Ruedas delanteras deformadas
8. Tuercas y tornillos del chasis flojos
Regular.
Apretar.
Reemplazar.
Reemplazar o apretar.
Reemplazar.
Reemplazar.
Reemplazar.
Apretar.
La dirección tira
hacia un lado.
1. Los neumáticos no están inflados de igual forma
2. Ruedas delanteras mal alineadas
3. Rodamientos de rueda delantera desgastados
4. Bastidor o brazo triangular distorsionado
5. Amortiguador defectuoso
Regular.
Ajustar.
Reemplazar.
Reparar o reemplazar.
Reemplazar.
Se sienten sacudi-
das en la dirección.
1. Presión de neumáticos alta
2. Conexión de articulación de dirección desgastada
3. Tornillos del sistema de la suspensión flojos
Regular.
Reemplazar.
Apretar.

INFORMACIÓN DE SERVICIO 9-11
Fallo Síntomas y causas posibles Remedio
Los neumáticos se
desgastan de forma
rápida o irregular.
1. Rodamientos de cubos de ruedas delanteras desgas-
tados o flojos
2. Ruedas delanteras mal alineadas
Reemplazar.
Ajustar.
Dirección demasiado
ruidosa.
1. Tuercas y tornillos flojos
2. Rodamientos de cubos de ruedas delanteras dañados
o desgastados
3. Falta de lubricación
Apretar.
Reemplazar.
Lubricar.
Suspensión delantera
demasiado suave.
1. Muelle de amortiguador debilitado
2. Fuga de aceite o gas por el amortiguador
3. Reguladores de precarga de muelles delanteros mal
ajustados
4. Reguladores de fuerza de amortiguación mal ajustads
Reemplazar.
Reemplazar.
Ajustar.
Ajustar.
Suspensión delantera
demasiado dura.
1. Brazos triangulares superior o inferior y rodamientos
relacionados desgastados
2. Varilla de amortiguador doblada
3. Reguladores de precarga de muelles delanteros mal
ajustados
4. Reguladores de fuerza de amortiguación mal ajustads
Apretar.
Reemplazar.
Ajustar.
Ajustar.
Las ruedas delante-
ras bailan.
1. Llantas de ruedas delanteras deformadas
2. Rodamientos de cubos de ruedas delanteras dañados
o desgastados
3. Neumático defectuoso o incorrecto
4. Afloje las tuercas de los cubos de las ruedas delanteras
5. Brazos triangulares y casquillos relacionados dañados
o desgastados
6. Fugas de aceite en amortiguador delantero
7. Tuercas y tornillos del chasis flojos
Reemplazar.
Reemplazar.
Reemplazar.
Apretar.
Reemplazar.
Reemplazar.
Apretar.
Suspensión dema-
siado ruidosa.
1. Tornillos del sistema de la suspensión flojos
2. Brazos triangulares y casquillos relacionados desgastados
3. Rodamientos de suspensión y brazo oscilante desgastados
Apretar.
Reemplazar.
Reemplazar.
Suspensión trasera
demasiado suave.
1. Muelle de amortiguador debilitado
2. Fuga de aceite o gas por el amortiguador
3. Regulador de precarga de muelle trasero mal ajustado
4. Regulador de fuerza de amortiguación mal ajustado
Reemplazar.
Reemplazar.
Ajustar.
Ajustar.
Suspensión trasera
demasiado fuerte.
1. Varilla de amortiguador doblada
2. Pivote del brazo oscilante doblado
3. Rodamientos de suspensión y brazo oscilante desgastados
4. Regulador de precarga de muelle trasero mal ajustado
5. Regulador de fuerza de amortiguación mal ajustado
6. Ajuste inadecuado de la cadena
Reemplazar.
Reemplazar.
Reemplazar.
Ajustar.
Ajustar.
Ajustar.
Las ruedas traseras
bailan.
1. Llantas de ruedas traseras deformadas
2. Rodamientos de caja de eje trasero dañados o des-
gastados
3. Neumáticos traseros defectuosos o incorrectos
4. Afloje las tuercas de los cubos de las ruedas traseras
5. Eje trasero deformado
6. Tornillos de montaje de la caja del eje trasero flojos
7. Freno trasero mal ajustado
8. Brazo triangular trasero y rodamientos relacionados
dañados o desgastados
9. Fugas de aceite en amortiguador trasero
10. Tuerca de brazo oscilante trasero floja
Reemplazar.
Reemplazar.
Reemplazar.
Apretar.
Reemplazar.
Apretar.
Ajustar.
Reemplazar.
Reemplazar.
Apretar.

9-12 INFORMACIÓN DE SERVICIO
FRENOS
Fallo Síntomas y causas posibles Remedio
Le falta potencia al
freno
1. Fuga de líquido de frenos por el sistema hidráu-
lico
2. Pastillas desgastadas
3. Aceite adherido en la superficie de fricción de las
pastillas/zapatas
4. Disco desgastado
5. Aire en el sistema hidráulico
6. No hay suficiente líquido de frenos en el depósito
7. Freno de estacionamiento mal ajustado
Reparar o reemplazar.
Reemplazar.
Limpiar disco y pastillas.
Reemplazar.
Purgar aire.
Rellenar.
Ajustar.
El freno chirría 1. Carbonilla adherida a la superficie de las pastillas
2. Pastilla inclinada
3. Eje de rueda delantera o eje de rueda trasera
flojo
4. Pastillas desgastadas
5. Materiales extraños en el líquido de frenos
6. Orificio de retorno del cilindro maestro obstruido
Reparar la superficie con
papel de lija.
Corrija el ajuste de la pasti-
lla o reemplácela.
Apretar al par especificado.
Reemplazar.
Cambie el líquido de fre-
nos.
Desmonte el cilindro maes-
tro y límpielo.
Carrera excesiva de
la maneta del freno
1. Aire en el sistema hidráulico
2. No hay suficiente líquido de frenos
3. La calidad del líquido de frenos no es apropiada
Purgar aire.
Llenar líquido hasta alcan-
zar el nivel especificado;
purgar aire.
Cambiar el líquido por otro
adecuado.
Fuga de líquido de
frenos
1. Las juntas de conexión no están lo suficiente-
mente apretadas
2. Manguera agrietada
3. Pistón y/o tapa de pistón desgastados
Apretar al par especificado.
Reemplazar.
Reemplazar el pistón y/o la
tapa.
El freno roza 1. Pieza oxidada
2. Lubricación insuficiente en la maneta del freno o
en el pivote del pedal del freno
3. Freno de estacionamiento mal ajustado
Limpiar y lubricar.
Lubricar.
Ajustar.

INFORMACIÓN DE SERVICIO 9-13
EQUIPO ELÉCTRICO
Fallo Síntomas y causas posibles Remedio
No hay chispa o es
débil
1. Bobinas de encendido defectuosas
2. Bujías defectuosas
3. Sensor CKP defectuoso
4. ECM defectuosa
5. Sensor TO defectuoso
6. Conexiones de cableado en circuito abierto
Reemplazar.
Reemplazar.
Reemplazar.
Reemplazar.
Reemplazar.
Verificar y reparar.
Las bujías se man-
chan pronto de car-
bonilla.
1. La mezcla es demasiado rica
2. La velocidad de ralentí está ajustada muy alta
3. Gasolina incorrecta
4. Elemento de filtro de aire sucio
5. Bujía demasiado fría
Inspeccione el sistema FI.
Tornillo de aire de ralentí.
Cambiar.
Reemplazar.
Cambiar por bujía tipo
caliente.
La bujía se ensucia
demasiado pronto.
1. Segmentos desgastados
2. Pistón o cilindro desgastado
3. Juego excesivo de los vástagos de válvulas en
las guías de válvulas
4. Retén de aceite de vástago desgastado
Reemplazar.
Reemplazar.
Reemplazar.
Reemplazar.
Los electrodos de
las bujías se reca-
lientan o queman
1. Bujías demasiado calientes
2. Motor recalentado
3. Bujías flojas
4. Mezcla demasiado pobre
Cambiar por bujías tipo frío.
Poner a punto.
Volver a apretar.
Inspeccione el sistema FI.
El generador no
carga.
1. Cables abiertos o cortocircuitados, o conexiones
de cables flojas
2. Bobina de generador cortocircuitada, conectada
a tierra o en circuito abierto
3. Regulador/rectificador cortocircuitado o perforado
Reparar, reemplazar o vol-
ver a apretar.
Reemplazar.
Reemplazar.
El generador carga,
pero el régimen de
carga no alcanza el
valor especificado.
1. Los cables tienden a cortocircuitarse, ponerse en
circuito abierto o se aflojan en los terminales
2. Bobina de generador cortocircuitada, conectada
a tierra o en circuito abierto
3. Regulador/rectificador defectuoso
4. Placas de la celda de la batería defectuosas
Reparar o volver a apretar.
Reemplazar.
Reemplazar.
Reemplazar la batería.
El generador se
sobrecarga
1. Cortocircuito interno en la batería
2. Regulador/rectificador dañado o defectuoso
3. Regulador/rectificador mal conectados a tierra
Reemplazar la batería.
Reemplazar.
Limpie y apriete la
conexión a masa.
Carga inestable 1. Aislamiento del cable roto debido a la vibración,
lo que produce un cortocircuito intermitente
2. Generador cortocircuitado internamente
3. Regulador/rectificador defectuoso
Reparar o reemplazar.
Reemplazar.
Reemplazar.
El botón de arran-
que no resulta efi-
caz para arrancar el
motor.
1. Batería agotada
2. Contactos de interruptor defectuosos
3. Las escobillas no se asientan correctamente en
el colector del motor de arranque
4. Relé de arranque defectuoso
5. Fusible principal defectuoso
Reparar o reemplazar.
Reemplazar.
Reparar o reemplazar.
Reemplazar.
Reemplazar.

9-14 INFORMACIÓN DE SERVICIO
BATERÍA
Fallo Síntomas y causas posibles Remedio
“Sulfatación”, sus-
tancia ácida de
polvo blanco en
puntos o superfi-
cies de las placas
de las celdas
1. Caja de batería agrietada
2. La batería se ha dejado descargada durante
mucho tiempo
Reemplazar la batería.
Reemplazar la batería.
La batería se agota
enseguida.
1. Problema en el sistema de carga
2. Las placas de la celda han perdido mucho de su
material activo debido a las sobrecargas
3. Cortocircuito interno en la batería
4. Voltaje de la batería demasiado bajo
5. Batería demasiado vieja
Verifique el generador, el
regulador/rectificador y las
conexiones de los circuitos
y haga los ajustes necesa-
rios para obtener la opera-
ción de carga especificada.
Reemplace la batería y
arregle el sistema de carga.
Reemplazar la batería.
Cargue completamente la
batería.
Reemplazar la batería.
“Sulfatación” de la
batería
1. Régimen de carga incorrecto
(Las baterías, cuando no se utilicen, deberán
verificarse como mínimo una vez al mes para evi-
tar la sulfatación.)
2. La batería se dejó sin utilizar durante mucho
tiempo en un clima frío
Reemplazar la batería.
Reemplazar la batería si
está muy sulfatada.
La batería se des-
carga demasiado
rápidamente
1. Recipiente sucio en la parte superior y en los
costados
2. Batería demasiado vieja
Limpiar.
Reemplazar la batería.

INFORMACIÓN DE SERVICIO 9-15
INSTALACIÓN DE CABLEADOS, CABLES Y LATIGUILLOS
INSTALACIÓN DE CABLEADOS
Abrazadera
Abrazadera
Abrazadera
Faro
Interruptor de
encendido
Mazo de cables de interruptores del manillar (I)
Interruptor de posición de la maneta del embrague
Abrazadera
Mazo de cables
de interruptores
del manillar (I)
Luz indicadora del
panel de medidores
Abrazadera
Mazo de cables
Mazo de cables
Cable del motor
de arranque
Generador
Interruptor de
posición de marcha
Abrazadera
Mazo
de cables
Abrazadera
Mazo de cables Abrazadera
Luz de freno/trasera

9-16 INFORMACIÓN DE SERVICIO
Mazo de cables
Latiguillo
Interruptor
de nivel de
combustible
Ponga el acoplador de la bobina
de encendido por debajo del latiguillo.
Abrazadera
Abrazadera Abrazadera
Ménsula superior
de montaje del motor
Instale firmemente
la pipa de la bujía.
Bobina
de encendido
Abrazadera Abrazadera
Abrazadera
Abrazadera
Abrazadera
Instale el mazo de cables
en la abrazadera.
Abrazadera
Cable del interruptor
del freno trasero
Cable del interruptor
del freno trasero
Cable del interruptor
del freno trasero
Cable del interruptor
del freno trasero
Mazo de cables
Abrazadera
Mazo de cables
Abrazadera

INFORMACIÓN DE SERVICIO 9-17
45˚
Cable de la batería
Cable
del motor
de arranque
Mazo de cables del interruptor
de posición de marcha
1,4 mm 2,1 mm
26,6 mm
Mazo de cables del generador
6,5 N.m
(0,65 kgf-m)
11 N.m (1,1 kgf-m)
6,5 N.m
(0,65 kgf-m)
120 N.m (12,0 kgf-m)
5 N.m
(0,5 kgf-m)
10 N.m
(1,0 kgf-m)

9-18 INFORMACIÓN DE SERVICIO
INSTALACIÓN DE CABLES
Cable del acelerador
Cable del acelerador Cable del motor de arranque
Cable del embrague
Cable del
embrague
Guía
*1
*2
Cable del freno
de estacionamiento
Cable del freno
de estacionamiento
Cable del freno
de estacionamiento
Cable del freno
de estacionamiento
*5
*6
*7
*8
*9
*10
*3
*4
Cable del motor
de arranque
Cable del motor
de arranque
Cable del motor
de arranque
Abrazadera
Bastidor
Mazo de cables
Mazo de cables
Mazo de cables
Latiguillo
de sifón
Latiguillo de combustible
Cable del freno
de estacionamiento
15 mm máximo
Guía
*1 Pase los cables de acelerador y embrague por
debajo del cable de alta tensión. *6 Pase el cable de arranque por detrás del cable del
freno de estacionamiento.
*2 Pase el cable de arranque entre el bastidor y el
mazo de cables. *7 Pase el cable de arranque por encima del manguito
de sifón.
*3 Pase el cable de arranque por encima del mazo de
cables. *8 Pase el cable de arranque por encima del manguito
de combustible.
*4 Pase el cable de embrague por debajo de la maneta. *9 Pase los cables de acelerador y embrague por
encima del manguito de ventilación.
*5
Apriete con abrazadera el cable de arranque y el
mazo de cables de los interruptores del manillar
izquierdo.
*10 Pase el cable de embrague por delante del cuerpo del
acelerador y el interior de la bobina de encendido.

INFORMACIÓN DE SERVICIO 9-19
ENRUTAMIENTO DE MANGUITO DE COMBUSTIBLE
Depósito de combustible
Regulador de presión
de combustible
Bomba de combustible
1Manguito de combustible 5Bomba de combustible
2Manguito de retorno de combustible 6Regulador de presión de combustible
3Manguito de combustible 7Manguera de suministro de combustible
4Manguito de retorno de vapor de combustible

9-20 INFORMACIÓN DE SERVICIO
ENRUTAMIENTO DE LATIGUILLO DEL SISTEMA DE REFRIGERACIÓN
*1
Atrás
4,5 N·m (0,45 kgf-m)
4,5 N·m
(0,45 kgf-m)
4,5 N·m (0,45 kgf-m)
Abajo
*2
Marca (Blanca) Marca (Amarilla)
Marca
(Blanca)
Marca
(Amarilla)
: Los extremos de la abrazadera
deberán quedar hacia.....
*1 Pase el manguito de sifón por la parte superior
de los cables. 5Termostato
*2 Instale este manguito recto hacia abajo. 6Manguito de radiador de entrada
1Abrazadera 7Cubierta de radiador
2Manguito de sifón 8Radiador
3Manguito de rebose del depósito 9Manguito del radiador de salida
4Bomba del agua 0Engranaje impulsado de la bomba de agua

INFORMACIÓN DE SERVICIO 9-21
INSTALACIÓN DE LATIGUILLO DE ACEITE
LATIGUILLO DE ACEITE (4 lugares)
*1
*1 Instale el amortiguador del depósito de aceite en
ambos lados del depósito de aceite. 6Manguera del respiradero
1Indicador de nivel de aceite 7Manguera del respiradero
2Depósito de retorno de aceite 8Manguito de aceite (D)
3Depósito de aceite 9Manguito de aceite (I)
4Manguera del respiradero AMarca de acoplamiento
5Manguito de rebose del depósito de aceite

9-22 INFORMACIÓN DE SERVICIO
ENRUTAMIENTO DE LATIGUILLO DE FRENO DELANTERO
*1
*3
*2
DELANTE
LATIGUILLO
DE FRENO DERECHO LATIGUILLO
DE FRENO IZQUIERDO
*5
30˚
21˚
21˚
21˚
14˚
*4
*6
*6
*1 Pintura negra hacia afuera. *5
Apriete el perno de unión una vez que la unión de la
manguera del freno haya tocado la parte inferior del
cilindro maestro.
*2
Apriete el perno de unión del tubo una vez que la
superficie inferior de la unión del tubo del freno haya
tocado la cara extrema de soporte de la manguera del
bastidor.
*6 Apriete el perno de unión una vez que la unión de la
manguera del freno haya tocado el retén.
*3 Fije firmemente la manguera del freno. 1Tope
*4 Fije la manguera del freno con su manguito colocado
correctamente dentro de la abrazadera.

INFORMACIÓN DE SERVICIO 9-23
ENRUTAMIENTO DE LATIGUILLO DE FRENO TRASERO
*1 Ponga la marca blanca del latiguillo del depósito hacia afuera. 1Latiguillo del freno
*2 Meta el latiguillo de depósito en la union hasta el extremo. 2Cable del freno de estacionamiento
*3 Apriete firmemente la manguera del freno. 3Guía
*4 Pase el manguito del freno entre la cara del brazo oscilante y el bastidor. 4Guía
*5 Instale el manguito del freno a lo largo de la cara superior del brazo osci-
lante y fije las guías en el orden de 4 y 5.5Guía
*6 Instale el manguito del freno a través de la guía. 6Tope
*7 Apriete el perno de unión una vez que la unión de la manguera del freno
haya tocado el retén. 7Pinza trasera
*8 Fije la manguera del freno con su manguito colocado correctamente
dentro de la abrazadera. 8Pedal del freno
*6
*8
*1
*3
*4
*1
*7
*5
*7
*2
DELANTE
INFERIOR
EXTERIOR
EXTERIOR
14˚
DETRÁS
49 – 53 mm
84˚

9-24 INFORMACIÓN DE SERVICIO
COLOCACIÓN DE CUERPO DEL ACELERADOR
*1 Con los extremos de la abrazadera al lado izquierdo. 4Manguera de suministro de combustible N.° 2
*2 Pase el manguito de retorno de vapor del combustible a tra-
vés del lado izquierdo del mazo de cables. 5Tubo de admisión
*3 Instale la manguera de suministro de combustible N.° 2 con
el lado de pintura blanca hacia la bomba de combustible. 6Cuerpo del acelerador
1Sensor IAT 7Filtro de aire
2Manguito de retorno de vapor de combustible 8Sensor IAP
3Manguera de suministro de combustible N.° 1 9Bomba de combustible
SUPERIOR
INFERIOR
INFERIOR
TUBO DE ADMISIÓN TUBO DE ESCAPE
SUPERIOR
D
ID
I
12 N·m
(1,2 kgf-m)
1,8 N·m
(0,18 kgf-m)
1,8 N·m
(0,18 kgf-m)
*2
*3
*1
4,5 N·m
(0,45 kgf-m)

INFORMACIÓN DE SERVICIO 9-25
INSTALACIÓN DEL DEPÓSITO DE COMBUSTIBLE
1Manguera del respiradero del depósito de combustible 7Válvula de combustible
2Tapa del depósito de combustible 8Amortiguador de válvula de combustible
3Amortiguador de depósito de combustible 9Regulador de presión de combustible
4Depósito de combustible 0Manguito de retorno de combustible
5Manguito de retorno de vapor de combustible ACubierta inferior del depósito de combustible
6Manguito de combustible

9-26 INFORMACIÓN DE SERVICIO
INSTALACIÓN DEL PEDAL DE FRENO
0 – 10 mm
5 mm
58,5 mm
58,5 mm
1Pasador de aletas 4Muelle de interruptor de freno trasero
2Tornillo de pivote del pedal del freno 5Muelle del pedal del freno
3Interruptor de freno trasero 6Pedal del freno

INFORMACIÓN DE SERVICIO 9-27
INTERRUPTOR DE REFLECTOR DEL LADO DELANTERO (Para E-28)
1,8 N·m
(0,18 kgf-m)
1Asidero delantero 3Ménsula de reflector
2Reflector 4To pe

9-28 INFORMACIÓN DE SERVICIO
INSTALACIÓN DE LUZ DE FRENO/TRASERA (Para otros)
6 N·m (0,6 kgf-m)
5 N·m (0,5 kgf-m)
25 N·m (2,5 kgf-m)
1Luz de freno/Trasera 2Cubierta de luz de freno/Trasera

INFORMACIÓN DE SERVICIO 9-29
INSTALACIÓN DE LUZ DE FRENO/TRASERA (Para E-28)
1,8 N·m (0,18 kgf-m)
1,8 N·m (0,18 kgf-m)
6 N·m (0,6 kgf-m)
25 N·m (2,5 kgf-m) 5 N·m
(0,5 kgf-m)
5 N·m
(0,5 kgf-m)
1Luz de freno/Trasera 3Reflector
2Cubierta de luz de freno/Trasera 4Ménsula de reflector

9-30 INFORMACIÓN DE SERVICIO
INSTALACIÓN DE RODILLO DE CADENA DE TRANSMISIÓN
31 N·m (3,1 kgf-m)
31 N·m (3,1 kgf-m)
SUPERIOR
INFERIOR
1Rodillo de cadena 2Bastidor

INFORMACIÓN DE SERVICIO 9-31
HERRAMIENTAS ESPECIALES
09900-06107
Pinzas para anillos
de resorte
09900-06108
Pinzas para anillos
de resorte
09900-09004
Juego de instalador
de impacto
09900-20101
09900-20102
Calibre de nonio
09900-20202
Micrómetro
(25 – 50 mm)
09900-20204
Micrómetro
(75 – 100 mm)
09900-20205
Micrómetro
(0 – 25 mm)
09900-20513
Juego de calibrador
de cilindros
09900-20530
Juego de calibrador
de cilindros
09900-20602
Comparador de cua-
drante (1/1 000 mm)
09900-20607
Comparador de cua-
drante
(1/100 mm)
09900-20701
Soporte magnético
09900-20803
Galga de espesores
09900-20805
Galga de profundi-
dad de dibujos de
neumáticos
09900-21304
Bloque en V
(100 mm)
09900-22301
09900-22302
Galga de plástico
09900-22403
Medidor de peque-
ños diámetros
(18 – 35 mm)
09900-25008
Polímetro
09900-25009
Juego de sondas
puntiagudas
09900-28630
Mazo de cables de
prueba del TPS

9-32 INFORMACIÓN DE SERVICIO
09910-32812
Instalador de cigüe-
ñal
09910-60611
Llave de apriete uni-
versal
09911-11310
Accesorio
09913-10750
Adaptador
09913-50121
Extractor de rete-
nes de aceite
09913-70210
Juego instalador de
rodamientos
09915-64512
Manómetro
09915-74511
Juego de manóme-
tro de presión de
aceite
09915-74521
Latiguillo del manó-
metro de presión de
aceite
09915-77331
Medidor (para altas
presiones)
09916-10911
Juego pulimentador
de válvulas
09916-14510
Empujador de válvu-
las
09916-14521
09916-14910
Accesorio
09916-34542
Mango de escaria-
dor
09916-34550
Escariador de guías
de válvulas (5,5 mm)
09916-34580
Escariador de guías
de válvulas
(10,8 mm)
09916-44310
09916-44910
Extractor/instalador
de guías de válvulas
09916-53360
Accesorio de insta-
lador de guías de
válvulas
09916-84511
Pinzas
09917-47011
Manómetro de
bomba de vacío
09920-13120
Separador de cárter
09920-53740
Soporte del cubo de
manguito de embra-
gue
09921-20210
Extractor de roda-
mientos
09921-20240
Juego extractor de
rodamientos
09922-22711
Herramienta de corte y
unión de la cadena de
transmisión

INFORMACIÓN DE SERVICIO 9-33
09923-73210
Extractor de roda-
mientos
09924-84510
Juego instalador de
rodamientos
09924-84521
Juego instalador de
rodamientos
09930-10121
Juego de llaves de
bujías
09930-11950
Llave Torx
09930-30104
Martillo deslizante
09930-30721
Extractor de rotores
09930-31921
Extractor de rotores
09930-44520
Soporte del rotor
09930-73120
Zócalo del limitador
de torsión del arran-
cador
09930-73170
Soporte del limita-
dor de torsión del
arrancador
09930-82720
Interruptor de selec-
ción de modo
09940-40211
Adaptador
09940-40220
Accesorio de latigui-
llo de manómetro de
presión del combus-
tible
09940-92460
Llave de tuercas de
eje trasero
09941-34513
Instalador de roda-
mientos
09904-41010
Juego SDS
99565-01010-007
CD-ROM Ver. 7

9-34 INFORMACIÓN DE SERVICIO
PAR DE APRIETE
MOTOR
ÍTEM N·m kgf-m
Perno de la tapa de la culata 14 1,4
Bujía 11 1,1
Tornillo de culata de cilindros (M10) 47 4,7
(M6) 10 1,0
Perno de cilindro 10 1,0
Perno de soporte de muñón de árbol de levas 10 1,0
Tuerca de engranaje conducido equilibrador 50 5,0
Tuerca de engranaje impulsor primario 140 14,0
Tuerca del rotor del generador 120 12,0
Tuerca del cubo del manguito de embrague 90 9,0
Tornillo de la palanca de cambios 10 1,0
Tope del brazo de cambio de marchas 32 3,2
Perno del embrague del arrancador 10 1,0
Tornillo de engranaje conducido de leva de cambio de marchas 31 3,1
Perno de montaje del regulador de voltaje de la cadena de distribución
10 1,0
Tornillo de montaje del tensor de la cadena de distribución 10 1,0
Tornillo de soporte del muelle de tensión de cadena de distribución 30 3,0
Tapón de vaciado de aceite del motor (en el cárter) 18 1,8
Tornillo de vaciado de aceite del motor (en el depósito de aceite) 12 1,2
Tornillo del cárter 11 1,1
Perno del conmutador de marcha engranada 6,5 0,65
Perno de montaje de manguito de aceite 10 1,0
Tornillo de montaje del motor de arranque 10 1,0
Clavija TDC 23 2,3
Tapa de cubierta del generador 15 1,5
Perno de montaje del motor 55 5,5
Perno de montaje del soporte del motor 26 2,6
Tuerca del tubo de escape 23 2,3
Tornillo de conexión del silenciador 23 2,3
Tornillo de montaje del silenciador 23 2,3
Tornillo de corona del motor 10 1,0
Tornillo de montaje del tubo de admisión 9 0,9

INFORMACIÓN DE SERVICIO 9-35
SISTEMA FI Y SISTEMA DE AIRE DE ADMISIÓN
SISTEMA DE REFRIGERACIÓN
ÍTEM N·m kgf-m
Tornillo de montaje del sensor CKP 6,5 0,65
Perno de montaje del sensor IAT 1,8 0,18
Perno de montaje del tubo de salida de combustible 3,5 0,35
Perno de montaje de la bomba de combustible 9 0,9
Perno de montaje del sensor TP 3,5 0,35
ÍTEM N·m kgf-m
Tornillo de la tapa de la bomba de agua 10 1,0
Tornillo de cubierta de bomba de agua 10 1,0
Tapón de vaciado de refrigerante del motor 5,5 0,55
Sensor ECT 12 1,2
Tornillo de tapa de termostato 10 1,0

9-36 INFORMACIÓN DE SERVICIO
CHASIS
ÍTEM N·m kgf-m
Perno de la mordaza del manillar 26 2,6
Tuerca del soporte del manillar 60 6,0
Tornillo de soporte del árbol de dirección 23 2,3
Tuerca inferior del árbol de dirección 120 12,0
Tornillo de placa del brazo de dirección 29 2,9
Tuerca de extremo de mangueta de dirección (Superior e Inferior) 23 2,3
Tuerca de extremidad del tirante 23 2,3
Contratuerca de tirante 29 2,9
Tuerca de montaje del amortiguador delantro (Superior e Inferior) 60 6,0
Tuerca del pivote del brazo triangular 65 6,5
Tuerca de cubo de rueda (Delantero) 65 6,5
(Trasero) 121 12,1
Tuerca de fijación de rueda (Delantera y Trasera) 66 6,6
Tornillo de unión de latiguillo del freno 23 2,3
Perno de disco de freno (Delantero y Trasero) 23 2,3
Válvula de purgado de aire del freno 6 0,6
Tornillo de montaje de mecanismo de freno (Delantero y Trasero) 26 2,6
Tornillo de montaje de cilindro maestro del freno (Delantero y Trasero)
10 1,0
Tornillo de pivote de maneta de freno delantero 6 0,6
Contratuerca de tornillo de pivote de maneta de freno delantero 6 0,6
Pasador del soporte del mecanismo del freno delantero 18 1,8
Tuerca del soporte de la pinza del freno delantero 23 2,3
Tuerca de tubo de freno delantero 16 1,6
Pasador de sujeción de pastillas del freno delantero 18 1,8
Contratuerca de la varilla del cilindro maestro de freno trasero 18 1,8
Tornillo de pivote del pedal del freno trasero 29 2,9
Pasador de sujeción de pastillas del freno trasero 18 1,8
Pasador del soporte de pinza del freno trasero 18 1,8
Pasador deslizante del soporte de pinza del freno trasero 23 2,3
Tornillo de caja de freno de estacionamiento 28 2,8
Contratuerca del regulador del freno de estacionamiento 18 1,8
Tornillo de montaje del apoyapiés 55 5,5
Tornillo del raíl de asiento (Superior e Inferior) 60 6,0
Tornillo de montaje del piñón 60 6,0
Tuerca del eje trasero 240 24,0
Contratuerca del eje trasero 240 24,0
Tuerca de la caja del eje trasero 28 2,8
Tuerca del pivote del brazo oscilante 95 9,5
Tuerca de montaje del amortiguador trasero (Superior e Inferior) 60 6,0
Tuerca de la palanca de amortiguación 78 7,8
Tuerca de tirante de bieleta 78 7,8
Tornillo de montaje de control de cadena de transmisión 31 3,1
Tornillo de caja de maneta de acelerador 5 0,5
Tornillo de montaje del soporte de la maneta de embrague 10 1,0

INFORMACIÓN DE SERVICIO 9-37
TABLA DE PARES DE APRIETE
Consulte esta tabla para las tuercas y los pernos no listados en las páginas anteriores:
Diámetro del perno
A (mm)
Perno convencional
o marcado con “4” Perno marcado con “7”
N·m kgf-m N·m kgf-m
4 1,5 0,15 2,3 0,23
5 3 0,3 4,5 0,45
6 5,5 0,55 10 1,0
8131,3232,3
10 29 2,9 50 5,0
12 45 4,5 85 8,5
14 65 6,5 135 13,5
16 105 10,5 210 21,0
18 160 16,0 240 24,0
Tornillo convencional Tornillo marcado con “4” Tornillo marcado con “7”

9-38 INFORMACIÓN DE SERVICIO
DATOS DE SERVICIO
VÁLVULA + GUÍA Unidad: mm
ÁRBOL DE LEVAS + CULATA DE CILINDROS Unidad: mm
ÍTEM NOMINAL LÍMITE
Diámetro de válvula ADM 36 —
ESC 29 —
Holgura de taqués (en frío) ADM 0,10 – 0,20 —
ESC 0,20 – 0,30 —
Juego entre guía de válvula y
vástago de válvula ADM 0,010 – 0,037 —
ESC 0,030 – 0,057 —
Desviación de vástago de válvula ADM y
ESC —0,25
D.I. de guía de válvula ADM y
ESC 5,500 – 5,512 —
D.E. de vástago válvula ADM 5,475 – 5,490 —
ESC 5,455 – 5,470 —
Descentramiento de vástago de
válvula ADM y
ESC —0,05
Grosor de cabeza de válvula ADM y
ESC —0,5
Anchura de asiento de válvula ADM y
ESC 0,9 – 1,1 —
Descentramiento radial de cabeza
de válvula ADM y
ESC —0,03
Longitud libre de muelle de válvula ADM — 34,0
ESC — 33,3
Tensión de muelle de válvula ADM 119 – 137 N
(11,9 – 13,7 kgf)
a una longitud de 30,9 mm —
ESC 78,5 N
(7,85 kgf)
a una longitud de 30,9 mm —
ÍTEM NOMINAL LÍMITE
Altura de leva ADM 32,564 – 32,604 32,264
ESC 33,451 – 33,491 33,151
Juego de lubricación del muñón del
árbol de levas ADM y
ESC 0,032 – 0,066 0,150
D.I. del soporte del muñón de árbol
de levas ADM y
ESC 22,012 – 22,025 —
D.E. del muñón del árbol de levas ADM y
ESC 21,959 – 21,980 —
Pasador de cadena de distribución Pasador 15 —
Distorsión de culata de cilindros — 0,05

INFORMACIÓN DE SERVICIO 9-39
CILINDRO + PISTÓN + SEGMENTOS Unidad: mm
BIELA + CIGÜEÑAL Unidad: mm
BOMBA DE ACEITE
ÍTEM NOMINAL LÍMITE
Presión de compresión
(Descompresión automática
accionada)
800 kPa
(8,0 kgf/cm2)—
Juego entre pistón y cilindro 0,045 – 0,055 0,120
Diámetro interior de cilindro 95,500 – 95,515 Muescas o
Rayas
Diámetro de pistón 95,450 – 95,465
Medida a 10 mm desde el extremo de la falda. 95,380
Distorsión de cilindro — 0,05
Separación en los extremos de los
segmentos sin presionar 1ro Aprox. 7,6 —
2do R Aprox. 12,3 —
Separación en los extremos de los
segmentos 1ro 0,08 – 0,20 0,50
2do 0,08 – 0,20 0,50
Juego entre segmento y garganta 1ro — 0,180
2do — 0,150
Anchura de garganta de segmento 1ro 0,78 – 0,80 —
1,30 – 1,32 —
2do 0,81 – 0,83 —
Aceite 2,01 – 2,03 —
Grosor de segmento 1ro 0,71 – 0,76 —
1,08 – 1,10 —
2do 0,77 – 0,79 —
Diámetro interior para bulón de
pistón 19,002 – 19,008 19,030
D.E. de bulón 18,994 – 19,000 18,980
ÍTEM NOMINAL LÍMITE
D.I. de pie de biela 19,010 – 19,018 19,040
Deformación de la biela — 3,0
Juego lateral de cabeza de biela 0,30 – 0,65 1,0
Anchura de cabeza de biela 21,75 – 21,80 —
Anchura entre nervaduras del
cigüeñal 62,0 ± 0,1 —
Descentramiento del cigüeñal — 0,08
ÍTEM NOMINAL LÍMITE
Presión de aceite (a 60 °C) 10 kPa (0,1 kgf/cm2)
a 3 000 rpm —

9-40 INFORMACIÓN DE SERVICIO
EMBRAGUE Unidad: mm
TREN DE TRANSMISIÓN + CADENA DE TRANSMISION
Unidad: mm Excepto la relación
ÍTEM NOMINAL LÍMITE
Juego del cable del embrague 10 – 15 —
Grosor del disco de embrague
(N.° 1 y N.° 2) 3,07 – 3,23 2,77
Anchura de la garra del disco
impulsor
(N.° 1 y N.° 2) 13,85 – 13,95 13,35
Distorsión del disco de embrague — 0,10
Longitud libre de muelle del
embrague 53,06 50,4
ÍTEM NOMINAL LÍMITE
Relación de reducción primaria 2,851 (77/27) —
Relación de reducción final 2,571 (36/14) —
Relación de
engranajes Baja 2,076 (27/13) —
2do 1,647 (28/17) —
3ro 1,333 (28/21) —
4ta 1,095 (23/21) —
Máxima 0,913 (21/23) —
Holgura entre la ranura y la
horquilla del cambio de
velocidades 0,1 – 0,3 0,5
Anchura de ranura de horquilla de
cambios N.° 1, N.° 2
y N.° 3 4,8 – 4,9 —
Grosor de horquilla de cambios N.° 1, N.° 2
y N.° 3 4,6 – 4,7 —
Cadena de transmisión Tipo RK 520SMOZ10S —
Eslabones 96 —
Longitud de
paso 20 —319,4
Holgura de la cadena de
transmisión 45 – 55 —
Altura de la palanca de cambios 5 – 10 —

INFORMACIÓN DE SERVICIO 9-41
TERMOSTATO + RADIADOR + VENTILADOR + REFRIGERANTE
INYECTOR + BOMBA DE COMBUSTIBLE + REGULADOR DE PRESIÓN DEL
COMBUSTIBLE
SENSORES FI
ÍTEM NOMINAL/ESPECIFICACIONES NOTA
Temperatura de apertura de la
válvula del termostato Aprox. 76,5 °C —
Levantamiento de la válvula del
termostato 4,5 mm y más a 90 °C —
Resistencia del sensor ECT 20 °C Aprox. 2,6 kΩ—
50 °C Aprox. 0,772 kΩ—
80 °C Aprox. 0,279 kΩ—
110 °C Aprox. 0,118 kΩ—
Presión de apertura de la válvula
del tapón del radiador 108 – 137 kPa
(1,08 – 1,37 kgf/cm²) —
Temperatura de funcionamiento del
ventilador de refrigeración OFF→ON Aprox. 98 °C —
ON→OFF Aprox. 93 °C —
Tipo de refrigerante del motor Utilice anticongelante/refrigerante compatible con
radiador de aluminio, mezclado con agua destilada
solamente, con un porcentaje de 50:50.
—
Refrigerante del motor incluyendo
la reserva Aprox. 1 400 ml —
ÍTEM ESPECIFICACIÓN NOTA
Resistencia de inyector 9 – 17 Ω a 20 °C
Descarga de la bomba de
combustible Aprox. 83 ml y más
/10 s.
Presión de operación del regulador
de presión del combustible Aprox. 294 kPa (2,94 kgf/cm²)
ÍTEM ESPECIFICACIÓN NOTA
Resistencia del sensor CKP 155 – 232 Ω
Voltaje de pico del sensor CKP 0,5 V y más Al arrancar
Voltaje de entrada del sensor IAP 4,5 – 5,5 V
Voltaje de salida del sensor IAP Aprox. 2,7 V al ralentí
Tensión de entrada del sensor TP 4,5 – 5,5 V
Resistencia del sensor TP Aprox. 4,5 kΩ
Cerrado Aprox. 1,4 kΩ
Abierto Aprox. 4,2 kΩ
Tensión de salida del sensor TP Cerrado Aprox. 0,6 V
Abierto Aprox. 3,8 V
Tensión de entrada del sensor ECT 4,5 – 5,5 V
Voltaje de salida del sensor ECT 0,15 – 4,85 V
Resistencia del sensor ECT Aprox. 2,6 kΩ a 20 °C
Voltaje de entrada del sensor IAT 4,5 – 5,5 V
Voltaje de salida del sensor IAT 0,15 – 4,85 V
Resistencia del sensor IAT Aprox. 2,6 kΩ a 20 °C

9-42 INFORMACIÓN DE SERVICIO
CUERPO DEL ACELERADOR
PIEZAS ELÉCTRICAS Unidad: mm
ÍTEM ESPECIFICACIÓN NOTA
Resistencia del sensor TO 15,0 – 25,0 kΩ
Tensión del sensor TO Normal 0,4 – 1,4 V
Inclinado 3,7 – 4,4 V Cuando se
inclina 65°
Voltaje del interruptor GP 0,9 V y más De 1ra a
Máxima
Tensión del inyector Tensión de la batería
Tensión de pico del primario de la
bobina de encendido 150 V y más Al arrancar
ÍTEM ESPECIFICACIÓN
Diámetro interior 43 mm
N.° de identificación 45G0
Rpm de ralentí 1 800 ± 100 rpm
Tornillo de aire de ralentí 1-5/8 de vuelta hacia atrás
Juego del cable del acelerador 3 – 5 mm
ÍTEM ESPECIFICACIÓN NOTA
Bujía Tipo NGK: CR8EB
Separación
0,7 – 0,8
Rendimiento de bujía Más de 8 a 1 atm.
Resistencia del sensor CKP 155 – 232 Ω
Voltaje de pico del sensor CKP 0,5 V y más Al arrancar
Resistencia de la bobina de
encendido Primario 0,1 – 1,0 ΩTerminal –
Terminal
Secundario
8 –15 kΩPipa de bujía –
Terminal
Tensión de pico del primario de la
bobina de encendido 150 V y más Al arrancar
Resistencia de la bobina del
generador 0,1 – 1,5 Ω
Salida máxima del generador Aproximadamente 240 W a 5 000 rpm
Voltaje sin carga del generador
(Cuando el motor está frío) 50 V (CA) y más a 5 000 rpm
Longitud de escobilla del motor de
arranque Estándar 7,0
Límite 3,5
Tensión regulada 13,5 – 15,0 V a 5 000 rpm
Resistencia del relé de arranque 3 – 6 Ω
Voltaje del interruptor GP 0,9 V o más (De 1ra a máxima)
Batería Designación de
tipo FTX7A-BS
Capacidad 12 V 21,6 kC (6 Ah)/10 HR
Amperaje de
fusible Encendido 10 A
Ventilador 10 A
Principal 20 A

INFORMACIÓN DE SERVICIO 9-43
VATIAJE Unidad: W
FRENO + RUEDA Unidad: mm
ÍTEM ESPECIFICACIÓN
Faro LUZ DE
CARRETERA 40
LUZ DE CRUCE 40
Luz de freno/trasera LED
Luz del indicador de combustible 3,4
Luz indicadora de punto muerto 3,4
Sensor de temperatura del refrige-
rante Luz de aviso del FI 3,4
ÍTEM NOMINAL/ESPECIFICACIONES LÍMITE
Altura del pedal del freno trasero 0 – 10 —
Diámetro interior del cilindro del
mecanismo del freno Delantero 25,40 – 25,45 —
Trasero 33,96 – 34,01 —
Diámetro del pistón del mecanismo
del freno Delantero 25,318 – 25,368 —
Trasero 33,878 – 33,928 —
Tipo de líquido de frenos DOT 4 —
Grosor del disco de freno Delantero 2,8 – 3,2 2,5
Trasero 3,8 – 4,2 3,5
Descentramiento de disco de freno
(Delantero y Trasero) —0,30
Diámetro interior del cilindro
maestro Delantero 12,700 – 12,743 —
Trasero 12,700 – 12,743 —
Diámetro del pistón del cilindro
maestro Delantero 12,657 – 12,684 —
Trasero 12,657 – 12,684 —
Radio de giro 3,5 m
Convergencia (con 75 kg) 0 ± 4
Ángulo de caída – 3,0°
Avance 8,0°
Descentramiento de la
llanta Delantero — 2,0
Trasero — 2,0
Tamaño de llanta Delantero 10 × 5,5 AT —
Trasero 8 × 8,0 AT —
Tamaño de neumático Delantero AT20 × 7R10 —
Trasero AT18 × 10R8 —
Tipo de neumático Delantero DUNLOP: KT381 —
Trasero DUNLOP: KT385 —
Profundidad de dibujos
de neumáticos Delantero — 4,0
Trasero — 4,0
Descentramiento del
eje de la rueda Trasero — 6,0

9-44 INFORMACIÓN DE SERVICIO
PRESIÓN DE NEUMÁTICOS
LÍMITE DE CARGA DEL VEHÍCULO: 110 kg
SUSPENSIÓN
COMBUSTIBLE + ACEITE
PRESIÓN DE INFLADO DE
NEUMÁTICOS EN FRÍO kPa kgf/cm2
DELANTERO 45 0,45
TRASERO 45 0,45
ÍTEM NOMINAL/ESPECIFICACIONES LÍMITE
Longitud preajustada del muelle
del amortiguador delantero 274,5 —
Regulador de fuerza de
amortiguación del amortiguador
delantero
Rebote 1-1/2 de vuelta hacia afuera desde la
posición más dura —
Compresión
2-1/4 de vuelta hacia afuera desde la
posición más dura —
Longitud preajustada del muelle
del amortiguador trasero 299 —
Regulador de fuerza de
amortiguación del amortiguador
trasero
Rebote 7 clicks hacia fuera desde la posición
más dura —
Compresión
(Baja
velocidad)
8 clicks hacia fuera desde la posición
más dura —
Compresión
(Alta
velocidad)
3/4 de vuelta hacia afuera desde la
posición más dura
Recorrido de la rueda delantera 254 —
Recorrido de la rueda trasera 277 —
ÍTEM ESPECIFICACIÓN NOTA
Tipo de combustible Utilice solamente gasolina sin plomo de 90 octa-
nos como mínimo (R/2 + M/2).
Se puede utilizar gasolina que contenga MTBE
(Methyl Tertiary Butyl Ether), con menos de 10%
de etanol, o menos de 5% de metanol con los codi-
solventes y el inhibidor de corrosión apropiados.
E-28, 33
La gasolina utilizada deberá tener un índice de 95
octanos o más. Se recomienda gasolina sin plomo. Otros
Depósito de combustible, inclu-
yendo la reserva 10,0 L
Tipo de aceite del motor SAE 10W-40, API SF/SG o SH/SJ con JASO MA
Capacidad de aceite del motor
Cambiar 1 200 ml
Lado del depósito
de aceite
400 ml Lado del motor
Cambio del
filtro
1 300 ml
Lado del depósito
de aceite
400 ml Lado del motor
Revisión 1 400 ml
Lado del depósito
de aceite
400 ml Lado del motor

INFORMACIÓN DE CONTROL DE LA EMISIÓN 10-1
10
INFORMACIÓN DE CONTROL DE LA EMISIÓN
CONTENIDO
SISTEMAS DE CONTROL DE LA EMISIÓN ..............................................10- 2
SISTEMA DE INYECCIÓN DE COMBUSTIBLE...................................10- 2
SISTEMA DE CONTROL DE EMISIÓN DEL CÁRTER........................10- 3

10-2 INFORMACIÓN DE CONTROL DE LA EMISIÓN
SISTEMAS DE CONTROL DE LA EMISIÓN
SISTEMA DE INYECCIÓN DE COMBUSTIBLE
Los vehículos LT-R450 están equipados con un sistema de inyección de combustible para controlar el nivel
de la emisión.
Este sistema de inyección de combustible ha sido diseñado, fabricado y ajustado con la máxima precisión
para cumplir con todas las limitaciones de emisión aplicables. Con la vista puesta en reducir la emisión de
CO, NOX y HC, todos los volúmenes de inyección son controlados rigurosamente con los mapas de inyec-
ción programada de la ECM según las condiciones cambiantes del motor. Ajustar, interferir, cambiar inco-
rrectamente o alterar cualquiera de los componentes de la inyección de combustible puede afectar
adversamente al rendimiento y ser la causa de que el vehículo sobrepase los límites de emisión de gas de
escape. Si uste no puede realizar reparaciones, póngase en contacto con el representante del distribuidor
para recibir información técnica y asistencia.
1Depósito de combustible 6Tubo de suministro de combustible ABomba de combustible
2Filtro de combustible
(Para válvula de combustible) 7Inyector de combustible ACombustible presurizado
3Manguito de combustible 8Manguera de suministro de combustible B
Combustible antes de presurizar
4
Manguito de retorno de combustible
9
Manguito de retorno de vapor de combustible
CCombustible liberado
5Regulador de presión de com-
bustible 0Filtro de combustible
(Para bomba de combustible) DVapor de combustible

INFORMACIÓN DE CONTROL DE LA EMISIÓN 10-3
SISTEMA DE CONTROL DE EMISIÓN DEL CÁRTER
El motor está equipado con un sistema PCV. El gas del escape del motor pasa constantemente al cárter, y
luego vuelve a la cámara de combustión a través de la manguera de PCV (respiración), el filtro de aire y el
cuerpo del acelerador.
1Manguera PCV (respiradero) CMEZCLA DE AIRE/COMBUSTIBLE FACEITE DE REBOSE
AGAS DE ESCAPE DGAS DE ESCAPE
BAIRE FRESCO EACEITE DE RETORNO SEPARADO

11
DIAGRAMA DE CABLEADO
Para conocer los colores de los cables en el diagrama del cableado, consulte la sección “COLOR DE LOS CABLES”.
LUZ INDICADORA DE PUNTO MUERTO
LUZ INDICADORA DEL COMBUSTIBLE
LUZ INDICADORA DE COMBUSTIBLE/
TEMPERATURA DE AGUA
LUZ INDICADORA
NU
FUEL
FI/WT
:
:
:
INTERRUPTOR
DE INTENSIDAD
DE ILUMINACIÓN
INTERRUPTOR
DE PARADA
DEL MOTOR
INTERRUPTOR DE MANILLAR
MOTOR DE
ARRANQUE
INTERRUPTOR
DE LUZ DE FRENO
DELANTERO
INTERRUPTOR
DE LUZ DE FRENO
TRASERO
BOBINA
DE ENCENDIDO
AL
SENSOR
INDICADOR
DE COM-
BUSTIBLE
BOMBA
DE COM-
BUSTIBLE
LUZ DE FRENO/TRASERA
BATERÍA
RELÉ
DE ARRANQUE
MOTOR
DE
ARRANQUE
FUSIBLE
PRINCIPAL
(20 A)
GENERADOR
INYECTOR
SENSOR
IAP
SENSOR
IAT
SENSOR
ECT
FARO
SENSOR
TP
REGULADOR/
RECTIFICADOR
INTERRUPTOR
DE POSICIÓN
DE MARCHA
INTERRUPTOR
DE ENCENDIDO
FUSIBLE
DE ENCENDIDO
(10 A)
FUSIBLE DE
VENTILADOR
(10 A)
MOTOR DE
VENTILADOR
RELÉ DE
VENTILADOR
RELÉ DE BOMBA
DE COMBUSTIBLE
ECM
INTERRUPTOR
DE EMBRAGUE

TOP
BOTTOM
No.16355 LT-R450 (01S) S/M 99500-44060-01S Cover0203 06.03. 25. (Back: 16 mm) SUMI
Prepared by
March, 2006
Part No. 99500-44060-01S
Printed in Japan
432

LT-R450
Printed in Japan
K6
LT-R450
TOP
BOTTOM
No.16355 LT-R450 (01S) S/M 99500-44060-01S Cover0104 06.03. 25. (Back: 16 mm) DIC567
K6
TOP
BOTTOM
99500-44060-01S
No.16355 LT-R450 (01S) S/M 99500-44060-01S Cover0104 06.03. 25. (Back: 16 mm) SUMI