TP9100 Service Manual Tx9000/TM9000 TP9000/TP9000 Manual/TP9100
User Manual: Pdf Tx9000/TM9000 -TP9000/TP9000 Service Manual/TP9100 Service Manual
Open the PDF directly: View PDF
.
Page Count: 326 [warning: Documents this large are best viewed by clicking the View PDF Link!]
- Service Manual
- Tait Contact Information
- Contents
- Preface
- Chapter 1 – Contents
- 1 Introduction
- 2 Description
- 3 Circuit Descriptions
- Chapter 2 – Servicing the Radio
- 4 General Information
- 5 Disassembly and Reassembly
- 6 Servicing Procedures
- 7 Interface Fault Finding
- 8 Power Supply Fault Finding
- 9 Frequency Synthesizer FaultFinding
- 9.1 Initial Checks
- 9.2 Power Supplies
- 9.3 Phase-Locked Loop
- 9.4 Loop Filter
- 9.5 Receive VCO and Related Circuitry (UHF Radios)
- 9.6 Transmit VCO and Related Circuitry (UHF Radios)
- 9.7 VCO and Related Circuitry (VHF Radios)
- 9.8 Power Supply for FCL
- 9.9 VCXO and VCTCXO Outputs
- 9.10 Signals at TP501 and TP502
- 9.11 VCXO and CODEC Circuitry
- 10 Transmitter FaultFinding
- 11 Receiver Fault Finding
- 12 CODEC and Audio FaultFinding
- 13 SpareParts
- Chapter 3 – Contents
- 14 Antenna Identification Chart
- 15 TPA-CH-001 Single Battery Charger
- 16 TPA-AA-201 Accessory Connector Kit
- 17 TPA-AA-202 Accessory Cable Kit
- 18 TPA-AA-210 Hirose Accessory Adapter
- 19 TOPA-SV-024 Test Unit
- Tait General Software Licence Agreement

TP9100 portables
Service Manual
MPA-00005-01
Issue 1.00
May 2005

2TP9100 Service Manual
© Tait Electronics Limited May 2005
Tait Contact Information
Tait Radio Communications
Corporate Head Office
Tait Electronics Ltd
P.O. Box 1645
Christchurch
New Zealand
For the address and telephone number of
regional offices, refer to the TaitWorld
website:
We b s i t e : http://www.taitworld.com
Technical Support
For assistance with specific technical issues,
contact Technical Support:
E-mail: support@taitworld.com
We b s i t e : http://support.taitworld.com
To our European customers:
Tait Electronics Limited is an environmentally responsible company which
supports waste minimization and material recovery. The European Union’s
Waste Electrical and Electronic Equipment Directive requires that this
product be disposed of separately from the general waste stream when its
service life is over. Please be environmentally responsible and dispose
through the original supplier, your local municipal waste “separate collec-
tion” service, or contact Tait Electronics Limited.

TP9100 Service Manual 3
© Tait Electronics Limited May 2005
Contents
Tait Contact Information . . . . . . . . . . . . . . . . . . . . . . . . . . . . . . . . . . . . . 2
Preface . . . . . . . . . . . . . . . . . . . . . . . . . . . . . . . . . . . . . . . . . . . . . . . . . 5
Scope of Manual . . . . . . . . . . . . . . . . . . . . . . . . . . . . . . . . . . . . . . . . . . . . 5
Hardware and Software Versions . . . . . . . . . . . . . . . . . . . . . . . . . . . . . . . . 5
Enquiries and Comments. . . . . . . . . . . . . . . . . . . . . . . . . . . . . . . . . . . . . . 5
Updates of Manual and Equipment . . . . . . . . . . . . . . . . . . . . . . . . . . . . . . 5
Copyright. . . . . . . . . . . . . . . . . . . . . . . . . . . . . . . . . . . . . . . . . . . . . . . . . 6
Disclaimer. . . . . . . . . . . . . . . . . . . . . . . . . . . . . . . . . . . . . . . . . . . . . . . . . 6
Associated Documentation. . . . . . . . . . . . . . . . . . . . . . . . . . . . . . . . . . . . . 6
Publication Record . . . . . . . . . . . . . . . . . . . . . . . . . . . . . . . . . . . . . . . . . . 7
Alert Notices . . . . . . . . . . . . . . . . . . . . . . . . . . . . . . . . . . . . . . . . . . . . . . 7
Abbreviations . . . . . . . . . . . . . . . . . . . . . . . . . . . . . . . . . . . . . . . . . . . . . . 7
Chapter 1 Description of the Radio . . . . . . . . . . . . . . . . . . . . . . . . . . . . 11
1 Introduction. . . . . . . . . . . . . . . . . . . . . . . . . . . . . . . . . . . . . . . . . . . 13
2 Description . . . . . . . . . . . . . . . . . . . . . . . . . . . . . . . . . . . . . . . . . . . 19
3 Circuit Descriptions . . . . . . . . . . . . . . . . . . . . . . . . . . . . . . . . . . . . . 49
Chapter 2 Servicing the Radio . . . . . . . . . . . . . . . . . . . . . . . . . . . . . . . . 75
4 General Information . . . . . . . . . . . . . . . . . . . . . . . . . . . . . . . . . . . . . 79
5 Disassembly and Reassembly . . . . . . . . . . . . . . . . . . . . . . . . . . . . . . 101
6 Servicing Procedures . . . . . . . . . . . . . . . . . . . . . . . . . . . . . . . . . . . 127
7 Interface Fault Finding . . . . . . . . . . . . . . . . . . . . . . . . . . . . . . . . . . 139
8 Power Supply Fault Finding . . . . . . . . . . . . . . . . . . . . . . . . . . . . . . 149
9 Frequency Synthesizer Fault Finding . . . . . . . . . . . . . . . . . . . . . . . . 159
10 Transmitter Fault Finding . . . . . . . . . . . . . . . . . . . . . . . . . . . . . . . . 217
11 Receiver Fault Finding . . . . . . . . . . . . . . . . . . . . . . . . . . . . . . . . . . 251
12 CODEC and Audio Fault Finding. . . . . . . . . . . . . . . . . . . . . . . . . . 269
13 Spare Parts . . . . . . . . . . . . . . . . . . . . . . . . . . . . . . . . . . . . . . . . . . . 289
Chapter 3 Accessories. . . . . . . . . . . . . . . . . . . . . . . . . . . . . . . . . . . . . .295
14 Antenna Identification Chart. . . . . . . . . . . . . . . . . . . . . . . . . . . . . . 297
15 TPA-CH-001 Single Battery Charger . . . . . . . . . . . . . . . . . . . . . . . 299
16 TPA-AA-201 Accessory Connector Kit. . . . . . . . . . . . . . . . . . . . . . 309
17 TPA-AA-202 Accessory Cable Kit . . . . . . . . . . . . . . . . . . . . . . . . . 313
18 TPA-AA-210 Hirose Accessory Adapter . . . . . . . . . . . . . . . . . . . . . 317
19 TOPA-SV-024 Test Unit . . . . . . . . . . . . . . . . . . . . . . . . . . . . . . . . 319
Tait General Software Licence Agreement . . . . . . . . . . . . . . . . . . . . . . . .325
4TP9100 Service Manual
© Tait Electronics Limited May 2005

TP9100 Service Manual 5
© Tait Electronics Limited May 2005
Preface
Scope of Manual
This manual contains information to service technicians for carrying out
level-1 and level-2 repairs of TP9100 radios and accessories.
Level-1 repairs entail the replacement of faulty parts and circuit boards;
level-2 repairs entail the repair of circuit boards, with the exception of
certain special items on the boards. The manual does not cover level-3
repairs, which entail the repair of the special items.
Hardware and Software Versions
This manual describes the following hardware and software versions.
The IPNs (internal part numbers) of the boards are listed below; the last two
digits in the IPN represent the issue of the board.
■Main board (B1 band) : 220-01734-03
■Main board (H5 band) : 220-01735-03
■Main board (H6 band) : 220-01736-03
■Front-panel interface board : 220-02073-03
■Accessory flex board : 220-01728-02
■UI flex board : 220-01731-01
■Single charger main board : 220-01724-03
■Single charger contact board : 220-01725-03
■Programming application : version 1.1.0.1
■Calibration application : version 1.0.0.0
Enquiries and Comments
If you have any enquiries regarding this manual, or any comments,
suggestions and notifications of errors, please contact Technical Support
(refer to “Tait Contact Information” on page 2).
Updates of Manual and Equipment
In the interests of improving the performance, reliability or servicing of the
equipment, Tait Electronics Ltd reserves the right to update the equipment
or this manual or both without prior notice.
6TP9100 Service Manual
© Tait Electronics Limited May 2005
Copyright
All information contained in this manual is the property of
Tait Electronics Ltd. All rights are reserved. This manual may not, in whole
or in part, be copied, photocopied, reproduced, translated, stored, or
reduced to any electronic medium or machine-readable form, without prior
written permission from Tait Electronics Ltd.
All trade names referenced are the service mark, trademark or registered
trademark of the respective manufacturers.
Disclaimer
There are no warranties extended or granted by this manual.
Tait Electronics Ltd accepts no responsibility for damage arising from use of
the information contained in the manual or of the equipment and software
it describes. It is the responsibility of the user to ensure that use of such
information, equipment and software complies with the laws, rules and
regulations of the applicable jurisdictions.
Associated Documentation
The following associated documentation is available for this product:
■MPA-00004-xx TP9100 Product Safety and Compliance Information
■MPA-00001-xx TP9100 User’s Guide
■MPA-00006-xx TP9100 Main Board (B1) PCB Information
■MPA-00007-xx TP9100 Main Board (H5) PCB Information
■MPA-00008-xx TP9100 Main Board (H6) PCB Information
■MPA-00009-xx TP9100 Front-Panel Interface Board
PCB Information
■MPA-00010-xx TP9100 Accessory and UI Flex Boards
PCB Information
■MPA-00011-xx TP9100 PCB Information
(printed, pre-punched and shrink wrapped;
comprises MPA-00006-xx to MPA-00009-xx)
The characters xx represent the issue number of the documentation.
All available documentation is provided on the
TM9100/TP9100 Service CD, product code TMAA24-01.
Updates may also be published on the Tait support website.

TP9100 Service Manual 7
© Tait Electronics Limited May 2005
Publication Record
Alert Notices
Within this manual, four types of alerts are given to the reader: warning,
caution, important and note. The following paragraphs illustrate each type
of alert and its associated symbol.
Warning!! This alert is used when there is a potential risk
of death or serious injury.
Caution This alert is used when there is the risk of minor or
moderate injury to people.
Important This alert is used to warn about the risk of equipment dam-
age or malfunction.
Note This alert is used to highlight information that is required to
ensure that procedures are performed correctly.
Abbreviations
Issue Publication Date Description
01 May 2005 first release
Abbreviation Description
ACP Adjacent Channel Power
ADC Analog-to-Digital Converter
AGC Automatic Gain Control
ALC Automatic Level Control
APCO Association of Public Safety Communications Officials
ASC Accredited Service Center
BOM Bill of Materials
C4FM Compatible Four-level Frequency Modulation
CCTM Computer-controlled Test Mode
CODEC Coder-Decoder

8TP9100 Service Manual
© Tait Electronics Limited May 2005
CSO Customer Service Organisation
CTCSS Continuous-tone-controlled Subaudible Signaling
DAC Digital-to-Analog Converter
DC Direct Current
DSP Digital Signal Processor
DTMF Dual-Tone Multi-Frequency
EPTT External PTT (Press-To-Talk)
ESD Electrostatic Discharge
FCL Frequency Control Loop
FE Front-End
FEC Forward Error Correction
FPGA Field-Programmable Gate Array
GPIO General Purpose Input/Output
GPS Global Positioning System
GUI Graphical User Interface
IC Integrated Circuit
IPN Internal Part Number
IF Intermediate Frequency
IQ In-Phase and Quadrature
ISC International Service Center
LCD Liquid-Crystal Display
LED Light-Emitting Diode
LNA Low-Noise Amplifier
LO Local Oscillator
LPF Low-Pass Filter
NPN Negative-Positive-Negative
P25 Project 25
PA Power Amplifier
PCB Printed Circuit Board
PLL Phase-Locked Loop
PNP Positive-Negative-Positive
Abbreviation Description

TP9100 Service Manual 9
© Tait Electronics Limited May 2005
PSU Power Supply Unit
PTT Press-To-Talk
RISC Reduced Instruction Set Computing
RSSI Received Signal Strength Indication
SFE Software Feature Enabler
SMA Sub Miniature Version A
SMD Surface-Mount Device
SMT Surface-Mount Technology
SMPS Switch-Mode Power Supply
SPI Serial Peripheral Interface
TCXO Temperature-compensated Crystal Oscillator
TEL Tait Electronics Limited
VCO Voltage-Controlled Oscillator
VCXO Voltage-Controlled Crystal Oscillator
Abbreviation Description
10 TP9100 Service Manual
© Tait Electronics Limited May 2005

TP9100 Service Manual 11
© Tait Electronics Limited May 2005
TP9100 portables
Chapter 1
Description of the Radio

12 TP9100 Service Manual
© Tait Electronics Limited May 2005
Chapter 1 – Contents
1 Introduction . . . . . . . . . . . . . . . . . . . . . . . . . . . . . . . . . . . . . . . . . . 13
1.1 Keypads . . . . . . . . . . . . . . . . . . . . . . . . . . . . . . . . . . . . . . . . . . . . . . . . . 14
1.2 Frequency Bands . . . . . . . . . . . . . . . . . . . . . . . . . . . . . . . . . . . . . . . . . . 14
1.3 Accessories . . . . . . . . . . . . . . . . . . . . . . . . . . . . . . . . . . . . . . . . . . . . . . . 14
1.4 Product Codes . . . . . . . . . . . . . . . . . . . . . . . . . . . . . . . . . . . . . . . . . . . . 15
1.5 Labels. . . . . . . . . . . . . . . . . . . . . . . . . . . . . . . . . . . . . . . . . . . . . . . . . . . 15
1.6 Specifications . . . . . . . . . . . . . . . . . . . . . . . . . . . . . . . . . . . . . . . . . . . . . 16
2 Description. . . . . . . . . . . . . . . . . . . . . . . . . . . . . . . . . . . . . . . . . . . 19
2.1 Mechanical Design . . . . . . . . . . . . . . . . . . . . . . . . . . . . . . . . . . . . . . . . . 19
2.3 Connectors and Contacts . . . . . . . . . . . . . . . . . . . . . . . . . . . . . . . . . . . . 27
2.4 Hardware and Software Architecture . . . . . . . . . . . . . . . . . . . . . . . . . . . . 30
2.5 Operation in Receive Mode . . . . . . . . . . . . . . . . . . . . . . . . . . . . . . . . . . 34
2.6 Operation in Transmit Mode . . . . . . . . . . . . . . . . . . . . . . . . . . . . . . . . . 41
3 Circuit Descriptions . . . . . . . . . . . . . . . . . . . . . . . . . . . . . . . . . . . . . 49
3.1 Transmitter Circuitry . . . . . . . . . . . . . . . . . . . . . . . . . . . . . . . . . . . . . . . 51
3.2 Receiver Circuitry . . . . . . . . . . . . . . . . . . . . . . . . . . . . . . . . . . . . . . . . . 53
3.3 Frequency Synthesizer Circuitry . . . . . . . . . . . . . . . . . . . . . . . . . . . . . . . 56
3.4 Frequency Control Loop. . . . . . . . . . . . . . . . . . . . . . . . . . . . . . . . . . . . . 60
3.5 CODEC and Audio Circuitry . . . . . . . . . . . . . . . . . . . . . . . . . . . . . . . . . 61
3.6 Power Supply Circuitry . . . . . . . . . . . . . . . . . . . . . . . . . . . . . . . . . . . . . 65
3.7 Interfaces Circuitry . . . . . . . . . . . . . . . . . . . . . . . . . . . . . . . . . . . . . . . . . 68
3.8 Digital Circuitry . . . . . . . . . . . . . . . . . . . . . . . . . . . . . . . . . . . . . . . . . . . 71
3.9 Front-Panel Interface Circuitry . . . . . . . . . . . . . . . . . . . . . . . . . . . . . . . . 71

TP9100 Service Manual Introduction 13
© Tait Electronics Limited May 2005
1Introduction
The TP9100 series is a range of high-performance microprocessor-
controlled portable radios for digital (APCO project 25-compatible), analog
and mixed operation for voice and data communication.
This manual includes the information required for servicing the radio and
its accessories.
This section describes the different options available for:
■keypads
■frequency bands
■accessories
■product codes
This section also gives an overview of the labels on the product and the
specifications.
Figure 1.1 TP9100 portable radios
TP9160TP9155
14 Introduction TP9100 Service Manual
© Tait Electronics Limited May 2005
1.1 Keypads
The radios are available with the following keypads:
■TP9160 with 16-button keypad (two scroll and two selection keys and
10 alphanumeric keys)
■TP9155 with 4-button keypad (two scroll and two selection keys)
The keypads are implemented by different front panels and keypads.
The rest of the radio hardware is identical.
1.2 Frequency Bands
The radios are available in the following frequency bands:
■136 to 174MHz (B1)
■400 to 470MHz (H5)
■450 to 530MHz (H6)
The frequency bands are implemented by different main boards.
1.3 Accessories
Tait offers a large variety of audio accessories, antennas, a single battery
charger, batteries, and other accessories such as carry cases.
For more information on the serviceable accessories refer to Chapter 3
Accessories on page 295 of this service manual.
Audio Accessories The radios allow for the connection of a comprehensive range of audio
accessories:
■“Evolution” speaker microphone
■light duty headset with boom microphone (behind the head)
■heavy duty headset with noise-canceling boom microphone (over the
head)
■three wire headset with mini-lapel microphone
■accessory connector kit
■third-party audio accessories as approved on a per-CSO basis
Antennas The radios allow for the connection of helical and whip antennas. For an
overview of the antennas available, refer to “Antenna Identification Chart”
on page 297.

TP9100 Service Manual Introduction 15
© Tait Electronics Limited May 2005
Single Battery
Charger and
Batteries
The single battery charger is used to charge the following Tait batteries:
■6-cell NiMH
■6-cell NiCd
1.4 Product Codes
This section describes the product codes used to identify products of the
TP9100 portable radio product line.
Radios The product codes of the TP9100 portable radios have the format:
TPA1a–bbcc
where:
■a identifies the keypad option:
1=4-button keypad, 2=16-button keypad
■bb identifies the frequency band:
B1=136 to 174MHz, H5=400 to 470MHz, H6=450 to 530MHz
■cc identifies any radio options.
Accessories The product code of the accessories specific to the TP9100 portable radios
have the format:
TPA–xx-xxx
1.5 Labels
The following external labels are attached to the back of the radio (covered
by the battery):
■compliance information and RF exposure safety warning
■serial number and product code
Figure 1.2 Labels of the TP9100 series
TPAB12-B100
136-174 MHz
S/N
19061964
102104337
Contains intellectual property licenced by
Digital Voice Systems Inc, Motorola Inc
and Tait Electronics Ltd.
Details in user documentation.
N46
TPAB1A
FCC ID: CASTPAB1A
Made in New Zealand by Tait Electronics Ltd.
IC: 737A-TPAB1A
ATTENTION!
Restricted to
occupational use to satisfy
FCC RF exposure limits. See user's
guide for operating instructions.

16 Introduction TP9100 Service Manual
© Tait Electronics Limited May 2005
1.6 Specifications
Introduction Table 1.1 shows the specifications for the TP9100 radios. The parameter
values quoted are minimum values. These specifications are valid for the date
of publication only. For up-to-date specifications, refer to the area on the
TaitWorld website reserved for TP9100 products.
Table 1.1 Specifications
Parameter Values
Basic characteristics
Frequency bands:
• B1 band
• H5 band
• H6 band
136 to 174MHz
400 to 470MHz
450 to 530MHz
Frequency stability ±1.5ppm
Channel capacity (simplex or semi-duplex) 512
Channel spacing:
•narrow
•medium
•wide
12.5kHz
20kHz
25kHz
Supply voltage: 7.5±1.5V DC
Antenna connector SMA
Accessory connector Ports: 1 serial, 2I/O, 1 audio tap in, 1 audio tap out, PTT,
speaker, microphone
Physical characteristics
Weight (with battery and antenna as stated, no belt
clip):
• with TPA-BA-201 (NiCd) and helical antenna
• with TPA-BA-201 (NiCd) and whip antenna
• with TPA-BA-203 (NiMH) and helical antenna
• with TPA-BA-203 (NiMH) and whip antenna
22.05oz. (625g)
21.55oz. (611g)
20.95oz. (594g)
20.46oz. (580g)
Dimensions (with battery, without antenna and
belt clip):
• height
• width
• depth
7.28in. (185mm)
2.60in. (65mm)
1.77in. (45mm)

TP9100 Service Manual Introduction 17
© Tait Electronics Limited May 2005
Environmental conditions
Operating temperatures −22°F to +140°F (−30°C to +60°C)
Standards
• IP54
• MIL-STD 810C, D, E and F
(for details contact Technical Support)
Meets the requirements for sealing against:
• dust
• rain
Meets the requirements regarding the following aspects:
• low pressure
• high temperature
• low temperature
• temperature shock
• solar radiation
• rain
• humidity
• salt fog
• dust
• vibration
• shock
Receiver
Sensitivity <−118dBm for 12dB SINAD
Intermodulation >66dB
Spurious responses >72dB
Selectivity:
• narrow channel spacing
• medium channel spacing
• wide channel spacing
>65dB
>70dB
>75dB
Hum and noise:
• narrow channel spacing
• medium channel spacing
• wide channel spacing
>40dBm
>41dBm
>43dBm
Audio bandwidth 300Hz to3 kHz (flat or with de-emphasis)
Audio distortion <3%
Receive current (Vcc=7.5V)
• stand-by (analog mode)
• stand-by (P25 digital mode)
• stand-by (dual mode)
• receiver active, 0.5W audio into 16ohms
89mA
90mA
91mA
270mA
Table 1.1 Specifications (Continued)
Parameter Values

18 Introduction TP9100 Service Manual
© Tait Electronics Limited May 2005
Transmitter
Output power:
• level 1 (very low)
• level 2 (low)
• level 3 (medium)
• level 4 (high)
1W
2W
2.5W (UHF), 3 W (VHF)
4W (UHF), 5W (VHF)
Transmit current (Vcc=7.5V, radio transmitting at
high power, mean value across each band)
• B1 band
• H5 band
• H6 band
1.72A typ
1.76A typ
1.60A typ
Modulation limiting:
• narrow channel spacing
• medium channel spacing
• wide channel spacing
<±2.5kHz
<±4kHz
<±5kHz
FM hum and noise:
• narrow channel spacing
• medium channel spacing
• wide channel spacing
136 to 500MHz: above 500MHz:
> 34dB >31dB
> 48dB >35dB
> 40dB >37dB
Conducted and radiated emissions:
•up to 1GHz
• between 1 and 4GHz
(for radio operating frequencies below 500 MHz)
• between 1 and 12.75GHz
(for radio operating frequencies above 500MHz)
<−36dBm
<−30dBm
<−30dBm
Audio bandwidth 300Hz to 3kHz (flat or with pre-emphasis)
Audio distortion <3% at 1kHz 60% modulation
Table 1.1 Specifications (Continued)
Parameter Values

TP9100 Service Manual Description 19
© Tait Electronics Limited May 2005
2 Description
This section describes the mechanical design and architecture of the radio,
explains the operation of the transceiver, and gives pinouts of the radio
connectors and contacts.
2.1 Mechanical Design
Overview The radio consists of the following main components:
■antenna
■battery
■radio
2.1.1 Antenna
The antenna screws into the antenna SMA connector at the top of the radio.
For an overview of the available antennas refer to “Antenna Identification
Chart” on page 297.
2.1.2 Battery
The battery is held in place by two lugs at the bottom of the battery which
fit into two holes at the bottom of the radio, and a catch mechanism at the
top of the radio, which is released by squeezing two symmetrical latches.
The battery connects to the radio electrically by three contacts. For more
information refer to “Connectors and Contacts” on page 27.

20 Description TP9100 Service Manual
© Tait Electronics Limited May 2005
2.1.3 Radio
The circled numbers in this section refer to the items in Figure 2.1 on
page 21.
Knobs and
3-way Actuator The volume knob 1) is fitted to the D-profile shaft of the power/volume
potentiometer, which is soldered to the main board. An internal D-profile
spring holds the knob in place. The volume knob seal J around the shaft
of the volume knob provides additional sealing.
The blue 3-way actuator H engages to the three-way switch of the
combined 16-way/3-way selector switch, which is soldered to the main
board. The channel knob I is fitted to the D-profile shaft of the 16-way
switch of the combined 16-way/3-way selector switch. An internal D-
profile spring holds the knob in place.
Front-Panel
Assembly The front-panel assembly B contains the features and components of the
user interface. For more information on the user interface refer to “User
Interface” on page 26.
At the top of the front-panel assembly, three holes are provided for the
antenna SMA connector, the 16-way/3-way selector switch, and the
power/volume potentiometer of the main board 2#.
An orange emergency key presses down on a metal lever on the inside of the
front-panel assembly operating a tact switch on the main board 2#.
A light pipe fitted to the inside of the front-panel assembly transmits light
from the status LED on the main board 2# to the top of the radio.
The front contains the speaker grille, the lens covering the LCD assembly
1*, and 16 holes or 4 holes for the silicone keypad 1^. A rectangular foam
frame fitted around the aperture of the front panel protects the LCD
assembly against mechanical shock.
Note The emergency key mechanism, the light pipe, the lens, and the
rectangular foam seal are not serviceable items. In case of damage,
the entire front-panel assembly must be replaced. For more infor-
mation refer to “Spare Parts” on page 289.
Two screws inserts inside the bottom of the front-panel assembly are
provided to screw the chassis 3) to the front-panel assembly.

TP9100 Service Manual Description 21
© Tait Electronics Limited May 2005
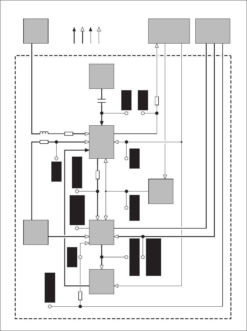
Figure 2.1 Components of the radio
3598z_01
22 Description TP9100 Service Manual
© Tait Electronics Limited May 2005
Speaker The speaker 1#, which is also used as the microphone, sits inside a recess of
the front-panel assembly, where an adhesive speaker cloth 1! is fixed to the
speaker grille. An adhesive speaker ring 1@ and a speaker clamp 1$ hold the
speaker in position. For correct orientation, alignment features are provided
at the top of the speaker and the front-panel assembly B. The top end of the
speaker clamp is held in place by a recess inside the front-panel assembly, and
the bottom end is fastened to a screw boss with a screw 1%.
Two speaker contacts connect to two spring-loaded speaker pins on the
main board 2#. The speaker is earthed by a flexible tab on the main-shield
assembly 2) which presses on the speaker chassis.
Keypad The 16-key or 4-key rubber keypad 1^ protrudes through apertures in the
front-panel assembly. To seal the radio, the keypad is fitted inside a groove.
PTT Keypad The PTT keypad located at the side of the front-panel assembly B has one
large key for activating the PTT, and two function keys (blue and black).
The PTT keypad consists of:
■the plastic PTT frame C
■the silicone PTT keypad D
■one bigger blue PTT pressel E
■two smaller red function key pressels F
■the metal PTT lock spring G.
The PTT lock spring, which fits over a T-shaped protrusion of the PTT
frame, secures the PTT keypad to the front-panel assembly. The pressels
operate tact switches on the main board.
Chassis The magnesium chassis 3) serves as carrier for the main-shield assembly 2),
the main board 2# and the rear panel 3$.
At the top of the chassis, two positioning pins are provided to fit the main
board to the chassis.
The main board is screwed to a screw boss of the chassis with one screw 2@.
Thermal paste is applied between the screw boss and the main board.
The chassis is screwed to the front-panel assembly with two screws 3!.
Main Seal The rubber main seal 2& fitted around the perimeter of the chassis 3) seals
the chassis against the front-panel assembly B. The main seal is pre-shaped
to follow the shape of the chassis.
Top S eal The top seal 2& seals the area at the top of the chassis 3) around the shafts of
the power/volume potentiometer, the 16-way/3-way selector switch, and
the antenna SMA connector against the front-panel assembly B.

TP9100 Service Manual Description 23
© Tait Electronics Limited May 2005
SMA and Knob Nuts One nut 2% for the antenna SMA connector and two identical nuts 2$ for
the 16-way/3-way selector switch and the power/volume potentiometer
fasten these components to the chassis 3).
Speaker Pin Frames Two plastic speaker pin frames 1( are located around the speaker pins of the
main board 2# to protect the speaker pins against mechanical shock.
LCD Frame The plastic LCD frame 1& holds the LCD assembly 1* in place on the main-
shield assembly 2) and protects it against mechanical shock.
LCD Assembly The LCD assembly 1* sits between a foam seal inside a rectangular recess of
the front-panel assembly B and the main-shield assembly 2).
The loom of the LCD assembly runs through a slot in the main-shield
assembly and connects to the LCD connector at the back of the main-shield
assembly.
A rubber foam frame is fitted to the back of the LCD assembly to protect
the LCD assembly against mechanical shock.
Main-Shield
Assembly The main-shield assembly 2) consists of the metal main shield, the
conductive mylar, the front-panel interface board, and the polydome.
Note The individual parts of the main-shield assembly are not service-
able items. In case of damage, the entire main-shield assembly
must be replaced. For more information refer to “Spare Parts” on
page 289.
At the top of the main-shield assembly, two positioning pins are provided to
fit the main-shield assembly to the chassis 3).
At the rear of the main-shield assembly, the LCD connector connects to the
LCD assembly, and the front-panel loom connector connects to the front-
panel loom 2!.
When a key is pressed on the keypad, the polydome closes the
corresponding switch contact on the front-panel interface board and
provides tactile feedback to the user.
The front-panel interface board also has LEDs for keypad illumination and
an accelerometer for the man-down function.
Note The main-shield assembly is identical for the 16-key radio and the
4-key radio.

24 Description TP9100 Service Manual
© Tait Electronics Limited May 2005
Front-Panel Loom The flexible front-panel loom 2! connects the front-panel loom connector
at the back of the main-shield assembly 2) and the front-panel interface
connector of the main board 2#.
The front-panel loom is folded twice and is long enough to fold the main-
shield assembly away from the main board.
The front-panel loom is labelled with the words “RADIO”, KEYPAD”,
and “OUTSIDE” to ensure correct orientation.
Main Board The main board 2# is a printed circuit board in SMT design with
components on the top and bottom sides. Most components are shielded by
metal cans.
There are different main boards for each frequency band.
The antenna SMA connector, the 16-way/3-way selector switch, and the
power/volume potentiometer are located at the top of the main board.
Important Special instructions must be followed when replacing the
non-SMT components at the top of the main board.
For more information refer to “Fitting the Non-SMT
Components” on page 118.
An emergency key tact switch and a status LED are located at the top of the
main board.
Tact switches for the PTT and function keys are located at the side of the
main board.
The front-panel interface connector, which is located at the bottom of the
main board, connects to the front-panel interface board of the main-shield
assembly 2) via the front-panel loom 2!.
The accessory connector, which is located at the top of the main board,
connects to the flexible accessory board 3@ at the back of the radio.
Two speaker contacts connect to two spring-loaded speaker pins on the
main board 2#. The speaker 1# is earthed by a flexible tab on the main-shield
assembly 2) which presses on the speaker.
Two spring-loaded speaker pins on the main board connect to the speaker
contacts.
Three spring-loaded battery pins on the main board protrude through the
chassis and connect to the battery contacts.
For more information on connectors and contacts, refer to “Connectors and
Contacts” on page 27.
TP9100 Service Manual Description 25
© Tait Electronics Limited May 2005
For heat dissipation, the main board is screwed to the screw boss inside the
chassis 3) with the screw 2@.
Battery Pin Seal The battery pin seal 2* is fitted around the three spring-loaded battery pins
of the main board. It protrudes through and seals the three holes in the
chassis 3) and also protects the battery pins against mechanical shock.
Chassis Plug Seal The chassis plug seal 2( seals the hole in the rear-panel area of the chassis 3).
Rear Panel and
Flexible Accessory
Board
The rear panel provides the mechanical and electrical interface to the
accessories. If no accessory is used, the rear panel is covered by a dummy
cover 3%.
The plastic rear panel 3$ has a central catch for the lock of the dummy cover
or accessory, and smaller holes for the 13 contacts of the flexible accessory
board 3@. For more information on the contacts refer to “Connectors and
Contacts” on page 27.
Two lugs at the bottom of the rear panel engage with two lugs of the chassis,
and the rear panel clips onto the chassis.
The loom of the flexible accessory board is fed though a slot in the chassis
and connects to the accessory connector at the top of the main board.
The flexible accessory board is held in place and sealed by the rear-panel seal
3#.

26 Description TP9100 Service Manual
© Tait Electronics Limited May 2005
2.2 User Interface
Figure 2.2 shows the controls and indicators of the user interface. For more
information refer to the TP9100 User’s Guide.
Some keys have functions assigned to both short and long key presses.
A short key press is less than one second, and a long key press is more than
one second.
Figure 2.2 User interface
display
PTT key
(press-to-talk)
function keys
scroll keys
alphanumeric keys
(16-key radio only)
speaker /
microphone
power / volume
control
16-way selector
status LED
right selection key
left selection key
emergency key
3-way selector
3678z_01

TP9100 Service Manual Description 27
© Tait Electronics Limited May 2005
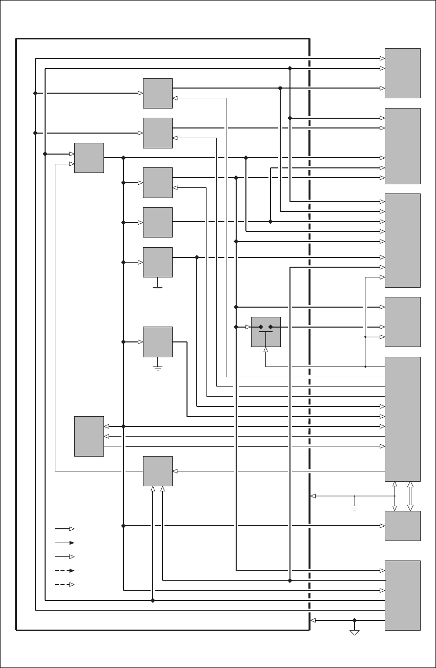
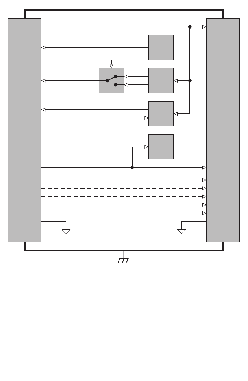
2.3 Connectors and Contacts
Overview This section identifies the connectors and contacts of the radio, and
describes the specifications and pinouts of the external connectors and
contacts.
Figure 2.3 provides an overview of the connectors and contacts:
Figure 2.3 Connectors and contacts
3680z_01
antenna
SMA connector
LCD connector
front-panel loom
connector
front-panel interface
connector
speaker pins
main board
battery pins
LCD assembly
front-panel
interface board
accessory
connector pins
accessory
connector
flexible
accessory
board
front-panel
loom

28 Description TP9100 Service Manual
© Tait Electronics Limited May 2005
2.3.1 Antenna SMA Connector
The antenna SMA connector is the RF interface to the antenna.
The antenna SMA connector is a standard SMA connector with an
impedance of 50Ω.
Important The maximum RF input level is +27dBm. Higher levels
may damage the radio.
2.3.2 Battery Pins
The battery pins are the interface to the removable battery.
2.3.3 Speaker Pins
Important The speaker load configuration is balanced; the speaker
output lines must not be connected to ground. Connecting
a speaker output line to ground will cause audio power
amplifier shutdown.
Table 2.1 Antenna SMA connector – pins and signals
Pinout Pin Signal Name Signal Type
1 RF RF analog
2 GND RF ground
BC
top view of radio
Table 2.2 Battery pins and signals
Pinout Pin Signal Name Signal Type
1 BATT DATA Digital
2 +7V5 BATT +7.5V battery supply
3 GND Battery ground
B
rear view of radio
C D
f
Table 2.3 Speaker pins and signals
Pinout Pin Signal Name Signal Type
1 SPKR+ Analog audio
2 SPKR– Analog audio
B
view on main board
C

TP9100 Service Manual Description 29
© Tait Electronics Limited May 2005
2.3.4 Accessory Connector
The 12 pins of the accessory connector and the chassis ground provide the
standard interface for external devices that are typically connected to a radio.
The two I/O lines are reserved for use by certain accessories, and cannot be
accessed in the programming application. Audio lines can be programmed
to tap into, or out of, different points in the audio processing chain. For
more information refer to the online help of the programming application.
Table 2.4 Accessory connector – pins and signals
Pinout Pin Signal name Description Signal type
1 AGND Analog ground Ground
2 ACC PWR Switched 3.3V supply. Supply is
switched off when radio is switched
off.
Power
3 ACC RXD Asynchronous serial port -
Receive data
Digital, 3V3 CMOS
4 AUD TAP OUT Programmable tap point out of the
Rx or Tx audio chain. DC-coupled.
Analog
5 ACC TXD Asynchronous serial port -
Transmit data
Digital, 3V3 CMOS
6 ACC MIC Accessory microphone input.
Electret microphone biasing
provided. Dynamic microphones are
not supported.
Analog
7 ACC GPIO2 Programmable function and
direction.
Digital, 3V3 CMOS
input; open collector
output with pullup
8 AUD TAP IN Programmable tap point into the Rx
or Tx audio chain. DC-coupled.
Analog
9 ACC–SPKR Accessory speaker output.
Balanced load configuration.
Analog
10 ACC GPIO1 Programmable function and
direction.
Digital, 3V3 CMOS
input; open collector
output with pullup
11 ACC+SPKR Accessory speaker output.
Balanced load configuration.
Analog
12 ACC PTT PTT input from accessory,
multiplexed with accessory function
key.
Analog
BCG
FDE
I1)1@
HJ1!
Chassis GND
rear view of radio
30 Description TP9100 Service Manual
© Tait Electronics Limited May 2005
2.4 Hardware and Software Architecture
Overview This section describes the hardware and software modules of the radio and
their interaction in the functioning of the radio.
2.4.1 Hardware Architecture
The electrical hardware of the radio is implemented on the main board and
the front-panel interface board.
For a detailed description and block diagrams of individual circuits, refer to
“Circuit Descriptions” on page 49.
Main Board The main board inside the radio body includes the following circuitry:
■transmitter
■receiver
■frequency synthesizer
■digital board with a RISC processor and custom logic (implemented on
an FPGA), memory, and a DSP
■CODEC and audio
■interface
■power supply
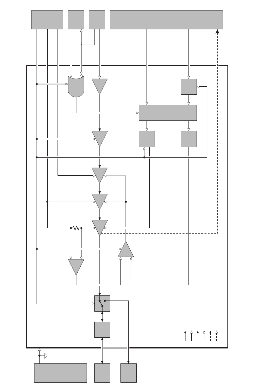
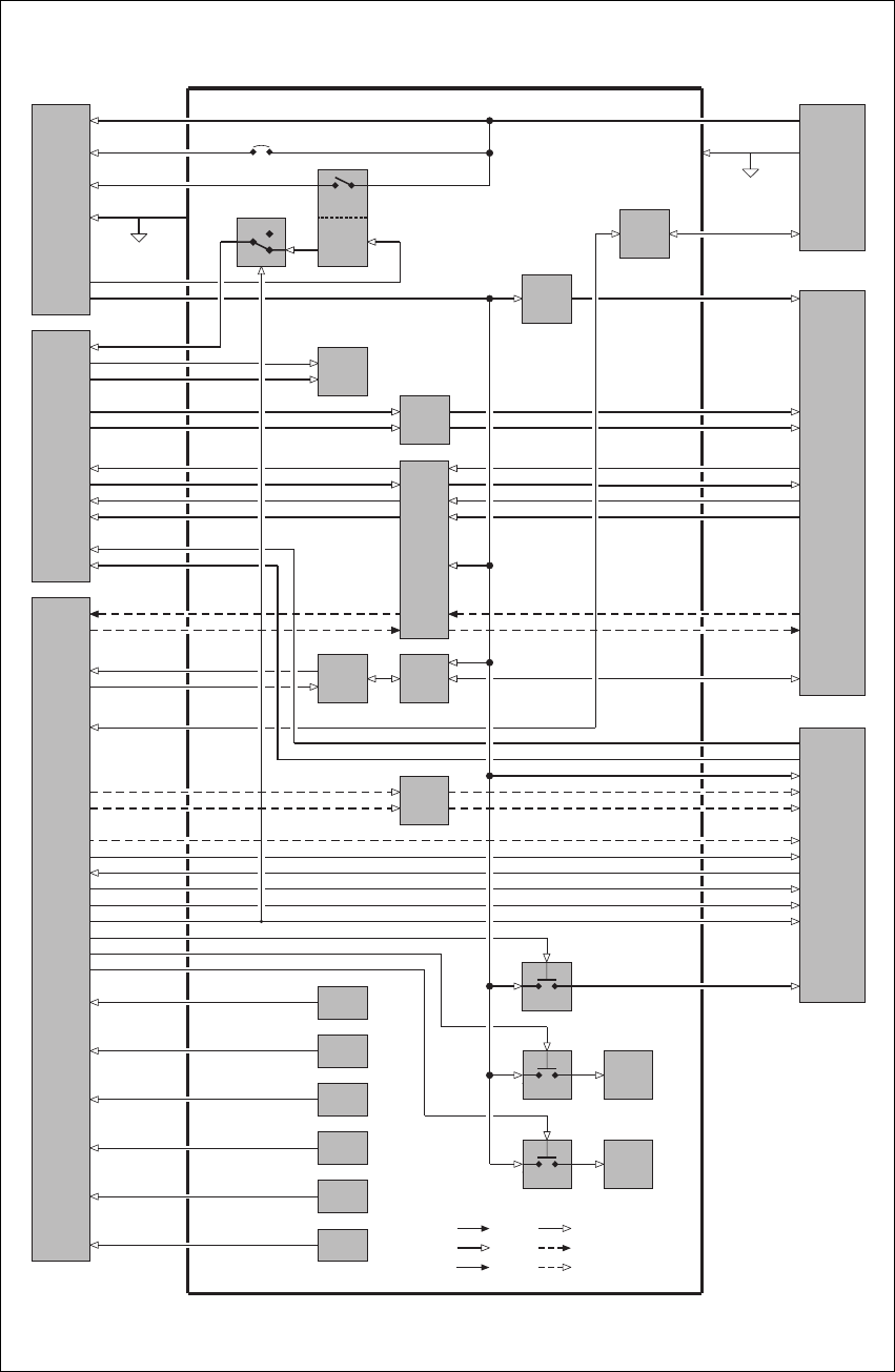
For a basic block diagram of the hardware architecture, refer to Figure 2.4
on page 31.
For a more detailed block diagram of the transceiver, refer to Figure 2.6 on
page 35 (analog mode) and Figure 2.7 on page 36 (digital mode).
Front-Panel
Interface Board The front-panel interface board includes the circuitry needed for the
controls and indicators on the front panel and the man-down function.
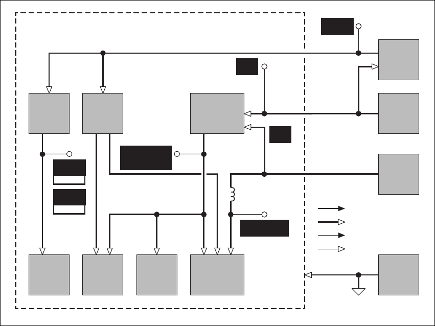
For a block diagram of the front-panel interface board, refer to Figure 3.9
on page 73.

TP9100 Service Manual Description 31
© Tait Electronics Limited May 2005
Figure 2.4 Hardware architecture
Power Supply
Receiver
Transmitter
Frequency
Synthesizer
DSP
CODEC
and Audio
Interfaces
Digital
RF Connector
Internal
Speaker
Pins
Accessory
Connector
LPF1) PIN
Switch1)
Front-Panel
Interface
Connector
Battery
Pins
Main Board
FPGA
RISC
Proc.
Serial
Flash
SRAM
Flash
Memory
part of transmitter circuitry
analog-to-digital converter 2)
digital-to-analog converter 2)
part of CODEC and audio circuitry2)
1)
digital
RF
analog
asynchronous serial data
synchronous serial data
Custom
Logic
On/Off
Switch
Volume
Pot
16-Posn.
Switch
3-Posn.
Switch
PTT
Switch
Emergency
Key
Function
Keys 1/2
Front-Panel Interface Board
Accele-
rometer
LCD
16-Button
Keypad
3450e_02

32 Description TP9100 Service Manual
© Tait Electronics Limited May 2005
2.4.2 Software Architecture
Overview Software plays an important role in the functioning of the radio. Some radio
functions such as the graphical user interface, processing of the analog and
digital signals, and the implementation of analog and digital radio
applications are completely implemented by software.
For a block diagram of the software architecture, refer to Figure 2.5 on
page 32.
Software Modules The following software modules are stored on the digital section of the main
board:
■FPGA image, which includes the software-implemented RISC processor
and the custom logic (the custom logic executes additional digital signal
processing)
■boot code
■radio application code
■digital signal processing
■radio application database and radio calibration database
Hardware and interface drivers are part of the boot code, the RISC code,
and the DSP code.
Figure 2.5 Software architecture
FPGA
Application
Code
Serial Flash
Application Code
Custom Logic
Additional Digital
Signal Processing
FPGA Image
FPGA Image
RISC Processor
Boot Code
DSP
DSP Code
Flash Memory
Boot Code
Database
DSP Code
SRAM
Dynamic Memory

TP9100 Service Manual Description 33
© Tait Electronics Limited May 2005
Software Start-Up When the radio is turned on, the following processes are carried out on the
main board:
Note This process describes the normal software start-up into normal
radio operation mode.
1. The FPGA image, which includes the RISC processor and the cus-
tom logic, is loaded from the serial flash to the FPGA.
2. The RISC processor executes the boot code, which carries out an
initialization and auto-calibration, and—in case of a fault—generates
an error code for radio display.
3. Normal radio operation starts with:
■the RISC processor executing the radio application code,
including application software for the analog and/or digital modes
■the DSP executing the DSP code for processing of digital signals
in analog and digital mode
■the custom logic executing addition digital signal processing
Software Shutdown On shutdown, the programming and calibration data is stored in the
database, and power is removed from the radio.
Important On power loss, any changes made to the programming or
calibration data may be lost.
Programming and
Calibration Files One of the servicing tasks is the downloading and uploading of
programming and calibration files to the database. For more information,
refer to “Servicing Procedures” on page 127 and the online help of the
programming and calibration applications.
Software Upgrades During servicing it may become necessary to upload software to a
replacement main board using the Tools > Options > Download command of
the programming application. For more information, refer to the online
help of the programming application and to the technical notes
accompanying the software files.

34 Description TP9100 Service Manual
© Tait Electronics Limited May 2005
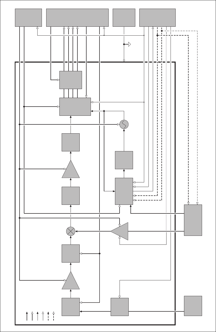
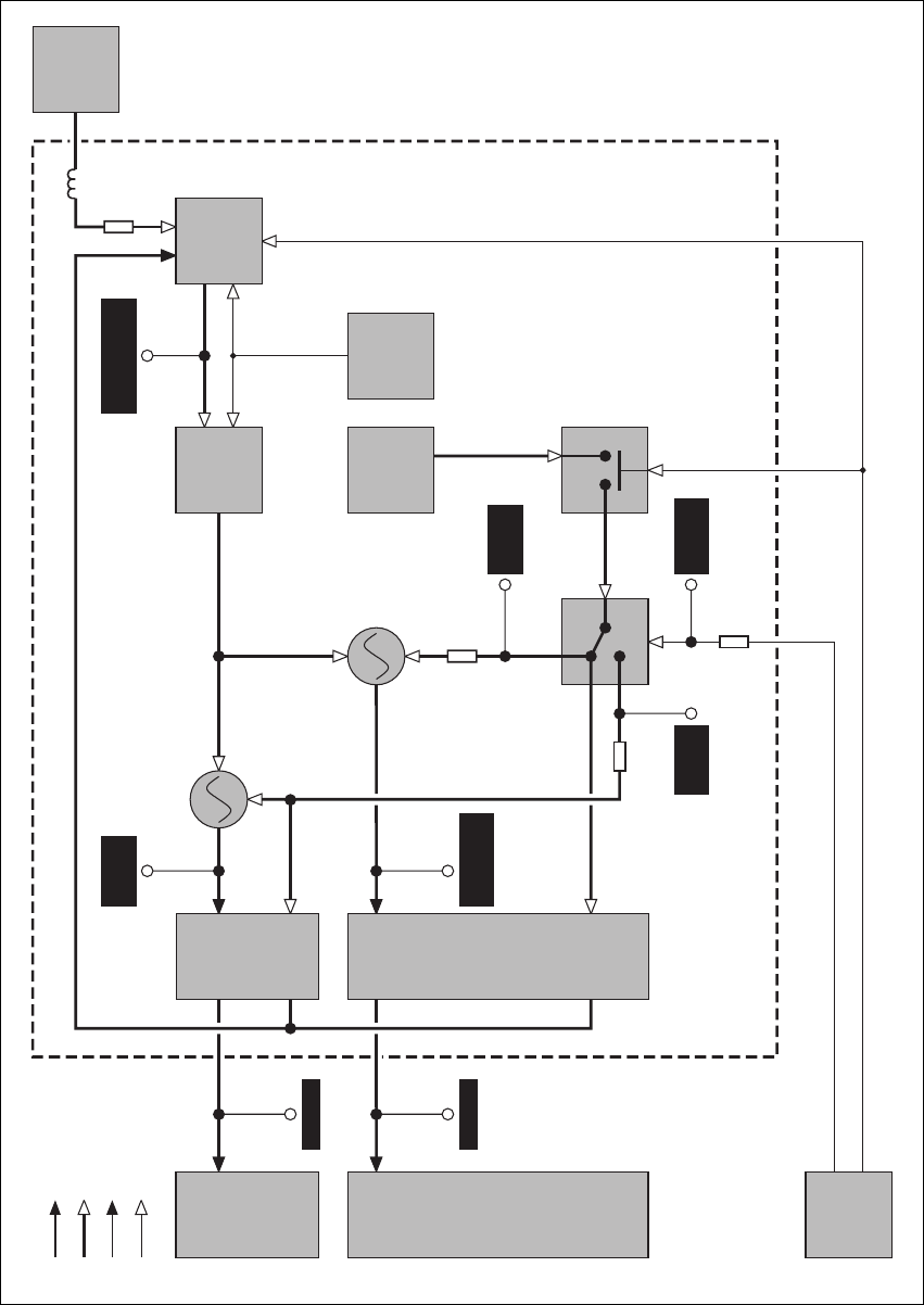
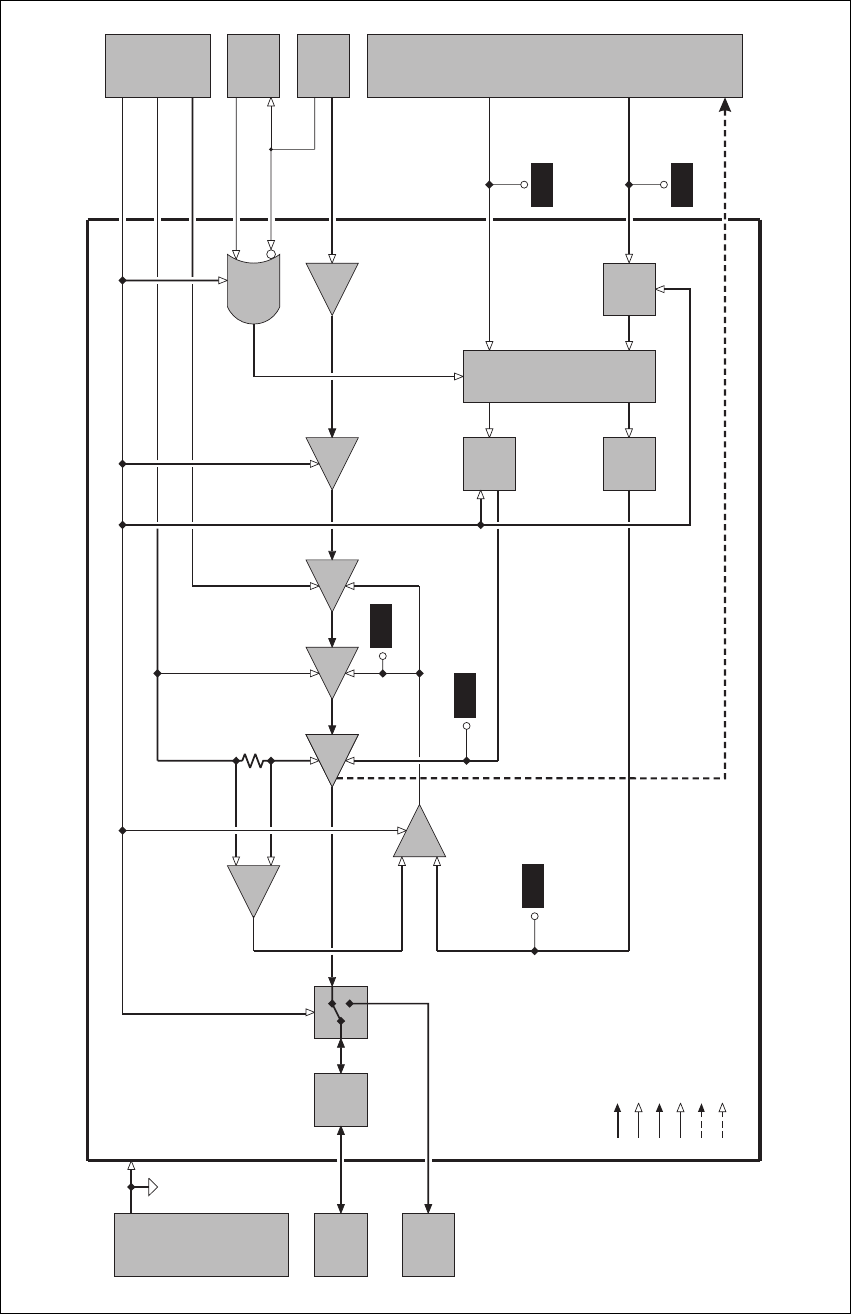
2.5 Operation in Receive Mode
This section describes the functioning of the transceiver in receive mode.
The operation of the transceiver is illustrated in simplified block diagrams in
■Figure 2.6 on page 35 (analog mode)
■Figure 2.7 on page 36 (digital mode)
These block diagrams show the hardware modules integrated with the
software modules:
■hardware (transmitter, receiver, CODEC and audio)
■RISC processor (on the FPGA of the digital circuitry)
■custom logic (on the FPGA of the digital circuitry)
■DSP (on the digital circuitry)
Note The block diagrams for the analog and digital modes only differ in
the operation of the DSP.
The receive path consists of three major functional parts:
■RF hardware
■digital baseband processing
■audio processing and signaling
Note The information flow on a digital radio can be categorized in two
forms, signaling (including user data) and voice. Whilst setting up
a call, signaling may be the only information transferred across the
air interface. Once a call has been established however, both sig-
naling and voice information are transported. The signaling infor-
mation continues throughout the call for the purpose of maintain-
ing the call and possibly sending data information.

TP9100 Service Manual Description 35
© Tait Electronics Limited May 2005
Figure 2.6 Transceiver operation in analog mode
Digital
Down-
converter
Squelch
Front
End
1st
IF
Channel
LPF
RSSI
Second LO
UHF: 90.328 MHz
VHF: 42.928 MHz
FM
Demod
Quad
Demod
RX
AGC
Audio
Filtering
De-
emphasis
Optional
Processing
Data and Signaling
Decoders
Side
Tones
Audio
PA
Phase
locked to
TCXO
LPF
Mag.
PLL
Frequency
Control
Triple-point
Equalization
Audio
Filtering
Pre-
emphasis
Optional
Processing
Data and Signaling
Encoders
ALC
Current
Sensing
PA Drv
/Ex
Pwr
Ctrl
Ramp
Control
TCXO:
13.000 MHz
VCO*
VCXO
Bias
Custom
Logic
Hardware
Hardware
DSP
Mic
FGA
Loop
Filter
Volume
Control
Mic
PGA
Channel
LPF
Loop
Filter
IF:
UHF: 45.1 MHz
VHF: 21.4 MHz
2nd IF:
64 kHz
Rx
Interface
RISC Processor
RISC Processor
Analog-to-digital conversion
Digital-to-analog conversion
System interface
Key Notes
(1)
(2)
VHF configuration shown*
For UHF there are separate VCOs for Rx and Tx
Tx
Interface
External
Microphone
Speaker/
Microphone
Buffer
Accessory
Connector
External
Speaker
Antenna
Connector
Accessory
Connector
Front End
AGC
Atte-
nuator

36 Description TP9100 Service Manual
© Tait Electronics Limited May 2005
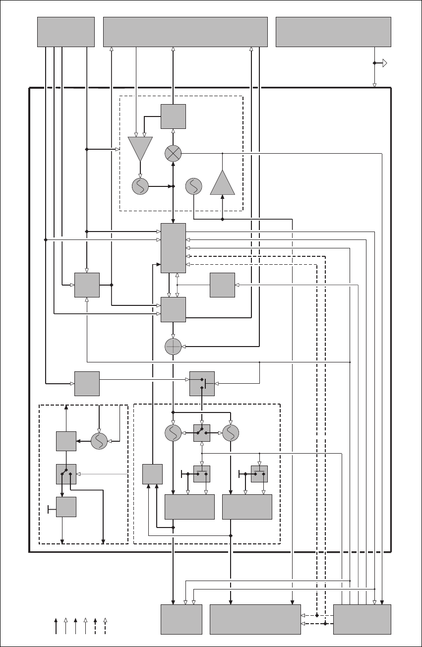
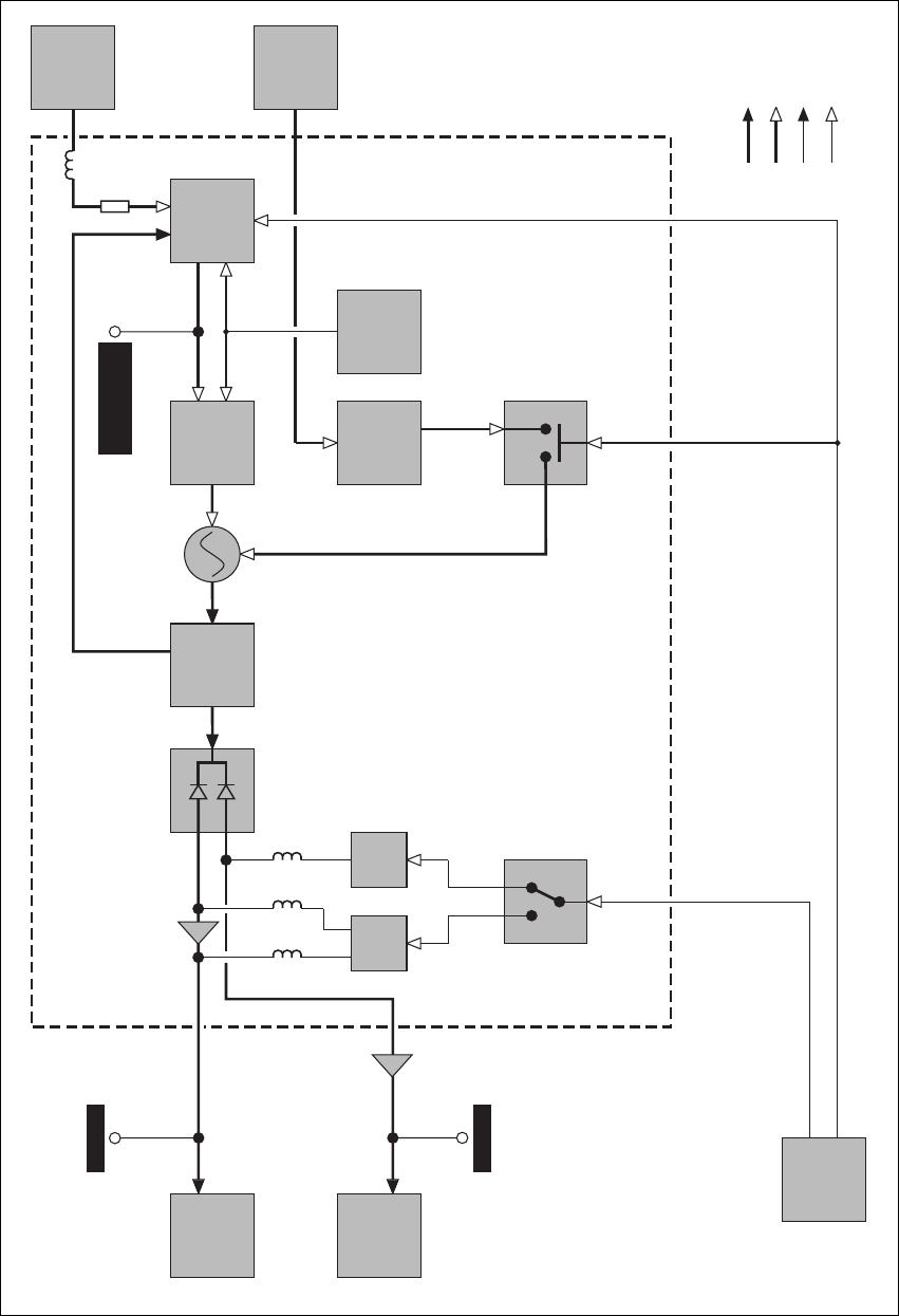
Figure 2.7 Transceiver operation in digital mode
Digital
Down-
converter
1st
IF
Channel
LPF
Second LO
UHF: 90.328 MHz
VHF: 42.928 MHz
FM
Demod
Quad
Demod
RX
AGC
Audio
PA
Phase
locked to
TCXO
Mag.
PLL
Frequency
Control
Triple-point
Equalization
Drv
/Ex
Ramp
Control
TCXO:
13.000 MHz
VCO*
VCXO
Custom
Logic
Hardware
Hardware
Mic
FGA
Loop
Filter
Volume
Control
Mic
PGA
Channel
LPF
Loop
Filter
IF:
UHF: 45.1 MHz
VHF: 21.4 MHz
2nd IF:
64 kHz
RISC Processor
Analog-to-digital conversion
Digital-to-analog conversion
System interface
Key Notes
(1)
(2)
VHF configuration shown*
For UHF there are separate VCOs for Rx and Tx
External
Microphone
Speaker/
Microphone
Buffer
Accessory
Connector
External
Speaker
Accessory
Connector
RSSI
Voice
FEC
DSP
Voice
Packets
Rx
Signaling
FEC
Rx
Burst
Builder
Vocoder
Signaling
Packets
C4FM
Demod
Voice
Packets
Tx
Burst
Builder
C4FM
Modulator
Tx
Signaling
FEC
Signaling
Packets
Rx
Interface
Tx
Interface
Voice
FEC Vocoder ALC
Arbitrator
RISC Processor
Front End
AGC
Front
End
LPF
Current
Sensing
PA
Bias
Antenna
Connector
Atte-
nuator
Pwr
Ctrl
Side
Tones
TP9100 Service Manual Description 37
© Tait Electronics Limited May 2005
2.5.1 RF Hardware
PIN Switch The RF PIN switch circuitry selects the RF path to and from the antenna
to either the Tx or Rx circuitry of the radio. In addition to the switching
functionality, the PIN switch is used to provide attenuation to the Rx front
end in high signal-strength locations.
Front End and
First IF The front-end hardware amplifies and filters the received RF spectrum, then
down-converts the desired channel frequency to a first intermediate
frequency IF1 of 45.1MHz (UHF) or 21.4MHz (VHF) where coarse
channel filtering is performed. The first LO signal is obtained from the
frequency synthesizer and is injected through an adjustable gain buffer on
the low side of the desired channel frequency for all bands. In receive mode
the modulation to the frequency synthesizer is muted. See “Frequency
Synthesizer” on page 44 for a description of the frequency synthesizer.
The output of the first IF is then down-converted using an image-reject
mixer to a low IF of 64kHz.
Quadrature
Demodulator The LO for the image-reject mixer (quadrature demodulator) is synthesized
and uses the TCXO as a reference. This ensures good centring of the IF
filters and more consistent group-delay performance. The quadrature
demodulator device has an internal frequency division of 2 so the second
LO operates at 2 x (IF1+64kHz). The quadrature output from this mixer is
fed to a pair of ADCs with high dynamic range where it is oversampled at
256kHz and fed to the custom logic device.
Automatic Gain
Control The AGC is used to limit the maximum signal level applied to the image-
reject mixer and ADCs in order to meet the requirements for
intermodulation and selectivity performance. Hardware gain control is
performed by a variable gain amplifier within the quadrature demodulator
device driven by a 10-bit DAC. Information about the signal level is
obtained from the IQ data output stream from the ADCs. The control loop
is completed within the custom logic. The AGC will begin to reduce gain
when the combined signal power of the wanted signal and first adjacent
channels is greater than about -70dBm.
38 Description TP9100 Service Manual
© Tait Electronics Limited May 2005
2.5.2 Digital Baseband Processing
Custom Logic The remainder of the receiver processing up to demodulation is performed
by custom logic. The digitized quadrature signal from the RF hardware is
digitally down-converted to a zero IF and channel filtering is performed at
baseband. Different filter shapes are possible to accommodate the various
channel spacings and data requirements. These filters provide the bulk of
adjacent channel selectivity for narrow-band operation. The filters have
linear phase response so that good group-delay performance for data is
achieved. The filters also decimate the sample rate down to 48kHz.
Custom logic also performs demodulation, which is multiplexed along with
AGC and amplitude data and fed via a single synchronous serial port to the
DSP. The stream is demultiplexed and the demodulation data used as an
input for further audio processing.
Noise Squelch The noise squelch process resides in the DSP. The noise content above and
adjacent to the voice band is measured and compared with a preset
threshold. When a wanted signal is present, out-of-band noise content is
reduced and, if below the preset threshold, is indicated as a valid wanted
signal.
RSSI Receive signal strength is measured by a process resident in the DSP.
This process obtains its input from the demodulator (RF signal magnitude
value) and from the AGC (present gain value). With these two inputs and a
calibration factor, the RF signal strength at the antenna can be accurately
calculated.
Calibration The following items within the receiver path are factory-calibrated:
■front-end tuning
■AGC
■noise squelch
■RSSI
Information on the calibration of these items is given in the online help
facility of the calibration application.
TP9100 Service Manual Description 39
© Tait Electronics Limited May 2005
2.5.3 Audio Processing and Signaling
Audio Processing
(Analog Mode) Raw demodulated data from the receiver is processed within the DSP.
The sample rate at this point is 48kHz with signal bandwidth limited only
by the IF filtering. Scaling (dependent on the bandwidth of the RF channel)
is then applied to normalize the signal level for the remaining audio
processing. The sample rate is decimated to 8kHz and 0.3 to 3kHz bandpass
audio filtering is applied. De-emphasis is then applied to cancel out the
receive signals pre-emphasized response and improve signal to noise
performance. Optional processing such as decryption or companding is then
applied if applicable.
Signaling Decoders
(Analog Mode) The signaling decoders obtain their signals from various points within the
audio processing chain. The point used depends on the decoders’
bandwidth and whether de-emphasis is required. Several decoders may be
active simultaneously.
Side Tones Side tones are summed in at the end of the audio processing chain. These are
tones that provide some form of alert or give the user confidence an action
has been performed. The confidence tones may be generated in receive or
transmit mode. The sidetone level is a fixed proportion (in the order of
-10dB) relative to full scale in the receive path.
C4FM Demodulator
(Digital Mode) Once the received signal is FM demodulated, it enters the C4FM de-
modulator. Once synchronization has been acquired, the received signals
should exist as four possible frequencies. These frequencies are translated
directly into received symbols ready to be passed to the burst builder.
Rx Burst Builder
(Digital Mode) The job of the burst builder is to dismantle the received burst. The burst
builder can only receive an incoming burst once synchronization has been
achieved by the C4FM modem. The synchronization sequence itself does
not contain meaningful signaling payload and is discarded by the burst
builder. The payload content of the burst is dismantled and routed to the
appropriate signaling FEC or voice FEC task for decoding. The dismantling
process is the reverse of the construction process performed by the burst
builder.
Rx Signaling FEC
(Digital Mode) Prior to transmission, signaling information such as the network identifier
was protected with forward error correction. Upon reception, the signaling
may contain errors. If the number of errors is limited they can be corrected
to recover the originally transmitted signaling.
Rx Vocoder FEC
(Digital Mode) The 144 bits received from the burst builder are de-interleaved on a frame
by frame basis. An attempt is made to decode the 88 vocoder bits using the
complementary process to that used in the encoder. An indication of the
success of the decoder is produced. If the FEC algorithm is unable to decode
correctly, a recommendation is made to the vocoder, depending on the
severity of the errors, to either guess what the frame should be, to repeat the
last frame, or to mute for this frame.
40 Description TP9100 Service Manual
© Tait Electronics Limited May 2005
Rx Vocoder
(Digital Mode) The 88 bits from the FEC are decoded to generate the fundamental
frequency of the frame, the voiced/unvoiced decisions for each frequency
band, and the spectral amplitudes. 20ms of speech is synthesized from this
information, and is interpolated between the previous frame and the next
frame to minimize any artefacts due to the transition from one frame to the
next.
Arbitrator
(Digital Mode) Transmission over the air-interface from a radio terminal is governed by
channel access procedures. The radio must monitor the status symbols on
the inbound channel, and wait for the status to indicate that the channel is
free to use (idle) before transitioning to transmit mode. The channel access
procedures are supervised by various timers. Normally, these procedures
must be applied before transitioning from receive mode to transmit mode.
However, they may be overridden under emergency conditions.
CODEC The combined audio and side-tone signal is converted to analogue form by
a 16-bit DAC with integral anti-alias filtering. This is followed by a
programmable-gain amplifier with 45dB range in 1.5dB steps, that performs
volume control and muting. The DAC and the volume control are part of
the same CODEC device (AD6521).
Output to Speakers The output of the CODEC is fed to an audio power amplifier. The output
configuration of the audio power amplifier is balanced and drives an internal
speaker and, optionally, an external speaker. The speaker loads are
connected in parallel but the internal speaker can be switched under
software control. The power delivered to each speaker is limited by its
impedance. The internal speaker has 16Ω impedance whereas the external
speaker can be higher than this.

TP9100 Service Manual Description 41
© Tait Electronics Limited May 2005
2.6 Operation in Transmit Mode
Overview This section describes the functioning of the transceiver in transmit mode.
The operation of the transceiver is illustrated in simplified block diagrams in
■Figure 2.6 on page 35 (analog mode)
■Figure 2.7 on page 36 (digital mode)
These block diagrams show the hardware modules integrated with the
software modules:
■hardware (transmitter, receiver, CODEC and audio)
■RISC processor (on the FPGA of the digital circuitry)
■custom logic (on the FPGA of the digital circuitry)
■DSP (on the digital circuitry)
Note The block diagrams for the analog and digital modes only differ in
the operation of the DSP.
The transmit path consists of three major functional parts:
■audio processing and signaling
■frequency synthesizer
■RF transmitter
Note The information flow on a digital radio can be categorized in two
forms, signaling (including user data) and voice. Whilst setting up
a call, signaling may be the only information transferred across the
air interface. Once a call has been established however, both sig-
naling and voice information are transported. The signaling infor-
mation continues throughout the call for the purpose of maintain-
ing the call and possibly sending data information.
42 Description TP9100 Service Manual
© Tait Electronics Limited May 2005
2.6.1 Audio Processing and Signaling
Microphone Input The input to the transmitter path begins at the microphone input. There are
two microphone sources: the internal speaker/microphone and an accessory
microphone connected via the accessory connector. Only electret-type
microphones are supported.
Analog Processing
of the Microphone
Input
The CODEC (AD6521) performs microphone selection and amplification.
The microphone amplifier consists of a fixed gain amplifier of 16dB
followed by a programmable-gain amplifier with 0 to 22dB gain.
The amplified microphone signal is converted to a digital stream by a 16-bit
ADC with integral anti-alias filtering (0.1 to 3.2kHz). The digital stream is
transported to the DSP for further audio processing.
Automatic Level
Control The ALC follows and is used to effectively increase dynamic range by
boosting the gain of the microphone pre-amplifier under quiet conditions
and reducing the gain under noisy acoustic conditions. The ALC function
resides in the DSP and controls the microphone-programmable gain
amplifier in the CODEC. The ALC has a fast-attack (about 10ms) and
slow-decay (up to 2s) gain characteristic. This characteristic ensures that the
peak signal level is regulated near full scale to maximize dynamic range.
DSP Audio
Processing
(Analog Mode)
The output of the automatic level control provides the input to the DSP
audio processing chain at a sample rate of 8kHz. Optional processing such
as encryption or companding is done first if applicable. Pre-emphasis, if
required, is then applied. The pre-emphasized signal is hard limited to
prevent overdeviation and filtered to remove high frequency components.
The sample rate is then interpolated up to 48kHz and scaled to be suitable
for the frequency synthesizer.
Signaling Encoders
(Analog Mode) The signaling encoders inject their signals into various points within the
audio processing chain. The injection point depends on the encoders
bandwidth and whether pre-emphasis is required.
Tx Vocoder
(Digital Mode) The IMBE vocoder block takes audio samples in blocks of 20ms, analyses
them and compresses them down to 88 bits. If there is no speech content in
the segment, the vocoder produces silence. If speech is detected in the
segment, the content of the segment is split into a variable number of
frequency bands (max. 12) and a voiced/unvoiced decision is made for each
band. It also estimates the pitch of the segment of speech and determines the
spectral amplitudes of the voiced frequency bands.
TP9100 Service Manual Description 43
© Tait Electronics Limited May 2005
Tx Vocoder FEC
(Digital Mode) The 88 bits from the vocoder have 56 bits of parity added to them. Different
amounts of protection are afforded to the vocoder parameters, depending on
their relative importance. Four blocks of 12 bits are given highest priority
and are each encoded by (23,12) Golay codes. Three blocks of 11 bits are
afforded less protection and are encoded by (15,11) Hamming codes.
The final 7 bits are unprotected. Finally all 144 bits are interleaved to spread
the affect of bursts errors throughout the frame, and sent to the Burst
Builder.
Tx Signaling FEC
(Digital Mode) In the same way as voice packets are protected using forward error
correction, so too is the signaling information (control and data).
One example is the network identifier which is protected using a powerful
BCH (Bose-Chandhuri-Hocquenghem) error code.
Tx Burst Builder
(Digital Mode) It is the nature of a digital radio transmission that the information is
structured into bursts. An air interface burst can take several forms. Every
burst consists of a frame synchronization sequence and Network identifier,
followed by the main body of the burst, the content of which depends upon
the type of burst. For a voice burst, it comprises a fixed number of voice
packets with control signaling and low-speed data interspersed. For a data or
control burst, it comprises a variable number of data blocks. Additionally,
every air interface burst is expanded with a status symbol after every 70 bits
of information. These status symbols are used for channel access procedures.
It is the job of the burst builder to construct the air interface burst using
FEC-encoded code words delivered to it by the signaling FEC and voice
FEC. The burst is then passed to the C4FM modulator.
C4FM Modulator
(Digital Mode) The burst builder creates a symbol stream that must be modulated onto the
RF carrier. Four possible symbols can be transmitted. They are passed
through a shaping filter defined by the APCO standard which limits the
spectral occupancy on air. The four symbols are transmitted at pre-defined
frequency deviations from the carrier.
44 Description TP9100 Service Manual
© Tait Electronics Limited May 2005
2.6.2 Frequency Synthesizer
Introduction
As shown in
Figure 2.6
, the frequency synthesizer consists of two main parts:
■FCL
■RF PLL, comprising RF PLL device, loop filter, VCO, and VCO output
switch
Frequency Control
Loop The FCL consists of the following:
■TCXO
■mixer
■loop filter
■VCXO
■frequency control block
The FCL provides the reference frequency for the RF PLL. The FCL
generates a high-stability reference frequency that can be both modulated and
offset in fine resolution steps.
RF PLL ■The RF PLL consists of the following:
■RF PLL device
■loop filter
■VCO
■VCO output switch
The RF PLL has fast-locking capability but coarse frequency resolution.
This combination of control loops creates improved frequency generation
and acquisition capabilities.
Note that patents are pending for several aspects of the synthesizer design.
Operation of
Control Loop
The RF PLL is a conventional integer-N-type design with frequency
resolution of 25kHz.
In transmit mode, the loop locks to the transmit frequency, whereas in receive
mode, it locks to the receive frequency minus the first IF frequency.
Initially, the VCO generates an unregulated frequency in the required range.
This is fed to the PLL device (ADF4111) and divided down by a programmed
ratio to approximately 25kHz. The reference frequency input from the FCL is
also divided down to approximately 25kHz. The phase of the two signals is
compared and the error translated into a DC voltage by a programmable charge
pump and dual-bandwidth loop filter. This DC signal is used to control the
VCO frequency and reduce the initial error. The loop eventually settles to a
point that minimizes the phase error between divided down reference and
VCO frequencies. The net result is that the loop “locks” to a programmed
multiple of the reference frequency.
TP9100 Service Manual Description 45
© Tait Electronics Limited May 2005
The FCL generates an output of 13.012MHz±4kHz. Initially a voltage
controlled crystal oscillator (VCXO) produces a quasi-regulated frequency in
the required range. The VCXO output is fed to a mixer where it is mixed with
the 13.000MHz TCXO frequency. The mixer, after low-pass filtering to
remove unwanted products, produces a frequency of 12kHz nominally. This is
converted to digital form and transported to the frequency control block in the
custom logic.
The frequency control block compares the mixer output frequency to a
reference generated by the digital clock and creates a DC error signal.
A programmed offset is also added. This error signal is converted to analog
form and used to control the VCXO frequency and reduce the initial error.
Once settled, the loop “locks” to the TCXO frequency with a programmed
offset frequency. The FCL output therefore acquires the TCXO's frequency
stability.
The FCL may be run in an open-loop configuration for short durations to
increase the response time of the power-save modes.
Modulation The full bandwidth modulation signal is obtained from the DSP in digital
form at a sample rate of 48kHz. In traditional dual-point modulation
systems the modulation is applied, in analog form, to both the frequency
reference and the VCO in the RF PLL, combining to produce a flat
modulation response down to DC. Reference modulation is usually applied
directly to the TCXO.
The frequency reference is generated by the FCL, which itself requires dual-
point modulation injection to allow modulation down to DC. With another
modulation point required in the RF PLL, this system therefore requires
triple-point modulation. The modulation signals applied to the FCL are in
digital form while for the RF PLL (VCO) the modulation signal is applied
in analog form. The modulation cross-over points occur at approximately
30 and 300Hz as determined by the closed loop bandwidths of the FCL and
RF PLL respectively.
Frequency
Generation The RF PLL has a frequency resolution of 25kHz. Higher resolution
cannot be achieved owing to acquisition-time requirements and so for any
given frequency the error could be as high as ±12.5kHz. This error is
corrected by altering the reference frequency to the RF PLL. The FCL
supplies the reference frequency and is able to adjust it up to ±300ppm with
better than 0.1ppm resolution (equivalent to better than 50Hz resolution at
the RF frequency). The FCL offset will usually be different for receive and
transmit modes.
Fast Frequency
Settling Both the FCL and RF PLL employ frequency-acquisition speed-up
techniques to achieve fast frequency settling. The frequency-acquisition
process of the FCL and RF PLL is able to occur concurrently with minimal
loop interaction owing to the very large difference in frequency step size
between the loops.
46 Description TP9100 Service Manual
© Tait Electronics Limited May 2005
Frequency
Acquisition of
RF PLL
In the RF PLL the loop bandwidth is initially set to high by increasing the
charge-pump current and reducing time constants in the loop filter.
As a result, settling to within 1kHz of the final value occurs in under 4ms.
In order to meet noise performance requirements the loop parameters are
then switched to reduce the loop bandwidth. There is a small frequency kick
as the loop bandwidth is reduced. Total settling time is under 4.5ms.
Frequency
Acquisition of FCL The FCL utilizes self-calibration techniques that enable it to rapidly settle
close to the final value while the loop is open. The loop is then closed and
settling to the final value occurs with an associated reduction in noise.
The total settling time is typically less than 4ms.
Calibration The following items are calibrated in the frequency synthesizer:
■nominal frequency
■KVCO
■KVCXO
■VCO deviation
Calibration of the nominal frequency is achieved by adding a fixed offset to
the FCL nominal frequency; the TCXO frequency itself is not adjusted.
The items KVCO and KVCXO are the control sensitivities of the RF VCO
(in MHz/V) and VCXO (in kHz/V) respectively. The latter has
temperature compensation.
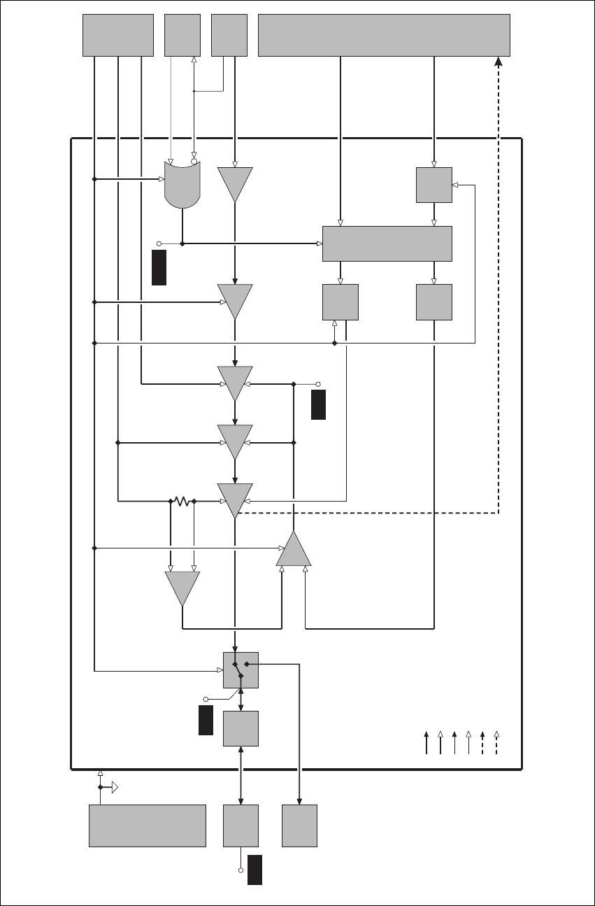
2.6.3 RF Transmitter
RF Power Amplifier
and Switching The RF power amplifier is a four-stage line-up with approximately 32dB of
power gain. The output of the frequency generation sub-system is first
buffered to reduce kick during power ramping. The buffer output goes to
an exciter IC that produces approximately 100mW output. This is followed
by an LDMOS driver producing up to 1.5W output that is power-
controlled. The final stage consists of a single LDMOS device producing up
to 4W for UHF and 5W for VHF.
Output of RF Power
Amplifier The PIN switch toggles the antenna path between the receiver and
transmitter in receive and transmit modes respectively. Finally, the output is
low-pass-filtered to bring harmonic levels within specification.

TP9100 Service Manual Description 47
© Tait Electronics Limited May 2005
Power Control The power control uses the power-sensing method. The steady-state power
output of the transmitter is regulated using a hardware control loop. The DC
current drawn by the PA is sensed via a 0.1Ω resistor, and the minute voltage
difference is amplified by a difference amplifier. The amplified difference
voltage is compared by the integrator with the set reference voltage available
from the CODEC. The PA output power is controlled by varying the driver
gate bias voltage and—for the UHF band—the base of the pre-driver stage.
The driver gate voltage is hardware-limited to prevent overdrive.
The reference voltage for the loop is supplied by a 13-bit DAC. The system
driving the DAC supplies the steady-state voltage for a given power level as
determined by factory calibration. The bandwidth of the loop is high to
ensure that the loop does not limit the ramping slope and has approx. 25dB
power control range. Under load mismatch at the antenna (predetermined
VSWR), the current drawn by the PA is maintained relatively constant and
the output power is allowed to vary within predetermined limits.
Ramping Power ramp-up consists of two stages:
■bias
■power ramping
The timing between these two stages is critical to achieving the correct
overall wave shape in order to meet the specification for transient ACP
(adjacent channel power). A typical ramping waveform is shown in
Figure 2.8.
Figure 2.8 Typical ramping waveforms
Power
ramp
High power
powerLow
Power
Time
Bias
ramp
Bias
ramp
Power
ramp
48 Description TP9100 Service Manual
© Tait Electronics Limited May 2005
Bias Ramp-Up The steady-state final-stage bias level is supplied by a 10-bit DAC
programmed prior to ramp-up but held to zero by a switch on the DAC
output under the control of a Tx inhibit signal. This signal is multiplexed
with the Rx AGC signal. Bias ramp-up begins upon release by the TX
inhibit signal with the ramping shape being determined by a low-pass filter.
Owing to power leakage through the PA chain, ramping the bias takes the
PA output power from less than –10dBm to approximately 25dB below
steady-state power.
Power Ramp-Up The power ramp signal is supplied by a 13-bit DAC that is controlled by
custom logic. The ramp is generated using a look-up table in custom logic
memory that is played back at the correct rate to the DAC to produce the
desired waveform. The ramp-up and ramp-down waveforms are produced
by playing back the look-up table in forward and reverse order respectively.
For a given power level the look-up table values are scaled by a steady-state
power constant so that the ramp waveform shape remains the same for all
power levels.
PIN Switch The RF PIN switch circuitry selects the RF path to and from the antenna
to either the Tx or Rx circuitry of the radio. In addition to the switching
functionality, the PIN switch is used to provide attenuation to the Rx front
end in high signal-strength locations.

TP9100 Service Manual Circuit Descriptions 49
© Tait Electronics Limited May 2005
3 Circuit Descriptions
Introduction This section describes and illustrates the circuitry of the main board and the
front-panel interface board.
The main board is divided into the following circuitry modules:
■transmitter
■receiver
■frequency synthesizer (including FCL)
■CODEC and audio
■power supply
■interfaces
■digital
■front panel interface
Figure 3.1 gives an overview of the of the circuitry modules of the main
board and the front-panel interface board, and shows how they are
interconnected.
For up-to-date schematics refer to the relevant PCB information.

50 Circuit Descriptions TP9100 Service Manual
© Tait Electronics Limited May 2005
Figure 3.1 Hardware architecture
Power Supply
Receiver
Transmitter
Frequency
Synthesizer
DSP
CODEC
and Audio
Interfaces
Digital
RF Connector
Internal
Speaker
Pins
Accessory
Connector
LPF1) PIN
Switch1)
Front-Panel
Interface
Connector
Battery
Pins
Main Board
FPGA
RISC
Proc.
Serial
Flash
SRAM
Flash
Memory
part of transmitter circuitry
analog-to-digital converter 2)
digital-to-analog converter 2)
part of CODEC and audio circuitry2)
1)
digital
RF
analog
asynchronous serial data
synchronous serial data
Custom
Logic
On/Off
Switch
Volume
Pot
16-Posn.
Switch
3-Posn.
Switch
PTT
Switch
Emergency
Key
Function
Keys 1/2
Front-Panel Interface Board
Accele-
rometer
LCD
16-Button
Keypad
TP9100 Service Manual Circuit Descriptions 51
© Tait Electronics Limited May 2005
3.1 Transmitter Circuitry
Introduction For a block diagram of the transmitter circuitry, refer to Figure 3.2.
Exciter The exciter is different between the variants of the radio. The VCO buffer
output is amplified through a combination of BJT discrete stage Q107
(B1 and H6), integrated amplifier IC100 (H5 and H6), and BJT discrete
stage Q100 (H5 and H6). The exciter produces approximately +20dBm
output to the driver.
Driver The LDMOS driver stage Q103 produces up to 1.5W output that is power-
controlled via Q101.
Power Amplifier The final-stage power amplifier consists of a single LDMOS device Q106
producing up to 5W output for B1 and 4W output for H5 and H6.
Final bias control comes from the IDAC channel of IC204 and one of the
operational amplifiers making up IC202. Wave shaping of the bias signal is
performed by one of the operational amplifiers of IC101. In addition, the
bias signal can be inhibited by an out of lock signal from the synthesizer.
Power Control Loop Calibration is used to adjust the power control loop, thus setting the output
of the transmitter to one of four preferred power levels (1, 2, 3, and 5W for
B1 and 1, 2, 2.5, and 4W for H5 and H6). The control mechanism for this
loop is via a DAC channel of IC204 and one of the operational amplifiers
making up IC202. Wave shaping, filtering and feedback from current-sense
resistor R150 is then performed by two of the operational amplifiers making
up IC101. The power control loop will be inhibited if for any reason an out-
of-lock signal is detected from the synthesizer. This ensures that no
erroneous signals are transmitted at any time.
Temperature Sensor For added protection, a temperature sensor ensures that the transmitter
power is reduced to very low levels should a temperature threshold be
exceeded. If the temperature does not decrease, the transmitter is switched
off.

52 Circuit Descriptions TP9100 Service Manual
© Tait Electronics Limited May 2005
Figure 3.2 Block diagram of the transmitter circuitry
RF
Connector
Receiver
LPF PA
Power
Control
PIN
Switch
Driver Exciter
Shaper
and Level
Shifter
Crowbar
Shaping
Filter
TX RX RF
Transmitter
OR Gate
TX INH
+5V TX
+7V5 LINK
DIG TX INH
SYN LOCK
SYN TX LO
Power
Supply
Digital
Frequency
Synthesizer
CDC TXFIN RXAGC
CDC TXPWR RXFE
Thermal Coupling
Codec
and
Audio
Signal Types:
RF
analog
clock
digital
asynchronous serial data
synchronous serial data
Interfaces
AGND
Shaper
and Level
Shifter
Buffer
Current
Sensing
PA
Difference
Amplifier
Pre-
Driver
+7V5 BATT
TP9100 Service Manual Circuit Descriptions 53
© Tait Electronics Limited May 2005
3.2 Receiver Circuitry
Introduction For a block diagram of the receiver circuitry, refer to Figure 3.3.
The receiver is of the triple-conversion superheterodyne type. The first two
IF stages are implemented in hardware; the third stage is implemented in the
FPGA (field-programmable gate array) of the digital circuitry. The FPGA
also carries out the demodulation of the received signals.
Front-End Circuitry The front-end circuitry is a standard varicap-tuned singlet (band-pass filter),
followed by an LNA (low-noise amplifier), and then a varicap-tuned
doublet (image filter). The varicap tuning voltage CDC RX FE TUNE is provided
by a DAC, with voltages calculated from a calibration table stored in non-
volatile memory. The two varicap-tuned filters need to be calibrated to
ensure that maximum sensitivity is achieved.
First Mixer The first mixer is a standard diode-ring mixer with SMD (surface-mount
device) baluns and a quadruple SMD diode. The first LO signal from the
VCO is buffered in IC404 at the mixer end to provide greater VCO
isolation. The buffer stage has switchable attenuation to provide a low-
power mode with reduced LO drive.
First IF Stage and
Second Mixer The first IF stage consists of a crystal channel filter (BPF1), followed by an
IF amplifier, and then another crystal filter (BPF2). The second mixer is an
IC quadrature mixer with an internal AGC amplifier. This IC has a divide-
by-two function on the LO input in order to provide the quadrature LO
frequencies required internally. The second LO frequency is synthesized by
an integer PLL (IC403), which uses the TCXO frequency SYN RX OSC
(13.0000MHz) as its reference.
Frequencies
of IF Stages The frequency of the first IF stage depends as follows on the frequency band
of the radio:
■B1 band: 21.400 029MHz
■H5 and H6 bands: 45.100 134MHz
The above are nominal values; the actual frequency will differ by a small
amount depending on the exact initial frequency of the TCXO.
The frequency of the second IF stage will always be precisely 64.000kHz
once the TCXO calibration has been completed. (The TCXO calibration
does not adjust the TCXO frequency, but instead adjusts the VCXO
frequency, which in turn adjusts the VCO or first LO frequency as well as
the frequency of the first IF stage. The second LO frequency remains fixed.)
The third IF stage is completely within the FPGA and is not accessible.
Demodulation Demodulation takes place within the DSP. Raw demodulated audio can be
tapped out from the DSP for use with an external modem. The modem may
be connected to the accessory connector.

54 Circuit Descriptions TP9100 Service Manual
© Tait Electronics Limited May 2005
Figure 3.3 Block diagram of the receiver circuitry
Image Filter LNA Image Filter First IF
BPF 1 IF Amplifier First IF
BPF 2 Quadrature
Demodulator
Bias
Network
Power
Supply
CODEC
and
Audio
Digital
PLL
Transmitter Frequency
Synthesizer
Mixer
Receiver
VCO
CDC TXPWR RXFE
CDC TXFIN RXAGC
RX CDC QN
RX CDC QP
RX CDC IN
RX CDC IP
+3V0 RX
+3V0 AN
CDC RX VREF
DIG RX EN
DIG RX LE
RX DIG LD
DIG SYN SPI DO
DIG VCO LOPWR
SYN RX OSC
SYN RX LO1
TX RX RF
Loop Filter AGND Interfaces
DIG RX ATTEN
DIG RX ATTEN
DIG VCO LOPWR
DIG SYN SPI CLK
Buffer
Attenuator
Signal Types:
RF
analog
clock
digital
asynchronous serial data
synchronous serial data
TP9100 Service Manual Circuit Descriptions 55
© Tait Electronics Limited May 2005
Automatic Gain
Control The receiver has an AGC circuit to enable it to cover a large signal range.
Most of the circuit functions are implemented in the FPGA. The FPGA
passes the AGC signal to the CODEC IC204 for output from pin 14
(IDACOUT) and thence via IC201 as the signal CDC TXFIN RXAGC to pin 23 of the
quadrature mixer IC400. As the antenna signal increases, the AGC voltage
decreases.
Channel Filtering The channel filtering is split between the first and third IF stages.
The channel filtering circuit in the first IF stage comprises a pair of two-pole
crystal filters. The first filter has a 3dB bandwidth of 12kHz, and the second
a 3dB bandwidth of 15kHz. Most of the channel filtering, however, is
implemented in the FPGA and the DSP. When the radio is programmed,
the different filters are selected as assigned by the channel programming.
The selectable filters plus the fixed crystal filters result in the following total
IF 3dB bandwidths:
■wide channel spacing : 12.6kHz
■medium channel spacing: 12.0kHz
■narrow channel spacing : 7.8kHz
(The FPGA runs from the FPGA 24M576 CLK signal, which has a frequency of
24.576MHz.) The receiver requires the TCXO calibration to be completed
to ensure that the channel filtering is centered, thereby minimizing
distortion.
Received Signal
Strength Indication The RSSI is calculated in the FPGA and DSP. To obtain an accurate
estimate of the RSSI (over the signal level and frequency), it is necessary to
calibrate the AGC characteristic of the receiver and the front-end gain versus
the receive frequency.
56 Circuit Descriptions TP9100 Service Manual
© Tait Electronics Limited May 2005
3.3 Frequency Synthesizer Circuitry
Introduction For a block diagram of the frequency synthesizer circuitry, refer to
Figure 3.4.
The frequency synthesizer includes an active loop filter, one or two VCOs
and buffer amplifiers, and a PLL IC. The last-named uses conventional
integer-N frequency division and includes a built-in charge pump.
Speed-up techniques ensure a transmit-receive settling time of less than
4.5 ms while retaining low noise characteristics in static operation.
Power Supplies Several power supplies are used by the frequency synthesizer owing to a
combination of performance requirements and the availability of suitable
components. The PLL IC includes analog and digital circuitry and uses
separate power supplies for each section. The digital section is run on 3V,
while the analog section is run on approximately 5V. The VCOs run off a
supply of about 4.3V. The buffer amplifiers run of 3V (H5/H6 Rx,
B1 Rx/Tx) or 5V (H5/H6 Tx). The active loop filter requires a supply of
14 to 15V, and a reference voltage of approximately 2.5V.
Performance
Requirements Low noise and good regulation of the power supply are essential to the
performance of the synthesizer. A 5V regulator IC provides good line
regulation of the 7.5V supply and good load regulation. Good regulation of
the power-supply line and load is essential for meeting the transient ACP
requirements. The regulator output voltage is electrically noisy, however,
and filtering is essential. Filtering of the power supply is achieved with a
capacitance multiplier (Q508 and C585 for the VCO supply).
Effect of Tuning
Range For reasons of noise performance, the VCOs are designed to be tuned
within a range of 2 to 12V. Active tuning circuitry is required. An active
loop filter incorporating an IC operational amplifier achieves this range with
a suitable power supply voltage. Normal synthesizer switching behavior
involves overshoot, which dictates that the tuning voltage range must extend
above and below the range of 2 to 12V. The 14V limit is a result of limits
on the working supply voltage of the IC operational amplifier.
Switch-mode Power
Supply The power supply VCL SUPPLY for the active loop filter is provided by a
SMPS, which is in turn powered by 7.5V. The SMPS consists of an oscillator
(switching circuit) and a detector. The output voltage is monitored by a
feedback circuit that controls the DC bias of the switching circuit to
maintain a constant output voltage. The SMPS is turned off by the removal
of +3V0 AN.
Synthesizer
Circuitry The essential function of the PLL frequency synthesizer is to multiply a
25kHz reference frequency to give any desired frequency that is an integer
multiple of 25kHz. There are some constraints imposed by the capabilities
of the synthesizer hardware, especially the tuning range of the VCOs.

TP9100 Service Manual Circuit Descriptions 57
© Tait Electronics Limited May 2005
Figure 3.4 Block diagram of the frequency synthesizer circuitry
Buffer
Buffer
and
Sample
PLL
MOD
5 V SWITCH
SYN TX LO
SYN RX LO1
TR Switch
DIG SYN TR SW
Signal Types:
RF
analog
clock
digital
asynchronous serial data
synchronous serial data
PLL
Summer
Loop
Filter
VCO
Supply
Filter
+4 V DEC
Frequency Synthesizer
LPF
Mixer
VCXO
TCXO
Modulator
Buffer Amplifier
PLL
VCO 1
5V
Switch
TR Switch
VCO (UHF only)
+5V0 AN
AGND
Power
Supply
CDC VCXO MOD
SYN CDC FCL
SYN CDC LFV
CDC VCO MOD
CODEC
and
Audio
SYN TX LO
SYN RX LO1
Trans-
mitter
SYN RX OSC
Receiver
Digital
DIG SYN SPI DO
DIG SYN SPI CLK
DIG SYN TR SW
DIG SYN EN
DIG SYN FAST
DIG SYN LATCH
SYN LOCK
SYN DIG FREF
14 V
SMPS
Buffer Amplifier
Interfaces
Inverter
+7V5 LINK
+3V0 AN
+2V5CDC
VCL SUPPLY
3 V Switch
+3V0 AN
+5V0 AN
+3V0 AN
VCO 2
Buffer
Amplifier
Buffer
Amplifier
Sample
5 V Switch
VCO (VHF only)
MOD
58 Circuit Descriptions TP9100 Service Manual
© Tait Electronics Limited May 2005
Reference
Frequency The 25kHz (approximate) reference is obtained by dividing the 13 MHz
(approximate) output of the FCL. Any error in the FCL output frequency
will be multiplied by the synthesizer. Therefore, if the synthesizer is locked
but not the FCL, then the synthesizer output frequency will be wrong.
The FCL frequency division is performed by a digital counter inside the
PLL IC. The divider setting is constant.
VCO Frequency and
Output Power The output frequency from the synthesizer is generated by a VCO.
The VCO frequency is tuned across the frequency range of the radio by
means of a DC control voltage, typically between 2V and 12V. The VCO
output power is amplified by a buffer amplifier. The power is low and varies
from band to band. The buffer output power depends on which mode—
receive or transmit—is used. In receive mode the output power should be
about 7dBm, whereas in transmit mode it should be about 9dBm.
Dual VCOs Some variants of the synthesizer use two VCOs: one for receive and one for
transmit. Synthesizers with two VCOs share the same tuning signal.
Only one VCO is switched on at a time, and so the PLL IC will see only
one output frequency to tune. A portion of the RF output from the VCOs
is fed to the RF input of the PLL IC. The RF signal is divided by an integer
that would give 25kHz if the output frequency were correct.
Phase-locked Loop The PLL IC compares the 25kHz reference and the divided VCO signal,
and the error is used to control the internal charge pump. The charge pump
is a current source that can sink or source current in proportion to the
frequency or phase error. The output is a series of 25kHz pulses with a
width that is dependent on the phase error. When the output frequency of
the synthesizer is correct, there is no error and the charge pump output will
become open circuit.
Active Loop Filter The loop filter continuously integrates the current pulses from the charge
pump and produces a steady DC output voltage that tunes the VCO
(or VCOs). When the VCO frequency is correct, there is no frequency
error and therefore no charge-pump output, and so the loop filter’s output
voltage remains constant. If the frequency is too high or too low, the error
will result in the output of charge-pump current pulses (negative or positive
depending on the sign of the error). The loop filter’s output voltage will
change accordingly, causing the VCO frequency to change in proportion.
The synthesizer design is such that normally the VCO frequency will be
automatically corrected.
Re-tuning of VCO
Frequency When the radio changes channels or switches between receive and transmit,
the VCO frequency must be changed. The rate at which the VCO is re-
tuned is dependent on many factors, of which the loop filter is the main
factor. The loop filter is an integrator built around an operational amplifier.
The resistors and capacitors of the filter affect both the switching time and
the stability of the synthesizer; the values of these components have been
carefully selected to give optimum control characteristics.
TP9100 Service Manual Circuit Descriptions 59
© Tait Electronics Limited May 2005
Speed-up
Techniques To reduce the change-over time between transmit and receive, part-time
speed-up techniques have been implemented. Speed-up involves changing
some resistor values while simultaneously changing the PLL IC settings.
This process is implemented in hardware under software control in
conjunction with use of the synthesized reference input. The result is a
transmit-receive settling time of less than 4.5ms. (The switching time is
measured for a frequency change equal to the first IF plus 10MHz or 1MHz,
depending on the repeater offsets used for the band. This implies a
synthesizer transmit-receive change-over plus an offset of 1MHz or 10MHz
in less than 4.5ms. The ramp-up and ramp-down of the transmitter further
extends this change-over time from 5.7ms (high power) to 6.3ms (low
power).
60 Circuit Descriptions TP9100 Service Manual
© Tait Electronics Limited May 2005
3.4 Frequency Control Loop
Introduction The FCL is included in the block diagram of the frequency synthesizer
(see Figure 3.4).
The FCL forms part of the frequency-synthesizer circuitry. The basis of the
FCL is a VCXO, which generates the reference frequency required by the
main PLL of the synthesizer.
Elements of
FCL Circuitry The FCL is a simple frequency-locked loop. The circuitry consists of the
following elements:
■VCXO (XL501, Q501, Q503)
■TCXO (XL500)
■buffer amplifier (IC500)
■mixer (IC501)
■low-pass filter (IC502, pins 5 to 7)
■modulator buffer amplifier (IC502, pins 1 to 3)
The TCXO supplies a reference frequency of 13.0000MHz, which is
extremely stable, regardless of the temperature. The VCXO runs at a
nominal frequency of 13.0000MHz, and is frequency-locked to the TCXO
reference frequency.
Circuit Operation The VCXO output is mixed with the TCXO output to create a nominal
difference (or offset) frequency SYN CDC FCL of 12.0 kHz. The signal SYN CDC
FCL is fed via the CODEC IC502 in the CODEC circuitry to the FPGA.
The FPGA detects the offset frequency, compares it with the programmed
offset frequency, and outputs a corresponding feedback signal CDC VCXO MOD
via IC205. The feedback signal is amplified and inverted by the modulator
buffer amplifier and output as the loop voltage for the VCXO. With this
design the VCXO frequency can be adjusted by very small precise amounts,
and because the loop is locked, the VCXO inherits the temperature stability
of the TCXO.
Modulation The FCL modulation is implemented within the FPGA and appears at the
output of IC205, and therefore on the VCXO loop voltage. Consequently,
the VCXO is frequency modulated directly by the relevant modulation
information. The latter may be the microphone audio, an audio tap-in
signal, internal modem signals, or any combination of these.
TP9100 Service Manual Circuit Descriptions 61
© Tait Electronics Limited May 2005
3.5 CODEC and Audio Circuitry
Introduction For a block diagram of the CODEC and audio circuitry, refer to Figure 3.5.
A/D and D/A
Conversion The analog-to-digital conversion and digital-to-analog conversion is
performed by the devices IC204 and IC205.
Device IC205 IC205 contains two CODECs. One is used by the FCL. The second is used
for auxiliary audio (input) and VCO modulation (output). The digital
section communicates with this device via a four-wire synchronous serial
interface.
Device IC204 IC204 contains base-band, voice-band and auxiliary CODECs, transmitter
biasing, and some analog signal conditioning. The reference voltage
(nominally 1.2V) for these CODECs is provided internally by IC204 but is
decoupled externally by C217.
Device IC204 (Base-
Band CODEC) The base-band CODEC handles the I and Q outputs (IRXP, IRXN, QRXP and
QRXN balls) of the receiver’s second IF stage. The analog signals are
differential and biased at 1.2V nominally. The digital section communicates
with this CODEC via a two-wire synchronous serial interface (BSDO and
BSOFS balls). The digital-to-analog conversion section of the base-band
CODEC is not used.
Device IC204 (Voice-
band CODEC) The voice-band CODEC handles the microphone and speaker signals.
The digital section communicates with this CODEC via a three-wire
synchronous serial interface (VSFS, VSDO and VSDI balls). IC204 also contains
voice-band filtering, pre-amplification and volume control.
Device IC204
(Auxiliary CODEC) The auxiliary CODEC handles transmitter biasing and power control,
receiver tuning and gain control, accessory audio output and general analog
monitoring functions. The digital section communicates with this CODEC
via a three-wire synchronous serial interface (ASFS, ASDI and ASDO balls).
The DAC used for transmitter bias and receiver gain control (IDACOUT ball) is
a current output type. Current-to-voltage conversion is performed by
R238. The full-scale output of 1.2V is amplified by IC201 to approximately
3V as required by the receiver and transmitter.
Audio Circuitry The audio circuitry performs four functions:
■output of audio signal for speaker
■input of microphone audio signal
■input of accessory audio signal
■output of accessory audio signal
The sections of the circuitry concerned with these functions are described
below.

62 Circuit Descriptions TP9100 Service Manual
© Tait Electronics Limited May 2005
Figure 3.5 Block diagram of the CODEC and audio circuitry
CODEC 1
CODEC 2
Level
Shifter
3V0
Filter
Voltage
Divider
Audio PA
CODEC
and
Audio
RX CDC IP
RX CDC IN
RX CDC QP
RX CDC QN
DIG RX EN
CDC TXFIN RXAGC
CDC TXPWR RXFE
CDC TXFIN RXAGC
CDC TXPWR RXFE
SYN CDC LFV
CDC VCO MOD
CDC VCXO MOD
SYN CDC FCL
Digital
+7V5 SW
+2V5 CDC
+5V TX
+3V3
+3V0 AN
CDC ACC SPK+
CDC ACC SPK–
ACC AUD TAP IN
digital
RF
analog
clock
Signal Types:
asynchronous serial data
synchronous serial data
CDC2 DIG SDTO
DIG RX EN
DIG CDC2 SDTI
DIG CDC2 SCLK
DIG CDC2 LRCK
DIG SYS CLK
DIG CDC ARSM
CDC DIG VSFS
CDC DIG VSDO
DIG CDC VSDI
CDC DIG BSDO
CDC DIG BSOFS
DIG CDC ASFS
DIG CDC ASDI
CDC DIG ASDO
DIG CDC RST
DIG RX EN
+3V0 FIL
AGND
Interfaces
Power
Supply
Receiver
Trans-
mitter
Frequency
Synthesizer
ACC MIC AUD
Bias
Network
LPF
Buffer
Amplifier
CDC AUD TAP OUT
DIG AUD PA EN
DIG INT SPK INH
Level
Shifter
+7V5 LINK
+1V8
DIG MUX ADC
DIG MUX ADC
SUI VOL DC
FPI CDC MANDOWN
Temp.
Sensor
FPI CDC TEMP
CDC SUI SPK+
Buffer
Amplifier
CDC SUI SPK–
(Transmitter PA)
TP9100 Service Manual Circuit Descriptions 63
© Tait Electronics Limited May 2005
Audio Signal
for Speaker The audio signal for the speaker is generated by IC204 (VOUTAUXP ball).
This signal is post-volume-control decoupled by C238 and fed to the audio
power amplifier.
Audio Power
Amplifier The signal from C238 is fed to the audio power amplifier IC200. IC200 has
22dB of gain and a differential output configuration. Gain is configured by
the resistors R260 and R259. When operational, the output bias voltage for
IC200 is approximately half the radio supply voltage. When not operational,
the output becomes high impedance.
Control of Audio
Power Amplifier Power up, power down, and muting of IC200 is controlled by one signal
from the digital section, DIG AUD PA EN. The network consisting of Q200,
R254 and R256 converts the digital signal to the single three-level analog
signal required by IC200. A “pop-free” audio PA on/off control is activated
by a fast transition on the MODE pin of IC 200.
Control of Internal
Speaker Audio The differential signal to the internal speaker can be disconnected by dual-
MOSFET IC207, under control of the digital signal DIG INT SPK INH.
The external speaker audio signal is permanently connected to the output
of IC200.
Microphone Signals There are two microphone source signals:
■ACC MIC AUD from accessory connector
■internal speaker as a microphone
The biasing for electret microphones is provided by a filtered 3.0V supply
via R226. The components R209 and C202 provide the supply filtering.
The microphone inputs to IC204 (VINAUXP, VINAUXN, VINNORP and VINNORN
balls) are differential. The negative inputs are decoupled to the filtered 3.0V
supply by C215 and C216. The positive input of ACC MIC AUD is biased to
approximately 1.5V by R229 and R232. AC coupling and DC input
protection is provided by C213.
The microphone signal from the internal speaker is converted from
differential to single/ended by IC202 and then fed to VINNORP ball of IC204
as the internal microphone signal.
Accessory Audio
Input The accessory audio input signal ACC AUD TAP IN is DC-coupled to the ADC
input of IC205. R241 combined with internal clamping diodes in IC205
provide DC protection for the ADC input. IC205 provides the input biasing
of approximately 1.5 V.
64 Circuit Descriptions TP9100 Service Manual
© Tait Electronics Limited May 2005
Accessory Audio
Output The source for the accessory audio output signal CDC AUD TAP OUT is provided
by IC204 (RAMPDAC ball). The DAC output of IC204 is low-pass filtered to
remove high-frequency artefacts. The low-pass filter, formed by IC201
(pins 1 to 3), R219, R221, R224, C206, C208 and C210, is a third-order
Butterworth type with a cut frequency of approximately 12 kHz.
The output of the low-pass filter is buffered by IC201 (pins 5 to 7), and fed
via R207 and R208 to drive the CDC AUD TAP OUT interface line. The DC bias
for this signal path is provided by IC204 and is approximately 1.2V when
operational. The offset at CDC AUD TAP OUT is approximately 1.2V owing to
the gain of the buffer amplifier.
TP9100 Service Manual Circuit Descriptions 65
© Tait Electronics Limited May 2005
3.6 Power Supply Circuitry
Introduction For a block diagram of the power supply circuitry, refer to Figure 3.6.
Internal Power
Supplies The radio has the following internal power supplies:
■Two 5V regulators are connected to the +7V5 LINK supply and generate
the voltages +5V0 TX and +5V0 AN.
■A 3V3 SMPS regulates the +7V5 BATT supply to +3V3.
■A 1V5 SMPS regulates the +3V3 of the 3V3 SMPS to +1V5.
■Three linear regulators (3V, 2V5, 1V8) regulate the +3V3 of the
3V3 SMPS to +3V0 AN, +2V5 , +1V8). These linear regulators take
advantage of the efficiency gain of the 3V3 SMPS.
■The 3V RX switch switches the +3V0 AN of the 3V linear regulator to
+3V0 RX. The 3V RX switch uses a P-channel MOSFET.
Power-Up Circuitry When the ON/OFF switch (RV1) is turned on, a short pulse of approximately
35ms is generated via C634 on the base of the NPN transistor Q606,
turning it on. This turns on the PNP transistor and charges C620. After the
short pulse, C610 can hold the 3V3 SMPS (IC610) for a further
approximately 2.5s (a voltage higher than approximately 1V on pin 1 turns
this regulator on). This regulator supplies the digital circuitry, and the
software asserts the DIG PSU LATCH signal. This signal holds the transistors and
keeps C610 charged. The benefit of keeping the transistor charged is that in
case of a reset (due to a watchdog timeout or power supply spike) the radio
has 2.4s to recover (including rebooting and reasserting DIG PSU LATCH) and
does not turn off.
It is also possible to power up the radio by the method described above
(except via C634) when the battery is attached.
PSU Supervisor The PSU supervisor monitors the +3V3 of the SMPS. It comprises a reset
and watchdog timer, and provides the reset signal PSU SYS RST to the digital
section, which in turn provides the watchdog signal DIG WD KICK required by
the PSU supervisor.

66 Circuit Descriptions TP9100 Service Manual
© Tait Electronics Limited May 2005
Radio Modes and
Internal Power
Supplies
Table 3.1 lists the radio modes and shows which power supplies are on and
off during these modes.
The 3V3 SMPS and the 2V5, 1V8 and 1V5 linear regulators are always on.
Table 3.1 Radio modes and internal power supplies
Internal
Power Supply
Radio Mode
Tx RX AudioaRX StandbybEconomy Modec
+5V TX on off off off
+5V AN on on on off/on cycling
+3V AN on on on off/on cycling
+3V RX offononoff/on cycling
Audio PA off on off off/on cycling
a. Receiving and audio PA on.
b. Receiving and audio PA off.
c. Only if programmed

TP9100 Service Manual Circuit Descriptions 67
© Tait Electronics Limited May 2005
Figure 3.6 Block diagram of the power supply circuitry
Power
Supply
Trans-
mitter
Frequency
Synthesizer
CODEC
and
Audio
Receiver
Digital
Debug
Connectors
Interfaces
3V3
SMPS
3V
Regulator
5V
Regulator
+3V3
1V8
Regulator
3 V RX
Switch
PSU
Supervisor
+7V5 LINK
+5V AN
+3V3
+3V0 AN
+3V0 AN
+3V3
+1V8
+3V0 AN
+3V0 RX
DIG RX EN
DIG 5V TX EN
DIG 5V AN EN
+3V3
DIG WD KICK
PSU SYS RST
+3V3
AGND
+7V5 LINK
+7V5 BATT
1V5
SMPS
Signal Types:
analog
clock
digital
asynchronous
serial data
synchronous
serial data
+3V3
+7V5 SW
DIG PSU LATCH
2V5
Regulator
5V
Regulator
5V
Regulator
5V
Regulator
+5V TX
+7V5 LINK
+2V5 CDC
+5V TX
+7V5 SW
DIG 3V0 AN EN
+1V5
+1V8
+7V5 BATT
+7V5 LINK
+3V0 AN
+2V5 SYN
Power-up
Circuitry
68 Circuit Descriptions TP9100 Service Manual
© Tait Electronics Limited May 2005
3.7 Interfaces Circuitry
Introduction For a block diagram of the interfaces circuitry, refer to Figure 3.7.
For more information on the connector pinouts, refer to “Connectors and
Contacts” on page 27.
Bi-directional Lines Bi-directional lines are provided on two pins of the accessory connector
(ACC GPIO1 and ACC GPIO2). These are formed by combining two uni-
directional lines. For example, the line ACC GPIO1 at pin 10 of the accessory
connector is formed from ACC DIG GPI1 and DIG ACC GPO1. The circuitry is the
same in both cases and is explained below for the case of ACC GPIO1.
Output Signals
(ACC GPIO1)An output on the line ACC GPIO1 originates as the 3.3V signal DIG ACC GPO1
from the digital section. The signal is first inverted by Q905 (PNP device)
and the output divided down to 2.7V by internal resistors (10kΩ and 47kΩ)
and R933 to drive the base of Q905 (NPN device). When the latter’s
collector current is low, the base current is a maximum and creates a small
voltage drop across R933, causing the collector emitter to saturate. As the
collector current increases, the base current decreases proportionally until
the voltage across R933 reaches 2.1V. At this point the base-emitter begins
to turn off and the base current diminishes rapidly. The net effect is a
current-limiting action. The current limit value is approximately 18mA (the
inverse of the value of R933). The output configuration is open-collector
with a pull-up to 3.3V.
Input Signals
(ACC GPIO1)An input signal applied to ACC GPIO1 is coupled via R908 to ACC DIG GPI1 and
fed to the digital section. As the input signal may exceed the maximum
allowed by the digital section, it is clamped by D906 and a shunt regulator.
The shunt regulator consists of Q900, R901 and R902 and begins to turn
on at approximately 2.7V. In combination with D906, the input to
ACC DIG GPI1 is therefore clamped to 3.3V nominally. The value of R908 is
made large to minimize the loading effect on the output pull-up resistors.
ESD Protection On exposed inputs and outputs of the accessory and battery connectors,
ESD (electrostatic discharge) protection is provided. The protection
provided depends on the signal type and speed. GPIO and data signals are
protected by a 470pF capacitor, series resistors and clamping diodes.
For example, on ACC_RXD this consists of C903, R903 and D900. Audio
signals are protected by 10nF or 1nF capacitors (example: AUD TAP OUT
consists of C909). ACC PTT is protected by a 100nF capacitor (C900) and
series resistor (R906).
Accessory PTT
Detection Accessory PTT and function button signals are multiplexed in the accessory
on to the ACC_PTT analog input. External button presses (EPTT,
Function4, Function5 if fitted) create different DC voltages on the
ACC_PTT input allowing the radio software to determine which button
has been pressed. A voltage divider created by R904 and R931 ensure that
the voltage on the ADC input pin of IC204 does not exceed 1.2V.

TP9100 Service Manual Circuit Descriptions 69
© Tait Electronics Limited May 2005
Figure 3.7 Block diagram of the interfaces circuitry
Power
Supply
+7V5 BATT
AGND
+7V5 SW
+3V0 AN
+3V3
CODEC
and
Audio
Digital
FPI CDC TEMP
FPI CDC MANDOWN
ACC AUD TAP IN
CDC AUD TAP OUT
ACC MIC AUD
ACC CDC PTT
DIG FPI LE
DIG FPI CD
DIG FPI COL1-4
DIG FPI ROW1-4
DIG MUX ADC
ACC DIG RXD
DIG ACC TXD
SUI DIG 16POSN1-4
SUI DIG 3POSN1-2
SUI DIG PTT
SUI DIG EMERG
SUI DIG FUNC1
RF
Signal Types:
analog
clock
digital
asynchronous serial data
synchronous serial data
Battery
Pins
Accessory
Connector
Front-
Panel
Interface
Connector
BATT DATA
+7V5 BATT
+3V3
+7V5 LINK
Current-
Limited
Supply
CDC SUI SPK+
CDC SUI SPK–
Internal
Speaker
Pins
CDC ACC SPK+
CDC ACC SPK–
ACC+SPKR
ACC–SPKR
PTT Key
Emergency
Key
Function
Key 1
SUI DIG FUNC2
16-Posn.
Switch
3-Posn.
Switch
ACC PWR
ESD
Filters
EMC/
ESD
Filters
AUD TAP IN
AUD TAP OUT
ACC MIC
ACC PTT
ESD
Filters
ACC DIG GPI1-2
DIG ACC GPO1-2
I/O
Combine
ACC GPIO1-2
ACC RXD
ACC TXD
FPI CDC MANDOWN
FPI CDC TEMP
EMC
Filters
DIG FPI SPI CLK
DIG FPI SPI DO
DIG FPI SPI CLK
DIG FPI SPI DO
DIG FPI LE
DIG FPI CD
DIG FPI COL1-4
DIG FPI ROW1-4
DIG MUX ADC
DIG FPI BL
FPI BL+
LED 1
(red)
LED 2
(green)
LED 1
(red)
DIG SUI LED1
ESD/
EMC
Filters
DIG BATT DATA
DIG SUI LED2
Volume
Pot
On/Off
Switch
SUI VOL DC
Function
Key 2
AGND
DIG DSP SYS RST
DIG DSP SYS RST
Interfaces
70 Circuit Descriptions TP9100 Service Manual
© Tait Electronics Limited May 2005
User Interface The main board includes the circuitry for the following control elements:
■ON/OFF switch
■volume potentiometer
■status LEDs
■speaker/microphone
■PTT, function, and emergency keys
ON/OFF Switch The radio is powered up as described in “Power-Up Circuitry” on page 65.
Volume
Potentiometer The voltage level of the volume potentiometer is converted to a digital
signal by an analog/digital converter (IC204) and processed by the FPGA.
Status LEDs The red and green status LEDs are controlled by an FPGA signal and a
transistor (Q904 dual-device). Amber color is generated by turning on the
red and green LEDs simultaneously.
Speaker/
Microphone The two speaker/microphone lines (SPKR POS and SPKR NEG) are connected
to the speaker through spring probe connectors. Speaker audio comes from
IC200 and microphone audio is clamped and amplified through D200 and
IC202.
PTT, Function, and
Emergency Keys The signals from the tact switches are connected directly to the input pins
of the FPGA.
3.3V Accessory A current limited 3.3V Accessory supply is provided on ACC_PWR
output. Current is limited to approx 50mA by IC900. The current limit
setpoint is determined by the value of R954. Above the current setpoint,
the output voltage folds back to protect the radio and accessory from over-
current.
Battery Data A dedicated bidirectional data signal is provided on BATT DATA to allow the
radio to communicate with a smart battery. After ESD and over-voltage
protection though C912, D909, R930, D919 and R943 it connects to a
bidirectional digital line in the digital section. In addition a 4.7kΩ pull up
resistor (R721) can be switched in or out by the digital section to provide
bias to the data line.
Front-Panel Keypad The interface to the front-panel keypad is an array of four column inputs
and four row inputs, giving a maximum of 16 keys. The column and row
signals connect directly to the FPGA. During idle operation the ROW signals
are driven low by the FPGA and the COL signals (pulled high by an external
resistor) are monitored for activity by the FPGA. A key-press will generate
a high-to-low transition on the associated COL signal. This, in turn, will
initiate a sequence of high output levels on the ROW signals to identify which
key was pressed.
TP9100 Service Manual Circuit Descriptions 71
© Tait Electronics Limited May 2005
LCD Module The LCD module is physically connected to the front-panel interface board
but is controlled by a serial link from the FPGA. The backlighting
incorporated in the LCD module is controlled by a data line from the FPGA
that switches transistor Q907. Power is supplied to the LCD module
through a +3V3 signal on the front-panel interface.
Keypad
Backlighting The keypad backlighting is controlled by the same FPGA output to
transistor Q907 as the LCD backlighting.
Man-Down and
Tem p er at u re Sensors on the front-panel interface board provide analog levels to indicate
the status of X-axis tilt, Y-axis tilt and front-panel temperature. The tilt
signals from the man-down sensor are multiplexed onto one output from the
interface (FPI CDC MANDOWN). Whether this signal has X or Y sense selected is
determined by DIG MUX ADC.
3.8 Digital Circuitry
Introduction For a block diagram of the digital circuitry, refer to Figure 3.8.
The digital circuitry is not serviceable at level-2 and is not described in this
manual.
3.9 Front-Panel Interface Circuitry
Introduction For a block diagram of the front-panel interface circuitry, refer to Figure 3.9.
The front-panel interface circuitry is not serviceable at level-2 and is not
described in this manual.

72 Circuit Descriptions TP9100 Service Manual
© Tait Electronics Limited May 2005
Figure 3.8 Block diagram of the digital circuitry
+1V5+3V3
Trans-
mitter
DIG TX INH
DIG SYN EN
SYN LOCK
DIG SYN TR SW
DIG SYN FAST
DIG SYN LATCH
SYN DIG FREF
Frequency
Synthesizer
DIG SYN SPI DO
DIG SYN SPI CLK
DIG RX LE
RX DIG LD
DIG RX ATTEN
Receiver
DIG RX EN
CDC2 DIG SDTO
DIG CDC2 SDTI
DIG CDC2 SCLK
DIG CDC2 LRCK
DIG CDC RST
DIG CDC ARSM
CDC DIG VSFS
CDC DIG VSDO
DIG CDC VSDI
CDC DIG BSOFS
CDC DIG BSDO
DIG CDC ASFS
DIG CDC ASDI
CDC DIG ASDO
DIG AUD PA EN
DIG INT SPK INH
CODEC
and
Audio
PSU SYS RST
Serial
Flash
DGND
DGND
DIG DSP SYS RST
DIG FPI LE
DIG FPI SPI CLK
DIG FPI SPI DO
DIG FPI CD
DIG FPI ROW1-5
FPI FIG COL1-4
FPI DIG BL
DIG ACC TXD
ACC DIG RXD
ACC DIG GPI1-2
DIG ACC GPO1-2
SWI DIG 16POSN1-4
SWI DIG 3POSN1-2
SWI DIG PTT
SWI DIG EMERG
SWI DIG FUNC1-2
DIG BATT DATA
DIG PSU LATCH
DIG WD KICK
DIG 5V TX EN
+3V3
DIG RX EN
PSU SYS RST
Interfaces
Power
Supply
FPGA
DSP
McBSP0
McBSP1
DGND
+3V3
DSP JTAG Signals:
Signal Types:
analog
clock
digital
asynchronous serial data
synchronous serial data
FPGA JTAG Signals:
JTAG TCKFPGA
JTAG TMSFPGA
FPGA JTAG TDO
JTAG FPGA TDI
JTAG TCKDSP
JTAG TMSDSP
DSP JTAG TDO
JTAG DSP TDI
JTAG TRSTDSP
DSP JTAG EMU0
DSP JTAG EMU1
Digital
DIG 5V0 AN EN
+1V5+3V3
SRAM
CONTROL
ADDRESS
DATA
Flash
Memory
DSP INT2
DIG DSP SYS RST
5
5
CLK BIRDIE PULL
FPGA 24M576 CLK
System
Clock
DIG SYS CLK
+1V8
+1V5
DSP 24M576 CLK
FPGA JTAG (x4)
DSU (x3)
Debug Connector
PL3
DSP JTAG (x7)
+1V8+3V3
+1V8
+1V8
DIG MUX ADC
DGND
DSU Signals:
LEON DSU TX
DSU LEON RX
DSU LEON BRE
DIG 3V0 AN EN
DIG VCO LOPWR
DIG SWI LED1-2
DIG MUX ADC
DSP XF
PSU SYS RST
+3V3
AGND
Debug Connector
PL4

TP9100 Service Manual Circuit Descriptions 73
© Tait Electronics Limited May 2005
Figure 3.9 Block diagram of the front-panel interface board circuitry
Front-
Panel
Interface
Connector
PL2
FPI CDC MANDOWN
FPI CDC TEMP
DIG FPI SPI CLK
DIG FPI SPI DO
DIG FPI LE
DIG FPI CD
FPI COL1-4DIG
DIG FPI ROW1-4
DIG MUX ADC
FPI BL+
DIG DSP SYS RST
Accele-
rometer
+3V3
16-Button
Keypad
LCD
Connector
PL1
Back
Lighting
AGND
Temp.
Sensor
Front-Panel
Interface Board
74 Circuit Descriptions TP9100 Service Manual
© Tait Electronics Limited May 2005

TP9100 Service Manual 75
© Tait Electronics Limited May 2005
TP9100 portables
Chapter 2
Servicing the Radio

76 TP9100 Service Manual
© Tait Electronics Limited May 2005
Chapter 2 – Servicing the Radio
4 General Information . . . . . . . . . . . . . . . . . . . . . . . . . . . . . . . . . . . . 79
5 Disassembly and Reassembly. . . . . . . . . . . . . . . . . . . . . . . . . . . . . . .101
5.1 Removing and Fitting the Battery . . . . . . . . . . . . . . . . . . . . . . . . . . . . . 102
5.2 Disassembling the Battery Catch . . . . . . . . . . . . . . . . . . . . . . . . . . . . . . 103
5.3 Disassembling the Radio . . . . . . . . . . . . . . . . . . . . . . . . . . . . . . . . . . . . 104
5.4 Reassembling the Radio . . . . . . . . . . . . . . . . . . . . . . . . . . . . . . . . . . . . 112
6 Servicing Procedures . . . . . . . . . . . . . . . . . . . . . . . . . . . . . . . . . . . .127
6.1 Initial Tasks . . . . . . . . . . . . . . . . . . . . . . . . . . . . . . . . . . . . . . . . . . . . . 127
6.2 Final Tasks . . . . . . . . . . . . . . . . . . . . . . . . . . . . . . . . . . . . . . . . . . . . . . 134
7 Interface Fault Finding . . . . . . . . . . . . . . . . . . . . . . . . . . . . . . . . . . .139
8 Power Supply Fault Finding . . . . . . . . . . . . . . . . . . . . . . . . . . . . . . .149
9 Frequency Synthesizer Fault Finding . . . . . . . . . . . . . . . . . . . . . . . . .159
9.1 Initial Checks . . . . . . . . . . . . . . . . . . . . . . . . . . . . . . . . . . . . . . . . . . . . 160
9.2 Power Supplies. . . . . . . . . . . . . . . . . . . . . . . . . . . . . . . . . . . . . . . . . . . 163
9.3 Phase-Locked Loop . . . . . . . . . . . . . . . . . . . . . . . . . . . . . . . . . . . . . . . 170
9.4 Loop Filter . . . . . . . . . . . . . . . . . . . . . . . . . . . . . . . . . . . . . . . . . . . . . . 176
9.5 Receive VCO and Related Circuitry (UHF Radios) . . . . . . . . . . . . . . . 183
9.6 Transmit VCO and Related Circuitry (UHF Radios) . . . . . . . . . . . . . . . 191
9.7 VCO and Related Circuitry (VHF Radios) . . . . . . . . . . . . . . . . . . . . . . 196
9.8 Power Supply for FCL . . . . . . . . . . . . . . . . . . . . . . . . . . . . . . . . . . . . . 205
9.9 VCXO and VCTCXO Outputs . . . . . . . . . . . . . . . . . . . . . . . . . . . . . . 208
9.10 Signals at TP501 and TP502 . . . . . . . . . . . . . . . . . . . . . . . . . . . . . . . . . 210
9.11 VCXO and CODEC Circuitry . . . . . . . . . . . . . . . . . . . . . . . . . . . . . . . 214
11 Receiver Fault Finding . . . . . . . . . . . . . . . . . . . . . . . . . . . . . . . . . . .251
11.1 Faulty Receiver Sensitivity . . . . . . . . . . . . . . . . . . . . . . . . . . . . . . . . . . 252
11.2 Excessive Loss of Sensitivity . . . . . . . . . . . . . . . . . . . . . . . . . . . . . . . . . 253
11.3 Moderate or Slight Loss of Sensitivity . . . . . . . . . . . . . . . . . . . . . . . . . . 258
11.4 Incorrect RSSI Readings. . . . . . . . . . . . . . . . . . . . . . . . . . . . . . . . . . . . 261
11.5 Faulty Radio Mute . . . . . . . . . . . . . . . . . . . . . . . . . . . . . . . . . . . . . . . . 263
11.6 High Receiver Distortion . . . . . . . . . . . . . . . . . . . . . . . . . . . . . . . . . . . 266
TP9100 Service Manual 77
© Tait Electronics Limited May 2005
10 Transmitter Fault Finding. . . . . . . . . . . . . . . . . . . . . . . . . . . . . . . . .217
10.1 Power Supplies . . . . . . . . . . . . . . . . . . . . . . . . . . . . . . . . . . . . . . . . . . . 220
10.2 Transmitter RF Power . . . . . . . . . . . . . . . . . . . . . . . . . . . . . . . . . . . . . 224
10.3 Biasing of PA Driver and PA . . . . . . . . . . . . . . . . . . . . . . . . . . . . . . . . . 230
10.4 RF Signal Path . . . . . . . . . . . . . . . . . . . . . . . . . . . . . . . . . . . . . . . . . . . 239
12 CODEC and Audio ault Finding . . . . . . . . . . . . . . . . . . . . . . . . . . . .269
12.1 Power Supplies . . . . . . . . . . . . . . . . . . . . . . . . . . . . . . . . . . . . . . . . . . . 270
12.2 Faulty Speaker Audio . . . . . . . . . . . . . . . . . . . . . . . . . . . . . . . . . . . . . . 272
12.3 No Audio Tap Out at Accessory Connector. . . . . . . . . . . . . . . . . . . . . . 278
12.4 Faulty Receiver. . . . . . . . . . . . . . . . . . . . . . . . . . . . . . . . . . . . . . . . . . . 282
12.5 Faulty Modulation. . . . . . . . . . . . . . . . . . . . . . . . . . . . . . . . . . . . . . . . . 284
12.6 Faulty Modulation Using Accessory Audio Tap In . . . . . . . . . . . . . . . . . 287
13 Spare Parts . . . . . . . . . . . . . . . . . . . . . . . . . . . . . . . . . . . . . . . . . . .289
13.1 Illustrated Spare Parts Catalogue. . . . . . . . . . . . . . . . . . . . . . . . . . . . . . . 289
13.2 Spares Kits . . . . . . . . . . . . . . . . . . . . . . . . . . . . . . . . . . . . . . . . . . . . . . 293
78 TP9100 Service Manual
© Tait Electronics Limited May 2005

TP9100 Service Manual General Information 79
© Tait Electronics Limited May 2005
4 General Information
Scope of Section This section discusses the two repair levels covered by the service manual,
details concerning website access, the tools, equipment and spares required,
and the setting up of the necessary test equipment. General servicing
precautions are also given, as well as details of certain non-standard SMT
techniques required for level-2 repairs.
4.1 Repair Levels and Website Access
Repair Levels This manual covers level-1 and level-2 repairs of TP9100 radios.
Level-1 repairs comprise the replacement of main boards and other parts
of the radio, including replacements of the non-SMT components:
■power/volume potentiometer
■16-way/3-way selector switch
■antenna SMA connector.
Level-2 repairs comprise repairs of main boards, except for the following
special items:
■digital circuitry (IC701, IC703, IC704, and IC705)
■CODEC 1 (IC204).
Important The main board is complex and should be serviced only by
accredited service centers (ASC). Repairs attempted
without the necessary equipment and tools or by untrained
personnel might result in permanent damage to the radio.
Accreditation of
Service Centers Service centers that wish to achieve ASC status should contact Technical
Support. They will need to provide evidence that they meet the criteria
required for accreditation; Technical Support will supply details of these
criteria. These centers must then make available suitable staff for training by
TEL personnel, allow their service facilities to be assessed, and provide
adequate documentation of their processes. They will be accorded ASC
status and endorsed for repairs after their staff have been trained and their
facilities confirmed as suitable. Existing ASCs need to apply for and be
granted an endorsement for repairs. All ASCs with the necessary
endorsements may carry out level-1 and level-2 repairs of these radios,
whether under warranty or not.
Skills and Resources
for Level-1 Repairs For level-1 repairs basic electronic repair skills are sufficient. Apart from the
standard tools and equipment of any service center, certain torque drivers
are required as well as a service kit.

80 General Information TP9100 Service Manual
© Tait Electronics Limited May 2005
Skills and Resources
for Level-2 Repairs For level-2 repairs expertise is required in SMT repairs of circuit boards with
a very high complexity and extreme component density. Apart from the
tools and equipment needed for level-1 repairs, the standard SMT repair
tools are required. A can-removal tool is strongly recommended but not
mandatory.
Website Access To carry out level-1 and level-2 repairs, service centers need access to the
secured portion of the Technical Support website. There are different access
levels; those required for level-1 and level-2 repairs are:
■level-1 repairs: associate access
■level-2 repairs: ASC and Tait-only access
Log-in passwords are needed for associate and Tait-only access; Technical
Support supplies service centers with the necessary log-in information.
(The unsecured portion of the Technical Support website is accessible to the
general public. This type of access is called public access, and no log-in
password is required.)
Items Available
on Website The information available at the different access levels is summarized in
Table 4.1. The technical notes mentioned are of different types. Associate
technical notes relate to the repair of the radio but not the downloading of
firmware; Tait-only technical notes relate to the firmware. The PCB
information packs are discussed in more detail below.
PCB Information PCB information for a particular circuit board consists of the relevant
BOMs, grid reference indexes, PCB layouts, and circuit diagrams. (The grid
reference indexes give the locations of components on the PCB layouts and
circuit diagrams.) PCB information is compiled whenever there is a major
change in the layout of the board. All PCB informations are published on
the Technical Support website.
Table 4.1 Items relating to TP9100 radios that are available on the Technical Support website
Item Public
access
Associate
access
ASC
access
Tait-only
access
User’s guide
Installation guide
Public technical notes
Product safety and compliance information
•
•
•
•
•
•
•
•
•
•
•
•
•
•
•
•
Product release notes
Specifications
Calibration software
Programming software
Programming user manuals
Fitting instructions
Service manual
Associate technical notes
•
•
•
•
•
•
•
•
•
•
•
•
•
•
•
•
•
•
•
•
•
•
•
•
Software release information
Firmware
Tait-only technical notes
PCB information
•
•
•
•
•
•
•
TP9100 Service Manual General Information 81
© Tait Electronics Limited May 2005
Tai t F O C US
Database An additional source of information to service centers is the Tait FOCUS
call-logging database. (This is accessible on the Technical Support website
also.) All Customer-related technical issues regarding the radios are recorded
on this database. These issues may be raised by both Customers and service
centers. Technical Support resolves the issues and informs the Customer or
service center concerned of the outcome. All issues and their solutions are
available for review by all service centers.
4.2 Tools, Equipment and Spares
Torque-drivers For level-1 and level-2 repairs, excluding SMT repairs of the circuit boards,
the following torque-drivers are required.
■Torx T6, and Torx T10 driver bits
■modified 3/16 inch (8mm) long-reach socket bit (IPN 355-00000-21).
Refer to the illustrations in “Disassembly and Reassembly” on page 101 for
the corresponding torque values.
Tools for
SMT Repairs In general only the standard tools for SMT work are required for level-2
repairs of the circuit boards. In addition, a can-removal tool is recommended
but if none is available, a hot-air tool may be used instead. However, it
should be noted that a hot-air tool affords little control. Even in skilled
hands, use of a hot-air tool to remove cans will result in rapid uncontrolled
rises in the temperature of components under the can being removed as well
as under any adjacent cans. The circuit board might suffer damage as a result.
Test Equipment The following test equipment is required for servicing the radio:
■test PC (with programming and calibration applications loaded)
■RF communications test set (audio bandwidth of at least 10kHz)
■oscilloscope
■digital current meter (capable of measuring up to 20A)
■multimeter
■DC power supply (capable of 7.5V and 3A)
■service kit
Separate instruments may be used in place of the RF communications test
set. These are an RF signal generator, audio signal generator, audio analyzer,
RF power meter, and modulation meter.

82 General Information TP9100 Service Manual
© Tait Electronics Limited May 2005
Service Kit The service kit contains all the items needed for connecting the radio to the
test equipment. The setting up of the equipment is described in “Test
Equipment Setup” on page 86. The service kit also includes a service CD
and a folder with the necessary service documentation, including this
manual. The CD contains the programming application, calibration
application, and soft-copies of the service and related documentation.
The contents of the service kit are listed in Table 4.2.
Note The characters xx below stand for the issue number of the manual.
Only the latest issue of each manual will normally be available for
ordering.
Table 4.2 Contents of service kit (TMAA24-00)
Product code Item
TOPA-SV-006 RF cable
TPA-SV-005 Battery eliminator (power supply adaptor)
TPA-SV-007 Programming cable adapter(RJ12 socket to TP9100)
TPA-SV-011 Calibration cable (DB15 socket to TP9100)
TPA-SV-006 Programming cable (DB9 socket to RJ12 plug)
T950-001 USB to serial adapter (USB1.1 to serial DB9 pin)
TOPA-SV-024 Test unit
TOPA-SV-011 Service tools (including the modified 3/16 inch (8 mm) long-reach socket bit)
MPA-00005-xx Service manual
MPA-00011-xx PCB information
TMAA24-01 Service CD
The following components are included in the service kit, but are used for TM9100 mobile radios only:
TMAA21-01 Calibration cable (DB15 socket to RJ45 plug plus speaker connector)
TMAA23-02 Power cable (40W/50W power connector to banana plugs plus speaker connector)
TMAA20-03 Power cable (25W power connector to banana plugs plus speaker connector)
TMAA20-04 Programming cable (RJ12 socket to RJ45 plug)
MMA-00017-xx Service manual
MMA-00026-xx PCB information

TP9100 Service Manual General Information 83
© Tait Electronics Limited May 2005
4.3 Servicing Precautions
Introduction This section discusses the precautions that need to be taken when servicing
the radios. These precautions fall into the following categories:
■mechanical issues
■compliance issues
■anti-static precautions
■transmitter issues
Service technicians should familiarize themselves with these precautions
before attempting repairs of the radios.
Use of Torque-
drivers Apply the correct torque when using a torque-driver to tighten a screw or
nut in the radio. Under-torquing can cause problems with microphonics and
heat transfer. Over-torquing can damage the radio. The illustrations in
“Reassembling the Radio” on page 112 show the correct torque values for
the different screws and nuts.
Non-Scratch Bench
Top s Use workbenches with non-scratch bench tops so that the mechanical parts
of the radio are not damaged during disassembly and re-assembly.
(The workbench must also satisfy the anti-static requirements specified
below.) In addition, use a clear area of the bench when disassembling and
re-assembling the radio.
Note The radio is designed to satisfy the applicable compliance regula-
tions. Do not make modifications or changes to the radio not
expressly approved by TEL. Failure to do so could invalidate com-
pliance requirements and void the Customer’s authority to operate
the radio.
Sealing of Radio To maintain the sealing of the radio to IP54 standards, ensure that all seals
are fitted correctly when reassembling the radio.

84 General Information TP9100 Service Manual
© Tait Electronics Limited May 2005
ESD Precautions Important This equipment contains devices which are susceptible to
damage from static discharges. You must handle these
devices carefully and according to the procedures described
in the manufacturers’ data books.
Purchase an antistatic bench kit from a reputable manufacturer and install
and test it according to the manufacturer’s instructions. Figure 4.1 shows a
typical antistatic bench set-up.
You can obtain further information on antistatic precautions and the dangers
of electrostatic discharge (ESD) from standards such as ESD S4.1-1997
(revised) or EN 100015-4 1994. The Electrostatic Discharge Association
website is http://www.esda.org/.
Storage and
Transport
of Items
Always observe anti-static precautions when storing, shipping or carrying
the circuit boards and their components. Use anti-static bags for circuit
boards and anti-static bags or tubes for components that are to be stored or
shipped. Use anti-static bags or trays for carrying circuit boards, and foil or
anti-static bags, trays, or tubes for carrying components.
Anti-static
Workbenches Use an anti-static workbench installed and tested according to the
manufacturer’s instructions. A typical installation is shown in Figure 4.1.
These benches have a dissipative rubber bench top, a conductive wrist strap,
and a connection to the building earth. The material of the bench top must
satisfy not only anti-static requirements but also the non-scratch
requirements mentioned above.
Figure 4.1 Typical antistatic bench set-up
to building ground or
mains ground via
1MΩ series resistor
conductive wrist strap dissipative rubber
bench mat

TP9100 Service Manual General Information 85
© Tait Electronics Limited May 2005
Transmitter Issues The following issues relate to the operation of the transmitter:
■RF burns
■antenna loading
■test transmissions
■accidental transmissions
■distress beacons
The precautions required in each case are given below.
Caution Avoid RF burns. Do not touch the antenna while the
transmitter is operating.
Important The radio has been designed to operate with a 50Ω
termination impedance. Do not operate the transmitter
without a suitable load. Failure to do so might result in
damage to the power output stage of the transmitter.
Important While servicing the main board, avoid overheating the
radio during test transmissions. The following is good
practice: Secure the main-board assembly in the chassis
with the two external screws and one of the internal screws.
The heat-transfer block must be secured to the main board.
The lid of the radio body may be left off. After completing
any measurement or test requiring activation of the
transmitter, immediately return the radio to the receive
mode.
Important Under certain circumstances the microprocessor can key on
the transmitter. Ensure that all instruments are protected at
all times from such accidental transmissions.
Note The frequency ranges 156.8MHz±375kHz, 243MHz±5kHz,
and 406.0 to 406.1MHz are reserved worldwide for use by distress
beacons. Do not program transmitters to operate in any of these
frequency bands.
86 General Information TP9100 Service Manual
© Tait Electronics Limited May 2005
4.4 Test Equipment Setup
Introduction This section covers the setting up of the test equipment for servicing the
radios, as well as related aspects:
■setting up of test equipment, including test unit
■basic programming and calibration tasks
■invoking CCTM (computer-controlled test mode)
■summary tables of CCTM commands and error codes
■visual and audible indications provided by radio
Connect Equipment Connect the test equipment to the radio as shown in Figure 4.2. Use the test
unit, cables and adaptor of the service kit. Refer to “Tools, Equipment and
Spares” on page 81 for details of the test equipment and service kit.
The test unit is described in “TOPA-SV-024 Test Unit” on page 319.
For testing receive and transmit functions respectively, the switches of the
test unit must be set as described below. (When programming or calibrating
radios the switches have no effect, although it is good practice to set the
MODE switch to “RX”.)
Settings for
Receive Tests For receive tests set the switches on the test unit as follows:
■HOOK switch : “OFF HOOK”
■MODE switch : “RX”
■AUDIO IN switch : “OFF”
■AUDIO OUT switch: “SPEAKER” or “LOAD”
In the last-named case, with the switch in the “SPEAKER” position, the
received audio is output from the test unit’s speaker. In the “LOAD” position a
16Ω load is switched into the circuit in place of the test unit’s speaker.
Note, however, that the AUDIO OUT switch has no effect on the radio’s speaker.
Settings for
Transmit Tests For transmit tests set the switches on the test unit as follows:
■HOOK switch : “OFF HOOK”
■MODE switch : “RX” initially
■AUDIO IN switch : “MIC AUDIO”
■AUDIO OUT switch: (immaterial)
When ready to transmit, set the MODE switch to the “TX/PTT” position.
This switch functions in the same way as the PTT switch on the radio.
Service CD Install the programming and calibration applications on the test PC. These
applications are included on the service CD supplied with the service kit.

TP9100 Service Manual General Information 87
© Tait Electronics Limited May 2005
Figure 4.2 Test setup
radio connector
(DB15)
receive audio /
SINAD connector
(BNC)
transmit audio
connector (BNC)
computer
connector
(RJ12)
serial port
(DB9)
banana plugs
AC input
(BNC)
audio
monitor
out (BNC)
AUDIO
IN HI
(BNC)
AUDIO
OUT
(BNC)
RF in/out
(N-type)
TOPA-SV-024
TPA-SV-006
cable
T950-001
USB1.1 to serial
DB9 adapter
(optional)
RF comms set
Test PC
Oscilloscope
DC power supply
antenna
connector (SMA)
TPA-SV-005
battery eliminator
TPA-SV-011 cable
TP9100
radio TOPA-SV-006 cable

88 General Information TP9100 Service Manual
© Tait Electronics Limited May 2005
4.5 Replacing Main Board Components
This section describes the procedure for obtaining the correct replacement
for any faulty component on the main board.
■identify version of PCB information applicable to board
■identify replacement component in BOM of PCB information
■consult technical notes
■obtain replacement component
The technical notes will indicate whether there have been any changes
affecting the component in question.
Identify
PCB Information Identify the IPN of the PCB and compare the issue number with that in the
PCB information supplied with the service documentation.
Note The IPN is the ten-digit number printed at one corner of the
board. The last two digits in the IPN represent the issue number
of the PCB.
If the issue numbers match, consult the BOM as described below. If the issue
number indicates that the board is either an earlier or a later version, obtain
the PCB information for the board under repair from the Technical Support
website (support.taitworld.com).
Tip Print and store a copy of every PCB information published on the
Technical Support website.
Identify
Replacement
Component
After locating the correct PCB information for the board, consult the BOM
for the board. Identify the component in question in the BOM.
Note, however, that a new PCB information is published only whenever
there is a major change in the design of the board. A major change normally
involves a change in the layout of the PCB, which requires that the issue
number in the IPN be incremented. Any minor changes following a major
change (and preceding the next major change) normally involve only
changes in the components on the board. Such minor changes might affect
the component in question. To determine if this is the case, consult any
technical notes that might apply to the board as described below.
Consult Technical
Notes A technical note about each major change is published on the Technical
Support website (support.taitworld.com). Technical notes giving details of
any intervening minor but important changes are also published. It is
advisable to print and store a copy of every technical note published.
Obtain
Replacement
Component
Determine if the required replacement component is included in one of the
spares kits. (Check with TEL regarding the availability of the kit.)
If the required component is not included in a kit, order the component
from a CSO or, in the case of a CSO, from TEL. Always ensure that the
replacement component has the identical specification to that given in the
BOM. It is particularly important for the tolerances to be the same.

TP9100 Service Manual General Information 89
© Tait Electronics Limited May 2005
4.6 Shielding Cans and Connectors
The shielding cans on the top- and bottom-side of the main board are
identified in Figure 4.3. The figures also show the locations of the
connectors on the board.
Figure 4.3 Shielding cans and connectors
DIG BOT
REG
1V8
TOP
FCL TOP
SYN TOP
DIG TOP
CDC TOP
VCO TOP
REG 5V
TOP
PA EX TOP
LO2
TOP
RX FE TOP
MIXER
TOP
VCXO BOT
SYN BOT
VCO BOT
CDC BOT
REG 3V3
BOT
PA BOT
PA LPF
BOT TX CONTROL
BOT IF IQ
BOT
accessory
connector
[PL1]
front-panel interface
connector ([PL2]
battery pins
speaker pins
antenna SMA
connector
[SK3]

90 General Information TP9100 Service Manual
© Tait Electronics Limited May 2005
Can Removal
and Installation Cans are best removed and installed using a can-removal tool. If this tool is
available, technicians should refer to the documentation supplied with the
tool for the correct procedures. If the tool is not available, a hot-air tool may
be used instead. However, technicians require training in the best techniques
to employ in the absence of a can-removal tool. Such training is part of the
accreditation process for service centers.
Spare Cans It is good practice to discard any can that has been removed and replace it
with a spare can. If this is not done, special precautions are needed when re-
installing the original can. These precautions are discussed as part of the
training for accreditation.
4.7 SMT Repair Techniques
Standard
Procedures Service centers carrying out level-2 repairs are expected to be familiar with
the standard techniques for the replacement of SMT components. However,
certain components on the main board require non-standard techniques and
these are discussed below. Another issue of concern is the procedure for
removing and installing cans. A discussion of the issue concludes this section.
Non-standard
Procedures Do not use the standard SMT repair techniques when replacing the
inductors L601 and L602. The standard techniques tend to produce
excessive heat, which will damage these components. Do not use a hot-air
tool or heat gun. Instead use solder paste and a standard soldering iron with
an iron tip with a specified temperature of 600°F (315°C). The inductors
are part of the SMPS of the power-supply circuitry on the bottom-side of
the board. Figure 4.4 on page 90 shows the locations of the components.
Figure 4.4 Locations of the inductors L601 and L602 (top side)
B1 board (H5 and H6 similar)
TP9100 Service Manual General Information 91
© Tait Electronics Limited May 2005
4.8 Computer-Controlled Test Mode (CCTM)
The servicing procedures require a radio to be placed in the computer-
controlled test mode. In this mode CCTM commands can be entered at the
test PC. These commands are then relayed via the test unit to the radio.
Certain CCTM commands cause the radio to carry out particular functions;
others read particular settings and parameter values in the radio. The CCTM
commands of use in servicing radios are listed in Table 4.3 to Table 4.8,
grouped according to category.
Terminal Program
for CCTM Use the calibration application to place the radio in CCTM. To do this, run
the calibration application, select Tools > CCTM, and click the CCTM Mode
button. For more information, refer to the online help of the calibration
application.
You can also use the HyperTerminal utility which is supplied with Microsoft
Windows. As a preliminary, first select the settings for the communications
port as follows:
1. Open the terminal program. (In the case of HyperTerminal, click
Start > Programs > Accessories > Communications > HyperTerminal.)
2. In the terminal program first select the COM port to which the radio
is connected. Then select the following settings for the port:
■bits per second : 19 200
■data bits : 8
■parity : none
■stop bits : 1
■flow control : none
3. Click the OK button (or equivalent).
4. Save the file with the port settings under a suitable name.
For subsequent sessions requiring the terminal program, open this
file.
Invoking CCTM Using the terminal program, place the radio in CCTM as follows:
1. Enter the character ^ to reset the radio.
2. As soon as the radio is reset, the letter v is displayed. (If an uppercase
letter V appears, this implies a fault.)
3. Immediately after the letter v is displayed, enter the character%.
(The character% must be entered within half a second of the letter v
appearing.)
4. If the character% is accepted, the character – is displayed in response,
and the message Te s t M o d e appears on the radio display. This implies
that the radio has entered CCTM. If the attempt fails, repeat Steps 1
to 3.

92 General Information TP9100 Service Manual
© Tait Electronics Limited May 2005
Table 4.3 CCTM commands in the audio category
Command
Usage
Entry at keyboard Response on screen
Audio category
20 – Mute received audio
Forces muting of the received
audio signal
20 None
21 – Unmute received audio
Forces unmuting of the received
audio signal
21 None
22 – Mute microphone
Mutes transmit modulation
(effectively mutes microphone
audio)
22 None
23 – Unmute microphone
Unmutes transmit modulation
(effectively unmutes microphone
audio)
23 None
74 – Audio PA
Controls the state of the audio PA
(and hence enables or disables the
speaker)
74 x
where x is the required state
(0=stand-by, 1=on, 2=mute)
None
110 – Audio volume
Sets the level of the audio volume
110 x
where x defines the required level
(any integer from 0 to 255)
None
138 – Select microphone
Selects the microphone required
138 x
where x is the required microphone
(0=internal speaker/microphone];
1=accessory microphone)
None
323 – Audio tap in
Generates the audio tone AUD TAP IN
at the specified tap point
323 x y
where x specifies the tap point
(such as r10, t3 or t4) and y the tap
type (A=bypass in, B=combine,
E=splice) (the default is A when y is
omitted).
Note: only the above tap in points
are valid in P25 digital mode.
None
324 – Audio tap out
Outputs the audio signal at the
specified tap point to AUD TAP OUT
324 x y
where x specifies the tap point
(such as r1) and y the tap type
(C=bypass out, D=split, E=splice)
(the default is D when y is omitted)
Note: only the above tap out point
is valid in P25 digital mode.
None

TP9100 Service Manual General Information 93
© Tait Electronics Limited May 2005
Table 4.4 CCTM commands in the radio-information, radio-control and system categories
Command
Usage
Entry at keyboard Response on screen
Radio-information category
94 – Radio serial number
Reads the serial number of the
radio
94 x
where x is the serial number
(an eight-digit number)
96 – Firmware version
Reads the version number of the
radio firmware
96 QPA1F_x_y
where x is a three-character
identifier and y is an eight-digit
version number
97 – Boot-code version
Reads the version number of the
boot code
97 QPA1B_x_y
where x is a three-character
identifier and y the version number
98 – FPGA version
Reads the version number of the
FPGA
98 QPA1G_x_y
where x is a three-character
identifier and y is the version
number
133 – Hardware version
Reads the product code of the
radio body and the hardware
version number
133 TPAB1x-y_z
where y is the last four characters
of the product code and z is the
version number
134 – FLASH serial number
Reads the serial number of the
FLASH memory
134 x
where x is the serial number
(a 16-digit hexadecimal number)
Radio-control category
400 – Select channel
Changes the current channel to
that specified
400 x (alternatively *x)
where x is a valid channel number
None
System category
46 – Supply voltage
Reads the supply voltage
46 x
where x is the supply voltage in
millivolts
203 – Clear system error
Clears the last recorded system
error
203 None
204 – Read system error
Reads the last recorded system
error and the associated data
204 System Error Dump
System Error Number: x
y
where x is the hexidecimal error
number and y is associated data
such as a firmware file and line
reference.

94 General Information TP9100 Service Manual
© Tait Electronics Limited May 2005
Table 4.5 CCTM commands in the frequency-synthesizer and receiver categories
Command
Usage
Entry at keyboard Response on screen
Frequency-synthesizer category
72 – Lock status
Reads the lock status of the RF PLL,
FCL and LO2 respectively
72 x y z
where x is the RF PLL, y the FCL,
and z the LO2 lock status
(0=not in lock, 1=in lock)
101 – Radio frequencies
Sets the transmit and receive
frequencies to specified values
101 x y 0
where x is the transmit and y the
receive frequency in hertz
(any integer from 50 000 000 to
1000 000 000)
None
334 – Synthesizer power
Switches the frequency synthesizer
on or off via the DIG SYN EN line
334 x
where x is the required state
(0=off, 1=on)
None
335 – Synthesizer switch
Switches the transmit-receive
switch of the frequency synthesizer
on or off via the DIG SYN TR SW line
335 x
where x is the required state
(0=off, 1=on)
None
Receiver category
32 – Receive mode
Sets the radio in the receive mode
32 None
63 – RSSI level
Reads the averaged RSSI level
63 x
where x is the averaged level in
multiples of 0.1 dBm
376 – Front-end tuning
Sets or reads the tuning voltage for
the front-end circuitry of the
receiver
376 (to read voltage) x
where x is the front-end tuning
voltage in millivolts
376 x (to set voltage)
where x is the front-end tuning
voltage in millivolts
(any integer from 0 to 3000)
None
378 – Receiver output level
Reads the signal power at the
output of the channel filter
(the square of the amplitude)
378 x
where x is the signal power in dB

TP9100 Service Manual General Information 95
© Tait Electronics Limited May 2005
Table 4.6 CCTM commands in the transmitter category (part 1)
Command
Usage
Entry at keyboard Response on screen
Transmitter category
33 – Transmit mode
Sets the radio in the transmit mode
33 None
114 – Transmitter power
Sets or reads the transmitter power
setting (compare command 326)
114 (to read value) x
where x is the current power
setting
114 x (to set value)
where x is the required power
setting (an integer from 0 to 1023)
None
304 – Driver bias
Sets or reads the clamp current at
the gate of the PA driver
304 (to read value) x
where x is the DAC value of the
clamp current (an integer from 0 to
255)
304 x (to set value)
where x is the required DAC value
of the clamp current
(an integer from 0 to 255)
None
326 – Transmitter power
Sets the power level of the
transmitter
326 x
where x specifies the level
(0=off, 1=very low, 2=low,
3=medium, 4=high)
None
331 – Final bias 1
Sets or reads the bias voltage for
the PA
331 (to read value) x
where x is the DAC value of the
bias voltage (an integer from 0 to
255)
331 x (to set value)
where x is the DAC value of the
required bias voltage
(any integer from 0 to 255)
None
803 – Temperature
Reads the temperature in the
vicinity of the front panel and PA
803 FPI = x TX = y
where x is the temperature near
the front panel and y is the
temperate near the PA. To convert
to °C, use this formula:
temp = (x or y/-2.37)+160

96 General Information TP9100 Service Manual
© Tait Electronics Limited May 2005
Table 4.7 CCTM commands for the user interface
CCTM command Entry at keyboard Response on screen
513 - Generate audible indicator
Sounds a programmed audible indicator on the
radio
513 x
where x is an integer from 1 to 85
none
804 - Read volume potentiometer
Returns the current volume pot level
804 x
where x is the raw
volume pot ADC
value. This reading is
inversely proportional
to the set volume
level, and will be
approximately 100 to
950.
820 - Battery monitoring
Start or stops a log of battery information such
as voltage and temperature
820 1 = start log of battery
information (returned every ten
seconds)
820 0 = stop log
Charging, Temp,
PackV, SubPackV,
Current, PackT, Cap,
DisT, EndOfChargeT,
LastCapM,
CapCorrection,
LastChargeT,
StatusMsg
855 - LCD
Alters or resets the radio’s LCD
855 x
where x is the command for the
LCD (0 to 255, for example, 165
turns all pixels on, 164 reverts to
normal pixel display, 167 inverts
display, 166 turns invert off, 65 to
127 sets display start address)
none
Table 4.8 CCTM commands for digital P25 mode
CCTM command Entry at keyboard Response on screen
700 - Radio mode
Sets the radio’s mode of operation (analog FM or
digital P25)
700 x
where x is the mode (0=analog FM
mode, 1=digital P25 mode)
none
714 - Transmit P25 test pattern
Transmits a 1011Hz audio tone test pattern
714 4 none

TP9100 Service Manual General Information 97
© Tait Electronics Limited May 2005
CCTM Error Codes Once the radio is in CCTM, the CCTM commands may be entered as
shown in Table 4.3 to Table 4.8. Depending on the command, a response
might or might not be displayed. If an error occurs, an error code will be
displayed. Possible error codes are listed in Table 4.9.
Table 4.9 CCTM error codes
Error code Description
C01 An invalid CCTM command has been received. Enter a valid CCTM command.
C02 A valid CCTM command with invalid parameters has been received. Re-enter the CCTM
command with valid parameters.
C03 A valid CCTM command has been received but cannot be processed at this time. Enter the
CCTM command again. If the error persists, power the radio down and up again, and re-enter
the CCTM command.
C04 An error occurred on entry into CCTM. Power the radio down and up again, and place the
radio in CCTM again.
C05 The radio has not responded within the specified time. Re-enter the CCTM command.
X04 The DSP is not responding. Check the DSP pin connections. If the error persists, replace the
DSP.
X05 The version of the DSP is incompatible with the version of the radio firmware. Replace the DSP
with a later version.
X06 The internal configuration of the MCU is incorrect. Adjust the configuration.
X31 There is an error in the checksum for the model configuration.
X32 There is an error in the checksum for the radio’s database.
X35 The radio temperature is above the T1 threshold and a reduction in the transmit power is
impending. To avoid damaging the radio, stop transmitting until the radio has cooled down
sufficiently.
X36 The radio temperature is above the T2 threshold and the inhibiting of transmissions is
imminent.
X37 The supply voltage is less than the V1 threshold.
X38 The supply voltage is less than the V2 threshold and the radio has powered itself down.
The radio will not respond to the reset command character ^.

98 General Information TP9100 Service Manual
© Tait Electronics Limited May 2005
4.9 Visual and Audible Indications
Visual and audible indicators give information about the state of the radio.
Visual indications are provided by the status LED and LCD display.
The information conveyed by the status LED is listed in Table 4.10.
The LCD display normally displays channel and user information, or error
messages. For more information on the LCD display during normal
operation, refer to the user’s guide. The error messages are listed in Table 6.1
on page 131. Audible indications are provided in the form of different tones
emitted from the speaker. The information conveyed by the tones is given
in Table 4.11 on page 99.
Table 4.10 Visual indications provided by the status LED
LED color LED name Indications Meanings
Red Transmit LED is on The radio is transmitting
LED flashes (1) The transmit timer is about to expire
(2) The radio cannot transmit because the channel is busy
(3) The battery is low
(4) The radio is ready to use (on power-up)
Green Receive and
monitor
LED is on There is activity on the current channel, although it might
not be audible
LED flashes The monitor or squelch override has been activated
Amber Scanning LED flashes The radio has detected activity on a certain channel and
scanning has halted on this channel

TP9100 Service Manual General Information 99
© Tait Electronics Limited May 2005
Table 4.11 Audible indications
Type of tone Meanings
One short beep (1) On power-down — Radio is off
(2) On pressing key — Key-press is valid
(3) On pressing function key — Function has been initiated
(4) While inserting radio in charger — Battery charging has commenced.
(5) While removing radio from charger — Battery charging has stopped
One short low-pitched beep On pressing function key again — Function has been terminated
One short high-pitched beep Repeated beep every ten seconds while powered up — Battery level is low.
One long low-pitched beep (1) On pressing key — Key-press is invalid
(2) On pressing PTT switch — Transmission is inhibited
(3) While powered up — Battery is flat
Two short beeps On power-up — Radio is ready to use
Three short beeps While powered up — Previously busy channel is now free
Three beeps During transmission — Transmit time-out is imminent; transmission will be
terminated in 10 seconds
Warble While powered up — Frequency synthesizer is out of lock on current channel;
LCD will usually display Out of Lock.
Continuous low-pitched
tone
While powered up — System error has occurred and radio might be inoperable;
LCD usually displays E1 or E2.
100 General Information TP9100 Service Manual
© Tait Electronics Limited May 2005

TP9100 Service Manual Disassembly and Reassembly 101
© Tait Electronics Limited May 2005
5 Disassembly and Reassembly
Overview This section describes how to:
■remove and fit the battery
■disassemble and reassemble the battery catch
■disassemble and reassemble the radio
General Important Before disassembling the radio, disconnect the radio from
any test equipment or power supply.
Disassemble only as much as necessary to replace the defective parts.
Inspect all disassembled parts for damage and replace them, if necessary.
Observe the torque settings indicated in the relevant figures.
For information on spare parts, refer to “Spare Parts” on page 289.

102 Disassembly and Reassembly TP9100 Service Manual
© Tait Electronics Limited May 2005
5.1 Removing and Fitting the Battery
Removing the
Battery 1. Simultaneously squeeze both battery catches inwards to release the
catch mechanism.
2. Tilt the top of the battery outwards and lift the lugs at the bottom of
the battery out of the holes at the bottom of the radio.
Fitting the Battery 1. Insert the lugs at the bottom of the battery into the holes at the bot-
tom of the radio.
2. Push the top of the battery towards the radio until the catch
mechanism snaps in.
Figure 5.1 Removing the battery from the radio

TP9100 Service Manual Disassembly and Reassembly 103
© Tait Electronics Limited May 2005
5.2 Disassembling the Battery Catch
Reassembly is carried out in reverse order of the disassembly.
The circled numbers in this section refer to the items in Figure 5.2.
1. Undo the two screws B and remove the battery catch support bracket
C.
Note The left battery catch D and the right battery catch E are sym-
metrical but different parts.
2. Remove the left battery catch D, the right battery catch E, and the
two springs F.
Figure 5.2 Components of the battery catch
BTorx T6 screw K1.8x5 PT (x2)
Cbatter catch support bracket
Dleft battery catch
Eright battery catch
Fbattery catch spring (x2)
B
c
E
D
f
f
3600z_01
Torx T6
2lb·in (0.23N·m)

104 Disassembly and Reassembly TP9100 Service Manual
© Tait Electronics Limited May 2005
5.3 Disassembling the Radio
Disassemble only as much as necessary to replace the defective parts.
For reassembly instructions, refer to “Reassembling the Radio” on
page 112.
Removing the
Knobs and the
3-way Actuator
The circled numbers in this section refer to the items in Figure 5.3.
1. With your fingers, pull off the volume knob D.
2. Inspect the volume knob seal E and replace it, if necessary.
3. With your fingers, pull off the channel knob B.
4. With your fingers, pull off the 3-way actuator C.
Figure 5.3 Removing the knobs and the 3-way actuator
Bchannel knob Dvolume knob
C3-way actuator Evolume knob seal
D
E
C
B
3651z_01

TP9100 Service Manual Disassembly and Reassembly 105
© Tait Electronics Limited May 2005
Removing the
Chassis from the
Front Panel
The circled numbers in this section refer to the items in Figure 5.4.
1. If fitted, remove the battery and unscrew the antenna.
2. Use a Torx T6 screwdriver to remove the two screws B.
3. While holding the radio with the chassis facing down, tap the bottom
end of the radio on the workbench. Remove the chassis assembly C
from the front-panel assembly G.
4. Remove the top seal D.
5. Inspect the main seal E and replace it if necessary.
6. Remove the keypad F.
Figure 5.4 Removing the chassis from the front panel
BTorx T6 screw M2x8 (x2) Emain seal
Cchassis assembly Fkeypad
Dtop seal Gfront-panel assembly
C
B
B
x2
D
C
E
F
G
3652z_01

106 Disassembly and Reassembly TP9100 Service Manual
© Tait Electronics Limited May 2005
Removing the
Main-Shield
Assembly
The circled numbers in this section refer to the items in Figure 5.5 on
page 107.
1. Remove the LCD frame B from the main-shield assembly D.
Important Do not try to separate the LCD assembly from the main-
shield assembly.
2. Remove the two speaker pin frames C.
3. To separate the main shield assembly D from the chassis:
a. Insert a small screwdriver into the recess point of the chassis
adjacent to the catches engaging the main-shield assembly
(see detail in Figure 5.5)
b. Carefully separate the main-shield assembly from the chassis.
Note the two locating holes at the top of the main-shield assembly
which fit over two locating pins at the top of the chassis.
4. Release the lock of the front-panel interface connector at the bottom
of the main board F and unplug the front-panel loom.
Removing the
Main Board The circled numbers in this section refer to the items in Figure 5.5 on
page 107.
1. Use a Torx T6 screwdriver to remove the screw E fastening the main
board F to the chassis I.
2. Use a screwdriver with the modified 5/16 inch (8mm) long-reach
socket to remove the SMA nut J and the two knob nuts 1).
3. Hold the main board at the bottom break-off points and pull it
upwards to separate it from the chassis.
Important Do not move the main board past the maximum extension
of the flexible accessory board before disconnecting it from
the accessory connector.
4. Use rubber-nose pliers to disconnect the flexible accessory board
from the accessory connector [PL1] on the underside of the main
board.
Note Make sure not to touch the thermal paste on the screw boss of the
chassis and the underside of the main board. If the thermal paste
is contaminated, you must re-apply thermal paste as described in
“Reassembling the Radio” on page 112.
5. Remove the battery pin seal G.
6. If necessary, remove the chassis plug seal H.

TP9100 Service Manual Disassembly and Reassembly 107
© Tait Electronics Limited May 2005
Figure 5.5 Removing the main-shield assembly and the main board
BLCD frame Gbattery pin seal
Cspeaker pin frame (x2) Hchassis plug seal
Dmain-shield assembly Ichassis
ETor x T 6 sc rew M2 x 5 JSMA nut
Fmain board 1) knob nut (x2)
c
x2
d
e
f
g
h
i
J
1)
thermal paste
(screw boss)
3653z_01
front-panel
interface connector
front-panel loom
recess point
main-shield
assembly
chassis
break-off points
b
locating holes
speaker pins
flexible accessory
board
locating pins

108 Disassembly and Reassembly TP9100 Service Manual
© Tait Electronics Limited May 2005
Removing the
LCD Assembly and
the Front-Panel
Loom
The circled numbers in this section refer to the items in Figure 5.6.
1. Release the lock of the LCD connector on the back of the main-
shield assembly C and unplug the loom of the LCD assembly D.
2. Remove the LCD assembly D.
3. Release the lock of the front-panel loom connector and disconnect
the front-panel loom B.
Figure 5.6 Removing the LCD assembly and the front-panel loom
Bfront-panel loom
Cmain-shield assembly
DLCD assembly
3654z_01
C
D
LCD connector
loom of LCD assembly
front-panel loom
connector
B

TP9100 Service Manual Disassembly and Reassembly 109
© Tait Electronics Limited May 2005
Removing the
Rear Panel and the
Flexible Accessory
Board
The circled numbers in this section refer to the items in Figure 5.7.
1. Turn the lock of the dummy cover B clockwise by a quarter turn,
and remove the dummy cover.
2. With two thumbs, push the top of the rear panel C off the chassis F,
and unclip the rear panel. If necessary, carefully insert a flat-bladed
screwdriver at the top between the rear panel and the chassis.
3. Remove the rear-panel seal D. The rear-panel seal is self-adhesive and
must be replaced each time it is removed.
4. Remove the flexible accessory board E.
Figure 5.7 Removing the rear panel and the flexible accessory board
Bdummy cover
Crear panel
Drear-panel seal
Eflexible accessory board
Fchassis
C
B
D
E
F
3657z_01

110 Disassembly and Reassembly TP9100 Service Manual
© Tait Electronics Limited May 2005
Removing the
PTT Keypad The circled numbers in this section refer to the items in Figure 5.8.
Important When removing the PTT lock spring B, care must be
taken to avoid damaging the mating surface for the main
seal inside the front-panel assembly.
1. While pushing on the ridge (B) between the PTT key and the lower
function key, use pliers to remove the PTT lock spring B.
2. Place a small screwdriver on the T-shaped protrusion (C) on the
inside of the PTT frame E, and push the PTT frame off the front
panel C.
3. Remove the PTT keypad D from the PTT frame E.
4. Remove the blue PTT pressel F and the two red function key
pressels G.
Figure 5.8 Removing the PTT keypad
BPTT lock spring EPTT keypad
Cfront-panel assembly FPTT pressel
DPTT frame Gfunction key pressel (x2)
C
B
3655z_01
D
E
G
F
C
B

TP9100 Service Manual Disassembly and Reassembly 111
© Tait Electronics Limited May 2005
Removing the
Speaker The circled numbers in this section refer to the items in Figure 5.9.
1. Use a Torx T6 screwdriver to unscrew the screw B and remove the
speaker clamp C.
2. Use a small flat-bladed screwdriver to remove the speaker D.
The speaker adhesive ring E must be replaced each time the speaker
is removed.
3. If necessary, remove the speaker cloth F.
Figure 5.9 Removing the speaker
BTorx T6 screw K1.8x5 PT Espeaker adhesive ring
Cspeaker clamp Fspeaker cloth
Dspeaker
B
3656z_01
C
D
E
F

112 Disassembly and Reassembly TP9100 Service Manual
© Tait Electronics Limited May 2005
5.4 Reassembling the Radio
Inspect all disassembled parts for damage and replace them, if necessary.
Fitting the Speaker The circled numbers in this section refer to the items in Figure 5.10 on
page 113.
1. Use alcohol to remove any adhesive residue left by the old adhesive
speaker ring E.
2. If the speaker cloth F has been removed, peel the new speaker cloth
off the backing, and evenly press the speaker cloth on the contact
surface inside the recess of the front panel.
3. Place the front of the new speaker D on sandpaper (grain 800 to
1000) and lightly sand the front rim in a figure-8 pattern.
4. The new adhesive speaker ring is provided on a sheet with backing
on both sides and pre-cut on one side. To fit the adhesive speaker ring
to the speaker:
a. Remove and discard the inside
part by pushing it through the
adhesive speaker ring.
b. Peel off the backing of the adhe-
sive speaker ring on the pre-cut
side.
c. Press the speaker onto the adhe-
sive speaker ring.
d. Push the speaker and the adhe-
sive speaker ring through the
outside part.
e. Peel off the second backing of
the adhesive speaker ring.
5. Place the speaker into the recess of the front panel. Ensure that the
terminals face up to the alignment feature. Press down hard over the
entire perimeter for ten seconds.
6. Inserting the top of the speaker clamp E into the recess inside the top
of the front panel.
7. Use a Torx T6 torque-driver to tighten the screw E to 2lb·in
(0.23N·m).
inside part
outside part
adhesive
speaker ring
pre-cut side

TP9100 Service Manual Disassembly and Reassembly 113
© Tait Electronics Limited May 2005
Figure 5.10 Fitting the speaker
BTorx T6 screw K1.8x5 PT Espeaker adhesive ring
Cspeaker clamp Fspeaker cloth
Dspeaker
B
3656z_01
Torx T6
2lb·in (0.26N·m)
Alignment feature
Recess for
speaker clamp
Screw boss for
speaker clamp
C
D
E
F
Alignment feature
114 Disassembly and Reassembly TP9100 Service Manual
© Tait Electronics Limited May 2005
Fitting the
PTT Keypad The circled numbers in this section refer to the items in Figure 5.11 on
page 115.
1. Insert the blue PTT pressel F and the two red function key pressels
G in the side of the front panel C.
2. Insert the PTT keypad E into the PTT frame D.
3. Fit the PTT frame D and the PTT keypad E to the front panel C by
first inserting the bottom tab, then bending the PTT frame slightly to
allow the top tab to slide in.
4. While pushing on the ridge between the PTT key and the lower
function key (B), use pliers to fit the PTT lock spring B over the
PTT keypad’s T-shaped protrusion on the inside of the front panel
(see detail in Figure 5.11). The PTT lock spring can only be inserted
one way.

TP9100 Service Manual Disassembly and Reassembly 115
© Tait Electronics Limited May 2005
Figure 5.11 Fitting the PTT keypad
BPTT lock spring EPTT keypad
Cfront-panel assembly FPTT pressel
DPTT frame Gfunction key pressel (x2)
C
B
3655z_01
D
E
G
F
B

116 Disassembly and Reassembly TP9100 Service Manual
© Tait Electronics Limited May 2005
Fitting the Flexible
Accessory Board
and the Rear Panel
The circled numbers in this section refer to the items in Figure 5.12 on
page 117.
1. Pre-bend the joint of the flexible accessory board E and its loom by
90° as illustrated in Figure 5.12.
2. Feed the loom through the slot in the chassis F and place the flexible
accessory board into the cavity provided.
3. Peel off the backing of a new rear-panel seal D and place the rear-
panel seal over the flexible accessory board and chassis. To achieve
proper sealing, use a blunt instrument to press down the rear-panel
seal inside the perimeter of the rear-panel seal and around all holes.
4. At an inclined angle (B),
slide the rear panel onto
the chassis until the two
lugs of the rear panel are
positioned under the two
lugs of the chassis.
5. Press against the top edge
(C) of the rear panel until
the rear panel clicks into
place.
6. If applicable, fit the dummy cover B and turn the lock counter-
clockwise by a quarter turn.
lug of rear panel
lug of chassis
C
B

TP9100 Service Manual Disassembly and Reassembly 117
© Tait Electronics Limited May 2005
Figure 5.12 Fitting the flexible accessory board and the rear panel
Bdummy cover
Crear panel
Drear-panel seal
Eflexible accessory board
Fchassis
C
B
D
E
F
slot
loom
3657z_01

118 Disassembly and Reassembly TP9100 Service Manual
© Tait Electronics Limited May 2005
Fitting the Non-SMT
Components This section describes how to fit the following non-SMT components to
the main board:
■power/volume potentiometer [RV1] B
■16-way/3-way selector switch [RSW1] C
■antenna SMA connector [SK3] D
The circled numbers in this section refer to the items in Figure 5.13.
1. In case of the power/volume potentiometer B, insert the potentio-
meter into the vector plate E.
2. Tack-solder the component(s) to the main board at two diagonally
opposite legs.
3. Fit the main board to the chassis as described in “Fitting the
Main Board” on page 120, but do not fit the two knob nuts and the
SMA nut.
4. De-solder the legs tack-soldered in step 2.
5. Fit and tighten the two knob nuts and the SMA nut as described in
“Fitting the Main Board” on page 120.
6. Solder all legs of the component(s).
Figure 5.13 Fitting the non-SMT components
Bpower/volume potentiometer Dantenna SMA connector
C16-way/3-way selector switch Evector plate
3658z_01
E
D
C
B
thermal paste
(PA)

TP9100 Service Manual Disassembly and Reassembly 119
© Tait Electronics Limited May 2005
Fitting the
LCD Assembly and
the Front-Panel
Loom
The circled numbers in this section refer to the items in Figure 5.14.
1. Open the lock of the LCD connector on the back of the main-shield
assembly C.
2. Feed the loom of the LCD assembly D through the cut-out in the
main-shield assembly.
3. Use rubber-nose pliers to carefully insert the loom of the LCD
assembly into the LCD connector.
4. Make sure that the loom is correctly seated, and lock the connector.
5. Open the lock of the front-panel loom connector on the back of the
main-shield assembly.
Important Make sure that the side of the front-panel loom B labelled
“OUTSIDE” faces to the closest side of the chassis.
6. Use rubber-nose pliers to carefully insert the side of the front-panel
loom B labelled “KEYPAD” into the connector.
7. Make sure that the front-panel loom is correctly seated, and lock the
connector.
Figure 5.14 Fitting the LCD assembly and the front-panel loom
Bfront-panel loom DLCD assembly
Cmain-shield assembly
C
D
LCD connector
loom of LCD assembly
cut-out
front-panel loom
connector
B

120 Disassembly and Reassembly TP9100 Service Manual
© Tait Electronics Limited May 2005
Fitting the
Main Board The circled numbers in this section refer to the items in Figure 5.15.
1. Fit the chassis plug seal H.
2. Place the battery pin seal G over the three battery pins of the main
board F.
3. If the thermal paste on the screw boss of the chassis or the main board
has been contaminated, new thermal paste must be applied:
■Remove any residue of the old thermal paste from both contact
surfaces.
■Use Dow Corning 340 silicone heat-sink compound
(IPN 937-00000-55).
Important Ensure that no bristles from the brush come loose and
remain embedded in the paste. The paste needs to be
completely free of contaminants.
■Use a stiff brush to apply a thin and even coat of thermal paste over
the complete contact surface of the screw boss of the chassis.
4. Use rubber-nose pliers to carefully insert the loom of the flexible
accessory board into the accessory connector [PL1] on the underside
of the main board.
5. Insert the main board F into the chassis I.
6. Check that the battery pin seal G is positioned correctly.
Important If the power/volume potentiometer, the 16-way/3-way
selector switch, and/or the antenna SMA connector were
replaced, observe the instruction in “Fitting the Non-SMT
Components” on page 118.
Important With all nuts, make sure that the tapered end faces towards
the radio.
Important The nut of the power/volume potentiometer is located at
an angle. Make sure not to tilt the nut.
7. Use a torque-driver with the modified 5/16 inch (8mm) long-reach
socket to fit the nuts of the:
■power/volume potentiometer 1)
■16-way/3-way selector switch 1)
■antenna SMA connector J
and tighten them with 10lb·in (1.13N·m).
8. Use a Torx T6 torque-driver to fit the screw E attaching the main
board to the chassis and fasten it with 2lb·in (0.23N·m).

TP9100 Service Manual Disassembly and Reassembly 121
© Tait Electronics Limited May 2005
Figure 5.15 Fitting the main-board and main-shield assemblies
BLCD frame Gbattery pin seal
Cspeaker pin frame (x2) Hchassis plug seal
Dmain-shield assembly Ichassis
Escrew M2x5 JSMA nut
Fmain board 1) knob nut (x2)
B
c
Torx T6
2lb·in (0.23N·m)
x2
d
e
f
g
h
i
J
1)
thermal paste
(screw boss)
flexible accessory
board
3653z_02
front-panel
interface connector
5/16 inch (8mm)
10lb·in (1.13N·m)
front-panel loom
b
locating pins
speaker pins
locating holes
122 Disassembly and Reassembly TP9100 Service Manual
© Tait Electronics Limited May 2005
Fitting the
Main-Shield
Assembly
The circled numbers in this section refer to the items in Figure 5.15 on
page 121.
1. Open the lock of the front-panel interface connector [PL2] at the
bottom of the main board F.
2. Use rubber-nose pliers to carefully insert the end of the front-panel
loom labelled “RADIO” into the connector.
3. Make sure that the loom is correctly seated, and lock the connector.
4. To fit the main-shield assembly D to the chassis I:
a. Start at the top by sliding the two locating holes of the main-shield
assembly over the two locating pins of the chassis.
b. Snap-fit the bottom of the main-shield assembly into place.
5. Fit the two speaker pin frames C over the speaker pins, with the
horizontal part of the speaker pin frames facing upwards.
6. Place the LCD frame B in position over the LCD assembly and the
main-shield assembly.

TP9100 Service Manual Disassembly and Reassembly 123
© Tait Electronics Limited May 2005
Fitting the Chassis
Assembly to the
Front Panel
The circled numbers in this section refer to the items in Figure 5.16.
Important Do not stretch or twist the main seal.
1. To fit the main seal E to the chassis assembly C:
a. Place the pre-shaped main seal next to the chassis assembly and
identify the correct orientation, in particular around the bends
near the top corners.
b. Insert the top two corners of the main seal and hold them in place.
c. Insert the bottom two corners of the main seal.
d. Lift the main seal into place around the bends near the top of the
chassis.
Important Do not stretch the main seal by pulling it or rubbing into
place with your fingers.
e. With your fingers, tap the main seal into the groove of the chassis.
Figure 5.16 Fitting the chassis to the front panel
BTorx T6 screw M2x8 (x2) Emain seal
Cchassis assembly Fkeypad
Dtop seal Gfront-panel assembly
C
B
B
x2
D
C
E
F
G
3652z_01
Torx T6
3lb·in (0.34N·m)

124 Disassembly and Reassembly TP9100 Service Manual
© Tait Electronics Limited May 2005
2. Place the top seal D over the power/volume potentiometer, 16-
way/3-way selector switch, and antenna SMA connector.
3. Fit the main keypad F to the inside of the front-panel assembly G.
Ensure that the outside edge of the keypad sits correctly inside the
groove of the front-panel assembly.
4. To insert the chassis assembly into the front-panel assembly:
Important When pushing the chassis assembly into the front-panel
assembly, check by looking through the battery lug holes,
that the main seal E is not displaced at the base near the
battery lugs.
a. Insert the top components of
the chassis assembly through
the holes of the front-panel
assembly.
b. Push and hold the chassis
assembly towards the top (B)
and carefully push the chassis
into the bottom of the front-
panel assembly (C).
5. Look through the holes in the top of the front-panel assembly and
check whether the top seal D is placed correctly around the
power/volume potentiometer, 16-way/3-way selector switch, and
antenna SMA connector
6. Use a Torx T6 torque-driver to tighten the two screws D to 3lb·in
(0.34N·m).
battery lug holes
B
c
3671z_01

TP9100 Service Manual Disassembly and Reassembly 125
© Tait Electronics Limited May 2005
Fitting the 3-way
Actuator and the
Knobs
The circled numbers in this section refer to the items in Figure 5.17.
1. Fit the blue 3-way actuator C.
2. Fit the channel knob B.
3. Fit the volume knob seal E over the shaft off the volume knob D.
4. Fit the volume knob D.
Figure 5.17 Fitting the 3-way actuator and the knobs
Bchannel knob Dvolume knob
C3-way actuator Evolume knob seal
D
E
C
B
3651z_01
126 Disassembly and Reassembly TP9100 Service Manual
© Tait Electronics Limited May 2005

TP9100 Service Manual Servicing Procedures 127
© Tait Electronics Limited May 2005
6 Servicing Procedures
Scope of Section This section gives the full sequence of tasks required when servicing a
particular radio. These tasks are:
■initial administration, visual inspection and fault diagnosis
■repair, final inspection, test and administration
For disassembly and reassembly instructions, refer to “Disassembly and
Reassembly” on page 123.
6.1 Initial Tasks
List of Tasks The following tasks need to be carried out for all radios:
■initial administration
■visual inspection
■powering up the radio
■reading the programming file
■obtaining the details of the Software Feature Enabler (SFE)
■reading the calibration file
■checking the user interface
■checking any error messages
The following tasks only need to be carried out if they relate to the fault
reported:
■checking the transmit and transmit-audio functions
■checking the receive and receive-audio functions
Important Observe the “General Information” on page 79.
Tas k 1 —
Initial
Administration
When a radio is received for repair, details of the Customer and the fault will
be recorded in a fault database. The fault reported by the Customer might
concern damage to or loss of a mechanical part, or the failure of a function
of the radio, or both.

128 Servicing Procedures TP9100 Service Manual
© Tait Electronics Limited May 2005
Task 2 —
Visual Inspection Check the radio for mechanical loss or damage, even if the fault concerns a
function failure only. Inspect the radio as follows:
■knob for power/volume control
■knob for channel control, and 3-way actuator
■antenna SMA connector
■keys, lens and LCD
■front panel
■metal chassis
■accessory connector
Important Engraving the chassis can significantly reduce the mechan-
ical strength and will void any warranty. If the chassis has
been engraved, it must be replaced.
Task 3 —
Power Up the Radio With the radio connected to the test equipment as described in “Test
Equipment Setup” on page 86, attempt to power up the radio.
1. Apply power to the radio and turn on the power/volume control.
2. If the radio powers up successfully, go to Tas k 4. If it does not, repair
the radio as described in “On/Off Switch Faulty” on page 141.
3. If the repair succeeded without the need for replacing the main board
go to Ta s k 4 . Otherwise continue with Step 4.
4. If the main board was replaced or if the repair failed, re-assemble the
radio as described in “Reassembling the Radio” on page 112.
Conclude with the tasks of “Final Tasks” on page 134.

TP9100 Service Manual Servicing Procedures 129
© Tait Electronics Limited May 2005
Tas k 4 —
Read the
Programming File
Given that the radio powers up, the next task is to read the radio’s
programming file or upload a default file.
1. Use the programming application to read the programming file.
2. If the programming file can be read, save a copy on the test PC, and
go to Ta sk 5 .
3. If the programming file cannot be read, check whether:
■the radio is connected to the correct serial port of the test PC,
■the Mode switch of the test unit is set to Rx,
■the programming application is set-up correctly. Refer to the
troubleshooting section of the online help.
4. If the programming file can be read now, save a copy on the test PC,
and go to Tas k 5 . If not, repair the radio as described in “Accessories
Interface Faulty” on page 147.
5. If the repair succeeded without the need for replacing the main board
go to Step 6. Otherwise continue with Step 7.
6. If the programming file can be read now, save a copy on the test PC,
and go to Ta s k 5. If the file still cannot be read, go to step 7.
7. Set up a suitable default programming file and attempt to upload it to
the radio
8. If the upload succeeds, go to Ta s k 6 . If the upload fails, continue with
Step 9.
9. If the main board was replaced or if the repair failed, re-assemble the
radio as described in “Reassembling the Radio” on page 112.
Conclude with the tasks of “Final Tasks” on page 134.
Tas k 5 —
Obtain the Details
of the Software
Feature Enabler
(SFE)
Use the programming application to obtain and record the details of any
software-enabled features (Tools > Optional Features).
For more information refer to the online help of the programming
application.
Tas k 6 —
Read the
Calibration File
Use the calibration application to read the calibration file and save it on the
test PC. If the calibration file cannot be read, set up a suitable default
calibration file and load it to the radio

130 Servicing Procedures TP9100 Service Manual
© Tait Electronics Limited May 2005
Task 7 —
Check the
User Interface
Check the user interface as follows:
1. Use the programming application to activate backlighting, deactivate
silent and quiet modes, and view the programmed function keys,
channels and scan groups.
2. Turn on the radio, make sure that the volume control is not set to low,
and check the start-up sequence:
■the LED lights up amber briefly
■the speaker gives two short beeps
■LCD and keypad backlighting activates
■the LCD displays a power-up message then a channel number, or
an error message.
3. Check for the following elements of the user interface:
■power/volume control: Use CCTM command 804 to read the
volume potentiometer. The returned value should be between
340 and 800.
■zone/channel control: Scroll through all settings and observe the
radio display.
■LCD: Check visually or use CCTM command 855 165 to switch
on all LCD elements. CCTM command 855 164 resets the LCD
to its original state.
■PTT key: While pressing the PTT key, the transmit symbol or
should appear on the radio display (unless transmit is inhibited
on the selected channel).
■function keys: Check whether the programmed function is
activated.
■emergency key: Check whether the programmed function is
activated.
■keypad: After locking the keypad (press and hold the right
selection key), each keypress should be acknowledged by a long
low-pitched beep, indicating an invalid keypress.
■backlighting (if programmed): Any keypress should activate
backlighting.
4. If there is a fault in the user interface, repair the radio as described in
“Interface Fault Finding” on page 139.
5. If there is no fault, go to Task 8 .

TP9100 Service Manual Servicing Procedures 131
© Tait Electronics Limited May 2005
Tas k 8 —
Check
Error Messages
If the radio displays shows an error message, carry out the corrective actions
described in Table 6.1.
Table 6.1 Error messages
Error message Corrective action
Error E0001
Unknown
Turn the radio off and then back on
Error E0002
Unknown
Continue with servicing tasks to locate the problem
Error E0003
Corrupt FW
Re-download the radio’s firmware
Error E0008
System error
0xabcdefgh
Turn the radio off and then back on. If the system error persists, download new
radio firmware
To capture details of the system error, use CCTM command 204
Error E0015
Battery error
Replace the battery
Error E0016
Battery error
Replace the battery
Temperature threshold
exceeded
Wait until the radio has cooled down
Cannot tx Go to Task 9 on page 132
Battery is flat Recharge the battery
Unsafe battery Replace the battery
Discharge battery Discharge then recharge the battery
Programming mode,
invalid radio ...
Re-program the radio with a new programming database. If the problem persists,
update or reload the radio’s firmware, and re-program the radio’s calibration
database.

132 Servicing Procedures TP9100 Service Manual
© Tait Electronics Limited May 2005
Task 9 —
Check the Transmit
and Transmit-Audio
Functions
If the radio does not transmit, this can be caused by:
■the synthesizer not being in lock
■no or wrong carrier power
■a faulty speaker (which also serves as the microphone)
■no modulation
If the cause is already known, go directly to the relevant fault-finding
section.
Caution Observe the servicing precautions for transmitter
issues listed on page 85.
1. Use CCTM command 101 x y 0 to set the transmit frequency to the
bottom of the band.
2. Use CCTM command 33 to set the radio to transmit mode.
3. Use CCTM command 72 to read the lock status.
Note The last value returned (LO2) does not have to be in lock while
transmitting.
4. If the synthesizer is in lock, go to Step 5. If the synthesizer is not in
lock (one or both of the first two values returned are “0”), repair the
radio as described in “Frequency Synthesizer Fault Finding” on
page 159.
5. Repeat Step 1 to Step 4 with the transmit frequency set to the top of
the band.
6. Use CCTM command 326 1 to set the power level to very low.
7. Connect a power meter and measure the transmit power.
8. If the carrier power is correct, go to Step 10. If the carrier power is
not correct, try to re-calibrate the radio.
9. If the re-calibration repairs the fault, go to “Final Tasks” on page 134.
If it does not, repair the radio as described in “Transmitter
Fault Finding” on page 217.
10. Repeat Step 6 to Step 9 with the power level set to high (326 4).
11. Check whether the speaker/microphone is the source of the fault, as
described in “Internal Speaker/ Microphone Faulty” on page 146.
12. If the radio transmits audio now, the original speaker was faulty.
Reassemble the radio and go to “Final Tasks” on page 134. If the
radio still fails to transmit, reconnect the original speaker and go to
Step 13.

TP9100 Service Manual Servicing Procedures 133
© Tait Electronics Limited May 2005
13. After having eliminated the synthesizer, the transmitter circuitry, and
the speaker as cause for the fault, repair the radio as described in
“CODEC and Audio ault Finding” on page 269.
14. If the main board was replaced or if the repair failed, re-assemble the
radio as described in “Reassembling the Radio” on page 112.
Conclude with the tasks of “Final Tasks” on page 134.
Task 10 —
Check the Receive
and Receive-Audio
Functions
If the radio does not receive, this can be caused by:
■the synthesizer not being in lock
■no carrier detected
■a faulty speaker or volume control
■no modulation
If the cause is already known, go directly to the relevant fault-finding
section.
1. Use CCTM command 101 x y 0 to set the receive frequency to the
bottom of the band.
2. Use CCTM command 72 to read the lock status.
3. If the synthesizer is in lock, go to Step 5. If the synthesizer is not in
lock, repair the radio as described in “Frequency Synthesizer
Fault Finding” on page 159.
4. Repeat Step 1 to Step 3 with the receive frequency set to the top of
the band
5. Feed a signal without modulation on the receive channel at –47dBm.
Check for maximum RSSI using:
■the indicator on the radio display
■the green status LED
■CCTM command 63 should return the fed signal strength
±1dBm.
6. Repeat the check in Step 5 with –117dBm. The RSSI indicator
should show as empty or close to empty.
7. If the carrier is detected correctly, go to Step 9. If the carrier is not
detected correctly, try to re-calibrate the radio.
8. If the re-calibration repairs the fault, go to “Final Tasks” on page 134.
If it does not, repair the radio as described in “Receiver Fault
Finding” on page 251.
9. Check whether the speaker is the source of the fault, as described in
“Internal Speaker/ Microphone Faulty” on page 146.
10. If the radio receives audio now, the original speaker was faulty.
Reassemble the radio and go to “Final Tasks” on page 134. If the

134 Servicing Procedures TP9100 Service Manual
© Tait Electronics Limited May 2005
radio still fails to receive, reconnect the original speaker and go to
Step 11.
11. Use CCTM command 804 to read the status of the volume
potentiometer. The value returned should vary as the volume control
is rotated.
12. If the volume potentiometer is faulty, repair it as described in
“Volume Control Faulty” on page 142. If it is not faulty, go to
Step 13.
13. After having eliminated the synthesizer, the receiver circuitry, the
speaker, and the volume potentiometer as cause for the fault, repair
the radio as described in “CODEC and Audio ault Finding” on
page 269.
14. If the main board was replaced or if the repair failed, re-assemble the
radio as described in “Reassembling the Radio” on page 112.
Conclude with the tasks of “Final Tasks” on page 134.
6.2 Final Tasks
List of Tasks The following tasks need to be carried out for all radios:
■repair
■enable software features (if applicable)
■final inspection
■final test
■final administration
Task 1 —
Repair The fault diagnosis will have resulted in the repair or replacement of the
main board. This section describes the steps after completion of the fault
diagnosis:
1. Use the programming and calibration applications to load the pro-
gramming and calibration files read or set-up in “Initial Tasks”.
Note If the radio had to be reprogrammed with a default programming
file, the following additional actions are required: If the radio is to
be returned direct to a Customer who has no programming facil-
ities, the appropriate programming file needs to be obtained and
uploaded (or the data obtained to create the file). If the radio is to
be returned to a Dealer or direct to a Customer who does have
programming facilities, the Dealer or Customer respectively need
to be informed so that they can program the radio appropriately.
Note If the main board has been replaced, certain software features may
need to be enabled before the programming file can be loaded. See
Task 2 on page 135.

TP9100 Service Manual Servicing Procedures 135
© Tait Electronics Limited May 2005
2. Test the radio as described in “Final Test” on page 136.
It may be necessary to also re-calibrate to make the radio functional,
in particular if the main board had to be replaced or if a default
calibration file had to be loaded. Refer to the online help of the
calibration application.
3. If the main board has been replaced, level-1 service centers should
return the faulty board to the nearest ASC, and level-2 service centers
should return the board or assembly to the ISC, if deemed necessary.
Supply details of the fault and, if applicable, the attempted repair.
Go to step Step 6.
If the main board has not been replaced, go to Step 4.
4. Replace any cans removed. Refer to “Shielding Cans and
Connectors” on page 89.
5. Re-test the radio as described in “Final Test” on page 136.
6. Reassemble the radio as described in “Reassembling the Radio” on
page 104.
7. Reconnect the radio to the test equipment and carry out a final
calibration of the radio. Refer to the online help of the calibration
application.
Tas k 2 —
Enable Software
Features (SFE)
If the main board has been replaced, ensure that the correct software
features, if any, are enabled for the Customer. If software features need to be
enabled, a special licence file is required for the replacement main board.
The file must allow for the enabling of the same software features as in the
original assembly. Proceed as follows:
1. If it was possible to read the software features in “Obtain the Details
of the Software Feature Enabler (SFE)” on page 129, go to Step 2.
If it was not possible, go to Step 3.
2. Reading the software features will have revealed if any software
features were enabled for the radio under repair. If there were, go to
Step 3. If there were none, go to Task 3 .
3. Technicians not at a CSO should contact their CSO regarding the
radio’s software features. Technicians at CSOs should contact
Technical Support at TEL.
4. Supply the serial number of the radio under repair, and the serial
number of the replacement main board (located on a label on the
main board).
5. If it is known that the radio had software features enabled, go to
Step 6. Otherwise go to Step 7.
6. Ask the CSO (or TEL) for a licence file for the replacement main
board. The CSO will supply the required file. Go to Step 8.

136 Servicing Procedures TP9100 Service Manual
© Tait Electronics Limited May 2005
7. Ask the CSO (or TEL) if the radio under repair had any software
features enabled, and if so, to send a licence file for the replacement
main board. The CSO (or TEL) will either indicate that the radio had
no software features enabled or supply the required file. If the radio
had no software features enabled, go to Tas k 3 . If the required file was
supplied, go to Step 8.
8. On receiving the licence file, run the programming application on the
test PC. On the menu bar click Tools > Optional Features.
The Software Feature Enabler dialog appears.
9. Use the licence file to enable the appropriate software features.
The procedure is given in the online help facility under the heading
Enabling a feature. Go to Ta sk 3 .
Task 3 —
Final Inspection Make a final inspection of the exterior to check that no mechanical parts
were damaged during the repair. Repeat the inspection given in “Visual
Inspection” on page 128. Rectify any damage.
Task 4 —
Final Test Test the radio to confirm that it is fully functional again. The recommended
tests are listed in Table 6.2 to Table 6.4. (The calibration application can be
used for many of these tests.) It is good practice to record the test results on
a separate test sheet. A copy of the test sheet can be supplied to the Customer
as confirmation of the repair.
Task 5 —
Final Administration
The final administration tasks are the standard workshop procedures for
updating the fault database and returning the repaired radio to the Customer
with confirmation of the repair.
If the radio could not be repaired for one of the following reasons:
■fault not located
■repair of fault failed
■required repair is level-3 repair
Level-1 service centers should return the faulty radio to the nearest ASC,
and level-2 service centers should return the radio to the ISC. Supply details
of the Customer, the fault and, if applicable, the attempted repair.

TP9100 Service Manual Servicing Procedures 137
© Tait Electronics Limited May 2005
Table 6.2 Final tests of transmitter function (analog mode)
Test Limits Limits
Error in transmit frequency +100 Hz to –100 Hz
Transm it power:
• High
• Medium
• Low
• Very low
B1 band:
5.1W to 5.2W
3.0W to 3.1W
2.0W to 2.1W
1.0W to 1.2W
H5/H6 bands:
4.1W to 4.2W
2.5W to 2.6W
2.0W to 2.1W
1.0W to 1.2W
Current at high power:
• B1-band radios
• H5-band radios
• H6-band radios
< 1.9A
< 1.9A
< 1.9A
Peak deviation (sweep tone of 300 Hz to 3 kHz):
• Narrow-band
• Medium-band
• Wide-band
< 2.5 kHz
< 4.0 kHz
< 5.0 kHz
Distortion:
• 1 kHz at 1.5 kHz deviation (narrow-band)
• 1 kHz at 3.0 kHz deviation (wide-band)
< 3%
< 3%
CTCSS (continuous-tone-controlled subaudible signaling) deviation:
• Narrow-band
• Medium-band
• Wide-band
250 to 350 Hz
500 to 560 Hz
580 to 680 Hz
Table 6.3 Final tests of receiver functions (analog mode)
Tes t Li m i ts
Receive sensitivity <118dBm for 12dB SINAD
Mute opening:
• Country
• City
• Hard
>6dB and <10dB SINAD
>10dB and <14dB SINAD
>18dB and <22dB SINAD
Audio power (maximum volume at –47dBm):
• at RX AUDIO/SINAD connector on test unit
• at pins 9 (SPKR–) and 11 (SPKR+) of accessory connector
>2.8mVrms
>2.8Vrms
Distortion (at –47dBm, 60% rated system deviation at 1 kHz,
with volume set to give 3W into 16Ω load) <3.00%

138 Servicing Procedures TP9100 Service Manual
© Tait Electronics Limited May 2005
Table 6.4 Final tests of general radio functions
Test Description
PTT switch Check that PTT switch functions
Microphone Check operation of microphone
Speaker Check operation of speaker
Function and keypad keys Check operation of all function and keypad keys
LCD display Check operation of LCD display (shows all pixels)
Backlighting Check operation of keypad and LCD backlighting
Volume control Check operation of volume control and ON/OFF switch
16-way and 3-way selectors Check operation of 16-way selector, and 3-way selector (if used)

TP9100 Service Manual Interface Fault Finding 139
© Tait Electronics Limited May 2005
7 Interface Fault Finding
Overview This section describes fault finding of the user interface and accessories
interface connector. User interface fault finding includes the following:
■Front panel keypad. This includes the numeric keypad, scroll and
selection keys, and keypad backlighting.
■LCD. This includes the LCD display and LCD backlighting.
■Top and side of radio. This includes the ON/OFF switch, volume control,
3-way and 16-way selectors, status LED indicators, function keys and
PTT, and internal speaker/microphone.
The faults can be detected by visual inspection (refer to “Initial Tasks” on
page 127) or using CCTM commands (refer to Table 4.7 on page 96).
General The following notes apply to all interface fault finding procedures:
■For disassembly and reassembly instructions, see “Disassembly and
Reassembly” on page 101.
■After completing the repair, carry out the tasks in “Final Tasks” on
page 134.
■The main-shield assembly and LCD assembly are non-serviceable items,
and must be replaced in their entirety if faulty. For more information
refer to “Spare Parts” on page 289.
Tas k 1 —
Front Panel Keypad
Faulty
Use this procedure for faults with numeric keys, scroll keys, selection keys
or keypad backlighting. Before proceeding, make sure the fault is not an
issue with programming. For backlighting faults, make sure backlighting is
enabled in the programming application. For keypad faults (16-key models
only), make sure full keypad functionality is enabled via the Software Feature
Enabler in the programming application.
If the keypad is faulty:
1. Remove the front panel.
2. Remove the main-shield assembly, and fold the assembly open leaving
the loom connected between the front panel and the main board.
3. Check the integrity of the front-panel loom and confirm it is seated
correctly at both ends (RADIO and KEYPAD).
4. Reassemble and power-up the radio. Check the functionality of the
keypad.
5. If still faulty, remove the front panel and replace the front-panel loom
with a known good one.
6. Reassemble and power-up the radio. Check the functionality of the
keypad.
140 Interface Fault Finding TP9100 Service Manual
© Tait Electronics Limited May 2005
7. If the keypad operates as expected, the loom was faulty. Discard and
use a new one. If still faulty, remove the front panel and replace the
main-shield assembly with a known good assembly.
8. Reassemble and power-up the radio. Check the functionality of the
keypad.
9. If the keypad operates as expected, the main-shield assembly was
faulty. Discard and use a new one. If the keypad is still faulty, the
problem is with the main board.
10. Check for obvious faults around the front-panel interface connector
[PL2]. If no fault can be found, replace the main board.
Task 2 —
LCD Faulty Use this procedure for faults with the LCD, such as distorted or missing
pixels on the display or backlighting problems. Before proceeding, make
sure the fault is not an issue with programming. For backlighting faults,
make sure backlighting is enabled in the programming application.
If the LCD is faulty:
1. Remove the front panel.
2. Remove the main-shield assembly, and fold the assembly open leaving
the loom connected between the front panel and the main board.
3. Check the integrity of the front-panel loom and confirm it is seated
correctly at both ends (RADIO and KEYPAD).
4. Check the integrity of the LCD assembly loom and its connection to
the LCD connector on the main-shield assembly.
5. Reassemble and power-up the radio. Check the functionality of the
LCD.
6. If still faulty, replace the LCD assembly with a known good assembly.
7. Reassemble and power-up the radio. Check the functionality of the
LCD.
8. If the LCD operates as expected, the LCD assembly was faulty.
Discard and use a new one. If still faulty, remove the front panel and
replace the front-panel loom with a known good one.
9. If the LCD operates as expected, the loom was faulty. Discard and use
a new one. If the LCD is still faulty, remove the front panel and
replace the main-shield assembly with a known good assembly.
10. If the LCD operates as expected, the main-shield assembly was faulty.
Discard and use a new one. If the keypad is still faulty, the problem is
with the main board.
11. Check for obvious faults around the front-panel interface connector
[PL2]. If no fault can be found, replace the main board.

TP9100 Service Manual Interface Fault Finding 141
© Tait Electronics Limited May 2005
Tas k 3 —
On/Off Switch
Faulty
Use this procedure if the radio fails to power up when the ON/OFF switch is
turned on. Before proceeding, make sure the fault is not related to one or
more of the following:
■The battery is flat.
■The LCD, LED or speaker is faulty. This can be misinterpreted as a faulty
ON/OFF switch if the radio does not exhibit normal startup behaviour.
■The radio is inhibited (stunned).
■The firmware is missing or corrupt.
If the ON/OFF switch is faulty:
1. Remove the front panel and main-shield assembly.
2. Remove power from the radio.
3. Connect a resistance meter (such as a multimeter) across the test
points TP900 and TP7V5SW. See Figure 7.1.
4. Measure the resistance with the switch in the on and off positions.
The correct ranges are below:
5. If the switch resistances are outside these limits, replace RV1. If the
resistances are within the limits then the on/off switch is not faulty;
go to “Power Supply Fault Finding” on page 149.
resistance when switch position ON: < 10Ω
resistance when switch position OFF: > 100kΩ
Figure 7.1 PCB layout of test points next to the switch pins of RV1
(bottom side)

142 Interface Fault Finding TP9100 Service Manual
© Tait Electronics Limited May 2005
Task 4 —
Volume Control
Faulty
Use this procedure if the volume control works intermittently, works only
at full volume, or doesn’t work at all. These symptoms can indicate a fault
with the volume pot, or the CODEC and audio circuitry. Before
proceeding, make sure the Minimum Volume Level is not set to 255 in the
programming application. This will result in a maximum volume level,
regardless of the position of the volume control.
If the volume control is faulty:
1. Remove the front panel and main-shield assembly.
2. Remove power from the radio.
3. Connect a resistance meter (such as a multimeter) across the test
points TP908 and TP907. See Figure 7.1.
4. Vary the volume control position between extremes, and measure the
resistance. The correct ranges are below:
5. If the control resistances are outside these limits, replace RV1. If the
resistances are within the limits then the volume control is not faulty;
go to “CODEC and Audio ault Finding” on page 269.
Task 5 —
16-Way or 3-Way
Selectors Faulty
Use this procedure if the radio fails to change the channel when the 16-way
selector is turned, or the zone when the 3-way selector is turned.
Before proceeding, make sure there is more than one channel and zone
programmed for the radio, and those channels and zones have been assigned
to different positions on the 16-way and 3-way selectors.
If the 16-way selector or 3-way selector is faulty:
1. Remove the front panel and main-shield assembly.
2. Power up and turn on the radio.
3. Connect a multimeter or oscilloscope to pins 1, 2, 4, and 8 (16-way
selector) or pins A and B (3-way selector) of RSW1. See Figure 7.2.
4. Check the voltage on the pins as the 16-way selector or 3-way
selector is rotated. Depending on the selector position, each pin
should switch between the following logic levels:
5. If the logic levels are not correct then replace RSW1 and retest. If the
logic levels are correct, or replacing RSW1 does not repair the fault,
replace the main board.
resistance at extreme limit (low): < 50Ω
resistance at extreme limit (high): > 9kΩ
16-way selector: pins 1, 2, 4, and 8
3-way selector: pins A and B
logic level low: <0.5V
logic level high: >3.0V

TP9100 Service Manual Interface Fault Finding 143
© Tait Electronics Limited May 2005
Figure 7.2 PCB layout of pins for RSW1 and DS900 (bottom side)
Pins for
16-way
selector
R923 indicating
non-3V3
end (*) *
A
B
41
8
2
Pins for
3-way
selector
DS900 pin A1
(green LED)
DS900 pin A
2
(red LED)

144 Interface Fault Finding TP9100 Service Manual
© Tait Electronics Limited May 2005
Task 6 —
Status LED Faulty Use this procedure if the status LED is not operating according to
Table 4.10 on page 98. For example, the red LED does not operate when
the radio is transmitting, or the green LED does not operate when the radio
is receiving. Before proceeding make sure the fault is not transmitter or
receiver related. See “Check the Transmit and Transmit-Audio Functions”
on page 132 and “Check the Receive and Receive-Audio Functions” on
page 133.
If the status LED is faulty:
1. Remove the front panel and the main shield assembly.
2. Connect a multimeter or oscilloscope to pin A1 (green LED) or pin
A2 (red LED) of DS900. See Figure 7.2.
3. Activate the relevant LED. For the green LED, feed a signal without
modulation on the receive channel. For the red LED, ensure the
antenna port is terminated with a 50Ω load or antenna, and
temporarily place the radio in transmit mode.
Important Do not transmit for more than five seconds with the main
board removed from the chassis.
4. As the LED is activated, monitor the voltage on the appropriate pin.
The voltage should be as follows:
5. If the voltage levels are not correct proceed to Step 6. If they are
correct, proceed to Step 7.
6. Replace Q904, and R932 (red LED faulty) and/or R935 (green LED
faulty). Retest the LED. If the LED is still faulty, proceed to Step 7.
7. Replace DS900, and R921 (red LED faulty) and/or R920 (green
LED faulty). Retest the LED.
8. If the LED is still faulty, replace the main board.
green LED: pin A1
red LED: pin A2
LED inactive: <1V
LED active: >3V

TP9100 Service Manual Interface Fault Finding 145
© Tait Electronics Limited May 2005
Tas k 7 —
Function Keys or
PTT Faulty
Use this procedure if a function key fails to activate the programmed
function, or the PTT fails to key the transmitter. Before proceeding:
■For function keys, make sure there are functions programmed that have
obvious effects on the radio (such as backlighting and monitor), and
recheck the faulty keys.
■For the PTT, use CCTM commands to check that the fault is not
transmitter-related. See “Check the Transmit and Transmit-Audio
Functions” on page 132.
If a function key or the PTT is faulty:
1. Remove the front panel and main-shield assembly.
2. Remove the main board and apply power using an open radio test
lead.
3. Connect a multimeter or oscilloscope to the non-3V3 end of R922
(PTT – see Figure 7.3), R923 (function key 1 – see Figure 7.2), or
R924 or R295 (function key 2 or 3 – see Figure 7.4).
4. As each key is pressed, monitor the voltage on the appropriate resistor.
The signal voltages should be as follows:
5. If the logic levels are not correct then replace the relevant key switch
and retest. If the logic levels are correct, or replacing the key switch
does not repair the fault, replace the main board.
PTT: R922 (non-3V3 end)
function key 1 (top of radio): R923 (non-3V3 end)
function key 2 (side of radio): R924 (non-3V3 end)
function key 3 (side of radio): R925 (non-3V3 end)
Not pressed: > 3.0V
Pressed: < 0.5V
Figure 7.3 PCB layout showing R922 (top side)
R922 indicating
non-3V3
end (*) *

146 Interface Fault Finding TP9100 Service Manual
© Tait Electronics Limited May 2005
Task 8 —
Internal Speaker/
Microphone Faulty
Use this procedure for the following faults:
■no internal speaker audio
■internal speaker audio distorted
■no transmit modulation from internal speaker
■modulation distorted from internal speaker
These symptoms can indicate a fault with the speaker, the speaker pins, or
the CODEC & audio circuitry.
If the speaker/microphone is faulty:
1. Remove the front panel of the radio, and replace with a front panel
that has a known good speaker.
2. Reassemble and power-up the radio. Check the functionality of the
speaker/microphone.
3. If the speaker/microphone operates as expected, the speaker was
faulty. Discard and replace with a new one (see “Spare Parts” on
page 289). If the speaker/microphone is still faulty, proceed to Step 4.
4. Check the integrity and soldering of speaker pins SPKR_POS and
SPKR_NEG. See Figure 7.2. Re-solder or replace as required.
5. Recheck the functionality of the speaker/microphone. If still faulty,
reconnect the original speaker and go to “CODEC and Audio
ault Finding” on page 269.
Figure 7.4 PCB layout showing R924 and R925 (top side)
R924 indicating
non-3V3
end (*) *
R925 indicating
non-3V3
end (*)
*

TP9100 Service Manual Interface Fault Finding 147
© Tait Electronics Limited May 2005
Tas k 9 —
Accessories
Interface Faulty
Use this procedure for the following faults with the accessories interface:
■Faulty accessory
■Dirt, moisture or dust on the connector
■Serial communications fault
■External audio fault
■Digital I/O fault
Note If the fault is with external audio (speaker or microphone), audio
tap in or tap out, the external PTT, or an external function key,
first complete tasks related to the symptom in “CODEC and
Audio ault Finding” on page 269.
If the accessories interface is faulty:
1. Remove the front panel, main-shield assembly, and rear panel.
2. Replace the flexible accessory board with a known good one.
3. Reassemble and check the functionality of the accessories interface.
4. If the accessory interface operates as expected, the flexible accessory
board was faulty. Discard and use a new one (see “Spare Parts” on
page 289). If still faulty, check for faults with the accessory connector
PL1 on the main board, and components around PL1.
5. If a fault is found, repair and recheck the functionality of the
accessories interface. If still faulty or a fault cannot be found with
PL1, replace the main board.
148 Interface Fault Finding TP9100 Service Manual
© Tait Electronics Limited May 2005

TP9100 Service Manual Power Supply Fault Finding 149
© Tait Electronics Limited May 2005
8 Power Supply Fault Finding
Fault-Diagnosis
Tas ks Fault diagnosis of the power-supply circuitry is divided into the following
tasks:
■Task 1: initial checks
■Ta sk 2: che ck +3 V 3 S M P S
■Ta sk 3: che ck +1 V 5 S M P S
■Task 4: check linear regulators
The regulators of concern in Task 4 are those for the 5V (2x), 3.0V, 2.5V,
and 1.8V supplies.
Tas k 1 —
Initial Checks In order to power up the radio (processor running and display active) the
following supplies are required: +3V3, +1V8, and +1V5.
Set up the radio and the test equipment as described in “Test Equipment
Setup” on page 86. If not already done, remove the main board from the
chassis.
1. Use a multimeter to measure the 7.5V voltage across the battery pin:
2. While turning the power/volume control on, measure the voltage at
TP3V3 test point (see Figure 8.1):
If it is continuously 3.3V or turns on for a short time (approximately
2s), go to Step 3. If it never reaches 3.3V, go to Tas k 2 .
3. While turning the power/volume control on, use a multimeter to
measure the voltage at C721 (see Figure 8.1). To do this, probe the
positive side of the C721 through the DIG BOT can:
If it is continuously 1.8V or turns on for a short time (approximately
2s) go to Step 4. If it never reaches 1.8V go to Ta s k 4 .
4. While turning the power/volume control on, use a multimeter to
measure the voltage at TP1V5 test point (see Figure 8.1).
If it never reaches 1.5V go to Ta s k 3 .
If it is continuously at 1.5V go to Step 5.
If it turns on for a short time (approximately 2s), go to Step 7.
(TP3V3and C721 should exhibit similar behavior.)
5. Ensure the programming cable is correctly connected, and use the
programming application to reload the radio’s programming file
voltage across BATT NEG and BATT POS: 7.5V DC
voltage at TP3V3: 3.3V DC ±5%
voltage at C721: 1.8V DC ±5%
voltage at TP1V5: 1.5V DC ±5%

150 Power Supply Fault Finding TP9100 Service Manual
© Tait Electronics Limited May 2005
(recreated from default data if necessary). Confirm the removal of the
fault, and go to “Final Tasks” on page 134. If reloading the
programming file failed or failed to repair the fault, replace the main
board, and go to “Final Tasks” on page 134.
6. Check whether the serial cable is correctly connected and try to
reload the software/debug using the CCTM.
If a fault is found, repair it, confirm the removal of the fault, and go
to “Final Tasks” on page 134. If the repair failed or no fault could be
found, replace the main board, and go to “Final Tasks” on page 134.
7. Check for shorts to ground and continuity of the DIG PSU LATCH signal
from D602 (see Figure 8.2) to the FPGA.
If a fault is found, repair it, confirm the removal of the fault, and go
to “Final Tasks” on page 134. If the repair failed or no fault could be
found, replace the main board, and go to “Final Tasks” on page 134.
The FPGA image needs to be upgraded by the factory.
Figure 8.1 Test and measurement points for the initial checks
bottom side top side
Measurement point at
positive side of C721

TP9100 Service Manual Power Supply Fault Finding 151
© Tait Electronics Limited May 2005
Tas k 2 —
Check +3V3 SMPS If the voltage at the TP3V3 test point does not reach 3.3V, then the
+3V3 SMPS needs to be investigated.
1. Use a multimeter to check the supply voltage to the SMPS at pin 8
of IC610 (see Figure 8.2). The voltage should be:
If it is, go to Step 4. If it is not, go to Step 2.
2. Disconnect the 7.5V external supply. Check for continuity and shorts
to ground in the path between the BATT POS battery pin and pin 8 of
IC610 (see Figure 8.2). Locate and repair the fault.
3. Reconnect the 7.5V external supply. Confirm the removal of the
fault by measuring the voltage in Step 1.
If the voltage is correct, confirm the removal of the fault, and go to
“Final Tasks” on page 134. If it is not, the repair failed; replace the
main board and go to “Final Tasks” on page 134.
4. While turning the power/volume control on, check the enable signal
at pin 1 of IC610 (see Figure 8.2). For the radio to power up, this
voltage must exceed 2.0V DC.
If it exceeds 2.0V for at least one second, go to Step 7.
If it does not, go to Step 5.
5. When the power/volume control is turned on, 7V5_SW should go
from 0V to 7.5V. This generates a pulse through C634 which turns
both Q606 transistors on for approximately 30ms, and charges C610
to approximately 7.5V (see Figure 8.2). Check for continuity and
shorts to ground or power in this path. Locate and repair the fault.
6. Re-measure the voltage in Step 4.
If the voltage is correct, confirm the removal of the fault, and go to
“Final Tasks” on page 134. If it is not, the repair failed; replace the
main board and go to “Final Tasks” on page 134.
7. Disconnect the external 7.5V power supply. Cut the track joining
LINK603 (see Figure 8.2). The resistance can be measured between
the pads to ensure that the link is cut. Reconnect the 7.5V external
supply and turn the power/volume control on. Measure the voltage
across C631.
If it is correct, go to Step 8. If it is not, go to Step 10.
8. There is a fault on the +3V3 rail. Disconnect the 7.5V external supply.
To isolate further, short LINK603 with solder and cut the track joining
LINK602. Again, measure the resistance to ensure that the link is cut.
pin 8 of IC610: approximately 7.5V DC
pin 1 of IC610: more than 2.0V DC
voltage across C631: 3.3V DC

152 Power Supply Fault Finding TP9100 Service Manual
© Tait Electronics Limited May 2005
Reconnect the 7.5V external supply and turn the power/volume
control on. Measure the voltage across C631 (see Figure 8.2).
If it is correct, the fault is in the digital area. If not, the fault is on the
+3V3 rail excluding the digital area. If no fault can be found visually,
try to remove the ICs on the relevant rail. Locate and repair the fault.
9. Repair LINK602 (see Figure 8.2), reconnect the external 7.5V power
supply and turn on the radio. If the radio powers up, go to “Final
Tasks” on page 134. If the radio fails to power up, the repair failed;
replace the main board and go to “Final Tasks” on page 134.
10. Disconnect the 7.5V external supply. Check for continuity and faults
around IC610, D601, L600, R626, R627, R628, and C630 (see
Figure 8.2), and repair any faults
11. Repair LINK603, reconnect the external 7.5V power supply and turn
on the radio. If the radio powers up, go to “Final Tasks” on page 134.
If the radio fails to power up, the repair failed; replace the main board
and go to “Final Tasks” on page 134.
voltage across C631: 3.3V DC

TP9100 Service Manual Power Supply Fault Finding 153
© Tait Electronics Limited May 2005
Figure 8.2 Measurement points for the checking the +3V3 SMPS
top side
bottom side

154 Power Supply Fault Finding TP9100 Service Manual
© Tait Electronics Limited May 2005
Task 3 —
Check +1V5 SMPS If the voltage at the TP3V3 test point is 3.3V but the voltage at the TP1V5 does
not reach 1.5V then the +1V5 SMPS needs to be investigated.
1. Use a multimeter to check the supply to the SMPS at pin 4 and the
enable signal at pin 1 of IC606 (see Figure 8.3):
If both voltages are correct, go to Step 4. If either or both are not go
to Step 2.
2. Disconnect the 7.5V external supply. Check for continuity on the
3V3 rail to pins 1 and 4 of IC606. Locate and repair the fault.
3. Reconnect the 7.5V external supply and turn the power/volume
control on. Confirm the removal of the fault by re-measuring the
voltage in Step 1, and go to “Final Tasks” on page 134. If the voltage
is not correct, the repair failed; replace the main board and go to
“Final Tasks” on page 134.
4. Disconnect the 7.5V external supply. Cut the track joining LINK600
(see Figure 8.3). The resistance can be measured between the pads
to ensure that the link is cut. Check the voltage across C622 (see
Figure 8.3):
If it is correct, go to Step 5. If it is not, go to Step 7.
5. There is a fault on the +1V5 rail. Disconnect the 7.5V external
supply. To isolate further, short LINK600 out with solder and cut the
track joining LINK601. Again measure the resistance to ensure that the
link is cut. Measure the voltage across C622 (see Figure 8.3):
If it is correct, the fault is somewhere on the rail after LINK601. If it is
not, the fault is on the rail between the links. Locate and repair the
fault.
6. Repair LINK600 and LINK601 (see Figure 8.3), reconnect the external
7.5V power supply and turn on the radio. If the radio powers up, go
to “Final Tasks” on page 134. If the radio fails to power up, the repair
failed; replace the main board and go to “Final Tasks” on page 134.
7. Disconnect the 7.5V external supply. Check continuity and for faults
around IC606, L601, C627, C622, R618, and R617 (see
Figure 8.3).
8. Repair LINK600 (see Figure 8.3), reconnect the external 7.5V power
supply and turn on the radio. If the radio powers up, go to “Final
Tasks” on page 134. If the radio fails to power up, the repair failed;
replace the main board and go to “Final Tasks” on page 134.
pin 4 of IC606: 3.3V DC (supply)
pin 1 of IC606: 3.3V DC (enable)
voltage across C622: 1.5V DC
voltage across C622: 1.5V DC

TP9100 Service Manual Power Supply Fault Finding 155
© Tait Electronics Limited May 2005
Figure 8.3 Measurement points for the checking the +1V5 SMPS
top side
bottom side

156 Power Supply Fault Finding TP9100 Service Manual
© Tait Electronics Limited May 2005
Task 4 —
Check Linear
Regulators
This section gives the general procedure for checking any linear regulator.
There are two possible faults: either the 1.8V regulator has failed and
prevents the radio from powering up, or, with the other linear regulators,
the radio will power up but will not function correctly. (The regulator IC
might or might not have been removed during earlier checks.)
Table 8.1 gives an overview of the ICs and the relevant voltages.
Note If the +3V0 RX voltage is missing, check the 3.0V linear regulator,
the DIG RX EN signal, and the 3V RX switch (Q604).
1. Measure the input voltage to the relevant regulator is correct.
Repair any fault.
2. Check the control/enable signal to the relevant regulator is active.
Repair any fault.
3. Check the output for shorts to ground. Repair any fault.
4. Reconnect the 7.5V external supply and turn the power/volume
control on. If the radio powers up or the correct regulator voltage is
restored, go to “Final Tasks” on page 134. If the repair failed, go to
Step 5.
5. Disconnect the 7.5V external supply. Replace the regulator IC with
a spare. Reconnect the 7.5V external supply and turn the
power/volume control on. If the radio powers up or the correct
regulator voltage is restored, go to “Final Tasks” on page 134. If the
repair failed, replace the main board and go to “Final Tasks” on
page 134.
Table 8.1 Input, output and control/enable voltages of the linear regulators
Regulator Input Control/Enable Output
Voltage IC Pin Voltage Pin Voltage Pin Voltage
5V (TX) IC600 pin 6 7.5V pin 1 >2V pin 4 5V
5V (AN) IC601 pin 6 7.5V pin 1 >2V pin 4 5V
3.0V IC604 pin 1 3.3V pin 3 >2V pin 5 3.0V
2.5V IC605 pin 1 3.3V pin 3 >2V pin 5 2.5V
1.8V IC608 pin 1 3.3V pin 3 >2V pin 5 1.8V

TP9100 Service Manual Power Supply Fault Finding 157
© Tait Electronics Limited May 2005
Figure 8.4 Measurement points for the checking the linear regulators
top side bottom side
DIG BOT can
158 Power Supply Fault Finding TP9100 Service Manual
© Tait Electronics Limited May 2005

TP9100 Service Manual Frequency Synthesizer Fault Finding 159
© Tait Electronics Limited May 2005
9 Frequency Synthesizer Fault Finding
Introduction This section covers the diagnosis of faults in the frequency synthesizer.
The sections are divided into the following:
■Initial checks
■Fault diagnosis of RF PLL circuitry
■Fault diagnosis of FCL circuitry
The initial checks will indicate whether it is the RF PLL or the FCL that is
suspect. Note that the synthesizer is a closed-loop control system. A fault in
one area can cause symptoms to appear elsewhere. Locating the fault can
therefore be difficult.
Measurement
Techniques The radio must be in CCTM for all the fault-diagnosis procedures of this
section. The CCTM commands required are listed in Table 9.1. Full details
of the commands are given in “Computer-Controlled Test Mode
(CCTM)” on page 91. Use an oscilloscope with a x10 probe for all voltage
measurements required. The signals should appear stable and clean.
Consider any noise or unidentified oscillations as evidence of a fault
requiring investigation. Use a frequency counter for all measurements of
high frequencies. The RF power output from the frequency synthesizer will
not exceed 10mW. If a probe is used for frequency measurements, use the
x1 setting.
Table 9.1 CCTM commands required for the diagnosis of faults in the frequency synthesizer
Command Description
72
101 x y 0
205
301 0 10
302 0 10
334 x
335 x
389 x
393 1 x
Read lock status of RF PLL, FCL and LO2 — displays xyz (0=not in lock, 1=in lock)
Set transmit frequency (x in hertz) and receive frequency (y in hertz) to specified values
Reset calibration parameters to their default values
Calibrate VCXO of FCL
Calibrate VCO(s) of RF PLL
Set synthesizer on (x=1) or off (x=0) via DIG SYN EN line
Set transmit-receive switch on (x=1) or off (x=0) via DIG SYN TR SW line
Set synthesizer mode to slow (x=0) or fast (x=1)
Write data x to FPGA
160 Frequency Synthesizer Fault Finding TP9100 Service Manual
© Tait Electronics Limited May 2005
9.1 Initial Checks
Types of Checks There are two different types of initial checks, which are covered in the
following tasks:
■Task 1: calibration checks
■Task 2: lock status
Which, if any, of these tasks needs to be carried out depends on the
symptoms of the fault.
Symptoms of Fault The symptoms of the fault may be divided into three categories:
■radio fails to power up and System error is displayed
■Out of lock is displayed (lock error)
■radio is in lock but exhibits transmit or receive fault
For the first two cases, the checks of Tasks 1 and 2 respectively are required.
In the last case there are several symptoms; these are listed below.
Transmit and
Receive Faults A transmit or receive fault will be implied by one of the following
consequences:
■radio fails to receive or receive performance is degraded
■radio fails to enter transmit mode
■radio exits transmit mode unexpectedly
■radio enters transmit mode but fails to transmit
■radio enters transmit mode but transmit performance is degraded
With a fault of this kind, neither of the initial tasks is required.
Fault diagnosis should begin with “Power Supplies” on page 163.
Summary To summarize, given the nature of the fault, proceed to the task or section
indicated below:
■Task 1: system error
■Task 2: lo c k e r ror
■“Power Supplies”: transmit or receive fault
The checks of Tasks 1 and 2 will indicate the section with which the fault
diagnosis should continue. Note that there are some differences in the fault-
diagnosis procedures, depending on whether the radio is a UHF (H5 and
H6 bands) or VHF (B1 band) radio. The product-code label on the radio
body will identify the frequency band as described in “Product Codes” on
page 15.

TP9100 Service Manual Frequency Synthesizer Fault Finding 161
© Tait Electronics Limited May 2005
Tas k 1 —
System Error A system error indicates a fault in the calibration of either the FCL or the
frequency synthesizer. To determine which is faulty, calibrate the VCXO
and the transmit VCO as described below. (Always calibrate the former first,
because the latter depends on the former.)
1. Place the radio in CCTM.
2. Enter the CCTM command 301 0 10 to calibrate the VCXO.
The response will be one of the following three messages:
■“passed sanity check. Cal’d values put into effect”
■“failed sanity check. Cal’d values not in effect”
■“Cal failed: lock error”
The first two messages will be preceded by four calibration values.
3. In the case of the first message (passed), go to Step 4. In the case of
the second and third messages (failed), the FCL is suspect; go to
“Power Supply for FCL” on page 205.
4. Enter the CCTM command 302 0 10 to calibrate the transmit VCO.
The response will be one of the three messages listed in Step 2.
The first two messages will be preceded by eight calibration values.
Reset the radio and re-enter CCTM.
5. If the calibration succeeded but the system error persists, replace the
main board, and go to “Final Tasks” on page 134. In the case of the
second message (failed sanity check), go to Step 6. In the case of the
third message (calibration failed), go to Step 8 (UHF radios) or
“Power Supplies” on page 163 (VHF radios).
6. Enter the CCTM command 205 to reset the calibration values to the
default values. Then enter the CCTM command 302 0 10 again to
calibrate the transmit VCO.
7. If the calibration succeeded, confirm the removal of the fault, and go
to “Final Tasks” on page 134. If the calibration failed, go to Step 8
(UHF radios) or “Power Supplies” on page 163 (VHF radios).
8. Program the radio with the maximum frequency in the radio’s
frequency band: Enter the CCTM command 101 x x 0, where x is the
frequency in hertz.
9. Enter the CCTM command 72 to determine the lock status in receive
mode. Note the response.
10. If the lock status is 111 or 110, the synthesizer is functioning in the
receive mode, and the power supplies and PLL are functioning
correctly. Go to “Loop Filter” on page 176 to check the loop filter,
VCOs, and buffer amplifiers. If the lock status is 011 or 010, the
synthesizer is faulty in the receive mode. Go to “Power Supplies” on
page 163.
lock status= xyz (x=RF PLL; y=FCL; z=LO2) (0=not in lock; 1=in lock)

162 Frequency Synthesizer Fault Finding TP9100 Service Manual
© Tait Electronics Limited May 2005
Task 2 —
Lock Status A lock error indicates that the frequency synthesizer, FCL or second LO is
out of lock. To determine which is faulty, check the lock status as described
below.
1. If not already done, place the radio in CCTM.
2. Program the radio with the receive frequency of a channel that is
known to be out of lock: Enter the CCTM command 101 x x 0,
where x is the frequency in hertz.
3. Enter the CCTM command 72 to determine the lock status in receive
mode. Note the response. The action required depends on the lock
status as described in the following steps.
4. If the lock status is x0x, where x is 0 or 1, the FCL is suspect; go to
“Power Supply for FCL” on page 205.
5. If the lock status is 011, the synthesizer is suspect, although the power
supplies are functioning correctly; go to “Loop Filter” on page 176.
6. If the lock status is 010, the synthesizer and second LO are both out
of lock. First investigate the synthesizer, excluding the power supplies;
go to “Loop Filter” on page 176. If necessary, investigate the receiver
later.
7. If the lock status is 110, the second LO is out of lock. Investigate the
receiver; go to “Receiver Fault Finding” on page 251.
8. If the lock status is 111, this implies normal operation. But if the lock
error persists, replace the main board and go to “Final Tasks” on
page 134.
lock status=xyz (x=RF PLL; y=FCL; z=LO2) (0=not in lock; 1=in lock)

TP9100 Service Manual Frequency Synthesizer Fault Finding 163
© Tait Electronics Limited May 2005
9.2 Power Supplies
Introduction First check that a power supply is not the cause of the fault. There are four
power supplies for the frequency synthesizer:
■Task 3: 14V DC supply from SMPS (VCL SUPPLY)
■Task 4: 5V DC supply from 7V5LINK in power supply circuitry (+5V0AN)
■Task 5: 4.3V DC supply following filtering of 5V AN (+4V3 DEC)
■Task 6: 3V DC supply from 3V regulator in power supply circuitry
(+3V0AN)
The measurement points for diagnosing faults in the power supplies are
summarized in Figure 9.1.
Figure 9.1 Measurement points for the synthesizer power supply circuitry
PIN 4 OF
IC601
PIN 4 OF
IC601
R533
PINS 7 AND 15
OF IC503
PINS 7 AND 15
OF IC503
SIGNAL TYPES
RF
ANALOG
CLOCK
DIGITAL
PLL
SMPS
LOOP
FILTER
AND
SUMMER
FILTERING
OF SUPPLY
FOR PLL
AND LOOP
FILTER
FILTERING
OF SUPPLY
FOR VCO
CIRCUITRY
3V
SUPPLY
VCO
CIRCUITRY
FREQUENCY
SYNTHESIZER
INTERFACE
CIRCUITRY
INVERTER
JUNCTION OF
C531 AND R530
D512
JUNCTION OF
C531 AND R530
D512
+3V0 AN
L506
7V5
SUPPLY
5V
SUPPLY
AGND
+7V5 LINK
+5V0 AN
VCL SUPPLY+4V3 DEC
PIN 1 OF
Q508
PIN 1 OF
Q508
B1
PIN 4 OF
Q508
PIN 4 OF
Q508
H5/H6
Q500

164 Frequency Synthesizer Fault Finding TP9100 Service Manual
© Tait Electronics Limited May 2005
Task 3 —
14V Power Supply First check the output VCL SUPPLY from the SMPS, which is itself provided
with a 7V5LINK DC supply.
1. Remove the main board from the chassis.
2. Place the radio in CCTM.
3. Measure the SMPS output VCL SUPPLY at the junction between C531
and R530 (see Figure 9.2).
Note The fault could also be caused by the load shorted to ground.
With power off, measure the resistance to ground at the junction
of C531 and R530. It should be approx. 117kΩ.
4. If the SMPS output is correct, go to Ta s k 4. If it is not, go to Step 5.
5. Check the 7V5LINK supply at R533 and 3VO AN at E2 of Q500
(see Figure 9.2).
6. If the voltages are correct, go to Step 7. If it is not, the 7.5V supply
is faulty. Go to “Power Supply Fault Finding” on page 149.
7. Check the SMPS circuit based on Q500 and L502 (see Figure 9.2).
8. If a fault is found, repair the circuit, confirm the removal of the fault,
and go to “Final Tasks” on page 134. If the repair failed or no fault
could be found, replace the main board, and go to “Final Tasks” on
page 134.
C531: 14.9V ± 0.2 DC at room temperature

TP9100 Service Manual Frequency Synthesizer Fault Finding 165
© Tait Electronics Limited May 2005
Figure 9.2 Synthesizer 14V power supply circuitry (top side)
Measurement
point for 14V

166 Frequency Synthesizer Fault Finding TP9100 Service Manual
© Tait Electronics Limited May 2005
Task 4 —
5V Power Supply If the output of the SMPS is correct, check the 5V DC supply next.
1. Measure the supply +5V0 at pin 4 of IC601 (see Figure 9.3).
2. If the voltage is correct, go to Tas k 5. If it is not, measure the 7V5LINK
input at pin 6 of IC601 (see Figure 9.3).
3. If the voltage is correct, go to Step 4. If it is not, the 7.5V supply is
faulty. Go to “Power Supply Fault Finding” on page 149.
4. If the input to the regulator IC601 is correct but not the output,
check IC601 (see Figure 9.3) and the associated circuitry;
if necessary, replace IC601.
Remove the SYN TOP can and check the C-multipliers Q508 (pins 3,
4, 5) (see Figure 9.3).
5. If a fault is found, repair the circuit, confirm the removal of the fault,
and go to “Final Tasks” on page 134. If the repair failed or no fault
could be found, replace the main board, and go to “Final Tasks” on
page 134.
pin 4 of IC606: 5.0 ± 0.02V DC
pin 6 of IC601: 7.5V (battery voltage)

TP9100 Service Manual Frequency Synthesizer Fault Finding 167
© Tait Electronics Limited May 2005
Figure 9.3 Synthesizer components under the SYN TOP and VCO TOP cans (top side)
Measuring point
for +3VAN
B1 band:
H5 band:
Measuring point
for 4V3DEC
Measuring point
for +3VAN
Measuring point
for +7V5
Measuring
point for +5V0

168 Frequency Synthesizer Fault Finding TP9100 Service Manual
© Tait Electronics Limited May 2005
Task 5 —
4.3V Power Supply If the SMPS output and 5V DC supply are correct, check the +4V3DEC
supply next.
1. Remove the SYN TOP can.
2. Measure the supply +4V3DEC at pin 4 of Q508 (see Figure 9.3).
3. If the voltage is correct, go to Tas k 6 . If it is not, go to Step 4 (UHF
radios) or Step 5 (VHF radios).
4. With a UHF radio check for faults in the C-multiplier Q508 (pins 3,
4, 5) and the 5V and transmit-receive switches based on Q513, Q507
and Q508 (pins 1, 2, 6) (see Figure 9.3). Replace any suspect
transistor. Conclude with Step 6.
5. With a VHF radio check for faults in the C-multiplier and 5V switch
based on Q508 and Q513 (see Figure 9.3). Check the operation of
Q517 and Q513. Conclude with Step 6.
6. If a fault is found, repair the circuit, confirm the removal of the fault,
and go to “Final Tasks” on page 134. If the repair failed or no fault
could be found, replace the main board, and go to “Final Tasks” on
page 134.
pin 4 of Q508: 4.3 ± 0.15V DC

TP9100 Service Manual Frequency Synthesizer Fault Finding 169
© Tait Electronics Limited May 2005
Tas k 6 —
3V Power Supply If the SMPS output and the 5V and 4.3V supplies are correct, the remaining
power supply to check is the 3V DC supply.
1. Measure the supply +3V0 AN at pins 7 and 15 of IC503
(see Figure 9.3).
2. If the voltage is correct, go to “Phase-Locked Loop” on page 170.
If it is not, go to Step 3.
3. Check the supply at L506 (see Figure 9.3). The measurement point
is the via shown in the figure.
4. If the voltage is correct, go to Step 7. If it is not, the 3V regulator
IC604 is suspect (see Figure 9.4).
5. Measure the voltage DIG 3VANEN at pin 3 of IC604 (see Figure 9.4).
6. If it is correct, go to Step 7. If it is not correct, go to “Power Supply
Fault Finding” on page 149.
7. Check the components in the path from L506 to IC503. Also check
IC503; if necessary, replace IC503 (see Figure 9.3).
8. If a fault is found, repair the circuit, confirm the removal of the fault,
and go to “Final Tasks” on page 134. If the repair failed or no fault
could be found, replace the main board, and go to “Final Tasks” on
page 134.
pins 7 and 15 of IC503: 2.9 ± 0.3V DC
L506: 2.9 ± 0.3V DC
L506: 2.9 ± 0.3V DC
Figure 9.4 Location of the 3V regulator IC604 (bottom side)

170 Frequency Synthesizer Fault Finding TP9100 Service Manual
© Tait Electronics Limited May 2005
9.3 Phase-Locked Loop
Introduction If there is no fault with the power supplies, check the critical output from,
and inputs to, the PLL:
■Task 7: supply for charge pump
■Task 8: reference frequency input
■Task 9: DIG SYN EN line input
■Task 10: SYN LOCK line output
The measurement points for diagnosing faults concerning the PLL inputs
and output are summarized in Figure 9.5.
Task 7 —
Supply for
Charge Pump
First check the supply for the charge pump of the PLL.
1. Measure the supply for the charge pump at pin 16 of IC503
(see Figure 9.2).
2. If the voltage is correct, go to Tas k 8 . If it is not, go to Step 3.
3. Check IC503; if necessary, replace the IC.
4. If there is a fault, repair the circuit, confirm the removal of the fault,
and go to “Final Tasks” on page 134. If the repair failed or no fault
could be found, replace the main board, and go to “Final Tasks” on
page 134.
Task 8 —
Reference
Frequency
If the supply for the charge pump is correct, check the reference frequency
input from the FCL to the PLL.
1. Measure the reference frequency at pin 8 of IC503 (see Figure 9.3).
2. If the signal is correct, go to Ta s k 9 . If it is not, go to Step 3.
3. Check IC503 (see Figure 9.3). Replace IC503 if it is suspect.
4. Determine if the fault has been removed. If it has, go to “Final Tasks”
on page 134. If it has not, the FCL is suspect; go to “Power Supply
for FCL” on page 205.
pin 16 of IC503: 5.0 ± 0.3V DC
pin 8 of IC503: 13.012 ± 0.002 MHz and 1.1 ± 0.2Vpp sine wave

TP9100 Service Manual Frequency Synthesizer Fault Finding 171
© Tait Electronics Limited May 2005
Figure 9.5 Measurement points for the synthesizer PLL and loop filter
FEEDBACK
VOLTAGE
PIN 6 OF IC505
FEEDBACK
VOLTAGE
PIN 6 OF IC505
PIN 16 OF
IC503
PIN 16 OF
IC503
PIN 5 OF
IC505
PIN 5 OF
IC505
PIN 8 OF
IC503
PIN 8 OF
IC503
PIN 14 OF
IC503
PIN 14 OF
IC503
PIN 10 OF
IC503
PIN 10 OF
IC503
COLLECTOR
OF Q505
COLLECTOR
OF Q505
OUTPUT OF LOOP
FILTER AT C565
OUTPUT OF LOOP
FILTER AT C565
TP503
(JUNCTION OF
R566 AND R570)
TP503
(JUNCTION OF
R566 AND R570)
SIGNAL TYPES
RF
ANALOG
CLOCK
DIGITAL
PLL
LOOP
FILTER
AND
SUMMER
FILTERING
OF SUPPLY
FOR PLL
AND LOOP
FILTER
FCL
VCO
CIRCUITRY
FREQUENCY
SYNTHESIZER
PLL FEEDBACK
DIGITAL
CIRCUITRY
DIG SYN EN
SYN LOCK
DIG SYN FAST
INVERTER
JUNCTION OF
C541 AND R547
JUNCTION OF
C541 AND R547
R549
R544
+3V0 AN
L506
3V
SUPPLY
R542 REFERENCE
FREQUENCY
C536
SYN CDC LFV
CDC VCO MOD
SUPPLY FOR CHARGE PUMP
REFERENCE
VOLTAGE
OUTPUT
PLL
LOOP
VOLTAGE
LOOP REF.
+2V5 SYNC
LOOP REF.
+2V5 SYNC
R5017
CODEC
AND AUDIO
CIRCUITRY
+2V5 SYN
R568

172 Frequency Synthesizer Fault Finding TP9100 Service Manual
© Tait Electronics Limited May 2005
Task 9 —
DIG SYN EN Line If the supply for the charge pump and the reference frequency are correct,
check the DIG SYN EN line input.
1. Check the DIG SYN EN line at pin 10 of IC503 (see Figure 9.2).
Enter the CCTM command 334 0 to switch off the synthesizer, and
measure the voltage at pin 10.
2. Enter the command 334 1 to switch on the synthesizer, and measure
the voltage again.
3. If the voltages measured in Step 1 and Step 2 are correct, go to
Ta s k 1 0 . If they are not, go to Step 4.
4. Remove DIG BOT can.
5. Enter the CCTM command 334 0 to switch off the synthesizer, and
measure the voltage on both sides of R716 (see Figure 9.6).
6. Enter the CCTM command 334 1 to switch on the synthesizer, and
measure the voltage on both sides of R716 (see Figure 9.6).
7. If the voltages measured in Step 5 and Step 6 are still not correct,
check whether the IO port (D2) of IC701 is faulty or shorted by
solder. If the voltages are correct, go to Step 8.
8. If there is a fault, repair the circuit, confirm the removal of the fault,
and go to “Final Tasks” on page 134. If the repair failed or no fault
could be found, replace the main board, and go to “Final Tasks” on
page 134.
pin 10 of IC503: 0V DC (after entry of CCTM 334 0)
pin 10 of IC503: 2.5 ± 0.3V DC (after entry of CCTM 334 1)
R716: 0V DC (after entry of CCTM 334 0)
R716: 3.3 ± 0.3V DC (after entry of CCTM 334 1)

TP9100 Service Manual Frequency Synthesizer Fault Finding 173
© Tait Electronics Limited May 2005
Figure 9.6 Synthesizer components under the DIG BOT can (bottom side)
DIG BOT can

174 Frequency Synthesizer Fault Finding TP9100 Service Manual
© Tait Electronics Limited May 2005
Task 10 —
SYN LOCK Line If all the critical inputs to the PLL are correct, check the SYN LOCK line
output.
1. Enter the CCTM command 72 to determine the lock status in receive
mode. Note the status.
2. Check the SYN LOCK line by measuring the voltage at pin 14 of IC503
(see Figure 9.3). The voltage should depend on the lock status as
follows:
3. If the voltage measured in Step 2 is correct, go to “Loop Filter” on
page 176. If it is not, go to Step 4.
4. Check for continuity between pin 14 of IC503 and the digital input
R742 to D1 of IC701 (DIG TOP can) (Figure 9.7).
5. If there is a fault, go to Step 6. If there is no fault, the digital circuitry
is faulty; replace the main board, and go to “Final Tasks” on
page 134.
6. Repair the fault. Confirm the removal of the fault and go to “Final
Tasks” on page 134. If the repair failed or no fault could be found,
replace the main board, and go to “Final Tasks” on page 134.
lock status=xyz (x=RF PLL; y=FCL; z=LO2) (0=not in lock; 1=in lock)
lock status 111 or 110: 3.0 ± 0.3V DC at pin 14 of IC503
lock status 011 or 010: 0V DC at pin 14 of IC503

TP9100 Service Manual Frequency Synthesizer Fault Finding 175
© Tait Electronics Limited May 2005
Figure 9.7 Synthesizer components under the DIG TOP can (top side)
DIG TOP can

176 Frequency Synthesizer Fault Finding TP9100 Service Manual
© Tait Electronics Limited May 2005
9.4 Loop Filter
Introduction If the power supplies for the frequency synthesizer are correct, and the PLL
is functioning properly, check the loop filter next:
■Task 11: check loop voltage
■Task 12: VCO fault
■Task 13: check reference voltage
■Task 14: check feedback voltage
■Task 15: check DIG SYN FAST line
■Task 16: check TP503 test point
The test and measurement points for diagnosing faults concerning the loop
filter are summarized in Figure 9.5.
Task 11 —
Check Loop Voltage Check whether the loop filter is functioning correctly by measuring the
loop voltage at the via next to SYN BOT can, or remove SYN BOT can and
measure at pin 1 of Q511 (see Figure 9.9).
1. If not already done, remove the main board from the chassis, remove
the SYN TOP can, and place the radio in CCTM.
2. Remove R542 (see Figure 9.8).
3. Using an oscilloscope, proceed as follows to observe the voltage at
C565 before and after grounding the junction between C541 and
R547 (see Figure 9.8):
While holding the oscilloscope probe at C565, use a pair of tweezers
to momentarily ground the junction. The voltage should change to
the following value (if it is not already at this value):
4. If the loop voltage is correct, go to Step 5. If it is not, the loop-filter
circuitry is suspect; go to Tas k 13.
5. Proceed as follows to observe the voltage at C565 before and after
applying 3V DC to the junction of C541 and R547; there is a
convenient 3V level at R544 (see Figure 9.8):
While holding the probe at C565, use the tweezers to momentarily
apply 3V DC to the junction; do not touch the board with your
hand, and do not allow the tweezers to touch any cans when you
remove them. The voltage should change to:
6. If the loop voltage is correct, go to Tas k 1 2. If it is not, the loop-filter
circuitry is suspect; go to Tas k 13.
C565: 13.3 ± 0.3V DC
C565: < 0.5V DC

TP9100 Service Manual Frequency Synthesizer Fault Finding 177
© Tait Electronics Limited May 2005
Figure 9.8 Synthesizer components under the SYN TOP can (top side)
B1 band:
H5 band:
Junction between
C541 and R547
Junction between
C541 and R547

178 Frequency Synthesizer Fault Finding TP9100 Service Manual
© Tait Electronics Limited May 2005
Figure 9.9 Synthesizer components under the SYN BOT can (bottom side)
Test point TP504 for
synthesizer loop voltage

TP9100 Service Manual Frequency Synthesizer Fault Finding 179
© Tait Electronics Limited May 2005
Task 12 —
VCO Faulty If the loop voltage is correct, the loop filter is functioning properly.
The VCO and related circuitry is therefore suspect. The section to proceed
to depends on the type of the radio and the nature of the fault.
1. With a UHF radio go to Step 2. With a VHF radio go to “VCO and
Related Circuitry (VHF Radios)” on page 196.
2. If a UHF radio exhibits a lock error or a receive fault. the receive
VCO is suspect; go to “Receive VCO and Related Circuitry (UHF
Radios)” on page 183.
If it exhibits a system error or a transmit fault, the transmit VCO is
suspect; go to “Transmit VCO and Related Circuitry (UHF
Radios)” on page 191.
Task 13 —
Check Reference
Voltage
If the loop-filter circuitry is suspect, first check the reference voltage for the
filter.
1. Remove the SYN BOT can.
2. Measure the reference voltage at pin 5 of IC505 (see Figure 9.9).
The result should be:
3. If the voltage is correct, go to Ta s k 1 4 . If it is not, the reference-
voltage circuitry is suspect; go to Step 4.
4. Check R5017 (see Figure 9.9).
5. If a fault is found, repair the circuit, and confirm that the reference
voltage is now correct. If it is, go to “Final Tasks” on page 134. If it
is not, or if no fault could be found, replace the main board, and go
to “Final Tasks” on page 134.
IC505 pin 5: 2.5 ± 0.05V DC

180 Frequency Synthesizer Fault Finding TP9100 Service Manual
© Tait Electronics Limited May 2005
Task 14 —
Check Feedback
Voltage
If the loop filter is suspect but the reference voltage is correct, check the
feedback voltage.
1. Measure the feedback voltage at pin 6 of IC505 (see Figure 9.9).
The result should be:
2. If the voltage is not correct, the loop filter is faulty; go to Step 3.
If the voltage is correct, resolder R542 in position (see Figure 9.8)
and go to Ta sk 1 5 .
3. Check IC504, IC505, Q511 (see Figure 9.9), C548
(see Figure 9.8), and associated components.
4. If a fault is found, repair the circuit, repeat the measurement of the
feedback voltage in Step 1, and resolder R542 in position
(see Figure 9.8).
5. If the feedback voltage is now correct, go to “Final Tasks” on
page 134. If it is not, or if no fault could be found, replace the main
board, and go to “Final Tasks” on page 134.
IC505 pin 6: 2.5 ± 0.1V DC

TP9100 Service Manual Frequency Synthesizer Fault Finding 181
© Tait Electronics Limited May 2005
Task 15 —
Check DIG SYN FAST
Line
If the loop filter is suspect but the reference and feedback voltages are
correct, check the DIG SYN FAST line, which is the input to the inverter Q505.
1. Enter the CCTM command 389 1 to set the synthesizer mode to fast.
2. Measure the voltage at the collector of Q505 (see Figure 9.9).
The result should be:
3. Enter the CCTM command 389 0 to set the mode to slow.
4. Measure the voltage at the collector of Q505 (see Figure 9.9).
The result should be:
5. If the voltages measured in Step 2 and Step 4 are correct, go to
Task 16. If they are not, go to Step 6.
6. Remove R717 (see Figure 9.6).
7. Enter the CCTM command 389 1 to set the mode to fast.
8. Measure the voltage at the via between R717 (see Figure 9.6) and
the digital circuitry. The result should be:
9. Enter the CCTM command 389 0 to set the mode to slow.
10. Measure the voltage at the via between R717 (see Figure 9.6) and
the digital circuitry. The result should be:
11. If the voltages measured in Step 8 and Step 10 are correct, go to
Step 12. If they are not, the digital circuitry is faulty; replace the main
board and go to “Final Tasks” on page 134.
12. Check and resolder R717 in position (see Figure 9.6), and check for
continuity between the collector of Q505 (see Figure 9.9) and the
digital circuitry via R717.
13. If a fault is found, repair the circuit, and confirm that the voltages are
now correct. If they are, go to “Final Tasks” on page 134. If they are
not, or if no fault could be found, replace the main board, and go to
“Final Tasks” on page 134.
Q505 collector: 14.2 ± 0.3V DC (after entry of CCTM 389 1)
Q505 collector: 0V DC (after entry of CCTM 389 0)
via at R105: 0V DC (after entry of CCTM 389 1)
via at R105: 3.3 ± 0.3V DC (after entry of CCTM 389 0)

182 Frequency Synthesizer Fault Finding TP9100 Service Manual
© Tait Electronics Limited May 2005
Task 16 —
Check TP503 Test
Point
If the reference voltage, feedback voltage, and DIG SYN FAST line are all
correct, check the voltage at the TP503 test point.
1. Measure the voltage at the TP503 test point (see Figure 9.8).
The oscilloscope should show a DC level less than 3.0V with no sign
of noise or modulation (Rx mode).
2. If the correct result is obtained, go to Step 3. If it is not, go to Step 4.
3. The loop filter is faulty but the above measurements do not provide
more specific information. Check IC504, IC505, Q511
(see Figure 9.9), C548 (see Figure 9.8) and associated components.
Conclude with Step 9.
4. Remove R566 and R570 (see Figure 9.8), which provide a
modulation path to the VCO(s).
5. Repeat the measurement of Step 1.
6. If the correct result is now obtained, go to Step 7. If the correct result
is still not obtained, the CODEC and audio circuitry is suspect;
resolder R566 and R570 in position (see Figure 9.8), and go to
“CODEC and Audio Fault Finding” on page 269.
7. Resolder R566 and R570 in position (see Figure 9.8).
8. Check IC504 (pins 6, 8, 9) (see Figure 9.9) and the associated
components in the loop filter.
9. If a fault is found, repair the circuit, and confirm that the voltages are
now correct. If they are, go to “Final Tasks” on page 134. If they are
not, or if no fault could be found, replace the main board, and go to
“Final Tasks” on page 134.
TP503 test point: < 3.0V DC

TP9100 Service Manual Frequency Synthesizer Fault Finding 183
© Tait Electronics Limited May 2005
9.5 Receive VCO and Related Circuitry (UHF Radios)
Introduction If there is no fault with the power supplies, the PLL inputs and output, and
the loop filter, check the VCO and related circuitry. The procedures in this
section apply only to UHF radios with a lock error or receive fault, and
therefore with suspect receive VCO and related circuitry. (The minimum
and maximum receive frequencies for the different UHF frequency bands
are defined in Table 9.2.) There are six aspects:
■Task 17: check receive VCO
■Task 18: repair PLL feedback
■Task 19 repair receive VCO
■Task 20: check switching to receive mode
■Task 21: repair switching network
■Task 22: check receive buffer amplifier
The measurement points for diagnosing faults in the VCO and related
circuitry are summarized in Figure 9.10.
Table 9.2 Minimum and maximum receive frequencies for the different UHF frequency bands
Frequency band Receive frequency in MHz
Minimum Maximum
H5 337 ± 5441 ± 5
H6 378 ± 5498 ± 5

184 Frequency Synthesizer Fault Finding TP9100 Service Manual
© Tait Electronics Limited May 2005
Figure 9.10 Measurement points for the VCO and related circuitry in UHF radios
+5V DEC
PIN 4 OF
IC506
PIN 4 OF
IC506
PIN 3 OF
Q506
PIN 3 OF
Q506
Q508 AND
R593
Q508 AND
R593
PIN 6 OF
Q506
PIN 6 OF
Q506
COLLECTOR
OF Q514
COLLECTOR
OF Q514
TX PORT
RX PORT
SIGNAL TYPES
RF
ANALOG
CLOCK
DIGITAL
PLL
LOOP
FILTER
AND
SUMMER
FILTERING
OF SUPPLY
FOR VCO
CIRCUITRY
FREQUENCY SYNTHESIZER
PLL FEEDBACK
LOOP VOLTAGE
RECEIVE
VCO
TRANSMIT VCO
TRANSMIT
BUFFER
AMPLIFIER
AND
COUPLER
5 V SWITCH
TR SWITCH
SYN TX LO
SYN RX LO1
TRANS-
MITTER
RECEIVER
DIGITAL
CIRCUITRY
DIG SYN TR SW
DIG SYN EN
+14 V
INVERTER
RECEIVE
BUFFER
AMPLIFIER
AND
COUPLER
JUNCTION OF
C541 AND R547
JUNCTION OF
C541 AND R547
R577
R544
+3V0 AN
L506
3V
SUPPLY
R593
R585

TP9100 Service Manual Frequency Synthesizer Fault Finding 185
© Tait Electronics Limited May 2005
Task 17 —
Check Receive VCO Check that the correct receive frequency is synthesized. This is the
frequency of the receive VCO output SYN RX LO1 at the RX port shown in
Figure 9.11.
1. Enter the CCTM command 335 0 to set the transmit-receive switch
off (receive mode).
2. Using a frequency counter, proceed as follows to observe the receive
frequency at the RX port of T401 (see Figure 9.12) before and after
grounding the junction between C541 and R547 (see Figure 9.11):
While holding the probe from the counter on the RX port, use a pair
of tweezers to momentarily ground the junction. The frequency
should change to:
The loop filter will hold its output steady at 13.3 V. This should result
in a frequency equal to the maximum given in Table 9.2.
3. If the receive frequency measured in Step 2 is correct, go to Step 4.
If it is incorrect, go to Ta s k 19 . If no frequency is detected, go to
Task 20.
4. Proceed as follows to observe the receive frequency at the RX port
before and after applying 3V DC to the junction of C541 and R547
(see Figure 9.11); there is a convenient 3V level at R544
(see Figure 9.11):
While holding the probe on the RX port, use the tweezers to momen-
tarily apply 3V DC to the junction; do not touch the board with your
hand, and do not allow the tweezers to touch any cans when you
remove them. The frequency should change to:
The loop filter will hold its output steady at about 0V. This should
result in a frequency equal to the minimum given in Table 9.2.
5. If the receive frequency measured in Step 4 is correct, go to Tas k 1 8 .
If it is incorrect, go to Ta s k 19 . If no frequency is detected, go to
Task 20.
RX port: maximum receive frequency (see Table 9.2)
RX port: minimum receive frequency (see Table 9.2)

186 Frequency Synthesizer Fault Finding TP9100 Service Manual
© Tait Electronics Limited May 2005
Figure 9.11 Synthesizer components under the SYN TOP and VCO TOP cans (UHF radio, top side)
Figure 9.12 Synthesizer components under the MIXER TOP can (UHF radio, top side)
Measuring point for
SYN RX LO1

TP9100 Service Manual Frequency Synthesizer Fault Finding 187
© Tait Electronics Limited May 2005
Task 18 —
Repair PLL feedback If both the minimum and maximum receive frequencies are correct, the
PLL feedback is suspect.
1. Resolder R542 in position (see Figure 9.11).
2. Remove the VCO BOT can.
3. Replace the components C567, R574 (see Figure 9.13) and IC503
(see Figure 9.11).
4. Also check the second stage of the receive buffer amplifier based on
IC404 (see Figure 9.12). Repair any fault.
5. Confirm that the fault in the radio has been removed. If it has, go to
“Final Tasks” on page 134. If it has not, replace the main board, and
go to “Final Tasks” on page 134.
Figure 9.13 Synthesizer components under the VCO BOT can (UHF radio, bottom side)

188 Frequency Synthesizer Fault Finding TP9100 Service Manual
© Tait Electronics Limited May 2005
Task 19 —
Repair Receive VCO If either or both the minimum and maximum receive frequencies are
incorrect, the receive VCO circuitry is faulty.
1. Remove the VCO TOP can.
2. Check the receive VCO. The circuitry is based on Q504
(see Figure 9.11).
3. If a fault is found, repair it and go to Step 4. If no fault is found, go
to Step 6.
4. Repeat the frequency measurements in Step 2 and Step 4 of Tas k 1 7.
5. If the frequencies are now correct, resolder R542 in position
(see Figure 9.11), and go to “Final Tasks” on page 134. If they are
still not correct, go to Step 6.
6. Resolder R542 in position (see Figure 9.11). Replace the main
board and go to “Final Tasks” on page 134.
Task 20 —
Check Switching
to Receive Mode
If no receive frequency is detected in the check of the receive VCO, first
check that the transmit-receive switch is functioning correctly.
1. Resolder R542 in position (see Figure 9.11).
2. Enter the CCTM command 335 0 to switch on the supply to the
receive VCO.
3. Measure the voltage at the first collector (pin 3) of Q506
(see Figure 9.11). The voltage should be:
4. Enter the CCTM command 335 1 to switch off the supply.
5. Again measure the voltage at the first collector of Q506.
6. If the voltages measured in Step 3 and Step 5 are correct, go to
Ta s k 2 2 . If they are not, the switching network is suspect; go to
Ta s k 2 1 .
pin 3 of Q506: 5.0 ± 0.3V DC (after entry of CCTM 335 0)
pin 3 of Q506: 0V DC (after entry of CCTM 335 1)

TP9100 Service Manual Frequency Synthesizer Fault Finding 189
© Tait Electronics Limited May 2005
Task 21 —
Repair Switching
Network
If the transmit-receive switch is not functioning correctly, first check the
DIG SYN TR SW line to confirm that the digital circuitry is not the cause. If the
digital circuitry is not faulty, the switching network is suspect.
1. Enter the CCTM command 335 0 to set the transmit-receive switch
off (receive mode). Measure the voltage on the DIG SYN TR SW line
between Q508 and R593 (see Figure 9.11).
2. Enter the CCTM command 335 1 to set the transmit-receive switch
on (transmit mode). Again measure the voltage at R593.
3. If the voltages measured in Step 1 and Step 2 are correct, go to
Step 9. If they are not, remove R720 (see Figure 9.7) and go to
Step 4.
4. Enter the CCTM command 335 0 and measure the voltage at the via
between R720 (see Figure 9.7) and the digital circuitry.
5. Enter the CCTM command 335 1 and again measure the voltage at
the via between R720 and the digital circuitry.
6. If the voltages measured in Step 4 and Step 5 are correct, go to
Step 7. If they are not, the digital circuitry is faulty; resolder R720 in
position (see Figure 9.7), replace the main board and go to “Final
Tasks” on page 134.
7. Check and resolder R720 in position (see Figure 9.7), and check for
continuity between Q508 and the digital circuitry via R593
(see Figure 9.11) and R720.
8. If no fault is found, go to Step 9. If a fault is found, repair the circuit,
confirm that the voltages are now correct, and go to “Final Tasks” on
page 134. If the repair failed, replace the main board and go to “Final
Tasks” on page 134.
9. Check the circuitry for the transmit-receive and 4V3DEC switches
(based on Q506, Q507 and Q508) (see Figure 9.3).
10. If a fault is found, repair the circuit, confirm that the voltages are now
correct, and go to “Final Tasks” on page 134. If the repair failed or
the fault could not be found, replace the main board, and go to “Final
Tasks” on page 134.
R593: 0V DC (after entry of CCTM 335 0)
R593: 2.0 ± 0.5V DC (after entry of CCTM 335 1)
via at R720: 0V DC (after entry of CCTM 335 0)
via at R720: 3.3 ± 0.3V DC (after entry of CCTM 335 1)

190 Frequency Synthesizer Fault Finding TP9100 Service Manual
© Tait Electronics Limited May 2005
Task 22 —
Check Receive
Buffer Amplifier
If no receive frequency is detected but the switching network is not faulty,
check the receive buffer amplifier. If the amplifier is not faulty, there might
be a fault in the receive VCO that was not detected earlier.
1. Remove the VCO BOT can.
2. Check the receive buffer amplifier in receive mode: Enter the CCTM
command 335 0 to set the transmit-receive switch off.
3. Measure the voltages at the collector of Q514 (see Figure 9.13) and
pin 4 of IC404 (see Figure 9.12).
4. Then check the receive buffer amplifier in transmit mode: Enter the
CCTM command 335 1 to set the transmit-receive switch on.
5. Again measure the voltage at Q514 and IC404.
6. If the voltages are correct, the receive VCO is suspect; go to Step 7.
If they are not, the receive buffer amplifier is suspect; go to Step 9.
7. Remove the VCO TOP can.
8. Check the receive VCO circuitry based on Q504 (see Figure 9.11).
Conclude with Step 10.
9. Check the first buffer stage (based on Q514) (see Figure 9.13) and
the second stage (based on IC404) (see Figure 9.12).
10. If a fault is found, repair the circuit, and confirm that the voltages are
now correct. If they are, go to “Final Tasks” on page 134. If they are
not, or if no fault could be found, replace the main board, and go to
“Final Tasks” on page 134.
collector of Q514: 0.7 ± 0.1V DC (receive mode)
pin 4 of IC404: 2.0 ± 0.1V DC (receive mode)
collector of Q514: 0V DC (transmit mode)
pin 4 of IC404: 0V DC (transmit mode

TP9100 Service Manual Frequency Synthesizer Fault Finding 191
© Tait Electronics Limited May 2005
9.6 Transmit VCO and Related Circuitry (UHF Radios)
Introduction If there is no fault with the power supplies, the PLL inputs and output, and
the loop filter, check the VCO and related circuitry. The procedures in this
section apply only to UHF radios with a system error or transmit fault, and
therefore with suspect transmit VCO and related circuitry. (The minimum
and maximum transmit frequencies for the different UHF frequency bands
are defined in Table 9.3.) There are five aspects:
■Task 23: check transmit VCO
■Task 24: repair PLL feedback
■Task 25: repair transmit VCO
■Task 26: check switching to transmit mode
■Task 27: check transmit buffer amplifier
The measurement points for diagnosing faults in the VCO and related
circuitry are summarized in Figure 9.10.
Table 9.3 Minimum and maximum transmit frequencies for the different UHF frequency bands
Frequency band Transmit frequency in MHz
Minimum Maximum
H5 371 ± 5492 ± 5
H6 419 ± 5545 ± 5

192 Frequency Synthesizer Fault Finding TP9100 Service Manual
© Tait Electronics Limited May 2005
Task 23 —
Check Transmit VCO Check that the correct transmit frequency is synthesized. This is the
frequency of the transmit VCO output SYN TX LO at the TX port shown in
Figure 9.13.
1. Enter the CCTM command 335 1 to set the transmit-receive switch
on (transmit mode).
2. Using a frequency counter, proceed as follows to observe the transmit
frequency at the TX port before and after grounding the junction
between C541 and R547 (see Figure 9.11).
While holding the probe from the counter on the TX port, use a pair
of tweezers to momentarily ground the junction. The frequency
should change to:
The loop filter will hold its output steady at 13.3 V. This should result
in a frequency equal to the maximum given in Table 9.3.
3. If the transmit frequency measured in Step 2 is correct, go to Step 4.
If it is incorrect, go to Tas k 2 5 . If no frequency is detected, go to
Ta s k 2 6 .
4. Proceed as follows to observe the transmit frequency at the TX port
before and after applying 3V DC to the junction of C541 and R547;
there is a convenient 3V level at R544 (see Figure 9.11):
While holding the probe on the TX port, use the tweezers to momen-
tarily apply 3V DC to the junction; do not touch the board with your
hand, and do not allow the tweezers to touch any cans when you
remove them. The frequency should change to:
The loop filter will hold its output steady at about 0V. This should
result in a frequency equal to the minimum given in Table 9.3.
5. If the transmit frequency measured in Step 4 is correct, go to Ta s k 2 4.
If it is incorrect, go to Tas k 2 5 . If no frequency is detected, go to
Ta s k 2 6 .
TX port: maximum transmit frequency (see Table 9.3)
TX port: minimum transmit frequency (see Table 9.3)

TP9100 Service Manual Frequency Synthesizer Fault Finding 193
© Tait Electronics Limited May 2005
Task 24 —
Repair PLL feedback If both the minimum and maximum transmit frequencies are correct, the
PLL feedback is suspect.
1. Resolder R542 in position (see Figure 9.11).
2. Remove the VCO BOT can.
3. Replace the components C570, R578 (see Figure 9.13) and IC503
(see Figure 9.11).
4. Confirm that the fault in the radio has been removed. If it has, go to
“Final Tasks” on page 134. If it has not, replace the main board, and
go to “Final Tasks” on page 134.
Task 25 —
Repair Transmit
VCO
If either or both the minimum and maximum transmit frequencies are
incorrect, the transmit VCO circuitry is faulty.
1. Remove the VCO TOP can.
2. Check the transmit VCO. The circuitry is based on Q510
(see Figure 9.11).
3. If a fault is found, repair it and go to Step 4. If no fault is found, go
to Step 6.
4. Repeat the frequency measurements in Step 2 and Step 4 of Ta s k 2 3 .
5. If the frequencies are now correct, resolder R542 in position
(see Figure 9.11), and go to “Final Tasks” on page 134. If they are
still not correct, go to Step 6.
6. Resolder R542 in position (see Figure 9.11). Replace the main
board and go to “Final Tasks” on page 134.

194 Frequency Synthesizer Fault Finding TP9100 Service Manual
© Tait Electronics Limited May 2005
Task 26 —
Check Switching
to Transmit Mode
If no transmit frequency is detected in the check of the transmit VCO, first
check that the transmit-receive switch is functioning correctly.
1. Resolder R542 in position (see Figure 9.11).
2. Enter the CCTM command 335 1 to switch on the supply to the
transmit VCO.
3. Measure the voltage at the second collector (pin 3) of Q506
(see Figure 9.11). The voltage should be:
4. Enter the CCTM command 335 0 to switch off the supply.
5. Again measure the voltage at the second collector of Q506.
6. If the voltages measured in Step 2 and Step 4 are correct, go to
Ta s k 2 7 . If they are not, the switching network is suspect; go to
Ta s k 2 1 .
pin 3 of Q506: 4.3 ± 0.1V DC (after entry of CCTM 335 1)
pin 3 of Q506: 0V DC (after entry of CCTM 335 0)

TP9100 Service Manual Frequency Synthesizer Fault Finding 195
© Tait Electronics Limited May 2005
Task 27 —
Check Transmit
Buffer Amplifier
If no transmit frequency is detected but the switching network is not faulty,
check the transmit buffer amplifier. If the amplifier is not faulty, there might
be a fault in the transmit VCO that was not detected earlier.
1. Remove the VCO BOT can.
2. Check the transmit buffer amplifier in receive mode: Enter the
CCTM command 335 0 to set the transmit-receive switch off.
3. Measure the voltage at pin 4 of IC506 (see Figure 9.13).
4. Then check the transmit buffer amplifier in transmit mode: Enter the
CCTM command 335 1 to set the transmit-receive switch on.
5. Again measure the voltage at IC506.
6. If the voltages are correct, the transmit VCO is suspect; go to Step 7.
If they are not, the transmit buffer amplifier is suspect; go to Step 9.
7. Remove the VCO TOP can.
8. Check the transmit VCO circuitry based on Q510
(see Figure 9.11). Conclude with Step 10.
9. Check the buffer circuitry based on IC506 (see Figure 9.13).
10. If a fault is found, repair the circuit, and confirm that the voltages are
now correct. If they are, go to “Final Tasks” on page 134. If they are
not, or if no fault could be found, replace the main board and go to
“Final Tasks” on page 134.
pin 4 of IC506: 0V DC (receive mode)
pin 4 of IC506: +3 ± 0.2V DC (transmit mode)

196 Frequency Synthesizer Fault Finding TP9100 Service Manual
© Tait Electronics Limited May 2005
9.7 VCO and Related Circuitry (VHF Radios)
Introduction If there is no fault with the power supplies, the PLL inputs and output, and
the loop filter, check the VCO and related circuitry. The procedures in this
section apply only to VHF radios; the VHF frequency bands are defined in
Table 9.4. There are six aspects:
■Task 28: check VCO
■Task 29: repair PLL feedback
■Task 30: repair VCO
■Task 31: check transmit-receive switch
■Task 32: repair switching network
■Task 33: check buffer amplifier
The measurement points for diagnosing faults in the VCO and related
circuitry are summarized in Figure 9.14.
Table 9.4 Minimum and maximum frequencies for the VHF frequency band
Frequency band Frequency in MHz
Minimum Maximum
B1 84 ± 5 200 ± 5

TP9100 Service Manual Frequency Synthesizer Fault Finding 197
© Tait Electronics Limited May 2005
Figure 9.14 Measurement points for the VCO and related circuitry in VHF radios
+4V3 DEC
PIN 3 OF
Q5003
PIN 3 OF
Q5003
TX PORT
RX PORT
SIGNAL TYPES
RF
ANALOG
CLOCK
DIGITAL
PLL
LOOP
FILTER
AND
SUMMER
FILTERING
OF SUPPLY
FOR VCO
CIRCUITRY
FREQUENCY SYNTHESIZER
PLL FEEDBACK
VCO
BUFFER
AMPLIFIER
Q5000
D510
5 V SWITCH
TR SWITCH
SYN TX LO
SYN RX LO1
TRANS-
MITTER
RECEIVER
DIGITAL
CIRCUITRY
DIG SYN TR SW
DIG SYN EN
+14 V
INVERTER
R544
JUNCTION OF
C541 AND R547
JUNCTION OF
C541 AND R547
+3V0 AN
L506
3V
SUPPLY
D510
IC506
L525
D515D510
L5001
L524
IC404
5V
SUPPLY
+5V AN

198 Frequency Synthesizer Fault Finding TP9100 Service Manual
© Tait Electronics Limited May 2005
Task 28 —
Check VCO Check that the correct receive and transmit frequencies are synthesized.
The receive frequency is that of the VCO output SYN RX LO1 at the RX port
shown in Figure 9.3. The transmit frequency is that of the output SYN TX LO
at the TX port.
1. Enter the CCTM command 335 1 to set the transmit-receive switch
on (transmit mode).
2. Using a frequency counter, proceed as follows to observe the transmit
frequency at the TX port (see Figure 9.16) before and after grounding
the junction between C541 and R547 (see Figure 9.15):
While holding the probe from the counter on the TX port, use a pair
of tweezers to momentarily ground the junction. The frequency
should change to:
The loop filter will hold its output steady at 13.3 V. This should result
in a frequency equal to the maximum given in Table 9.4.
3. If the maximum frequency measured in Step 2 is correct, go to
Step 4. If it is incorrect, go to Ta sk 3 0, but if no frequency at all is
detected, go to Tas k 3 1 .
4. Enter the CCTM command 335 0 to set the transmit-receive switch
off (receive mode).
5. Proceed as follows to observe the receive frequency at the RX port
before and after applying 3V DC to the junction of C541 and R547;
there is a convenient 3V level at R544 (see Figure 9.15):
While holding the probe on the RX port, use the tweezers to momen-
tarily apply 3V DC to the junction; do not touch the board with your
hand, and do not allow the tweezers to touch any cans when you
remove them. The frequency should change to:
The loop filter will hold its output steady at about 0V. This should
result in a frequency equal to the minimum given in Table 9.4.
6. If the minimum frequency measured in Step 5 is correct, go to
Ta s k 2 9 . If it is incorrect, go to Ta s k 30. If no frequency is detected,
go to Ta s k 3 1 .
TX port: maximum VCO frequency (see Table 9.4)
RX port: minimum VCO frequency (see Table 9.4)

TP9100 Service Manual Frequency Synthesizer Fault Finding 199
© Tait Electronics Limited May 2005
Figure 9.15 Synthesizer components under the SYN TOP can (VHF radio, top side)
Figure 9.16 Synthesizer components under the PA EX TOP can (VHF radio, top side)
TX port

200 Frequency Synthesizer Fault Finding TP9100 Service Manual
© Tait Electronics Limited May 2005
Task 29 —
Repair PLL feedback If both the maximum and minimum VCO frequencies are correct, then the
PLL feedback is suspect.
1. Resolder R542 in position (see Figure 9.15).
2. Remove the VCO BOT can.
3. Check the components R567, C589, C590, and L5000
(see Figure 9.17) and IC503 (see Figure 9.15).
4. Confirm that the fault in the radio has been removed. If it has, go to
“Final Tasks” on page 134. If it has not, replace the main board and
go to “Final Tasks” on page 134.
Figure 9.17 Synthesizer circuitry under the VCO BOT can (VHF radio, bottom side)

TP9100 Service Manual Frequency Synthesizer Fault Finding 201
© Tait Electronics Limited May 2005
Task 30 —
Repair VCO If either or both the maximum and minimum frequencies are incorrect, the
VCO circuitry is faulty.
1. Remove the VCO BOT can.
2. Check the VCO. The circuitry is based on Q504 (see Figure 9.17).
3. If a fault is found, repair it and go to Step 4. If no fault is found, go
to Step 7.
4. Repeat Step 1 and Step 2 of Tas k 28 to measure the maximum VCO
frequency.
5. Repeat Step 4 and Step 5 of Task 28 to measure the minimum VCO
frequency.
6. If the frequencies are now correct, resolder R542 in position
(see Figure 9.15), and go to “Final Tasks” on page 134. If they are
still not correct, go to Step 7.
7. Resolder R542 in position (see Figure 9.15). Replace the main
board and go to “Final Tasks” on page 134.

202 Frequency Synthesizer Fault Finding TP9100 Service Manual
© Tait Electronics Limited May 2005
Task 31 —
Check Transmit-
Receive Switch
If no frequency is detected in the check of the VCO, first check that the
transmit-receive switch is functioning correctly.
1. Resolder R542 in position (see Figure 9.15).
2. Remove the VCO BOT can.
3. Enter the CCTM command 335 0 to switch on the supply to the RX
port.
4. Measure the voltage at the junction of L525 and C594
(see Figure 9.17). (Some RF noise might be observed.) The voltage
should be:
5. Enter the CCTM command 335 1 to switch off the supply.
6. Again measure the voltage at the junction of L525 and C594.
7. If the voltages measured in Step 4 and Step 6 are correct, go to
Step 8. If they are not, the switching network is suspect; go to
Ta s k 3 2 .
8. Enter the CCTM command 335 1 to switch on the supply to the TX
port.
9. Measure the voltage at the junction of L5001 and C596
(see Figure 9.17). (Some RF noise might be observed.) The voltage
should be:
10. Enter the CCTM command 335 0 to switch off the supply.
11. Again measure the voltage at the junction of L5001 and C596.
12. If the voltages measured in Step 9 and Step 11 are correct, go to
Ta s k 3 3 . If they are not, the switching network is suspect; go to
Ta s k 3 2 .
junction of L525/C594: 3.0 ± 0.1V DC (after entry of CCTM 335 0)
junction of L525/C594: 0V DC (after entry of CCTM 335 1)
junction of L5001/C596: 3.0 ± 0.1V DC (after entry of CCTM 335 1)
junction of L5001/C596: 2.1 ± 0.4V DC (after entry of CCTM 335 0)

TP9100 Service Manual Frequency Synthesizer Fault Finding 203
© Tait Electronics Limited May 2005
Task 32 —
Repair Switching
Network
If the transmit-receive switch is not functioning correctly, first check the DIG
SYN TR SW line to confirm that the digital circuitry is not the cause. If the
digital circuitry is not faulty, the switching network is suspect.
1. Enter the CCTM command 335 0 to set the transmit-receive switch
off (receive mode). Measure the voltage at the end of the
DIG SYN TR SW line at R576 (see Figure 9.17).
2. Enter the CCTM command 335 1 to set the transmit-receive switch
on (transmit mode). Again measure the voltage at R576.
3. If the voltages measured in Step 1 and Step 2 are correct, go to
Step 9. If they are not, go to Step 4.
4. Enter the CCTM command 335 0 and measure the voltage at the left
side of R720 (see Figure 9.7).
5. Enter the CCTM command 335 1 and again measure the voltage at
the left side of R720.
6. If the voltages measured in Step 4 and Step 5 are correct, go to
Step 7. If they are not, the digital circuitry is faulty; replace the main
board and go to “Final Tasks” on page 134.
7. Check for continuity between R576 (see Figure 9.17) and R720.
8. If no fault is found, go to Step 9. If a fault is found, repair the circuit,
confirm that the voltages are now correct, and go to “Final Tasks” on
page 134. If the repair failed, replace the main board and go to “Final
Tasks” on page 134.
9. Check the circuitry for the transmit-receive and 3V switches (based
on Q515 and Q510) (see Figure 9.17).
10. If a fault is found, repair the circuit, confirm that the voltages are now
correct, and go to “Final Tasks” on page 134. If the repair failed or
the fault could not be found, replace the main board and go to “Final
Tasks” on page 134.
R576: 0V DC (after entry of CCTM 335 0)
R576: 3.0V DC (after entry of CCTM 335 1)
left side of R720: 3.3 ± 0.3V DC (after entry of CCTM 335 0)
left side of R720: 0V DC (after entry of CCTM 335 1)

204 Frequency Synthesizer Fault Finding TP9100 Service Manual
© Tait Electronics Limited May 2005
Task 33 —
Check Buffer
Amplifier
If no VCO frequency is detected but the switching network is not faulty,
check the buffer amplifier. If the amplifier is not faulty, there might be a fault
in the VCO that was not detected earlier.
1. Enter the CCTM command 335 0 to set the transmit-receive switch
to receive.
2. Measure the voltage at pin A1 of D510 (see Figure 9.17). (Some RF
noise might be observed.)
3. Measure the voltage at the collector of Q5000 (see Figure 9.17).
4. If the voltages measured in Step 2 and Step 3 are not correct, go to
Step 5. If they are, check the VCO circuitry based on Q504
(see Figure 9.17). Conclude with Step 6.
5. The buffer amplifier is suspect. Check the buffer circuitry (based on
Q5000, IC506) (see Figure 9.17).
6. If a fault is found, repair the circuit, and confirm that the voltages are
now correct. If they are, go to “Final Tasks” on page 134. If they are
not, or if no fault could be found, replace the main board and go to
“Final Tasks” on page 134.
pin A1 of D510: 1.6V DC
collector of Q5000: 0.7 ± 0.2V DC

TP9100 Service Manual Frequency Synthesizer Fault Finding 205
© Tait Electronics Limited May 2005
9.8 Power Supply for FCL
Fault-Diagnosis
Stages Indications of a fault in the FCL will have been revealed by the initial checks
in “Initial Checks” on page 160 and the PLL checks in “Phase-Locked
Loop” on page 170. In the latter case a fault with the reference frequency
input from the FCL to the PLL will imply that the FCL is suspect. Fault
diagnosis of the FCL is divided into four stages:
■check power supply
■check VCXO and VCTCXO outputs
■check signals at TP501 and TP502
■check VCXO and CODEC circuitry
The checking of the power supply is given in this section in Ta sk 3 4 below.
The remaining three stages are covered in “VCXO and VCTCXO
Outputs” to “VCXO and CODEC Circuitry” on page 214 respectively.
The test and measurement points for diagnosing faults in the FCL are
summarized in Figure 9.18.

206 Frequency Synthesizer Fault Finding TP9100 Service Manual
© Tait Electronics Limited May 2005
Figure 9.18 Test and measurement points for the FCL circuitry
IC502
13.012 MHz ±0.002 MHz
13 MHz RF
ANALOG
CLOCK
DIGITAL
SIGNAL TYPES
PSU
LPF
MIXER
VCXO
TCXO
MODULATOR
BUFFER
AMPLIFIER
AGND
DIGITAL
CIRCUITRY
CDC VCXO MOD
SYN CDC FCL
BUFFER AMPLIFIER
INTERFACE
CIRCUITRY
RECEIVER
FCL CIRCUITRY
+3V0 AN
SUPPLY
C536 R541
VCXO OUTPUT
AT C536
VCXO OUTPUT
AT C536
PLL
SYN RX OSC C510
TP504
FEEDBACK
SIGNAL
SYN DIG FREF
TCXO OUTPUT
VCXO OUTPUT
AT R522
(PIN 1 OF IC501)
VCXO OUTPUT
AT R522
(PIN 1 OF IC501)
LO INPUT
AT R521
(PIN 4 OF IC501)
LO INPUT
AT R521
(PIN 4 OF IC501)
TP502
DIFFERENCE
FREQUENCY
TP500 TP501
DAC
ADC
CODEC 2
LOOP
VOLTAGE

TP9100 Service Manual Frequency Synthesizer Fault Finding 207
© Tait Electronics Limited May 2005
Task 34 —
Power Supply If the FCL is suspect, first check that the 3V power supply is not the cause
of the fault.
1. If not already done, remove the FCL TOP can and place the radio in
CCTM.
2. Measure the supply +3V0 AN at the via shown in Figure 9.19.
3. If the voltage is correct, go to “VCXO and VCTCXO Outputs” on
page 208. If it is not, the 3V regulator IC604 is suspect; go to Task 4
of “Power Supply Fault Finding” on page 156.
via adjacent R536: 3.0 ± 0.06V DC
Figure 9.19 FCL circuitry under the FCL TOP can (top side)
3V0 AN
VCTCXO
output
VCXO output
Position of
R527 for test

208 Frequency Synthesizer Fault Finding TP9100 Service Manual
© Tait Electronics Limited May 2005
9.9 VCXO and VCTCXO Outputs
Task 35 —
VCXO Output If the 3V power supply is not faulty, check the VCXO output as follows:
1. Use an oscilloscope probe to check the VCXO output at C536 —
probe the via next to C536 (see Figure 9.19). The signal should be:
2. If the signal is correct, go to Ta sk 3 6 . If it is not, go to Step 3.
3. The VCXO circuitry under the VCXO BOT can is faulty. Remove the
VCXO BOT can.
4. Locate and repair the fault in the VCXO (Q501, Q503, XL501 and
associated components) (see Figure 9.20).
5. Confirm the removal of the fault and go to Tas k 3 6 . If the repair
failed, replace the main board and go to “Final Tasks” on page 134.
VCXO output at C536: sine wave of 1.1 ± 0.2Vpp on 1.4 ± 0.2V DC
Figure 9.20 FCL circuitry under the VCXO BOT can (bottom side)

TP9100 Service Manual Frequency Synthesizer Fault Finding 209
© Tait Electronics Limited May 2005
Task 36 —
VCTCXO Output If the VCXO output is correct, check the VCTCXO output as follows:
1. Use the oscilloscope probe to check the VCTCXO output at pin 4
of IC500 (see Figure 9.19). The signal should be:
2. If the signal is correct, go to “Signals at TP501 and TP502” on
page 210. If it is not, go to Step 3.
3. The VCTCXO module XL500 or its supply voltage is faulty.
4. Locate and repair the fault of XL500 and associated components
(see Figure 9.21).
5. Confirm the removal of the fault and go to “Signals at TP501 and
TP502” on page 210. If the repair failed, replace the main board and
go to “Final Tasks” on page 134.
VCTCXO output at pin 4 of IC500: 13MHz±1.5ppm, 3Vpp square

210 Frequency Synthesizer Fault Finding TP9100 Service Manual
© Tait Electronics Limited May 2005
9.10 Signals at TP501 and TP502
Introduction If the VCXO and VCTCXO outputs are correct, the next stage is to check
the signals at the TP501 and TP502 test points. The procedure is divided into
three tasks:
■Task 37: check signal at TP502
■Task 38: check signal at TP501 and ground TP501 if loop is oscillating
■Task 39: check signal at TP502 with TP501 grounded
These checks will reveal any faults in the mixer and LPF (low-pass filter)
circuitry, and any additional fault in the VCXO circuitry.
Figure 9.21 Test points TP501 and TP502 (bottom side)

TP9100 Service Manual Frequency Synthesizer Fault Finding 211
© Tait Electronics Limited May 2005
Task 37 —
TP502 Test Point Check the signal at the TP502 test point to determine if there is a fault in the
mixer or LPF (low-pass filter) circuitry:
1. Use the oscilloscope probe to check the difference frequency at the
TP502 test point (see Figure 9.21). The signal is SYN CDC FCL and
should be:
2. If the signal is correct, go to Task 3 8. If it is not, go to Step 3.
3. The mixer or LPF circuitry under the FCL TOP can is faulty.
4. Locate the fault in the mixer (IC501 and associated components) or
LPF circuitry (IC502 pins 5 to 7, and associated components)
(see Figure 9.19).
5. Repair the circuitry. Note that the TCXO input to the mixer at
R521 (pin 4 of IC501) (see Figure 9.19) should be:
Also, the VCXO input to the mixer at R522 (pin 1 of IC501)
(see Figure 9.19), although noisy and difficult to measure, should be:
6. Confirm the removal of the fault and go to Ta s k 3 8 . If the repair
failed, replace the main board and go to “Final Tasks” on page 134.
TP502 test point: sine wave of 1.1 ± 0.2Vpp on 1.5 ± 0.1V DC +12kHz
TCXO input at R521: square wave with frequency of 13000000 Hz
and amplitude of 3.0 ± 0.2Vpp
VCXO input at R522: sine wave with frequency of 13.012±0.002MHz
and amplitude of 20 ± 10mVpp

212 Frequency Synthesizer Fault Finding TP9100 Service Manual
© Tait Electronics Limited May 2005
Task 38 —
TP501 Test Point If the signal at the TP502 test point is correct, check the signal at the TP501
test point:
1. With the oscilloscope probe at the TP501 test point
(see Figure 9.21), check the DAC output CDC VCXO MOD.
If a sawtooth wave (1.8Vpp) is present, go to Step 2. Otherwise go to
“VCXO and CODEC Circuitry” on page 214.
2. A fault is causing the loop to oscillate. If not already done, remove the
FCL TOP can.
3. Check the waveform at the TP500 test point (see Figure 9.19).
The waveform should be an amplified and inverted version of the
waveform at the TP501 test point.
4. If the waveform is correct, go to Step 5. If it is not, there is a fault in
the modulator buffer amplifier (IC502 pins 1 to 3, and associated
components) (see Figure 9.19). Rectify the fault and return to
Step 1.
5. Connect the TP501 test point to ground by resoldering R527 in the
position shown in Figure 9.19. This forces the VCXO loop voltage
high.
6. Use the oscilloscope probe to check the VCXO output at C536 —
probe the via next to C536 (see Figure 9.19). The signal should be:
7. If the signal is correct, go to Ta sk 3 9 . If it is not, go to Step 8.
8. The VCXO circuitry is faulty. If not already done, remove the
VCXO BOT can.
9. Locate and repair the fault in the VCXO circuitry (Q501, Q503,
XL501 and associated components) (see Figure 9.20).
10. Confirm the removal of the fault, and go to Tas k 3 9. If the repair
failed, replace the main board and go to “Final Tasks” on page 134.
VCXO output at C536: sine wave with frequency of 13.017MHz and
amplitude of 1.1 ± 0.2Vpp on 1.4 ± 0.2V DC

TP9100 Service Manual Frequency Synthesizer Fault Finding 213
© Tait Electronics Limited May 2005
Task 39 —
TP502 Test Point
(TP501 Grounded)
If the loop was oscillating, Task 38 will have revealed any fault in the VCXO
circuitry. If there was no fault, or if the circuit was repaired, a check at the
TP502 test point is now required. This will show if there are any additional
faults in the mixer or LPF circuitry.
1. Use the oscilloscope probe to check the difference frequency at the
TP502 test point (see Figure 9.21). The signal is SYN CDC FCL and
should be:
2. If the signal is correct, go to Step 6. If it is not, go to Step 3.
3. The mixer circuitry (IC501 and associated components) or the LPF
circuitry (IC502 pins 5 to 7, and associated components) under the
FCL TOP can is faulty (see Figure 9.19). Locate the fault.
4. Repair the circuitry. Note that the TCXO input to the mixer at
R521 (pin 4 of IC501) (see Figure 9.19) should be:
Also, the VCXO input to the mixer at R522 (pin 1 of IC501)
(see Figure 9.19), although noisy and difficult to measure, should be:
5. Confirm the removal of the fault, and go to Step 6. If the repair
failed, resolder R527 in its original position as shown in Figure 9.19,
replace the main board and go to “Final Tasks” on page 134.
6. Resolder R527 in its original position as shown in Figure 9.19.
7. Replace all cans.
8. Use the oscilloscope probe to check the difference frequency at the
TP502 test point (see Figure 9.21). The signal is SYN CDC FCL and
should be:
9. If the signal is correct, the fault has been removed; go to “Final
Tasks” on page 134. If the signal is not correct, the repair failed;
replace the main board and go to “Final Tasks” on page 134.
TP502 test point: sine wave with frequency of at least 15kHz and
amplitude of 1.1 ± 0.2Vpp on 1.5 ± 0.1V DC
TCXO input at R521: square wave with frequency of 13000000Hz
and amplitude of 3.0 ± 0.2Vpp
VCXO input at R522: sine wave of 20 ± 10mVpp
TP502 test point: sine wave of 1.1 ± 0.2Vpp on 1.5 ± 0.1V DC
(approx. 12kHz)

214 Frequency Synthesizer Fault Finding TP9100 Service Manual
© Tait Electronics Limited May 2005
9.11 VCXO and CODEC Circuitry
Introduction If the signals at the TP501 and TP502 test points are correct, two CCTM
checks will reveal any remaining faults. These possible faults concern the
VCXO tank circuit and the CODEC 2 circuitry. There are therefore three
aspects, which are covered in Tasks 40 to 42:
■Task 40: CCTM checks
■Task 41: VCXO tank circuit
■Task 42: CODEC 2 circuitry
Following any repairs of the VCXO or CODEC 2 circuitry, Task 40 will
need to be repeated to confirm the removal of the fault.
Task 40 —
CCTM Checks If the signals at the TP501 and TP502 test points are correct, or any related
faults were rectified, perform the following CCTM checks:
1. Enter the CCTM command 393 1 1900. Measure the voltage level at
the TP501 test point (see Figure 9.21):
2. Enter the CCTM command 72 and note the lock status.
3. Enter the CCTM command 393 1 –1900. Again measure the voltage
level at the TP501 test point:
4. Enter the CCTM command 72 and note the lock status.
5. If the above voltage levels are not correct or if the FCL is out of lock
in either or both of the above cases, investigate the VCXO tank
circuit; go to Ta sk 4 1.
If the voltage level remains fixed at about 1.5V DC, investigate the
CODEC 2 circuitry; go to Tas k 4 2 .
If the voltage levels are all correct (following earlier repairs), the fault
has been removed; go to “Final Tasks” on page 134.
TP501 test point: 1.3 ± 0.2V DC (after CCTM 393 1 1900)
lock status=xyz (x=RF PLL; y=FCL; z=LO2) (0=not in lock; 1=in lock)
TP501 test point: 2.1 ± 0.2V DC (after CCTM 393 1 –1900)

TP9100 Service Manual Frequency Synthesizer Fault Finding 215
© Tait Electronics Limited May 2005
Task 41 —
VCXO Tank Circuit If the CCTM checks indicate that the VCXO tank circuit is faulty, repair
the circuit as follows:
1. If not already done, remove the VCXO BOT can.
2. Locate and repair the fault in the VCXO tank circuit (Q501, D501,
D502, XL501 and associated components) (see Figure 9.20).
3. Confirm the removal of the fault and go to Step 4. If the repair failed,
replace the main board and go to “Final Tasks” on page 134.
4. Replace all cans.
5. Repeat Ta s k 4 0 to confirm the removal of the fault. If the repair
failed, replace the main board and go to “Final Tasks” on page 134.
Task 42 —
CODEC 2 Circuitry If the CCTM checks indicate a fault in the CODEC 2 circuitry or with the
digital signals to and from the circuitry, rectify the fault as follows:
1. Most of the CODEC 2 circuitry is situated under the CDC TOP can.
If not already done, remove the CDC TOP can.
2. Check the following digital signals at IC205 (see Figure 9.22):
■pin 10 : DIG CDC2 LRCK
■pin 12 : DIG CDC2 SCLK
■pin 8 : CDC2 DIG SDTO
■pin 9 : DIG CDC2 SDTI
These signals to and from the digital circuitry should all be active:
3. If the digital signals are correct, the CODEC 2 circuitry is suspect; go
to Step 6. If they are not, go to Step 4.
4. If any or all digital signals are missing, check the connections between
IC205 and the digital circuitry (see Figure 9.22).
5. If there are faults such as open circuits in the connections, repair the
circuitry and repeat Ta s k 4 0 .
If the connections are not faulty, then the digital circuitry is faulty.
Replace the main board and go to “Final Tasks” on page 134.
6. The CODEC 2 circuitry comprises IC205 and associated
components under the CDC TOP can. Locate the fault.
7. Repair the circuitry. Note that, if the circuitry is functioning properly,
probing the TP501 test point (see Figure 9.21) during power-up
will show a five-step staircase signal followed by a random nine-step
staircase signal — this is the expected power-up auto-calibration
sequence.
digital signals: 3.3 ± 0.3V

216 Frequency Synthesizer Fault Finding TP9100 Service Manual
© Tait Electronics Limited May 2005
8. Confirm the removal of the fault, and go to Step 9. If the repair
failed, replace the main board and go to “Final Tasks” on page 134.
9. Replace all cans.
10. Repeat Tas k 40 to confirm the removal of the fault. If the repair
failed, replace the main board and go to “Final Tasks” on page 134.
Figure 9.22 Synthesizer components under the CDC TOP can (top side)

TP9100 Service Manual Transmitter Fault Finding 217
© Tait Electronics Limited May 2005
10 Transmitter Fault Finding
Introduction This section covers the diagnosis of faults in the transmitter circuitry.
The main indication of a fault in the transmitter is a reduction in range.
This implies that the power output is wrong or too low. Another type of
fault is manifested when the radio always transmits at full power, even if set
otherwise. Regardless of the fault, the lock status should be normal.
Fault-Diagnosis
Tas ks The procedure for diagnosing transmitter faults is divided into tasks, which
are grouped into the following sections:
■“Power Supplies”
■“Transmitter RF Power”
■“Biasing of PA Driver and PA”
■“RF Signal Path”
Before beginning the fault diagnosis with “Power Supplies”, note the
following information regarding CCTM commands, frequency bands, can
removal and replacement, and transmit tests.
CCTM Commands The CCTM commands required in this section are listed in Table 10.1.
Full details of the commands are given in “Computer-Controlled Test
Mode (CCTM)” on page 91.
Table 10.1 CCTM commands required for the diagnosis of faults in the transmitter
Command Description
32
33
803
101 x y 0
114 x
326 x
331
331 x
334 x
335 x
Set radio in receive mode
Set radio in transmit mode
Read temperature near front panel (FPI = x) and PA (TX = y). To convert to °C:
temp = (x or y/-2.37)+160
Set transmit frequency (x in hertz) and receive frequency (y in hertz) to specified values
Set DAC value x (in range 0 to 1023) of transmit power
Set transmitter power level x (0=off, 1=very low, 2=low, 3=medium, 4=high, 5=maximum)
Read bias voltage for first PA — displays DAC value x (in range 0 to 255)
Set DAC value x (in range 0 to 255) of bias voltage for first PA
Set synthesizer on (x=1) or off (x=0) via DIG SYN EN line
Set transmit-receive switch on (x=1) or off (x=0) via DIG SYN TR SW line

218 Transmitter Fault Finding TP9100 Service Manual
© Tait Electronics Limited May 2005
Frequency Bands Some fault-diagnosis tasks require programming the radio with the lowest,
center or highest frequency in the radio’s frequency band. The relevant
frequencies for the different bands are listed in Table 10.2. Note that the
following frequency ranges are reserved worldwide for use by distress
beacons:
■B1 band: 156.8MHz ± 375kHz
■H5 band: 406.0 to 406.1MHz
Do not program the radio with any frequency in the above ranges.
Can Removal There are four cans shielding the bulk of the transmitter circuitry:
■PA BOT can
■PA LPF BOT can
■TX CONTROL BOT can
■PA EX TOP can
To remove any can, first remove the main board from the chassis. Follow the
procedures given in “Disassembly and Reassembly” on page 101.
Can Replacement Replace all cans that have been removed only after repairing the board.
This applies to the B1, H5, and H6 bands. For certain other bands the
transmitter will not operate correctly unless all the cans are fitted.
Table 10.2 Lowest, center and highest frequencies in MHz
Band Lowest
frequency
Center
frequency
Highest
frequency
B1
H5
H6
136
400
450
155
435
490
174
470
530

TP9100 Service Manual Transmitter Fault Finding 219
© Tait Electronics Limited May 2005
Tran smit Tes ts The following points need to be borne in mind when carrying out transmit
tests:
■secure main board
■ensure proper antenna load
■limit duration of transmit tests
■protect against accidental transmissions
■avoid thermal and RF burns
These points are discussed in more detail below.
Secure Main Board Before conducting any transmit tests, ensure that the main board is
adequately secured in the chassis. This is essential if overheating of the radio
is to be avoided.
Ensure Proper
Antenna Load The radio has been designed to operate with a 50Ω termination impedance,
but will tolerate a wide range of antenna loading conditions. Nevertheless,
care should be exercised. Normally the RF connector on the main board
will be connected to the RF communications test set as shown in Figure 4.2
on page 87. But for those tests where this connection is not necessary, a 50Ω
load may be used instead. Do not operate the transmitter without such a load
or without a connection to the test set. Failure to do so might result in
damage to the power output stage of the transmitter.
Limit Duration of
Tran smit Tes ts After setting the frequency and power level (if necessary), enter the CCTM
command 33 to perform a transmit test. This command places the radio in
transmit mode. After completing the measurement or check required,
immediately enter the CCTM command 32. This command returns the
radio to the receive mode. Restricting the duration of transmit tests in this
way will further limit the danger of overheating. The reason for this
precaution is that the transmit timers do not function in the CCTM mode.
Protect Against
Accidental
Transmissions
Under certain circumstances the microprocessor can key on the transmitter.
Ensure that all instruments are protected at all times from such accidental
transmissions.
Avoid Thermal
and RF Burns Avoid thermal burns. Do not touch the PA body when the transmitter is or
has been operating. Avoid RF burns. Do not touch the antenna connector
while the transmitter is operating.

220 Transmitter Fault Finding TP9100 Service Manual
© Tait Electronics Limited May 2005
10.1 Power Supplies
Introduction First check that a power supply is not the cause of the fault. There are two
power supplies for the transmitter:
■Task 1: 7.5VDC supply from power connector (+7V5 BATT)
■Task 2: 5VDC supply from 9V regulator in PSU module (+5V0TX)
The power supplies distribution is summarized in Figure 10.1.
Figure 10.1 Measurement and test points for diagnosing faults involving
the power supplies for the transmitter
RF
Connector
Receiver
LPF PA
Power
Control
PIN
Switch
Driver Exciter
TX RX RF
Transmitter +5V TX
+7V5 LINK
SYN TX LO
Power
Supply
Frequency
Synthesizer
Signal Types:
RF
analog
clock
digital
Interfaces
AGND
Buffer
R150
Current
Sensing
PA
Difference
Amplifier
Pre-
Driver
+7V5 BATT
+7V5 LINK
L115
R150/R124/
R197
Current
Limiting
L111
(UHF only)
+5V TX
+7V5 BATT

TP9100 Service Manual Transmitter Fault Finding 221
© Tait Electronics Limited May 2005
Tas k 1 —
7.5V Power Supply First check the 7.5V power supply.
1. Remove PA BOT can, PA LPF BOT can, and TX CONTROL BOT can, and carry
out a thorough visual inspection
2. Obtain a needle probe to use for measurements of the power supply
at the PA driver and PAs.
3. Set the DC power supply to 7.5V, with a current limit of 3A.
4. Program the radio with the highest frequency in the radio’s frequency
band: Enter the CCTM command 101 x x 0, where x is the frequency
in hertz. The required values for the different frequency bands are
given in Table 10.2 on page 218.
5. Enter the CCTM command 326 4 to set the radio to high power.
Note Using the CCTM command 326 5 will set the radio to maximum
power and the driver stage will be under current limiting.
6. Attempt to place the radio in transmit mode. Enter the CCTM
command 33.
7. If the radio enters the transmit mode, continue with Step 8. If instead
a C03 error is displayed in response to the command 33, go to Tas k 5
on page 227.
8. Measure the voltage at the point on L115 shown in Figure 10.2.
This is the supply at the drain of Q106, and should be:
9. Also measure the voltage at the point on L111 shown in
Figure 10.2. This is the supply at the drain of Q103, and should be:
10. Enter the CCTM command 32 to place the radio in receive mode.
11. If the power supply measured in Step 8 and Step 9 is correct, go to
Task 2. If it is not, go to “Power Supply Fault Finding” on page 149.
drain of Q106: approximately 7.0V DC
drain of Q103: approximately 7.0V DC

222 Transmitter Fault Finding TP9100 Service Manual
© Tait Electronics Limited May 2005
Figure 10.2 Measuring points under the PA bot can (bottom side) for measuring the power supply
B1 band
H5 band
(H6 similar)
Measuring point
on L115
Measuring point
on L111
Measuring point
on L111
Measuring point
on L115

TP9100 Service Manual Transmitter Fault Finding 223
© Tait Electronics Limited May 2005
Tas k 2 —
5V Power Supply If the 7.5V power supply is correct, check the 5V DC supply.
1. Enter the CCTM command 326 1 to set the transmitter power level
very low.
2. Enter the CCTM command 33 to place the radio in transmit mode.
3. Measure the +5VTX supply voltage under the TX CONTROL BOT can
(see Figure 10.3).
4. Enter the CCTM command 32 to place the radio in receive mode.
5. If the supply measured in Step 3 is correct, go to Ta s k 3 . If it is not,
the 5V regulator IC600 and the associated switching circuitry are
suspect; go to Ta sk 4 of “Power Supply Fault Finding” on page 156.
supply +5V TX: 5.0V DC
Figure 10.3 Measuring points under TX CONTROL BOT can (bottom side) for checking the +5V TX supply
DTXINH test point
TX INH test point
Measuring point for +5V TX

224 Transmitter Fault Finding TP9100 Service Manual
© Tait Electronics Limited May 2005
10.2 Transmitter RF Power
Introduction If there is no fault with the power supplies, check the transmitter RF power
and correct any fault. The procedure is covered in the following eight tasks:
■Task 3: check RF output power
■Task 4: power unchanged regardless of setting
■Task 5: check for inhibiting of transmitter
■Task 6: check temperature sensor
■Task 7: power and current are skewed
■Task 8: power and current are low
The measurement points for diagnosing faults concerning the transmitter
RF power are summarised in Figure 10.4.
Task 3 —
Check RF Output
Power
If the power supplies are correct, check the RF output power of the
transmitter.
1. Enter the CCTM command 326 4 to set the transmitter power level
to high power.
2. If not already done, program the radio with the highest frequency in
the radio’s frequency band: Enter the CCTM command 101 xx 0,
where x is the frequency in hertz. The required values for the
different frequency bands are given in Table 10.2 on page 218.
3. Enter the CCTM command 33 to place the radio in transmit mode.
4. Note the RF output power measured by the test set, and note the
current reading on the DC power supply.
5. Enter the CCTM command 32 to place the radio in receive mode.
6. Program the radio with the center frequency in the radio’s frequency
band: Enter the CCTM command 101 x x 0, where x is the frequency
in hertz. The required values for the different frequency bands are
given in Table 10.2 on page 218.
7. Repeat Step 3 to Step 5.
8. Program the radio with the lowest frequency in the radio’s frequency
band: Enter the CCTM command 101 x x 0, where x is the frequency
in hertz. The required values for the different frequency bands are
given in Table 10.2 on page 218.
RF output power: >5W (for B1 band); >4W (H5 and H6 bands)
current: <1.9A

TP9100 Service Manual Transmitter Fault Finding 225
© Tait Electronics Limited May 2005
Figure 10.4 Measurement and test points for diagnosing faults concerning the transmitter
RF power
RF
Connector
Receiver
LPF PA
Power
Control
PIN
Switch
Driver Exciter
Shaper
and Level
Shifter
Crowbar
Shaping
Filter
TX RX RF
Transmitter
OR Gate
TX INH
+5V TX
+7V5 LINK
DIG TX INH
SYN LOCK
SYN TX LO
Power
Supply
Digital
Frequency
Synthesizer
CDC TXFIN RXAGC
CDC TXPWR RXFE
Thermal Coupling
Codec
and
Audio
Signal Types:
RF
analog
clock
digital
asynchronous serial data
synchronous serial data
Interfaces
AGND
Shaper
and Level
Shifter
Buffer
Current
Sensing
PA
Difference
Amplifier
Pre-
Driver
+7V5 BATT
Lead to
test set
Lead to
test set
50 lead
to test set
W
50 lead
to test set
W
VGATE
TX INHIBIT

226 Transmitter Fault Finding TP9100 Service Manual
© Tait Electronics Limited May 2005
9. Repeat Step 3 to Step 5.
10. Depending on the results of the above measurements, proceed to the
task indicated in Table 10.3. Note that the power and current are
considered to be skewed if they are low at one part of the frequency
band and high elsewhere.
Task 4 —
Power Unchanged
Regardless of
Setting
If all the power and current values measured in Task 3 are correct, it is likely
that the power remains unchanged regardless of the power setting.
1. Enter the following CCTM commands in turn and measure the RF
output power in each case:
■326 3 – mid power
■326 2 – low power
■326 1 – very low power
2. The above measurements should confirm that the power remains
unchanged at all settings. Carry out Tas k 9 and then Ta s k 1 2.
Table 10.3 Tasks to be performed according to the results of the power and current measurements
of Task 3
Power Current Task
Correct Correct Task 4 — Power unchanged regardless of setting
Correct Wrong Task 13 — Biasing of PA driver
Skewed Skewed Task 7 — Power and current are skewed
Low (> 0.1 W) Low (> 0.5 A) Task 8 — Power and current are low
None at RF connector (< 0.1 W) Low (> 0.5 A) Task 13 — Biasing of PA driver
None at RF connector (< 0.1 W) None (< 0.5 A) Task 5 — Check for inhibiting of transmitter

TP9100 Service Manual Transmitter Fault Finding 227
© Tait Electronics Limited May 2005
Tas k 5 —
Check for Inhibiting
of Transmitter
If the transmitter is drawing no current or the wrong current, check
whether it is being inhibited. This check is also required if a CO3 error
occurs in Task 1.
1. If not already done, enter the CCTM command 33 to place the radio
in transmit mode.
2. Check the logic signal at the TX INH test point (see Figure 10.3).
The signal should be:
3. If the signal is inactive as required, go to Step 4. If it is active — about
2.3V — the transmitter is being inhibited; go to Step 5.
4. Enter the CCTM command 32 to place the radio in receive mode,
and go to Ta s k 9.
5. Check the logic signal at the DTXINH test point (see Figure 10.3).
The signal should be:
6. If the signal is inactive as required, go to Step 8. If it is active — about
2.8V — the temperature sensor is suspect; go to Step 7.
7. Enter the CCTM command 32 to place the radio in receive mode,
and go to Task 6.
8. The lock status is possibly no longer normal. Enter the CCTM
command 72 and check the lock status.
9. Enter the CCTM command 32 to place the radio in receive mode.
10. The normal lock status is 110. If it is not, proceed to the relevant
section. If it is, go to Step 11.
11. Check for short circuits on the DIG TX INH line from the DTXINH test
point.
12. Repair any fault, confirm the removal of the fault, and go to “Final
Tasks” on page 134. If the repair failed or no fault could be found,
replace the main board and go to “Final Tasks” on page 134.
TX INH test point: about 0V (inactive)
D TX INH test point: about 0V (inactive)

228 Transmitter Fault Finding TP9100 Service Manual
© Tait Electronics Limited May 2005
Task 6 —
Check Temperature
Sensor
If the transmitter is being inhibited and the logic signal at the DTXINH test
point is active, a fault in the temperature sensor might be the cause.
1. Enter the CCTM command 803 to check the temperature reading.
2. Of the two numbers returned, the first is the temperature near the
front panel, and after converting to degrees celsius (use the formula
on page 217) should be about 23 to 25°C. If it is, go to “Biasing of
PA Driver and PA” on page 230. If it is not, go to Step 3.
3. Check D201 and the surrounding components (see Figure 10.5).
The temperature sensor is located on the top side of the main board.
4. If there is no fault, go to “CODEC and Audio ault Finding” on
page 269. If a fault is found, repair it, confirm the removal of the fault
and go to “Final Tasks” on page 134. If the repair failed, replace the
main board and go to “Final Tasks” on page 134.
Figure 10.5 Temperature sensor circuitry (top side)
Temperature sensor circuitry

TP9100 Service Manual Transmitter Fault Finding 229
© Tait Electronics Limited May 2005
Tas k 7 —
Power and Current
are Skewed
If the RF output power and the supply current are skewed, the output
matching is suspect.
1. Remove the PA BOT can and PA LPF BOT can.
2. Check that the PA output matching capacitor are in the correct
position as depicted in the latest BOM revision.
3. Go to Ta s k 2 1 – the PIN switch and LPF require checking.
Tas k 8 —
Power and Current
are Low
If the RF output power and the supply current are uniformly low at all
frequencies, the PA is suspect or the input to the PA is reduced. Check the
circuitry of the PA (Q106) and the PA driver (Q103):
1. Enter the CCTM command 331 to check the DAC value of final
bias 1 (CDC TX FIN RXAGC). Record the value x returned.
2. Enter CCTM command 114 0 to turn off power control. Note the
current reading on the DC power supply. This is the bias current.
Table 10.4 shows the bias currents for each power setting.
3. Enter the CCTM command 32 to place the radio in receive mode.
4. If the current measured in Step 2 is correct, go to “Biasing of PA
Driver and PA” on page 230. If not, go to Ta s k 1 1.
.
Table 10.4 PA bias currents in mA at different power levels
Frequency
band
Very low
power
Low
power
Mid
power
High
power
B1 200 200 200 200
H5 150 800 800 800
H6 200 800 800 900

230 Transmitter Fault Finding TP9100 Service Manual
© Tait Electronics Limited May 2005
10.3 Biasing of PA Driver and PA
Introduction The measurements of the transmitter RF output power in “Transmitter RF
Power” might indicate a need to check the biasing of the PA and the PA
driver. The procedure is covered in this section. The tasks are grouped as
follows:
■Task 9: prepare to check biasing
■Task 10 to Task 12: check biasing of PA
■Task 13 to Task 14: check biasing of PA driver
■Task 15 to Task 17: repair circuitry
The test and measurement points for diagnosing faults in the biasing of the
PA and PA driver are summarized in Figure 10.6 on page 231.
Important The PA BOT can must not be removed while the radio is in
transmit mode.
To access the measurement and test points, remove the TX CONTROL BOT and
PA BOT cans.
Task 9 —
Prepare to
Check Biasing
If the transmitter is not being inhibited, check the biasing of the PA.
First make the following preparations:
1. Set the current limit on the DC power supply to 2 A.
2. Enter the CCTM command 331 to check the DAC value of final bias
1 (CDC TX FIN BIAS) at high power (CCTM command 326 4).
Record the value x returned.
3. Enter the CCTM command 33 to place the radio in transmit mode.
4. Switch off all biases by entering the following CCTM commands in
sequence:
■331 1
■326 4 (set to high power)
5. Note the current reading on the DC power supply. This will be less
than 550mA.
6. With the radio still in transmit mode, check the biasing of the PA,
beginning with Ta sk 1 0 .

TP9100 Service Manual Transmitter Fault Finding 231
© Tait Electronics Limited May 2005
Figure 10.6 Test points and components of the shaping filter
RF
Connector
Receiver
LPF PA
Power
Control
PIN
Switch
Driver Exciter
Shaper
and Level
Shifter
Crowbar
Shaping
Filter
TX RX RF
Transmitter
OR Gate
TX INH
+5V TX
+7V5 LINK
DIG TX INH
SYN LOCK
SYN TX LO
Power
Supply
Digital
Frequency
Synthesizer
CDC TXFIN RXAGC
CDC TXPWR RXFE
Thermal Coupling
Codec
and
Audio
Signal Types:
RF
analog
clock
digital
asynchronous serial data
synchronous serial data
Interfaces
AGND
Shaper
and Level
Shifter
Buffer
Current
Sensing
PA
Difference
Amplifier
Pre-
Driver
+7V5 BATT
VGATE
Pin 15 of
IC101
Pin 15 of
IC101
Pin 8 of
IC101
Pin 8 of
IC101
AN PA
test point
AN PA
test point
PWR
test point
PWR
test point

232 Transmitter Fault Finding TP9100 Service Manual
© Tait Electronics Limited May 2005
Task 10 —
Check Biasing
of PA
Check the biasing of the PA (Q106).
Important Ensure that the current limit on the DC supply is 2A. And,
when entering the CCTM command 331 x, do not specify
a value x higher than that recorded in Task 9. Failure to do
so might result in the destruction of the PAs.
1. Use a multimeter to measure the voltage at pin 14 of IC101
(see Figure 10.7). The voltage should be:
2. Note the current reading on the DC power supply. As mentioned in
Step 5 of Task 9, this will be less than 550mA.
3. Enter the CCTM command 331 x (where x was recorded in Task 9).
4. Check that the voltage changes to:
5. Also note the current reading. This should increase by an amount
approximately equal to the offset given in Table 10.5.
6. If the voltage and current are both correct, go to Step 7. If the voltage
is correct but not the current, go to Ta s k 1 1 . If neither the current
nor the voltage is correct, go to Tas k 12.
7. Enter the CCTM command 331 1 to switch off final bias 1, and go to
Ta s k 1 4 .
pin 14 of IC301: < 100mV (initially)
pin 14 of IC301: 2 to 5V (after entry of CCTM 331 x)
Table 10.5 Gate biases for the PA at high power
Frequency band PA offset current in mA
B1 600
H5 800
H6 900

TP9100 Service Manual Transmitter Fault Finding 233
© Tait Electronics Limited May 2005
Figure 10.7 PA circuitry under the TX CONTROL BOT can (bottom side)
TXPWR RXFE test point
VGATE test point
PA BIAS test point
(pin 14 of IC101)
via of CDC TXFIN RXAGC
TXPWR RXFE test pointPA BIAS test point
(pin 14 of IC101)
via of CDC TXFIN RXAGC
VGATE test point
B1 band
H5 band (H6 similar)

234 Transmitter Fault Finding TP9100 Service Manual
© Tait Electronics Limited May 2005
Task 11 —
Shaper and
Level Shifter
If the voltage measured in Task 10 is correct but not the current, either the
PA or the shaper and level shifter for the PA is suspect.
Important Ensure that the current limit on the DC supply is 2A. And,
when entering the CCTM command 331 x, do not specify
a value x higher than that recorded in Task 9. Failure to do
so might result in the destruction of the PAs.
1. Enter the CCTM command 33 to place the radio in transmit mode.
2. Enter the CCTM command 331 x (where x was recorded in Task 9).
3. Check that the voltage at the gate of Q106 (see Figure 10.8) is:
4. Enter the CCTM command 32 to place the radio in receive mode.
5. If the voltage measured above is correct, Q106 is faulty; replace the
main board and go to “Final Tasks” on page 134. If it is not correct,
go to Step 6.
6. Check the circuitry between pin 14 of IC101 (see Figure 10.7) and
the gate of Q106 (see Figure 10.8). If a fault is found, repair it,
confirm the removal of the fault, and go to “Final Tasks” on
page 134. If the repair failed or Q106 itself is faulty, replace the main
board and go to “Final Tasks” on page 134.
gate of Q106: 2 to 5V

TP9100 Service Manual Transmitter Fault Finding 235
© Tait Electronics Limited May 2005
Figure 10.8 PA driver circuitry under the PA BOT can
B1 band
SYN TX LO
measuring point
Driver output
Exciter output
H5 band
SYN TX LO
measuring point
Driver output
Exciter output
H6 band
SYN TX LO
measuring point
Driver output
Exciter output

236 Transmitter Fault Finding TP9100 Service Manual
© Tait Electronics Limited May 2005
Task 12 —
Shaping Filter for
Power Control
If neither the voltage nor the current measured in Task 10 is correct, then
the shaping filter for the power-control circuitry or the CODEC and audio
circuitry is suspect.
Important Ensure that the current limit on the DC supply is 2A. And,
when entering the CCTM command 331 x, do not specify
a value x higher than that recorded in Task 9. Failure to do
so might result in the destruction of the PAs.
1. Use the multimeter to measure the voltage at the via of
CDC TXFIN RXAGC (see Figure 10.7). The voltage should be:
2. Enter the CCTM command 331 x (where x was recorded in Task 9).
3. Check that the voltage changes to:
4. Enter the CCTM command 32 to place the radio in receive mode.
5. If the voltage measured above is correct, go to Step 6. If it is not, go
to “CODEC and Audio ault Finding” on page 269.
6. Check IC101 and the surrounding shaping-filter circuitry
(see Figure 10.7). If a fault is found, repair it, confirm the removal
of the fault, and go to “Final Tasks” on page 134. If the repair failed,
replace the main board and go to “Final Tasks” on page 134.
Task 13 —
Biasing of
PA Driver —
voltage clamp
If the PA biasing and power control are correct, then proceed to check the
voltage clamp current of the driver.
1. Enter the CCTM command 324 4 to set the radio to high power.
2. Measure the voltage across the resistors R122, R124, and R197
(see Figure 10.8 for the B1 band and Figure 10.7 for H5, H6).
The voltage should be:
3. If the voltage is correct, go to Tas k 1 4. If it is not correct, replace
Q106 and Q103. Confirm the removal of the fault and go to “Final
Tasks” on page 134. If the repair failed, replace the main board and
go to “Final Tasks” on page 134.
via of CDC TXFIN RXAGC: 64 ± 2mV (initially)
via of CDC TXFIN RXAGC: 1.1 to 2.7V (after entry of CCTM 331 x)
voltages across R122, R124, R197: < 0.3V (after entry of CCTM 324 4)

TP9100 Service Manual Transmitter Fault Finding 237
© Tait Electronics Limited May 2005
Task 14 —
Biasing of
PA Driver —
SET PWR test point
If there is no fault in the biasing of the PA, investigate the biasing of the PA
driver (Q103).
1. Check the voltage at the VGATE test point (see Figure 10.7):
2. If the voltage is correct, go to Step 3. If it is not, go to Ta s k 1 5.
3. Enter the CCTM command 33 to place the radio in transmit mode.
4. Check the voltage on the gate of Q103 (see Figure 10.8):
5. Enter the CCTM command 32 to place the radio in receive mode.
6. If the voltage is correct, replace Q103; confirm the removal of the
fault and go to “Final Tasks” on page 134. If it is not, go to Ta s k 1 5 .
Task 15 —
Check Power
Control
Check the power-control circuitry if the voltage at the VGATE test point is
incorrect.
Important Ensure that the current limit on the DC supply is 2A.
1. Enter the CCTM command 114 0 to switch off the power.
2. Note the current reading on the DC power supply.
3. Check that the voltage from the DAC is changing: Measure the
voltage at the TXPWR RXFE test point (CDCTXPWRRXFE)
(see Figure 10.7).
4. Enter the CCTM command 114 1023. The voltage should increase
to:
5. Enter the CCTM command 32 to place the radio in receive mode.
6. If the voltage at the TXPWR RXFE test point increases as required, go
to Ta s k 1 6 . If it does not, go to “CODEC and Audio ault Finding”
on page 269.
VGATE test point: 2 to 5V
gate of Q103: 2 to 3V
PWR test point: 3.4 ± 0.1V

238 Transmitter Fault Finding TP9100 Service Manual
© Tait Electronics Limited May 2005
Task 16 —
Power Control
for PA Driver
In this task any faults in the path between the power-control circuit and the
PA driver will be located, as well as any fault with the PA driver.
1. Check for short circuits at the gate of the PA driver Q103
(see Figure 10.8). Check R118 (see Figure 10.7), C112, and
R120 (see Figure 10.8) between the power-control circuit and
Q103.
2. Repair any fault revealed by the checks in Step 1. If none of the
above-mentioned components are faulty, replace Q103
(see Figure 10.8).
3. Confirm the removal of the fault and go to “Final Tasks” on
page 134. If the repair failed, replace the main board and go to “Final
Tasks” on page 134.
Task 17 —
Power Control
and Shaping Filter
In this task any faults in the power-control and shaping-filter circuitry will
be located:
1. Enter the CCTM command 32 and then check C115, C175, R123,
and R132 (see Figure 10.7) in the power-control circuit.
2. Repair any fault revealed by the checks in Step 1. Confirm the
removal of the fault and go to “Final Tasks” on page 134. If the repair
failed, or a fault cannot be found, go to Step 3.
3. Measure the voltage at pin 1 of IC101 (see Figure 10.7) in the
shaping-filter circuit. The voltage should be:
4. Enter the CCTM command 32 to place the radio in receive mode.
5. If the voltage measured in Step 3 is correct, go to Step 6. If it is not,
go to Step 7.
6. Check the components R141 and C124 (see Figure 10.7) and go to
Step 8.
7. Check the components between the TXPWR RXFE test point and pin 1
of IC101 (see Figure 10.7) and go to Step 8.
8. Repair any fault revealed by the checks in Step 6 and Step 7.
Replace IC101 (see Figure 10.7) if none of the components are
faulty. Confirm the removal of the fault and go to “Final Tasks” on
page 134. If the repair failed, replace the main board and go to “Final
Tasks” on page 134.
pin 1 of IC101: 1.0 ± 0.5V

TP9100 Service Manual Transmitter Fault Finding 239
© Tait Electronics Limited May 2005
10.4 RF Signal Path
Introduction The RF signal path extends from the output of the frequency synthesizer to
the LPF. This section of circuitry will require investigation either following
certain checks in “Transmitter RF Power” or if the biasing checks of
“Biasing of PA Driver and PA” reveal no fault. The procedure is divided
into nine tasks grouped as follows:
■Task 18 to Task 20: initial RF signal path
■Ta sk 21 an d Ta s k 22: PIN swi tc h
■Ta sk 23 : L P F
The initial signal path includes the exciter and PA driver. The PIN switch,
and LPF make up the final signal path. The measurement points for
diagnosing faults in the signal path are summarised in Figure 10.9.
Figure 10.9 Measurement points for diagnosing faults in the RF signal path
RF
Connector
Receiver
LPF
PAs
PIN
switch
Driver Exciter
Signal types
RF
analog
Synthesizer
Output
SYN TX LO
PA driver
output at
drain of Q103
Exciter
Output
Gates of
Q106
C146 (B1)
C110 (H5, H6)
C138 (B1)
C125 (H5/H6)
C151
C160
Frequency
Synthesizer

240 Transmitter Fault Finding TP9100 Service Manual
© Tait Electronics Limited May 2005
Task 18 —
Output of
Frequency
Synthesizer
The first point to check in the initial RF signal path is the output SYN TX LO
from the frequency synthesizer. This signal is input to the exciter at C138
(B1 band) or C125 (H5, H6).
1. For test purposes select a representative power level and frequency
from Table 10.6 (B1), Table 10.7 (H5), or Table 10.8 (H6). Note
that the data for these tables was obtained using an RFP5401A RF
probe
2. To set the power level, enter the CCTM command 326 x, where x
defines the level.
3. To set the frequency, enter the CCTM command 101 x x 0, where x
is the frequency in hertz.
4. Enter the CCTM command 33 to place the radio in transmit mode.
5. Use an RFP5401A RF probe or the equivalent to measure the RF
voltage before C138 (B1 band) or C125 (H5, H6) at the SYN TX LO
measuring via (see Figure 10.8). The required voltage should be as
given in Table 10.6 (B1), Table 10.7 (H5), or Table 10.8 (H6).
6. Enter the CCTM command 32 to place the radio in receive mode.
7. If the voltage measured above is correct, go to Tas k 1 9 . If it is not, go
to Step 8.
8. Check C138 (B1 band) or C125 (H5, H6) (see Figure 10.10).
If the capacitor is not faulty, go to “Frequency Synthesizer
Fault Finding” on page 159. If the capacitor is faulty, replace it and
return to Step 2.
Table 10.6 RF voltages along the initial RF signal path (B1 band)
Power level
(W)
Frequency
(MHz)
RF voltages (V)
Synthesizer
output
Exciter
output
Driver
output
1 136
155
174
0.47 ± 0.1
0.45 ± 0.1
0.36 ± 0.1
1.8 ±0.3
1.8 ±0.3
1.6 ±0.3
0.43 ±0.3
0.43 ±0.3
0.46 ±0.3
2 136
155
174
0.47 ± 0.1
0.45 ± 0.1
0.36 ± 0.1
1.8 ±0.3
1.8 ±0.3
1.6 ±0.3
0.70 ±0.3
0.66 ±0.3
0.71 ±0.3
3 136
155
174
0.47 ± 0.1
0.45 ± 0.1
0.36 ± 0.1
1.8 ±0.3
1.8 ±0.3
1.6 ±0.3
0.92 ±0.3
1.0 ±0.3
0.96 ±0.3
5 136
155
174
0.47 ± 0.1
0.45 ± 0.1
0.36 ± 0.1
1.8 ±0.3
1.8 ±0.3
1.6 ±0.3
1.4 ±0.3
1.3 ±0.3
1.6 ±0.3

TP9100 Service Manual Transmitter Fault Finding 241
© Tait Electronics Limited May 2005
Note The ground of the measuring probe must be connected as close to
the measuring point as possible.
Table 10.7 RF voltages along the initial RF signal path (H5 band)
Power level
(W)
Frequency
(MHz)
RF voltages (V)
Synthesizer
output
Exciter
output
Driver
output
1400
435
470
0.50 ± 0.1
0.51 ± 0.1
0.55 ± 0.1
1.3 ±0.3
1.5 ±0.3
1.4 ±0.3
0.85 ±0.3
0.83 ±0.3
0.73 ±0.3
2400
435
470
0.45 ± 0.1
0.51 ± 0.1
0.55 ± 0.1
1.3 ±0.3
1.5 ±0.3
1.4 ±0.3
0.81 ±0.3
0.75 ±0.3
0.68 ±0.3
2.5 400
435
470
0.45 ± 0.1
0.46 ± 0.1
0.55 ± 0.1
1.3 ±0.3
1.5 ±0.3
1.4 ±0.3
0.95 ±0.3
0.91 ±0.3
0.82 ±0.3
4400
435
470
0.45 ± 0.1
0.53 ± 0.1
0.65 ± 0.1
1.4 ±0.3
1.8 ±0.3
1.6 ±0.3
1.4 ±0.3
1.6 ±0.3
1.4 ±0.3
Table 10.8 RF voltages along the initial RF signal path (H6 band)
Power level
(W)
Frequency
(MHz)
RF voltages (V)
Synthesizer
output
Exciter
output
Driver
output
1450
490
530
0.35 ± 0.1
0.51 ± 0.1
0.46 ± 0.1
0.85 ±0.3
1.4 ±0.3
1.8 ±0.3
0.46 ±0.3
0.44 ±0.3
0.57 ±0.3
2450
490
530
0.35 ± 0.1
0.54 ± 0.1
0.49 ± 0.1
0.85 ±0.3
1.4 ±0.3
1.9 ±0.3
0.53 ±0.3
0.61 ±0.3
0.73 ±0.3
2.5 450
490
530
0.55 ± 0.1
0.61 ± 0.1
0.51 ± 0.1
1.9 ±0.3
1.6 ±0.3
2.0 ±0.3
0.77 ±0.3
0.71 ±0.3
0.78 ±0.3
4450
490
530
0.61 ± 0.1
0.68 ± 0.1
0.56 ± 0.1
2.2 ±0.3
2.0 ±0.3
2.2 ±0.3
1.2 ±0.3
1.2 ±0.3
1.3 ±0.3

242 Transmitter Fault Finding TP9100 Service Manual
© Tait Electronics Limited May 2005
Task 19 —
Output of
Exciter Circuit
If the synthesizer output is correct, check the output at Q107 (B1 band) or
Q100 (H5, H6) of the exciter circuit.
1. If not already done, remove the PA BOT can.
2. Enter the CCTM command 326 x, where x defines the power level
selected in Task 18.
3. Enter the CCTM command 101 x x 0, where x is the frequency
selected in Task 18.
4. Enter the CCTM command 33 to place the radio in transmit mode.
5. Use an RFP5401A RF probe or the equivalent to measure the
RF voltage after C146 (B1 band) or C110 (H5, H6) at the exciter
output measuring point in Figure 10.8. The required voltage should
be as given in Table 10.6 (B1), Table 10.7 (H5), or Table 10.8
(H6).
6. Enter the CCTM command 32 to place the radio in receive mode.
7. If the voltage measured above is correct, go to Tas k 1 9 . If it is not, go
to Step 8.
8. Check the components around Q107 (B1 band) or Q100 and IC100
(H5, H6) (see Figure 10.10).
9. Repair any fault revealed by the above checks.
10. Confirm the removal of the fault and go to “Final Tasks” on
page 134. If the repair failed, replace the main board and go to “Final
Tasks” on page 134.

TP9100 Service Manual Transmitter Fault Finding 243
© Tait Electronics Limited May 2005
Figure 10.10 Components under the PA EX TOP can (top side)
B1 band
H5 band (H6 similar)

244 Transmitter Fault Finding TP9100 Service Manual
© Tait Electronics Limited May 2005
Task 20 —
Output of PA Driver If the exciter output is correct, check the output of the PA driver at the
drain of Q103. If necessary, also check the signal at the gates of the PA
Q106. This is the last point in the initial RF signal path.
1. With the radio still in transmit mode, use an RFP5401A RF probe or
the equivalent to measure the RF voltage after C120
(see Figure 10.8). The required voltage should be as given in
Table 10.6 (B1), Table 10.7 (H5), or Table 10.8 (H6).
2. Enter the CCTM command 32 to place the radio in receive mode.
3. If the voltage measured above is correct, go to Step 7. If it is not, go
to Step 4.
4. Check the components between C120 and Q103 (see Figure 10.8).
5. If the above checks reveal a fault, go to Step 6. If they do not, go to
Ta s k 9 .
6. Repair the fault. Confirm the removal of the fault and go to “Final
Tasks” on page 134. If the repair failed, replace the main board and
go to “Final Tasks” on page 134.
7. Enter the CCTM command 326 5 to set the power level to the
maximum, and then the command 33 to place the radio in transmit
mode.
8. Measure the RF voltage at the gates of the PA Q106
(see Figure 10.8).
9. Enter the CCTM command 32 to place the radio in receive mode.
10. If an RF voltage is present, there is no fault in the initial RF signal
path; go to Tas k 21 . If there is no RF voltage, go to Step 11.
11. Check the components of the interstage matching circuitry between
the PA driver Q103 and the gates of the PA Q106 (see Figure 10.8).
12. If a fault is found, repair it, confirm the removal of the fault, and go
to “Final Tasks” on page 134. If the repair failed or the fault could
not be found, replace the main board and go to “Final Tasks” on
page 134.

TP9100 Service Manual Transmitter Fault Finding 245
© Tait Electronics Limited May 2005
Task 21 —
Check PIN Switch In checking the final RF signal path, if no fault is found in the PA and driver,
then check the PIN switch next. The PIN switch may also require
investigation following certain checks in “Transmitter RF Power”.
1. Remove the PA LPF BOT can.
2. Remove the blocking capacitor C160 (see Figure 10.11).
3. Solder one terminal of a 22pF (B1, H5, H6) test capacitor to the PCB
at the point shown in Figure 10.11. Mount the capacitor vertically.
Use a test capacitor of the type 0805 or the equivalent.
4. Solder a 50Ω test lead to the PCB. Solder the outer sheath to ground
and solder the central wire to the other terminal of the test capacitor.
5. Connect the test lead to the test set.
6. Enter the CCTM command 326 5 to set the transmitter power level
to the maximum.
7. Enter the CCTM command 101 x x 0, where x is the lowest
frequency (in hertz) for maximum power, as given in Table 10.6
(B1), Table 10.7 (H5), or Table 10.8 (H6).
8. Enter the CCTM command 33 to place the radio in transmit mode.
9. Measure the RF output power. This should exceed 6W (B1 band) or
5W (H5, H6).
10. Enter the CCTM command 32 to place the radio in receive mode.
11. Enter the CCTM command 101 x x 0, where x is the highest
frequency (in hertz) for maximum power, as given in Table 10.6
(B1), Table 10.7 (H5), or Table 10.8 (H6).
12. Repeat Step 8 to Step 10.
13. If the power in both the above cases exceeds 6W (B1) or 5W
(H5, H6), go to Step 14. If it does not, the circuitry of the PIN
switch is suspect; go to Tas k 22 .
14. Remove the test lead and test capacitor, resolder the blocking
capacitors in position, and go to Tas k 2 3.
RF output power: more than 6W (B1), more than 5W (H5, H6)

246 Transmitter Fault Finding TP9100 Service Manual
© Tait Electronics Limited May 2005
Figure 10.11 Circuitry under the PA LPF BOT can (bottom side), and points for attaching the test lead
and test capacitor
Mounting point for
test capacitor
Mounting point for
test capacitor
H5 band (H6 similar)
B1 band

TP9100 Service Manual Transmitter Fault Finding 247
© Tait Electronics Limited May 2005
Task 22 —
Repair PIN switch If the RF power at the PIN switch is low, the switch is not drawing the
expected current. Check the circuit as follows:
1. Check D101 (see Figure 10.11). If it is not faulty, go to Step 2.
If it is, replace D307 and go to Step 3.
2. Check the +5V0TX supply to the PIN switch via the following
components:
■B1 band: L123 (see Figure 10.11),
D103, L109, R189, R190, R192 (see Figure 10.12)
■H5, H6 bands: L123, L126 (see Figure 10.11),
D105, D106, D107, R171, R172, R173 (see Figure 10.12)
Replace any faulty component.
3. With the test lead still connected to the test set, enter the CCTM
command 326 5 to set the transmitter power level to the maximum.
4. Enter the CCTM command 101 x x 0, where x is the lowest
frequency (in hertz) for maximum power, as given in Table 10.6
(B1), Table 10.7 (H5), or Table 10.8 (H6).
5. Enter the CCTM command 33 to place the radio in transmit mode.
6. Again measure the RF output power. This should exceed 5W.
7. Enter the CCTM command 32 to place the radio in receive mode.
8. Enter the CCTM command 101 x x 0, where x is the highest
frequency (in hertz) for maximum power, as given in Table 10.6
(B1), Table 10.7 (H5), or Table 10.8 (H6).
9. Repeat Step 5 to Step 7.
10. Remove the test lead and test capacitor, and resolder the blocking
capacitors C160 (see Figure 10.11) in position.
11. If the power in both the above cases is now correct, the fault has been
rectified; go to “Final Tasks” on page 134. If the repair had failed,
replace the main board and go to “Final Tasks” on page 134.
RF output power: more than 6W (B1), more than 5W (H5, H6)

248 Transmitter Fault Finding TP9100 Service Manual
© Tait Electronics Limited May 2005
Task 23 —
Check Components
of LPF
If there are no faults in the final RF signal path up to and including the PIN
switch, then the fault should lie in the LPF. Check the LPF as follows:
1. Remove the PA LPF BOT can.
2. Connect the RF connector to the test set.
3. Check the capacitors and inductors of the LPF between the PIN
switch and the RF connector. See Figure 10.12. Check for shorts,
open circuits, and faulty components. Repair any fault.
4. Enter the CCTM command 326 5 to set the transmitter power level
to the maximum.
5. Enter the CCTM command 101 x x 0, where x is the lowest
frequency (in hertz) for maximum power, as given in Table 10.6
(B1), Table 10.7 (H5), or Table 10.8 (H6).
6. Enter the CCTM command 33 to place the radio in transmit mode.
7. Measure the RF output power. This should exceed 5W.
8. Enter the CCTM command 32 to place the radio in receive mode.
9. Enter the CCTM command 101 x x 0, where x is the highest
frequency (in hertz) for maximum power, as given in Table 10.6
(B1), Table 10.7 (H5), or Table 10.8 (H6).
10. Repeat Step 6 to Step 8.
11. If the power in both the above cases exceeds 5W, the fault has been
rectified; go to “Final Tasks” on page 134. If it does not, the repair
failed; replace the main board and go to “Final Tasks” on page 134.
RF output power: more than 6W (B1), more than 5W (H5, H6)

TP9100 Service Manual Transmitter Fault Finding 249
© Tait Electronics Limited May 2005
Figure 10.12 Circuitry under the RX FE TOP can (top side)
B1 band
H5 band
H6 band
250 Transmitter Fault Finding TP9100 Service Manual
© Tait Electronics Limited May 2005

TP9100 Service Manual Receiver Fault Finding 251
© Tait Electronics Limited May 2005
11 Receiver Fault Finding
Fault Conditions This section covers the diagnosis of faults in the receiver. The fault-diagnosis
procedures consist of a number of tasks grouped into the following sections.
The symptoms of the fault in the receiver circuitry determine which
sections are relevant:
■“Faulty Receiver Sensitivity”
■“Excessive Loss of Sensitivity”
■“Moderate or Slight Loss of Sensitivity”
■“Incorrect RSSI Readings”
■“Faulty Radio Mute”
■“High Receiver Distortion”
If the receiver sensitivity is low, begin with “Faulty Receiver Sensitivity” on
page 252 to determine the extent of the loss in sensitivity.
CCTM Commands The CCTM commands required are listed in Table 11.1. Full details of the
commands are given in “Computer-Controlled Test Mode (CCTM)” on
page 91.
Table 11.1 CCTM commands required for the diagnosis of faults in the receiver
Command Description
72
101 x y 0
376
378
Read lock status of RF PLL, FCL and LO2 — displays xyz (0=not in lock, 1=in lock)
Set transmit frequency (x in hertz) and receive frequency (y in hertz) to specified values
Read tuning voltage for front-end circuitry — displays voltage x in millivolts
Read signal power at output of channel filter — displays power x (square of amplitude)

252 Receiver Fault Finding TP9100 Service Manual
© Tait Electronics Limited May 2005
11.1 Faulty Receiver Sensitivity
Introduction This section covers the determination of the extent of the receiver’s loss of
sensitivity. Depending on the nature of the fault, a reduction in receiver
sensitivity of 1dB is often due to a reduction in receiver gain of many
decibels. It is therefore easier to measure gain loss rather than sensitivity loss.
Consequently, if the receiver sensitivity is too low, first check the receiver
gain. The procedure is given in Task 1 below.
Task 1 —
Determine Extent
of Sensitivity Loss
Determine the receiver gain as follows. The corresponding loss of sensitivity
can then be deduced. Depending on the extent of the loss, continue with
“Excessive Loss of Sensitivity” on page 253 or “Moderate or Slight Loss of
Sensitivity” on page 258 to rectify the fault.
1. Input an RF signal (not necessarily modulated) of –90dBm at the RF
connector.
2. Enter the CCTM command 378 to measure the receiver output level.
3. Note the value x returned for the receiver output level. Depending
on the frequency band in which the radio operates, the value should
be:
Note that a change in the input level of 10dB should result in a ten-
fold change in x.
4. If necessary, measure the RF voltage at the QN test point TP444
(see Figure 12.5). For comparison, the voltages corresponding to the
above values of x are:
With an unmodulated RF signal the frequency should be 64.000kHz,
provided that the LO1, FCL and LO2 are locked and on the correct
frequency.
5. Given the value of x, go to the relevant section as follows:
■x < 1500, go to “Excessive Loss of Sensitivity” on page 253
(sensitivity is very low)
■x < 500 000, go to “Moderate or Slight Loss of Sensitivity” on
page 258 (sensitivity is low)
receiver output level x: normally between 500 000 and 6 000 000
x = 500 000: 12mVpp
x = 6000 000: 120mVpp

TP9100 Service Manual Receiver Fault Finding 253
© Tait Electronics Limited May 2005
11.2 Excessive Loss of Sensitivity
Introduction This section covers the case where the receiver has suffered an excessive loss
of sensitivity. As measured in Task 1, the receiver gain will be less than 1500,
which implies a sensitivity that is more than 40dB too low. The fault-
diagnosis procedure for this case consists of five tasks:
■Task 2: check power supplies
■Task 3: check logic signal
■Task 4: check lock status
■Task 5: check biasing of IF amplifier
■Task 6: check matching circuitry
If the fault does not lie with the power supplies, it is probably in the control,
LO, IF1 or IF2 circuitry.
Tas k 2 —
Check Power
Supplies
First check the two power supplies 3V0AN and 3V0RX for the receiver
circuitry.
1. Remove the main board from the chassis.
2. Check for 3.0V DC (3V0 AN) at the TP3V0AN test point near the
speaker pin (see Figure 12.3 on page 273).
3. If the voltage is correct, go to Step 4. If it is not, the 3V regulator
IC604 is suspect; go to Ta s k 4 of “Power Supply Fault Finding” on
page 156.
4. Remove the LO2TOP can.
5. Check for 3.0V DC (3V0 RX) around the collector feed to Q402 or
Q403 of LO2 (see Figure 11.2).
Alternative measurement points are the collector feed to Q401 of the
RF LNA under the RX FE TOP can (see Figure 11.3) or Q404 of the
IF amplifier under the IF IQ BOT can (see Figure 11.1).
6. If the voltage is correct, go to Ta s k 3 . If it is not, the 3V RX switch
(based on Q603 and Q604) in the PSU module is suspect; go to
Task 4 of “Power Supply Fault Finding” on page 156.
TP3V0 AN test point: 3.0V DC
Q402 or Q403 collector: 3.0V DC

254 Receiver Fault Finding TP9100 Service Manual
© Tait Electronics Limited May 2005
Figure 11.1 Receiver circuitry under the IF IQ BOT can (top side)
Figure 11.2 Receiver circuitry under the LO2TOP can (bottom side)
Figure 11.3 Receiver circuitry under the RX FE TOP can (bottom side)
measurement point

TP9100 Service Manual Receiver Fault Finding 255
© Tait Electronics Limited May 2005
Tas k 3 —
Check Logic Signal If there is no fault with the power supplies, check the logic signal DIG RX EN
that is input from the digital circuitry.
1. Check the logic signal DIG RX EN at pin 8 of IC403 (see Figure 11.2).
The signal is active high. The required status is active.
An alternative measurement point to the above is pin 24 of IC400
under the IF IQ BOT can (see Figure 11.1).
2. If DIG RX EN is active, go to Ta s k 4. If it is not, go to Step 3.
3. Check the signal continuity from the digital board to the receiver.
Repair any fault and go to Step 4. If the digital board itself appears to
be faulty, replace the main board and go to “Final Tasks” on
page 134.
4. Recalibrate the receiver using the calibration application.
5. Confirm the removal of the fault and go to “Final Tasks” on
page 134. If the repair failed, go to Ta s k 7 .
Tas k 4 —
Check Lock Status If the logic signal from the digital board is active, as required, check the lock
status of the radio.
1. Enter the CCTM command 72 to determine the lock status.
The status should be normal:
2. If the lock status is normal, go to Ta sk 5 . If the LO1 is not in lock, go
to “Frequency Synthesizer Fault Finding” on page 159. If the FCL is
not in lock, go to “Power Supply for FCL” on page 205. If the LO2
is not in lock, go to Step 3.
3. Check the components around IC403, Q402 and Q403
(see Figure 11.2). Repair any fault.
4. Recalibrate the receiver using the calibration application.
5. Confirm the removal of the fault and go to “Final Tasks” on
page 134. If the repair failed, go to Ta s k 7 .
pin 8 of IC403: about 3.0V (active)
lock status: 111 (LO1, FCL, LO2 all in lock)

256 Receiver Fault Finding TP9100 Service Manual
© Tait Electronics Limited May 2005
Task 5 —
Check Biasing
of IF Amplifier
If the lock status is normal, check the biasing of the IF amplifier.
1. Remove the IF IQ BOT can.
2. Check all components around Q404 of the IF amplifier
(see Figure 11.1).
3. Check the 3V supply voltage at L419; use the measurement point
shown in Figure 11.1.
4. Also check the amplifier bias conditions. First measure Vc between
the collector of Q404 and ground (see Figure 11.1).
5. Secondly, check Ic. To do so, unsolder and raise one terminal of L419
(tombstone position) (see Figure 11.1), connect a multimeter
between this terminal and the pad for the terminal, and measure the
current.
6. If the checks in Step 2 to Step 5 reveal no fault, go to Tas k 6.
If there is a fault, repair it and go to Step 7.
7. Recalibrate the receiver using the calibration application.
8. Confirm the removal of the fault and go to “Final Tasks” on
page 134. If the repair failed, go to Tas k 7.
Vc: 2.0±0.2V
Ic: 1.8±0.5mA

TP9100 Service Manual Receiver Fault Finding 257
© Tait Electronics Limited May 2005
Tas k 6 —
Check Matching
Circuitry
Having excluded the IF amplifier, check the matching circuitry for the
crystal filters.
1. Check all remaining components between T401 (see Figure 11.4)
and IC400 (see Figure 11.1) — these form the matching circuitry
for the crystal filters XF400 and XF401 (see Figure 11.1).
2. If the above check reveals no fault, go to Step 3. If there is a fault,
repair it and go to Step 6.
3. Remove the RX FE TOP and PA LPF BOT cans.
4. Make a visual check of the components in the receive path of the
PIN switch and LPF circuits.
5. If the visual check reveals an obvious fault, repair it and go to Step 6.
If there is no obvious fault, go to Tas k 7 .
6. Recalibrate the receiver using the calibration application.
7. Confirm the removal of the fault and go to “Final Tasks” on
page 134. If the repair failed, go to Ta s k 7 .
Figure 11.4 Receiver circuitry under the MIXER TOP can (top side)

258 Receiver Fault Finding TP9100 Service Manual
© Tait Electronics Limited May 2005
11.3 Moderate or Slight Loss of Sensitivity
Introduction This section covers the case where the receiver has suffered a moderate or
slight loss of sensitivity. As measured in Task 1, the receiver gain will be less
than 500 000, but not as low as 1500. With a gain less than 40 000, the loss
of sensitivity will be moderate — about 15dB too low; otherwise it will be
slight — just a few decibels too low. There are three tasks:
■Task 7: front-end calibration and tuning voltages
■Task 8: moderately low receiver sensitivity
■Task 9: slightly low receiver sensitivity
The fault-diagnosis procedures of Task 8 and Task 9 are similar; although
the differences are minor they are important.
Task 7 —
Front-end
Calibration
and Tuning Voltages
If the loss of sensitivity is moderate or slight, the fault is probably in the
front-end tuning circuitry.
1. Using the calibration application, check the calibration of the front-
end tuning circuitry: Open the “Raw Data” page and click the
“Receiver” tab.
2. Record the values listed in the “Rx FE Tune BPF Settings” field — these
are the DAC values of the FE (front-end) tuning voltages for the five
frequencies FE TUNE0 to FE TUNE4.
(FE TUNE0 is the lowest frequency and FE TUNE4 the highest fre-
quency in the radio’s frequency band; the values are given in
Table 11.2.)
3. For each of the frequencies FE TUNE0 to FE TUNE4 in turn, carry out
the following procedure: Enter the CCTM command 101 aa0,
where a is the frequency in hertz.
Enter the CCTM command 376 and record the value returned — this
is the front-end tuning voltage in millivolts.
4. Compare the values measured in Step 2 and Step 3 with the nominal
DAC and voltage values listed in Table 11.2.
5. If the DAC and voltage values are correct, go to Step 8. If they are
not, go to Step 6.
6. Recalibrate the receiver using the calibration application, and check
the DAC and voltage values again.
7. If the DAC and voltage values are now correct, the fault has been
rectified; go to “Final Tasks” on page 134. If they are not, go to
Step 8.
8. Go to Tas k 8 if the receiver output level x measured in Task 1 was less
than 40 000; otherwise go to Ta s k 9 .

TP9100 Service Manual Receiver Fault Finding 259
© Tait Electronics Limited May 2005
Tas k 8 —
Moderately Low
Sensitivity
Following the initial investigation in Task 7, check the circuitry as follows
when the sensitivity loss is moderate.
1. Remove the RX FE TOP can and, if not already done, the IF IQ BOT can.
2. Check the soldering of all the components of the front-end tuning
circuitry from C400 to T401 (see Figure 11.3 and Figure 11.4).
3. Check the 3V supply voltage at L404; use the measurement point
shown in Figure 11.3.
4. Also check the LNA bias conditions. First measure Vc between the
collector of Q401 and ground (see Figure 11.3).
5. Secondly, check Ic. To do so, unsolder and raise one terminal of L404
(tombstone position) (see Figure 11.3), connect a multimeter
between this terminal and the pad for the terminal, and measure the
current.
6. If the checks in Step 2 to Step 5 reveal no fault, go to Step 7.
If there is a fault, repair it and go to Step 8.
7. Check the signal level at the output of LO1 and continue the fault
diagnosis as in “Power Supply for FCL” on page 205.
8. Recalibrate the receiver using the calibration application.
9. Confirm the removal of the fault and go to “Final Tasks” on
page 134. If the repair failed, go to Ta s k 9 .
Vc: 2.7±0.1V
Ic: 10±1mA
Table 11.2 Front-end tuning voltages and corresponding DAC values
Frequency band
Tuning voltages at five different frequencies
FE TUNE0 FE TUNE1 FE TUNE2 FE TUNE3 FE TUNE4
B1 band
Frequency (MHz)
DAC value
Voltage (V)
135.9
15 ± 15
0.20 ± 0.20
145.1
88 ± 15
1.04 ± 0.18
155.1
138 ± 15
1.65 ± 0.18
164.1
174 ± 15
2.04 ± 0.18
174.1
210 ± 15
2.52 ± 0.18
H5 band
Frequency (MHz)
DAC value
Voltage (V)
399.9
15 ± 15
0.2 ± 0.2
417.1
44 ± 15
0.52 ± 0.18
435.1
102 ± 15
1.20 ± 0.18
452.1
153 ± 15
1.84 ± 0.18
470.1
191 ± 15
2.28 ± 0.18
H6 band
Frequency (MHz)
DAC value
Voltage (V)
449.9
64 ± 20
0.75 ± 0.24
470.1
115 ± 15
1.35 ± 0.18
490.1
156 ± 15
1.85 ± 0.18
510.1
191 ± 15
2.35 ± 0.18
530.1
217 ± 15
2.60 ± 0.18

260 Receiver Fault Finding TP9100 Service Manual
© Tait Electronics Limited May 2005
Task 9 —
Slightly Low
Sensitivity
Following the initial investigation in Task 7, check the circuitry as follows
when the sensitivity loss is slight.
1. Remove the RX FE TOP can and, if not already done, the IF IQ BOT can.
2. Check the soldering of all the components of the front-end tuning
circuitry from C400 to T401 (see Figure 11.3 and Figure 11.4).
3. Check the IF-amplifier bias conditions as in Step 4 and Step 5 of
Ta s k 5 .
4. Check the LNA bias conditions as in Step 4 and Step 5 of Task 8 .
5. If the checks of Step 2 to Step 4 reveal no fault, go to Step 6.
If there is a fault, repair it and go to Step 7.
6. Check the PIN switch and LPF as in Tas k 2 1 to Tas k 2 3 of
“Transmitter Fault Finding”.
7. Recalibrate the receiver using the calibration application.
8. Confirm the removal of the fault and go to “Final Tasks” on
page 134. If the repair failed, replace the main board and go to “Final
Tasks” on page 134.

TP9100 Service Manual Receiver Fault Finding 261
© Tait Electronics Limited May 2005
11.4 Incorrect RSSI Readings
Introduction If the RSSI readings are incorrect, the receiver calibration is suspect. There
are four tasks, which cover the four types of settings concerned:
■Task 10: AGC voltage calibration
■Task 11: FE tune BPF settings
■Task 12: RSSI delta gain
■Task 13: AGC delta gain
If the receiver is properly calibrated but the fault persists, then the receiver
sensitivity is suspect.
Task 10 —
AGC Voltage
Calibration
The first settings to check concern the AGC voltage calibration.
1. In the calibration application open the “Raw Data” page and click the
“Receiver” tab.
2. Note the settings listed in the “AGC Voltage Cal Pts” field. The nominal
settings should be as listed in Table 11.3.
3. If the settings are correct, go to Ta s k 11 . If they are not, go to Step 4.
4. Recalibrate the receiver and check the settings again.
5. If the settings are now correct, go to Step 6. If they are not, go to
Task 1 and check the receiver sensitivity.
6. Check if the RSSI fault has been removed. If it has, go to “Final
Tasks” on page 134. If it has not, go to Task 11 .
Table 11.3 Nominal AGC data
Parameter
AGC voltage (mV)
B1 band
AGC0
AGC1
AGC2
1790 ± 40
1960 ± 40
2110 ± 50
AGC voltage (mV)
H5 band H6 band
AGC0
AGC1
AGC2
1860 ± 40
2040 ± 40
2200 ± 50
1870 ± 40
2050 ± 40
2220 ± 50
Receiver input power (dBm)
AGC0
AGC1
AGC2
–50
–60
–68

262 Receiver Fault Finding TP9100 Service Manual
© Tait Electronics Limited May 2005
Task 11 —
FE Tune BPF Settings If the AGC voltage calibration is correct, check the FE tune BPF settings.
1. Note the settings listed in the “FE Tune BPF Settings” field.
The nominal settings should be as listed in Table 11.2.
2. If the settings are correct, go to Task 1 2 . If they are not, go to Step 3.
3. Recalibrate the receiver and check the settings again.
4. If the settings are now correct, go to Step 5. If they are not, go to
Ta s k 1 and check the receiver sensitivity.
5. Check if the RSSI fault has been removed. If it has, go to “Final
Tasks” on page 134. If it has not, go to Ta sk 1 2 .
Task 12 —
RSSI Delta Gain If the FE tune BPF settings are also correct, check the RSSI delta gain
values.
1. Note the values listed in the “Rx Delta Gain Values” field. The values
should be between 0dB and about –3dB.
2. If the values are as expected, go to Ta s k 13 . If they are not, go to
Step 3.
3. Recalibrate the receiver and check the values again.
4. If the values are now correct, go to Step 5. If they are not, go to
Ta s k 1 and check the receiver sensitivity.
5. Check if the RSSI fault has been removed. If it has, go to “Final
Tasks” on page 134. If it has not, go to Ta sk 1 3 .
Task 13 —
AGC Delta Gain If the RSSI delta gain values are also correct, check the AGC delta gain
values.
1. Note the values listed in the “AGC Delta Gain Values” field. The values
should run gradually from 0dB to about 35dB.
2. If the values are as expected, go to Step 6. If they are not, go to
Step 3.
3. Recalibrate the receiver and check the values again.
4. If the values are now correct, go to Step 5. If they are not, go to
Ta s k 1 and check the receiver sensitivity.
5. Check if the RSSI fault has been removed. If it has, go to “Final
Tasks” on page 134. If it has not, go to Step 6.
6. In this case all the RSSI calibration settings are correct, but there is
still an RSSI fault. Go to Ta s k 1 and check the receiver sensitivity.

TP9100 Service Manual Receiver Fault Finding 263
© Tait Electronics Limited May 2005
11.5 Faulty Radio Mute
Introduction If the radio mute is faulty, the calibration settings are suspect. There are three
tasks:
■Task 14: determine type of muting selected
■Task 15: noise muting selected
■Task 16: RSSI muting selected
The programming application is required for Task 14, and the calibration
application for Task 15 and Task 16.
Task 14 —
Determine Type of
Muting Selected
First use the programming application to determine the type of muting
selected.
1. In the programming application click the “Basic Settings” page under
the “Channel Profiles” heading.
2. Click the “General Settings” tab.
3. Check the setting in the “Squelch Detect Type” field. Ensure that the
setting is what the Customer expects.
4. If the setting is “Noise Level”, implying that noise muting is selected,
go to Ta sk 1 5 . If the setting is “Signal Strength”, implying that RSSI
muting is selected, go to Ta s k 1 6.

264 Receiver Fault Finding TP9100 Service Manual
© Tait Electronics Limited May 2005
Task 15 —
Noise Muting
Selected
With noise muting selected, check the noise mute settings:
1. In the calibration application open the “Dev/Squelch” page and click
the “Squelch and Signalling Thresholds” tab.
2. Ensure that, under the “Squelch Threshold” label, the settings in the
“Country”, “City” and “Hard” fields are what the Customer expects.
3. Open the “Raw Data” page and click the “Mute” tab.
4. Compare the values in the “Mute Noise Readings” field with the
required minimum and maximum values listed in Table 11.4.
5. If the mute noise readings are correct, go to Ta s k 1 and check the
receiver sensitivity. If they are not, go to Step 6.
6. Recalibrate the mute and then check if the mute fault has been
removed.
7. If the fault has been removed, go to “Final Tasks” on page 134. If it
has not, go to Tas k 1 and check the receiver sensitivity.
Table 11.4 Mute data
Channel spacing SINAD (dB)
Mute noise readings
Minimum noise value Maximum noise value
Narrow (12.5kHz) 8 1900 2300
20 250 500
Medium (20kHz) 8 3700 4200
20 1000 1500
Wide (25kHz) 8 5500 7300
20 2200 3700

TP9100 Service Manual Receiver Fault Finding 265
© Tait Electronics Limited May 2005
Task 16 —
RSSI Muting
Selected
With RSSI muting selected, check the RSSI mute settings.
1. In the calibration application open the “Dev/Squelch” page and click
the “Squelch and Signalling Thresholds” tab.
2. Check that the values in the “Opening Pt” fields and the “Hysteresis”
fields under the “Squelch Thresholds” label are what the Customer
expects.
3. If the calibration values are as expected, go to Tas k 1 0 and check the
RSSI calibration. If they are not, go to Step 4.
4. Adjust the values in the “Opening Pt” and “Hysteresis” fields. Program
the radio with the new values.
5. Check if the mute fault has been removed. If it has, go to “Final
Tasks” on page 134. If it has not, go to Ta s k 1 0 and check the RSSI
calibration.
Figure 11.5 Position of XL500 (bottom side)

266 Receiver Fault Finding TP9100 Service Manual
© Tait Electronics Limited May 2005
11.6 High Receiver Distortion
Introduction If there is high receiver distortion, the TCXO is suspect, or alternatively, the
matching circuitry for the crystal filters XF400 and XF401 is suspect. There
are two tasks:
■Task 17: TCXO calibration and repair of TCXO
■Task 18: second IF and repair of matching circuitry
Recalibrating the TCXO might often be sufficient to rectify the fault.
Task 17 —
TCXO Calibration
and Repair of TCXO
First check the TCXO calibration and, if necessary, repair the TCXO.
1. Use the calibration application to check the TCXO calibration:
Open the “Raw Data” page and click the “Volt Ref/TCXO/VCO/VCXO”
tab.
2. Note the values listed in the “Tx TCXO” and “Rx TCXO” fields of the
“TCXO” group box. The values should be:
3. If the calibration values are correct, go to Step 4. If they are not,
recalibrate the TCXO and go to Step 8.
4. Remove the FCL TOP can.
5. Check the components of the TCXO, which is based on XL500
(see Figure 11.5). Repair any fault.
6. Recalibrate the TCXO and check the TCXO calibration values
again as in Step 1 and Step 2.
7. If the calibration values are now correct, go to Step 8. If they are not,
go to Ta s k 1 8 .
8. Check if the distortion fault has been removed. If it has, go to “Final
Tasks” on page 134. If it has not, go to Ta sk 1 8 .
Tx TCXO and Rx TCXO values: between +20Hz and –20Hz

TP9100 Service Manual Receiver Fault Finding 267
© Tait Electronics Limited May 2005
Task 18 —
Second IF and
Repair of Matching
Circuitry
If the TCXO is not faulty, check the second IF and, if necessary, repair the
matching circuitry.
1. Input a large unmodulated RF input signal exceeding –90dBm at the
RF connector.
2. Use a needle probe to measure the frequency of the signal at the QN
test point TP444 (see Figure 12.5). The frequency is the second IF
and should be:
3. If the second IF is correct, go to Step 6. If it is not, go to Step 4.
4. Recalibrate the TCXO.
5. Check if the distortion fault has been removed. If it has, go to “Final
Tasks” on page 134. If it has not, go to Step 6.
6. Remove the IF IQ BOT can.
7. Check the components between T401 (see Figure 11.4) and IC400
(see Figure 11.1) — these form the matching circuitry for the crystal
filters XF400 and XF401 (see Figure 11.1). Repair any fault.
8. Confirm the removal of the fault, and go to “Final Tasks” on
page 134. If the repair failed or the fault could not be found, replace
the main board and go to “Final Tasks” on page 134.
frequency at QN test point: 64.000kHz
268 Receiver Fault Finding TP9100 Service Manual
© Tait Electronics Limited May 2005

TP9100 Service Manual CODEC and Audio Fault Finding 269
© Tait Electronics Limited May 2005
12 CODEC and Audio Fault Finding
Fault Conditions This section covers the diagnosis of faults in the CODEC and audio
circuitry. There are five conditions that indicate a possible fault in the
circuitry:
■no speaker audio or speaker audio is distorted
■no audio tap out at accessory connector
■receiver does not operate
■no transmit modulation or modulation is distorted from the internal
speaker/microphone
■no transmit modulation or modulation is distorted from the accessory
connector
In the first and second cases regarding the speaker audio, the green status
LED will be operating correctly and all unmute criteria will be satisfied.
In the third case the assumption is that the receiver and power-supply
circuitry were checked and no faults were found. In the fourth and fifth cases
regarding the transmit modulation, the radio will be transmitting the correct
amount of RF power.
Fault-Diagnosis
Procedures The procedures for diagnosing the above faults are given below in the
following sections. In each case, however, first carry out the tasks of “Power
Supplies” on page 270. Also note that the conditions concerning the
accessory connector can both occur at the same time. In this case carry out
both “No Audio Tap Out at Accessory Connector” on page 278 and
“Faulty Modulation Using Accessory Audio Tap In” on page 287.
Important The fault diagnosis must only be carried out on an analog
channel.
CCTM commands The CCTM commands required in this section are listed in Table 12.1.
Full details of the commands are given in “Computer-Controlled Test
Mode (CCTM)” on page 91.
Table 12.1 CCTM commands required for the diagnosis of faults in the CODEC and audio circuitry
Command Description
21
32
33
110 x
323 x y
324 x y
400 x
Unmute received audio
Set radio in receive mode
Set radio in transmit mode
Set level x (in range 0 to 255) of audio volume
Generate audio tone AUD TAP IN at tap point x of tap type y
Output audio signal at tap point x of tap type y to AUD TAP OUT
Select channel with channel number x

270 CODEC and Audio Fault Finding TP9100 Service Manual
© Tait Electronics Limited May 2005
12.1 Power Supplies
Introduction First check that a power supply is not the cause of the fault. Of these
supplies, the 3.3V DC supply (+3V3) will already have been checked in
“Power Supply Fault Finding” on page 149. The remaining supplies that
need to be checked are:
■Task 1: 7.5V DC supply from battery via 0Ω link R950 (7V5 LINK)
■Task 2: 3 V DC supply from 3V regulator (+3V0 AN)
■Task 3: 2.5V DC supply from 2.5V regulator (+2V5 CDC)
One other supply used in the CODEC and audio circuitry is a 1.8 V DC
supply (+1V8) from the digital circuitry. Faults in this supply are dealt with
elsewhere.
Task 1 —
7.5V Power Supply First check the 7.5V DC supply (7V5LINK), which is required by IC200.
1. Remove the main board from the chassis.
2. Measure the voltage 7V5SW at pin 6 of IC200 (see Figure 12.1).
3. If the voltage is correct, go to Tas k 2 . If it is not, go to Step 4.
4. The fault will be at IC200 (see Figure 12.1), since any fault with
7V5LINK in the interfaces circuitry will already have been rectified.
Therefore, check the soldering of IC200. Repair any fault.
5. Confirm the removal of the fault and go to “Final Tasks” on
page 134. If the repair failed or the fault could not be found, replace
the main board and go to “Final Tasks” on page 134.
Task 2 —
3V Power Supply If the 7.5V supply (7V5 LINK) is correct, check the 3V DC supply (+3V0 AN)
next.
1. Measure the voltage +3V0 AN at the TP 3V0AN test point
(see Figure 12.2).
2. If the voltage is correct, go to Tas k 3 . If it is not, go to Step 3.
3. The 3V regulator IC604 is suspect (see Figure 12.2). Check the
regulator as described in Task 4 of “Power Supply Fault Finding” on
page 156.
pin 6 of IC200: 7.5V DC
TP 3V0 AN: 3.0 ± 0.3V DC

TP9100 Service Manual CODEC and Audio Fault Finding 271
© Tait Electronics Limited May 2005
Figure 12.1 Circuitry in the vicinity of PL1 and IC200 (top side)
Figure 12.2 Test points for the 3V power supply and the volume potentiometer (bottom side)
Measuring point for
DIG AUD PA EN
Measuring point for
DIG INT SPK EN
Measuring point for
level-shifted signal
Test point
3V0 AN
Test point
TP908 for
volume
potentiometer

272 CODEC and Audio Fault Finding TP9100 Service Manual
© Tait Electronics Limited May 2005
Task 3 —
2.5V Power Supply If the 7.5V (7V5LINK) and 3V supplies are correct, the remaining power
supply to check is the 2.5V DC supply (+2V5 CDC).
1. Measure the voltage +2V5 CDC at pin 5 of IC605 (see Figure 12.3).
2. If the voltage is correct, go to Step 4. If it is not, go to Step 3.
3. The 2.5V regulator IC605 is suspect (see Figure 12.3). Check the
regulator as described in Task 4 of “Power Supply Fault Finding” on
page 156.
4. Proceed to the section relevant to the fault exhibited:
■“Faulty Speaker Audio” (distorted or no speaker audio)
■“No Audio Tap Out at Accessory Connector”
■“Faulty Receiver” (receiver does not operate)
■“Faulty Modulation” (distorted or no transmit modulation)
■“Faulty Modulation Using Accessory Audio Tap In” (modulation
at accessory connector only)
Further details are given in the introduction to the section.
12.2 Faulty Speaker Audio
Introduction This section covers the case where the green status LED is operating
correctly and all unmute criteria are satisfied, but there is either no speaker
audio or the speaker audio is distorted. There are three tasks:
■Task 4: check audio power amplifier
■Task 5: check speaker outputs
■Task 6: check SUI VOL DC input signal
pin 5 of IC605: 2.5 ± 0.3V DC

TP9100 Service Manual CODEC and Audio Fault Finding 273
© Tait Electronics Limited May 2005
Figure 12.3 Circuitry under and next to the CDC TOP can (top side)

274 CODEC and Audio Fault Finding TP9100 Service Manual
© Tait Electronics Limited May 2005
Task 4 —
Check Audio
Power Amplifier
If there is no fault with the power supplies, check the inputs to the audio PA
as follows. This check is only applicable, however, if the output of the voice-
band CODEC is correct and the signal level varies as the volume is varied.
1. Use the programming application to find the frequency selected for
channel 1. Ensure that the channel is programmed as an analog chan-
nel.
2. In user mode apply an on-channel RF FM signal of –47dBm with
60% deviation, 1kHz tone. The channel must not have signaling
enabled. Set the volume to maximum.
3. Use an oscilloscope probe to check the output of the voice-band
CODEC at C238 (see Figure 12.1). The signal should be:
4. If the above signal is correct, go to Step 7. If it is not, go to Step 5.
5. Check the signal in Step 3 at R273 (see Figure 12.3).
6. If the above signal is correct, repair R273 and go to Step 10.
Otherwise the main board is faulty; replace the main board and go to
“Final Tasks” on page 134.
7. Vary the volume control. This should cause the signal level at the
C238 (see Figure 12.1) to vary. If it does, go to Step 8. If it does not,
go to Ta s k 6 .
8. Check the voltage at pin 1 of IC200 (see Figure 12.1):
9. If the voltage is correct, go to Step 11. If it is not, check for and repair
any faults in the circuits incorporating Q200 (see Figure 12.1).
10. Confirm the removal of the fault and go to “Final Tasks” on
page 134. If the repair failed, replace the main board and go to “Final
Tasks” on page 134.
11. Check the digital signals DIG AUD PA EN at R252 and DIG INT SPK INH at
R253 and the level-shifted signal at R255 (see Figure 12.1):
12. If the signals are correct, go to Task 5 . If they are not, check the
programming and test set-up; otherwise the main board is faulty;
replace the main board and go to “Final Tasks” on page 134.
C238: sine wave of 100mVpp with 1.2V DC offset
pin 1 of IC200: less than 0.5V DC
R252 (DIG AUD PA EN): 3.3V DC
R253 (DIG INT SKP EN): 0V DC (if internal speaker is enabled)
3.3V DC (if internal speaker is disabled)
R255: 0V DC (if internal speaker is disabled)
>10V DC (if internal speaker is enabled)

TP9100 Service Manual CODEC and Audio Fault Finding 275
© Tait Electronics Limited May 2005
Tas k 5 —
Check Speaker
Outputs
If the inputs to the audio PA are not faulty, check the speaker outputs from
the PA.
Speaker output checks depend on whether the internal speaker or external
accessory speaker is used. The accessory speaker signals are permanently
enabled, whereas the internal speaker signals are disabled when the accessory
interface signal ACC GPIO1 is connected to 0V.
To check internal speaker operation:
1. Check that ACC GPIO1 is not connected to 0V.
2. In user mode apply an on-channel RF FM signal of –47dBm with
60% deviation, 1kHz tone. The channel must not have signaling
enabled. Set the volume to maximum.
3. Check the positive and negative audio PA outputs at pins 5 and 8 of
IC200 (see Figure 12.1):
4. If the audio PA outputs are correct go to step 6. If they are not go to
Step 5.
5. Check for and repair any soldering faults around IC200
(see Figure 12.1), or else replace IC200.
6. Confirm the removal of the fault and go to “Final Tasks” on
page 134. If the repair failed, replace the main board and go to “Final
Tasks” on page 134.
7. Check the positive and negative speaker pins:
8. If the speaker outputs are correct go to Step 11. If not, go to Step 9.
9. Check for and repair any soldering faults around IC207
(see Figure 12.1), or else replace IC207. Also check speaker
connection pins as described in “Internal Speaker/ Microphone
Faulty” on page 146.
10. Confirm the removal of the fault and go to “Final Tasks” on
page 134. If the repair failed, replace the main board and go to “Final
Tasks” on page 134.
11. With the volume at maximum, check the positive and negative audio
PA outputs at pins 5 and 8 of IC200 (see Figure 12.1):
pin 5 of IC200: approximately half of +7V5 BATT
pin 8 of IC200: approximately half of +7V5 BATT
SPKR POS: approximately half of +7V5 BATT
SPKR NEG: approximately half of +7V5 BATT
pin 5 of IC200: approximately 5.5Vpp AC
pin 8 of IC200: approximately 5.5Vpp AC

276 CODEC and Audio Fault Finding TP9100 Service Manual
© Tait Electronics Limited May 2005
12. If the audio PA outputs are correct, the fault is unknown (and could
be intermittent); go to “Final Tasks” on page 134. If the repair failed,
replace the main board and go to “Final Tasks” on page 134.
To check external speaker operation:
1. Disconnect the internal speaker.
2. In user mode apply an on-channel RF FM signal of –47dBm with
60% deviation, 1kHz tone. The channel must not have signaling
enabled. Set the volume to maximum.
3. Check the positive and negative audio PA outputs at pins 5 and 8 of
IC200 (see Figure 12.1):
4. If the audio PA outputs are correct go to Step 7. If they are not go to
Step 5.
5. Check for and repair any soldering faults around IC200
(see Figure 12.1), or else replace IC200
6. Confirm the removal of the fault and go to “Final Tasks” on
page 134. If the repair failed, replace the main board and go to “Final
Tasks” on page 134.
7. Check accessory speaker connection pins for ACC+SPKR and ACC–SPKR
and accessory flex as described in “Accessories Interface Faulty” on
page 147.
8. Confirm the removal of the fault and go to “Final Tasks” on
page 134. If the repair failed, replace the main board and go to “Final
Tasks” on page 134.
9. With the volume at maximum, check the positive and negative audio
PA outputs at pins 5 and 8 of IC200 (see Figure 12.1):
10. If the audio PA outputs are correct, the fault is unknown (and could
be intermittent); go to “Final Tasks” on page 134. If the repair failed,
replace the main board and go to “Final Tasks” on page 134.
pin 5 of IC200: approximately half of +7V5 BATT
pin 8 of IC200: approximately half of +7V5 BATT
pin 5 of IC200: approximately 5.5Vpp AC
pin 8 of IC200: approximately 5.5Vpp AC

TP9100 Service Manual CODEC and Audio Fault Finding 277
© Tait Electronics Limited May 2005
Tas k 6 —
Check SUI VOL DC
Input Signal
If the output of the voice-band CODEC is correct, but the signal level does
not vary as the volume control is varied, check the SUI VOL DC signal.
1. Check the operation of the volume pot RV 1 (see Figure 12.4) as
described in “Volume Control Faulty” on page 142.
2. Check the voltage on TP908 (see Figure 12.2). As the volume varies,
the voltage should vary as follows:
3. If the volume varies as expected, go to Step 6. If it does not, go to
Step 4.
4. Check and repair any soldering faults around R900
(see Figure 12.4), Q910, and R953 (see Figure 12.3).
5. Confirm the removal of the fault and go to “Final Tasks” on
page 134. If the repair failed, replace the main board and go to “Final
Tasks” on page 134.
6. Remove the CDC TOP can.
7. Check the voltage at the junction of C245 (non grounded end,
see Figure 12.3). As the volume varies, the voltage should vary as
follows.
If the voltage varies as expected, CODEC 1 (IC204, see
Figure 12.3) is suspect.
8. Replace the main board and go to “Final Tasks” on page 134.
TP908: 0.4 to 1.1V as volume varies
C245: 0.4 to 1.1V as volume varies

278 CODEC and Audio Fault Finding TP9100 Service Manual
© Tait Electronics Limited May 2005
12.3 No Audio Tap Out at Accessory Connector
Introduction This section covers the case where the receiver operates normally but there
is no tap out audio at the accessory connector. In other words, there is no
signal at pin 4 (AUD TAP OUT) of the connector. The fault-diagnosis procedure
comprises two tasks:
■Task 7: check signal from CODEC
■Task 8: check LPF and buffer amplifier in CODEC circuitry
These tasks need to be followed by those of “Faulty Modulation Using
Accessory Audio Tap In” on page 287 if there is also a fault with the
transmit modulation using the accessory connector.
Figure 12.4 Volume potentiometer RV1 and resistor R900 (top side)

TP9100 Service Manual CODEC and Audio Fault Finding 279
© Tait Electronics Limited May 2005
Tas k 7 —
Check Signal
from CODEC
First generate an appropriate audio test signal and check whether the signal
is present at the output of the CODEC circuitry.
1. Enter the CCTM command 400 x, where x is a valid channel number.
(A suitable channel will depend on the programming of the radio.)
2. Enter the CCTM command 21 to force unmuting of the received
audio signal.
3. Enter the CCTM command 110 128 to set the audio level at its
midpoint.
4. At the test set apply 60%, 1kHz modulation to the RF signal.
Reduce the volume to a minimum.
5. Enter the CCTM command 324 r5.
6. Check the received signal is present at pin 4 of connector PL1
(see Figure 12.1). The signal should be:
7. If the signal is correct, the fault is with PL1 or the accessory flex
connector. Refer to “Accessories Interface Faulty” on page 147 for
accessory connector service instructions. If the signal is not correct go
to Step 8.
8. Check the received signal is present at the junction of E900 and C909
(see Figure 12.1). The signal should be:
9. If the signal is correct go to Step 10. If it is not, go to Tas k 8 .
10. Check the soldering and components around PL1, E900, and C909
(see Figure 12.1). Repair any fault.
11. Confirm the removal of the fault and go to Step 12. If the repair failed
or the fault could not be found, replace the main board and go to
“Final Tasks” on page 134.
12. If there is also a fault with the transmit modulation, notwithstanding
modulation at the accessory connector, go to Ta sk 1 5 . If there is no
other fault, go to “Final Tasks” on page 134
pin 4 of PL1: received signal with 1.2V DC offset
junction of E900 and C909: received signal with 1.2V DC offset

280 CODEC and Audio Fault Finding TP9100 Service Manual
© Tait Electronics Limited May 2005
Task 8 —
Check LPF and
Buffer Amplifier
If there is no test signal at the connector PL1, then either CODEC 1 is
faulty or there is a fault in the LPF or buffer amplifier.
1. Remove the CDC BOT can.
2. At the test set apply 60%, 1kHz modulation to the RF signal.
Reduce the volume to a minimum.
3. Check the signal at R224 (see Figure 12.5). This should be:
4. If the above signal is correct, go to Step 5. If it is not, CODEC 1
(IC204) is faulty; replace the main board and go to “Final Tasks” on
page 134.
5. Check the voltage at pin 1 of IC201 (see Figure 12.5).
6. If the voltage is correct, go to Step 7. If it is not, check the LPF
circuit based on IC201 (pins 1 to 3) (see Figure 12.5). Repair any
fault and conclude with Step 10.
7. Check the voltage at pin 7 of IC201 (see Figure 12.5).
8. If the voltage is correct, go to Step 9. If it is not, check the buffer
amplifier based on IC201 (pins 5 to 7) (see Figure 12.5). Repair any
fault and conclude with Step 10.
9. Check R207 and R208 (see Figure 12.5). Repair any fault and
conclude with Step 10.
10. Confirm the removal of the fault and go to Step 11. If the repair failed
or the fault could not be found, replace the main board and go to
“Final Tasks” on page 134.
11. If there is also a fault with the transmit modulation, notwithstanding
modulation at the accessory connector, go to “Faulty Modulation
Using Accessory Audio Tap In” on page 287. If there is no other
fault, go to “Final Tasks” on page 134.
R224: 0.7 Vpp with 1.2V DC offset
pin 1 of IC201: 0.7Vpp with 1.2V DC offset
pin 7 of IC201: 0.7Vpp with 1.2V DC offset

TP9100 Service Manual CODEC and Audio Fault Finding 281
© Tait Electronics Limited May 2005
Figure 12.5 Circuitry under the CDC BOT can (bottom side)
Measuring point
at R224
QN
measuring
point
TP444

282 CODEC and Audio Fault Finding TP9100 Service Manual
© Tait Electronics Limited May 2005
12.4 Faulty Receiver
Introduction This section covers the case where the receiver does not operate, although
there is no apparent fault in the receiver circuit itself. There are two tasks:
■Task 9: check level shifter
■Task 10: check QN signal
The latter check will isolate the module at fault if the level shifter is not the
cause of the problem.
Task 9 —
Check Level Shifter Check the operation of the base-band CODEC and receiver AGC as
described below. This concerns the level-shifter circuit. It is assumed that the
receiver and power-supply circuitry were checked and no faults were found.
1. If not already done, remove the CDC BOT can.
2. With no RF signal applied and in receive mode, check the voltage at
pin 14 of IC201 (see Figure 12.5):
3. If the above voltage is correct, go to Tas k 10 . If it is not, go to Step 4.
4. Check the voltage at pin 12 of IC201 (see Figure 12.5):
5. If the above voltage is correct, go to Step 8. If it is not, go to Step 6.
6. Check for and repair any shorts to ground at the junction of R238
and pin 12 of IC201 (see Figure 12.5).
7. Confirm the removal of the fault and go to “Final Tasks” on
page 134. If the repair failed or the fault could not be found, replace
the main board go to “Final Tasks” on page 134.
8. Check the circuitry (R238, R239, R240) around pins 12, 13 and 14
of IC201 (see Figure 12.5). Repair any fault.
9. Confirm the removal of the fault and go to “Final Tasks” on
page 134. If the repair failed or the fault could not be found, replace
the main board and go to “Final Tasks” on page 134.
pin 14 of IC201: more than 2.5V DC
pin 12 of IC201: more than 1V DC

TP9100 Service Manual CODEC and Audio Fault Finding 283
© Tait Electronics Limited May 2005
Task 10 —
Check QN Signal If the level shifter is not faulty, check the QN signal. This will ascertain
whether the digital circuitry, CODEC 1, or the receiver is at fault.
1. Use the programming application to find the frequency selected for
channel 1.
2. Apply a strong on-channel signal.
3. Check that a sine wave is present using TP444 (see Figure 12.5).
4. If there is a sine wave present, go to Step 5. If there is not, go to
“Receiver Fault Finding” on page 251.
5. Either the digital circuitry or CODEC 1 (IC204) is faulty. Replace
the main board and go to “Final Tasks” on page 134.
TP444: sine wave
284 CODEC and Audio Fault Finding TP9100 Service Manual
© Tait Electronics Limited May 2005
12.5 Faulty Modulation
Introduction This section covers the case where the radio transmits the correct amount of
RF power, but there is either no modulation or the modulation is distorted.
There are four tasks:
■Task 11: check internal microphone
■Task 12: initial checks of external microphone
■Task 13: check external microphone audio
■Task 14: check external microphone bias
Task 11 —
Check Internal
Microphone
To check the modulation from the internal microphone:
1. Remove any external microphone or accessory and apply an audio
acoustic signal from an external speaker or noise source near the
internal speaker.
2. Enter the CCTM command 33 to place the radio in transmit mode
(the frequency is that of channel 1). The radio must be in transmit
mode for the +5VTX and microphone pre-amp circuit to operate.
3. Create an audio signal by whistling into the speaker and check that
the audio signal appears at the junction of C235 and R261, and also
the junction of C236 and R262 (see Figure 12.3).
4. If the audio signal is not present check and repair the speaker, speaker
pins, components and soldering of C235 and C236
(see Figure 12.3). If the signal is present, go to Step 6.
5. Confirm the removal of the fault and go to “Final Tasks” on
page 134. If the repair failed or the fault could not be found, replace
the main board and go to “Final Tasks” on page 134.
6. Create an audio signal by whistling into the speaker and check that
the audio signal appears at the junction of R267 and IC202
(see Figure 12.3).
7. Enter the CCTM command 32 to place the radio in receive mode.
8. If the audio signal is present, go to “Frequency Synthesizer
Fault Finding” on page 159 on the frequency synthesizer fault
finding. If it is not, go to Step 9.
9. Check the components and soldering around IC202 and repair or
replace as required.
10. Confirm the removal of the fault and go to “Final Tasks” on
page 134. If the repair failed or the fault could not be found, replace
the main board and go to “Final Tasks” on page 134.

TP9100 Service Manual CODEC and Audio Fault Finding 285
© Tait Electronics Limited May 2005
Task 12 —
Initial Checks of the
External (Accessory)
Microphone
Carry out the following checks to isolate the part of the circuitry that is
faulty.
1. Check the connector PL1 (see Figure 12.1) and the flexible acces-
sory board connection to the main board as defined in “Accessories
Interface Faulty” on page 147. Assuming this is correct, proceed to
Step 2.
2. Check the DC level on the ACC MIC signal on pin 6 of PL1.
3. If the DC level is not present check and repair components and
soldering around PL1, E901, and C910 (see Figure 12.1). If the
signal is present, the audio path is suspect; go to Tas k 1 3.
4. Confirm the removal of the fault and go to “Final Tasks” on
page 134. If the repair failed, the DC bias is suspect; go to Tas k 1 4 .
Task 13 —
Check External
(Accessory)
Microphone Audio
To check the modulation from the external microphone:
1. Apply an AC-coupled 1kHz audio signal with level 9.5mVrms to the
ACC MIC signal on pin 6 of the connector PL1.
2. Check that the audio signal appears at the junction of R229, R232,
and C213 (see Figure 12.3):
3. If the signal is not present, check and repair components and
soldering around R229, R232, and C213 (see Figure 12.3). If the
signal is present go to “Frequency Synthesizer Fault Finding” on
page 159.
4. Confirm the removal of the fault and go to “Final Tasks” on
page 134. If the repair failed or the fault could not be found, replace
the main board and go to “Final Tasks” on page 134.
pin 6 of PL1: 3.0 ±0.3V (typical)
junction of R229, R232, and C213: 9.5mVrms with 1.5V DC offset

286 CODEC and Audio Fault Finding TP9100 Service Manual
© Tait Electronics Limited May 2005
Task 14 —
Check External
(Accessory)
Microphone DC Bias
To check the DC bias on the external microphone:
1. Check the DC level on the +3V0FIL signal at the junction of R209
and C202 (see Figure 12.5):
2. If the DC level is not present, check the components and soldering
of R209 and C202 (see Figure 12.5). If the signal is present, go to
Step 4.
3. Confirm the removal of the fault and go to “Final Tasks” on
page 134. If the repair failed or the fault could not be found, replace
the main board and go to “Final Tasks” on page 134.
4. Check the DC levels at the junction of R226 and C213, also the
junction of R229 and C213 (see Figure 12.3):
5. If either DC level is not present, check and repair the components and
soldering around R226, R229, R232, and C213 (see Figure 12.3).
If both DC levels are correct then the fault is between E901
(see Figure 12.1) and R226/C213. Replace the main board and go
to “Final Tasks” on page 134.
6. Confirm the removal of the fault and go to “Final Tasks” on
page 134. If the repair failed or the fault could not be found, replace
the main board and go to “Final Tasks” on page 134.
junction of R209 and C202: 3.0V ±0.2V (typical)
junction of R226 and C213: 3.0V ±0.2V
junction of R229 and C213: 1.5V ±0.2V

TP9100 Service Manual CODEC and Audio Fault Finding 287
© Tait Electronics Limited May 2005
12.6 Faulty Modulation Using Accessory Audio Tap In
Introduction This section covers the case where the transmitter operates normally but
there is no modulation from AUD TAP IN (although there is modulation at the
accessory connector). There are two tasks:
■Task 15: check AUD TAP IN path
■Task 16: check audio and modulation
If there was also a fault with the speaker audio at the accessory connector, it
is assumed that this has now been rectified.
Task 15 —
Check AUD_TAP_IN
Path
To check the AUD TAP IN path:
1. Check the connector PL1 (see Figure 12.1) and the flexible acces-
sory board connection to the main board as defined in “Accessories
Interface Faulty” on page 147. Assuming this is correct, proceed to
Step 2.
2. Check the DC offset voltage at pin 8:
3. If the offset is correct, go to Ta sk 1 6 . If the offset is not correct go to
Step 4
4. Check and repair the components and soldering around PL1, E902,
and C911 (see Figure 12.1).
5. Confirm the removal of the fault and go to “Final Tasks” on
page 134. If the repair failed, go to Step 6.
6. Check for and repair any soldering faults around IC205 and R241
(see Figure 12.3).
7. Confirm the removal of the fault and go to “Final Tasks” on
page 134. If the repair failed, go to Step 8.
8. Check the DC offset voltage at pin 3 of IC205:
9. If the offset is correct, IC205 is okay but there is a fault between
IC205 and PL1. Recheck soldering and components R241
(see Figure 12.3), E902, C911 (see Figure 12.1). If the offset is not
correct, replace IC205.
10. Confirm the removal of the fault and go to “Final Tasks” on
page 134. If the repair failed or the fault could not be found, replace
the main board and go to “Final Tasks” on page 134.
pin 8 of PL1: approximately 1.5V DC offset
pin 3 of IC205: approximately 1.5V DC offset
288 CODEC and Audio Fault Finding TP9100 Service Manual
© Tait Electronics Limited May 2005
Task 16 —
Check AUD TAP IN
Audio and
Modulation
This task assumes that Task 15 has already been performed and passed,
which confirms the connection between AUD TAP IN and IC205.
1. Apply a 1kHz AC-coupled signal of 0.7Vpp at pin 8 (AUD TAP IN) of
the connector PL1 (see Figure 12.1).
2. Enter CCTM command 33 to place radio in transmit mode.
3. Enter CCTM command 323 t5 to select AUD TAP IN as modulation
source.
4. Check the modulation of the radio. If there is no modulation, go to
“Frequency Synthesizer Fault Finding” on page 159. If there is
modulation, the hardware is not faulty. Check the setup of the audio
tap points in the programming application.
5. Enter CCTM command 32 to place the radio in receive mode.

TP9100 Service Manual Spare Parts 289
© Tait Electronics Limited May 2005
13 Spare Parts
Introduction This section illustrates and lists all serviceable parts (except SMT
components of the main board), and lists the spares kits available.
For SMT components of the main board, refer to the corresponding
PCB information.
13.1 Illustrated Spare Parts Catalogue
Table 13.1 lists all the serviceable parts (except PCB components) and
shows whether a part can be ordered individually and/or as part of a spares
kit. If a part can be ordered individually, its “internal part number” (IPN) is
listed. If a part can be ordered as part of a spares kit, the name and number
of the spares kit(s) is listed. If a part can only be ordered as part of a spares
kit, the IPN is listed as “not available”.
The positions are illustrated in Figure 13.1 on page 292.
Table 13.1 Serviceable parts
Pos. Designation IPN Kit
bfront-panel assembly (4 keys) a
front-panel assembly (16 keys)
not available
not available
TPA-SP-001 TP9155 re-skinning kit
TPA-SP-002 TP9155 general spares kit
TPA-SP-003 TP9160 re-skinning kit
TPA-SP-004 TP9160 general spares kit
CPTT keypad not available TPA-SP-101 PTT spares kit
TPA-SP-001/003 reskinning kits
TPA-SP-002/004 general spares kits
DPTT frame not available TPA-SP-101 PTT spares kit
TPA-SP-001/003 reskinning kits
TPA-SP-002/004 general spares kits
EPTT pressel not available TPA-SP-101 PTT spares kit
TPA-SP-001/003 reskinning kits
TPA-SP-002/004 general spares kits
Ffunction key pressel (2x) not available TPA-SP-101 PTT spares kit
TPA-SP-001/003 reskinning kits
TPA-SP-002/004 general spares kits
GPTT lock spring not available TPA-SP-101 PTT spares kit
TPA-SP-001/003 reskinning kits
TPA-SP-002/004 general spares kits
H3-way actuator not available TPA-SP-100 knob spares kit
TPA-SP-001/003 reskinning kits
TPA-SP-002/004 general spares kits
Ichannel knob not available TPA-SP-100 knob spares kit
TPA-SP-001/003 reskinning kits
TPA-SP-002/004 general spares kits

290 Spare Parts TP9100 Service Manual
© Tait Electronics Limited May 2005
Jvolume knob seal not available TPA-SP-100 knob spares kit
TPA-SP-001/003 reskinning kits
TPA-SP-002/004 general spares kits
1) volume knob not available TPA-SP-100 knob spares kit
TPA-SP-001/003 reskinning kits
TPA-SP-002/004 general spares kits
1! speaker cloth 362-01128-00
1@ adhesive speaker ring 369-01039-00 TPA-SP-102 speaker spares kit
1# speaker 252-00010-77 TPA-SP-102 speaker spares kit
TPA-SP-002/004 general spares kits
1$ speaker clamp 302-00013-00 TPA-SP-102 speaker spares kit
1%
4$
screw 1.8x5mm PT 349-00030-02 TPA-SP-001/003 reskinning kits
TPA-SP-002/004 general spares kits
TPA-SP-102 speaker spares kit
TPA-SP-108 battery latch spares kit
1^ keypad (4-button) a
keypad (16-button)
311-03017-00
311-03018-00
TPA-SP-001 TP9155 re-skinning kit
TPA-SP-002 TP9155 general spares kit
TPA-SP-003 TP9160 re-skinning kit
TPA-SP-004 TP9160 general spares kit
1& LCD frame 306-01047-00
1* LCD assembly not available TPA-SP-104 LCD spares kit
1( speaker pin frame (2x) 304-07044-00 TPA-SP-002/004 general spares kits
2) main-shield assembly not available TPA-SP-103 main-shield assembly spares kit
2! front-panel loom not available TPA-SP-103 main-shield assembly spares kit
2@ screw M2x5 345-00020-09 TPA-SP-002/004 general spares kits
2# main board
– B1 band
– H5 band
– H6 band
TPAA10-B100
TPAA10-H500
TPAA10-H600
TPAA10-B100
TPAA10-H500
TPAA10-H600
2$ knob nut (2x) 352-00013-00 TPA-SP-002/004 general spares kits
2% SMA nut 352-00012-00 TPA-SP-002/004 general spares kits
2^ top seal 362-01132-00 TPA-SP-002/004 general spares kits
2& main seal 362-01131-00 TPA-SP-001/003 reskinning kits
TPA-SP-002/004 general spares kits
TPA-SP-107 main seal spares kit
2* battery pin seal 362-01038-00 TPA-SP-002/004 general spares kits
2( chassis plug seal 362-01035-01 TPA-SP-002/004 general spares kits
3) chassis 303-10003-00 TPA-SP-105 chassis assembly spares kit
3! screw M2x8 (2x) 345-00020-11 TPA-SP-001/003 reskinning kits
TPA-SP-002/004 general spares kits
3@ flexible accessory board not available TPA-SP-105 chassis assembly spares kit
TPA-SP-106 accessory flex spares kit
3# rear panel seal not available TPA-SP-105 chassis assembly spares kit
TPA-SP-106 accessory flex spares kit
3$ rear panel 316-02025-00 TPA-SP-001/003 reskinning kits
TPA-SP-105 chassis assembly spares kit
3% dummy cover 303-23171-00 TPA-SP-002/004 general spares kits
Table 13.1 Serviceable parts (Continued)
Pos. Designation IPN Kit

TP9100 Service Manual Spare Parts 291
© Tait Electronics Limited May 2005
3^ NiCd battery
NiMH battery
TPA-BA-201
TPA-BA-203
3& PTT tact switch [PTT] 232-00010-44 TPA-SP-002/004 general spares kits
3* function key tact switch 232-00010-32
3( antenna SMA connector [SK3] 240-02156-01 TPA-SP-002/004 general spares kits
4) 16-way/3-way selector switch [RSW1] 231-00000-01 TPA-SP-002/004 general spares kits
4! volume potentiometer [RV1] 040-05500-10 TPA-SP-002/004 general spares kits
4@ volume potentiometer alignment
plate
302-05274-00 TPA-SP-002/004 general spares kits
TPA-SP-103 main-shield assembly spares kit
4# battery catch (left) 303-03077-00 TPA-SP-108 battery latch spares kit
battery catch (right)a303-03075-00 TPA-SP-108 battery latch spares kit
battery latch beama302-30045-00 TPA-SP-108 battery latch spares kit
battery latch coila319-01043-00 TPA-SP-108 battery latch spares kit
speaker / battery contact probesa356-01070-00 TPA-SP-002/004 general spares kits
emergency key actuatora319-00101-00 TPA-SP-002/004 general spares kits
light pipea262-00009-00 TPA-SP-002/004 general spares kits
a. not illustrated
Table 13.1 Serviceable parts (Continued)
Pos. Designation IPN Kit

292 Spare Parts TP9100 Service Manual
© Tait Electronics Limited May 2005
Figure 13.1 Serviceable parts
3&
3*
3(
4)
4!
3*
4@
TP9100 Service Manual Spare Parts 293
© Tait Electronics Limited May 2005
13.2 Spares Kits
The following spares kits are available:
■TPA-SP-001 TP9155 re-skinning kit (4-button radio)
■TPA-SP-002 TP9155 spares kit (4-button radio)
■TPA-SP-003 TP9160 re-skinning kit (16-button radio)
■TPA-SP-004 TP9160 spares kit (16-button radio)
■TPA-SP-100 volume/channel knob spares kit
■TPA-SP-101 PTT spares kit
■TPA-SP-102 Speaker spares kit
■TPA-SP-103 main-shield assembly spares kit
■TPA-SP-104 LCD spares kit
■TPA-SP-105 chassis assembly spares kit
■TPA-SP-106 accessory flex spares kit
■TPA-SP-107 main seal spares kit
■TPA-SP-108 battery latch spares kit
294 Spare Parts TP9100 Service Manual
© Tait Electronics Limited May 2005

TP9100 Service Manual 295
© Tait Electronics Limited May 2005
TP9100 portables
Chapter 3
Accessories

296 TP9100 Service Manual
© Tait Electronics Limited May 2005
Chapter 3 – Contents
14 Antenna Identification Chart . . . . . . . . . . . . . . . . . . . . . . . . . . . . . . .297
15 TPA-CH-001 Single Battery Charger . . . . . . . . . . . . . . . . . . . . . . . . .299
15.1 Installation . . . . . . . . . . . . . . . . . . . . . . . . . . . . . . . . . . . . . . . . . . . . . . 299
15.2 Charging the Battery. . . . . . . . . . . . . . . . . . . . . . . . . . . . . . . . . . . . . . . 299
15.3 Troubleshooting . . . . . . . . . . . . . . . . . . . . . . . . . . . . . . . . . . . . . . . . . . 300
15.4 Disassembly/Reassembly . . . . . . . . . . . . . . . . . . . . . . . . . . . . . . . . . . . . 301
15.6 Main Board (XPA-CH-M01) PCB Information. . . . . . . . . . . . . . . . . . . 302
15.7 Contact Board (XPA-CH-M02) PCB Information. . . . . . . . . . . . . . . . . 307
16 TPA-AA-201 Accessory Connector Kit. . . . . . . . . . . . . . . . . . . . . . . .309
16.1 Connecting an Accessory . . . . . . . . . . . . . . . . . . . . . . . . . . . . . . . . . . . 309
16.2 Disassembly and Reassembly . . . . . . . . . . . . . . . . . . . . . . . . . . . . . . . . . 312
17 TPA-AA-202 Accessory Cable Kit . . . . . . . . . . . . . . . . . . . . . . . . . . .313
17.1 Connecting an Accessory . . . . . . . . . . . . . . . . . . . . . . . . . . . . . . . . . . . 313
17.2 Disassembly and Reassembly . . . . . . . . . . . . . . . . . . . . . . . . . . . . . . . . . 316
18 TPA-AA-210 Hirose Accessory Adapter . . . . . . . . . . . . . . . . . . . . . . .317
18.1 Connecting an Accessory . . . . . . . . . . . . . . . . . . . . . . . . . . . . . . . . . . . 317
18.2 Disassembly and Reassembly . . . . . . . . . . . . . . . . . . . . . . . . . . . . . . . . . 318
19 TOPA-SV-024 Test Unit . . . . . . . . . . . . . . . . . . . . . . . . . . . . . . . . .319
19.1 Test Setup . . . . . . . . . . . . . . . . . . . . . . . . . . . . . . . . . . . . . . . . . . . . . . 319
19.2 Operation. . . . . . . . . . . . . . . . . . . . . . . . . . . . . . . . . . . . . . . . . . . . . . . 321
19.3 PCB Information (PCB IPN 220-01418-02A) . . . . . . . . . . . . . . . . . . . . 323

TP9100 Service Manual Antenna Identification Chart 297
© Tait Electronics Limited May 2005
14 Antenna Identification Chart
Figure 14.1contains information on Tait-approved radio antennas, and can
be used to identify part numbers based on antenna type and length.
Figure 14.1 Antenna identification chart
TPA-AN-013
400-450 MHz 3.27 in. (83 mm)
3.03 in. (77 mm)
2.80 in. (71 mm)
TPA-AN-014
435-480 MHz
TPA-AN-015
470-520 MHz
TPA-AN-002
136-151 MHz 6.50 in. (165 mm)
5.87 in. (149 mm)
5.59 in. (142 mm)
TPA-AN-003
150-162 MHz
TPA-AN-004
162-174 MHz
VHF and UHF Helical Antennas:
VHF
UHF
5.91 in. (150 mm)
5.31 in. (135 mm)
TPA-AN-011
400-470 MHz
TPA-AN-012
450-520 MHz
UHF Whip Antennas:
UHF
298 Antenna Identification Chart TP9100 Service Manual
© Tait Electronics Limited May 2005

TP9100 Service Manual TPA-CH-001 Single Battery Charger 299
© Tait Electronics Limited May 2005
15 TPA-CH-001 Single Battery Charger
The TPA-CH-001 single battery charger is used to charge the
following Tait batteries:
■TPA-BA-201 (NiCd)
■TPA-BA-203 (NiMH)
The TPA-CH-001 single battery charger kit consists of the
following items:
■single charger
■12V 3A power adaptor (T952-400)
■Battery Care & Charging Guide
■country-specific mains cable (may or may not be included)
15.1 Installation
Warning!! High voltage!
Only use the 12V 3A power adaptor (T952-400),
and the correct mains cable for your mains volt-
age.
1. Plug the mains cable into the 12V 3A power adaptor (T952-400).
2. Plug the power adaptor cable into the charger.
3. Plug the mains cable into the mains socket.
When power is first applied to the charger, all three LEDs should light up
for two seconds and then go out.
15.2 Charging the Battery
1. Ensure the charger is connected to the 12V 3A power adaptor
(T952-400).
2. Put the battery in the charger. (The radio, if attached, may be either
on or off.)
The red “Charging” LED glows to indicate that the battery is charg-
ing.
Note If the amber “Fault” LED lights up, refer to “Troubleshooting” on
page 300.
power adaptor
mains cable
single charger

300 TPA-CH-001 Single Battery Charger TP9100 Service Manual
© Tait Electronics Limited May 2005
3. When the battery is fully charged, the green “Ready” LED on the
charger glows. The battery can be safely left in the charger—remove
it when you are ready.
Note For more information on how to prolong battery life, refer to the
Battery Care & Charging Guide.
15.3 Troubleshooting
1. If the amber “Fault” LED flashes or lights up, check the possible
causes listed in Table 15.1:
2. Check the output voltage of the Tait power adaptor. It should be
between 11.5V and 20V.
3. Disassemble the charger as described in “Disassembly/Reassembly”
on page 301 and check fuse F1 (see Figure 15.1).
4. Check the power connector.
5. Check the connections of the cable between the two PCBs.
Table 15.1 Troubleshooting the charger
Fault LED Possible causes and solutions
Flashing
(fault)
■The battery is not compatible with the charger—use only Tait
batteries and chargers.
■There is insufficient voltage to the charger—check you are using
the correct power adaptor.
■The battery pack may be faulty.
Glowing
(charging is
suspended)
The battery pack is either too hot or too cold. Charging will begin
when the temperature of the battery pack is between 41°F (5°C)
and 104°F (40°C).
Figure 15.1 Main PCB showing power connector and fuse F1 (top side)
Fuse F1
Power
connector

TP9100 Service Manual TPA-CH-001 Single Battery Charger 301
© Tait Electronics Limited May 2005
15.4 Disassembly/Reassembly
Disassemble only as much as necessary to replace the defective parts.
Reassembly is carried out in reverse order of the disassembly.
1. Unscrew the four corner screws C and remove the bottom cover D.
2. Unplug the cable F from the contact PCB J and remove the main
PCB E and the light pipe G.
3. Unscrew the two screws C holding the cradle I in place.
4. Remove the I cradle and contact PCB J.
5. Unscrew the three screws 1) and remove the contact PCB J.
Figure 15.2 Parts of the single charger
Description IPN
Brubber bumper (x4) 369-00010-11
Cscrew P/T 30x10 (x6) 346-10030-10
Dbottom cover 346-10025-06
Emain PCB TPA-CH-M01
Fcable 219-02944-00
Glight pipe 262-00007-xx
Htop cover 303-23168-xx
Icradle 303-30073-xx
Jcontact PCB TPA-CH-M02
1) screw P/T 25x6 (x3) 345-10025-06
Note:
The characters xx in an IPN (Tait Internal Part Number)
stand for the issue number of the part. Only the latest issue
of each part will normally be available for ordering as
spare or replacement parts.
Power adaptor T952-400
Mains cable
North America T952-340
Europe T952-330
United Kingdom T952-320
Australia/New Zealand T952-310
B
C
F
G
H
I
J
1)
E
D

302 TPA-CH-001 Single Battery Charger TP9100 Service Manual
© Tait Electronics Limited May 2005
15.5 Spare Parts
Spare parts are available in the Single Charger Spares Kit (IPN
TPA-SP-200). The positions are illustrated in Figure 15.2 on page 301.
15.6 Main Board (XPA-CH-M01) PCB Information
The following information applies to the main board with the PCB IPN
220-01724-03. The component values in the circuit diagram are indicative
only. Refer to the parts lists for actual values used.
15.6.1 Parts List
Ref. IPN Description Ref. IPN Description
C1 018-16100-00 Cap 0603 100n 16v x7r + - 10%
C2 018-12330-10 Cap 0603 33p 50v NPO ±1%
C3 015-07470-20 CAP Cer 1206 4u7 10% 25V X7R
C4 018-16100-00 Cap 0603 100n 16v x7r + - 10%
C5 018-12330-10 Cap 0603 33p 50v NPO ±1%
C6 018-16100-00 Cap 0603 100n 16v x7r + - 10%
C7 018-16100-00 Cap 0603 100n 16v x7r + - 10%
C8 018-16100-00 Cap 0603 100n 16v x7r + - 10%
C10 018-16100-00 Cap 0603 100n 16v x7r + - 10%
C16 018-13470-00 Cap 0603 470p 50v X7r±10%
C19 018-14101-00 Cap 0603 1n 50v NPO ±5%
C28 018-16100-00 Cap 0603 100n 16v x7r + - 10%
C29 018-16100-00 Cap 0603 100n 16v x7r + - 10%
C30 018-16100-00 Cap 0603 100n 16v x7r + - 10%
C31 018-16100-00 Cap 0603 100n 16v x7r + - 10%
C32 018-16100-00 Cap 0603 100n 16v x7r + - 10%
C33 018-16100-00 Cap 0603 100n 16v x7r + - 10%
C34 018-16100-00 Cap 0603 100n 16v x7r + - 10%
C35 015-07470-20 CAP Cer 1206 4u7 10% 25V X7R
C52 015-07470-20 CAP Cer 1206 4u7 10% 25V X7R
C53 016-09100-07 Cap Elec SMD 100u 35v Loesr
C55 015-07470-20 CAP Cer 1206 4u7 10% 25V X7R
C57 015-07470-20 CAP Cer 1206 4u7 10% 25V X7R
C58 015-07470-20 CAP Cer 1206 4u7 10% 25V X7R
C61 018-14101-00 Cap 0603 1n 50v NPO ±5%
C64 018-16100-00 Cap 0603 100n 16v x7r + - 10%
C65 018-14101-00 Cap 0603 1n 50v NPO ±5%
C66 018-13470-00 Cap 0603 470p 50v X7r±10%
C70 015-07470-20 CAP Cer 1206 4u7 10% 25V X7R
C71 018-13470-00 Cap 0603 470p 50v X7r±10%
C72 018-13470-00 Cap 0603 470p 50v X7r±10%
C101 018-16100-00 Cap 0603 100n 16v x7r + - 10%
C102 018-16100-00 Cap 0603 100n 16v x7r + - 10%
C103 018-16100-00 Cap 0603 100n 16v x7r + - 10%
D1 001-10000-70 Diode SMD BAV70 D-Sw SOT23
D2 001-10099-01 Diode BAV99w Dual Ss
D3 001-10099-01 Diode BAV99w Dual Ss
D4 001-10000-70 Diode SMD BAV70 D-Sw SOT23
D5 001-10015-50 Diode SMD 1.5SMC22AT3 Tvs/Zen
D6 001-10084-82 Diode SMD BZX84C8V2 Zen SOT23
D7 001-10084-33 Diode SMD BZX84C3V3 Zen SOT23
D50 001-10008-35 Diode SMD MBRD835 Sch Dpak
DS1 008-10002-00 LED SMD 0603 Red U/B C190KRKT
DS2 008-10001-00 LED SMD 0603 Ornge Ultrabright
DS3 008-10004-00 LED SMD 0603 Green Ultrabright
F1 265-10300-10 Fuse SMD 3a 63v 1206
IC101 002-11125-00 IC SMD TK11250 5vreg 130ma
IC102 002-10003-58 IC SMD LM358 Dual 0-Amp
IC105 002-17232-10 IC ST72F321 Micro 8b 48k Tqfp
IC106 002-10384-50 IC LM3485 HMode PWM Ctrl MSOP8
J1 240-10005-10 Hdr SMD 10W 5x2 2.54mm Vert
J5 240-02021-01 DC Jack 2.5mm TH RA 5A@16VDC
L1 057-10047-00 Ind SMD Pwr Cdrh124 4.7uh 5.7a
L2 057-10047-00 Ind SMD Pwr Cdrh124 4.7uh 5.7a
L50 057-10022-10 IND SMD Pwr Cdrh127LD 22U 4A7
Q1 000-10561-60 XSTR BCX56-16 AF NPN SOT89
Q2 000-10000-14 Xstr IRFL014 Fet 3a/60v SOT223
Q3 000-10001-23 Xstr SMD BSS123 N DMOS SOT23
Q4 000-10084-71 Xstr BC847BW NPN SOT323
Q5 000-10001-23 Xstr SMD BSS123 N DMOS SOT23
Q6 000-10085-71 Xstr SMD BC857BW PNP SOT323
Q7 000-10084-71 Xstr BC847BW NPN SOT323
Q8 000-10084-71 Xstr BC847BW NPN SOT323
Q9 000-10084-71 Xstr BC847BW NPN SOT323
Q50 000-11006-00 Xstr P Chan MFET 60V 10A DPAK
Q51 000-11006-00 Xstr P Chan MFET 60V 10A DPAK
R2 038-16100-10 Res 0603 100k 1/10w 1%
R3 036-11100-00 Res M/F SMD 0805 1e0 1%
R4 036-11100-00 Res M/F SMD 0805 1e0 1%
R5 036-11100-00 Res M/F SMD 0805 1e0 1%
R6 038-14680-10 Res 0603 6k8 1/10w 1%
R7 038-14390-10 Res 0603 3k9 1/10w 1%
R8 038-15100-10 Res 0603 10k 1/10w 1%
R9 038-13100-10 Res 0603 100R 1/10w 1%
R10 038-15100-10 Res 0603 10k 1/10w 1%
R11 038-14680-10 Res 0603 6k8 1/10w 1%
R12 038-16100-10 Res 0603 100k 1/10w 1%
R13 038-13100-10 Res 0603 100R 1/10w 1%
R14 038-16100-10 Res 0603 100k 1/10w 1%
R15 038-15100-10 Res 0603 10k 1/10w 1%
R16 038-14390-10 Res 0603 3k9 1/10w 1%
R17 038-15100-10 Res 0603 10k 1/10w 1%
R18 038-14680-10 Res 0603 6k8 1/10w 1%
R19 038-15100-10 Res 0603 10k 1/10w 1%
R20 038-15100-10 Res 0603 10k 1/10w 1%
R21 038-14390-10 Res 0603 3k9 1/10w 1%

TP9100 Service Manual TPA-CH-001 Single Battery Charger 303
© Tait Electronics Limited May 2005
15.6.2 Grid Reference Index
R22 038-14390-10 Res 0603 3k9 1/10w 1%
R23 038-15100-10 Res 0603 10k 1/10w 1%
R24 036-00619-10 Res 2512 6e19 1% 1w
R25 038-13100-10 Res 0603 100R 1/10w 1%
R26 036-00619-10 Res 2512 6e19 1% 1w
R27 038-15470-10 Res 0603 47k 1/10w 1%
R28 038-14680-10 Res 0603 6k8 1/10w 1%
R29 036-00619-10 Res 2512 6e19 1% 1w
R30 038-14100-10 Res 0603 1k0 1/10w 1%
R31 036-00619-10 Res 2512 6e19 1% 1w
R32 038-14100-10 Res 0603 1k0 1/10w 1%
R33 038-15100-10 Res 0603 10k 1/10w 1%
R34 038-14100-10 Res 0603 1k0 1/10w 1%
R35 038-15100-10 Res 0603 10k 1/10w 1%
R37 038-14390-10 Res 0603 3k9 1/10w 1%
R38 038-10000-00 Res 0603 Zero 0hm 1/16w ± 5%
R39 038-14100-10 Res 0603 1k0 1/10w 1%
R40 038-14100-10 Res 0603 1k0 1/10w 1%
R41 038-15100-10 Res 0603 10k 1/10w 1%
R42 038-16100-10 Res 0603 100k 1/10w 1%
R43 036-00619-10 Res 2512 6e19 1% 1w
R44 036-00619-10 Res 2512 6e19 1% 1w
R45 038-14100-10 Res 0603 1k0 1/10w 1%
R46 038-14100-10 Res 0603 1k0 1/10w 1%
R47 038-14390-10 Res 0603 3k9 1/10w 1%
R48 038-14270-00 Res 0603 2k7 1/10w 5%
R49 038-15470-10 Res 0603 47k 1/10w 1%
R50 036-00033-10 Res 2512 0.033e 1% 1w
R51 038-15470-10 Res 0603 47k 1/10w 1%
R52 038-15100-10 Res 0603 10k 1/10w 1%
R53 038-13100-10 Res 0603 100R 1/10w 1%
R54 038-16100-10 Res 0603 100k 1/10w 1%
R55 038-16100-10 Res 0603 100k 1/10w 1%
R56 038-15470-10 Res 0603 47k 1/10w 1%
R57 038-15470-10 Res 0603 47k 1/10w 1%
R58 038-15470-10 Res 0603 47k 1/10w 1%
R59 038-14680-10 Res 0603 6k8 1/10w 1%
R60 038-14100-10 Res 0603 1k0 1/10w 1%
R61 038-14390-10 Res 0603 3k9 1/10w 1%
R63 038-14100-10 Res 0603 1k0 1/10w 1%
R65 038-16100-10 Res 0603 100k 1/10w 1%
R66 038-16100-10 Res 0603 100k 1/10w 1%
R69 038-16100-10 Res 0603 100k 1/10w 1%
R71 038-13100-10 Res 0603 100R 1/10w 1%
R72 038-13100-10 Res 0603 100R 1/10w 1%
R76 038-15100-10 Res 0603 10k 1/10w 1%
R102 038-13100-10 Res 0603 100R 1/10w 1%
SK1 240-10000-06 Conn SMD 12w 2r Skt M/Match
Ref. IPN Description Ref. IPN Description
Ref. PCB Circuit Ref. PCB Circuit Ref. PCB Circuit Ref. PCB Circuit Ref. PCB Circuit
C1 1:H6 1-C1
C2 1:F3 1-D2
C3 1:G9 1-G3
C4 1:G8 1-G3
C5 1:F4 1-D2
C6 1:G4 1-C6
C7 1:F7 1-B8
C8 1:E6 1-C9
C9 1:G9 1-B9
C10 1:F7 1-F10
C11 1:E4 1-D9
C16 1:C7 1-E6
C19 1:A6 1-F4
C28 1:E3 1-E1
C29 1:F7 1-E1
C30 1:E5 1-D1
C31 1:N3 1-F1
C32 1:G7 1-E1
C33 1:G5 1-E1
C34 1:E6 1-D1
C35 1:H4 1-F1
C52 1:A7 1-F5
C53 1:B6 1-F5
C55 1:B6 1-F5
C57 1:B4 1-F7
C58 1:C3 1-F9
C59 1:D4 1-D9
C60 1:E7 1-E8
C61 1:C3 1-F9
C64 1:H5 1-A5
C65 1:D8 1-B6
C66 1:D8 1-A7
C70 1:A6 1-F4
C71 1:D5 1-D9
C72 1:D5 1-D9
C101 1:F9 1-F1
C102 1:E8 1-B1
C103 1:G8 1-F2
D1 1:H6 1-D2 1-C2
D2 1:E7 1-C7 1-B7
D3 1:E3 1-B8 1-C8
D4 1:G7 1-C2
D5 1:A6 1-F5
D6 1:F8 1-F1
D7 1:D8 1-D5
D50 1:C5 1-F7
DS1 1:P4 1-D5
DS2 1:P4 1-D5
DS3 1:N4 1-D5
F1 1:B6 1-G4
IC101 1:G8 1-G2
IC102 1:D9 1-B7 1-B1
1-G8
IC105 1:F6 1-C3
IC106 1:D7 1-E6
IC108 1:L1 1-A8
J1 1:F2 1-E2
J5 1:B5 1-F3
J11 1:B4 1-A1
J12 1:C8 1-A1
J13 1:C2 1-A2
L1 1:B7 1-F5
L2 1:C3 1-F8
L50 1:C4 1-F7
LINK1 2:E5 1-G4
Q1 1:F8 1-G1
Q2 1:A4 1-B10
Q3 1:E9 1-G9
Q4 1:E3 1-C5
Q5 1:E3 1-C6
Q6 1:F9 1-B9
Q7 1:C8 1-E5
Q8 1:D8 1-E5
Q9 1:F9 1-B8
Q50 1:C6 1-F6
Q51 1:C7 1-F6
R1 1:D9 1-F8
R2 1:H5 1-C2
R3 1:B5 1-E7
R4 1:B5 1-E7
R5 1:C5 1-E7
R6 1:D7 1-E8
R7 1:E6 1-C9
R8 1:E2 1-F2
R9 1:D9 1-F7
R10 1:D8 1-B7
R11 1:D8 1-B7
R12 1:E9 1-F8
R13 1:E9 1-F8
R14 1:E2 1-E2
R15 1:E8 1-B6
R16 1:F8 1-G1
R17 1:E8 1-B6
R18 1:G8 1-D1
R19 1:F4 1-E4
R20 1:F4 1-E4
R21 1:H6 1-C1
R22 1:E6 1-C9
R23 1:E8 1-B6
R24 1:A3 1-C10
R25 1:D9 1-F7
R26 1:D1 1-C9
R27 1:G9 1-B10
R28 1:E9 1-F9
R29 1:D1 1-C10
R30 1:F7 1-G9
R31 1:D2 1-C10
R32 1:N4 1-D5
R33 1:E2 1-F3
R34 1:N4 1-D5
R35 1:E3 1-F3
R36 1:K1 1-A7
R37 1:E4 1-B4
R38 1:G9 1-B9
R39 1:N4 1-D5
R40 1:D7 1-E8
R41 1:E9 1-G9
R42 1:E7 1-C7
R43 1:B3 1-C10
R44 1:B3 1-C9
R45 1:N4 1-C5
R46 1:E4 1-C5
R47 1:E4 1-B5
R48 1:E4 1-C6
R49 1:E8 1-E4
R50 1:B4 1-F8
R51 1:C9 1-D5
R52 1:D8 1-E5
R53 1:D8 1-D6
R54 1:F7 1-B7
R55 1:F8 1-B8
R56 1:F9 1-B8
R57 1:F9 1-B9
R58 1:F9 1-B9
R59 1:G8 1-C1
R60 1:E6 1-C9
R61 1:E9 1-F9
R63 1:H5 1-A5
R65 1:D8 1-A6
R66 1:D8 1-A6
R69 1:C7 1-E6
R71 1:E4 1-D8
R72 1:E6 1-D8
R76 1:D8 1-A7
R102 1:D9 1-B1
SK1 1:E5 1-D10
TP10 1:F5 1-E3
TP11 1:F3 1-E2
TP15 1:F7 1-G10
TP16 1:E3 1-F4
TP17 1:E4 1-F4
TP18 2:E5 1-E10
TP19 2:E5 1-E10
TP2 1:D6 1-E9
TP20 1:F5 1-B4
TP21 1:K1 1-A7
TP22 1:G4 1-C4
TP23 1:G4 1-C4
TP3 1:D5 1-E9
TP4 1:E4 1-D9
TP5 1:E6 1-D10
TP6 1:E2 1-F2
TP8 1:F4 1-E2
TP9 1:F2 1-E3
Y1 1:F4 1-D2

304 TPA-CH-001 Single Battery Charger TP9100 Service Manual
© Tait Electronics Limited May 2005
15.6.3 PCB Layout (top side)

TP9100 Service Manual TPA-CH-001 Single Battery Charger 305
© Tait Electronics Limited May 2005
15.6.4 PCB Layout (bottom side)

306 TPA-CH-001 Single Battery Charger TP9100 Service Manual
© Tait Electronics Limited May 2005
15.6.5 Circuit Diagram

TP9100 Service Manual TPA-CH-001 Single Battery Charger 307
© Tait Electronics Limited May 2005
15.7 Contact Board (XPA-CH-M02) PCB Information
The following information applies to the contact board with the PCB IPN
220-01725-03.
15.7.1 Parts List
15.7.2 PCB Layout (top side)
Ref. IPN Description
DATA 303-50030-00 Cntct Apco DP1 Chgr
MINUS 303-50030-00 Cntct Apco DP1 Chgr
PLUS 303-50030-00 Cntct Apco DP1 Chgr
TEMP 303-50030-00 Cntct Apco DP1 Chgr
219-02622-01 T700 Interface Cbl 12way

308 TPA-CH-001 Single Battery Charger TP9100 Service Manual
© Tait Electronics Limited May 2005
15.7.3 PCB Layout (bottom side)
15.7.4 Circuit Diagram

TP9100 Service Manual TPA-AA-201 Accessory Connector Kit 309
© Tait Electronics Limited May 2005
16 TPA-AA-201 Accessory Connector Kit
Caution The radio produces a specific audio level at the max-
imum rated power. It is the sole responsibility of the
end-user to ensure applicability and compliance
with the relevant legal regulations defining the noise
level an individual can be subjected to.
The TPA-AA-201 accessory connector kit is used to connect
external third-party accessories, such as speaker microphones
and headsets, to the accessory connector at the rear of the
radio.
16.1 Connecting an Accessory
1. Verify that your accessory is compatible with the accessory
connector, refer to Table 16.1.
2. When connecting an accessory, make sure it meets the
following specifications:
■speaker impedance: 32Ω (16Ω min.)
■speaker power: 0.25Wrms (min.)
■microphone: electret, approximately 1kΩ
■PTT switch: not in series with microphone.
Note If your accessory has a PTT switch in series with the microphone,
the accessory cannot be used. The PTT needs to be a separate sig-
nal and must be made available at the connector separately; it must
not be multiplexed on any other signal.
3. Disassemble the kit as described in “Disassembly and Reassembly” on
page 312.
4. Solder the accessory lines to the pads provided on the bottom side of
the accessory connector PCB (refer to Figure 16.1).
Important The recommended cable diameter is 0.205 inch (5.2mm),
to fit into the insert and strain relief (see Figure 16.2).
Any other cable diameter cannot be properly retained and
is not recommended. Sealing against water and dust ingress
cannot be guaranteed using this connector kit.

310 TPA-AA-201 Accessory Connector Kit TP9100 Service Manual
© Tait Electronics Limited May 2005
5. Modify the components on the accessory connector PCB as follows
(refer to Figure 16.1). Note that some components may already be
fitted by default.
■For all accessories with differential speaker (not referenced to
ground), fit a 0Ω link (1206) at position C1 instead of the fitted
0Ω link (1206).
■For all accessories with a single-ended speaker (referenced to
ground), fit a 4.7µF capacitor (ceramic, 1206, X7R, 16V) at
position C1.
■To disable the radio’s internal speaker, fit a 0Ω link (0603) at
position R3.
■When using an external switch to control the ACC PTT line, for
example in a hands-free vehicle kit, fit a 0Ω (0603) link at position
R4.
■To enable an external function button, fit a 12kΩ resistor
(0603, 1/10W±5%) at position R1.
6. Reassemble the kit as described in “Disassembly and Reassembly” on
page 312.
Table 16.1 Accessory connector – pads and signals
Signal name Pad Description Signal type Signal level
Output
impedance/
current
Input
impedance
AUD TAP OUT P8 Programmable tap point out
of the Rx or Tx audio chain,
DC-coupled
Analog audio 0.69Vpp for 60%
deviation at 1kHz
(–10dBm into 600Ω)
600Ω–
AUD TAP IN P9 Programmable tap point into
the Rx or Tx audio chain,
DC-coupled
Analog audio 0.69Vpp for 60%
deviation at 1kHz
(–10dBm into 600Ω)
– 100kΩ
DC to
100kHz
ACC PWR P10 Accessory power DC supply 3.3V nominal 100 mA (max) –
ACC RXD P11 Serial receive data 3V3 CMOS high = 0
low = 1
––
ACC TXD P12 Serial transmit data 3V3 CMOS high = 0
low = 1
1mA (max) –
ACC GPIO1 P13 Accessory sense (internal
speaker disable)
3V3 CMOS high = 1
low = 0
1mA (max) –
ACC GPIO2 P14 Accessory sense 3V3 CMOS high = 1
low = 0
1mA (max) –
ACC MIC P1 External microphone input
(electret)
Dynamic microphones are not
supported.
Analog audio 9.5Vrms for 60%
modulation at 1kHz,
DC-coupled
–2.2kΩ
GND P2 Analog ground Ground – – –
ACC PTT P3 External press-to-talk input Analog DC 0 to 2.5V, PTT=0 – 27kΩ
ACC SPKR– P6 External speaker differential
output
Analog audio +6.5Vppa differential To drive 16Ω
differentially
–
ACC SPKR+ P7 External speaker differential
output
Analog audio +6.5Vppa differential To drive 16Ω
differentially
–
a. Dependent on battery charge level.

TP9100 Service Manual TPA-AA-201 Accessory Connector Kit 311
© Tait Electronics Limited May 2005
Figure 16.1 Accessory connector PCB and circuit diagram
PL4 P8
PL8 P9
PL2
PL3
PL5
PL10
PL7
P10
P11
P12
P13
P14
P16
AUD TAP OUT
AUD TAP IN
ACC PWR
ACC RXD
ACC TXD
ACC GPIO1
ACC GPIO2
R4
0Ω
ACC MIC
GND
PL6
PL1
P1
P2
PL12 ACC PTT P3
R1
12kΩ
P4
P5
BUTTON1
PL9 P6
P7PL11
C1
4.7µF
ACC SPKR–
ACC SPKR+
PL13
R3
0Ω

312 TPA-AA-201 Accessory Connector Kit TP9100 Service Manual
© Tait Electronics Limited May 2005
16.2 Disassembly and Reassembly
1. Use a Torx T6 screwdriver to remove the screw B, and remove the
accessory housing seal C, the accessory seal plate D, and the accessory
connector PCB E.
2. Use pliers to pull out the clamp G, and remove the strain relief I,
and the insert H.
Important During reassembly, make sure that the accessory housing
seal C is inserted correctly inside the accessory connector
housing F.
Reassembly is carried out in reverse order of the disassembly.
Figure 16.2 Components of the accessory connector kit
BTor x T 6 sc re w Faccessory connector housing
Caccessory housing seal Gclamp
Daccessory seal plate Hinsert
Eaccessory connector PCB Istrain relief
Torx T6
3lb·in (0.34N·m)
H
C
D
E
F
G
I
B

TP9100 Service Manual TPA-AA-202 Accessory Cable Kit 313
© Tait Electronics Limited May 2005
17 TPA-AA-202 Accessory Cable Kit
Caution The radio produces a specific audio level at the max-
imum rated power. It is the sole responsibility of the
end-user to ensure applicability and compliance
with the relevant legal regulations defining the noise
level an individual can be subjected to.
The TPA-AA-202 accessory cable kit is used to connect
external third-party accessories, such as speaker
microphones and headsets, to the accessory connector at
the rear of the radio.
17.1 Connecting an Accessory
1. Verify that your accessory is compatible with the accessory connector,
refer to Table 17.1.
2. When connecting an accessory, make sure it meets the following
specifications:
■speaker impedance: 32Ω (16Ω min.)
■speaker power: 0.25Wrms (min.)
■microphone: electret, approximately 1kΩ
■PTT switch: not in series with microphone.
Note If your accessory has a PTT switch in series with the microphone,
the accessory cannot be used. The PTT needs to be a separate sig-
nal and must be made available at the connector separately; it must
not be multiplexed on any other signal.
3. Disassemble the kit as described in “Disassembly and Reassembly” on
page 316.
4. Solder the wires of the accessory cable kit to the interface of your
accessory (refer to Table 17.1 on page 314).

314 TPA-AA-202 Accessory Cable Kit TP9100 Service Manual
© Tait Electronics Limited May 2005
5. Modify the components on the accessory connector PCB as follows
(refer to Figure 17.1). Note that some components may already be
fitted by default.
■For all accessories with differential speaker (not referenced to
ground), fit a 0Ω link (1206) at position C1.
■For all accessories with a single-ended speaker (referenced to
ground), fit a 4.7µF capacitor (ceramic, 1206, X7R, 16V) at
position C1 instead of the fitted 0Ω link (1206).
■To disable the radio’s internal speaker, fit a 0Ω link (0603) at
position R3.
■When using an external switch to control the ACC PTT line, for
example in a hands-free vehicle kit, fit a 0Ω (0603) link at position
R4.
■To enable an external function button, fit a 12kΩ resistor
(0603, 1/10W±5%) at position R1.
6. Reassemble the kit as described in “Disassembly and Reassembly” on
page 316.
Table 17.1 Accessory cable – wires and signals
Signal name Wire Description Signal type Signal level
Output
impedance/
current
Input
impedance
AUD TAP OUT white/
blue stripe
Programmable tap point
out of the Rx or Tx audio
chain, DC-coupled
Analog audio 0.69Vpp for 60%
deviation at 1kHz
(–10dBm into 600Ω)
600Ω–
AUD TAP IN blue Programmable tap point
into the Rx or Tx audio
chain, DC-coupled
Analog audio 0.69Vpp for 60%
deviation at 1kHz
(–10dBm into 600Ω)
– 100kΩ
DC to
100kHz
ACC PWR brown Accessory power DC supply 3.3V nominal 100mA (max) –
ACC RXD yellow Serial receive data 3V3 CMOS high = 0
low = 1
––
ACC TXD green Serial transmit data 3V3 CMOS high = 0
low = 1
1mA (max) –
ACC GPIO1 violet Accessory sense (internal
speaker disable)
3V3 CMOS high = 1
low = 0
1mA (max) –
ACC GPIO2 white/
red stripe
Accessory sense 3V3 CMOS high = 1
low = 0
1mA (max) –
ACC MIC orange External microphone
input (electret)
Dynamic microphones
are not supported.
Analog audio 9.5Vrms for 60%
modulation at 1kHz,
DC-coupled
–2.2kΩ
GND black Analog ground Ground – – –
ACC PTT gray External press-to-talk
input
Analog DC 0 to 2.5V, PTT=0 – 27kΩ
ACC SPKR– white External speaker
differential output
Analog audio +6.5Vppa differential To drive 16Ω
differentially
–
ACC SPKR+ red External speaker
differential output
Analog audio +6.5Vppa differential To drive 16Ω
differentially
–
a. Dependent on battery charge level.

TP9100 Service Manual TPA-AA-202 Accessory Cable Kit 315
© Tait Electronics Limited May 2005
Figure 17.1 Accessory connector PCB and circuit diagram
PL4 P8
PL8 P9
PL2
PL3
PL5
PL10
PL7
P10
P11
P12
P13
P14
P16
AUD TAP OUT
AUD TAP IN
ACC PWR
ACC RXD
ACC TXD
ACC GPIO1
ACC GPIO2
R4
0Ω
ACC MIC
GND
PL6
PL1
P1
P2
PL12 ACC PTT P3
R1
12kΩ
P4
P5
BUTTON1
PL9 P6
P7
PL11
C1
4.7µF
ACC SPKR–
ACC SPKR+
PL13
R3
0Ω
orange
gray
white
red
black
white/red stripe
green
yellow
blue
brown
white/blue stripe
violet
Accessory Connector PCB

316 TPA-AA-202 Accessory Cable Kit TP9100 Service Manual
© Tait Electronics Limited May 2005
17.2 Disassembly and Reassembly
1. Use a Torx T6 screwdriver to remove the screw B, and remove the
accessory housing seal C, and the accessory seal plate D.
2. Fold out the accessory connector PCB E.
Important During reassembly, make sure that the accessory housing
seal C is inserted correctly inside the accessory connector
housing F.
Reassembly is carried out in reverse order of the disassembly.
Figure 17.2 Components of the accessory cable kit
BTor x T 6 sc re w Eaccessory connector PCB
Caccessory housing seal Faccessory connector housing
Daccessory seal plate
Torx T6
3lb·in (0.34N·m) C
D
E
F
B

TP9100 Service Manual TPA-AA-210 Hirose Accessory Adapter 317
© Tait Electronics Limited May 2005
18 TPA-AA-210 Hirose Accessory Adapter
Caution The radio produces a specific audio level at the max-
imum rated power. It is the sole responsibility of the
end-user to ensure applicability and compliance
with the relevant legal regulations defining the noise
level an individual can be subjected to.
The TPA-AA-210 Hirose accessory adapter is used to connect the
following recommended Hirose accessories, available from Tait
and OTTO Communications (www.ottoeng.com):
18.1 Connecting an Accessory
1. Verify that your accessory is compatible with the Hirose accessory
adapter, refer to Table 18.2.
2. When connecting an accessory, make sure it meets the following
specifications:
■speaker impedance: 32Ω (16Ω min.)
■speaker power: 0.25Wrms (min.)
■speaker configuration: single-ended
■microphone: electret, approximately 1kΩ
■PTT switch: not in series with microphone.
Table 18.1 Compatible Hirose accessories from Tait and Otto
Tait Part No. Otto Part No. Description
TPA-AA-211 V4BA1TP1 Light-duty breeze headset
TPA-AA-212 V4-10482 Heavy-duty BTH headset
TPA-AA-213 V1-10163 3-wire mini-lapel microphone kit (beige)
– V4-10190 Single-speaker headset
– V4-HC2MD3B Hurricane headset
– V1-T12MD137 Tactical throat microphone
– V1-10167 Earphone (beige)
– V1-10168 Earphone (black)
– V1-10165 2-wire palm microphone (beige)
– V1-10166 2-wire palm microphone (black)
– V1-10164 2-wire mini-lapel microphone kit (black)
– V1-10777 2-wire earbud kit
– V4-10279 Skull microphone

318 TPA-AA-210 Hirose Accessory Adapter TP9100 Service Manual
© Tait Electronics Limited May 2005
Note If your accessory has a PTT switch in series with the microphone,
the accessory cannot be used. The PTT needs to be a separate
signal and must be made available at the connector separately; it
must not be multiplexed on any other signal
Note Connecting the Hirose adapter to the radio alone does not mute
the internal speaker of the radio. The internal speaker is muted
when the accessory is connected to the Hirose adapter.
18.2 Disassembly and Reassembly
Disassembly and reassembly is the same as the TPA-AA-201 accessory
connector kit, refer to “Disassembly and Reassembly” on page 312.
Table 18.2 Hirose accessory adapter – pins and signals
Signal name Pin Description Signal type Signal level
Output
impedance/
current
Input
impedance
HIROSE MIC 1 External microphone input
(electret)
Dynamic microphones are not
supported.
Analog audio 9.5Vrms for 60%
modulation at 1kHz,
DC-coupled
–2.2kΩ
HIROSE PWR 2 Accessory power DC supply 3.3V nominal 100mA (max) –
HIROSE SPKR+ 3 External speaker output Analog audio +6.5VppaTo drive 16Ω–
GND 4 Analog ground Ground – – –
HIROSE PTT 5 External press-to-talk input Analog DC 0 to 2.5V, PTT=0 – 27kΩ
HIROSE GPIO1 6 Accessory sense (internal
speaker disable)
3V3 CMOS high = 1
low = 0
1mA (max) –
a. Dependent on battery charge level.
Figure 18.1 Hirose accessory adapter – pinout and circuit diagram
PL2 c
PL10 g
PL6
PL1
PL12
PL11
PL13
b
e
f
d
ACC PWR
ACC GPIO1
ACC MIC
GND
ACC PTT
ACC SPKR+
Chassis GND
Accessory Connector PCB Hirose Connector
C1
4.7µF
P10
P13
P1
P2
P3
P7
HIROSE PWR
HIROSE GPIO1
HIROSE MIC
GND
HIROSE PTT
HIROSE SPKR+

TP9100 Service Manual TOPA-SV-024 Test Unit 319
© Tait Electronics Limited May 2005
19 TOPA-SV-024 Test Unit
The TOPA-SV-024 test unit is used to test and maintain Tait portable and
mobile radios by providing an interface between the radio, a test PC, and
an RF communications test set.
The diagram below shows the front panel of the test unit.
19.1 Test Setup
The diagram on the following page shows how the test unit is connected to
the radio, the test PC, and the RF communications test set.
Note The test unit can also be connected to a Tait Orca portable radio
(TOP) using the TOPA-SV-007 cable, or to a T2000 radio using
the T2000-11 cable. Use with Tait Orca and T2000 radios is not
described in this section.
Figure 19.1 TOPA-SV-024 test unit

320 TOPA-SV-024 Test Unit TP9100 Service Manual
© Tait Electronics Limited May 2005
Figure 19.2 Test setup
radio connector
(DB15)
RF connector
(mini UHF or
BNC)
auxiliary
connector
(DB15)
microphone
connector (RJ45)
receive audio /
SINAD connector
(BNC)
transmit audio
connector (BNC)
computer
connector
(RJ12)
serial port
(DB9)
speaker
connector
banana plugs
AC input
(BNC)
audio
monitor
out (BNC)
AUDIO
IN HI
(BNC)
AUDIO
OUT
(BNC)
RF in/out
(N-type)
antenna
connector (SMA)
power
connector
TMAA23-02 cable
(40W/50W radios)
TMAA20-03 cable
(25W radios)
TMAA21-01 cable
TOPA-SV-024
TPA-SV-006
cable
TPA-SV-005
battery eliminator
(to DC power supply)
TPA-SV-011 cable
(to radio connector
of test unit)
TM9100 radio
TP9100
radio
TOPA-SV-006 cable
(to RF in/out of
RF comms set)
T950-001
USB1.1 to serial
DB9 adapter
(optional)
RF comms set
Test PC
Oscilloscope
DC power supply

TP9100 Service Manual TOPA-SV-024 Test Unit 321
© Tait Electronics Limited May 2005
19.2 Operation
This section explains the function of the TOPA-SV-024 test unit controls.
The procedure for using the test unit is described in “Test Equipment
Setup” on page 86.
19.2.1 Portable / Mobile Switch
This 2-way toggle switch is used to switch attenuation resistors (R4, R5, R6)
in and out of the line from the radio’s positive speaker output to the positive
receive audio/SINAD output of the test unit (before the isolating transformer).
■When set to Portable, the attenuation resistors are switched out.
■When set to Mobile, the attenuation resistors are switched in
(attenuation 10:1).
Important Selecting the wrong switch position may result in incorrect
SINAD readings and damage to the test unit.
19.2.2 Mod Audio/Audio Tap In / Off / Mic Audio Switch
This 3-way toggle switch is used to switch between Mod Audio/Audio Tap
In, Mic Audio, and Off (no audio signal).
■With the Tait Orca portables, this switch can be used for setting up dual
point modulation by applying modulation to different parts of the radio.
■For normal transmit deviation tests (other portables and mobiles), this
switch is set to Mic Audio.
19.2.3 On Hook / Off Hook Switch
Important When using the test unit with portables, the On Hook /
Off Hook toggle switch must be set to Off Hook. Portables
do not have a hookswitch, and if the switch is set to
On Hook, the accessory function key of the portable is
activated.
This 2-way toggle switch is used to simulate the microphone hookswitch
opening (“hook off ”) and closing (“hook on”). This is done by switching a
12kΩ resistor (R3) in or out of the MIC_PTT line.
■When set to Off Hook, the 12kΩ resistor (R3) is switched out of the
MIC_PTT line. This simulates the microphone being removed from the
microphone clip.
■When set to On Hook, a 12kΩ resistor (R3) is switched into the
MIC_PTT line. This simulates the microphone being placed on the
microphone clip.

322 TOPA-SV-024 Test Unit TP9100 Service Manual
© Tait Electronics Limited May 2005
19.2.4 Rx / Tx/PTT Switch
This 2-way toggle switch is used to switch between receive and transmit mode.
■When set to Rx, the PTT line is switched to high impedance.
■When set to Tx/PTT, the PTT line is pulled to ground.
19.2.5 Speaker / Radio / Load Switch
This 3-way toggle switch is used during receive audio tests to switch the audio
to the test unit speaker (Speaker), to the radio’s internal speaker (Radio) or to
a dummy load consisting of R1 and R2 (Load).
Note This switch does not disconnect the radio’s internal speaker on
mobiles. If the switch is set to Speaker or Load, this simulates an
external speaker being connected in parallel to the radio’s internal
speaker.
With all settings, a low level audio signal is available for testing through
the SINAD port.
Portable ■When set to Speaker, only the speaker of the test unit is active.
■When set to Radio, only the speaker of the portable is active.
■When set to Load, no speaker is active. The audio signal is terminated in
the test unit dummy load.
Mobile ■When set to Speaker, the speakers of the test unit and the mobile are
both active. The speaker of the mobile cannot be disconnected.
■When set to Radio, only the speaker of the mobile is active.
■When set to Load, the speaker of the mobile remains active.

TP9100 Service Manual TOPA-SV-024 Test Unit 323
© Tait Electronics Limited May 2005
19.3 PCB Information (PCB IPN 220-01418-02A)
19.3.1 Parts List (Rev. 4)
19.3.2 PCB Layout
BNC1 240-02100-11 Skt Coax BNC 3.5mm Pnl N/Tag
BNC2 240-02100-11 Skt Coax BNC 3.5mm Pnl N/Tag
C1 011-54100-01 Cap Cer AI 1n 10% T/C B 50v
C2 011-54100-01 Cap Cer AI 1n 10% T/C B 50v
C3 020-59100-06 Cap Elec Rdl 100m 16v 6.3x11
C4 011-54100-01 Cap Cer AI 1n 10% T/C B 50v
PL1 240-00010-55 Plg 15w Drng W-Wrap Pnl Mtg
PL2 240-04021-60 Skt 6w Modr Ph Vrt T-Ent
R1 032-31820-01 Res M/F Pwr 17x5 8e2 5% 2.5w
R2 032-31820-01 Res M/F Pwr 17x5 8e2 5% 2.5w
R3 030-55120-20 Res Flm 4x1.6 12k 5% 0.4w
R4 030-53560-20 Res Flm 4x1.6 560e 5% 0.4w
R5 030-54270-20 Res Flm 4x1.6 2k7 5% 0.4w
R6 030-52560-20 Res Flm 4x1.6 56e 5% 0.4w
R7 030-55100-20 Res Flm 4x1.6 10k 5% 0.4w
SW1 230-00010-42 Sw Tgl On Off On Dpdt Ms500hb
SW2 230-00010-57 Sw Tgl Dpdt On-On Pnl Mtg
SW3 230-00010-03 Sw Tgl Spst Mini Pnl Mtg
SW4 230-00010-16 Sw Tgr Spst 3-Pos Pnl Mtg
SW5 230-00010-03 Sw Tgl Spst Mini Pnl Mtg
TRAN 054-00010-17 Xfmr Line 600 Ohm 1:1
Not part of the PCB:
SPKR 032-31820-01 Res M/F Pwr 17x5 8e2 5% 2.5w
250-00010-19 Spkr C/W Rubber Sealing Ring
R
e
f
.
IPN D
escr
i
pt
i
on
R
e
f
.
IPN D
escr
i
pt
i
on
top side
bottom side

324 TOPA-SV-024 Test Unit TP9100 Service Manual
© Tait Electronics Limited May 2005
19.3.3 Circuit Diagram
The component values in the schematic diagram are
indicative only. Refer to the parts list for actual values
used.
SPEAKER 4Ω
SPKR 8.2Ω
SHOULD BE DPTT IPN 032-31820-01
IPN 250-00010-19
not part of PCB
not fitted not fitted
not fitted
Portable
Mobile
Mobile
Portable
Portable
Mobile
Portable
Mobile
Portable
Mobile
Portable
Portable
Mobile
Mobile
Mobile
Portable
Portable
Mobile
RADIO
RADIO
Mobile
Portable
Mobile
Portable
MOD AUDIO / AUDIO TAP IN

TP9100 Service Manual 325
© Tait Electronics Limited May 2005
Tait General Software Licence Agreement
This legal document is an Agreement between
you (the “Licensee”) and Tait Electronics
Limited (“Tait”). By using any of the Software
or Firmware items prior-installed in the
related Tait product, included on CD or
downloaded from the Tait website,
(hereinafter referred to as “the Software or
Firmware”) you agree to be bound by the
terms of this Agreement. If you do not agree
to the terms of this Agreement, do not install
and use any of the Software or Firmware.
If you install and use any of the Software or
Firmware that will be deemed to be
acceptance of the terms of this licence
agreement.
The terms of this Agreement shall apply
subject only to any express written terms of
agreement to the contrary between Tait and
the Licensee.
Licence
TAIT GRANTS TO YOU AS LICENSEE THE NON-
EXCLUSIVE RIGHT TO USE THE SOFTWARE OR
FIRMWARE ON A SINGLE MACHINE PROVIDED
YOU MAY ONLY:
1. COPY THE SOFTWARE OR FIRMWARE INTO
ANY MACHINE READABLE OR PRINTED FORM
FOR BACKUP PURPOSES IN SUPPORT OF YOUR
USE OF THE PROGRAM ON THE SINGLE MACHINE
(CERTAIN PROGRAMS, HOWEVER, MAY INCLUDE
MECHANISMS TO LIMIT OR INHIBIT COPYING,
THEY ARE MARKED “COPY PROTECTED”),
PROVIDED THE COPYRIGHT NOTICE MUST BE
REPRODUCED AND INCLUDED ON ANY SUCH
COPY OF THE SOFTWARE OR FIRMWARE;
AND / OR
2. MERGE IT INTO ANOTHER PROGRAM FOR
YOUR USE ON THE SINGLE MACHINE (ANY
PORTION OF ANY SOFTWARE OR FIRMWARE
MERGED INTO ANOTHER PROGRAM WILL
CONTINUE TO BE SUBJECT TO THE TERMS AND
CONDITIONS OF THIS AGREEMENT).
THE LICENSEE MAY NOT DUPLICATE, MODIFY,
REVERSE COMPILE OR REVERSE ASSEMBLE ANY
SOFTWARE OR FIRMWARE IN WHOLE OR PART.
Important Notice
THE SOFTWARE OR FIRMWARE MAY CONTAIN
OPEN SOURCE SOFTWARE COMPONENTS
(“OPEN SOURCE COMPONENTS”). OPEN SOURCE
COMPONENTS ARE EXCLUDED FROM THE TERMS
OF THIS AGREEMENT EXCEPT AS EXPRESSLY
STATED IN THIS AGREEMENT AND ARE COVERED
BY THE TERMS OF THEIR RESPECTIVE LICENCES
WHICH MAY EXCLUDE OR LIMIT ANY
WARRANTY FROM OR LIABILITY OF THE
DEVELOPERS AND/OR COPYRIGHT HOLDERS OF
THE OPEN SOURCE COMPONENT FOR THE
PERFORMANCE OF THOSE OPEN SOURCE
COMPONENTS. YOU AGREE TO BE BOUND BY
THE TERMS AND CONDITIONS OF EACH SUCH
LICENCE. FOR MORE INFORMATION SEE:
http://support.taitworld.com/go/opensource
Title to Software
THIS AGREEMENT DOES NOT CONSTITUTE A
CONTRACT OF SALE IN RELATION TO THE
SOFTWARE OR FIRMWARE SUPPLIED TO THE
LICENSEE. NOT WITHSTANDING THE LICENSEE
MAY OWN THE MAGNETIC OR OTHER PHYSICAL
MEDIA ON WHICH THE SOFTWARE OR
FIRMWARE WAS ORIGINALLY SUPPLIED, OR HAS
SUBSEQUENTLY BEEN RECORDED OR FIXED, IT IS
A FUNDAMENTAL TERM OF THIS AGREEMENT
THAT AT ALL TIMES TITLE AND OWNERSHIP OF
THE SOFTWARE OR FIRMWARE, WHETHER ON
THE ORIGINAL MEDIA OR OTHERWISE, SHALL
REMAIN VESTED IN TAIT OR THIRD PARTIES
WHO HAVE GRANTED LICENCES TO TAIT.
Term and Term i n a t ion
THIS LICENCE SHALL BE EFFECTIVE UNTIL
TERMINATED IN ACCORDANCE WITH THE
PROVISIONS OF THIS AGREEMENT. THE LICENSEE
MAY TERMINATE THIS LICENCE AT ANY TIME BY
DESTROYING ALL COPIES OF THE SOFTWARE OR
FIRMWARE AND ASSOCIATED WRITTEN
MATERIALS. THIS LICENCE WILL BE TERMINATED
AUTOMATICALLY AND WITHOUT NOTICE FROM
TAIT IN THE EVENT THAT THE LICENSEE FAILS TO
COMPLY WITH ANY TERM OR CONDITION OF
THIS AGREEMENT. THE LICENSEE AGREES TO
DESTROY ALL COPIES OF THE SOFTWARE OR
FIRMWARE AND ASSOCIATED WRITTEN
MATERIALS IN THE EVENT OF SUCH
TERMINATION.
326 TP9100 Service Manual
© Tait Electronics Limited May 2005
Limited Warranty
THE SOFTWARE OR FIRMWARE (INCLUDING
OPEN SOURCE COMPONENTS) IS SUPPLIED BY
TAIT AND ACCEPTED BY THE LICENSEE “AS IS”
WITHOUT WARRANTY OF ANY KIND EITHER
EXPRESSED OR IMPLIED, INCLUDING BUT NOT
BEING LIMITED TO ANY IMPLIED WARRANTIES AS
TO MERCHANTABILITY OR FITNESS FOR ANY
PARTICULAR PURPOSE. THE LICENSEE
ACKNOWLEDGES THAT THE SOFTWARE OR
FIRMWARE (INCLUDING OPEN SOURCE
COMPONENTS) IS USED BY IT IN BUSINESS AND
ACCORDINGLY TO THE MAXIMUM EXTENT
PERMITTED BY LAW NO TERMS OR WARRANTIES
WHICH ARE IMPLIED BY LEGISLATION SHALL
APPLY TO THIS AGREEMENT. TAIT DOES NOT
WARRANT THAT THE FUNCTIONS CONTAINED
IN THE SOFTWARE OR FIRMWARE (INCLUDING
OPEN SOURCE COMPONENTS) WILL MEET THE
LICENSEE’S REQUIREMENTS OR THAT THE
OPERATION OF THE SOFTWARE OR FIRMWARE
(INCLUDING OPEN SOURCE COMPONENTS) WILL
BE UNINTERRUPTED OR ERROR FREE.
Exclusion of Liability
IN NO CIRCUMSTANCES SHALL TAIT BE UNDER
ANY LIABILITY TO THE LICENSEE, OR ANY
OTHER PERSON WHATSOEVER, WHETHER IN
TORT (INCLUDING NEGLIGENCE), CONTRACT
(EXCEPT AS EXPRESSLY PROVIDED IN THIS
AGREEMENT), EQUITY, UNDER ANY STATUTE,
OR OTHERWISE AT LAW FOR ANY LOSSES OR
DAMAGES WHETHER GENERAL, SPECIAL,
EXEMPLARY, PUNITIVE, DIRECT, INDIRECT OR
CONSEQUENTIAL ARISING OUT OF OR IN
CONNECTION WITH ANY USE OR INABILITY OF
USING THE SOFTWARE OR FIRMWARE
(INCLUDING OPEN SOURCE COMPONENTS).
THE LICENSEE’S SOLE REMEDY AGAINST TAIT
WILL BE LIMITED TO BREACH OF CONTRACT
AND TAIT’S SOLE AND TOTAL LIABILITY FOR ANY
SUCH CLAIM SHALL BE LIMITED AT THE OPTION
OF TAIT TO THE REPAIR OR REPLACEMENT OF
THE SOFTWARE OR FIRMWARE OR THE REFUND
OF THE PURCHASE PRICE OF THE SOFTWARE OR
FIRMWARE.
General
THE LICENSEE CONFIRMS THAT IT SHALL
COMPLY WITH THE PROVISIONS OF LAW IN
RELATION TO THE SOFTWARE OR FIRMWARE.
Law and Jurisdiction
THIS AGREEMENT SHALL BE SUBJECT TO AND
CONSTRUED IN ACCORDANCE WITH
NEW ZEALAND LAW AND DISPUTES BETWEEN
THE PARTIES CONCERNING THE PROVISIONS
HEREOF SHALL BE DETERMINED BY THE NEW
ZEALAND COURTS OF LAW. PROVIDED HOWEVER
TAIT MAY AT ITS ELECTION BRING PROCEEDINGS
FOR BREACH OF THE TERMS HEREOF OR FOR
THE ENFORCEMENT OF ANY JUDGEMENT IN
RELATION TO A BREACH OF THE TERMS HEREOF
IN ANY JURISDICTION TAIT CONSIDERS FIT FOR
THE PURPOSE OF ENSURING COMPLIANCE WITH
THE TERMS HEREOF OR OBTAINING RELIEF FOR
BREACH OF THE TERMS HEREOF.
No Dealings
THE LICENSEE MAY NOT SUBLICENSE, ASSIGN OR
TRANSFER THE LICENCE OR THE PROGRAM
EXCEPT AS EXPRESSLY PROVIDED IN THIS
AGREEMENT. ANY ATTEMPT OTHERWISE TO
SUBLICENSE, ASSIGN OR TRANSFER ANY OF THE
RIGHTS, DUTIES OR OBLIGATIONS HEREUNDER
IS VOID.
No Other Terms
THE LICENSEE ACKNOWLEDGES THAT IT HAS
READ THIS AGREEMENT, UNDERSTANDS IT AND
AGREES TO BE BOUND BY ITS TERMS AND
CONDITIONS. THE LICENSEE FURTHER AGREES
THAT SUBJECT ONLY TO ANY EXPRESS WRITTEN
TERMS OF AGREEMENT TO THE CONTRARY
BETWEEN TAIT AND THE LICENSEE THIS IS THE
COMPLETE AND EXCLUSIVE STATEMENT OF THE
AGREEMENT BETWEEN IT AND TAIT IN
RELATION TO THE SOFTWARE OR FIRMWARE
WHICH SUPERSEDES ANY PROPOSAL OR PRIOR
AGREEMENT, ORAL OR WRITTEN AND ANY
OTHER COMMUNICATIONS BETWEEN THE
LICENSEE AND TAIT RELATING TO THE
SOFTWARE OR FIRMWARE.