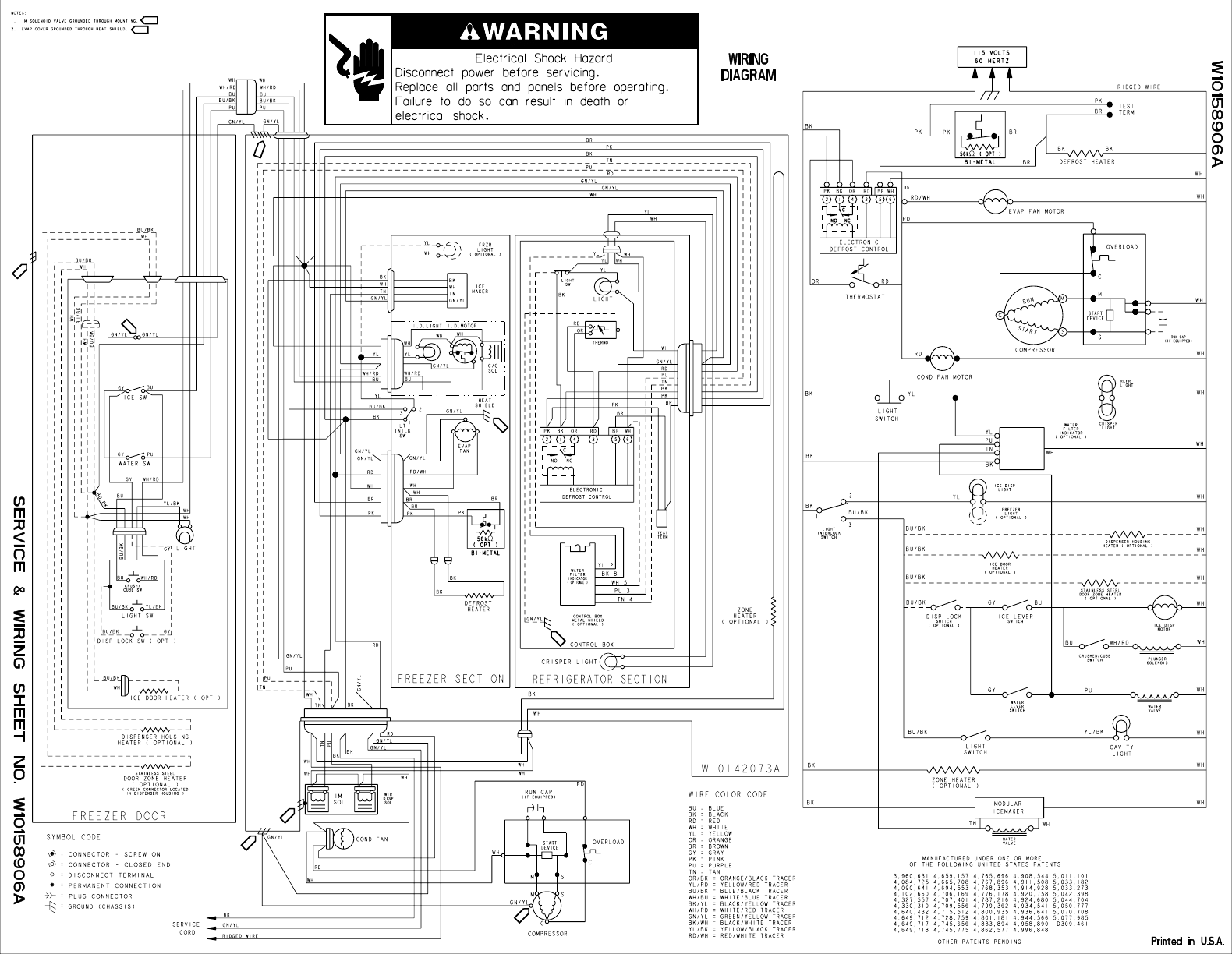
LIT SERVICE AND WIRING SHEET W10158906 Whirlpool Refrig ED2KVEXVL01
2013-05-09
: Pdf W10158906 - Whirlpool Refrig - Ed2Kvexvl01 - Service And Wiring Sheet W10158906 - Whirlpool Refrig - ED2KVEXVL01 - Service and Wiring Sheet refrigeratorsfreezers may8
Open the PDF directly: View PDF
.
Page Count: 2

26-Nov-2007 10:33:13

26-Nov-2007 10:33:13