X 123SDD User Manual Rev A6
User Manual: Pdf
Open the PDF directly: View PDF
.
Page Count: 43
- 1 INTRODUCTION
- 2 SPECIFICATIONS
- CAUTIONS AND WARNINGS
- 4 GETTING STARTED
- 5 ELECTRICAL INTERFACES
- 6 MECHANICAL INTERFACE
- 7 SOFTWARE INTERFACE
- 8 UNDERSTANDING THE X-123SDD
- 8.1 Understanding the Complete System
- 8.2 Understanding the Detector and Preamplifier
- 8.3 Understanding the Digital Processor
- 8.4 Understanding the Power Supplies
- 9 APPLICATION NOTES

X-123SDD User Manual Rev A6
X-123SDD
Complete X-Ray Spectrometer with Silicon Drift Detector (SDD)
User Guide and Operating Instructions
Amptek, Inc.
14 DeAngelo Dr.
Bedford, MA 01730
PH: +1 781-275-2242 FAX: +1 781-275-3470
sales@amptek.com www.amptek.com
Amptek Inc. Page 1 of 43

X-123SDD User Manual Rev A6
Table of Contents
1 Introduction........................................................................................................................................3
1.1 Description ....................................................................................................................................3
2 Specifications ....................................................................................................................................4
3 Cautions and Warnings.....................................................................................................................7
4 Getting Started ..................................................................................................................................8
4.1 Equipment List ..............................................................................................................................8
4.2 Making connections ......................................................................................................................8
4.3 Install Software..............................................................................................................................8
4.4 Configuring the unit.......................................................................................................................9
4.5 Making a measurement ..............................................................................................................10
4.6 Notes...........................................................................................................................................11
4.6.1 Regions of Interest (ROI) ...................................................................................................11
4.6.2 Calibrating the Horizontal Axis...........................................................................................11
4.7 Troubleshooting ..........................................................................................................................11
5 Electrical Interfaces .........................................................................................................................12
5.1 Electrical specifications...............................................................................................................12
5.1.1 Absolute Maximum Ratings ...............................................................................................12
5.1.2 DC Characteristic ...............................................................................................................12
5.2 Communication ...........................................................................................................................13
5.3 Auxiliary Input and Outputs.........................................................................................................14
5.4 Timing of Auxiliary Inputs and Outputs .......................................................................................15
5.5 Power Interface...........................................................................................................................17
6 Mechanical Interface .......................................................................................................................19
6.1 Dimensions .................................................................................................................................19
6.2 Mounting Hardware.....................................................................................................................20
6.3 Connectors..................................................................................................................................20
7 Software Interface ...........................................................................................................................22
7.1 Interface Software.......................................................................................................................22
7.2 Embedded Software ...................................................................................................................22
7.3 Boot Flags...................................................................................................................................22
7.4 Upload Manager..........................................................................................................................24
8 Understanding the X-123SDD.........................................................................................................26
8.1 Understanding the Complete System.........................................................................................26
8.2 Understanding the Detector and Preamplifier.............................................................................28
8.2.1 Design and Operation ........................................................................................................28
8.2.2 Performance.......................................................................................................................30
8.3 Understanding the Digital Processor ..........................................................................................33
8.3.1 Major Function Blocks........................................................................................................33
8.3.2 Analog Prefilter...................................................................................................................34
8.3.3 Pulse Shaping ....................................................................................................................36
8.3.4 Pulse Selection...................................................................................................................37
8.3.5 MCA, MCS, Counters, and SCAs ......................................................................................39
8.3.6 Electrical & Software Interfaces .........................................................................................41
8.4 Understanding the Power Supplies.............................................................................................42
9 Application notes.............................................................................................................................43
9.1 Do’s and Don’ts...........................................................................................................................43
Amptek Inc. Page 2 of 43

X-123SDD User Manual Rev A6
1 INTRODUCTION
1.1 DESCRIPTION
The X-123SDD combines in a single package Amptek’s high performance X-ray spectroscopy
components: (1) the XR-100SDD silicon drift X-ray detector and preamplifier, (2) the DP5 digital pulse
processor and MCA, and (3) the PC5 power supply. The result is a complete system which can fit in your
hand with no performance compromise. It requires only +5 VDC power and a standard communication
interface. With the X-123 anyone can rapidly obtain high quality X-ray spectra.
The X-123SDD uses a silicon drift detector (SDD) similar to a Si-PIN photodiode but with a unique
electrode structure to improve energy resolution and increase count rates. The SDD is mounted on a
thermoelectric cooler along with the input FET and coupled to a custom charge sensitive preamplifier. The
thermoelectric cooler reduces the electronic noise in the detector and preamplifier but the cooling is
transparent to the user: it operates like a room temperature system.
The pulse processor is the DP5, a second generation digital pulse processor (DPP) which replaces both
the shaping amplifier and MCA found in analog systems. The digital technology improves several key
parameters: (1) better performance, specifically better resolution and higher count rates; (2) greater flexibility
since more configuration options are available and selected by software, and (3) improved stability and
reproducibility. The DPP digitizes the preamplifier output, applies real-time digital processing to the signal,
detects the peak amplitude, and bins this in its histogram memory. The spectrum is then transmitted to the
user’s computer. The PC5 supplies the power to the detector, including low voltages for the preamps, high
voltage to bias the detector, and a supply for the thermoelectric cooler which provides closed loop control
with a maximum temperature differential of 85 °C. All of these are under software control. The X-123SDD
input power is unregulated +5 VDC with a current of about 250 mA.
The complete system is packaged in 7 x 10 x 2.5 cm3 aluminum box. The detector is mounted on an
extender, with lengths from 0 to 9” (vacuum flanges are available). In its standard configuration only two
connections are required: power (+5 VDC) and communications (USB, RS232, or Ethernet). An auxiliary
connector provides several additional inputs and outputs used if the X-123SDD will be integrated with other
equipment. This includes an MCA gate, timing outputs, and eight SCA outputs. The X-123SDD is supplied
with data acquisition and control software. It also includes an Application Programming Interface (API) DLL
to integrate the unit with custom software. Optional accessories include software for analyzing X-ray
spectra, several collimation and mounting options, and X-ray tubes to complete a compact system for X-ray
fluorescence.
Figure 1-1. Photograph of complete X-123 (left) and a typical 55Fe spectrum (right).
XR-100SDD
X-ray Detector
and Preamplifier
DP5
Digital Pulse
Processor
PC5
Detector &
Preamp Power
Supplies
AC
Power
Adapter
Computer
Preamp Out
Detector H.V., Cooler
Power, Preamp Power
+5VDC
USB
RS232
Ethernet
+5VDC
Control
Readout
Figure 1-2. Block diagram of the X-123SDD
Amptek Inc. Page 3 of 43

X-123SDD User Manual Rev A6
2 SPECIFICATIONS
Spectroscopic Performance
Energy Resolution 135 to 155 eV FWHM @ 5.9 keV
Electronic Noise (typical) 73 eV FWHM (8.7 e- rms)
Energy Range Efficiency >25% for X-rays from 1 to 25 keV. May be used
outside this range with lower efficiency.
Peak to Background 7,000 to 1 (ratio of counts from 5.9 keV to 2 keV)
Maximum Count Rate Depends on peaking time. Recommended maxima are
shown below.
Peaking Time (μsec) 9.6 4.8 2.4 0.8
Shaping Time (μsec) 4.4 2.2 1.0 0.4
Recommended max input rate (sec-1) 4.9x1041.0x1051.9x1055.6x105
Typical resolution (eV FWHM @ 5.9 keV) 140 150 160 200
Detector and Preamplifier
Detector Type Si drift diode (SDD)
Detector Active Area 7 mm2 (collimator area 4.45 mm2)
Detector Thickness 450 µm
Be Window Thickness 1 mil (25 µm) or 0.5 mil (12.5 µm)
Thermoelectric Cooler 2-stage (85° ΔTmax)
Preamplifier Type Amptek custom reset, charge sensitive
Preamp Conversion Gain 1 mV/keV
Pulse Processor
Gain Combination of coarse and fine gain yields overall gain
continuously adjustable from 0.84 to 127.5.
Coarse Gain Software selectable from 1.12 to 102 in 16 log steps.
1.12 2.49 3.78 5.26 6.56 8.39 10.10 11.31
14.56 17.77 22.42 30.83 38.18 47.47 66.26 102.0
Fine Gain Software selectable, 0.75 to 1.25, 10 bit resolution
Full Scale 1000 mV input pulse @ X1 gain
Gain Stability <20 ppm/° C (typical)
Pulse Shape Trapezoidal. (A semi-Gaussian amplifier with shaping time τ
has a peaking time of 2.2τ and is comparable in
performance with the trapezoidal shape of the same peaking
time.)
ADC Clock Rate 20 or 80 MHz, 12 bit ADC
Peaking Time 30 software selectable peaking times between 0.2 and 102
µs, corresponding to semi-Gaussian shaping times of 0.1 to
45 µs.
Flat Top 16 software selectable values for each peaking time
(depends on the peaking time), > 0.05 μsec.
Baseline Restoration Asymmetric, 16 software selectable slew rate settings
Fast Channel Pulse Pair Resolving Time 120 nsec
Amptek Inc. Page 4 of 43

X-123SDD User Manual Rev A6
Dead Time Per Pulse 1.05 times the peaking time. No conversion time.
Maximum Count Rate 4x106 sec-1 (periodic). Output count rate of 7x105 sec-1 for a
random input of 1.9x106 sec-1.
Dead Time Correction Manual correction based on Fast Channel measurement of
ICR. Accurate to 1% for ICR < 1 Mcps under typical
conditions.
Pulse Selection Options Pile-up rejection, risetime discrimination, gate
Multichannel Analyzer
Number of channels 256, 512, 1024, 2048, 4096, or 8192 channels.
Bytes per channel 3 bytes (24 bits) - 16.7M counts
Acquisition Time 10 msec to 466 days
Data Transfer Time 1k channels in 12 milliseconds (USB) or 280 milliseconds (RS-232)
Conversion Time None.
Presets Time, total counts, counts in an ROI, counts in a channel
MCS Timebase 10 millisec/channel to 300 sec/channel
External MCA Controls Gate input: Pulses accepted only when gated on by external logic. Input can
be active high or active low. Software controlled.
Counters Slow channel events accepted by MCA, Incoming counts (fast channel
counts above threshold), SCA8 counts, event rejected by selection logic,
and external event counter. Sixteen ROI counters.
Auxiliary Inputs/Output
Single Channel Analyzers 8 SCAs, independent software selectable LLDs and ULDs, LVCMOS (3.3V)
level (TTL compatible)
Digital Outputs Two independent outputs, software selectable between 8 settings including
INCOMING_COUNT, PILEUP, MCS_TIMEBASE, etc. LVCMOS (3.3V)
levels (TTL compatible).
Digital Inputs Two independent inputs, software selectable for MCA_GATE,
EXTERNAL_COUNTER
I/O Two general purpose I/O lines for custom application
Digital Oscilloscope Displays oscilloscope traces on the computer. Software selectable to show
shaped output, ADC input, etc., to assist in debugging or optimizing
configurations.
Communications
USB 2.0 full speed (12 Mbps)
RS-232 at 115.2k or 57.6k baud
Ethernet (10base-T) (future release)
Amptek Inc. Page 5 of 43

X-123SDD User Manual Rev A6
Power
Nominal Input: +5 VDC at 500 mA (2.5 W) (typical).
Current depends strongly on detector ΔT. Ranges
from 300 to 800 mA at 5 VDC.
Input Range: 4 V to 5.5 V (at 0.4 to 0.7 A typical)
Initial transient: 2 A for <100 μsec
High Voltage Supply Internal multiplier, software control 100-1500V (260V
typ), negative polarity
Cooler Supply: Closed loop controller with ΔTmax = 85 °C
Physical
Dimensions 7 x 10 x 2.5 cm (2.7 x 3.9 x 1 in) excluding extender
Extender Lengths 1.5” (3.8 cm) standard. Options include 3/8”, 5”, 9”,
and vacuum flanges.
Weight 180 g (6.3 oz)
General and Environmental
Operating temperature -20°C to +50°C
Warranty Period 1 Year
Typical Device Lifetime 5 to 10 years, depending on use
Storage and Shipping Long term storage: 10+ years in dry environment
Typical Storage and Shipping: -20°C to +50°C, 10 to
90% humidity non condensing
Compliance RoHS Compliant
Customization
Amptek, Inc. provides many tailored configurations on an OEM basis and has designed the X-123SDD
to be easily tailored and customized. The DP5 digital pulse processor inside the X-123SDD can be
customized to support various applications. Please contact Amptek, Inc for more details.
Amptek Inc. Page 6 of 43

X-123SDD User Manual Rev A6
3 CAUTIONS AND WARNINGS
1) HIGH VOLTAGES ARE PRESENT IN THE X-123SDD. They are internal to the package
so do not represent a safety hazard if the unit remains enclosed.
2) THE DETECTOR CONTAINS A THIN, FRAGILE BE WINDOW. If this window is
damaged, the detector will be destroyed and cannot be repaired. Be windows damaged
due to improper handling are not covered under warranty.
3) DO NOT DROP OR CAUSE MECHANICAL SHOCK TO THE X-123SDD. Components
inside the detector are mechanically fragile and may be damaged if the unit is dropped.
4) DO NOT REMOVE the red protective cap from the detector until data is to be taken. The detector
window is made from thin beryllium (0.001 in / 25 µm thick) which is extremely brittle and can shatter
very easily. Do not have any object come in contact with the window. Do not touch the window
because the oil from the fingers will cause it to oxidize. The window cannot be repaired. If the
window is damaged the detector assembly must be replaced. Be windows damaged doe to improper
handling will not be covered under warranty. Keep the red protective cover nearby at all times and
cover the detector when the instrument is not in use.
BERYLLIUM WINDOWS DAMAGED BY IMPROPER HANDLING WILL NOT BE COVERED BY
THE WARRANTY.
5) RADIATION DAMAGE to the detector will occur if it is exposed to a high flux environment.
Synchrotron Radiation Beams should be modified with attenuators before they are allowed to strike
the detector or the fluorescence target. Damage to the detector will be permanent if the flux from an
X-Ray Tube, a strong nuclear radiation source, or an accelerator is not attenuated.
A RADIATION DAMAGED DETECTOR WILL NOT BE COVERED UNDER WARRANTY.
6) No operator serviceable parts inside. Refer servicing to Amptek, Inc. To prevent electrical shock, do
not remove covers.
7) For the latest information about this analyzer, including firmware upgrades, application software
upgrades, application information, and product information, go to: http://www.amptek.com.
Warranty
AMPTEK, INC. warrants to the original purchaser this instrument to be free from defects in materials and
workmanship for a period of one year from shipment. AMPTEK, INC. will, without charge, repair or replace
(at its option) a defective instrument upon return to the factory. This warranty does not apply in the event of
misuse or abuse of the instrument or unauthorized alterations or repair. AMPTEK, INC. shall not be liable for
any consequential damages, including without limitation, damages resulting from the loss of use due to
failure of this instrument. All products returned under the warranty must be shipped prepaid to the factory
with documentation describing the problem and the circumstances under which it was observed. The factory
MUST be notified prior to return shipment. The instrument will be evaluated, repaired or replaced, and
promptly returned if the warranty claims are substantiated. A nominal fee will be charged for unsubstantiated
claims. Please include the model and serial number in all correspondence with the factory.
Amptek Inc. Page 7 of 43

X-123SDD User Manual Rev A6
4 GETTING STARTED
• High voltages are present in the X-123SDD. They are internal to the package so do not
represent a safety hazard if the unit remains enclosed.
• The detector contains a thin, fragile Be window. If this window is damaged, the detector will be
destroyed and cannot be repaired. Do not touch the window!
• The components inside the detector hybrid are mechanically fragile and may be damaged if the
unit is dropped.
4.1 EQUIPMENT LIST
□ X-123SDD X-Ray Spectrometer.
□ Mini USB cable.
□ +5 VDC power supply.
□ Amptek Installation CD.
□ A PC (supplied by the user) with Windows 98SE or higher (Windows XP PRO SP2 recommended).
4.2 MAKING CONNECTIONS
1) Plug the USB cable into the X-123SDD mini-USB connector (on the back panel) and the PC.
2) Plug the DC power supply into a 110/220 AC outlet. Connect the other end to the X-123SDD power
supply input, which is labeled “5VDC” and is located on the back panel. The X-123SDD powers up
whenever it is plugged in.
NOTE: Grounding is critical to obtaining the best performance. Amptek strongly recommends using a
single point ground for the system. To ensure this use a 3-prong to 2-prong adapter on the power supply
of any notebook computer. This prevents the notebook from introducing a second ground into the
system.
X
1 - 2 - 3
X-Ray Spectrometer
SDD
Computer
AC Adapter
+5VDC
USB
USBPower
Power
Fragile Be
window
4.3 INSTALL SOFTWARE
1) Turn on the PC and make sure you are logged in as an administrator.
2) The “Found New Hardware Wizard” should automatically appear when the X-123SDD is connected
and powered on for the first time.
3) Select “No, not this time” and click “Next>”.
4) Select “Install from a list or specific location (Advanced)” and click Next>.
Amptek Inc. Page 8 of 43

X-123SDD User Manual Rev A6
5) Select “Search for the best driver in these locations.” Then check the box “Include this location in the
search:” Select “Browse” and navigate to the \USB_driver\Win2K_XP folder of the Amptek
Installation CD. Click Next>.
6) Once the driver has been installed you will see the “Completing the Found New Hardware Wizard”
screen below. Click Finish.
7) Now that the USB driver is installed, browse to the Amptek Installation CD and copy the ADMCA
directory to the local computer’s C:\ drive. For example if the computer’s CD drive is the letter D,
copy D:\ADMCA to C:\ADMCA. The software will not run from CD, it must be copied to the
local drive.
8) Browse to the C:\ADMCA directory and open the Admca.exe file to launch the software. Right click
on the Admca.exe file and select Create Shortcut. This shortcut can then be dragged to the desktop.
4.4 CONFIGURING THE UNIT
1) Launch the ADMCA software.
2) When the “Starting ADMCA” box appears as to the
right, select DP5 / X-123SDD and click on “Connect.”
The X-123SDD unit should now be connected to the
software. To verify this, confirm that a serial number
for the DP5 is shown in the top right corner of the
software and that the USB symbol located at the
bottom right corner of the software is green.
Amptek Inc. Page 9 of 43

X-123SDD User Manual Rev A6
3) Now that the X-123SDD is connected, the proper configuration must be selected for the detector.
The ADMCA software includes configurations for most
Amptek detectors. These configurations are identified
by the detector material, dimensions, and cooler type.
NOTE: The X-123SDD remembers the last
configuration, so when powering the system for the
first time and clicking Connect, the factory
configuration is loaded. This is the same configuration
that is displayed on test sheet shipped with the
detector.
4) To select a configuration, select “DPP Setup” under
the “DPP” dropdown list in the software or by clicking
the “acquisition setup” button on the toolbar. The
dialog box shown in the figure will appear. The
configurations can be selected through the dropdown
menu labeled “Read Amptek Detector Configuration.”
5) Once the correct configuration is selected from the
dropdown menu the indented grey area above the
dropdown menu should read (for example) “Loaded
SDD 7mm2/450um 2-Stage Cooler configuration.”
Click "Show Current Configuration" to view the
settings. A box will appear with the settings. Click OK to exit the box.
6) To apply the selected configuration click the “Apply” button. Then select the “OK” button to exit this
dialog box. The default configuration for this detector has now been loaded. To tailor the
configuration, select the “acquisition setup” toolbar button.
4.5 MAKING A MEASUREMENT
1) Now that the X-123SDD has the appropriate
configuration, an acquisition can be started.
Place a source in front of the detector. To start
an acquisition, press the space bar. The
space bar will also stop an acquisition. It may
take the detector a few minutes to stabilize, so
if the acquisition does not look correct wait a
few minutes and then press the “A” key on the
keyboard to clear the acquisition and begin a
new one. It can take up to 2 minutes for an
Amptek detector to stabilize after a
configuration has been sent.
2) Once the detector has stabilized adjust some
of the thresholds which prevent low-end noise
and other unwanted counts from affecting the
spectrum. This can be done automatically by
the software by clicking the “Tune Slow/Fast” button on the toolbar. This must be done with no
source in front of the detector.
3) A common adjustment is to change the gain of the X-123SDD. Increasing the gain reduces the full
scale energy range and reducing the gain increases the full scale energy range (e.g. gain of x100 =
8 keV, gain of x50 = 16 keV). This can be done in the “Gain & Pole Zero” tab of the DPP properties
dialog box or by using the gain buttons on the toolbar. It is necessary to readjust the thresholds
whenever the gain is changed. This can be done automatically as explained in the previous step.
4) The “Help” menu explains the features of the software.
Amptek Inc. Page 10 of 43

X-123SDD User Manual Rev A6
4.6 NOTES
4.6.1 Regions of Interest (ROI)
To mark an ROI, click the “Edit ROI” button on the toolbar. The cursor will change to a vertical arrow. Click
and hold the left mouse button at the left base of the peak you want to mark and drag the cursor across the
peak. You will see the color change as the ROI is marked. Release the mouse button at the right end of the
peak. If you click the mouse into the highlighted region, it will become a lighter color indicating that it is the
selected ROI. The Peak Information on the right hand info panel is displayed for the selected ROI.
4.6.2 Calibrating the Horizontal Axis
The horizontal (x) axis in the plot window defaults to channels. To calibrate the scale to e.g. energy, you
must know the energy of at least two peaks in your spectrum. First mark two regions of interest as described
above. Then click on the Calibrate button on the toolbar. Click the cursor into the first ROI in the plot window
(it becomes highlighted), and then click Centroid in the Calibrate box. This takes the centroid of the peak and
puts it as the channel value of the first point that will be used for the calibration. Enter in the value of that
centroid, e.g. the energy of that peak, into the Value box. Now click Add. The first point will appear in the list.
Repeat for the second peak you highlighted. There should now be two lines in the list. Enter in the
appropriate units in the “Units” box, e.g. “Energy (keV)” and then click OK. The horizontal scale will now be
displayed in the calibrated units. To toggle between calibrated and non-calibrated units, press F7 on the
keyboard.
4.7 TROUBLESHOOTING
• By default, the software accumulates the counts (MCA mode). During set-up it may be convenient to
use “DELTA” mode, where counts are not integrated but are updated every second (i.e. only one
second’s worth of data are displayed every second). Click the toolbar icon marked “MCA/DELTA Mode”
to toggle between DELTA and MCA mode.
• If no spectrum appears, check that the system is acquiring data. The “Status” on the right hand Info
Panel should read “acquiring.”
• Sometimes no spectrum will appear if PUR is enabled and the Fast Threshold is set improperly (in the
DPP Properties-Shaping tab). Turn PUR off and check if the spectrum appears. If it does then the Fast
Threshold needs to be set correctly. Remove any source from in front of the detector and click the “Tune
Fast Threshold” button. Put the source back and check if the spectrum appears. If it does not then you
will have to adjust it manually as described below.
• The Fast and Slow Thresholds can be adjusted manually. First turn off PUR as described above. Then
click the cursor to channel 1 and press F8. This will set the Slow Threshold (LLD) to channel 1. This will
show the noise of the system. Click the cursor just to the right of the noise and then press F8. Press the
“A” key to clear. There should be no counts accumulating. Now put the device into “Delta” mode by
clicking the Delta button on the toolbar. Open the DPP Properties and go to the Shaping page. Adjust
the Fast Threshold until 5 to 15 counts per second appear in the Input Counts in the right-hand Info
Panel. Now turn on PUR and click OK. Click the Delta button to get back to normal MCA mode and put
the source back in front of the detector. The Input Counts should slightly exceed the Counts at low count
rate.
• If problems persist there may be a communication or configuration problem. Unplug the X-123SDD
power and close the software. Then open the software and plug in the X-123SDD power adapter. In the
bottom left-hand corner of the software you should see a “1 Detected” for the USB connection. Once
you see this, click on Connect. Then go to the DPP Properties page and reload the appropriate default
configuration as discussed above and try the acquisition again.
• Grounding is critical to obtaining the best performance. Amptek strongly recommends using a single
point ground for the system. We have observed several laptops in which the charger introduced ground
noise. In these cases, better performance was found by (1) using a 3-prong to 2-prong adapter on the
power supply of any notebook computer and (2) making a separate ground connection from the chassis
of the X-123SDD. Note that the AC/DC supply is isolated.
Amptek Inc. Page 11 of 43

X-123SDD User Manual Rev A6
5 ELECTRICAL INTERFACES
5.1 ELECTRICAL SPECIFICATIONS
5.1.1 Absolute Maximum Ratings
Operating Temperature -20°C to +50°C
All parts in the X-123SDD are rated to the industrial temperature range, -40 to +85°C.
Power Supply Voltage +6.0 VDC
NOTICE: Stresses above those listed under “absolute maximum ratings” may cause permanent damage to
the device. These are stress ratings only. Performance at these levels is not implied. Exposure to the
conditions of the maximum ratings for an extended period may degrade device reliability.
5.1.2 DC Characteristic
Characteristic Symbol Min Typ Max Units Conditions
Power Supply
Supply Voltage VIn 4.0 5.0 5.5 V
Supply Current IIN 0.9 A VIN = 5.0V, initial cool down
0.70 A VIN = 5.0V, steady state full cooling
0.40 A
VIN = 5.0V, ΔT=70°C
0.35 A
VIN = 5.5V, ΔT=70°C
0.50 A
VIN = 4.0V, ΔT=70°C
0.30 A VIN = 5.0V, no cooling or bias
Inrush Current IINRUSH 2 A
<100 μsec
Input Capacitance CIN 50 μF
□ Supply current data measured at room temperature (20°C).
□ Total supply current depends very strongly on the set point for the thermoelectric cooler and on the
ambient temperature. The cooler draws up to 2/3 of the total power.
USB
□ The USB interface follows the USB 2.0 Full Speed (12 MBPS) specifications. No separate table is
included here. See the DP5 User manual for more information.
RS-232 Symbol Min Typ Max Units Conditions
RX input range -25 +25 V
RX threshold low 0.6 1.2 V
RX threshold high 1.5 2.4 V
RX hysteresis 0.5 V
RX input resistance 3 5 7
KΩ
TX voltage swing +/- 5 +/- 5.4 V 3 KΩ to ground
TX output resistance 300 10 M Ω Unpowered
TX short-circuit current +/- 60 mA
baud rate 57.6 115.2 Kbaud
baud rate accuracy +1.5%
□ The RS232 interface uses only RXD/TXD lines (no hand-shaking).
□ The transceiver is a MAX3227. Please refer to the MAXIM data sheet for further specifications.
Amptek Inc. Page 12 of 43

X-123SDD User Manual Rev A6
AUX OUT
Output High Voltage VOH 3.0 3.3 V
Typ: No load Min: IOH = -100 μA
1.8 V Min: IOH = -16 mA
Output Low Voltage VOL 0.0 0.1 V
Typ: No load Min: IOH = 100 μA
1.2
Min: IOH = 16 mA
Output Resistance ROUT 50 Ω
AUX IN
Input Voltage 0 5.5 V
Positive-going Input
Threshold VT+ 1.4 2.35 V
Negative-going Input
Threshold VT- 0.7 1.45 V
Input Resistance RIN 100 KΩ
SCA OUT
Output High Voltage VOH 2.9 3.3 V
Typ: No load Min: IOH = -100 μA
2.0 V Min: IOH = -12 mA
Output Low Voltage VOL 0.0 0.2 V
Typ: No load Max: IOH = 100 μA
1.0
Max: IOH = 12 mA
Output Resistance ROUT 47 Ω
I/O
Output High Voltage VOH 3.3 V
Output Low Voltage VOL 0 V
I
OH 30 300
μA VOH = GND
I
OL 10 25 mA VOL = 1V
□ The AUX OUT lines are the output of a 74LVC2G14 (Vdd=3.3V) with 50 Ω series resistance.
□ The AUX IN lines are input to a 74LVC2G14 (Vdd=3.3V) with 100 kΩ to ground.
□ The I/O lines are connected to a MAX7328 (Vdd=3.3V), which are open-drain with a weak pull-up.
5.2 COMMUNICATION
Please refer to the DP5 User Manual and the DP5 Programmer’s Guide.
Amptek Inc. Page 13 of 43

X-123SDD User Manual Rev A6
5.3 AUXILIARY INPUT AND OUTPUTS
AUX_OUT_1 and _2
• Each of these two lines can be configured, via software, to output any one of several logic signals
in the FPGA. These logic signals are associated with pulses processed by the FPGA.
• The pulse timing and duration depends on which output is commanded.
• AUX_OUT_1 is connected to the Interconnect (J5), to the auxiliary connector (J6), and can be
jumpered to the stereo jack (J10). AUX_OUT_2 is only connected to the auxiliary connector (J6).
AUX_OUT_1 /AUX_OUT_1/AUX_OUT_1/AUX_OUT_1/AUX_OUT_1/AUX_OUT_1
16
U27A
SN74LVC2G14DBVR
R73
49.9
AUX_IN_1 and _2
• Each of these two lines can be configured, via software, to input any one of several logic signals in
the FPGA. These logic signals are associated with pulses processed by the FPGA.
• AUX_IN_1 is connected to the Interconnect (J5), to the auxiliary connector (J6), and can be
jumpered to the stereo jack (J10). AUX_IN_2 is only connected to the auxiliary connector (J6).
AUX_IN_1SHT-2,5
R54
100K
/AUX_IN_1/AUX_IN_1
1 6
U22A
SN74LVC2G14DBVR
Single Channel Analyzers (SCAs)
• Each of the eight SCAs has an independently assignable LLD and a ULD. If the shaped pulse
peaks with the range of an SCA, between its LLD and ULD, then a logic signal is output.
• These output pulses are 100 nsec wide (the ability to select longer pulse widths is a future
enhancement.)
SCA_OE
SCA_DIR
SCA_F_3
SCA_F_6
SCA_F_5
SCA_F_8
SCA_F_7
SCA_F_2
SCA_F_4
1
2
3
4
5
6
7
8 9
10
11
12
13
14
15
16
RN1
47
SCA_F_1
DIR 1
A1 2
A2 3
A3 4
A4 5
A5 6
A6 7
A7 8
A8 9
GND
10
B8
11
B7
12
B6
13
B5
14
B4
15
B3
16
B2
17
B1
18
OE 19
VCC
20
U24
SN74LVC245APWR
C99
100NF
3.3V
SCA4
SCA3
SCA7
SCA5
SCA8
SCA6
SCA2
SCA1
Amptek Inc. Page 14 of 43

X-123SDD User Manual Rev A6
5.4 TIMING OF AUXILIARY INPUTS AND OUTPUTS
Preamp output, ADC input, shaped pulse (Tpeak of 2.4
μsec and Tflat of 0.8 μsec) and ICR (logic pulse
indicating that a fast channel pulse occurred). Note
that (1) the shaped pulse begins to rise after actual
event (due to delays in the digital pipeline), and (2)
ICR occurs when the shaped pulse begins to rise.
ICR – Measured by scope probe, 10 MΩ, 15 pF, and
300 MHz scope. One clock (12.5 nsec) wide.
ADC input, fast channel pulse (Tpeak of 0.1 μsec) and
ICR. Similar to plot at left but at high time resolution.
ADC input, fast channel pulse, and ICR. Similar to plot
above but shows ability of fast channel to identify pulses
separated by 120 nsec.
SCA output. Occurs just after the shaped pulse has
begin to fall.
Trigger. Shows when the DPP is looking for the peak of
a pulse. Falling edge indicates a peak has been found.
Amptek Inc. Page 15 of 43

X-123SDD User Manual Rev A6
Gate. This is an INPUT by which external logic can
select pulses to be accepted into the spectrum. If GATE
is TRUE at the time the peak is detected (the falling edge
of trigger), the event is accepted. In this figure, the
second pulse is accepted, not the first.
Detector Reset. Shows when the DPP detected
a reset signal in the preamplifier. The lockout
period is the width of the reset signal.
One-Shot. Shows when the DPP is looking for
possible pile-up. Triggered by the fast channel.
Pile-Up. Shows when pile-up was detected.
Generated at the end of the final event’s one-shot
signal.
Amptek Inc. Page 16 of 43

X-123SDD User Manual Rev A6
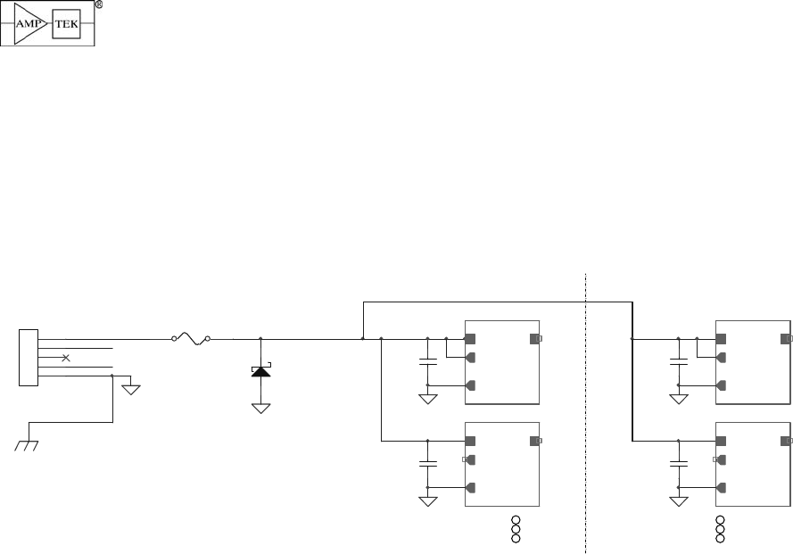
5.5 POWER INTERFACE
Figure 5-1 is a schematic illustrating the circuit at the power input. The PWR_IN line goes through a
Polyfuse and a Schottky diode, then to different switching power supplies in parallel. Five of these are
located on the DP5, five on the PC5. Each has a 4.7 μF input capacitor. Some turn on as soon as power as
applied, while others are under control of the microprocessor.
□ Reverse polarity protection: The Polyfuse and diode together protect against reverse input polarity.
□ Grounding: The chassis ground of the X-123SDD, which is tied to the box and to the other boards, is
connected to the return current pins in J9.
POWER
F1
MICROSMD150F-2
PWR_IN
2 1
D9
SSA34-E3/61T
1
2
3
4
5
J9
MQ172-3PA(55)
GND
GND 4.7UF
+3.3V Supply
VIN
GND
Shut Down
VOUT
+5.5V Supply
VIN
GND
Shut Down
VOUT
4.7UF
PWRPWRPWRPWR
4.7UF
+3.3V Supply (PC5)
VIN
GND
Shut Down
VOUT
4.7UF
TEC Supply (PC5)
VIN
GND
Shut Down
VOUT
PWRPWRPWRPWRPWRPWRPWRPWRPWRPWRPWRPWRPWRPWRPWR
PC5DP5
PWRPWRPWRPWRPWRPWRPWRPWRPWRPWRPWRPWRPWRPWRPWRPWRPWRPWRPWRPWRPWRPWRPWRPWRPWRPWRPWRPWRPWRPWRPWRPWRPWRPWRPWRPWRPWRPWRPWRPWRPWRPWRPWRPWRPWRPWRPWRPWRPWRPWRPWRPWRPWRPWRPWRPWRPWRPWRPWRPWRPWRPWR
More power supplies More power supplies
CHASSIS GND
GND
Figure 5-1. Simplified chematic of power supply architecture.
Turn-On Transients
Figure 5-2 illustrates the transient currents seen as the X-123SDD turns on. There is a complicated
structure, which can be understood from Figure 5-1.
1) When 5 VDC is first applied to J9, a large transient current is drawn to charge up the 50 μF of input
capacitance, from the input capacitors on all the supplies.
2) About 400 μsec later, the low voltage switching supplies turn on. The maximum inrush current is
about 2A, with a duration of <100 μsec. It is important that the external supply be able to provide this
current. If this current is limited, some of the supplies can be destroyed.
3) After the DP5 is powered up, it then powers up the PC5, based on configuration settings stored in
the DP5. Depending on the Boot Configuration State “boot flag”, this either happens automatically
(approx. 2 seconds after power is applied), or upon command from the host PC. The unit draws
about 300 mA at 5V.
4) When the cooling is turned on, IIN goes to its maximum, drawing approximately 700 mA.
5) In
Figure 5-2, the set point was 230K, the ambient 295K, and a SDD on a two stage cooler was
used. After about 50 seconds, the temperature approached the set point and so began regulating.
The current decreased to its steady state value, 400 mA.
Amptek Inc. Page 17 of 43

X-123SDD User Manual Rev A6
200 us/div 10 s/div
1 A/div
200 mA/div
Supplies
Turn On
Charging
Capacitors
Full Cooling
Cooler
Regulating
Figure 5-2. Turn-on transients in the X-123SDD.
Amptek Inc. Page 18 of 43

X-123SDD User Manual Rev A6
6 MECHANICAL INTERFACE
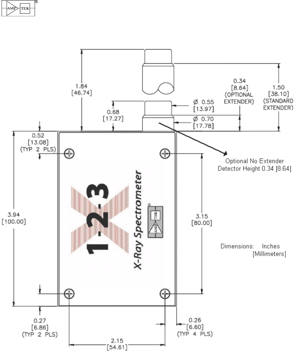
6.1 DIMENSIONS
Figure 6-1. Top view of the X-123SDD.
Amptek Inc. Page 19 of 43

X-123SDD User Manual Rev A6
Figure 6-2. Front view of the X-123SDD. Figure 6-3. Rear view of the X-123SDD.
6.2 MOUNTING HARDWARE
Figure 6-4. Left: Drawing showing how the mounting hardware attaches to the X-123SDD. Right:
Photograph of different extender options available with the X-123SDD. The unit at the top has a vacuum
flange.
6.3 CONNECTORS
Power
Power Jack on X-123SDD: Hirose MQ172- 3PA(55).
Mating Plug: MQ172-3SA-CV
Amptek Inc. Page 20 of 43

X-123SDD User Manual Rev A6
Pin # Name
1 VIN
2 GND
3 Do Not Connect
Auxiliary
2x8 16-pin 2 mm spacing (Samtec part number ASP-135096-01).
Mates with cable assembly (Samtec P/N TCSD-08-S(D)-xx.xx-01-F-N.
Top row odd pins, bottom row even pins.
Pin 1
Pin 2
Pin # Name Pin # Name
1 SCA1 2 SCA2
3 SCA3 4 SCA4
5 SCA5 6 SCA6
7 SCA7 8 SCA8
9 AUX_IN_1 10 AUX_OUT_1
11 AUX_IN_2 12 AUX_OUT_2
13 IO2 14 IO3
15 GND 16 GND
Ethernet
Standard Ethernet connector (RJ-45) (available summer ‘09)
USB
Standard USB ‘mini-B’ jack. (The X-123SDD does not draw power from the USB.)
RS-232
Standard 2.5 mm stereo audio jack.
Contact Signal
Tip TXD (from DP5)
Ring RXD (to DP5)
Sleeve GND
Amptek Inc. Page 21 of 43

X-123SDD User Manual Rev A6
7 SOFTWARE INTERFACE
7.1 INTERFACE SOFTWARE
ADMCA Software
The DP5 can be controlled by the Amptek ADMCA display and acquisition software. This software
completely controls and configures the DP5, and downloads and displays the data. It and supports regions
of interest (ROI), calibrations, peak searching, and so on. The ADMCA software includes a seamless
interface to the XRF-FP quantitative X-ray analysis software package. Runs under Windows 98SE or later
on PC compatible computers. Windows XP PRO SP2 or later recommended.
DPP API
The DP5 comes with an Application Programming Interface (API) in the form of a DLL library. The user
can use this library to easily write custom code to control the DP5 for custom applications or to interface it to
a larger system. Examples are provided in VB, VC++, etc. on how to use the API.
VB Demonstration Software
The VB demonstration software runs on a personal computer and permits the user to set the DP5
parameters, to start and stop data acquisition, and to save data files. It is provided with source code and can
be modified by the user. This software is intended as an example of how to manually control the DP5
through either the USB or RS-232 interface using the most basic calls without the DPP API.
7.2 EMBEDDED SOFTWARE
The embedded software is responsible for controlling the pulse processing, controlling the MCA,
carrying out some data processing, and interfacing with the personal computer. Firmware updates will be
released by Amptek and can be uploaded in the field by the user.
7.3 BOOT FLAGS
There are certain parameters that are not
contained in the configuration of the unit. These
parameters are called boot flags and are stored in the
hardware.
Boot Configuration State
o Boot unconfigured: In this mode, upon power-
up, the DP5 will be in an unconfigured state. If
present, the PC5 and detector will not be
powered on until the first configuration packet
is received. Also, the shaper, MCA, etc. are
not configured. [After power-up, the status
packet byte 23, bit D1 indicates whether the
device is configured or unconfigured.]
o Use Nonvolatile Configuration: Upon power-
up, the DP5 will use the last configuration it
received before it was powered off. It will turn
on all supplies, including the PC5 HV & TEC
supplies (if present, and if these were
previously configured to be powered on). [The
HV & TEC supplies will be turned on
approximately 2 seconds after power is
applied.] The DP5 will be ready to take data,
once the detector has cooled.
Note: This setting requires the DP5 to be power-cycled to take effect.
RS232 Baud Rate
o 57,600: This primarily exists for backward compatibility with DP4/PX4 RS232 applications.
Amptek Inc. Page 22 of 43

X-123SDD User Manual Rev A6
o 115,200: Recommended, for higher-speed transfers.
Note: This setting requires the DP5 to be power-cycled to take effect.
FPGA Clock
o 20MHz: Operating the DP5 at 20MHz consumes less power than 80MHz and allows longer
peaking times (up to 102us), but limits throughput, minimum peaking time (0.8us), etc.
o 80MHz: This is the recommended clock rate for SDD detectors; it allows faster peaking times (min
0.2us) and higher throughput than 20MHz, but requires a bit more power.
Note: This setting is ‘live’ and will take effect immediately.
HV Polarity
The polarity of the HV supply on the PC5 is not under software control; it is configured in hardware, via
jumpers set at the factory. This software configuration setting tells the DP5 what polarity is required, and the
DP5 will not allow the PC5 to turn on if its polarity doesn’t match the Boot Flag.
o Negative: Amptek’s SDD detectors require negative HV.
o Positive: All other Amptek detectors require positive HV.
Note: This setting requires the DP5 to be power-cycled to take effect.
ADC Invert
This setting is only used in DP4 Emulation Mode. In PX4 Emulation Mode, the polarity is commanded
via the configuration packet.
o Inverting: Used for SDDs and other positive-pulse preamps. (ADC Inversion, combined with the
DP5’s inverting front-end results in a non-inverting input.)
o Non-inverting: Used with negative-pulse preamps (all Amptek non-SDD preamps.)
Note: This setting requires the DP5 to be power-cycled to take effect.
Fast Channel Shaping
o Normal: The fast channel peaking time is 400nS (for a 20MHz clock) or 100nS (at 80MHz).
o 4x Slower: The fast channel peaking time is 1.6uS (for a 20MHz clock) or 400nS (at 80MHz).
Note: This setting requires the DP5 to be power-cycled to take effect.
Spectrum Offset
o None: No spectrum offset is applied – the spectrum zero is derived solely from BLR.
o Use Offset: The Boot Option ‘Spectrum Offset’ is added to BLR. This shifts the spectrum left or
right along the horizontal axis. This permits channel “zero” to have “zero” energy.
Note: This setting is ‘live’ and will take effect immediately. To change the spectrum offset, set this
option to ‘Use Offset”, click ‘OK’, then ‘Set DP5 Boot Flags.’ Next, read the boot flags again by selecting
the ‘Get Boot Options from DPP’ button. This will enable the ‘DP5 Spectrum Offset’ box, where the
offset channel can be entered and set.
Peak Detect
o Max only (normal operation): This is the correct setting for normal operation.
o Max and min: This allows the peak detect (and MCA) to capture local minima of the shaped pulse
stream, in addition to local maxima. This is useful for capturing the ‘noise Gaussian’ for determining
the true spectrum zero. (The slow threshold must be set very low to accomplish this.)
Note: This setting is ‘live’ and will take effect immediately. It is also volatile – it will reset to ‘Max only’ the
next time the DP5 is powered on.
MCA Channel
o Slow channel (normal operation): This is the correct setting for normal operation.
Amptek Inc. Page 23 of 43

X-123SDD User Manual Rev A6
o Fast channel: This sets the source for the MCA to the fast channel, rather than the slow channel.
The fast channel does not have BLR or a pole-zero, but this setting does allow some insight into
the operation of the fast channel.
Note: This setting is ‘live’ and will take effect immediately. It is also volatile – it will reset to ‘Slow
channel’ the next time the DP5 is powered on.
7.4 UPLOAD MANAGER
One of the advantages of the DP5 inside of the X-123SDD is the ability to upload new FPGA and
microcontroller firmware through the RS232 interface. An FPGA upload takes approximately 40 seconds and
a microcontroller code upload takes around 3 seconds.
To upload updated firmware:
1. New firmware files will need to be acquired, either via email from Amptek, or via the
Amptek.com website.
2. Install the DP5Loader application from the Amptek CD. The installer is located at \Additional
DPP Software\DP5\DP5 Upload Utility\SWSETUP\SETUP.EXE on the CDROM.
3. Connect the 9-pin-to-stereo-plug RS232 cable that came with the DP5 between a PC serial port
and the DP5, and apply power to the DP5.
4. Run DP5Loader.EXE (which you installed in Step #2).
5. Double-click the COM port that the DP5 is connected to.
6. Click 'Check Device Communications / Get Status'. This will show 'READY' if it successfully
finds the DP5, or ERROR if not. For example, these screen shots show updating a DP5 from
FW 5.02 & FP 5.02 to FW 5.03 & FP 5.03:
7. Select upload type "FPGA".
8. Click the 'Upload FPGA/uC HEX File' and select the FPGA programming file
('_dp5_fpga_v502.mcs' for example. All FPGA programming files have an .mcs extension.) It
will take around 40 seconds to program at 115kbaud.
Amptek Inc. Page 24 of 43

X-123SDD User Manual Rev A6
9. The program says 'Reboot and check device'. Power cycle the DP5.
10. Click 'Exit.'
11. Run DP5Loader.EXE again.
12. Click 'Check Device Communications / Get Status'. It should now show the version number of
the FPGA you uploaded (5.3, for the example below), and the old Firmware version.
13. Select upload type "uC".
14. Click the 'Upload FPGA/uC HEX File' and select the microcontroller programming file
('dp5_uC_v503.hex' for example – uC programming files have the .hex extension.) It will take
around 4 seconds to program at 115kbaud.
15. The program says 'Reboot and check device'. Power cycle the DP5 again and exit the
program.
16. Run DP5Loader.EXE again and click 'Check Device Communications / Get Status' to confirm
the Firmware & FPGA versions – in this example, Firmware 5.3 & FPGA 5.3. All done!
Amptek Inc. Page 25 of 43

X-123SDD User Manual Rev A6
8 UNDERSTANDING THE X-123SDD
8.1 UNDERSTANDING THE COMPLETE SYSTEM
Figure 8-1 is a block diagram of the X-123SDD. The key elements include (1) the detector, (2) the
preamplifier, (3) the digital pulse processor, (4) the power supplies, (5) the packaging or enclosure for the
system, and (6) the computer running software for instrument control, data acquisition, and data analysis. All
X-ray spectroscopy systems contain these basic elements.
This section provides a summary of the purpose and operation of each of these elements, to assist
users in understanding how to optimize the system configuration for any particular application. Details on the
electrical interfaces and on software configuration settings are given in later sections.
XR-100SDD
X-ray Detector
and Preamplifier
DP5
Digital Pulse
Processor
PC5
Detector &
Preamp Power
Supplies AC
Power
Adapter
Computer
Preamp Out
Detector H.V., Cooler
Power, Preamp Power
+5VDC
USB
RS232
Ethernet
+5VDC
Control
Readout
Figure 8-1. Block diagram of the X-123SDD.
Amptek, Inc. provides a family of spectroscopy products, all built around the basic elements illustrated in
Figure 8-1. In brief, all include a detector, a preamp, a DPP, and power supplies. There are several different
detectors, optimized for different applications. This includes Si-PIN, SDD, and CdTe diodes, along with
scintillators/PMT units. The components are also available in several packaging options: integrated in a
single package (as in the X-123 or GammaRad), as a separated preamp and signal processor/power supply
(XR100 and PX4), or as printed circuit boards which users integrate into their own products. The signal
processor can also be used with other detectors, e.g. proportional counters. Amptek now provides two
generations of the core digital processor, the DP4 and DP5, packaged into the PX4 and PX5 (PX5 will be
available soon).
The discussion in this section applies to all of the products which are based on the DP5 generation of
digital processor, including the PX5, X-123SDD, etc. We will refer to the digital processing logic as the
“digital pulse processor” or DPP, which may be the DP5 circuit board itself or the same logic running in the
PX5. The first generation DP4 family is very similar in overall operation, although there have been many
enhancements to performance and many changes to the interface details.
Theory of Operation
When an X-ray photon interacts in the detector, it generates electron-hole pairs. The signal charge Qsig
is proportional to the energy deposited: in silicon, one electron-hole pair is formed for each 3.6 eV deposited.
A 5.9 keV X-ray, for example, produces about 1,640 electron hole pairs (2.6x10-16 coulombs). The signal
processing electronics measures the charge (and therefore the energy) deposited by each X-ray. A second
stage of the electronics accumulates the results of many such discrete interactions, producing the energy
spectrum, a histogram showing how many interactions deposited energy within many energy bins. The
electronics also measure the total count rate. Figure 8-2 shows the key components in the system: the
detector, the preamplifier, a shaping amplifier, and pulse analysis electronics.
□ The detector is a diode, with a bias voltage applied to sweep the electron-hole pairs into the
electronics. Each X-ray interaction produces a pulse of current through the detector, input to the
charge sensitive preamplifier (a.k.a. the preamp). In Amptek’s XR100 family of products, the detector
is mounted on a thermoelectric cooler. This reduces the electronic noise significantly, without the
need for cryogenic cooling. The silicon drift diode (SDD) is a special type of diode, using a unique
electrode structure to improve performance.
Amptek Inc. Page 26 of 43

X-123SDD User Manual Rev A6
□ The preamp produces a voltage step, with magnitude ΔV proportional to the deposited charge. In the
XR-123SDD, the conversion gain is 1 mV/keV, so these steps are a few millivolts in magnitude. Each
preamp step rides on a baseline which can be several volts and has significant random noise.
□ The shaping amplifier converts the preamplifier output signal into a form suitable for measurements,
producing an output pulse with pulse height Vpeak proportional to the deposited charge Q. Since
deposited energy is proportional to pulse height, pulse height analysis can be used to analyze the
energy spectrum. The shaping amplifier has three primary roles: (1) separate the ΔV step from the
larger but slowly varying baseline from the preamp, (2) amplify the ΔV values into a range which can
be digitized accurately, and (3) filter out the random electronic noise.
In Amptek’s DPP family, the shaping is done digitally since digital filters provide significant
performance advantages over more traditional analog shaping schemes. The preamp output
undergoes some analog filtering (to enable accurate digitization) and this is digitized at a high rate
(20 to 80 MHz). This waveform then passes through a digital filter which implements the shaping
and peak detect functions. This is implemented in an FPGA in near real-time via pipeline logic.
□ The pulse analysis electronics use the measured peak heights to produce the histogram (or
spectrum). This component includes logic to accept or reject events, using various criteria, to
measure count rates, and to produce several auxiliary outputs.
Charge Sensitive
Preamplifier
Detector
electrons
ions
current
pulse
incident
particle
-
+
-
+
Cathode (-)
Anode (+)
Spectrum
Time
Current
Time
Preamp Output
Time
Shaped Output
Shaping
Amplifier Pulse Analysis
Electronics
voltage
steps shaped voltage
pulse
Figure 8-2. Schematic diagram of an X-ray spectroscopy system. Typical outputs from each stage of the
processing electronics (for a single pulse) are also sketched .
Along with these “core” components, a complete system must include power supplies, hardware and
software to data acquisition, data analysis, and instrument control, and mechanical packaging. The X123
integrates all of these functions into a compact, low power complete system.
Amptek Inc. Page 27 of 43

X-123SDD User Manual Rev A6
8.2 UNDERSTANDING THE DETECTOR AND PREAMPLIFIER
The heart of the X-123SDD is the detector hybrid, shown to the right.
The detector is a diode. In the X-123SDD, the detector is a silicon drift
diode, a diode with a unique electrode structure. Amptek’s other products
utilize conventional, planar silicon PIN diodes or CdTe Schottky diodes.
These diodes are available with areas of 5 to 25 mm2 and thicknesses from
300 to 1000 μm.
The detector is mounted on a thermoelectric cooler, along with key
preamplifier components, including the input FET. The cooler, which can
achieve an 85°C temperature differential, reduces electronic noise without
requiring cryogenics. A temperature monitor is also on the substrate, to
control the temperature for stable operation. Vacuum is required inside the
TO-8 package to achieve this ΔT. The heat extracted by the cooler is
conducted to the mounting stud.
The detector is mounted behind a thin Be window (1/2 or 1/3 mil). An internal collimator is also located
above the detector, to restrict the incident X-rays to the active volume of the detector.
8.2.1 Design and Operation
Detector Operation
Figure 8-3 shows sketches of a conventional Si-PIN photodiode (left) and a silicon drift diode (right).
The CdTe Schottky diodes have the same structure as the Si-PIN. In the Si-PIN, there are two planar
contacts with a uniform electric field between them. An X-ray interacts at some location, ionizing the Si
atoms and producing electron-hole pairs. The electric field sweeps the carriers to their respective contacts,
causing a transient current pulse I(t) to flow through the diode. The current is integrated onto the feedback
capacitor CF, producing an output voltage V(t)=∫I(t)dt.
The SDD uses a planar cathode but the anode is very small and surrounded by a series of electrodes.
The SDD is cylindrically symmetric, so the anode is a small circle and the drift electrodes are annular. These
electrodes are biased to create an electric field which guides the electrons through the detector, where they
are collected at the anode, producing a transient current pulse I(t) just like the Si-PIN. The rest of the signal
processing electronics is nearly identical to that used with the Si-PIN diode. The key difference is the small
area of the anode keeps the capacitance very small and independent of detector area. This is important
because the dominant noise source in silicon X-ray spectroscopy is voltage noise, which is proportional to
the total input capacitance and increases at short shaping times. The SDD, with its low capacitance, has
lower noise, particularly at very short shaping times.
electrons
ions
Incident
X-ray
-
+
-
+
Cathode (-)
Anode (+)
Detector Bias
Supply
E
G
()
I
t
Si-PIN
Photodiode
Incident
X-ray
Cathode (-)
Detector Bias
Supply
Anode
Electrodes (-)
electrons
ions
-
+
-
+
Silicon Drift
Diode (SDD)
-
C
F
() ()
1
F
Vt Itdt
C
=
∫
()
I
t
Figure 8-3. Sketch of conventional Si-PIN photodiode (left) and silicon drift diode (SDD) right.
Detector Reset
When a preamp integrates the input current, as sketched above, its output will eventually saturate. The
X-123SDD uses reset circuit to periodically restore the input charge. Figure 8-4 (a) shows voltage steps
from two interactions. The output is constant between steps but eventually the preamp output will saturate.
The reset circuit then produces a current pulse to restore the output to its initial value. Figure 8-4 (b) shows
the output of a reset preamp over a very long time: many small steps of a few mV each causes the output to
Amptek Inc. Page 28 of 43

X-123SDD User Manual Rev A6
linearly approach the negative limit (-5V) in a time of several seconds. The reset pulse occurs so the output
goes to the initial value (+5V) in a few μsec. Reset preamplifiers provide the minimum electronic noise and
so are used in Amptek’s lowest noise systems, including the X-123SDD. The very large transient created
during reset can affect signal processing, so the DPP includes logic to “lock out” the effects of this reset.
(a) (b) (c)
Figure 8-4. Oscilloscope traces showing typical preamplifier outputs, for reset preamps (a) and (b) and for
continuous feedback preamps (c).
The traditional solution is to add a slow feedback path which restores the input to a value near ground
In the simplest case, a feedback resistor RF is placed in parallel with the feedback capacitor CF on which the
current is integrated. After the voltage step ΔV due to each signal interaction, the output slowly drifts back to
its quiescent value, with the time constant of the feedback, as illustrated in Figure 8-4 (b). This time constant
is 500 μsec in this plot. The long time permits accurate integration of the total charge but causes the pulses
to pile-up on one another. The feedback resistor adds electronic noise so is not used in the lowest noise
systems. Some Amptek detectors replace the feedback resistor with a transistor. This offers lower noise
than resistive feedback but does not match the performance of the reset preamps.
Block Diagram
Shown to the right is a generic block diagram of the
detector and preamplifier in Amptek’s XR100 family. All of
the detectors (SiPIN, SDD, CdTe) share the same basic
circuit. All of the preamps (XR100, the preamp boards in
the X123, the OEM preamps) also have the same circuit
diagram, though the pinouts differ. The reset circuits, bias
polarity and magnitude, value of CF, and other details will
depend on the configuration. Detector
6
7
2
10
11
4
5
8
9
10
1N914
Temp
Sensor
D
S
3
1
Two stage
Thermoelectric
Cooler
+
-
Do Not Connect
Externally
Be
window
X-rays
Bias
Reset
Low Pass Filter
100 Ω
0 Ω
optional +LV PWR
Bias
730 μA
TEC Return
TEC PWR
Temperature
Low Frequency
Feedback
-LV PWR
XR100
Preamp
AXR Detector
Hybrid
Do Not Connect
Externally
CF = 50 fF
Notes
□ Pins 4, 5, 8, and 9 of the AXR are given as “Do Not
Connect”. These are unused in some units but are
used in others.
□ Pin 11 of the hybrid is the ground of the AXR case and
should ground the preamp. The FET source is usually
connected to this.
Amptek Inc. Page 29 of 43

X-123SDD User Manual Rev A6
8.2.2 Performance
Energy Resolution
The energy resolution is one of the most important performance parameters in a spectrometer: two X-
ray lines separated by more than the resolution can be separately identified. There are general scaling rules
which are useful to understand when one is selecting a detector and optimizing system configuration. The
resolution ΔE usually expressed in eV FWHM and is given by
222
FANO
EENCEΔ= +
where ENC is the equivalent noise charge and EFANO is Fano broadening. Fano broadening arises from
statistical fluctuations in the interaction of the X-ray with the silicon. It is a fundamental limit of a material. In
silicon, it is 118 eV FWHM at 5.9 keV and scales as √E. This is the resolution of a noiseless signal
processor. Figure 8-5 shows the resolution of a spectrometer versus energy for an SDD.
Figure 8-5. Plot showing resolution versus energy and time constant for an SDD at maximum cooling.. A Si-
PIN exhibits a similar set of curves but the resolution degrades more rapidly at short peaking times.
The electronic noise is given by
()(
22 delta
In pink dark step peak
peak
kTA
ENC C A I A
τ
τ
⎛⎞
=++
⎜⎟
⎜⎟
⎝⎠
)
where Cin is the detector capacitance, τpeak is the peaking time of the signal processor, T is the temperature,
Idark is the leakage current through the diode, and Adelta, Apink, and Astep are characterize the electronics
(including terms due to the preamplifier and to the shaping amplifier). The key points are:
□ At short peaking times, the noise increases rapidly with capacitance and increases as the peaking
time is reduced. For Si-PIN diodes, the capacitance scales with area, so large area detectors exhibit
more noise. For SDDs, the capacitance is much lower and nearly independent of area. This noise is
only weakly dependent on temperature.
□ At long peaking times, the noise increases with peaking times and with leakage current. Since
leakage current increases exponentially with temperature, reducing temperature helps dramatically.
□ There will always be some peaking time at which the noise is a minimum, where the delta and step
terms are equal. There is no advantage to operating at a longer peaking time. The optimum time
constant is shorter for lower capacitance and longer for low leakage currents.
High Count Rates
Each interaction produces a pulse. If a second interaction occurs after a very brief period of time, the
two pulses overlap in time. This pulse pile-up may lead to a single distorted pulse, in which the pulse height
of neither can be measured, and may lead to pulses which are detected. Because the timing of the X-ray
emission is stochastic, there is always some probability that pulses will overlap. This probability obviously
Amptek Inc. Page 30 of 43

X-123SDD User Manual Rev A6
increases at high count rate. The dead time is related to the peaking time, so to operate at high count rates,
a short peaking time is desirable. As the previous section showed, short peaking times lead to increased
electronic noise so there exists a trade-off, depicted in the figure below. One should not operate beyond the
“maximum output count rate” curve.
Figure 8-6. Plot showing resolution versus count rate, as a function of peaking time, measured at 5. 9 keV.
Sensitivity
Figure 8-7 shows the sensitivity of the SDD as a function of energy. The efficiency is >25% from
approximately 1 to 25 keV. At lower energies, the efficiency is limited by the Be window: lower energy X-
rays are stopped in the window. At higher energies, the efficiency is limited by the interaction probability in
the silicon: many X-rays pass through without interacting.
Energy vs 1/3 mil Total
Energy vs 1/3 mil P.E.
Energy vs 1/2 mil Total
Energy vs 1 mil Total
Energy (keV)
110100
Efficiency
0.001
0.01
0.1
1
O F Ne NaMg Al Si P S Ar Ca Ti Cr Fe NiZnGe Br Sr Mo Ag Sb Ba Ta AuPb UFm
1/3 mil Be
1/2 mil Be
1 mil Be
Total Attenuation
Photoabsorption
Kα lines of selected elements
Figure 8-7. Plot showing the efficiency as a function of energy for the SDD
The SDD can certainly be used outside of the 1 to 25 keV range but one must correct for the losses. At
low energies, accurate correction is difficult. Attenuation in air is very significant; the data in Figure 8-6
neglect air losses, and at 1 keV, only 1 cm of air will stop 90% of the X-rays. The geometric area of the
detector is obviously important in determining the total or absolute sensitivity of a detector.
Amptek Inc. Page 31 of 43

X-123SDD User Manual Rev A6
X-ray Spectra
Understanding and analyzing X-ray spectra are quite complex, because many different factors become
important. These are discussed in detail in many references in the literature. For the user trying to configure
a spectrometer, it is important to recognize that the configuration impacts some aspects of the spectrum,
while many other spectral features arise due to the physics of radiation interactions. Figure 8-8 shows a
typical X-ray spectrum, from X-ray fluorescence. A 30 kVp X-ray tube with Ag anode was used to excite a
sample of stainless steel, and the spectrum measured by an X-123SDD.
The dominant features are the photopeaks due to the characteristic X-rays emitted by the major
constituents in the sample. The largest peak is due to the Fe Kα line, as expected from steel. The other
major constituent elements (Cr, Ni, and Mo) also show clear Kα and Kβ peaks. These peaks are essentially
Gaussian in shape. Their width, as discussed above, is due to Fano broadening and electronic noise (the
noise is much more important for Cr than for Mo).
There are several second order features which are apparent. The read arrows point to “escape peaks”:
each of the primary peaks has an escape peak which is 1.45 keV lower in energy. When an X-ray stops in
the silicon diode, all of the energy is usually deposited in the diode’s active volume. However, sometimes
the interaction will produce a silicon characteristic X-ray (with energy 1.45 keV) and this may escape the
detector volume. The energy deposited thus does not equal the incident energy. There are several such
scattering processes, leading to a variety of spectral features, including both peaks and continua. The green
arrows point to peaks arising from materials near the detector but not in the steel. This includes Ar (a major
constituent of air) and Al.
1.0E+00
1.0E+01
1.0E+02
1.0E+03
1.0E+04
1.0E+05
0 5 10 15 20 25
Energy (keV)
Counts
Fe K
α
Cr K
α
Mo K
α
Ni K
α
Mo K
β
Fe K
β
Ni K
β
Escape
peaks
Al Ar
Environmental
Interference
Compton scatter
of Ag in anode
Compton scatte
r
of tube brehmstrahlung
Filter cut-off of
tube brehmstrahlung
Fe K
α
Sum Peak
Figure 8-8. Typical spectrum of characteristic X-rays emitted by a sample of stainless steel, irradiated by a
30 kVp X-ray tube.
The X-ray tube emits X-rays at both the characteristic energy of the Ag anode and over a broad
Bremsstrahlung continuum. Some of these X-rays Compton scatter from the steel. This leads to the peak
just below 22 keV (Compton scatter from the Ag line) and the continuum. In addition, one can observe a
very weak peak just above 12 keV due to pile-up of the Fe Kα X-rays. Complex spectra such as these are to
be expected in X-ray spectroscopy.
Amptek Inc. Page 32 of 43

X-123SDD User Manual Rev A6
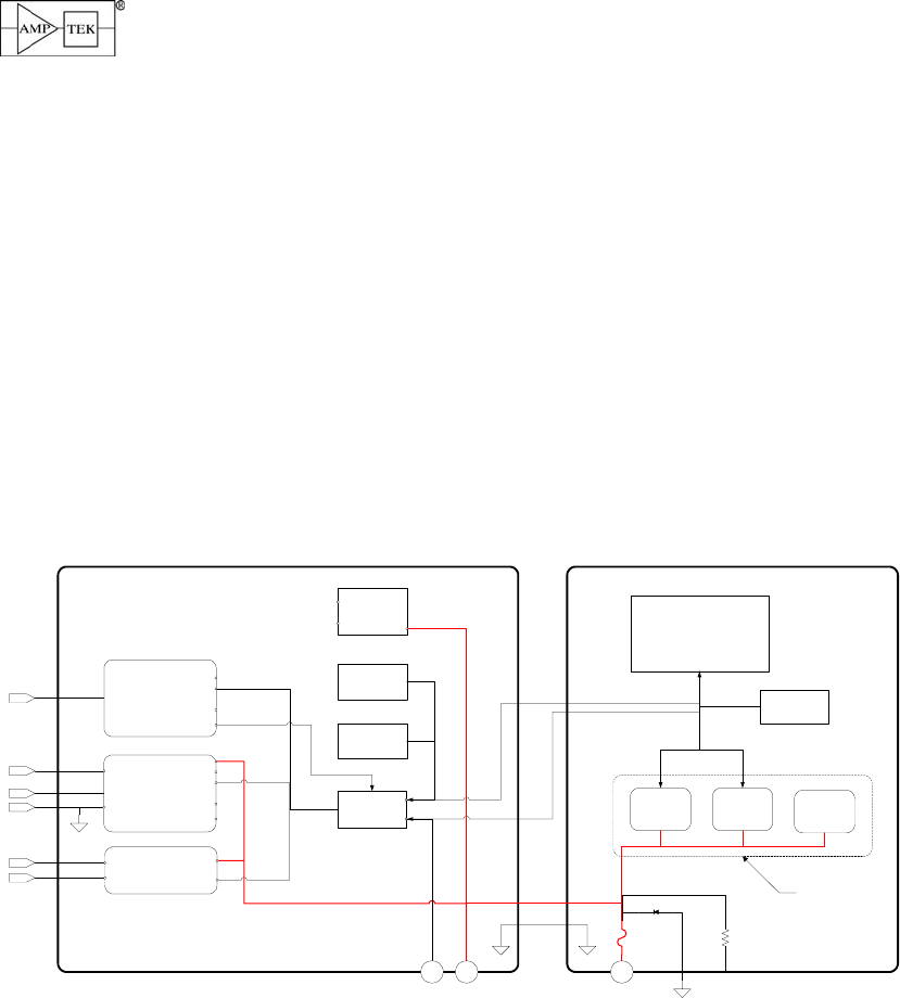
8.3 UNDERSTANDING THE DIGITAL PROCESSOR
8.3.1 Major Function Blocks
Figure 8-9 shows how a Digital Pulse Processor (DPP) is used in the complete signal processing chain
of a nuclear instrumentation system and its main function blocks. The DPP digitizes the preamplifier output,
applies real-time digital processing to the signal, detects the peak amplitude (digitally), and bins this value in
its histogramming memory, generating an energy spectrum. Pulse selection logic can reject pulses from the
spectrum, using a variety of criteria. The spectrum is then transmitted over the DPP’s interface to the user’s
computer.
Detector and
Preamplifier Analog
Prefilter ADC Slow
Channel
Peak Detect
Histogram Logic
Counters
Pulse
Selection
μC and
Interface
Auxiliary
Signals
Computer
Oscilloscope or
external logic
Digital Processor (DPP)
Fast
Channel
Digital Pulse Shaping
Figure 8-9. Block diagram of a Digital Pulse Processor (DPP) in a complete system.
Analog Prefilter: The input to the DP5 is the output of a charge sensitive preamplifier. The analog prefilter
circuit prepares this signal for accurate digitization. The main functions of this circuit are (1) applying
appropriate gain and offset to utilize the dynamic range of the ADC, and (2) carrying out some filtering and
pulse shaping functions to optimize the digitization.
ADC: The 12-bit ADC digitizes the output of the analog prefilter at a 20 or 80 MHz rate. This stream of
digitized values is sent, in real time, into the digital pulse shaper.
Digital Pulse Shaper: The ADC output is processed continuously using a pipeline architecture to generate
a real time shaped pulse. This carries out pulse shaping as in any other shaping amplifier. The shaped
pulse is a purely digital entity. Its output can be routed to a DAC, for diagnostic purposes, but this is not
necessary.
There are two are two parallel signal processing paths inside the DPP, the “fast” and “slow” channels,
optimized to obtain different data about the incoming pulse train. The “slow” channel, which has a long
shaping time constant, is optimized to obtain accurate pulse heights. The peak value for each pulse in the
slow channel, a single digital quantity, is the primary output of the pulse shaper. The “fast” channel is
optimized to obtain timing information: detecting pulses which overlap in the slow channel, measuring the
incoming count rate, measuring pulse risetimes, etc. and to obtain
Pulse Selection Logic: The pulse selection logic rejects pulses for which an accurate measurement cannot
be made. It includes pile-up rejection, risetime discrimination, logic for an external gating signal, etc.
Histogram Memory: The histogram memory operates as in a traditional MCA. When a pulse occurs with a
particular peak value, a counter in a corresponding memory location is incremented. The result is a
histogram, an array containing, in each cell, the number of events with the corresponding peak value. This is
the energy spectrum and is the primary output of the DPP. The unit also includes several counters, counting
the total number of selected pulses but also counting input pulses, rejected events, etc. Auxiliary outputs
include eight different single channel analyzers, and both a DAC output and two digital outputs showing
pulse shapes selected from several points in the signal processing chain.
Interface: The DP5 includes hardware and software to interface between these various functions and the
user’s computer. A primary function of the interface is to transmit the spectrum to the user. The interface
also controls data acquisition, by starting and stopping the processing and by clearing the histogram
memory. It also controls certain aspects of the analog and digital shaping, for example setting the analog
gain or the pulse shaping time. The DPP includes USB, RS232, and Ethernet interfaces.
The DP5 also includes a power interface. It takes a loosely regulated 5VDC input and generates the various
levels required by the circuitry (+/- 5.5V, 3.3V, 2.5V).
Amptek Inc. Page 33 of 43

X-123SDD User Manual Rev A6
8.3.2 Analog Prefilter
The DP5 was designed to process signals coming directly from a charge sensitive preamplifier used
with solid-state radiation detectors. These signals typically have (1) a small amplitude, in the range of a few
mV, (2) a fast rise (tens of nsec to μsec), and (3) the small pulses “ride up” on one another as the signal
pulses accumulate. These steps can be seen in the top traces of Figure 8-10 and are not suitable to be
directly digitized, due to the small amplitude (a few mV) over the large range (many volts). The analog
prefilter prepares the signal so it can be accurately digitized.
Figure 8-10. Oscilloscope traces illustrating the signal processing. The dark blue trace on top shows the
output of the preamplifier: a series of “steps” of a few millivolts, spaced randomly in time. High frequency
white noise is clearly superimposed. The traces on the left (right) were measured with 60 (5.9) keV X-rays.
The signal to noise ratio is clearly much degraded on the right. The light blue traces show the output of the
analog prefilter, with its 3.2 μsec pole. The magenta trace shows the shaped output: it is the peak of this
which is detected and is binned in the spectrum. The green trace is a logic output indicating that a valid peak
has been detected.
6.8 nF
460 Ω
+
-
Unity Gain
Buffer
Coarse Gain
Two amplifiers,
four gain each
High Pass
Filter
+
-
Final Amp
Inverts
Sets offset
Anit-jitter low pass filter
2.5kΩ
2.5kΩ
3 or 13pF
3.2 μsec
Input Offset
DAC
DNI
or
900 Ω
Preamp
Output ADC
Input
Figure 8-11. Block diagram of the analog prefilter in the DP5.
The prefilter implements three functions: (1) it applies a high pass filter with a 3.2 μsec time constant, so
that the pulses no longer “ride up” on one another, (2) it applies a coarse gain so that the largest pulses are
approximately 1 V (to maximize the ADC resolution), and (3) it applies a DC offset so that the signal always
falls within the range of the unipolar ADC. The output of the prefilter can be seen as the cyan color trace in
Figure 8-10 and consists of a series of pulses with a fast rise, 3.2 μsec decay, a baseline of a few hundred
millivolts, and maximum values of around 1V. The prefilter can accommodate pulses of either polarity,
inverting the signals digitally. In the X-123SDD, the analog prefilter of the DP5 is configured for use with
Amptek’s XR100CR family of detectors: solid state X-ray detectors with a reset preamplifier. The DP5 can
certainly be used with other detectors, but this will most often require changing the analog prefilter settings or
circuit changes.
Amptek Inc. Page 34 of 43

X-123SDD User Manual Rev A6
System Gain
The system conversion gain is expressed in units of channels/keV: it gives the MCA channel number in
which a particular energy peak will occur. It is the product of three terms: (1) the conversion gain of the
charge sensitive preamplifier (in units of mV/keV), (2) the total gain of the voltage amplifier (the product of
coarse gain and fine gain), and (3) the conversion gain of the MCA (channels per mV).
For Amptek’s XR100CR detectors, the preamp conversion gain is typically 1 mV/keV. The MCA’s
conversion gain is given by the number of channels selected (for example, 1024) divided by the voltage
corresponding to the peak channel. In Amptek’s digital processors, this is approximately 950 mV. The DP5
gain is the product of the coarse and fine gains. For example, if the fine gain is 1.00 and the coarse gain is
66.3, then the system conversion gain is (1 mV/keV)(66.3)(1.00)(1025 ch/950 mV)=71.5 channels/keV. The
inverse of this is the MCA calibration factor, 14 eV/channel. The full scale energy is 1024 channels/71.5
channels per keV, or 14.3 keV. Note that these values are approximate. Due to manufacturing tolerances in
the feedback capacitors, in resistors, etc the actual gain can vary by several percent, which will cause a
noticeable shift in the spectrum. These calculations should be used for system design and for initial
configuration. For any given system, the gain will need tuning and the spectrum will need to be calibrated.
For systems other than Amptek’s XR100 series, the preamp conversion gain can be estimated. It is the
product of three terms: (1) one over the energy required to create an electron hole pair in the detector (W),
(2) any internal detector gain, e.g. with a proportional counter or PMT, and (3) the preamp’s conversion gain,
q/CF, where CF is the feedback capacitance. For example, for a Xe proportional counter, W is 21.5 eV. At a
gain of 103 and CF=1 pF, the conversion gain is (1/21.5 eV/pair)(103)(1.6x10-19 C/10-12 F)=7.4 mV/keV.
Reset and Continuous Preamplifiers
Most spectroscopy detectors utilize a charge sensitive preamplifier, which precedes the analog prefilter
in the DP5. A charge sensitive preamplifier produces a voltage proportional to the time integral of the
current. The integrator will eventually saturate because the time integral of the current through the diode
continues to increase. There are two methods used to keep the preamplifier output within range: resets and
continuous feedback. Figure 8-4 (left) shows the output of a reset preamp over a very long time: many
small steps of a few mV each causes the output to linearly approach the negative limit (-5V) in a time of
several seconds. The reset pulse occurs so the output goes to the initial value (+5V) in a few μsec. Reset
preamplifiers provide the minimum electronic noise and so are used in Amptek’s lowest noise systems,
including the XR100. The very large transient created during reset can affect signal processing, so the DPP
includes logic to “lock out” the effects of this reset.
Figure 8-12. Oscilloscope traces showing typical preamplifier outputs, for reset preamps (a) and (b) and for
continuous feedback preamps (c).
Another traditional solution is to add a slow feedback path which restores the input to a value near
ground In the simplest case, a feedback resistor RF is placed in parallel with the feedback capacitor CF on
which the current is integrated. After the voltage step ΔV due to each signal interaction, the output slowly
drifts back to its quiescent value, with the time constant of the feedback, as illustrated in Figure 8-4 (b). This
time constant is 500 μsec in this plot. The long time permits accurate integration of the total charge but
causes the pulses to pile-up on one another. The feedback resistor adds electronic noise so is not used in
the lowest noise systems. Some Amptek detectors replace the feedback resistor with a transistor. This
offers lower noise than resistive feedback but does not match the performance of the reset preamps.
Amptek Inc. Page 35 of 43

X-123SDD User Manual Rev A6
8.3.3 Pulse Shaping
Slow Channel
The “slow channel” of the DPP is optimized for accurate pulse height measurements. It utilizes
trapezoidal pulse shaping, with a typical output pulse shape shown in Figure 8-13. This shape provides a
near optimum signal to noise ratio for many detectors. Relative to conventional analog shapers, the
trapezoid provides lower electronic noise and, simultaneously, reduced pulse pile-up.
Figure 8-13. Pulse shape produced by the DPP.
The user can adjust the rise/fall time (the rise and fall must be equal) and the duration of the flat top
over many steps. A semi-Gaussian amplifier with shaping time τ has a peaking time of 2.2τ and is
comparable in performance with the trapezoidal shape of the same peaking time. A DPP with 2.4 μsec
peaking time will be roughly equivalent to a semi-Gaussian shaper with a 1 μsec time constant.
Adjusting the peaking time is a very important element in optimizing the system configuration. There is
usually a trade-off: the shortest peaking times minimize dead time, yielding high throughput and
accommodating high count rates, but the electronic noise usually increases at short peaking times. The
optimum setting will depend strongly on the detector and preamplifier but also on the measurement goals.
The electronic noise of a detector will generally have a minimum at some peaking time, the “noise corner.”
At peaking times shorter or longer than this, there is more noise and hence degraded resolution. If this
peaking time is long relative to the rate of incoming counts, then pulse pile-up will occur. In general, a
detector should be operated at a peaking time at the noise corner, or below the noise corner as necessary to
accommodate higher count rates.
If the risetime from the preamp is long compared with this peaking time, then the output pulses will be
distorted by ballistic deficit. In this case, the trapezoidal flat top can be extended to improve the spectrum.
The specific optimum timing characteristics will vary from one type of detector to the next and on the details
of a particular application, e.g. the incoming count rate. The user is encouraged to test the variation of
performance on these characteristics.
Fast Channel
The DPP’s “fast channel” is optimized to detect pulses which overlap in the “slow channel”. The fast
channel is used for pile-up reject logic (rejecting pulses which are so closely spaced that they cannot be
distinguished in the slow channel) and for determining the true incoming count rate (correcting for events lost
in the dead time of the slow channel). The fast channel also utilizes trapezoidal shaping, but the peaking
time is commendable to either 100 nsec or 400 nsec. The oscilloscope traces in Figure 8-14 show the
measured pulse shapes with a 100 nsec peaking time. As seen on the right, pulses which are separated by
only 120 nsec are separately counted in the fast channel.
Amptek Inc. Page 36 of 43

X-123SDD User Manual Rev A6
Figure 8-14. Oscilloscope traces showing operation of the DPP “fast channel”. The magenta trace at top
shows the ADC input, the light blue trace shows the fast channel shaped output, and the dark blue trace
shows the logic output which counts the fast channel events.
Baseline Restoration
The pulse height is implicitly measured relative to a baseline. Any random fluctuation or systematic
variation in the baseline, whether high frequency noise or a slow change, will degrade the pulse height
measurement. The baseline is often assumed to be “ground”, but this is a somewhat ambiguous notion,
since “ground” represents simply the reference for voltage measurements. If this baseline changes with
time, count rate, or anything else, then distortions are introduced into measurements. In pulse height
analysis, the spectrum will appear to shift, while in counting systems, the threshold will change. In practice,
the most common baseline shift occurs with count rate.
The peak of the “baseline” of a digital processor has some significant differences from traditional analog
shaping amplifiers. Because the DPP’s transfer function has a finite impulse response, after a pulse has
passed through the processing pipeline it has no impact on the output. This is fundamentally different from
an analog differentiator and results in vastly enhanced baseline stability at high count rates. However, unlike
analog shapers the DPP has to establish a DC baseline, at all count rates, and in practice some shifts with
count rate are observed.
The DPP has an asymmetric baseline restorer with several different settings. The DPP BLR uses the
negative peaks from random noise to determine the baseline. The negative-going noise peaks only occur in
the absence of a signal, so if these are stable, then the baseline is stable, independent of counts. The BLR
generally produces an offset comparable to the rms noise value. There are two independent parameters, UP
and DOWN, each of which can be set to four values: Very Slow, Slow, Medium, and Fast. These are
essentially slew rates in the baseline response. A setting of Very Fast for both UP and DOWN means that
the BLR will respond very rapidly to any measured variation in the baseline. It must be stressed that the
optimum setting depends strongly on the details of a particular application: the nature of the baseline drifts,
etc. If the peaks are found to shift to lower channels at high count rates, then increase the UP slew rate or
decrease the DOWN slew rate. If one observes occasional “bursts” in the system which cause the spectrum
to shift to higher channels (often manifesting as bursts of noise above the threshold), then decrease the UP
slow rate or increase the DOWN slew rate.
8.3.4 Pulse Selection
Thresholds
The DPP uses thresholds to identify pulses. Both fast and slow channels have their own independent
thresholds. Noise is usually higher in the fast channel, and it is best to set the thresholds just above the
noise, so they will be different in the two channels. The DPP uses the Slow Channel Threshold to identify
events that should be added to the stored spectrum. Events with an amplitude lower than the Slow Channel
Threshold are ignored – they do not contribute to the stored spectrum. The slow channel threshold is the
equivalent of a low-level discriminator (LLD).
The Fast Channel Threshold also functions as an LLD and is used for several functions. (1) The rate of
events over the fast threshold is the DPP’s measurement of the incoming count rate (ICR). (2) Pile-Up
Amptek Inc. Page 37 of 43

X-123SDD User Manual Rev A6
Rejection (PUR) logic identifies events which overlap in the slow channel but are separated in the fast
channel. (3) Rise Time Discrimination (RTD) uses the amplitude of the fast channel signal to measure the
current at the beginning of a pulse. PUR and RTD are discussed in more detail below.
Properly setting these thresholds is very important for getting the best performance from the DPP.
Under most circumstances, the thresholds should be set just above the noise, and the ADMCA software
includes an “AutoTune” function to set these. Improperly set thresholds are responsible for a large number
of problems reported by customers. If the fast channel threshold is too low, for example, and PUR is
enabled, then every event will be rejected and so there appears to be no signal. If the slow channel
threshold is too high, then it is also possible to reject all events.
Pile-Up Rejection
The goal of the pile-up reject (PUR) logic is to determine if two interactions occurred so close together in
time that they appear as a single output pulse with a distorted amplitude. The DPP PUR uses a “fast-slow”
system, in which the pulses are processed by a fast shaping channel in parallel with the slower main channel
(both channels are purely digital). Though similar in principle to the techniques of an analog shaper, the pile-
up reject circuitry and the dead time of the DPP differ in significant ways, resulting in much better
performance at high count rates. First, the symmetry of the shaped pulse permits the dead time and pile-up
interval to be much shorter. Second, there is no dead time associated with peak acquisition and digitization,
only that due to the pulse shaping.
Figure 8-15 illustrates the operation of the DPP for pulses that occur close in time. Figure 8-15 (a)
shows two events that are separated by less than the rise time of the shaped signal, while Figure 8-15 (b)
shows two pulses that are separated by slightly longer than the rise time. In (a), the output is the sum of the
two signals (note that the signal amplitude is larger than the individual events in (b)) and the events are said
to be piled up. However, note that the analog prefilter outputs in (a) are separate. For a nearly triangular
shape, pile-up only occurs if the two events are separated by less than the peaking time, in which case a
single peak is observed for the two events. The interval used by the DPP for both dead time and pile-up
rejection is the sum of risetime and the flat-top duration. If two events occur within this interval and pile-up
rejection is disabled, then the single, piled-up value is in the spectrum. If pile-up rejection is enabled and two
events are separated by more than the fast channel pulse pair resolution (120 nsec) and less than this
interval, both are rejected. Events that exceed a threshold in the fast channel trigger the pile-up reject logic.
(a) (b)
Figure 8-15. Oscilloscope traces illustrating the dead time and pile-up reject performance of the DPP
Reset Lockout
As discussed previously, many preamps use pulsed reset to prevent saturation of the preamp output.
The reset generates a very large signal in the DPP, causing its amplifiers to saturate, registers to overflow,
etc. The DPP therefore includes a reset detect circuit (which detects a very large, negative going pulse) and
logic to lock out signal processing for some time following the reset, to give time for everything to return to
stable values. The DPP permits the user to enable or disable reset (it should be disabled for preamps with
continuous feedback). The user can also select the time interval during which the signal is locked out. If the
interval chosen is too short, then there will be some distortion of the waveform (and thus spectrum) following
reset. At high count rates the reset pulses occur frequently, and if the interval chosen is too long, then a
significant dead time is observed.
Amptek Inc. Page 38 of 43

X-123SDD User Manual Rev A6
Risetime Discrimination
In some types of applications, it is important to separate pulses based on the duration of the transient
current through the detector, into the preamplifier. For example, in some Si diodes there is an undepleted
region with a weak electric field. A radiation interaction in this region will generate a signal current, but the
charge motion is slow through the undepleted region. These interactions in this region can lead to various
spectral distortions: background counts, shadow peaks, asymmetric peaks, etc. In CdTe diodes, the lifetime
of the carriers is so short that slow pulses exhibit a charge deficit, due to trapping. These lower amplitude
pulses distort the spectrum. In scintillators, pulse shape discrimination is sometime used to differentiate
gamma-rays and neutrons. This pulse shape discrimination can be implemented using the DP5’s RTD
function. Most Amptek detectors do not require or benefit from RTD but for some it is quite useful.
Risetime discrimination rejects from the spectrum events with a long detector current, which leads to a
slowly rising edge in the fast and slow shaped pulses. The DP5 implements RTD by comparing the peak
height in the fast channel (which samples the charge integrated in the first 100 nsec) to the peak height in
the slow channel (which samples the charge which is eventually integrated). If this ratio is sufficiently high,
the risetime was fast and thus the pulse is accepted. If this ratio is low, the pulse is rejected. Because the
fast channel is inherently much noisier than the slower shaped channel, an RTD threshold is also
implemented on the shaped channel. Events which fall below this threshold (the “RTD Slow Threshold”) are
not processed by the RTD and are thus accepted (unless otherwise rejected by Pileup Rejection or some
other criterion). Because RTD is most often needed on interactions deep in a detector, arising from high-
energy events, low-amplitude events are unlikely to benefit from RTD rejection. These fall below the RTD
Slow Threshold and are thus accepted.
Gate
The gate input is used with external circuitry to determine if events should be included or excluded from
the spectrum. The gate can be active high or active low (or disabled). If disabled, then this input is ignored
and all events (which meet the criteria above) are counted. If active high (low), then if the gate input is high
(low), the event is counted in the spectrum. When counts are gated off, the clock accumulation time counter
is also gated off so that an accurate count rate can be determined. The timing of this gate input is important.
If the gate input is active while the fast channel threshold is triggered, then the event is counted as a fast
count. If the gate input is active when the peak detect is triggered, then the event is counted as a slow count
and shows up in the spectrum. Note that the fast and slow channels are triggered at different times, since
they have different shaping times.
8.3.5 MCA, MCS, Counters, and SCAs
Multichannel Analyzer
The MultiChannel Analyzer (MCA) operates like a conventional MCA, except that the input is already
digitized. It detects the amplitude of the peak of the shaped pulse, using a digital peak detect circuit. If the
selection logic indicates that the pulse is valid, then it increments the value stored at a memory location
corresponding to the peak amplitude. The MCA supports 256, 512, 1024, 2048, 4096 or 8192 channels. The
DP5 uses 3 bytes per channel, which allows up to 16.7M counts per channel.
The MCA hardware in the DP5 can be started and stopped by commands over the serial bus. It can
also be preset to stop after a programmed acquisition time (with a minimum of 100 milliseconds) or after a
programmed number of counts has been measured within the SCA8 region of interest (see below).
Acquisition Time
The DPP measures the spectrum and counts during the “acquisition time”, which is also measured and
reported. The acquisition time is the real elapsed time during which data are being acquired. The
acquisition time clock is turned off during certain events, including data transfers over the serial bus and
including reset intervals. If a reset preamplifier is used, and the DP5 is configured for a certain reset time
period, then acquisition is shut down during the reset period and the acquisition clock is stopped. This
acquisition time is measured using a typical 50 ppm crystal oscillator so is quite accurate. The true count rate
should be computed using the actual acquisition time rather than the nominal data transfer time.
Data transfers occur based on an approximate real time clock in the host PC. For example, one might
configure ADMCA to acquire data from the DP5 every second. When the data transfer occurs, the
Amptek Inc. Page 39 of 43

X-123SDD User Manual Rev A6
acquisition time is shown and this will probably differ from the nominal “1 second”, due to the approximate
clock and also due to reset losses. (A typical value is 1.05 second.) At high count rates, a reset preamp
resets more often, and so there is less acquisition time per transfer. In this case, the acquisition time might
become 0.85 seconds. On the screen, this time is displayed along with the fast counts and the slow counts
during the same interval. The actual count rate is found by dividing the observed counts by the observed
acquisition time, 0.85 seconds for this example.
Dead Time
All nuclear spectroscopy systems exhibit a dead time associated with each radiation interaction.
Following any interaction, there will be a time period during which subsequent pulses cannot be detected and
will not contribute to the output counts. Because the timing of pulses is random, there is always some
probability that pulses will occur in these dead time intervals, and therefore the output count rate (Rout)
measured by a system is always lower than the input count rate (Rin). The measurement goal is to
determine the incident spectrum and count rate, which requires correcting for these losses.
The dead time characteristics of a digital processor differ considerably from those of more traditional
analog systems. This is discussed in some detail in an Amptek application note and a research publication.
Some key points are:
• The deadtime per pulse of a digital processor is lower than that of a comparable analog system.
There is no deadtime associated with acquiring the peak (this is termed simply the deadtime in an
analog MCA and often dominates system deadtime) and the deadtime per pulse is greatly reduced
due to the finite impulse response of the shaping.
• The best way to determine the incoming count rate is to directly measure it, using the DP5’s fast
channel. The accuracy and precision of this method are much better than that obtained using
livetime clocks, which are traditional for analog systems, under most circumstances.
• The ADMCA software estimates the DP5 deadtime by comparing the count rates in the fast and
slow channels. We recommend keeping this value below 50%. The DP5 operates at higher
deadtime losses and can yield very accurate results, but great care is required in configuring the
system and interpreting the count results.
Counters
The DPP has several counters which are started and stopped at the same time as the spectrum. This
includes the “fast channel counter”, which records all fast channel events which exceed the fast channel
threshold. Note that there is no upper limit, and that none of the pulse selection logic applies (this is gated
off during reset and data transfer). The slow channel counter records all events which are recorded in the
spectrum. Note that there is an upper limit: events exceeding the maximum pulse height channel are not in
the spectrum, hence not in the slow counts. The full pulse selection logic applies (PUR, RTD, etc).
An additional counter records those events rejected by PUR and RTD. This is generally not of direct
use but can be a “quality assurance” value by which one can verify system operation. The DP5 also includes
an external counter, an external TTL input to a counter which is started and stopped at the same time as the
other counters. This is useful if, for example, one has a second detector and the counts at the same time are
of interest.
Single Channel Analyzers
The DP5 contains eight single channel analyzers (SCAs). Each SCA has an upper and a lower
threshold. If an event occurs with a shaped output within the range defined by these thresholds, and is
accepted by PUR and the other pulse selection logic, then a logic pulse is generated and is output to the
AUX connector, where it can be connected to external hardware. These are commonly used when a user
needs to record count rates at a much higher time resolution than the 100 millisecond minimum for spectrum
acquisition and only needs the rates within a few energy bands. The upper and lower limits of the 8 SCAs
can be set independently in the software.
SCA8 serves a dual purpose – not only does it operate like the other SCAs, but it is also used to set the
Region-of-Interest (ROI) for the Preset Count mode of MCA operation. That is, when a Preset Count is
selected, the MCA will stop after the programmed number of counts occurs in the SCA8 ROI.
Amptek Inc. Page 40 of 43

X-123SDD User Manual Rev A6
Multichannel Scaler
The MultiChannel Scaler (MCS) produces spectral packets identical to those of the MCA, but they
represent very different data. The MCS is used to measure total counts versus time rather than amplitude.
Each “channel” in the spectrum represents a time interval. The MCS time base is commanded to a certain
value, e.g. 0.5 sec. The system records all the counts in SCA8 during the first 0.5 second, writes this total
into channel 1, records the counts in SCA8 during the second 0.5 second, writes this total into channel 2,
and so on. The histogram memory can be used in either MCS or MCA mode (it cannot record in both modes
simultaneously).
8.3.6 Electrical & Software Interfaces
There are three main elements to the electrical interface: communications, power, and auxiliary. The
communications interfaces are the primary means to control the DP5 inside of the X-123SDD and to acquire
the data. The DP5 supports USB, RS232, and Ethernet interfaces. With all three interfaces, commands are
issued to set the many configuration parameters. The unit sends three classes of data packets back to the
computer: status packets (which include the counter outputs), spectral data packets (which contain the MCA
output array), and oscilloscope packets.
The DP5’s software interface is very similar to that of the DP4 and PX4 and supports legacy software
written for the older products, with minor modification. The DP5’s configuration parameters are a superset of
those found in the PX4, which is a superset of those found in the DP4. To provide backward compatibility
with legacy software, the DP5 handles these three classes of parameters quite differently. The DP4 and
PX4 use the same configuration data packets; the DP4 simply ignores the additional parameters which
control options not available in the DP4 hardware. For backward compatibility, the DP5 recognizes the
configuration packets of either the DP4 or the PX4, operating in a “DP4 emulation mode” or a “PX4
emulation mode”. Since it needs all the parameters to operate properly, it reads the additional parameters
from nonvolatile memory. These must be set via a new data packet, after which legacy software may be
used, with minor modification.
Amptek’s ADMCA software provides the quickest way to control and readout the DP5. It provides
access to all of the configuration parameters in the DP5, lets one start and stop data acquisition, reads and
displays the data, performs very simple analyses, and saves the data in an ASCII format. The files saved by
ADMCA can be read by many spectral processing software packages.
Figure 8-16. Typical screen display for ADMCA. This shows the characteristic X-rays emitted by a stainless
steel alloy, excited by a 30 kVp X-ray tube and measured by an X-123SDD. The main window shows the
spectral display. The user has defined regions of interest (ROIs)around the main peaks (shown in gray).
The panel on the right displays counts, acquisition time, key parameters, and data regarding the selected
ROI. The toolbar along top contains a button to access the configuration parameters, along with other
frequently used functions.
Amptek Inc. Page 41 of 43

X-123SDD User Manual Rev A6
Along with ADMCA, Amptek provides a DLL library of the routines used to interface to the DPP. A user
can incorporate these into custom software. A demonstration program written in Visual Basic is provided.
Amptek also provides an “Upload Manager”, permitting new releases of the DP5s firmware and FPGA code
to be programmed into the DP5 in the field, using the RS232 interface.
The auxiliary interface provides logic inputs and outputs which are not needed for the normal operation
of the unit but which can be used for setup and debugging or for interfacing with external hardware. The
DP5 includes two auxiliary outputs which can be commanded to show any of several signals. These are
often displayed on an oscilloscope (along with the output of a DAC showing the signal processing in the
FPGA) for setup and debugging. The SCA outputs are generally counted directly.
8.4 UNDERSTANDING THE POWER SUPPLIES
Figure 8-17 is a block diagram of the power supplies in the X-123SDD. There are quite a few voltages
which must be produced. The DP5 itself requires several low voltages to operate the analog and digital
circuitry. The detector and preamplifier require low voltages for the analog circuitry, plus a high voltage
supply to bias the detector and supplies to operate the thermoelectric cooler. All of these are switching
regulators for maximum efficiency. All of the DP5’s supplies are located on the DP5 board itself, while the
detector and preamplifier supplies are located on the PC5 board. The supplies on both boards are under the
control of the DP5 microcontroller. The DP5 turns these supplies off and on and monitors the outputs via
ADCs. In the HV and TEC supplies, the set point is under the control of the DP5.
PC5 Control
HV Power
Supply
+9V
/SHDN
HV_SET
Polarity Flag
HV_MON
TEC Power
Supply
+9V
/SHDN
TEMP_SET
TEMP_MON
DIODE_CAL
PWR
Preamp LVPS
DAC
ADC
PC5 LVPS
3.3V
9V
PWR
/SHDN
PC5 Power Supply
+3.3V
Supply
+2.5, +1.2V
Supply
+/- 5.5V
Supply
DP5
Microcontroller
On/Off
DP5 LVPS
10 k
USB
PWR
PWR
Polarity is set
via jumpers
Set to +/-8.5V or
5V via jumpers
PWR
Enable PWR Ext PWR In
ADC
Enable
I
2
C
HV Bias
TEC +
TEC RET
LV +
LV -
Temperature
Figure 8-17. Block diagram of the power supplies in the X-123SDD.
Some key points of the overall architecture are as follows:
□ The input power is nominally +5 VDC (4 V to 5.5 V acceptable). In the X-123SDD, the input connector
is on the DP5. There is a fuse and reverse polarity protection, and then the input 5 VDC goes to the
inputs of all of the separate supplies, on both boards.
□ When the 5 VDC is plugged in, the 3.3V supply in the DP5 turns on and the digital circuitry is powered.
When the DP5 is configured, it then turns on its internal low voltage supplies and the DP5 is powered.
[The DP5 can be configured for this to happen automatically when power is applied.]
□ In the PC5, the first step is checking the polarity of the HV bias supply. This is negative for SDD and
positive for Amptek’s other detectors. The DP5 compares the polarity set in the PC5 hardware to that
selected in the DP5’s ”boot flags”. If these do not match, then the PC5 supplies will not turn on.
□ If the HV polarity in the PC5 hardware matches that of the software configuration, then the DP5 turns on
the PC5 supplies. The set point for the HV bias is software selectable up to 1500V. The set point for
the TEC supply is also software selectable. The temperature of the detector is measured by a diode in
the detector package, and is used to provide closed loop temperature control with a maximum
temperature differential of 85°C. The low voltage supplies for the preamp can be set to +/-5V or +/-
8.5V, via a jumper on the board. In the X-123SDD it is preset at the factory to +/-5V.
Amptek Inc. Page 42 of 43

X-123SDD User Manual Rev A6
The power dissipated will depend on many variables. The most important is the ΔT across the cooler.
Reducing ΔT by even a small amount from its maximum will decrease power dissipation significantly.
The X-123SDD typically draws 2.5 W (500 mA at 5 V).
Nominal switching frequencies are >1 MHz, except for the HV bias, which switches at 50 kHz.
9 APPLICATION NOTES
9.1 DO’S AND DON’TS
DO READ THE WARNINGS AND CAUTIONS IN SECTION 3. THE X-123SDD INCLUDES
MECHANICALLY DELICATE COMPONENTS AND HIGH VOLTAGES. Failure to follow the instructions
in Section 3 may cause personal injury or cause damage not covered by warranty.
□ Keeping the heat sink cool is critical to obtaining the best performance!
□ The thermoelectric cooler keeps the detector up to 85°C cooler than the heat sink, the stud at
the back of the AXR detector hybrid. To obtain the best performance, this stud must be kept as
cool as feasible: if this stud heats excessively, the detector will heat and performance is worse.
□ Avoid holding the X-123SDD in the hand. Heat from the body will increase the operating
temperature of the detector, degrading energy resolution. Keep it away from heat sources.
□ Mount the X-123SDD to a metal plate. This will increase the surface area and allow the detector
to run 4 to 6 degrees colder. A colder detector will result in better energy resolution. As a rule, if
the correct heat sinking has been provided, the X-123SDD should NOT be warm to the touch.
□ The gain and noise of the system depend on the temperature of the detector. For the best
stability, find the maximum ambient temperature at which the system will operate, go to full
cooling, and observe the temperature reached. Then set the temperature 5°C higher.
□ Grounding is critical to the best performance.
□ Amptek
strongly recommends using a single point ground for the system. Ground currents
flowing through multiple connections, through a lab bench, etc. often induce noise.
□ We have observed several laptops in which the charger introduced ground noise. In these
cases, better performance was found by (1) using a 3-prong to 2-prong adapter on the power
supply of any notebook computer and (2) making a separate ground connection from the chassis
of the X-123SDD. Note that the X-123SDD’s AC/DC supply is isolated.
□ Place the X-123SDD away from computer terminals, CRT monitors, and magnetic fields. It is
susceptible to radiated magnetic interference.
□ Other setup suggestions
□ The system is somewhat susceptible to acoustic pickup, especially at higher frequencies.
Minimize high frequency vibrations, either at the source or by mounting of the unit.
□ Configuration suggestions
□ The “fast” and “slow” thresholds have a significant impact on performance. After setting other
configuration options, reset the thresholds, either using the “Autotune” button or manually.
□ The baseline restoration setting can have a significant impact on performance. It stabilizes the
spectrum over count rate but also suppresses low frequency noise and interference. Tuning
BLR parameters can often improve or degrade resolution and spectral artifacts.
Amptek Inc. Page 43 of 43