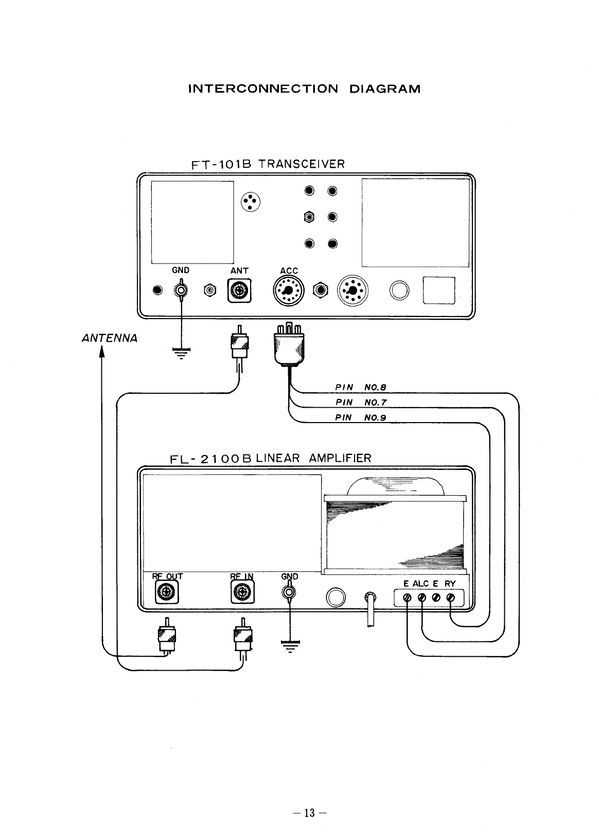
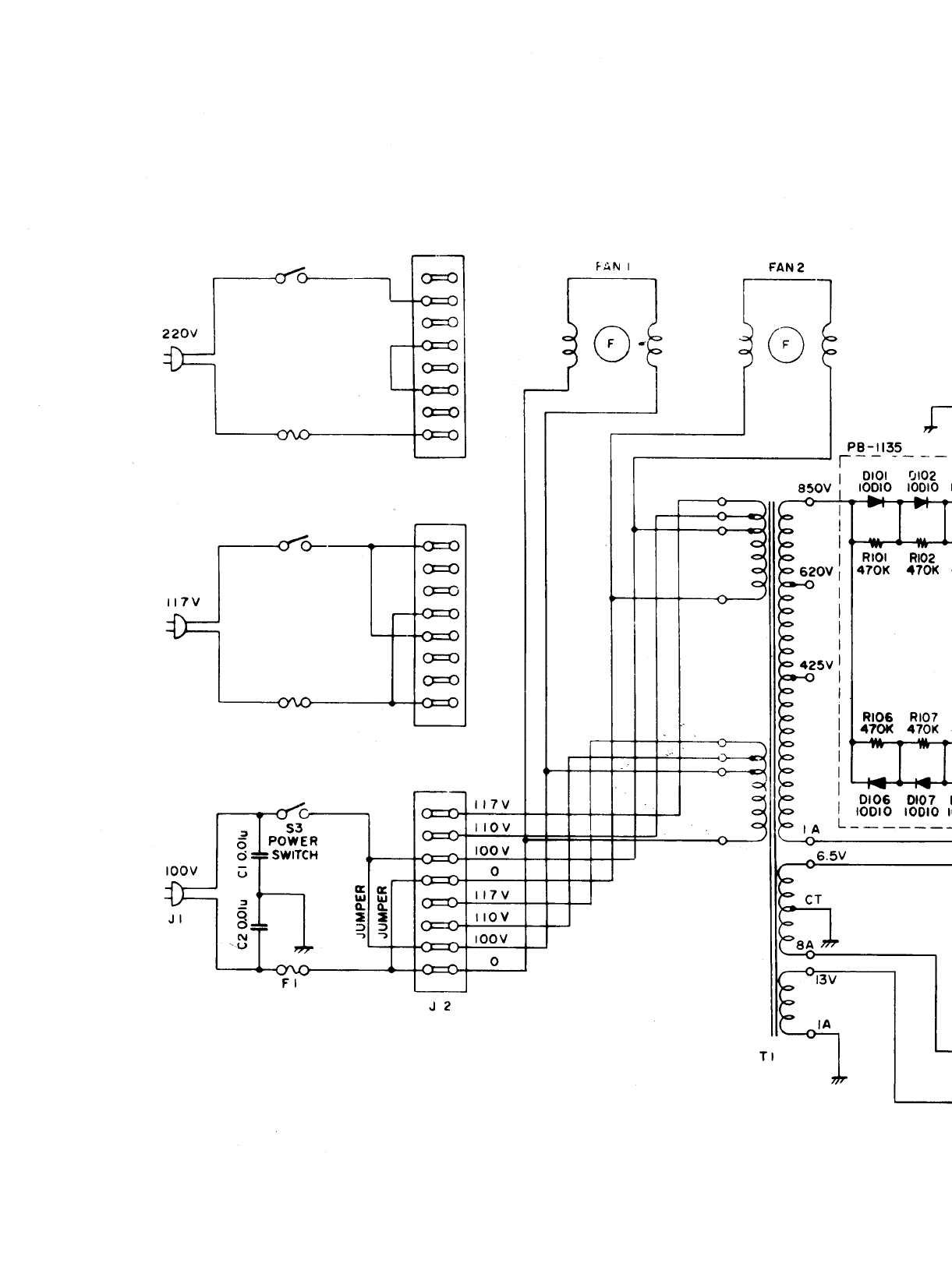
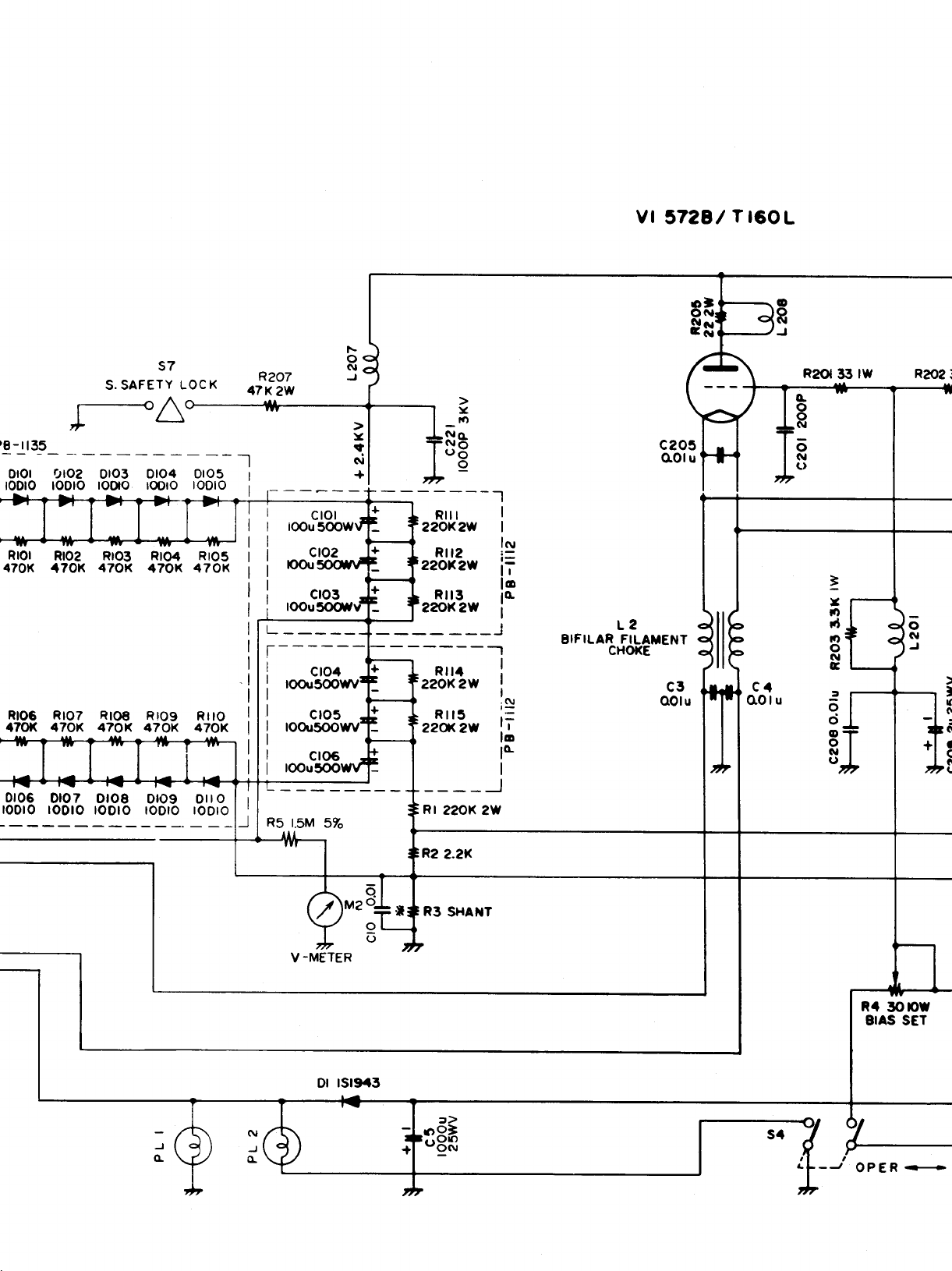
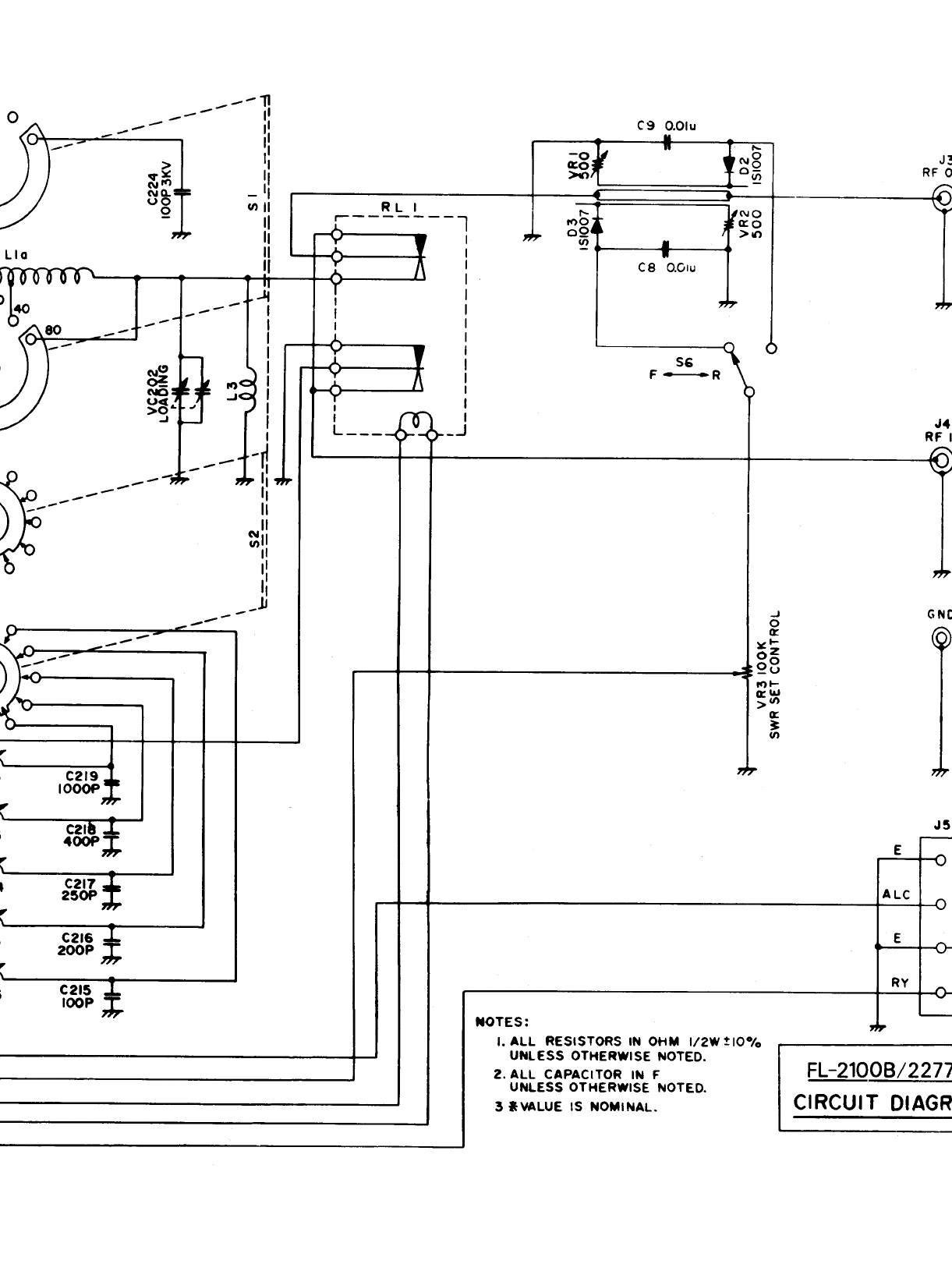
Instruction Manual YAESU FL 2100B Linear Amp User
User Manual: Pdf YAESU--FL-2100B-Linear-amp-User-Manual
Open the PDF directly: View PDF
.
Page Count: 36





























Svetlana Outline drawing
Characteristics
T
SVETLANA TECHNICAL DATA
Marketing & Engineering:
Headquarters:
www.svetlana.com
ELECTRON DEVICES
Svetlana
8200 South Memorial Parkway
Huntsville, AL 35802
USA
Phone: 205 882 1344
Fax: 205 880 8077
3000 Alpine Road
Portola Valley, CA 94028
USA
Phone: 415 233 0429
Fax: 415 233 0439
he Svetlana
™
572B is a high-mu power triode intended for use in class AB, class B
and class C RF and Audio amplifiers. The Svetlana 572B features a massive graphite
anode for high peak overload capability and a high average plate dissipation of 160
Watts. The Svetlana 572B also features a low loss ceramic base and a bonded-
ceramic plate cap thermal insulator for high power RF transmitting tube capability.
The Svetlana 572B has a superior getter system based on titanium adhered to the external
surface of the graphite anode. The titanium coating covers the entire anode area extended by
the inherent micro surface roughness of graphite. The Svetlana 572B envelope is fabricated
from hard glass intended specifically for the high-temperature operation of transmitting tubes.
The internal tube parts are supported by low loss ceramic insulators for high-temperature
operation and high voltage hold-off. The internal structure is well supported and is aligned with
respect to the base pins to avoid internal shorts in equipment designed for horizontal tube
mounting.
The Svetlana 572B may be used as a direct drop-in replacement in equipment designed for
the 811A, T160L or 572B.
Electrical
Filament: Thoriated-tungsten
Voltage (AC or DC) 6.3 V
±
0.3V
Current 4 A
Amplification factor (average) 170
Direct interelectrode capacitances:
Grid to plate 6.0pF
Grid to filament 5.9 pF
Plate to filament 0.8 pF
Maximum frequency for full ratings 30 MHz
Mechanical
Cooling Radiation and forced air
Base Ceramic, standard small four pin
Plate cap Standard medium cap 14 mm dia. with ceramic thermal insulation
Plate connector Svetlana PC-1A or equivalent
Socket Svetlana SK4A, Standard small, four contact
Operating position-Axis vertical, base down or horizontal w/ pins 1 and 4 in vertical plane
Nominal dimensions:
Diameter 45.7 mm (1.8 in.)
Base to plate cap 147.3 mm (5.8 in.)
Overall height 162.6 mm (6.4 in.)
Net weight 113 gm
Linear RF Power Amplifier, Class B Grounded Grid, Maximum ratings
ICAS*
DC plate voltage 2750 V
DC plate current 275 mA
Plate dissipation 160 W
DC Plate input 600 W
DC Grid current 50 mA
*Intermittant commercial and ameteur service
572B
High-Mu Power Triode
8/97
147.3 mm
162.6 mm
45.7 mm
NC P
23
14
G
F
Low loss
ceramic
base, small
four pin
Ceramic
thermal
insulation
Plate connection
standard medium cap,
14 mm Dia.
F
Notes:
The internal structure is aligned with
respect to the base pins to avoid
internal shorting problems in equip-
ment designed for horizontal tube
mounting.
Base pin connections,
bottom view

www.svetlana.com
ELECTRON DEVICES
Svetlana
Typical Operation, Grounded Grid Linear Amplifier
(frequencies to 30 MHz) ICAS**
DC plate voltage 2400 V
DC grid voltage -2 V
Zero-signal DC plate current ** 45 mA
Single-tone DC plate current 250 mA
Driving power 50 W
Single-tone useful output power ** 300 W
** Approximate value
Svetlana 572B
High-Mu Power Triode
Ec = 0
PLATE VOLTAGE (VOLTS)
CURRENT (MILLIAMPERES)
2400160012008000 28002000400
800
600
400
200
0
E
f
= 6.3 Volts
Plate Current
Grid Current
Svetlana 572B
Typical Performance Curves
+10
+20
+40
+60
+80
+100
+120
+120+100+80 +60 +40 +20 +10
Versions of the 572B designed for audio amplifier service are available.
Ask for SV572 Series data.
Mechanical Application
Mounting: The Svetlana 572B may be operated with its axis
vertical and the base down, or horizontally with pins 1 and 4 in
a vertical plane.

No.15
Amateur Radio
572B
TECHNICAL TOPICS
Article as first appeared in RadCom Magazine
(October 1996)
A letter from George Badger, W6TC, of Svetlana notes that the
Yaesu FL-2100 series of linears, using the 572B high-mu
high-power triode, has proved very popular in the UK. He points out
that the new Svetlana 572B has slightly higher gain than the
original. When fitted in the FL-2100, Fl-2100B, FL2100B and
FL2100F linears they sometimes oscillate in the standby mode
because, as Yaesu has confirmed, the cut-off bias is only slightly
higher than cut-off. If the amplifier 'takes off' as an unloaded TPTG
oscillator it can wreak havoc.
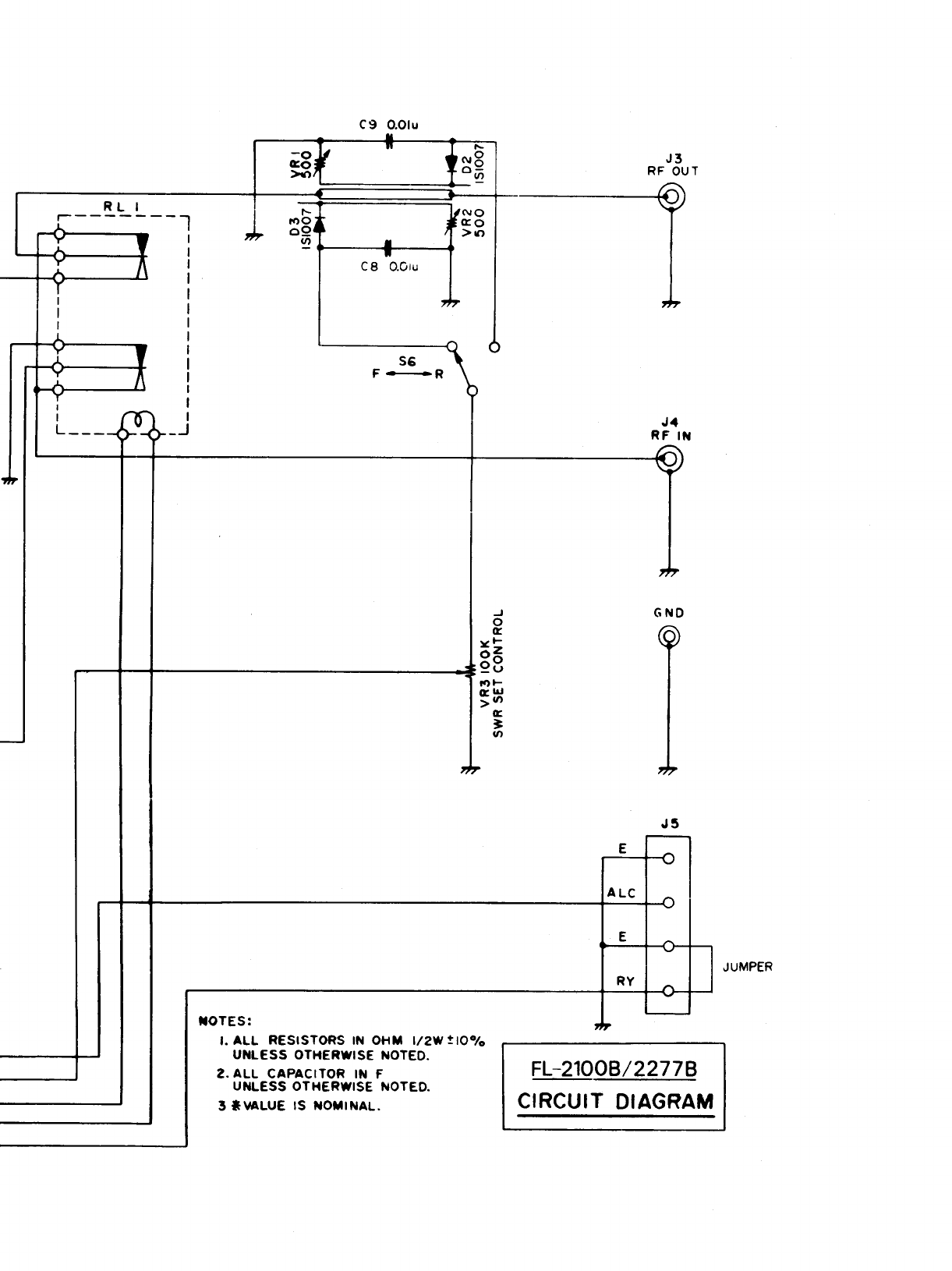
W6TC bought a used FL-2100B and modified the bias circuit: Fig 5
shows the original arrangement and Fig 6 the modification,
incorporating a voltage-doubler configuration to increase the
stand-by cut-off bias. After modification, the amplifier becomes
unconditionally stable when fitted with the higher-gain Svetlana
Technical Bulletin 15
file:///C|/WINDOWS/DESKTOP/Industrial Tubes/Technical Bulletin 15.htm (1 of 3) [10/7/2002 9:13:55 PM]

572B.
Fig 5: Stand-by bias arrangement as used in the Yaesu FL-2100B linear amplifier.
Fig6: How W6TC modified the stand-by bias in his FL-2100B to increase the bias voltage by using a
voltage-doubler arrangement in order to ensure unloaded stability when the higher-gain Svetlana 572B
valve is fitted.
The Heathkit SB-200 which uses a similar circuit has 100V cut-off bias and is
stable when fitted with the Svetlana 572B. This applies also to the new Yaesu
FL-2100Z.
The Svetlana 572B features a massive graphite anode for high peak overload
capability and an average anode dissipation of 160W. Typically, as a linear Class B
grounded-grip amplifier with 2.4kV HT and 50W drive, it can provide a
single-tone useful output power of about 300W. It can be used as a drop-in
replacement for the 811A to provide up-graded performance.
Technical Bulletin 15
file:///C|/WINDOWS/DESKTOP/Industrial Tubes/Technical Bulletin 15.htm (2 of 3) [10/7/2002 9:13:55 PM]

Svetlana Electron Devices, Inc (3000 Alpine Road, Portola Valley, CA 94028,
USA) can also supply a 4CX400A tetrode for linear amplifier service and also a
relatively inexpensive Svetlana SK2A ceramic socket for this valve. In the AB2
mode with 2.5kV EHT, it can produce over 600W PEP with low intermodulation
distortion. A pair can produce 1.2kW PEP or CW at up to 500MHz.
**The information provided in this application note is intended for general design guidance only. The user
assumes all responsibility for correct and safe usage of this information. Svetlana Electron Devices does
not guarantee the usefulness or marketability of products based on this material.
Back to Technical Bulletins Listing
Technical Bulletin 15
file:///C|/WINDOWS/DESKTOP/Industrial Tubes/Technical Bulletin 15.htm (3 of 3) [10/7/2002 9:13:55 PM]


