YAESU FT 847 Service Manual
User Manual: Pdf YAESU--FT-847-Service-Manual
Open the PDF directly: View PDF
.
Page Count: 32

"",,- YAESU
FT -847
HF & V /UHF Band Transceiver
Technical Supplement
VERTEX STANDARD CO., LTD.
4-8-8 Nakameguro, Meguro-Ku, Tokyo 153-8644, Japan
VERTEX STANDARD
us Headquarters
17210 Edwards Rd., Cerritos, CA 90703, U.S.A.
International Division
8350 N.W. 52nd Terrace, Suite 201, Miami, FL 33166. U.S.A.
.-C) Y AESU EUROPE B. V.
-,- P.o. Box 75525, 1118 ZN Schiphol, The Netherlands
Y AESU UK LTD.
-0 Unit 12, Sun Valley Business Park, Win nail Close
-"~ Winchester, Hampshire. S023 OLB, U.K.
Y AESU GERMANY GmbH
.'-'" Am Kronberger Hang 2, 0-65824 Schwalbach. Germany
VERTEX STANDARD HK LTD.
Unit 5. 20/F., Seaview Centre, 139-141 Hoi Bun Road,
Kwun Tong, Kowloon, Hong Kong
~~cc."" ---~~.._""~-, ,~~ "---

Contents
Introduction 1-1
Specifications 1-2
Chip Component Information 1-3
Mechanical Details (Exploded Views & Mechanical Parts) 2-1
Alignment 3-1
Block & Interconnection Diagrams 4-1
PCB Diagrams & Parts List
AF-CNTL Unit 5A-1
PLL Unit 5B-1
RF Unit 5C-1
V /U-P A Unit 5D-1
P A Unit 5E-1
DSP Unit 5F-1
Panel Unit 5G-1
SSB-Filter-l/ -2 Unit 5H-1
Phone-Jack Unit 5 I-I
Mic Unit 5 J -1
HPF Unit 5K-1
r~ ~ -
Cut out the label at the right, and place i.t behind the: FT -847
clear plastic window in the spine of a bInder. I Technical Supplement
L ~ -
,f;;~,-o-_,-

Introd uction
POWER CLMC)
05, !...!...1"' ;II' ,i" .~_.- ID 0'iiiii""""I0'" .-we TUNE
~ 'I !"W U 35snBnnn,'" lu5DnBnn 0O"OX ~'~=--.::: , .U .UUU bRDI '"'l ..:JU .UU C~ M[DPJ ~ YAESU "oce'RANsce'"",, FT-847 -"Te~- 808FT
'-J "" ---RF PWR An RF [ CD C!E:J @EBJ ~ I
j~~la:aO~ ~~~~8 00 Q-O~o~ ~~~~~ -"OF'LO"
c~N:oCH
0SOL -'#- :1110 AF -3- RF VO"E $~~~3~S~2 3 ~ -3- ~~ 0
~ Jr!J~~ jf~l0 T L ~~~De5
~ ~~~I[ 1~~[ a ~&~:&;cb t~~~?; 0 ~
This manual provides technical information covered by warranty. For the major circuit
necessary for servicing the Yaesu FT -847 HF & boards, each side of the board is identified byiV/UHF-Band
Transceiver. It does not include in- the type of the majority of components installed
formation on installation and operation, which on that side. In most cases one side has only chip
are described in the FT -847 Operating Manual components, and the other has either a mixture
provided with the transceiver, or on accessories of both chip and lead components (trimmers,
which are described in their manuals. coils, electrolytic capacitors, packaged ICs, etc.),
The FT -847 is carefully designed to allow the or lead components only.
knowledgeable operator to make nearly all ad- While we believe the technical information in
justments required for various station conditions, this manual is correct, Yaesu assumes no liabili-
modes and operator preferences simply from the ty for damage that may occur as a result of typo-
controls on the panels, without opening the case graphical or other errors that may be present.
of the transceiver. The FT -847 Operating Manu- Your cooperation in pointing out any inconsis-
al describes these adjustments, plus certain in- tencies in the technical information would be
ternal settings. appreciated. Yaesu Musen reserves the right to
Servicing this equipment requires expertise in make changes in this transceiver and the align-
handling surface mount chip components. At- ment procedures, in the interest of technological
tempts by unqualified persons to service this improvement, without notification of owners.
equipment may result in permanent damage not
1-1
FT -847 Technical SupplementI

": c,cc",::~'f:~~;~
Specifications
General
Frequency Range: Receive 100 kHz -30 MHz, 36 MHz -76 MHz, 108 MHz -174 MHz, 420 MHz -512 MHz
Transmit 160 -6 Meters, 2 Meters, 70 Centimeters (Amateur bands only)
5.1675 MHz (Alaska Emergency Channel)
Emission Modes: USB, LSB, CW, AM, FM Fl (9600 bps Packet), F2 (1200 bps Packet) AFSK
Synthesizer Steps (Min.): 0.1 Hz (CW, SSB), 10 Hz (AM, FM) ,
Antenna Impedance: 50-0., Unbalanced
Operating Temp. Range: -10 °C to +50 °C (14 of to 122 OF)
Frequency Stability: Better than:f:2 ppm (0 °C to +40 °C) SSB/CW / AM/ AFSK
Better than:f:5 ppm (-10 °C to +50 °C) SSB/CW / AM/ AFSK
Better than :f: 11 kHz :f: 5 ppm} FM
Power Requirements: DC 13.8 V = :f:l0 %, Negative Ground
Current Consumption: Receive: 1.5 A (Squelched), 2.0 A (Max. Audio)
Transmit: 22 A (@ 100 W RF output)
Case Size: 260 (W) x 86 (H) x 270 (D) mm (10.24" x 3.39" x 10.63")
Weight: Approximately 7 kg (14.4lbs.)
Transmitter
Power Output: 160 -6 m: 100 Watts (25 Watts AM carrier)
2 m/70 cm: 50 Watts (12.5 Watts AM carrier)
Modulation Types: SSB: Balanced Modulator
FM: Variable Reactance
AM: Early Stage (Low Level)
FM Maximum Deviation: :f:5 kHz (:f:2.5 kHz on FM-N)
Spurious Radiation: Harmonics: At least 40 dB down (1.8 -29.7 MHz)
At least 60 dB down (50/144/430 MHz)
Non-harmonic: At least 50 dB down (1.8 -29.7 MHz)
At least 60 dB down (50/144/430 MHz)
Carrier Suppression: At least 40 dB
Opp. Sideband Suppression: At least 40 dB
3rd-Order IMD: At least 31 dB down (14 MHz, 100 W PEP output)
SSB Frequency Response: 400 Hz -2600 Hz (-6 dB)
Microphone Impedance: 2000.- 10 ko. (Supplied microphone: 600 Q.)
Receiver
Sensitivity: SSB/CW AM-N FM
500 kHz -1.8 MHz: -20 JIV -
1.8-28MHz: 0.25JIV 2JIV -
28-30MHz: 0.25JIV 2JIV 0.5JIV
50 -54 MHz: 0.20 JIV 1 JIV 0.25 JIV
144/430 MHz: 0.125 JIV -0.2 JIV
(Above specifications are worst-case. SSB/CW/AM-N figures are for 10 dB SIN, 12 dB SIN AD on FM)
Squelch Sensitivity: SSB/CW/AM FM
500 kHz -1.8 MHz: 20 JIV -
1.8-28MHz: 2pV -
28 -30 MHz: 2 JIV 0.25 JIV
50 -54 MHz: 1 JIV 0.20 JIV
144/430 MHz: 0.5 JIV 0.16 JIV
Image Rejection: Better than 60 dB
IF Rejection: Better than 60 dB
Selectivity (-6/-60dB): SSB/CW: 2.2 kHz/4.5 kHz
CW-N: 0.5 kHz/2.0 kHz (Optional YF-115C installed)
AM: 9 kHz/20 kHz
AM-N: 2.2kHz/4.5kHz
FM: 15 kHz/30 kHz
FM-N: 9 kHz/20 kHz
Audio Output: At least 1.5 0. into 8 W @ 10 % THO
Audio output impedance: 40. -160.
Specifications are subject to change, in the interest of improvement, without notice or obligation.
Specifications are guaranteed only within Amateur bands.
1-2 FT -847 Technical Supplement

--
Chip Component Information
The diagrams below indicate some of the dis-
tinguishing features of common chip compo-
nents .
Capacitors
(Unit: mm)
~ L Type L W H
2125 2.0 1.25 0.35 ~ 0.5
~ 1608 1.6 0.8 0.65 ~ 0.95
H
T 1005 1.0 0.5 0.45 ~ 0.55
Tantalum Capacitors
w L (Unit: mm)
-L Type L W H
H P 2.0 1.25 1.2
+ T A 3.2 1.6 1.6
B 3.4 2.8 1.9
-C 5.8 3.2 2.3
Resistors
~ L Marking* 100, 222, 473...
-L 473
H
TTens Ones Multiplier
0 0 100
1 1 101
Indicated Letters 2 2 102
1 2 3 4 5 & , : , 0 .:: ~~
5 5 105
(Unit: mm) 6 6 106
Type L W H 7 7 107
1/10 2.0 1.25 0.5 8 8 108
9 9 109
1/16 1.6 0.8 0.45
1/165 1 0 0 5 035 Examples: l00==10Q
...222==2.2kQ 473==47kQ
1-3
FT -847 Technical Supplement

Chip Component Information
Replacfng Chip Components Precautions for Chip Replacement
Chip components are installed at the factory 0 Do not disconnect a chip forcefully, or the
by a series of robots. The first one places a small foil pattern may peel off the board.
spot of adhesive resin at the location where each 0 Never re-use a chip component. Dispose of
part is to be installed, and later robots handle all removed chip components immediate-
and place parts using vacuum suction. ly to avoid mixing with new parts.
For single sided boards, solder paste is applied 0 Limit soldering time to 3 seconds or less to
and the board is then baked to harden the resin avoid damaging the component and board.
and flow the solder. For double sided boards, no
solder paste is applied, but the board is baked Removing Chip Components
(or exposed to ultra-violet light) to cure the resin 0 Remove the solder at each joint, one joint at a
before dip soldering. time, using solder wick whetted with nona-
In our laboratories and service shops, small cidic fluxes as shown below. Avoid applying
quantities of chip components are mounted man- pressure, and do not attempt to remove tin-
ually by applying a spot of resin, placing the com- ning from the chip's electrode.
ponents with tweezers, and then soldering by
very small dual streams of hot air (without phys- , -
, ical contact during soldering). We remove parts ~-~ j by first removing solder using a vacuum suction ~
iron, which applies a light steady vacuum at the
iron tip, and then breaking the adhesive with
tweezers. 0 Grasp the chip on both sides with tweezers,
Special vacuum/ desoldering equipment is and gently twist the tweezers back and forth
recommended if you expect to do a lot of chip (to break the adhesive bond) while alternate-
replacements. Otherwise, it is usually possible ly heating each electrode. Be careful to avoid
to remove and replace chip components with peeling the foil traces from the board.
only a tapered, temperature-controlled solder- .Dispose of the chip when removed.
ing iron, a set of tweezers and braided copper 0 After removing the chip, use the copper braid
solder wick. Soldering iron temperature should and soldering iron to wick away any excess
be below 280°C (536°F). solder and smooth the land for installation of
the replacement part.
C'c 1-4 FT -847 Technical Supplement
f

-Chip Component Information
Installing a Replacement Chip
As the value of some chip components is not
indicated on the body of the chip, be careful to
get the right part for replacement.
0 Apply a small amount of solder to the land
on one side where the chip is to be installed.
Avoid too much solder, which may cause
bridging (shorting to other parts).
0 Hold the chip with tweezers in the desired
position, and apply the soldering iron with a
motion line as indicated by the arrow in the
diagram below. Do not apply heat for more
than 3 seconds.
0 Remove the tweezers and solder the electrode
on the other side in the manner just described.
1-5
FT -847 Technical Supplement

':,
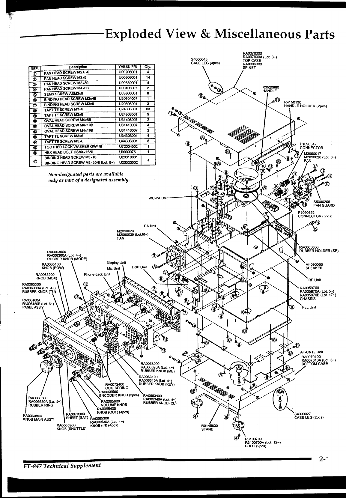
T -Exploded View & Miscellaneous Parts
RAOO70000
S4000045 RAOO7000A (Lot 3-)
TOPCA E
REI::: ___=~De~cription -~:~- Y~~- 9!¥-:-
-~ PAN HEAD SCREW M2.6x6 U00200iXI1 4
<2> PAN HEAD SCREWM3xB UOO3OBOO1 14
<3> PAN HEAD SCREW M3x30 UOO330001 4
@ PAN HEAD SCREW M4x6B U00406007 2
<5> SEMS SCREW ASM3x6 UO3300001 8
@ BINDING HEAD SCREWM2x4B U20104007 1
(1) BINDINGHEADSCREWM3x6 U20306001 3 @ R4150130
@ TAPTITE SCREW M3x6 U24306001 83 HANDLE HOLDER (2pcs)
@ TAPTITE SCREWM3xB U243OBOO1 9
<8 OVAL HEAD SCREW M4x6B U31406007 2
@ OVALHEADSCREWM4x1OB U31410007 4
@ OVAL HEAD SCREW M4x16B U31416007 2
@ TAPTITE SCREW M3x6 U34306001 4
@ TAPTITE SCREWM3x6 U44306001 8
@ TOOTHED LOCK WASHER OW4NI U72004002 1
@ HEX HEAD BOLT HSM4x16NI U9900076 1
BINDING HEAD SCREW M3x1B U20318001@ BINDING HEAD SCREW M3x2ONI (Lot 8-) U20320002 4 t B-)
Non-designated parts are available
only as part of a designated assembly. @
V/U-PA Unil
D
)
RAOO63000
RAOO6300A (Lot 4-) (SP)
RUBBER KNOB (MODE)
RA00651 00
KNOB (POW)
RA0065200
KNOB (MOX)
RA0063300
RA006330A (Lot 4-)
RUBBER KNOB (TU) )
17-)
~@
@ AF-GNTL Unit
"'" ./ RA0070100
RA0063200 ./" RAOO7010A (Lot. 3-)
RA006320A (Lot 4-) IS\ BOTTOM CASE
RUBBER KNOB (ME) ~
RA00631 00
RA006310A (Lot 4-)
RAOO72400 RUBBER KNOB (KEY)
COIL SPRING
RA0065500
ENCODER KNOB (2pcs) RAOO63400
RAOO65600 RAOO6340A (Lol. 4-)
VOLUME KNOB RUBBER KNOB (CL)
RA0065400
RAOO64800 RA0070300 KNOB (OUT) (4pcs)
KNOB MAIN ASS'Y SHEET (SAT) RAOO65300
RA006530A (Lol. 4-)
RAOO65900 KNOB (IN ) (4 pcs)KNOB (SHUTTLE)
R3100700
R3100700A (1.01. 12-)
FOOT (2pcs)
FT -847 Technical Supplement 2-1

'::~:;';;:~iii!L
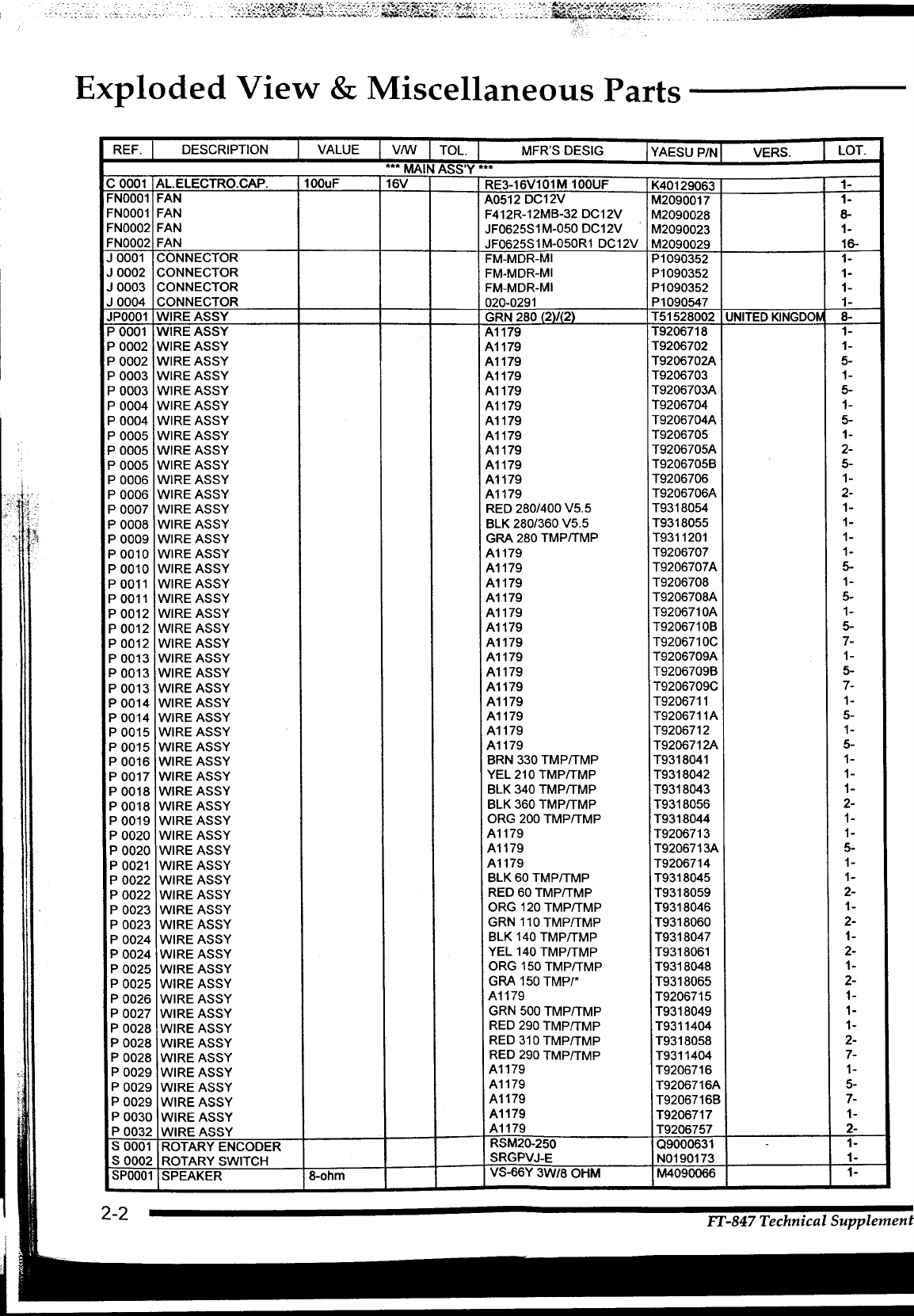
Exploded View & Miscellaneous Parts
REF. DESCRIPTION VALUE V/W TOL. MFR'S DESIG IYAESU PIN VERSo LOT.
""" MAIN ASS'Y """
C 0001 AL.ELECTRO.CAP. 100uF 16V RE3-16V101M 100UF K40129063 1-
FNOO01 FAN A0512 DC12V M2090017 1-
FNOO01 FAN F412R-12MB-32 DC12V M2090028 8-
FNOO02 FAN JF0625S1M-050 DC12V M2090023 1-
FNOO02 FAN JF0625S1M-050R1 DC12V M2090029 16-
J 0001 CONNECTOR FM-MDR-MI P1090352 1-
J 0002 CONNECTOR FM-MDR-MI P1090352 1-
J 0003 CONNECTOR FM-MDR-MI P1090352 1-
J 0004 CONNECTOR 020-0291 P1090547 1-
JPOO01 WIRE ASSY GRN 280 (2)1(2) T51528002 UNITED KINGDON 8-
POO01 WIREASSY A1179 T9206718 1-
P 0002 WIRE ASSY A1179 T9206702 1-
POO02 WIREASSY A1179 T9206702A 5-
P 0003 WIRE ASSY A1179 T9206703 1-
P 0003 WIRE ASSY A1179 T9206703A 5-
P 0004 WIREASSY A1179 T9206704 1-
P 0004 WIRE ASSY A1179 T9206704A 5-
POO05 WIREASSY A1179 T9206705 1-
POO05 WIREASSY A1179 T9206705A 2-
POO05 WIREASSY A1179 T9206705B 5-
P 0006 WIRE ASSY A1179 T9206706 1-
P 0006 WIRE ASSY A1179 T9206706A 2-
POO07 WIREASSY RED 280/400V5.5 T9318054 1-
P 0008 WIRE ASSY BLK 280/360 V5,5 T9318055 1-
P 0009 WIRE ASSY GRA 280 TMPITMP T9311201 1-
PO010 WIREASSY A1179 T9206707 1-
PO010 WIREASSY A1179 T9206707A 5-
PO011 WIREASSY A1179 T9206708 1-
PO011 WIREASSY A1179 T9206708A 5-
P 0012 WIRE ASSY A1179 T9206710A 1-
P 0012 WIRE ASSY A1179 T9206710B 5-
PO012 WIREASSY A1179 T9206710C 7-
PO013 WIREASSY A1179 T9206709A 1-
PO013 WIREASSY A1179 T9206709B 5-
P 0013 WIRE ASSY A1179 T9206709C 7-
PO014 WIREASSY A1179 T9206711 1-
PO014 WIREASSY A1179 T9206711A 5-
PO015 WIREASSY A1179 T9206712 1-
P 0015 WIRE ASSY A1179 T9206712A 5-
P 0016 WIRE ASSY BRN 330 TMPITMP T9318041 1-
P 0017 WIRE ASSY YEL 210 TMPITMP T9318042 1-
P 0018 WIRE ASSY BLK 340 TMPITMP T9318043 1-
P 0018 WIRE ASSY BLK 360 TMPITMP T9318056 2-
P 0019 WIRE ASSY ORG 200 TMPITMP T9318044 1-
PO020 WIREASSY A1179 T9206713 1-
PO020 WIREASSY A1179 T9206713A 5-
PO021 WIREASSY A1179 T9206714 1-
i PO022 WIREASSY BLK60TMPITMP T9318045 1-
J. P 0022 WIRE ASSY RED 60 TMPITMP T9318059 2-
i P 0023 WIRE ASSY ORG 120 TMPITMP T9318046 1-
I P 0023 WIREASSY GRN 110TMPITMP T9318060 2-
P 0024 WIRE ASSY BLK 140 TMPITMP T9318047 1-
P 0024 WIRE ASSY YEL 140 TMPITMP T9318061 2-
P 0025 WIRE ASSY ORG 150 TMPITMP T9318048 1-
P 0025 WIRE ASSY GRA 150 TMP/" T9318065 2-
PO026 WIREASSY A1179 T9206715 1-
P 0027 WIRE ASSY GRN 500 TMPITMP T9318049 1-
P 0028 WIRE ASSY RED 290 TMPITMP T9311404 1-
P 0028 WIRE ASSY RED 310 TMPITMP T9318058 2-
P 0028 WIRE ASSY RED 290 TMPITMP T9311404 7-
P 0029 WIRE ASSY A1179 T9206716 1-
PO029 WIREASSY A1179 T9206716A 5-
PO029 WIREASSY A1179 T9206716B 7-
P 0030 WIRE ASSY A1179 T9206717 1-
P 0032 WIRE ASSY A 1179 T9206757 2-
S 0001 ROTARY ENCODER RSM20-250 09000631. 1-
S 0002 ROTARY SWITCH SRGPVJ-E N0190173 1-
SPOOO1 SPEAKER 8-ohm VS-66Y 3W/8 OHM M4090066 1-
2-2 FT-847 Technical Supplement
i~_. --I'

_Alignment
Introduction and Precautions steps do not require all of the equipment listed,
The following procedures cover adjustments the interaction of some adjustments may require
that are not normally required once the trans- that more complex adjustments be performed af-
ceiver has left the factory. However, if damage terwards. Do not attempt to perform only a sin-
occurs and some parts subsequently are replaced, gle step unless it is clearly isolated electrically from
realignment may be required. If a sudden prob- all other steps. Rather, have all test equipment
lem occurs during normal operation, it is likely ready before beginning, and follow all of the steps
due to component failure; realignment should in a section in the order they are presented.
not be done until after the faulty component has Required Test Equipment
been replaced. 0 Digital DC Voltmeter (high-Z,1 MQ/V)
We recommend that servicing be performed 0 DC Ammeter
by authorized Yaesu service technicians, who are 0 RF Millivoltmeter
experienced with the circuitry and fully 0 AC Voltmeter
equipped for repair and alignment. If a fault is 0 RF St d d S.1 G /l'b d0 0 an ar Igna enerator w ca 1 rate
suspected, contact the sellIng dealer for mstruc- t t d dB 1 0 dB 0 5 Vou pu an sca e, p = .p
tions regarding repair. Authorized Yaesu service 0 AF so1 G .h l ob dIgna enerator wIt ca 1 rate output
technicians have the latest modification informa- 0FCrequency ounter
tion, and realign all circuits and make compete 0 T 50 QD L d (150wo -ummy oa s -250 watts)
performance checks to ensure compliance with 0 150-Q Dummy Load (150 watts)
the factory specifications after repairs. 0I L.W(150 2500 )n- me attmeter -watts, 5 -Q
Those who do undertake any of the following 0L. D tmear e ector
alignments are cautioned to proceed at their own 0RF Att (150 40 dB) 1. enuator watts, or samp mg
risk. Problems caused by unauthorized attempts 1coup er
at realignment are not covered by the warranty 0St A 1 d 1 Gpec rum na yzer goo to at east 1 Hz
policy. Also, Yaesu must reserve the right to
change circuits and alignment procedures in the Alignment Preparation & Precautions
: interest of improved performance, without noti- A 50-Q dummy load and in-line wattmeter
~
~ fying owners. Under no circumstances should must be connected to the antenna jack in all pro-
f' any alignment be attempted unless the normal cedures that call for transmission, except where
function and operation of the transceiver are specified otherwise. Correct alignment is not
clearly understood, the cause of the malfunction possible with an antenna. Except where speci-
has been clearly pinpointed and any faulty com- fied otherwise, the transceiver should be tuned
ponents replaced, and the need for realignment to 14.2000 MHz, USB mode, and these control~
determined to be absolutely necessary. set as indicated:
The following test equipment (and thorough 0 MaX, PROC/KEYER, MONt OFF
familiarity with its correct use) is necessary for 0 MIC & RF PWR fully CCW
complete realignment. Correction of problems 0 A TT, RF AMP, AGC-F, NB OFF
caused by misalignment resulting from unautho- 0 AF as required
rized adjustments made with improper test equip- 0 SQL fully CCW
ment is not covered by warranty. Although most 0 SHIFT 12-o'clock
3-1
FT -847 Technical Supplement
1-

,. ,
Alignment
0 LOW CUT fully CCW PLL Adjustments
0 HIGH CUT, RF GAIN fully CW HF-VCO VCVadjustment
The transceiver's Alignment Routine is re- 0 Connect the DC voltmeter to TP200l, and re-
quired for some procedures. If an Alignment ferring to table below, tune the transceiver to
Routine cannot be selected, power may have to each frequency, then confirm or adjust the list-
be switched off then back on to re-enable menu ed component for the required voltage.
selection. .HF VCO Adjustment
To begin, turn the transceIver off. Press the TAd ./C f.f.une to: Just on Irm or
UP, DWN and FAST keys on the mIcrophone to- 10.495 MHz adjust T2001 6.5V:t0.1V
gether while turning the transceiver on again. 0.100 MHz confirm at least 0.4V
In the alignment procedure, each alignment 21.995 MHz adjustT2002 6.5V:t0.1V
parameter is selected by rotating the SUB-TUNE 10.500 MHz confirm at least 0.4V
dial. The alignment is performed by pressing the 36.995 MHz adjust T2003 6.5V:t0.1V
MCK/W key while injecting a signal of the re- 22.000 MHz confirm at least 0.4V
.dfd 1 1 53.995 MHz adjust T2004 6.5V:t0.1V
quIre requencyan eve. .
37.000 MHz confIrm at least 0.4V
Pressing the MENU key after a setting is made 75.995 MHz adjust T2005 6.5V:t0.1V
stores the entry. To exit the alignment routine, 54.000MHz confirm atleastO.4V
press POWER. After performing the system align-
ment in its entirety, individual settings can be re- VHF- VCO VCV check!
i turned to and adjusted should the need arise. 0 Connect the DC voltmeter to TP2002, and re-
,I Read 'each step to determine if the same test ferring to table below, tune the transceiver to
"-'1 equipment used in the previous step will be re- each frequency, then confirm that the required
I quired. If not, remove the test equipment (except voltage is present.
! dummy load and wattmeter, if connected) be- VHF VCO check
fore proceeding. Correct alignment requires that Tune to: for
the ambient temperature be the same as that of 108.000 MHz at least 0.5V
the transceiver and test equipment, and that this 139.995 MHz less than 7.2V
temperature be held constant within 20 ~ 30°C 140.000 MHz at least 0.5V
(68 ~ 86°F). If the transceiver is brought into the 173.995 MHz less than 7.0V
I shop from hot or cold air, it should be allowed UHF-VCO VCV check
1 time for thermal equalization with the environ- 0 Connect the DC voltmeter to TP2003, and re-
j ment before alignment. Alignments must only ferring to table below, tune the transceiver to
j be made with oscillator shields and circuit.boards each frequency. Confirm that the required
i firmly affixed in place. Also, the test equIpment voltage is present.
must be thoroughly warmed up before begin-
.UHF VCO check
rung. ..Tune to: for
Note: Signal levels in dB referred to m alzgnment are 420.000 MHz at least 0.5V
based on 0 dB/l = 0.5 /lV. 459.995 MHz less than 7.0V
Table Note: DC voltages should be within ::t:l0 % of 460.000 MHz at least 0.5V
those listed in the voltage tables. 511.000 MHz less than 7.0V
3-2 FT -847 Technical Supplement

-Alignment
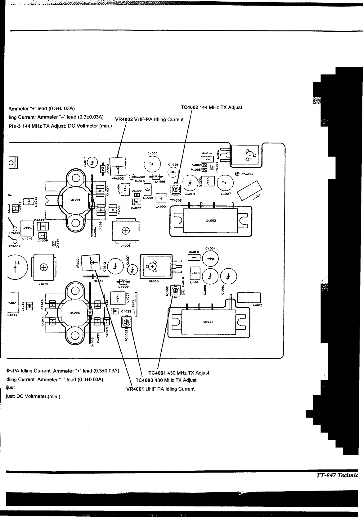
PA Unit Adjustments (HF) meter between J5001's pin 1 and chassis ground.
Pre-drive section Idling Current Adjustment 0 Key the transmitter, and with no microphone
a Connect the 50-.0. dummy load to the HF an- input, adjust TC5001 for minimum indication!
tenna jack, and remove the jumper connector on the DC voltmeter.
at J5006. Connect the ammeter to J5006 (pin 1 V/U-P A Unit Adjustments
"+" lead, pin 2 "-" lead). Tune the transceiver VHF-PA section Idling Current Adjustment
to 14.005 MHz, and select the CW mode. 0Tun th t .t 145 995 MH de e ranscelver o. z, an se-
a Press the MaX switch, and without closing the I t th CW d C t th 50 .0. dec e mo e. onnec e -ummy
"Key" line, adjust VR500l for 0.25 A (:to.025 I d t th 144MHz t .k R hoa 0 e an enna Jac. emove t e
A) on the ammeter. Then remove the amme- . b tw TP4001 d TP4002 dJumper e een an ,an con-
ter and reinstall the jumper connector at J5006. t th t b tw TP4001 ( " "
I d)nec e amme er e een -ea
Drive section Idling Current Adjustment and TP4002 ("+" lead).
0 Connect the 50-.0. dummy load to the HF an- 0 Press the Max switch, and without closing the
tenna jack, and remove the jumper connector Key line, adjust VR4002 for 0.3 A (:to.03 A) on
at J5007. Connect the ammeter to J5007 (pin 1 the ammeter. Then remove the ammeter and
"+" lead, pin 2 "-" lead). Tune the transceiver reinstall the jumper between TP4001 and
to 14.005 MHz, and select the CW mode. TP4002.
0 Press the MaX switch, and without closing the UHF PA t.Ldl 'CtAd 'tt-
-sec ton mg urren Jus men
"Key" line, adjust VR5002 for 1.5 A (:to.15 A) 0Tth t .t 439 995 MH dune e ranscelver o. z, an se-
on the ammeter. Then remove the ammeter
I t th CW d C t th 50 .0. dec e mo e. onnec e -ummy
and reinstall the jumper connector at J5007. I d t th 430MH t .kR thoa 0 e z an enna Jac. emove e
Final section Idling Current Adjustment jumper between TP4003 and TP4004, and con-
0 Connect the 50-.0. dummy load to the HF an- nect the ammeter between TP4003 ("-" lead)
tenna jack, and remove the jumper between and TP4004 ("+" lead).
.' TP500l and TP5002. Connect the ammeter be- 0 Press the MOX switch, and without closing the
t tween TP5001 ("+" lead) and TP5002 ("-" "Key" line, adjust VR4001 for 0.3 A (:to.03 A)
!. lead). Tune the transceiver to 14.005 MHz, and on the ammeter. Then remove the ammeter
select the CW mode. and reinstall the jumper between TP4003 and
0 :ress ,~h~ MaX ~witch, and without closing the TP4004. .-Key lIne, adjust VR5003 for 0.42 A (:to.025 TX dRX IF Ad .tan Jus ments
A) on the ammeter. Then remove the amme-
ter and reinstall the jumper between TP500l Reference Output Adjustment
and TP5002. 0 Connect the RF millivoltmeter to TP1002, and
adjust T10l0 and T1007 for maximum indica.
CM coupler balance tion on the RF millivoltmeter.
0 Tune the transceiver to the 50 MHz high band 0 Replace the RF millivoltmeter with the fre.
edge (different in each country), and connect quency counter, and adjust TC1001 for 45.25{
the 50-.0. dummy load to the 50MHz antenna MHz (:t10 Hz) on the frequency counter.
jack. Preset the RF PWR control fully clockwise 0 Remove the coaxial plug from J1002 and con
and select the PM mode. Connect the DC volt- nect the RF millivoltmeter across the socket
3-3
FT -847 Technical Supplement
I

Alignment
Adjust T1003 for maximum indication on the 0 Remove the RF millivoltmeter, and replace the
RF millivoltmeter. plug into J1002.
0 Remove the RF millivoltmeter, and replace the RX IF Sensitivity
Plu ginto J1002. .
R0 Preset the RF control fully clockwIse. emove
TX Local Adjustment the coaxial plug from J1001 and connect the
0 Connect the 50-,0 dummy load to the HF an- signal generator across the socket, and inject 0
tenna. jack and connect the DC voltmeter to dBm at 45.705 MHz (no modulation). Connect
TP1003. Select the CW mode. the DC voltmeter to TP1048.
0 Key the transmitter, and adjust T1009 for 3.0 0 Adjust T1005, T1008, T1015, and T1017 ~ T1019
V (:to.2 V) on the DC voltmeter. for minimum indication on the DC voltmeter.
0 Remove the signal generator, and replace the
TX DDS Adjustment
..plug into J1001.
0 Connect the RF ffilllIvoltmeter to TP1004, and
adjust T1020 for maximum indication on the Noise Blanker Adjustment
RF millivoltmeter. 0 Remove the coaxial plug from J1001 and con-
.nect the signal generator across the socket, and
RX DDS Adjustment .
connect the DC voltmeter to TP1049. Inject a
0 Connect the RF millivoltmeter to TP1005, and. I 705 MH ( d I t '
) tsIgna at 45. z no mo u a Ion so as 0
adjust T1021 for maximum indication on the
DC Iget a reading on the vo tmeter.
RF millivoltmeter. d T1006 f ... d. 0 Adjust T1004 an or mInImum In Ica-
FM IF Adjustment tion on the DC voltmeter. Increase the signal
0 Connect the 50-,0 dummy load to the HF an- generator level, if necessary, to maintain a use-
tenna jack and connect the RF millivoltmeter ful DC voltage indication.
to TP1005. Select the PM mode. 0 Remove the signal generator, and replace the
0 Key the transmitter, and adjustT1012 ~ T1014 for plug into J1001.
maximum indication on the RF millivoltmeter.
...TX and RX Adjustments
0 Replace the RF millivoltmeter wIth the fre- ...
quency counter. Key the transmitter, and ad- VHF RXIF SenSltlvlty
just T1016 for 45.580 MHz (:t100 Hz) on the 0 Connect the signal generator to the 144MHz
frequency counter. antenna jack, and connect the SINAD meter and
4-Q dummy load to the EXT SPKR jack. Tune
Carrier Frequency Adjustment the transceiver to 145.995 MHz, and select the
0 Remove the coaxial plug from J1003 and con- FM mode. Preset the RF control fully clockwise
nect the frequency counter across the socket. and the SQl control fully counter-clockwise.
Select the CW mode. 0 Inject a signal from the signal generator at
0 Key the transmitter, and adjust TC1002 for 145.995 MHz (:t3.5 kHz deviation of a 1 kHz
45.580 MHz (:t10 Hz) on the frequency counter. tone), adjust the level to get a moderate SINAD
0 Replace the frequency counter with the RF mil- reading on the meter, and adjust T3006, T3012,
livoltmeter, and key the transmitter, and ad- T3014, T30l7, T3027, T3029, and T3031 for op-
just T1002 for maximum indication on the RF timum SINAD.
millivoltmeter.
3-4 FT -847 Technical Supplement

Alignment
0 Connect the DC voltmeter to TP1048 and chas- 0 Select the FM mode. Key the transmitter, and
sis ground, and select the CW mode. adjust VR3003 for 50 Won the inline wattmeter.
0 Inject a signal at 145.995 MHz so as to get a 430 MHz TX Adjustment
reading on the DC voltmeter, and adjustT3006, 0 W.th th .1.tt t d 50 .Q d1 e m me wa me er an -ummy
T3012, T3014, T3017, and T3031 for minimum 1 d t d t th 430MH t .
koa connec e 0 e z an enna Jac ,
indication on the DC voltmeter. t th AF t t th MIC .k ( .
connec e genera or 0 e Jac pm
0 Now inject a signal at 129.995 MHz, and tune 8.. t . 7d) T th tr .
: ffilC mpu , pm : groun .une e anscelV-
the transceiver to 129.995 MHz. Adjust T3007, er to 439.995 MHz, and select the USB mode.
T3011, T3015, and T3018 for minimum indica- 0 Inject a 1 kHz tone at 3 m V level to the MIC jack.
tion on the DC voltmeter. Key the transmitter, and adjust TC3001, TC3003,
50 MHz RX IF Sensitivity and TC3004 in succession several times for max-
0 Connect the signal generator to the 50MHz imum indication on the inline wattmeter.
antenna jack, and connect the DC voltmeter 0 Select the FM mode. Key the transmitter, and
between TP1048 and chassis ground. Tune the adjust TC4001, TC4003, and TC4005 in succes-
transceiver to 50.295 MHz, and select the CW sion several times for maximum indication on
mode. Preset the RF control fully clockwise the inline wattmeter.
and the SQL control fully counter-clockwise. 0 Connect the DC voltmeter between pin 3 of
0 Inject a signal at 50.295 MHz so as to get de- J4007 and chassis ground.
~ flection on the DC voltmeter, and adjustT3019, 0 Key the transmitter, and adjust TC4004 for
f T3021, T3025, and T3028 for minimum indica- minimum indication on the DC voltmeter.
I tion on the DC voltmeter. 0 Still in the FM mode, key the transmitter, and
..
,
!144MH TX Ad .t t adjust VR3002 for 50 W on the inline wattmeter.
f z Jus men
I 0 With the inline wattmeter and 50-.Q dummy 50 MHz TX Adjustment
,
load connected to the 144MHz antenna jack, 0 With the inline wattmeter and 50-.Q dummy
connect the AF generator to the MIC jack (pin load connected to the 50MHz antenna jack,
8: mic input, pin 7: ground). Tune the transceiv- connect the AF generator to the MIC jack. Tune
er to 145.995 MHz, and select the USB mode. the transceiver to 50.295 MHz, and select the
0 Inject a 1 kHz tone at 3 m V level to the MIC USB mode.
jack. Key the transmitter, and adjustT1002 on 0 Inject a signal from the AF generator at 1 kHzl
the AF-CNTL Unit and T3005, T3008, and tone. Key the transmitter, adjust the audio lev-
T3010 on the RF Unit in succession several el so as to produce power output that can be
times for maximum indication on the inline read on the external wattmeter, and then ad-
wattmeter. just T3003, T3009, T3013, and T3016 in succes-
0 Select the FM mode. Key the transmitter, and sion several times for maximum indication on
adjust TC4002 for maximum indication on the the external wattmeter.
inline wattmeter. 0 Tune the transceiver to 50.295 MHz (for French
0 Connect the DC voltmeter between pin 3 of version) or 51.995 MHz (for other versions),
J4007 and chassis ground. Key the transmit- and select the FM mode. Key the transmitter,
ter, and adjust VR4004 for minimum indica- and adjust VR3004 for 100 W on the external
tion on the DC voltmeter. wattmeter.
3-5I
-fT-847T..hni.al Supp/.m.nt

""'-':":::Y1~~.J[:tc-
Alignm en t
HF TX Adjustment ..
...mg IS less than 4.0 A below that measured in
0 WIth the mllne wattmeter and 50-0 dummy the previous step, adjust VR3009 for a read-
load connected to the HF antenna J"ack tune in g 4 0 A (+0 2 A) 1 th h f h .
, .-.ower an t at 0 t e prevI-
the transceiver to 3.505 MHz, and select the ous step.
FM mode.
0 Key the transmitter, and adjust VR3006 for 100 TX and RX Adjustments
Won the inline wattmeter. (Alignment Menu Adjustments)
0 Tune the transceiver to 1.830 MHz, and select 144 MHz Band FM-S1 Adjustment
the PM mode. Key the transmitter, and adjust 0 Connect ~he signal generator to the 144MHz
VR3005 for 100 W on the inline wattmeter. antenna Jack, and tune the transceiver to
AFP d .145.995 MHz. Select the PM mode.
a Justment .
0 Select alIgnment menu [FM-S1] and inject a
0 Preset VR3007, VR3008, and VR3009 full y-6 dB .1( 3 5 kH d ..'
" p sIgna :t. Z evIahon of a 1 kHz
clockwIse, and connect the ammeter between tone). Then press the MCK/W key
the transceiver's 13.8VDC connector and the .
! DC power supply. 144 MHz Band FM-Full Scale Adjustment
: 0 Tune the transceiver to 145.995 MHz and se- 0 Connect the signal generator to the 144M Hz
lect the CW mode (with no connection to the antenna jack, and tune the transceiver to
144MHz antenna jack). Key the transmitter, 145.995 MHz. Select the PM mode.
and adjust VR1001 for 8.0 A (:to. 1 A) on the 0 Select alignment menu [FM-FULL], and inject
ammeter. a +20.0 dBp signal (:t3.5 kHz deviation of a 1
0 Tune the transceiver to 439.995 MHz and se- kHz tone). Then press the MCK/W key.
lect the CW mode (with no connection to the 144 MHz Band Scan Discriminator
430MHz antenna jack). Key the transmitter, Center-Stop Adjustment
and confirm the current on the ammeter. If 0 Connect the signal generator to the 144MHz
over 8.0 A on the ammeter, adjust VR1001 for antenna jack, and tune the transceiver to
8.0 A (:to. 1 A) on the ammeter. If under 8.0 A 145.995 MHz. Select the PM mode.
on the ammeter, adjust VR3007 for 8.0 A (:to. 1 0 Select alignment menu [DISC-L], and inject a
A) on the ammeter. signal at 145.992 MHz, level +20.0 dBp (:t3.5
0 Connect the 50-0 dummy load to the HF an- kHz deviation of a 1 kHz tone). Then press the
tenna jack. Tune the transceiver to 14.005 MHz MCK/W key.
and select the CW mode. Key the transmitter, 0 Select alignment menu [DISC-H], and inject a
and make a note of the current on the ammeter. signal at 145.998 MHz, level +20.0 dBp (:t3.5
0 Disconnect the 50-0 dummy load and connect kHz deviation of a 1 kHz tone). Then press the
the 150-0 dummy load (or three 50-0 loads in MCK/W key.
parallel) to the HF antenna jack. Key the trans- 144 MHz Band SQL Threshold Adjustment
mitter, and compare the current with the above 0 Tune the transceiver to 145.995 MHz, and the
step. If the ammeter reading is more than 4.0 select the PM mode.
A lower than that measured in the previous 0 Select alignment menu [SQL- TH-L], and in-
step, adjust VR1001 for 4.0 A (:to.2 A) lower ject no RF input. Then press the MCK/W key.
than the previous step. If the ammeter read- 0 Press the A~B key ([SQL- TH-H] will appear
3-6 FT -847 Technical Supplement

~Alignment
on the display), and apply no RF input. Then 0 Select alignment menu [RX-GAIN], and select
press the MCK/W key. the USB mode. Inject a signal of level-6 dBp
44 MHz Band SQL Tight Adjustment (no modulation), and adjust the MEMNFO CH
~ Connect the signal generator to the 144MHz control for just 1 segment indication on the S-
..meter. Then press the MCK/W keyantenna Jack, and tune the transceIver to .~
145.995 MHz. Select the FM mode. 430 MHz Band RX Gain Adjustment .
CJ Select alignment menu [SQL- TI-L], and inject 0 Connect the signal generator to the 430MHz
a signal at 145.995 MHz, level 0 dBp (::t3.5 kHz antenna jack, and tune the transceiver to
deviation of a 1 kHz tone). Then press the 439.995 MHz.
MCKIW key. 0 Select alignment menu [RX-GAIN], and select
CJ Press the A~B key ([SQL- TI-H] display), and the USB mode. Inject a signal of level-6 dBp
inject a signal at 145.995 MHz, level 0 dBp (::t3.5 (no modulation), and adjust the MEMNFO CH
kHz deviation of a 1 kHz tone). Then press the control for just 1 segment indication on the S-
MC KIW key. meter. If the hexadecimal data on the transceiv-
144 MHz Band SSB-S1 Adjustment er's display is less than "40H", turn the MEMI
0 Select alignment menu [SSB-S1], and tune the VFO CH control for just "40H" indication on
transceiver to 145.995 MHz. Select the USB the display. Then press the MCK/W key.
mode, preset the RF control to the 2-0' clock 50 MHz Band RX Gain Adjustment -
position, and inject no RF input. Then press 0 Connect the signal generator to the 50MHz
the MCK/W key. antenna jack, and tune the transceiver to 51.995
144 MHz Band SSB-S9 Adjustment MHz (for verso A, C, D, H) or 50.295 MHz (for
0 Connect the signal generator to the 144MHz verso B, ~).
t.k d t th t . t o Select alIgnment menu [RX-GAIN], and select
an enna Jac , an une e ransceiver 0
145.995 MHz. the CW mode. Inject a signal of level-3 dBp
0 Select alignment menu [SSB-S9], select the (no modulation), and adjust the MEMNFO CH
USB mode, and preset the RF control fully control for just 1 segment indication on the S-
1 k .I.t.1 fl 1+25dB (meter. Then press the MCK/Wkey.
c oc WIse. nJec a sIgna 0 eve p no .
~ modulation), then press the MCK/W key. HF Band RX Gain Adjustment
~ 144 MHz Band SSB-Full Scale Adjustment 0 Connect the signal generator to the HF anten-
0 C t th .1t t th 144MH na jack, and tune the transceiver and RF sig-
onnec e sIgna genera or 0 e z
..nal generator to 28.995 MHz.
antenna Jack, and tune the transceIver to .
145.995 MHz. Select alignment menu [SSB- 0 Select alignment menu [RX-GAIN], and select
FULL] d .. t.1 f 11+85 dB (the USB mode. Inject a signal of level 0 dBp
, an ffiJec a sIgna 0 eve p no
d 1 t.)Th th MCK/W k (no modulation), and adjust the MEMNFO CH
mo u a Ion. en press e ey. control for just 1 segment indication on the S-
144 MHz Band RX Gain Adjustment meter. Then press the MCK/W key.
0 Connect the signal generator to the 144MHz 0 Tune the transceiver and RF signal generator
antenna jack, and tune the transceiver to to 14.005 MHz, and select the USB mode. In-
145.995 MHz. ject a signal of level 0 dBp (no modulation),
3-7 IFT -847 Technical Supplement
I

Alignment
and adjust the MEMNFO CH control for just 1 HF Band PO Meter Adjustment
segment indication on the S-meter. Then press 0 Connect the 50-.0; dummy load to the HF an-
the MCK/W key. tenna jack. Tune the transceiver to 14.005 MHz,
0 Tune the transceiver and RF signal generator and select the PM mode.
to 3.505 MHz, and select the USB mode. Inject 0 Select alignment menu [PWR-1 00]. Key the
a signal of level +3 dBp (no modulation), and transmitter, and adjust the RF PWR control
adjust the MEMNFO CH control for just 1 seg- for 100 W indication on the external wattme-
mentindication on the S-meter. Then press the ter. Then press the MCK/W key.
MCK/W key. 0 Select alignment menu [PWR-50]. Key the
SHIFT Control Center Preset transmitter, and adjust the RF PWR control
P h SHIFT 1 th 12 ' 1 kfor 50 W indication on the external wattme-
0 reset t e contro to e -0 c oc po-
.. Sel t 1.t [SFT CTR] d ter. Then press the MCK/W key.
sition. ec a Ignmen menu -, an
h MCK/W k Aft th O t o Select alignment menu [PWR-20]. Key the
press t e ey. er 1S prese proce-
d d h SHIFT t I I rj." 0 transmitter, and adjust the RF PWR control
ure, 0 not turn t e con ro. J you aCC1-
for 20 W indication on the external wattme-
dentally turn it, repeat the above procedure for pre-
.hSHIFT tIter. Then press the MCK/W key.
sethng t e con ro . 0 Select alignment menu [PWR-10]. Key the
RX SSB Carrier Point Adjustment transmitter, and adjust RF PWR control for
0 Tune the transceiver to 145.995 MHz. Select 10 W indication on the external wattmeter.
alignment menu [RXC-PNT], and inject no RF Then press the MCK/W key.
input. Ad . ..1.9 MHz Band PO Meter Justment
0 Adjust the MEMNFO CH control for Identical
h HF.0 Connect the 50-.0; dummy load to t e an-
"sound" of the noise from the speaker whIle
.. USB d LSB Th tenna jack. Tune the transceiver to 1.910 MHz
swItchIng between an .en press
CK/W k (for verso A, H), 1.850 MHz (for verso B, C, D)
the M ey.
or 1.840 MHz (for verso E), and select the CW
TX SSB Carrier Point Adjustment mode.
0 Connect the 50-.0; dummy load to the 144MHz 0 Select alignment menu [PWR-1 00]. Key the
antenna jack, and connect the ammeter be- transmitter, and adjust the RF PWR control
tween the transceiver's 13.8VDC connector for 100 W indication on the external wattme-
and DC power supply. Tune the transceiver ter. Then press the MCK/W key.
to 145.995 MHz, and select alignment menu 0 Select alignment menu [PWR-50]. Key the
[TXC-USB]. transmitter, and adjust the RF PWR control
0 Set "regular" Menu #92 and #93 to "0" if they for 50 W indication on the external wattme-
are not already set to that value. ter. Then press the MCK/W key.
0 Key the transmitter, and adjust the MEMNFO 0 Select alignment menu [PWR-20]. Key the
CH control for minimum indication on the transmitter, and adjust the RF PWR control
ammeter. for 20 W indication on the external wattme- ;
,I 0 Select alignment menu [TXC-LSB]. Key the ter. Then press the MCK/W key.
Ii
i transmitter, and adjust the MEMNFO CH con- 0 Select alignment menu [PWR-10]. Key the
c,i" trol for minimum indication on the ammeter. transmitter, and adjust the RF PWR control
:
1;/ r j.
: :~ 3-8 FT -847 Technical Supplement
[. ,..
,jl:

-Alignment
for 10 W indication on the external wattme- for 10 W indication on the external wattme-
ter. Then press the MCK/W key. ter. Then press the MCK/W key.
50 MHz Band PO Meter Adjustment ALC Meter Adjustment
0 Connect the 50-.0. dummy load to the 50MHz 0 With the inline wattmeter and 50-.0. dummy
antenna jack. Tune the transceiver to 51.995 load connected to the 144MHz antenna jack,
MHz (for verso A, C, D, H) or 50.295 MHz (for connect the AF generator to the MIC jack. Tune
verso B, E), and select the CW mode. the transceiver to 145.005 MHz, and select the
0 Select alignment menu [PWR-1 00]. Key the USB mode.
transmitter, and adjust the RF PWR control 0 Select alignment menu [ALC-1] and inject no
for 100 W indication on the external wattme- microphone input. Key the transmitter, then
ter. Then press MCK/W key. press the MCK/W key. Now adjust the MEMI
0 Select alignment menu [PWR-50]. Key the VFO CH control for a (hexadecimal data) "+4"
transmitter, and adjust the RF PWR control indication on the display.
for 50 W indication on the external wattme- 0 Select alignment menu [ALC-9] and inject a 1
ter. Then press the MCK/W key. kHz tone signal of level 3 m V to the MIC jack.
0 Select alignment menu [PWR-20]. Key the Key the transmitter, and adjust the MIC con-
transmitter, and adjust the RF PWR control trol for just 1 segment indication on the ALC
for 20 W indication on the external wattme- meter.
ter. Then press the MCK/W key. 0 Without touching the setting of the MIC con-
0 Select alignment menu [PWR-10]. Key the trol, inject a 1 kHz tone at 10 mV to the MIC
transmitter, and adjust the RF PWR control jack. Then press the MCK/W key.
for 10 W indication on the external wattme- 144MH B d TXAd '
z an Justment
ter. Then press the MCK/W key. W.hh.1.
0 It t e m me wattmeter and 50-.0. dummy
144/430 MHz Band PO Meter Adjustment load connected to the 144M Hz antenna jack,
0 Connect the 50-.0. dummy load to the 144MHz connect the AF generator to the MIC jack (pin
antenna jack. Tune .the transceiver to 145.995 8: mic input, pin 7: ground). Tune the trans-
MHz, and select the PM mode. ceiver to 145.995 MHz, and select the USB
0 Select alignment menu [PWR-1 00]. Rotate the mode. Preset the MIC control to the I-o'clock
MEMNFO CH control to select the (hexadeci- position.
mal data) value of "FF". 0 Select alignment menu [TX-GAIN] and inject a
0 Select alignment menu [PWR-50]. Key the 1 kHz tone at 1 mV level to the MIC jack. Key
transmitter, and adjust the RF PWR control the transmitter, and adjust the MEMNFO CH
for 50 W indication on the external wattme- control for 25 Won the external wattmeter. If
ter. Then press the MCK/W key. the hexadecimal data on the transceiver's dis-
0 Select alignment menu [PWR-20]. Key the play is less than "8FH", turn the MEMNFO CH
transmitter, and adjust the RF PWR control control for just "8FH" indication on the display.
for 20 W indication on the external wattme- 430 MHz Band TX Adjustment
ter. Then press the MCK/W key. 0 W 'th th .1.tt t d50 .0.d.1 e m me wa me er an -ummy
0 Select alIgnment menu [PWR-10]. Key the 1 d t d t th 430MH t .
koa connec e 0 e z an enna Jac ,
transmitter, and adjust the RF PWR control
3-9
FT -847 Technical Supplement

~
Alignment
connect the AF generator to the MIC jack (pin hexadecimal data on the transceiver's display
8: mic input, pin 7: ground). Tune the trans- is less than "8FH", turn the MEMNFO CH con-
ceiver to 439.995 MHz, and select the USB trol for just "8FH" indication on the display.
mode. Preset the MIC control to the I-o'clock 0 Tune the transceiver to 14.005 MHz and inject
position. 1 mV at 1 kHz tone to the MIC jack. Key the
0 Select alignment menu [TX-GAIN] and inject a transmitter, and adjust the MEMNFO CH con-
I kHz tone at 1 mV level to the MIC jack. Key trol for 50 W on the inline wattmeter. If the
the transmitter, and adjust the MEMNFO CH hexadecimal data on the transceiver's display
control for 25 W on the external wattmeter. If is less than "8FH", turn the MEMNFO CH con-
the hexadecimal data on the transceiver's dis- trol for just "8FH" indication on the display.
play is less than "8FH", turn the MEMNFO CH 0 Tune the transceiver to 1.910 MHz (for verso
control for just "8FH" indication on the display. A, H), 1.850 MHz (for verso B, C, D) or 1.840
50 MHz Band TX Adjustment MHz (for verso E), and inject 1 m Vat 1 kHz
0 W.th th . 1 . tt t d 50 0 d tone to the MIC jack. Key the transmitter, and
1 e m me wa me er an -ummy
1 d t d h SOMH . k adjust the MEMNFO CH control for 50 W on
oa connec e to t e z antenna Jac ,
t th AF t t th MIC . k ( .the inline wattmeter. If the hexadecimal data
connec e genera or 0 e Jac pm
8 .. t . 7 d) T th t on the transceiver's display is less than "8FH",
: mic mpu , pm : groun .une e rans-
.51 995 MH (f A C D H) turn the MEMNFO CH control for just. "8FH"
ceiver to. z or verso , " or
50.295 MHz (for verso B, E), and select the USB indication on the display.
mode. Preset the MIC control to the I-o'clock 5 WR Meter Adjustment
position. 0 With the in line wattmeter and 50-0 dummy
0 Select alignment menu [TX-GAIN] and inject a load connected to the HF antenna jack, select
1 kHz tone at 1 mV level to the MIC jack. Key the CW mode. Tune the transceiver to 14.005
the transmitter, and adjust the MEMNFO CH MHz. Select alignment menu [SWR 1.5].
control for 50 W on the external wattmeter. If 0 Key the transmitter, and adjust the RF PWR
the hexadecimal data on the transceiver's dis- control for 10 W on the external wattmeter.
play is less than "8FH", turn the MEMNFO CH 0 Replace the 50-0 dummy load with a 100-0
control for just "8FH" indication on the display. dummy load (two 50-0 loads in parallel) con-
HF Band TX Ad 'ustment nectedto the HF antenna jack.
JOKey the transmitter, and press the MCK/W key.
0 With the inline wattmeter and 50-0 dummy R d 1 d .h h 50-0.0 eplace the 100-0 ummy oa wIt t e
load connected to the HF antenna Jack, connect
MIC . k ( . 8 .dummy load connected to the HF antenna jack,
the AF generator to the Jac pm : miC d1 1.[SWR 3 0]an se ect a Ignment menu ..
input, pin 7: ground). Select alignment menu K.
d d .h RF PWR
[TX-GAIN], and select the USB mode. Preset the 0 ey the transmItter, an a Just t e
control for 50 W on the inline wattmeter.
MIC control to the 1-0' clock position. .0 Re lace the 50-0 dummy load with the 150-0
0 Tune the transceiver to 28.995 MHz and inject dp1 d ( hr 50 0.II 1)t thummy oa or t ee -s m para e 0 e
a 1 kHz tone at 1 m V level to the MIC jack. Key H.
F antenna Jack.
the transmitter, and adjust the MEMNFO CH 0Kh.d th MCK/W key t e transmItter, an press e ey.
control for 50 W on the inline wattmeter. If the
3-10 FT -847 Technical Supplement
imj~..-

Alignment
mode, and inject a 1 kHz tone at 1 m V level to
the MIC jack. Key the transmitter, and adjust
VRI005 for at least a 5-segment indication on
the ALC meter.
,t
:' AF generator to the MIC jack (pin 8: mic input, Carrier Balance Adjustment
Pin 7: ground). Tune the transceiver to 145.995 0 C t th RF tt t ( 50 ndonnec e a enua or or -~~ ummy.I
MHz and select the FM mode. Iddo
, oa an samplmg coupler) and spectrum an-
(J In Joect a 1 kHz tone at 15 mV level. Key the al t th 144MH t ok T hyzer 0 e z an enna Jac .une t e
transmitter, and adjust VRI004 for ::1:4.5 kHz t.t 145 995 MH IhUSBranscelver o. z, se ect t e
deviation on the linear detector. d d .. toh0
mo e, an mJec no mlcrop one mput.
D Select the 88.5 Hz (default) subaudible tone, 0 K th t . tt d d ot VRI007 fey e ransml er, an a Jus or
and activate CTCSS Encode operation. Key the mOO' I k ( hld bt Imlmum carner ea age s ou e a east
transmitter, and adjust VRI003 for ::1:0.7 kHz 45 dB bI.t.tt d he ow a carrIer ranSD1l e on t e same
deviation on the linear detector. fr ).d.t d th Iequency as mIca e on e ana yzer.
Speech Processor Adjustment 0 Select the LSB mode, and again inject no mi-
D With the inline wattmeter and 50-0 dummy crophone input. Key the transmitter, and con-
load connected to the 144MHz antenna jack, firm that the carrier leakage is at least 45 dB
connect the AF generator to the MIC jack (pin down, as indicated on the analyzer.
8: mic input, pin 7: ground). Tune the trans- 50 MHz band Power Re-adjustment
ceiver to 145.995 MHz, select the USB mode, (for French version)
and leave the PROC switch off for now. 0 With the inline wattmeter and 50-0 dummy
D Inject a 1 kHz tone at 1 m V level. Key the trans- load connected to the 50MHz antenna jack,
mitter, and adjust the MIC control for 12.5 W tune the transceiver to 50.295 MHz, and select
on the wattmeter. the FM mode.
D Switch PROC on, key the transmitter, and ad- 0 Key the transmitter, and adjust VR3004 for 10
just VRI002 for 25 W on the wattmeter. Won the inline wattmeter.
Carrier Level Adjustment 1.9 MHz band Power Re-adjustment
0 Connect the 50-0 dummy load to the HF an- (for Belgian version)
tenna jack. Tune the transceiver to 1.910 MHz 0 With the inline wattmeter and 50-0 dummy
(for verso A, H), 1.850 MHz (for verso B, C, D) load connected to the HF antenna jack, tune
or 1.840 MHz (for verso E), select the CW mode, the transceiver to 1.850 MHz, and select the
and set PROC off. Select the TX meter to read FM mode.
ALC. Preset VRI006 fully clockwise. 0 Key the transmitter, and adjust VR3005 for 10
0 Connect the AF generator to the MIC jack (pin Won the inline wattmeter.
8: mic input, pin 7: ground). Select the AM,!
3-11
FT -847 Technical Supplement
1

-
~ Alignml
,'OM "..'
..,... ..'0"
T1020 TX DDS Adjust
TP1004 TX DDS Adjust: RF Millivoltmeter (max.)
T1021 RX DDS Adjust
TP1005 RX DDS Adjust: RF Millivoltmeter (max.)
VR1002 Carrier Frequency Adjust
T1018. 09 RX IF Sensitivity
I ! TP1048 50 MHz RX IF Sensitivity: DC Voltmeter (m&1.)
I I RX IF Sensitivity: DC Voltmeter (min.)
+ + ..+
..002 T1015. 17 RX IF Sensitivity .
T1009 TX Local Adjust
TP1003 TX Local Adjust: DC Voltmeter (3.0 V:I:O.2 v:
T1003, 07, 10 Reference Output AdjUst.
TP1002 Reference Output Adjust
: DC Voltmeter (minimum indication)
: Frequency Counter (45.250 MHz % 10 Hz]
TP1049 Noise Blanker Adjust: DC Voltmeter (min.)
T1004, 06 Noise Blanker Adjust ~
"
~ J1001 RX IF Sensitivity: Signal Generator
~ Noise Blanker Adjust: Signal GeneratorI
T1005. 08 RX IF Sensitivity
TC1001 Reference Output Adjust
J1002 Reference Output Adjust: RF millivoltmeter (max.)
T1002 Carrier Frequency Adjust
0 FM IF Adjust: RF millivoltmeter (max.)
: Freq. Counter (45.580 MHz %100 Hz)
!quency Adjust: Freq. Counter (45.580 MHz %100 Hz)
: RF millivoltmeter (max)
-
-1111 -- -

L :r
AF-CNTL Unit Alignment Points "...
,'c', ,.-
xUI 8
Ic... c.~. 0
00". £ ~ : ~
~ " (] (] ~~II~lIEe ~ .c'.'"mIfi i ~ 0
I~ 0 ;; N"~m nc.
0 .!; ~- ;;~: U
U: ~~ra .Ii 'J!B- "'~~i. ~ ...,.(
.w~G ; ~ m~iv~ma"-1.,1;!.8~
~.,... 8 +
D ., ...f.t ..~ u ~ o~~~
--, (i;;).~ " ..-~ .
~Oi ~'7' \;:~.
:i .0 ~ 0 ~ ~ It:
~ -"" ~ ~
, a 6) 8. c.a.. --
G"'.2' ~ S ~ ..'.2" "
c""'6) ~ 8 ..". c.-
[~ 8 ..,
4' 8 ~""~""
V 5 "'00'0 e e...~"¥
~ .""'20 8 e..,lL"~ ~r. ~ ~
~ -~ 8 ..". ftN N ~
, --"""'0 No;;;;i
0 ...001 c"o&.
.nm """0 '.N- ""'..".
m!m""~ W'" '"10
L'." C'~' u...~,. R
c~~~~~~;; ;;II ..."IJ.~
" '.--Ok -~ ~! m~.' -int- 00 .
~ ~ iJ~m 8 .,'s.
~ ..!
0
VR1005. 06 Carrier Level Adjust
TC1002 Carrier Frequency Adjust 00' ..
VR1003, 04 FM Deviation Adjust .
.
.
.
J1
T1002 C.
0 TP1050 FM IF Adjust: R
T1012, 13, 14, 16 FM IF Adjust : F:
VR1001 AFP Adjust J1003 Carrier Frequency Adjust: F
: F
I WTechnical Supplement- ---1---
--

Alignment
PLL Unit Alignment Points
;; :
.""~.,,,~ :I
.,... 13 e 0
;[J -13 c,I:lfi.~'\l: ~~~ 0 hUh C,
C I c V D~
-' fM ~"" C"'~.,.~mt ~ 0:
~ ~ MO"'I:; 0 ",61 8 W ~ ;:
~ 0 '.'&I ~:-c v
". :; ~ 0 .",:
I ,." cm' h; .,..
v,... ."'eI ""oS "",C"'~'i",~
T2001, 02 HF-VCO VCV Adjust '\l = [J 8 .,., '~~8 ~ ~
0 U= C""~D 0 L
.,.., D :-
i"-"t ~ ...,.., v 0
~fJE ;; 0,0'&1."" ::
",. 0 ".~ s ft)D
C", ;; C"'~ ~~;U~
".., ( 0"" -0 .~
h D D .", .",~ .""8 ~ h o'
.0 0 " ..1"-" -0 .
~ ~ ~ C"11m! no -~ c"'~" h :
u -0 ."'1 -
C"":]a ; .,.'eI e~:: C'"
h L' ;;IlOl c".~ ~c :
.
.,...
.,..
T2003, 04 HF-VCO VCV Adjust [
T2005 HF-VCO VCV Adjust
c
c""
D
BE]
C".,
J,'" C J""=
TP2002 VHF-VCO VCV Check: DC Voltmeter HF VCO Adjustment
VHF VCO check Tune to: AdjusUConfirm
Tune to: for 10.495 MHz adjust T2001 6.5'
108.000 MHz at least 0.5V 0.100 MHz confirm at ~
139.995 MHz less than 7.2V 21.995 MHz adjust T2002 6.5
140.000 MHz at least 0.5V 10.500 MHz confirm at I
173.995 MHz less than 7.0V 36.995MHz adjust T2003 6.5
22.000 MHz confirm at I
53.995 MHz adjust T2004 6.5
37.000 MHz confirm at I
.75.995 MHz adjust T2005 6.S
54.000 MHz confirm at I
3-14

...~
.:;.'O" c,'o,
,~ :;§,-"., : 0 0 'u o0-- I WC 0 \r;;u' :: L"" a~ ~ C"1i! c~ :: ~ c"" -!:"III K
p~.~ ~ ~fII:""'
e7 .""}"~c~~~'" "0' -0 K;U D~ cIIJKIa. Ima = .(]EJ~III g. -iR C'I'. ." .0
0 -0 0 ~.,'" ~ u 0 ~ :;
~ 0= -.0 OJ .- t'W;: ~ s."lMc"" .;1r:il mh .'no:: ""a = g ~"'!.3SGo°c u -0 S Q- ".. ."" m05a_8~}" .""s ~@:-.'ll't!]h_- -~ C ,"" = -;)j -O Js.,o" 0 ~ U h h h .Q ID; h-
".,o"ah f8 h ~ C U U -~ c"" U au~
0- .",",s ~~ i ."o g~~f"jl- ~ msL7C"~ :; c~-~ -ri"];: .""-~ 18dE [~~ ~; =: L.!.J:; °a ~o, G B L=J ~ ~ l1.F .'I'SS3D
}; c ""'0" h C" J h h J .,'c, ""0 L'"I' J U J . -uu Uu
0
'; h
55 -:
I m~ -:: "};K -n ..s "" C21"
= ~ :.,,~§.'oo, L"" a;"d c'IJ!J'~'0 0° ~ C"" °h cia -~rA-, ~;]D ~ 3D "°5' .=° ' -'.r-"I -.c ~ u c",. [3D ~
I'm:: c, "'~ II ill.§=::1R ~ ;; c. ,,1"-"1 ~
-~ -.IL."" ~ h .~IIJ U h Y 0
-'='. I ~ .U .~ 0 C " ., h} = ~ 61 7 ~""
~ ~ [I) .""':; hh ~ ."OI~ .~ .wfJo
0 u -O. h 61 "0'. a 0 ..., :: .",,61 ~6I.'"" 0 ,;;; 0 .,~,~ ~ ~: : c~~ 0 ~;:tJh
,~ .".,a ~ a m;; ~ K u V ~ tn1 c ""u
'~."I'eo~~ ."'~ §~1T1 HJ: m~L'""~ :;tIc~a'"" c"" .,,-,-, m:
}:; 1.1",,':: U::L.!.Jo ctklSIG Gl=J3"!1"lli.'I"a:::mK
'; I .I"C' I 55 C'I" 5 ~; .~, ""0 L'O'O ~ ~ J C
~C"'O
.""61 !!I_-
~=f11B;:HE
:;L.!.J 1IJ"u, I ~,
"°1' n-
o u:
nnnnnnn .,,",aO
-I ~ 8"""'
~]~~~'O'" /:_- '>= E!
0 ,.1'"", -
" "h
~,// ",;
vCV Adjust: DC Voltmeter TP2003 UHF-VCO VCV Check: DC Voltmeter
::0 Adjustment UHF VCO check
ust/Confirm for Tune to: for
ust T2001 6.5V:t0.1V 420.000 MHz at least 0.5V
lfirm at least 0.4V 459.995 MHz less than 7.0V
ust T2002 6.5V:t0.1V 460.000 MHz at least 0.5V
lfirm at least 0.4V 511.000 MHz less than 7.0V
ust T2003 6.5V:t0.1V
lfirm at least 0.4V
ust T2004 6.5V:t0.1V
lfirm at least 0.4V
ust T2005 6.5V:t0.1V
lfirm at least 0.4V
-IT -847 TechnlI

-Alignmer
VR3002 430 MHz TX Adjust
VR3003 144 MHz TX Adjust
5, 28 VHF RX IF Sensitivity VR3004 50 MHz TX Adjust
J3:I'~ .130'"
1- III II
I III j i VR3005, 06 HF TX Adjust
.130'5
..'" ..It ~ ~
~g mgm~m~m~ g
~ ~..
~ ~..>..~..> ~. ~ ~ ~ ~ ~ > VR3007, 08, 09 AFP Adjust
.." ..~ ~
~ ~ .
~"o
0 T3028 $
T30~
eJ..'3002 <:'"
~ ~"N
'"
+ u
T3023 r!J
..LtJ T30IO
ar:d0 . '" ..( ~
.J .
Q T3005, 08, 10 144 MHz TX Adjust
"1302' $
$$$ ~ ~$ 5$
'"
~ ~
$ 3 $~ $T30I~ $ ~ $ ~;]O2S
-..' :: '-30'9 ~
~ g ~ ~ o@ L3023 ., "," 0 :I 0 0 C3373
03075 of§jj- 0GO'O~~ + .
030.,7 ~ Q03002 T3003, 09, 13, 16 50 MHz TX Adjust 030"8 ~ Q030"9 ~ ~ ~
03080 ~ S s $ ~"'" ~
]~~~ ~ i -"oo~) C;]OO"f
-=- .J' V .13006
3 03062 -r:=::!:r
3-1
8" " ~ ~

!~
~-
RF Unit Alignment Points
13017,18,27,29,31 VHF RX IF Sensitivity
13019,21,25,28 VHF R:
J
r!lD~~ '- T30"
LtJ OJ~? T3029 +' ltJ ':;
~ / ~
J C3'-02 ~
~ $ T.O27 C32"V
[)
'3018 '30", " r-" B ~$ $. ~ ~
$~ 8 gb ~ !J § ~ ~
"'.., '" ~ ,'I "
0 0 "a b 0
T3G'~ ~ ~ $ $ ~ $ $ $ $ $ ~ $ $ $ $ [
~ U 0 m -..r- > ..~ ..m m m U " 0000" 0 0
" .." " ..'"
13011,12,14,15VHFRXIFSensitivity J J J J J J J J
$$$$$ $$$$$$ $$
~~~Si ~~::~~$'!S2
00000 ..~~oooo 0
..'" '" ,'I '" J "'" '" "'" 1'1
JJJJJ JJJJJJJ
'301' T3012 .
" $$$$$$$~$$~$$$$~
g ~,,",~"1~~:ga~~~~~~8~
~ ~~~~~~~~"~~..~~~..,,
T3006 U > J J J J J J J J J J J J J J J J
13006, 07 VHF RX IF Sensitivity D .,=0 U 1* i $ ! $ ! ~ ! $ 1$ ! $ i * C
~3020 r!l~ rtJ !
~ LtJ~ L1J '
L'O' 6 r!, ..D~ D3Oe8 0009' !
~g LtJ ~ ~ t::J t::J !
("~ -"00" ~ (/'~- J [==~ )1 :
""""'J """'~ J3013I1
W Technical Supplement-- ---1--

;... : ::. .., ",;_:,.:...':.::';".,.::'::'~.~-:
19nment .-
V/U- P A Unit Alignment Points
TP4002 VHF-PA Idling Current: Ammeter "+" lead (0.3:t0.03
TP4001 VHF.PA Idling Current: Ammeter "-" Ie
VR4004 144 MHz TX Adjust J4003 Pin.3 144 MHz TX Adjust: [
TP4011 0,," $c .0R"O28 ,"
EI
R402"1 EI ~
C4~ [8] ~
~~C-I)90' ~: EI ..io023 ,t I::I::::J° [IJ . ~ 0 ~ :" ..
0.. 7-J * "'-
~ u rr:;n C~g ..'D20 -r;j:J L Cio~UE!~ .,! ~ ;0
u:J.J n;]l OJ ..~.. ~ '"-""-'j
Cio071 Cio063u::i1 ~ ~~ ~ ~~ Co.D' "
""0218 e ~ DJ..OO EJ a,CJ.o..2
CLIID Co.DO~ ~ c "'""'"
C"" r:;p ...0 L-D28
G""" B.J" t [E[] " u .'
0 -L-O' 0 C-039 g ,~.
~ ..~o~ .~-
!:!J..
~ TP-OD2 U
.._D09:. +
~
..-008 .
..1+ \ "
~I!I [!J ;:1 ~
EEl ; "-D
C4D16 B .,
~ ~~ "-0' 9 i
"EJ 0 ~
D c..'J9I ua., ..~ 0
L4032 IEJ CJ::J I ~ .:I
.~.."-025 , L-012
0 m ;j
TP-OIO .:I ~1 ~ ~~.' j
0 OJ ..u t=::I I
"-031
TP4004 UHF-PA Idling Current: Ammc
TP4003 UHF-PA Idling Current: Ammeter "-"
TC4004 430 MHz TX Adjust
J4007 Pin-3 430 MHz TX Adjust: DC Voltmeter (min.) .
TC4005 430 MHz TX Adjust
16 -
I

:::. ~,~.,..j..;:,.:'~;~:~.~~:,:;,;;;:~i..:,-:';<';"~:':'...,;;.\~~~~~-~~
-
~mmeter "+" lead (0.3~0.03A) TC4002 144 MHz TX Adjust
ling Current: Ammeter "-" lead (003~0003A) VR4002 VHF-PA Idling Current
Pin-3 144 MHz TX Adjust: DC Voltmeter (mino)
..J"' ~.(I,- ~ 0 .-0'- ,,( T b
~!: 0\ ! "\ G ;;< "<1-0
0 ~\U ~~ I ' ~) c~o~ ~.co.19 I;) g
.; ~, "--"", :~, o:.oosffij 1111
~ 11 mT~.,.~
-J (;;::1.. \, , :) 'J;' -.~ ~oo;;: :~~ L:.::r _0 g,"; .
0 -R-i)' ~ L'Joe , --:"'\'3r-Tl, ~ a§I' . II-,l~ \ I
~ 0 ~:. -Iw I '~1! '"--, 0,-",
0 ,. ..",... 'It' ,
...J I .
J.-,:, I .r-;-, 1. [.(!;J ':..0: :I C:'Oo" ."
., u -~~!..I ~ 00'
-..L-O~ I., ,-
r-;;;- rDl WTCLO),'2
., L2Jo LL'lJ ~:~~:::~:]] :j ~; .j ~~C.~ L'-003j ~" --- T '" ---" \ ;C:'0'2 I r I 0'-002
~40016 ~ Iffi !
b L'O' 0 c:.o39 g I Iii
rp'OO2 .IB~ J'~06 C4001
~40'0
G~G-t- j;, ~G( ~ !+ \ I' g r-n Nt 3 '"'
~) (f) ~ Dt. 0,~~"0~, ~ l;100
3J~OS 0 [IJ L'OO~ "' ~ ~ @.§ ~ ~ [~~
...u.r ~ 00 g g '000::
0 .."
.." [EJ -' U C..O2S
LLO'2
~ @J OLO'"
iF-PA Idling Current: Ammeter "+" lead (0.3~0003A) TC4001 430 MHz TX Adjust
dling Current: Ammeter "-" lead (003~0003A) TC4003 430 MHz TX Adjust
Ijust VR4001 UHF PA Idling Current
just: DC Voltmeter (min.)I
-FT-847 Technic
~ I

P A Unit Alignment Points
~~ l[
~~
TP,;.OO3 L
0
R
LJ
LSIJI'
TP5001 PA Unit Final Section Idling Cur
TP5002 PA Unit Final Section Idling Current: Ammel
FT -847 Technical Supplement-1- ---

-
-Align]
G)
..
0
on
u
~ F85002
~B
~~
~~
r-==I~
I~ ~r=l ~
m"l' ~~((fi\\ CSOO2 ~I ~ ~ ~! 19
J' ~ ( ~!S
CSOOt b!4J ~ r=l ~ R ~ VR5002 PA Unit Drive Section Idling Current
~~ ([[)
\. ~ r=:=-l
~~
~~
~ ~ J5006 Pin-1 PA Unit Pre-Drive Section Idling Current
r=I ~ F85001 : Ammeter "+" lead (O.25:!:O.O25A)
~
J5006 Pin-2 PA Unit Pre-Drive Section Idling Current
: Ammeter "-" lead (O.25:!:O.O25A)
1!J5002 (f) ~~
Uu
~~rn
~ TP5002
[!J5001 T t:O C5026 GOI 5
TP5001 W
~ VR5003 PA Unit Pre-Drive Section Idling Current
C:~=J § $~
U VR5003 PA Unit Final Section Idling Current
J5005
J5007 Pin-2 PA Unit Drive Section Idling Current: Ammeter "-"lead (1.5:!:O.15A)
J5007 Pin-1 PA Unit Drive Section Idling Current: Ammeter "+" lead (1.5:!:O.15A)
05 Pin-1 CM Coupler Balance: DC Voltmeter (min.)
tion Idling Current: Ammeter"+" lead (O.42:1:O.025A)
Irrent: Ammeter "-" lead (O.42:1:0.025A)
-
IIIIIII
" "" "."-" ".,--"--

"-""'."o-.,, ,..., :--,.-~.,,., ,:,:c'~"c3
'.:~~';'~~
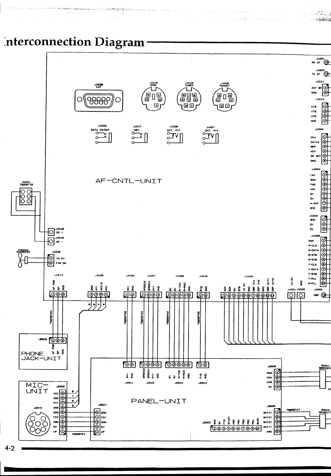
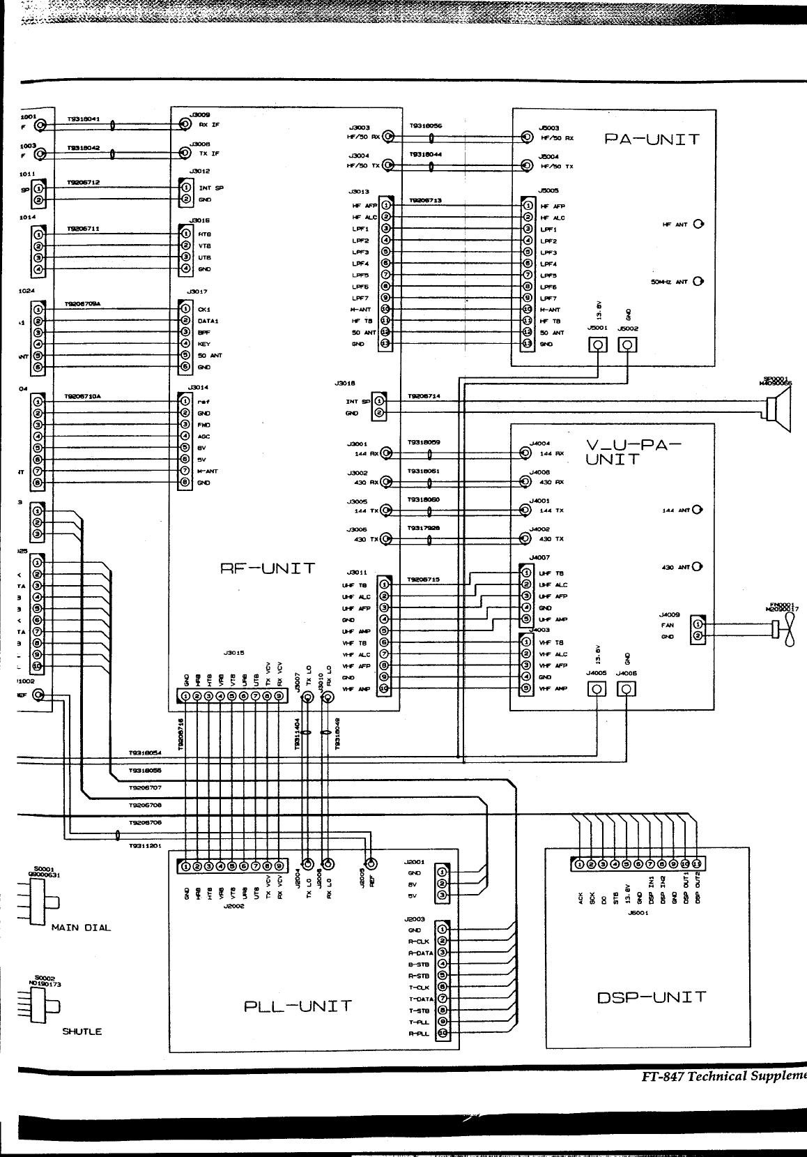
~nterconnection Diagram
.J1001
AX IF @::
.Jl003
TX IF @::
.J1DII
.J1D15 .J1D16 .Jl008 ~.JlDa STBY TtOER PACKET IN T -1 CAT ~~~~ a-o 2 @ 0 (!J[!J[!] [!] @
E~~~~« ~6_o» 0 -ill 0 iii- ~ ~ 0. -m 0 0. .J1D14
\\~~p ill [!) [!] [!) [!] HT8
iVTB 2
UT8 3
a-o 4
.Jl009 .J1D17 .J1006 .J1007 .Jl024
DATA 1N/aJT KEY EXT. PTT EXT. PTT
en en ~ ~ ::Al
~
KEY
50
a-o
.Jl
co,
a-o 2
P0D01 AF-CNTL -UNIT FIC] 3
T~71B AGC 4
BV ~
~V B
H--ANT 7
a-o 8
a-o
BY
.J1D18 ~
[K:+
.J1D19 a-o
[K:-
R-CI..K
030 B-STB
13. 8v R--5T8
FAN SW T-CU(
T-5TB
.J1D13 .Jl005 .J1D20 .J1D27 .11026 .J1D1D .J1D29 > - L~ N m T~
~ ~ '- '- .q
~~ 00 > ~M aa ~ e R-PU.
~~~g ~~f ~~8~;~~~g~~
1234 123 1234~6789
~ g R ~ R
i I ~ I ~
~ 123
f
PHONE ~~~
.JACK-UNIT
.E5)6 s0001
rBJOO63
00 ~o ~
i ~ i i ~ ~ ~ ~ & f ~ ~ ~ Q(A
~1.A;502 .E5O3 ~4 Ck8
MIC- ~V
UNIT M1
PTT 7 PANEL -UN I T
'-"7
.J2O1D GOO 6
~ ~ 9'14)
eo FST 4 T ~ ,. 9'13)
~ g ~ ~ Iii ~ i ~ ~ i ~ 9'12)
~g8 : v r(i)@@0@@(!)@@@ I 9':
4-21--

;;,
-
-.BlOB
tOO""" T93,5'.' ,;:;:
F AX IF ..-3 -TQ31S)56 .$03
"'" ~
,",/50 AX ,",/!OaRX PA-UNIT
1003...,.. TW315'42 ~.J3)08
F TX IF "-4 T9318044 I-eoo.
~ ~
,",/50 TX ,",/!Oa TX
1011 '-12
~ _12 ~
FI~I ~' INT SP '-13 ~
I~ 2 &D , '-713
~ ,",AFP1 1,",-
101. '-16 '*""C 2 2 ,*,"'C '"' ANT 0
~711 LOF1 3 .! LPF1
1 1 HTB ~
LPF2 4 4 LPF2
2 2 VTB
3 LPF3 S S LPF3
3 UTB LPF. 8 8 LPF'
..&D
'-- -LPFS 7 7LPFS 0so...IZANT
LPFS B B LPF6
102. ,-'7 ,
LOF7 a .9 LPF7
TSQ87w. ~
1 1 0<1 ..-ANT ~
.1 2 2 OATA1 '"' is i'"' TB ~
3 ~1 .B>O2
3 ~ ~ ~- ~ANT ~?J~?J..KEY &D i &D 1< 1<
""S ~~ANT --
8 8 &D
-'- 5'0001
O. '-,4 -'3O1B N4O9OO6!
.-7104 .-.'-71. ./
1 1 ...f INT spl~ ~2 2&D GlC)6
3 3 FIO)
4 4 AGC
S S BV "-1 ~ T931S1S9 "",-'400. V -U-P A-
8 6 SV ,.ARX 1A.AX UNIT
'T 7 7 ..-ANT ..-2 "'" T9318061 =.)40OB
8 B GIC) 430 RX .30 AX
-
3 ~ -'3OOS "'" T931~ "","4001
'i" ,.. TX ,.. TX ,.. -0
~
2
; "3006 ~ T9317mB "",.JA002
~ 430 TX .30 TX
I2S .J4OQ7
< : RF -UN I T -'3011 1 lJ-F TB A30 -0
~71S I
T A 3 lJ-F TB 1 I 2 lJ-F ALC
..lJ-FALC 2 I 3 lH'AFP
.S lJ-F -3 r A GIC) .J4OO9 ~ ij17 < 6 GIC) A I5 lJ-F- ~-
.-.FAN 1
TA 7 lJ-F -S _3 I~I I
GIC) 13".8 \/H' TB 6 1 \/H' TB
I >
9 "3015 \/H""C 7 2 \/H' ALC ~ a
-'" z
c ?,?, 0 0 \/H'AFP B 3 \/H'AFP ~ "
-> > ".J o.J "4005 .)4006
11002 ~'~~~~5~~ o~~~ GIC) 9 .&D r;\1 r;\1
EF@:=- 123. SJ(8 7J(eJ(g'l~ ~~~\/H'- S \/H'- ~~ ~~
-.i"
~ ~ 2
a ;;
T931--
TQ31~
T9206707
T92067OB
T92O67OB
T9311201 I
SOOo 1 2 3 .8 6 7J(8J(911 ~ ~ ..~ .)2001 ~ 1 2 3 .S B 7 e 9 'I
~ ~ ~8 GIC) 1 ~N
~' >?, ~o 0 ~ ri~ ..
g > .,.J.J & ~ BV ~ > ~ H ~ a
~'~~.L55~~ ~ ~ 5V !:- ~~8~;~~~X~~
.-01
.)2003 ~
MAIN DIAL GIC) 1
R-a.K2
R-OATA ;?;
e-sTB .
S0002 R-sTB S
NO180173 T-<:LK I~
3h PLL-UNIT ;:,:A:! OSP-UNIT
:::LJ-J T~ I~
SHUTLE ..-PI.L I ~
'--
-FT -847 Technical Supple::