C YAESU FT 8900R Service Manual
User Manual: Pdf YAESU--FT-8900R-Service-Manual
Open the PDF directly: View PDF .
Page Count: 58
- Introduction
- Specifications
- Exploded Views & Miscellaneous Parts
- Connection Diagram
- Circuit Description
- Alignment
- Introduction and Precautions
- Required Test Equipment
- Alignment Setup
- Alignment Preparation & Precautions
- Entering the Alignment mode
- MAIN UNIT Test Points
- PLL Reference Frequency (A-0 REF)
- RF Front-end Tuning (A-1 TUN)
- TX Power Output (A-2 PWR)
- TX Deviation (A-4 DEV)
- DCS Tx Deviation (A-5 DCS)
- CTCSS Tx Deviation (A-6 CTC)
- S-Meter Sensitivity (A-7 SM L/V)
- DC Voltmeter (A-8 BAT SC)
- MAIN Unit
- PANEL Unit
- PANEL-SUB Unit
- VR-L Unit
- VR-R Unit

1
Quad Band FM Transceiver
FT-8900R
Technical Supplement
Introduction
This manual provides technical information necessary for servicing the FT-8900R Transceiver.
Servicing this equipment requires expertise in handling surface-mount chip components. Attempts by non-qualified
persons to service this equipment may result in permanent damage not covered by the warranty, and may be illegal in
some countries.
Two PCB layout diagrams are provided for each double-sided circuit board in the transceiver. Each side of thr board is
referred to by the type of the majority of components installed on that side (“leaded” or “chip-only”). In most cases one
side has only chip components, and the other has either a mixture of both chip and leaded components (trimmers, coils,
electrolytic capacitors, ICs, etc.), or leaded components only.
While we believe the technical information in this manual to be correct, Vertex Standard assumes no liability for damage
that may occur as a result of typographical or other errors that may be present. Your cooperation in pointing out any
inconsistencies in the technical information would be appreciated.
Specifications .................................................... 2
Exploded View & Miscellaneous Parts ........ 3
Connection Diagram ........................................ 4
Circuit Description ........................................... 5
Alignment ........................................................ 11
Contents
Board Unit (Schematics, Layouts & Parts)
Main Unit .....................................................................17
Panel Unit .....................................................................47
Panel-Sub Unit .............................................................53
VR-L Unit .....................................................................55
VR-R Unit .....................................................................56
© 2002 VERTEX STANDARD CO., LTD. (EH008M90A)
VERTEX STANDARD CO., LTD.
4-8-8 Nakameguro, Meguro-Ku, Tokyo 153-8644, Japan
VERTEX STANDARD
US Headquarters
10900 Walker Street, Cypress, CA 90630, U.S.A.
International Division
8350 N.W. 52nd Terrace, Suite 201, Miami, FL 33166, U.S.A.
YAESU EUROPE B.V.
P.O. Box 75525, 1118 ZN Schiphol, The Netherlands
YAESU UK LTD.
Unit 12, Sun Valley Business Park, Winnall Close
Winchester, Hampshire, SO23 0LB, U.K.
VERTEX STANDARD HK LTD.
Unit 5, 20/F., Seaview Centre, 139-141 Hoi Bun Road,
Kwun Tong, Kowloon, Hong Kong
14
6
5
2
3
LOW
SQL SQL
VOL
VOL
LOW
V/M
HM
SCN
V/M
HM
SCN
KEY2
PWR
2
Specifications
GENERAL
Frequency Range:RX: 28.000 - 29.700 MHz, 50.000 - 54.000 MHz,
108.000 - 180.000 MHz, 320.000 - 480.000 MHz,
700 - 985 MHz (Cellular Blocked)
TX: 28.000 - 29.700 MHz, 50.000 - 54.000 MHz,
144.000 - 146.000 MHz (or 144.000 - 148.000 MHz),
430.000 - 440.000 MHz (or 430.00 - 450.000 MHz)
Channel Steps:5/10/12.5/15/20/25/50 kHz
Modes of Emission:F3, F2, F1
Antenna Impedance:50-Ohms, unbalanced (Antenna Duplexer built-in)
Frequency Stability:±5 ppm @ 14° F ~ +140° F (–10 °C ~ +60 °C)
Operating Temperature Range:–4° F ~ +140° F (–20 °C ~ +60 °C)
Supply Voltage:13.8 VDC (±15%), negative ground
Current Consumption (Approx.): RX: 0.5 A (Squelched)
TX: 8.0 A (50/430 MHz), 8.5 A (29/144 MHz)
Case Size (W x H x D): 5.5” x 1.6” x 6.6” (140 x 41.5 x 168 mm) (w/o knobs & connectors)
Weight (Approx.): 2.2 lb (1 kg)
TRANSMITTER
Output Power:50/20/10/5 W (29/50/144 MHz),
35/20/10/5 W (430 MHz)
Modulation Type:Variable Reactance
Maximum Deviation:±5 kHz (50/144/430 MHz),
±2.5 kHz (29 MHz)
Spurious Radiation:Better than –60 dB (29 MHz: Better than –50 dB)
Modulation Distortion:Less than 3%
Microphone Impedance:2 kW
DATA Jack Impedance:10 kW
RECEIVER
Circuit Type: Double-conversion superheterodyne
Intermediate Frequencies: 45.05 MHz/450 kHz (Left band),
47.25 MHz/450 kHz (Right band)
Sensitivity (for 12dB SINAD): Better than 0.2 µV
Squelch Sensitivity: Better than 0.16 µV
Selectivity (–6dB/–60dB): 8 kHz/30 kHz (50/144/430 MHz),
6 kHz/30 kHz (29 MHz)
Maximum AF Output: 2 W @ 8 W for 5% THD
AF Output Impedance: 4-16 W
Specifications are subject to change without notice, and are guaranteed within the 29, 50, 144, and 430 MHz amateur bands only.
Frequency ranges will vary according to transceiver version; check with your dealer.

3
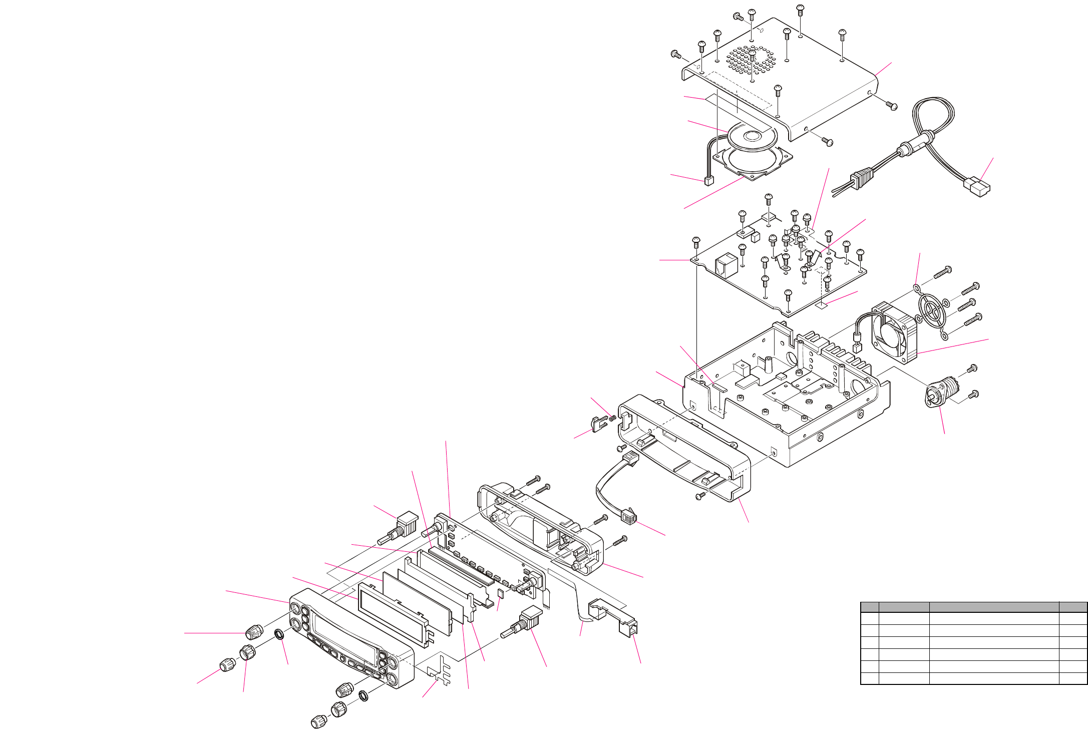
Exploded View & Miscellaneous Parts
RA0396700
LIGHT GUIDE
RA0396800
LCD HOLDER
RA0396900 (x2 pcs)
INTER CONNECTOR
RA0397100
REFLECTOR SHEET
RA0397000
DIFFUSER SHEET
M2090034A
FAN
M4090149
SPEAKER
RA0404400 (x2 pcs)
KNOB
RA0404300 (x2 pcs)
KNOB
RA0404200 (x2 pcs)
ENCODER KNOB
R6054387B (x2 pcs)
SPECIAL NUT
RA040470A
FRONT PANEL ASSY
RA0407200
SPACER
T9207010A
WIRE ASSY
RA040710A
LIGHT SHEET
T9206438A
WIRE ASSY
R0150630
HOLDER
RA02132A0
HIMERON TAPE
CS1770001
CASE (W/O NYLON NET)
T9206228
WIRE ASSY
RA040480A
SUB PANEL ASSY
(W/ COIL SPRING, RELEASE KNOB)
T9101509
CT CABLE
S5000206
FAN GUARD
P1090984
CONNECTOR
RA0446200 (x2 pcs)
LEAF SPRING
RA0396100
REAR PANEL
RA02668AA
CHASSIS
RA0441300
PAD
RA0438700
RUBBER
G6090147A
LCD
VR-L Unit
VR-R UNIT
PANEL Unit
PANEL-SUB UNIT
MAIN UNIT
RA0415200 (x2 pcs)
GROUND PLATE
R0137550
COIL SPRING
RA026900A
RELEASE KNOB
•
‚
ƒ
„
…
†
…
†
†
†
„
ƒƒ
ƒ
ƒ
ƒ
ƒ
ƒ
ƒ
ƒ
ƒƒ
ƒ
ƒ
„
ƒ
‚
‚
‚
‚
‚
‚
‚‚
‚
‚
‚
ƒ
„
ƒ
‚
‚
•
•
•
No. VXSTD P/N DESCRIPTION QTY.
•U23116007 TAPTITE SCREW M2X16B 4
‚U31206007 OVAL HEAD SCREW M2.6X6B 14
ƒU44308002 TAPTITE SCREW M3X8NI 17
„U03310002 SEMS SCREW ASM3X10NI 4
…U20308002 BINDING HEAD SCREW M3X8NI 2
†U20318007 BINDING HEAD SCREW M3X18B 4
Non-designated parts are available only
as part of a designated assembly.

4
Connection Diagram
5
Circuit Description
Receiver Signal Path
“Left” Band 430 MHz Signal
The 430 MHz signal is passed through a high-pass filter
network and a low-pass filter network to the antenna
switch diodes D1001/D1002 (both RLS135), then passed
through another low-pass filter network to the “Left” band
RF amplifier Q1001 (3SK296ZQ).
The amplified 430 MHz signal is passed through the band
switch D1008 (HSC277) to the varactor-tuned band-pass
filter network consisting of D1009, D1010, D1011 (all
HVC358B) and associated circuitry, then applied to the
first mixer Q1004 (3SK296ZQ). Meanwhile, the UHF lo-
cal signal from the UHF-VCO/A Q1112 (2SC5006) is de-
livered to first mixer Q1004, yielding the 45.05 MHz “Left”
band first IF.
“Left” Band 144 MHz Signal
The 144 MHz signal is passed through a low-pass filter
network and a high-pass filter network to the antenna
switching relay RL1001 (G5A-237P), then passed through
another high-pass filter network and low-pass filter net-
work to the “Left” band RF amplifier Q1006 (3SK296ZQ).
The amplified 144 MHz signal is passed through a varac-
tor-tuned band-pass filter network consisting of D1019,
D1020, D1021 (all HVC365) and associated circuitry to the
first mixer Q1010 (3SK296ZQ). Meanwhile, the VHF lo-
cal signal from the VHF-VCO/A Q1115 (2SC5374) is de-
livered to first mixer Q1010, yielding the 45.05 MHz “Left”
band first IF.
“Left” Band 50 MHz Signal
The 50 MHz signal is passed through a low-pass filter
network and antenna switching relay RL1003 (G5A-237P),
then passed through another low-pass filter network, an-
tenna switch relay RL1002 (G5A-237P), and band switch
diode D1144 (HSC277) to yet another low-pass filter net-
work, then applied to the “Left” band RF amplifier Q1006
(3SK296ZQ).
The amplified 50 MHz signal is passed through a band-
pass filter network and band switch diode D1027
(HSC277) to the first mixer Q1015 (3SK296ZQ). Mean-
while, the 50 MHz local signal from the RX50-29-VCO
Q1121 (2SC5374) is delivered to first mixer Q1015, yield-
ing the 45.05 MHz “Left” band first IF.
“Left” Band 28 MHz Signal
The 28 MHz signal is passed through a low-pass filter
network and antenna switching relay RL1003 (G5A-237P),
then passed through another low-pass filter network, an-
tenna switching relay RL1002 (G5A-237P) and band
switch diode D1144 (HSC277) to yet another low-pass fil-
ter network, then delivered to the “Left” band RF ampli-
fier Q1012 (2SC5374).
The amplified 28 MHz signal is passed through a band-
pass filter network and band switch diode D1028
(HSC277) to the first mixer Q1015 (3SK296ZQ). Mean-
while, the 28 MHz local signal from the RX50-29-VCO
Q1121 is delivered to first mixer Q1012, yielding the 45.05
MHz “Left” band first IF.
“Left” Band IF and AF Signals
The 45.05 MHz “Left” band first local signal is delivered
to the monolithic crystal filter XF1002 which strips away
unwanted mixer products, then is passed through IF am-
plifier Q1019 (2SC4400) to the IF IC Q1024 (TA31136FN).
Meanwhile, a portion of the output of 11.15 MHz crystal
X1003 is multiplied fourfold by Q1027 (2SC4400) to pro-
vide the 44.6 MHz second local signal, then delivered to
the IF IC Q1024. Within the IF IC Q1024, the 44.6 MHz
second local signal is mixed with the 45.05 MHz “Left”
band first local signal to produce the 450 kHz “Left” band
second IF.
The 450 kHz “Left” band second IF is passed through the
filter switch D1033/D1034 (both DAN235E) to the ceram-
ic filter CF1002 (CFWM450E) which strips away all but
the desired signal, then it passes through the IF amplifier
within Q1024 to the ceramic discriminator CD1002
(CDBM450C24), which removes any amplitude variations
in the 450 kHz IF signal before detection of speech.
The demodulated “Left” band audio is passed through
the de-emphasis network, audio switch D1035 (DAN222),
low-pass filter network (consisting of Q1034 (NJM2902V)
and associated circuitry), and a high-pass filter network
(consisting of Q1025 (NJM2092V) and associated circuit-
ry). The filtered audio signal is passed through the audio
volume control IC Q1042 (M511312FP), which adjusts the
audio sensitivity to compensate for audio level variations,
then is delivered to the audio switch Q1046 and Q1047
(both TC4W66FU).
When the internal speaker is selected, the audio signal is
amplified by Q1050 (TDA7233D) then applied to the in-
ternal loudspeaker. When the external speaker is select-
ed, the audio signal is amplified by Q1045 (LA4425A),
then it passes through the EXT SP jack to the external loud-
speaker.
“Right” Band 430 MHz Signal
The 430 MHz signal is passed through a high-pass filter
network and a low-pass filter network to the antenna
switch diodes D1001/D1002, then passed through anoth-
er low-pass filter network to the “Right” band RF ampli-
fier Q1002 (3SK296ZQ).
The amplified 430 MHz signal is delivered through the
band switch D1008 (HSC277) to the varactor-tuned band-
pass filter network consisting of D1004, D1005, D1006 (all
HVC358B) and associated circuitry, then applied to the
6
first mixer Q1003 (3SK296ZQ). Meanwhile, the UHF lo-
cal signal from the UHF-VCO/B Q1106 (2SC5006) is de-
livered to first mixer Q1004, yielding the 47.25 MHz
“Right” band first IF.
“Right” Band 144 MHz Signal
The 144 MHz signal is passed through a low-pass filter
network and a high-pass filter network to the antenna
switching relay RL1001 (G5A-237P), then passed through
another high-pass filter network and low-pass filter net-
work to the “Right” band RF amplifier Q1007
(3SK296ZQ).
The amplified 144 MHz signal is passed through the var-
actor-tuned band-pass filter network consisting of D1016,
D1017, D1018 (all HVC365) and associated circuitry to the
first mixer Q1008 (3SK296ZQ). Meanwhile, the VHF lo-
cal signal from the VHF-VCO/B Q1109 (2SC5374) is de-
livered to first mixer Q1008, yielding the 47.25 MHz
“Right” band first IF.
“Right” Band IF and AF Signal
The 47.25 MHz “Right” band first IF is delivered to the
monolithic crystal filter XF1001 which strips away un-
wanted mixer products, then passed through the IF am-
plifier Q1017 (2SC4400) to the IF IC Q1018 (TA31136FN).
Meanwhile, a portion of the output of 11.7 MHz crystal
X1002 is multiplied fourfold by Q1026 (2SC4400) to pro-
vide the 46.8 MHz second local signal, then applied to the
IF IC Q1018. Within the IF IC Q1018, the 46.8 MHz sec-
ond local signal is mixed with the 47.25 MHz “Right” band
first local signal to produce the 450 kHz “Right” band sec-
ond IF.
The 450 kHz “Right” band second IF is delivered to the
ceramic filter CF1001 (CFWM450E) which strips away all
but the desired signal, then passed through the IF ampli-
fier within Q1018 to the ceramic discriminator CD1001
(CDBM450C24) which removes any amplitude variations
in the 450 kHz IF signal before detection of speech.
The demodulated “Right” band audio is passed through
the de-emphasis network, low-pass filter network (con-
sisting of Q1033 (NJM2902V) and associated circuitry) and
the high-pass filter network (consisting of Q1025
(NJM2092V) and associated circuitry). The filtered audio
signal is passed through the audio volume control IC Q1042
(M511312FP), which adjusts the audio sensitivity to com-
pensate for audio level variations, then is delivered to the
audio switch Q1046 and Q1047 (both TC4W66FU).
When the internal speaker is selected, the audio signal is
amplified by Q1050 (TDA7233D) then applied to the in-
ternal loudspeaker. When the external speaker is select-
ed, the audio signal is amplified by Q1045 (LA4425A),
then it passes through the EXT SP jack to the external loud-
speaker.
Squelch Control
“Left” Band
When no carrier is being received on the “Left” band, noise
at the output of the detector stage in Q1024 is amplified
and band-pass filtered by the noise amp section of Q1024.
The resulting DC voltage is delivered to pin 2 of main
CPU Q1084 (M38268MCL), which compares the squelch
threshold level to that which set by the front panel SQL
knob.
While no carrier is being received on the “Left” band, pins
43 and 45 of Q1084 remain “low,” to disable the audio
switch Q1046/Q1047, thus disabling the audio output from
the speaker.
“Right” Band
When no carrier is being received on the “Right” band,
noise at the output of the detector stage in Q1018 is am-
plified and band-pass filtered by the noise amp section of
Q1018. The resulting DC voltage is delivered to pin 5 of
main CPU Q1084, which compares the squelch threshold
level to that which set by the front panel SQL knob.
While no carrier is being received on the “Left” band, pins
42 and 44 of Q1084 remain “low,” to disable the audio
switch Q1046 and Q1047, thus disabling the audio out-
put from the speaker.
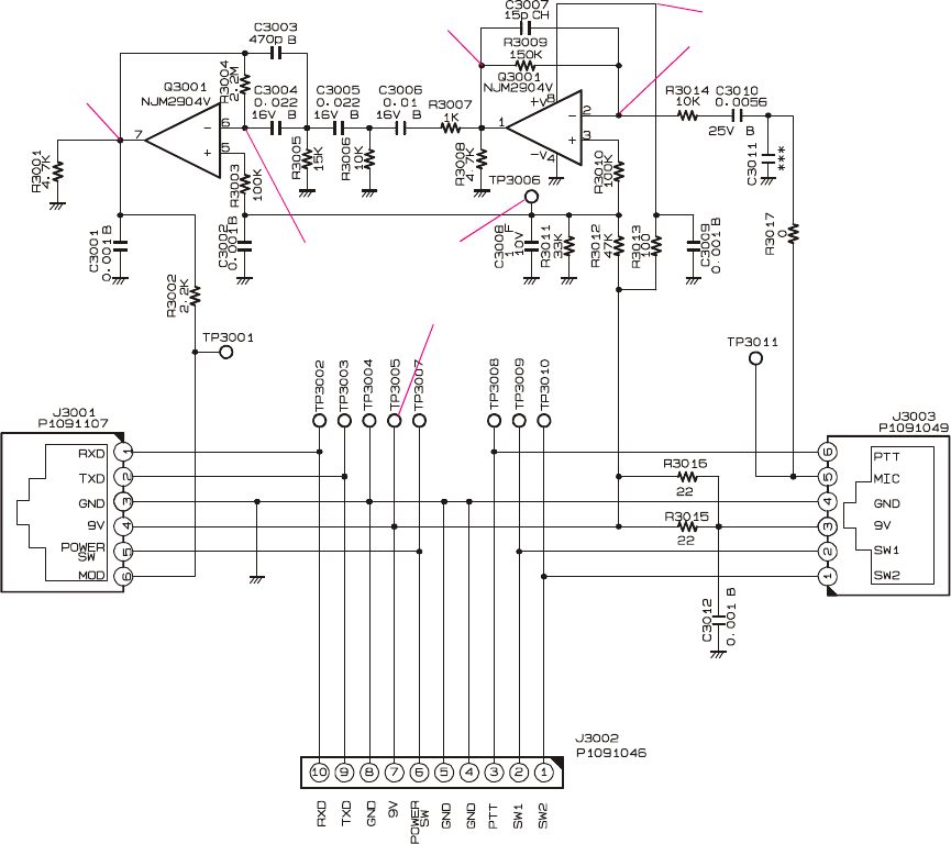
Transmitter Signal Path
AF Signal
The speech signal from the microphone is passed through
the MIC jack J3003 to the AF amplifier Q3001 (NJM2904V)
on the PANEL-SUB UNT. The amplified speech signal is
passed through the panel separation jacks J3001 and J1005
to the MAIN Unit. On the MAIN UNIT, the speech signal
is delivered to the limiting amplifier Q1054 (NJM2902V)
to prevent over-modulation, then is delivered to a low-
pass filter network consisting of Q1054 and associated cir-
cuitry.
430 MHz Signal
The adjusted speech signal from Q1054 is passed through
transistor switch Q1051 (BU4066BCFV) to varactor di-
odes D1069 (HVC375) and D1070 (HVC350B), which fre-
quency modulate the transmitting VCO, made up of UHF-
VCO/B Q1106 (2SC5006) and D1071 (HSC277).
The modulated transmit signal is passed through buffer
amplifiers Q1107, Q1108, and Q1146 (all 2SC5006) and
diode switches D1073 (HSC277) and D1128 (DAN235E)
to the pre-drive amplifier Q1139 (2SK2596).
The amplified transmit signal from Q1139 is passed
through diode switch D1134 (HSC277) and the driver
amplifier Q1137 (2SK2975) to the diode switch D1134
(HSC277), then finally amplified by power amplifier
Circuit Description
7
Q1134 (RD70HVF1), providing up to 35 Watts of power
output. These three stages of the power amplifier’s gain
are controlled by the APC circuit.
The 35-Watt RF signal is passed through a high-pass filter
network to the antenna switch D1102, D1104, and D1146
(all UM9957F), then passed through a low-pass filter net-
work and another high-pass filter network to the ANT
jack.
144 MHz Signal
The adjusted speech signal from Q1054 is passed through
the transistor switch Q1051 (BU4066BCFV) to varactor
diodes D1076 and D1077 (both HVC365), which frequen-
cy modulate the transmitting VCO, made up of VHF-VCO/
B Q1109 (2SC5374) and D1078 (HSC277).
The modulated transmit signal is passed through buffer
amplifiers Q1100 and Q1111 (both 2SC5374) and diode
switches D1075 (HSC277) and D1128 (DAN235E) to the
pre-drive amplifier Q1139 (2SK2596).
The amplified transmit signal from Q1139 is passed
through the diode switch D1139/D1140 (both HSC277)
and the driver amplifier Q1137 (2SK2975) to diode switch
D1133 (RLS135), then finally amplified by power ampli-
fier Q1134 (RD70HVF1) up to 50 Watts of power output.
These three stages of the power amplifier’s gain are con-
trolled by the APC circuit.
The 50-Watt RF signal is passed through a low-pass filter
network to the antenna switching relay RL1001 (G5A-
237P), then passed through a high-pass filter network and
another low-pass filter network to the ANT jack.
50 MHz Signal
The adjusted speech signal from Q1054 is passed through
transistor switch Q1086 (BU4066BCFV) to varactor di-
ode D1093 (HVC300A), which frequency modulates the
transmitting VCO, made up of TX50-29-VCO Q1118
(2SC5374) and D1094 (HSC277).
The modulated transmit signal is passed through buffer
amplifier Q1119 (2SC5374) to the pre-Drive amplifier
Q1123 (2SC5374).
The amplified transmit signal from Q1123 is passed
through diode switches D1127 (DAN235E) and D1141
(HSC277) and driver amplifier Q1137 (2SK2975) to di-
ode switch D1132 (D1F20), then finally amplified by pow-
er amplifier Q1134 (RD70HVF1) up to 50 Watts of power
output. These three stages of the power amplifier’s gain
are controlled by the APC circuit.
The 50-Watt RF signal is passed through antenna switch-
ing relay RL1002 (G5A-237P) to a low-pass filter network,
then passed through antenna switching relay RL1003
(G5A-237P) and another low-pass filter network to the
ANT jack.
28 MHz Signal
The adjusted speech signal from Q1054 is passed through
transistor switch Q1086 (BU4066BCFV) to varactor di-
ode D1093 (HVC300A), which frequency modulates the
transmitting VCO, made up of TX50-29-VCO Q1118
(2SC5374) and D1094 (HSC277).
The modulated transmit signal is passed through buffer
amplifier Q1119 (2SC5374) to the pre-Drive amplifier
Q1123 (2SC5374).
The amplified transmit signal from Q1123 is passed
through diode switches D1127 (DAN235E) and D1142
(HSC277) and driver amplifier Q1137 (2SK2975) to di-
ode switch D1132 (D1F20), then finally amplified by pow-
er amplifier Q1134 (RD70HVF1) up to 50 Watts of output
power. There three stages of the power amplifier’s gain
are controlled by the APC circuit.
The 50-Watt RF signal is passed through antenna switch-
ing relay RL1002 (G5A-237P) to a low-pass filter network,
then passed through antenna switching relay RL1003
(G5A-237P) and another low-pass filter network to the
ANT jack.
APC (Automatic Power Control) Circuit
430 MHz
A portion of the power amplifier output is rectified by
D1103 and D1105 (both MA2S728) then delivered to APC
Q1130 (NJM2904V), as a DC voltage which is proportional
to the output level of the power amplifier.
At Q1130, the rectified DC voltage from the power am-
plifier is compared to the reference voltage from the main
CPU Q1084 to produce a control voltage, which regulates
the supply voltage to the pre-drive amplifier Q1139
(2SK5396), driver amplifier Q1137 (2SK2975), and pow-
er amplifier Q1134 (RD70HVF1), so as to maintain stable
output power under varying antenna loading conditions.
144 MHz
A portion of the power amplifier output is rectified by
D1114 and D1115 (both MA2S728) then delivered to APC
Q1130 (NJM2904V), as a DC voltage which is proportional
to the output level of the power amplifier.
At Q1130, the rectified DC voltage from the power am-
plifier is compared to the reference voltage from the main
CPU Q1084 to produce a control voltage, which regulates
the supply voltage to the pre-drive amplifier Q1139
(2SK5396), driver amplifier Q1137 (2SK2975), and pow-
er amplifier Q1134 (RD70HVF1), so as to maintain stable
output power under varying antenna loading conditions.
50 MHz
A portion of the power amplifier output is rectified by
D1119 and D1121 (both MA2S728) then delivered to APC
Circuit Description
8
Q1130 (NJM2904V), as a DC voltage which is proportional
to the output level of the power amplifier.
At Q1130, the rectified DC voltage from the power am-
plifier is compared to the reference voltage from the main
CPU Q1084 to produce a control voltage, which regulates
supply voltage to the pre-drive amplifier Q1123
(2SK5374), driver amplifier Q1137 (2SK2975), and pow-
er amplifier Q1134 (RD70HVF1), so as to maintain stable
output power under varying antenna loading conditions.
29 MHz
A portion of the Power amplifier output is rectified by
D1120 and D1122 (both MA2S728) then delivered to APC
Q1130 (NJM2904V), as a DC voltage which is proportional
to the output level of the power amplifier.
At Q1130, the rectified DC voltage from the power am-
plifier is compared to the reference voltage from the main
CPU Q1084 to produce a control voltage, which regulates
supply voltage to the pre-drive amplifier Q1123
(2SK5374), driver amplifier Q1137 (2SK2975), and pow-
er amplifier Q1134 (RD70HVF1), so as to maintain stable
output power under varying antenna loading conditions.
PTT (Push to Talk) Circuit
430 MHz
When the PTT switch is pressed, pin 8 of sub CPU Q2001
(M38223E4HP) goes “high,” which sends the “PTT” com-
mand to main CPU Q1084.
When the “PTT” command is received, the main CPU con-
trols the I/O IC Q1075 (BU2090FS), causing pin 12 of
Q1075 to go “low” which activates the UHF TX switch
section of Q1076 (IMT17).
When the UHF TX switch section of Q1076 is activated, it
controls the antenna switch diodes D1102, D1104, and
D1146 (all UM9957F), modulator switching diode D1100
(DAN222), modulator switching IC Q1051 (BU4066BCFV),
diode switches D1073 (HSC277), D1128 (DAN235E),
D1140 (HSC277), and D1134 (HSC277), and APC switch-
es Q1128 (RT1N441U) and Q1129 (RT1P441U), which ac-
tivate the 430 MHz transmitter circuit.
144 MHz
When the PTT switch is pressed, pin 8 of sub CPU Q2001
(M38223E4HP) goes “high,” which sends the “PTT” com-
mand to main CPU Q1084.
When the “PTT” command is received, the main CPU con-
trols the I/O IC Q1075 (BU2090FS), causing pin 13 of
Q1075 to go “low” which activates the VHF TX switch
section of Q1076 (IMT17).
When the VHF TX switch section of Q1076 is activated, it
controls the antenna switching relay RL1001 (G5A-237P),
modulator switching diode D1100 (DAN222), modulator
switching IC Q1051 (BU4066BCFV), diode switches
D1075 (HSC277), D1128 (DAN235E), D1139 (HSC277),
and D1133 (RSL135), and APC switches Q1128
(RT1N441U) and Q1129 (RT1P441U), which activate the
144 MHz transmitter circuit.
50 MHz
When the PTT switch is pressed, pin 8 of sub CPU Q2001
(M38223E4HP) goes “high,” which sends the “PTT” com-
mand to the main CPU Q1084.
When the “PTT” command is received, the main CPU con-
trols the I/O IC Q1075 (BU2090FS), causing pin 14 of
Q1075 to go “low” which activates the TX50 switch sec-
tion of Q1077 (IMT17).
When the TX50 switch section of Q1076 is activated, it con-
trols the antenna switching relay RL1002 (G5A-237P), mod-
ulator switching diode D1092 (DAN222), modulator switch-
ing IC Q1086 (BU4066BCFV), diode switches D1127
(DAN235E), D1141 (HSC277), and D1132 (D1F20), and APC
switches Q1128 (RT1N441U) and Q1129 (RT1P441U),
which activate the 50 MHz transmitter circuit.
28 MHz
When the PTT switch is pressed, pin 8 of sub CPU Q2001
(M38223E4HP) goes “high,” which sends the “PTT” com-
mand to the main CPU Q1084.
When the “PTT” command is received, the main CPU con-
trols the I/O IC Q1075 (BU2090FS), causing pin 15 of
Q1075 to go “low” which activates the TX29 switch sec-
tion of Q1077 (IMT17).
When the TX29 switch section of Q1076 is activated, it con-
trols the antenna switching relay RL1003 (G5A-237P), mod-
ulator switching diode D1092 (DAN222), modulator switch-
ing IC Q1086 (BU4066BCFV), diode switches D1127
(DAN235E), D1142 (HSC277), and D1132 (D1F20), and APC
switches Q1128 (RT1N441U) and Q1129 (RT1P441U),
which activate the 28 MHz transmitter circuit.
PLL Circuit
“Left” band
A portion of the output from UHF-VCO/A Q1112
(2SC5006) is passed through buffer amplifier Q1113
(2SC5374) and diode switch D1084 (HSC277) to the pro-
grammable divider section of the PLL IC Q1095
(MB15A02PFV1), where it is divided according to the fre-
quency dividing data associated with the operating fre-
quency input from the main CPU Q1084. It is then sent to
the phase comparator.
A portion of the output from the VHF-VCO/A Q1115
(2SC5374) is passed through buffer amplifier Q1116
(2SC5374) and diode switch D1089 (HSC277) to the pro-
grammable divider section of the PLL IC Q1095, where it
Circuit Description
9
is divided according to the frequency dividing data asso-
ciated with the operating frequency input from the main
CPU Q1084. It is then sent to the phase comparator.
A portion of the output from the TX50-29-VCO Q1118
(2SC5374) is passed through buffer amplifier Q1119
(2SC5374) and diode switch D1096 (HSC277) to the pro-
grammable divider section of the PLL IC Q1095, where it
is divided according to the frequency dividing data asso-
ciated with the operating frequency input from the main
CPU Q1084. It is then sent to the phase comparator.
A portion of the output from the RX50-29-VCO Q1121
(2SC5374) is passed through buffer amplifier Q1122
(2SC5374) and diode switch D1096 to the programmable
divider section of the PLL IC Q1095, where it is divided
according to the frequency dividing data associated with
the operating frequency input from the main CPU Q1084.
It is then sent to the phase comparator.
The 11.15 MHz reference oscillator X1003 frequency is
divided by the reference frequency divider section of
Q1095 into 2230 or 1784 parts, to become 5 kHz or 6.25
kHz comparative reference frequencies, which are utilized
by the phase comparator.
The phase comparator section of Q1095 compares the
phase between the frequency-divided oscillation frequen-
cy of the VCO circuit and the comparative frequency, and
its output is a pulse corresponding to the phase differ-
ence. This pulse is integrated by the charge pump consist-
ing of D1067 (UDZS5.1B), Q1098 (2SA1774), Q1099
(2SC4617), and loop filter into a control voltage (VCV) to
control the oscillation frequency of the VCOs.
“Right” band
A portion of the output from the UHF-VCO/B Q1106
(2SC5006) is passed through buffer amplifier Q1107
(2SC5006) and diode switch D1079 (HSC277) to the pro-
grammable divider section of the PLL IC Q1090
(MB15A02PFV1), where it is divided according to the fre-
quency dividing data associated with the operating fre-
quency input from the main CPU Q1084. It is then sent to
the phase comparator.
A portion of the output from the VHF-VCO/B Q1109
(2SC5374) is passed through buffer amplifier Q1110
(2SC5374) and diode switch D1080 (HSC277) to the pro-
grammable divider section of the PLL IC Q1090, where it
is divided according to the frequency dividing data asso-
ciated with the operating frequency input from the main
CPU Q1084. It is then sent to the phase comparator.
The 11.70 MHz reference oscillator X1002 frequency is
divided by the reference frequency divider section of
Q1090 into 2340 or 1872 parts to become 5 kHz or 6.25
kHz comparative reference frequencies, which are utilized
by the phase comparator.
The phase comparator section of Q1090 compares the
phase between the frequency-divided oscillation frequen-
cy of the VCO circuit and the comparative frequency, and
its output is a pulse corresponding to the phase differ-
ence. This pulse is integrated by the charge pump consist-
ing of D1061 (UDZS5.1B), Q1091 (2SA1774), Q1092
(2SC4617), and loop filter into a control voltage (VCV) to
control the oscillation frequency of the VCOs.
Power Supply Line
When the user presses and holds in the “Left” VOL knob
for 2 seconds, pin 23 of the main CPU Q1084 goes “low”
and pin 39 of main CPU Q1084 goes “high,” which acti-
vates the power switch Q1057 (2SB1301), Q1061
(2SC4617), and Q1062 (2SA1774), to supply 13.8 VDC to
each circuit in the transceiver.
Circuit Description
10
Note

11
Alignment
Introduction and Precautions
The FT-8900R has been carefully aligned at the factory
for the specified performance across the 29 MHz, 50 MHz,
144 MHz and 430 MHz amateur bands. Realignment
should therefore not be necessary except in the event of a
component failure. All component replacement and ser-
vice should be performed only by an authorized Vertex
Standard representative, or the warranty policy may be
voided.
The following procedures cover the sometimes critical and
tedious adjustments that are not normally required once
the transceiver has left the factory. However, if damage
occurs and some parts are replaced, realignment may be
required. If a sudden problem occurs during normal op-
eration, it is likely due to component failure; realignment
should not be done until after the faulty component has
been replaced.
We recommend that servicing be performed only by au-
thorized Vertex Standard service technicians who are ex-
perienced with the circuitry and fully equipped for repair
and alignment. Therefore, if a fault is suspected, contact
the dealer from whom the transceiver was purchased for
instructions regarding repair. Authorized Vertex Standard
service technicians realign all circuits and make complete
performance checks to ensure compliance with factory
specifications after replacing any faulty components.
Those who do undertake any of the following alignments
are cautioned to proceed at their own risk. Problems caused
by unauthorized attempts at realignment are not covered
by the warranty policy. Also, Vertex Standard must re-
serve the right to change circuits and alignment procedures
in the interest of improved performance, without notify-
ing owners.
Under no circumstances should any alignment be attempt-
ed unless the normal function and operation of the trans-
ceiver are clearly understood, the cause of the malfunc-
tion has been clearly pinpointed and any faulty compo-
nents replaced, and the need for realignment determined
to be absolutely necessary.
Required Test Equipment
The following test equipment (and thorough familiarity
with its correct use) is necessary for complete realignment.
Correction of problems caused by misalignment result-
ing from use of improper test equipment is not covered
under the warranty policy. While most steps do not re-
quire all of the equipment listed, the interactions of some
adjustments may require that more complex adjustments
be performed afterwards. Do not attempt to perform only
a single step unless it is clearly isolated electrically from
all other steps. Have all test equipment ready before be-
ginning, and follow all of the steps in a section in the or-
der presented.
rRegulated DC Power Supply: adjustable from 10 to
17 VDC, 15 A
rRF Signal Generator with calibrated output level at
500 MHz
rFrequency Counter: ±0.1 ppm accuracy at 500 MHz
rAF Signal Generator
rSINAD Meter
rOscilloscope
rSpectrum Analyzer
rDeviation Meter (linear detector)
rAF Milivoltmeter
rAF Dummy Load: 8-Ohm, 5 W
rDC Voltmeter: high impedance
rInline Wattmeter with 5% accuracy at 500 MHz
r50-Ohm non-reactive Dummy Load:
100 watts at 500 MHz
rVHF/UHF Sampling Coupler
Set up the test equipment as shown for the transceiver
alignment, and apply 13.8 VDC power to the transceiver.
Alignment Preparation & Precautions
A dummy load and inline wattmeter must be connected
to the main antenna jack in all procedures that call for
transmission, except where specified otherwise. Correct
alignment is not possible with an antenna. After complet-
ing one step, read the following step to determine wheth-
er the same test equipment will be required. If not, re-
move the test equipment (except dummy load and watt-
meter, if connected) before proceeding.
Correct alignment requires that the ambient temperature
in the repair shop be the same as that of the transceiver
and test equipment, and that this temperature be held
constant between 68 °C and 86 °F (20 °C ~ 30 °C). When
the transceiver is brought into the shop from hot or cold
air it should be allowed some time for thermal equaliza-
tion with the environment before alignment. If possible,
alignments should be made with oscillator shields and
circuit boards firmly affixed in place. Also, the test equip-
ment must be thoroughly warmed up before beginning.
Notes: Signal levels in dB referred to in alignment are
based on 0 dBµ = 0.5 µV.
QUAD BAND FM TRANSCEIVER
FT-8900R
Power Supply
13.8 VDC
Pin 5
EXT SP
Frequency
Counter
Deviation
Meter
Inline
Wattmeter
50-ohm
Dummy Load
RF Sampling
Coupler
RF Signal
Generator
8-ohm
Dummy Load
SINAD
Meter
AF Signal
Generator

12
Alignment
Entering the Alignment mode
Alignment of the FT-8900R is performed using a front-panel
software-based procedure. To perform alignment of the trans-
ceiver, it must first be placed in the “Alignment Mode,” in which
the adjustments will be made and then stored into memory.
To enter the Alignment mode:
1. Press and hold in the “Left” band [V/M] key and the
Hyper Memory [6] key while turning the radio on.
Once the radio is on, release these two keys.
2. Press the front panel keys in the following sequence.
“Left” band [LOW] à “Left” band [V/M] à
“Left” band [HM] à “Left” band [SCN] à
“Right” band [LOW] à “Right” band [V/M] à
“Right” band [HM] à “Right” band [SCN].
3. You will now note the appearance of “A-0 REF.xxH”
on the display, this signifies that the transceiver is now
in the “Alignment” mode.
PLL Reference Frequency (A-0 REF)
1. Press the “Sub” band DIAL knob momentarily, if
needed, to switch the “Main” band to be the “Left”
band.
2. Tune the “Left” band frequency to 52.050 MHz.
3. Press and hold in the in the “Right” DIAL knob, if
needed, to set the Alignment parameter to “A-0
REF.xxH.”
4. Press the PTT switch to activate the transmitter, and
adjust the “Right” DIAL knob, as needed, so that the
counter frequency reading is 52.050 MHz (±10 Hz).
5. Press the “Right” DIAL knob momentarily to switch
the “Main” band to be the “Right” band.
6. Tune the “Right” band frequency to 435.050 MHz.
7. Press the PTT switch to activate the transmitter, and
adjust the “Left” DIAL knob, as needed, so that the
counter frequency reading is 435.050 MHz (±100 Hz).
RF Front-end Tuning (A-1 TUN)
1. Connect the DC voltmeter to R1168 on the MAIN Unit,
then inject a 439.050 MHz signal at a level of +10 dBµ
(with 1 kHz modulation @ ±3.5 kHz deviation) from
the RF Signal Generator.
2. Press the “Sub” band DIAL knob momentarily, if
needed, to switch the “Main” band to be the “Right”
band.
3. Tune the “Right” band frequency to 439.050 MHz.
4. Press and hold in the in the “Left” DIAL knob to set
the Alignment parameter to “A-1 TUN.xxH.”
5. Adjust the “Left” DIAL knob, as needed, so that the
DC voltmeter reading is 1.1 V.
6. Tune the “Right” band frequency to 145.050 MHz.
7. Inject a 145.050 MHz signal at a level of +10 dBµ (with
1 kHz modulation @ ±3.5 kHz deviation) from the RF
Signal Generator.
8. Adjust the “Left” DIAL knob, as needed, so that the
DC voltmeter reading is 1.2 V.
8. Press the “Left” DIAL knob momentarily to switch the
“Main” band to be the “Left” band.
9. Connect the DC voltmeter to R1180 on the MAIN Unit.
10. Tune the “Left” band frequency to 439.050 MHz.
11. Inject a 439.050 MHz signal at a level of +10 dBµ (with
1 kHz modulation @ ±3.5 kHz deviation) from the RF
Signal Generator.
12. Adjust the “Right” DIAL knob, as needed, so that the
DC voltmeter reading is 1.1 V.
13. Tune the “Left” band frequency to 145.050 MHz.
14. Inject a 145.050 MHz signal at a level of +10 dBµ (with
1 kHz modulation @ ±3.5 kHz deviation) from the RF
Signal Generator.
15. Adjust the “Right” DIAL knob, as needed, so that the
DC voltmeter reading is 1.2 V.
R1168
R1180
MAIN UNIT TEST POINTS
13
Alignment
TX Power Output (A-2 PWR)
1. Press the “Sub” band DIAL knob momentarily, if
needed, to switch the “Main” band to be the “Right”
band.
2. Tune the “Right” band frequency to 440.050 MHz, then
set the Transmit Power Level to “LOW.”
3. Press and hold in the in the “Left” DIAL knob to set
the Alignment parameter to “A-2 PWR.xxH.”
4. Press the PTT switch to activate the transmitter, and
adjust the “Left” DIAL knob, as needed, so that the
wattmeter reading is 5 Watts (±0.5 Watt).
5. Increase the Transmit Power Level to “MID2.”
6. Press the PTT switch to activate the transmitter, and
adjust the “Left” DIAL knob, as needed, so that the
wattmeter reading is 10 Watts (±0.5 Watt).
7. Increase the Transmit Power Level to “MID1.”
8. Press the PTT switch to activate the transmitter, and
adjust the “Left” DIAL knob, as needed, so that the
wattmeter reading is 20 Watts (±0.5 Watt).
9. Increase the Transmit Power Level to “HIGH.”
10. Press the PTT switch to activate the transmitter, and
adjust the “Left” DIAL knob, as needed, so that the
wattmeter reading is 35 Watts (±0.5 Watt).
11. Tune the “Right” band frequency to 146.050 MHz, then
set the Transmit Power Level to “LOW.”
12. Press the PTT switch to activate the transmitter, and
adjust the “Left” DIAL knob, as needed, so that the
wattmeter reading is 5 Watts (±0.5 Watt).
13. Press the “Left” DIAL knob momentarily to switch the
“Main” band to be the “Left” band.
14. Tune the “Left” band frequency to 52.050 MHz, then
set the Transmit Power Level to “MID2.”
15. Press the PTT switch to activate the transmitter, and
adjust the “Right” DIAL knob, as needed, so that the
wattmeter reading is 10 Watts (±0.5 Watt).
16. Tune the “Left” band frequency to 29.050 MHz, then
set the Transmit Power Level to “MID2.”
17. Press the PTT switch to activate the transmitter, and
adjust the “Right” DIAL knob, as needed, so that the
wattmeter reading is 20 Watts (±0.5 Watt).
18. Increase the Transmit Power Level to “HIGH.”
19. Press the PTT switch to activate the transmitter, and
adjust the “Right” DIAL knob, as needed, so that the
wattmeter reading is 50 Watts (±0.5 Watt).
TX Deviation (A-4 DEV)
1. Press the “Sub” band DIAL knob momentarily, if
needed, to switch the “Main” band to be the “Right”
band.
2. Tune the “Right” band frequency to 440.050 MHz, then
set the Transmit Power Level to “LOW.”
3. Press and hold in the in the “Left” DIAL knob to set
the Alignment parameter to “A-4 DEV.xxH.”
4. Inject a 1 kHz audio tone at a level of 80 mV from the
Audio Generator.
5. Press the PTT switch to activate the transmitter, and
adjust the “Left” DIAL knob, as needed, so that the
deviation meter reading is 4.5 kHz (±0.2 kHz).
6. Tune the “Right” band frequency to 146.050 MHz, then
set the Transmit Power Level to “LOW.”
7. Press the PTT switch to activate the transmitter, and
adjust the “Left” DIAL knob, as needed, so that the
deviation meter reading is 4.5 kHz (±0.2 kHz).
9. Press the “Left” DIAL knob momentarily to switch the
“Main” band to be the “Left” band.
10. Tune the “Left” band frequency to 52.050 MHz, then
set the Transmit Power Level to “LOW.”
11. Press the PTT switch to activate the transmitter, and
adjust the “Right” DIAL knob, as needed, so that the
deviation meter reading is 4.5 kHz (±0.2 kHz).
12. Tune the “Left” band frequency to 29.050 MHz, then
set the Transmit Power Level to “LOW.”
13. Press the PTT switch to activate the transmitter, and
adjust the “Right” DIAL knob, as needed, so that the
deviation meter reading is 2.3 kHz (±0.2 kHz).
DCS Tx Deviation (A-5 DCS)
1. Press the “Sub” band DIAL knob momentarily, if
needed, to switch the “Main” band to be the “Right”
band.
2. Press and hold in the in the “Left” DIAL knob to set
the Alignment parameter to “A-5 DCS.xxH.”
3. Tune the “Right” band frequency to 440.050 MHz, then
activate DCS with the 023 DCS code, and set the Trans-
mit Power Level to “LOW.”
4. Press the PTT switch to activate the transmitter (with
no microphone input), and adjust the “Left” DIAL
knob, as needed, so that the deviation meter reading
is between 0.50 kHz and 0.60 kHz.
5. Tune the “Right” band frequency to 146.050 MHz, then
activate DCS with the 023 DCS code, and set the Trans-
mit Power Level to “LOW.”
6. Press the PTT switch to activate the transmitter (with
no microphone input), adjust the “Left” DIAL knob,
as needed, so that the deviation meter reading is be-
tween 0.50 kHz and 0.60 kHz.
7. Press the “Left” DIAL knob momentarily to switch the
“Main” band to be the “Left” band.
8. Tune the “Left” band frequency to 52.050 MHz, then
activate DCS with the 023 DCS code, and set the Trans-
mit Power Level to “LOW.”
9. Press the PTT switch to activate the transmitter (with
no microphone input), and adjust the “Right” DIAL
knob, as needed, so that the deviation meter reading
is between 0.65 kHz and 0.75 kHz.
10. Tune the “Left” band frequency to 29.050 MHz, then
activate DCS with the 023 DCS code, and set the Trans-
mit Power Level to “LOW.”
11. Press the PTT switch to activate the transmitter (with
no microphone input), and adjust the “Right” DIAL
14
knob, as needed, so that the deviation meter reading
is between 0.35 kHz and 0.45 kHz.
CTCSS Tx Deviation (A-6 CTC)
1. Press the “Sub” band DIAL knob momentarily, if
needed, to switch the “Main” band to be the “Right”
band.
2. Press and hold in the in the “Left” DIAL knob to set
the Alignment parameter to “A-6 CTC.xxH.”
3. Tune the “Right” band frequency to 440.050 MHz, then
activate the CTCSS Encoder with a 100 Hz tone, and
set the Transmit Power Level to “LOW.”
4. Press the PTT switch to activate the transmitter (with
no microphone input), and adjust the “Left” DIAL
knob, as needed, so that the deviation meter reading
is between 0.65 kHz and 0.75 kHz.
5. Tune the “Right” band frequency to 146.050 MHz, then
activate the CTCSS Encoder with a 100 Hz tone, and
set the Transmit Power Level to “LOW.”
6. Press the PTT switch to activate the transmitter (with
no microphone input), and adjust the “Left” DIAL
knob, as needed, so that the deviation meter reading
is between 0.65 kHz and 0.75 kHz.
7. Press the “Left” DIAL knob momentarily to switch the
“Main” band to be the “Left” band.
8. Tune the “Left” band frequency to 52.050 MHz, then
activate the CTCSS Encoder with a 100 Hz tone, and
set the Transmit Power Level to “LOW.”
9. Press the PTT switch to activate the transmitter (with
no microphone input), and adjust the “Right” DIAL
knob, as needed, so that the deviation meter reading
is between 0.65 kHz and 0.75 kHz.
10. Tune the “Left” band frequency to 29.050 MHz, then
activate the CTCSS Encoder with a 100 Hz tone, and
set the Transmit Power Level to “LOW.”
11. Press the PTT switch to activate the transmitter (with
no microphone input), and adjust the “Right” DIAL
knob, as needed, so that the deviation meter reading
is between 0.35 kHz and 0.45 kHz.
S-Meter Sensitivity (A-7 SM L/V)
1. Inject a 440.050 MHz signal at a level of –5 dBµ from
the RF Signal Generator.
2. Press the “Sub” band DIAL knob momentarily, if
needed, to switch the “Main” band to be the “Right”
band.
3. Tune the “Right” band frequency to 440.050 MHz.
4. Press and hold in the in the “Left” DIAL knob to set
the Alignment parameter to “A-7 SM L/V.”
5. Press the “Left” band [LOW] key, then adjust the “Left”
DIAL knob, as needed, so that the S-meter deflects 1
dot.
6. Increase the RF Signal Generator output level to +23
dBµ.
7. Press the “Left” band [V/M] key, then adjust the “Left”
DIAL knob, as needed, so that the S-meter deflects full
scale.
8. Tune the “Right” band frequency to 146.050 MHz.
9. Inject a 146.050 MHz signal at a level of –5 dBµ from
the RF Signal Generator.
10. Press the “Left” band [LOW] key, then adjust the “Left”
DIAL knob, as needed, so that the S-meter deflects 1
dot.
11. Increase the RF Signal Generator output level to +23
dBµ.
12. Press the “Left” band [V/M] key, then adjust the “Left”
DIAL knob, as needed, so that the S-meter deflects full
scale.
13. Press the “Sub” band DIAL knob momentarily, if
needed, to switch the “Main” band to be the “Left”
band.
14. Tune the “Left” band frequency to 440.050 MHz.
15. Inject a 440.050 MHz signal at a level of –5 dBµ from
the RF Signal Generator.
16. Press the “Left” band [LOW] key, then adjust the
“Right” DIAL knob, as needed, so that the S-meter
deflects 1 dot.
17. Increase the RF Signal Generator output level to +23
dBµ.
18. Press the “Left” band [V/M] key, then adjust the
“Right” DIAL knob, as needed, so that the S-meter
deflects full scale.
19. Tune the “Left” band frequency to 146.050 MHz.
20. Inject a 146.050 MHz signal at a level of –5 dBµ from
the RF Signal Generator.
21. Press the “Left” band [LOW] key, then adjust the
“Right” DIAL knob, as needed, so that the S-meter
deflects 1 dot.
22. Increase the RF Signal Generator output level to +23
dBµ.
23. Press the “Left” band [V/M] key, then adjust the
“Right” DIAL knob, as needed, so that the S-meter
deflects full scale.
24. Tune the “Left” band frequency to 52.050 MHz.
25. Inject a 52.050 MHz signal at a level of –5 dBµ from
the RF Signal Generator.
26. Press the “Left” band [LOW] key, then adjust the
“Right” DIAL knob, as needed, so that the S-meter
deflects 1 dot.
27. Increase the RF Signal Generator output level to +23
dBµ.
28. Press the “Left” band [V/M] key then adjust the “Right”
DIAL knob, as needed, so that the S-meter deflects full
scale.
29. Tune the “Left” band frequency to 29.050 MHz.
30. Inject a 146.050 MHz signal at a level of –5 dBµ from
the RF Signal Generator.
31. Press the “Left” band [LOW] key, then adjust the
“Right” DIAL knob, as needed, so that the S-meter
deflects 1 dot.
32. Increase the RF Signal Generator output level to +23
dBµ.
Alignment

15
33. Press the “Left” band [V/M] key, then adjust the
“Right” DIAL knob, as needed, so that the S-meter
deflects full scale.
34. Tune the “Left” band frequency to 868.95 MHz.
35. Inject an 868.95 MHz signal at a level of –3 dBµ from
the RF Signal Generator.
36. Press the “Left” band [LOW] key, then adjust the
“Right” DIAL knob, as needed, so that the S-meter
deflects 1 dot.
37. Increase the RF Signal Generator output level to +31
dBµ.
38. Press the “Left” band [V/M] key, then adjust the
“Right” DIAL knob, as needed, so that the S-meter
deflects full scale.
39. Tune the “Left” band frequency to 350.050 MHz.
40. Inject a 350.050 MHz signal at a level of –5 dBµ from
the RF Signal Generator.
41. Press the “Left” band [LOW] key, then adjust the
“Right” DIAL knob, as needed, so that the S-meter
deflects 1 dot.
42. Increase the RF Signal Generator output level to +23
dBµ.
43. Press the “Left” band [V/M] key, then adjust the
“Right” DIAL knob, as needed, so that the S-meter
deflects full scale.
DC Voltmeter (A-8 BAT SC)
1. Set the power supply voltage to 13.8 VDC.
2. Press and hold in the in the “Sub” band DIAL knob to
set the Alignment parameter to “A-8 BAT SC.”
3. Press the “Left” band [SCN] key.
To close the Alignment mode, just press and hold in the
“Right” VOL knob for 2 seconds (to turn the power off).
The next time the transceiver is turned on, normal opera-
tion may resume.
Important Note!
The “A-3 PRO” (TX Protector) parameter is only used
at the factory.
Do not adjust this parameter’s values.
Alignment
16
Note

17
MAIN Unit
Circuit Diagram
(xx) = 29.1 V
[xx] = 52.1 V
<xx> = 146.1 V
4.88 V
8.88 V
8.80 V
13.09 V
4.89 V
POWER ON:4.22 V
POWER ON:4.75 V
POWER ON:4.76 V
POWER ON:13.05 V
13.80 V
POWER ON:13.77 V
13.12 V
4.99 V
9.08 V
5.85 V
5.84 V
5.19 V
5.19 V
5.14 V
5.12 V5.14 V
5.11 V
5.11 V
5.09 V
5.09 V
5.06 V
9.01 V 8.95 V
8.94 V
8.81 V
4.64 V
4.67 V
(3.17 V) <3.49 V>
(2.50 V)
<0.92 V>
<13.4 V>{13.2 V}
<12.7 V>
(1.75 V)
[1.92 V]
<13.4 V>
4.15 V
4.90 V
4.90 V
0 dBµ
-7 dBµ
+8.6 dBµ
0.41 V
+7.5 dBµ
0.77 V 3.57 V
0.17 V
8.94 V
+26.7 dBµ
0.71 V
8.94 V
+27.5 dBµ
8.97 V
8.94 V
8.22 V
1.15 V
(+24.0 dBµ)
[+25.3 dBµ]
+0.3 dBµ0.98 V
+12.2 dBµ
+22.5 dBµ
8.45 V
+24.0 dBµ
2.27 V
8.47 V
1.55 V
1.00 V
1.00 V
1.54 V
+1.8 dBµ0.88 V
+10.6 dBµ
+23.2 dBµ
8.70 V
+10.5 dBµ
+24.2 dBµ
8.70 V
1.55 V
1.14 V, +20.0 dBµ
8.70 V
1.48 V
1.08 V, +21.5 dBµ
0.66 V
<+29.7 dBµ> {+27.1 dBµ} (+30.6 dBµ) [+31.8 dBµ] <+32.4 dBµ> {+30.0 dBµ}
1.64 V
2.42 V
<4.70 V>
(4.87 V) [4.87 V]
0.79 V
0.36 V 0.46 V
0.70 V
<+30.8 dBµ>
3.97 V
(+33.2 dBµ) [+35.1 dBµ]
4.94 V
0.15 V
0.85 V
2.26 V
2.44 V
2.44 V 2.54 V
1.95 V
0.78 V
0.78 V
0.20 V
0.20 V
2.09 V
0.61 V
1.20 V 4.55 V
0.69 V
0.68 V
4.70 V
WIDE:1.79 V
NARROW:2.54
WIDE:1.79 V
NARROW:2.54
WIDE:2.25 V WIDE:2.25 V
4.78 V 4.81 V
4.81 V
0.64 V
4.78 V
4.81 V
4.81 V
0.64 V
WIDE:4.04 V
NARROW:4.66 V
1.80 V
1.80 V
1.81 V
1.80 V
1.76 V
1.81 V
9.00 V
8.99 V
9.00 V
9.01 V
9.00 V
9.02 V
9.02 V
9.02 V
4.64 V
1.81 V
FAN ON:0.77 V
FAN ON:12.0 V
FAN ON:0.18 V
0.52 V
9.07 V
1.28 V
1.31 V
6.21 V
13.77 V
13.00 V
13.70 V
3.67 V
8.54 V
3.67 V
AFVR-A:0~4.66 V
AFVR-B:0~4.66 V
1.85 V
1.85 V
1.85 V
1.85 V
1.85 V
1.86 V 1.86 V
1.86 V
1.86 V
1.86 V
PK-A:2.35 V
PK-B:2.28 V
PK-A:0 V, PK-B:4.54 V
PK-A:2.02 V
PK-A:4.70 V
PK-A:1.48 V
PK-A:1.49 V
PK-B
PK-A:2.36 V
1.80 V
0.88 V
0.88 V
0.88 V
0.82 V
0.86 V
0.80 V
0.78 V 0.83 V 0.79 V
0.85 V
0.85 V
0.85 V
1.76 V
18
MAIN Unit

19
MAIN Unit
ABCDEFG
1
2
3
4
5
Side A
M51132FP
(Q1042)
M3826AEFGP
(Q1084)
BU2090FS
(Q1042)
MB15A02PFV1
(Q1090)
TA31136FN
(Q1018, 1024)
BU4066BCFV
(Q1051)
NJM2902V
(Q1033, 1054)
LA4425A
(Q1045)
TDA7233D
(Q1050)
2SK2596BX (BX)
(Q1039)
2SK2975
(Q1037)
2SA1774 (FR)
(Q1089, 1091)
2SB1301 (ZQ)
(Q1057)
2SC4400 (RT4)
(Q1017)
2SC4617 (BR)
(Q1022, 1036, 1037,
1062, 1092, 1147)
2SC5006 (24)
(Q1005, 1014, 1108,
1112, 1113, 1146)
2SC5277 (D2)
(Q1013)
2SC5374 (NA)
(Q1012, 1111, 1114,
1115, 1116, 1117,
1123, 1124)
2SD1664 (DA)
(Q1038)
IMT17 (T17)
(Q1076, 1077)
RT1N4441U (N3)
(Q1016, 1020, 1030,
1031, 1035, 1038,
1039, 1052, 1053,
1141, 1144) RT1P441U (P3)
(Q1079, 1083)
UMA8N (A8)
(Q1071, 1072,
1073, 1074)
1SS302 (C3)
(D1026)
DA221 (K)
(D1038)
DAN222 (N)
(D1036, 1037,
1068, 1092, 1100)
NJM78L05 (8C)
(Q1060)
3SK296ZQ
(Q1004)
RD70HVF1
(Q1134)

20
MAIN Unit
abcdefg
1
2
3
4
5
Side B
2SA1774 (FR)
(Q1062, 1094, 1098)
BU4066BCFV
(Q1086)
NJM2902V
(Q1025, 1034)
AT24C128N
(Q1067)
NJM2904V
(Q1130)
TC4W66FU
(Q1046, 1047)
M51951BHP (51)
(Q1064)
MM1216 (1C)
(Q1059)
2SB1201S
(Q1058)
2SC4400 (RT4)
(Q1019, 1026, 1027)
2SC4617 (BR)
(Q1021, 1023, 1055,
1065, 1066, 1078,
1097, 1099, 1135,
1142, 1143, 1145)
2SC5006 (24)
(Q1006, 1007)
2SC5374 (NA)
(Q1011, 1109, 1110,
1118, 1119, 1121,
1122)
RT1N4441U (N3)
(Q1028, 1032, 1040,
1041, 1044, 1056,
1068, 1069, 1070,
1087, 1088, 1100,
1120, 1125, 1126, 1127,
1128, 1131, 1140)
RT1P441U (P3)
(Q1096, 1129)
UMA8N (A8)
(Q1080, 1081, 1082)
DAN235E (M)
(Q1027, 1128)
DAP222 (P)
(Q1048, 1049, 1052,
1053, 1054)
HZ27WA (27A)
(Q1040, 1041)
CPH6102 (AB)
(Q1043)
MB15A02PFV1
(Q1095)

21
MAIN Unit
Parts List
REF DESCRIPTION VALUE V/W TOL. MFR'S DESIG VXSTD P/N VERS.
LOT SIDE LAY ADR
PCB with Component CS1769004 TYP: A2U DST: USA
CS1769005 TYP: A1 DST: EXP
CS1769006 TYP: A2 DST: EXP
CS1769007 TYP: A3 DST: EXP
CS1769008 TYP: B1 DST: EXP
CS1769009 TYP: B2 DST: EXP
CS1769010 TYP: B3 DST: EXP
CS1769011 TYP: C1 DST: EXP
CS1769012 TYP: C2 DST: EXP
CS1769013 TYP: C3 DST: EXP
CS1769014 TYP: D1 DST: EXP
CS1769015 TYP: D2 DST: EXP
CS1769016 TYP: B1G DST: FRG
CS1769017 TYP: B2G DST: FRG
Printed Circuit Board AH008M000 FR008440D 1-
C 1001 CHIP CAP. 0.001uF 50V BGRM36B102K50PT K22178809 1- Bb3
C 1002 CHIP CAP. 0.001uF 50V BGRM36B102K50PT K22178809 1- Bb3
C 1004 CHIP CAP. 3pF 50V CJ GRM36CJ030B50PT K22178290 1- Bb3
C 1005 CHIP CAP. 33pF 50V CH GRM36CH330J50PT K22178224 1- Bb3
C 1006 CHIP CAP. 0.001uF 50V BGRM36B102K50PT K22178809 1- Bb3
C 1009 CHIP CAP. 0.001uF 50V BGRM36B102K50PT K22178809 1- Bb4
C 1010 CHIP CAP. 0.001uF 50V BGRM36B102K50PT K22178809 1- Bb4
C 1012 CHIP CAP. 0.001uF 50V BGRM36B102K50PT K22178809 1- Bb4
C 1013 CHIP CAP. 0.001uF 50V BGRM36B102K50PT K22178809 1- Bb4
C 1014 CHIP CAP. 0.001uF 50V BGRM36B102K50PT K22178809 1- Bb4
C 1015 CHIP CAP. 8pF 50V CH GRM36CH080B50PT K22178295 1- Bc4
C 1016 CHIP CAP. 0.001uF 50V BGRM36B102K50PT K22178809 1- Bb4
C 1017 CHIP CAP. 2pF 50V CK GRM36CK020B50PT K22178289 1- Bc4
C 1018 CHIP CAP. 33pF 50V CH GRM36CH330J50PT K22178224 1- Bc4
C 1019 CHIP CAP. 0.5pF 50V CK GRM36CK0R5B50PT K22178285 1- Bc4
C 1020 CHIP CAP. 2pF 50V CK GRM36CK020B50PT K22178289 1- Bc4
C 1021 CHIP CAP. 33pF 50V CH GRM36CH330J50PT K22178224 1- Bc4
C 1022 CHIP CAP. 0.5pF 50V CK GRM36CK0R5B50PT K22178285 1- Bc4
C 1023 CHIP CAP. 33pF 50V CH GRM36CH330J50PT K22178224 1- Bc4
C 1025 CHIP CAP. 10pF 50V CH GRM36CH100D50PT K22178212 1- Bc4
C 1026 CHIP CAP. 0.01uF 16V BGRM36B103K16PT K22128804 1- Bc4
C 1027 CHIP CAP. 0.001uF 50V BGRM36B102K50PT K22178809 1- Bc4
C 1028 CHIP CAP. 2pF 50V CK GRM36CK020B50PT K22178289 1- Bc4
C 1029 CHIP CAP. 0.001uF 50V BGRM36B102K50PT K22178809 1- Bc4
C 1030 CHIP CAP. 10pF 50V CH GRM36CH100D50PT K22178212 1- AD4
C 1031 CHIP CAP. 0.001uF 50V BGRM36B102K50PT K22178809 1- AF4
C 1032 CHIP CAP. 56pF 50V CH GRM36CH560J50PT K22178230 1- AF4
C 1033 CHIP CAP. 0.5pF 50V CK GRM36CK0R5B50PT K22178285 1- AF4
C 1034 CHIP CAP. 33pF 50V CH GRM36CH330J50PT K22178224 1- AF4
C 1035 CHIP CAP. 0.5pF 50V CK GRM36CK0R5B50PT K22178285 1- AF5
C 1036 CHIP CAP. 1.5pF 50V CK GRM36CK1R5B50PT K22178288 1- AF5
C 1037 CHIP CAP. 33pF 50V CH GRM36CH330J50PT K22178224 1- AF5
C 1038 CHIP CAP. 0.5pF 50V CK GRM36CK0R5B50PT K22178285 1- AF5
C 1039 CHIP CAP. 27pF 50V CH GRM36CH270J50PT K22178222 1- AF5
C 1041 CHIP CAP. 10pF 50V CH GRM36CH100D50PT K22178212 1- AF5
C 1042 CHIP CAP. 0.01uF 16V BGRM36B103K16PT K22128804 1- AF5
C 1043 CHIP CAP. 0.001uF 50V BGRM36B102K50PT K22178809 1- AF5
C 1044 CHIP CAP. 0.001uF 50V BGRM36B102K50PT K22178809 1- AF5
C 1045 CHIP CAP. 2pF 50V CK GRM36CK020B50PT K22178289 1- AF5
C 1046 CHIP CAP. 0.001uF 50V BGRM36B102K50PT K22178809 1- AF5
C 1047 CHIP CAP. 0.001uF 50V BGRM36B102K50PT K22178809 1- AF5
C 1048 CHIP CAP. 0.001uF 50V BGRM36B102K50PT K22178809 1- AF4
C 1049 CHIP CAP. 6pF 50V CH GRM36CH060B50PT K22178293 1- AF5
C 1050 CHIP CAP. 1.5pF 50V CK GRM36CK1R5B50PT K22178288 1- AF5
C 1051 CHIP CAP. 8pF 50V CH GRM36CH080B50PT K22178295 1- AF5
C 1052 CHIP CAP. 22pF 50V CH GRM36CH220J50PT K22178220 1- AF5
C 1053 CHIP CAP. 1pF 50V CK GRM36CK010B50PT K22178287 1- AF5
C 1054 CHIP CAP. 27pF 50V CH GRM36CH270J50PT K22178222 1- Ba2
C 1055 CHIP CAP. 0.001uF 50V BGRM36B102K50PT K22178809 1- Ba3
C 1056 CHIP CAP. 10pF 50V CH GRM36CH100D50PT K22178212 1- Ba4
C 1057 CHIP CAP. 22pF 50V CH GRM36CH220J50PT K22178220 1- Ba4
C 1059 CHIP CAP. 0.001uF 50V BGRM36B102K50PT K22178809 1- Ba4
C 1060 CHIP CAP. 0.001uF 50V BGRM36B102K50PT K22178809 1- AE4
C 1061 CHIP CAP. 2pF 50V CK GRM36CK020B50PT K22178289 1- Ba4
C 1062 CHIP CAP. 0.001uF 50V BGRM36B102K50PT K22178809 1- Ba4
C 1063 CHIP CAP. 0.001uF 50V BGRM36B102K50PT K22178809 1- Ba4
C 1065 CHIP CAP. 0.001uF 50V BGRM36B102K50PT K22178809 1- Ba4
C 1066 CHIP CAP. 0.001uF 50V BGRM36B102K50PT K22178809 1- Bb4
C 1067 CHIP CAP. 0.001uF 50V BGRM36B102K50PT K22178809 1- AE4
C 1068 CHIP CAP. 0.001uF 50V BGRM36B102K50PT K22178809 1- Bb4
C 1069 CHIP CAP. 8pF 50V CH GRM36CH080B50PT K22178295 1- Bb4

22
REF DESCRIPTION VALUE V/W TOL. MFR'S DESIG VXSTD P/N VERS.
LOT SIDE LAY ADR
MAIN Unit
Parts List
C 1070 CHIP CAP. 2pF 50V CK GRM36CK020B50PT K22178289 1- Bb4
C 1071 CHIP CAP. 39pF 50V CH GRM36CH390J50PT K22178226 1- Bb4
C 1072 CHIP CAP. 0.75pF 50V CK GRM36CKR75B50PT K22178286 1- Bc4
C 1073 CHIP CAP. 18pF 50V CH GRM36CH180J50PT K22178218 1- Bc4
C 1074 CHIP CAP. 3pF 50V CJ GRM36CJ030B50PT K22178290 1- Bc4
C 1075 CHIP CAP. 39pF 50V CH GRM36CH390J50PT K22178226 1- Bc4
C 1076 CHIP CAP. 0.5pF 50V CK GRM36CK0R5B50PT K22178285 1- Bc4
C 1077 CHIP CAP. 8pF 50V CH GRM36CH080B50PT K22178295 1- Bc4
C 1078 CHIP CAP. 3pF 50V CJ GRM36CJ030B50PT K22178290 1- Bc4
C 1079 CHIP CAP. 39pF 50V CH GRM36CH390J50PT K22178226 1- Bc4
C 1080 CHIP CAP. 10pF 50V CH GRM36CH100D50PT K22178212 1- Bc4
C 1081 CHIP CAP. 0.01uF 16V BGRM36B103K16PT K22128804 1- Bc4
C 1082 CHIP CAP. 0.001uF 50V BGRM36B102K50PT K22178809 1- Bc4
C 1083 CHIP CAP. 7pF 50V CH GRM36CH070B50PT K22178294 1- Bc4
C 1084 CHIP CAP. 0.001uF 50V BGRM36B102K50PT K22178809 1- Bc4
C 1090 CHIP CAP. 0.01uF 16V BGRM36B103K16PT K22128804 1- AF4
C 1097 CHIP CAP. 0.001uF 50V BGRM36B102K50PT K22178809 1- Ba4
C 1102 CHIP CAP. 0.001uF 50V BGRM36B102K50PT K22178809 1- Ba4
C 1103 CHIP CAP. 8pF 50V CH GRM36CH080B50PT K22178295 1- Ba4
C 1104 CHIP CAP. 2pF 50V CK GRM36CK020B50PT K22178289 1- Ba5
C 1105 CHIP CAP. 0.001uF 50V BGRM36B102K50PT K22178809 1- Ba4
C 1106 CHIP CAP. 39pF 50V CH GRM36CH390J50PT K22178226 1- Ba5
C 1107 CHIP CAP. 0.75pF 50V CK GRM36CKR75B50PT K22178286 1- Ba5
C 1108 CHIP CAP. 3pF 50V CJ GRM36CJ030B50PT K22178290 1- Ba5
C 1109 CHIP CAP. 18pF 50V CH GRM36CH180J50PT K22178218 1- Ba5
C 1110 CHIP CAP. 39pF 50V CH GRM36CH390J50PT K22178226 1- Ba5
C 1111 CHIP CAP. 0.5pF 50V CK GRM36CK0R5B50PT K22178285 1- Ba5
C 1112 CHIP CAP. 2pF 50V CK GRM36CK020B50PT K22178289 1- Ba5
C 1113 CHIP CAP. 8pF 50V CH GRM36CH080B50PT K22178295 1- Ba5
C 1114 CHIP CAP. 39pF 50V CH GRM36CH390J50PT K22178226 1- Ba5
C 1115 CHIP CAP. 0.001uF 50V BGRM36B102K50PT K22178809 1- Ba5
C 1116 CHIP CAP. 0.001uF 50V BGRM36B102K50PT K22178809 1- Ba5
C 1117 CHIP CAP. 33pF 50V CH GRM36CH330J50PT K22178224 1- Ba5
C 1118 CHIP CAP. 0.001uF 50V BGRM36B102K50PT K22178809 1- Ba5
C 1119 CHIP CAP. 0.01uF 16V BGRM36B103K16PT K22128804 1- Ba5
C 1120 CHIP CAP. 0.001uF 50V BGRM36B102K50PT K22178809 1- Ba5
C 1121 CHIP CAP. 7pF 50V CH GRM36CH070B50PT K22178294 1- Ba5
C 1122 CHIP CAP. 68pF 50V CH GRM36CH680J50PT K22178232 1- Ba3
C 1123 CHIP CAP. 100pF 50V CH GRM36CH101J50PT K22178236 1- Ba4
C 1124 CHIP CAP. 0.001uF 50V BGRM36B102K50PT K22178809 1- Ba4
C 1125 CHIP CAP. 27pF 50V CH GRM36CH270J50PT K22178222 1- Ba4
C 1126 CHIP CAP. 12pF 50V CH GRM36CH120J50PT K22178214 1- Ba4
C 1127 CHIP CAP. 9pF 50V CH GRM36CH090B50PT K22178296 1- Ba4
C 1128 CHIP CAP. 22pF 50V CH GRM36CH220J50PT K22178220 1- Ba4
C 1129 CHIP CAP. 39pF 50V CH GRM36CH390J50PT K22178226 1- Ba4
C 1130 CHIP CAP. 0.01uF 16V BGRM36B103K16PT K22128804 1- Ba4
C 1131 CHIP CAP. 120pF 50V CH GRM36CH121J50PT K22178238 1- AG4
C 1132 CHIP CAP. 220pF 25V CH GRM36CH221J25PT K22148203 1- AG4
C 1133 CHIP CAP. 0.001uF 50V BGRM36B102K50PT K22178809 1- AG4
C 1134 CHIP CAP. 100pF 50V CH GRM36CH101J50PT K22178236 1- AG4
C 1136 CHIP CAP. 33pF 50V CH GRM36CH330J50PT K22178224 1- AG4
C 1137 CHIP CAP. 47pF 50V CH GRM36CH470J50PT K22178228 1- AG4
C 1138 CHIP CAP. 150pF 50V CH GRM36CH151J50PT K22178240 1- AG4
C 1139 CHIP CAP. 0.01uF 16V BGRM36B103K16PT K22128804 1- AG4
C 1140 CHIP CAP. 0.01uF 16V BGRM36B103K16PT K22128804 1- AG4
C 1141 CHIP CAP. 68pF 50V CH GRM36CH680J50PT K22178232 1- AF4
C 1142 CHIP CAP. 10pF 50V CH GRM36CH100D50PT K22178212 1- AG5
C 1143 CHIP CAP. 62pF 50V CH GRM36CH620J50PT K22178231 1- AG5
C 1144 CHIP CAP. 10pF 50V CH GRM36CH100D50PT K22178212 1- AG5
C 1145 CHIP CAP. 62pF 50V CH GRM36CH620J50PT K22178231 1- AG5
C 1146 CHIP CAP. 0.01uF 16V BGRM36B103K16PT K22128804 1- AG5
C 1147 CHIP CAP. 0.001uF 50V BGRM36B102K50PT K22178809 1- AG5
C 1148 CHIP CAP. 0.01uF 16V BGRM36B103K16PT K22128804 1- Ba4
C 1149 CHIP CAP. 33pF 50V CH GRM36CH330J50PT K22178224 1- Ba4
C 1150 CHIP CAP. 4pF 50V CH GRM36CH040B50PT K22178291 1- Ba4
C 1151 CHIP CAP. 33pF 50V CH GRM36CH330J50PT K22178224 1- Ba4
C 1152 CHIP CAP. 4pF 50V CH GRM36CH040B50PT K22178291 1- Ba5
C 1153 CHIP CAP. 33pF 50V CH GRM36CH330J50PT K22178224 1- Ba5
C 1154 CHIP CAP. 0.01uF 16V BGRM36B103K16PT K22128804 1- Ba5
C 1155 CHIP CAP. 0.001uF 50V BGRM36B102K50PT K22178809 1- Ba5
C 1156 CHIP CAP. 0.001uF 50V BGRM36B102K50PT K22178809 1- Ba5
C 1157 CHIP CAP. 0.01uF 16V BGRM36B103K16PT K22128804 1- Ba5
C 1159 CHIP CAP. 2pF 50V CK GRM36CK020B50PT K22178289 1- Ba3
C 1160 CHIP CAP. 47pF 50V CH GRM36CH470J50PT K22178228 1- Ba3
C 1161 CHIP CAP. 1pF 50V CK GRM36CK010B50PT K22178287 1- Ba3
C 1162 CHIP CAP. 2pF 50V CK GRM36CK020B50PT K22178289 1- Ba3

23
MAIN Unit
Parts List
REF DESCRIPTION VALUE V/W TOL. MFR'S DESIG VXSTD P/N VERS.
LOT SIDE LAY ADR
C 1163 CHIP CAP. 7pF 50V CH GRM36CH070B50PT K22178294 1- AG4
C 1164 CHIP CAP. 2pF 50V CK GRM36CK020B50PT K22178289 1- AF4
C 1165 CHIP CAP. 3pF 50V CJ GRM36CJ030B50PT K22178290 1- AF4
C 1166 CHIP CAP. 12pF 50V CH GRM36CH120J50PT K22178214 1- AF4
C 1167 CHIP CAP. 0.001uF 50V BGRM36B102K50PT K22178809 1- AF5
C 1168 CHIP CAP. 0.75pF 50V CK GRM36CKR75B50PT K22178286 1- AF5
C 1169 CHIP CAP. 10pF 50V CH GRM36CH100D50PT K22178212 1- AF5
C 1170 CHIP CAP. 10pF 50V CH GRM36CH100D50PT K22178212 1- AF5
C 1171 CHIP CAP. 0.5pF 50V CK GRM36CK0R5B50PT K22178285 1- AF5
C 1172 CHIP CAP. 5pF 50V CH GRM36CH050B50PT K22178292 1- AF5
C 1173 CHIP CAP. 0.001uF 50V BGRM36B102K50PT K22178809 1- AF5
C 1174 CHIP CAP. 0.001uF 50V BGRM36B102K50PT K22178809 1- AF5
C 1175 CHIP CAP. 0.001uF 50V BGRM36B102K50PT K22178809 1- Ba5
C 1176 CHIP CAP. 0.001uF 50V BGRM36B102K50PT K22178809 1- Bc4
C 1177 CHIP CAP. 0.001uF 50V BGRM36B102K50PT K22178809 1- AC4
C 1178 CHIP CAP. 12pF 50V CH GRM36CH120J50PT K22178214 1- AC4
C 1179 CHIP CAP. 0.022uF 16V BGRM36B223K16PT K22128806 1- AC4
C 1180 CHIP CAP. 6pF 50V CH GRM36CH060B50PT K22178293 1- Bd4
C 1182 CHIP CAP. 0.01uF 16V BGRM36B103K16PT K22128804 1- AB4
C 1183 CHIP CAP. 15pF 50V CH GRM36CH150J50PT K22178216 1- AC4
C 1184 CHIP CAP. 0.001uF 50V BGRM36B102K50PT K22178809 1- Ba5
C 1185 CHIP CAP. 0.001uF 50V BGRM36B102K50PT K22178809 1- Bb5
C 1186 CHIP CAP. 12pF 50V CH GRM36CH120J50PT K22178214 1- Ba5
C 1187 CHIP CAP. 0.022uF 16V BGRM36B223K16PT K22128806 1- Bb5
C 1188 CHIP CAP. 6pF 50V CH GRM36CH060B50PT K22178293 1- AE5
C 1191 CHIP CAP. 0.01uF 50V BGRM39B103M50PT K22174823 1- Bd5
C 1192 CHIP CAP. 0.01uF 16V BGRM36B103K16PT K22128804 1- Bb5
C 1193 CHIP CAP. 0.001uF 50V BGRM36B102K50PT K22178809 1- Bc5
C 1194 CHIP CAP. 0.1uF 10V BGRM36B104K10PT K22108802 1- Be5
C 1195 CHIP CAP. 0.001uF 50V BGRM36B102K50PT K22178809 1- AB5
C 1196 CHIP CAP. 0.01uF 16V BGRM36B103K16PT K22128804 1- Be5
C 1197 CHIP CAP. 0.01uF 16V BGRM36B103K16PT K22128804 1- AB4
C 1198 CHIP CAP. 0.001uF 50V BGRM36B102K50PT K22178809 1- AC5
C 1199 CHIP CAP. 0.01uF 16V BGRM36B103K16PT K22128804 1- AC5
C 1200 CHIP CAP. 0.1uF 10V BGRM36B104K10PT K22108802 1- Be5
C 1201 CHIP CAP. 0.001uF 50V BGRM36B102K50PT K22178809 1- Bf4
C 1202 CHIP CAP. 0.001uF 50V BGRM36B102K50PT K22178809 1- Bf4
C 1203 CHIP CAP. 0.001uF 50V BGRM36B102K50PT K22178809 1- Bf4
C 1204 CHIP CAP. 1uF 10V FGRM39F105Z10PT K22105001 1- Bf4
C 1205 CHIP CAP. 0.001uF 50V BGRM36B102K50PT K22178809 1- Bf4
C 1206 CHIP CAP. 0.01uF 16V BGRM36B103K16PT K22128804 1- Be4
C 1207 CHIP CAP. 22pF 50V CH GRM36CH220J50PT K22178220 1- Be4
C 1208 CHIP CAP. 0.01uF 16V BGRM36B103K16PT K22128804 1- AC5
C 1209 CHIP CAP. 27pF 50V CH GRM36CH270J50PT K22178222 1- AC5
C 1210 CHIP CAP. 22pF 50V CH GRM36CH220J50PT K22178220 1- Be4
C 1211 CHIP CAP. 2pF 50V CK GRM36CK020B50PT K22178289 1- Bd5
C 1212 CHIP CAP. 1uF 10V FGRM39F105Z10PT K22105001 1- AC5
C 1213 CHIP CAP. 0.001uF 50V BGRM36B102K50PT K22178809 1- AB4
C 1214 CHIP CAP. 0.1uF 10V BGRM36B104K10PT K22108802 1- AB4
C 1215 CHIP CAP. 56pF 50V CH GRM36CH560J50PT K22178230 1- Be4
C 1216 CHIP CAP. 56pF 50V CH GRM36CH560J50PT K22178230 1- AB4
C 1217 CHIP CAP. 0.01uF 16V BGRM36B103K16PT K22128804 1- Be4
C 1218 CHIP CAP. 0.01uF 16V BGRM36B103K16PT K22128804 1- AB5
C 1219 CHIP CAP. 0.001uF 50V BGRM36B102K50PT K22178809 1- Be4
C 1220 CHIP CAP. 0.001uF 50V BGRM36B102K50PT K22178809 1- Be4
C 1221 CHIP CAP. 0.047uF 10V BGRM36B473K10PT K22108801 1- AB5
C 1222 CHIP CAP. 220pF 25V CH GRM36CH221J25PT K22148203 1- Be4
C 1223 CHIP CAP. 470pF 50V BGRM36B471K50PT K22178805 1- Be4
C 1224 CHIP CAP. 470pF 50V BGRM36B471K50PT K22178805 1- Be4
C 1225 CHIP CAP. 0.1uF 10V BGRM36B104K10PT K22108802 1- Be4
C 1226 CHIP CAP. 100pF 50V CH GRM36CH101J50PT K22178236 1- AB4
C 1227 CHIP TA.CAP. 22uF 6.3V TEMSVA0J226M-8R K78080047 1- Be3
C 1228 CHIP CAP. 0.001uF 50V BGRM36B102K50PT K22178809 1- Bd5
C 1229 CHIP CAP. 0.001uF 50V BGRM36B102K50PT K22178809 1- AC5
C 1230 CHIP CAP. 0.1uF 10V BGRM36B104K10PT K22108802 1- AC5
C 1231 CHIP CAP. 56pF 50V CH GRM36CH560J50PT K22178230 1- AC5
C 1232 CHIP CAP. 56pF 50V CH GRM36CH560J50PT K22178230 1- Bd5
C 1233 CHIP CAP. 0.01uF 16V BGRM36B103K16PT K22128804 1- Bd5
C 1234 CHIP CAP. 0.01uF 16V BGRM36B103K16PT K22128804 1- AB5
C 1235 CHIP CAP. 0.001uF 50V BGRM36B102K50PT K22178809 1- AC5
C 1236 CHIP CAP. 0.001uF 50V BGRM36B102K50PT K22178809 1- Bd5
C 1237 CHIP CAP. 0.047uF 10V BGRM36B473K10PT K22108801 1- AB5
C 1238 CHIP CAP. 220pF 25V CH GRM36CH221J25PT K22148203 1- Bd5
C 1239 CHIP CAP. 470pF 50V BGRM36B471K50PT K22178805 1- Bd5
C 1240 CHIP CAP. 470pF 50V BGRM36B471K50PT K22178805 1- Bd5
C 1241 CHIP CAP. 0.1uF 10V BGRM36B104K10PT K22108802 1- Bd5

24
REF DESCRIPTION VALUE V/W TOL. MFR'S DESIG VXSTD P/N VERS.
LOT SIDE LAY ADR
MAIN Unit
Parts List
C 1242 CHIP CAP. 0.01uF 16V BGRM36B103K16PT K22128804 1- Bd5
C 1243 CHIP CAP. 0.01uF 16V BGRM36B103K16PT K22128804 1- Bd5
C 1244 CHIP TA.CAP. 22uF 6.3V TEMSVA0J226M-8R K78080047 1- Bd5
C 1245 CHIP CAP. 100pF 50V CH GRM36CH101J50PT K22178236 1- AC5
C 1246 CHIP CAP. 0.01uF 16V BGRM36B103K16PT K22128804 1- Bd5
C 1247 CHIP CAP. 0.01uF 16V BGRM36B103K16PT K22128804 1- Bd5
C 1248 CHIP CAP. 0.1uF 10V BGRM36B104K10PT K22108802 1- Bf4
C 1249 CHIP CAP. 0.1uF 10V BGRM36B104K10PT K22108802 1- Bf4
C 1250 CHIP CAP. 0.0022uF 50V BGRM36B222K50PT K22178813 1- AA4
C 1251 CHIP CAP. 150pF 50V CH GRM36CH151J50PT K22178240 1- AA4
C 1252 CHIP CAP. 0.0022uF 50V BGRM36B222K50PT K22178813 1- AA4
C 1253 CHIP CAP. 1uF 10V FGRM39F105Z10PT K22105001 1- Bf4
C 1255 CHIP CAP. 0.001uF 50V BGRM36B102K50PT K22178809 1- Bf4
C 1256 CHIP CAP. 0.0047uF 25V BGRM36B472K25PT K22148830 1- Bf4
C 1257 CHIP CAP. 0.0047uF 25V BGRM36B472K25PT K22148830 1- Bf4
C 1258 CHIP CAP. 0.0047uF 25V BGRM36B472K25PT K22148830 1- Bf4
C 1259 CHIP CAP. 0.1uF 10V BGRM36B104K10PT K22108802 1- Bf4
C 1260 CHIP CAP. 0.1uF 10V BGRM36B104K10PT K22108802 1- Bf4
C 1261 CHIP CAP. 0.1uF 10V BGRM36B104K10PT K22108802 1- Bf4
C 1262 CHIP CAP. 0.0022uF 50V BGRM36B222K50PT K22178813 1- Bf4
C 1263 CHIP CAP. 0.0022uF 50V BGRM36B222K50PT K22178813 1- Bf4
C 1264 CHIP CAP. 150pF 50V CH GRM36CH151J50PT K22178240 1- Bf4
C 1265 CHIP CAP. 1uF 10V FGRM39F105Z10PT K22105001 1- Bf4
C 1266 CHIP CAP. 0.0047uF 25V BGRM36B472K25PT K22148830 1- Bf4
C 1267 CHIP CAP. 0.0047uF 25V BGRM36B472K25PT K22148830 1- Bf4
C 1268 CHIP CAP. 0.0047uF 25V BGRM36B472K25PT K22148830 1- Bf4
C 1269 CHIP CAP. 1uF 10V FGRM39F105Z10PT K22105001 1- AB3
C 1270 CHIP CAP. 1uF 10V FGRM39F105Z10PT K22105001 1- AB4
C 1271 CHIP CAP. 100pF 50V CH GRM36CH101J50PT K22178236 1- AB3
C 1272 CHIP CAP. 0.1uF 10V BGRM36B104K10PT K22108802 1- AA3
C 1273 CHIP CAP. 0.1uF 10V BGRM36B104K10PT K22108802 1- AB3
C 1274 CHIP CAP. 1uF 10V FGRM39F105Z10PT K22105001 1- AA1
C 1275 CHIP CAP. 0.022uF 16V BGRM36B223K16PT K22128806 1- AA3
C 1276 CHIP CAP. 0.022uF 16V BGRM36B223K16PT K22128806 1- AA3
C 1277 CHIP CAP. 0.022uF 16V BGRM36B223K16PT K22128806 1- AA4
C 1278 CHIP CAP. 0.01uF 16V BGRM36B103K16PT K22128804 1- AA4
C 1279 CHIP CAP. 0.0047uF 25V BGRM36B472K25PT K22148830 1- AA4
C 1280 CHIP CAP. 0.022uF 16V BGRM36B223K16PT K22128806 1- AA4
C 1281 CHIP CAP. 0.001uF 50V BGRM36B102K50PT K22178809 1- AA4
C 1282 CHIP CAP. 680pF 50V BGRM36B681K50PT K22178807 1- AA4
C 1283 CHIP CAP. 0.0068uF 25V BGRM36B682J25PT K22148803 1- AA4
C 1284 CHIP CAP. 330pF 50V BGRM36B331K50PT K22178803 1- AA4
C 1285 CHIP CAP. 0.47uF 25V BGRM40B474K25PT K22140824 1- AA4
C 1286 CHIP CAP. 0.0047uF 25V BGRM36B472K25PT K22148830 1- AA4
C 1287 CHIP CAP. 0.022uF 16V BGRM36B223K16PT K22128806 1- Bf4
C 1288 CHIP CAP. 0.01uF 16V BGRM36B103K16PT K22128804 1- Bg4
C 1289 CHIP CAP. 0.0047uF 25V BGRM36B472K25PT K22148830 1- Bg4
C 1290 CHIP CAP. 680pF 50V BGRM36B681K50PT K22178807 1- Bg4
C 1291 CHIP CAP. 0.001uF 50V BGRM36B102K50PT K22178809 1- Bg4
C 1292 CHIP CAP. 0.022uF 16V BGRM36B223K16PT K22128806 1- Bg5
C 1293 CHIP CAP. 0.0068uF 25V BGRM36B682J25PT K22148803 1- Bg5
C 1294 CHIP CAP. 330pF 50V BGRM36B331K50PT K22178803 1- Bg5
C 1295 CHIP CAP. 0.0047uF 25V BGRM36B472K25PT K22148830 1- Bf5
C 1296 CHIP CAP. 0.47uF 25V BGRM40B474K25PT K22140824 1- Bg5
C 1297 CHIP CAP. 0.001uF 50V BGRM36B102K50PT K22178809 1- AB4
C 1298 CHIP CAP. 0.1uF 10V BGRM36B104K10PT K22108802 1- AA3
C 1299 CHIP CAP. 1uF 10V FGRM39F105Z10PT K22105001 1- AA2
C 1300 CHIP CAP. 0.1uF 10V BGRM36B104K10PT K22108802 1- AA3
C 1301 CHIP CAP. 1uF 10V FGRM39F105Z10PT K22105001 1- AA2
C 1302 CHIP CAP. 0.001uF 50V BGRM36B102K50PT K22178809 1- AA2
C 1303 CHIP TA.CAP. 10uF 10V TEMSVA1A106M-8R K78100028 1- AA2
C 1304 CHIP TA.CAP. 10uF 10V TEMSVA1A106M-8R K78100028 1- AB2
C 1305 CHIP CAP. 0.1uF 10V BGRM36B104K10PT K22108802 1- AB2
C 1306 CHIP CAP. 0.1uF 10V BGRM36B104K10PT K22108802 1- AB2
C 1307 CHIP CAP. 0.001uF 50V BGRM36B102K50PT K22178809 1- AA2
C 1310 AL.ELECTRO.CAP. 100uF 16V 16V101M6X7TR2 K46120007 1- AA2
C 1312 CHIP CAP. 0.1uF 10V BGRM36B104K10PT K22108802 1- Bf2
C 1313 AL.ELECTRO.CAP. 220uF 16V RE2-16V221M 220UF K40129048 1- AA2
C 1314 CHIP CAP. 0.001uF 50V BGRM36B102K50PT K22178809 1- Bg2
C 1315 CHIP CAP. 0.1uF 16V BGRM39B104K16PT K22124805 1- Bf2
C 1316 CHIP CAP. 47pF 50V CH GRM36CH470J50PT K22178228 1- Bf2
C 1317 CHIP CAP. 47pF 50V CH GRM36CH470J50PT K22178228 1- Bf2
C 1318 CHIP CAP. 47pF 50V CH GRM36CH470J50PT K22178228 1- Bf3
C 1319 CHIP CAP. 47pF 50V CH GRM36CH470J50PT K22178228 1- Bf3
C 1320 CHIP CAP. 0.001uF 50V BGRM36B102K50PT K22178809 1- Bf2
C 1321 CHIP CAP. 0.01uF 16V BGRM36B103K16PT K22128804 1- Bf5

25
MAIN Unit
Parts List
REF DESCRIPTION VALUE V/W TOL. MFR'S DESIG VXSTD P/N VERS.
LOT SIDE LAY ADR
C 1322 CHIP CAP. 0.001uF 50V BGRM36B102K50PT K22178809 1- Bf3
C 1323 CHIP CAP. 0.001uF 50V BGRM36B102K50PT K22178809 1- Bf3
C 1324 CHIP TA.CAP. 10uF 10V TEMSVA1A106M-8R K78100028 1- Bf3
C 1325 CHIP TA.CAP. 10uF 10V TEMSVA1A106M-8R K78100028 1- Bf3
C 1326 CHIP CAP. 0.001uF 50V BGRM36B102K50PT K22178809 1- Bf3
C 1327 AL.ELECTRO.CAP. 470uF 10V SMG10VB470M 470UF K40109040 1- AA3
C 1328 AL.ELECTRO.CAP. 470uF 16V RE3-16V471M 470UF K40129066 1- AA3
C 1329 CHIP CAP. 0.1uF 16V BGRM39B104K16PT K22124805 1- Bf3
C 1331 CHIP CAP. 0.01uF 16V BGRM36B103K16PT K22128804 1- AB4
C 1332 CHIP CAP. 0.0015uF 50V BGRM36B152K50PT K22178811 1- AB4
C 1333 CHIP CAP. 1uF 10V FGRM39F105Z10PT K22105001 1- AB1
C 1334 CHIP CAP. 1uF 10V FGRM39F105Z10PT K22105001 1- AA1
C 1335 CHIP CAP. 0.1uF 10V BGRM36B104K10PT K22108802 1- AB4
C 1336 CHIP CAP. 22pF 50V CH GRM36CH220J50PT K22178220 1- AA4
C 1337 CHIP CAP. 1uF 10V FGRM39F105Z10PT K22105001 1- AA4
C 1338 CHIP CAP. 1uF 10V FGRM39F105Z10PT K22105001 1- Bf4
C 1340 AL.ELECTRO.CAP. 10uF 16V 16V100M4X7TR2 K46120004 1- AB1
C 1341 CHIP CAP. 0.001uF 50V BGRM36B102K50PT K22178809 1- Be1
C 1342 CHIP CAP. 0.01uF 16V BGRM36B103K16PT K22128804 1- Be1
C 1343 CHIP CAP. 47pF 50V CH GRM36CH470J50PT K22178228 1- Be5
C 1344 CHIP CAP. 47pF 50V CH GRM36CH470J50PT K22178228 1- Be5
C 1345 CHIP CAP. 47pF 50V CH GRM36CH470J50PT K22178228 1- Be5
C 1346 CHIP CAP. 47pF 50V CH GRM36CH470J50PT K22178228 1- Be5
C 1347 CHIP CAP. 47pF 50V CH GRM36CH470J50PT K22178228 1- Be5
C 1351 CHIP CAP. 0.001uF 50V BGRM36B102K50PT K22178809 1- Be2
C 1352 CHIP TA.CAP. 22uF 16V TEMSVB21C226M-8R K78120028 1- Be3
C 1353 CHIP CAP. 0.022uF 25V BGRM39B223K25PT K22144807 1- Be2
C 1354 CHIP CAP. 0.001uF 50V BGRM36B102K50PT K22178809 1- Be1
C 1355 AL.ELECTRO.CAP. 100uF 16V 16V101M6X7TR2 K46120007 1- AB2
C 1356 CHIP TA.CAP. 10uF 10V TEMSVA1A106M-8R K78100028 1- AB2
C 1357 CHIP CAP. 0.001uF 50V BGRM36B102K50PT K22178809 1- AB2
C 1358 CHIP CAP. 0.022uF 25V BGRM39B223K25PT K22144807 1- AA2
C 1359 CHIP CAP. 100pF 50V CH GRM36CH101J50PT K22178236 1- AB1
C 1360 CHIP CAP. 0.47uF 25V BGRM40B474K25PT K22140824 1- AB1
C 1361 AL.ELECTRO.CAP. 2200uF 16V RE3-16V222M 2200UF K40129064 1- Bf1
C 1362 CHIP CAP. 0.1uF 10V BGRM36B104K10PT K22108802 1- Bf1
C 1363 CHIP CAP. 0.001uF 50V BGRM36B102K50PT K22178809 1- Bf3
C 1364 CHIP TA.CAP. 10uF 10V TEMSVA1A106M-8R K78100028 1- Bf3
C 1365 CHIP CAP. 0.1uF 10V BGRM36B104K10PT K22108802 1- Bf3
C 1366 CHIP CAP. 0.01uF 16V BGRM36B103K16PT K22128804 1- Bg3
C 1367 CHIP CAP. 0.01uF 16V BGRM36B103K16PT K22128804 1- Bf3
C 1368 AL.ELECTRO.CAP. 100uF 16V 16V101M6X7TR2 K46120007 1- AA3
C 1369 CHIP CAP. 0.001uF 50V BGRM36B102K50PT K22178809 1- Bg4
C 1370 CHIP CAP. 0.1uF 10V BGRM36B104K10PT K22108802 1- Bg4
C 1371 CHIP CAP. 0.001uF 50V BGRM36B102K50PT K22178809 1- Bg4
C 1372 CHIP CAP. 22pF 50V CH GRM36CH220J50PT K22178220 1- Bf5
C 1373 CHIP CAP. 10pF 50V CH GRM36CH100D50PT K22178212 1- Bf5
C 1374 CHIP CAP. 0.001uF 50V BGRM36B102K50PT K22178809 1- Bf5
C 1375 CHIP CAP. 22pF 50V CH GRM36CH220J50PT K22178220 1- AA4
C 1376 CHIP CAP. 0.1uF 10V BGRM36B104K10PT K22108802 1- AA4
C 1377 CHIP CAP. 0.001uF 50V BGRM36B102K50PT K22178809 1- AA4
C 1378 CHIP CAP. 0.001uF 50V BGRM36B102K50PT K22178809 1- AA4
C 1379 CHIP CAP. 39pF 50V CH GRM36CH390J50PT K22178226 1- AA4
C 1380 CHIP CAP. 0.022uF 16V BGRM36B223K16PT K22128806 1- Bf5
C 1381 CHIP CAP. 0.1uF 10V BGRM36B104K10PT K22108802 1- AA4
C 1382 CHIP CAP. 0.001uF 50V BGRM36B102K50PT K22178809 1- AA4
C 1383 CHIP CAP. 0.001uF 50V BGRM36B102K50PT K22178809 1- AB4
C 1384 CHIP CAP. 100pF 50V CH GRM36CH101J50PT K22178236 1- AA4
C 1387 CHIP CAP. 1uF 10V FGRM39F105Z10PT K22105001 1- AB4
C 1388 CHIP CAP. 0.001uF 50V BGRM36B102K50PT K22178809 1- AA4
C 1389 CHIP TA.CAP. 10uF 10V TEMSVA1A106M-8R K78100028 1- Bb5
C 1390 CHIP TA.CAP. 10uF 10V TEMSVA1A106M-8R K78100028 1- Bb5
C 1391 CHIP CAP. 0.001uF 50V BGRM36B102K50PT K22178809 1- AE5
C 1392 CHIP CAP. 0.001uF 50V BGRM36B102K50PT K22178809 1- Bf5
C 1393 CHIP TA.CAP. 10uF 10V TEMSVA1A106M-8R K78100028 1- Bf5
C 1394 CHIP CAP. 0.001uF 50V BGRM36B102K50PT K22178809 1- Bf5
C 1395 CHIP CAP. 0.001uF 50V BGRM36B102K50PT K22178809 1- AB3
C 1396 CHIP CAP. 33pF 50V CH GRM36CH330J50PT K22178224 1- AB3
C 1397 CHIP CAP. 0.01uF 16V BGRM36B103K16PT K22128804 1- Be4
C 1398 CHIP CAP. 33pF 50V CH GRM36CH330J50PT K22178224 1- AB3
C 1399 CHIP CAP. 33pF 50V CH GRM36CH330J50PT K22178224 1- AC3
C 1400 CHIP CAP. 47pF 50V UJ GRP1553U1H470JZ01E K22178319 1- Be4
C 1401 CHIP CAP. 6pF 50V UJ GRP1553U1H6R0DZ01E K22178307 1- Bd4
C 1402 CHIP CAP. 0.047uF 10V BGRM36B473K10PT K22108801 1- AC3
C 1403 CHIP TA.CAP. 10uF 10V TEMSVA1A106M-8R K78100028 1- AC4
C 1404 CHIP CAP. 0.001uF 50V BGRM36B102K50PT K22178809 1- AC4

26
REF DESCRIPTION VALUE V/W TOL. MFR'S DESIG VXSTD P/N VERS.
LOT SIDE LAY ADR
MAIN Unit
Parts List
C 1405 CHIP CAP. 1uF 10V BGRM40B105K10PT(0.85) K22100803 1- Be3
C 1406 CHIP CAP. 0.01uF 16V BGRM36B103K16PT K22128804 1- Bd4
C 1407 CHIP CAP. 100pF 50V CH GRM36CH101J50PT K22178236 1- Be4
C 1408 CHIP CAP. 1uF 10V BGRM40B105K10PT(0.85) K22100803 1- Be4
C 1409 CHIP CAP. 0.01uF 16V BGRM36B103K16PT K22128804 1- Be4
C 1410 CHIP CAP. 27pF 50V UJ GRP1553U1H270JZ01E K22178316 1- Be4
C 1411 CHIP CAP. 2pF 50V CK GRM36CK020B50PT K22178289 1- Be4
C 1412 CHIP CAP. 270pF 25V CH GRM36CH271J25PT K22148248 1- Be4
C 1413 CHIP CAP. 0.001uF 50V BGRM36B102K50PT K22178809 1- Be4
C 1414 CHIP CAP. 0.001uF 50V BGRM36B102K50PT K22178809 1- AC4
C 1415 CHIP CAP. 0.1uF 10V BGRM36B104K10PT K22108802 1- AC4
C 1416 CHIP TA.CAP. 10uF 16V TEMSVB21C106M-8R K78120025 1- AC4
C 1417 CHIP CAP. 0.1uF 16V BGRM39B104K16PT K22124805 1- AC4
C 1418 CHIP TA.CAP. 10uF 16V TEMSVB21C106M-8R K78120025 1- AC4
C 1419 CHIP CAP. 33pF 50V CH GRM36CH330J50PT K22178224 1- Bc5
C 1420 CHIP CAP. 33pF 50V CH GRM36CH330J50PT K22178224 1- Bc5
C 1421 CHIP CAP. 33pF 50V CH GRM36CH330J50PT K22178224 1- Bc5
C 1422 CHIP CAP. 0.001uF 50V BGRM36B102K50PT K22178809 1- Bc5
C 1423 CHIP CAP. 0.047uF 10V BGRM36B473K10PT K22108801 1- Bc5
C 1424 CHIP TA.CAP. 10uF 10V TEMSVA1A106M-8R K78100028 1- Bc5
C 1425 CHIP CAP. 0.001uF 50V BGRM36B102K50PT K22178809 1- Bc5
C 1426 CHIP CAP. 7pF 50V UJ GRP1553U1H7R0DZ01E K22178308 1- Bc5
C 1427 CHIP CAP. 47pF 50V UJ GRP1553U1H470JZ01E K22178319 1- Bc5
C 1428 CHIP CAP. 0.001uF 50V BGRM36B102K50PT K22178809 1- Bd5
C 1429 CHIP CAP. 1uF 10V BGRM40B105K10PT(0.85) K22100803 1- Bd4
C 1431 CHIP CAP. 0.01uF 16V BGRM36B103K16PT K22128804 1- Bd5
C 1432 CHIP CAP. 100pF 50V CH GRM36CH101J50PT K22178236 1- Bd5
C 1433 CHIP CAP. 0.01uF 16V BGRM36B103K16PT K22128804 1- Bd5
C 1434 CHIP CAP. 68pF 50V CH GRM36CH680J50PT K22178232 1- Bc5
C 1435 CHIP CAP. 3pF 50V UJ GRP1553U1H3R0CZ01E K22178304 1- Bc5
C 1436 CHIP CAP. 270pF 25V CH GRM36CH271J25PT K22148248 1- Bc5
C 1437 CHIP CAP. 0.1uF 10V BGRM36B104K10PT K22108802 1- Bc5
C 1438 CHIP CAP. 0.1uF 16V BGRM39B104K16PT K22124805 1- Bc5
C 1439 CHIP TA.CAP. 10uF 16V TEMSVB21C106M-8R K78120025 1- Bd5
C 1440 CHIP CAP. 0.1uF 16V BGRM39B104K16PT K22124805 1- Bd5
C 1441 CHIP CAP. 0.1uF 16V BGRM39B104K16PT K22124805 1- Bd5
C 1442 CHIP CAP. 0.001uF 50V BGRM36B102K50PT K22178809 1- Bd5
C 1444 CHIP CAP. 0.001uF 50V BGRM36B102K50PT K22178809 1- Bd4
C 1445 CHIP CAP. 0.001uF 50V BGRM36B102K50PT K22178809 1- Bd4
C 1446 CHIP CAP. 0.001uF 50V BGRM36B102K50PT K22178809 1- AD4
C 1447 CHIP CAP. 0.001uF 50V BGRM36B102K50PT K22178809 1- Bd4
C 1448 CHIP CAP. 0.001uF 50V BGRM39B102K50PT K22174821 1- Bd4
C 1449 CHIP CAP. 22pF 50V CH GRM36CH220J50PT K22178220 1- Bd4
C 1450 CHIP CAP. 18pF 50V CH GRM36CH180J50PT K22178218 1- Bd4
C 1451 CHIP CAP. 10pF 50V CH GRM36CH100D50PT K22178212 1- Bd4
C 1452 CHIP CAP. 1pF 50V CK GRM36CK010B50PT K22178287 1- Bd4
C 1453 CHIP CAP. 0.001uF 50V BGRM36B102K50PT K22178809 1- Bd4
C 1454 CHIP CAP. 0.001uF 50V BGRM36B102K50PT K22178809 1- Bd4
C 1455 CHIP CAP. 3pF 50V CJ GRM36CJ030B50PT K22178290 1- AC4
C 1456 CHIP CAP. 0.1uF 16V BGRM39B104K16PT K22124805 1- AC4
C 1458 CHIP CAP. 0.001uF 50V BGRM36B102K50PT K22178809 1- AC4
C 1459 CHIP CAP. 0.001uF 50V BGRM36B102K50PT K22178809 1- AD4
C 1460 CHIP CAP. 0.001uF 50V BGRM36B102K50PT K22178809 1- Bd4
C 1461 CHIP CAP. 0.001uF 50V BGRM36B102K50PT K22178809 1- Bd4
C 1462 CHIP CAP. 0.001uF 50V BGRM39B102K50PT K22174821 1- Bd4
C 1463 CHIP CAP. 27pF 50V CH GRM36CH270J50PT K22178222 1- Bd4
C 1464 CHIP CAP. 18pF 50V CH GRM36CH180J50PT K22178218 1- Bd4
C 1465 CHIP CAP. 18pF 50V CH GRM36CH180J50PT K22178218 1- Bd4
C 1466 CHIP CAP. 2pF 50V CK GRM36CK020B50PT K22178289 1- Bd4
C 1467 CHIP CAP. 0.001uF 50V BGRM36B102K50PT K22178809 1- AE5
C 1468 CHIP CAP. 0.001uF 50V BGRM36B102K50PT K22178809 1- Bd4
C 1469 CHIP CAP. 2pF 50V CK GRM36CK020B50PT K22178289 1- AC4
C 1471 CHIP CAP. 0.1uF 16V BGRM39B104K16PT K22124805 1- AC4
C 1473 CHIP CAP. 0.001uF 50V BGRM36B102K50PT K22178809 1- AD5
C 1474 CHIP CAP. 0.001uF 50V BGRM39B102K50PT K22174821 1- AD5
C 1475 CHIP CAP. 18pF 50V CH GRM36CH180J50PT K22178218 1- AD5
C 1476 CHIP CAP. 12pF 50V CH GRM36CH120J50PT K22178214 1- AD5
C 1477 CHIP CAP. 12pF 50V CH GRM36CH120J50PT K22178214 1- AD5
C 1478 CHIP CAP. 1pF 50V CK GRM36CK010B50PT K22178287 1- AD5
C 1479 CHIP CAP. 0.001uF 50V BGRM36B102K50PT K22178809 1- Bc5
C 1480 CHIP CAP. 0.001uF 50V BGRM36B102K50PT K22178809 1- AD5
C 1481 CHIP CAP. 2pF 50V CK GRM36CK020B50PT K22178289 1- AE5
C 1482 CHIP CAP. 0.001uF 50V BGRM36B102K50PT K22178809 1- AD5
C 1483 CHIP CAP. 0.001uF 50V BGRM36B102K50PT K22178809 1- AD5
C 1484 CHIP CAP. 0.001uF 50V BGRM39B102K50PT K22174821 1- AD5
C 1485 CHIP CAP. 27pF 50V CH GRM36CH270J50PT K22178222 1- AD5

27
MAIN Unit
Parts List
REF DESCRIPTION VALUE V/W TOL. MFR'S DESIG VXSTD P/N VERS.
LOT SIDE LAY ADR
C 1486 CHIP CAP. 0.001uF 50V BGRM36B102K50PT K22178809 1- AD5
C 1487 CHIP CAP. 18pF 50V CH GRM36CH180J50PT K22178218 1- AD5
C 1488 CHIP CAP. 18pF 50V CH GRM36CH180J50PT K22178218 1- AD5
C 1489 CHIP CAP. 2pF 50V CK GRM36CK020B50PT K22178289 1- AD5
C 1490 CHIP CAP. 0.001uF 50V BGRM36B102K50PT K22178809 1- AD5
C 1491 CHIP CAP. 0.001uF 50V BGRM36B102K50PT K22178809 1- AD5
C 1492 CHIP CAP. 1.5pF 50V CK GRM36CK1R5B50PT K22178288 1- AE5
C 1493 CHIP CAP. 0.001uF 50V BGRM36B102K50PT K22178809 1- AE4
C 1500 CHIP CAP. 0.001uF 50V BGRM36B102K50PT K22178809 1- Bc4
C 1501 CHIP CAP. 0.0047uF 25V BGRM36B472K25PT K22148830 1- Bc4
C 1502 CHIP CAP. 0.001uF 50V BGRM36B102K50PT K22178809 1- Bc4
C 1503 CHIP CAP. 0.01uF 50V BGRM39B103M50PT K22174823 1- Bc4
C 1504 CHIP CAP. 100pF 50V CH GRM36CH101J50PT K22178236 1- Bc4
C 1506 CHIP CAP. 0.0047uF 25V BGRM36B472K25PT K22148830 1- Bc5
C 1507 CHIP CAP. 0.0047uF 25V BGRM36B472K25PT K22148830 1- Bc5
C 1508 CHIP CAP. 68pF 50V CH GRM36CH680J50PT K22178232 1- Bc4
C 1509 CHIP CAP. 68pF 50V CH GRM36CH680J50PT K22178232 1- Bc4
C 1510 CHIP CAP. 5pF 50V CH GRM36CH050B50PT K22178292 1- Bc4
C 1511 CHIP CAP. 0.0047uF 25V BGRM36B472K25PT K22148830 1- AE4
C 1512 CHIP CAP. 0.0047uF 25V BGRM36B472K25PT K22148830 1- Bc4
C 1513 CHIP CAP. 8pF 50V CH GRM36CH080B50PT K22178295 1- Bb4
C 1514 CHIP CAP. 0.001uF 50V BGRM36B102K50PT K22178809 1- Bc5
C 1515 CHIP CAP. 0.001uF 50V BGRM36B102K50PT K22178809 1- Bc4
C 1516 CHIP CAP. 0.01uF 50V BGRM39B103M50PT K22174823 1- Bb4
C 1517 CHIP CAP. 100pF 50V CH GRM36CH101J50PT K22178236 1- Bc4
C 1518 CHIP CAP. 47pF 50V CH GRM36CH470J50PT K22178228 1- Bc4
C 1519 CHIP CAP. 47pF 50V CH GRM36CH470J50PT K22178228 1- Bb4
C 1520 CHIP CAP. 5pF 50V CH GRM36CH050B50PT K22178292 1- Bb4
C 1521 CHIP CAP. 0.0047uF 25V BGRM36B472K25PT K22148830 1- AE5
C 1522 CHIP CAP. 0.0047uF 25V BGRM36B472K25PT K22148830 1- Bc5
C 1523 CHIP CAP. 5pF 50V CH GRM36CH050C50PT K22178207 1- AE5
C 1524 CHIP CAP. 0.0047uF 25V BGRM36B472K25PT K22148830 1- AE5
C 1525 CHIP CAP. 1pF 50V CK GRM36CK010B50PT K22178287 1- AE5
C 1526 CHIP CAP. 7pF 50V CH GRM36CH070B50PT K22178294 1- AD4
C 1527 CHIP CAP. 0.001uF 50V BGRM36B102K50PT K22178809 1- AB3
C 1528 CHIP CAP. 0.001uF 50V BGRM39B102K50PT K22174821 1- AD3
C 1529 CHIP CAP. 0.001uF 50V BGRM36B102K50PT K22178809 1- AD3
C 1530 FILM CAP. 12pF 500V UC232H0120J-T K33279020 1- AD2
C 1532 CHIP CAP. 100pF 200V CH GRM40CH101J200PT K22230228 1- AE2
C 1533 CHIP CAP. 100pF 200V CH GRM40CH101J200PT K22230228 1- AE2
C 1535 CHIP CAP. 0.001uF 50V BGRM36B102K50PT K22178809 1- AE1
C 1538 CHIP CAP. 0.5pF 200V CK GRM1884C2DR50CY21D K22234201 1- Bb2
C 1540 CHIP CAP. 2pF 200V CK GRM1884C2D2R0CV01D K22234204 1- AE2
C 1541 CHIP CAP. 0.001uF 50V BGRM36B102K50PT K22178809 1- Bb2
C 1542 CHIP CAP. 6pF 50V CH GRM36CH060B50PT K22178293 1- Bb2
C 1543 CHIP CAP. 0.5pF 200V CK GRM1884C2DR50CY21D K22234201 1- Bb2
C 1544 CHIP CAP. 0.001uF 50V BGRM36B102K50PT K22178809 1- Bb2
C 1545 CHIP CAP. 6pF 50V CH GRM36CH060B50PT K22178293 1- Bb2
C 1546 CHIP CAP. 3pF 200V CJ GRM1883C2D3R0CV01D K22234205 1- AE2
C 1547 CHIP CAP. 4pF 200V CH GRM1882C2D4R0CV01D K22234206 1- AE2
C 1548 CHIP CAP. 1pF 200V CK GRM1884C2D1R0CV01D K22234203 1- AF2
C 1549 CHIP CAP. 2pF 200V CK GRM1884C2D2R0CV01D K22234204 1- AF3
C 1550 CHIP CAP. 4pF 200V CH GRM1882C2D4R0CV01D K22234206 1- AF3
C 1551 CHIP CAP. 4pF 200V CH GRM1882C2D4R0CV01D K22234206 1- AF3
C 1553 CHIP CAP. 2pF 200V CK GRM1884C2D2R0CV01D K22234204 1- AF3
C 1554 CHIP CAP. 2pF 200V CK GRM1884C2D2R0CV01D K22234204 1- AF3
C 1555 CHIP CAP. 4pF 200V CH GRM1882C2D4R0CV01D K22234206 1- AF3
C 1556 CHIP CAP. 4pF 200V CH GRM1882C2D4R0CV01D K22234206 1- AF3
C 1557 CHIP CAP. 15pF 200V CH GRM40CH150J200PT K22230218 1- Ba2
C 1558 CHIP CAP. 15pF 200V CH GRM40CH150J200PT K22230218 1- Ba2
C 1561 CHIP CAP. 22pF 50V CH GRM36CH220J50PT K22178220 1- Ba1
C 1562 CHIP CAP. 0.01uF 50V BGRM39B103M50PT K22174823 1- Bc1
C 1563 CHIP CAP. 0.001uF 50V BGRM36B102K50PT K22178809 1- Bb2
C 1564 CHIP CAP. 47pF 50V CH GRM36CH470J50PT K22178228 1- AE1
C 1566 FILM CAP. 56pF 500V UC232H0560J-T K33279035 1- AD1
C 1567 FILM CAP. 68pF 500V UC232H0680J-T K33279030 1- AD1
C 1568 CHIP CAP. 33pF 200V CH GRM40CH330J200PT K22230222 1- Bc1
C 1569 CHIP CAP. 27pF 200V CH GRM40CH270J200PT K22230221 1- Bb1
C 1570 CHIP CAP. 0.0047uF 25V BGRM36B472K25PT K22148830 1- Bc3
C 1571 CHIP CAP. 0.001uF 50V BGRM36B102K50PT K22178809 1- Bb1
C 1572 CHIP CAP. 1pF 200V CK GRM1884C2D1R0CV01D K22234203 1- Bb1
C 1573 CHIP CAP. 8pF 50V CH GRM36CH080B50PT K22178295 1- Bb1
C 1574 CHIP CAP. 22pF 200V CH GRM40CH220J200PT K22230220 1- AE1
C 1575 CHIP CAP. 27pF 200V CH GRM40CH270J200PT K22230221 1- AE1
C 1576 CHIP CAP. 7pF 200V CH GRM1882C2D7R0DV01D K22234209 1- Bb1
C 1577 CHIP CAP. 5pF 200V CH GRM1882C2D5R0CV01D K22234207 1- Bb1

28
REF DESCRIPTION VALUE V/W TOL. MFR'S DESIG VXSTD P/N VERS.
LOT SIDE LAY ADR
MAIN Unit
Parts List
C 1578 CHIP CAP. 12pF 200V CH GRM40CH120J200PT K22230217 1- Bb1
C 1579 CHIP CAP. 0.001uF 50V BGRM36B102K50PT K22178809 1- Bb1
C 1581 CHIP CAP. 3pF 200V CJ GRM1883C2D3R0CV01D K22234205 1- Ba1
C 1582 CHIP CAP. 0.5pF 200V CK GRM1884C2DR50CY21D K22234201 1- Ba1
C 1583 CHIP CAP. 6pF 50V CH GRM36CH060B50PT K22178293 1- Ba1
C 1584 CHIP CAP. 0.001uF 50V BGRM36B102K50PT K22178809 1- Ba1
C 1585 CHIP CAP. 15pF 200V CH GRM40CH150J200PT K22230218 1- Ba2
C 1586 CHIP CAP. 15pF 200V CH GRM40CH150J200PT K22230218 1- Ba2
C 1587 CHIP CAP. 15pF 200V CH GRM40CH150J200PT K22230218 1- Ba2
C 1588 CHIP CAP. 15pF 200V CH GRM40CH150J200PT K22230218 1- Ba2
C 1589 CHIP CAP. 33pF 200V CH GRM40CH330J200PT K22230222 1- AF3
C 1590 CHIP CAP. 33pF 200V CH GRM40CH330J200PT K22230222 1- AF3
C 1592 FILM CAP. 330pF 100V UC232A3300J-T K33209029 1- AD3
C 1593 FILM CAP. 330pF 100V UC232A3300J-T K33209029 1- AD2
C 1594 CHIP CAP. 220pF 200V CH GRM40CH221J200PT K22230232 1- AE2
C 1595 CHIP CAP. 220pF 200V CH GRM40CH221J200PT K22230232 1- AD2
C 1596 CHIP CAP. 220pF 200V CH GRM40CH221J200PT K22230232 1- AE2
C 1597 CHIP CAP. 220pF 200V CH GRM40CH221J200PT K22230232 1- AD2
C 1598 CHIP CAP. 220pF 200V CH GRM40CH221J200PT K22230232 1- AE2
C 1599 CHIP CAP. 0.001uF 50V BGRM36B102K50PT K22178809 1- Bb3
C 1600 CHIP CAP. 220pF 200V CH GRM40CH221J200PT K22230232 1- Bb2
C 1601 CHIP CAP. 220pF 200V CH GRM40CH221J200PT K22230232 1- Bb3
C 1602 CHIP CAP. 220pF 200V CH GRM40CH221J200PT K22230232 1- Bb2
C 1603 FILM CAP. 100pF 500V UC232H1000J-T K33279048 1- Bc2
C 1604 FILM CAP. 330pF 100V UC232A3300J-T K33209029 1- Bc2
C 1605 CHIP CAP. 0.5pF 200V CK GRM1884C2DR50CY21D K22234201 1- Bb3
C 1606 CHIP CAP. 0.001uF 50V BGRM36B102K50PT K22178809 1- Bc3
C 1607 CHIP CAP. 4pF 50V CH GRM36CH040B50PT K22178291 1- Bb3
C 1608 CHIP CAP. 0.001uF 50V BGRM36B102K50PT K22178809 1- Bb3
C 1609 CHIP CAP. 0.001uF 50V BGRM36B102K50PT K22178809 1- Ba1
C 1611 CHIP CAP. 56pF 200V CH GRM40CH560J200PT K22230225 1- AD2
C 1613 CHIP CAP. 0.5pF 200V CK GRM1884C2DR50CY21D K22234201 1- Bc3
C 1614 CHIP CAP. 0.001uF 50V BGRM36B102K50PT K22178809 1- Bc3
C 1615 CHIP CAP. 6pF 50V CH GRM36CH060B50PT K22178293 1- Bc3
C 1616 CHIP CAP. 100pF 200V CH GRM40CH101J200PT K22230228 1- Bc3
C 1617 CHIP CAP. 120pF 200V CH GRM40CH121J200PT K22230229 1- Bc3
C 1618 CHIP CAP. 56pF 200V CH GRM40CH560J200PT K22230225 1- Bb3
C 1619 CHIP CAP. 56pF 200V CH GRM40CH560J200PT K22230225 1- Bb3
C 1620 CHIP CAP. 0.001uF 50V BGRM36B102K50PT K22178809 1- Ba4
C 1621 CHIP CAP. 0.5pF 200V CK GRM1884C2DR50CY21D K22234201 1- Bc2
C 1622 CHIP CAP. 5pF 50V CH GRM36CH050B50PT K22178292 1- Bc2
C 1623 CHIP CAP. 0.001uF 50V BGRM36B102K50PT K22178809 1- Bc2
C 1624 CHIP CAP. 27pF 200V CH GRM40CH270J200PT K22230221 1- Bb2
C 1625 CHIP CAP. 33pF 200V CH GRM40CH330J200PT K22230222 1- Ba3
C 1626 CHIP CAP. 27pF 200V CH GRM40CH270J200PT K22230221 1- Ba3
C 1627 CHIP CAP. 0.001uF 50V BGRM36B102K50PT K22178809 1- Bb3
C 1628 CHIP CAP. 8pF 50V CH GRM36CH080B50PT K22178295 1- Bb3
C 1629 CHIP CAP. 0.5pF 200V CK GRM1884C2DR50CY21D K22234201 1- Bb3
C 1630 CHIP CAP. 0.001uF 50V BGRM36B102K50PT K22178809 1- Ba4
C 1631 CHIP CAP. 0.001uF 50V BGRM36B102K50PT K22178809 1- Bc3
C 1632 CHIP CAP. 0.001uF 50V BGRM36B102K50PT K22178809 1- Ba1
C 1633 CHIP CAP. 0.001uF 50V BGRM36B102K50PT K22178809 1- Ba1
C 1634 CHIP CAP. 0.001uF 50V BGRM36B102K50PT K22178809 1- Be3
C 1635 CHIP CAP. 0.0047uF 25V BGRM36B472K25PT K22148830 1- Bc3
C 1636 CHIP CAP. 0.0047uF 25V BGRM36B472K25PT K22148830 1- Bb2
C 1637 CHIP CAP. 0.001uF 50V BGRM36B102K50PT K22178809 1- Be3
C 1638 CHIP TA.CAP. 10uF 10V TEMSVA1A106M-8R K78100028 1- Be3
C 1639 CHIP CAP. 0.1uF 10V BGRM36B104K10PT K22108802 1- Be3
C 1640 CHIP CAP. 0.001uF 50V BGRM36B102K50PT K22178809 1- Be3
C 1641 CHIP CAP. 0.001uF 50V BGRM36B102K50PT K22178809 1- Be3
C 1642 CHIP CAP. 0.001uF 50V BGRM36B102K50PT K22178809 1- Be3
C 1643 CHIP CAP. 22pF 50V CH GRM36CH220J50PT K22178220 1- Bf3
C 1644 CHIP CAP. 0.001uF 50V BGRM36B102K50PT K22178809 1- Be3
C 1645 CHIP CAP. 0.001uF 50V BGRM36B102K50PT K22178809 1- Bf3
C 1661 CHIP CAP. 100pF 200V CH GRM40CH101J200PT K22230228 1- Bd1
C 1662 CHIP CAP. 0.001uF 50V BGRM39B102K50PT K22174821 1- Bd1
C 1663 CHIP CAP. 0.47uF 25V BGRM40B474K25PT K22140824 1- Bd1
C 1664 CHIP TA.CAP. 1uF 25V TEMSVA1E105M-8R K78140013 1- Be1
C 1665 FILM CAP. 47pF 500V UC232H0470J-T K33279034 1- AD1
C 1666 FILM CAP. 47pF 500V UC232H0470J-T K33279034 1- AD2
C 1667 FILM CAP. 39pF 500V UC232H0390J-T K33279038 1- AC1
C 1668 FILM CAP. 47pF 500V UC232H0470J-T K33279034 1- AC2
C 1669 CHIP CAP. 0.001uF 50V BGRM39B102K50PT K22174821 1- Be1
C 1670 CHIP CAP. 0.1uF 16V BGRM39B104K16PT K22124805 1- Be1
C 1671 CHIP CAP. 0.01uF 50V BGRM39B103M50PT K22174823 1- Be2
C 1672 CHIP CAP. 47pF 50V CH GRM36CH470J50PT K22178228 1- AB2

29
MAIN Unit
Parts List
REF DESCRIPTION VALUE V/W TOL. MFR'S DESIG VXSTD P/N VERS.
LOT SIDE LAY ADR
C 1673 CHIP CAP. 0.47uF 25V BGRM40B474K25PT K22140824 1- AC3
C 1674 CHIP CAP. 0.001uF 50V BGRM39B102K50PT K22174821 1- AC3
C 1675 CHIP CAP. 0.022uF 25V BGRM39B223K25PT K22144807 1- AC3
C 1676 CHIP CAP. 0.47uF 25V BGRM40B474K25PT K22140824 1- AB3
C 1677 CHIP CAP. 0.001uF 50V BGRM39B102K50PT K22174821 1- AB3
C 1678 CHIP CAP. 100pF 50V CH GRM39CH101J50PT K22174235 1- AB2
C 1679 CHIP CAP. 100pF 50V CH GRM39CH101J50PT K22174235 1- AB2
C 1680 CHIP CAP. 220pF 200V CH GRM40CH221J200PT K22230232 1- AB2
C 1681 CHIP CAP. 0.0047uF 50V BGRM39B472K50PT K22174833 1- AB2
C 1682 CHIP CAP. 82pF 50V CH GRM39CH820J50PT K22174233 1- AB2
C 1683 CHIP CAP. 12pF 50V CH GRM36CH120J50PT K22178214 1- AC2
C 1684 FILM CAP. 56pF 500V UC232H0560J-T K33279035 1- AC2
C 1685 CHIP CAP. 470pF 50V CH GRM39CH471J50PT K22174249 1- AC2
C 1686 CHIP CAP. 10pF 50V CH GRM36CH100D50PT K22178212 1- AC2
C 1687 CHIP CAP. 22pF 50V CH GRM39CH220J50PT K22174219 1- AC2
C 1688 CHIP CAP. 15pF 50V CH GRM39CH150J50PT K22174215 1- AB2
C 1689 CHIP CAP. 33pF 50V CH GRM39CH330J50PT K22174223 1- AB2
C 1690 CHIP CAP. 15pF 50V CH GRM39CH150J50PT K22174215 1- AC1
C 1691 CHIP CAP. 27pF 50V CH GRM39CH270J50PT K22174221 1- AC2
C 1692 CHIP CAP. 39pF 50V CH GRM39CH390J50PT K22174225 1- AC2
C 1693 CHIP CAP. 10pF 50V CH GRM39CH100D50PT K22174211 1- AC2
C 1694 CHIP CAP. 27pF 50V CH GRM39CH270J50PT K22174221 1- AC2
C 1695 CHIP CAP. 0.001uF 50V BGRM39B102K50PT K22174821 1- AD3
C 1696 CHIP CAP. 0.47uF 25V BGRM40B474K25PT K22140824 1- AD3
C 1697 CHIP CAP. 1uF 16V BGRM42-6B105K16NPT K22121803 1- Bd2
C 1698 CHIP CAP. 0.001uF 50V BGRM39B102K50PT K22174821 1- Bd2
C 1699 CHIP CAP. 1uF 16V BGRM42-6B105K16NPT K22121803 1- Be2
C 1700 CHIP CAP. 0.001uF 50V BGRM39B102K50PT K22174821 1- Be3
C 1701 CHIP CAP. 0.1uF 16V BGRM39B104K16PT K22124805 1- Bd3
C 1702 CHIP CAP. 0.001uF 50V BGRM36B102K50PT K22178809 1- Bd3
C 1703 CHIP CAP. 0.001uF 50V BGRM36B102K50PT K22178809 1- AC2
C 1704 CHIP CAP. 0.47uF 25V BGRM40B474K25PT K22140824 1- AC3
C 1705 CHIP CAP. 0.47uF 25V BGRM40B474K25PT K22140824 1- AD3
C 1706 CHIP CAP. 0.001uF 50V BGRM36B102K50PT K22178809 1- AD3
C 1707 CHIP CAP. 0.001uF 50V BGRM36B102K50PT K22178809 1- AC3
C 1708 CHIP CAP. 0.001uF 50V BGRM36B102K50PT K22178809 1- Bd3
C 1709 CHIP CAP. 0.001uF 50V BGRM36B102K50PT K22178809 1- Bc3
C 1710 CHIP CAP. 0.001uF 50V BGRM36B102K50PT K22178809 1- Bd3
C 1711 CHIP CAP. 0.001uF 50V BGRM36B102K50PT K22178809 1- Bd3
C 1712 CHIP CAP. 15pF 50V CH GRM36CH150J50PT K22178216 1- Bd3
C 1713 CHIP CAP. 0.001uF 50V BGRM36B102K50PT K22178809 1- AC3
C 1715 CHIP CAP. 0.001uF 50V BGRM36B102K50PT K22178809 1- AD3
C 1716 CHIP CAP. 0.001uF 50V BGRM36B102K50PT K22178809 1- AD3
C 1717 CHIP CAP. 0.022uF 16V BGRM36B223K16PT K22128806 1- AD3
C 1718 CHIP CAP. 100pF 50V CH GRM36CH101J50PT K22178236 1- Bd3
C 1719 CHIP CAP. 18pF 50V CH GRM36CH180J50PT K22178218 1- AC3
C 1720 CHIP CAP. 0.001uF 50V BGRM36B102K50PT K22178809 1- Bd3
C 1721 CHIP CAP. 0.01uF 16V BGRM36B103K16PT K22128804 1- Be3
C 1722 CHIP CAP. 0.022uF 25V BGRM39B223K25PT K22144807 1- Bd3
C 1723 CHIP CAP. 0.001uF 50V BGRM36B102K50PT K22178809 1- Bd3
C 1724 CHIP CAP. 0.001uF 50V BGRM36B102K50PT K22178809 1- AC3
C 1725 CHIP CAP. 10pF 50V CH GRM36CH100D50PT K22178212 1- AC3
C 1726 CHIP CAP. 12pF 50V CH GRM36CH120J50PT K22178214 1- AC3
C 1727 CHIP CAP. 33pF 50V CH GRM36CH330J50PT K22178224 1- AC3
C 1728 CHIP CAP. 82pF 50V CH GRM36CH820J50PT K22178234 1- AC3
C 1729 CHIP CAP. 47pF 50V CH GRM36CH470J50PT K22178228 1- Bd3
C 1730 CHIP CAP. 150pF 50V CH GRM36CH151J50PT K22178240 1- Bd3
C 1731 CHIP CAP. 120pF 50V CH GRM36CH121J50PT K22178238 1- Bd3
C 1732 CHIP CAP. 68pF 50V CH GRM36CH680J50PT K22178232 1- Bd3
C 1733 CHIP CAP. 82pF 50V CH GRM36CH820J50PT K22178234 1- Bd3
C 1734 CHIP CAP. 270pF 25V CH GRM36CH271J25PT K22148248 1- Bd3
C 1735 CHIP CAP. 150pF 50V CH GRM36CH151J50PT K22178240 1- Bd3
C 1777 CHIP CAP. 1uF 10V FGRM39F105Z10PT K22105001 1- Be5
C 1778 CHIP TA.CAP. 22uF 6.3V TEMSVA0J226M-8R K78080047 1- Bf2
C 1779 CHIP CAP. 0.1uF 10V BGRM36B104K10PT K22108802 1- Bf3
C 1780 CHIP CAP. 0.001uF 50V BGRM36B102K50PT K22178809 1- AF3
C 1782 CHIP CAP. 0.001uF 50V BGRM36B102K50PT K22178809 1- AD4
C 1783 CHIP CAP. 0.001uF 50V BGRM36B102K50PT K22178809 1- AD4
C 1784 CHIP CAP. 0.01uF 16V BGRM36B103K16PT K22128804 1- AD4
C 1785 CHIP CAP. 30pF 50V CH GRM36CH300J50PT K22178223 1- Bb2
C 1787 CHIP CAP. 0.01uF 16V BGRM36B103K16PT K22128804 1- Bd5
C 1788 CHIP CAP. 0.1uF 10V BGRM36B104K10PT K22108802 1- Be5
C 1789 CHIP CAP. 56pF 50V CH GRM36CH560J50PT K22178230 1- AF3
C 1790 CHIP CAP. 0.01uF 16V BGRM36B103K16PT K22128804 1- Bc5
C 1791 CHIP CAP. 0.01uF 16V BGRM36B103K16PT K22128804 1- AC4
C 1793 CHIP CAP. 0.001uF 50V BGRM36B102K50PT K22178809 1- Bb5

30
REF DESCRIPTION VALUE V/W TOL. MFR'S DESIG VXSTD P/N VERS.
LOT SIDE LAY ADR
MAIN Unit
Parts List
C 1794 CHIP CAP. 0.001uF 50V BGRM36B102K50PT K22178809 1- AC4
C 1795 CHIP CAP. 0.5pF 50V CK GRM36CK0R5B50PT K22178285 1- AF5
C 1796 CHIP CAP. 0.5pF 50V CK GRM36CK0R5B50PT K22178285 1- Bc4
C 1797 CHIP CAP. 0.5pF 50V CK GRM36CK0R5B50PT K22178285 1- Ba5
C 1798 CHIP CAP. 30pF 50V CH GRM36CH300J50PT K22178223 1- Bb2
C 1799 CHIP CAP. 4pF 50V CH GRM36CH040B50PT K22178291 1- Bc1
C 1801 CHIP CAP. 5pF 200V CH GRM1882C2D5R0CV01D K22234207 1- AD1
C 1802 CHIP CAP. 2pF 50V CK GRM36CK020B50PT K22178289 1- Bd2
C 1803 CHIP CAP. 1.5pF 50V CK GRM36CK1R5B50PT K22178288 1- Bd3
C 1804 CHIP CAP. 0.5pF 200V CK GRM1884C2DR50CY21D K22234201 1- AF3
C 1805 CHIP CAP. 0.001uF 50V BGRM36B102K50PT K22178809 1- Be4
C 1806 CHIP CAP. 0.001uF 50V BGRM36B102K50PT K22178809 1- AC4
C 1807 CHIP CAP. 7pF 50V CH GRM36CH070B50PT K22178294 1- Bd3
C 1808 CHIP CAP. 0.0047uF 50V BGRM39B472K50PT K22174833 1- AB2
C 1809 CHIP CAP. 6pF 50V CH GRM36CH060B50PT K22178293 1- AB4
C 1810 CHIP CAP. 0.1uF 10V BGRM36B104K10PT K22108802 1- Bd5
C 1811 CHIP TA.CAP. 1uF 25V TEMSVA1E105M-8R K78140013 1- AD3
C 1813 CHIP CAP. 22pF 50V CH GRM36CH220J50PT K22178220 1- AC5
C 1814 CHIP CAP. 3pF 50V CJ GRM36CJ030B50PT K22178290 1- Bf5
C 1815 CHIP CAP. 10pF 50V CH GRM36CH100D50PT K22178212 1- Ba4
C 1817 CHIP CAP. 0.001uF 50V BGRM36B102K50PT K22178809 1- Bc4
C 1818 CHIP CAP. 0.001uF 50V BGRM36B102K50PT K22178809 1- AE4
C 1819 CHIP CAP. 0.001uF 50V BGRM36B102K50PT K22178809 1- AB4
C 1821 CHIP CAP. 1pF 200V CK GRM1884C2D1R0CV01D K22234203 1- Ba3
C 1822 CHIP TA.CAP. 10uF 10V TEMSVA1A106M-8R K78100028 1- AF5
C 1823 CHIP TA.CAP. 10uF 10V TEMSVA1A106M-8R K78100028 1- AE5
C 1824 CHIP CAP. 3pF 200V CJ GRM1883C2D3R0CV01D K22234205 1-
C 1827 CHIP CAP. 0.001uF 50V BGRM36B102K50PT K22178809 1-
C 1828 CHIP CAP. 43pF 50V CH UMK105CH430JW-F K22178273 1-
C 1829 CHIP CAP. 4pF 50V CH GRM39CH040C50PT K22174205 1-
C 1830 CHIP CAP. 1pF 50V CK GRM39CK010B50PT K22174267 1-
C 1838 CHIP CAP. 3pF 50V CJ GRM36CJ030B50PT K22178290 1-
CD1001 CERAMIC DISC CDBM450C24 H7901390 1- AB4
CD1002 CERAMIC DISC CDBM450C24 H7901390 1- AC5
CF1001 CERAMIC FILTER CFWM450E H3900466 1- AB3
CF1002 CERAMIC FILTER CFWM450E H3900466 1- AC5
CF1003 CERAMIC FILTER CFWM450G H3900435 1- AC5
D 1001 DIODE RLS135 TE-11 G2070128 1- Bb2
D 1002 DIODE RLS135 TE-11 G2070128 1- Bb2
D 1003 DIODE 1SS302 TE85R G2070088 1- Bb3
D 1004 DIODE HVC358B(TAPE) G2070590 1- Bc4
D 1005 DIODE HVC358B(TAPE) G2070590 1- Bc4
D 1006 DIODE HVC358B(TAPE) G2070590 1- Bc4
D 1007 DIODE HVC131TRF G2070676 1- AF4
D 1008 DIODE HSC277TRF G2070584 1- AF4
D 1009 DIODE HVC358B(TAPE) G2070590 1- AF4
D 1010 DIODE HVC358B(TAPE) G2070590 1- AF5
D 1011 DIODE HVC358B(TAPE) G2070590 1- AF5
D 1012 DIODE HVC131TRF G2070676 1- AF5
D 1013 DIODE HVC131TRF G2070676 1- AF5
D 1016 DIODE HVC365 TRF G2070902 1- Bb4
D 1017 DIODE HVC365 TRF G2070902 1- Bc4
D 1018 DIODE HVC365 TRF G2070902 1- Bc4
D 1019 DIODE HVC365 TRF G2070902 1- Ba5
D 1020 DIODE HVC365 TRF G2070902 1- Ba5
D 1021 DIODE HVC365 TRF G2070902 1- Ba5
D 1022 DIODE HSC277TRF G2070584 1- Ba5
D 1024 DIODE DAN222 TL G2070174 1- Ba5
D 1025 DIODE 1SS302 TE85R G2070088 1- Ba4
D 1026 DIODE 1SS302 TE85R G2070088 1- AG4
D 1027 DIODE HSC277TRF G2070584 1- Ba5
D 1028 DIODE HSC277TRF G2070584 1- AG5
D 1029 DIODE HVC131TRF G2070676 1- AF5
D 1030 DIODE MA2S111-(TX) G2070614 1- AC4
D 1031 DIODE MA2S111-(TX) G2070614 1- AC5
D 1032 DIODE MA2S72800L G2070858 1- AB5
D 1033 DIODE DAN222 TL G2070174 1- Bd5
D 1034 DIODE DAN222 TL G2070174 1- Bd5
D 1035 DIODE DAN222 TL G2070174 1- Bf4
D 1036 DIODE DAN222 TL G2070174 1- AB3
D 1037 DIODE DAN222 TL G2070174 1- AB3
D 1038 DIODE DA221 TL G2070178 1- AA4
D 1039 DIODE DA221 TL G2070178 1- Bf5
D 1040 DIODE HZM27WA-TR G2070530 1- Be5
D 1041 DIODE HZM27WA-TR G2070530 1- Be5
D 1042 SURGE ABSORBER P6KA18 Q9000721 1- AB1

31
MAIN Unit
Parts List
REF DESCRIPTION VALUE V/W TOL. MFR'S DESIG VXSTD P/N VERS.
LOT SIDE LAY ADR
D 1043 DIODE MA2S111-(TX) G2070614 1- AA2
D 1044 DIODE D1F20-4063 G2070474 1- Bg3
D 1045 DIODE MA2S111-(TX) G2070614 1- Bf4
D 1046 DIODE MA2S111-(TX) G2070614 1- Bg4
D 1047 DIODE MA2S111-(TX) G2070614 1- Bf5
D 1048 DIODE DAP222-TL G2070432 1- Bb5
D 1049 DIODE DAP222-TL G2070432 1- Bb5
D 1050 DIODE MA2S111-(TX) G2070614 1- Bb5
D 1051 DIODE MA2S111-(TX) G2070614 1- Bb5
D 1052 DIODE DAP222-TL G2070432 1- Bb5
D 1053 DIODE DAP222-TL G2070432 1- Bb5
D 1054 DIODE DAP222-TL G2070432 1- Bb5
D 1056 DIODE HVC365 TRF G2070902 1- Be4
D 1057 DIODE HVC365 TRF G2070902 1- Be4
D 1058 DIODE HVC350B-TRF G2070596 1- Be4
D 1059 DIODE HVC365 TRF G2070902 1- Be4
D 1060 DIODE DA221 TL G2070178 1- Be4
D 1061 DIODE UDZS TE-17 5.1B G2070908 1- AC4
D 1062 DIODE HVC365 TRF G2070902 1- Bd5
D 1063 DIODE HVC365 TRF G2070902 1- Bd5
D 1064 DIODE HVC365 TRF G2070902 1- Bd5
D 1065 DIODE HVC365 TRF G2070902 1- Bc5
D 1066 DIODE DA221 TL G2070178 1- Bd4
D 1067 DIODE UDZS TE-17 5.1B G2070908 1- Bc5
D 1068 DIODE DAN222 TL G2070174 1- AD5
D 1069 DIODE HVC375B-TRF G2070856 1- Bd4
D 1070 DIODE HVC350B-TRF G2070596 1- Bd4
D 1071 DIODE HSC277TRF G2070584 1- Bd4
D 1072 DIODE HVC131TRF G2070676 1- AC4
D 1073 DIODE HSC277TRF G2070584 1- AC3
D 1074 DIODE HSC277TRF G2070584 1- AD4
D 1075 DIODE HSC277TRF G2070584 1- AD3
D 1076 DIODE HVC365 TRF G2070902 1- Bd4
D 1077 DIODE HVC365 TRF G2070902 1- Bd4
D 1078 DIODE HSC277TRF G2070584 1- Bd4
D 1079 DIODE HSC277TRF G2070584 1- AC4
D 1080 DIODE HSC277TRF G2070584 1- AC4
D 1081 DIODE MA2S111-(TX) G2070614 1- Be3
D 1082 DIODE HVC358B(TAPE) G2070590 1- AD5
D 1083 DIODE HVC358B(TAPE) G2070590 1- AD5
D 1084 DIODE HSC277TRF G2070584 1- Bc5
D 1085 DIODE HSC277TRF G2070584 1- AE5
D 1086 DIODE HVC365 TRF G2070902 1- AD5
D 1087 DIODE HVC365 TRF G2070902 1- AD5
D 1088 DIODE HSC277TRF G2070584 1- AD5
D 1089 DIODE HSC277TRF G2070584 1- Bc5
D 1091 DIODE MA2S111-(TX) G2070614 1- AD4
D 1092 DIODE DAN222 TL G2070174 1- AE5
D 1093 DIODE HVC300A(TAPE) G2070586 1- Bc5
D 1094 DIODE HSC277TRF G2070584 1- Bc5
D 1095 DIODE HSC277TRF G2070584 1- AE4
D 1096 DIODE HSC277TRF G2070584 1- AE5
D 1097 DIODE HVC365 TRF G2070902 1- Bb4
D 1098 DIODE HVC362TRF G2070636 1- Bb4
D 1100 DIODE DAN222 TL G2070174 1- AB3
D 1101 DIODE UM9957F/TR G2070562 1- Bc1
D 1102 DIODE UM9957F/TR G2070562 1- AE2
D 1103 DIODE MA2S72800L G2070858 1- Bb2
D 1104 DIODE UM9957F/TR G2070562 1- AF2
D 1105 DIODE MA2S72800L G2070858 1- Bb2
D 1107 DIODE MA2S72800L G2070858 1- Ba1
D 1108 DIODE DAN222 TL G2070174 1- Bc3
D 1109 DIODE MA2S111-(TX) G2070614 1- Bb4
D 1110 DIODE MA2S111-(TX) G2070614 1- Bb4
D 1112 DIODE HSC277TRF G2070584 1- Bb1
D 1113 DIODE MA2S111-(TX) G2070614 1- Ba1
D 1114 DIODE MA2S72800L G2070858 1- Bb1
D 1115 DIODE MA2S72800L G2070858 1- Ba1
D 1116 DIODE MA2S111-(TX) G2070614 1- Bb4
D 1117 DIODE MA2S111-(TX) G2070614 1- Bb3
D 1118 DIODE HSC277TRF G2070584 1- Bc3
D 1119 DIODE MA2S72800L G2070858 1- Bb3
D 1120 DIODE MA2S72800L G2070858 1- Bc3
D 1121 DIODE MA2S72800L G2070858 1- Bb3
D 1122 DIODE MA2S72800L G2070858 1- Bc3
D 1123 DIODE MA2S111-(TX) G2070614 1- Ba4

32
REF DESCRIPTION VALUE V/W TOL. MFR'S DESIG VXSTD P/N VERS.
LOT SIDE LAY ADR
MAIN Unit
Parts List
D 1125 DIODE DAN222 TL G2070174 1- Be3
D 1126 DIODE DAN222 TL G2070174 1- Be3
D 1127 DIODE DAN235E TL G2070612 1- Bd3
D 1128 DIODE DAN235E TL G2070612 1- Bd3
D 1129 DIODE MA2S111-(TX) G2070614 1- Be3
D 1130 DIODE MA2S111-(TX) G2070614 1- Be3
D 1132 DIODE D1F20-4063 G2070474 1- AB2
D 1133 DIODE RLS135 TE-11 G2070128 1- AC2
D 1134 DIODE HSC277TRF G2070584 1- AC2
D 1135 DIODE HZM13NB2 TR G2070894 1- AD3
D 1136 DIODE MA2S111-(TX) G2070614 1- Bd3
D 1137 DIODE MA2S111-(TX) G2070614 1- AD3
D 1138 DIODE HSC277TRF G2070584 1- AC3
D 1139 DIODE HSC277TRF G2070584 1- AC3
D 1140 DIODE HSC277TRF G2070584 1- AC3
D 1141 DIODE HSC277TRF G2070584 1- Bd3
D 1142 DIODE HSC277TRF G2070584 1- Bd2
D 1144 DIODE HSC277TRF G2070584 1- AG3
D 1145 DIODE HSC277TRF G2070584 1- AG3
D 1146 DIODE UM9957F/TR G2070562 1- AE2
D 1147 DIODE DAN222 TL G2070174 1- Bb5
D 1148 DIODE HVC131TRF G2070676 1- AF4
FB1001 BEADS COIL B-01-A L1190386 1- AB1
FB1002 FERRITE BEADS SMB304729 L9190094 1- AC1
HS1001 HEATSINK PLATE RA0227600 1- Bd3
J 1001 CONNECTOR HSJ6062-01-440 P1090983 1- AA1
J 1002 CONNECTOR SC25-02WS P0090621 1- AA3
J 1003 CONNECTOR MD-S6000-90 P1091087 1- Bf1
J 1004 CONNECTOR B2B-ZR P0090647 1- AB1
J 1005 CONNECTOR MJ-66J-RD315K P1091049 1- AB6
L 1001 COIL 0.014uH AS050425-14NK L0022583 1- AF2
L 1002 M.RFC 0.015uH 2% C1608CA-15NG L1691034 1- Bb3
L 1003 M.RFC 0.01uH 2% C1608CA-10NG L1691032 1- Bb3
L 1004 M.RFC 0.039uH 2% C1608CA-39NG L1691039 1- Bb4
L 1005 M.RFC 0.039uH 2% C1608CA-39NG L1691039 1- Bb4
L 1006 M.RFC 0.1uH TFL0816-100N L1690981 1- Bb4
L 1007 M.RFC 0.01uH 2% C1608CA-10NG L1691032 1- Bc4
L 1008 COIL E2 0.28-1.0-4T-R L0022365 1- Bc4
L 1009 COIL E2 0.28-1.0-4T-R L0022365 1- Bc4
L 1010 M.RFC 0.015uH TFL0816-15 L1690493 1- Bc4
L 1011 M.RFC 0.1uH TFL0816-100N L1690981 1- AF4
L 1012 M.RFC 0.01uH 2% C1608CA-10NG L1691032 1- AF4
L 1013 COIL E2 0.28-1.0-4T-R L0022365 1- AF5
L 1014 COIL E2 0.28-1.0-4T-R L0022365 1- AF5
L 1015 M.RFC 0.015uH TFL0816-15 L1690493 1- AF5
L 1016 M.RFC 0.015uH TFL0816-15 L1690493 1- AF4
L 1017 M.RFC 0.015uH TFL0816-15 L1690493 1- AF5
L 1018 M.RFC 0.047uH 2% C1608CA-47NG L1691040 1- Bb2
L 1019 M.RFC 0.1uH 2% C1608CA-R10G L1691045 1- Ba3
L 1020 M.RFC 0.047uH 2% C1608CA-47NG L1691040 1- Ba4
L 1021 M.RFC 0.033uH 2% C1608CA-33NG L1691038 1- Ba4
L 1023 M.RFC 0.1uH 2% C1608CA-R10G L1691045 1- Ba4
L 1024 M.RFC 1uH LK1608 1R0K-T L1690687 1- Bb4
L 1025 M.RFC 0.082uH 2% C1608CA-82NG L1691044 1- Bb4
L 1026 M.RFC 0.082uH 2% C1608CA-82NG L1691044 1- Bc4
L 1027 M.RFC 0.082uH 2% C1608CA-82NG L1691044 1- Bc4
L 1028 M.RFC 0.047uH TFL0816-47 L1690499 1- Bc4
L 1034 M.RFC 1uH LK1608 1R0K-T L1690687 1- Ba4
L 1035 M.RFC 0.082uH 2% C1608CA-82NG L1691044 1- Ba4
L 1036 M.RFC 0.082uH 2% C1608CA-82NG L1691044 1- Ba5
L 1037 M.RFC 0.082uH 2% C1608CA-82NG L1691044 1- Ba5
L 1038 M.RFC 0.047uH TFL0816-47 L1690499 1- Ba5
L 1039 M.RFC 0.15uH 2% C1608CA-R15G L1691101 1- Ba4
L 1040 M.RFC 0.22uH 2% C1608CA-R22G L1691103 1- Ba4
L 1041 M.RFC 0.22uH 2% C1608CA-R22G L1691103 1- Ba4
L 1042 M.RFC 0.27uH 2% C1608CA-R27G L1691104 1- AG4
L 1043 M.RFC 0.39uH 2% C1608CA-R39G L1691107 1- AG4
L 1044 M.RFC 0.39uH 2% C1608CA-R39G L1691107 1- AG4
L 1045 M.RFC 0.39uH 2% C1608CA-R39G L1691107 1- AG4
L 1046 M.RFC 0.39uH 2% C1608CA-R39G L1691107 1- AG5
L 1047 M.RFC 0.39uH 2% C1608CA-R39G L1691107 1- AG5
L 1048 M.RFC 0.22uH 2% C1608CA-R22G L1691103 1- Ba4
L 1049 M.RFC 0.22uH 2% C1608CA-R22G L1691103 1- Ba5
L 1050 M.RFC 0.22uH 2% C1608CA-R22G L1691103 1- Ba5
L 1051 M.RFC 0.0082uH TFL0816-8N2 L1690490 1- Ba3
L 1052 M.RFC 0.0082uH TFL0816-8N2 L1690490 1- Ba3

33
MAIN Unit
Parts List
REF DESCRIPTION VALUE V/W TOL. MFR'S DESIG VXSTD P/N VERS.
LOT SIDE LAY ADR
L 1053 M.RFC 0.0047uH TFL0816-4N7 L1690487 1- AG4
L 1054 M.RFC 0.0039uH TFL0816-3N9 L1690486 1- AF4
L 1055 M.RFC 0.0047uH TFL0816-4N7 L1690487 1- AF4
L 1056 M.RFC 0.0047uH TFL0816-4N7 L1690487 1- AF5
L 1057 M.RFC 0.0047uH TFL0816-4N7 L1690487 1- AF5
L 1058 M.RFC 0.39uH 2% C1608CA-R39G L1691107 1- AC4
L 1059 M.RFC 0.39uH 2% C1608CA-R39G L1691107 1- AB4
L 1060 M.RFC 0.39uH 2% C1608CA-R39G L1691107 1- Bb5
L 1061 M.RFC 0.39uH 2% C1608CA-R39G L1691107 1- AC5
L 1062 M.RFC 0.39uH 2% C1608CA-R39G L1691107 1- Be3
L 1063 M.RFC 0.39uH 2% C1608CA-R39G L1691107 1- AC5
L 1064 M.RFC 150uH FLC32T-151J L1690229 1- Bf4
L 1065 M.RFC 1uH LK1608 1R0K-T L1690687 1- Bf5
L 1066 M.RFC 1uH LK1608 1R0K-T L1690687 1- Bd4
L 1067 COIL E2 0.3-1.1-3T-R L0022579 1- Bd4
L 1068 M.RFC 0.0039uH TFL0816-3N9 L1690486 1- Bd4
L 1069 M.RFC 0.022uH TFL0816-22 L1690495 1- Bd4
L 1070 M.RFC 1uH LK1608 1R0K-T L1690687 1- Bd4
L 1071 CHIP COIL 0.039uH 2% LQN21A39NG04 L1690798 1- Bd4
L 1072 M.RFC 0.022uH 2% C1608CA-22NG L1691036 1- Bd4
L 1073 M.RFC 0.22uH LK1608 R22K-T L1690410 1- Bd4
L 1074 M.RFC 1uH LK1608 1R0K-T L1690687 1- AD5
L 1075 COIL E2 0.28-1.0-4T-R L0022365 1- AD5
L 1076 M.RFC 0.033uH TFL0816-33 L1690497 1- AD5
L 1077 CHIP COIL 0.033uH 2% LQN21A33NG04 L1691222 1- AD5
L 1078 M.RFC 0.015uH 2% C1608CA-15NG L1691034 1- AD5
L 1079 M.RFC 0.15uH LK1608 R15K-T L1690409 1- AD5
L 1081 CHIP COIL 0.18uH 2% LQN21AR18G04 L1691223 1- Bc4
L 1082 M.RFC 0.39uH 2% C1608CA-R39G L1691107 1- Bc5
L 1083 M.RFC 2.2uH LK1608 2R2K-T L1690634 1- Bc4
L 1084 CHIP COIL 0.22uH 2% LQN21AR22G04 L1691224 1- Bc4
L 1085 M.RFC 0.47uH LK1608 R47K-T L1690414 1- Bb5
L 1086 M.RFC 0.22uH LK1608 R22K-T L1690410 1- AE5
L 1087 M.RFC 0.47uH LK2125 R47K-T L1690315 1- AD3
L 1088 COIL 0.0068uH AS100240-6R8N L0022656 1- AE2
L 1089 COIL E2 0.25-1.9-5.5T-R L0022610 1- AE2
L 1090 COIL 0.015uH AS100440-15N L0022811 1- AE2
L 1091 COIL 0.015uH AS100440-15N L0022811 1- AE2
L 1092 COIL 0.015uH AS0803-15NK L0022536 1- AF3
L 1093 COIL 0.012uH AS080336-12N L0022810 1- AF3
L 1094 COIL A1 3.5T3.5D1.0UEW R L0022805 1- AF2
L 1095 COIL A1 3.5T3.5D1.0UEW R L0022805 1- AF2
L 1096 M.RFC 1uH ELJ-ND1R0JF L1690977 1- Bc2
L 1097 COIL E2 0.25-1.9-5.5T-R L0022610 1- AD1
L 1098 COIL A1 1.5T3.0D1.2UEW R L0022806 1- AD1
L 1099 COIL A1 3.5T3.5D1.0UEW R L0022805 1- AE1
L 1100 COIL A1 2.5T3.5D1.0UEW R L0022804 1- AE1
L 1101 COIL A1 3.5T3.5D1.0UEW R L0022805 1- AE1
L 1102 COIL A1 3.5T3.0D0.8UEW R L0022798 1- AF2
L 1103 COIL A1 7.5T5.0D0.8UEW R L0022800 1- AF3
L 1104 COIL A1 7.5T5.0D0.8UEW R L0022800 1- AF3
L 1105 COIL A1 2.5T5.0D1.2UEW R L0022809 1- AD2
L 1106 COIL A1 2.5T3.0D1.2UEW R L0022807 1- AE2
L 1107 COIL A1 7.5T6.0D0.8UEW R L0022808 1- AD3
L 1108 COIL A1 8.5T6.0D0.8UEW R L0022802 1- AE3
L 1109 COIL A1 7.5T5.0D0.8UEW R L0022800 1- AE3
L 1110 M.RFC 1uH LK1608 1R0K-T L1690687 1- Be3
L 1118 COIL A1 13.5T5.5D0.8UEW R L0022801 1- AD1
L 1120 COIL 0.044uH AS050535-44N L0022812 1- AB1
L 1121 COIL 0.012uH AS080336-12N L0022810 1- AC1
L 1123 COIL E2 0.4-3.0-11.5T-L L0022646 1- AB3
L 1124 COIL E2 0.4-3.0-11.5T-L L0022646 1- AC3
L 1125 COIL 0.056uH AS050635-56N L0022813 1- AB3
L 1127 M.RFC 1uH ELJ-ND1R0JF L1690977 1- Be2
L 1128 COIL E2 0.35-1.6-7T-L L0022390 1- AB2
L 1129 COIL E2 0.35-1.6-5.5T-L L0022616 1- AC2
L 1130 M.RFC 1uH ELJ-ND1R0JF L1690977 1- Be2
L 1131 COIL E2 0.45-1.4-2.5T-L L0022618 1- AC2
L 1132 COIL E2 0.4-1.3-2T-L L0022580 1- AC2
L 1134 M.RFC 0.1uH 2% C1608CA-R10G L1691045 1- AD3
L 1135 M.RFC 0.27uH 2% C1608CA-R27G L1691104 1- Bd3
L 1136 M.RFC 0.15uH 2% C1608CA-R15G L1691101 1- Bd3
L 1137 M.RFC 0.022uH TFL0816-22 L1690495 1- Bd3
L 1138 M.RFC 0.015uH TFL0816-15 L1690493 1- Bd3
L 1139 M.RFC 0.0082uH TFL0816-8N2 L1690490 1- AC3
L 1140 COIL E2 0.35-1.6-4.5T-L L0022577 1- AC3

34
REF DESCRIPTION VALUE V/W TOL. MFR'S DESIG VXSTD P/N VERS.
LOT SIDE LAY ADR
MAIN Unit
Parts List
L 1141 COIL E2 0.3-1.1-3T-R L0022579 1- AC3
L 1142 COIL E2 0.4-1.3-2T-L L0022580 1- AC3
L 1143 COIL E2 0.28-1.0-8TR L0022423 1- AC3
L 1144 M.RFC 0.1uH 2% C1608CA-R10G L1691045 1- Bd3
L 1145 M.RFC 0.1uH 2% C1608CA-R10G L1691045 1- Bd3
L 1146 M.RFC 0.22uH 2% C1608CA-R22G L1691103 1- Bd3
L 1147 M.RFC 0.22uH 2% C1608CA-R22G L1691103 1- Bd3
L 1148 M.RFC 0.1uH 2% C1608CA-R10G L1691045 1- AB3
L 1149 COIL E2 0.25-1.9-5.5T-R L0022610 1- AE1
L 1150 CHIP COIL 0.033uH 2% LQN21A33NG04 L1691222 1- Bb2
L 1151 M.RFC 1uH ELJ-ND1R0JF L1690977 1- AB2
L 1152 M.RFC 1uH LK1608 1R0K-T L1690687 1- Bb5
L 1153 M.RFC 4.7uH LK1608 4R7K-T L1690688 1- Bc4
L 1154 M.RFC 1uH LK1608 1R0K-T L1690687 1- AD5
L 1156 M.RFC 0.022uH TFL0816-22 L1690495 1- AD4
L 1158 M.RFC 1uH ELJ-ND1R0JF L1690977 1-
Q 1001 FET 3SK296ZQ-TL G4802968 1- Bb4
Q 1002 FET 3SK296ZQ-TL G4802968 1- Bb4
Q 1003 FET 3SK296ZQ-TL G4802968 1- Bc4
Q 1004 FET 3SK296ZQ-TL G4802968 1- AF5
Q 1005 TRANSISTOR 2SC5006-T1 G3350068 1- AF5
Q 1006 FET 3SK296ZQ-TL G4802968 1- Ba4
Q 1007 FET 3SK296ZQ-TL G4802968 1- Ba4
Q 1008 FET 3SK296ZQ-TL G4802968 1- Bc4
Q 1010 FET 3SK296ZQ-TL G4802968 1- Ba5
Q 1011 TRANSISTOR 2SC5374-TL G3353748 1- Ba4
Q 1012 TRANSISTOR 2SC5374-TL G3353748 1- AG4
Q 1013 TRANSISTOR 2SC5277-D2-TL G3352778B 1- AF4
Q 1014 TRANSISTOR 2SC5006-T1 G3350068 1- AF5
Q 1015 FET 3SK296ZQ-TL G4802968 1- Ba5
Q 1016 TRANSISTOR RT1N441U-T11-1 G3070247 1- AE4
Q 1017 TRANSISTOR 2SC4400-3-TL G3344008C 1- AC4
Q 1018 IC TA31136FN(EL) G1091605 1- AB4
Q 1019 TRANSISTOR 2SC4400-3-TL G3344008C 1- Bb5
Q 1020 TRANSISTOR RT1N441U-T11-1 G3070247 1- AE4
Q 1021 TRANSISTOR 2SC4617 TL R G3346178R 1- Be5
Q 1022 TRANSISTOR 2SC4617 TL R G3346178R 1- AC4
Q 1023 TRANSISTOR 2SC4617 TL R G3346178R 1- Be5
Q 1024 IC TA31136FN(EL) G1091605 1- AC5
Q 1025 IC NJM2902V-TE1 G1091679 1- Bf4
Q 1026 TRANSISTOR 2SC4400-3-TL G3344008C 1- Be4
Q 1027 TRANSISTOR 2SC4400-3-TL G3344008C 1- Bd5
Q 1028 TRANSISTOR RT1N441U-T11-1 G3070247 1- Bd5
Q 1030 TRANSISTOR RT1N441U-T11-1 G3070247 1- AA4
Q 1031 TRANSISTOR RT1N441U-T11-1 G3070247 1- AA4
Q 1032 TRANSISTOR RT1N441U-T11-1 G3070247 1- Bf4
Q 1033 IC NJM2902V-TE1 G1091679 1- AA4
Q 1034 IC NJM2902V-TE1 G1091679 1- Bf4
Q 1035 TRANSISTOR RT1N441U-T11-1 G3070247 1- AB3
Q 1036 TRANSISTOR 2SC4617 TL R G3346178R 1- AB3
Q 1037 TRANSISTOR 2SC4617 TL R G3346178R 1- AA3
Q 1038 TRANSISTOR RT1N441U-T11-1 G3070247 1- AA4
Q 1039 TRANSISTOR RT1N441U-T11-1 G3070247 1- AA4
Q 1040 TRANSISTOR RT1N441U-T11-1 G3070247 1- Bg4
Q 1041 TRANSISTOR RT1N441U-T11-1 G3070247 1- Bg4
Q 1042 IC M51132FP 600C G1091930 1- AA2
Q 1043 TRANSISTOR CPH6102-TL G3070223 1- Bf1
Q 1044 TRANSISTOR RT1N441U-T11-1 G3070247 1- Bf1
Q 1045 IC LA4425A G1092241 1- AA2
Q 1046 IC TC4W66FU TE12L G1091676 1- Bf3
Q 1047 IC TC4W66FU TE12L G1091676 1- Bf2
Q 1050 IC TDA7233D-TR G1091112 1- AA3
Q 1051 IC BU4066BCFV-E2 G1093537 1- AB4
Q 1052 TRANSISTOR RT1N441U-T11-1 G3070247 1- AA1
Q 1053 TRANSISTOR RT1N441U-T11-1 G3070247 1- AA1
Q 1054 IC NJM2902V-TE1 G1091679 1- AA4
Q 1055 TRANSISTOR 2SC4617 TL R G3346178R 1- Be1
Q 1056 TRANSISTOR RT1N441U-T11-1 G3070247 1- Be5
Q 1057 TRANSISTOR 2SB1301-T2 ZQ G3213017Q 1- AB2
Q 1058 TRANSISTOR 2SB1201S-TL G3070195 1- Be2
Q 1059 IC MM1216ENRE G1092432 1- Be2
Q 1060 IC NJM78L05UA TE1 G1091325 1- AB2
Q 1061 TRANSISTOR 2SC4617 TL R G3346178R 1- AA2
Q 1062 TRANSISTOR 2SA1774 TL R G3117748R 1- Bf3
Q 1063 IC NJM78L05UA TE1 G1091325 1- Bg3
Q 1064 IC M51951BHP-600C G1093634 1- Bf4

35
MAIN Unit
Parts List
REF DESCRIPTION VALUE V/W TOL. MFR'S DESIG VXSTD P/N VERS.
LOT SIDE LAY ADR
Q 1065 TRANSISTOR 2SC4617 TL R G3346178R 1- Bg4
Q 1066 TRANSISTOR 2SC4617 TL R G3346178R 1- Bf5
Q 1067 IC AT24C128N-10SI-2.7 G1093516 1- Bg5
Q 1068 TRANSISTOR RT1N441U-T11-1 G3070247 1- Bf3
Q 1069 TRANSISTOR RT1N441U-T11-1 G3070247 1- Ba5
Q 1070 TRANSISTOR RT1N441U-T11-1 G3070247 1- Ba5
Q 1071 TRANSISTOR UMA8N TR G3070270 1- AE5
Q 1072 TRANSISTOR UMA8N TR G3070270 1- AF5
Q 1073 TRANSISTOR UMA8N TR G3070270 1- AF5
Q 1074 TRANSISTOR UMA8N TR G3070270 1- AF5
Q 1075 IC BU2090FS-E1 G1092187 1- AE5
Q 1076 TRANSISTOR IMT17 T110 G3070295 1- AE4
Q 1077 TRANSISTOR IMT17 T110 G3070295 1- AE4
Q 1078 TRANSISTOR 2SC4617 TL R G3346178R 1- Bb5
Q 1079 TRANSISTOR RT1P441U-T11-1 G3070248 1- AE5
Q 1080 TRANSISTOR UMA8N TR G3070270 1- Bb5
Q 1081 TRANSISTOR UMA8N TR G3070270 1- Bb5
Q 1082 TRANSISTOR UMA8N TR G3070270 1- Bb5
Q 1083 TRANSISTOR RT1P441U-T11-1 G3070248 1- AE5
Q 1084 IC M3826AEFGP R0704 G1093798 DST: USA 1- AA5
Q 1084 IC M3826AEFGP R0705 G1093799 DST: EXP 1- AA5
Q 1085 IC M62353GP 70ED G1092621 1- Bf5
Q 1086 IC BU4066BCFV-E2 G1093537 1- Be4
Q 1087 TRANSISTOR RT1N441U-T11-1 G3070247 1- Be4
Q 1088 TRANSISTOR RT1N441U-T11-1 G3070247 1- Be3
Q 1089 TRANSISTOR 2SA1774 TL R G3117748R 1- AC3
Q 1090 IC MB15A02PFV1-G-BND-EF G1092541 1- AC4
Q 1091 TRANSISTOR 2SA1774 TL R G3117748R 1- AB4
Q 1092 TRANSISTOR 2SC4617 TL R G3346178R 1- AC4
Q 1094 TRANSISTOR 2SA1774 TL R G3117748R 1- Bc5
Q 1095 IC MB15A02PFV1-G-BND-EF G1092541 1- Bc5
Q 1096 TRANSISTOR RT1P441U-T11-1 G3070248 1- Bd5
Q 1097 TRANSISTOR 2SC4617 TL R G3346178R 1- Bd5
Q 1098 TRANSISTOR 2SA1774 TL R G3117748R 1- Bc5
Q 1099 TRANSISTOR 2SC4617 TL R G3346178R 1- Bc5
Q 1100 TRANSISTOR RT1N441U-T11-1 G3070247 1- Bc5
Q 1106 TRANSISTOR 2SC5006-T1 G3350068 1- Bd4
Q 1107 TRANSISTOR 2SC5006-T1 G3350068 1- Bd4
Q 1108 TRANSISTOR 2SC5006-T1 G3350068 1- AC4
Q 1109 TRANSISTOR 2SC5374-TL G3353748 1- Bd4
Q 1110 TRANSISTOR 2SC5374-TL G3353748 1- Bd4
Q 1111 TRANSISTOR 2SC5374-TL G3353748 1- AD4
Q 1112 TRANSISTOR 2SC5006-T1 G3350068 1- AD5
Q 1113 TRANSISTOR 2SC5006-T1 G3350068 1- AD5
Q 1114 TRANSISTOR 2SC5374-TL G3353748 1- AE5
Q 1115 TRANSISTOR 2SC5374-TL G3353748 1- AD5
Q 1116 TRANSISTOR 2SC5374-TL G3353748 1- AD5
Q 1117 TRANSISTOR 2SC5374-TL G3353748 1- AE5
Q 1118 TRANSISTOR 2SC5374-TL G3353748 1- Bc4
Q 1119 TRANSISTOR 2SC5374-TL G3353748 1- Bc4
Q 1120 TRANSISTOR RT1N441U-T11-1 G3070247 1- Bc5
Q 1121 TRANSISTOR 2SC5374-TL G3353748 1- Bc4
Q 1122 TRANSISTOR 2SC5374-TL G3353748 1- Bb5
Q 1123 TRANSISTOR 2SC5374-TL G3353748 1- AD4
Q 1124 TRANSISTOR 2SC5374-TL G3353748 1- AE5
Q 1125 TRANSISTOR RT1N441U-T11-1 G3070247 1- Bb4
Q 1126 TRANSISTOR RT1N441U-T11-1 G3070247 1- Bb4
Q 1127 TRANSISTOR RT1N441U-T11-1 G3070247 1- Bb4
Q 1128 TRANSISTOR RT1N441U-T11-1 G3070247 1- Be3
Q 1129 TRANSISTOR RT1P441U-T11-1 G3070248 1- Be3
Q 1130 IC NJM2904V-TE1 G1091677 1- Be3
Q 1131 TRANSISTOR RT1N441U-T11-1 G3070247 1- Be3
Q 1134 FET RD70HVF1 G3090140 1- AD1
Q 1135 TRANSISTOR 2SC4617 TL R G3346178R 1- Be2
Q 1137 FET 2SK2975-T11 G3829757 1- AC3
Q 1138 TRANSISTOR 2SD1664 T100 Q G3416647Q 1- AD3
Q 1139 FET 2SK2596BXTL G3825967 1- AC3
Q 1140 TRANSISTOR RT1N441U-T11-1 G3070247 1- Bd3
Q 1141 TRANSISTOR RT1N441U-T11-1 G3070247 1- AE4
Q 1142 TRANSISTOR 2SC4617 TL R G3346178R 1- Be5
Q 1143 TRANSISTOR 2SC4617 TL R G3346178R 1- Bd5
Q 1144 TRANSISTOR RT1N441U-T11-1 G3070247 1- AB4
Q 1145 TRANSISTOR 2SC4617 TL R G3346178R 1- Bd5
Q 1146 TRANSISTOR 2SC5006-T1 G3350068 1- AC4
Q 1147 TRANSISTOR 2SC4617 TL R G3346178R 1- AE5
R 1001 CHIP RES. 82k 1/16W 0.5% RR0510R-823-D J24189165 1- Bb4

36
REF DESCRIPTION VALUE V/W TOL. MFR'S DESIG VXSTD P/N VERS.
LOT SIDE LAY ADR
MAIN Unit
Parts List
R 1002 CHIP RES. 100k 1/16W 5% RMC1/16S 104JTH J24189049 1- Bb4
R 1003 CHIP RES. 47k 1/16W 0.5% RR0510R-473-D J24189159 1- Bb3
R 1004 CHIP RES. 100 1/16W 5% RMC1/16S 101JTH J24189013 1- Bb4
R 1005 CHIP RES. 01/16W 5% RMC1/16S JPTH J24189070 1- AF4
R 1006 CHIP RES. 100k 1/16W 5% RMC1/16S 104JTH J24189049 1- Bb4
R 1007 CHIP RES. 100 1/16W 5% RMC1/16S 101JTH J24189013 1- Bb4
R 1008 CHIP RES. 22 1/16W 5% RMC1/16S 220JTH J24189005 1- Bb4
R 1009 CHIP RES. 2.2k 1/16W 5% RMC1/16S 222JTH J24189029 1- Bb4
R 1010 CHIP RES. 100 1/16W 5% RMC1/16S 101JTH J24189013 1- Bb4
R 1011 CHIP RES. 100k 1/16W 5% RMC1/16S 104JTH J24189049 1- Bc4
R 1012 CHIP RES. 100k 1/16W 5% RMC1/16S 104JTH J24189049 1- Bc4
R 1013 CHIP RES. 100k 1/16W 5% RMC1/16S 104JTH J24189049 1- Bc4
R 1014 CHIP RES. 220k 1/16W 5% RMC1/16S 224JTH J24189053 1- Bc4
R 1015 CHIP RES. 33k 1/16W 5% RMC1/16S 333JTH J24189043 1- Bc4
R 1016 CHIP RES. 150 1/16W 5% RMC1/16S 151JTH J24189015 1- Bc4
R 1017 CHIP RES. 220k 1/16W 5% RMC1/16S 224JTH J24189053 1- Bc4
R 1018 CHIP RES. 47k 1/16W 5% RMC1/16S 473JTH J24189045 1- Bc4
R 1019 CHIP RES. 1k 1/16W 5% RMC1/16S 102JTH J24189025 1- Bc3
R 1020 CHIP RES. 2.2k 1/16W 5% RMC1/16S 222JTH J24189029 1- AF4
R 1021 CHIP RES. 100 1/16W 5% RMC1/16S 101JTH J24189013 1- AF4
R 1022 CHIP RES. 100k 1/16W 5% RMC1/16S 104JTH J24189049 1- AF4
R 1023 CHIP RES. 100k 1/16W 5% RMC1/16S 104JTH J24189049 1- AF5
R 1024 CHIP RES. 100k 1/16W 5% RMC1/16S 104JTH J24189049 1- AF5
R 1025 CHIP RES. 33k 1/16W 5% RMC1/16S 333JTH J24189043 1- AF5
R 1026 CHIP RES. 220k 1/16W 5% RMC1/16S 224JTH J24189053 1- AF5
R 1027 CHIP RES. 150 1/16W 5% RMC1/16S 151JTH J24189015 1- AF5
R 1028 CHIP RES. 1k 1/16W 5% RMC1/16S 102JTH J24189025 1- AF5
R 1029 CHIP RES. 220k 1/16W 5% RMC1/16S 224JTH J24189053 1- AF5
R 1030 CHIP RES. 47k 1/16W 5% RMC1/16S 473JTH J24189045 1- AF5
R 1031 CHIP RES. 100 1/16W 5% RMC1/16S 101JTH J24189013 1- AF4
R 1032 CHIP RES. 47k 1/16W 5% RMC1/16S 473JTH J24189045 1- AF5
R 1033 CHIP RES. 4.7k 1/16W 5% RMC1/16S 472JTH J24189033 1- AF4
R 1034 CHIP RES. 01/16W 5% RMC1/16S JPTH J24189070 1- AF4
R 1035 CHIP RES. 1M 1/16W 5% RMC1/16S 105JTH J24189061 1- AF5
R 1036 CHIP RES. 1k 1/16W 5% RMC1/16S 102JTH J24189025 1- AF5
R 1037 CHIP RES. 56k 1/16W 0.5% RR0510R-563-D J24189161 1- Ba4
R 1038 CHIP RES. 47k 1/16W 0.5% RR0510R-473-D J24189159 1- Ba4
R 1039 CHIP RES. 100k 1/16W 5% RMC1/16S 104JTH J24189049 1- Ba4
R 1040 CHIP RES. 47 1/16W 5% RMC1/16S 470JTH J24189009 1- Ba4
R 1041 CHIP RES. 100k 1/16W 5% RMC1/16S 104JTH J24189049 1- Bb4
R 1042 CHIP RES. 47 1/16W 5% RMC1/16S 470JTH J24189009 1- Bb4
R 1043 CHIP RES. 47 1/16W 5% RMC1/16S 470JTH J24189009 1- Bb4
R 1044 CHIP RES. 330 1/16W 5% RMC1/16S 331JTH J24189019 1- Bb4
R 1045 CHIP RES. 100 1/16W 5% RMC1/16S 101JTH J24189013 1- Bb4
R 1046 CHIP RES. 220k 1/16W 5% RMC1/16S 224JTH J24189053 1- Bc4
R 1047 CHIP RES. 220k 1/16W 5% RMC1/16S 224JTH J24189053 1- Bc4
R 1048 CHIP RES. 220k 1/16W 5% RMC1/16S 224JTH J24189053 1- Bc4
R 1049 CHIP RES. 15k 1/16W 5% RMC1/16S 153JTH J24189039 1- Bc4
R 1050 CHIP RES. 120k 1/16W 5% RMC1/16S 124JTH J24189050 1- Bc4
R 1051 CHIP RES. 47k 1/16W 5% RMC1/16S 473JTH J24189045 1- Bc4
R 1052 CHIP RES. 220k 1/16W 5% RMC1/16S 224JTH J24189053 1- Bc4
R 1053 CHIP RES. 150 1/16W 5% RMC1/16S 151JTH J24189015 1- Bc4
R 1054 CHIP RES. 1k 1/16W 5% RMC1/16S 102JTH J24189025 1- Bc4
R 1058 CHIP RES. 47 1/16W 5% RMC1/16S 470JTH J24189009 1- Ba4
R 1061 CHIP RES. 47k 1/16W 5% RMC1/16S 473JTH J24189045 1- Ba5
R 1062 CHIP RES. 100 1/16W 5% RMC1/16S 101JTH J24189013 1- Ba4
R 1063 CHIP RES. 330 1/16W 5% RMC1/16S 331JTH J24189019 1- Ba4
R 1064 CHIP RES. 220k 1/16W 5% RMC1/16S 224JTH J24189053 1- Ba5
R 1065 CHIP RES. 220k 1/16W 5% RMC1/16S 224JTH J24189053 1- Ba5
R 1066 CHIP RES. 220k 1/16W 5% RMC1/16S 224JTH J24189053 1- Ba5
R 1067 CHIP RES. 220k 1/16W 5% RMC1/16S 224JTH J24189053 1- Ba5
R 1068 CHIP RES. 220 1/16W 5% RMC1/16S 221JTH J24189017 1- Ba5
R 1069 CHIP RES. 22k 1/16W 5% RMC1/16S 223JTH J24189041 1- Ba5
R 1070 CHIP RES. 220k 1/16W 5% RMC1/16S 224JTH J24189053 1- Ba5
R 1071 CHIP RES. 220k 1/16W 5% RMC1/16S 224JTH J24189053 1- Ba5
R 1072 CHIP RES. 1.5k 1/16W 5% RMC1/16S 152JTH J24189027 1- Ba5
R 1073 CHIP RES. 33k 1/16W 5% RMC1/16S 333JTH J24189043 1- Ba5
R 1074 CHIP RES. 47k 1/16W 5% RMC1/16S 473JTH J24189045 1- Ba5
R 1075 CHIP RES. 150 1/16W 5% RMC1/16S 151JTH J24189015 1- Ba5
R 1077 CHIP RES. 150k 1/16W 5% RMC1/16S 154JTH J24189051 1- Ba4
R 1078 CHIP RES. 100 1/16W 5% RMC1/16S 101JTH J24189013 1- Ba4
R 1079 CHIP RES. 270k 1/16W 5% RMC1/16S 274JTH J24189054 1- AG4
R 1080 CHIP RES. 100 1/16W 5% RMC1/16S 101JTH J24189013 1- AG4
R 1081 CHIP RES. 22 1/16W 5% RMC1/16S 220JTH J24189005 1- AG4
R 1082 CHIP RES. 1k 1/16W 5% RMC1/16S 102JTH J24189025 1- AG4
R 1083 CHIP RES. 100 1/16W 5% RMC1/16S 101JTH J24189013 1- AG4

37
MAIN Unit
Parts List
REF DESCRIPTION VALUE V/W TOL. MFR'S DESIG VXSTD P/N VERS.
LOT SIDE LAY ADR
R 1084 CHIP RES. 47k 1/16W 5% RMC1/16S 473JTH J24189045 1- AG5
R 1085 CHIP RES. 01/16W 5% RMC1/16S JPTH J24189070 1- Ba4
R 1086 CHIP RES. 220 1/16W 5% RMC1/16S 221JTH J24189017 1- AG5
R 1087 CHIP RES. 330 1/16W 5% RMC1/16S 331JTH J24189019 1- Ba4
R 1088 CHIP RES. 100 1/16W 5% RMC1/16S 101JTH J24189013 1- Ba4
R 1089 CHIP RES. 47k 1/16W 5% RMC1/16S 473JTH J24189045 1- Ba4
R 1090 CHIP RES. 220 1/16W 5% RMC1/16S 221JTH J24189017 1- Ba5
R 1091 CHIP RES. 22k 1/16W 5% RMC1/16S 223JTH J24189041 1- AG5
R 1092 CHIP RES. 47k 1/16W 5% RMC1/16S 473JTH J24189045 1- Ba5
R 1093 CHIP RES. 220k 1/16W 5% RMC1/16S 224JTH J24189053 1- Ba5
R 1094 CHIP RES. 220k 1/16W 5% RMC1/16S 224JTH J24189053 1- Ba5
R 1095 CHIP RES. 68k 1/16W 5% RMC1/16S 683JTH J24189047 1- Ba5
R 1096 CHIP RES. 220 1/16W 5% RMC1/16S 221JTH J24189017 1- Ba5
R 1097 CHIP RES. 470k 1/16W 5% RMC1/16S 474JTH J24189057 1- AF4
R 1098 CHIP RES. 82 1/16W 5% RMC1/16S 820JTH J24189012 1- AF4
R 1099 CHIP RES. 2.2k 1/16W 5% RMC1/16S 222JTH J24189029 1- AF5
R 1100 CHIP RES. 820k 1/16W 5% RMC1/16S 824JTH J24189060 1- AF5
R 1111 CHIP RES. 6.8k 1/16W 5% RMC1/16S 682JTH J24189035 1- AF5
R 1112 CHIP RES. 47k 1/16W 5% RMC1/16S 473JTH J24189045 1- AF5
R 1113 CHIP RES. 47k 1/16W 5% RMC1/16S 473JTH J24189045 1- Ba4
R 1114 CHIP RES. 82k 1/16W 0.5% RR0510R-823-D J24189165 1- AE4
R 1115 CHIP RES. 100k 1/16W 0.5% RR0510R-104-D J24189167 1- Ba4
R 1116 CHIP RES. 68k 1/16W 0.5% RR0510R-683-D J24189163 1- Bb4
R 1117 CHIP RES. 68k 1/16W 0.5% RR0510R-683-D J24189163 1- Bb4
R 1118 CHIP RES. 33k 1/16W 0.5% RR0510R-333-D J24189155 1- AE4
R 1119 CHIP RES. 100 1/16W 5% RMC1/16S 101JTH J24189013 1- AC4
R 1120 CHIP RES. 2.2k 1/16W 5% RMC1/16S 222JTH J24189029 1- AC4
R 1121 CHIP RES. 220 1/16W 5% RMC1/16S 221JTH J24189017 1- AC4
R 1122 CHIP RES. 560 1/16W 5% RMC1/16S 561JTH J24189022 1- AC4
R 1123 CHIP RES. 220k 1/16W 5% RMC1/16S 224JTH J24189053 1- AC4
R 1124 CHIP RES. 330 1/16W 5% RMC1/16S 331JTH J24189019 1- AC4
R 1125 CHIP RES. 2.2k 1/16W 5% RMC1/16S 222JTH J24189029 1- AB4
R 1126 CHIP RES. 100 1/16W 5% RMC1/16S 101JTH J24189013 1- AB4
R 1127 CHIP RES. 47 1/16W 5% RMC1/16S 470JTH J24189009 1- Be3
R 1128 CHIP RES. 2.2k 1/16W 5% RMC1/16S 222JTH J24189029 1- Ba5
R 1129 CHIP RES. 100 1/16W 5% RMC1/16S 101JTH J24189013 1- Ba5
R 1130 CHIP RES. 100 1/16W 5% RMC1/16S 101JTH J24189013 1- Bb5
R 1131 CHIP RES. 560 1/16W 5% RMC1/16S 561JTH J24189022 1- Bb5
R 1132 CHIP RES. 330k 1/16W 5% RMC1/16S 334JTH J24189055 1- Bb5
R 1133 CHIP RES. 100 1/16W 5% RMC1/16S 101JTH J24189013 1- AC5
R 1134 CHIP RES. 1k 1/16W 5% RMC1/16S 102JTH J24189025 1- AC5
R 1135 CHIP RES. 330 1/16W 5% RMC1/16S 331JTH J24189019 1- Bb5
R 1136 CHIP RES. 12k 1/16W 0.5% RR0510R-123-D J24189145 1- AF4
R 1137 CHIP RES. 39k 1/16W 0.5% RR0510R-393-D J24189157 1- Bb5
R 1138 CHIP RES. 10k 1/16W 0.5% RR0510P-103-D J24189143 1- Ba5
R 1139 CHIP RES. 150k 1/16W 5% RMC1/16S 154JTH J24189051 1- AB5
R 1140 CHIP RES. 100k 1/16W 5% RMC1/16S 104JTH J24189049 1- Be5
R 1141 CHIP RES. 22k 1/16W 5% RMC1/16S 223JTH J24189041 1- Be5
R 1142 CHIP RES. 390k 1/16W 5% RMC1/16S 394JTH J24189056 1- Be5
R 1143 CHIP RES. 330k 1/16W 5% RMC1/16S 334JTH J24189055 1- AB5
R 1144 CHIP RES. 47k 1/16W 5% RMC1/16S 473JTH J24189045 1- AB4
R 1145 CHIP RES. 4.7k 1/16W 5% RMC1/16S 472JTH J24189033 1- AB5
R 1146 CHIP RES. 1M 1/16W 5% RMC1/16S 105JTH J24189061 1- AC5
R 1147 CHIP RES. 470 1/16W 5% RMC1/16S 471JTH J24189021 1- AC5
R 1148 CHIP RES. 4.7k 1/16W 5% RMC1/16S 472JTH J24189033 1- AC5
R 1149 CHIP RES. 1M 1/16W 5% RMC1/16S 105JTH J24189061 1- Be5
R 1150 CHIP RES. 470 1/16W 5% RMC1/16S 471JTH J24189021 1- Bd5
R 1151 CHIP RES. 100k 1/16W 5% RMC1/16S 104JTH J24189049 1- Be5
R 1152 CHIP RES. 10k 1/16W 5% RMC1/16S 103JTH J24189037 1- Be4
R 1153 CHIP RES. 68k 1/16W 0.5% RR0510R-683-D J24189163 1- Bf4
R 1154 CHIP RES. 100k 1/16W 0.5% RR0510R-104-D J24189167 1- Bf4
R 1155 CHIP RES. 10k 1/16W 5% RMC1/16S 103JTH J24189037 1- Bf4
R 1156 CHIP RES. 100k 1/16W 5% RMC1/16S 104JTH J24189049 1- Bf4
R 1157 CHIP RES. 10k 1/16W 5% RMC1/16S 103JTH J24189037 1- Be4
R 1158 CHIP RES. 68k 1/16W 0.5% RR0510R-683-D J24189163 1- Bf4
R 1159 CHIP RES. 47 1/16W 5% RMC1/16S 470JTH J24189009 1- Bf4
R 1160 CHIP RES. 100k 1/16W 0.5% RR0510R-104-D J24189167 1- Bf4
R 1161 CHIP RES. 10k 1/16W 5% RMC1/16S 103JTH J24189037 1- Bf4
R 1162 CHIP RES. 100k 1/16W 5% RMC1/16S 104JTH J24189049 1- Bf4
R 1163 CHIP RES. 1k 1/16W 5% RMC1/16S 102JTH J24189025 1- Be3
R 1164 CHIP RES. 1M 1/16W 5% RMC1/16S 105JTH J24189061 1- Be4
R 1165 CHIP RES. 1k 1/16W 5% RMC1/16S 102JTH J24189025 1- AC5
R 1166 CHIP RES. 1M 1/16W 5% RMC1/16S 105JTH J24189061 1- Bd5
R 1167 CHIP RES. 1.5k 1/16W 0.5% RR0510P-152-D J24189123 1- Bf4
R 1168 CHIP RES. 100k 1/16W 5% RMC1/16S 104JTH J24189049 1- AB4
R 1169 CHIP RES. 1k 1/16W 5% RMC1/16S 102JTH J24189025 1- AB4

38
REF DESCRIPTION VALUE V/W TOL. MFR'S DESIG VXSTD P/N VERS.
LOT SIDE LAY ADR
MAIN Unit
Parts List
R 1170 CHIP RES. 100k 1/16W 5% RMC1/16S 104JTH J24189049 1- AB4
R 1171 CHIP RES. 56k 1/16W 0.5% RR0510R-563-D J24189161 1- Be4
R 1172 CHIP RES. 2.7k 1/16W 0.5% RR0510P-272-D J24189129 1- Be4
R 1173 CHIP RES. 3.3k 1/16W 0.5% RR0510P-332-D J24189131 1- Be4
R 1174 CHIP RES. 150k 1/16W 5% RMC1/16S 154JTH J24189051 1- Be4
R 1176 CHIP RES. 220 1/16W 5% RMC1/16S 221JTH J24189017 1- AB4
R 1177 CHIP RES. 47 1/16W 5% RMC1/16S 470JTH J24189009 1- Bd5
R 1178 CHIP RES. 10 1/16W 5% RMC1/16S 100JTH J24189001 1- AC5
R 1179 CHIP RES. 2.7k 1/16W 0.5% RR0510P-272-D J24189129 1- Be5
R 1180 CHIP RES. 100k 1/16W 5% RMC1/16S 104JTH J24189049 1- AC5
R 1181 CHIP RES. 1k 1/16W 5% RMC1/16S 102JTH J24189025 1- AC5
R 1182 CHIP RES. 100k 1/16W 5% RMC1/16S 104JTH J24189049 1- AB5
R 1183 CHIP RES. 56k 1/16W 0.5% RR0510R-563-D J24189161 1- Bd5
R 1184 CHIP RES. 2.7k 1/16W 0.5% RR0510P-272-D J24189129 1- Bd5
R 1185 CHIP RES. 68k 1/16W 5% RMC1/16S 683JTH J24189047 1- Bf4
R 1186 CHIP RES. 3.3k 1/16W 0.5% RR0510P-332-D J24189131 1- Bd5
R 1187 CHIP RES. 150k 1/16W 5% RMC1/16S 154JTH J24189051 1- Bd5
R 1189 CHIP RES. 4.7k 1/16W 5% RMC1/16S 472JTH J24189033 1- Bd5
R 1190 CHIP RES. 220 1/16W 5% RMC1/16S 221JTH J24189017 1- AC5
R 1191 CHIP RES. 22k 1/16W 5% RMC1/16S 223JTH J24189041 1- Bd5
R 1192 CHIP RES. 22k 1/16W 5% RMC1/16S 223JTH J24189041 1- Bd5
R 1193 CHIP RES. 22k 1/16W 5% RMC1/16S 223JTH J24189041 1- Bd5
R 1194 CHIP RES. 22k 1/16W 5% RMC1/16S 223JTH J24189041 1- Bd5
R 1195 CHIP RES. 22k 1/16W 5% RMC1/16S 223JTH J24189041 1- Bd5
R 1196 CHIP RES. 1k 1/16W 5% RMC1/16S 102JTH J24189025 1- Bd5
R 1197 CHIP RES. 22k 1/16W 5% RMC1/16S 223JTH J24189041 1- Bd5
R 1198 CHIP RES. 68k 1/16W 5% RMC1/16S 683JTH J24189047 1- Bf4
R 1203 CHIP RES. 12k 1/16W 5% RMC1/16S 123JTH J24189038 1- Bf4
R 1204 CHIP RES. 470k 1/16W 5% RMC1/16S 474JTH J24189057 1- Bf4
R 1205 CHIP RES. 47k 1/16W 5% RMC1/16S 473JTH J24189045 1- AA4
R 1206 CHIP RES. 68k 1/16W 0.5% RR0510R-683-D J24189163 1- Bf4
R 1207 CHIP RES. 56k 1/16W 5% RMC1/16S 563JTH J24189046 1- AA4
R 1208 CHIP RES. 220k 1/16W 5% RMC1/16S 224JTH J24189053 1- AA4
R 1209 CHIP RES. 10k 1/16W 5% RMC1/16S 103JTH J24189037 1- AA4
R 1210 CHIP RES. 1k 1/16W 5% RMC1/16S 102JTH J24189025 1- Bf4
R 1211 CHIP RES. 27k 1/16W 5% RMC1/16S 273JTH J24189042 1- Bf4
R 1212 CHIP RES. 390k 1/16W 5% RMC1/16S 394JTH J24189056 1- Bf4
R 1213 CHIP RES. 150k 1/16W 5% RMC1/16S 154JTH J24189051 1- AA4
R 1214 CHIP RES. 100k 1/16W 5% RMC1/16S 104JTH J24189049 1- Bf4
R 1215 CHIP RES. 4.7k 1/16W 5% RMC1/16S 472JTH J24189033 1- AA3
R 1216 CHIP RES. 10k 1/16W 5% RMC1/16S 103JTH J24189037 1- Bf4
R 1217 CHIP RES. 330k 1/16W 5% RMC1/16S 334JTH J24189055 1- Bf4
R 1218 CHIP RES. 330k 1/16W 5% RMC1/16S 334JTH J24189055 1- Bf4
R 1219 CHIP RES. 68k 1/16W 0.5% RR0510R-683-D J24189163 1- Bf4
R 1220 CHIP RES. 220k 1/16W 5% RMC1/16S 224JTH J24189053 1- Bf4
R 1221 CHIP RES. 56k 1/16W 5% RMC1/16S 563JTH J24189046 1- Bf4
R 1222 CHIP RES. 10k 1/16W 5% RMC1/16S 103JTH J24189037 1- Bf4
R 1223 CHIP RES. 1k 1/16W 5% RMC1/16S 102JTH J24189025 1- Bf4
R 1224 CHIP RES. 27k 1/16W 5% RMC1/16S 273JTH J24189042 1- Bf4
R 1225 CHIP RES. 390k 1/16W 5% RMC1/16S 394JTH J24189056 1- Bf4
R 1226 CHIP RES. 4.7k 1/16W 5% RMC1/16S 472JTH J24189033 1- AA3
R 1227 CHIP RES. 150k 1/16W 5% RMC1/16S 154JTH J24189051 1- Bf4
R 1228 CHIP RES. 100k 1/16W 5% RMC1/16S 104JTH J24189049 1- Bf4
R 1229 CHIP RES. 10k 1/16W 5% RMC1/16S 103JTH J24189037 1- AB3
R 1230 CHIP RES. 10k 1/16W 5% RMC1/16S 103JTH J24189037 1- AB3
R 1231 CHIP RES. 220k 1/16W 5% RMC1/16S 224JTH J24189053 1- AB3
R 1232 CHIP RES. 220k 1/16W 5% RMC1/16S 224JTH J24189053 1- AB3
R 1233 CHIP RES. 220k 1/16W 5% RMC1/16S 224JTH J24189053 1- AB3
R 1234 CHIP RES. 4.7k 1/16W 5% RMC1/16S 472JTH J24189033 1- AA1
R 1235 CHIP RES. 220 1/16W 5% RMC1/16S 221JTH J24189017 1- AA1
R 1236 CHIP RES. 4.7k 1/16W 5% RMC1/16S 472JTH J24189033 1- AA3
R 1237 CHIP RES. 220k 1/16W 5% RMC1/16S 224JTH J24189053 1- AA3
R 1238 CHIP RES. 220k 1/16W 5% RMC1/16S 224JTH J24189053 1- AA3
R 1239 CHIP RES. 220k 1/16W 5% RMC1/16S 224JTH J24189053 1- AB3
R 1240 CHIP RES. 22k 1/16W 5% RMC1/16S 223JTH J24189041 1- AA3
R 1241 CHIP RES. 22k 1/16W 5% RMC1/16S 223JTH J24189041 1- AA3
R 1242 CHIP RES. 10k 1/16W 5% RMC1/16S 103JTH J24189037 1- Bf4
R 1243 CHIP RES. 10k 1/16W 5% RMC1/16S 103JTH J24189037 1- Bf4
R 1244 CHIP RES. 22k 1/16W 5% RMC1/16S 223JTH J24189041 1- AB3
R 1245 CHIP RES. 390k 1/16W 5% RMC1/16S 394JTH J24189056 1- AA4
R 1246 CHIP RES. 390k 1/16W 5% RMC1/16S 394JTH J24189056 1- AA4
R 1247 CHIP RES. 47k 1/16W 5% RMC1/16S 473JTH J24189045 1- AA4
R 1248 CHIP RES. 390k 1/16W 5% RMC1/16S 394JTH J24189056 1- AA4
R 1249 CHIP RES. 390k 1/16W 5% RMC1/16S 394JTH J24189056 1- AA4
R 1250 CHIP RES. 68k 1/16W 5% RMC1/16S 683JTH J24189047 1- AA4
R 1251 CHIP RES. 68k 1/16W 5% RMC1/16S 683JTH J24189047 1- AA4

39
MAIN Unit
Parts List
REF DESCRIPTION VALUE V/W TOL. MFR'S DESIG VXSTD P/N VERS.
LOT SIDE LAY ADR
R 1252 CHIP RES. 390k 1/16W 5% RMC1/16S 394JTH J24189056 1- Bg4
R 1253 CHIP RES. 390k 1/16W 5% RMC1/16S 394JTH J24189056 1- Bg4
R 1254 CHIP RES. 47k 1/16W 5% RMC1/16S 473JTH J24189045 1- Bg4
R 1255 CHIP RES. 390k 1/16W 5% RMC1/16S 394JTH J24189056 1- Bg4
R 1256 CHIP RES. 390k 1/16W 5% RMC1/16S 394JTH J24189056 1- Bf5
R 1257 CHIP RES. 68k 1/16W 5% RMC1/16S 683JTH J24189047 1- Bf5
R 1258 CHIP RES. 68k 1/16W 5% RMC1/16S 683JTH J24189047 1- Bf5
R 1259 CHIP RES. 100k 1/16W 5% RMC1/16S 104JTH J24189049 1- Bf4
R 1260 CHIP RES. 100k 1/16W 5% RMC1/16S 104JTH J24189049 1- Bf4
R 1261 CHIP RES. 4.7k 1/16W 5% RMC1/16S 472JTH J24189033 1- Bg1
R 1262 CHIP RES. 270 1/16W 5% RMC1/16S 271JTH J24189018 1- Bg1
R 1263 CHIP RES. 270 1/16W 5% RMC1/16S 271JTH J24189018 1- Bf1
R 1264 CHIP RES. 270 1/16W 5% RMC1/16S 271JTH J24189018 1- Bf1
R 1265 CHIP RES. 270 1/16W 5% RMC1/16S 271JTH J24189018 1- Bf1
R 1266 CHIP RES. 47k 1/16W 5% RMC1/16S 473JTH J24189045 1- Bf1
R 1267 CHIP RES. 100k 1/16W 5% RMC1/16S 104JTH J24189049 1- Bf2
R 1268 CHIP RES. 47 1/16W 5% RMC1/16S 470JTH J24189009 1- AA2
R 1269 CHIP RES. 100k 1/16W 5% RMC1/16S 104JTH J24189049 1- Bf2
R 1270 CHIP RES. 12k 1/16W 5% RMC1/16S 123JTH J24189038 1- Bf2
R 1271 CHIP RES. 100k 1/16W 5% RMC1/16S 104JTH J24189049 1- Bf2
R 1272 CHIP RES. 12k 1/16W 5% RMC1/16S 123JTH J24189038 1- AA2
R 1273 CHIP RES. 100k 1/16W 5% RMC1/16S 104JTH J24189049 1- Bf2
R 1274 CHIP RES. 12k 1/16W 5% RMC1/16S 123JTH J24189038 1- Bf2
R 1275 CHIP RES. 220k 1/16W 5% RMC1/16S 224JTH J24189053 1- Bf2
R 1276 CHIP RES. 100k 1/16W 5% RMC1/16S 104JTH J24189049 1- Bf2
R 1277 CHIP RES. 12k 1/16W 5% RMC1/16S 123JTH J24189038 1- Bf2
R 1278 CHIP RES. 220k 1/16W 5% RMC1/16S 224JTH J24189053 1- AA2
R 1279 CHIP RES. 100k 1/16W 5% RMC1/16S 104JTH J24189049 1- Bf3
R 1280 CHIP RES. 100 1/16W 5% RMC1/16S 101JTH J24189013 1- Bf2
R 1281 CHIP RES. 10 1/16W 5% RMC1/16S 100JTH J24189001 1- Bg2
R 1282 CHIP RES. 10 1/16W 5% RMC1/16S 100JTH J24189001 1- Bg2
R 1283 CHIP RES. 6.8M 1/16W 5% MCR01MZSJ685 J24189327 1- Bf2
R 1284 CHIP RES. 10k 1/16W 5% RMC1/16S 103JTH J24189037 1- Bf2
R 1285 CHIP RES. 22k 1/16W 5% RMC1/16S 223JTH J24189041 1- Bf3
R 1286 CHIP RES. 100 1/16W 5% RMC1/16S 101JTH J24189013 1- Bf3
R 1287 CHIP RES. 22k 1/16W 5% RMC1/16S 223JTH J24189041 1- Bf3
R 1288 CHIP RES. 2.2M 1/16W 5% RMC1/16S 225JTH J24189065 1- Bf3
R 1291 CHIP RES. 22 1/16W 5% RMC1/16S 220JTH J24189005 1- Bf3
R 1292 CHIP RES. 22 1/16W 5% RMC1/16S 220JTH J24189005 1- Bf3
R 1293 CHIP RES. 2.2M 1/16W 5% RMC1/16S 225JTH J24189065 1- AB4
R 1294 CHIP RES. 27k 1/16W 5% RMC1/16S 273JTH J24189042 1- AB4
R 1295 CHIP RES. 15k 1/16W 5% RMC1/16S 153JTH J24189039 1- AB4
R 1296 CHIP RES. 220 1/16W 5% RMC1/16S 221JTH J24189017 1- AB1
R 1297 CHIP RES. 4.7k 1/16W 5% RMC1/16S 472JTH J24189033 1- AA1
R 1298 CHIP RES. 220 1/16W 5% RMC1/16S 221JTH J24189017 1- AB5
R 1299 CHIP RES. 4.7k 1/16W 5% RMC1/16S 472JTH J24189033 1- AA1
R 1300 CHIP RES. 10k 1/16W 5% RMC1/16S 103JTH J24189037 1- AB1
R 1301 CHIP RES. 100k 1/16W 5% RMC1/16S 104JTH J24189049 1- AB4
R 1302 CHIP RES. 47 1/16W 5% RMC1/16S 470JTH J24189009 1- Bf4
R 1303 CHIP RES. 220k 1/16W 5% RMC1/16S 224JTH J24189053 1- AA4
R 1304 CHIP RES. 2.2k 1/16W 5% RMC1/16S 222JTH J24189029 1- AB4
R 1305 CHIP RES. 39k 1/16W 5% RMC1/16S 393JTH J24189044 1- AB4
R 1306 CHIP RES. 100k 1/16W 0.5% RR0510R-104-D J24189167 1- AA4
R 1307 CHIP RES. 56k 1/16W 0.5% RR0510R-563-D J24189161 1- AA4
R 1308 CHIP RES. 100k 1/16W 0.5% RR0510R-104-D J24189167 1- AA4
R 1309 CHIP RES. 4.7k 1/16W 5% RMC1/16S 472JTH J24189033 1- Be1
R 1310 CHIP RES. 33 1/2W 5% RMC1/2 330JCTP J24275330 1- Be1
R 1311 CHIP RES. 1k 1/16W 5% RMC1/16S 102JTH J24189025 1- Be5
R 1312 CHIP RES. 1k 1/16W 5% RMC1/16S 102JTH J24189025 1- Be5
R 1313 CHIP RES. 1k 1/16W 5% RMC1/16S 102JTH J24189025 1- AB5
R 1314 CHIP RES. 47k 1/16W 5% RMC1/16S 473JTH J24189045 1- Bf5
R 1315 CHIP RES. 10k 1/16W 5% RMC1/16S 103JTH J24189037 1- AB5
R 1316 CHIP RES. 1k 1/16W 5% RMC1/16S 102JTH J24189025 1- Be5
R 1317 CHIP RES. 1k 1/16W 5% RMC1/16S 102JTH J24189025 1- Bf5
R 1318 CHIP RES. 4.7k 1/16W 5% RMC1/16S 472JTH J24189033 1- AA2
R 1319 CHIP RES. 220 1/16W 5% RMC1/16S 221JTH J24189017 1- AB2
R 1320 CHIP RES. 220 1/16W 5% RMC1/16S 221JTH J24189017 1- AA2
R 1321 CHIP RES. 220 1/16W 5% RMC1/16S 221JTH J24189017 1- AA2
R 1322 CHIP RES. 220 1/16W 5% RMC1/16S 221JTH J24189017 1- AA2
R 1323 CHIP RES. 47k 1/16W 5% RMC1/16S 473JTH J24189045 1- Bf3
R 1324 CHIP RES. 470k 1/16W 5% RMC1/16S 474JTH J24189057 1- Bf3
R 1325 CHIP RES. 47k 1/16W 5% RMC1/16S 473JTH J24189045 1- Bf3
R 1326 CHIP RES. 22k 1/16W 5% RMC1/16S 223JTH J24189041 1- Bg3
R 1327 CHIP RES. 470k 1/16W 5% RMC1/16S 474JTH J24189057 1- Bg4
R 1328 CHIP RES. 470k 1/16W 5% RMC1/16S 474JTH J24189057 1- Bg4
R 1329 CHIP RES. 4.7k 1/16W 5% RMC1/16S 472JTH J24189033 1- Bf3

40
REF DESCRIPTION VALUE V/W TOL. MFR'S DESIG VXSTD P/N VERS.
LOT SIDE LAY ADR
MAIN Unit
Parts List
R 1330 CHIP RES. 68k 1/16W 5% RMC1/16S 683JTH J24189047 1- Bf4
R 1331 CHIP RES. 22k 1/16W 5% RMC1/16S 223JTH J24189041 1- Bf4
R 1332 CHIP RES. 100k 1/16W 0.5% RR0510R-104-D J24189167 1- Bf3
R 1333 CHIP RES. 47k 1/16W 5% RMC1/16S 473JTH J24189045 1- Bf5
R 1334 CHIP RES. 470 1/16W 5% RMC1/16S 471JTH J24189021 1- Bf5
R 1335 CHIP RES. 1M 1/16W 5% RMC1/16S 105JTH J24189061 1- Bf4
R 1336 CHIP RES. 1k 1/16W 5% RMC1/16S 102JTH J24189025 1- Bf5
R 1337 CHIP RES. 1k 1/16W 5% RMC1/16S 102JTH J24189025 1- Bf5
R 1338 CHIP RES. 22k 1/16W 5% RMC1/16S 223JTH J24189041 1- Bf5
R 1339 CHIP RES. 2.2M 1/16W 5% RMC1/16S 225JTH J24189065 1- AA4
R 1340 CHIP RES. 4.7k 1/16W 5% RMC1/16S 472JTH J24189033 1- AA4
R 1341 CHIP RES. 22k 1/16W 5% RMC1/16S 223JTH J24189041 1- AA4
R 1342 CHIP RES. 3.9k 1/16W 5% RMC1/16S 392JTH J24189032 1- AA4
R 1343 CHIP RES. 100k 1/16W 5% RMC1/16S 104JTH J24189049 1- AA4
R 1344 CHIP RES. 220k 1/16W 5% RMC1/16S 224JTH J24189053 1- AA4
R 1345 CHIP RES. 220k 1/16W 5% RMC1/16S 224JTH J24189053 1- AA4
R 1346 CHIP RES. 330k 1/16W 5% RMC1/16S 334JTH J24189055 1- AA4
R 1347 CHIP RES. 10k 1/16W 5% RMC1/16S 103JTH J24189037 1- AA4
R 1348 CHIP RES. 68k 1/16W 5% RMC1/16S 683JTH J24189047 1- AA4
R 1349 CHIP RES. 390k 1/16W 5% RMC1/16S 394JTH J24189056 1- AA4
R 1350 CHIP RES. 150k 1/16W 5% RMC1/16S 154JTH J24189051 1- AA4
R 1351 CHIP RES. 150k 1/16W 5% RMC1/16S 154JTH J24189051 1- AA4
R 1352 CHIP RES. 10k 1/16W 5% RMC1/16S 103JTH J24189037 1- AB4
R 1353 CHIP RES. 33k 1/16W 0.5% RR0510R-333-D J24189155 1- AB4
R 1354 CHIP RES. 56k 1/16W 0.5% RR0510R-563-D J24189161 1- AB4
R 1355 CHIP RES. 1k 1/16W 5% RMC1/16S 102JTH J24189025 1- AB4
R 1356 CHIP RES. 15k 1/16W 5% RMC1/16S 153JTH J24189039 1- Bb5
R 1357 CHIP RES. 4.7k 1/16W 5% RMC1/16S 472JTH J24189033 1- Bb5
R 1358 CHIP RES. 1k 1/16W 5% RMC1/16S 102JTH J24189025 1- AE5
R 1359 CHIP RES. 2.2k 1/16W 5% RMC1/16S 222JTH J24189029 1- AE5
R 1360 CHIP RES. 100k 1/16W 5% RMC1/16S 104JTH J24189049 1- AE4
R 1361 CHIP RES. 2.2k 1/16W 5% RMC1/16S 222JTH J24189029 1- AE5
R 1362 CHIP RES. 2.2k 1/16W 5% RMC1/16S 222JTH J24189029 1- AE4
R 1363 CHIP RES. 100k 1/16W 5% RMC1/16S 104JTH J24189049 1- AE4
R 1364 CHIP RES. 2.2k 1/16W 5% RMC1/16S 222JTH J24189029 1- AE5
R 1365 CHIP RES. 100k 1/16W 5% RMC1/16S 104JTH J24189049 1- AE4
R 1366 CHIP RES. 100k 1/16W 5% RMC1/16S 104JTH J24189049 1- AE4
R 1367 CHIP RES. 1k 1/16W 5% RMC1/16S 102JTH J24189025 1- AE5
R 1370 CHIP RES. 1k 1/16W 5% RMC1/16S 102JTH J24189025 1- AA5
R 1371 CHIP RES. 1k 1/16W 5% RMC1/16S 102JTH J24189025 1- Bf5
R 1372 CHIP RES. 100 1/16W 5% RMC1/16S 101JTH J24189013 1- Bf5
R 1373 CHIP RES. 100 1/16W 5% RMC1/16S 101JTH J24189013 1- Bf5
R 1374 CHIP RES. 1k 1/16W 5% RMC1/16S 102JTH J24189025 1- AA5
R 1375 CHIP RES. 1k 1/16W 5% RMC1/16S 102JTH J24189025 1- AA5
R 1376 CHIP RES. 01/16W 5% RMC1/16S JPTH J24189070 TYP: B1 1- AA5
R 1376 CHIP RES. 01/16W 5% RMC1/16S JPTH J24189070 TYP: B2 1- AA5
R 1376 CHIP RES. 01/16W 5% RMC1/16S JPTH J24189070
A2 DST: USA
1- AA5
R 1376 CHIP RES. 01/16W 5% RMC1/16S JPTH J24189070 VER: A1 1- AA5
R 1376 CHIP RES. 01/16W 5% RMC1/16S JPTH J24189070 VER: A2 1- AA5
R 1376 CHIP RES. 01/16W 5% RMC1/16S JPTH J24189070 VER: C1 1- AA5
R 1376 CHIP RES. 01/16W 5% RMC1/16S JPTH J24189070 VER: C2 1- AA5
R 1376 CHIP RES. 01/16W 5% RMC1/16S JPTH J24189070 VER: D1 1- AA5
R 1376 CHIP RES. 01/16W 5% RMC1/16S JPTH J24189070 VER: D2 1- AA5
R 1377 CHIP RES. 01/16W 5% RMC1/16S JPTH J24189070
TYP:B1 GRM
1- AA5
R 1377 CHIP RES. 01/16W 5% RMC1/16S JPTH J24189070
TYP:B2 GRM
1- AA5
R 1377 CHIP RES. 01/16W 5% RMC1/16S JPTH J24189070 VER: B1 1- AA5
R 1377 CHIP RES. 01/16W 5% RMC1/16S JPTH J24189070 VER: B2 1- AA5
R 1377 CHIP RES. 01/16W 5% RMC1/16S JPTH J24189070 VER: C3 1- AA5
R 1377 CHIP RES. 01/16W 5% RMC1/16S JPTH J24189070 VER: D1 1- AA5
R 1377 CHIP RES. 01/16W 5% RMC1/16S JPTH J24189070 VER: D2 1- AA5
R 1378 CHIP RES. 01/16W 5% RMC1/16S JPTH J24189070 VER: B3 1- AA5
R 1378 CHIP RES. 01/16W 5% RMC1/16S JPTH J24189070 VER: C1 1- AA5
R 1378 CHIP RES. 01/16W 5% RMC1/16S JPTH J24189070 VER: C2 1- AA5
R 1378 CHIP RES. 01/16W 5% RMC1/16S JPTH J24189070 VER: C3 1- AA5
R 1378 CHIP RES. 01/16W 5% RMC1/16S JPTH J24189070 VER: D1 1- AA5
R 1378 CHIP RES. 01/16W 5% RMC1/16S JPTH J24189070 VER: D2 1- AA5
R 1379 CHIP RES. 01/16W 5% RMC1/16S JPTH J24189070 VER: FH 1- AA5
R 1379 CHIP RES. 01/16W 5% RMC1/16S JPTH J24189070 VER: F 1- AA5
R 1382 CHIP RES. 01/16W 5% RMC1/16S JPTH J24189070
A2 DST:USA
1- AA5
R 1383 CHIP RES. 01/16W 5% RMC1/16S JPTH J24189070
TYP:B1 GRM
1- AA5
R 1383 CHIP RES. 01/16W 5% RMC1/16S JPTH J24189070 VER: FH 1- AA5
R 1383 CHIP RES. 01/16W 5% RMC1/16S JPTH J24189070 VER: A1 1- AA5
R 1383 CHIP RES. 01/16W 5% RMC1/16S JPTH J24189070 VER: B1 1- AA5
R 1383 CHIP RES. 01/16W 5% RMC1/16S JPTH J24189070 VER: C1 1- AA5
R 1383 CHIP RES. 01/16W 5% RMC1/16S JPTH J24189070 VER: D1 1- AA5
R 1383 CHIP RES. 01/16W 5% RMC1/16S JPTH J24189070 VER: F 1- AA5

41
MAIN Unit
Parts List
REF DESCRIPTION VALUE V/W TOL. MFR'S DESIG VXSTD P/N VERS.
LOT SIDE LAY ADR
R 1384 CHIP RES. 1k 1/16W 5% RMC1/16S 102JTH J24189025 1- AA5
R 1385 CHIP RES. 1k 1/16W 5% RMC1/16S 102JTH J24189025 1- AA5
R 1386 CHIP RES. 1k 1/16W 5% RMC1/16S 102JTH J24189025 1- AA5
R 1387 CHIP RES. 1k 1/16W 5% RMC1/16S 102JTH J24189025 1- AA5
R 1388 CHIP RES. 1k 1/16W 5% RMC1/16S 102JTH J24189025 1- AA4
R 1389 CHIP RES. 1k 1/16W 5% RMC1/16S 102JTH J24189025 1- Bf5
R 1390 CHIP RES. 1k 1/16W 5% RMC1/16S 102JTH J24189025 1- AA4
R 1391 CHIP RES. 1k 1/16W 5% RMC1/16S 102JTH J24189025 1- AA4
R 1392 CHIP RES. 1k 1/16W 5% RMC1/16S 102JTH J24189025 1- AA4
R 1393 CHIP RES. 1k 1/16W 5% RMC1/16S 102JTH J24189025 1- AA4
R 1394 CHIP RES. 1k 1/16W 5% RMC1/16S 102JTH J24189025 1- AA4
R 1395 CHIP RES. 1k 1/16W 5% RMC1/16S 102JTH J24189025 1- Bf5
R 1396 CHIP RES. 1k 1/16W 5% RMC1/16S 102JTH J24189025 1- AA4
R 1397 CHIP RES. 1k 1/16W 5% RMC1/16S 102JTH J24189025 1- AB5
R 1398 CHIP RES. 1k 1/16W 5% RMC1/16S 102JTH J24189025 1- AB5
R 1399 CHIP RES. 1k 1/16W 5% RMC1/16S 102JTH J24189025 1- AB5
R 1400 CHIP RES. 1k 1/16W 5% RMC1/16S 102JTH J24189025 1- AB5
R 1401 CHIP RES. 1k 1/16W 5% RMC1/16S 102JTH J24189025 1- AB5
R 1402 CHIP RES. 1k 1/16W 5% RMC1/16S 102JTH J24189025 1- AB5
R 1403 CHIP RES. 10k 1/16W 5% RMC1/16S 103JTH J24189037 1- Bf5
R 1404 CHIP RES. 100 1/16W 5% RMC1/16S 101JTH J24189013 1- Bf5
R 1405 CHIP RES. 1k 1/16W 5% RMC1/16S 102JTH J24189025 1- Bf5
R 1406 CHIP RES. 1k 1/16W 5% RMC1/16S 102JTH J24189025 1- Bf5
R 1407 CHIP RES. 1k 1/16W 5% RMC1/16S 102JTH J24189025 1- AB5
R 1408 CHIP RES. 1k 1/16W 5% RMC1/16S 102JTH J24189025 1- AB5
R 1409 CHIP RES. 1k 1/16W 5% RMC1/16S 102JTH J24189025 1- AB5
R 1410 CHIP RES. 1k 1/16W 5% RMC1/16S 102JTH J24189025 1- AB5
R 1411 CHIP RES. 1k 1/16W 5% RMC1/16S 102JTH J24189025 1- AB5
R 1412 CHIP RES. 1k 1/16W 5% RMC1/16S 102JTH J24189025 1- Bf5
R 1413 CHIP RES. 1k 1/16W 5% RMC1/16S 102JTH J24189025 1- AB5
R 1414 CHIP RES. 1k 1/16W 5% RMC1/16S 102JTH J24189025 1- AB5
R 1415 CHIP RES. 1k 1/16W 5% RMC1/16S 102JTH J24189025 1- Bf5
R 1416 CHIP RES. 1k 1/16W 5% RMC1/16S 102JTH J24189025 1- AB5
R 1417 CHIP RES. 1k 1/16W 5% RMC1/16S 102JTH J24189025 1- AB5
R 1418 CHIP RES. 47k 1/16W 5% RMC1/16S 473JTH J24189045 1- AA1
R 1419 CHIP RES. 47k 1/16W 5% RMC1/16S 473JTH J24189045 1- Bf3
R 1420 CHIP RES. 100k 1/16W 0.5% RR0510R-104-D J24189167 1- AB4
R 1421 CHIP RES. 100k 1/16W 0.5% RR0510R-104-D J24189167 1- AB4
R 1422 CHIP RES. 100k 1/16W 0.5% RR0510R-104-D J24189167 1- AB4
R 1423 CHIP RES. 100k 1/16W 0.5% RR0510R-104-D J24189167 1- AB5
R 1424 CHIP RES. 100k 1/16W 0.5% RR0510R-104-D J24189167 1- AB4
R 1425 CHIP RES. 390k 1/16W 5% RMC1/16S 394JTH J24189056 1- AB4
R 1426 CHIP RES. 820k 1/16W 5% RMC1/16S 824JTH J24189060 1- AB4
R 1427 CHIP RES. 1.5M 1/16W 5% RMC1/16S 155JTH J24189063 1- AA4
R 1428 CHIP RES. 1k 1/16W 5% RMC1/16S 102JTH J24189025 1- Bf5
R 1429 CHIP RES. 1k 1/16W 5% RMC1/16S 102JTH J24189025 1- Bf5
R 1430 CHIP RES. 1k 1/16W 5% RMC1/16S 102JTH J24189025 1- Bf5
R 1431 CHIP RES. 100k 1/16W 0.5% RR0510R-104-D J24189167 1- Bf5
R 1432 CHIP RES. 100k 1/16W 0.5% RR0510R-104-D J24189167 1- Bf3
R 1433 CHIP RES. 100k 1/16W 0.5% RR0510R-104-D J24189167 1- Bf3
R 1434 CHIP RES. 2.2k 1/16W 0.5% RR0510P-222-D J24189127 1- Be3
R 1435 CHIP RES. 1k 1/16W 5% RMC1/16S 102JTH J24189025 1- AB5
R 1436 CHIP RES. 100k 1/16W 5% RMC1/16S 104JTH J24189049 1- Be4
R 1437 CHIP RES. 22k 1/16W 5% RMC1/16S 223JTH J24189041 1- Be4
R 1438 CHIP RES. 22k 1/16W 5% RMC1/16S 223JTH J24189041 1- AB4
R 1439 CHIP RES. 82k 1/16W 5% RMC1/16S 823JTH J24189048 1- AB3
R 1440 CHIP RES. 100k 1/16W 5% RMC1/16S 104JTH J24189049 1- AB4
R 1441 CHIP RES. 33k 1/16W 5% RMC1/16S 333JTH J24189043 1- Be3
R 1442 CHIP RES. 39k 1/16W 5% RMC1/16S 393JTH J24189044 1- Be4
R 1443 CHIP RES. 100k 1/16W 5% RMC1/16S 104JTH J24189049 1- Be4
R 1444 CHIP RES. 68k 1/16W 5% RMC1/16S 683JTH J24189047 1- AC5
R 1445 CHIP RES. 100 1/16W 5% RMC1/16S 101JTH J24189013 1- AB4
R 1446 CHIP RES. 47k 1/16W 5% RMC1/16S 473JTH J24189045 1- Be4
R 1447 CHIP RES. 15k 1/16W 5% RMC1/16S 153JTH J24189039 1- Be4
R 1448 CHIP RES. 22k 1/16W 5% RMC1/16S 223JTH J24189041 1- AC3
R 1449 CHIP RES. 100k 1/16W 5% RMC1/16S 104JTH J24189049 1- AC3
R 1450 CHIP RES. 680k 1/16W 5% RMC1/16S 684JTH J24189059 1- AC4
R 1451 CHIP RES. 220k 1/16W 5% RMC1/16S 224JTH J24189053 1- AC4
R 1452 CHIP RES. 47 1/16W 5% RMC1/16S 470JTH J24189009 1- AB4
R 1453 CHIP RES. 100 1/16W 5% RMC1/16S 101JTH J24189013 1- Bd4
R 1454 CHIP RES. 470k 1/16W 5% RMC1/16S 474JTH J24189057 1- Bd3
R 1455 CHIP RES. 120k 1/16W 5% RMC1/16S 124JTH J24189050 1- Be4
R 1456 CHIP RES. 82k 1/16W 5% RMC1/16S 823JTH J24189048 1- Be4
R 1457 CHIP RES. 100k 1/16W 5% RMC1/16S 104JTH J24189049 1- Be4
R 1458 CHIP RES. 470k 1/16W 5% RMC1/16S 474JTH J24189057 1- Be4
R 1459 CHIP RES. 100k 1/16W 5% RMC1/16S 104JTH J24189049 1- Be4

42
REF DESCRIPTION VALUE V/W TOL. MFR'S DESIG VXSTD P/N VERS.
LOT SIDE LAY ADR
MAIN Unit
Parts List
R 1460 CHIP RES. 10k 1/16W 5% RMC1/16S 103JTH J24189037 1- AC3
R 1461 CHIP RES. 10k 1/16W 5% RMC1/16S 103JTH J24189037 1- AC3
R 1462 CHIP RES. 10k 1/16W 5% RMC1/16S 103JTH J24189037 1- AC3
R 1463 CHIP RES. 47k 1/16W 5% RMC1/16S 473JTH J24189045 1- AC4
R 1464 CHIP RES. 10 1/16W 5% RMC1/16S 100JTH J24189001 1- AB4
R 1465 CHIP RES. 2.2k 1/16W 5% RMC1/16S 222JTH J24189029 1- AC4
R 1466 CHIP RES. 22k 1/16W 5% RMC1/16S 223JTH J24189041 1- AC4
R 1467 CHIP RES. 22k 1/16W 5% RMC1/16S 223JTH J24189041 1- AC4
R 1468 CHIP RES. 47k 1/16W 5% RMC1/16S 473JTH J24189045 1- Be4
R 1469 CHIP RES. 47k 1/16W 5% RMC1/16S 473JTH J24189045 1- AC4
R 1470 CHIP RES. 150k 1/16W 5% RMC1/16S 154JTH J24189051 1- Be4
R 1471 CHIP RES. 330k 1/16W 5% RMC1/16S 334JTH J24189055 1- Be4
R 1472 CHIP RES. 82k 1/16W 5% RMC1/16S 823JTH J24189048 1- Be4
R 1473 CHIP RES. 18k 1/16W 5% RMC1/16S 183JTH J24189040 1- Be4
R 1474 CHIP RES. 680 1/16W 5% RMC1/16S 681JTH J24189023 1- AC4
R 1475 CHIP RES. 680 1/16W 5% RMC1/16S 681JTH J24189023 1- AC4
R 1476 CHIP RES. 10 1/16W 5% RMC1/16S 100JTH J24189001 1- AC4
R 1477 CHIP RES. 01/16W 5% RMC1/16S JPTH J24189070 1- AC4
R 1478 CHIP RES. 22k 1/16W 5% RMC1/16S 223JTH J24189041 1- Bc5
R 1479 CHIP RES. 100k 1/16W 5% RMC1/16S 104JTH J24189049 1- Bc5
R 1480 CHIP RES. 680k 1/16W 5% RMC1/16S 684JTH J24189059 1- Bc5
R 1481 CHIP RES. 220k 1/16W 5% RMC1/16S 224JTH J24189053 1- Bc5
R 1482 CHIP RES. 47 1/16W 5% RMC1/16S 470JTH J24189009 1- Bc5
R 1483 CHIP RES. 100 1/16W 5% RMC1/16S 101JTH J24189013 1- Bc5
R 1485 CHIP RES. 22k 1/16W 5% RMC1/16S 223JTH J24189041 1- Bd4
R 1486 CHIP RES. 47k 1/16W 5% RMC1/16S 473JTH J24189045 1- Bd5
R 1488 CHIP RES. 470k 1/16W 5% RMC1/16S 474JTH J24189057 1- Bd5
R 1489 CHIP RES. 120k 1/16W 5% RMC1/16S 124JTH J24189050 1- Bd5
R 1490 CHIP RES. 82k 1/16W 5% RMC1/16S 823JTH J24189048 1- Bd5
R 1491 CHIP RES. 470k 1/16W 5% RMC1/16S 474JTH J24189057 1- Bd4
R 1492 CHIP RES. 120k 1/16W 5% RMC1/16S 124JTH J24189050 1- Bc5
R 1493 CHIP RES. 82k 1/16W 5% RMC1/16S 823JTH J24189048 1- Bc5
R 1494 CHIP RES. 6.8k 1/16W 5% RMC1/16S 682JTH J24189035 1- Bd5
R 1495 CHIP RES. 10k 1/16W 5% RMC1/16S 103JTH J24189037 1- Bc5
R 1496 CHIP RES. 10k 1/16W 5% RMC1/16S 103JTH J24189037 1- Bc5
R 1497 CHIP RES. 10k 1/16W 5% RMC1/16S 103JTH J24189037 1- Bc5
R 1498 CHIP RES. 100 1/16W 5% RMC1/16S 101JTH J24189013 1- Bc5
R 1499 CHIP RES. 33k 1/16W 5% RMC1/16S 333JTH J24189043 1- Bc5
R 1500 CHIP RES. 22k 1/16W 5% RMC1/16S 223JTH J24189041 1- Bc5
R 1501 CHIP RES. 22k 1/16W 5% RMC1/16S 223JTH J24189041 1- Bc5
R 1502 CHIP RES. 33k 1/16W 5% RMC1/16S 333JTH J24189043 1- Bc5
R 1503 CHIP RES. 100 1/16W 5% RMC1/16S 101JTH J24189013 1- Bc5
R 1504 CHIP RES. 680 1/16W 5% RMC1/16S 681JTH J24189023 1- Bc5
R 1505 CHIP RES. 2.2k 1/16W 5% RMC1/16S 222JTH J24189029 1- Bd5
R 1506 CHIP RES. 680 1/16W 5% RMC1/16S 681JTH J24189023 1- Bd5
R 1508 CHIP RES. 2.2k 1/16W 5% RMC1/16S 222JTH J24189029 1- Bd5
R 1509 CHIP RES. 330k 1/16W 5% RMC1/16S 334JTH J24189055 1- Bd4
R 1510 CHIP RES. 47k 1/16W 5% RMC1/16S 473JTH J24189045 1- Bc5
R 1511 CHIP RES. 150k 1/16W 5% RMC1/16S 154JTH J24189051 1- Bd5
R 1512 CHIP RES. 18k 1/16W 5% RMC1/16S 183JTH J24189040 1- Bd4
R 1513 CHIP RES. 82k 1/16W 5% RMC1/16S 823JTH J24189048 1- Bd5
R 1515 CHIP RES. 47k 1/16W 5% RMC1/16S 473JTH J24189045 1- AD5
R 1516 CHIP RES. 2.2k 1/16W 5% RMC1/16S 222JTH J24189029 1- AC4
R 1517 CHIP RES. 560k 1/16W 5% RMC1/16S 564JTH J24189058 1- Bd4
R 1518 CHIP RES. 220 1/16W 5% RMC1/16S 221JTH J24189017 1- Bd4
R 1519 CHIP RES. 3.3k 1/16W 5% RMC1/16S 332JTH J24189031 1- Bd4
R 1520 CHIP RES. 15k 1/16W 5% RMC1/16S 153JTH J24189039 1- Bd4
R 1521 CHIP RES. 22k 1/16W 5% RMC1/16S 223JTH J24189041 1- Bd4
R 1522 CHIP RES. 47 1/16W 5% RMC1/16S 470JTH J24189009 1- Bd4
R 1523 CHIP RES. 470 1/16W 5% RMC1/16S 471JTH J24189021 1- Bd4
R 1524 CHIP RES. 33k 1/16W 5% RMC1/16S 333JTH J24189043 1- Bd4
R 1525 CHIP RES. 680 1/16W 5% RMC1/16S 681JTH J24189023 1- Bd4
R 1526 CHIP RES. 100 1/16W 5% RMC1/16S 101JTH J24189013 1- AC4
R 1527 CHIP RES. 47 1/16W 5% RMC1/16S 470JTH J24189009 1- AC4
R 1528 CHIP RES. 10k 1/16W 5% RMC1/16S 103JTH J24189037 1- AC4
R 1529 CHIP RES. 100 1/16W 5% RMC1/16S 101JTH J24189013 1- AD4
R 1530 CHIP RES. 100 1/16W 5% RMC1/16S 101JTH J24189013 1- AD4
R 1531 CHIP RES. 3.3k 1/16W 5% RMC1/16S 332JTH J24189031 1- AC4
R 1532 CHIP RES. 2.2k 1/16W 5% RMC1/16S 222JTH J24189029 1- AC4
R 1533 CHIP RES. 270k 1/16W 5% RMC1/16S 274JTH J24189054 1- Bd4
R 1534 CHIP RES. 330 1/16W 5% RMC1/16S 331JTH J24189019 1- Bd4
R 1535 CHIP RES. 2.2k 1/16W 5% RMC1/16S 222JTH J24189029 1- Bd4
R 1536 CHIP RES. 15k 1/16W 5% RMC1/16S 153JTH J24189039 1- Bd4
R 1537 CHIP RES. 22k 1/16W 5% RMC1/16S 223JTH J24189041 1- Bd4
R 1538 CHIP RES. 1k 1/16W 5% RMC1/16S 102JTH J24189025 1- Bd4

43
MAIN Unit
Parts List
REF DESCRIPTION VALUE V/W TOL. MFR'S DESIG VXSTD P/N VERS.
LOT SIDE LAY ADR
R 1539 CHIP RES. 220 1/16W 5% RMC1/16S 221JTH J24189017 1- Bd4
R 1540 CHIP RES. 1k 1/16W 5% RMC1/16S 102JTH J24189025 1- Bd4
R 1541 CHIP RES. 33k 1/16W 5% RMC1/16S 333JTH J24189043 1- Bd4
R 1542 CHIP RES. 220 1/16W 5% RMC1/16S 221JTH J24189017 1- AC4
R 1543 CHIP RES. 47 1/16W 5% RMC1/16S 470JTH J24189009 1- AD4
R 1544 CHIP RES. 100k 1/16W 5% RMC1/16S 104JTH J24189049 1- AD4
R 1545 CHIP RES. 10k 1/16W 5% RMC1/16S 103JTH J24189037 1- AC4
R 1546 CHIP RES. 2.2k 1/16W 5% RMC1/16S 222JTH J24189029 1- AD5
R 1547 CHIP RES. 15k 1/16W 5% RMC1/16S 153JTH J24189039 1- AD5
R 1548 CHIP RES. 22k 1/16W 5% RMC1/16S 223JTH J24189041 1- AD5
R 1549 CHIP RES. 680 1/16W 5% RMC1/16S 681JTH J24189023 1- AD5
R 1550 CHIP RES. 100 1/16W 5% RMC1/16S 101JTH J24189013 1- AD5
R 1551 CHIP RES. 820 1/16W 5% RMC1/16S 821JTH J24189024 1- AD5
R 1552 CHIP RES. 33k 1/16W 5% RMC1/16S 333JTH J24189043 1- AD5
R 1553 CHIP RES. 100k 1/16W 5% RMC1/16S 104JTH J24189049 1- AE5
R 1554 CHIP RES. 100 1/16W 5% RMC1/16S 101JTH J24189013 1- AE5
R 1555 CHIP RES. 4.7k 1/16W 5% RMC1/16S 472JTH J24189033 1- Be4
R 1556 CHIP RES. 3.3k 1/16W 5% RMC1/16S 332JTH J24189031 1- AD5
R 1559 CHIP RES. 220 1/16W 5% RMC1/16S 221JTH J24189017 1- AD5
R 1560 CHIP RES. 2.2k 1/16W 5% RMC1/16S 222JTH J24189029 1- AD5
R 1561 CHIP RES. 15k 1/16W 5% RMC1/16S 153JTH J24189039 1- AD5
R 1562 CHIP RES. 22k 1/16W 5% RMC1/16S 223JTH J24189041 1- AD5
R 1563 CHIP RES. 1k 1/16W 5% RMC1/16S 102JTH J24189025 1- AD5
R 1564 CHIP RES. 220 1/16W 5% RMC1/16S 221JTH J24189017 1- AD5
R 1565 CHIP RES. 1k 1/16W 5% RMC1/16S 102JTH J24189025 1- AD5
R 1566 CHIP RES. 33k 1/16W 5% RMC1/16S 333JTH J24189043 1- AD5
R 1567 CHIP RES. 100 1/16W 5% RMC1/16S 101JTH J24189013 1- Bc5
R 1568 CHIP RES. 100 1/16W 5% RMC1/16S 101JTH J24189013 1- Bc5
R 1569 CHIP RES. 47 1/16W 5% RMC1/16S 470JTH J24189009 1- AE5
R 1570 CHIP RES. 100k 1/16W 5% RMC1/16S 104JTH J24189049 1- AE5
R 1573 CHIP RES. 10k 1/16W 5% RMC1/16S 103JTH J24189037 1- Bc5
R 1574 CHIP RES. 2.2k 1/16W 5% RMC1/16S 222JTH J24189029 1- Bc4
R 1575 CHIP RES. 100 1/16W 5% RMC1/16S 101JTH J24189013 1- Bc4
R 1576 CHIP RES. 470k 1/16W 5% RMC1/16S 474JTH J24189057 1- Bc4
R 1577 CHIP RES. 39k 1/16W 0.5% RR0510R-393-D J24189157 1- Bd4
R 1578 CHIP RES. 560 1/16W 0.5% RR0510P-561-D J24189113 1- Bc4
R 1579 CHIP RES. 2.2k 1/16W 5% RMC1/16S 222JTH J24189029 1- Bc5
R 1580 CHIP RES. 15k 1/16W 5% RMC1/16S 153JTH J24189039 1- Bc4
R 1581 CHIP RES. 22k 1/16W 5% RMC1/16S 223JTH J24189041 1- Bc4
R 1582 CHIP RES. 680 1/16W 5% RMC1/16S 681JTH J24189023 1- Bc4
R 1583 CHIP RES. 47 1/16W 5% RMC1/16S 470JTH J24189009 1- Bc4
R 1584 CHIP RES. 1k 1/16W 5% RMC1/16S 102JTH J24189025 1- Bc4
R 1585 CHIP RES. 1k 1/16W 5% RMC1/16S 102JTH J24189025 1- AD5
R 1586 CHIP RES. 33k 1/16W 5% RMC1/16S 333JTH J24189043 1- Bc4
R 1587 CHIP RES. 1k 1/16W 5% RMC1/16S 102JTH J24189025 1- AE5
R 1588 CHIP RES. 47 1/16W 5% RMC1/16S 470JTH J24189009 1- AD4
R 1589 CHIP RES. 1k 1/16W 5% RMC1/16S 102JTH J24189025 1- Bc5
R 1590 CHIP RES. 2.2k 1/16W 5% RMC1/16S 222JTH J24189029 1- Bc4
R 1591 CHIP RES. 15k 1/16W 5% RMC1/16S 153JTH J24189039 1- Bc4
R 1592 CHIP RES. 22k 1/16W 5% RMC1/16S 223JTH J24189041 1- Bc4
R 1593 CHIP RES. 680 1/16W 5% RMC1/16S 681JTH J24189023 1- Bb4
R 1594 CHIP RES. 47 1/16W 5% RMC1/16S 470JTH J24189009 1- Bc5
R 1595 CHIP RES. 1k 1/16W 5% RMC1/16S 102JTH J24189025 1- Bc5
R 1596 CHIP RES. 33k 1/16W 5% RMC1/16S 333JTH J24189043 1- Bb5
R 1597 CHIP RES. 100 1/16W 5% RMC1/16S 101JTH J24189013 1- AE5
R 1598 CHIP RES. 470k 1/16W 5% RMC1/16S 474JTH J24189057 1- AE5
R 1599 CHIP RES. 1k 1/16W 5% RMC1/16S 102JTH J24189025 1- AD4
R 1600 CHIP RES. 220 1/2W 5% RMC1/2 221JCTP J24275221 1- Bd3
R 1601 CHIP RES. 68 1W 5% RMC1 680JTE J24305680 1- Bb2
R 1602 CHIP RES. 10k 1/16W 5% RMC1/16S 103JTH J24189037 1- Bb2
R 1603 CHIP RES. 10k 1/16W 5% RMC1/16S 103JTH J24189037 1- Bb2
R 1604 CHIP RES. 10k 1/16W 5% RMC1/16S 103JTH J24189037 1- Bb2
R 1605 CHIP RES. 10k 1/16W 5% RMC1/16S 103JTH J24189037 1- Bb2
R 1607 CHIP RES. 82 1/16W 5% RMC1/16S 820JTH J24189012 1- AF3
R 1608 CHIP RES. 82 1/16W 5% RMC1/16S 820JTH J24189012 1- Ba1
R 1609 CHIP RES. 22k 1/16W 5% RMC1/16S 223JTH J24189041 1- Bb1
R 1610 CHIP RES. 22 1/16W 5% RMC1/16S 220JTH J24189005 1- Bb4
R 1611 CHIP RES. 10k 1/16W 5% RMC1/16S 103JTH J24189037 1- Bb1
R 1612 CHIP RES. 10k 1/16W 5% RMC1/16S 103JTH J24189037 1- Bb2
R 1613 CHIP RES. 10k 1/16W 5% RMC1/16S 103JTH J24189037 1- Bb2
R 1614 CHIP RES. 10k 1/16W 5% RMC1/16S 103JTH J24189037 1- Ba1
R 1615 CHIP RES. 22 1/16W 5% RMC1/16S 220JTH J24189005 1- Bb4
R 1617 CHIP RES. 22k 1/16W 5% RMC1/16S 223JTH J24189041 1- Bc3
R 1618 CHIP RES. 10k 1/16W 5% RMC1/16S 103JTH J24189037 1- Bb3
R 1619 CHIP RES. 10k 1/16W 5% RMC1/16S 103JTH J24189037 1- Bb3
R 1620 CHIP RES. 10k 1/16W 5% RMC1/16S 103JTH J24189037 1- Bc2

44
REF DESCRIPTION VALUE V/W TOL. MFR'S DESIG VXSTD P/N VERS.
LOT SIDE LAY ADR
MAIN Unit
Parts List
R 1621 CHIP RES. 10k 1/16W 5% RMC1/16S 103JTH J24189037 1- Bc3
R 1622 CHIP RES. 10k 1/16W 5% RMC1/16S 103JTH J24189037 1- Bc3
R 1623 CHIP RES. 10k 1/16W 5% RMC1/16S 103JTH J24189037 1- Bc3
R 1624 CHIP RES. 10k 1/16W 5% RMC1/16S 103JTH J24189037 1- Bb3
R 1625 CHIP RES. 10k 1/16W 5% RMC1/16S 103JTH J24189037 1- Bb3
R 1626 CHIP RES. 22 1/16W 5% RMC1/16S 220JTH J24189005 1- Bb4
R 1627 CHIP RES. 10k 1/16W 5% RMC1/16S 103JTH J24189037 1- Ba1
R 1628 CHIP RES. 100k 1/16W 5% RMC1/16S 104JTH J24189049 1- Bf3
R 1629 CHIP RES. 10k 1/16W 5% RMC1/16S 103JTH J24189037 1- Bf3
R 1630 CHIP RES. 10k 1/16W 5% RMC1/16S 103JTH J24189037 1- Bf3
R 1631 CHIP RES. 2.2M 1/16W 5% RMC1/16S 225JTH J24189065 1- Bf3
R 1632 CHIP RES. 33k 1/16W 5% RMC1/16S 333JTH J24189043 1- Bf3
R 1633 CHIP RES. 470k 1/16W 5% RMC1/16S 474JTH J24189057 1- Bf3
R 1634 CHIP RES. 1k 1/16W 5% RMC1/16S 102JTH J24189025 1- Be3
R 1635 CHIP RES. 1k 1/16W 5% RMC1/16S 102JTH J24189025 1- Bc3
R 1636 CHIP RES. 330k 1/16W 5% RMC1/16S 334JTH J24189055 1- Be3
R 1637 CHIP RES. 3.3k 1/16W 5% RMC1/16S 332JTH J24189031 1- Be3
R 1638 CHIP RES. 6.8k 1/16W 5% RMC1/16S 682JTH J24189035 1- Be3
R 1639 CHIP RES. 100 1/16W 5% RMC1/16S 101JTH J24189013 1- Be3
R 1640 CHIP RES. 33k 1/16W 5% RMC1/16S 333JTH J24189043 1- Bc3
R 1641 CHIP RES. 01/16W 5% RMC1/16S JPTH J24189070 1- AE4
R 1650 CHIP RES. 8.2k 1/16W 5% RMC1/16S 822JTH J24189036 1- Be3
R 1651 CHIP RES. 22k 1/16W 5% RMC1/16S 223JTH J24189041 1- Be1
R 1652 CHIP RES. 82 1/16W 5% RMC1/16S 820JTH J24189012 1- Be1
R 1654 CHIP RES. 2.2k 1/16W 5% RMC1/16S 222JTH J24189029 1- Be2
R 1655 CHIP RES. 68 1/16W 5% RMC1/16S 680JTH J24189011 1- Be2
R 1656 CHIP RES. 3.9k 1/16W 5% RMC1/16S 392JTH J24189032 1- Be2
R 1657 CHIP RES. 68 1/16W 5% RMC1/16S 680JTH J24189011 1- Be2
R 1658 CHIP RES. 220 1/4W 5% RMC1/4 221JATP J24245221 1- Be2
R 1664 CHIP RES. 220 1/2W 5% RMC1/2 221JCTP J24275221 1- Be3
R 1665 CHIP RES. 470 1/2W 5% RMC1/2 471JCTP J24275471 1- Bd1
R 1666 METAL FILM RES. 470 3W 5% ERG-3SJ471 470 J22359009 1- Be2
R 1667 CHIP RES. 8.2k 1/16W 5% RMC1/16S 822JTH J24189036 1- Be3
R 1668 CHIP RES. 47 1/16W 5% RMC1/16S 470JTH J24189009 1- Be3
R 1669 CHIP RES. 12k 1/16W 5% RMC1/16S 123JTH J24189038 1- Bd3
R 1670 CHIP RES. 47 1/16W 5% RMC1/16S 470JTH J24189009 1- Be3
R 1671 CHIP RES. 100 1/16W 5% RMC1/16S 101JTH J24189013 1- AD3
R 1672 CHIP RES. 82 1/16W 5% RMC1/16S 820JTH J24189012 1- Bd3
R 1673 CHIP RES. 47 1/16W 5% RMC1/16S 470JTH J24189009 1- Bc3
R 1674 CHIP RES. 330 1/16W 5% RMC1/16S 331JTH J24189019 1- Bd3
R 1675 CHIP RES. 47 1/16W 5% RMC1/16S 470JTH J24189009 1- Bc3
R 1676 CHIP RES. 330 1/16W 5% RMC1/16S 331JTH J24189019 1- Bd3
R 1677 CHIP RES. 47 1/16W 5% RMC1/16S 470JTH J24189009 1- Bd3
R 1678 CHIP RES. 150 1/16W 5% RMC1/16S 151JTH J24189015 1- Bd3
R 1679 CHIP RES. 47 1/16W 5% RMC1/16S 470JTH J24189009 1- Bd3
R 1680 CHIP RES. 100 1/16W 5% RMC1/16S 101JTH J24189013 1- Bd3
R 1681 CHIP RES. 4.7k 1/16W 5% RMC1/16S 472JTH J24189033 1- Bd3
R 1682 CHIP RES. 220 1/16W 5% RMC1/16S 221JTH J24189017 1- AD3
R 1683 CHIP RES. 220 1/16W 5% RMC1/16S 221JTH J24189017 1- AD3
R 1684 CHIP RES. 27k 1/16W 5% RMC1/16S 273JTH J24189042 1- Be3
R 1685 CHIP RES. 220 1/16W 5% RMC1/16S 221JTH J24189017 1- Bd3
R 1686 CHIP RES. 22k 1/16W 5% RMC1/16S 223JTH J24189041 1- Be3
R 1687 CHIP RES. 100 1/16W 5% RMC1/16S 101JTH J24189013 1- AC3
R 1688 CHIP RES. 1k 1/16W 5% RMC1/16S 102JTH J24189025 1- AC3
R 1689 CHIP RES. 470 1/16W 5% RMC1/16S 471JTH J24189021 1- AC3
R 1690 CHIP RES. 470 1/16W 5% RMC1/16S 471JTH J24189021 1- AC3
R 1691 CHIP RES. 1k 1/16W 5% RMC1/16S 102JTH J24189025 1- AD3
R 1692 CHIP RES. 2.2k 1/16W 5% RMC1/16S 222JTH J24189029 1- Bd3
R 1693 CHIP RES. 1k 1/16W 5% RMC1/16S 102JTH J24189025 1- Bd3
R 1694 CHIP RES. 1k 1/16W 5% RMC1/16S 102JTH J24189025 1- Bd3
R 1695 CHIP RES. 1k 1/16W 5% RMC1/16S 102JTH J24189025 1- AC2
R 1696 CHIP RES. 4.7k 1/16W 5% RMC1/16S 472JTH J24189033 1- AG3
R 1697 CHIP RES. 4.7k 1/16W 5% RMC1/16S 472JTH J24189033 1- Ba4
R 1698 CHIP RES. 4.7k 1/16W 5% RMC1/16S 472JTH J24189033 1- AG4
R 1699 CHIP RES. 220 1/16W 5% RMC1/16S 221JTH J24189017 1- AB1
R 1700 CHIP RES. 220 1/16W 5% RMC1/16S 221JTH J24189017 1- AB1
R 1701 CHIP RES. 82 1/16W 5% RMC1/16S 820JTH J24189012 1- Be1
R 1702 CHIP RES. 82 1/16W 5% RMC1/16S 820JTH J24189012 1- Bd3
R 1703 CHIP RES. 10k 1/16W 5% RMC1/16S 103JTH J24189037 1- Bd3
R 1704 CHIP RES. 150 1/16W 5% RMC1/16S 151JTH J24189015 1- AD4
R 1705 CHIP RES. 100 1/16W 5% RMC1/16S 101JTH J24189013 1- Be5
R 1706 CHIP RES. 100k 1/16W 5% RMC1/16S 104JTH J24189049 1- Be5
R 1707 CHIP RES. 4.7k 1/16W 5% RMC1/16S 472JTH J24189033 1- Be5
R 1708 CHIP RES. 1k 1/16W 5% RMC1/16S 102JTH J24189025 1- Be5
R 1709 CHIP RES. 1k 1/16W 5% RMC1/16S 102JTH J24189025 1- Bd5
R 1710 CHIP RES. 4.7k 1/16W 5% RMC1/16S 472JTH J24189033 1- Bd5

45
MAIN Unit
Parts List
REF DESCRIPTION VALUE V/W TOL. MFR'S DESIG VXSTD P/N VERS.
LOT SIDE LAY ADR
R 1711 CHIP RES. 470 1/16W 5% RMC1/16S 471JTH J24189021 1- AE5
R 1712 CHIP RES. 68k 1/16W 5% RMC1/16S 683JTH J24189047 1- AC4
R 1713 CHIP RES. 22k 1/16W 5% RMC1/16S 223JTH J24189041 1- AA2
R 1714 CHIP RES. 47k 1/16W 5% RMC1/16S 473JTH J24189045 1- AA1
R 1715 CHIP RES. 10k 1/16W 5% RMC1/16S 103JTH J24189037 1- Bd3
R 1716 CHIP RES. 10k 1/16W 5% RMC1/16S 103JTH J24189037 1- Bd3
R 1717 CHIP RES. 15k 1/16W 5% RMC1/16S 153JTH J24189039 1- AD4
R 1718 CHIP RES. 10k 1/16W 5% RMC1/16S 103JTH J24189037 1- AC4
R 1719 CHIP RES. 100k 1/16W 0.5% RR0510R-104-D J24189167 1- Bc4
R 1720 CHIP RES. 47k 1/16W 5% RMC1/16S 473JTH J24189045 1- Bf4
R 1721 CHIP RES. 3.3k 1/16W 0.5% RR0510P-332-D J24189131 1- Bd5
R 1722 CHIP RES. 100k 1/16W 5% RMC1/16S 104JTH J24189049 1- Bd5
R 1723 CHIP RES. 33k 1/16W 5% RMC1/16S 333JTH J24189043 1- AC4
R 1725 CHIP RES. 1k 1/16W 5% RMC1/16S 102JTH J24189025 1- Bd3
R 1726 CHIP RES. 100 1/16W 5% RMC1/16S 101JTH J24189013 1- Be3
R 1727 CHIP RES. 220 1/16W 5% RMC1/16S 221JTH J24189017 1- Bb2
R 1728 CHIP RES. 220 1/16W 5% RMC1/16S 221JTH J24189017 1- Bb2
R 1729 CHIP RES. 10k 1/16W 5% RMC1/16S 103JTH J24189037 1- Bc3
R 1730 CHIP RES. 1k 1/16W 5% RMC1/16S 102JTH J24189025 1- Be5
R 1731 CHIP RES. 1k 1/16W 5% RMC1/16S 102JTH J24189025 1- Bf2
R 1732 CHIP RES. 100k 1/16W 5% RMC1/16S 104JTH J24189049 1- AA4
R 1733 CHIP RES. 100 1/16W 5% RMC1/16S 101JTH J24189013 1- Bc3
R 1734 CHIP RES. 1k 1/16W 5% RMC1/16S 102JTH J24189025 1- AD3
R 1736 CHIP RES. 10 1/16W 5% RMC1/16S 100JTH J24189001 1- AB2
R 1737 CHIP RES. 10 1/16W 5% RMC1/16S 100JTH J24189001 1- AB2
R 1738 CHIP RES. 10 1/16W 5% RMC1/16S 100JTH J24189001 1- AB2
R 1739 CHIP RES. 4.7k 1/16W 5% RMC1/16S 472JTH J24189033 1- AE5
R 1740 CHIP RES. 15k 1/16W 5% RMC1/16S 153JTH J24189039 1- AE5
R 1745 CHIP RES. 470k 1/16W 5% RMC1/16S 474JTH J24189057 1-
R 1747 CHIP RES. 100 1/16W 5% RMC1/16 101JATP J24185101 1-
RL1001 RELAY DC12V G5A-237P DC12V M1190067 1- AF1
RL1002 RELAY DC12V G5A-237P DC12V M1190067 1- AE3
RL1003 RELAY DC12V G5A-237P DC12V M1190067 1- AF4
TH1001 THERMISTOR TBPS1R103K440H5Q G9090067 1- AC3
TH1002 THERMISTOR TBPS1R103K440H5Q G9090067 1- Bd4
TH1003 THERMISTOR TBPS1R473K475H5Q G9090068 1- Bd4
TH1004 THERMISTOR TBPS1R473K475H5Q G9090068 1- Bd5
TH1005 THERMISTOR TBPS1R103K440H5Q G9090067 1- Bd5
X 1001 XTAL CSA-310 3.6864MHz 3.6864MHZ H0102988 1- AA4
X 1002 XTAL TSS-6 11.7MHz TSS-5032A 11.7MHZ H0103264 1- Be4
X 1003 XTAL TSS-5032A 11.15MHz 11.15MHZ H0103268 1- Bc5
XF1001 XTAL FILTER MFT47R 47.25MHZ H1102352 1- AC4
XF1002 XTAL FILTER MFT45R6 45.05MHZ H1102351 1- Bb5
GROUND PLATE RA0415200 1-
SHIELD CASE VCO RA0272500 1-

46
REF DESCRIPTION VALUE V/W TOL. MFR'S DESIG VXSTD P/N VERS.
LOT SIDE LAY ADR
MAIN Unit
Parts ListNoteParts List

47
PANEL Unit
Circuit Diagram
3.14 V
DIMMER 1:4.80 V
3.80 Vp-p 4.50 Vp-p
DIMMER 1:6.61 V
DIMMER 1:2.08 V
DIMMER 1:4.23 V
DIMMER 1:2.08 V
DIMMER 1:8.22 V
8.80 V
8.94 V
4.82 V
POWER SW
1.58 V
DX KEY
0 ~ 4.81 V
0 ~ 4.81 V
0 ~ 4.81 V
0 ~ 4.81 V

48
PANEL Unit
Circuit Diagram
ABCDEFG
1
2
abcdefg
1
2
Side A
Side B
TC4W53FU
(Q2004)
2SA1602A (MF)
(Q2005)
2SC4617 (BR)
(Q2007)
RT1N441U (N3)
(Q2006)
HZM27WA (N3)
(D2004, 2005)
NJM78L05 (8C)
(Q2009)
CPH6102
(Q2004)
M38223E4HP
(Q2001)
LC75821E
(Q2002, 2003)

49
PANEL Unit
Parts List
REF DESCRIPTION VALUE V/W TOL. MFR'S DESIG VXSTD P/N VERS.
LOT SIDE LAY ADR
PCB with Components CB2131001
Printed Circuit Board AH008M000 FR0084500 1-
C 2001 CHIP CAP. 0.001uF 50V BGRM36B102K50PT K22178809 1- Bg1
C 2002 CHIP CAP. 0.022uF 16V BGRM36B223K16PT K22128806 1- Bd2
C 2003 CHIP CAP. 0.022uF 16V BGRM36B223K16PT K22128806 1- Bd2
C 2004 CHIP CAP. 0.001uF 50V BGRM36B102K50PT K22178809 1- Ba1
C 2005 CHIP CAP. 0.022uF 16V BGRM36B223K16PT K22128806 1- Bd2
C 2006 CHIP CAP. 0.022uF 16V BGRM36B223K16PT K22128806 1- Bd2
C 2007 CHIP CAP. 0.001uF 50V BGRM36B102K50PT K22178809 1- Bg1
C 2008 CHIP CAP. 0.001uF 50V BGRM36B102K50PT K22178809 1- Bg1
C 2009 CHIP CAP. 0.001uF 50V BGRM36B102K50PT K22178809 1- Bg1
C 2010 CHIP CAP. 0.001uF 50V BGRM36B102K50PT K22178809 1- Ba1
C 2011 CHIP CAP. 0.001uF 50V BGRM36B102K50PT K22178809 1- Ba1
C 2012 CHIP CAP. 0.001uF 50V BGRM36B102K50PT K22178809 1- Ba1
C 2013 CHIP TA.CAP. 10uF 6.3V TEMSVA0J106M-8R K78080027 1- Bc1
C 2014 CHIP CAP. 0.01uF 16V BGRM36B103K16PT K22128804 1- Bc1
C 2015 CHIP CAP. 0.1uF 10V BGRM36B104K10PT K22108802 1- Bf1
C 2016 CHIP CAP. 0.001uF 50V BGRM36B102K50PT K22178809 1- Be1
C 2017 CHIP CAP. 0.001uF 50V BGRM36B102K50PT K22178809 1- Bb2
C 2018 CHIP CAP. 0.1uF 10V BGRM36B104K10PT K22108802 1- Bb2
C 2019 CHIP CAP. 0.001uF 50V BGRM36B102K50PT K22178809 1- Bb2
C 2020 CHIP TA.CAP. 10uF 6.3V TEMSVA0J106M-8R K78080027 1- Bf1
C 2021 CHIP CAP. 39pF 50V CH GRM36CH390J50PT K22178226 1- Bd1
C 2022 CHIP CAP. 39pF 50V CH GRM36CH390J50PT K22178226 1- Bd1
C 2023 CHIP CAP. 0.001uF 50V BGRM36B102K50PT K22178809 1- Bg1
C 2024 CHIP CAP. 0.001uF 50V BGRM36B102K50PT K22178809 1- Bc2
C 2025 CHIP CAP. 1uF 10V FGRM39F105Z10PT K22105001 1- Bf1
C 2026 CHIP CAP. 0.001uF 50V BGRM36B102K50PT K22178809 1- Bg1
C 2027 CHIP CAP. 47pF 50V CH GRM36CH470J50PT K22178228 1- Bd2
C 2028 CHIP CAP. 47pF 50V CH GRM36CH470J50PT K22178228 1- Bf2
C 2030 CHIP CAP. 47pF 50V CH GRM36CH470J50PT K22178228 1- Bd2
C 2031 CHIP CAP. 47pF 50V CH GRM36CH470J50PT K22178228 1- Bf1
C 2032 CHIP CAP. 0.001uF 50V BGRM36B102K50PT K22178809 1- Bc1
C 2033 CHIP CAP. 680pF 50V BGRM36B681K50PT K22178807 1- Be1
C 2034 CHIP CAP. 100pF 50V CH GRM36CH101J50PT K22178236 1- Bc1
C 2035 CHIP CAP. 100pF 50V CH GRM36CH101J50PT K22178236 1- Bd1
C 2036 CHIP CAP. 0.001uF 50V BGRM36B102K50PT K22178809 1- Bc1
C 2037 CHIP CAP. 0.01uF 16V BGRM36B103K16PT K22128804 1- Be1
C 2038 CHIP CAP. 0.01uF 16V BGRM36B103K16PT K22128804 1- Be1
C 2039 CHIP CAP. 680pF 50V BGRM36B681K50PT K22178807 1- Bb1
C 2040 CHIP CAP. 0.001uF 50V BGRM36B102K50PT K22178809 1- Bf1
C 2042 CHIP CAP. 0.001uF 50V BGRM36B102K50PT K22178809 1- Bf2
C 2043 CHIP CAP. 0.001uF 50V BGRM36B102K50PT K22178809 1- Bf1
C 2046 CHIP CAP. 100pF 50V CH GRM36CH101J50PT K22178236 1- Bc1
C 2047 CHIP CAP. 100pF 50V CH GRM36CH101J50PT K22178236 1- Bc1
C 2048 CHIP CAP. 100pF 50V CH GRM36CH101J50PT K22178236 1- Bc1
D 2002 LED TLYH262(PQ) G2090777 1- AF1
D 2003 LED TLYH262(PQ) G2090777 1- AF1
D 2004 DIODE HZM27WA-TR G2070530 1- Bd2
D 2005 DIODE HZM27WA-TR G2070530 1- Bd2
D 2006 DIODE UDZS TE-17 6.8B G2070888 1-
DS2001 LCD AH008M G6090147 1- AD1
J 2003 CONNECTOR IL-FHR-10S-HF-E3000 P1091046 1- Bf1
L 2001 M.RFC 1uH LK1608 1R0K-T L1690687 1- Bc1
Q 2001 IC M38223E4HP R0660 G1093477 1Bd1
Q 2002 IC LC75821E G1092191 1- Be1
Q 2003 IC LC75821E G1092191 1- Bb1
Q 2004 IC TC4W53FU TE12L G1091675 1- Bc2
Q 2005 TRANSISTOR 2SA1602A-T11-1F G3116028F 1- Bf1
Q 2006 TRANSISTOR RT1N441U-T11-1 G3070247 1- Be1
Q 2007 TRANSISTOR 2SC4617 TL R G3346178R 1- Bc2
Q 2008 TRANSISTOR CPH6102-TL G3070223 1- Bb2
Q 2009 IC NJM78L05UA TE1 G1091325 1- Bg1
R 2001 CHIP RES. 68k 1/16W 5% RMC1/16S 683JTH J24189047 1- Bf1
R 2002 CHIP RES. 47k 1/16W 5% RMC1/16S 473JTH J24189045 1- Bg1
R 2003 CHIP RES. 47k 1/16W 5% RMC1/16S 473JTH J24189045 1- Bg1
R 2004 CHIP RES. 22k 1/16W 5% RMC1/16S 223JTH J24189041 1- Bg1
R 2005 CHIP RES. 22k 1/16W 5% RMC1/16S 223JTH J24189041 1- Bg1
R 2006 CHIP RES. 68k 1/16W 5% RMC1/16S 683JTH J24189047 1- Bd2
R 2007 CHIP RES. 68k 1/16W 5% RMC1/16S 683JTH J24189047 1- Be2
R 2008 CHIP RES. 33k 1/16W 5% RMC1/16S 333JTH J24189043 1- Be2
R 2009 CHIP RES. 100k 1/16W 5% RMC1/16S 104JTH J24189049 1- Bd2
R 2010 CHIP RES. 220k 1/16W 5% RMC1/16S 224JTH J24189053 1- Be2
R 2011 CHIP RES. 68k 1/16W 5% RMC1/16S 683JTH J24189047 1- Bc2
R 2012 CHIP RES. 33k 1/16W 5% RMC1/16S 333JTH J24189043 1- Bc2
R 2013 CHIP RES. 100k 1/16W 5% RMC1/16S 104JTH J24189049 1- Bc2

50
REF DESCRIPTION VALUE V/W TOL. MFR'S DESIG VXSTD P/N VERS.
LOT SIDE LAY ADR
PANEL Unit
Parts List
R 2014 CHIP RES. 220k 1/16W 5% RMC1/16S 224JTH J24189053 1- Bb2
R 2015 CHIP RES. 68k 1/16W 5% RMC1/16S 683JTH J24189047 1- Ba1
R 2016 CHIP RES. 47k 1/16W 5% RMC1/16S 473JTH J24189045 1- Ba1
R 2017 CHIP RES. 47k 1/16W 5% RMC1/16S 473JTH J24189045 1- Bb1
R 2018 CHIP RES. 22k 1/16W 5% RMC1/16S 223JTH J24189041 1- Ba1
R 2019 CHIP RES. 22k 1/16W 5% RMC1/16S 223JTH J24189041 1- Ba1
R 2020 CHIP RES. 68k 1/16W 5% RMC1/16S 683JTH J24189047 1- Bf1
R 2021 CHIP RES. 68k 1/16W 5% RMC1/16S 683JTH J24189047 1- Bb1
R 2022 CHIP RES. 1k 1/16W 5% RMC1/16S 102JTH J24189025 1- Bc1
R 2023 CHIP RES. 1k 1/16W 5% RMC1/16S 102JTH J24189025 1- Bc1
R 2024 CHIP RES. 1k 1/16W 5% RMC1/16S 102JTH J24189025 1- Bc2
R 2025 CHIP RES. 1k 1/16W 5% RMC1/16S 102JTH J24189025 1- Bc2
R 2026 CHIP RES. 1k 1/16W 5% RMC1/16S 102JTH J24189025 1- Bc2
R 2027 CHIP RES. 1k 1/16W 5% RMC1/16S 102JTH J24189025 1- Bd2
R 2028 CHIP RES. 1k 1/16W 5% RMC1/16S 102JTH J24189025 1- Bd2
R 2029 CHIP RES. 1k 1/16W 5% RMC1/16S 102JTH J24189025 1- Bc1
R 2030 CHIP RES. 1k 1/16W 5% RMC1/16S 102JTH J24189025 1- Bc1
R 2031 CHIP RES. 1k 1/16W 5% RMC1/16S 102JTH J24189025 1- Bd1
R 2032 CHIP RES. 1k 1/16W 5% RMC1/16S 102JTH J24189025 1- Bd2
R 2033 CHIP RES. 1k 1/16W 5% RMC1/16S 102JTH J24189025 1- Bc1
R 2034 CHIP RES. 1k 1/16W 5% RMC1/16S 102JTH J24189025 1- Bd2
R 2035 CHIP RES. 1k 1/16W 5% RMC1/16S 102JTH J24189025 1- Bd2
R 2036 CHIP RES. 1k 1/16W 5% RMC1/16S 102JTH J24189025 1- Bd2
R 2037 CHIP RES. 1k 1/16W 5% RMC1/16S 102JTH J24189025 1- Bd2
R 2038 CHIP RES. 1k 1/16W 5% RMC1/16S 102JTH J24189025 1- Bd2
R 2039 CHIP RES. 1k 1/16W 5% RMC1/16S 102JTH J24189025 1- Bd2
R 2040 CHIP RES. 1k 1/16W 5% RMC1/16S 102JTH J24189025 1- Bd2
R 2041 CHIP RES. 1k 1/16W 5% RMC1/16S 102JTH J24189025 1- Bd2
R 2042 CHIP RES. 1k 1/16W 5% RMC1/16S 102JTH J24189025 1- Bd1
R 2043 CHIP RES. 1k 1/16W 5% RMC1/16S 102JTH J24189025 1- Bd1
R 2044 CHIP RES. 1k 1/16W 5% RMC1/16S 102JTH J24189025 1- Bd1
R 2045 CHIP RES. 1k 1/16W 5% RMC1/16S 102JTH J24189025 1- Be1
R 2046 CHIP RES. 1k 1/16W 5% RMC1/16S 102JTH J24189025 1- Bd1
R 2047 CHIP RES. 1k 1/16W 5% RMC1/16S 102JTH J24189025 1- Bd1
R 2048 CHIP RES. 1k 1/16W 5% RMC1/16S 102JTH J24189025 1- Bd1
R 2049 CHIP RES. 1k 1/16W 5% RMC1/16S 102JTH J24189025 1- Bd1
R 2050 CHIP RES. 1k 1/16W 5% RMC1/16S 102JTH J24189025 1- Bd1
R 2051 CHIP RES. 1k 1/16W 5% RMC1/16S 102JTH J24189025 1- Bd1
R 2052 CHIP RES. 1k 1/16W 5% RMC1/16S 102JTH J24189025 1- Bd1
R 2053 CHIP RES. 22k 1/16W 5% RMC1/16S 223JTH J24189041 1- Bd1
R 2054 CHIP RES. 22k 1/16W 5% RMC1/16S 223JTH J24189041 1- Bd1
R 2055 CHIP RES. 47k 1/16W 5% RMC1/16S 473JTH J24189045 1- Bd1
R 2056 CHIP RES. 100k 1/16W 5% RMC1/16S 104JTH J24189049 1- Be1
R 2057 CHIP RES. 47k 1/16W 5% RMC1/16S 473JTH J24189045 1- Bf1
R 2058 CHIP RES. 47k 1/16W 5% RMC1/16S 473JTH J24189045 1- Be1
R 2059 CHIP RES. 120 1/16W 5% RMC1/16S 121JTH J24189014 1- Ba2
R 2060 CHIP RES. 120 1/16W 5% RMC1/16S 121JTH J24189014 1- Ba2
R 2061 CHIP RES. 120 1/16W 5% RMC1/16S 121JTH J24189014 1- Bb2
R 2062 CHIP RES. 120 1/16W 5% RMC1/16S 121JTH J24189014 1- Bb2
R 2063 CHIP RES. 560 1/16W 5% RMC1/16S 561JTH J24189022 1- Bc2
R 2064 CHIP RES. 560 1/16W 5% RMC1/16S 561JTH J24189022 1- Bc2
R 2065 CHIP RES. 2.2k 1/16W 5% RMC1/16S 222JTH J24189029 1- Bc2
R 2066 CHIP RES. 470 1/16W 5% RMC1/16S 471JTH J24189021 1- Bd1
R 2067 CHIP RES. 1M 1/16W 5% RMC1/16S 105JTH J24189061 1- Bd1
R 2069 CHIP RES. 10 1/16W 5% RMC1/16S 100JTH J24189001 1- Bc2
R 2070 CHIP RES. 10 1/10W 5% RMC1/10T 100J J24205100 1- Bf1
R 2071 CHIP RES. 100k 1/16W 5% RMC1/16S 104JTH J24189049 1- Bd2
R 2072 CHIP RES. 100k 1/16W 5% RMC1/16S 104JTH J24189049 1- Bd2
R 2073 CHIP RES. 1k 1/16W 5% RMC1/16S 102JTH J24189025 1- Bd2
R 2074 CHIP RES. 1k 1/16W 5% RMC1/16S 102JTH J24189025 1- Bd2
R 2075 CHIP RES. 1k 1/16W 5% RMC1/16S 102JTH J24189025 1- Be2
R 2076 CHIP RES. 1k 1/16W 5% RMC1/16S 102JTH J24189025 1- Bd2
R 2077 CHIP RES. 56k 1/16W 5% RMC1/16S 563JTH J24189046 1- Be1
R 2078 CHIP RES. 100k 1/16W 5% RMC1/16S 104JTH J24189049 1- Be1
R 2079 CHIP RES. 1k 1/16W 5% RMC1/16S 102JTH J24189025 1- Bc1
R 2080 CHIP RES. 330 1/16W 5% RMC1/16S 331JTH J24189019 1- Bc1
R 2081 CHIP RES. 100k 1/16W 5% RMC1/16S 104JTH J24189049 1- Bd2
R 2082 CHIP RES. 100k 1/16W 5% RMC1/16S 104JTH J24189049 1- Bd2
R 2083 CHIP RES. 100k 1/16W 5% RMC1/16S 104JTH J24189049 1- Bd2
R 2084 CHIP RES. 1k 1/16W 5% RMC1/16S 102JTH J24189025 1- Bd2
R 2085 CHIP RES. 1k 1/16W 5% RMC1/16S 102JTH J24189025 1- Bd2
R 2086 CHIP RES. 1k 1/16W 5% RMC1/16S 102JTH J24189025 1- Bd2
R 2087 CHIP RES. 56k 1/16W 5% RMC1/16S 563JTH J24189046 1- Bb1
S 2001 ROTARY ENCODER EC12E2424404 Q9000788 1- AA1
S 2002 ROTARY ENCODER EC12E2424404 Q9000788 1- AG1
S 2003 TACT SWITCH SKQMAL N5090105 1- AD2

51
PANEL Unit
Parts List
REF DESCRIPTION VALUE V/W TOL. MFR'S DESIG VXSTD P/N VERS.
LOT SIDE LAY ADR
S 2004 TACT SWITCH SKQMAL N5090105 1- AC2
S 2005 TACT SWITCH SKQMAL N5090105 1- AC2
S 2006 TACT SWITCH SKQMAL N5090105 1- AB2
S 2007 TACT SWITCH SKQMAL N5090105 1- AB2
S 2008 TACT SWITCH SKQMAL N5090105 1- AE2
S 2009 TACT SWITCH SKQMAL N5090105 1- AD2
S 2010 TACT SWITCH SKQMAL N5090105 1- AE2
S 2011 TACT SWITCH SKQMAL N5090105 1- AF2
S 2012 TACT SWITCH SKQMAL N5090105 1- AB1
S 2013 TACT SWITCH SKQMAL N5090105 1- AA1
S 2014 TACT SWITCH SKQMAL N5090105 1- AA2
S 2015 TACT SWITCH SKQMAL N5090105 1- AF2
S 2016 TACT SWITCH SKQMAL N5090105 1- AF1
S 2017 TACT SWITCH SKQMAL N5090105 1- AF1
X 2001 XTAL CSA-310 3.6864MHz 3.6864MHZ H0102988 1- Bd1

52
REF DESCRIPTION VALUE V/W TOL. MFR'S DESIG VXSTD P/N VERS.
LOT SIDE LAY ADR
PANEL Unit
Parts ListNote

53
PANEL-SUB Unit
Circuit Diagram
3.67 V
3.64 V
3.67 V
8.97 V
3.67 V 3.67 V
8.74 V

54
PANEL-SUB Unit
Parts Layout
Parts List
REF DESCRIPTION VALUE V/W TOL. MFR'S DESIG VXSTD P/N VERS.
LOT SIDE LAY ADR
ABC
1
ABC
1
Side A
Side B
PCB with Components CB2132003 DST: USA
CB2132004 DST: EXP
CB2132005 DST: FRG
Printed Circuit Board AH008M000 FR0085700 1-
C 3001 CHIP CAP. 0.001uF 50V BGRM36B102K50PT K22178809 1- AB1
C 3002 CHIP CAP. 0.001uF 50V BGRM36B102K50PT K22178809 1- AB1
C 3003 CHIP CAP. 470pF 50V BGRM36B471K50PT K22178805 1- AB1
C 3004 CHIP CAP. 0.022uF 16V BGRM36B223K16PT K22128806 1- AB1
C 3005 CHIP CAP. 0.022uF 16V BGRM36B223K16PT K22128806 1- AB1
C 3006 CHIP CAP. 0.01uF 16V BGRM36B103K16PT K22128804 1- AB1
C 3007 CHIP CAP. 15pF 50V CH GRM36CH150J50PT K22178216 1- AB1
C 3008 CHIP CAP. 1uF 10V FGRM39F105Z10PT K22105001 1- AB1
C 3009 CHIP CAP. 0.001uF 50V BGRM36B102K50PT K22178809 1- AB1
C 3010 CHIP CAP. 0.0056uF 25V BGRM36B562K50PT K22148802 1- AB1
C 3012 CHIP CAP. 0.001uF 50V BGRM36B102K50PT K22178809 1- AB1
J 3001 CONNECTOR NTC-623PCBL6-B P1091107 1- AA1
J 3002 CONNECTOR IL-FHR-10S-HF-E3000 P1091046 1- AA1
J 3003 CONNECTOR MJ-66J-RD315K P1091049 1- AC1
Q 3001 IC NJM2904V-TE1 G1091677 1- AB1
R 3001 CHIP RES. 4.7k 1/16W 5% RMC1/16S 472JTH J24189033 1- AB1
R 3002 CHIP RES. 2.2k 1/16W 5% RMC1/16S 222JTH J24189029 1- AB1
R 3003 CHIP RES. 100k 1/16W 5% RMC1/16S 104JTH J24189049 1- AB1
R 3004 CHIP RES. 2.2M 1/16W 5% RMC1/16S 225JTH J24189065 1- AB1
R 3005 CHIP RES. 15k 1/16W 5% RMC1/16S 153JTH J24189039 1- AB1
R 3006 CHIP RES. 10k 1/16W 5% RMC1/16S 103JTH J24189037 1- AB1
R 3007 CHIP RES. 1k 1/16W 5% RMC1/16S 102JTH J24189025 1- AB1
R 3008 CHIP RES. 4.7k 1/16W 5% RMC1/16S 472JTH J24189033 1- AB1
R 3009 CHIP RES. 150k 1/16W 5% RMC1/16S 154JTH J24189051 1- AB1
R 3010 CHIP RES. 100k 1/16W 5% RMC1/16S 104JTH J24189049 1- AB1
R 3011 CHIP RES. 33k 1/16W 5% RMC1/16S 333JTH J24189043 1- AB1
R 3012 CHIP RES. 47k 1/16W 5% RMC1/16S 473JTH J24189045 1- AB1
R 3013 CHIP RES. 100 1/16W 5% RMC1/16S 101JTH J24189013 1- AB1
R 3014 CHIP RES. 10k 1/16W 5% RMC1/16S 103JTH J24189037 1- AB1
R 3015 CHIP RES. 22 1/16W 5% RMC1/16S 220JTH J24189005 1- AB1
R 3016 CHIP RES. 22 1/16W 5% RMC1/16S 220JTH J24189005 1- AB1
R 3017 CHIP RES. 01/16W 5% RMC1/16S JPTH J24189070 1- AB1
NJM2904V
(Q 3001)

55
VR-L Unit
Parts LayoutCircuit Diagram
Parts List
REF DESCRIPTION VALUE V/W TOL. MFR'S DESIG VXSTD P/N VERS.
LOT SIDE LAY ADR
PCB with Components CB2133001
Printed Circuit Board AH008M000 FR0085800 1-
C 4001 CHIP CAP. 0.01uF 16V BGRM36B103K16PT K22128804 1- Ba1
C 4002 CHIP CAP. 0.01uF 16V BGRM36B103K16PT K22128804 1- Ba1
C 4003 CHIP CAP. 0.01uF 16V BGRM36B103K16PT K22128804 1- Ba1
C 4004 CHIP CAP. 0.01uF 16V BGRM36B103K16PT K22128804 1- Ba1
C 4005 CHIP CAP. 0.01uF 16V BGRM36B103K16PT K22128804 1- Ba1
P 4000 WIRE ASSY AH008M T9206998 1-
R 4001 CHIP RES. 10 1/16W 5% RMC1/16S 100JTH J24189001 1- Ba1
R 4002 CHIP RES. 10 1/16W 5% RMC1/16S 100JTH J24189001 1- Ba1
R 4003 CHIP RES. 1k 1/16W 5% RMC1/16S 102JTH J24189025 1- Ba1
R 4004 CHIP RES. 1k 1/16W 5% RMC1/16S 102JTH J24189025 1- Ba1
R 4005 CHIP RES. 1k 1/16W 5% RMC1/16S 102JTH J24189025 1- Ba1
R 4006 CHIP RES. 22k 1/16W 5% RMC1/16S 223JTH J24189041 1Ba1
R 4006 CHIP RES. 2.2k 1/16W 5% RMC1/16S 222JTH J24189029 2- Ba1
VR4001 POT. TP76D00A 10KB/10KB/SW J62800140 1- AA1
Side A Side B

56
VR-R Unit
Parts LayoutCircuit Diagram
Parts List
REF DESCRIPTION VALUE V/W TOL. MFR'S DESIG VXSTD P/N VERS.
LOT SIDE LAY ADR
PCB with Components CB2134001
Printed Circuit Board AH008M000 FR0085900 1-
C 5001 CHIP CAP. 0.01uF 16V BGRM36B103K16PT K22128804 1- Ba1
C 5002 CHIP CAP. 0.01uF 16V BGRM36B103K16PT K22128804 1- Ba1
C 5003 CHIP CAP. 0.01uF 16V BGRM36B103K16PT K22128804 1- Ba1
C 5004 CHIP CAP. 0.01uF 16V BGRM36B103K16PT K22128804 1- Ba1
C 5005 CHIP CAP. 0.01uF 16V BGRM36B103K16PT K22128804 1- Ba1
P 5000 WIRE ASSY AH008M T9206998 1-
R 5001 CHIP RES. 10 1/16W 5% RMC1/16S 100JTH J24189001 1- Ba1
R 5002 CHIP RES. 10 1/16W 5% RMC1/16S 100JTH J24189001 1- Ba1
R 5003 CHIP RES. 1k 1/16W 5% RMC1/16S 102JTH J24189025 1- Ba1
R 5004 CHIP RES. 1k 1/16W 5% RMC1/16S 102JTH J24189025 1- Ba1
R 5005 CHIP RES. 1k 1/16W 5% RMC1/16S 102JTH J24189025 1- Ba1
R 5006 CHIP RES. 22k 1/16W 5% RMC1/16S 223JTH J24189041 1- Ba1
VR5001 POT. TP76D00A 10KB/10KB/SW J62800140 1- AA1
Side A Side B

17

18
Copyright 2002
VERTEX STANDARD CO., LTD.
All rights reserved.
No portion of this manual
may be reproduced
without the permission of
VERTEX STANDARD CO., LTD.