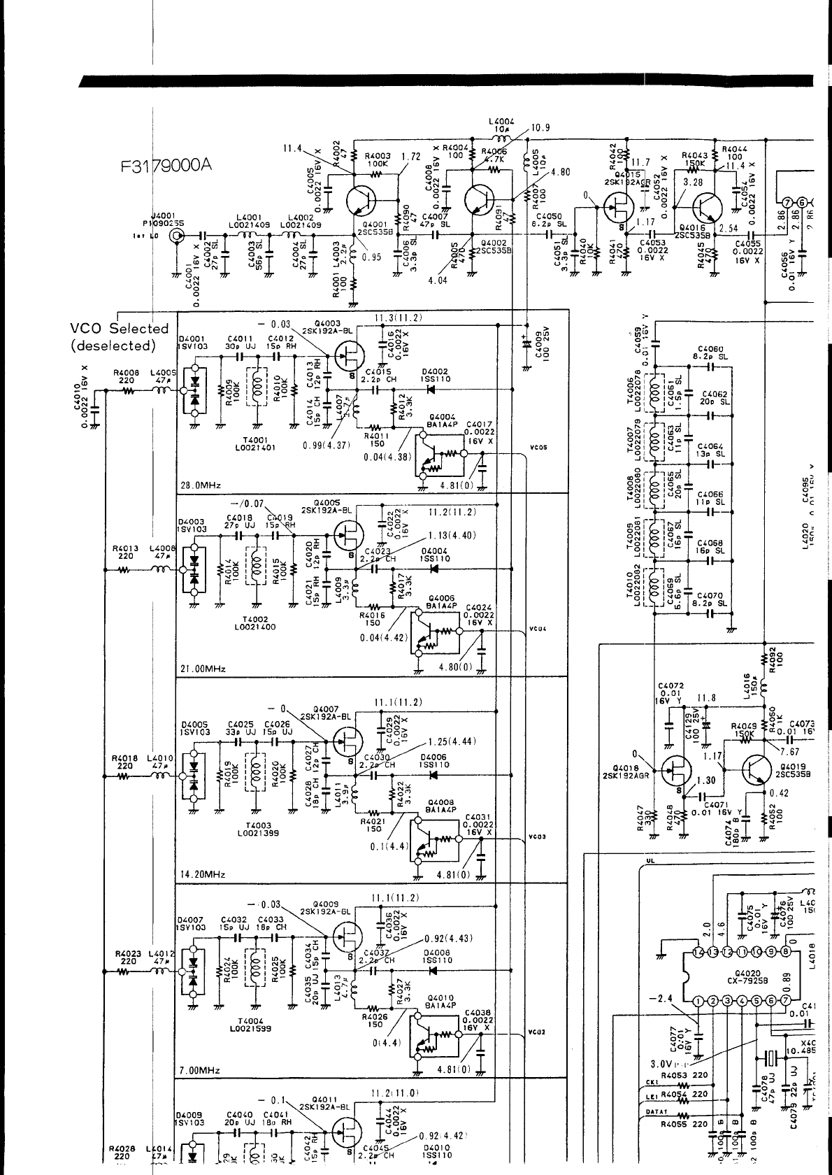
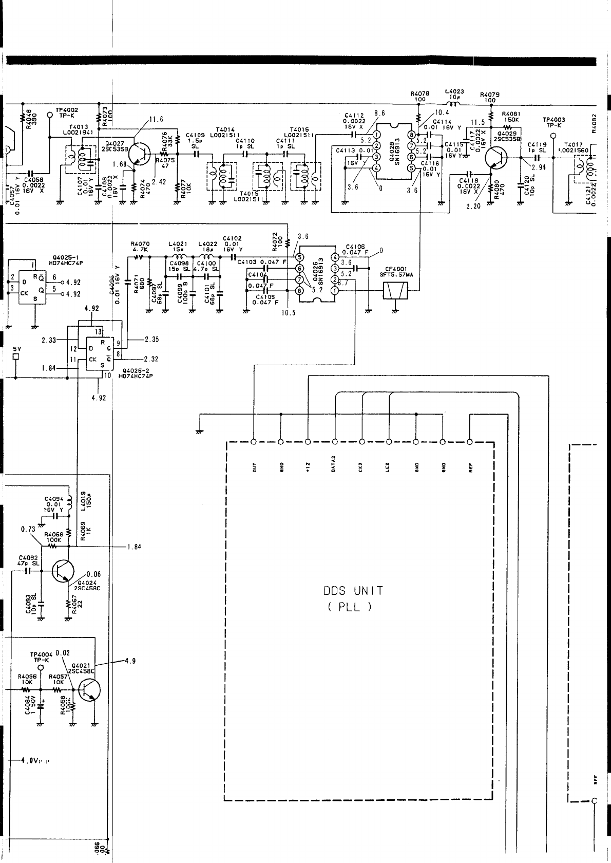
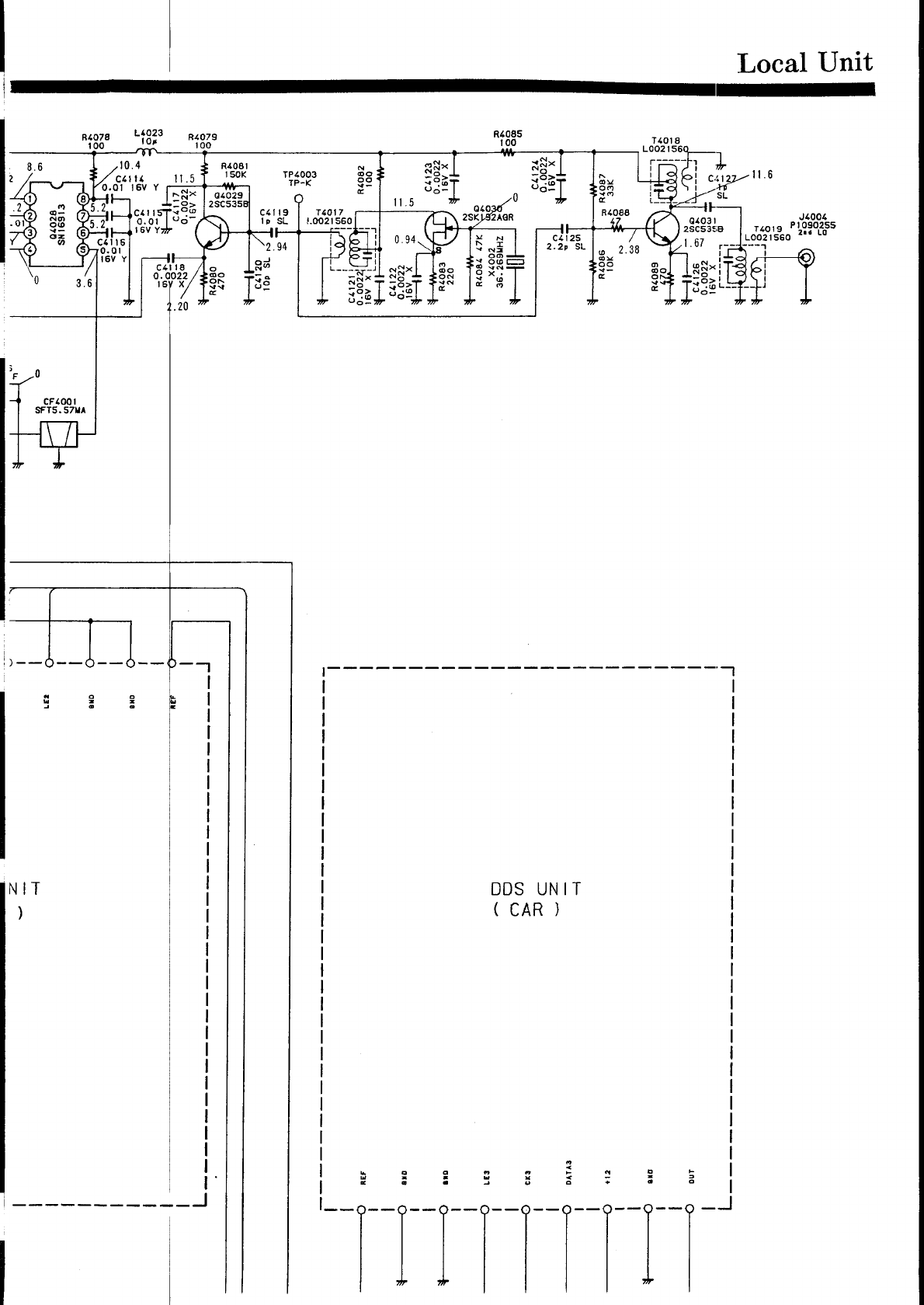
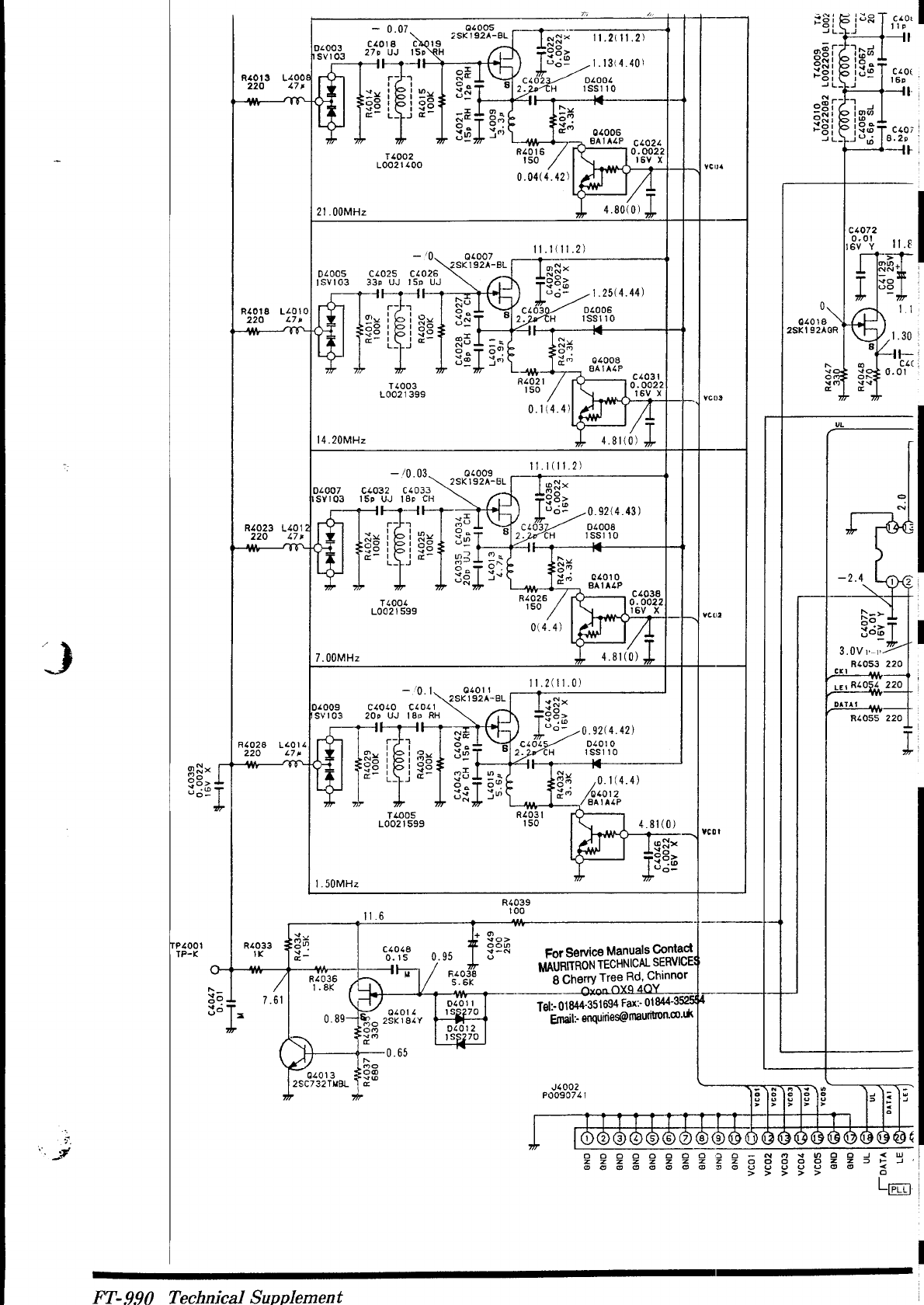
YAESU FT 990 Service Manual
User Manual: Pdf YAESU--FT-990 service manual
Open the PDF directly: View PDF
.
Page Count: 363 [warning: Documents this large are best viewed by clicking the View PDF Link!]











































































































































































































































































































































































User Manual: Pdf YAESU--FT-990 service manual
Open the PDF directly: View PDF
.
Page Count: 363 [warning: Documents this large are best viewed by clicking the View PDF Link!]