7D 42 34XXA DYNATORQUE DT140SRD Drawing
User Manual: Pdf DYNATORQUE DT140SRD Drawing Resource Library
Open the PDF directly: View PDF
.
Page Count: 2

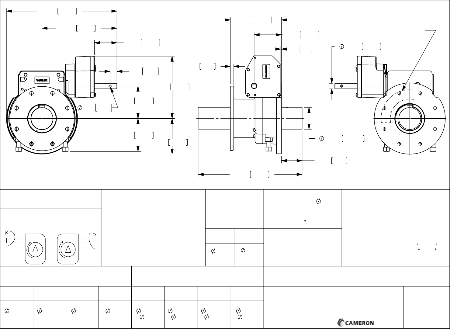
6.00
152.4
11.40 289.5
4.10
104.2
13.69 347.6
20.18 512.6
.391 9.93
1.25 31.8
5.93
150.6
6.50
165.0 4.000
101.60
19.00 482.6
.62
15.7
3.78 96.0
9.34
237.1
5.00
126.9
.12 3.2
1.000 25.40
GEAR SECTOR ORIENTATION
7D-42-34XXA SHEET 1 OF 2 1/19/15
HOUSING MOUNTING PATTERN
MAX
MAX ON
CENTER
STD
MIN
RATIO:
OVERIDE TORQUE:
SPRING RETURN ACTUATORS
MAX SPRING END TORQUE:
TEMPERATURE:
360:1
140,000 IN LBS
[15820 N-M]
51,852 IN LBS
[5859 N-M]
-20
TO 150
F
[-29
TO 66
C]
DT140
SRD
DYNATORQUE
WWW.DYNATORQUE.COM
MANUAL 1/4 TURN ACTUATOR
COMMERCIAL GRADE
HANDWHEEL
TURNS FOR 90
: 90
RIM PULL AT
MAX TORQUE: 100 LBS
RECOMMENDED:
: 36 IN
MAX
MIN
STD
10.000
.688
8.500
.688
10.750
.812
11.750
3/4-10
11.750
3/4-10
10.000
5/8-11
6.500
3/4-10
POS 1
POS 2 (STD)
CW
CW
CCW
CW
MAX
MAX
IN LINE
MAX DRIVER
BORE & KEY
MAX ON
CENTER
10.750
.812
2.125
.500 X .375
KEY
3.125
.750 X .500
KEY
COVER MOUNTING PATTERN
CONSULT FACTORY FOR
SPECIAL CONFIGURATIONS.
UNITS ARE AVAILABLE IN FAIL
CLOCKWISE OR FAIL
COUNTERCLOCKWISE, UNIT SHOWN IN
HOME POSITION FOR FAIL CLOCKWISE.
GREASED FOR LIFE.
PLATED STANDARD SHAFT.
A BRAND OF
WEIGHT
UNIT:
DRIVER:
HANDWHEEL:
177 LBS [80.5 KG]
67 LBS [30.5 KG]
17 LBS [7.7 KG]

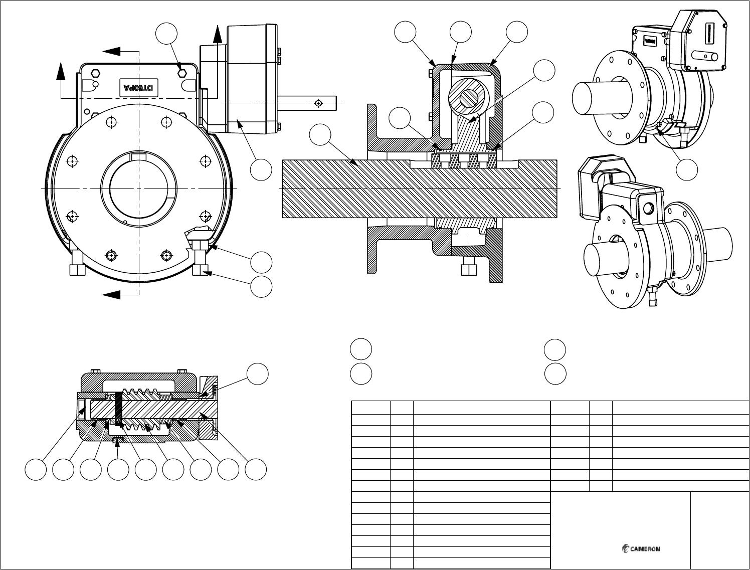
B
B
A
A
18
19
14
22
ITEM
QTY.
DESCRIPTION
1 1
HOUSING,DT140
2 1
W/WHEEL, DT60/90 SRD
3 1
SHAFT,DT140,NEWSPUR
4 1
DRSD, DT90, BLANK
5 1
BLACK ENAMEL
6 1
COVER DT60
7 1
WORM,DT140, STD
8 1
RTV SEALANT
9 2
BEARING SLV,1.50,1.25,1.00
10 1
WORM SPACER, DT140
11 1
GREASE,COMMERCIAL GRADE
12 1
WORM SPACER, DT140
13 1
EXPANSION PLUG,1.50,.48
14 2
NUT, JAM, 3/4-10
ITEM
QTY.
DESCRIPTION
15 2
DOWEL PIN,.375,1.00
16 1
GROOVE PIN,.438,2.25
17 1
HWRR36"
18 8
HHCS, 3/8-16 X 2.00 LG
19 2
SHSS, 3/4-10 X 4.50
20 2
O-RING,2-160
22 1
SPUR, 6:1, DT140
9
10
7
16
12
9
13
8
17
23
3
SECTION B-B
8
SECTION A-A
4
6
1
8
2
20 20
5
UNIT HAS A SILICONE GASKET.
UNIT IS PAINTED BLACK ENAMEL.
HWRR 36" HAND WHEEL NOT SHOWN.
15
11
DYNATORQUE
WWW.DYNATORQUE.COM
DT140
SRD
A BRAND OF
UNIT BEARINGS, O-RINGS AND
GEAR TEETH ARE GREASED.
7D-42-34XXA SHEET 2 OF 2 1/19/15