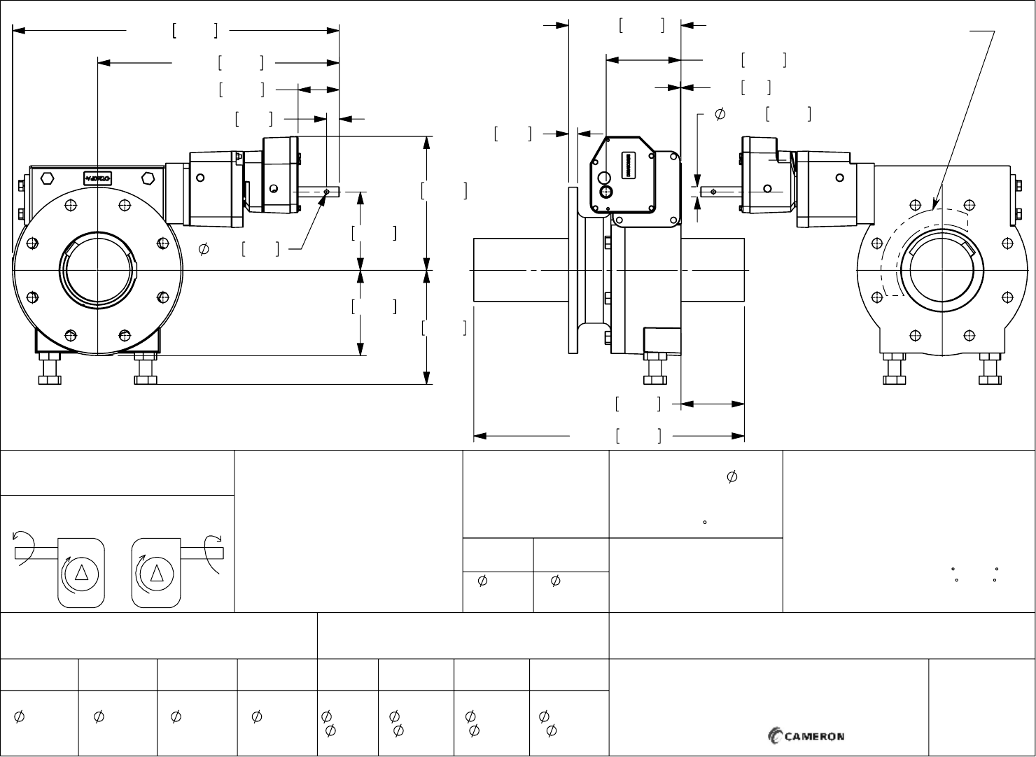
7D 42 63XXA Dynatorque Dt260srd Drawing
User Manual: Pdf Resource Library
Open the PDF directly: View PDF
.
Page Count: 3

11.31 287.3
.391 9.93
23.96 608.6
4.08
103.7
1.25 31.8
13.29 337.6
8.45
214.6
7.79
197.9
32.41 823.2
.91
23.1
11.14 283.0
7.42
188.4
.07 1.7
26.84 681.6
6.29
159.8
1.000 25.40
GEAR SECTOR ORIENTATION
HOUSING MOUNTING PATTERN
RATIO:
OVERIDE TORQUE:
SPRING RETURN ACTUATORS
MAX SPRING END TORQUE:
TEMPERATURE:
1200:1
260,000 IN LBS
[29,376 N-M]
96,296 IN LBS
[10,880 N-M]
-20
TO 150
F
[-29
TO 66
C]
DT260
SRD
DYNATORQUE
WWW.DYNATORQUE.COM
MANUAL 1/4 TURN ACTUATOR
COMMERCIAL GRADE
HANDWHEEL
TURNS FOR 90
: 300
RIM PULL AT
MAX TORQUE: 66 LBS
RECOMMENDED
: 30 IN
MAX
MIN
STD
14.016
1.188
12.450
.688
15.000
1.188
UNITS ARE AVAILABLE IN FAIL
CLOCKWISE OR FAIL
COUNTERCLOCKWISE, UNIT SHOWN IN
HOME POSITION FOR FAIL
CLOCKWISE.
GREASED FOR LIFE.
PLATED STANDARD SHAFT.
POS 1
POS 2 (STD)
CW
CW
CCW
CW
MAX
MAX
IN LINE
MAX DRIVER
BORE & KEY
MAX ON
CENTER
15.000
1.188
5.000
1.000 X .750
KEY
5.250
1.500 X 1.000
KEY
COVER MOUNTING PATTERN
CONSULT FACTORY FOR
SPECIAL CONFIGURATIONS.
MAX
15.500
1-8 UNC
15.500
1-8 UNC
MAX ON
CENTER
STD
14.016
1 1/8-7 UNC
MIN
10.000
5/8-11 UNC
WEIGHT
UNIT:
DRIVER:
HANDWHEEL:
525 LBS [238.1 KG]
231 LBS [104.8 KG]
8 LBS [3.6 KG]
A BRAND OF
A BRAND OF
7D-42-63XXA SHEET 1 OF 3 1/20/15

A
A
B
B
C
C
10
11
20
22
23
21
13 25 14
17
26
28 28 28
13
13
7D-42-63XXA SHEET 2 OF 3 1/20/15
SECTION B-B
ITEM
QTY
DESCRIPTION
1 1
HOUSING, DT100
2 1
W/WHEEL,D100SRD
3 1
WORM,DT100
4 1
COVER, DT260DS
5 1
BEARING PLATE,DT300
6 1
BEARING CAP,DT100
7 1
GEAR,SPUR,38T,2.250 BORE
8 1
GEAR, SPUR, IDLER, DT100
9 1
GEAR,SPUR,INPUT,DT310
10 1
SPUR, 6:1, DT300
11 1
SPUR,2:1
12 1
GREASE,COMMERCIAL GRADE
13 3
NEEDLE BEARING,(1.250,1.500,1.000LG)
14 1
NEEDLE BEARING,(1.500,1.875,.625LG)
15 2
ROLLER BRG, CUP
16 2
ROLLER BRG, CONE
17 4
SHCS,5/8-11 X 2.00 LG
ITEM
QTY
DESCRIPTION
18 4
WASHER,LOCK,.625,SPLIT,PLTD
19 4
HHCS,5/8-11 X 1.50 LG
20 8
HWRR30"
21 2
DOWEL PIN,.750,1.50
22 2
HHCS, 1-1/4-7 x 8"LG
23 2
NUT,1 1/4-7 UNC
24 1
GROOVE PIN,.500,2.75
25 2
DOWEL PIN,.375,1.00
26 1
THRUST WASHER,.625,.092
27 2
O-RING,2.264
28 1
RTV SEALANT
29 1
BLACK ENAMEL
30 1
DRSRD,DT100
35
6 151615 1619 18 24
SECTION A-A
12
4
27
27 28
30
28
29
9
8
7
SECTION C-C
DT260
SRD
A BRAND OF
WWW.DYNATORQUE.COM
DYNATORQUE
UNIT IS PAINTED BLACK ENAMEL.
UNIT IS HAS A SILICONE GASKET.
UNIT BEARINGS, O-RINGS AND
GEAR TEETH ARE GREASED.
12
11
2:1 SPUR ASSEMBLY DETAIL
ON PAGE 3.
20
HWRR30" HANDWHEEL NOT SHOWN

D
D
E
E
17
10 12 11 14
ITEM
QTY.
DESCRIPTION
1 1
HOUSING,SPUR,2:1
2 1
COVER,SPUR,2:1
3 1
GEAR,SPUR,OUTPUT
4 1
GEAR, SPUR, IDLER, DT100
5 1
GEAR,SPUR,INPUT,DT100
6 5
NEEDLE BEARING
7 1
BEARING,SLV,1.50,1.250,.50
8 1
BEARING,SLV, 1.75, 1.50, 1.00
9 2
EXP. PLUG,.75,.25,SS
10 3
SHCS,3/8-16 X 1.50 LG
11 1
NUT,JAM,3/8-16,SS
ITEM
QTY.
DESCRIPTION
12 1
SET SCREW, 3/8-16
13 4
SHCS, 3/8 X 1.00
14 2
DOWEL PIN,.250,.75
15 1
GROOVE PIN,.500,2.75
16 1
RTV SEALANT
17 1
GREASE,COMMERCIAL GRADE
18 1
DOWEL PIN,.750,1.50
SECTION D-D
2 7 1 6 56 16
18
13
9
696
64315 9 8
2:1
SPUR
A BRAND OF
WWW.DYNATORQUE.COM
DYNATORQUE
SECTION E-E
(COVER REMOVED IN THIS VIEW)
UNIT IS GREASED FOR LIFE.
7D-42-63XXA SHEET 3 OF 3 1/20/15