7D 42 45XX Dynatorque Dt40srd Drawing
User Manual: Pdf Resource Library
Open the PDF directly: View PDF
.
Page Count: 2

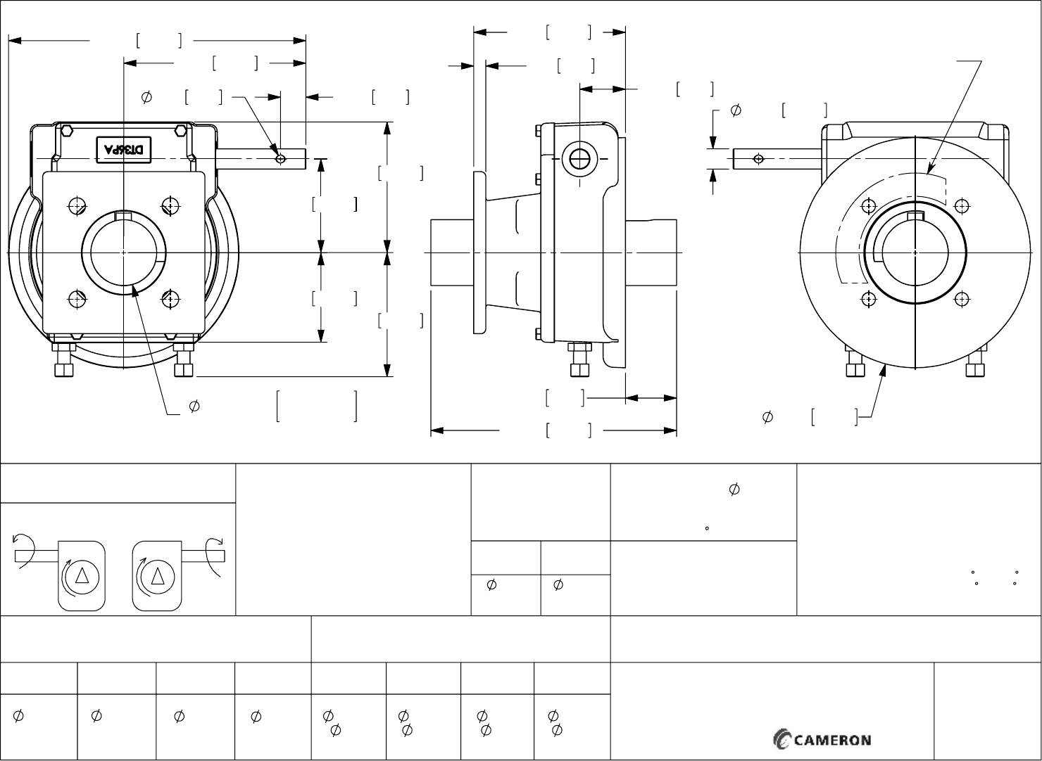
6.13
155.6
8.98
228.1
14.66 372.4
4.42
112.3
6.46
164.0
1.25 31.8
.391 9.93
3.250
-
.005
+
.000
82.55
-
0.13
0.00
BLANK DRIVER
4.63
117.5
2.25 57.2
12.12 307.8
.60
15.2
7.49
190.1
2.52 64.0
1.000 25.40
11.36 288.6
GEAR SECTOR ORIENTATION
HOUSING MOUNTING PATTERN
MAX
MAX ON
CENTER
STD
MIN
RATIO:
OVERIDE TORQUE:
SPRING RETURN ACTUATORS
MAX SPRING END TORQUE:
TEMPERATURE:
79:1
40,000 IN LBS
[4,520 N-M]
14,815 IN LBS
[1,674 N-M]
-20
TO 150
F
[-29
TO 66
C]
DT40
SRD
DYNATORQUE
WWW.DYNATORQUE.COM
MANUAL 1/4 TURN ACTUATOR
COMMERCIAL GRADE
HANDWHEEL
TURNS FOR 90
: 19.75
RIM PULL AT
MAX TORQUE: 81 LBS
RECOMMENDED
: 36 IN
MIN
STD
6.496
.812
6.000
.563
7.188
.812
10.250
3/4-10 UNC
10.250
3/4-10 UNC
6.496
3/4-10 UNC
UNITS ARE AVAILABLE IN FAIL
CLOCKWISE OR FAIL
COUNTERCLOCKWISE, UNIT SHOWN
IN HOME POSITION FOR
FAIL CLOCKWISE.
GREASED FOR LIFE.
PLATED STANDARD SHAFT.
POS 1
POS 2 (STD)
CW
CW
CCW
CW
MAX
MAX
IN LINE
MAX DRIVER
BORE & KEY
MAX ON
CENTER
1.875
.500 X .375
KEY
2.500
.750 X .500
KEY
COVER MOUNTING PATTERN
CONSULT FACTORY FOR
SPECIAL CONFIGURATIONS.
10.000
.688
MAX
6.000
1/2-13 UNC
7D-42-45XX SHEET 1 OF 2 1/15/15
A BRAND OF
WEIGHT
UNIT:
DRIVER:
HANDWHEEL:
81 LBS [36.8 KG]
28 LBS [12.7 KG]
17 LBS [7.7 KG]

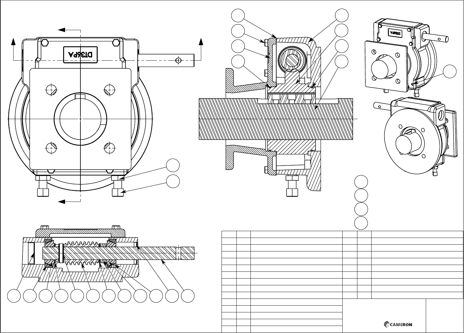
A
A
B B
19
14
ITEM
QTY.
DESCRIPTION
1 1
HOUSING, DT40LG
2 1
W/WHEEL,DT40SRD
3 1
SHAFT,DT36/DT40
4 1
DR SRD DT36/40,BLANK
5 1
BLACK ENAMEL
6 1
COVER,DT36/40SD
7 1
WORM,DT40
8 2
ROLLER BEARING,CONE
9 2
THRUST WASHER,1.00,.061
10 1
GREASE,COMMERCIAL GRADE
11 1
SPACER,1.50,1.00,.50
12 1
RTV SEALANT
13 1
EXPANSION PLUG,1.75,.50
14 2
NUT,JAM,5/8-11
ITEM
QTY.
DESCRIPTION
15 2
DOWEL PIN,.375,1.00
16 1
COIL PIN,.375,1.50
17 1
EXP. PLUG,.75,.25,SS
18 6
HHCS, 3/8-16 X 1.25 LG
19 2
SET SCREW,SQ HD,5/8-11,4.00 LG
20 2
O-RING,2-157
21 1
LIP SEAL,1.00
22 2
ROLLER BEARING,CUP
23 1
HWRR 36" HANDWHEEL
SECTION A-A
20
20
1
12
2
10
6
23
HWRR 36" HANDWHEEL
NOT SHOWN.
4
18
12
11
SECTION B-B
7
22
8
13
3
21
22
8
9 9
16
7D-42-45XX SHEET 2 OF 2 1/15/15
15
DYNATORQUE
DT40
SRD
5
UNIT IS PAINTED BLACK ENAMEL.
UNIT BEARINGS, O-RINGS AND
GEAR TEETH ARE GREASED.
UNIT HAS A SILICONE GASKET.
WWW.DYNATORQUE.COM
A BRAND OF