STM8L051/L052 Value Line, STM8L151/L152, STM8L162, STM8AL31, STM8AL3L MCU Lines En.STM8Lx51xx Reference Manual
User Manual: Pdf
Open the PDF directly: View PDF
.
Page Count: 595 [warning: Documents this large are best viewed by clicking the View PDF Link!]
- 1 Central processing unit (CPU)
- 2 Boot ROM
- 3 Flash program memory and data EEPROM
- 3.1 Introduction
- 3.2 Glossary
- 3.3 Main Flash memory features
- 3.4 Memory organization
- 3.4.1 Low-density device memory organization
- 3.4.2 Medium-density device memory organization
- 3.4.3 Medium+ density device memory organization
- 3.4.4 High-density device memory organization
- 3.4.5 Proprietary code area (PCODE)
- 3.4.6 User boot area (UBC)
- 3.4.7 Data EEPROM (DATA)
- 3.4.8 Main program area
- 3.4.9 Option bytes
- 3.5 Memory protection
- 3.6 Memory programming
- 3.7 Flash low-power modes
- 3.8 ICP and IAP
- 3.9 Flash registers
- 4 Single wire interface module (SWIM) and debug module (DM)
- 5 Memory and register map
- 6 Power control (PWR)
- 7 Low power modes
- 8 Reset (RST)
- 9 Clock control (CLK)
- 9.1 Introduction
- 9.2 HSE clock
- 9.3 HSI clock
- 9.4 LSE clock
- 9.5 LSI clock
- 9.6 System clock sources
- 9.7 Peripheral clock gating (PCG)
- 9.8 Clock security system (CSS)
- 9.9 RTC and LCD clock
- 9.10 BEEP clock
- 9.11 Configurable clock output capability (CCO)
- 9.12 Clock-independent system clock sources for TIM2/TIM3
- 9.13 CLK interrupts
- 9.14 CLK registers
- 9.14.1 System clock divider register (CLK_CKDIVR)
- 9.14.2 Clock RTC register (CLK_CRTCR)
- 9.14.3 Internal clock register (CLK_ICKCR)
- 9.14.4 Peripheral clock gating register 1 (CLK_PCKENR1)
- 9.14.5 Peripheral clock gating register 2 (CLK_PCKENR2)
- 9.14.6 Peripheral clock gating register 3 (CLK_PCKENR3)
- 9.14.7 Configurable clock output register (CLK_CCOR)
- 9.14.8 External clock register (CLK_ECKCR)
- 9.14.9 System clock status register (CLK_SCSR)
- 9.14.10 System clock switch register (CLK_SWR)
- 9.14.11 Switch control register (CLK_SWCR)
- 9.14.12 Clock security system register (CLK_CSSR)
- 9.14.13 Clock BEEP register (CLK_CBEEPR)
- 9.14.14 HSI calibration register (CLK_HSICALR)
- 9.14.15 HSI clock calibration trimming register (CLK_HSITRIMR)
- 9.14.16 HSI unlock register (CLK_HSIUNLCKR)
- 9.14.17 Main regulator control status register (CLK_REGCSR)
- 9.14.18 CLK register map and reset values
- 10 General purpose I/O ports (GPIO)
- 10.1 Introduction
- 10.2 GPIO main features
- 10.3 Port configuration and usage
- 10.4 Reset configuration
- 10.5 Unused I/O pins
- 10.6 Low power modes
- 10.7 Input mode details
- 10.8 Output mode details
- 10.9 GPIO registers
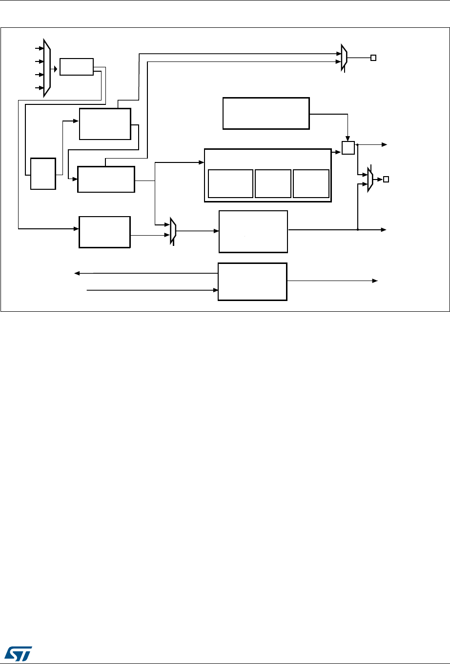
- 11 Routing interface (RI) and system configuration controller (SYSCFG)
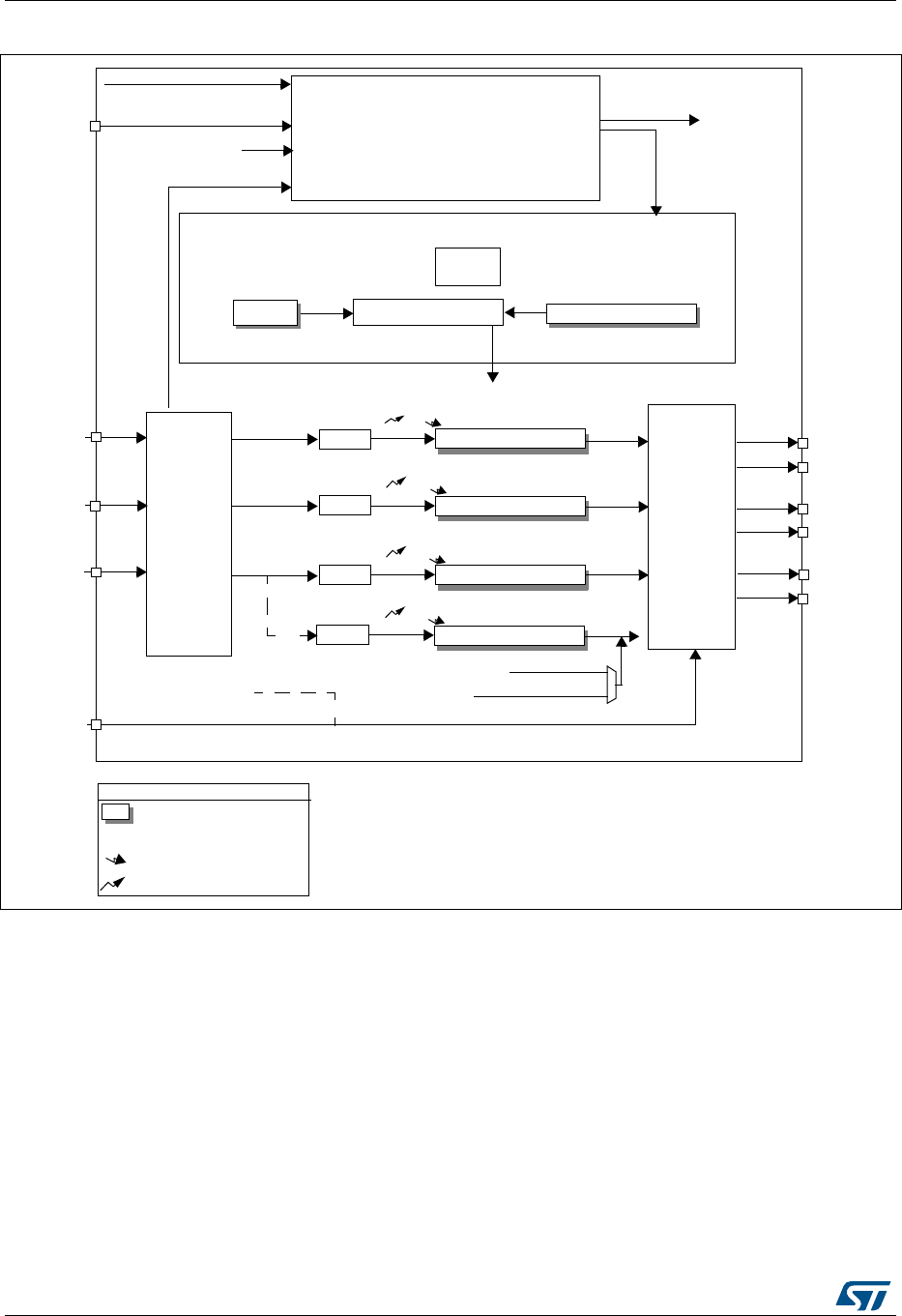
- 11.1 Introduction
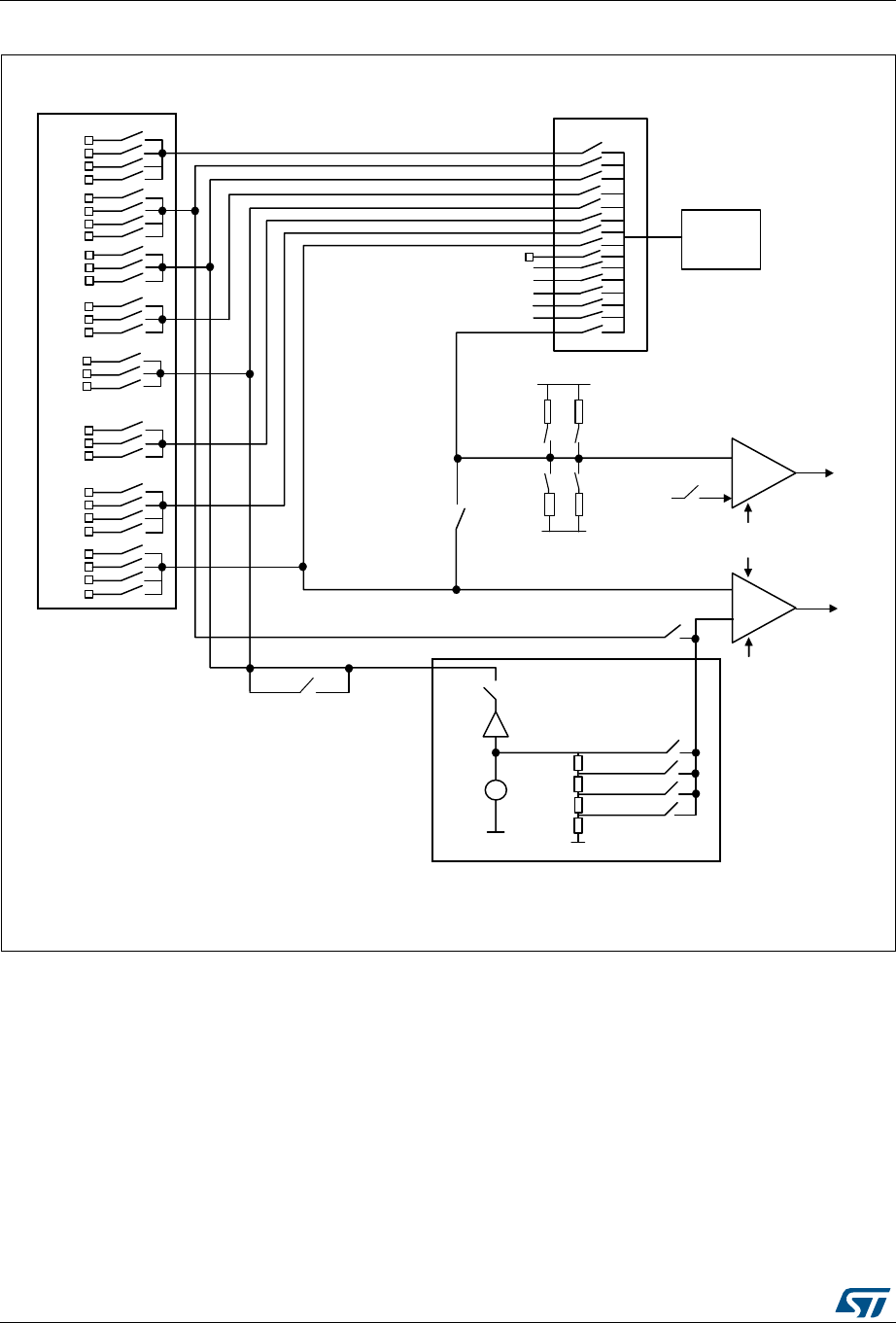
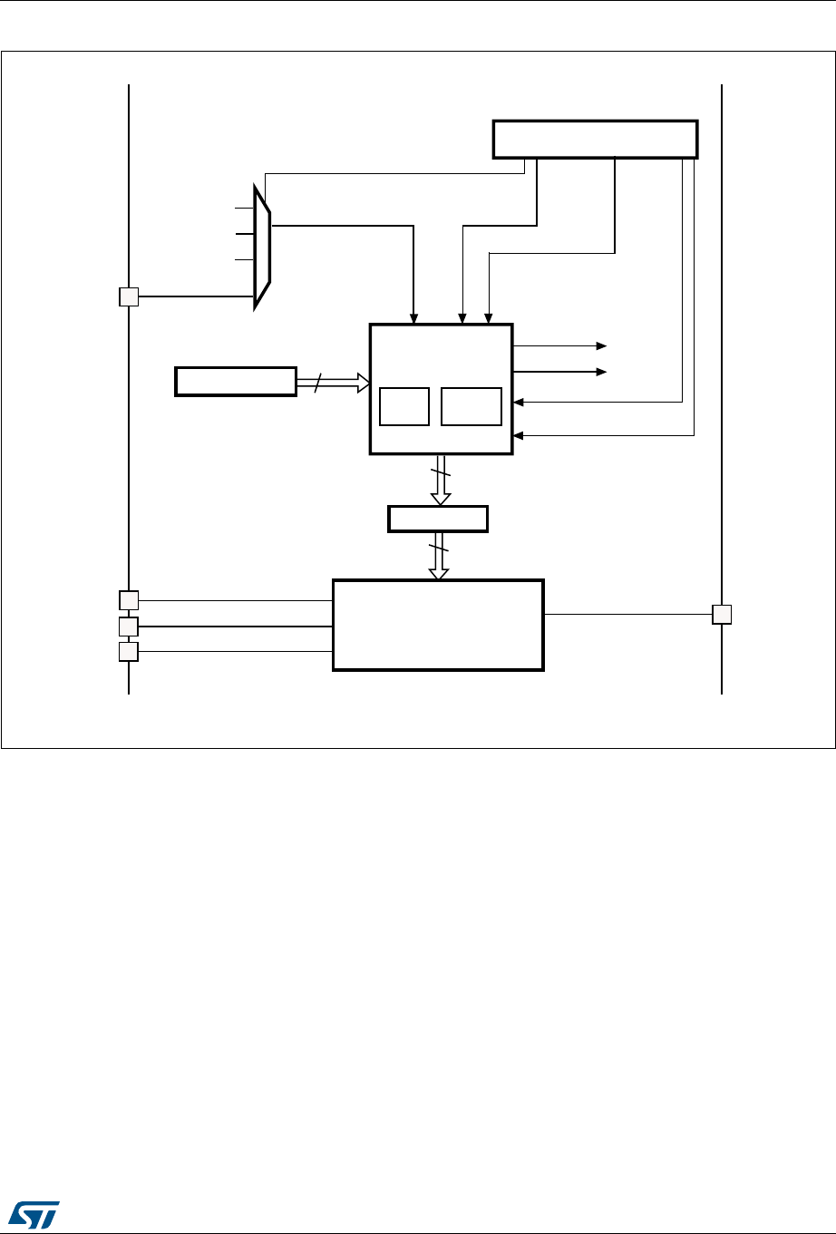
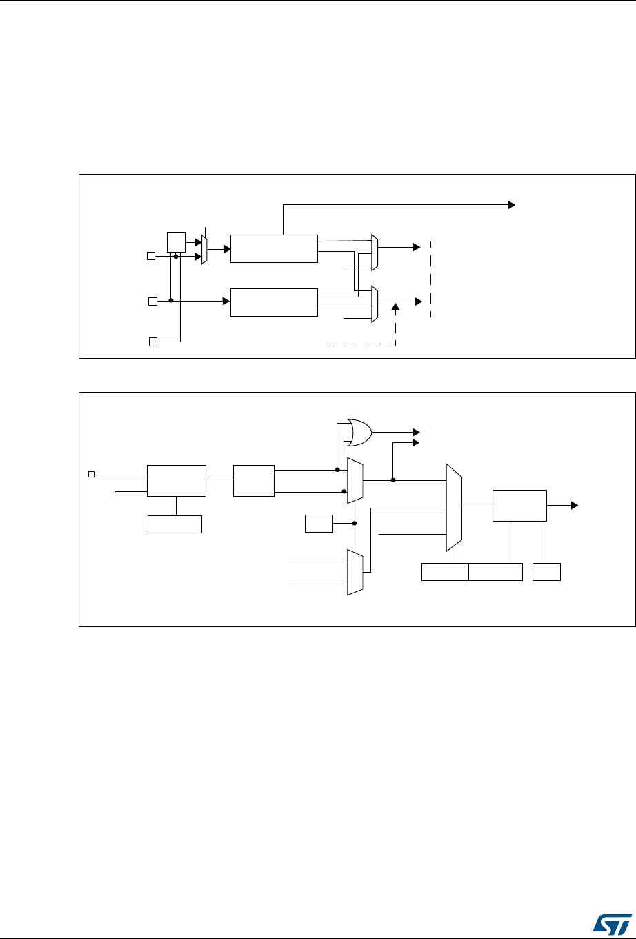
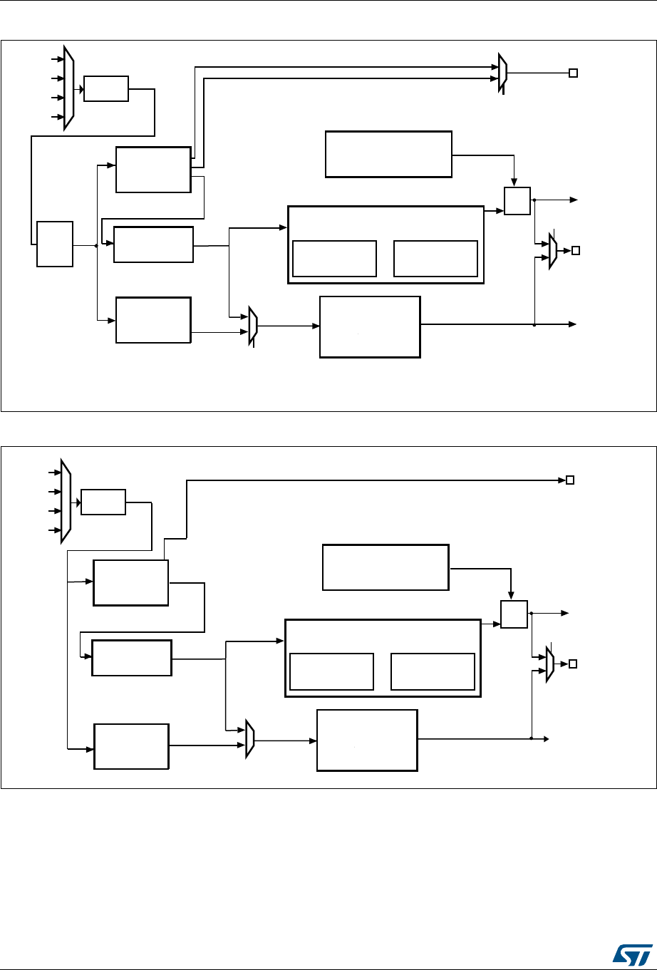
- 11.2 RI main features
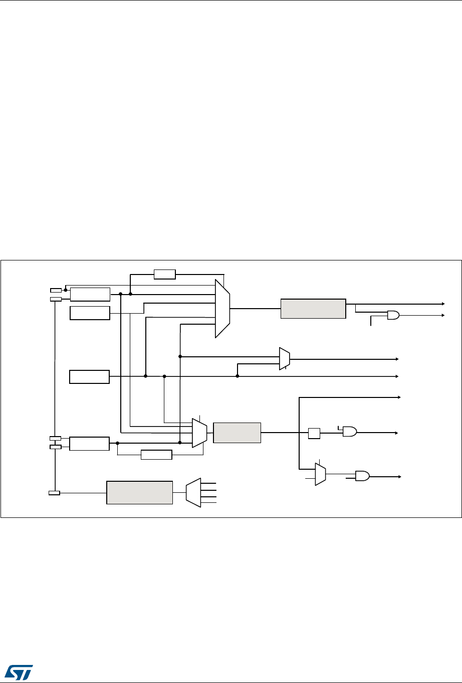
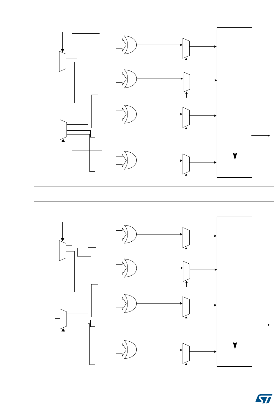
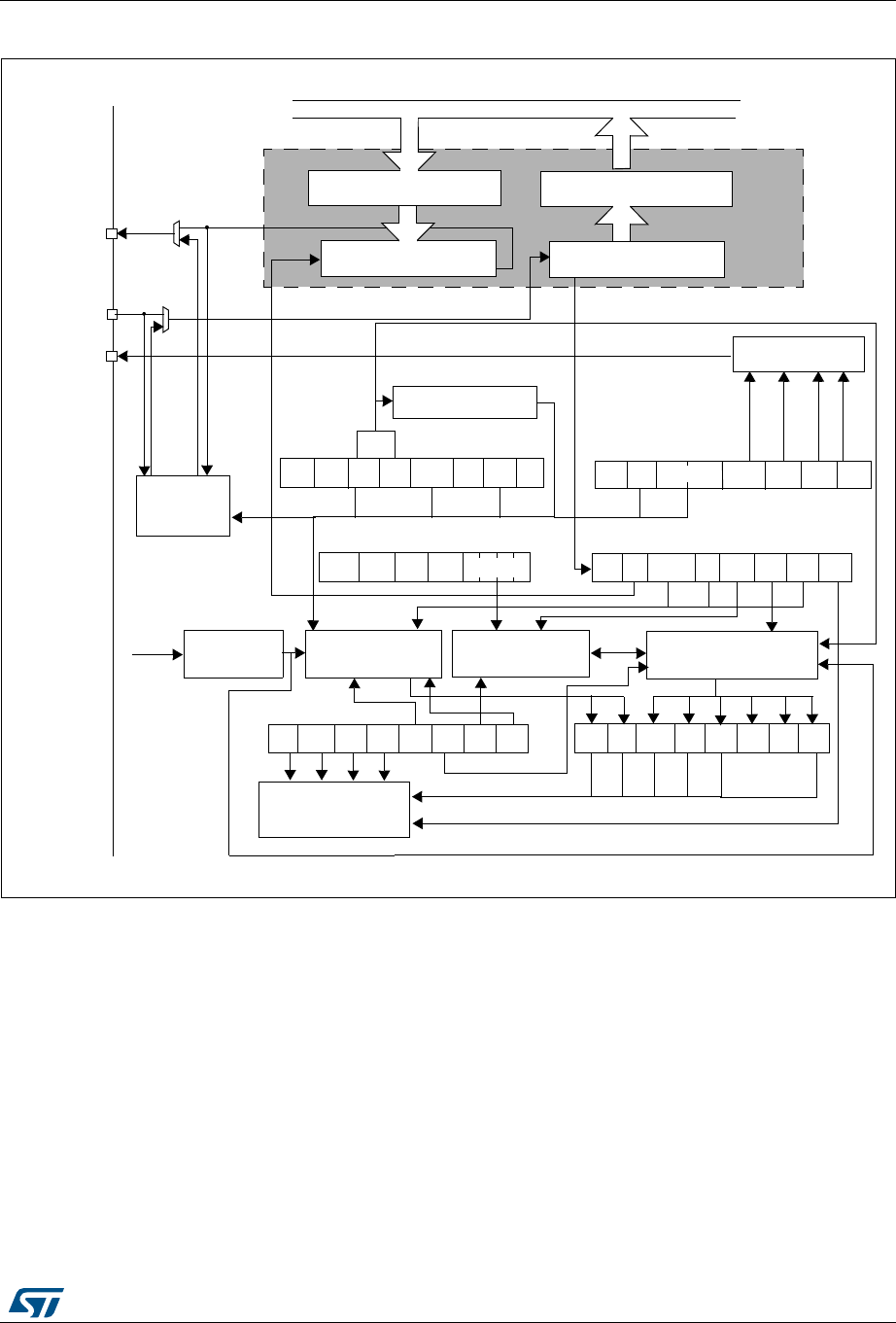
- Figure 23. Routing interface (RI) block diagram (medium+ and high-density devices)
- Figure 24. Routing interface (RI) block diagram (medium-density devices)
- Figure 25. Routing interface (RI) block diagram (low-density devices)
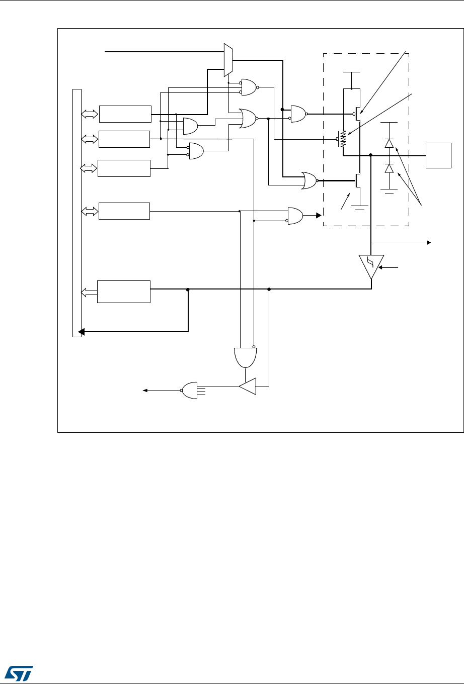
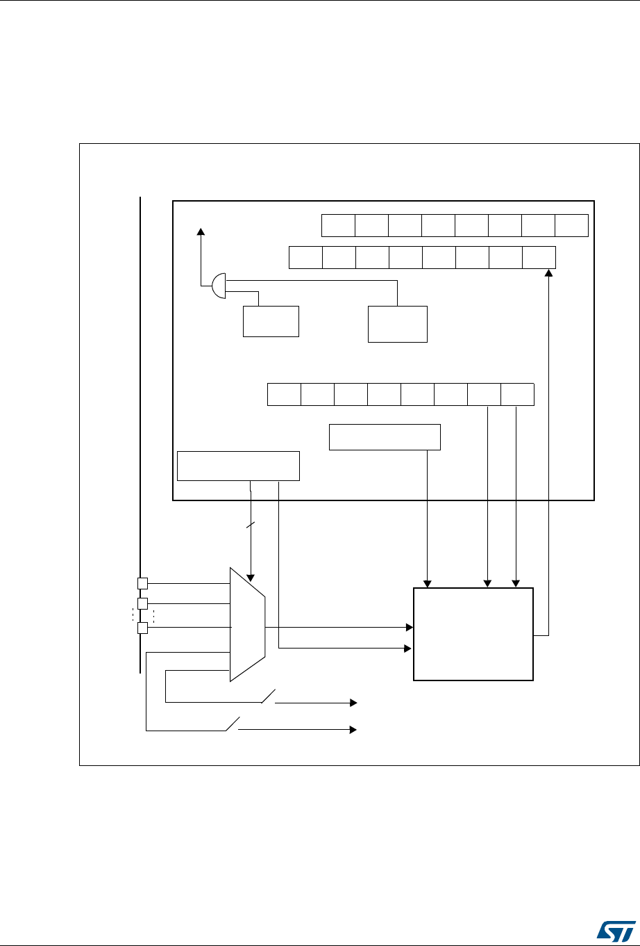
- 11.2.1 RI functional description
- 11.2.2 I/O groups
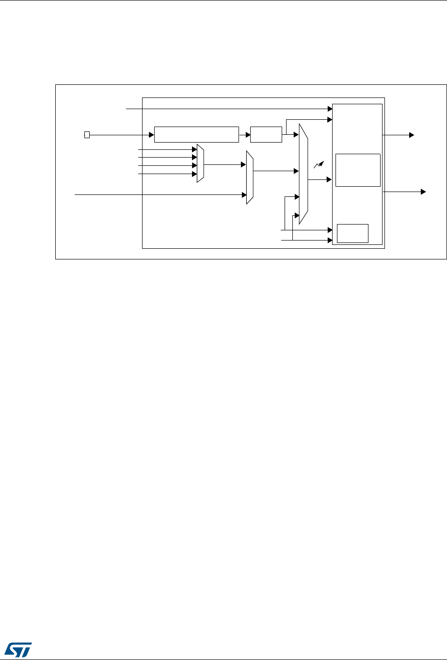
- 11.2.3 TIM1 input capture routing
- 11.2.4 TIM2 & TIM3 routing
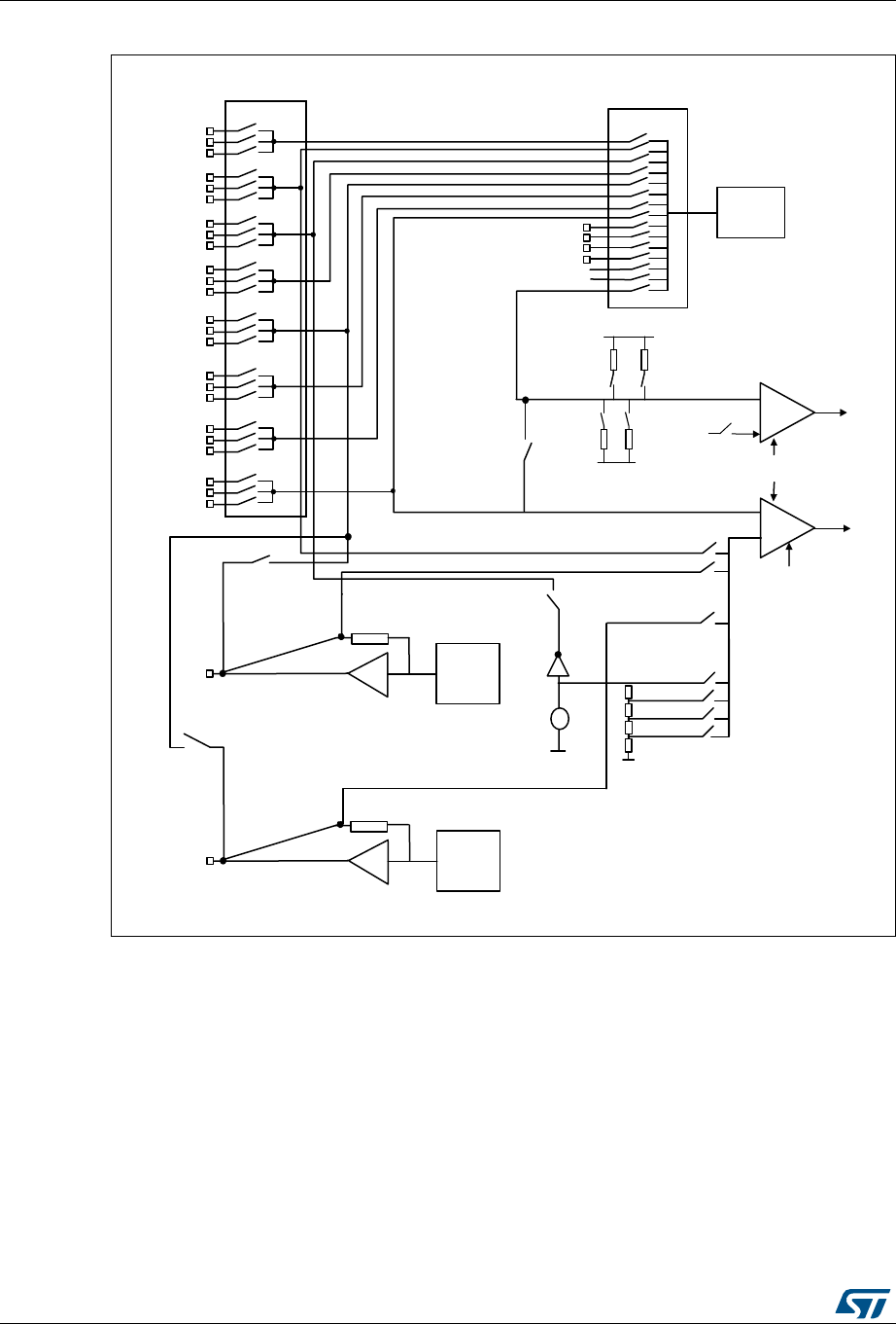
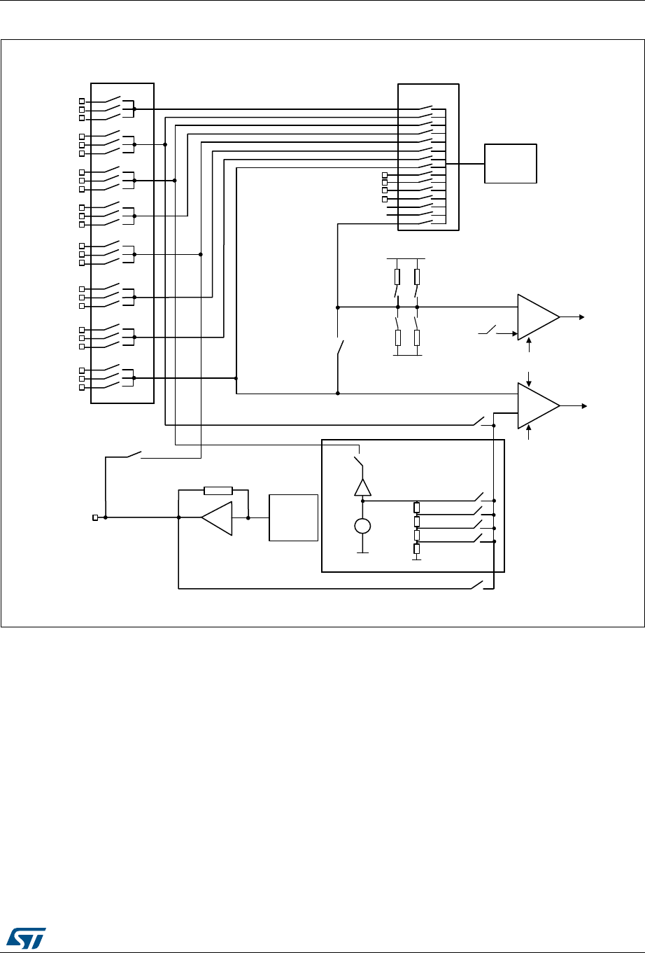
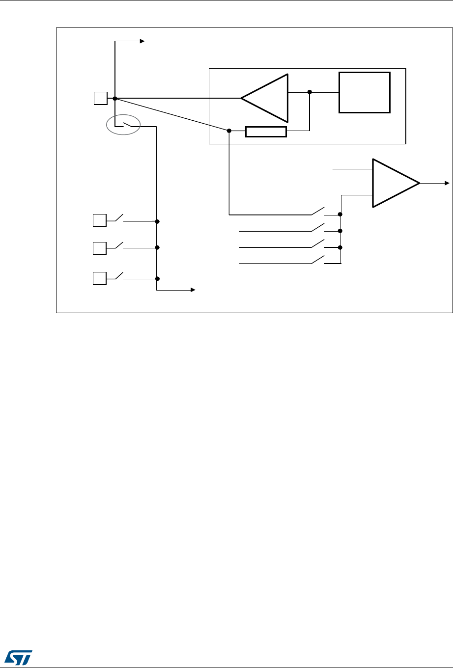
- 11.2.5 Comparator routing
- 11.2.6 DAC routing
- 11.2.7 Internal reference voltage routing
- 11.3 RI interrupts
- 11.4 RI registers
- 11.4.1 Timer input capture routing register 1 (RI_ICR1)
- 11.4.2 Timer input capture routing register 2 (RI_ICR2)
- 11.4.3 I/O input register 1 (RI_IOIR1)
- 11.4.4 I/O input register 2 (RI_IOIR2)
- 11.4.5 I/O input register 3 (RI_IOIR3)
- 11.4.6 I/O control mode register 1 (RI_IOCMR1)
- 11.4.7 I/O control mode register 2 (RI_IOCMR2)
- 11.4.8 I/O control mode register 3 (RI_IOCMR3)
- 11.4.9 I/O switch register 1 (RI_IOSR1)
- 11.4.10 I/O switch register 2 (RI_IOSR2)
- 11.4.11 I/O switch register 3 (RI_IOSR3)
- 11.4.12 IO group control register (RI_IOGCR)
- 11.4.13 Analog switch register 1 (RI_ASCR1)
- 11.4.14 Analog switch register 2 (RI_ASCR2)
- 11.4.15 Resistor control register (RI_RCR)
- 11.4.16 Control register (RI_CR)
- 11.4.17 IO mask register 1 (RI_IOMR1)
- 11.4.18 IO mask register 2 (RI_IOMR2)
- 11.4.19 IO mask register 3 (RI_IOMR3)
- 11.4.20 IO mask register 4 (RI_IOMR4)
- 11.4.21 I/O input register 4 (RI_IOIR4)
- 11.4.22 I/O control mode register 4 (RI_IOCMR4)
- 11.4.23 I/O switch register 4 (RI_IOSR4)
- 11.4.24 RI register map and reset values
- 11.5 SYSCFG registers
- 12 Interrupt controller (ITC)
- 12.1 ITC introduction
- 12.2 Interrupt masking and processing flow
- 12.3 Interrupts and low power modes
- 12.4 Activation level/low power mode control
- 12.5 Concurrent and nested interrupt management
- 12.6 External interrupts
- 12.7 Interrupt instructions
- 12.8 Interrupt mapping
- 12.9 ITC and EXTI registers
- 12.9.1 CPU condition code register interrupt bits (CCR)
- 12.9.2 Software priority register x (ITC_SPRx)
- 12.9.3 External interrupt control register 1 (EXTI_CR1)
- 12.9.4 External interrupt control register 2 (EXTI_CR2)
- 12.9.5 External interrupt control register 3 (EXTI_CR3)
- 12.9.6 External interrupt control register 4 (EXTI_CR4)
- 12.9.7 External interrupt status register 1 (EXTI_SR1)
- 12.9.8 External interrupt status register 2 (EXTI_SR2)
- 12.9.9 External interrupt port select register (EXTI_CONF1)
- 12.9.10 External interrupt port select register (EXTI_CONF2)
- 12.9.11 ITC and EXTI register map and reset values
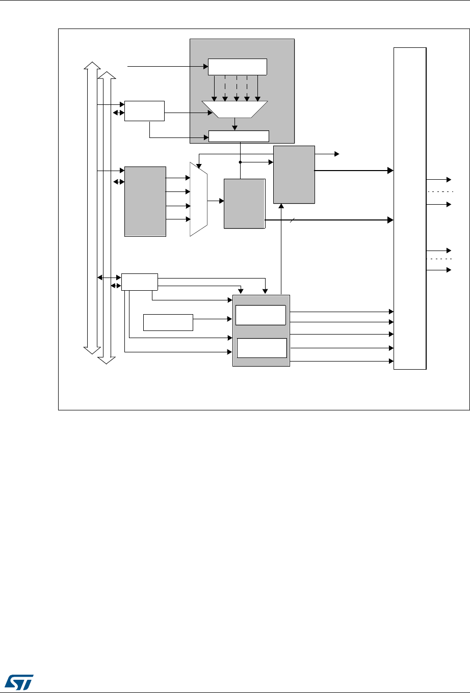
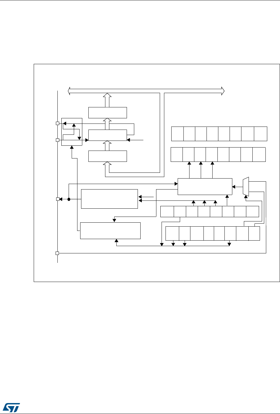
- 13 Direct memory access controller (DMA)
- 13.1 DMA introduction
- 13.2 DMA main features
- 13.3 DMA functional description
- 13.3.1 DMA transactions
- 13.3.2 DMA arbiter
- 13.3.3 DMA channels
- Figure 34. Endianess in 16-bit mode
- Figure 35. Regular channel (medium-density devices)
- Figure 36. Regular channel (medium+ and high-density devices)
- Figure 37. Memory channel with MEM=0 (medium-density devices)
- Figure 38. Memory channel with MEM=0 (medium+ and high-density devices)
- Figure 39. Memory channel with MEM=1 (medium-density devices)
- Figure 40. Memory channel with MEM=1 (medium+ and high-density devices)
- Table 36. Source and destination addresses
- 13.3.4 DMA1 request mapping
- 13.3.5 DMA hardware request description
- 13.4 DMA low power modes
- 13.5 DMA interrupts
- 13.6 DMA registers
- 13.6.1 DMA global configuration & status register (DMA_GCSR)
- 13.6.2 DMA global interrupt register 1 (DMA_GIR1)
- 13.6.3 DMA channel configuration register (DMA_CxCR)
- 13.6.4 DMA channel status & priority register (DMA_CxSPR)
- 13.6.5 DMA number of data to transfer register (DMA_CxNDTR)
- 13.6.6 DMA peripheral address high register (DMA_CxPARH)
- 13.6.7 DMA peripheral address low register (DMA_CxPARL)
- 13.6.8 DMA channel 3 peripheral address high & memory 1 address high register (DMA_C3PARH_C3M1ARH)
- 13.6.9 DMA channel 3 peripheral address low & memory 1 address low register (DMA_C3PARL_C3M1ARL)
- 13.6.10 DMA memory 0 address high register (DMA_CxM0ARH)
- 13.6.11 DMA memory 0 address low register (DMA_CxM0ARL)
- 13.6.12 DMA channel 3 memory 0 extended address register (DMA_C3M0EAR)
- 13.6.13 DMA register map and reset values
- 14 Analog-to-digital converter (ADC)
- 14.1 ADC introduction
- 14.2 ADC main features
- 14.3 ADC functional description
- 14.3.1 General description
- 14.3.2 Number of analog channels
- 14.3.3 ADC on-off control
- 14.3.4 Single conversion mode
- 14.3.5 Continuous conversion mode
- 14.3.6 ADC clock
- 14.3.7 Analog watchdog
- 14.3.8 Interrupts
- 14.3.9 Channel selection (Scan mode)
- 14.3.10 Data integrity
- 14.3.11 DMA transfer
- 14.3.12 Configurable resolution
- 14.3.13 Data alignment
- 14.3.14 Programmable sampling time
- 14.3.15 Schmitt trigger disabling
- 14.3.16 Temperature sensor
- 14.3.17 Internal reference voltage conversion
- 14.4 ADC low power modes
- 14.5 ADC interrupts
- 14.6 ADC registers
- 14.6.1 ADC configuration register 1 (ADC_CR1)
- 14.6.2 ADC configuration register 2 (ADC_CR2)
- 14.6.3 ADC configuration register 3 (ADC_CR3)
- 14.6.4 ADC status register (ADC_SR)
- 14.6.5 ADC data register high (ADC_DRH)
- 14.6.6 ADC data register low (ADC_DRL)
- 14.6.7 ADC high threshold register high (ADC_HTRH)
- 14.6.8 ADC high threshold register low (ADC_HTRL)
- 14.6.9 ADC low threshold register high (ADC_LTRH)
- 14.6.10 ADC low threshold register low (ADC_LTRL)
- 14.6.11 ADC channel sequence 1 register (ADC_SQR1)
- 14.6.12 ADC channel sequence register 2 (ADC_SQR2)
- 14.6.13 ADC channel select scan 3 (ADC_SQR3)
- 14.6.14 ADC channel select scan 4 (ADC_SQR4)
- 14.6.15 ADC trigger disable 1 (ADC_TRIGR1)
- 14.6.16 ADC trigger disable 2 (ADC_TRIGR2)
- 14.6.17 ADC trigger disable 3 (ADC_TRIGR3)
- 14.6.18 ADC trigger disable 4 (ADC_TRIGR4)
- 14.6.19 ADC register map and reset values
- 15 Digital-to-analog converter (DAC)
- 15.1 DAC introduction
- 15.2 DAC main features
- 15.3 DAC functional description
- 15.3.1 DAC channel x enable
- 15.3.2 DAC output buffer enable
- 15.3.3 DAC output switch configuration
- 15.3.4 DAC data format
- 15.3.5 DAC conversion sequence
- 15.3.6 DAC output voltage
- 15.3.7 DAC trigger selection
- 15.3.8 DAC DMA request
- 15.3.9 DAC DMA underrun interrupt
- 15.3.10 Noise generation
- 15.3.11 Triangle-wave generation
- 15.3.12 Dual DAC conversion
- 15.4 DAC registers
- 15.4.1 DAC channel x control register 1 (DAC_CHxCR1)
- 15.4.2 DAC channel x control register 2 (DAC_CHxCR2)
- 15.4.3 DAC software trigger register (DAC_SWTRIGR)
- 15.4.4 DAC status register (DAC_SR)
- 15.4.5 DAC channel x right aligned data holding register high (DAC_RDHRH)
- 15.4.6 DAC channel x right aligned data holding register low (DAC_CHxRDHRL)
- 15.4.7 DAC channel x left aligned data holding register high (DAC_CHxLDHRH)
- 15.4.8 DAC channel x left aligned data holding register low (DAC_CHxLDHRL)
- 15.4.9 DAC channel x 8-bit data holding register (DAC_CHxDHR8)
- 15.4.10 DAC channel x dual mode right aligned data holding register high (DAC_DCHxRDHRH)
- 15.4.11 DAC channel x dual mode right aligned data holding register low (DAC_DCHxRDHRL)
- 15.4.12 DAC channel x dual mode left aligned data holding register high (DAC_DCHxLDHRH)
- 15.4.13 DAC channel x left aligned data holding register low (DAC_DCHxLDHRL)
- 15.4.14 DAC channel x dual mode 8-bit data holding register (DAC_DCHxDHR8)
- 15.4.15 DAC channel x data output register high (DAC_CHxDORH)
- 15.4.16 DAC channel x data output register low (DAC_CHxDORL)
- 15.4.17 DAC register map and reset values
- 16 Comparators (COMP)
- 16.1 COMP introduction
- 16.2 COMP main features
- 16.3 Comparator 1 (COMP1)
- 16.4 Comparator 2 (COMP2)
- 16.5 Using the comparators in window mode
- 16.6 COMP low power modes
- 16.7 COMP interrupts
- 16.8 COMP registers
- 16.8.1 Comparator control and status register 1 (COMP_CSR1)
- 16.8.2 Comparator control and status register 2 (COMP_CSR2)
- 16.8.3 Comparator control and status register 3 (COMP_CSR3)
- 16.8.4 Comparator control and status register 4 (COMP_CSR4)
- 16.8.5 Comparator control and status register 5 (COMP_CSR5)
- 16.8.6 COMP register map and reset values
- 17 LCD controller
- 17.1 LCD controller introduction
- 17.2 LCD controller main features
- 17.3 LCD functional description
- 17.3.1 General description
- 17.3.2 Frequency generator
- 17.3.3 Common driver
- Figure 57. 1/3 bias, 1/4 duty
- Figure 58. Static duty
- Figure 59. Liquid crystal display and terminal connection (static duty)
- Figure 60. Liquid crystal display and terminal connection (1/2 duty, 1/2 bias)
- Figure 61. Liquid crystal display and terminal connection (1/3 duty, 1/3 bias)
- Figure 62. Liquid crystal display and terminal connection (1/4 duty, 1/3 bias)
- Figure 63. Liquid crystal display and terminal connection (1/8 duty, 1/4 bias)
- 17.3.4 Segment driver
- 17.3.5 Enabling a segment
- 17.3.6 Blink
- 17.3.7 Multiplexing COM[7:4] and SEG[43:40], SEG[39:36], or SEG[31:28]
- 17.3.8 Generation of LCD voltage levels
- 17.3.9 LCD buffer update
- 17.4 LCD controller low power modes
- 17.5 LCD controller interrupts
- 17.6 LCD controller registers
- 18 Timer overview
- 19 16-bit advanced control timer (TIM1)
- 19.1 Introduction
- 19.2 TIM1 main features
- 19.3 TIM1 time base unit
- 19.4 TIM1 clock/trigger controller
- Figure 79. Clock/trigger controller block diagram
- 19.4.1 Prescaler clock (CK_PSC)
- 19.4.2 Internal clock source (fSYSCLK)
- 19.4.3 External clock source mode 1
- 19.4.4 External clock source mode 2
- 19.4.5 Trigger synchronization
- 19.4.6 Synchronization between timers
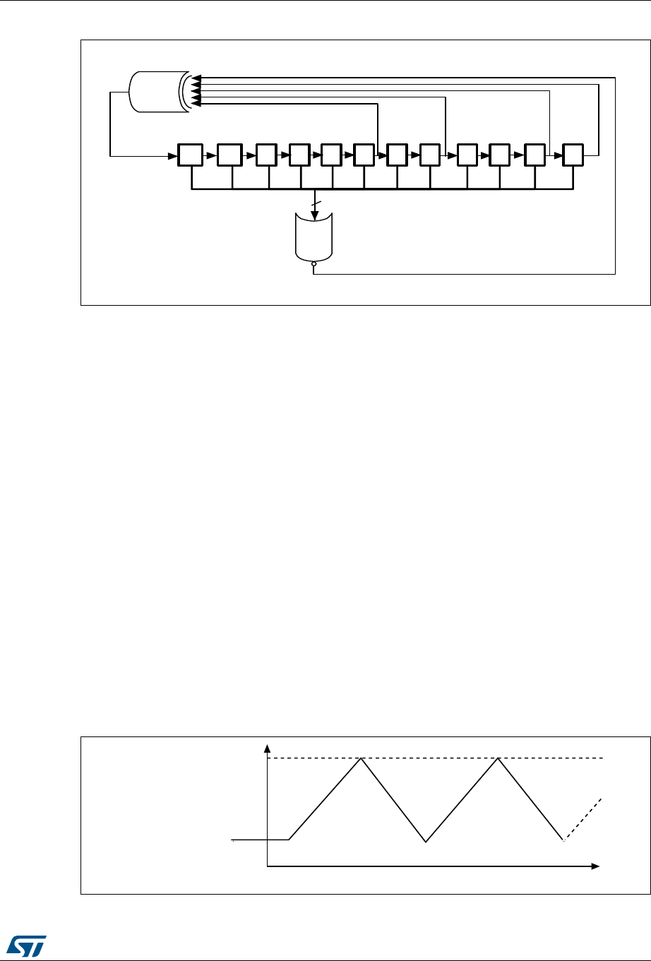
- Figure 89. Timer chaining system implementation example
- Figure 90. Trigger/master mode selection blocks
- Figure 91. Master/slave timer example
- Figure 92. Gating timer B with OC1REF of timer A
- Figure 93. Gating timer B with the counter enable signal of timer A (CNT_EN)
- Figure 94. Triggering timer B with the UEV of timer A (TIMERA-UEV)
- Figure 95. Triggering timer B with counter enable CNT_EN of timer A
- Figure 96. Triggering Timer A and B with Timer A TI1 input
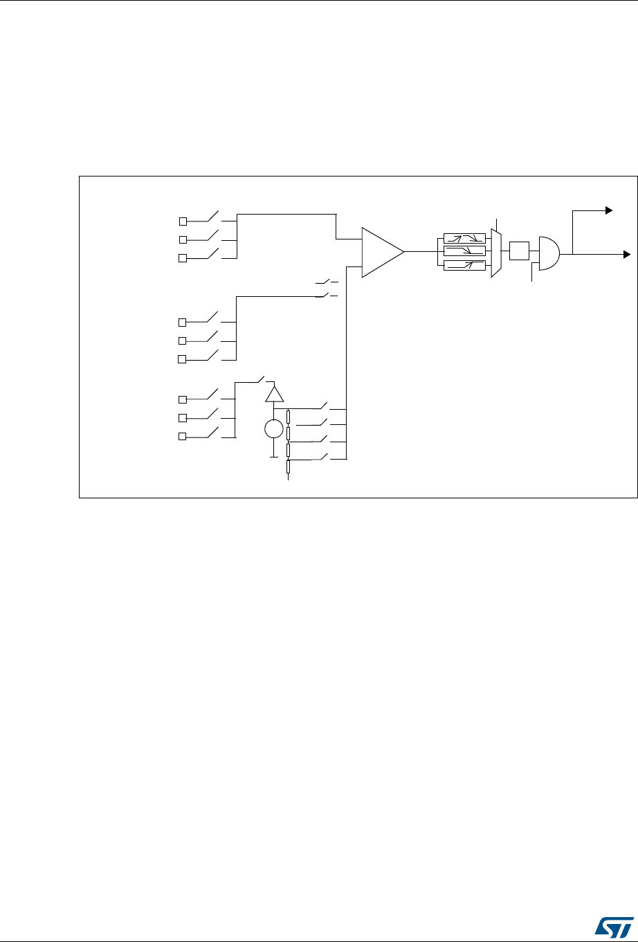
- 19.5 TIM1 capture/compare channels
- Figure 97. Capture/compare channel 1 main circuit
- Figure 98. 16-bit read sequence for the TIM1_CCRi register in capture mode
- 19.5.1 Write sequence for 16-bit TIM1_CCRi registers
- 19.5.2 Input stage
- 19.5.3 Input capture mode
- 19.5.4 Output stage
- 19.5.5 Forced output mode
- 19.5.6 Output compare mode
- 19.5.7 PWM mode
- Figure 106. Edge-aligned counting mode PWM mode 1 waveforms (ARR = 8)
- Figure 107. Center-aligned PWM waveforms (ARR = 8)
- Figure 108. Example of one-pulse mode
- Figure 109. Complementary output with deadtime insertion
- Figure 110. Deadtime waveforms with a delay greater than the negative pulse
- Figure 111. Deadtime waveforms with a delay greater than the positive pulse
- Figure 112. Six-step generation, COM example (OSSR = 1)
- 19.5.8 Using the break function
- 19.5.9 Clearing the OCiREF signal on an external event
- 19.5.10 Encoder interface mode
- 19.5.11 Timer input XOR function
- 19.5.12 Interfacing with Hall sensors
- 19.6 TIM1 interrupts
- 19.7 TIM1 DMA
- 19.8 TIM1 registers
- 19.8.1 Control register 1 (TIM1_CR1)
- 19.8.2 Control register 2 (TIM1_CR2)
- 19.8.3 Slave mode control register (TIM1_SMCR)
- 19.8.4 External trigger register (TIM1_ETR)
- 19.8.5 DMA request enable register (TIM1_DER)
- 19.8.6 Interrupt enable register (TIM1_IER)
- 19.8.7 Status register 1 (TIM1_SR1)
- 19.8.8 Status register 2 (TIM1_SR2)
- 19.8.9 Event generation register (TIM1_EGR)
- 19.8.10 Capture/compare mode register 1 (TIM1_CCMR1)
- 19.8.11 Capture/compare mode register 2 (TIM1_CCMR2)
- 19.8.12 Capture/compare mode register 3 (TIM1_CCMR3)
- 19.8.13 Capture/compare mode register 4 (TIM1_CCMR4)
- 19.8.14 Capture/compare enable register 1 (TIM1_CCER1)
- 19.8.15 Capture/compare enable register 2 (TIM1_CCER2)
- 19.8.16 Counter high (TIM1_CNTRH)
- 19.8.17 Counter low (TIM1_CNTRL)
- 19.8.18 Prescaler high (TIM1_PSCRH)
- 19.8.19 Prescaler low (TIM1_PSCRL)
- 19.8.20 Auto-reload register high (TIM1_ARRH)
- 19.8.21 Auto-reload register low (TIM1_ARRL)
- 19.8.22 Repetition counter register (TIM1_RCR)
- 19.8.23 Capture/compare register 1 high (TIM1_CCR1H)
- 19.8.24 Capture/compare register 1 low (TIM1_CCR1L)
- 19.8.25 Capture/compare register 2 high (TIM1_CCR2H)
- 19.8.26 Capture/compare register 2 low (TIM1_CCR2L)
- 19.8.27 Capture/compare register 3 high (TIM1_CCR3H)
- 19.8.28 Capture/compare register 3 low (TIM1_CCR3L)
- 19.8.29 Capture/compare register 4 high (TIM1_CCR4H)
- 19.8.30 Capture/compare register 4 low (TIM1_CCR4L)
- 19.8.31 Break register (TIM1_BKR)
- 19.8.32 Deadtime register (TIM1_DTR)
- 19.8.33 Output idle state register (TIM1_OISR)
- 19.8.34 DMA control register 1 (TIM1_DCR1)
- 19.8.35 DMA control register 2 (TIM1_DCR2)
- 19.8.36 DMA address for burst mode (TIM1_DMAR)
- 19.8.37 TIM1 register map and reset values
- 20 16-bit general purpose timers (TIM2, TIM3, TIM5)
- 20.1 Introduction
- 20.2 TIMx main features
- 20.3 TIMx functional description
- 20.4 TIMx interrupts
- 20.5 TIMx registers
- 20.5.1 Control register 1 (TIMx_CR1)
- 20.5.2 Control register 2 (TIMx_CR2)
- 20.5.3 Slave mode control register (TIMx_SMCR)
- 20.5.4 External trigger register (TIMx_ETR)
- 20.5.5 DMA request enable register (TIMx_DER)
- 20.5.6 Interrupt enable register (TIMx_IER)
- 20.5.7 Status register 1 (TIMx_SR1)
- 20.5.8 Status register 2 (TIMx_SR2)
- 20.5.9 Event generation register (TIMx_EGR)
- 20.5.10 Capture/compare mode register 1 (TIMx_CCMR1)
- 20.5.11 Capture/compare mode register 2 (TIMx_CCMR2)
- 20.5.12 Capture/compare enable register 1 (TIMx_CCER1)
- 20.5.13 Counter high (TIMx_CNTRH)
- 20.5.14 Counter low (TIMx_CNTRL)
- 20.5.15 Prescaler register (TIMx_PSCR)
- 20.5.16 Auto-reload register high (TIMx_ARRH)
- 20.5.17 Auto-reload register low (TIMx_ARRL)
- 20.5.18 Capture/compare register 1 high (TIMx_CCR1H)
- 20.5.19 Capture/compare register 1 low (TIMx_CCR1L)
- 20.5.20 Capture/compare register 2 high (TIMx_CCR2H)
- 20.5.21 Capture/compare register 2 low (TIMx_CCR2L)
- 20.5.22 Break register (TIMx_BKR)
- 20.5.23 Output idle state register (TIMx_OISR)
- 20.5.24 TIMx register map and reset values
- 21 8-bit basic timer (TIM4)
- 21.1 Introduction
- 21.2 TIM4 main features
- 21.3 TIM4interrupts
- 21.4 TIM4 clock selection
- 21.5 TIM4 registers
- 21.5.1 Control register 1 (TIM4_CR1)
- 21.5.2 Control register 2 (TIM4_CR2)
- 21.5.3 Slave mode control register (TIM4_SMCR)
- 21.5.4 DMA request enable register (TIM4_DER)
- 21.5.5 Interrupt enable register (TIM4_IER)
- 21.5.6 Status register 1 (TIM4_SR)
- 21.5.7 Event generation register (TIM4_EGR)
- 21.5.8 Counter (TIM4_CNTR)
- 21.5.9 Prescaler register (TIM4_PSCR)
- 21.5.10 Auto-reload register (TIM4_ARR)
- 21.5.11 TIM4 register map and reset values
- 22 Infrared (IRTIM) interface
- 23 Beeper (BEEP)
- 24 Real-time clock (RTC)
- 24.1 Introduction
- 24.2 RTC main features
- 24.3 RTC functional description
- 24.3.1 Clock and prescalers
- 24.3.2 Real-time clock and calendar
- 24.3.3 Programmable alarm
- 24.3.4 Periodic auto-wakeup
- 24.3.5 RTC initialization and configuration
- 24.3.6 Reading the calendar
- 24.3.7 Resetting the RTC
- 24.3.8 RTC synchronization (low, medium+ and high-density devices only)
- 24.3.9 RTC smooth digital calibration (low, medium+ and high density devices only)
- 24.3.10 Tamper detection (low, medium+ and high-density devices only)
- 24.3.11 Calibration clock output
- 24.3.12 Alarm output
- 24.4 RTC low power modes
- 24.5 RTC interrupts
- 24.6 RTC registers
- 24.6.1 Time register 1 (RTC_TR1)
- 24.6.2 Time register 2 (RTC_TR2)
- 24.6.3 Time register 3 (RTC_TR3)
- 24.6.4 Date register 1 (RTC_DR1)
- 24.6.5 Date register 2 (RTC_DR2)
- 24.6.6 Date register 3 (RTC_DR3)
- 24.6.7 Subsecond register high (RTC_SSRH)
- 24.6.8 Subsecond register low (RTC_SSRL)
- 24.6.9 Control register 1 (RTC_CR1)
- 24.6.10 Control register 2 (RTC_CR2)
- 24.6.11 Control register 3 (RTC_CR3)
- 24.6.12 Initialization and status register 1 (RTC_ISR1)
- 24.6.13 Initialization and status register 2 (RTC_ISR2)
- 24.6.14 Synchronous prescaler register high (RTC_SPRERH)
- 24.6.15 Synchronous prescaler register low (RTC_SPRERL)
- 24.6.16 Asynchronous prescaler register (RTC_APRER)
- 24.6.17 Wakeup timer register high (RTC_WUTRH)
- 24.6.18 Wakeup timer register low (RTC_WUTRL)
- 24.6.19 Write protection register (RTC_WPR)
- 24.6.20 RTC shift control register high (RTC_SHIFTRH)
- 24.6.21 RTC shift control register low (RTC_SHIFTRL)
- 24.6.22 Alarm A register 1 (RTC_ALRMAR1)
- 24.6.23 Alarm A register 2 (RTC_ALRMAR2)
- 24.6.24 Alarm A register 3 (RTC_ALRMAR3)
- 24.6.25 Alarm A register 4 (RTC_ALRMAR4)
- 24.6.26 Alarm A sub second register high (RTC_ALRMASSRH)
- 24.6.27 Alarm A sub second register low (RTC_ALRMASSRL)
- 24.6.28 Alarm A subsecond masking register (RTC_ALRMASSMSKR)
- 24.6.29 Calibration register high (RTC_CALRH)
- 24.6.30 Calibration register low (RTC_CALRL)
- 24.6.31 Tamper control register 1 (RTC_TCR1)
- 24.6.32 Tamper control register 2 (RTC_TCR2)
- 24.6.33 RTC register map and reset values
- 25 Independent watchdog (IWDG)
- 26 Window watchdog (WWDG)
- 27 AES hardware accelerator (AES)
- 28 Inter-integrated circuit (I2C) interface
- 28.1 Introduction
- 28.2 I2C main features
- 28.3 I2C general description
- 28.4 I2C functional description
- 28.4.1 I2C slave mode
- 28.4.2 I2C master mode
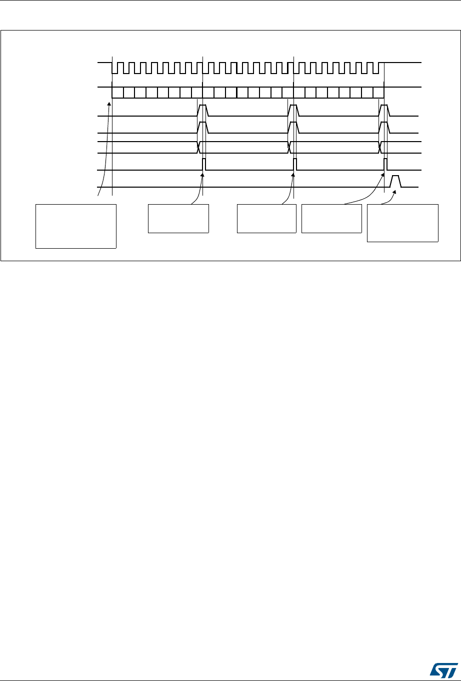
- Figure 146. Transfer sequence diagram for master transmitter
- Figure 147. Method 1: transfer sequence diagram for master receiver
- Figure 148. Method 2: transfer sequence diagram for master receiver when N >2
- Figure 149. Method 2: transfer sequence diagram for master receiver when N=2
- Figure 150. Method 2: transfer sequence diagram for master receiver when N=1
- 28.4.3 Error conditions
- 28.4.4 SDA/SCL line control
- 28.4.5 SMBus
- 28.4.6 DMA requests
- 28.4.7 Packet error checking
- 28.5 I2C low power modes
- 28.6 I2C interrupts
- 28.7 I2C registers
- 28.7.1 Control register 1 (I2C_CR1)
- 28.7.2 Control register 2 (I2C_CR2)
- 28.7.3 Frequency register (I2C_FREQR)
- 28.7.4 Own address register LSB (I2C_OAR1L)
- 28.7.5 Own address register MSB (I2C_OAR1H)
- 28.7.6 Own address register 2 (I2C_OAR2)
- 28.7.7 Data register (I2C_DR)
- 28.7.8 Status register 1 (I2C_SR1)
- 28.7.9 Status register 2 (I2C_SR2)
- 28.7.10 Status register 3 (I2C_SR3)
- 28.7.11 Interrupt and DMA register (I2C_ITR)
- 28.7.12 Clock control register low (I2C_CCRL)
- 28.7.13 Clock control register high (I2C_CCRH)
- 28.7.14 TRISE register (I2C_TRISER)
- 28.7.15 PEC register (I2C_PECR)
- 28.7.16 I2C register map and reset values
- 29 Universal synchronous/asynchronous receiver transmitter (USART)
- 29.1 USART introduction
- 29.2 USART main features
- 29.3 USART functional description
- Figure 152. STM8L05xx/15xx/16xx USART block diagram
- 29.3.1 USART character description
- 29.3.2 Transmitter
- 29.3.3 Receiver
- 29.3.4 High precision baud rate generator
- 29.3.5 USART receiver’s tolerance to clock deviation
- 29.3.6 Parity control
- 29.3.7 Multi-processor communication
- 29.3.8 USART synchronous communication
- 29.3.9 Single wire half duplex communication
- 29.3.10 Smartcard
- 29.3.11 IrDA SIR ENDEC block
- 29.3.12 Continuous communication using DMA
- 29.4 USART low power modes
- 29.5 USART interrupts
- 29.6 USART registers
- 29.6.1 Status register (USART_SR)
- 29.6.2 Data register (USART_DR)
- 29.6.3 Baud rate register 1 (USART_BRR1)
- 29.6.4 Baud rate register 2 (USART_BRR2)
- 29.6.5 Control register 1 (USART_CR1)
- 29.6.6 Control register 2 (USART_CR2)
- 29.6.7 Control register 3 (USART_CR3)
- 29.6.8 Control register 4 (USART_CR4)
- 29.6.9 Control register 5 (USART_CR5)
- 29.6.10 Guard time register (USART_GTR)
- 29.6.11 Prescaler register (USART_PSCR)
- 29.6.12 USART register map and reset values
- 30 Serial peripheral interface (SPI)
- 30.1 Introduction
- 30.2 SPI main features
- 30.3 SPI functional description
- 30.3.1 General description
- 30.3.2 Configuring the SPI in slave mode
- 30.3.3 Configuring the SPI master mode
- 30.3.4 Configuring the SPI for simplex communications
- 30.3.5 Data transmission and reception procedures
- Figure 175. TXE/RXNE/BSY behavior in full duplex mode (RXONLY = 0). Case of continuous transfers
- Figure 176. TXE/RXNE/BSY behavior in slave / full duplex mode (BDM = 0, RXONLY = 0). Case of continuous transfers
- Figure 177. TXE/BSY in master transmit-only mode (BDM = 0 and RXONLY = 0). Case of continuous transfers
- Figure 178. TXE/BSY in slave transmit-only mode (BDM = 0 and RXONLY = 0). Case of continuous transfers
- Figure 179. RXNE behavior in receive-only mode (BDM = 0 and RXONLY = 1). Case of continuous transfers
- Figure 180. TXE/BSY behavior when transmitting (BDM = 0 and RXLONY = 0). Case of discontinuous transfers
- 30.3.6 CRC calculation
- 30.3.7 Status flags
- 30.3.8 Disabling the SPI
- 30.3.9 SPI communication using DMA (direct memory addressing)
- 30.3.10 Error flags
- 30.3.11 SPI low power modes
- 30.3.12 SPI interrupts
- 30.4 SPI registers
- 30.4.1 SPI control register 1 (SPI_CR1)
- 30.4.2 SPI control register 2 (SPI_CR2)
- 30.4.3 SPI interrupt control register (SPI_ICR)
- 30.4.4 SPI status register (SPI_SR)
- 30.4.5 SPI data register (SPI_DR)
- 30.4.6 SPI CRC polynomial register (SPI_CRCPR)
- 30.4.7 SPI Rx CRC register (SPI_RXCRCR)
- 30.4.8 SPI Tx CRC register (SPI_TXCRCR)
- 30.5 SPI register map and reset values
- 31 Revision history

March 2015 DocID15226 Rev 11 1/595
1
RM0031
Reference manual
STM8L051/L052 Value Line, STM8L151/L152, STM8L162,
STM8AL31, STM8AL3L MCU lines
Introduction
This reference manual targets application developers. It provides complete information on
how to use STM8L051/L052 Value Line, STM8L151/L152, STM8L162, STM8AL31 and
STM8AL line microcontroller memory and peripherals. STM8Lxxx line and STM8ALxx line
microcontrollers include families with different memory densities, packages and peripherals.
These products are designed for ultra-low-power applications. Refer to the product
datasheets for the complete list of available peripherals.
For ordering information, pin description, mechanical and electrical device characteristics,
please refer to the product datasheets. For information on the STM8 SWIM communication
protocol and debug module, please refer to the user manual (UM0470). For information on
the STM8 core, please refer to the STM8 CPU programming manual (PM0044). For
information on programming, erasing and protection of the internal Flash memory please
refer to the STM8L Flash programming manual (PM0054).
This document covers:
Value line low-density STM8L05xx devices: STM8L051F3 microcontrollers with 8-KB
Flash.
Value line medium-density STM8L05xx devices: STM8L052C6 microcontrollers with 32-
KB Flash.
Value line high-density STM8L05xx devices: STM8L052R8 microcontrollers with 64-KB
Flash.
Low-density STM8L15x devices: STM8L151C2/K2/G2/F2, STM8L151C3/K3/G3/F3
microcontrollers with 4-KB or 8-KB Flash.
Medium-density STM8L15xx devices: STM8L151C4/K4/G4, STM8L151C6/K6/G6,
STM8L152C4/K4 and STM8L152C6/K6 microcontrollers with 16-KB or 32-KB Flash.
Medium-density STM8AL313x/4x/6x and STM8AL3L4x/6x devices: STM8AL3168,
STM8AL3166, STM8AL3148,STM8AL3146, STM8AL3138, STM8AL3136, STM8AL3L68,
STM8AL3L66, STM8AL3L48, STM8AL3L46 microcontrollers with 8-KB, 16-KB or 32-KB
Flash.
Medium+ density STM8L15xx devices: STM8L151R6 and STM8L152R6 microcontrollers
with 32-KB Flash (Wider range of peripherals than medium-density devices).
High-density STM8AL318x and STM8AL3L8x devices: STM8AL318AT, STM8AL3189,
STM8AL3188, STM8AL3L8A, STM8AL3L89, STM8AL3L88 microcontrollers with 64-KB
Flash.
High-density STM8AL31E88 and STM8AL3LE88 devices: STM8AL31E88,
STM8AL3LE88 microcontrollers with 64-KB Flash (same peripheral set as high-density
STM8AL318x and STM8AL3L8x plus the AES hardware accelerator).
High-density STM8L15xx devices: STM8L151C8/M8/R8 and the STM8L152C8/M8/R8
microcontrollers with 64-KB Flash (Same peripheral set as medium+).
High-density STM8L16xx devices: STM8L162M8/R8 microcontrollers with 64-KB Flash
(Same peripheral set as high-density STM8L152 devices plus the AES hardware
accelerator).
www.st.com

Contents RM0031
2/595 DocID15226 Rev 11
Contents
1 Central processing unit (CPU) . . . . . . . . . . . . . . . . . . . . . . . . . . . . . . . . 30
1.1 Introduction . . . . . . . . . . . . . . . . . . . . . . . . . . . . . . . . . . . . . . . . . . . . . . . 30
1.2 CPU registers . . . . . . . . . . . . . . . . . . . . . . . . . . . . . . . . . . . . . . . . . . . . . . 30
1.2.1 Description of CPU registers . . . . . . . . . . . . . . . . . . . . . . . . . . . . . . . . . 30
1.2.2 STM8 CPU register map . . . . . . . . . . . . . . . . . . . . . . . . . . . . . . . . . . . . 34
1.3 Global configuration register (CFG_GCR) . . . . . . . . . . . . . . . . . . . . . . . . 34
1.3.1 Activation level . . . . . . . . . . . . . . . . . . . . . . . . . . . . . . . . . . . . . . . . . . . . 34
1.3.2 SWIM disable . . . . . . . . . . . . . . . . . . . . . . . . . . . . . . . . . . . . . . . . . . . . . 34
1.3.3 Description of global configuration register (CFG_GCR) . . . . . . . . . . . . 35
1.3.4 Global configuration register map and reset values . . . . . . . . . . . . . . . 35
2 Boot ROM . . . . . . . . . . . . . . . . . . . . . . . . . . . . . . . . . . . . . . . . . . . . . . . . . 36
3 Flash program memory and data EEPROM . . . . . . . . . . . . . . . . . . . . . 37
3.1 Introduction . . . . . . . . . . . . . . . . . . . . . . . . . . . . . . . . . . . . . . . . . . . . . . . 37
3.2 Glossary . . . . . . . . . . . . . . . . . . . . . . . . . . . . . . . . . . . . . . . . . . . . . . . . . . 37
3.3 Main Flash memory features . . . . . . . . . . . . . . . . . . . . . . . . . . . . . . . . . . 38
3.4 Memory organization . . . . . . . . . . . . . . . . . . . . . . . . . . . . . . . . . . . . . . . . 39
3.4.1 Low-density device memory organization . . . . . . . . . . . . . . . . . . . . . . . 39
3.4.2 Medium-density device memory organization . . . . . . . . . . . . . . . . . . . . 40
3.4.3 Medium+ density device memory organization . . . . . . . . . . . . . . . . . . . 41
3.4.4 High-density device memory organization . . . . . . . . . . . . . . . . . . . . . . . 42
3.4.5 Proprietary code area (PCODE) . . . . . . . . . . . . . . . . . . . . . . . . . . . . . . 43
3.4.6 User boot area (UBC) . . . . . . . . . . . . . . . . . . . . . . . . . . . . . . . . . . . . . . 43
3.4.7 Data EEPROM (DATA) . . . . . . . . . . . . . . . . . . . . . . . . . . . . . . . . . . . . . 46
3.4.8 Main program area . . . . . . . . . . . . . . . . . . . . . . . . . . . . . . . . . . . . . . . . 46
3.4.9 Option bytes . . . . . . . . . . . . . . . . . . . . . . . . . . . . . . . . . . . . . . . . . . . . . . 46
3.5 Memory protection . . . . . . . . . . . . . . . . . . . . . . . . . . . . . . . . . . . . . . . . . . 47
3.5.1 Readout protection . . . . . . . . . . . . . . . . . . . . . . . . . . . . . . . . . . . . . . . . 47
3.5.2 Memory access security system (MASS) . . . . . . . . . . . . . . . . . . . . . . . 47
3.5.3 Enabling write access to option bytes . . . . . . . . . . . . . . . . . . . . . . . . . . 49
3.6 Memory programming . . . . . . . . . . . . . . . . . . . . . . . . . . . . . . . . . . . . . . . 49
3.6.1 Read-while-write (RWW) . . . . . . . . . . . . . . . . . . . . . . . . . . . . . . . . . . . . 49

DocID15226 Rev 11 3/595
RM0031 Contents
22
3.6.2 Byte programming . . . . . . . . . . . . . . . . . . . . . . . . . . . . . . . . . . . . . . . . . 49
3.6.3 Word programming . . . . . . . . . . . . . . . . . . . . . . . . . . . . . . . . . . . . . . . . 50
3.6.4 Block programming . . . . . . . . . . . . . . . . . . . . . . . . . . . . . . . . . . . . . . . . 50
3.6.5 Option byte programming . . . . . . . . . . . . . . . . . . . . . . . . . . . . . . . . . . . 52
3.7 Flash low-power modes . . . . . . . . . . . . . . . . . . . . . . . . . . . . . . . . . . . . . . 52
3.8 ICP and IAP . . . . . . . . . . . . . . . . . . . . . . . . . . . . . . . . . . . . . . . . . . . . . . . 52
3.9 Flash registers . . . . . . . . . . . . . . . . . . . . . . . . . . . . . . . . . . . . . . . . . . . . . 57
3.9.1 Flash control register 1 (FLASH_CR1) . . . . . . . . . . . . . . . . . . . . . . . . . 57
3.9.2 Flash control register 2 (FLASH_CR2) . . . . . . . . . . . . . . . . . . . . . . . . . 58
3.9.3 Flash program memory unprotecting key register (FLASH_PUKR) . . . 58
3.9.4 Data EEPROM unprotection key register (FLASH_DUKR) . . . . . . . . . . 59
3.9.5 Flash status register (FLASH_IAPSR) . . . . . . . . . . . . . . . . . . . . . . . . . . 59
3.9.6 Flash register map and reset values . . . . . . . . . . . . . . . . . . . . . . . . . . . 60
4 Single wire interface module (SWIM) and debug module (DM) . . . . . 61
4.1 Introduction . . . . . . . . . . . . . . . . . . . . . . . . . . . . . . . . . . . . . . . . . . . . . . . 61
4.2 Main features . . . . . . . . . . . . . . . . . . . . . . . . . . . . . . . . . . . . . . . . . . . . . . 61
4.3 SWIM modes . . . . . . . . . . . . . . . . . . . . . . . . . . . . . . . . . . . . . . . . . . . . . . 61
5 Memory and register map . . . . . . . . . . . . . . . . . . . . . . . . . . . . . . . . . . . . 62
5.1 Register description abbreviations . . . . . . . . . . . . . . . . . . . . . . . . . . . . . . 62
6 Power control (PWR) . . . . . . . . . . . . . . . . . . . . . . . . . . . . . . . . . . . . . . . . 63
6.1 Power supply . . . . . . . . . . . . . . . . . . . . . . . . . . . . . . . . . . . . . . . . . . . . . . 63
6.2 Power-on reset (POR)/power-down reset (PDR) . . . . . . . . . . . . . . . . . . . 64
6.3 Brownout reset (BOR) . . . . . . . . . . . . . . . . . . . . . . . . . . . . . . . . . . . . . . . 65
6.4 Programmable voltage detector (PVD) . . . . . . . . . . . . . . . . . . . . . . . . . . 66
6.5 Internal voltage reference (VREFINT) . . . . . . . . . . . . . . . . . . . . . . . . . . . 67
6.6 Voltage regulator . . . . . . . . . . . . . . . . . . . . . . . . . . . . . . . . . . . . . . . . . . . 68
6.7 PWR registers . . . . . . . . . . . . . . . . . . . . . . . . . . . . . . . . . . . . . . . . . . . . . 69
6.7.1 Power control and status register 1 (PWR_CSR1) . . . . . . . . . . . . . . . . 69
6.7.2 PWR control and status register 2 (PWR_CSR2) . . . . . . . . . . . . . . . . . 70
6.7.3 PWR register map and reset values . . . . . . . . . . . . . . . . . . . . . . . . . . . 70
7 Low power modes . . . . . . . . . . . . . . . . . . . . . . . . . . . . . . . . . . . . . . . . . . 71
7.1 Slowing down the system clocks . . . . . . . . . . . . . . . . . . . . . . . . . . . . . . . 72

Contents RM0031
4/595 DocID15226 Rev 11
7.2 Peripheral clock gating (PCG) . . . . . . . . . . . . . . . . . . . . . . . . . . . . . . . . . 72
7.3 Wait mode (WFI or WFE mode) . . . . . . . . . . . . . . . . . . . . . . . . . . . . . . . . 72
7.4 Wait for interrupt (WFI) mode . . . . . . . . . . . . . . . . . . . . . . . . . . . . . . . . . . 73
7.5 Wait for event (WFE) mode . . . . . . . . . . . . . . . . . . . . . . . . . . . . . . . . . . . 73
7.5.1 WFE registers . . . . . . . . . . . . . . . . . . . . . . . . . . . . . . . . . . . . . . . . . . . . 74
7.5.2 WFE register map and reset values . . . . . . . . . . . . . . . . . . . . . . . . . . . 79
7.6 Low power run mode . . . . . . . . . . . . . . . . . . . . . . . . . . . . . . . . . . . . . . . . 80
7.6.1 Entering Low power run mode . . . . . . . . . . . . . . . . . . . . . . . . . . . . . . . . 80
7.6.2 Exiting Low power run mode . . . . . . . . . . . . . . . . . . . . . . . . . . . . . . . . . 80
7.7 Low power wait mode . . . . . . . . . . . . . . . . . . . . . . . . . . . . . . . . . . . . . . . . 80
7.8 Halt mode . . . . . . . . . . . . . . . . . . . . . . . . . . . . . . . . . . . . . . . . . . . . . . . . . 81
7.8.1 Entering Halt mode . . . . . . . . . . . . . . . . . . . . . . . . . . . . . . . . . . . . . . . . 81
7.8.2 Exiting Halt mode . . . . . . . . . . . . . . . . . . . . . . . . . . . . . . . . . . . . . . . . . . 81
7.9 Active-halt mode . . . . . . . . . . . . . . . . . . . . . . . . . . . . . . . . . . . . . . . . . . . . 82
8 Reset (RST) . . . . . . . . . . . . . . . . . . . . . . . . . . . . . . . . . . . . . . . . . . . . . . . 83
8.1 “Reset state” and “under reset” definitions . . . . . . . . . . . . . . . . . . . . . . . . 83
8.2 External reset (NRST pin) . . . . . . . . . . . . . . . . . . . . . . . . . . . . . . . . . . . . 83
8.2.1 Asynchronous external reset description . . . . . . . . . . . . . . . . . . . . . . . . 83
8.2.2 Configuring NRST/PA1 pin as general purpose output . . . . . . . . . . . . . 84
8.3 Internal reset . . . . . . . . . . . . . . . . . . . . . . . . . . . . . . . . . . . . . . . . . . . . . . 84
8.3.1 Power-on reset (POR) . . . . . . . . . . . . . . . . . . . . . . . . . . . . . . . . . . . . . . 84
8.3.2 Independent watchdog reset . . . . . . . . . . . . . . . . . . . . . . . . . . . . . . . . . 84
8.3.3 Window watchdog reset . . . . . . . . . . . . . . . . . . . . . . . . . . . . . . . . . . . . . 84
8.3.4 SWIM reset . . . . . . . . . . . . . . . . . . . . . . . . . . . . . . . . . . . . . . . . . . . . . . 84
8.3.5 Illegal opcode reset . . . . . . . . . . . . . . . . . . . . . . . . . . . . . . . . . . . . . . . . 84
8.4 RST registers . . . . . . . . . . . . . . . . . . . . . . . . . . . . . . . . . . . . . . . . . . . . . . 85
8.4.1 Reset pin configuration register (RST_CR) . . . . . . . . . . . . . . . . . . . . . . 85
8.4.2 Reset status register (RST_SR) . . . . . . . . . . . . . . . . . . . . . . . . . . . . . . 85
8.4.3 RST register map and reset values . . . . . . . . . . . . . . . . . . . . . . . . . . . . 86
9 Clock control (CLK) . . . . . . . . . . . . . . . . . . . . . . . . . . . . . . . . . . . . . . . . . 87
9.1 Introduction . . . . . . . . . . . . . . . . . . . . . . . . . . . . . . . . . . . . . . . . . . . . . . . 87
9.2 HSE clock . . . . . . . . . . . . . . . . . . . . . . . . . . . . . . . . . . . . . . . . . . . . . . . . . 88
9.3 HSI clock . . . . . . . . . . . . . . . . . . . . . . . . . . . . . . . . . . . . . . . . . . . . . . . . . 90

DocID15226 Rev 11 5/595
RM0031 Contents
22
9.4 LSE clock . . . . . . . . . . . . . . . . . . . . . . . . . . . . . . . . . . . . . . . . . . . . . . . . . 91
9.5 LSI clock . . . . . . . . . . . . . . . . . . . . . . . . . . . . . . . . . . . . . . . . . . . . . . . . . . 91
9.6 System clock sources . . . . . . . . . . . . . . . . . . . . . . . . . . . . . . . . . . . . . . . . 92
9.6.1 System startup . . . . . . . . . . . . . . . . . . . . . . . . . . . . . . . . . . . . . . . . . . . . 92
9.6.2 System clock switching procedures . . . . . . . . . . . . . . . . . . . . . . . . . . . . 92
9.7 Peripheral clock gating (PCG) . . . . . . . . . . . . . . . . . . . . . . . . . . . . . . . . . 95
9.8 Clock security system (CSS) . . . . . . . . . . . . . . . . . . . . . . . . . . . . . . . . . . 95
9.8.1 Clock security system on HSE . . . . . . . . . . . . . . . . . . . . . . . . . . . . . . . . 95
9.8.2 Clock security system on LSE . . . . . . . . . . . . . . . . . . . . . . . . . . . . . . . . 96
9.8.3 CSS on LSE control and status register (CSSLSE_CSR) . . . . . . . . . . . 97
9.8.4 CSS on LSE register map and reset values . . . . . . . . . . . . . . . . . . . . . 98
9.9 RTC and LCD clock . . . . . . . . . . . . . . . . . . . . . . . . . . . . . . . . . . . . . . . . . 98
9.10 BEEP clock . . . . . . . . . . . . . . . . . . . . . . . . . . . . . . . . . . . . . . . . . . . . . . . . 98
9.11 Configurable clock output capability (CCO) . . . . . . . . . . . . . . . . . . . . . . . 98
9.12 Clock-independent system clock sources for TIM2/TIM3 . . . . . . . . . . . . . 99
9.13 CLK interrupts . . . . . . . . . . . . . . . . . . . . . . . . . . . . . . . . . . . . . . . . . . . . . 99
9.14 CLK registers . . . . . . . . . . . . . . . . . . . . . . . . . . . . . . . . . . . . . . . . . . . . . 100
9.14.1 System clock divider register (CLK_CKDIVR) . . . . . . . . . . . . . . . . . . . 100
9.14.2 Clock RTC register (CLK_CRTCR) . . . . . . . . . . . . . . . . . . . . . . . . . . . 100
9.14.3 Internal clock register (CLK_ICKCR) . . . . . . . . . . . . . . . . . . . . . . . . . . 102
9.14.4 Peripheral clock gating register 1 (CLK_PCKENR1) . . . . . . . . . . . . . . 104
9.14.5 Peripheral clock gating register 2 (CLK_PCKENR2) . . . . . . . . . . . . . . 105
9.14.6 Peripheral clock gating register 3 (CLK_PCKENR3) . . . . . . . . . . . . . . 106
9.14.7 Configurable clock output register (CLK_CCOR) . . . . . . . . . . . . . . . . 107
9.14.8 External clock register (CLK_ECKCR) . . . . . . . . . . . . . . . . . . . . . . . . 108
9.14.9 System clock status register (CLK_SCSR) . . . . . . . . . . . . . . . . . . . . . 109
9.14.10 System clock switch register (CLK_SWR) . . . . . . . . . . . . . . . . . . . . . . 110
9.14.11 Switch control register (CLK_SWCR) . . . . . . . . . . . . . . . . . . . . . . . . . 110
9.14.12 Clock security system register (CLK_CSSR) . . . . . . . . . . . . . . . . . . . . 111
9.14.13 Clock BEEP register (CLK_CBEEPR) . . . . . . . . . . . . . . . . . . . . . . . . . 112
9.14.14 HSI calibration register (CLK_HSICALR) . . . . . . . . . . . . . . . . . . . . . . 112
9.14.15 HSI clock calibration trimming register (CLK_HSITRIMR) . . . . . . . . . . 113
9.14.16 HSI unlock register (CLK_HSIUNLCKR) . . . . . . . . . . . . . . . . . . . . . . . 113
9.14.17 Main regulator control status register (CLK_REGCSR) . . . . . . . . . . . . 114
9.14.18 CLK register map and reset values . . . . . . . . . . . . . . . . . . . . . . . . . . . 115

Contents RM0031
6/595 DocID15226 Rev 11
10 General purpose I/O ports (GPIO) . . . . . . . . . . . . . . . . . . . . . . . . . . . . 116
10.1 Introduction . . . . . . . . . . . . . . . . . . . . . . . . . . . . . . . . . . . . . . . . . . . . . . .116
10.2 GPIO main features . . . . . . . . . . . . . . . . . . . . . . . . . . . . . . . . . . . . . . . . .116
10.3 Port configuration and usage . . . . . . . . . . . . . . . . . . . . . . . . . . . . . . . . . .117
10.3.1 Input modes . . . . . . . . . . . . . . . . . . . . . . . . . . . . . . . . . . . . . . . . . . . . . 118
10.3.2 Output modes . . . . . . . . . . . . . . . . . . . . . . . . . . . . . . . . . . . . . . . . . . . 119
10.4 Reset configuration . . . . . . . . . . . . . . . . . . . . . . . . . . . . . . . . . . . . . . . . .119
10.5 Unused I/O pins . . . . . . . . . . . . . . . . . . . . . . . . . . . . . . . . . . . . . . . . . . . .119
10.6 Low power modes . . . . . . . . . . . . . . . . . . . . . . . . . . . . . . . . . . . . . . . . . .119
10.7 Input mode details . . . . . . . . . . . . . . . . . . . . . . . . . . . . . . . . . . . . . . . . . 120
10.7.1 Alternate function input . . . . . . . . . . . . . . . . . . . . . . . . . . . . . . . . . . . . 120
10.7.2 Interrupt capability . . . . . . . . . . . . . . . . . . . . . . . . . . . . . . . . . . . . . . . . 120
10.7.3 Analog function . . . . . . . . . . . . . . . . . . . . . . . . . . . . . . . . . . . . . . . . . . 120
10.8 Output mode details . . . . . . . . . . . . . . . . . . . . . . . . . . . . . . . . . . . . . . . . 121
10.8.1 Alternate function output . . . . . . . . . . . . . . . . . . . . . . . . . . . . . . . . . . . 121
10.8.2 Slope control . . . . . . . . . . . . . . . . . . . . . . . . . . . . . . . . . . . . . . . . . . . . 121
10.9 GPIO registers . . . . . . . . . . . . . . . . . . . . . . . . . . . . . . . . . . . . . . . . . . . . 122
10.9.1 Port x output data register (Px_ODR) . . . . . . . . . . . . . . . . . . . . . . . . . 122
10.9.2 Port x pin input register (Px_IDR) . . . . . . . . . . . . . . . . . . . . . . . . . . . . 122
10.9.3 Port x data direction register (Px_DDR) . . . . . . . . . . . . . . . . . . . . . . . 123
10.9.4 Port x control register 1 (Px_CR1) . . . . . . . . . . . . . . . . . . . . . . . . . . . . 123
10.9.5 Port x control register 2 (Px_CR2) . . . . . . . . . . . . . . . . . . . . . . . . . . . . 124
10.9.6 Peripheral alternate function remapping . . . . . . . . . . . . . . . . . . . . . . . 124
10.9.7 GPIO register map and reset values . . . . . . . . . . . . . . . . . . . . . . . . . . 124
11 Routing interface (RI) and system configuration
controller (SYSCFG) . . . . . . . . . . . . . . . . . . . . . . . . . . . . . . . . . . . . . . . 125
11.1 Introduction . . . . . . . . . . . . . . . . . . . . . . . . . . . . . . . . . . . . . . . . . . . . . . 125
11.2 RI main features . . . . . . . . . . . . . . . . . . . . . . . . . . . . . . . . . . . . . . . . . . . 125
11.2.1 RI functional description . . . . . . . . . . . . . . . . . . . . . . . . . . . . . . . . . . . 128
11.2.2 I/O groups . . . . . . . . . . . . . . . . . . . . . . . . . . . . . . . . . . . . . . . . . . . . . . 128
11.2.3 TIM1 input capture routing . . . . . . . . . . . . . . . . . . . . . . . . . . . . . . . . . . 130
11.2.4 TIM2 & TIM3 routing . . . . . . . . . . . . . . . . . . . . . . . . . . . . . . . . . . . . . . 131
11.2.5 Comparator routing . . . . . . . . . . . . . . . . . . . . . . . . . . . . . . . . . . . . . . . 132
11.2.6 DAC routing . . . . . . . . . . . . . . . . . . . . . . . . . . . . . . . . . . . . . . . . . . . . . 132
11.2.7 Internal reference voltage routing . . . . . . . . . . . . . . . . . . . . . . . . . . . . 134

DocID15226 Rev 11 7/595
RM0031 Contents
22
11.3 RI interrupts . . . . . . . . . . . . . . . . . . . . . . . . . . . . . . . . . . . . . . . . . . . . . . 134
11.4 RI registers . . . . . . . . . . . . . . . . . . . . . . . . . . . . . . . . . . . . . . . . . . . . . . . 134
11.4.1 Timer input capture routing register 1 (RI_ICR1) . . . . . . . . . . . . . . . . . 134
11.4.2 Timer input capture routing register 2 (RI_ICR2) . . . . . . . . . . . . . . . . . 135
11.4.3 I/O input register 1 (RI_IOIR1) . . . . . . . . . . . . . . . . . . . . . . . . . . . . . . . 135
11.4.4 I/O input register 2 (RI_IOIR2) . . . . . . . . . . . . . . . . . . . . . . . . . . . . . . . 135
11.4.5 I/O input register 3 (RI_IOIR3) . . . . . . . . . . . . . . . . . . . . . . . . . . . . . . . 136
11.4.6 I/O control mode register 1 (RI_IOCMR1) . . . . . . . . . . . . . . . . . . . . . . 136
11.4.7 I/O control mode register 2 (RI_IOCMR2) . . . . . . . . . . . . . . . . . . . . . . 136
11.4.8 I/O control mode register 3 (RI_IOCMR3) . . . . . . . . . . . . . . . . . . . . . . 137
11.4.9 I/O switch register 1 (RI_IOSR1) . . . . . . . . . . . . . . . . . . . . . . . . . . . . . 137
11.4.10 I/O switch register 2 (RI_IOSR2) . . . . . . . . . . . . . . . . . . . . . . . . . . . . . 139
11.4.11 I/O switch register 3 (RI_IOSR3) . . . . . . . . . . . . . . . . . . . . . . . . . . . . . 140
11.4.12 IO group control register (RI_IOGCR) . . . . . . . . . . . . . . . . . . . . . . . . . 141
11.4.13 Analog switch register 1 (RI_ASCR1) . . . . . . . . . . . . . . . . . . . . . . . . . 144
11.4.14 Analog switch register 2 (RI_ASCR2) . . . . . . . . . . . . . . . . . . . . . . . . . 144
11.4.15 Resistor control register (RI_RCR) . . . . . . . . . . . . . . . . . . . . . . . . . . . 145
11.4.16 Control register (RI_CR) . . . . . . . . . . . . . . . . . . . . . . . . . . . . . . . . . . . 146
11.4.17 IO mask register 1 (RI_IOMR1) . . . . . . . . . . . . . . . . . . . . . . . . . . . . . . 147
11.4.18 IO mask register 2 (RI_IOMR2) . . . . . . . . . . . . . . . . . . . . . . . . . . . . . . 147
11.4.19 IO mask register 3 (RI_IOMR3) . . . . . . . . . . . . . . . . . . . . . . . . . . . . . . 148
11.4.20 IO mask register 4 (RI_IOMR4) . . . . . . . . . . . . . . . . . . . . . . . . . . . . . . 148
11.4.21 I/O input register 4 (RI_IOIR4) . . . . . . . . . . . . . . . . . . . . . . . . . . . . . . . 149
11.4.22 I/O control mode register 4 (RI_IOCMR4) . . . . . . . . . . . . . . . . . . . . . . 149
11.4.23 I/O switch register 4 (RI_IOSR4) . . . . . . . . . . . . . . . . . . . . . . . . . . . . . 150
11.4.24 RI register map and reset values . . . . . . . . . . . . . . . . . . . . . . . . . . . . . 151
11.5 SYSCFG registers . . . . . . . . . . . . . . . . . . . . . . . . . . . . . . . . . . . . . . . . . 153
11.5.1 SYSCFG remap control register 1 (SYSCFG_RMPCR1) . . . . . . . . . . 153
11.5.2 SYSCFG remap control register 2 (SYSCFG_RMPCR2) . . . . . . . . . . 154
11.5.3 SYSCFG remap control register 3 (SYSCFG_RMPCR3) . . . . . . . . . . 155
11.5.4 SYSCFG register map and reset values . . . . . . . . . . . . . . . . . . . . . . . 156
12 Interrupt controller (ITC) . . . . . . . . . . . . . . . . . . . . . . . . . . . . . . . . . . . . 157
12.1 ITC introduction . . . . . . . . . . . . . . . . . . . . . . . . . . . . . . . . . . . . . . . . . . . 157
12.2 Interrupt masking and processing flow . . . . . . . . . . . . . . . . . . . . . . . . . . 157
12.2.1 Servicing pending interrupts . . . . . . . . . . . . . . . . . . . . . . . . . . . . . . . . 158
12.2.2 Interrupt sources . . . . . . . . . . . . . . . . . . . . . . . . . . . . . . . . . . . . . . . . . 159

Contents RM0031
8/595 DocID15226 Rev 11
12.3 Interrupts and low power modes . . . . . . . . . . . . . . . . . . . . . . . . . . . . . . 160
12.4 Activation level/low power mode control . . . . . . . . . . . . . . . . . . . . . . . . 161
12.5 Concurrent and nested interrupt management . . . . . . . . . . . . . . . . . . . . 161
12.5.1 Concurrent interrupt management mode . . . . . . . . . . . . . . . . . . . . . . . 162
12.5.2 Nested interrupt management mode . . . . . . . . . . . . . . . . . . . . . . . . . . 162
12.6 External interrupts . . . . . . . . . . . . . . . . . . . . . . . . . . . . . . . . . . . . . . . . . 164
12.7 Interrupt instructions . . . . . . . . . . . . . . . . . . . . . . . . . . . . . . . . . . . . . . . . 164
12.8 Interrupt mapping . . . . . . . . . . . . . . . . . . . . . . . . . . . . . . . . . . . . . . . . . . 165
12.9 ITC and EXTI registers . . . . . . . . . . . . . . . . . . . . . . . . . . . . . . . . . . . . . . 166
12.9.1 CPU condition code register interrupt bits (CCR) . . . . . . . . . . . . . . . . 166
12.9.2 Software priority register x (ITC_SPRx) . . . . . . . . . . . . . . . . . . . . . . . . 167
12.9.3 External interrupt control register 1 (EXTI_CR1) . . . . . . . . . . . . . . . . . 167
12.9.4 External interrupt control register 2 (EXTI_CR2) . . . . . . . . . . . . . . . . . 169
12.9.5 External interrupt control register 3 (EXTI_CR3) . . . . . . . . . . . . . . . . . 170
12.9.6 External interrupt control register 4 (EXTI_CR4) . . . . . . . . . . . . . . . . . 171
12.9.7 External interrupt status register 1 (EXTI_SR1) . . . . . . . . . . . . . . . . . 171
12.9.8 External interrupt status register 2 (EXTI_SR2) . . . . . . . . . . . . . . . . . 172
12.9.9 External interrupt port select register (EXTI_CONF1) . . . . . . . . . . . . . 172
12.9.10 External interrupt port select register (EXTI_CONF2) . . . . . . . . . . . . . 174
12.9.11 ITC and EXTI register map and reset values . . . . . . . . . . . . . . . . . . . . 175
13 Direct memory access controller (DMA) . . . . . . . . . . . . . . . . . . . . . . . 177
13.1 DMA introduction . . . . . . . . . . . . . . . . . . . . . . . . . . . . . . . . . . . . . . . . . . 177
Glossary. . . . . . . . . . . . . . . . . . . . . . . . . . . . . . . . . . . . . . . . . . . . . . . . . . . . . . . . 177
13.2 DMA main features . . . . . . . . . . . . . . . . . . . . . . . . . . . . . . . . . . . . . . . . . 178
13.3 DMA functional description . . . . . . . . . . . . . . . . . . . . . . . . . . . . . . . . . . . 179
13.3.1 DMA transactions . . . . . . . . . . . . . . . . . . . . . . . . . . . . . . . . . . . . . . . . 179
13.3.2 DMA arbiter . . . . . . . . . . . . . . . . . . . . . . . . . . . . . . . . . . . . . . . . . . . . . 180
13.3.3 DMA channels . . . . . . . . . . . . . . . . . . . . . . . . . . . . . . . . . . . . . . . . . . . 180
13.3.4 DMA1 request mapping . . . . . . . . . . . . . . . . . . . . . . . . . . . . . . . . . . . . 187
13.3.5 DMA hardware request description . . . . . . . . . . . . . . . . . . . . . . . . . . . 189
13.4 DMA low power modes . . . . . . . . . . . . . . . . . . . . . . . . . . . . . . . . . . . . . 190
13.5 DMA interrupts . . . . . . . . . . . . . . . . . . . . . . . . . . . . . . . . . . . . . . . . . . . . 191
13.6 DMA registers . . . . . . . . . . . . . . . . . . . . . . . . . . . . . . . . . . . . . . . . . . . . . 191
13.6.1 DMA global configuration & status register (DMA_GCSR) . . . . . . . . . 192
13.6.2 DMA global interrupt register 1 (DMA_GIR1) . . . . . . . . . . . . . . . . . . . 192

DocID15226 Rev 11 9/595
RM0031 Contents
22
13.6.3 DMA channel configuration register (DMA_CxCR) . . . . . . . . . . . . . . . 193
13.6.4 DMA channel status & priority register (DMA_CxSPR) . . . . . . . . . . . . 195
13.6.5 DMA number of data to transfer register (DMA_CxNDTR) . . . . . . . . . 196
13.6.6 DMA peripheral address high register (DMA_CxPARH) . . . . . . . . . . . 196
13.6.7 DMA peripheral address low register (DMA_CxPARL) . . . . . . . . . . . . 197
13.6.8 DMA channel 3 peripheral address high & memory 1 address high
register (DMA_C3PARH_C3M1ARH) . . . . . . . . . . . . . . . . . . . . . . . . . 197
13.6.9 DMA channel 3 peripheral address low & memory 1 address low
register (DMA_C3PARL_C3M1ARL) . . . . . . . . . . . . . . . . . . . . . . . . . . 198
13.6.10 DMA memory 0 address high register (DMA_CxM0ARH) . . . . . . . . . . 199
13.6.11 DMA memory 0 address low register (DMA_CxM0ARL) . . . . . . . . . . . 199
13.6.12 DMA channel 3 memory 0 extended address register
(DMA_C3M0EAR) . . . . . . . . . . . . . . . . . . . . . . . . . . . . . . . . . . . . . . . . 200
13.6.13 DMA register map and reset values . . . . . . . . . . . . . . . . . . . . . . . . . . 201
14 Analog-to-digital converter (ADC) . . . . . . . . . . . . . . . . . . . . . . . . . . . . 203
14.1 ADC introduction . . . . . . . . . . . . . . . . . . . . . . . . . . . . . . . . . . . . . . . . . . 203
14.2 ADC main features . . . . . . . . . . . . . . . . . . . . . . . . . . . . . . . . . . . . . . . . . 203
14.3 ADC functional description . . . . . . . . . . . . . . . . . . . . . . . . . . . . . . . . . . . 204
14.3.1 General description . . . . . . . . . . . . . . . . . . . . . . . . . . . . . . . . . . . . . . . 204
14.3.2 Number of analog channels . . . . . . . . . . . . . . . . . . . . . . . . . . . . . . . . . 205
14.3.3 ADC on-off control . . . . . . . . . . . . . . . . . . . . . . . . . . . . . . . . . . . . . . . . 205
14.3.4 Single conversion mode . . . . . . . . . . . . . . . . . . . . . . . . . . . . . . . . . . . 205
14.3.5 Continuous conversion mode . . . . . . . . . . . . . . . . . . . . . . . . . . . . . . . 207
14.3.6 ADC clock . . . . . . . . . . . . . . . . . . . . . . . . . . . . . . . . . . . . . . . . . . . . . . 207
14.3.7 Analog watchdog . . . . . . . . . . . . . . . . . . . . . . . . . . . . . . . . . . . . . . . . . 207
14.3.8 Interrupts . . . . . . . . . . . . . . . . . . . . . . . . . . . . . . . . . . . . . . . . . . . . . . . 208
14.3.9 Channel selection (Scan mode) . . . . . . . . . . . . . . . . . . . . . . . . . . . . . . 208
14.3.10 Data integrity . . . . . . . . . . . . . . . . . . . . . . . . . . . . . . . . . . . . . . . . . . . . 209
14.3.11 DMA transfer . . . . . . . . . . . . . . . . . . . . . . . . . . . . . . . . . . . . . . . . . . . . 209
14.3.12 Configurable resolution . . . . . . . . . . . . . . . . . . . . . . . . . . . . . . . . . . . . 209
14.3.13 Data alignment . . . . . . . . . . . . . . . . . . . . . . . . . . . . . . . . . . . . . . . . . . . 210
14.3.14 Programmable sampling time . . . . . . . . . . . . . . . . . . . . . . . . . . . . . . . 210
14.3.15 Schmitt trigger disabling . . . . . . . . . . . . . . . . . . . . . . . . . . . . . . . . . . . 211
14.3.16 Temperature sensor . . . . . . . . . . . . . . . . . . . . . . . . . . . . . . . . . . . . . . . 211
14.3.17 Internal reference voltage conversion . . . . . . . . . . . . . . . . . . . . . . . . . 212
14.4 ADC low power modes . . . . . . . . . . . . . . . . . . . . . . . . . . . . . . . . . . . . . . 212

Contents RM0031
10/595 DocID15226 Rev 11
14.5 ADC interrupts . . . . . . . . . . . . . . . . . . . . . . . . . . . . . . . . . . . . . . . . . . . . 213
14.6 ADC registers . . . . . . . . . . . . . . . . . . . . . . . . . . . . . . . . . . . . . . . . . . . . . 213
14.6.1 ADC configuration register 1 (ADC_CR1) . . . . . . . . . . . . . . . . . . . . . . 213
14.6.2 ADC configuration register 2 (ADC_CR2) . . . . . . . . . . . . . . . . . . . . . . 215
14.6.3 ADC configuration register 3 (ADC_CR3) . . . . . . . . . . . . . . . . . . . . . . 216
14.6.4 ADC status register (ADC_SR) . . . . . . . . . . . . . . . . . . . . . . . . . . . . . . 217
14.6.5 ADC data register high (ADC_DRH) . . . . . . . . . . . . . . . . . . . . . . . . . . 218
14.6.6 ADC data register low (ADC_DRL) . . . . . . . . . . . . . . . . . . . . . . . . . . . 218
14.6.7 ADC high threshold register high (ADC_HTRH) . . . . . . . . . . . . . . . . . 219
14.6.8 ADC high threshold register low (ADC_HTRL) . . . . . . . . . . . . . . . . . . 219
14.6.9 ADC low threshold register high (ADC_LTRH) . . . . . . . . . . . . . . . . . . 219
14.6.10 ADC low threshold register low (ADC_LTRL) . . . . . . . . . . . . . . . . . . . 220
14.6.11 ADC channel sequence 1 register (ADC_SQR1) . . . . . . . . . . . . . . . . 220
14.6.12 ADC channel sequence register 2 (ADC_SQR2) . . . . . . . . . . . . . . . . 221
14.6.13 ADC channel select scan 3 (ADC_SQR3) . . . . . . . . . . . . . . . . . . . . . . 221
14.6.14 ADC channel select scan 4 (ADC_SQR4) . . . . . . . . . . . . . . . . . . . . . . 222
14.6.15 ADC trigger disable 1 (ADC_TRIGR1) . . . . . . . . . . . . . . . . . . . . . . . . 222
14.6.16 ADC trigger disable 2 (ADC_TRIGR2) . . . . . . . . . . . . . . . . . . . . . . . . 223
14.6.17 ADC trigger disable 3 (ADC_TRIGR3) . . . . . . . . . . . . . . . . . . . . . . . . 223
14.6.18 ADC trigger disable 4 (ADC_TRIGR4) . . . . . . . . . . . . . . . . . . . . . . . . 223
14.6.19 ADC register map and reset values . . . . . . . . . . . . . . . . . . . . . . . . . . . 224
15 Digital-to-analog converter (DAC) . . . . . . . . . . . . . . . . . . . . . . . . . . . . 225
15.1 DAC introduction . . . . . . . . . . . . . . . . . . . . . . . . . . . . . . . . . . . . . . . . . . 225
15.2 DAC main features . . . . . . . . . . . . . . . . . . . . . . . . . . . . . . . . . . . . . . . . . 225
15.3 DAC functional description . . . . . . . . . . . . . . . . . . . . . . . . . . . . . . . . . . . 227
15.3.1 DAC channel x enable . . . . . . . . . . . . . . . . . . . . . . . . . . . . . . . . . . . . . 227
15.3.2 DAC output buffer enable . . . . . . . . . . . . . . . . . . . . . . . . . . . . . . . . . . 227
15.3.3 DAC output switch configuration . . . . . . . . . . . . . . . . . . . . . . . . . . . . . 228
15.3.4 DAC data format . . . . . . . . . . . . . . . . . . . . . . . . . . . . . . . . . . . . . . . . . 228
15.3.5 DAC conversion sequence . . . . . . . . . . . . . . . . . . . . . . . . . . . . . . . . . 228
15.3.6 DAC output voltage . . . . . . . . . . . . . . . . . . . . . . . . . . . . . . . . . . . . . . . 229
15.3.7 DAC trigger selection . . . . . . . . . . . . . . . . . . . . . . . . . . . . . . . . . . . . . . 229
15.3.8 DAC DMA request . . . . . . . . . . . . . . . . . . . . . . . . . . . . . . . . . . . . . . . . 229
15.3.9 DAC DMA underrun interrupt . . . . . . . . . . . . . . . . . . . . . . . . . . . . . . . . 230
15.3.10 Noise generation . . . . . . . . . . . . . . . . . . . . . . . . . . . . . . . . . . . . . . . . . 230
15.3.11 Triangle-wave generation . . . . . . . . . . . . . . . . . . . . . . . . . . . . . . . . . . 231

DocID15226 Rev 11 11/595
RM0031 Contents
22
15.3.12 Dual DAC conversion . . . . . . . . . . . . . . . . . . . . . . . . . . . . . . . . . . . . . 232
15.4 DAC registers . . . . . . . . . . . . . . . . . . . . . . . . . . . . . . . . . . . . . . . . . . . . . 236
15.4.1 DAC channel x control register 1 (DAC_CHxCR1) . . . . . . . . . . . . . . . 236
15.4.2 DAC channel x control register 2 (DAC_CHxCR2) . . . . . . . . . . . . . . . 237
15.4.3 DAC software trigger register (DAC_SWTRIGR) . . . . . . . . . . . . . . . . . 238
15.4.4 DAC status register (DAC_SR) . . . . . . . . . . . . . . . . . . . . . . . . . . . . . . 238
15.4.5 DAC channel x right aligned data holding register high
(DAC_RDHRH) . . . . . . . . . . . . . . . . . . . . . . . . . . . . . . . . . . . . . . . . . . 239
15.4.6 DAC channel x right aligned data holding register low
(DAC_CHxRDHRL) . . . . . . . . . . . . . . . . . . . . . . . . . . . . . . . . . . . . . . . 239
15.4.7 DAC channel x left aligned data holding register high
(DAC_CHxLDHRH) . . . . . . . . . . . . . . . . . . . . . . . . . . . . . . . . . . . . . . . 239
15.4.8 DAC channel x left aligned data holding register low
(DAC_CHxLDHRL) . . . . . . . . . . . . . . . . . . . . . . . . . . . . . . . . . . . . . . . 240
15.4.9 DAC channel x 8-bit data holding register
(DAC_CHxDHR8) . . . . . . . . . . . . . . . . . . . . . . . . . . . . . . . . . . . . . . . . 240
15.4.10 DAC channel x dual mode right aligned data holding register high
(DAC_DCHxRDHRH) . . . . . . . . . . . . . . . . . . . . . . . . . . . . . . . . . . . . . 241
15.4.11 DAC channel x dual mode right aligned data holding register low
(DAC_DCHxRDHRL) . . . . . . . . . . . . . . . . . . . . . . . . . . . . . . . . . . . . . . 241
15.4.12 DAC channel x dual mode left aligned data holding register high
(DAC_DCHxLDHRH) . . . . . . . . . . . . . . . . . . . . . . . . . . . . . . . . . . . . . . 242
15.4.13 DAC channel x left aligned data holding register low
(DAC_DCHxLDHRL) . . . . . . . . . . . . . . . . . . . . . . . . . . . . . . . . . . . . . . 242
15.4.14 DAC channel x dual mode 8-bit data holding register
(DAC_DCHxDHR8) . . . . . . . . . . . . . . . . . . . . . . . . . . . . . . . . . . . . . . . 243
15.4.15 DAC channel x data output register high
(DAC_CHxDORH) . . . . . . . . . . . . . . . . . . . . . . . . . . . . . . . . . . . . . . . . 243
15.4.16 DAC channel x data output register low
(DAC_CHxDORL) . . . . . . . . . . . . . . . . . . . . . . . . . . . . . . . . . . . . . . . . 243
15.4.17 DAC register map and reset values . . . . . . . . . . . . . . . . . . . . . . . . . . . 244
16 Comparators (COMP) . . . . . . . . . . . . . . . . . . . . . . . . . . . . . . . . . . . . . . 246
16.1 COMP introduction . . . . . . . . . . . . . . . . . . . . . . . . . . . . . . . . . . . . . . . . . 246
16.2 COMP main features . . . . . . . . . . . . . . . . . . . . . . . . . . . . . . . . . . . . . . . 246
16.3 Comparator 1 (COMP1) . . . . . . . . . . . . . . . . . . . . . . . . . . . . . . . . . . . . . 247
16.4 Comparator 2 (COMP2) . . . . . . . . . . . . . . . . . . . . . . . . . . . . . . . . . . . . . 248
16.5 Using the comparators in window mode . . . . . . . . . . . . . . . . . . . . . . . . 249
16.6 COMP low power modes . . . . . . . . . . . . . . . . . . . . . . . . . . . . . . . . . . . . 250
16.7 COMP interrupts . . . . . . . . . . . . . . . . . . . . . . . . . . . . . . . . . . . . . . . . . . . 251

Contents RM0031
12/595 DocID15226 Rev 11
16.8 COMP registers . . . . . . . . . . . . . . . . . . . . . . . . . . . . . . . . . . . . . . . . . . . 251
16.8.1 Comparator control and status register 1 (COMP_CSR1) . . . . . . . . . . 251
16.8.2 Comparator control and status register 2 (COMP_CSR2) . . . . . . . . . . 252
16.8.3 Comparator control and status register 3 (COMP_CSR3) . . . . . . . . . . 253
16.8.4 Comparator control and status register 4 (COMP_CSR4) . . . . . . . . . . 254
16.8.5 Comparator control and status register 5 (COMP_CSR5) . . . . . . . . . . 254
16.8.6 COMP register map and reset values . . . . . . . . . . . . . . . . . . . . . . . . . 255
17 LCD controller . . . . . . . . . . . . . . . . . . . . . . . . . . . . . . . . . . . . . . . . . . . . 256
17.1 LCD controller introduction . . . . . . . . . . . . . . . . . . . . . . . . . . . . . . . . . . . 256
17.1.1 Definitions . . . . . . . . . . . . . . . . . . . . . . . . . . . . . . . . . . . . . . . . . . . . . . 256
17.2 LCD controller main features . . . . . . . . . . . . . . . . . . . . . . . . . . . . . . . . . 257
17.3 LCD functional description . . . . . . . . . . . . . . . . . . . . . . . . . . . . . . . . . . . 258
17.3.1 General description . . . . . . . . . . . . . . . . . . . . . . . . . . . . . . . . . . . . . . . 258
17.3.2 Frequency generator . . . . . . . . . . . . . . . . . . . . . . . . . . . . . . . . . . . . . . 259
17.3.3 Common driver . . . . . . . . . . . . . . . . . . . . . . . . . . . . . . . . . . . . . . . . . . 262
17.3.4 Segment driver . . . . . . . . . . . . . . . . . . . . . . . . . . . . . . . . . . . . . . . . . . 270
17.3.5 Enabling a segment . . . . . . . . . . . . . . . . . . . . . . . . . . . . . . . . . . . . . . . 271
17.3.6 Blink . . . . . . . . . . . . . . . . . . . . . . . . . . . . . . . . . . . . . . . . . . . . . . . . . . . 271
17.3.7 Multiplexing COM[7:4] and SEG[43:40], SEG[39:36], or SEG[31:28] . 271
17.3.8 Generation of LCD voltage levels . . . . . . . . . . . . . . . . . . . . . . . . . . . . 272
17.3.9 LCD buffer update . . . . . . . . . . . . . . . . . . . . . . . . . . . . . . . . . . . . . . . . 275
17.4 LCD controller low power modes . . . . . . . . . . . . . . . . . . . . . . . . . . . . . . 275
17.5 LCD controller interrupts . . . . . . . . . . . . . . . . . . . . . . . . . . . . . . . . . . . . 275
17.6 LCD controller registers . . . . . . . . . . . . . . . . . . . . . . . . . . . . . . . . . . . . . 277
17.6.1 Control register 1 (LCD_CR1) . . . . . . . . . . . . . . . . . . . . . . . . . . . . . . . 277
17.6.2 Control register 2 (LCD_CR2) . . . . . . . . . . . . . . . . . . . . . . . . . . . . . . . 278
17.6.3 Control register 3 (LCD_CR3) . . . . . . . . . . . . . . . . . . . . . . . . . . . . . . . 279
17.6.4 Frequency selection register (LCD_FRQ) . . . . . . . . . . . . . . . . . . . . . . 280
17.6.5 Port mask registers (LCD_PM) . . . . . . . . . . . . . . . . . . . . . . . . . . . . . . 280
17.6.6 Control register 4 (LCD_CR4) . . . . . . . . . . . . . . . . . . . . . . . . . . . . . . . 281
17.6.7 LCD display memory (LCD_RAM) . . . . . . . . . . . . . . . . . . . . . . . . . . . . 282
17.6.8 LCD register map and reset values . . . . . . . . . . . . . . . . . . . . . . . . . . . 284
18 Timer overview . . . . . . . . . . . . . . . . . . . . . . . . . . . . . . . . . . . . . . . . . . . 286
18.1 Timer feature comparison . . . . . . . . . . . . . . . . . . . . . . . . . . . . . . . . . . . 287

DocID15226 Rev 11 13/595
RM0031 Contents
22
18.2 Glossary of timer signal names . . . . . . . . . . . . . . . . . . . . . . . . . . . . . . . 288
19 16-bit advanced control timer (TIM1) . . . . . . . . . . . . . . . . . . . . . . . . . . 290
19.1 Introduction . . . . . . . . . . . . . . . . . . . . . . . . . . . . . . . . . . . . . . . . . . . . . . 290
19.2 TIM1 main features . . . . . . . . . . . . . . . . . . . . . . . . . . . . . . . . . . . . . . . . 291
19.3 TIM1 time base unit . . . . . . . . . . . . . . . . . . . . . . . . . . . . . . . . . . . . . . . . 293
19.3.1 Reading and writing to the 16-bit counter . . . . . . . . . . . . . . . . . . . . . . 294
19.3.2 Write sequence for 16-bit TIM1_ARR register . . . . . . . . . . . . . . . . . . . 294
19.3.3 Prescaler . . . . . . . . . . . . . . . . . . . . . . . . . . . . . . . . . . . . . . . . . . . . . . . 294
19.3.4 Up-counting mode . . . . . . . . . . . . . . . . . . . . . . . . . . . . . . . . . . . . . . . . 295
19.3.5 Down-counting mode . . . . . . . . . . . . . . . . . . . . . . . . . . . . . . . . . . . . . . 297
19.3.6 Center-aligned mode (up/down counting) . . . . . . . . . . . . . . . . . . . . . . 299
19.3.7 Repetition down-counter . . . . . . . . . . . . . . . . . . . . . . . . . . . . . . . . . . . 301
19.4 TIM1 clock/trigger controller . . . . . . . . . . . . . . . . . . . . . . . . . . . . . . . . . . 303
19.4.1 Prescaler clock (CK_PSC) . . . . . . . . . . . . . . . . . . . . . . . . . . . . . . . . . . 303
19.4.2 Internal clock source (fSYSCLK) . . . . . . . . . . . . . . . . . . . . . . . . . . . . . 304
19.4.3 External clock source mode 1 . . . . . . . . . . . . . . . . . . . . . . . . . . . . . . . 304
19.4.4 External clock source mode 2 . . . . . . . . . . . . . . . . . . . . . . . . . . . . . . . 306
19.4.5 Trigger synchronization . . . . . . . . . . . . . . . . . . . . . . . . . . . . . . . . . . . . 307
19.4.6 Synchronization between timers . . . . . . . . . . . . . . . . . . . . . . . . . . . . . 311
19.5 TIM1 capture/compare channels . . . . . . . . . . . . . . . . . . . . . . . . . . . . . . 318
19.5.1 Write sequence for 16-bit TIM1_CCRi registers . . . . . . . . . . . . . . . . . 319
19.5.2 Input stage . . . . . . . . . . . . . . . . . . . . . . . . . . . . . . . . . . . . . . . . . . . . . . 320
19.5.3 Input capture mode . . . . . . . . . . . . . . . . . . . . . . . . . . . . . . . . . . . . . . . 321
19.5.4 Output stage . . . . . . . . . . . . . . . . . . . . . . . . . . . . . . . . . . . . . . . . . . . . 323
19.5.5 Forced output mode . . . . . . . . . . . . . . . . . . . . . . . . . . . . . . . . . . . . . . . 324
19.5.6 Output compare mode . . . . . . . . . . . . . . . . . . . . . . . . . . . . . . . . . . . . . 324
19.5.7 PWM mode . . . . . . . . . . . . . . . . . . . . . . . . . . . . . . . . . . . . . . . . . . . . . 326
19.5.8 Using the break function . . . . . . . . . . . . . . . . . . . . . . . . . . . . . . . . . . . 333
19.5.9 Clearing the OCiREF signal on an external event . . . . . . . . . . . . . . . . 336
19.5.10 Encoder interface mode . . . . . . . . . . . . . . . . . . . . . . . . . . . . . . . . . . . . 337
19.5.11 Timer input XOR function . . . . . . . . . . . . . . . . . . . . . . . . . . . . . . . . . . . 339
19.5.12 Interfacing with Hall sensors . . . . . . . . . . . . . . . . . . . . . . . . . . . . . . . . 339
19.6 TIM1 interrupts . . . . . . . . . . . . . . . . . . . . . . . . . . . . . . . . . . . . . . . . . . . . 341
19.6.1 TIM1 wait-for-event capability . . . . . . . . . . . . . . . . . . . . . . . . . . . . . . . 341
19.7 TIM1 DMA . . . . . . . . . . . . . . . . . . . . . . . . . . . . . . . . . . . . . . . . . . . . . . . 341

Contents RM0031
14/595 DocID15226 Rev 11
19.7.1 DMA single mode . . . . . . . . . . . . . . . . . . . . . . . . . . . . . . . . . . . . . . . . 341
19.7.2 DMA burst mode . . . . . . . . . . . . . . . . . . . . . . . . . . . . . . . . . . . . . . . . . 342
19.8 TIM1 registers . . . . . . . . . . . . . . . . . . . . . . . . . . . . . . . . . . . . . . . . . . . . 343
19.8.1 Control register 1 (TIM1_CR1) . . . . . . . . . . . . . . . . . . . . . . . . . . . . . . 343
19.8.2 Control register 2 (TIM1_CR2) . . . . . . . . . . . . . . . . . . . . . . . . . . . . . . 345
19.8.3 Slave mode control register (TIM1_SMCR) . . . . . . . . . . . . . . . . . . . . . 346
19.8.4 External trigger register (TIM1_ETR) . . . . . . . . . . . . . . . . . . . . . . . . . . 347
19.8.5 DMA request enable register (TIM1_DER) . . . . . . . . . . . . . . . . . . . . . 349
19.8.6 Interrupt enable register (TIM1_IER) . . . . . . . . . . . . . . . . . . . . . . . . . . 350
19.8.7 Status register 1 (TIM1_SR1) . . . . . . . . . . . . . . . . . . . . . . . . . . . . . . . 351
19.8.8 Status register 2 (TIM1_SR2) . . . . . . . . . . . . . . . . . . . . . . . . . . . . . . . 352
19.8.9 Event generation register (TIM1_EGR) . . . . . . . . . . . . . . . . . . . . . . . . 353
19.8.10 Capture/compare mode register 1 (TIM1_CCMR1) . . . . . . . . . . . . . . . 354
19.8.11 Capture/compare mode register 2 (TIM1_CCMR2) . . . . . . . . . . . . . . . 358
19.8.12 Capture/compare mode register 3 (TIM1_CCMR3) . . . . . . . . . . . . . . . 359
19.8.13 Capture/compare mode register 4 (TIM1_CCMR4) . . . . . . . . . . . . . . . 360
19.8.14 Capture/compare enable register 1 (TIM1_CCER1) . . . . . . . . . . . . . . 361
19.8.15 Capture/compare enable register 2 (TIM1_CCER2) . . . . . . . . . . . . . . 364
19.8.16 Counter high (TIM1_CNTRH) . . . . . . . . . . . . . . . . . . . . . . . . . . . . . . . 364
19.8.17 Counter low (TIM1_CNTRL) . . . . . . . . . . . . . . . . . . . . . . . . . . . . . . . . 365
19.8.18 Prescaler high (TIM1_PSCRH) . . . . . . . . . . . . . . . . . . . . . . . . . . . . . . 365
19.8.19 Prescaler low (TIM1_PSCRL) . . . . . . . . . . . . . . . . . . . . . . . . . . . . . . . 365
19.8.20 Auto-reload register high (TIM1_ARRH) . . . . . . . . . . . . . . . . . . . . . . . 366
19.8.21 Auto-reload register low (TIM1_ARRL) . . . . . . . . . . . . . . . . . . . . . . . . 366
19.8.22 Repetition counter register (TIM1_RCR) . . . . . . . . . . . . . . . . . . . . . . . 366
19.8.23 Capture/compare register 1 high (TIM1_CCR1H) . . . . . . . . . . . . . . . . 367
19.8.24 Capture/compare register 1 low (TIM1_CCR1L) . . . . . . . . . . . . . . . . . 367
19.8.25 Capture/compare register 2 high (TIM1_CCR2H) . . . . . . . . . . . . . . . . 368
19.8.26 Capture/compare register 2 low (TIM1_CCR2L) . . . . . . . . . . . . . . . . . 368
19.8.27 Capture/compare register 3 high (TIM1_CCR3H) . . . . . . . . . . . . . . . . 369
19.8.28 Capture/compare register 3 low (TIM1_CCR3L) . . . . . . . . . . . . . . . . . 369
19.8.29 Capture/compare register 4 high (TIM1_CCR4H) . . . . . . . . . . . . . . . . 370
19.8.30 Capture/compare register 4 low (TIM1_CCR4L) . . . . . . . . . . . . . . . . . 370
19.8.31 Break register (TIM1_BKR) . . . . . . . . . . . . . . . . . . . . . . . . . . . . . . . . . 371
19.8.32 Deadtime register (TIM1_DTR) . . . . . . . . . . . . . . . . . . . . . . . . . . . . . . 373
19.8.33 Output idle state register (TIM1_OISR) . . . . . . . . . . . . . . . . . . . . . . . . 374
19.8.34 DMA control register 1 (TIM1_DCR1) . . . . . . . . . . . . . . . . . . . . . . . . . 375

DocID15226 Rev 11 15/595
RM0031 Contents
22
19.8.35 DMA control register 2 (TIM1_DCR2) . . . . . . . . . . . . . . . . . . . . . . . . . 375
19.8.36 DMA address for burst mode (TIM1_DMAR) . . . . . . . . . . . . . . . . . . . . 376
19.8.37 TIM1 register map and reset values . . . . . . . . . . . . . . . . . . . . . . . . . . 377
20 16-bit general purpose timers (TIM2, TIM3, TIM5) . . . . . . . . . . . . . . . 379
20.1 Introduction . . . . . . . . . . . . . . . . . . . . . . . . . . . . . . . . . . . . . . . . . . . . . . 379
20.2 TIMx main features . . . . . . . . . . . . . . . . . . . . . . . . . . . . . . . . . . . . . . . . . 379
20.3 TIMx functional description . . . . . . . . . . . . . . . . . . . . . . . . . . . . . . . . . . . 380
20.3.1 Time base unit . . . . . . . . . . . . . . . . . . . . . . . . . . . . . . . . . . . . . . . . . . . 380
20.3.2 Clock/trigger controller . . . . . . . . . . . . . . . . . . . . . . . . . . . . . . . . . . . . . 381
20.3.3 Capture/compare channels . . . . . . . . . . . . . . . . . . . . . . . . . . . . . . . . . 382
20.3.4 Timer input XOR function . . . . . . . . . . . . . . . . . . . . . . . . . . . . . . . . . . . 384
20.4 TIMx interrupts . . . . . . . . . . . . . . . . . . . . . . . . . . . . . . . . . . . . . . . . . . . . 384
20.5 TIMx registers . . . . . . . . . . . . . . . . . . . . . . . . . . . . . . . . . . . . . . . . . . . . . 385
20.5.1 Control register 1 (TIMx_CR1) . . . . . . . . . . . . . . . . . . . . . . . . . . . . . . . 385
20.5.2 Control register 2 (TIMx_CR2) . . . . . . . . . . . . . . . . . . . . . . . . . . . . . . . 386
20.5.3 Slave mode control register (TIMx_SMCR) . . . . . . . . . . . . . . . . . . . . . 388
20.5.4 External trigger register (TIMx_ETR) . . . . . . . . . . . . . . . . . . . . . . . . . . 389
20.5.5 DMA request enable register (TIMx_DER) . . . . . . . . . . . . . . . . . . . . . 390
20.5.6 Interrupt enable register (TIMx_IER) . . . . . . . . . . . . . . . . . . . . . . . . . . 391
20.5.7 Status register 1 (TIMx_SR1) . . . . . . . . . . . . . . . . . . . . . . . . . . . . . . . 392
20.5.8 Status register 2 (TIMx_SR2) . . . . . . . . . . . . . . . . . . . . . . . . . . . . . . . 393
20.5.9 Event generation register (TIMx_EGR) . . . . . . . . . . . . . . . . . . . . . . . . 394
20.5.10 Capture/compare mode register 1 (TIMx_CCMR1) . . . . . . . . . . . . . . . 395
20.5.11 Capture/compare mode register 2 (TIMx_CCMR2) . . . . . . . . . . . . . . . 398
20.5.12 Capture/compare enable register 1 (TIMx_CCER1) . . . . . . . . . . . . . . 399
20.5.13 Counter high (TIMx_CNTRH) . . . . . . . . . . . . . . . . . . . . . . . . . . . . . . . 400
20.5.14 Counter low (TIMx_CNTRL) . . . . . . . . . . . . . . . . . . . . . . . . . . . . . . . . 400
20.5.15 Prescaler register (TIMx_PSCR) . . . . . . . . . . . . . . . . . . . . . . . . . . . . . 401
20.5.16 Auto-reload register high (TIMx_ARRH) . . . . . . . . . . . . . . . . . . . . . . . 401
20.5.17 Auto-reload register low (TIMx_ARRL) . . . . . . . . . . . . . . . . . . . . . . . . 402
20.5.18 Capture/compare register 1 high (TIMx_CCR1H) . . . . . . . . . . . . . . . . 402
20.5.19 Capture/compare register 1 low (TIMx_CCR1L) . . . . . . . . . . . . . . . . . 403
20.5.20 Capture/compare register 2 high (TIMx_CCR2H) . . . . . . . . . . . . . . . . 403
20.5.21 Capture/compare register 2 low (TIMx_CCR2L) . . . . . . . . . . . . . . . . . 403
20.5.22 Break register (TIMx_BKR) . . . . . . . . . . . . . . . . . . . . . . . . . . . . . . . . . 404
20.5.23 Output idle state register (TIMx_OISR) . . . . . . . . . . . . . . . . . . . . . . . . 406

Contents RM0031
16/595 DocID15226 Rev 11
20.5.24 TIMx register map and reset values . . . . . . . . . . . . . . . . . . . . . . . . . . 406
21 8-bit basic timer (TIM4) . . . . . . . . . . . . . . . . . . . . . . . . . . . . . . . . . . . . . 408
21.1 Introduction . . . . . . . . . . . . . . . . . . . . . . . . . . . . . . . . . . . . . . . . . . . . . . 408
21.2 TIM4 main features . . . . . . . . . . . . . . . . . . . . . . . . . . . . . . . . . . . . . . . . 408
21.3 TIM4interrupts . . . . . . . . . . . . . . . . . . . . . . . . . . . . . . . . . . . . . . . . . . . . 408
21.4 TIM4 clock selection . . . . . . . . . . . . . . . . . . . . . . . . . . . . . . . . . . . . . . . . 409
21.5 TIM4 registers . . . . . . . . . . . . . . . . . . . . . . . . . . . . . . . . . . . . . . . . . . . . 409
21.5.1 Control register 1 (TIM4_CR1) . . . . . . . . . . . . . . . . . . . . . . . . . . . . . . 409
21.5.2 Control register 2 (TIM4_CR2) . . . . . . . . . . . . . . . . . . . . . . . . . . . . . . 411
21.5.3 Slave mode control register (TIM4_SMCR) . . . . . . . . . . . . . . . . . . . . . 411
21.5.4 DMA request enable register (TIM4_DER) . . . . . . . . . . . . . . . . . . . . . 413
21.5.5 Interrupt enable register (TIM4_IER) . . . . . . . . . . . . . . . . . . . . . . . . . . 414
21.5.6 Status register 1 (TIM4_SR) . . . . . . . . . . . . . . . . . . . . . . . . . . . . . . . . 414
21.5.7 Event generation register (TIM4_EGR) . . . . . . . . . . . . . . . . . . . . . . . . 415
21.5.8 Counter (TIM4_CNTR) . . . . . . . . . . . . . . . . . . . . . . . . . . . . . . . . . . . . 415
21.5.9 Prescaler register (TIM4_PSCR) . . . . . . . . . . . . . . . . . . . . . . . . . . . . . 415
21.5.10 Auto-reload register (TIM4_ARR) . . . . . . . . . . . . . . . . . . . . . . . . . . . . 416
21.5.11 TIM4 register map and reset values . . . . . . . . . . . . . . . . . . . . . . . . . . 416
22 Infrared (IRTIM) interface . . . . . . . . . . . . . . . . . . . . . . . . . . . . . . . . . . . 417
22.1 Introduction . . . . . . . . . . . . . . . . . . . . . . . . . . . . . . . . . . . . . . . . . . . . . . 417
22.2 Main features . . . . . . . . . . . . . . . . . . . . . . . . . . . . . . . . . . . . . . . . . . . . . 417
22.3 IRTIM register . . . . . . . . . . . . . . . . . . . . . . . . . . . . . . . . . . . . . . . . . . . . . 418
22.3.1 Control register (IR_CR) . . . . . . . . . . . . . . . . . . . . . . . . . . . . . . . . . . . 418
22.3.2 IRTIM register map and reset values . . . . . . . . . . . . . . . . . . . . . . . . . . 418
23 Beeper (BEEP) . . . . . . . . . . . . . . . . . . . . . . . . . . . . . . . . . . . . . . . . . . . . 419
23.1 Introduction . . . . . . . . . . . . . . . . . . . . . . . . . . . . . . . . . . . . . . . . . . . . . . 419
23.2 BEEP functional description . . . . . . . . . . . . . . . . . . . . . . . . . . . . . . . . . . 420
23.2.1 Beeper operation . . . . . . . . . . . . . . . . . . . . . . . . . . . . . . . . . . . . . . . . . 420
23.2.2 Beeper calibration . . . . . . . . . . . . . . . . . . . . . . . . . . . . . . . . . . . . . . . . 420
23.2.3 LSI clock frequency measurement . . . . . . . . . . . . . . . . . . . . . . . . . . . 420
23.3 BEEP registers . . . . . . . . . . . . . . . . . . . . . . . . . . . . . . . . . . . . . . . . . . . . 421
23.3.1 BEEP control/status register 1 (BEEP_CSR1) . . . . . . . . . . . . . . . . . . 421
23.3.2 BEEP control/status register 2 (BEEP_CSR2) . . . . . . . . . . . . . . . . . . 421

DocID15226 Rev 11 17/595
RM0031 Contents
22
23.3.3 BEEP register map and reset values . . . . . . . . . . . . . . . . . . . . . . . . . . 422
24 Real-time clock (RTC) . . . . . . . . . . . . . . . . . . . . . . . . . . . . . . . . . . . . . . 423
24.1 Introduction . . . . . . . . . . . . . . . . . . . . . . . . . . . . . . . . . . . . . . . . . . . . . . 423
24.2 RTC main features . . . . . . . . . . . . . . . . . . . . . . . . . . . . . . . . . . . . . . . . . 424
24.3 RTC functional description . . . . . . . . . . . . . . . . . . . . . . . . . . . . . . . . . . . 424
24.3.1 Clock and prescalers . . . . . . . . . . . . . . . . . . . . . . . . . . . . . . . . . . . . . . 425
24.3.2 Real-time clock and calendar . . . . . . . . . . . . . . . . . . . . . . . . . . . . . . . 427
24.3.3 Programmable alarm . . . . . . . . . . . . . . . . . . . . . . . . . . . . . . . . . . . . . . 428
24.3.4 Periodic auto-wakeup . . . . . . . . . . . . . . . . . . . . . . . . . . . . . . . . . . . . . 428
24.3.5 RTC initialization and configuration . . . . . . . . . . . . . . . . . . . . . . . . . . . 429
24.3.6 Reading the calendar . . . . . . . . . . . . . . . . . . . . . . . . . . . . . . . . . . . . . . 430
24.3.7 Resetting the RTC . . . . . . . . . . . . . . . . . . . . . . . . . . . . . . . . . . . . . . . . 431
24.3.8 RTC synchronization (low, medium+ and high-density devices only) . 431
24.3.9 RTC smooth digital calibration (low, medium+ and high
density devices only) . . . . . . . . . . . . . . . . . . . . . . . . . . . . . . . . . . . . . . 432
24.3.10 Tamper detection (low, medium+ and high-density devices only) . . . . 434
24.3.11 Calibration clock output . . . . . . . . . . . . . . . . . . . . . . . . . . . . . . . . . . . . 434
24.3.12 Alarm output . . . . . . . . . . . . . . . . . . . . . . . . . . . . . . . . . . . . . . . . . . . . 435
24.4 RTC low power modes . . . . . . . . . . . . . . . . . . . . . . . . . . . . . . . . . . . . . . 435
24.5 RTC interrupts . . . . . . . . . . . . . . . . . . . . . . . . . . . . . . . . . . . . . . . . . . . . 435
24.6 RTC registers . . . . . . . . . . . . . . . . . . . . . . . . . . . . . . . . . . . . . . . . . . . . . 436
24.6.1 Time register 1 (RTC_TR1) . . . . . . . . . . . . . . . . . . . . . . . . . . . . . . . . . 436
24.6.2 Time register 2 (RTC_TR2) . . . . . . . . . . . . . . . . . . . . . . . . . . . . . . . . . 436
24.6.3 Time register 3 (RTC_TR3) . . . . . . . . . . . . . . . . . . . . . . . . . . . . . . . . . 437
24.6.4 Date register 1 (RTC_DR1) . . . . . . . . . . . . . . . . . . . . . . . . . . . . . . . . . 437
24.6.5 Date register 2 (RTC_DR2) . . . . . . . . . . . . . . . . . . . . . . . . . . . . . . . . . 437
24.6.6 Date register 3 (RTC_DR3) . . . . . . . . . . . . . . . . . . . . . . . . . . . . . . . . . 438
24.6.7 Subsecond register high (RTC_SSRH) . . . . . . . . . . . . . . . . . . . . . . . . 439
24.6.8 Subsecond register low (RTC_SSRL) . . . . . . . . . . . . . . . . . . . . . . . . . 439
24.6.9 Control register 1 (RTC_CR1) . . . . . . . . . . . . . . . . . . . . . . . . . . . . . . . 440
24.6.10 Control register 2 (RTC_CR2) . . . . . . . . . . . . . . . . . . . . . . . . . . . . . . . 441
24.6.11 Control register 3 (RTC_CR3) . . . . . . . . . . . . . . . . . . . . . . . . . . . . . . . 442
24.6.12 Initialization and status register 1 (RTC_ISR1) . . . . . . . . . . . . . . . . . . 443
24.6.13 Initialization and status register 2 (RTC_ISR2) . . . . . . . . . . . . . . . . . . 444
24.6.14 Synchronous prescaler register high (RTC_SPRERH) . . . . . . . . . . . . 445
24.6.15 Synchronous prescaler register low (RTC_SPRERL) . . . . . . . . . . . . . 446

Contents RM0031
18/595 DocID15226 Rev 11
24.6.16 Asynchronous prescaler register (RTC_APRER) . . . . . . . . . . . . . . . . 446
24.6.17 Wakeup timer register high (RTC_WUTRH) . . . . . . . . . . . . . . . . . . . . 447
24.6.18 Wakeup timer register low (RTC_WUTRL) . . . . . . . . . . . . . . . . . . . . . 447
24.6.19 Write protection register (RTC_WPR) . . . . . . . . . . . . . . . . . . . . . . . . . 448
24.6.20 RTC shift control register high (RTC_SHIFTRH) . . . . . . . . . . . . . . . . . 448
24.6.21 RTC shift control register low (RTC_SHIFTRL) . . . . . . . . . . . . . . . . . . 449
24.6.22 Alarm A register 1 (RTC_ALRMAR1) . . . . . . . . . . . . . . . . . . . . . . . . . 449
24.6.23 Alarm A register 2 (RTC_ALRMAR2) . . . . . . . . . . . . . . . . . . . . . . . . . 450
24.6.24 Alarm A register 3 (RTC_ALRMAR3) . . . . . . . . . . . . . . . . . . . . . . . . . 450
24.6.25 Alarm A register 4 (RTC_ALRMAR4) . . . . . . . . . . . . . . . . . . . . . . . . . 451
24.6.26 Alarm A sub second register high (RTC_ALRMASSRH) . . . . . . . . . . . 451
24.6.27 Alarm A sub second register low (RTC_ALRMASSRL) . . . . . . . . . . . . 452
24.6.28 Alarm A subsecond masking register (RTC_ALRMASSMSKR) . . . . . 453
24.6.29 Calibration register high (RTC_CALRH) . . . . . . . . . . . . . . . . . . . . . . . 454
24.6.30 Calibration register low (RTC_CALRL) . . . . . . . . . . . . . . . . . . . . . . . . 455
24.6.31 Tamper control register 1 (RTC_TCR1) . . . . . . . . . . . . . . . . . . . . . . . . 455
24.6.32 Tamper control register 2 (RTC_TCR2) . . . . . . . . . . . . . . . . . . . . . . . . 457
24.6.33 RTC register map and reset values . . . . . . . . . . . . . . . . . . . . . . . . . . . 458
25 Independent watchdog (IWDG) . . . . . . . . . . . . . . . . . . . . . . . . . . . . . . 460
25.1 Introduction . . . . . . . . . . . . . . . . . . . . . . . . . . . . . . . . . . . . . . . . . . . . . . 460
25.2 IWDG functional description . . . . . . . . . . . . . . . . . . . . . . . . . . . . . . . . . . 460
25.3 IWDG registers . . . . . . . . . . . . . . . . . . . . . . . . . . . . . . . . . . . . . . . . . . . . 462
25.3.1 Key register (IWDG_KR) . . . . . . . . . . . . . . . . . . . . . . . . . . . . . . . . . . . 462
25.3.2 Prescaler register (IWDG_PR) . . . . . . . . . . . . . . . . . . . . . . . . . . . . . . 462
25.3.3 Reload register (IWDG_RLR) . . . . . . . . . . . . . . . . . . . . . . . . . . . . . . . 463
25.3.4 IWDG register map and reset values . . . . . . . . . . . . . . . . . . . . . . . . . . 463
26 Window watchdog (WWDG) . . . . . . . . . . . . . . . . . . . . . . . . . . . . . . . . . 464
26.1 Introduction . . . . . . . . . . . . . . . . . . . . . . . . . . . . . . . . . . . . . . . . . . . . . . 464
26.2 WWDG main features . . . . . . . . . . . . . . . . . . . . . . . . . . . . . . . . . . . . . . 464
26.3 WWDG functional description . . . . . . . . . . . . . . . . . . . . . . . . . . . . . . . . 464
26.4 How to program the watchdog timeout . . . . . . . . . . . . . . . . . . . . . . . . . . 466
26.5 WWDG low power modes . . . . . . . . . . . . . . . . . . . . . . . . . . . . . . . . . . . 466
26.6 Hardware watchdog option . . . . . . . . . . . . . . . . . . . . . . . . . . . . . . . . . . . 467
26.7 WWDG interrupts . . . . . . . . . . . . . . . . . . . . . . . . . . . . . . . . . . . . . . . . . . 467

DocID15226 Rev 11 19/595
RM0031 Contents
22
26.8 WWDG registers . . . . . . . . . . . . . . . . . . . . . . . . . . . . . . . . . . . . . . . . . . 467
26.8.1 Control register (WWDG_CR) . . . . . . . . . . . . . . . . . . . . . . . . . . . . . . . 467
26.8.2 Window register (WWDG_WR) . . . . . . . . . . . . . . . . . . . . . . . . . . . . . . 468
26.9 Window watchdog register map and reset values . . . . . . . . . . . . . . . . . 468
27 AES hardware accelerator (AES) . . . . . . . . . . . . . . . . . . . . . . . . . . . . . 469
27.1 Introduction . . . . . . . . . . . . . . . . . . . . . . . . . . . . . . . . . . . . . . . . . . . . . . 469
27.2 AES main features . . . . . . . . . . . . . . . . . . . . . . . . . . . . . . . . . . . . . . . . . 469
27.3 AES functional description . . . . . . . . . . . . . . . . . . . . . . . . . . . . . . . . . . . 470
27.4 Modes of operation . . . . . . . . . . . . . . . . . . . . . . . . . . . . . . . . . . . . . . . . . 471
27.4.1 Mode 1: encryption . . . . . . . . . . . . . . . . . . . . . . . . . . . . . . . . . . . . . . . 471
27.4.2 Mode 2: Key derivation . . . . . . . . . . . . . . . . . . . . . . . . . . . . . . . . . . . . 472
27.4.3 Mode 3: decryption . . . . . . . . . . . . . . . . . . . . . . . . . . . . . . . . . . . . . . . 472
27.4.4 Mode 4: key derivation and decryption . . . . . . . . . . . . . . . . . . . . . . . . 473
27.5 AES DMA interface . . . . . . . . . . . . . . . . . . . . . . . . . . . . . . . . . . . . . . . . 474
27.6 Error flags . . . . . . . . . . . . . . . . . . . . . . . . . . . . . . . . . . . . . . . . . . . . . . . . 475
27.7 Processing time . . . . . . . . . . . . . . . . . . . . . . . . . . . . . . . . . . . . . . . . . . . 475
27.8 AES low power modes . . . . . . . . . . . . . . . . . . . . . . . . . . . . . . . . . . . . . . 476
27.9 AES interrupts . . . . . . . . . . . . . . . . . . . . . . . . . . . . . . . . . . . . . . . . . . . . 476
27.10 AES registers . . . . . . . . . . . . . . . . . . . . . . . . . . . . . . . . . . . . . . . . . . . . . 477
27.10.1 AES control register (AES_CR) . . . . . . . . . . . . . . . . . . . . . . . . . . . . . . 477
27.10.2 AES status register (AES_SR) . . . . . . . . . . . . . . . . . . . . . . . . . . . . . . 478
27.10.3 AES data input register (AES_DINR) . . . . . . . . . . . . . . . . . . . . . . . . . 479
27.10.4 AES data output register (AES_DOUTR) . . . . . . . . . . . . . . . . . . . . . . 479
27.10.5 AES register map and reset values . . . . . . . . . . . . . . . . . . . . . . . . . . . 480
28 Inter-integrated circuit (I2C) interface . . . . . . . . . . . . . . . . . . . . . . . . . 481
28.1 Introduction . . . . . . . . . . . . . . . . . . . . . . . . . . . . . . . . . . . . . . . . . . . . . . 481
28.2 I2C main features . . . . . . . . . . . . . . . . . . . . . . . . . . . . . . . . . . . . . . . . . . 482
28.3 I2C general description . . . . . . . . . . . . . . . . . . . . . . . . . . . . . . . . . . . . . . 483
28.4 I2C functional description . . . . . . . . . . . . . . . . . . . . . . . . . . . . . . . . . . . . 485
28.4.1 I2C slave mode . . . . . . . . . . . . . . . . . . . . . . . . . . . . . . . . . . . . . . . . . . 485
28.4.2 I2C master mode . . . . . . . . . . . . . . . . . . . . . . . . . . . . . . . . . . . . . . . . . 487
28.4.3 Error conditions . . . . . . . . . . . . . . . . . . . . . . . . . . . . . . . . . . . . . . . . . . 495
28.4.4 SDA/SCL line control . . . . . . . . . . . . . . . . . . . . . . . . . . . . . . . . . . . . . . 496

Contents RM0031
20/595 DocID15226 Rev 11
28.4.5 SMBus . . . . . . . . . . . . . . . . . . . . . . . . . . . . . . . . . . . . . . . . . . . . . . . . . 496
28.4.6 DMA requests . . . . . . . . . . . . . . . . . . . . . . . . . . . . . . . . . . . . . . . . . . . 499
28.4.7 Packet error checking . . . . . . . . . . . . . . . . . . . . . . . . . . . . . . . . . . . . . 501
28.5 I2C low power modes . . . . . . . . . . . . . . . . . . . . . . . . . . . . . . . . . . . . . . . 501
28.6 I2C interrupts . . . . . . . . . . . . . . . . . . . . . . . . . . . . . . . . . . . . . . . . . . . . . 502
28.7 I2C registers . . . . . . . . . . . . . . . . . . . . . . . . . . . . . . . . . . . . . . . . . . . . . . 504
28.7.1 Control register 1 (I2C_CR1) . . . . . . . . . . . . . . . . . . . . . . . . . . . . . . . . 504
28.7.2 Control register 2 (I2C_CR2) . . . . . . . . . . . . . . . . . . . . . . . . . . . . . . . . 505
28.7.3 Frequency register (I2C_FREQR) . . . . . . . . . . . . . . . . . . . . . . . . . . . . 506
28.7.4 Own address register LSB (I2C_OAR1L) . . . . . . . . . . . . . . . . . . . . . . 507
28.7.5 Own address register MSB (I2C_OAR1H) . . . . . . . . . . . . . . . . . . . . . 507
28.7.6 Own address register 2 (I2C_OAR2) . . . . . . . . . . . . . . . . . . . . . . . . . . 508
28.7.7 Data register (I2C_DR) . . . . . . . . . . . . . . . . . . . . . . . . . . . . . . . . . . . . 508
28.7.8 Status register 1 (I2C_SR1) . . . . . . . . . . . . . . . . . . . . . . . . . . . . . . . . . 509
28.7.9 Status register 2 (I2C_SR2) . . . . . . . . . . . . . . . . . . . . . . . . . . . . . . . . . 511
28.7.10 Status register 3 (I2C_SR3) . . . . . . . . . . . . . . . . . . . . . . . . . . . . . . . . . 513
28.7.11 Interrupt and DMA register (I2C_ITR) . . . . . . . . . . . . . . . . . . . . . . . . . 514
28.7.12 Clock control register low (I2C_CCRL) . . . . . . . . . . . . . . . . . . . . . . . . 515
28.7.13 Clock control register high (I2C_CCRH) . . . . . . . . . . . . . . . . . . . . . . . 516
28.7.14 TRISE register (I2C_TRISER) . . . . . . . . . . . . . . . . . . . . . . . . . . . . . . . 518
28.7.15 PEC register (I2C_PECR) . . . . . . . . . . . . . . . . . . . . . . . . . . . . . . . . . . 518
28.7.16 I2C register map and reset values . . . . . . . . . . . . . . . . . . . . . . . . . . . . 519
29 Universal synchronous/asynchronous receiver
transmitter (USART) . . . . . . . . . . . . . . . . . . . . . . . . . . . . . . . . . . . . . . . 520
29.1 USART introduction . . . . . . . . . . . . . . . . . . . . . . . . . . . . . . . . . . . . . . . . 520
29.2 USART main features . . . . . . . . . . . . . . . . . . . . . . . . . . . . . . . . . . . . . . 521
29.3 USART functional description . . . . . . . . . . . . . . . . . . . . . . . . . . . . . . . . 522
29.3.1 USART character description . . . . . . . . . . . . . . . . . . . . . . . . . . . . . . . 524
29.3.2 Transmitter . . . . . . . . . . . . . . . . . . . . . . . . . . . . . . . . . . . . . . . . . . . . . . 525
29.3.3 Receiver . . . . . . . . . . . . . . . . . . . . . . . . . . . . . . . . . . . . . . . . . . . . . . . . 528
29.3.4 High precision baud rate generator . . . . . . . . . . . . . . . . . . . . . . . . . . . 531
29.3.5 USART receiver’s tolerance to clock deviation . . . . . . . . . . . . . . . . . . 534
29.3.6 Parity control . . . . . . . . . . . . . . . . . . . . . . . . . . . . . . . . . . . . . . . . . . . . 534
29.3.7 Multi-processor communication . . . . . . . . . . . . . . . . . . . . . . . . . . . . . . 536
29.3.8 USART synchronous communication . . . . . . . . . . . . . . . . . . . . . . . . . 537
29.3.9 Single wire half duplex communication . . . . . . . . . . . . . . . . . . . . . . . . 540

DocID15226 Rev 11 21/595
RM0031 Contents
22
29.3.10 Smartcard . . . . . . . . . . . . . . . . . . . . . . . . . . . . . . . . . . . . . . . . . . . . . . 540
29.3.11 IrDA SIR ENDEC block . . . . . . . . . . . . . . . . . . . . . . . . . . . . . . . . . . . . 542
29.3.12 Continuous communication using DMA . . . . . . . . . . . . . . . . . . . . . . . . 544
29.4 USART low power modes . . . . . . . . . . . . . . . . . . . . . . . . . . . . . . . . . . . 547
29.5 USART interrupts . . . . . . . . . . . . . . . . . . . . . . . . . . . . . . . . . . . . . . . . . . 547
29.6 USART registers . . . . . . . . . . . . . . . . . . . . . . . . . . . . . . . . . . . . . . . . . . 548
29.6.1 Status register (USART_SR) . . . . . . . . . . . . . . . . . . . . . . . . . . . . . . . . 548
29.6.2 Data register (USART_DR) . . . . . . . . . . . . . . . . . . . . . . . . . . . . . . . . . 550
29.6.3 Baud rate register 1 (USART_BRR1) . . . . . . . . . . . . . . . . . . . . . . . . . 550
29.6.4 Baud rate register 2 (USART_BRR2) . . . . . . . . . . . . . . . . . . . . . . . . . 550
29.6.5 Control register 1 (USART_CR1) . . . . . . . . . . . . . . . . . . . . . . . . . . . . . 551
29.6.6 Control register 2 (USART_CR2) . . . . . . . . . . . . . . . . . . . . . . . . . . . . . 552
29.6.7 Control register 3 (USART_CR3) . . . . . . . . . . . . . . . . . . . . . . . . . . . . . 553
29.6.8 Control register 4 (USART_CR4) . . . . . . . . . . . . . . . . . . . . . . . . . . . . . 554
29.6.9 Control register 5 (USART_CR5) . . . . . . . . . . . . . . . . . . . . . . . . . . . . . 554
29.6.10 Guard time register (USART_GTR) . . . . . . . . . . . . . . . . . . . . . . . . . . . 555
29.6.11 Prescaler register (USART_PSCR) . . . . . . . . . . . . . . . . . . . . . . . . . . . 556
29.6.12 USART register map and reset values . . . . . . . . . . . . . . . . . . . . . . . . 557
30 Serial peripheral interface (SPI) . . . . . . . . . . . . . . . . . . . . . . . . . . . . . . 558
30.1 Introduction . . . . . . . . . . . . . . . . . . . . . . . . . . . . . . . . . . . . . . . . . . . . . . 558
30.2 SPI main features . . . . . . . . . . . . . . . . . . . . . . . . . . . . . . . . . . . . . . . . . . 558
30.3 SPI functional description . . . . . . . . . . . . . . . . . . . . . . . . . . . . . . . . . . . . 559
30.3.1 General description . . . . . . . . . . . . . . . . . . . . . . . . . . . . . . . . . . . . . . . 559
30.3.2 Configuring the SPI in slave mode . . . . . . . . . . . . . . . . . . . . . . . . . . . 563
30.3.3 Configuring the SPI master mode . . . . . . . . . . . . . . . . . . . . . . . . . . . . 563
30.3.4 Configuring the SPI for simplex communications . . . . . . . . . . . . . . . . 564
30.3.5 Data transmission and reception procedures . . . . . . . . . . . . . . . . . . . 564
30.3.6 CRC calculation . . . . . . . . . . . . . . . . . . . . . . . . . . . . . . . . . . . . . . . . . . 571
30.3.7 Status flags . . . . . . . . . . . . . . . . . . . . . . . . . . . . . . . . . . . . . . . . . . . . . 573
30.3.8 Disabling the SPI . . . . . . . . . . . . . . . . . . . . . . . . . . . . . . . . . . . . . . . . . 573
30.3.9 SPI communication using DMA (direct memory addressing) . . . . . . . 574
30.3.10 Error flags . . . . . . . . . . . . . . . . . . . . . . . . . . . . . . . . . . . . . . . . . . . . . . 576
30.3.11 SPI low power modes . . . . . . . . . . . . . . . . . . . . . . . . . . . . . . . . . . . . . 577
30.3.12 SPI interrupts . . . . . . . . . . . . . . . . . . . . . . . . . . . . . . . . . . . . . . . . . . . . 578
30.4 SPI registers . . . . . . . . . . . . . . . . . . . . . . . . . . . . . . . . . . . . . . . . . . . . . . 579

Contents RM0031
22/595 DocID15226 Rev 11
30.4.1 SPI control register 1 (SPI_CR1) . . . . . . . . . . . . . . . . . . . . . . . . . . . . . 579
30.4.2 SPI control register 2 (SPI_CR2) . . . . . . . . . . . . . . . . . . . . . . . . . . . . . 580
30.4.3 SPI interrupt control register (SPI_ICR) . . . . . . . . . . . . . . . . . . . . . . . . 581
30.4.4 SPI status register (SPI_SR) . . . . . . . . . . . . . . . . . . . . . . . . . . . . . . . . 582
30.4.5 SPI data register (SPI_DR) . . . . . . . . . . . . . . . . . . . . . . . . . . . . . . . . . 583
30.4.6 SPI CRC polynomial register (SPI_CRCPR) . . . . . . . . . . . . . . . . . . . . 583
30.4.7 SPI Rx CRC register (SPI_RXCRCR) . . . . . . . . . . . . . . . . . . . . . . . . . 583
30.4.8 SPI Tx CRC register (SPI_TXCRCR) . . . . . . . . . . . . . . . . . . . . . . . . . 584
30.5 SPI register map and reset values . . . . . . . . . . . . . . . . . . . . . . . . . . . . . 584
31 Revision history . . . . . . . . . . . . . . . . . . . . . . . . . . . . . . . . . . . . . . . . . . 585

DocID15226 Rev 11 23/595
RM0031 List of tables
25
List of tables
Table 1. Interrupt levels . . . . . . . . . . . . . . . . . . . . . . . . . . . . . . . . . . . . . . . . . . . . . . . . . . . . . . . . . . 33
Table 2. CPU register map . . . . . . . . . . . . . . . . . . . . . . . . . . . . . . . . . . . . . . . . . . . . . . . . . . . . . . . . 34
Table 3. CFG_GCR register map . . . . . . . . . . . . . . . . . . . . . . . . . . . . . . . . . . . . . . . . . . . . . . . . . . . 35
Table 4. Block size . . . . . . . . . . . . . . . . . . . . . . . . . . . . . . . . . . . . . . . . . . . . . . . . . . . . . . . . . . . . . . 52
Table 5. Memory access versus programming method(low-density devices) . . . . . . . . . . . . . . . . . 53
Table 6. Memory access versus programming method (medium-density devices) . . . . . . . . . . . . . 54
Table 7. Memory access versus programming method (medium+ and high-density devices) . . . . . 55
Table 8. Flash register map . . . . . . . . . . . . . . . . . . . . . . . . . . . . . . . . . . . . . . . . . . . . . . . . . . . . . . . 60
Table 9. List of abbreviations . . . . . . . . . . . . . . . . . . . . . . . . . . . . . . . . . . . . . . . . . . . . . . . . . . . . . . 62
Table 10. Internal voltage reference status during Halt/Active-halt mode . . . . . . . . . . . . . . . . . . . . . 67
Table 11. PWR interrupt requests . . . . . . . . . . . . . . . . . . . . . . . . . . . . . . . . . . . . . . . . . . . . . . . . . . . 68
Table 12. PWR register map and reset values . . . . . . . . . . . . . . . . . . . . . . . . . . . . . . . . . . . . . . . . . . 70
Table 13. Low power mode summary. . . . . . . . . . . . . . . . . . . . . . . . . . . . . . . . . . . . . . . . . . . . . . . . . 71
Table 14. WFE register map. . . . . . . . . . . . . . . . . . . . . . . . . . . . . . . . . . . . . . . . . . . . . . . . . . . . . . . . 79
Table 15. RST register map and reset values . . . . . . . . . . . . . . . . . . . . . . . . . . . . . . . . . . . . . . . . . . 86
Table 16. CSS on LSE in low power modes. . . . . . . . . . . . . . . . . . . . . . . . . . . . . . . . . . . . . . . . . . . . 97
Table 17. CSS on LSE register map. . . . . . . . . . . . . . . . . . . . . . . . . . . . . . . . . . . . . . . . . . . . . . . . . . 98
Table 18. CLK interrupt requests . . . . . . . . . . . . . . . . . . . . . . . . . . . . . . . . . . . . . . . . . . . . . . . . . . . . 99
Table 19. Peripheral clock gating bits (PCKEN 10 to PCKEN 17) . . . . . . . . . . . . . . . . . . . . . . . . . . 104
Table 20. Peripheral clock gating bits ((PCKEN 20 to PCKEN 27). . . . . . . . . . . . . . . . . . . . . . . . . . 105
Table 21. Peripheral clock gating bits (PCKEN 30 to PCKEN 35) . . . . . . . . . . . . . . . . . . . . . . . . . . 106
Table 22. CLK register map and reset values . . . . . . . . . . . . . . . . . . . . . . . . . . . . . . . . . . . . . . . . . 115
Table 23. I/O port configuration summary . . . . . . . . . . . . . . . . . . . . . . . . . . . . . . . . . . . . . . . . . . . . 118
Table 24. Effect of low power modes on GPIO ports . . . . . . . . . . . . . . . . . . . . . . . . . . . . . . . . . . . . 119
Table 25. GPIO register map . . . . . . . . . . . . . . . . . . . . . . . . . . . . . . . . . . . . . . . . . . . . . . . . . . . . . . 124
Table 26. I/O groups and selection. . . . . . . . . . . . . . . . . . . . . . . . . . . . . . . . . . . . . . . . . . . . . . . . . . 129
Table 27. TIM1 input capture routing . . . . . . . . . . . . . . . . . . . . . . . . . . . . . . . . . . . . . . . . . . . . . . . . 131
Table 28. RI interrupt requests . . . . . . . . . . . . . . . . . . . . . . . . . . . . . . . . . . . . . . . . . . . . . . . . . . . . . 134
Table 29. Routing interface register map . . . . . . . . . . . . . . . . . . . . . . . . . . . . . . . . . . . . . . . . . . . . . 151
Table 30. Register map . . . . . . . . . . . . . . . . . . . . . . . . . . . . . . . . . . . . . . . . . . . . . . . . . . . . . . . . . . 156
Table 31. Software priority levels . . . . . . . . . . . . . . . . . . . . . . . . . . . . . . . . . . . . . . . . . . . . . . . . . . . 158
Table 32. Vector address map versus software priority bits . . . . . . . . . . . . . . . . . . . . . . . . . . . . . . . 163
Table 33. External interrupt sensitivity . . . . . . . . . . . . . . . . . . . . . . . . . . . . . . . . . . . . . . . . . . . . . . . 164
Table 34. Dedicated interrupt instruction set . . . . . . . . . . . . . . . . . . . . . . . . . . . . . . . . . . . . . . . . . . 164
Table 35. ITC and EXTI register map . . . . . . . . . . . . . . . . . . . . . . . . . . . . . . . . . . . . . . . . . . . . . . . . 175
Table 36. Source and destination addresses . . . . . . . . . . . . . . . . . . . . . . . . . . . . . . . . . . . . . . . . . . 186
Table 37. DMA1 channel request mapping . . . . . . . . . . . . . . . . . . . . . . . . . . . . . . . . . . . . . . . . . . . 187
Table 38. SPIx/USARTx DMA requests . . . . . . . . . . . . . . . . . . . . . . . . . . . . . . . . . . . . . . . . . . . . . . 189
Table 39. I2C1 DMA requests . . . . . . . . . . . . . . . . . . . . . . . . . . . . . . . . . . . . . . . . . . . . . . . . . . . . . 190
Table 40. TIMx DMA requests . . . . . . . . . . . . . . . . . . . . . . . . . . . . . . . . . . . . . . . . . . . . . . . . . . . . . 190
Table 41. DMA behavior in low power modes . . . . . . . . . . . . . . . . . . . . . . . . . . . . . . . . . . . . . . . . . 190
Table 42. DMA interrupt requests. . . . . . . . . . . . . . . . . . . . . . . . . . . . . . . . . . . . . . . . . . . . . . . . . . . 191
Table 43. DMA register map. . . . . . . . . . . . . . . . . . . . . . . . . . . . . . . . . . . . . . . . . . . . . . . . . . . . . . . 201
Table 44. Flag/interrupt configuration . . . . . . . . . . . . . . . . . . . . . . . . . . . . . . . . . . . . . . . . . . . . . . . . 208
Table 45. Authorized sampling cycles . . . . . . . . . . . . . . . . . . . . . . . . . . . . . . . . . . . . . . . . . . . . . . . 211
Table 46. Behavior in low power modes. . . . . . . . . . . . . . . . . . . . . . . . . . . . . . . . . . . . . . . . . . . . . . 212
Table 47. Interrupt requests . . . . . . . . . . . . . . . . . . . . . . . . . . . . . . . . . . . . . . . . . . . . . . . . . . . . . . . 213
Table 48. Register map . . . . . . . . . . . . . . . . . . . . . . . . . . . . . . . . . . . . . . . . . . . . . . . . . . . . . . . . . . 224

List of tables RM0031
24/595 DocID15226 Rev 11
Table 49. DAC output switch configuration (medium and medium+ and high-density
devices) . . . . . . . . . . . . . . . . . . . . . . . . . . . . . . . . . . . . . . . . . . . . . . . . . . . . . . . . . . . . . . 228
Table 50. Sources of conversion trigger (medium, medium+ and high-density devices) . . . . . . . . . 229
Table 51. Sources of conversion trigger . . . . . . . . . . . . . . . . . . . . . . . . . . . . . . . . . . . . . . . . . . . . . . 229
Table 52. DAC register map (medium, medium+ and high-density devices) . . . . . . . . . . . . . . . . . . 244
Table 53. Window interrupts/wakeup modes . . . . . . . . . . . . . . . . . . . . . . . . . . . . . . . . . . . . . . . . . . 250
Table 54. Behavior of comparators in low power modes . . . . . . . . . . . . . . . . . . . . . . . . . . . . . . . . . 250
Table 55. Comparator interrupt requests . . . . . . . . . . . . . . . . . . . . . . . . . . . . . . . . . . . . . . . . . . . . . 251
Table 56. Comparators and routing Interface register map . . . . . . . . . . . . . . . . . . . . . . . . . . . . . . . 255
Table 57. Typical frame rate calculation for input frequency of 16.384 kHz . . . . . . . . . . . . . . . . . . . 261
Table 58. Typical frame rate calculation for input frequency of 500 kHz . . . . . . . . . . . . . . . . . . . . . 262
Table 59. SEG and COM signal mapping. . . . . . . . . . . . . . . . . . . . . . . . . . . . . . . . . . . . . . . . . . . . . 272
Table 60. LCD behavior in low power modes . . . . . . . . . . . . . . . . . . . . . . . . . . . . . . . . . . . . . . . . . . 275
Table 61. LCD interrupt requests . . . . . . . . . . . . . . . . . . . . . . . . . . . . . . . . . . . . . . . . . . . . . . . . . . . 276
Table 62. LCD register map . . . . . . . . . . . . . . . . . . . . . . . . . . . . . . . . . . . . . . . . . . . . . . . . . . . . . . . 284
Table 63. Timer characteristics. . . . . . . . . . . . . . . . . . . . . . . . . . . . . . . . . . . . . . . . . . . . . . . . . . . . . 286
Table 64. Timer feature comparison. . . . . . . . . . . . . . . . . . . . . . . . . . . . . . . . . . . . . . . . . . . . . . . . . 287
Table 65. Glossary of internal timer signals . . . . . . . . . . . . . . . . . . . . . . . . . . . . . . . . . . . . . . . . . . . 288
Table 66. Explanation of indices‘i’, ‘n’, and ‘x’ . . . . . . . . . . . . . . . . . . . . . . . . . . . . . . . . . . . . . . . . . 289
Table 67. Counting direction versus encoder signals . . . . . . . . . . . . . . . . . . . . . . . . . . . . . . . . . . . . 337
Table 68. Output control for complementary OCi and OCiN channels with break
feature . . . . . . . . . . . . . . . . . . . . . . . . . . . . . . . . . . . . . . . . . . . . . . . . . . . . . . . . . . . . . . . 363
Table 69. TIM1 register map. . . . . . . . . . . . . . . . . . . . . . . . . . . . . . . . . . . . . . . . . . . . . . . . . . . . . . . 377
Table 70. TIMx internal trigger connection . . . . . . . . . . . . . . . . . . . . . . . . . . . . . . . . . . . . . . . . . . . . 388
Table 71. Output control bit for OCi channels with break feature (break feature
implemented, complementary output not implemented). . . . . . . . . . . . . . . . . . . . . . . . . . 405
Table 72. TIMx register map. . . . . . . . . . . . . . . . . . . . . . . . . . . . . . . . . . . . . . . . . . . . . . . . . . . . . . . 406
Table 73. TIM4 register map. . . . . . . . . . . . . . . . . . . . . . . . . . . . . . . . . . . . . . . . . . . . . . . . . . . . . . . 416
Table 74. IR register map . . . . . . . . . . . . . . . . . . . . . . . . . . . . . . . . . . . . . . . . . . . . . . . . . . . . . . . . . 418
Table 75. BEEP register map . . . . . . . . . . . . . . . . . . . . . . . . . . . . . . . . . . . . . . . . . . . . . . . . . . . . . . 422
Table 76. Effect of low power modes on RTC . . . . . . . . . . . . . . . . . . . . . . . . . . . . . . . . . . . . . . . . . 435
Table 77. Interrupt control bits . . . . . . . . . . . . . . . . . . . . . . . . . . . . . . . . . . . . . . . . . . . . . . . . . . . . . 435
Table 78. RTC register map and reset values . . . . . . . . . . . . . . . . . . . . . . . . . . . . . . . . . . . . . . . . . 458
Table 79. Min/Max IWDG timeout (LSI clock frequency = 38 kHz). . . . . . . . . . . . . . . . . . . . . . . . . . 461
Table 80. IWDG register map . . . . . . . . . . . . . . . . . . . . . . . . . . . . . . . . . . . . . . . . . . . . . . . . . . . . . . 463
Table 81. Window watchdog timing example . . . . . . . . . . . . . . . . . . . . . . . . . . . . . . . . . . . . . . . . . . 466
Table 82. Effect of low power modes on WWDG . . . . . . . . . . . . . . . . . . . . . . . . . . . . . . . . . . . . . . . 466
Table 83. WWDG register map and reset values . . . . . . . . . . . . . . . . . . . . . . . . . . . . . . . . . . . . . . . 468
Table 84. Processing time (in clock cycles) . . . . . . . . . . . . . . . . . . . . . . . . . . . . . . . . . . . . . . . . . . . 475
Table 85. Effect of low power modes on AES . . . . . . . . . . . . . . . . . . . . . . . . . . . . . . . . . . . . . . . . . 476
Table 86. AES interrupt requests . . . . . . . . . . . . . . . . . . . . . . . . . . . . . . . . . . . . . . . . . . . . . . . . . . . 476
Table 87. AES register map and reset values . . . . . . . . . . . . . . . . . . . . . . . . . . . . . . . . . . . . . . . . . 480
Table 88. SMBus vs. I2C . . . . . . . . . . . . . . . . . . . . . . . . . . . . . . . . . . . . . . . . . . . . . . . . . . . . . . . . . 497
Table 89. I2C interface behavior in low power modes . . . . . . . . . . . . . . . . . . . . . . . . . . . . . . . . . . . 501
Table 90. I2C Interrupt requests . . . . . . . . . . . . . . . . . . . . . . . . . . . . . . . . . . . . . . . . . . . . . . . . . . . . 502
Table 91. I2C_CCR values for SCL frequency table (fSYSCLK= 10 MHz or 16 MHz). . . . . . . . . . . 517
Table 92. I2C register map . . . . . . . . . . . . . . . . . . . . . . . . . . . . . . . . . . . . . . . . . . . . . . . . . . . . . . . . 519
Table 93. Noise detection from sampled data . . . . . . . . . . . . . . . . . . . . . . . . . . . . . . . . . . . . . . . . . 530
Table 94. Baud rate programming and error calculation . . . . . . . . . . . . . . . . . . . . . . . . . . . . . . . . . 532
Table 95. Baud rate programming and error calculation . . . . . . . . . . . . . . . . . . . . . . . . . . . . . . . . . 533
Table 96. Baud rate programming and error calculation . . . . . . . . . . . . . . . . . . . . . . . . . . . . . . . . . 533
Table 97. USART receiver’s tolerance when USART_DIV[3:0] is 0 . . . . . . . . . . . . . . . . . . . . . . . . . 534

DocID15226 Rev 11 25/595
RM0031 List of tables
25
Table 98. USART receiver’s tolerance when USART_DIV[3:0] is different from 0 . . . . . . . . . . . . . . 534
Table 99. Frame formats . . . . . . . . . . . . . . . . . . . . . . . . . . . . . . . . . . . . . . . . . . . . . . . . . . . . . . . . . 535
Table 100. USART interface behavior in low power modes . . . . . . . . . . . . . . . . . . . . . . . . . . . . . . . . 547
Table 101. USART interrupt requests. . . . . . . . . . . . . . . . . . . . . . . . . . . . . . . . . . . . . . . . . . . . . . . . . 547
Table 102. USART register map. . . . . . . . . . . . . . . . . . . . . . . . . . . . . . . . . . . . . . . . . . . . . . . . . . . . . 557
Table 103. SPI behavior in low power modes . . . . . . . . . . . . . . . . . . . . . . . . . . . . . . . . . . . . . . . . . . 577
Table 104. SPI interrupt requests . . . . . . . . . . . . . . . . . . . . . . . . . . . . . . . . . . . . . . . . . . . . . . . . . . . . 578
Table 105. SPI register map and reset values . . . . . . . . . . . . . . . . . . . . . . . . . . . . . . . . . . . . . . . . . . 584
Table 106. Document revision history . . . . . . . . . . . . . . . . . . . . . . . . . . . . . . . . . . . . . . . . . . . . . . . . 585

List of figures RM0031
26/595 DocID15226 Rev 11
List of figures
Figure 1. Programming model . . . . . . . . . . . . . . . . . . . . . . . . . . . . . . . . . . . . . . . . . . . . . . . . . . . . . . 31
Figure 2. Stacking order. . . . . . . . . . . . . . . . . . . . . . . . . . . . . . . . . . . . . . . . . . . . . . . . . . . . . . . . . . . 32
Figure 3. Low-density STM8L05xx/15xx Flash program and data EEPROM . . . . . . . . . . . . . . . . . . 39
Figure 4. Medium-density STM8L05xx/15xx Flash program and data EEPROM
organization . . . . . . . . . . . . . . . . . . . . . . . . . . . . . . . . . . . . . . . . . . . . . . . . . . . . . . . . . . . . 40
Figure 5. Medium+ density STM8L05x/15x/16x Flash program and data EEPROM organization . . 41
Figure 6. High-density STM8L05xx/15xx/16xx Flash program and data EEPROM
organization . . . . . . . . . . . . . . . . . . . . . . . . . . . . . . . . . . . . . . . . . . . . . . . . . . . . . . . . . . . . 42
Figure 7. UBC area size definition for low-density STM8L05xx/15xx devices . . . . . . . . . . . . . . . . . . 44
Figure 8. UBC area size definition for medium-density STM8L05xx/15xx devices . . . . . . . . . . . . . . 45
Figure 9. UBC area size definition for medium + STM8L05xx/15xx devices . . . . . . . . . . . . . . . . . . . 45
Figure 10. UBC area size definition for high-density STM8L05xx/15xx/16xx devices . . . . . . . . . . . . . 46
Figure 11. SWIM pin connection . . . . . . . . . . . . . . . . . . . . . . . . . . . . . . . . . . . . . . . . . . . . . . . . . . . . . 61
Figure 12. Power supply overview . . . . . . . . . . . . . . . . . . . . . . . . . . . . . . . . . . . . . . . . . . . . . . . . . . . . 63
Figure 13. Power on reset/power down reset waveform . . . . . . . . . . . . . . . . . . . . . . . . . . . . . . . . . . . 65
Figure 14. VDD voltage detection: BOR threshold . . . . . . . . . . . . . . . . . . . . . . . . . . . . . . . . . . . . . . . 66
Figure 15. PVD threshold. . . . . . . . . . . . . . . . . . . . . . . . . . . . . . . . . . . . . . . . . . . . . . . . . . . . . . . . . . . 67
Figure 16. Reset circuit . . . . . . . . . . . . . . . . . . . . . . . . . . . . . . . . . . . . . . . . . . . . . . . . . . . . . . . . . . . . 83
Figure 17. Clock structure . . . . . . . . . . . . . . . . . . . . . . . . . . . . . . . . . . . . . . . . . . . . . . . . . . . . . . . . . . 87
Figure 18. HSE clock sources . . . . . . . . . . . . . . . . . . . . . . . . . . . . . . . . . . . . . . . . . . . . . . . . . . . . . . . 89
Figure 19. Clock switching flowchart (automatic mode example) . . . . . . . . . . . . . . . . . . . . . . . . . . . . 93
Figure 20. Clock switching flowchart (manual mode example without interrupt) . . . . . . . . . . . . . . . . . 94
Figure 21. Clock switching flowchart (manual mode example with interrupt) . . . . . . . . . . . . . . . . . . . 94
Figure 22. GPIO block diagram . . . . . . . . . . . . . . . . . . . . . . . . . . . . . . . . . . . . . . . . . . . . . . . . . . . . . 117
Figure 23. Routing interface (RI) block diagram (medium+ and high-density devices) . . . . . . . . . . . 126
Figure 24. Routing interface (RI) block diagram (medium-density devices) . . . . . . . . . . . . . . . . . . . 127
Figure 25. Routing interface (RI) block diagram (low-density devices) . . . . . . . . . . . . . . . . . . . . . . . 128
Figure 26. TIM2 and TIM3 interconnections . . . . . . . . . . . . . . . . . . . . . . . . . . . . . . . . . . . . . . . . . . . 132
Figure 27. DAC interconnections . . . . . . . . . . . . . . . . . . . . . . . . . . . . . . . . . . . . . . . . . . . . . . . . . . . . 133
Figure 28. Internal reference voltage output . . . . . . . . . . . . . . . . . . . . . . . . . . . . . . . . . . . . . . . . . . . 134
Figure 29. Interrupt processing flowchart . . . . . . . . . . . . . . . . . . . . . . . . . . . . . . . . . . . . . . . . . . . . . 158
Figure 30. Priority decision process . . . . . . . . . . . . . . . . . . . . . . . . . . . . . . . . . . . . . . . . . . . . . . . . . 159
Figure 31. Concurrent interrupt management . . . . . . . . . . . . . . . . . . . . . . . . . . . . . . . . . . . . . . . . . . 162
Figure 32. Nested interrupt management . . . . . . . . . . . . . . . . . . . . . . . . . . . . . . . . . . . . . . . . . . . . . 163
Figure 33. DMA block diagram . . . . . . . . . . . . . . . . . . . . . . . . . . . . . . . . . . . . . . . . . . . . . . . . . . . . . 179
Figure 34. Endianess in 16-bit mode . . . . . . . . . . . . . . . . . . . . . . . . . . . . . . . . . . . . . . . . . . . . . . . . . 181
Figure 35. Regular channel (medium-density devices) . . . . . . . . . . . . . . . . . . . . . . . . . . . . . . . . . . . 183
Figure 36. Regular channel (medium+ and high-density devices). . . . . . . . . . . . . . . . . . . . . . . . . . . 183
Figure 37. Memory channel with MEM=0 (medium-density devices) . . . . . . . . . . . . . . . . . . . . . . . . 184
Figure 38. Memory channel with MEM=0 (medium+ and high-density devices) . . . . . . . . . . . . . . . . 184
Figure 39. Memory channel with MEM=1 (medium-density devices) . . . . . . . . . . . . . . . . . . . . . . . . 185
Figure 40. Memory channel with MEM=1 (medium+ and high-density devices) . . . . . . . . . . . . . . . . 185
Figure 41. DMA1 request mapping (medium-density devices) . . . . . . . . . . . . . . . . . . . . . . . . . . . . . 188
Figure 42. DMA1 request mapping (medium+ and high-density devices) . . . . . . . . . . . . . . . . . . . . 188
Figure 43. ADC block diagram. . . . . . . . . . . . . . . . . . . . . . . . . . . . . . . . . . . . . . . . . . . . . . . . . . . . . . 204
Figure 44. ADC external triggers . . . . . . . . . . . . . . . . . . . . . . . . . . . . . . . . . . . . . . . . . . . . . . . . . . . . 207
Figure 45. Sequence example . . . . . . . . . . . . . . . . . . . . . . . . . . . . . . . . . . . . . . . . . . . . . . . . . . . . . . 209
Figure 46. Resolution and data alignment . . . . . . . . . . . . . . . . . . . . . . . . . . . . . . . . . . . . . . . . . . . . . 210

DocID15226 Rev 11 27/595
RM0031 List of figures
29
Figure 47. DAC channel block diagram (medium-density devices) . . . . . . . . . . . . . . . . . . . . . . . . . 226
Figure 48. DAC channel block diagram (medium+ and high-density devices) . . . . . . . . . . . . . . . . . 227
Figure 49. DAC LFSR register calculation algorithm . . . . . . . . . . . . . . . . . . . . . . . . . . . . . . . . . . . . . 231
Figure 50. DAC triangle wave generation . . . . . . . . . . . . . . . . . . . . . . . . . . . . . . . . . . . . . . . . . . . . . 231
Figure 51. COMP1 interconnections . . . . . . . . . . . . . . . . . . . . . . . . . . . . . . . . . . . . . . . . . . . . . . . . . 247
Figure 52. COMP2 interconnections . . . . . . . . . . . . . . . . . . . . . . . . . . . . . . . . . . . . . . . . . . . . . . . . . 248
Figure 53. COMP2 output redirection . . . . . . . . . . . . . . . . . . . . . . . . . . . . . . . . . . . . . . . . . . . . . . . . 249
Figure 54. Configuring the comparators in window mode . . . . . . . . . . . . . . . . . . . . . . . . . . . . . . . . . 249
Figure 55. Medium + and high-density LCD controller block diagram . . . . . . . . . . . . . . . . . . . . . . . 258
Figure 56. Medium-density LCD controller block diagram . . . . . . . . . . . . . . . . . . . . . . . . . . . . . . . . 259
Figure 57. 1/3 bias, 1/4 duty . . . . . . . . . . . . . . . . . . . . . . . . . . . . . . . . . . . . . . . . . . . . . . . . . . . . . . . 263
Figure 58. Static duty . . . . . . . . . . . . . . . . . . . . . . . . . . . . . . . . . . . . . . . . . . . . . . . . . . . . . . . . . . . . . 265
Figure 59. Liquid crystal display and terminal connection (static duty) . . . . . . . . . . . . . . . . . . . . . . . 266
Figure 60. Liquid crystal display and terminal connection (1/2 duty, 1/2 bias). . . . . . . . . . . . . . . . . . 267
Figure 61. Liquid crystal display and terminal connection (1/3 duty, 1/3 bias). . . . . . . . . . . . . . . . . . 268
Figure 62. Liquid crystal display and terminal connection (1/4 duty, 1/3 bias). . . . . . . . . . . . . . . . . . 269
Figure 63. Liquid crystal display and terminal connection (1/8 duty, 1/4 bias). . . . . . . . . . . . . . . . . . 270
Figure 64. Resistive network . . . . . . . . . . . . . . . . . . . . . . . . . . . . . . . . . . . . . . . . . . . . . . . . . . . . . . . 273
Figure 65. Contrast control . . . . . . . . . . . . . . . . . . . . . . . . . . . . . . . . . . . . . . . . . . . . . . . . . . . . . . . . 274
Figure 66. SOF interrupt signal . . . . . . . . . . . . . . . . . . . . . . . . . . . . . . . . . . . . . . . . . . . . . . . . . . . . . 276
Figure 67. TIM1 general block diagram . . . . . . . . . . . . . . . . . . . . . . . . . . . . . . . . . . . . . . . . . . . . . . 292
Figure 68. Time base unit . . . . . . . . . . . . . . . . . . . . . . . . . . . . . . . . . . . . . . . . . . . . . . . . . . . . . . . . . 293
Figure 69. 16-bit read sequence for the counter (TIM1_CNTR) . . . . . . . . . . . . . . . . . . . . . . . . . . . . 294
Figure 70. Counter in up-counting mode . . . . . . . . . . . . . . . . . . . . . . . . . . . . . . . . . . . . . . . . . . . . . . 295
Figure 71. Counter update when ARPE = 0 (ARR not preloaded) with prescaler = 2 . . . . . . . . . . . . 296
Figure 72. Counter update event when ARPE = 1 (TIM1_ARR preloaded). . . . . . . . . . . . . . . . . . . . 296
Figure 73. Counter in down-counting mode. . . . . . . . . . . . . . . . . . . . . . . . . . . . . . . . . . . . . . . . . . . . 297
Figure 74. Counter update when ARPE = 0 (ARR not preloaded) with prescaler = 2 . . . . . . . . . . . . 298
Figure 75. Counter update when ARPE = 1 (ARR preloaded), with prescaler = 1 . . . . . . . . . . . . . . 298
Figure 76. Counter in center-aligned mode . . . . . . . . . . . . . . . . . . . . . . . . . . . . . . . . . . . . . . . . . . . . 299
Figure 77. Counter timing diagram, fCK_CNT = fCK_PSC, TIM1_ARR = 06h, ARPE = 1 . . . . . . . . . . . 300
Figure 78. Update rate examples depending on mode and TIM1_RCR register settings . . . . . . . . . 302
Figure 79. Clock/trigger controller block diagram . . . . . . . . . . . . . . . . . . . . . . . . . . . . . . . . . . . . . . . 303
Figure 80. Control circuit in normal mode, fCK_PSC = fSYSCLK . . . . . . . . . . . . . . . . . . . . . . . . . . . . . . 304
Figure 81. TI2 external clock connection example. . . . . . . . . . . . . . . . . . . . . . . . . . . . . . . . . . . . . . . 304
Figure 82. Control circuit in external clock mode 1 . . . . . . . . . . . . . . . . . . . . . . . . . . . . . . . . . . . . . . 305
Figure 83. External trigger input block diagram . . . . . . . . . . . . . . . . . . . . . . . . . . . . . . . . . . . . . . . . . 306
Figure 84. Control circuit in external clock mode 2 . . . . . . . . . . . . . . . . . . . . . . . . . . . . . . . . . . . . . . 306
Figure 85. Control circuit in trigger mode . . . . . . . . . . . . . . . . . . . . . . . . . . . . . . . . . . . . . . . . . . . . . . 307
Figure 86. Control circuit in trigger reset mode . . . . . . . . . . . . . . . . . . . . . . . . . . . . . . . . . . . . . . . . . 308
Figure 87. Control circuit in trigger gated mode . . . . . . . . . . . . . . . . . . . . . . . . . . . . . . . . . . . . . . . . . 309
Figure 88. Control circuit in external clock mode 2 + trigger mode . . . . . . . . . . . . . . . . . . . . . . . . . . 310
Figure 89. Timer chaining system implementation example . . . . . . . . . . . . . . . . . . . . . . . . . . . . . . . 312
Figure 90. Trigger/master mode selection blocks . . . . . . . . . . . . . . . . . . . . . . . . . . . . . . . . . . . . . . . 313
Figure 91. Master/slave timer example . . . . . . . . . . . . . . . . . . . . . . . . . . . . . . . . . . . . . . . . . . . . . . . 313
Figure 92. Gating timer B with OC1REF of timer A . . . . . . . . . . . . . . . . . . . . . . . . . . . . . . . . . . . . . . 314
Figure 93. Gating timer B with the counter enable signal of timer A (CNT_EN) . . . . . . . . . . . . . . . . 315
Figure 94. Triggering timer B with the UEV of timer A (TIMERA-UEV) . . . . . . . . . . . . . . . . . . . . . . . 316
Figure 95. Triggering timer B with counter enable CNT_EN of timer A . . . . . . . . . . . . . . . . . . . . . . . 317
Figure 96. Triggering Timer A and B with Timer A TI1 input . . . . . . . . . . . . . . . . . . . . . . . . . . . . . . . 318
Figure 97. Capture/compare channel 1 main circuit . . . . . . . . . . . . . . . . . . . . . . . . . . . . . . . . . . . . . 318
Figure 98. 16-bit read sequence for the TIM1_CCRi register in capture mode . . . . . . . . . . . . . . . . . 319

List of figures RM0031
28/595 DocID15226 Rev 11
Figure 99. Channel input stage block diagram . . . . . . . . . . . . . . . . . . . . . . . . . . . . . . . . . . . . . . . . . 320
Figure 100. Input stage of TIM 1 channel 1 . . . . . . . . . . . . . . . . . . . . . . . . . . . . . . . . . . . . . . . . . . . . . 320
Figure 101. PWM input signal measurement . . . . . . . . . . . . . . . . . . . . . . . . . . . . . . . . . . . . . . . . . . . . 322
Figure 102. PWM input signal measurement example . . . . . . . . . . . . . . . . . . . . . . . . . . . . . . . . . . . . 323
Figure 103. Channel output stage block diagram . . . . . . . . . . . . . . . . . . . . . . . . . . . . . . . . . . . . . . . . 323
Figure 104. Detailed output stage of channel with complementary output (channel 1) . . . . . . . . . . . . 324
Figure 105. Output compare mode, toggle on OC1 . . . . . . . . . . . . . . . . . . . . . . . . . . . . . . . . . . . . . . . 325
Figure 106. Edge-aligned counting mode PWM mode 1 waveforms (ARR = 8) . . . . . . . . . . . . . . . . . 327
Figure 107. Center-aligned PWM waveforms (ARR = 8) . . . . . . . . . . . . . . . . . . . . . . . . . . . . . . . . . . . 328
Figure 108. Example of one-pulse mode . . . . . . . . . . . . . . . . . . . . . . . . . . . . . . . . . . . . . . . . . . . . . . . 329
Figure 109. Complementary output with deadtime insertion . . . . . . . . . . . . . . . . . . . . . . . . . . . . . . . . 331
Figure 110. Deadtime waveforms with a delay greater than the negative pulse . . . . . . . . . . . . . . . . . 331
Figure 111. Deadtime waveforms with a delay greater than the positive pulse . . . . . . . . . . . . . . . . . . 331
Figure 112. Six-step generation, COM example (OSSR = 1) . . . . . . . . . . . . . . . . . . . . . . . . . . . . . . . 333
Figure 113. Behavior of outputs in response to a break (channel without complementary output) . . . 335
Figure 114. Behavior of outputs in response to a break (TIM1 complementary outputs) . . . . . . . . . . 335
Figure 115. OCREFCLR activation . . . . . . . . . . . . . . . . . . . . . . . . . . . . . . . . . . . . . . . . . . . . . . . . . . . 336
Figure 116. Example of counter operation in encoder interface mode . . . . . . . . . . . . . . . . . . . . . . . . 338
Figure 117. Example of encoder interface mode with IC1 polarity inverted. . . . . . . . . . . . . . . . . . . . . 338
Figure 118. Example of Hall sensor interface . . . . . . . . . . . . . . . . . . . . . . . . . . . . . . . . . . . . . . . . . . . 340
Figure 119. DMA burst modes example . . . . . . . . . . . . . . . . . . . . . . . . . . . . . . . . . . . . . . . . . . . . . . . 342
Figure 120. TIMx block diagram . . . . . . . . . . . . . . . . . . . . . . . . . . . . . . . . . . . . . . . . . . . . . . . . . . . . . 380
Figure 121. Time base unit . . . . . . . . . . . . . . . . . . . . . . . . . . . . . . . . . . . . . . . . . . . . . . . . . . . . . . . . . 381
Figure 122. Input stage block diagram. . . . . . . . . . . . . . . . . . . . . . . . . . . . . . . . . . . . . . . . . . . . . . . . . 382
Figure 123. Input stage of TIM 2 channel 1 . . . . . . . . . . . . . . . . . . . . . . . . . . . . . . . . . . . . . . . . . . . . . 382
Figure 124. Output stage . . . . . . . . . . . . . . . . . . . . . . . . . . . . . . . . . . . . . . . . . . . . . . . . . . . . . . . . . . . 383
Figure 125. Output stage of channel 1. . . . . . . . . . . . . . . . . . . . . . . . . . . . . . . . . . . . . . . . . . . . . . . . . 383
Figure 126. TIM4 block diagram . . . . . . . . . . . . . . . . . . . . . . . . . . . . . . . . . . . . . . . . . . . . . . . . . . . . . 408
Figure 127. IR internal hardware connections with TIM2 and TIM3. . . . . . . . . . . . . . . . . . . . . . . . . . . 417
Figure 128. BEEP block diagram. . . . . . . . . . . . . . . . . . . . . . . . . . . . . . . . . . . . . . . . . . . . . . . . . . . . . 419
Figure 129. RTC block diagram (low-density devices). . . . . . . . . . . . . . . . . . . . . . . . . . . . . . . . . . . . . 426
Figure 130. RTC block diagram (medium-density devices) . . . . . . . . . . . . . . . . . . . . . . . . . . . . . . . . . 426
Figure 131. RTC block diagram (medium+ and high-density devices) . . . . . . . . . . . . . . . . . . . . . . . . 427
Figure 132. Independent watchdog (IWDG) block diagram . . . . . . . . . . . . . . . . . . . . . . . . . . . . . . . . 460
Figure 133. Watchdog block diagram . . . . . . . . . . . . . . . . . . . . . . . . . . . . . . . . . . . . . . . . . . . . . . . . . 465
Figure 134. Window watchdog timing diagram . . . . . . . . . . . . . . . . . . . . . . . . . . . . . . . . . . . . . . . . . . 466
Figure 135. Block diagram . . . . . . . . . . . . . . . . . . . . . . . . . . . . . . . . . . . . . . . . . . . . . . . . . . . . . . . . . . 470
Figure 136. Mode 1: encryption . . . . . . . . . . . . . . . . . . . . . . . . . . . . . . . . . . . . . . . . . . . . . . . . . . . . . . 471
Figure 137. Mode 2: key derivation . . . . . . . . . . . . . . . . . . . . . . . . . . . . . . . . . . . . . . . . . . . . . . . . . . . 472
Figure 138. Mode 3: decryption . . . . . . . . . . . . . . . . . . . . . . . . . . . . . . . . . . . . . . . . . . . . . . . . . . . . . . 473
Figure 139. Mode 4: key derivation and decryption . . . . . . . . . . . . . . . . . . . . . . . . . . . . . . . . . . . . . . . 473
Figure 140. DMA requests and data transfers during input phase (AES_IN) . . . . . . . . . . . . . . . . . . . 474
Figure 141. DMA requests during output phase (AES_OUT) . . . . . . . . . . . . . . . . . . . . . . . . . . . . . . . 475
Figure 142. I2C bus protocol . . . . . . . . . . . . . . . . . . . . . . . . . . . . . . . . . . . . . . . . . . . . . . . . . . . . . . . . 483
Figure 143. I2C block diagram . . . . . . . . . . . . . . . . . . . . . . . . . . . . . . . . . . . . . . . . . . . . . . . . . . . . . . 484
Figure 144. Transfer sequence diagram for slave transmitter . . . . . . . . . . . . . . . . . . . . . . . . . . . . . . . 486
Figure 145. Transfer sequence diagram for slave receiver . . . . . . . . . . . . . . . . . . . . . . . . . . . . . . . . . 487
Figure 146. Transfer sequence diagram for master transmitter. . . . . . . . . . . . . . . . . . . . . . . . . . . . . . 490
Figure 147. Method 1: transfer sequence diagram for master receiver . . . . . . . . . . . . . . . . . . . . . . . . 491
Figure 148. Method 2: transfer sequence diagram for master receiver when N >2. . . . . . . . . . . . . . . 492
Figure 149. Method 2: transfer sequence diagram for master receiver when N=2 . . . . . . . . . . . . . . . 494
Figure 150. Method 2: transfer sequence diagram for master receiver when N=1 . . . . . . . . . . . . . . . 494

DocID15226 Rev 11 29/595
RM0031 List of figures
29
Figure 151. STM8L05xx/15xx/16xx I2C interrupt mapping diagram . . . . . . . . . . . . . . . . . . . . . . . . . . 503
Figure 152. STM8L05xx/15xx/16xx USART block diagram. . . . . . . . . . . . . . . . . . . . . . . . . . . . . . . . . 523
Figure 153. Word length programming . . . . . . . . . . . . . . . . . . . . . . . . . . . . . . . . . . . . . . . . . . . . . . . . 524
Figure 154. Configurable STOP bits . . . . . . . . . . . . . . . . . . . . . . . . . . . . . . . . . . . . . . . . . . . . . . . . . . 526
Figure 155. TC/TXE behavior when transmitting . . . . . . . . . . . . . . . . . . . . . . . . . . . . . . . . . . . . . . . . . 527
Figure 156. Start bit detection . . . . . . . . . . . . . . . . . . . . . . . . . . . . . . . . . . . . . . . . . . . . . . . . . . . . . . . 528
Figure 157. Data sampling for noise detection . . . . . . . . . . . . . . . . . . . . . . . . . . . . . . . . . . . . . . . . . . 530
Figure 158. How to code USART_DIV in the BRR registers . . . . . . . . . . . . . . . . . . . . . . . . . . . . . . . 532
Figure 159. Mute mode using Idle line detection . . . . . . . . . . . . . . . . . . . . . . . . . . . . . . . . . . . . . . . . . 536
Figure 160. Mute mode using address mark detection . . . . . . . . . . . . . . . . . . . . . . . . . . . . . . . . . . . . 537
Figure 161. USART example of synchronous transmission. . . . . . . . . . . . . . . . . . . . . . . . . . . . . . . . . 538
Figure 162. USART data clock timing diagram (M=0) . . . . . . . . . . . . . . . . . . . . . . . . . . . . . . . . . . . . . 539
Figure 163. USART data clock timing diagram (M=1) . . . . . . . . . . . . . . . . . . . . . . . . . . . . . . . . . . . . . 539
Figure 164. RX data setup/hold time . . . . . . . . . . . . . . . . . . . . . . . . . . . . . . . . . . . . . . . . . . . . . . . . . . 539
Figure 165. ISO 7816-3 asynchronous protocol . . . . . . . . . . . . . . . . . . . . . . . . . . . . . . . . . . . . . . . . . 540
Figure 166. Parity error detection using 1.5 STOP bits . . . . . . . . . . . . . . . . . . . . . . . . . . . . . . . . . . . . 542
Figure 167. IrDA SIR ENDEC- block diagram . . . . . . . . . . . . . . . . . . . . . . . . . . . . . . . . . . . . . . . . . . . 544
Figure 168. IrDA data modulation (3/16) - normal mode . . . . . . . . . . . . . . . . . . . . . . . . . . . . . . . . . . . 544
Figure 169. Transmission using DMA . . . . . . . . . . . . . . . . . . . . . . . . . . . . . . . . . . . . . . . . . . . . . . . . . 545
Figure 170. Reception using DMA . . . . . . . . . . . . . . . . . . . . . . . . . . . . . . . . . . . . . . . . . . . . . . . . . . . . 546
Figure 171. USART interrupt mapping diagram . . . . . . . . . . . . . . . . . . . . . . . . . . . . . . . . . . . . . . . . . 548
Figure 172. SPI block diagram. . . . . . . . . . . . . . . . . . . . . . . . . . . . . . . . . . . . . . . . . . . . . . . . . . . . . . . 559
Figure 173. Single master/ single slave application. . . . . . . . . . . . . . . . . . . . . . . . . . . . . . . . . . . . . . . 560
Figure 174. Data clock timing diagram . . . . . . . . . . . . . . . . . . . . . . . . . . . . . . . . . . . . . . . . . . . . . . . . 562
Figure 175. TXE/RXNE/BSY behavior in full duplex mode (RXONLY = 0).
Case of continuous transfers . . . . . . . . . . . . . . . . . . . . . . . . . . . . . . . . . . . . . . . . . . . . . . 567
Figure 176. TXE/RXNE/BSY behavior in slave / full duplex mode
(BDM = 0, RXONLY = 0). Case of continuous transfers. . . . . . . . . . . . . . . . . . . . . . . . . . 567
Figure 177. TXE/BSY in master transmit-only mode
(BDM = 0 and RXONLY = 0). Case of continuous transfers. . . . . . . . . . . . . . . . . . . . . . . 568
Figure 178. TXE/BSY in slave transmit-only mode (BDM = 0 and RXONLY = 0).
Case of continuous transfers . . . . . . . . . . . . . . . . . . . . . . . . . . . . . . . . . . . . . . . . . . . . . . 569
Figure 179. RXNE behavior in receive-only mode (BDM = 0 and RXONLY = 1).
Case of continuous transfers . . . . . . . . . . . . . . . . . . . . . . . . . . . . . . . . . . . . . . . . . . . . . . 570
Figure 180. TXE/BSY behavior when transmitting (BDM = 0 and RXLONY = 0).
Case of discontinuous transfers . . . . . . . . . . . . . . . . . . . . . . . . . . . . . . . . . . . . . . . . . . . . 571
Figure 181. Transmission using DMA . . . . . . . . . . . . . . . . . . . . . . . . . . . . . . . . . . . . . . . . . . . . . . . . . 575
Figure 182. Reception using DMA . . . . . . . . . . . . . . . . . . . . . . . . . . . . . . . . . . . . . . . . . . . . . . . . . . . . 576

Central processing unit (CPU) RM0031
30/595 DocID15226 Rev 11
1 Central processing unit (CPU)
This section applies to low-density STM8L05xx/STM8L15xx devices, medium-density
STM8L05xx/STM8L15xx devices, medium+ density STM8L05xx/STM8L15xx devices and
high-density STM8L05xx/STM8L15xx/STM8L16xx devices, unless otherwise specified.
1.1 Introduction
The CPU has an 8-bit architecture. Six internal registers allow efficient data manipulations.
The CPU is able to execute 80 basic instructions. It features 20 addressing modes and can
address six internal registers. For the complete description of the instruction set, refer to the
STM8 microcontroller family programming manual (PM0044).
1.2 CPU registers
The six CPU registers are shown in the programming model in Figure 1. Following an
interrupt, the registers are pushed onto the stack in the order shown in Figure 2. They are
popped from stack in the reverse order. The interrupt routine must therefore handle it, if
needed, through the POP and PUSH instructions.
1.2.1 Description of CPU registers
Accumulator (A)
The accumulator is an 8-bit general purpose register used to hold operands and the results
of the arithmetic and logic calculations as well as data manipulations.
Index registers (X and Y)
These are 16-bit registers used to create effective addresses. They may also be used as a
temporary storage area for data manipulations and have an inherent use for some
instructions (multiplication/division). In most cases, the cross assembler generates a
PRECODE instruction (PRE) to indicate that the following instruction refers to the Y register.
Program counter (PC)
The program counter is a 24-bit register used to store the address of the next instruction to
be executed by the CPU. It is automatically refreshed after each processed instruction. As a
result, the STM8 core can access up to 16 Mbytes of memory.

DocID15226 Rev 11 31/595
RM0031 Central processing unit (CPU)
35
Figure 1. Programming model
Stack pointer (SP)
The stack pointer is a 16-bit register. It contains the address of the next free location of the
stack. Depending on the product, the most significant bits can be forced to a preset value.
The stack is used to save the CPU context on subroutine calls or interrupts. The user can
also directly use it through the POP and PUSH instructions.
The stack pointer can be initialized by the startup function provided with the C compiler. For
applications written in C language, the initialization is then performed according to the
address specified in the linker file for C users. If you use your own linker file or startup file,
make sure the stack pointer is initialized properly (with the address given in the datasheets).
For applications written in assembler, you can use either the startup function provided by ST
or write your own by initializing the stack pointer with the correct address.
The stack pointer is decremented after data has been pushed onto the stack and
incremented after data is popped from the stack. It is up to the application to ensure that the
lower limit is not exceeded.
A subroutine call occupies two or three locations. An interrupt occupies nine locations to
store all the internal registers (except SP). For more details refer to Figure 2.
Note: The WFI/HALT instructions save the context in advance. If an interrupt occurs while the
CPU is in one of these modes, the latency is reduced.
07
A ACCUMULATOR
07815
SP STACK POINTER
SH S
X INDEX
Y INDEX
07815
PC PROGRAM COUNTER
PCH PCL
07
CC CODE CONDITION
VI1HI0NZC
1623
PCE
07815
XH XL
07815
XH XL
0

Central processing unit (CPU) RM0031
32/595 DocID15226 Rev 11
Figure 2. Stacking order
Condition code register (CC)
The condition code register is an 8-bit register which indicates the result of the instruction
just executed as well as the state of the processor. The 6th bit (MSB) of this register is
reserved. These bits can be individually tested by a program and specified action taken as a
result of their state. The following paragraphs describe each bit:
•V: Overflow
When set, V indicates that an overflow occurred during the last signed arithmetic operation,
on the MSB result bit. See the INC, INCW, DEC, DECW, NEG, NEGW, ADD, ADDW, ADC,
SUB, SUBW, SBC, CP, and CPW instructions.
•I1: Interrupt mask level 1
The I1 flag works in conjunction with the I0 flag to define the current interruptability level as
shown in Table 1. These flags can be set and cleared by software through the RIM, SIM,
HALT, WFI, WFE, IRET, TRAP, and POP instructions and are automatically set by hardware
when entering an interrupt service routine.
JUMP TO INTERRUPT ROUTINE GIVEN BY THE INTERRUPT VECTOR
INTERRUPT GENERATION (execute pipeline)
YH
YL
PCE
PCL
CC
STACK
(PUSH)
UNSTACK
INTERRUPT
RETURN
PCH
JUMP TO THE ADDRESS GIVEN BY PROGRAM COUNTER (Reload Pipeline)
IRET INSTRUCTION
(POP)
9 CPU CYCLES
9 CPU CYCLES
POP PCL
POP PCH
POP PCE
POP Y
POP X
POP A
POP CC
A
XH
XL
PUSH PCL
PUSH PCH
PUSH PCE
PUSH Y
PUSH X
PUSH A
PUSH CC
Complete instruction in execute stage (1-6 cycles latency)

DocID15226 Rev 11 33/595
RM0031 Central processing unit (CPU)
35
•H: Half carry bit
The H bit is set to 1 when a carry occurs between the bits 3 and 4 of the ALU during an ADD
or ADC instruction. The H bit is useful in BCD arithmetic subroutines.
•I0: Interrupt mask level 0
See Flag I1.
•N: Negative
When set to 1, this bit indicates that the result of the last arithmetic, logical or data
manipulation is negative (i.e. the most significant bit is a logic 1).
•Z: Zero
When set to 1, this bit indicates that the result of the last arithmetic, logical or data
manipulation is zero.
•C: Carry
When set, C indicates that a carry or borrow out of the ALU occurred during the last
arithmetic operation on the MSB operation result bit. This bit is also affected during bit test,
branch, shift, rotate and load instructions. See the ADD, ADC, SUB, and SBC instructions.
In a division operation, C indicates if trouble occurred during execution (quotient overflow or
zero division). See the DIV instruction.
In bit test operations, C is the copy of the tested bit. See the BTJF and BTJT instructions.
In shift and rotate operations, the carry is updated. See the RRC, RLC, SRL, SLL, and SRA
instructions.
This bit can be set, reset or complemented by software using the SCF, RCF, and CCF
instructions.
Example: Addition
$B5 + $94 = "C" + $49 = $149
Table 1. Interrupt levels
Interruptability Priority I1 I0
Interruptable main Lowest
Highest
10
Interruptable level 1 0 1
Interruptable level 2 0 0
Non interruptable 1 1
C7 0
0 10110101
C7 0
+0 10010100
C7 0
=1 01001001

Central processing unit (CPU) RM0031
34/595 DocID15226 Rev 11
1.2.2 STM8 CPU register map
The CPU registers are mapped in the STM8 address space as shown inTable 2. These
registers can only be accessed by the debug module but not by memory access instructions
executed in the core.
1.3 Global configuration register (CFG_GCR)
1.3.1 Activation level
The MCU activation level is configured by programming the AL bit in the CFG_GCR register.
For information on the use of this bit refer to Section 12.4: Activation level/low power mode
control on page 161.
1.3.2 SWIM disable
By default, after an MCU reset, the SWIM pin is configured to allow communication with an
external tool for debugging or Flash/EEPROM programming. This pin can be configured by
the application for use as a general purpose I/O. This is done by setting the SWD bit in the
CFG_GCR register.
Table 2. CPU register map
Address
offset Register name765432 1 0
0x00 A MSB----- -LSB
0x01 PCE MSB - ---- -LSB
0x02 PCH MSB----- -LSB
0x03 PCL MSB----- -LSB
0x04 XH MSB----- -LSB
0x05 XL MSB----- -LSB
0x06 YH MSB----- -LSB
0x07 YL MSB----- -LSB
0x08 SPH MSB----- -LSB
0x09 SPL MSB----- -LSB
0x0A CC V 0 I1 H I0 N Z C

DocID15226 Rev 11 35/595
RM0031 Central processing unit (CPU)
35
1.3.3 Description of global configuration register (CFG_GCR)
Address offset: 0x00
Reset value: 0x00
1.3.4 Global configuration register map and reset values
The CFG_GCR is mapped in the STM8 address space. Refer to the corresponding
datasheets for the base address.
76543210
Reserved AL SWD
rw rw
Bits 7:2 Reserved
Bit 1 AL: Activation level
This bit is set and cleared by software. It configures main or interrupt-only activation.
0: Main activation level. An IRET instruction causes the context to be retrieved from the stack and
the main program continues after the WFI instruction.
1: Interrupt-only activation level. An IRET instruction causes the CPU to go back to WFI/Halt mode
without restoring the context.
Bit 0 SWD: SWIM disable
0: SWIM mode enabled
1: SWIM mode disabled
When SWIM mode is enabled, the SWIM pin cannot be used as general purpose I/O.
Table 3. CFG_GCR register map
Address
offset Register name765432 1 0
0x00 CFG_GCR
Reset value
-
0
-
0
-
0
-
0
-
0
-
0
AL
0
SWD
0

Boot ROM RM0031
36/595 DocID15226 Rev 11
2 Boot ROM
This section applies to low-density STM8L05xx/STM8L15xx devices, medium-density
STM8L05xx/STM8L15xx devices, medium+ density STM8L05xx/STM8L15xx devices and
high-density STM8L05xx/STM8L15xx/STM8L16xx devices, unless otherwise specified.
The internal 2 Kbyte boot ROM contains the bootloader code. Its main task is to download
the application program to the internal Flash/EEPROM through the USART1, USART2,
USART3 (USARTs in asynchronous mode), SPI1 or SPI2 interfaces and program the code,
data, option bytes and interrupt vectors in the internal Flash/EEPROM. Refer to product
datasheets for details on available communication ports.
To perform bootlloading in LIN mode, a different bootloader communication protocol is
implemented on UART2/UART3 and UART1.
The boot loader starts executing after reset. Refer to the STM8 bootloader user manual
(UM0560) for more details.

DocID15226 Rev 11 37/595
RM0031 Flash program memory and data EEPROM
60
3 Flash program memory and data EEPROM
This section applies to low-density STM8L05xx/STM8L15xx devices, medium-density
STM8L05xx/STM8L15xx devices, medium+ density STM8L05xx/STM8L15xx devices and
high-density STM8L05xx/STM8L15xx/STM8L16xx devices, unless otherwise specified.
3.1 Introduction
The embedded Flash program memory and data EEPROM memories are controlled by a
common set of registers. Using these registers, the application can program or erase
memory contents and set write protection. The application can also program the device
option bytes.
3.2 Glossary
•Block
A block is a set of bytes that can be programmed or erased in one single programming
operation. Operations that are performed at block level are faster than standard
programming and erasing. Refer to Table 4 for the details on block size.
•Page
A page is a set of blocks.
Dedicated option bytes can be used to configure, by increments of one page, the size
of the user boot code and proprietary code (when available).

Flash program memory and data EEPROM RM0031
38/595 DocID15226 Rev 11
3.3 Main Flash memory features
•Low-density STM8L05xx/15xx EEPROM is divided into three memory arrays (see
Section 3.4: Memory organization for details on the memory mapping):
– Up to 8 Kbytes of embedded Flash program
– 256 Bytes of data EEPROM
– Up to 64 option bytes (one block)
Flash program and data EEPROM areas are controlled by a common set of registers,
allowing the memory content to be programmed or erased, and write protection to be
activated.
No RWW is supported on those devices.
•Medium- and medium+ density STM8L05xx/15xx EEPROM is divided into three
memory arrays (see Section 3.4: Memory organization for details on the memory
mapping):
– Up to 32 Kbytes of embedded Flash program
– Up to 1 Kbyte of data EEPROM
– Up to 128 option bytes (one block)
Flash program and data EEPROM areas are controlled by a common set of registers,
allowing the memory content to be programmed or erased, and write protection to be
activated.
•High-density STM8L05xx/15xx/16xx EEPROM is divided into three memory arrays
(see Section 3.4: Memory organization for details on the memory mapping):
– 64 Kbytes of embedded Flash program
– Up to 2 Kbyte of data EEPROM
– Up to 128 option bytes (one block)
Flash program and data EEPROM areas are controlled by a common set of registers,
allowing the memory content to be programmed or erased, and write protection to be
activated.
•Programming modes
– Byte programming and automatic fast byte programming (without erase operation)
– Word programming
– Block programming and fast block programming mode (without erase operation)
– Interrupt generation on end of program/erase operation and on illegal program
operation.
•Read-while-write capability (RWW)
•In-application programming (IAP) and in-circuit programming (ICP) capabilities
•Protection features
– Memory readout protection (ROP)
– Program memory write protection with memory access security system (MASS
keys)
– Data memory write protection with memory access security system (MASS keys)
– Programmable write protected user boot code area (UBC).
– Automatic readout protection of proprietary code area when available
•Memory state configurable to operating or power-down mode (IDDQ) in wait mode (Low
power wait) and Run mode (Low power run)

DocID15226 Rev 11 39/595
RM0031 Flash program memory and data EEPROM
60
3.4 Memory organization
3.4.1 Low-density device memory organization
Low-density STM8L05xx/15xx EEPROM is split into three memory arrays:
•Up to 8 Kbytes of Flash program memory divided into 128 pages of 64 bytes each. The
memory array is organized in 32-bit words (4 bytes per word). It includes two areas:
– The user boot code area (UBC)
– The main program area
The first block (128 bytes) of the Flash program memory (starting from address 0x00 8000)
contains the interrupt vectors.
•256 bytes of data EEPROM organized in 4 pages of 64 bytes each.
•One block of option bytes (64 bytes) located in a separate memory array.
See the following figure for a description of the memory organization.
Figure 3. Low-density STM8L05xx/15xx Flash program and data EEPROM
-36
53%2"//4#/$%5"#
PERMANENTLYWRITEPROTECTED
X
-!).02/'2!-
WRITEACCESSPOSSIBLEFOR)!0
ANDUSING-!33MECHANISM
X&&&
0ROGRAMMABLESIZE
FROMPAGES
UPTOPAGES
PAGESTEPS
$!4!%%02/-$!4!
5PTO+BYTESOF
&,!3(02/'2!-
-%-/29
)NTERRUPTVECTORSPAGE
/04)/."94%3BYTES
X &
X
PAGEBLOCKBYTES
X
X &&

Flash program memory and data EEPROM RM0031
40/595 DocID15226 Rev 11
3.4.2 Medium-density device memory organization
Medium-density STM8L05xx/15xx EEPROM is split into three memory arrays:
•Up to 32 Kbytes of Flash program memory divided into 256 pages of 128 bytes each.
The memory array is organized in 32-bit words (4 bytes per word). It includes two
areas:
– The user boot code area (UBC)
– The main program area
The first block (128 bytes) of the Flash program memory (starting from address
0x00 8000) contains the interrupt vectors.
•Up to 1 Kbyte of data EEPROM organized in 8 pages of 128 bytes each.
•One block of option bytes (128 bytes) located in a separate memory array.
See the following figure for a description of the memory organization.
Figure 4. Medium-density STM8L05xx/15xx Flash program and data EEPROM
organization
AIB
53%2"//4#/$%5"#
PERMANENTLYWRITEPROTECTED
X
-!).02/'2!-
WRITEACCESSPOSSIBLEFOR)!0
ANDUSING-!33MECHANISM
X&&&&
$!4!%%02/- $!4!
5PTO+BYTESOF
&,!3(02/'2!-
-%-/29
)NTERRUPTVECTORSPAGE
/04)/."94%3BYTES
X&
X
PAGEBLOCKBYTES
X
X&&
0ROGRAMMABLESIZE
FROMPAGES
UPTOPAGES
PAGESTEP

DocID15226 Rev 11 41/595
RM0031 Flash program memory and data EEPROM
60
3.4.3 Medium+ density device memory organization
Medium+ density STM8L05xx/15xx EEPROM is split into three memory arrays:
•32 Kbytes of Flash program memory divided into 128 pages of 256 bytes each. The
memory array is organized in 32-bit words (4 bytes per word). It includes three areas:
– The user boot code area (UBC)
– The proprietary code area (PCODE)
– The main program area
The first block (128 bytes) of the Flash program memory (starting from address
0x00 8000) contains the interrupt vectors.
•Up to 1 Kbyte of data EEPROM organized in 4 pages of 256 bytes each.
•One block of option bytes (128 bytes) located in a separate memory array.
See Figure 6 for a description of the memory organization.
Figure 5. Medium+ density STM8L05x/15x/16x Flash program and data EEPROM organization
AIB
53%2"//4#/$%5"#
PERMANENTLYWRITEPROTECTED
X
-!).02/'2!-
WRITEACCESSPOSSIBLEFOR)!0
ANDUSING-!33MECHANISM
X&&&&
0ROGRAMMABLESIZE
FROMPAGE
UPTOPAGES
PAGESTEP
$!4!%%02/-$!4!
+BYTESOF
&,!3(02/'2!-
-%-/29
)NTERRUPTVECTORSBYTES
02/02)%4!29#/$%0#/$%
PERMANENTLYREADOUTPROTECTED
/04)/."94%3BYTES
X&
X
BLOCKBYTES
PAGEBLOCKSBYTES
X
X&&
0ROGRAMMABLESIZE
FROMPAGE
UPTOPAGES
PAGESTEP

Flash program memory and data EEPROM RM0031
42/595 DocID15226 Rev 11
3.4.4 High-density device memory organization
High-density STM8L05xx/15xx/16xx EEPROM is split into three memory arrays:
•64 Kbytes of Flash program memory divided into 256 pages of 256 bytes each. The
memory array is organized in 32-bit words (4 bytes per word). It includes three areas:
– The user boot code area (UBC)
– The proprietary code area (PCODE)
– The main program area
The first block (128 bytes) of the Flash program memory (starting from address
0x00 8000) contains the interrupt vectors.
•Up to 2 Kbytes of data EEPROM organized in 8 pages of 256 bytes each.
•One block of option bytes (128 bytes) located in a separate memory array.
See Figure 6 for a description of the memory organization.
Figure 6. High-density STM8L05xx/15xx/16xx Flash program and data EEPROM
organization
!)B
53%2"//4#/$%5"#
PERMANENTLYWRITEPROTECTED
X
-!).02/'2!-
WRITEACCESSPOSSIBLEFOR)!0
ANDUSING-!33MECHANISM
X&&&
0ROGRAMMABLESIZE
FROMPAGE
UPTOPAGES
PAGESTEP
$!4!%%02/-$!4!
+BYTESOF
&,!3(02/'2!-
-%-/29
)NTERRUPTVECTORSBYTES
02/02)%4!29#/$%0#/$%
PERMANENTLYREADOUTPROTECTED
/04)/."94%3BYTES
X&
X
BLOCKBYTES
PAGEBLOCKSBYTES
X
X&&
0ROGRAMMABLESIZE
FROMPAGE
UPTOPAGES
PAGESTEP

DocID15226 Rev 11 43/595
RM0031 Flash program memory and data EEPROM
60
3.4.5 Proprietary code area (PCODE)
The proprietary code area (PCODE) can be used to protect proprietary software libraries
used to drive peripherals. It is available only in low, medium + and high-density devices.
The size of the PCODE area can be configured through the PCODE option byte
(PCODESIZE) in ICP mode (using the SWIM interface). This option byte specifies the
number of pages (256-byte granularity) allocated for the PCODE area starting from address
0x00 8000. Once programmed, the PCODE option byte cannot be erased, and the size of
the PCODE area remains fixed.
The minimum meaningful size of the PCODE area is 1 page (256 bytes) of which 128 bytes
are used to store the interrupt vectors.
While the PCODE is enabled the TRAP interrupt vector is write protected.
In medium+ density devices, the maximum size of the PCODE area is 128 pages ranging
from address 0x00 8000 to 0x00 FFFF. In high-density devices, the maximum size of the
PCODE area is 255 pages ranging from address 0x00 8000 to 0x01 7EFF.
The PCODE area is automatically readout protected except for the TRAP interrupt vector
(see Section 3.5.1: Readout protection, Table 5: Memory access versus programming
method(low-density devices), Table 6: Memory access versus programming method
(medium-density devices) and Table 7: Memory access versus programming method
(medium+ and high-density devices)). The readout protection cannot be disabled in this
area. This means that the content of the PCODE area cannot be read or modified.
The PCODE area can be accessed only through the TRAP vector.
3.4.6 User boot area (UBC)
The user boot area (UBC) contains the reset and the interrupt vectors. It can be used to
store the IAP and communication routines. The UBC area has a second level of protection
to prevent unintentional erasing or modification during IAP programming. This means that it
is always write protected and the write protection cannot be unlocked using the MASS keys.
The size of the UBC area can be obtained by reading the UBC option byte.
The size of the UBC area can be configured in ICP mode (using the SWIM interface)
through the UBC option byte. The UBC option byte specifies the number of pages allocated
for the UBC area starting from address 0x00 8000.
In medium-density STM8L05xx/15xx devices, the minimum meaningful size of the UBC
area is of 2 pages of which 1 is used to store the interrupt vectors.
In low, medium+ and high-density devices, the minimum meaningful size of the UBC area is
of 1 page of which 128 bytes are used to store the interrupt vectors.
Note: When a PCODE area has been defined, the minimum size of the UBC should be
PCODESIZE+1. The portion of the UBC available to store the boot code is the area located
between the end of the PCODE area and the end of the defined UBC area.
In high-density STM8L05xx/15xx/16xx devices, the maximum size of the boot area is 255
pages ranging from address 0x00 8000 to 0x01 7EFF (including the interrupt vectors).
In medium+ density STM8L05xx/15xx devices, the maximum size of the boot area is 128
pages ranging from address 0x00 8000 to 0x00 FFFF (including the interrupt vectors).
In medium-density STM8L05xx/15xx devices, the maximum size of the boot area is 255
pages ranging from address 0x00 8000 to 0x00 FF7F(including the interrupt vectors).

Flash program memory and data EEPROM RM0031
44/595 DocID15226 Rev 11
Refer to Figure 7, Figure 8, Figure 9 and Figure 10 for a description of the UBC area
memory mapping and to the option byte section in the datasheets for more details on the
UBC option byte.
Figure 7. UBC area size definition for low-density STM8L05xx/15xx devices
-36
X
X&&&
)NTERRUPTVECTORS 5"#;=X
PAGE
X&
X&
X"&
X&&
0AGE
0AGE
0AGE
0AGE
X&"&
X&&
X&&
X%&&
X%"&
0AGE
0AGE
0AGE
0AGE
0AGE
5"#;=X&
PAGES
BYTES
BYTES
BYTES
BYTES
BYTES
BYTES
BYTES
)NTERRUPTVECTORS

DocID15226 Rev 11 45/595
RM0031 Flash program memory and data EEPROM
60
Figure 8. UBC area size definition for medium-density STM8L05xx/15xx devices
1. UBC[7:0]= 0x00 means no memory space is allocated for the UBC area.
Figure 9. UBC area size definition for medium + STM8L05xx/15xx devices
1. UBC[7:0]= 0x00 means no memory space is allocated for the UBC area.
AID
X
X&&&&
)NTERRUPTVECTORSPAGE 5"#;=X
PAGE
BYTES
X&
X&&
BYTES
BYTES
X&
X&&
0AGE
0AGE
0AGE
0AGE
BYTES
BYTES
BYTES
BYTES
BYTES
X&&&
X&%&&
X&%&
X&$&&
X&$&
0AGE
0AGE
0AGE
0AGE
0AGE
5"#;=X&&
PAGES
AIB
X
X&&&&
)NTERRUPTVECTORSPAGE
5"#;=X
PAGE
BYTES
X&
X&&
BYTES
BYTES
X&&
0AGE
0AGE
BYTES
BYTES
BYTES
BYTES
BYTES
X&%&&
X&$&&
0AGE
0AGE
0AGE
0AGE
0AGE
5"#;=X
PAGES
X&&
0AGE
X&#&&
X&"&&
X&!&&

Flash program memory and data EEPROM RM0031
46/595 DocID15226 Rev 11
Figure 10. UBC area size definition for high-density STM8L05xx/15xx/16xx devices
1. UBC[7:0]= 0x00 means no memory space is allocated for the UBC area.
3.4.7 Data EEPROM (DATA)
The data EEPROM area can be used to store application data. By default, the DATA area is
write protected to prevent unintentional modification when the main program is updated in
IAP mode. The write protection can be unlocked only by using a specific MASS key
sequence (refer to Enabling write access to the DATA area).
The size of the DATA area is 256 bytes in low-density STM8L15xx devices, 1 Kbyte in
medium and medium+ density STM8L15xx devices and 2 Kbytes in high-density
STM8L15xx/16xx devices. It starts from address 0x00 1000 (see Figure 4, Figure 5 and
Figure 6).
The size of the DATA area is limited to 256 bytes for STM8L05xx value line devices.
3.4.8 Main program area
The main program is the area which starts at the end of the UBC or PCODE (when
available) and ends at address 0x00 9FFF on low-density STM8L05xx/15xx devices,
0x00 FFFF on medium and medium+ density STM8L05xx/15xx devices and 0x01 7FFF on
high-density STM8L05xx/15xx/16xx devices. It is used to store the application code (see
Figure 4, Figure 5 and Figure 6).
3.4.9 Option bytes
The option bytes are used to configure device hardware features and memory protection.
They are located in a dedicated memory array of one block.
AIB
X
X&&&
)NTERRUPTVECTORSPAGE
5"#;=X
PAGE
BYTES
X&
X&&
BYTES
BYTES
X&&
0AGE
0AGE
BYTES
BYTES
BYTES
BYTES
BYTES
X%&&
X$&&
0AGE
0AGE
0AGE
0AGE
0AGE
5"#;=X&&
PAGES
X&&
0AGE
X#&&
X"&&
X!&&

DocID15226 Rev 11 47/595
RM0031 Flash program memory and data EEPROM
60
The option bytes can be modified both in ICP/SWIM and in IAP mode, except for ROP and
UBC and PCODESIZE (when available).
Refer to the option byte section in the datasheet for more information on option bytes, and to
the STM8 SWIM protocol and debug module user manual (UM0470) for details on how to
program them.
3.5 Memory protection
3.5.1 Readout protection
Readout protection is removed by programming the ROP option byte to 0xAA. When
readout protection is enabled, reading or modifying the Flash program memory and DATA
area in ICP mode (using the SWIM interface) is forbidden, whatever the write protection
settings.
Even if no protection can be considered as totally unbreakable, the readout feature provides
a very high level of protection for a general purpose microcontroller.
The readout protection can be disabled on the program memory, UBC, PCODE (when
available) and DATA areas, by reprogramming the ROP option byte in ICP mode. In this
case, the Flash program memory, the DATA area and the option bytes are automatically
erased and the device can be reprogrammed.
By default, the PCODE area is always readout protected except for the interrupt vector
TRAP (see Section 3.4.5: Proprietary code area (PCODE)).
Refer to Table 6: Memory access versus programming method (medium-density devices)
for details on memory access when readout protection is enabled or disabled.
3.5.2 Memory access security system (MASS)
After reset, the main program and DATA areas are protected against unintentional write
operations. They must be unlocked before attempting to modify their content. This unlock
mechanism is managed by the memory access security system (MASS).
The UBC area specified in the UBC option byte is always write protected (see Section 3.4.6:
User boot area (UBC)).
Once the memory has been modified, it is recommended to enable the write protection
again to protect the memory content against corruption.
Enabling write access to the main program memory
After a device reset, it is possible to disable the main program memory write protection by
writing consecutively two values called MASS keys to the FLASH_PUKR register (see
Section 3.9.3: Flash program memory unprotecting key register (FLASH_PUKR)). These
programmed keys are then compared to two hardware key values:
•First hardware key: 0b0101 0110 (0x56)
•Second hardware key: 0b1010 1110 (0xAE)

Flash program memory and data EEPROM RM0031
48/595 DocID15226 Rev 11
The following steps are required to disable write protection of the main program area:
1. Write a first 8-bit key into the FLASH_PUKR register. When this register is written for
the first time after a reset, the data bus content is not latched into the register, but
compared to the first hardware key value (0x56).
2. If the key available on the data bus is incorrect, the FLASH_PUKR register remains
locked until the next reset. Any new write commands sent to this address are
discarded.
3. If the first hardware key is correct when the FLASH_PUKR register is written for the
second time, the data bus content is still not latched into the register, but compared to
the second hardware key value (0xAE).
4. If the key available on the data bus is incorrect, the write protection on program
memory remains locked until the next reset. Any new write commands sent to this
address is discarded.
5. If the second hardware key is correct, the main program memory is write unprotected
and the PUL bit of the FLASH_IAPSR is set (see Section 3.9.5: Flash status register
(FLASH_IAPSR)) register.
Before starting programming, the application must verify that PUL bit is effectively set. The
application can choose, at any time, to disable again write access to the Flash program
memory by clearing the PUL bit.
Enabling write access to the DATA area
After a device reset, it is possible to disable the DATA area write protection by writing
consecutively two values called MASS keys to the FLASH_DUKR register (see
Section 3.9.6: Flash register map and reset values). These programmed keys are then
compared to two hardware key values:
•First hardware key: 0b1010 1110 (0xAE)
•Second hardware key: 0b0101 0110 (0x56)
The following steps are required to disable write protection of the DATA area:
1. Write a first 8-bit key into the FLASH_DUKR register. When this register is written for
the first time after a reset, the data bus content is not latched into the register, but
compared to the first hardware key value (0xAE).
2. If the key available on the data bus is incorrect, the application can re-enter two MASS
keys to try unprotecting the DATA area.
3. If the first hardware key is correct, the FLASH_DUKR register is programmed with the
second key. The data bus content is still not latched into the register, but compared to
the second hardware key value (0x56).
4. If the key available on the data bus is incorrect, the data EEPROM area remains write
protected until the next reset. Any new write command sent to this address is ignored.
5. If the second hardware key is correct, the DATA area is write unprotected and the DUL
bit of the FLASH_IAPSR register is set (see Section 3.9.5: Flash status register
(FLASH_IAPSR)).
Before starting programming, the application must verify that the DATA area is not write
protected by checking that the DUL bit is effectively set. The application can choose, at any
time, to disable again write access to the DATA area by clearing the DUL bit.

DocID15226 Rev 11 49/595
RM0031 Flash program memory and data EEPROM
60
3.5.3 Enabling write access to option bytes
The write access to the option byte area can be enabled by setting the OPT bit in the Flash
control register 2 (FLASH_CR2).
3.6 Memory programming
The main program memory, and the DATA area must be unlocked before attempting to
perform any program operation. The unlock mechanism depends on the memory area to be
programmed as described in Section 3.5.2: Memory access security system (MASS).
Note: The PCODE area is always readout protected. The only way to reprogram it is to reset the
ROP option byte, thus erasing the Flash program memory, DATA area, and option bytes.
3.6.1 Read-while-write (RWW)
The RWW feature allows write operations to be performed on data EEPROM while reading
and executing the program memory. Execution time is therefore optimized. The opposite
operation is not allowed: Data memory cannot be read while writing to the program memory.
This RWW feature is always enabled and can be used at any time.
Note: The RWW feature is not available on low-density devices. Refer to the datasheets for
addition information.
3.6.2 Byte programming
The main program memory and the DATA area can be programmed at byte level. To
program one byte, the application writes directly to the target address.
•In the main program memory:
The application stops for the duration of the byte program operation.
•In DATA area:
– Program execution stops during the “End of high voltage” operation, that is when
the HVOFF flag is set, and the byte program operation is performed using the
read-while-write (RWW) capability in IAP mode.
To erase a byte, simply write 0x00 at the corresponding address.
The application can read the FLASH_IAPSR register to verify that the programming or
erasing operation has been correctly executed:
•EOP flag is set after a successful programming operation
•WR_PG_DIS is set when the software has tried to write to a protected page. In this
case, the write procedure is not performed.
As soon as one of these flags are set, a Flash interrupt is generated if it has been previously
enabled by setting the IE bit of the FLASH_CR1 register.
Automatic fast byte programming
The programming duration can vary according to the initial content of the target address. If
the word (4 bytes) containing the byte to be programmed is not empty, the whole word is
automatically erased before the program operation. On the contrary if the word is empty, no
erase operation is performed and the programming time is shorter (see tPROG in Table
“Flash program memory” in the datasheet).

Flash program memory and data EEPROM RM0031
50/595 DocID15226 Rev 11
However, the programming time can be fixed by setting the FIX bit of the FLASH_CR1
register to force the program operation to systematically erase the byte whatever its content
(see Section 3.9.1: Flash control register 1 (FLASH_CR1)). The programming time is
consequently fixed and equal to the sum of the erase and write time (see tPROG in Table
“Flash program memory” in the datasheet).
Note: To write a byte fast (no erase), the whole word (4 bytes) into which it is written must be
erased beforehand. Consequently, It is not possible to do two fast writes to the same word
(without an erase before the second write): The first write will be fast but the second write to
the other byte will require an erase.
3.6.3 Word programming
A word write operation allows an entire 4-byte word to be programmed in one shot, thus
minimizing the programming time.
As for byte programming, word operation is available both for the main program memory
and data EEPROM. The read-while-write (RWW) capability is also available when a word
programming operation is performed on the data EEPROM. Refer to the datasheets for
additional information.
•In the main program memory:
The application stops for the duration of the byte program operation.
•In DATA area:
– Program execution does not stop, and the byte program operation is performed
using the read-while-write (RWW) capability in IAP mode.
To program a word, the WPRG bit in the FLASH_CR2 register must be previously set to
enable word programming mode (see Section 3.9.2: Flash control register 2
(FLASH_CR2)). Then, the 4 bytes of the word to be programmed must be loaded starting
with the first address. The programming cycle starts automatically when the 4 bytes have
been written.
As for byte operation, the EOP and the WR_PG_DIS control flags of FLASH_IAPSR,
together with the Flash interrupt, can be used to determine if the operation has been
correctly completed.
3.6.4 Block programming
Block program operations are much faster than byte or word program operations. In a block
program operation, a whole block is programmed or erased in a single programming cycle.
Refer to Table 4 for details on the block size according to the devices.
Block operations can be performed both to the main program memory and DATA area:
•In the main program memory:
Block program operations to the main program memory have to be executed totally
from RAM.
•In the DATA area
– DATA block operations can be executed from the main program memory.
However, the data loading phase (see below) has to be executed from RAM.

DocID15226 Rev 11 51/595
RM0031 Flash program memory and data EEPROM
60
There are three possible block operations:
•Block programming, also called standard block programming: The block is
automatically erased before being programmed.
•Fast block programming: No previous erase operation is performed.
•Block erase
During block programming, interrupts are masked by hardware.
Standard block programming
A standard block program operation allows a whole block to be written in one shot. The
block is automatically erase before being programmed.
To program a whole block in standard mode, the PRG bit in the FLASH_CR2 register must
be previously set to enable standard block programming (see Section 3.9.2: Flash control
register 2 (FLASH_CR2)). Then, the block of data to be programmed must be loaded
sequentially to the destination addresses in the main program memory or DATA area. This
causes all the bytes of data to be latched. To start programming the whole block, all bytes of
data must be written. All bytes written in a programming sequence must be in the same
block. This means that they must have the same high address: Only the six least significant
bits of the address can change. When the last byte of the target block is loaded, the
programming starts automatically. It is preceded by an automatic erase operation of the
whole block.
The EOP and the WR_PG_DIS control flags of the FLASH_IAPSR together with the Flash
interrupt can be used to determine if the operation has been correctly completed.
Fast block programming
Fast block programming allows programming without first erasing the memory contents.
Fast block programming is therefore twice as fast as standard programming.
This mode is intended only for programming parts that have already been erased. It is very
useful for programming blank parts with the complete application code, as the time saving is
significant.
Fast block programming is performed by using the same sequence as standard block
programming. To enable fast block programming mode, the FPRG bit of the FLASH_CR2
registers must be previously set.
The EOP and WR_PG_DIS bits of the FLASH_IAPSR register can be checked to determine
if the fast block programming operation has been correctly completed.
Caution: The data programmed in the block are not guaranteed when the block is not blank before
the fast block program operation.
Block erasing
A block erase allows a whole block to be erased.
To erase a whole block, the ERASE bit in the FLASH_CR2 register must be previously set to
enable block erasing (see Section 3.9.2: Flash control register 2 (FLASH_CR2)). The block
is then erased by writing ‘0x00 00 00 00’ to any word inside the block. The word start
address must end with ‘0’, ‘4’, ‘8’, or ‘C’.
The EOP and the WR_PG_DIS control flags of the FLASH_IAPSR together with the Flash
interrupt can be used to determine if the operation has been correctly completed.

Flash program memory and data EEPROM RM0031
52/595 DocID15226 Rev 11
3.6.5 Option byte programming
Option byte programming is very similar to data EEPROM byte programming.
The application writes directly to the target address. The program does not stop and the
write operation is performed using the RWW capability.
Refer to the datasheet for details of the option byte contents.
3.7 Flash low-power modes
All STM8L05xx/15xx/16xx Flash program memory and data EEPROM have one low
consumption mode, IDDQ. In IDDQ mode, the memory is switched off. It is used for any of the
device low power modes: Halt, active-halt, low power wait, and low power run.
When the EEPM bit is set in FLASH_CR1 register, the Flash program memory and data
EEPROM automatically enter IDDQ mode when the code is executed from RAM or when the
device is in Wait mode.
Refer to Section 3.9.1: Flash control register 1 (FLASH_CR1) for details on WAITM and
EEPM bits.
When the Flash program memory and data EEPROM exit from IDDQ mode, the recovery
time is lower than 2.8 µs and depends on supply voltage and temperature.
3.8 ICP and IAP
The in-circuit programming (ICP) method is used to update the entire content of the memory,
using the SWIM interface to load the user application into the microcontroller. ICP offers
quick and efficient design iterations and eliminates unnecessary package handling or
socketing of devices. The SWIM interface (single wire interface module) uses the SWIM pin
to connect to the programming tool.
In contrast to the ICP method, in-application programming (IAP) can use any communication
interface supported by the microcontroller (I/Os, I2C, SPI, USART...) to download the data to
be programmed in the memory. IAP allows the Flash program memory content to be
reprogrammed during application execution. Nevertheless, part of the application must have
been previously programmed in the Flash program memory using ICP.
Refer to the STM8L Flash programming manual (PM0054) and STM8 SWIM protocol and
debug manual (UM0470) for more information on programming procedures.
Table 4. Block size
STM8 microcontroller family Block size
Low-density STM8L05xx/15xx 64 bytes
Medium-density STM8L05xx/15xx 128 bytes
Medium+ density STM8L05xx/15xx 128 bytes
High-density STM8L05xx/15xx/16xx 128 bytes

DocID15226 Rev 11 53/595
RM0031 Flash program memory and data EEPROM
60
Table 5. Memory access versus programming method(1)(low-density devices)
Mode ROP Memory area Access from
core
User mode, IAP, and
bootloader
Readout protection
enabled
Interrupt vectors except for TRAP R/W(2)/E
TRAP R/W(3)/E
Proprietary code area (PCODE) when available R/E
Main program R/W/E(4)
Data EEPROM area (DATA) R/W(5)
Option bytes R
Readout protection
disabled
Interrupt vectors except for TRAP R/W(2)/E
TRAP R/W(3)/E
Proprietary code area (PCODE) when available R/E(6)
Main program R/W/E(4)
Data EEPROM area (DATA) R/W(5)
Option bytes R/W(7)
SWIM active
(ICP mode)
Readout protection
enabled
Interrupt vectors except for TRAP P
TRAP P
Proprietary code area (PCODE) when available P(6)
Main program P
Data EEPROM area (DATA) P
Option bytes P/WROP(8)
Readout protection
disabled
Interrupt vectors except for TRAP R/W(2)/E
TRAP R/W/E
Proprietary code area (PCODE) when available R/E(6)
Main program R/W/E(4)
Data EEPROM area (DATA) R/W(5)
Option bytes R/W(7)
1. R/W/E = Read, write, and execute
R/E = Read and execute (write operation forbidden)
R = Read (write and execute operations forbidden)
P = The area cannot be accessed (read, execute and write operations forbidden)
P/WROP = Protected, write forbidden except for ROP option byte.
2. When no UBC area has been defined, the interrupt vectors, except for TRAP, can be modified in user/IAP mode.
3. If a PCODE area has been defined, the TRAP vector cannot be modified in user and IAP mode, otherwise TRAP follows
the same rules as other interrupt vectors.
4. The Flash program memory is write protected (locked) until the correct MASS key is written in the FLASH_PUKR. It is
possible to lock the memory again by resetting the PUL bit in the FLASH_IAPSR register. Unlocking can only be done once
between two resets. If incorrect keys are provided, the device must be reset and new keys programmed.
5. The data memory is write protected (locked) until the correct MASS key is written in the FLASH_DUKR. It is possible to
lock the memory again by resetting the DUL bit in the FLASH_IAPSR register. If incorrect keys are provided, another key
program sequence can be performed without resetting the device.
6. The PCODE area can be read and executed only in privileged mode through TRAP vectors. The PCODE cannot be
directly accessed through the SWIM.

Flash program memory and data EEPROM RM0031
54/595 DocID15226 Rev 11
7. The option bytes are write protected (locked) until the correct MASS key is written in the FLASH_DUKR (with OPT set to
1). It is possible to lock the memory again by resetting the DUL bit in the FLASH_IAPSR register. If incorrect keys are
provided, another key program sequence can be performed without resetting the device.
8. When ROP is removed, the whole memory is erased, including option bytes.
Table 6. Memory access versus programming method(1) (medium-density devices)
Mode ROP Memory area Access from
core
User mode, IAP, and
bootloader
Readout protection
enabled
Interrupt vectors except for TRAP R/W(2)/E
TRAP R/W/E
User boot code area (UBC) R/E
Main program R/W/E(3)
Data EEPROM area (DATA) R/W(4)
Option bytes R
Readout protection
disabled
Interrupt vectors except for TRAP R/W(2)/E
TRAP R/W/E
User boot code area (UBC) R/E(5)
Main program R/W/E(3)
Data EEPROM area (DATA) R/W(4)
Option bytes R/W(6)
SWIM active
(ICP mode)
Readout protection
enabled
Interrupt vectors except for TRAP P
TRAP P
User boot code area (UBC) P
Main program P
Data EEPROM area (DATA) P
Option bytes P/WROP(7)
Readout protection
disabled
Interrupt vectors except for TRAP R/W(2)/E
TRAP R/W/E
User boot code area (UBC) R/E(5)
Main program R/W/E(3)
Data EEPROM area (DATA) R/W(4)
Option bytes R/W(6)
1. R/W/E = Read, write, and execute
R/E = Read and execute (write operation forbidden)
R = Read (write and execute operations forbidden)
P = The area cannot be accessed (read, execute and write operations forbidden)
P/WROP = Protected, write forbidden except for ROP option byte.
2. When no UBC area has been defined, the interrupt vectors, except for TRAP, can be modified in user/IAP mode.
3. The Flash program memory is write protected (locked) until the correct MASS key is written in the FLASH_PUKR. It is
possible to lock the memory again by resetting the PUL bit in the FLASH_IAPSR register. Unlocking can only be done once
between two resets. If incorrect keys are provided, the device must be reset and new keys programmed.

DocID15226 Rev 11 55/595
RM0031 Flash program memory and data EEPROM
60
4. The data memory is write protected (locked) until the correct MASS key is written in the FLASH_DUKR. It is possible to
lock the memory again by resetting the DUL bit in the FLASH_IAPSR register. If incorrect keys are provided, another key
program sequence can be performed without resetting the device.
5. To program the UBC area the application must first clear the UBC option byte.
6. The option bytes are write protected (locked) until the correct MASS key is written in the FLASH_DUKR (with OPT set to
1). It is possible to lock the memory again by resetting the DUL bit in the FLASH_IAPSR register. If incorrect keys are
provided, another key program sequence can be performed without resetting the device.
7. When ROP is removed, the whole memory is erased, including option bytes.
Table 7. Memory access versus programming method(1) (medium+ and high-density devices)
Mode ROP Memory area Access from
core
User mode, IAP, and
bootloader
Readout protection
enabled
Interrupt vectors except for TRAP R/W(2)/E
TRAP R/W(3)/E
Proprietary code area (PCODE) when available R/E(6)
User boot code area (UBC) R/E
Main program R/W/E(4)
Data EEPROM area (DATA) R/W(5)
Option bytes R
Readout protection
disabled
Interrupt vectors except for TRAP R/W(2)/E
TRAP R/W(3)/E
Proprietary code area (PCODE) when available R/E(6)
User boot code area (UBC) R/E(7)
Main program R/W/E(4)
Data EEPROM area (DATA) R/W(5)
Option bytes R/W(8)
SWIM active
(ICP mode)
Readout protection
enabled
Interrupt vectors except for TRAP P
TRAP P
Proprietary code area (PCODE) when available P(6)
User boot code area (UBC) P
Main program P
Data EEPROM area (DATA) P
Option bytes P/WROP(9)
Readout protection
disabled
Interrupt vectors except for TRAP R/W(2)/E
TRAP R/W/E
Proprietary code area (PCODE) when available R/E(6)
User boot code area (UBC) R/E(7)
Main program R/W/E(4)
Data EEPROM area (DATA) R/W(5)
Option bytes R/W(7)

Flash program memory and data EEPROM RM0031
56/595 DocID15226 Rev 11
1. R/W/E = Read, write, and execute
R/E = Read and execute (write operation forbidden)
R = Read (write and execute operations forbidden)
P = The area cannot be accessed (read, execute and write operations forbidden)
P/WROP = Protected, write forbidden except for ROP option byte.
2. When no UBC area has been defined, the interrupt vectors, except for TRAP, can be modified in user/IAP mode.
3. If a PCODE area has been defined, the TRAP vector cannot be modified in user and IAP mode, otherwise TRAP follows
the same rules as other interrupt vectors.
4. The Flash program memory is write protected (locked) until the correct MASS key is written in the FLASH_PUKR. It is
possible to lock the memory again by resetting the PUL bit in the FLASH_IAPSR register. Unlocking can only be done once
between two resets. If incorrect keys are provided, the device must be reset and new keys programmed.
5. The data memory is write protected (locked) until the correct MASS key is written in the FLASH_DUKR. It is possible to
lock the memory again by resetting the DUL bit in the FLASH_IAPSR register. If incorrect keys are provided, another key
program sequence can be performed without resetting the device.
6. The PCODE area can be read and executed only in privileged mode through TRAP vectors. The PCODE cannot be
directly accessed through the SWIM.
7. To program the UBC area the application must first clear the UBC option byte.
8. The option bytes are write protected (locked) until the correct MASS key is written in the FLASH_DUKR (with OPT set to
‘1’). It is possible to lock the memory again by resetting the DUL bit in the FLASH_IAPSR register. If incorrect keys are
provided, another key program sequence can be performed without resetting the device.
9. When ROP is removed, the whole memory is erased, including option bytes.

DocID15226 Rev 11 57/595
RM0031 Flash program memory and data EEPROM
60
3.9 Flash registers
3.9.1 Flash control register 1 (FLASH_CR1)
Address offset: 0x00
Reset value: 0x00
76543210
Reserved EEPM WAITM IE FIX
rw rw rw rw
Bits 7: Reserved
Bit 3 EEPM: Flash program and data EEPROM IDDQ mode selection during run, low power run and
low power wait mode
0: EEPM is cleared by hardware just after a Flash program or data EEPROM memory
access. Clearing this bit by software does not exit the memory from IDDQ mode.
1: When the code is executed from RAM, setting of the EEPM bit force program Flash and
data EEPROM into IDDQ mode.
This bit must not be set when the code is executed from program Flash.
Flash program and data EEPROM remain in IDDQ mode till the next Flash program or data
EEPROM memory access.
Refer to Section 7.6: Low power run mode on page 80.
Bit 2 WAITM: Flash program and data EEPROM IDDQ mode during wait mode
This bit is set and cleared by software.
0: Flash program and data EEPROM not in IDDQ mode when the device is in wait mode
1: Flash program and data EEPROM in IDDQ mode when the device is in wait mode.
Bit 1 IE: Flash Interrupt enable
This bit is set and cleared by software.
0: Interrupt disabled
1: Interrupt enabled. An interrupt is generated if the EOP or WR_PG_DIS flag in the
FLASH_IAPSR register is set.
Bit 0 FIX: Fixed Byte programming time
This bit is set and cleared by software.
0: Standard programming time of (1/2 tprog) if the memory is already erased and tprog
otherwise.
1: Programming time fixed at tprog.

Flash program memory and data EEPROM RM0031
58/595 DocID15226 Rev 11
3.9.2 Flash control register 2 (FLASH_CR2)
Address offset: 0x01
Reset value: 0x00
3.9.3 Flash program memory unprotecting key register (FLASH_PUKR)
Address offset: 0x02
Reset value: 0x00
76543210
OPT WPRG ERASE FPRG Reserved PRG
rw rw rw rw r rw
Bit 7 OPT: Write option bytes
This bit is set and cleared by software.
0: Write access to option bytes disabled
1: Write access to option bytes enabled
Bit 6 WPRG: Word programming
This bit is set by software and cleared by hardware when the operation is completed.
0: Word program operation disabled
1: Word program operation enabled
Bit 5 ERASE(1): Block erasing
This bit is set by software and cleared by hardware when the operation is completed.
0: Block erase operation disabled
1: Block erase operation enabled
Bit 4 FPRG(1): Fast block programming
This bit is set by software and cleared by hardware when the operation is completed.
0: Fast block program operation disabled
1: Fast block program operation enabled
Bits 3:1 Reserved
Bit 0 PRG: Standard block programming
This bit is set by software and cleared by hardware when the operation is completed.
0: Standard block programming operation disabled
1: Standard block programming operation enabled (automatically first erasing)
1. The ERASE and FPRG bits are locked when the memory is busy.
76543210
MASS_PRG KEYS
rw
Bits 7:0 PUK [7:0]: Main program memory unlock keys
This byte is written by software (all modes). It returns 0x00 when read.
Refer to Enabling write access to the main program memory on page 47 for the description
of main program area write unprotection mechanism.

DocID15226 Rev 11 59/595
RM0031 Flash program memory and data EEPROM
60
3.9.4 Data EEPROM unprotection key register (FLASH_DUKR)
Address offset: 0x03
Reset value: 0x00
3.9.5 Flash status register (FLASH_IAPSR)
Address offset: 0x04
Reset value: 0x40
76543210
MASS_DATA KEYS
rw
Bits 7:0 DUK[7:0]: Data EEPROM write unlock keys
This byte is written by software (all modes). It returns 0x00 when read.
Refer to Enabling write access to the DATA area on page 48 for the description of main
program area write unprotection mechanism.
76543210
Reserved HVOFF Reserved DUL EOP PUL WR_PG_DIS
res. r r rc_w0 rc_r rc_w0 rc_r
Bit 7 Reserved.
Bit 6 HVOFF: End of high voltage flag
This bit is set and cleared by hardware.
0: HV ON, start of actual programming
1: HV OFF, end of high voltage
Bits 5:4 Reserved, forced by hardware to 0.
Bit 3 DUL: Data EEPROM area unlocked flag
This bit is set by hardware and cleared by software by programming it to 0.
0: Data EEPROM area write protection enabled
1: Data EEPROM area write protection has been disabled by writing the correct MASS
keys

Flash program memory and data EEPROM RM0031
60/595 DocID15226 Rev 11
3.9.6 Flash register map and reset values
For details on the Flash register boundary addresses, refer to the general hardware register
map in the datasheets.
Bit 2 EOP: End of programming (write or erase operation) flag
This bit is set by hardware. It is cleared by software by reading the register, or when a new
write/erase operation starts.
0: No EOP event occurred
1: An EOP operation occurred. An interrupt is generated if the IE bit is set in the
FLASH_CR1 register.
Bit 1 PUL: Flash Program memory unlocked flag
This bit is set by hardware and cleared by software by programming it to 0.
0: Write protection of main Program area enabled
1: Write protection of main Program area has been disabled by writing the correct MASS
keys.
Bit 0 WR_PG_DIS: Write attempted to protected page flag
This bit is set by hardware and cleared by software by reading the register.
0: No WR_PG_DIS event occurred
1: A write attempt to a write protected page occurred. An interrupt is generated if the IE bit
is set in the FLASH_CR1 register.
Table 8. Flash register map
Address
offset Register
name 7654321 0
0x00 FLASH_CR1
Reset value
-
0
-
0
-
0
-
0
EEPM
0
WAITM
0
IE
0
FIX
0
0x01 FLASH_CR2
Reset value
OPT
0
WPRG
0
ERASE
0
FPRG
0
-
0
-
0
-
0
PRG
0
0x02 FLASH_PUKR
Reset value
PUK7
0
PUK6
0
PUK5
0
PUK4
0
PUK3
0
PUK2
0
PUK1
0
PUK0
0
0x03 FLASH_DUKR
Reset value
DUK7
0
DUK6
0
DUK5
0
DUK4
0
DUK3
0
DUK2
0
DUK1
0
DUK0
0
0x04 FLASH_IAPSR
Reset value
-
0
HVOFF
1
-
0
-
0
DUL
0
EOP
0
PUL
0
WR_PG_DIS
0

DocID15226 Rev 11 61/595
RM0031 Single wire interface module (SWIM) and debug module (DM)
61
4 Single wire interface module (SWIM) and debug
module (DM)
This section applies to low-density STM8L05xx/STM8L15xx devices, medium-density
STM8L05xx/STM8L15xx devices, medium+ density STM8L05xx/STM8L15xx devices and
high-density STM8L05xx/STM8L15xx/STM8L16xx devices, unless otherwise specified.
4.1 Introduction
In-circuit debugging mode or in-circuit programming mode are managed through a single
wire hardware interface featuring ultrafast memory programming. Coupled with an in-circuit
debugging module, it also offers a non-intrusive emulation mode, making the in-circuit
debugger extremely powerful, close in performance to a full-featured emulator.
4.2 Main features
•Based on an asynchronous, high sink (8 mA), open-drain, bidirectional communication.
•Allows reading or writing any part of memory space.
•Access to CPU registers (A, X, Y, CC, SP). They are memory mapped for read or write
access.
•Non intrusive read/write on the fly to the RAM and peripheral registers.
SWIM pin can be used as a standard I/O with some restrictions if you also want to use it for
debug. The most secure way is to provide on the PCB a strap option.
Figure 11. SWIM pin connection
4.3 SWIM modes
After a power-on reset, the SWIM is reset and enters OFF mode.
1. OFF: Default state after power-on reset. The SWIM pin cannot be used by the
application as an I/O.
2. I/O: This state is entered by software writing to the SWD bit in the Global configuration
register (CFG_GCR). In this state, the SWIM pin can be used by the application as a
standard I/O pin. In case of a reset, the SWIM goes back to OFF mode.
3. SWIM: This state is entered when a specific sequence is performed on the SWIM pin.
In this state, the SWIM pin is used by the host tool to control the STM8 with 3
commands (SRST system reset, ROTF read on the fly, WOTF write on the fly).
Note: Refer to the STM8 SWIM communication Protocol and Debug Module User Manual for a
description of the SWIM and Debug module (DM) registers.
MCU
SWIM/PA0
Jumper selection for
debug purposes
I/O for application
SWIM interface for tools

Memory and register map RM0031
62/595 DocID15226 Rev 11
5 Memory and register map
This section applies to low-density STM8L05xx/STM8L15xx devices, medium-density
STM8L05xx/STM8L15xx devices, medium+ density STM8L05xx/STM8L15xx devices and
high-density STM8L05xx/STM8L15xx/STM8L16xx devices, unless otherwise specified.
For details on the memory map, I/O port hardware register map and CPU/SWIM/debug
module/interrupt controller registers, refer to the product datasheets.
5.1 Register description abbreviations
In the register descriptions of each chapter in this reference manual, the following
abbreviations are used:
Table 9. List of abbreviations
Abbreviation Description
read/write (rw) Software can read and write to these bits.
read-only (r) Software can only read these bits.
write only (w) Software can only write to this bit. Reading the bit returns a meaningless
value.
read/write once (rwo) Software can only write once to this bit but can read it at any time. Only a
reset can return this bit to its reset value.
read/clear (rc_w1) Software can read and clear this bit by writing 1. Writing ‘0’ has no effect on
the bit value.
read/clear (rc_w0) Software can read and clear this bit by writing 0. Writing ‘1’ has no effect on
the bit value.
read/set (rs) Software can read and set this bit. Writing ‘0’ has no effect on the bit value.
read/clear by read
(rc_r)
Software can read this bit. Reading this bit automatically clears it to ‘0’.
Writing ‘0’ has no effect on the bit value.
Reserved (Res.) Reserved bit, must be kept at reset value.

DocID15226 Rev 11 63/595
RM0031 Power control (PWR)
86
6 Power control (PWR)
This section applies to low-density STM8L05xx/STM8L15xx devices, medium-density
STM8L05xx/STM8L15xx devices, medium+ density STM8L05xx/STM8L15xx devices and
high-density STM8L05xx/STM8L15xx/STM8L16xx devices, unless otherwise specified.
6.1 Power supply
The device requires a 1.65 V to 3.6 V operating voltage supply (VDD) (1.8 V to 3.6 V for
STM8L05xx value line devices). An internal voltage regulator is used to supply VCORE to the
digital core, SRAM, Flash memory and data EEPROM.
Figure 12. Power supply overview
Note: In the above figure, the DAC is not available on low-density or STM8L05x value line
devices.
VDD/ Voltage regulator
I/Os
SRAM
Flash program memory
CPU
Data EEPROM
(VDD) VDDIO/
(VDD) VDDA/
(from 1.8 V to VDDA) VREF+
(VSSA) VREF-
Analog blocks
38 kHz RC oscillator (LSI)
12-bit ADC
Power control (PWR)
Clock detector (CKD)
Comparators
16 MHz RC oscillator (HSI)
Digital peripherals
VCORE
DAC
- Main regulator mode (MVR)
- Ultra-low-power mode (ULP)
Digital blocks
VSS
(VSS) VSSA
(VSS) VSSIO

Power control (PWR) RM0031
64/595 DocID15226 Rev 11
External power supply pins:
The external power supply pins must be connected as follows:
•VSS; VDD = 1.8 to 3.6 V, down to 1.65 V(a) at power-down: external power supply for
I/Os and for the internal regulator. Provided externally through VDD pins, the
corresponding ground pin is VSS.
•VSSA; VDDA = 1.8 to 3.6 V, down to 1.65 V(a) at power-down: external power supplies
for analog peripherals (minimum voltage to be applied to VDDA is 1.8 V when the ADC1
is used). VDDA and VSSA must be connected to VDD and VSS, respectively.
•VSSIO; VDDIO = 1.8 to 3.6 V, down to 1.65 V(a) at power-down: external power supplies
for I/Os. VDDIO and VSSIO must be connected to VDD and VSS, respectively.
•VREF+; VREF- (for ADC1): external reference voltage for ADC1. Must be provided
externally through VREF+ and VREF- pin.
•VREF+ (for DAC)(a): external voltage reference for DAC must be provided externally
through VREF+.
6.2 Power-on reset (POR)/power-down reset (PDR)
The device has an integrated POR/PDR circuitry that allows operation down to 1.5 V typical.
During power-on, the device remains in Reset mode when VDD/VDDA is below a specified
threshold, VPOR, without the need for an external reset circuit. The POR feature is always
enabled and the POR threshold is around 1.5 V. During power-down, the PDR keeps the
device under reset when the supply voltage (VDD) drops below the VPDR threshold. The
PDR feature is always enabled and the PDR threshold is 1.5 V.
In low-density devices, medium-density devices and in the medium+ and high-density
devices operating from 1.8V to 3.6V (device part numbers without "D" suffix), the BOR starts
to work above the POR threshold (see Section 6.3: Brownout reset (BOR) on page 65). To
ensure the minimum operating voltage (1.65 V), the BOR should be configured to BOR
Level 0.
When the BOR is disabled, a "grey zone" exists between the minimum operating voltage
(1.65 V)(a) and the VPOR/VPDR threshold. This means that VDD can be lower than 1.65 V
without device reset until the VPDR threshold is reached. For more details concerning the
power on/power down reset threshold, refer to the electrical characteristics of the datasheet.
a. Not applicable on STM8L05xx value line devices. Refer to datasheets for more details.

DocID15226 Rev 11 65/595
RM0031 Power control (PWR)
86
Figure 13. Power on reset/power down reset waveform
6.3 Brownout reset (BOR)
For low-density devices, medium-density devices and for medium+ and high-density
devices operating from 1.8 V to 3.6 V, the BOR is always active at power-on, keeping the
MCU under reset till the application operating threshold is reached.
At power-down, the BOR threshold is also used to generate a reset.
This BOR threshold (VBOR) can be configured using the option bytes. Five different levels
can be selected, starting from 1.8 V to 3 V . If the BOR is disabled, the reset threshold is
VPDR at power-down: this guarantees a VDD min. value of 1.65 V(b). Refer to Figure 14.
The power control unit (PWR) has an internal reference voltage which is used by the BOR
or by other analog features.
To reduce the power consumption in Halt mode, it is possible to automatically switch off the
internal voltage reference using the ULP bit in the PWR_CSR2 register. In this case, when
the MCU wakes up from Halt mode there is an additional delay for the internal reference
voltage startup. This delay can be configured using the FWU bit in the PWR_CSR2 register
(see Table 10).
Enabling the BOR guarantees that the MCU is safely used as it cannot run when VDD is
below the operating range.
VDD/VDDA
Reset
POR
PDR
Temporization
tRSTTEMPO
b. Not applicable on STM8L05xx value line devices. Refer to datasheets for more details.

Power control (PWR) RM0031
66/595 DocID15226 Rev 11
Figure 14. VDD voltage detection: BOR threshold
1. When BOR is disabled at power-down, this threshold is VPDR.
6.4 Programmable voltage detector (PVD)
The device features an embedded programmable voltage detector (PVD) that monitors the
VDD/VDDA power supply and compares it to the VPVD threshold.
When VDD/VDDA drops below the VPVD threshold and/or when VDD/VDDA rises higher than
the VPVD threshold, the PVD output changes and a PVD event is generated. Every PVD
event sets the interrupt flag (PVDIF) in the PWR_CSR1 register. The current state of the
PVD output can be monitored through the PVDOF flag status in the PWR_CSR1 register. If
the PVDIEN bit in the PWR_CSR1 register is set, the PVD interrupt is enabled and is
generated when the PVDIF flag is set. To prevent some spurious interrupts, as the PVDIF
flag must be cleared by software, the user must make sure the PVDIF flag has been cleared
before the PVD interrupt is enabled and before returning from the interrupt service. The
PVD is enabled by software by setting the PVDE bit in the PWR_CSR1 register.
This PVD has 7 different levels between 1.85 V and 3.05 V, selected by the PLS[2:0] bits in
the PWR_CSR1 register, in steps of around 200 mV. Refer to the “Power-up / power-down
operating conditions” section in the product datasheet.
The external reference voltage on the PVD_IN input pin can be selected by setting the
PLS[2:0] bits to 111.
Note: The voltage injected on PVD_IN (PE6) is compared to the VREFINT internal voltage
reference.
VDD/VDDIO
NRST
VBOR+
VBOR- 1)

DocID15226 Rev 11 67/595
RM0031 Power control (PWR)
86
Figure 15. PVD threshold
6.5 Internal voltage reference (VREFINT)
The functions managed through the internal voltage reference (VREFINT) are BOR, PVD,
ADC, LCD internal VLCD booster and comparators. The internal voltage reference
(VREFINT) is always enabled. The internal voltage reference consumption is not negligible in
Halt and Active-halt mode. To reduce power consumption in these modes, the ULP bit (Ultra
low power) in the PWR_CSR2 register can be set to disable the internal voltage reference
during Halt and Active-halt modes. In this case, when exiting from these modes, the
functions managed through the internal voltage reference are not reliable during the internal
voltage reference startup time tVREFINT (up to 3 ms, refer to datasheet). To reduce the
wakeup time, the device can exit from Halt/Active-halt mode without waiting for the internal
voltage reference startup time. This is performed by setting the FWU bit (Fast wakeup) in
the PWR_CSR2 register before entering halt/Active-halt mode. The VREFINTF flag in the
PWR_CSR register indicates that the internal voltage reference is ready. Consequently, the
analog functions listed above can be used.
39'HYHQW
39'RXWSXW
39'2)
9''9''$
DLF
39'HYHQW
39'
WKUHVKROG
39'
LQWHUUXSW
39',)
P9K\VWHUHVLV
Table 10. Internal voltage reference status during Halt/Active-halt mode (1)
ULP bit FWU bit Meaning
0x
Internal reference voltage always on.
Internal reference voltage consumption (IREFINT) is added in
Halt/Active-halt mode. (2)
10
Internal reference voltage
stopped in
Halt/Active-halt mode
Internal reference voltage wakeup time
tVREFINT is added to allow the internal
reference voltage start. (2)
11
Fast wakeup time is forced without waiting
the start of the internal reference voltage.
In this case, the analog features do not
work immediately after wakeup.

Power control (PWR) RM0031
68/595 DocID15226 Rev 11
6.6 Voltage regulator
The device has an internal voltage regulator for generating the 1.8 V power supply (VCORE)
for the core and peripherals.
This regulator has two different modes:
•Main voltage regulator mode (MVR) for Run, Wait for interrupt (WFI) and Wait for event
(WFE) modes.
•Ultra-low-power regulator mode (ULP) for Halt and Active-halt modes.
The regulator mode switches modes automatically, depending in some cases on some
register control bits. Refer to Table 13.
1. The FWU bit or the ULP bit must not be changed before the internal reference voltage is properly
stabilized. The VREFINTF bit in the PWR_CSR2 register can be used to check the status of the internal
reference voltage.
2. Refer to the product datasheet for the values of wakeup times.
Table 11. PWR interrupt requests
Interrupt event Event
flag
Enable
control
bit
Exit
from
Wait/Low
power
wait
Exit
from
Halt/
Active-
halt
PVD interrupt flag PVDIF PVDIEN No Yes

DocID15226 Rev 11 69/595
RM0031 Power control (PWR)
86
6.7 PWR registers
6.7.1 Power control and status register 1 (PWR_CSR1)
Address offset: 0x00
Reset value after power-on Reset: 0x00
76543210
Reserved PVDOF PVDIF PVDIEN PLS[2:0] PVDE
r rc_w1 rw rw rw rw rc_w1
Bit 7 Reserved, must be kept cleared.
Bit 6 PVDOF: PVD output flag
This bit is set and cleared by hardware.
0: VDD/VDDA is above the VPVD threshold
1: VDD/VDDA is below the VPVD threshold
Bit 5 PVDIF: PVD interrupt flag
This bit is set by hardware and cleared by software writing “1”.
0: No PVD event occurred
1: PVD interrupt pending. This bit is set by hardware when a PVD event occurs.
Bit 4 PVDIEN: PVD interrupt enable
This bit is set and cleared by software.
0: PVD interrupt disabled
1: PVD interrupt enabled
Bits 3:1 PLS[2:0]: PVD level selection
These bits are set and cleared by software.
000: PVD threshold = 1.85 V typ.
001: PVD threshold = 2.05 V typ.
010: PVD threshold = 2.26 V typ.
011: PVD threshold = 2.45 V typ.
100: PVD threshold = 2.65 V typ.
101: PVD threshold = 2.85 V typ.
110: PVD Threshold = 3.05 V typ.
111: Threshold = PVD_IN input pin
For more details, refer to the “Power-up / power-down operating conditions” section in the product
datasheet.
Bit 0 PVDE: Power voltage detector (PVD) enable
This bit is set by hardware and cleared by software writing “1”.
0: PVD off
1: PVD on

Power control (PWR) RM0031
70/595 DocID15226 Rev 11
6.7.2 PWR control and status register 2 (PWR_CSR2)
Address offset: 0x01
Reset value after power-on Reset: 0x00
6.7.3 PWR register map and reset values
76543210
Reserved FWU ULP VREFINTF
rrwrwr
Bits 7:3 Reserved, must be kept cleared.
Bit 2 FWU: Fast wake up configuration
Refer to Table 10.
Note: The FWU bit must not be changed before the internal reference voltage is properly stabilized.
The VREFINTF bit in the PWR_CSR2 register can be used to check the status of the internal
reference voltage.
Bit 1 ULP: Ultra-low-power configuration
Refer to Table 10.
Note: The FWU bit must not be changed before the internal reference voltage is properly stabilized.
The VREFINTF bit in the PWR_CSR2 register can be used to check the status of the internal
reference voltage.
Bit 0 VREFINTF: Internal reference voltage status flag
This bit is set and cleared by hardware
0: Internal reference voltage off or not yet stable
1: Internal reference voltage on
Table 12. PWR register map and reset values
Address
offset(1) Register name765432 1 0
0x00 PWR_CSR1
Reset value
-
0
PVDOF
0
PVDIF
0
PVDIEN
0
PLS2
0
PLS1
0
PLS0
0
PVDE
0
0x01 PWR_CSR2
Reset value
-
0
-
0
-
0
-
0
-
0
FWU
0
ULP
0
VREFINTF
0
1. Please refer to the “general hardware register map” table in the datasheet for details on register addresses.

DocID15226 Rev 11 71/595
RM0031 Low power modes
86
7 Low power modes
By default, the microcontroller is in Run mode after a system or power reset. However the
device supports five low power modes to achieve the best compromise between low power
consumption, short startup time and available wakeup sources:
•Wait mode: The CPU clock is stopped, but selected peripherals keep running. An
internal or external interrupt, event or Reset can be used to exit the microcontroller
from Wait mode. Refer to Section 7.3: Wait mode (WFI or WFE mode) on page 72
•Low power run mode: The CPU and the selected peripherals are running. Execution
is done from RAM with a low speed oscillator (LSI or LSE). Flash and data EEPROM
are stopped and the voltage regulator is configured in Ultra Low Power mode. The
microcontroller enters Low power run mode by software and can exit from this mode by
software or by a reset.
All interrupts must be masked. They cannot be used to exit the microcontroller from this
mode.
•Low power wait mode: This mode is entered when executing a Wait for event in Low
power run mode. It is similar to Low power run mode except that the CPU clock is
stopped. The wakeup from this mode is triggered by a Reset or by an internal or
external event (peripheral event generated by the timers, serial interfaces, DMA
controller, comparators and I/O ports). When the wakeup is triggered by an event, the
system goes back to Low power run mode.
All interrupts must be masked. They cannot be used to exit the microcontroller from this
mode.
•Active-halt mode: The CPU and peripheral clocks are stopped, except the RTC. The
wakeup can be triggered by RTC interrupts, external interrupts or reset.
•Halt mode: The CPU and peripheral clocks are stopped, the device remains powered
on. The wakeup is triggered by an external interrupt or reset. A few peripherals also
have wakeup from Halt capability. Switching off the internal reference voltage further
reduces power consumption. Through software configuration (see Table 10) it is also
possible to have a fast wakeup time of 6 µs, without waiting for the internal reference
voltage startup time.
Table 13. Low power mode summary
Mode Entry Oscillator CPU Peripheral Wakeup Voltage regulator
mode
Wait
WFI On Off On All internal or external
interrupts, reset MVR
WFE On Off On
All internal or external
interrupts, wakeup
events, reset
MVR
Low power
run mode
Software
sequence
LSI or LSE
clock On On Software sequence,
reset ULP
Low power
wait mode
Software
sequence
+WFE
LSI or LSE
clock Off On Internal or external
event, reset ULP

Low power modes RM0031
72/595 DocID15226 Rev 11
In addition, the power consumption in Run mode can be reduced by one of the following
means:
•Slowing down the system clocks
•Gating the peripherals clocks when they are unused.
7.1 Slowing down the system clocks
In Run mode, choosing the clock frequency is very important to ensure the best compromise
between performance and consumption. The selection is done by programming the
prescaler registers. These prescalers can also be used to slow down peripherals before
entering low power modes.
Note: In applications where the MCU can be halted for certain periods, the power consumption
can be minimized by keeping a fast clock (high performance execution) during active
periods, in order to reduce the ratio between active periods and Halt (that is “zero”-
consumption) periods.
7.2 Peripheral clock gating (PCG)
For additional power saving, you can use Peripheral Clock Gating (PCG). This can be done
at any time by selectively enabling or disabling the SYSCLK clock connection to individual
peripherals. These settings are effective in both Run and Wait modes.
Each PCG state represents a specific power or low power level. It is controlled by the
Peripheral clock enable registers (CLK_PCKENR1, CLK_PCKENR2 & CLK_PCKENR3).
7.3 Wait mode (WFI or WFE mode)
Wait mode is entered from Run mode by executing a WFI (Wait For Interrupt) or WFE (Wait
For Event) instruction: this stops the CPU but allows the other peripherals and interrupt
controller to continue running. The consumption decreases accordingly. Wait mode can be
combined with PCG to further reduce power consumption of the device.
In Wait mode, all the registers and RAM contents are preserved and the clock configuration
selected through the Clock divider register (CLK_CKDIVR) remains unchanged.
Active-halt HALT(1) Off except
LSI or LSE
clock
Off Off except RTC and
possibly LCD
External interrupts,
RTC interrupt, reset
MVR/ULP
depending
on CLK_ICKCR
register
Halt HALT(1) Off Off Off External interrupts,
reset ULP
1. Before executing the HALT instruction, the application must clear any pending peripheral interrupt by clearing the interrupt
pending bit in the corresponding peripheral configuration register. Otherwise, the HALT instruction is not executed and
program execution continues.
Table 13. Low power mode summary (continued)
Mode Entry Oscillator CPU Peripheral Wakeup Voltage regulator
mode

DocID15226 Rev 11 73/595
RM0031 Low power modes
86
7.4 Wait for interrupt (WFI) mode
Wait for interrupt mode is entered from Run mode by executing a WFI (Wait For Interrupt)
instruction.
When an internal or external interrupt request occurs, the CPU wakes up from WFI mode,
serves the interrupt and resumes processing.
Note: In an interrupt based application, where most of the processing is done through the interrupt
routines, the main program may be suspended by setting the activation level bit (AL) in the
CFG_GCR register. Setting this bit causes the CPU to return to WFI mode without restoring
the main execution context. This saves power by removing both the save/restore context
activity and the need for a main software loop execution for power management (in order to
return to WFI mode).
7.5 Wait for event (WFE) mode
Wait for event mode is entered from Run mode by executing a WFE instruction.
Interrupt requests during this mode are served normally, depending on the value of the I0
and I1 bits in the CPU_CC register.
Peripheral events can be generated by the timers, serial interfaces, DMA controller,
comparators and I/O ports. These are enabled by the WFE_CRx registers.
When a peripheral event is enabled, the corresponding interrupts are not served and you
have to clear the corresponding flag status.
There are two ways to wake up the CPU from WFE mode:
•Interrupts: when an interrupt occurs, the CPU wakes up from WFE mode and serves
the interrupt. After processing the interrupt, the processor goes back to WFE mode.
•Wakeup events: when a wakeup event occurs, the CPU wakes up and resumes
processing. As the processing resumes directly after the WFE instruction, there is no
context save/restore activity (this saves time and power consumption).
Further power consumption reduction may be achieved using this mode together with
execution from RAM. In some very low power applications, when the main software routine
is short and has a low execution time, this routine can be moved to RAM and executed from
RAM. As the Flash program memory is not used at wakeup, the power consumption is then
reduced during run time.
At any time, another routine (stored in the Flash program memory) can be executed by
software by simply calling/jumping to this routine.

Low power modes RM0031
74/595 DocID15226 Rev 11
7.5.1 WFE registers
WFE control register 1 (WFE_CR1)
Address offset: 0x00
Reset value: 0x00
76543210
EXTI_EV3 EXTI_EV2 EXTI_EV1 EXTI_EV0 TIM1_EV1 TIM1_EV0 TIM2_EV1 TIM2_EV0
rw rw rw rw rw rw rw rw
Bit 7 EXTI_EV3: External interrupt event 3
This bit is written by software to select the external interrupt sources used to wake up the CPU from
WFE mode.
0: No wakeup event generated on external interrupts from pin 3 of all ports
1: External interrupts from pin 3 of all ports configured to generate wakeup events
Bit 6 EXTI_EV2: External interrupt event 2
This bit is written by software to select the external interrupt sources used to wake up the CPU from
WFE mode.
0: No wakeup event generated on external interrupts from pin 2 of all ports
1: External interrupts from pin 2 of all ports configured to generate wakeup events
Bit 5 EXTI_EV1: External interrupt event 1
This bit is written by software to select the external interrupt sources used to wake up the CPU from
WFE mode.
0: No wakeup event generated on external interrupts from pin 1 of all ports
1: External interrupts from pin 1 of all ports configured to generate wakeup events
Bit 4 EXTI_EV0: External interrupt event 0
This bit is written by software to select the external interrupt sources used to wake up the CPU from
WFE mode.
0: No wakeup event generated on external interrupts from pin 0 of all ports
1: External interrupts from pin 0 of all ports configured to generate wakeup events
Bit 3 TIM1_EV1: TIM1 interrupt event 1
This bit is written by software to configure the TIM1 interrupt sources used to wake up the CPU from
WFE mode.
0: No wakeup event generated on TIM1 capture and compare interrupts
1: TIM1 capture and compare interrupts logically ORed and configured to generate wakeup events

DocID15226 Rev 11 75/595
RM0031 Low power modes
86
WFE control register 2 (WFE_CR2)
Address offset: 0x01
Reset value: 0x00
BIt 2 TIM1_EV0: TIM1 interrupt event 0
This bit is written by software to configure the TIM1 interrupt sources used to wake up the CPU from
WFE mode.
0: No wakeup event generated on TIM1 update, trigger and break interrupts
1: TIM1 update, trigger and break interrupts logically ORed and configured to generate wakeup
events
Bit 1 TIM2_EV1: TIM2 interrupt event 1
This bit is written by software to configure the TIM2 interrupt sources used to wake up the CPU from
WFE mode.
0: No wakeup event generated on TIM2 capture and compare interrupts
1: TIM2 capture and compare interrupts logically ORed and configured to generate wakeup events
Bit 0 TIM2_EV0: TIM2 interrupt event 0
This bit is written by software to configure the TIM2 interrupt sources used to wake up the CPU from
WFE mode
0: No wakeup event generated on TIM2 update, trigger and break interrupts
1: TIM2 update, trigger and break interrupts logically ORed and configured to generate wakeup
events
7 6543210
ADC1_COMP_EV EXTI_EVE_F EXTI_EVD_H EXTI_EVB_G EXTI_EV7 EXTI_EV6 EXTI_EV5 EXTI_EV4
rw rw rw rw rw rw rw rw
Bit 7 ADC1_COMP_EV
This bit is written by software to select the interrupt sources from ADC1 and comparators used to
wake up the CPU from WFE mode.
0: No wakeup event generated on interrupts from ADC1 and comparators
1: Interrupts from ADC1 and comparators are configured to generate wakeup events
Bit 6 EXTI_EVE_F: External interrupt event on Port E or Port F
This bit is written by software to select the external interrupt sources on Port E or Port F used to wake
up the CPU from WFE mode.
0: No wakeup event generated on external interrupts from Port E or Port F
1: External interrupts from Port E or Port F configured to generate wakeup events
Bit 5 EXTI_EVD: External interrupt event on Port D or Port H(1)
This bit is written by software to select the external interrupt sources on Port D or Port H (1)used to
wake up the CPU from WFE mode.
0: No wakeup event generated on external interrupts from Port D or Port H (1)
1: External interrupts from Port D or Port H (1) configured to generate wakeup events
Bit 4 EXTI_EVB: External interrupt event on Port B or Port G(2)
This bit is written by software to select the external interrupt sources on Port B or Port G(2) used to
wake up the CPU from WFE mode.
0: No wakeup event generated on external interrupts from Port B or Port G(2)
1: External interrupts from Port B or Port G(2) configured to generate wakeup events

Low power modes RM0031
76/595 DocID15226 Rev 11
WFE control register 3 (WFE_CR3)
Address offset: 0x00
Reset value: 0x00
Bit 3 EXTI_EV7: External interrupt event 7
This bit is written by software to select the external interrupt sources used to wake up the CPU from
WFE mode.
0: No wakeup event generated on external interrupts from pin 7 of all ports
1: External interrupts from pin 7 of all ports configured to generate wakeup events
Bit 2 EXTI_EV6: External interrupt event 6
This bit is written by software to select the external interrupt sources used to wake up the CPU from
WFE mode.
0: No wakeup event generated on external interrupts from pin 6 of all ports
1: External interrupts from pin 6 of all ports configured to generate wakeup events
Bit 1 EXTI_EV5: External interrupt event 5
This bit is written by software to select the external interrupt sources used to wake up the CPU from
WFE mode.
0: No wakeup event generated on external interrupts from pin 5 of all ports
1: External interrupts from pin 5 of all ports configured to generate wakeup events
Bit 0 EXTI_EV4: External interrupt event 4
This bit is written by software to select the external interrupt sources used to wake up the CPU from
WFE mode.
0: No wakeup event generated on external interrupts from pin 4 of all ports
1: External interrupts from pin 4 of all ports configured to generate wakeup events
1. External interrupt on port D for medium-density devices and on port D or H for low, medium+ and high-density devices.
2. External interrupt on port B for medium-density devices and on port B or G for low, medium+ and high-density devices.
76543210
DMA1CH23_EV DMA1CH01_EV USART1_EV I2C1_EV SPI1_EV TIM4_EV TIM3_EV1 TIM3_EV0
rw rw rw rw rw rw rw rw
Bit 7 DMA1CH23_EV: DMA1 channel 2 and 3 interrupt event
This bit is written by software to select the DMA1 channel 2 and 3 interrupt sources used to wake up
the CPU from WFE mode.
0: No wakeup event generated on DMA1 channel 2 and 3
1: DMA1 channel 2 and 3 interrupts configured to generate wakeup events
Bit 6 DMA1CH01_EV: DMA1 channel 0 and 1 interrupt event
This bit is written by software to select the DMA1 channel 0 and 1 interrupt sources used to wake up
the CPU from WFE mode.
0: No wakeup event generated on DMA1 channel 0 and 1
1: DMA1 channel 0and 1interrupts configured to generate wakeup events
Bit 5 USART1_EV: USART1 Rx and Tx interrupt event
This bit is written by software to select the USART1 Rx and Tx interrupt sources used to wake up the
CPU from WFE mode
0: No wakeup event generated on USART1 Rx and Tx
1: USART1 Rx and Tx interrupts configured to generate wakeup events

DocID15226 Rev 11 77/595
RM0031 Low power modes
86
Bit 4 I2C1_EV: I2C1 Rx and Tx interrupt event
This bit is written by software to select the I2C1 Rx and Tx interrupt sources used to wake up the CPU
from WFE mode
0: No wakeup event generated on I2C1 Rx and Tx
1: I2C1 Rx and Tx interrupts configured to generate wakeup events
Bit 3 SPI1_EV: SPI1Rx and Tx interrupt event
This bit is written by software to select the SPI1Rx and Tx interrupt sources used to wake up the CPU
from WFE mode
0: No wakeup event generated on SPI1Rx and Tx
1: SPI1Rx and Tx interrupts configured to generate wakeup events
bit 2 TIM4_EV: TIM4 interrupt event
This bit is written by software to configure the TIM4 interrupt sources used to wake up the CPU from
WFE mode
0: No wakeup event generated on TIM4 update and trigger interrupts
1: TIM4 update and trigger interrupts logically ORed and configured to generate wakeup events
Bit 1 TIM3_EV1: TIM3 interrupt event 1
This bit is written by software to configure the TIM3 interrupt sources used to wake up the CPU from
WFE mode.
0: No wakeup event generated on TIM3 capture and compare interrupts
1: TIM3 capture and compare interrupts logically ORed and configured to generate wakeup events
Bit 0 TIM3_EV0: TIM3 interrupt event 0
This bit is written by software to configure the TIM3 interrupt sources used to wake up the CPU from
WFE mode.
0: No wakeup event generated on TIM3 update, trigger and break interrupts
1: TIM3 update, trigger and break interrupts logically ORed and configured to generate wakeup
events

Low power modes RM0031
78/595 DocID15226 Rev 11
WFE control register 4 (WFE_CR4)
Address offset: 0x03
Reset value: 0x00
7654321 0
Reserved AES_EV TIM5_EV1 TIM5_EV0 USART3_EV USART2_EV SPI2_EV RTC_CSSLSE_EV
rw rw rw rw rw rw rw rw
Bit 7 Reserved
Bit 6 AES_EV: AES interrupt event
This bit is written by software to configure the AES interrupt source used to wake up the CPU from
WFE mode.
0: No wakeup event generated from AES peripheral
1: AES interrupt configured to generate wakeup event
Bit 5 TIM5_EV1: TIM5 interrupt event 1
This bit is written by software to configure the TIM5 interrupt sources used to wake up the CPU from
WFE mode.
0: No wakeup event generated on TIM5 capture and compare interrupts
1: TIM5 capture and compare interrupts logically ORed and configured to generate wakeup events
Bit 4 TIM5_EV0: TIM5 interrupt event 0
This bit is written by software to configure the TIM5 interrupt sources used to wake up the CPU from
WFE mode.
0: No wakeup event generated on TIM5 update, trigger and break interrupts
1: TIM5 update, trigger and break interrupts logically ORed and configured to generate wakeup
events
Bit 3 USART3_EV: USART3 Rx and Tx interrupt event
0: No wakeup event generated from USART3 Rx and Tx
1: USART3 Rx and Tx interrupts configured to generate wakeup events
Bit 2 USART2_EV: USART2 Rx and Tx interrupt event
This bit is written by software to select the USART2 Rx and Tx interrupt sources used to wake up the
CPU from WFE mode
0: No wakeup event generated from USART2 Rx and Tx
1: USART2 Rx and Tx interrupts configured to generate wakeup events
Bit 1 SPI2_EV: SPI2 Rx and Tx interrupt event
This bit is written by software to select the SPI2 Rx and Tx interrupt sources used to wake up the CPU
from WFE mode.
0: No wakeup event generated from SPI2 Rx and Tx
1: SPI2 Rx and Tx interrupts configured to generate wakeup events
Bit 0 RTC_CSSLSE_EV: “RTC” or “CSS on LSE” interrupt event
This bit is written by software to select the interrupt source (“RTC” or “CSS on LSE”) used to wake up
the CPU from WFE mode.
0: No wakeup event generated from RTC or CSS on LSE interrupt events
1: RTC or CSS on LSE interrupt events configured to generate wakeup events

DocID15226 Rev 11 79/595
RM0031 Low power modes
86
7.5.2 WFE register map and reset values
Table 14. WFE register map
Address
offset(1) Register
name 7654 3 21 0
0x00 WFE_CR1
Reset value
EXTI_EV3
0
EXTI_EV2
0
EXTI_EV1
0
EXTI_EV0
0
TIM1_EV1
0
TIM1_EV0
0
TIM2_EV1
0
TIM2_EV0
0
0x01 WFE_CR2
Reset value
ADC1_CO
MP_EV
0
EXTI_EVE_
F
0
EXTI_EVD
0
EXTI_EVB
0
EXTI_EV7
0
EXTI_EV6
0
EXTI_EV5
0
EXTI_EV4
0
0x02 WFE_CR3
Reset value
DMA1CH23
_EV
0
DMA1CH01
_EV
0
USART1_E
V
0
I2C1_EV
0
SPI1_EV
0
TIM4_EV
0
TIM3_EV1
0
TIM3_EV0
0
0x03(2) WFE_CR4
Reset value Reserved AES_EV
0
TIM5_EV1
0
TIM5_EV0
0
USART3_EV
0
USART2_EV
0
SPI2_EV
0
RTC_CSSLSE_EV
0
1. Please refer to the “general hardware register map” table in the datasheet for details on register addresses.
2. Available on low, medium+ and high-density devices only. On low-density devices, only the RTC_CSSLSE_EV bit is
available in this register.

Low power modes RM0031
80/595 DocID15226 Rev 11
7.6 Low power run mode
This mode is based on code fetch from RAM with the regulator in ultra-low-power mode
(ULP) and EEPROM in IDDQ.
While using this mode you have to switch from high speed clock sources to low speed clock
sources.
Note: The ADC cannot be used in Low Power Run mode and must be disabled.
7.6.1 Entering Low power run mode
This mode is entered by executing the following software sequence:
1. Jump to RAM
2. Switch system clock to LSI or LSE clock sources
3. Switch off the high speed oscillators, the ADC and all unused peripherals
4. Mask all interrupts
5. Switch off the Flash/Data EEPROM by setting EEPM bit in FLASH_CR1 register
6. Add a software delay loop to ensure Flash/Data EEPROM off status
7. Configure the ultra-low-power mode for the regulator by setting the REGOFF bit in the
CLK_REGCSR register
7.6.2 Exiting Low power run mode
The only way to exit this mode is to follow these steps:
1. Switch on the main regulator by resetting the REGOFF bit in the CLK_REGCSR
register. The REGREADY flag in the CLK_REGCSR register is set when the regulator
is ready.
2. Switch on the Flash/Data EEPROM by resetting EEPM bit in FLASH_CR1 register. The
EEREADY flag in the CLK_REGCSR register is set when the Flash/Data EEPROM is
ready.
3. Reset interrupt mask.
4. Switch on what is necessary and jump to Flash/Data EEPROM if needed.
7.7 Low power wait mode
This mode is entered by executing a WFE instruction when the MCU is in Low power run
mode. It can be exited only by means of an external or internal event. In this case the MCU
returns to Low power run mode.

DocID15226 Rev 11 81/595
RM0031 Low power modes
86
7.8 Halt mode
In this mode the system clock is stopped. This means that the CPU and all the peripherals
clocked by SYSCLK or by derived clocks are disabled, except for the following cases:
•The HSI clock is not stopped if used by SWIM
•The system clock source is not stopped if a Flash/Data EEPROM write operation is in
progress
•The LSI clock is not stopped if used by the SWIM, the IWDG or if the “IWDG_HALT”
option bit is disabled.
In Halt mode, none of the peripherals are clocked and the digital part of the MCU consumes
almost no power.
7.8.1 Entering Halt mode
The MCU enters Halt mode when a HALT instruction is executed.
Note: It is recommended not to enter Halt/Active-halt mode from the Low power run mode.
Otherwise, the only safe way to exit one of these two modes is to reset the MCU.
Before executing a HALT instruction, the application must clear all pending peripheral
interrupts by clearing the interrupt pending bit in the corresponding peripheral configuration
register. Otherwise, the HALT instruction is not executed and program execution continues.
However, the Halt procedure can be delayed if one of the following flags is set:
•SWBSY flag in the CLK_SWCR register
•EEBUSY flag in the CLK_CLK_REGCSR register
•RTCSWBSY flag in the CLK_CRTCR register
•BEEPSWBSY flag in the CLK_CBEEPR register when BEEP in Active-halt mode
enabled.
If SAHALT bit is set in the CLK_ICKCR register the main regulator (MVR) will be switched
off without taking into account that some high-speed clock may be used by the system.
7.8.2 Exiting Halt mode
Wakeup from Halt mode is triggered by an external interrupt sourced by a general purpose
I/O port configured as interrupt input or by an alternate function pin capable of triggering a
peripheral interrupt.
The system clock is restarted with a frequency depending on the FHW bit in the
CLK_ICKCR register. If the FHW bit is set, HSI/8 is the system clock, otherwise the system
clock is the last selected clock source before entering Halt mode.
In an interrupt based application, where most of the processing is done through the interrupt
routines, the main program may be suspended by setting the activation level bit (AL) in the
CPU configuration register. Setting this bit causes the CPU to return to Halt mode when
executing the return from interrupt, without restoring the main execution context.
Power consumption is reduced as there is no save/restore context activity and no need for a
main software loop execution for power management (in order to return to WFI mode).
After a wake up from Halt mode, the LCD clock switches from RTCCLK to SYSCLK. To
have a stable clock signal without glitches, 2 RTCCLK cycles are needed for
synchronization reasons. Consequently, read/write access to LCD registers is not possible
during this period.

Low power modes RM0031
82/595 DocID15226 Rev 11
7.9 Active-halt mode
Active-halt mode is similar to Halt mode.
Note: It is recommended not to enter Halt/Active-Halt mode from the Low power run mode.
Otherwise, the only safe way to exit one of these two modes is to reset the MCU.
In Active-halt mode, the main oscillator, the CPU and almost all peripherals are stopped.
Only oscillator or the LSE crystal is running to drive the SWIM, beeper, IWDG, RTC and
LCD if enabled.

DocID15226 Rev 11 83/595
RM0031 Reset (RST)
86
8 Reset (RST)
There are 6 reset sources:
•External reset through the NRST pin (this pin can also be configured as general
purpose output)
•Power-on reset (POR)/ power-down reset (PDR)
•Independent watchdog reset (IWDG)
•Window watchdog reset (WWDG)
•Illegal opcode reset (ILLOP)
•SWIM reset
These sources act on the NRST pin. The reset service routine vector is fixed at address
0x8000 in the memory map.
Figure 16. Reset circuit
8.1 “Reset state” and “under reset” definitions
When a reset occurs, there is a reset phase from the external pin pull-down to the internal
reset signal release. During this phase, the microcontroller sets some hardware
configurations before going to the reset vector.
At the end of this phase, most of the registers are configured with their “reset state” values.
During the reset phase, i.e. “under reset”, some pin configurations may be different from
their “reset state” configuration.
8.2 External reset (NRST pin)
8.2.1 Asynchronous external reset description
The NRST pin is both an input and an open-drain output with an integrated RPU weak pull-
up resistor.
A low pulse of minimum 300 ns on the NRST pin is needed to generate an external reset.
The reset detection is asynchronous and therefore the MCU can enter reset even in Halt
mode.
The NRST pin also acts as an open-drain output for resetting external devices.
1567
538
9''
::'*UHVHW
,:'*UHVHW
3XOVH
JHQHUDWRU 6:,0UHVHW
([WHUQDO
UHVHW
PLQV
6\VWHPUHVHW
)LOWHU
,OOHJDORSFRGHUHVHW
%253'5
DLF

Reset (RST) RM0031
84/595 DocID15226 Rev 11
Any reset pulse from an internal reset source holds the NRST output low for at least 20 µs.
The internal RPU weak pull-up ensures a high level on the NRST pin when the reset is not
forced low.
8.2.2 Configuring NRST/PA1 pin as general purpose output
To optimize the number of available pins, the NRST pin (external reset) can be configured
as a general purpose push-pull output (PA1).
For security, this configuration can be performed once only after reset, by writing a specified
key (0xD0) to the Reset pin configuration register (RST_CR).
When the PA1 pin is configured as a general purpose output, the MCU can be reset only by
a power-on reset (POR) or other internal reset source.
8.3 Internal reset
For internal reset sources, the NRST pin is kept low during the delay phase generated by
the pulse generator.
Each internal reset source is linked to a specific flag bit in the Reset status register
(RST_SR). These flags are set at reset state depending on the given reset source.
Consequently, they can be used to identify the last reset source. They are cleared by
software by writing the logic value ‘1’.
Note: All flags besides the POR flag are reset at POR.
8.3.1 Power-on reset (POR)
During power-on, the POR keeps the device in reset mode until VDD reaches a specified
threshold. The POR reset is then held for a specified time to ensure that VDD has reached
the minimum operating voltage. See Electrical parameters section in the datasheet for more
details.
8.3.2 Independent watchdog reset
Refer to the independent watchdog chapter for details.
A reset can be triggered by the application software using the Independent watchdog.
8.3.3 Window watchdog reset
Refer to the window watchdog chapter for details.
8.3.4 SWIM reset
An external device connected to the SWIM interface can request the SWIM block to
generate an MCU reset.
8.3.5 Illegal opcode reset
A system of illegal opcode detection is implemented to enhance device robustness against
unexpected behaviors. If the code to be executed does not correspond to any opcode or
prebyte value, a reset is generated. This, combined with the Watchdog, allows recovery
from an unexpected fault or interference.

DocID15226 Rev 11 85/595
RM0031 Reset (RST)
86
8.4 RST registers
8.4.1 Reset pin configuration register (RST_CR)
Address offset: 0x00
Reset value: 0x00
8.4.2 Reset status register (RST_SR)
Address offset: 0x01
Reset value after power-on Reset: 0x01
76543210
RSTPIN_KEY
rwo rwo rwo rwo rwo rwo rwo rwo
Bits 7:0 RSTPIN_KEY[7:0]: Reset pin configuration key
0x00: NRST/PA1 configured as reset pin (default reset value)
0xD0: NRST/PA1 configured as general purpose output
These bits are write once only. They can also be read at any time.
Note: Writing any value beside 0xD0 is equivalent to writing 0x00.
76543210
Reserved BORF WWDGF SWIMF ILLOPF IWDGF PORF
rc_w1 rc_w1 rc_w1 rc_w1 rc_w1 rc_w1
Bits 7:6 Reserved, must be kept cleared.
Bit 5 BORF: Brownout reset flag
This bit is set by hardware and cleared by software writing “1”.
0: No BOR reset occurred
1: An BOR reset occurred
Bit 4 WWDGF: Window Watchdog reset flag
This bit is set by hardware and cleared by software writing “1”.
0: No WWDG reset occurred
1: A WWDG reset occurred
Bit 3 SWIMF: SWIM reset flag
This bit is set by hardware and cleared by software writing “1”.
0: No SWIM reset occurred
1: A SWIM reset occurred

Reset (RST) RM0031
86/595 DocID15226 Rev 11
8.4.3 RST register map and reset values
Bit 2 ILLOPF: Illegal opcode reset flag
This bit is set by hardware and cleared by software writing “1”.
0: No ILLOP reset occurred
1: An ILLOP reset occurred
Bit 1 IWDGF: Independent Watchdog reset flag
This bit is set by hardware and cleared by software writing “1”.
0: No IWDG reset occurred
1: An IWDG reset occurred
Bit 0 PORF: Power-on Reset (POR) flag
This bit is set by hardware and cleared by software writing “1”.
0: No POR occurred
1: A POR occurred
Table 15. RST register map and reset values
Address
offset(1)
1. Please refer to the “general hardware register map” table in the datasheet for details on register addresses.
Register name765432 1 0
0x00 RST_CR
Reset value
RSTPIN
_KEY7
0
RSTPIN
_KEY6
0
RSTPIN
_KEY5
0
RSTPIN
_KEY4
0
RSTPIN
_KEY3
0
RSTPIN
_KEY2
0
RSTPIN
_KEY1
0
RSTPIN
_KEY0
0
0x01 RST_SR
Reset value
-
0
-
0
BORF
0
WWDGF
0
SWIMF
0
ILLOPF
0
IWDGF
0
PORF
1

DocID15226 Rev 11 87/595
RM0031 Clock control (CLK)
115
9 Clock control (CLK)
This section applies to low-density STM8L05xx/STM8L15xx devices, medium-density
STM8L05xx/STM8L15xx devices, medium+ density STM8L05xx/STM8L15xx devices and
high-density STM8L05xx/STM8L15xx/STM8L16xx devices, unless otherwise specified.
9.1 Introduction
The clock controller is designed to be very robust and at the same time easy to use. Its
purpose is to obtain the best performance in the application while at the same time get the
full benefit of all the microcontroller power saving capabilities.
You can manage the clock distribution to the CPU and to the various peripherals, in order to
optimize the power consumption.
A safe and glitch-free switch mechanism allows you to switch the system clock division
factor on the fly, by means of clock prescaler.
Figure 17. Clock structure
1. The HSE clock source can be either an external crystal/ceramic resonator or an external source (HSE
bypass). Refer to Section 9.2: HSE clock.
2. The LSE clock source can be either an external crystal/ceramic resonator or a external source (LSE
bypass). Refer to Section 9.4: LSE clock.
3. The Peripheral Clock Enable is 13 bits in low-density devices and 14 bits in medium-density devices and
20 bits in medium+ and high-density devices.
4. The CSS_LSE bit is available on low-density, medium+ and high-density devices only.
+6(26&
0+]
+6,5&
0+]
/6,5&
N +]
/6(26&
N+]
+6,
/6,
57&
SUHVFDOHU
3&/.
WRSHULSKHUDOV
57&&/. WR/&'
WR,:'*
6<6&/.
+6(
/6,
/6(
26&B287
26&B287
26&B,1
26&B,1
FORFNRXWSXW &&2
SUHVFDOHU
+6,
/6,
+6(
/6(
&&2
WRFRUHDQG
PHPRU\
6<6&/.
3UHVFDOHU
,:'*&/.
57&6(/>@
/6(
&/.%((36(/>@
WR%((3
%((3&/.
DL
&66
FRQILJXUDEOH
3HULSKHUDO
&ORFNHQDEOHELWV
WR57&
57&&/.
FORFNHQDEOHELW
/&'&/. WR/&'
6<6&/.
+DOW
FORFNHQDEOHELW
/&'SHULSKHUDO
57&&/.
/&'SHULSKHUDO
&66B/6(

Clock control (CLK) RM0031
88/595 DocID15226 Rev 11
Four different clock sources can be used to drive the system clock:
•16 MHz high-speed internal (HSI) factory-trimmed RC clock
•1 to 16 MHz high-speed external (HSE) oscillator clock
•32.768 kHz low-speed external (LSE) oscillator clock
•38 kHz low-speed internal (LSI) low-consumption clock
Each clock source can be switched on or off independently when it is not used, to optimize
power consumption.
These four clocks can be used with a programmable prescaler (factor 1 to 128) to drive the
system clock (SYSCLK). The SYSCLK is used to clock the core, memory and peripherals.
After reset, the device restarts by default with the HSI clock divided by 8. The prescaler ratio
and clock source can be changed by the application program as soon as the code execution
starts.
All the peripheral clocks are derived from the system clock (SYSCLK) except:
•The BEEP clock which is derived from the LSE or LSI clocks. This selection is made by
programming the CLKBEEPSEL[1:0] bits in the Clock BEEP register (CLK_CBEEPR).
•The RTC and the LCD clock which is derived from the LSE, LSI HSI or HSE (HSI and
HSE are divided by a programmable prescaler in CLK_CRTCR register). For more
information about the RTC and LCD clock source configuration please refer to
Section 9.9: RTC and LCD clock
•The IWDG clock which is always the LSI clock.
9.2 HSE clock
The high-speed external clock signal (HSE) can be generated from two possible clock
sources:
•HSE external crystal/ceramic resonator
•HSE user external clock
Note: The resonator and the load capacitors have to be placed as close as possible to the
oscillator pins in order to minimize output distortion and start-up stabilization time. The
loading capacitance values must be adjusted according to the selected oscillator.

DocID15226 Rev 11 89/595
RM0031 Clock control (CLK)
115
External crystal/ceramic resonator (HSE crystal)
The 1 to 16 MHz external oscillator has the advantage of producing a very accurate rate on
the main clock with 50% duty cycle.
The associated hardware configuration is shown in Figure 18. Refer to the electrical
characteristics section in the product datasheet for more details.
At start up the clock signal produced by the oscillator is not stable, and by default a delay of
1 oscillator cycle is inserted before the clock signal is released. You can program another
stabilization time in the HSECNT option byte, please refer to option bytes section in the
datasheet.
The HSERDY flag in the External clock register (CLK_ECKCR) indicates if the high-speed
external oscillator is stable or not. At startup, the clock is not released until this bit is set by
hardware.
The HSE crystal can be switched on and off using the HSEON bit in the External clock
register (CLK_ECKCR).
External source (HSE bypass)
In this mode, an external clock source must be provided. It can have a frequency up to
16 MHz. The application can select this mode by setting the HSEBYP and HSEON bits in
the External clock register CLK_ECKCR. The external clock signal (square, sinus or
triangle) with ~50% duty cycle has to drive the OSC_IN pin while the OSC_OUT pin is
available as standard I/O. See Figure 18.
Figure 18. HSE clock sources
Hardware configuration
External clockCrystal/ceramic resonators
OSC_OUT
EXTERNAL
SOURCE
(I/O available)
OSC_IN OSC_OUT
LOAD
CAPACITORS
CL2
CL1

Clock control (CLK) RM0031
90/595 DocID15226 Rev 11
Note: Before selecting this mode, you have to make sure that the HSE clock source is not used by
the RTC, output or involved in a switching operation.
9.3 HSI clock
The HSI clock signal is generated from an internal 16 MHz RC.
At startup the system clock source is automatically selected as HSI RC clock output divided
by 8 (HSI/8).
The HSI RC oscillator has the advantage of providing a 16-MHz system clock source with
50% duty cycle at low cost (no external components). It also has a faster startup time than
the HSE crystal oscillator however, even with calibration the frequency is less accurate than
an external crystal oscillator or ceramic resonator.
Calibration
Each device is factory-calibrated. After reset, the factory calibration value is automatically
loaded in the HSI calibration register (CLK_HSICALR)) and used for trimming the HSI
oscillator. The read only content of the CLK_HSICALR register can be used as a reference
for a calibration by the user.
If the application is subject to voltage or temperature variations, this may affect the RC
oscillator speed. You can trim the HSI frequency in the application using the HSI clock
calibration trimming register (CLK_HSITRIMR). This register provides the internal HSI
calibration register value.
Before writing to this register, you have to unlock the hardware write protection and then use
the following procedure:
1. Two consecutive write accesses to the HSI unlock register (CLK_HSIUNLCKR), the
first one with the value 0xAC and the second one with the value 0x35.
2. Write the HSI trimming value to the HSI clock calibration trimming register
(CLK_HSITRIMR).
Note: Any other attempt to read/write data from/to CLK registers breaks the unlocking process
and the hardware protection is set again.
When this procedure is properly completed, register CLK_HSITRIMR is locked again and
the written HSI trimming value is the calibration value used to trim the HSI oscillator.
Backup source
The HSI clock can also be used as a backup source (auxiliary clock) if the HSE crystal
oscillator fails. Refer to Section 9.8: Clock security system (CSS) on page 95.
Fast wakeup feature
If the FHWU bit in the Internal clock register (CLK_ICKCR) is set, this automatically selects
the HSI clock as system clock after the MCU wakeup from Halt or Active-halt mode.
Otherwise, the same clock source as that used before entering Halt or Active-halt mode is
selected.

DocID15226 Rev 11 91/595
RM0031 Clock control (CLK)
115
9.4 LSE clock
The LSE crystal is a 32.768 kHz low speed external crystal or ceramic resonator. It has the
advantage of providing a low power and highly accurate clock source to the real-time clock
peripheral (RTC) for clock/calendar or other timing functions.
The LSE crystal is switched on and off using the LSEON bit in the external clock register
(CLK_ECKCR). It is also automatically switched on when it is selected as RTC, CCO, Beep
or system clock source. At startup, the LSE crystal output clock signal is transmitted to the
MCU after the LSERDY flag has been set by hardware in the external clock register
(CLK_ECKCR).
Note: It is forbidden to enable CCO before the end of the LSE startup time tSU(LSE).
It is also recommended to wait for this LSE startup time before enabling other features using
the LSE, in order to have a stabilized frequency.
External source (LSE bypass)
In this mode, an external clock source must be provided. It must have a frequency of 32.768
kHz. The application can select this mode by setting the LSEBYP and LSEON bits in the
External clock register (CLK_ECKCR). The external clock signal (square, sinus or triangle)
with ~50% duty cycle has to drive the OSC32_IN pin while the OSC32_OUT pin is available
as standard I/O. See Figure 18.
Note: Before selecting this mode, you have to make sure that the LSE clock source is not used by
the RTC output or involved in a switching operation.
9.5 LSI clock
The LSI RC acts as a low power clock source that can be kept running in Active-halt and
Run modes for the independent watchdog (IWDG). The clock frequency is around 38 kHz.
For more details, refer to the electrical characteristics section in the product datasheet.
The LSI RC can be switched on and off using the LSION bit in the internal clock register
(CLK_ICKCR).
To detect a sequence of entry into SWIM mode, the LSI is automatically kept enabled in all
modes except Halt and Active-halt modes. Consequently, the LSI can be switched off by
clearing the LSION bit only if no peripheral is clocked by the LSI and after SWIM has been
disabled by setting the SWD bit in the CFG_GCR register. The LSI is not kept ON by the
SWIM in Halt and Active-halt mode.
The LSIRDY flag in the Internal clock register (CLK_ICKCR) indicates if the low-speed
internal oscillator is stable or not. At startup, the clock is not released until this bit is set by
hardware.

Clock control (CLK) RM0031
92/595 DocID15226 Rev 11
9.6 System clock sources
9.6.1 System startup
For fast system startup, after a reset the clock controller configures the system clock source
as HSI RC clock output divided by 8 (HSI/8). This is to take advantage of the short
stabilization time of the HSI oscillator.
Once the system clock is released, the user program can switch the system clock to another
clock source (LSI, HSE, or LSE) and/or modify the prescaler ratio.
9.6.2 System clock switching procedures
The clock switching feature provides an easy to use, fast and secure way for the application
to switch from one system clock source to another.
To switch clock sources, you can proceed in one of two ways:
•Automatic switching
•Manual switching
Automatic switching
The automatic switching enables the user to launch a clock switch with a minimum number
of instructions. The software can continue doing other operations without taking care of the
switch event exact time.
Refer to the flowchart in Figure 19.
Use the following procedure:
1. Enable the switching mechanism by setting the SWEN bit in the Switch control register
(CLK_SWCR).
2. Write the 8-bit value used to select the target clock source in the System clock switch
register (CLK_SWR). The SWBSY bit in the CLK_SWCR register is set by hardware,
and the target source oscillator starts. The old clock source continues to drive the CPU
and peripherals.
As soon as the target clock source is ready (stabilized), the content of the CLK_SWR
register is copied to the System clock status register (CLK_SCSR).
The SWBSY bit is cleared and the new clock source replaces the old one. If the SWIEN bit
is set, the SWIF flag in the CLK_SWCR is set and an interrupt is generated.
Manual switching
The manual switching is not as immediate as the automatic switching but it offers to the user
a precise control of the switch event time.
Refer to the flowchart in Figure 20.

DocID15226 Rev 11 93/595
RM0031 Clock control (CLK)
115
1. Write the 8-bit value used to select the target clock source in the System clock switch
register (CLK_SWR). Then the SWBSY bit is set by hardware, and the target source
oscillator starts. The old clock source continues to drive the CPU and peripherals.
2. The software has to wait until the target clock source is ready (stabilized). This is
indicated by the SWIF flag in the CLK_SWCR register and by an interrupt if the SWIEN
bit is set.
3. The final software action is to set, at the chosen time, the SWEN bit in the CLK_SWCR
register to execute the switch.
In both manual and automatic switching modes, the old system clock source will not be
powered off automatically in case it is required by other blocks (the LSI RC may be used to
drive the independent watchdog for example). The clock source can be powered off using
the bits in the Internal clock register (CLK_ICKCR) and the external clock register
(CLK_ECKCR).
If the clock switch does not work for any reason, software can reset the current switch oper-
ation by clearing the SWBSY flag. This will restore the CLK_SWR register to its previous
content (old system clock).
Note: After having reset a clock master switch procedure by clearing the SWBSY flag, the
application must wait until a period of at least two clock cycles has elapsed before
generating any new clock master switch request.
Figure 19. Clock switching flowchart (automatic mode example)
Reset
MCU in Run mode with HSI/8
Write target clock source in CLK_SWR
Target clock source ready after
CLK_SWR CLK_SCSR
SWBSY 0
Set SWEN bit in CLK_SWCR
Target clock source powered on
SWBSY 1
stabilization time
Switch busy
MCU in Run mode
with new system clock source
SOFTWARE ACTIONHARDWARE ACTION
Reset Switch busy flag
Update system clock status
Clear SWIF flag
Set SWIEN bit in CLK_SWCR to enable interrupt if suitable
Interrupt if activated
Poll
SWBSY 0

Clock control (CLK) RM0031
94/595 DocID15226 Rev 11
Figure 20. Clock switching flowchart (manual mode example without interrupt)
Figure 21. Clock switching flowchart (manual mode example with interrupt)
Reset
MCU in Run mode with HSI/8
Write target clock source in CLK_SWR
CLK_SWR CLK_SCSR
SWBSY 0
Target clock source powered on
SWBSY 1
Switch busy
MCU in Run mode
with new system clock source
SOFTWARE ACTIONHARDWARE ACTION
Reset Switch busy flag
Update system clock status
Poll the target clock
Set SWEN bit in CLK_SWCR to execute switch
LSIRDY/LSERDY/HSERDY/HSIRDY
Reset
MCU in Run mode with HSI/8
Write target clock source in CLK_SWR
Target clock source ready after
CLK_SWR CLK_SCSR
SWBSY 0
Target clock source powered on
SWBSY 1
stabilization time
Switch busy
MCU in Run mode
with new system clock source
SOFTWARE ACTIONHARDWARE ACTION
Reset Switch busy flag
Update system clock status
Clear SWIF flag
Set SWIEN bit in CLK_SWCR to enable interrupt if suitable
Set SWEN bit in CLK_SWCR to execute switch
Interrupt

DocID15226 Rev 11 95/595
RM0031 Clock control (CLK)
115
9.7 Peripheral clock gating (PCG)
Peripheral clock Gating (PCG) mode selectively enables or disables the system clock
(SYSCLK) connection to peripherals at any time in run or slow mode to optimize power
consumption.
After a device reset, all peripheral clocks are disabled. The only bit which is enabled by
default at reset state is PCKEN27 as it is used for the BootROM. Software has to be
properly written to switch off the ROM clock after the Bootloader execution.
You can enable the clock to any peripheral by setting the corresponding PCKEN bit in the
CLK_PCKENRx peripheral clock gating registers.
•To enable a peripheral, first enable the corresponding PCKEN bit in the CLK_PCKENR
registers and then set the peripheral enable bit in the peripheral control registers.
•To disable properly the peripheral, first disable the appropriate bit in the peripheral
control registers and then stop the corresponding clock.
Note: The beeper, RTC and LCD are fed by a specific clock different from SYSCLK, so that they
continue to run even if the clock gating to the peripheral registers is asserted.
9.8 Clock security system (CSS)
9.8.1 Clock security system on HSE
The clock security system (CSS) monitors HSE crystal clock source failures when HSE is
used as the system clock. If the HSE clock fails due to a broken or disconnected resonator
or any other reason, the clock controller activates a stall-safe recovery mechanism by
automatically switching SYSCLK to the HSI with the same division factor as that used
before the HSE clock failure. Once selected, the auxiliary clock source remains enabled
until the microcontroller is reset. The application can enable the clock security system by
setting the CSSEN bit in the Clock security system register (CLK_CSSR). For safety
reason, once CSS is enabled it cannot be disabled until the next device reset.
The following conditions must be met to detect HSE quartz crystal failures through the CSS:
•HSE on and stabilized (HSEON=1 and HSERDY=1 in the External clock register
(CLK_ECKCR)
•CSS function enabled (CSSEN=1 in the Clock security system register (CLK_CSSR))
If HSE is the current system clock when a failure is detected, the CSS performs the
following actions:
•The HSI is switched on (if it was off) (HSION bit in Internal clock register (CLK_ICKCR)
register is set).
•The HSE is switched off (HSEON bit in the CLK_ECKCR register is reset)
•The AUX bit is set to indicate that the HSI is used as system clock source. The division
factor of the system clock is not modified.
•All CLK registers are write protected except the System clock divider register
(CLK_CKDIVR). The application can still change the system clock prescaler.
•The CSSD bit is set in the CLK_CSSR register and an interrupt is generated if the
CSSDIE bit is set.
Note: CSSD and AUX flags are cleared only by device reset.

Clock control (CLK) RM0031
96/595 DocID15226 Rev 11
If HSE is not the current system clock source when a failure is detected, the CSS performs
the following actions:
•The HSE is switched off (HSEON bit in the CLK_ECKCR is reset)
•The CSSD bit is set in the CLK_CSSR register and an interrupt is generated if the
CSSDIE bit is set.
When the CSSDIE bit is set, if the HSE clock fails, the CSS interrupt is triggered and is
executed indefinitely until the CSS interrupt enable bit is cleared. As a consequence, the
application must clear the CSSDIE bit in CLK_CSSR register in the CLK interrupt service
routine (ISR).
When the HSE is selected as system clock source, if the HSE fails before reaching the
required stabilization time, it is not detected (CSSD equal to zero) and the system clock
remains fed by the previous clock. In this case, the application must abort the clock
switching procedure by clearing the SWBSY bit in the Switch control register (CLK_SWCR).
9.8.2 Clock security system on LSE
A second clock security system is implemented on low, medium+ and high-density devices
to monitor LSE crystal clock source failures when LSE is used as RTC clock. The LSE
failure detection is made through the LSI oscillator.
This feature is implemented externally to the RTC peripheral and has no impact on clock
controller registers. To work properly, it requires an LSE clock frequency greater than LSI/4.
Depending on the configuration of the SWITCHEN bit in the CSSLSE_CSR register, the
RTC clock can be automatically switched from LSE to LSI when a LSE failure is detected.
The application can enable the clock security system on LSE and switch to LSI by setting
respectively the CSSEN bit and the SWITCHEN bit in the CSSLSE_CSR register.
For safety reason, once the CSS on LSE is enabled, it cannot be disabled until the next
power-on reset.
The following conditions must be met to detect LSE quartz crystal failures through the CSS
on LSE when LSE is used as RTC clock source:
•Enable the peripheral clock by setting the CSS_LSE bit in the CLK_PCKENR3 register
•Enable the LSI clock by setting the LSION bit in the CLK_ICKCR register
•Configure the LSE as RTC clock source through the CLK_CRTCR register.
Note: If the CSS on LSE is enabled without configuring the LSE as RTC clock source, a false
failure will be detected, due to the fact that the RTC clock is missing.
•Enable the CSS on LSE by setting the CSSEN bit in the CSSLSE_CSR register
Note: Before enabling the CSS on LSE, the user must wait until the LSE startup time tSU(LSE) has
elapsed
•If needed, enable the automatic clock switch from LSE to LSI on LSE failures by setting
the SWITCHEN bit in the CSSLSE_CSR register.
•When an LSE failure is detected:
– The CSSF bit is set in the CSSLSE_CSR register and an interrupt is generated if
the CSSIE bit is set.
– If the SWITCHEN bit is set : the RTC clock source is switched to LSI and the
SWITCHF bit is set in the CSSLSE_CSR register. The RTC clock source remains

DocID15226 Rev 11 97/595
RM0031 Clock control (CLK)
115
the LSI until the next power-on reset. The CLK_CRTCR register is not updated by
the switch and cannot control the RTC clock until the next power-on.
Note: Only the RTC peripheral is clocked by LSI instead of LSE when the SWITCHF bit is set.
– If the SWITCHEN bit is reset: the RTC clock source remains the LSE clock.
CSS on LSE low power modes
The following table describes the behavior of the CSS on LSE in low power modes.
9.8.3 CSS on LSE control and status register (CSSLSE_CSR)
Address offset: 0x00
Power-on reset value: 0x00
Reset value: 0xXX (the registers are not impacted by a system reset. They are reset at
power-on).
Table 16. CSS on LSE in low power modes
Mode Description
Halt/ Active-halt CSSF interrupts cause the device to exit from
Active-halt or Halt mode
76543210
Reserved SWITCHF CSSF CSSIE SWITCHEN CSSEN
r r rw rw rwo rwo
Bits 7:5 Reserved, must be kept cleared.
Bit 4 SWITCHF: RTC clock switch flag
This bit is set by hardware and can be cleared only by power-on reset.
0: No RTC clock switch occurred or no failure on LSE detected
1: RTC clock switch to LSI completed
Bit 3 CSSF: CSS on LSE flag
This bit is set by hardware and cleared by software by writing 0.
0: CSS on LSE is OFF or no LSE crystal clock disturbance is detected.
1: An LSE crystal clock disturbance is detected.
Bit 2 CSSIE: Clock security system on LSE interrupt enable
This bit is set and cleared by software.
0: Clock security system on LSE interrupt disabled
1: Clock security system on LSE interrupt enabled
Bit 1 SWITCHEN: RTC clock switch to LSI in case of LSE failure enable
This bit is set only by software and can be cleared only by power-on reset.
0: Clock switch to LSI in case of LSE failure OFF
1: Clock switch to LSI in case of LSE failure ON
Bit 0 CSSEN: Clock security system on LSE enable
This bit is set only by software and can be cleared only by power-on reset.
0: Clock security system on LSE OFF
1: Clock security system on LSE ON

Clock control (CLK) RM0031
98/595 DocID15226 Rev 11
9.8.4 CSS on LSE register map and reset values
9.9 RTC and LCD clock
The RTC has two clock sources:
•RTCCLK used for RTC timer/counter
RTCCLK can be either the HSE, LSE, HSI or LSI clock. This selection is performed by
programming the RTCSEL[3:0] bits in the Clock RTC register (CLK_CRTCR). These
clocks can be optionally divided by a programmable divider (factor 1 to 64) by
programming the RTCDIV[2:0] bits in the Clock RTC register (CLK_CRTCR). When the
HSE or HSI clock is selected as RTCCLK source, this clock must be divided to have a
maximum of 1 MHz as input for the RTCCLK.
•SYSCLK used for RTC register read/write accesses
SYSCLK is gated by bit 2 of the Peripheral clock gating register 2 (CLK_PCKENR2).
The LCD has two clock sources:
•RTCCLK divided by 2 used to generate the LCD frame rate
This clock is gated by bit 3 in the Peripheral clock gating register 2 (CLK_PCKENR2).
As a consequence, even if the RTC is not used in the application, the RTCCLK must be
configured to drive the LCD.
•LCDCLK used for LCD register read/write access
This clock is derived from SYSCLK by setting the bit 3 in the Peripheral clock gating
register 2 (CLK_PCKENR2). In Active-halt mode the LCDCLK source is RTCCLK
instead of SYSCLK.
9.10 BEEP clock
The BEEP clock sources can be either the LSE or LSI clocks. They can be selected by pro-
gramming the CLKBEEPSEL[1:0] bits in the Clock BEEP register (CLK_CBEEPR).
9.11 Configurable clock output capability (CCO)
The configurable clock output (CCO) capability allows you to output a clock on the external
CCO pin. You can select one of 4 clock signals as CCO clock:
•fHSE
•fHSI
•fLSE
•fLSI
Table 17. CSS on LSE register map
Address
offset(1) Register
name 7654 3 2 1 0
0x00
CSSLSE_CSR
Power-on reset
value
-
0
-
0
-
0
SWITCHF
0
CSSF
0
CSSIE
0
SWITCHEN
0
CSSEN
0
1. Please refer to the “general hardware register map” table in the datasheet for details on register addresses.

DocID15226 Rev 11 99/595
RM0031 Clock control (CLK)
115
Note: 50% duty cycle is not guaranteed on all possible prescaled values
The selection is controlled by the CCOSEL[3:0] bits in the Configurable clock output register
(CLK_CCOR). The clock frequency can then be prescaled. The division factor depends on
the CCODIV[2:0] bits.
The sequence to really output the chosen clock starts with the selection of the desired clock
and the division factor for the dedicated I/O pin (see “pin description” chapter). This I/O must
be set at 1 in the corresponding Px_CR1 register to be set as input with pull-up or push-pull
output. The PxCR2 register should be configured to match the maximum output speed of
the desired clock.
The CCOSWBSY is set to indicate that the configurable clock output system is operating.
As long as the CCOBSWY bit is set, the CCOSEL and CCODIV bits are write protected.
The CCO automatically activates the target oscillator if needed.
To disable the clock output the user has to clear the CCOSEL bits. The CCOSWBSY flag
remains at 1 till the shut down is completed. The time between the clear of CCOSEL bits
and the reset of the flag can be relatively long, for instance in case the selected clock output
is very slow compared to fCPU.
9.12 Clock-independent system clock sources for TIM2/TIM3
In some applications using the 32.768 kHz clock as a time base for the RTC, it may be
interesting to have time bases that work completely independently from the system clock.
The user can then schedule tasks without having to take into account the system clock.
For this purpose, the LSE clock is internally redirected to the 2 timers' ETR inputs (TIM2 and
TIM3) which are used as additional clock sources. Refer to Section 11.5.2: SYSCFG remap
control register 2 (SYSCFG_RMPCR2) on page 152.
Note: The ETR prescaler of the corresponding timer must be set to have a ratio of at least 4 with
respect to the selected system clock.
The LSE clock must be properly switched on as defined in the CLK configuration registers.
9.13 CLK interrupts
The following interrupts can be generated by the clock controller:
•System clock source switch event
•Clock security system event
Both interrupts are individually maskable.
Table 18. CLK interrupt requests
Interrupt event Event
flag
Enable
control
bit
Exit from
Wait/Low
power wait
Exit from
Halt/
Active-halt
CSS event CSSD CSSDIE Yes No
System clock switch event SWIF SWIEN Yes No

Clock control (CLK) RM0031
100/595 DocID15226 Rev 11
9.14 CLK registers
9.14.1 System clock divider register (CLK_CKDIVR)
Address offset: 0x00
Reset value: 0x03
9.14.2 Clock RTC register (CLK_CRTCR)
Address offset: 0x01
Power-on reset value: 0x00
Reset value: not affected (the content of this register is not affected by system resets)
76543210
Reserved CKM[2:0]
-----rwrwrw
Bits 7:3 Reserved, must be kept cleared.
Bits 2:0 CKM[2:0]: System clock prescaler
000: System clock source/1
001: System clock source /2
010: System clock source /4
011: System clock source /8
100: System clock source /16
101: System clock source /32
110: System clock source /64
111: System clock source /128
These bits are written by software to define the system clock prescaling factor.
76543210
RTCDIV2 RTCDIV1 RTCDIV0 RTCSEL3 RTCSEL2 RTCSEL1 RTCSEL0 RTCSWBSY
rw rw rw rw rw rw rw r

DocID15226 Rev 11 101/595
RM0031 Clock control (CLK)
115
Bits 7:5 RTCDIV[2:0]: Clock RTC prescaler
These bits are written by software to select the clock RTC division factor.
000: RTC clock source/1
001: RTC clock source /2
010: RTC clock source /4
011: RTC clock source /8
100: RTC clock source /16
101: RTC clock source /32
110: RTC clock source /64
111: RTC clock source /128
Note: Any write with a non valid target code will be skipped.
The content of these bits is frozen and write protected when RTCSWBSY is set.
Bits 4:1 RTCSEL[3:0]: Configurable RTC clock source selection
These bits are written by software to select the clock source to be used by the RTC.
0000: No clock selected
0001: HSI clock used as RTC clock source
0010: LSI clock used as RTC clock source
0100: HSE clock used as RTC clock source
1000: LSE clock used as RTC clock source
Note: Any write with a non valid target code will be skipped.
The content of these bits is frozen and write protected when RTCSWBSY is set.
Bit 0 RTCSWBSY: The system is busy during a RTC clock change
This bit is set by hardware any time a valid clock change for RTC is required.
It is reset when the RTC clock change procedure is complete.

Clock control (CLK) RM0031
102/595 DocID15226 Rev 11
9.14.3 Internal clock register (CLK_ICKCR)
Address offset: 0x02
Reset value: 0x11
76543210
Reserved BEEPAHALT FHWU SAHALT LSIRDY LSION HSIRDY HSION
-rwrwrwrrwrrw
Bit 7 Reserved, must be kept cleared.
Bit 6 BEEPAHALT: BEEP clock Halt/Active-halt mode
This bit is set and cleared by software.
0: BEEP clock is switched off during Halt mode or Active-halt mode
1: BEEP clock is kept running during Halt mode
Bit 5 FHWU: Fast wakeup from Halt/Active-halt modes
This bit is set and cleared by software.
0: Fast wakeup from Halt/Active-halt modes disabled: system clock is the last selected clock source
before entering Halt/Active-halt mode
1: Fast wakeup from Halt/Active-halt modes enabled: HSI/8 used as system clock source after
wakeup from Halt/Active-halt
Bit 4 SAHALT: Slow HALT/Active-halt mode
This bit is set and cleared by software. When it is set, the main voltage regulator is powered off as
soon as the MCU enters Active-halt mode, so the wakeup time is longer.
0: MVR regulator ON in HALT/Active-halt mode
1: MVR regulator OFF in HALT/Active-halt mode
Bit 3 LSIRDY: Low speed internal oscillator ready
This bit is set and cleared by hardware.
0: LSI clock not ready
1: LSI clock ready

DocID15226 Rev 11 103/595
RM0031 Clock control (CLK)
115
Bit 2 LSION: Low speed internal RC oscillator enable
This bit is set and cleared by software. It is set by hardware whenever the LSI oscillator is required, for
example:
″When switching to the LSI clock (see CLK_SWR register)
″When LSI is selected as the active CCO source (see CLK_CCOR register)
″When LSI is selected as the active RTC clock source (see CLK_CRTCR register)
″When LSI is selected as the active BEEP clock source (see CLK_CBEEPR register)
″When LSI measurement is enabled (MSR bit set in the BEEP_CSR1 register)
It cannot be cleared when LSI is selected
″as system clock source (CLK_SCSR register)
″as active CCO source
″as clock source for the BEEP peripheral while BEEPAHALT bit is set
″or as active clock source for RTC.
0: Low speed internal RC OFF
1: Low speed internal RC ON
Bit 1 HSIRDY: High-speed internal oscillator ready
This bit is set and cleared by hardware.
0: HSI clock not ready
1: HSI clock ready
Bit 0 HSION: High-speed internal RC oscillator ON
This bit is set and cleared by software. It is set by hardware whenever the HSI oscillator is required, for
example:
″When activated as safe oscillator by the CSS
″When switching to HSI clock (see CLK_SWR register)
″When HSI is selected as the active CCO source, RTC clock
″When exiting Halt/Active-halt in fast wake up mode
It cannot be cleared when HSI is selected as system clock (CLK_SCSR register), as active CCO
source, as active RTC clock or if the safe oscillator (AUX) is enabled.
0: High-speed internal RC OFF
1: High-speed internal RC ON

Clock control (CLK) RM0031
104/595 DocID15226 Rev 11
9.14.4 Peripheral clock gating register 1 (CLK_PCKENR1)
Address offset: 0x3
Reset value: 0x00
76543210
PCKEN1[7:0]
rw rw rw rw rw rw rw rw
Bits 7:0 PCKEN1[7:0]: Peripheral clock enable
These bits are written by software to enable or disable the SYSCLK clock to the corresponding
peripheral. See Table 19
0: SYSCLK to peripheral disabled
1: SYSCLK to peripheral enabled
Table 19. Peripheral clock gating bits (PCKEN 10 to PCKEN 17)
Control bit Peripheral
PCKEN17 DAC
PCKEN16 BEEP
PCKEN15 USART1
PCKEN14 SPI1
PCKEN13 I2C1
PCKEN12 TIM4
PCKEN11 TIM3
PCKEN10 TIM2

DocID15226 Rev 11 105/595
RM0031 Clock control (CLK)
115
9.14.5 Peripheral clock gating register 2 (CLK_PCKENR2)
Address offset: 0x04
Reset value: 0x80
76543210
PCKEN27 Reserved PCKEN2[5:0]
rw - rwrwrwrwrwrw
Bit 7 PCKEN27: Peripheral clock enable
These bits are written by software to enable or disable the SYSCLK clock to the corresponding
peripheral. See Table 20
0: SYSCLK to peripheral disabled
1: SYSCLK to peripheral enabled
Bit 6 Reserved
Bits 5:0 PCKEN2[5:0]: Peripheral clock enable
These bits are written by software to enable or disable the SYSCLK clock to the corresponding
peripheral. See Table 20
0: SYSCLK to peripheral disabled
1: SYSCLK to peripheral enabled
Table 20. Peripheral clock gating bits ((PCKEN 20 to PCKEN 27)
Control bit Peripheral
PCKEN27(1)
1. The only bit which is enabled by default at reset state is PCKEN27 as it is used for the Boot ROM. Software
has to be properly written to switch off the ROM clock after the Bootloader execution.
Boot ROM
PCKEN25 COMP1 and COMP2
PCKEN24 DMA1
PCKEN23 LCD
PCKEN22 RTC
PCKEN21 TIM1
PCKEN20 ADC1

Clock control (CLK) RM0031
106/595 DocID15226 Rev 11
9.14.6 Peripheral clock gating register 3 (CLK_PCKENR3)
Address offset: 0x10
Reset value: 0x00
Note: This peripheral is available in low-density, medium+ and high-density devices only. In low-
density devices, only bit 5 is available.
76543210
Reserved PCKEN3[5:0]
- rwrwrwrwrwrw
Bits 7:0 PCKEN3[5:0]: Peripheral clock enable
These bits are written by software to enable or disable the SYSCLK clock to the corresponding
peripheral. See Table 21
0: SYSCLK to peripheral disabled
1: SYSCLK to peripheral enabled
Table 21. Peripheral clock gating bits (PCKEN 30 to PCKEN 35)
Control bit Peripheral
PCKEN35 CSS_LSE
PCKEN34 USART3
PCKEN33 USART2
PCKEN32 SPI2
PCKEN31 TIM5
PCKEN30 AES

DocID15226 Rev 11 107/595
RM0031 Clock control (CLK)
115
9.14.7 Configurable clock output register (CLK_CCOR)
Address offset: 0x05
Reset value: 0x00
76543210
CCODIV[2:0] CCOSEL[3:0] CCOSWBSY
rw rw rw rw rw rw rw r
Bits 7:5 CCODIV[2:0]: Configurable clock output prescaler
These bits are written by software to select the clock CCO division factor.
000: CCO
001: CCO divided by 2
010: CCO divided by 4
011: CCO divided by 8
100: CCO divided by 16
101: CCO divided by 32
110: CCO divided by 64
111: CCO divided by 64
Note: Any write with a non valid target code will be skipped.
The content of these bits is frozen and write protected when CCOSWBSY is set.
Bits 4:1 CCOSEL[3:0]: Configurable clock output selection.
These bits are written by software to select the source of the output clock available on the CCO pin.
0000: Clock output disabled, no clock output on CCO pin
0001: HSI clock output on CCO pin
0010: LSI clock output on CCO pin
0100: HSE clock output on CCO pin
1000: LSE clock output on CCO pin
Note: Any write with a non valid target code will be skipped.
The content of these bits is frozen and write protected when CCOSWBSY is set.
Bit 0 CCOSWBSY: Configurable clock output switch busy
This bit is set and cleared by hardware. It indicates that the selected CCO clock source is being
switched-on and stabilized. While CCOSWBSY is set, the CCOSEL bits and CCODIV bits are write-
protected. CCOSWBSY remains set until the CCO clock is enabled.
0: CCO clock not busy
1: CCO clock busy

Clock control (CLK) RM0031
108/595 DocID15226 Rev 11
9.14.8 External clock register (CLK_ECKCR)
Address offset: 0x06
Reset value: 0x00
76543210
Reserved LSEBYP HSEBYP LSERDY LSEON HSERDY HSEON
-rwrwrrwrrw
Bits 7:6 Reserved, must be kept cleared.
Bit 5 LSEBYP: Low speed external clock bypass
Set and reset by software to bypass the oscillator. This bit can be written only when the
external low speed oscillator is disabled.
0: LSE oscillator not bypassed
1: LSE oscillator bypassed
Bit 4 HSEBYP: High-speed external clock bypass
Set and reset by software in debug for bypassing the oscillator with the external clock. This bit can be
written only if the external 1-16 MHz oscillator is disabled.
0: external 1-16 MHz oscillator not bypassed
1: external 1-16 MHz oscillator bypassed with external clock
Bit 3 LSERDY: Low speed external crystal oscillator ready
This bit is set and cleared by hardware.
0: LSE clock not ready
1: LSE clock ready (LSE clock is stabilized and available)
Note: the user must wait for the LSE startup time tSU(LSE) to get a stabilized frequency.

DocID15226 Rev 11 109/595
RM0031 Clock control (CLK)
115
9.14.9 System clock status register (CLK_SCSR)
Address offset: 0x07
Reset value: 0x01
Bit 2 LSEON: Low speed external crystal oscillator enable
This bit is set and cleared by software. It can be used to switch the external crystal oscillator on or off.
It is set by hardware in the following cases:
″When switching to LSE clock (see CLK_SWR register)
″When LSE is selected as the active CCO source (see CLK_CCOR register)
″When LSE is selected as the active RTC source (see CLK_CRTCR register)
″When LSE is selected as the active BEEP source (see CLK_CBEPR register)
It cannot be cleared when LSE is selected
″as system clock source (CLK_SCSR register),
″as active CCO source
″as clock source for the BEEP peripheral and BEEPAHALT bit is set
″or as active clock source for RTC.
0: LSE clock off
1: LSE clock on
Bit 1 HSERDY: High-speed external crystal oscillator ready
This bit is set and cleared by hardware.
0: HSE clock not ready
1: HSE clock ready (HSE clock is stabilized and available)
Bit 0 HSEON: High-speed external crystal oscillator enable
This bit is set and cleared by software. It can be used to switch the external crystal oscillator ON or
OFF. It is set by hardware in the following cases:
″When switching to HSE clock (see CLK_SWR register)
″When HSE is selected as the active CCO source (see CLK_CCOR register)
″When HSE is selected as the active RTC source (see CLK_CRTCR register)
It cannot be cleared when HSE is selected as system clock (indicated in CLK_SCSR register) or as
the active CCO source or as active RTC clock source.
0: HSE clock OFF
1: HSE clock ON
76543210
CKM[7:0]
rrrrrrrr
Bits 7:0 CKM[7:0]: System clock status bits
These bits are set and cleared by hardware. They indicate the currently selected system clock source.
0x01: HSI selected as system clock source (reset value)
0x02: LSI selected as system clock source
0x04: HSE selected as system clock source
0x08: LSE selected as system clock source

Clock control (CLK) RM0031
110/595 DocID15226 Rev 11
9.14.10 System clock switch register (CLK_SWR)
Address offset: 0x08
Reset value: 0x01
9.14.11 Switch control register (CLK_SWCR)
Address offset: 0x09
Reset value: 0x00
76543210
SWI[7:0]
rw rw rw rw rw rw rw rw
Bits 7:0 SWI[7:0]: System clock selection bits
These bits are written by software to select the system clock source. Their contents are write protected
while a clock switch is ongoing (while the SWBSY bit is set). They are set to the reset value (HSI) if the
AUX bit is set in the CLK_CSSR register. If Fast halt wakeup mode is selected (FHW bit =1 in
CLK_ICKCR register) then these bits are set by hardware to 0x01 (HSI selected) when resuming from
Halt/Active-halt mode.
0x01: HSI selected as system clock source (reset value)
0x02: LSI selected as system clock source
0x04: HSE selected as system clock source
0x08: LSE selected as system clock source
76543210
Reserved SWIF SWIEN SWEN SWBSY
- rc_w0 rw rw rw
Bits 7:4 Reserved, must be kept cleared.
Bit 3 SWIF: Clock switch interrupt flag
This bit is set by hardware when the SWIEN bit is set and cleared by software writing 0. Its meaning
depends on the status of the SWEN bit. Refer to Figure 19 and Figure 20.
″In manual switching mode (SWEN=0):
0: Target clock source not ready
1: Target clock source ready
″In automatic switching mode (SWEN=1):
0: No clock switch event occurred
1: Clock switch event occurred

DocID15226 Rev 11 111/595
RM0031 Clock control (CLK)
115
9.14.12 Clock security system register (CLK_CSSR)
Address offset: 0x0A
Reset value: 0x00
Bit 2 SWIEN: Clock switch interrupt enable
This bit is set and cleared by software.
0: Clock switch interrupt disabled
1: Clock switch interrupt enabled
Bit 1 SWEN: Switch start/stop
This bit is set and cleared by software. Writing a 1 to this bit enables switching the system clock to the
source defined in the CLK_SWR register.
0: Disable clock switch execution
1: Enable clock switch execution
Bit 0 SWBSY: Switch busy
This bit is set and cleared by hardware. It can be cleared by software to reset the clock switch process.
0: No clock switch ongoing
1: Clock switch ongoing
76543210
Reserved CSSDGON CSSD CSSDIE AUX CSSEN
-rwrc_w0rwrrwo
Bits 7:5 Reserved, must be kept cleared.
Bit 4 CSSDGON: CSS deglitcher system
This bit, when set, avoids any clock glitch generated during the HSE switch-off executed by the CSS
mechanism.
Bit 3 CSSD: Clock security system detection
This bit is set by hardware and only cleared by device reset.
0: CSS is OFF or no HSE crystal clock disturbance detected.
1: HSE crystal clock disturbance detected.
Bit 2 CSSDIE: Clock security system detection interrupt enable
This bit is set and cleared by software.
0: Clock security system interrupt disabled
1: Clock security system interrupt enabled
Bit 1 AUX: Auxiliary oscillator connected to system clock
This bit is set and cleared by hardware.
0: Auxiliary oscillator is OFF.
1: Auxiliary oscillator (HSI) is ON and selected as current system clock source.
Bit 0 CSSEN: Clock security system enable
This bit can be written once-only by software. It cannot be reset before the next device reset.
0: Clock security system OFF
1: Clock security system ON

Clock control (CLK) RM0031
112/595 DocID15226 Rev 11
9.14.13 Clock BEEP register (CLK_CBEEPR)
Address offset: 0x0B
Reset value: 0x00
9.14.14 HSI calibration register (CLK_HSICALR)
Address offset: 0x0C
Reset value: 0xXX where X is undefined
76543210
Reserved CLKBEEPSEL1 CLKBEEPSEL0 BEEPSWBSY
-rwrwr
Bits 7:3 Reserved
Bits 2:1 CLKBEEPSEL[1:0]: Configurable BEEP clock source selection.
These bits are set by software to select the clock source to be used by the BEEP.
00: No clock selected
01: LSI clock used as BEEP clock source
10: LSE clock used as BEEP clock source
Note: Any write with a non valid target code will be skipped.
The content of these bits is frozen and write protected when BEEPSWBSY is set.
Bit 0 BEEPSWBSY: System busy during BEEP clock change
This bit is set by hardware any time a valid clock change for BEEP is required.
It is reset when the BEEP clock change procedure is complete.
76543210
HSICAL[7:0]
rrrrrrrr
Bits 7:0 HSICAL[7:0]: HSI calibration
This register is initially loaded with the factory calibration value used to trim the HSI oscillator.

DocID15226 Rev 11 113/595
RM0031 Clock control (CLK)
115
9.14.15 HSI clock calibration trimming register (CLK_HSITRIMR)
Address offset: 0x0D
Reset value: 0x00
9.14.16 HSI unlock register (CLK_HSIUNLCKR)
Address offset: 0x0E
Reset value: 0x00
76543210
HSITRIM[7:0]
rw rw rw rw rw rw rw rw
Bits 7:0 HSITRIM[7:0]: HSI trimming value.
To ensure the best HSI clock accuracy, the value to be written to this register should be within the
following range: [(HSICALR regiter value) -12] < x < [(HSICALR regiter value) + 8 ].
Note: Once this register configured, its value is used instead of the HSICALR register values.
These bits are used by the application to choose/change the HSI oscillator trimming value. A
hardware protection can be provided to avoid erroneous write access to this register, refer to
the CLK_HSIUNLCK register.
76543210
HSIUNLCK[7:0]
rw rw rw rw rw rw rw rw
Bits 7:0 HSIUNLCK7:0]: HSI unlock mechanism
This register is used by the application for both unlocking the hardware write protection of HSITRIM
register and enabling the use of HSITRIM as trimming value for HSI oscillator.
The HSITRIM unlock/enable procedure consists in:
1) two consecutive write accesses at this address, the first one with the value 0xAC and the second
one with the value 0x35
2) a write access to the HSITRIM register.
Note: When this procedure is correctly completed the HSITRIM will be locked again

Clock control (CLK) RM0031
114/595 DocID15226 Rev 11
9.14.17 Main regulator control status register (CLK_REGCSR)
Address offset: 0x0F
Reset value: 0xB9
76543210
EEREADY EEBUSY LSEPD HSEPD LSIPD HSIPD REGOFF REGREADY
rrrrrrrwr
Bit 7 EEREADY: Flash program memory and Data EEPROM ready
This bit indicated if the Flash program memory and Data EEPROM are ready
0: Flash program memory and Data EEPROM not ready
1: Flash program memory and Data EEPROM ready
Bit 6 EEBUSY: Flash program memory and Data EEPROM busy
This bit indicates if the Flash program memory and Data EEPROM ready are busy
0: Flash program memory and Data EEPROM not busy
1: Flash program memory and Data EEPROM busy
Bit 5 LSEPD: LSE power-down
This bit indicates the status of the LSE oscillator
0: LSE oscillator ON
1: LSE oscillator OFF
Bit 4 HSEPD: HSE power-down
This bit indicates the status of the HSE oscillator
0: HSE oscillator ON
1: HSE oscillator OFF
Bit 3 LSIPD: LSI power-down
This bit indicates the status of the LSI oscillator
0: LSI oscillator ON
1: LSI oscillator OFF
Bit 2 HSIPD: HSI power-down
This bit indicates the status of the oscillator
0: HSI oscillator ON
1: HSI oscillator OFF
Bit 1 REGOFF: Main regulator OFF
This bit enables the direct switch-off of the main regulator regardless of the REGREADY flag status
0: The main regulator follows the standard functionality
1: The main regulator is switched off and all clocks are provided without taking into account the
REGREADY flag status
Bit 0 REGREADY: Main regulator ready
The REGREADY bit indicates the main regulator status: this bit is set when the main regulator is ready
to provide the full power.

DocID15226 Rev 11 115/595
RM0031 Clock control (CLK)
115
9.14.18 CLK register map and reset values
Table 22. CLK register map and reset values
Address
offset (1) Register name7654321 0
0x00 CLK_CKDIVR
Reset value
-
0
-
0
-
0
-
0
-
0
CKM2
0
CKM1
1
CKM0
1
0x01 CLK_CRTCR
Reset value
RTCDIV2
0
RTCDIV1
0
RTCDIV0
0
RTCSEL3
0
RTCSEL2
0
RTCSEL1
0
RTCSEL0
0
RTCSWBS
Y
0
0x02 CLK_ICKCR
Reset value
-
0
BEEPAHA
LT
0
FHW
0
SAHALT
1
LSIRDY
0
LSION
0
HSIRDY
0
HSION
1
0x03 CLK_PCKENR1
Reset value
PCKEN17
0
PCKEN16
0
PCKEN15
0
PCKEN14
0
PCKEN13
0
PCKEN12
0
PCKEN11
0
PCKEN10
0
0x04 CLK_PCKENR2
Reset value
PCKEN27
1
-
0
PCKEN25
0
PCKEN24
0
PCKEN23
0
PCKEN22
0
PCKEN21
0
PCKEN20
0
0x05 CLK_CCOR
Reset value
CCODIV2
0
CCODIV1
0
CCODIV0
0
CCOSEL3
0
CCOSEL2
0
CCOSEL1
0
CCOSEL0
0
CCOSWBS
Y
0
0x06 CLK_ECKCR
Reset value
-
0
-
0
LSEBYP
0
HSEBYP
0
LSERDY
0
LSEON
0
HSERDY
0
HSEON
0
0x07 CLK_SCSR
Reset value
CKM7
0
CKM6
0
CKM5
0
CKM4
0
CKM3
0
CKM2
0
CKM1
0
CKM0
1
0x08 CLK_SWR
Reset value
SWI7
0
SWI6
0
SWI5
0
SWI4
0
SWI3
0
SWI2
0
SWI1
0
SWI0
1
0x09 CLK_SWCR
Reset value
-
x
-
x
-
x
-
x
SWIF
0
SWIEN
0
SWEN
0
SWBSY
0
0x0A CLK_CSSR
Reset value
-
0
-
0
-
0
CSSDGON
0
CSSD
0
CSSDIE
0
AUX
0
CSSEN
0
0x0B CLK_CBEEPR
Reset value
-
0
-
0
-
0
-
0
-
0
CLKBEEP
SEL1
0
CLKBEEP
SEL0
0
BEEPSWBS
Y
0
0x0C CLK_HSICALR
Reset value
HSICAL7
0
HSICAL6
0
HSICAL5
0
HSICAL4
0
HSICAL3
0
HSICAL2
0
HSICAL1
0
HSICAL0
0
0x0D CLK_HSITRIMR
Reset value
HSITRIM7
0
HSITRIM6
0
HSITRIM5
0
HSITRIM4
0
HSITRIM3
0
HSITRIM2
0
HSITRIM1
0
HSITRIM0
0
0x0E CLK_HSIUNLCKR
Reset value
HSIUNLCK
7
0
HSIUNLCK
6
0
HSIUNLCK
5
0
HSIUNLCK
4
0
HSIUNLCK
3
0
HSIUNLCK
2
0
HSIUNLCK
1
0
HSIUNLCK0
0
0x0F CLK_REGCSR
Reset value
EEREADY
x
EEBUSY
x
LSEPD
1
HSEPD
1
LSIPD
1
HSIPD
0
REGOFF
0
REGREADY
x
0x10
(2)
CLK_PCKENR3
Reset value
-
0
-
0
PCKEN35
0
PCKEN34
0
PCKEN33
0
PCKEN32
0
PCKEN31
0
PCKEN30
0
1. Please refer to the “general hardware register map” table in the datasheet for details on register addresses.
2. This register is available in low-density, medium+ and high-density devices only. In low-density devices, only bit 5 is available.

General purpose I/O ports (GPIO) RM0031
116/595 DocID15226 Rev 11
10 General purpose I/O ports (GPIO)
This section applies to low-density STM8L05xx/STM8L15xx devices, medium-density
STM8L05xx/STM8L15xx devices, medium+ density STM8L05xx/STM8L15xx devices and
high-density STM8L05xx/STM8L15xx/STM8L16xx devices, unless otherwise specified.
10.1 Introduction
General purpose input/output ports are used for data transfers between the chip and the
external world. An I/O port can contain up to eight pins. Each pin can be individually
programmed as a digital input or digital output. In addition, some ports may have alternate
functions like analog inputs, external interrupts, input/output for on-chip peripherals. Only
one alternate function can be mapped to a pin at a time.
An output data register, input data register, data direction register and two configuration
registers are associated with each port. A particular port will behave as an input or output
depending on the status of the data direction register of the port.
10.2 GPIO main features
•Port bits can be configured individually
•Selectable input modes: floating input or input with pull-up
•Selectable output modes: push-pull output or pseudo-open-drain.
•Separate registers for data input and output
•External interrupts can be enabled and disabled individually
•Output slope control for reduced EMC noise
•Alternate function I/Os for on-chip peripherals
•Read-modify-write possible on data output latch
•I/O state guaranteed in voltage range 1.6 V to VDDIOmax

DocID15226 Rev 11 117/595
RM0031 General purpose I/O ports (GPIO)
124
Figure 22. GPIO block diagram
Note: In the 3.6 V tolerant and 5 V tolerant I/Os, protection diode to VDD is not implemented.
In the true open-drain I/Os, P-Buffer, weak pull-up and protection diode to VDD is not
implemented.
10.3 Port configuration and usage
An output data register (ODR), pin input register (IDR), data direction register (DDR) are
always associated with each port.
The control register 1 (CR1) and control register 2 (CR2) allow input/output options. An I/O
pin is programmed using the corresponding bits in the DDR, ODR, CR1 and CR2 registers.
Bit n in the registers corresponds to pin n of the Port.
The various configurations are summarized in Table 23.
2'55(*,67(5
''55(*,67(5
&55(*,67(5
3,1
9
''
$/7(51$7(
(1$%/(
$/7(51$7(
287387
38//83
&21',7,21
3%8))(5
1%8))(5
38//83
$/7(51$7()81&7,21
,13877221&+,3
9
''
',2'(6
)520
27+(5
%,76
(;7(51$/
72,17(55837
,17(55837
&55(*,67(5
3(5,3+(5$/
&21752//(5
6/23(
&21752/
,'55(*,67(5
5HDGRQO\
287387
,1387
3$'
3527(&7,21
2Q2II
6FKPLWW
WULJJHU
$QDORJLQSXW
DL
'$7$%86

General purpose I/O ports (GPIO) RM0031
118/595 DocID15226 Rev 11
Warning: On some packages, some ports must be considered as active
even if they do not exist on the package. To avoid spurious
effects, configure them as pull-up inputs without interrupt at
startup, and keep them in this state when changing the port
configuration. Refer to the datasheet for additional
information.
10.3.1 Input modes
Clearing the DDRx bit selects input mode. In this mode, reading a IDR bit returns the digital
value of the corresponding I/O pin.
Refer to Section 10.7: Input mode details on page 120 for information on analog input,
external interrupts and Schmitt trigger enable/disable.
As shown in , four different input modes can be theoretically be configured by software:
floating without interrupt, floating with interrupt, pull-up without interrupt or pull-up with
interrupt. However in practice, not all ports have external interrupt capability or pull-ups. You
should refer to the datasheet pin-out description for details on the actual hardware capability
of each port.
Table 23. I/O port configuration summary
Mode DDR
bit CR1
bit CR2
bit Function Pull-up P-buffer Diodes
to VDD to VSS
Input
00 0
Floating without
interrupt Off
Off
On
On
01 0
Pull-up without
interrupt On
0 0 1 Floating with interrupt Off
0 1 1 Pull-up with interrupt On
Output
1 0 0 Open drain output
Off
Off
1 1 0 Push-pull output On
10 1
Open drain output, fast
mode Off
1 1 1 Push-pull, fast mode Off On
1x x
True open drain (on
specific pins) Not implemented
Not im-
plemented
(1)
1. The diode connected to VDD is not implemented in true open drain pads. A local protection between the
pad and VOL is implemented to protect the device against positive stress.

DocID15226 Rev 11 119/595
RM0031 General purpose I/O ports (GPIO)
124
10.3.2 Output modes
Setting the DDRx bit selects output mode. In this mode, writing to the ODR bits applies a
digital value to the I/O through the latch. Reading IDR bit returns the digital value from the
corresponding I/O pin. Using the CR1, CR2 registers, different output modes can be
configured by software: Push-pull output, Open-drain output.
Refer to Section 10.8: Output mode details on page 121 for more information.
10.4 Reset configuration
All I/O pins are generally input floating under reset (i.e. during the reset phase) and at reset
state (i.e. after reset release). However, a few pins may have a different behavior. Refer to
the datasheet pinout description for all details.
10.5 Unused I/O pins
Unused I/O pins must not be left floating to avoid extra current consumption. They must be
put into one of the following configurations:
•connected to VDD or VSS by external pull-up or pull-down resistor and kept as input
floating (reset state),
•configured as input with internal pull-up/down resistor,
•configured as output push-pull low.
The I/O ports not present on smaller packages are automatically configured by a factory
setting (unless otherwise specified in the datasheet). As a consequence, no configuration is
required on these I/O ports. The bits corresponding to these ports in the configuration
registers Px_ODR, PxDDR, PxCR1 and PxCR2 can be written, but this will have no effect.
The value read in the corresponding bits of the PxIDR register will be '0'.
10.6 Low power modes
Table 24. Effect of low power modes on GPIO ports
Mode Description
Wait No effect on I/O ports. External interrupts cause the device to exit from Wait
mode.
Halt No effect on I/O ports. External interrupts cause the device to wakeup from
Halt mode.

General purpose I/O ports (GPIO) RM0031
120/595 DocID15226 Rev 11
10.7 Input mode details
10.7.1 Alternate function input
Some I/Os can be used as alternate function input. For example as the port may be used as
the input capture input to a timer. Alternate function inputs are not selected automatically,
you select them by writing to a control bit in the registers of the corresponding peripheral.
For Alternate Function input, you should select floating or pull-up input configuration in the
DDR and CR1 registers.
10.7.2 Interrupt capability
Each I/O can be configured as an input with interrupt capability by setting the CR2x bit while
the I/O is in input mode. In this configuration, a signal edge or level input on the I/O
generates an interrupt request.
Falling or rising edge sensitivity is programmed independently for each interrupt vector in
the EXTI_CR[2:1] registers.
External interrupt capability is only available if the port is configured in input mode.
Interrupt masking
Interrupts can be enabled/disabled individually by programming the corresponding bit in the
configuration register (Px_CR2). At reset state, the interrupts are disabled.
On all I/Os with an analog input, it is possible to disable the Schmitt trigger, even if the
corresponding ADC channel is not enabled. The two registers ADC_TDRH and ADC_TDRL
allow to disable the Schmitt trigger.
Setting one bit in these registers leads to disabling the corresponding Schmitt trigger input
buffer.
In case an I/O is used as analog input, and the corresponding ADC channel is enabled
(CH[3:0] bits in ADC_CSR register), the Schmitt trigger is disabled, whatever the status of
the corresponding bit in ADC_TDRH or ADC_TDRL registers.
10.7.3 Analog function
Selected I/Os can be used to deliver analog signal to ADC, Comparators or DAC periphery.
The GPIO pin have to be configured in the input floating configuration without interrupt
(default state) to use it for analog function. The current consumption of the IO with enabled
analog function can be reduced by disabling unused Schmitt trigger in IO input section
either by ADC_TRIGRx register in ADC interface (see Section 14.3.15: Schmitt trigger
disabling) or by switching on a corresponding analog switch in RI by setting corresponding
CHxE bit in RI_IOSRx (see Section 11.2.2: I/O groups). See the product datasheet for pins
with analog functions.

DocID15226 Rev 11 121/595
RM0031 General purpose I/O ports (GPIO)
124
10.8 Output mode details
10.8.1 Alternate function output
Alternate function outputs provide a direct path from a peripheral to an output or to an I/O
pad, taking precedence over the port bit in the data output latch register (Px_ODR) and
forcing the Px_DDR corresponding bit to 1.
An alternate function output can be push-pull or pseudo-open drain depending on the
peripheral and Control register 1 (Px_CR1) and slope can be controlled depending on the
Control register 2 (Px_CR2) values.
Examples:
SPI outputs must be set-up as push-pull. The slope of SPI outputs is controlled by hardware
and configured in fast mode to enable an optimal operation. The user must then keep the
CR2 slope control bit cleared to avoid spurious interrupts.
10.8.2 Slope control
The maximum frequency that can be applied to an I/O can be controlled by software using
the CR2 bit. Low frequency operation with improved EMC behavior is selected at reset.
Higher frequency (up to 10 MHz) can be selected if needed. This feature can be applied in
either open drain or push-pull output mode on I/O ports of output type O3 or O4. Refer to the
pin description tables in the datasheets for the specific output type information for each pin.

General purpose I/O ports (GPIO) RM0031
122/595 DocID15226 Rev 11
10.9 GPIO registers
The bit of each port register drives the corresponding pin of the port.
10.9.1 Port x output data register (Px_ODR)
Address offset: 0x00
Reset value: 0x00
10.9.2 Port x pin input register (Px_IDR)
Address offset: 0x01
Reset value: 0xXX
Note: Px_IDR reset value depends on the external circuitry.
76543210
ODR7 ODR6 ODR5 ODR4 ODR3 ODR2 ODR1 ODR0
rw rw rw rw rw rw rw rw
Bits 7:0 ODR[7:0]: Output data register bits
Writing to the ODR register when in output mode applies a digital value to the I/O through the latch.
Reading the ODR returns the previously latched value in the register.
In Input mode, writing in the ODR register, latches the value in the register but does not change the
pin state. The ODR register is always cleared after reset. Bit read-modify-write instructions (BSET,
BRST) can be used on the DR register to drive an individual pin without affecting the others.
76543210
IDR7 IDR6 IDR5 IDR4 IDR3 IDR2 IDR1 IDR0
rrrrrrrr
Bits 7:0 IDR[7:0]: Pin input values
The pin register can be used to read the pin value irrespective of whether port is in input or output
mode. This register is read-only.
0: Low logic level
1: High logic level

DocID15226 Rev 11 123/595
RM0031 General purpose I/O ports (GPIO)
124
10.9.3 Port x data direction register (Px_DDR)
Address offset: 0x02
Reset value: 0x00
10.9.4 Port x control register 1 (Px_CR1)
Address offset: 0x03
Reset value: 0x00 except for PA_CR1 which reset value is 0x01.
76543210
DDR7 DDR6 DDR5 DDR4 DDR3 DDR2 DDR1 DDR0
rw rw rw rw rw rw rw rw
Bits 7:0 DDR[7:0]: Data direction bits
These bits are set and cleared by software to select input or output mode for a particular pin of a
port.
0: Input mode
1: Output mode
76543210
C17 C16 C15 C14 C13 C12 C11 C10
rw rw rw rw rw rw rw rw
Bits 7:0 C1[7:0]: Control bits
These bits are set and cleared by software. They select different functions in input mode and output
mode (see .
– In input mode (DDR = 0):
0: Floating input
1: Input with pull-up
– In output mode (DDR = 1):
0: Pseudo open drain
1: Push-pull, slope control for the output depends on the corresponding CR2 bit
Note: This bit has no effect on true open drain ports (refer to pin marked “T” in datasheet pin
description table).

General purpose I/O ports (GPIO) RM0031
124/595 DocID15226 Rev 11
10.9.5 Port x control register 2 (Px_CR2)
Address offset: 0x04
Reset value: 0x00
10.9.6 Peripheral alternate function remapping
Some peripheral alternate functions can be remapped to different I/O ports through two
remapping registers. Refer to SYSCFG remap control register 1 (SYSCFG_RMPCR1) and
SYSCFG remap control register 2 (SYSCFG_RMPCR2) in Section 11: Routing interface
(RI) and system configuration controller (SYSCFG).
10.9.7 GPIO register map and reset values
Each GPIO port has five registers mapped as shown in Table 25. Refer to the register map
in the corresponding datasheet for the base address for each port.
Note: At reset state, all ports are input floating. Exceptions are indicated in the pin description
table of the corresponding datasheet.
76543210
C27 C26 C25 C24 C23 C22 C21 C20
rw rw rw rw rw rw rw rw
Bits 7:0 C2[7:0]: Control bits
These bits are set and cleared by software. They select different functions in input mode and output
mode. In input mode, the CR2 bit enables the interrupt capability if available. If the I/O does not have
interrupt capability, setting the CR2 bit has no effect. In output mode, setting the bit increases the
speed of the I/O. This applies to ports with O3 and O4 output types (see pin description table).
– In input mode (DDR = 0):
0: External interrupt disabled
1: External interrupt enabled
– In output mode (DDR = 1):
0: Output speed up to 2 MHz
1: Output speed up to 10 MHz
Table 25. GPIO register map
Address
offset Register
name 76543210
0x00 Px_ODR
Reset value
ODR7
0
ODR6
0
ODR5
0
ODR4
0
ODR3
0
ODR2
0
ODR1
0
ODR0
0
0x01 Px_IDR
Reset value
IDR7
x
IDR6
x
IDR5
x
IDR4
x
IDR3
x
IDR2
x
IDR1
x
IDR0
x
0x02 Px_DDR
Reset value
DDR7
0
DDR6
0
DDR5
0
DDR4
0
DDR3
0
DDR2
0
DDR1
0
DDR0
0
0x03 Px_CR1(1)
Reset value
C17
0
C16
0
C15
0
C14
0
C13
0
C12
0
C11
0
C10
0
0x04 Px_CR2
Reset value
C27
0
C26
0
C25
0
C24
0
C23
0
C22
0
C21
0
C20
0
1. PA_CR1 reset value is 0x01.

DocID15226 Rev 11 125/595
RM0031 Routing interface (RI) and system configuration controller (SYSCFG)
156
11 Routing interface (RI) and system configuration
controller (SYSCFG)
This section applies to low-density STM8L05xx/STM8L15xx devices, medium-density
STM8L05xx/STM8L15xx devices, medium+ density STM8L05xx/STM8L15xx devices and
high-density STM8L05xx/STM8L15xx/STM8L16xx devices, unless otherwise specified.
11.1 Introduction
The system configuration controller offers remapping capabilities of some alternate
functions on different I/O ports and on TIM4 & ADC1 DMA channels. To use an alternate
function, the corresponding peripheral must be enabled in the peripheral registers. Alternate
function remapping does not affect the GPIO capabilities of the I/O ports (see Section 10:
General purpose I/O ports (GPIO) on page 116). Refer to Section 11.5: SYSCFG registers
for remapping capabilities on TIM4 & ADC1 DMA channels.
The routing interface provides high flexibility by allowing the software routing of I/Os to the
input captures of TIM1. It also controls the routing of internal analog signals to ADC1,
COMP1, COMP2, DAC and internal reference voltage VREFINT
. It also provides a set of
registers for efficiently managing up to 20 capacitive sensing channels (low-density devices)
and up to 16 capacitive sensing channels (medium, medium+ and high-density devices).
Refer to Section 1.: Comparators are not available on STM8L05xx value line devices..
11.2 RI main features
•28 programmable I/O switches (low-density devices) and 24 programmable I/O
switches (medium, medium+ and high-density devices) for signal routing
•10 programmable analog switches (low and medium-density devices) or 13
programmable analog switches (medium+ and high-density devices) for signal routing
•COMP1 and COMP2 input and output routing(a)
•TIM1 input capture 2 and 3 routing selection from selectable I/Os (medium, medium+
and high-density devices).
•DAC output routing to selectable I/Os for 28 and 32-pin packages(a) (medium,
medium+ and high-density devices).
•Internal reference voltage routing to selectable I/Os.
•Software or hardware management of the charge transfer acquisition sequence.
a. Not available on STM8L05xx value line devices.

Routing interface (RI) and system configuration controller (SYSCFG) RM0031
126/595 DocID15226 Rev 11
Figure 23. Routing interface (RI) block diagram (medium+ and high-density devices)
1. DAC1/2 available on medium+ and high-density devices only. Not connected on medium-density devices.
3$
3$
3$
3&
3&
3&
3&
3'
3'
3'
3'
3%
3%
3%
3%
3%
3%
3%
3%
3'
3'
3'
3'
3(
&203
95(),17
%XII HU
ô95(),17
ò95(),17
ó95(),17
9
5(),17
5DLOWRUDLO
5
3)
'$&
95(),17RXW
$6
$6
1&
1&
$6
$6
$6
$6
$6
$6
$6
$6
$6
$6
$6
$6
$6
95()287(1ELW
*1'
9''
NN
SXOOXS SXOOXS
NN
SXOOGRZQ SXOOGRZQ
95(),17
&203
&203
&203
95()(1
ELW
5
3)
3)
3)
069
5RXWLQJLQWHUIDFH
,2VZLWFKHV $QDORJVZLWFKHV
&+[(>@ $6>@ELWV
$'&
&203
&203
,QWHUQDO
YROWDJH
UHIHUHQFH
3)
3)
&ORVHGIRUDQG
SLQSDFNDJHV
([WHUQDOLQSXW
'$&
'$&
:1':(ELW
:LQGRZPRGH
&ORVHGIRUSLQSDFNDJHV
%XIIHU '$&
55
,16(/>@
)DVW6ORZ
%LDVIURP
95(),17
'$&
55
%XIIHU

DocID15226 Rev 11 127/595
RM0031 Routing interface (RI) and system configuration controller (SYSCFG)
156
Figure 24. Routing interface (RI) block diagram (medium-density devices)
1. On medium+ and high-density devices only.
2. DAC and comparators are not available on STM8L05xx value line devices.
$'&
3$
3$
3$
3&
3&
3&
3&
3'
3'
3'
3'
3%
3%
3%
3%
3%
3%
3%
3%
3'
3'
3'
3'
3(
95(),17
ô95(),17
ò95(),17
ó95(),17
5DLOWRUDLO
5
3)
3)
$6
$6
1&
1&
$6
$6
$6
$6
$6
$6
$6
$6
$6
$6
$6
$6
$6
:1':(ELW
&ORVHGIRUDQG
SLQSDFNDJHV
DLE
:LQGRZPRGH
*1'
9''
NN
SXOOXS SXOOXS
NN 95(),17
95()(1
ELW
3)
3)
3)
95(),17
$QDORJVZLWFKHV
,2VZLWFKHV
&+[(>@ELWV $6>@ELWV
,QWHUQDO
UHIHUHQFH
YROWDJH
95()287(1ELW
%XIIHU
&203
&203
,16(/>@
'$&
&203
([WHUQDOLQSXW
'$&
55
%XIIHU
)DVW6ORZ
%LDVIURP
95(),17
SXOOGRZQ
SXOOGRZQ
&203

Routing interface (RI) and system configuration controller (SYSCFG) RM0031
128/595 DocID15226 Rev 11
Figure 25. Routing interface (RI) block diagram (low-density devices)
1. Comparators are not available on STM8L05xx value line devices.
11.2.1 RI functional description
The RI registers can be accessed only when the comparator clock is enabled by setting the
PCKEN25 bit in the CLK_PCKENR2 register. Refer to Section 9.14.5 on page 105.
11.2.2 I/O groups
On low-density devices, 28 general purpose I/Os are grouped into 4 groups of three I/Os
each and into groups of 4 I/Os each. On medium, medium+ and high-density devices, 24
3$
3$
3$
3&
3&
3&
3&
3'
3'
3'
3'
3%
3%
3%
3%
3%
3'
3'
3'
3'
3(
9
5(),17
3)
$6
$6
1&
1&
$6
$6
$6
$6
$6
$6
$6
$6
$6
$6
$6
$6
$6
,16(/>@
069
*1'
9''
N
N
SXOOXS
SXOOXS
NN
SXOOGRZQ SXOOGRZQ
95(),17
1&
1&
1&
3$
3(
3(
3(
3%
3%
3%
,2VZLWFKHV
&+[(>@ELWV $6>@ELWV
$QDORJVZLWFKHV
$'&
&203
&203
&203
&203
)DVW6ORZ
:,1':(ELW
:LQGRZPRGH
,QWHUQDOUHIHUHQFH
YROWDJH
%XIIHU
95()287(1ELW
95(),17
95(),17
95(),17
95(),17
&ORVHGRQO\LQ
SLQGHYLFHV
([WHUQDOLQSXW
5DLOWRUDLO
%LDV
IURP95(),17
95()(1
ELW

DocID15226 Rev 11 129/595
RM0031 Routing interface (RI) and system configuration controller (SYSCFG)
156
general purpose I/Os are grouped into 4 groups of three I/Os each. Table 26 shows the I/O
groups and the control registers used to route them to the analog blocks.
•Two blocks of switches control the routing of signals to the analog blocks.
– I/O switches controlled by the RI_IOSRx registers
– Analog switches controlled by the RI_ASCRx registers
•An additional set of switches controls the routing to the TIM1 timer inputs (not shown in
block diagram)
•A complementary set of registers controls the configuration of the I/Os and are
designed to manage up to 20 capacitive sensing channels on low-density devices and
up to 16 capacitive sensing channels on medium, medium+ and high-density devices
(not shown in the block diagram).
When the I/Os are switched to analog mode (I/O switches CHxE are set or ADC used) , the
Schmitt trigger is disabled by default. At that time, the bit in the Px_IDR register associated
with the I/O is always read as 0 whatever the level on the pin. The Schmitt trigger can be
enabled by setting the STE bit in the COMP_CSR1 register but it acts as a simple
comparator in this configuration mode. In that case, it is possible to read the I/O state
through the Px_IDR register while the hysteresis is kept disabled to reduce the power
consumption of the device. The state of an I/O switched to analog mode can be read
through the RI_IOIRx registers anyway whatever the STE bit value.
•When I/Os are used as ADC inputs: the I/O switch and analog switches are
controlled directly by the ADC. The corresponding CHxE and ASx bits in the RI
registers are not used and must be kept cleared (switches left open).
•When I/Os are used as inputs/outputs for analog blocks other than the ADC: the
I/O switch and analog switch have to be controlled by the RI_IOSRx and RI_ASCRx
registers. The corresponding CHxE and ASx bits in the RI registers must be set by
software to close the switches and cleared to open the switches.
Table 26. I/O groups and selection
I/O
Group
GPIO
port
I/O switch control bit
RI_IOSRx registers ADC1 input Analog switch
control bit in
RI_ASCR1 register
Comparator(1)/
DAC(1)/VREFINT
functions
Group 1
PA6 CH1E bit ADC1_IN0
AS0 bit COMP1+ in
PA5 CH2E bit ADC1_IN1
PA4 CH3E bit ADC1_IN2
PA7(2) CH29E bit -
Group 2
PC7 CH4E bit ADC1_IN3
AS1 bit COMP1+ in
COMP2- in
PC4 CH5E bit ADC1_IN4
PC3 CH6E bit ADC1_IN5
PE7(2) CH26E bit ADC1_IN25
Group 3
PC2 CH7E bit ADC1_IN6
AS2 bit COMP1+ in
VREFINT out
PD7 CH8E bit ADC1_IN7
PD6 CH9E bit ADC1_IN8

Routing interface (RI) and system configuration controller (SYSCFG) RM0031
130/595 DocID15226 Rev 11
11.2.3 TIM1 input capture routing
TIM1 is not available in low-density devices.
After reset, the Timer 1 Input Capture 2 and Input Capture 3 signals are connected to the I/O
port assigned in the datasheet pinout (default routing). The I/O routing can be changed by
programming registers RI_ICR1 and RI_ICR2. Refer to Table 27.
Group 4
PD5 CH10E bit ADC1_IN9
AS3 bit COMP1+ inPD4 CH11E bit ADC1_IN10
PB7 CH12E bit ADC1_IN11
Group 5
PB6 CH13E bit ADC1_IN12
AS4 bit COMP1+ in
DAC out
PB5 CH14E bit ADC1_IN13
PB4 CH15E bit ADC1_IN14
Group 6
PB3 CH16E bit ADC1_IN15
AS5 bit COMP1+ inPB2 CH17E bit ADC1_IN16
PB1 CH18E bit ADC1_IN17
Group 7
PB0 CH19E bit ADC1_IN18
AS6 bit COMP1+ in
PD3 CH20E bit ADC1_IN19
PD2 CH21E bit ADC1_IN20
PE3(2) CH27E bit ADC1_IN26
Group 8
PD1 CH22E bit ADC1_IN21
AS7 bit COMP1+ in
COMP2+ in
PD0 CH23E bit ADC1_IN22
PE5 CH24E bit ADC1_IN23
PE4(2) CH28E bit ADC1_IN27
NA PF0 NA ADC1_IN24 AS8 bit COMP1+ in
NA PF1(3) NA ADC1_IN25 AS9 bit COMP1+ in
NA PF2(2) NA ADC1_IN26 AS10 bit COMP1+ in
NA PF3(2) NA ADC1_IN27 AS11 bit COMP1+ in
1. DAC and comparators are not available on STM8L05xx value line devices.
2. On low-density devices only
3. On medium+ and high-density devices only.
Table 26. I/O groups and selection (continued)
I/O
Group
GPIO
port
I/O switch control bit
RI_IOSRx registers ADC1 input Analog switch
control bit in
RI_ASCR1 register
Comparator(1)/
DAC(1)/VREFINT
functions

DocID15226 Rev 11 131/595
RM0031 Routing interface (RI) and system configuration controller (SYSCFG)
156
11.2.4 TIM2 & TIM3 routing
Note: Only available on low-density devices.
To reduce the CPU load required for the management of the 20 capacitive sensing
channels, low-density devices feature a hardware mode for handling the charger transfer
acquisition sequence. This is done by using timer TIM2 to control the state of the I/Os in the
I/O groups. Timer TIM3 is used to count the number of charge transfer cycles generated
before the voltage across CS reaches VIH.
Table 27. TIM1 input capture routing
IC2CS[4:0] /
IC3CS[4:0] bit value I/O port routed to TIM1.IC2 input I/O port routed to TIM1.IC3 input
00000 default routing (PD4) default routing (PD5)
00001 PF0
Reserved (medium-density devices)
PF1 (medium+ and high-density
devices)
00010
Reserved (medium-density devices)
PF2 (medium+ and high-density
devices)
Reserved (medium-density devices)
PF3 (medium+ and high-density
devices)
00011 PE0 PE1
00100 PE2 PE3
00101 PE4 PE5
00110 PE6 PE7
00111 PD0 PD1
01000 PD2 PD3
01001 PD4 PD5
01010 PD6 PD7
01011 PC0 PC1
01100 PC2 PC3
01101 PC4 PC5
01110 PC6 PC7
01111 PB0 PB1
10000 PB2 PB3
10001 PB4 PB5
10010 PB6 PB7
10011 PA0 PA2
10100 PA3 PA4
10101 PA5 PA6
10110 PA7 default routing (PD5)
other values default routing (PD4) default routing (PD5)

Routing interface (RI) and system configuration controller (SYSCFG) RM0031
132/595 DocID15226 Rev 11
Refer to Figure 26.
Figure 26. TIM2 and TIM3 interconnections
When using the hardware acquisition mode:
•TIM2 OC1 controls the state of the electrode I/O
– When OC1 is high, the electrode I/O is set to output push-pull high.
– When OC1 is low, the electrode I/O is set to input floating mode
•TIM2 OC2 controls both the sampling capacitor and the electrode I/O analog switch
– When OC2 is high, the analog switch is closed
– When OC2 is low, the analog switch is open
11.2.5 Comparator routing
Refer to Section 16.3: Comparator 1 (COMP1) on page 247 for the description of the
COMP1 interconnections.
Refer to Section 16.4: Comparator 2 (COMP2) on page 248 for the description of the
COMP2 interconnections.
11.2.6 DAC routing
DAC is not available on low-density and STM8L05xx value line devices.
In medium-density devices, for 28 and 32-pin devices, the DAC_OUT1 can be routed to any
I/O of group 5 by setting the corresponding I/O switch bit (CH13E in the RI_IOSR1 register,
CH14E in the RI_IOSR2 register or CH15E in the RI_IOSR3 register).
In medium+ and high-density devices, for 48-pin devices, the DAC_OUT2 can be routed to
any I/O of group 5 by setting the corresponding I/O switch bit (CH13E in the RI_IOSR1
register, CH14E in the RI_IOSR2 register or CH15E in the RI_IOSR3 register).
Note: In this case group 5 cannot be used for ADC1.
,2
,2
,2
5,B,205[ELW
5,B,205[ELW
5,B,205[ELW
7,)ELW
7,0
2&
2&
,75
7*2
7+$/7ELW
$0ELW
7,0
,75
,&
5,WULJJHULQWHUUXSW
7,(ELW
7,0B&+
069

DocID15226 Rev 11 133/595
RM0031 Routing interface (RI) and system configuration controller (SYSCFG)
156
Figure 27. DAC interconnections
The DAC_OUT1 can be routed to the COMP2 inverting input by writing the value 0b110 in
the INSEL[2:1] bits in the COMP_CSR3 register.
In medium-density devices, for 48-pin packages, the DAC_OUT1 is connected to the
ADC1_IN24 input.
In medium+ and high-density devices, for 64 and 80-pin packages, the DAC_OUT2 is
connected to the ADC1_IN25 input.
±
DLF
7R$'&VORZFKDQQHO
7R$'&IDVWFKDQQHO
3)
7KLVVZLWFKLVFORVHG
LQDQGSLQGHYLFHV
3%
3%
3%
'$&RXWSXW
2WKHULQSXWV
2WKHULQSXWV
2WKHULQSXWV
&203
55
'$&
EXIIHU

Routing interface (RI) and system configuration controller (SYSCFG) RM0031
134/595 DocID15226 Rev 11
11.2.7 Internal reference voltage routing
Figure 28. Internal reference voltage output
Internal reference voltage output can be routed to any I/O of group 3 following this
procedure:
1. Set the bit VREFOUTEN in COMP_CSR3
2. Close the I/O switch of any I/O of group 3 by setting CH7E in RI_IOSR1 or CH8E in
RI_IOSR2 or CH9E in RI_IOSR3.
11.3 RI interrupts
11.4 RI registers
11.4.1 Timer input capture routing register 1 (RI_ICR1)
Address offset: 0x01
Reset value: 0x00
PC2
PD7
PD6
V
REFINT
V
REFINT
~1.2 V
VREFOUTEN
Internal reference voltage
1/4 V
REFINT
3/4 V
REFINT
1/2 V
REFINT
PB4
PB5
PB6
Closed only in 20-pin devices
Table 28. RI interrupt requests
Interrupt event Event
flag
Enable
control
bit
Exit from
Wait/
Low power wait
Exit from
Halt/
Active-halt
Interrupt event trigger TIF TIE Yes No
76543210
Reserved IC2CS[4:0]
rw rw rw rw rw

DocID15226 Rev 11 135/595
RM0031 Routing interface (RI) and system configuration controller (SYSCFG)
156
Note: This register is not available on low-density devices.
11.4.2 Timer input capture routing register 2 (RI_ICR2)
Address offset: 0x02
Reset value: 0x00
Note: This register is not available on low-density devices.
11.4.3 I/O input register 1 (RI_IOIR1)
Address offset: 0x03
Reset value: 0xXX where X is undefined
11.4.4 I/O input register 2 (RI_IOIR2)
Address offset: 0x04
Reset value: 0xXX where X is undefined
Bits 7:5 Reserved, must be kept cleared.
Bits 4:0 IC2CS[4:0]: TIM1 Input Capture 2 I/O selection
These bits are set and cleared by software. They select which I/O port is routed to Timer 1 input
Capture 2. Refer to Table 27
76543210
Reserved IC3CS[4:0]
rw rw rw rw rw
Bits 7:5 Reserved, must be kept cleared.
Bits 4:0 IC3CS[4:0]: TIM1 Input Capture 3 I/O selection
These bits are set and cleared by software. They select which I/O port is routed to Timer 1 Input
Capture 3. Refer to Table 27.
76543210
CH22I CH19I CH16I CH13I CH10I CH7I CH4I CH1I
rrrrrrrr
Bits 7:0 CHxI: I/O pin input value
These bits return the corresponding I/O pin value irrespective of the port configuration (similar to
the Px_IDR register). This register is read-only.
0: Low logic level
1: High logic level
Note: This register controls the first I/O of each group of I/Os.
76543210
CH23I CH20I CH17I CH14I CH11I CH8I CH5I CH2I
rrrrrrrr

Routing interface (RI) and system configuration controller (SYSCFG) RM0031
136/595 DocID15226 Rev 11
11.4.5 I/O input register 3 (RI_IOIR3)
Address offset: 0x05
Reset value: 0xXX where X is undefined
11.4.6 I/O control mode register 1 (RI_IOCMR1)
Address offset: 0x06
Reset value: 0x00
11.4.7 I/O control mode register 2 (RI_IOCMR2)
Address offset: 0x07
Reset value: 0x00
Bits 7:0 CHxI: I/O pin input value
These bits return the corresponding I/O pin value irrespective of the port configuration (similar to
the Px_IDR register). This register is read-only.
0: Low logic level
1: High logic level
Note: This register controls the second I/O of each group of I/Os.
76543210
CH24I CH21I CH18I CH15I CH12I CH9I CH6I CH3I
rrrrrrrr
Bits 7:0 CHxI: I/O pin input value
These bits return the corresponding I/O pin value irrespective of the port configuration (similar to
the Px_IDR register). This register is read-only.
0: Low logic level
1: High logic level
Note: This register controls the third I/O of each group of I/Os.
76543210
CH22M CH19M CH16M CH13M CH10M CH7M CH4M CH1M
rw rw rw rw rw rw rw rw
Bits 7:0 CHxM: I/O control mode
These bits are set and cleared by software to select how the I/O is controlled.
0: I/O x is controlled by the standard GPIO registers. The I/O x switch is directly controlled by the
RI_IOSR1 register.
1: I/O x is set to protected mode and is only controlled by the RI_IOSR1 and RI_IOGCR
registers (standard GPIO registers have no effect on the configuration of I/O x).
Note: This register controls the first I/O of each group of I/Os.
76543210
CH23M CH20M CH17M CH14M CH11M CH8M CH5M CH2M
rw rw rw rw rw rw rw rw

DocID15226 Rev 11 137/595
RM0031 Routing interface (RI) and system configuration controller (SYSCFG)
156
11.4.8 I/O control mode register 3 (RI_IOCMR3)
Address offset: 0x08
Reset value: 0x00
11.4.9 I/O switch register 1 (RI_IOSR1)
Address offset: 0x09
Reset value: 0x00
Bits 7:0 CHxM: I/O control mode
These bits are set and cleared by software to select how the I/O is controlled.
0: I/O x is controlled by the standard GPIO registers. The I/O x switch is directly controlled by the
RI_IOSR2 register.
1: I/O x is set to protected mode and is only controlled by the RI_IOSR2 and RI_IOGCR
registers (standard GPIO registers have no effect on the configuration of I/O x).
Note: This register controls the second I/O of each group of I/Os.
76543210
CH24M CH21M CH18M CH53M CH12M CH9M CH6M CH3M
rw rw rw rw rw rw rw rw
Bits 7:0 CHxM: I/O control mode
These bits are set and cleared by software to select how the I/O is controlled.
0: I/O x is controlled by the standard GPIO registers. The I/O x switch is directly controlled by the
RI_IOSR3 register.
1: I/O x is set to protected mode and is only controlled by the RI_IOSR3 and RI_IOGCR
registers (standard GPIO registers have no effect on the configuration of I/O x).
Note: This register controls the third I/O of each group of I/Os.
76543210
CH22E CH19E CH16E CH13E CH10E CH7E CH4E CH1E
rw rw rw rw rw rw rw rw

Routing interface (RI) and system configuration controller (SYSCFG) RM0031
138/595 DocID15226 Rev 11
Bits 7:0 CHxE: I/O switch control
If the corresponding RI_IOCMRx bit is cleared:
These bits are set and cleared by software to open and close the I/O switches. If the I/O is used for
the ADC1 input, the switch must be left open to allow the ADC1 to control it.
0: I/O x switch is open (I/O x is controlled by the GPIO registers or ADC1).
1: I/O x switch is closed (analog channel enabled).
If the corresponding RI_IOCMRx bit is set and the AM bit is cleared in the RI_CR register
(software management of the charge transfer acquisition sequence):
These bits are set and cleared by software. They define the configuration of the I/O.
0: I/O x is forced to output push-pull low mode.
1: I/O x configuration is determined by bit 0 and bit 1 in the RI_IOGCR register.
If the corresponding RI_IOCMRx bit is set and the AM bit is also set in the RI_CR register
(hardware management of the charge transfer acquisition sequence):
These bits are set and cleared by software. They define if the corresponding I/O x state is
controlled by the TIM2 timer.
0: I/O x is forced to output push-pull low mode
1: I/O x configuration is determined by the timer TIM2
Note: This register controls the first I/O of each group of I/Os.

DocID15226 Rev 11 139/595
RM0031 Routing interface (RI) and system configuration controller (SYSCFG)
156
11.4.10 I/O switch register 2 (RI_IOSR2)
Address offset: 0x0A
Reset value: 0x00
76543210
CH23E CH20E CH17E CH14E CH11E CH8E CH5E CH2E
rw rw rw rw rw rw rw rw
Bits 7:0 CHxE: I/O switch control.
If the corresponding RI_IOCMRx bit is cleared:
These bits are set and cleared by software to open and close the I/O switches. If the I/O is used for
the ADC1 input, the switch must be left open to allow the ADC1 to control it.
0: I/O x switch is open (I/O x is controlled by the GPIO registers or ADC1).
1: I/O x switch is closed (analog channel enabled).
If the corresponding RI_IOCMRx bit is set and the AM bit is cleared in the RI_CR register
(software management of the charge transfer acquisition sequence):
These bits are set and cleared by software. They define the configuration of the I/O.
0: I/O x is forced to output push-pull low mode.
1: I/O x configuration is determined by bit 2 and bit 3 in the RI_IOGCR register.
If the corresponding RI_IOCMRx bit is set and the AM bit is also set in the RI_CR register
(hardware management of the charge transfer acquisition sequence):
These bits are set and cleared by software. They define if the corresponding I/O x state is
controlled by the TIM2 timer.
0: I/O x is forced to output push-pull low mode
1: I/O x configuration is determined by the timer TIM2
Note: This register controls the second I/O of each group of I/Os.

Routing interface (RI) and system configuration controller (SYSCFG) RM0031
140/595 DocID15226 Rev 11
11.4.11 I/O switch register 3 (RI_IOSR3)
Address offset: 0x0B
Reset value: 0x00
76543210
CH24E CH21E CH18E CH15E CH12E CH9E CH6E CH3E
rw rw rw rw rw rw rw rw
Bits 7:0 CHxE: I/O Switch control.
If the corresponding RI_IOCMRx bit is cleared:
These bits are set and cleared by software to open and close the I/O switches. If the I/O is used for
the ADC1 input, the switch must be left open to allow the ADC1 to control it.
0: I/O x switch is open (I/O x is controlled by the GPIO registers or ADC1).
1: I/O x switch is closed (analog channel enabled).
If the corresponding RI_IOCMRx bit is set and the AM bit is cleared in the RI_CR register
(software management of the charge transfer acquisition sequence):
These bits are set and cleared by software. They define the configuration of the I/O.
0: I/O x is forced to output push-pull low mode.
1: I/O x configuration is determined by bit 4 and bit 5 in the RI_IOGCR register.
If the corresponding RI_IOCMRx bit is set and the AM bit is also set in the RI_CR register
(hardware management of the charge transfer acquisition sequence):
These bits are set and cleared by software. They define if the corresponding I/O x state is
controlled by the TIM2 timer.
0: I/O x is forced to output push-pull low mode
1: I/O x configuration is determined by the timer TIM2
Note: This register controls the third I/O of each group of I/Os.

DocID15226 Rev 11 141/595
RM0031 Routing interface (RI) and system configuration controller (SYSCFG)
156
11.4.12 IO group control register (RI_IOGCR)
Address offset: 0x0C
Reset value: 0xFF
76543210
IOM4[1:0] IOM3[1:0] IOM2[1:0] IOM1[1:0]
rw rw rw rw rw rw rw rw
Bits 7:6 IOM4[1:0]: I/O mode 4
If the bit AM in the RI_CR register is cleared (software management of the charge transfer
acquisition sequence):
These bits are set and cleared by software. They define the configuration of the I/O if the
corresponding RI_IOCMRx bit is set.
00: I/O x is forced to output push-pull low mode.
01: I/O x is forced to output push-pull high mode.
10: I/O x is forced to input floating mode with the I/O switch open.
11: I/O x is forced to input floating mode with the I/O switch closed. The I/O x Schmitt trigger
hysteresis is disabled but the I/O pin value can still be read.
If the AM bit in the RI_CR register is set (hardware management of the charge transfer
acquisition sequence):
These bits are set and cleared by software. They define the usage of the I/O.
00: I/O used for the sampling capacitor
01: I/O used for the electrode
Other: reserved
Note: These bits control the fourth I/O of each group of I/Os (only available on low-density
devices).

Routing interface (RI) and system configuration controller (SYSCFG) RM0031
142/595 DocID15226 Rev 11
Bits 5:4 IOM3[1:0]: I/O mode 3
If the bit AM in the RI_CR register is cleared (software management of the charge transfer
acquisition sequence):
These bits are set and cleared by software. They define the configuration of the I/O if the
corresponding RI_IOCMRx bit is set.
00: I/O x is forced to output push-pull low mode.
01: I/O x is forced to output push-pull high mode.
10: I/O x is forced to input floating mode with the I/O switch open.
11: I/O x is forced to input floating mode with the I/O switch closed. The I/O x Schmitt trigger
hysteresis is disabled but the I/O pin value can still be read.
On low-density devices, if the AM bit in the RI_CR register is set (hardware management of
the charge transfer acquisition sequence):
These bits are set and cleared by software. They define the usage of the I/O.
00: I/O used for the sampling capacitor
01: I/O used for the electrode
Other: reserved
Note: These bits control the third I/O of each group of I/Os .
Bits 3:2 IOM2[1:0]: I/O mode 2
If the bit AM in the RI_CR register is cleared (software management of the charge transfer
acquisition sequence):
These bits are set and cleared by software. They define the configuration of the I/O if the
corresponding RI_IOCMRx bit is set.
00: I/O x is forced to output push-pull low mode.
01: I/O x is forced to output push-pull high mode.
10: I/O x is forced to input floating mode with the I/O switch open.
11: I/O x is forced to input floating mode with the I/O switch closed. The I/O x Schmitt trigger
hysteresis is disabled but the I/O pin value can still be read.
On low-density devices, if the AM bit in the RI_CR register is set (hardware management of
the charge transfer acquisition sequence):
These bits are set and cleared by software. They define the usage of the I/O.
00: I/O used for the sampling capacitor
01: I/O used for the electrode
Other: reserved
Note: These bits control the second I/O of each group of I/Os.

DocID15226 Rev 11 143/595
RM0031 Routing interface (RI) and system configuration controller (SYSCFG)
156
Bits 1:0 IOM1[1:0]: I/O mode 1
If the bit AM in the RI_CR register is cleared (software management of the charge transfer
acquisition sequence):
These bits are set and cleared by software. They define the configuration of the I/O if the
corresponding RI_IOCMRx bit is set.
00: I/O x is forced to output push-pull low mode.
01: I/O x is forced to output push-pull high mode.
10: I/O x is forced to input floating mode with the I/O switch open.
11: I/O x is forced to input floating mode with the I/O switch closed. The I/O x Schmitt trigger
hysteresis is disabled but the I/O pin value can still be read.
On low-density devices, if the AM bit in the RI_CR register is set (hardware management of
the charge transfer acquisition sequence):
These bits are set and cleared by software. They define the usage of the I/O.
00: I/O used for the sampling capacitor
01: I/O used for the electrode
Other: reserved
Note: These bits control the first I/O of each group of I/Os.

Routing interface (RI) and system configuration controller (SYSCFG) RM0031
144/595 DocID15226 Rev 11
11.4.13 Analog switch register 1 (RI_ASCR1)
Address offset: 0x0D
Reset value: 0x00
11.4.14 Analog switch register 2 (RI_ASCR2)
Address offset: 0x0E
Reset value: 0x00
76543210
AS7 AS6 AS5 AS4 AS3 AS2 AS1 AS0
rw rw rw rw rw rw rw rw
Bits 7:0 ASx: Analog switch control
These bits are set and cleared by software to control the analog switches. If the I/O
is used for ADC1 input, the switch must be left open to allow the ADC1 to control it.
0: Analog switch open
1: Analog switch closed
76543210
Reserved AS14 Reserved AS11(1) AS10(1) AS9(1) AS8
rw rw rw rw rw
Bit 7 Reserved, must be kept cleared
Bit 6 AS14: Analog switch 14
This bit is set and cleared by software to control AS14 analog switch. If the I/O is used for ADC1
input, the switch must be left open to allow the ADC1 to control it.
0: Analog switch open
1: Analog switch closed
Bits 5:4 Reserved, must be kept cleared
Bit 3(1) AS11: Analog switch 11 (1)
This bit is set and cleared by software to control AS11 analog switch. If the I/O is used for ADC1
input, the switch must be left open to allow the ADC1 to control it.
0: Analog switch open
1: Analog switch closed

DocID15226 Rev 11 145/595
RM0031 Routing interface (RI) and system configuration controller (SYSCFG)
156
11.4.15 Resistor control register (RI_RCR)
Address offset: 0x0F
Reset value: 0x00
Note: 1 To connect the pull-up or pull-down to ADC1 input, the corresponding ADC1 analog switch
must be enabled using the corresponding register.
2 To avoid extra power consumption, only one resistor should be enabled at a time.
Bit 2(1) AS10: Analog switch 10 (1)
This bit is set and cleared by software to control AS10 analog switch. If the I/O is used for ADC1
input, the switch must be left open to allow the ADC1 to control it.
0: Analog switch open
1: Analog switch closed
Bit 1(1) AS9: Analog switch 9 (1)
This bit is set and cleared by software to control AS9 analog switch. If the I/O is used for ADC1
input, the switch must be left open to allow the ADC1 to control it.
0: Analog switch open
1: Analog switch closed
Bit 0 AS8: Analog switch control
This bit is set and cleared by software to control AS8 analog switch. If the I/O is used for ADC1
input, the switch must be left open to allow the ADC1 to control it.
0: Analog switch open
1: Analog switch closed
1. Available on low, medium+ and high-density devices only. Reserved on medium-density devices.
76543210
Reserved 400KPD 10KPD 400KPU 10KPU
rw rw rw rw
Bits 7:4 Reserved, must be kept cleared
Bit 3 400KPD: 400 kΩ pull-down resistor
This bit enables the 400 kΩ pull-down resistor.
0: 400 kΩ pull-down resistor disabled
1: 400 kΩ pull-down resistor enabled
Bit 2 10KPD: 10 kΩ pull-down resistor
This bit enables the 10 kΩ pull-down resistor.
0: 10 kΩ pull-down resistor disabled
1: 10 kΩ pull-down resistor enabled
Bit 1 400KPU: 400 kΩ pull-up resistor
This bit enables the 400 kΩ pull-up resistor.
0: 400K pull-up resistor disabled
1: 400K pull-up resistor enabled
Bit 0 10KPU: 10 kΩ pull-up resistor
This bit enables the 10 kΩ pull-up resistor.
0: 10 kΩ pull-up resistor disabled
1: 10 kΩ pull-up resistor enabled

Routing interface (RI) and system configuration controller (SYSCFG) RM0031
146/595 DocID15226 Rev 11
11.4.16 Control register (RI_CR)
Address offset: 0x20
Reset value: 0x00
Note: This register is only available on low-density devices.
76543210
Reserved THALT AM TIF TIE
rw rw rc_w1 rw
Bits 7:4 Reserved, must be kept cleared.
Bit 3 THALT: Timer halted mode
This bit is set and cleared by software to select Timer halted mode. In this mode, TIM2 and TIM3 are
halted when a trigger event occurs and remain halted until the event is cleared. This allows the event
to be processed.
0: Timer halted mode disabled
1: Timer halted mode enabled
Bit 2 AM: Acquisition mode
This bit is set and cleared by software. It selects how the charge transfer acquisition sequence is
managed.
0: Charge transfer acquisition sequence managed by software
1: Charge transfer acquisition sequence managed by hardware
Bit 1 TIF: Trigger interrupt flag
This flag is set by hardware when a trigger event occurs caused by VIH voltage being reached on the
sampling capacitor I/O and only if the corresponding I/O mask bit is not set. It is cleared by software
writing “1”. If the bit TIE is set, an interrupt is generated.
0: No trigger event occurred
1: Trigger event pending
Bit 0 TIE: Trigger interrupt enable
This bit is set and cleared by software. It enables the generation of an interrupt on trigger event.
0: Trigger interrupt disabled
1: Trigger interrupt enabled

DocID15226 Rev 11 147/595
RM0031 Routing interface (RI) and system configuration controller (SYSCFG)
156
11.4.17 IO mask register 1 (RI_IOMR1)
Address offset: 0x21
Reset value: 0x00
Note: This register controls the first I/O of each group of I/Os and is only available on low-density
devices.
11.4.18 IO mask register 2 (RI_IOMR2)
Address offset: 0x22
Reset value: 0x00
Note: This register controls the second I/O of each group of I/Os and is only available on low-
density devices.
76543210
CH22M CH19M CH16M CH13M CH10M CH7M CH4M CH1M
rw rw rw rw rw rw rw rw
Bits 7:0 CHxM: I/O mask
These bits are set and cleared by software to mask events from an I/O or to avoid triggering multiple
events from an I/O.
0: Event from the I/O is allowed
1: Event from the I/O is masked
76543210
CH23M CH20M CH17M CH14M CH11M CH8M CH5M CH2M
rw rw rw rw rw rw rw rw
Bits 7:0 CHxM: I/O mask
These bits are set and cleared by software to mask event from an I/O or to avoid triggering multiple
events from an I/O.
0: Event from the I/O is allowed
1: Event from the I/O is masked

Routing interface (RI) and system configuration controller (SYSCFG) RM0031
148/595 DocID15226 Rev 11
11.4.19 IO mask register 3 (RI_IOMR3)
Address offset: 0x23
Reset value: 0x00
Note: This register controls the first I/O of each group of I/Os and is only available on low-density
devices.
11.4.20 IO mask register 4 (RI_IOMR4)
Address offset: 0x24
Reset value: 0x00
Note: This register controls the first I/O of each group of I/Os. and is only available on low-density
devices.
76543210
CH24M CH21M CH18M CH15M CH12M CH9M CH6M CH3M
rw rw rw rw rw rw rw rw
Bits 7:0 CHxM: I/O mask
These bits are set and cleared by software to mask events from an I/O or to avoid triggering multiple
events from an I/O.
0: Event from the I/O is allowed
1: Event from the I/O is masked
76543210
CH28M CH27M Reserved CH26M CH29M
rw rw rw rw
Bits 7:6 CHxM: I/O mask
These bits are set and cleared by software to mask events from an I/O or to avoid triggering multiple
events from an I/O.
0: Event from the I/O is allowed
1: Event from the I/O is masked
Bits 5:2 Reserved, must be kept cleared.
Bits 1:0 CHxM: I/O mask
These bits are set and cleared by software to mask events from an I/O or to avoid triggering multiple
events from an I/O.
0: Event from the I/O is allowed
1: Event from the I/O is masked

DocID15226 Rev 11 149/595
RM0031 Routing interface (RI) and system configuration controller (SYSCFG)
156
11.4.21 I/O input register 4 (RI_IOIR4)
Address offset: 0x25
Reset value: 0xXX where X is undefined
Note: This register controls the fourth I/O of each group of I/Os and this register is only available
on low-density devices.
11.4.22 I/O control mode register 4 (RI_IOCMR4)
Address offset: 0x26
Reset value: 0x00
76543210
CH28I CH27I Reserved CH26I CH29I
rr rr
Bits 7:6 CHxI: I/O pin input value
These bits return the corresponding I/O pin value irrespective of the port configuration (similar to the
Px_IDR register). This register is read-only.
0: Low logic level
1: High logic level
Bits 5:2 Reserved, must be kept cleared.
Bits 1:0 CHxI: I/O pin input value
These bits return the corresponding I/O pin value irrespective of the port configuration (similar to the
Px_IDR register). This register is read-only.
0: Low logic level
1: High logic level
76543210
CH28M CH27M Reserved CH26M CH29M
rw rw rw rw
Bits 7:6 CHxM: I/O control mode
These bits are set and cleared by software to select how the I/O is controlled.
0: I/O x is controlled by the standard GPIO registers. The I/O x switch is directly controlled by the
RI_IOSR2 register.
1: I/O x is set to protected mode and is only controlled by the RI_IOSR2 and RI_IOGCR registers
(standard GPIO registers have no effect on the configuration of I/O x).
Bits 5:2 Reserved, must be kept cleared.
Bits 1:0 CHxM: I/O control mode
These bits are set and cleared by software to select how the I/O is controlled.
0: I/O x is controlled by the standard GPIO registers. The I/O x switch is directly controlled by the
RI_IOSR2 register.
1: I/O x is set to protected mode and is only controlled by the RI_IOSR2 and RI_IOGCR registers
(standard GPIO registers have no effect on the configuration of I/O x).

Routing interface (RI) and system configuration controller (SYSCFG) RM0031
150/595 DocID15226 Rev 11
Note: This register controls the fourth I/O of each group of I/Os and is only available on low-
density devices.
11.4.23 I/O switch register 4 (RI_IOSR4)
Address offset: 0x27
Reset value: 0x00
76543210
CH28E CH27E Reserved CH26E CH29E
rw rw rw rw
Bits 7:6 CHxE: I/O switch control
If the corresponding RI_IOCMRx bit is cleared:
These bits are set and cleared by software to open and close the I/O switches. If the I/O is used for
the ADC1 input, the switch must be left open to allow the ADC1 to control it.
0: I/O x switch is open (I/O x is controlled by the GPIO registers or ADC1).
1: I/O x switch is closed (analog channel enabled).
If the corresponding RI_IOCMRx bit is set and the AM bit is cleared in the RI_CR register
(software management of the charge transfer acquisition sequence):
These bits are set and cleared by software. They define the configuration of the I/O.
0: I/O x is forced to output push-pull low mode.
1: I/O x configuration is determined by bit 6 and bit 7 in the RI_IOGCR register.
If the corresponding RI_IOCMRx bit is set and the AM bit is also set in the RI_CR register
(hardware management of the charge transfer acquisition sequence):
These bits are set and cleared by software. They define if the corresponding I/O x state is controlled
by the TIM2 timer.
0: I/O x is forced to output push-pull low mode
1: I/O x configuration determined by the timer TIM2
Bits 5:2 Reserved, must be kept cleared.
Bits 1:0 CHxE: I/O switch control
If the corresponding RI_IOCMRx bit is cleared:
These bits are set and cleared by software to open and close the I/O switches. If the I/O is used for
the ADC1 input, the switch must be left open to allow the ADC1 to control it.
0: I/O x switch is open (I/O x is controlled by the GPIO registers or ADC1).
1: I/O x switch is closed (analog channel enabled).
If the corresponding RI_IOCMRx bit is set AND the AM bit is cleared in the RI_CR register
(software management of the charge transfer acquisition sequence):
These bits are set and cleared by software. They define the configuration of the I/O.
0: I/O x is forced to output push-pull low mode.
1: I/O x configuration is determined by bit 6 and bit 7 in the RI_IOGCR register.
If the corresponding RI_IOCMRx bit is set and the AM is also set in the RI_CR register
(hardware management of the charge transfer acquisition sequence):
These bits are set and cleared by software. They define if the corresponding I/O x state is controlled
by the timer TIM2.
0: I/O x is forced to output push-pull low mode
1: I/O x configuration determined by the timer TIM2
Note: This register controls the fourth I/O of each group of I/Os.

DocID15226 Rev 11 151/595
RM0031 Routing interface (RI) and system configuration controller (SYSCFG)
156
Note: This register controls the fourth I/O of each group of I/Os and is only available on low-
density devices.
11.4.24 RI register map and reset values
Table 29. Routing interface register map
Address
offset Register
name 76543210
0x00 Reserved
Reset value
-
0
-
0
-
0
-
0
-
0
-
0
-
0
-
0
0x01 RI_ICR1(1)
Reset value
-
0
-
0
-
0
IC2CS4
0
IC2CS3
0
IC2CS2
0
IC2CS1
0
IC2CS0
0
0x02 RI_ICR2(1)
Reset value
-
0
-
0
-
0
IC3CS4
0
IC3CS3
0
IC3CS2
0
IC3CS1
0
IC3CS0
0
0x03 RI_IOIR1
Reset value
CH22I
x
CH19I
x
CH16I
x
CH13I
x
CH10I
x
CH7I
x
CH4I
x
CH1I
x
0x04 RI_IOIR2
Reset value
CH23I
x
CH20I
x
CH17I
x
CH14I
x
CH11I
x
CH8I
x
CH5I
x
CH2I
x
0x05 RI_IOIR3
Reset value
CH24I
x
CH21I
x
CH18I
x
CH15I
x
CH12I
x
CH9I
x
CH6I
x
CH3I
x
0x06 RI_IOCMR1
Reset value
CH22M
0
CH19M
0
CH16M
0
CH13M
0
CH10M
0
CH7M
0
CH4M
0
CH1M
0
0x07 RI_IOCMR2
Reset value
CH23M
0
CH20M
0
CH17M
0
CH14M
0
CH11M
0
CH8M
0
CH5M
0
CH2M
0
0x08 RI_IOCMR3
Reset value
CH24M
0
CH21M
0
CH18M
0
CH15M
0
CH12M
0
CH9M
0
CH6M
0
CH3M
0
0x09 RI_IOSR1
Reset value
CH22E
0
CH19E
0
CH16E
0
CH13E
0
CH10E
0
CH7E
0
CH4E
0
CH1E
0
0x0A RI_IOSR2
Reset value
CH23E
0
CH20E
0
CH17E
0
CH14E
0
CH11E
0
CH8E
0
CH5E
0
CH2E
0
0x0B RI_IOSR3
Reset value
CH24E
0
CH21E
0
CH18E
0
CH15E
0
CH12E
0
CH9E
0
CH6E
0
CH3E
0
0x0C RI_IOGCR
Reset value
IOM41(2)
1 (2) IOM40(2)
1 (2) IOM31
1
IOM30
1
IOM21
1
IOM20
1
IOM11
1
IOM10
1
0x0D RI_ASCR1
Reset value
AS7
0
AS6
0
AS5
0
AS4
0
AS3
0
AS2
0
AS1
0
AS0
0
0x0E RI_ASCR2
Reset value
-
0
AS14
0
-
0
-
0
AS11(3)
0
AS10(3)
0
AS9(3)
0
AS8
0
0x0F RI_RCR
Reset value
-
0
-
0
-
0
-
0
400KPD
0
10KPD
0
400KPU
0
10KPU
0
0x20 RI_CR(4)
Reset value
-
0
-
0
-
0
-
0
THALT
0
AM
0
TIF
0
TIE
0
0x21 RI_IOMR1(4)
Reset value
CH22M
0
CH19M
0
CH16M
0
CH13M
0
CH10M
0
CH7M
0
CH4M
0
CH1M
0
0x22 RI_IOMR2(4)
Reset value
CH23M
0
CH20M
0
CH17M
0
CH14M
0
CH11M
0
CH8M
0
CH5M
0
CH2M
0
0x23 RI_IOMR3(4)
Reset value
CH24M
0
CH21M
0
CH18M
0
CH15M
0
CH12M
0
CH9M
0
CH6M
0
CH3M
0
0x24 RI_IOMR4(4)
Reset value
CH28M
0
CH27M
0
-
0
-
0
-
0
-
0
CH26M
0
CH29M
0

Routing interface (RI) and system configuration controller (SYSCFG) RM0031
152/595 DocID15226 Rev 11
0x25 RI_IOIR4(4)
Reset value
CH28I
x
CH27I
x
-
x
-
x
-
x
-
x
CH26I
x
CH29I
x
0x26 RI_IOCMR4(4)
Reset value
CH28M
0
CH27M
0
-
0
-
0
-
0
-
0
CH26M
0
CH29M
0
0x27 RI_IOSR4(4)
Reset value
CH28E
0
CH27E
0
-
0
-
0
-
0
-
0
CH26E
0
CH29E
0
1. On medium, medium+ and high-density devices only.
2. These bits are available on low-density devices only. Reset values are 0 for the other devices.
3. On medium+ and high-density devices only.
4. On low-density devices only
Table 29. Routing interface register map (continued)
Address
offset Register
name 76543210

DocID15226 Rev 11 153/595
RM0031 Routing interface (RI) and system configuration controller (SYSCFG)
156
11.5 SYSCFG registers
11.5.1 SYSCFG remap control register 1 (SYSCFG_RMPCR1)
Address offset: 0x01
Reset value: 0x0C
7 6 543210
SPI1_REMAP1 USART1CK_REMAP USART1TR_REMAP[1:0] TIM4DMA_REMAP[1:0] ADC1DMA_REMAP[1:0]
rw rw rw rw rw rw rw rw
Bit 7 SPI1_REMAP1: SPI1 remapping
When this bit is reset:
″SPI1_MIS0 is mapped on PB7
″SPI1_MOSI is mapped on PB6
″SPI1_SCK is mapped on PB5
″SPI1_NSS is mapped on PB4
When this bit is set:
″SPI1_MIS0 is mapped on PA2
″SPI1_MOSI is mapped on PA3
″SPI1_SCK is mapped on PC6
″SPI1_NSS is mapped on PC5
Bit 6 USART1CK_REMAP: USART1_CK remapping
0: USART1_CK mapped on PC4
1: USART1_CK mapped on PA0
Bits 5:4 USART1TR_REMAP[1:0]: USART1_TX and USART1_RX remapping
00: USART1_TX on PC3 and USART1_RX on PC2
01: USART1_TX on PA2 and USART1_RX on PA3
10: USART1_TX on PC5 and USART1_RX on PC6
11: Reserved
Bits 3:2 TIM4DMA_REMAP[1:0]: TIM4 DMA channel remapping
00: TIM4 DMA request/acknowledge mapped on DMA1 channel 0
01: TIM4 DMA request/acknowledge mapped on DMA1 channel 1
10: TIM4 DMA request/acknowledge mapped on DMA1 channel 2
11: TIM4 DMA request/acknowledge mapped on DMA1 channel 3
Bits 1:0 ADC1DMA_REMAP[1:0]: ADC1 DMA channel remapping
00: ADC1 DMA request/acknowledge mapped on DMA1 channel 0
01: ADC1 DMA request/acknowledge mapped on DMA1 channel 1
10: ADC1 DMA request/acknowledge mapped on DMA1 channel 2
11: ADC1 DMA request/acknowledge mapped on DMA1 channel 3

Routing interface (RI) and system configuration controller (SYSCFG) RM0031
154/595 DocID15226 Rev 11
11.5.2 SYSCFG remap control register 2 (SYSCFG_RMPCR2)
Address offset: 0x02
Reset value: 0x00
76543210
TIM23BKIN_
REMAP
TIM3TRIG_
REMAP2 SPI2_REMAP TIM3TRIGLSE_
REMAP
TIM2TRIGLSE_
REMAP
TIM3TRIG_
REMAP1
TIM2TRIG_
REMAP
ADC1TRIG_
REMAP
rw rw rw rw rw rw rw rw
Bit 7 (1) TIM23BKIN_REMAP: TIM2 break input and TIM3 break input remapping
0: TIM2_BKIN &TIM3_BKIN mapped on PA4 & PA5
1: TIM2_BKIN & TIM3_BKIN mapped on PG0 & PG1 (only on 64- and 80-pin packages)
Bit 6 (1) TIM3TRIG_REMAP2: TIM3 trigger remapping
0: TIM3_TRIG mapped on PD1 if TRIM3TRIG_REMAP1=0 or on PA5 if TRIM3TRIG_REMAP1=1
1: TIM3_TRIG mapped on PG3 (only on 64- and 80-pin packages)
Bit 5 (1) SPI2_REMAP: SPI2 remapping
When this bit is reset:
″SPI2_MIS0 is mapped on PG7
″SPI2_MOSI is mapped on PG6
″SPI2_SCK is mapped on PG5
″SPI2_NSS is mapped on PG4
When this bit is set:
″SPI2_MIS0 is mapped on PI3
″SPI2_MOSI is mapped on PI2
″SPI2_SCK is mapped on PI1
″SPI2_NSS is mapped on PI0
Bit 4 TIM3TRIGLSE_REMAP: TIM3 trigger controlled by LSE
TIM3 trigger controlled by the LSE oscillator.
0: TIM3_TRIG mapped as defined in the TIM3TRIG_REMAP1 bit
1: TIM3_TRIG mapped on OSC32_IN (LSE oscillator input)
Note: When the TIM2TRIGLSE_REMAP or TIM3TRIGLSE_REMAP are set, the ETR prescaler of
the corresponding timer must be set to have a ratio of at least 4 with respect to the selected
system clock.
LSE needs to be properly switched on as defined in the CLK configuration registers.
Bit 3 TIM2TRIGLSE_REMAP: TIM2 trigger controlled by LSE
TIM2 trigger controlled by the LSE oscillator.
0: TIM2_TRIG mapped as defined in the TIM2TRIG_REMAP bit
1: TIM2_TRIG mapped on OSC32_IN (LSE oscillator input)
Note: When the TIM2TRIGLSE_REMAP or TIM3TRIGLSE_REMAP are set, the ETR prescaler of
the corresponding timer must be set to have a ratio of at least 4 with respect to the selected
system clock.
LSE needs to be properly switched on as defined in the CLK configuration registers.

DocID15226 Rev 11 155/595
RM0031 Routing interface (RI) and system configuration controller (SYSCFG)
156
11.5.3 SYSCFG remap control register 3 (SYSCFG_RMPCR3)
Address offset: 0x00
Reset value: 0x00
Note: This register is available in low-density devices (with 20-pin packages), medium+ and high-
density devices only.
Bit 2 TIM3TRIG_REMAP1: TIM3 trigger remapping
0: TIM3_TRIG mapped on PD1
1: TIM3_TRIG mapped on PA5
Bit 1 TIM2TRIG_REMAP: TIM2 trigger remapping
0: TIM2_TRIG mapped on PB3
1: TIM2_TRIG mapped on PA4
Bit 0 ADC1TRIG_REMAP: ADC1 trigger remapping
0: ADC1_TRIG mapped on PA6
1: ADC1_TRIG mapped on PD0
1. These bits are reserved in low and medium-density devices.
76543210
Reserved
CCO_REMAP TIM3_CH2_
REMAP
TIM3_CH1_
REMAP
USART3CK_
REMAP
USART3TR_
REMAP SPI1_REMAP2
rw rw rw rw rw rw
Bits 7:6 Reserved (medium+ and high-density devices only)
Bit 7 TIM2_CH2 TIM2 channel 2 remapping (20-pin package low-density devices only)
0: TIM2_CH2 is mapped on PB2
1: TIM2_CH2 is mapped on PC6
Bit 6 TIM2_CH1 TIM2 channel 1 remapping (20-pin package low-density devices only)
0: TIM2_CH1 is mapped on PB0
1: TIM2_CH1 is mapped on PC5
Bit 5 CCO_REMAP: Configurable clock output remapping
0: CCO mapped on PC4
1: CCO mapped on PE2
Bit 4 TIM3_CH2_REMAP: TIM3 channel 2 remapping
0: TIM3_CH2 mapped on PD0
1: TIM3_CH2 mapped on PI3 (80-pin packages only)
Bit 3 TIM3_CH1_REMAP: TIM3 channel 1 remapping
0: TIM3_CH1 mapped on PB1
1: TIM3_CH1 mapped on PI0 (80-pin packages only)

Routing interface (RI) and system configuration controller (SYSCFG) RM0031
156/595 DocID15226 Rev 11
11.5.4 SYSCFG register map and reset values
Bit 2 USART3CK_REMAP: USART3_CK remapping
0: USART3_ CK mapped on PG2
1: USART3_CK mapped on PF2 (80-pin packages only)
Bit 1 USART3TR_REMAP: USART3_TX and USART3_RX remapping
0: USART3_TX mapped on PG1 and USART3_RX mapped on PG0
1: USART3_TX mapped on PF0 and USART3_RX mapped on PF1
Bit 0 SPI1_REMAP2: SPI1 remapping (80-pin packages only)
When this bit is reset:
″SPI1_MIS0 is mapped on PB7
″SPI1_MOSI is mapped on PB6
″SPI1_SCK is mapped on PB5
″SPI1_NSS is mapped on PB4
When this bit is set:
″SPI1_MIS0 is mapped on PF0
″SPI1_MOSI is mapped on PF1
″SPI1_SCK is mapped on PF2
″SPI1_NSS is mapped on PF3
Table 30. Register map
Offset
address Register
name 76543210
0x00
SYSCFG_
RMPCR3
(2)
Reset
value
Reserved
000(1)
CCO_
REMAP
0
TIM3_CH2_
REMAP
0
TIM3_CH1_
REMAP
0
USART3C
K_
REMAP
0
USART3T
R_
REMAP
0
SPI1_REM
AP2
0
0x01
SYSCFG_
RMPCR1
Reset
value
SPI1_REMAP1
0
USART1CK_
REMAP
0
USART1TR_REMAP[1:0]
00
TIM4DMA_REMAP[1:0]
11
ADC1DMA_REMAP[1:0]
00
0x02
SYSCFG_
RMPCR2
Reset
value
TIM23BKIN_
REMAP (2)
0
TIM3TRIG_
REMAP2 (2)
0
SPI2_
REMAP (2)
0
TIM3TRIGL
SE_REMAP
0
TIM2TRIGLS
E_REMAP
0
TIM3TRIG_
REMAP1
0
TIM2TRIG_
REMAP
0
ADC1TRIG
_REMAP
0
1. On low-density devices, bit 6 = TIM2_CH1_REMAP and bit 7 = TIM2_CH2_REMAP.
2. On low, medium+ and high-density devices only.

DocID15226 Rev 11 157/595
RM0031 Interrupt controller (ITC)
176
12 Interrupt controller (ITC)
This section applies to low-density STM8L05xx/STM8L15xx devices, medium-density
STM8L05xx/STM8L15xx devices, medium+ density devices and high-density
STM8L05xx/STM8L15xx/STM8L16xx devices, unless otherwise specified.
12.1 ITC introduction
•Management of hardware interrupts
– External interrupt capability on all I/O pins with dedicated interrupt vector per port
and dedicated flag per pin
– Peripheral interrupt capability
•Management of software interrupt (TRAP)
•Nested or concurrent interrupt management with flexible interrupt priority and level
management:
– Up to 4 software programmable nesting levels
– Up to 32 interrupt vectors fixed by hardware
– 2 non maskable events: RESET, TRAP
•Up to 40 external interrupt sources on 11 vectors
This interrupt management is based on:
•Bit I1 and I0 of the CPU Condition Code register (CCR)
•Software priority registers (ITC_SPRx)
•Reset vector located at 0x00 8000 at the beginning of program memory. The Reset
initialization routine is programmed in ROM by STMicroelectronics.
•Fixed interrupt vector addresses located at the high addresses of the memory map
(0x00 8004 to 0x00 807C) sorted by hardware priority order.
12.2 Interrupt masking and processing flow
The interrupt masking is managed by bits I1 and I0 of the CCR register and by the
ITC_SPRx registers which set the software priority level of each interrupt vector (see
Table 31). The processing flow is shown in Figure 29.
When an interrupt request has to be serviced:
1. Normal processing is suspended at the end of the current instruction execution.
2. The PC, X,Y, A and CCR registers are saved onto the stack.
3. Bits I1 and I0 of CCR register are set according to the values in the ITC_SPRx registers
corresponding to the serviced interrupt vector.
4. The PC is then loaded with the interrupt vector of the interrupt to service and the first
instruction of the interrupt service routine is fetched .
The interrupt service routine should end with the IRET instruction which causes the content
of the saved registers to be recovered from the stack. As a consequence of the IRET
instruction, bits I1 and I0 are restored from the stack and the program execution resumes.

Interrupt controller (ITC) RM0031
158/595 DocID15226 Rev 11
Figure 29. Interrupt processing flowchart
Caution: If the interrupt mask bits I0 and I1 are set within an interrupt service routine (ISR) with the
instruction SIM, removal of the interrupt mask with RIM causes the software priority to be
set to level 0.
To restore the correct priority when disabling and enabling interrupts inside an ISR, follow
the procedures presented in Table 31 for disabling and enabling the interrupts.
12.2.1 Servicing pending interrupts
Several interrupts can be pending at the same time. The interrupt to be taken into account is
determined by the following two-step process:
1. The highest software priority interrupt is serviced.
2. If several interrupts have the same software priority then the interrupt with the highest
hardware priority is serviced first.
When an interrupt request is not serviced immediately, it is latched and then processed
when its software priority combined with the hardware priority becomes the highest one.
Note: 1 The hardware priority is exclusive while the software one is not. This allows the previous
process to succeed with only one interrupt.
2 RESET and TRAP are considered as having the highest software priority in the decision
process.
See Figure 30 for a description of pending interrupt servicing process.
Table 31. Software priority levels
Software priority Level I1 I0
Level 0 (main)
Low
High
10
Level 1 0 1
Level 2 0 0
Level 3 (= software priority disabled) 1 1
“IRET”
RESTORE PC, X, Y, A, CCR
STACK PC, X, Y, A, CCR
LOAD I1:0 FROM INTERRUPT SW REG.
FETCH NEXT
RESET TRAP
PENDING
INSTRUCTION
I1:0
FROM STACK
LOAD PC FROM INTERRUPT VECTOR
Y
N
Y
N
Y
N
Interrupt has the same or a
lower software priority
THE INTERRUPT
STAYS PENDING
than current one
Interrupt has a higher
software priority
than current one
EXECUTE
INSTRUCTION
INTERRUPT

DocID15226 Rev 11 159/595
RM0031 Interrupt controller (ITC)
176
Figure 30. Priority decision process
12.2.2 Interrupt sources
Two interrupt source types are managed by the STM8 interrupt controller:
•Non-maskable interrupts: RESET and TRAP
•Maskable interrupts: external interrupts or interrupts issued by internal peripherals
Non-maskable interrupt sources
Non-maskable interrupt sources are processed regardless of the state of bits I1 and I0 of the
CCR register (see Figure 29). PC, X, Y, A and CCR registers are stacked only when a TRAP
interrupt occurs. The corresponding vector is then loaded in the PC register and bits I1 and
I0 of the CCR register are set to disable interrupts (level 3).
•TRAP (non-maskable software interrupt)
This software interrupt source is serviced when the TRAP instruction is executed. It is
serviced according to the flowchart shown in Figure 29.
A TRAP interrupt does not allow the processor to exit from Halt mode.
•RESET
The RESET interrupt source has the highest STM8 software and hardware priorities.
This means that all the interrupts are disabled at the beginning of the reset routine.
They must be re-enabled by the RIM instruction (see Table 34: Dedicated interrupt
instruction set).
A RESET interrupt allows the processor to exit from Halt mode.
See RESET chapter for more details on RESET interrupt management.
PENDING
SOFTWARE Different
INTERRUPTS
Same
HIGHEST HARDWARE
PRIORITY SERVICED
PRIORITY
HIGHEST SOFTWARE
PRIORITY SERVICED

Interrupt controller (ITC) RM0031
160/595 DocID15226 Rev 11
Maskable interrupt sources
Maskable interrupt vector sources are serviced if the corresponding interrupt is enabled and
if its own interrupt software priority in ITC_SPRx registers is higher than the one currently
being serviced (I1 and I0 in CCR register). If one of these two conditions is not met, the
interrupt is latched and remains pending.
•External interrupts
External interrupts can be used to wake up the MCU from Halt mode. The device
sensitivity to external interrupts can be selected by software through the External
Interrupt Control registers (EXTI_CRx).
When several input pins connected to the same interrupt line are selected
simultaneously, they are logically ORed.
When external level-triggered interrupts are latched, if the given level is still present at
the end of the interrupt routine, the interrupt remains activated except if it has been
inactivated in the routine.
•Peripheral interrupts
A few peripheral interrupts cause the MCU to wake up from Halt mode. See the
interrupt vector table in the datasheet.
A peripheral interrupt occurs when a specific flag is set in the peripheral status register
and the corresponding enable bit is set in the peripheral control register.
The standard sequence for clearing a peripheral interrupt performs an access to the
status register followed by a read or write to an associated register. The clearing
sequence resets the internal latch. A pending interrupt (that is an interrupt waiting to be
serviced) is therefore lost when the clear sequence is executed.
12.3 Interrupts and low power modes
All interrupts allow the processor to exit from Wait mode.
Only a Reset or an event allows the processor to exit from Low power wait mode. This mode
is entered by executing a WFE instruction in Low power run mode. The wakeup by an event
makes the system go back to Low power run mode (refer to for more details).
Only external and other specific interrupts allow the processor to exit from Halt and Active-
halt mode (see wakeup from halt and wakeup from Active-halt in the interrupt vector table in
the datasheet).
When several pending interrupts are present while waking up from Halt mode, the first
interrupt serviced can only be an interrupt with exit-from-Halt mode capability. It is selected
through the decision process shown in Figure 30. If the highest priority pending interrupt
cannot wake up the device from Halt mode, it will be serviced next.
If any internal or external interrupt (from a timer for example) occurs while the HALT
instruction is executing, the HALT instruction is completed but the interrupt invokes the
wakeup process immediately after the HALT instruction has finished executing. In this case
the MCU is actually waking up from Halt mode to Run mode, with the corresponding delay
of tWUH as specified in the datasheet.
Before executing the HALT instruction, the user program must clear any pending peripheral
interrupts (clear interrupt pending bit in the corresponding peripheral configuration
registers). Otherwise, the HALT instruction is not executed and program execution
continues.

DocID15226 Rev 11 161/595
RM0031 Interrupt controller (ITC)
176
12.4 Activation level/low power mode control
The MCU activation level is configured by programming the AL bit in the CFG_GCR register
(see global configuration register (CFG_GCR)).
This bit is used to control the low power modes of the MCU. In very low power applications,
the MCU spends most of the time in WFI/Halt mode and is woken up (through interrupts) at
specific moments in order to execute a specific task. Some of these recurring tasks are
short enough to be treated directly in an ISR (interrupt service routine), rather than going
back to the main program. To cover this case, you can set the AL bit before entering Low
power mode (by executing WFI/HALT instruction). Consequently, the interrupt routine
causes the device to return to low power mode., then the interrupt routine returns directly to
Low power mode. The run time/ISR execution is reduced due to the fact that the register
context is saved only on the first interrupt.
As a consequence, all the operations can be executed in ISR in very simple applications. In
more complex ones, an interrupt routine may relaunch the main program by simply resetting
the AL bit.
For example, an application may need to be woken up by the auto-wakeup unit (AWU)
every 50 ms in order to check the status of some pins/sensors/push-buttons. Most of the
time, as these pins are not active, the MCU can return to Low power mode without running
the main program. If one of these pins is active, the ISR decides to launch the main program
by resetting the AL bit.
12.5 Concurrent and nested interrupt management
STM8 devices feature two interrupt management modes:
•Concurrent mode
•Nested mode

Interrupt controller (ITC) RM0031
162/595 DocID15226 Rev 11
12.5.1 Concurrent interrupt management mode
In this mode, all interrupts are interrupt priority level 3 so that none of them can be
interrupted, except by a RESET, or TRAP.
The hardware priority is given in the following order from the lowest to the highest priority,
that is: MAIN, IT4, IT3, IT2, IT1, IT0, TRAP (same priority), and RESET.
Figure 31 shows an example of concurrent interrupt management mode.
Figure 31. Concurrent interrupt management
12.5.2 Nested interrupt management mode
In this mode, interrupts are allowed during interrupt routines. This mode is activated as soon
as an interrupt priority level lower than level 3 is set.
The hardware priority is given in the following order from the lowest to the highest priority,
that is: MAIN, IT4, IT3, IT2, IT1, IT0, and TRAP.
The software priority is configured for each interrupt vector by setting the corresponding
I1_x and I0_x bits of the ITC_SPRx register. I1_x and I0_x bits have the same meaning as
I1 and I0 bits of the CCR register (see Table 32).
Level 0 can not be programmed (I1_x=1, I0_x=0). In this case, the previously stored value is
kept. For example: if previous value is 0xCF, and programmed value equals 64h, the result
is 44h.
The RESET and TRAP vectors have no software priorities. When one is serviced, bits I1
and I0 of the CCR register are both set.
Caution: If bits I1_x and I0_x are modified while the interrupt x is executed, the device operates as
follows: if the interrupt x is still pending (new interrupt or flag not cleared) and the new
software priority is higher than the previous one, then the interrupt x is re-entered.
Otherwise, the software priority remains unchanged till the next interrupt request (after the
IRET of the interrupt x).
During the execution of an interrupt routine, the HALT, POPCC, RIM, SIM and WFI
instructions change the current software priority till the next IRET instruction or one of the
previously mentioned instructions is issued. See Section 12.7 for the list of dedicated
interrupt instructions.
MAIN
IT4
IT2
IT1
TRAP
IT1
MAIN
IT0
I1
HARDWARE PRIORITY
SOFTWARE
3
3
3
3
3
3/0
3
11
11
11
11
11
11 / 10
11
RIM
IT2
IT1
IT4
TRAP
IT3
IT0
IT3
I0
10
PRIORITY
LEVEL
USED STACK = 10 BYTES

DocID15226 Rev 11 163/595
RM0031 Interrupt controller (ITC)
176
Figure 32 shows an example of nested interrupt management mode.
Warning: A stack overflow may occur without notifying the software of
the failure.
Figure 32. Nested interrupt management
Table 32. Vector address map versus software priority bits
Vector address ITC_SPRx bits
0x00 8008h I1_0 and I0_0 bits
0x00 800Ch I1_1 and I0_1 bits
... ...
0x00 807Ch I1_29 and I0_29 bits
MAIN
IT2
TRAP
MAIN
IT0
IT2
IT1
IT4
TRAP
IT3
IT0
HARDWARE PRIORITY
3
2
1
3
3
3/0
3
11
00
01
11
11
11
RIM
IT1
IT4 IT4
IT1
IT2
IT3
I1 I0
11 / 10 10
SOFTWARE
PRIORITY
LEVEL
USED STACK = 20 BYTES

Interrupt controller (ITC) RM0031
164/595 DocID15226 Rev 11
12.6 External interrupts
Eleven interrupt vectors are dedicated to external Interrupt events:
•EXTIB/G - 8 lines on Port B or G: PB[7:0] or PG[7:0]EXTID/H - 8 lines on Port D or H:
PD[7:0] or PH[7:0]
•EXTIE/F - 8 lines on Port E or F: PE[7:0] or PF[7:0]
•EXTI0 - 6 lines on Port A/B/C/D/E/F, bit 0: Px[0]
•EXTI1 - 5 lines on Port A/B/C/D/E, bit 1: Px[1]
•EXTI2 - 5 lines on Port A/B/C/D/E, bit 2: Px[2]
•EXTI3 - 5 lines on Port A/B/C/D/E, bit 3: Px[3]
•EXTI4 - 5 lines on Port A/B/C/D/E, bit 4: Px[4]
•EXTI5 - 5 lines on Port A/B/C/D/E, bit 5: Px[5]
•EXTI6 - 5 lines on Port A/B/C/D/E, bit 6: Px[6]
•EXTI7 - 5 lines on Port A/B/C/D/E, bit 7: Px[7]
Note: Ports G, H and I are available on medium+ and high-density devices only.
To generate an interrupt, the corresponding GPIO port must be configured in input mode
with interrupts enabled. Refer to the register description in the GPIO chapter for details.
When an external interrupt occurs, the corresponding bit is set in the EXTI_SRx status
register. This indicates a pending interrupt. Clearing this bit, writing a 1 in it, clears the
corresponding pending external interrupt.
The interrupt sensitivity must be configured in the external interrupt control register 1
(EXTI_CR1), external interrupt control register 2 (EXTI_CR2), and external interrupt control
register 3 (EXTI_CR3) (see Section 12.9.5, Section 12.9.7 and Section 12.9.8).
12.7 Interrupt instructions
Table 34 shows the interrupt instructions.
Table 33. External interrupt sensitivity
GPIO port Interrupt sensitivity Configuration register
EXTI0 to EXTI3 on port A, B, C,
D, E and F Falling edge and low level
Rising edge only
Falling edge only
Rising and falling edge
EXTI_CR1
EXTI4 to EXTI7 of port A, B, C,
D and E EXTI_CR2
EXTIE and EXITF EXTI_CR3
Table 34. Dedicated interrupt instruction set
Instruction New description Function/example I1 H I0 N Z C
HALT Entering Halt mode 1 0
IRET Interrupt routine return Pop CCR, A, X, Y, PC I1 H I0 N Z C
JRM Jump if I1:0=11 (level 3) I1:0=11 ?
JRNM Jump if I1:0<>11 I1:0<>11 ?

DocID15226 Rev 11 165/595
RM0031 Interrupt controller (ITC)
176
12.8 Interrupt mapping
Refer to the corresponding device datasheet for the table of interrupt vector addresses.
POP CC Pop CCR from the stack Memory => CCR I1 H I0 N Z C
PUSH CC Push CC on the stack CC =>Memory
RIM Enable interrupt (level 0 set) Load 10 in I1:0 of CCR 1 0
SIM Disable interrupt (level 3 set) Load 11 in I1:0 of CCR 1 1
TRAP Software trap Software NMI 1 1
WFI Wait for interrupt 1 0
WFE Wait for event 1 0
Table 34. Dedicated interrupt instruction set (continued)
Instruction New description Function/example I1 H I0 N Z C

Interrupt controller (ITC) RM0031
166/595 DocID15226 Rev 11
12.9 ITC and EXTI registers
12.9.1 CPU condition code register interrupt bits (CCR)
Address: refer to the general hardware register map table in the datasheet.
Reset value: 0x28
76543210
V–I1HI0NZC
rrrwrrwrrr
Bits 5, 3(1) I[1:0]: Software interrupt priority bits(2)
These two bits indicate the software priority of the current interrupt request. When an interrupt
request occurs, the software priority of the corresponding vector is loaded automatically from the
software priority registers (ITC_SPRx).
The I[1:0] bits can be also set/cleared by software using the RIM, SIM, HALT, WFI, IRET or
PUSH/POP instructions (see Figure 32: Nested interrupt management).
I1 I0 Priority Level
1 0 Level 0 (main)
Low
High
0 1 Level 1
0 0 Level 2
1 1 Level 3 (= software priority disabled*)
1. Refer to the central processing section for details on the other CCR bits.
2. TRAP and RESET events can interrupt a level-3 program.

DocID15226 Rev 11 167/595
RM0031 Interrupt controller (ITC)
176
12.9.2 Software priority register x (ITC_SPRx)
Address offset: 0x00 to 0x07
Reset value: 0xFF
12.9.3 External interrupt control register 1 (EXTI_CR1)
Address offset: 0x00
Reset value: 0x00
76543210
ITC_SPR1 VECT3SPR[1:0] VECT2SPR[1:0] VECT1SPR[1:0] VECT0SPR[1:0]
ITC_SPR2 VECT7SPR[1:0] VECT6SPR[1:0] VECT5SPR[1:0] VECT4SPR[1:0]
ITC_SPR3 VECT11SPR[1:0] VECT10SPR[1:0] VECT9SPR[1:0] VECT8SPR[1:0]
ITC_SPR4 VECT15SPR[1:0] VECT14SPR[1:0] VECT13SPR[1:0] VECT12SPR[1:0]
ITC_SPR5 VECT19SPR[1:0] VECT18SPR[1:0] VECT17SPR[1:0] VECT16SPR[1:0]
ITC_SPR6 VECT23SPR[1:0] VECT22SPR[1:0] VECT21SPR[1:0] VECT20SPR[1:0]
ITC_SPR7 VECT27SPR[1:0] VECT26SPR[1:0] VECT25SPR[1:0] VECT24SPR[1:0]
ITC_SPR8 Reserved VECT29SPR[1:0] VECT28SPR[1:0]
rw rw rw rw rw
Bits 7:0 VECTxSPR[1:0]: Vector x software priority bits
These eight read/write registers (ITC_SPR1 to ITC_SPR8) are written by software to define the
software priority of each interrupt vector.
The list of vectors is given in Table 32: Vector address map versus software priority bits.
Refer to Section 12.9.1: CPU condition code register interrupt bits (CCR) for the values to be
programmed for each priority.
Reserved
ITC_SPR8 bits 7:4 are forced to 1 by hardware.
Note: It is forbidden to write 10 (priority level 0). If 10 is written, the previous value is kept and the
interrupt priority remains unchanged.
76543210
P3IS[1:0] P2IS[1:0] P1IS[1:0] P0IS[1:0]
rw rw rw rw

Interrupt controller (ITC) RM0031
168/595 DocID15226 Rev 11
Bits 7:6 P3IS[1:0]: Portx bit 3 external interrupt sensitivity bits
These bits can only be written when I1 and I0 in the CCR register are both set to 1 (level 3). They
define the sensitivity of bit 3 of Port A, B, C, D and/or E external interrupts.
00: Falling edge and low level
01: Rising edge only
10: Falling edge only
11: Rising and falling edge
Bits 5:4 P2IS[1:0]: Portx bit 2 external interrupt sensitivity bits
These bits can only be written when I1 and I0 in the CCR register are both set to 1 (level 3). They
define the sensitivity of bit 2 of Port A, B, C, D and/or E external interrupts.
00: Falling edge and low level
01: Rising edge only
10: Falling edge only
11: Rising and falling edge
Bits 3:2 P1IS[1:0]: Portx bit 1 external interrupt sensitivity bits
These bits can only be written when I1 and I0 in the CCR register are both set to 1 (level 3). They
define the sensitivity of bit 1 of Port A, B, C, D and/or E external interrupts.
00: Falling edge and low level
01: Rising edge only
10: Falling edge only
11: Rising and falling edge
Bits 1:0 P0IS[1:0]: Portx bit 0 external interrupt sensitivity bits
These bits can only be written when I1 and I0 in the CCR register are both set to 1 (level 3). They
define the sensitivity of bit 0 of Port A, B, C, D, E and/or F external interrupts.
00: Falling edge and low level
01: Rising edge only
10: Falling edge only
11: Rising and falling edge

DocID15226 Rev 11 169/595
RM0031 Interrupt controller (ITC)
176
12.9.4 External interrupt control register 2 (EXTI_CR2)
Address offset: 0x01
Reset value: 0x00
76543210
P7IS[1:0] P6IS[1:0] P5IS[1:0] P4IS[1:0]
rw rw rw rw
Bits 7:6 P7IS[1:0]: Portx bit 7 external interrupt sensitivity bits
These bits can only be written when I1 and I0 in the CCR register are both set to 1 (level 3). They
define the sensitivity of the bit 7 of Port A, B, C, D and/or E external interrupts.
00: Falling edge and low level
01: Rising edge only
10: Falling edge only
11: Rising and falling edge
Bits 5:4 P6IS[1:0]: Portx bit 6 external interrupt sensitivity bits
These bits can only be written when I1 and I0 in the CCR register are both set to 1 (level 3). They
define the sensitivity of the bit 6 of Port A, B, C, D and/or E external interrupts.
00: Falling edge and low level
01: Rising edge only
10: Falling edge only
11: Rising and falling edge
Bits 3:2 P5IS[1:0]: Portx bit 5 external interrupt sensitivity bits
These bits can only be written when I1 and I0 in the CCR register are both set to 1 (level 3). They
define the sensitivity of the bit 5 of Port A, B, C, D and/or E external interrupts.
00: Falling edge and low level
01: Rising edge only
10: Falling edge only
11: Rising and falling edge
Bits 1:0 P4IS[1:0]: Portx bit 4 external interrupt sensitivity bits
These bits can only be written when I1 and I0 in the CCR register are both set to 1 (level 3). They
define the sensitivity of the bit 4 of Port A, B, C, D and/or E external interrupts.
00: Falling edge and low level
01: Rising edge only
10: Falling edge only
11: Rising and falling edge

Interrupt controller (ITC) RM0031
170/595 DocID15226 Rev 11
12.9.5 External interrupt control register 3 (EXTI_CR3)
Address offset: 0x02
Reset value: 0x00
76543210
PFIS[1:0] PEIS[1:0] PDIS[1:0] PBIS[1:0]
rw rw rw rw
Bits 7:6 PFIS[1:0]: Port F external interrupt sensitivity bits
These bits can only be written when I1 and I0 in the CCR register are both set to 1 (level 3). They
define the sensitivity of the Port F external interrupts, when EXTIF for Port F[3:0] and/or Port F[7:4]
is enabled.
00: Falling edge and low level
01: Rising edge only
10: Falling edge only
11: Rising and falling edge
Bits 5:4 PEIS[1:0]: Port E external interrupt sensitivity bits
These bits can only be written when I1 and I0 in the CCR register are both set to 1 (level 3). They
define the sensitivity of the Port E external interrupts, when EXTIE for Port E[3:0] and/or Port E[7:4]
is enabled.
00: Falling edge and low level
01: Rising edge only
10: Falling edge only
11: Rising and falling edge
Bits 3:2 PDIS[1:0]: Port D external interrupt sensitivity bits
These bits can only be written when I1 and I0 in the CCR register are both set to 1 (level 3). They
define the sensitivity of the Port D external interrupts, when EXTID for Port D[3:0] and/or Port D[7:4]
is enabled.
00: Falling edge and low level
01: Rising edge only
10: Falling edge only
11: Rising and falling edge
Bits 1:0 PBIS[1:0]: Port B external interrupt sensitivity bits
These bits can only be written when I1 and I0 in the CCR register are both set to 1 (level 3). They
define the sensitivity of the Port B external interrupts, when EXTIB for Port B[3:0] and/or PortB[7:4]
is enabled.
00: Falling edge and low level
01: Rising edge only
10: Falling edge only
11: Rising and falling edge

DocID15226 Rev 11 171/595
RM0031 Interrupt controller (ITC)
176
12.9.6 External interrupt control register 4 (EXTI_CR4)
Address offset: 0x0A
Reset value: 0x00
Note: This register is available in medium+ and high-density devices only
12.9.7 External interrupt status register 1 (EXTI_SR1)
Address offset: 0x03
Reset value: 0x00
76543210
Reserved PHIS[1:0] PGIS[1:0]
rw rw
Bits 7:4 Reserved.
Bits 3:2 PHIS[1:0]: Port H external interrupt sensitivity bits
These bits can only be written when I1 and I0 in the CCR register are both set to 1 (level 3). They
define the sensitivity of the Port H external interrupts, when EXTIH for Port H[3:0] and/or Port H[7:4]
is enabled.
00: Falling edge and low level
01: Rising edge only
10: Falling edge only
11: Rising and falling edge
Bits 1:0 PGIS[1:0]: Port G external interrupt sensitivity bits
These bits can only be written when I1 and I0 in the CCR register are both set to 1 (level 3). They
define the sensitivity of the Port G external interrupts, when EXTIG for Port G[3:0] and/or Port G[7:4]
is enabled.
00: Falling edge and low level
01: Rising edge only
10: Falling edge only
11: Rising and falling edge
76543210
P7F P6F P5F P4F P3F P2F P1F P0F
rc_w1 rc_w1 rc_w1 rc_w1 rc_w1 rc_w1 rc_w1 rc_w1
Bits 7:0 PxF: Port A/B/C/D/E/F bit x external interrupt flag
These bits are set by hardware when an interrupt event occurs on the corresponding pin.They are
cleared by writing a ‘1’ by software.
0: No interrupt
1: External interrupt pending

Interrupt controller (ITC) RM0031
172/595 DocID15226 Rev 11
12.9.8 External interrupt status register 2 (EXTI_SR2)
Address offset: 0x04
Reset value: 0x00
12.9.9 External interrupt port select register (EXTI_CONF1)
Address offset: 0x05
Reset value: 0x00
76543210
Reserved PHF(1) PGF(1) PFF PEF PDF PBF
rc_w1 rc_w1 rc_w1 rc_w1 rc_w1 rc_w1
Bits 7:6 Reserved.
Bit 5(1) PHF: Port H external interrupt flag
This bit is set by hardware when an interrupt event occurs on the corresponding pin. It is cleared by
writing a ‘1’ by software.
0: No interrupt
1: External interrupt pending
Bit 4(1) PGF: Port G external interrupt flag
This bit is set by hardware when an interrupt event occurs on the corresponding pin.It is cleared by
writing a ‘1’ by software.
0: No interrupt
1: External interrupt pending
Bit 3 PFF: Port F external interrupt flag
This bit is set by hardware when an interrupt event occurs on the corresponding pin. It is cleared by
writing a ‘1’ by software.
0: No interrupt
1: External interrupt pending
Bit 2 PEF: Port E external interrupt flag
This bit is set by hardware when an interrupt event occurs on the corresponding pin.It is cleared by
writing a ‘1’ by software.
0: No interrupt
1: External interrupt pending
Bit 1 PDF: Port D external interrupt flag
This bit is set by hardware when an interrupt event occurs on the corresponding pin. It is cleared by
writing a ‘1’ by software.
0: No interrupt
1: External interrupt pending
Bit 0 PBF: Port B external interrupt flag
This bit is set by hardware when an interrupt event occurs on the corresponding pin.It is cleared by
writing a ‘1’ by software.
0: No interrupt
1: External interrupt pending
1. This bit is available in medium+ and high-density devices only. It is reserved in medium-density devices.

DocID15226 Rev 11 173/595
RM0031 Interrupt controller (ITC)
176
76543210
PFES PFLIS PEHIS PELIS PDHIS PDLIS PBHIS PBLIS
rw rw rw rw rw rw rw rw
Bit 7 PFES: Port F or port E external interrupt select
0: Port E is used for interrupt generation
1: Port F is used for interrupt generation
Bit 6 PFLIS: Port F[3:0] external interrupt select
It selects pins PF[3:0] for EXTIF interrupt.
0: PF[3:0] are used for EXTI3-EXTI0 interrupt generation
1: PF[3:0] are used for EXTIF interrupt generation
Bit 5 PEHIS: Port E[7:4] external interrupt select
It selects pins PE[7:4] for EXTIE interrupt.
0: PE[7:4] are used for EXTI7-EXTI4 interrupt generation
1: PE[7:4] are used for EXTIE interrupt generation
Bit 4 PELIS: Port E[3:0] external interrupt select
It selects pins PE[3:0] for EXTIE interrupt.
0: PE[3:0] are used for EXTI3-EXTI0 interrupt generation
1: PE[3:0] are used for EXTIE interrupt generation
Bit 3 PDHIS: Port D[7:4] external interrupt select
It selects pins PD[7:4] for EXTID interrupt.
0: PD[7:4] are used for EXTI7-EXTI4 interrupt generation
1: PD[7:4] are used for EXTID interrupt generation
Bit 2 PDLIS: Port D[3:0] external interrupt select
It selects pins PD[3:0] for EXTID interrupt.
0: PD[3:0] are used for EXTI3-EXTI0 interrupt generation
1: PD[3:0] are used for EXTID interrupt generation
Bit 1 PBHIS: Port B[7:4] external interrupt select
It selects pins PB[7:4] for EXTIB interrupt.
0: PB[7:4] are used for EXTI7-EXTI4 interrupt generation
1: PB[7:4] are used for EXTIB interrupt generation
Bit 0 PBLIS: Port B[3:0] external interrupt select
It selects pins PB[3:0] for EXTIB interrupt.
0: PB[3:0] are used for EXTI3-EXTI0 interrupt generation
1: PB[3:0] are used for EXTIB interrupt generation

Interrupt controller (ITC) RM0031
174/595 DocID15226 Rev 11
12.9.10 External interrupt port select register (EXTI_CONF2)
Address offset: 0x0B
Reset value: 0x00
Note: This register is available in medium+ and high-density devices only
76543210
Reserved PHDS PGBS PHHIS PHLIS PGHIS PGLIS PFHIS
rw rw rw rw rw rw rw rw
Bit 7 Reserved
Bit 6 PHDS: Port H or port D external interrupt select
0: Port D is used for interrupt generation
1: Port H is used for interrupt generation
Bit 5 PGBS: Port G or port B external interrupt select
0: Port B is used for interrupt generation
1: Port G is used for interrupt generation
Bit 4 PHHIS: Port H[7:4] external interrupt select
It selects pins PH[7:4] for EXTIH interrupt.
0: PH[7:4] are used for EXTI7-EXTI4 interrupt generation
1: PH[7:4] are used for EXTIH interrupt generation
Bit 3 PHLIS: Port H[3:0] external interrupt select
It selects pins PH[3:0] for EXTIH interrupt.
0: PH[3:0] are used for EXTI3-EXTI0 interrupt generation
1: PH[3:0] are used for EXTIH interrupt generation
Bit 2 PGHIS: Port G[7:4] external interrupt select
It selects pins PG[7:4] for EXTIG interrupt.
0: PG[7:4] are used for EXTI7-EXTI4 interrupt generation
1: PG[7:4] are used for EXTIG interrupt generation
Bit 1 PGLIS: Port G[3:0] external interrupt select
It selects pins PG[3:0] for EXTIG interrupt.
0: PG[3:0] are used for EXTI3-EXTI0 interrupt generation
1: PG[3:0] are used for EXTIG interrupt generation
Bit 0 PFHIS: Port F[7:4] external interrupt select
It selects pins PF[7:4] for EXTIF interrupt.
0: PF[7:4] are used for EXTI7-EXTI4 interrupt generation
1: PF[7:4] are used for EXTIF interrupt generation

DocID15226 Rev 11 175/595
RM0031 Interrupt controller (ITC)
176
12.9.11 ITC and EXTI register map and reset values
Table 35. ITC and EXTI register map
Add.
offset Register
name 76543210
ITC-SPR block(1)
0x00
ITC_SPR1
Reset value
VECT3
SPR1
1
VECT3
SPR0
1
VECT2
SPR1
1
VECT2
SPR0
1
VECT1
SPR1
1
VECT1
SPR0
1
VECT0
SPR1
1
VECT0
SPR0
1
0x01
ITC_SPR2
Reset value
VECT7
SPR1
1
VECT7
SPR0
1
VECT6
SPR1
1
VECT6
SPR0
1
VECT5
SPR1
1
VECT5
SPR0
1
VECT4
SPR1
1
VECT4
SPR0
1
0x02
ITC_SPR3
Reset value
VECT11
SPR1
1
VECT11
SPR0
1
VECT10
SPR1
1
VECT10
SPR0
1
VECT9
SPR1
1
VECT9
SPR0
1
VECT8
SPR1
1
VECT8
SPR0
1
0x03
ITC_SPR4
Reset value
VECT15
SPR1
1
VECT15
SPR0
1
VECT14
SPR1
1
VECT14
SPR0
1
VECT13
SPR1
1
VECT13
SPR0
1
VECT12
SPR1
1
VECT12
SPR0
1
0x04
ITC_SPR5
Reset value
VECT19
SPR1
1
VECT19
SPR0
1
VECT17
SPR1
1
VECT17
SPR1
1
VECT17
SPR1
1
VECT17
SPR1
1
VECT16
SPR1
1
VECT16
SPR0
1
0x05
ITC_SPR6
Reset value
VECT23
SPR1
1
VECT23
SPR0
1
VECT22
SPR1
1
VECT22
SPR0
1
VECT21
SPR1
1
VECT21
SPR0
1
VECT20
SPR1
1
VECT20
SPR0
1
0x06
ITC_SPR7
Reset value
VECT27
SPR1
1
VECT27
SPR0
1
VECT26
SPR1
1
VECT26
SPR0
1
VECT25
SPR1
1
VECT25
SPR0
1
VECT24
SPR0
1
VECT24
SPR0
1
0x07
ITC_SPR8
Reset value
-
1
-
1
-
1
-
1
VECT29
SPR1
1
VECT29
SPR0
1
VECT28
SPR1
1
VECT28
SPR0
1
ITC-EXTI block(2)
0x00 EXTI_CR1
Reset value
P3IS1
0
P3IS0
0
P2IS1
0
P2IS0
0
P1IS1
0
P1IS0
0
P0IS1
0
P0IS0
0
0x01 EXTI_CR2
Reset value
P7IS1
0
P7IS0
0
P6IS1
0
P6IS0
0
P5IS1
0
P5IS0
0
P4IS1
0
P4IS0
0
0x02 EXTI_CR3
Reset value
PFIS1
0
PFIS0
0
PEIS1
0
PEIS0
0
PDIS1
0
PDIS0
0
PBIS1
0
PBIS0
0
0x03 EXTI_SR1
Reset value
P7F
0
P6F
0
P5F
0
P4F
0
P3F
0
P2F
0
P1F
0
P0F
0
0x04 EXTI_SR2
Reset value
-
0
-
0
-
0
-
0
PFF
0
PEF
0
PDF
0
PBF
0
0x05 EXTI_CONF1
Reset value
PFES
0
PFLIS
0
PEHIS
0
PELIS
0
PDHIS
0
PDLIS
0
PBHIS
0
PBLIS
0
0x06
to
0x09
Reserved area

Interrupt controller (ITC) RM0031
176/595 DocID15226 Rev 11
0x0A
(3)
EXTI_CR4
(3)
Reset
value
-
0
-
0
-
0
-
0
PHIS1
0
PHIS0
0
PGIS1
0
PGIS0
0
0x0B(
3)
EXTI_CO
NF2(3)
Reset
value
-
0
PHDS
0
PGBS
0
PHHIS
0
PHLIS
0
PGHIS
0
PGLIS
0
PFHIS
0
1. The address offsets are expressed for the ITC-SPR block base address (see Table CPU/SWIM/debug module/interrupt
controller registers in the datasheet).
2. The address offsets are expressed for the ITC-EXTI block base address (see Table General hardware register map in the
datasheet).
3. These registers are available in medium+ and high-density devices only.
Table 35. ITC and EXTI register map (continued)
Add.
offset Register
name 76543210

DocID15226 Rev 11 177/595
RM0031 Direct memory access controller (DMA)
202
13 Direct memory access controller (DMA)
This section applies to low-density STM8L05xx/STM8L15xx devices, medium-density
STM8L05xx/STM8L15xx devices, medium+ density STM8L05xx/STM8L15xx devices and
high-density STM8L05xx/STM8L15xx/STM8L16xx devices, unless otherwise specified.
13.1 DMA introduction
Direct memory access (DMA) is used to provide high-speed data transfer between
peripherals and memory as well as between memory to memory. Data can be quickly
moved by DMA without any CPU actions. This keeps CPU resources free for other
operations.
The DMA controller has 4 channels. Each channel is dedicated to managing memory
access requests from one or more peripherals. It has an arbiter for handling the priority
between DMA requests.
Glossary
The term DMA refers to direct memory access.
A DMA transaction consists of a complete DMA read/write operation on a set of software-
programmable data blocks. A DMA transaction can be divided into single DMA transfers.
A DMA transfer consists of a single read/write operation on a data block. It cannot be
interrupted.
A data block is either an 8-bit or a 16-bit data depending on the selected transfer size.

Direct memory access controller (DMA) RM0031
178/595 DocID15226 Rev 11
13.2 DMA main features
•4 channels shared among several peripherals (refer to Table 37: DMA1 channel
request mapping on page 187)
•Data transfers from peripherals to memory, from memory to peripherals and from
memory to memory
•Hardware/software arbitration between each channel depending on the priority level
•Programmable number of “data to be transferred” : up to 255 data block (byte or word)
transactions
•Incrementing and decrementing addressing mode
•Channel priority programmable by hardware and software
•Optional interrupt on Half transaction and End of transaction
•Two transfer sizes supported (8-bit and 16-bit data), programmable by software
•Priorities between requests from channels: they can be software-programmable (4
levels consisting of very high, high, medium, low) or hardware-programmable in case
of equality (request 1 has priority over request 2, etc.).
•Software trigger also supported by memory channels depending on the hardware
configuration (memory channel).
•2 flags (DMA Half transfer, DMA Transfer complete) logically ORed together in a single
interrupt request for each channel
•Circular buffer management (auto-reload mode)
•Capability to suspend and resume a DMA transfer.
•Capability to operate in low power modes (Wait for interrupt or Wait for event)

DocID15226 Rev 11 179/595
RM0031 Direct memory access controller (DMA)
202
Figure 33. DMA block diagram
13.3 DMA functional description
The DMA controller performs direct memory transfer by sharing the address and data bus
with the STM8™ core. The DMA request may stop the CPU access to the bus for some bus
cycles, when the CPU and DMA are targeting the same destination (memory or peripheral).
The arbitration is performed inside the STM8™ core and is managed in a different way
depending on the chosen bus (peripheral bus, RAM bus or program bus). Refer to the
STM8 core description for further information.
Besides, the DMA controller can signal to the STM8 core that the current access must have
priority over the CPU. There are two ways to do this:
•the application can specify the timeout duration (number of wait cycles starting from the
last request) by configuring the TO[5:0] bits in the DMA_GCSR register. Then the DMA
waits until this timeout has elapsed before requesting from the core a high priority
access to the bus.
•the application can also program a channel so that it always takes priority over the
CPU.
13.3.1 DMA transactions
After an event, the peripheral sends a request signal to the DMA controller. The DMA
controller serves the request depending on channel priorities. As soon as the DMA
controller accesses the peripheral, an Acknowledge (one cycle pulse) is sent to the
STM8 CORE
PERIPHERAL 1
DMA
CHANNEL 0
CHANNEL 1
CHANNEL 3
ARBITER
DMA BUS
DMA REQUEST 0
DMA REQUEST 1
PERIPHERAL 0
DMA REQUEST 3
PROGRAM PROGRAM BUS
MEMORY
RAM RAM BUS
PERIPHERAL BUS
MASTER
SLAVE
SLAVE
MASTER MASTER
SLAVE
MASTER SLAVE
CHANNEL 2
DMA REQUEST 2

Direct memory access controller (DMA) RM0031
180/595 DocID15226 Rev 11
peripheral by the DMA controller. If the peripheral has no other pending request, it releases
its request signal as soon as it gets the Acknowledge from the DMA controller.
13.3.2 DMA arbiter
The arbiter manages the channel requests based on their priority and it launches the
peripheral/memory access sequences.
The priorities are managed in two stages:
•Software: each channel priority can be configured in the DMA_CxSPR register. There
are four levels:
– Very high priority
– High priority
– Medium priority
– Low priority
•Hardware: if 2 requests have the same software priority level, the channel with the
lowest number gets priority versus the channel with the highest number. For example,
channel 1 gets priority over channel 3.
Note: Each DMA request is stored into a queue and is served when all requests with higher
priority inside the sequence are completed.
A channel with a very high priority takes also priority over the CPU.
13.3.3 DMA channels
Four channels are available: three regular channels (channel 0, channel 1 and channel 2)
and one memory channel (channel 3).
•The regular channels handle DMA transfers between a peripheral register located at a
fixed address and a memory area addressed by an auto-increment/decrement pointer.
•The memory channel is a regular channel that can also handle data transfer between
two memory areas managed by two memory pointers.
When the channel is configured for a memory transfer, DMA requests are ignored and the
transfer is triggered through software: the transaction from memory area 0 to memory area
1 starts as soon as the channel is enabled and stops once the total number of bytes has
been transferred.
The amount of data to be transferred (up to 255) is programmable depending on the value in
the DMA_CxNDTR register. The DMA_CxNDTR register, which contains the amount of data
items to be transferred, is decremented after each transfer.
Programmable data size
Transfer data size (8-bit or 16-bit) is user programmable through the TSIZE bit in the
DMA_CxSPR register.
Note: When operating in 16-bit mode, the system handles big-endian addressing in both
increment or decrement modes. The destination and source pointers must contain the
address of the MSB (even address).

DocID15226 Rev 11 181/595
RM0031 Direct memory access controller (DMA)
202
Figure 34. Endianess in 16-bit mode
When configured for 16-bit data transfer (TSIZE = 1), a transfer consists of four consecutive
8-bit read and write operations:
•Read the MSB from the source at even address
•Read the LSB from the source at odd address
•Write the MSB to the destination at even address
•Write the LSB to the destination at odd address
To ensure data coherence, the two read operations as well as the two write operations are
not divisible.
Note: This does not prevent the software from synchronizing the CPU and the DMA 16-bit
accesses: the software must make sure the DMA will not read the 16-bit data while the CPU
has only written half of the 16-bit data to the source area. In the same way, the software
must make sure the DMA will not write the 16-bit data while the CPU has already started to
read half of the 16-bit data.
The initial value address alignment is handled by software.
Pointer incrementation
During a memory-to-peripheral or a peripheral-to-memory transaction, the memory pointer
is automatically post-incremented or post-decremented after each transaction depending on
the MINCDEC bit in the DMA_CxCR register while the peripheral pointer is always fixed.
If incremented mode is enabled, the address of the next transfer is the address of the
previous one incremented by 1. The first transfer address is the address programmed in the
DMA_CxPARH/L and DMA_CxM0ARH/L registers in medium-density devices and in the
DMA_CxPARH/L, DMA_CxM0ARH/L and DMA_C3M0EAR (for channel 3) registers in
medium+ and high-density devices.
If the transfer data size is programmed to 16-bit mode (TSIZE = 1), the address is
incremented/decremented by 1 after each byte transfer (by 2 after the two byte transfers).
If the channel is configured in non-circular mode, no DMA request is served after the end of
the transfer (that is, once the number of data to be transferred reaches zero).
Channel configuration procedure
The following sequence should be followed to configure a DMA channel x (where x is the
channel number):
1. Set the peripheral register address in the DMA_CxPARL/H registers. The data is then
moved from (or to) this address to (or from) the memory after the peripheral event.
0x0000 DATA0 MSB
0x0001 DATA0 LSB
0x0002 DATA1 MSB
0x0003 DATA1 LSB
0x0004 DATA3 MSB
0x0005 DATA3 LSB
0x00FE DATA0 MSB
0x00FF DATA0 LSB
0x00FC DATA1 MSB
0x00FD DATA1 LSB
0x00FA DATA3 MSB
0x00FB DATA3 LSB
MINCDEC = 1 MINCDEC = 0

Direct memory access controller (DMA) RM0031
182/595 DocID15226 Rev 11
2. Set the memory address in the DMA_CxPARH/L and DMA_CxM0ARH/L registers in
medium-density devices and in the DMA_CxPARH/L, DMA_CxM0ARH/L and
DMA_C3M0EAR (for channel 3) registers in medium+ and high-density devices. The
data is then written to or read from this memory after the peripheral event.
3. Configure the total number of data to be transferred in the DMA_CxNDTR register.
After each peripheral event, this value is then decremented.
4. Configure the channel priority using the PL[1:0] bits in the DMA_CxSPR register.
5. Configure data transfer direction, circular mode, memory incremented mode, transfer
data size, and interrupt after half and/or full transfer in the DMA_CxCR register.
6. Activate the channel by setting the EN bit (Channel enable bit) in the DMA_CxCR
register.
7. Once all channels are correctly configured (steps 1 to 6), it is possible to enable the
DMA through the GEN bit (Global enable bit) in the DMA_GCSR register.
As soon as the channels are enabled, they can serve any DMA request from the peripherals
connected with them.
Once half of the bytes are transferred, the HTIF bit (Half-transfer interrupt flag) is set and an
interrupt is generated if the HTIE bit (Half-transfer interrupt enable) is set. At the end of the
transfer, the TCIF bit (Transfer complete interrupt flag) is set and an interrupt is generated if
the TCIE bit (Transfer complete interrupt enable) is set.
Circular mode (auto-reload mode)
Circular mode is available to handle circular buffers and continuous data flows (e.g. ADC
scan mode). This feature can be enabled using the CIRC bit (circular buffer mode bit) in the
DMA_CxCR register.
When circular mode is activated, the number of data to be transferred is automatically
reloaded with the initial value programmed during the channel configuration phase, and the
DMA requests continue to be served.
Memory-to-memory mode
This mode is available only for channel 3 which is a memory channel.
Channel 3 can also handle data transfers between two memories, without being triggered
by a request from a peripheral. This mode is called Memory to Memory mode.
If the MEM bit in the DMA_C3CR register is set, then the channel initiates transfers as soon
as it is enabled by software by setting the EN bit (Channel enable bit) in the DMA_C3CR.
Peripheral requests are ignored.
The transfer stops once the DMA_C3NDTR register reaches zero.
Memory-to-memory mode must not be used at the same time as Circular mode.
When the channel is configured in memory-to-memory mode:
•the Auto-reload mode is disabled and the CIRC bit in the DMA_C3CR register is “don’t
care”.
•the DIR bit (Data transfer direction bit) in the DMA_C3CR register is “don’t care”: the
source is always the memory pointer address 0 (DMA_CxPARH/L and
DMA_CxM0ARH/L registers in medium-density devices and DMA_CxPARH/L,
DMA_CxM0ARH/L and DMA_C3M0EAR registers in high-density devives) and the
destination is always the memory pointer address 1 (DMA_C3PARL_C3M1ARL and
DMA_C3PARH_C3M1ARH registers).

DocID15226 Rev 11 183/595
RM0031 Direct memory access controller (DMA)
202
•the source pointer address 0 is always incremented while the destination pointer
address 1 is incremented or decremented depending on the MINCDEC bit in the
DMA_C3CR register.
Source and destination addresses
Channels 0, 1 and 2 can only address peripherals with addresses comprised between
0x5200 and 0x53FF, or within RAM memory (addresses comprised between 0x0000 and
0x07FF for medium-density devices and between 0x0000 and 0xFFFF for medium+ and
high-density devices).
Figure 35. Regular channel (medium-density devices)
Figure 36. Regular channel (medium+ and high-density devices)
Channel 3, which is a memory channel, can address more memory space:
•When performing peripheral-to-memory or memory-to-peripheral transactions
(MEM=0), the memory address is comprised between 0x0000 and 0xFFFF for
medium-density devices and between 0x0000 and 0x17FFF for medium+ and high-
density devices, the peripheral address is comprised between 0x4000 and 0x5FFF.
0xFFFF
PERIPHERAL
DMA TRANSACTION
DIR=0
0x0000
0xFFFF
0x0000
DMA TRANSACTION
DIR=1
SPACE
0x53FF
0x5200
0x07FF
MEMORY
SPACE
DMA_CxPARH/L
DMA_CxM0ARH/L
(RAM)
0x17FFF
PERIPHERAL
DMA TRANSACTION
DIR=0
0x0000
0x17FFF
0x0000
DMA TRANSACTION
DIR=1
SPACE
0x53FF
0x5200
0x0FFF
MEMORY
SPACE
DMA_CxPARH/L
DMA_CxM0ARH/L
(RAM)

Direct memory access controller (DMA) RM0031
184/595 DocID15226 Rev 11
•When performing memory-to-memory transactions (MEM=1), the source memory
address is comprised between 0x0000 and 0xFFFF for medium-density devices and
between 0x0000 and 0x17FFF for medium+ and high-density devices while the
destination memory address is comprised between 0x0000 and 0x1FFF (which
includes the Data EEPROM).
Figure 37. Memory channel with MEM=0 (medium-density devices)
Figure 38. Memory channel with MEM=0 (medium+ and high-density devices)
DMA TRANSACTION
DIR=0
DMA TRANSACTION
DIR=1
MEM=0
MEM=0
0xFFFF
PERIPHERAL
0x0000
SPACE
0x5FFF
0x4000
DMA_C3PARH_C3M1ARH
0xFFFF
0x0000
MEMORY
SPACE
DMA_C3M0ARH/L
DMA_C3PARL_C3M1ARL
DMA TRANSACTION
DIR=0
DMA TRANSACTION
DIR=1
MEM=0
MEM=0
0x17FFF
PERIPHERAL
0x0000
SPACE
0x5FFF
0x4000
DMA_C3PARH_C3M1ARH
0x17FFF
0x0000
MEMORY
SPACE
DMA_C3M0ARH/L and DMA_C3M0EAR
DMA_C3PARL_C3M1ARL

DocID15226 Rev 11 185/595
RM0031 Direct memory access controller (DMA)
202
Figure 39. Memory channel with MEM=1 (medium-density devices)
Figure 40. Memory channel with MEM=1 (medium+ and high-density devices)
DMA TRANSACTION
MEM=1
0xFFFF
0x0000
MEMORY
AREA 0
0xFFFF
0x0000
0x1FFF
MEMORY
AREA 1
DMA_C3M1ARH/L
DMA_C3PARH_C3M0ARH
DMA_C3PARL_C3M0ARL
DMA TRANSACTION
MEM=1
0xFFFF
0x0000
MEMORY
AREA 0
0xFFFF
0x0000
0x1FFF
MEMORY
AREA 1
DMA_C3M0ARH/L and DMA_C3M0EAR
DMA_C3PARL_C3M1ARL
DMA_C3PARH_C3M1ARH

Direct memory access controller (DMA) RM0031
186/595 DocID15226 Rev 11
DMA transaction suspension
A DMA transaction can be suspended at any time (even during the transfer) by disabling the
EN bit (Channel enable bit) in the DMA_CxCR register or by disabling each channel using
the GEN bit (Global Enable bit) in the DMA_GCSR register.
If the channel is disabled when a DMA data transfer is ongoing, the channel is effectively
disabled only once the current data transfer is completed.
Re-enabling the DMA channel resumes the DMA transaction.
When a DMA transaction is suspended, the software must modify the DMA registers.
Otherwise, the DMA transaction may not resume properly. If the number of data to transfer
is modified, re-enabling the DMA causes a new transaction to be started instead of the
current transaction to be resumed.
Table 36. Source and destination addresses
Channel Transfer direction Source address range Destination address
range
Regular channels
Channel 0, Channel1,
Channel2
Peripheral to memory 0x5200 to 0x53FF 0x0000 to 0x07FF(1)
0x0000 to 0x0FFF(2)
1. On medium-density devices.
2. On medium+ and high-density devices.
Memory to peripheral 0x0000 to 0x07FF(1)
0x0000 to 0x0FFF(2) 0x5200 to 0x53FF
Memory channel
Channel 3
Peripheral to memory 0x4000 to 0x5FFF
0x0000 to 0xFFFF(1)
0x0000 to 0x17FFF(2)
(memory area 0)
Memory to peripheral
0x0000 to 0xFFFF(1)
0x0000 to 0x17FFF(2)
(memory area 0)
0x4000 to 0x5FFF
Memory to memory
0x0000 to 0xFFFF(1)
0x0000 to 0x17FFF(2)
(memory area 0)
0x0000 to 0x1FFF
(memory area 1)

DocID15226 Rev 11 187/595
RM0031 Direct memory access controller (DMA)
202
13.3.4 DMA1 request mapping
The four hardware requests from the peripherals are simply logically ORed together before
entering the DMA. This means that only one hardware request must be enabled at a time.
Refer to Figure 41 on page 188. Each OR function allows you to connect ADC1, SPIx, I2C1,
USARTx, DAC and TIMx (x=1,2,3,) DMA requests to one of the four channels. The table
below lists the DMA requests for each channel.
Note: 1 ADC1 can be mapped on each of the four channels: depending on the
SYSCFG_RMPCR1[1:0] bits (please refer to the ADC chapter and Section 11.5: SYSCFG
registers). The default mapping is Channel 0.
2 TIM4 can be mapped on each of the four channels: depending on the
SYSCFG_RMPCR1[3:2] bits (please refer to Timer chapter and Section 11.5: SYSCFG
registers). The default mapping is Channel 3.
Table 37. DMA1 channel request mapping
IPs Channel 0 Channel 1 Channel 2 Channel 3
ADC1 (1) EOC EOC EOC EOC
SPI1 SPI1_RX SPI1_TX
AES AES_IN AES_OUT
I2C I2C_RX I2C_TX
USART1 USART1_TX USART1_RX
DAC DAC_CH2TRIG DAC_CH1TRIG
TIM2 TIM2_CC1 TIM2_U TIM2_CC2
TIM3 TIM3_U TIM3_CC1 TIM3_CC2
TIM1 TIM1_CC3 TIM1_CC4
TIM1_U
TIM1_CC1
TIM1_COM
TIM1_CC2
USART2 USART2_TX USART2_RX
USART3 USART3_TX USART3_RX
SPI2 SPI2_RX SPI2_TX
TIM5 TIM5_U TIM5_CC1 TIM5_CC2
TIM4(2) TIM4_U TIM4_U TIM4_U TIM4_U

Direct memory access controller (DMA) RM0031
188/595 DocID15226 Rev 11
Figure 41. DMA1 request mapping (medium-density devices)
Figure 42. DMA1 request mapping (medium+ and high-density devices)
Fixed hardware priority
Channel 2
internal
Hardware request 2
High priority
Low priority
Peripheral
Channel 1
Hardware request 1
Channel 0
Channel 0 EN bit
Hardware request 0
Channel 3
Hardware request 3
DMA
request
ADC1
TIM2_CC1
TIM3_U
Channel 1 EN bit
Channel 2 EN bit
Channel 3 EN bit
request signals
I2C1_RX
TIM1_CC3
TIM4_U
ADC1
USART1_RX
TIM3_CC2
SPI1_TX
TIM1_U
TIM1_CC1
ADC1
DAC
TIM1_CC2
I2C1_TX
TIM4_U
TIM1_COM
TIM4_U
ADC1
SYSCFG_RMPCR1[1:0]
TIM4_U
SYSCFG_RMPCR1[3:2]
ADC1
USART1_TX
TIM2_U
SPI1_RX
TIM3_CC1
TIM4_U
TIM1_CC4
Fixed hardware priority
Channel 2
internal
Hardware request 2
High priority
Low priority
Peripheral
Channel 1
Hardware request 1
Channel 0
Channel 0 EN bit
Hardware request 0
Channel 3
Hardware request 3
DMA
request
ADC1
TIM1_CC3, TIM2_CC1
TIM5_U, TIM3_U
Channel 1 EN bit
Channel 2 EN bit
Channel 3 EN bit
request signals
EOC, AES_IN, I2C_RX
USART2_TX, SPI2_RX
TIM4_U
ADC1
USART3_TX, USART1_RX
TIM3_CC2
EOC, SPI1_TX
TIM5_CC1, TIM1_U
TIM1_CC1
ADC1
AES_OUT, DAC_CH1TRIG
USART2_RX, TIM2_CC2, TIM1_CC2
EOC, I2C_TX
TIM4_U
TIM1_COM
TIM4_U
ADC1
SYSCFG_RMPCR1[1:0]
TIM4_U
SYSCFG_RMPCR1[3:2]
ADC1
DAC_CH2TRIG, TIM2_U
EOC, SPI1_RX
TIM3_CC1
TIM4_U
TIM1_CC4
USART3_TX, USART1_TX
SPI2_TX, TIM5_CC2

DocID15226 Rev 11 189/595
RM0031 Direct memory access controller (DMA)
202
13.3.5 DMA hardware request description
AES DMA requests
The AES accelerator provides an interface to connect to the DMA controller. The DMA must
be configured to transfer bytes. The AES can be associated with two distinct DMA request
channels:
•A DMA request channel for the inputs : When the DMAEN bit is set in the AES_CR
register, the AES initiates a DMA request (AES_IN) during the input phase each time it
requires a byte to be written into the AES_DINR register. The DMA channel must be
configured in memory-to-peripheral mode (bit DTD=1 in the corresponding
DMA_CxCR register).
•A DMA request channel for the outputs : When the DMAEN bit is enabled, the AES
initiates a DMA request (AES_OUT) during the output phase each time it requires a
byte to be written into the AES_DOUTR register. The DMA channel must be configured
in peripheral-to-memory mode (bit DTD=0 in the corresponding DMA_CxCR register).
SPIx DMA requests
The Transmission DMA request and the Reception DMA request can be independently
enabled or disabled by programming the control bits inside the SPI.
USARTx DMA requests
The Transmission DMA request and the Reception DMA request can be independently
enabled or disabled by programming the control bits inside the USART.
I2C1 DMA requests
DMA requests are generated only for data transfers by the I2C1 data register (I2C1_DR)
•in transmission when it becomes empty
•in reception when it is full.
When the number of data transfers that have been programmed in the DMA controller is
reached, the DMA controller sends an EOT signal (End of transfer) to the I2C interface and
generates a DMA interrupt.
Table 38. SPIx/USARTx DMA requests
Request Description
USARTx_RX
SPIx_RX
Reception requests: DMA transfer request when one character has been
received.
USARTx_TX
SPIx_TX
Transmission requests: DMA transfer request when the transmit buffer is empty
(Data to be transmitted has been loaded into the shift register)

Direct memory access controller (DMA) RM0031
190/595 DocID15226 Rev 11
ADC1 DMA requests
DMA requests are asserted when the conversion of a selected channel is completed.
TIMx DMA requests
TIMx DMA requests can be independently enabled/disabled by programming the DMA
control bit inside the Timer.
DAC DMA requests
DAC DMA requests are generated when the external trigger occurs, either using a software
trigger (SWTRIG bit in the DAC_SWTRIGR register) or a hardware trigger (TIM4_TRGO in
medium-density devices and TIM4_TRGO / TIM5_TRGO / external trigger input PE4 in
medium+ and high-density devices). The request indicates that the CHxDHR registers have
been transferred to the CHxDOR registers.
13.4 DMA low power modes
Table 39. I2C1 DMA requests
Request Description
I2C1_TX
Master transmitter: During an EOT interrupt from the DMA controller, DMA
requests must be disabled. The DMA controller has then to wait until a BTF (byte
transfer finished) event before programming the STOP condition.
I2C1_RX
Master receiver: The DMA controller sends a hardware signal EOT_1
corresponding to the (number of bytes-1). If LAST=1 in ITDMA register, I2C
automatically sends a NACK after the next byte following EOT_1. DMA controller
End of transfer interrupt allows to program the STOP condition.
Table 40. TIMx DMA requests
Request Description
TIMx_UP (1)
1. x= 1, 2, 3 and 4 in medium-density devices and x= 1, 2, 3 , 4 and 5 in medium+ and high-density devices.
Update event request: DMA transfer request at each update event
TIMx_CC1 (1) Capture/Compare 1 request: DMA transfer request at each Cap/Com 1 event
TIMx_CC2 (1) Capture/Compare 2 request: DMA transfer request at each Cap/Com 2 event
TIM1_CC3 Capture/Compare 3 request: DMA transfer request at each Cap/Com 3 event
TIM1_CC4 Capture/Compare 4 request: DMA transfer request at each Cap/Com 4 event
TIM1_COM DMA transfer request at each commutation (COM) event: that is, when CCxE,
CCxNE and OCxM Capture/Compare control bits have been updated
Table 41. DMA behavior in low power modes
Mode Description
Wait, Low power
wait DMA transfers are still operating
Halt/Active-halt DMA transfers are stopped

DocID15226 Rev 11 191/595
RM0031 Direct memory access controller (DMA)
202
13.5 DMA interrupts
To ensure that a transaction is really completed when using a peripheral to trigger a DMA
request, the software must choose carefully between the DMA internal interrupt flag and the
peripheral interrupt.
The TCIF flag rises when the whole programmed transaction is completed by the DMA, but
this does not necessarily mean that the peripheral ended the data transmission.
Note: The reset operation of the HTIF and TCIF bits has priority over the set operation.
13.6 DMA registers
The DMA controller has two sets of registers:
•a set of global registers used to globally enable/disable the DMA and to identify quickly
the interrupt source
•a set of control, status and pointer registers dedicated for each channel.
In the following description, the name of the registers dedicated to each channel starts with
DMA_Cx where x represents the channel number (numbered from 0 to 3).
Table 42. DMA interrupt requests
Interrupt event Event
flag
Enable
control
bit
Exit from
Wait/
Low power wait
Exit from
Halt/
Active-halt
Half transaction interrupt flag HTIF HTIE Yes No
Transaction complete interrupt flag TCIF TCIE Yes No

Direct memory access controller (DMA) RM0031
192/595 DocID15226 Rev 11
13.6.1 DMA global configuration & status register (DMA_GCSR)
Address offset: 0x00
Reset value: 0xFC
13.6.2 DMA global interrupt register 1 (DMA_GIR1)
Address offset: 0x01
Reset value: 0x00
76543210
TO[5:0] GB GEN
rw rw rw rw rw rw rrw
Bits 7:2 TO[5:0]: Timeout
These bits define the timeout duration (number of cycles to wait starting from the last request). Then
the DMA waits until this timeout has elapsed before asking to the core a high priority access to the
bus. These bits are write protected if GEN bit and GB bit is set.
When programmed to 0x00, there is no timeout and once a request is served, the DMA immediately
asks to the CPU a high priority access to the bus.
Bit 1 GB: Global busy
0: There is no ongoing DMA transfer
1: There is an ongoing DMA transfer
Note: The GB bit is logically ORed with all BUSY flags of each channel.
Bit 0 GEN: Global enable
0: All DMA channels are disabled
1: The DMA channels are locally enabled depending on the EN bit in the DMA_CxCR register.
76543210
Reserved Reserved Reserved Reserved IFC3 IFC2 IFC1 IFC0
rrrrrrrr
Bits 7: 4 Reserved
Bit 3 IFC3: Interrupt flag channel 3
0: No pending interrupt on channel 3.
1: At least one pending interrupt on channel 3.
Bit 2 IFC2: Interrupt flag channel 2
0: No pending interrupt on channel 2.
1: At least one pending interrupt on channel 2.
Bit 1 IFC1: Interrupt Flag Channel 1
0: No pending interrupt on channel 1.
1: At least one pending interrupt on channel 1.
Bit 0 IFC0: Interrupt flag channel 0
0: No pending interrupt on channel 0.
1: At least one pending interrupt on channel 0.

DocID15226 Rev 11 193/595
RM0031 Direct memory access controller (DMA)
202
Note: This register is useful to quickly identify the channel which has generated an interrupt
without checking all status registers of each channel. Then the software can check the
corresponding channel status register and handle the interrupt software management.
For each channel, the dedicated flag is set by hardware as soon as one of the two interrupt
flags of the corresponding channel is set. The softwFare resets it when clearing the interrupt
flag of the DMA_CxSPR register of the channel which has generated the interrupt.
13.6.3 DMA channel configuration register (DMA_CxCR)
There is one control register per channel where x represents the regular channel number
(numbered from 0 to 3).
Address offset: Refer to Table 43: DMA register map on page 201
Reset value: 0x00
This register is write protected when the DMA channel is enabled (EN bit and GEN bit set)
and when the channel is busy (BUSY bit set).
76543210
Reserved MEM (rw) or
Reserved (r) MINCDEC CIRC DIR HTIE TCIE EN
rr/rwrwrwrwrwrwrw
Bit 7 Reserved
Bit 6 MEM: Memory transfer enabled
0: The channel works as a regular channel.
1: The channel works as a memory channel.
Note: This bit is implemented only for channel 3 (memory channel). Otherwise it is a reserved bit.
Bit 5 MINCDEC: Memory increment/decrement mode
0: Decrement mode.
1: Increment mode.
This bit defines if the memory address pointer will be incremented or decremented but the peripheral
address pointer is never incremented or decremented.
Note: In case of memory to memory transfer, only the destination memory pointer (memory pointer
address 1) can be incremented or decremented. This bit has no effect on the source memory
pointer (Memory pointer address 0) which is always incremented (it cannot be decremented).
Bit 4 CIRC: Circular buffer mode (Auto-reload mode)
0: Circular mode disabled.
1: Circular mode enabled.
Note: This bit is don’t care if MEM = 1 (in this case, the Auto-reload mode is always disabled)
Bit 3 DIR: Data transfer direction
0: Transfer from the peripheral to the memory.
1: Transfer from the memory to the peripheral.
Note: This bit is don’t care if MEM = 1

Direct memory access controller (DMA) RM0031
194/595 DocID15226 Rev 11
Note: 1 At the end of a transaction (when the current data counter reaches zero), the DMA channel
is NOT automatically disabled (for interrupt mask management).
2 When the channel is disabled, all pointer registers remain as they were.
Bit 2 HTIE: Half-transaction interrupt enable
0: Half-transaction interrupt disabled.
1: Half-transaction interrupt enabled.
Bit 1 TCIE: Transaction complete interrupt enable
0: Transaction complete interrupt disabled.
1: Transaction complete interrupt enabled.
Bit 0 EN: Channel enable
0: Channel disabled.
1: Channel disable.

DocID15226 Rev 11 195/595
RM0031 Direct memory access controller (DMA)
202
13.6.4 DMA channel status & priority register (DMA_CxSPR)
There is one status and priority register (SPR) per channel where x represents the channel
number (numbered from 0 to 3).
Address offset: Refer to Table 43: DMA register map on page 201
Reset value: 0x00
76543210
BUSY PEND PL[1:0] TSIZE HTIF TCIF Reserved
r r rw rw rw rc_w0 rc_w0 r
Bit 7 BUSY: Channel busy
0: There is no ongoing DMA transfer
1: There is an ongoing DMA transfer
Bit 6 PEND: Channel pending
0: There is no pending request
1: There is a DMA pending request
Note: If MEM = 1, this bit is don’t care.
Bit 5:4 PL[1:0]: Channel priority level
This bit is used for software arbitration between channels
00: Low
01: Medium
10: High
11: Very high (DMA takes precedence over the CPU).
Note: These bits are write protected when the channel is enabled (EN and GEN bits set) and when
the channel is busy (BUSY bit set).
Bit 3 TSIZE: Transfer size
This bit is used to perform a 16-bit wide transfer to ensure data coherence
0: 8-bit mode
1: 16-bit mode
Note: This bit is write protected when the channel is enabled (EN and GEN bits set) and when the
channel is busy (BUSY bit set).
Bit 2 HTIF: Half transaction interrupt flag
0: No event.
1: Half transaction completed.
This bit is set by hardware and can be cleared by software writing 0 (even if the DMA channel is
enabled).
Note: The reset operation of the HTIF bit has priority over the set operation.
Bit 1 TCIF: Transaction complete interrupt flag
0: No event.
1: Transaction completed.
This bit is set by hardware and can be cleared by software writing 0 (even if the DMA channel is
enabled).
Note: The reset operation of the TCIF bit has priority over the set operation.
Bit 0 Reserved

Direct memory access controller (DMA) RM0031
196/595 DocID15226 Rev 11
13.6.5 DMA number of data to transfer register (DMA_CxNDTR)
There is one “number of data to transfer register” per channel where x represents the
channel number (numbered from 0 to 3).
Address offset: Refer to Table 43: DMA register map on page 201
Reset value: 0x00
13.6.6 DMA peripheral address high register (DMA_CxPARH)
Address offset: Refer to Table 43: DMA register map on page 201
There is one “peripheral address high register” per regular channel where x represents the
channel number (numbered from 0 to 2).
This register is write protected when the DMA channel is enabled (EN = 1 and GEN = 1) and
when the channel is busy (BUSY = 1).
Reset value: 0x52
76543210
NDT[7:0]
rw/r rw/r rw/r rw/r rw/r rw/r rw/r rw/r
Bits 7:0 NDT[7:0]: Number of data to transfer
Number of data (byte or word) to be transferred (0 up to 255).
This register can only be written when the channel is disabled. When the channel is enabled, this
register is write protected and can be read to indicate the remaining data to be transmitted.
Once the transaction is completed, this register remains to zero.
If the channel is configured in auto-reload mode (CIRC = 1), it is automatically reloaded by the value
previously programmed.
If a request occurs and the number of data to transfer is zero, the DMA does not serve the transaction.
76543210
PA [ 1 5 : 8 ]
rrrrrrrrw
Bits 7:0 PA[15:8]: Peripheral address pointer (MSB)
The PA pointer is the source address when DIR = 0 or the destination address when DIR = 1.
Only bit 0 is accessible and the other bits are fixed to allow a value range from 0x52 to 0x53.

DocID15226 Rev 11 197/595
RM0031 Direct memory access controller (DMA)
202
13.6.7 DMA peripheral address low register (DMA_CxPARL)
There is one “peripheral address low register” per regular channel where x represents the
regular channel number (numbered from 0 to 2).
Address offset: Refer to Table 43: DMA register map on page 201.
Reset value: 0x00
This register is write protected when the DMA channel is enabled (EN and GEN bits set)
and when the channel is busy (BUSY bit set).
13.6.8 DMA channel 3 peripheral address high & memory 1 address high
register (DMA_C3PARH_C3M1ARH)
Address offset: Refer to Table 43: DMA register map on page 201. This register is write
protected when the DMA channel is enabled (EN= 1 and GEN = 1) and when the channel is
busy (BUSY = 1).
It has two different meanings depending on the MEM bit configuration:
•DMA channel 3 peripheral address high (DMA_C3PARH)
Note: This definition is valid when the MEM bit is reset.
Reset value: 0x40
•DMA channel 3 memory 1 address high (DMA_C3M1ARH)
Note: This definition is valid when the MEM bit is set.
76543210
PA[7:0]
rw/r rw/r rw/r rw/r rw/r rw/r rw/r rw/r
Bits 7:0 PA[7:0]: Peripheral address pointer (LSB)
The PA Pointer is the source address if DIR = 0 or the destination address if DIR = 1.
76543210
PA [ 1 5 : 8 ]
r r r rw/r rw/r rw/r rw/r rw/r
Bits 7:0 PA[15:8]: Peripheral address pointer (MSB)
The PA pointer is the source address when DIR = 0 or the destination address when DIR = 1.
Only bits 0, 1, 2, 3 and 4 are accessible and the other bits are fixed to allow a value range from 0x40
to 0x5F.

Direct memory access controller (DMA) RM0031
198/595 DocID15226 Rev 11
Reset value: N/A
13.6.9 DMA channel 3 peripheral address low & memory 1 address low
register (DMA_C3PARL_C3M1ARL)
Address offset: Refer to Table 43: DMA register map on page 201
Reset value: 0x00
This register is write protected when the DMA channel is enabled (EN and GEN bits set)
and when the channel is busy (BUSY bit set).
This register has two different meanings depending on the MEM bit configuration:
•DMA channel 3 peripheral address low (DMA_C3PARL)
Note: This definition is valid when the MEM bit is reset.
•DMA channel 3 memory 1 address low (DMA_C3M1ARL)
Note: This definition is valid when the MEM bit is set.
76543210
M1A[15:8]
r r r rw/r rw/r rw/r rw/r rw/r
Bits 7:0 M1A[15:8]: Memory 1 address pointer (MSB)
The M1A pointer is the destination address when performing memory-to-memory transfers. Only bits
0, 1, 2, 3 and 4 are accessible. The other bits are fixed to allow a value range from 0x00 to 0x1F.
76543210
PA[7:0]
rw/r rw/r rw/r rw/r rw/r rw/r rw/r rw/r
Bits 7:0 PA[7:0]: Peripheral address pointer (LSB)
The PA Pointer is the source address if DIR = 0 or the destination address if DIR = 1.
76543210
M1A[7:0]
rw/r rw/r rw/r rw/r rw/r rw/r rw/r rw/r
Bits 7:0 M1A[7:0]: Memory 1 address pointer (LSB)
The M1A pointer is the destination address when performing memory-to-memory transfers.

DocID15226 Rev 11 199/595
RM0031 Direct memory access controller (DMA)
202
13.6.10 DMA memory 0 address high register (DMA_CxM0ARH)
Address offset: Refer to Table 43: DMA register map on page 201
Reset value: 0x00
This register is write protected when the DMA channel is enabled (EN = 1 and GEN = 1) and
when the channel is busy (BUSY = 1).
13.6.11 DMA memory 0 address low register (DMA_CxM0ARL)
Address offset: Refer to Table 43: DMA register map on page 201
Reset value: 0x00
This register is write protected when the DMA channel is enabled (EN= 1 and GEN = 1) and
when the channel is busy (BUSY = 1).
76543210
M0A[15:8]
rw/r or r rw/r or r rw/r or r rw/r rw/r or r rw/r rw/r rw/r
Bits 7:0 M0A[15:8]: Memory 0 address pointer (MSB)
″When MEM = 0, for regular channels or memory channels, the M0A pointer is the destination
address when DIR = 0 or the source address when DIR = 1.
″When MEM = 1, for memory channels, the M0A pointer is always the source address. All bits are
accessible to allow a value range from 0x00 to 0xFF.
″For regular channels, only bits 0,1 and 2 are accessible and the other bits are fixed to allow a
value range from 0x00 to 0x07.
76543210
M0A[7:0]
rw/r rw/r rw/r rw/r rw/r rw/r rw/r rw/r
Bits 7:0 M0A[7:0]: Memory 0 address pointer (LSB)
For regular channels or memory channels when MEM = 0, the M0A Pointer is the destination address
when DIR = 0 or the source address when DIR = 1.
For memory channels when MEM = 1, the M0A Pointer is always the source address.

Direct memory access controller (DMA) RM0031
200/595 DocID15226 Rev 11
13.6.12 DMA channel 3 memory 0 extended address register
(DMA_C3M0EAR)
Address offset: Refer to Table 43: DMA register map on page 201
Reset value: 0x00
Note: This register is available in medium+ and high-density devices only.
It is write protected when the DMA channel is enabled (EN= 1 and GEN = 1) and when the
channel is busy (BUSY = 1).
76543210
Reserved M0A16
rrw/r
Bit 0 M0A16: Memory 0 address pointer 16
For regular channels or memory channels when MEM = 0, the M0A pointer is the destination address
when DIR = 0 or the source address when DIR = 1.
For memory channels when MEM = 1, the M0A Pointer is always the source address.
Bits 7:1 Reserved

DocID15226 Rev 11 201/595
RM0031 Direct memory access controller (DMA)
202
13.6.13 DMA register map and reset values
Table 43. DMA register map
Offset
address Register name 7 6 5 4 3 2 1 0
0x00 DMA_GCSR
Reset value
TO5
1
TO4
1
TO3
1
TO2
1
TO1
1
TO0
1
GB
0
GEN
0
0x01 DMA_GIR1
Reset value
-
0
-
0
-
0
-
0
IFC3
0
IFC2
0
IFC1
0
IFC0
0
DMA channel 0 registers
0x05 DMA_C0CR
Reset value
-
0
-
0
MINCDEC
0
CIRC
0
DIR
0
HTIE
0
TCIE
0
EN
0
0x06 DMA_C0SPR
Reset value
BUSY
0
PEND
0
PL1
0
PL0
0
TSIZE
0
HTIF
0
TCIF
0
-
0
0x07 DMA_C0NDTR
Reset value
NDT7
0
NDT6
0
NDT5
0
NDT4
0
NDT3
0
NDT2
0
NDT1
0
NDT0
0
0x08 DMA_C0PARH
Reset value
PA15
0
PA14
1
PA13
0
PA12
1
PA11
0
PA10
0
PA9
1
PA8
0
0x09 DMA_C0PARL
Reset value
PA7
0
PA6
0
PA5
0
PA4
0
PA3
0
PA2
0
PA1
0
PA0
0
0x0A Reserved area
0x0B DMA_C0M0ARH
Reset value
M0A15
0
M0A14
0
M0A13
0
M0A12
0
M0A11
0
M0A10
0
M0A9
0
M0A8
0
0x0C DMA_C0M0ARL
Reset value
M0A7
0
M0A6
0
M0A5
0
M0A4
0
M0A3
0
M0A2
0
M0A1
0
M0A0
0
DMA channel 1 registers
0x0F DMA_C1CR
Reset value
-
0
-
0
MINCDEC
0
CIRC
0
DIR
0
HTIE
0
TCIE
0
EN
0
0x10 DMA_C1SPR
Reset value
BUSY
0
PEND
0
PL1
0
PL0
0
TSIZE
0
HTIF
0
TCIF
0
-
0
0x11 DMA_C1NDTR
Reset value
NDT7
0
NDT6
0
NDT5
0
NDT4
0
NDT3
0
NDT2
0
NDT1
0
NDT0
0
0x12 DMA_C1PARH
Reset value
PA15
0
PA14
1
PA13
0
PA12
1
PA11
0
PA10
0
PA9
1
PA8
0
0x13 DMA_C1PARL
Reset value
PA7
0
PA6
0
PA5
0
PA4
0
PA3
0
PA2
0
PA1
0
PA0
0
0x14 Reserved area
0x15 DMA_C1M0ARH
Reset value
M0A15
0
M0A14
0
M0A13
0
M0A12
0
M0A11
0
M0A10
0
M0A9
0
M0A8
0
0x16 DMA_C1M0ARL
Reset value
M0A7
0
M0A6
0
M0A5
0
M0A4
0
M0A3
0
M0A2
0
M0A1
0
M0A0
0
DMA channel 2 registers
0x19 DMA_C2CR
Reset value
-
0
-
0
MINCDEC
0
CIRC
0
DIR
0
HTIE
0
TCIE
0
EN
0
0x1A DMA_C2SPR
Reset value
BUSY
0
PEND
0
PL1
0
PL0
0
TSIZE
0
HTIF
0
TCIF
0
-
0
0x1B DMA_C2NDTR
Reset value
NDT7
0
NDT6
0
NDT5
0
NDT4
0
NDT3
0
NDT2
0
NDT1
0
NDT0
0
0x1C DMA_C2PARH
Reset value
PA15
0
PA14
1
PA13
0
PA12
1
PA11
0
PA10
0
PA9
1
PA8
0

Direct memory access controller (DMA) RM0031
202/595 DocID15226 Rev 11
0x1D DMA_C2PARL
Reset value
PA7
0
PA6
0
PA5
0
PA4
0
PA3
0
PA2
0
PA1
0
PA0
0
0x1E Reserved area
0x1F DMA_C2M0ARH
Reset value
M0A15
0
M0A14
0
M0A13
0
M0A12
0
M0A11
0
M0A10
0
M0A9
0
M0A8
0
0x20 DMA_C2M0ARL
Reset value
M0A7
0
M0A6
0
M0A5
0
M0A4
0
M0A3
0
M0A2
0
M0A1
0
M0A0
0
DMA channel 3 registers
0x23 DMA_C3CR
Reset value
-
0
MEM
0
MINCDEC
0
CIRC
0
DIR
0
HTIE
0
TCIE
0
EN
0
0x24 DMA_C3SPR
Reset value
BUSY
0
PEND
0
PL1
0
PL0
0
TSIZE
0
HTIF
0
TCIF
0
-
0
0x25 DMA_C3NDTR
Reset value
NDT7
0
NDT6
0
NDT5
0
NDT4
0
NDT3
0
NDT2
0
NDT1
0
NDT0
0
0x26 DMA_C3PARH_C3M1ARH PA[15:8] (reset value: 0x40) or M1A[15:8]
0x27 DMA_C3PARL_C3M1ARL
Reset value
PA[7:0] or M1A[7:0]
0000 0000
0x28 DMA_C3M0EAR(1)
Reset value
-
0
-
0
-
0
-
0
-
0
-
0
-
0
M0A16
0
0x29 DMA_C3M0ARH
Reset value
M0A15
0
M0A14
0
M0A13
0
M0A12
0
M0A11
0
M0A10
0
M0A9
0
M0A8
0
0x2A DMA_C3M0ARL
Reset value
M0A7
0
M0A6
0
M0A5
0
M0A4
0
M0A3
0
M0A2
0
M0A1
0
M0A0
0
1. Available in medium+ and high-density devices only. Reserved in medium-density devices.
Table 43. DMA register map (continued)
Offset
address Register name 7 6 5 4 3 2 1 0

DocID15226 Rev 11 203/595
RM0031 Analog-to-digital converter (ADC)
224
14 Analog-to-digital converter (ADC)
This section applies to low-density STM8L05xx/STM8L15xx devices, medium-density
STM8L05xx/STM8L15xx devices, medium+ density STM8L05xx/STM8L15xx devices and
high-density STM8L05xx/STM8L15xx/STM8L16xx devices, unless otherwise specified.
14.1 ADC introduction
The analog-to-digital converter is used to convert the analog voltage signals to digital
values. Up to 28 analog channels are available. A/D conversion can be performed in single
or continuous mode.
14.2 ADC main features
•Configurable resolution (up to 12-bit data width)
•Number of analog channels:
– Medium-density devices:
25 analog channels : 1 fast channel (1 µs) + 24 slow channels
– Low, medium+ and high-density devices:
28 analog channels : 4 fast channels (1 µs) + 24 slow channels
•2 internal channels connected to temperature sensor and internal reference voltage
•Configurable single or continuous conversion
•Prescalable ADC clock
•Analog watchdog
•Separate interrupt generation at end of conversion, watchdog or overrun event
•Multiple channel conversion (scan mode)
•Data integrity mechanism
•DMA capability
•Programmable sampling time
•Schmitt trigger disabling capability
•Conversion time which can be up to 1 µs when SYSCLK = 16 MHz
•Voltage range: 1.8 V to 3.6 V
– Maximum conversion rate obtained from 2.4 V to 3.6 V
– ADC at a lower speed between 1.8 V and 2.4 V
– ADC functionality not guaranteed below 1.8 V

Analog-to-digital converter (ADC) RM0031
204/595 DocID15226 Rev 11
14.3 ADC functional description
14.3.1 General description
Figure 43 shows the block diagram of the complete system ADC interface.
Figure 43. ADC block diagram
1. ADC_IN27 for medium+ and high-density devices.
ADC_IN24 for medium-density devices.
2. Only basic features are shown in this diagram
EOC / AWD/
ADC_IN0
ADC_IN27 1)
ADC_IN1
ANALOG
MUX Analog to digital
converter
D0D1D2D3D4D5D6D7
D8D9D10D11----
VIN
ADC_SR
ADC_DRL
ADC_DRH
ADC interface
Interrupt
27
Control logic
Digital value
RST
Clock prescaler
ADC_CLK
ADONSTART
ADC_CR1
OVER
EOCIE /
OVERIE
AWDIE /
ADC_CR1
TSON
VREFINTON
ADC_IN VREFINT
ADC_IN TS
Temperature sensor
Internal reference voltage VREFINT

DocID15226 Rev 11 205/595
RM0031 Analog-to-digital converter (ADC)
224
14.3.2 Number of analog channels
Up to 30 analog input channels are available in the STM8L05xx/STM8L15xx devices:
•Up to 27 analog input channels in the medium-density devices.
•Up to 28 analog input channels in the low-density devices.
•Up to 30 analog input channels in the medium+ and high-density devices.
They can be classified into three groups:
•Slow channels: channels 0 to 23 with a sampling time selected through the SMP1 bits
in the ADC_CR2 register
•Fast channels: channel 24 (medium-density devices) or channels 24 to 27 (medium+
and high-density devices) with a sampling time selected through the SMP2 bits in the
ADC_CR3 register
•Fast internal channels: channels VREFINT and TS with a sampling time selected
through the SMP2 bits in the ADC_CR3 register.
14.3.3 ADC on-off control
The ADC can be powered-on by setting the ADON bit in the ADC_CR1 register. When the
ADON bit is set, it wakes up the ADC from Power-down mode. Conversion should be
started only when the ADC power-up time (tWKUP) has elapsed and before the ADC
maximum idle delay (tIDLE) has elapsed. The software can stop conversion and put the ADC
in Power-down mode by resetting the ADON bit.
14.3.4 Single conversion mode
In this mode, only one input channel must be selected in the ADC_SQRx registers ( if more
channels are selected, the highest selected channel is measured). In addition, the DMAOFF
bit must be set in the ADC_SQR1 register (to disable DMA transfer). The input channel is
then converted and the ADC conversion stops (one simple conversion). The converted
value is stored into the ADC_DR data register. An interrupt (EOC) can be generated after
the end of conversion. The time between 2 conversions must be lower than the ADC
maximum idle delay (tIDLE). In case the time between 2 conversions is greater than tIDLE,
the ADC must be powered-off between the 2 conversions (by clearing the ADON bit).
Another possiblity is to discard the first conversion (occuring in a time greater than tidle after
previous one) and keep the next one
Note: If the DMAOFF bit in the ADC_SQR1 register is reset (and if DMA is properly programmed)
the conversion is then performed in single scan mode.
In the single conversion mode, the ADC does one conversion. The conversion can be
started in two different ways:
•by software: conversion is performed by setting the START bit in the ADC_CR1
register. The START bit is then reset by hardware.
Note: The channel selection is performed using the ADC_SQRx registers.
Before starting a conversion, the software should wait for the stabilization time (tWKUP).
•by hardware: three external triggers can start a conversion (ADC_TRIGR1,
ADC_TRIGR2 or ADC_TRIGR3). The selection of one of these three triggers is made
through the EXTSEL[1:0] bits in the ADC_CR2 register. The conversion can be
triggered either on the rising edge, on the falling edge or on both edges of the signal,
depending on the TRIG_EDGE[1:0] bits in the ADC_CR2 register.

Analog-to-digital converter (ADC) RM0031
206/595 DocID15226 Rev 11
Note: Any start event occurring during the conversion will be ignored.
Once the conversion is complete:
•the EOC flag is set
•and an interrupt is produced if the EOCIE bit is set in the ADC_CR1 register.
The EOC flag can be reset by software or by reading the LSB of the converted data.
Further single conversions can be initiated by simply setting the START bit or by rising an
external trigger.
Note: 1 The channel must not be changed during a conversion.
2 The user must avoid generating triggers before the end of an ongoing conversion.
3 The trigger edge configuration must be set before enabling the triggers
4 Even if no channel is programmed, a conversion can be started and the EOC flag will be
set.
ADC external triggers
Three external trigger sources can be selected:
•ADC trigger 1.
The trigger can be performed
– either from PA6 (if the ADC_TRIG bit in the SYSCFG_RMPCR2 register is reset;
refer to Alternate function remapping section in the datasheet)
– or directly from PD0 (if ADC_TRIG bit in the SYSCFG_RMPCR2 register is set;
refer to Alternate function remapping section in the datasheet)
•ADC trigger 2.
The trigger is performed directly from Timer 1 trigger output (TIM1_TRGO)
•ADC trigger 3.
The trigger is performed directly from Timer 2 trigger output (TIM2_TRGO)

DocID15226 Rev 11 207/595
RM0031 Analog-to-digital converter (ADC)
224
Figure 44. ADC external triggers
14.3.5 Continuous conversion mode
In this mode , the ADC does not stop after conversion but continues to the next channel in
the selected channel sequence. Conversions continue until the CONT bit and the ADON
bits are set and the converted values are transferred through the DMA to the RAM or
EEPROM memory buffer.
As the EOC interrupt is generated only after the end of the conversion of the selected
channel sequence, the result of each channel conversion cannot be read from the ADC_DR
register.
To save the conversion of each channel in a memory (RAM or EEPROM), the DMA must be
used in peripheral to memory mode. If the CONT bit is reset during a conversion, the
current selected channel sequence conversions end with the last selected channel) and
then the ADC stops.
Note: The CONT bit must not be set again during a conversion.
14.3.6 ADC clock
The ADC clock provided by the clock controller can be either the ADC system clock (CK) or
the ADC system clock divided by 2. The selection of the frequency feeding the clock
(fADC_CLK= CK or fADC_CLK= CK/2) is done through the PRESC bit in the ADC_CR2 register.
14.3.7 Analog watchdog
The analog watchdog status bit (AWD) in the ADC_SR register is set when the analog
voltage converted by the ADC is above or below a reference voltage threshold defined by
$'&
75,*B
75,*B
75,*B
DLF
75*2IURP7,0
75*2IURP7,0
3'
3$
6<6&)*B503&5>@

Analog-to-digital converter (ADC) RM0031
208/595 DocID15226 Rev 11
the higher/lower thresholds programmed into the ADC_HTRH/L and ADC_LTRH/L
registers.
In scan mode, the channel where the analog watchdog is enabled is the one selected
through the CHSEL[4:0] bits in the ADC_CR3 register.
Note: The threshold values must be set/changed before starting the conversion.
In scan mode a watchdog flag rise occurring during a conversion does not stop the next
conversions of the sequence. This avoids having to start the ADC again every time an
analog watchdog is enabled.
The action related to the analog watchdog is not necessarily linked to the other tasks using
the other ADC channels.
14.3.8 Interrupts
An interrupt can be generated when an EOC event occurs (end of conversion in single
mode or end of last scan conversion in scan mode) when the analog watchdog status bit
(AWD) is set in the ADC_SR register or, in scan mode, when a DMA request is not serviced
and a new conversion is completed.
Individual interrupt lines are available as well as a common interrupt line. The following table
summarizes the possible flag/interrupt configuration.
Table 44. Flag/interrupt configuration
14.3.9 Channel selection (Scan mode)
This mode works automatically in continuous mode. It can also be used in single mode by
resetting the DMAOFF bit in the ADC_SQR1 register.
In scan mode, the selected channel sequence is taken into account (like in single mode)
and the selected channels are converted and transferred through DMA to memory (DMA
should be properly programmed).
If the single mode is selected, the ADC converts the selected channel sequence and it is
stopped after the last channel conversion. For the next selected channel sequence, a scan
conversion is necessary to restart the ADC. An interrupt (EOC) can be generated after the
end of the channel sequence conversion.
Three registers are available to select the channel or the sequence of channels used for
conversion in Scan mode: ADC_SQR1, ADC_SQR2 and ADC_SQR3.
Flag Description Interrupt generation
OVER Rises when a new converted data is ready and the
previous one is not yet read by the DMA (scan mode) yes
AWD Rises when the converted data is outside the
reference voltage threshold yes
EOC
Rises when an end of conversion occurs (single
mode)
Rises when the end of conversion of last channel of
the sequence occurs (scan mode)
yes

DocID15226 Rev 11 209/595
RM0031 Analog-to-digital converter (ADC)
224
Note: This feature must be used in conjunction with the DMA controller.
The channel selection must be performed after enabling the ADC peripheral (by setting the
ADON bit in the ADC_CR1 register).
A single conversion is initiated on each channel of a sequence. After the end of conversion,
the next channel of the sequence is automatically converted.
The channel selection is performed using the ADC_SQRx registers. A logic 1 in the position
‘n’ of these registers means that channel ‘n’ is in the list of channels to be converted.
For example, Figure 45 below shows how to select the sequence: 0; 2; 6; 8; 10; 14; 18.
Figure 45. Sequence example
1. Available on medium+ and high-density devices only.
If the CONT bit in the ADC_CR1 register is set (continuous mode selected), the conversion
does not stop at channel ‘n’ but restarts from the first channel of the sequence. After each
conversion, a DMA ADC request is sent and the DMA controller is used to transfer the
converted data to the RAM.
Note: The ADC_SQRx registers must not be changed during a conversion.
14.3.10 Data integrity
An 8-bit shadow register is used to store the LSB data when the MSB is read. The LSB data
is read from the shadow register.
This guarantees the data consistency if a new data from the ADC is coming between the
MSB and LSB data read. Consequently, the software must read the MSB before reading the
LSB to be sure that both LSB and MSB are related to the same data.
Note: An MSB read operation must always be followed by an LSB read operation.
14.3.11 DMA transfer
When a scan conversion is performed, a DMA ADC request is sent as soon as an end of
conversion is detected, to signal that a data is ready to be transferred.
If a new conversion is complete and the DMA has not completed the transfer of previous
conversion data, the overrun flag is risen and an interrupt is generated (if enabled).
The DMA transfer can be disabled by setting the DMAOFF bit in the ADC_SQR1 register.
14.3.12 Configurable resolution
It is possible to reduce the conversion time by reducing the ADC resolution.
The RES[1:0] bits in the ADC_CR1 register are used to configure the resolution to 6, 8, 10
or 12 bits. The converted data is received from the ADC through its serial output.
When the desired number of bits is achieved, a new conversion can start immediately.
ADC_SQR1 ADC_SQR2 ADC_SQR3
891011121314151617
18
192021222324
111100000000000000000000
ADC_SQR4
01234567
11100000
V
REFINT
TS
25
1)
26
1)
27
1)

Analog-to-digital converter (ADC) RM0031
210/595 DocID15226 Rev 11
Note: The resolution bits can be changed only when no ADC conversion is ongoing.
14.3.13 Data alignment
The converted data stored after conversion are right aligned and their configuration
depends on the selected resolution, as shown in the following figure:
Figure 46. Resolution and data alignment
14.3.14 Programmable sampling time
The ADC input voltage is sampled during a number of cycles which is selected using:
•the SMP1[2:0] bits in the ADC_CR2 register for the first 24 channels
•and the SMP2[2:0] bits in the ADC_CR3 register for channels 24 to 27 (or channel 24 in
medium-density devices), VREFINT and TS.
The following table shows the allowed values of sampling cycles.
BITRESOLUTION
BITRESOLUTION
BITRESOLUTION
BITRESOLUTION
!$#?$2( $ $ $ $
!$#?$2, $ $ $ $ $ $ $ $
!$#?$2( $ $
!$#?$2, $ $ $ $ $ $ $ $
!$#?$2(
!$#?$2, $ $ $ $ $ $ $ $
!$#?$2(
!$#?$2, $ $ $ $ $ $
BJ

DocID15226 Rev 11 211/595
RM0031 Analog-to-digital converter (ADC)
224
Table 45. Authorized sampling cycles
Note: A different sampling time can be selected for slow channels and for fast channels.
The sampling time must not be changed during a conversion.
14.3.15 Schmitt trigger disabling
The Schmitt trigger can be disabled to reduce the consumption on some pins used an
analog inputs.
As there are 2 internal channels, only 25 Schmitt triggers can be disabled on medium-
density devices and 28 Schmitt triggers on medium+ and high-density devices.
Note: In order to disable the Schmitt trigger on the ADC channels which are shared with the
comparators inputs, it is also required to disable the Schmitt trigger through the
COMP_CSR4 and/or COMP_CSR5 registers.
If the control of the I/O using the Routing interface is enabled (with the corresponding bit set
in the RI_IOCMRn register), the setting of the STE bit in the COMP_CSR1 register takes
priority over the setting of the ADC_TRIGRn registers.
14.3.16 Temperature sensor
The temperature sensor is not available on STM8L05xx value line devices.
The temperature sensor can be used to measure the internal temperature of the device. It is
internally connected to the ADC TS (temperature sensor) input channel that is used to
convert the sensor output voltage into a digital value.
Note: When it is not used, this sensor can be put in power-down mode.
The TSON bit in the ADC_TRIGR1 register must be set to enable the internal ADC TS
channel connection. This connection must be enabled only if the temperature sensor
conversion is required.
The internal temperature sensor can also be used to detect temperature variations. The
output voltage of the temperature sensor is factory measured at high temperature and the
result of the ADC conversion is stored in a specific data address: the
TS_Factory_CONV_V90 byte represents the LSB of the V90 12-bit ADC conversion result
while the MSB have a fixed value: 0x3.
To reduce the temperature sensor error, the user can measure it at ambient temperature
(25°C) to redefine more accurately the average slope (avg_slope) and the offset.
Bit configuration Sampling cycles
SMP1[2:0]
for channels
0 to 23
&
SMP2[2:0]
for channels 24 to
27 (or for channel
24 in medium-
density devices)
VREFINT and TS
000 4
001 9
010 16
011 24
100 48
101 96
110 192
111 384

Analog-to-digital converter (ADC) RM0031
212/595 DocID15226 Rev 11
How to read the temperature
To read the temperature from the sensor, use the following procedure:
1. Select the ADC1 TS (temperature sensor) input channel.
2. Select a sample time of 10 µs.
3. Set the TSON bit in the ADC_TRIGR1 register to wake up the temperature sensor from
power-down mode.
4. Start the ADC conversion.
5. Read the resulting VSENSE data in the ADC data register (ADC_DRx).
6. Calculate the temperature using the following formulae:
Where
Avg_Slope = estimation of the average slope of the “Temperature vs. VSENSE” curve (given
in V/°K).
Refer to the Electrical characteristics section for the Avg_Slope value.
Note: When the sensor wakes up from power-down mode, a stabilization time is required before a
correct voltage can be output.
After power-on, the ADC also needs a stabilization time. To minimize this delay, the ADON
and TSON bits should be set at the same time.
14.3.17 Internal reference voltage conversion
The internal reference voltage is internally connected to the VREFINT channel. This analog
input channel is used to convert the internal reference voltage into a digital value.
The VREFINTON bit in the ADC_TRIGR1 register must be set to enable the internal
reference voltage. This reference voltage must be enabled only if its conversion is required.
The internal reference voltage is factory measured and the result of the ADC conversion is
stored in a specific data address: the VREFINT_Factory_CONV byte represents the LSB of
the VREFINT 12-bit ADC conversion result while the MSB have a fixed value: 0x6.
14.4 ADC low power modes
T°K[] VSENSE
AvgSlope
----------------------------=
T°C[] VSENSE
AvgSlope
----------------------------273.15–=
Table 46. Behavior in low power modes
Mode Description
Wait/
Low power wait
ADC interface is active.
Interrupt events cause the device to exit from Wait or Low power wait mode.
Halt/
Active-halt ADC interface is not active.

DocID15226 Rev 11 213/595
RM0031 Analog-to-digital converter (ADC)
224
14.5 ADC interrupts
14.6 ADC registers
14.6.1 ADC configuration register 1 (ADC_CR1)
Address offset: 0x00
Reset value: 0x00
Table 47. Interrupt requests
Interrupt event Event
flag
Enable
control
bit
Exit
from
Wait / Low
power wait
Exit
from
Halt /
Active-halt
End of conversion flag EOC EOCIE Yes No
Analog watchdog flag AWD AWDIE Yes No
Overrun flag OVER OVERIE Yes No
7654321 0
OVERIE RES[1:0] AWDIE EOCIE CONT START ADON
rw rw rw rw rw rw rw
Bit 7 OVERIE: Overrun interrupt enable
This bit is set and cleared by software. If set it enables the interrupt generated by an overrun event.
0: Overrun interrupt disabled
1: Overrun interrupt enabled
Bits 6:5 RES[1:0]: Configurable resolution
These bits are set and cleared by software. These bits are used to configure the ADC resolution.
00: 12-bit resolution
01: 10-bit resolution
10: 8-bit resolution
11: 6-bit resolution
Bit 4 AWDIE: Analog watchdog interrupt enable
This bit is set and cleared by software. If set it enables the interrupt generated by the analog
watchdog.
0: Analog watchdog interrupts disabled
1: Analog watchdog interrupts enabled
Bit 3 EOCIE: Interrupt enable for EOC
This bit is set and cleared by software. It enables the interrupt at the end of conversion.
0: EOC interrupt disabled
1: EOC interrupt enabled

Analog-to-digital converter (ADC) RM0031
214/595 DocID15226 Rev 11
Bit 2 CONT: Continuous conversion
This bit is set and cleared by software. If set, conversion takes place continuously till this bit is reset.
0: Single conversion mode
1: Continuous conversion mode
Bit1 START: Conversion start
This bit is set by software and cleared by hardware.
If set, it starts a conversion (if enabled). It is automatically reset by hardware after one ADC clock
cycle.
Note: If this bit is set during a conversion, it will not be considered.
Bit 0 ADON: A/D converter ON / OFF
This bit is set and reset by software. It wakes up the ADC from Power down mode.
0: ADC disabled (Power-down mode)
1: ADC enabled (wakeup from Power-down mode)

DocID15226 Rev 11 215/595
RM0031 Analog-to-digital converter (ADC)
224
14.6.2 ADC configuration register 2 (ADC_CR2)
Address offset: 0x01
Reset value: 0x00
76543210
PRESC TRIG_EDGE1 TRIG_EDGE0 EXTSEL1 EXTSEL0 SMTP1[2:0]
rw rw rw rw r rw rw rw
Bit 7 PRESC: Clock prescaler
This bit is set and cleared by software. If set, it divides the ADC clock frequency by 2.
0: f (ADC_CLK) = CK
1: f (ADC_CLK) = CK/2
Bits 6:5 TRIG_EDGE[1:0]: Active edge for external triggers
These bits are set and cleared by software. They select the active edges for external triggers.
00: Reserved
01: Rising edge sensitive
10: Falling edge sensitive
11: Both rising and falling edge sensitive
Bits 4:3 EXTSEL[1:0]: External event selection
These two bits select the software start or one of 3 external events that can trigger a conversion.
00: Triggers disabled, software start enabled.
01: Trigger 1 enabled
10: Trigger 2 enabled
11: Trigger 3 enabled
Bits 2:0 SMTP1[2:0]: Sampling time selection
These bits are set/reset by software. They are used to select one of the following sampling times for
the first 24 channels.
000: 4 ADC clock cycles
001: 9 ADC clock cycles
010: 16 ADC clock cycles
011: 24 ADC clock cycles
100: 48 ADC clock cycles
101: 96 ADC clock cycles
110: 192 ADC clock cycles
111: 384 ADC clock cycles

Analog-to-digital converter (ADC) RM0031
216/595 DocID15226 Rev 11
14.6.3 ADC configuration register 3 (ADC_CR3)
Address offset: 0x02
Reset value: 0x1F
76543210
SMTP2[2:0] CHSEL[4:0]
rw rw rw rw rw rw rw rw
Bit 7:5 SMTP2[2:0]: Sampling time selection
These bits are set/reset by software. They are used to select one of the following sampling times for
channels 24, VREFINT and TS.
000: 4 ADC clock cycles
001: 9 ADC clock cycles
010: 16 ADC clock cycles
011: 24 ADC clock cycles
100: 48 ADC clock cycles
101: 96 ADC clock cycles
110: 192 ADC clock cycles
111: 384 ADC clock cycles
Bit 4:0 CHSEL[4:0]: Channel selection
These bits are set and cleared by software. They are used to select the channel to be checked by the
analog watchdog.
00000: ADC channel 0 is selected
00001: ADC channel 1 is selected
...
10111: ADC channel 23 is selected
11000: ADC channel 24 is selected
11001: ADC channel 25 is selected (1)
11010: ADC channel 26 is selected (1)
11011: ADC channel 27 is selected (1)
11100: ADC channel VREFINT is selected
11101: ADC channel TS is selected(2)
1. This configuration is “reserved” in medium-density devices.
2. This configuration is “reserved” in STM8L05xx value line devices.

DocID15226 Rev 11 217/595
RM0031 Analog-to-digital converter (ADC)
224
14.6.4 ADC status register (ADC_SR)
Address offset: 0x03
Reset value: 0x00
76543210
Reserved OVER AWD EOC
rw_0 rw_0 rw_0
Bits 7:3 Reserved, forced by hardware to 0.
Bit 2 OVER: Overrun flag
This bit is reset by software writing 0 to it or by hardware when the ADC is put in power-down mode. It
is set by hardware when, after a conversion, a second conversion has completed and the DMA has
not read the first conversion value.
It cannot be set by software.
0: No overrun occurred
1: Overrun occurred
Bit 1 AWD: Analog watchdog flag
This bit is reset by software writing 0 to it or by hardware when the ADC is in power-down mode. It is
set when the analog voltage converted by the ADC is above or below the reference voltage thresholds
defined by the lower/higher thresholds in the ADC_xTRx registers.
It cannot be set by software.
0: No analog watchdog event occurred
1: Analog watchdog event occurred
Bit 0 EOC: End of conversion
This bit is set by hardware at the end of conversion. It is cleared by software by writing ‘0’ to it or by
reading the LSB of the converted data or when the ADC is put in power-down mode.
In case of scan conversion, this bit is set at the end of conversion of the last channel of the sequence.
It cannot be set by software.
0: Conversion not complete
1: Conversion complete

Analog-to-digital converter (ADC) RM0031
218/595 DocID15226 Rev 11
14.6.5 ADC data register high (ADC_DRH)
Address offset: 0x04
Reset value: 0x00
14.6.6 ADC data register low (ADC_DRL)
Address offset: 0x05
Reset value: 0x00
76543210
Reserved CONV_DATA[11:8]
rrrr
Bits 7:4 Reserved, forced by hardware to 0.
Bits 3:0 CONV_DATA[11:8]: Data bits high
These bits are set/reset by hardware and are read only. They contain the 4 MS bits of the converted
data. The converted voltage data bits are right aligned and their configuration depends on the
programmed resolution, as described below:
12-bit resolution: bits 3:0 = CONV_DATA[11:8]
10-bit resolution: bits 3:2 = reserved; Bits1:0 : CONV_DATA[9:8]
8-bit resolution: bits 3:0 = reserved
6-bit resolution: bits 3:0 = reserved
76543210
CONV_DATA[7:0]
rrrrrrrr
Bits 7:0 Data[7:0]: Data bits low
These bits are set/reset by hardware and are read only. They contain the 8 LS bits of the converted
data. The converted voltage data bits are right aligned and their configuration depends on the
programmed resolution, as described below:
12-bit resolution: Bits 7:0 = CONV_DATA[7:0]
10-bit resolution: Bits 7:0 = CONV_DATA[7:0]
8-bit resolution: Bits 7:0 = CONV_DATA[7:0]
6-bit resolution: Bits 7:6 = reserved; bits 5: 0 = CONV_DATA[5:0]

DocID15226 Rev 11 219/595
RM0031 Analog-to-digital converter (ADC)
224
14.6.7 ADC high threshold register high (ADC_HTRH)
Address offset: 0x06
Reset value: 0x0F
14.6.8 ADC high threshold register low (ADC_HTRL)
Address offset: 0x07
Reset value: 0xFF
14.6.9 ADC low threshold register high (ADC_LTRH)
Address offset: 0x08
Reset value: 0x00
76543210
Reserved HT[11:8]
rw rw rw rw
Bits 7:4 Reserved, forced by hardware to 0.
Bits 3:0 HT[11: 8]: Analog watchdog higher threshold high
These bits are set/reset by software. They define the MSB of the higher threshold for the analog
watchdog.
76543210
HT[7:0]
rw rw rw rw rw rw rw rw
Bits 7:0 HT[7:0]: Analog watchdog higher threshold low
These bits are set/reset by software. They define the LSB of the higher threshold for the analog
watchdog.
76543210
Reserved LT[11:8]
rw rw rw rw
Bits 7:4 Reserved, forced by hardware to 0.
Bits 3:0 LT[11: 8]: Analog watchdog lower threshold high
These bits are set/reset by software. They define the MSB of the lower threshold for the analog
watchdog.

Analog-to-digital converter (ADC) RM0031
220/595 DocID15226 Rev 11
14.6.10 ADC low threshold register low (ADC_LTRL)
Address offset: 0x09
Reset value: 0x00
Note: The reference voltage threshold data bits are right aligned and their configuration depends
on the programmed resolution, as described below:
12-bit resolution
ADC_HTRH & ADC_LTRH Bits 7:4 = reserved ; Bits 3:0 = HT[11:8] or LT[11:8]
ADC_HTRL & ADC_LTRL Bits 7:0 = HT[7:0] or LT[7:0]
10-bit resolution
ADC_HTRH & ADC_LTRH Bits 7:2 = reserved ; Bits 1:0 = HT[9:8] or LT[9:8]
ADC_HTRL & ADC_LTRL Bits 7:0 = HT[7:0] or LT[7:0]
8-bit resolution
ADC_HTRH & ADC_LTRH Bits 7:0 = reserved
ADC_HTRL & ADC_LTRL Bits 7:0 = HT[7:0] or LT[7:0]
6-bit resolution
ADC_HTRH & ADC_LTRH Bits 7:0 = reserved
ADC_HTRL & ADC_LTRL Bits 7:6 = reserved ; Bits 5:0 = HT[5:0] or LT[5:0]
14.6.11 ADC channel sequence 1 register (ADC_SQR1)
Address offset: 0x0A
Reset value: 0x00
76543210
LT[7:0]
rw rw rw rw rw rw rw rw
Bits 7:0 LT[7:0] Analog watchdog lower threshold low
These bits are set/reset by software. They define the LSB of the lower threshold for analog watchdog.
76543210
DMAOFF Reserved CHSEL_STS(?) CHSEL_
SVREFINT CHSEL_S[27:24] (1)
rw - rwrwrwrwrwrw
Bits 7 DMAOFF: DMA disable for a single conversion
0: DMA Enabled
1: DMA Disabled
Bit 6 Reserved, forced by hardware to 0.

DocID15226 Rev 11 221/595
RM0031 Analog-to-digital converter (ADC)
224
Note: This register must be modified after ADC is enabled by ADON bit in ADC_CR1 register.
14.6.12 ADC channel sequence register 2 (ADC_SQR2)
Address offset: 0x0B
Reset value: 0x00
Note: This register must be modified after ADC is enabled by ADON bit in ADC_CR1 register.
14.6.13 ADC channel select scan 3 (ADC_SQR3)
Address offset: 0x0C
Reset value: 0x00
Note: This register must be modified after ADC is enabled by ADON bit in ADC_CR1 register.
Bit 5 CHSEL_STS: Selection of channel TS for scan
These bits are set/reset by software. Channel TS must be kept reset.
A value ‘1’ in the CHSEL_Sx bit means that channel x is assigned in the scan sequence.
Bit 4 CHSEL_SVREFINT: Selection of channel VREFINT for scan
These bits are set/reset by software. Channels VREFINT must be kept reset.
A value ‘1’ in the CHSEL_Sx bit means that channel x is assigned in the scan sequence.
Bits 3:0(1) CHSEL_S[27:24]: Selection of channels 24 to 27 for scan (1)
These bits are set/reset by software.
A value ‘1’ in the CHSEL_Sx bit means that channel x is assigned in the scan sequence.
1. On medium-density devices, bits 3:1 are reserved and bit 0 is the CHSEL_S24 bit (selection of channel 24 for scan).
On STM8L05xx value line devices, bit 5 is reserved and must be kept cleared.
76543210
CHSEL_S[23:16]
rw rw rw rw rw rw rw rw
Bits 7:0 CHSEL_S[23:16]: Selection of channels 16 to 23 for scan
These bits are set/reset by software.
A value ‘1’ in the CHSEL_Sx bit means that channel x is assigned in the scan sequence.
76543210
CHSEL_S[15:8]
rw rw rw rw rw rw rw rw
Bits 7:0 CHSEL_S[15:8]: Selection of channels 8 to 15 for scan
These bits are set/reset by software.
A value ‘1’ in the CHSEL_Sx bit means that channel x is assigned in the scan sequence.

Analog-to-digital converter (ADC) RM0031
222/595 DocID15226 Rev 11
14.6.14 ADC channel select scan 4 (ADC_SQR4)
Address offset: 0x0D
Reset value: 0x00
Note: This register must be modified after ADC is enabled by ADON bit in ADC_CR1 register.
14.6.15 ADC trigger disable 1 (ADC_TRIGR1)
Address offset: 0x0E
Reset value: 0x00
76543210
CHSEL_S[7:0]
rw rw rw rw rw rw rw rw
Bits 7:0 CHSEL_S[7:0]: Selection of channels 0 to 7 for scan
These bits are set/reset by software.
A value ‘1’ in the CHSEL_Sx bit means that channel x is assigned in the scan sequence.
76543210
Reserved TSON(1) VREFINTON TRIG[27:24]
rw rw rw rw rw rw
Bits 7:6 Reserved, forced by hardware to 0.
Bit 5 TSON: Temperature sensor internal reference voltage enable
This bit is set/reset by software.
0: Temperature sensor internal reference voltage disabled
1: Temperature sensor internal reference voltage enabled
Bit 4 VREFINTON: Internal reference voltage enable
This bit is set/reset by software.
0: Internal reference voltage disabled
1: Internal reference voltage enabled
Bits 3:0(1) TRIG[27:24]: Channels 24 to 27 schmitt trigger disable
These bits are set/reset by software.
A value ‘1’ in the TRIGx bit means that the Schmitt trigger corresponding to channel x is disabled.
1. On medium-density devices, bits 3:1 are reserved and bit 0 is the TRIG24 bit (channel 24 schmitt trigger disabled). On
STM8L05xx value line devices, bit 5 is reserved and must be kept cleared.

DocID15226 Rev 11 223/595
RM0031 Analog-to-digital converter (ADC)
224
14.6.16 ADC trigger disable 2 (ADC_TRIGR2)
Address offset: 0x0F
Reset value: 0x00
14.6.17 ADC trigger disable 3 (ADC_TRIGR3)
Address offset: 0x10
Reset value: 0x00
14.6.18 ADC trigger disable 4 (ADC_TRIGR4)
Address offset: 0x11
Reset value: 0x00
76543210
TRIG[23:16]
rw rw rw rw
Bits 7:0 TRIG[23:16]: Channels 16 to 23 schmitt trigger disable
These bits are set/reset by software.
A value ‘1’ in the TRIGx bit means that the Schmitt trigger corresponding to channel x is disabled.
76543210
TRIG[15:8]
rw rw rw rw
Bits 7:0 TRIG[15:8]: Channels 8 to 15 schmitt trigger disable
These bits are set/reset by software.
A value ‘1’ in the TRIGx bit means that the Schmitt trigger corresponding to channel x is disabled.
76543210
TRIG(7:0)
rw rw rw rw
Bits 7:0 TRIG[7:0]: Channels 0 to 7 schmitt trigger disable
These bits are set/reset by software.
A value ‘1’ in the TRIGx bit means that the schmitt trigger corresponding to channel x is disabled

Analog-to-digital converter (ADC) RM0031
224/595 DocID15226 Rev 11
14.6.19 ADC register map and reset values
Table 48. Register map
Address
offset Register
name 7654 3 2 1 0
0x00 ADC_CR1
Reset value
OVERIE
0
RES[1:0]
00
AWDIE
0
EOCIE
0
CONT
0
START
0
ADON
0
0x01 ADC_CR2
Reset value
PRESC
0
TRIG_ED
GE1
0
TRIG_ED
GE0
0
EXTSEL1
0
EXTSEL0
0
SMPT1_2
0
SMTP1_1
0
SMTP1_0
0
0x02 ADC_CR3
Reset value
SMTP2_2
0
SMTP2_1
0
SMTP2_0
0
CHSEL4
1
CHSEL3
1
CHSEL2
1
CHSEL1
1
CHSEL0
1
0x03 ADC_SR
Reset value --- - -
OVER
0
AWD
0
EOC
0
0x04 ADC_DRH
Reset value --- - CONV_DATA[11:8]
0
0x05 ADC_DRL
Reset value
CONV_DATA[7:0]
0
0x06 ADC_HTRH
Reset value --- -
HT11
1
HT10
1
HT9
1
HT8
1
0x07 ADC_HTRL
Reset value
HT7
1
HT6
1
HT5
1
HT4
1
HT3
1
HT2
1
HT1
1
HT0
1
0x08 ADC_LTRH
Reset value --- -
LT11
0
LT10
0
LT9
0
LT8
0
0x09 ADC_LTRL
Reset value
LT7
0
LT6
0
LT5
0
LT4
0
LT3
0
LT2
0
LT1
0
LT0
0
0x0A ADC_SQR1
Reset value
DMAOFF
0
-
CHSEL_S
TS(1)
0
CHSEL_S
VREFINT
0
CHSEL_S
27(2)
0
CHSEL_S
26(2)
0
CHSEL_S
25(2)
0
CHSEL_S
24
0
0x0B ADC_SQR2
Reset value
CHSEL_S[23:16]
0
0x0C ADC_SQR3
Reset value
CHSEL_S[15:8]
0
0x0D ADC_SQR4
Reset value
CHSEL_S[7:0]
0
0x0E ADC_TRIGR1
Reset value --
TSON(1)
0
VREFINTO
N
0
-TRIG27(2)
0
-TRIG26(2)
0
TRIG25(2)
0
TRIG24
0
0x0F ADC_TRIGR2
Reset value
TRIG23
0
TRIG22
0
TRIG21
0
TRIG20
0
TRIG19
0
TRIG18
0
TRIG17
0
TRIG16
0
0x10 ADC_TRIGR3
Reset value
TRIG15
0
TRIG14
0
TRIG13
0
TRIG12
0
TRIG11
0
TRIG10
0
TRIG9
0
TRIG8
0
0x11 ADC_TRIGR4
Reset value
TRIG7
0
TRIG6
0
TRIG5
0
TRIG4
0
TRIG3
0
TRIG2
0
TRIG1
0
TRIG0
0
1. This bit is reserved in STM8L05xx value line devices.
2. This bit is reserved in medium-density devices.

DocID15226 Rev 11 225/595
RM0031 Digital-to-analog converter (DAC)
245
15 Digital-to-analog converter (DAC)
This section applies to medium-density STM8L15xx devices, medium+ density STM8L15xx
devices and high-density STM8L15xx/STM8L16xx devices, unless otherwise specified.
Digital-to-analog converter (DAC) is not available on STM8L05xx value line devices.
15.1 DAC introduction
The DAC module is a 12-bit voltage output digital-to-analog converter. The DAC can be
configured in 8-bit or 12-bit mode and can be used in conjunction with the DMA controller. In
12-bit mode, the data can be left or right aligned. The DAC has one output channel in the
medium-density devices and two output channels (each output channel with its own
converter) in medium+ and high-density devices. An input reference pin VREF+ is available
for a better resolution.
In dual DAC channel mode (available on medium+ and high-density devices only),
conversions can be performed etiher independently or simultaneously when both channels
are grouped together for synchronous update operations.
15.2 DAC main features
•8-bit or 12-bit monotonic output
•Left of right data alignment in 12-bit mode
•Synchronized update capability
•DMA capability
•External triggers for conversion
•Input voltage reference VREF+
•Noise-wave generation (medium+ and high-density devices only)
•Triangular-wave generation (medium+ and high-density devices only)
•Dual DAC channel for independent or simultaneous conversions (medium+ and high-
density devices only)
The block diagram of a DAC channel is shown in Figure 47.

Digital-to-analog converter (DAC) RM0031
226/595 DocID15226 Rev 11
Figure 47. DAC channel block diagram (medium-density devices)
DLF
&RQWUROORJLF
'LJLWDOWRDQDORJ
FRQYHUWHU
'25
ELW
ELW
7(1
'0$XQGHUUXQLQWHUUXSW
'0$UHTXHVW
ELW
'0$(1[
'$&FRQWUROUHJLVWHU
76(/>@ELWV
6:75,*
7,0B75*2
'+5
'$&B287
9''$
966$
95()

DocID15226 Rev 11 227/595
RM0031 Digital-to-analog converter (DAC)
245
Figure 48. DAC channel block diagram (medium+ and high-density devices)
15.3 DAC functional description
15.3.1 DAC channel x enable
Digital-to-analog conversions can be performed only if the DAC channels have been
powered on by setting the EN bit in the DAC_CHxCR1 register. The DAC channels are then
enabled after a tWAKEUP startup time (refer to the product datasheet).
15.3.2 DAC output buffer enable
The DAC integrates one output buffer (on medium-density devices) or two output buffers (on
medium+ and high-density devices) that can be used to reduce the output impedance and
to drive external loads directly without having to add an external operational amplifier. It can
be enabled and disabled using the BOFF bit in the DAC_CHxCR1 register.
'LJLWDOWRDQDORJ
FRQYHUWHU[
DL
([WHUQDOB75*2
6:75,*[
7,0B75*2
7,0B75*2
76(/[>>@ELWV
'$&FRQWUROUHJLVWHU
'0$(1[
0$03[>@
'0$UHTXHVW[
'0$XQGHUUXQLQWHUUXSWV
:$9(1[>@
7(1[
'+5[ ELW
&RQWUROORJLF[
/6)5[ 7ULDQJOH[
ELW
ELW
'25[
'$&B287[
95()
966$
9''$

Digital-to-analog converter (DAC) RM0031
228/595 DocID15226 Rev 11
15.3.3 DAC output switch configuration
The following table describes the DAC output switch configuration depending on devices
and packages.
See also Figure 23: Routing interface (RI) block diagram (medium, medium+ and high
density devices).
15.3.4 DAC data format
Depending on the selected configuration mode, the data has to be written in the specified
register as described below:
•8-bit right alignment: data to be loaded to DAC_DHR8 [7:0] bits by converted data[11:4]
•12-bit left alignment: data to be loaded to DAC_LDHRH [7:0] bits by the converted
data[11:4] and the DAC_LDHRL[7:4] bits by the converted data [3:0]
•12-bit right alignment: data to be loaded to DAC_RDHRH [3:0] bits by the converted
data[11:8] and the DAC_RDHRL[7:0] bits by the converted data [7:0]
15.3.5 DAC conversion sequence
To start a conversion, the content of the DAC_xDHRx and DAC_DHR8 registers is moved to
the DAC_CHxDORH/L (data output) registers. Depending on the TEN bit in the
DAC_CHxCR1 register, this transfer to DAC_CHxDORH/L can be performed in two different
manners:
•TEN = 0. The transfer is performed when:
– DAC_DHR8 is written for 8-bit conversion data in single mode
– LSB of DAC_xDHRL is written for 12-bit conversion data in single mode,
•TEN = 1. The transfer is performed when a trigger occurs. Two different triggers
(TIM4_TRGO or SWTRIG) in the medium-density devices or three triggers
Table 49. DAC output switch configuration (medium and medium+ and high-density
devices)
Packages Configuration on medium-density
devices Configuration on medium+ and
high-density devices
64-pin and 80-pin
packages N/A DAC_OUT1 is connected to PF0
DAC_OUT2 is connected to PF1
48-pin packages DAC_OUT1 is connected PF0
DAC_OUT1 is connected to PF0
DAC_OUT2 can be connected to
PB4, PB5 or PB6 by closing the
corresponding RI switches (see
Figure 23: Routing interface (RI)
block diagram (medium, medium+
and high density devices)).
28- and 32-pin
packages
DAC_OUT1 can be connected to PB4,
PB5 or PB6 by
closing the corresponding RI switches
(see Figure 23: Routing interface (RI)
block diagram (medium, medium+ and
high density devices)).
N/A

DocID15226 Rev 11 229/595
RM0031 Digital-to-analog converter (DAC)
245
(TIM4_TRGO, TIM5_TRGO or SWTRIG) can be selected through the TSEL bits in the
DAC_CHxCR1 register. Refer to Section 15.3.7: DAC trigger selection.
15.3.6 DAC output voltage
Digital inputs are converted to output voltages on a linear conversion between 0 and VREF+.
The analog output voltages on the DAC_OUTx pin are determined by the following
equation:
15.3.7 DAC trigger selection
If the TEN bit is set in the DAC_CHxCR1 register, the following events can trigger a
conversion:
•a software trigger (SWTRIG)
•one external event (TIM4_TRGO: Timer 4 counter channel output) in medium-density
devices
•three external events (TIM4_TRGO, TIM5_TRGO or external pin) in medium + and
high-density devices.
The TSEL[2:0] bits can be used to determine which out of the 2 or 4 possible sources will
trigger a conversion (SWTRIG or TIM4_TRGO in medium-density devices and SWTRIG,
TIM4_TRGO, TIM5_TRGO or external pin in medium+ and high-density devices):
•If the software trigger (SWTRIG) is selected, the conversion starts once the SWTRIGx
bit is set in the DAC_SWTRIGR. This bit is reset by hardware once the DAC_DORx
registers are loaded with the DAC_xDHRx values.
•If TIM4_TRGO, TIM5_TRGO or external pin is selected, the data transfer is
synchronized by a two-stage rising edge synchronizer
Note: TSEL[2:0] bits cannot be changed when the EN bit is set in the DAC_CHxCR1 register.
Refer to the following table.
DAC_OUT x VREF
DAC_CHxDORH/L
4096
------------------------------------------------------
×=
Table 50. Sources of conversion trigger (medium, medium+ and high-density devices)
Source Type TSEL[2:0] Medium-
density Medium+ and
high-density
Timer 4 TRGO event Internal signal from on-chip
timers
000 X X
Timer 5 TRGO event 001 X
PA4 GPIO External pin 010 x
NA (reserved )
011
100
101
110
SWTRIG Software control bit 111 X X

Digital-to-analog converter (DAC) RM0031
230/595 DocID15226 Rev 11
15.3.8 DAC DMA request
Each DAC channel has a DMA capability. Two DMA channels are used to service DAC
channel DMA requests.
A DAC channel DMA request is generated when an external trigger occurs while the TEN
and DMAENx bits are set. The DAC channel DMA request remains set until a DAC channel
DMA Acknowledge comes from the DMA controller. The DAC channel DMA request
indicates that DACx_DHRx registers have been transferred to the DAC_CHxDORH/L
registers.
DAC channel DMA request is not kept in a request queue, so if a second external trigger
arrives before the DMA receives the acknowledge for the first external trigger, no new
request is serviced and no error is reported.
15.3.9 DAC DMA underrun interrupt
A DAC DMA underrun interrupt is generated in DMA mode when the next trigger event
occurs while the previous DMA request is still pending. This may happen, for instance, when
the DAC trigger frequency is higher than the DMA request servicing process.
For each DAC channel, DMA underrun interrupt can be enabled or disabled through the
DMAUDRIE bits in DAC_CHxCR2 register. If it occurs, it is signalled by the DMAUDR bits in
the DAC_SR register.
15.3.10 Noise generation
In order to generate a variable-amplitude pseudonoise, a linear feedback shift register
(LFSRx) register is available. The DAC noise generation is enabled by setting
DAC_CHxCR1/WAVEN to “01” and TENx to 1 in the DAC_CHxCR1 register. The preloaded
value in LFSR is 0xAAA, and the LFSRx output is updated at each conversion. This register
is updated three CPU clock cycles after each trigger event, following a specific calculation
algorithm (see Figure 49: DAC LFSR register calculation algorithm on page 231).
If LFSRx is 0x000, a ‘1’ is injected into it (antilock-up mechanism).
The LFSRx value, that may be masked partially or totally by means of the
DAC_CHxCR2/MAMP bits in the DAC_CHxCR2, is added to the DAC_DHRx (which can be
DAC_CHxRDHRH/L or DAC_CHxLDHRH/L or DAC_CHxDHR8 register depending on the
selected data format) contents without overflow and this value is then stored into the
DAC_CHxDORH/L register (see the following figure).

DocID15226 Rev 11 231/595
RM0031 Digital-to-analog converter (DAC)
245
Figure 49. DAC LFSR register calculation algorithm
It is possible to reset LFSRx wave generation by resetting the DAC_CHxCR1/WAVEN[1:0]
bits.
Note: The DAC trigger must be enabled for noise generation by setting the TENx bit in the
DAC_CHxCR1 register.
15.3.11 Triangle-wave generation
It’s possible to add a small-amplitude triangular waveform on a DC or slowly varying signal.
DAC triangle-wave generation is selected DAC_CH2CR1/TSELsetting
DAC_CHxCR1/WAVEN[1:0] to “10” and DAC_CHxCR1/TEN bits to 1 The amplitude is
configured through the DAC_CHxCR2/MAMP[3:0] bits in the DAC_CHxCR2 register. A 12-
bit internal triangle counter is incremented three CPU clock cycles after each trigger event.
The value of this counter is then added to the DAC_DHRx (which can be
DAC_CHxRDHRH/L or DAC_CHxLDHRH/L or DAC_CHxDHR8 register depending on the
selected data format) without overflow and the sum is stored into the DAC_CHxDORH/L.
The triangle counter is incremented while it is less than the maximum amplitude defined by
the DAC_CHxCR2/MAMP[3:0] bits (refer to DAC_CHxCR2).Once the configured amplitude
is reached, the counter is decremented down to 0, then incremented again and so on till
WAVENx[1:0]=”10” and TENx=’1’ (Figure 50.).
It is possible to reset triangle wavex generation by resetting DAC_CHxCR1/WAVEN.
Note: DAC_CHxCR2/MAMP[3:0] bits cannot be changed when the DAC_CHxCR1/EN bit is set.
Figure 50. DAC triangle wave generation
1. The DAC trigger must be enabled for triangle generation by setting the TENx bit in the DAC_CHxCR1
125
;
;
;
;
;
;25
DLF
-!-0X;=MAXAMPLITUDE
$!#?$(2XBASEVALUE
$!#?$(2XBASEVALUE
)NCREMENTATION
AIC
$ECREMENTATION

Digital-to-analog converter (DAC) RM0031
232/595 DocID15226 Rev 11
register.
2. The DAC_CH1CR2/MAMP[3:0] bits must be configured before enabling the DAC. Otherwise, they cannot
be changed.
15.3.12 Dual DAC conversion
To efficiently use the bus bandwidth in applications that require the two DAC channels at the
same time, three dual registers are implemented. A unique register access is then required
to drive both DAC channels at the same time.
Nine possible conversion modes are possible using the two DAC channels and these dual
registers. All the conversion modes can nevertheless be obtained using separate DHRx
registers if needed.
All modes (independent and simultaneous modes) are described in the paragraphs below.
Independent trigger without wave generation
To configure the DAC in this conversion mode, the following sequence is required:
•Set the two DAC channel trigger enable bits DAC_CH1CR1/TEN and
DAC_CH2CR1/TEN
•Configure different trigger sources by setting different values in the
DAC_CH1CR1/TSEL[2:0] and DAC_CH2CR1/TSEL[2:0] bits
•Load the dual DAC channel data into the desired DAC_DHRx register (which can be
DAC_CHxRDHRH/L or DAC_CHxLDHRH/L or DAC_CHxDHR8 register depending on
the selected data format).
When a DAC channel1 trigger arrives, the DAC_DHR1 (which can be DAC_CH1RDHRH/L
or DAC_CH1LDHRH/L or DAC_CH1DHR8 register depending on the selected data format)
register is transferred into DAC_CH1DORH/L (three CPU clock cycles later).
When a DAC channel2 trigger arrives, the DAC_DHR2(which can be DAC_CH2RDHRH/L
or DAC_CH2LDHRH/L or DAC_CH2DHR8 register depending on the selected data format)
register is transferred into DAC_CH2DORH/L (three CPU clock cycles later).
Independent trigger with same LFSR generation
•Set the two DAC channel trigger enable bits DAC_CH1CR1/TEN and
DAC_CH2CR1/TEN
•Configure different trigger sources by setting different values in the
DAC_CH1CR1/TSEL[2:0] and DAC_CH2CR1/TSEL[2:0] bits
•Configure the two DAC channel WAVENx[1:0] bits as “01” and the same LFSR mask
value in the DAC_CHxCR2/MAMP[3:0] bits
•Load the dual DAC channel data into the desired DAC_DHRx register (which can be
DAC_CHxRDHRH/L or DAC_CHxLDHRH/L or DAC_CHxDHR8 register depending on
the selected data format)
When a DAC channel1 trigger arrives, the LFSR1 counter, with the same mask/amplitude, is
added to the DAC_DHR1(which can be DAC_CH1RDHRH/L or DAC_CH1LDHRH/L or
DAC_CH1DHR8 register depending on the selected data format) register and the sum is
transferred into DAC_DOR1. Then the LFSR1 counter is updated.
When a DAC channel2 trigger arrives, the LFSR2 counter, with the same mask, is added to
the DAC_DHR2(which can be DAC_CH2RDHRH/L or DAC_CH2LDHRH/L or

DocID15226 Rev 11 233/595
RM0031 Digital-to-analog converter (DAC)
245
DAC_CH2DHR8 register depending on the selected data format) register and the sum is
transferred into DAC_DOR2. Then, the LFSR2 counter is updated.
Independent trigger with different LFSR generation
To configure the DAC in this conversion mode, the following sequence is required:
•Set the two DAC channel trigger enable bits DAC_CH1CR1/TEN and
DAC_CH2CR1/TEN
•Configure different trigger sources by setting different values in the
DAC_CH1CR1/TSEL[2:0] and DAC_CH2CR1/TSEL[2:0] bits
•Configure the two DAC channel WAVENx[1:0] bits as “01” and set different LFSR
masks values in the DAC_CH1CR2/MAMP[3:0] and DAC_CH2CR2/MAMP[3:0] bits
•Load the dual DAC channel data into the desired DHR register
When a DAC channel1 trigger arrives, the LFSR1 counter, with the mask configured by
DAC_CH1CR2/MAMP[3:0], is added to the DHR1 register and the sum is transferred into
DAC_DOR1 (three CPU clock cycles later). Then the LFSR1 counter is updated.
When a DAC channel2 trigger arrives, the LFSR2 counter, with the mask configured by
DAC_CH2CR2/MAMP[3:0], is added to the DHR2 register and the sum is transferred into
DAC_DOR2 (three CPU clock cycles later). Then the LFSR2 counter is updated.
Independent trigger with different triangle generation
To configure the DAC in this conversion mode, the following sequence is required:
•Set the two DAC channel trigger enable bits DAC_CH1CR1/TEN and
DAC_CH2CR1/TEN
•Configure different trigger sources by setting different values in the
DAC_CH1CR1/TSEL[2:0] and DAC_CH2CR1/TSEL[2:0] bits
•Configure the two DAC channel WAVENx[1:0] bits as “1x” and set different maximum
amplitude values in the DAC_CH1CR2/MAMP[3:0] and DAC_CH2CR2/MAMP[3:0] bits
•Load the dual DAC channel data into the desired DHR register
When a DAC channel1 trigger arrives, the 12-bit DAC channel1 triangle counter, with a
triangle amplitude configured by DAC_CH1CR2/MAMP[3:0], is added to the DHR1 register
and the sum is transferred into DAC_DOR1 (three CPU clock cycles later). The 12-bit DAC
channel1 triangle counter is then updated.
When a DAC channel2 trigger arrives, the DAC channel2 triangle counter, with a triangle
amplitude configured by DAC_CH2CR2/MAMP[3:0], is added to the DHR2 register part and
the sum is transferred into DAC_DOR2 (three CPU clock cycles later). The DAC channel2
triangle counter is then updated.
Simultaneous trigger without wave generation
To configure the DAC in this conversion mode, the following sequence is required:
•Set the two DAC channel trigger enable bits DAC_CH1CR1/TEN and
DAC_CH2CR1/TEN
•Configure the same trigger source for both DAC channels by setting the same value in
the DAC_CH1CR1/TSEL[2:0] and DAC_CH2CR1/TSEL[2:0] bits
•Load the dual DAC channel data to the desired DHR register

Digital-to-analog converter (DAC) RM0031
234/595 DocID15226 Rev 11
When a trigger arrives, the DHR1 and DHR2 registers are transferred into DAC_DOR1 and
DAC_DOR2, respectively (after three CPU clock cycles).
Simultaneous trigger with same LFSR generation
To configure the DAC in this conversion mode, the following sequence is required:
•Set the two DAC channel trigger enable bits DAC_CH1CR1/TEN and
DAC_CH2CR1/TEN
•Configure the same trigger source for both DAC channels by setting the same value in
the DAC_CH1CR1/TSEL[2:0] and DAC_CH2CR1/TSEL[2:0] bits
•Configure the two DAC channel WAVENx[1:0] bits as “01” and the same LFSR mask
value in the DAC_CH1CR2/MAMP[3:0] bits
•Load the dual DAC channel data to the desired DHR register
When a trigger arrives, the LFSR1 counter, with the mask configured by
DAC_CH1CR2/MAMP[3:0], is added to the DHR1 register and the sum is transferred into
DAC_DOR1 (three APB1 clock cycles later). The LFSR1 counter is then updated.
At the same time, the LFSR2 counter, with the mask configured by
DAC_CH2CR2/MAMP[3:0], is added to the DHR2 register and the sum is transferred into
DAC_DOR2 (three CPU clock cycles later). The LFSR2 counter is then updated.
Simultaneous trigger with different LFSR generation
To configure the DAC in this conversion mode, the following sequence is required:
•Set the two DAC channel trigger enable bits DAC_CH1CR1/TEN and
DAC_CH2CR1/TEN
•Configure the same trigger source for both DAC channels by setting the same value in
the DAC_CH1CR1/TSEL[2:0] and DAC_CH2CR1/TSEL[2:0] bits
•Configure the two DAC channel WAVENx[1:0] bits as “01” and set different LFSR
masks values using the DAC_CH1CR2/MAMP[3:0] and DAC_CH2CR2/MAMP[3:0]
bits
•Load the dual DAC channel data into the desired DHR register
When a trigger arrives, the LFSR1 counter, with the mask configured by
DAC_CH1CR2/MAMP[3:0], is added to the DHR1 register and the sum is transferred into
DAC_DOR1 (three CPU clock cycles later). The LFSR1 counter is then updated.
At the same time, the LFSR2 counter, with the mask configured by
DAC_CH2CR2/MAMP[3:0], is added to the DHR2 register and the sum is transferred into
DAC_DOR2 (three CPU clock cycles later). The LFSR2 counter is then updated.
Simultaneous trigger with different triangle generation
To configure the DAC in this conversion mode, the following sequence is required:
•Set the two DAC channel trigger enable bits DAC_CH1CR1/TEN and
DAC_CH2CR1/TEN
•Configure the same trigger source for both DAC channels by setting the same value in
the DAC_CH1CR1/TSEL[2:0] and DAC_CH2CR1/TSEL[2:0] bits
•Configure the two DAC channel WAVENx[1:0] bits as “1x” and set different maximum
amplitude values in the DAC_CH1CR2/MAMP[3:0] and DAC_CH2CR2/MAMP[3:0] bits
•Load the dual DAC channel data into the desired DHR register

DocID15226 Rev 11 235/595
RM0031 Digital-to-analog converter (DAC)
245
When a trigger arrives, the DAC channel1 triangle counter, with a triangle amplitude
configured by DAC_CH1CR2/MAMP[3:0], is added to the DHR1 register and the sum is
transferred into DAC_DOR1 (three CPU clock cycles later). Then the DAC channel1 triangle
counter is updated.
At the same time, the DAC channel2 triangle counter, with a triangle amplitude configured
by DAC_CH2CR2/MAMP[3:0], is added to the DHR2 register and the sum is transferred into
DAC_DOR2 (three CPU clock cycles later). Then the DAC channel2 triangle counter is
updated.
Simultaneous software start
To configure the DAC in this conversion mode, the following sequence is required:
•Load the dual DAC channel data to the desired DHR register (DAC_DHR12RD,
DAC_DHR12LD or DAC_DHR8RD)
In this configuration, one CPU clock cycle later, the DHR1 and DHR2 registers are
transferred into DAC_DOR1 and DAC_DOR2, respectively.

Digital-to-analog converter (DAC) RM0031
236/595 DocID15226 Rev 11
15.4 DAC registers
15.4.1 DAC channel x control register 1 (DAC_CHxCR1)
Address offset: 0x00 (channel 1) or 0x02 (channel 2 available on high devices only)
Reset value: 0x00
7654321 0
WAVEN[1:0] (1) TSEL[2:0] TEN BOFF EN
- - - rwrwrwrw rw
- - - rwrwrwrw rw
Bits 7:6 (1) WAVEN[1:0]: DAC channel x noise/triangle waveform generation enable.
These bits are used only if TEN1=1.
00: Wave generation disabled.
01: Noise generation enabled.
1x: Triangle generation enabled.
Bits 5:3 TSEL[2:0]: DAC channel x trigger selection.
These bits are only used if TEN=1.
000: TIM4_TRGO (Timer 0 counter channel output) selected
001: Reserved
010: Reserved
001 (1): TIM5_TRGO selected
010 (1): External trigger (PE4)
011: Reserved
100: Reserved
101: Reserved
110: Reserved
111: SWTRIG (Software trigger) selected
Bit 2 TEN: DAC channel trigger enable.
0: The data written into the data holding register (DHR) is transferred one CPU clock cycle
later to the data output register (DORx).
1: The data transfer from the DHRx to the DORx is synchronized by the selected trigger.
Bit 1 BOFF: DAC channel output buffer disable.
0: DAC Channel output buffer enabled
1: DAC Channel output buffer disabled
Bit 0 EN: DAC channel enable.
0: DAC channel disabled
1: DAC channel enabled
1. Reserved on medium-density devices

DocID15226 Rev 11 237/595
RM0031 Digital-to-analog converter (DAC)
245
15.4.2 DAC channel x control register 2 (DAC_CHxCR2)
Address offset: 0x01 (channel 1) or 0x03 (channel 2 available on medium+ and high-density
devices only)
Reset value: 0x00
76543210
Reserved DMAUDRIE DMAEN MAMP[3:0](1)
rw rw - - - -
1. Reserved on medium-density devices
Bits 7:6 Reserved, forced by hardware at 0.
Bit 5 DMAUDRIE: DAC channel DMA underrun interrupt enable.
0: DMA underrun interrupt disabled.
1: DMA underrun interrupt enabled.
Bit 4 DMAEN: DAC DMA enable.
0: DMA disabled.
1: DMA enabled.
Bits 3:0(1) MAMP[3:0]: DAC channel x mask/amplitude selector.
0000: UnMask bit(0) of LFSR bit/ 2^1-1 triangle amplitude
0001: UnMask bit(1:0) of LFSR bit/ 2^2-1 triangle amplitude
0010: UnMask bit(2:0) of LFSR bit/ 2^3-1 triangle amplitude
0011: UnMask bit(3:0) of LFSR bit/ 2^4-1 triangle amplitude
0100: UnMask bit(4:0) of LFSR bit/ 2^5-1 triangle amplitude
0101: UnMask bit(5:0) of LFSR bit/ 2^6-1 triangle amplitude
0110: UnMask bit(6:0) of LFSR bit/ 2^7-1 triangle amplitude
0111: UnMask bit(7:0) of LFSR bit/ 2^8-1 triangle amplitude
1000: UnMask bit(8:0) of LFSR bit/ 2^9-1 triangle amplitude
1001: UnMask bit(9:0) of LFSR bit/ 2^10-1 triangle amplitude
1010: UnMask bit(10:0) of LFSR bit/ 2^11-1 triangle amplitude
1x1x: UnMask bit(11:0) of LFSR bit/ 2^12-1 triangle amplitude
1. Reserved on medium-density devices.

Digital-to-analog converter (DAC) RM0031
238/595 DocID15226 Rev 11
15.4.3 DAC software trigger register (DAC_SWTRIGR)
Address offset: 0x04
Reset value: 0x00
15.4.4 DAC status register (DAC_SR)
Address offset: 0x05
Reset value: 0x00
76543210
Reserved SWTRIG2(1) SWTRIG1
rs rs
1. Reserved on medium-density devices.
Bits 7:2 Reserved, forced by hardware to 0.
Bit 1(1) SWTRIG2: DAC channel 2 software trigger.
This bit is set and cleared by software to enable/disable the software trigger.
0: Software trigger disable
1: Software trigger enable
This bit is present only if the dual DAC is implemented (dual=1), otherwise it is forced to 0
by hardware.
Bit 0 SWTRIG1: DAC channel 1 software trigger.
This bit is set and cleared by software to enable/disable the software trigger.
0: Software trigger disable
1: Software trigger enable
Note: This bit is reset by hardware once the DAC_DHRx register value is loaded to the
DAC_DORx register
1. Reserved on medium-density devices.
76543210
Reserved DMAUDR2(1) DMAUDR1
-rc_w0
1. Reserved on medium-density devices.
Bits 7:2 Reserved, forced by hardware at 0.
Bit 1(1) DMAUDR2: DAC channel DMA underrun flag.
0: No DMA underrun condition is detected.
1: DMA underrun condition detection.
This bit is present only if the dual DAC is implemented. Otherwise, it is forced to 0 by
hardware.
Note: This bit generates the DMA underrun interrupt.
Bit 0 DMAUDR1: DAC channel DMA underrun flag.
0: No DMA underrun condition is detected.
1: DMA underrun condition detection.
Note: This bit generates the DMA underrun interrupt.
1. Reserved on medium-density devices.

DocID15226 Rev 11 239/595
RM0031 Digital-to-analog converter (DAC)
245
15.4.5 DAC channel x right aligned data holding register high
(DAC_RDHRH)
Address offset: 0x08 (channel 1) or 0x14 (channel 2 available on medium + and high-
density devices only)
Reset value: 0x00
15.4.6 DAC channel x right aligned data holding register low
(DAC_CHxRDHRL)
Address offset: 0x09 (channel 1) or 0x15 (channel 2 available on medium+ and high-density
devices only)
Reset value: 0x00
15.4.7 DAC channel x left aligned data holding register high
(DAC_CHxLDHRH)
Address offset: 0x0C (channel 1) or 0x18 (channel 2 available on medium+ and high-density
devices only)
Reset value: 0x00
76543210
Reserved RDHRH[3:0]
rw rw rw rw
Bits 7:4 Reserved, forced by hardware at 0.
Bits 3:0 RDHRH[3:0]: DAC right aligned data holding register most significant bits.
These bits will be loaded as the 4 most significant bits of the 12-bit digital-to-analog
conversion data stored into DHR.
76543210
RDHRL[7:0]
rw rw rw rw rw rw rw rw
Bits 7:0 RDHRL[7:0]: DAC right aligned data holding register least significant bits.
These bits will be loaded as the 8 least significant bits of the 12-bit digital-to-analog
conversion data stored into DHR.
Note: If TEN is not set, write to this register triggers the 12-bit parallel load of DHRx by
RDHRH + RDHRL
76543210
LDHRH
rw rw rw rw rw rw rw rw
Bits 7:0 LDHRH[7:0]: DAC left aligned data holding register most significant bits.
These bits will be loaded as the 8 most significant bits of the 12-bit digital-to-analog
conversion data stored into DHR.

Digital-to-analog converter (DAC) RM0031
240/595 DocID15226 Rev 11
15.4.8 DAC channel x left aligned data holding register low
(DAC_CHxLDHRL)
Address offset: 0x0D (channel 1), 0x19 (channel 2 available on medium+ and high-density
devices only)
Reset value: 0x00
15.4.9 DAC channel x 8-bit data holding register
(DAC_CHxDHR8)
Address offset: 0x10 (channel 1) or 0x1C (channel 2 available on medium+ and high-density
devices only)
Reset value: 0x00
76543210
LDHRL[7:4] Reserved
rw rw rw rw
Bits 7:4 LDHRL[7:4]: DAC channel x left aligned data holding register least significant bits.
These bits will be loaded as the 4 least significant bits of the 12-bit digital-to-analog
conversion data stored into DHR.
Note: If TENx is not set, write to this register triggers the 12-bits parallel load of DHRx by
LDHRH + LDHRL.
Bits 3:0 Reserved, forced by hardware at 0.
7654321 0
8DHR
rw rw rw rw rw rw rw rw
Bits 7:0 8DHR[7:0]: DAC 8-bit data holding register.
These bits will be loaded as the 8 most significant bits of the 12-bit digital-to-analog conversion
data stored into DHR.
Note: If TEN is not set, writing to this register triggers the 8-bit load of DHR by DHR8[11:4]. 4
LSBits of DHR buffer keep unchanged.

DocID15226 Rev 11 241/595
RM0031 Digital-to-analog converter (DAC)
245
15.4.10 DAC channel x dual mode right aligned data holding register high
(DAC_DCHxRDHRH)
Address offset: 0x20 (channel 1) or 0x22 (channel 2)
Reset value: 0x0000 000
Note: This register is available on medium+ and high-density devices only.
15.4.11 DAC channel x dual mode right aligned data holding register low
(DAC_DCHxRDHRL)
Address offset: 0x21 (channel1) or 0x23 (channel2)
Reset value: 0x0000 0000
Note: This register is available on medium+ and high-density devices only.
7654321 0
Reserved
RDHRH[3:0]
rw rw rw rw
Bits 7:4 Reserved, forced by hardware at 0.
Bits 3:0 RDHRH[3:0]: DAC channel x dual mode right aligned data holding register most significant
bits.
These bits will be loaded as the 4 most significant bits of the 12-bit digital-to-analog conversion
data stored into DHR.
7654321 0
RDHRL[7:0]
rw rw rw rw rw rw rw rw
Bits 7:0 RDHRL[7:0]: DAC channel x right aligned data holding register least significant bits.
These bits will be loaded as the 8 least significant bits of the 12-bit digital-to-analog conversion
data stored into DHR.
Note: If TEN is not set, write to DAC_DCH2RDHRL register triggers the 12-bits parallel load of
both DHRx by DAC_DCHxRDHRH + DAC_DCHxRDHRL

Digital-to-analog converter (DAC) RM0031
242/595 DocID15226 Rev 11
15.4.12 DAC channel x dual mode left aligned data holding register high
(DAC_DCHxLDHRH)
Address offset: 0x24 (channel 1), 0x26 (channel 2)
Reset value: 0x0000 0000
Note: This register is available on medium+ and high-density devices only.
15.4.13 DAC channel x left aligned data holding register low
(DAC_DCHxLDHRL)
Address offset: 0x25 (Channel1), 0x27 (Channel2)
Reset value: 0x0000 0000
Note: This register is available on medium+ and high-density devices only.
7654321 0
LDHRH
rw rw rw rw rw rw rw rw
Bits 7:0 LDHRH[7:0]: DAC channel x dual mode left aligned data holding register most significant Bits.
These bits will be loaded as the 8 most significant bits of the 12-bit digital-to-analog conversion
data stored into DHR.
7654321 0
LDHRL[7:4]
Reserved
rw rw rw rw
Bits 7:4 LDHRL[7:4]: DAC channel x data holding register left aligned data least significant bits.
These bits will be loaded as the 4 least significant bits of the 12-bit digital-to-analog conversion
data stored into DHR.
Note: If TEN is not set, write to DAC_DCH2LDHRL register triggers the 12-bits parallel load of
both DHRx by DAC_DCHxLDHRH + DAC_DCHxLDHRL.
Bits 3:0 Reserved, forced by hardware at 0.

DocID15226 Rev 11 243/595
RM0031 Digital-to-analog converter (DAC)
245
15.4.14 DAC channel x dual mode 8-bit data holding register
(DAC_DCHxDHR8)
Address offset: 0x28 (channel1) or 0x29 (channel2)
Reset value: 0x0000 0000
Note: This register is available on medium+ and high-density devices only.
15.4.15 DAC channel x data output register high
(DAC_CHxDORH)
Address offset: 0x2C (channel 1) or 0x30 (channel 2 available on medium+ and high-density
devices only)
Reset value: 0x00
15.4.16 DAC channel x data output register low
(DAC_CHxDORL)
Address offset: 0x2D (channel 1), 0x31 (channel 2 available on medium+ and high-density
devices only)
Reset value: 0x00
7654321 0
8DHR
rw rw rw rw rw rw rw rw
Bits 7:0 8DHR[7:0]: DAC channel x dual mode 8-bit data holding register.
These bits will be loaded as the 8 most significant bits of the 12-bit digital-to-analog conversion
data stored into DHR.
Note: If TEN is not set, write to DAC_DCH2DHR8 register triggers the 8bit load of both
DHRx[11:4] by DAC_DCHxDHR8. 4LSB of DHRx buffers keep unchanged.
7654321 0
Reserved DORH[3:0]
rrr r
Bits 7:4 Reserved, forced by hardware at 0.
Bits 3:0 DORH[3:0]: DAC data output register most significant bit.
4 most significant bits of digital data currently under conversion.
7654321 0
DORL
rrrrrrr r
Bits 7:0 DORL[7:0]: DAC data output register least significant bit.
8 least significant bits of digital data currently under conversion.

Digital-to-analog converter (DAC) RM0031
244/595 DocID15226 Rev 11
15.4.17 DAC register map and reset values
Table 52. DAC register map (medium, medium+ and high-density devices)
Address
offset
Register
name 76543210
0x00 DAC_CH1CR1
Reset value
WAVEN[2:0](1)
0
TSEL[2:0]
0
TEN
0
BOFF
0
EN
0
0x01 DAC_CH1CR2
Reset value --
DMAUDRIE
0
DMAEN
0
MAMP[3:0]
0
0x02 DAC_CH2CR1
Reset value
WAVEN[2:0]
0
TSEL[2:0]
0
TEN
0
BOFF
0
EN
0
0x03 DAC_CH2CR2
Reset value --
DMAUDRIE
0
DMAEN
0
MAMP[3:0](1)
0
0x04 DAC_SWTRIGR
Reset value ------
SWTRIG2(
1) SWTRIG1
0x05 DAC_SR
Reset value ------
DMAUDR2
(1)
0
DMAUDR1
0
0x06 to
0x07 Reserved area
0x08 DAC_CH1RDHRH
Reset value ----
RDHRH3
0
RDHRH2
0
RDHRH1
0
RDHRH0
0
0x09 DAC_CH1RDHRL
Reset value
RDHRL7
0
RDHRL6
0
RDHRL5
0
RDHRL4
0
RDHRL3
0
RDHRL2
0
RDHRL1
0
RDHRL0
0
0x0A to
0x0B Reserved area
0x0C DAC_CH1LDHRH
Reset value
LDHRH7
0
LDHRH6
0
LDHRH5
0
LDHRH4
0
LDHRH3
0
LDHRH2
0
LDHRH1
0
LDHRH0
0
0x0D DAC_CH1LDHRL
Reset value
LDHRL7
0
LDHRL6
0
LDHRL5
0
LDHRL4
0--- -
0x0E
to 0x0F Reserved area
0x10 DAC_CH1DHR8
Reset value
8DHR7
0
8DHR6
0
8DHR5
0
8DHR4
0
8DHR3
0
8DHR2
0
8DHR1
0
8DHR0
0
0x11
to 0x13 Reserved area
0x14 DAC_CH2RDHRH
Reset value ----
RDHRH3
0
RDHRH2
0
RDHRH1
0
RDHRH0
0
0x15 DAC_CH2RDHRL
Reset value
RDHRL7
0
RDHRL6
0
RDHRL5
0
RDHRL4
0
RDHRL3
0
RDHRL2
0
RDHRL1
0
RDHRL0
0
0x16
to 0x17 Reserved area
0x18 DAC_CH2LDHRH
Reset value
LDHRH7
0
LDHRH6
0
LDHRH5
0
LDHRH4
0
LDHRH3
0
LDHRH2
0
LDHRH1
0
LDHRH0
0
0x19 DAC_CH2LDHRL
Reset value
LDHRL7
0
LDHRL6
0
LDHRL5
0
LDHRL4
0--- -
0x1A
to 0x1B Reserved area
0x1C DAC_CH2DHR8
Reset value
8DHR7
0
8DHR6
0
8DHR5
0
8DHR4
0
8DHR3
0
8DHR2
0
8DHR1
0
8DHR0
0

DocID15226 Rev 11 245/595
RM0031 Digital-to-analog converter (DAC)
245
0x1D
to 0x1F Reserved area
0x20 DAC_DCH1RDHRH
Reset Value ----
RDHRH3
0
RDHRH2
0
RDHRH1
0
RDHRH0
0
0x21 DAC_DCH1RDHRL
Reset Value
RDHRL7
0
RDHRL6
0
RDHRL5
0
RDHRL4
0
RDHRL3
0
RDHRL2
0
RDHRL1
0
RDHRL0
0
0x22 DAC_DCH2RDHRH
Reset Value ----
RDHRH3
0
RDHRH2
0
RDHRH1
0
RDHRH0
0
0x23 DAC_DCH2RDHRL
Reset Value
RDHRL7
0
RDHRL6
0
RDHRL5
0
RDHRL4
0
RDHRL3
0
RDHRL2
0
RDHRL1
0
RDHRL0
0
0x24 DAC_DCH1LDHRH
Reset Value
LDHRH7
0
LDHRH6
0
LDHRH5
0
LDHRH4
0
LDHRH3
0
LDHRH2
0
LDHRH1
0
LDHRH0
0
0x25 DAC_DCH1LDHRL
Reset Value
LDHRL7
0
LDHRL6
0
LDHRL5
0
LDHRL4
0--- -
0x26 DAC_DCH2LDHRH
Reset Value
LDHRH7
0
LDHRH6
0
LDHRH5
0
LDHRH4
0
LDHRH3
0
LDHRH2
0
LDHRH1
0
LDHRH0
0
0x27 DAC_DCH2LDHRL
Reset Value
LDHRL7
0
LDHRL6
0
LDHRL5
0
LDHRL4
0--- -
0x28 DAC_DCH1DHR8
Reset Value
8DHR7
0
8DHR6
0
8DHR5
0
8DHR4
0
8DHR3
0
8DHR2
0
8DHR1
0
8DHR0
0
0x29 DAC_DCH2DHR8
Reset Value
8DHR7
0
8DHR6
0
8DHR5
0
8DHR4
0
8DHR3
0
8DHR2
0
8DHR1
0
8DHR0
0
0x2A to
0x2B Reserved area
0x2C DAC_CH1DORH
Reset value ----
DORH3
0
DORH2
0
DORH1
0
DORH0
0
0x2D DAC_CH1DORL
Reset value
DORL7
0
DORL6
0
DORL5
0
DORL4
0
DORL3
0
DORL2
0
DORL1
0
DORL0
0
0x2E
to 0x2F Reserved area
0x30 DAC_CH2DORH
Reset value ----
DORH3
0
DORH2
0
DORH1
0
DORH0
0
0x31 DAC_CH2DORL
Reset value
DORL7
0
DORL6
0
DORL5
0
DORL4
0
DORL3
0
DORL2
0
DORL1
0
DORL0
0
0x32
to 0x35 Reserved area
1. Reserved on medium-density devices.
Table 52. DAC register map (medium, medium+ and high-density devices) (continued)
Address
offset
Register
name 76543210

Comparators (COMP) RM0031
246/595 DocID15226 Rev 11
16 Comparators (COMP)
This section applies to low-density STM8L15xx devices, medium-density STM8L15xx
devices, medium+ density STM8L15xx devices and high-density STM8L15xx/STM8L16xx
devices, unless otherwise specified.
Comparators (COMP) are not available on STM8L05xx value line devices.
16.1 COMP introduction
The STM8L15xx contains two zero-crossing comparators COMP1 and COMP2 that share
the same current bias.
Note: For all I/Os used as comparator inputs, the configuration in the GPIO registers must be
remain input floating.
For complete overview about comparators interconnection, see Section 11: Routing
interface (RI) and system configuration controller (SYSCFG).
16.2 COMP main features
•One comparator (COMP1) with fixed threshold (internal reference voltage). The non-
inverting input can be selected from 25 (medium-density devices) or 28 (medium+ and
high-density devices) external I/Os.
•One rail-to-rail comparator (COMP2) with selectable threshold. The non-inverting input
can be selected from three I/Os. The threshold can be selected from:
– Internal reference voltage VREFINT
– Internal reference voltage submultiple (1/4, 1/2, 3/4)
– DAC output
– One of three external I/Os.
•The 2 comparators can be combined into window comparators.
•A zero-crossing can generate a rising edge or a falling edge on comparator outputs
depending on a polarity bit
•Each comparator can generate an interrupt with wakeup from Halt capability
•COMP2 output can be redirected to TIM1 BRK or OCREFCLR inputs, or TIM2/TIM3
Input Capture 2.
•COMP2 speed is configurable for optimum speed/consumption ratio.
The block diagram is shown on Figure 1.

DocID15226 Rev 11 247/595
RM0031 Comparators (COMP)
255
16.3 Comparator 1 (COMP1)
Figure 51 shows the comparator 1 interconnections.
Figure 51. COMP1 interconnections
1. On medium+ and high-density devices only.
Note: COMP1 and ADC cannot be used simultaneously except for Group 8 of I/Os (PD1, PD0,
PE5) when comparators "Window mode" is selected. As soon as ADC is enabled, AS[14:0]
switches are controlled individually by ADC peripheral and only one switch is closed at a
time.
To use the COMP1 comparator, the application must perform the following steps:
1. Set the VREFEN bit in COMP_CSR3 register to connect VREFINT to comparator 1
inverting input.
2. Close the analog switches to create the path from selected I/O to the non-inverting
input:
– Close analog switch number 14 by setting the AS14 bit in the RI_ASCR2 register.
– Close analog switch number ‘n’ corresponding to the I/O group (refer to Table 27),
by setting the ASx bit in the RI_ASCR1 or RI_ASCR2 register
3. Close the I/O switch of the I/O to be connected to the COMP1 non-inverting input. The
input can be any of the 24 I/Os from the 8 groups of 3 I/Os (refer to Table 27).
– Select the correct I/O port by setting the corresponding CHxE bit in the I/O switch
registers: RI_IOSR1, RI_IOSR2 or RI_IOSR3 (refer to Table 27)
4. If required, enable the COMP1 interrupt by setting the IE1 bit in the COMP_CSR1
register
5. Configure the comparator to detect rising edge, falling edge or both rising and falling
edges using the CMP1[1:0] bits in the COMP_CSR1 register.
Group 1 of 3 I/Os
Group 8 of 3 I/Os
AS0
CH2
CH3
CH1
CH2
CH3
CH1
AS12
AS7
COMP1
+
-
Bias from internal reference voltage
VREFINT
to COMP2
AS1
AS2
AS3
AS4
AS5
AS6
CMP1[1:0] bits
IE1 bit
EF1 Interrupt
Wakeup
VREFEN
bit
PF11)
PF0 AS8
AS9
AS10
AS11
AS13
AS14
PF21)
PF31)
NC
NC

Comparators (COMP) RM0031
248/595 DocID15226 Rev 11
Note: The channel can be changed once the comparator is enabled.
The step 3 is not applicable for PF0, PF1, PF2 and PF3.
16.4 Comparator 2 (COMP2)
Figure 52 shows the comparator 2 interconnections.
Figure 52. COMP2 interconnections
Note: COMP2 and ADC cannot be used simultaneously except for Group 8 of I/Os (PD1, PD0,
PE5). As soon as ADC is enabled, AS[14:0] switches are controlled individually by ADC
peripheral and only one switch is closed at a time.
To use the COMP2 comparator, perform the following steps:
1. Select the COMP2 Inverting Input with the INSEL[2:0] bits in the COMP_CSR3 register.
– To select an external I/O (any I/O in of group 2), close the I/O channel switch by
setting the CH4E bit in the RI_IOSR1, the CH5E bit in the RI_IOSR2 or the CH6E
bit in the RI_IOSR3 register (see Table 27).
2. Close the I/O channel switch to connect the I/O to the COMP2 non-inverting input. The
input can be from any I/O in group 8 (see Table 27).
– Set the CH22E bit in the RI_IOSR1 register, the CH23E bit in the RI_IOSR2 or the
CH24E bit in the RI_IOSR3 register.
3. If required, perform the following procedures:
– Select the speed with the SPEED bit in COMP_CSR2 register.
– Redirect the COMP2 output to timer 1, 2 or 3 by configuring the OUTSEL[1:0] bits
in the COMP_CSR3 register (see Figure 53).
– Enable the COMP2 interrupt by setting the IE2 bit in the COMP_CSR2 register.
4. To detect rising edge, falling edge or both rising and falling edges using the CMP2[1:0]
bits in the COMP_CSR2 register.
PD0
PE5
PC7
PC4
PC3
PD1
COMP2
+
-
PC2
PD7
PD6
From DAC1
I/O ports
Internal reference voltage
CMP2[1:0] bits
VREFINT
1/2 VREFINT
1/4 VREFINT
3/4 VREFINT
IE2 bit
Interrupt
Wakeup
EF2

DocID15226 Rev 11 249/595
RM0031 Comparators (COMP)
255
Note: The channel can be changed once the comparator is enabled.
Figure 53. COMP2 output redirection
16.5 Using the comparators in window mode
Figure 54. Configuring the comparators in window mode
Note: In window mode, only the Group 8 (PD0, PD1 and PE5) can be used as a non-inverting
input.
To use the COMP1 and COMP2 comparators in window mode, perform the following steps:
,(ELW
:DN H XS
&RPSDUDWRULQWHUUXSW
7,0LQSXWFDSWXUH
7,02&UHIFOHDU
7,0EUHDNLQSXW
±
2876(/>@ELWV
&03>@ELWV
&203
()
7,0LQSXWFDSWXUH
DLE
±
±
8SSHUWKUHVKROG9
5(),17
&203
&203
/RZHUWKUHVKROG0XOWLSOHVUFLQFSURJUDPPDEOH9
5(),17
:1':(
9,1
DLF
95()(1ELW
3'
3'
3(

Comparators (COMP) RM0031
250/595 DocID15226 Rev 11
1. Set the VREFEN bit in COMP_CSR3 register to connect VREFINT to comparator 1
inverting input.
2. Select the COMP2 inverting input as explained in Section 16.4.
3. Enable the Window mode by setting the WNDWE bit in the COMP_CSR3 register.
4. Select the COMP2 non-inverting input:
– like for COMP1: follow step 2 and 3 from Section 16.3
– like for COMP2: follow step 3 from Section 16.4
5. Enable the COMP1 comparator using the CMP1[1:0] bits in the COMP_CSR1 register
and the COMP2 comparator using the CMP2[1:0] in the COMP_CSR2 register. Refer
to Table 53 for the different configurations which must be programmed to get the
correct wakeup or interrupt event.
16.6 COMP low power modes
Note: Comparators cannot be used to exit the device from Halt/Active-halt mode when the internal
reference voltage is stopped using the ULP bit in the PWR_CSR2 register.
Table 53. Window interrupts/wakeup modes
Interrupt/wakeup mode CMP1[1:0]
upper threshold
CMP2[1:0]
lower threshold
Vin > Upper (above) 0b10 0b00
Vin < Lower (below) 0b00 0b01
Lower<Vin<Upper (inside) 0b01 0b10
Vin<Lower or Vin>Upper (outside) 0b10 0b01
Table 54. Behavior of comparators in low power modes
Mode Description
Wait or Low
power wait
mode
No effect on comparator.
Comparator interrupts cause the device to exit from Wait or Low power wait mode.
Active-halt or
Halt
No effect on comparator.
Comparator interrupts cause the device to exit from Active-halt or Halt mode.

DocID15226 Rev 11 251/595
RM0031 Comparators (COMP)
255
16.7 COMP interrupts
16.8 COMP registers
16.8.1 Comparator control and status register 1 (COMP_CSR1)
Address offset: 0x00
Reset value: 0x00
.
Table 55. Comparator interrupt requests
Interrupt event Event
flag
Enable
control
bit
Exit
from
Wait/Low
power
wait
Exit
from
Halt/
Active-
halt
Comparator 1 event flag EF1 IE1 Yes Yes
Comparator 2 event flag EF2 IE2 Yes Yes
76543210
Reserved IE1 EF1 CMP1OUT STE CMP1[1:0]
rw rc_w0 r rw rw rw
Bits 7:6 Reserved, must be kept cleared
Bit 5 IE1: Comparator 1 interrupt enable
This bit enables the comparator 1 interrupt generation when an event is detected.
0: Comparator 1 interrupt disabled
1: Comparator 1 interrupt enabled
Bit 4 EF1: Comparator 1 event flag
This bit is set when the selected edge in COMP1[1:0] on comparator 1 output occurs. It is cleared
writing 0 to it. If the comparator interrupt is enabled, then an interrupt is generated.
0: No event detected
1: Event detected
Bit 3 CMP1OUT: Comparator 1 output
This bit is the exact copy of the comparator 1 output.
0: Comparator 1 output is low when non inverting input is at lower voltage than inverting input
1: Comparator 1 output is high when non-inverting input is at higher voltage than inverting input
Bit 2 STE: Schmitt trigger enable
0: Schmitt trigger disabled
1: Schmitt trigger enabled
Note: The STE bit modifies the behavior of the Schmitt trigger of the I/Os featuring an analog function
(ADC channels, comparator inputs) only when the I/O analog switch is closed.
Bits 1:0 CMP1[1:0]: Comparator 1 configuration
00: Comparator 1 disabled
01: Event detection on the falling edge of comparator 1 output
10: Event detection on the rising edge of comparator 1 output
11: Event detection on both rising/falling edges of comparator 1 output

Comparators (COMP) RM0031
252/595 DocID15226 Rev 11
16.8.2 Comparator control and status register 2 (COMP_CSR2)
Address offset: 0x01
Reset value: 0x00
.
76543210
Reserved IE2 EF2 CMP2OUT SPEED CMP2[1:0]
rw rc_w0 r rw rw rw
Bits 7:6 Reserved, must be kept cleared
Bit 5 IE2: Comparator 2 Interrupt Enable
This bit enables the comparator 2 interrupt generation when an event is detected.
0: Comparator 2 interrupt disabled
1: Comparator 2 interrupt enabled
Bit 4 EF2: Comparator 2 event flag
This bit is set when the selected edge in COMP2[1:0] on comparator 2 output occurs. It is cleared by
writing 0 to it. If the comparator interrupt is enabled, then an interrupt is generated.
0: No event detected
1: Event detected
Bit 3 CMP2OUT: Comparator 2 output
This bit is the exact copy of the comparator 2 output.
0: Comparator 2 output is low when non inverting input is at lower voltage than inverting input
1: Comparator 2 output is high when non inverting input is at higher voltage than inverting input
Bit 2 SPEED: Comparator 2 speed mode
0: Slow speed
1: Fast speed
Bits 1:0 CMP2[1:0]: Comparator 2 configuration
00: Comparator 2 disabled
01: Event detection on the falling edge of comparator 2 output
10: Event detection on the rising edge of comparator 2 output
11: Event detection on both rising/falling edges of comparator 2 output

DocID15226 Rev 11 253/595
RM0031 Comparators (COMP)
255
16.8.3 Comparator control and status register 3 (COMP_CSR3)
Address offset: 0x02
Reset value: 0xC0
.
76543210
OUTSEL[1:0] INSEL[2:0] VREFEN WNDWE VREFOUTEN
rw rw rw rw rw rw rw rw
Bits 7:6 OUTSEL[1:0] Comparator 2 output selection
These bits are written by software to connect the output of COMP2 to a selected timer input.
00: COMP2 output connected to Timer 2 input capture 2 (TIM2 IC2). The corresponding input
capture from the I/O is no more available.
01: COMP2 output connected to Timer 3 input capture 2 (TIM3 IC2). The corresponding input
capture from the I/O is no more available.
10: COMP2 output connected to Timer 1 break input (TIM1 BRK). The break input from the I/O is no
more available.
11: COMP2 output connected to Timer 1 OCREF clear (TIM1 OCREFCLR)
Bits 5:3 INSEL: Comparator 2 inverting input selection
000 = no selection
001 = I/O (Group 2 of I/Os)
010 = Internal reference voltage VREFINT
011 = 3/4 VREFINT
100 = 1/2 VREFINT
101 = 1/4 VREFINT
110 = DAC1
111 = DAC2
Bit 2 VREFEN: Internal reference voltage VREFINT enable
0: VREFINT disconnected from COMP1 inverting input
1: VREFINT connected to COMP1 inverting input
Bit 1 WNDWE: Window mode enable
0: Disabled
1: Enabled
Bit 0 VREFOUTEN: VREFINT output enable
This bit can be set by software to output the internal voltage reference on Group 3 I/Os. Refer to
Figure 27.
0: Disabled
1: Enabled

Comparators (COMP) RM0031
254/595 DocID15226 Rev 11
16.8.4 Comparator control and status register 4 (COMP_CSR4)
Address offset: 0x03
Reset value: 0x00
.
Note: When the trigger is disabled on an I/O, the associated bit in Px_IDR register is always read
as 0 even if another level is present on the pin.
16.8.5 Comparator control and status register 5 (COMP_CSR5)
Address offset: 0x04
Reset value: 0x00
.
76543210
Reserved NINVTRIG[2:0] INVTRIG[2:0]
rw rw rw rw rw rw
Bits 7:6 Reserved, must be kept cleared
Bits 5:3 NINVTRIG[2:0]: COMP2 non inverting input
These bits control the Schmitt triggers of all the I/Os belonging to the I/O group 8 (see Table 27),
corresponding to the COMP2 non inverting inputs.
NINVTRIG[0] enables/disables the trigger on pin PE5.
NINVTRIG[1] enables/disables the trigger on pin PD0.
NINVTRIG[2] enables/disables the trigger on pin PD1.
0: Trigger enabled
1: Trigger disabled
Bits 2:0 INVTRIG[2:0]: COMP2 inverting input
These bits control the Schmitt triggers of all the I/Os belonging to the I/O group 2 (see Table 27),
corresponding to the COMP2 inverting inputs.
INVTRIG[0] enables/disables the trigger on pin PC3.
INVTRIG[1] enables/disables the trigger on pin PC4.
INVTRIG[2] enables/disables the trigger on pin PC7.
0: Trigger enabled
1: Trigger disabled
76543210
Reserved DACTRIG[2:0] VREFTRIG[2:0]
rw rw rw rw rw rw

DocID15226 Rev 11 255/595
RM0031 Comparators (COMP)
255
Note: When the trigger is disabled on an I/O, the associated bit in Px_IDR register is always read
as 0 even if another level is present on the pin.
16.8.6 COMP register map and reset values
Bits 7:6 Reserved, must be kept cleared
Bits 5:3 DACTRIG[2:0]: DAC outputs
These bits control the Schmitt triggers of all the I/Os belonging to the I/O group 5 (see Table 27),
corresponding to the DAC outputs.
DACTRIG[0] enables/disables the trigger on pin PB6.
DACTRIG[1] enables/disables the trigger on pin PB5.
DACTRIG[2] enables/disables the trigger on pin PB4.
0: Trigger enabled
1: Trigger disabled
Bits 2:0 VREFTRIG[2:0]: VREFINT outputs
These bits control the Schmitt triggers of all the I/Os belonging to the I/O group 3 (see Table 27),
corresponding to the VREFINT outputs.
VREFTRIG[0] enables/disables the trigger on pin PC2.
VREFTRIG[1] enables/disables the trigger on pin PD7.
VREFTRIG[2] enables/disables the trigger on pin PD6.
0: Trigger enabled
1: Trigger disabled
Table 56. Comparators and routing Interface register map
Address
offset Register
name 76 5 4 3 2 1 0
0x00 COMP_CSR1
Reset value
-
0
-
0
IE1
0
EF1
0
CMP1OUT
0
STE
0
CMP11
0
CMP10
0
0x01 COMP_CSR2
Reset value
-
0
-
0
IE2
0
EF2
0
CMP2OUT
0
SPEED
0
CMP21
0
CMP20
0
0x02 COMP_CSR3
Reset value
OUTSEL1
1
OUTSEL0
1
INSEL2
0
INSEL1
0
INSEL0
0
VREFEN
0
WINDWE
0
VREFOUTEN
0
0x03 COMP_CSR4
Reset value
-
0
-
0
INVTRIG2
0
INVTRIG1
0
INVTRIG0
0
NINVTRIG2
0
NINVTRIG1
0
NINVTRIG0
0
0x04 COMP_CSR5
Reset value
-
0
-
0
DACTRIG2
0
DACTRIG1
0
DACTRIG0
0
VREFTRIG2
0
VREFTRIG1
0
VREFTRIG0
0

LCD controller RM0031
256/595 DocID15226 Rev 11
17 LCD controller
This section applies to medium-density STM8L052x/STM8L152x devices, medium+ density
STM8L052x/STM8L152x devices and high-density STM8L052x/STM8L152x/STM8L162x
devices, unless otherwise specified.
17.1 LCD controller introduction
The LCD controller can drive a passive-matrix LCD (liquid crystal display) unit.
•In STM8L05xx value line high-density devices, it can interface with 8 common
terminals and up to 24 segment terminals to drive up to 192 picture elements (pixels).
•In medium+ and high-density devices, it can interface with 8 common terminals and up
to 44 segment terminals to drive up to 320 picture elements (pixels).
•In medium-density devices, It can interface with 4 common terminals and up to 28
segment terminals to drive up to 112 picture elements (pixels).
The LCD is made up of several segments (pixels or complete symbols) which can be turned
visible or invisible. Each segment consists of a layer of liquid crystal molecules aligned
between two electrodes. When a voltage greater than a threshold voltage is applied across
the liquid crystal, the segment becomes visible. The segment voltage must be alternated to
avoid an electrophoresis effect in the liquid crystal (which degrades the display). The
waveform across a segment must then be generated so as to avoid having a direct current
(DC).
17.1.1 Definitions
Glossary
•LCD (Liquid crystal display): a passive display panel with terminals driving segments.
•Segment: the smallest viewing element (a single bar or dot that is used to help create a
character on a LCD display).
•Common: electrical connection terminal connected to several segments.
•Duty ratio: number defined as 1 / (number of common terminals on an LCD display).
•Bias: indicates the number of voltage levels used when driving an LCD. It is defined as
1 / (number of voltage levels used driving a LCD display - 1).
•Frame: one period of the waveforms written to a segment.
•Frame rate: number of frames per second, that is, number of times the LCD segments
are energized per second.
•Boost circuit: contrast controller circuit.

DocID15226 Rev 11 257/595
RM0031 LCD controller
285
17.2 LCD controller main features
•High-flexibility frame rate control
•In value line high-density devices
– Static,1/2, 1/3, 1/4 and 1/8 duty supported
– 1/2, 1/3 and 1/4 bias supported
– LCD data RAM of up to 18 x 8-bit registers which contain pixel (LCD picture
element) information (active/inactive)
– Capability to drive 112 (28x4) or 192 (24x8) pixels
•In medium+ and high-density devices
– Static,1/2, 1/3,1/4 and 1/8 duty supported
– 1/2, 1/3 and 1/4 bias supported
– LCD data RAM of up to 22 x 8-bit registers which contain pixel (LCD picture
element) information (active/inactive)
– Capability to drive 176 (44x4) or 320 (40x8) pixels
•In medium-density devices
– Static,1/2, 1/3 and 1/4 duty supported
– 1/2 and 1/3 bias supported
– LCD data RAM of up to 14 x 8-bit registers which contain pixel (LCD picture
element) information (active/inactive)
– Capability to drive 112 (28x4) pixels
•LCD output voltage software selectable
•No need for external analog components:
– A booster is embedded to generate an internal VLCD voltage independent from
VDD.
– Software selection between external and internal VLCD voltage source. In case of
an external source, the internal boost circuit is disabled to reduce power
consumption.
– A resistive network is embedded to generate intermediate VLCD voltages.
– The structure of the resistive network is configurable by software to adapt the
power consumption to match the capacitive charge required by the LCD panel.
•The contrast can be adjusted using two different methods:
– When using the internal booster, the software can adjust VLCD between VLCDmin
and VLCDmax.
– Programmable dead time (up to 7 phase periods) between frames.
•Full support of low power modes: the LCD controller can be displayed in Active-halt,
Wait, Low power run and Low power wait modes or can be fully disabled to reduce
power consumption
•Phase inversion to reduce power consumption and EMI (electromagnetic interference)
•Start of frame interrupt to synchronize the software when updating the LCD data RAM.
•Blink capability:
– SEG0 COM0, SEG0 COMx, or SEGx COMx which can be programmed to blink at
a configurable frequency.
– Software adjustable blink frequency to achieve around 0.5 Hz, 1 Hz, 2 Hz or
4 Hz.

LCD controller RM0031
258/595 DocID15226 Rev 11
•Capability to assign some of the SEGx (segment) and COMx (common) pins as
standard general purpose IOs when not used.
The availability of SEGx pins for GPIO depends on LCD_PM registers; the availability
of COMx pins depends on COM signal duty setting exclusively when LCD is enabled.
17.3 LCD functional description
17.3.1 General description
The block diagram of the LCD controller is shown in the following figure.
Figure 55. Medium + and high-density LCD controller block diagram
/&'&/.
/&'5$0
[ELWV
WR08;
&20
&20
6(*
6(*
9/&'
966
6(*>@
&20>@
36>@
',9>@
/&'&/.
/&'&/.
FNBGLY
'LYLGHE\WR
$''5(66%86
'$7$%86
(1
+'
$QDORJ
VZLWFK
DUUD\
/&'5(*6
&&>@
9/&'
9/&'
9/&'
%,$6>@
,QWHUUXSW
38/6(*(1
FNBSV
,23RUWV
5($'<
96(/
67$7,&
ELW3UHVFDOHU
/&'5(*6
)5(48(1&<*(1(5$725
DL
9ROWDJH
JHQHUDWRU
&RQWUDVW
FRQWUROOHU
$QDORJERRVWHU
&ORFNPX[
6(*
GULYHU
&20
GULYHU

DocID15226 Rev 11 259/595
RM0031 LCD controller
285
Figure 56. Medium-density LCD controller block diagram
17.3.2 Frequency generator
The frequency generator allows to achieve various LCD frame rates starting from an LCD
input clock frequency which is equal to RTCCLK divided by 2. For more information about
the LCD clock source configuration please refer to Section 9.9: RTC and LCD clock.
This clock source must be in the range of 16.384 kHz to 500 kHz and must be stable to
obtain an accurate LCD timing and minimize the DC voltage offset across LCD segments. It
can be divided by values from 1 up to 215 x 31. The frequency generator consists of a
prescaler (16-bit ripple counter) and a programmable clock divider (factor 16 to 31).
The PS[3:0] bits in the LCD_FRQ register select the prescaler so as to divide LCDCLK by
2PS[3:0]. If a finer resolution rate is required, the DIV[3:0] bits in the LCD_FRQ register can
be used to further divide the clock by 16 to 31. In this way the user can fine-tune the
frequency by linearly scaling (up/down) the clock with the counter.
The output of the frequency generator block is ck_div which constitutes the time base for the
entire LCD controller. The ck_div frequency is equivalent to the LCD phase frequency rather
than the frame frequency (they are equal only in case of static duty).
/&'&/.
/&'5$0
[ELWV
WR08;
&20
&20
6(*
6(*
9/&'
966
6(*>@
&20>@
36>@
',9>@
/&'&/.
/&'&/.
FNBGLY
&/2&.08;
'LYLGHE\WR
$''5(66%86
'$7$%86
(1
+'
$QDORJ
VZLWFK
DUUD\
&2175$67
&21752//(5
/&'5(*6
92/7$*(
*(1(5$725
&&>@
9/&'
9/&'
9/&'
&20
'5,9(5
6(*
'5,9(5
%
,QWHUUXSW
38/6(*(1
FNBSV
,23RUWV
$QDORJERRVWHU
5($'<
96(/
67$7,&
ELW3UHVFDOHU
/&'5(*6
)5(48(1&<*(1(5$725
DL

LCD controller RM0031
260/595 DocID15226 Rev 11
The frame frequency (fframe) is obtained from ck_div by dividing it by the number of active
common terminals (or by multiplying it by the duty ratio). Thus the relation between the input
clock frequency (fLCDCLK) of the frequency generator and its output clock frequency fck_div
is:
The frame frequency which must be selected to be within a range of around ~30 Hz to ~100
Hz is a compromise between power consumption and acceptable refresh rate. In addition, a
dedicated blink prescaler selects the blink frequency. This frequency is defined as:
with BLINKF[2:0] = 0,1,2,..,7
The blink frequency achieved is in the range of 0.5 Hz, 1 Hz, 2 Hz or 4 Hz. Some examples
of typical frame rate calculation are shown in Table 57 and Table 58.
fck_div
fLCDCLK
2PS 16 DIV+〈〉×
-------------------------------------------------=
fframe fck_div duty×=
fBLINK
fck_div
2BLINKF 3+
-----------------------------=

DocID15226 Rev 11 261/595
RM0031 LCD controller
285
Table 57. Typical frame rate calculation for input frequency of 16.384 kHz
CLK Duty PS[3:0] DIV[3:0] Ratio fLCD fframe BLINKF[2:0]
divider fBLINK
16.384 kHz
1/8
2064256 Hz 32 Hz
/512
/256
/64
0.5 Hz
1.0 Hz
4.0 Hz
1032512 Hz 64 Hz
/1024
/512
/128
0.5 Hz
1.0 Hz
4.0 Hz
00161024 Hz 128 Hz /1024
/256
1.0 Hz
4.0 Hz
1/4
30 128 128 Hz 32 Hz
/256
/128
/32
0.5 Hz
1.0 Hz
4.0 Hz
2064256 Hz 64 Hz
/512
/256
/64
0.5 Hz
1.0 Hz
4.0 Hz
1032512 Hz 128 Hz
/1024
/512
/128
0.5 Hz
1.0 Hz
4.0 Hz
1/2
40 256 64 Hz 32 Hz
/128
/64
/16
0.5 Hz
1.0 Hz
4.0 Hz
30 128 128 Hz 64 Hz
/256
/128
/32
0.5 Hz
1.0 Hz
4.0 Hz
2064256 Hz 128 Hz
/512
/256
/64
0.5 Hz
1.0 Hz
4.0 Hz
static
50 512 32 Hz 32 Hz
/64
/32
/8
0.5 Hz
1.0 Hz
4.0 Hz
40 256 64 Hz 64 Hz
/128
/64
/16
0.5 Hz
1.0 Hz
4.0 Hz
30 128 128 Hz 128 Hz
/256
/128
/32
0.5 Hz
1.0 Hz
4.0 Hz

LCD controller RM0031
262/595 DocID15226 Rev 11
Table 58. Typical frame rate calculation for input frequency of 500 kHz
Note: The software can decrement the frame frequency by simply incrementing the LCD_FRQ
register.
17.3.3 Common driver
Common signals are generated by a common driver which is a programmable ring counter
(see Figure 57).
COM signal bias
Each common signal (COMn) has identical waveforms but different phases. It has the
maximum amplitude VLCD or VSS only during the phase n of a frame cycle. During the other
phases, the signal amplitude is
•1/4 VLCD or 3/4 VLCD in case of 1/4 bias (high-density devices only)
•1/3 VLCD or 2/3 VLCD in case of 1/3 bias
•1/2 VLCD in case of 1/2 bias.
Note: The LCD controller generates only one type of LCD waveforms (waveform consuming less
power). The waveforms are described in Figure 59, Figure 60, Figure 61 and Figure 62.
CLK Duty PS[3:0] DIV[3:0] Ratio fLCD fFRAME BLINKF[2:0]
divider fBLINK
500 kHz
1/8
7 0 2048 244.00 Hz 30.51 Hz
/256
/128
/32
0.47 Hz
0.95 Hz
3.81 Hz
5 3 608 822.30 Hz 102.79 Hz /1024
/256
0.80 Hz
3.21 Hz
1/4
8 0 4096 122.00 Hz 30.51 Hz
/256
/128
/32
0.47 Hz
0.95 Hz
3.81 Hz
6 3 1216 411.10 Hz 102.79 Hz
/1024
/512
/128
0.40 Hz
0.80 Hz
3.21 Hz
1/2
9 0 8192 61.00 Hz 30.51 Hz
/128
/64
/16
0.47 Hz
0.95 Hz
3.81 Hz
7 3 2432 205.60 Hz 102.79 Hz
/512
/256
/64
0.40 Hz
0.80 Hz
3.21 Hz
static
10 0 16384 30.51 Hz 30.51 Hz
/64
/32
/8
0.47 Hz
0.95 Hz
3.81 Hz
8 3 4864 102.79 Hz 102.79 Hz
/256
/128
/32
0.40 Hz
0.80 Hz
3.21 Hz

DocID15226 Rev 11 263/595
RM0031 LCD controller
285
Selection between 1/2, 1/3 and 1/4 bias mode can be done by programming the B2 bit in the
LCD_CR1 register.
•the B2 bit in the LCD_CR1 register and the B4 bit in the LCD_CR4 register in medium+
and high-density devices
•the B2 bit in the LCD_CR1 register in medium-density devices
A pixel is activated when both of its corresponding common and segment lines have their
maximum amplitudes during the same phase. As shown in Figure 57, common signal in
even frames vs. odd frames are phase inverted in order to reduce EMI (electromagnetic
interference). The first frame generated is the odd one followed by an even one.
Figure 57. 1/3 bias, 1/4 duty
In case of 1/2 bias (B2 bit set in the LCD_CR1 register in medium, medium+ and high-
density devices and B4 bit reset in the LCD_CR4 register in medium+ and high-density
devices), an intermediate voltage equal to 1/2 VLCD is generated for even and odd frames;
The input of this common driver is ck_div which is used to generate common waveforms.
COM signal duty
In medium+ and high-density devices:
Common signals are generated depending on the DUTY[1:0] bits in the LCD_CR1 register
and on the DUTY8 bit in the LCD_CR4 register. Five duty ratios can be selected:
•Static duty (see Figure 59: Liquid crystal display and terminal connection (static duty)
on page 266)
•1/2 duty (see Figure 60: Liquid crystal display and terminal connection (1/2 duty, 1/2
bias) on page 267)
•1/3 duty (see Figure 61: Liquid crystal display and terminal connection (1/3 duty, 1/3
bias) on page 268)
•1/4 duty (see Figure 62: Liquid crystal display and terminal connection (1/4 duty, 1/3
bias) on page 269)
•1/8 duty (see Figure 63: Liquid crystal display and terminal connection (1/8 duty, 1/4
bias) on page 270)
2/3 VLCD
1/3 VLCD
VSS
VLCD
Common
2/3 VLCD
1/3 VLCD
VSS
VLCD
Segment
Phase 0 Phase 1 Phase 2 Phase 3 Phase 0 Phase 1 Phase 2 Phase 3
Odd frame Even frame
COM active COM inactive COM inactive COM inactive COM active COM inactive COM inactive COM inactive
SEG inactive SEG inactiveSEG active SEG active SEG inactive SEG inactiveSEG active SEG active

LCD controller RM0031
264/595 DocID15226 Rev 11
In medium-density devices:
Common signals are generated depending on the DUTY[1:0] bits in the LCD_CR1 register.
Four duty ratios can be selected:
•Static duty (see Figure 59: Liquid crystal display and terminal connection (static duty)
on page 266)
•1/2 duty (see Figure 60: Liquid crystal display and terminal connection (1/2 duty, 1/2
bias) on page 267)
•1/3 duty (see Figure 61: Liquid crystal display and terminal connection (1/3 duty, 1/3
bias) on page 268)
•1/4 duty (see Figure 62: Liquid crystal display and terminal connection (1/4 duty, 1/3
bias) on page 269)
The ‘n’ value has an impact on COMn behaviors:
•COMn (with ‘n’ from 0 to 3 in medium-density devices and from 0 to 7 in medium+ and
high-density devices) is active
– during phase ‘n’ of an even frame. The COMn pin is then driven to VLCD
– during phase ‘n’ of an odd frame. The COMn pin is then driven to VSS
•COMn is inactive during a phase not equal to ‘n’
– In case of 1/4 bias (medium+ and high-density devices only), the COMn pin is then
driven to 1/4 VLCD during an even frame and to 3/4 VLCD during an odd frame
– In case of 1/3 bias, the COMn pin is then driven to 1/3 VLCD during an even frame
and to 2/3 VLCD during an odd frame
– In case of 1/2 bias, the COMn pin is then always driven to 1/2 VLCD (odd and even
frame).
When static duty is selected, the segment lines are not multiplexed, which means that each
segment output corresponds to one pixel. In this way only 28 pixels in the medium-density
devices and up to 44 pixels in the medium+ and high-density devices can be driven. COM0
is always active and only two voltage levels are used for the segment and common lines:
VLCD and VSS, while COM[3:1] in medium-density devices or COM[7:1] in medium+ and
high-density devices are not used.
A pixel is active if the corresponding segment line gets a voltage different from that of the
common line. It is inactive when both voltages are the same. In this case, the LCD has the
maximum contrast (see Figure 58 and Figure 59).
In the following figure, pixel 0 is active while pixel 1 is inactive.

DocID15226 Rev 11 265/595
RM0031 LCD controller
285
Figure 58. Static duty
In each frame there is only one phase, this is why fframe is equal to ffck_div.
In case of 1/4 duty:
If 1/4 duty is selected there are four phases in a frame in which COM0 is active during phase
0, COM1 is active during phase 1, COM2 is active during phase 2, and COM3 is active
during phase 3.
In this mode, the segment terminals are multiplexed and each of them control four pixels. A
pixel is activated only when both of its corresponding segments and common lines are
active in the same phase.
•To deactivate pixel 0 connected to COM0, SEG0 needs to be inactive during the phase
0 when COM0 is active.
•To activate pixel 27 connected to COM1, SEG27 needs to be active during phase 1
when COM1 is active (see Figure 62).
•To activate pixels from 0 to 27 connected to COM0, SEG[0:27] need to be active during
phase 0 when CM0 is active.
These rules can be applied to all other pixels.
8 to 1 multiplexer
In medium+ and high-density devices, when COM[0] is active, the common driver block also
drives the 8 to 1 multiplexer shown in Figure 55: Medium + and high-density LCD controller
block diagram in order to select the content of RAM register locations corresponding to
COM[0]. When COM[7] is active, the output of the 8 to 1 multiplexer is the content of the
RAM locations corresponding to COM[7]. Refer to Section 17.6.7: LCD display memory
(LCD_RAM) on page 282.
4 to 1 multiplexer
In medium-density devices, when COM[0] is active, the common driver block also drives the
4 to 1 multiplexer shown in Figure 56: Medium-density LCD controller block diagram in
order to select the content of RAM register locations corresponding to COM[0]. When
COM[4] is active, the output of the 4 to 1 multiplexer is the content of the RAM locations
VLCD
VSS
COM0
VLCD
VSS
SEG0
VLCD
VSS
SEG1
VLCD
0
COM0-
-VLCD
SEG0
VLCD
0
COM0-
-VLCD
SEG1
Even
frame
Odd
frame
Even
frame
Odd
frame

LCD controller RM0031
266/595 DocID15226 Rev 11
corresponding to COM[4]. Refer to Section 17.6.7: LCD display memory (LCD_RAM) on
page 282.
Figure 59. Liquid crystal display and terminal connection (static duty)
1/1 V
0/1 V
1/1 V
0/1 V
1/1 V
0/1 V
1/1 V
0/1 V
-1/1 V
0/1 V
PIN
PIN
SEG0
COM0
COM0 - SEG0
COM0 - SEG1
Selected waveform
Non selected waveform
PIN
SEG1
COM0
SEG0
SEG1
SEG2
SEG3
SEG4
SEG6
SEG5
SEG7
1 frame

DocID15226 Rev 11 267/595
RM0031 LCD controller
285
Figure 60. Liquid crystal display and terminal connection (1/2 duty, 1/2 bias)
PIN
PIN
PIN
COM1
SEG0
COM0
COM0 - SEG0
COM0 - SEG1
Selected waveform
Non selected waveform
PIN
SEG1
2/2 V
1/2 V
0/2 V
2/2 V
0/2 V
2/2 V
0/2 V
2/2 V
1/2 V
0/2 V
2/2 V
1/2 V
0/2 V
-1/2 V
-2/2 V
1/2 V
0/2 V
-1/2 V
1 frame
COM0
COM1
SEG0
SEG1
SEG2
SEG3

LCD controller RM0031
268/595 DocID15226 Rev 11
Figure 61. Liquid crystal display and terminal connection (1/3 duty, 1/3 bias)
PIN
PIN
PIN
PIN
COM1
COM2
COM0
SEG0
PIN
SEG1
COM0 - SEG1
COM0 - SEG0
Selected waveform
Non selected waveform
3/3 V
2/3 V
1/3 V
0/3 V
3/3 V
2/3 V
1/3 V
0/3 V
3/3 V
2/3 V
1/3 V
0/3 V
3/3 V
2/3 V
1/3 V
0/3 V
3/3 V
2/3 V
1/3 V
0/3 V
3/3 V
2/3 V
1/3 V
0/3 V
-3/3 V
-2/3 V
-1/3 V
1/3 V
0/3 V
-1/3 V
1 frame
COM0
COM1
COM2
SEG0 SEG1 SEG2

DocID15226 Rev 11 269/595
RM0031 LCD controller
285
Figure 62. Liquid crystal display and terminal connection (1/4 duty, 1/3 bias)
1 frame
PIN
PIN
PIN
PIN
PIN
COM0
COM1
COM2
COM3
SEG0
PIN
SEG1
COM3 - SEG0
COM0 - SEG0
Selected Waveform
Non selected waveform
3/3 V
2/3 V
1/3 V
0/3 V
3/3 V
2/3 V
1/3 V
0/3 V
3/3 V
2/3 V
1/3 V
0/3 V
3/3 V
2/3 V
1/3 V
0/3 V
3/3 V
2/3 V
1/3 V
0/3 V
3/3 V
2/3 V
1/3 V
0/3 V
3/3 V
2/3 V
1/3 V
0/3 V
-3/3 V
-2/3 V
-1/3 V
1/3 V
0/3 V
-1/3 V
Liquid crystal display
and terminal connection
COM0
COM1
COM2
SEG0
COM3
SEG1

LCD controller RM0031
270/595 DocID15226 Rev 11
Figure 63. Liquid crystal display and terminal connection (1/8 duty, 1/4 bias)
1. Available on medium+ and high-density devices only.
17.3.4 Segment driver
The segment driver controls the segments depending on the input pixel data coming from
the 4 to 1 multiplexers (in the medium-density devices) or from 8 to 1 multiplexers (in the
medium+ and high-density devices) driven in each phase by the common driver.
In case of 1/4 duty, when COM0 is active, pixel information (active/inactive) relative to pixel
connected to COM0 goes through the 4 to 1 multiplexer.
In case of 1/8 duty, when COM0 is active, the pixel information (active/inactive) relative to
the pixel connected to COM0 goes through the 8 to 1 multiplexer.
4/4 V
3/4 V
2/4 V
1/4 V
0/4 V
4/4 V
3/4 V
2/4 V
1/4 V
0/4 V
4/4 V
3/4 V
2/4 V
1/4 V
0/4 V
4/4 V
3/4 V
2/4 V
1/4 V
0/4 V
4/4 V
3/4 V
2/4 V
1/4 V
0/4 V
4/4 V
3/4 V
2/4 V
1/4 V
0/4 V
-1/4 V
-2/4 V
-3/4 V
-4/4 V
PIN
PIN
PIN
PIN
PIN
COM0 - SEG0
1 frame
4/4 V
3/4 V
2/4 V
1/4 V
0/4 V
-1/4 V
-2/4 V
-3/4 V
-4/4 V
COM2 - SEG0
Selected Waveform
Non selected waveform
COM0
COM1
COM2
COM7
SEG0
Liquid Crystal Display
and Terminal Connection
COM0
COM1
COM5
COM7
COM6
COM4
COM3
COM2
SEG0

DocID15226 Rev 11 271/595
RM0031 LCD controller
285
The segment driver can operate in different ways:
•If pixel 'n' is active when COM0 is active:
– the segment driver drives the SEGn pin (with ‘n’ from 0 to 27 in medium-density
devices or from 0 to 43 in medium+ and high-density devices) to VSS in the phase
0 of an even frame
– the segment driver drives the SEGn pin to VLCD in the phase 0 of an odd frame
•If pixel 'n' is inactive
– in case of 1/4 bias (in medium+ and high-density devices) the segment driver
drives the SEGn pin to 1/2 VLCD in an even frame and to 1/2 VLCD in an odd frame
– in case of 1/3 bias the segment driver drives the SEGn pin to 2/3 VLCD in an even
frame. the segment drives drives the SEGn pin to 1/3 VLCD in an odd frame.
– in case of 1/2 bias SEGn pin is driven to VLCD in an even frame and to Vss in an
odd frame (see Figure 60: Liquid crystal display and terminal connection (1/2 duty,
1/2 bias)).
The segment driver also performs LCD pin multiplexing as general I/O.
17.3.5 Enabling a segment
Each segment pin (SEG[27:0] or SEG[43:0]) can be enabled or disabled (configured as
general purpose I/O) independently through 4 or 6 LCD_PM registers. If the LCDEN bit in
the LCD_CR3 register is reset and pins are configured as segment pins, segment lines are
then pulled down to VSS at the end of the even frame.
17.3.6 Blink
The segment driver also implements a programmable blink feature. It is possible to select
the number of blink pixels through the BLINK[1:0] bits in the LCD_CR1 register:
•a single pixel (COM0, SEG0),
•all the pixels attached to SEG0 (up to 4),
•or all pixels.
To do this, the corresponding bits in the LCD data RAM must be programmed.
The blink prescaler, through the BLINKF[2:0] bits, selects a wide range of blink frequencies,
including 0.5 Hz, 1 Hz, 2 Hz or 4 Hz.
17.3.7 Multiplexing COM[7:4] and SEG[43:40], SEG[39:36], or SEG[31:28]
In medium+ and high-density devices, the LCD controller can drive Nx4 or (N-4)x8 pixels
through the N+4 available LCD pins. The COM4..7 signals and some SEG signals
(depending on packages) share the same four pins and the multiplexing is controlled by the
DUTY8 bit in the LCD_CR4 register.
Note: “N” values can be 44, 40 or 28 respectively on 80-pin, 64-pin or 48-pin packages.
For STM8L05xx value line devices, “N” value is 28 on 64-pin or 48-pin packages.

LCD controller RM0031
272/595 DocID15226 Rev 11
•On 80-pin packages: The LCD controller can drive 44x4 or 40x8 pixels through the 48
available LCD pins. The COM4..7 signals and the SEG40..43 signals share the same
four pins and the multiplexing is controlled by the DUTY8 bit in the LCD_CR4 register:
– if DUTY8=0, the SEG40..43 are respectively mapped on PF4..PF7 ports.
– if DUTY8=1, the COM4..7 are respectively mapped on PF4..PF7 ports.
•On 64-pin package: The LCD controller can drive 40x4 or 36x8 pixels(1) through the 44
available LCD pins. The COM4..7 signals and the SEG36..39 signals share the same
four pins and the multiplexing is controlled by the DUTY8 bit in the LCD_CR4 register:
– if DUTY8=0, the SEG36..39 are respectively mapped on PF4..PF7 ports.
– if DUTY8=1, the COM4..7 are respectively mapped on PF4..PF7 ports.
•On 48-pin package: The LCD controller can drive 28x4 or 24x8 pixels(1) through the 32
available LCD pins. The COM4..7 signals and the SEG24..27 signals share the same
four pins and the multiplexing is controlled by the DUTY8 bit in the LCD_CR4 register:
– if DUTY8=0, the SEG24..27 are respectively mapped PC4, PC7, PE6 and PE7 on
ports.
– if DUTY8=1, the COM4..7 are respectively mapped on PC4, PC7, PE6 and PE7
ports.
1. On STM8L05xx value line devices, the LCD controller can drive 28x4 or 24x8 pixels for 64-pin package
and 28x4 pixels for 48-pin package. 80-pin package is not available.
17.3.8 Generation of LCD voltage levels
The LCD voltage levels are generated internally using:
•an internal booster which generates VLCD. The user can also provide the VLCD voltage
externally through the VLCD pin if the VSEL bit is set in the LCD_CR2 register
•an internal resistor divider network which generates all VLCD intermediate voltages, as
shown in Figure 64.
In fact, two resistive networks are used, one with low value resistors (Rl) and one with high
value resistors (RH) which are respectively used to increase the current during transitions
and to reduce power consumption in static state.
The EN switch follows the following rules:
•If LCDEN bit in the LCD_CR3 register is set, the EN switch is closed.
•When clearing the LCDEN bit in the LCD_CR3, the EN switch is open at the end of the
even frame in order to avoid a medium voltage level different from 0 during the frame.
The PON[2:0] (Pulse ON duration) bits in the LCD_CR2 register configure the time during
which RL is enabled (see Figure 55) through a HD (high drive) when the levels of common
and segment lines change. A short drive time decreases power consumption, but displays
Table 59. SEG and COM signal mapping
Packages DUTY8 = 0 DUTY8 = 1
80-pin packages SEG40...43 are mapped respectively
on ports PF4...PF7.
COM4...7 are mapped respectively
on ports PF4...PF7
64-pin packages SEG36...39 are mapped respectively
on ports PF4...PF7.
COM4...7 are mapped respectively
on ports PF4...PF7
48-pin packages SEG24...27 are mapped respectively
on ports PC4, PC7, PE6 and PE7
COM4...7 are mapped respectively
on ports PC4, PC7, PE6 and PE7

DocID15226 Rev 11 273/595
RM0031 LCD controller
285
with high internal resistance may need a longer drive time to achieve a satisfactory contrast.
The RL divider can be always switched on using the HD bit in the LCD_CR2 register.
The HD switch follows the rules described below:
•If the HD bit and the PON[2:0] bits in the LCD_CR2 are reset, then HD switch is open.
•If the HD bit in the LCD_CR2 register is reset and the PON[2:0] bits in the LCD_CR2
are different from 00 then, the HD switch is closed during the number of pulses defined
in the PON[2:0] bits.
•If HD bit in the LCD_CR2 register is 1 then HD switch is always closed.
The VLCD value can be chosen among a wide set of values from VLCDmin to VLCDmax using
the CC[2:0] bits (contrast control bits) in the LCD_CR2 register (see Figure 55). New VLCD
values take effect at each beginning of a new frame.
Figure 64. Resistive network
1. RLN: Low value resistor network. RHN: High value resistor network.
%.
($
6
,# $
6
33
BIAS
NODEB
2
,.
BIASORBIAS
BIAS
BIAS
34!4)#
-36
NODEA
NODEC
2
(.

LCD controller RM0031
274/595 DocID15226 Rev 11
•In case of 1/2 bias, one voltage level (1/2 VLCD) is generated and node b voltage is 1/2
VLCD.
•In case of 1/3 bias, two intermediate voltage levels (1/3 VLCD, 2/3 VLCD) are generated
– node a is 1/3 VLCD
– node b is 2/3 VLCD
•In case of 1/4 bias (medium+ and high-density devices only), three intermediate
voltage levels (1/4 VLCD, 1/2 VLCD and 3/4 VLCD) are generated
– node a is 1/4 VLCD
– node b is 1/2 LCD
– node c is 3/4 VLCD.
Internal or external VLCD source can be selected using the VSEL bits of the LCD_CR2
register.
Note: In case the internal VLCD source is selected (VSEL=0) and the LCD is used in Active-halt
mode, the ULP bit (bit 1) in the PWR_CSR2 register must be programmed to '0' because the
internal VLCD source needs the internal reference voltage.
The contrast can be controlled by programming a dead time between each couple of frames
where the COM and SEG value is tied to Vss in the same time. The DEAD[0:2] bits in the
LCD_CR3 register can be used to program up to 7 times a phase period.
Figure 65. Contrast control
odd frame even frame odd frame even frame
dead time

DocID15226 Rev 11 275/595
RM0031 LCD controller
285
17.3.9 LCD buffer update
Each time the LCD message is to be changed, LCD_RAM content is to be updated with new
data.
Single buffered memory does not allow data in LCD_RAM buffer to be updated at any time
by the application firmware without affecting the integrity of data displayed. So, to avoid any
display unexpected behavior, the application firmware must make sure that LCD_RAM
content is updated synchronously with the start of frame.
To update the LCD_RAM content, proceed as follow:
•Clear SOF flag by setting SOFC bit in LCD_CR3
•Wait until SOF active (start of new frame) by polling SOF bit in LCD_CR3 until it is
asserted or waiting until the LCD Interrupt is serviced (if the SOFIE bit is set)
•Update LCD_RAM buffer
Note: Thereby, LCD_RAM refresh rate should not be faster than the LCD frame frequency.
Otherwise it might result in lower quality display results like pixel blinking.
17.4 LCD controller low power modes
Note: The device can enter Halt mode only when the RTC is OFF, or when HSE or HSI is used as
RTC clock source. The device is in Active-halt mode when LSE or LSI is selected.
17.5 LCD controller interrupts
The common driver can also generate a start of new frame flag through the SOF bit in the
LCD_CR3 register. This bit is set at the beginning of the last COM of the even frame. At this
moment, the last segments are displayed and the CPU can update the data RAM to avoid
displaying flickering data on the LCD panel.
Table 60. LCD behavior in low power modes
Mode Description
Low power wait
/Wait The LCD is still active.
Active-halt The LCD is still active. If internal VLCD booster is used, ULP bit must be '0' in
PWR_CSR2.
Halt The LCD is not active.

LCD controller RM0031
276/595 DocID15226 Rev 11
Figure 66. SOF interrupt signal
The LCD start of frame interrupt is generated if the SOFIE bit (interrupt enable bit) in the
LCD_CR3 register is set. The start of frame flag is cleared by software by writing 1 to the
SOFC bit in the LCD_CR3 register.
Table 61. LCD interrupt requests
Interrupt event Event flag Enable control
bit Exit from Wait Exit from Halt
Start of frame flag SOF SOFIE yes no
Last COM
IT

DocID15226 Rev 11 277/595
RM0031 LCD controller
285
17.6 LCD controller registers
17.6.1 Control register 1 (LCD_CR1)
Address offset: 0x00
Reset value: 0x00
7654321 0
BLINK1 BLINK0 BLINKF2 BLINKF1 BLINKF0 DUTY1 DUTY0 B2
rw rw rw rw rw rw rw rw
Bits 7:6 BLINK[1:0]: Blink enable
00: Blink inactive
01: SEG0/COM0 (1 pixel)
10: SEG0 COMx (up to 4 pixels)
11: SEGx COMx (all pixels)
Bits 5:3 BLINKF[2:0]: Blink frequency
000: fLCD/8
001: fLCD/16
010: fLCD/32
011: fLCD/64
100: fLCD/128
101: fLCD/256
110: fLCD/512
111: fLCD/1024
Bits 2:1 DUTY: Duty ratio selection
00: Static duty
01: 1/2 duty
10: 1/3 duty
11: 1/4 duty
Bit 0 B2: 1/2 Bias selector
0: 1/3 bias
1: 1/2 bias

LCD controller RM0031
278/595 DocID15226 Rev 11
17.6.2 Control register 2 (LCD_CR2)
Address offset: 0x01
Reset value: 0x00
76543210
PON2 PON1 PON0 HD CC2 CC1 CC0 VSEL
rw rw rw rw rw rw rw rw
Bits 7:5 PON: Pulse ON duration
These bits specify the pulse duration (number of CLKPS pulses). The pulse duration is PON[2:0] clock
cycles coming out from the first prescaler thus determining the amount of time the RL resistive network
is turned on for each voltage transition on SEG and COM pins. A short drive time decreases power
consumption, but displays with a high internal resistance may need longer drive time to achieve a
satisfactory contrast.
Note: The drive time will never be longer than half the prescaled LCD clock period
000: 0 CLKPS pulses
001: 1 CLKPS pulses
010: 2 CLKPS pulses
011: 3 CLKPS pulses
100: 4 CLKPS pulses
101: 5 CLKPS pulses
110: 6 CLKPS pulses
111: 7 CLKPS pulses
Bit 4 HD: High drive enable
This bit permanently enables the low resistance divider. Displays with a high internal resistance may
need longer drive time to achieve a satisfactory contrast, so the software can set the HD bit if there is
no strong power constraint.
0: High drive permanent disabled
1: High drive permanent enabled
Bits 3:1 CC[2:0]: Contrast control
These bits specify one of the VLCD maximum voltage (independent of VDD).
The new values will have effect every beginning of a new frame. The contrast controller (Boost circuit)
is required inside the voltage generator.
000: VLCD0
001: VLCD1
010: VLCD2
011: VLCD3
100: VLCD4
101: VLCD5
110: VLCD6
111: VLCD7
Note: Refer to the device datasheet for the VLCDx values.
Bit 0 VSEL: The VSEL bit determines the LCD voltage source
0: Internal source
1: External source
Note: Refer to Section 17.3.8: Generation of LCD voltage levels

DocID15226 Rev 11 279/595
RM0031 LCD controller
285
17.6.3 Control register 3 (LCD_CR3)
Address offset: 0x02
Reset value: 0x00
76543210
Reserved LCDEN SOFIE SOF SOFC DEAD2 DEAD1 DEAD0
rw rw r w rw rw rw
Bit 7 Reserved, tied to 0
Bit 6 LCDEN: LCD enable
Clearing this bit during a frame delays the reset at the end of the even frame in order to avoid a
medium voltage level different from 0 during the frame.
0: LCD controller disabled
1: LCD controller enabled
Bit 5 SOFIE: Interrupt enable
When this bit is set, the LCD start of frame interrupt is enabled.
0: SOF interrupt disabled
1: SOF interrupt enabled
Bit 4 SOF: Start of frame flag
This bit is set by hardware at the beginning of a last COM of an even frame. The LCD Interrupt is
serviced if the SOFIE bit is set. SOF is cleared by software by setting the SOFC bit.
0: SOF inactive
1: SOF active (start of new frame)
Bit 3 SOFC: SOF flag clear
Setting this bit will clear the SOF flag. This bit is reset by hardware automatically.
Bits 2:0 DEAD[2:0]: Dead time enable
These bits determine the number of phases between different couples of frames where the COM and
the SEG voltage levels are tied to 0 to reduce the contrast.
Dead = 000: no dead time
Dead = 001: 1-phase period dead time
Dead = 010: 2-phase period dead time
Dead = 011: 3-phase period dead time
Dead = 100: 4-phase period dead time
Dead = 101: 5-phase period dead time
Dead = 110: 6-phase period dead time
Dead = 111: 7-phase periods dead time

LCD controller RM0031
280/595 DocID15226 Rev 11
17.6.4 Frequency selection register (LCD_FRQ)
Address offset: 0x03
Reset value: 0x00
17.6.5 Port mask registers (LCD_PM)
Address offset: 0x04 to 0x07 (medium-density devices) or 0x04 to 0x09 (medium+ and high-density devices)
Reset value: 0x00
76543210
PS3 PS2 PS1 PS0 DIV3 DIV2 DIV1 DIV0
rw rw rw rw rw rw rw rw
Bits 7:4 PS[3:0]: CLK 16-bit prescaler
The input clock (CLK) goes to a prescaler. The PS[3:0] bits select the prescaler so as to divide the
clock by a factor of 2PS[3:0]. The prescaled output CLKPS can be further divided by setting the DIV[3:0]
bits. PS and DIV bits determine the prescaled LCD clock (CLKLCD) feeding the LCD module.
Bits 3:0 DIV[3:0]: Divider from 16 to 31
These bits set the frequency of the LCD clock such that the period can be DIV[3:0]+16 clocks coming
out from the first prescaler. This clock divider provides a more flexible frame rate selection.
76543210
0x04
(LCD_PM0) SEG07 SEG06 SEG05 SEG04 SEG03 SEG02 SEG01 SEG00
0x05
(LCD_PM1) SEG15 SEG14 SEG13 SEG12 SEG11 SEG10 SEG09 SEG08
0x06
(LCD_PM2) SEG23 SEG22 SEG21 SEG20 SEG19 SEG18 SEG17 SEG16
0x07
(LCD_PM3) SEG31(1)(2) SEG30(1)(2) SEG29(1)(2) SEG28(1)(2) SEG27(2) SEG26(2) SEG25(2) SEG24(2)
0x08
(LCD_PM4) SEG39(1) SEG38(1) SEG37(1) SEG36(1) SEG35(1)(2) SEG34(1)(2) SEG33(1)(2) SEG32(1)(2)
0x09
(LCD_PM5) Reserved SEG43(1)(2) SEG42(1)(2) SEG41(1)(2) SEG40(1)(2)
rw rw rw rw rw rw rw rw
1. Available on medium+ and high-density devices only. Reserved on medium-density devices.
2. Reserved on STM8L05xx value line high-density devices.
Bits 7:0 PM[7:0]: Port mask for SEG[i]
These bits determine the number of port pins to be used as segment drivers.
Unused pins can be used as general purpose I/Os.
0: Pin configured as general purpose I/O
1: Segment enabled

DocID15226 Rev 11 281/595
RM0031 LCD controller
285
17.6.6 Control register 4 (LCD_CR4)
Address offset: 0x2F
Reset value: 0x00
Note: This register is available in medium+ and high-density devices only.
76543210
Reserved PAGE_COM DUTY8 B4
rrwrwrw
Bits 7:3 Reserved. tied to 0
Bit 2 PAGE_COM: LCD_RAM page selector
0: Addresses 0x0C to 0x021 give access to the first page of the LCD RAM, corresponding to COM0, 1,
2 and 3
- The S0[i] LCD RAM bit corresponds to SEG[i] of COM0
- The S1[i] LCD RAM bit corresponds to SEG[i] of COM1
- The S2[i] LCD RAM bit corresponds to SEG[i] of COM2
- The S3[i] LCD RAM bit corresponds to SEG[i] of COM3
1: Addresses 0x0C to 0x021 give access to the first page of the LCD RAM, corresponding to COM4, 5,
6 and 7
- The S0[i] LCD RAM bit corresponds to SEG[i] of COM4
- The S1[i] LCD RAM bit corresponds to SEG[i] of COM5
- The S2[i] LCD RAM bit corresponds to SEG[i] of COM6
- The S3[i] LCD RAM bit corresponds to SEG[i] of COM7
Bit 1 DUTY8: 1/8 duty enable
0: Duty selected through the DUTY [1:0] bits in the LCD_CR1 register
1: 1/8 duty enabled
Bit 0 B4: 1/4 bias enable
0: 1/2 or 1/3 Bias is selected through the B2 bit in the LCD_CR1 register
1: 1/4 Bias enabled (bit B2 in the LCD_CR1 register must be reset).

LCD controller RM0031
282/595 DocID15226 Rev 11
17.6.7 LCD display memory (LCD_RAM)
Address offset: 0x0C to 0x19 (medium-density devices) or 0x0C to 0x21 (medium+ and high-density devices)
Reset value: 0x00
76543210
0x0C
S0[7:0]
(COM0 or COM4(1))
rw
0x0D
S0[15:8]
(COM0 or COM4(1))
rw
0x0E
S0[23:16]
(COM0 or COM4(1))
rw
0x0F
S1[3:0]
(COM1 or COM5(1))
S0[27:24]
(COM0 or COM4(1))
rw
0x10
S1[11:4]
(COM1 or COM5(1))
rw
0x11
S1[19:12]
(COM1 or COM5(1))
rw
0x12
S1[27:20]
(COM1 or COM5(1))
rw
0x13
S2[7:0]
(COM2 or COM6(1))
rw
0x14
S2[15:8]
(COM2 or COM6(1))
rw
0x15
S2[23:16]
(COM2 or COM6(1))
rw
0x16
S3[3:0]
(COM3 or COM7(1))
S2[27:24]
(COM2 or COM6(1))
rw
0x17
S3[11:4]
(COM3 or COM7(1))
rw
0x18
S3[19:12]
(COM3 or COM7(1))
rw
0x19
S3[27:20]
(COM3 or COM7(1))
rw
0x1A(2)
S0[35:28](2)(3)
(COM0 or COM4)
rw

DocID15226 Rev 11 283/595
RM0031 LCD controller
285
Each bit corresponds to one pixel of the LCD display.
0: Pixel inactive
1: Pixel active
In medium+ and high-density devices:
When setting the DUTY8 bit in the LCD_CR4 (to activate 8 COMs), the LCD RAM is
accessed through two pages, each being activated by the PAGE_COM bit in the LCD_CR4
register:
When PAGE_COM=0, addresses 0x0C to 0x21 give access to the first page,
corresponding to COM0, 1, 2 and 3. Refer to the PAGE_COM bit description.
lWhen PAGE_COM=1, addresses 0x0C to 0x21 give access to the second page,
corresponding to COM4, 5, 6 and 7. Refer to the PAGE_COM bit description.
In medium-density devices:
Addresses 0x0C-0x19 give access to the LCD RAM page, corresponding to COM0,1,2 and
3.
•The LCD RAM bits S0[i] corresponds to SEG[i] of COM0
•The LCD RAM bits S1[i] corresponds to SEG[i] of COM1
•The LCD RAM bits S2[i] corresponds to SEG[i] of COM2
•The LCD RAM bits S3[i] corresponds to SEG[i] of COM3.
0x1B(2)
S0[43:36](2)
(COM0 or COM4)
rw
0x1C(2)
S1[35:28](2)(3)
(COM1 or COM5)
rw
0x1D(2)
S1[43:36](2)
(COM1 or COM5)
rw
0x1E(2)
S2[35:28](2)(3)
(COM2 or COM6)
rw
0x1F(2)
S2[43:36](2)
(COM2 or COM6)
rw
0x20(2)
S3[35:28](2)(3)
(COM3 or COM7)
rw
0x21(2)
S3[43:36](2)
(COM3 or COM7)
rw
1. COM4, 5, 6 and 7 are available on medium+ and high-density devices only.
2. Register available on medium + and high-density devices only. Reserved on medium-density devices.
3. Reserved on STM8L05xx value line high-density devices.

LCD controller RM0031
284/595 DocID15226 Rev 11
17.6.8 LCD register map and reset values
Table 62. LCD register map
Address
offset
Register
name 76543210
0x00 LCD_CR1
Reset value
BLINK1
0
BLINK0
0
BLINKF2
0
BLINKF1
0
BLINKF0
0
DUTY1
0
DUTY0
0
B2
0
0x01 LCD_CR2
Reset value
PON2
0
PON1
0
PON0
0
HD
0
CC2
0
CC1
0
CC0
0
VSEL
0
0x02 LCD_CR3
Reset value
Reserved
0
LCDEN
0
SOFIE
0
SOF
0
SOFC
0
DEAD2
0
DEAD1
0
DEAD0
0
0x03 LCD_FRQ
Reset value
PS3
0
PS2
0
PS1
0
PS0
0
DIV3
0
DIV2
0
DIV1
0
DIV0
0
0x04 LCD_PM0
Reset value
PM_SEG[7:0]
00000000
0x05 LCD_PM1
Reset value
PM_SEG[15:8]
00000000
0x06 LCD_PM2
Reset value
PM_SEG[23:16]
00000000
0x07 LCD_PM3
Reset value
PM_SEG[31:24](1)
00000000
0x08 LCD_PM4
Reset value
PM_SEG[39:32](1)(2)
00000000
0x09 LCD_PM5
Reset value Reserved SEG[43:40](1)(3)
00000000
0x0A to
0x0B Reserved Reserved
0x0C LCD_RAM0
Reset value
S0[7:0] (COM0 or COM4)(4)
00000000
0x0D LCD_RAM1
Reset value
S0[15:8] (COM0 or COM4)(4)
00000000
0x0E LCD_RAM2
Reset value
S0[23:16] (COM0 or COM4)(4)
00000000
0x0F LCD_RAM3
Reset value
S1[3:0] (COM1 or COM5)(4)
0000
S0[27:24] (COM0 or COM4)(4)
0000
0x10 LCD_RAM4
Reset value
S1[11:4] (COM1 or COM5)(4)
00000000
0x11 LCD_RAM5
Reset value
S1[19:12] (COM1 or COM5)(4)
00000000
0x12 LCD_RAM6
Reset value
S1[27:20] (COM1 or COM5)(4)
00000000
0x13 LCD_RAM7
Reset value
S2[7:0] (COM2 or COM6)(4)
00000000
0x14 LCD_RAM8
Reset value
S2[15:8] (COM2 or COM6)(4)
00000000
0x15 LCD_RAM9
Reset value
S2[23:16] (COM2 or COM6)(4)
00000000
0x16 LCD_RAM10
Reset value
S3[3:0] (COM3 or COM7)(4)
0000
S2[27:24] (COM2 or COM6)(4)
0000
0x17 LCD_RAM11
Reset value
S3[11:4] (COM3 or COM7)(4)
00000000

DocID15226 Rev 11 285/595
RM0031 LCD controller
285
0x18 LCD_RAM12
Reset value
S3[19:12] (COM3 or COM7)(4)
00000000
0x19 LCD_RAM13
Reset value
S0[27:20] (COM3 or COM7)(4)
00000000
0x1A LCD_RAM14(3)
Reset value
S0[35:28] (COM0 or COM4)(3)(5)
00000000
0x1B LCD_RAM15(3)
Reset value
S0[43:36] (COM0 or COM4)(3)
00000000
0x1C LCD_RAM16(3)
Reset value
S1[35:28] (COM1 or COM5)(3)(5)
00000000
0x1D LCD_RAM17(3)
Reset value
S1[43:36] (COM1 or COM5)(3)
00000000
0x1E LCD_RAM18(3)
Reset value
S2[35:28] (COM2 or COM6)(3)(5)
00000000
0x1F LCD_RAM19(3)
Reset value
S2[43:36] (COM2 or COM6)(3)
00000000
0x20 LCD_RAM20(3)
Reset value
S3[35:28] (COM3 or COM7)(3)(5)
00000000
0x21 LCD_RAM21(3)
Reset value
S3[43:36] (COM3 or COM7)(3)
00000000
0x22 to 0x2E Reserved
Reset value
Reserved
00000000
0x2F LCD_CR4(3)
Reset value
Reserved
00000
PAGE_
COM
0
DUTY8
0
B4
0
1. On STM8L05xx value line devices, refer to datasheet for more details.
2. PM_SEG[39:28] available on medium+ and high-density devices only. Reserved on medium-density devices.
3. Available on medium+ and high-density devices only. Reserved on medium-density devices.
4. COM4, 5, 6 and 7 are available on medium+ and high-density devices only and are activated by setting the DUTY8 bit in
the LCD_CR4.
5. Not available on STM8L05xx value line high-density devices.
Table 62. LCD register map (continued)
Address
offset
Register
name 76543210

Timer overview RM0031
286/595 DocID15226 Rev 11
18 Timer overview
This section applies to low-density STM8L05xx/STM8L15xx devices, medium-density
STM8L05xx/STM8L15xx devices, medium+ density STM8L05xx/STM8L15xx devices and
high-density STM8L05xx/STM8L15xx/STM8L16xx devices, unless otherwise specified.
The devices in the STM8L05xx, STM8L15xx and STM8L16xx family may be equipped with
up to three different timer types: Advanced control (TIM1), general purpose
(TIM2/TIM3/TIM5), and basic timer (TIM4). The timers share the same architecture, but
some have additional unique features. The common timer architecture, which includes
identical register mapping and common basic features, simplifies their use and makes it
easier to design applications. Table 63 shows the main timer characteristics.
The TIM5 general purpose timer is available on low, medium+ and high-density devices only
(not on medium-density devices). The TIM1 advanced control timer is not available on low-
density devices. Refer to the product datasheets for more details.
Although the timers do not share any resources, they can be linked together and
synchronized.
This section gives a comparison of the different timer features (Table 64), a glossary of
internal timer signal names (Table 65).
Section 19: 16-bit advanced control timer (TIM1) contains a full description of all the various
timer modes. The other timer sections (Section 20 and Section 21) are more brief and give
only specific details on each timer, its block diagram, and register description.
Table 63. Timer characteristics
Symbol Parameter Min Typ Max Unit
tw(ICAP)in Input capture pulse time 2 1/fSYSCLK
tres(TIM) Timer resolution time 1 1/fSYSCLK
ResTIM
Timer resolution with 16-bit counter 16 bit
Timer resolution with 8-bit counter 8 bit
tCOUNTER
Counter clock period when internal clock is
selected 11/f
SYSCLK
tMAX_COUNT
Maximum possible count with 16-bit counter 65,536 1/fSYSCLK
Maximum possible count with 8-bit counter 256 1/fSYSCLK

DocID15226 Rev 11 287/595
RM0031 Timer overview
416
18.1 Timer feature comparison
Table 64. Timer feature comparison
Timer Counter
resol-
ution
Counter
type Prescaler
factor
Capture/
compare
chan-
nels
Comple-
mentary
outputs
Repet-
ition
counter
External
trigger
input
External
break
input
Timer
synchro-
nization/
chaining
TIM1
(advanced
control
timer)
16-bit
Up/down
Any integer
from 1 to
65536
3 + 1 3 Yes 1 1
Yes
TIM2, TIM3
and TIM5
(general
purpose
timers)
Up/down
Any power of
2 from 1 to
128
2
None No
11
TIM4
(basic
timer)
8-bit Up
Any power of
2 from 1 to
32768
000

Timer overview RM0031
288/595 DocID15226 Rev 11
18.2 Glossary of timer signal names
Table 65. Glossary of internal timer signals
Internal signal name Description Related figures
BI Break interrupt Figure 67: TIM1 general block diagram on
page 292
CCiI: CC1I, CC2I, CC3I, CC4I Capture/compare
interrupt
CK_CNT Counter clock Figure 71: Counter update when ARPE =
0 (ARR not preloaded) with prescaler = 2
on page 296
CK_PSC Prescaler clock
CNT_EN Counter enable
CNT_INIT Counter initialize Figure 81: TI2 external clock connection
example on page 304
ETR External trigger from
TIMx_ETR pin
Figure 83: External trigger input block
diagram on page 306
ETRF External trigger filtered
ETRP External trigger
prescaled
fSYSCLK
Timer peripheral clock
from clock controller
(CLK)
Figure 17: Clock structure on page 87
ICi : IC1, IC2 Input capture Figure 100: Input stage of TIM 1 channel 1
on page 320
ICiPS: IC1PS, IC2PS Input capture prescaled
ITRi: ITR0, ITR1, ITR2, ITR3
Internal trigger input
tied to TRGO of other
TIM timers
Figure 67: TIM1 general block diagram on
page 292
MATCH1 Compare match
Figure 90: Trigger/master mode selection
blocks on page 313 and Section 19.8.2:
Control register 2 (TIM1_CR2) on
page 345
OCi: OC1, OC2 Timer output channel Figure 125: Output stage of channel 1 on
page 383
OCiREF: OC1REF, OC2REF Output compare
reference signal
TGI Trigger interrupt Figure 79: Clock/trigger controller block
diagram on page 303
TIi : TI1, TI2 Timer input
Figure 100: Input stage of TIM 1 channel 1
on page 320
TIiF: TI1F, TI2F Timer input filtered
TI1_ED Timer input edge
detector
TIiFPn: TI1FP1, TI1FP2,
TI2FP1, TI2FP2, TI3FP3,
TI3FP4, TI4FP3, TI4FP4
Timer input filtered
prescaled
TRC Trigger capture

DocID15226 Rev 11 289/595
RM0031 Timer overview
416
TRGI
Trigger input to
clock/trigger/slave
mode controller
Figure 80: Control circuit in normal mode,
fCK_PSC = fSYSCLK on page 304
TRGO
Trigger output tied to
trigger input INTx of
other timers
Figure 67: TIM1 general block diagram on
page 292
UEV Update event Figure 71: Counter update when ARPE =
0 (ARR not preloaded) with prescaler = 2
on page 296
UIF Update interrupt
Table 66. Explanation of indices‘i’, ‘n’, and ‘x’(1)
1. These indices are used in Section 19, Section 20, and Section 21.
i
Signal number: May be 1, 2, 3, 4 depending on the device
Bit number: May be 1, 2, 3, 4 ........ depending on the device
Register number: May be 1, 2, 3, 4 depending on the device
n Signal number (when i is already used): May be 1, 2, 3, 4 depending on the device
xTimer number: May be 1, 2, 3, 4, 5, 6 depending on the device
Don’t care (for bits)
Table 65. Glossary of internal timer signals (continued)
Internal signal name Description Related figures

16-bit advanced control timer (TIM1) RM0031
290/595 DocID15226 Rev 11
19 16-bit advanced control timer (TIM1)
This section gives a description of the full set of timer features.
19.1 Introduction
TIM1 consists of a 16-bit up-down auto-reload counter driven by a programmable prescaler.
The timer may be used for a variety of purposes, including:
•Time base generation
•Measuring the pulse lengths of input signals (input capture)
•Generating output waveforms (output compare, PWM and one-pulse mode)
•Interrupt capability on various events (capture, compare, overflow, break, trigger)
•DMA request capability on capture, compare, overflow events
•Synchronization with other timers or external signals (external clock, reset, trigger and
enable).
This timer is ideally suited for a wide range of control applications, including those requiring
center-aligned PWM capability with complementary outputs and deadtime insertion.
The timer clock can be sourced from internal clocks or from an external source selectable
through a configuration register.

DocID15226 Rev 11 291/595
RM0031 16-bit advanced control timer (TIM1)
416
19.2 TIM1 main features
TIM1 features include:
•16-bit up, down, up/down counter auto-reload counter
•Repetition counter to update the timer registers only after a given number of cycles of
the counter.
•16-bit programmable prescaler allowing the counter clock frequency to be divided “on
the fly” by any factor between 1 and 65536.
•Synchronization circuit to control the timer with external signals and to interconnect
several timers.
•3 independent channels (channel 1, channel 2 and channel 3) that can alternately be
configured as:
– Input capture
– Output compare
– PWM generation (edge and center-aligned mode)
– 6-step PWM generation
– One-pulse mode output
– Complementary outputs on three channels with programmable deadtime insertion.
•One additional capture/compare channel (channel 4) not connected to external output
•Break input to put the timer output signals in reset state or in a known state.
•External trigger input pin (ETR)
•OCREFCLR signal or break input can be connected internally to comparator 2
(COMP2) output
•Input capture 2 and input capture 3 channels can be routed from 21 selected I/Os
•Interrupt generation on the following events:
– Update: Counter overflow/underflow, counter initialization (by software or
internal/external trigger)
– Trigger event (counter start, stop, initialization or count by internal/external trigger)
– Input capture
– Output compare
– Break input
– Commutation event
•DMA request generation on the following events:
– Update: counter overflow/underflow
– Input capture
– Output compare
– Commutation event
•DMA burst transfer mode

16-bit advanced control timer (TIM1) RM0031
292/595 DocID15226 Rev 11
Figure 67. TIM1 general block diagram
Repetition
counter
Prescaler Auto-reload register
UP-DOWN COUNTER
Capture/compare 1 register
Capture/compare 2 register
UEV
ETR
fSYSCLK
Capture/compare 3 register
OC1REF
OC2REF
OC3REF
CK_PSC
Prescaler IC3PS
IC1
IC2
Prescaler
Prescaler
IC2PS
IC1PS
IC3
CC1I
CC2I
CC3I
TIM1_CH2
TIM1_CH3
OC1
OC2
OC3
TIM1_BKIN
TIM1_ETR
TIM1_NCH3
OC3N
OC2N
OC1N
CK_CNT
UEV
UEV
TIME BASE UNIT
CLOCK/TRIGGER CONTROLLER
INPUT
OUTPUT
CAPTURE COMPARE ARRAY
TIM1_NCH2
TIM1_NCH1
TI1
TI2
TI3
TIM1_CH2
TIM1_CH1
STAGE
STAGE
TIM1_CH1
TIM1_CH3
ITR
TRGO from other TIM timers
TRGO to other TIM timers
Reg
Event
Legend:
Preload registers transferred
to shadow registers on update
Interrupt/DMA request
event (UEV) according to
control bit
TRC Clock/reset/enable
Capture/compare 4 register
CC4I
UEV
Prescaler IC4PS
OCREFCLR from COMP2
ETRF from clock/trigger
BRK from COMP2
OC4REF
control block

DocID15226 Rev 11 293/595
RM0031 16-bit advanced control timer (TIM1)
416
19.3 TIM1 time base unit
The timer has a time base unit that includes:
•16-bit up/down counter
•16-bit auto-reload register
•Repetition counter
•Prescaler
Figure 68. Time base unit
The 16-bit counter, the prescaler, the auto-reload register and the repetition counter register
can be written or read by software.
The auto-reload register is composed of a preload register plus a shadow register.
Writing to the auto-reload register can be done in two modes:
•Auto-reload preload enabled (ARPE bit set in the TIM1_CR1 register). In this mode,
when data is written to the auto-reload register, it is kept in the preload register and
transferred into the shadow register at the next update event (UEV).
•Auto-reload preload disabled (ARPE bit cleared in the TIM1_CR1 register). In this
mode, when data is written to the auto-reload register it is transferred into the shadow
register immediately.
An update event is generated:
•On a counter overflow or underflow
•By software, setting the UG bit in the TIM1_EGR register
•By a trigger event from the clock/trigger controller
With preload enabled (ARPE = 1), when an update event occurs: The auto-reload shadow
register is updated with the preload value (TIM1_ARR) and the buffer of the prescaler is
reloaded with the preload value (content of the TIM1_PSCR register).
The UEV can be disabled by setting the UDIS bit in the TIM1_CR1
The counter is clocked by the prescaler output CK_CNT, which is enabled only when the
counter enable bit (CEN) in TIM1_CR1 register is set.
Note: The actual counter enable signal CNT_EN is set 1 clock cycle after CEN.
Prescaler
Auto-reload register
16-bit Counter
CK_PSC CK_CNT
TIM1_PSCRH, PSCRL TIM1_CNTRH, CNTRL
TIM1_ARRH, ARRL
UEV
UIF
UEV
Repetition counter register
Repetition Counter
TIM1_RCR
Reg
event
Legend:
Preload registers transferred
to shadow registers on update
control bit
interrupt
event (
UEV)
according to

16-bit advanced control timer (TIM1) RM0031
294/595 DocID15226 Rev 11
19.3.1 Reading and writing to the 16-bit counter
There is no buffering when writing to the counter. Both TIM1_CNTRH and TIM1_CNTRL
can be written at any time, so it is suggested not to write a new value into the counter while
it is running to avoid loading an incorrect intermediate content.
An 8-bit buffer is implemented for the read. Software must read the MS byte first, after which
the LS byte value is buffered automatically (see Figure 69). This buffered value remains
unchanged until the 16-bit read sequence is completed.
Note: Do not use the LDW instruction to read the 16-bit counter. It reads the LS byte first and
returns an incorrect result.
Figure 69. 16-bit read sequence for the counter (TIM1_CNTR)
19.3.2 Write sequence for 16-bit TIM1_ARR register
16-bit values are loaded in the TIM1_ARR register through preload registers. This must be
performed by two write instructions, one for each byte. The MS byte must be written first.
The shadow register update is blocked as soon as the MS byte has been written, and stays
blocked until the LS byte has been written. Do not use the LDW instruction as this writes the
LS byte first which produces incorrect results.
19.3.3 Prescaler
The prescaler implementation is as follows:
The TIM1 prescaler is based on a 16-bit counter controlled through a 16-bit register (in
TIM1_PSCR register). It can be changed on the fly as this control register is buffered. It can
divide the counter clock frequency by any factor between 1 and 65536.
The counter clock frequency is calculated as follows:
fCK_CNT = fCK_PSC/(PSCR[15:0]+1)
The prescaler value is loaded through a preload register. The shadow register, which
contains the current value to be used, is loaded as soon as the LS byte has been written.
To update the 16-bit prescaler, load two bytes in separate write operations starting with the
MSB. Do not use the LDW instruction for this purpose as it writes the LSB first.
The new prescaler value is taken into account in the following period (after the next counter
update event).
is buffered
Read
At t0
Read Returns the buffered
LS byte value at t0
At t0 +Dt
Other
instructions
Beginning of the sequence
Sequence completed
LS byte
LS byte
MS byte

DocID15226 Rev 11 295/595
RM0031 16-bit advanced control timer (TIM1)
416
Read operations to the TIM1_PSCR registers access the preload registers, so no special
care needs to be taken to read them.
19.3.4 Up-counting mode
In up-counting mode, the counter counts from 0 to a user-defined compare value (content of
the TIM1_ARR register). It then restarts from 0 and generates a counter overflow event and
a UEV if the UDIS bit is 0 in the TIM1_CR1 register.
Figure 70 shows an example of this counting mode.
Figure 70. Counter in up-counting mode
An update event can also be generated by setting the UG bit in the TIM1_EGR register
(either by software or by using the trigger controller).
The UEV can be disabled by software by setting the UDIS bit in the TIM1_CR1 register. This
is to avoid updating the shadow registers while writing new values in the preload registers.
No UEV occurs until the UDIS bit has been written to 0. Note that the counter and the
prescaler restart counting from 0 but, the prescaler division factor does not change. In
addition, if the URS bit (update request selection) in the TIM1_CR1 register is set, setting
the UG bit generates an UEV without setting the UIF flag. Consequently, no interrupt or
DMA request is sent. This avoids generating both update and capture interrupts when
clearing the counter on the capture event.
When an update event occurs, all the registers are updated and the update flag (UIF bit in
TIM1_SR1 register) is set (depending on the URS bit):
•The auto-reload shadow register is updated with the preload value (TIM1_ARR).
•The buffer of the prescaler is reloaded with the preload value (content of the
TIM1_PSCR register).
Figure 71 and Figure 72 show two examples of the counter behavior for different clock
frequencies when TIM1_ARR = 0x36.
In Figure 71, the prescaler divider is set to 2, so the counter clock (CK_CNT) frequency is at
half the frequency of the prescaler clock source (CK_PSC). The auto-reload preload is
disabled (ARPE = 0). Consequently, the shadow register is immediately changed and
counter overflow occurs when upcounting reaches 0x36. This generates a UEV.
Counter
TIMx_ARR
OverflowOverflow Overflow Overflow
0
Time

16-bit advanced control timer (TIM1) RM0031
296/595 DocID15226 Rev 11
Figure 71. Counter update when ARPE = 0 (ARR not preloaded) with prescaler = 2
In Figure 72 the prescaler divider is set to 1, so CK_CNT has the same frequency as
CK_PSC. The auto-reload preload is enabled (ARPE = 1), so the next counter overflow
occurs at 0xFF. The new auto-reload value register value of 36h is taken into account after
the overflow which generates a UEV.
Figure 72. Counter update event when ARPE = 1 (TIM1_ARR preloaded)
CK_PSC
00
CNT_EN
TIMER CLOCK = CK_CNT
COUNTER REGISTER
UPDATE INTERRUPT FLAG (UIF)
COUNTER OVERFLOW
UPDATE EVENT (UEV)
01 02 03 04 05 06 0732 33 34 35 3631
AUTO-RELOAD PRELOAD REGISTER FF 36
AUTO-RELOAD SHADOW REGISTER
Write a new value in TIMx_ARR
FF 36
New value transferred immediately in shadow register
00
CNT_EN
TIMER CLOCK = CK_CNT
COUNTER REGISTER
UPDATE INTERRUPT FLAG (UIF)
COUNTER OVERFLOW
UPDATE EVENT (UEV)
01 02 03 04 05 06 07FB FC FD FE FFFA
AUTO-RELOAD PRELOAD REGISTER FF 36
AUTO-RELOAD SHADOW REGISTER FF 36
Write a new value in TIMx_ARR
CK_PSC
New value transferred in shadow register
on counter overflow

DocID15226 Rev 11 297/595
RM0031 16-bit advanced control timer (TIM1)
416
19.3.5 Down-counting mode
In down-counting mode, the counter counts from the auto-reload value (content of the
TIM1_ARR register) down to 0. It then restarts from the auto-reload value and generates a
counter underflow and a UEV, if the UDIS bit is 0 in the TIM1_CR1 register.
Figure 73 shows an example of this counting mode.
Figure 73. Counter in down-counting mode
An update event can also be generated by setting the UG bit in the TIM1_EGR register (by
software or by using the clock/trigger mode controller).
The UEV update event can be disabled by software by setting the UDIS bit in TIM1_CR1
register. This is to avoid updating the shadow registers while writing new values in the
preload registers. No update event occurs until the UDIS bit has been written to 0. However,
the counter restarts from the current auto-reload value, whereas the counter of the prescaler
restarts from 0 (without any change to the prescale rate).
In addition, if the URS bit (update request selection) in the TIM1_CR1 register is set, setting
the UG bit generates a UEV without setting the UIF flag (thus no interrupt or DMA request is
sent). This avoids generating both update and capture interrupts when clearing the counter
on the capture event.
When an update event occurs, all the registers are updated and the update flag (UIF bit in
TIM1_SR1 register) is set (depending on the URS bit):
•The buffer of the prescaler is reloaded with the preload value (content of the
TIM1_PSCR register),
•The auto-reload shadow register is updated with the preload value (content of the
TIM1_ARR register). Note that the auto-reload is updated before the counter is
reloaded, so that the next period is the expected one.
Figure 74 and Figure 75 show some examples of the counter behavior for different clock
frequencies when TIM1_ARR = 0x36.
In downcounting mode, preload is not normally used. Consequently, the new value is taken
into account in the next period (see Figure 74).
Counter
Time
TIMx_ARR
UnderflowUnderflow Underflow Underflow
0

16-bit advanced control timer (TIM1) RM0031
298/595 DocID15226 Rev 11
Figure 74. Counter update when ARPE = 0 (ARR not preloaded) with prescaler = 2
Figure 75. Counter update when ARPE = 1 (ARR preloaded), with prescaler = 1
CK_PSC
36
CNT_EN
TIMER CLOCK = CK_CNT
COUNTER REGISTER
UPDATE INTERRUPT FLAG (UIF)
COUNTER UNDERFLOW
UPDATE EVENT (UEV)
35 34 33 32 31 30 2F05 04 03 02 0106
AUTO-RELOAD PRELOAD REGISTER FF 36
AUTO-RELOAD SHADOW REGISTER
Write a new value in TIMx_ARR
FF 36
New value transferred immediately in shadow register
00
FF
CNT_EN
TIMER CLOCK = CK_CNT
COUNTER REGISTER
UPDATE INTERRUPT FLAG (UIF)
COUNTER UNDERFLOW
UPDATE EVENT (UEV)
FE FD FC FB 36 35 3405 04 03 02 0106
AUTO-RELOAD PRELOAD REGISTER FF 36
AUTO-RELOAD SHADOW REGISTER FF 36
Write a new value in TIMx_ARR
CK_PSC
New value transferred in shadow register
on counter underflow
00 00
Cleared by software

DocID15226 Rev 11 299/595
RM0031 16-bit advanced control timer (TIM1)
416
19.3.6 Center-aligned mode (up/down counting)
In center-aligned mode, the counter counts from 0 to the auto-reload value of -1 (content of
the TIM1_ARR register). This generates a counter overflow event. The counter then counts
down to 0 and generates a counter underflow event. After this, the counter restarts counting
from 0.
In this mode, the direction bit (DIR) in the TIM1_CR1 register cannot be written. It is updated
by hardware and gives the current direction of the counter.
The Figure 76 shows an example of this counting mode.
Figure 76. Counter in center-aligned mode
If the timer has a repetition counter (as in TIM1), the UEV is generated after up and down
counting and repeated for the number of times programmed in the repetition counter
register (TIM1_RCR). Otherwise, the UEV is generated at each counter overflow and at
each counter underflow.
Setting the UG bit in the TIM1_EGR register (by software or by using the clock/trigger mode
controller) also generates an update event. In this case, the counter and the prescaler
restart counting from 0.
The UEV can be disabled by software by setting the UDIS bit in the TIM1_CR1 register. This
is to avoid updating the shadow registers while writing new values in the preload registers.
In this way, no update event occurs until the UDIS bit is written to 0. However, the counter
continues counting up and down, based on the current auto-reload value. In timers with a
repetition counter, the new update rate is used because the repetition register is not double
buffered. For this reason, care must be taken when changing the update rate.
In addition, if the URS bit in the TIM1_CR1 register is set, setting the UG bit generates a
UEV without setting the UIF flag. Consequently, no interrupt or DMA request is sent. This
avoids generating both update and capture interrupts when clearing the counter on the
capture event.
When an update event occurs, all registers are updated and the update flag (the UIF bit in
the TIM1_SR1 register) is set (depending on the URS bit).
•The buffer of the prescaler is reloaded with the preload value (content of the
TIM1_PSCR register).
•The auto-reload shadow register is updated with the preload value (content of the
TIM1_ARR register). Note that if the update source is a counter overflow, the auto-
reload is updated before the counter is reloaded, so that the next period is the expected
one (the counter is loaded with the new value).
Below are some examples of the counter behavior for different clock frequencies.
Counter
Time
TIMx_ARR
UnderflowOverflow Overflow Underflow
0

16-bit advanced control timer (TIM1) RM0031
300/595 DocID15226 Rev 11
Figure 77. Counter timing diagram, fCK_CNT = fCK_PSC, TIM1_ARR = 06h, ARPE = 1
Hints on using center-aligned mode:
•When starting in center-aligned mode, the current up-down configuration is used. It
means that the counter starts counting up or down depending on the value written in
the DIR bit in the TIM1_CR1 register. Moreover, the DIR and CMS bits must not be
changed at the same time by the software.
•Writing to the counter while running in center-aligned mode is not recommended as it
can lead to unexpected results. In particular:
– The direction is not updated if a value is written in the counter that is greater than
the auto-reload value (TIM1_CNT>TIM1_ARR). For example, if the counter is
counting up, it continues to do so.
– The direction is updated if 0 or the TIM1_ARR value are written in the counter but
no UEV is generated.
•The safest way to use center-aligned mode is to generate an update by software
(setting the UG bit in the TIM1_EGR register) just before starting the counter. Avoid
writing to the counter while it is running.
CK_PSC
02
CNT_EN
TIMER CLOCK = CK_CNT
COUNTER REGISTER
UPDATE INTERRUPT FLAG (UIF)
COUNTER UNDERFLOW
UPDATE EVENT (UEV)
03 04 05 06 05 04 0303 02 01 00 0104
COUNTER OVERFLOW
AUTO-RELOAD PRELOAD REGISTER FD 06
AUTO-RELOAD SHADOW REGISTER FD 06
Write a new value in TIMx_ARR
New value transferred in shadow register
on update event

DocID15226 Rev 11 301/595
RM0031 16-bit advanced control timer (TIM1)
416
19.3.7 Repetition down-counter
Section 19.3: TIM1 time base unit describes how the UEV is generated with respect to
counter overflows/underflows. It is generated only when the repetition down-counter
reaches zero. This can be useful while generating PWM signals.
This means that data are transferred from the preload registers to the shadow registers
(TIM1_ARR auto-reload register, TIM1_PSCR prescaler register, and TIM1_CCRx
capture/compare registers in compare mode) every ‘n’ counter overflow or underflow, where
N is the value in the TIM1_RCR repetition counter register.
The repetition down-counter is decremented:
•At each counter overflow in up-counting mode
•At each counter underflow in down-counting mode
•At each counter overflow and at each counter underflow in center-aligned mode.
Although this limits the maximum number of repetitions to 128 PWM cycles, it makes it
possible to update the duty cycle twice per PWM period. When refreshing compare
registers only once per PWM period in center-aligned mode, maximum resolution is
2 x tCK_PSC due to the symmetry of the pattern.
The repetition down-counter is an auto-reload type, the repetition rate of which is
maintained as defined by the TIM1_RCR register value (refer to Figure 78). When the UEV
is generated by software (by setting the UG bit in the TIM1_EGR register) or by hardware
(through the clock/trigger controller), it occurs immediately irrespective of the value of the
repetition down-counter. The repetition down-counter is reloaded with the content of the
TIM1_RCR register.

16-bit advanced control timer (TIM1) RM0031
302/595 DocID15226 Rev 11
Figure 78. Update rate examples depending on mode and TIM1_RCR register settings
Center-aligned mode Edge-aligned mode
UEV
UEV
UEV
UEV
UEV UEV: Preload registers transferred to shadow registers and update interrupt generated
Counter
TIM1_RCR = 0
TIM1_RCR = 1
TIM1_RCR = 2
TIM1_RCR = 3
UEV
TIM1_RCR = 3
and
re-synchronization
(by SW) (by SW)
TIM1_CNT
(by SW)
Up-counting Down-counting
UEV if the repetition down-counter underflow occurs when the counter is equal to the auto-reload value

DocID15226 Rev 11 303/595
RM0031 16-bit advanced control timer (TIM1)
416
19.4 TIM1 clock/trigger controller
The clock/trigger controller allows the timer clock sources, input triggers, and output triggers
to be configured. The block diagram is shown in Figure 79.
Figure 79. Clock/trigger controller block diagram
19.4.1 Prescaler clock (CK_PSC)
The time base unit prescaler clock (CK_PSC) can be provided by the following clock
sources:
•Internal clock (fSYSCLK)
•External clock mode 1: External timer input (TIx)
•External clock mode 2: External trigger input (ETR)
•Internal trigger inputs (ITRi): using one timer as prescaler for another timer. Refer to
Using one timer as prescaler for another timer on page 313 for more details.
ETR
fSYSCLK
Trigger
Controller
TI1FP1
TI2FP2
TRGI Controller
Encoder
Interface
Reset, Enable,
Input filter
Polarity selection & edge
detector & prescaler
ETRP
TGI
ETRF
TIM1_ETR
Mode
Clock/Trigger
TRGO To other
TRC
TI1F_ED
TRGO from TIM3 (ITR2)
TRGO from TIM2 (ITR3)
ITR
CK_PSC
To Time Base Unit
From input stage
From input stage
TRGO from TIM4 (ITR0)
Up/Down, Count
timers
& ADC
TRGO from TIM5 (ITR1)

16-bit advanced control timer (TIM1) RM0031
304/595 DocID15226 Rev 11
19.4.2 Internal clock source (fSYSCLK)
If both the clock/trigger mode controller and the external trigger input are disabled
(SMS = 000 in TIM1_SMCR and ECE = 0 in the TIM1_ETR register), the CEN, DIR, and UG
bits behave as control bits and can be changed only by software (except UG which remains
cleared automatically). As soon as the CEN bit is written to 1, the prescaler is clocked by the
internal clock.
The figure below shows the behavior of the control circuit and the up-counter in normal
mode, without the prescaler.
Figure 80. Control circuit in normal mode, fCK_PSC = fSYSCLK
19.4.3 External clock source mode 1
The counter can count at each rising or falling edge on a selected timer input. This mode is
selected when SMS = 111 in the TIM1_SMCR register (see Figure 81).
Figure 81. TI2 external clock connection example
fSYSCLK
00
COUNTER CLOCK = CK_CNT = CK_PSC
COUNTER REGISTER 01 02 03 04 05 06 0732 33 34 35 3631
CEN = CNT_EN
UG
CNT_INIT (=UG synchronized: UG or UG+1 clock)
fSYSCLK
Encoder
mode
External clock
mode 1
External clock
mode 2
Internal clock
mode
ETRF
TRGI
TI1F
TI2F or
or
or
(internal clock)
CK_PSC
TIM1_ETR
ECE
TIM1_SMCR
SMS[2:0]
TI1F_ED
TI1FP1
TI2FP2
ETRF
TIM1_SMCR
TS[2:0]
TI2 0
1
TIM1_CCER1
CC2P
Filter
ICF[3:0]
TIM1_CCMR2
Edge
Detector
ti2f_rising
ti2f_falling 110
100
101
111
TRGO from other timers

DocID15226 Rev 11 305/595
RM0031 16-bit advanced control timer (TIM1)
416
Procedure
Use the following procedure to configure the up-counter and, for example, to count in
response to a rising edge on the TI2 input:
1. Configure channel 2 to detect rising edges on the TI2 input by writing CC2S = 01 in the
TIM1_CCMR2 register.
2. Configure the input filter duration by writing the IC2F[3:0] bits in the TIM1_CCMR2
register (if no filter is needed, keep IC2F = 0000).
Note: The capture prescaler is not used for triggering, so it does not need t o be
configured. The CC2S bits do not need to be configured either as they only select the
input capture source.
3. Select rising edge polarity by writing CC2P = 0 in the TIM1_CCER1 register.
4. Configure the timer in external clock mode 1 by writing SMS = 111 in the TIM1_SMCR
register.
5. Select TI2 as the input source by writing TS = 110 in the TIM1_SMCR register.
6. Enable the counter by writing CEN = 1 in the TIM1_CR1 register.
When a rising edge occurs on TI2, the counter counts once and the trigger flag is set (TIF bit
in the TIM1_SR1 register) and an interrupt request can be sent if enabled (depending on the
TIE bit in the TIM1_IER register).
The delay between the rising edge on TI2 and the actual reset of the counter is due to the
resynchronization circuit on TI2 input.
Figure 82. Control circuit in external clock mode 1
COUNTER CLOCK = CK_CNT = CK_PSC
COUNTER REGISTER 35 3634
TI2
CNT_EN
TIF
Write TIF=0

16-bit advanced control timer (TIM1) RM0031
306/595 DocID15226 Rev 11
19.4.4 External clock source mode 2
The counter can count at each rising or falling edge on the ETR. This mode is selected by
writing ECE = 1 in the TIM1_ETR register.
The Figure 83 gives an overview of the external trigger input block.
Figure 83. External trigger input block diagram
Procedure
Use the following procedure to configure the up-counter and, for example, to count once
every two rising edges on the ETR:
1. As no filter is needed in this example, write ETF[3:0] = 0000 in the TIM1_ETR register.
2. Set the prescaler by writing ETPS[1:0] = 01 in the TIM1_ETR register.
3. Select rising edge detection on the ETR pin by writing ETP = 0 in the TIM1_ETR
register.
4. Enable external clock mode 2 by writing ECE = 1 in the TIM1_ETR register.
5. Enable the counter by writing CEN = 1 in the TIM1_CR1 register.
The counter counts once every two ETR rising edges.
The delay between the rising edge on the ETR and the actual reset of the counter is due to
the resynchronization circuit on the external trigger signal (ETRP).
Figure 84. Control circuit in external clock mode 2
ETR 0
1
TIM1_ETR
ETP
divider
/1, /2, /4, /8
ETPS[1:0]
ETRP filter
ETF[3:0]
down-counter
f
SYSCLK
TIM1_ETR
TIM1_ETR
ETR pin
f
SYSCLK
Encoder
mode
External clock
mode 1
External clock
mode 2
Internal clock
mode
ETRF
TRGI
TI1F
TI2F or
or
or
(internal clock)
CK_PSC
TIM1_ETR
ECE
TIM1_SMCR
SMS[2:0]
COUNTER CLOCK = CK_CNT = CK_PSC
COUNTER REGISTER 35 3634
ETR
CNT_EN
f
SYSCLK
ETRP
ETRF

DocID15226 Rev 11 307/595
RM0031 16-bit advanced control timer (TIM1)
416
19.4.5 Trigger synchronization
There are four trigger inputs (refer to Table 65: Glossary of internal timer signals on
page 288):
•ETR
•TI1
•TI2
•TRGO from other timers
The TIM1 timer can be synchronized with an external trigger in three modes: Trigger
standard mode, trigger reset mode and trigger gated mode.
Trigger standard mode
The counter can start in response to an event on a selected input.
Procedure
Use the following procedure to start the up-counter in response, for example, to a rising
edge on the TI2 input:
1. Configure channel 2 to detect rising edges on TI2. As no filter is required in this
example, configure an input filter duration of 0 (IC2F = 0000). The capture prescaler is
not used for triggering and does not need to be configured. The CC2S bits select the
input capture source and do not need to be configured either. Write CC2P = 0 in the
TIM1_CCER1 register to select rising edge polarity.
2. Configure the timer in trigger mode by writing SMS = 110 in the TIM1_SMCR register.
Select TI2 as the input source by writing TS = 110 in the TIM1_SMCR register.
When a rising edge occurs on TI2, the counter starts counting on the internal clock and the
TIF flag is set.
The delay between the rising edge on TI2 and the actual reset of the counter is due to the
resynchronization circuit on TI2 input.
Figure 85. Control circuit in trigger mode
COUNTER CLOCK = CK_CNT = CK_PSC
COUNTER REGISTER 35 36 37 3834
TI2
CNT_EN
TIF

16-bit advanced control timer (TIM1) RM0031
308/595 DocID15226 Rev 11
Trigger reset mode
The counter and its prescaler can be re-initialized in response to an event on a trigger input.
Moreover, if the URS bit from the TIM1_CR1 register is low, a UEV is generated. Then all
the preloaded registers (TIM1_ARR, TIM1_CCRi) are updated.
Example
Use the following procedure to clear the up-counter in response to a rising edge on TI1
input:
1. Configure channel 1 to detect rising edges on TI1. As no filter is required in this
example, configure an input filter duration of 0 (IC2F = 0000). The capture prescaler is
not used for triggering and does not need to be configured. The CC1S bits select the
input capture source and do not need to be configured either. Write CC1P = 0 in
TIM1_CCER1 register to validate the polarity (and detect rising edges).
2. Configure the timer in reset mode by writing SMS = 100 in TIM1_SMCR register. Select
TI1 as the input source by writing TS = 101 in the TIM1_SMCR register.
3. Start the counter by writing CEN = 1 in the TIM1_CR1 register.
The counter starts counting on the internal clock and behaves normally until the TI1 rising
edge. When TI1 rises, the counter is cleared and restarts from 0. In the meantime, the
trigger flag is set (TIF bit in the TIM1_SR1 register) and an interrupt request can be sent if
enabled (depending on the TIE in the TIM1_IER register).
Figure 86 shows this behavior when the auto-reload register TIM1_ARR = 36h. The delay
between the rising edge on TI1 and the actual reset of the counter is due to the
resynchronization circuit on TI1 input.
Figure 86. Control circuit in trigger reset mode
00
COUNTER CLOCK = CK_CNT = CK_PSC
COUNTER REGISTER 01 02 03 00 01 02 0332 33 34 35 36
UG
TI1
3130
TIF

DocID15226 Rev 11 309/595
RM0031 16-bit advanced control timer (TIM1)
416
Trigger gated mode
The counter can be enabled depending on the level of a selected input.
Example
Use the following procedure to enable the up-counter when TI1 input is low:
1. Configure channel 1 to detect low levels on TI1. Configure the input filter duration (IC1F
= 0000). The capture prescaler is not used for triggering and does not need to be
configured. The CC1S bits select the input capture source and do not need to be
configured either. Write CC1P = 1 in the TIM1_CCER1 register to validate the polarity
(and detect low level).
2. Configure the timer in trigger gated mode by writing SMS = 101 in the TIM1_SMCR
register. Select TI1 as the input source by writing TS = 101 in the TIM1_SMCR register.
3. Enable the counter by writing CEN = 1 in the TIM1_CR1 register (in trigger gated
mode, the counter does not start if CEN = 0 irrespective of the trigger input level).
The counter starts counting on the internal clock as long as TI1 is low. It stops as soon as
TI1 becomes high. The TIF flag is set when the counter starts or stops.
The delay between the rising edge on TI1 and the actual reset of the counter is due to the
resynchronization circuit on TI1 input.
Figure 87. Control circuit in trigger gated mode
COUNTER CLOCK = CK_CNT = CK_PSC
COUNTER REGISTER 35 36 37 3832 33 34
TI1
3130
CNT_EN
TIF
Write TIF=0

16-bit advanced control timer (TIM1) RM0031
310/595 DocID15226 Rev 11
Combining trigger modes with external clock mode 2
External clock mode 2 can be used with another trigger mode. For example, the ETR can be
used as the external clock input, and a different input can be selected as trigger input (in
trigger standard mode, trigger reset mode, or trigger gated mode). Care must be taken not
to select ETR as TRGI (through the TS bits in the TIM1_SMCR register).
Example
Use the following procedure to enable the up-counter at each rising edge on the ETR as
soon as a rising edge occurs on TI1 (standard trigger mode with external ETR clock):
1. Configure the external trigger input circuit by writing to the TIM1_ETR register. Write
ETF = 0000 (no filter needed in this example). Write ETPS = 00 to disable the
prescaler, write ETP = 0 to detect rising edges on the ETR, and write ECE = 1 to
enable external clock mode 2.
2. Configure channel 1 to detect rising edges on TI1. Configure the input filter duration
(IC1F = 0000). The capture prescaler is not used for triggering and does not need to be
configured. The CC1S bits select the input capture source and do not need to be
configured either. Write CC1P = 0 in the TIM1_CCER1 register to select rising edge
polarity.
3. Configure the timer in trigger mode by writing SMS = 110 in the TIM1_SMCR register.
Select TI1 as the input source by writing TS = 101 in the TIM1_SMCR register.
A rising edge on TI1 enables the counter and sets the TIF flag. Consequently, the counter
counts on the ETR rising edges.
The delay between the rising edge on TI1 and the actual reset of the counter is due to the
resynchronization circuit on TI1 input. The delay between the rising edge on the ETR and
the actual reset of the counter is due to the resynchronization circuit on the ETRP signal.
Figure 88. Control circuit in external clock mode 2 + trigger mode
COUNTER CLOCK = CK_CNT = CK_PSC
COUNTER REGISTER 35 3634
ETR
CEN
TIF
TI1

DocID15226 Rev 11 311/595
RM0031 16-bit advanced control timer (TIM1)
416
19.4.6 Synchronization between timers
On STM8AF and STM8S low-density devices, the timers are linked together internally for
timer synchronization or chaining. When one timer is configured in master mode, it can
output a trigger (TRGO) to reset, start, stop, or clock the counter of any other timer
configured in slave mode.

16-bit advanced control timer (TIM1) RM0031
312/595 DocID15226 Rev 11
Figure 89. Timer chaining system implementation example
Trigger
Controller
TI1
TI2
ITR0
ITR3
TRGO
TIM2_CH1
TIM2_CH2
TIM 2
Trigger
Controller
TI1
TI2
ITR2
ITR3
TRGO
TIM1_CH1
TIM1_CH2
TIM 1
Trigger
Controller
ITR2
ITR3
TRGO
TIM 4
TRGO from TIM3
TRGO from TIM2
TRGO from TIM3
TRGO from TIM2
TRGO from TIM4
TRGO from TIM5
ITR0
TRGO from TIM4
ITR1
TRGO from TIM1
ITR1
TRGO from TIM1
Trigger
Controller
TI1
TI2
ITR0
ITR3
TRGO
TIM3_CH1
TIM3_CH2
TIM 3
TRGO from TIM4
TRGO from TIM2
ITR1
TRGO from TIM1
ITR1
TRGO from TIM5
ITR2
TRGO from TIM3
ITR2
TRGO from TIM5
ITR0
TRGO from TIM5
Trigger
Controller
TI1
TI2
ITR0
ITR3
TRGO
TIM5_CH1
TIM5_CH2
TIM 5
TRGO from TIM4
TRGO from TIM2
ITR1
TRGO from TIM1
ITR2
TRGO from TIM3

DocID15226 Rev 11 313/595
RM0031 16-bit advanced control timer (TIM1)
416
Figure 90 presents an overview of the trigger selection and the master mode selection
blocks.
Figure 90. Trigger/master mode selection blocks
Using one timer as prescaler for another timer
Refer to Figure 91 to see how timer A can be configured to act as a prescaler for timer B.
1. Configure timer A in master mode so that it outputs a periodic trigger signal on each
UEV. To configure that a rising edge is output on TRGO1 each time an update event is
generated, write MMS = 010 in the TIMx_CR2 register.
2. Connect the TRGO1 output of timer A to timer B, timer B must be configured in slave
mode using ITR1 as the internal trigger. Select this through the TS bits in the
TIMx_SMCR register (see TS[2:0] bit definitions in TIMx_SMCR register).
3. Put the clock/trigger controller in external clock mode 1, by writing SMS = 111 in the
TIMx_SMCR register. This causes timer B to be clocked by the rising edge of the
periodic timer A trigger signal (which corresponds to the timer A counter overflow).
4. Enable both timers by setting their respective CEN bits (TIMx_CR1 register).
Note: If OCi is selected on timer A as trigger output (MMS = 1xx), its rising edge is used to clock
the counter of timer B.
Figure 91. Master/slave timer example
ITR3
TI1F_ED
ITR
TRC
TI1FP1
TI2FP2
From the Capture/
Compare block
ETRF
TRGI
TIMx_SMCR
TS[2:0]
TRIGGER SELECTION BLOCK
UG
CNT_EN
UEV
MATCH1
OC1REF
OC3REF
OC3REF
MASTER MODE SELECTION BLOCK
MMS[2:0]
TIMx_CR2
TRGO
ITR2
TRGO from TIM3
TRGO from TIM2
ITR1
TRGO from TIM5
OC4REF
ITR0
TRGO from TIM4
TRGO1
UEV
ITR1
PRESCALER COUNTER
SMSTS
MMS
TIMER A TIMER B
MASTER
MODE
CONTROL
SLAVE
MODE
CONTROL
CK_PSC
PRESCALER COUNTER
Clock
INPUT
SELECTION
TRIGGER

16-bit advanced control timer (TIM1) RM0031
314/595 DocID15226 Rev 11
Using one timer to enable another timer
Example 1
The enable of timer B is controlled with the output compare 1 of timer A (refer to Figure 92
for connections). Timer B counts on the divided internal clock only when OC1REF of timer A
is high. Both counter clock frequencies are divided by four by the prescaler compared to
f
SYSCLK
(fCK_CNT = f
SYSCLK
/4).
1. Configure timer A master mode to send its output compare 1 reference (OC1REF)
signal as trigger output (MMS = 100 in the TIMx_CR2 register).
2. Configure the timer A OC1REF waveform (TIMx_CCMR1 register)
3. Configure timer B to get the input trigger from timer A (see TS[2:0] bit definitions in
TIMx_SMCR register).
4. Configure timer B in trigger gated mode (SMS = 101 in TIMx_SMCR register)
5. Enable timer B by writing 1 in the CEN bit (TIMx_CR1 register)
6. Start timer A by writing 1 in the CEN bit (TIMx_CR1 register)
Note: The counter 2 clock is not synchronized with counter 1. This mode only affects the timer B
counter enable signal.
Figure 92. Gating timer B with OC1REF of timer A
In Figure 92, the timer B counter and prescaler are not initialized before being started.
Therefore, they start counting from their current value. It is possible to start from a given
value by resetting both timers before starting timer A. In this case, any value can be written
in the timer counters. The timers can easily be reset by software using the UG bit in the
TIMx_EGR registers.
Timer B-TIF
Write TIF=0
FC FD FE FF 00
3045 3047 3048
fSYSCLK
Timer A-OC1REF
Timer A-CNT
Timer B-CNT
01
3046

DocID15226 Rev 11 315/595
RM0031 16-bit advanced control timer (TIM1)
416
Example 2
Timer A and timer B are synchronized. Timer A is the master and starts from 0. Timer B is
the slave and starts from E7h. The prescaler ratio is the same for both timers. Timer B stops
when timer A is disabled by writing 0 to the CEN bit in the TIMx_CR1 register:
1. Configure timer A master mode to send its output compare 1 reference (OC1REF)
signal as trigger output (MMS = 100 in the TIMx_CR2 register).
2. Configure the timer A OC1REF waveform (TIMx_CCMR1 register)
3. Configure timer B to get the input trigger from timer A (see TS[2:0] bit definitions in
TIMx_SMCR register).
4. Configure timer B in trigger gated mode (SMS = 101 in TIMx_SMCR register)
5. Reset timer A by writing 1 in UG bit (TIMx_EGR register)
6. Reset timer B by writing 1 in UG bit (TIMx_EGR register)
7. Initialize timer B to 0xE7 by writing ‘E7h’ in the timer B counter (TIMx_CNTRL)
8. Enable timer B by writing 1 in the CEN bit (TIMx_CR1 register)
9. Start timer A by writing 1 in the CEN bit (TIMx_CR1 register)
10. Stop timer A by writing 0 in the CEN bit (TIMx_CR1 register)
Figure 93. Gating timer B with the counter enable signal of timer A (CNT_EN)
Timer B-TIF
Write TIF=0
75 00 01
fSYSCLK
Timer A-CEN = CNT_EN
Timer A-CNT
Timer B-CNT
02
Timer A-UG
AB 00 E7 E8 E9
Timer B-UG
Timer B
write CNT

16-bit advanced control timer (TIM1) RM0031
316/595 DocID15226 Rev 11
Using one timer to start another timer
Example 1
The enable of timer B is set with the UEV of timer A (refer to Figure 91 for connections).
Timer B starts counting from its current value (which can be non-zero) on the divided
internal clock as soon as the UEV is generated by timer A. When timer B receives the
trigger signal, its CEN bit is automatically set and the counter counts until 0 is written to the
CEN bit in the TIM1_CR1 register. Both counter clock frequencies are divided by four by the
prescaler compared to fSYSCLK (fCK_CNT = fSYSCLK/4).
1. Configure timer A master mode to send its UEV as trigger output (MMS = 010 in the
TIM1_CR2 register).
2. Configure the timer A period (TIM1_ARR registers)
3. Configure timer B to get the input trigger from timer A (see TS[2:0] bit definitions in
TIM1_SMCR register).
4. Configure timer B in trigger mode (SMS = 110 in TIM1_SMCR register)
5. Start timer A by writing 1 in the CEN bit (TIM1_CR1 register)
Figure 94. Triggering timer B with the UEV of timer A (TIMERA-UEV)
Timer B-TIF
Write TIF=0
FD FE FF 00 01
45 47 48
fSYSCLK
Timer A-UEV
Timer A-CNT
Timer B-CNT
02
46
Timer B-CEN = CNT_EN

DocID15226 Rev 11 317/595
RM0031 16-bit advanced control timer (TIM1)
416
Example 2
As in the previous example, both counters can be initialized before starting to count.
Figure 95 shows the behavior, with the same configuration as in Figure 93, but, in trigger
standard mode instead of trigger gated mode (SMS = 110 in the TIM1_SMCR register).
Figure 95. Triggering timer B with counter enable CNT_EN of timer A
Starting 2 timers synchronously in response to an external trigger
Example
The enable of timer A is set when its TI1 input rises and the enable of timer B is set with the
enable of timer A (refer to Figure 91 for connections). To ensure the counters alignment,
timer A must be configured in master/slave mode (slave with respect to TI1, master with
respect to timer B).
1. Configure timer A master mode to send its enable as trigger output (MMS = 001 in the
TIMx_CR2 register).
2. Configure timer A slave mode to get the input trigger from TI1 (TS = 100 in the
TIMx_SMCR register).
3. Configure timer A in trigger mode (SMS = 110 in the TIMx_SMCR register)
4. Configure timer A in master/slave mode by writing MSM = 1 (TIMx_SMCR register)
5. Configure timer B to get the input trigger from timer A (see TS[2:0] bit definitions in
TIMx_SMCR register).
6. Configure timer B in trigger mode (SMS = 110 in the TIMx_SMCR register)
When a rising edge occurs on TI1 (timer A), both counters start counting synchronously on
the internal clock and both TIF flags are set.
Note: In this example both timers are initialized before starting (by setting their respective UG
bits). Both counters start from 0, but an offset can easily be inserted between them by
writing to any of the counter registers (TIMx_CNT). It can be seen that the master/slave
mode inserts a delay between CNT_EN and CK_PSC on timer A.
Timer B-TIF
Write TIF=0
75 00 01
fSYSCLK
Timer A-CEN = CNT_EN
Timer A-CNT
Timer B-CNT
02
Timer A-UG
CD 00 E7 E8 EA
Timer B-UG
Timer B
write CNT
E9

16-bit advanced control timer (TIM1) RM0031
318/595 DocID15226 Rev 11
Figure 96. Triggering Timer A and B with Timer A TI1 input
19.5 TIM1 capture/compare channels
The timer I/O pins (TIM1_CCi) can be configured either for input capture or output compare
functions. The choice is made by configuring the CCiS channel selection bits in the
capture/compare channel mode registers (TIM1_CCMRi), where i is the channel number.
Each Capture/Compare channel is built around a capture/compare register (including a
shadow register), an input stage for capture (with digital filter, multiplexing and prescaler)
and an output stage (with comparator and output control).
Figure 97. Capture/compare channel 1 main circuit
00 01
fSYSCLK
Timer A-CEN = CNT_EN
Timer A-CNT
Timer A-TI1
Timer A-CK_PSC
02 03 04 05 06 07 08 09
Timer A-TIF
00 01
Timer B-CEN = CNT_EN
Timer B-CNT
Timer B-CK_PSC
02 03 04 05 06 07 08 09
Timer B-TIF
CC1E
Capture/Compare shadow Register
Comparator
Capture/Compare Preload Register
Counter
ic1ps
CC1S[0]
CC1S[1]
capture
input
mode
S
R
Read CCR1H
Read CCR1L
read_in_progress
capture_transfer CC1S[0]
CC1S[1]
S
R
write CCR1H
write CCR1L
write_in_progress
output
mode
UEV
OC1PE
(from time
compare_transfer
TIMx_CCMR1
OC1PE
base unit)
CNT>CCR1
CNT=CCR1
TIMx_EGR
CC1G

DocID15226 Rev 11 319/595
RM0031 16-bit advanced control timer (TIM1)
416
The capture/compare block is made of one preload register and one shadow register. Write
and read always access the preload register. In capture mode, captures are made in the
shadow register, which is copied into the preload register. In compare mode, the content of
the preload register is copied into the shadow register which is compared to the counter.
When the channel is configured in output mode (CCiS = 00 in the TIM1_CCMRi registers),
the TIM1_CCRi registers can be accessed without any restriction.
When the channel is configured in input mode, the sequence for reading the TIM1_CCRi
registers is the same as for the counter (see Figure 98). When a capture occurs, the content
of the counter is captured into the TIM1_CCRi shadow registers. Then this value is loaded
into the preload register, except during a read sequence, when the preload register is
frozen.
Figure 98. 16-bit read sequence for the TIM1_CCRi register in capture mode
Figure 98 shows the sequence for reading the CCRi registers in the 16-bit timers. This
buffered value remains unchanged until the 16-bit read sequence is completed.
After a complete read sequence, if only the TIM1_CCRiL registers are read, they return the
LS byte of the count value at the time of the read.
If the MS byte is read after the LS byte, it no longer corresponds to the same captured value
as the LS byte.
19.5.1 Write sequence for 16-bit TIM1_CCRi registers
16-bit values are loaded in the TIM1_CCRi registers through preload registers. This must
be performed by two write instructions, one for each byte. The MS byte must be written first.
The shadow register update is blocked as soon as the MS byte has been written, and stays
blocked until the LS byte is written. Do not use the LDW instruction, as this writes the LS
byte first, and produces incorrect results in this case.
is frozen
Read
At t0
Read Preload register
is no longer frozen
At t0 +Dt
Other
instructions
Beginning of the sequence
Sequence completed
Preload register
LS Byte
MS Byte
is buffered into
shadow register
the preload register
Other
instructions
is buffered into
shadow register
the preload register
Other
instructions

16-bit advanced control timer (TIM1) RM0031
320/595 DocID15226 Rev 11
19.5.2 Input stage
Figure 99. Channel input stage block diagram
Figure 100 shows how the input stage samples the corresponding TIi input to generate a
filtered signal TIiF. Then, an edge detector with polarity selection, generates a signal
(TIiFPn) which can be used as trigger input by the clock/trigger controller or as the capture
command. The signal is prescaled before entering the capture register (ICiPS).
Figure 100. Input stage of TIM 1 channel 1
IC1
IC2
Input filter &
Edge detector
TI1FP1
TRC
TRC
IC3
Input filter &
Edge detector
Input filter &
Edge detector
TI1FP2
TI2FP1
TI2FP2
TI3
TI1
TI2
TIM1_CH1
TIM1_CH2
TIM1_CH3
IC4
TI3FP3
TRC
TRC
TI3FP4
to clock/trigger controller
TRC
TI1F_ED
to capture/compare channels
TI1S
XOR
(from clock/trigger controller)
(from clock/trigger controller)
(from clock/trigger controller)
(from clock/trigger controller)
TI1 0
1
TIMx_CCER1
CC1P
divider
/1, /2, /4, /8
ICPS[1:0]
TI1F_ED
filter
ICF[3:0]
down-counter
TIMx_CCMR1
Edge
detector
TI1F_rising
TI1F_falling
to clock/trigger controller
TI1FP1
11
01
TIMx_CCMR1
CC1S[1:0]
IC1
TI2FP1
TRC
(from channel 2)
(from clock/trigger
controller)
10
f
SYSCLK
TIMx_CCER1
CC1E
ICPS
TI1F
0
1
TI2F_rising
TI2F_falling
(from channel 2)

DocID15226 Rev 11 321/595
RM0031 16-bit advanced control timer (TIM1)
416
19.5.3 Input capture mode
In input capture mode, the capture/compare registers (TIM1_CCRi) are used to latch the
value of the counter after a transition detected on the corresponding ICi signal. When a
capture occurs, the corresponding CCiIF flag (TIM1_SR1 register) is set.
An interrupt or DMA request can be sent if it is enabled, by setting the CCiIE bits in the
TIM1_IER register or the CCxDE bit in the TIM1_DER register. If a capture occurs while the
CCiIF flag is already high, the over-capture flag CCiOF (TIM1_SR2 register) is set. CCiIF
can be cleared by software by writing it to 0 or by reading the captured data stored in the
TIMx_CCRiL registers. CCiOF is cleared by writing it to 0.
Procedure
The following procedure shows how to capture the counter value in TIM1_CCR1, for
example, when TI1 input rises.
1. Select the active input: For example, to link the TIM1_CCR1 register to the TI1 input,
write the CC1S bits to 01 in the TIM1_CCMR1 register. This configures the channel in
input mode and the TIM1_CCR1 register becomes read-only.
2. Program the required input filter duration for the signal to be connected to the timer.
This is done for each TIi input using the ICiF bits in the TIM1_CCMRi registers. For
example, if the input signal is unstable for up to five tSYSCLK cycles when it toggles, the
filter duration must be performed for longer than five clock cycles. The filter bits allow a
duration of eight cycles to be selected by writing them to 0011 in the TIMx_CCMR1
register. With this filter setting, a transition on TI1 is valid only when eight consecutive
samples with the new level have been detected (sampled at fSYSCLK frequency).
3. Select the edge of the active transition on the TI1 channel by writing the CC1P bit to 0
in the TIM1_CCER1 register (rising edge in this case).
4. Program the input prescaler. In this example, the capture needs to be performed at
each valid transition, so the prescaler is disabled (write the IC1PS bits to 00 in the
TIM1_CCMR1 register).
5. Enable capture from the counter into the capture register by setting the CC1E bit in the
TIM1_CCER1 register.
6. If needed, enable the related interrupt request by setting the CC1IE bit in the TIM1_IER
register and/or DMA request by setting the CC1IE bit in the TIM1_DER register.
When an input capture occurs:
•The TIM1_CCR1 register gets the value of the counter on the active transition
•The input capture flag (CC1IF) is set. The overcapture flag (CC1OF) is also set if at
least two consecutive captures occur while the flag remains uncleared.
•An interrupt is generated depending on the CC1IE bit
•A DMA request is generated depending on the CC1DE bit
To handle the overcapture event (CC1OF flag), it is recommended to read the data before
the overcapture flag. This avoids missing an overcapture which could occur after reading
the flag and before reading the data.
Note: IC interrupts and/or DMA requests can be generated by software by setting the
corresponding CCiG bits in the TIM1_EGR register.

16-bit advanced control timer (TIM1) RM0031
322/595 DocID15226 Rev 11
PWM input signal measurement
This mode is a particular case of input capture mode (see Figure 101). The procedure is the
same except:
•Two ICi signals are mapped on the same TIi input
•These two ICi signals are active on edges with opposite polarity
•One of the two TIiFP signals is selected as trigger input and the clock/trigger controller
is configured in trigger reset mode.
Figure 101. PWM input signal measurement
Procedure
Depending on the fSYSCLK frequency and prescaler value, the period (in the TIM1_CCR1
register) can be measured and the duty cycle (in the TIM1_CCR2 register) of the PWM can
be applied on TI1 using the following procedure:
1. Select the active input capture or trigger input for TIM1_CCR1 by writing the CC1S bits
to 01 in the TIM1_CCMR1 register (TI1FP1 selected).
2. Select the active polarity for TI1FP1 (used for both capture and counter clear in
TIMx_CCR1) by writing the CC1P bit to 0 (TI1FP1 active on rising edge).
3. Select the active input for TIM1_CCR2 by writing the CC2S bits to 10 in the
TIM1_CCMR2 register (TI1FP2 selected).
4. Select the active polarity for TI1FP2 (used for capture in TIM1_CCR2) by writing the
CC2P bit to 1 (TI1FP2 active on falling edge).
5. Select the valid trigger input by writing the TS bits to 101 in the TIM1_SMCR register
(TI1FP1 selected).
6. Configure the clock/trigger controller in reset mode by writing the SMS bits to 100 in the
TIM1_SMCR register.
7. Enable the captures by writing the CC1E and CC2E bits to 1 in the TIM1_CCER1
register.
0
IC1 IC2IC1IC2
IC1: Period measurement
in TIM1_CCR1 register.
Reset counter.
IC2: duty cycle
measurement in
TIM1_CCR2 register
PWM Input
Signal
TIM1_ARR
Counter
Time
Time
value
value

DocID15226 Rev 11 323/595
RM0031 16-bit advanced control timer (TIM1)
416
Figure 102. PWM input signal measurement example
19.5.4 Output stage
The output stage generates an intermediate waveform called OCiREF (active high) which is
then used for reference. Break functions and polarity act at the end of the chain.
Figure 103. Channel output stage block diagram
TI1
TIM1_CNT 0000 0001 0002 0003 0004 00000004
TIM1_CCR1
TIM1_CCR2
0004
0002
IC1 Capture
period measurement
reset counter
IC2 Capture
pulse width measurement
OC1REF
OC2REF
OC3REF
DTG
DTG registers
DTG
DTG
output
control
output
control
output
control
OC1
OC2
OC3
TIM1_CH1
TIM1_CH2
TIM1_CH3
TIM1_NCH3
OC3N
TIM1_NCH2
OC2N
TIM1_NCH1
OC1N
BI
Polarity Selection Enable
TIM1_BKIN
from capture/compare
channels
Deadtime generation
Break from COMP2

16-bit advanced control timer (TIM1) RM0031
324/595 DocID15226 Rev 11
Figure 104. Detailed output stage of channel with complementary output (channel 1)
19.5.5 Forced output mode
In output mode (CCiS bits = 00 in the TIM1_CCMRi registers), each output compare signal
can be forced to high or low level directly by software, independently of any comparison
between the output compare register and the counter.
To force an output compare signal to its active level, write 101 in the OCiM bits in the
corresponding TIM1_CCMRi registers. OCiREF is forced high (OCiREF is always active
high) and the OCi output is forced high or low depending on the CCiP polarity bits.
For example, if CCiP = 0 (OCi active high) => OCi is forced high.
The OCiREF signal can be forced low by writing the OCiM bits to 100 in the TIMx_CCMRx
registers.
Nevertheless, the comparison between the TIM1_CCRi shadow registers and the counter is
still performed and allows the flag to be set. Interrupt and DMA requests can be sent
accordingly. This is described in the output compare mode section below.
19.5.6 Output compare mode
This function is used to control an output waveform or indicate when a period of time has
elapsed.
When a match is found between the capture/compare register and the counter:
•Depending on the output compare mode, the corresponding OCi output pin:
– Keeps its level (OCiM = 000),
– Is set active (OCiM = 001),
– Is set inactive (OCiM = 010)
– Toggles (OCiM = 011)
•A flag is set in the interrupt status register (CCiIF bits in the TIM1_SR1 register).
Output mode
Counter > CCR1
Counter = CCR1 controller
TIM1_CCMR1
OC1M[2:0]
OC1REF Deadtime
generator
OC1_DT
OC1N_DT
DTG[7:0]
TIM1_DTR
‘0’
‘0’
CC1E
TIM1_CCER1
CC1NE
0
1
CC1P
TIM1_CCER1
0
1
CC1NP
TIM1_CCER1
Output
Enable
Circuit
TIM1_CH1
Output
enable
circuit
CC1E TIM1_CCER1
CC1NE
OSSI TIM1_BKR
MOE OSSR
0x
10
11
11
01
x0
OIS1N TIM1_OISR
OIS1
TIM1_NCH1
ETR
OCREFCLR
TIM1_SMCR1
OCCS
internal OCREFCLR
from COMP2

DocID15226 Rev 11 325/595
RM0031 16-bit advanced control timer (TIM1)
416
•An interrupt is generated if the corresponding interrupt mask is set (CCiIE bits in the
TIM1_IER register).
•Sends a DMA request if the corresponding enable bit is set (CCxDE bit in the
TIM1_DER register)
The output compare mode is defined by the OCiM bits in the TIM1_CCMRi registers. The
active or inactive level polarity is defined by the CCiP bits in the TIM1_CCERi registers.
The TIM1_CCRi registers can be programmed with or without preload registers using the
OCiPE bits in the TIM1_CCMRi registers.
In output compare mode, the UEV has no effect on the OCiREF and OCi output. The timing
resolution is one count of the counter. Output compare mode can also be used to output a
single pulse.
Procedure
1. Select the counter clock (internal, external, or prescaler).
2. Write the desired data in the TIM1_ARR and TIM1_CCRi registers.
3. Set the CCiIE bits if an interrupt request is to be generated.
4. Set the CCiDE bit if a DMA request is to be generated.
5. Select the output mode as follows:
– Write OCiM = 011 to toggle the OCi output pin when CNT matches CCRi
– Write OCiPE = 0 to disable the preload register
– Write CCiP = 0 to select active high polarity
– Write CCiE = 1 to enable the output
6. Enable the counter by setting the CEN bit in the TIMx_CR1 register
The TIM1_CCRi registers can be updated at any time by software to control the output
waveform, provided that the preload registers are not enabled (OCiPE = 0). Otherwise, the
TIMx_CCRi shadow registers are updated only at the next UEV (see example in Figure 105.
Figure 105. Output compare mode, toggle on OC1
OC1REF=OC1
TIMx_CNT B200 B201
0039
TIMx_CCR1 003A
Write B201h in the CC1R register
Match detected on OCR1
Interrupt generated if enabled
003B
B201
003A

16-bit advanced control timer (TIM1) RM0031
326/595 DocID15226 Rev 11
19.5.7 PWM mode
Pulse width modulation mode allows you to generate a signal with a frequency determined
by the value of the TIM1_ARR register and a duty cycle determined by the value of the
TIM1_CCRi registers.
The PWM mode can be selected independently on each channel (one PWM per OCi output)
by writing 110 (PWM mode 1) or 111 (PWM mode 2) in the OCiM bits in the TIM1_CCMRi
registers. The corresponding preload register must be enabled by setting the OCiPE bits in
the TIM1_CCMRi registers. The auto-reload preload register (in up-counting or center-
aligned modes) may be optionally enabled by setting the ARPE bit in the TIM1_CR1
register.
As the preload registers are transferred to the shadow registers only when an UEV occurs,
all registers have to be initialized by setting the UG bit in the TIM1_EGR register before
starting the counter.
OCi polarity is software programmable using the CCiP bits in the TIM1_CCERi registers. It
can be programmed as active high or active low. The OCi output is enabled by a
combination of CCiE, MOE, OISi, OSSR and OSSI bits (TIM1_CCERi and TIM1_BKR
registers). Refer to the TIM1_CCERi register descriptions for more details.
In PWM mode (1 or 2), TIM1_CNT and TIM1_CCRi are always compared to determine
whether TIM1_CCRi ≤ TIM1_CNT or TIM1_CNT≤ TIM1_CCRi (depending on the direction
of the counter).
The timer is able to generate PWM in edge-aligned mode or center-aligned mode
depending on the CMS bits in the TIM1_CR1 register.
PWM edge-aligned mode
Up-counting configuration
Up-counting is active when the DIR bit in the TIM1_CR1 register is low.
Example
This example uses PWM mode 1. The reference PWM signal, OCiREF, is high as long as
TIM1_CNT < TIM1_CCRi. Otherwise, it becomes low. If the compare value in TIM1_CCRi is
greater than the auto-reload value (in TIM1_ARR) then OCiREF is held at 1. If the compare
value is 0, OCiREF is held at 0. Figure 106 shows some edge-aligned PWM waveforms in
an example where TIM1_ARR = 8.

DocID15226 Rev 11 327/595
RM0031 16-bit advanced control timer (TIM1)
416
Figure 106. Edge-aligned counting mode PWM mode 1 waveforms (ARR = 8)
Down-counting configuration
Down-counting is active when the DIR bit in the TIM1_CR1 register is high. Refer to Down-
counting mode on page 297
In PWM mode 1, the reference signal OCiREF is low as long as TIM1_CNT> TIM1_CCRi.
Otherwise, it becomes high. If the compare value in the TIM1_CCRi registers is greater than
the auto-reload value in the TIM1_ARR register, OCiREF is held at 1. Zero percent PWM is
not possible in this mode.
PWM center-aligned mode
Center-aligned mode is active when the CMS bits in the TIM1_CR1 register are different
from 00 (all the remaining configurations have the same effect on the OCiREF/OCi signals).
The compare flag is set when the counter counts up, down, or up and down depending on
the CMS bits configuration. The direction bit (DIR) in the TIM1_CR1 register is updated by
hardware and is read-only in this mode (refer to Center-aligned mode (up/down counting) on
page 299).
Figure 107 shows some center-aligned PWM waveforms in an example where:
•TIM1_ARR = 8,
•PWM mode is PWM mode 1
•The flag is set (arrow symbol in Figure 107) in three different cases:
– When the counter counts down (CMS = 01)
– When the counter counts up (CMS = 10)
– When the counter counts up and down (CMS = 11)
COUNTER REGISTER
‘1’
01234567801
‘0’
OCi
REF
CCiIF
OCi
REF
CCiIF
OCi
REF
CCiIF
OCi
REF
CCiIF
CCRx = 4
CCRx = 8
CCRx > 8
CCRx = 0

16-bit advanced control timer (TIM1) RM0031
328/595 DocID15226 Rev 11
Figure 107. Center-aligned PWM waveforms (ARR = 8)
COUNTER REGISTER
‘1’
01234567876
‘0’
OCi
REF
CCiIF
OCi
REF
CCiIF
OCi
REF
CCiIF
OCi
REF
CCRx=4
CCRx=7
CCRx=8
CCRx=0
5432101
CMS=01
CMS=10
CMS=11
CMS=10 or 11
CMS=01
CMS=10
CMS=11
CCiIF
CMS=01
CMS=10
CMS=11
‘1’
OCi
REF
CCiIF
CCRx>8
CMS=01
CMS=10
CMS=11

DocID15226 Rev 11 329/595
RM0031 16-bit advanced control timer (TIM1)
416
One-pulse mode
One-pulse mode (OPM) is a particular case of the previous modes. It allows the counter to
be started in response to a stimulus and to generate a pulse with a programmable length
after a programmable delay.
Starting the counter can be controlled through the clock/trigger controller. Generating the
waveform can be done in output compare mode or PWM mode. Select one-pulse mode by
setting the OPM bit in the TIM1_CR1 register. This makes the counter stop automatically at
the next UEV.
A pulse can be correctly generated only if the compare value is different from the counter
initial value. Before starting (when the timer is waiting for the trigger), the configuration must
be:
•In up-counting: CNT< CCRi ≤ ARR (in particular, 0 < CCRi),
•In down-counting: CNT> CCRi
Figure 108. Example of one-pulse mode
Example
This example shows how to generate a positive pulse on OC1 with a length of tPULSE and
after a delay of tDELAY as soon as a positive edge is detected on the TI2 input pin.
Follow the procedure below to use IC2 as trigger 1:
•Map IC2 on TI2 by writing CC2S = 01 in the TIM1_CCMR2 register
•IC2 must detect a rising edge, so write CC2P = 0 in the TIM1_CCER1 register
•Configure IC2 as trigger for the clock/trigger controller (TRGI) by writing TS = 110 in the
TIM1_SMCR register.
•IC2 is used to start the counter by writing SMS to 110 in the TIM1_SMCR register
(trigger mode).
TI2
COUNTER
t
0
TIMx_ARR
TIMx_CCR1
OC1
tDELAY tPULSE
OC1REF

16-bit advanced control timer (TIM1) RM0031
330/595 DocID15226 Rev 11
The OPM waveform is defined by writing the compare registers (taking into account the
clock frequency and the counter prescaler) as follows:
•The tDELAY is defined by the value written in the TIM1_CCR1 register
•The tPULSE is defined by the difference between the auto-reload value and the compare
value (TIM1_ARR - TIM1_CCR1).
•To build a waveform with a transition from 0 to 1 when a compare match occurs and a
transition from 1 to 0 when the counter reaches the auto-reload value, enable PWM
mode 2 by writing OCiM = 111 in the TIM1_CCMR1 register. Alternatively, enable the
preload registers by writing OC1PE = 1 in the TIM1_CCMR1 register and ARPE = 0 in
the TIM1_CR1 register (optional). In this case, write the compare value in the
TIM1_CCR1 register and write the auto-reload value in the TIM1_ARR register. Then,
generate an update by setting the UG bit and wait for an external trigger event on TI2.
CC1P is written to 0 in this example.
In the example outlined above, the DIR and CMS bits in the TIM1_CR1 register should be
low.
As only one pulse is required, write 1 in the OPM bit in the TIM1_CR1 register to stop the
counter at the next UEV (when the counter rolls over from the auto-reload value back to 0).
Particular case: OCi fast enable
In one-pulse mode, the edge detection on the TIi input sets the CEN bit which enables the
counter. Then, a comparison between the counter and the compare value makes the output
toggle. However, several clock cycles are needed for these operations and this affects the
the minimum delay (tDELAY min) that can be obtained.
To output a waveform with the minimum delay, set the OCiFE bits in the TIM1_CCMRi
registers. OCiREF (and OCi) are forced in response to the stimulus, without taking the
comparison into account. The new level of OCiREF (and OCi) is the same as if a compare
match had occured. The OCiFE bits acts only if the channel is configured in PWM1 or
PWM2 mode.
Complementary outputs and deadtime insertion
TIM1 can output two complementary signals per channel. It also manages the switching-off
and switching-on instants of the outputs (see Figure 67: TIM1 general block diagram on
page 292).
This time is generally known as deadtime. Deadtimes must be adjusted depending on the
characteristics of the devices connected to the outputs (example, intrinsic delays of level-
shifters, delays due to power switches).
The polarity of the outputs can be selected (main output OCi or complementary OCi N)
independently for each output. This is done by writing to the CCi P and CCi NP bits in the
TIM1_CCERi registers.
The complementary signals OCi and OCi N are activated by a combination of several
control bits: The CCi E and CCi NE bits in the TIM1_CCERi register and, if the break feature
is implemented, the MOE, OISi, OISi N, OSSI, and OSSR bits in the TIM1_BKR register.
Refer to Table 68: Output control for complementary OCi and OCiN channels with break
feature on page 363 for more details. In particular, the deadtime is activated when switching
to the IDLE state (when MOE falls to 0).

DocID15226 Rev 11 331/595
RM0031 16-bit advanced control timer (TIM1)
416
Deadtime insertion is enabled by setting the CCi E and CCi NE bits, and the MOE bit if the
break circuit is present. Each channel embeds an 8-bit deadtime generator. It generates two
outputs: OCi and OCi N from a reference waveform, OCi REF. If OCi and OCi N are active
high:
•The OCi output signal is the same as the reference signal except for the rising edge,
which is delayed relative to the reference rising edge.
•The OCi N output signal is the opposite of the reference signal except for the rising
edge, which is delayed relative to the reference falling edge.
If the delay is greater than the width of the active output (OCi or OCi N), the corresponding
pulse is not generated.
Figure 109, Figure 110, and Figure 111 show the relationships between the output signals of
the deadtime generator and the reference signal OCi REF (where CCi P = 0, CCi NP = 0,
MOE = 1, CCi E = 1, and CCi NE = 1 in these examples)
Figure 109. Complementary output with deadtime insertion
Figure 110. Deadtime waveforms with a delay greater than the negative pulse
Figure 111. Deadtime waveforms with a delay greater than the positive pulse
The deadtime delay is the same for each of the channels and is programmable with the
DTG bits in the TIM1_DTR register. Refer to Section 19.8.32: Deadtime register
(TIM1_DTR) on page 373 for delay calculation.
delay
delay
OCiREF
OCi
OCiN
delay
OCiREF
OCi
OCiN
delay
OCiREF
OCi
OCiN

16-bit advanced control timer (TIM1) RM0031
332/595 DocID15226 Rev 11
Re-directing OCiREF to OCi or OCiN
In output mode (forced, output compare, or PWM), OCiREF can be re-directed to the OCi or
OCiN outputs by configuring the CCiE and CCiNE bits in the corresponding TIM1_CCERi
registers. This means bypassing the deadtime generator which allows a specific waveform
(such as PWM or static active level) to be sent on one output while the complementary
output remains at its inactive level. Alternative possibilities are to have both outputs at
inactive level or both outputs active and complementary with deadtime.
Note: When only OCiN is enabled (CCiE = 0, CCiNE = 1), it is not complemented and becomes
active as soon as OCiREF is high. For example, if CCiNP = 0 then OCiN = OCiREF. On the
other hand, when both OCi and OCiN are enabled (CCiE = CCiNE = 1), OCi becomes active
when OCiREF is high whereas OCiN is complemented and becomes active when OCiREF
is low.
Six-step PWM generation for motor control
When complementary outputs are implemented on a channel, preload bits are available on
the OCi M, CCi E and CCi NE bits. The preload bits are transferred to the active bits at the
commutation event (COM). This allows the configuration for the next step to be
programmed in advance and for configuration of all the channels to be changed at the same
time. The COM event can be generated by software by setting the COMG bit in the
TIM1_EGR register or by hardware trigger (on the rising edge of TRGI).
A flag is set when the COM event occurs (COMIF bit in the TIM1_SR register) which can
generate an interrupt (if the COMIE bit is set in the TIM1_IER register) or a DMA request (if
the COMDE bit is set in the TIM1_DER register).
Figure 112 shows the behavior of the OCi and OCi N outputs when a COM event occurs, for
three different examples of programmed configurations.

DocID15226 Rev 11 333/595
RM0031 16-bit advanced control timer (TIM1)
416
Figure 112. Six-step generation, COM example (OSSR = 1)
19.5.8 Using the break function
The break function is often used in motor control. When using the break function, the output
enable signals and inactive levels are modified according to additional control bits (MOE,
OSSR and OSSI bits in the TIM1_BKR register).
When exiting from reset, the break circuit is disabled and the MOE bit is low. The break
function is enabled by setting the BKE bit in the TIM1_BKR register. The break input polarity
can be selected by configuring the BKP bit in the same register. BKE and BKP can be
modified at the same time.
Because MOE falling edge can be asynchronous, a resynchronization circuit has been
inserted between the actual signal (acting on the outputs) and the synchronous control bit
(accessed in the TIM1_BKR register). It results in some delays between the asynchronous
and the synchronous signals. For example, if MOE is written to 1 after it has been low, a
delay (dummy instruction) must be inserted before it can be read correctly.
counter (CNT)
OCiREF
(CCRx)
OCi
OCiN
CCi
E=1
CCi
NE=0
OCiM=110 (PWM1)
Write
CCi
E to 0
Write COMG to 1
Commutation (COM)
CCi
E=1
CCi
NE=0
OCiM=100
OCi
OCiN
CCi
E=1
CCi
NE=0
OCiM=100 (forced inactive)
Write
CCi
NE to 1
CCi
E=0
CCi
NE=1
OCiM=101
OCi
OCiN
CCi
E=1
CCi
NE=1
OCiM=110 (PWM1)
Write
CCi
E and CxNE to 0
CCi
E=1
CCi
NE=0
OCiM=100
EXAMPLE 1
EXAMPLE 2
EXAMPLE 3

16-bit advanced control timer (TIM1) RM0031
334/595 DocID15226 Rev 11
When a break occurs (selected level on the break input):
•The MOE bit is cleared asynchronously, putting the outputs in inactive state, idle state,
or reset state (selected by the OSSI bit). This happens even if the MCU oscillator is off.
•Each output channel is driven with the level programmed in the OISi bits in the
TIM1_OISR register as soon as MOE = 0. If OSSI = 0, the timer releases the enable
output otherwise the enable output remains high.
•When complementary outputs are implemented:
– The outputs are first put in inactive state (depending on the polarity). This is done
asynchronously so that it works even if no clock is provided to the timer.
– If the timer clock is still present, the deadtime generator is reactivated to drive the
outputs with the level programmed in the OISi and OISi N bits after a deadtime.
Even in this case, OCi and OCi N cannot be driven to their active level together.
Note that because of the resynchronization on MOE, the deadtime duration is a bit
longer than usual (around two 2 ck_tim clock cycles).
•The break status flag (BIF bit in the TIM1_SR1 register) is set. An interrupt can be
generated if the BIE bit in the TIM1_IER register is set.
•If the AOE bit in the TIM1_BKR register is set, the MOE bit is automatically set again at
the next UEV. This can be used to perform a regulation. Otherwise, MOE remains low
until it is written to 1 again. In this case, it can be used for security and the break input
can be connected to an alarm from power drivers, thermal sensors, or any security
components.
Note: The break inputs act on signal level. Thus, the MOE bit cannot be set while the break input
is active (neither automatically nor by software). In the meantime, the status flag BIF cannot
be cleared.
The break can be generated by the break input (BKIN) which has a programmable polarity
and can be enabled or disabled by setting or resetting the BKE bit in the TIM1_BKR register.
In addition to the break inputs and the output management, a write protection has been
implemented inside the break circuit to safeguard the application. It allows the configuration
of several parameters (OCi polarities and state when disabled, OCiM configurations, break
enable, and polarity) to be frozen. Three levels of protection can be selected using the
LOCK bits in the TIM1_BKR register. The LOCK bits can be written only once after an MCU
reset.
Figure 113 shows an example of the behavior of the outputs in response to a break.
Note: The break can also be generated by Comparator 2 through the OUTSEL[1:0] bits in the
COMP_CSR3 register. Refer to the Comparator section.

DocID15226 Rev 11 335/595
RM0031 16-bit advanced control timer (TIM1)
416
Figure 113. Behavior of outputs in response to a break (channel without
complementary output)
Figure 114 shows an example of behavior of the complementary outputs (TIM1 only) in
response to a break.
Figure 114. Behavior of outputs in response to a break (TIM1 complementary outputs)
OCiREF
BREAK (MOE
OCi
(
CCi
P=0, OISi=1)
OCi
(
CCi
P=0, OISi=0)
OCi
(
CCi
P=1, OISi=1)
OCi
(
CCi
P=1, OISi=0)
)
delay
BREAK (MOE
OCi
(OCiN not implemented, CCiP=1, OISi=0)
OCi
OCiN
(CCiE=1, CCiP=0, OISi=0, CCiNE=1,
delaydelay
delay
OCi
OCiN
(CCiE=1, CCiP=0, OISi=1, CCiNE=1, delaydelay
delay
OCi
OCiN
(CCiE=1, CCiP=0, OISi=0, CCiNE=0,
)
delay
OCi
OCiN
(CCiE=1, CCiP=0, OISi=1,
OCi
OCiN
(CCiE=1, CCiP=0, CCiNE=0, CCiNP=0,
CCiNP=0, OISiN=1)
CCiNP=1, OISiN=1)
CCiNP=0, OISiN=1)
CCiNE=0, CCiNP=0, OISiN=0
OISi=OISiN=0 or OISi=OISiN=1)

16-bit advanced control timer (TIM1) RM0031
336/595 DocID15226 Rev 11
19.5.9 Clearing the OCiREF signal on an external event
The OCiREF signal of a given channel can be cleared when a high level is detected on
OCREFCLR internal signal (if OCiCE =1 in the TIM1_CCMRi registers, one enable bit per
channel). The OCiREF signal remains low until the next UEV occurs. This function can be
used in output compare mode and PWM mode only. It does not work in forced mode.
The source of the OCREFCLR internal signal can be selected between the OCREFCLR
input and the ETRF (ETR after the filter) by configuring the OCCS bit in the TIM1_SMCR
register
The OCiREF signal can be connected to the output of a comparator and be used for current
handling by configuring the external trigger as follows:
1. Switch off the external trigger prescaler by setting bits ETPS[1:0] in the TIM1_ETR
register to 00.
2. Disable external clock mode 2 by setting the ECE bit in the TIM1_ETR register to 0
3. Configure the external trigger polarity (ETP) and the external trigger filter (ETF) as
desired.
Refer to Figure 83: External trigger input block diagram.
Figure 115 shows the behavior of the OCiREF signal when the ETRF input becomes high,
for both values of the enable bits OCiCE. In this example, the timer is programmed in PWM
mode.
Figure 115. OCREFCLR activation
OCiREF
counter (CNT)
OCiREF
OCREFCLR internal
(OCiCE=0)
(OCiCE=1)
OCREFCLR internal
becomes high
OCREFCLR internal
still high
(CCRx)

DocID15226 Rev 11 337/595
RM0031 16-bit advanced control timer (TIM1)
416
19.5.10 Encoder interface mode
Encoder interface mode is typically used for motor control. It can be selected by writing:
•SMS = 001 in the TIM1_SMCR register if the counter is counting on TI2 edges only
•SMS = 010 if the counter is counting on TI1 edges only
•SMS = 011 if the counter is counting on both TI1 and TI2 edges
Select the TI1 and TI2 polarity by programming the CC1P and CC2P bits in the
TIM1_CCER1 register. When needed, the input filter can also be programmed.
The two inputs TI1 and TI2 are used to interface an incremental encoder (see Table 67). If
the counter is enabled (when the CEN bit in the TIM1_CR1 register is written to 1), it is
clocked by each valid transition on TI1FP1 or TI2FP2 (see Figure 100: Input stage of TIM 1
channel 1). The transition sequences of the two inputs (TI1 and TI2) are evaluated and
generate count pulses and a direction signal. Depending on the sequence, the counter
counts up or down, and the DIR bit in the TIM1_CR1 register is modified accordingly by
hardware. The DIR bit is calculated at each transition based on inputs from either TI1 or TI2.
without this being dependent on whether the counter is counting pulses on TI1, TI2 or both.
Encoder interface mode acts as an external clock with direction selection. The counter
counts continuously between 0 and the auto-reload value in the TIM1_ARR register (0 to
ARR or ARR down to 0 depending on the direction). TIM1_ARR must be configured before
starting. The capture, compare, prescaler, and trigger output features continue to work as
normal in this mode. Encoder mode and external clock mode 2 are not compatible and must
not be selected together.
In encoder interface mode, the counter is modified automatically depending on the speed
and the direction of the incremental encoder. The content of the counter therefore always
represents the encoder's position. The count direction corresponds to the rotation direction
of the connected sensor. Table 67 summarizes the possible combinations of counting
directions and encoder signals, assuming that TI1 and TI2 do not switch at the same time.
An external incremental encoder can be connected directly to the MCU without external
interface logic. However, comparators are normally used to convert the encoder’s
differential outputs to digital signals. This greatly increases noise immunity. The third
encoder output which indicates the mechanical zero position, may be connected to an
external interrupt input and trigger a counter reset.
Table 67. Counting direction versus encoder signals
Active edge
Level on opposite
signal
(TI1FP1 for TI2,
TI2FP2 for TI1)
TI1FP1 signal TI2FP2 signal
Rising Falling Rising Falling
Counting on
TI1 only
High Down Up No count No count
Low Up Down No count No count
Counting on
TI2 only
High No count No count Up Down
Low No count No count Down Up
Counting on
both TI1 and
TI2
High Down Up Up Down
Low Up Down Down Up

16-bit advanced control timer (TIM1) RM0031
338/595 DocID15226 Rev 11
Figure 116 gives an example of counter operation, showing count signal generation and
direction control. It also shows how input jitter is compensated where both edges are
selected. This might occur if the sensor is positioned near one of the switching points. In the
example below, configuration is as follows:
•CC1S = 01 (TIM1_CCMR1 register, IC1 mapped on TI1)
•CC2S = 01 (TIM1_CCMR2 register, IC2 mapped on TI2)
•CC1P = 0 (TIM1_CCER1 register, IC1 non-inverted, IC1=TI1)
•CC2P = 0 (TIM1_CCER2 register, IC2 non-inverted, IC2=TI2)
•SMS = 011 (TIM1_SMCR register, both inputs are active on both rising and falling
edges).
•CEN = 1 (TIM1_CR1 register, counter is enabled)
Figure 116. Example of counter operation in encoder interface mode
Figure 117 gives an example of counter behavior when IC1 polarity is inverted (same
configuration as Figure 116 except that CC1P =1).
Figure 117. Example of encoder interface mode with IC1 polarity inverted
TI1
forward forwardbackwardjitter jitter
up down up
TI2
COUNTER
TI1
forward forwardbackwardjitter jitter
up
down
TI2
COUNTER
down

DocID15226 Rev 11 339/595
RM0031 16-bit advanced control timer (TIM1)
416
When the timer is configured in encoder interface mode, it provides information on the
current position of the sensors. Dynamic information, such as speed, acceleration, and
slowdown, can be obtained by measuring the period between two encoder events using a
second timer configured in capture mode. The output of the encoder, which indicates the
mechanical zero, can be used for this purpose. Depending on the time between two events,
the counter can also be read at regular intervals. This can be done by latching the counter
value into a third input capture register, if one is available. In this case, the capture signal
must be periodic and can be generated by another timer.
19.5.11 Timer input XOR function
If the TI1S bit is set in the TIM1_CR2 register, the input filter of channel 1 can be connected
to the output of an XOR gate, combining the three TIM1_CH1, TIM1_CH2 and TIM1_CH3
input pins.
The XOR output can be used with all timer input functions such as trigger or input capture.
An example of this feature used to interface Hall sensors is given in the following section.
19.5.12 Interfacing with Hall sensors
This is done by using the advanced-control timer (TIM1) to generate PWM signals to drive
the motor and another TIMx timer (TIM2, TIM3 or TIM5) referred to as “interfacing timer” in
Figure 118. The “interfacing timer” captures the 3 timer input pins connected through an
XOR gate to the TI1 input channel (selected by setting the TI1S bit in the TIMx_CR2
register).
The slave mode controller is configured in reset mode; the slave input is TI1F_ED.
Consequently, each time one of the 3 inputs toggles, the counter restarts counting from 0.
This creates a time base triggered by any change on the Hall inputs.
On the “interfacing timer”, the capture/compare channel 1 is configured in capture mode and
the capture signal is TRC (See Figure 100: Input stage of TIM 1 channel 1 on page 320).
The captured value (which corresponds to the time elapsed between 2 changes on the
inputs) gives information about motor speed.
The “interfacing timer” can be used in output mode to generate a pulse which changes the
configuration of the channels of the advanced-control timer (TIM1) (by triggering a COM
event). The TIM1 timer is used to generate PWM signals to drive the motor. To do this, the
interfacing timer channel must be programmed so as to generate a positive pulse after a
programmed delay (in output compare or PWM mode). This pulse is sent to the advanced
control timer (TIM1) through the TRGO output.
Example: you want to change the PWM configuration of your TIM1 advanced-control timer
after a programmed delay each time a change occurs on the Hall inputs connected to one of
the TIMx timers. Use the following procedure:

16-bit advanced control timer (TIM1) RM0031
340/595 DocID15226 Rev 11
•Configure the 3 timer inputs XORed to the TI1 input channel by writing the TI1S bit to 1
in the TIMx_CR2 register,
•Program the time base: write the TIMx_ARR to the max value (the counter must be
cleared by the TI1 change). Set the prescaler to get a maximum counter period longer
than the time between 2 changes on the sensors,
•Program the channel 1 in capture mode (TRC selected): write the CC1S bits in the
TIMx_CCMR1 register to ‘11’. You can also program the digital filter if needed,
•Program the channel 2 in PWM 2 mode with the desired delay: write the OC2M bits to
‘111’ and the CC2S bits to ‘00’ in the TIMx_CCMR2 register,
•Select OC2REF as trigger output on TRGO: write the MMS bits in the TIMx_CR2
register to ‘101’.
In the TIM1 advanced-control timer, the right ITR input must be selected as trigger input, the
timer is programmed to generate PWM signals, the capture/compare control signals are
preloaded (CCPC=1 in the TIMx_CR2 register) and the COM event is controlled by the
trigger input (COMS=1 in the TIMx_CR2 register). The PWM control bits (CCxE, OCxM) are
written after a COM event for the next step.
Figure 118. Example of Hall sensor interface
COUNTER#.4
42'//#2%&
##2
/#
/#.
#/-
7RITE##X%##X.%
4)(
4)(
4)(
##2
/#
/#.
/#
/#.
#! #! # #! #!" #
AND/#X-FORNEXTSTEP
)NTERFACINGTIMER
ADVANCEDCONTROLTIMERS4)-
AI

DocID15226 Rev 11 341/595
RM0031 16-bit advanced control timer (TIM1)
416
19.6 TIM1 interrupts
TIM1 has eight interrupt request sources, mapped on 2 interrupt vectors:
•Break interrupt
•Trigger interrupt
•Commutation interrupt
•Capture/compare 4 interrupt
•Capture/compare 3 interrupt
•Capture/compare 2 interrupt
•Capture/compare 1 interrupt
•Update interrupt (example: overflow, underflow, and counter initialization)
To use the interrupt features for each interrupt channel used, set the desired interrupt
enable bits (BIE, TIE, COMIE, CCiIE, and UIE) in the TIM1_IER register to enable interrupt
requests.
The different interrupt sources can also be generated by software using the corresponding
bits in the TIM1_EGR register.
19.6.1 TIM1 wait-for-event capability
In wait-for-event mode (WFE), TIM1 capture/compare, break, trigger and update interrupts
can be used to wake up the device. The interrupt event must have been previously
configured through bits TIM1_EV0 and TIM1_EV1 in the WFE_CR1 register (see
Section 9.5: WFE registers).
19.7 TIM1 DMA
TIM1 has six DMA request sources:
•Commutation event
•Capture/compare 4 event
•Capture/compare 3 event
•Capture/compare 2 event
•Capture/compare 1 event
•Update event (example: overflow, underflow, counter initialization)
To use the DMA requests set the corresponding “DMA Enable” bit: COMDE, CCiDE, UDE in
the TIM1_DER register.
The different DMA requests can be also generated by software using the corresponding bits
in the TIM1_EGR register.
19.7.1 DMA single mode
The DMA controller can be configured to transfer a single byte (or two bytes) to or from a
single TIM1 register (or two TIM1 registers) by programming the register address in the
DMA_CxPARH and DMA_CxPARL registers.

16-bit advanced control timer (TIM1) RM0031
342/595 DocID15226 Rev 11
19.7.2 DMA burst mode
DMA can work in burst mode with TIM1. In this mode, the DMA can transfer a block of data
from/to a block of TIM1 registers. The maximum DMA burst length (defined in the DBL[4:0]
bits in the TIM1_DCR2 register) is 32 bytes.
To configure this mode:
1. Write the address of the TIM1_DMAR register in the DMA_CxPARL and
DMA_CxPARH registers.
2. In the TIM1_DCR register, write the address of the first register to be transferred and
the number of registers in the burst.
Refer to Figure 119 for a simplified example of how to configure DMA burst mode.
Figure 119. DMA burst modes example
TIM1_DCR
TIM1_DMAR
Timer registers
Number of registers
to be transferred in burst
Base address
R/W
DMA Peripheral
Address Register
DMA Memory
Address Register
DMA Number of Data
to Transfer Register
DMA controller registers
RAM
Peripheral/memory
DMA transfer
DMA_CxNDTR
DMA_CxPARL
DMA_CxPARH
DMA_CxM0ARL
DMA_CxM0ARH

DocID15226 Rev 11 343/595
RM0031 16-bit advanced control timer (TIM1)
416
19.8 TIM1 registers
19.8.1 Control register 1 (TIM1_CR1)
Address offset: 0x00
Reset value: 0x00
76543210
ARPE CMS[1:0] DIR OPM URS UDIS CEN
rw rw rw rw rw rw rw rw
Bit 7 ARPE: Auto-reload preload enable
0: TIM1_ARR register is not buffered through a preload register. It can be written directly
1: TIM1_ARR register is buffered through a preload register
Bits 6:5 CMS[1:0]: Center-aligned mode selection
00: Edge-aligned mode. The counter counts up or down depending on the direction bit (DIR).
01: Center-aligned mode 1. The counter counts up and down alternately. Output compare interrupt
flags of channels configured in output (CCiS = 00 in TIM1_CCMRi registers) are set only when the
counter is counting down.
10: Center-aligned mode 2. The counter counts up and down alternately. Output compare interrupt
flags of channels configured in output (CCiS = 00 in CCMRi registers) are set only when the counter
is counting up.
11: Center-aligned mode 3. The counter counts up and down alternately. Output compare interrupt
flags of channels configured in output (CCiS = 00 in TIM1_CCMRi registers) are set both when the
counter is counting up and down.
Note: It is not allowed to switch from edge-aligned mode to center-aligned mode while the counter is
enabled (CEN = 1)
Encoder mode (SMS = 001, 010 or 011 in TIM1_SMCR register) must be disabled in center-
aligned mode.
Bit 4 DIR: Direction
0: Counter used as up-counter
1: Counter used as down-counter
Note: This bit is read-only when the timer is configured in center-aligned mode or encoder mode.
Bit 3 OPM: One-pulse mode
0: Counter is not stopped at update event
1: Counter stops counting at the next update event (clearing the CEN bit)

16-bit advanced control timer (TIM1) RM0031
344/595 DocID15226 Rev 11
Bit 2 URS: Update request source
0: When enabled by the UDIS bit, the UIF bit is set and an update interrupt request is sent when one
of the following events occurs:
– Registers are updated (counter overflow/underflow)
– UG bit is set by software
– Update event is generated through the clock/trigger controller
1: When enabled by the UDIS bit, the UIF bit is set and an update interrupt request is sent only when
registers are updated (counter overflow/underflow).
Bit 1 UDIS: Update disable.
0: A UEV is generated as soon as a counter overflow occurs, a software update is generated, or a
hardware reset is generated by the clock/trigger mode controller. Buffered registers are then loaded
with their preload values.
1: A UEV is not generated and shadow registers keep their value (ARR, PSC, CCRi). The counter
and the prescaler are re-initialized if the UG bit is set or if a hardware reset is received from the
clock/trigger mode controller.
Bit 0 CEN: Counter enable
0: Counter disabled
1: Counter enabled
Note: External clock, trigger gated mode, and encoder mode can work only if the CEN bit has been
previously set by software. However, trigger mode can set the CEN bit automatically by
hardware.

DocID15226 Rev 11 345/595
RM0031 16-bit advanced control timer (TIM1)
416
19.8.2 Control register 2 (TIM1_CR2)
Address offset: 0x01
Reset value: 0x00
76543210
TI1S MMS[2:0] CCDS COMS Reserved CCPC
rw rw rw rw rw rw rw
Bit 7 TI1S: TI1 (digital filter input) selection
0: TI1 is connected to CH1 input pin
1: TI1 is connected to the 3 inputs CH1, CH2 and CH3 (XORed)
Bits 6:4 MMS[2:0]: Master mode selection
These bits select the information to be sent in master mode to the 2 other timers for synchronization
(TRGO). The combination is as follows:
000: Reset - The UG bit from the TIM1_EGR register is used as trigger output (TRGO). If the reset is
generated by the trigger input (clock/trigger mode controller configured in reset mode), the signal on
TRGO is delayed compared to the actual reset.
001: Enable - The counter enable signal is used as trigger output (TRGO). It is used to start several
timers to control a window in which a slave timer is enabled. The counter enable signal is generated
by a logic OR between the CEN control bit and the trigger input when configured in trigger gated
mode. When the counter enable signal is controlled by the trigger input, there is a delay on TRGO,
except if the master/slave mode is selected (see the MSM bit description in TIM1_SMCR register).
010: Update - The update event is selected as trigger output (TRGO)
011: Compare pulse (MATCH1) - The trigger output sends a positive pulse when the CC1IF flag is to
be set (even if it was already high), as soon as a capture or a compare match occurs (TRGO).
100: Compare - OC1REF signal is used as trigger output (TRGO)
101: Compare - OC2REF signal is used as trigger output (TRGO)
110: Compare - OC3REF signal is used as trigger output (TRGO)
111: Compare - OC4REF signal is used as trigger output (TRGO)
Bit 3 CCDS: Capture/compare DMA selection
0: TIM1_CCi DMA request sent when a CCi (capture/compare) event occurs
1: TIM1_CCi DMA request sent when an update event occurs
Bit 2 COMS: Capture/compare control update selection
0: When capture/compare control bits are preloaded (CCPC = 1), they are updated by setting the
COMG bit.
1: When capture/compare control bits are preloaded (CCPC = 1), they are updated by setting the
COMG bit or when an rising edge occurs on TRGI.
Note: This bit acts only on channels with complementary outputs.
Bit 1 Reserved, forced by hardware to 0
Bit 0 CCPC: Capture/compare preloaded control
0: The CCiE, CCiNE, CCiP, and CCiNP bits in the TIM1_CCERi registers and the OCiM bit in the
TIM1_CCMRi registers are not preloaded
1: CCiE, CCiNE, CCiP, C C iNP and OCiM bits are preloaded, after having been written, they are
updated only when COMG bit is set in the TIM1_EGR register.
Note: This bit acts only on channels with complementary outputs.

16-bit advanced control timer (TIM1) RM0031
346/595 DocID15226 Rev 11
19.8.3 Slave mode control register (TIM1_SMCR)
Address offset: 0x02
Reset value: 0x00
76543210
MSM TS[2:0] OCCS SMS[2:0]
rw rw rw rw rw rw rw rw
Bit 7 MSM: Master/slave mode
0: No action
1: The effect of an event on the trigger input (TRGI) is delayed to allow a perfect synchronization
between TIM1 and another timer (through TRGO).
Bits 6:4 TS[2:0]: Trigger selection
This bit field selects the trigger input (TRGI) to be used to synchronize the counter.
000: Internal trigger ITR0 connected to TIM4 TRGO
001: Internal trigger ITR1 connected to TIM5 TRGO
010: Internal trigger ITR2 connected to TIM3 TRGO
011: Internal trigger ITR3 connected to TIM2 TRGO
100: TI1 edge detector (TI1F_ED)
101: Filtered timer input 1 (TI1FP1)
110: Filtered timer input 2 (TI2FP2)
111: External trigger input (ETRF)
Note: These bits must only be changed when they are not used (e.g. when SMS = 000) to avoid
incorrect edge detections at the transition.
Bit 3 OCCS: OCREFCLR selection
This bit is set and cleared by software to select the source of the internal OCREFCLR signal.
0: OCREFCLR_Internal is connected to the OCREFCLR input
1: OCREFCLR_Internal is connected to ETRF external trigger
Bits 2:0 SMS[2:0]: Clock/trigger/slave mode selection
When external signals are selected, the active edge of the trigger signal (TRGI) is linked to the
polarity selected on the external input (see input control register and control register description).
000: Clock/trigger controller disabled - If CEN = 1, the prescaler is clocked directly by the internal
clock.
001: Encoder mode 1 - Counter counts up or down on TI2FP2 edge depending on TI1FP1 level
010: Encoder mode 2 - Counter counts up or down on TI1FP1 edge depending on TI2FP2 level
011: Encoder mode 3 - Counter counts up or down on both TI1FP1 and TI2FP2 edges depending on
the level of the other input.
100: Reset mode - Rising edge of the selected trigger signal (TRGI) re-initializes the counter and
generates an update of the registers.
101: Trigger gated mode - The counter clock is enabled when the trigger signal (TRGI) is high. The
counter stops (but is not reset) as soon as the trigger becomes low. Both start and stop of the
counter are controlled.
110: Trigger standard mode - The counter starts at a rising edge of the trigger TRGI (but, it is not
reset). Only the start of the counter is controlled.
111: External clock mode 1 - Rising edges of the selected trigger (TRGI) clock the counter
Note: Trigger gated mode must not be used if TI1F_ED is selected as the trigger input (TS = 100).
TI1F_ED outputs 1 pulse for each transition on TI1F, whereas trigger gated mode checks the
level of the trigger signal.

DocID15226 Rev 11 347/595
RM0031 16-bit advanced control timer (TIM1)
416
19.8.4 External trigger register (TIM1_ETR)
Address offset: 0x03
Reset value: 0x00
76543210
ETP ECE ETPS[1:0] ETF[3:0]
rw rw rw rw rw rw rw rw
Bit 7 ETP: External trigger polarity
This bit selects whether ETR or ETR is used for trigger operations
0: ETR is non-inverted, active at high level or rising edge
1: ETR is inverted, active at low level or falling edge

16-bit advanced control timer (TIM1) RM0031
348/595 DocID15226 Rev 11
Bit 6 ECE: External clock enable
This bit enables external clock mode 2.
0: External clock mode 2 disabled
1: External clock mode 2 enabled. The counter is clocked by any active edge on the ETRF signal.
Note: Setting the ECE bit has the same effect as selecting external clock mode 1 with TRGI
connected to ETRF (SMS = 111 and TS = 111 in the TIM1_SMCR register).
It is possible to simultaneously use external clock mode 2 with the following modes: Trigger
standard mode, trigger reset mode, and trigger gated mode. Nevertheless, TRGI must not be
connected to ETRF in these cases (TS bits must not be 111 in the TIM1_SMCR register).
If external clock mode 1 and external clock mode 2 are enabled at the same time, the external
clock input is ETRF.
Bits 5:4 ETPS: External trigger prescaler
The ETRP frequency must be, at most,1/4 of fSYSCLK frequency. A prescaler can be enabled to
reduce ETRP frequency. It is useful when inputting fast external clocks.
00: Prescaler off
01: ETRP frequency divided by 2
10: ETRP frequency divided by 4
11: ETRP frequency divided by 8
Bits 3:0 ETF: External trigger filter.
This bitfield defines the frequency used to sample the ETRP signal and the length of the digital filter
applied to it. The digital filter is made of an event counter in which N events are needed to validate a
transition on the output:
0000: No filter, sampling is done at fSYSCLK
0001: fSAMPLING=fSYSCLK, N = 2
0010: fSAMPLING=fSYSCLK, N = 4
0011: fSAMPLING=fSYSCLK, N = 8
0100: fSAMPLING=fSYSCLK/2, N = 6
0101: fSAMPLING=fSYSCLK/2, N = 8
0110: fSAMPLING=fSYSCLK/4, N = 6
0111: fSAMPLING=fSYSCLK/4, N = 8
1000: fSAMPLING=fSYSCLK/8, N = 6
1001: fSAMPLING=fSYSCLK/8, N = 8
1010: fSAMPLING=fSYSCLK/16, N = 5
1011: fSAMPLING=fSYSCLK/16, N = 6
1100: fSAMPLING=fSYSCLK/16, N = 8
1101: fSAMPLING=fSYSCLK/32, N = 5
1110: fSAMPLING=fSYSCLK/32, N = 6
1111: fSAMPLING=fSYSCLK/32, N = 8

DocID15226 Rev 11 349/595
RM0031 16-bit advanced control timer (TIM1)
416
19.8.5 DMA request enable register (TIM1_DER)
Address offset: 0x04
Reset value: 0x00
76543210
Reserved COMDE CC4DE CC3DE CC2DE CC1DE UDE
rw rw rw rw rw rw
Bits 7:6 Reserved, must be kept cleared
Bit 5 COMDE: Commutation DMA request enable(1)
0: Commutation DMA request disabled
1: Commutation DMA request enabled
Bit 4 CC4DE: Capture/compare 4 DMA request enable(1)
0: CC4 DMA request disabled
1: CC4 DMA request enabled
Bit 3 CC3DE: Capture/compare 3 DMA request enable(1)
0: CC3 DMA request disabled
1: CC3 DMA request enabled
Bit 2 CC2DE: Capture/compare 2 DMA request enable(1)
0: CC2 DMA request disabled
1: CC2 DMA request enabled
Bit 1 CC1DE: Capture/compare 1 DMA request enable(1)
0: CC1 DMA request disabled
1: CC1 DMA request enabled
Bit 0 UDE: Update DMA request enable(1)
0: Update DMA request disabled
1: Update DMA request enabled
Note: The conditions for generating a DMA request on the update event are the same as for setting
the UIF bit (in the TIM1_SR1 register). In particular, the DMA request depends on the URS bit
(in the TIM1_CR1 register).
1. The DMA request is related to the actual event and not to the status bit (in the TIM1_SR1 register). Thus, no DMA request
is sent if the xxDE bit is written to 1 while the corresponding status bit is already set.

16-bit advanced control timer (TIM1) RM0031
350/595 DocID15226 Rev 11
19.8.6 Interrupt enable register (TIM1_IER)
Address offset: 0x05
Reset value: 0x00
76543210
BIE TIE COMIE CC4IE CC3IE CC2IE CC1IE UIE
rw rw rw rw rw rw rw rw
Bit 7 BIE: Break interrupt enable
0: Break interrupt disabled
1: Break interrupt enabled
Bit 6 TIE: Trigger interrupt enable
0: Trigger interrupt disabled
1: Trigger interrupt enabled
Bit 5 COMIE: Commutation interrupt enable
0: Commutation interrupt disabled
1: Commutation interrupt enabled
Bit 4 CC4IE: Capture/compare 4 interrupt enable
0: CC4 interrupt disabled
1: CC4 interrupt enabled
Bit 3 CC3IE: Capture/compare 3 interrupt enable
0: CC3 interrupt disabled
1: CC3 interrupt enabled
Bit 2 CC2IE: Capture/compare 2 interrupt enable
0: CC2 interrupt disabled
1: CC2 interrupt enabled
Bit 1 CC1IE: Capture/compare 1 interrupt enable
0: CC1 interrupt disabled
1: CC1 interrupt enabled
Bit 0 UIE: Update interrupt enable
0: Update interrupt disabled
1: Update interrupt enabled

DocID15226 Rev 11 351/595
RM0031 16-bit advanced control timer (TIM1)
416
19.8.7 Status register 1 (TIM1_SR1)
Address offset: 0x06
Reset value: 0x00
76543210
BIF TIF COMIF CC4IF CC3IF CC2IF CC1IF UIF
rc_w0 rc_w0 rc_w0 rc_w0 rc_w0 rc_w0 rc_w0 rc_w0
Bit 7 BIF: Break interrupt flag
This flag is set by hardware as soon as the break input goes active. It can be cleared by software if
the break input is not active.
0: No break event has occurred
1: An active level has been detected on the break input
Bit 6 TIF: Trigger interrupt flag
This flag is set by hardware on a trigger event (the active edge is detected on a TRGI signal, both
edges are detected if trigger gated mode is selected). It is cleared by software.
0: No trigger event has occurred
1: Trigger interrupt pending
Bit 5 COMIF: Commutation interrupt flag
This flag is set by hardware on a COM (when capture/compare control bits - CCiE, CCiNE, OCiM -
have been updated). It is cleared by software.
0: No COM has occurred
1: COM interrupt pending
Bit 4 CC4IF: Capture/compare 4 interrupt flag
Refer to CC1IF description
Bit 3 CC3IF: Capture/compare 3 interrupt flag
Refer to CC1IF description

16-bit advanced control timer (TIM1) RM0031
352/595 DocID15226 Rev 11
19.8.8 Status register 2 (TIM1_SR2)
Address offset: 0x07
Reset value: 0x00
r
Bit 2 CC2IF: Capture/compare 2 interrupt flag
Refer to CC1IF description
Bit 1 CC1IF: Capture/compare 1 interrupt flag
If channel CC1 is configured as output:
This flag is set by hardware when the counter matches the compare value, with some exception in
center-aligned mode (refer to the CMS bits from TIM1_CR1 register description). It is cleared by
software.
0: No match
1: The content of the counter register TIM1_CNT matches the content of the TIM1_CCR1 register
Note: When the contents of TIMx_CCRi are greater than the contents of TIMx_ARR, the CCiIF bit
goes high on the counter overflow (in up-counting and up/down-counting modes) or underflow
(in down-counting mode)
If channel CC1 is configured as input:
This bit is set by hardware on a capture. It is cleared by software or by reading the TIM1_CCR1L
register.
0: No input capture has occurred
1: The counter value has been captured in the TIM1_CCR1 register (an edge has been detected on
IC1 which matches the selected polarity).
Bit 0 UIF: Update interrupt flag
This bit is set by hardware on an update event. It is cleared by software.
0: No update has occurred
1: Update interrupt pending. This bit is set by hardware when the registers are updated:
– At overflow or underflow if UDIS = 0 in the TIM1_CR1 register
– When CNT is re-initialized by software using the UG bit in TIM1_EGR register, if URS = 0
and UDIS = 0 in the TIM1_CR1 register.
– When CNT is re-initialized by a trigger event (refer to the TIM1_SMCR register description),
if URS = 0 and UDIS = 0 in the TIM1_CR1 register.
76543210
Reserved CC4OF CC3OF CC2OF CC1OF Reserved
r rc_w0 rc_w0 rc_w0 rc_w0 r
Bits 7:5 Reserved, must be kept cleared
Bit 4 CC4OF: Capture/compare 4 overcapture flag
Refer to CC1OF description
Bit 3 CC3OF: Capture/compare 3 overcapture flag
Refer to CC1OF description

DocID15226 Rev 11 353/595
RM0031 16-bit advanced control timer (TIM1)
416
19.8.9 Event generation register (TIM1_EGR)
Address offset: 0x08
Reset value: 0x00
Bit 2 CC2OF: Capture/compare 2 overcapture flag
Refer to CC1OF description
Bit 1 CC1OF: Capture/compare 1 overcapture flag
This flag is set by hardware only when the corresponding channel is configured in input capture
mode. It is cleared by software by writing it to 0.
0: No overcapture has been detected
1: The counter value has been captured in TIM1_CCR1 register while CC1IF flag was already set
Bit 0 Reserved, must be kept cleared.
76543210
BG TG COMG CC4G CC3G CC2G CC1G UG
wwwwwwww
Bit 7 BG: Break generation
This bit is set by software to generate an event. It is automatically cleared by hardware.
0: No action
1: A break event is generated. The MOE bit is cleared and the BIF flag is set. An interrupt is
generated if enabled by the BIE bit.
Bit 6 TG: Trigger generation
This bit is set by software to generate an event. It is automatically cleared by hardware.
0: No action
1: The TIF flag is set in TIM1_SR1 register. An interrupt is generated if enabled by the TIE bit.
Bit 5 COMG: Capture/compare control update generation
This bit can be set by software and is automatically cleared by hardware.
0: No action
1: When the CCPC bit in the TIM1_CR2 register is set, it allows the CCiE, CCiNE CCiP, C C iNP, and
OCiM bits to be updated.
Note: This bit acts only on channels that have a complementary output.
Bit 4 CC4G: Capture/compare 4 generation
Refer to CC1G description.
Bit 3 CC3G: Capture/compare 3 generation
Refer to CC1G description.

16-bit advanced control timer (TIM1) RM0031
354/595 DocID15226 Rev 11
19.8.10 Capture/compare mode register 1 (TIM1_CCMR1)
Address offset: 0x09
Reset value: 0x00
This channel can be used in input (capture mode) or in output (compare mode). The
direction of the channel is defined by configuring the CC1S bits. All the other bits of this
register have a different function in input and output mode. For a given bit, OCii describes its
function when the channel is configured in output, ICii describes its function when the
channel is configured in input. Therefore, be aware that the same bit can have a different
meaning for the input and output stage.
Bit 2 CC2G: Capture/compare 2 generation
Refer to CC1G description.
Bit 1 CC1G: Capture/compare 1 generation.
This bit is set by software to generate an event. It is automatically cleared by hardware.
0: No action
1: A capture/compare event is generated on channel 1:
If the CC1 channel is configured in output mode:
The CC1IF flag is set and the corresponding interrupt request is sent if enabled.
If the CC1 channel is configured in input mode:
The current value of the counter is captured in the TIM1_CCR1 register. The CC1IF flag is set, and
the corresponding interrupt request is sent if enabled. The CC1OF flag is set if the CC1IF flag is
already high.
Bit 0 UG: Update generation
This bit can be set by software and is automatically cleared by hardware.
0: No action
1: Re-initializes the counter and generates an update of the registers. Note that the prescaler
counter is also cleared. The counter is cleared if center-aligned mode is selected or if DIR = 0 (up-
counting). Otherwise, it takes the auto-reload value (TIM1_ARR) if DIR = 1 (down-counting).

DocID15226 Rev 11 355/595
RM0031 16-bit advanced control timer (TIM1)
416
Channel configured in output
76543210
OC1CE OC1M[2:0] OC1PE OC1FE CC1S[1:0]
rw rw rw rw rw rw rw rw
Bit 7 OC1CE: Output compare 1 clear enable
This bit is used to enable the clearing of the channel 1 output compare signal (OC1REF) by the
OCREFCLR internal signal (see Section 19.5.9 on page 336).
0: OC1REF is not affected by the OCREFCLR internal signal
1: OC1REF is cleared as soon as a high level is detected on the OCREFCLR internal signal
Bits 6:4 OC1M: Output compare 1 mode
These bits define the behavior of the output reference signal, OC1REF, from which OC1 is derived.
OC1REF is active high whereas OC1 active level depends on the CC1P bit.
000: Frozen - The comparison between the output compare register TIM1_CCR1 and the counter
register TIM1_CNT has no effect on the outputs.
001: Set channel 1 to active level on match - OC1REF signal is forced high when the counter
register TIM1_CNT matches the capture/compare register 1 (TIM1_CCR1).
010: Set channel 1 to inactive level on match - OC1REF signal is forced low when the counter
register TIM1_CNT matches the capture/compare register 1 (TIM1_CCR1).
011: Toggle - OC1REF toggles when TIM1_CNT = TIM1_CCR1
100: Force inactive level - OC1REF is forced low
101: Force active level - OC1REF is forced high
110: PWM mode 1 - In up-counting, channel 1 is active as long as TIM1_CNT < TIM1_CCR1,
otherwise, the channel is inactive. In down-counting, channel 1 is inactive (OC1REF = 0) as long as
TIM1_CNT > TIM1_CCR1, otherwise, the channel is active (OC1REF = 1).
111: PWM mode 2 - In up-counting, channel 1 is inactive as long as TIM1_CNT < TIM1_CCR1,
otherwise, the channel is active. In down-counting, channel 1 is active as long as TIM1_CNT >
TIM1_CCR1, otherwise, the channel is inactive.
Note: These bits can no longer be modified while LOCK level 3 has been programmed (LOCK bits in
TIM1_BKR register) and CC1S = 00 (the channel is configured in output).
In PWM mode 1 or 2, the OCiREF level changes only when the result of the comparison
changes or when the output compare mode switches from “frozen” mode to “PWM” mode (refer
to PWM mode on page 326 for more details).
On channels that have a complementary output, this bitfield is preloaded. If the CCPC bit is set
in the TIM1_CR2 register, the OCM active bits take the new value from the preload bits only
when a COM is generated.

16-bit advanced control timer (TIM1) RM0031
356/595 DocID15226 Rev 11
Bit 3 OC1PE: Output compare 1 preload enable
0: Preload register on TIM1_CCR1 disabled. TIM1_CCR1 can be written at anytime. The new value
is taken into account immediately.
1: Preload register on TIM1_CCR1 enabled. Read/write operations access the preload register.
TIM1_CCR1 preload value is loaded in the shadow register at each UEV.
Note: These bits can no longer be modified while LOCK level 3 has been programmed (LOCK bits in
TIM1_BKR register) and CC1S = 00 (the channel is configured in output).
For correct operation, preload registers must be enabled when the timer is in PWM mode. This
is not mandatory in one-pulse mode (OPM bit set in TIM1_CR1 register).
Bit 2 OC1FE: Output compare 1 fast enable
This bit is used to accelerate the effect of an event on the trigger in input on the CC output.
0: CC1 behaves normally depending on the counter and CCR1 values, even when the trigger is on.
The minimum delay to activate CC1 output when an edge occurs on the trigger input, is 5 clock
cycles.
1: An active edge on the trigger input acts like a compare match on the CC1 output. If this happens,
OC is set to the compare level irrespective of the result of the comparison. The delay to sample the
trigger input and to activate CC1 output is reduced to 3 clock cycles. OCFE acts only if the channel
is configured in PWM1 or PWM2 mode.
Bits 1:0 CC1S[1:0]: Capture/compare 1 selection
This bitfield defines the direction of the channel (input/output) as well as the used input.
00: CC1 channel is configured as output
01: CC1 channel is configured as input, IC1 is mapped on TI1FP1
10: CC1 channel is configured as input, IC1 is mapped on TI2FP1
11: CC1 channel is configured as input, IC1 is mapped on TRC. This mode works only if an internal
trigger input is selected through the TS bit (TIM1_SMCR register).
Note: CC1S bits are writable only when the channel is off (CC1E = 0 in TIM1_CCER1).

DocID15226 Rev 11 357/595
RM0031 16-bit advanced control timer (TIM1)
416
Channel configured in input
76543210
IC1F[3:0] IC1PSC[1:0] CC1S[1:0]
rw rw rw rw rw rw rw rw
Bits 7:4 IC1F[3:0]: Input capture 1 filter
This bitfield defines fSAMPLING
, the frequency used to sample TI1 input and the length of the digital
filter applied to TI1. The digital filter is made of an event counter in which N events are needed to
validate a transition on the output:
0000: No filter, fSAMPLING= fSYSCLK
0001: fSAMPLING=fSYSCLK, N = 2
0010: fSAMPLING=fSYSCLK, N = 4
0011: fSAMPLING=fSYSCLK, N = 8
0100: fSAMPLING=fSYSCLK/2, N = 6
0101: fSAMPLING=fSYSCLK/2, N = 8
0110: fSAMPLING=fSYSCLK/4, N = 6
0111: fSAMPLING=fSYSCLK/4, N = 8
1000: fSAMPLING=fSYSCLK/8, N = 6
1001: fSAMPLING=fSYSCLK/8, N = 8
1010: fSAMPLING=fSYSCLK/16, N = 5
1011: fSAMPLING=fSYSCLK/16, N = 6
1100: fSAMPLING=fSYSCLK/16, N = 8
1101: fSAMPLING=fSYSCLK/32, N = 5
1110: fSAMPLING=fSYSCLK/32, N = 6
1111: fSAMPLING=fSYSCLK/32, N = 8
Note: Even on channels that have a complementary output, this bit field is not preloaded and does
not take into account the content of the CCPC bit (in the TIM1_CR2 register).
Bits 3:2 IC1PSC[1:0]: Input capture 1 prescaler
This bitfield defines the ratio of the prescaler acting on CC1 input (IC1). The prescaler is reset as
soon as CC1E = 0 (TIM1_CCER register).
00: No prescaler, capture is made each time an edge is detected on the capture input
01: Capture is made once every 2 events
10: Capture is made once every 4 events
11: Capture is made once every 8 events
Bits 1:0 CC1S[1:0]: Capture/compare 1 selection
This bitfield defines the direction of the channel (input/output) and the used input.
00: CC1 channel is configured as output
01: CC1 channel is configured as input, IC1 is mapped on TI1FP1
10: CC1 channel is configured as input, IC1 is mapped on TI2FP1
11: CC1 channel is configured as input, IC1 is mapped on TRC. This mode works only if an internal
trigger input is selected through the TS bit (TIM1_SMCR register).
Note: CC1S bits are writable only when the channel is OFF (CC1E = 0 in TIM1_CCER1).

16-bit advanced control timer (TIM1) RM0031
358/595 DocID15226 Rev 11
19.8.11 Capture/compare mode register 2 (TIM1_CCMR2)
Address offset: 0x0A
Reset value: 0x00
Channel configured in output
Channel configured in input
76543210
OC2CE OC2M[2:0] OC2PE OC2FE CC2S[1:0]
rw rw rw rw rw rw rw rw
Bit 7 OC2CE: Output compare 2 clear enable
Bits 6:4 OC2M(2:0]: Output compare 2 mode
Bit 3 OC2PE: Output compare 2 preload enable
Bit 2 OC2FE: Output compare 2 fast enable
Bits 1:0 CC2S[1:0]: Capture/compare 2 selection
This bitfield defines the direction of the channel (input/output) and the used input.
00: CC2 channel is configured as output
01: CC2 channel is configured as input, IC2 is mapped on TI2FP2
10: CC2 channel is configured as input, IC2 is mapped on TI1FP2
11: CC2 channel is configured as input, IC2 is mapped on TRC. This mode works only if an internal
trigger input is selected through the TS bit (TIM1_SMCR register)
Note: CC2S bits are writable only when the channel is off (CC2E and CC2NE = 0 and updated in
TIM1_CCER1).
76543210
IC2F[3:0] IC2PSC[1:0] CC2S[1:0]
rw rw rw rw rw rw rw rw
Bits 7:4 IC2F: Input capture 2 filter
Bits 3:2 IC2PSC(1:0]: Input capture 2 prescaler
Bits 1:0 CC2S[1:0]: Capture/compare 2 selection
This bitfield defines the direction of the channel (input/output) and the used input.
00: CC2 channel is configured as output
01: CC2 channel is configured as input, IC2 is mapped on TI2FP2
10: CC2 channel is configured as input, IC2 is mapped on TI1FP2
11: CC2 channel is configured as input, IC2 is mapped on TRC. This mode works only if an internal
trigger input is selected through the TS bit (TIM1_SMCR register).
Note: CC2S bits are writable only when the channel is off (CC2E and CC2NE = 0 and updated in
TIM1_CCER1).

DocID15226 Rev 11 359/595
RM0031 16-bit advanced control timer (TIM1)
416
19.8.12 Capture/compare mode register 3 (TIM1_CCMR3)
Address offset: 0x0B
Reset value: 0x00
Refer to the CCMR1 register description above.
Channel configured in output
Channel configured in input
76543210
OC3CE OC3M[2:0] OC3PE OC3FE CC3S[1:0]
rw rw rw rw rw rw rw rw
Bit 7 OC3CE: Output compare 3 clear enable
Bits 6:4 OC3M[2:0]: Output compare 3 mode
Bit 3 OC3PE: Output compare 3 preload enable
Bit 2 OC3FE: Output compare 3 fast enable
Bits 1:0 CC3S[1:0]: Capture/compare 3 selection
This bitfield defines the direction of the channel (input/output) and the used input.
00: CC3 channel is configured as output
01: CC3 channel is configured as input, IC3 is mapped on TI3FP3
10: Reserved
11: CC3 channel is configured as input, IC3 is mapped on TRC. This configuration only works if an
internal trigger input is selected through the TS bit in the TIM1_SMCR register
Note: CC3S bits are writable only when the channel is off (CC3E and CC3NE = 0 and updated in
TIM_CCER2).
76543210
IC3F[3:0] IC3PSC[1:0] CC3S[1:0]
rw rw rw rw rw rw rw
Bits 7:4 IC3F: Input capture 3 filter
Bits 3:2 IC3PSC[1:0]: Input capture 3 prescaler
Bits 1:0 CC3S[1:0]: Capture/compare 3 selection
This bitfield defines the direction of the channel (input/output) and the used input.
00: CC3 channel is configured as output
01: CC3 channel is configured as input, IC3 is mapped on TI3FP3
10: Reserved
11: CC3 channel is configured as input, IC3 is mapped on TRC. This configuration only works if an
internal trigger input is selected through the TS bit in the TIM1_SMCR register.
CC3S bits are writable only when the channel is off (CC3E and CC3NE = 0 and updated in
TIM_CCER2).

16-bit advanced control timer (TIM1) RM0031
360/595 DocID15226 Rev 11
19.8.13 Capture/compare mode register 4 (TIM1_CCMR4)
Address offset: 0xC
Reset value: 0x00
Refer to the CCMR1 register description above.
Channel configured in output
Channel configured in input
76543210
OC4CE OC4M[2:0] OC4PE Reserved CC4S[1:0]
rw rw rw rw rw rw rw
Bit 7 OC4CE: Output compare 4 clear enable
Bits 6:4 OC4M[2:0]: Output compare 4 mode
Bit 3 OC4PE: Output compare 4 preload enable
Bit 2 Reserved
Bits 1:0 CC4S[1:0]: Capture/compare 4 selection
This bitfield defines the direction of the channel (input/output) and the used input.
00: CC4 channel is configured as output
01: Reserved
10: CC4 channel is configured as input, IC4 is mapped on TI3FP4
11: CC4 channel is configured as input, IC4 is mapped on TRC. This configuration only works if an
internal trigger input is selected through the TS bit in the TIM1_SMCR register
Note: CC4S bits are writable only when the channel is off (CC4E and CC4NE = 0 and updated in
TIM1_CCER2).
76543210
IC4F[3:0] IC4PSC[1:0] CC4S[1:0]
rw rw rw rw rw rw rw rw
Bits 7:4 IC4F: Input capture 4 filter
Bits 3:2 IC4PSC[1:0]: Input capture 4 prescaler
Bits 1:0 CC4S[1:0]: Capture/compare 4 selection
This bitfield defines the direction of the channel (input/output) and the used input.
00: CC4 channel is configured as output.
01: Reserved
10: CC4 channel is configured as input, IC4 is mapped on TI3FP4.
11: CC4 channel is configured as input, IC4 is mapped on TRC. This configuration only works if an
internal trigger input is selected through the TS bit in the TIM1_SMCR register
Note: CC4S bits are writable only when the channel is off (CC4E and CC4NE = 0 and updated in
TIM_CCER2).

DocID15226 Rev 11 361/595
RM0031 16-bit advanced control timer (TIM1)
416
19.8.14 Capture/compare enable register 1 (TIM1_CCER1)
Address offset: 0x0D
Reset value: 0x00
76543210
CC2NP CC2NE CC2P CC2E CC1NP CC1NE CC1P CC1E
rw rw rw rw rw rw rw rw
Bit 7 CC2NP: Capture/compare 2 complementary output polarity
Refer to CC1NP description.
Bit 6 CC2NE: Capture/compare 2 complementary output enable
Refer to CC1NE description.
Bit 5 CC2P: Capture/compare 2 output polarity
Refer to CC1P description.
Bit 4 CC2E: Capture/compare 2 output enable
Refer to CC1E description.
Bit 3 CC1NP: Capture/compare 1 complementary output polarity
0: OC1N active high
1: OC1N active low
Note: This bit is no longer writable while LOCK level 2 or 3 have been programmed (LOCK bits in
TIM1_BKR register) and CC1S = 00 (the channel is configured in output).
On channels that have a complementary output, this bit is preloaded. If the CCPC bit is set in
the TIM1_CR2 register, the CC1NP active bit takes the new value from the preload bit only
when a COM is generated.

16-bit advanced control timer (TIM1) RM0031
362/595 DocID15226 Rev 11
Bit 2 CC1NE: Capture/compare 1 complementary output enable
0: Off - OC1N is not active. OC1N level is then a function of the MOE, OSSI, OSSR, OIS1, OIS1N
and CC1E bits.
1: On - OC1N signal is output on the corresponding output pin depending on the MOE, OSSI,
OSSR, OIS1, OIS1N and CC1E bits.
Note: On channels that have a complementary output, this bit is preloaded. If the CCPC bit is set in
the TIM1_CR2 register, the CC1NE active bit takes the new value from the preload bit when a
COM is generated.
Bit 1 CC1P: Capture/compare 1 output polarity
CC1 channel configured as output:
0: OC1 active high
1: OC1 active low
CC1 channel configured as input for trigger function (see Figure 100):
0: Trigger on a high level or rising edge of TI1F
1: Trigger on a low level or falling edge of TI1F
CC1 channel configured as input for capture function (see Figure 100):
0: Capture on a rising edge of TI1F or TI2F
1: Capture on a falling edge of TI1F or TI2F
Note: This bit is no longer writable while LOCK level 2 or 3 have been programmed (LOCK bits in
TIM1_BKR register).
On channels that have a complementary output, this bit is preloaded. If the CCPC bit is set in
the TIM1_CR2 register, the CC1P active bit takes the new value from the preload bit when a
COM is generated.
Bit 0 CC1E: Capture/compare 1 output enable
CC1 channel is configured as output:
0: Off - OC1 is not active. OC1 level is then a function of the MOE, OSSI, OSSR, OIS1, OIS1N and
CC1NE bits.
1: On - OC1 signal is output on the corresponding output pin depending on the MOE, OSSI, OSSR,
OIS1, OIS1N and CC1NE bits.
CC1 channel is configured as input:
This bit determines if a capture of the counter value can be made in the input capture/compare
register 1 (TIM1_CCR1) or not.
0: Capture disabled
1: Capture enabled
Note: On channels that have a complementary output, this bit is preloaded. If the CCPC bit is set in
the TIM1_CR2 register, the CC1E active bit takes the new value from the preload bit only when
a COM is generated.

DocID15226 Rev 11 363/595
RM0031 16-bit advanced control timer (TIM1)
416
Note: The state of the external I/O pins connected to the OCi channels depends on the OCi
channel state and the GPIO registers.
Table 68. Output control for complementary OCi and OCiN channels with break
feature(1)
Control bits Output states
MOE OSSI OSSR CCiE CCiNE OCi OCiN
1x
(2)
000
Output disabled
(not driven by the timer)
Output disabled
(not driven by the timer)
001
Output disabled
(not driven by the timer)
OCiREF + polarity OCiN =
OCiREF xor CCiNP
010
OCiREF + polarity OCi =
OCiREF xor CCiP
Output disabled
(not driven by the timer)
011OCiREF + polarity + deadtime
Complementary to OCiREF
(not OCiREF) + polarity +
deadtime
100
Output disabled
(not driven by the timer)
Output disabled
(not driven by the timer)
101
Off state
(output enabled with inactive
state) OCi = CCiP
OCiREF + polarity OCiN =
OCiREF xor CCiNP
110
OCiREF + polarity OCi =
OCiREF xor CCiP
Off state
(output enabled with inactive
state) OCiN = CCiNP
1 1 1 OCiREF + polarity + deadtime
Complementary to OCiREF
(not OCiREF) + polarity +
deadtime
0
0
x(2) xx
Output disabled (not driven by the timer)
0
0
0
1Off state (output enabled with inactive state)
Asynchronously: OCi = CCiP and OCiN = CCiNP
Then if the clock is present: OCi = OISi and OCiN = OISiN after
a deadtime, assuming that OISi and OISiN do not correspond
with OCi and OCiN in active state
1
1
1
1. Never set CCiE = CCNiE = 0 when the channel is used. When the channel is not used, program CCiP = CCiNP = OISi =
OISiN = 0 otherwise.
2. Don’t care

16-bit advanced control timer (TIM1) RM0031
364/595 DocID15226 Rev 11
19.8.15 Capture/compare enable register 2 (TIM1_CCER2)
Address offset: 0x0E
Reset value: 0x00
19.8.16 Counter high (TIM1_CNTRH)
Address offset: 0x0F
Reset value: 0x00
76543210
Reserved CC4P CC4E CC3NP CC3NE CC3P CC3E
r rwrwrwrwrwrw
Bits 7:6 Reserved
Bit 5 CC4P: Capture/compare 4 output polarity
Refer to CC1P description. As this bit is not connected to the external output, it is not used when the
channel 4 is configured in output mode.
Bit 4 CC4E: Capture/compare 4 output enable
Refer to CC1E description. As this bit is not connected to the external output, it is not used when the
channel 4 is configured in output mode.
Bit 3 CC3NP: Capture/compare 3 complementary output polarity
Refer to CC1NP description.
Bit 2 CC3NE: Capture/compare 3 complementary output enable
Refer to CC1NE description.
Bit 1 CC3P: Capture/compare 3 output polarity
Refer to CC1P description.
Bit 0 CC3E: Capture/compare 3 output enable
Refer to CC1E description.
76543210
CNT[15:8]
rw rw rw rw rw rw rw rw
Bits 7:0 CNT[15:8]: Counter value (MSB)

DocID15226 Rev 11 365/595
RM0031 16-bit advanced control timer (TIM1)
416
19.8.17 Counter low (TIM1_CNTRL)
Address offset: 0x10
Reset value: 0x00
19.8.18 Prescaler high (TIM1_PSCRH)
Address offset: 0x11
Reset value: 0x00
19.8.19 Prescaler low (TIM1_PSCRL)
Address offset: 0x12
Reset value: 0x00
76543210
CNT[7:0]
rw rw rw rw rw rw rw rw
Bits 7:0 CNT[7:0]: Counter value (LSB).
76543210
PSC[15:8]
rw rw rw rw rw rw rw rw
Bits 7:0
PSC[15:8]: Prescaler value (MSB)
The prescaler value divides the CK_PSC clock frequency. The counter clock frequency fCK_CNT is
equal to fCK_PSC / (PSCR[15:0]+1). PSCR contain the value which is loaded in the active prescaler
register at each UEV (including when the counter is cleared through the UG bit of the TIM_EGR
register or through the trigger controller when configured in trigger reset mode). A UEV must be
generated so that a new prescaler value can be taken into account.
76543210
PSC[7:0]
rw rw rw rw rw rw rw rw
Bits 7:0 PSC[7:0]: Prescaler value (LSB)
The prescaler value divides the CK_PSC clock frequency. The counter clock frequency fCK_CNT is
equal to fCK_PSC / (PSCR[15:0]+1). PSCR contains the value which is loaded in the active prescaler
register at each UEV (including when the counter is cleared through the UG bit of the TIM1_EGR
register or through the trigger controller when configured in trigger reset mode).
A UEV must be generated so that a new prescaler value can be taken into account.

16-bit advanced control timer (TIM1) RM0031
366/595 DocID15226 Rev 11
19.8.20 Auto-reload register high (TIM1_ARRH)
Address offset: 0x13
Reset value: 0xFF
19.8.21 Auto-reload register low (TIM1_ARRL)
Address offset: 0x14
Reset value: 0xFF
19.8.22 Repetition counter register (TIM1_RCR)
Address offset: 0x15
Reset value: 0xFF
76543210
ARR[15:8]
rw rw rw rw rw rw rw rw
Bits 7:0 ARR[15:8]: Auto-reload value (MSB)
ARR is the value to be loaded in the actual auto-reload register. Refer to the Section 19.3: TIM1 time
base unit on page 293 for more details about ARR update and behavior. The counter is blocked
while the auto-reload value is null.
76543210
ARR[7:0]
rw rw rw rw rw rw rw rw
Bits 7:0 ARR[7:0]: Auto-reload value (LSB).
76543210
REP[7:0]
rw rw rw rw rw rw rw rw
Bits 7:0 REP[7:0]: Repetition counter value.
When the preload registers are enabled, these bits allow the user to set up the update rate of the
compare registers (periodic transfers from preload to shadow registers) as well as the update
interrupt generation rate if the update interrupt is enabled (UIE=1).
Each time the REP_CNT related down-counter reaches zero, a UEV is generated and it restarts
counting from the REP value. As REP_CNT is reloaded with the REP value only at the repetition
update event U_RC, any write to the TIM1_RCR register is not taken into account until the next
repetition update event.
In PWM mode (REP+1) corresponds to:
– The number of PWM periods in edge-aligned mode
– The number of half PWM periods in center-aligned mode

DocID15226 Rev 11 367/595
RM0031 16-bit advanced control timer (TIM1)
416
19.8.23 Capture/compare register 1 high (TIM1_CCR1H)
Address offset: 0x16
Reset value: 0x00
19.8.24 Capture/compare register 1 low (TIM1_CCR1L)
Address offset: 0x17
Reset value: 0x00
76543210
CCR1[15:8]
rw rw rw rw rw rw rw rw
Bits 7:0 CCR1[15:8]: Capture/compare 1 value (MSB)
If the CC1 channel is configured as output (CC1S bits in TIM1_CCMR1 register):
The value of CCR1 is loaded permanently into the actual capture/compare 1 register if the preload
feature is enabled (OC1PE bit in TIMx_CCMR1). Otherwise, the preload value is copied in the active
capture/compare 1 register when a UEV occurs. The active capture/compare register contains the
value which is compared to the counter register, TIMx_CNT, and signalled on the OC1 output.
If the CC1 channel is configured as input (CC1S bits in TIM1_CCMR1 register):
The value of CCR1 is the counter value transferred by the last input capture 1 event (IC1). In this
case, these bits are read only.
76543210
CCR1[7:0]
rw rw rw rw rw rw rw rw
Bits 7:0 CCR1[7:0]: Capture/compare 1 value (LSB)

16-bit advanced control timer (TIM1) RM0031
368/595 DocID15226 Rev 11
19.8.25 Capture/compare register 2 high (TIM1_CCR2H)
Address offset: 0x18
Reset value: 0x00
19.8.26 Capture/compare register 2 low (TIM1_CCR2L)
Address offset: 0x19
Reset value: 0x00
76543210
CCR2[15:8]
rw rw rw rw rw rw rw rw
Bits 7:0 CCR2[15:8]: Capture/compare 2 value (MSB)
If the CC2 channel is configured as output (CC2S bits in TIM1_CCMR2 register):
The value of CCR2 is loaded permanently into the actual capture/compare 2 register if the preload
feature is not enabled (OC2PE bit in TIM1_CCMR2). Otherwise, the preload value is copied in the
active capture/compare 2 register when a UEV occurs.The active capture/compare register contains
the value which is compared to the counter register, TIM1_CNT, and signalled on the OC2 output.
If the CC2 channel is configured as input (CC2S bits in TIM1_CCMR2 register):
The value of CCR2 is the counter value transferred by the last input capture 2 event (IC2). In this
case, these bits are read only.
76543210
CCR2[7:0]
rw rw rw rw rw rw rw rw
Bits 7:0 CCR2[7:0]: Capture/compare value (LSB)

DocID15226 Rev 11 369/595
RM0031 16-bit advanced control timer (TIM1)
416
19.8.27 Capture/compare register 3 high (TIM1_CCR3H)
Address offset: 0x1A
Reset value: 0x00
19.8.28 Capture/compare register 3 low (TIM1_CCR3L)
Address offset: 0x1B
Reset value: 0x00
76543210
CCR3[15:8]
rw rw rw rw rw rw rw rw
Bits 7:0 CCR3[15:8]: Capture/compare value (MSB)
If the CC3 channel is configured as output (CC3S bits in TIM_CCMR3 register):
The value of CCR3 is loaded permanently into the actual capture/compare 3 register if the preload
feature is not enabled (OC3PE bit in TIM1_CCMR3). Otherwise, the preload value is copied in the
active capture/compare 3 register when a UEV occurs.The active capture/compare register contains
the value which is compared to the counter register, TIM1_CNT, and signalled on the OC3 output.
If the CC3 channel is configured as input (CC3S bits in TIM_CCMR3 register):
The value of CCR3 is the counter value transferred by the last input capture 3 event (IC31).
76543210
CCR3[7:0]
rw rw rw rw rw rw rw rw
Bits 7:0 CCR3[7:0]: Capture/compare value (LSB)

16-bit advanced control timer (TIM1) RM0031
370/595 DocID15226 Rev 11
19.8.29 Capture/compare register 4 high (TIM1_CCR4H)
Address offset: 0x1C
Reset value: 0x00
19.8.30 Capture/compare register 4 low (TIM1_CCR4L)
Address offset: 0x1D
Reset value: 0x00
76543210
CCR4[15:8]
rw rw rw rw rw rw rw rw
Bits 7:0 CCR4[15:8]: Capture/compare value (MSB)
If the CC4 channel is configured as output (CC4S bits in TIM1_CCMR4 register):
The value of CCR4 is loaded permanently into the actual capture/compare 4 register if the preload
feature is not enabled (OC4PE bit in TIM1_CCMR4). Otherwise, the preload value is copied in the
active capture/compare 4 register when a UEV occurs.The active capture/compare register contains
the value which is compared to the counter register, TIM1_CNT, and signalled on the OC4 output.
If the CC4 channel is configured as input (CC4S bits in TIM1_CCMR4 register):
The value of CCR4 is the counter value transferred by the last input capture 4 event (IC4).
76543210
CCR4[7:0]
rw rw rw rw rw rw rw rw
Bits 7:0 CCR4[7:0]: Capture/compare value (LSB)

DocID15226 Rev 11 371/595
RM0031 16-bit advanced control timer (TIM1)
416
19.8.31 Break register (TIM1_BKR)
Address offset: 0x1E
Reset value: 0x00
76543210
MOE AOE BKP BKE OSSR OSSI LOCK
rw rw rw rw rw rw rw rw
Bit 7 MOE: Main output enable
This bit is cleared asynchronously by hardware as soon as the break input is active. It is set by
software or automatically depending on the AOE bit. It acts only on the channels which are
configured in output.
0: OC and OCN outputs are disabled or forced to idle state
1: OC and OCN outputs are enabled if their respective enable bits are set (CCiE in TIM1_CCERi
registers).
See OC/OCN enable description for more details (Section 19.8.14 on page 361).
Bit 6 AOE: Automatic output enable
0: MOE can be set only by software
1: MOE can be set by software or automatically at the next UEV (if the break input is not active)
Note: This bit can no longer be modified while LOCK level 1 has been programmed (LOCK bits in the
TIM1_BKR register).
Bit 5 BKP: Break polarity
0: Break input BKIN is active low
1: Break input BKIN is active high
Note: This bit can no longer be modified while LOCK level 1 has been programmed (LOCK bits in the
TIM1_BKR register).
Bit 4 BKE: Break enable
0: Break input (BKIN) disabled
1: Break input (BKIN) enabled
Note: This bit can no longer be modified while LOCK level 1 has been programmed (LOCK bits in the
TIM1_BKR register).

16-bit advanced control timer (TIM1) RM0031
372/595 DocID15226 Rev 11
Note: As the bits AOE, BKP, BKE, OSSR, and OSSI can be write-locked depending on the LOCK
configuration, it is necessary to configure all of them during the first write access to the
TIM1_BKR register.
Bit 3 OSSR: Off state selection for Run mode
This bit is used when MOE = 1 on channels with a complementary output which are configured as
outputs. See OC/OCN enable description for more details (Section 19.8.14).
0: When inactive, OC/OCN outputs are disabled (OC/OCN enable output signal = 0)
1: When inactive, OC/OCN outputs are enabled with their inactive level as soon as CCiE = 1 or
CCiNE = 1, after which the OC/OCN enable output signal = 1
Note: This bit can no longer be modified while LOCK level 2 has been programmed (LOCK bits in
TIM1_BKR register).
Bit 2 OSSI: Off state selection for idle mode
This bit is used when MOE = 0 on channels configured as outputs. See OC enable description for
more details (Section 19.8.14).
0: When inactive, OCi outputs are disabled (OCi enable output signal = 0)
1: When inactive, OCi outputs are forced first with their idle level as soon as CCiE = 1 (OC enable
output signal = 1)
Note: This bit can no longer be modified while LOCK level 2 has been programmed (LOCK bits in the
TIM1_BKR register).
Bits 1:0 LOCK[1:0]: Lock configuration
These bits offer a write protection against software errors.
00: LOCK off - No bits are write protected
01: LOCK level 1 - OISi bit in TIM1_OISR register and BKE/BKP/AOE bits in TIM1_BKR register can
no longer be written.
10: LOCK level 2 - LOCK level 1 + CC polarity bits (CCiP bits in TIM1_CCERi registers, as long as
the related channel is configured in output through the CCiS bits) as well as the OSSR and OSSI
bits can no longer be written.
11: LOCK Level 3 - LOCK level 2 + CC control bits (OCiM and OCiPE bits in TIM1_CCMRi registers,
as long as the related channel is configured in output through the CCiS bits) can no longer be
written.
Note: The LOCK bits can be written only once after reset. Once the TIM1_BKR register has been
written, their content is frozen until the next reset.

DocID15226 Rev 11 373/595
RM0031 16-bit advanced control timer (TIM1)
416
19.8.32 Deadtime register (TIM1_DTR)
Address offset: 0x1F
Reset value: 0x00
76543210
DTG7:0]
rw rw rw rw rw rw rw rw
Bits 7:0 DTG[7:0]: Deadtime generator set-up
This bitfield defines the duration of the deadtime inserted between the complementary outputs. DT
corresponds to this duration. tCK_PSC is the TIM clock pulse.
DTG[7:5] = 0xx => DT= DTG[7:0] x tdtg with tdtg = tCK_PSC (f1)
DTG[7:5] = 10x => DT= (64 + DTG[5:0]) x tdtg with tdtg= 2 x tCK_PSC (f2)
DTG[7:5] = 110 => DT = (32 + DTG[4:0]) x tdtg with tdtg= 8 x tCK_PSC (f3)
DTG[7:5] = 111 => DT = (32 + DTG[4:0]) x tdtg with tdtg = 16 x tCK_PSC (f4)
Example
If tCK_PSC= 125 ns (8 MHz), deadtime possible values are:
DTG[7:0] = 0 x 0 to 0 x 7F from 0 to 15875 ns in 125 ns steps (refer to f1)
DTG[7:0] = 0 x 80 to 0 x BF from 16 µs to 31750 ns in 250 ns steps (refer to f2)
DTG[7:0] = 0 x C0 to 0 x DF from 32 µs to 63 µs in 1µs steps (refer to f3)
DTG[7:0] = 0 x E0 to 0 x FF from 64 µs to 126 µs in 2 µs steps (refer to f4)
Note: This bitfield can not be modified while LOCK level 1, 2, or 3 have been programmed (LOCK bits
in the TIM_BKR register).

16-bit advanced control timer (TIM1) RM0031
374/595 DocID15226 Rev 11
19.8.33 Output idle state register (TIM1_OISR)
Address offset: 0x20
Reset value: 0x00
76543210
Reserved OIS3N OIS3 OIS2N OIS2 OIS1N OIS1
rw rw rw rw rw rw
Bits 7:6 Reserved, forced by hardware to 0
Bit 5 OIS3N: Output idle state 3 (OC3N output)
Refer to OIS1N bit
Bit 4 OIS3: Output idle state 3 (OC3 output)
Refer to OIS1 bit
Bit 3 OIS2N: Output idle state 2 (OC2N output)
Refer to OIS1N bit
Bit 2 OIS2: Output idle state 2 (OC2 output)
Refer to OIS1 bit
Bit 1 OIS1N: Output idle state 1 (OC1N output).
0: OC1N = 0 after a deadtime when MOE = 0
1: OC1N = 1 after a deadtime when MOE = 0
Note: This bit can no longer be modified while LOCK level 1, 2 or 3 have been programmed (LOCK
bits in the TIM1_BKR register).
Bit 0 OIS1: Output idle state 1 (OC1 output).
0: OC1=0 (after a deadtime if OC1N is implemented) when MOE=0
1: OC1=1 (after a deadtime if OC1N is implemented) when MOE=0
Note: This bit can no longer be modified while LOCK level 1, 2 or 3 have been programmed (LOCK
bits in the TIM1_BKR register).

DocID15226 Rev 11 375/595
RM0031 16-bit advanced control timer (TIM1)
416
19.8.34 DMA control register 1 (TIM1_DCR1)
Address offset: 0x21
Reset value: 0x00
19.8.35 DMA control register 2 (TIM1_DCR2)
Address offset: 0x22
Reset value: 0x00
76543210
Reserved DBA[4:0]
rw rw rw rw rw
Bits 7:5 Reserved, forced by hardware to 0
Bits 4:0 DBA[4:0]: DMA base address
This 5-bit vector defines the base-address for DMA transfers in burst mode (when read/write access
is made through the TIM1_DMAR address). DBA is defined as an offset starting from the address of
the TIM1_CR1 register.
00000: TIM1_CR1
00001: TIM1_CR2
00010: TIM1_SMCR
00011: TIM1_ETR
...
76543210
Reserved DBL[4:0]
rw rw rw rw rw
Bits 7:5 Reserved, forced by hardware to 0
Bits 4:0 DBL[4:0]: DMA burst length
This 5-bit vector defines the length of DMA transfers in burst mode by setting the number of
registers to be accessed.
00000: 1 register
00001: 2 registers
00010: 3 registers
...
11111: 32 registers
Note: The timer recognizes a burst transfer when a read or a write access is made to the
TIM1_DMAR register.

16-bit advanced control timer (TIM1) RM0031
376/595 DocID15226 Rev 11
19.8.36 DMA address for burst mode (TIM1_DMAR)
Address offset: 0x23
Reset value: 0x00
76543210
DMAB[7:0]
rw rw rw rw rw rw rw rw
Bits 7:0 DMAB[15:0]: DMA register for burst accesses
A read or write access to the TIM1_DMAR register accesses the register located at the address:
“(TIM1_CR1 address) + DBA + (DMA index)” in which:
″TIM1_CR1 is the address of control register 1
″DBA is the DMA base address configured in the TIM1_DCR1 register
″DMA index is the offset automatically controlled by the DMA transfer

DocID15226 Rev 11 377/595
RM0031 16-bit advanced control timer (TIM1)
416
19.8.37 TIM1 register map and reset values
Table 69. TIM1 register map
Address offset Register name 7 6 5 4 3 2 1 0
0x00 TIM1_CR1
Reset value
ARPE
0
CMS1
0
CMS0
0
DIR
0
OPM
0
URS
0
UDIS
0
CEN
0
0x01 TIM1_CR2
Reset value
TI1S
0
MMS2
0
MMS1
0
MMS0
0
CCDS
0
COMS-
0
-
0
CCPC-
0
0x02 TIM1_SMCR
Reset value
MSM
0
TS2
0
TS1
0
TS0
0
OCCS
0
SMS2
0
SMS1
0
SMS0
0
0x03 TIM1_ETR
Reset value
ETP
0
ECE
0
ETPS1
0
ETPS0
0
EFT3
0
EFT2
0
EFT1
0
EFT0
0
0x04 TIM1_DER
Reset value
-
0
-
0
COMDE
0
CC4DE
0
CC3DE
0
CC2DE
0
CC1DE
0
UDE
0
0x05 TIM1_IER
Reset value
BIE
0
TIE
0
COMIE
0
CC4IE
0
CC3IE
0
CC2IE
0
CC1IE
0
UIE
0
0x06 TIM1_SR1
Reset value
BIF
0
TIF
0
COMIF
0
CC4IF
0
CC3IF
0
CC2IF
0
CC1IF
0
UIF
0
0x07 TIM1_SR2
Reset value
-
0
-
0
-
0
CC4OF
0
CC3OF
0
CC2OF
0
CC1OF
0
-
0
0x08 TIM1_EGR
Reset value
BG
0
TG
0
COMG
0
CC4G
0
CC3G
0
CC2G
0
CC1G
0
UG
0
0x09
TIM1_CCMR1
(output mode)
Reset value
CC1CE
0
OC1M2
0
OC1M1
0
OC1M0
0
OC1PE
0
OC1FE
0
CC1S1
0
CC1S0
0
TIM1_CCMR1
(input mode)
Reset value
IC1F3
0
IC1F2
0
IC1F1
0
IC1F0
0
IC1PSC1
0
IC1PSC0
0
CC1S1
0
CC1S0
0
0x0A
TIM1_ CCMR2
(output mode)
Reset value
CC2CE
0
OC2M2
0
OC2M1
0
OC2M0
0
OC2PE
0
OC2FE
0
CC2S1
0
CC2S0
0
TIM1_CCMR2
(input mode)
Reset value
IC2F3
0
IC2F2
0
IC2F1
0
IC2F0
0
IC2PSC1
0
IC2PSC0
0
CC2S1
0
CC2S0
0
0x0B
TIM1_CCMR3
(output mode)
Reset value
CC3CE
0
OC3M2
0
OC3M1
0
OC3M0
0
OC3PE
0
OC3FE
0
CC3S1
0
CC3S0
0
TIM1_CCMR3
(input mode)
Reset value
IC3F3
0
IC3F2
0
IC3F1
0
IC3F0
0
IC3PSC1
0
IC3PSC0
0
CC3S1
0
CC3S0
0
0x0C
TIM1_CCMR4
(output mode)
Reset value
OC4CE
0
OC4M2
0
OC4M1
0
OC4M0
0
OC4PE
0
-
0
CC4S1
0
CC4S0
0
TIM1_CCMR4
(input mode)
Reset value
IC4F3
0
IC4F2
0
IC4F1
0
IC4F0
0
IC4PSC1
0
IC4PSC0
0
CC4S1
0
CC4S0
0
0x0D TIM1_CCER1
Reset value
CC2NP
0
CC2NE
0
CC2P
0
CC2E
0
CC1NP
0
CC1NE
0
CC1P
0
CC1E
0
0x0E TIM1_CCER2
Reset value
-
0
-
0
CC4P
0
CC4E
0
CC3NP
0
CC3NE
0
CC3P
0
CC3E
0
0x0F TIM1_CNTRH
Reset value
CNT15
0
CNT14
0
CNT13
0
CNT12
0
CNT11
0
CNT10
0
CNT9
0
CNT8
0
0x10 TIM1_CNTRL
Reset value
CNT7
0
CNT6
0
CNT5
0
CNT4
0
CNT3
0
CNT2
0
CNT1
0
CNT0
0
0x11 TIM1_PSCRH
Reset value
PSC15
0
PSC14
0
PSC13
0
PSC12
0
PSC11
0
PSC10
0
PSC9
0
PSC8
0

16-bit advanced control timer (TIM1) RM0031
378/595 DocID15226 Rev 11
0x12 TIM1_PSCRL
Reset value
PSC7
0
PSC6
0
PSC5
0
PSC4
0
PSC3
0
PSC2
0
PSC1
0
PSC0
0
0x13 TIM1_ARRH
Reset value
ARR15
1
ARR14
1
ARR13
1
ARR12
1
ARR11
1
ARR10
1
ARR9
1
ARR8
1
0x14 TIM1_ARRL
Reset value
ARR7
1
ARR6
1
ARR5
1
ARR4
1
ARR3
1
ARR2
1
ARR1
1
ARR0
1
0x15 TIM1_RCR
Reset value
REP7
0
REP6
0
REP5
0
REP4
0
REP3
0
REP2
0
REP1
0
REP0
0
0x16 TIM1_CCR1H
Reset value
CCR115
0
CCR114
0
CCR113
0
CCR112
0
CCR111
0
CCR110
0
CCR19
0
CCR18
0
0x17 TIM1_CCR1L
Reset value
CCR17
0
CCR16
0
CCR15
0
CCR14
0
CCR13
0
CCR12
0
CCR11
0
CCR10
0
0x18 TIM1_CCR2H
Reset value
CCR215
0
CCR214
0
CCR213
0
CCR212
0
CCR211
0
CCR210
0
CCR29
0
CCR28
0
0x19 TIM1_CCR2L
Reset value
CCR27
0
CCR26
0
CCR25
0
CCR24
0
CCR23
0
CCR22
0
CCR21
0
CCR20
0
0x1A TIM1_CCR3H
Reset value
CCR315
0
CCR314
0
CCR313
0
CCR312
0
CCR311
0
CCR310
0
CCR39
0
CCR38
0
0x1B TIM1_CCR3L
Reset value
CCR37
0
CCR36
0
CCR35
0
CCR34
0
CCR33
0
CCR32
0
CCR31
0
CCR30
0
0x1C TIM1_CCR4H
Reset value
CCR415
0
CCR414
0
CCR413
0
CCR412
0
CCR411
0
CCR410
0
CCR49
0
CCR48
0
0x1D TIM1_CCR4L
Reset value
CCR47
0
CCR46
0
CCR45
0
CCR44
0
CCR43
0
CCR42
0
CCR41
0
CCR40
0
0x1E TIM1_BKR
Reset value
MOE
0
AOE
0
BKP
0
BKE
0
OSSR
0
OSSI
0
LOCK
0
LOCK
0
0x1F TIM1_DTR
Reset value
DTG7
0
DTG6
0
DTG5
0
DTG4
0
DTG3
0
DTG2
0
DTG1
0
DTG0
0
0x20 TIM1_OISR
Reset value
-
0
-
0
OIS3N
0
OIS3
0
OIS2N
0
OIS2
0
OIS1N
0
OIS1
0
0x21 TIM1_DCR1
Reset value
-
0
-
0
-
0
DBA4
0
DBA3
0
DBA2
0
DBA1
0
DBA0
0
0x22 TIM1_DCR2
Reset value
-
0
-
0
-
0
DBL4
0
DBL3
0
DBL2
0
DBL1
0
DBL0
0
0x23 TIM1_DMAR
Reset value
DMAB7
0
DMAB6
0
DMAB5
0
DMAB4
0
DMAB3
0
DMAB2
0
DMAB1
0
DMAB0
0
Table 69. TIM1 register map (continued)
Address offset Register name 7 6 5 4 3 2 1 0

DocID15226 Rev 11 379/595
RM0031 16-bit general purpose timers (TIM2, TIM3, TIM5)
416
20 16-bit general purpose timers (TIM2, TIM3, TIM5)
20.1 Introduction
This chapter describes TIM2, TIM3 and TIM5 which are identical timers.
Each timer consists of a 16-bit up-down auto-reload counter driven by a programmable
prescaler.
It may be used for a variety of purposes, including:
•Time base generation
•Measuring the pulse lengths of input signals (input capture)
•Generating output waveforms (output compare, PWM and One-pulse mode)
•Interrupt capability on various events (capture, compare, overflow)
•Synchronization with other timers or external signals (external clock, reset, trigger and
enable)
The timer clock can be sourced from internal clocks or from an external source selectable
through a configuration register.
Only the main features of the general purpose timers are given in this chapter. Refer to the
corresponding paragraphs of Section 19: 16-bit advanced control timer (TIM1) on page 290
for more details on each feature.
20.2 TIMx main features
General purpose TIMx TIM2/TIM3 features include:
•16-bit up, down, up/downauto-reload counter.
•3-bit programmable prescaler allowing the counter clock frequency to be divided “on
the fly” by any power of 2 from 1 to 128.
•2 independent channels for:
– Input capture
– Output compare
– PWM generation (edge-aligned mode)
– One-pulse mode output
•Break input to put the timer output signals in reset state or in a known state.
•Input capture 2 can be routed from COMP2 comparator
•Interrupt/ DMA request generation on the following events:
– Update: counter overflow, counter initialization (by software)
– Input capture
– Output compare
– Break input
– Trigger event (counter start, stop, initialization or count by internal/external trigger)

16-bit general purpose timers (TIM2, TIM3, TIM5) RM0031
380/595 DocID15226 Rev 11
20.3 TIMx functional description
Figure 120. TIMx block diagram
1. Available only for TIM2 and TIM3
20.3.1 Time base unit
The timer has a time base unit that includes:
•16-bit up-down counter
•16-bit auto-reload register
•3-bit programmable prescaler
There is no repetition counter.
The clock source for is the internal clock (fSYSCLK). It is connected directly to the CK_PSC
clock that feeds the prescaler driving the counter clock CK_CNT.
Prescaler
Auto-reload register
UP-DOWN COUNTER
Capture/Compare 1 Register
Capture/Compare 2 Register
UEV
ETR
f
SYSCLK
OC1REF
OC2REF
CK_PSC
IC1
IC2
Prescaler
Prescaler
IC2PS
IC1PS
CC1I
CC2I
TIMx_CH2
OC1
OC2
TIMx_BKIN
TIMx_ETR
CK_CNT
UEV
TIME BASE UNIT
CLOCK/TRIGGER CONTROLLER
INPUT OUTPUT
CAPTURE COMPARE ARRAY
TI1
TI2
TIMx_CH2
TIMx_CH1
STAGE
STAGE
TIMx_CH1
INTx
TRGO from other TIM timers
Reg
event
Legend:
Preload registers transferred
to shadow registers on update
interrupt
event (UEV) according to
control bit
to IR block
TRC
TIM3 TRGO to other TIM timers
TIM2 TRGO to other TIM timers & ADC
from COMP2 1)
TIM5 TRGO to other TIM timers & DAC
(from clock/trigger controller)

DocID15226 Rev 11 381/595
RM0031 16-bit general purpose timers (TIM2, TIM3, TIM5)
416
Figure 121. Time base unit
For more details refer to Section 19.3: TIM1 time base unit on page 293.
Prescaler
The prescaler implementation is as follows:
•The prescaler is based on a 7-bit counter controlled through a 3-bit register (in
TIMx_PSCR register). It can be changed on the fly as this control register is buffered. It
can divide the counter clock frequency by 1, 2, 4, 8, 16, 32, 64 or 128.
The counter clock frequency is calculated as follows:
fCK_CNT = fCK_PSC/2(PSCR[2:0])
Counter operation
Refer to Section 19.3.4: Up-counting mode on page 295, Section 19.3.5: Down-counting
mode on page 297 and Section 19.3.6: Center-aligned mode (up/down counting) on
page 299.
20.3.2 Clock/trigger controller
Refer to Section 19.4: TIM1 clock/trigger controller on page 303.
Prescaler
Auto-Reload Register
16-bit Counter
CK_PSC CK_CNT
TIMx_PSCR TIMx_CNTRH, CNTRL
TIMx_ARRH, ARRL
UEV
UIF
UEV
Reg
event
Legend:
Preload registers transferred
to shadow registers on update
control bit
interrupt
event (
UEV)
according to

16-bit general purpose timers (TIM2, TIM3, TIM5) RM0031
382/595 DocID15226 Rev 11
20.3.3 Capture/compare channels
Input stage
Refer to Section 19.5: TIM1 capture/compare channels on page 318.
There are two input channels, as shown in Figure 122: Input stage block diagram. Channel
2 is internally connected to the comparator.
Figure 122. Input stage block diagram
Figure 123. Input stage of TIM 2 channel 1
IC2
Input Filter &
Edge Detector
TI1FP1
TRC
TRC
TI1FP2
TI2FP1
TI2FP2
TI1
TI2
TIMx_CH1
TIMx_CH2
to clock/trigger controller
TRC
TI1F_ED
to capture/compare channels
Input Filter &
Edge Detector
TI1S
XOR
TIMx_BKIN From comparator
(from clock/trigger controller)
(from clock/trigger controller)
TI1 0
1
TIM2_CCER1
CC1P
divider
/1, /2, /4, /8
ICPS[1:0]
TI1F_ED
filter
ICF[3:0]
down-counter
TIM2_CCMR1
Edge
Detector
TI1F_rising
TI1F_falling
to the clock/trigger controller
TI1FP1
11
01
TIM2_CCMR1
CC1S[1:0]
IC1
TI2FP1
TRC
(from channel 2)
(from clock/trigger
controller)
10
f
SYSCLK
TIM2_CCER1
CC1E
ICPS
TI1F
0
1
TI2F_rising
TI2F_falling
(from channel 2)

DocID15226 Rev 11 383/595
RM0031 16-bit general purpose timers (TIM2, TIM3, TIM5)
416
Output stage
Refer to Section 19.5.4: Output stage on page 323, Section 19.5.5: Forced output mode on
page 324, Section 19.5.7: PWM mode on page 326.
As shown in Figure 124. TIMx outputs have no deadtime or complementary outputs.
Figure 124. Output stage
The output stage generates an intermediate waveform which is then used for reference:
OCxREF (active high). Break functions and polarity act at the end of the chain (see
Figure 125).
Figure 125. Output stage of channel 1
Break
When using the break function, the output enable sig nals and inactive levels are modified
according to additional control bits (MOE and OSSI bits in the TIMx_BKR register).
When exiting from reset, the break circuit is disabled and the MOE bit is low. You can enable
the break function by setting the BKE bit in the TIMx_BKR register. The break input polarity
can be selected by configuring the BKP bit in the same register. BKE and BKP can be
modified at the same time.
For more details, refer to “Using the break function on page 333. See also Table 71: Output
control bit for OCi channels with break feature (break feature implemented, complementary
output not implemented) on page 405.
OC1REF
OC2REF
output
control
output
control
TIMx_CH1
OC1
from capture/compare
channels
TIMx_CH2
OC2
Output mode
Counter
> CCR1
Counter
= CCR1 controller
TIMx_CCMR1
OC1M[2:0]
OC1REF
0
1
CC1P
TIMx_CCER1
Output
Enable
Circuit
OC1
CC1E TIMx_CCER1
ETR
OSSIM0E TIMx_BKR

16-bit general purpose timers (TIM2, TIM3, TIM5) RM0031
384/595 DocID15226 Rev 11
20.3.4 Timer input XOR function
The TI1S bit in the TIMx_CR2 register allows the input filter of channel 1 to be connected to
the output of an XOR gate, combining the three input pins TIMx_CH1, TIMx_CH2 and
TIMx_BKIN.
The XOR output can be used with all the timer input functions such as trigger or input
capture.
An example of this feature used to interface Hall sensors is given in Section 19.5.12:
Interfacing with Hall sensors on page 339.
20.4 TIMx interrupts
The timers have 5 interrupt request sources:
•Capture/compare 2 interrupt
•Capture/compare 1 interrupt
•Update interrupt
•Break input
•Trigger interrupt
To use the interrupt features, for each interrupt channel used, set the desired CC2IE and/or
CC1IE bits in the TIMx_IER register to enable interrupt requests.
The different interrupt sources can be also generated by software using the corresponding
bits in the TIMx_EGR register.

DocID15226 Rev 11 385/595
RM0031 16-bit general purpose timers (TIM2, TIM3, TIM5)
416
20.5 TIMx registers
20.5.1 Control register 1 (TIMx_CR1)
Address offset: 0x00
Reset value: 0x00
76543210
ARPE CMS[1:0] DIR OPM URS UDIS CEN
rw rw rw rw rw rw rw
Bit 7 ARPE: Auto-reload preload enable
0: TIMx_ARR register is not buffered through a preload register. It can be written directly
1: TIMx_ARR register is buffered through a preload register
Bits 6:5 CMS(1:0]: Center-aligned mode selection
00: Edge-aligned mode. The counter counts up or down depending on the direction bit (DIR).
01: Center-aligned mode 1. The counter counts up and down alternately. Output compare interrupt
flags of channels configured in output (CCiS = 00 in TIMx_CCMRi registers) are set only when the
counter is counting down.
10: Center-aligned mode 2. The counter counts up and down alternately. Output compare interrupt
flags of channels configured in output (CCiS = 00 in TIMx_CCMRi registers) are set only when the
counter is counting up.
11: Center-aligned mode 3. The counter counts up and down alternately. Output compare interrupt
flags of channels configured in output (CCiS = 00 in TIMx_CCMRi registers) are set both when the
counter is counting up or down.
Note: It is not allowed to switch from edge-aligned mode to center-aligned mode as long as the
counter is enabled (CEN = 1).
Encoder mode (SMS = 001, 010, or 011 in GPT_SMCR register) must be disabled in center-
aligned mode.
Bit 4 DIR: Direction
0: Counter used as up-counter
1: Counter used as down-counter
Note: This bit is read only when the timer is configured in center-aligned mode or encoder mode.
Bit 3 OPM: One-pulse mode
0: Counter is not stopped at update event
1: Counter stops counting at the next update event (clearing the CEN bit)

16-bit general purpose timers (TIM2, TIM3, TIM5) RM0031
386/595 DocID15226 Rev 11
20.5.2 Control register 2 (TIMx_CR2)
Address offset: 0x01
Reset value: 0x00
Bit 2 URS: Update request source
0: When enabled by the UDIS bit, the UIF bit is set and an update interrupt request is sent when one
of the following events occurs:
– Registers are updated (counter overflow/underflow)
– UG bit is set by software
– Update event is generated through the clock/trigger controller
1: When enabled by the UDIS bit, the UIF bit is set and an update interrupt request is sent only when
registers are updated (counter overflow/underflow).
Bit 1 UDIS: Update disable
0: A UEV is generated as soon as a counter overflow occurs or a software update is generated or an
hardware reset is generated by the clock/trigger mode controller. Buffered registers are then loaded
with their preload values.
1: A UEV is not generated, shadow registers keep their value (ARR, PSC, CCRi). The counter and
the prescaler are re-initialized if the UG bit is set.
Bit 0 CEN: Counter enable
0: Counter disabled
1: Counter enabled
76543210
TI1S MMS[2:0] CCDS Reserved
rw rw rw rw

DocID15226 Rev 11 387/595
RM0031 16-bit general purpose timers (TIM2, TIM3, TIM5)
416
Bit 7 TI1S: TI1 (digital filter input) selection
0: TI1 is connected to CH1 input pin
1: TI1 is connected to the 3 inputs CH1, CH2 and break (XOR combination)
Bits 6:4 MMS[2:0]: Master mode selection
These bits select the information to be sent in master mode to the slave timers for synchronization
(TRGO). The combination is as follows:
000: Reset - the UG bit from the TIMx_EGR register is used as a trigger output (TRGO). If the reset
is generated by the trigger input (clock/trigger mode controller configured in trigger reset mode), the
signal on TRGO is delayed compared to the actual reset.
001: Enable - the counter enable signal is used as a trigger output (TRGO). It is used to start several
timers at the same time or to control a window in which a slave timer is enabled. The counter enable
signal is generated by a logic OR between the CEN control bit and the trigger input when configured
in gated mode. When the counter enable signal is controlled by the trigger input, there is a delay on
TRGO, except if the master/slave mode is selected (see the MSM bit description in TIMx_SMCR
register).
010: Update - The update event is selected as a trigger output (TRGO)
011: Reserved
100: Reserved
101: Reserved
111: Reserved
Bit 3 CCDS: Capture/compare DMA selection
0: TIMx_CCi DMA request sent when a CCi (capture/compare) event occurs
1: TIMx_CCi DMA request sent when an update event occurs
Bits 2:0 Reserved, must be kept cleared

16-bit general purpose timers (TIM2, TIM3, TIM5) RM0031
388/595 DocID15226 Rev 11
20.5.3 Slave mode control register (TIMx_SMCR)
Address offset: 0x02
Reset value: 0x00
76543210
MSM TS[2:0] Reserved SMS[2:0]
rw rw rw rw r rw rw rw
Bit 7 MSM Master/slave mode
0: No action
1: The effect of an event on the trigger input (TRGI) is delayed to allow a perfect synchronization
between timers (through TRGO).
Bits 6:4 TS[2:0] Trigger selection(1)
This bit field selects the trigger input to be used to synchronize the counter.
000: Internal trigger ITR0
001: Internal trigger ITR1
010: Internal trigger ITR2
011: Internal trigger ITR3 connected to TIM1 TRGO
100: TI1 edge detector (TI1F_ED)
101: Filtered timer input 1 (TI1FP1)
110: Filtered timer input 2 (TI2FP2)
111: External trigger input (ETRF) (from TIM1_ETR pin). Signal filtering and polarity can be
controlled by the TIM5_CCMRi and TIM5_CCERi registers.
Note: These bits must only be changed when they are not used (e.g. when SMS = 000) to avoid
wrong edge detections at the transition.
Bit 3 Reserved.
Bits 2:0 SMS[2:0] Clock/trigger/slave mode selection
When external signals are selected, the active edge of the trigger signal (TRGI) is linked to the
polarity selected on the external input (see Input Control register and Control Register description).
000: Clock/trigger controller disabled - if CEN = 1 then the prescaler is clocked directly by the
internal clock.
001, 010 and 011: Reserved
100: Trigger reset mode - Rising edge of the selected trigger signal (TRGI) reinitializes the counter
and generates an update of the registers.
101: Gated mode - The counter clock is enabled when the trigger signal (TRGI) is high. The counter
stops (but is not reset) as soon as the trigger becomes low. Both the start and stop of the counter are
controlled.
110: Trigger mode - The counter starts at a rising edge of the trigger TRGI (but it is not reset). Only
the start of the counter is controlled.
111: External clock mode 1 - Rising edges of the selected trigger (TRGI) clock the counter
1. Refer to Table 70: TIMx internal trigger connection on page 388 for more details on the ITRx meaning for each timer.
Table 70. TIMx internal trigger connection
Slave TIM ITR0 (TS = 000) ITR1 (TS = 001) ITR2 (TS = 010) ITR3 (TS = 011)
TIM2 TIM4 TIM1 TIM3
TIM3 TIM4 TIM1 TIM2
TIM4 TIM1 TIM3 TIM2

DocID15226 Rev 11 389/595
RM0031 16-bit general purpose timers (TIM2, TIM3, TIM5)
416
Note: When a timer is not present in the product, the corresponding trigger (ITRx) is not available.
20.5.4 External trigger register (TIMx_ETR)
Address offset: 0x03
Reset value: 0x00
76543210
ETP ECE ETPS[1:0] ETF[3:0]
rw rw rw rw rw rw rw rw
Bit 7 ETP: External trigger polarity
This bit selects whether ETR or ETR is used for trigger operations.
0: ETR is non-inverted, active at high level or rising edge.
1: ETR is inverted, active at low level or falling edge.
Bit 6 ECE: External clock enable
This bit enables external clock mode 2.
0: External clock mode 2 disabled
1: External clock mode 2 enabled. The counter is clocked by any active edge on the ETRF signal.
Note: Setting the ECE bit has the same effect as selecting the external clock mode 1 with TRGI
connected to ETRF (SMS = 111 and TS = 111 in the TIM1_SMCR register).
It is possible to use the external clock mode 2 simultaneously with the following modes: Trigger
standard mode, trigger reset mode and trigger gated mode. Nevertheless, TRGI must not be
connected to ETRF in this case (TS bits must not be 111 in TIMx_SMCR register).
If external clock mode 1 and external clock mode 2 are enabled at the same time, the external
clock input will be ETRF.
Bits 5:4 ETPS[1:0]: External trigger prescaler
External trigger signal ETRP frequency must be at 1/4 of fSYSCLK frequency. A prescaler can be
enabled to reduce ETRP frequency. It is useful when inputting fast external clocks.
00: Prescaler off
01: ETRP frequency divided by 2
10: ETRP frequency divided by 4
11: ETRP frequency divided by 8
Bits 3:0 ETF[3:0]: External trigger filter
This bitfield defines the frequency used to sample ETRP signal and the length of the digital filter
applied to ETRP. The digital filter is made of an event counter in which N events are needed to
validate a transition on the output:
0000: No filter, sampling is done at fSYSCLK 1000: fSAMPLING=fSYSCLK/8, N = 6
0001: fSAMPLING=fSYSCLK, N = 2 1001: fSAMPLING=fSYSCLK/8, N = 8
0010: fSAMPLING=fSYSCLK, N = 4 1010: fSAMPLING=fSYSCLK/16, N = 5
0011: fSAMPLING=fSYSCLK, N = 8 1011: fSAMPLING=fSYSCLK/16, N = 6
0100: fSAMPLING=fSYSCLK/2, N = 6 1100: fSAMPLING=fSYSCLK/16, N = 8
0101: fSAMPLING=fSYSCLK/2, N = 8 1101: fSAMPLING=fSYSCLK/32, N = 5
0110: fSAMPLING=fSYSCLK/4, N = 6 1110: fSAMPLING=fSYSCLK/32, N = 6
0111: fSAMPLING=fSYSCLK/4, N = 8 1111: fSAMPLING=fSYSCLK/32, N = 8

16-bit general purpose timers (TIM2, TIM3, TIM5) RM0031
390/595 DocID15226 Rev 11
20.5.5 DMA request enable register (TIMx_DER)
Address offset: 0x04
Reset value: 0x00
76543210
Reserved CC2DE CC1DE UDE
rw rw rw
Bits 7:3 Reserved.
Bit 2 CC2DE: Capture/compare 2 DMA request enable(1)
0: CC2 DMA request disabled
1: CC2 DMA request enabled
Bit 1 CC1DE: Capture/compare 1 DMA request enable(1)
0: CC1 DMA request disabled
1: CC1 DMA request enabled
Bit 0 UDE: Update DMA request enable(1)
0: Update DMA request disabled
1: Update DMA request enabled
Note: The conditions for generating a DMA request on the update event are the same as for setting
the UIF bit (in the TIMx_SR1 register). In particular, the DMA request depends on the URS bit
(in the TIMx_CR1 register).
1. The DMA request is related to the actual event and not to the status bit (in the TIMx_SR1 register). Thus no DMA request
is sent if the xxDE bit is written to 1 while the corresponding status bit was already set.

DocID15226 Rev 11 391/595
RM0031 16-bit general purpose timers (TIM2, TIM3, TIM5)
416
20.5.6 Interrupt enable register (TIMx_IER)
Address offset: 0x05
Reset value: 0x00
76543210
BIE TIE Reserved CC2IE CC1IE UIE
rw rw rw rw rw
Bit 7 BIE: Break interrupt enable
0: Break interrupt disabled
1: Break interrupt enabled
Bit 6 TIE: Trigger interrupt enable
0: Trigger interrupt disabled
1: Trigger interrupt enabled
Bits 5:3 Reserved, must be kept cleared
Bit 2 CC2IE: Capture/compare 2 interrupt enable
0: CC2 interrupt disabled
1: CC2 interrupt enabled
Bit 1 CC1IE: Capture/compare 1 interrupt enable
0: CC1 interrupt disabled
1: CC1 interrupt enabled
Bit 0 UIE: Update interrupt enable
0: Update interrupt disabled
1: Update interrupt enabled

16-bit general purpose timers (TIM2, TIM3, TIM5) RM0031
392/595 DocID15226 Rev 11
20.5.7 Status register 1 (TIMx_SR1)
Address offset: 0x06
Reset value: 0x00
76543210
BIF TIF Reserved CC2IF CC1IF UIF
rc_w0 rc_w0 rc_w0 rc_w0 rc_w0
Bit 7 BIF: Break interrupt flag
This flag is set by hardware as soon as the break input goes active. It can be cleared by software if
the break input is not active.
0: No break event occurred.
1: An active level has been detected on the break input.
Bit 6 TIF: Trigger interrupt flag
This flag is set by hardware on a trigger event (active edge is detected on TRGI signal and both
edges are detected when gated mode is selected). It is cleared by software.
0: No trigger event has occurred
1: Trigger interrupt pending
Bits 5:3 Reserved, must be kept cleared
Bit 2 CC2IF: Capture/compare 2 interrupt flag
Refer to CC1IF description.
Bit 1 CC1IF: Capture/compare 1 interrupt flag
If channel CC1 is configured as output:
This flag is set by hardware when the counter matches the compare value. It is cleared by software.
0: No match
1: The content of the counter TIMx_CNT has matched the content of the TIMx_CCR1 register
If channel CC1 is configured as input:
This bit is set by hardware on a capture. It is cleared by software or by reading the TIMx_CCR1L
register.
0: No input capture has occurred
1: The counter value has been captured in TIMx_CCR1 register (an edge has been detected on IC1
which matches the selected polarity).
Bit 0 UIF: Update interrupt flag
This bit is set by hardware on an update event. It is cleared by software.
0: No update has occurred
1: Update interrupt pending. This bit is set by hardware when the registers are updated:
– At overflow if UDIS = 0 in the TIMx_CR1 register
– When CNT is re-initialized by software using the UG bit in TIMx_EGR register, if URS = 0 and
UDIS = 0 in the TIMx_CR1 register.

DocID15226 Rev 11 393/595
RM0031 16-bit general purpose timers (TIM2, TIM3, TIM5)
416
20.5.8 Status register 2 (TIMx_SR2)
Address offset: 0x07
Reset value: 0x00
76543210
Reserved CC2OF CC1OF Reserved
rc_w0 rc_w0
Bits 7:3 Reserved
Bit 2 CC2OF: Capture/compare 2 overcapture flag
Refer to CC1OF description
Bit 1 CC1OF: Capture/compare 1 overcapture flag
This flag is set by hardware only when the corresponding channel is configured in input capture
mode. It is cleared by software by writing it to 0.
0: No overcapture has been detected
1: The counter value has been captured in TIMx_CCR1 register while CC1IF flag was already set
Bit 0 Reserved, forced by hardware to 0

16-bit general purpose timers (TIM2, TIM3, TIM5) RM0031
394/595 DocID15226 Rev 11
20.5.9 Event generation register (TIMx_EGR)
Address offset: 0x08
Reset value: 0x00
76543210
BG TG
Reserved
CC2G CC1G UG
ww www
Bit 7 BG: Break generation
This bit is set by software to generate an event. It is automatically cleared by hardware.
0: No action
1: A break event is generated. The MOE bit is cleared and the BIF flag is set. An interrupt is
generated if enabled by the BIE bit.
Bit 6 TG: Trigger generation
This bit is set by software to generate an event. It is automatically cleared by hardware.
0: No action
1: The TIF flag is set in TIMx_SR1 register. An interrupt is generated if enabled by the TIE bit
Bits 5:3 Reserved
Bit 2 CC2G: Capture/compare 2 generation
Refer to CC1G description
Bit 1 CC1G: Capture/compare 1 generation
This bit is set by software to generate an even. It is automatically cleared by hardware.
0: No action
1: A capture/compare event is generated on channel 1:
– If the CC1 channel is configured in output mode. In this case, the CC1IF flag is set, and the
corresponding interrupt request is sent if enabled.
– If the CC1 channel configured in input mode. In this case, the current value of the counter is
captured in the TIMx_CCR1 register. The CC1IF flag is set, and the corresponding interrupt request
is sent if enabled. The CC1OF flag is set if the CC1IF flag is already high.
Bit 0 UG: Update generation
This bit can be set by software, it is automatically cleared by hardware.
0: No action
1: Re-initializes the counter and generates an update of the registers. Note that the prescaler
counter is also cleared.

DocID15226 Rev 11 395/595
RM0031 16-bit general purpose timers (TIM2, TIM3, TIM5)
416
20.5.10 Capture/compare mode register 1 (TIMx_CCMR1)
The channel can be used in input (capture mode) or in output (compare mode). The
direction of the channel is defined by configuring the CC1S bits. All the other bits of this
register have a different function in input and in output mode. For a given bit, OCi describes
its function when the channel is configured in output and ICi describes its function when the
channel is configured in input. Therefore, be aware that the same bit can have a different
meaning for the input stage and for the output stage.
Address offset: 0x09
Reset value: 0x00
Channel configured in output
76543210
r rw rw rw rw r rw rw
Reserved
OC1M[2:0] OC1PE OC1FE CC1S[1:0]
rw rw rw rw rw rw rw
Bit 7 Reserved
Bits 6:4 OC1M[2:0]: Output compare 1 mode
These bits defines the behavior of the output reference signal OC1REF from which OC1 is derived.
OC1REF is active high whereas OC1 active level depends on the CC1P bit.
000: Frozen - The comparison between the output compare register TIMx_CCR1 and the counter
TIMx_CNT has no effect on the outputs
001: Set channel 1 to active level on match. OC1REF signal is forced high when the counter
TIMx_CNT matches the capture/compare register 1 (TIMx_CCR1).
010: Set channel 1 to inactive level on match. OC1REF signal is forced low when the counter
TIMx_CNT matches the capture/compare register 1 (TIMx_CCR1).
011: Toggle - OC1REF toggles when TIMx_CNT=TIMx_CCR1
100: Force inactive level - OC1REF is forced low
101: Force active level - OC1REF is forced high
110: PWM mode 1 - In up-counting, channel 1 is active as long as TIMx_CNT< TIMx_CCR1.
Otherwise, channel 1 is inactive. In down-counting, channel 1 is inactive (OC1REF = 0) as long as
TIMx_CNT> TIMx_CCR1. Otherwise, channel 1 is active (OC1REF = 1).
111: PWM mode 2 - In up-counting, channel 1 is inactive as long as TIMx_CNT< TIMx_CCR1.
Otherwise, channel 1 is active.
Note: In PWM mode 1 or 2, the OCiREF level changes only when the result of the comparison
changes or when the output compare mode switches from “frozen” mode to “PWM” mode.
Refer to Section 19.5.7 on page 326 for more details.

16-bit general purpose timers (TIM2, TIM3, TIM5) RM0031
396/595 DocID15226 Rev 11
Bit 3 OC1PE: Output compare 1 preload enable
0: Preload register on TIMx_CCR1 disabled. TIMx_CCR1 can be written at anytime. The new value
is taken into account immediately.
1: Preload register on TIMx_CCR1 enabled. Read/write operations access the preload register.
TIMx_CCR1 preload value is loaded in the shadow register at each update event.
Note: For correct operation, preload registers must be enabled when the timer is in PWM mode. This
is not mandatory in one-pulse mode (OPM bit set in TIMx_CR1 register).
Bit 2 OC1FE: Output compare 1 fast enable
This bit is used to accelerate the effect of an event on the trigger in input on the CC output.
0: CC1 behaves normally depending on counter and CCR1 values even when the trigger is on. The
minimum delay to activate CC1 output when an edge occurs on the trigger input, is 5 clock cycles.
1: An active edge on the trigger input acts like a compare match on CC1 output. Then, OC is set to
the compare level independently from the result of the comparison. The delay to sample the trigger
input and to activate CC1 output is reduced to 3 clock cycles. OCFE acts only if the channel is
configured in PWM1 or PWM2 mode.
Bits 1:0 CC1S[1:0]: Capture/compare 1 selection
This bitfield defines the direction of the channel (input/output) as well as the used input.
00: CC1 channel is configured as output
01: CC1 channel is configured as input, IC1 is mapped on TI1FP1
10: CC1 channel is configured as input, IC1 is mapped on TI2FP1
11: CC1 channel is configured as input, IC1 is mapped on TRC. This mode works only if an internal
trigger input is selected through the TS bit (TIM5_SMCR register).
Note: CC1S bits are writable only when the channel is off (CC1E = 0 and is updated in
TIMx_CCER1).

DocID15226 Rev 11 397/595
RM0031 16-bit general purpose timers (TIM2, TIM3, TIM5)
416
Channel configured in input
76543210
IC1F[3:0] IC1PSC[1:0] CC1S[1:0]
rw rw rw rw rw rw rw rw
Bits 7:4 IC1F[3:0]: Input capture 1 filter
This bitfield defines the frequency used to sample TI1 input and the length of the digital filter applied
to TI1. The digital filter is made of an event counter in which N events are needed to validate a
transition on the output:
0000: No filter, sampling is done at fSYSCLK
0001: fSAMPLING= fSYSCLK, N = 2
0010: fSAMPLING= fSYSCLK, N = 4
0011: fSAMPLING= fSYSCLK, N = 8
0100: fSAMPLING= fSYSCLK/2, N = 6
0101: fSAMPLING= fSYSCLK/2, N = 8
0110: fSAMPLING= fSYSCLK/4, N = 6
0111: fSAMPLING= fSYSCLK/4, N = 8
1000: fSAMPLING= fSYSCLK/8, N = 6
1001: fSAMPLING= fSYSCLK/8, N = 8
1010: fSAMPLING= fSYSCLK/16, N = 5
1011: fSAMPLING= fSYSCLK/16, N = 6
1100: fSAMPLING= fSYSCLK/16, N = 8
1101: fSAMPLING= fSYSCLK/32, N = 5
1110: fSAMPLING= fSYSCLK/32, N = 6
1111: fSAMPLING= fSYSCLK/32, N = 8
Bits 3:2 IC1PSC[1:0]: Input capture 1 prescaler
This bitfield defines the ratio of the prescaler acting on CC1 input (IC1). The prescaler is reset as
soon as CC1E = 0 (TIMx_CCER register).
00: no prescaler, capture is done each time an edge is detected on the capture input
01: Capture is done once every 2 events
10: Capture is done once every 4 events
11: Capture is done once every 8 events
Note: The internal event counter is not reset when IC1PSC is changed on the fly. In this case the old
value is used until the next capture occurs. To force a new value to be taken in account
immediately, the CC1E bit can be cleared and set again.
Bits 1:0 CC1S[1:0]: Capture/compare 1 selection
This bitfield defines the direction of the channel (input/output) as well as the used input.
00: CC1 channel is configured as output
01: CC1 channel is configured as input, IC1 is mapped on TI1FP1
10: CC1 channel is configured as input, IC1 is mapped on TI2FP1
11: Reserved
Note: CC1S bits are writable only when the channel is OFF (CC1E = 0 in TIMx_CCER1 and
updated).

16-bit general purpose timers (TIM2, TIM3, TIM5) RM0031
398/595 DocID15226 Rev 11
20.5.11 Capture/compare mode register 2 (TIMx_CCMR2)
Note: Refer to Capture/compare mode register 1 (TIMx_CCMR1) on page 395 for details on using
these bits.
Address offset: 0x0A
Reset value: 0x00
Channel configured in output
76543210
Reserved OC2M[2:0] OC2PE OC2FE CC2S[1:0]
rrwrwrwrw
rw rw
Bit 7 Reserved
Bits 6:4 OC2M[2:0]: Output compare 2 mode
Bit 3 OC2PE: Output compare 2 preload enable
Bit 2 OC2FE: Output compare 2 fast enable
Bits 1:0 CC2S[1:0]: Capture/compare 2 selection
This bitfield defines the direction of the channel (input/output) as well as the used input.
00: CC2 channel is configured as output
01: CC2 channel is configured as input, IC2 is mapped on TI2FP2
10: CC2 channel is configured as input, IC2 is mapped on TI1FP2
11:CC2 channel is configured as input, IC2 is mapped on TRC. This mode works only if an internal
trigger input is selected through the TS bit (TIM5_SMCR register).
Note: CC2S bits are writable only when the channel is off (CC2E = 0 in TIMx_CCER1).

DocID15226 Rev 11 399/595
RM0031 16-bit general purpose timers (TIM2, TIM3, TIM5)
416
Channel configured in input
20.5.12 Capture/compare enable register 1 (TIMx_CCER1)
Address offset: 0x0B
Reset value: 0x00
76543210
IC2F[3:0] IC2PSC[1:0] CC2S[1:0]
rw rw rw rw rw rw rw rw
Bits 7:4 IC2F[3:0]: Input capture 2 filter
Bits 3:2 IC2PCS[1:0]: Input capture 2 prescaler
Bits 1:0 CC2S[1:0]: Capture/compare 2 selection
This bitfield defines the direction of the channel (input/output) as well as the used input.
00: CC2 channel is configured as output
01: CC2 channel is configured as input, IC2 is mapped on TI2FP2
10: CC2 channel is configured as input, IC2 is mapped on TI1FP2
11: Reserved
Note: CC2S bits are writable only when the channel is off (CC2E = 0 in TIMx_CCER1).
76543210
Reserved CC2P CC2E Reserved CC1P CC1E
r rw rw r rw rw
Bits 6:7 Reserved
Bit 5 CC2P: Capture/compare 2 output polarity
Refer to CC1P description
Bit 4 CC2E: Capture/compare 2 output enable
Refer to CC1E description.

16-bit general purpose timers (TIM2, TIM3, TIM5) RM0031
400/595 DocID15226 Rev 11
20.5.13 Counter high (TIMx_CNTRH)
Address offset: 0x0C
Reset value: 0x00
20.5.14 Counter low (TIMx_CNTRL)
Address offset: 0x0D
Reset value: 0x00
Bits 2:3 Reserved
Bit 1 CC1P: Capture/compare 1 output polarity
CC1 channel configured as output:
0: OC1 active high
1: OC1 active low
CC1 channel configured as input for capture function (see Figure 100):
0: Capture is done on a rising edge of TI1F or TI2F
1: Capture is done on a falling edge of TI1F or TI2F
Bit 0 CC1E: Capture/Compare 1 output Enable.
CC1 channel configured as output:
0: Off - OC1 is not active.
1: On - OC1 signal is output on the corresponding output pin.
CC1 channel configured as input:
In this case, this bit determines if a capture of the counter value can be made in the input
capture/compare register 1 (TIMx_CCR1) or not.
0: Capture disabled
1: Capture enabled
76543210
CNT[15:8]
rw rw rw rw rw rw rw rw
Bits 7:0 CNT[15:8]: Counter value (MSB)
76543210
CNT[7:0]
rw rw rw rw rw rw rw rw
Bits 7:0 CNT[7:0]: Counter value (LSB)

DocID15226 Rev 11 401/595
RM0031 16-bit general purpose timers (TIM2, TIM3, TIM5)
416
20.5.15 Prescaler register (TIMx_PSCR)
Address offset: 0x0E
Reset value: 0x00
20.5.16 Auto-reload register high (TIMx_ARRH)
Address offset: 0x0F
Reset value: 0xFF
76543210
Reserved PSC[2:0]
rw rw rw
Bits 7:3 Reserved
Bits 2:0 PSC[2:0]: Prescaler value
The prescaler value divides the CK_PSC clock frequency.
The counter clock frequency fCK_CNT is equal to fCK_PSC / 2(PSC[2:0]). PSC[7:3] are forced to 0 by
hardware.
PSCR contains the value which is loaded in the active prescaler register at each update event
(including when the counter is cleared through the UG bit of the TIMx_EGR register).
This means that a UEV must be generated so that a new prescaler value can be taken into account.
76543210
ARR[15:8]
rw rw rw rw rw rw rw rw
Bits 7:0 ARR[15:8]: Auto-reload value (MSB)
ARR is the value to be loaded in the actual auto-reload register.
Refer to the Section 19.3: TIM1 time base unit on page 293 for more details about ARR update and
behavior.
The counter is blocked while the auto-reload value is 0.

16-bit general purpose timers (TIM2, TIM3, TIM5) RM0031
402/595 DocID15226 Rev 11
20.5.17 Auto-reload register low (TIMx_ARRL)
Address offset: 0x10
Reset value: 0xFF
20.5.18 Capture/compare register 1 high (TIMx_CCR1H)
Address offset: 0x11
Reset value: 0x00
76543210
ARR[7:0]
rw rw rw rw rw rw rw rw
Bits 7:0 ARR[7:0]: Auto-reload value (LSB)
76543210
CCR1[15:8]
rw rw rw rw rw rw rw rw
Bits 7:0 CCR1[15:8]: Capture/compare 1 value (MSB)
If the CC1 channel is configured as output (CC1S bits in TIMx_CCMR1 register):
The value of CCR1 is loaded permanently into the actual capture/compare 1 register if the preload
feature is not enabled (OC1PE bit in TIMx_CCMR1). Otherwise, the preload value is copied in the
active capture/compare 1 register when a UEV occurs. The active capture/compare register
contains the value which is compared to the counter register, TIMx_CNT, and signalled on the OC1
output.
If the CC1 channel is configured as input (CC1S bits in TIMx_CCMR1 register):
The value of CCR1 is the counter value transferred by the last input capture 1 event (IC1). In this
case, these bits are read only.

DocID15226 Rev 11 403/595
RM0031 16-bit general purpose timers (TIM2, TIM3, TIM5)
416
20.5.19 Capture/compare register 1 low (TIMx_CCR1L)
Address offset: 0x12
Reset value: 0x00
20.5.20 Capture/compare register 2 high (TIMx_CCR2H)
Address offset: 0x13
Reset value: 0x00
20.5.21 Capture/compare register 2 low (TIMx_CCR2L)
Address offset: 0x14
Reset value: 0x00
76543210
CCR1[7:0]
rw rw rw rw rw rw rw rw
Bits 7:0 CCR1[7:0]: Capture/compare 1 value (LSB)
76543210
CCR2[15:8]
rw rw rw rw rw rw rw rw
Bits 7:0 CCR2[15:8]: Capture/compare 2 value (MSB)
If the CC2 channel is configured as output (CC2S bits in TIMx_CCMR2 register):
The value of CCR2 is loaded permanently into the actual capture/compare 2 register if the preload
feature is not enabled (OC2PE bit in TIMx_CCMR2). Otherwise, the preload value is copied in the
active capture/compare 2 register when a UEV occurs. The active capture/compare register
contains the value which is compared to the counter register, TIMx_CNT, and signalled on the OC2
output.
If the CC2 channel is configured as input (CC2S bits in TIMx_CCMR2 register):
The value of CCR2 is the counter value transferred by the last input capture 2 event (IC2).
76543210
CCR2[7:0]
rw rw rw rw rw rw rw rw
Bits 7:0 CCR2[7:0]: Capture/compare value (LSB)

16-bit general purpose timers (TIM2, TIM3, TIM5) RM0031
404/595 DocID15226 Rev 11
20.5.22 Break register (TIMx_BKR)
Address offset: 0x15
Reset value: 0x00
76543210
MOE AOE BKP BKE Reserved OSSI LOCK
rw rw rw rw rw rw rw
Bit 7 MOE: Main output enable
This bit is cleared asynchronously by hardware as soon as the break input is active. It is set by
software or automatically depending on the AOE bit. It acts only on the channels which are
configured in output.
0: OC outputs are disabled or forced to idle state
1: OC outputs are enabled if their respective enable bits are set (CCxE in TIMx_CCERi registers)
See OC enable description for more details (Section 19.8.14 on page 361).
Bit 6 AOE: Automatic output enable
0: MOE can be set only by software
1: MOE can be set by software or automatically at the next UEV (if the break input is not active).
Note: This bit can no longer be modified as long as LOCK level 1 has been programmed (LOCK bits
in the TIMx_BKR register).
Bit 5 BKP: Break polarity
0: Break input BKIN is active low
1: Break input BKIN is active high
Note: This bit can no longer be modified as long as LOCK level 1 has been programmed (LOCK bits
in the TIMx_BKR register).
Bit 4 BKE: Break enable
0: Break input (BKIN) disabled
1: Break input (BKIN) enabled
Note: This bit can no longer be modified as long as LOCK level 1 has been programmed (LOCK bits
in the TIMx_BKR register).

DocID15226 Rev 11 405/595
RM0031 16-bit general purpose timers (TIM2, TIM3, TIM5)
416
Note: As the bits AOE, BKP, BKE and OSSI can be write-locked depending on the LOCK
configuration, it may be necessary to configure all of them during the first write access to the
TIMx_BKR register.
Note: The state of the external I/O pins connected to the OCx channels depends on the OCx
channel state and the GPIO registers.
Bit 3 Reserved, must be kept cleared
Bit 2 OSSI: Off state selection for idle mode
This bit is used when MOE = 0 on channels configured as outputs. See OC enable description for
more details (Section 19.8.14 on page 361).
0: When inactive, OCi outputs are disabled (OCi enable output signal = 0).
1: When inactive, OCi outputs are forced first with their idle level as soon as CCi E = 1. OC enable
output signal = 1)
Note: This bit can no longer be modified as soon as the LOCK level 2 has been programmed (LOCK
bits in the TIMx_BKR register).
Bits 1:0 LOCK[1:0]: Lock configuration.
These bits offer a write protection against software errors.
00: LOCK off - No bits are write protected
01: LOCK level 1 = OISi bit in TIMx_OISR register and BKE/BKP/AOE bits in TIMx_BKR register
can no longer be written.
10: LOCK level 2 = LOCK level 1 + CC polarity bits (CCiP bits in TIMx_CCERi registers, as long as
the related channel is configured in output through the CCiS bits) as well as the OSSR and OSSI
bits can no longer be written.
11: LOCK level 3 = LOCK level 2 + CC control bits (OCiM and OCiPE bits in TIMx_CCMRi registers,
as long as the related channel is configured in output through the CCiS bits) can no longer be
written.
Note: The LOCK bits can be written only once after reset. Once the TIMx_BKR register has been
written, their content is frozen until the next reset.
Table 71. Output control bit for OCi channels with break feature (break feature
implemented, complementary output not implemented)
Control bits
OCi/OCi_EN output state
MOE
bit OSSI
bit CCiE
bit
1x
0Output disabled (not driven by the timer)
OCi = CCiP, O C i_EN = 0
1OCi = OCiREF + polarity (OCiREF xor CCiP)
OCi_EN = 1
0
00
Output disabled (not driven by the timer)
OCi = OISi, OCi_EN = 0
01
10
11
Off State (output enabled with inactive state)
OCi = OISi, OCx_EN = 1

16-bit general purpose timers (TIM2, TIM3, TIM5) RM0031
406/595 DocID15226 Rev 11
20.5.23 Output idle state register (TIMx_OISR)
Address offset: 0x16
Reset value: 0x00
20.5.24 TIMx register map and reset values
76543210
Reserved OIS2 Reserved OIS1
rw rw
Bits 7:3 Reserved, must be kept cleared
Bit 2 OIS2: Output idle state 2 (OC2 output)
Refer to OIS1 bit
Bit 1 Reserved, must be kept cleared
Bit 0 OIS1: Output idle state 1 (OC1 output)
0: OC1 = 0 when MOE = 0
1: OC1 = 1 when MOE = 0
Note: This bit can no longer be modified as long as LOCK level 1, 2 or 3 has been programmed
(LOCK bits in the TIMx_BKR register).
Table 72. TIMx register map
Address
offset Register name76543210
0x00 TIMx_CR1
Reset value
ARPE
0
CMS1
0
CMS0
0
DIR
0
OPM
0
URS
0
UDIS
0
CEN
0
0x01 TIMx_CR2
Reset value
TI1S
0
MMS2
0
MMS1
0
MMS0
0
CCDS
0
-
0
-
0
-
0
0x02 TIMx_SMCR
Reset value
MSM
0
TS2
0
TS1
0
TS0
0
-
0
SMS2
0
SMS1
0
SMS0
0
0x03 TIMx_ETR
Reset value
ETP
0
ECE
0
ETPS1
0
ETPS0
0
EFT3
0
EFT2
0
EFT1
0
EFT0
0
0x04 TIMx_DER
Reset value
-
0
-
0
-
0
-
0
-
0
CC2DE
0
CC1DE
0
UDE
0
0x05 TIMx_IER
Reset value
BIE
0
TIE
0
-
0
-
0
-
0
CC2IE
0
CC1IE
0
UIE
0
0x06 TIMx_SR1
Reset value
BIF
0
TIF
0
-
0
-
0
-
0
CC2IF
0
CC1IF
0
UIF
0
0x07 TIMx_SR2
Reset value
-
0
-
0
-
0
-
0
-
0
CC2OF
0
CC1OF
0
-
0
0x08 TIMx_EGR
Reset value
BG
0
TG
0
-
0
-
0
-
0
CC2G
0
CC1G
0
UG
0
0x09
TIMx_CCMR1
(output mode)
Reset value
-
0
OC1M2
0
OC1M1
0
OC1M0
0
OC1PE
0
OC1FE
0
CC1S1
0
CC1S0
0
TIMx_CCMR1
(input mode)
Reset value
IC1F3
0
IC1F2
0
IC1F1
0
IC1F0
0
IC1PSC1
0
IC1PSC0
0
CC1S1
0
CC1S0
0

DocID15226 Rev 11 407/595
RM0031 16-bit general purpose timers (TIM2, TIM3, TIM5)
416
0x0A
TIMx_ CCMR2
(output mode)
Reset value
-
0
OC2M2
0
OC2M1
0
OC2M0
0
OC2PE
0
OC2FE
0
CC2S1
0
CC2S0
0
TIMx_CCMR2
(input mode)
Reset value
IC2F3
0
IC2F2
0
IC2F1
0
IC2F0
0
IC2PSC1
0
IC2PSC0
0
CC2S1
0
CC2S0
0
0x0B TIMx_CCER1
Reset value
-
0
-
0
CC2P
0
CC2E
0
-
0
-
0
CC1P
0
CC1E
0
0x0C TIMx_CNTRH
Reset value
CNT15
0
CNT14
0
CNT13
0
CNT12
0
CNT11
0
CNT10
0
CNT9
0
CNT8
0
0x0D TIMx_CNTRL
Reset value
CNT7
0
CNT6
0
CNT5
0
CNT4
0
CNT3
0
CNT2
0
CNT1
0
CNT0
0
0x0E TIMx_PSCR
Reset value
-
0
-
0
-
0
-
0
-
0
PSC2
0
PSC1
0
PSC0
0
0x0F TIMx_ARRH
Reset value
ARR15
1
ARR14
1
ARR13
1
ARR12
1
ARR11
1
ARR10
1
ARR9
1
ARR8
1
0x10 TIMx_ARRL
Reset value
ARR7
1
ARR6
1
ARR5
1
ARR4
1
ARR3
1
ARR2
1
ARR1
1
ARR0
1
0x11 TIMx_CCR1H
Reset value
CCR115
0
CCR114
0
CCR113
0
CCR112
0
CCR111
0
CCR110
0
CCR19
0
CCR18
0
0x12 TIMx_CCR1L
Reset value
CCR17
0
CCR16
0
CCR15
0
CCR14
0
CCR13
0
CCR12
0
CCR11
0
CCR10
0
0x13 TIMx_CCR2H
Reset value
CCR215
0
CCR214
0
CCR213
0
CCR212
0
CCR211
0
CCR210
0
CCR29
0
CCR28
0
0x14 TIMx_CCR2L
Reset value
CCR27
0
CCR26
0
CCR25
0
CCR24
0
CCR23
0
CCR22
0
CCR21
0
CCR20
0
0x15 TIMx_BKR
Reset value
MOE
0
AOE
0
BKP
0
BKE
0
OSSR
0
OSSI
0
LOCK
0
LOCK
0
0x16 TIMx_OISR
Reset value
-
0
OIS4
0
OIS3N
0
OIS3
0
OIS2N
0
OIS2
0
OIS1N
0
OIS1
0
Table 72. TIMx register map (continued)
Address
offset Register name76543210

8-bit basic timer (TIM4) RM0031
408/595 DocID15226 Rev 11
21 8-bit basic timer (TIM4)
21.1 Introduction
The timer consists of an 8-bit auto-reload up-counter driven by a programmable prescaler. It
can be used for time base generation, with interrupt generation on timer overflow.
Refer to Section 19.3 on page 293 for the general description of the timer features.
Figure 126. TIM4 block diagram
21.2 TIM4 main features
The main features include:
•8-bit auto-reload up counter
•4-bit programmable prescaler which allows dividing (also “on the fly”) the counter clock
frequency by any power of 2 from 1 to 32768.
•Interrupt generation
– On counter update: Counter overflow
– On trigger input
•DMA request generation
– On counter update: Counter overflow
21.3 TIM4interrupts
The timer has 2 interrupt request sources:
•Update interrupt (overflow, counter initialization)
•Trigger input
Prescaler
Auto-reload register
UP-COUNTER
UEV
Stop or Clear
UIF
Reg
event
Legend:
Preload registers transferred
to shadow registers on update
interrupt
CK_PSC CK_CNT
f
SYSCLK
TGI
TIM4_TRGO
To other timers and DA
ITR = TRC= TRGI
TRGO from TIM1 (ITR1)
TRGO from TIM2 (ITR3)
UEV
control bit
event (
UEV)
according to
CLOCK/TRIGGER CONTROLLER
TIME BASE UNIT
TRGO from TIM3 (ITR2)
TRGO from TIM5 (ITR0)

DocID15226 Rev 11 409/595
RM0031 8-bit basic timer (TIM4)
416
21.4 TIM4 clock selection
The clock source for the timer is the internal clock (fSYSCLK). It is connected directly to the
CK_PSC clock that feeds the prescaler driving the counter clock CK_CNT.
Prescaler
The prescaler implementation is as follows:
•The TIM4 prescaler is based on a 16-bit counter controlled through a 4-bit register (in
TIM4_PSCR register). It can be changed on the fly as this control register is buffered. It
can divide the counter clock frequency by any power of 2 from 1 to 32768.
The counter clock frequency is calculated as follows:
fCK_CNT = fCK_PSC/2(PSCR[3:0])
The prescaler value is loaded through a preload register. The shadow register, which
contains the current value to be used, is loaded as soon as the LS byte has been written.
Read operations to the TIM_PSCR registers access the preload registers, so no special
care needs to be taken to read them.
21.5 TIM4 registers
21.5.1 Control register 1 (TIM4_CR1)
Address offset: 0x00
Reset value: 0x00
76543210
ARPE Reserved OPM URS UDIS CEN
rw r rw rw rw rw
Bit 7 ARPE: Auto-reload preload enable
0: TIM4_ARR register is not buffered through a preload register. It can be written directly
1: TIM4_ARR register is buffered through a preload register
Bits 6:4 Reserved, must be kept cleared
Bit 3 OPM: One-pulse mode
0: Counter is not stopped at update event
1: Counter stops counting at the next update event (clearing the CEN bit)

8-bit basic timer (TIM4) RM0031
410/595 DocID15226 Rev 11
Bit 2 URS: Update request source
0: When enabled, an update interrupt request is sent as soon as registers are updated (counter
overflow).
1: When enabled, an update interrupt request is sent only when the counter reaches the
overflow/underflow.
Bit 1 UDIS: Update disable
0: A UEV is generated as soon as a counter overflow occurs or a software update is generated.
Buffered registers are then loaded with their preload values.
1: A UEV is not generated, shadow registers keep their value (ARR, PSC). The counter and the
prescaler are re-initialized if the UG bit is set.
Bit 0 CEN: Counter enable
0: Counter disable
1: Counter enable

DocID15226 Rev 11 411/595
RM0031 8-bit basic timer (TIM4)
416
21.5.2 Control register 2 (TIM4_CR2)
Address offset: 0x01
Reset value: 0x00
21.5.3 Slave mode control register (TIM4_SMCR)
Address offset: 0x02
Reset value: 0x00
76543210
Reserved MMS[2:0] Reserved
rrwrwrw r
Bit 7 Reserved, must be kept cleared
Bits 6:4 MMS[2:0]: Master mode selection
These bits are used to select the information to be sent in master mode to slave timers for
synchronization (TRGO). The combination is as follows:
000: Reset - the UG bit from the TIM4_EGR register is used as a trigger output (TRGO). If the reset
is generated by the trigger input (clock/trigger mode controller configured in trigger reset mode), the
signal on the TRGO is delayed compared to the actual reset.
001: Enable - the counter enable signal is used as a trigger output (TRGO). It is used to start several
timers at the same time or to control a window in which a slave timer is enabled. The counter enable
signal is generated by a logic OR between the CEN control bit and the trigger input when configured
in gated mode. When the counter enable signal is controlled by the trigger input, there is a delay on
TRGO, except if the master/slave mode is selected (see the MSM bit description in the TIM4_SMCR
register).
010: Update - The update event is selected as trigger output (TRGO)
011: Reserved
100: Reserved
101: Reserved
111: Reserved
Bits 3:0 Reserved, must be kept cleared
76543210
MSM TS[2:0] Reserved SMS[2:0]
rw rw rw rw r rw rw rw

8-bit basic timer (TIM4) RM0031
412/595 DocID15226 Rev 11
Bit 7 MSM: Master/slave mode
0: No action
1: The effect of an event on the trigger input (TRGI) is delayed to allow a perfect synchronization
between timers (through TRGO).
Bits 6:4 TS[2:0]: Trigger selection
This bit field selects the trigger input to be used to synchronize the counter.
000: Internal trigger ITR0 connected to TIM5 TRGO
001: Internal trigger ITR1 connected to TIM1 TRGO
010: Internal trigger ITR2 connected to TIM35 TRGO
011: Internal trigger ITR3 connected to TIM2 TRGO
100: Reserved
101: Reserved
110: Reserved
111: Reserved
Note: These bits must only be changed when they are not used (e.g. when SMS = 000) to avoid
wrong edge detections at the transition.
Bit 3 Reserved.
Bits 2:0 SMS[2:0]:Clock/trigger/slave mode selection
When external signals are selected, the active edge of the trigger signal (TRGI) is linked to the
polarity selected on the external input (see Input control register and control register description).
000: Clock/trigger controller disabled - If CEN = 1, the prescaler is clocked directly by the internal
clock.
001: Reserved
010: Reserved
011: Reserved
100: Trigger reset mode - The rising edge of the selected trigger signal (TRGI) reinitializes the
counter and generates an update of the registers.
101: Gated mode - The counter clock is enabled when the trigger signal (TRGI) is high. The counter
stops (but is not reset) as soon as the trigger becomes low. Both start and stop of the counter are
controlled.
110: Trigger mode - The counter starts at a rising edge of the trigger TRGI (but it is not reset). Only
the start of the counter is controlled.
111: External clock mode 1 - Rising edges of the selected trigger (TRGI) clock the counter.

DocID15226 Rev 11 413/595
RM0031 8-bit basic timer (TIM4)
416
21.5.4 DMA request enable register (TIM4_DER)
Address offset: 0x03
Reset value: 0x00
76543210
Reserved UDE
rw
Bits 7:1 Reserved, always read as 0.
Bit 0 UDE: Update DMA request enable(1)
0: Update DMA request disabled
1: Update DMA request enabled
Note: The conditions for generating a DMA request on the UEV are the same as for setting the UIF
bit (in the TIM4_SR1 register). In particular, the DMA request depends on the URS bit (in the
TIM4_CR1 register).

8-bit basic timer (TIM4) RM0031
414/595 DocID15226 Rev 11
21.5.5 Interrupt enable register (TIM4_IER)
Address offset: 0x04
Reset value: 0x00
21.5.6 Status register 1 (TIM4_SR)
Address offset: 0x05
Reset value: 0x00
76543210
Reserved TIE Reserved UIE
rrw r rw
Bit 7 Reserved, must be kept cleared
Bit 6 TIE: Trigger interrupt enable
0: Trigger interrupt disabled
1: Trigger interrupt enabled
Bits 5:1 Reserved, must be kept cleared
Bit 0 UIE: Update interrupt enable
0: Update interrupt disabled
1: Update interrupt enabled
76543210
Reserved TIF Reserved UIF
rc_w0 rc_w0
Bit 7 Reserved, must be kept cleared
Bit 6 TIF: Trigger interrupt flag
This flag is set by hardware on trigger event (active edge detected on TRGI signal, both edges in
case gated mode is selected). It is cleared by software.
0: No trigger event has occurred
1: Trigger interrupt pending
Bits 5:1 Reserved, must be kept cleared
Bit 0 UIF: Update interrupt flag
This bit is set by hardware on an update event. It is cleared by software.
0: No update has occurred
1: Update interrupt pending. This bit is set by hardware when the registers are updated:
– At overflow if UDIS = 0 in the TIM4_CR1 register
– When CNT is re-initialized by software using the UG bit in the TIM4_EGR register, if URS = 0
and UDIS = 0 in the TIM4_CR1 register.

DocID15226 Rev 11 415/595
RM0031 8-bit basic timer (TIM4)
416
21.5.7 Event generation register (TIM4_EGR)
Address offset: 0x06
Reset value: 0x00
21.5.8 Counter (TIM4_CNTR)
Address offset: 0x07
Reset value: 0x00
21.5.9 Prescaler register (TIM4_PSCR)
Address offset: 0x08
Reset value: 0x00
76543210
Reserved TG Reserved UG
w w
Bit 7 Reserved, must be kept cleared
Bit 6 TG: Trigger generation
This bit is set by software to generate an event. It is automatically cleared by hardware.
0: No action
1: The TIF flag is set in TIM4_SR1 register. An interrupt is generated if enabled by the TIE bit
Bits 5:1 Reserved, must be kept cleared
Bit 0 UG: Update generation
This bit can be set by software, it is automatically cleared by hardware.
0: No action
1: Re-initializes the counter and generates an update of the registers. Note that the prescaler
counter is also cleared.
76543210
CNT[7:0]
rw rw rw rw rw rw rw rw
Bits 7:0 CNT[7:0]: Counter value
76543210
Reserved
PSC[3:0]
rw rw rw rw
Bits 7:4 Reserved, must be kept cleared
Bits 3:0 PSC[3:0]: Prescaler value
The prescaler value divides the CK_PSC clock frequency. The counter clock frequency fCK_CNT is
equal to fCK_PSC / 2(PSC[3:0]).
PSC contains the value which is loaded into the active prescaler register at each UEV (including
when the counter is cleared through the UG bit of TIM4_EGR).
Consequently, a UEV must be generated so that a new prescaler value can be taken into account.

8-bit basic timer (TIM4) RM0031
416/595 DocID15226 Rev 11
21.5.10 Auto-reload register (TIM4_ARR)
Address offset: 0x09
Reset value: 0xFF
21.5.11 TIM4 register map and reset values
76543210
ARR[7:0]
rw rw rw rw rw rw rw rw
Bits 7:0 ARR[7:0]: Auto-reload value
Table 73. TIM4 register map
Address
offset Register name76543210
0x00 TIM4_CR1
Reset value
ARPE
0
-
0
-
0
-
0
OPM
0
URS
0
UDIS
0
CEN
0
0x01 TIM4_CR2
Reset value
-
0
MMS2
0
MMS1
0
MMS0
0
-
0
-
0
-
0
-
0
0x02 TIM4_SMCR
Reset value
MSM
0
TS2
0
TS1
0
TS0
0
-
0
SMS2
0
SMS1
0
SMS0
0
0x03 TIM4_DER
Reset value
-
0
-
0
-
0
-
0
-
0
-
0
-
0
UDE
0
0x04 TIM4_IER
Reset value
-
0
TIE
0
-
0
-
0
-
0
-
0
-
0
UIE
0
0x05 TIM4_SR1
Reset value
-
0
TIF
0
-
0
-
0
-
0
-
0
-
0
UIF
0
0x06 TIM4_EGR
Reset value
-
0
TG
0
-
0
-
0
-
0
-
0
-
0
UG
0
0x07 TIM4_CNTR
Reset value
CNT7
0
CNT6
0
CNT5
0
CNT4
0
CNT3
0
CNT2
0
CNT1
0
CNT0
0
0x08 TIM4_PSCR
Reset value
-
0
-
0
-
0
-
0
PSC3
0
PSC2
0
PSC1
0
PSC0
0
0x09 TIM4_ARR
Reset value
ARR7
1
ARR6
1
ARR5
1
ARR4
1
ARR3
1
ARR2
1
ARR1
1
ARR0
1

DocID15226 Rev 11 417/595
RM0031 Infrared (IRTIM) interface
418
22 Infrared (IRTIM) interface
This section applies to low-density STM8L05xx/STM8L15xx devices, medium-density
STM8L05xx/STM8L15xx devices, medium+ density STM8L05xx/STM8L15xx devices and
high-density STM8L05xx/STM8L15xx/STM8L16xx devices, unless otherwise specified.
22.1 Introduction
An infrared interface (IRTIM) can be used with an IR LED to perform remote control
functions.
To generate the infrared remote control signals, the IR interface must be enabled and TIM2
channel 1 (TIM2_OC1) and TIM3 channel 1 (TIM3_OC1) must be properly configured to
generate correct waveforms.
Figure 127. IR internal hardware connections with TIM2 and TIM3
22.2 Main features
All standard IR pulse modulation modes can be obtained by programming the two timer
output compare channels.
TIM 2 is used to generate the high frequency carrier signal, while TIM3 generates the
modulation envelope.
The infrared function is output on the IR_TIM pin. The activation of this function is done
through the IR_CR register. When the IR function is enabled by setting the IR_EN bit, the
standard TIM2_CC1 and TIM3_CC1 become automatically inactive (these pins may be
used as general purpose I/O pins or for other alternate functions).
The high sink LED driver capability (only available on the IR_TIM pin) can be activated
through the HS_EN bit in the IR_CR register and used to sink the high current needed to
directly control an infrared LED. When the pin is driving the LED in this mode, the other pin
input/output levels cannot be guaranteed. It is therefore recommended to program all other
device I/Os in input mode without interrupt before sending any infrared signal. The previous
function can be restored immediately after the infrared communication is completed.
When the high sink capability of the pin is not used (or the current is limited to the standard
I/O capabilities) all other pins of the device can be used normally.
TIM2_CH1
TIM3_CH1
IRTIM IRTIM_OUT

Infrared (IRTIM) interface RM0031
418/595 DocID15226 Rev 11
22.3 IRTIM register
22.3.1 Control register (IR_CR)
Reset value: 0x00
22.3.2 IRTIM register map and reset values
♥
76543210
Reserved Reserved Reserved Reserved Reserved Reserved HS_EN IR_EN
rw rw rw rw rw rw rw rw
Bits 7:2 Reserved. Must be kept cleared
Bit 1 HS_EN: High Sink LED driver capability enable.
0: High Sink LED driver capability disabled.
1: High Sink LED driver capability enabled.
When activated, this pin can sink 20 mA min. with a power supply down to 2 V.
Bit 0 IR_EN: Infrared output enable.
This bit enables the IR output.
0: IR_TIM output disabled.
1: IR_TIM output enabled and provided to PA0 (TIM2 and TIM3 must have been previously
configured properly by software)
Table 74. IR register map
Address
offset
Register
name 76543210
0x00 IR_CR
Reset value
-
0
-
0
-
0
-
0
-
0
-
0
HS_EN
0
IR_EN
0

DocID15226 Rev 11 419/595
RM0031 Beeper (BEEP)
422
23 Beeper (BEEP)
This section applies to low-density STM8L05xx/STM8L15xx devices, medium-density
STM8L05xx/STM8L15xx devices, medium+ density STM8L05xx/STM8L15xx devices and
high-density STM8L05xx/STM8L15xx/STM8L16xx devices, unless otherwise specified.
23.1 Introduction
This Beeper module is used to generate a BEEP signal in the range of 1, 2 or 4 kHz. The
Beeper clock is derived from the LSE or LSI clock. The clock is selected by programming
the CLKBEEPSEL[1:0] bits in the Clock BEEP register (CLK_CBEEPR).
Figure 128. BEEP block diagram
BEEPEN
BEEP pin
LSI
MSR
to Timer input capture
5-BIT BEEPER PROG
COUNTER
~8 kHz
3-BIT COUNTER 1 kHz, 2 kHz, 4 kHz
(for measurement)
BEEPDIV[4:0] bits BEEPSEL[1:0] bits
BEEPCLK
LSE
CLKBEEPSEL[1:0]
BEEPCLK

Beeper (BEEP) RM0031
420/595 DocID15226 Rev 11
23.2 BEEP functional description
23.2.1 Beeper operation
To use the BEEP function, perform the following steps in order:
1. Calibrate the LSI clock frequency as described in Section 23.2.2: Beeper calibration to
define BEEPDIV[4:0] value.
2. Select 1 kHz, 2 kHz or 4 kHz output frequency by writing to the BEEPSEL[1:0] bits in
the BEEP control/status register 2 (BEEP_CSR2).
3. Set the BEEPEN bit in the BEEP control/status register 2 (BEEP_CSR2) to enable the
LS clock source.
Note: The prescaler counter starts to count only if BEEPDIV[4:0] value is different from its reset
value, 0x1F.
23.2.2 Beeper calibration
This procedure can be used to calibrate the LS clock sources in order to reach the standard
frequency output, 1 kHz, 2 kHz or 4 kHz.
Use the following procedure:
1. Disable the BEEP clock by resetting the CLKBEEPSEL bit in the CLK_CBEEPR
register.
2. Measure the LSI clock frequency (refer to Section 23.2.3: LSI clock frequency
measurement )
Note: This step is performed when the beeper is clocked by the LSI clock source.
3. Calculate the BEEPDIV value as follows, where A and x are the integer and fractional
part of BEEPCLK/8 (in kHz):
BEEPDIV = A-2 when x is less than or equal to A/(1+2*A), else
BEEPDIV = A-1
4. Write the resulting BEEPDIV value in the BEEPDIV[4:0] bits in the BEEP control/status
register 2 (BEEP_CSR2).
23.2.3 LSI clock frequency measurement
The frequency dispersion of the Low Speed Internal RC (LSI) oscillator after RC factory
trimming is 38 kHz on the whole temperature range. To obtain a precise beeper output, the
exact LSI frequency has to be measured.
Use the following procedure:
1. Set the MSR bit in the BEEP control/status register 1 (BEEP_CSR1) to connect the LSI
clock internally to ICAP1 of the TIM2 timer.
2. Measure the frequency of LSI clock using the Timer input capture interrupt.

DocID15226 Rev 11 421/595
RM0031 Beeper (BEEP)
422
23.3 BEEP registers
23.3.1 BEEP control/status register 1 (BEEP_CSR1)
Address offset: 0x00
Reset value: 0x00
23.3.2 BEEP control/status register 2 (BEEP_CSR2)
Address offset: 0x03
Reset value: 0x1F
76543210
Reserved MSR
rw
Bits 7:1 Reserved, must be kept cleared.
Bit 0 MSR: Measurement enable
This bit connects the BEEPCLK to the TIM2 channel 1 input capture. This allows the timer to be
used to measure the LSI frequency (fLSI).
0: Measurement disabled
1: Measurement enabled
76543210
BEEPSEL[1:0] BEEPEN BEEPDIV[4:0]
rw rw rw rw rw rw rw rw
Bits 7:6 BEEPSEL[1:0]: BEEP selection
These bits are set and cleared by software to select 1, 2 or 4 kHz BEEP output when calibration is
done.
00: BEEPCLK/(8 x BEEPDIV) kHz output
01: BEEPCLK/(4 x BEEPDIV) kHz output
1x: BEEPCLK/(2 x BEEPDIV) kHz output
Bit 5 BEEPEN: BEEP enable
This bit is set and cleared by software to enable the BEEP feature.
0: BEEP disabled
1: BEEP enabled
Note: Before enabling or disabling the BEEP feature, the BEEP clock must be disabled by resetting
the CLKBEEPSEL[1:0] bits in the CLK_CBEEPR register .
Bits 4:0 BEEPDIV[4:0]: BEEP prescaler divider
These bits are set and cleared by software to define the beeper prescaler dividing factor BEEPDIV.
0x00: BEEPDIV = 2
0x01: BEEPDIV = 3
...
0x0E: BEEPDIV = 16
0x0F: BEEPDIV = 17
....
0x1E: BEEPDIV = 32
Note: This register must not be kept at its reset value (0x1F)

DocID15226 Rev 11 423/595
RM0031 Real-time clock (RTC)
459
24 Real-time clock (RTC)
This section applies to low-density STM8L05xx/STM8L15xx devices, medium-density
STM8L05xx/STM8L15xx devices, medium+ density STM8L05xx/STM8L15xx devices and
high-density STM8L05xx/STM8L15xx/STM8L16xx devices, unless otherwise specified.
24.1 Introduction
The real-time clock (RTC) is an independent BCD timer/counter. It provides a time-of-day
clock and calendar with an associated programmable alarm. The RTC also includes an auto
wakeup unit useful for managing low-power modes.
8-bit registers contain seconds, minutes, hours (12 or 24 hour format), day (day of the
week), date (day of the month), month, and year, coded in binary coded decimal format
(BCD). The sub-seconds value is also available in binary format on low, medium+ and high-
density devices only. The adjustment for 28-, 29- (leap year), 30-, and 31-day months is
performed automatically.
Additional 8-bit registers contain the programmable alarm subseconds (low, medium+ and
high-density devices only), seconds, minutes, hours, day, and date.
Low, medium+ and high-density devices also allow to calibrate the RTC with a resolution of
0.954 ppm.
After reset, the RTC registers are protected against possible parasitic write accesses.
As long as the supply voltage is maintained in the operating range, the RTC never stops,
regardless of the MCU status (Run mode, low power mode or under reset).

Real-time clock (RTC) RM0031
424/595 DocID15226 Rev 11
24.2 RTC main features
The RTC unit main features are the following ones (see Figure 130: RTC block diagram
(medium-density devices) and Figure 131: RTC block diagram (medium+ and high-density
devices)):
•A calendar with subseconds (low, medium+ and high-density devices only), seconds,
minutes, hours (12 or 24 format), day (day of the week), date (day of the month),
month, and year.
•Daylight saving time adjustment by software.
•A programmable alarm with interrupt (alarm A). The alarm can be triggered by any
combination of the calendar fields.
•An auto wake up unit providing periodic flag triggering an automatic wakeup interrupt.
•Five maskable interrupt/events:
–Alarm A
– Wakeup interrupt
– 3 tamper detections
•Accurate synchronization with an external clock using the subsecond shift feature (on
low, medium+ and high-density devices).
•Digital calibration with an accuracy of 0.954 ppm (on low, medium+ and high-density
devices).
•Three tamper inputs with configurable filter and internal pull-up to wake up the CPU
(available on low, medium+ and high-density devices only).
•Alternate function outputs:
– RTC_CALIB output: configurable 512 Hz clock output or 1 Hz clock output on low,
medium+ and high-density devices (with RTC clock at 32.768 kHz).
– RTC_ALARM output: alarm A or wakeup flag can be routed to this output.
24.3 RTC functional description
The RTC unit is controlled by a set of 8-bit registers accessible in read or write mode. For
more information, refer to Section 24.6: RTC registers.
In this section:
•RTC_CRx stands for RTC_CR1 / RTC_CR2 / RTC_CR3,
•RTC_SSRx for RTC_SSRH/RTC_SSRL,
•RTC_TRx for RTC_TR1 / RTC_TR2 / RTC_TR3,
•RTC_DRx for RTC_DR1 / RTC_DR2 / RTC_DR3,
•RTC_ALRMARx for RTC_ALRMAR1 / RTC_ALRMAR2 / RTC_ALRMAR3 /
RTC_ALRMAR4,
•RTC_ALRMASSRx for RTC_ALRMASSRH/RTC_ALRMASSRL,
•RTC_SHIFTRx for RTC_SHIFTRH/RTC_SHIFTRL,
•RTC_CALRx for RTC_CALRH/RTC_CALRL,
•RTC_TCRx for RTC_TCR1/RTC_TCR2

DocID15226 Rev 11 425/595
RM0031 Real-time clock (RTC)
459
24.3.1 Clock and prescalers
The RTC clock source (RTCCLK) used for timer/counter is selected through the clock
controller. It can be either the HSE, LSE, HSI or LSI clock. For more information about the
RTC clock source configuration, please refer to Section 9.9: RTC and LCD clock.
A clock security system on LSE is implemented on low, medium+ and high-density devices
to monitor the low speed external clock when it is used as the RTC clock source. For more
details about how to use the CSS on LSE feature, please refer to Section 9.8.2: Clock
security system on LSE.
In order to access the RTC registers properly, the system clock frequency (fSYSCLK) must be
equal to or greater than four times the fRTCCLK RTC clock frequency. This ensures a secure
behavior of the synchronization mechanism.
When the system clock (SYSCLK) is equal to a low speed clock (like LSE or LSI), the user
must use exactly the same clock as RTCCLK and must set the RATIO bit in the RTC_CR1
register to disable the synchronization mechanism. In these conditions, the RSF
synchronization flag is meaningless.
A programmable prescaler stage generates a 1 Hz clock used to update the calendar. This
prescaler stage is split into 2 programmable prescalers (Figure 130 and Figure 131):
•A 7-bit asynchronous prescaler configured through PREDIV_A bits of the RTC_APRER
register
•A synchronous prescaler configured through PREDIV_S bits of the RTC_SPRERx
registers. The prescaler features 13 bits for medium-density devices, and 15 bits for
low, medium+ and high-density devices.
Note: This division into two blocks (the asynchronous prescaler and the synchronous prescaler)
has been defined to reach the lowest possible consumption.
It is recommended to keep a high value in the asynchronous prescaler when both
prescalers are used to ensure the best consumption level.
The asynchronous prescaler division factor is consequently set by default to 128, and the
synchronous division factor to 256, to get an internal clock frequency of 1 Hz (ck_spre) with
an LSE frequency of 32768 Hz.
The minimum division factor is 2 on medium-density devices and 1 on low, medium+ and
high-density devices. The maximum division factor is 220 on medium-density devices and
222 on low, medium+ and high-density devices. This corresponds to a maximum input
frequency of around 1 MHz and 4 MHz respectively.
The 1 Hz internal clock (ck_spre) is input to the calendar.
The ck_spre clock can also be used as a time base for the 16-bit wakeup auto-reload timer.
Note: The 16-bit wakeup auto-reload timer can also run with the RTCCLK divided by the
programmable 4-bit asynchronous prescaler so as to reach short time-out periods. See
Section 24.3.4: Periodic auto-wakeup for details.
fCK_SPRE
fRTCCLK
PREDIV_S 1+()PREDIV_A 1+()
---------------------------------------------------------------------------------------------=

Real-time clock (RTC) RM0031
426/595 DocID15226 Rev 11
Figure 129. RTC block diagram (low-density devices)
Figure 130. RTC block diagram (medium-density devices)
-36
24#?#!,)"
PIN
24##,+
0ERIODICWAKEUP
FLAG
(3%
!SYNCH
BITPRESCALER
3YNCH
BITPRESCALER
BITWAKEUP
AUTORELOADTIMER
#ALENDAR
!LARM!
FLAG
24#?!,!2-
PIN
24#
PRESCALER
,3)
,3%
(3)
24#$)6;=
02%$)6?!;=
02%$)6?3;=
0RESCALER
4IME
24#?42XREGISTERS
$ATE
24#?$2XREGISTERS
75#+3%,;=
!LARM
24#?!,2-!XREGISTERS
02%$)6?!;= (ZCLOCKOUTPUT
24#?#2/3%,;=
24#?#2#/3%,
(ZCLOCKOUTPUT
&#!,
3MOOTH
CALIB
LEVEL
75#+3%,;=
-36
24#?#!,)"
PIN
24##,+
0ERIODICWAKEUP
FLAG
(3%
!SYNCH
BITPRESCALER
3YNCH
BITPRESCALER
BITWAKEUP
AUTORELOADTIMER
#ALENDAR
!LARM!
FLAG
24#?!,!2-
PIN
24#
PRESCALER
,3)
,3%
(3)
24#$)6;=
02%$)6?!;=
02%$)6?3;=
4IME
24#?42XREGISTERS
$ATE
24#?$2XREGISTERS
75#+3%,;=
!LARM
24#?!,2-!XREGISTERS
02%$)6?!;=
(ZCLOCKOUTPUT
24#?#2/3%,;=
0RESCALER
75#+3%,;=

DocID15226 Rev 11 427/595
RM0031 Real-time clock (RTC)
459
Figure 131. RTC block diagram (medium+ and high-density devices)
24.3.2 Real-time clock and calendar
The RTC calendar time and date registers are accessed through shadow registers
synchronized with SYSCLK (system clock). In low, medium+ and high-density devices, they
can also be accessed directly in order to avoid waiting for the synchronization duration.
•RTC_SSRx (subseconds) (available on low, medium+ and high-density devices only)
•RTC_TR1 (seconds)
•RTC_TR2 (minutes)
•RTC_TR3 (hours)
•RTC_DR1 (date)
•RTC_DR2 (day and month)
•RTC_DR3 (year)
The current calendar value is periodically copied into these shadow registers which are
reset by system reset. The copy periodicity is the RTCCLK period. The RSF bit is set in the
RTC_ISR register each time the copy is performed.
Note: The copy is not performed during Active-halt mode. When exiting Active-halt mode, the
shadow registers are updated after up to one RTCCLK period.
When the user makes a read access to the calendar registers, he reads the content of the
shadow registers. In low, medium+ and high-density devices, it is possible to make a direct
access to the calendar registers by setting the BYPSHAD control bit in the RTC_CR1
register. By default, this bit is cleared, and the user accesses the shadow registers.
-36
24#?#!,)"
PIN
24##,+
(3%
!SYNCH
BITPRESCALER
BITWAKEUP
AUTORELOADTIMER
#ALENDAR
!LARM!
FLAG
24#?!,!2-
PIN
,3)
,3%
(3)
24#$)6;=
02%$)6?!;=
02%$)6?3;=
4IME
24#?42X
$ATE
24#?$2X
75#+3%,;=
!LARM
24#?!,2-!XREGISTERS
02%$)6?!;= (ZCLOCKOUTPUT
24#?#2/3%,;=
4AMPERFILTER
!&)?4!-0%2;=
4AMPERPULLUP
ACTIVATION 4AMPERFLAGS
24#?#2#/3%,
(ZCLOCKOUTPUT
F#!,
3MOOTH
CALIB
LEVEL
REGISTERS
REGISTERS
3UBSECONDS
24#?332X
REGISTERS
0ERIODIC
WAKEUP
FLAG
24#
PRESCALER
3YNCH
BITPRESCALER
0RESCALER
75#+3%,;=

Real-time clock (RTC) RM0031
428/595 DocID15226 Rev 11
24.3.3 Programmable alarm
The RTC provides a programmable alarm (alarm A). The programmable alarm function is
enabled through the ALRAE bit in the RTC_CR2 register.
The ALRAF flag is set to 1 if the calendar subseconds ( low, medium+ and high-density
devices only), seconds, minutes, hours and/or date match the value programmed in the
RTC_ALRMASSRx and RTC_ALRMARx alarm registers. The subseconds, seconds,
minutes, hours and/or date can be independently selected or masked through the ALSSx
and MSKx bits of the RTC_ALRMASSRx and RTC_ALRMARx registers.
The alarm interrupt is enabled through the ALRAIE bit in the RTC_CR2 register. When
enabled, the programmable alarm interrupt exits the device from Low power modes.
The alarm A flag signal can be routed to the RTC_ALARM device output when the
OSEL[1:0] bits in the RTC_CR3 register have the adequate value. The RTC_ALARM
polarity can be configured through the POL bit in the RTC_CR3 register (see
Section 24.6.11).
A positive shift operation (see Section 24.3.8: RTC synchronization (low, medium+ and
high-density devices only)) might cause an alarm to be missed if the subsecond field is
compared (if MASKSS in RTC_ALRMASSMSKR is non-zero). Similarly, a negative shift
operation might cause an alarm to be activated an extra time if the sub-second field is
compared.
Caution: If the “seconds” field is masked (MSK1 bit set in RTC_ALRMAR1), the synchronous
prescaler division factor set in the RTC_SPRER register must be at least 3 to ensure a
correct behavior of the RTC.
24.3.4 Periodic auto-wakeup
The periodic wakeup flag is generated by a 16-bit programmable binary auto-reload down-
counting timer. The wakeup timer range can be extended to 17 bits.
The wakeup function is enabled through the WUTE bit in the RTC_CR2 register. The
wakeup timer clock can be:
•RTC clock (RTCCLK) divided by 2, 4, 8, or 16. When RTCCLK is LSE (32.768 kHz), it
is possible to configure the wakeup interrupt period from 122 µs to 32 s, with a
resolution down to 61µs,
•ck_spre (usually 1 Hz internal clock). When ck_spre is 1 Hz, a wakeup time from 1 s to
around 36 hours with one-second resolution can be achieved. This large
programmable time range is divided in 2 parts:
– from 1s to 18 hours when WUCKSEL [2:1] = 10
– and from around 18h to 36h when WUCKSEL[2:1] = 11. In this last case 216 is
added to the 16-bit counter current value.
When the initialization sequence is completed (see Section : Programming the auto-wakeup
timer), the wakeup timer starts down-counting. When the wakeup function is enabled, the
down-counting remains active in low power modes. In addition, when it reaches 0, the
WUTF flag in the RTC_ISR2 register is set and the wakeup counter is automatically
reloaded with its reload value (WUT register value).
The WUTF flag must then be reset by the software.
When the periodic wakeup interrupt is enabled by setting the WUTIE bit in the RTC_CR2
register, it can exit the device from low power modes.

DocID15226 Rev 11 429/595
RM0031 Real-time clock (RTC)
459
The periodic wakeup flag can be routed to the RTC_ALARM device output when the
OSEL[1:0] bits in the RTC_CR3 register have the adequate value. The RTC_ALARM
polarity can be configured through the POL bit in the RTC_CR3 register (see
Section 24.6.11).
System reset as well as Run and Low power operating modes have no influence on the
down-counting timer.
24.3.5 RTC initialization and configuration
RTC register write protection
By default, all the RTC registers (except the RTC_ISR2 register which contains the alarm
and auto-wakeup timer interrupt source flags) are write-protected. Writing to the RTC
registers is enabled by writing a key into the RTC_WPR write protection register.
The following steps are required to unlock the write protection of the RTC registers.
1. Write ‘0xCA’ into the RTC_WPR register
2. Write ‘0x53’ into the RTC_WPR register
Note: Writing a wrong key reactivates the write protection.
Calendar initialization and configuration
To program the initial time and date calendar values including the time format and potentially
the prescaler setup, the following sequence is required:
1. Set INIT bit to 1 in the RTC_ISR register to enter intialization mode. In this mode, the
calendar counter is stopped and its value can be updated.
2. Poll INITF bit of in the RTC_ISR register. The initialization phase mode is entered when
INITF is set to 1. It takes around 2 RTCCLK clock cycles for synchronization purposes.
3. To generate a 1 Hz clock for the calendar counter, program the prescaler register
(RTC_PRER).
4. Load the initial time and date values in the shadow registers (RTC_TR and RTC_DR),
and configure the time format (12 or 24 hours) through the FMT bit in the RTC_CR
register.
5. Exit the initialization mode by clearing the INIT bit. The actual calendar counter value is
then automatically loaded and the counting restarts after 4 RTCCLK clock cycles.
When the initialization sequence is completed, the subseconds value is also reinitialized, so
that the next second increment can occur after a full second.
Note: 1 After a system reset, the application can read the INITS flag in the RTC_ISR register to
check if the calendar has been initialized or not. If this flag equals 0, the calendar has not
been initialized since the year field is set at its power-on reset default value (0x00).
2 To read the calendar after initialization, the software must first check that the RSF flag is set
in the RTC_ISR register.
Daylight saving time
The daylight saving time management is performed through bits SUB1H, ADD1H, and BCK
of the RTC_CR register.
Using SUB1H or ADD1H, the software can subtract or add one hour to the calendar in one
single operation without going through the initialization procedure.

Real-time clock (RTC) RM0031
430/595 DocID15226 Rev 11
In addition, the software can use the BCK bit to memorize this operation.
Programming the alarm
Use the following procedure to program or update the programmable alarm (alarm A):
1. Clear ALRAE in RTC_CR2 to disable alarm A.
2. Poll ALRAWF until it is set in RTC_ISR1 to make sure the access to alarm registers is
allowed. On medium-density devices, it takes around 2 RTCCLK clock cycles (due to
clock synchronization). On low, medium+ and high-density devices, ALRAWF is always
set, so this step can be skipped.
3. Program alarm A registers: RTC_ALRMASSRx and RTC_ ALRMASSMSKR (on low,
medium+ and high-density devices only) and RTC_ALRMARx.
4. Set ALRAE in RTC_CR2 to enable alarm A again.
5. On low, medium+ and high-density devices, after setting ALRAE to '1', the alarm
effectively remains deactived for one additional ck_apre cycle. In other words, an alarm
which is set to occur on the first sub-second update after enabling the alarm will be
masked.
Note: Each change in the RTC_CR2 register is taken into account after around 2 RTCCLK clock
cycles due to clock synchronization.
Programming the auto-wakeup timer
The following sequence is required to configure or change the wakeup timer reload value:
1. Clear WUTE in RTC_CR2 to disable the wakeup timer.
2. Poll WUTWF until it is set in RTC_ISR1 to make sure the access to wakeup auto-
reload counter and to WUCKSEL[2:0] bits is allowed. It takes around 2 RTCCLK clock
cycles (due to clock synchronization).
3. Program the value into the wakeup timer (RTC_WUTRL and RTC_WUTRH) and select
the desired clock (WUCKSEL[2:0] bits in RTC_CR1).
4. Set WUTE in RTC_CR2 register to enable the timer again. The wakeup timer restarts
down-counting.
24.3.6 Reading the calendar
•In medium-density devices, or when BYPSHAD is cleared:
In order to read the RTC calendar registers (RTC_SSRx, RTC_TRx and RTC_DRx)
properly, the system clock frequency (fSYSCLK) must be equal to or greater than four
times the fRTCCLK RTC clock frequency. This ensures a secure behavior of the
synchronization mechanism.
The RSF bit is set in TRTC_ISR register each time the calendar registers are copied
into the RTX_SSRx, RTC_TRx and RTC_DRx shadow registers. The copy is
performed every RTCCLK cycle. To ensure the consistency between the values when
the software reads the calendar, the update of all shadow registers (RTC_SSRL,
RTC_SSRH, RTC_TR1, RTC_TR2, RTC_TR3, RTC_DR1, RTC_DR2 and RTC_DR3)
is frozen after RTC_SSRL (low, medium+ and high-density devices) or RTC_TR1
(medium-density devices) is read, and until RTC_DR3 is read. In low, medium+ and
high-density devices, if the software does not need to read the sub-second values, it
can first read RTC_TR1 and all the values are locked until RTC_DR3 is read.
In case the software makes read accesses to the calendar in a time interval smaller
than 1 RTCCLK period: RSF must be cleared by software after the first calendar read,

DocID15226 Rev 11 431/595
RM0031 Real-time clock (RTC)
459
and then the software must wait until RSF is set before reading again the calendar
shadow registers.
After a low power mode wakeup, RSF must be cleared by software. The software must
then wait until it is set again before reading the RTC_TR and RTC_DR registers. The
RSF bit must be cleared after wakeup and not before entering low power mode.
Note: 1 After a system reset,the software must wait until RSF is set before reading the RTC_SSRx,
RTC_TRx and RTC_DRx registers. Indeed, a system reset resets the shadow registers to
their default values.
2 After an initialization (refer to Section : Calendar initialization and configuration), or after a
shift operation (refer to Section 24.3.8: RTC synchronization (low, medium+ and high-
density devices only)): the software must wait until RSF is set before reading the
RTC_SSRx, RTC_TRx and RTC_DRx registers.
•In low, medium+ and high-density devices, when the BYPSHAD control bit in the
RTC_CR1 register is set to 1 (bypass shadow registers):
Reading the calendar registers gives the values from the calendar counters directly,
thus eliminating the need to wait for RSF to be set. This is especially useful after exiting
from Active-halt since the shadow registers are not updated during Active-halt mode.
When BYPSHAD is set to 1, the results of the different registers might not be coherent
with each other if an RTCCLK edge occurs between two read accesses to the
registers. Additionally, the value of one of the registers may be incorrect if an RTCCLK
edge occurs during the read operation. The software must read all the registers twice,
and then compare the results to confirm that the data is coherent and correct.
Note: When BYPSHAD is set to 1, the instructions which read the calendar registers require one
extra system cycle to complete.
24.3.7 Resetting the RTC
The calendar shadow registers (RTC_SSRx, RTC_TRx and RTC_DRx) and the RTC status
registers (RTC_ISRx) are reset to their default value by all available system reset sources.
On the contrary, the RTC current calendar registers and control registers (RTC_CRx), the
prescaler registers (RTC_SPREx and RTC_APRE), the wakeup timer registers
(RTC_WUTRx) and the alarm A registers (RTC_ALRMASSRx and RTC_ALRMARx) are
reset to their default values by Power-on reset only. They are not affected by a system reset.
In addition, as soon as an RTC clock is enabled in the CLK_CRTCR clock controller
register, the RTC continues to run under reset (if the reset source is other than the Power-on
reset).
When power-on reset occurs, the RTC is stopped and all its registers are set to their reset
values.
24.3.8 RTC synchronization (low, medium+ and high-density devices only)
On low, medium+ and high-density devices, the RTC can be synchronized to a remote clock
with a high degree of precision. After reading the subsecond field (RTC_SSRx), a
calculation can be made of the precise offset between the times being maintained by the
remote clock and the RTC. The RTC can then be finely adjusted to eliminate this offset by
“shifting” its clock by a fraction of a second using the RTC_SHIFTRx register.

Real-time clock (RTC) RM0031
432/595 DocID15226 Rev 11
Reading the RTC_SSRx registers gives the value of the synchronous prescaler counter.
This allows to calculate the exact RTC time down to a resolution of 1/(PREDIV_S + 1)
seconds. As a consequence, the resolution can be improved by increasing the synchronous
prescaler value (PREDIV_S[14:0]. The maximum resolution allowed (30.52 µs with a
32768 Hz clock) is obtained with PREDIV_S set to 0x7FFF.
However, increasing the synchronous prescaler value means that the asynchronous
prescaler value (PREDIV_A[6:0]) must be decreased to maintain the synchronous prescaler
output at 1 Hz. As a result, the frequency of the asynchronous prescaler output increases,
which may increase the RTC dynamic consumption.
The RTC can be finely adjusted using the RTC shift control register (RTC_SHIFTR). Writing
to RTC_SHIFTR can shift (either delay or advance) the clock by up to a second with a
resolution of 1 / ( PREDIV_S + 1) seconds.
The shift operation consists in adding the SUBFS[14:0] value to the synchronous prescaler
counter SS[15:0]: this delays the clock. If at the same time ADD1S is set, this adds one
second and at the same time substracts a fraction of second, so this advances the clock.
Caution: Before initiating a shift operation, the user must check that SS[15] = 0 in order to ensure that
no overflow will occur.
As soon as a shift operation is initiated by a write to the RTC_SHIFTRL register, the SHPF
flag is set by hardware to indicate that a shift operation is pending. This bit is cleared by
hardware as soon as the shift operation has completed.
24.3.9 RTC smooth digital calibration (low, medium+ and high
density devices only)
On low, medium+ and high-density devices, the RTC frequency can be digitally calibrated
with a resolution of about 0.954 ppm with a range from −487.1 to +488.5 ppm. The correction
of the frequency is performed using series of small adjustments (adding and/or subtracting
individual RTCCLK clock cycles). These adjustments are fairly well distributed so that the
RTC is well calibrated even when observed over short periods of time.
The calibration is performed during a cycle of about 220 RTCCLK clock cycles, or
32 seconds when the input frequency is 32768 Hz.
The calibration registers (RTC_CALRx) specify the number of RTCCLK clock cycles to be
masked during the 32-second cycle:
•Setting the bit CALM[0] to 1 causes exactly one pulse to be masked during the 32-
second cycle.
•Setting CALM[1] to 1 causes two additional cycles to be masked
•Setting SMC[2] to 1 causes four additional cycles to be masked,
•and so on up to SMC[8] set to 1 which causes 256 clocks to be masked.
While the CALM bits allow to reduce the RTC frequency by up to 487.1 ppm with a fine
resolution, the bit CALP of the RTC_CALRH register can be used to increase the frequency
by 488.5 ppm. Setting this bit 1 effectively inserts an additional RTCCLK clock cycle every
211 RTCCLK cycles, which means that 512 clocks are added during every 32-second cycle.
Using the CALM bits in conjunction with CALP, an offset ranging from −511 to 512 RTCCLK
cycles can be added during each 32-second cycle. This corresponds to a calibration range
of −487.1 to 488.5 ppm with a resolution of about 0.954 ppm.

DocID15226 Rev 11 433/595
RM0031 Real-time clock (RTC)
459
The formula to calculate the effective calibrated frequency (fCAL) given the input frequency
(fRTCCLK) is as follows:
Calibration when PREDIV_A<3
The CALP bit can not be set to 1 when the asynchronous prescaler value (PREDIV_A bits in
RTC_APRER register) is less than 3. If CALP was already set to 1 and PREDIV_A bits are
set to a value less than 3, CALP is ignored and the calibration operates as if CALP was
equal to 0.
To perform a calibration with PREDIV_A less than 3, the synchronous prescaler value
(PREDIV_S) should be reduced so that each second is accelerated by 8 RTCCLK clock
cycles, which is equivalent to adding 256 clock cycles every 32 seconds. As a result,
between−
255 and 256 clock pulses (corresponding to a calibration range from − 243.3 to
244.1 ppm) can effectively be added during each 32-second cycle using only the CALM bits.
With a nominal RTCCLK frequency of 32768 Hz, when PREDIV_A equals 1 (division factor
of 2), PREDIV_S should be set to 16379 rather than 16383 (4 less). The only other
interesting case is when PREDIV_A equals 0, PREDIV_S should be set to 32759 rather
than 32767 (8 less).
If PREDIV_S is reduced in this way, the formula given the effective frequency of the
calibrated input clock is as follows:
In this case, CALM[7:0] equals 0x100 (the midpoint of the CALM range) is the correct
setting if RTCCLK is exactly 32768.00 Hz.
Verifying the RTC calibration
RTC precision is ensured by measuring the precise frequency of RTCCLK and calculating
the correct CALM value and CALP values. However, for certain applications, standards
require that the RTC precision be measured and verified on each device. An optional 1 Hz
output is provided on low, medium+ and high-density devices to allow applications to
measure and verify the RTC precision.
Measuring the precise frequency of the RTC over a limited interval can result in a
measurement error of up to 2 RTCCLK clock cycles over the measurement period,
depending on how the digital calibration cycle is aligned with the measurement period.
However, this measurement error can be eliminated if the measurement period is the same
length as the calibration cycle period. In this case, the only error observed is the error due to
the resolution of the digital calibration.
•By default, the calibration cycle period is 32 seconds.
Using this mode and measuring the accuracy of the 1 Hz output over exactly 32
seconds guarantees that the measure is within 0.477 ppm (0.5 RTCCLK cycles over 32
seconds, due to the limitation of the calibration resolution).
•Alternatively, the CALW16 bit of the RTC_CALRH register can be set to 1 to force a 16-
second calibration cycle period.
In this case, the RTC precision can be measured during 16 seconds with a maximum
error of 0.954 ppm (0.5 RTCCLK cycles over 16 seconds). However, since the
fCAL fRTCCLK 1CALP512×CALM–()220 CALM CALP 512×–+()⁄+()×=
fCAL fRTCCLK 1256CALM–()220 CALM 256–+()⁄+()×=

Real-time clock (RTC) RM0031
434/595 DocID15226 Rev 11
calibration resolution is reduced, the long term RTC precision is also reduced to 0.954
ppm: CALM[0] and CALW16 can not be set to 1 simultaneously.
•To reduce the calibration cycle to 8 seconds, the CALW8 bit of the RTC_CALRH
register can be set to 1. In this case, the RTC precision can be measured during 8
seconds with a maximum error of 1.907 ppm (0.5 RTCCLK cycles over 8s). The long
term RTC precision is also reduced to 1.907 ppm: CALM[1:0] bits are stuck at 00 when
CALW8 is set to 1.
Re-calibration on-the-fly
The calibration registers (RTC_CALRH/RTC_CALRL) can be updated on-the-fly while
RTC_ISR1/INITF=0, by using the follow process:
1. Poll the RTC_ISR1/RECALPF (re-calibration pending flag).
2. If it is set to 0, write a new value to RTC_CALRH,if necessary.
3. Write to the RTC_CALRL register. RECALPF is then automatically set to 1.
4. Within three ck_apre cycles after the write operation to RTC_CALRL, the new
calibration settings take effect.
24.3.10 Tamper detection (low, medium+ and high-density devices only)
There are three tamper detection inputs. Each one is associated with a flag
TAMP1F/TAMP2F/ TAMP3F in the RTC_ISR2 register. Each input can be enabled by
setting the corresponding TAMP1E/TAMP2E/TAMP3E bits to 1. The tamper detection
control bits are available in the RTC_TCR1 and RTC_TCR2 registers.
By setting the TAMPIE bit in the RTC_TCR1 register, an interrupt is generated when a
tamper detection event occurs. A tamper detection event is generated when either 2, 4, or 8
consecutive samples (depending on TAMPFLT bit) are observed at the level configured
through the TAMPTRG bit.
The TAMPER inputs are pre-charged through the I/O internal resistance before its state is
sampled, unless the pull-up is disabled by setting TAMPPUDIS to 1. The duration of the
precharge is determined by the TAMPPRCH bits, allowing for larger capacitances on the
tamper inputs.
The trade-off between tamper detection latency and any power consumption through the
weak pull-up can be optimized by using TAMPFREQ to determine the frequency of the
sampling for level detection.
Note: Refer to the datasheets for the electrical characteristics of the pull-up resistors.
24.3.11 Calibration clock output
When the COE bit is set to 1 in the RTC_CR3 register, a reference clock is provided on the
RTC_CALIB device output. If the COSEL bit (bit 3 in the RTC_CR3 register) is reset and
PREDIV_A = 0x7F, the RTC_CALIB frequency is fRTCCLK/64. This corresponds to a
calibration output at 512 Hz for an RTCCLK frequency at 32.768 kHz.
Note: The RTC_CALIB duty cycle is irregular: there is a light jitter on falling edges. It is therefore
recommended to use rising edges.
On low, medium+ and high-density devices, if COSEL is set and “PREDIV_S+1” is a non-
zero multiple of 256 (i.e: PREDIV_S[7:0] = 0xFF), RTC_CALIB frequency is fRTCCLK/(256 *
(PREDIV_A+1)). This corresponds to a calibration output at 1 Hz for prescaler default
values (PREDIV_A = Ox7F, PREDIV_S = 0xFF), with an RTCCLK frequency at 32.768 kHz.

DocID15226 Rev 11 435/595
RM0031 Real-time clock (RTC)
459
24.3.12 Alarm output
Two functions can be selected on Alarm output: ALRAF, and WUTF. They reflect the content
of the corresponding flag registers. The OSEL[1:0] control bits in the RTC_CR3 register are
used to activate and select the function which is output on RTC_ALARM. The polarity of the
output is determined by the POL control bit in RTC_CR3: the opposite of the selected flag
bit is output on RTC_ALARM when the POL bit is set to 1.
24.4 RTC low power modes
Note: 1 The “Active-halt” mode is a low power mode where the CPU and the peripheral clocks are
stopped, except the RTC. It is described in Section 7: Low power modes on page 71.
2 The RTC is designed to have a reduced consumption when clocked by LSE/LSI (refer to the
Electrical characteristics section in the device datasheet for more details).
24.5 RTC interrupts
The alarm A interrupt, the periodic wakeup interrupt and the 3 tamper interrupts share the
same interrupt vector.
Table 76. Effect of low power modes on RTC
Mode Description
Low power wait/Wait No effect
RTC interrupts cause the device to exit from Wait mode.
Active halt/Halt
The RTC remains active if its clock source is LSE or LSI. RTC interrupts can
exit the device from Active-halt/Halt mode: alarm A interrupt, periodic
wakeup interrupt and the 3 tamper interrupts (see Section 24.5: RTC
interrupts).
Table 77. Interrupt control bits
Interrupt event Event flag Enable control
bit Exit from Wait Exit from Halt
Alarm A ALRAF ALRAIE Yes Yes(1)
1. Wakeup from Halt is possible only when the RTC clock source is LSE or LSI.
Periodic wakeup (wakeup) WUTF WUTIE Yes Yes(1)
Tamper 1 event TAMP1F
TAMPIE
(RTC_TCR1)
Yes Yes(1)
Tamper 2 event TAMP2F Yes Yes(1)
Tamper 3 event TAMP3F Yes Yes(1)

Real-time clock (RTC) RM0031
436/595 DocID15226 Rev 11
24.6 RTC registers
Refer to Section 5.1 on page 62 for a list of abbreviations used in register descriptions.
24.6.1 Time register 1 (RTC_TR1)
RTC_TR1 is a calendar time shadow register. This register can be written in initialization
mode. Refer to Section : Calendar initialization and configuration on page 429 and
Section 24.3.6: Reading the calendar on page 430.
Address offset: 0x00
Reset value: 0x00
Note: This register is write protected. The write access procedure is described in Section : RTC
register write protection.
24.6.2 Time register 2 (RTC_TR2)
RTC_TR2 is a calendar time shadow register. This register can be written in initialization
mode. Refer to Section : Calendar initialization and configuration on page 429 and
Section 24.3.6: Reading the calendar on page 430.
Address offset: 0x01
Reset value: 0x00
Note: This register is write protected. The write access procedure is described in Section : RTC
register write protection.
76543210
Reserved ST[2:0] SU[3:0]
rw rw rw rw rw rw rw
Bit 7 Reserved, always read as 0.
Bits 6:4 ST[2:0]: Second tens in BCD format
Bits 3:0 SU[3:0]: Second units in BCD format
76543210
Reserved MNT[2:0] MNU[3:0]
rw rw rw rw rw rw rw
Bit 7 Reserved, always read as 0.
Bits 6:4 MNT[2:0]: Minute tens in BCD format.
Bits 3:0 MNU[3:0]: Minute units in BCD format.

DocID15226 Rev 11 437/595
RM0031 Real-time clock (RTC)
459
24.6.3 Time register 3 (RTC_TR3)
RTC_TR3 is a calendar time shadow register. This register can be written in initialization
mode. Refer to Section : Calendar initialization and configuration on page 429 and
Section 24.3.6: Reading the calendar on page 430.
Address offset: 0x02
Reset value: 0x00
Note: This register is write protected. The write access procedure is described in Section : RTC
register write protection.
24.6.4 Date register 1 (RTC_DR1)
RTC_DR1 is a calendar date shadow register. This register can be written in initialization
mode. Refer to Section : Calendar initialization and configuration on page 429 and
Section 24.3.6: Reading the calendar on page 430.
Address offset: 0x04
Reset value: 0x01
Note: This register is write protected. The write access procedure is described in Section : RTC
register write protection.
76543210
Reserved PM HT[1:0] HU[3:0]
rw rw rw rw rw rw rw
Bit 7 Reserved, always read as 0.
Bit 6 PM: AM/PM notation
0: AM or 24-hour format
1: PM
Bits 5:4 HT[1:0]: Hour tens in BCD format.
Bits 3:0 HU[3:0]: Hour units in BCD format.
76543210
Reserved DT[1:0] DU[3:0]
rw rw rw rw rw rw
Bits 7:6 Reserved, always read as 0.
Bits 5:4 DT[1:0]: Date tens in BCD format
Bits 3:0 DU[3:0]: Date units in BCD format

Real-time clock (RTC) RM0031
438/595 DocID15226 Rev 11
24.6.5 Date register 2 (RTC_DR2)
RTC_DR2 is a calendar date shadow register. This register can be written in initialization
mode. Refer to Section : Calendar initialization and configuration on page 429 and
Section 24.3.6: Reading the calendar on page 430.
Address offset: 0x05
Reset value: 0x21
Note: This register is write protected. The write access procedure is described in Section : RTC
register write protection.
24.6.6 Date register 3 (RTC_DR3)
RTC_DR3 is a calendar date shadow register. This register can be written in initialization
mode. Refer to Section : Calendar initialization and configuration on page 429 and
Section 24.3.6: Reading the calendar on page 430.
Address offset: 0x06
Reset value: 0x00
Note: This register is write protected. The write access procedure is described in Section : RTC
register write protection.
76543210
WDU[2:0] MT MU[3:0]
rw rw rw rw rw rw rw rw
Bits 7:5 WDU[2:0]: Week day units
000: forbidden.
001: Monday
...
111: Sunday
Bit 4 MT: Month tens in BCD format
Bits 3:0 MU[3:0]: Month units in BCD format
76543210
YT[3:0] YU[3:0]
rw rw rw rw rw rw rw rw
Bits 7:4 YT[3:0]: Year tens in BCD format.
Bits 3:0 YU[3:0]: Year units in BCD format.

DocID15226 Rev 11 439/595
RM0031 Real-time clock (RTC)
459
24.6.7 Subsecond register high (RTC_SSRH)
The RTC_SSRH is available only on low, medium+ and high-density devices. Refer to
Section 24.3.6: Reading the calendar on page 430 for read procedures on this register.
Address offset: 0x17
Reset value: 0x00
Note: This register is write protected. The write access procedure is described in Section : RTC
register write protection on page 429
24.6.8 Subsecond register low (RTC_SSRL)
The RTC_SSRL is available only on low, medium+ and high-density devices. Refer to
Section 24.3.6: Reading the calendar on page 430 for read procedures on this register.
Address offset: 0x18
Reset value: 0x00
Note: This register is write protected. The write access procedure is described in Section : RTC
register write protection on page 429
76543210
SS[15:8]
rrrrrrrr
Bits 7:0 SS[15:8]: Sub second value upper bits
See RTC_SSRL for details.
76543210
SS[7:0]
rrrrrrrr
Bits 7:0 SS[7:0]: Sub second value lower bits
SS[15:0] (in RTC_SSRH and RTC_SSRL registers) is the value of the synchronous prescaler's
counter. The fraction of second is given by the formula below:
Second fraction = ( RTC_SPRE - SS) / (RTC_SPRE + 1)
Note: SS[15:0] can be larger than RTC_SPRE only after a shift operation. In this case, the correct
time/date is one second less than indicated by RTC_TRx/RTC_DRx.

Real-time clock (RTC) RM0031
440/595 DocID15226 Rev 11
24.6.9 Control register 1 (RTC_CR1)
Address offset: 0x08
Power-on reset value: 0x00
Reset value: 0xXX (this register is not impacted by a system reset. It is reset at power-on).
Note: Wakeup unit counter = WUT counter value (from 0x0000 up to 0xFFFF) + 0x10000 (added
value when WUCKSEL[2:1]=”11”).
Bit 6 of this register can be written in initialization mode only when INITF bit is set to 1 in
RTC_ISR1.
Bits 2 to 0 of this register can be written only when WUTE bit is set to 0 in RTC_CR2 and
WUTWF is set to 1 in RTC_ISR1.
This register is write protected. The write access procedure is described in Section : RTC
register write protection.
76543210
Reserved
FMT RATIO BYPSHAD
Reserved
WUCKSEL[2:0]
rw rw rw rw rw rw
Bit 7 Reserved, always read as 0.
Bit 6 FMT: Hour format
0: 24 hour/day format
1: AM/PM hour format
Bit 5 RATIO: System clock (SYSCLK) versus RTCCLK ratio
0: fSYSCLK ≥ 2 x fRTCCLK must be respected
1: fSYSCLK = fRTCCLK
Caution: The case where fSYSCLK is less than 2 fRTCCLK and not equal to fRTCCLK is
forbidden.
In order to perform a read access to the calendar registers (RTC_TRx,
RTC_DRx and RTC_SSRx), fSYSCLK must be ≥4 x fRTCCLK when RATIO=0.
Bit 4 BYPSHAD: Bypass the shadow registers
This bit is available on low, medium+ and high-density devices only.
0: Calendar values (when reading from RTC_SSRx, RTC_TRx, and RTC_DRx) are taken from the
shadow registers, which are updated once every RTCCLK cycle.
1: Calendar values (when reading from RTC_SSRx, RTC_TRx, and RTC_DRx) are taken directly
from the calendar counters.
Bit 3 Reserved, always read as 0.
Bits 2:0 WUCKSEL[2:0]: Wakeup clock selection
000: RTCCLK/16 clock is selected
001: RTCCLK/8 clock is selected
010: RTCCLK/4 clock is selected
011: RTCCLK/2 clock is selected
10x: ck_spre (usually 1 Hz) clock is selected
11x: ck_spre (usually 1 Hz) clock is selected and 216 is added to the WUT counter value (refer to
the note below).

DocID15226 Rev 11 441/595
RM0031 Real-time clock (RTC)
459
24.6.10 Control register 2 (RTC_CR2)
Address offset: 0x09
Power-on reset value: 0x00
Reset value: 0xXX (this register is not impacted by a system reset. It is reset at power-on).
Note: This register is write protected. The write access procedure is described in Section : RTC
register write protection.
76543210
Reserved WUTIE Reserved ALRAIE Reserved WUTE Reserved ALRAE
rw rw rw rw
Bit 7 Reserved, always read as 0.
Bit 6 WUTIE: Wakeup timer interrupt enable
0: Wakeup timer Interrupt disable
1: Wakeup Timer Interrupt enable
Bit 5 Reserved, always read as 0.
Bit 4 ALRAIE: Alarm A interrupt enable
0: Alarm A Interrupt disable
1: Alarm A Interrupt enable
Bit 3 Reserved, always read as 0.
Bit 2 WUTE: Wakeup timer enable
0: Wakeup timer disable
1: Wakeup timer enable
Bit 1 Reserved, always read as 0.
Bit 0 ALRAE: Alarm A enable
0: Alarm A disable
1: Alarm A enable

Real-time clock (RTC) RM0031
442/595 DocID15226 Rev 11
24.6.11 Control register 3 (RTC_CR3)
Address offset: 0x0A
Power-on reset value: 0x00
Reset value: 0xXX (this register is not impacted by a system reset. It is reset at power-on).
76543210
COE OSEL[1:0] POL COSEL BCK SUB1H ADD1H
rw rw rw rw rw rw w w
Bit 7 COE Calibration output enable
This bit enables the RTC_CALIB device output
0: Calibration output disable
1: Calibration output enable
Bits 6:5 OSEL[1:0]: Output selection
These bits are used to select the flag to be routed to RTC_ALARM output
00: Output disable
01: Alarm A output enable
10: Reserved
11: Wakeup output enable
Bit 4 POL: Output polarity
This bit is used to configure the polarity of RTC_ALARM device output
0: The RTC_ALARM pin is high when ALRAF/WUTF is asserted (depending on OSEL)
1: The RTC_ALARM pin is low when ALRAF/WUTF is asserted (depending on OSEL).
Bit 3 COSEL: Calibration output selection
This bit is available on low, medium+ and high-density devices only.
When COE=1, this bit selects which signal is output on RTC_CALIB.
0: Calibration output is 512 Hz
1: Calibration output is 1 Hz
Note: These frequencies are valid for RTCCLK at 32.768 kHz and prescalers at their default values
(PREDIV_A=127 and PREDIV_S=255). Refer to Section 24.3.11: Calibration clock output for
more details.
Bit 2 BCK: Backup
This bit can be written by the software to memorize whether the daylight saving time change has been
performed or not.
Bit 1 SUB1H: Subtract 1 hour (winter time change)
When this bit is set outside initialization mode, 1 hour is subtracted to the calendar time if the current
hour is not 0. This bit is always read as 0.
Setting this bit has no effect when current hour is 0.
0: No effect
1: 1 hour subtracted to the current time. This can be used for winter time change.
Bit 0 ADD1H: Add 1 hour (summer time change)
When this bit is set outside initialization mode, 1 hour is added to the calendar time. This bit is always
read as 0.
0: No effect
1: adds 1 hour to the current time. This can be used for summer time change.

DocID15226 Rev 11 443/595
RM0031 Real-time clock (RTC)
459
Note: ADD1H or SUB1H action must not change the day.
It is recommended not to change the hour during the last seconds before the calendar hour
is incremented, as this could mask the calendar hour increment.
This register is write protected. The write access procedure is described in Section : RTC
register write protection.
24.6.12 Initialization and status register 1 (RTC_ISR1)
Address offset: 0x0C
Reset value: 0x00 on medium-density devices, 0x01 for low, medium+ and high-density
devices
76543210
INIT INITF RSF INITS SHPF WUTWF RECALPF ALRAWF
rw r rc_w0 r r r rr
Bit 7 INIT: Initialization mode.
0: Free running mode
1: Initialization mode used to program time and date registers (RTC_TRx and RTC_DRx) and the
prescaler registers. Counters are stopped and start counting from the new value when the INIT bit is
reset.
Bit 6 INITF: Initialization flag
When this bit is set to 1, the RTC is in initialization mode and the time, date and prescaler registers
can be updated.
0: calendar registers update is not allowed
1: calendar registers update is allowed.
Bit 5 RSF: Registers synchronization flag
This bit is used when BYPSHAD=0. It is set by hardware each time the calendar registers are copied
into the shadow registers (RTC_SSRx, RTC_TRx and RTC_DRx). It is cleared either by software or
by hardware in initialization mode.
0: Calendar shadow registers not synchronized yet
1: Calendar shadow registers synchronized
Bit 4 INITS: Initialization status flag
This bit is set by hardware when the calendar year field is different from 0 (Power-on reset status).
0: Calendar has not been initialized.
1: Calendar has been initialized.
Bit 3 SHPF: Shift operation pending
This bit is available on low, medium+ and high-density devices only.
0: No shift operation is pending
1: A shift operation is pending
This flag is set by hardware as soon as a shift operation is initiated by a write to the RTC_SHIFTRL. It
is cleared by hardware as soon as the corresponding shift operation has completed.
Writing to SHPF has no effect.

Real-time clock (RTC) RM0031
444/595 DocID15226 Rev 11
Note: This register is write protected. The write access procedure is described in Section : RTC
register write protection.
24.6.13 Initialization and status register 2 (RTC_ISR2)
Address offset: 0x0D
Reset value: 0x00
Bit 2 WUTWF: Wakeup timer write flag
This bit is set by hardware when the wakeup timer values can be changed, after the WUTE bit has
been set to 0 in RTC_CR2.
0: Wakeup timer update not allowed.
1: Wakeup timer update allowed.
Bit 1 RECALPF: Recalibration pending Flag
This bit is available on low, medium+ and high-density devices only.
The status flag RECALPF is automatically set to 1 when the software writes to the register
RTC_CALRL, indicating that the RTC_CALRH/RTC_CALRL registers are blocked. When the new
calibration settings are taken into account, this bit returns to 0. See Section : Re-calibration on-the-fly.
Bit 0 ALRAWF: Alarm A write flag
This bit is set by hardware when the alarm A values can be changed, after the ALRAE bit has been
set to 0 in RTC_CR2.fThe ALRAWF bit is always set for low, medium+ and high-density devices,
though the ALRAE must still be cleared before changing alarm A values
0: Alarm A update not allowed.
1: Alarm A update allowed.
76543210
TA M P 3 F TA M P 2 F TA M P 1 F Reserved WUTF Reserved ALRAF
rc_w0 rc_w0 rc_w0 rc_w0 rc_w0
Bit 7 TAMP3F: TAMPER3 detection flag
This bit is available on low, medium+ and high-density devices only.
This flag is set by hardware when a tamper detection event is detected on tamper input 3.
It is cleared by software writing 0.
Bit 6 TAMP2F: TAMPER2 detection flag
This bit is available on low, medium+ and high-density devices only.
This flag is set by hardware when a tamper detection event is detected on tamper input 2.
It is cleared by software writing 0.
Bit 5 TAMP1F: TAMPER1 detection flag
This bit is available on low, medium+ and high-density devices only.
This flag is set by hardware when a tamper detection event is detected on tamper input 1.
It is cleared by software writing 0.
Bits 4:3 Reserved, always read as 0.

DocID15226 Rev 11 445/595
RM0031 Real-time clock (RTC)
459
Note: These flags are cleared around 2 CK clock cycles after writing 0 into them.
24.6.14 Synchronous prescaler register high (RTC_SPRERH)
Address offset: 0x10
Power-on reset value: 0x00
Reset value: 0xXX (this register is not impacted by a system reset. It is reset at power-on).
Note: This register can be written in initialization mode only when INITF bit is set to 1 in
RTC_ISR1.
This register is write protected. The write access procedure is described in Section : RTC
register write protection.
Bit 2 WUTF: Periodic wakeup flag
This flag is set by hardware when the wakeup auto-reload down-counter reaches 0.
It is cleared by software by writing 0.
Note: This flag must be cleared by software at least 1.5 RTCCLK cycles before WUTF is set to 1
again.
Bit 1 Reserved, always read as 0.
Bit 0 ALRAF: Alarm A Flag
This flag is set by hardware when the time and date registers (RTC_TRx and RTC_DRx) match the
RTC_ALRMARx registers. On low, medium+ and high-density devices, to set this flag, the sub-
second registers (RTC_SSRx) must also match the RTC_ALRMASSRx registers.
This flag is cleared by software writing 0.
76543210
Reserved PREDIV_S[14:8]
rw rw rw rw rw rw rw
Bit7 Reserved, always read as 0.
Bits 6:0 PREDIV_S[14:8]: Synchronous prescaler factor MSB
This register contains the MSB of the synchronous division factor: ck_spre frequency = ck_apre
frequency/ (PREDIV_S+1).
Note: PREDIV_S[14:13] are available only on low, medium+ and high-density devices.

Real-time clock (RTC) RM0031
446/595 DocID15226 Rev 11
24.6.15 Synchronous prescaler register low (RTC_SPRERL)
Address offset: 0x11
Power-on reset value: 0xFF
Reset value: 0xXX (this register is not impacted by a system reset. It is reset at power-on).
Note: This register can be written in initialization mode only when INITF bit is set to 1 in
RTC_ISR1.
This register is write protected. The write access procedure is described in Section : RTC
register write protection.
24.6.16 Asynchronous prescaler register (RTC_APRER)
Address offset: 0x12
Power-on reset value: 0x7F
Reset value: 0xXX (this register is not impacted by a system reset. It is reset at power-on).
Note: This register can be written in initialization mode only when INITF bit is set to 1 in
RTC_ISR1.
This register is write protected. The write access procedure is described in Section : RTC
register write protection.
76543210
PREDIV_S[7:0]
rw rw rw rw rw rw rw rw
Bits 7:0
PREDIV_S[7:0]: Synchronous prescaler factor LSB
This register contains the LSB of synchronous division factor: ck_spre frequency = ck_apre
frequency/ (PREDIV_S+1)
76543210
Reserved PREDIV_A[6:0]
rw rw rw rw rw rw rw
Bit 7 Reserved, always read as 0.
Bits 6:0 PREDIV_A[6:0]: Asynchronous prescaler factor
This is the asynchronous division factor:
ck_apre frequency = fRTCCLK frequency/ (PREDIV_A+1)
Note: PREDIV_A[6:0] = 000000 is a forbidden value on medium-density devices.

DocID15226 Rev 11 447/595
RM0031 Real-time clock (RTC)
459
24.6.17 Wakeup timer register high (RTC_WUTRH)
Address offset: 0x14
Power-on reset value: 0xFF
Reset value: 0xXX (this register is not impacted by a system reset. It is reset at power-on).
Note: This register can be written only when WUTE bit is set to 0 in RTC_CR2, and WUTWF to 1
in RTC_ISR1.
This register is write protected. The write access procedure is described in Section : RTC
register write protection.
24.6.18 Wakeup timer register low (RTC_WUTRL)
Address offset: 0x15
Power-on reset value: 0xFF
Reset value: 0xXX (this register is not impacted by a system reset. It is reset at power-on).
Note: This register can be written only when WUTE bit is set to 0 in RTC_CR2, and WUTWF to 1
in RTC_ISR1.
This register is write protected. The write access procedure is described in Section : RTC
register write protection.
76543210
WUT[15:8]
rw rw rw rw rw rw rw rw
Bits 7:0 WUT[15:8]: Wakeup MSB
When the wakeup timer is enabled (WUTE set to 1), the WUTF flag is set every
(WUT[15:0]+1)*ck_wut cycle. The period of ck_wut is selected through WUCKSEL[2:0] bits of
RTC_CR1 register.
Note: The first assertion of the WUTF occurs (WUT+1) ck_wut cycle ± 1 after WUTE is set.
Setting WUT[15:0] to 0x0000 with WUCKSEL[2:0]=011(fRTCCLK/2) is forbidden.
76543210
WUT[7:0]
rw rw rw rw rw rw rw rw
Bits 7:0 WUT[7:0]: Wakeup LSB
When wakeup timer is enabled (WUTE set to 1), the WUTF flag is set every
(WUT[15:0]+1)*ck_wut cycle. The period of ck_wut is selected through WUCKSEL[2:0] bits of
RTC_CR1 register.
Note: The first assertion of the WUTF occurs (WUT+1) ck_wut cycle ± 1 after WUTE is set.
Setting WUT[15:0] to 0x0000 with WUCKSEL[2:0]=011(fRTCCLK/2) is forbidden.

Real-time clock (RTC) RM0031
448/595 DocID15226 Rev 11
24.6.19 Write protection register (RTC_WPR)
Address offset: 0x19
Reset value: 0x00
24.6.20 RTC shift control register high (RTC_SHIFTRH)
The RTC_SHIFTRH register is available only on low, medium+ and high-density devices.
Address offset: 0x1A
Reset value: 0x00
Note: This register is write protected. The write access procedure is described in Section : RTC
register write protection on page 429.
76543210
KEY[7:0]
wwwwwwww
Bits 7:0 KEY[7:0]: Write Protection Key
This byte is written by software.
Reading this register returns 0x00.
Refer to RTC register write protection for a description of how to unlock RTC register write protection.
76543210
ADD1S SUBFS[14:8]
wwwwwwww
Bit 7 ADD1S: Add one second
0: No effect
1: Add one second to the clock/calendar
This bit is write only and is always read as zero. The value written to this bit takes effect when
RTC_SHIFTRL is written. Writing to this bit has no effect if there is already a shift operation pending
(when SHPF=1, in RTC_ISR1).
This function is intended to be used with SUBFS (see description in RTC_SHIFTRL) to effectively add
a fraction of a second to the clock in an atomic operation.
Bits 6:0 SUBFS[14:8]: MSB to subtract a fraction of a second
This bit is write only and is always read as zero. Writing to these bits has no effect if there is already a
shift operation pending (when SHPF=1, in RTC_ISR1).
The value written to this register takes effect when RTC_SHIFTRL is written. See description in
RTC_SHIFTRL.

DocID15226 Rev 11 449/595
RM0031 Real-time clock (RTC)
459
24.6.21 RTC shift control register low (RTC_SHIFTRL)
The RTC_SHIFTRL register is available only on low, medium+ and high-density devices.
Address offset: 0x1B
Reset value: 0x00
Note: This register is write protected. The write access procedure is described in Section : RTC
register write protection on page 429.
24.6.22 Alarm A register 1 (RTC_ALRMAR1)
Address offset: 0x1C
Power-on reset value: 0x00
Reset value: 0xXX (this register is not impacted by a system reset. It is reset at power-on).
Note: This register can be written either in initialization mode, or when ALRAE bit is set to 0 in
RTC_CR2, and ALRAWF to 1 in RTC_ISR1.
This register is write protected. The write access procedure is described in Section : RTC
register write protection.
76543210
SUBFS[7:0]
wwwwwwww
Bits 7:0 SUBFS[7:0]: LSB to subtract a fraction of a second
Before writing to this register, the values for ADD1S and SUBFS[14:8] must first be defined by writing
to RTC_SHIFTRH.
The value which is written to SUBFS[14:0] (included in RTC_SHIFTRH and RTC_SHIFTRL) is added
to the synchronous prescaler counter. Since this counter counts down, this operation subtracts the
delay from the clock, effectively delaying the clock by:
Delay (seconds) = SUBFS / ( PREDIV_S + 1 )
A fraction of a second can be added to the clock when the ADD1S function is used in conjunction with
SUBFS, effectively advancing the clock by:
Advance (seconds) = ( 1 - ( SUBFS / ( PREDIV_S + 1 ) )
See also Section 24.3.8: RTC synchronization (low, medium+ and high-density devices only).
76543210
MSK1 ST[2:0] SU[3:0]
rw rw rw rw rw rw rw rw
Bit 7 MSK1: Alarm A Seconds mask
0: Alarm A set if the seconds match
1: Seconds don’t care in alarm A comparison
Bits 6:4 ST[2:0]: Second tens in BCD format
Bit 3:0 SU[3:0]: Second units in BCD format

Real-time clock (RTC) RM0031
450/595 DocID15226 Rev 11
24.6.23 Alarm A register 2 (RTC_ALRMAR2)
Address offset: 0x1D
Power-on reset value: 0x00
Reset value: 0xXX (this register is not impacted by a system reset. It is reset at power-on).
Note: This register can be written either in initialization mode, or when ALRAE bit is set to 0 in
RTC_CR1, and ALRAWF to 1 in RTC_ISR1.
This register is write protected. The write access procedure is described in Section : RTC
register write protection.
24.6.24 Alarm A register 3 (RTC_ALRMAR3)
Address offset: 0x1E
Power-on reset value: 0x00
Reset value: 0xXX (this register is not impacted by a system reset. It is reset at power-on).
Note: This register can be written either in initialization mode, or when ALRAE bit is set to 0 in
RTC_CR1, and ALRAWF to 1 in RTC_ISR1.
This register is write protected. The write access procedure is described in Section : RTC
register write protection.
76543210
MSK2 MNT[2:0] MNU[3:0]
rw rw rw rw rw rw rw rw
Bit 7 MSK2: Alarm A minutes mask
0: Alarm A set if the minutes match.
1: Minutes don’t care in alarm A comparison.
Bits 6:4 MNT[2:0]: Minute tens in BCD format.
Bits 3:0 MNU[3:0]: Minute units in BCD format.
76543210
MSK3 PM ALHT[1:0] HU[3:0]
rw rw rw rw rw rw rw rw
Bit 7 MSK3: Alarm A hours mask
0: Alarm A set if the hours match.
1: Hours don’t care in alarm A comparison.
Bit 6 PM: AM/PM notation
0: AM or 24-hour format.
1: PM
Bits 5:4 HT[1:0]: Hour tens in BCD format.
Bits 3:0 HU[3:0]: Hour units in BCD format.

DocID15226 Rev 11 451/595
RM0031 Real-time clock (RTC)
459
24.6.25 Alarm A register 4 (RTC_ALRMAR4)
Address offset: 0x1F
Power-on reset value: 0x00
Reset value: 0xXX (this register is not impacted by a system reset. It is reset at power-on).
Note: This register can be written either in initialization mode, or when ALRAE bit is set to 0 in
RTC_CR1, and ALRAWF to 1 in RTC_ISR1.
This register is write protected. The write access procedure is described in Section : RTC
register write protection.
24.6.26 Alarm A sub second register high (RTC_ALRMASSRH)
The RTC_ALRMASSRH register is available only on low, medium+ and high-density
devices.
Address offset: 0x24
Power-on reset value: 0x00
Reset value: 0xXX (this register is not impacted by a system reset. It is reset at power-on).
76543210
MSK4 WDSEL AL DT[1:0] DU[3:0]/Day[2:0]
rw rw rw rw rw rw rw rw
Bit 7 MSK4: Alarm A Date mask
0: Alarm A set if the Date/Day match.
1: Date/Day don’t care in alarm A comparison.
Bit 6 WDSEL: Week day selection
0: DU[3:0] represents the date units.
1: DU[3:0] represents the week day. DT[1:0] is don’t care.
Bits 5:4 DT[1:0]: Date tens in BCD format.
Bits 3:0 DU[3:0]: Date units or Day in BCD format.
76543210
Reserved ALSS[14:8]
r rwrwrwrwrwrwrw
Bit 7 Reserved
Bit 6:0 ALSS[14:8]: MSB of subseconds value
This value is compared with the contents of the synchronous prescaler counter to determine if
Alarm A must be activated. Note that only bits 0 up MASKSS-1 (defined in RTC_ALRMAMSKR
register) are compared.
If this value is larger than PREDIV_S (and if MASKSS is large enough), the alarm will never be
activated.

Real-time clock (RTC) RM0031
452/595 DocID15226 Rev 11
Note: This register can be written only when RTC_CR1/ALRAE is reset, or in initialization mode.
This register is write protected. The write access procedure is described in Section : RTC
register write protection on page 429
24.6.27 Alarm A sub second register low (RTC_ALRMASSRL)
The RTC_ALRMASSRL register is available only on low, medium+ and high-density
devices.
Address offset: 0x25
Power-on reset value: 0x00
Reset value: 0xXX (this register is not impacted by a system reset. It is reset at power-on).
Note: This register can be written only when RTC_CR1/ALRAE is reset, or in initialization mode.
This register is write protected. The write access procedure is described in Section : RTC
register write protection on page 429
76543210
ALSS[7:0]
rw rw rw rw rw rw rw rw
Bits 7:0 ALSS[7:0]: LSB of sub seconds value
This value is compared with the contents of the synchronous prescaler’s counter to determine if
Alarm A is to be activated. Note that only bits 0 up MASKSS-1 (defined in RTC_ALRMAMSKR)
are compared.
If this value is larger than PREDIV_S (and if MASKSS is large enough), the alarm will never be
activated.

DocID15226 Rev 11 453/595
RM0031 Real-time clock (RTC)
459
24.6.28 Alarm A subsecond masking register (RTC_ALRMASSMSKR)
The RTC_ALRMASSMSKR register is available only on low, medium+ and high-density
devices.
Address offset: 0x26
Power-on Reset value: 0x00
Reset value: 0xXX (this register is not impacted by a system reset. It is reset at power-on).
Note: This register can be written only when RTC_CR0/ALRAE is reset, or in initialization mode.
This register is write protected. The write access procedure is described in Section : RTC
register write protection on page 429
76543210
Reserved MASKSS[3:0]
rrwrwrwrw
Bits 7:4 Reserved
Bits 3:0 MASKSS[3:0]: Mask the most significant bits starting at this bit
0: no comparison on subseconds for Alarm A. The alarm is activated when seconds unit is
incremented (assuming that the rest of the fields match).
1: SS[14:1] are don’t care in Alarm A comparison. Only SS[0] is compared.
2: SS[14:2] are don’t care in Alarm A comparison. Only SS[1:0] are compared.
3: SS[14:3] are don’t care in Alarm A comparison. Only SS[2:0] are compared.
...
12: SS[14:12] are don’t care in Alarm A comparison. SS[11:0] are compared.
13: SS[14:13] are don’t care in Alarm A comparison. SS[12:0] are compared.
14: SS[14] is don’t care in Alarm A comparison. SS[13:0] are compared.
15: SS[14:0] are compared and must match to activate alarm.
Note: The overflow bit of the synchronous counter (bit 15) is never compared. This bit can be
different from 0 only immediately after a shift operation.

Real-time clock (RTC) RM0031
454/595 DocID15226 Rev 11
24.6.29 Calibration register high (RTC_CALRH)
The RTC_CALRH register is available only on low, medium+ and high-density devices.
Address offset: 0x2A
Power-on Reset value: 0x00
Reset value: 0xXX (this register is not impacted by a system reset. It is reset at power-on).
Note: This register can not be written when RTC_ISR1/RECALPF is set to 1 (see Section : Re-
calibration on-the-fly.
This register is write protected. The write access procedure is described in Section : RTC
register write protection on page 429
76543210
CALP CALW8 CALW16 Reserved CALM[8]
rw rw rw rrw
Bit 7 CALP: Increase of RTC frequency by 488.5 ppm
0: No RTCCLK pulses are added.
1: One RTCCLK pulse is effectively inserted every 211 pulses (frequency increased by 488.5
ppm).
This feature is intended to be used in conjunction with CALM, which lowers the frequency of
the calendar with a fine resolution. if the input frequency is 32768 Hz, the number of RTCCLK
pulses added during a 32-second window is calculated as follows: (512 * CALP) - CALM.
Refer to Section 24.3.9: RTC smooth digital calibration (low, medium+ and high density devices
only).
Bit 6 CALW8: Use an 8-second calibration cycle period
When CALW8 is set to ‘1’ , the 8-second calibration cycle period is selected.
Note: CALM[1:0] are stucked at “00” when CALW8=’1’.
Refer to Section 24.3.9: RTC smooth digital calibration (low, medium+ and high density devices
only).
Bit 5 CALW16: Use a16-second calibration cycle period
When CALW16 is set to ‘1’ , the 16-second calibration cycle period is selected. This bit must not
be set to ‘1’ if CALWU8=1.
Note: CALM[0] is stucked at ‘0’ when CALW16=’1’.
Refer to Section 24.3.9: RTC smooth digital calibration (low, medium+ and high density devices
only)
Bits 4:1 Reserved
Bit 0 CALM[8]: MSB of calibration minus
See description in RTC_CALRL.

DocID15226 Rev 11 455/595
RM0031 Real-time clock (RTC)
459
24.6.30 Calibration register low (RTC_CALRL)
The RTC_CALRL register is available only on low, medium+ and high-density devices.
Address offset: 0x2B
Power-on Reset value: 0x00
Reset value: 0xXX (this register is not impacted by a system reset. It is reset at power-on).
Note: This register can not be written when RTC_ISR1/RECALPF is 1 (see Section : Re-
calibration on-the-fly).
This register is write protected. The write access procedure is described in Section : RTC
register write protection on page 429.
24.6.31 Tamper control register 1 (RTC_TCR1)
The RTC_TCR1 register is available only on low, medium+ and high-density devices.
Address offset: 0x2C
Power-on Reset value: 0x00
Reset value: 0xXX (this register is not impacted by a system reset. It is reset at power-on).
76543210
CALM[7:0]
rw rw rw rw rw rw rw rw
Bits 7:0
CALM[7:0]: LSB of calibration minus
The frequency of the calendar is reduced by masking CALM out of 220 RTCCLK pulses (32
seconds if the input frequency is 32768 Hz). This decreases the frequency of the calendar
with a resolution of 0.9537 ppm.
To increase the frequency of the calendar, this feature should be used in conjunction with
CALP.
See Section 24.3.9: RTC smooth digital calibration (low, medium+ and high density devices
only).
76543210
Reserved
TA M P 3 T R G TA M P 3 E TA M P 2 T R G TAMP2E TA M P 1 T R G TA M P 1 E TA M P I E
rw rw rw rw rw rw rw
Bit 7 Reserved.
Bit 6 TAMP3TRG: Active level for tamper input 3
0: TAMPER3 low level triggers a tamper detection event.
1: TAMPER3 high level triggers a tamper detection event.
Bit 5 TAMP3E: Tamper detection enable for tamper input 3 (TAMPER3)
When TAMP3E is set, tamper detection is activated for tamper input 3, and a tamper detection
event causes a tamper detection interrupt when enabled.
0: Tamper detection disabled on tamper input 3
1: Tamper detection enabled on tamper input 3

Real-time clock (RTC) RM0031
456/595 DocID15226 Rev 11
Note: This register is write protected. The write access procedure is described in Section : RTC
register write protection on page 429.
Bit 4 TAMP2TRG: Active level for tamper input 2
0: TAMPER2 low level triggers a tamper detection event.
1: TAMPER2 high level triggers a tamper detection event.
Bit 3 TAMP2E: Tamper detection enable for tamper input 2 (TAMPER2)
When TAMP2E is set, tamper detection is activated for tamper input 2, and a tamper detection
event causes a tamper detection interrupt when enabled.
0: Tamper detection disabled on tamper input 2
1: Tamper detection enabled on tamper input 2
Bit 2 TAMP1TRG: Active level for tamper 1
0: TAMPER1 low level triggers a tamper detection event.
1: TAMPER1 high level triggers a tamper detection event.
Bit 1 TAMP1E: Tamper detection enable for tamper input 1 (TAMPER1)
When TAMP1E is set, tamper detection is activated for tamper input 1 and a tamper detection
event causes a tamper detection interrupt when enabled.
0: Tamper detection disabled on tamper input 1
1: Tamper detection enabled on tamper input 1
Bit 0 TAMPIE: Tamper interrupt enable
When TAMPIE is set, a tamper detection event generates an interrupt.
0: Tamper interrupt disabled
1: Tamper interrupt enabled

DocID15226 Rev 11 457/595
RM0031 Real-time clock (RTC)
459
24.6.32 Tamper control register 2 (RTC_TCR2)
The RTC_TCR2 register is available only on low, medium+ and high-density devices.
Address offset: 0x2D
Power-on Reset value: 0x00
Reset value: 0xXX (this register is not impacted by a system reset. It is reset at power-on).
Note: This register is write protected. The write access procedure is described in Section : RTC
register write protection on page 429.
76543210
TAMPPUDIS TAMPPRCH[1:0] TAMPFLT[1:0] TAMPFREQ[2:0]
rw rw rw rw rw rw rw rw
Bit 7 TAMPPUDIS: TAMPER pull-up disable
This bit determines if each of the tamper pins are precharged before each sample.
0: Tamper pins precharged before sampling (pull-up)
1: Precharge disabled on tamper pins
Bits 6:5 TAMPPRCH[1:0]: Tamper precharge duration
This bit determines the time during which the weak pull-up is activated before each sample.
TAMPPRCH[1:0] are valid for each tamper input. This field has no meaning when TAMPPUDIS=1.
0x0: 1 RTCCLK clock cycle
0x1: 2 RTCCLK clock cycles
0x2: 4 RTCCLK clock cycles
0x3: 8 RTCCLK clock cycles
Bits 4:3 TAMPFLT[1:0]: Tamper filter count
This bit determines the number of consecutive samples at the level specified by TAMPxTRG
necessary to activate a tamper event. TAMPFLT is valid for each tamper input.
0x0: Tamper is activated after 1 sample at the active level.
0x1: Tamper is activated after 2 consecutive samples at the active level.
0x2: Tamper is activated after 4 consecutive samples at the active level.
0x3: Tamper is activated after 8 consecutive samples at the active level.
Bits 2:0 TAMPFREQ[2:0]: Tamper sampling frequency
This bit determines the frequency at which each tamper input is sampled.
0x0: RTCCLK / 32768 (1 Hz when RTCCLK = 32768 Hz)
0x1: RTCCLK / 16384 (2 Hz when RTCCLK = 32768 Hz)
0x2: RTCCLK / 8192 (4 Hz when RTCCLK = 32768 Hz)
0x3: RTCCLK / 4096 (8 Hz when RTCCLK = 32768 Hz)
0x4: RTCCLK / 2048 (16 Hz when RTCCLK = 32768 Hz)
0x5: RTCCLK / 1024 (32 Hz when RTCCLK = 32768 Hz)
0x6: RTCCLK / 512 (64 Hz when RTCCLK = 32768 Hz)
0x7: RTCCLK / 256 (128 Hz when RTCCLK = 32768 Hz)

Real-time clock (RTC) RM0031
458/595 DocID15226 Rev 11
24.6.33 RTC register map and reset values
Table 78. RTC register map and reset values
Add.
offset Register name 7 6 5 4 3 2 1 0
0x00 RTC_TR1
Reset value(1) 0
ST[2:0]
000
SU[3:0]
0000
0x01 RTC_TR2
Reset value(1) 0
MNT[2:0]
000
MNU[3:0]
0000
0x02 RTC_TR3
Reset value(1) 0
PM
0
HT[1:0]
00
HU[3:0]
0000
0x03 Reserved
0x04 RTC_DR1
Reset value(1) 00 DT[1:0]
00
DU[3:0]
0001
0x05 RTC_DR2
Reset value(1)
WDU[2:0]
001
MT
0
MU[3:0]
0001
0x06 RTC_DR3
Reset value(1)
YT[3:0]
0000
YU[3:0]
0000
0x07 Reserved
0x08
RTC_CR1
Power-on
Reset value(1) 0
FMT
0
RATIO
0
BYPSHAD(3)
00
WUCKSEL[2:0]
000
0x09
RTC_CR2
Power-on
Reset value(1) 0
WUTIE
00
ALRAIE
00
WUTE
00
ALRAE
0
0x0A
RTC_CR3
Power-on
Reset value(1)
COE
0
OSEL[1:0]
00
POL
0
COSEL(3)
0
BCK
0
SUB1H
0
ADD1H
0
0x0B Reserved
0x0C RTC_ISR1
Reset value(1)
INIT
0
INITF
0
RSF
0
INITS
0
SHPF(3)
0
WUTWF
0
RECALPF(3
)
0
ALRAWF(2)
1
0x0D RTC_ISR2
Reset value(1)
TA M P 3 F (3)
0
TAMP 2 F(3)
0
TAMP 1 F(3)
0
-
0
-
0
WUTF
0
-
0
ALRAF
0
0x0E-
0x0F Reserved
0x10
RTC_SPRERH
Power-on
Reset value(1)
-
0
PREDIV_S[14:13](3)
00
PREDIV_S[12:8]
00000
0x11
RTC_SPRERL
Power-on
Reset value(1)
PREDIV_S[7:0]
111111111
0x12
RTC_APRER
Power-on
Reset value(1) 0
PREDIV_A[6:0]
1111111
0x13 Reserved
0x14
RTC_WUTRH
Power-on
Reset value(1)
WUT[15:8]
11111111
0x15
RTC_WUTRL
Power-on
Reset value(1)
WUT[7:0]
11111111
0x16 Reserved
0x17 RTC_SSRH(3)
Reset value (1)
SS[15:8]
-
0x18 RTC_SSRL(3)
Reset value (1)
SS[7:0]
-

DocID15226 Rev 11 459/595
RM0031 Real-time clock (RTC)
459
0x19 RTC_WPR
Reset value (1)
KEY
0x00
0x1A RTC_SHIFTRH(3)
Reset value (1)
ADD1S
0
SUBFS[14:8]
0000000
0x1B RTC_SHIFTRL(3)
Reset value (1)
SUBFS[7:0]
00000000
0x1C
RTC_ALRMAR1
Power-on
Reset value(1)
MSK1
0
ST[2:0]
000
SU[3:0]
0000
0x1D
RTC_ALRMAR2
Power-on
Reset value(1)
MSK2
0
MNT[2:0]
000
MNU[3:0]
0000
0x1E
RTC_ALRMAR3
Power-on
Reset value(1)
MSK3
0
PM
0
HT[1:0]
00
HU[3:0]
0000
0x1F
RTC_ALRMAR4
Power-on
Reset value(1)
MSK4
0
WDSEL
0
DT[1:0]
00
DU[3:0]
0000
0x20-
0x23 Reserved
0x24
RTC_ALRMASS
RH(3)
Power-on
Reset value(1)
ALSS[14:8]
00000000
0x25
RTC_ALRMASS
RL(3)
Power-on
Reset value(1)
ALSS[7:0]
00000000
0x26
RTC_ALRMASS
MSKR(3)
Power-on
Reset value(1) 00 0 0
MASKSS[3:0]
0000
0x27-
0x29 Reserved
0x2A
RTC_CALRH(3)
Power-on
Reset value(1)
CALP
0
CALW8
0
CALW16
0
-
0000
CALM[8]
0
0x2B
RTC_CALRL(3)
Power-on
Reset value(1)
CALM[7:0]
00000000
0x2C
RTC_TCR1(3)
Power-on
Reset value(1)
-
0
TA M P 3
TRG
0
TA M P 3 E
0
TA M P 2
TRG
0
TAMP2E
0
TA M P 1
TRG
0
TA M P 1 E
0
TA M P I E
0
0x2D
RTC_TCR2(3)
Power-on
Reset value(1)
TAMPPU
DIS
0
TAMPPRCH[1:0]
00
TAMPFLT[1:0]
00
TAMPFREQ[2:0]
000
1. The power-on reset value is given for the registers which are not impacted by a system reset and which are reset at power-on (RTC_CRx,
RTC_SPREx, RTC_APRE, RTC_WUTRx, RTC_SSRx and RTC_ALRMARx, RTC_ALRMASSx, RTC_CALx, RTC_TCRx).
The system reset value is given for the other registers (RTC_TRx, RTC_DRx, RTC_ISRx).
2. Reset value is 1 on low, medium+ and high-density devices and 0 in medium-density devices.
3. Available on medium+ and high-density devices only.
Table 78. RTC register map and reset values (continued)
Add.
offset Register name 7 6 5 4 3 2 1 0

Independent watchdog (IWDG) RM0031
460/595 DocID15226 Rev 11
25 Independent watchdog (IWDG)
This section applies to low, medium-density STM8L05xx/STM8L15xx devices, medium+
density STM8L05xx/STM8L15xx devices and high-density
STM8L05xx/STM8L15xx/STM8L16xx devices, unless otherwise specified.
25.1 Introduction
The independent watchdog peripheral can be used to resolve processor malfunctions due to
hardware or software failures. It is clocked by the LSI internal RC clock source, and thus
stays active even if the main clock fails.
25.2 IWDG functional description
Figure 132 shows the functional blocks of the independent watchdog module.
When the independent watchdog is started by writing the value 0xCC in the key register
(IWDG_KR), the counter starts counting down from the reset value of 0xFF. When it reaches
the end of count value (0x00) a reset signal is generated (IWDG RESET).
Once enabled, the independent watchdog can be configured through the IWDG_PR, and
IWDG_RLR registers. The IWDG_PR register is used to select the prescaler divider feeding
the counter clock. Whenever the KEY_REFRESH value (0xAA) is written in the IWDG_KR
register, the IWDG is refreshed by reloading the IWDG_RLR value into the counter and the
watchdog reset is prevented.
The IWDG_PR and IWDG_RLR registers are write protected. To modify them, first write the
KEY_ACCESS code (0x55) in the IWDG_KR register. The sequence can be aborted by
writing 0xAA in the IWDG_KR register to refresh it.
Refer to Section 25.3: IWDG registers for details on the IWDG registers.
Figure 132. Independent watchdog (IWDG) block diagram
Hardware watchdog feature
If the hardware watchdog feature has been enabled through the IWDG_HW option byte, the
watchdog is automatically enabled at power-on, and generates a reset unless the key
register is written by the software before the counter reaches end of count. Refer to the
option byte description in the datasheet.
WDG reset
prescaler 8-bit down-counter
IWDG_PR
register
IWDG_RLR
reload register
7-bit
IWDG_KR
key register
LSI clock

DocID15226 Rev 11 461/595
RM0031 Independent watchdog (IWDG)
463
Timeout period
The maximum timeout period can be configured through the IWDG_PR and IWDG_RLR
registers. It is determined by the following equation:
where:
T = Maximum timeout period
TLSI = 1/fLSI
P = 2 (PR[2:0] + 2)
R = RLR[7:0]+1
The IWDG counter must be refreshed by software before this timeout period expires.
Otherwise, an IWDG reset will be generated after the following delay has elapsed since the
last refresh operation:
D = T + 3 x TLSI
where D= delay between the last refresh operation and the IWDG reset.
Using the IWDG in Halt/Active-halt mode
The IWDG can continue to work in Halt or Active-halt mode, depending on the configuration
of the IWDG_HALT option byte. In this case, it can wake up the device from one of these
modes. For more details, please refer to the Option Byte description in the datasheet.
Note: The application must configure correctly the IWDG timeout and refresh the IWDG counter
before executing the HALT instruction, to avoid unexpected IWDG reset.
Table 79. Min/Max IWDG timeout (LSI clock frequency = 38 kHz)
Prescaler divider PR[2:0] bits Timeout (ms)
RL[7:0]= 0x00 RL[7:0]= 0xFF
/4 0 0.11 26.95
/8 1 0.21 53.89
/16 2 0.42 107.79
/32 3 0.84 215.58
/64 4 1.68 431.16
/128 5 3.37 862.32
/256 6 6.74 1724.63
TT
LSI P×R×=

Independent watchdog (IWDG) RM0031
462/595 DocID15226 Rev 11
25.3 IWDG registers
25.3.1 Key register (IWDG_KR)
Address offset: 0x00
Reset value: 0xXX
25.3.2 Prescaler register (IWDG_PR)
Address offset: 0x01
Reset value: 0x00
76543210
KEY[7:0]
w
Bits 7:0 KEY[7:0]: Key value
The KEY_REFRESH value must be written by software at regular intervals, otherwise the watchdog
generates an MCU reset when the counter reaches 0.
If the IWDG is not enabled by option byte (see datasheet for option byte description), the
KEY_ENABLE value is the first value to be written in this register.
KEY_ENABLE value = 0xCC
Writing the KEY_ENABLE value starts the IWDG.
KEY_REFRESH value = 0xAA
Writing the KEY_REFRESH value refreshes the IWDG.
KEY_ACCESS value = 0x55
Writing the KEY_ACCESS value enables the access to the protected IWDG_PR and IWDG_RLR
registers (see Section 25.2).
76543210
Reserved PR[2:0]
rrw
Bits 7:3 Reserved
Bits 2:0 PR[2:0]: Prescaler divider
These bits are write access protected (see Section 25.2). They can be written by software to select the
prescaler divider feeding the counter clock.
000: divider /4
001: divider /8
010: divider /16
011: divider /32
100: divider /64
101: divider /128
110: divider /256
111: Reserved

DocID15226 Rev 11 463/595
RM0031 Independent watchdog (IWDG)
463
25.3.3 Reload register (IWDG_RLR)
Address offset: 0x02
Reset value: 0xFF
25.3.4 IWDG register map and reset values
76543210
RL[7:0]
rw
Bits 7:0 RL[7:0]: Watchdog counter reload value
These bits are write access protected (see Section 25.2). They are written by software to define the
value to be loaded in the watchdog counter each time the value 0xAA is written in the IWDG_KR
register. The watchdog counter counts down from this value. The timeout period is a function of this
value and the clock prescaler. Refer to Table 79.
Table 80. IWDG register map
Address
offset Register
name 76543210
0x00 IWDG_KR
Reset value
KEY[7:0]
xxxxxxxx
0x01 IWDG_PR
Reset value
-
0
-
0
-
0
-
0
-
0
PR2[2:0]
000
0x02 IWDG_RLR
Reset value
RL7[7:0]
11111111

Window watchdog (WWDG) RM0031
464/595 DocID15226 Rev 11
26 Window watchdog (WWDG)
This section applies to low, medium-density STM8L05xx/STM8L15xx devices, medium+
density STM8L05xx/STM8L15xx devices and high-density
STM8L05xx/STM8L15xx/STM8L16xx devices, unless otherwise specified.
26.1 Introduction
The window watchdog is used to detect the occurrence of a software fault, usually
generated by external interference or by unforeseen logical conditions, which causes the
application program to abandon its normal sequence. The watchdog circuit generates an
MCU reset on expiry of a programmed time period, unless the program refreshes the
contents of the downcounter before the T6 bit becomes cleared. An MCU reset is also
generated if the 7-bit downcounter value (in the control register) is refreshed before the
downcounter has reached the window register value. This implies that the counter must be
refreshed in a limited window.
26.2 WWDG main features
•Programmable free-running downcounter
•Conditional reset
– Reset (if watchdog activated) when the downcounter value becomes less than
0x40
– Reset (if watchdog activated) if the downcounter is reloaded outside the window
(see Figure 134)
•Hardware/software watchdog activation (selectable by option byte)
•Optional reset on HALT instruction (configurable by option byte)
26.3 WWDG functional description
If the watchdog is activated (the WDGA bit is set) and when the 7-bit downcounter (T[6:0]
bits) rolls over from 0x40 to 0x3F (T6 becomes cleared), it initiates a reset cycle pulling low
the reset pin. If the software refreshes the counter while the counter is greater than the
value stored in the window register, then a reset is generated.

DocID15226 Rev 11 465/595
RM0031 Window watchdog (WWDG)
468
Figure 133. Watchdog block diagram
The application program must write in the WWDG_CR register at regular intervals during
normal operation to prevent an MCU reset. This operation must occur only when the counter
value is lower than the window register value. The value to be stored in the WWDG_CR
register must be between 0xFF and 0xC0:
•Enabling the watchdog:
When software watchdog is selected (by option byte), the watchdog is disabled after a
reset. It is enabled by setting the WDGA bit in the WWDG_CR register, then it cannot
be disabled again except by a reset.
When hardware watchdog is selected (by option byte), the watchdog is always active
and the WDGA bit is not used.
•Controlling the downcounter:
This downcounter is free-running: It counts down even if the watchdog is disabled.
When the watchdog is enabled, the T6 bit must be set to prevent generating an
immediate reset.
The T[5:0] bits contain the number of increments which represents the time delay
before the watchdog produces a reset. The timing varies between a minimum and a
maximum value due to the unknown status of the prescaler when writing to the
WWDG_CR register (see Figure 134).
The window register (WWDG_WR) contains the high limit of the window: To prevent a
reset, the downcounter must be reloaded when its value is lower than the window
register value and greater than 0x3F. Figure 134 describes the window watchdog
process.
Note: The T6 bit can be used to generate a software reset (the WDGA bit is set and the T6 bit is
cleared).
•Watchdog reset on halt option
If the watchdog is activated and the watchdog reset on halt option is selected, then the
HALT instruction will generate a reset.
RESET
WDGA
6-BIT DOWNCOUNTER (CNT)
T6
WATCHDOG CONTROL REGISTER (wWDG_CR)
T1
T2
T3
T4
T5
-W6 W0
WATCHDOG WINDOW REGISTER (WWDG_WR)
W1
W2
W3
W4
W5
comparator
T6:0 > W6:0 CMP
= 1 when
Write WWDG_CR
WDG PRESCALER
DIV 12288
SYSCLK
T0

Window watchdog (WWDG) RM0031
466/595 DocID15226 Rev 11
26.4 How to program the watchdog timeout
The formula below can be used to calculate the WWDG timeout, tWWDG
, expressed in ms:
where TSYSCLK is the peripheral clock period expressed in ms
Warning: When writing to the WWDG_CR register, always write 1 in the
T6 bit to avoid generating an immediate reset.
Figure 134. Window watchdog timing diagram
26.5 WWDG low power modes
Table 81. Window watchdog timing example
T[6:0] fSYSCLK (MHz)
216
40h 6.144 0.768
7Fh 393.216 49.152
tWWDG TSYSCLK 12288×T5:0[]1+()×=
T6 bit
Reset
WWDG_WR
T[6:0] CNT downcounter
time
Refresh WindowRefresh not allowed (step = 12288/SYSCLK)
0x3F
Table 82. Effect of low power modes on WWDG
Mode Description
Wait No effect on watchdog: The downcounter continues to decrement.

DocID15226 Rev 11 467/595
RM0031 Window watchdog (WWDG)
468
26.6 Hardware watchdog option
If hardware watchdog is selected by option byte, the watchdog is always active and the
WDGA bit in the WWDG_CR register is not used. Refer to the option byte description in the
datasheet.
26.7 WWDG interrupts
None.
26.8 WWDG registers
26.8.1 Control register (WWDG_CR)
Address offset: 0x00
Reset value: 0x7F
Halt
WWDG_HALT in option byte
0
No watchdog reset is generated. The MCU enters Halt mode. The watchdog counter is
decremented once and then stops counting and is no longer able to generate a watchdog reset
until the MCU receives an external interrupt or a reset.
If an interrupt is received (refer to interrupt table mapping to see interrupts which can occur in
Halt mode), the watchdog restarts counting after the stabilization delay. If a reset is generated,
the watchdog is disabled (reset state) unless hardware watchdog is selected by option byte. For
application recommendations see Section 26.7 below.
1 A reset is generated instead of entering Halt mode.
Active-
halt x
No reset is generated. The MCU enters Active-halt mode. The watchdog counter is not
decremented. It stops counting. When the MCU receives an oscillator interrupt or external
interrupt, the watchdog restarts counting immediately. When the MCU receives a reset the
watchdog restarts counting after the stabilization delay.
Table 82. Effect of low power modes on WWDG (continued)
Mode Description
76543210
WDGA T6 T5 T4 T3 T2 T1 T0
rs rw rw rw rw rw rw rw
Bit 7 WDGA: Activation bit(1)
This bit is set by software and only cleared by hardware after a reset. When WDGA = 1, the watchdog
can generate a reset.
0: Watchdog disabled
1: Watchdog enabled
Bits 6:0 T[6:0]: 7-bit counter (MSB to LSB)
These bits contain the value of the watchdog counter. It is decremented every 12288 SYSCLK cycles
(approximately). A reset is produced when it rolls over from 0x40 to 0x3F (T6 becomes cleared).
1. This bit is not used if the hardware watchdog option is enabled by option byte.

Window watchdog (WWDG) RM0031
468/595 DocID15226 Rev 11
26.8.2 Window register (WWDG_WR)
Address offset: 0x01
Reset value: 0x7F
26.9 Window watchdog register map and reset values
76543210
Reserved W6 W5 W4 W3 W2 W1 W0
rw rw rw rw rw rw rw
Bit 7 Reserved
Bits 6:0 W[6:0]: 7-bit window value
These bits contain the window value to be compared to the downcounter.
Table 83. WWDG register map and reset values
Address
offset Register
name 76543210
0x00 WWDG_CR
Reset value
WDGA
0
T6
1
T5
1
T4
1
T3
1
T2
1
T1
1
T0
1
0x01 WWDG_WR
Reset value
-
0
W6
1
W5
1
W4
1
W3
1
W2
1
W1
1
W0
1

DocID15226 Rev 11 469/595
RM0031 AES hardware accelerator (AES)
480
27 AES hardware accelerator (AES)
This section applies to high-density STM8AL31Exx, STM8AL3LExx and STM8L16xx
devices only.
27.1 Introduction
The AES hardware accelerator can be used to both encipher and decipher data using the
AES algorithm.
It is a fully compliant implementation of the following standard: the advanced encryption
standard (AES) as defined by the Federal information processing standards publication
(FIPS PUB 197, 2001 November 26).
The accelerator encrypts and decrypts 128-bit blocks using a 128-bit key length. It can also
perform key derivation.
The various chaining algorithms can be supported by software: Electronic codebook (ECB)
mode, Cipher block chaining (CBC) mode or Counter (CTR) mode and Galois counter mode
(GCM).
It supports DMA transfer for the incoming data and for the outcoming data (2 DMA channels
required).
27.2 AES main features
•Encryption/decryption using the AES Rijndael block cipher algorithm
•NIST FIPS 197 compliant implementation of AES encryption/decryption algorithm
•Key scheduler
•Key derivation for decryption
•128-bit data block processed
•128-bit key length
•892 clock cycles to encrypt or decrypt one 128-bit block
•1x8-bit input buffer and 1x8-bit output buffer
•Automatic data flow control with support of direct memory access (DMA) using 2
channels: one for incoming data, the other for outcoming data.

AES hardware accelerator (AES) RM0031
470/595 DocID15226 Rev 11
27.3 AES functional description
The cryptographic processor implements a hardware acceleration of AES cryptographic
algorithm.
Figure 135 shows the block diagram of the cryptographic processor.
Figure 135. Block diagram
The AES accelerator processes data blocks of 128 bits (16 bytes) using a key with a length
of 128 bits and provides four modes of operations:
•Mode 1: encryption
•Mode 2: key derivation
•Mode 3: decryption using a given (pre-computed) decryption key
•Mode 4: key derivation + decryption using an encryption key.
The mode of operation is selected by programming the MODE[1:0] bits in the AES_CR
register. The mode can be changed only when the AES is disabled (EN bit = 0 in the
AES_CR register).
Once enabled (EN bit =1), the AES is in the input phase, waiting for the software to write the
input data bytes into the AES_DINR (32 or 16 bytes depending on the mode of operation).
Once all the write operations are performed, the computation phase takes place. The CCF
status flag (computation complete flag) in the AES_SR register is set once the computation
phase is completed. An interrupt can be generated if the CCIE bit =1 in the AES_CR
register.
The operation ends with the output phase where the software reads successively the 16
output data bytes from the AES_DOUTR register.
During the input and output phases, the software must read or write the data bytes
successively but the AES is tolerant to any delay occurring between each read or write
operation (example: if servicing another interrupt at this time).
The RDERR and WRERR flags in the AES_SR register are set when an unexpected read or
write operation is detected. An interrupt can be generated if ERRIE=1 into the AES_CR
register. The AES is not disabled after an error detection and continues to work in a normal
way.
It is also possible to use the general purpose DMA to write the input bytes and to read the
output bytes (refer to Figure 140 and Figure 141).
ELW0&8EXV
$(6B65 $(6B&5 $(6B',15 $(6B'2875
$(6
KDUGZDUH
DFFHOHUDWRU
DL

DocID15226 Rev 11 471/595
RM0031 AES hardware accelerator (AES)
480
Note: The CCF flag has no meaning when DMAEN = 1 in the AES_CR register, because the write
and read operations on the AES_DINR and AES_DOUTR registers are automatically
managed by the DMA without any software intervention.
The AES can be re-initialized at any moment by resetting the EN bit in the AES_CR register.
Then the AES can be re-started from the beginning by setting the EN bit, waiting for the first
input data byte to be written.
27.4 Modes of operation
27.4.1 Mode 1: encryption
To select this mode, use the following procedure:
1. Disable the AES by resetting the EN bit in AES_CR
2. Configure the Mode 1 by programming MODE[1:0]=00 in the AES_CR register.
3. If required, enable the computation complete and error interrupts through CCIE and
ERRIE bits respectively in the AES_CR register
4. Enable the AES by setting the EN bit in AES_CR
5. In the AES_DINR register, write 32 bytes representing the encryption key and plaintext
(from MSB to LSB), as shown in Figure 136: Mode 1: encryption on page 471.
6. Wait until the CCF flag is set in the AES_SR register.
7. Read 16 times the AES_DOUTR register to get the ciphertext (MSB first) as shown in
Figure 136: Mode 1: encryption on page 471.
8. Repeat steps 4, 5 and 6 to process all the blocks.
Figure 136. Mode 1: encryption
72
%+
7!)45.4),
FLAG##&
%+%.#2904)/.+%9"94%3%+%+
$+$%#2904)/.+%9"94%3$+$+
040,!).4%84"94%30404
#4#90(%24%84"94%3#4#4
72
04
72
%+
72
04
72
%+
72
04
).0540(!3%
72)4%/0%2!4)/.3
).4/!%3?$).2;=
2$
#4
2$
#4
2$
#4
/540540(!3%
2%!$/0%2!4)/.3
/&!%3?$/542;=
#/-054!4)/.0(!3%
-3"-3" ,3",3" -3" ,3"
AI

AES hardware accelerator (AES) RM0031
472/595 DocID15226 Rev 11
27.4.2 Mode 2: Key derivation
To select this mode, use the following procedure:
1. Disable the AES by resetting the EN bit in AES_CR
2. Configure the Mode 2 by programming MODE[1:0]=01 in the AES_CR register
3. If required, enable the computation complete and error interrupts through the CCIE and
ERRIE bits respectively in AES_CR register
4. Enable the AES by setting the EN bit in AES_CR
5. In the AES_DINR register, write 16 bytes representing the encryption key (from MSB to
LSB), as shown in Figure 137: Mode 2: key derivation on page 472.
6. Wait until the CCF flag is set in the AES_SR register.
7. Read 16 times the AES_DOUTR register which gives the decryption key (MSB first) as
shown in Figure 137: Mode 2: key derivation on page 472.
8. Clear the computation complete flag "CCF" by setting the CCFC bit in the AES_CR
register when the CPU is used for the data input or data output phase.
9. Repeat steps 5, 6, 7 and 8 to process all the keys.
Figure 137. Mode 2: key derivation
27.4.3 Mode 3: decryption
To select this mode, use the following procedure:
1. Disable the AES by resetting the EN bit in AES_CR
2. Configure the Mode 3 by programming MODE[1:0]=10 in the AES_CR register
3. If required, enable the computation complete and error interrupts through the CCIE and
ERRIE bits respectively in AES_CR register
4. Enable the AES by setting the EN bit in AES_CR
5. In the AES_DINR register, write 32 bytes representing the decryption key and the
ciphertext (from MSB to LSB), as shown in Figure 138: Mode 3: decryption on
page 473.
6. Wait until the CCF flag is set into the AES_SR register.
7. Read 16 times the AES_DOUTR register which gives the plaintext (MSB first) as
shown in Figure 138: Mode 3: decryption on page 473.
8. Clear the computation complete flag "CCF" by setting the CCFC bit in the AES_CR
register when the CPU is used for the data input or data output phase.
9. Repeat steps 5, 6, 7 and 8 to process all the blocks.
T
72
%+
%+%.#2904)/.+%9"94%3%+%+
$+$%#2904)/.+%9"94%3$+$+
040,!).4%84"94%30404
#4#90(%24%84"94%3#4#4
72
%+
72
%+
).0540(!3%
72)4%/0%2!4)/.3
).4/!%3?$).2;=
2$
$+
2$
$+
2$
$+
/540540(!3%
2%!$/0%2!4)/.3
/&!%3?$/542;=
-3" ,3" -3" ,3"
7!)4UNTIL
FLAG##&
#/-054!4)/.0(!3%
AI

DocID15226 Rev 11 473/595
RM0031 AES hardware accelerator (AES)
480
Figure 138. Mode 3: decryption
27.4.4 Mode 4: key derivation and decryption
To select this mode, use the following procedure:
1. Disable the AES by resetting the EN bit in AES_CR
2. Configure the Mode 4 by programming MODE[1:0]=11 in the AES_CR register
3. If required, enable the computation complete and error interrupts through the CCIE and
ERRIE bits respectively in AES_CR register
4. Enable the AES by setting the EN bit in AES_CR
5. In the AES_DINR register, write 32 bytes representing the encryption key and the
ciphertext (from MSB to LSB), as shown in Figure 139: Mode 4: key derivation and
decryption on page 473.
6. Wait until the CCF flag is set in the AES_SR register
7. Read 16 times to the AES_DOUTR register which gives the plaintext (MSB first) as
shown in Figure 139: Mode 4: key derivation and decryption on page 473.
8. Clear the computation complete flag "CCF" by setting the CCFC bit in the AES_CR
register when the CPU is used for the data input or data output phase.
9. Repeat steps 5, 6, 7 and 8 to process all the blocks
Figure 139. Mode 4: key derivation and decryption
:5
'.
:$,7
IODJ&&)
(. (1&5<37,21.(< %<7(6(.(.
'. '(&5<37,21.(< %<7(6'.'.
37 3/$,17(;7 %<7(63737
&7 &<3+(57(;7 %<7(6&7&7
:5
&7
:5
'.
:5
&7
:5
'.
:5
&7
,13873+$6(
:5,7(23(5$7,216
,172$(6B',15>@
5'
37
5'
37
5'
37
2873873+$6(
5($'23(5$7,216
2)$(6B'2875>@
&20387$7,213+$6(
06% 0 6% /6% / 6%
XQWLO
DL
06% /6%
72
%+
7!)4
FLAG##&
%+%.#2904)/.+%9"94%3%+%+
$+$%#2904)/.+%9"94%3$+$+
040,!).4%84"94%30404
#4#90(%24%84"94%3#4#4
72
#4
72
%+
72
#4
72
%+
72
#4
).0540(!3%
72)4%/0%2!4)/.3
).4/!%3?$).2;=
2$
04
2$
04
2$
04
/540540(!3%
2%!$/0%2!4)/.3
/&!%3?$/542;=
#/-054!4)/.0(!3%
-3" -3" ,3" ,3" -3" ,3"
UNTIL
AI

AES hardware accelerator (AES) RM0031
474/595 DocID15226 Rev 11
27.5 AES DMA interface
The AES accelerator provides an interface to connect to the DMA controller. The DMA must
be configured to transfer bytes.
The AES can be associated with two distinct DMA request channels:
•A DMA request channel for the inputs: when the DMAEN bit is set in the AES_CR
register, the AES initiates the DMA request (AES_IN) during the input phase each time
it requires a byte to be written into the AES_DINR register. The DMA channel must be
configured in memory-to-peripheral mode (DIR=1 in the corresponding DMA_CxCR
register)
•A DMA request channel for the outputs: when the DMAEN bit is enabled, the AES
initiates a DMA request (AES_OUT) during the output phase each time it requires a
byte to be read into the AES_DOUTR register. The DMA channel must be configured in
peripheral-to-memory mode (DIR=0 in the corresponding DMA_CxCR register).
The number of DMA requests asserted for each phase depends on the mode of operation
and is described in Figure 140 and Figure 141.
DMA requests are generated until the AES is disabled. Consequently, after the data output
phase corresponding to one 128-bit data block processing, the AES switches automatically
to a new data input phase for the next data block processing.
Figure 140. DMA requests and data transfers during input phase (AES_IN)
. (1&5<37,21RU'(&5<37,21.(< %<7(6..
7 3/$,125&,3+(57(;7 %<7(677
'0$5(4 '0$5(4 '0$5(4 '0$5(4
1 11
0RGH(QFU\SWLRQ0RGHRU'HFU\SWLRQ
'0$UHTXHVWV
02'(.H\GHULYDWLRQ
'0$UHTXHVWV
:5. :57 :5. :57 :5. :57 :5. :57
:5. :5. :5. :5. :5. :5. :5. :5.
06% /6%
06% /6%06% /6%
'0$5(4
1
'0$5(4
1
'0$5(4
1
'0$5(4
1
'0$5(4 '0$5(4
1 1
'0$5(4
1
'0$5(4
1
'0$5(4 '0$5(4
1 1
'0$5(4
1
'0$5(4
1
DL
1

DocID15226 Rev 11 475/595
RM0031 AES hardware accelerator (AES)
480
Figure 141. DMA requests during output phase (AES_OUT)
Note: When the DMA is enabled (DMAEN = 1), the CCF bit status is not relevant . This bit may
remain high and no special care needs to be taken in this case. However, in case the
application needs to exit from DMA mode and enable the CPU access for the data input or
data output phase, the software must clear this bit.
27.6 Error flags
The RDERR flag in the AES_SR register is set when an unexpected read operation is
detected during the computation phase or during the input phase.
The WRERR flag in the AES_SR register is set when an unexpected write operation is
detected during the output phase or during the computation phase.
An interrupt can be generated when one of those two flags are set if the ERRIE bit in the
AES_CR register has been previously set.
If an error is detected, the AES is not disabled by hardware and still continues the on-going
processing (if any) in a normal way.
27.7 Processing time
The following table summarizes the time required to process a 128-bit block for each mode
of operation.
,1$// 02'(6
'0$5(48(67 6
' 3/$,1RU&,3+(57(;7RU'(&5<37,21.(<GHSHQGLQJRQPRGHRIRSHUDWLRQ
%<7(6''
5'' 5'' 5'' 5'' 5'' 5'' 5'' 5''
06% /6%
'0$5(4 '0$5(4
1 1
'0$5(4
1
'0$5(4
1
'0$5(4 '0$5(4
1 1
'0$5(4
1
'0$5(4
1
DL
Table 84. Processing time (in clock cycles)
Mode of operation Computation phase
Mode 1: encryption 892
Mode 2: key derivation 320
Mode 3: decryption 892
Mode 4: key derivation + decryption 1228

AES hardware accelerator (AES) RM0031
476/595 DocID15226 Rev 11
27.8 AES low power modes
27.9 AES interrupts
Table 85. Effect of low power modes on AES
Mode Description
Low power
wait/Wait
No effect on AES.
AES interrupt causes the device to exit from Wait or Low power wait mode.
Active-halt/Halt The AES is stopped until Halt or Active-halt mode is exited.
Table 86. AES interrupt requests
Interrupt event Event
flag Enable
control bit Exit from
Wait Exit from
Halt
AES computation complete flag CCF CCIE yes No
AES read error flag RDERR ERRIE yes No
AES write error flag WRERR ERRIE yes No

DocID15226 Rev 11 477/595
RM0031 AES hardware accelerator (AES)
480
27.10 AES registers
27.10.1 AES control register (AES_CR)
Address offset: 0x00
Reset value: 0x00
76543210
DMAEN ERRIE CCIE ERRFC CCFC MODE[1:0] EN
rw rw rw rw rw rw rw rw
Bit 7 DMAEN: DMA enable
0: DMA disabled
1: DMA enabled
If the DMAEN bit is set, DMA requests are generated for the data input phase as well as for the output
data phase.
Bit 6 ERRIE: Error interrupt enable
An interrupt is generated if one of the two RDERR or WRERR flags is set.
0: ERR interrupt disabled
1: ERR interrupt enabled
Bit 5 CCIE: Computation complete interrupt enable
An interrupt is generated if the CCF flag is set.
0: CCF interrupt disabled
1: CCF interrupt enabled
Bit 4 ERRFC: Error flags clear
Writing 1 into this bit clears both RDERR and WRERR flags.
This bit is always read as low.
Bit 3 CCFC: Computation complete flag clear
Writing 1 into this bit clears the CCF flag.
This bit is always read as low.
Bits 2:1 MODE[1:0]: AES mode of operation
00: Mode 1: Encryption
01: Mode 2: Key derivation
10: Mode 3: Decryption
11: Mode 4: Key derivation + decryption
Note: The mode of operation can only be changed if the AES is disabled. Writing to these bits while
AES is enabled is forbidden to avoid unpredictable AES behavior.
Bit 0 EN: Enable
0: AES disabled
1: AES enabled
The AES can be re-initialized at any moment by resetting this bit: the AES is then ready to start
processing a new block when EN is set.

AES hardware accelerator (AES) RM0031
478/595 DocID15226 Rev 11
27.10.2 AES status register (AES_SR)
Address offset: 0x01
Reset value: 0x00
76543210
Reserved, read as 0 WRERR RDERR CCF
rrr
Bits 7:3 Reserved, read as 0.
Bit 2 WRERR: Write error flag
This bit is set by hardware when an unexpected write operation into the AES_DINR is detected. An
interrupt is generated if the ERRIE bit has been previously set into the AES_CR register.
It is cleared by software by setting the ERRFC bit into the AES_CR register.
0: No write error detected
1: Write error detected
Bit 1 RDERR: Read error flag
This bit is set by hardware when an unexpected read operation into the AES_DOUTR is detected. An
interrupt is generated if the ERRIE bit has been previously set into the AES_CR register.
It is cleared by software by setting the ERRFC bit in the AES_CR register.
0: No read error detected
1: Read error detected
Bit 0 CCF: Computation complete flag
This bit is set by hardware when the computation is completed. An interrupt is generated if the CCIE
bit has been previously set into the AES_CR register.
It is cleared by software by setting the CCFC bit into the AES_CR register.
0: Computation is not completed
1: Computation completed
Note: This bit has a meaning only when DMAEN = 0. It may stay high when DMAEN = 1.

DocID15226 Rev 11 479/595
RM0031 AES hardware accelerator (AES)
480
27.10.3 AES data input register (AES_DINR)
Address offset: 0x02
Reset value: 0x00
27.10.4 AES data output register (AES_DOUTR)
Address offset: 0x03
Reset value: 0x00
76543210
DINR[7:0]
rw rw rw rw rw rw rw rw
Bits 7:0 DINR[7:0]: Data input register.
This register must be written 16 or 32 times during the input phase:
– In Mode 1 (encryption), 32 bytes must be written, which represent the plaintext and the encryption
key from MSB to LSB, interleaving the key and the plaintext.
– In Mode 2 (key derivation), 16 bytes must be written, which form the encryption key from MSB to
LSB.
– In Mode 3 (decryption) and 4 (key derivation+decryption), 32 bytes must be written, which represent
the ciphertext and the decryption or encryption key from MSB to LSB, interleaving the key and the
ciphertext.
76543210
DOUTR[7:0]
rrrrrrrr
Bits 7:0 DOUTR[7:0]: Data output register
This register is read only.
Once the CCF flag (computation complete flag) is set, reading 16 times this data register gives access
to the 128-bit output results:
– In Mode 1 (encryption), reading 16 bytes gives the ciphertext from MSB to LSB.
– In Mode 2 (key derivation), reading 16 bytes gives the decryption key from MSB to LSB.
– In Mode 3 (decryption) and 4 (key derivation+decryption), reading 16 bytes gives the plaintext from
MSB to LSB.

AES hardware accelerator (AES) RM0031
480/595 DocID15226 Rev 11
27.10.5 AES register map and reset values
Table 87. AES register map and reset values
Add.
offset Register
name 765 4 3 2 10
0x00 AES_CR
Reset value
DMAEN
0
ERRIE
0
CCIE
0
ERRFC
0
CCFC
0
MOD[1:0]
00
EN
0
0x01 AES_SR
Reset value
-
0
-
0
-
0
-
0
-
0
WRERR
0
RDERR
0
CCF
0
0x02 AES_DINR
Reset value
DINR[7:0]
0x00
0x03 AES_DOUTR
Reset value
DOUTR[7:0]
0x00

DocID15226 Rev 11 481/595
RM0031 Inter-integrated circuit (I2C) interface
519
28 Inter-integrated circuit (I2C) interface
This section applies to low-density STM8L05xx/STM8L15xx devices, medium-density
STM8L05xx/STM8L15xx devices, medium+ density STM8L05xx/STM8L15xx devices and
high-density STM8L05xx/STM8L15xx/STM8L16xx devices, unless otherwise specified.
28.1 Introduction
I2C (inter-integrated circuit) bus interface serves as an interface between the microcontroller
and the serial I2C bus. It provides multi-master capability, and controls all I2C bus-specific
sequencing, protocol, arbitration and timing. It supports standard and fast speed modes. It
may be used for a variety of purposes, including CRC generation and verification, SMBus
(system management bus) and PMBus (power management bus). DMA capability is also
available for reduced CPU overload.

Inter-integrated circuit (I2C) interface RM0031
482/595 DocID15226 Rev 11
28.2 I2C main features
•Parallel-bus/I2C protocol converter
•Multi-master capability: the same interface can act as Master or Slave
•I2C Master features:
– Clock generation
– Start and Stop generation
•I2C Slave features:
– Programmable I2C Address detection
– Stop bit detection
– I²C dual addressing capability to acknowledge 2 slave addresses (low, medium+
and high-density devices only)
•Generation and detection of 7-bit/10-bit addressing and general call
•Supports different communication speeds:
– Standard speed (up to 100 kHz),
– Fast speed (up to 400 kHz)
•Status flags:
– Transmitter/receiver mode flag
– End-of-byte transmission flag
–I
2C busy flag
•Error flags:
– Arbitration lost condition for master mode
– Acknowledgement failure after address/ data transmission
– Detection of misplaced start or stop condition
– Overrun/underrun if clock stretching is disabled
•3 types of interrupts:
– 1 communication interrupt
– 1 error condition interrupt
– 1 wakeup from Halt interrupt
•Wakeup capability:
– MCU wakes up from Low power mode on address detection in slave mode.
•Optional clock stretching
•1-byte buffer with DMA capability
•Configurable PEC (packet error checking) generation or verification:
– PEC value can be transmitted as last byte in Tx mode
– PEC error checking for last received byte
•SMBus 2.0 compatibility:
– 25 ms clock low timeout delay
– 10 ms master cumulative clock low extend time
– 25 ms slave cumulative clock low extend time
– Hardware PEC generation/verification with ACK control
– Address resolution protocol (ARP) supported
•PMBus compatibility

DocID15226 Rev 11 483/595
RM0031 Inter-integrated circuit (I2C) interface
519
28.3 I2C general description
In addition to receiving and transmitting data, this interface converts it from serial to parallel
format and vice versa. The interrupts are enabled or disabled by software. The interface is
connected to the I2C bus by a data pin (SDA) and by a clock pin (SCL). It can be connected
with a standard (up to 100 kHz), or fast (up to 400 kHz) I2C bus.
Mode selection
The interface can operate in one of the four following modes:
•Slave transmitter
•Slave receiver
•Master transmitter
•Master receiver
By default, it operates in slave mode. The interface automatically switches from slave to
master, after it generates a START condition and from master to slave, if an arbitration loss
or a STOP generation occurs, allowing Multi-Master capability.
Communication flow
In Master mode, the I2C interface initiates a data transfer and generates the clock signal. A
serial data transfer always begins with a start condition and ends with a stop condition. Both
start and stop conditions are generated in master mode by software.
In Slave mode, the interface is capable of recognizing its own addresses (7- or 10-bit), and
the General Call address. The General Call address detection may be enabled or disabled
by software.
Data and addresses are transferred as 8-bit bytes, MSB first. The first byte(s) following the
start condition contain the address (one in 7-bit mode, two in 10-bit mode). The address is
always transmitted in Master mode.
A 9th clock pulse follows the 8 clock cycles of a byte transfer, during which the receiver must
send an acknowledge bit to the transmitter. Refer to the following figure.
Figure 142. I2C bus protocol
Acknowledge may be enabled or disabled by software. The I2C interface addresses (dual
addressing, 7-/10-bit and/or general call address) can be selected by software.
SCL
SDA
12 8 9
MSB ACK
STOP
START
CONDITION
CONDITION

Inter-integrated circuit (I2C) interface RM0031
484/595 DocID15226 Rev 11
The block diagram of the I2C interface is shown in the following figure.
Figure 143. I2C block diagram
1. SMB (SMBus ALERT signal) is an optional signal in SMBus mode. This signal is not applicable if SMBus is
disabled.
2. Available in medium+ and high-density devices only.
'$7$6+,)75(*,67(5
&203$5$725
2:1$''5(665(*,67(5
&/2&.&21752/
67$7865(*,67(56
&21752/5(*,67(56
&21752/
&/2&.
&21752/
'$7$
&21752/
6&/
/2*,&
'$7$5(*,67(5
3(&5(*,67(5
,17(558376
3(&&$/&8/$7,21
60%
6'$
5(*,67(5&&5
6565
&5&5
'0$5(48(676$&.
'8$/$''5(665(*,67(5
069

DocID15226 Rev 11 485/595
RM0031 Inter-integrated circuit (I2C) interface
519
28.4 I2C functional description
By default the I2C interface operates in Slave mode. To switch from default Slave mode to
Master mode a Start condition generation is needed.
28.4.1 I2C slave mode
The peripheral input clock must be programmed in the I2C_FREQR register in order to
generate correct timings. The peripheral input clock frequency must be at least:
•1 MHz in Standard mode
•4 MHz in Fast mode
As soon as a start condition is detected, the address is received from the SDA line and sent
to the shift register. Then it is compared with the address of the interface (I2C_OAR1L &
I2C_OAR2 if ENDUAL = 1 in medium+ and high-density devices and I2C_OARL in
medium-density devices) or the General Call address (if ENGC = 1).
Note: In 10-bit addressing mode, the comparison includes the header sequence (11110xx0),
where xx denotes the two most significant bits of the address.
Header or address not matched: the interface ignores it and waits for another Start
condition.
Header matched (10-bit mode only): the interface generates an acknowledge pulse if the
ACK bit is set and waits for the 8-bit slave address.
Address matched: the interface generates in sequence:
•An acknowledge pulse if the ACK bit is set
•The ADDR bit is set by hardware and an interrupt is generated if the ITEVTEN bit is
set. In medium+ and high-density devices, if ENDUAL=1, the software has to read the
DUALF bit to check which slave address has been acknowledged.
In 10-bit mode, after receiving the address sequence the slave is always in Receiver mode.
It will enter Transmitter mode on receiving a repeated Start condition followed by the header
sequence with matching address bits and the least significant bit set (11110xx1).
The TRA bit indicates whether the slave is in Receiver or Transmitter mode.

Inter-integrated circuit (I2C) interface RM0031
486/595 DocID15226 Rev 11
Slave transmitter
Following the address reception and after clearing ADDR, the slave sends bytes from the
DR register to the SDA line via the internal shift register.
The slave stretches SCL low until ADDR is cleared and DR filled with the data to be sent
(see Transfer sequencing EV1 EV3 in the following figure).
When the acknowledge pulse is received:
•The TXE bit is set by hardware with an interrupt if the ITEVTEN and the ITBUFEN bits
are set.
If TXE is set and a data was not written in the DR register before the end of the next data
transmission, the BTF bit is set and the interface waits until BTF is cleared, by reading the
SR1 register and then writing to the DR register, stretching SCL low.
Figure 144. Transfer sequence diagram for slave transmitter
1. Legend:
S= Start, Sr = Repeated Start, P= Stop, A= Acknowledge, NA= Non-acknowledge, EVx = Event (with
interrupt if ITEVTEN=1)
EV1: ADDR =1, cleared by reading SR1 register followed by reading SR3.
EV3-1: TXE=1, shift register empty, data register empty, write Data1 in DR.
EV3: TXE=1, shift register not empty, data register empty, cleared by writing DR.
EV3-2: AF=1, AF is cleared by writing ‘0’ in AF bit of SR2 register.
2. EV1 and EV3-1 events stretch SCL low until the end of the corresponding software sequence.
3. EV3 software sequence must be performed before the end of the current byte transfer. In case EV3
software sequence can not be managed before the end of the current byte transfer, it is recommended to
use BTF instead of TXE with the drawback of slowing the communication.
Slave receiver
Following the address reception and after clearing ADDR, the slave receives bytes from the
SDA line into the DR register via the internal shift register. After each byte the interface
generates in sequence:
•An acknowledge pulse if the ACK bit is set
•The RXNE bit is set by hardware and an interrupt is generated if the ITEVTEN and
ITBUFEN bit is set.
If RXNE is set and the data in the DR register is not read before the end of the next data
reception, the BTF bit is set and the interface waits until BTF is cleared, by reading the SR1
register and then reading the DR register, stretching SCL low (see Figure 145).
ELWVODYHWUDQVPLWWHU
ELWVODYHWUDQVPLWWHU
6 $ GGUHVV $ 'DWD
(9 (9 (9
6U'DWD $
(9 (9B (9 (9 (9
069
'DWD$$
'DWD1 1$ 3
(9
(9 (9
6 +HDGHU $ $GGUHVV $
(9
+HDGHU $ 'DWD1 1$ 3

DocID15226 Rev 11 487/595
RM0031 Inter-integrated circuit (I2C) interface
519
Figure 145. Transfer sequence diagram for slave receiver
1. Legend:
S= Start, Sr = Repeated Start, P= Stop, A= Acknowledge, NA= Non-acknowledge, EVx= Event (with
interrupt if ITEVTEN=1)
EV1: ADDR =1, cleared by reading SR1 register followed by reading SR3.
EV2: RXNE=1, cleared by reading DR register.
EV4: STOPF=1, cleared by reading SR1 register followed by writing CR2 register
2. EV1 event stretches SCL low until the end of the corresponding software sequence.
3. EV2 software sequence must be performed before the end of the current byte transfer.
4. After checking the SR1 register content, the user should perform the complete clearing sequence for each
flag found set. Thus, for the ADDR and STOPF flags, the following sequence is recommended inside the
I2C interrupt routine:
READ SR1
if (ADDR == 1) {READ SR1; READ SR3}
if (STOPF == 1) {READ SR1; WRITE CR2}
The purpose is to make sure that both ADDR and STOPF flags are cleared if both are found set.
5. See also: Note 9 on page 510.
Closing slave communication
After the last data byte is transferred, a Stop condition is generated by the master. The
interface detects this condition and sets the STOPF bit and generates an interrupt if the
ITEVTEN bit is set.
STOPF is cleared by a read of the SR1 register followed by a write to the CR2 register (see
Figure 146).
28.4.2 I2C master mode
In Master mode, the I2C interface initiates a data transfer and generates the clock signal. A
serial data transfer always begins with a Start condition and ends with a Stop condition.
Master mode is selected as soon as the Start condition is generated on the bus with a
START bit.
The following is the required sequence in master mode.
•Program the peripheral input clock in I2C_FREQR Register in order to generate correct
timings.
•Configure the clock control registers
•Configure the rise time register
•Program the I2C_CR1 register to enable the peripheral
•Set the START bit in the I2C_CR2 register to generate a Start condition
ELWVODYHUHFHLYHU
ELWVODY HUHFHLYHU
$'DWD $ 'DWD1 $ 3
$$
'DWD1
069
6 $GGUHVV 'DWD $
(9 (9 (9 (9 (9
(9 (9
$3
(9
'DWD$GGUHVV
$
6+HDGHU

Inter-integrated circuit (I2C) interface RM0031
488/595 DocID15226 Rev 11
The peripheral input clock frequency must be at least:
•1 MHz in Standard mode
•4 MHz in Fast mode
SCL master clock generation
The CCR bits are used to generate the high and low level of the SCL clock, starting from the
generation of the rising and falling edge (respectively). As a slave may stretch the SCL line,
the peripheral checks the SCL input from the bus at the end of the time programmed in
TRISE bits after the rising edge generation.
•If the SCL line is low, it means that a slave is stretching the bus, and the high level
counter stops until the SCL line is detected high. This allows to guarantee the minimum
HIGH period of the SCL clock parameter.
•If the SCL line is high, the high level counter keeps on counting.
Indeed, the feedback loop from the SCL rising edge generation by the peripheral to the SCL
rising edge detection by the peripheral takes time even if no slave stretches the clock. This
loopback duration is linked to SCL rising time (impacting SCL VIH input detection), plus
delay due to the analog noise filter present on SCL input path, plus delay due to internal
SCL input synchronization with I2C Peripheral clock. The maximum time used by the
feedback loop is programmed in TRISE bits, so that the SCL frequency remains stable
whatever the SCL rising time.
Start condition
Setting the START bit causes the interface to generate a Start condition and to switch to
Master mode (MSL bit set) when the BUSY bit is cleared.
Note: In master mode, setting the START bit causes the interface to generate a Re-Start condition
at the end of the current byte transfer.
Once the Start condition is sent:
•The SB bit is set by hardware and an interrupt is generated if the ITEVTEN bit is set.
Then the master waits for a read of the SR1 register followed by a write in the DR register
with the Slave address ().

DocID15226 Rev 11 489/595
RM0031 Inter-integrated circuit (I2C) interface
519
Slave address transmission
Then the slave address is sent to the SDA line via the internal shift register.
•In 10-bit addressing mode, sending the header sequence causes the following event:
– The ADD10 bit is set by hardware and an interrupt is generated if the ITEVTEN bit
is set.
Then the master waits for a read of the SR1 register followed by a write in the DR
register with the second address byte (see Figure 146 & Figure 147 Transfer
sequencing EV9).
The ADDR bit is set by hardware and an interrupt is generated if the ITEVTEN bit is
set. Then the master waits for a read of the SR1 register followed by a read in the SR3
register (see Figure 146 & Figure 147 Transfer sequencing EV6).
•In 7-bit addressing mode, one address byte is sent.
As soon as the address byte is sent,
– The ADDR bit is set by hardware and an interrupt is generated if the ITEVTEN bit
is set.
Then the master waits for a read of the SR1 register followed by a read in the SR3
register (see Figure 146 & Figure 147 Transfer sequencing EV6).
The master can decide to enter Transmitter or Receiver mode depending on the LSB of
the slave address sent.
•In 7-bit addressing mode,
– To enter Transmitter mode, a master sends the slave address with LSB reset.
– To enter Receiver mode, a master sends the slave address with LSB set.
•In 10-bit addressing mode,
– To enter Transmitter mode, a master sends the header (11110xx0) and then the
slave address, (where xx denotes the two most significant bits of the address).
– To enter Receiver mode, a master sends the header (11110xx0) and then the
slave address. Then it should send a repeated Start condition followed by the
header (11110xx1), (where xx denotes the two most significant bits of the
address).
The TRA bit indicates whether the master is in Receiver or Transmitter mode.

Inter-integrated circuit (I2C) interface RM0031
490/595 DocID15226 Rev 11
Master transmitter
Following the address transmission and after clearing ADDR, the master sends bytes from
the DR register to the SDA line via the internal shift register.
The master waits until the first data byte is written in the DR register, (see
Figure 146Transfer sequencing EV8_1).
When the acknowledge pulse is received:
•The TXE bit is set by hardware and an interrupt is generated if the ITEVTEN and
ITBUFEN bits are set.
If TXE is set and a data byte was not written in the DR register before the end of the next
data transmission, BTF is set and the interface waits until BTF is cleared, by reading the
SR1 register and then writing to the DR register, stretching SCL low.
Closing the communication
After writing the last byte to the DR register, the STOP bit is set by software to generate a
Stop condition (see Figure 146 Transfer sequencing EV8_2). The interface goes
automatically back to slave mode (MSL bit cleared).
Note: Stop condition should be programmed during EV8_2 event, when either TXE or BTF is set.
Figure 146. Transfer sequence diagram for master transmitter
1. Legend:
S= Start, Sr = Repeated Start, P= Stop, A= Acknowledge, NA= Non-acknowledge,
EVx= Event (with interrupt if ITEVTEN=1)
EV5: SB=1, cleared by reading SR1 register followed by writing DR register with Address.
EV6: ADDR=1, cleared by reading SR1 register followed by reading SR3.
EV8_1: TXE=1, shift register empty, data register empty, write DR register.
EV8: TXE=1, shift register not empty, data register empty, cleared by writing DR register.
EV8_2: TXE=1, BTF = 1, Program STOP request. TXE and BTF are cleared by HW by stop condition
EV9: ADD10=1, cleared by reading SR1 register followed by writing DR register. See also:Note 9 on
page 510
2. EV8 software sequence must be performed before the end of the current byte transfer. In case EV8
software sequence can not be managed before the end of the current byte transfer, it is recommended to
use BTF instead of TXE with the drawback of slowing the communication.
ELWPDVWHUWUDQVPLWWHU
$
6 $GGUHVV $'DWD 'DWD$ 'DWD1 $3
(9 (9 (9B (9 (9 (9 (9B
'DWD1 $3
(9B
'DWD $
(9 (9(9B(9
6
(9
+HDGHU $ $GGUHVV $
(9
ELWPDVWHUWUDQVPLWWHU
069

DocID15226 Rev 11 491/595
RM0031 Inter-integrated circuit (I2C) interface
519
Master receiver
Following the address transmission and after clearing ADDR, the I2C interface enters
Master Receiver mode. In this mode the interface receives bytes from the SDA line into the
DR register via the internal shift register. After each byte the interface generates in
sequence:
•An acknowledge pulse if the ACK bit is set
•The RXNE bit is set and an interrupt is generated if the ITEVTEN and ITBUFEN bits
are set ().
If the RXNE bit is set and the data in the DR register was not read before the end of the next
data reception, the BTF bit is set by hardware and the interface waits for the BTF bit to be
cleared by reading I2C_SR1 and then I2C_DR, stretching SCL low.
Closing the communication
Method 1: This method is for the case when the I2C is used with interrupts that have the
highest priority in the application.
The master sends a NACK for the last byte received from the slave. After receiving this
NACK, the slave releases the control of the SCL and SDA lines. Then the master can send
a Stop/Re-Start condition.
•In order to generate the non-acknowledge pulse after the last received data byte, the
ACK bit must be cleared just after reading the second last data byte (after second last
RXNE event).
•In order to generate the Stop/Re-Start condition, software must set the STOP/ START
bit just after reading the second last data byte (after the second last RXNE event).
•In case a single byte is to be received, the Acknowledge deactivation and the STOP
condition generation are made just after EV6 (in EV6-1 just after ADDR is cleared).
After the Stop condition generation, the interface goes automatically back to slave mode
(MSL bit cleared).
Method 1: This method is for the case when the I2C is used with interrupts that have the
highest priority in the application.
Figure 147. Method 1: transfer sequence diagram for master receiver
1. Legend:
S= Start, Sr = Repeated Start, P= Stop, A= Acknowledge, NA= Non-acknowledge,
EVx= Event (with interrupt if ITEVTEN=1)
EV5: SB=1, cleared by reading SR1 register followed by writing DR register.
EV6: ADDR=1, cleared by reading SR1 register followed by reading SR3. In 10-bit master receiver mode,
this sequence should be followed by writing CR2 with START = 1.
7-bit Master Receiver
10-bit Master Receiver
S Address A Data1 A Data2 A(1)
1. In case of a single byte to be received, it is a NACK
..... DataN NA P
EV5 EV6 EV6_1 EV7 EV7 EV7_1 EV7
S Header A Address A
EV5 EV9 EV6
SrHeader A Data1 A ..... DataN NA P
EV5 EV6 EV6_1 EV7 EV7_1 EV7

Inter-integrated circuit (I2C) interface RM0031
492/595 DocID15226 Rev 11
EV6_1: no associated flag event, used for 1 byte reception only. Program ACK=0 and STOP=1 after
clearing ADDR.
EV7: RxNE=1, cleared by reading DR register.
EV7_1: RxNE=1, cleared by reading DR register, program ACK=0 and STOP request
EV9: ADD10=1, cleared by reading SR1 register followed by writing DR register.
2. If the DR and shift registers are full, the next data reception (I2C clock generation for slave) is performed
after the EV7 event is cleared. In this case, EV7 does not overlap with data reception.
3. If a single byte is received, it is NA.
4. EV5, EV6 and EV9 events stretch SCL low until the end of the corresponding software sequence.
5. EV7 software sequence must be completed before the end of the current byte transfer.In case EV7
software sequence can not be managed before the current byte end of transfer, it is recommended to use
BTF instead of RXNE with the drawback of slowing the communication.
6. The EV6_1 or EV7_1 software sequence must be completed before the ACK pulse of the current byte
transfer.
7. See also: Note 9 on page 510.
Method 2: This method is for the case when the I2C is used with interrupts that do not have
the highest priority in the application or when the I2C is used with polling.
With this method:
•DataN_2 is not read, so that after DataN_1, the communication is stretched (both
RxNE and BTF are set).
•Then, the ACK bit must be cleared before reading DataN-2 in DR to make sure this bit
has been cleared before the DataN Acknowledge pulse.
•After that, just after reading DataN_2, software must set the STOP/ START bit and read
DataN_1. After RxNE is set, read DataN.
This is illustrated in the following figure:
Figure 148. Method 2: transfer sequence diagram for master receiver when N >2
1. Legend:
S= Start, Sr = Repeated Start, P= Stop, A= Acknowledge, NA= Non-acknowledge,
EVx= Event (with interrupt if ITEVTEN=1)
EV5: SB=1, cleared by reading SR1 register followed by writing the DR register.
EV6: ADDR1, cleared by reading SR1 register followed by reading SR3.
In 10-bit master receiver mode, this sequence should be followed by writing CR2 with START = 1.
EV7: RxNE=1, cleared by reading DR register.
EV7_2: BTF = 1, DataN-2 in DR and DataN-1 in shift register, program ACK = 0, Read DataN-2 in DR.
Program STOP = 1, read DataN-1.
EV9: ADD10= 1, cleared by reading SR1 register followed by writing DR register.
2. EV5, EV6 and EV9 events stretch SCL low until the end of the corresponding software sequence.
3. EV7 software sequence must be completed before the end of the current byte transfer. In case EV7
software sequence can not be managed before the current byte end of transfer, it is recommended to use
BTF instead of RXNE, with the drawback of slowing the communication.
AAddressS
EV5 EV6
AData1 AData2
EV7 EV7
ADataN-2 ADataN-1
EV7_2
NADataN
EV7
P
7- bit master receiver
10- bit master receiver
AHeaderS
EV5 EV9
AData1 AData2
EV7 EV7
ADataN-2 ADataN-1
EV7_2
NADataN
EV7
P
AAddress
EV6
AHeaderS
r
EV5 EV6

DocID15226 Rev 11 493/595
RM0031 Inter-integrated circuit (I2C) interface
519
When 3 bytes remain to be read:
•RxNE = 1 => Nothing (DataN-2 not read).
•DataN-1 received
•BTF = 1 because both shift and data registers are full: DataN-2 in DR and DataN-1 in
the shift register => SCL tied low: no other data will be received on the bus.
•Clear ACK bit
•Read DataN-2 in DR => This launches the DataN reception in the shift register
•DataN received (with a NACK)
•Program START/STOP
•Read DataN-1
•RxNE = 1
•Read DataN
The procedure described above is valid for N>2. The cases where a single byte or two bytes
are to be received should be handled differently, as described below:
•Case of a single byte to be received:
– In the ADDR event, clear the ACK bit.
– Clear ADDR
– Program the STOP/START bit.
– Read the data after the RxNE flag is set.
•Case of two bytes to be received:
– Set POS and ACK
– Wait for the ADDR flag to be set
– Clear ADDR
–Clear ACK
– Wait for BTF to be set
– Program STOP
– Read DR twice

Inter-integrated circuit (I2C) interface RM0031
494/595 DocID15226 Rev 11
Figure 149. Method 2: transfer sequence diagram for master receiver when N=2
1. Legend:
S= Start, Sr = Repeated Start, P= Stop, A= Acknowledge, NA= Non-acknowledge,
EVx= Event (with interrupt if ITEVTEN=1).
EV5: SB=1, cleared by reading SR1 register followed by writing the DR register.
EV6: ADDR1, cleared by reading SR1 register followed by reading SR3.
In 10-bit master receiver mode, this sequence should be followed by writing CR2 with START = 1.
EV6_1: No associated flag event. The acknowledge should be disabled just after EV6, that is after ADDR is
cleared
EV7_3: BTF = 1, program STOP = 1, read DR twice (Read Data1 and Data2) just after programming the
STOP.
EV9: ADD10= 1, cleared by reading SR1 register followed by writing DR register.
2. EV5, EV6 and EV9 events stretch SCL low until the end of the corresponding software sequence.
3. EV6_1 software sequence must be completed before the ACK pulse of the current byte transfer.
Figure 150. Method 2: transfer sequence diagram for master receiver when N=1
1. Legend:
S= Start, Sr = Repeated Start, P= Stop, A= Acknowledge, NA= Non-acknowledge,
EVx= Event (with interrupt if ITEVTEN=1).
EV5: SB=1, cleared by reading SR1 register followed by writing the DR register.
EV6: ADDR =1, cleared by reading SR1 resister followed by reading SR3 register.
EV6_3: ADDR = 1, program ACK = 0, clear ADDR by reading SR1 register followed by reading SR3
register, program STOP =1 just after ADDR is cleared.
EV7: RxNE =1, cleared by reading DR register.
AAddressS
EV5 EV6
AData1 Data2
EV7_3
NA P
EV6_1
7- bit master receiver
10- bit master receiver
AHeaderS
EV5 EV9
AAddress
EV6
AData1 Data2
EV7_3
NA P
EV6_1
AHeaderS
r
EV5 EV6
AAddressS
EV5
NAData1
EV7
P
EV6_3
10- bit master receiver
AHeaderS
EV5 EV9
AAddress
EV6
7- bit master receiver
NAData1
EV7
P
EV6_3
AHeaderS
r
EV5

DocID15226 Rev 11 495/595
RM0031 Inter-integrated circuit (I2C) interface
519
EV9: ADD10= 1, cleared by reading SR1 register followed by writing DR register.
2. EV5, EV6 and EV9 events stretch SCL low until the end of the corresponding software sequence.
3. EV6_3 software sequence must be completed before the ACK pulse of the current byte transfer.
28.4.3 Error conditions
The following are the error conditions which may cause communication to fail.
Bus error (BERR)
This error occurs when the I2C interface detects an external stop or a start condition during
an address or data transfer. In this case:
•The BERR bit is set and an interrupt is generated if the ITERREN bit is set
•In the case of the slave: data are discarded and the lines are released by hardware:
– In the case of a misplaced start, the slave considers it is a restart and waits for an
address or a stop condition.
– In the case of a misplaced stop, the slave reacts in the same way as for a stop
condition and the lines are released by hardware.
•In the case of the master: the lines are not released and there is no effect in the state of
the current transmission: software can decide if it wants to abort the current
transmission or not.
Acknowledge failure (AF)
This error occurs when the interface detects a non-acknowledge bit. In this case,
•The AF bit is set and an interrupt is generated if the ITERREN bit is set
•A transmitter which receives a NACK must reset the communication:
– If slave: Lines are released by hardware
– If master: A stop condition or repeated start must be generated by software
Arbitration lost (ARLO)
This error occurs when the I2C interface detects an arbitration lost condition. In this case,
•The ARLO bit is set by hardware (and an interrupt is generated if the ITERREN bit is
set).
•The I2C interface goes automatically back to slave mode (the MSL bit is cleared)
•When the I²C loses the arbitration, it is not able to acknowledge its slave address in the
same transfer, but it can acknowledge it after a repeated start from the master.
•Lines are released by hardware

Inter-integrated circuit (I2C) interface RM0031
496/595 DocID15226 Rev 11
Overrun/underrun error (OVR)
An Overrun error can occur in slave mode when clock stretching is disabled and the I2C
interface is receiving data. The interface has received a byte (RXNE = 1) and the data in DR
has not been read, before the next byte is received by the interface. In this case,
•The last received byte is lost
•In case of overrun error, software should clear the RXNE bit and the transmitter should
re-transmit the last received byte.
Underrun error can occur in slave mode when clock stretching is disabled and the I2C
interface is transmitting data. The interface has not updated the DR with the next byte
(TXE=1), before the clock comes for the next byte. In this case,
•The same byte in the DR register will be sent again
•The user should make sure that data received on the receiver side during an underrun
error is discarded and that the next bytes are written within the clock low time specified
in the I2C bus standard.
•For the first byte to be transmitted, the DR must be written after ADDR is cleared and
before the first SCL rising edge. If it is not possible, the receiver must discard the first
data.
28.4.4 SDA/SCL line control
•If clock stretching is enabled:
– Transmitter mode: If TXE = 1 and BTF = 1: the interface holds the clock line low
before transmission to wait for the microcontroller to read SR1 and then write the
byte in the Data register (both buffer and shift register are empty).
– Receiver mode: If RXNE = 1 and BTF = 1: the interface holds the clock line low
after reception to wait for the microcontroller to read SR1 and then read the byte in
the Data Register or write to CR2 (both buffer and shift register are full).
•If clock stretching is disabled in Slave mode:
– Overrun error in case of RXNE = 1 and no read of DR has been done before the
next byte is received. The last received byte is lost.
– Underrun error in case TXE = 1 and no write into DR has been done before the
next byte must be transmitted. The same byte will be sent again.
– Write Collision not managed.
28.4.5 SMBus
Introduction
The System management bus (SMBus) is a two-wire interface through which various
devices can communicate with each other and with the rest of the system. It is based on I2C
principles of operation. SMBus provides a control bus for system and power management
related tasks. A system may use SMBus to pass messages to and from devices instead of
toggling individual control lines.
The system management bus specification refers to three types of devices. A slave is a
device that is receiving or responding to a command. A master is a device that issues
commands, generates the clocks, and terminates the transfer. A host is a specialized
master that provides the main interface to the system's CPU. A host must be a master-slave
and must support the SMBus host notify protocol. Only one host is allowed in a system.

DocID15226 Rev 11 497/595
RM0031 Inter-integrated circuit (I2C) interface
519
Similarities between SMBus and I2C
•2 wire bus protocol (1 Clk, 1 Data) + SMBus Alert line optional
•Master-slave communication, Master provides clock
•Multi master capability
•SMBus data format similar to I2C 7-bit addressing format (Figure 142).
Differences between SMBus and I2C
The following table describes the differences between SMBus and I2C.
SMBus application usage
With System Management Bus, a device can provide manufacturer information, tell the
system what its model/part number is, save its state for a suspend event, report different
types of errors, accept control parameters, and return its status. SMBus provides a control
bus for system and power management related tasks.
Device identification
Any device that exists on the System Management Bus as a slave has a unique address
called the Slave Address. For the list of reserved slave addresses, refer to the SMBus
specification ver. 2.0 (http://smbus.org/specs/).
Bus protocols
The SMBus specification supports up to 9 bus protocols. For more details of these protocols
and SMBus address types, refer to SMBus specification ver. 2.0 (http://smbus.org/specs/).
These protocols should be implemented by the user software.
Table 88. SMBus vs. I2C
SMBus I2C
Max. speed 100 kHz Max. speed 400 kHz
Min. clock speed 10 kHz No minimum clock speed
35 ms clock low timeout No timeout
Logic levels are fixed Logic levels are VDD dependent
Different address types (reserved, dynamic etc.) 7-bit, 10-bit and general call slave address
types
Different bus protocols (quick command, process
call etc.) No bus protocols

Inter-integrated circuit (I2C) interface RM0031
498/595 DocID15226 Rev 11
Address resolution protocol (ARP)
SMBus slave address conflicts can be resolved by dynamically assigning a new unique
address to each slave device. The Address Resolution Protocol (ARP) has the following
attributes:
•Address assignment uses the standard SMBus physical layer arbitration mechanism
•Assigned addresses remain constant while device power is applied; address retention
through device power loss is also allowed
•No additional SMBus packet overhead is incurred after address assignment. (i.e.
subsequent accesses to assigned slave addresses have the same overhead as
accesses to fixed address devices.)
•Any SMBus master can enumerate the bus
Unique device identifier (UDID)
In order to provide a mechanism to isolate each device for the purpose of address
assignment, each device must implement a unique device identifier (UDID).
For the details on 128 bit UDID and more information on ARP, refer to SMBus specification
ver. 2.0 (http://smbus.org/specs/).
SMBus alert mode
SMBus Alert is an optional signal with an interrupt line for devices that want to trade their
ability to master for a pin. SMBALERT is a wired-AND signal just as the SCL and SDA
signals are. SMBALERT is used in conjunction with the SMBus general call address.
Messages invoked with the SMBus are 2 bytes long.
A slave-only device can signal the host through SMBALERT that it wants to talk by setting
ALERT bit in I2C_CR2 register. The host processes the interrupt and simultaneously
accesses all SMBALERT devices through the Alert response address (known as ARA
having a value 0001 100X). Only the device(s) which pulled SMBALERT low will
acknowledge the Alert Response Address. This status is identified using SMBALERT Status
flag in I2C_SR2 register. The host performs a modified Receive Byte operation. The 7 bit
device address provided by the slave transmit device is placed in the 7 most significant bits
of the byte. The eighth bit can be a zero or one.
If more than one device pulls SMBALERT low, the highest priority (lowest address) device
will win communication rights via standard arbitration during the slave address transfer.
After acknowledging the slave address the device must disengage its SMBALERT pull-
down. If the host still sees SMBALERT low when the message transfer is complete, it knows
to read the ARA again.
A host which does not implement the SMBALERT signal may periodically access the ARA.
For more details on SMBus Alert mode, refer to SMBus specification ver. 2.0
(http://smbus.org/specs/).
Timeout error
There are differences in the timing specifications between I2C and SMBus.
SMBus defines a clock low timeout, TIMEOUT of 35 ms. Also SMBus specifies TLOW:
SEXT as the cumulative clock low extend time for a slave device. SMBus specifies TLOW:
MEXT as the cumulative clock low extend time for a master device. For more details on
these timeouts, refer to SMBus specification ver. 2.0 (http://smbus.org/specs/).
The status flag Timeout or Tlow Error in I2C_SR2 shows the status of this feature.

DocID15226 Rev 11 499/595
RM0031 Inter-integrated circuit (I2C) interface
519
How to use the interface in SMBus mode
To switch from I2C mode to SMBus mode, the following sequence should be performed.
•Set the SMBus bit in the I2C_CR1 register
•Configure the SMBTYPE and ENARP bits in the I2C_CR1 register as required for the
application
If you want to configure the device as a master, follow the Start condition generation
procedure in Section 28.4.2: I2C master mode. Otherwise, follow the sequence in
Section 28.4.1: I2C slave mode.
The application has to control the various SMBus protocols by software.
•SMB Device default address acknowledged if ENARP=1 and SMBTYPE=0
•SMB Host header acknowledged if ENARP=1 and SMBTYPE=1
•SMB Alert response address acknowledged if SMBALERT=1
28.4.6 DMA requests
DMA requests (when enabled) are generated only for data transfer. DMA requests are
generated by Data Register becoming empty in transmission and Data Register becoming
full in reception. The DMA must be initialized and enabled before the I2C data transfer.
DMAEN bit must be set in I2C_ITR before the ADDR event. In master mode or in slave
mode when clock stretching is enabled, DMAEN bit can also be set during the ADDR event,
before clearing the ADDR flag. The DMA request must be served before the end of the
current byte transfer. When the number of data transfers which has been programmed for
the corresponding DMA channel is reached, the DMA controller (DMA) sends an End of
Transfer EOT signal to the I2C interface and generates a Transfer complete interrupt if
enabled:
•Master transmitter: In the interrupt routine after the EOT interrupt, disable DMA
requests then wait for a BTF event before programming the Stop condition.
•Master receiver: When the number of bytes to be received is equal to or greater than 2,
the DMA controller sends a hardware signal EOT_1 corresponding to the last but one
data (number_of_bytes - 1). If, in the I2C_CR2 register, the LAST bit is set, the I2C
automatically sends a NACK after the next byte following EOT_1. The user can
generate a Stop condition in the DMA Transfer complete interrupt routine if enabled.
Note: DMA channel 0 is mapped to I2C for reception and DMA channel 3 is mapped to I2C for
transmission.
Transmission using DMA
DMA mode can be enabled for transmission by setting the DMAEN bit in the I2C_ITR
register. Data will be loaded from a memory area configured using the DMA peripheral (refer
to the DMA specification) to the I2C_DR register whenever the TxE bit is set. To map a DMA
channel 3 for I2C transmission, perform the following sequence.

Inter-integrated circuit (I2C) interface RM0031
500/595 DocID15226 Rev 11
1. Set the I2C_DR register address in the DMA_C3PARH/L register. The data will be
moved to this address from the memory after each TxE event.
2. Set the memory address in the DMA_C3M0ARH/L registers. The data will be loaded
into I2C_DR from this memory after each TxE event.
3. Configure the total number of bytes to be transferred in the DMA_C3NDTR register.
After each TxE event, this value will be decremented.
4. Configure the channel priority using the PL[0:1] bits in the DMA_C3SPR register
5. Set the DTD bit and, in the DMA_C3CR register, configure interrupts after half transfer
or full transfer depending on application requirements.
6. Activate the channel by setting the CE bit in the DMA_C3CR register.
When the number of data transfers which has been programmed in the DMA controller
registers is reached, the DMA controller sends an End of transfer EOT/ EOT_1 signal to the
I2C interface and the DMA generates an interrupt, if enabled, on the DMA channel interrupt
vector.
Note: Do not enable the ITBUFEN bit in the I2C_ITR register if DMA is used for transmission.
Reception using DMA
DMA mode can be enabled for reception by setting the DMAEN bit in the I2C_ITR register.
Data will be loaded from the I2C_DR register to a memory area configured using the DMA
peripheral whenever a data byte is received. To map a DMA channel 0 for I2C reception,
perform the following sequence.
1. Set the I2C_DR register address in DMA_C0PARH/L registers. The data will be moved
from this address to the memory after each RxNE event.
2. Set the memory address in the DMA_C0M0ARH/L registers. The data will be loaded
from the I2C_DR register to this memory area after each RxNE event.
3. Configure the total number of bytes to be transferred in the DMA_C0NDTR register.
After each RxNE event, this value will be decremented.
4. Configure the channel 0 priority using the PL[0:1] bits in the DMA_C0SPR register.
5. Reset the DTD bit and configure interrupts in the DMA_C0CR register after half
transfer or full transfer depending on application requirements.
6. Activate the channel 0 by setting the CE bit in the DMA_C0CR register. When the
number of data transfers which has been programmed in the DMA controller registers
is reached, the DMA controller sends an End of Transfer EOT/ EOT_1 signal to the I2C
interface and the DMA generates an interrupt, if enabled, on the DMA channel interrupt
vector.
Note: Do not enable the ITBUFEN bit in the I2C_ITR register if DMA is used for reception.

DocID15226 Rev 11 501/595
RM0031 Inter-integrated circuit (I2C) interface
519
28.4.7 Packet error checking
A PEC calculator has been implemented to improve the reliability of communication. The
PEC is calculated by using the C(x) = x8 + x2 + x + 1 CRC-8 polynomial serially on each bit.
•PEC calculation is enabled by setting the ENPEC bit in the I2C_CR1 register. PEC is a
CRC-8 calculated on all message bytes including addresses and R/W bits.
– In transmission: set the PEC transfer bit in the I2C_CR1 register after the TxE
event corresponding to the last byte. The PEC will be transferred after the last
transmitted byte.
– In reception: set the PEC bit in the I2C_CR2 register after the RxNE event
corresponding to the last byte so that the receiver sends a NACK if the next
received byte is not equal to the internally calculated PEC. PEC must be set
before the ACK pulse of the current byte reception. In case of Master-Receiver, a
NACK must follow the PEC whatever the check result.
•A PECERR error flag/interrupt is also available in the I2C_SR2 register.
•If DMA and PEC calculation are both enabled:-
– In transmission: when the I2C interface receives an EOT signal from the DMA
controller, it automatically sends a PEC after the last byte.
– In reception: when the I2C interface receives an EOT_1 signal from the DMA
controller, it will automatically consider the next byte as a PEC and will check it. A
DMA request is generated after PEC reception.
•To allow intermediate PEC transfers, a control bit is available in the I2C_ITR register
(LAST bit) to determine if it is really the last DMA transfer or not. If it is the last DMA
request for a master receiver, a NACK is automatically sent after the last received byte.
•PEC calculation is corrupted by an arbitration loss.
28.5 I2C low power modes
Table 89. I2C interface behavior in low power modes
Mode Description
Wait/Lo
w power
wait
No effect on I2C interface.
I2C interrupts cause the device to exit from Wait or Low power wait mode.
Halt/Acti
ve-halt
In slave mode: Communication is reset, except for configuration registers. Device is in
slave mode.
Wakeup from Halt interrupt is generated if ITEVTEN = 1 and address matched (including
allowed headers).
The matched address is not acknowledged in Halt mode so the master has to send it
again when the CPU is woken up to receive an acknowledge.
If NOSTRETCH = 0, SCLH will be stretched after acknowledge pulse in Halt mode until
WUFH is cleared by software;
None of the flags are set by the address which wakes up the CPU.
In master mode: Communication is frozen until the CPU is woken up. Wakeup from Halt
flag and interrupt are generated if ITEVTEN=1 and there is a HALT instruction.
Note: It is forbidden to enter Halt mode while a communication is on
going.

Inter-integrated circuit (I2C) interface RM0031
502/595 DocID15226 Rev 11
28.6 I2C interrupts
Table 90. I2C Interrupt requests
Interrupt event Event
flag
Enable
control
bit
Exit
from
Wait/Low
power
wait
Exit
from
Halt
/Active-
halt
Start bit sent (Master) SB
ITEVTEN
Yes
No
Address sent (Master) or Address matched
(Slave) ADDR
10-bit header sent (Master) ADD10
Stop received (Slave) STOPF
Data byte transfer finished BTF
Wakeup from Halt WUFH ITEVTEN Yes
Receive buffer not empty RXNE ITEVTEN
and
ITBUFEN
No
Transmit buffer empty TXE
Bus error BERR
ITERREN
Arbitration loss (Master) ARLO
Acknowledge failure AF
Overrun/underrun OVR
Bus error BERR
ITERREN
Yes No
Arbitration loss (Master) ARLO Yes No
Acknowledge failure AF Yes No
Overrun/Underrun OVR Yes No
PEC error PECERR Yes No
Timeout/Tlow error TIMEOUT Yes No
SMBus Alert SMBALERT Yes No

Inter-integrated circuit (I2C) interface RM0031
504/595 DocID15226 Rev 11
28.7 I2C registers
28.7.1 Control register 1 (I2C_CR1)
Address offset: 0x00
Reset value: 0x00
76 5 43210
NOSTRETCH ENGC ENPEC ENARP SMBTYPE
Reserved
SMBUS PE
rw rw rw rw rw rw rw
Bit 7 NOSTRETCH: Clock stretching disable (Slave mode)
This bit is used to disable clock stretching in slave mode when ADDR or BTF flag is set, until it is
reset by software.
0: Clock stretching enabled
1: Clock stretching disabled
Bit 6 ENGC: General call enable
0: General call disabled. Address 0x00 is NACKed.
1: General call enabled. Address 0x00 is ACKed.
Bit 5 ENPEC: PEC enable
0: PEC calculation disabled
1: PEC calculation enabled
Bit 4 ENARP: ARP enable
0: ARP disabled
1: ARP enabled
SMBus Device default address recognized if SMBTYPE=0
SMBus Host address recognized if SMBTYPE=1
Bit 3 SMBTYPE: SMBus type
0: SMBus Device
1: SMBus Host
Bit 2 Reserved, forced by hardware to 0.
Bit 1 SMBUS: SMBus mode
0: I2C mode
1: SMBus mode
Bit 0 PE: Peripheral enable
0: Peripheral disable
1: Peripheral enable: the corresponding I/Os are selected as alternate functions.
Note: If this bit is reset while a communication is on going, the peripheral is disabled at the end of the
current communication, when back to IDLE state.
All bit resets due to PE=0 occur at the end of the communication.

DocID15226 Rev 11 505/595
RM0031 Inter-integrated circuit (I2C) interface
519
28.7.2 Control register 2 (I2C_CR2)
Address offset: 0x01
Reset value: 0x00
76543210
SWRST Reserved ALERT PEC POS ACK STOP START
rw rw rw rw rw rw rw
Bit 7 SWRST: Software reset
When set, the I2C is at reset state. Before resetting this bit, make sure the I2C lines are released and
the bus is free.
0: I2C Peripheral not at reset state
1: I2C Peripheral at reset state
Note: This bit can be used in case the BUSY bit is set to ‘1’ when no stop condition has been
detected on the bus.
Bit 6 Reserved
Bit 5 ALERT: SMBus alert
This bit is set and cleared by software, and cleared by hardware when PE=0.
0: Releases SMBAlert pin high. Alert Response Address Header followed by NACK.
1: Drives SMBAlert pin low. Alert Response Address Header followed by ACK.
Bit 4 PEC: Packet error checking.
This bit is set and cleared by software, and cleared by hardware when PEC is transferred or by a
START or Stop condition or when PE=0.
0: No PEC transfer
1: PEC transfer (in Tx or Rx mode)
Note: PEC calculation is corrupted by an arbitration loss.
Bit 3 POS: Acknowledge position (for data reception).
This bit is set and cleared by software and cleared by hardware when PE=0.
0: ACK bit controls the (N)ACK of the current byte being received in the shift register. The PEC bit
indicates the current byte in the shift register is PEC.
1: ACK bit controls the (N)ACK of the next byte which will be received in the shift register. The PEC
bit indicates the next byte in the shift register is PEC.
Note: The POS bit is used when the procedure for reception of 2 bytes (see Method 2: transfer
sequence diagram for master receiver when N=2) is followed. It must be configured before
data reception starts. In this case, to NACK the 2nd byte, the ACK bit must be cleared just after
ADDR is cleared.
Note:
To check the PEC when it is the second received byte, the PEC bit must be set during an
ADDR stretch event after the POS bit has been configured.

Inter-integrated circuit (I2C) interface RM0031
506/595 DocID15226 Rev 11
Note: When STOP, START or PEC is set, the user must not perform any write access to I2C_CR2
before the control bit is cleared by hardware. Otherwise, a second STOP, START or PEC
request may occur.
28.7.3 Frequency register (I2C_FREQR)
Address offset: 0x02
Reset value: 0x00
Bit 2 ACK: Acknowledge enable
This bit is set and cleared by software and cleared by hardware when PE=0.
0: No acknowledge returned
1: Acknowledge returned after a byte is received (matched address or data)
Bit 1 STOP: Stop generation
The bit is set and cleared by software, cleared by hardware when a Stop condition is detected, set by
hardware when a timeout error is detected.
– In Master mode:
0: No Stop generation.
1: Stop generation after the current byte transfer or after the current Start condition is sent.
– In Slave mode:
0: No Stop generation.
1: Release the SCL and SDA lines after the current byte transfer.
Bit 0 START: Start generation
This bit is set and cleared by software and cleared by hardware when start is sent or PE=0.
– In Master mode:
0: No Start generation
1: Repeated start generation
– In Slave mode:
0: No Start generation
1: Start generation when the bus is free
76543210
Reserved FREQ[5:0]
rrw
Bits 7:6 Reserved
Bits 5:0 FREQ[5:0] Peripheral clock frequency. (1)
The FREQ field is used by the peripheral to generate data setup and hold times compliant with the
I2C specifications. The FREQ bits must be programmed with the peripheral input clock frequency
value:
The allowed range is between 1 MHz and 16 MHz
000000: not allowed
000001: 1 MHz
000010: 2 MHz
...
010000: 16 MHz
Higher values: not allowed
1. The minimum peripheral clock frequencies for respecting the I2C bus timings are:
1 MHz for standard mode and 4 MHz for fast mode

DocID15226 Rev 11 507/595
RM0031 Inter-integrated circuit (I2C) interface
519
28.7.4 Own address register LSB (I2C_OAR1L)
Address offset: 0x03
Reset value: 0x00
28.7.5 Own address register MSB (I2C_OAR1H)
Address offset: 0x04
Reset value: 0x00
76543210
ADD[7:1] ADD0
rw rw
Bits 7:1 ADD1[7:1] Interface address
bits 7:1 of address
Bit 0 ADD1[0] Interface address
7-bit addressing mode: don’t care
10-bit addressing mode: bit 0 of address
76543210
ADDMODE ADDCONF Reserved ADD[9:8] Reserved
rw rw r rw r
Bit 7 ADDMODE Addressing mode (Slave mode)
0: 7-bit slave address (10-bit address not acknowledged)
1: 10-bit slave address (7-bit address not acknowledged)
Bit 6 ADDCONF Address mode configuration
This bit must set by software (must always be written as ‘1’).
Bits 5:3 Reserved
Bits 2:1 ADD[9:8] Interface address
10-bit addressing mode: bits 9:8 of address.
Bit 0 Reserved

Inter-integrated circuit (I2C) interface RM0031
508/595 DocID15226 Rev 11
28.7.6 Own address register 2 (I2C_OAR2)
Address offset: 0x05
Reset value: 0x00
Note: This register is available on low, medium+ and high-density devices only.
28.7.7 Data register (I2C_DR)
Address offset: 0x06
Reset value: 0x00
7 654321 0
ADD2[7:1] ENDUAL
rw rw
Bits 7:1 ADD2[7:1]: Interface address
Bits 7:1 of address in Dual addressing mode.
Bit 0 ENDUAL: Dual addressing mode enable
0: Only OAR1 is recognized in 7-bit Addressing mode.
1: Both OAR1 and OAR2 are recognized in 7-bit Addressing mode.
76543210
DR[7:0]
rw
Bits 7:0 DR[7:0]: Data register (1)(2)(3)
Byte received or to be transmitted to the bus.
– Transmitter mode: Byte transmission starts automatically when a byte is written in the DR register. A
continuous transmit stream can be maintained if the next data to be transmitted is put in DR once
the transmission is started (TXE=1)
– Receiver mode: Received byte is copied into DR (RXNE=1). A continuous transmit stream can be
maintained if DR is read before the next data is received (RXNE=1).
1. In slave mode, the address is not copied into DR.
2. Write collision is not managed (DR can be written if TXE=0).
3. If an ARLO event occurs on ACK pulse, the received byte is not copied into DR and so cannot be read.

DocID15226 Rev 11 509/595
RM0031 Inter-integrated circuit (I2C) interface
519
28.7.8 Status register 1 (I2C_SR1)
Address offset: 0x07
Reset value: 0x00
76543210
TXE RXNE Reserved STOPF ADD10 BTF ADDR SB
rrrrrrrr
Bit 7 TXE: Data register empty (transmitters) (1) (2)
0: Data register not empty
1: Data register empty
– Set when DR is empty in transmission. TXE is not set during address phase.
– Cleared by software writing to the DR register or by hardware after a start or a stop condition or
when PE=0.
Note: TXE cannot be cleared by writing the first data in transmission or by writing a data when the
BTF bit is set as in both cases, the DR register is still empty.
Bit 6 RXNE: Data register not empty (receivers) (3) (4)
0: Data register empty
1: Data register not empty
– Set when data register is not empty in receiver mode. RXNE is not set during address phase.
– Cleared by software reading or writing the DR register or by hardware when PE=0.
Note: RXE cannot be cleared by reading a data when the BTF bit is set as the DR register is still full
in this case.
Bit 5 Reserved
Bit 4 STOPF: Stop detection (Slave mode) (5)(6)
0: No Stop condition detected
1: Stop condition detected
– Set by hardware when a Stop condition is detected on the bus by the slave after an acknowledge (if
ACK=1).
– Cleared by software reading the SR1 register followed by a write in the CR2 register, or by hardware
when PE=0
Bit 3 ADD10: 10-bit header sent (Master mode) (7)
0: No ADD10 event occurred.
1: Master has sent first address byte (header).
– Set by hardware when the master has sent the first byte in 10-bit address mode.
– Cleared by software reading the SR1 register followed by a write in the DR register of the second
address byte, or by hardware when PE=0.

Inter-integrated circuit (I2C) interface RM0031
510/595 DocID15226 Rev 11
Bit 2 BTF: Byte transfer finished (8)(9) (10)
0: Data byte transfer not done
1: Data byte transfer succeeded
– Set by hardware when NOSTRETCH=0 and:
– In reception when a new byte is received (including ACK pulse) and DR has not been read
yet (RXNE=1).
– In transmission when a new byte should be sent and DR has not been written yet (TXE=1).
– Cleared by software reading SR1 followed by either a read or write in the DR register or by hardware
after a start or a stop condition in transmission or when PE=0.
Bit 1 ADDR: Address sent (master mode)/matched (slave mode) (9)(11)
This bit is cleared by software reading SR1 register followed reading SR3, or by hardware when PE=0.
– Address matched (Slave)
0: Address mismatched or not received.
1: Received address matched.
– Set by hardware as soon as the received slave address matched with the OAR registers
content or a general call or a SMBus is recognized. (when enabled depending on
configuration).
– Address sent (Master)
0: No end of address transmission
1: End of address transmission
– For 10-bit addressing, the bit is set after the ACK of the 2nd byte.
– For 7-bit addressing, the bit is set after the ACK of the byte.
Note: ADDR is not set after a NACK reception
Bit 0 SB: Start bit (Master mode) (9)
0: No Start condition
1: Start condition generated.
– Set when a Start condition generated.
– Cleared by software by reading the SR1 register followed by writing the DR register, or by
hardware when PE=0
1. The interrupt or DMA request will be generated when DR is copied into shift register after an ACK pulse. If a NACK is
received, copy is not done and TXE is not set.
2. TxE is not set if the next byte to be transmitted is the PEC.
3. The interrupt or DMA request will be generated when Shift register is copied into DR after an ACK pulse.
4. RXNE is not set in case of ARLO event.
5. The STOPF bit is not set after a NACK reception.
6. It is recommended to perform the complete clearing sequence (READ SR1 then WRITE CR2) after STOPF is set. Refer to
Figure 145: Transfer sequence diagram for slave receiver on page 487
7. The ADD10 bit is not set after a NACK reception.
8. The BTF bit is not set after a NACK reception, or in case of an ARLO event.
9. Due to timing constraints, when in standard mode if CCR is less than 9 (i.e. with peripheral clock below 2 MHz) with
fSYSCLK = fCPU and the event interrupt disabled, the following procedure must be followed:
modify the reset sequence in order to insert at least 5 cycles between each operations in the flag clearing sequence. For
example, when fSYSCLK = fCPU = 1 MHz, use the following sequence to poll the SB bit:
_label_wait: BTJF I2C_SR1,SB,_label_wait
NOP ;
NOP;
NOP ;
NOP
NOP
LD I2C_DR, A ; once executed, the SB bit is then cleared.
10. The BTF bit is not set if the next byte to be transmitted is the PEC (TRA=1 and PEC=1)
11. In slave mode, it is recommended to perform the complete clearing sequence (READ SR1 then READ SR3) after ADDR is
set. Refer to Figure 145: Transfer sequence diagram for slave receiver on page 487.

DocID15226 Rev 11 511/595
RM0031 Inter-integrated circuit (I2C) interface
519
28.7.9 Status register 2 (I2C_SR2)
Address offset: 0x08
Reset value: 0x00
76543210
SMBALERT TIMEOUT WUFH PECERR OVR AF ARLO BERR
rc_w0 rc_w0 rc_w0 rc_w0 rc_w0 rc_w0 rc_w0 rc_w0
Bit 7 SMBALERT: SMBus alert
In SMBus host mode:
0: no SMBAlert
1: SMBAlert event occurred on pin
In SMBus slave mode:
0: no SMBAlert response address header
1: SMBAlert response address header to SMBAlert LOW received
– Cleared by software writing 0, or by hardware when PE=0.
Bit 6 TIMEOUT: Timeout or Tlow error
0: No timeout error
1: SCL remained low for 25 ms (timeout)
or
Master cumulative clock low extend time more than 10 ms (Tlow:mext)
or
Slave cumulative clock low extend time more than 25 ms (Tlow:sext)
– When set in slave mode: slave resets the communication and lines are released by
hardware
– When set in master mode: Stop condition sent by hardware
– Cleared by software writing 0, or by hardware when PE=0.
Bit 5 WUFH: Wakeup from Halt
0: no wakeup from Halt mode
1: 7-bit address or header match in Halt mode (slave mode) or Halt entered when in master mode.
Note: This bit is set asynchronously in slave mode (during HALT mode). It is set only if ITEVTEN = 1.
– cleared by software writing 0, or by hardware when PE=0.
Bit 4 PECERR: PEC Error in reception
0: no PEC error: receiver returns ACK after PEC reception (if ACK=1)
1: PEC error: receiver returns NACK after PEC reception (whatever ACK)
– Cleared by software writing 0, or by hardware when PE=0.

Inter-integrated circuit (I2C) interface RM0031
512/595 DocID15226 Rev 11
Bit 3 OVR: Overrun/underrun
0: No overrun/underrun
1: Overrun or underrun
– Set by hardware in slave mode when NOSTRETCH=1 and:
– In reception when a new byte is received (including ACK pulse) and the DR register has not
been read yet. New received byte is lost.
– In transmission when a new byte should be sent and the DR register has not been written
yet. The same byte is sent twice.
Cleared by software writing 0, or by hardware when PE=0.
Note: if the DR write occurs very close to the SCL rising edge, the sent data is unspecified and a hold
timing error occurs.
Bit 2 AF: Acknowledge failure.
0: No acknowledge failure
1: Acknowledge failure
– Set by hardware when no acknowledge is returned.
– Cleared by software writing 0, or by hardware when PE=0.
Bit 1 ARLO: Arbitration lost (master mode)
0: No Arbitration lost detected
1: Arbitration lost detected
Set by hardware when the interface loses the arbitration of the bus to another master.
– Cleared by software writing 0, or by hardware when PE=0.
After an ARLO event the interface switches back automatically to Slave mode (MSL=0).
Bit 0 BERR: Bus error
0: No misplaced Start or Stop condition
1: Misplaced Start or Stop condition
– Set by hardware when the interface detects a SDA rising or falling edge while SCL is high,
occurring in a non-valid position during a byte transfer.
– Cleared by software writing 0, or by hardware when PE=0.

DocID15226 Rev 11 513/595
RM0031 Inter-integrated circuit (I2C) interface
519
28.7.10 Status register 3 (I2C_SR3)
Address offset: 0x09
Reset value: 0x00
Note: Reading I2C_SR3 after reading I2C_SR1 clears the ADDR flag, even if the ADDR flag was
set after reading I2C_SR1. Consequently, I2C_SR3 must be read only when ADDR is found
set in I2C_SR1 or when the STOPF bit is cleared.
76543210
DUALF SMBHOST SMBDEFAULT GENCALL Reserved TRA BUSY MSL
rrrrrrrr
Bit 7(1) DUALF: Dual flag (Slave mode)
0: Received address matched with OAR1
1: Received address matched with OAR2
– Cleared by hardware after a Stop condition or repeated Start condition, or when PE=0.
Bit 4 GENCALL: General call header (Slave mode)
0: No general call
1: General call header received when ENGC=1
– Cleared by hardware after a Stop condition or repeated Start condition, or when PE=0.
Bit 3 Reserved
Bit 2 TRA: Transmitter/Receiver
0: Data bytes received
1: Data bytes transmitted
This bit is set depending on R/W bit of address byte, at the end of total address phase.
It is also cleared by hardware after detection of Stop condition (STOPF=1), repeated Start condition,
loss of bus arbitration (ARLO=1), or when PE=0.
Bit 1 BUSY: Bus busy
0: No communication on the bus
1: Communication ongoing on the bus
– Set by hardware on detection of SDA or SCL low
– cleared by hardware on detection of a Stop condition.
It indicates a communication in progress on the bus. This information is still updated when the
interface is disabled (PE=0).
Bit 0 MSL: Master/Slave
0: Slave mode
1: Master mode
– Set by hardware as soon as the interface is in Master mode (SB=1).
– Cleared by hardware after detecting a Stop condition on the bus or a loss of arbitration
(ARLO=1), or by hardware when PE=0.
1. This bit is available in medium+ and high-density devices only (reserved in medium-density devices).

Inter-integrated circuit (I2C) interface RM0031
514/595 DocID15226 Rev 11
28.7.11 Interrupt and DMA register (I2C_ITR)
Address offset: 0x0A
Reset value: 0x00
76543210
Reserved LAST DMAEN ITBUFEN ITEVTEN ITERREN
r rwrwrwrwrw
Bits 7:5 Reserved.
Bit 4 LAST: DMA last transfer
0: Next DMA EOT is not the last transfer
1: Next DMA EOT is the last transfer
Note: This bit is used in master receiver mode to permit the generation of a NACK on the last
received data.
Bit 3 DMAEN: DMA requests enable
0: DMA requests disabled
1: DMA request enabled when TxE=1 or RxNE =1
Bit 2 ITBUFEN: Buffer interrupt enable
0: TXE = 1 or RXNE = 1 does not generate any interrupt.
1:TXE = 1 or RXNE = 1 generates Event interrupt.
Bit 1 ITEVTEN: Event interrupt enable
0: Event interrupt disabled
1: Event interrupt enabled
This interrupt is generated when:
– SB = 1 (Master)
– ADDR = 1 (Master/Slave)
– ADD10= 1 (Master)
– STOPF = 1 (Slave)
– BTF = 1 with no TXE or RXNE event
– TXE event to 1 if ITBUFEN = 1
– RXNE event to 1if ITBUFEN = 1
– WUFH = 1 (asynchronous interrupt to wakeup from Halt)
Bit 0 ITERREN: Error interrupt enable
0: Error interrupt disabled
1: Error interrupt enabled
– This interrupt is generated when:
– BERR = 1
–ARLO = 1
–AF = 1
–OVR = 1
– PECERR = 1
–TIMEOUT = 1
– SMBALERT = 1

DocID15226 Rev 11 515/595
RM0031 Inter-integrated circuit (I2C) interface
519
28.7.12 Clock control register low (I2C_CCRL)
Address offset: 0x02
Reset value: 0x0B
76543210
CCR[7:0]
rw
Bits 7:0 CCR[7:0] Clock control register (Master mode)
Controls the SCLH clock in Master mode.
– Standard mode or SMBus:
Period(I2C) = 2 * CCR * tMASTER
thigh = CCR * tMASTER
tlow = CCR * tMASTER
– Fast mode:
If DUTY = 0:
Period(I2C) = 3* CCR * tMASTER
thigh = CCR * tMASTER
tlow = 2 * CCR * tMASTER
If DUTY = 1: (to reach 400 kHz)
Period(I2C) = 25 * CCR * tMASTER
thigh = 9 * CCR * tMASTER
tlow = 16 * CCR * tMASTER
Note: tCK = 1/ fMASTER. fMASTER is the input clock to the peripheral configured using clock control
register.
The minimum allowed value is 04h, except in FAST DUTY mode where the minimum allowed
value is 0x01.
thigh = tr(SCL) + tw(SCLH). See device datasheet for the definitions of parameters.
tlow = tf(SCL) + tw(SCLL). See device datasheet for the definitions of parameters.
I2C communication speed, fSCL = 1/(thigh + tlow)
The real frequency may differ due to the analog noise filter input delay.

Inter-integrated circuit (I2C) interface RM0031
516/595 DocID15226 Rev 11
28.7.13 Clock control register high (I2C_CCRH)
Address offset: 0x0C
Reset value: 0x00
Note: The CCR registers must be configured only when the I²C is disabled (PE=0).
fMASTER = multiple of 10 MHz is required to generate Fast clock at 400 kHz.
fMASTER
≥
1 MHz is required to generate Standard clock at 100 kHz.
76543210
F/S DUTY Reserved CCR[11:8]
rw rw r rw
Bit 7 F/S: I2C master mode selection
0: Standard mode I2C
1: Fast mode I2C
Bit 6 DUTY: Fast mode duty cycle
0: Fast mode tlow/thigh = 2
1: Fast mode tlow/thigh = 16/9 (see CCR)
Bits 5:4 Reserved
Bits 3:0 CCR[11:8]: Clock control register in Fast/Standard mode (Master mode)(1)
Controls the SCLH clock in master mode.
– Standard mode:
Period(I2C) = 2 * CCR * tMASTER
thigh = CCR * tMASTER
tlow = CCR * tMASTER
– Fast mode:
If DUTY = 0:
Period(I2C) = 3 * CCR * tMASTER
thigh = CCR * tMASTER
tlow = 2 * CCR * tMASTER
If DUTY = 1: (to reach 400 kHz)
Period(I2C) = 25 * CCR * tMASTER
thigh = 9 * CCR * tMASTER
tlow = 16 * CCR * tMASTER
For instance: in standard mode, to generate a 100 kHz SCL frequency:
If FREQR = 08, tMASTER = 125 ns so CCR must be programmed with 0x28
(0x28 <=> 40 x 125 ns = 5000 ns.)
Note: thigh = tr(SCL) + tw(SCLH). See device datasheet for the definitions of parameters
tlow = tf(SCL) + tw(SCLL). See device datasheet for the definitions of parameters
The real frequency may differ due to the analog noise filter input delay.
1. Refer to Table 91: I2C_CCR values for SCL frequency table (fSYSCLK= 10 MHz or 16 MHz) on page 517

DocID15226 Rev 11 517/595
RM0031 Inter-integrated circuit (I2C) interface
519
Table 91. I2C_CCR values for SCL frequency table (fSYSCLK= 10 MHz or 16 MHz(1))
I2C
Speed
I2C
frequency
(fSCL) fSYSCLK = 10 MHz fSYSCLK= 16 MHz
in Hz Actual
(Hz) % Error
(%) I2C_CCR
(h)
Duty
cycle
bit
Actual
(Hz) % Error
(%) I2C_CCR
(h) Duty cycle
bit
Fast
speed
400000 400000 0 1 1 410256.41 2.56 D 0
370000 370370.37 0.10 9 0 380952.38 2.96 E 0
350000 370370.37 5.82 9 0 355555.56 1.59 F 0
320000 333333.33 4.17 A 0 320000 0 2 1
300000 303030.30 1.01 B 0 313725.49 4.57 11 0
270000 277777.78 2.88 C 0 280701.75 3.96 13 0
250000 256410.26 2.56 D 0 253968.25 1.59 15 0
220000 222222.22 1.01 F 0 222222.22 1.01 18 0
200000 200000 0 2 1 205128.20 2.56 1A 0
170000 175438.60 3.20 13 0 172043.01 1.20 1F 0
150000 151515.15 1.01 16 0 152380.95 1.59 23 0
120000 123456.79 2.88 1B 0 121212.12 1.01 2C 0
Standard
speed
100000 100000 0 32
No impact
100000 0 50
No impact
50000 50000 0 64 50000 0 A0
30000 30120.48 0.40 A6 30075.19 0.25 10A
20000 20000 0 FA 20000 0 190
1. The following table gives the values to be written in the I2C_CCR register to obtain the required I²C SCL line frequency

Inter-integrated circuit (I2C) interface RM0031
518/595 DocID15226 Rev 11
28.7.14 TRISE register (I2C_TRISER)
Address offset: 0x0D
Reset value: 0x02
28.7.15 PEC register (I2C_PECR)
Address offset: 0x0E
Reset value: 0x00
76543210
Reserved TRISE[5:0]
rrw
Bits 7:6 Reserved
Bits 5:0 TRISE[5:0] Maximum rise time in Fast/Standard mode (Master mode)
These bits should provide the maximum duration of the SCL feedback loop in master mode. The
purpose is to keep a stable SCL frequency whatever the SCL rising edge duration.
These bits must be programmed with the maximum SCL rise time given in the I2C bus specification,
incremented by 1.
For instance: in standard mode, the maximum allowed SCL rise time is 1000 ns.
If the value in the I2C_FREQR register = 08h, then tMASTER = 125 ns therefore the TRISE[5:0] bits
must be programmed with 0x09.
(1000 ns / 125 ns = 8 + 1)
The filter value can also be added to TRISE[5:0].
If the result is not an integer, TRISE[5:0] must be programmed with the integer part, in order to
respect the tHIGH parameter.
Note: TRISE[5:0] must be configured only when the I2C is disabled (PE = 0).
76543210
PEC[7:0]
rw
Bits 7:0 PEC[7:0] Packet error checking register
This register contains the internal PEC when ENPEC=1.

DocID15226 Rev 11 519/595
RM0031 Inter-integrated circuit (I2C) interface
519
28.7.16 I2C register map and reset values
Table 92. I2C register map
Address
offset Register
name 7 6 5 43210
0x00 I2C_CR1
Reset value
NO STRETCH
0
ENGC
0
ENPEC
0
ENARP
0
SMBTYPE
0
I2CLOAD
0
SMBUS
0
PE
0
0x01 I2C_CR2
Reset value
SWRST
0
-
0
ALERT
0
PEC
0
POS
0
ACK
0
STOP
0
START
0
0x02 I2C_FREQR
Reset value
-
0
-
0
FREQ[5:0]
000000
0x03 I2C_OARL
Reset value
ADD[7:1]
0000000
ADD0
0
0x04 I2C_OARH
Reset value
ADDMODE
0
ADDCONF
0
-
0
-
0
-
0
ADD1[9:8]
00
-
0
0x05(1) I2C_OAR2
Reset value
ADD2[7:1]
0
ENDUAL
0
0x06 I2C_DR
Reset value
DR[7:0]
0
0x07 I2C_SR1
Reset value
TXE
0
RXNE
0
-
0
STOPF
0
ADD10
0
BTF
0
ADDR
0
SB
0
0x08 I2C_SR2
Reset value
SMBALERT
0
TIMEOUT
0
WUFH
0
PECERR
0
OVR
0
AF
0
ARLO
0
BERR
0
0x09 I2C_SR3
Reset value
DUALF(1)
0
SMBHOST
0
SMBDEFAULT
0
GENCALL
0
-
0
TRA
0
BUSY
0
MSL
0
0x0A I2C_ITR
Reset value
-
0
-
0
-
0
LAST
0
DMAEN
0
ITBUFEN
0
ITEVTEN
0
ITERREN
0
0x0B I2C_CCRL
Reset value
CCR[7:0]
00000000
0x0C I2C_CCRH
Reset value
FS
0
DUTY
0
-
0
-
0
CCR[11:8]
0000
0x0D I2C_TRISER
Reset value
-
0
-
0
TRISE[5:0]
000010
0x0E I2C_PECR
Reset value
PEC[7:0]
0
1. Available in medium+ and high-density devices only. Reserved in medium-density devices.

Universal synchronous/asynchronous receiver transmitter (USART) RM0031
520/595 DocID15226 Rev 11
29 Universal synchronous/asynchronous receiver
transmitter (USART)
This section applies to low-density STM8L05xx/STM8L15xx devices, medium-density
STM8L05xx/STM8L15xx devices, medium+ density STM8L05xx/STM8L15xx devices and
high-density STM8L05xx/STM8L15xx/STM8L16xx devices, unless otherwise specified.
29.1 USART introduction
The USART (universal synchronous asynchronous receiver transmitter) offers a flexible
means of full-duplex data exchange with external equipment requiring an industry standard
NRZ asynchronous serial data format. It offers a very wide range of baud rates.
The USART supports synchronous one-way communication and half-duplex single wire
communication. Smartcard Protocol and IrDA (infrared data association) SIR ENDEC
specifications are also supported. The USART can also be used for multiprocessor
communication. High-speed data communication is possible by using the DMA for
multibuffer configuration.

DocID15226 Rev 11 521/595
RM0031 Universal synchronous/asynchronous receiver transmitter (USART)
557
29.2 USART main features
•Full duplex, asynchronous communications
•NRZ standard format (Mark/Space)
•High-precision baud rate generator system
– Common programmable transmit and receive baud rates up to fSYSCLK/16
•Programmable data word length (8 or 9 bits)
•Configurable STOP bits - support for 1 or 2 STOP bits
•Transmitter clock output for synchronous communication
•Single wire Half duplex communication
•IrDA SIR Encoder Decoder
– Support for 3/16 bit duration for normal mode
•Smartcard emulation capability
– The Smartcard interface supports the asynchronous protocol for Smartcards as
defined in ISO 7816-3 standards
– 1.5 Stop bits for Smartcard operation
•Configurable multibuffer communication using DMA (direct memory access)
– Buffering of received/transmitted bytes in reserved RAM using centralized DMA
•Separate enable bits for Transmitter and Receiver
•Transfer detection flags:
– Receive buffer full
– Transmit buffer empty
– End of Transmission flags
•Parity control:
– Transmits parity bit
– Checks parity of received data byte
•4 error detection flags:
– Overrun error
– Noise error
– Frame error
– Parity error
•8 interrupt sources with flags:
– Transmit data register empty
– Transmission complete
– Receive data register full
– Idle line received
– Parity error
– Overrun error
– Framing error
– Noise error
•2 interrupt vectors:
– Transmitter interrupt
– Receiver interrupt

Universal synchronous/asynchronous receiver transmitter (USART) RM0031
522/595 DocID15226 Rev 11
•Reduced power consumption mode
•Multi-Processor communication - enter into mute mode if address match does not
occur
•Wakeup from mute mode (by idle line detection or address mark detection)
•2 receiver wakeup modes:
– Address bit (MSB)
– Idle line
29.3 USART functional description
The interface is externally connected to another device by three pins (see Figure 152). Any
USART bidirectional communication requires a minimum of two pins: USART Receive data
input (USART_RX) and USART transmit data output (USART_TX):
USART_RX is the serial data input. Over-sampling techniques are used for data recovery
by discriminating between valid incoming data and noise.
USART_TX is the serial data output. When the transmitter is disabled, the output pin returns
to its I/O port configuration. When the transmitter is enabled and nothing is to be
transmitted, the pin is at high level.
Through these pins, serial data is transmitted and received in normal USART mode as
frames including:
•An Idle Line prior to transmission or reception
•A start bit
•A data word (8 or 9 bits) least significant bit first
•1, 1.5 and 2 STOP bits indicating that the frame is complete
•A status register (USART_SR)
•Data register (USART_DR)
•16-bit baud rate prescaler (USART_BRR)
•Guard time register for use in Smartcard mode
Refer to the register description for the definitions of each bit.
The following pin is required to interface in synchronous mode:
USART_CK: Transmitter clock output. This pin outputs the transmitter data clock for
synchronous transmission (no clock pulses on start bit and STOP bit, and a software
option to send a clock pulse on the last data bit). This can be used to control
peripherals that have shift registers (e.g. LCD drivers). The clock phase and polarity
are software programmable. In Smartcard mode, USART_CK can provide the clock to
the Smartcard.
The USART_RX and USART_TX pins are used in IrDA mode as follows:
USART_RX = IrDA_RDI: Receive Data Input in IrDA mode
USART_TX = IrDA_TDO: Transmit Data Output in IrDA mode

DocID15226 Rev 11 523/595
RM0031 Universal synchronous/asynchronous receiver transmitter (USART)
557
Figure 152. STM8L05xx/15xx/16xx USART block diagram
WAKE_UP
UNIT
RECEIVER
CONTROL
USART_SR
TRANSMIT
CONTROL
TXE TC RXNE IDLE OR NF FE
CONTROL
INTERRUPT
USART_CR1
R8 T8 MWAKE
Receive Data Register (RDR)
Receive Shift Register
Read
Transmit Data Register (TDR)
Transmit Shift Register
Write
USART_TX
USART_DR
(DATA REGISTER)
BAUD RATE
fSYSCLK
GENERATOR
SBKRWURENTENILIENRIENTCIENTIEN
USART_CR2
USARTD PCEN PS
PIEN
PE
IRLPSCEN IRENDMARDMAT
USART_CR4
USART_CR5
IrDA
SIR ENDEC
BLOCK
-
-
CLKEN CPOL CPHA LBCL
USART_CK CONTROL
USART_CK
USART_CR3
GUARD TIME REGISTER
STOP BITS
EIENACK
USART_BRR
HDSEL
-ADD--
USART_RX
MCU bus
-
USART_GTR
CPU or DMA CPU or DMA

Universal synchronous/asynchronous receiver transmitter (USART) RM0031
524/595 DocID15226 Rev 11
29.3.1 USART character description
Word length may be selected as being either 8 or 9 bits by programming the M bit in the
USART_CR1 register (see Figure 153).
The USART_TX pin is in low state during the start bit. It is in high state during the STOP bit.
An Idle character is interpreted as an entire frame of “1”s (the number of “1” ‘s includes the
start bit, the number of data bits and the number of STOP bits).
A Break character is interpreted on receiving “0”s for a frame period. At the end of the
break frame the transmitter inserts either 1 or 2 STOP bits (logic “1” bit) to acknowledge the
start bit.
Transmission and reception are driven by a common baud rate generator, the clock for each
is generated when the enable bit is set respectively for the transmitter and receiver.
The details of each block is given below.
Figure 153. Word length programming
Bit0 Bit1 Bit2 Bit3 Bit4 Bit5 Bit6 Bit7 Bit8
Start
Bit STOP
Bit
Next
Start
Bit
Idle Frame
Bit0 Bit1 Bit2 Bit3 Bit4 Bit5 Bit6 Bit7
Start
Bit STOP
Bit
Next
Start
Bit
Idle frame Start
Bit
9-bit word length (M bit is set), 1 STOP bit
8-bit word length (M bit is reset), 1 STOP bit
Possible
parity
bit
Possible
Parity
Bit
Break Frame Start
Bit
Extra
’1’
Data Frame
Break frame Start
Bit
Extra
’1’
Data Frame
Next data frame
Next data frame
Start
Bit
****
** LBCL bit controls last data clock pulse
CLOCK
CLOCK
** LBCL bit controls last data clock pulse
**
**

DocID15226 Rev 11 525/595
RM0031 Universal synchronous/asynchronous receiver transmitter (USART)
557
29.3.2 Transmitter
The transmitter can send data words of either 8 or 9 bits depending on the M bit status.
When the M bit is set, word length is 9 bits and the 9th bit (the MSB) has to be stored in the
T8 bit in the USART_CR1 register.
When the transmit enable bit (TEN) is set, the data in the transmit shift register is output on
the USART_TX pin and the corresponding clock pulses are output on the USART_CK pin.
Character transmission
During a USART transmission, data shifts out least significant bit first on the USART_TX
pin. In this mode, the USART_DR register consists of a buffer (TDR) between the internal
bus and the transmit shift register (see Figure 152).
Every character is preceded by a start bit which is a logic level low for one bit period. The
character is terminated by a configurable number of STOP bits.
The following STOP bits are supported by USART.
Note: 1 The TEN bit should not be reset during transmission of data.Resetting the TEN bit during
the transmission will corrupt the data on the USART_TX pin as the baud rate counters will
get frozen.The current data being transmitted will be lost.
2 An idle frame will be sent after the TEN bit is enabled.
Configurable STOP bits during transmission
The number of STOP bits to be transmitted with every character can be programmed in
Control register 3, bits 5,4.
•1 STOP bit: This is the default value of number of STOP bits.
•2 STOP bits: This will be supported by normal mode USART.
•1.5 STOP bits: To be used in Smartcard mode.
An idle frame transmission will include the STOP bits.
A break transmission consists of 10 low bits followed by the configured number of STOP bits
(when m = 0) and 11 low bits followed by the configured number of STOP bits (when m = 1).
It is not possible to transmit long breaks (break of length greater than 10/11 low bits).

Universal synchronous/asynchronous receiver transmitter (USART) RM0031
526/595 DocID15226 Rev 11
Figure 154. Configurable STOP bits
Procedure
1. Program the M bit in USART_CR1 to define the word length.
2. Program the number of STOP bits in USART_CR3.
3. Select DMA enable (DMAT) in USART_CR5 if Multibuffer communication is to take
place. Configure the DMA register as explained in Section 29.3.12: Continuous
communication using DMA on page 544.
4. Select the desired baud rate by programming the baud rate registers in the following
order:
a) USART_BRR2
b) USART_BRR1
5. Set the TEN bit in USART_CR2 to enable transmitter mode.
6. Write the data to send in the USART_DR register (this clears the TXE bit). Repeat this
for each data to be transmitted in case of single buffer.
7. Once the last data is written to the USART_DR register, wait until TC is set to ‘1’, which
indicates that the last data transmission is complete. This last step is required, for
instance, to avoid last data transmission corruption when disabling the USART or
entering Halt mode.
Single byte communication
Clearing the TXE bit is always performed by a write to the data register.
Bit0 Bit1 Bit2 Bit3 Bit4 Bit5 Bit6 Bit7
Start
Bit STOP
Bit
Next
Start
Bit
8-bit Word length (M bit is reset) Possible
Parity
Bit
Data Frame
Next Data Frame
****
** LBCL bit controls last data clock pulse
CLOCK **
Bit0 Bit1 Bit2 Bit3 Bit4 Bit5 Bit6 Bit7
Start
Bit 2 STOP
bits
Next
Start
Bit
Possible
Parity
Bit
Data Frame
Next Data Frame
Bit0 Bit1 Bit2 Bit3 Bit4 Bit5 Bit6 Bit7
Start
Bit
Next
Start
Bit
Possible
Parity
Bit
Data Frame
Next Data Frame
1 1/2 STOP bits
a) 1 STOP bit
b) 1 1/2 STOP bits *
c) 2 STOP bits

DocID15226 Rev 11 527/595
RM0031 Universal synchronous/asynchronous receiver transmitter (USART)
557
The TXE bit is set by hardware and it indicates:
•The data has been moved from TDR to the shift register and the data transmission has
started.
•The TDR register is empty.
•The next data can be written in the USART_DR register without overwriting the
previous data.
This flag generates an interrupt if the TIEN bit is set.
When a transmission is taking place, a write instruction to the USART_DR register stores
the data in the TDR register. The data is copied in the shift register at the end of the current
transmission.
When no transmission is taking place, a write instruction to the USART_DR register places
the data directly in the shift register, the data transmission starts, and the TXE bit is
immediately set.
If a frame transmission is complete (after the stop bit) and the TXE bit is set, the TC bit is
set. An interrupt is generated if the TCIEN is set in the USART_CR2 register. After writing
the last data into the USART_DR register, it is mandatory to wait until TC is set to ‘1’ before
entering Halt mode or disabling the USART (see Figure 155: TC/TXE behavior when
transmitting).
Clearing the TC bit is performed by the following software sequence:
1. A read to the USART_SR register
2. A write to the USART_DR register
Note: The TC bit can also be cleared by writing a ‘0’ to it. This clearing sequence is recommended
only for multibuffer communication.
Figure 155. TC/TXE behavior when transmitting
1. This example assumes that several other transmissions occurred after TE has been set. Otherwise an
IDLE preamble would be transmitted first when writing to USART_DR for the first time.
Break character
Setting the SBK bit transmits a break character. The break frame length depends on the M
bit (see Figure 153).
7;OLQH
86$57B'5
)
7&IODJ
)
EHFDXVH7;(
VRIWZDUHZDLWVXQWLO7&
7&LVVHWEHFDXVH
7;(
VHW
,GOHSUHDPEOH
E\KDUGZDUH
)
VRIWZDUH
HQDEOHVWKH
86$57
7&LVQRWVHW
EHFDXVH7;(
7;(IODJ
VRIWZDUHZDLWVXQWLO7;(
DQGZULWHV)LQWR'5
VRIWZDUHZDLWVXQWLO7;(
DQGZULWHV)LQWR'5
VRIWZDUHZDLWVXQWLO7;(
DQGZULWHV)LQWR'5
)UDPH )UDPH )UDPH
VHWE\KDUGZDUH
VHWE\KDUGZDUH
FOHDUHGE\VRIWZDUH
VHWE\KDUGZDUH
FOHDUHGE\VRIWZDUH
7&LVQRWVHW
DLG

Universal synchronous/asynchronous receiver transmitter (USART) RM0031
528/595 DocID15226 Rev 11
If the SBK bit is set to ‘1’ a break character is sent on the USART_TX line after completing
the current character transmission. This bit is reset by hardware when the break character is
completed (during the STOP bit of the break character).The USART inserts a logic 1 bit at
the end of the last break frame to guarantee the recognition of the start bit of the next frame.
Note: The break character is sent without taking into account the number of STOP bits. If the
USART is programmed with 2 STOP bits, the Tx line is pulled low until the end of the first
STOP bit only. Then 2 logic 1 bits are inserted before the next character.
Note: If the software resets the SBK bit before the start of break transmission, the break character
is not transmitted. For two consecutive breaks, the SBK bit should be set after the STOP bit
of the previous break.
Idle character
Setting the TEN bit drives the USART to send an idle frame before the first data frame.
29.3.3 Receiver
The USART can receive data words of either 8 or 9 bits. When the M bit is set, word length
is 9 bits and the MSB is stored in the R8 bit in the USART_CR1 register.
Start bit detection
In the USART, the start bit is detected when a specific sequence of samples is recognized.
This sequence is: 1 1 1 0 X 0 X 0X 0X 0 X 0X 0. The start bit detection sequence shown in
Figure 156.
Figure 156. Start bit detection
Note: If the sequence is not complete, the start bit detection aborts and the receiver returns to the
idle state (no flag is set), where it waits for a falling edge.
If only 2 out of the 3 bits are at 0 (sampling on the 3rd, 5th and 7th bits or sampling on the 8th,
9th and 10th bits), the start bit is validated but the NF noise flag bit is set.
28LINE
SAMPLEDVALUES
)DLE 3TARTBIT28STATE
2EAL
SAMPLE
CLOCK
)DEAL
SAMPLE
CLOCK
88888888
#ONDITIONS
TOVALIDATE
THESTARTBIT
!TLEASTBITS
OUTOFAT
!TLEASTBITS
OUTOFAT
&ALLINGEDGE
DETECTION
8 8 8888 88
/NEBITTIME
8
AI

DocID15226 Rev 11 529/595
RM0031 Universal synchronous/asynchronous receiver transmitter (USART)
557
The start bit is confirmed if the last 3 samples are at 0 (sampling on the 8th, 9th, and 10th
bits.
Character reception
During a USART reception, data shifts in least significant bit first through the USART_RX
pin. In this mode, the USART_DR register consists of a buffer (RDR) between the internal
bus and the received shift register (see Figure 2).
Procedure:
1. Program the M bit in USART_CR1 to define the word length.
2. Program the number of STOP bits in USART_CR3.
3. Select DMA enable (DMAR) in USART_CR5 if multibuffer communication is to take
place. Configure the DMA register as explained in Section 29.3.12: Continuous
communication using DMA on page 544.
4. Select the desired baud rate by programming the baud rate registers in the following
order:
a) USART_BRR2
b) USART_BRR1
5. Set the REN bit USART_CR2. This enables the receiver which begins searching for a
start bit.
When a character is received
•The RXNE bit is set. It indicates that the content of the shift register is transferred to the
RDR.
•An interrupt is generated if the RIEN bit is set.
•The error flags can be set if a frame error, noise or an overrun error has been detected
during reception.
•In multibuffer, the RXNE bit is set after every byte received and is cleared by the DMA
read to the Data Register.
•In single buffer mode, clearing the RXNE bit is performed by a software read to the
USART_DR register. The RXNE flag can also be cleared by writing a zero to it. The
RXNE bit must be cleared before the end of the reception of the next character to avoid
an overrun error.
Note: The REN bit should not be reset while receiving data. If the REN bit is disabled during
reception, the reception of the current byte will be aborted.
Break character
When a break character is received, the USART handles it as a framing error.
Idle character
When an idle frame is detected, there is the same procedure as a received data character
plus an interrupt if the ILIEN bit is set.
Overrun error
An overrun error occurs when a character is received when RXNE has not been reset. Data
can not be transferred from the shift register to the RDR register until the RXNE bit is
cleared.

Universal synchronous/asynchronous receiver transmitter (USART) RM0031
530/595 DocID15226 Rev 11
The RXNE flag is set after every byte received. An overrun error occurs if RXNE flag is set
when the next data is received or the previous DMA request has not been serviced.When
an overrun error occurs:
•The OR bit is set.
•The RDR content will not be lost. The previous data is available when a read to
USART_DR is performed.
•The shift register will be overwritten. The second data received during overrun is lost.
•An interrupt is generated if the RIEN bit is set or both the EIE and DMAR bits are set.
•The OR bit is reset by a read to the USART_SR register followed by a USART_DR
register read operation.
Noise error
Over-sampling techniques are used for data recovery by discriminating between valid
incoming data and noise.
Figure 157. Data sampling for noise detection
Note: The sample clock frequency is 16x baud rate.
When noise is detected in a frame:
•The NF is set at the rising edge of the RXNE bit.
•The invalid data is transferred from the Shift register to the USART_DR register.
RX LINE
Sample
clock 1234567891011
12 13 14 15 16
sampled values
One bit time
6/16
7/16 7/16
Table 93. Noise detection from sampled data
Sampled value NF status Received bit value Data validity
000 0 0 Valid
001 1 0 Not Valid
010 1 0 Not Valid
011 1 1 Not Valid
100 1 0 Not Valid
101 1 1 Not Valid
110 1 1 Not Valid
111 0 1 Valid

DocID15226 Rev 11 531/595
RM0031 Universal synchronous/asynchronous receiver transmitter (USART)
557
This bit rises at the same time as the RXNE bit which generates an interrupt. The NF bit is
reset by a USART_SR register read operation followed by a USART_DR register read
operation.
Framing error
A framing error is detected when:
The STOP bit is not recognized on reception at the expected time, following either a de-
synchronization or excessive noise.
When the framing error is detected:
•The FE bit is set by hardware
•The invalid data is transferred from the Shift register to the USART_DR register.
•No interrupt is generated in case of single byte communication. However, this bit rises
at the same time as the RXNE bit which itself generates an interrupt.
The FE bit is reset by a USART_SR register read operation followed by a USART_DR
register read operation.
Configurable STOP bits during reception
The number of STOP bits to be received can be configured through the control bits of
Control Register 3 - it can be either 1 or 2 in normal mode, 1 in IrDA mode and 1.5 in
Smartcard mode.
1. 1 STOP bit: Sampling for 1 STOP bit is done on the 8th, 9th and 10th samples.
2. 1.5 STOP bits (Smartcard mode only): Sampling for 1.5 STOP bits is done on the
16th,17th and 18th samples. An NACK signal received from the Smartcard forces the
data signal low during the sampling, flagged as a framing error. Then, the FE flag is set
with the RXNE at the end of the 1.5 STOP bit.
3. 2 STOP bits: Sampling for 2 STOP bits is done on the 8th, 9th and 10th samples of the
first STOP bit.If a framing error is detected during the first STOP bit the framing error
flag will be set. The second STOP bit is not checked for framing error. The RXNE flag
will be set at the end of the first STOP bit.
29.3.4 High precision baud rate generator
The receiver and transmitter (Rx and Tx) are both set to the same baud rate programmed by
a 16-bit divider USART_DIV according to the following formula:
The USART_DIV baud rate divider is an unsigned integer, coded in the BRR1 and BRR2
registers as shown in Figure 158.
Refer to Table 94 for typical baud rate programming examples.
Tx/ Rx baud rate = fSYSCLK
USART_DIV

Universal synchronous/asynchronous receiver transmitter (USART) RM0031
532/595 DocID15226 Rev 11
Figure 158. How to code USART_DIV in the BRR registers
Note: The Baud Counters will be updated with the new value of the Baud Registers after a write to
BRR1. Hence the Baud Register value should not be changed during a transaction. The
BRR2 should be programmed before BRR1.
Note: USART_DIV must be greater than or equal to 16d.
7070
USART_BRR1 USART_BRR2
4 3
Example: To obtain 9600 baud with fSYSCLK = 10 MHz.
USART_DIV[15:12]USART_DIV[11:4] USART_DIV[3:0]
USART_DIV = 1042d = 0412h See the following table.
register = 02h
USART_DIV = 10 000 000/9600
register = 41h
41h 2h
0h
Table 94. Baud rate programming and error calculation
Baud
rate fSYSCLK= 10 MHz fSYSCLK = 16 MHz
In bps Actual
(bps) % Error
(%)(1) USART_DIV
(h) BRR1
(h) BRR2
(h) Actual %
Error(1) USART_
DIV BRR1 BRR2
2400 2399.81 -0.008 1047 4 17 2399.88 -0.005 1A0B A0 1B
9600 9596.93 -0.03 412 41 2 9598.08 -0.02 683 68 3
19200 19193.86 -0.03 209 20 9 19207.68 0.04 341 34 1
57600 57471.26 -0.22 AE A E 57553.96 -0.08 116 11 6
115200 114942.53 -0.22 57 5 7 115107.91 -0.08 8B 8 B
230400 232558.14 0.94 2B 2 B 231884.06 0.64 45 4 5
460800 454545.45 -1.36 16 1 6 457142.86 -0.79 23 2 3
921600 NA NA NA NA NA 941176.47 2.12 11 1 1
1. Error % = (Calculated - Desired) Baud Rate / Desired Baud Rate

DocID15226 Rev 11 533/595
RM0031 Universal synchronous/asynchronous receiver transmitter (USART)
557
Note: The lower the fSYSCLK frequency, the lower will be the accuracy for a particular baud rate.The
upper limit of the achievable baud rate can be fixed with this data.
Table 95. Baud rate programming and error calculation
Baud
rate fSYSCLK= 10 MHz fSYSCLK = 16 MHz
In bps Actual
(bps) % Error
(%)(1) USART_DIV
(h) BRR1
(h) BRR2
(h) Actual %
Error(1) USART_
DIV BRR1 BRR2
2400 2399.81 -0.008 1047 4 17 2399.88 -0.005 1A0B A0 1B
9600 9596.93 -0.03 412 41 2 9598.08 -0.02 683 68 3
19200 19193.86 -0.03 209 20 9 19207.68 0.04 341 34 1
57600 57471.26 -0.22 AE A E 57553.96 -0.08 116 11 6
115200 114942.53 -0.22 57 5 7 115107.91 -0.08 8B 8 B
230400 232558.14 0.94 2B 2 B 231884.06 0.64 45 4 5
460800 454545.45 -1.36 16 1 6 457142.86 -0.79 23 2 3
921600 NA NA NA NA NA 941176.47 2.12 11 1 1
1. Error % = (Calculated - Desired) Baud Rate / Desired Baud Rate
Table 96. Baud rate programming and error calculation
Baud
rate fMASTER = 10 MHz fMASTER = 16 MHz
In bps Actual % Error
(%)(1) USART_DIV BRR1 BRR2 Actual %
Error(1) USART_
DIV BRR1 BRR2
2.4 2.399 -0.04 1047h 04h 17h 2.4 0.0 2710h 71h 20h
9.6 9.596 -0.04 0412h 41h 02h 9.6 0.0 09C4h 9Ch 04h
19.2 19.193 -0.03 0209h 20h 09h 19.2 0.0 04E2 4Eh 02h
57.6 57.471 -0.22 00AEh 0Ah 0Eh 57.554 -0.08 01A1h 1Ah 01h
115.2 114.942 -0.22 0057h 05h 07h 115.385 0.16 00D0h 0Dh 00h
230.4 232.558 -0.94 002Bh 02h 0Bh 230.769 0.16 0068h 06h 08h
460.8 454.545 -1.36 0016h 01h 06h 461.538 0.16 0034h 03h 04h
921.6 NA NA NA 923.077 0.16 001Ah 01h 0Ah
1. Error % = (Calculated - Desired) Baud Rate / Desired Baud Rate

Universal synchronous/asynchronous receiver transmitter (USART) RM0031
534/595 DocID15226 Rev 11
29.3.5 USART receiver’s tolerance to clock deviation
The USART’s asynchronous receiver works correctly only if the total clock system deviation
is smaller than the USART receiver’s tolerance. The causes which contribute to the total
deviation are:
•DTRA: Deviation due to the transmitter error (which also includes the deviation of the
transmitter’s local oscillator)
•DQUANT: Error due to the baud rate quantization of the receiver
•DREC: Deviation of the receiver’s local oscillator
•DTCL: Deviation due to the transmission line (generally due to the transceivers which
can introduce an asymmetry between the low-to-high transition timing and the high-to-
low transition timing)
DTRA + DQUANT + DREC + DTCL < USART receiver’s tolerance
The USART receiver’s tolerance to properly receive data is equal to the maximum tolerated
deviation and depends on the following choices:
•10- or 11-bit character length defined by the M bit in the USART_CR1 register
•Use of fractional baud rate or not
Note: The figures specified in Table 97 and Table 98 may slightly differ in the special case when
the received frames contain some Idle frames of exactly 10-bit times when M=0 (11-bit times
when M=1).
29.3.6 Parity control
Parity control (generation of parity bit in transmission and parity checking in reception) can
be enabled by setting the PCEN bit in the USART_CR1 register. Depending on the frame
length defined by the M bit, the possible USART frame formats are as listed in Table 99.
Table 97. USART receiver’s tolerance when USART_DIV[3:0] is 0
M bit NF is an error NF is don’t care
0 3.75% 4.375%
1 3.41% 3.97%
Table 98. USART receiver’s tolerance when USART_DIV[3:0] is different from 0
M bit NF is an error NF is don’t care
0 3.33% 3.88%
1 3.03% 3.53%

DocID15226 Rev 11 535/595
RM0031 Universal synchronous/asynchronous receiver transmitter (USART)
557
Legends: SB: Start Bit, STB: STOP bit, PB: Parity bit
Note: In case of wakeup by an address mark, the MSB bit of the data is taken into account and not
the parity bit
Even parity: the parity bit is calculated to obtain an even number of “1s” inside the frame
made of the 7 or 8 LSB bits (depending on whether M is equal to 0 or 1) and the parity bit.
Ex: data=00110101; 4 bits set => parity bit will be 0 if even parity is selected (PS bit in
USART_CR1 = 0).
Odd parity: the parity bit is calculated to obtain an odd number of “1s” inside the frame
made of the 7 or 8 LSB bits (depending on whether M is equal to 0 or 1) and the parity bit.
Example: data=00110101; 4 bits set => parity bit will be 1 if odd parity is selected (PS bit in
USART_CR1 = 1).
Transmission: If the PCEN bit is set in USART_CR1 then the MSB bit of the data written in
the data register is not transmitted but is changed by the parity bit to give an even number of
‘1’s if even parity is selected (PS=0) or an odd number of ‘1’s if odd parity is selected
(PS=1).
Reception: If the parity check fails, the PE flag is set in the USART_SR register and an
interrupt is generated if the PIEN bit is set in the USART_CR1 register.
Table 99. Frame formats
M bit PCEN bit USART frame
0 0 | SB | 8 bit data | STB |
0 1 | SB | 7-bit data | PB | STB |
1 0 | SB | 9-bit data | STB |
1 1 | SB | 8-bit data PB | STB |

Universal synchronous/asynchronous receiver transmitter (USART) RM0031
536/595 DocID15226 Rev 11
29.3.7 Multi-processor communication
It is possible to perform multiprocessor communication with the USART (several USARTs
connected in a network). For example, one of the USARTs can be the master, its Tx output
is connected to the Rx input of the other USART. The others are slaves, their respective Tx
outputs are logically ANDed together and connected to the Rx input of the master.
In multiprocessor configurations it is often desirable that only the intended message
recipient should actively receive the full message contents, thus reducing redundant USART
service overhead for all non addressed receivers.
The non addressed devices may be placed in mute mode by means of the muting function.
In mute mode:
•None of the reception status bits can be set.
•All the receive interrupts are inhibited.
•The RWU bit in USART_CR2 register is set to 1. RWU can be controlled automatically
by hardware or written by the software under certain conditions.
The USART can enter or exit from mute mode using one of two methods, depending on the
WAKE bit in the USART_CR1 register:
•Idle Line detection if the WAKE bit is reset,
•Address Mark detection if the WAKE bit is set.
Idle line detection (WAKE=0)
The USART enters mute mode when the RWU bit is written to 1.
It wakes up when an Idle frame is detected. Then the RWU bit is cleared by hardware but
the IDLE bit is not set in the USART_SR register. RWU can also be written to 0 by software.
An example of mute mode behavior using idle line detection is given in Figure 159.
Figure 159. Mute mode using Idle line detection
Address mark detection (WAKE=1)
In this mode, bytes are recognized as addresses if their MSB is a ‘1’ else they are
considered as data. In an address byte, the address of the targeted receiver is put on the 4
LSB. This 4-bit word is compared by the receiver with its own address which is programmed
in the ADD bits in the USART_CR4 register.
The USART enters mute mode when an address character is received which does not
match its programmed address. The RXNE flag is not set for this address byte and no
interrupt nor DMA request is issued as the USART would have entered mute mode.
RWU written to 1
Data 1 IDLE
RX Data 2 Data 3 Data 4 Data 6Data 5
RWU Mute Mode Normal Mode
Idle frame detected
RXNE RXNE

DocID15226 Rev 11 537/595
RM0031 Universal synchronous/asynchronous receiver transmitter (USART)
557
It exits from mute mode when an address character is received which matches the
programmed address. Then the RWU bit is cleared and subsequent bytes are received
normally. The RXNE bit is set for the address character since the RWU bit has been
cleared.
The RWU bit can be written to 0 or 1 when the receiver buffer contains no data (RXNE=0 in
the USART_SR register). Otherwise the write attempt is ignored.
An example of mute mode behavior using address mark detection is given in Figure 160.
Figure 160. Mute mode using address mark detection
Note: If parity control is enabled, the parity bit remains in the MSB and the address bit is put in the
"MSB - 1" bit.
For example, with 7-bit data, address mode and parity control:
SB I 7-bit data I ADD I PB I STB
where:
SB = Start Bit
STB = STOP Bit
ADD = Address bit
PB = Parity Bit
29.3.8 USART synchronous communication
The USART transmitter allows the user to control bidirectional synchronous serial
communications in master mode.
Note: This feature is only available for devices with USART_CK pin. Check the device pinout for
availability.
The USART_CK pin is the output of the USART transmitter clock. No clock pulses are sent
to the USART_CK pin during start bit and STOP bit. Depending on the state of the LBCL bit
in the USART_CR3 register clock pulses will or will not be generated during the last valid
data bit (address mark). The CPOL bit in the USART_CR3 register allows the user to select
the clock polarity, and the CPHA bit in the USART_CR3 register allows the user to select the
phase of the external clock (see Figure 161, Figure 162 & Figure 163). USART_CKDuring
the idle state, preamble phase and break transmission, the external USART_CK clock is not
activated. In synchronous mode, the USART transmitter works exactly like in asynchronous
mode. But as USART_CK is synchronized with USART_TX (depending on CPOL and
CPHA), the data on USART_TX is synchronous. In this mode, the USART receiver works
slightly differently compared to the asynchronous mode: if REN=1, the data is still sampled
using the internal oversampling clock and the baud rate clock is output on the USART_CK
RWU written to 1
IDLE
RX Addr=0
RWU Mute Mode Normal Mode
Matching address
RXNE RXNE
(RXNE was cleared)
Data 2 Data 3 Data 4 Data 5Data 1 IDLE Addr=1 Addr=2
Mute Mode
In this example, the current address of the receiver is 1
(programmed in the USART_CR4 register)
Non-matching address Non-matching address

Universal synchronous/asynchronous receiver transmitter (USART) RM0031
538/595 DocID15226 Rev 11
pin (rising or falling edge is aligned with the data sampling event depending on CPOL and
CPHA). But contrary to asynchronous mode, the data is evaluated using one sample and
not the majority of 3 samples, meaning that the NF bit will never be set.
Setup and hold times must be respected (depending on the baud rate: 1/16 bit time for an
integer baud rate).
Note: 1 The USART_CK pin works in conjunction with the TX pin. Consequently, the clock is
provided only if the transmitter is enabled (TEN=1) and a data is being transmitted (the data
register USART_DR has been written). This means that it is not possible to receive a
synchronous data without transmitting data.
2 The LBCL, CPOL and CPHA bits in USART_CR3 have to be selected when both the
transmitter and the receiver are disabled (TEN=REN=0) to ensure that the clock pulses
function correctly. These bits should not be changed while the transmitter or the receiver is
enabled.
3 It is recommended to set TEN and REN are set in the same instruction in order to minimize
the setup and the hold time of the receiver.
4 The USART supports master mode only: it cannot receive or send data related to an input
clock (USART_CK is always an output).
5 The data given in this section apply only when the USART_DIV[3:0] bits in the
USART_BRR2 register are kept at 0. Else the setup and hold times are not 1/16 of a bit time
but 4/16 of a bit time.
This option allows to serially control peripherals which consist of shift registers, without
losing any functions of the asynchronous communication which can still talk to other
asynchronous transmitters and receivers.
Figure 161. USART example of synchronous transmission
Data outRX
TX
USART_CK
USART
Data in
Synchronous device
(for example slave SPI)
Clock

DocID15226 Rev 11 539/595
RM0031 Universal synchronous/asynchronous receiver transmitter (USART)
557
Figure 162. USART data clock timing diagram (M=0)
Figure 163. USART data clock timing diagram (M=1)
Figure 164. RX data setup/hold time
Note: The function of USART_CK is different in Smartcard mode. Refer to Section 29.3.10:
Smartcard for more details.
M=0 (8 data bits)
Clock (CPOL=0, CPHA=1)
Clock (CPOL=1, CPHA=0)
Clock (CPOL=1, CPHA=1)
Start LSB MSB Stop
* LBCL bit controls last data clock pulse
Start
Idle or preceding
transmission
Data
Stop
Clock (CPOL=0, CPHA=0)
01 234 56 7
*
*
*
*
Idle or next
transmission
Idle or next
M=1 (9 data bits)
Clock (CPOL=0, CPHA=1)
Clock (CPOL=1, CPHA=0)
Clock (CPOL=1, CPHA=1)
Start LSB MSB Stop
* LBCL bit controls last data clock pulse
Start
Idle or preceding
transmission
Data
Stop
Clock (CPOL=0, CPHA=0)
01 234 56 7
*
*
*
*
8
transmission
valid DATA bit
tSETUP tHOLD
SCLK (capture strobe on USART_CLK
rising edge in this example)
Data on RX
(from slave)
tSETUP = tHOLD 1/16 bit time = 1/16*fUSART_CLK

Universal synchronous/asynchronous receiver transmitter (USART) RM0031
540/595 DocID15226 Rev 11
29.3.9 Single wire half duplex communication
The USART can be configured to follow a single wire half duplex protocol. Single-wire half-
duplex mode is selected by setting the HDSEL bit in the USART_CR5 register. In this mode,
the following bits must be kept cleared:
•CLKEN bit in the USART_CR3 register
•SCEN and IREN bits in the USART_CR5 register
As soon as HDSEL is set:
•USART_RX is no longer used
•USART_TX is always released when no data is transmitted. Thus, it acts as a standard
I/O in idle or in reception. This means that the I/O must be configured so that
USART_TX is configured as floating input (or output high open-drain) when not driven
by the USART.
Apart from this, the communications are similar to what is done in normal USART mode.
The conflicts on the line must be managed by the software (by the use of a centralized
arbiter, for instance). In particular, the transmission is never blocked by hardware and
continue to occur as soon as a data is written in the data register while the TEN bit is set.
29.3.10 Smartcard
Smartcard mode is selected by setting the SCEN bit in the USART_CR5 register. In
smartcard mode, the following bits must be kept cleared:
•HDSEL and IREN bits in the USART_CR5 register.
Moreover, the CKEN bit may be set in order to provide a clock to the smartcard.
The Smartcard interface is designed to support asynchronous protocol Smartcards as
defined in the ISO7816-3 standard. The USART should be configured as eight bits plus
parity and 1.5 STOP bits. With Smartcard mode enabled (which can be done by setting the
SCEN bit in the USART_CR5) the USART can communication with an asynchronous
Smartcard.
Figure 165. ISO 7816-3 asynchronous protocol
When connected to a smartcard, the USART_TX output drives a bidirectional line that is
also driven by the smartcard.
Smartcard is a single wire half duplex communication protocol.
•Transmission of data from the transmit shift register is guaranteed to be delayed by a
minimum of 1/2 baud clock. In normal operation a full transmit shift register will start
shifting on the next baud clock edge. In Smartcard mode this transmission is further
delayed by a guaranteed 1/2 baud clock.
•If a parity error is detected during reception of a frame programmed with a 1.5 STOP bit
period, the transmit line is pulled low for a baud clock period after 1/2 baud clock
S0123 5
467P
Start
bit Line pulled low
by receiver during stop in
case of parity error
Guard time

DocID15226 Rev 11 541/595
RM0031 Universal synchronous/asynchronous receiver transmitter (USART)
557
period. This is to indicate to the Smartcard that the data transmitted to the USART has
not been correctly received. This NACK signal (pulling transmit line low for 1 baud
clock) will cause a framing error on the transmitter side (configured with 1.5 STOP bits).
The application can handle re-sending of data according to the protocol. A parity error
is ‘NACK’ed by the receiver if the NACK control bit is set, otherwise a NACK is not
transmitted.
•The TEN bit must be set to enable:
– Data transmission
– Transmission of acknowledgements in case of parity error.
Software must manage the timing of data transmission to avoid conflicts on the
data line when it writes new data in the data register.
•The REN bit must be set to enable:
– Data reception (sent by the Smartcard as well as by the USART),
– Detection of acknowledgements in case of parity error.
•The assertion of the TC flag can be delayed by programming the Guard Time register.
In normal operation, TC is asserted when the transmit shift register is empty and no
further transmit requests are outstanding. In Smartcard mode an empty transmit shift
register triggers the guard time counter to count up to the programmed value in the
Guard Time register. TC is forced low during this time. When the guard time counter
reaches the programmed value TC is asserted high.
•The de-assertion of TC flag is unaffected by Smartcard mode.
•If a framing error is detected on the transmitter end (due to a NACK from the receiver),
the NACK will not be detected as a start bit by the receive block of the transmitter.
According to the ISO protocol, the duration of the received NACK can be 1 or 2 baud
clock periods.
•On the receiver side, if a parity error is detected and a NACK is transmitted the receiver
will not detect the NACK as a start bit.
•The output enable signal for the Smartcard I/O enables driving into a bidirectional line
which is also driven by the Smartcard. This signal is active while transmitting the start
and data bits and transmitting NACK. While transmitting the STOP bits this signal is
disabled, so that the USART weakly drives a ‘1’ on the bidirectional line.
Note: 1 A break character is not significant in Smartcard mode. A 00h data with a framing error will
be treated as data and not as a break.
2 No IDLE frame is transmitted when toggling the TEN bit. The IDLE frame (as defined for the
other configurations) is not defined by the ISO protocol.
Figure 166 details how the NACK signal is sampled by the USART. In this example the
USART is transmitting a data and is configured with 1.5 STOP bits. The receiver part of the
USART is enabled in order to check the integrity of the data and the NACK signal.

Universal synchronous/asynchronous receiver transmitter (USART) RM0031
542/595 DocID15226 Rev 11
Figure 166. Parity error detection using 1.5 STOP bits
The USART can provide a clock to the smartcard through the USART_CK output. In
smartcard mode, USART_CK is not associated to the communication but is simply derived
from the internal peripheral input clock through a 5-bit prescaler. The division ratio is
configured in the prescaler register USART_PSCR. USART_CK frequency can be
programmed from fSYSCLK/2 to fSYSCLK/62, where fSYSCLK is the peripheral input clock.
29.3.11 IrDA SIR ENDEC block
IrDA mode is selected by setting the IREN bit in the USART_CR5 register. The STOP bits in
the USART_CR3 register must be configured to “1 STOP bit”. In IrDA mode, the following
bits must be kept cleared:
•STOP and CKEN bits in the USART_CR3 register,
•SCEN and HDSEL bits in the USART_CR5 register.
The IrDA SIR physical layer specifies use of a Return to Zero, Inverted (RZI) modulation
scheme that represents logic 0 as an infrared light pulse (see Figure 167).
The SIR Transmit encoder modulates the Non Return to Zero (NRZ) transmit bit stream
output from the USART. The output pulse stream is transmitted to an external output driver
and infrared LED. The USART supports only bit rates up to 115.2 kbps for the SIR ENDEC.
In normal mode the transmitted pulse width is specified as 3/16 of a bit period.
The SIR receive decoder demodulates the return-to-zero bit stream from the infrared
detector and outputs the received NRZ serial bit stream to USART. The decoder input is
normally HIGH (marking state) in the idle state. The transmit encoder output has the
opposite polarity to the decoder input. A start bit is detected when the decoder input is low.
•IrDA is a half duplex communication protocol. If the Transmitter is busy (i.e. the USART
is sending data to the IrDA encoder), any data on the IrDA receive line will be ignored
by the IrDA decoder and if the Receiver is busy (USART is receiving decoded data
from the USART), data on the TX from the USART to IrDA will not be encoded by IrDA.
1 bit time 1.5 bit time
0.5 bit time 1 bit time
sampling at
8th, 9th, 10th
sampling at
8th, 9th, 10th
sampling at
8th, 9th, 10th
sampling at
16th, 17th, 18th
Bit 7 Parity Bit 1.5 STOP bit

DocID15226 Rev 11 543/595
RM0031 Universal synchronous/asynchronous receiver transmitter (USART)
557
While receiving data, transmission should be avoided as the data to be transmitted
could be corrupted.
•A ’0’ is transmitted as a high pulse and a ’1’ is transmitted as a ’0’. The width of the
pulse is specified as 3/16th of the selected bit period in normal mode (see Figure 168).
•The SIR decoder converts the IrDA compliant receive signal into a bit stream for
USART.
•The SIR receive logic interprets a high state as a logic one and low pulses as logic
zeros.
•The transmit encoder output has the opposite polarity to the decoder input. The SIR
output is in low state when idle.
•The IrDA specification requires the acceptance of pulses greater than 1.41 µs. The
acceptable pulse width is programmable. Glitch detection logic on the receiver end
filters out pulses of width less than 2 PSC periods (PSC is the prescaler value
programmed in USART_PSCR). Pulses of width less than 1 PSC period are always
rejected, but those of width greater than one and less than two periods may be
accepted or rejected, those greater than 2 periods will be accepted as a pulse. The
IrDA encoder/decoder doesn’t work when PSC=0.
•The receiver can communicate with a low power transmitter.
•In IrDA mode, the STOP bits in the USART_CR2 register must be configured to “1
STOP bit”.
IrDA low power mode
The IrDA can be used either in normal mode or in Low Power mode. The Low Power mode
is selected by setting the IRLP bit in USART_CR5 register.
Transmitter:
In low power mode the pulse width is not maintained at 3/16 of the bit period. Instead, the
width of the pulse is 3 times the low power baud rate which can be a minimum of 1.42 MHz.
Generally this value is 1.8432 MHz (1.42 MHz < PSC< 2.12 MHz). A low power mode
programmable divisor divides the system clock to achieve this value.
Receiver:
Receiving in low power mode is similar to receiving in normal mode. For glitch detection the
USART should discard pulses of duration shorter than 1/PSC. A valid low is accepted only if
its duration is greater than 2 periods of the IrDA low power Baud clock (PSC value in
USART_PSCR).
Note: 1 A pulse of width less than two and greater than one PSC period(s) may or may not be
rejected.
2 The receiver set up time should be managed by software. The IrDA physical layer
specification specifies a minimum of 10 ms delay between transmission and reception (IrDA
is a half duplex protocol).

Universal synchronous/asynchronous receiver transmitter (USART) RM0031
544/595 DocID15226 Rev 11
Figure 167. IrDA SIR ENDEC- block diagram
Figure 168. IrDA data modulation (3/16) - normal mode
29.3.12 Continuous communication using DMA
The USART is capable to continue communication using the DMA. The DMA requests for
Rx buffer and Tx buffer are generated independently.
Note: You should refer to product specs for availability of the DMA controller. If DMA is not
available in the product, you should use the USART as explained in Section 29.3.2 or
29.3.3. In the USART_SR register, you can clear the TXE/ RXNE flags to achieve
continuous communication.
Transmission using DMA
DMA mode can be enabled for transmission by setting DMAT bit in the USART_CR5
register. Data is loaded from a SRAM area configured using the DMA peripheral (refer to the
DMA specification) to the USART_DR register whenever the TXE bit is set. To map a DMA
channel for USART transmission, use the following procedure (x denotes the channel
number):
USART
Transmit
encoder
IrDA
Receive
decoder
IrDA_TX
IrDA_RX
TX
RX
IREN bit
USART_TX pin
USART_RX pin
IrDA
IREN bit
TX
IrDA_TDO
IrDA_RDI
RX
Start
bit
0101001101
3/16
STOP bit
bit period
0101001101

DocID15226 Rev 11 545/595
RM0031 Universal synchronous/asynchronous receiver transmitter (USART)
557
1. Write the USART_DR register address in the DMA control register to configure it as the
destination of the transfer. The data will be moved to this address from memory after
each TXE event.
2. Write the memory address in the DMA control register to configure it as the source of
the transfer. The data will be loaded into the USART_DR register from this memory
area after each TXE event.
3. Configure the total number of bytes to be transferred to the DMA control register.
4. Configure the channel priority in the DMA register
5. Configure DMA interrupt generation after half/ full transfer as required by the
application.
6. Clear the TC bit in the SR register by writing 0 to it.
7. Activate the channel in the DMA register.
When the DMA has written all the data to be transmitted (flag TCIF is set in the DMA_ISR
register), the TC flag can be monitored to ensure that the USART communication is
complete. This is required to avoid corrupting the last transmission before disabling the
USART or entering Halt or Active-halt modes. The software must first wait until TxE is set to
1 and then wait until TC is set to 1.
When the number of data transfers programmed in the DMA Controller is reached, the DMA
controller generates an interrupt on the DMA channel interrupt vector.
Note: If DMA is used for transmission, do not enable the TIEN bit.
Figure 169. Transmission using DMA
Reception using DMA
DMA mode can be enabled for reception by setting the DMAR bit in USART_CR5 register.
Data is loaded from the USART_DR register to a SRAM area configured using the DMA
) ))
AIB
6RIWZDUH
FRQILJXUHV'0$
WRVHQGGDWD
EORFNVDQG
HQDEOHV86$57
7KH'0$
WUDQVIHULV
FRPSOHWH
7&,) LQ
'0$B,65
'0$ZULWHV
)LQWR
86$57B7'5
'0$ZULWHV
)LQWR
86$57B7'5
'0$ZULWHV
)LQWR
86$57B7'5
6RIWZDUHZDLWVXQWLO7&
6HWE\KDUGZDUH
&OHDUHG
E\
VRIWZDUH
6HWE\
KDUGZDUH
7;OLQH
7;(IODJ
86$57B7'5
'0$UHTXHVW
'0$ZULWHV
86$57B7'5
'0$7&,)IODJ
WUDQVIHU
FRPSOHWH
7&IODJ
)UDPH )UDPH )UDPH
,GOHSUHDPEOH
6HWE\KDUGZDUH
FOHDUHGE\'0$UHDG
6HWE\KDUGZDUH
FOHDUHGE\'0$UHDG 6HWE\KDUGZDUH
,JQRUHGE\WKH'0$EHFDXVH
WKHWUDQVIHULVFRPSOHWH

Universal synchronous/asynchronous receiver transmitter (USART) RM0031
546/595 DocID15226 Rev 11
peripheral (refer to the DMA specification) whenever a data byte is received. To map a DMA
channel for USART reception, use the following procedure:
1. Write the USART_DR register address in the DMA control register to configure it as the
source of the transfer. The data will be moved from this address to the memory after
each RXNE event.
2. Write the memory address in the DMA control register to configure it as the destination
of the transfer. The data will be loaded from USART_DR to this memory area after each
RXNE event.
3. Configure the total number of bytes to be transferred in the DMA control register.
4. Configure the channel priority in the DMA control register
5. Configure interrupt generation after half/ full transfer as required by the application.
6. Activate the channel in the DMA control register.
When the number of data transfers programmed in the DMA Controller is reached, the DMA
controller generates an interrupt on the DMA channel interrupt vector. The DMAR bit should
be cleared by software in the USART_CR5 register during the interrupt subroutine.
Note: If DMA is used for reception, do not enable the RIEN bit.
Figure 170. Reception using DMA
Error flagging and interrupt generation in multibuffer communication
In case of multibuffer communication if any error occurs during the transaction the error flag
will be asserted after the current byte. An interrupt will be generated if the interrupt enable
flag is set. For framing error, overrun error and noise flag which are asserted with RXNE in
case of single byte reception, there will be separate error flag interrupt enable bit (EIE bit in
the USART_CR5 register), which if set will issue an interrupt after the current byte with
either of these errors.
7;OLQH
)UDPH
) )
6HWE\KDUGZDUH
FOHDUHGE\'0$UHDG
)
DLE
)UDPH )UDPH
5;1(IODJ
86$57B7'5
'0$UHTXHVW
'0$UHDGV
86$57B7'5
'0$7&,)IODJ
WUDQVIHUFRPSOHWH
6RIWZDUHFRQILJXUHVWKH
'0$WRUHFHLYHGDWD
EORFNVDQGHQDEOHV
WKH86$57
'0$UHDGV)
IURP86$57B7'5
7KH'0$WUDQVIHU
LVFRPSOHWH
7&,) LQ
'0$B,65
6HWE\KDUGZDUH
&OHDUHG
E\
VRIWZDUH
'0$UHDGV)
IURP86$57B7'5
'0$UHDGV)
IURP86$57B7'5

DocID15226 Rev 11 547/595
RM0031 Universal synchronous/asynchronous receiver transmitter (USART)
557
29.4 USART low power modes
29.5 USART interrupts
Note: 1 The USART interrupt events are connected to two interrupt vectors (see Figure 171).
a) Transmission Complete or Transmit Data Register empty interrupt.
b) Idle line detection, Overrun error, Receive data register full, Parity error interrupt,
and Noise flag (only in multibuffer communication) and Framing error (only in
multibuffer communication).
2 These events generate an interrupt if the corresponding enable control bit is set and the
interrupt mask in the CCR register is reset (RIM instruction).
Table 100. USART interface behavior in low power modes
Mode Description
Wait
/Low power
wait
No effect on USART.
USART interrupts cause the device to exit from Wait or Low power wait mode.
Halt/Active-
halt
USART registers are frozen.
In Halt mode, the USART stops transmitting/receiving until Halt or Active-halt mode is
exited.
Table 101. USART interrupt requests
Interrupt event Event flag Enable
control bit
Exit from
Wait/Low
power wait
Exit from
Halt/Active-
halt
Transmit data register empty TXE TIEN Yes No
Transmission complete TC TCIEN Yes No
Received data ready to be read RXNE RIEN Yes No
Overrun error detected OR Yes No
Idle line detected IDLE ILIEN Yes No
Parity error PE PIEN Yes No
Noise flag, overrun error and framing
error in multibuffer communication
NF or OR or
FE EIE Yes No

Universal synchronous/asynchronous receiver transmitter (USART) RM0031
548/595 DocID15226 Rev 11
Figure 171. USART interrupt mapping diagram
29.6 USART registers
29.6.1 Status register (USART_SR)
Address offset: 0x00
Reset value: 0xC0
TC
TCIEN
TXE
TIEN
IDLE
ILIEN
RIEN
OR
RIEN
RXNE
PE
PIEN
Transmitter Interrupt
Receiver Interrupt
FE
NF
OR EIE
DMAR
76543210
TXE TC RXNE IDLE OR NF FE PE
rrc_w0rrrrrr
Bit 7 TXE: Transmit data register empty
This bit is set by hardware when the content of the TDR register has been transferred into the shift
register. An interrupt is generated if the TIEN bit =1 in the USART_CR2 register. It is cleared by a write
to the USART_DR register.
0: Data is not transferred to the shift register
1: Data is transferred to the shift register
Bit 6 TC: Transmission complete
TC bit is set by hardware if the transmission of a frame containing data is complete and TXE bit is set.
An interrupt is generated if TCIEN=1 in the USART_CR2 register.
TC bit is cleared either by a software sequence (a read to the USART_SR register followed by a write
to the USART_DR register), or by programming the bit to ‘0’. This clear sequence is recommended
only for multibuffer communications.
0: Transmission is not complete
1: Transmission is complete
Bit 5 RXNE: Read data register not empty
This bit is set by hardware when the content of the RDR shift register has been transferred to the
USART_DR register. An interrupt is generated if RIEN=1 in the USART_CR2 register. It is cleared by
a read to the USART_DR register.
0: Data is not received
1: Received data is ready to be read.

DocID15226 Rev 11 549/595
RM0031 Universal synchronous/asynchronous receiver transmitter (USART)
557
Bit 4 IDLE: IDLE line detected (1)
This bit is set by hardware when an Idle Line is detected. An interrupt is generated if the ILIEN=1 in
the USART_CR2 register. It is cleared by a software sequence (a read to the USART_SR register
followed by a read to the USART_DR register).
0: No Idle Line is detected
1: Idle Line is detected
Bit 3 OR: Overrun error(2)
This bit is set by hardware when the word currently being received in the shift register is ready to be
transferred into the RDR register while RXNE=1. An interrupt is generated if RIEN=1 in the
USART_CR2 register. It is cleared by a software sequence (a read to the USART_SR register
followed by a read to the USART_DR register).
0: No Overrun error
1: Overrun error is detected
Bit 2 NF: Noise flag (3)
This bit is set by hardware when noise is detected on a received frame. It is cleared by a software
sequence (a read to the USART_SR register followed by a read to the USART_DR register).
0: No noise is detected
1: Noise is detected
Bit 1 FE: Framing error (4)
This bit is set by hardware when a de-synchronization, excessive noise or a break character is
detected. It is cleared by a software sequence (a read to the USART_SR register followed by a read to
the USART_DR register).
0: No framing error is detected
1: Framing error or break character is detected
Bit 0 PE: Parity error
This bit is set by hardware when a parity error occurs in receiver mode. It is cleared by a software
sequence (a read to the status register followed by a read to the USART_DR data register). You have
to wait for the RXNE flag to be set before clearing it. An interrupt is generated if PIEN=1 in the
USART_CR1 register.
0: No parity error
1: Parity error
1. The IDLE bit is not set again until the RXNE bit has been set itself (i.e. a new idle line occurs)
2. When this bit is set, the RDR register content is not lost but, the shift register is overwritten.
3. This bit does not generate an interrupt as it appears at the same time as the RXNE bit which itself generates an interrupt.
4. This bit does not generate an interrupt as it appears at the same time as the RXNE bit which itself generates an interrupt. If
the word currently being transferred causes both a frame error and an overrun error, it is transferred and only the OR bit is
set.

Universal synchronous/asynchronous receiver transmitter (USART) RM0031
550/595 DocID15226 Rev 11
29.6.2 Data register (USART_DR)
Address offset: 0x01
Reset value: 0xXX
29.6.3 Baud rate register 1 (USART_BRR1)
The baud rate registers are common to both the transmitter and the receiver. The baud rate
is programmed using two registers BRR1 and BRR2. Writing of BRR2 (if required) should
precede BRR1, since a write to BRR1 will update the baud counters.
See Figure 158: How to code USART_DIV in the BRR registers on page 532 and Table 94:
Baud rate programming and error calculation on page 532.
Note: The baud counters stop counting if the TEN or REN bits are disabled respectively.
Address offset: 0x02
Reset value: 0x00
29.6.4 Baud rate register 2 (USART_BRR2)
Address offset: 0x03
Reset value: 0x00
76543210
DR[7:0]
rw
Bits 7:0 DR[7:0]: Data value
Contains the received or transmitted data character, depending on whether it is read from or written to.
The Data register performs a double function (read and write) since it is composed of two registers,
one for transmission (TDR) and one for reception (RDR)
The TDR register provides the parallel interface between the internal bus and the output shift register.
The RDR register provides the parallel interface between the input shift register and the internal bus.
76543210
USART_DIV[11:4]
rw rw rw rw - rw rw rw
Bits 7:0 USART_DIV[11:4]: USART_DIV bits (1)
These 8 bits define the 2nd and 3rd nibbles of the 16-bit USART divider (USART_DIV).
1. BRR1 = 0x00 means USART clock is disabled.
76543210
USART_DIV[15:12] USART_DIV[3:0]
rw rw
Bits 7:4 USART_DIV[15:12]: MSB of USART_DIV
These 4 bits define the MSB of the USART Divider (USART_DIV)
Bits 3:0 USART_DIV[3:0]: LSB of USART_DIV
These 4 bits define the LSB of the USART Divider (USART_DIV)

DocID15226 Rev 11 551/595
RM0031 Universal synchronous/asynchronous receiver transmitter (USART)
557
29.6.5 Control register 1 (USART_CR1)
Address offset: 0x04
Reset value: 0x00
76543210
R8 T8 USARTD M WAKE PCEN PS PIEN
rw rw rw rw rw rw rw rw
Bit 7 R8: Receive data bit 8
This bit is used to store the 9th bit of the received word when M=1
Bit 6 T8: Transmit data bit 8
This bit is used to store the 9th bit of the transmitted word when M=1
Bit 5 USARTD: USART disable (for low power consumption)
When this bit is set the USART prescaler and outputs are stopped at the end of the current byte
transfer in order to reduce power consumption. This bit is set and cleared by software.
0: USART enabled
1: USART prescaler and outputs disabled
Bit 4 M: word length
This bit determines the word length. It is set or cleared by software.
0: 1 Start bit, 8 Data bits, ‘n’ STOP bit (n depending on STOP[1:0] bits in the USART_CR3 register)
1: 1 Start bit, 9 Data bits, 1 STOP bit
Note: The M bit must not be modified during a data transfer (both transmission and reception)
Bit 3 WAKE: Wakeup method
This bit determines the USART wakeup method, it is set or cleared by software.
0: Idle line
1: Address mark
Bit 2 PCEN: Parity control enable
This bit selects the hardware parity control (generation and detection). When the parity control is
enabled, the computed parity is inserted at the MSB position (9th bit if M=1; 8th bit if M=0) and parity is
checked on the received data. This bit is set and cleared by software. Once it is set, PCEN is active
after the current byte (in reception and in transmission).
0: Parity control disabled
1: Parity control enabled
Bit 1 PS: Parity selection
This bit selects the odd or even parity when the parity generation/detection is enabled (PCEN bit set).
It is set and cleared by software. The parity will be selected after the current byte.
0: Even parity
1: Odd parity
Bit 0 PIEN: Parity interrupt enable
This bit is set and cleared by software.
0: Parity interrupt disabled
1: Parity interrupt is generated whenever PE=1 in the USART_SR register

Universal synchronous/asynchronous receiver transmitter (USART) RM0031
552/595 DocID15226 Rev 11
29.6.6 Control register 2 (USART_CR2)
Address offset: 0x05
Reset value: 0x00
76543210
TIEN TCIEN RIEN ILIEN TEN REN RWU SBK
rw rw rw rw rw rw rw rw
Bit 7 TIEN: Transmitter interrupt enable
This bit is set and cleared by software.
0: Interrupt is inhibited
1: An USART interrupt is generated whenever TXE=1 in the USART_SR register
Bit 6 TCIEN: Transmission complete interrupt enable
This bit is set and cleared by software.
0: Interrupt is inhibited
1: An USART interrupt is generated whenever TC=1 in the USART_SR register
Bit 5 RIEN: Receiver interrupt enable
This bit is set and cleared by software.
0: Interrupt is inhibited
1: An USART interrupt is generated whenever OR=1 or RXNE=1 in the USART_SR register
Bit 4 ILIEN: IDLE Line interrupt enable
This bit is set and cleared by software.
0: Interrupt is inhibited
1: An USART interrupt is generated whenever IDLE=1 in the USART_SR register
Bit 3 TEN: Transmitter enable (1) (2)
This bit enables the transmitter. It is set and cleared by software.
0: Transmitter is disabled
1: Transmitter is enabled
Bit 2 REN: Receiver enable
This bit enables the receiver. It is set and cleared by software.
0: Receiver is disabled
1: Receiver is enabled and begins searching for a start bit
Bit 1 RWU: Receiver wakeup(3) (4)
This bit determines if the USART is in mute mode or not. It is set and cleared by software and can be
cleared by hardware when a wakeup sequence is recognized.
0: Receiver in active mode
1: Receiver in mute mode
Bit 0 SBK: Send break
This bit set is used to send break characters. It can be set and cleared by software. It should be set by
software, and will be reset by hardware during the STOP bit of break.
0: No break character is transmitted
1: Break character will be transmitted
1. During transmission, a “0” pulse on the TEN bit (“0” followed by “1”) sends a preamble (idle line) after the current word.
2. When TEN is set there is a 1 bit-time delay before the transmission starts.
3. Before selecting Mute mode (by setting the RWU bit) the USART must first receive a data byte, otherwise it cannot function
in Mute mode with wakeup by Idle line detection.
4. In address mark detection wakeup configuration (WAKE bit=1) the RWU bit cannot be modified by software while the
RXNE bit is set.

DocID15226 Rev 11 553/595
RM0031 Universal synchronous/asynchronous receiver transmitter (USART)
557
29.6.7 Control register 3 (USART_CR3)
Address offset: 0x06
Reset value: 0x00
76543210
Reserved STOP[1:0] CLKEN CPOL CPHA LBCL
rw rw rw rw rw
Bit 7 Reserved
Bits 5:4 STOP: STOP bits
These bits are used for programming the STOP bits.
00: 1 STOP bit
01: Reserved
10: 2 STOP bits
11: 1.5 STOP bits
Bit 3 CLKEN: Clock enable
This bit allows the user to enable the USART_CK pin.
0: USART_CK pin disabled
1: USART_CK pin enabled
Bit 2 CPOL: Clock polarity(1)
This bit allows the user to select the polarity of the clock output on the USART_CK pin. It works in
conjunction with the CPHA bit to produce the desired clock/data relationship
0: USART_CK to 0 when idle
1: USART_CK to 1 when idle.
Bit 1 CPHA: Clock phase (1)
This bit allows the user to select the phase of the clock output on the USART_CK pin. It works in
conjunction with the CPOL bit to produce the desired clock/data relationship
0: The first clock transition is the first data capture edge
1: The second clock transition is the first data capture edge
Bit 0 LBCL: Last bit clock pulse(1)(2)
This bit allows the user to select whether the clock pulse associated with the last data bit transmitted
(MSB) has to be output on the USART_CK pin.
0: The clock pulse of the last data bit is not output to the USART_CK pin.
1: The clock pulse of the last data bit is output to the USART_CK pin.
1. These 3 bits (CPOL, CPHA, LBCL) should not be written while the transmitter is enabled.
2. The last bit is the 8th or 9th data bit transmitted depending on the 8 or 9 bit format selected by the M bit in the USART_CR1
register.

Universal synchronous/asynchronous receiver transmitter (USART) RM0031
554/595 DocID15226 Rev 11
29.6.8 Control register 4 (USART_CR4)
Address offset: 0x07
Reset value: 0x00
29.6.9 Control register 5 (USART_CR5)
Address offset: 0x08
Reset value: 0x00
76543210
Reserved ADD[3:0]
rw
Bit 7:4 Reserved
Bits 3:0 ADD[3:0]: Address of the USART node
This bit-field gives the address of the USART node.
This is used in multiprocessor communication during mute mode, for wakeup with address mark
detection.
76543210
DMAT DMAR SCEN NACK HDSEL IRLP IREN EIE
rw rw r r rw rw rw rw
Bit 7 DMAT: DMA Enable transmitter.
This bit is set/reset by software
1: DMA mode is enabled for transmission.
0: DMA mode is disabled for transmission.
Bit 6 DMAR: DMA Enable receiver.
This bit is set/reset by software
1: DMA mode is enabled for reception.
0: DMA mode is disabled for reception.
Bit 5 SCEN: Smartcard mode enable.
This bit is used for enabling Smartcard mode.
0: Smartcard Mode disabled
1: Smartcard Mode enabled
Bit 4 NACK: Smartcard NACK enable.
0: NACK transmission in case of parity error is disabled
1: NACK transmission during parity error is enabled.
Bit 3 HDSEL: Half duplex selection.
Selection of Single-wire half duplex mode
0: Half duplex mode is not selected
1: Half duplex mode is selected

DocID15226 Rev 11 555/595
RM0031 Universal synchronous/asynchronous receiver transmitter (USART)
557
29.6.10 Guard time register (USART_GTR)
Address offset: 0x09
Reset value: 0x00
Bit 2 IRLP: IrDA Low power.
This bit is used for selected between normal and Low power IrDA mode
0: Normal mode
1: Low power mode
Bit 1 IREN: IrDA mode enable.
This bit is set and cleared by software.
0: IrDA disabled
1: IrDA enabled
Bit 0 EIE: Error Interrupt enable.
This bit is required to enable interrupt generation in case of a framing error, overrun error or noise error
(FE=1 or OR=1 or NF=1 in the USART_SR register) in case of Multibuffer communication (DMAR=1 in
the USART_CR5 register).
0: Interrupt is inhibited
1: An interrupt is generated whenever DMAR=1 in the USART_CR5 register and FE=1 or OR=1 or
NF=1 in the USART_SR register.
76543210
GT[7:0]
rw
Bits 7:0 GT: Guard time value.
This register gives the Guard time value in terms of number of baud clocks.
This is used in Smartcard mode.The Transmission Complete flag is set after this guard time value.

Universal synchronous/asynchronous receiver transmitter (USART) RM0031
556/595 DocID15226 Rev 11
29.6.11 Prescaler register (USART_PSCR)
Address offset: 0x0A
Reset value: 0x00
Note: Care must be taken to program this register with correct value, when both Smartcard and
IrDA interfaces are used in the application
76543210
PSC[7:0]
rw
Bits 7:0 PSC[7:0]: Prescaler value.
–In IrDA Low power mode:
PSC[7:0] = IrDA Low power baud rate (1)
Used for programming the prescaler for dividing the system clock to achieve the low power
frequency:
The source clock is divided by the value given in the register (8 significant bits):
00000000: Reserved - do not program this value
00000001: divides the source clock by 1
00000010: divides the source c lock by 2
...
– In Smartcard mode:
PSC[4:0]: Prescaler value. (2) (3)
Used for programming the prescaler for dividing the system clock to provide the smartcard clock.
The value given in the register (5 significant bits) is multiplied by 2 to give the division factor of the
source clock frequency:
00000: Reserved - do not program this value
00001: divides the source clock by 2
00010: divides the source clock by 4
00011: divides the source clock by 6
...
1. This prescaler setting has no effect if IrDA mode is not enabled.
2. This prescaler setting has no effect if Smartcard mode is not enabled.
3. Bits [7:5] have no effect even if Smartcard mode is enabled.

DocID15226 Rev 11 557/595
RM0031 Universal synchronous/asynchronous receiver transmitter (USART)
557
29.6.12 USART register map and reset values
Table 102. USART register map
Address
offset Register
name 76543210
0x00 USART_SR
Reset value
TXE
1
TC
1
RXNE
0
IDLE
0
OR
0
NF
0
FE
0
PE
0
0x01 USART_DR
Reset value
DR[7:0]
xxxxxxxx
0x02 USART_BRR1
Reset value
USART_DIV[11:4]
00000000
0x03 USART_BRR2
Reset value
USART_DIV[15:12]
0000
USART_DIV[3:0]
0000
0x04 USART_CR1
Reset value
R8
0
T8
0
USARTD
0
M
0
WAKE
0
PCEN
0
PS
0
PIEN
0
0x05 USART_CR2
Reset value
TIEN
0
TCIEN
0
RIEN
0
ILIEN
0
TEN
0
REN
0
RWU
0
SBK
0
0x06 USART_CR3
Reset value
-
00
STOP
00
CKEN
0
CPOL
0
CPHA
0
LBCL
0
0x07 USART_CR4
Reset value
-
0000
ADD[3:0]
0000
0x08 USART_CR5
Reset value
DMAT
0
DMAR
0
SCEN
0
NACK
0
HDSEL
0
IRLP
0
IREN
0
EIE
0
0x09 USART_GTR
Reset value
GT[7:0]
00000000
0x0A USART_PSCR
Reset value
PSC[7:0]
00000000

Serial peripheral interface (SPI) RM0031
558/595 DocID15226 Rev 11
30 Serial peripheral interface (SPI)
This section applies to low-density STM8L05xx/STM8L15xx devices, medium-density
STM8L05xx/STM8L15xx devices, medium+ density STM8L05xx/STM8L15xx devices and
high-density STM8L05xx/STM8L15xx/STM8L16xx devices, unless otherwise specified.
30.1 Introduction
The serial peripheral interface (SPI) allows half/ full duplex, synchronous, serial
communication with external devices. The interface can be configured as the master and in
this case it provides the communication clock (SCK) to the external slave device. The
interface is also capable of operating in multi-master configuration.
It may be used for a variety of purposes, including simplex synchronous transfers on 2 lines
with a possible bidirectional data line or reliable communication using CRC checking.
30.2 SPI main features
•Full duplex synchronous transfers (on 3 lines)
•Simplex synchronous transfers on 2 lines with or without a bidirectional data line
•Master or slave operation
•8 Master mode frequencies (fSYSCLK/2 max.)
•Slave mode frequency (fSYSCLK/2 max.)
•Faster communication - Maximum SPI speed: 8 MHz
•NSS management by hardware or software for both master and slave
•Programmable clock polarity and phase
•Programmable data order with MSB-first or LSB-first shifting
•Dedicated transmission and reception flags with interrupt capability
•SPI bus busy status flag
•Master mode fault and overrun flags with interrupt capability
•1-byte transmission and reception buffer with DMA capability: Tx and Rx requests
•Hardware CRC feature for reliable communication:
– CRC value can be transmitted as last byte in Tx mode
– CRC error checking for last received byte
•Wakeup capability:
The MCU wakes up from Low power mode in full or half duplex transmit-only modes

DocID15226 Rev 11 559/595
RM0031 Serial peripheral interface (SPI)
584
30.3 SPI functional description
30.3.1 General description
The block diagram of the SPI is shown in Figure 172.
Figure 172. SPI block diagram
The SPI is connected to external devices through four pins:
•MISO: Master In / Slave Out data. This pin can be used to transmit data in slave mode
and receive data in master mode.
•MOSI: Master Out / Slave In data . This pin can be used to transmit data in master
mode and receive data in slave mode.
•SCK: Serial Clock output for SPI masters and Serial Clock input for SPI slaves.
•NSS: Slave select. This is a optional pin to select a slave device. This pin acts as a
‘chip select’ to let the SPI master communicate with slaves individually and to avoid
contention on the data lines. Slave NSS inputs can be driven by standard I/O ports on
the master device. When configured in master mode (MSTR bit =1) and if NSS is
pulled low, the SPI enters master mode fault state: the MSTR bit is automatically reset
and the device is configured in slave mode (refer to Section 30.3.10: Error flags on
page 576).
RX BUFFER
TX BUFFER
SHIFT REGISTER
LSB First
READ
WRITE
ADDRESS AND DATA BUS
MOSI
MISO
BAUD RATE GENERATOR
SCK
MASTER CONTROL LOGIC
COMMUNICATION
CONTROL
SPE BR2 BR1 BR0 MSTRCPOL CPHA
BR[2:0]
RXIE
LSB
BIDI
MODE
BIDI
OE
RX SSM SSI
OVR MOD RXNETXE
ERR
TXIE
WK 0
0
00
WKIE
ONLY
0
1
NSS
IE
FUP
FIRST
BSY
fSYSCLK
TXD
MAEN
CRC
ERR
CRC
EN
CRC
Next
RXD
MAEN

Serial peripheral interface (SPI) RM0031
560/595 DocID15226 Rev 11
A basic example of interconnections between a single master and a single slave is
illustrated in Figure 173.
Note: The I/O slope on which the SPI outputs are connected is controlled by hardware as fast
slope output whatever the I/O port configuration.
Figure 173. Single master/ single slave application
The MOSI pins are connected together and the MISO pins are connected together. In this
way data is transferred serially between master and slave (most significant bit first).
The communication is always initiated by the master. When the master device transmits
data to a slave device via MOSI pin, the slave device responds the MISO pin. This implies
full duplex communication with both data out and data in synchronized with the same clock
signal (which is provided by the master device via the SCK pin).
Slave select (NSS) pin management
A hardware or software slave select management configuration can be set using the
Software slave select management (SSM) bit from the SPI_CR2 register.
•Software NSS management (SSM = 1): with this configuration, slave select
information is driven internally by the Internal slave select (SSI) bit value in the
SPI_CR2 register.The external NSS pin remains free for other application uses.
•Hardware NSS management (SSM = 0): For devices set as master, this configuration
allows multimaster capability. For devices set as slave, the NSS pin works as a
classical NSS input. The slave is selected when the NSS line is in low level and is not
selected if the NSS line is in high level.
Note: When the master is communicating with SPI slaves which need to be deselected between
transmissions, the NSS pin must be configured as a GPIO.
8-BIT SHIFT REGISTER
SPI
CLOCK
GENERATOR
8-BIT SHIFT REGISTER
MISO
MOSI MOSI
MISO
SCK SCK
SLAVE
MASTER
NSS NSS
VDD
MSBit LSBit MSBit LSBit
Not used if NSS is managed
by software

DocID15226 Rev 11 561/595
RM0031 Serial peripheral interface (SPI)
584
Clock phase and clock polarity
Four possible timing relationships may be chosen by software, using the CPOL and CPHA
bits. The CPOL (clock polarity) bit controls the steady state value of the clock when no data
is being transferred. This bit affects both master and slave modes. If CPOL is reset, SCK pin
has a low level idle state. If CPOL is set, SCK pin has a high level idle state.
Note: Make sure the SPI pin is configured at the idle state level of the SPI in order to avoid
generating an edge on the SPI clock pin when enabling or disabling the SPI cell.
If CPHA (clock phase) bit is set, the second edge on the SCK pin (falling edge if the CPOL
bit is reset, rising edge if the CPOL bit is set) is the MSBit capture strobe. Data is latched on
the occurrence of the first clock transition. If CPHA bit is reset, the first edge on the SCK pin
(falling edge if CPOL bit is set, rising edge if CPOL bit is reset) is the MSBit capture strobe.
Data is latched on the occurrence of the second clock transition.
The combination of the CPOL clock polarity and CPHA (clock phase) bits selects the data
capture clock edge.
Figure 174 shows an SPI transfer with the four combinations of the CPHA and CPOL bits.
The diagram may be interpreted as a master or slave timing diagram where the SCK pin,
the MISO pin, the MOSI pin are directly connected between the master and the slave
device.
Note: 1 Prior to changing the CPOL/CPHA bits the SPI must be disabled by resetting the SPE bit.
2 Master and slave must be programmed with the same timing mode.
3 The idle state of SCK must correspond to the polarity selected in the SPI_CR1 register (by
pulling up SCK if CPOL=1 or pulling down SCK if CPOL=0).

Serial peripheral interface (SPI) RM0031
562/595 DocID15226 Rev 11
Figure 174. Data clock timing diagram
1. These timings are shown with the LSBFIRST bit reset in the SPI_CR1 register.
Frame format
Data can be shifted out either MSB-first or LSB-first depending on the value of the
LSBFIRST bit in the SPI_CR1 Register.
CPOL = 1
CPOL = 0
MSBit Bit 6 Bit 5 Bit 4 Bit3 Bit 2 Bit 1 LSBit
MSBit Bit 6 Bit 5 Bit 4 Bit3 Bit 2 Bit 1 LSBit
MISO
MOSI
NSS
(to slave)
CAPTURE STROBE
CPHA =1
CPOL = 1
CPOL = 0
MSBit Bit 6 Bit 5 Bit 4 Bit3 Bit 2 Bit 1 LSBit
MSBit Bit 6 Bit 5 Bit 4 Bit3 Bit 2 Bit 1 LSBit
MISO
MOSI
NSS
(to slave)
CAPTURE STROBE
CPHA =0

DocID15226 Rev 11 563/595
RM0031 Serial peripheral interface (SPI)
584
30.3.2 Configuring the SPI in slave mode
In slave configuration, the serial clock is received on the SCK pin from the master device.
The value set in the BR[2:0] bits in the SPI_CR1 register, does not affect the data transfer
rate.
Follow the procedure below to configure the SPI in slave mode:
1. Select the CPOL and CPHA bits to define one of the four relationships between the
data transfer and the serial clock (see Figure 174). For correct data transfer, the CPOL
and CPHA bits must be configured in the same way in the slave device and the master
device.
2. The frame format (MSB-first or LSB-first depending on the value of the LSBFIRST bit in
the SPI_CR1 register) must be the same as the master device.
3. In Hardware mode (refer to Slave select (NSS) pin management on page 560), the
NSS pin must be connected to a low level signal during the complete data transmit
sequence. In NSS Software mode, set the SSM bit and clear the SSI bit in the
SPI_CR2 register.
4. Clear the MSTR bit and set the SPE bit to assign the pins to alternate functions.
In this configuration the MOSI pin is a data input and the MISO pin is a data output.
Note: In applications with a parallel multi-slave structure, with separate NSS signals and the slave
MISO outputs connected together, the corresponding GPIO registers must be configured
correctly. The SPI_MISO pin is controlled by the SPI peripheral only when the NSS signal is
active and the device is selected as slave. When the NSS signal is released, the pin is
driven by GPIO register settings only. To function correctly, the GPIO has to be configured in
input pull-up mode with no interrupt. This configuration is done using the GPIO_DDR,
GPIO_CR1 and GPIO_CR2 registers - see Section 10.8.1: Alternate function output.
30.3.3 Configuring the SPI master mode
In a master configuration, the serial clock is generated on the SCK pin.
Follow the procedure below to configure the SPI in master mode:
1. Select the BR[2:0] bits to define the serial clock baud rate (see SPI_CR1 register).
2. Select the CPOL and CPHA bits to define one of the four relationships between the
data transfer and the serial clock (see Figure 174).
3. Configure the LSBFIRST bit in the SPI_CR1 register to define the frame format.
4. In Hardware mode, connect the NSS pin to a high-level signal during the complete data
transmit sequence. In software mode, set the SSM and SSI bits in the SPI_CR2
register.
5. Set the MSTR and SPE bits (they remain set only if the NSS pin is connected to a high-
level signal).
In this configuration the MOSI pin is a data output and to the MISO pin is a data input.

Serial peripheral interface (SPI) RM0031
564/595 DocID15226 Rev 11
30.3.4 Configuring the SPI for simplex communications
The SPI is capable of operating in simplex mode in 2 configurations.
•1 clock and 1 bidirectional data wire
•1 clock and 1 data wire (Receive-only or Transmit-only)
1 clock and 1 bidirectional data wire
This mode is enabled by setting the BDM bit in the SPI_CR2 register. In this mode SCK is
used for the clock, and MOSI in master or MISO in slave mode is used for data
communication. The transfer direction (Input/output) is selected by the BDOE bit in the
SPI_CR2 register. When this bit is set to 1, the data line is output, otherwise it is input.
1 clock and 1 unidirectional data wire (BDM = 0)
In this mode, the application can use the SPI either in transmit-only mode or in receive-only
mode:
•Transmit-only mode is similar to full-duplex mode (BDM = 0, RXONLY = 0): the data is
transmitted to the transmit pin (MOSI in master mode or MISO in slave mode) and the
receive pin (MISO in master mode or MOSI in slave mode) can be used as general
purpose I/O. In this case, the application just needs to ignore the Rx buffer (if the data
register is read, it does not contain the received value).
•In receive-only mode, the application can disable the SPI output function by setting the
RXONLY bit in the SPI_CR2 register. In this case, it frees the transmit I/O pin (MOSI in
master mode or MISO in slave mode) so it can be used for other purposes.
To start the communication in receive-only mode, configure and enable the SPI:
•In master mode, the communication starts immediately and stops when the SPE bit is
reset and the current reception stops. There is no need to read the BSY flag in this
mode. It is always set when an SPI communication is ongoing.
•In slave mode, the SPI continues to receive as long as the NSS is pulled down (or the
SSI bit is reset in NSS software mode) and the SCK is running.
30.3.5 Data transmission and reception procedures
Rx and Tx buffer
In reception, data are received and then stored into an internal Rx buffer while In
transmission, data are first stored into an internal Tx buffer before being transmitted.
A read access of the SPI_DR register returns the Rx buffered value whereas a write access
of the SPI_DR stores the written data into the Tx buffer.
Start sequence in master mode
•In full-duplex (BDM = 0 and RXONLY = 0)
– The sequence begins when data is written into the SPI_DR register (Tx buffer).
– The data is then parallel loaded from the Tx buffer into the 8-bit shift register
during the first bit transmission and then shifted out serially to the MOSI pin.
– At the same time, the received data on MISO pin is shifted in serially to the 8-bit
shift register and then parallel loaded into the SPI_DR register (Rx Buffer).

DocID15226 Rev 11 565/595
RM0031 Serial peripheral interface (SPI)
584
•In unidirectional receive-only mode (BDM = 0 and RXONLY = 1)
– The sequence begins as soon as the bit SPE = 1
– Only the receiver is activated and the received data on MISO pin is shifted in
serially to the 8-bit shift register and then parallel loaded into the SPI_DR register
(Rx Buffer).
•In bidirectional mode, when transmitting (BDM = 1 and BDOE = 1)
– The sequence begins when a data is written into the SPI_DR register (Tx buffer).
– The data is then parallel loaded from the Tx buffer into the 8-bit shift register
during the first bit transmission and then shifted out serially to the MOSI pin.
– No data is received.
•In bidirectional mode, when receiving (BDM = 1 and BDOE = 0)
– The sequence begins as soon as SPE = 1 and BDOE = 0.
– The received data on MOSI pin is shifted in serially to the 8-bit shift register and
then parallel loaded into the SPI_DR register (Rx Buffer).
– The transmitter is not activated and no data is shifted out serially to the MOSI pin.
Start sequence in slave mode
•In full-duplex (BDM=0 and RXONLY=0)
– The sequence begins when the slave device receives the clock signal and the first
bit of the data on its MOSI pin. The remaining 7 bits are loaded into the shift
register.
– At the same time, the data is parallel loaded from the Tx buffer into the 8-bit shift
register during the first bit transmission and then shifted out serially to the MISO
pin. The software must have written the data to be sent before the SPI master
device initiates the transfer.
•In unidirectional receive-only mode (BDM = 0 and RXONLY = 1)
– The sequence begins when the slave device receives the clock signal and the first
bit of the data on its MOSI pin. The remaining 7 bits are loaded into the shift
register.
– The transmitter is not activated and no data is shifted out serially to the MISO pin.
•In bidirectional mode, when transmitting (BDM = 1 and BDOE = 1)
– The sequence begins when the slave device receives the clock signal and the first
bit of the Tx buffer is transmitted to the MISO pin.
– The data is then parallel loaded from the Tx buffer into the 8-bit shift register
during the first bit transmission and then shifted out serially to the MISO pin. The
software must have written the data to be sent before the SPI master device starts
the transfer.
– no data is received.
•In bidirectional mode, when receiving (BDM = 1 and BDOE = 0)
– The sequence starts when the slave device receives the clock signal and the first
bit of the data to its MISO pin.
– The data received on MISO pin is shifted in serially to the 8-bit shift register and
then parallel loaded into the SPI_DR register (Rx Buffer).
– The transmitter is not activated and no data is shifted out serially to the MISO pin.

Serial peripheral interface (SPI) RM0031
566/595 DocID15226 Rev 11
Handling data transmission and reception
The TXE flag (Tx buffer empty) is set when the data is transferred from the Tx buffer to the
shift register. It indicates that the internal Tx buffer is ready to be loaded with the next data.
An interrupt can be generated if TXIE bit in the SPI_ICR register is set.
Note: The software must ensure that TXE flag is set to 1 before attempting to write into the Tx
buffer. Otherwise, it will overwrite the data which was previously written in the Tx buffer.
The RXNE flag (Rx buffer not empty) is set on the last sampling clock edge, when the data
is transferred from the shift register to the Rx buffer. It indicates that a data is ready to be
read from the SPI_DR register. An interrupt can be generated if RXIE bit in the SPI_ICR
register is set. Clearing the RXNE bit is performed by reading the SPI_DR register.
In some configurations, the BSY flag can be used during the last data transfer to wait until
the completion of the transfer.
Full Duplex Transmit and receive procedure in master or slave mode
(BDM=0 and RXONLY = 0)
1. Enable the SPI by setting the SPE bit
2. Write the first data to be transmitted in the SPI_DR register (this clears the TXE flag).
3. Wait until TXE = 1 and write the second data to be transmitted. Then wait until RXNE =
1 and read the SPI_DR to get the first received data (this clears the RXNE bit). Repeat
this operation for each data to be transmitted/received until the n-1 received data.
4. Wait until RXNE = 1 and read the last received data.
5. Wait until TXE = 1 and then wait until BSY = 0 before disabling the SPI.
This procedure can also be implemented using dedicated interrupt subroutines launched at
each rising edge of RXNE or TXE flags.

DocID15226 Rev 11 567/595
RM0031 Serial peripheral interface (SPI)
584
Figure 175. TXE/RXNE/BSY behavior in full duplex mode (RXONLY = 0).
Case of continuous transfers
Figure 176. TXE/RXNE/BSY behavior in slave / full duplex mode
(BDM = 0, RXONLY = 0). Case of continuous transfers
MISO/MOSI (in)
Tx Buffer
DATA1 = 0xA1
TXE flag
0xF2
BSY flag
0xF3
software
writes 0xF1
in SPI_DR
software waits
until TXE=1 and
writes 0xF2 in
SPI_DR
software waits
until RXNE=1
and reads 0xA1
from SPI_DR
set by hw
cleared by sw
set by hw
cleared by sw set by hw
set by hw
SCK
DATA 2 = 0xA2 DATA 3 = 0xA3
reset by hw
Example in Master Mode with CPOL=1, CPHA=1
0xF1
RXNE flag
(write SPI_DR)
Rx Buffer
set by hw cleared by sw
MISO/MOSI (out)
DATA1 = 0xF1 DATA2 = 0xF2 DATA3 = 0xF3
(read SPI_DR) 0xA1 0xA2 0xA3
software waits until
TXE=1 and writes
0xF3 in SPI_DR
software waits until
RXNE=1 and reads 0xA2
from SPI_ DR
software waits until
RXNE=1 and reads
0xA3 from SPI_DR
b0 b1 b2 b3 b4 b5 b6 b7 b0 b1 b2 b3 b4 b5 b6 b7 b0 b1 b2 b3 b4 b5 b6 b7
b0 b1 b2 b3 b4 b5 b6 b7 b0 b1 b2 b3 b4 b5 b6 b7 b0 b1 b2 b3 b4 b5 b6 b7
0xF1
set by hw
MISO/MOSI (in)
Tx Buffer
DATA 1 = 0xA1
TXE flag
0xF2
BSY flag
0xF3
software
writes 0xF1
in SPI_DR
software waits
until TXE=1 and
writes 0xF2 in
SPI_DR
software waits
until RXNE=1
and reads 0xA1
from SPI_DR
set by hw
cleared by sw
set by hw
cleared by sw set by hw
SCK
DATA 2 = 0xA2 DATA 3 = 0xA3
reset by hw
Example in Slave Mode with CPOL=1, CPHA=1
RXNE flag
(write SPI_DR)
Rx Buffer
set by hw cleared by sw
MISO/MOSI (out)
DATA 1 = 0xF1 DATA 2 = 0xF2 DATA 3 = 0xF3
(read SPI_DR) 0xA1 0xA2 0xA3
software waits
until TXE=1 and
writes 0xF3 in
SPI_DR
software waits until
RXNE=1 and reads 0xA2
from SPI_ DR
software waits until
RXNE=1 and reads
0xA3 from SPI_DR
b0 b1 b2 b3 b4 b5 b6 b7 b0 b1 b2 b3 b4 b5 b6 b7 b0 b1 b2 b3 b4 b5 b6 b7
b0 b1 b2 b3 b4 b5 b6 b7 b0 b1 b2 b3 b4 b5 b6 b7 b0 b1 b2 b3 b4 b5 b6 b7

Serial peripheral interface (SPI) RM0031
568/595 DocID15226 Rev 11
Transmit-only procedure (BDM = 0 RXONLY = 0)
In this mode, the procedure can be reduced as described below and the BSY bit can be
used to wait until the effective completion of the transmission (see Figure 175 and
Figure 176):
1. Enable the SPI by setting the SPE bit
2. Write the first data to send in the SPI_DR register (this clears the TXE bit).
3. Wait until TXE = 1 and write the next data to be transmitted. Repeat this step for each
data to be transmitted.
4. After writing the last data in the SPI_DR register, wait until TXE = 1 and then wait until
BSY=0 which indicates that the transmission of the last data is complete.
This procedure can be also implemented using dedicated interrupt subroutines launched at
each rising edge of TXE flag.
Note: 1 In master mode, during discontinuous communications, there is a 2 CPU clock period delay
between the write operation to SPI_DR and the BSY bit setting. As a consequence, in
transmit-only mode, it is mandatory to wait first until TXE is set and then until BSY is reset
after having written the last data.
2 After transmitting two data in transmit-only mode, the OVR flag is set in the SPI_SR register
since the received data are never read.
Figure 177. TXE/BSY in master transmit-only mode
(BDM = 0 and RXONLY = 0). Case of continuous transfers
0xF1
Tx Buffer
TXE flag
0xF2
BSY flag
0xF3
software
writes 0xF1 in
SPI_DR
software waits until
TXE=1 and writes
0xF2 in SPI_DR
set by hw
cleared by sw
set by hw
cleared by sw set by hw
set by hw
SCK
reset by hw
Example in master mode with CPOL=1, CPHA=1
(write SPI_DR)
MISO/MOSI (out)
DATA 1 = 0xF1 DATA 2 = 0xF2 DATA 3 = 0xF3
software waits until
TXE=1 and writes 0xF3
in SPI_DR
software waits until BSY=0software waits until
TXE=1
b0 b1 b2 b3 b4 b5 b6 b7 b0 b1 b2 b3 b4 b5 b6 b7 b0 b1 b2 b3 b4 b5 b6 b7

DocID15226 Rev 11 569/595
RM0031 Serial peripheral interface (SPI)
584
Figure 178. TXE/BSY in slave transmit-only mode (BDM = 0 and RXONLY = 0).
Case of continuous transfers
Bidirectional transmit procedure (BDM = 1 and BDOE = 1)
In this mode, the procedure is similar to the Transmit-only procedure except that the BDM
and BDOE bits must both be set in the SPI_CR2 register before enabling the SPI.
Unidirectional receive-only procedure (BDM = 0 and RXONLY = 1)
In this mode, the procedure can be reduced as described below (see Figure 179):
1. Set the RXONLY bit in the SPI_CR2 register
2. Enable the SPI by setting bit SPE to 1:
a) In master mode, this immediately activates the generation of the SCK clock, and
data is received serially until the SPI is disabled (SPE = 0).
b) In slave mode, data are received when the SPI master device drives NSS low and
generates the SCK clock.
3. Wait until RXNE =1 and read the SPI_DR register to get the received data (this clears
the RXNE bit). Repeat this operation for each data to be received.
This procedure can be also implemented using dedicated interrupt subroutines launched at
each rising edge of the RXNE flag.
Note: If it is required to disable the SPI after the last transfer, follow the recommendation
described in Section 30.3.8: Disabling the SPI on page 573.
0xF1
Tx Buffer
TXE flag
0xF2
BSY flag
0xF3
software
writes 0xF1 in
SPI_DR
software waits until
TXE=1 and writes
0xF2 in SPI_DR
set by hw
cleared by sw
set by hw
cleared by sw set by hw
set by hw
SCK
reset by hw
Example in slave mode with CPOL=1, CPHA=1
(write SPI_DR)
MISO/MOSI (out)
DATA 1 = 0xF1 DATA 2 = 0xF2 DATA 3 = 0xF3
software waits until
TXE=1 and writes
0xF3 in SPI_DR software waits until BSY=0software waits until
TXE=1
b0 b1 b2 b3 b4 b5 b6 b7 b0 b1 b2 b3 b4 b5 b6 b7 b0 b1 b2 b3 b4 b5 b6 b7

Serial peripheral interface (SPI) RM0031
570/595 DocID15226 Rev 11
Figure 179. RXNE behavior in receive-only mode (BDM = 0 and RXONLY = 1).
Case of continuous transfers
Bidirectional receive procedure (BDM = 1 and BDOE = 0)
In this mode, the procedure is similar to the Receive-only procedure except that the BDM bit
must be set and the BDOE bit must be reset in the SPI_CR2 register before enabling the
SPI.
Continuous and discontinuous transfers
When transmitting data in master mode, if the software is fast enough to detect each TXE
rising edge (or TXE interrupt) and to immediately write the SPI_DR register before the
ongoing data transfer is complete, the communication is said to be continuous. In this case,
there is no discontinuity in the generation of the SPI clock between each data and the BSY
bit will never be reset between each data transfer.
On the contrary, if the software is not fast enough, this can lead to some discontinuities in
the communication. In this case, the BSY bit is reset between each data transmission (see
Figure 180).
In master receive-only mode (BDM = 0 and RXONLY = 1) or in bidirectional receive mode
(BDM = 1 and BDOE = 0), the communication is always continuous and the BSY flag is
always read at 1.
In slave mode, the continuity of the communication is decided by the SPI master device. But
even if the communication is continuous, the BSY flag goes low between each transfer for a
minimum duration of one SPI clock cycle (see Figure 176).
MISO/MOSI (in)
DATA 1 = 0xA1
software waits until
RXNE=1 and reads 0xA1
from SPI_DR
SCK
DATA 2 = 0xA2 DATA 3 = 0xA3
Example with CPOL=1, CPHA=1, RXONLY=1
RXNE flag
Rx Buffer
set by hw cleared by sw
(read SPI_DR) 0xA1 0xA2 0xA3
software waits until
RXNE=1 and reads 0xA2
from SPI_DR
software waits until
RXNE=1 and reads 0xA3
from SPI_DR
b0 b1 b2 b3 b4 b5 b6 b7 b0 b1 b2 b3 b4 b5 b6 b7 b0 b1 b2 b3 b4 b5 b6 b7

DocID15226 Rev 11 571/595
RM0031 Serial peripheral interface (SPI)
584
Figure 180. TXE/BSY behavior when transmitting (BDM = 0 and RXLONY = 0).
Case of discontinuous transfers
30.3.6 CRC calculation
A CRC calculator has been implemented for communication reliability. Separate CRC
calculators are implemented for transmitted data and received data. The CRC is calculated
using a programmable polynomial serially on each bit. The CRC is calculated on the
sampling clock edge defined by the CPHA and CPOL bits in the SPI_CR1 register.
CRC calculation is enabled by setting the CRCEN bit in the SPI_CR1 register. This action
resets the CRC registers (SPI_RXCRCR and SPI_TXCRCR). When the CRCNEXT bit in
SPI_CR2 is set, the SPI_TXCRCR value is transmitted at the end of the current byte
transmission.
If a byte is present in the Tx buffer, the CRC value is transmitted only after the transmission
of this byte. During the transmission of CRC, the CRC calculator is switched off and the
register value remains unchanged.
The CRCERR flag in the SPI_SR register is set if the value received in the shift register
during the SPI_TXCRCR value transmission does not match the SPI_RXCRCR value.
MOSI (out)
Tx buffer
DATA 1 = 0xF1
TXE flag
0xF1
BSY flag
0xF2
software writes 0xF1
into SPI_DR
software waits until TXE=1
but is late to write 0xF2 into
SPI_DR
software waits until TXE=1
but is late to writes 0xF3
into SPI_DR
SCK
DATA 2 = 0xF2 DATA 3 = 0xF3
Example with CPOL=1, CPHA = 1
0xF3
software waits
until TXE=1
software waits until
BSY=0
(write SPI_DR)
b0 b1 b2 b3 b4 b5 b6 b7 b0 b1 b2 b3 b4 b5 b6 b7 b0 b1 b2 b3 b4 b5 b6 b7

Serial peripheral interface (SPI) RM0031
572/595 DocID15226 Rev 11
SPI communication using CRC is possible through the following procedure:
•Program the CPOL, CPHA, LSBfirst, BR, SSM, SSI and MSTR values.
•Program the polynomial in the SPI_CRCPR register
•Enable the CRC calculation by setting the CRCEN bit in the SPI_CR1 register. This
also clears the SPI_RXCRCR and SPI_TXCRCR registers
•Enable the SPI by setting the SPE bit in SPI_CR1
•Start the communication and sustain the communication until all but one byte has been
transmitted or received.
•On writing the last byte to the Txbuffer, set the CRCNext bit in the SPI_CR2 register to
indicate that after transmission of the last byte, the CRC should be transmitted. The
CRC calculation will be frozen during the CRC transmission.
•After transmitting the last byte, the SPI transmits the CRC. CRCNext bit is reset. The
CRC is also received and compared against the SPI_RXCRCR value. If the value does
not match, the CRCERR flag in SPI_SR is set and an interrupt can be generated when
the ERRIE in the SPI_ICR register is set.
Note: With high bit rate frequencies, the user must take care when transmitting CRC. As the
number of used CPU cycles has to be as low as possible in the CRC transfer phase, the
calling of software functions in the CRC transmission sequence is forbidden to avoid errors
in the last data and CRC reception.
When the SPI is in slave mode, be careful to enable CRC calculation only when the clock is
stable. If not, a wrong CRC calculation may be done.
For high bit rate frequencies, it is advised to use the DMA mode to avoid the degradation of
the SPI speed performance due to CPU accesses impacting the SPI bandwidth.
When the STM8L05xx/15xx/16xx is configured as slave and the NSS hardware mode is
used, the NSS pin needs to be kept low between the data phase and the CRC phase.
When the SPI is configured in slave mode with the CRC feature enabled, CRC calculation
takes place even if a high level is applied on the NSS pin. This may happen for example in
case of a multislave environment where the communication master addresses slaves
alternately.
Between a slave deselection (high level on NSS) and a new slave selection (low level on
NSS), the CRC value should be cleared on both master and slave sides in order to
resynchronize the master and slave for their respective CRC calculation.
To clear the CRC, follow the procedure below:
1. Disable SPI (SPE = 0)
2. Clear the CRCEN bit
3. Set the CRCEN bit
4. Enable the SPI (SPE = 1)

DocID15226 Rev 11 573/595
RM0031 Serial peripheral interface (SPI)
584
30.3.7 Status flags
There are three status flags to allow the application to completely monitor the state of the
SPI bus.
Tx buffer empty flag (TXE)
When set, this flag indicates that the Tx buffer is empty and that the next data to be
transmitted can be loaded into the buffer. The TXE flag is reset when writing the SPI_DR
register.
Rx buffer not empty (RXNE)
When set, this flag indicates that there is a valid received data in the Rx buffer. This flag is
reset when SPI_DR is read.
Busy flag (BSY)
This BSY flag is set and reset by hardware (writing to this flag has no effect). The BSY flag
indicates the state of the communication layer of the SPI.
When BSY is set, it indicates that the SPI is busy communicating. There is one exception in
master mode / bidirectional receive mode (MSTR=1 and BDM=1 and BDOE=0) where the
BSY flag is kept low during the reception.
The BSY flag is useful to detect the end of a transfer if the software wants to disable the SPI
and enters Halt mode (or disable the peripheral clock). This will avoid corrupting the last
transfer. For this, the procedure described below must be strictly respected.
The BSY flag is also useful to avoid write collisions in a multimaster system.
The BSY flag is set when a transfer starts with the exception of master mode / bidirectional
receive mode (MSTR = 1 and BDM = 1 and BDOE = 0).
It is reset:
•when a transfer is finished (except in master mode if the communication is continuous)
•when the SPI is disabled
•when a master mode fault occurs (MODF = 1)
When communication is not continuous, the BSY flag is low between each communication.
When communication is continuous, in master mode, the BSY flag is kept high during the
whole transfers.
When communication is continuous, in slave mode, the BSY flag goes back to low state for
one SPI clock cycle between each transfer.
Note: Do not use the BSY flag to handle each data transmission or reception. It is better to use
TXE and RXNE flags instead.
30.3.8 Disabling the SPI
When a transfer is terminated, the application can stop the communication by disabling the
SPI peripheral. This is done by resetting the SPE bit.
For some configurations, disabling the SPI and entering Halt mode while a transfer is on-
going, can cause the current transfer to be corrupted and/or it can happen that the BSY flag
becomes unreliable.

Serial peripheral interface (SPI) RM0031
574/595 DocID15226 Rev 11
To avoid any of these effects, it is recommended to respect the following procedure when
disabling the SPI:
In master or slave full duplex mode (BDM = 0, RXONLY = 0):
1. Wait until RXNE = 1 to receive the last data
2. Wait until TXE = 1
3. Then wait until BSY = 0
4. Disable the SPI (SPE = 0) and eventually enter Halt mode (or disable the peripheral
clock).
In master or slave unidirectional transmit-only mode (BDM = 0, RXONLY = 0)
or bidirectional transmit mode (BDM = 1, BDOE = 1):
After the last data is written in the SPI_DR register:
1. Wait until TXE = 1
2. Then wait until BSY = 0
3. Disable the SPI (SPE = 0) and, if desired, enter Halt mode (or disable the peripheral
clock).
In master unidirectional receive-only mode (MSTR = 1, BDM = 0, RXONLY = 1)
or bidirectional receive mode (MSTR = 1, BDM = 1, BDOE = 0):
This case must be managed in a particular way to ensure that the SPI does not initiate a
new transfer:
1. Wait for the second to last occurrence of RXNE = 1 (n-1)
2. Then wait for one SPI clock cycle (using a software loop) before disabling the SPI
(SPE = 0)
3. Then wait for the last RXNE=1 before entering Halt mode (or disabling the peripheral
clock).
Note: In master bidirectional receive mode (MSTR=1 and BDM=1 and BDOE=0), the BSY flag is
kept low during a transfer.
In slave receive-only mode (MSTR = 0, BDM = 0, RXONLY = 1) or bidirectional
receive mode (MSTR = 0, BDM = 1, BDOE = 0):
1. You can disable the SPI (write SPE = 1) whenever you want: the current transfer will
complete before being effectively disabled.
2. Then, if you want to enter Halt mode, you must first wait until BSY = 0 before entering
Halt mode (or disabling the peripheral clock).
30.3.9 SPI communication using DMA (direct memory addressing)
To operate at its maximum speed, the SPI needs to be fed with the data to be transmitted,
and the data received on the Rx buffer should be read to avoid overrun. To facilitate the
transfers, the SPI features a DMA capability implementing a simple request/acknowledge
protocol.

DocID15226 Rev 11 575/595
RM0031 Serial peripheral interface (SPI)
584
A DMA access is requested when the enable bit in the SPI_ICR register is enabled.
Separate requests must be issued to the Tx and the Rx buffers (see Figure 181 and
Figure 182):
•In transmission, a DMA request is issued each time TXE is set to 1. The DMA then
writes the SPI_DR (this clears the TXE flag).
•In reception, a DMA request is issued each time RXNE is set to 1. The DMA then reads
the SPI_DR (this clears the RXNE flag).
When the SPI is used only to transmit data, it is possible to enable only the SPI Tx DMA
channel. In this case, the OVR flag is set because the data received are not read.
When the SPI is used only to receive data, it is possible to enable only the SPI Rx DMA
channel.
In transmission mode, when the DMA has written all the data to be transmitted (flag TCIF is
set in the DMA_CxSPR register), the BSY flag can be monitored to ensure that the SPI
communication is complete. This is required to avoid corrupting the last transmission before
disabling the SPI or entering Halt mode. The software must first wait until TXE=1 and then
wait until BSY=0.
Note: During discontinuous communications, there is a 2 CPU clock period delay between the
write operation to SPI_DR and the BSY bit setting. As a consequence, it is mandatory to
wait first until TXE=1 and then until BSY=0 after having written the last data.
Figure 181. Transmission using DMA
0xF1
Tx Buffer
flag TXE
0xF2
flag BSY
0xF3
set by hw
clear by DMA write
set by hw
cleared by DMA write set by hw
set by hw
SCK
reset
Example with CPOL=1, CPHA=1
(write SPI_DR)
MISO/MOSI (out)
DATA 1 = 0xF1 DATA 2 = 0xF2 DATA 3 = 0xF3
software configures
the DMA SPI Tx
channel
to send 3 data and
enables the SPI
DMA writes SPI_DR
DMA request ignored by the DMA because
flag DMA TCIF set by hw clear
by sw
DMA
writes
DATA1 into
SPI_DR
by hw
DMA writes
DATA2 into
SPI_DR
DMA writes
DATA3 into
SPI_DR
software waits
until BSY=0
(DMA Transfer Complete)
DMA transfer is
complete (TCIF=1
in DMA_CxSPR)
software waits until
TXE=1
DMA transfer is complete
b0 b1 b2 b3 b4 b5 b6 b7 b0 b1 b2 b3 b4 b5 b6 b7 b0 b1 b2 b3 b4 b5 b6 b7

Serial peripheral interface (SPI) RM0031
576/595 DocID15226 Rev 11
Figure 182. Reception using DMA
30.3.10 Error flags
Master mode fault (MODF)
Master mode fault occurs when the master device has its NSS pin pulled low (in NSS
hardware mode) or SSI bit low (in NSS software mode), this automatically sets the MODF
bit. Master mode fault affects the SPI peripheral in the following ways:
•The MODF bit is set and an SPI interrupt is generated if the ERRIE bit is set.
•The SPE bit is reset. This blocks all output from the device and disables the SPI
interface.
•The MSTR bit is reset, thus forcing the device into slave mode.
Use the following software sequence to clear the MODF bit:
1. Make a read or write access to the SPI_SR register while the MODF bit is set.
2. Then write to the SPI_CR1 register.
To avoid any multiple slave conflicts in a system comprising several MCUs, the NSS pin
must be pulled high during the MODF bit clearing sequence. The SPE and MSTR bits can
be restored to their original state after this clearing sequence.
As a security, hardware does not allow you to set the SPE and MSTR bits while the MODF
bit is set.
In a slave device the MODF bit cannot be set. However, in a multi-master configuration, the
device can be in slave mode with this MODF bit set. In this case, the MODF bit indicates
that there might have been a multimaster conflict for system control. You can use an
interrupt routine to recover cleanly from this state by performing a reset or returning to a
default state.
MISO/MOSI (in)
DATA 1 = 0xA1
software configures the
DMA SPI Rx channel
to receive 3 data and
enables the SPI
SCK
DATA 2 = 0xA2 DATA 3 = 0xA3
Example with CPOL=1, CPHA=1
flag RXNE
Rx Buffer
set by hw clear by DMA read
(read SPI_DR) 0xA1 0xA2 0xA3
DMA request
DMA reads DATA3
from SPI_DR
flag DMA TCIF set by hw clear
by sw
DMA Read SPI_DR
The DMA transfer is
complete (TCIF=1 in
DMA_CxSPR)
DMA reads DATA2
from SPI_DR
DMA reads DATA1
from SPI_DR
(DMA Transfer Complete)
b0 b1 b2 b3 b4 b5 b6 b7 b0 b1 b2 b3 b4 b5 b6 b7 b0 b1 b2 b3 b4 b5 b6 b7

DocID15226 Rev 11 577/595
RM0031 Serial peripheral interface (SPI)
584
Overrun condition
An overrun condition occurs, when the master device has sent data bytes and the slave
device has not cleared the RXNE bit resulting from the previous data byte transmitted.
When an overrun condition occurs:
•OVR bit is set and an interrupt is generated if the ERRIE bit is set.
In this case, the receiver buffer contents will not be updated with the newly received data
from the master device. A read to the SPI_DR register returns this byte. All other
subsequently transmitted bytes are lost.
Clearing the OVR bit is done by a read access to the SPI_DR register followed by a read
access to the SPI_SR register.
CRC error
This flag is used to verify the correctness of the value received when the CRCEN bit in the
SPI_CR2 register is set. The CRCERR flag in the SPI_SR register is set if the value
received in the shift register after the SPI_TXCRCR value transmission does not match the
SPI_RXCRCR value. Refer to Chapter 30.3.6: CRC calculation.
30.3.11 SPI low power modes
Using the SPI to wake up the device from Halt mode
When the microcontroller is in Halt mode, the SPI is still capable of responding as a slave
provided the NSS pin is tied low or the SSI bit is reset before entering Halt mode.
When the first sampling edge of data (as defined by the CPHA bit) is detected:
•The WKUP bit is set in the SPI_SR register
•An interrupt is generated if the WKIE bit in the SPI_ICR register is set.
•This interrupt wakes up the device from Halt mode.
•Due to the time needed to restore the system clock, the SPI slave sends or receives a
few data before being able to communicate correctly. It is then mandatory to use the
following protocol:
– A specific value is written into the SPI_DR before entering Halt mode. This value
indicates to the external master that the SPI is in Halt mode
– The external master sends the same byte continuously until it receives from the
SPI slave device a new value other than the unique value indicating the SPI is in
Table 103. SPI behavior in low power modes
Mode Description
Wait/Low power
wait
No effect on SPI.
SPI interrupt events cause the device to exit from Wait or Low power wait mode.
Halt/Active-halt
SPI registers are frozen.
In Halt mode, the SPI is inactive. If the SPI is in master mode, then
communication resumes when the device is woken up by an interrupt with
“wakeup from Halt mode” capability.
If the SPI is in slave mode, then it can wake up the MCU from Halt mode after
detecting the first sampling edge of data.

Serial peripheral interface (SPI) RM0031
578/595 DocID15226 Rev 11
Halt mode. This new value indicates the SPI slave has woken-up and can
correctly communicate.
Restrictions in receive-only modes
The wakeup functionality is not guaranteed in receive-only modes (BDM = 0 and
RXONLY = 1 or BDM = 1 and BDOE = 0) since the time needed to restore the system clock
can be greater than the data reception time. A loss of data in reception would then be
induced and the slave device can not indicate to the master which data has been properly
received.
30.3.12 SPI interrupts
Table 104. SPI interrupt requests
Interrupt event Event
flag
Enable
control
bit
Exit
from
Wait/Low
power wait
Exit
from
Halt
/Active-halt
Transmit buffer empty flag TXE TXIE Yes No
Receive buffer not empty flag RXNE RXIE Yes No
Wakeup event flag WKUP WKIE Yes Yes
Master mode fault event MODF
ERRIE
Yes No
Overrun error OVR Yes No
CRC error flag CRCERR Yes No

DocID15226 Rev 11 579/595
RM0031 Serial peripheral interface (SPI)
584
30.4 SPI registers
30.4.1 SPI control register 1 (SPI_CR1)
Address offset: 0x00
Reset value: 0x00
76543210
LSBFIRST SPE BR [2:0] MSTR CPOL CPHA
rw rw rw rw rw rw
Bit 7 LSBFIRST: Frame format (1)
0: MSB is transmitted first
1: LSB is transmitted first
Bit 6 SPE: SPI enable (2)
0: Peripheral disabled
1: Peripheral enabled
Bits 5:3 BR[2:0]: Baud rate control
000: fSYSCLK/2
001: fSYSCLK/4
010: fSYSCLK/8
011: fSYSCLK/16
100: fSYSCLK/32
101: fSYSCLK/64
110: fSYSCLK/128
111: fSYSCLK/256
Note: These bits should not be changed when the communication is ongoing.
Bit 2 MSTR: Master selection (1)
0: Slave configuration
1: Master configuration
Bit1 CPOL: Clock polarity (1)
0: SCK to 0 when idle
1: SCK to 1 when idle
Bit 0 CPHA: Clock phase (1)
0: The first clock transition is the first data capture edge
1: The second clock transition is the first data capture edge
1. This bit should not be changed when the communication is ongoing.
2. When disabling the SPI, follow the procedure described in Section 30.3.8: Disabling the SPI on page 573

Serial peripheral interface (SPI) RM0031
580/595 DocID15226 Rev 11
30.4.2 SPI control register 2 (SPI_CR2)
Address offset: 0x01
Reset value: 0x00
76543210
BDM BDOE CRCEN CRCNEXT Reserved RXOnly SSM SSI
rw rw rw rw rw rw rw rw
Bit 7 BDM: Bidirectional data mode enable
0: 2-line unidirectional data mode selected
1: 1-line bidirectional data mode selected
Bit 6 BDOE: Input/Output enable in bidirectional mode
This bit selects the direction of transfer in bidirectional mode when BDM is set to 1.
0: Input enabled (receive-only mode)
1: Output enabled (transmit-only mode)
In master mode, the MOSI pin is used and in slave mode, the MISO pin is used.
Bit 5 CRCEN: Hardware CRC calculation enable
0: CRC calculation disabled
1: CRC calculation Enabled
Note: This bit should be written only when SPI is disabled (SPE = ‘0’) for correct operation
Bit 4 CRCNEXT: Transmit CRC next
0: Next transmit value is from Tx buffer
1: Next transmit value is from Tx CRC register
Bit 3 Reserved
Bit 2 RXONLY: Receive only
0: Full duplex (Transmit and receive)
1: Output disabled (Receive only mode)
This bit combined with BDM bit selects the direction of transfer in 2 line uni-directional mode
This bit is also useful in a multi-slave system in which this particular slave is not accessed, the output
from the accessed slave is not corrupted.
Bit 1 SSM: Software slave management
0: Software slave management disabled
1: Software slave management enabled
When the SSM bit is set, the NSS pin input is replaced with the value coming from the SSI bit
Bit 0 SSI: Internal slave select
This bit has effect only when SSM bit is set. The value of this bit is forced onto the NSS pin and the I/O
value of the NSS pin is ignored.
0: Slave mode
1: Master mode

DocID15226 Rev 11 581/595
RM0031 Serial peripheral interface (SPI)
584
30.4.3 SPI interrupt control register (SPI_ICR)
Address offset: 0x02
Reset value: 0x00
76543210
TXIE RXIE ERRIE WKIE Reserved TXDMAEN RXDMAEN
rw rw rw rw rw rw
Bit 7 TXIE: Tx buffer empty interrupt enable (1)
0: TXE interrupt masked
1: TXE interrupt not masked. This allows an interrupt request to be generated when the TXE flag is
set.
Bit 6 RXIE: RX buffer not empty interrupt enable (2)
0: RXNE interrupt masked
1: RXNE interrupt not masked. This allows an interrupt request to be generated when the RXNE flag
is set.
Bit 5 ERRIE: Error interrupt enable
0: Error interrupt is masked
1: Error interrupt is enabled. This allows an interrupt request to be generated when an error
condition occurs (CRCERR, OVR, MODF)
Bit 4 WKIE: Wakeup interrupt enable
0: Wakeup interrupt masked
1: Wakeup interrupt enabled. This allows an interrupt request to be generated when the WKUP flag
is set.
Bits 3:2 Reserved
Bit 1 TXDMAEN: Tx Buffer DMA Enable
When this bit is set, the DMA request is made whenever the TXE flag is set.
0: Tx buffer DMA disabled
1: Tx buffer DMA enabled
Bit 0 RXDMAEN: Rx Buffer DMA Enable
When this bit is set, the DMA request is made whenever the RXNE flag is set.
0: Rx buffer DMA disabled
1: Rx buffer DMA enabled
1. To function correctly, the TXIE and TXDMAEN bits should not be set at the same time.
2. To function correctly, the RXIE and RXDMAEN bits should not be set at the same time.

Serial peripheral interface (SPI) RM0031
582/595 DocID15226 Rev 11
30.4.4 SPI status register (SPI_SR)
Address offset: 0x03
Reset value: 0x02
76543210
BSY OVR MODF CRCERR WKUP Reserved TXE RXNE
r rc_w0 rc_w0 rc_w0 rc_w0 r r r
Bit 7 BSY: Busy flag
0: SPI not busy
1: SPI is busy in communication
This flag is set and reset by hardware.
Note: BSY flag must be used with cautious: refer to Section 30.3.7: Status flags on page 573 and
Section 30.3.8: Disabling the SPI on page 573
Bit 6 OVR: Overrun flag
0: No Overrun occurred
1: Overrun occurred
This flag is set by hardware and reset by a software sequence.
Bit 5 MODF: Mode fault
0: No Mode fault occurred
1: Mode fault occurred
This flag is set by hardware and reset by a software sequence.
Bit 4 CRCERR: CRC error flag
0: CRC value received matches the SPI_RXCRCR value
1: CRC value received does not match the SPI_RXCRCR value
This flag is set by hardware and cleared by software writing 0.
Bit 3 WKUP: Wakeup flag
0: No wakeup event occurred
1: Wakeup event occurred
This flag is set on the first sampling edge on SCK when the STM8 is in Halt mode and the SPI is
configured as slave.
This flag is reset by software writing 0.
Bit 2 Reserved
Bit 1 TXE: Transmit buffer empty
0: Tx buffer not empty
1: Tx buffer empty
Bit 0 RXNE: Receive buffer not empty
0: Rx buffer empty
1: Rx buffer not empty

DocID15226 Rev 11 583/595
RM0031 Serial peripheral interface (SPI)
584
30.4.5 SPI data register (SPI_DR)
Address offset: 0x04
Reset value: 0x00
30.4.6 SPI CRC polynomial register (SPI_CRCPR)
Address offset: 0x05
Reset value: 0x07
30.4.7 SPI Rx CRC register (SPI_RXCRCR)
Address offset: 0x06Reset value: 0x00
76543210
DR[7:0]
rw
Bits 7:0 DR[7:0]: Data register
Byte received or to be transmitted.
The data register is split into 2 buffers - one for writing (Transmit buffer) and another one for reading
(Receive buffer). A write to the data register will write into the Tx buffer and a read from the data
register will return the value held in the Rx buffer.
76543210
CRCPOLY[7:0]
rw
Bits 7:0 CRCPOLY[7:0]: CRC polynomial register
This register contains the polynomial for the CRC calculation.
The CRC polynomial (0x07) is the reset value of this register. You can configure an other polynomial
as required for your application.
76543210
RxCRC[7:0]
r
Bits 7:0 RXCRC[7:0]: Rx CRC Register
When CRC calculation is enabled, the RxCRC[7:0] bits contain the computed CRC value of the
subsequently received bytes. This register is reset when the CRCEN bit in SPI_CR2 register is written
to 1. The CRC is calculated serially using the polynomial programmed in the SPI_CRCPR register.
Note: A read to this register when the BSY Flag is set could return an incorrect value.

Serial peripheral interface (SPI) RM0031
584/595 DocID15226 Rev 11
30.4.8 SPI Tx CRC register (SPI_TXCRCR)
Address offset: 0x07Reset value: 0x00
30.5 SPI register map and reset values
76543210
TxCRC[7:0]
r
Bits 7:0 TxCRC[7:0]: Tx CRC register
When CRC calculation is enabled, the TxCRC[7:0] bits contain the computed CRC value of the
subsequently transmitted bytes. This register is reset when the CRCEN bit of SPI_CR2 is written to 1.
The CRC is calculated serially using the polynomial programmed in the SPI_CRCPR register.
Note: A read to this register when the BSY flag is set could return a incorrect value
Table 105. SPI register map and reset values
Address
offset Register
name 76543210
0x00 SPI_CR1
Reset value
LSB FIRST
0
SPE
0
BR2
0
BR1
0
BR0
0
MSTR
0
CPOL
0
CPHA
0
0x01 SPI_CR2
Reset value
BDM
0
BDOE
0
CRCEN
0
CRCNEXT
0
-
0
RXONLY
0
SSM
0
SSI
0
0x02 SPI_ICR
Reset value
TXIE
0
RXIE
0
ERRIE
0
WKIE
0
-
00
TXDMAEN
0
RXDMAEN
0
0x03 SPI_SR
Reset value
BSY
0
OVR
0
MODF
0
CRCERR
0
WKUP
0
-
0
TXE
1
RXNE
0
0x04 SPI_DR
Reset value
DR[7:0]
0
0x05 SPI_CRCPR
reset value
MSB
0
-
0
-
0
-
0
-
0
-
1
-
1
LSB
1
0x06 SPI_RXCRCR
reset value
MSB
0
-
0
-
0
-
0
-
0
-
0
-
0
LSB
0
0x07 SPI_TXCRCR
reset value
MSB
0
-
0
-
0
-
0
-
0
-
0
-
0
LSB
0

DocID15226 Rev 11 585/595
RM0031 Revision history
592
31 Revision history
Table 106. Document revision history
Date Revision Changes
05-Aug-2009 1 Initial release.
10-Sep-2009 2
Document main sections reorganized, and ADC, SPI, I2C, USART and DMA
peripherals renamed ADC1, SPI1, I2C1, USART1, and DMA1.
Updated Figure: Reset circuit. Updated Section: Entering Halt mode. Added
Note 1 below Table 10. Changed BGF to VREFINTF in PWR_CR2 register.
Whole Clock control section reorganized. Updated Figure 13.
Updated Section: Interrupts and low power modes, and Section: External
interrupt port select register (EXTI_CONF1)
Changed fMASTER and SYSCLK/DIV to SYSCLK.
Updated Section 9.13.2, Section 9.13.3, and Section 9.13.12 updated. Added
PCKEN26 in Table: Peripheral clock gating bits (PCKEN 20 to PCKEN 25).
Modified Section: Routing interface (RI) and system configuration controller
(SYSCFG).
Updated Figure 15 and Table: I/O groups and selection.
Updated Transmission using DMA.
Added Section: DAC output switch configuration.
Updated Figure: Comparator block diagram. Modified COMP1 configuration
sequence in Section 16.3. Updated procedure step 1 in Section: Using the
comparators in window mode. Updated Section: Comparator control and status
register 1 (COMP_CSR1), Section: Comparator control and status register 2
(COMP_CSR2), Updated Section 16.7.4 and Section 16.7.5.
Updated Section: Frequency generator in Section: LCD controller.
Updated Figure: Clock/trigger controller block diagram, Figure: Timer chaining
system implementation example, Figure: Trigger/master mode selection
blocks, Figure: Input stage block diagram, and Figure: TIM4 block diagram.
Modified TS bit definition in Section 19.8.3, Section 20.5.3, and Section 21.5.3.
Added Note 1 under Table: Output control for complementary OCi and OCiN
channels with break feature.
Restored TIMx XOR in Figure, Section: Control register 2 (TIM1_CR2).
Updated OC4FE bit in Section: Capture/compare mode register 4
(TIM1_CCMR4). Updated Section: Capture/compare channels. Updated
Section: Introduction and Figure: BEEP block diagram in Section: Beeper
(BEEP). Changed fLS to BEEPCLK.
Updated RTC Clock and prescalers, Section Periodic auto-wakeup. Added
note in Section: Asynchronous prescaler register (RTC_APRER).
Updated Figure: Independent watchdog (IWDG) block diagram, Table:
Minimum/maximum values of IWDG timeout period (LSI clock frequency =
38 kHz), and Section: Using the IWDG in Halt/Active-halt mode. Updated
Figure 111 and Figure 112. Replaced fckc_wwdg_ck by SYSCLK in the whole
Window watchdog section. Removed section “Using Halt mode with the
WWDG” and Figure “Approximate timeout duration”. Update Section 26.4.
Section: Data transmission and reception procedures: SPI timing diagrams
revised and description of receive-only mode expanded.
Added Section Disabling the SPI.

Revision history RM0031
586/595 DocID15226 Rev 11
11-Dec-2009 3
Removed proprietary code area (PCODE).
Removed TLI interrupt vector.
Added Section: Boot ROM.
Modified Figure: Medium density STM8L15x Flash program and data EEPROM
organization.
Updated Section: Brownout reset (BOR) and Section: Programmable voltage
detector (PVD).
Modified Figure: UBC area size definition.
Modified bit 6 name and description in Section: Power control and status
register 1 (PWR_CSR1).
Modified description of Low power run mode in Section: Low power modes.
Modified Table: Low power mode summary.
Modified Section: Low power run mode.
Modified Figure: Reset circuit.
Modified clock frequency (38 kHz instead of 32 kHz in Section: LSI clock.)
Added note to Section: Manual switching.
Changed position of Section: Single wire interface module (SWIM) and debug
module (DM).
Modified Section: External interrupt port select register (EXTI_CONF1).
Modified Table: DMA1 channel request mapping (ADC1 and DAC)
Updated Section: DAC DMA requests.
Replaced tSTAB with tWKUP in Section: ADC functional description.
Modified Section: ADC on-off control (ADC_CR1 instead of ADC_CR2)
Modified Section: Single conversion mode (added one note).
Modified Section: Continuous conversion mode.
Modified Section: Channel selection (Scan mode).
Updated Section: Temperature sensor (added one paragraph).
Added Section: Internal reference voltage conversion.
Added note in Section: COMP low power modes.
Modified Section: DMA single mode.
Modified Section: DMA burst mode.
Modified Section: DAC DMA request (TSEL bit condition)
Modified Section: Introduction.
Modified Section: Real-time clock (RTC).
Figure: Data clock timing diagram: Removed “from master” and “from slave”
beneath MISO and MOSI respectively.
Modified Section: SPI data register (SPI_DR) and Section: SPI CRC
polynomial register (SPI_CRCPR)
Master mode fault (MODF): SPE and MSTR bits can be returned to their
original state only after a MODF bit clearing sequence.
Updated Bus error (BERR).
Table 106. Document revision history (continued)
Date Revision Changes

DocID15226 Rev 11 587/595
RM0031 Revision history
592
11-Feb-2010 4
EXTI_CONF1 instead of EXTI_CONF
Modified Section: LSE clock.
Modified Section: Configurable clock output capability (CCO).
Modified Section: Peripheral clock gating register 2 (CLK_PCKENR2)
(PCKEN26 and PCKEN27 removed)
and Table: Peripheral clock gating bits (PCKEN 20 to PCKEN 25) (WWDG
removed)
and Modified Bit 3 and bit 5 description in Section: External clock register
(CLK_ECKCR).
Modified Section: I/O groups.
Modified description of Section: HSI calibration register (CLK_HSICALR).
Modified Section: HSI clock calibration trimming register (CLK_HSITRIMR).
Replaced SPI1_REMAP by SPI1_REMAP1 in Section: SYSCFG remap control
register 1 (SYSCFG_RMPCR1).
Modified Section: SYSCFG remap control register 1 (SYSCFG_RMPCR1).
Replaced TIM3TRIG_REMAP by TIM3TRIG_REMAP1 in Section 11.5.2 and
Section 11.5.3
Added Figure: GPIO block diagram.
Removed references to 64-pin packages in Section: DAC routing.
Replaced DMA1 by DMA in Section: DMA single mode, Section: DMA burst
mode and Figure: DMA burst modes example.
Added Section: Timer input XOR function, Section: Interfacing with Hall
sensors and Section: Timer input XOR function.
Modified Section: RTC interrupts.
Modified note in Section: Alarm A register 1 (RTC_ALRMAR1) (RTC_CR2
instead of RTC_CR1)
Modified Table: I2C_CCR values for SCL frequency table (fSYSCLK = 10 MHz
or 16 MHz).
Modified Table: Baud rate programming and error calculation.
Modified BERR bit description in Section: Status register 2 (I2C_SR2).
Table 106. Document revision history (continued)
Date Revision Changes

Revision history RM0031
588/595 DocID15226 Rev 11
26-Jul-2010 5
Modified Introduction on 1st page
Modified address offset in SYSCFG remap control register 1
(SYSCFG_RMPCR1) and SYSCFG remap control register 2
(SYSCFG_RMPCR2)
Modified Section: Reset (RST).
Added Section: “Reset state” and “under reset” definitions
Modified Section: Boot ROM (peripheral references)
Modified Figure: Clock structure.
Modified Section: LSI clock.
Modified Section: Clock security system (CSS).
UBC last page address updated
Added Section: Clock-independent system clock sources for TIM2/TIM3.
Modified Section: Peripheral clock gating register 2 (CLK_PCKENR2).
Modified reset value in Section: Clock RTC register (CLK_CRTCR).
Added note to Section: Entering Halt mode and Section: Active-halt mode.
Modified Section: Reset configuration.
Modified reset value in Section: Port x pin input register (Px_IDR), in Section:
Port x control register 1 (Px_CR1) and in Table: GPIO register map.
Modified Section: DAC routing.
Modified Section: ADC on-off control.
Modified Section: Single conversion mode.
Modified Section: Temperature sensor and Section: Internal reference voltage
conversion.
Updated Figure: Comparator block diagram.
Modified Figure: COMP1 interconnections and Figure: COMP2
interconnections.
Added note below Figure: COMP1 interconnections.
Updated Figure: Configuring the comparators in window mode.
Added note below Figure: Configuring the comparators in window mode.
Added note in Section: Configuring the SPI in slave mode.
Added note to bit 5 in Section: BEEP control/status register 2 (BEEP_CSR2)
Modified RTC section, including: Section: RTC main features, Section: Clock
and prescalers, Section: Periodic auto-wakeup, Section: Resetting the RTC,
Section: RTC smooth digital calibration (low, medium+ and high density
devices only) and Section: RTC registers.
Modified Section: Port mask registers (LCD_PM).
Modified Figure: Center-aligned PWM waveforms (ARR = 8).
Modified Section: RTC main features, Section: RTC smooth digital calibration
(low, medium+ and high density devices only) and Section: Control register 3
(RTC_CR3).
Modified Figure: I2C block diagram, Figure: Transfer sequence diagram for
slave transmitter and Figure: Transfer sequence diagram for slave receiver
Modified Section: I2C master mode.
PO bit description changed in Section: Control register 2 (I2C_CR2).
Modified note 8 in Section: Status register 1 (I2C_SR1), Section: Clock control
register low (I2C_CCRL) and Section: Clock control register high (I2C_CCRH).
Modified Section: CRC calculation (added one paragraph)
Table 106. Document revision history (continued)
Date Revision Changes

DocID15226 Rev 11 589/595
RM0031 Revision history
592
10-Sep-2010 6
Added information on STM8L15x medium+ and high density devices:
Modified Section: Boot ROM (peripheral references)
Modified Section: Flash program memory and data EEPROM, added
Section: WFE control register 4 (WFE_CR4), and modified Section: DMA1
request mapping.
Added Section: Clock security system on LSE and Section: Peripheral clock
gating register 3 (CLK_PCKENR3).
Modified Table: I/O groups and selection (medium, medium+ and high
density devices) and Table: TIM1 input capture routing.
Modified Section: DAC routing.
Modified Section: Analog switch register 2 (RI_ASCR2), Section: SYSCFG
remap control register 1 (SYSCFG_RMPCR1) and Section: SYSCFG remap
control register 3 (SYSCFG_RMPCR3).
Added some features added in Section: Real-time clock (RTC): calendar and
alarm subseconds, digital calibration, tamper, and AFO_CALIB (1Hz),
subsecond Shift.
Added Section: External interrupt status register 1 (EXTI_SR1).
Modified Section: External interrupt status register 1 (EXTI_SR1).
Added Section: External interrupt status register 1 (EXTI_SR1).
Added Section: AES DMA requests.
Changed the number of channels (28 instead of 25) in Section: Analog-to-
digital converter (ADC)
Added DUALF bit in Section: Own address register MSB (I2C_OAR1H) and
added register TIM5 in Section: Status register 3 (I2C_SR3)
Added Section: Clock security system on LSE
Modified RTC section, including Section: Programming the alarm
Modified Section: CRC calculation (added one paragraph)
Added Section: AES hardware accelerator (AES).
Modified Section: Power-on reset (POR)/power-down reset (PDR), Section:
Brownout reset (BOR)
Modified reset values (power-on reset values) in Section: RTC registers
Modified Section: Halt mode.
Modified Section: LCD controller main features
Modified Section: LCD controller low power modes
Modified CC bits description in Section: Control register 2 (LCD_CR2).
Modified Section: Control register (WWDG_CR)
Modified RATIO bit description in Note: This register is write protected. The
write access procedure is described in Section : RTC register write
protection.
Table 106. Document revision history (continued)
Date Revision Changes

Revision history RM0031
590/595 DocID15226 Rev 11
12-May-2011 7
Modified Figure: UBC area size definition for low density devices, Figure: UBC
area size definition for medium + STM8L05xx/15xx devices and Figure: UBC
area size definition for high density devices
Modified Section: Power-on reset (POR)/power-down reset (PDR)
Added Section: Internal voltage reference (VREFINT).
Modified note 1 below Table 11 and modified Table: Internal voltage reference
status during Halt/Active-halt mode
Modified note concerning the RTC peripheral and LSI/LSE clocks in Section:
Clock security system on LSE.
Modified SWITCHF, SWITCHEN and CSSEN bit description in Section: CSS
on LSE control and status register (CSSLSE_CSR).
Modified LSERDY bit description in Section: External clock register
(CLK_ECKCR)
Modified note below Figure: GPIO block diagram and added note below Table:
I/O port configuration summary
Modified Figure: Routing interface (RI) block diagram (low density devices)
Modified Section: I/O groups
Added note to Section: Schmitt trigger disabling
Modified Figure: Comparator block diagram
Modified STE bit description in Comparator control and status register 1
(COMP_CSR1)
Modified INSEL and OUTSEL bit description in Section: Comparator control
and status register 3 (COMP_CSR3)
Modified Comparator control and status register 4 (COMP_CSR4) and
Comparator control and status register 5 (COMP_CSR5)
Modified Figure: Resistive network and Section: Generation of LCD voltage
levels.
Modified Section: Real-time clock (RTC).
Modified Section: Clock and prescalers
Modified Section: Reading the calendar
Added note 2 in Section: Calendar initialization and configuration
Modified Section: Calibration register high (RTC_CALRH) and Section:
Calibration register low (RTC_CALRL)
Added note below Figure: Transfer sequence diagram for slave receiver.
Modified Section: Closing slave communication.
Modified BERR bit description in Section: Status register 2 (I2C_SR2)
Modified Section: Status register (USART_SR) (TC status is “rc_w0” instead of
“r”)
Modified Figure: TC/TXE behavior when transmitting
Added Step 6 to Section: Transmission using DMA
Modified Figure: Transmission using DMA and Figure: Reception using DMA.
Table 106. Document revision history (continued)
Date Revision Changes

DocID15226 Rev 11 591/595
RM0031 Revision history
592
06-Jun-2011 7
(cont.)
Modified ADDR2 bits (bits 7:1) in Section: Own address register 2 (I2C_OAR2)
and in Table: I2C register map.
Modified Section: General description.
Added one note in Section: Initialization and status register 1 (RTC_ISR1).
Modified Table: Interrupt requests.
Modified Section: Control register 2 (TIMx_CR2).
Modified Section: Definitions, Section: LCD controller main features, Section:
Frequency generator, Section: Common driver, Section: Segment driver,
Section: Blink, Section: Multiplexing COM[7:4] and SEG[43:40], SEG[39:36], or
SEG[31:28], Section: Generation of LCD voltage levels, and Section: LCD
controller low power modes.
Modified Figure: Resistive network.
Modified Section: RTC smooth digital calibration (low, medium+ and high
density devices only) and Table: RTC register map and reset values.
Modified Section: RTC shift control register low (RTC_SHIFTRL).
Modified URS bit description in Section: Control register 1 (TIMx_CR1).
14-Jun-2011 8 Added information on low-density devices
Removed references to TLI
02-Jul-2012 9
Updated for STM8L05x devices
Replaced BALERT by SMB in Figure: I2C block diagram.
Modified the caption of Table 99 and Table 100.
Corrected note ‘can be 44, 40 or 28’ in Section: Multiplexing COM[7:4] and
SEG[43:40], SEG[39:36], or SEG[31:28].
Added Section: LCD buffer update.
Added sentence “If internal VLCD booster...” in Table: LCD behavior in low
power modes.
Corrected TIM3_CC1 typo in Table: DMA1 channel request mapping.
Modified “When the I/Os are switched to analog mode...” paragraph in Section:
RI functional description.
Modified Section: TIM2 & TIM3 routing.
Replaced TSSUR with THALT in Figure TIM2 and TIM3 interconnections
Modified bit values in Section I/O switch register 4 (RI_IOSR4).
Replaced note for bit 1 CC1IF in Section Status register 1 (TIM1_SR1).
Added sentence “The DMA must be initialized...” in Section: DMA requests.
Removed all “for ordering information” sentences and added the sentence at
the bottom of the page in Introduction.
25-Oct-2012 10
Updated for STM8AL31xx and STM8L3Lxx devices.
Modified PVDE description in Section: Power control and status register 1
(PWR_CSR1).
Added note in Section: DAC channel x enable.
Modified description in LCD Dead time.
Added sentence about Schmitt trigger in Section Tamper detection (low,
medium+ and high density devices only).
Modified reset value of Section: Initialization and status register 2 (RTC_ISR2)
Table 106. Document revision history (continued)
Date Revision Changes

Revision history RM0031
592/595 DocID15226 Rev 11
31-Mar-2015 11
Added:
–Section 10.7.3: Analog function,
– the note below the first figure in Section 16.4: Comparator 2 (COMP2),
– the index.
Updated:
– the document title and the introduction on the cover page,
– SAHALT bit description in Section 9.14.3: Internal clock register
(CLK_ICKCR),
– EEPM bit description in Section 3.9.1: Flash control register 1 (FLASH_CR1)
–Section 10.5: Unused I/O pins,
– the note below the first figure in Section 16.3: Comparator 1 (COMP1),
– the last main feature in Section 17.2: LCD controller main features,
– the end of the very last sentence in the paragraph starting with “When static
duty is selected” in Section 17.3.3: Common driver,
– the note below Figure 22: GPIO block diagram,
–Figure 24: Routing interface (RI) block diagram (medium-density devices),
– the caption and section for formerly COMP block diagram to Figure 23:
Routing interface (RI) block diagram (medium+ and high-density devices) in
Section 11: Routing interface (RI) and system configuration controller
(SYSCFG)
– the introduction sentence in Section 27: AES hardware accelerator (AES).
Table 106. Document revision history (continued)
Date Revision Changes

Index RM0031
593/595 DocID15226 Rev 11
Index
A
AWU_CSR1 . . . . . . . . . . . . . . . . . . . . . . . . . .421
B
BEEP_CSR . . . . . . . . . . . . . . . . . . . . . . . . . .421
C
CFG_GCR . . . . . . . . . . . . . . . . . . . . . . . . . . . .35
CLK_CCOR . . . . . . . . . . . . . . . . . . . . . . . . . .107
CLK_CKDIVR . . . . . . . . . . . . . . . . . . . . . . . . .100
CLK_CMSR . . . . . . . . . . . . . . . . . . . . . . . . . .109
CLK_CSSR . . . . . . . . . . . . . . . . . . . . . . . . . .111
CLK_ECKR . . . . . . . . . . . . . . . . . . . . . . . . . .108
CLK_HSITRIMR . . . . . . . . . . . . . . . . . . . 113-114
CLK_ICKR . . . . . . . . . . . . . . . . . . . . . . . . . . .102
CLK_PCKENR . . . . . . . . . . . . . . . . . . . .100, 112
CLK_PCKENR1 . . . . . . . . . . . . . . . . . . . . . . .104
CLK_PCKENR2 . . . . . . . . . . . . . . . . . . . 105-106
CLK_SWCR . . . . . . . . . . . . . . . . . . . . . . . . . .110
CLK_SWR . . . . . . . . . . . . . . . . . . . . . . . . . . .110
E
EXTI_CR1 . . . . . . . . . . . . . . . . . . . . . . . . . . .167
EXTI_CR2 . . . . . . . . . . . . . . . . . . . . . . . . . . .169
F
FLASH_CR1 . . . . . . . . . . . . . . . . . . . . . . . 57-59
I
I2C_CCRH . . . . . . . . . . . . . . . . . . . . . . . . . . .516
I2C_CCRL . . . . . . . . . . . . . . . . . . . . . . . . . . .515
I2C_CR1 . . . . . . . . . . . . . . . . . . . . . . . . . . . .504
I2C_CR2 . . . . . . . . . . . . . . . . . . . . . . . . . . . .505
I2C_DR . . . . . . . . . . . . . . . . . . . . . . . . . . . . .508
I2C_FREQR . . . . . . . . . . . . . . . . . . . . . . . . . .506
I2C_ITR . . . . . . . . . . . . . . . . . . . . . . . . . . . . .514
I2C_OAR2 . . . . . . . . . . . . . . . . . . . . . . . . . . .508
I2C_OARH . . . . . . . . . . . . . . . . . . . . . . . . . . .507
I2C_OARL . . . . . . . . . . . . . . . . . . . . . . . . . . .507
I2C_SR1 . . . . . . . . . . . . . . . . . . . . . . . . . . . . .509
I2C_SR2 . . . . . . . . . . . . . . . . . . . . . . . . . . . . .511
I2C_SR3 . . . . . . . . . . . . . . . . . . . . . . . . . . . . .513
I2C_TRISER . . . . . . . . . . . . . . . . . . . . . . . . .518
ITC_SPRx . . . . . . . . . . . . . . . . . . . . . . . . . . .167
IWDG_KR . . . . . . . . . . . . . . . . . . . . . . . . . . . 462
IWDG_PR . . . . . . . . . . . . . . . . . . . . . . . . . . . 462
IWDG_RLR . . . . . . . . . . . . . . . . . . . . . . . . . . 463
P
PWR_CSR1 . . . . . . . . . . . . . . . . . . . . . . . . . . 69
PWR_CSR2 . . . . . . . . . . . . . . . . . . . . . . . . . . 70
Px_CR1 . . . . . . . . . . . . . . . . . . . . . . . . . . . . . 123
Px_CR2 . . . . . . . . . . . . . . . . . . . . . . . . . . . . . 124
Px_DDR . . . . . . . . . . . . . . . . . . . . . . . . . . . . 123
Px_IDR . . . . . . . . . . . . . . . . . . . . . . . . . . . . . 122
Px_ODR . . . . . . . . . . . . . . . . . . . . . . . . . . . . 122
R
RI_ASCR1 . . . . . . . . . . . . . . . . . . . . . . . . . . . 144
RI_ASCR2 . . . . . . . . . . . . . . . . . . . . . . . . . . . 144
RI_ICR1 . . . . . . . . . . . . . . . . . . . . . . . . . . . . . 134
RI_ICR2 . . . . . . . . . . . . . . . . . . . . . . . . . . . . . 135
RI_IOCMR1 . . . . . . . . . . . . . . . . . . . . . . . . . . 136
RI_IOCMR2 . . . . . . . . . . . . . . . . . . . . . . . . . . 136
RI_IOCMR3 . . . . . . . . . . . . . . . . . . . . . . . . . . 137
RI_IOGCR . . . . . . . . . . . . . . . . . . . . . . . . . . . 141
RI_IOIR1 . . . . . . . . . . . . . . . . . . . . . . . . . . . . 135
RI_IOIR2 . . . . . . . . . . . . . . . . . . . . . . . . . . . . 135
RI_IOIR3 . . . . . . . . . . . . . . . . . . . . . . . . . . . . 136
RI_IOSR1 . . . . . . . . . . . . . . . . . . . . . . . . . . . 137
RI_IOSR2 . . . . . . . . . . . . . . . . . . . . . . . . . . . 139
RI_IOSR3 . . . . . . . . . . . . . . . . . . . . . . . . . . . 140
RI_IOSR4 . . . . . . . . . . . . . . . . . . . . . . . . . . . 150
RST_CR . . . . . . . . . . . . . . . . . . . . . . . . . . . . . 85
RST_SR . . . . . . . . . . . . . . . . . . . . . . . . . . . . . 85
S
SPI_CR1 . . . . . . . . . . . . . . . . . . . . . . . . 277, 579
SPI_CR2 . . . . . . . . . . . . . . . . . . . . . . . . 278, 580
SPI_CRCPR . . . . . . . . . . . . . . . . . . . . . . . . . 583
SPI_DR . . . . . . . . . . . . . . . . . . . . . . . . . 280, 583
SPI_ICR . . . . . . . . . . . . . . . . . . . . 279, 281, 581
SPI_RXCRCR . . . . . . . . . . . . . . . . . . . . . . . . 583
SPI_SR . . . . . . . . . . . . . . . . . . . . . . . . . 280, 582
SPI_TXCRCR . . . . . . . . . . . . . . . . . . . . . . . . 584
T
TIM1_ARRH . . . . . . . . . . . . . . . . . . . . . . . . . 366
TIM1_ARRL . . . . . . . . . . . . . . . . . . . . . . . . . . 366

RM0031 Index
DocID15226 Rev 11 594/595
TIM1_BKR . . . . . . . . . . . . . . . . . . . . . . . . . . .371
TIM1_CCER1 . . . . . . . . . . . . . . . . . . . . . . . . .361
TIM1_CCER2 . . . . . . . . . . . . . . . . . . . . . . . . .364
TIM1_CCMR1 . . . . . . . . . . . . . . . . . . . . . . . .354
TIM1_CCMR2 . . . . . . . . . . . . . . . . . . . . . . . .358
TIM1_CCMR3 . . . . . . . . . . . . . . . . . . . . . . . .359
TIM1_CCMR4 . . . . . . . . . . . . . . . . . . . . . . . .360
TIM1_CCR1H . . . . . . . . . . . . . . . . . . . . . . . . .367
TIM1_CCR1L . . . . . . . . . . . . . . . . . . . . . . . . .367
TIM1_CCR2H . . . . . . . . . . . . . . . . . . . . . . . . .368
TIM1_CCR2L . . . . . . . . . . . . . . . . . . . . . . . . .368
TIM1_CCR3H . . . . . . . . . . . . . . . . . . . . . . . . .369
TIM1_CCR3L . . . . . . . . . . . . . . . . . . . . . . . . .369
TIM1_CCR4H . . . . . . . . . . . . . . . . . . . . . . . . .370
TIM1_CCR4L . . . . . . . . . . . . . . . . . . . . . . . . .370
TIM1_CNTRH . . . . . . . . . . . . . . . . . . . . . . . .364
TIM1_CNTRL . . . . . . . . . . . . . . . . . . . . . . . . .365
TIM1_CR1 . . . . . . . . . . . . . . . . . . . . . . . . . . .343
TIM1_CR2 . . . . . . . . . . . . . . . . . . . . . . . . . . .345
TIM1_DTR . . . . . . . . . . . . . . . . . . . . . . . . . . .373
TIM1_EGR . . . . . . . . . . . . . . . . . . . . . . . . . . .353
TIM1_ETR . . . . . . . . . . . . . . . . . . . . . . . . . . .347
TIM1_IER . . . . . . . . . . . . . . . . . . . . . . . . . . . .350
TIM1_OISR . . . . . . . . . . . . . . . . . . . . . . . . . .374
TIM1_PSCRH . . . . . . . . . . . . . . . . . . . . . . . .365
TIM1_PSCRL . . . . . . . . . . . . . . . . . . . . . . . . .365
TIM1_RCR . . . . . . . . . . . . . . . . . . . . . . . . . . .366
TIM1_SMCR . . . . . . . . . . . . . . . . . . . . . . . . .346
TIM1_SR1 . . . . . . . . . . . . . . . . . . . . . . . . . . .351
TIM1_SR2 . . . . . . . . . . . . . . . . . . . . . . . . . . .352
TIM4_ARR . . . . . . . . . . . . . . . . . . . . . . . . . . .416
TIM4_CNTR . . . . . . . . . . . . . . . . . . . . . . . . . .415
TIM4_CR1 . . . . . . . . . . . . . . . . . . . . . . . . . . .409
TIM4_CR2 . . . . . . . . . . . . . . . . . . . . . . . . . . .411
TIM4_EGR . . . . . . . . . . . . . . . . . . . . . . . . . . .415
TIM4_IER . . . . . . . . . . . . . . . . . . . . . . . . . . . .414
TIM4_PSCR . . . . . . . . . . . . . . . . . . . . . . . . . .415
TIM4_SMCR . . . . . . . . . . . . . . . . . . . . . . . . .411
TIM4_SR1 . . . . . . . . . . . . . . . . . . . . . . . . . . .414
TIMx_ARRH . . . . . . . . . . . . . . . . . . . . . . . . . .401
TIMx_ARRL . . . . . . . . . . . . . . . . . . . . . . . . . .402
TIMx_BKR . . . . . . . . . . . . . . . . . . . . . . . . . . .404
TIMx_CCER1 . . . . . . . . . . . . . . . . . . . . . . . . .399
TIMx_CCMR1 . . . . . . . . . . . . . . . . . . . . . . . .395
TIMx_CCMR2 . . . . . . . . . . . . . . . . . . . . . . . .398
TIMx_CCR1H . . . . . . . . . . . . . . . . . . . . . . . . .402
TIMx_CCR1L . . . . . . . . . . . . . . . . . . . . . . . . .403
TIMx_CCR2H . . . . . . . . . . . . . . . . . . . . . . . . .403
TIMx_CCR2L . . . . . . . . . . . . . . . . . . . . . . . . .403
TIMx_CNTRH . . . . . . . . . . . . . . . . . . . . . . . . .400
TIMx_CNTRL . . . . . . . . . . . . . . . . . . . . . . . . .400
TIMx_CR1 . . . . . . . . . . . . . . . . . . . . . . . . . . .385
TIMx_CR2 . . . . . . . . . . . . . . . . . . . . . . . . . . . 386
TIMx_DER . . . . . . . . . . . . . . . . . . . . . . . 390, 413
TIMx_EGR . . . . . . . . . . . . . . . . . . . . . . . . . . . 394
TIMx_ETR . . . . . . . . . . . . . . . . . . . . . . . . . . . 389
TIMx_IER . . . . . . . . . . . . . . . . . . . . . . . . . . . 391
TIMx_OISR . . . . . . . . . . . . . . . . . . . . . . . . . . 406
TIMx_PSCR . . . . . . . . . . . . . . . . . . . . . . . . . 401
TIMx_SMCR . . . . . . . . . . . . . . . . . . . . . . . . . 388
TIMx_SR1 . . . . . . . . . . . . . . . . . . . . . . . . . . . 392
TIMx_SR2 . . . . . . . . . . . . . . . . . . . . . . . . . . . 393
U
USART_BRR1 . . . . . . . . . . . . . . . . . . . . . . . . 550
USART_BRR2 . . . . . . . . . . . . . . . . . . . . . . . . 550
USART_CR1 . . . . . . . . . . . . . . . . . . . . . . . . . 551
USART_CR2 . . . . . . . . . . . . . . . . . . . . . . . . . 552
USART_CR3 . . . . . . . . . . . . . . . . . . . . . . . . . 553
USART_CR4 . . . . . . . . . . . . . . . . . . . . . . . . . 554
USART_CR5 . . . . . . . . . . . . . . . . . . . . . . . . . 554
USART_DR . . . . . . . . . . . . . . . . . . . . . . . . . . 550
USART_GTR . . . . . . . . . . . . . . . . . . . . . . . . . 555
USART_PSCR . . . . . . . . . . . . . . . . . . . . . . . 556
USART_SR . . . . . . . . . . . . . . . . . . . . . . . . . . 548
W
WFE_CR1 . . . . . . . . . . . . . . . . . . . . . . . . . . . . 74
WFE_CR2 . . . . . . . . . . . . . . . . . . . . . . . . . . . . 75
WFE_CR3 . . . . . . . . . . . . . . . . . . . . . . . . . 76, 78
WWDG_CR . . . . . . . . . . . . . . . . . . . . . . . . . . 467
WWDG_WR . . . . . . . . . . . . . . . . . . . . . . . . . 468

DocID15226 Rev 11 595/595
RM0031
595
IMPORTANT NOTICE – PLEASE READ CAREFULLY
STMicroelectronics NV and its subsidiaries (“ST”) reserve the right to make changes, corrections, enhancements, modifications, and
improvements to ST products and/or to this document at any time without notice. Purchasers should obtain the latest relevant information on
ST products before placing orders. ST products are sold pursuant to ST’s terms and conditions of sale in place at the time of order
acknowledgement.
Purchasers are solely responsible for the choice, selection, and use of ST products and ST assumes no liability for application assistance or
the design of Purchasers’ products.
No license, express or implied, to any intellectual property right is granted by ST herein.
Resale of ST products with provisions different from the information set forth herein shall void any warranty granted by ST for such product.
ST and the ST logo are trademarks of ST. All other product or service names are the property of their respective owners.
Information in this document supersedes and replaces information previously supplied in any prior versions of this document.
© 2015 STMicroelectronics – All rights reserved

