MiniRAE 3000 User's Guide Minirae3000 Userguide
User Manual: Pdf minirae3000 userguide
Open the PDF directly: View PDF
.
Page Count: 118 [warning: Documents this large are best viewed by clicking the View PDF Link!]

MiniRAE 3000
User’s Guide
Rev. F
February 2016
P/N 059-4020-000
For Sales & Service Contact
2650 E. 40th Ave. • Denver, CO 80205
Phone 303-320-4764 • Fax 303-322-7242
1-800-833-7958
www.geotechenv.com

FCC Information
Contains FCC ID: PI4411B or SU3RM900
The enclosed device complies with part 15 of the FCC rules.
Operation is subject to the following conditions: (1) This device may
not cause harmful interference, and (2) This device must accept any
interference received, including interference that may cause undesired
operation.
Wireless Approval For UAE In Middle East
TRA REGISTERED No: ER36153/14 or ER36153/15
DEALER No.: HONEYWELL INTERNATIONAL MIDDLE EAST
– LTD – DUBAI BR
Wireless Approval For QATAR In Middle East
ictQATAR
Type Approval Reg. No.: R-4466 or R-4635
© Copyright 2016 RAE Systems by Honeywell
MiniRAE 3000 User’s Guide
1
Contents
Read Before Operating ................................................................... 6
Special Notes ...................................................................................... 7
Warnings ............................................................................................ 8
Standard Contents............................................................................. 10
General Information ......................................................................... 10
Physical Description ......................................................................... 12
Specifications ................................................................................... 12
Charging The Battery ....................................................................... 16
Charging A Spare Rechargeable Battery ..................................... 17
Low Voltage Warning .................................................................. 18
Clock Battery ............................................................................... 18
Data Protection While Power Is Off ............................................ 18
User Interface ................................................................................... 19
Display ............................................................................................. 21
Operating The Instrument ................................................................ 22
Turning The Instrument On .............................................................. 22
Turning The Instrument Off ............................................................. 23
Operating The Built-In Flashlight .................................................... 23
Pump Status ...................................................................................... 23
Calibration Status ............................................................................. 24
Operating Modes .............................................................................. 29
Basic User Level/Hygiene Mode (Default Settings) ........................ 30
Alarm Signals ................................................................................... 32
Alarm Signal Summary ................................................................ 33
Preset Alarm Limits & Calibration .............................................. 34
Testing The Alarm............................................................................ 34
Integrated Sampling Pump ............................................................... 34
Backlight .......................................................................................... 35
Datalogging .................................................................................. 35
Datalogging event .................................................................... 35
Datalogging sample ................................................................. 35
Auto/Manual/Snapshot Datalogging ....................................... 36
Standard Kit & Accessories ............................................................. 37
AC Adapter (Battery Charger) ..................................................... 37
Alkaline Battery Adapter ............................................................. 38
External Filter .............................................................................. 39
MiniRAE 3000 User’s Guide
2
Optional Accessories ........................................................................ 40
Calibration Adapter ...................................................................... 40
Calibration Regulator ................................................................... 40
Organic Vapor Zeroing Kit .......................................................... 40
Standard Two-Point Calibration (Zero & Span) .............................. 41
Entering Calibration ..................................................................... 42
Zero (Fresh Air) Calibration ........................................................ 44
Span Calibration ........................................................................... 46
Exiting Two-Point Calibration In Basic User Level .................... 48
Three-Point Calibration .................................................................... 49
Span 2 Calibration ................................................................... 50
Exiting Three-Point Calibration ................................................... 53
Bump Test ........................................................................................ 48
Programming Mode .......................................................................... 53
Entering Programming Mode ....................................................... 54
Programming Mode Menus .............................................................. 56
Zero Calibration ............................................................................. 57
Meas. Gas ..................................................................................... 57
High Alarm .................................................................................. 57
Clear Datalog ............................................................................... 57
Radio ............................................................................................ 57
Power ........................................................................................... 57
Span Calibration ............................................................................. 57
Meas. Unit .................................................................................... 57
Low Alarm ................................................................................... 57
Interval ......................................................................................... 57
Op Mode ...................................................................................... 57
Bump ............................................................................................ 57
STEL Alarm ................................................................................. 57
Data Selection .............................................................................. 57
Site ID .......................................................................................... 57
TWA Alarm ................................................................................. 57
Datalog Type ................................................................................ 57
User ID ......................................................................................... 57
Alarm Mode ................................................................................. 57
User Mode .................................................................................... 57
Buzzer & Light............................................................................. 57
Date .............................................................................................. 57
Time ............................................................................................. 57
MiniRAE 3000 User’s Guide
3
Pump Duty Cycle ......................................................................... 57
Pump Speed ................................................................................. 57
Temperature Unit ......................................................................... 57
Language ...................................................................................... 57
Real Time Protocol ...................................................................... 57
Power On Zero ............................................................................. 57
Unit ID ......................................................................................... 57
LCD Contrast ............................................................................... 57
Lamp ID ....................................................................................... 57
PAN ID ........................................................................................ 57
Mesh Channel .............................................................................. 57
Mesh Interval ............................................................................... 57
Exiting Programming Mode ......................................................... 58
Navigating Programming Mode Menus ....................................... 58
Calibration .................................................................................... 59
Zero Calibration ....................................................................... 59
Span Calibration ...................................................................... 59
Bump ....................................................................................... 59
Measurement ................................................................................ 60
Meas. Gas ................................................................................ 60
Meas. Unit ............................................................................... 61
Alarm Setting ............................................................................... 62
High Alarm .............................................................................. 63
Low Alarm ............................................................................... 63
STEL Alarm ............................................................................ 64
TWA Alarm ............................................................................. 65
Alarm Type .............................................................................. 66
Buzzer & Light ........................................................................ 67
Datalog ......................................................................................... 67
Interval ..................................................................................... 68
Data Selection .......................................................................... 69
Datalog Type ........................................................................... 70
Manual Datalog ....................................................................... 70
Snapshot Datalog ..................................................................... 71
Monitor Setup .............................................................................. 72
Radio Power ............................................................................ 72
Op Mode .................................................................................. 73
Hygiene ........................................................................................ 73
Search ........................................................................................... 73
MiniRAE 3000 User’s Guide
4
Site ID ...................................................................................... 73
User ID .................................................................................... 74
User Mode ............................................................................... 74
Date .......................................................................................... 75
Time ......................................................................................... 76
Pump Duty Cycle ..................................................................... 76
Pump Speed ............................................................................. 77
Temperature Unit ..................................................................... 77
Language ................................................................................. 78
Real Time Protocol .................................................................. 78
Power On Zero ......................................................................... 79
Unit ID ..................................................................................... 79
LCD Contrast ........................................................................... 80
Lamp ID ................................................................................... 80
PAN ID .................................................................................... 80
Mesh Channel .......................................................................... 81
Mesh Interval ........................................................................... 81
Hygiene Mode .................................................................................. 82
Advanced User Level (Hygiene Mode Or Search Mode) ................ 86
Advanced User Level & Hygiene Mode ...................................... 86
Basic User Level & Search Mode ................................................ 88
Advanced User Level & Search Mode......................................... 89
Diagnostic Mode .......................................................................... 90
Entering Diagnostic Mode ....................................................... 91
Adjusting The Pump Stall Threshold ...................................... 92
Pump High ............................................................................... 92
Pump Low ................................................................................ 92
Exiting Diagnostic Mode ......................................................... 93
Transferring Data To & From A Computer ..................................... 94
Downloading The Datalog To A PC ............................................ 94
Connection. .................................................................................. 94
Uploading Firmware To The instrument From A PC .................. 95
Maintenance ..................................................................................... 96
Battery Charging & Replacement ................................................ 96
Replacing The Li-ion Battery .................................................. 97
Replacing The Alkaline Battery Adapter ................................. 97
PID Sensor & Lamp Cleaning/Replacement ................................ 99
Sensor Components .......................................................................... 99
Cleaning The Lamp Housing Or Changing The Lamp .......... 100
MiniRAE 3000 User’s Guide
5
Determining The Lamp Type ................................................ 101
Sampling Pump ...................................................................... 102
Cleaning The Instrument ....................................................... 102
Ordering Replacement Parts .................................................. 102
Special Servicing Note ............................................................... 103
Troubleshooting.............................................................................. 104
Technical Support........................................................................... 105
RAE Systems Contacts ................................................................... 106
Controlled Part of Manual .............................................................. 107
Basic Operation .............................................................................. 107
Turning The Instrument On ....................................................... 107
Turning The Instrument Off ....................................................... 107
Alarm Signals ................................................................................. 108
Alarm Signal Summary .............................................................. 108
Preset Alarm Limits & Calibration................................................. 109
Charging The Battery ..................................................................... 110
Low Voltage Warning ................................................................ 111
Clock Battery ............................................................................. 111
Replacing Rechargeable Li-Ion or NiMH Battery ..................... 112
Alkaline Battery Adapter ........................................................... 112
Troubleshooting.............................................................................. 113

MiniRAE 3000 User’s Guide
6
Read Before Operating
This manual must be carefully read by all individuals who have or will
have the responsibility of using, maintaining, or servicing this product.
The product will perform as designed only if it is used, maintained, and
serviced in accordance with the manufacturer’s instructions. The user
should understand how to set the correct parameters and interpret the
obtained results.
CAUTION!
To reduce the risk of electric shock, turn the power off before removing
the instrument cover. Disconnect the battery before removing sensor
module for service. Never operate the instrument when the cover is
removed. Remove instrument cover and sensor module only in an area
known to be non-hazardous.

MiniRAE 3000 User’s Guide
7
Special Notes
When the instrument is taken out of the transport case and
turned on for the first time, there may be some residual organic
or inorganic vapor trapped inside the detector chamber. The
initial PID sensor reading may indicate a few ppm. Enter an area
known to be free of any organic vapor and turn on the
instrument. After running for several minutes, the residual vapor
in the detector chamber will be cleared and the reading should
return to zero.
The battery of the instrument discharges slowly even if it is
turned off. If the instrument has not been charged for 5 to 7
days, the battery voltage will be low. Therefore, it is a good
practice to always charge the instrument before using it. It is
also recommended to fully charge the instrument for at least 10
hours before first use. Refer to this User Guide’s section on
battery charging for more information on battery charging and
replacement.

MiniRAE 3000 User’s Guide
8
WARNINGS
STATIC HAZARD: Clean only with damp cloth.
For safety reasons, this equipment must be operated and serviced
by qualified personnel only. Read and understand instruction
manual completely before operating or servicing.
Use only RAE Systems battery packs, part numbers 059-3051-000,
059-3052-000, and 059-3054-000. This instrument has not been tested
in an explosive gas/air atmosphere having an oxygen concentration
greater than 21%. Substitution of components may impair intrinsic
safety. Recharge batteries only in non-hazardous locations.
Do not mix old and new batteries or batteries from different
manufacturers.
The calibration of all newly purchased RAE Systems instruments
should be tested by exposing the sensor(s) to known concentration
calibration gas before the instrument is put into service.
For maximum safety, the accuracy of the instrument should be checked
by exposing it to a known concentration calibration gas before each
day’s use.
Do not use USB/PC communication in hazardous locations.

MiniRAE 3000 User’s Guide
9
AVERTISSEMENT
DANGER RISQUE D'ORIGINE ELECTROSTATIQUE: Nettoyer
uniquement avec un chiffon humide.
Pour des raisons de sécurité, cet équipment doit être utilisé, entretenu et
réparé uniquement par un personnel qualifié. Étudier le manuel
d’instructions en entier avant d’utiliser, d’entretenir ou de réparer
l’équipement.
Utiliser seulement l'ensemble de batterie RAE Systems, la reference
059-3051-000 au 059-3052-000 au 059-3054-000. Cet instrument n’a
pas été essayé dans une atmosphère de gaz/air explosive ayant une
concentration d’oxygène plus élevée que 21%. La substitution de
composants peut compromettre la sécurité intrinsique. Ne charger les
batteries que dans emplacements désignés non-dangereuse.
Ne pas melanger les anciennes et les nouvelles batteries, ou bien encore
les batteries de differents fabriquants.
La calibration de toute instruments de RAE Systems doivent être testé
en exposant l’instrument a une concentration de gaz connue par une
procédure diétalonnage avant de mettre en service l’instrument pour la
première fois.
Pour une securite maximale, la sensibilité du l’instrument doit être
verifier en exposant l’instrument a une concentration de gaz connue par
une procédure diétalonnage avant chaque utilisation journalière.
Ne pas utiliser de connection USB/PC en zone dangereuse.
MiniRAE 3000 User’s Guide
10
Standard Contents
Instrument
Calibration Kit
Charging Cradle
AC/DC Adapter
Alkaline Battery Adapter
Data Cable
CD-ROM With User’s Guide, Quick Start Guide, and related materials
General Information
The compact instrument is designed as a broadband VOC gas monitor
and datalogger for work in hazardous environments. It monitors
Volatile Organic Compounds (VOC) using a photoionization detector
(PID) with a 9.8 eV, 10.6 eV, or 11.7 eV gas-discharge lamp. Features
are:
Lightweight and Compact
Compact, lightweight, rugged design
Built-in sample draw pump
Dependable and Accurate
Up to 16 hours of continuous monitoring with rechargeable
battery pack
Designed to continuously monitor VOC vapor at parts-per-
million (ppm) levels
User-friendly
Preset alarm thresholds for STEL, TWA, low- and high-level
peak values.
Audio buzzer and flashing LED display are activated when the
limits are exceeded.
Datalogging Capabilities
260,000-point datalogging storage capacity for data download to PC
MiniRAE 3000 User’s Guide
11
The instrument consists of a PID with associated microcomputer and
electronic circuit. The unit is housed in a rugged case with a backlit
LCD and 3 keys to provide easy user interface. It also has a built-in
flashlight for operational ease in dark locations.
MiniRAE 3000 User’s Guide
12
Physical Description
The main components of the portable VOC monitoring
instrument include:
Three keys for user to interact with the instrument: 3
operation/programming keys for normal operation or
programming
LCD display with back light for direct readout and calculated
measurements
Built-in flashlight for illuminating testing points in dark
environments
Buzzer and red LEDs for alarm signaling whenever exposures
exceed preset limits
Charge contacts for plugging directly to its charging station
Gas entry and exit ports
USB communication port for PC interface
Protective rubber cover
Specifications
Size: 9.25" L x 3.6" W x 2.9" H
Weight: 28 oz with battery pack
Detector: Photoionization sensor with 9.8, 10.6, or
11.7 eV UV lamp
Battery: A 3.7V rechargeable Lithium-Ion battery pack
(snap in, field replaceable, at non-hazardous
location only)
Alkaline battery holder (for 4 AA batteries)
Battery Charging: Less than 8 hours to full charge
Operating Hours: Up to16 hours continuous operation
Display: Large dot matrix screen with backlight

MiniRAE 3000 User’s Guide
13
Measurement range & resolution
Lamp
Range
Resolution
10.6 eV
0.1 ppm to 15,000 ppm
0.1 ppm
9.8 eV
0.1 ppm to 5,000 ppm
0.1 ppm
11.7 eV
0.1 ppm to 2,000 ppm
0.1 ppm
Response time (T90): 2 seconds
Accuracy 10 to 2000 ppm: 3% at calibration point.
(Isobutylene):
PID Detector: Easy access to lamp and sensor for cleaning
and replacement
Correction Factors: Over 200 VOC gases built in (based on RAE
Systems Technical Note TN-106)
Calibration: Two-point field calibration of zero and
standard reference gases
Calibration Reference: Store up to 8 sets of calibration data, alarm
limits and span values
Inlet Probe: Flexible 5" tubing
Radio module: Bluetooth (2.4GHz) or RF module (433MHz,
868MHz , 915MHz, or 2.4GHz)
Keypad: 1 operation key and 2 programming keys; 1
flashlight switch
Direct Readout: Instantaneous, average, STEL, TWA and peak
value, and battery voltage
Intrinsic Safety: US and Canada: Class I, Division 1, Groups A,
B, C, D
Europe: ATEX (0575 Ex II 2G Ex ia
IIC/IIB T4 Gb)
KEMA 07 ATEX 0127
Complies with EN60079-0:2009,
EN60079-11:2007
MiniRAE 3000 User’s Guide
14
IECEx CSA 10.0005 Ex ia IIC/IIB T4 Gb
Complies with IEC 60079-0:2007,
IEC 60079-11:2006
(IIC: 059-3051-000 Li-ion bat pack
or 059-3054-000 NiMH bat pack;
IIB: 059-3052-000 alkaline bat pack)
EM Interference: Highly resistant to EMI/RFI. Compliant with
EMC R&TTE (RF Modules)
Alarm Setting: Separate alarm limit settings for Low, High,
STEL and TWA alarm
Operating Mode: Hygiene or Search mode
Alarm: Buzzer 95dB at 30cm and flashing red LEDs
to indicate exceeded preset limits, low battery
voltage, or sensor failure
Alarm Type: Latching or automatic reset
Real-time Clock: Automatic date and time stamps on datalogged
information
Datalogging: 260,000 points with time stamp, serial number,
user ID, site ID, etc.
Communication: Upload data to PC and download instrument
setup from PC via USB on charging station.
Sampling Pump: Internally integrated. Flow rate: 450 to 550
cc/min.
Wireless Network: Mesh RAE Systems Dedicated Wireless
Network (or WiFi network for WiFi-equipped
instruments)
Wireless Frequency: ISM license-free band, 902 to 907.5 MHz and
915 to 928 MHz, FCC Part 15, CE R&TTE,
IEEE 802.11 b/g bands (2.4 GHz)
Modulation: 802.15.4 DSSS BPSK
RF Power (Tx): 10dBm
Temperature: -20º C to 50º C (-4º to 122º F)
MiniRAE 3000 User’s Guide
15
Humidity: 0% to 95% relative humidity (non-condensing)
Housing (including Polycarbonate, splashproof and dustproof
rubber boot): Battery can be changed without removing
rubber boot.

MiniRAE 3000 User’s Guide
16
Charging The Battery
Always fully charge the battery before using the instrument. The
instrument’s Li-ion battery is charged by placing the instrument in its
cradle. (The battery can also be charged by placing the instrument in an
AutoRAE 2 Cradle.) Contacts on the bottom of the instrument meet the
cradle’s contacts, transferring power without other connections.
Note: Before setting the instrument into its charging cradle, visually
inspect the contacts to make sure they are clean. If they are not, wipe
them with a soft cloth. Do not use solvents or cleaners.
Follow this procedure to charge the instrument:
1. Plug the AC/DC adapter’s barrel connector into the instrument’s
cradle.
2. Plug the AC/DC adapter into the wall outlet.
3. Place the instrument into the cradle, press down, and lean it
back. It locks in place and the LED in the cradle glow
The instrument begins charging automatically. The “Primary” LED in
the cradle blinks green to indicate charging. During charging, the
diagonal lines in the battery icon on the instrument’s display are
animated and you see the message “Charging...”
When the instrument’s battery is fully charged, the battery icon
is no longer animated and shows a full battery. The message
“Fully charged!” is shown. The cradle’s LED glows
continuously green.
Note: If you see the “Battery Charging Error” icon (a battery
outline with an exclamation mark inside), check that the
MiniRAE 3000 User’s Guide
17
instrument or rechargeable battery has been set into the cradle properly.
If you still receive the message, check the Troubleshooting section of
this guide.
Note: If the instrument or battery has been in the cradle for more than
10 hours and you see the “Battery Charging Error” icon and a message
that says, “Charging Too Long,” this indicates that the battery is not
reaching a full charge. Try changing the battery and make sure the
contacts between the instrument (or battery) are meeting the cradle. If
the message is still shown, consult your distributor or RAE Systems
Technical Services.
Charging A Spare Rechargeable Battery
A rechargeable Li-ion battery can be charged when it is not inside the
monitor. The charging cradle is designed to accommodate both types of
charging. Contacts on the bottom of the battery meet the contacts on the
cradle, transferring power without other connections, and a spring-
loaded capture holds the battery in place during charging.
1. Plug the AC/DC adapter into the monitor’s cradle.
2. Place the battery into the cradle, with the gold-plated contacts
on top of the six matching charging pins.
3. Plug the AC/DC adapter into the wall outlet.
The battery begins charging automatically. During charging, the
Secondary LED in the cradle blinks green. When charging is complete,
it glows steady green.
Release the battery from the cradle by pulling it back toward the rear of
the cradle and tilting it out of its slot.
Note: If you need to replace the Li-ion battery pack, replacements are
available from RAE Systems. The part number is 059-3051-000.

MiniRAE 3000 User’s Guide
18
Note: An Alkaline Battery Adapter (part number 059-3052-000), which
uses four AA alkaline batteries (Duracell MN1500), may be substituted
for the Li-Ion battery.
WARNING!
To reduce the risk of ignition of hazardous atmospheres, recharge
and replace batteries only in areas known to be non-hazardous.
Remove and replace batteries only in areas known to be non-
hazardous.
Low Voltage Warning
When the battery’s charge falls below a preset voltage, the
instrument warns you by beeping once and flashing once every
minute, and the “empty battery” icon blinks on and off once
per second. You should turn off the instrument within 10
minutes and either recharge the battery by placing the
instrument in its cradle, or replace the battery with a fresh one
with a full charge.
Clock Battery
An internal clock battery is mounted on one of the instrument’s printed
circuit boards. This long-life battery keeps settings in memory from
being lost whenever the Li-ion battery or alkaline batteries are
removed. This backup battery should last approximately five years, and
must be replaced by an authorized RAE Systems service technician. It
is not user-replaceable.
Data Protection While Power Is Off
When the instrument is turned off, all the current real-time data
including last measured values are erased. However, the datalog data is
preserved in non-volatile memory. Even if the battery is disconnected,
the datalog data will not be lost.

MiniRAE 3000 User’s Guide
19
User Interface
The instrument’s user interface consists of the display, LEDs, an
alarm transducer, and four keys. The keys are:
Y/+
MODE
N/-
Flashlight on/off
The LCD display provides visual feedback that includes the reading,
time, battery condition, and other functions.
In addition to their labeled functions, the keys labeled Y/+, MODE, and
N/- act as “soft keys” that control different parameters and make
different selections within the instrument’s menus. From menu to
menu, each key controls a different parameter or makes a different
selection.
Display
Y/+ key
N/- key
MODE key
Flashlight
on/off key
LEDs and flashlight

MiniRAE 3000 User’s Guide
20
Three panes along the bottom of the display are “mapped” to the keys.
These change as menus change, but at all times the left pane
corresponds to the [Y/+] key, the center pane corresponds to the
[MODE] key, and the right pane corresponds to the [N/-] key. Here are
three examples of different menus with the relationships of the keys
clearly shown:

MiniRAE 3000 User’s Guide
21
Display
The display shows the following information:
Gas info Tells the Correction Factor and type of
calibration gas
Reading Concentration of gas as measured by the
instrument
Calibration or bump Dark icon indicates that calibration should be
needed performed; light icon indicates bump should be
performed
Radio power Indicates whether radio (Mesh wireless or
Bluetooth) connection is on or off
Radio signal Indicates signal strength in 5-bar bargraph
Battery Indicates battery level in 3 bars
Pump Indicates that pump is working
Datalog Indicates whether datalog is on or off
Y/+ Y/+ key’s function for this screen
MODE MODE key’s function for this screen
N/- N/- key’s function for this screen

MiniRAE 3000 User’s Guide
22
Operating The Instrument
The instrument is designed as a broadband VOC gas monitor and
datalogger for work in hazardous environments. It gives real-time
measurements and activates alarm signals whenever the exposure
exceeds preset limits. Prior to factory shipment, the instrument is preset
with default alarm limits and the sensor is pre-calibrated with standard
calibration gas. However, you should test the instrument and verify the
calibration before the first use. After the instrument is fully charged and
calibrated, it is ready for immediate operation.
Turning The Instrument On
1. With the instrument turned off, press and hold [MODE].
2. When the display turns on, release the [MODE] key.
The RAE Systems logo should appear first. (If the logo does not
appear, there is likely a problem and you should contact your
distributor or RAE Systems Technical Support.) The instrument is now
operating and performs self tests. If any tests (including sensor and
memory tests fail), refer to the Troubleshooting section of this guide.
Once the startup procedure is complete, the instrument shows a
numerical reading screen with icons. This indicates that the instrument
is fully functional and ready to use.

MiniRAE 3000 User’s Guide
23
Turning The Instrument Off
1. Press and hold the Mode key for 3 seconds. A 5-second
countdown to shutoff begins.
2. Once the countdown stops, the instrument is off. Release the
Mode key.
3. When you see “Unit off...” release your finger from the
[MODE] key. The instrument is now off.
Note: You must hold your finger on the key for the entire shutoff
process. If you remove your finger from the key during the countdown,
the shutoff operation is canceled and the instrument continues normal
operation.
Operating The Built-In Flashlight
The instrument has a built-in flashlight that helps you point the probe in
dark places. Press the flashlight key to turn it on. Press it again to turn
it off.
Note: Using the flashlight for extended periods shortens the battery’s
operating time before it needs recharging.
Pump Status
IMPORTANT!
During operation, make sure the probe inlet and the gas outlet are free
of obstructions. Obstructions can cause premature wear on the pump,
false readings, or pump stalling. During normal operation, the pump
icon alternately shows inflow and outflow as shown here:

MiniRAE 3000 User’s Guide
24
During duty cycling (PID lamp cleaning), the display shows these icons
in alternation:
If there is a pump failure or obstruction that disrupts the pump, you will
see this icon blinking on and off:
If you see this blinking icon, consult the Troubleshooting section of this
guide.
Calibration Status
The instrument displays this icon if it requires calibration:
Calibration is required (and indicated by this icon) if:
The lamp type has been changed (for example, from 10.6 eV to
9.8 eV).
The sensor has been replaced.
It has been 30 days or more since the instrument was last
calibrated.
If you have changed the calibration gas type without
recalibrating the instrument.
Bump Status
The instrument displays this icon if it requires a bump test:

MiniRAE 3000 User’s Guide
25
A bump test is required (and indicated by this icon) if:
The defined period of time between bump tests has been
exceeded (bump test overdue).
The sensor has failed a previous bump test.
The sensor(s) should be challenged on a periodic basis.
Policy Enforcement
The MiniRAE 3000 can be configured to enforce a facility/company’s
requirements that calibration and/or bump testing be performed at
specified intervals, and to explicitly prompt the user that
calibration/bump testing is required. Depending on how Policy
Enforcement features are configured, the user may be required to
perform a bump test or calibration prior to being able to use the
instrument. That is, it can be set to not allow normal operation of the
instrument unless calibration or bump testing is performed.
If the instrument has been bump tested and calibrated in compliance
with the policy settings, a check-mark icon is included along the top of
the MiniRAE 3000 screen:
If Policy Enforcement is enabled, then after startup the MiniRAE 3000
displays a screen that informs the user that the instrument requires
either a bump test or a calibration. If both are required, then they are
shown in sequence.
Note: Policy enforcement features are disabled by default.
Setting Policy Enforcement
You must use ProRAE Studio II to make changes to Policy
Enforcement settings. You must use an AutoRAE 2 Cradle, a MiniRAE
3000 Travel Charger, or a MiniRAE 3000 Desktop Cradle. Policy
violations are captured in the datalog.
MiniRAE 3000 User’s Guide
26
Using The Travel Charger, Desktop Charger, or
AutoRAE 2 Automatic Test And Calibration System
To program a MiniRAE 3000 via an AutoRAE 2, you need ProRAE
Studio II Instrument Configuration and Data Management Software,
the AutoRAE 2 connected to a power source, and a USB PC
communications cable.
1. Connect a USB cable between a PC with ProRAE Studio II and the
AutoRAE 2 Cradle, Travel Charger, or Desktop Cradle.
2. Apply power to the AutoRAE 2 Cradle, Travel Charger, or Desktop
Cradle.
3. Turn off the MiniRAE 3000 (or put the MiniRAE 3000 into
AutoRAE 2 Mode or Communication Mode) and set it in the
cradle.
4. Start ProRAE Studio II software on the PC.
5. Select “Administrator” and input the password (the default is
“rae”).
6. Click “Detect the instruments automatically” (the magnifying glass
icon with the letter “A” in it). After a few seconds, the AutoRAE 2
Cradle is found and it is shown, along with its serial number.
7. Click on the icon to highlight it, and then click “Select.”
8. In ProRAE Studio II, the instrument or AutoRAE 2 Cradle is
shown, including its Serial Number, under “Online.”
9. Expand the view to show the instrument or to show the instrument
in the AutoRAE 2 Cradle by clicking the “+” to the left of the
image of the AutoRAE 2 Cradle.
10. Double-click on the icon representing the MiniRAE 3000.
11. Click “Setup.”
12. In the menu that now appears on the left side, click “Policy
Enforcement.” It is highlighted, and the Policy Enforcement pane is
shown. For “Must Calibrate” and “Must Bump,” you have the
options of no enforcement or enforcement (including “Can’t
Bypass,” and “Can Bypass”).

MiniRAE 3000 User’s Guide
27
Must Calibrate. The user is prompted to calibrate the instrument when
calibration is due (as set by the calibration interval). There are two
programmable options:
Can’t Bypass. Unless calibration is performed, the instrument
cannot be used, and the only option is to turn off the
instrument.
Can Bypass. If calibration is due but the user does not want to
perform a calibration, the instrument can still be used. In this
case, the instrument records that the user has bypassed the
calibration requirement in a Policy Violation report.
Must Bump. The user is prompted to bump test the instrument when a
bump test is due (as set by the bump test interval). There are two
programmable options:
Can’t Bypass. Unless a bump test is performed, the instrument
cannot be used, and the only option is to turn off the
instrument.
Can Bypass. If a bump test is due but the user does not want to
perform one, the instrument can still be used. In this case, the
instrument records that the user has bypassed the bump testing
requirement in a Policy Violation report.
These are the screens that are shown on a MiniRAE 3000 after startup
if “Can Bypass” is selected:

MiniRAE 3000 User’s Guide
28
If “Can’t Bypass” is selected, the display looks like this, and only
allows the options of performing the test or shutting down:
16. Once you have made your selections in ProRAE Studio II, you
must upload the changes to the instrument. Click the icon labeled
“Upload all settings to the instrument.”
17. A confirmation screen is shown. Click “Yes” to perform the upload,
or “No” to abort.
Uploading takes a few seconds, and a progress bar is shown. You
can abort the upload by clicking “Cancel.”
18. Exit ProRAE Studio II.
19. Press [Y/+] on the MiniRAE 3000 to exit Communication Mode.
MiniRAE 3000 User’s Guide
29
Operating Modes
Your instrument operates in different modes, depending on the model
and its factory default settings. In some cases, you can change modes
using a password and using the instrument’s navigation. In other cases,
you must use ProRAE Studio software.
The default setting for your instrument is:
User Mode: Basic
Operation Mode: Hygiene
This is outlined in detail on page 83.
The other options, covered later in this guide, are:
User Mode: Advanced (page 86)
Operation Mode: Hygiene
User Mode: Advanced (page 90)
Operation Mode: Search
Using ProRAE Studio allows access to other options. In addition,
Diagnostic Mode (page 91) is available for service technicians.
MiniRAE 3000 User’s Guide
30
Basic User Level/Hygiene Mode (Default
Settings)
The instrument is programmed to operate in Basic User Level/Hygiene Mode as
its default. This gives you the most commonly needed features while requiring
the fewest parameter adjustments.
Pressing [N/-] steps you from one screen to the next, and eventually return to the
main display. If you do not press a key within 60 seconds after entering a
display, the instrument reverts to its main display.
Note: While viewing any of these screens, you can shut off your instrument by
pressing [MODE].

MiniRAE 3000 User’s Guide
31
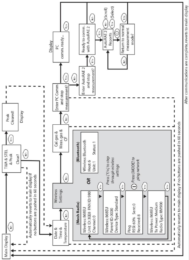
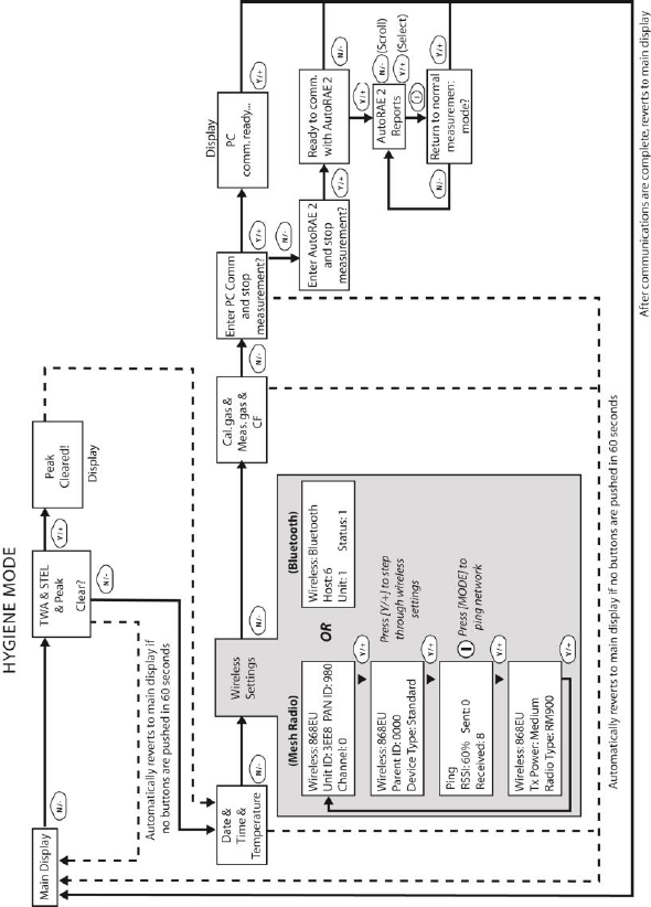
Note: Dashed line indicates automatic progression.
MiniRAE 3000 User’s Guide
32
After the instrument is turned on, it runs through the start-up menu.
Then the message “Please apply zero gas…” is displayed.
At this point, you can perform a zero air (fresh air) calibration. If the
ambient air is clean, you can use that. Otherwise, use a cylinder of zero
air. Refer to Zero Calibration on page 44 for a more detailed
description of zero calibration.
Start zero calibration by pressing Start. You see the message
“Zeroing…” followed by a 30-second countdown.
Note: You can press [MODE] to quit, bypassing the zero air
calibration.
When zero calibration is complete, you see the message:
Zeroing is done!
Reading = 0.0 ppm
The instrument is now sampling and collecting data.
Note: At the Average & Peak, Date & Time & Temperature, Calibration Gas
& Measurement Gas & Correction Factor, and PC Communications screens,
the instrument automatically goes to the main display after 60 seconds if you
do not push a key to make a selection.
Alarm Signals
During each measurement period, the gas concentration is compared
with the programmed alarm limits (gas concentration alarm limit
settings). If the concentration exceeds any of the preset limits, the loud
buzzer and red flashing LED are activated immediately to warn you of
the alarm condition.
In addition, the instrument alarms if one of the following conditions
occurs: battery voltage falls below a preset voltage level, failure of the
UV lamp, or pump stall.

MiniRAE 3000 User’s Guide
33
Alarm Signal Summary
Message
Condition
Alarm Signal
HIGH
Gas exceeds “High
Alarm” limit
3 beeps/flashes per second*
OVR
Gas exceeds
measurement range
3 beeps/flashes per second*
MAX
Gas exceeds electronics’
maximum range
3 beeps/flashes per second*
LOW
Gas exceeds “Low
Alarm” limit
2 beeps/flashes per second*
TWA
Gas exceeds “TWA”
limit
1 Beep/flash per second*
STEL
Gas exceeds “STEL”
limit
1 Beep/flash per second*
Pump
icon
flashes
Pump failure
3 beeps/flashes per second
Lamp
PID lamp failure
3 beeps/flashes per second
plus “Lamp” message on
display
Battery
icon
flashes
Low battery
1 flash, 1 beep per minute
plus battery icon flashes on
display
CAL
Calibration failed, or
needs calibration
1 beep/flash per second
NEG
Gas reading measures
less than number stored in
calibration
1 beep/flash per second
* Hygiene mode only. In Search mode, the number of beeps per second
(1 to 7) depends upon the concentration of the sampled gas. Faster rates
indicate higher concentrations.

MiniRAE 3000 User’s Guide
34
Preset Alarm Limits & Calibration
The instrument is factory calibrated with standard calibration gas, and
is programmed with default alarm limits.
Cal Gas
(Isobutylene)
Cal
Span
unit
Low
High
TWA
STEL
MiniRAE
3000
100
ppm
50
100
10
25
Testing The Alarm
You can test the alarm whenever the main (Reading) display is shown.
Press [Y/+], and the audible and visible alarms are tested.
Integrated Sampling Pump
The instrument includes an integrated sampling pump. This diaphragm-
type pump that provides a 450 to 550 cc per minute flow rate.
Connecting a Teflon or metal tubing with 1/8" inside diameter to the
gas inlet port of the instrument, this pump can pull in air samples from
100' (30 m) away horizontally or vertically.
Note: In Search Mode, the pump turns on when a sample measurement
is started, and turns off when the sample is manually stopped.
If liquid or other objects are pulled into the inlet port filter, the
instrument detects the obstruction and immediately shuts down the
pump. The alarm is activated and a flashing pump icon is displayed.
You should acknowledge the pump shutoff condition by clearing the
obstruction and pressing the [Y/+] key while in the main reading
display to restart the pump.
MiniRAE 3000 User’s Guide
35
Backlight
The LCD display is equipped with an LED backlight to assist in
reading the display under poor lighting conditions.
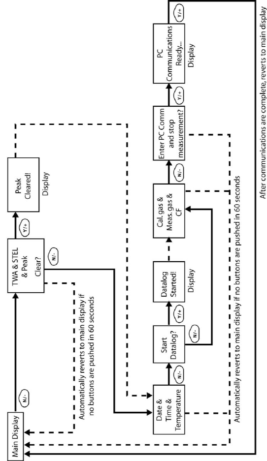
Datalogging
During datalogging, the instrument displays a disk icon to indicate that
datalogging is enabled. The instrument stores the measured gas
concentration at the end of every sample period (when data logging is
enabled). In addition, the following information is stored: user ID, site
ID, serial number, last calibration date, and alarm limits. All data are
retained (even after the unit is turned off) in non-volatile memory so
that it can be down- loaded at a later time to a PC.
Datalogging event
When Datalogging is enabled, measurement readings are being saved.
These data are stored in “groups” or “events.” A new event is created
and stored each time the instrument is turned on and is set to automatic
datalogging, or a configuration parameter is changed, or datalogging is
interrupted. The maximum time for one event is 24 hours or 28,800
points. If an event exceeds 24 hours, a new event is automatically
created. Information, such as start time, user ID, site ID, gas name,
serial number, last calibration date, and alarm limits are recorded.
Datalogging sample
After an event is recorded, the unit records a shorter form of the data.
When transferred to a PC running ProRAE Studio, this data is arranged
with a sample number, time, date, gas concentration, and other related
information.
MiniRAE 3000 User’s Guide
36
Auto/Manual/Snapshot Datalogging
The instrument has three datalog types:
Auto Default mode. Collects datalog information when the
instrument is sampling.
Manual Datalogging occurs only when the instrument’s
datalogging is manually started (see page 63 for
details).
Snapshot Datalogs only during snapshot (single-event capture,
initiated by pressing [MODE]) sampling. See page 65
for details.
Note: You can only choose one datalog type to be active at a time.

MiniRAE 3000 User’s Guide
37
Accessories
The following accessories are included with the instrument:
An AC Adapter (Battery Charger)
Alkaline battery adapter
External Filter
Organic Vapor Zeroing kit
Hard-case kits also include these accessories:
Calibration adapter
Calibration regulator and Flow controller
Standard Kit & Accessories
AC Adapter (Battery Charger)
WARNING
To reduce the risk of ignition of hazardous atmospheres, recharge
battery only in area known to be non-hazardous. Remove and
replace battery only in area known to be non-hazardous.
Ne charger les batteries que dans emplacements designés non-
dangereuses.
A battery charging circuit is built into the instrument cradle. It only needs a
regular AC to 12 VDC adapter (wall-mount transformer, part number 500-
0114-000) to charge the instrument.
To charge the battery inside the instrument:
1. Power off the instrument.
2. Connect the AC adapter to the DC jack on the instrument’s cradle. If
the instrument is off, it automatically turns on.
3. While charging, the display message shows “Charging.” The
Primary LED on the cradle flashes green when charging.
4. When the battery is fully charged, the LED changes to glowing green
continuously, and the message “Fully charged” appears on the

MiniRAE 3000 User’s Guide
38
display. If there is a charging error, the LED glows red
continuously.
A completely discharged instrument can be charged to full capacity
within 8 hours. Batteries drain slowly even if an instrument is off.
Therefore, if the instrument has been in storage or has not been charged
for several days or longer, check the charge before using it.
The factory-supplied battery is designed to last for 16 hours of normal
operation (no alarm), for a new battery under the optimum
circumstances. As the battery becomes older or is subject to adverse
conditions (such as cold ambient temperature), its capacity will be
significantly reduced.
Alkaline Battery Adapter
An alkaline battery adapter is supplied with each instrument. The
adapter (part number 059-3052-000) accepts four AA alkaline batteries
(use only Duracell MN1500) and provides approximately 12 hours of
operation. The adapter is intended to be used in emergency situations
when there is no time to charge the Li-ion battery pack.
To insert batteries into the adapter:
1. Remove the three Philips-head screws to
open the compartment in the adapter.
2. Insert four fresh AA batteries as indicated
by the polarity (+/-) markings.
3. Replace the cover. Replace the three
screws.
To install the adapter in the instrument:
1. Remove the Li-ion battery pack from the instrument by sliding
the tab and tilting out the battery.
2. Replace it with the alkaline battery adapter
3. Slide the tab back into place to secure the battery adapter.
IMPORTANT!
Alkaline batteries cannot be recharged. The instrument’s internal circuit
detects alkaline batteries and will not allow recharging. If you place the
instrument in its cradle, the alkaline battery will not be recharged. The
MiniRAE 3000 User’s Guide
39
internal charging circuit is designed to prevent damage to alkaline
batteries and the charging circuit when alkaline batteries are installed
inside the instrument. If you try to charge an alkaline batteries installed
in the instrument, the instrument’s display will say, “Alkaline Battery,”
indicating that it will not charge the alkaline batteries.
Note: When replacing alkaline batteries, dispose of old ones properly.
WARNING!
To reduce the risk of ignition of hazardous atmospheres, recharge the
battery only in areas known to be non-hazardous. Remove and replace
the battery only in areas known to be non-hazardous.
External Filter
The external filter is made of PTFE (Teflon) membrane with a 0.45
micron pore size to prevent dust or other particles from being sucked
into the sensor manifold, which would cause extensive damage to the
instrument. It prolongs the operating life of the sensor. To install the
external filter, simply connect it to the instrument’s inlet tube.
MiniRAE 3000 User’s Guide
40
Optional Accessories
Calibration Adapter
The calibration adapter for the instrument is a simple 6-inch Tygon
tubing with a metal adapter on one end. During calibration, simply
insert the metal adapter into the regular gas inlet probe of the
instrument and the tubing to the gas regulator on the gas bottle.
Calibration Regulator
The Calibration Regulator is used in the calibration process. It regulates
the gas flow rate from the Span gas cylinder into the gas inlet of the
instrument during calibration process. The maximum flow rate allowed
by the flow controller is about 0.5L/min (500 cc per min.).
Alternatively, a demand-flow regulator or a Tedlar gas bag may be
used to match the pump flow precisely.
Organic Vapor Zeroing Kit
The Organic Vapor Zeroing Kit is used for filtering organic air
contaminants that may affect the zero calibration reading. To use the
Organic Vapor Zeroing Kit, simply connect the filter to the inlet port of
the instrument.
AutoRAE 2 Automatic Test & Calibration
System
The AutoRAE 2 Automatic Test and Calibration System for RAE
Systems portable gas monitors makes compliance with monitor test and
calibration requirements as easy as pressing a button. Simply cradle the
monitor and the system will take care of all calibration, testing, and
recharging.
The AutoRAE 2 is a flexible, modular system that can be configured to
meet your calibration requirements effectively and efficiently. An
AutoRAE 2 system can be as simple as a single cradle deployed in
standalone mode to calibrate one instrument at a time, or as powerful as
a networked, controller-based system supporting ten monitors and five
distinct calibration gas cylinders.
MiniRAE 3000 User’s Guide
41
Standard Two-Point Calibration (Zero &
Span, Optional Bump)
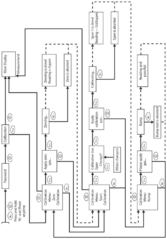
The following diagram shows the instrument’s calibrations in
Basic/Hygiene mode.

MiniRAE 3000 User’s Guide
42
Note: Dashed line indicates automatic progression.

MiniRAE 3000 User’s Guide
43
Entering Calibration
1. Press and hold [MODE] and [N/-] until you see the Password
screen.
2. In Basic User Level, you do not need a password to perform
calibrations. Instead of inputting a password, enter calibration
by pressing [MODE].
Note: If you inadvertently press [Y/+] and change any of the
numbers, simply press [MODE] and you will be directed to the
calibration menu.
The Calibration screen is now visible with Zero Calibration
highlighted.
These are your options:
Press [Y/+] to select the highlighted calibration (Zero Calib or
Span Calib).
Press [MODE] to exit calibration and return to the main display
and resume measurement.
Press [N/-] to toggle the highlighted calibration type.

MiniRAE 3000 User’s Guide
44
Zero (Fresh Air) Calibration
This procedure determines the zero point of the sensor calibration
curve. To perform a fresh air calibration, use the calibration adapter to
connect the instrument to a “fresh” air source such as from a cylinder or
Tedlar bag (optional accessory). The “fresh” air is clean, dry air
without organic impurities and an oxygen value of 20.9%. If such an
air cylinder is not available, any clean ambient air without detectable
contaminants or a charcoal filter can be used.
At the Zero Calibration menu, you can proceed to perform a Zero
calibration or bypass Zero calibration and perform a Span calibration.
You may also go back to the initial Calibration menu if you want to
exit calibration.
Press [Y/+] to start calibration.
Press [MODE] to quit and return to the main calibration
display.
If you have pressed [Y/+] to enter Zero calibration, then you will see
this message:
1. Turn on your Zero calibration gas.
2. Press [Y/+] to start calibration.
Note: At this point, you may press [MODE] if you decide that
you do not want to initiate calibration. This will take you
directly to the Calibration menu, highlighted for Span
calibration.
MiniRAE 3000 User’s Guide
45
3. Zero calibration starts a 30-second countdown and displays this
message:
Zeroing...
During the zeroing process, the instrument performs the Zero
calibration automatically and does not require any action on your part.
Note: To abort the zeroing process at any time and proceed to Span
calibration, press [N/-] at any time while zeroing is being performed.
You will see a confirmation message that says “Zero aborted!” and then
the Span calibration menu appears.
When Zero calibration is complete, you see this message:
Zeroing is done!
Reading = 0.0 ppm
The instrument will then show the Calibration menu on its display, with
Span Calib highlighted.

MiniRAE 3000 User’s Guide
46
Span Calibration
This procedure determines the second point of the sensor calibration
curve for the sensor. A cylinder of standard reference gas (span gas)
fitted with a 500 cc/min. flow-limiting regulator or a flow-matching
regulator is the simplest way to perform this procedure. Choose the 500
cc/min. regulator only if the flow rate matches or slightly exceeds the
flow rate of the instrument pump. Alternatively, the span gas can first
be filled into a Tedlar bag or delivered through a demand-flow
regulator. Connect the calibration adapter to the inlet port of the
instrument, and connect the tubing to the regulator or Tedlar bag.
Another alternative is to use a regulator with >500 cc/min flow but
allow the excess flow to escape through a T or an open tube. In the
latter method, the span gas flows out through an open tube slightly
wider than the probe, and the probe is inserted into the calibration tube.
At the Span Calibration menu, you perform a Span calibration. You
may also go back to the Zero calibration menu or to the initial
Calibration menu if you want to exit calibration.
Press [Y/+] to enter Span calibration.
Press [N/-] to skip Span calibration and return to Zero
calibration.
Press [MODE] to exit Span calibration and return to the top
calibration menu.
If you have pressed [Y/+] to enter Span calibration, then you will see
the name of your Span gas (the default is isobutylene) and the span
value in parts per million (ppm). You will also see this message that
prompts you:
1. Turn on your span calibration gas.
2. Press [Y/+] to initiate calibration.
MiniRAE 3000 User’s Guide
47
Note: You may press [MODE] if you decide that you do not
want to initiate calibration. This will abort the span calibration
and take you directly to the Calibration menu for Zero
calibration.
3. Span calibration starts and displays this message:
Calibrating...
During the Span calibration process, there is a 30-second countdown
and the instrument performs the Span calibration automatically. It
requires no actions on your part.
Note: If you want to abort the Span calibration process, press [N/-] at
any time during the process. You will see a confirmation message that
says “Span is aborted!” and then the Zero calibration menu appears.
You can then proceed to perform a Zero calibration, perform a Span
calibration, or exit to the topmost Calibration menu.
When Span calibration is complete, you see a message similar to this
(the value is an example only):
Span 1 is done!
Reading = 100.0 ppm
The instrument then exits Span calibration and shows the Zero
calibration menu on its display.
Note: The reading should be very close to the span gas value.
MiniRAE 3000 User’s Guide
48
Exiting Two-Point Calibration In Basic User
Level
When you are done performing calibrations, press [MODE], which
corresponds with “Back” on the display. You will see the following
message:
Updating settings…
The instrument updates its settings and then returns to the main display.
It begins or resumes monitoring.
MiniRAE 3000 User’s Guide
49
Three-Point Calibration
For enhanced accuracy, it is possible to perform a second Span
calibration in addition to the Zero and Span calibrations outlined in the
previous section. Your instrument first must be set to allow this third
calibration. This requires using ProRAE Studio software and a PC, as
well as a higher concentration of calibration gas.
Note: Once the third calibration is set, you do not need to use ProRAE
Studio to allow future 3-point calibrations. Also, you can only disable
3-point calibration capability by using ProRAE Studio again.
Perform the Zero and Span calibrations. After the first Span calibration
(Span 1) is completed, the display a second Span calibration (Span 2)
can be performed. The process is identical to the first calibration. As in
the Span 1 calibration, you may exit and return to the Zero calibration
screen if you choose not to perform this calibration or to abort it.
Note: If a bump test is available, it appears after the last calibration in
the menu. See “Two-Point Calibration,” page 38, for details. Also, refer
to page 53 for details on how to perform a bump test.

MiniRAE 3000 User’s Guide
50
Note: Dashed line indicates automatic progression.
MiniRAE 3000 User’s Guide
51
Span 2 Calibration
A cylinder of standard reference gas (span gas) fitted with a 500
cc/min. flow-limiting regulator or a flow-matching regulator is the
simplest way to perform this procedure.
Note: This gas should be of a higher concentration than the gas used
for Span 1 calibration.
Choose the 500 cc/min. regulator only if the flow rate matches or
slightly exceeds the flow rate of the instrument pump. Alternatively,
the span gas can first be filled into a Tedlar bag or delivered through a
demand-flow regulator. Connect the calibration adapter to the inlet port
of the instrument, and connect the tubing to the regulator or Tedlar bag.
Another alternative is to use a regulator with >500 cc/min flow but
allow the excess flow to escape through a T or an open tube. In the
latter method, the span gas flows out through an open tube slightly
wider than the probe, and the probe is inserted into the calibration tube.
At the Span Calibration menu, you perform a Span calibration. You
may also go back to the Zero calibration menu or to the initial
Calibration menu if you want to exit calibration.
Press [Y/+] to enter Span 2 calibration.
Press [N/-] to skip Span calibration and return to Zero
calibration.
Press [MODE] to exit Span calibration and return to the top
calibration menu.
If you have pressed [Y/+] to enter Span calibration, then you will see
the name of your Span gas (the default is isobutylene) and the span
value in parts per million (ppm). You will also see this message that
prompts you:
Please apply gas...
4. Turn on your span calibration gas.
5. Press [Y/+] to initiate calibration.
MiniRAE 3000 User’s Guide
52
Note: You may press [MODE] if you decide that you do not
want to initiate calibration. This will take you directly to the
Calibration menu for Zero calibration.
6. Span calibration starts a 30-second countdown and displays
this message:
Calibrating...
During the Span calibration process, the instrument performs the Span
calibration automatically and does not require any action on your part.
Note: If you want to abort the Span calibration process, press [N/-] at
any time during the process. You will see a confirmation message that
says “Span is aborted!” and then the Zero calibration menu will appear.
You can then proceed to perform a Zero calibration, perform a Span
calibration, or exit to the topmost Calibration menu.
When Span calibration is complete, you will see a message similar to
this (the value shown here is for example only):
Span 2 is done!
Reading = 1000 ppm
The instrument then exits Span calibration and shows the Zero
calibration menu on its display.
Note: The reading should be very close to the span gas value.
MiniRAE 3000 User’s Guide
53
Exiting Three-Point Calibration
When you are done performing calibrations, press [MODE], which
corresponds with “Back” on the display. You will see the following
message:
Updating settings…
The instrument updates its settings and then returns to the main display.
It begins or resumes monitoring.
Bump Test
RAE Systems recommends that a bump test be conducted prior to each
day’s use. The purpose of a bump test is to ensure that the instrument’s
sensors respond to gas and all the alarms are enabled and functional.
The MiniRAE 3000 must be calibrated if it does not pass a
bump test when a new sensor is installed, after sensor
maintenance has been performed, or at least once every 180
days, depending on use and sensor exposure to poisons and
contaminants.
Calibration and bump test intervals and procedures may vary
due to national legislation and company policy.
To perform a bump test (functional challenge), follow these steps:
1. Select “Bump.”
2. Install the calibration adapter and connect it to a source of
calibration gas.
3. Verify that the displayed calibration value meets the concentration
specified on the gas cylinder.
4. Start the flow of calibration gas.
5. Press [Y/+] to start the bump test.
6. You can abort the calibration at any time during the countdown by
pressing [N/-].

MiniRAE 3000 User’s Guide
54
7. If the calibration is not aborted, the display shows reading and then
tells you whether the bump test passed or failed. If the bump test
failed, then it automatically advances to the Calibration screen.
Important!
Anytime a bump test fails, you should perform a full calibration of the
instrument.
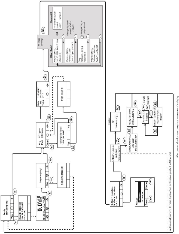
Programming Mode
Programming Mode can be entered from either Hygiene Mode or
Search Mode. If the current user mode is Basic, you must provide a 4-
digit password to enter.
Entering Programming Mode
1. Press and hold [MODE] and [N/-] until you see the Password screen.
2. Input the 4-digit password:
Increase the number from 0 through 9 by pressing [Y/+].
Step from digit to digit using [N/-].
Press [MODE] when you are done.
If you make a mistake, you can cycle through the digits by pressing
[N/-] and then using [Y/+] to change the number in each position.

MiniRAE 3000 User’s Guide
55
Note: The default password is 0000.
When you have successfully entered Programming Mode, you see this
screen:
Note: The password can only be changed by connecting the instrument
to a PC running ProRAE Studio software. Follow the instructions in
ProRAE Studio to change it.

MiniRAE 3000 User’s Guide
56
The Calibration label is shown and its icon is highlighted, but you can
press [N/-] to step from one programming menu to the next, with the
name of the menu shown at the top of the display and the
corresponding icon highlighted. As you repeatedly press [N/-], the
selection moves from left to right, and you see these screens:
Note: When you reach Monitor Setup and press [N/-], the menu cycles
back to Calibration.
Programming Mode Menus
The Programming Mode allows anyone with the password to change
the instrument’s settings, calibrate the instrument, modify the sensor
configuration, enter user information, etc. Programming Mode has five
menus. Each menu includes several sub-menus to perform additional
programming functions.
This table shows the menus and sub-menus:

MiniRAE 3000 User’s Guide
57
Calibration
Measurement
Alarm
Setting
Datalog
Monitor
Setup
Zero Calibration
Meas. Gas
High
Alarm
Clear
Datalog
Radio
Power
Span
Calibration
Meas. Unit
Low
Alarm
Interval
Op Mode
Bump
STEL
Alarm
Data
Selection
Site ID
TWA
Alarm
Datalog
Type
User ID
Alarm
Mode
User Mode
Buzzer
& Light
Date
Time
Pump Duty
Cycle
Pump Speed
Temperature
Unit
Language
Real Time
Protocol
Power On
Zero
Unit ID
LCD
Contrast
Lamp ID
PAN ID
Mesh
Channel
Mesh
Interval

MiniRAE 3000 User’s Guide
58
Once you enter Programming Mode, the LCD displays the first menu,
Calibration. Each subsequent menu is accessed by pressing [N/-]
repeatedly until the desired menu is displayed. To enter a sub-menu of
a menu, press [Y/+].
Exiting Programming Mode
To exit Programming Mode and return to normal operation, press
[MODE] once at any of the programming menu displays. You will see
“Updating Settings…” as changes are registered and the mode changes.
Navigating Programming Mode Menus
Navigating through the Programming Mode menus is easy and
consistent, using a single interface format of “Select,” “Back” and
“Next” at the top level. The three control buttons correspond to these
choices as shown:
Note: Pressing [MODE] in the Programming Mode’s top level causes
the instrument to exit Programming Mode and return to monitoring.
The three keys perform the following functions in Programming Mode:
Key Function in Programming Mode
[MODE]: Exit menu when pressed momentarily or exit data
entry mode
[Y/+]: Increase alphanumerical value for data entry or
confirm (yes) for a question
[N/-]: Provides a “no” response to a question

MiniRAE 3000 User’s Guide
59
Calibration
Two types of calibration are available: Zero (fresh air) and Span.
Select Zero or Span Calibration by pressing [N/+]. Once your choice is
highlighted, press [Y/+].
Zero Calibration
The procedure for performing a zero calibration is covered on page 41.
Span Calibration
The procedure for performing a basic span calibration is covered on
page 41.
Bump
The procedure for performing a bump calibration is covered on page
53.
A bump test can be performed either manually or using the AutoRAE 2
Automatic Test and Calibration System. When a bump test is done
manually, the instrument makes a pass/fail decision based on sensor
performance, but the user still has the responsibility to make sure all the
alarms are enabled and functional.
Note: Bump testing and calibration can be performed using an
AutoRAE 2 Automatic Test & Calibration System. An AutoRAE 2
bump test takes care of both the sensor and alarm tests. Consult the
AutoRAE 2 User’s guide for details.

MiniRAE 3000 User’s Guide
60
IMPORTANT!
If the instrument does not pass a bump test, perform a full calibration.
If calibration also fails, the PID sensor or lamp may require cleaning or
replacement. If the instrument repeatedly fails to calibrate, turn it off
and refer it for servicing.
Measurement
The sub-menus for Measurement are Measurement Gas and
Measurement Unit.
Meas. Gas
Measurement gases are organized in four lists:
My List is a customized list of gases that you create. It contains a
maximum of 10 gases and can only be built in ProRAE Studio on a
PC and transferred to the instrument. Note: The first gas in the list
is always isobutylene (it cannot be removed from the list).
Last Ten is a list of the last ten gases used by your instrument. The
list is built automatically and is only updated if the gas selected
from Custom Gases or Library is not already in the Last Ten. This
ensures that there is no repetition.
Gas Library is a library that consists of all the gases found in RAE
Systems’ Technical Note TN-106 (available online at
www.raesystems.com).
Custom Gases are gases with user-modified parameters. Using
ProRAE Studio, all parameters defining a gas can be modified,

MiniRAE 3000 User’s Guide
61
including the name, span value(s), correction factor, and default
alarm limits.
1. Scroll through each list by pressing [N/-].
2. Press [Y/+] to select one (My List, Last Ten, Gas Library, or
Custom Gases).
3. Once you are in one of the categories, press [N/-] to scroll
through its list of options and [Y/+] to select one. (If you press
[MODE], you exit to the next submenu.)
4. Press [Y/+] to save your choice or [N/-] to undo your selection.
Leave the sub-menu and return to the Programming Mode menus by
pressing [MODE].
Meas. Unit
Standard available measurement units include:
Abbreviation
Unit
MiniRAE 3000
ppm
parts per million
Yes
ppb
parts per billion
mg/m3
milligrams per cubic meter
Yes
ug/m3
micrograms per cubic meter
Scroll through the list by pressing [N/-].
Select by pressing [Y/+].
Save your selection by pressing [Y/+] or undo your selection by
pressing [N/-].
Leave the sub-menu and return to the Programming Mode menus by
pressing [MODE].

MiniRAE 3000 User’s Guide
62
Alarm Setting
During each measurement period, the gas concentration is compared
with the programmed alarm limits (gas concentration alarm limit
settings: Low, High, TWA and STEL). If the concentration exceeds any
of the preset limits, the loud buzzer and red flashing LED are activated
immediately to warn of the alarm condition.
An alarm signal summary is shown on page 33.
In this menu, you can change the High and Low alarm limits, the STEL
limit, and the TWA. Press [Y/+] to to enter the Alarm Setting menu.
Note: All settings are shown in ppb (parts per billion), or µg/m3
(micrograms per cubic meter), depending on your setting.
1. Scroll through the Alarm Limit sub-menu using the [N/-] key
until the display shows the desired limit to be changed (High
Alarm, Low Alarm, STEL Alarm, and TWA Alarm)
2. Press [Y/+] to select one of the alarm types. The display shows
a flashing cursor on the left-most digit of the previously stored
alarm limit.
3. Press [Y/+] to increase each digit’s value.
4. Press [N/-] to advance to the next digit.
5. Again, use [Y/+] to increase the number.
Repeat this process until all numbers are entered.
Press [MODE] when you are done.
Press [Y/+] to save the changes.
Press [N/-] to undo the changes and revert to the previous settings.
When all alarm types have been changed or bypassed, press [MODE]
to exit to the Programming Menu.
MiniRAE 3000 User’s Guide
63
High Alarm
You can change the High Alarm limit value. The value is typically set
by the instrument to match the value for the current calibration gas. It is
expressed in parts per billion (ppb). Note: The default value depends
on the measurement gas.
To change the High Alarm value:
1. Press [Y/+] to increase each digit’s value.
2. Press [N/-] to advance to the next digit.
3. Again, use [Y/+] to increase the number.
Repeat this process until all numbers are entered.
When you have completed your selections, press [MODE]. You will
see two choices: Save and Undo. You have the opportunity to register
the new settings or to change your mind and revert to your previous
settings.
Press [Y/+] to save the changes.
Press [N/-] to undo the changes and revert to the previous settings.
Low Alarm
You can change the Low Alarm limit value. The value is typically set
by the instrument to match the value for the current calibration gas. It is
expressed in parts per billion (ppb). Note: The default value depends
on the measurement gas.
To change the Low Alarm value:
1. Press [Y/+] to increase each digit’s value.
2. Press [N/-] to advance to the next digit.
3. Again, use [Y/+] to increase the number.
Repeat this process until all numbers are entered.
MiniRAE 3000 User’s Guide
64
When you have completed your selections, press [MODE]. You will
see two choices: Save and Undo. You have the opportunity to register
the new settings or to change your mind and revert to your previous
settings.
Press [Y/+] to save the changes.
Press [N/-] to undo the changes and revert to the previous
settings.
STEL Alarm
You can change the STEL Alarm limit value. The value is typically set
by the instrument to match the value for the calibration gas. It is
expressed in parts per billion (ppb). Note: The default value depends
on the measurement gas.
To change the STEL Alarm value:
1. Press [Y/+] to increase each digit’s value.
2. Press [N/-] to advance to the next digit.
3. Again, use [Y/+] to increase the number.
Repeat this process until all numbers are entered.
When you have completed your selections, press [MODE]. You will
see two choices: Save and Undo. You have the opportunity to register
the new settings or to change your mind and revert to your previous
settings.
Press [Y/+] to save the changes.
Press [N/-] to undo the changes and revert to the previous
settings.
MiniRAE 3000 User’s Guide
65
TWA Alarm
You can change the TWA (time-weighted average) Alarm limit value.
The value is typically set by the instrument to match the value for the
calibration gas. It is expressed in parts per billion (ppb). Note: The
default value depends on the measurement gas.
To change the TWA Alarm value:
1. Press [Y/+] to increase each digit’s value.
2. Press [N/-] to advance to the next digit.
3. Again, use [Y/+] to increase the number.
Repeat this process until all numbers are entered.
When you have completed your selections, press [MODE]. You will
see two choices:
Save
Undo
You have the opportunity to register the new settings or to change your
mind and revert to your previous settings.
Press [Y/+] to save the changes.
Press [N/-] to undo the changes and revert to the previous
settings.
MiniRAE 3000 User’s Guide
66
Alarm Mode
There are two selectable alarm modes:
Auto Reset When the alarm condition is no longer present,
the alarm stops and automatically resets itself.
Latch When the alarm is triggered, you can manually
stop the alarm.
The latched setting only controls alarms for
High Alarm, Low Alarm, STEL Alarm, and
TWA alarm.
Note: To clear an alarm when the instrument is
set to “Latched,” press [Y/+] when the main
(Reading) display is shown.
1. Press [N/-] to step from one alarm type to the other.
2. Press [Y/+] to select an alarm type.
When you have completed your selections, press [MODE].
You will see two choices: Save and Undo. You have the
opportunity to register the new settings or to change your mind and
revert to your previous settings.
Press [Y/+] to save the changes.
Press [N/-] to undo the changes and revert to the previous
settings.

MiniRAE 3000 User’s Guide
67
Buzzer & Light
The buzzer and light alarms can be programmed to be on or off
individually or in combination. Your choices are:
Both on
Light only
Buzzer only
Both off
1. Press [N/-] to step from one option to the next.
2. Press [Y/+] to make your selection (the dark circle in the “radio
button” indicates your selection).
3. When you have completed your selections, press [MODE].
You will see two choices: Save and Undo. You have the
opportunity to register the new settings or to change your mind and
revert to your previous settings.
Press [Y/+] to save the changes.
Press [N/-] to undo the changes and revert to the previous
settings.
Datalog
The instrument calculates and stores the concentration and ID of each
sample taken. In the datalog sub-menu, a user can perform the tasks
and functions shown below.
MiniRAE 3000 User’s Guide
68
1. Scroll through the Datalog sub-menu using the [N/-] key until the
display shows the desired parameter to be changed:
Clear Datalog
Interval
Data Selection
Datalog Type
2. Press [Y/+] to make your selection. Exit by pressing [MODE] for
Back.
Clear Datalog
This erases all the data stored in the datalog.
Note: Once the datalog is cleared, the data cannot be recovered.
Press [Y/+] to clear the datalog. The display asks, “Are you sure?”
Press [Y/+] if you want to clear the datalog. When it has been
cleared, the display shows “Datalog Cleared!”
Press [N/-] if you do not want to clear the datalog.
The display changes, and you are taken to the next sub-menu, Interval.
Interval
Intervals are shown in seconds. The default value is 60 seconds. The
maximum interval is 3600 seconds.
1. Press [Y/+] to increase each digit’s value.
2. Press [N/-] to advance to the next digit.
3. Again, use [Y/+] to increase the number.
MiniRAE 3000 User’s Guide
69
Repeat this process until all numbers are entered.
When you have completed your selections, press [MODE].
You will see two choices: Save and Undo. You have the opportunity to
register the new settings or to change your mind and revert to your
previous settings.
Press [Y/+] to save the changes.
Press [N/-] to undo the changes and revert to the previous
settings.
Data Selection
Data Selection allows you to select which types of data are stored and
made available when you offload your datalog to a computer via
ProRAE Studio software.
You can choose any or all of three types of data (you must choose at
least one):
Average
Maximum
Minimum
1. Press [N/-] to step from one option to the next. The highlighter
indicates your choice.
2. Press [Y/+] to toggle your selection on or off (the check box
indicates “on” with an “X”).
3. When you have completed your selections, press [MODE].
You will see two choices: Save and Undo. You have the opportunity to
register the new settings or to change your mind and revert to your
previous settings.
Press [Y/+] to save the changes.
Press [N/-] to undo the changes and revert to the previous
settings.
MiniRAE 3000 User’s Guide
70
Datalog Type
The instrument has three datalog types:
Auto Default mode. Collects datalog information when the
instrument is sampling.
Manual Datalogging occurs only when the instrument’s
datalogging is manually started (see below for details).
Snapshot Datalogs only during single-event capture sampling.
Note: You can only choose one datalog type to be active at a time.
1. Press [N/-] to step from one option to the next.
2. Press [Y/+] to make your selection (the dark circle in the “radio
button” indicates “on”).
3. When you have completed your selection, press [MODE].
You will see two choices: Save and Undo. You have the opportunity to
register the new settings or to change your mind and revert to your
previous settings.
Press [Y/+] to save the changes.
Press [N/-] to undo the changes and revert to the previous settings.
Manual Datalog
When the instrument is set to Manual Datalog, you turn datalogging on
and off by stepping through the displays from the Main Display, and
then pressing the keys to select datalog on/off functions.
When you reach the screen that says “Start Datalog?” press
[Y/+] to start it. You see “Datalog Started,” confirming that
datalogging is now on.
When you reach the screen that says “Stop Datalog?” press [Y/+] to
stop it. You see “Datalog Stopped,” confirming that datalogging is now
off.

MiniRAE 3000 User’s Guide
71
Note: Dashed line indicates automatic progression.

MiniRAE 3000 User’s Guide
72
Snapshot Datalog
When the instrument is in Snapshot datalogging mode, it captures a
single “snapshot” of the data at the moment of your choosing.
Whenever the instrument is on and it is set to Snapshot, all you have to
do is press [MODE] each time you want to capture a snapshot of the
data at that instant.
When you send the data to a computer using ProRAE Studio, the data
snapshots are uniquely identified by time and other parameters.
Monitor Setup
Many settings can be accessed in this menu, including setting the date
and time and adjusting the pump’s on/off duty cycle.
Radio Power
The radio connection can be turned on or off.
1. Press [N/-] to step from one option to the next (on or off).
2. Press [Y/+] to make your selection (the dark circle in the “radio
button” indicates that the option is selected).
3. When you have completed your selection, press [MODE].
Press [Y/+] to accept the new radio setting (on or off).
Press [N/-] to discard the change and move to the next sub-
menu.
MiniRAE 3000 User’s Guide
73
Op Mode
Under Monitor Setup is “Op Mode.”
Press [Y/+] to select.
You see two options (one is highlighted):
Hygiene
Search
The current mode is indicated by a dark circle within the circle in front
of either Hygiene or Search.
1. Select Hygiene or Search by pressing [N/-]. The highlighting
changes from one to the other each time you press [N/-].
2. Press [Y/+] to select that mode for the instrument.
3. Press [MODE] when you want to register your selection to
place the instrument in the selected mode.
4. Press [Y/+] to commit the change and exit to the Monitor Setup
screen, or press [N/-] to Undo (exit to the Monitor Setup screen
without changing the Mode).
Site ID
Enter an 8-digit alphanumeric/character Site ID in the programming
mode. This Site ID is included in the datalog report.
1. Press [Y/+] and the display shows the current site ID. Example:
“RAE00001.” Note that the left-most digit flashes to indicate it
is the selected one.
2. Press [Y/+] to step through all 26 letters (A to Z) and 10
numerals (0 to 9).
Note: The last four digits must be numerals.
3. Press [N/-] to advance to the next digit. The next digit to the
right flashes.
MiniRAE 3000 User’s Guide
74
Repeat this process until all eight digits of the new site ID are
entered.
Press [MODE] to exit.
If there is any change to the existing site ID, the display shows “Save?”
Press [Y/+] to accept the new site ID. Press [N/-] to discard the change
and move to the next sub-menu.
User ID
Enter an 8-digit alphanumeric User ID in the programming mode. This
User ID is included in the datalog report.
1. Press [Y/+] and the display shows the current User ID.
Example: “RAE00001.” Note that the left-most digit flashes to
indicate it is the selected one.
2. Press [Y/+] to step through all 26 letters (A to Z) and 10
numerals (0 to 9).
3. Press [N/-] to advance to the next digit. The next digit to the
right flashes.
Repeat this process until all eight digits of the new User ID are
entered.
Press [MODE] to exit.
If there is any change to the existing User ID, the display shows “Save”
Press [Y/+] to accept the new site ID. Press [N/-] to discard (undo) the
change and move to the next sub-menu.
User Mode
The instrument has two user modes:
Basic Basic users can only see and use a basic set of
functions.
Advanced Advanced users can see all screens and perform all
available functions.
Note: The default value for User Mode is Basic.
MiniRAE 3000 User’s Guide
75
To change the User Mode:
1. Press [N/-] to step from one option to the next. The highlighting
changes each time you press [N/-].
2. Press [Y/+] to make your selection (the dark circle in the “radio
button” indicates “on”).
3. When you have completed your selection, press [MODE].
4. Press [Y/+] to accept the new User Mode. Press [N/-] to discard the
change and move to the next sub-menu.
Date
The Date is expressed as Month/Day/Year, with two digits for each.
1. Press [Y/+] and the display shows the current date. Note that
the left-most digit flashes to indicate it is selected.
2. Press [Y/+] to step through all 10 numerals (0 to 9).
3. Press [N/-] to advance to the next digit. The next digit to the
right flashes.
Repeat this process until all six digits of the new date are
entered.
Press [MODE] to exit.
Press [Y/+] to save the new date.
Press [N/-] to undo the change and move to the next sub-menu.
MiniRAE 3000 User’s Guide
76
Time
The Time is expressed as Hours/Minutes/Seconds, with two digits for
each. The time is in 24-hour (military) format.
1. Press [Y/+] and the display shows the current time. Note that
the left-most digit flashes to indicate it is selected.
2. Press [Y/+] to step through all 10 numerals (0 to 9).
3. Press [N/-] to advance to the next digit. The next digit to the
right flashes.
Repeat this process until all six digits of the new time are
entered.
Press [MODE] to exit.
Press [Y/+] to save the new date.
Press [N/-] to undo the change and move to the next sub-menu.
Pump Duty Cycle
The pump’s duty cycle is the ratio of its on time to off time. The duty
cycle ranges from 50% to 100% (always on), and the period is 10
seconds. Therefore, a duty cycle of 60% means that the pump is on for
6 seconds and off for four seconds. Duty cycling is employed by the
instrument to clean the PID. A lower duty cycle has a greater effect on
keeping the PID clean than a higher duty cycle.
Important! Pump duty cycling is interrupted when the instrument
senses a gas. The pump’s duty cycle is disabled when the measurement
is greater than the 2ppm threshold and is re-enabled when the reading
falls below 90% of the threshold (1.8 ppm).
1. Press [Y/+] to increase the value.
2. When you have completed your selection, press [MODE].
Press [Y/+] to save the new duty cycle value.
Press [N/-] to undo the change and move to the next sub-menu.
MiniRAE 3000 User’s Guide
77
Pump Speed
The pump can operate at two speeds, high and low. Running at low
speed is quieter and conserves a small amount of power. There is
almost no difference in sampling accuracy.
1. Press [N/-] to step from one option to the next.
2. Press [Y/+] to make your selection (the dark circle in the “radio
button” indicates “on”).
3. When you have completed your selection, press [MODE].
Press [Y/+] to save the new temperature unit.
Press [N/-] to undo the change and move to the next sub-menu.
Temperature Unit
The temperature display can be switched between Fahrenheit and
Celsius units.
1. Press [N/-] to step from one option to the next.
2. Press [Y/+] to make your selection (the dark circle in the “radio
button” indicates “on”).
3. When you have completed your selection, press [MODE].
Press [Y/+] to save the new temperature unit.
Press [N/-] to undo the change and move to the next sub-menu.
MiniRAE 3000 User’s Guide
78
Language
English is the default language, but other languages can be selected for
the instrument.
1. Press [N/-] to step from one option to the next.
2. Press [Y/+] to make your selection (the dark circle in the “radio
button” indicates “on”).
3. When you have completed your selection, press [MODE].
Press [Y/+] to save your new language choice.
Press [N/-] to undo it and return to the previous language
selection.
Real Time Protocol
Real Time Protocol is the setting for data transmission.
The choices are:
P2M (cable) Point to multipoint. Data is transferred from the
instrument to multiple locations using a wired
connection. Default data rate: 19200 bps.
P2P (cable) Point to point. Data is transferred only between the
instrument and one other location, such as a
computer. Default data rate: 9600 bps.
P2M (wireless) Point to multipoint, wireless. Data is transferred
wirelessly and can be received by multiple
receivers.
1. Press [N/-] to step from one option to the next.
2. Press [Y/+] to make your selection (the dark circle in the “radio
button” indicates “on”).
3. When you have completed your selection, press [MODE].
Press [Y/+] to save the new real-time communications protocol.
Press [N/-] to undo the change and move to the next sub-menu.
MiniRAE 3000 User’s Guide
79
Power On Zero
When Power On Zero is on, the instrument performs a zero calibration
when it is turned on.
1. Press [N/-] to step from one option to the next.
2. Press [Y/+] to make your selection (the dark circle in the “radio
button” indicates your selection).
3. When you have completed your selection, press [MODE].
Press [Y/+] to save the change.
Press [N/-] to discard the change and move to the next sub-
menu.
Unit ID
This three-digit number keeps data separated by instrument when more
than one instrument is used in a network. If multiple sensing units are
attempting to communicate with the same Host, then the units must all
have a different Unit ID.
1. Press [Y/+] to step through all 10 numerals (0 to 9). If you pass the
numeral you want, keep pressing [Y/+]. After it counts up to 9, it
starts counting up from 0 again.
2. Press [N/-] to advance to the next digit. The next digit to the right
flashes.
Repeat this process until all three digits of the Unit ID are entered.
3. Press [MODE] when you are done.
Press [Y/+] to save the change.
Press [N/-] to discard the change and move to the next sub-
menu.
MiniRAE 3000 User’s Guide
80
LCD Contrast
The display’s contrast can be increased or decreased from its default
setting. You may not need to ever change the default setting, but
sometimes you can optimize the display to suit extreme temperature
and ambient brightness/darkness conditions.
The minimum value is 20.
The maximum value is 60.
1. Press [Y/+] to increase the value or [N/-] to decrease the value.
2. Press [MODE] to save your selection.
Press [Y/+] to save your new contrast value.
Press [N/-] to undo it and return to the previous value.
Lamp ID
The instrument must be set to the correct lamp value in order to
function correctly. Always match the value that was installed in your
instrument from the factory or the value of the PID lamp you are
replacing.
1. Press [N/-] to step from one option to the next.
2. Press [Y/+] to make your selection (the dark circle in the “radio
button” indicates “on”).
3. When you have completed your selection, press [MODE].
PAN ID
The MiniRAE 3000 and any other devices that you want to
interconnect wirelessly must have the same PAN ID. You can set the
PAN ID in the instrument or through ProRAE Studio II.
1. Press [N/-] to advance through the digits from left to right.
2. Press [Y/+] to ] to advance through the numbers (1, 2, 3, etc.).
3. Press [MODE] to register your choice when you are done.
MiniRAE 3000 User’s Guide
81
Mesh Channel
Note: For mesh radio modems operating at 868MHz, only channel 0 is
available. For other frequencies, channels 1 through 10 are allowed.
1. Press [Y/+] to increase the number and [N/-] to advance to the
next digit.
2. After moving to the last digit and making changes, press
[MODE].
Press [Y/+] to save the change.
Press [N/-] to undo the change.
Mesh Interval
Set the time interval at which the instrument’s mesh radio sends out a
signal. This can range from once every 10 seconds to once every four
minutes (240 seconds). The transmission frequency is user-adjustable,
but a rate of at least once every 30 seconds is recommended. Note:
Shorter intervals reduce battery life.
1. Press [N/-] to step from one option to the next.
2. Press [Y/+] to make a selection.
3. When you are done, press [MODE].
MiniRAE 3000 User’s Guide
82
Hygiene Mode
The instrument usually operates in Hygiene Mode, which provides
basic functionality. However, it is possible to operate it in a second
mode called Search Mode. Here are the primary differences:
Hygiene Mode: Automatic measurements, continuously running
and datalogging, and calculates additional
exposure values.
Search Mode: Manual start/stop of measurements and display
of certain exposure values.

MiniRAE 3000 User’s Guide
83
Basic User Level & Hygiene Mode
The default setting is navigated in the following way:
Note: Dashed line indicates automatic progression.
MiniRAE 3000 User’s Guide
84
Pressing [N/-] steps you from screen to screen. Options include clearing
the Peak value and turning on the instrument’s PC Communications for
data transfer to a PC.
MiniRAE 3000 User’s Guide
85
Entering Search Mode From Hygiene Mode
In order to change the instrument’s operational mode from Hygiene
Mode to Search Mode, you must enter the password-protected
Programming Mode:
1. Hold [MODE] and [N/-] until you see the password screen.
2. Use [Y/+] to increment to the number you want for the first
digit. (If you pass by the desired number, press [Y/+] until it
cycles through to 0 again. Then press [Y/+] until you reach the
desired number.)
3. Press [N/-] to advance to the next digit.
4. Again press [Y/+] to increment the number.
5. Press [N/-] to advance to the next digit.
Continue the process until all four numbers of the password have been
input. Then press [MODE] to proceed.
The screen changes to icons with the label “Calibration.”
1. Press [N/-] to advance to “Monitor Setup.”
2. Press [Y/+] to select Monitor Setup.
Under Monitor Setup, you will see “Op Mode.”
Press [Y/+] to select.
You will see:
Hygiene
Search
The current mode is indicated by a dark circle within the circle in front
of either Hygiene or Search.
1. Select Hygiene or Search by pressing [N/-].
2. Press [Y/+] to place the instrument into the selected mode.
MiniRAE 3000 User’s Guide
86
3. Press [MODE] when you want to register your selection to
place the instrument in the selected mode.
4. Press [Y/+] to commit the change and exit to the Monitor Setup
screen, or press [N/-] to Undo (exit to the Monitor Setup screen
without changing the Mode).
Advanced User Level (Hygiene Mode Or
Search Mode)
The User Mode called Advanced User Level allows a greater number
of parameters to be changed than Basic User Level. It can be used with
either of the Operation Modes, Hygiene Mode or Search Mode.
Advanced User Level & Hygiene Mode
With the instrument in Operation Mode: Hygiene Mode, enter User
Mode: Advanced User Level (refer to the section called Monitor Mode
for instructions).
Once you are in Advanced User Level and Hygiene Mode together, you
can change the calibration reference and measurement gas, in addition
to performing normal monitoring functions.
Pressing [N/-] progresses through the screens, while pressing [Y/+]
selects options. Pressing [MODE] makes menu choices when it is
shown for “Done” or “Back.” Pressing and holding [Mode] whenever
the circle with a vertical line in the middle is shown activates the
countdown to shutoff.

MiniRAE 3000 User’s Guide
87
Note: Dashed line indicates automatic progression.
MiniRAE 3000 User’s Guide
88
Basic User Level & Search Mode
With the instrument in Operation Mode: Search Mode, enter User
Mode and select Basic User Level (refer to the section called User
Mode for instructions).
When the instrument is in Search Mode, it only samples when you
activate sampling. When you see the display that says, “Ready…Start
sampling?” press [Y/+] to start. The pump turns on and the instrument
begins collecting data. To stop sampling, press [N/-] while the main
display is showing. You will see a new screen that says, “Stop
sampling?” Press [Y/+] to stop sampling. Press [N/-] if you want
sampling to continue.

MiniRAE 3000 User’s Guide
89
Note: Dashed line indicates automatic progression.

MiniRAE 3000 User’s Guide
90
Advanced User Level & Search Mode
With the instrument in Operation Mode: Search Mode, enter User
Mode and select Advanced User Level (refer to the section called
Monitor Mode for instructions). Operation is similar to Basic User
Level & Sampling Mode, but now allows you to change calibration and
measurement reference gases. Refer to the section on measurement
gases on page 60 for more details.
Note: Dashed line indicates
automatic progression.
MiniRAE 3000 User’s Guide
91
Diagnostic Mode
IMPORTANT! Diagnostic Mode is designed for servicing and
manufacturing, and therefore is not intended for everyday use, even by
advanced users. It provides raw data from sensors and about settings,
but only allows adjustment of pump stall parameters, which should
only be changed by qualified personnel.
Note: If the instrument is turned on in Diagnostic Mode and you switch
to User Mode, datalog data remains in raw count form. To change to
standard readings, you must restart the instrument.
Entering Diagnostic Mode
Note: To enter Diagnostic Mode, you must begin with the instrument
turned off.
Press and hold [Y/+] and [MODE] until the instrument starts.
The instrument goes through a brief startup, and then displays raw data
for the PID sensor. These numbers are raw sensor readings without
calibration. The instrument is now in Diagnostic Mode.
Note: In Diagnostic Mode, the pump and lamp are normally on.
You can enter Programming Mode and calibrate the instrument as usual
by pressing both [MODE] and [N/-] for three seconds.
You can enter Monitoring Mode by pressing [MODE] and [Y/+]
together for three seconds.
Once the instrument is started up in Diagnostic Mode, you can switch
between Diagnostic Mode and Monitoring Mode by pressing and
holding [MODE] and [Y/+] simultaneously for two seconds.
In Diagnostic mode, you can step through parameter screens by
pressing [MODE].
MiniRAE 3000 User’s Guide
92
Adjusting The Pump Stall Threshold
If the gas inlet is blocked but the pump does not shut down, or the
pump shuts down too easily with a slight blockage, the pump stall
threshold value may be set too high or too low.
Use the following steps to adjust the pump stall threshold:
Pump High
In Diagnostic Mode, press the [MODE] key until “Pump High” is
displayed. The display shows the maximum, minimum, and stall values
for the pump at its high speed. Write down the “Max” reading.
Block the gas inlet and watch the pump current reading (labeled “I”)
increase. Write down its blocked reading. Note: If the pump current
reading does not increase significantly (less than 10 counts), then there
may be a leak in the gas inlet or the pump is weak or defective.
Add the two readings you wrote down. This is the average of the
maximum block count and the maximum idle count. Divide that
number by 2. Use the [Y/+] or [N/-] key to increase or decrease the
stall value to equal that number.
Press the [MODE] key to exit this display.
Pump Low
In Diagnostic Mode, press the [MODE] key until “Pump Low” is
displayed. The display shows the maximum, minimum, and stall values
for the pump at its low speed. Write down the “Max” reading.
Block the gas inlet and watch the pump current reading (labeled “I”)
increase. Write down its blocked reading. Note: If the pump current
reading does not increase significantly (less than 10 counts), then there
may be a leak in the gas inlet or the pump is weak or defective.
Add the two readings you wrote down. This is the average of the
maximum block count and the maximum idle count. Divide that
MiniRAE 3000 User’s Guide
93
number by 2. Use the [Y/+] or [N/-] key to increase or decrease the
stall value to equal that number.
Press the [MODE] key to exit this display.
Exiting Diagnostic Mode
You can exit Diagnostic Mode and go directly to Programming Mode
or Monitor Mode as outlined above, or you can exit Diagnostic Mode
completely.
To exit Diagnostic Mode so that it cannot be re-entered without a
restart:
Shut down the instrument. When it is off, restart it by holding the
[MODE] key. Diagnostic Mode cannot be entered until the instrument
is restarted as outlined in “Entering Diagnostic Mode.”
MiniRAE 3000 User’s Guide
94
Transferring Data To & From A Computer
Once you have connected your instrument cradle to the PC, you can
can transfer data, including a download of the datalog to the computer
and updates of firmware to the instrument (should this ever be
necessary).
Downloading The Datalog To A PC
1. Connect the data cable to the PC and the cradle.
2. Place the instrument into its cradle. The charging LED should
be illuminated.
3. Start ProRAE Studio on your PC.
4. From ProRAE Studio, select “Operation” and select Setup
Connection.
5. Select the COM port to establish a communication link
between the PC and the instrument.
6. To receive the datalog in the PC, select “Downlog Datalog.”
7. When you see “Unit Information,” click OK.
During the data transfer, the display shows a progress bar.
When the transfer is done, you will see a screen with the datalog
information. You can now export this datalog for other use or printing.
MiniRAE 3000 User’s Guide
95
Uploading Firmware To The instrument From A
PC
Uploading new firmware to your instrument requires connecting the
instrument and PC. Follow these steps to make the connection:
1. Connect the data cable to the PC and the cradle.
2. Place the instrument into its cradle. The charging LED should
be illuminated.
3. Start RAEProgrammer 7000 on your PC.
4. From RAEProgrammer 7000, select “Operation” and select
Setup Connection.
5. Select the COM port to establish a communication link
between the PC and the instrument.
6. Select Operation Download Firmware.
Once communication is established, follow the instructions that
accompany RAEProgrammer 7000 and the firmware to upload the new
firmware to your instrument.
Note: Check for the latest updates to ProRAEProgrammer 7000 at
www.raesystems.com.

MiniRAE 3000 User’s Guide
96
Maintenance
The major maintenance items of the instrument are:
Battery pack
Sensor module
PID lamp
Sampling pump
Inlet connectors and filters
Note: Maintenance should be performed by qualified
personnel only.
NOTE: The printed circuit board of the instrument is connected to
the battery pack even if the power is turned off. Therefore, it is
very important to disconnect the battery pack before servicing or
replacing any components inside the instrument. Severe damage to
the printed circuit board or battery may occur if the battery pack
is not disconnected before servicing the unit.
Battery Charging & Replacement
When the display shows a flashing empty battery icon, the battery
requires recharging. It is recommended to recharge the instrument upon
returning from fieldwork. A fully charged battery runs a instrument for
16 hours continuously. The charging time is less than 8 hours for a
fully discharged battery. The battery may be replaced in the field (in
areas known to be non-hazardous), if required.
WARNING!
To reduce the risk of ignition of hazardous atmospheres, recharge
battery only in area known to be non-hazardous. Remove and
replace battery only in areas known to be non-hazardous.

MiniRAE 3000 User’s Guide
97
Replacing The Li-ion Battery
1. Turn off the instrument.
2. Located on the rear of the instrument is a battery tab. Slide it down to
unlock the battery.
3. Remove the battery pack from the battery compartment by tilting it
out.
4. Replace a fully charged spare battery pack inside the battery
compartment. Make sure the battery pack is oriented properly
inside the compartment.
5. Slide the capture tab back up to its locked position.
Replacing The Alkaline Battery Adapter
An alkaline battery adapter is supplied with each instrument. The
adapter (part number 059-3052-000) accepts four AA alkaline batteries
(use only Duracell MN1500) and provides approximately 12 hours of
operation. The adapter is intended to be used in emergency situations
when there is no time to charge the Li-ion battery pack.
To insert batteries into the adapter:
1. Remove the three Philips-head screws to open the
compartment.
2. Insert four fresh AA batteries as indicated by the polarity (+/-)
markings.
3. Replace the cover. Replace the three screws.
MiniRAE 3000 User’s Guide
98
To install the adapter in the instrument:
1. Remove the Li-ion battery pack from the battery compartment
by sliding the tab and tilting out the battery.
2. Replace it with the alkaline battery adapter
3. Slide the tab back into place to secure the battery adapter.
IMPORTANT!
Alkaline batteries cannot be recharged. The instrument’s internal circuit
detects alkaline batteries and will not allow recharging. If you place the
instrument in its cradle, the alkaline battery will not be recharged. The
internal charging circuit is designed to prevent damage to alkaline
batteries and the charging circuit when alkaline batteries are installed
inside the instrument.
Note: When replacing alkaline batteries, dispose of old ones properly.
WARNING!
To reduce the risk of ignition of hazardous atmospheres, recharge the
battery only in areas known to be non-hazardous. Remove and replace
the battery only in areas known to be non-hazardous.
Note: The internal charging circuit is designed to prevent charging to
alkaline batteries.

MiniRAE 3000 User’s Guide
99
PID Sensor & Lamp Cleaning/Replacement
The sensor module is made of several components and is attached to
the lamp-housing unit as shown below.
Sensor Components
Note: The cleaning procedure is not normally needed. Clean the PID
sensor module, the lamp and the lamp housing only if:
1. The reading is inaccurate even after calibration.
2. The reading is very sensitive to air moisture.
3. A liquid has been sucked into the unit and damaged the unit.
Use of the external filter helps to prevent contamination of the sensor.
To access the sensor components and lamp, gently unscrew the lamp-
housing cap, remove the sensor adapter with the gas inlet probe and the
metal filter all together. Then hold the PID sensor and pull it straight
out. A slight, gentle rocking motion helps release the sensor.
Inlet Probe Assembly
PN 023-3012-000
Sensor Cover
Assembly
O-ring, 35mm x 2mm
Filter Fixer
Porous Metal Filter
Sensor Detector
PN 023-3010-000
Teflon O-ring
Lamp 1/2" (10.6eV)
PN 050-0000-004
Seal Nut
Stainless Steel Washer
O-ring, 36.5mm x 2.65mm
Sensor Module Assembly
PN 023-3005-200-FRU
THP (temperature, humidity) Sensor Module
PN 023-3011-000-FRU
MiniRAE 3000 User’s Guide
100
Cleaning The PID Sensor
Place the entire PID sensor module into GC grade methanol. It is highly
recommended that an ultrasound bath to be used to clean the sensor for
at least 15 minutes. Then dry the sensor thoroughly. Never touch the
electrodes of the sensor by hand.
Also use a methanol-soaked cotton swab to wipe off the lamp housing
where it contacts the sensor when the sensor is installed.
Turn over the sensor so that the pins point up and the sensor cavity is
visible. Examine the sensor electrodes for any corrosion, damage, or
bending out of alignment. The metal sensor electrode “fingers” should
be flat and straight. If necessary, carefully bend the sensor fingers to
ensure that they do not touch the Teflon portions and that they are
parallel to each other. Make sure that the nuts on the sensor pins are
snug but not overtight. If the sensor is corroded or otherwise damaged,
it should be replaced.
Cleaning The Lamp Housing Or Changing The Lamp
If the lamp does not turn on, the instrument will display an error
message to indicate replacement of the lamp may be required.
1. If the lamp is operational, clean the lamp window surface and the
lamp housing by wiping it with GC grade methanol using a cotton
swab using moderate pressure. After cleaning, hold the lamp up to
the light at an angle to detect any remaining film. Repeat the
process until the lamp window is clean. Never use water solutions
to clean the lamp. Dry the lamp and the lamp housing thoroughly
after cleaning.
CAUTION: Never touch the window surface with the fingers
or anything else that may leave a film. Never use acetone or
aqueous solutions.
2. If the lamp does not turn on, remove the lamp from the lamp
housing. Place the lamp O-ring onto the new lamp. Insert the new
lamp, avoiding contact with the flat window surface.
3. Reinstall the PID sensor module.
4. Tighten the Lamp Housing Cap.

MiniRAE 3000 User’s Guide
101
Determining The Lamp Type
The monitor can accommodate three lamp values: 10.6eV (standard),
9.8eV, and 11.7eV. Always make sure you are using the correct lamp
value and that the instrument is set to use that lamp.
Also, when the monitor is running, the lamp type is shown along with
the calibration and measurement gas and Correction Factor:
Note: This screen can be accessed from the reading screen by pressing
[N/-] four times.
You can manually determine the lamp type, too:
1. Turn off the instrument and remove the lamp. Now look at the
serial number. The following identify the lamp type:
10.6eV SN: 106 2Nxxxxx
9.8eV SN: 098 2Nxxxxx
11.7eV SN: 117 2Nxxxxx
Programming The Lamp ID
The correct measurement gas library is used by the instrument when
you ensure that the right lamp value is programmed.
To manually select the Lamp ID:
1. Enter the Programming menu.
2. Select Monitor Setup.
3. Scroll down and select the Lamp ID sub-menu.
4. Press [N/-] to scroll down to the desired Lamp ID.
5. Press [Y/+] to select.
6. Press [MODE] to select Done.
7. Select “Save.”
8. Return to the main menu.
Recalibrate the instrument before returning it to service.
MiniRAE 3000 User’s Guide
102
Sampling Pump
When approaching the end of the specified lifetime of the pump, it will
consume higher amount of energy and reduce its sample draw
capability significantly. When this occurs, it is necessary to replace or
rebuild the pump. When checking the pump flow, make sure that the
inlet connector is tight and the inlet tubing is in good condition.
Connect a flow meter to the gas inlet probe. The flow rate should be
above 450 cc/min when there is no air leakage.
If the pump is not working properly, refer the instrument to qualified
service personnel for further testing and, if necessary, pump repair or
replacement.
Cleaning The Instrument
Occasional cleaning with a soft cloth is recommended. Do not use
detergents or chemicals.
Visually inspect the contacts at the base of the instrument, on the
battery, and on the charging cradle to make sure they are clean. If they
are not, wipe them with a soft, dry cloth. Never use solvents or
cleaners.
Ordering Replacement Parts
If you need replacement parts, contact your local RAE Systems
distributor. A list is available online:
http://www.raesystems.com
In the U.S., you can order sensors, replacement batteries, and other
accessories online at:
http://istore.raesystems.com/
MiniRAE 3000 User’s Guide
103
Special Servicing Note
If the instrument needs to be serviced, contact either:
1. The RAE Systems distributor from whom the instrument was
purchased; they will return the instrument on your behalf.
or
2. The RAE Systems Technical Service Department. Before returning
the instrument for service or repair, obtain a Returned Material
Authorization (RMA) number for proper tracking of your
equipment. This number needs to be on all documentation and
posted on the outside of the box in which the instrument is returned
for service or upgrade. Packages without RMA Numbers will be
refused at the factory.

MiniRAE 3000 User’s Guide
104
Troubleshooting
Problem
Possible Reasons & Solutions
Cannot turn on power
after charging the
battery
Reasons: Discharged battery.
Defective battery.
Solutions: Charge or replace battery.
Lost password
Solutions: Call Technical Support at
+1 408-752-0723 or toll-
free at
+1 888-723-4800
Reading abnormally
High
Reasons: Dirty filter.
Dirty sensor module.
Excessive moisture and
water condensation.
Incorrect calibration.
Solutions: Replace filter.
Blow-dry the sensor
module.
Calibrate the unit.
Reading abnormally
Low
Reasons: Dirty filter.
Dirty sensor module.
Weak or dirty lamp.
Incorrect calibration.
Solutions: Replace filter.
Remove Calibration
Adapter.
Calibrate the unit.
Check for air leakage.
Buzzer
Inoperative
Reasons: Bad buzzer.
Solutions: Check that buzzer is not
turned off.
Call authorized service
center.

MiniRAE 3000 User’s Guide
105
Inlet flow too low
Reasons: Pump diaphragm damaged
or has debris.
Flow path leaks.
Solutions: Check flow path for leaks;
sensor module O-ring, tube
connectors, Teflon tube
compression fitting.
Call Technical Support at
+1 408-752-0723
or toll-free at
+1 888-723-4800
“Lamp” message
during operation
Reasons: Lamp drive circuit.
Weak or defective PID
lamp, defective.
Solutions: Turn the unit off and back
on.
Replace UV lamp
Technical Support
To contact RAE Systems Technical Support Team:
Monday through Friday, 7:00AM to 5:00PM Pacific (US) Time
Phone (toll-free): +1 888-723-4800
Phone: +1 408-952-8461
Email: tech@raesystems.com
MiniRAE 3000 User’s Guide
106
RAE Systems Contacts
RAE Systems by Honeywell
World Headquarters
3775 N. First St.
San Jose, CA 95134-1708 USA
Phone: 408.952.8200
Toll-Free: 888.723.4800
Fax: 408.952.8480
E-mail (technical support): RAE-tech@honeywell.com
Web Site: www.raesystems.com
WORLDWIDE SALES OFFICES
USA/Canada 1.877.723.2878
Europe +800.333.222.44/+41.44.943.4380
Middle East +971.4.450.5852
China +86.10.5885.8788-3000
Asia Pacific +852.2669.0828
MiniRAE 3000 User’s Guide
107
Controlled Part of Manual
Intrinsic Safety:
US and Canada: Class I, Division 1, Groups A,B,C,D T4
Europe: ATEX (0575 Ex II 2G Ex ia IIC/IIB T4 Gb)
KEMA 07 ATEX 0127
Complies with EN60079-0:2009, EN60079-11:2007
IECEx CSA 10.0005 Ex ia IIC/IIB T4 Gb
Complies with IEC 60079-0:2007, IEC 60079-11:2006
Temperature: -20º C to 50º C (-4º to 122º F)
Humidity: 0% to 95% relative humidity (non-condensing)
Basic Operation
Turning The Instrument On
1. With the instrument turned off, press and hold [MODE].
2. When the display turns on, release the [MODE] key.
The instrument is now operating and performs self tests. Once the self
tests are complete, the display shows a graph or numerical gas reading.
This indicates that the instrument is fully functional and ready to use.
Turning The Instrument Off
1. Press and hold the Mode key for 3 seconds. A 5-second countdown
to shutoff begins.
2. When you see “Unit off...” release your finger from the [MODE]
key. The instrument is now off.
Note: You must hold your finger on the key for the entire shutoff
process. If you remove your finger from the key during the countdown,
the shutoff operation is canceled and the instrument continues normal
operation.

MiniRAE 3000 User’s Guide
108
Alarm Signals
During each measurement period, the gas concentration is compared
with the programmed alarm limits (gas concentration alarm limit
settings). If the concentration exceeds any of the preset limits, the loud
buzzer and red flashing LED are activated immediately to warn you of
the alarm condition.
In addition, the instrument alarms if one of the following conditions
occurs: battery voltage falls below a preset voltage level, failure of the
UV lamp, pump stall, or when the datalog memory is full.
Alarm Signal Summary
Message
Condition
Alarm Signal
HIGH
Gas exceeds “High
Alarm” limit
3 beeps/flashes per second*
OVR
Gas exceeds
measurement range
3 beeps/flashes per second*
MAX
Gas exceeds electronics’
maximum range
3 beeps/flashes per second*
LOW
Gas exceeds “Low
Alarm” limit
2 beeps/flashes per second*
TWA
Gas exceeds “TWA”
limit
1 Beep/flash per second*
STEL
Gas exceeds “STEL”
limit
1 Beep/flash per second*
Pump
icon
flashes
Pump failure
3 beeps/flashes per second
Lamp
PID lamp failure
3 beeps/flashes per second
plus “Lamp” message on
display

MiniRAE 3000 User’s Guide
109
Battery
icon
flashes
Low battery
1 flash, 1 beep per minute
plus battery icon flashes on
display
CAL
Calibration failed, or
needs calibration
1 beep/flash per second
NEG
Gas reading measures
less than number stored in
calibration
1 beep/flash per second
Preset Alarm Limits & Calibration
The instrument is factory calibrated with standard calibration gas, and
is programmed with default alarm limits.
Cal Gas
(Isobutylene)
Cal
Span
unit
Low
High
TWA
STEL
ppbRAE
3000
10
ppm
10
25
10
25
MiniRAE
3000
100
ppm
50
100
10
25
MiniRAE
Lite
100
ppm
50
100
10
25
UltraRAE
3000
100
ppm
50
100
10
25

MiniRAE 3000 User’s Guide
110
Charging The Battery
Always fully charge the battery before using the instrument. The
instrument’s Li-ion/NiMH battery is charged by placing the instrument
in its cradle. Contacts on the bottom of the instrument meet the cradle’s
contacts, transferring power without other connections.
Note: Before setting the instrument into its charging cradle, visually
inspect the contacts to make sure they are clean. If they are not, wipe
them with a soft cloth. Do not use solvents or cleaners.
Follow this procedure to charge the instrument:
1. Plug the AC/DC adapter’s barrel connector into the instrument’s
cradle.
2. Plug the AC/DC adapter into the wall outlet.
3. Place the instrument into the cradle, press down, and lean it
back. It locks in place and the LED in the cradle glows.
Note: To release the instrument, press down and tilt the top out
of the cradle and lift up.
The instrument begins charging automatically. The LED on the front of
the cradle marked “Primary” blinks during charging. During charging,
the diagonal lines in the battery icon on the instrument’s display are
animated and you see the message “Charging...”
When the instrument’s battery is fully charged, the battery icon is no
longer animated and shows a full battery. The message “Fully
charged!” is shown and the Primary LED on the cradle glows
continuously green.
MiniRAE 3000 User’s Guide
111
Note: A spare Li-ion battery (059-3051-000) or NiMH(059-3054-000)
can be charged by placing it directly in the charging port on the back of
the cradle. It can be charged at the same time as the instrument. Press
the battery in place, sliding it slightly toward the front of the cradle.
This locks it in the cradle. To release the battery, slide it forward again
and tilt it up.
Note: An Alkaline Battery Adapter (part number 059-3052-000), which
uses four AA alkaline batteries (Duracell MN1500), may be substituted
for the Li-Ion battery.
WARNING!
To reduce the risk of ignition of hazardous atmospheres, recharge
and replace batteries only in areas known to be non-hazardous.
Remove and replace batteries only in areas known to be non-
hazardous.
Low Voltage Warning
When the battery’s charge falls below a preset voltage, the instrument
warns you by beeping once and flashing once every minute, and the
battery icon blinks once per second. You should turn off the instrument
within 10 minutes and either recharge the battery by placing the
instrument in its cradle, or replace the battery with a fresh one with a
full charge.
Clock Battery
An internal clock battery is mounted on one of the instrument’s printed
circuit boards. This long-life battery keeps settings in memory from
being lost whenever the Li-ion, NiMH, or alkaline batteries are
removed. This backup battery should last approximately five years, and
must be replaced by an authorized RAE Systems service technician. It
is not user-replaceable.

MiniRAE 3000 User’s Guide
112
WARNING
To reduce the risk of ignition of hazardous atmospheres, recharge
battery only in area known to be non-hazardous. Remove and
replace battery only in an area known to be non-hazardous.
Replacing Rechargeable Li-Ion or NiMH Battery
Caution: Turn off the instrument before removing or replacing the
battery.
Alkaline Battery Adapter
An alkaline battery adapter is supplied with each instrument. The
adapter (part number 059-3052-000) accepts four AA alkaline batteries
(use only Duracell MN1500).
Do not mix old and new batteries or different type batteries.

MiniRAE 3000 User’s Guide
113
Troubleshooting
Problem
Possible Reasons & Solutions
Cannot turn on power
after charging the
battery
Reasons: Discharged battery.
Defective battery.
Solutions: Charge or replace battery.
Lost password
Solutions: Call Technical Support at
+1 408-752-0723 or toll-
free at
+1 888-723-4800
Reading abnormally
High
Reasons: Dirty filter.
Dirty sensor module.
Excessive moisture and
water condensation.
Incorrect calibration.
Solutions: Replace filter.
Blow-dry the sensor
module.
Calibrate the unit.
Reading abnormally
Low
Reasons: Dirty filter.
Dirty sensor module.
Weak or dirty lamp.
Incorrect calibration.
Solutions: Replace filter.
Remove Calibration
Adapter.
Calibrate the unit.
Check for air leakage.
Buzzer
Inoperative
Reasons: Bad buzzer.
Solutions: Check that buzzer is not
turned off.
Call authorized service
center.

MiniRAE 3000 User’s Guide
114
Inlet flow too low
Reasons: Pump diaphragm damaged
or has debris.
Flow path leaks.
Solutions: Check flow path for leaks;
sensor module O-ring, tube
connectors, Teflon tube
compression fitting.
Call Technical Support at
+1 408-752-0723
or toll-free at
+1 888-723-4800
“Lamp” message
during operation
Reasons: Lamp drive circuit.
Weak or defective PID
lamp, defective.
Solutions: Turn the unit off and back
on.
Replace UV lamp

RAE Systems by Honeywell
World Headquarters
3775 N. First St.
San Jose, CA 95134-1708 USA
Phone: 408.952.8200
Toll-Free: 888.723.4800
Fax: 408.952.8480
E-mail (technical support): RAE-tech@honeywell.com
Web Site: www.raesystems.com
WORLDWIDE SALES OFFICES
USA/Canada 1.877.723.2878
Europe +800.333.222.44/+41.44.943.4380
Middle East +971.4.450.5852
China +86.10.5885.8788-3000
Asia Pacific +852.2669.0828
Rev. F
February 2016
P/N 059-4020-000