NRF52832 Development Kit V1.1.x N RF52 DK User Guide V1.2
nRF52_Development_kit_User_guide
nRF52_DK_User_Guide_v1.2
nRF52_DK_User_Guide_v1.2
nRF52832%20-%20pca10040%20%20-%20devKit%20user%20guide%20v1.2
nrf52832%20-%20pca10040%20%20-%20nRF52_DK_User_Guide_v1.2
User Manual: Pdf
Open the PDF directly: View PDF
.
Page Count: 30
- Contents
- Revision history
- Introduction
- Setting up the development kit
- Software tools
- Start developing
- Interface MCU
- Hardware description
- Liability disclaimer

Doc. ID 4397_500 v1.2 2017-02-15
nRF52832 Development Kit v1.1.x
User Guide
v1.2

Contents
Doc. ID 4397_500 v1.2 Page 2
Contents
Revision history.................................................................................................................... 3
Chapter1:Introduction...................................................................................4
Chapter2:Setting up the development kit.................................................. 5
Chapter3:Software tools............................................................................... 6
Chapter4:Start developing............................................................................7
Chapter5:Interface MCU................................................................................8
5.1 IF Boot/Reset button................................................................................................................................................8
5.2 Virtual COM port....................................................................................................................................................... 8
5.2.1 Dynamic Hardware Flow Control (HWFC) handling................................................................... 9
5.3 Interface MCU firmware..........................................................................................................................................9
5.4 MSD..............................................................................................................................................................................10
Chapter6:Hardware description................................................................. 11
6.1 Hardware drawings................................................................................................................................................11
6.2 Block diagram.......................................................................................................................................................... 12
6.3 Power supply............................................................................................................................................................12
6.4 Connector interface............................................................................................................................................... 14
6.5 Buttons and LEDs................................................................................................................................................... 16
6.5.1 I/O expander for buttons and LEDs................................................................................................17
6.6 32.768 kHz crystal...................................................................................................................................................19
6.7 Measuring current..................................................................................................................................................20
6.7.1 Preparing the development kit board...........................................................................................20
6.7.2 Using an oscilloscope for current profile measurement.........................................................21
6.7.3 Using an ampere-meter for current measurement.................................................................. 22
6.8 RF measurements................................................................................................................................................... 23
6.9 Debug input..............................................................................................................................................................24
6.10 Debug output........................................................................................................................................................25
6.11 NFC antenna interface........................................................................................................................................26
6.12 Solder bridge configuration.............................................................................................................................27
Liability disclaimer.............................................................................................................29

Doc. ID 4397_500 v1.2 Page 4
Chapter 1
Introduction
The nRF52 Development Kit (DK v0.9.0 and v1.1.x) includes hardware, firmware source code, documentation,
hardware schematics, and layout files.
The key features of the development kit are:
• nRF52832 flash-based ANT/ANT+, Bluetooth® low energy SoC solution
• Buttons and LEDs for user interaction
• I/O interface for Arduino form factor plug-in modules
• SEGGER J-Link OB debugger with debug out functionality
• Virtual COM port interface via UART
• Drag-and-drop mass storage device (MSD) programming
• Supporting NFC-A listen mode
• mbed enabled
For access to firmware source code, hardware schematics, and layout files, see www.nordicsemi.com.
Figure 1: nRF52 Development Kit board (PCA10040) v1.1.0, 5 × nRF52832 samples, and NFC tag

Doc. ID 4397_500 v1.2 Page 5
Chapter 2
Setting up the development kit
Before you start developing, prepare your development kit hardware by completing a few easy steps and
download the required software.
1. To set up the hardware, follow the instructions in Getting started with the nRF52 Development Kit.
2. To set up the software, follow the instructions in Nordic tools and downloads in nRF5 Getting Started.
Actual software required depends on your OS and Development IDE.

Doc. ID 4397_500 v1.2 Page 6
Chapter 3
Software tools
The extensive range of supporting software tools help you with testing and programming on your chip.
•S140 SoftDevice: Bluetooth® low energy concurrent multi-link protocol stack solution supporting
simultaneous Central/Peripheral/Broadcaster/Observer role connections.
•nRF5 SDK: The nRF5 Software Development Kit (SDK) provides source code of examples and libraries
forming the base of your application development.
•nRF5x Command Line Tools: nRF5x Tools is a package that contains JLinkARM, JLink CDC, nRFjprog, and
mergehex. The nRFjprog is a command line tool for programming nRF5x Series chips. It is also useful in a
production setup. See also nRF5x Command Line Tools.
•nRF5x-pynrfjprog: the nRF5x-pynrfjprog utility is a simple Python interface for the nrfjprog DLL. It is
useful for scripting, especially in automated tests. See also nRF5x pynrfjprog.
•nRFgo Studio: nRFgo Studio is a graphical user interface for programming nRF5x SoftDevices,
applications, and bootloaders.
•nRF Connect for desktop: nRF Connect is a desktop application for getting familiar with, developing, and
testing Bluetooth® low energy. nRF Connect allows you to set up a local device, connect it to advertising
devices and discover their services, maintain the connection and the connection parameters, pair the
devices and change the server setup for your local device. nRF Connect also offers a detailed log for
troubleshooting purposes.
•nRF Connect for mobile: nRF Connect for mobile is a powerful generic tool that allows you to scan and
explore your Bluetooth® low energy devices and communicate with them on a smartphone. nRF Connect
for mobile supports a number of Bluetooth® SIG adopted profiles together with the Device Firmware
Update (DFU) profile from Nordic Semiconductor.
We also recommend some third party software tools that are useful when developing with our products:
•Keil MDK-ARM Development Kit: Keil® MDK-ARM Development Kit is a development environment
specifically designed for microcontroller applications that lets you develop using the nRF5 SDK application
and example files.
•SEGGER J-Link Software: The J-Link software is required to debug using the J-Link hardware that is
packaged with our development kits.

Doc. ID 4397_500 v1.2 Page 7
Chapter 4
Start developing
After you have set up the development kit and installed the toolchain, it is time to start developing.
There are several ways to continue from here:
•Running precompiled examples
See the step by step instructions on how you can quickly test a precompiled example without having to
use the full toolchain, it is a matter of copying and pasting a precompiled hex file onto your development
kit board.
•Compiling and running a first example
Test that you have set up your toolchain correctly by compiling, programming and running a very simple
example.
•Running examples that use a SoftDevice
Before you can run more advanced examples that use Bluetooth or ANT, you must first program the
SoftDevice on the board.

Doc. ID 4397_500 v1.2 Page 8
Chapter 5
Interface MCU
The Interface MCU on the board is running either SEGGER J-Link OB or mbed OB interface firmware and is used
to program and debug the firmware of the nRF52832 IC.
Figure 2: Interface MCU
5.1 IF Boot/Reset button
The nRF52 Development Kit board is equipped with an IF (Interface) Boot/Reset button (SW5).
This button is connected to the interface MCU on the board and has two functions:
• Resetting the nRF52832 device.
• Entering bootloader mode of the interface MCU.
During normal operation the button will function as a reset button for the nRF52832 device. For this to
work, pin reset on P0.21 needs to be enabled for the nRF52832 device. The button is also used to enter the
bootloader mode of the interface MCU. To enter bootloader mode, keep the reset button pressed while
powering up the board until LED (LD5) starts to blink. You can power up the board either by disconnecting
and reconnecting the USB cable, or toggle the power switch (SW6).
Important: Pin reset can be enabled by defining the CONFIG_GPIO_AS_PINRESET variable
in the project settings. This can be done by defining the preprocessor symbol in Keil, go to:
Project > Options for Target > C/C++ > Preprocessor Symbols > Define. Here you can add the
CONFIG_GPIO_AS_PINRESET variable after NRF52.
This functionality can be removed by doing a nRFjprog --recover.
5.2 Virtual COM port
The on-board interface MCU features a virtual COM port via UART.

5 Interface MCU
Doc. ID 4397_500 v1.2 Page 9
The virtual COM port has the following features:
• Flexible baud rate setting up to 1 Mbps.1
• Dynamic hardware flow control (HWFC) handling.
• Tri-stated UART lines when no terminal is connected.
Table 1: Relationship of UART connections on nRF52832 and the interface MCU on page 9 shows an
overview of the UART connections on nRF52832 and the interface MCU.
Table 1: Relationship of UART connections on nRF52832 and the interface MCU
Default GPIO nRF52832 UART nRF52832 Interface MCU UART
P0.05 RTS CTS
P0.06 TXD RXD
P0.07 CTS RTS
P0.08 RXD TXD
The UART signals are routed directly to the interface MCU. The UART pins connected to the interface MCU are
tri-stated when no terminal is connected to the virtual COM port on the computer.
Important: The terminal software used must send a DTR signal in order to configure the UART
interface MCU pins.
The P0.05 (RTS) and P0.07 (CTS) can be used freely when HWFC is disabled on the nRF52832.
Important: The mbed™ OB interface does not support HWFC through the virtual com port.
5.2.1 Dynamic Hardware Flow Control (HWFC) handling
When the interface MCU receives a DTR signal from a terminal, it performs automatic HWFC detection.
Automatic HWFC detection is done by driving P0.07 (CTS) from the interface MCU and evaluating the state of
P0.05 (RTS) when the first data is sent or received. If the state of P0.05 (RTS) is high, HWFC is assumed not to
be used. If HWFC is not detected, both CTS and RTS can be used freely by the nRF application.
After a power-on reset of the interface MCU, all UART lines are tri-stated when no terminal is connected to
the virtual COM port. Due to the dynamic HWFC handling, if HWFC has been used and detected, P0.07 (CTS)
will be driven by the interface MCU until a power-on reset has been performed or until a new DTR signal is
received and the detection is redone. To ensure that the UART lines are not affected by the interface MCU,
the solder bridges for these signals can be cut and later resoldered if needed. This might be necessary if UART
without HWFC is needed while P0.05 (RTS) and P0.07 (CTS) are used for other purposes.
5.3 Interface MCU firmware
The on-board interface MCU is factory programmed with an mbed compliant bootloader. This feature makes it
possible to swap interface firmware between the factory preloaded SEGGER J-Link OB and the mbed interface
firmware.
See section IF Boot/Reset button on page 8 on how to enter the bootloader.
To swap interface MCU firmware, simply drag the Interface image (.bin) into the mounted bootloader drive on
the connected computer and power cycle the board.
Both the mbed interface firmware and the J-Link OB image can be downloaded from www.nordicsemi.com.
Important:
1Baud rate 921 600 is not supported through the Virtual COM port.

5 Interface MCU
Doc. ID 4397_500 v1.2 Page 10
• The J-Link serial number is linked to the interface MCU and will not change even when swapping
the interface MCU firmware, so it can be useful to write the serial number on a sticker on the board.
• When in bootloader mode, do not drag and drop any file except those downloaded from
www.nordicsemi.com for use with the interface MCU. If a wrong file is used, it can overwrite the
bootloader and ruin the interface MCU firmware without the possibility of recovery.
5.4 MSD
The interface MCU features a mass storage device (MSD). This makes the development kit appear as an
external drive on your computer.
This drive can be used for drag-and-drop programming. Files cannot be stored on this drive. By copying a HEX
file to the drive, the interface MCU will program the file to the device.
Important:
• Windows might try to defragment the MSD part of the interface MCU. If this happens, the interface
MCU will disconnect and be unresponsive. To return to normal operation, the development kit must
be power cycled.
• Your antivirus software might try to scan the MSD part of the interface MCU. It is known that a
certain antivirus program triggers a false positive alert in one of the files and quarantines the unit. If
this happens, the interface MCU will become unresponsive.
• If the computer is set up to boot from USB, it can try to boot from the development kit if the
development kit is connected during boot. This could be avoided by unplugging the development
kit before a computer restart, or changing the boot sequence of the computer.
You can also disable the MSD of the kit by using the msddisable command in J-Link Commander. To
enable, use the msdenable command. These commands take effect after a power cycle of the development
kit and should stay this way until changed again.

Doc. ID 4397_500 v1.2 Page 11
Chapter 6
Hardware description
The nRF52 Development Kit board (PCA10040) can be used as a development platform for the nRF52832
device. It features an onboard programming and debugging solution.
In addition to radio communication, the nRF52832 device can communicate with a computer through a virtual
COM port provided by the Interface MCU.
6.1 Hardware drawings
nRF52 Development Kit hardware drawings show both sides of the PCA10040 board.
Figure 3: nRF52 Development Kit board top view
Figure 4: nRF52 Development Kit board bottom view

6 Hardware description
Doc. ID 4397_500 v1.2 Page 12
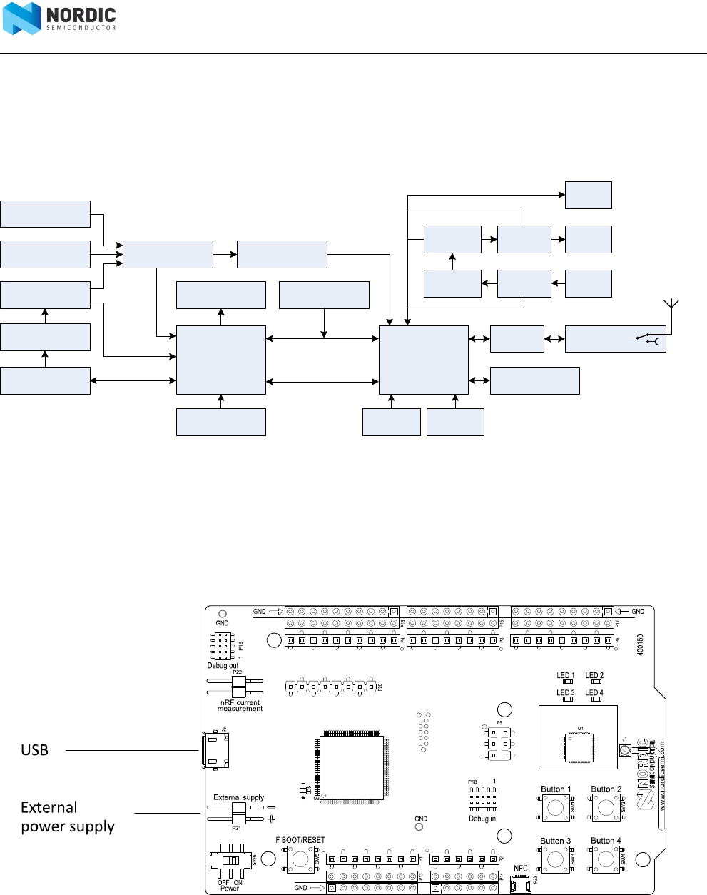
6.2 Block diagram
The nRF52 Development Kit board block diagram shows the connections between the different blocks.
External supply Current
measurement
USB
Battery
Buttons
Voltage regulator
LEDs
GPIO
nRF52832
PCB
Antenna
Interface MCU
VBUS USB sense
Data
Osc
32.768 kHz
IF Boot/Reset
UART
SWD
VCC_nRF
Osc
32 MHz
Debug inDebug out
Power switch
Power switch Matching
network
NFC antenna
SWF switch/
RF connector
I/O
expander
Debouncing
filter Switch
Switch
Figure 5: nRF52 Development Kit board block diagram
6.3 Power supply
The nRF52 Development Kit board has three power options: 5 V from the USB, external power supply, and coin
cell battery.

6 Hardware description
Doc. ID 4397_500 v1.2 Page 13
Figure 6: Power supply options
The 5 V from the USB is regulated down to 3.3 V through an on-board voltage regulator. The battery and
external power supply are not regulated. The power sources are routed through a set of diodes (D1A, D1B,
and D1C) for reverse voltage protection, where the circuit is supplied from the source with the highest
voltage.
Important: When USB is not powered, the Interface MCU is in dormant state and will draw an
additional current of ~ 20 μA in order to maintain the reset button functionality. This will affect board
current consumption, but not the nRF52832 current measurements, as described in the Measuring
current on page 20 section.
C18
100nF
C17
1.0µF
C16
1.0µ
F
+
Bat1
Bat Holder CR2032
Vin
GND
Vout
U3
AP7333-33SAG-7
D1A
SD103ATW-7-F
D1B
SD103ATW-7-F
D1C
SD103ATW-7-F
VDD
R6
N.C.
SB9
VDD_nRF
SW6
Switch
1
2
P21
Pin List 1x2, Angled
VBUS
SB10
SB11
SB12
TP14
1
2
P22
Pin List 1x2, Angled
V5VV5V
USB_DETECT
[2
]
Figure 7: Power supply circuitry
The reverse voltage protection diodes will add a voltage drop to the supply voltage of the circuit. To avoid this
voltage drop, the diodes can be bypassed by shorting one or more solder bridges.
Table 2: Protection diode bypass solder bridges
Power source Protection bypass Voltage level
USB SB10 3.3 V
Coin-cell battery SB11 Battery

6 Hardware description
Doc. ID 4397_500 v1.2 Page 14
Power source Protection bypass Voltage level
External supply SB12 1.7 V - 3.6 V
Figure 8: Protection diode bypass solder bridges
Important: Connect only one power source at the time. Shorting the solder bridges removes the
reverse voltage protection.
6.4 Connector interface
Access to the nRF52832 GPIOs is available from connectors P2, P3, P4, P5, and P6. The P1 connector provides
access to ground and power on the nRF52 Development Kit board.

6 Hardware description
Doc. ID 4397_500 v1.2 Page 15
Figure 9: nRF52 Development Kit board connectors
The signals are also available on connectors P7, P8, P9, P10, P11, and P12, which are on the bottom side of
the board. By mounting pin lists on the connector footprints, the nRF52 Development Kit board can be used as
a shield for Arduino motherboards2 or other boards that follow the Arduino standard.
For easy access to GPIO, power, and ground, the signals can also be found on the through-hole connectors
P13–P17.
Important: Some pins have default settings.
•P0.00 and P0.01 are by default used for the 32 kHz crystal and are not available on the connectors.
For more information, see Section 32.768 kHz crystal on page 19.
•P0.05, P0.06, P0.07, and P0.08 are by default used by the UART connected to the Interface MCU.
For more information, see Section Virtual COM port on page 8.
•P0.09 and P0.10 are by default used by NFC1 and NFC2. For more information, see Section NFC
antenna interface on page 26.
•P0.13 – P0.20 are by default connected to the buttons and LEDs. For more information, see Section
Buttons and LEDs on page 16.
When the nRF52 Development Kit board is used as a shield together with an Arduino standard motherboard,
the Arduino signals are routed as shown in Figure 10: Arduino signals routing on the nRF52 Development Kit
board on page 16.
2Only 3.3 V Arduino boards.

6 Hardware description
Doc. ID 4397_500 v1.2 Page 16
Figure 10: Arduino signals routing on the nRF52 Development Kit board
6.5 Buttons and LEDs
The four buttons and four LEDs on the nRF52 Development Kit board are connected to dedicated I/Os on the
nRF52832 chip.
Table 3: Button and LED connection
Part GPIO Short
Button 1 P0.13 -
Button 2 P0.14 -
Button 3 P0.15 -
Button 4 P0.16 -
LED 1 P0.17 SB5
LED 2 P0.18 SB6
LED 3 P0.19 SB7
LED 4 P0.20 SB8
If GPIO P0.17 – P0.20 are needed elsewhere, the LEDs can be disconnected by cutting the short on SB5 –
SB8, see Figure 11: Disconnecting the LEDs on page 17. The LEDs and buttons can also be disconnected by
using the I/O expander as described in I/O expander for buttons and LEDs on page 17.

6 Hardware description
Doc. ID 4397_500 v1.2 Page 17
Figure 11: Disconnecting the LEDs
The buttons are active low, meaning the input will be connected to ground when the button is activated. The
buttons have no external pull-up resistor, so to use the buttons the P0.13 – P0.16 pins must be configured as
an input with an internal pull-up resistor.
The LEDs are active low, meaning that writing a logical zero ('0') to the output pin will illuminate the LED.
SW2
PB SW
SW1
PB SW
SW3
PB SW
R2
220R
R1
220R
SB6
VDD
SW4
PB SW
R3
220R
SB7
R4
220R
SB8
SB5
LED1
L0603G
LED2
L0603G
LED3
L0603G
LED4
L0603G
BUTTON1
BUTTON2
BUTTON3
BUTTON4
LED1
LED2
LED3
LED4
Figure 12: Button and LED configuration
6.5.1 I/O expander for buttons and LEDs
The nRF52 Development Kit board has an I/O expander to avoid conflicts with boards that follow the Arduino
standard, the on-board GPIOs for the buttons and LEDs would otherwise possibly conflict with such boards.
Table 4: GPIO connection
GPIO Part Arduino signal
P0.13 Button 1 D2
P0.14 Button 2 D3
P0.15 Button 3 D4
P0.16 Button 4 D5
P0.17 LED 1 D6

6 Hardware description
Doc. ID 4397_500 v1.2 Page 18
GPIO Part Arduino signal
P0.18 LED 2 D7
P0.19 LED 3 D8
P0.20 LED 4 D9
The I/O expander will release these GPIOs for general use when the nRF52 Development Kit is used together
with boards that follows the Arduino standard. The I/O expander can be permanently enabled by shorting
solder bridge SB18 or permanently disabled by cutting the shorting track on SB19. You must also short SB18
when cutting SB19 for full compatibility with the Arduino standard.
The I/O expander can be temporarily enabled by connecting SHIELD DETECT to ground.
Figure 13: Enable or disable I/Os for Arduino standard
In addition to the buttons and LEDs, the following GPIOs are used for the I/O expander:
Table 5: I/O expander connection
I/O expander signal GPIO
/INT P0.17
SDA P0.26
SCL P0.27

6 Hardware description
Doc. ID 4397_500 v1.2 Page 19
C47
100nF
VEXT
R29
4k7
R30
4k7
R31
12k
R32
12k
VEXT
BUTTON1_EXT
BUTTON2_EXT
BUTTON3_EXT
BUTTON4_EXT
LED4_EXT
LED3_EXT
LED2_EXT
LED1_EXT
SDA_EXT
SCL_EXT
INT_EXT
R37
N.C.
R38
0R
VEXT SDA
13
VDD(I2C) 15
ADDR
16
SCL
12
RESET
1
INT
11
IO3 5
GND
6
VDD(P)
14
IO2 4
IO1 3
IO0
2
IO7 10
IO6 9
IO5 8
IO4 7
U7
PCAL6408A
Figure 14: I/O expander schematic
Important: SW debouncing should not be needed when using the I/O expander. Each button on the
nRF52 Development Kit board is equipped with a debouncing filter.
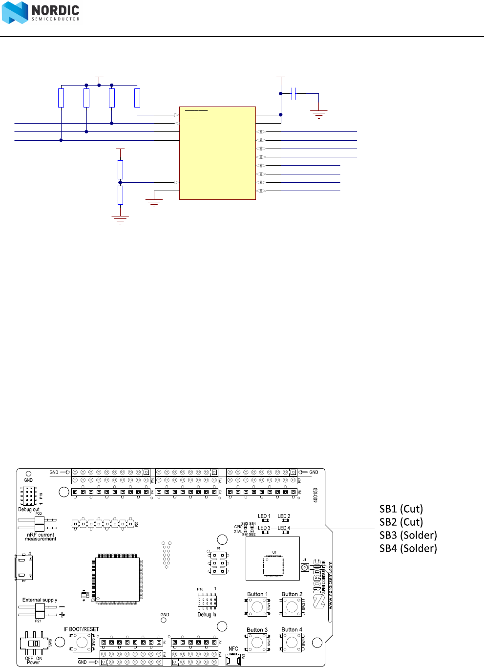
6.6 32.768 kHz crystal
nRF52832 can use an optional 32.768 kHz crystal (X2) for higher accuracy and lower average power
consumption.
On the nRF52 Development Kit board, P0.00 and P0.01 are by default used for the 32.768 kHz crystal and are
not available as a GPIO on the connectors.
Important: When using ANT/ANT+, the 32.768 kHz crystal (X2) is required for correct operation.
If P0.00 and P0.01 are needed as normal I/Os, the 32.768 kHz crystal can be disconnected and the GPIO
routed to the connectors. Cut the shorting track on SB1 and SB2, and solder SB3 and SB4. See Figure 15:
Configuring P0.00 and P0.01 on page 19 for reference.
Figure 15: Configuring P0.00 and P0.01

6 Hardware description
Doc. ID 4397_500 v1.2 Page 20
P0.01
P0.00
XL2
XL1
SB3
SB4
SB1
SB2
X2
32.768kHz
C11
12pF
C12
12pF
Figure 16: 32.768 kHz crystal and SB1 to SB4 schematic
6.7 Measuring current
The current drawn by the nRF52832 device can be monitored on the nRF52 Development Kit board.
There are several types of test equipment that can be used to measure current, each type has some
advantages and some disadvantages. The different test equipment types are:
• Power analyzer
• Oscilloscope
• Ampere-meter
Power analyzer measurements will not be described in the present document.
See the section Using an oscilloscope for current profile measurement on page 21 for instructions.
See the section Using an ampere-meter for current measurement on page 22 for instructions.
Important: When measuring the current consumption:
• Do not use the USB connector to power the board during current measurements. Power the board
from a coin cell battery, or use an external power supply on the External Supply connector P21.
• The current measurements will become unreliable when a serial terminal is connected to the Virtual
COM port.
• After programming the nRF52832 device, the USB must be disconnected and the development kit
power cycled to reset the debugger chip before current measurement.
For more information on current measurement, see the tutorial Current measurement guide: Introduction.
6.7.1 Preparing the development kit board
To measure the current, you must first prepare the board by doing both of the steps described below.
The suggested configurations actually split the power domains for the nRF52832 SoC and the rest of the
board, and bypass protection components in the power supply chain.

6 Hardware description
Doc. ID 4397_500 v1.2 Page 21
Figure 17: Prepare the development kit board for current measurements
1. Cut the PCB track shorting solder bridge SB9 to put P22 in series with the load.
2. Short solder bridge SB11 (if using coin cell battery) or SB12 (if using external power supply) to bypass the
protection diode which would otherwise give a voltage drop.
Important: While SB11 or SB12 is shorted, the development kit must not be powered from the USB if
there is a battery or external supply connected because the protection diode has been bypassed.
To restore normal kit function after measurement:
• Solder SB9 or apply a jumper on P22
• Cut or de-solder SB11 or SB12 to reconnect the protection diode
To reprogram the nRF chip while the board is prepared for current measurement, disconnect external supply,
ensure there is no battery inserted, remove measurement devices from P22, add a jumper to P22, and then
connect the USB cable.
6.7.2 Using an oscilloscope for current profile measurement
Follow the step by step instructions below to measure the current using an oscilloscope.
1. Make sure you have prepared the development kit board as described in Preparing the development kit
board on page 20.
2. Mount a 10 Ω resistor on the footprint for R6.
3. Connect an oscilloscope in differential mode or similar with two probes on the pins of the P22 connector
as shown in Figure 18: Current measurement with oscilloscope on page 22.
4. Calculate or plot the instantaneous current from the voltage drop across the 10 Ω resistor by taking the
difference of the voltages measured on the 2 probes. The voltage drop will be proportional to the current.
The 10 Ω resistor will cause a 10 mV drop for each 1 mA drawn by the circuit being measured.
5. The plotted voltage drop can be used to calculate the current at a given point in time, calculate average
current over a period, or integrated to calculate the energy used over a period.
Some tips to reduce noise:
• Use probes with 1x attenuation
• Enable averaging mode to reduce random noise
• Enable high resolution function if available
Use minimum 200 kSa/s (one sample every 5 µs) to be able to get the correct average current measurement.

6 Hardware description
Doc. ID 4397_500 v1.2 Page 22
Figure 18: Current measurement with oscilloscope
6.7.3 Using an ampere-meter for current measurement
Follow the instructions below to measure the current using an ampere-meter.
This will monitor the current in series with the nRF device.
1. Make sure you have prepared the development kit board as described in Preparing the development kit
board on page 20.
2. Connect an ampere-meter between the pins of connector P22 as shown in Figure 19: Current
measurement with an ampere-meter on page 23.

6 Hardware description
Doc. ID 4397_500 v1.2 Page 23
Figure 19: Current measurement with an ampere-meter
Important: An ampere-meter will measure the average current drawn by the nRF52832 if:
• The nRF52832 is in a state where it draws a constant current, or, the activity on the device changing
load current, like BLE connection events, is repeated continuously and has a short cycle time (less
than 100 ms) so the ampere-meter will average whole load cycles and not parts of the cycle.
• The dynamic range of the ampere-meter is wide enough to give accurate measurements from 1 µA
to 15 mA.
• Recommendation: Use true RMS ampere-meter.
6.8 RF measurements
The nRF52 Development Kit board is equipped with a small size coaxial connector (J1) for conducted
measurements of the RF signal.
The connector is of SWF type (Murata part no. MM8130-2600) with an internal switch. By default, when there is
no cable attached, the RF signal is routed to the on-board PCB trace antenna.
A test probe is available (Murata part no. MXHS83QE3000) with a standard SMA connection on the other end
for connecting instruments (the test probe is not included with the kit). When connecting the test probe, the
internal switch in the SWF connector will disconnect the PCB antenna and connect the RF signal from the
nRF52832 device to the test probe.

6 Hardware description
Doc. ID 4397_500 v1.2 Page 24
Figure 20: Connecting a spectrum analyzer
The connector and test probe will add loss to the RF signal which should be taken into account when doing
measurements, see Table 6: Typical loss in connector and test probe on page 24.
Table 6: Typical loss in connector and test probe
Frequency (MHz) Loss (dB)
2440 1.0
4880 1.7
7320 2.6
6.9 Debug input
The Debug in connector (P18) makes it possible to connect external debuggers for debugging while running
on battery or external power supply.

6 Hardware description
Doc. ID 4397_500 v1.2 Page 25
Figure 21: Debug input connector
6.10 Debug output
The nRF52 Development Kit board supports programming and debugging nRF51 and nRF52 devices
mounted on external boards. To debug an external board with SEGGER J-Link OB IF, connect to the Debug out
connector (P19) with a 10 pin cable.
Figure 22: Debug output connector
When the external board is powered, the interface MCU will detect the supply voltage of the board and
program/debug the target chip on the external board instead of the on-board nRF52832.
Important: The voltage supported by external debugging/programming is 3.0 V.
You can also use P20 as a debug out connection to program shield mounted targets. For the Debug out
header (P19), the Interface MCU will detect the supply voltage on the mounted shield and program/debug
the shield target.
If the Interface MCU detects target power on both P19 and P20, it will by default program/debug the target
connected to P19.

6 Hardware description
Doc. ID 4397_500 v1.2 Page 26
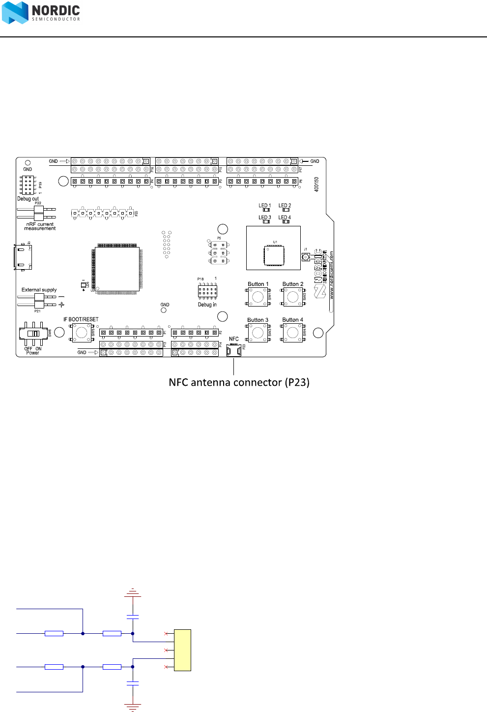
6.11 NFC antenna interface
The nRF52 Development Kit board supports a Near Field Communication (NFC) tag.
NFC-A listen mode operation is supported on nRF52832. The NFC antenna input is available on connector P23
on the nRF52 Development Kit board.
Figure 23: NFC antenna connector
NFC uses two pins, pin 11 (NFC1) and pin 12 (NFC2) to connect the antenna. These pins are shared with GPIOs
(P0.09 and P0.10) and the PROTECT field in the NFCPINS register in UICR defines the usage of these pins and
their protection level against abnormal voltages. The content of the NFCPINS register is reloaded at every
reset.
Important: The NFC pins are enabled by default. NFC can be disabled and GPIOs enabled by defining
the CONFIG_NFCT_PINS_AS_GPIOS variable in the project settings. This can be done by defining the
preprocessor symbol in Keil, go to: Project > Options for Target > C/C++ > Preprocessor Symbols >
Define. Here you can add the CONFIG_NFCT_PINS_AS_GPIOS variable after NRF52.
This functionality can be removed by doing a nRFjprog --recover.
Pin 11 and pin 12 are by default configured to use the NFC antenna, but if pin 11 and pin 12 are needed as
normal GPIOs, R25 and R26 must be NC and R27 and R28 must be shorted by 0R.
P0.10
P0.09
R27
N.C.
R26
0R
P0.09/NFC1
P0.10/NFC2
NFC1
NFC2
R28
N.C.
R25
0R
1
2
3
4
5
P23
Molex 051281-0594
C42
300pF
C43
300pF
Figure 24: NFC input schematic

6 Hardware description
Doc. ID 4397_500 v1.2 Page 27
6.12 Solder bridge configuration
The following tables show a complete overview of the solder bridges on the nRF52 Development Kit.
Table 7: Solder bridge configuration for nRF52 DK (all versions)
Solder bridge Default Function
SB1 Closed Cut to disconnect the 32.768kHz on P0.01.
SB2 Closed Cut to disconnect the 32.768kHz on P0.00.
SB3 Open Short to enable P0.01 as normal GPIO.
SB4 Open Short to enable P0.00 as normal GPIO.
SB5 Closed Cut to disconnect LED1.
SB6 Closed Cut to disconnect LED2.
SB7 Closed Cut to disconnect LED3.
SB8 Closed Cut to disconnect LED4.
SB9 Closed Cut for current measurements.
SB10 Open Short to bypass the reverse voltage protection diode on the USB power.
SB11 Open Short to bypass the reverse voltage protection diode on the coin-cell
battery power.
SB12 Open Short to bypass the reverse voltage protection diode on the external
supply power.
SB13 Closed Cut to disconnect P0.05 from the connector interface.
SB14 Closed Cut to disconnect P0.06 from the connector interface.
SB15 Closed Cut to disconnect P0.07 from the connector interface.
SB16 Closed Cut to disconnect P0.08 from the connector interface.
SB17 Open Short to connect P0.21 to the connector interface RESET.
SB18 Open Short to permanently enable the I/O expander.
SB19 Closed Cut to permanently disable the I/O expander.
SB20 Closed Cut to isolate SWDIO from nRF52832 to the Interface MCU.
SB21 Closed Cut to isolate SWDCLK from nRF52832 to the Interface MCU.
SB22 Closed Cut to isolate P0.05 from nRF52832 to the Interface MCU.
SB23 Closed Cut to isolate P0.06 from nRF52832 to the Interface MCU.
SB24 Closed Cut to isolate P0.07 from nRF52832 to the Interface MCU.
SB25 Closed Cut to isolate P0.08 from nRF52832 to the Interface MCU.
Table 8: Solder bridge configuration for nRF52 DK v1.0.0 and later
Solder bridge Default Function
SB26 Closed Cut to isolate P0.18 from nRF52832 to the Interface MCU.
SB27 Closed Cut to isolate P0.21 from nRF52832 to the Interface MCU.

6 Hardware description
Doc. ID 4397_500 v1.2 Page 28
Solder bridge Default Function
SB28 Open Short to reset the Interface MCU.
SB29 Closed Cut to disable power for Interface MCU.
SB30 Closed Cut to isolate P0.17 from I/O expander interrupt line.
Doc. ID 4397_500 v1.2 Page 29
Liability disclaimer
Nordic Semiconductor ASA reserves the right to make changes without further notice to the product to
improve reliability, function or design. Nordic Semiconductor ASA does not assume any liability arising out of
the application or use of any product or circuits described herein.
All rights reserved.
Reproduction in whole or in part is prohibited without the prior written permission of the copyright holder.
